Intel® PXA27x Processor Family Developer’s Manual Developer's

User Manual:

Open the PDF directly: View PDF PDF.
Page Count: 1246 [warning: Documents this large are best viewed by clicking the View PDF Link!]

Order Number: 280000-003
Intel® PXA27x Processor Family
Developer’s Manual
January 2006
ii Intel® PXA27x Processor Family Developer’s Manual
INFORMATION IN THIS DOCUMENT IS PROVIDED IN CONNECTION WITH INTELR PRODUCTS. EXCEPT AS PROVIDED IN INTEL’S TERMS
AND CONDITIONS OF SALE FOR SUCH PRODUCTS, INTEL ASSUMES NO LIABILITY WHATSOEVER, AND INTEL DISCLAIMS ANY EXPRESS
OR IMPLIED WARRANTY RELATING TO SALE AND/OR USE OF INTEL PRODUCTS, INCLUDING LIABILITY OR WARRANTIES RELATING TO
FITNESS FOR A PARTICULAR PURPOSE, MERCHANTABILITY, OR INFRINGEMENT OF ANY PATENT, COPYRIGHT, OR OTHER
INTELLECTUAL PROPERTY RIGHT.
Intel Corporation may have patents or pending patent applications, trademarks, copyrights, or other intellectual property rights that relate to the
presented subject matter. The furnishing of documents and other materials and information does not provide any license, express or implied, by
estoppel or otherwise, to any such patents, trademarks, copyrights, or other intellectual property rights.
Intel products are not intended for use in medical, life saving, life sustaining, critical control or safety systems, or in nuclear facility applications.
Intel may make changes to specifications and product descriptions at any time, without notice.
Designers must not rely on the absence or characteristics of any features or instructions marked “reserved” or “undefined.” Intel reserves these for
future definition and shall have no responsibility whatsoever for conflicts or incompatibilities arising from future changes to them.
The Intel® PXA27x Processor may contain design defects or errors known as errata which may cause the product to deviate from published
specifications. Current characterized errata are available on request.
I2C is a two-wire communications bus/protocol developed by Philips. SMBus is a subset of the I2C bus/protocol and was developed by Intel.
Implementations of the I2C bus/protocol or the SMBus bus/protocol may require licenses from various entities, including Philips Electronics N.V. and
North American Philips Corporation.
This document and the software described in it are furnished under license and may only be used or copied in accordance with the terms of the
license. The information in this document is furnished for informational use only, is subject to change without notice, and should not be construed as a
commitment by Intel Corporation. Intel Corporation assumes no responsibility or liability for any errors or inaccuracies that may appear in this
document or any software that may be provided in association with this document. Except as permitted by such license, no part of this document may
be reproduced, stored in a retrieval system, or transmitted in any form or by any means without the express written consent of Intel Corporation.
Contact your local Intel sales office or your distributor to obtain the latest specifications and before placing your product order.
Copies of documents which have an ordering number and are referenced in this document, or other Intel literature may be obtained by calling
1-800-548-4725 or by visiting Intel's website at http://www.intel.com.
Intel, the Intel logo, Intel StrataFlash, Intel XScale, and Wireless Intel SpeedStep are trademarks or registered trademarks of Intel Corporation or its
subsidiaries in the United States and other countries.
*Other names and brands may be claimed as the property of others.
Copyright © Intel Corporation, 2006. All Rights Reserved.
Intel® PXA27x Processor Family Developer’s Manual iii
Contents
Contents:
1 Introduction...................................................................................................................................1-1
1.1 About This Manual.............................................................................................................1-1
1.1.1 Number Representation........................................................................................1-1
1.1.2 Naming Conventions ............................................................................................1-2
1.1.3 Data Types ...........................................................................................................1-2
1.1.4 Related Documents ..............................................................................................1-3
1.2 Product Overview ..............................................................................................................1-4
1.2.1 Intel XScale® Technology.....................................................................................1-5
1.2.2 Power Management..............................................................................................1-7
1.2.3 Internal Memory....................................................................................................1-7
1.2.4 Interrupt Controller................................................................................................1-7
1.2.5 Operating-System Timers.....................................................................................1-8
1.2.6 Pulse-Width Modulation Unit (PWM) ....................................................................1-8
1.2.7 Real-Time Clock (RTC).........................................................................................1-9
1.2.8 General-Purpose I/O (GPIO) ................................................................................1-9
1.2.9 Memory Controller ..............................................................................................1-10
1.2.10 DMA Controller ...................................................................................................1-10
1.2.11 Serial Ports .........................................................................................................1-11
1.2.12 LCD Panel Controller..........................................................................................1-14
1.2.13 MultiMediaCard, SD Memory Card, and SDIO Card Controller..........................1-15
1.2.14 Memory Stick Host Controller .............................................................................1-16
1.2.15 Mobile Scalable Link (MSL) Interface .................................................................1-16
1.2.16 Keypad Interface.................................................................................................1-17
1.2.17 Universal Subscriber Identity Module (USIM) Interface......................................1-17
1.2.18 Quick Capture Camera Interface ........................................................................1-18
1.2.19 Test Interface......................................................................................................1-18
1.3 Intel XScale® Microarchitecture Compatibility .................................................................1-19
1.3.1 Compatibility Exceptions.....................................................................................1-19
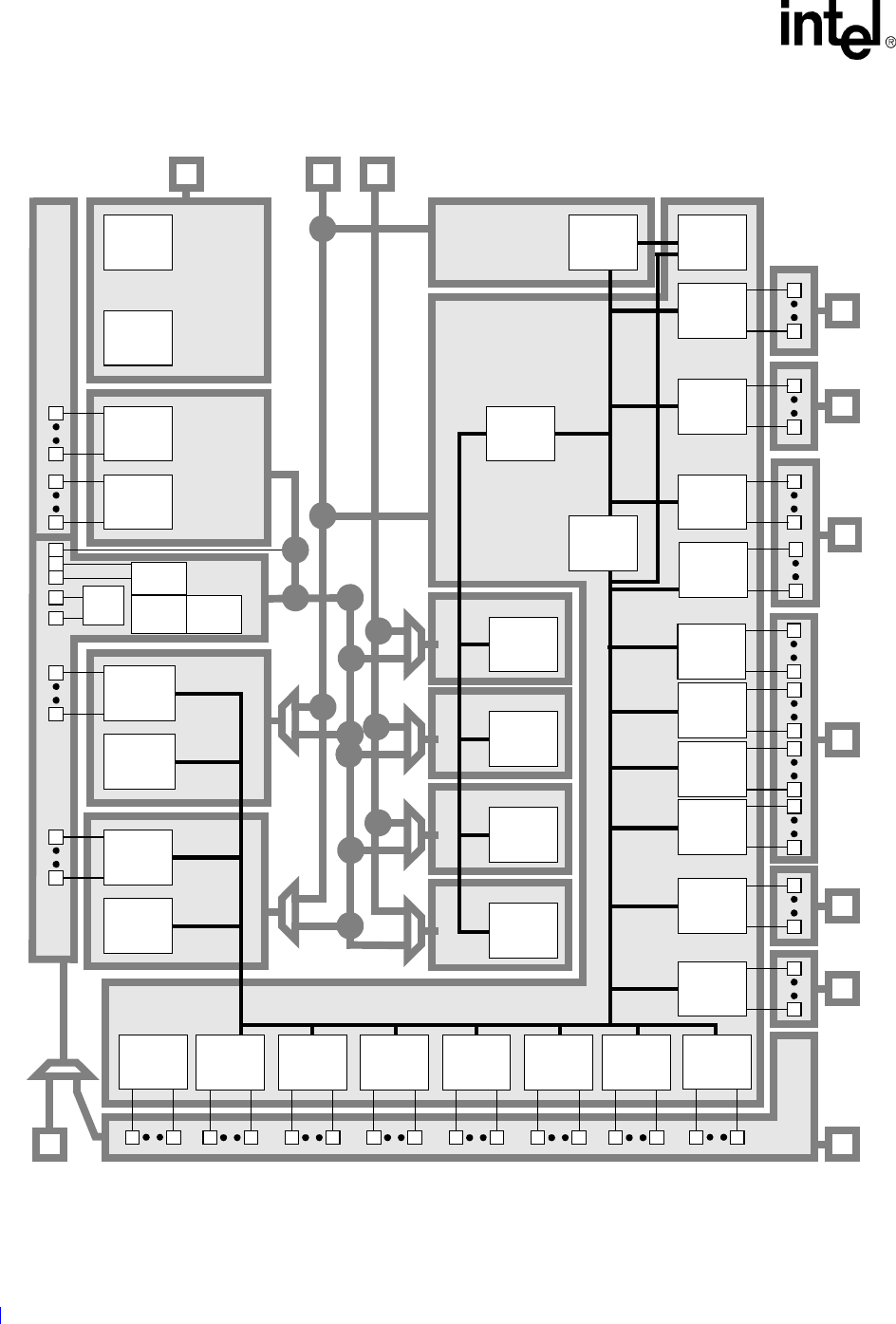
2 System Architecture .....................................................................................................................2-1
2.1 Overview............................................................................................................................2-1
2.2 Intel XScale® Technology Implementation Options...........................................................2-1
2.2.1 Interrupt Controller Registers................................................................................2-2
2.2.2 Performance Monitoring Registers .......................................................................2-2
2.2.3 Clock Configuration and Power Management Registers ......................................2-3
2.2.4 Coprocessor Software Debug Registers...............................................................2-3
2.2.5 Coprocessor 15 ....................................................................................................2-3
2.3 Endianness ........................................................................................................................2-6
2.4 I/O Ordering .......................................................................................................................2-7
2.5 Semaphores ......................................................................................................................2-7
2.6 Interrupts............................................................................................................................2-7
2.7 Reset .................................................................................................................................2-8
2.8 Internal Registers.............................................................................................................2-10
2.9 Selecting Peripherals or General-Purpose I/O ................................................................2-10
2.10 Power-On Reset and Boot Operation ..............................................................................2-10
2.11 Power Management.........................................................................................................2-10
iv Intel® PXA27x Processor Family Developer’s Manual
Contents
2.12 Signal Descriptions..........................................................................................................2-11
3 Clocks and Power Manager .........................................................................................................3-1
3.1 Overview............................................................................................................................3-1
3.2 Features.............................................................................................................................3-1
3.3 Signal Descriptions............................................................................................................3-2
3.3.1 Hardware Reset (nRESET) ..................................................................................3-3
3.3.2 Internal Reset (nRESET_OUT) ............................................................................3-3
3.3.3 GPIO Wake-Up Sources.......................................................................................3-3
3.3.4 GPIO Reset (nRESET_GPIO/GPIO<1>)..............................................................3-4
3.3.5 Processor Oscillator Input (PXTAL_IN) ................................................................3-4
3.3.6 Processor Oscillator Output (PXTAL_OUT) .........................................................3-4
3.3.7 Processor Clock Input/Output (CLK_PIO/GPIO<9>)............................................3-4
3.3.8 Timekeeping Oscillator Input (TXTAL_IN)............................................................3-4
3.3.9 Timekeeping Oscillator Output (TXTAL_OUT) .....................................................3-4
3.3.10 Timekeeping Clock Output (CLK_TOUT/GPIO<10>)...........................................3-5
3.3.11 Clock Request (CLK_REQ) ..................................................................................3-5
3.3.12 External Clock (CLK_EXT) ...................................................................................3-5
3.3.13 Battery Fault and VDD Fault (nBATT_FAULT, nVDD_FAULT)............................3-5
3.3.14 Power Enable (PWR_EN).....................................................................................3-5
3.3.15 System Power Enable (SYS_EN).........................................................................3-6
3.3.16 Power Manager I2C Clock (PWR_SCL/GPIO<3>) ...............................................3-6
3.3.17 Power Manager I2C Data (PWR_SDA/GPIO<4>) ................................................3-6
3.3.18 Power Manager Capacitor Pins (PWR_CAP<3:0>)..............................................3-6
3.3.19 Power Manager Supply Output (PWR_OUT) .......................................................3-6
3.3.20 48-MHz Output Clock (48_MHz)...........................................................................3-6
3.4 Reset Manager Operation .................................................................................................3-6
3.4.1 Reset Types..........................................................................................................3-6
3.4.2 Boot Sequences After Reset ................................................................................3-7
3.4.3 Power-On Reset ...................................................................................................3-7
3.4.4 Hardware Reset....................................................................................................3-8
3.4.5 Watchdog Reset ...................................................................................................3-9
3.4.6 GPIO Reset ........................................................................................................3-10
3.4.7 Summary of Module Reset Sensitivity................................................................3-12
3.4.8 Summary of Reset Sequences...........................................................................3-12
3.5 Clocks Manager Operation ..............................................................................................3-13
3.5.1 External Clock Source Selection (CLK_REQ) ....................................................3-16
3.5.2 13-MHz Processor Oscillator ..............................................................................3-17
3.5.3 32.768-kHz Timekeeping Oscillator....................................................................3-18
3.5.4 Peripheral Phase-Locked Loop (312 MHz).........................................................3-19
3.5.5 Core Phase-Locked Loop (Programmable) ........................................................3-19
3.5.6 Functional-Unit Clock Gating ..............................................................................3-21
3.5.7 Modifying Clock Frequencies..............................................................................3-21
3.5.8 Summary of Clock Modes...................................................................................3-33
3.6 Power Manager Operation...............................................................................................3-34
3.6.1 Power Domains ..................................................................................................3-37
3.6.2 Internal Voltage Regulators ................................................................................3-37
3.6.3 Power Manager I2C Interface .............................................................................3-39
3.6.4 Power Faults and Imprecise-Data Abort.............................................................3-39
3.6.5 Modifying Power Modes .....................................................................................3-40
Intel® PXA27x Processor Family Developer’s Manual v
Contents
3.6.6 Idle Mode ............................................................................................................3-40
3.6.7 Deep-Idle Mode ..................................................................................................3-42
3.6.8 Standby Mode.....................................................................................................3-42
3.6.9 Sleep Mode.........................................................................................................3-45
3.6.10 Deep-Sleep Mode...............................................................................................3-48
3.6.11 Initial Power-On and Deep-Sleep Exit Sequence ...............................................3-51
3.6.12 Summary of Power Modes .................................................................................3-54
3.7 Voltage Manager Operation.............................................................................................3-55
3.7.1 Power Manager I2C and Restrictions..................................................................3-55
3.7.2 Voltage-Change Sequencer ...............................................................................3-56
3.7.3 External Voltage Regulator Requirements..........................................................3-59
3.7.4 Sending Commands Using Voltage-Change Sequencer....................................3-59
3.7.5 Behavior During Power-Fault Assertion..............................................................3-63
3.7.6 Using the Voltage Manager ................................................................................3-63
3.8 Register Descriptions.......................................................................................................3-66
3.8.1 Power Manager Registers ..................................................................................3-66
3.8.2 Clocks Manager Registers..................................................................................3-95
3.8.3 Coprocessor 14: Clock and Power Management .............................................3-103
3.9 Register Summary .........................................................................................................3-105
4 Internal Memory............................................................................................................................4-1
4.1 Overview............................................................................................................................4-1
4.2 Features.............................................................................................................................4-1
4.3 Signal Descriptions ............................................................................................................4-1
4.4 Operation ...........................................................................................................................4-1
4.4.1 SRAM Array and Queue .......................................................................................4-2
4.4.2 System Bus Interface............................................................................................4-2
4.4.3 Power Management..............................................................................................4-2
4.5 Register Descriptions.........................................................................................................4-3
4.6 Register Summary .............................................................................................................4-4
5 DMA Controller .............................................................................................................................5-1
5.1 Overview............................................................................................................................5-1
5.2 Features.............................................................................................................................5-1
5.3 Signal Descriptions ............................................................................................................5-2
5.4 Operation ...........................................................................................................................5-2
5.4.1 DMA Channels......................................................................................................5-4
5.4.2 DMA Descriptors...................................................................................................5-6
5.4.3 Transferring Data................................................................................................5-10
5.4.4 Programming Tips ..............................................................................................5-15
5.4.5 Fly-By Transfers .................................................................................................5-17
5.4.6 How DMA Handles Trailing Bytes.......................................................................5-18
5.4.7 Quick Reference to DMA Programming..............................................................5-21
5.4.8 Programming Examples .....................................................................................5-26
5.5 Register Descriptions.......................................................................................................5-31
5.5.1 DMA Request to Channel Map Register (DRCMRx) ..........................................5-31
5.5.2 DMA Descriptor Address Registers (DDADRx) ..................................................5-31
5.5.3 DMA Source Address Register (DSADRx) .........................................................5-33
5.5.4 DMA Target Address Registers (DTADRx).........................................................5-34
5.5.5 DMA Command Registers (DCMDx) ..................................................................5-35
vi Intel® PXA27x Processor Family Developer’s Manual
Contents
5.5.6 DMA Fly-By Configuration Register (FLYCNFG)................................................5-39
5.5.7 DREQ<2:0> Status Register (DRQSR0/1/2) ......................................................5-40
5.5.8 DMA Channel Control/Status Registers (DCSRx)..............................................5-41
5.5.9 DMA Interrupt Register (DINT) ...........................................................................5-48
5.5.10 DMA Alignment Register (DALGN).....................................................................5-49
5.5.11 DMA Programmed I/O Control Status Register (DPCSR) ..................................5-50
5.6 Register Summary...........................................................................................................5-51
6 Memory Controller........................................................................................................................6-1
6.1 Overview............................................................................................................................6-1
6.2 Features.............................................................................................................................6-1
6.3 Signal Descriptions............................................................................................................6-2
6.4 Operation...........................................................................................................................6-4
6.4.1 Stacked SDRAM and Flash Memory....................................................................6-4
6.4.2 Synchronous Dynamic Memory (SDRAM) Interface ............................................6-6
6.4.3 Synchronous, Static, and Variable-Latency I/O (VLIO) Interfaces......................6-23
6.4.4 PC Card and CompactFlash Interface................................................................6-29
6.4.5 Types and Sizes of Memory Accesses...............................................................6-33
6.4.6 Alternate Bus Master Mode ................................................................................6-34
6.4.7 Alternate Booting ................................................................................................6-37
6.4.8 Memory System Examples.................................................................................6-38
6.4.9 Memory Interface Reset and Initialization...........................................................6-40
6.4.10 Hardware, Watchdog, or Sleep/Deep-Sleep/Standby Reset Operation .............6-41
6.4.11 GPIO Reset Procedure.......................................................................................6-42
6.5 Register Descriptions.......................................................................................................6-42
6.5.1 Synchronous Dynamic Memory Registers..........................................................6-42
6.5.2 Synchronous Static Memory Registers...............................................................6-57
6.5.3 Asynchronous Static Memory Registers.............................................................6-61
6.5.4 Boot Time Default Configuration Register (BOOT_DEF) ...................................6-73
6.5.5 Expansion Memory Timing Configuration Registers (MCMEMx,
MCATTx, MCIOx) ............................................................................................................6-74
6.5.6 Expansion Memory Configuration Register (MECR) ..........................................6-78
6.5.7 Programmable Output Buffer Strength Registers ...............................................6-78
6.6 Register Summary...........................................................................................................6-84
7 LCD Controller..............................................................................................................................7-1
7.1 Overview............................................................................................................................7-1
7.2 Features.............................................................................................................................7-1
7.3 Signal Descriptions............................................................................................................7-2
7.4 Operation...........................................................................................................................7-3
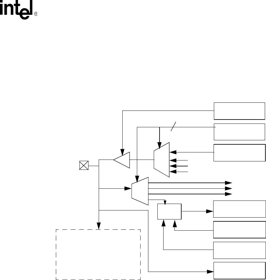
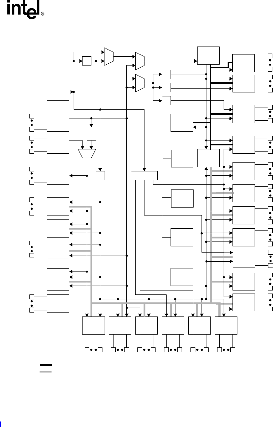
7.4.1 Block Diagram ......................................................................................................7-3
7.4.2 Bandwidth Calculations ........................................................................................7-9
7.4.3 Pixel Clock Frequency Calculation .....................................................................7-10
7.4.4 Multiple Panel Considerations ............................................................................7-11
7.4.5 Graphical Overlays .............................................................................................7-12
7.4.6 Pixel Formats......................................................................................................7-14
7.4.7 Base Frame ........................................................................................................7-21
7.4.8 Overlay 1 Window...............................................................................................7-22
7.4.9 Overlay 2 Window...............................................................................................7-23
7.4.10 Interfacing with LCD Smart Panels.....................................................................7-28
Intel® PXA27x Processor Family Developer’s Manual vii
Contents
7.4.11 Hardware Cursor ................................................................................................7-30
7.4.12 External Palette Buffer........................................................................................7-33
7.4.13 Frame Buffer.......................................................................................................7-36
7.4.14 Dual-Scan Mode .................................................................................................7-42
7.4.15 Functional Timing ...............................................................................................7-42
7.4.16 Using the LCD Controller Data Pins ...................................................................7-48
7.5 Register Descriptions.......................................................................................................7-54
7.5.1 Using LCD Control Registers..............................................................................7-54
7.5.2 LCD Controller Control Register 0 (LCCR0).......................................................7-55
7.5.3 LCD Controller Control Register 1 (LCCR1).......................................................7-64
7.5.4 LCD Controller Control Register 2 (LCCR2).......................................................7-66
7.5.5 LCD Controller Control Register 3 (LCCR3).......................................................7-68
7.5.6 LCD Controller Control Register 4 (LCCR4).......................................................7-74
7.5.7 LCD Controller Control Register 5 (LCCR5).......................................................7-78
7.5.8 Overlay 1 Control Register 1 (OVL1C1) .............................................................7-91
7.5.9 Overlay 1 Control Register 2 (OVL1C2) .............................................................7-93
7.5.10 Overlay 2 Control Register 1 (OVL2C1) .............................................................7-94
7.5.11 Overlay 2 Control Register 2 (OVL2C2) .............................................................7-95
7.5.12 Cursor Control Register (CCR)...........................................................................7-97
7.5.13 Command Control Register (CMDCR)................................................................7-98
7.5.14 TMED RGB Seed Register (TRGBR) .................................................................7-98
7.5.15 TMED Control Register (TCR)............................................................................7-99
7.5.16 DMA Frame Descriptor Address Registers (FDADRx) .....................................7-102
7.5.17 DMA Frame Branch Registers (FBRx)..............................................................7-102
7.5.18 LCD Buffer Strength Control Register (LCDBSCNTR) .....................................7-104
7.5.19 Panel Read Status Register (PRSR) ................................................................7-104
7.5.20 LCD Controller Status Register 0 (LCSR0).......................................................7-106
7.5.21 LCD Controller Status Register 1 (LCSR1).......................................................7-111
7.5.22 LCD Controller Interrupt ID Register (LIIDR) ....................................................7-118
7.5.23 DMA Frame Source Address Registers (FSADRx) ..........................................7-118
7.5.24 DMA Frame ID Registers (FIDRx) ....................................................................7-119
7.5.25 LCD DMA Command Register (LDCMDx)........................................................7-120
7.6 Register Summary .........................................................................................................7-122
8 SSP Serial Ports...........................................................................................................................8-1
8.1 Overview............................................................................................................................8-1
8.2 Features.............................................................................................................................8-1
8.3 Signal Descriptions ............................................................................................................8-2
8.4 Operation ...........................................................................................................................8-3
8.4.1 Processor and DMA FIFO Access........................................................................8-3
8.4.2 Trailing Bytes in the Receive FIFO .......................................................................8-4
8.4.3 Frame Counter......................................................................................................8-6
8.4.4 Data Formats ........................................................................................................8-6
8.4.5 High Impedance on SSPTXDx ...........................................................................8-16
8.4.6 Network Mode.....................................................................................................8-19
8.4.7 Parallel Data Formats for FIFO Storage .............................................................8-19
8.4.8 Continuous Serial Clock Operation.....................................................................8-20
8.4.9 FIFO Operation...................................................................................................8-21
8.4.10 Baud-Rate Generation........................................................................................8-23
8.4.11 32-Bit I2S Emulation using SSP .........................................................................8-23
viii Intel® PXA27x Processor Family Developer’s Manual
Contents
8.5 Register Descriptions.......................................................................................................8-24
8.5.1 SSP Control Register 0 (SSCR0_x) ...................................................................8-25
8.5.2 SSP Control Register 1 (SSCR1_x) ...................................................................8-29
8.5.3 SSP Programmable Serial Protocol Register (SSPSP_x)..................................8-38
8.5.4 SSP Time-Out Register (SSTO_x) .....................................................................8-41
8.5.5 SSP Interrupt Test Register (SSITR_x)..............................................................8-41
8.5.6 SSP Status Register (SSSR_x)..........................................................................8-42
8.5.7 SSP Data Register (SSDR_x) ............................................................................8-47
8.5.8 SSP TX Time Slot Active Register (SSTSA_x)...................................................8-48
8.5.9 SSP RX Time Slot Active Register (SSRSA_x)..................................................8-49
8.5.10 SSP Time Slot Status Register (SSTSS_x)........................................................8-50
8.5.11 SSP Audio Clock Divider Register (SSACD_x) ..................................................8-51
8.6 Register Summary...........................................................................................................8-53
9I
2C Bus Interface Unit...................................................................................................................9-1
9.1 Overview............................................................................................................................9-1
9.2 Features.............................................................................................................................9-2
9.3 Signal Descriptions............................................................................................................9-2
9.4 Operation...........................................................................................................................9-2
9.4.1 Operational Blocks................................................................................................9-4
9.4.2 I2C Bus Interface Modes......................................................................................9-5
9.4.3 START and STOP Bus States..............................................................................9-6
9.4.4 Data Transfer Sequence.......................................................................................9-8
9.4.5 Data and Addressing Management ......................................................................9-8
9.4.6 I2C ACKNOWLEDGE .........................................................................................9-10
9.4.7 Arbitration ...........................................................................................................9-10
9.4.8 Master Operations ..............................................................................................9-13
9.4.9 Master Mode Programming Examples ...............................................................9-15
9.4.10 Slave Operations ................................................................................................9-18
9.4.11 Slave Mode Programming Examples .................................................................9-19
9.4.12 General Call Address..........................................................................................9-21
9.4.13 Reset Conditions ................................................................................................9-22
9.5 Register Descriptions.......................................................................................................9-23
9.5.1 I2C Control Registers (ICR, PICR)......................................................................9-23
9.5.2 I2C Status Registers (ISR, PISR) .......................................................................9-26
9.5.3 I2C Slave Address Registers (ISAR, PISAR)......................................................9-28
9.5.4 I2C Data Buffer Register (IDBR, PIDBR)............................................................9-29
9.5.5 I2C Bus Monitor Registers (IBMR, PIBMR) ........................................................9-30
9.6 Register Summary...........................................................................................................9-31
10 UARTs........................................................................................................................................10-1
10.1 Overview..........................................................................................................................10-1
10.1.1 Full-Function UART ............................................................................................10-1
10.1.2 Bluetooth UART..................................................................................................10-1
10.1.3 Standard UART ..................................................................................................10-2
10.1.4 Compatibility with 16550A and 16750 ................................................................10-2
10.2 Features...........................................................................................................................10-2
10.3 Signal Descriptions..........................................................................................................10-3
10.4 Operation.........................................................................................................................10-4
10.4.1 Reset ..................................................................................................................10-5
Intel® PXA27x Processor Family Developer’s Manual ix
Contents
10.4.2 FIFO Operation...................................................................................................10-5
10.4.3 Auto-Flow Control ...............................................................................................10-8
10.4.4 Auto-Baud-Rate Detection..................................................................................10-9
10.4.5 32-Bit Peripheral Bus........................................................................................10-10
10.4.6 Slow Infrared Asynchronous Interface..............................................................10-10
10.4.7 Programmable Baud-Rate Generator...............................................................10-12
10.5 Register Descriptions.....................................................................................................10-13
10.5.1 Receive Buffer Register (RBR).........................................................................10-13
10.5.2 Transmit Holding Register (THR)......................................................................10-14
10.5.3 Divisor Latch Registers, Low and High (DLL, DLH)..........................................10-14
10.5.4 Interrupt Enable Register (IER) ........................................................................10-15
10.5.5 Interrupt Identification Register (IIR).................................................................10-17
10.5.6 FIFO Control Register (FCR)............................................................................10-19
10.5.7 Receive FIFO Occupancy Register (FOR) .......................................................10-22
10.5.8 Auto-Baud Control Register (ABR) ...................................................................10-23
10.5.9 Auto-Baud Count Register (ACR).....................................................................10-24
10.5.10 Line Control Register (LCR)..............................................................................10-25
10.5.11 Line Status Register (LSR) ...............................................................................10-26
10.5.12 Modem Control Register (MCR) .......................................................................10-29
10.5.13 Modem Status Register (MSR).........................................................................10-31
10.5.14 Scratchpad Register (SCR) ..............................................................................10-33
10.5.15 Infrared Selection Register (ISR)......................................................................10-33
10.6 Register Summary .........................................................................................................10-35
11 Fast Infrared Communications Port............................................................................................11-1
11.1 Overview..........................................................................................................................11-1
11.2 Signal Descriptions ..........................................................................................................11-1
11.3 Operation .........................................................................................................................11-1
11.3.1 4PPM Modulation ...............................................................................................11-2
11.3.2 Frame Format .....................................................................................................11-3
11.3.3 Address Field......................................................................................................11-4
11.3.4 Control Field .......................................................................................................11-4
11.3.5 Data Field ...........................................................................................................11-4
11.3.6 CRC Field ...........................................................................................................11-4
11.3.7 Baud Rate Generation ........................................................................................11-5
11.3.8 Receive Operation ..............................................................................................11-5
11.3.9 Transmit Operation .............................................................................................11-6
11.3.10 Transmit and Receive FIFOs..............................................................................11-7
11.3.11 Removing Trailing Bytes in Receive FIFO..........................................................11-8
11.3.12 32-Bit Peripheral Bus..........................................................................................11-9
11.4 Register Descriptions.....................................................................................................11-10
11.4.1 FICP Control Register 0 (ICCR0)......................................................................11-10
11.4.2 FICP Control Register 1 (ICCR1)......................................................................11-13
11.4.3 FICP Control Register 2 (ICCR2)......................................................................11-14
11.4.4 FICP Data Register (ICDR)...............................................................................11-15
11.4.5 FICP Status Register 0 (ICSR0) .......................................................................11-16
11.4.6 FICP Status Register 1 (ICSR1) .......................................................................11-18
11.4.7 FICP FIFO Occupancy Status Register (ICFOR) .............................................11-19
11.5 Register Summary .........................................................................................................11-20
xIntel® PXA27x Processor Family Developer’s Manual
Contents
12 USB Client Controller .................................................................................................................12-1
12.1 Overview..........................................................................................................................12-1
12.2 Features...........................................................................................................................12-2
12.3 Signal Descriptions..........................................................................................................12-3
12.3.1 Bidirectional Signals ...........................................................................................12-3
12.4 Operation.........................................................................................................................12-4
12.4.1 Peripheral Bus Interface and Control/Status Registers ......................................12-4
12.4.2 Endpoint Memory Configuration .........................................................................12-8
12.4.3 Example Code for Configuring UDC Endpoints................................................12-19
12.4.4 UDC Device Requests......................................................................................12-20
12.4.5 Configuration ....................................................................................................12-22
12.4.6 Cable Attach and Detach..................................................................................12-23
12.4.7 Suspend and Resume ......................................................................................12-23
12.5 USB On-The-Go Operation ...........................................................................................12-24
12.5.1 UDC OTG SET_FEATURE Commands...........................................................12-25
12.5.2 On-Chip OTG Transceiver Operation...............................................................12-26
12.5.3 Interface to External OTG Transceiver .............................................................12-27
12.5.4 Interface to External Charge Pump Device ......................................................12-28
12.5.5 Interface to External USB Transceiver .............................................................12-29
12.5.6 OTG ID .............................................................................................................12-31
12.6 Register Descriptions.....................................................................................................12-31
12.6.1 UDC Control Register (UDCCR).......................................................................12-31
12.6.2 UDC Interrupt Control Registers (UDCICR0, UDCICR1, and UDCOTGICR)...12-35
12.6.3 USB Port 2 Output Control Register (UP2OCR)...............................................12-41
12.6.4 USB Port 3 Output Control Register (UP3OCR)...............................................12-47
12.6.5 UDC Interrupt Status Registers (UDCISR0, UDCISR1, and UDCOTGISR).....12-50
12.6.6 UDC Frame Number Register (UDCFNR)........................................................12-53
12.6.7 UDC Endpoint 0 Control/Status Register (UDCCSR0).....................................12-54
12.6.8 UDC Endpoints A–X Control Status Registers (UDCCRSA–UDCCRSX) ........12-57
12.6.9 UDC Byte Count Registers (UDCBCR0 and UDCBCRA–UDCBCRX).............12-63
12.6.10 UDC Data Registers (UDCDR0 and UDCDRA-–UDCDRX).............................12-64
12.6.11 UDC Endpoint A–X Configuration Registers (UDCCRA–UDCCRX) ................12-65
12.7 Register Summary.........................................................................................................12-68
13 AC ‘97 Controller ........................................................................................................................13-1
13.1 Overview..........................................................................................................................13-1
13.2 Features...........................................................................................................................13-1
13.3 Signal Descriptions..........................................................................................................13-2
13.3.1 Signal Configuration Steps .................................................................................13-2
13.3.2 Example AC-Link................................................................................................13-2
13.4 AC-Link Digital Serial Interface Protocol..........................................................................13-3
13.4.1 AC-Link Audio Output Frame (AC97_SDATA_OUT)..........................................13-4
13.4.2 AC-Link Audio Input Frame (AC97_SDATA_IN) ................................................13-8
13.5 AC-Link Low-Power Modes ...........................................................................................13-12
13.5.1 Powering Down the AC-Link.............................................................................13-12
13.5.2 Waking Up the AC-Link ....................................................................................13-13
13.6 Operation.......................................................................................................................13-16
13.6.1 Initialization.......................................................................................................13-17
13.6.2 Trailing Bytes and Clean Shutdown..................................................................13-18
13.6.3 Operational Flow for Accessing Codec Registers ............................................13-18
Intel® PXA27x Processor Family Developer’s Manual xi
Contents
13.6.4 Clocks and Sampling Frequencies ...................................................................13-19
13.6.5 FIFOs................................................................................................................13-19
13.6.6 Interrupts...........................................................................................................13-20
13.7 Register Descriptions.....................................................................................................13-21
13.7.1 Global Control Register (GCR) .........................................................................13-22
13.7.2 Global Status Register (GSR)...........................................................................13-24
13.7.3 PCM Out Control Register (POCR) ..................................................................13-27
13.7.4 PCM In Control Register (PCMICR) .................................................................13-28
13.7.5 PCM Out Status Register (POSR)....................................................................13-29
13.7.6 PCM In Status Register (PCMISR)...................................................................13-30
13.7.7 Codec Access Register (CAR)..........................................................................13-31
13.7.8 PCM Data Register (PCDR) .............................................................................13-32
13.7.9 Microphone In Control Register (MCCR)..........................................................13-33
13.7.10 Microphone In Status Register (MCSR)............................................................13-34
13.7.11 Microphone In Data Register (MCDR)..............................................................13-35
13.7.12 Modem Out Control Register (MOCR)..............................................................13-36
13.7.13 Modem In Control Register (MICR) ..................................................................13-37
13.7.14 Modem Out Status Register (MOSR) ...............................................................13-38
13.7.15 Modem In Status Register (MISR)....................................................................13-39
13.7.16 Modem Data Register (MODR).........................................................................13-40
13.7.17 Accessing Codec Registers .............................................................................13-41
13.8 Register Summary .........................................................................................................13-43
14 Inter-IC Sound (I2S) Controller ...................................................................................................14-1
14.1 Overview..........................................................................................................................14-1
14.2 Features...........................................................................................................................14-2
14.3 Signal Descriptions ..........................................................................................................14-2
14.4 Operation .........................................................................................................................14-3
14.4.1 Initialization .........................................................................................................14-4
14.4.2 Disabling and Enabling Audio Replay.................................................................14-4
14.4.3 Disabling and Enabling Audio Record ................................................................14-5
14.4.4 Transmit FIFO Errors..........................................................................................14-5
14.4.5 Receive FIFO Errors...........................................................................................14-5
14.4.6 Trailing Bytes ......................................................................................................14-6
14.4.7 Startup and Shutdown ........................................................................................14-6
14.4.8 Serial Audio Clocks and Sampling Frequencies.................................................14-7
14.4.9 Data Formats ......................................................................................................14-7
14.4.10 Interrupts.............................................................................................................14-9
14.5 Register Descriptions.....................................................................................................14-10
14.5.1 Serial Audio Controller Global Control Register (SACR0) ................................14-10
14.5.2 Serial Audio Controller I2S/MSB-Justified Control Register (SACR1) ..............14-13
14.5.3 Serial Audio Controller I2S/MSB-Justified Status Register (SASR0)................14-14
14.5.4 Serial Audio Clock Divider Register (SADIV)....................................................14-16
14.5.5 Serial Audio Interrupt Clear Register (SAICR)..................................................14-17
14.5.6 Serial Audio Interrupt Mask Register (SAIMR) .................................................14-18
14.5.7 Serial Audio Data Register (SADR) ..................................................................14-18
14.6 Register Summary .........................................................................................................14-19
15 MultiMediaCard/SD/SDIO Controller ..........................................................................................15-1
15.1 Overview..........................................................................................................................15-1
xii Intel® PXA27x Processor Family Developer’s Manual
Contents
15.2 Features...........................................................................................................................15-1
15.3 Signal Descriptions..........................................................................................................15-2
15.4 Operation.........................................................................................................................15-2
15.4.1 MMC/SD/SDIO Mode .........................................................................................15-6
15.4.2 SDIO Mode.........................................................................................................15-8
15.4.3 MMC/SD/SDIO Controller Functional Description ............................................15-11
15.5 Interrupts........................................................................................................................15-14
15.6 Clock Control .................................................................................................................15-14
15.7 Data FIFOs ....................................................................................................................15-15
15.7.1 Response Data FIFO (MMC_RES) ..................................................................15-15
15.7.2 Receive Data FIFO (MMC_RXFIFO)................................................................15-15
15.7.3 Transmit Data FIFO (MMC_TXFIFO) ...............................................................15-16
15.7.4 DMA and Programmed I/O ...............................................................................15-17
15.8 MMC/SD Card Communications Protocol .....................................................................15-18
15.8.1 Start and Stop Clock.........................................................................................15-18
15.8.2 Enabling SPI Mode...........................................................................................15-18
15.8.3 Basic, No Data, and Command-Response Sequence......................................15-18
15.8.4 Data Transfer....................................................................................................15-19
15.8.5 Busy Sequence.................................................................................................15-22
15.8.6 SPI Functionality...............................................................................................15-22
15.8.7 SDIO Card Communications Protocol ..............................................................15-23
15.8.8 Basic, No Data, Command-Response Sequence.............................................15-23
15.8.9 Data Transfer....................................................................................................15-24
15.8.10 Overlapping a Command with a Data Transfer ................................................15-26
15.8.11 Busy Sequence.................................................................................................15-26
15.8.12 SPI Functionality...............................................................................................15-27
15.8.13 SDIO Interrupts.................................................................................................15-27
15.8.14 SDIO Suspend/Resume ...................................................................................15-28
15.8.15 SDIO Read Wait ...............................................................................................15-28
15.9 Register Descriptions.....................................................................................................15-29
15.9.1 MMC Clock Start/Stop Register (MMC_STRPCL)............................................15-29
15.9.2 MMC Status Register (MMC_STAT) ................................................................15-29
15.9.3 MMC Clock Rate Register (MMC_CLKRT) ......................................................15-31
15.9.4 MMC SPI Mode Register (MMC_SPI) ..............................................................15-31
15.9.5 MMC Command/Data Register (MMC_CMDAT)..............................................15-32
15.9.6 MMC Response Time-Out Register (MMC_RESTO) .......................................15-34
15.9.7 MMC Read Time-Out Register (MMC_RDTO).................................................15-34
15.9.8 MMC Block Length Register (MMC_BLKLEN) .................................................15-35
15.9.9 MMC Number of Blocks Register (MMC_NUMBLK) ........................................15-35
15.9.10 MMC Buffer Partly Full Register (MMC_PRTBUF)...........................................15-36
15.9.11 MMC Interrupt Mask Register (MMC_I_MASK)................................................15-36
15.9.12 MMC Interrupt Request Register (MMC_I_REG) .............................................15-38
15.9.13 MMC Command Register (MMC_CMD)...........................................................15-41
15.9.14 MMC Argument High Register (MMC_ARGH) .................................................15-41
15.9.15 MMC Argument Low Register (MMC_ARGL)...................................................15-42
15.9.16 MMC Response FIFO (Read-Only) (MMC_RES).............................................15-42
15.9.17 MMC Receive FIFO (Read-Only) (MMC_RXFIFO) ..........................................15-42
15.9.18 MMC Transmit FIFO (MMC_TXFIFO) ..............................................................15-43
15.9.19 MMC RD_WAIT Register (MMC_RDWAIT) .....................................................15-43
15.9.20 MMC Blocks Remaining Register (MMC_BLKS_REM)....................................15-44
Intel® PXA27x Processor Family Developer’s Manual xiii
Contents
15.10 Register Summary .........................................................................................................15-45
16 Mobile Scalable Link (MSL) Interface.........................................................................................16-1
16.1 Overview..........................................................................................................................16-1
16.2 Features...........................................................................................................................16-1
16.3 Signal Descriptions ..........................................................................................................16-2
16.4 Operation .........................................................................................................................16-3
16.4.1 Transmit Operation .............................................................................................16-3
16.4.2 Receive Operation ..............................................................................................16-4
16.4.3 Channel Flow Control .........................................................................................16-5
16.4.4 Power Management............................................................................................16-9
16.4.5 Channel Allocation............................................................................................16-11
16.4.6 DMA Interaction ................................................................................................16-11
16.5 Register Descriptions.....................................................................................................16-13
16.5.1 MSL FIFO Registers (BBFIFOx).......................................................................16-13
16.5.2 MSL Channel Configuration Registers (BBCFGx)............................................16-15
16.5.3 MSL Channel Status Registers (BBSTATx)......................................................16-19
16.5.4 MSL Channel EOM Registers (BBEOMx).........................................................16-22
16.5.5 MSL Interrupt ID Register (BBIID) ....................................................................16-23
16.5.6 MSL Transmit Frequency Select Register (BBFREQ)......................................16-24
16.5.7 MSL Wait Count Register (BBWAIT) ................................................................16-24
16.5.8 MSL Clock Stop Time Register (BBCST) .........................................................16-25
16.5.9 MSL Wake-Up Register (BBWAKE) .................................................................16-26
16.5.10 MSL Interface Width Register (BBITFC)...........................................................16-26
16.6 Register Summary .........................................................................................................16-27
17 Memory Stick Host Controller.....................................................................................................17-1
17.1 Overview..........................................................................................................................17-1
17.2 Features...........................................................................................................................17-1
17.3 Signal Descriptions ..........................................................................................................17-2
17.4 Operation .........................................................................................................................17-2
17.4.1 Functional Description ........................................................................................17-2
17.4.2 Interrupts.............................................................................................................17-3
17.4.3 Memory Stick Insertion and Removal .................................................................17-3
17.4.4 Reset ..................................................................................................................17-3
17.4.5 TPC Code Errors ................................................................................................17-3
17.4.6 Power-Save Mode ..............................................................................................17-4
17.4.7 FIFO Operation...................................................................................................17-4
17.5 Register Descriptions.......................................................................................................17-8
17.5.1 MSHC Command Register (MSCMR) ................................................................17-8
17.5.2 MSHC Control and Status Register (MSCRSR) .................................................17-9
17.5.3 MSHC Interrupt and Status Register (MSINT)..................................................17-10
17.5.4 MSHC Interrupt Enable Register (MSINTEN)...................................................17-11
17.5.5 MSHC Control Register 2 (MSCR2) .................................................................17-12
17.5.6 MSHC ACD Command Register (MSACD) ......................................................17-13
17.5.7 MSHC Receive FIFO Register (MSRXFIFO)....................................................17-14
17.5.8 MSHC Transmit FIFO Register (MSTXFIFO) ...................................................17-14
17.6 Register Summary .........................................................................................................17-15
18 Keypad Interface ........................................................................................................................18-1
18.1 Overview..........................................................................................................................18-1
xiv Intel® PXA27x Processor Family Developer’s Manual
Contents
18.1.1 Matrix Keypad Interface......................................................................................18-1
18.1.2 Direct Keypad Interface ......................................................................................18-2
18.2 Features...........................................................................................................................18-2
18.3 Signal Descriptions..........................................................................................................18-3
18.4 Operation.........................................................................................................................18-3
18.4.1 Matrix Interface...................................................................................................18-5
18.4.2 Direct Keypad Interface ......................................................................................18-7
18.4.3 Debounce Check ................................................................................................18-9
18.4.4 Interrupt Generation..........................................................................................18-10
18.4.5 Entry Into or Exit from Standby or Sleep Mode ................................................18-10
18.5 Register Descriptions.....................................................................................................18-12
18.5.1 Keypad Interface Control Register (KPC).........................................................18-12
18.5.2 Keypad Interface Direct Key Register (KPDK) .................................................18-16
18.5.3 Keypad Interface Rotary Encoder Count Register (KPREC)............................18-17
18.5.4 Keypad Interface Matrix Key Register (KPMK).................................................18-18
18.5.5 Keypad Interface Automatic Scan Register (KPAS).........................................18-18
18.5.6 Keypad Interface Automatic Scan Multiple Keypress Registers 0–3
(KPASMKPx) .................................................................................................................18-20
18.5.7 Keypad Interface Key Debounce Interval Register (KPKDI).............................18-23
18.6 Register Summary.........................................................................................................18-24
19 Universal Subscriber ID Interface...............................................................................................19-1
19.1 Overview..........................................................................................................................19-1
19.2 Features...........................................................................................................................19-1
19.3 Signal Descriptions..........................................................................................................19-2
19.4 Operation.........................................................................................................................19-3
19.4.1 USIM Card Interface...........................................................................................19-3
19.4.2 Coding Conventions ...........................................................................................19-4
19.4.3 Protocols.............................................................................................................19-5
19.4.4 Clock Control ....................................................................................................19-10
19.4.5 Card Management............................................................................................19-13
19.4.6 FIFO Operation.................................................................................................19-15
19.5 Register Descriptions.....................................................................................................19-18
19.5.1 USIM Receive Buffer Register (RBR)...............................................................19-18
19.5.2 USIM Transmit Holding Register (THR) ...........................................................19-19
19.5.3 USIM Interrupt Enable Register (IER) ..............................................................19-20
19.5.4 USIM Interrupt Identification Register (IIR).......................................................19-22
19.5.5 USIM FIFO Control Register (FCR)..................................................................19-24
19.5.6 USIM FIFO Status Register (FSR) ...................................................................19-26
19.5.7 USIM Error Control Register (ECR)..................................................................19-27
19.5.8 USIM Line Control Register (LCR) ...................................................................19-29
19.5.9 USIM Card Control Register (USCCR).............................................................19-31
19.5.10 USIM Line Status Register (LSR) .....................................................................19-32
19.5.11 USIM Extra Guard Time Register (EGTR)........................................................19-34
19.5.12 USIM Block Guard Time Register (BGTR) .......................................................19-34
19.5.13 USIM Time-Out Register (TOR) .......................................................................19-35
19.5.14 USIM Clock Register (CLKR) ...........................................................................19-36
19.5.15 USIM Divisor Latch Register (DLR)..................................................................19-37
19.5.16 USIM Factor Latch Register (FLR) ...................................................................19-37
19.5.17 USIM Character Waiting Time Register (CWTR) .............................................19-38
Intel® PXA27x Processor Family Developer’s Manual xv
Contents
19.5.18 USIM Block Waiting Time Register (BWTR).....................................................19-39
19.6 Register Summary .........................................................................................................19-40
20 USB Host Controller ...................................................................................................................20-1
20.1 Overview..........................................................................................................................20-1
20.2 Features...........................................................................................................................20-1
20.3 Signal Descriptions ..........................................................................................................20-1
20.3.1 Input Signals .......................................................................................................20-2
20.3.2 Output Signals ....................................................................................................20-2
20.3.3 Bidirectional Signals ...........................................................................................20-2
20.4 Operation .........................................................................................................................20-2
20.5 Interrupts..........................................................................................................................20-4
20.6 Programming Considerations ..........................................................................................20-5
20.6.1 USB Reset ..........................................................................................................20-5
20.6.2 USB Suspend .....................................................................................................20-5
20.7 Power Management.........................................................................................................20-6
20.7.1 USB Clock Stopping and Power Enable.............................................................20-6
20.7.2 Port-Resume Interrupt ........................................................................................20-6
20.7.3 Summary of USB Host Low-Power Operation....................................................20-7
20.7.4 Suggested Power-Management Routines ..........................................................20-8
20.8 Register Descriptions.....................................................................................................20-10
20.8.1 UHC HCI Spec Revision Register (UHCREV)..................................................20-10
20.8.2 UHC Host Control Register (UHCHCON) .........................................................20-10
20.8.3 UHC Command Status Register (UHCCOMS) .................................................20-14
20.8.4 UHC Interrupt Status Register (UHCINTS).......................................................20-16
20.8.5 UHC Interrupt Enable Register (UHCINTE)......................................................20-18
20.8.6 UHC Interrupt Disable Register (UHCINTD).....................................................20-20
20.8.7 UHC Host Controller Communication Area (UHCHCCA) .................................20-21
20.8.8 UHC Period Current Endpoint Descriptor (UHCPCED)....................................20-21
20.8.9 UHC Control Head Endpoint Descriptor (UHCCHED)......................................20-22
20.8.10 UHC Control Current Endpoint Descriptor (UHCCCED)...................................20-22
20.8.11 UHC Bulk Head Endpoint Descriptor (UHCBHED)...........................................20-23
20.8.12 UHC Bulk Current Endpoint Descriptor (UHCBCED) .......................................20-24
20.8.13 UHC Done Head Register (UHCDHEAD).........................................................20-25
20.8.14 UHC Frame Interval Register (UHCFMI) ..........................................................20-26
20.8.15 UHC Frame Remaining Register (UHCFMR) ...................................................20-27
20.8.16 UHC Frame Number Register (UHCFMN)........................................................20-28
20.8.17 UHC Periodic Start Register (UHCPERS) ........................................................20-29
20.8.18 UHC Low-Speed Threshold Register (UHCLST)..............................................20-30
20.8.19 UHC Root Hub Descriptor A Register (UHCRHDA) .........................................20-31
20.8.20 UHC Root Hub Descriptor B Register (UHCRHDB) .........................................20-33
20.8.21 UHC Root Hub Status Register (UHCRHS)......................................................20-34
20.8.22 UHC Root Hub Port Status 1/2/3 Registers (UHCRHPS1, UHCRHPS2, and
UHCRHPS3).....................................................................................................20-35
20.8.23 UHC Status Register (UHCSTAT) ....................................................................20-39
20.8.24 UHC Reset Register (UHCHR).........................................................................20-41
20.8.25 UHC Interrupt Enable Register (UHCHIE)........................................................20-44
20.8.26 UHC Interrupt Test Register (UHCHIT) ............................................................20-45
20.9 Register Summary .........................................................................................................20-47
xvi Intel® PXA27x Processor Family Developer’s Manual
Contents
21 Real-Time Clock (RTC) ..............................................................................................................21-1
21.1 Overview..........................................................................................................................21-1
21.2 Features...........................................................................................................................21-1
21.3 Signal Descriptions..........................................................................................................21-2
21.4 Operation.........................................................................................................................21-2
21.4.1 Timer...................................................................................................................21-5
21.4.2 Wristwatch ..........................................................................................................21-5
21.4.3 Stopwatch.........................................................................................................21-10
21.4.4 Periodic Interrupt ..............................................................................................21-11
21.4.5 Trimmer ............................................................................................................21-12
21.4.6 Low-Power Modes ............................................................................................21-15
21.5 Register Descriptions.....................................................................................................21-15
21.5.1 RTC Trim Register (RTTR)...............................................................................21-16
21.5.2 RTC Status Register (RTSR)............................................................................21-17
21.5.3 RTC Alarm Register (RTAR) ............................................................................21-19
21.5.4 RTC Wristwatch Day Alarm Registers (RDARx) ..............................................21-20
21.5.5 RTC Wristwatch Year Alarm Registers (RYARx) .............................................21-21
21.5.6 RTC Stopwatch Alarm Registers (SWARx)......................................................21-22
21.5.7 RTC Periodic Interrupt Alarm Register (PIAR) .................................................21-23
21.5.8 RTC Counter Register (RCNR) ........................................................................21-24
21.5.9 RTC Day Counter Register (RDCR).................................................................21-24
21.5.10 RTC Year Counter Register (RYCR)................................................................21-25
21.5.11 RTC Stopwatch Counter Register (SWCR)......................................................21-26
21.5.12 RTC Periodic Interrupt Counter Register (RTCPICR) ......................................21-26
21.6 Register Summary.........................................................................................................21-27
22 Operating System Timers...........................................................................................................22-1
22.1 Overview..........................................................................................................................22-1
22.2 Features...........................................................................................................................22-1
22.3 Signal Descriptions..........................................................................................................22-2
22.4 Operation.........................................................................................................................22-2
22.4.1 Block Diagrams...................................................................................................22-2
22.4.2 Compares and Matches......................................................................................22-4
22.4.3 PXA25x Processor Compatibility........................................................................22-5
22.4.4 Timer Channels ..................................................................................................22-5
22.4.5 Counter Resolutions ...........................................................................................22-5
22.4.6 External Synchronization (EXT_SYNC<1:0>) ....................................................22-6
22.4.7 Output Generation ..............................................................................................22-7
22.4.8 Snapshot Mode...................................................................................................22-8
22.4.9 Operation in Low-Power Modes .........................................................................22-8
22.5 Register Descriptions.......................................................................................................22-9
22.5.1 OS Match Control Registers (OMCRx)...............................................................22-9
22.5.2 OS Timer Match Registers (OSMRx) ...............................................................22-14
22.5.3 OS Timer Watchdog Match Enable Register (OWER) .....................................22-15
22.5.4 OS Timer Interrupt Enable Register (OIER) .....................................................22-16
22.5.5 OS Timer Count Register 0 (OSCR0)...............................................................22-16
22.5.6 OS Timer Count Registers (OSCR4–11)..........................................................22-17
22.5.7 OS Timer Status Register (OSSR) ...................................................................22-17
22.5.8 OS Timer Snapshot Register (OSNR)..............................................................22-18
22.6 Register Summary.........................................................................................................22-19
Intel® PXA27x Processor Family Developer’s Manual xvii
Contents
23 Pulse Width Modulator Controller...............................................................................................23-1
23.1 Overview..........................................................................................................................23-1
23.2 Features...........................................................................................................................23-1
23.3 Signal Descriptions ..........................................................................................................23-2
23.4 Operation .........................................................................................................................23-2
23.4.1 Block Diagram ....................................................................................................23-4
23.4.2 Interdependencies ..............................................................................................23-4
23.4.3 Reset Sequence .................................................................................................23-4
23.4.4 Programming Considerations .............................................................................23-5
23.4.5 Power Management............................................................................................23-6
23.5 Register Descriptions.......................................................................................................23-7
23.5.1 PWM Control Registers (PWMCRx) ...................................................................23-7
23.5.2 PWM Duty Cycle Registers (PWMDCRx)...........................................................23-8
23.5.3 PWM Period Control Registers (PWMPCRx) .....................................................23-9
23.6 Register Summary .........................................................................................................23-10
24 General-Purpose I/O Controller..................................................................................................24-1
24.1 Overview..........................................................................................................................24-1
24.2 Features...........................................................................................................................24-1
24.3 Signal Descriptions ..........................................................................................................24-1
24.4 Operation .........................................................................................................................24-2
24.4.1 GPIO Operation as Application-Specific GPIO ...................................................24-2
24.4.2 GPIO Operation as Alternate Function ...............................................................24-3
24.5 Register Descriptions.....................................................................................................24-10
24.5.1 GPIO Pin-Direction Registers (GPDR) .............................................................24-11
24.5.2 GPIO Pin-Output Set Registers (GPSR) and GPIO Pin-Output
Clear Registers (GPCR) ................................................................................................24-14
24.5.3 GPIO Rising-Edge Detect Enable Registers (GRER0/1/2/3) and
Falling-Edge Detect Enable Registers (GFER0/1/2/3) ..................................................24-18
24.5.4 GPIO Alternate Function Register (GAFR).......................................................24-23
24.5.5 GPIO Pin-Level Registers (GPLRx)..................................................................24-28
24.5.6 GPIO Edge Detect Status Register (GEDR).....................................................24-30
24.6 Register Summary .........................................................................................................24-33
25 Interrupt Controller......................................................................................................................25-1
25.1 Overview..........................................................................................................................25-1
25.2 Features...........................................................................................................................25-1
25.3 Signal Descriptions ..........................................................................................................25-2
25.4 Operation .........................................................................................................................25-2
25.4.1 Accessing Interrupt Controller Registers ............................................................25-4
25.4.2 Enabling and Accessing the Coprocessor ..........................................................25-4
25.4.3 Bit Positions and Peripheral IDs .........................................................................25-5
25.5 Register Descriptions.......................................................................................................25-6
25.5.1 Interrupt Controller Pending Registers (ICPR and ICPR2).................................25-6
25.5.2 Interrupt Controller IRQ Pending Registers (ICIP and ICIP2)...........................25-10
25.5.3 Interrupt Controller FIQ Pending Registers (ICFP and ICFP2).........................25-15
25.5.4 Interrupt Controller Mask Registers (ICMR and ICMR2) ..................................25-19
25.5.5 Interrupt Controller Level Registers (ICLR and ICLR2) ....................................25-23
25.5.6 Interrupt Controller Control Register (ICCR).....................................................25-27
25.5.7 Interrupt Priority Registers 0–39 (IPRx)............................................................25-28
xviii Intel® PXA27x Processor Family Developer’s Manual
Contents
25.5.8 Interrupt Control Highest Priority Register (ICHP) ............................................25-29
25.6 Register Summary.........................................................................................................25-31
26 Software Debug..........................................................................................................................26-1
26.1 Overview..........................................................................................................................26-1
26.2 Features...........................................................................................................................26-1
26.3 Signal Descriptions..........................................................................................................26-1
26.4 Operation.........................................................................................................................26-2
26.4.1 Debug Exceptions...............................................................................................26-2
26.4.2 Hardware Breakpoint Resources........................................................................26-5
26.4.3 Software Breakpoints..........................................................................................26-7
26.4.4 Normal RX Handshaking versus High-Speed Download....................................26-7
26.4.5 Executing Conditionally Using TXRXCTRL ........................................................26-8
26.4.6 Debug JTAG Access ..........................................................................................26-8
26.4.7 Trace Buffer......................................................................................................26-24
26.4.8 Halt Mode Software Protocol............................................................................26-29
26.4.9 Software Debug Notes......................................................................................26-35
26.5 Register Descriptions.....................................................................................................26-36
26.5.1 Transmit/Receive Control Register (TXRXCTRL) ............................................26-36
26.5.2 Debug Control and Status Register (DCSR) ....................................................26-38
26.5.3 Data Breakpoint Controls Register (DBCON)...................................................26-41
26.5.4 Instruction Breakpoint Address and Control Register (IBCRx).........................26-42
26.5.5 Data Breakpoint Register (DBRx).....................................................................26-43
26.5.6 Transmit Register (TX) .....................................................................................26-43
26.5.7 Receive Register (RX)......................................................................................26-44
26.5.8 Checkpoint Registers (CHKPTx) ......................................................................26-44
26.5.9 Trace Buffer Register (TBREG)........................................................................26-45
26.6 Register Summary.........................................................................................................26-46
27 Quick Capture Interface..............................................................................................................27-1
27.1 Overview..........................................................................................................................27-1
27.2 Features...........................................................................................................................27-1
27.3 Signal Descriptions..........................................................................................................27-2
27.4 Operation.........................................................................................................................27-2
27.4.1 Operating Modes ................................................................................................27-3
27.4.2 Clock (CICLK and MCLK) Generation................................................................27-9
27.4.3 Serial-to-Parallel Conversion ..............................................................................27-9
27.4.4 FIFO Operation.................................................................................................27-10
27.4.5 Pixel Formats....................................................................................................27-12
27.4.6 Functional Timing .............................................................................................27-21
27.5 Register Descriptions.....................................................................................................27-24
27.5.1 Quick Capture Interface Control Register 0 (CICR0)........................................27-24
27.5.2 Quick Capture Interface Control Register 1 (CICR1)........................................27-28
27.5.3 Quick Capture Interface Control Register 2 (CICR2)........................................27-32
27.5.4 Quick Capture Interface Control Register 3 (CICR3)........................................27-33
27.5.5 Quick Capture Interface Control Register 4 (CICR4)........................................27-34
27.5.6 Quick Capture Interface Time-Out Register (CITOR).......................................27-37
27.5.7 Quick Capture Interface Status Register (CISR) ..............................................27-37
27.5.8 Quick Capture Interface FIFO Control Register (CIFR)....................................27-40
27.5.9 Quick Capture Interface Receive Buffer Registers (CIBRx) .............................27-42
Intel® PXA27x Processor Family Developer’s Manual xix
Contents
27.6 Register Summary .........................................................................................................27-43
28 Memory Map and Registers .......................................................................................................28-1
28.1 Overview..........................................................................................................................28-1
28.2 System Bus Unit Registers ..............................................................................................28-4
28.2.1 Intel XScale® Microarchitecture Core Registers .................................................28-4
28.2.2 Memory Controller Registers ..............................................................................28-6
28.2.3 LCD Controller Registers....................................................................................28-7
28.2.4 USB Host Controller Registers ...........................................................................28-9
28.2.5 Internal Memory Registers................................................................................28-10
28.2.6 Quick Capture Interface Registers....................................................................28-11
28.3 Peripheral Module Registers .........................................................................................28-12
29 System Bus Arbiter.....................................................................................................................29-1
29.1 Overview..........................................................................................................................29-1
29.2 Features...........................................................................................................................29-1
29.3 Signal Descriptions ..........................................................................................................29-1
29.4 Operation .........................................................................................................................29-1
29.4.1 Programmable Weights ......................................................................................29-1
29.4.2 Bus Parking ........................................................................................................29-2
29.5 Register Descriptions.......................................................................................................29-2
29.5.1 Arbiter Control Register (ARB_CNTRL)..............................................................29-2
29.6 System Considerations....................................................................................................29-3
29.6.1 Access Latency on System Bus .........................................................................29-3
29.6.2 I/O Ordering ........................................................................................................29-4
29.6.3 Flushing the Memory Controller Buffers .............................................................29-4
29.6.4 Semaphores .......................................................................................................29-5
29.6.5 Interrupts.............................................................................................................29-5
29.7 Register Summary ...........................................................................................................29-5
Glossary..................................................................................................................................... Glossary-1
Index ...............................................................................................................................................Index-1
xx Intel® PXA27x Processor Family Developer’s Manual
Contents
Figures:
1-1 Intel® PXA27x Processor Block Diagram for a Typical System ............................................1-5
3-1 Clocks Manager and Clocks Distribution Block Diagram ....................................................3-15
3-2 Power Manager and Internal Power Domain Block Diagram ..............................................3-36
3-3 Overview of Power Manager Modes of Operation ..............................................................3-37
3-4 Typical System Diagram .....................................................................................................3-52
3-5 Initial Power-On and Deep-Sleep Exit States......................................................................3-53
4-1 Internal Memory Block Diagram............................................................................................4-2
5-1 DMA Controller Block Diagram .............................................................................................5-3
5-2 DREQ Timing Requirements.................................................................................................5-3
5-3 Descriptor-Fetch Transfer Channel State Diagram...............................................................5-8
5-4 Flow Chart for Descriptor Branching .....................................................................................5-9
5-5 No-Descriptor-Fetch Transfer Channel State Diagram .......................................................5-10
5-6 Fly-By Transfer Diagram .....................................................................................................5-17
5-7 Real-Time Fly-By DMA Operation for SDRAM....................................................................5-18
5-8 Descriptor Chain for Software Implementation of Full and Empty Bits................................5-30
5-9 Descriptor Behavior on End-of-Receive (EOR)...................................................................5-47
6-1 General Memory Interface Configuration ..............................................................................6-5
6-2 Programmable SDRAM Memory Map Options .....................................................................6-7
6-3 External-to-Internal Address Mapping Options .....................................................................6-9
6-4 SDRAM Power-On State Machine ......................................................................................6-22
6-5 Variable-Latency I/O Diagram .............................................................................................6-28
6-6 PC Card Memory Map.........................................................................................................6-30
6-7 Alternate Bus-Master Mode.................................................................................................6-36
6-8 Alternate Bus Master Refresh Options................................................................................6-37
6-9 SDRAM Memory System Example .....................................................................................6-38
6-10 Static Memory System Example .........................................................................................6-39
6-11 Programmable Static Memory Map Options .......................................................................6-70
6-12 Addressing Instructions for Static Memory Chip Selects.....................................................6-70
7-1 LCD Controller Block Diagram ..............................................................................................7-4
7-2 Temporal Dithering Concept .................................................................................................7-6
7-3 Compare Range for TMED....................................................................................................7-7
7-4 TMED Block Diagram............................................................................................................7-8
7-5 Hardware Cursor, Base Plus 2 Overlays Displayed on LCD Panel ....................................7-12
7-6 Luminance and Chrominance Samples in 4:4:4 YCbCr Video Frame ................................7-20
7-7 Luminance and Chrominance Samples in 4:2:2 Video Frame ............................................7-21
7-8 Luminance and Chrominance Samples in 4:2:0 YCbCr Video Frame ................................7-21
7-9 Overlay 1 Frame Buffer Format...........................................................................................7-23
7-10 Overlay 2 Frame Buffer Format for 4:4:4 YCbCr Packed Format .......................................7-25
7-11 Overlay 2 Frame Buffer Format for YCbCr Planar Format..................................................7-25
7-12 Bilinear Interpolation for 1/2X, 1/2Y, and 1/2XY Locations .................................................7-26
7-13 2:1 Upsampling in the Horizontal Dimension .....................................................................7-26
7-14 2:1 Upsampling in the Horizontal and Vertical Dimensions................................................7-27
7-15 Interface to LCD Smart Panel with Internal Frame Buffer ..................................................7-29
7-16 Cursor Position within Display Frame .................................................................................7-33
7-17 Palette Data Formats—Transparency Disabled..................................................................7-34
7-18 Palette Data Formats 0b01—Transparency Enabled..........................................................7-34
7-19 Palette Data Formats 0b10—Transparency Enabled..........................................................7-34
7-20 Palette Data Formats 0b11—Transparency Enabled..........................................................7-35
7-21 Format for Palette Data.......................................................................................................7-36
Intel® PXA27x Processor Family Developer’s Manual xxi
Contents
7-22 Memory Organization for Pixel Depth of 2 bpp ...................................................................7-37
7-23 Memory Organization for Pixel Depth of 4 bpp ...................................................................7-38
7-24 Memory Organization for Pixel Depth of 8 bpp ...................................................................7-38
7-25 Memory Organization for Pixel Depth of 16 bpp .................................................................7-38
7-26 Memory Organization for Pixel Depth of 18 bpp Unpacked ................................................7-39
7-27 Memory Organization for Pixel Depth of 18 bpp Packed ....................................................7-39
7-28 Memory Organization for Pixel Depth of 19 bpp Unpacked ................................................7-40
7-29 Memory Organization for Pixel Depth of 19 bpp Packed ....................................................7-40
7-30 Memory Organization for Pixel Depth of 24 bpp .................................................................7-41
7-31 Memory Organization for Pixel Depth of 25 bpp .................................................................7-41
7-32 Memory Organization for 4:4:4 YCbCr Packed Format.......................................................7-42
7-33 LCD Controller Pin Timing...................................................................................................7-43
7-34 Passive Mode End-of-Frame Timing...................................................................................7-44
7-35 Passive Mode Pixel Clock and Data Pin (Monochrome) Timing .........................................7-45
7-36 Active Mode Timing.............................................................................................................7-46
7-37 Active Mode Pixel Clock and Data Pin Timing ....................................................................7-47
7-38 Interface with SMART Panels Timing..................................................................................7-48
7-39 LCD Data-Pin Pixel Ordering ..............................................................................................7-50
8-1 Texas Instruments Synchronous Serial Frame Protocol (Single Transfers) .........................8-8
8-2 Texas Instruments Synchronous Serial Frame Protocol (Multiple Transfers) .......................8-8
8-3 TI SSP Network Mode Example (Four Time Slots) ...............................................................8-9
8-4 Motorola SPI Frame Protocol (Single Transfers) ................................................................8-10
8-5 Motorola SPI Frame Protocol (Multiple Transfers) ..............................................................8-10
8-6 Motorola SPI Frame Protocols for SPO and SPH Programming (SPH Set) .......................8-11
8-7 Motorola SPI Frame Protocols for SPO and SPH Programming (SPH Cleared) ................8-12
8-8 National Semiconductor Microwire Frame Protocol (Single Transfer) ................................8-13
8-9 National Semiconductor Microwire Frame Protocol (Multiple Transfers) ............................8-13
8-10 Programmable Serial Protocol (Single Transfer).................................................................8-14
8-11 Programmable Serial Protocol (Multiple Transfers) ............................................................8-15
8-12 Programmable Serial Protocol Format (with Consecutive Transfers
and SSPSP[FSRT] Set)........................................................................................................................8-15
8-13 TI SSP with SSCR1_x[TTE] = 1 and SSCR1_x[TTELP]] = 0..............................................8-16
8-14 TI SSP with SSCR1_x[TTE] = 1 and SSCR1_x[TTELP] = 1...............................................8-17
8-15 Motorola SPI with SSCR1_x[TTE] = 1 and SSCR1_x[TTELP] = 0 .....................................8-17
8-16 National Microwire with SSCR1_x[TTE] = 1 and SSCR1_x[TTELP] = 0.............................8-17
8-17 PSP Format with SSCR1_x[TTE] = 1 and SSCR1_x[TTELP] = 0.......................................8-18
8-18 PSP Format with SSCR1_x[TTE] = 1 and Either SSCR1_x[TTELP] = 1
or SSCR1_x[SFRMDIR] = 0 (Master to Frame) ...................................................................................8-18
8-19 Clock Enabling on SSP2 .....................................................................................................8-21
8-20 Audio Clock Selection .........................................................................................................8-51
9-1 I2C Bus Configuration Example.............................................................................................9-3
9-2 I2C Bus Interface Unit Block Diagram ...................................................................................9-4
9-3 SDA and SCL Signals During START and STOP Conditions ...............................................9-7
9-4 START and STOP Conditions...............................................................................................9-8
9-5 Data Format of First Byte in Master Transaction...................................................................9-9
9-6 ACKNOWLEDGE Pulse on I2C Bus....................................................................................9-10
9-7 Clock Synchronization During Arbitration............................................................................9-11
9-8 Arbitration Procedure for Two Masters................................................................................9-12
9-9 Master Receiver Read from Slave Transmitter ...................................................................9-15
9-10 Master Receiver Read from Slave Transmitter, Repeated Start,
xxii Intel® PXA27x Processor Family Developer’s Manual
Contents
Master Transmitter Write to Slave-Receiver.........................................................................................9-15
9-11 A Complete Data Transfer...................................................................................................9-15
9-12 Master Transmitter Write to Slave Receiver........................................................................9-19
9-13 Master Receiver Read from Slave-Transmitter...................................................................9-19
9-14 Master Receiver Read from Slave Transmitter, Repeated START,
Master Transmitter Write to Slave Receiver.........................................................................................9-19
9-15 General Call Address ..........................................................................................................9-21
10-1 Example UART Data Frame................................................................................................10-4
10-2 Example NRZ Bit Encoding—0b0100_1011 .......................................................................10-5
10-3 IR Transmit and Receive Example....................................................................................10-11
10-4 XMODE Example ..............................................................................................................10-11
11-1 4PPM Modulation Encodings ..............................................................................................11-2
11-2 4PPM Modulation Example.................................................................................................11-3
11-3 Frame Format for IrDA Transmission (4.0 Mbps)................................................................11-3
12-1 Communications Protocol Layers in the USB Client Controller...........................................12-2
12-2 USB Client Controller Block Diagram..................................................................................12-4
12-3 Status Bits for OUT Endpoints ............................................................................................12-7
12-4 Status Bits for IN Endpoints ................................................................................................12-8
12-5 Map of 4-Kbyte SRAM for USB Endpoint Data ...................................................................12-9
12-6 FIFO Memory and Endpoint Configuration Sequence ......................................................12-11
12-7 Example Data Ordering and FIFO Organization for OUT Endpoints ................................12-12
12-8 Example Data Ordering and FIFO Organization for IN Endpoints ....................................12-12
12-9 Example Data Ordering in Endpoint Memory....................................................................12-12
12-10 DMA Descriptors for OUT Endpoint FIFO Servicing .........................................................12-14
12-11 DMA Descriptors for IN Endpoint FIFO Servicing .............................................................12-14
12-12 Configurations, Interfaces, and Alternate Interface Settings for UDC ...............................12-15
12-13 Example of Two UDC Configurations ...............................................................................12-15
12-14 Example USB Configurations for UDC..............................................................................12-17
12-15 USB OTG Configurations..................................................................................................12-25
12-16 Host Port 2 OTG Transceiver............................................................................................12-26
12-17 Connection to External OTG Transceiver .........................................................................12-28
12-18 Connection to External OTG Charge Pump......................................................................12-29
12-19 Connection to External USB Transceiver..........................................................................12-30
12-20 Connection to OTG ID.......................................................................................................12-31
12-21 D– Pull-Up Resistors.........................................................................................................12-43
12-22 D+ Pull-Up Resistors.........................................................................................................12-44
12-23 UDC Interrupt Generation .................................................................................................12-50
13-1 Data Transfer through the AC-Link .....................................................................................13-3
13-2 AC ’97 Standard Bidirectional Audio Frame........................................................................13-4
13-3 AC-Link Audio Output Frame ..............................................................................................13-5
13-4 Start of Audio Output Frame ...............................................................................................13-5
13-5 AC ’97 Input Frame .............................................................................................................13-9
13-6 Start of Audio Input Frame ..................................................................................................13-9
13-7 AC-Link Power-Down Timing ............................................................................................13-12
13-8 AC97_SDATA_IN Wake-Up Signaling..............................................................................13-14
13-9 PCM Transmit and Receive Operation..............................................................................13-32
13-10 Microphone-In Receive-Only Operation............................................................................13-35
13-11 MODEM Transmit and Receive Operation........................................................................13-40
14-1 I2S Data Formats (16 Bits) ..................................................................................................14-9
14-2 MSB-Justified Data Formats (16 Bits).................................................................................14-9
Intel® PXA27x Processor Family Developer’s Manual xxiii
Contents
14-3 Transmit and Receive FIFO Accesses through the SADR................................................14-19
15-1 MMC (MMC Protocol) System Interaction...........................................................................15-3
15-2 SD/SDIO (SD or SDIO Protocol) System Interaction ..........................................................15-3
15-3 MMC/SD/SDIO Mode Operation Without Data Token ........................................................15-4
15-4 MMC/SD/SDIO Mode Operation With Data Token .............................................................15-5
15-5 SPI Mode Operation Without Data Token ...........................................................................15-5
15-6 SPI Mode Read Operation ..................................................................................................15-5
15-7 SPI Mode Write Operation ..................................................................................................15-6
16-1 Mobile Scalable Link Example ............................................................................................16-1
16-2 Mobile Scalable Link Block Diagram ...................................................................................16-3
16-3 Example MSL Waveform for Basic Transmission in Nibble Mode ......................................16-6
16-4 Example MSL Waveform for Basic Transmission in Two-Bit Mode ....................................16-6
16-5 Example MSL Waveform for Basic Transmission in Serial Mode .......................................16-6
16-6 Example MSL Waveform for New Channel Selection .........................................................16-7
16-7 Example MSL Waveform for Idle Channel ..........................................................................16-7
16-8 Example MSL Waveform for Clock .....................................................................................16-7
16-9 Example MSL Waveform with Wait State............................................................................16-8
16-10 Example MSL Waveform for New Channel Selection After Wait State...............................16-8
16-11 Power Managing Clocks Waveform ....................................................................................16-9
16-12 Example Waveform of Clock Stopping One Cycle After EOM ..........................................16-10
16-13 Wake-Up Channel Waveform............................................................................................16-10
16-14 MSL FIFO Structure and Organization..............................................................................16-13
16-15 Example Waveform of Clock Stopping One Cycle After Idle.............................................16-25
17-1 Memory Stick System Block Diagram .................................................................................17-2
17-2 Procedure in Power-Save Mode .........................................................................................17-4
18-1 Keypad Interface Block Diagram.........................................................................................18-4
18-2 Rotary Encoder ...................................................................................................................18-8
18-3 Waveforms Illustrating Operation of Rotary Encoder ..........................................................18-9
19-1 Byte Sent Versus Time........................................................................................................19-4
19-2 T = 0 Protocol Communications Method .............................................................................19-5
19-3 Complete Block Structure in T = 1 Protocol ........................................................................19-6
19-4 T = 0 Character Transmission Format.................................................................................19-7
19-5 Framing Error ......................................................................................................................19-7
19-6 Character Waiting Time.......................................................................................................19-8
19-7 Block Guard Time................................................................................................................19-9
19-8 Block Waiting Time............................................................................................................19-10
19-9 Card Clock Stop ................................................................................................................19-11
19-10 Baud-Rate Sampling Pulses When Number of Samples per Bit Is 6 ................................19-12
19-11 Spacing Between Samples When Baud Divisor Is 2.........................................................19-12
19-12 Card Activation ..................................................................................................................19-14
19-13 USIM Card Deactivation....................................................................................................19-15
20-1 USB Host Controller Block Diagram....................................................................................20-3
20-2 Typical List Structure...........................................................................................................20-4
21-1 RTC Block Diagram.............................................................................................................21-3
21-2 Operational Flow of RTC Sections ......................................................................................21-4
21-3 Block Diagram of Wristwatch Section .................................................................................21-6
22-1 Operating System Timers Block Diagram ...........................................................................22-3
22-2 PXA25x Processor-Compatible Timer Channel Block (Channels 0 to 3)............................22-4
22-3 Timer Channel Block Diagram ............................................................................................22-4
22-4 Reset of OSCR6 Based on Rising Edge of EXT_SYNC<1>
xxiv Intel® PXA27x Processor Family Developer’s Manual
Contents
and Counter Configured for 32-kHz Operation.....................................................................................22-7
23-1 Basic Pulse Width Modulated Waveform ............................................................................23-3
23-2 Effects of PWMCRx Settings...............................................................................................23-3
23-3 PWM<x> Block Diagram .....................................................................................................23-4
24-1 General-Purpose I/O Block Diagram...................................................................................24-3
25-1 Interrupt Controller Block Diagram......................................................................................25-3
26-1 SEL_DCSR Hardware.........................................................................................................26-9
26-2 DBG_TX Hardware ...........................................................................................................26-11
26-3 DBG_RX Hardware ...........................................................................................................26-12
26-4 RX Write Logic ..................................................................................................................26-13
26-5 DBG_RX Data Register.....................................................................................................26-14
26-6 LDIC JTAG Data Register Hardware ................................................................................26-16
26-7 Format of LDIC Cache Functions......................................................................................26-18
26-8 Code Download During a Cold Reset for Debug...............................................................26-19
26-9 Code Download During a Warm Reset for Debug ............................................................26-21
26-10 Downloading Code into Instruction Cache During Program Execution.............................26-22
26-11 High Level View of Trace Buffer........................................................................................26-25
26-12 Message Byte Formats .....................................................................................................26-27
26-13 Rollover Message Examples.............................................................................................26-28
26-14 Indirect Branch Entry Address Byte Organization.............................................................26-29
27-1 Master Modes State Diagram..............................................................................................27-4
27-2 Slave-Parallel Mode State Diagram ....................................................................................27-6
27-3 Embedded Synchronization Mode Flow Diagram ...............................................................27-9
27-4 Master-Parallel Functional Timing.....................................................................................27-21
27-5 Slave-Parallel Functional Timing.......................................................................................27-22
27-6 Embedded-Parallel Functional Timing for 8-Bit Interface..................................................27-22
27-7 Embedded-Serial Functional Timing for 4-Bit Interface.....................................................27-23
27-8 Master-Serial Functional Timing for 4-Bit Interface...........................................................27-23
28-1 Physical Address Map Decode Regions .............................................................................28-1
28-2 Memory Map—0x0000_0000–0x7FFF_FFFF.....................................................................28-2
28-3 Memory Map—0x8000_0000–0xFFFF_FFFF.....................................................................28-3
Intel® PXA27x Processor Family Developer’s Manual xxv
Contents
Tables:
1-1 Supplemental Documentation ...............................................................................................1-3
2-1 Performance Monitoring Registers........................................................................................2-2
2-2 Processor ID Register ...........................................................................................................2-4
2-3 Coprocessor: CPU ID and JTAG ID Values ..........................................................................2-4
2-4 Processor CPAR Register.....................................................................................................2-5
2-5 Little-Endian Value Encoding ................................................................................................2-7
2-6 Effect of Each Type of Reset on Internal Register State.......................................................2-9
2-7 Intel® PXA27x Processor Signal Descriptions ....................................................................2-11
3-1 Clocks and Power Manager I/O Signal Descriptions.............................................................3-2
3-2 Summary of Module Reset Functions .................................................................................3-12
3-3 Summary of Reset Sequences............................................................................................3-12
3-4 External Clock Source Selection .........................................................................................3-16
3-5 Processor Oscillator Output Frequencies for 13-MHz Crystal.............................................3-17
3-6 Peripheral PLL Output Frequencies for 13-MHz Crystal .....................................................3-19
3-7 Clock Frequencies...............................................................................................................3-20
3-8 Summary of Clock-Frequency Change Sequences ............................................................3-24
3-9 Required Actions Before and After Core-Frequency Change .............................................3-26
3-10 Summary of Clock Mode Sequences ..................................................................................3-33
3-11 Summary of Module Power and Clocks by Power Mode ....................................................3-35
3-12 Summary of Power and Clock Mode Sequences................................................................3-54
3-13 PMCR Bit Definitions...........................................................................................................3-69
3-14 RDH Operation in Low-Power Modes .................................................................................3-71
3-15 PSSR Bit Definitions............................................................................................................3-72
3-16 PSPR Bit Definitions............................................................................................................3-73
3-17 PWER Bit Definitions...........................................................................................................3-74
3-18 PRER Bit Definitions ...........................................................................................................3-77
3-19 PFER Bit Definitions............................................................................................................3-78
3-20 PEDR Bit Definitions ...........................................................................................................3-79
3-21 PCFR Bit Definitions............................................................................................................3-81
3-22 PGSR0/1/2/3 Bit Definitions ................................................................................................3-84
3-23 RCSR Bit Definitions ...........................................................................................................3-85
3-24 PSLR Bit Definitions ............................................................................................................3-86
3-25 PSTR Bit Definitions............................................................................................................3-88
3-26 PVCR Bit Definitions ...........................................................................................................3-89
3-27 PUCR Bit Definitions ...........................................................................................................3-90
3-28 PKWR Bit Definitions...........................................................................................................3-92
3-29 PKSR Bit Definitions............................................................................................................3-93
3-30 PCMD0–31 Bit Definitions...................................................................................................3-94
3-31 CCCR Bit Definitions ...........................................................................................................3-96
3-32 CKEN Bit Definitions ...........................................................................................................3-98
3-33 Clock Enable Mappings for CKEN Bits ...............................................................................3-99
3-34 OSCC Bit Definitions .........................................................................................................3-100
3-35 CCSR Bit Definitions .........................................................................................................3-102
3-36 CLKCFG Bit Definitions.....................................................................................................3-103
3-37 PWRMODE Bit Definitions ................................................................................................3-105
3-38 Power Manager Register Summary ..................................................................................3-105
3-39 Clocks Manager Register Summary..................................................................................3-106
3-40 Coprocessor 14 Clocks and Power Register Summary ....................................................3-106
4-1 Power Modes, Internal Memory, and Memory Banks ...........................................................4-3
xxvi Intel® PXA27x Processor Family Developer’s Manual
Contents
4-2 Internal Memory Register Summary......................................................................................4-4
5-1 DMA Support Matrix..............................................................................................................5-2
5-2 External DMA Controller I/O Signal Descriptions..................................................................5-2
5-3 Channel Priority.....................................................................................................................5-4
5-4 Channel States Based on Software Configuration................................................................5-6
5-5 Configuration for Peripheral Bus Peripheral (PBP) Related Data Transfers .......................5-21
5-6 Configuration for Memory-to-Memory Data Transfers.........................................................5-22
5-7 Configuration for Internal Bus Peripheral (IBP) Related Data Transfers.............................5-22
5-8 Configuration for Companion Chip (CC) Related Data Transfers .......................................5-23
5-9 DMA Quick Reference for On-Chip Peripherals..................................................................5-23
5-10 DRCMR0–63, DRCMR64–70, and DRCMR74 Bit Definitions ............................................5-31
5-11 DDADR0–31 Bit Definitions.................................................................................................5-32
5-12 DSADR0–31 Bit Definitions.................................................................................................5-33
5-13 DTADR0–31 Bit Definitions .................................................................................................5-34
5-14 DCMD0–31 Bit Definitions...................................................................................................5-35
5-15 FLYCNFG Bit Definitions.....................................................................................................5-39
5-16 DRQSR0/1/2 Bit Definitions ................................................................................................5-40
5-17 DCSR0–31 Bit Definitions ...................................................................................................5-41
5-18 DINT Bit Definitions.............................................................................................................5-48
5-19 DALGN Bit Definitions .........................................................................................................5-49
5-20 DPCSR Bit Definitions.........................................................................................................5-51
5-21 DMA Controller Register Summary.....................................................................................5-51
6-1 Memory Controller I/O Signal Descriptions ...........................................................................6-2
6-2 Example SDRAM Memory Size Options...............................................................................6-8
6-3 64-MB and 256-MB External-to-Internal Address Mapping Options:
Normal Bank Addressing without Stacked Flash + SDRAM (For use with PXA270
and PXA272)...................................................................................................................................6-10
6-4 64-MB and 256-MB External-to-Internal Address Mapping Options:
Normal Bank Addressing with Stacked Flash + SDRAM (For use with PXA271)..........................6-12
6-5 64-MB and 256-MB External-to-Internal Address Mapping Options:
Alternate Bank Addressing without Stacked Flash .........................................................................6-14
6-6 64-MB and 256-MB External-to-Internal Address Mapping Options:
Alternate Bank Addressing with Stacked Flash ..............................................................................6-16
6-7 64-MB External-to-Internal Address Mapping Options: SA-1110 Addressing.....................6-18
6-8 SDRAM Command Encoding..............................................................................................6-21
6-9 SDRAM Mode Register Fields ............................................................................................6-21
6-10 32-Bit Byte Address Bits MA<1:0> for Writes Based on DQM<3:0>...................................6-25
6-11 16-Bit Byte Address Bit MA<0> for Writes Based on DQM<1:0>........................................6-25
6-12 Sample Read Programming Values for Synchronous Flash Memory .................................6-26
6-13 Possible Common Memory Space Write Commands .........................................................6-31
6-14 Possible Common Memory Space Read Commands.........................................................6-31
6-15 Possible Attribute Memory Space Write Commands ..........................................................6-31
6-16 Possible Attribute Memory Space Read Commands ..........................................................6-32
6-17 Possible 16-Bit I/O Space Write Commands (nIOIS16 = 0)................................................6-32
6-18 Possible 16-Bit I/O Space Read Commands (nIOIS16 = 0)................................................6-32
6-19 Possible 8-Bit I/O Space Write Commands (nIOIS16 = 1)..................................................6-32
6-20 Possible 8-Bit I/O Space Read Commands (nIOIS16 = 1)..................................................6-32
6-21 BOOT_SEL Definitions........................................................................................................6-37
6-22 Memory Controller Pin Reset Values ..................................................................................6-40
6-23 MDCNFG Bit Definitions......................................................................................................6-43
Intel® PXA27x Processor Family Developer’s Manual xxvii
Contents
6-24 MDMRS Bit Definitions........................................................................................................6-48
6-25 MDMRSLP Bit Definitions ...................................................................................................6-50
6-26 MDREFR Bit Definitions ......................................................................................................6-52
6-27 SXCNFG Bit Definitions ......................................................................................................6-57
6-28 MSC0/1/2 Bit Definitions .....................................................................................................6-62
6-29 32-Bit Byte Address Bits MA<1:0> for Reads Based on DQM<3:0>...................................6-71
6-30 16-Bit Byte Address Bit MA<0> for Reads Based on DQM<1:0> .......................................6-71
6-31 SA1110 Bit Definitions.........................................................................................................6-72
6-32 Valid Boot Configurations....................................................................................................6-73
6-33 BOOT_DEF Bit Definitions ..................................................................................................6-74
6-34 PC Card/CompactFlash Interface Command Assertion Code ............................................6-75
6-35 MCMEMx Bit Definitions......................................................................................................6-76
6-36 MCATT0/1 Bit Definitions ....................................................................................................6-76
6-37 MCIO0/1 Bit Definitions .......................................................................................................6-77
6-38 MECR Bit Definitions...........................................................................................................6-78
6-39 Impedance Selection Options .............................................................................................6-79
6-40 BSCNTR0 Bit Definitions.....................................................................................................6-80
6-41 BSCNTR1 Bit Definitions.....................................................................................................6-81
6-42 BSCNTR2 Bit Definitions.....................................................................................................6-82
6-43 BSCNTR3 Bit Definitions.....................................................................................................6-83
6-44 Memory Controller Register Summary ................................................................................6-84
7-1 LCD Controller I/O Signal Descriptions .................................................................................7-3
7-2 DMA Channel Use.................................................................................................................7-5
7-3 Display Order of Three Layers and Cursor on LCD Panel ..................................................7-13
7-4 Overlay Support for Bits per Pixel (BPP) Formats ..............................................................7-14
7-5 Bit per Pixel Format Combinations Allowed ........................................................................7-15
7-6 Video Sampling Formats Supported by Overlay 2 ..............................................................7-15
7-7 Valid Pixel Formats for Each Frame....................................................................................7-15
7-8 Valid Combinations of PDFOR and PAL_FOR for Various Base BPP................................7-16
7-9 Palette Entries for 2, 4, and 8 bpp Formats.........................................................................7-17
7-10 Standard RGB and RGBT Formats.....................................................................................7-17
7-11 Pixel Depth of 16 bpp with Overlays Disabled ....................................................................7-18
7-12 Pixel Depth of 16 bpp with Overlays Enabled .....................................................................7-18
7-13 Pixel Depth of 18 bpp with Overlays Disabled ....................................................................7-18
7-14 Pixel Depth of 19 bpp with Overlays Enabled .....................................................................7-18
7-15 Pixel Depth of 24 bpp with Overlays Disabled ....................................................................7-19
7-16 Pixel Depth of 24 bpp with Overlays Enabled .....................................................................7-19
7-17 Pixel Depth of 25 bpp with Overlays Enabled .....................................................................7-19
7-18 YCbCr 4:4:4 Packed Pixel Data Format Stored in Memory ................................................7-25
7-19 Initial Format—RGB 8:8:8 ...................................................................................................7-28
7-20 Converted Format—RGB 5:5:5 ...........................................................................................7-28
7-21 Supported Color Component Precision Conversions Following Color Space Conversion..7-28
7-22 Command Data Format.......................................................................................................7-29
7-23 Command Description.........................................................................................................7-29
7-24 Control Bit Description.........................................................................................................7-30
7-25 Command Data Format Stored in Memory .........................................................................7-30
7-26 Pixel Data 32x32x2bpp and 64x64x2bpp 2-Color and Transparency Modes .....................7-31
7-27 Pixel Data 32x32x2bpp and 64x64x2bpp 4-Color Modes ...................................................7-31
7-28 Pixel Data 32x32x2bpp and 64x64x2bpp 3-Color and Transparency Modes .....................7-32
7-29 Pixel Data 128x128x1bpp 2-Color Mode.............................................................................7-32
xxviii Intel® PXA27x Processor Family Developer’s Manual
Contents
7-30 Pixel Data 128x128x1bpp 1-Color and Transparency Mode...............................................7-32
7-31 LCD Controller Data Pin Utilization .....................................................................................7-49
7-32 Monochrome, Passive Single Scan, 4-Bit Bus....................................................................7-51
7-33 Monochrome, Passive Single Scan, 8-Bit Bus....................................................................7-51
7-34 Color, Passive Single Scan, 8-Bit Bus ................................................................................7-51
7-35 Monochrome, Active Single Scan, 8-Bit Bus.......................................................................7-51
7-36 Color, Active Single Scan, 16 bpp, 16-Bit Bus ....................................................................7-52
7-37 Color, Active Single Scan, 18 bpp or 19 bpp, 18-Bit Bus....................................................7-52
7-38 Pin Assignments in Active Mode .........................................................................................7-53
7-39 8-Bit Interface for Smart Panels .........................................................................................7-53
7-40 LCCR0 Bit Definitions..........................................................................................................7-56
7-41 LCCR1 Bit Definitions..........................................................................................................7-64
7-42 LCCR2 Bit Definitions..........................................................................................................7-66
7-43 LCCR3 Bit Definitions..........................................................................................................7-69
7-44 LCCR4 Bit Definitions..........................................................................................................7-74
7-45 LCCR5 Bit Definitions..........................................................................................................7-79
7-46 OVL1C1 Bit Definitions........................................................................................................7-92
7-47 OVL1C2 Bit Definitions........................................................................................................7-93
7-48 OVL2C1 Bit Definitions........................................................................................................7-94
7-49 OVL2C2 Bit Definitions........................................................................................................7-96
7-50 CCR Bit Definitions..............................................................................................................7-97
7-51 CMDCR Bit Definitions ........................................................................................................7-98
7-52 TRGBR Bit Definitions.........................................................................................................7-99
7-53 TCR Bit Definitions............................................................................................................7-100
7-54 FDADR0/1/2/3/4/5/6 Bit Definitions...................................................................................7-102
7-55 FBR0/1/2/3/4/5/6 Bit Definitions ........................................................................................7-103
7-56 LCDBSCNTR Bit Definitions .............................................................................................7-104
7-57 PRSR Bit Definitions .........................................................................................................7-105
7-58 LCSR0 Bit Definitions........................................................................................................7-106
7-59 LCSR1 Bit Definitions........................................................................................................7-111
7-60 LIIDR Bit Definitions ..........................................................................................................7-118
7-61 FSADR0/1/2/3/4/5/6 Bit Definitions ...................................................................................7-119
7-62 FIDR0/1/2/3/4/5/6 Bit Definitions .......................................................................................7-119
7-63 LDCMD0/1/2/3/4/5/6 Bit Definitions...................................................................................7-120
7-64 LCD Controller Register Summary....................................................................................7-122
8-1 SSP Serial Port I/O Signal Descriptions................................................................................8-2
8-2 Programmable Serial Protocol (PSP) Parameters ..............................................................8-15
8-3 SSP Port Clock Request Enable Selection .........................................................................8-20
8-4 TFT and RFT Values with Possible DMA Burst Sizes.........................................................8-22
8-5 SSP Port Clock Selection....................................................................................................8-23
8-6 SSCR0_1/2/3 Bit Definitions ...............................................................................................8-25
8-7 SSCR1_1/2/3 Bit Definitions ...............................................................................................8-30
8-8 SSPSP1/2/3 Bit Definitions .................................................................................................8-39
8-9 SSTO_1/2/3 Bit Definitions..................................................................................................8-41
8-10 SSITR1/2/3 Bit Definitions...................................................................................................8-42
8-11 SSSR1/2/3 Bit Definitions....................................................................................................8-43
8-12 SSDR1/2/3 Bit Definitions ...................................................................................................8-48
8-13 SSTSA1/2/3 Bit Definitions..................................................................................................8-48
8-14 SSRSA1/2/3 Bit Definitions .................................................................................................8-49
8-15 SSTS1/2/3 Bit Definitions....................................................................................................8-50
Intel® PXA27x Processor Family Developer’s Manual xxix
Contents
8-16 SSACD1/2/3 Bit Definitions .................................................................................................8-52
8-17 SSPSYSCLKx Frequency Selection ...................................................................................8-53
8-18 PLL Output Frequency and Divider Selection (Selected Time Slots and Data Sizes) ........8-53
8-19 SSP Register Summary ......................................................................................................8-53
9-1 I2C Bus Interface Unit I/O Signal Descriptions ......................................................................9-2
9-2 I2C Bus Definitions ................................................................................................................9-2
9-3 I2C Modes of Operation.........................................................................................................9-5
9-4 START and STOP Bit Definitions..........................................................................................9-6
9-5 Master Transactions............................................................................................................9-13
9-6 Slave Transactions..............................................................................................................9-18
9-7 General Call Address Second Byte Definitions ...................................................................9-22
9-8 ICR, PICR Bit Definitions.....................................................................................................9-23
9-9 ISR, PISR Bit Definitions .....................................................................................................9-27
9-10 ISAR, PISAR Bit Definitions ................................................................................................9-29
9-11 IDBR, PIDBR Bit Definitions................................................................................................9-30
9-12 IBMR, PIBMR Bit Definitions ...............................................................................................9-30
9-13 Standard I2C Register Summary.........................................................................................9-31
9-14 Power I2C Register Summary .............................................................................................9-31
10-1 UARTs I/O Signal Descriptions ...........................................................................................10-3
10-2 Theoretical Baud Rate vs. Actual Baud Rate ....................................................................10-12
10-3 UART Register Addresses as Offsets from a Base Address ............................................10-13
10-4 RBR Bit Definitions............................................................................................................10-14
10-5 THR Bit Definitions ............................................................................................................10-14
10-6 DLL Bit Definitions.............................................................................................................10-15
10-7 DLH Bit Definitions ............................................................................................................10-15
10-8 IER Bit Definitions .............................................................................................................10-16
10-9 Interrupt Conditions ...........................................................................................................10-17
10-10 IIR Bit Definitions...............................................................................................................10-18
10-11 Interrupt Identification Register (IIR) Decode ....................................................................10-19
10-12 FCR Bit Definitions ............................................................................................................10-21
10-13 FOR Bit Definitions............................................................................................................10-23
10-14 ABR Bit Definitions ............................................................................................................10-24
10-15 ACR Bit Definitions............................................................................................................10-25
10-16 LCR Bit Definitions ............................................................................................................10-25
10-17 LSR Bit Definitions ............................................................................................................10-27
10-18 MCR Bit Definitions ...........................................................................................................10-30
10-19 MSR Bit Definitions ...........................................................................................................10-32
10-20 SCR Bit Definitions............................................................................................................10-33
10-21 ISR Bit Definitions .............................................................................................................10-33
10-22 FFUART Register Summary .............................................................................................10-35
10-23 BTUART Register Summary .............................................................................................10-35
10-24 STUART Register Summary .............................................................................................10-36
10-25 Flow-Control Registers in BTUART and STUART ............................................................10-37
11-1 Fast Infrared Communications Port I/O Signal Descriptions ...............................................11-1
11-2 ICCR0 Bit Definitions.........................................................................................................11-11
11-3 ICCR1 Bit Definitions.........................................................................................................11-13
11-4 ICCR2 Bit Definitions.........................................................................................................11-14
11-5 ICDR Bit Definitions...........................................................................................................11-15
11-6 ICSR0 Bit Definitions.........................................................................................................11-16
11-7 ICSR1 Bit Definitions.........................................................................................................11-18
xxx Intel® PXA27x Processor Family Developer’s Manual
Contents
11-8 ICFOR Bit Definitions ........................................................................................................11-19
11-9 Fast Infrared Communications Port Register Summary....................................................11-20
12-1 USB Client Controller Interface I/O Signal Descriptions......................................................12-3
12-2 USB States Using Differential Signaling..............................................................................12-3
12-3 Example Endpoint Configuration.......................................................................................12-10
12-4 Maximum Packet Size Example........................................................................................12-16
12-5 UDC Endpoint Configuration for Example USB Configuration..........................................12-17
12-6 Endpoint Memory Allocation by Example USB Configuration ...........................................12-18
12-7 Device Request Summary.................................................................................................12-21
12-8 On-The-Go Feature Selectors...........................................................................................12-25
12-9 Host Port 2 OTG Transceiver Switch Control Settings......................................................12-27
12-10 Output to External USB Transceiver .................................................................................12-30
12-11 Inputs from External USB Transceiver..............................................................................12-30
12-12 UDCCR Bit Definitions ......................................................................................................12-33
12-13 USB Event Interrupts.........................................................................................................12-36
12-14 USB On-The-Go Event Interrupts .....................................................................................12-36
12-15 UDCICR0 Bit Definitions ...................................................................................................12-38
12-16 UDCICR1 Bit Definitions ...................................................................................................12-39
12-17 UDCOTGICR Bit Definitions..............................................................................................12-40
12-18 Legal Combinations of USB Port 2 Control Bit Settings....................................................12-41
12-19 Alternate Function Port Signals Selection .........................................................................12-42
12-20 UP2OCR Bit Definitions ....................................................................................................12-46
12-21 Port 3 Configuration Selection..........................................................................................12-49
12-22 UP3OCR Bit Definitions ....................................................................................................12-49
12-23 UDCISR0 Bit Definitions....................................................................................................12-51
12-24 UDCISR1 Bit Definitions....................................................................................................12-52
12-25 UDCOTGISR Bit Definitions..............................................................................................12-52
12-26 UDCFNR Bit Definitions ....................................................................................................12-53
12-27 UDCCSR0 Bit Definitions..................................................................................................12-54
12-28 UDCCRSA–UDCCRSX Bit Definition by Endpoint Direction ............................................12-60
12-29 UDCCRSA–UDCCRSX Bit Definitions..............................................................................12-61
12-30 UDCBCR0 and UDCBCRA–UDCBCRX Bit Definitions ....................................................12-63
12-31 UDCDR0 and UDCDRA–UDCDRX Bit Definitions............................................................12-65
12-32 UDCCRA–UDCCRX Bit Definitions...................................................................................12-66
12-33 USB Client Controller Register Summary .........................................................................12-68
13-1 AC ’97 Controller I/O Signal Descriptions ...........................................................................13-2
13-2 Supported Data Stream Formats ........................................................................................13-3
13-3 Slot 1: Command Address Port Bit Definitions....................................................................13-7
13-4 Slot 2: Command Data Port Bit Definitions .........................................................................13-7
13-5 Input Slot 1 Bit Definitions .................................................................................................13-10
13-6 Input Slot 2 Bit Definitions .................................................................................................13-11
13-7 AC ‘97 Configuration .........................................................................................................13-13
13-8 GCR Bit Definitions ...........................................................................................................13-22
13-9 GSR Bit Definitions............................................................................................................13-24
13-10 POCR Bit Definitions.........................................................................................................13-27
13-11 PCMICR Bit Definitions .....................................................................................................13-28
13-12 POSR Bit Definitions .........................................................................................................13-29
13-13 PCMISR Bit Definitions .....................................................................................................13-30
13-14 CAR Bit Definitions............................................................................................................13-31
13-15 PCDR Bit Definitions .........................................................................................................13-32
Intel® PXA27x Processor Family Developer’s Manual xxxi
Contents
13-16 MCCR Bit Definitions.........................................................................................................13-33
13-17 MCSR Bit Definitions.........................................................................................................13-34
13-18 MCDR Bit Definitions.........................................................................................................13-35
13-19 MOCR Bit Definitions ........................................................................................................13-36
13-20 MICR Bit Definitions ..........................................................................................................13-37
13-21 MOSR Bit Definitions.........................................................................................................13-38
13-22 MISR Bit Definitions ..........................................................................................................13-39
13-23 MODR Bit Definitions ........................................................................................................13-40
13-24 Address Mapping for CODEC Registers ...........................................................................13-41
13-25 AC ’97 Controller Register Summary ................................................................................13-43
14-1 I2S Controller I/O Signal Descriptions .................................................................................14-2
14-2 Supported Sampling Frequencies .......................................................................................14-7
14-3 Actual TFL Value Calculations ............................................................................................14-8
14-4 Actual RFL Value Calculations............................................................................................14-8
14-5 SACR0 Bit Definitions .......................................................................................................14-11
14-6 I2S FIFO Write/Read Settings ...........................................................................................14-13
14-7 TFTH and RFTH Values for DMA Servicing......................................................................14-13
14-8 SACR1 Bit Definitions .......................................................................................................14-14
14-9 SASR0 Bit Definitions........................................................................................................14-15
14-10 SADIV Bit Definitions.........................................................................................................14-17
14-11 SAICR Bit Definitions ........................................................................................................14-17
14-12 SAIMR Bit Definitions ........................................................................................................14-18
14-13 SADR Bit Definitions .........................................................................................................14-18
14-14 I2S Register Summary.......................................................................................................14-19
15-1 MultiMediaCard/SD/SDIO Controller I/O Signal Descriptions .............................................15-2
15-2 Command Token Format ....................................................................................................15-4
15-3 MMC/SD/SDIO Data Token Format ....................................................................................15-4
15-4 MMC/SD/SDIO Data Transfer Types ..................................................................................15-6
15-5 Response and Data Errors................................................................................................15-13
15-6 MMC/SD/SDIO Controller-Generated Interrupts ...............................................................15-14
15-7 MMC_STRPCL Bit Definitions...........................................................................................15-29
15-8 MMC_STAT Bit Definitions................................................................................................15-30
15-9 MMC_CLKRT Bit Definitions .............................................................................................15-31
15-10 MMC_SPI Bit Definitions ...................................................................................................15-32
15-11 MMC_CMDAT Register.....................................................................................................15-33
15-12 CMD_DAT_CONT RES_TYPE Bit Definitions ..................................................................15-33
15-13 MMC_RESTO Bit Definitions ............................................................................................15-34
15-14 MMC_RDTO Bit Definitions...............................................................................................15-34
15-15 MMC_BLKLEN Bit Definitions ...........................................................................................15-35
15-16 MMC_NUMBLK Bit Definitions..........................................................................................15-35
15-17 MMC_PRTBUF Bit Definitions ..........................................................................................15-36
15-18 MMC_I_MASK Bit Definitions............................................................................................15-36
15-19 MMC_I_REG Bit Definitions ..............................................................................................15-38
15-20 MMC_CMD Bit Definitions.................................................................................................15-41
15-21 MMC_ARGH Bit Definitions ..............................................................................................15-41
15-22 MMC_ARGL Bit Definitions ...............................................................................................15-42
15-23 MMC_RES Bit Definitions .................................................................................................15-42
15-24 MMC_RXFIFO Bit Definitions............................................................................................15-43
15-25 MMC_TXFIFO Bit Definitions ............................................................................................15-43
15-26 MMC_RDWAIT Bit Definitions...........................................................................................15-44
xxxii Intel® PXA27x Processor Family Developer’s Manual
Contents
15-27 MMC_BLKS_REM Bit Definitions......................................................................................15-44
15-28 MMC Controller Register Summary ..................................................................................15-45
16-1 Mobile Scalable Link I/O Signal Descriptions......................................................................16-2
16-2 Supported MSL Interface Widths ........................................................................................16-5
16-3 Summary of MSL Channel Allocation................................................................................16-11
16-4 BBFIFO1/2/3/4/5/6/7 Bit Definitions ..................................................................................16-15
16-5 BBCFG1/2/3/4/5/6/7 Bit Definitions...................................................................................16-16
16-6 BBSTAT1/2/3/4/5/6/7 Bit Definitions .................................................................................16-20
16-7 BBEOM1/2/3/4/5/6/7 Bit Definitions ..................................................................................16-22
16-8 BBIID Bit Definitions..........................................................................................................16-23
16-9 BBFREQ Bit Definitions.....................................................................................................16-24
16-10 BBWAIT Bit Definitions......................................................................................................16-25
16-11 BBCST Bit Definitions .......................................................................................................16-26
16-12 BBWAKE Bit Definitions....................................................................................................16-26
16-13 BBITFC Bit Definitions.......................................................................................................16-27
16-14 MSL Interface Register Summary .....................................................................................16-27
17-1 Memory Stick Host Controller I/O Signal Descriptions........................................................17-2
17-2 MSCMR Bit Definitions........................................................................................................17-8
17-3 MSCRSR Bit Definitions......................................................................................................17-9
17-4 MSINT Bit Definitions ........................................................................................................17-10
17-5 MSINTEN Bit Definitions ...................................................................................................17-11
17-6 MSCR2 Bit Definitions.......................................................................................................17-12
17-7 MSACD Bit Definitions ......................................................................................................17-13
17-8 MSRXFIFO Bit Definitions.................................................................................................17-14
17-9 MSTXFIFO Bit Definitions .................................................................................................17-15
17-10 Memory Stick Register Summary......................................................................................17-15
17-11 Sony-to-PXA27x Processor Memory Stick Register Reference........................................17-16
18-1 Keypad Interface I/O Signal Descriptions............................................................................18-3
18-2 Effect of Rotary-Encoder Sensor Outputs on Count Value .................................................18-8
18-3 KPC Bit Definitions............................................................................................................18-13
18-4 KPDK Bit Definitions..........................................................................................................18-16
18-5 KPREC Bit Definitions .......................................................................................................18-17
18-6 KPMK Bit Definitions .........................................................................................................18-18
18-7 KPAS Bit Definitions..........................................................................................................18-19
18-8 Keypad Columns Used by KPASMKPx Registers ............................................................18-20
18-9 KPASMKP0 Bit Definitions ................................................................................................18-21
18-10 KPASMKP1 Bit Definitions ................................................................................................18-21
18-11 KPASMKP2 Bit Definitions ...............................................................................................18-22
18-12 KPASMKP3 Bit Definitions ................................................................................................18-22
18-13 KPKDI Bit Definitions.........................................................................................................18-23
18-14 Keypad Interface Register Summary ................................................................................18-24
19-1 USIM Interface I/O Signal Descriptions...............................................................................19-2
19-2 USIM Card Pinout ...............................................................................................................19-3
19-3 DCSR Setup to Ignore EOR..............................................................................................19-17
19-4 RBR Bit Definitions............................................................................................................19-19
19-5 THR Bit Definitions............................................................................................................19-19
19-6 IER Bit Definitions .............................................................................................................19-20
19-7 IIR Bit Definitions...............................................................................................................19-22
19-8 FCR Bit Definitions............................................................................................................19-25
19-9 FSR Bit Definitions ............................................................................................................19-26
Intel® PXA27x Processor Family Developer’s Manual xxxiii
Contents
19-10 ECR Bit Definitions............................................................................................................19-27
19-11 LCR Bit Definitions ............................................................................................................19-30
19-12 USCCR Bit Definitions.......................................................................................................19-31
19-13 LSR Bit Definitions ............................................................................................................19-32
19-14 Number of ETU between a Transmitted Byte’s Leading Edge in Different Protocols .......19-34
19-15 EGTR Bit Definitions .........................................................................................................19-34
19-16 Block Guard Time Values..................................................................................................19-35
19-17 BGTR Bit Definitions .........................................................................................................19-35
19-18 TOR Bit Definitions............................................................................................................19-35
19-19 CLKR Bit Definitions..........................................................................................................19-36
19-20 DLR Bit Definitions ............................................................................................................19-37
19-21 FLR Bit Definitions.............................................................................................................19-38
19-22 CWTR Bit Definitions.........................................................................................................19-38
19-23 BWTR Bit Definitions.........................................................................................................19-39
19-24 USIM Interface Register Summary....................................................................................19-40
20-1 USB Host Controller I/O Signal Descriptions ......................................................................20-2
20-2 Operational Power Status ...................................................................................................20-7
20-3 UHCREV Bit Definitions ....................................................................................................20-10
20-4 UHCHCON Bit Definitions .................................................................................................20-11
20-5 UHCCOMS Bit Definitions.................................................................................................20-14
20-6 UHCINTS Bit Definitions ...................................................................................................20-16
20-7 UHCINTE Bit Definitions ...................................................................................................20-18
20-8 UHCINTD Bit Definitions ...................................................................................................20-20
20-9 UHCHCCA Bit Definitions .................................................................................................20-21
20-10 UHCPCED Bit Definitions..................................................................................................20-21
20-11 UHCCHED Bit Definitions .................................................................................................20-22
20-12 UHCCCED Bit Definitions .................................................................................................20-23
20-13 UHCBHED Bit Definitions..................................................................................................20-23
20-14 UHCBCED Bit Definitions..................................................................................................20-24
20-15 UHCDHEAD Bit Definitions ...............................................................................................20-25
20-16 UHCFMI Bit Definitions .....................................................................................................20-26
20-17 UHCFMR Bit Definitions....................................................................................................20-27
20-18 UHCFMN Bit Definitions....................................................................................................20-28
20-19 UHCPERS Bit Definitions..................................................................................................20-29
20-20 UHCLST Bit Definitions .....................................................................................................20-30
20-21 UHCRHDA Bit Definitions .................................................................................................20-31
20-22 UHCRHDB Bit Definitions .................................................................................................20-33
20-23 UHCRHS Bit Definitions ....................................................................................................20-34
20-24 UHCRHPS1/2/3 Bit Definitions..........................................................................................20-36
20-25 UHCSTAT Bit Definitions ..................................................................................................20-41
20-26 UHCHR Bit Definitions ......................................................................................................20-42
20-27 UHCHIE Bit Definitions......................................................................................................20-44
20-28 UHCHIT Bit Definitions......................................................................................................20-46
20-29 USB Host Controller Register Summary ...........................................................................20-47
21-1 Real-Time Clock Controller I/O Signal Descriptions............................................................21-2
21-2 RTC Controller Alarm Bit Location Summary......................................................................21-5
21-3 Valid and Invalid Data for Wristwatch Register Fields.........................................................21-7
21-4 Valid Data for Day of Month (DOM) Field In RYCR ............................................................21-7
21-5 Valid and Invalid Data for SWCR, SWAR1, and SWAR2..................................................21-11
21-6 RTTR Bit Definitions..........................................................................................................21-16
xxxiv Intel® PXA27x Processor Family Developer’s Manual
Contents
21-7 RTSR Bit Definitions..........................................................................................................21-17
21-8 RTAR Bit Definitions..........................................................................................................21-19
21-9 RDAR1/2 Bit Definitions ....................................................................................................21-20
21-10 RYAR1/2 Bit Definitions ....................................................................................................21-21
21-11 SWAR1/2 Bit Definitions....................................................................................................21-22
21-12 PIAR Bit Definitions...........................................................................................................21-23
21-13 RCNR Bit Definitions.........................................................................................................21-24
21-14 RDCR Bit Definitions.........................................................................................................21-24
21-15 RYCR Bit Definitions .........................................................................................................21-25
21-16 SWCR Bit Definitions ........................................................................................................21-26
21-17 RTCPICR Bit Definitions ...................................................................................................21-27
21-18 RTC Controller Register Summary....................................................................................21-27
22-1 Operating System Timers I/O Signal Descriptions ..............................................................22-2
22-2 OMCR4/5/6/7 Bit Definitions ...............................................................................................22-9
22-3 OMCR8/10 Bit Definitions .................................................................................................22-11
22-4 OMCR9/11 Bit Definitions .................................................................................................22-13
22-5 OSMR 0–11 Bit Definitions................................................................................................22-15
22-6 OWER Bit Definitions ........................................................................................................22-16
22-7 OIER Bit Definitions...........................................................................................................22-16
22-8 OSCR0 Bit Definitions .......................................................................................................22-17
22-9 OSCR4–11 Bit Definitions.................................................................................................22-17
22-10 OSSR Bit Definitions .........................................................................................................22-18
22-11 OSNR Bit Definitions.........................................................................................................22-18
22-12 OS Timers Register Summary ..........................................................................................22-19
23-1 Pulse Width Modulator I/O Signal Descriptions...................................................................23-2
23-2 PWMCR0/1/2/3 Bit Definitions ............................................................................................23-7
23-3 PWMDCR0/1/2/3 Bit Definitions..........................................................................................23-8
23-4 PWMPCR0/1/2/3 Bit Definitions ..........................................................................................23-9
23-5 PWM Control Registers.....................................................................................................23-10
24-1 GPIO Controller I/O Signal Descriptions .............................................................................24-2
24-2 GPIO Alternate Functions ...................................................................................................24-5
24-3 GPIO Alternate Function Programming Example................................................................24-9
24-4 GPIO Register Definitions .................................................................................................24-11
24-5 GPDR0 Bit Definitions .......................................................................................................24-12
24-6 GPDR1 Bit Definitions .......................................................................................................24-12
24-7 GPDR2 Bit Definitions .......................................................................................................24-13
24-8 GPDR3 Bit Definitions .......................................................................................................24-13
24-9 GPSR0 Bit Definitions .......................................................................................................24-14
24-10 GPSR1 Bit Definitions .......................................................................................................24-15
24-11 GPSR2 Bit Definitions .......................................................................................................24-15
24-12 GPSR3 Bit Definitions .......................................................................................................24-16
24-13 GPCR0 Bit Definitions .......................................................................................................24-16
24-14 GPCR1 Bit Definitions .......................................................................................................24-17
24-15 GPCR2 Bit Definitions .......................................................................................................24-17
24-16 GPCR3 Bit Definitions .......................................................................................................24-18
24-17 GRER0 Bit Definitions .......................................................................................................24-19
24-18 GRER1 Bit Definitions .......................................................................................................24-19
24-19 GRER2 Bit Definitions .......................................................................................................24-20
24-20 GRER3 Bit Definitions .......................................................................................................24-20
24-21 GFER0 Bit Definitions .......................................................................................................24-21
Intel® PXA27x Processor Family Developer’s Manual xxxv
Contents
24-22 GFER1 Bit Definitions .......................................................................................................24-21
24-23 GFER2 Bit Definitions .......................................................................................................24-22
24-24 GFER3 Bit Definitions .......................................................................................................24-22
24-25 GAFR0_L Bit Definitions ...................................................................................................24-24
24-26 GAFR0_U Bit Definitions...................................................................................................24-25
24-27 GAFR1_L Bit Definitions ...................................................................................................24-25
24-28 GAFR1_U Bit Definitions...................................................................................................24-26
24-29 GAFR2_L Bit Definitions ...................................................................................................24-26
24-30 GAFR2_U Bit Definitions...................................................................................................24-27
24-31 GAFR3_L Bit Definitions ...................................................................................................24-27
24-32 GAFR3_U Bit Definitions...................................................................................................24-28
24-33 GPLR0 Bit Definitions........................................................................................................24-29
24-34 GPLR1 Bit Definitions........................................................................................................24-29
24-35 GPLR2 Bit Definitions........................................................................................................24-30
24-36 GPLR3 Bit Definitions........................................................................................................24-30
24-37 GEDR0 Bit Definitions .......................................................................................................24-31
24-38 GEDR1 Bit Definitions .......................................................................................................24-32
24-39 GEDR2 Bit Definitions .......................................................................................................24-32
24-40 GEDR3 Bit Definitions .......................................................................................................24-33
24-41 GPIO Controller Register Summary ..................................................................................24-33
25-1 Interrupt Controller Register Mapping When Mapped to Coprocessor Space ....................25-4
25-2 Bit Positions for Primary Interrupt Sources .........................................................................25-5
25-3 ICPR Bit Definitions.............................................................................................................25-7
25-4 ICPR2 Bit Definitions.........................................................................................................25-10
25-5 ICIP Bit Definitions ............................................................................................................25-11
25-6 ICIP2 Bit Definitions ..........................................................................................................25-14
25-7 ICFP Bit Definitions ...........................................................................................................25-15
25-8 ICFP2 Bit Definitions .........................................................................................................25-19
25-9 ICMR Bit Definitions ..........................................................................................................25-20
25-10 ICMR2 Bit Definitions ........................................................................................................25-23
25-11 ICLR Bit Definitions ...........................................................................................................25-24
25-12 ICLR2 Bit Definitions .........................................................................................................25-27
25-13 ICCR Bit Definitions...........................................................................................................25-27
25-14 IPR0/39 Bit Definitions ......................................................................................................25-29
25-15 ICHP Bit Definitions...........................................................................................................25-30
25-16 Interrupt Controller Register Summary..............................................................................25-31
26-1 Event Priority .......................................................................................................................26-2
26-2 TXRXCTRL Mnemonic Extensions .....................................................................................26-8
26-3 Debug Data Register Reset Values ..................................................................................26-15
26-4 LDIC Cache Functions ......................................................................................................26-17
26-5 Message Byte Formats .....................................................................................................26-27
26-6 TXRXCTRL Bit Definitions ................................................................................................26-36
26-7 DCSR Bit Definitions .........................................................................................................26-39
26-8 DBCON Bit Definitions ......................................................................................................26-42
26-9 IBCRx Bit Definitions .........................................................................................................26-42
26-10 DBRx Bit Definitions ..........................................................................................................26-43
26-11 TX Bit Definitions...............................................................................................................26-43
26-12 RX Bit Definitions ..............................................................................................................26-44
26-13 CHKPTx Bit Definitions .....................................................................................................26-45
26-14 TBREG Bit Definitions .......................................................................................................26-45
xxxvi Intel® PXA27x Processor Family Developer’s Manual
Contents
26-15 Coprocessor Debug and Trace Register Summary ..........................................................26-46
27-1 Quick Capture Interface I/O Signal Descriptions.................................................................27-2
27-2 Quick Capture Interface Modes of Operation......................................................................27-3
27-3 Master Modes State-Machine Controls...............................................................................27-4
27-4 ITU-R BT.656-4 EAV/SAV Sequence for 8-Bit....................................................................27-7
27-5 ITU-R BT.656-4 Timing Reference Coding .........................................................................27-8
27-6 Memory Organization for Raw 8-Bit Data..........................................................................27-13
27-7 Memory Organization for Raw 9-Bit Data..........................................................................27-13
27-8 Memory Organization for Raw 10-Bit Data........................................................................27-14
27-9 8-Bit Data-Capture Sequence for RGB 8:8:8 ....................................................................27-14
27-10 8-Bit Data-Capture Sequence for RGB 5:6:5 Color Space ...............................................27-15
27-11 Memory Organization for Unpacked RGB 8:8:8 (Pixel Depth of 24 bpp)..........................27-15
27-12 Memory Organization for Packed RGB 8:8:8 (Pixel Depth of 24 bpp) ..............................27-15
27-13 Memory Organization for RGBT 8:8:8 (Pixel Depth of 25 bpp).........................................27-16
27-14 Memory Organization for Unpacked RGB 6:6:6 (Pixel Depth of 18 bpp)..........................27-16
27-15 Memory Organization for Packed RGB 6:6:6 (Pixel Depth of 18 bpp) ..............................27-17
27-16 Memory Organization for RGB 5:6:5 Format (Pixel Depth of 16 bpp)...............................27-17
27-17 Memory Organization for RGBT 5:5:5 Format (Pixel Depth of 16 bpp).............................27-17
27-18 Memory Organization for RGB 4:4:4 Pixel Data (Pixel Depth of 12 bpp)..........................27-18
27-19 8-Bit Data Capture Sequence for YCbCr 4:2:2 Color Space.............................................27-19
27-20 Memory Organization for 4:2:2 YCbCr Planar Format ......................................................27-19
27-21 Memory Organization for 4:2:2 YCbCr Packed Format.....................................................27-20
27-22 Packing and Precision Conversion from RGB 8:8:8 to RGB 5:5:5....................................27-20
27-23 Supported Color Component Precision Conversions for RGB 8:8:8.................................27-21
27-24 CICR0 Bit Definitions.........................................................................................................27-27
27-25 Data Width/Bits per Pixel Compatibility.............................................................................27-29
27-26 CICR1 Bit Definitions.........................................................................................................27-30
27-27 CICR2 Bit Definitions.........................................................................................................27-33
27-28 CICR3 Bit Definitions.........................................................................................................27-34
27-29 CICR4 Bit Definitions.........................................................................................................27-36
27-30 CITOR Bit Definitions ........................................................................................................27-37
27-31 CISR Bit Definitions...........................................................................................................27-39
27-32 CIFR Bit Definitions...........................................................................................................27-41
27-33 CIBR0/1/2 Bit Definitions...................................................................................................27-42
27-34 Quick Capture Interface Register Summary......................................................................27-43
28-1 Coprocessor Register Summary .........................................................................................28-4
28-2 Memory Controller Register Summary................................................................................28-6
28-3 LCD Controller Register Summary......................................................................................28-7
28-4 USB Host Controller Register Summary .............................................................................28-9
28-5 Internal Memory Register Summary..................................................................................28-10
28-6 Quick Capture Interface Register Summary......................................................................28-11
28-7 Peripheral Module Address Summary...............................................................................28-12
28-8 Register Address Summary—Peripherals.........................................................................28-13
29-1 ARB_CNTRL Bit Definitions ................................................................................................29-3
29-2 System Bus Arbiter Register Summary...............................................................................29-5
Intel® PXA27x Processor Family Developer’s Manual xxxvii
Contents
Revision History
Date Revision Description
April 2004 -001 Initial release
October
2004 -002
Updated Section 2.2.5.1. with C0 CPUID and JTAG ID
Updated Table 6-31 with the correct address for SA-1110
Updated Table 3-28 with new info for the CLKPWR register
Updated Table 8-8 with SSPSP_X[MODE] description
Updated Table 3-33 with CKEN[11] description
Updated Table 24-2 with CKEN[11] description
Updated Table 15-6 with the description of PRG_DONE
Updated Section 15.8.9.2 step 4 of the MMC/SD/SDIO Block Data Read
sequence
Updated Table 3-17 with the PWER bit field definition.
Updated Section 6.5.1.4 to add the CLK_MEM with SDCLK<2> or SDCL<1>
change.
Added note to section 3.5.7.2 for CLK_MEM with SDCL<1> or SDCLK<2> at
104 MHz
Updated Section 21.4.4 Alarm bit data.
Added section 8.4.11.1 and 8.4.11.2
Updated section 8.4.11
Added examples to section 15.7.2 and 15.7.3
Section 3.4.6.3.1 updated GPIO reset section from Edge triggered to Level
triggered
xxxviii Intel® PXA27x Processor Family Developer’s Manual
Contents
January
2006 -003
Updates made based on “Dec 2005 Intel® PXA27x Processor Family
Specification Update”
LCD controller LCCR4 - Additional Functionality, Chapter 7, “LCCR4 Bit
Definitions”
Additional GPIOs for SSPTXD2 and SSPRXD2, Chapter 24, “GPIO Alternate
Functions”
Bit definition change in USB port 2 output 2 control register (UP2OCR),
Chapter 12, “UP2OCR Bit Definitions”
C5 additional supported product points, Chapter 3, “Clock Frequencies”
Additional Trusted Platform Module (TPM) Documentation, Chapter 25, “Bit
Positions for Primary Interrupt Sources”, Chapter 3, “Clock Enable Mappings
for CKEN Bits, Chapter 5, “DMA Quick Reference for On-Chip Peripherals”,
Chapter 5, “DMA Controller Register Summary”
Additional ForceSE0 mode in USB Host Ports, Chapter 12, “UP3OCR Bit
Definitions”
New CPU ID and JTAG ID values, Chapter 2, “Coprocessor: CPU ID and JTAG
ID Values”
LCD controller: LCCR3, Chapter 7, “LCD Controller Control Register 3
(LCCR3)”
USB Client Controller: Removed section 12.6.3.8 “Host Port 2 D+ Pull-Up
Bypass Enable“, Chapter 12, “Host Port 2 D– Pull-Up Enable”
USB Client Controller: Removed bypass switch SW2 from Figure 12-22,
Chapter 12, “D+ Pull-Up Resistors”
Core: Incorrect register setting for supported product points, Chapter 3, “Clock
Frequencies”
GPIO: Wake-up sources updated, Chapter 2, “Intel® PXA27x Processor Signal
Descriptions”
Power Manager: Fault signals causes processor to enter Deep-Sleep,
Chapter 2, “Intel® PXA27x Processor Signal Descriptions”
Date Revision Description
Intel® PXA27x Processor Family Developer’s Manual xxxix
Contents
January
2006 -003
Processor ID register updated for the addition of the C5 stepping, Chapter 2,
“Processor ID Register”
SSPSCLKEN2 signal name correction, Chapter 8, “SSP Serial Port I/O Signal
Descriptions”
Interrupt Controller: ICPR bit definition correction, Chapter 25, “ICPR Bit
Definitions”
Operating System Timers: Resolution Clarification, Chapter 22, “Clock
Generation for Channels 4–7”, Chapter 22, “Clock Generation for Channels 8–
11
Memory Controller: SA1110 bit definitions correction, Chapter 6, “SA1110 Bit
Definitions”
RTC behavior after reset correction, Chapter 3, “Summary of Module Reset
Functions”
GPIO<38> alternate function 3 (out) definition correction, Chapter 24, “GPIO
Alternate Functions”
Memory Controller: Stacked Memory Clarification, Chapter 6, “Stacked
SDRAM and Flash Memory”, Chapter 6, “MDCNFG Bit Definitions”
Operating System Timers: Deep Sleep Mode Behavior Correction, Chapter 22,
“OMCR4/5/6/7 Bit Definitions”
Interrupt Controller: ICHP bit definition correction, Chapter 25, “ICHP Bit
Definitions”
Reset Manager: GPIO reset behavior updated, Chapter 3, “GPIO Reset”
SYS_EN signal description correction, Chapter 2, “Intel® PXA27x Processor
Signal Descriptions”
Debug JTAG access timing correction, Chapter 26, “Code Download During a
Cold Reset for Debug”, Chapter 26, “Code Download During a Warm Reset for
Debug”
USB host port wake-up behavior clarification, Chapter 20, “Typical List
Structure”
RTC register descriptions correction, Chapter 21, “RTC Stopwatch Alarm
Registers (SWARx)”
Power on reset timing correction, Chapter 3, “Invoking Power-On Reset”
Clock manager and clock distribution block diagram updated, Chapter 3,
“Clocks Manager and Clocks Distribution Block Diagram”
Memory Controller Registers are not affected by GPIO Reset, Chapter 3,
“Summary of Module Reset Functions”
Date Revision Description
xl Intel® PXA27x Processor Family Developer’s Manual
Contents
Intel® PXA27x Processor Family Developer’s Manual 1-1
Introduction 1
The Intel® PXA27x Processor Family (referred to as the PXA27x processor throughout this
document) provides industry-leading multimedia performance, low-power capabilities, rich
peripheral integration, and second-generation memory stacking. Designed from the ground up for
wireless clients, it incorporates the latest Intel advances in mobile technology over its predecessor,
the Intel® PXA255 processor. The Intel® PXA27x processor redefines scalability by operating
from 104 MHz up to 624 MHz, providing enough performance for the most demanding mobile
applications.
It is the first Intel® Personal Internet Client Architecture (PCA) processor to include Intel®
Wireless MMX technology, enabling high performance, low-power multimedia acceleration with
a general-purpose instruction set. Intel® Quick Capture technology provides one of the industry’s
most flexible and powerful camera interfaces for capturing digital images and video. While
performance is key, power consumption is also a critical component. The new capabilities of
Wireless Intel SpeedStep® technology provide a quantum leap forward in low-power operation.
The Intel® PXA27x Processor Family is available in both discrete and stacked versions, providing
customers the flexibility to use the processor even when space is at a premium.
Members of the Intel® PXA27x Processor Family include:
Intel® PXA270 processor in a 13x13mm VFBGA package
Intel® PXA271 processor with 32 Mbytes of Intel StrataFlash® memory and 32 Mbytes of
low-power SDRAM
Intel® PXA272 processor with 64 Mbytes of Intel StrataFlash® memory
1.1 About This Manual
This manual is intended for experienced programmers of ARM* Architecture V5TE-compliant
processors. This manual assumes that programmers have a working knowledge of the vocabulary
and principles of embedded-systems programming.
Intel XScale® technology and the Intel® Wireless MMX media enhancement technology are not
described in this manual. For more information, refer to Table 1-1.
1.1.1 Number Representation
All numbers in this document are decimal (base 10) unless designated otherwise. Hexadecimal
numbers have a prefix of 0x, and binary numbers have a prefix of 0b. For example, 107 is
represented as 0x6B in hexadecimal and 0b110_1011 in binary.
1-2 Intel® PXA27x Processor Family Developer’s Manual
Introduction
1.1.2 Naming Conventions
All signal and register bit names appear in uppercase. Active low items are prefixed with a
lowercase “n”.
Bits within a signal name are enclosed in angle brackets:
EXTERNAL_ADDRESS<31:0>
nCS<1>
Bits within a register bit field are enclosed in square brackets:
REGISTER_BITFIELD[3:0]
REGISTER_BIT[0]
Bit fields in registers are identified this way: REGISTER[REGISTER_BITFIELD]
The following terms are used in this document:
clear—Program 0b0 into a single register bit.
setProgram 0b1 into a single register bit.
write—Program a hexadecimal value into a register bit field (more than one bit).
assert—Drive a signal to its active voltage level, either high or low.
de-assert—Drive a signal to its inactive voltage level, either high or low.
drive—Assert a voltage level onto a signal.
In register-definition tables:
Values shown in the “Reset” row have the following meanings:
0 = Bit clear
1 = Bit set
? = Bit is undefined.
* = Bits whose value is determined by the state of an external pin
Abbreviations in the “Access” column have the following meanings:
R = Read-only
W = Write-only
R/W = Read and write
There are two special cases:
R/WC = R/W. To clear the bit, write 0b1 to it.
RC = Read-only. The bit is automatically cleared after it is read.
1.1.3 Data Types
In the context of the ARM* Architecture V5TE, a word consists of 32 bits. As a result, the
following naming convention applies to the different data types in the PXA27x processor:
8 bits = byte (abbreviation B)
16 bits = half word (abbreviation H)
32 bits = word (abbreviation W)
64 bits = double word (abbreviation D)
Intel® PXA27x Processor Family Developer’s Manual 1-3
Introduction
1.1.4 Related Documents
Table 1-1 lists supplemental documentation for users of the Intel® PXA27x Processor Family.
Contact an Intel representative for the latest revision of Intel documents without order numbers.
Table 1-1. Supplemental Documentation (Sheet 1 of 2)
Title
ARM Architecture Version 5T Specification (Document number ARM DDI 0100D-10) and ARM Architecture
Reference Manual (ARM DDI 0100 or ISBN 0-201-73719-1)
ARM Developer Suite Developer Guide
ARM Multi-ICE System Design Considerations, Application Note 72 (ARM DAI 0072A)
Audio Codec '97 Component Specification, http://www.intel.com/labs/media/audio
Bluetooth SIG Inc. http://www.bluetooth.org
CF+ and CompactFlash Specification, Version 1.4, CompactFlash Association, http://www.compactflash.org
General information: http://developer.intel.com
GSM 11.11 Specification of the Subscriber Identity Module-Mobile Equipment (SIM-ME) Interface, Version
3.16.0, http://www.etsi.org. See also ISO standard 7816-3
I2C-Bus Specification, Philips Semiconductors, http://www.phillipssemiconductors.com
I2S Bus Specification, February 1986, Philips Semiconductors, http://www.phillipssemiconductors.com
IEEE Std. 1149.1-1990 Standard Test Access Port and Boundary-Scan Architecture, http://standards.ieee.org
Infrared Data Association Serial Infrared Physical Layer Specification Version 1.3, October 15, 1998,
http://www.irda.org
256-Mbit 1.8 Volt Intel StrataFlash® Wireless Memory (L18/L30) Stacked-Chip Scale Package (x16)
Datasheet, 252633
Intel XScale® Core Developer’s Manual, 273473
Intel XScale® Microarchitecture for the PXA255 Processor Developer’s Manual, 278796
Intel® PC SDRAM Specification, Version 1.7
Intel® PXA270 Processor Electrical, Mechanical, and Thermal Specification, 280002, and Intel® PXA27x
Processor Family Electrical, Mechanical, and Thermal Specification, 280003
Intel® PXA27x Processor Family Design Guide, 280001
Intel® PXA27x Processor Family Optimization Guide, 280004
Intel® PXA27x Processor Family Power Requirements Application Note, 280005
Intel® Wireless MMX Technology Developer’s Guide, 251793
International Telecommunication Union, Recommendation ITU-R BT.656-4, http://www.itu.int
ISO 7816-3 Smart Card Standard: Part 3: Electronic Signals and Transmission Protocols; 3G TS 31.101
Technical Specification, 3rd Generation Partnership Project, http://www.3gpp.org
MICROWIRE Serial Interface, National Semiconductor Application Note AN-452
MultiMediaCard System Specification Version 3.2, http://www.mmca.org
OpenHCI—Open Host Controller Interface Specification for USB, Release 1.0a, http://www.usb.org
PC Card Standard, Volume 2, Electrical Specification, PCMCIA/JEITA, http://www.pcmcia.org
SD Memory Card Specifications Part I, Physical Layer Specification, Version 1.01, and Secure Digital Input/
Output (SDIO) Card Specification, Version 1.0 (Draft 4), SD Association, http://www.sdcard.org
1-4 Intel® PXA27x Processor Family Developer’s Manual
Introduction
1.2 Product Overview
The PXA27x processor is an integrated system-on-a-chip microprocessor for high-performance,
low-power, portable, handheld and handset devices. It incorporates the Intel XScale® technology
with on-the-fly voltage and frequency scaling and sophisticated power management to provide
industry-leading MIPs/mW performance. The PXA27x processor complies with the ARM*
Architecture V5TE instruction set (excluding floating point instructions) and follows the ARM*
programmers model. The PXA27x processor also supports Intel® Wireless MMX integer
instructions in applications such as those that accelerate audio and video processing.
The PXA27x processor provides a scalable, bidirectional data interface to a cellular baseband
processor supporting seven logical channels. The OS timer channels, mobile scalable link (MSL)
interface, and synchronous serial ports (SSPs) also accept an external network clock input so that
they can be synchronized to the cellular network. The PXA27x processor also provides a Universal
Subscriber Identity Module (USIM) card interface.
The PXA27x processor memory interface supports a variety of external memory types to allow
design flexibility. Support for the connection of two companion chips permits a glueless interface
to external devices.
The PXA27x processor also provides four 64-Kbyte banks of on-chip SRAM, which can be used
for program code or multimedia data. Each bank can be configured to retain its contents when the
processor enters a low-power mode.
An integrated LCD panel controller provides support for displays up to 800 x 600 pixels. It permits
1-, 2-, and 4-bit gray scale and 8- or 16-bit color pixels. A 256-entry palette RAM provides
flexibility in color mapping.
A set of serial devices and general system resources provides computational and connectivity
capability for a variety of applications.
The PXA27x processor is designed for a high degree of backward compatibility with the Intel®
PXA25x Applications Processor.
The PXA27x processor incorporates a comprehensive set of system and peripheral functions that
make it useful in a variety of low-power applications. Figure 1-1 illustrates the system-on-a-chip
processor. The diagram shows a primary system bus with the Intel XScale® core attached, along
with an LCD controller, USB host controller, and 256 Kbytes of internal memory. The system bus
is connected to a memory controller to allow communication with a variety of external memory or
companion-chip devices, and it is also connected to a DMA controller/bridge to allow
communication with the on-chip peripherals. The key features of all the sub-blocks are described in
this section, with more detail provided in the respective chapters.
Sony Memory Stick Standard, Format Specification Version 1.3
UARTs are functionally compatible with the 16550A and 16750 industry standards. The 16550A was originally
produced by National Semiconductor Inc. The 16750 is produced as the TL16C750 by Texas Instruments.
Universal Serial Bus Specification, Revision 1.1; On-The-Go Supplement to Universal Serial Bus Specification
Revision 2.0; Pull-Up/Pull-Down Resistors Engineering Change Notice to Universal Serial Bus 2.0
Specification; http://www.usb.org
Table 1-1. Supplemental Documentation (Sheet 2 of 2)
Title
Intel® PXA27x Processor Family Developer’s Manual 1-5
Introduction
1.2.1 Intel XScale® Technology
The Intel XScale® microarchitecture is based on a new core that complies with the ARM*
Architecture V5TE. The microarchitecture surrounds the core with instruction and data memory
management units; instruction, data, and mini-data caches; write, fill, pend, and branch-target
buffers; power management, performance monitoring, debug, and JTAG units; coprocessor
interface; multiply-accumulate coprocessor (MAC); and core memory bus.
Figure 1-1. Intel® PXA27x Processor Block Diagram for a Typical System
General-Purpose I/O
DMA
Controller
and
Bridge
MHz
Osc
XScale®
Memory
Controller
PC Card/
CompactFlash
Variable
Control
Dynamic
Control
Static
Control
Memory
Memory
Latency I/O
ASIC
XCVR
SDRAM/
Boot
ROM/
Flash/
SRAM
Socket 0
Socket 1
Intel® Wireless MMX
USB
Host
System Bus
Controller
Internal
SRAM
13
Power
Clock Control
Primary GPIO
Peripheral Bus
Address
and
Data
Address and Data Bus
AC ‘97
RTC
I2S
OS Timers
4 x PWM
Interrupt
USIM
3 x SSP
Fast Infrared
I2C
Full-Function
UART
USB Client
Controller
MSL
Interface
Keypad
Interface
Bluetooth
UART
MMC/SD/SDIO
Interface
Memory Stick
Interface
LCD
LCD
kHz
Osc
32.768
Controller
Intel
Core
JTAG
Controller
Debug
ROM
USB
On-The-Go
Capture
Interface
Quick
Control
Controller
Management/
Standard
UART
1-6 Intel® PXA27x Processor Family Developer’s Manual
Introduction
1.2.1.1 Intel XScale® Microarchitecture Features
The features of Intel XScale® microarchitecture include:
Seven- to eight-stage superpipelined RISC technology achieves high speed and ultra low
power.
Dynamic voltage management means voltage and frequency on-the-fly scaling to allow
applications to use the right blend of performance and power.
Media processing technology lets the MAC perform two simultaneous 16-bit single-
instruction multiple-data (SIMD) multiplies with 40-bit accumulation for efficient media
processing.
Power management provides power savings with idle, deep-idle, standby, sleep, and deep-
sleep modes.
128-entry branch target buffer keeps the pipeline filled with statistically correct branch
choices.
32-Kbyte instruction cache keeps local copies of important instructions to enable high
performance and low power.
32-Kbyte data cache keeps local copy of important data to enable high performance and low
power.
2-Kbyte mini-data cache avoids “thrashing” of the 32-Kbyte data cache for frequently
changing data streams.
32-entry instruction-memory management enables logical-to-physical address translation,
access permissions, and instruction-cache attributes.
32-entry data memory management unit enables logical-to-physical address translation, access
permissions, and data-cache attributes.
Four-entry fill and pend buffers promote core efficiency by allowing “hit-under-miss”
operation with data caches.
Performance monitoring unit furnishes two 32-bit event counters and one 32-bit cycle counter
for analysis of hit rates.
Debug unit uses hardware breakpoints and 256-entry trace-history buffer (for flow change
messages) to debug programs.
32-bit coprocessor interface provides a high-performance interface between core and
coprocessors.
Eight-entry write buffer allows the core to continue execution while data is written to memory.
See the Intel XScale® Core Developers Manual for additional information.
1.2.1.2 Coprocessor
The Intel XScale® core has attached to it a coprocessor to accelerate multimedia applications. This
coprocessor is characterized by a 64-bit single-instruction multiple-data (SIMD) architecture and
compatibility with the integer functionality of the Intel® Wireless MMX technology and
streaming SIMD extensions (SSE) instruction sets. Key features of this coprocessor include:
30 new media-processing instructions
64-bit architecture up to eight-way SIMD
Intel® PXA27x Processor Family Developer’s Manual 1-7
Introduction
16 x 64-bit register file
SIMD PSR flags with group-conditional execution support
SIMD instruction support for sum of absolute differences (SAD) and multiply-accumulate
(MAC) operations
Instruction support for alignment and video operations
Intel® MMX™ and SSE integer instruction compatibility
Superset of existing media-processing instructions in the Intel XScale® core
See the Intel® Wireless MMX documentation, listed in Table 1-1, for more details.
1.2.2 Power Management
The PXA27x processor provides a rich set of flexible power-management controls for a wide range
of usage models while enabling very low-power operation. The key features include the following:
Five reset sources: power-on, hardware, watchdog, general-purpose I/O (GPIO), and exit from
sleep, and deep-sleep modes (sleep-exit)
Three clock speed controls to adjust frequency: turbo mode, half-turbo mode, fast-bus mode
Switchable clock source
Functional clock gating
Programmable frequency-change capability, with multiple turbo settings without requiring the
PLL to re-lock
Power modes to control power consumption: normal (both run and turbo), idle, deep-idle,
standby, sleep, and deep-sleep
Programmable I2C-based interface to support external power-regulator devices
See Chapter 3, “Clocks and Power Manager” for more details.
1.2.3 Internal Memory
Key features of the internal memory module include:
256 Kbytes of on-chip RAM arranged as four banks of 64 Kbytes
Bank-by-bank power management for reduced power consumption
Support for byte writes
See Chapter 4, “Internal Memory for more details.
1.2.4 Interrupt Controller
The interrupt controller, which masks and prioritizes all on-chip interrupts, is accessed either
through memory-mapped or coprocessor registers. The key features are as follows:
Peripheral interrupt sources can be mapped to normal (IRQ) or fast (FIQ) interrupt request
Each interrupt source can be enabled independently
1-8 Intel® PXA27x Processor Family Developer’s Manual
Introduction
Priority mechanism to indicate highest priority interrupt
Accessible from the coprocessor interface for fast access
Accessible as a memory-mapped peripheral for backward compatibility.
See Chapter 25, “Interrupt Controller” for more details.
1.2.5 Operating-System Timers
The operating-system timers provide the following features:
Single-counter operating at 3.25 MHz
Four Match registers
Watchdog function
Eight additional timer channels offer the following additional features:
Eight independent channels, each consisting of:
— Counter
Match register
Control register
Independent clock for each counter, selectable by software:
32.768-kHz clock for low power
13-MHz clock for high accuracy
Externally supplied clock for network synchronization
Counter resolutions of 1/32768th of a second, one millisecond, and one microsecond
Periodic and one-shot timers
Two external synchronization events
Operation during reduced-power modes (standby, sleep, deep-sleep)
See Chapter 22, “Operating System Timers” for more details.
1.2.6 Pulse-Width Modulation Unit (PWM)
The PWM unit consists of four independent channels. Source data can be derived from memory
(using DMA) or from CPU store. The following are key features:
Four pulse-width modulated output channels
Enhanced period control through 6-bit clock divider and 10-bit period counter
10-bit pulse control
See Chapter 23, “Pulse Width Modulator Controller” for more details.
Intel® PXA27x Processor Family Developer’s Manual 1-9
Introduction
1.2.7 Real-Time Clock (RTC)
The real-time clock is a 32-bit counter with trim control that runs off the 32.76- kHz crystal
oscillator. The general features of the RTC are as follows.
Timer
User-programmable free-running counter
User-programmable alarm register
Resolution of one second
Wristwatch
User-programmable free-running counter displaying: time of the day in terms of hours,
minutes, and seconds, day of week, week of month, day of month, month, and year
User-programmable Alarm registers generate alarms in terms of hours, minutes, seconds,
day of week, week of month, day of month, month, and year
Resolution of one second
Stopwatch
User-programmable Counter register displays the time elapsed between two events in
terms of hours, minutes, seconds, and one-hundredth of a second
Two user-programmable Alarm registers generate alarms in terms of hours, minutes,
seconds, and one-hundredth of a second
Resolution of one-hundredth of a second
Periodic interrupts
User-programmable Alarm register generates periodic interrupts at regular intervals
Resolution of one millisecond
Trimmers
User-programmable Trimmer register generates a precise 1-Hz clock for the timer section
and the wristwatch section
See Chapter 21, “Real-Time Clock (RTC)” for more details.
1.2.8 General-Purpose I/O (GPIO)
Most of the peripheral pins on the PXA27x processor also double as GPIO pins. The general
features of the GPIO are as follows:
As inputs, they can be sampled or programmed to generate an interrupt from either a rising or
falling edge.
As outputs, they can be cleared or set individually and can be preprogrammed to either state
when entering sleep mode.
Each can be programmed to alternate functions to provide system flexibility.
See Section 24, “General-Purpose I/O Controller” for more details.
1-10 Intel® PXA27x Processor Family Developer’s Manual
Introduction
1.2.9 Memory Controller
The external-memory controller is based on a unified memory architecture (UMA), where all
memory devices share a common address and data bus. The memory controller consists of four
main units, each with its own dedicated control pins: dynamic memory, static memory, card
interface, and companion chip. The UMA consists of the following:
Interfaces to internal synchronous flash and SDRAM devices
Interfaces to four partitions of SDRAM
Interfaces to up to 1.0 Gbytes of SDRAM
Supports 1.8-V JEDEC LP-SDRAM operation at 104 MHz
Interfaces to six partitions of static memory. Four of these six partitions can be synchronous
static memory (synchronous flash)
Interfaces to up to 384 Mbytes of flash memory
Interfaces to two sockets of PC Card memory
Allows an alternate bus master to take control of the bus
Places the SDRAMs into self-refresh mode before entering sleep, standby, deep-sleep, and
frequency-change modes
Provides signals and controls for fly-by DMA transfers
Supports non-volatile memory configured as bank 0 from either 16- or 32-bit devices
Provides three independent output clocks that can be turned on/off separately and can be
programmed to be free-running. The clocks can be the same frequency or half the frequency of
the input clock, CLK_MEM. One clock can also be programmed as one quarter of the input-
clock frequency.
Programmable power-down mode for saving power
Compatibility with the SA-1110 companion chips.
See Chapter 6, “Memory Controller” for more details.
1.2.10 DMA Controller
The PXA27x processor provides the following DMA features:
Supports memory-to-memory, peripheral-to-memory, and memory-to-peripheral transfers (the
latter two transfers are supported only in flow-through mode)
Supports fly-by and flow-through modes for transfers related to external companion chips.
The external device can be a peripheral or a companion chip.
Operates as a bridge for programmed I/O accesses to various peripheral devices
Supports 32 channels and 63 peripheral-device requests, with the capability of pre-
programming any request to any channel
Uses a priority mechanism to process active channels (four channels with outstanding DMA
requests at any given time)
Operates in either the descriptor-fetch or the no-descriptor-fetch mode in each of the 32
channels.
Intel® PXA27x Processor Family Developer’s Manual 1-11
Introduction
Supports special descriptor modes (descriptor comparison and descriptor branching)
Retrieves trailing bytes in the receive peripheral-device buffers
Supports programmable data-burst sizes (8, 16, or 32 bytes) and programmable peripheral
device data widths (byte, half-word, or word)
Supports up to (8 Kbytes minus 1 byte) of data transfer per descriptor; larger transfers can be
performed by software chaining multiple descriptors
Supports flow-control bits to process peripheral-device requests. Requests are processed only
if the flow-control bit is set.
See Chapter 5, “DMA Controller” for more details.
1.2.11 Serial Ports
The PXA27x processor supports a rich set of serial controllers for general system use. All ports can
be accessed through programmed I/O or through descriptor-based DMA transfers. Pins on ports not
being used can be converted to GPIOs. The following sections describe these ports.
1.2.11.1 UARTS
The PXA27x processor has three UARTs: standard, Bluetooth*, and full-function.
All UARTs have the following features:
Slow infrared asynchronous interface (up to 115.2 kbps) based on the IrDA standard
Registers are compatible with the 16550 and 16750
Adds or deletes standard asynchronous communication bits (start, stop, and parity) to or from
the serial data
Independently-controlled transmit, receive, line-status, and data-set interrupts
Baud-rate generator allows division of clock by 1 to (216–1) and generates an internal 16X
clock; baud rate can be programmed manually or automatically using automatic baud-rate
detection circuitry.
Fully programmable serial interface characteristics:
5-, 6-, 7-, or 8-bit characters
Even, odd, or no parity detection
1, 1½, or 2 stop-bit generation
Baud-rate generation up to 921.6 kbps
False start-bit detection
Complete status-reporting capability
Break generation and detection
Internal diagnostic capabilities include:
Loop-back controls for communications-link fault isolation
Break, parity, overrun, and framing error simulation
1-12 Intel® PXA27x Processor Family Developer’s Manual
Introduction
The Bluetooth and full-function UARTs have the following extra features:
Modem control functions (nCTS, nRTS)
Auto-flow capability controls data I/O without generating interrupts:
nRTS (output) controlled by UART receiver FIFO
nCTS (input) from modem controls UART transmitter
Full-function UART has hardware modem control functions (nDSR, nDTR, nRI, and
nDCD)
See Chapter 10, “UARTs” for more details.
1.2.11.2 Fast-Infrared Communications Port
The fast-infrared communications port has the following features:
Infrared Data Association (IrDA) compliant—See the Infrared Data Association Serial
Infrared Physical Layer Specification Version 1.3
4 Mbps IrDA, 4 ppm modulation
Two separate 128-byte receive and transmit FIFOs
FIFOs can be serviced using DMA, processor interrupt, or polling
Transmit/receive loop-back mode for internal diagnostics
Separate transmit/receive data path supports full or half-duplex operation
See Chapter 11, “Fast Infrared Communications Port” for more details.
1.2.11.3 I2C Serial Bus Port
The I2C interface has the following features:
I2C compliant
Multi-master and arbitration support
Supports standard-mode operation at 100 kbps
Supports fast-mode operation at 400 kbps.
See Chapter 9, “I2C Bus Interface Unit” for more details.
1.2.11.4 AC ’97 Codec Interface
The AC ’97 Codec interface supports the following key features:
Independent channels for stereo pulse code modulation (PCM) in, stereo PCM out, modem
out, modem in, and mono MIC in
All of the above channels support 16-bit samples only
Supports multiple-sample-rate AC 97 2.0 Codecs (48-kHz and below). The AC ’97 controller
depends on the Codec to control the varying rate.
Supports read/write access to AC ’97 registers
Secondary Codec support.
Intel® PXA27x Processor Family Developer’s Manual 1-13
Introduction
See Chapter 13, “AC ‘97 Controller” for more details.
1.2.11.5 I2S Audio Codec Interface
The I2S audio Codec interface supports the following key features:
Record and playback of 64-bit stereo audio samples
Each sample has two channels: audio left and audio right, each 32 bits wide.
Each channel has 16 MSBs of valid data and 16 LSBs of padded zeros.
Supports MSB-justified and normal-I2S modes
Supports sampling frequencies of 48 kHz, 44.1 kHz, 22.05 kHz, 16 kHz, 11.025 kHz, and 8
kHz
The bit-rate clock (BITCLK) can be configured to be either an input or an output. If
configured as output, the processor also supplies an I2S system clock (SYSCLK), which is
four times the BITCLK.
See Chapter 14, “Inter-IC Sound (I2S) Controller” for more details.
1.2.11.6 USB Client Controller
The USB client controller has the following key features:
USB Revision 1.1 compliant—12 Mbps, half duplex
23 programmable endpoints
Programmable endpoint type: bulk, isochronous, or interrupt
Programmable endpoint direction: IN or OUT
Programmable endpoint maximum packet size
Programmable configuration, interface, and alternate interface setting numbers
Endpoint 0 for control IN and OUT
Four configurations:
Three programmable configurations with up to seven interfaces
Default configuration 0 with one interface and control endpoint 0
Configurable 4-Kbyte memory for endpoint data storage
See Chapter 12, “USB Client Controller” for more details.
1.2.11.7 USB Host Controller
The USB host controller has the following key features:
USB Rev. 1.1 compatible
Supports both low-speed and full-speed USB devices
Open Host Controller Interface (OHCI) Rev 1.0a compatible
Root hub supports three downstream ports.
1-14 Intel® PXA27x Processor Family Developer’s Manual
Introduction
Built-in DMA
See Chapter 20, “USB Host Controller for more details.
1.2.11.8 Synchronous Serial Ports (SSP)
The three SSP ports support these protocols:
Programmable serial protocol (PSP) with programmable frame sync and programmable
start and stop delays
National Semiconductor Microwire
Texas Instruments Synchronous Serial Protocol (SSP)
Motorola Serial Peripheral Interface (SPI) protocol.
Up to 13-Mbps transfer rate
Sample data formats from 4 to 32-bits of serial data
Master or slave operation for both clock and frame sync signals
Flexible clock-source selection from the 13-MHz master clock, the network clock input, or the
dedicated SSP external clock input
See Chapter 8, “SSP Serial Ports” for more details.
1.2.12 LCD Panel Controller
The LCD controller supports these key features:
Display modes
Support for single- or dual-scan display modules
Passive monochrome mode supports up to 256 gray-scale levels (8 bits)
Active color mode supports up to 16777216 colors (24 bits)
Passive color mode supports a total of 16777216 colors (24 bits)
Support for LCD panels with an internal frame buffer
Support for 8-bit (each) passive dual-scan color displays
Support for up to 18-bit per pixel single-scan color displays without an internal frame
buffer
Support for up to 24-bit per pixel single-scan color displays with an internal frame buffer
Base plane with software control of two overlay windows and a hardware cursor
Color management:
Up-scaling for YCbCr 4:2:0 and 4:2:2 to YCbCr 4:4:4
Color space conversion CCIR 601—YCbCr 4:4:4 to RGB 8:8:8
Conversion from true color, (RGB 8:8:8) to high color (RGB 5:5:5) and the various
configurations of RGBT
Support for display sizes from 1x1 to 800 x 600 pixels.
Intel® PXA27x Processor Family Developer’s Manual 1-15
Introduction
64-entry (by 24 bits) output FIFO
Three 256-entry by 25-bits internal color-palette RAMs (one for each overlay and base)
programmable to be automatically loaded at the beginning of each frame
Command data RAM (16 x 9 bits) to hold command data
Supports pixel depths of 2, 4, 8, 16, 18, and 24 bits per pixel (bpp) in RGB format
Overlays supported with pixel depths of 16, 19, 24, and 25 bpp in RGBT format
Provides one base layer plus two overlays for single-scan displays; maximum size of each
overlay can equal the display size
Integrated seven-channel DMA (one channel for base plane, one channel for Overlay 1 and
three channels for Overlay 2, one channel for the hardware cursor, and one channel to for the
command data)
Hardware support for color-space conversion from YCbCr to RGB for video streams
Supports hardware cursor for single-scan display
Programmable toggle of AC bias-pin output (toggled by line count)
Programmable pixel clock from 52.0 MHz to 25.4 kHz (104.0 MHz/2 to 13 MHz/512)
Supports little-endian ordering of pixels in frame buffer
Programmable wait-state insertion at beginning and end of each line
Programmable polarity for output enable, frame clock, and line clock
Programmable interrupts for input and output FIFOs (underrun)
Six 16 x 64-bit input FIFOs: one for the base channel, one for Overlay 1, three for Overlay 2,
and one for the hardware cursor; plus a seventh 4 x 52-bit input FIFO for command data for
panels with internal frame buffer
Backward-compatible with the Intel® PXA25x and Intel® PXA26x processor LCD controllers
See Chapter 7, “LCD Controller for more details.
1.2.13 MultiMediaCard, SD Memory Card, and SDIO Card
Controller
The MultiMediaCard/SD/SDIO controller provides the following key features:
Data-transfer rates up to 19.5 Mbps for MMC, 1-bit SD/SDIO, and SPI mode data transfers
Data-transfer rates up to 78 Mbps for 4-bit SD/SDIO data transfers
A response FIFO
Two transmit FIFOs and two receive FIFOs
Two modes of operation: MMC/SD/SDIO mode and SPI mode. MMC/SD/SDIO mode
supports MMC, SD, and SDIO communications protocols. SPI mode supports the SPI
communications protocol.
1- and 4-bit data transfers are supported for SD and SDIO communications protocols.
Controller turns clock on and off, based on status of FIFOs, to prevent overflows and
underruns.
1-16 Intel® PXA27x Processor Family Developer’s Manual
Introduction
Support for all valid MMC and SD/SDIO protocol data-transfer modes
Interrupt-based application interface to control software interaction
For stream writes, only data sizes of 10 bytes or more are allowed.
Using the MMC communications protocol, multiple MMC cards are supported.
Using the SD or SDIO communications protocol, one SD or SDIO card is supported.
Using the SPI communications protocol, up to two MMC or SD/SDIO cards are supported.
Mixed card types are supported for the SPI communications protocol only.
See Chapter 15, “MultiMediaCard/SD/SDIO Controller” for more details.
1.2.14 Memory Stick Host Controller
The Memory Stick host controller supports the following features:
Compliance with the Sony Memory Stick standard
Built-in transmit and receive FIFO buffers
Built-in CRC calculation and checking
Transfer clock up to 20 MHz
Data transfer using programmed I/O, interrupt to processor, and DMA
Automatic command execution when an interrupt from the Memory Stick is detected
See Chapter 17, “Memory Stick Host Controller for more details.
1.2.15 Mobile Scalable Link (MSL) Interface
The MSL interface has the following key features:
Two independent, high-speed, unidirectional links
Scalable links with data-channel width options
Asynchronous clocking from 0 to over 48 MHz per link
Transfer rate per link up to 192 Mbps at 48 MHz
Low-power electrical interface: 1.8 V (+20%/-5%), 2.5 V, 3.0 V and 3.3 V +10%/-10%
Power management protocol and features
14 independent logical data channels for managing multiple simultaneous data streams
Large 64-byte FIFOs for all data channels
Round-robin FIFO service with independent enables and configuration options
Single- or multiple-burst transfers
Support for DMA-, interrupt-, or poll-driven operation
See Chapter 16, “Mobile Scalable Link (MSL) Interface” for more details.
Intel® PXA27x Processor Family Developer’s Manual 1-17
Introduction
1.2.16 Keypad Interface
The keypad interface has the following key features:
Direct-keypad interface:
Eight inputs
Supports up to eight direct keys and up to two rotary encoders
-Eight direct keys, or
-Six direct keys and one rotary encoder (two pins for the rotary encoder), or
-Four direct keys and two rotary encoders (two pins each for the two rotary encoders)
Matrix-keypad interface:
Eight scan outputs and eight inputs (returns)
Supports up to 64 keys
Supports manual and automatic scan
Simultaneous operation of direct and matrix keypads
Interrupt generated on keypad activity:
Separate matrix- and direct-key interrupt enables
One interrupt signal, generated by merging the matrix and direct interrupts.
Continuous keypad polling
Key-debounce logic for both matrix and direct keypads
See Chapter 18, “Keypad Interface” for more details.
1.2.17 Universal Subscriber Identity Module (USIM) Interface
The USIM interface has the following key features:
Compatible with any USIM card that is compliant with standard ISO 7816-3 and
3G TS 31.101 and operates in voltages of 1.8 V or 3 V
Supports control lines for two-level voltage supply (1.8 V and 3 V)
Supports USIM card reset-pin control (using reset-pin control and power-supply control,
warm/cold reset can be software-initiated)
Supports T = 0 and T = 1 protocols
Programmable card clock frequency
Supports any combination of the following clock-rate conversion factor F, and bit-rate
adjustment factor D:
F = {372, 512, 558}
D = {1,2,4,8,16, 32, 12, 20}
Auto-error signal in T = 0 receive mode
Auto-character repeat in T = 0 transmit mode
Transforms inverted format to regular format and vice-versa
1-18 Intel® PXA27x Processor Family Developer’s Manual
Introduction
Programmable block-guard time period
Programmable extra-guard time period
Programmable character-waiting time period
Programmable block-waiting time period
Programmable time-out period
Programmable CPU interrupt on an error-signal detection
Programmable CPU interrupt when a smart card is connected
See Chapter 19, “Universal Subscriber ID Interface” for more details.
1.2.18 Quick Capture Camera Interface
The quick capture interface is a component of Intel® Quick Capture technology and has the
following features:
Parallel interface support for 8, 9, and 10 bits
Serial interface support for 4-bit and 5-bit device connections
Support for ITU-R BT.656-4 SAV and EAV embedded synchronization
Pre-processed capture modes:
RGB 8:8:8, RGBT 8:8:8, RGB 6:6:6, RGB 5:6:5, RGB 5:5:5, RGBT 5:5:5, RGB 4:4:4
data formats
YCbCr 4:2:2 data format
RGB component precision reductions for RGB 8:8:8
Raw capture modes including RGGB and CMYG
Support for packing of 8-, 9-, and 10-bit raw pixel precision
Support for both packed and planar data formatting for YCbCr 4:2:2 formats
Programmable vertical and horizontal resolutions up to 2048 x 2048
Two 8-entry (by 64 bits) and one 16-entry (by 64 bits) FIFOs
Programmable sensor-clock output from 196.777 kHz to 52 MHz
Programmable interface timing signals for internal and external synchronization
Programmable interrupts for FIFO overflow, end-of-line, and end-of-frame
Programmable frame-capture rate allows users to capture all frames or 1 out of every 2 to 8
frames
See Chapter 27, “Quick Capture Interface” for additional information.
1.2.19 Test Interface
The boundary-scan interface has the following features:
JTAG interface
Intel® PXA27x Processor Family Developer’s Manual 1-19
Introduction
Conforms to the IEEE Std. 1149.1–1990 and IEEE Std. 1149.1a-1993, Standard Test Access
Port and Boundary-Scan Architecture
Test-access port with dedicated pins: TDI, TMS, TCK, nTRST, and TDO
Mini-instruction cache
For information on using the JTAG interface, see the “JTAG Debug Interface” chapter in the Intel®
PXA27x Processor Family Design Guide.
1.3 Intel XScale® Microarchitecture Compatibility
The Intel XScale® microarchitecture complies with the ARM* Architecture V5TE. The PXA27x
processor implements the integer instruction set of the ARM* Architecture V5TE.
Backward compatibility for user-mode applications is maintained with the first generation of Intel®
StrongARM* products. Operating systems require modifications to match the specific Intel
XScale® core hardware features and to take advantage of the performance enhancements added to
this core.
Memory map and register locations are backward-compatible with the previous Intel XScale®
microarchitecture hand-held products (see Section 1.3.1 for exceptions).
The Intel® Wireless MMX instruction set is compatible with the standard ARM* coprocessor
instruction format.
1.3.1 Compatibility Exceptions
The USB client module is not backward-compatible with previous Intel XScale® microarchitecture
hand-held products. The mapping of peripheral pins to GPIO is backward-compatible where
possible.
1-20 Intel® PXA27x Processor Family Developer’s Manual
Introduction
Intel® PXA27x Processor Family Developer’s Manual 2-1
System Architecture 2
This chapter outlines the core implementation, types of processor resets, and signal descriptions for
the PXA27x processor.
2.1 Overview
The PXA27x processor is an implementation of the Intel XScale® microarchitecture, which is
described in the Intel XScale® Core Developers Manual. The characteristics of this particular
implementation include the following:
Several coprocessor registers
Little-endian operation
Semaphores and interrupts for processor control
Multiple reset mechanisms
Sophisticated power management
Highly multiplexed pin usage
2.2 Intel XScale® Technology Implementation Options
The Intel XScale® core implementation used in the PXA27x processor includes the options
outlined in the following subsections. Most of these options are specified within the coprocessor
register space. Access to coprocessors other than CP14 and CP15 is controlled by the Coprocessor
Access register (CPAR—see Section 2.2.5.4). To accommodate the functionality in the Intel
XScale® core, registers in CP14 and CP15 have been added or augmented. To accommodate the
Intel® Wireless MMX multimedia extensions, the registers in CP0 and CP1 have been added or
augmented. For more information, refer to the following sources:
Intel® Wireless MMX user documentation, listed in Table 1-1, “Supplemental
Documentation” on page 1-3—Media-enhancement technology supported by the PXA27x
processor
Intel XScale® Microarchitecture for the PXA250 and PXA210 Application Processors Users
Manual—Information on configuring the coprocessor registers
Section 28.2.1, “Intel XScale® Microarchitecture Core Registers” on page 28-4—Complete
list of coprocessor registers
2-2 Intel® PXA27x Processor Family Developer’s Manual
System Architecture
The following subsections describe the coprocessor registers:
Section 2.2.1, “Interrupt Controller Registers
Section 2.2.2, “Performance Monitoring Registers
Section 2.2.3, “Clock Configuration and Power Management Registers”
Section 2.2.4, “Coprocessor Software Debug Registers”
Section 2.2.5, “Coprocessor 15”
2.2.1 Interrupt Controller Registers
Access: Coprocessor 6
The interrupt controller registers can be accessed in either of two modes:
Memory-mapped register access mode
Coprocessor-register access mode. This mode results in significantly reduced interrupt
latencies. Accessing the interrupt controller registers in coprocessor-register access mode must
be performed in supervisor mode, as described in Section 25.4.1, “Accessing Interrupt
Controller Registers” on page 25-4.
2.2.2 Performance Monitoring Registers
Access: Coprocessor 14—See Table 2-1
The performance-monitoring registers include four 32-bit performance counters, allowing four
separate events to be monitored simultaneously. In addition, a 32-bit clock counter is available,
which counts the number of core clock cycles. For additional information, refer to the Performance
Monitoring section of the Intel XScale® Core Developers Manual.
Table 2-1. Performance Monitoring Registers (Sheet 1 of 2)
Name Description CRm CRn Instruction
PMNC Performance Monitor Control
register 01
Read: MRC p14, 0, Rd, c0, c1, 0
Write: MCR p14, 0, Rd, c0, c1, 0
CCNT Clock Counter register 1 1 Read: MRC p14, 0, Rd, c1, c1, 0
Write: MCR p14, 0, Rd, c1, c1, 0
INTEN Interrupt Enable register 4 1 Read: MRC p14, 0, Rd, c4, c1, 0
Write: MCR p14, 0, Rd, c4, c1, 0
FLAG Overflow Flag register 5 1 Read: MRC p14, 0, Rd, c5, c1, 0
Write: MCR p14, 0, Rd, c5, c1, 0
EVTSEL Event Selection register 8 1 Read: MRC p14, 0, Rd, c8, c1, 0
Write: MCR p14, 0, Rd, c8, c1, 0
PMN0 Performance Count register 0 0 2 Read: MRC p14, 0, Rd, c0, c2, 0
Write: MCR p14, 0, Rd, c0, c2, 0
Intel® PXA27x Processor Family Developer’s Manual 2-3
System Architecture
2.2.3 Clock Configuration and Power Management Registers
Access: Coprocessor 14, Registers 6 and 7
The CCLKCFG (register 6) and PWRMODE (register 7) registers allow software to modify the
clock and power-management modes. The valid operations are described in Section 3.8.3,
“Coprocessor 14: Clock and Power Management” on page 3-103.
2.2.4 Coprocessor Software Debug Registers
Access: Coprocessor 14, registers 8 through 14
Coprocessor 15, register 14
These registers are used for software debug. See Table 26.6, “Register Summary” on page 26-46
for additional information.
2.2.5 Coprocessor 15
The following subsections describe the registers available in coprocessor 15:
Section 2.2.5.1, “Processor ID Register”
Section 2.2.5.2, “Processor Cache Type Register”
Section 2.2.5.3, “Auxiliary Control Register (P-Bit)”
Section 2.2.5.4, “Coprocessor Access Register
Section 2.2.5.5, “Additions to Coprocessor 15 Functionality”
PMN1 Performance Count register 1 1 2 Read: MRC p14, 0, Rd, c1, c2, 0
Write: MCR p14, 0, Rd, c1, c2, 0
PMN2 Performance Count register 2 2 2 Read: MRC p14, 0, Rd, c2, c2, 0
Write: MCR p14, 0, Rd, c2, c2, 0
PMN3 Performance Count register 3 3 2 Read: MRC p14, 0, Rd, c3, c2, 0
Write: MCR p14, 0, Rd, c3, c2, 0
Table 2-1. Performance Monitoring Registers (Sheet 2 of 2)
Name Description CRm CRn Instruction
2-4 Intel® PXA27x Processor Family Developer’s Manual
System Architecture
2.2.5.1 Processor ID Register
Access: Coprocessor 15, Register 0, opcode_2 = 0
Table 2-2 shows the format and values presented in the read-only Processor ID register, which is
accessible only in supervisor mode. It conforms with the values provided in the ARM® Architecture
Reference Manual.
Table 2-2. Processor ID Register
Coprocessor 15
Register 0
opcode_2 = 0 Processor ID Register Processor ID
Bit 31 30 29 28 27 26 25 24 23 22 21 20 19 18 17 16 15 14 13 12 11 10 9 8 7 6 5 4 3 2 1 0
Vendor Arch Version Core G Core R Prod ID Prod R
Reset 0 1 1 0 1 0 0 1 0 0 0 0 0 1 0 1 0 1 0 0 0 0 0 1 0 0 0 † † † †
Bits Access Name Description
31:24 R Vendor Vendor = Intel (0x69 = “i” = Intel Corporation)
23:16 R Arch Version ARM* Architecture Version 5TE = 0b0000_0101
15:13 R Core G Core Generation Intel XScale® core = 0b010
12:10 R Core R
Core Revision = 0b000
This field reflects revisions of core generations. Differences can include
errata that dictate different operating conditions and software work-arounds.
9:4 R Prod ID 0b01_0001 = PXA27x processor
3:0 R Prod R
Processor Stepping
0b0000 = A0
0b0001 = A1
0b0010 = B0
0b0011 = B1
0b0100 = C0
0b0111 = C5
These values reflect the actual product identification and revision numbers embedded in the PXA27x processor.
Table 2-3. Coprocessor: CPU ID and JTAG ID Values
Stepping CPU ID JTAG ID
A0 0x69054110 0x09265013
A1 0x69054111 0x19265013
B0 0x69054112 0x29265013
B1 0x69054113 0x39265013
C0 0x69054114 0x49265013
C5 0x69054117 0x79265013
Intel® PXA27x Processor Family Developer’s Manual 2-5
System Architecture
2.2.5.2 Processor Cache Type Register
Access: Coprocessor 15, Register 0, opcode_2 = 1
The Processor Cache Type register describes the cache configuration of the Intel XScale® core.
The cache configuration for the PXA27x processor is described in the Intel XScale® Core
Developers Manual. The PXA27x processor cache configuration is identical to that of the Intel®
PXA255 processor.
2.2.5.3 Auxiliary Control Register (P-Bit)
Access: Coprocessor 15, Register 1, opcode_2 = 1
Bit 1 of the Auxiliary Control register is defined as the page-table memory-attribute bit, or P-bit. It
is not implemented in the PXA27x processor and must be written with 0b0. Similarly, the P-bit in
the memory management unit (MMU) page table descriptor is not implemented and must be
written with 0b0.
2.2.5.4 Coprocessor Access Register
Access: Coprocessor 15, Register 15, opcode_2 = 0, CRm = 1
The Coprocessor Access register (CPAR), defined in Table 2-4, controls access to all coprocessors
other than CP14 and CP15. This register is accessible only in supervisor mode.
Example 2-1 demonstrates setting the CPAR while in supervisor mode.
Table 2-4. Processor CPAR Register
Coprocessor 15
Register 15
opcode_2 = 0
CRm = 1
Processor CPAR Register Processor CPAR
User
Settings
Bit 31 30 29 28 27 26 25 24 23 22 21 20 19 18 17 16 15 14 13 12 11 10 9 8 7 6 5 4 3 2 1 0
Reserved
CP13
CP12
CP11
CP10
CP9
CP8
CP7
CP6
CP5
CP4
CP3
CP2
CP1
CP0
Reset 0 0 0 0 0 0 0 0 0 0 0 0 0 0 0 0 0 0 0 0 0 0 0 0 0 0 0 0 0 0 0 0
Bits Access Name Description
31:14 — reserved
13:0 R/W CPn
Coprocessor Access Rights
0 = Access denied. Any attempt to access the corresponding
coprocessor generates an undefined exception, even in supervisor
mode.
1 = Access allowed, including read and write access to the coprocessor.
2-6 Intel® PXA27x Processor Family Developer’s Manual
System Architecture
Example 2-1. Enabling Access to CP0, CP1, and CP6
;; The following code sets bits 0, 1, and 6 of the CPAR.
;; This enables access to Intel® Wireless MMX(TM) media enhancements.
;; This enables access to interrupt controller coprocessor registers.
LDR R0, =0x0043 ; Set bits 0,1, and 6.
MCR P15, 0, R0, C15, C1, 0 ; Move to CPAR.
CPWAIT ; Wait for effect (Section 2.2.5.5).
2.2.5.5 Additions to Coprocessor 15 Functionality
At times, it is necessary to know exactly when a CP15 update takes effect. For example, when
enabling memory address translation (turning on the MMU), it is vital to know when the MMU is
actually guaranteed to be in operation. To address this need, a processor-specific code sequence is
defined for the Intel XScale® core. Example 2-2 describes this sequence, CPWAIT.
Example 2-2. CPWAIT: Canonical Method to Wait for CP15 Update
;; The following macro should be used when software needs to be
;; assured that a CP15 update has taken effect.
;; It may only be used while in a privileged mode, because it
;; accesses CP15.
MACRO CPWAIT
MRC P15, 0, R0, C2, C0, 0 ; arbitrary read of CP15
MOV R0, R0 ; wait for it
SUB PC, PC, #4 ; branch to next instruction
; At this point, any previous CP15 writes are
; guaranteed to have taken effect.
ENDM
When setting multiple CP15 registers, software can opt to execute CPWAIT only once, after a
sequence of MCR instructions.
The CPWAIT sequence guarantees that CP15 updates are complete by the time the CPWAIT is
complete. It is possible that a CP15 side effect might occur before CPWAIT completes or is issued.
Use the technique shown in Example 2-2 to ensure that this does not affect the code correctness.
2.3 Endianness
Endianness is the convention that describes the order in which bits within a word are stored in
memory.
The PXA27x processor operates in Little Endian mode only, in which the least significant byte
(LSB) of a value is stored in memory at a lower address than the most significant byte (MSB). For
example, the value 0x1234_5678 at address 0x0 in a little-endian system appears as shown in
Table 2-5.
Intel® PXA27x Processor Family Developer’s Manual 2-7
System Architecture
2.4 I/O Ordering
The PXA27x processor uses queues that accept memory requests from the four internal masters:
CPU core, DMA controller, USB host, and LCD controller. Operations issued by each master are
completed in the order they are received. Operations from one master can be interrupted by
operations from another master. The PXA27x processor does not provide a software method to
control the order of operations from different masters.
Loads and stores to internal addresses are completed more quickly (generally) than those issued to
external addresses. The difference in completion time allows one operation to be received before
another operation, but completed after the second operation.
In the following sequence, the store to the address in r4 is completed before the store to the address
in r2 because the first store waits for memory in the queue while the second is not delayed.
str r1, [r2]; store to external memory address [r2]
str r3, [r4]; store to internal (on-chip) memory address [r4]
If the two stores are control operations that must be completed in order, insert a load to an
unbuffered, uncached memory page followed by an operation that depends on data from the load:
str r1, [r2]; first store issued
ldr r5, [r6]; load from external unbuffered, uncached address ([r2] if possible)
mov r5, r5; nop stalls until r5 is loaded
str r3, [r4]; second store completes in program order
2.5 Semaphores
The swap (SWP) and swap-byte (SWPB) instructions, as described in the ARM* V5TE
architecture reference, can be used for semaphore manipulation. No on-chip master or process can
access a memory location between the load and store portion of a SWP or SWPB to the same
location.
Note: It is not possible for an external companion chip (through the use of the MBREQ/MBGNT
handshake) to take ownership of the bus during a SWP or SWPB instruction. Therefore, software
coherency management is not needed when external companion chips manipulate semaphores.
2.6 Interrupts
The interrupt controller is described in detail in Chapter 25, “Interrupt Controller. All on-chip
interrupts are enabled, masked, and routed to the core FIQ or IRQ. Each peripheral-unit interrupt is
enabled or disabled at the source through an interrupt-enable bit. Generally, all interrupt bits in a
unit are ORed together and present a single value to the interrupt controller.
Table 2-5. Little-Endian Value Encoding
Address 0123
Byte Value 0x78 0x56 0x34 0x12
2-8 Intel® PXA27x Processor Family Developer’s Manual
System Architecture
Each interrupt goes through the Interrupt Controller Mask register. Then the Interrupt Controller
Level register directs the interrupt into either the IRQ or FIQ. If an interrupt is taken, the Interrupt
Controller Pending register can be read to identify the source. After identifying the interrupt
source, software services the interrupt and clears it in the source unit before exiting the service
routine.
Note: There is a delay between writing to a status bit and the interrupt actually being cleared by the
system. Therefore, clear the interrupt early in the interrupt-service routine to allow the status bit
time to clear before returning from the routine.
2.7 Reset
The PXA27x processor can be reset in any of five ways. Table 2-6 summarizes the effects of each
kind of reset. See Section 3.4, “Reset Manager Operation” on page 3-6 for more descriptions and
details of these resets:
Power-on reset, equivalent to hardware reset, occurs at initial power-on when the power
supply is detected on VCC_BATT.
Hardware reset results from asserting nRESET, which forces all units into a reset state.
Watchdog reset results from a time-out in the OS timer and can recover control from runaway
code by resetting the processor and peripherals. Watchdog reset is disabled by default and
must be enabled by software. For more information, see Chapter 22, “Operating System
Timers.
GPIO reset is a “soft” reset, which preserves some of the registers and real-time clocks.
Sleep-exit reset provides a reset to modules that have been powered down in sleep or deep-
sleep mode so that they can recover properly when powered up to resume normal operation.
Each type of reset except sleep-exit affects the reset states of the processor pins. For details of these
states, see the “Pin Usage” section in the Intel® PXA270 Processor Electrical, Mechanical, and
Thermal Specification and Intel® PXA27x Processor Family Electrical, Mechanical, and Thermal
Specification (Intel® PXA27x Processor Family EMTS).
Waking from sleep or deep-sleep mode causes a sleep-exit reset.
The Reset Controller Status register (see Section 3.8.1.10, “Reset Controller Status Register
(RCSR)” on page 3-84) contains information that allows software to determine which reset has
occurred.
Intel® PXA27x Processor Family Developer’s Manual 2-9
System Architecture
Table 2-6. Effect of Each Type of Reset on Internal Register State
Unit Sleep-Exit Reset GPIO Reset Watchdog Reset Hardware
Reset
Core reset reset reset reset
Memory Controller reset preserved reset reset
Internal Memory reset reset reset reset
LCD Controller reset reset reset reset
DMA Controller reset reset reset reset
Full-Function UART reset reset reset reset
Bluetooth UART reset reset reset reset
Standard UART reset reset reset reset
I2C reset reset reset reset
I2S reset reset reset reset
AC ’97 reset reset reset reset
USB Client reset reset reset reset
USB Host reset reset reset reset
Infrared
Communications
Port reset reset reset reset
Quick Capture
Interface reset reset reset reset
RTC preserved preserved all reset except
RTTR reset
OS Timers reset†† reset reset reset
PWM 0,1,2,3 reset reset reset reset
Keypad Interface All keypad register states are
reset but can act as wake-up
events reset reset reset
MSL Interface reset reset reset reset
Interrupt Controller reset reset reset reset
GPIO
All GPIO register states are
reset, but
GPIO<116>,GPIO<113>,
GPIO<102:93>,GPIO<91:90
>, GPIO<83>, GPIO<53>,
GPIO<40:34>, GPIO<31>,
GPIO<17:9>, GPIO<4:3>,
and GPIO<1:0> can act as
wake-up events
reset reset reset
The power-on reset state is the same as the hardware reset state.
†† Register takes its reset value in during sleep- or deep-sleep-exit unless the pwr_I2C island retains state,
which occurs if PSLR[SL_PI] is set or nTRST is asserted before sleep or deep-sleep entry.
2-10 Intel® PXA27x Processor Family Developer’s Manual
System Architecture
2.8 Internal Registers
All internal registers are mapped in physical memory space on 32-bit address boundaries. Most
units allow only word accesses to that unit’s internal registers; however, some units allow byte or
half-word accesses. Refer to the unit chapter to determine which accesses are allowed. Internal
register space must be mapped as non-cacheable.
Register space where a register is not specifically mapped is defined as reserved space. Reading or
writing reserved space causes unpredictable results.
The PXA27x processor does not use all register bit locations. The unused bit locations are marked
reserved and are allocated for future use. Write reserved bit locations with zeros. Ignore the values
of these bits during reads, because they are unpredictable.
2.9 Selecting Peripherals or General-Purpose I/O
Most peripherals connect to the external pins through GPIOs. To use a peripheral connected
through a GPIO, first configure the GPIO so that the preferred function is selected on the GPIO
pins. By default, all GPIO pins function as inputs.
To allocate a peripheral to a pin, disable the GPIO function for that pin. Then, map the peripheral
function onto the pin by selecting the proper alternate function for the pin. Some GPIOs have
multiple alternate functions. After a function is selected for a pin, all other functions are excluded.
For this reason, some peripherals are mapped to multiple GPIOs, as shown in Section 24.4.2,
“GPIO Operation as Alternate Function” on page 24-3.
Note: Multiple mapping does not mean multiple instances of a peripheral—only that the peripheral is
connected to the pins in several ways.
2.10 Power-On Reset and Boot Operation
Before the device using the PXA27x processor is powered on, the system must assert nRESET and
nTRST. To allow the internal clocks to stabilize, all power supplies must be stable for a specified
period before nRESET and nTRST are de-asserted. When nRESET is asserted, nRESET_OUT is
asserted and can be used to reset other devices in the system.
When the system de-asserts nRESET, the processor de-asserts nRESET_OUT a specified time
later, and the device attempts to boot from physical address location 0x0000_0000.
The BOOT_SEL pin is sampled when reset is de-asserted, which specifies the width of the memory
device from which the processor attempts to boot. For more information on reading the boot-select
pins, see Section 6.5.4, “Boot Time Default Configuration Register (BOOT_DEF)” on page 6-73.
2.11 Power Management
The PXA27x processor offers a number of modes to manage power in the system. These modes
range widely in levels of power savings and functionality. The following modes are supported.
Section 3.6, “Power Manager Operation” on page 3-34 describes these modes in detail:
Intel® PXA27x Processor Family Developer’s Manual 2-11
System Architecture
Turbo mode—Low-latency (nanoseconds). Switch between two pre-programmed frequencies.
Run mode—Normal full-function mode. Peripherals are unaffected.
Idle mode—Allows stopping the CPU clock during periods of processor inactivity. Resume
through an interrupt back to full-frequency processing.
Deep-idle mode—Allows stopping the CPU clock during periods of processor inactivity.
Resume through an interrupt back to 13-MHz core frequency.
Standby mode—Low-power mode where state is retained but no activity is allowed. Both
PLLs are disabled. Recovery is through external and selected internal wake-up events.
Sleep mode—Low-power mode that does not save states but keeps I/Os powered. The RTC,
power manager, and clock modules are saved, except for Coprocessor 14.
Deep-sleep mode—Low-power mode that uses even less power than sleep mode. Same as
sleep mode, but I/Os are powered down to reduce system power.
Note: To maximize power savings, particularly in low-power modes, do not allow input pins to float. Do
not allow output pins to be pulled or driven to opposite levels by external devices.
2.12 Signal Descriptions
Table 2-7 describes the PXA27x processor signals used by each interface. Most of the processor
pins are multiplexed so that they can be configured for one of two, three, or four available
functions using the GPIO alternate-function select registers. Some signals can be configured to
appear on one of several different pins.
Note: For more details about the processor pins and signals, including reset states and alternate functions,
see the “Pin Usage” section in the Intel® PXA27x Processor Family EMTS.
Table 2-7. Intel® PXA27x Processor Signal Descriptions (Sheet 1 of 10)
Signal Name Type Signal Descriptions
Memory Controller Signals
MA<25:0> Output Memory Address Bus—Drives the requested address for external memory accesses.
MD<31:0> Bidirectional Memory Data Bus—Carries data to and from external memory devices.
nOE Output Memory Output EnableConnect to the output enables of static memory devices to
control data bus drivers.
nWE Output Memory Write Enable—Connect to the write enables of SDRAM and static memory
devices.
DQM<3:0> Output SDRAM DQM Data Byte Mask Control for Data Bytes 3 through 0—Connect to the
data output mask enables (DQM) for SDRAM. (DQM0 corresponds to MD<7:0>, DQM1
corresponds to MD<15:8>, and so forth.)
nSDRAS Output SDRAM RAS—Connect to the row address strobe (RAS) pins for all banks of SDRAM.
nSDCAS Output SDRAM CAS—Connect to the column address strobe (CAS) pins for all banks of
SDRAM. Also functions as the active low address valid strobe for synchronous flash.
SDCKE Output SDRAM Clock Enable—Connect to the clock-enable pins of SDRAM. It is deasserted
during sleep. SDCKE is always deasserted upon reset. The memory controller provides
control register bits for de-assertion.
2-12 Intel® PXA27x Processor Family Developer’s Manual
System Architecture
SDCLK0
Output
SDRAM or Synchronous Static Memory ClocksConnect to the clock pins of
SMROM and SDRAM-timing synchronous flash.
Use SDCLK0 for all static memory partitions. Use SDCLK1 for SDRAM memory
partitions 0/1. Use SDCLK2 for SDRAM memory partitions 2/3.
SDCLK1 and SDCLK2 are generated by dividing the internal memory clock, CLK_MEM
(configured in the Core Clock Configuration register) by 1 or 2. SDCLK0 is generated by
dividing the internal memory clock by 1, 2, or 4. (The divide-by-4 option supports
configurations where synchronous flash memory runs at half the frequency of SDRAM.)
SDCLK1
SDCLK2
nSDCS<3>
Output SDRAM Chip Selects—Chip selects for SDRAM memory devices, individually
programmable in the memory configuration registers.
nSDCS<2>
nSDCS<1>
nSDCS<0>
nCS<5>
Output
Static Chip SelectsChip selects to static memory devices such as ROM and flash,
individually programmable in the memory configuration registers.
nCS<5:0> can be used with variable-latency I/O devices. nCS<3:0> can be used with
synchronous flash.
nCS<4>
nCS<3>
nCS<2>
nCS<1>
nCS<0>
RDnWR Output Read/WriteIndicates that the current transaction is a read (high) or a write (low)
RDY Input Variable Latency I/O Ready Pin—An external variable-latency I/O (VLIO) device
asserts RDY when it is ready to transfer data.
BOOT_SEL Input Boot Select—Configures the memory controller for the bus width of the boot memory.
MBREQ Input Memory Controller Alternate Bus Master Request—Allows an external device to
request the memory bus from the memory controller.
MBGNT Output Memory Controller Alternate Bus Master Grant—The memory controller asserts
MBGNT to allow an external device to control the memory bus.
DVAL<1> Output Fly-by DMA Data Valid 1—Asserted by the memory controller during a fly-by DMA
transfer when the external companion chip should drive data onto the bus for writes or
latch the data for reads.
DVAL<0> Output Fly-by DMA Data Valid 0—Asserted by the memory controller during a fly-by DMA
transfer when the external companion chip should drive data onto the bus for writes or
latch the data for reads.
PC Card and CompactFlash Control Signals
nPOE Output PC Card Output Enable—Output enable for reads from PC Card memory and PC Card
attribute space.
nPWE Output PC Card Write Enable—Enables writes to PC Card memory and PC Card attribute
space. Also serves as the write enable signal for variable-latency I/O.
nPIOW Output PC Card I/O Write—Asserted for writes to PC Card I/O space.
nPIOR Output PC Card I/O Read—Asserted for reads from PC Card I/O space.
nPCE<2> Output PC Card Enable 2—Selects a PC Card. nPCE<2> enables the high byte lane, and
nPCE<1> enables the low byte lane.
nPCE<1> Output PC Card Enable 1—Selects a PC Card. nPCE<2> enables the high byte lane and
nPCE<1> enables the low byte lane.
Table 2-7. Intel® PXA27x Processor Signal Descriptions (Sheet 2 of 10)
Signal Name Type Signal Descriptions
Intel® PXA27x Processor Family Developer’s Manual 2-13
System Architecture
nIOIS16 Input
I/O Select 16—Input from the PC Card card indicating that the data bus:
0 = Data bus is 8 bits wide
1 = Data bus is 16 bits wide
nPWAIT Input PC Card Wait—Driven low by the PC Card to insert wait states, which extend transfers
to and from the PXA27x processor.
PSKTSEL Output
PC Card Socket Select—Used by external steering logic to route control, address, and
data signals to one of the two PC Card sockets. Active-low output enable that can be
used as nOE for the data transceivers. Has the same timing as the address bus.
In a single socket solution:
0 = Output enable selected
1 = Output enable not selected
In a dual socket solution, the socket select:
0 = Socket 0 selected
1 = Socket 1 selected
nPREG Output PC Card Register Select—Functions as address bit 26 to select register space (I/O or
attribute) or memory space. Has the same timing as the address bus.
LCD Controller Signals
LDD<17:0> Bidirectional LCD Display Data—Transfers pixel information from the LCD controller to the external
LCD panel. These pins become inputs driven by the panel during a read from a panel
with an integrated frame buffer.
L_CS Output LCD Chip Select—Chip select signal for LCD panels with an internal frame buffer.
L_FCLK_RD Output
LCD Frame Clock—Frame clock used by the LCD display module to signal the start of a
new frame of pixels that resets the line pointers to the top of the screen. This pin is also
the vertical synchronization signal for active (TFT) displays.
This pin is the read signal during reads from a panel with an internal frame buffers.
L_LCLK_A0 Output LCD Line Clock—Indicates the start of a new line. Also referred to as Hsync (or
horizontal synchronization) for active panels. For LCDs with an internal frame buffer, this
signal indicates a command or data transaction.
L_PCLK_WR Output
LCD Pixel ClockPixel clock used by the LCD display module to clock the pixel data
into the Line Shift register.
In passive mode, the pixel clock toggles only when valid data is available on the data
pins.
In active mode, the pixel clock toggles continuously, and the AC bias pin is used as an
output to signal when data is valid on the LCD data pins.
This pin also functions as a write signal for LCD panels with an internal frame buffer.
L_VSYNC Input LCD Refresh Sync—Sync input driven by LCDs with an internal frame buffer
L_BIAS Output
LCD Bias DriveAC bias that signals the LCD display module to switch the polarity of
the power supplies to the row and column axis of the screen to counteract DC offset. In
active (TFT) mode, it is used as the output enable to signal when data should be latched
from the data pins using the pixel clock.
Full-Function UART Signals
FFRXD Input Full-Function UART Receive Data
FFTXD Output Full-Function UART Transmit Data
FFCTS Input Full-Function UART Clear-to-Send
FFDCD Input Full-Function UART Data-Carrier-Detect
FFDSR Input Full-Function UART Data-Set-Ready
FFRI Input Full-Function UART Ring Indicator
Table 2-7. Intel® PXA27x Processor Signal Descriptions (Sheet 3 of 10)
Signal Name Type Signal Descriptions
2-14 Intel® PXA27x Processor Family Developer’s Manual
System Architecture
FFDTR Output Full-Function UART Data-Terminal-Ready
FFRTS Output Full-Function UART Request-to-Send
Bluetooth UART Signals
BTRXD Input Bluetooth UART Receive Data
BTTXD Output Bluetooth UART Transmit Data
BTCTS Input Bluetooth UART Clear-to-Send
BTRTS Output Bluetooth UART Request-to-Send
Standard UART Signals
STD_RXD Input Receive Pin for Standard UART and Slow Infrared Functions
STD_TXD Output Transmit Pin for Standard UART and Slow Infrared Functions
Fast Infrared Communications Port Signals
ICP_RXD Input IrDA Receive Data—Receive data pin for the fast infrared port function
ICP_TXD Output IrDA Transmit Data—Transmit data pin for the fast infrared port function
MultiMediaCard (MMC) Controller Signals
MMCLK Output MultiMediaCard and SD/SDIO Card Bus Clock
MMCMD Bidirectional
MultiMediaCard Command:
MMC and SD/SDIO:Bidirectional line for command and response tokens.
SPI: Output for command and write data.
MMDAT<0> Bidirectional
MultiMediaCard Data 0:
MMC and SD/SDIO:Bidirectional line for read and write data.
SPI: Input for response token and read data.
MMDAT<1> Bidirectional
MultiMediaCard Data 1:
SD/SDIO:Bidirectional line for read and write data. Used only for SD 4-bit data
transfers and to signal SDIO interrupts to the controller.
SPI: Used only to signal SDIO interrupts to the controller.
MMDAT<2>/
MMCCS<0> Bidirectional
MMC Chip Select 0:
SD/SDIO:Bidirectional line for read and write data. Used only for SD 4-bit data
transfers.
SPI: Chip select 0
MMDAT<3>/
MMCCS<1> Bidirectional
MMC Chip Select 1:
SD/SDIO:Bidirectional line for read and write data. Used only for SD 4-bit data
transfers.
SPI: Chip select 1
Synchronous Serial Port (SSP) Signals
SSPSCLK Bidirectional Synchronous Serial Port 1 Clock—The serial bit-clock can be configured as an output
(master-mode operation) or an input (slave-mode operation).
SSPSFRM Bidirectional Synchronous Serial Port 1 Frame—The serial frame sync can be configured as an
output (master-mode operation) or an input (slave-mode operation).
SSPTXD Output Synchronous Serial Port 1 Transmit Data—Serial data driven out synchronously with
the bit-clock.
SSPRXD Input Synchronous Serial Port 1 Receive Data—Serial data latched using the bit-clock.
Table 2-7. Intel® PXA27x Processor Signal Descriptions (Sheet 4 of 10)
Signal Name Type Signal Descriptions
Intel® PXA27x Processor Family Developer’s Manual 2-15
System Architecture
SSPEXTCLK/
SSPSCLKEN Input Synchronous Serial Port 1 External Clock—This input supplies an external bit-clock
or an external enable request for the internally generated bit-clock.
SSPSYSCLK Output Synchronous Serial Port 1 System Clock—When enabled, provides a reference clock
at four times the port 1 bit-clock.
SSPSCLK2 Bidirectional Synchronous Serial Port 2 Clock—The serial bit-clock can be configured as an output
(master-mode operation) or an input (slave-mode operation).
SSPSFRM2 Bidirectional Synchronous Serial Port 2 Frame—The serial frame sync can be configured as an
output (master-mode operation) or an input (slave-mode operation).
SSPTXD2 Output Synchronous Serial Port 2 Transmit Data—Serial data driven out synchronously with
the bit-clock.
SSPRXD2 Input Synchronous Serial Port 2 Receive Data—Serial data latched using the bit-clock.
SSPEXTCLK/
SSPSCLKEN2 Input Synchronous Serial Port 2 External Clock—This input supplies an external bit-clock
or an external enable request for the internally generated bit-clock.
SSPSYSCLK2 Output Synchronous Serial Port 2 System Clock—When enabled, provides a reference clock
at four times the port 2 bit-clock.
SSPSCLK3 Bidirectional Synchronous Serial Port 3 Clock—The serial bit-clock can be configured as an output
(master-mode operation) or an input (slave-mode operation).
SSPSFRM3 Bidirectional Synchronous Serial Port 3 Frame—The serial frame sync can be configured as an
output (master-mode operation) or an input (slave-mode operation).
SSPTXD3 Output Synchronous Serial Port 3 Transmit Data—Serial data driven out synchronously with
the bit-clock.
SSPRXD3 Input Synchronous Serial Port 3 Receive Data—Serial data latched using the bit-clock.
SSPSYSCLK3 Output Synchronous Serial Port 3 System Clock—When enabled, provides a reference clock
at four times the port 3 bit-clock.
Single-Ended USB Signals
USB_P2_5,
USB_P3_5 Input USB D+ Positive Receiver InputConnects to the positive receiver output of an
external USB transceiver.
USB_P2_3,
USB_P3_3 Input USB D– Negative Receiver Input—Connects to the negative receiver output of an
external USB transceiver.
USB_P2_6,
USB_P3_6 Output USB D+ Positive Driver Output—Connects to the positive driver input of an external
USB transceiver.
USB_P2_4,
USB_P3_4 Output USB D– Negative Driver OutputConnects to the negative driver input of an external
USB transceiver.
USB_P2_1,
USB_P3_1 Input USB Receiver Input— Connects to the receiver difference signal output of an extoller
USB transceiver.
USB_P2_2,
USB_P3_2 Output USB Transceiver Output Enable—Enables the output driver in an external USB
transceiver.
USBHPEN<3:1> Output USB Host Power Enable—Controls power IC for USB host port.
USBHPWR<3:1> Input USB Host Power Indicator—Over-current indicator from USB power IC for USB host
port.
Table 2-7. Intel® PXA27x Processor Signal Descriptions (Sheet 5 of 10)
Signal Name Type Signal Descriptions
2-16 Intel® PXA27x Processor Family Developer’s Manual
System Architecture
Differential USB Signals
USBC_P Bidirectional USB Client Positive Line—Differential signal connects to the USB client interface.
USBC_N Bidirectional USB Client Negative LineDifferential signal connects to the USB client interface.
USBH_P Bidirectional USB Host Positive Line—Differential signal connects to the USB host interface.
USBH_N Bidirectional USB Host Negative Line—Differential signal connects to the USB host interface.
Quick Capture Interface Signals
CIF_MCLK Output Quick Capture Interface Master Clock
CIF_PCLK Input Quick Capture Interface Pixel Clock
CIF_DD<9:0> Input Quick Capture Interface Data
CIF_FV Bidirectional Quick Capture Interface Frame Synchronization—Vertical sync signal.
CIF_LV Bidirectional Quick Capture Interface Line Synchronization—Horizontal sync signal.
Universal Subscriber Identity Module (USIM) Interface Signals
UIO Bidirectional
USIM I/OUSIM data signal. The bidirectional pad is connected directly to the USIM
card. When asserted, the I/O line is forced to VLOW. When deasserted, the I/O line is
pulled-up by a pull-up resistor. If the USIM function is not used, the pull-up
resistor is not needed, decreasing power consumption in standby mode.
UVS0 Output USIM Voltage Select 0—This output goes high to disable the USIM card power and
connect VCC_USIM to VSS_IO.
nUVS1 Output USIM Voltage Select 1—This output goes low to enable the external USIM card power
supply that provides 1.8 V on VCC_USIM.
nUVS2 Output USIM Voltage Select 2—This output goes low to enable the external USIM card power
supply that provides 3.0 V on VCC_USIM.
UCLK Output USIM Clock—USIM card clock signal.
nURST Output USIM ResetUSIM card reset signal.
UDET Input USIM Card Detect
UEN Output USIM Enable
Keypad Interface Signals
KP_DKIN<7:0> Input Keypad Direct Key Inputs
KP_MKIN<7:0> Input Keypad Matrix Key Inputs
KP_MKOUT<7:0> Output Keypad Matrix Key Outputs
Memory Stick Host Controller Signals
MSBS Output Memory Stick Bus State—Serial protocol bus-state signal.
MSSDIO Bidirectional Memory Stick Data—Serial protocol data signal.
nMSINS Input Memory Stick Insert Signal—Detects memory stick insertion and extraction.
MSSCLK Output Memory Stick Serial Clock—Serial protocol clock signal.
Mobile Scalable Link (MSL) Signals
BB_OB_DAT<3:0> Output MSL Outbound Data—This bus carries up to four bits of parallel data to be transmitted
to the baseband processor.
BB_OB_CLK Output MSL Outbound Clock—This clock provides timing for outbound transmissions to the
baseband processor.
Table 2-7. Intel® PXA27x Processor Signal Descriptions (Sheet 6 of 10)
Signal Name Type Signal Descriptions
20K
Ω
Intel® PXA27x Processor Family Developer’s Manual 2-17
System Architecture
BB_OB_STB Output MSL Outbound Strobe—This signal qualifier indicates that a channel identifier is on the
data pins when it is asserted, and that a data nibble is on the data pins when it is
deasserted.
BB_OB_WAIT Input MSL Outbound Wait—This input provides flow control for the outbound link from the
baseband processor.
BB_IB_DAT<3:0> Input MSL Inbound Data—This bus carries up to four-bits of parallel data received from the
baseband processor.
BB_IB_CLK Input MSL Inbound Clock—This clock provides timing for inbound transmissions from the
baseband processor.
BB_IB_STB Input MSL Inbound Strobe—This signal qualifier indicates that a channel identifier is on the
data pins when it is asserted, and that a data nibble is on the data pins when it is
deasserted.
BB_IB_WAIT Output MSL Inbound Wait—This output provides flow-control for the inbound link back to the
baseband processor.
AC ’97 Controller Signals
AC97_RESET_n Output AC ’97 ResetActive-low Codec reset.
AC97_BITCLK Input AC ’97 Bit-Clock—Bit-rate clock.
AC97_SYNC Output AC ’97 Sync—Frame indicator and synchronizer.
AC97_SDATA_OUT Output AC ’97 Serial Data Out—Serial audio data output to the Codec for digital-to-analog
conversion.
AC97_SDATA_IN_0 Input AC ’97 Serial Data In 0—Serial audio data from the primary Codec analog-to-digital
converter.
AC97_SDATA_IN_1 Input AC ’97 Serial Data In 1—Serial audio data from the secondary Codec analog-to-digital
converter.
AC97_SYSCLK Output AC ’97 System Clock—AC ‘97 system clock output.
I2S Interface Signals
I2S_SYSCLK Output I2S System Clock—System clock running at four times the bit-clock, which is used by
the Codec only.
I2S_BITCLK Bidirectional I2S Bit-rate Clock—I2S bit-rate clock.
I2S_SYNC Output I2S Sync—Sync signal to identify left/right channel data.
I2S_SDATA_OUT Output I2S Serial Data Out—Serial data output to the Codec digital-to-analog converter.
I2S_SDATA_IN Input I2S Serial Data In—Serial data input from the Codec analog-to-digital converter.
I2C Interface Signals
SCL Bidirectional I2C Clock—Serial clock.
SDA Bidirectional I2C Data—Serial data/address bus.
Pulse Width Modulation (PWM) Signals
PWM_OUT<3> Output Pulse Width Modulation Channel 3—Pulse width modulator channel 3 output.
PWM_OUT<2> Output Pulse Width Modulation Channel 2—Pulse width modulator channel 2 output.
PWM_OUT<1> Output Pulse Width Modulation Channel 1—Pulse width modulator channel 1 output.
PWM_OUT<0> Output Pulse Width Modulation Channel 0—Pulse width modulator channel 0 output.
Table 2-7. Intel® PXA27x Processor Signal Descriptions (Sheet 7 of 10)
Signal Name Type Signal Descriptions
2-18 Intel® PXA27x Processor Family Developer’s Manual
System Architecture
DMA Signals
DREQ<2> Input DMA Request 2—DMA request from an external companion chip.
DREQ<1> Input DMA Request 1—DMA request from an external companion chip.
DREQ<0> Input DMA Request 0—DMA request from an external companion chip.
GPIO Signals
GPIO<120:0> Bidirectional
General-Purpose I/O:
GPIO<116, 113, 102:93, 91:90, 83, 53, 40:34, 31, 17:9, 4:3, 1:0>
These signals can be configured as dedicated GPIO wake-up sources in sleep and
standby modes.
GPIO<3, 1:0> can be configured as deep-sleep wake-up sources.
GPIO<1:0> are dedicated deep-sleep wake-up sources from nVDD_FAULT or
nBATT_FAULT assertion.
GPIO<1> can alternatively be configured as a GPIO reset input signal.
GPIO<8:5>These pins are reserved for PWR_CAP use only.
GPIO<120:117, 115:114, 112:103, 92, 89:84, 82:54, 52:41, 33:32, 30:18, 2>
These additional GPIO signals cannot be configured to generate wake-up events.
NOTE: GPIO<120:119> are available on the PXA271, PXA272 processors only.
Crystal and Clock Signals
PXTAL_IN Input Processor Crystal Input—Can be connected to an external 13-MHz crystal or to an
external clock source.
PXTAL_OUT Analog Processor Crystal Output—Can be connected to an external 13-MHz crystal or to an
external clock source (which must be complementary to PXTAL_IN or floated).
TXTAL_IN Input Timekeeping Crystal Input—Clock input that is distributed to the timekeeping control
system (32.768-kHz crystal or external clock source).
TXTAL_OUT Analog Timekeeping Crystal Output—Can be connected to an external 32.768-kHz crystal or
to an external clock source (which must be complementary to TXTAL_IN or floated).
HZ_CLK Output Real-Time 1 Hz Clock—Real-time 1-Hz clock (after RTC trim adjustment).
CLK_PIO Bidirectional
Processor Clock Input/Output—CLK_PIO can drive a buffered version of the
PXTAL_IN oscillator input, or it can be used as a clock input alternative to PXTAL_IN.
The 13-MHz processor clock from the oscillator is driven out when the POUT_EN bit of
the OSCC register is set. When enabled, this clock is output in sleep mode, but it is
always disabled in deep-sleep mode.
CLK_TOUT Output
Timekeeping Clock Output—CLK_TOUT signal is an output that drives a buffered
version of the TXTAL_IN oscillator input when the TOUT_EN bit of the OSCC register is
set. When enabled, this clock is output in sleep mode, but it is always disabled in
deep-sleep mode.
CLK_REQ Bidirectional
Clock Request—CLK_REQ signal is an input during power-on or hardware reset that
indicates if the process or oscillator clock input comes from PXTAL_IN (CLK_REQ = 0)
or CLK_PIO (CLK_REQ = floating). If CLK_PIO is the processor oscillator input, then
CLK_REQ becomes an output indicating when the processor oscillator is required.
CLK_EXT Input External Network Clock—This input accepts an external network clock, up to 13 MHz,
that can be selected as the timing reference for the mobile scalable link (MSL) interface,
SSP ports, and OS timer channels.
48_MHz Output 48-MHz Output Clock—Generates peripheral timing from 312-MHz peripheral clock.
OS Timers Signals
EXT_SYNC<1> Input External Sync 1—This input provides a reset for any timer channels enabled to use it.
EXT_SYNC<0> Input External Sync 0—This input provides a reset for any timer channels enabled to use it.
Table 2-7. Intel® PXA27x Processor Signal Descriptions (Sheet 8 of 10)
Signal Name Type Signal Descriptions
Intel® PXA27x Processor Family Developer’s Manual 2-19
System Architecture
CHOUT<1> Output Timer Channel Output 1—Periodic clock output from timer channel 11.
CHOUT<0> Output Timer Channel Output 0—Periodic clock output from timer channel 10.
Miscellaneous Signals
PWR_EN Output Power Enable for Core Power Supply—This output, when negated, signals the power
supply to remove power from the external low-voltage power domains (VCC_CORE,
VCC_SRAM, VCC_PLL) because the system is entering sleep or deep-sleep mode.
SYS_EN Output
Power Enable for System Peripheral Power Supply—This output, when negated,
signals the power supply to remove power from the external high-voltage power domains
(VCC_IO, VCC_LCD, VCC_MEM, VCC_USIM, VCC_USB, and VCC_BB) because the
system is entering deep-sleep mode.
nBATT_FAULT Input
Main Battery FaultThis input signals that the main battery is low or removed.
Assertion causes the PXA27x processor to enter deep-sleep mode or, if PMCR[BIDAE]
is set, forces an imprecise-data abort, which cannot be masked. The PXA27x processor
does not recognize a wake-up event while this signal is asserted.
nVDD_FAULT Input
VDD Fault—This input signals that the main power source is going out of regulation.
nVDD_FAULT causes the PXA27x processor to enter deep-sleep mode or, if
PMCR[VIDAE] is set, forces an imprecise-data abort, which cannot be masked.
nVDD_FAULT is ignored after a wake-up event until the power supply timer completes
(approximately 10 ms).
nRESET Input
Reset—This active-low, level-sensitive input starts the processor from the reset vector at
address 0. Assertion causes the current instruction to terminate abnormally and causes
a reset. When nRESET is driven high, the processor starts execution from address 0.
nRESET must remain low until the power supply is stable and the internal 13-MHz
oscillator has stabilized.
nRESET_OUT Output Reset Out—Asserted when nRESET is asserted, it deasserts after nRESET is
deasserted but before the first instruction fetch occurs. nRESET_OUT is asserted during
power-on, hardware, watchdog, and sleep-exit resets. It is configurable for GPIO reset.
PWR_SCL Bidirectional2Power Manager I2C Clock—The power manager I2C clock signal that connects to an
external power controller.
PWR_SDA Bidirectional2Power Manager I2C Data—The power manager I2C data signal that connects to an
external power controller.
PWR_CAP<3:0> Analog Power Capacitor<3:0>—Must be connected to external capacitors to achieve very low
power in sleep mode.
PWR_OUT Analog Power OutLow-voltage supply created for sleep and deep-sleep modes. It connects
to an isolated external capacitor.
JTAG and Test Signals
nTRST Input JTAG Test Reset—IEEE 1194.1 test reset.
TDI Input JTAG Test Data Input—Data from the JTAG controller is sent to the PXA27x processor
using this signal. This pin has an internal pull-up resistor.
TDO Output JTAG Test Data Output—Data from the PXA27x processor is returned to the JTAG
controller using this signal.
TMS Input JTAG Test Mode Select—Selects the test mode required from the JTAG controller. This
pin has an internal pull-up resistor.
TCK Input JTAG Test ClockFor all transfers on the JTAG test interface.
TEST Input Test Mode—Reserved for manufacturing test. Must be grounded for normal operation.
TESTCLK Input Test Clock—Reserved for manufacturing test. Must be grounded for normal operation.
Table 2-7. Intel® PXA27x Processor Signal Descriptions (Sheet 9 of 10)
Signal Name Type Signal Descriptions
2-20 Intel® PXA27x Processor Family Developer’s Manual
System Architecture
Power and Ground Signals
VCC_BATT Power Backup Battery Supply—Connect to the backup battery supply. If a backup battery is
not required, this pin can be connected to another 2.2-V to 3.8-V system supply.
VCC_CORE<13:0> Power Positive Supply for Internal LogicMust be connected to a low-voltage, adjustable
system power supply.
VSS_CORE<17:0> Power Ground for Internal Logic—Must be connected to the common ground plane on the
PCB.
VCC_PLL Power Positive Supply for PLLs and Oscillators—Must be connected to a separate, fixed
1.3-V supply.
VSS_PLL Power Ground for PLL—Must be connected to the common ground plane on the PCB.
VCC_SRAM<3:0> Power Positive Supply for Internal SRAM—Must be connected to a separate, fixed 1.1-V
supply.
VCC_LCD Power Positive Supply for LCD I/O—Must be connected to an external power supply for the
LCD interface.
VSS_IO<4:0> Power Ground for USB Transceiver Pins, USIM Pins, LCD Pins, and MSL Pins—Must be
connected to the common ground plane on the PCB.
VCC_IO<7:0> Power Positive Supply for All CMOS I/O except the Memory Bus, PC Card Pins, USB
Transceiver Pins, USIM Pins, LCD Pins, and MSL PinsMust be connected to an
external power supply for pins on the I/O domain.1
VCC_USB Power Positive Supply for USB Transceivers (both host and client)—Must be connected to
an external power supply for the USB interface.
VCC_USIM Power Positive Supply for USIM Interface—Must be connected to an external power supply
for pins on the USIM power domain.
VCC_MEM<16:0> Power Positive Supply for External Memory Interface—Must be connected to an external
power supply for the external memory interface.
VSS_MEM<16:0> Power Ground for External Memory Interface
VSS<3:0> Power Ground for Sleep-Active Units and Oscillators
VCC_BB Power Positive Supply for Mobile Scalable Link—Must be connected to an external power
supply for the MSL. Must be externally tied to VCC_MEM in applications using PC Card
or CompactFlash memory card interfaces.
VSS_BB Power Ground for Mobile Scalable Link
NOTES:
1. Two VCC_IO die pads are attached to the four corner balls identified as A23, A24, B23, and B24 in the Intel® PXA27x
Processor Family EMTS.
2. Although these PWR I2C signals are intended as outputs to power controllers, they can also be used generically.
Table 2-7. Intel® PXA27x Processor Signal Descriptions (Sheet 10 of 10)
Signal Name Type Signal Descriptions
Intel® PXA27x Processor Family Developer’s Manual 3-1
Clocks and Power Manager 3
This chapter describes the clocks and power management unit and registers supported by the
PXA27x processor.
3.1 Overview
The clocks and power manager unit administers the processor resets, clocks, power management,
and controls external power management ICs (PMIC). Control over these features allows
optimization of the processors overall power consumption and performance for an individual
application. This chapter describes the following management and control units:
Reset Manager (Section 3.4)
The reset manager places the processor into one of five reset states: power on, hardware,
watchdog, GPIO, or sleep-exit reset.
Clocks Manager (Section 3.5)
The clocks manager contains all clock generation, gating, and frequency controls for the
processor.
Power Manager (Section 3.6)
The power manager controls the following:
All internal power domains and external power-supply functionality
Entry and exit sequences for the different power modes: normal, idle, deep idle, standby,
sleep, and deep sleep.
Voltage Manager (Section 3.7)
The voltage manager provides dynamic or static voltage management for the processor
through the use of the power manager I2C module, which is dedicated to communication with
the external VCC_CORE regulator.
3.2 Features
Wireless Intel SpeedStep® technology includes the following features:
Five reset sources: power-on, hardware, watchdog, GPIO, and exit from sleep and deep-sleep
modes (sleep-exit)
Multiple clock-speed controls to adjust frequency, including frequency change, turbo mode,
half-turbo mode, fast-bus mode, memory clock, 13M mode, A-bit mode, and AC ’97.
Switchable clock source
Functional-unit clock gating
Programmable frequency-change capability
One normal-operation power mode (also called run mode) and five low-power modes to
control power consumption (idle, deep-idle, standby, sleep, and deep-sleep modes)
3-2 Intel® PXA27x Processor Family Developer’s Manual
Clocks and Power Manager
Programmable I2C-based external regulator interface to support changing dynamic core
voltage, frequency change, and power-mode coupling.
3.3 Signal Descriptions
The following signals are inputs or outputs from the clocks and power manager unit. The use of
some pins can be shared with general-purpose I/O (GPIO) functions. The GPIO functionality is
described in Chapter 24, “General-Purpose I/O Controller”.
Table 3-1. Clocks and Power Manager I/O Signal Descriptions (Sheet 1 of 2)
Name Type Definition
nRESET Input Signals the processor to enter hardware-reset state.
nRESET_OUT Output Signals the system that the processor is in any reset state (configurable for sleep- and deep-
sleep-exit and GPIO resets).
GPIO<n> Bidirectional The GPIO<n> pins are used as standby and sleep wake-up sources. For the possible values of n,
see Section 3.3.3.
GPIO<3> Bidirectional The GPIO<3> pin is used as a standby, sleep, and deep-sleep wake-up source.
GPIO<1:0> Bidirectional The GPIO<1:0> pins are used as standby and sleep/deep-sleep wake-up sources, and as deep-
sleep wake-up sources after nBATT_FAULT or nVDD_FAULT is asserted.
PXTAL_IN Input Can be connected to an external 13-MHz crystal or to an external clock source. For more
information, see Section 3.5.2.
PXTAL_OUT Analog Can be connected to an external 13-MHz crystal or to an external clock source. PXTAL_OUT
must be either complementary to PXTAL_IN or floated.
CLK_PIO Bidirectional Can output a buffered version of the PXTAL_IN oscillator input or can be used as a clock-input
alternative to PXTAL_IN.
TXTAL_IN Input Can be connected to an external 32.768-kHz crystal or to an external clock source. TXTAL_IN is
distributed to the timekeeping control system and power-management unit. (See Section 3.5.3 for
more information.)
TXTAL_OUT Analog Can be connected to an external 32.768-kHz crystal or to an external clock source. TXTAL_OUT
must be either complimentary to TXTAL_IN or floated.
CLK_TOUT Output Drives a buffered and inverted version of the TXTAL_IN oscillator input.
CLK_REQ Bidirectional
Input during power-on or hardware reset that indicates to the processor whether the processor
oscillator clock input comes from PXTAL_IN (CLK_REQ low) or CLK_PIO (CLK_REQ floating). If
CLK_PIO is the processor oscillator input, CLK_REQ becomes an output indicating when the
processor oscillator is required. For more information, see Section 3.5.1.
CLK_EXT Input Can be used by the mobile scalable link (MSL) interface, SSP serial ports, or the operating
system (OS) timer module as a clock input.
nBATT_FAULT Input Signals the processor that the main battery is low or has been removed from the system.
nVDD_FAULT Input Signals the processor that the main power supply is going out of regulation.
PWR_EN Output Enables the external low-voltage power domains: VCC_CORE, VCC_SRAM, VCC_PLL
SYS_EN Output Enables the external high-voltage power domains: VCC_IO, VCC_MEM, VCC_LCD, VCC_USB,
VCC_USIM, VCC_BB
PWR_SCL Input/Output Power manager I2C clock pin
PWR_SDA Input/Output Power manager I2C data pin
Intel® PXA27x Processor Family Developer’s Manual 3-3
Clocks and Power Manager
3.3.1 Hardware Reset (nRESET)
nRESET is an active-low input that signals the processor to enter hardware-reset state. The
assertion of nRESET cannot be gated and causes the processor to enter a complete and
unconditional reset state. While nRESET is asserted, the processor does not recognize any external
events except CLK_REQ. (See Section 3.3.11 for more information.)
3.3.2 Internal Reset (nRESET_OUT)
nRESET_OUT is an active-low output that signals the system that the processor is in reset state.
nRESET_OUT is asserted during power-on, hardware, watchdog, and sleep-exit resets.
If PSLR[SL_ROD] is clear (see Section 3.8.1.11), nRESET_OUT is also asserted during sleep and
deep-sleep modes. See Section 3.4, Section 3.6.9, and Section 3.6.10 for descriptions of these
modes.
If PCFR[GP_ROD] is clear (see Section 3.8.1.8), nRESET_OUT is also asserted during GPIO
reset.
3.3.3 GPIO Wake-Up Sources
The GPIO<n> pins are used as standby and sleep wake-up sources. Possible values for n are:
116 113 102 101 100 99 98 97 96 95 94
93 91 90 83 53 40 39 38 37 36 35
34 31 17 16 15 14 13 12 11 10 9
4310
See Table 3-17 and Table 3-28 for details. These pins contain internal resistive pull-downs or pull-
ups that are enabled during power-on, hardware, watchdog, and GPIO resets and disabled when
PSSR[RDH] is clear.
The GPIO<3> pin is used as a wake-up source for standby, sleep, and deep-sleep modes. This pin
has an internal resistive pull-up that is enabled during power-on, hardware, watchdog, and GPIO
resets and disabled when PSSR[RDH] is clear.
The GPIO<1:0> pins are used as dedicated standby, sleep, or deep-sleep wake-up sources. If
nVDD_FAULT or nBATT_FAULT caused entry or re-entry into deep-sleep mode, then these GPIO
pins are the only allowed wake-up sources. Therefore, if using nBATT_FAULT or nVDD_FAULT
to indicate power-supply health, at least one of these GPIO pins must be programmed as an input.
PWR_CAP<3:0> Analog The PWR_CAP pins connect to external capacitors that are used with on-chip DC-DC converter
circuits to achieve very low power in sleep and deep-sleep modes.
PWR_OUT Analog Connects to an external isolated capacitor. See Section 3.6.2.3.
48_MHz Output 48-MHz output clock—Divided down output generated from the 312-MHz peripheral clock.
Generally used for board bring-up or debug purposes.
Table 3-1. Clocks and Power Manager I/O Signal Descriptions (Sheet 2 of 2)
Name Type Definition
3-4 Intel® PXA27x Processor Family Developer’s Manual
Clocks and Power Manager
3.3.4 GPIO Reset (nRESET_GPIO/GPIO<1>)
The nRESET_GPIO signal is an alternate function to GPIO<1>. If PCFR[GPR_EN] is set, then
GPIO<1> functions as nRESET_GPIO. nRESET_GPIO is an active-low input that signals the
processor to enter GPIO reset state. The GPIO<1> functionality, as described in Chapter 24,
“General-Purpose I/O Controller”, is enabled unless PCFR[GPR_EN] is set.
See Section 3.4.6 for more information about the GPIO reset function.
3.3.5 Processor Oscillator Input (PXTAL_IN)
PXTAL_IN is a clock input that is distributed to the processor control system. PXTAL_IN can be
connected to an external 13-MHz crystal or to an external clock source. If OSCC[CRI] is set,
PXTAL_IN is ignored and must be grounded. See Section 3.8.2.3 for details.
3.3.6 Processor Oscillator Output (PXTAL_OUT)
PXTAL_OUT is the output of the processor clock-control crystal oscillator amplifier. If
PXTAL_IN is connected to an external 13-MHz crystal, then PXTAL_OUT must be connected to
the other terminal of the crystal. If PXTAL_IN is connected to an external clock source,
PXTAL_OUT must be driven with a signal complementary to PXTAL_IN or left floating. Noise
causes performance degradation if PXTAL_OUT is floated. See Section 3.5.2 for more
information.
3.3.7 Processor Clock Input/Output (CLK_PIO/GPIO<9>)
The CLK_PIO signal can be either an output that is driven with a buffered version of the
PXTAL_IN oscillator input or an input used as an alternative to PXTAL_IN, based on OSCC[CRI]
(see Section 3.8.2.3). CLK_PIO can be shared with the GPIO<9> function if the buffered processor
clock input/output function is not required. The GPIO<9> functionality, as described in
Chapter 24, “General-Purpose I/O Controller”, is enabled unless OSCC[PIO_EN] or OSCC[CRI]
is set. See Section 3.8.2.3 for OSCC register details.
3.3.8 Timekeeping Oscillator Input (TXTAL_IN)
TXTAL_IN is a clock input that is distributed to the processor timekeeping control system, which
includes the real-time clock (RTC) and power manager. TXTAL_IN can be connected to an
external 32.768-kHz crystal or to an external clock source. If OSCC[OON] and OSCC[CRI] are
both clear (see Section 3.8.2.3), TXTAL_IN can be left unconnected or grounded. See
Section 3.5.3 for more information.
3.3.9 Timekeeping Oscillator Output (TXTAL_OUT)
TXTAL_OUT is the output of the timekeeping control systems crystal oscillator amplifier. If
TXTAL_IN is connected to an external 32.768-kHz crystal, then TXTAL_OUT must be connected
to the other terminal of the crystal. If TXTAL_IN is connected to an external clock source, then
TXTAL_OUT must be driven with a signal complementary to TXTAL_IN or left floating. Noise
causes performance degradation if TXTAL_OUT is floated. See Section 3.5.3 for more
information.
Intel® PXA27x Processor Family Developer’s Manual 3-5
Clocks and Power Manager
3.3.10 Timekeeping Clock Output (CLK_TOUT/GPIO<10>)
The CLK_TOUT signal is an output that drives a buffered version of the TXTAL_IN oscillator
input. CLK_TOUT can be shared with the GPIO<10> function if the buffered timekeeping-clock-
output function is not required. The GPIO<10> functionality, as described in Chapter 24, “General-
Purpose I/O Controller”, is enabled unless OSCC[TOUT_EN] is set. During deep-sleep mode,
CLK_TOUT is held low if OSCC[TOUT_EN] is set.
The CLK_TOUT pin has an internal resistive pull-down that is enabled during power-on,
hardware, watchdog, and GPIO resets and is disabled when PSSR[RDH] is clear.
3.3.11 Clock Request (CLK_REQ)
CLK_REQ is an input during power-on or hardware reset that is used for external clock source
selection. See Section 3.5.1 for details of operation.
3.3.12 External Clock (CLK_EXT)
CLK_EXT is an input that can be used by the mobile scalable link (MSL), operating system (OS)
timer, or SSP modules as a possible clock source for those modules.
Note: CLK_EXT does not function during standby and sleep modes if any OS timer is on. See
Chapter 22, “Operating System Timers for more information.
3.3.13 Battery Fault and VDD Fault (nBATT_FAULT, nVDD_FAULT)
nBATT_FAULT is an active-low input indicating that the main battery is low or has been removed
from the system. nVDD_FAULT is an active-low input indicating that the main power supply is
going out of regulation (for example, when an overload occurs).
Assertion of either of these power faults causes the processor to enter deep-sleep mode if
PMCR[xIDAE] is 0, as described in Section 3.6.4, Section 3.6.10, and Section 3.6.11.
Once nBATT_FAULT or nVDD_FAULT has been asserted, the processor recognizes only
GPIO<1:0> as wake-up sources.
For more information, refer to the Intel® PXA27x Processor Family Power Requirements
Application Note.
3.3.14 Power Enable (PWR_EN)
PWR_EN is an active-high output that enables the external low-voltage core power supplies.
Deasserting PWR_EN informs the external regulator that the processor is entering sleep or deep-
sleep mode and that the external low-voltage power domains (which include VCC_CORE,
VCC_SRAM, and VCC_PLL) can be removed.
3-6 Intel® PXA27x Processor Family Developer’s Manual
Clocks and Power Manager
3.3.15 System Power Enable (SYS_EN)
SYS_EN is an active-high output that enables the external high-voltage system power supplies.
Deasserting SYS_EN informs the power supplies that the processor is entering deep-sleep mode
and that the external high-voltage power domains (which include VCC_IO, VCC_LCD,
VCC_MEM, VCC_USIM, VCC_USB, and VCC_BB) can be removed.
3.3.16 Power Manager I2C Clock (PWR_SCL/GPIO<3>)
PWR_SCL is the power manager I2C clock pin (see Chapter 9, “I2C Bus Interface Unit for details
of the I2C pins). PWR_SCL can be shared with the GPIO<3> function if the power manager I2C
feature is not required. The GPIO functionality, as described in Chapter 24, “General-Purpose I/O
Controller, is enabled unless PCFR[PI2C_EN] is set.
3.3.17 Power Manager I2C Data (PWR_SDA/GPIO<4>)
PWR_SDA is the power manager I2C data pin (see Chapter 9, “I2C Bus Interface Unit for details
of the I2C pins). PWR_SDA can be shared with the GPIO<4> function if the power manager I2C
feature is not required. The GPIO functionality, as described in Chapter 24, “General-Purpose I/O
Controller, is enabled unless PCFR[PI2C_EN] is set.
3.3.18 Power Manager Capacitor Pins (PWR_CAP<3:0>)
The PWR_CAP signals connect to external capacitors, which are used with on-chip DC-DC
converter circuitry to achieve very low power in sleep and deep-sleep modes.
3.3.19 Power Manager Supply Output (PWR_OUT)
The PXA27x processor requires an external 0.1-µF capacitor connected to the PWR_OUT pin.
This connection is the only connection or load allowed on the PWR_OUT pin. This function is not
optional. The pin must be connected to a capacitor for correct operation.
3.3.20 48-MHz Output Clock (48_MHz)
This output signal is the divided-down output generated from the 312-MHz peripheral clock. It is
generally used for board bring-up or debug.
3.4 Reset Manager Operation
3.4.1 Reset Types
The reset manager can place the PXA27x processor into one of five resets:
Power-On Reset (Section 3.4.3 —An uncompromised, ungated, total and complete reset that is
used when power is first applied to the VCC_BATT pin
Intel® PXA27x Processor Family Developer’s Manual 3-7
Clocks and Power Manager
Hardware Reset (nRESET asserted) (Section 3.4.4)—An uncompromised, ungated, total, and
complete reset that is used when absolutely no system information requires preservation
Watchdog Reset (Section 3.4.5)—Enabled through the OS timer; resets all registers except
those listed in Table 3-2.
GPIO Reset (GPIO<1>) (Section 3.4.6)—Enabled with PCFR[GPR_EN], GPIO reset is an
alternative to hardware reset. An external source can reset the processor while preserving the
registers listed in Table 3-2.
Sleep-Exit Reset (Section 3.6.9 and Section 3.6.10)—Provides resets to the modules that have
been powered off during sleep or deep-sleep mode so that they recover properly when power is
reapplied.
See Table 2-6, “Effect of Each Type of Reset on Internal Register State” on page 2-9 for the states
of all processor modules during all resets.
3.4.2 Boot Sequences After Reset
The required boot sequence begins. All units in the processor (except those listed in Table 3-2) start
with their predefined reset conditions. Software must examine the Reset Controller Status register
(RCSR—see Table 3-23) to determine the reset source.
Each type of reset requires a boot sequence tailored to the machine states that are lost or retained
during the reset. These reset states are defined in the discussion of each reset.
3.4.3 Power-On Reset
Power-on reset is invoked when a positive power supply is detected on the backup battery pin,
VCC_BATT, and the nRESET pin is de-asserted.
3.4.3.1 Behavior During Power-On Reset
During power-on reset, the following conditions occur:
All internal power domains except RTC remain powered off. (See Figure 3-2 for information
on the power domains and what units are in each domain.)
All internal registers and processes are held at their defined reset conditions.
All clock sources are disabled; there is no activity inside the processor.
The internal clocks are stopped and the chip is fully static.
All pins assume their reset conditions.
The nBATT_FAULT and nVDD_FAULT pins are ignored.
nRESET_OUT pin is asserted when the power-on reset state occurs. For the states of processor
pins during power-on reset, see the Pin Usage table in the Intel® PXA270 Processor Electrical,
Mechanical, and Thermal Specification and Intel® PXA27x Processor Family Electrical,
Mechanical, and Thermal Specification (Intel® PXA27x Processor Family EMTS).
3-8 Intel® PXA27x Processor Family Developer’s Manual
Clocks and Power Manager
3.4.3.2 Invoking Power-On Reset
When a positive transition is detected on the backup battery pin VCC_BATT, a power-on reset is
invoked, and then nRESET is de-asserted after>10ms. VCC_BATT has to be completely powered
off for more than 10 µs prior to invoking power-on reset. Typically, this occurs when VCC_BATT
is asserted (the back-up battery is initially inserted into the system), before the initial system
configuration. Power-on reset cannot be entered from any other mode, since the processor must be
completely powered off first. See the Intel® PXA27x Processor Family EMTS for more details.
The following sequence occurs during power-on reset:
1. A positive transition is detected on VCC_BATT. Power must be applied in the following order:
a. nRESET is asserted before or at the same time as VCC_BATT is asserted.
b. VCC_BATT followed by the deassertion of nRESET (initiates the power-on reset).
c. The high-voltage supplies VCC_IO, VCC_MEM, VCC_LCD, VCC_USB, VCC_USIM,
and VCC_BB in any order except VCC_IO, which must be first.
After the high-voltage supplies have been applied, VCC_IO must be maintained at a
voltage as high as or higher than the other high-voltage supplies (except VCC_BATT and
VCC_USB).
d. VCC_CORE, VCC_SRAM, and VCC_PLL in any order.
2. The internal power domains are powered on.
3. The 13-MHz processor oscillator and internal PLL clock generators are enabled and wait for
stabilization.
4. nRESET_OUT is deasserted.
Caution: The Intel® PXA27x Processor Family EMTS describes the power-supply ramp times, timing
specifications and sequences and the delay between the power-supply transitions and the
deassertion of nRESET_OUT. Any other supply power-on sequence might cause permanent
damage to the processor.
Note: Deassertion of the nRESET pin must follow VCC_BATT detection (within specification) to initiate
a power-on-reset. Removing and then re-applying VCC_BATT without the use of nRESET puts
the processor into an undefined state.
3.4.4 Hardware Reset
Hardware reset is invoked when the nRESET pin is asserted. All units in the processor are reset to
known states. Hardware reset is complete and total.
3.4.4.1 Behavior During Hardware Reset
During hardware reset, the following conditions occur:
All internal registers and processes are held at their defined reset conditions.
While nRESET is asserted, the only activity inside the processor is the stabilization of the
13-MHz processor oscillator and phase-locked loops.
The remaining internal clocks are stopped and the chip is fully static.
All pins assume their reset conditions, and the nBATT_FAULT and nVDD_FAULT pins are
ignored.
Intel® PXA27x Processor Family Developer’s Manual 3-9
Clocks and Power Manager
The nRESET_OUT pin is asserted when nRESET is asserted.
For the states of all processor pins during hardware reset, refer to the Intel® PXA27x Processor
Family EMTS.
3.4.4.2 Invoking Hardware Reset
Hardware reset is invoked when an external source drives the nRESET input pin low. nRESET is
unmaskable and is always enabled. Upon assertion of nRESET, hardware reset is entered
regardless of the previous mode. For more information, see the Intel® PXA27x Processor Family
EMTS.
The following sequence occurs during hardware reset:
1. The nRESET input is asserted for the period of time described in the Intel® PXA27x Processor
Family EMTS. The nRESET_OUT signal is also asserted.
2. nRESET is deasserted.
Caution: VCC_BATT must be stable prior to the deassertion of nRESET. Otherwise, permanent damage to
the PXA27x processor might result, and operation is undefined.
3. The 13-MHz processor oscillator and internal PLL clock generators wait for stabilization, if
not stabilized already.
4. nRESET_OUT is deasserted.
3.4.5 Watchdog Reset
Watchdog reset is invoked when software fails to prevent the watchdog timer from expiring. In
watchdog reset, all units in the PXA27x processor (except those listed in Table 3-2) are reset to
their predefined reset states.
3.4.5.1 Behavior During Watchdog Reset
During watchdog reset, the following conditions occur:
All units except those listed in Table 3-2 are held at their defined reset conditions.
All pins assume their reset conditions, and the nBATT_FAULT and nVDD_FAULT pins are
ignored.
The PWR_EN and SYS_EN signals de-assert and the nRESET_OUT pin is asserted during
watchdog reset.
A watchdog reset follows the same timing specifications as a power-on or hardware-reset
sequence. Refer to the Intel® PXA27x Processor Family EMTS for timing specifications.
3.4.5.2 Invoking Watchdog Reset
Watchdog reset is invoked when OWER[WME] is set and OSMR3 matches the OS timer counter
(see Chapter 22, “Operating System Timers”). When this occurs, watchdog reset is entered
regardless of the previous mode. When watchdog reset is invoked, the nRESET_OUT pin is
asserted.
3-10 Intel® PXA27x Processor Family Developer’s Manual
Clocks and Power Manager
The following sequence occurs during watchdog reset:
1. The watchdog reset source asserts. When this happens, OSMR3 matches the OS timer counter
(see Section 22.4.2, “Compares and Matches” on page 22-4). The nRESET_OUT signal is
asserted.
2. The watchdog reset source is reset automatically (OWER[WME] is reset (see Table 22-6,
“OWER Bit Definitions” on page 22-16) as a result of propagation of the internal reset state.
3. The 13-MHz processor oscillator and internal PLL clock generators wait for stabilization,
regardless of the state of the clocks at watchdog reset assertion.
4. The nRESET_OUT signal is deasserted. See the Intel® PXA27x Processor Family EMTS for
timing details.
Note: If a watchdog reset occurs while the processor is in sleep mode, both the sleep-reset and the
watchdog-reset indicator bits are set in the RCSR.
3.4.6 GPIO Reset
GPIO reset is invoked when PCFR[GPR_EN] is set (see Section 3.8.1.8) and the GPIO<1> pin is
asserted low for more than 240 ns in normal and idle modes of operation.
In standby, sleep, and deep-sleep modes, GPIO reset is first treated as a wake-up event. To be
recognized as a GPIO reset event, GPIO reset must be held asserted until nRESET_OUT is de-
asserted as part of the normal wake up process. Holding GPIO Reset asserted until nRESET_OUT
is de-asserted enables the internal power mode circuitry and all of the power supplies to stabilize.
In GPIO reset, all units in the PXA27x processor (except those listed in Table 3-2) are reset to their
predefined reset states.
Note: If the flash reset signal is connected to the processor nRESET_OUT signal, then software must
disable GPIO reset before putting the flash into a program or erase cycle. This ensures that a GPIO
reset occurs only when the flash is in a read cycle and, if the GPIO reset occurs, then
nRESET_OUT is held for at least 230 ns, which meets the flash requirements.
3.4.6.1 Enabling GPIO Reset
The nRESET_GPIO pin (GPIO<1>) has an internal pull-up that is active following any reset
(except sleep- or deep-sleep-exit) until PSSR[RDH] (see Section 3.8.1.2) is cleared. Thus,
PCFR[GPR_EN] must be written before PSSR[RDH] is cleared.
To enable the GPIO reset function, set PCFR[GPR_EN] (see Section 3.8.1.8). When
PCFR[GPR_EN] is set, the GPIO reset function overrides GPIO<1> settings, regardless of its
state. PCFR[GPR_EN] is not affected during standby, sleep, and deep-sleep modes, allowing use of
the GPIO reset function in these modes. PCFR[GPR_EN] is not affected by GPIO reset.
GPIO reset is ignored while a frequency-change operation is in progress. If GPIO<1> remains
asserted low for 240 ns after the frequency change completes, it is recognized as a GPIO reset.
3.4.6.2 Behavior During GPIO Reset
During GPIO reset, the following conditions occur:
All units (except those listed in Table 3-2) are held at their predefined reset states.
Intel® PXA27x Processor Family Developer’s Manual 3-11
Clocks and Power Manager
All pins assume their reset conditions, and the nBATT_FAULT and nVDD_FAULT pins are
ignored. See the Pin Usage table in the Intel® PXA27x Processor Family EMTS for the states
of all processor pins during GPIO reset.
If PCFR[GP_ROD] is clear, the nRESET_OUT pin is asserted during GPIO reset.
3.4.6.3 Invoking GPIO Reset
3.4.6.3.1 Normal Power Mode
In normal power mode, GPIO reset is invoked when the function is properly configured (see
Section 3.4.6.1) and nRESET_GPIO is asserted low for the time specified in the Intel® PXA27x
Processor Family EMTS. When GPIO reset is invoked, nRESET_OUT is asserted if
PCFR[GP_ROD] is clear.
In normal mode, the following sequence occurs during GPIO reset:
1. The GPIO reset source asserts the GPIO reset pin (GPIO<1>). The processor GPIO reset pin is
level triggered. nRESET_OUT asserts if PCFR[GP_ROD] is clear.
2. If PCFR[GPR_EN] is set, the external GPIO reset source must be de-asserted.
3. If GPIO reset was entered while the core PLL was disabled or unlocked (such as during a
power-mode or clock change), the core PLL clock generator waits for stabilization.
4. nRESET_OUT is de-asserted if PCFR[GP_ROD] is clear. See the Intel® PXA27x Processor
Family EMTS for timing details.
3.4.6.3.2 Low-Power Modes
In the low-power modes (standby, sleep, and deep-sleep), if PCFR[GPR_EN] is set, the following
GPIO reset sequence occurs:
1. The GPIO reset must be asserted for 100 µs to be treated first as a wake-up event.
2. Then, if held asserted for more than 1 ms after all power supplies are stable, it is recognized as
a GPIO reset.
3. nRESET_OUT asserts if PCFR[GP_ROD] is clear.
4. If PCFR[GPR_EN] is set, the external GPIO reset source must be deasserted. (Failure to de-
assert the reset source would force the GPR_EN bit to be cleared thus preventing GPIO<1> to
be configured as the GPIO reset pin).
5. If GPIO reset was entered while the core PLL was disabled or unlocked (such as during a
power-mode or clock change), the core PLL clock generator waits for stabilization.
6. nRESET_OUT is de-asserted if PCFR[GP_ROD] is clear. See the Intel® PXA27x Processor
Family EMTS for timing details.
Note: If a GPIO reset occurs while the processor is in sleep or deep-sleep mode, both the corresponding
sleep-reset and the GPIO-reset indicator bits are set in the Reset Controller Status register (RCSR).
Note: GPIO<1> is not recognized as a reset source again until configured to do so in software. Software
must check the state of GPIO<1> before configuring as a reset to ensure that no spurious reset is
generated.
3-12 Intel® PXA27x Processor Family Developer’s Manual
Clocks and Power Manager
3.4.7 Summary of Module Reset Sensitivity
The registers and functions of most modules assume their default (reset) values when entering any
of the five reset states. Table 3-2 describes which modules are reset for the various reset modes.
3.4.8 Summary of Reset Sequences
All of the processor resets follow similar sequences. Table 3-3 summarizes the sequence for each
type of reset and the differences between them.
Table 3-2. Summary of Module Reset Functions
Module Register Name or Function Sleep-
Exit GPIO Watchdog Hardware Power-On
OS Timers All registers and functions x1xx x x
PWR_I2C All registers and functions x2xx x x
Clocks and
Power
Manager
PGSR0, PGSR1, PGSR2, PGSR3 x x x x x
PVCR, PCMD x2xx x x
PSSR, PSPR, PWER, PRER, PFER, PEDR, PKWR, PKSR x x x x
All bits except GP_ROD in PCFR x x x x
GP_ROD bit in PCFR x x x
CCCR, CKEN, CCSR x x x
OSCC xx
RTC RTTR xx
RTC Other registers and functions x x x
I/O Pins See the Pin Usage table in the Intel® PXA27x Processor
Family EMTS.xx x x
MEMC All registers and functions x x x x
NOTES:
x: Register takes its reset value when the corresponding reset is asserted
x1: Register takes its reset value in during sleep- or deep-sleep-exit unless the pwr_I2C island retains state, which occurs if
PSLR[SL_PI] is set or nTRST is asserted before sleep or deep-sleep entry.
x2: Register takes its reset value in during sleep- or deep-sleep-exit unless the pwr_I2C island retains state, which occurs if
PCFR[PI2C_EN] is set or nTRST is asserted before sleep or deep-sleep entry.
Any module not listed takes the reset value for all of its registers.
Table 3-3. Summary of Reset Sequences (Sheet 1 of 2)
Description of Action Clock
Source Latency
(Cycles) Sleep-
Exit GPIO Watchdog Hardware Power-On
Reset source asserted - x x x x x
Reset source synchronized to clocks/power manager
state machine 13M 3 x
Reset asynchronously distributed; nRESET_OUT
asserted -x
1x3xxx
All I/O, CPU, peripheral modules take reset state (except
as noted in the Pin Usage table in the Intel® PXA27x
Processor Family EMTS and text in this chapter). All clock
sources are driven from the 13-MHz processor oscillator.
-xxxxx
PLLs, 13-MHz processor oscillator disabled - x x x
Intel® PXA27x Processor Family Developer’s Manual 3-13
Clocks and Power Manager
3.5 Clocks Manager Operation
The clocks manager contains all clock generation, gating, and frequency controls for the PXA27x
processor. Clock generation and distribution consists of the following sources:
13-MHz processor oscillator—Creates the PLL reference clock and the functional clock for
several units.
32.768-kHz timekeeping oscillator—Creates the low-power, low-frequency clock for
timekeeping functions during low-power modes.
Peripheral phase-locked loop (312 MHz)—Creates the fixed-frequency clocks for the
peripheral bus and the peripheral units listed in Table 3-6.
Core phase-locked loop (26–624 MHz)—Creates the programmable frequency clocks for the
core, LCD controller, memory controller, and the system bus, although the core can run at 13
MHz in some modes.
Note: 624 MHz is available on the PXA270 processor only. See the Intel® PXA270 Processor Electrical,
Mechanical, and Thermal Specification and Intel® PXA27x Processor Family Electrical,
Mechanical, and Thermal Specification for supported frequency product points.
Memory controller clock input—Sets the memory controller to run at the same frequency as
the system bus. (CCCR[A] bit).
Functional-unit clock gates—Enables and disables clocks to the functional units.
The clocks manager adjusts the frequencies of the internal clocks. Adjusting the frequency of the
processor and peripheral system is one of the most effective methods of optimizing power
consumption for an application’s performance requirements. Applications might also require
frequency changes for system reasons. The primary means of changing frequency are:
Turbo/run selection—Changes the processor frequency relative to the system frequency. It is
enabled by setting CLKCFG[T] (see Section 3.8.3.1).
13-MHz processor oscillator re-enabled, self-biases and
stabilizes 13M 64k x x x
Core PLL (CPLL) and peripheral PLL (PPLL) enabled 13M 3 x x2xxx
Core PLL and peripheral PLL self-bias - <100 μsx x
2xxx
Core PLL and peripheral PLL stabilize 13M 512 x x2xxx
All clock sources switched to functional source (PPLL,
CPLL, processor oscillator) 13M 3 x x x x x
Final clock stabilization CPLL 512 x x x x x
nRESET_OUT deasserted, boot sequence begins; RCSR
written -x
1x3xxx
NOTES:
x: These steps apply if the corresponding reset has been asserted.
x1: If PSLR[SL_ROD] is set, do not assert nRESET_OUT.
x2: If PLL was disabled when GPIO reset was asserted, these steps apply.
x3: If PCFR[GP_ROD] is set, do not assert nRESET_OUT.
Table 3-3. Summary of Reset Sequences (Sheet 2 of 2)
Description of Action Clock
Source Latency
(Cycles) Sleep-
Exit GPIO Watchdog Hardware Power-On
3-14 Intel® PXA27x Processor Family Developer’s Manual
Clocks and Power Manager
Fast-bus mode—Changes the ratio of the system bus to the CPU run-mode frequency from 1:2
(reset value) to 1:1. It is enabled by setting CLKCFG[B].
Frequency change—Changes the frequency of the entire system to a new, unrelated frequency
with some interruption in system operation. It is enabled by setting CLKCFG[F].
Note: Refer to Section 3.5.7 for more information.
Figure 3-1 illustrates the clock distribution within the processor. The diagram uses the following
definitions, where L, A, and N are programmed in the Core Clock Configuration register (see
Table 3-31) and B is programmed in the Clock Configuration register (see Section 3.8.3.1):
Turbo-mode frequency (T) = 13-MHz processor-oscillator frequency * L * N
Run-mode frequency (R) = 13-MHz processor-oscillator frequency * L
System-bus frequency = 13-MHz processor-oscillator frequency * L / B,
where B = 1 (when in fast-bus mode) or B = 2 (when not in fast-bus mode)
For CCCR[A] = 0 (see Table 3-7):
Memory-controller frequency = 13-MHz processor-oscillator frequency * L / M,
where M = 1 (L = 2-10), M = 2 (L = 11-20), or M = 4 (L = 21-31)
LCD frequency = 13-MHz processor-oscillator frequency * L / K,
where K = 1 (L = 2-7), K = 2 (L = 8-16), or K = 4 (L = 17-31)
For CLKCFG[B] = 0 and CCCR[A] = 1 (see Table 3-7):
Memory-controller frequency = 13-MHz processor-oscillator frequency * L / 2
LCD frequency = 13-MHz processor-oscillator frequency * L / K,
where K = 1 (L = 2-7), K = 2 (L = 8-16), or K = 4 (L = 17-31)
For CLKCFG[B] = 1 and CCCR[A] = 1 (see Table 3-7):
Memory-controller frequency = 13-MHz processor-oscillator frequency * L
LCD frequency = 13-MHz processor-oscillator frequency * L / K,
where K = 1 (L = 2-7), K = 2 (L = 8-16), or K = 4 (L = 17-31)
Intel® PXA27x Processor Family Developer’s Manual 3-15
Clocks and Power Manager
Figure 3-1. Clocks Manager and Clocks Distribution Block Diagram
/M
/400
/N
/B
Clocks/
PXTAL
13 M
TXTAL
32.768k
PWRI
2
C
JTAG
TCK
PWMs
13 M
Infrared
DMA/
Bridge
CPLL
prg. frq.
PPLL
312 MHz
CPU
SRAM
2
I2S
prg. frq.
MMC
19.500M
Keyboard
32.768k
V-Reg
32.768k
/K
Dividers/12
T
R
System Bus Clock
Peripheral Bus Clock
UARTs
14.857M
Mem Stick
19.500M
NOTE:
Quick
Capture
Interface
Port
48.000M
32.768k
Power
Mgr
Denotes system bus
SSPs
13 M I2C
32.842M AC ‘97
(ext clk)
USIM
48.000M
MSL
48.000M
USB-C
48.000M
USB-H
48.000M
LCD
Control
Mem
Control
Denotes peripheral bus
SRAM
Control
SRAM
3
SRAM
1
SRAM
0
RTC
32.768k
Timers
13 M
(ext clk)
13M
3-16 Intel® PXA27x Processor Family Developer’s Manual
Clocks and Power Manager
3.5.1 External Clock Source Selection (CLK_REQ)
CLK_REQ is an input during power-on or hardware reset that sets or clears OSCC[CRI] (see
Section 3.8.2.3). Table 3-4 summarizes the external clock selection as a function of OSCC[CRI],
OSCC[OON], and CLK_REQ.
If CLK_REQ is driven low during power-on or hardware reset, OSCC[CRI] is cleared, and:
The 13-MHz processor oscillator input is taken from PXTAL_IN.
The 32.768-kHz timekeeping oscillator is software-enabled.
CLK_PIO can be used as an output.
CLK_REQ is an input.
If CLK_REQ is floated during power-on or hardware reset, OSCC[CRI] is set, and:
The 13-MHz processor oscillator input is taken from the CLK_PIO pin.
The 32.768-kHz timekeeping oscillator is enabled and driven out onto CLK_TOUT.
PXTAL_IN must be grounded.
CLK_REQ is an output indicating that the processor oscillator is requested from the external
source.
If OSCC[CRI] is set, CLK_REQ is driven high after nRESET is de-asserted until the processor
enters deep-sleep mode. During deep-sleep mode, CLK_REQ is driven low. After leaving deep-
sleep mode, CLK_REQ is not resampled.
Note: Do not drive CLK_REQ high externally because the processor drives it low during deep-sleep
mode.
If OSCC[OON] and OSCC[TOUT_EN] are set, CLK_TOUT does not start until the 32.768-kHz
timekeeping oscillator is stable, which can take up to two seconds after power-on or hardware reset
is asserted. See Section 3.5.2 for more information.
Refer to the Intel® PXA27x Processor Family EMTS for timing specifications.
Table 3-4. External Clock Source Selection
CLK_REQOSCC[CRI] OSCC[OON] 32.768-kHz Source 13-MHz Source
float 1 1 TXTAL_IN CLK_PIO
00 0 Internally generated as
PXTAL_IN / 400 = 32.5 kHz PXTAL_IN
00 1
†† TXTAL_IN PXTAL_IN
NOTES:
During power-on or hardware reset
†† Software-programmed
Intel® PXA27x Processor Family Developer’s Manual 3-17
Clocks and Power Manager
3.5.2 13-MHz Processor Oscillator
The 13-MHz processor oscillator provides the primary clock source for the PXA27x processor. The
on-chip PLL frequency multipliers and several peripheral modules use the processor oscillator as a
reference. If the application has not enabled the 32.768-kHz timekeeping oscillator, the processor
oscillator also drives the real-time clock (RTC) and power manager.
The processor oscillator can be disabled during standby, sleep, and deep-sleep modes by setting
PCFR[OPDE] (see Section 3.8.1.8), but only if the timekeeping oscillator is enabled and stabilized
(OSCC[OOK] is set—see Section 3.8.2.3). If the timekeeping oscillator has not stabilized, the
processor oscillator remains enabled for the duration of the low-power mode.
The processor oscillator can also serve as the clock source for the core, system bus, memory
controller, and LCD controller by setting CCCR[CPDIS]. The peripheral PLL can be enabled by
clearing CCCR[PPDIS] bit. The PPDIS bit can be set or cleared independently, regardless of the
CPDIS setting. In this mode, the system bus frequency is 13 MHz regardless of the state of
CLKCFG[B] (see Section 3.8.3.1). When selected, the processor oscillator is used with the same
programming model as the core PLL, with the exception that the programming values are fixed, as
shown in Table 3-5.
The 13-MHz processor oscillator input can be generated by using:
An external crystal between the PXTAL_IN and PXTAL_OUT pins (lowest power
consumption)
An external clock source on the PXTAL_IN pin, or
An external clock source on the CLK_PIO pin.
Observe the following precautions when driving the PXTAL_IN pin:
OSCC[CRI] must be clear (see Section 3.8.2.3), and the CLK_REQ pin must be driven low
during power-on and hardware reset.
For best results, drive PXTAL_IN and PXTAL_OUT with complementary, terminated signals.
Noise causes performance degradation if PXTAL_OUT is floated.
Drive PXTAL_IN and PXTAL_OUT with a VSS-to-VCC_PLL rail-to-rail signal. If more than
10% overshoot or undershoot occurs, use a 1.5-kΩ series resistor or a voltage divider to reduce
the level of VSS-to-VCC_PLL.
Observe the following precautions when driving the CLK_PIO pin:
OSCC[CRI] must be set (the CLK_REQ pin must be floated during power-on and hardware
reset).
Table 3-5. Processor Oscillator Output Frequencies for 13-MHz Crystal
Run Mode
Frequency
(MHz)
System Bus
Frequency
B = 1
(MHz)
System Bus
Frequency
B = 0
(MHz)
CLK_MEM
Frequency
A = 1
(MHz)
CLK_MEM
Frequency
A = 0
(MHz)
LCD Frequency
(MHz)
13 13 13 13 13 13 or 26
NOTE:
CCCR[LCD_26] determines the LCD frequency.
3-18 Intel® PXA27x Processor Family Developer’s Manual
Clocks and Power Manager
Drive CLK_PIO with a VSS-to-VCC_IO rail-to-rail signal. If more than 10% overshoot or
undershoot occurs, use a 1.5-kΩ series resistor or a voltage divider to reduce the level of VSS-
to-VCC_IO.
Ground the PXTAL_IN pin, and leave the PXTAL_OUT pin floating.
If OSCC[CRI] is clear, setting OSCC[PIO_EN] drives a buffered version of the PXTAL_IN signal
out to the external system on the CLK_PIO pin.
Note: The two pairs of crystal pins are located close to each other on the processor package. This
arrangement is advantageous when crystals are connected to the pins because the low amplitudes
and slow slew rates reduce noise coupling between the pins. If one of the crystals is replaced by an
external signal source and the other is not, some degradation of the remaining crystal oscillator can
result due to increased noise coupling. This effect can be reduced by limiting the slew rate on the
pin(s) driven by the external source.
3.5.3 32.768-kHz Timekeeping Oscillator
The 32.768-kHz timekeeping oscillator is a low-power, low-frequency oscillator that clocks the
real-time clock (RTC) and power manager. If OSCC[CRI] is set, the timekeeping oscillator is
always enabled, and the CLK_TOUT pin drives a buffered version of the TXTAL_IN signal after
the de-assertion of nRESET (for a period of up to 2.048 seconds (64,000 x 32-kHz clock cycles),
this buffered signal might not be present because of the unknown stabilization time of the
externally supplied clock source). This output can then be disabled by clearing OSCC[TOUT_EN].
If OSCC[CRI] is clear, the timekeeping oscillator and CLK_TOUT are disabled upon exit from
power-on reset or hardware reset, and the RTC and power manager blocks use the 13-MHz
processor oscillator divided by 400. Setting OSCC[OON] enables the timekeeping oscillator and
configures the RTC and power manager to use the timekeeping oscillator after it has stabilized.
CLK_TOUT is enabled by setting OSCC[TOUT_EN]. Doing so eliminates the need for the
external (TXTAL) crystal oscillator, for cost savings in less power-sensitive applications.
Follow these steps to use the timekeeping oscillator and CLK_TOUT function:
1. Enable the timekeeping oscillator by setting OSCC[OON]. It is automatically set if
OSCC[CRI] is set.
Note: OSCC[OON] cannot be cleared once it has been set, and the timekeeping oscillator cannot be
disabled until a power-on or hardware reset occurs.
2. Wait for OSCC[OOK] to be set automatically. Do not attempt to enter standby, sleep, or deep-
sleep modes with PCFR[OPDE] set until OSCC[OOK] is set. Otherwise, the 13-MHz
processor oscillator is used and is not powered off.
3. Enable or disable the CLK_TOUT output as needed by setting or clearing OSCC[TOUT_EN],
respectively. If OSCC[CRI] is set, OSCC[TOUT_EN] is set automatically after power-on reset
or hardware reset.
For lowest power consumption, connect a 32.768-kHz crystal between the TXTAL_IN and
TXTAL_OUT pins. However, some systems might have other clock sources of the same frequency,
so the overall system cost is reduced by driving the TXTAL crystal pins with one of those clock
sources.
Observe the following precautions when driving the TXTAL_IN and TXTAL_OUT pins:
For best results, drive TXTAL_IN and TXTAL_OUT with complementary, terminated signals.
Noise causes performance degradation if TXTAL_OUT is floated.
Intel® PXA27x Processor Family Developer’s Manual 3-19
Clocks and Power Manager
Drive TXTAL_IN and TXTAL_OUT with VSS-to-VCC_PLL rail-to-rail signals. If more than
10% overshoot or undershoot is experienced, use a 1.5-kΩ series resistor or a voltage divider
to reduce the level to VSS-to-VCC_PLL.
3.5.4 Peripheral Phase-Locked Loop (312 MHz)
When the CCCR[PPDIS] bit is clear (see Section 3.8.2.1), the peripheral PLL generates a fixed-
frequency clock source (312 MHz) that is used in several peripherals, as shown in Table 3-6.
To save power, the peripheral PLL can be disabled by initiating a frequency change with
CCCR[PPDIS] set. The frequencies of the peripheral clocks then derive from the 13-MHz
processor oscillator. However, doing so causes those peripheral modules with strict bandwidth or
protocol-related frequency requirements not to work. When the peripheral PLL is re-enabled, the
exit sequence from the frequency change lengthens for up to 150 µs.
The generated PLL frequencies, listed in Table 3-6, are not exact, because of the choice of crystal
frequency and the lack of a least common multiple between peripheral units. The 13-MHz crystal
maintains the clock frequency for each unit within the units clock tolerance.
Note: The following configuration is not supported:
CCCR[CPDIS] = 0 and CCCR[PPDIS] = 1
3.5.5 Core Phase-Locked Loop (Programmable)
When the CCCR[CPDIS] bit is clear (see Section 3.8.2.1), the core PLL serves as the clock source
for the core, system bus, memory controller, and LCD controller. The core PLL generates three
output frequencies:
Run-mode frequency = 13-MHz processor oscillator * L
Table 3-6. Peripheral PLL Output Frequencies for 13-MHz Crystal
Units Divide
Ratio
Required
Frequency
(MHz)
Actual
Frequency
(MHz)
Systemic Error
Due to Divide
(%)
Total Error
with PLL/ Osc Jitter
(%)
Frequency,
PPDIS = 1
(MHz)
Peripheral Bus 24/2 26.000 26.000 0.000 ±0.025 13
USB-H, USB-C,
Infrared Port, USIM 13/2 48.000 48.000 0.000 ±0.025 13
MSL 13/2 48.000 48.000 0.000 ±0.025 13
I2C 19/2 33.333 32.842 –1.474 –1.500 to –1.450 13
MMC 32/2 20.000 19.500 –0.500 –2.525 to –2.475 13
UARTs 42/2 14.746 14.857 +0.754 +0.725 to +0.780 13
I2S (48.000k) 51/2 12.288 12.235 –0.429 –0.455 to –0.400 13
I2S (44.100k) 55/2 11.290 11.346 +0.493 +0.465 to +0.520 13
I2S (22.050k) (37*3)/2 5.645 5.622 –0.411 –0.440 to –0.385 13
I2S (16.000k) (38*4)/2 4.096 4.105 +0.226 +0.200 to +0.255 13
I2S (11.025k) (37*6)/2 2.822 2.811 –0.411 0.440 to –0.385 13
I2S (8.000k) (38*8)/2 2.048 2.053 +0.226 +0.200 to +0.255 13
SD/SDIO (8.000k) 32/2 25.000 19.500 –5.5 –2.525 to –2.475 13
3-20 Intel® PXA27x Processor Family Developer’s Manual
Clocks and Power Manager
Turbo-mode frequency = run-mode frequency * N
Memory/LCD controller frequencies = predefined divisor of run-mode frequency based on L,
where Table 3-7 gives the values of L and N along with the output frequencies. See
Section 3.8.2.1 for information on programming the L and N factors.
Note: Do not exceed the maximum specified frequency for the applied VCC_CORE voltage. Observe the
TCASE specification. See the Intel® PXA27x Processor Family EMTS for details.
To reduce power, the core PLL can be disabled by performing a frequency change with
CCCR[CPDIS] set. Refer to Table 3-5 for details. Setting the PLL early enable bit,
CCCR[PLL_EARLY_EN], prior to a frequency change reduces the frequency change time. Refer
to the Intel® PXA27x Processor Family EMTS for timing details.
Note: The following configuration is not supported:
CCCR[CPDIS] = 0 and CCCR[PPDIS] = 1
Table 3-7. Clock Frequencies
Note: Refer to the Intel® PXA27x Processor Family Specification Update for any changes to the
supported frequency points in Table 3-7.
Core Run Freq
(MHz)
CLKCFG[T]
Core Turbo Freq
(MHz)
CLKCFG[T]
CLKCFG[HT]
CCCR[L]
CCCR[2N]
System Bus
(MHz)
CLKCFG[B]
CLK_MEM
(MHz)
CCCR[A]
SDCLK<2:1>
SDRAM Clocks (MHz)
MDREFR[KxDB2]††††
Synchronous Flash
(MHz)
MDREFR[K0DB4]
MDREFR[K0DB2]
LCD
(MHz)
C0 Stepping
C5 Stepping
13X X X X X 13 X 13 X 13 0 13 0 0 13 or
26†† XX
91††† 0 0 0 7 2 45.5 0 91 0 45.5 1 22..75 1 1 91 X X
104 0 104 1 0 8 2 104 1 104 1 104 0 52 0 1 52 X X
104 0 156 1 1 8 6 104 1 104 1 104 0 52 0 1 52 X X
104 0 208 1 0 8 4 104 1 104 1 104 0 52 0 1 52 X X
208 0 208 1 0 16 2 208 1 104 0 104 0 52 0 1 104 X
208 0 208 1 0 16 2 208 1 208 1 104 1 52 1 X 104 X X
104 0 312 1 0 8 6 104 1 104 1 104 0 52 0 1 52 X X
208 0 312 1 0 16 3 208 1 104 0 104 0 52 0 1 104 X
208 0 312 1 0 16 3 208 1 208 1 104 1 52 1 X 104 X X
208 0 416 1 0 16 4 208 1 104 0 104 0 52 0 1 104 X
208 0 416 1 0 16 4 208 1 208 1 104 1 52 1 X 104 X X
208 0 520 1 0 16 5 208 1 104 0 104 0 52 0 1 104 X
208 0 520 1 0 16 5 208 1 208 1 104 1 52 1 X 104 X X
Intel® PXA27x Processor Family Developer’s Manual 3-21
Clocks and Power Manager
3.5.6 Functional-Unit Clock Gating
Functional-unit clock gating allows software to enable and disable the clock to individual modules
(peripherals) within the processor, which is an advantage for low-power system designs.
The Clock Enable register (CKEN—see Section 3.8.2.2) enables and disables the clocks to
individual modules. The CKEN register values override the clock-gating functionality that might
be present in some modules. These values are set only when entire modules are not being used.
After power-on reset or hardware reset, software must disable the clocks to inactive modules.
If a module is temporarily quiescent but does not have clock gating functionality, use CKEN to
disable the module’s clock. With its clock disabled, register reads from that module return
undefined values, and register writes to that module have no effect.
3.5.7 Modifying Clock Frequencies
3.5.7.1 General Procedure for Clock-Frequency Changes
Note: In this document, the term CPU clock refers to both the Intel XScale® microarchitecture and the
Wireless MMX coprocessor clocks.
Modifying any of the processor clock frequencies requires programming two registers, in the
following order:
1. The Core Clock Configuration register (CCCR—see Section 3.8.2.1) contains the clock
configuration information. For details of the frequency changes, see the following sections:
Section 3.5.7.3 — Changing Core Frequency
Section 3.5.7.4 — Turbo Mode
208 0 624††††† 1 0 16 6 208 1 104 0 104 0 52 0 1 104 X
208 0 624††††† 1 0 16 6 208 1 208 1 104 1 52 1 X 104 X X
NOTES:
Not a PLL clock frequency. Refer to Section 3.5.7.7.
†† Use CCCR[LCD_26] to control this setting. See Table 3-31.
††† L = 7 (Core = 91.0 MHz) is used for hardware boot-up frequency only and must not be used for normal operation.
†††† KxDB2 represents K1DB2 and K2DB2
††††† 624 MHz is available on the PXA270 processor only. See the Intel® PXA270 Processor Electrical, Mechanical, and Thermal Specification
and Intel® PXA27x Processor Family Electrical, Mechanical, and Thermal Specification for supported frequency product points.
Table 3-7. Clock Frequencies
Note: Refer to the Intel® PXA27x Processor Family Specification Update for any changes to the
supported frequency points in Table 3-7.
Core Run Freq
(MHz)
CLKCFG[T]
Core Turbo Freq
(MHz)
CLKCFG[T]
CLKCFG[HT]
CCCR[L]
CCCR[2N]
System Bus
(MHz)
CLKCFG[B]
CLK_MEM
(MHz)
CCCR[A]
SDCLK<2:1>
SDRAM Clocks (MHz)
MDREFR[KxDB2]††††
Synchronous Flash
(MHz)
MDREFR[K0DB4]
MDREFR[K0DB2]
LCD
(MHz)
C0 Stepping
C5 Stepping
3-22 Intel® PXA27x Processor Family Developer’s Manual
Clocks and Power Manager
Section 3.5.7.6 — Fast-Bus Mode
2. Coprocessor 14, register C6 (CLKCFG—see Section 3.8.3.1) initiates the changes
programmed in CCCR when any of the following bits are written to CLKCFG. It is legal to
change the settings of any of these bits when writing to CLKCFG, in which case all of the
changes in CCCR are implemented.
CLKCFG[B]—Fast-Bus Mode. When B is set, the system-bus frequency is equal to the
run-mode frequency indicated in CCCR. When B is clear, the system-bus frequency is
equal to half the run-mode frequency indicated in the CCCR. It is illegal to set B if
CCCR[CPDIS] is set. When B is modified, the core PLL is stopped, and then restarted
with the new CCCR settings. See Section 3.5.7.6 for details.
CLKCFG[F] —Core Frequency Change. When F is set and CCCR[xPDIS] are clear,
the core PLL is stopped, and then restarted with the new CCCR settings. If the core PLL is
disabled (CCCR[CPDIS] set), the PLL is not restarted.
F remains set after the frequency change, and there is no need to clear it. Clearing F does
not initiate a frequency change. To initiate a new frequency change, set F again. See
Section 3.5.7.3 for details.
CLKCFG[T]—Turbo Mode. When T is set, the CPU operates at the turbo frequency;
when clear, the CPU operates at the run-mode frequency. If only T is set, F is clear, and B
is not altered, then the core PLL is not stopped. See Section 3.5.7.4 for details.
CLKCFG[HT]—Half-Turbo Mode. When HT is set, whether T is set or clear, the CPU
operates at the turbo frequency divided by two; when HT is clear, and T is clear, the CPU
operates at the run-mode frequency; when HT is clear, and T is set, the CPU operates at
the turbo frequency. If only HT is set, F is clear, and B is not altered, then the core PLL is
not stopped. See Section 3.5.7.4 for details.
3.5.7.2 Special Considerations for Clock-Frequency Changes
Changing a clock frequency generally incurs the following stoppages, latencies, and special
requirements (except half-turbo and turbo mode changes). Table 3-8 summarizes the latencies in
terms of clock cycles.
All interrupts to the CPU are held, causing latencies for the peripherals.
All current instructions, including incomplete fetches, are completed.
All outstanding stores are completed.
The CPU clock stops. The stoppage time incurred by each type of frequency change is given in
the “Preparations” subsection for the specific change.
Depending on the requested change sequence, the system-bus clock can be halted.
Depending on system use, some peripherals might need reconfiguration to account for the new
frequencies (depending on system configuration and peripheral unit usage).
Note: (1) Each of the clock-frequency change sequences can impose additional limitations and
requirements. For details of a specific type of clock-frequency change, see the subsections below.
(2) When a write to CLKCFG initiates more than one clock-frequency change at the same time,
The total latency time is the maximum required by any of the changes initiated. In other words,
the change sequences run concurrently.
Preparations for all requested changes must be completed before writing to CLKCFG. See the
corresponding “Preparations” section for each type of frequency change in the following
subsections.
Intel® PXA27x Processor Family Developer’s Manual 3-23
Clocks and Power Manager
Refer to section 6.5.1.4 for CLK_MEM changes while SDCLK<1> or SDCLK<2> is at 104
MHz
Table 3-8 summarizes the clock-frequency change sequences. The total latency for each sequence
is the sum of the latencies at each step.
3-24 Intel® PXA27x Processor Family Developer’s Manual
Clocks and Power Manager
Table 3-8. Summary of Clock-Frequency Change Sequences
Description of Action
Unit
Latency
(cycles)
Type of Change
Turbo
Fast
Bus
Core
Freq.
Write to CP14 CLKCFG register (software); interrupts are held. CPU 1 CPU X X X
All current instructions, including incomplete fetches, are completed. CPU ? CPU X X X
All outstanding stores are completed. CPU ? SB X X X
Wait for synchronization. The CPU clock halts. CPU <20 CPU X X X
Deny all bus requests from LCD, USB-H, DMA, CPU, and memory controllers. PM 1 SB X X
Complete all memory control transactions (allow memory controller bus requests).
Place SDRAM in self-refresh mode. MEM ? SB X
Synchronize clocks and power manager. Switch clock sources (done in hardware). PM <4 13M
<8 SB —— X
Core-frequency change sequence splits
Disable PLLs if appropriate (xPDIS set). PM 2 13M X
Enable PLLs if appropriate (xPDIS clear). Wait for PLLs to lock. PM 2000 13M X
Synchronize clocks and power manager. PM <2 13M
<4 SB —— X
Core-frequency change sequence merges
Set PLL and/or SB dividers. PM 2 SB X X
Release system bus for all transactions. PM 1 SB X X
Wait for synchronization. PM <20 CPU X X X
Enable clocks, enable interrupts to the CPU, and begin execution. PM 2 SB X X X
NOTES:
X Step is followed in the corresponding clock mode.
Not applicable
? Variable—depends on system/software configuration.
13M 13-MHz processor oscillator
CPU CPU
MEM Memory controller
PM Power manager
SB System bus
Intel® PXA27x Processor Family Developer’s Manual 3-25
Clocks and Power Manager
3.5.7.3 Changing Core Frequency
The core clock frequency can be changed in several ways:
Selecting the 13-MHz clock source
Changing the core PLL frequency
Enabling turbo or half-turbo mode
The following parameters in the Core Clock Configuration register (CCCR) control the core clock
frequency (see Section 3.8.2.1 for register details):
The run-mode-to-oscillator ratio bit, CCCR[L], determines the run frequency by multiplying
the external crystal oscillator input by L.
The core PLL disable bit, CCCR[CPDIS=1], turns off the core PLL to reduce power
consumption. The peripheral PLL can remain enabled, if required (CCCR[PPDIS=0]). If the
core PLL is disabled, all internal processor core units derive their clocks from the 13-MHz
processor oscillator. Disabling the peripheral PLL, CCCR[PPDIS=0], forces all peripherals to
derive their clocks from the 13-MHz processor oscillator. The PLLs can be enabled or disabled
independently by the CCCR[xPDIS] bits.
The turbo mode bit, CLKCFG[T], selects either turbo mode or run mode.
The turbo-mode-to-run-mode ratio bit, CCCR[2N], determines the turbo frequency by
multiplying the run frequency by N.
The half-turbo mode bit, CLKCFG[HT], selects whether the core frequency is equal to the run
or turbo frequency (dependent on the setting of CLKCFG[T]).
Table 3-7 summarizes the core PLL frequencies as functions of L and N.
3.5.7.3.1 Preparations for Core-Frequency Change
Before performing a core-frequency change, review Section 3.5.7.1 and Section 3.5.7.2.
Table 3-8 summarizes the specific steps that take place during a core-frequency change. The
frequency-change sequence imposes the following limitations and requirements:
All interrupts to the CPU are held, causing latencies for the peripherals.
All current instructions, including incomplete fetches, are completed.
All outstanding memory-controller transactions are completed.
The system-bus clock stops for up to 150 µs. No new system-bus transactions are allowed
during the change sequence. During this time,
The LCD controller cannot transmit data to the LCD panel. If the panel cannot tolerate the
150-µs latency (for example, if it does not have a built-in frame buffer), disable the LCD
controller before initiating the core-frequency change.
The USB host controller cannot access its own FIFOs or configuration registers, which
might require disabling the USB host controller before initiating the core-frequency
change.
SDRAMs are automatically placed in self-refresh mode.
The CPU clock stops for up to 150 µs.
3-26 Intel® PXA27x Processor Family Developer’s Manual
Clocks and Power Manager
The suspension of DMA activity and CPU interrupt service can cause overrun or underrun in some
peripheral modules. If a peripheral module cannot tolerate the 150s system-bus clock latency,
disable the module before initiating the core-frequency change.
Note: (1) If the PLLs are to be turned off using the xPDIS bits, then set the xPDIS bits before the
frequency change, and clear the xPDIS bits after the frequency change.
(2) For best results, set both of the PMCR[xIDAE] bits in the Power Manager Control register
while changing the core frequency (to allow software controlled entry into deep sleep, if
nBATT_FAULT or nVDD_FAULT asserts, rather than immediate entry to deep sleep) (see
Section 3.8.1.1 for register details). If the PLLs are disabled by setting the xPDIS bits, and then a
standby mode entry is initiated, the CCCR[xPDIS] bits must not be altered until after exit from
standby mode.
Table 3-9 summarizes the action required for each module when changing the core frequency.
3.5.7.3.2 Initiating Core-Frequency Change
To initiate a frequency-change operation:
1. Write the preferred values for L, N, PPDIS, and CPDIS to CCCR and T and HT to CLKCFG.
2. Set CLKCFG[F]. When this write occurs, the new core-frequency change sequence begins and
the values in CCCR are applied.
Note: Do not set CLKCFG[HT] while performing a frequency change.
3.5.7.3.3 Behavior During Core-Frequency Change
While the core-frequency change sequence is executing, the following occurs before the switch in
CPU clock speed is made:
1. All processor activity is stopped and all interrupt requests to the processor are held.
Table 3-9. Required Actions Before and After Core-Frequency Change
Module Before PLL Frequency Change
(Core PLL = Clock Source) After PLL Frequency Change
(Core PLL = Clock Source)
Memory Controller Reconfigure for new clock speed.
LCD Controller
Quick Capture Interface
Disable unless LCD panel is tolerant of 150-μs
pause in data transmittal. Reconfigure for new clock speed and re-
enable.
USB Host Disable if intolerant of 150-μs system-bus clock
stoppage and DMA/interrupt latency.
USB Client
Infrared Port
MSL
I2C Bus Interface Unit
MMC
UARTs
AC’97
I2S
SSP Serial Ports
Disable if intolerant of 150-μs DMA/interrupt
latency.
Keypad
OS Timers
RTC
Interrupts held until completion of frequency
change.
Intel® PXA27x Processor Family Developer’s Manual 3-27
Clocks and Power Manager
2. All new DMA and LCD activity is suspended.
3. All CPU loads are completed and CPU stores are sent to the system bus.
4. All outstanding memory-controller transactions are completed.
5. The memory controller places the SDRAM in self-refresh mode and drives the
nRAS/nSDCS<3:0> and nCAS/DQM<3:0> pins to their self-refresh state.
6. The system bus clocks are stopped for a period of at least four cycles of the system bus clock
(at the new frequency).
The DMA controller and CPU experience a stoppage of the system bus clock for up to four system-
bus cycles (during a clock-source change) or up to 150 μs (during a core PLL frequency change
with the core PLL selected as the clock source), plus the time it takes the memory controller to
finish its outstanding transactions. The total period of DMA and CPU inactivity depends on the
source/destination of memory controller transactions and the type of frequency change. The lack of
DMA service means that peripheral modules can experience overrun or underrun in their FIFOs,
and the lack of CPU activity means increased interrupt latency.
If a power fault (nVDD_FAULT or nBATT_FAULT) is asserted during the period of CPU
inactivity, the frequency-change sequence completes first. Then, the processor enters deep-sleep
mode as described in Section 3.6.4.
3.5.7.3.4 Completion of Core-Frequency Change Sequence
After the clock speed has been changed, the CPU continues execution at the next instruction after
the write to CLKCFG. interrupt requests are no longer held, and any interrupts that occurred during
the change sequence are sent to the CPU.
CLKCFG remains in the state that was written to it. The values in it and the Clock Configuration
Status register (CCSR—see Section 3.8.2.4) provide data about the operating frequencies of the
core PLL, which determines the frequencies of the CPU, LCD controller, memory controller, and
system bus.
The SDRAMs are automatically brought out of self-refresh mode. Before enabling external
transactions to devices with frequency-dependent configurations, reconfigure the memory
controller to account for the new clock frequency. See Chapter 6, “Memory Controller” for more
information on memory configuration.
If required, reconfigure the LCD controller pixel clock to account for the new frequency. If the
LCD controller was disabled before the frequency change, re-enable it. See Chapter 7, “LCD
Controller for more information on LCD configuration.
3.5.7.4 Turbo Mode
The processor CPU frequency depends on the setting of the T-bit in the Clock Configuration
register (CLKCFG—see Section 3.8.3.1):
CLKCFG[T] set—CPU operates at the turbo frequency.
CLKCFG[T] clear—CPU operates at the run frequency.
The turbo-mode and run-mode frequencies depend on the values in the Core Clock Configuration
register (CCCR—see Section 3.8.2.1 for register details). Table 3-7 lists the turbo-mode
frequencies.
3-28 Intel® PXA27x Processor Family Developer’s Manual
Clocks and Power Manager
The increased latency for entering or exiting turbo mode is an interruption in execution while
current instructions and loads are completed and stores are sent to the system bus. This latency
varies depending on the number and destination and source of the stores and loads, respectively, as
well as other bus activity and cacheability of the interrupt handler. Interrupt requests are held until
the frequency is changed, resulting in longer and less predictable interrupt latency. The increased
latency is greater when performing a frequency change (F-bit) or fast-bus change (B-bit) in the
same write as the T-bit in the CLKCFG register.
Also refer to Section 3.5.7.5 for half-turbo mode details.
3.5.7.4.1 Preparations for Turbo-Mode Entry and Exit
While entering or exiting turbo mode, the CPU clock halts, and interrupt requests to the CPU are
held for up to eight core clock cycles.
The value of N is the ratio of the turbo-mode-frequency to the run-mode frequency. N is determined
by CCCR[2N]. This value must have been loaded beforehand into the core PLL by means of a
core-frequency change (see Section 3.5.7.3) and must be reflected in the Core Clock Status register
(CCSR—see Section 3.8.2.4). The value reflected in CCSR[2N_S] is the value that is actually used
when CLKCFG[T] is set.
Because entering or exiting turbo mode does not stop the system-bus clocks and does not alter any
of the peripheral clocks (including the LCD and memory controller), no special steps are required
with respect to the peripherals or memory controller.
3.5.7.4.2 Initiating Turbo-Mode Change
Follow these steps to enter or exit turbo mode:
1. Complete the preparations described in Section 3.5.7.4.1.
2. Set or clear CLKCFG[T]. When this write occurs, the CPU frequency switches to the indicated
mode (turbo or normal run).
Note: If CCSR[2N_S] has the value of 0x2, the turbo-mode change sequence occurs, but the core
frequency does not change.
3.5.7.4.3 Behavior During Turbo-Mode Change
While the processor is entering or exiting turbo mode, all processor activity is stopped and all
interrupt requests are held. All CPU-initiated loads are completed, and all stores are sent to the
system bus before the switch in CPU clock speed is made. Peripheral and memory-controller
activity continues without interruption or change in behavior.
A possible issue during the entry or exit from turbo mode is the additional interrupt latency caused
by holding interrupt requests while all CPU loads are completed and CPU stores are sent to the
system bus.
If a power fault (nVDD_FAULT or nBATT_FAULT) is asserted during the period of CPU
inactivity, the turbo-mode change sequence completes first. Then, the processor enters deep-sleep
mode as described in Section 3.6.4.
3.5.7.4.4 Completion of Turbo-Mode Change Sequence
After the clock speed has been changed, the CPU continues execution at the next instruction after
the write to CLKCFG. interrupt requests are no longer held, and any interrupts that occurred during
the change sequence are sent to the CPU.
Intel® PXA27x Processor Family Developer’s Manual 3-29
Clocks and Power Manager
CLKCFG remains in the state that was written to it. The values in it and the Clock Configuration
Status register provide information about the current operating frequencies of the CPU, LCD
controller, memory controller, and system bus.
3.5.7.5 Half-Turbo Mode
The processor CPU frequency depends on the setting of the HT bit in the Clock Configuration
register (CLKCFG—see Section 3.8.3.1):
CLKCFG[HT] set—the CPU operates at the turbo-mode frequency divided by two.
CLKCFG[HT] clear—the CPU operates at the run frequency if the T-bit is clear or at the turbo
frequency if the T-bit is set.
Note: Half-turbo mode can be invoked only when the CCSR reflects 2*N values of 6 or 8.
The half-turbo-mode and run-mode frequencies depend on the values in the Core Clock
Configuration register (CCCR—see Section 3.8.2.1 for register details). Table 3-7 lists the turbo-
mode frequencies.
The increased latency for entering or exiting half-turbo mode is an interruption in execution while
current instructions and loads are completed and stores are sent to the system bus. This latency
varies depending on the number and destination and source of the stores and loads, respectively, as
well as other bus activity and cacheability of the interrupt handler. Interrupt requests are held until
the frequency is changed, resulting in longer and less predictable interrupt latency. Do not set the
HT-bit in CLKCFG while performing a core PLL frequency change. After a frequency change has
been performed, writing to the T-bit and the HT-bit at the same time results in the CPU frequency at
the turbo-mode frequency divided by two.
3.5.7.5.1 Preparations for Half-Turbo Mode Entry and Exit
While entering or exiting half-turbo mode, the CPU clock halts, and interrupt requests to the CPU
are held for up to eight core clock cycles.
The value of N is the ratio of the turbo-mode-frequency to the run-mode frequency. N is determined
by CCCR[2N]. This value must have been loaded beforehand into the core PLL by means of a
core-frequency change (see Section 3.5.7.3) and must be reflected in the Core Clock Status register
(CCSR—see Section 3.8.2.4). The value reflected in CCSR[2N_S] is the value that is actually used
when CLKCFG[HT] is set.
Because entering or exiting half-turbo mode does not stop the system-bus clocks and does not alter
any of the peripheral clocks (including the LCD and memory controller), no special steps are
required with respect to the peripherals or memory controller.
3.5.7.5.2 Initiating Half-Turbo Mode Change
Follow these steps to enter or exit half-turbo mode:
1. Complete the preparations described in Section 3.5.7.4.1.
2. Set or clear CLKCFG[HT] as follows:
a. If CLKCFG[HT] is set, the CPU frequency switches to the half-turbo mode
b. if CLKCFG[HT] is clear and T is clear, the CPU frequency is normal run-mode frequency
c. if CLKCFG[HT] is clear and T is set, the CPU frequency is normal turbo frequency.
3-30 Intel® PXA27x Processor Family Developer’s Manual
Clocks and Power Manager
3.5.7.5.3 Behavior During a Half-Turbo Mode Change
While the processor is entering or exiting half-turbo mode, all processor activity is stopped and all
interrupt requests are held. All CPU-initiated loads are completed and all stores are sent to the
system bus before the switch in CPU clock speed is made. Peripheral and memory-controller
activity continues without interruption or change in behavior.
A possible issue during the entry or exit from half-turbo mode is the additional interrupt latency
caused by holding interrupt requests while all CPU loads are completed and CPU stores are sent to
the system bus.
If a power fault (nVDD_FAULT or nBATT_FAULT) gets asserted during the period of CPU
inactivity, the turbo-mode change sequence completes first. Then, the processor enters deep-sleep
mode as described in Section 3.6.4.
3.5.7.5.4 Completion of Half-Turbo Mode Change Sequence
After the clock speed has been changed, the CPU continues execution at the next instruction after
the write to CLKCFG. interrupt requests are no longer held, and any interrupts that occurred during
the change sequence are sent to the CPU.
CLKCFG remains in the state that was written to it. The values in it and the Clock Configuration
Status register provide information about the current operating frequencies of the CPU, LCD
controller, memory controller, and system bus.
3.5.7.6 Fast-Bus Mode
The processor system-bus frequency depends on the setting of the B-bit in the Clock Configuration
register (CLKCFG—see Section 3.8.3.1):
CLKCFG[B] set—System bus operates at the full run-mode frequency.
CLKCFG[B] clear—System bus operates at one-half the run-mode frequency.
The system-bus frequency is relative to the run-mode frequency indicated in the Core Clock
Configuration register (CCCR—see Section 3.8.2.1 for register details and Table 3-7 for a
summary of the frequencies).
Certain values of CCCR[2N] are illegal when CLKCFG[B] is set. For details, see Table 3-7.
The increased latency for a fast-bus mode change is a stoppage of LCD, memory controller, system
bus and core clocks, lasting up to 150 µs. Additionally, an interruption in execution occurs while
all outstanding processor or memory controller transactions are completed. Finally, some re-
configuration of the LCD controller and memory controller might be required. Interrupt requests to
the CPU are held until the new frequency is enacted, resulting in longer and less predictable
interrupt latency.
3.5.7.6.1 Preparations for Fast-Bus-Mode Entry and Exit
Entering and exiting fast-bus mode incurs the same latencies and requires the same precautions as
for a core frequency change. Thus, to prepare for a fast-bus mode change, follow the instructions in
Section 3.5.7.3.1.
3.5.7.6.2 Initiating Fast-Bus Mode Change
Follow these steps to enter or exit fast-bus mode:
Intel® PXA27x Processor Family Developer’s Manual 3-31
Clocks and Power Manager
1. Complete the preparations described in Section 3.5.7.3.1.
2. Set or clear CLKCFG[B]. When this write occurs, the system-bus frequency switches to the
indicated mode relative to the CPU run-mode frequency.
3.5.7.6.3 Behavior During Fast-Bus Mode Change
System behavior during the fast-bus-mode change sequence is identical to the behavior during a
core frequency change, as described in Section 3.5.7.3.3.
3.5.7.6.4 Completion of Fast-Bus-Mode Change Sequence
After the system-bus speed has been changed, the peripheral continues execution at the next
instruction after the write to CLKCFG. interrupt requests are no longer held, and any that occurred
during the change sequence are sent to the peripheral.
CLKCFG remains in the state that was written to it. The values in it and the Clock Configuration
Status register (CCSR—see Section 3.8.2.4) provide data about the operating frequencies of the
peripheral, LCD controller, memory controller, and system bus.
3.5.7.7 13M Mode
The processor enters 13M mode when (1) the CPDIS is set, (2) the PPDIS is clear, and (3) a
frequency change operation is performed by writing to the F-bit in the CLKCFG register. In this
mode (CPDIS set and PPDIS clear), only the CPU core PLL is turned off, forcing all of the internal
clocks to be derived from the 13-MHz oscillator. However, the peripheral PLL is still enabled and
continues to provide the 312-MHz clock to all peripherals. Peripherals using external clocking are
not altered; they continue to receive an external clock.
Allowing the peripheral PLL to continue running while the core PLL is disabled (forcing the CPU
to run at 13 MHz) maintains peripheral functionality while using a lower CPU frequency.
Software can disable (optionally) both CPU core PLL and peripheral PLL (CPDIS and PPDIS are
set); however, the increased latency for this is a stoppage of certain peripherals that cannot operate
at 13 MHz.
Note: The LCD clock frequency (L_CLK) can be configured to 26 MHz while the processor is in 13M
mode or deep idle by setting CCCR[LCD_26].
Follow these steps to avoid stoppage of the LCD clock while exiting 13M mode (when
CCCR[CPDIS] is set):
1. Remain in 13M mode, but early-enable the PLL (CCCR[CPDIS] = 1 and
CCCR[PLL_EARLY_EN] = 1) to allow the PLL to be started early.
2. Read CCCR and compare to make sure that the data was correctly written.
3. Verify that CCSR[CPLOCK] and CCSR[PPLOCK] bits are both set, indicating that the PLLs
are locked. Proceed to the next step only when this condition is true. At this point, the
processor is still in 13M mode, but the PLLs are running.
Note: Because the PLLs do not lock in less than 120 μs, software could use an OS timer to generate an
interrupt after 120 μs. When the 120-μs timer interrupt occurs, the software could then begin
polling CCSR[CPLOCK] and CCSR[PPLOCK]. This interrupt-driven delay would allow normal
processing of other tasks at 13 MHz to continue during the time the PLLs are locking.
3-32 Intel® PXA27x Processor Family Developer’s Manual
Clocks and Power Manager
4. Exit 13M mode by writing 0x00 to CCCR[CPDIS,PPDIS] but maintaining
CCCR[PLL_EARLY_EN] = 1. The CCCR[PLL_EARLY_EN] bit is cleared automatically
after the frequency change.
5. Perform the frequency change only by setting the CLKCFG register F-bit.
Note: Entering idle mode from 13M mode puts the processor into deep-idle mode. Refer to Section 3.6.7
for details.
3.5.7.7.1 Prerequisites for Changing to 13M Mode
See Section 3.5.7.3 for details because entering or exiting 13M mode is the same as a frequency
change. If software also disables the peripheral PLL, CCCR[PPDIS=1], certain peripherals cannot
function in this mode—see Table 3-6 for details.
Note: Software can change into 13M mode from run mode only.
3.5.7.7.2 Initiating 13M Mode Change Sequence
To enter or exit 13M mode, perform a frequency change after setting the CCCR[CPDIS] bit. When
this bit is written and a frequency change is performed by setting the F-bit in CLKCFG, the
processor enters or exits 13M mode.
Note: Other bits in CLKCFG cannot be changed while entering or exiting 13M mode. While in 13M
mode, software must not write to CLKCFG [B, HT, T].
3.5.7.7.3 Behavior During 13M Mode Change Sequence
Entering and exiting 13M mode is the same as a frequency change. See Section 3.5.7.3 for details.
3.5.7.7.4 Completion of 13M Mode Change Sequence
After the clock speed has been changed, the peripheral continues execution at the next instruction
after the write to CLKCFG. interrupt requests are no longer held, and any interrupts that occurred
during the change sequence are sent to the peripheral.
CLKCFG remains in the state that was written to it. The values in it and the Clock Configuration
Status register provide information about the current operating frequencies of the peripheral, LCD
controller, memory controller, and system bus.
Intel® PXA27x Processor Family Developer’s Manual 3-33
Clocks and Power Manager
3.5.8 Summary of Clock Modes
The clock modes follow the sequences shown in Table 3-10. The total latency of each sequence is
the sum of the latencies at each step.
Table 3-10. Summary of Clock Mode Sequences
Description of Action
Unit
Latency
(cycles)
Half-Turbo/Turbo Chg.
Fast-Bus Chg.
Freq. Chg.
Write to CP14 CLKCFG register (software); interrupts gated. CPU 1 CPU x x x
All current instructions, including incomplete fetches, completed. CPU ? CPU x x x
All outstanding stores pending in CPU and memory controller are completed. CPU ? SB x x x
Wait for synchronization, Halt CPU clock. Clks <20 CPU x x x
Deny all new bus requests (from LCD, USB-H, DMA, CPU). PM 1 SB x x
Complete all memory controller transactions.
Place SDRAM in self-refresh mode. MEM ? SB x
Synchronize clocks and power manager.
Switch clock sources. PM <4 13M
<8 SB x
Frequency change sequence splits
Disable PLLs if appropriate (xPDIS set). PM 2 13M x
Enable PLLs if appropriate (xPDIS clear) and wait for PLL to lock. PM 2k* 13M x
Synchronize clocks and power manager. PM <2 13M
<4 SB x
Frequency change completion sequence merges here
Set PLL and/or SB divider. PM 2 SB x x
Release bus for all transactions. PM 1 SB x x
Wait for synchronization. PM <20 CPU x x x
Enable clocks, interrupts to CPU and begin execution. PM 2 SB x x x
NOTES:
x Must follow this step in the corresponding clock mode.
Not applicable
? Variable—depends on system/software configuration.
13M 13-MHz processor oscillator
CPU CPU
MEM Memory controller
PM Power manager
SB System bus frequency
3-34 Intel® PXA27x Processor Family Developer’s Manual
Clocks and Power Manager
3.6 Power Manager Operation
The power manager controls all internal power domains, external power-supply functionality, and
the entry and exit sequences for the processor power modes. The functional units within the power
manager are:
Power domains—Provide the connectivity and biasing to different regions for the various
power modes. All units within a power domain receive the same power supply and must be
powered on and off together. (The power domains are defined on page 3-5 and illustrated in
Figure 3-2.)
Sleep-mode power supply—Provides power during sleep mode to the 32.768-kHz
timekeeping oscillator, real-time clock (RTC), and power manager.
Power manager I2C interface—Provides a hardware-controlled interface to the external
regulator for voltage management.
The processor power modes are listed in order of recovery time back to normal mode, with idle
mode being the fastest and deep-sleep mode being the slowest:
Normal mode—All internal power domains and external power supplies are fully powered and
functional. The processor clocks are running.
Idle mode—See Section 3.6.6 for more information. Clocks to the CPU are disabled; recovery
is through interrupt assertion.
Deep-idle mode—See Section 3.6.6 for more information. Clocks to the CPU are disabled;
recovery is through interrupt assertion. When CCCR[CPDIS] is set, the mode is referred to as
deep-idle.
Standby mode—See Section 3.6.8 and Section 3.8.1.12 for more information. All internal
power domains except VCC_RTC and VCC_OSC are placed in a low-power mode where state
is retained but no activity is allowed. The clock sources can be disabled. Some of the internal
power domains can be powered off, and both PLLs are disabled. Recovery is through external
and selected internal wake-up events.
Sleep mode—See Section 3.6.9 and Section 3.8.1.11 for more information. All internal power
domains except VCC_RTC and VCC_OSC (both are internal supplies) can be powered off.
All clock sources, except those used by the real-time clock (RTC) and the power manager, are
disabled. The PXA27x processor PWR_EN1 output pin de-asserts to optionally disable the
external low-voltage power supplies to the processors low-voltage domains. The remaining
power domains are placed in a low-power state where state is retained but no activity is
allowed. Recovery is through external and selected internal wake-up events. Because the
program counter is invalid, recovery requires a system reboot (the program counter restarts
from 0x0, so the core begins execution starting at the reset vector).
Deep-sleep mode—See Section 3.6.10 for more information. All internal power domains
except VCC_RTC and VCC_OSC can be powered off. All clock sources, except those used by
the RTC and the power manager, are disabled. The PXA27x processor PWR_EN1 output pin
de-asserts to optionally disable the external low-voltage power supplies. The processor
SYS_EN1 output pin also de-asserts to optionally disable the external high-voltage power
domains. All power domains are powered directly from the backup battery pin, VCC_BATT.
The remaining power domains are placed in a low-power state where state is retained but no
activity is allowed. Recovery is through external and selected internal wake-up events.
1. PWR_EN and SYS_EN are de-asserted by hardware during the entry into sleep and deep-sleep modes. The system’s power management IC
must be configured to correctly control the system’s power supplies.
Intel® PXA27x Processor Family Developer’s Manual 3-35
Clocks and Power Manager
Because the program counter is invalid, recovery requires a system reboot (the program
counter restarts from 0x0, so the core begins execution starting at the reset vector).
Table 3-11 summarizes the action taken in each power mode. Figure 3-2 shows an overview of the
power domains and units internal to the processor. Figure 3-3 summarizes the operational modes.
Note: VCC_BATT must be on at all times.
Table 3-11. Summary of Module Power and Clocks by Power Mode
Module
Clocks Power
Normal
Idle
Standby
Sleep
Deep
Sleep
Normal
Idle
Standby
Sleep††
Deep
Sleep††,†††
CPU (Processor Core) On Off Off Off Off On On St Off Off
Cache Contents P P P NP NP
SRAMs (Internal SRAM Banks 0, 1, 2, and 3) On On Off Off Off On On St/Off St6/Off Off
Peripherals
(All Units Not Otherwise Mentioned) C1C1Off Off Off On On St Off Off
OS Timer and Power Manager I2C
(PI) Power Domain C1C1C1/Off Off Off On On On/St/Off On/St6/Off St7/Off
Peripheral PLL C2C2Off Off Off On On Off Off Off
Core PLL C3C3Off Off Off On On Off Off Off
Real-Time Clock, Clocks/Power Manager On On On On On On On On On8On9
13-MHz Processor Oscillator On On C4C4C4On8On8On8On8On9
32.768-kHz Timekeeping Oscillator C5C5C5C5C5On8On8On8On8On9
NOTES:
On—Clock or power supply is active and fully functional.
Off—Clock is disabled or power supply is powered off.
St—Standby—power supply is in a low-power state-retaining mode; no activity is allowed.
C1—Configurable, using the clock-enable bits in CKEN.
C2—Configurable, using CCCR[PPDIS]; off if processor oscillator is off.
C3—Configurable, using CCCR[CPDIS]; off if processor oscillator is off.
C4—Configurable, using PCFR[OPDE]; on if OSCC[OOK] is clear.
C5—Configurable, using OSCC[OON].
St6—Standby state is powered by VCC_IO through the internal voltage regulator.
St7—Standby state is powered by VCC_BATT through the internal voltage regulator.
On8Powered by VCC_IO through the internal voltage regulator.
On9Powered by VCC_BATT through the internal voltage regulator.
P—Contents preserved.
NP—Contents not preserved.
All power supplies that are being used must be enabled at all times.
†† When PWR_EN is de-asserted, optionally remove external low-voltage power domains.
†††When SYS_EN is de-asserted, optionally remove external high-voltage power domains.
3-36 Intel® PXA27x Processor Family Developer’s Manual
Clocks and Power Manager
Figure 3-2. Power Manager and Internal Power Domain Block Diagram
VCC_R0
VCC_R1
VCC_R2
VCC_R3
Clocks/
PXTAL
13 M
TXTAL
32.768 k
PWR_I2C
13 M
USB-C
48.000 M
C-PLL
prg. frq.
P-PLL
312 M
I2S
prg. frq.
MMC
19.500 M
V-Reg
VCC_CPU
VCC_PER
VCC_PI
VCC_RTC
VCC_OSC
VCC_PLL
VCC_PLL VCC_CORE VCC_SRAM
VCC_MEMVCC_LCDVCC_IO
VCC_BATT
VCC_OSC
USIM
48.000 M
VCC_BB
VCC_IO
MSL
48.000 M
VCC_USIM
JTAG
TCK
DC-DC
Sleep/
VCC_REG
VCC_USB
32.768 k
Power Mgr
RTC
32.768 k
SRAM
Control
DMA/
Bridge
CPU Intr
Control
Mem
Control
LCD
Control
USB-H
48.000 M
Quick
Capture
Interface
Infrared
48.000 M
Port
SRAM
0
SRAM
1
SRAM
2
SRAM
3
Timer
13 M
Keyboard
32.768 k SSPs
13 M PWMs
13 M I2C
32.842 M UARTs
14.857 M AC ‘97
(ext clk)
Mem Stick
19.500 M
Deep-Sleep
Lin Reg
High-
Current
Lin Reg
Converter
Intel® PXA27x Processor Family Developer’s Manual 3-37
Clocks and Power Manager
Figure 3-3. Overview of Power Manager Modes of Operation
3.6.1 Power Domains
The PXA27x processor has seven internal power domains (shown in Figure 3-2) and four I/O
power supplies. All units within a power domain receive the same power and are powered on and
off together. These domains are generated from one of seven externally applied power supplies,
described in the Intel® PXA27x Processor Family EMTS.
The external power supplies create the internally-generated power domains. Refer to the Intel®
PXA27x Processor Family EMTS for more information.
3.6.2 Internal Voltage Regulators
To achieve lowest system power in sleep and deep-sleep modes, the external power supplies can be
disabled to prevent external regulator overhead power. Because the real-time clock (RTC),
32.768-kHz timekeeping oscillator, and power manager circuits must remain active, the PXA27x
processor contains three internal voltage regulators, described in the sections that follow:
High-Current Linear Regulator (Section 3.6.2.1)
Sleep/Deep-Sleep Linear Regulator (Section 3.6.2.2)
Sleep/Deep-Sleep DC-DC Converter (Section 3.6.2.3)
Reset Mode
Normal Mode
Idle Mode Sleep Mode
any reset
asserted reset
deasserted
Sleep
Wake-up event
Idle
instruction
Standby Mode
Deep-Sleep Mode
instruction
Standby
instruction
Wake-up event
Deep-Sleep
Interrupt
Wake-up event
instruction OR
(Fault & xIDAE=
0)
Fault & xIDAE=0
Fault & xIDAE=0
OR (Fault & xIDAE=1)
OR (Fault & xIDAE=1)
OR (Fault & xIDAE=1)
OR (Fault & xIDAE=1)
Fault & xIDAE=0
Deep-Idle Mode
Idle
instruction
Interrupt
OR (Fault & xIDAE=1)
CPDIS=1
CPDIS=0
Fault & xIDAE=0
3-38 Intel® PXA27x Processor Family Developer’s Manual
Clocks and Power Manager
3.6.2.1 High-Current Linear Regulator
The external power supplies can be disabled in sleep and deep-sleep modes. In these modes,
however, there might be many current active loads:
The real-time clock, 32.768-kHz timekeeping oscillator, and power manager are always active
in these modes.
The 13-MHz processor oscillator, OS timer, and power I2C units are selectively active, based
on software settings.
In sleep mode only, the internal SRAM banks can be placed in a state that retains data at the
expense of some current leakage.
The high-current linear regulator is always active in any of the following cases:
The sleep/deep-sleep linear regulator and DC-DC converter are disabled by clearing
PCFR[L1_EN] and PCFR[DC_EN]. For register details, see Section 3.8.1.8
The 13-MHz processor oscillator is enabled.
PCFR[OPDE] is set, attempting to disable the 13-MHz oscillator, but the 32.768-kHz
oscillator has not yet stabilized (OSCC[OOK] is clear) before entering the low-power mode.
Any of the internal SRAM banks or the power manager I2C power domains are in a state-
retaining mode during sleep mode.
The power manager I2C power domain is in a state-retaining mode during deep-sleep mode.
3.6.2.2 Sleep/Deep-Sleep Linear Regulator
The sleep/deep-sleep linear regulator cannot supply high current. This regulator is used when all of
the following conditions apply (the sequence of setting the conditions is unimportant):
The sleep/deep-sleep DC-DC converter is disabled (PCFR[DC_EN] is clear) and the
sleep/deep-sleep linear regulator is enabled (PCFR[L1_EN] is set). For register details, see
Section 3.8.1.8.
The 13-MHz processor oscillator is disabled, and the 32-kHz oscillator has stabilized
(OSCC[OOK] is set) before entering the low-power mode.
The internal SRAM banks and power manager I2C power domain do not retain state during
sleep or deep-sleep modes.
The power manager I2C power domain and the OS timers are inactive.
3.6.2.3 Sleep/Deep-Sleep DC-DC Converter
There are very few active loads during the lowest power sleep or deep-sleep modes. In these cases,
the processor achieves best low-power efficiency when the internal DC-DC converter creates the
internal supply. The DC-DC converter is used when all of the following conditions apply (the
sequence of setting these conditions is unimportant):
The sleep/deep-sleep DC-DC converter is enabled (PCFR[DC_EN] is set) and the sleep/deep-
sleep linear regulator is disabled (PCFR[L1_EN] is clear). For register details, see
Section 3.8.1.8.
The 13-MHz processor oscillator is disabled and the 32-kHz oscillator has stabilized
(OSCC[OOK] is set) before entering the low-power mode.
Intel® PXA27x Processor Family Developer’s Manual 3-39
Clocks and Power Manager
The internal SRAM banks and power manager I2C power domain are not in state-retaining
modes during sleep or deep-sleep.
The power manager I2C power domain and the OS times are inactive.
The sleep/deep-sleep DC-DC converter requires the following external components:
0.1-μf capacitor connected between the PWR_OUT pin and ground
0.1-μf capacitor connected between the PWR_CAP0 and PWR_CAP1 pins
0.1-μf capacitor connected between the PWR_CAP2 and PWR_CAP3 pins
These capacitors must be ceramic, unpolarized capacitors with low equivalent series resistance
(ESR).
Note: No other connections are allowed on the PWR_OUT and PWR_CAP<3:0> pins. Failure to adhere
to this requirement can result in high currents, with associated potential for high temperature and
permanent damage to the processor and the system.
3.6.3 Power Manager I2C Interface
The PXA27x processor contains a dedicated I2C module for communicating with an external
regulator. See Chapter 9, “I2C Bus Interface Unit” for a full description. The only differences
between the power manager I2C (PWR_I2C) and the standard I2C interfaces are the register
addresses, which are summarized in Section 9.6.
3.6.4 Power Faults and Imprecise-Data Abort
Upon assertion of nBATT_FAULT or nVDD_FAULT, the processor enters the low-power deep-
sleep mode, either automatically or under the control of a fault handler. See Section 3.6.10 for
details of deep-sleep mode. See Section 3.3.13 for descriptions of the fault signals.
After a power fault, the ensuing action occurs in one of three ways, depending on the settings of the
corresponding BIDAE and VIDAE bits and the IAS bit in the Power Manager Control register
(PMCR—see Section 3.8.1.1 for register details):
xIDAE clear—The processor immediately enters deep-sleep mode without issuing an
imprecise data abort or an interrupt to the core. All data and processor states are lost.
xIDAE set, IAS clear—An imprecise data abort is issued to the processor core, which
immediately jumps to a pre-defined interrupt vector address. The imprecise data abort handler
must be in place to manage deep-sleep entry. Refer to the chapter “Handling Processor
Exceptions” in the ARM* Developer Suite Developer Guide for more information.
xIDAE set, IAS set—An interrupt is issued to the processor core. The interrupt handler must
be in place to manage deep-sleep entry. See Chapter 25, “Interrupt Controller” for more
information about the processor interrupts.
Note: When a fault occurs—regardless of the method used to manage this fault—the processor must
enter deep-sleep mode. The software handler must not attempt to place the processor into any other
mode when a fault signal asserts.
In the last two cases (xIDAE set), the abort handler typically preserves critical cache and other data
before initiating the deep-sleep entry with a write to the PWRMODE register.
3-40 Intel® PXA27x Processor Family Developer’s Manual
Clocks and Power Manager
The time available for the abort handler to take other actions, such as completion of current
routines, depends upon how long the external regulator system can continue to supply power after
the assertion of a power fault.
In some cases, such as during sleep mode while some units are retaining states, the wake-up
latency and the abort handlers execution require more time than is available while the external
supply ramps down. In these cases, clear xIDAE to force an immediate deep-sleep entry.
3.6.5 Modifying Power Modes
Coprocessor 14, register C7 (PWRMODE—see Section 3.8.3.2 for register details) initiates the
following power-mode changes when the corresponding bit is set:
PWRMODE[VC] initiates a voltage-change sequence. See Section 3.7.2 for details.
PWRMODE[M] initiates the power mode corresponding to the value written to this bit field:
normal, idle, deep idle, standby, sleep, or deep sleep. Section 3.6 summarizes these power
modes, and the following subsections describe them in detail.
Legal values can be written to both VC and M in the same write operation. When a write to
PWRMODE occurs, the processor implements the requested power-mode change and clears
PWRMODE automatically.
Note: (1) If CPSR[I] and CPSR[F] are set to mask the interrupt in the core before changing the power
mode, the processor continues with the power-mode change despite any pending interrupts. In this
case, if the power mode is sleep or deep sleep, and if there was a pending interrupt, the interrupt
information is lost after waking from the mode. To avoid this situation, software must clear
CPSR[I] and CPSR[F] before entering the power mode.
(2) Any two writes to CLKCFG or PWRMODE must be separated by six 13-MHz cycles. This
requirement is achieved by reading CCCR and then comparing its value to the CLKCFG or
PWRMODE register.
(3) If the memory controller is configured for synchronous external flash memory, it loses the
synchronous configuration upon entry into sleep or deep-sleep mode. If PSLR[SL_ROD] is set,
then nRESET_OUT does not get asserted. Thus, the external flash memory is still configured as
synchronous, whereas the memory controller is configured for asynchronous operation. Software
must manage this potential mismatch. See Section 6.5.2.1, “Synchronous Static Memory
Configuration Register (SXCNFG)” on page 6-57 for more information.
3.6.6 Idle Mode
Idle mode allows stopping only the CPU clock during periods of processor inactivity, while
continuing to monitor interrupt service requests. Idle mode is entered when PWRMODE[M] =
0b001. Generation of all other clocks remains unchanged so that, when an interrupt occurs, the
CPU is quickly re-activated at the point where it entered idle mode. During idle mode, all other on-
chip resources are active.
This mode is called deep-idle mode when CCCR[CPDIS] is set and PWRMODE[M] = 0b001.
3.6.6.1 Preparation for Idle Mode
Before entering idle mode, enable any interrupts to be used as wake-ups from idle mode.
Intel® PXA27x Processor Family Developer’s Manual 3-41
Clocks and Power Manager
Idle mode does not stop the bus clocks and does not alter any of the peripheral clocks, including the
memory and LCD controllers. Thus, no additional steps are required (with respect to the peripheral
clocks) before entering idle mode.
3.6.6.2 Entering Idle Mode
To enter idle mode, first complete the preparations listed in Section 3.6.6.1. Then, write the
appropriate value to the M bit field in the PWRMODE register (see Section 3.8.3.2). When the
write to PWRMODE occurs, the following steps occur in order:
1. All processor activity is stopped. All interrupt requests to the CPU core are held.
2. All CPU loads are completed. CPU stores are sent to the system bus.
3. The CPU clock is halted.
4. Interrupts are no longer held and are recognized as wake-up sources from idle mode.
3.6.6.3 Behavior During Idle Mode
During idle mode, all peripherals and system resources are fully operational, except that the CPU
clock is stopped.
The only difference from normal peripheral operation is that any enabled interrupt can awaken the
processor from idle mode, regardless of the state of ICMR (see Section 25.5.4, “Interrupt
Controller Mask Registers (ICMR and ICMR2)” on page 25-19).
If normal interrupt masking is required, disable this feature by setting the disable idle mask bit,
ICCR[DIM] (see Section 25.5.6, “Interrupt Controller Control Register (ICCR)” on page 25-27).
If ICCR[DIM] is clear and idle-mode wake-ups from a specific unit are not wanted, the unit’s
interrupt must be disabled at the unit level.
Note: (1) Additional interrupt latency is caused by holding interrupt requests while the CPU loads are
completed and CPU stores are sent to the system bus. This latency varies with the number, source,
and destination of loads and stores, as well as with other bus activity.
(2) The watchdog timer, if enabled, is functional during idle mode and generates a watchdog reset
if OSMR register 3 matches the OS timer counter.
3.6.6.4 Exiting Idle Mode
Idle mode ends with the assertion of either of the following idle-mode wake-up events:
Any enabled interrupt, regardless of the state of ICMR.
Assertion of nBATT_FAULT or nVDD_FAULT (see Section 3.6.4 for details of the ensuing
action).
Following the assertion of an idle-mode wake-up event, the following occurs:
1. The CPU clock is restarted.
2. The processor continues execution at the next instruction after the write to PWRMODE or at
the entry point to the imprecise-data abort or interrupt handler.
3-42 Intel® PXA27x Processor Family Developer’s Manual
Clocks and Power Manager
Note: Any two writes to the CLKCFG or PWRMODE registers must be separated by at least six 13-MHz
cycles. To meet this requirement, read CCCR and then compare its value to the CLKCFG or
PWRMODE register.
3.6.7 Deep-Idle Mode
Deep-idle mode is a combination of 13M mode and the processor idle feature. Deep-idle mode is a
transition into idle mode from 13M mode. Refer to Section 3.6.6 for idle mode and Section 3.5.7.7
for 13M mode.
Refer to the Intel® PXA27x Processor Family EMTS for appropriate VCC_CORE voltage setting
in deep-idle mode.
When CCCR[CPDIS] is set and PWRMODE[M] = 0b001, this mode is referred to as deep-idle.
3.6.8 Standby Mode
Standby mode is a low-power mode in which power consumption is reduced below the normal
static power consumption while the processor retains state. All processor activity stops, except for
the real-time clock (RTC) and the clocks and power manager. Since internal activity has stopped,
recovery from standby mode must be through an external or RTC event. At recovery, execution
resumes at the instruction following the write to the PWRMODE register (see Section 3.8.3.2).
Unit state retention during standby mode is as follows (see the block diagram in Figure 3-2):
The following units always retain state:
CPU powered by VCC_CPU (internal domain)
Peripheral units powered by VCC_PER (internal domain)
The following units may optionally retain state:
Internal SRAM banks, powered by VCC_SRAM or VCC_REG (internal domain)
(depending on low-power mode)
Power manager I2C unit and 13-MHz timer, powered by VCC_PI (internal domain)
The PLLs are automatically disabled in standby mode.
Note: Any two writes to the CLKCFG or PWRMODE registers must be separated by six 13-MHz cycles.
To meet this requirement, read of CCCR and then compare its value to the CLKCFG or
POWERMODE register.
Refer to the Intel® PXA27x Processor Family EMTS for appropriate VCC_CORE voltage setting.
3.6.8.1 Preparation for Standby Mode
Before entering standby mode, complete the following steps:
1. Set the standby-mode unit-retention bits in the Standby Configuration register (PSTR) for any
units that must retain state during standby mode (see Section 3.8.1.12 for register details).
2. Configure the memory controller to ensure that SDRAM contents are maintained during
standby mode (all required boot sequences must be complete). See Chapter 6, “Memory
Controller for details.
Intel® PXA27x Processor Family Developer’s Manual 3-43
Clocks and Power Manager
3. Stop or disable all peripheral units except the RTC and, optionally, the OS timer. Also, if the
keypad is configured as the wake-up source, do not disable the keypad controller.
The other peripherals do not function normally because the clocks are stopped. This includes
the LCD controller; thus, unless the external LCD can sustain operation without constant pixel
information, disable the external LCD and the LCD controller.
4. Program the following registers to enable the standby-mode wake-up sources:
Section 3.8.1.4 — Power Manager Wake-Up Enable Register (PWER)
Section 3.8.1.15 — Power Manager Keyboard Wake-Up Enable Register (PKWR)
Section 3.8.1.5 — Power Manager Rising-Edge Detect Enable Register (PRER)
Section 3.8.1.6 — Power Manager Falling-Edge Detect Enable Register (PFER)
5. If low-power operation is required, set PCFR[OPDE] to disable the 13-MHz processor
oscillator (see Section 3.8.1.8 for register details). In this case, wait until PCFR[OOK] is set
before entering standby mode.
If fast wake-up is required, clear PCFR[OPDE] to keep the oscillator on during standby.
6. After exiting standby mode, the code/data fetches by the core must not resume from the
memory space that cannot be accessed due the PSSR[PH] bit being set by hardware.
Note: The GPIO block is not reset in standby mode. Hence, the GPIO alternate functions are restored
automatically after standby mode to their states immediately preceding standby mode.
3.6.8.2 Entering Standby Mode
To enter standby mode, first complete the preparations listed in Section 3.6.8.1. Then, write the
appropriate value to the M-bit field in the PWRMODE register (see Section 3.8.3.2). The following
steps occur when the write to PWRMODE occurs:
1. All processor activity is stopped. All interrupt requests to the processor are held.
2. All CPU loads are completed. All CPU stores are sent to the system bus.
3. The CPU clock is halted.
4. All new transactions from the USB host, LCD controller, and DMA controller are ignored.
5. The memory controller completes all outstanding transactions in its buffers.
6. The memory controller places the SDRAM in self-refresh mode and drives the
nRAS/nSDCS<3:0> and nCAS/DQM<3:0> pins to their self-refresh states.
7. All PLLs are disabled.
8. If PCFR[OPDE] and PCFR[OOK] are set, the 13-MHz processor oscillator is disabled.
9. The circuits that activate the low-current mode are energized for the following units:
units in the VCC_CPU and VCC_PER power domains (see the block diagram in
Figure 3-2)
units selected by the PSTR[standby mode unit retention] bits.
10. Units not selected by the PSTR[standby mode unit retention] bits are powered off.
3-44 Intel® PXA27x Processor Family Developer’s Manual
Clocks and Power Manager
3.6.8.3 Behavior in Standby Mode
In standby mode, all clocks are disabled except those for the power manager and the RTC. No
interrupts are recognized. No external pin transitions are recognized other than valid wake-up
signals, reset signals, nBATT_FAULT, and nVDD_FAULT.
The power manager watches for wake-up events that were programmed prior to entering standby
mode (see Section 3.6.8.1 for more information about wake-ups). Refer to the Intel® PXA27x
Processor Family EMTS for GPIO timing specifications.
Deep-sleep entry due to a power fault (nVDD_FAULT or nBATT_FAULT asserted) normally
occurs as described in Section 3.6.4. But in standby mode, with the corresponding PMCR[xIDAE]
bit set, the imprecise data abort or interrupt is not issued immediately. Instead, the power-fault
event appears to the power manager first as a standby-mode wake-up. The power-fault abort is sent
to the processor core only after exit from standby mode is complete. Thus, there is additional
latency between the assertion of a power fault and its recognition.
If this additional latency is unacceptable, clear the corresponding PMCR[xIDAE] bit. In this case,
entry into deep-sleep mode occurs immediately, but controlled entry using software is not possible.
3.6.8.4 Exiting Standby Mode
The following occurs after the assertion of a pre-programmed standby-mode wake-up event or the
assertion of nBATT_FAULT or nVDD_FAULT with the corresponding PMCR[xIDAE] bit set:
1. If standby mode was entered with PCFR[OPDE] set, the 13-MHz processor oscillator gets re-
enabled and allowed to stabilize.
If PCFR[OPDE] is clear, the 13-MHz processor oscillator is already enabled and has
stabilized.
2. If any of the standby-mode unit-retention bits are clear, power is restored to the selected unit.
3. The PLLs are restarted according to the corresponding values in the Core Clock Configuration
register and allowed to stabilize.
4. The CPU clock is restarted. Interrupts are no longer held.
5. The processor resumes execution at the next instruction after the write to PWRMODE or at the
entry point to the imprecise data abort or interrupt handler.
6. The standby-mode configuration is automatically cleared in the PWRMODE register.
7. The SDRAM must be brought out of self-refresh mode, which requires that the SDRAM
controller be switched to its idle state. See Chapter 6, “Memory Controller” for details on
configuring the SDRAM interface.
If nBATT_FAULT or nVDD_FAULT is asserted:
If the corresponding PMCR[xIDAE] bit is set, the regular standby-mode exit sequence occurs.
The abort handler can then enter deep-sleep mode under controlled conditions, allowing
software to save critical data. See Section 3.6.4 for more information about the abort handler.
If the corresponding PMCR[xIDAE] bit is clear, the processor exits standby mode without
performing steps 1-7 and immediately enters deep-sleep mode.
Intel® PXA27x Processor Family Developer’s Manual 3-45
Clocks and Power Manager
3.6.9 Sleep Mode
Sleep mode offers even lower power consumption by powering off most units. The increased
latency for this low-power mode is that all states are lost. There is no activity inside the processor,
except for the units programmed to retain their state in the PSLR register, the real-time clock, and
the clocks and power manager. Because internal activity has stopped, recovery from sleep mode
must occur through an external or a real-time clock event. All processor states are reset, and
recovery begins with the required boot sequence (see Section 3.4 for information about boot
sequences).
In sleep mode, the external low-voltage power domains can be disabled externally to further lower
the system power consumption. See Figure 3-2 for information on the power domains.
3.6.9.1 Preparation for Sleep Mode
Follow these steps before entering sleep mode:
1. For units that must retain their states during sleep, set the appropriate sleep-mode unit-
retention bits in the Sleep Mode Configuration register (PSLR—see Section 3.8.1.11). The
units that can retain state are the internal SRAM banks and the PI power domain (timer and
power I2C). The PLLs are disabled automatically.
2. Program PSLR[SYS_DEL] and PSLR[PWR_DEL] for the number of 32.768-kHz
timekeeping oscillator cycles required for the external power supplies to stabilize (the default
reset value is 125-ms delay for each).
3. For lowest power consumption, enable the sleep/deep-sleep DC-DC converter (see
Section 3.6.2.3) by setting PCFR[DC_EN].
If PCFR[DC_EN] is clear and PCFR[L1_EN] is set, the sleep/deep-sleep linear regulator is
enabled. If both PCFR[DC_EN] and PCFR[L1_EN] are clear, the high-current linear regulator
is enabled.
Note: Do not set both PCFR[DC_EN] and PCFR[L1_EN] at the same time.
4. Disable the LCD controller, unless the external LCD panel has a built-in frame buffer and can
operate while the pixel clock is stopped. See Chapter 7, “LCD Controller” for more
information.
5. Configure the appropriate power manager registers for the sleep-mode wake-up sources:
Section 3.8.1.4 — Power Manager Wake-Up Enable Register (PWER)
Section 3.8.1.15 — Power Manager Keyboard Wake-Up Enable Register (PKWR)
Section 3.8.1.5 — Power Manager Rising-Edge Detect Enable Register (PRER)
Section 3.8.1.6 — Power Manager Falling-Edge Detect Enable Register (PFER)
Section 3.8.1.9 — Power Manager GPIO Sleep-State Registers (PGSRx)
Note: As the PGSRx registers get loaded onto the processor GPIO outputs, initialize these to the correct
state. For example, pins related to the static and synchronous-memory chip selects need to be de-
asserted, and PC Card control pins must be either de-asserted or floated.
6. For lowest-power operation, set PCFR[OPDE] to disable the 13-MHz processor oscillator
(see Section 3.8.1.8 for register details). In this case, wait until PCFR[OOK] is set before
entering sleep mode.
For fastest wake-up, clear PCFR[OPDE] to keep the oscillator running during sleep mode.
7. Prepare for possible power faults (assertion of nVDD_FAULT or nBATT_FAULT and
subsequent deep-sleep entry) as described in Section 3.6.4.
3-46 Intel® PXA27x Processor Family Developer’s Manual
Clocks and Power Manager
3.6.9.2 Entering Sleep Mode
Note: The GPIO block is reset in sleep mode. Therefore, the GPIO alternate functions must be re-
programmed after sleep exit.
Entry into sleep mode occurs when the sleep configuration is written to the M-bits in the
PWRMODE register (see Section 3.8.3.2).
The following sequence occurs when the sleep configuration is written to PWRMODE:
1. All processor activity stop and all interrupt requests to the processor are ignored.
2. All CPU loads are completed and CPU stores are sent to the system bus.
3. The CPU clock is halted.
4. All new transactions from the USB host controller, LCD controller, and DMA controller are
ignored.
5. The memory controller completes all outstanding transactions in its buffers.
6. The memory controller places the SDRAM in self-refresh mode and drives the
nRAS/nSDCS<3:0> and nCAS/DQM<3:0> pins to their self-refresh state.
7. The PLL clock sources and their outputs are disabled.
8. The power manager switches the GPIO output pins to the sleep states programmed in the
PGSR registers.
9. If PCFR[OPDE] and OSCC[OOK] are set, the 13-MHz processor oscillator is disabled.
10. An internal reset (reflected externally by the assertion of the nRESET_OUT pin if
PSLR[SL_ROD] is clear) is generated to the CPU, to peripheral logic powered by VCC_PER
(internal domain), and to all units not selected by the sleep-mode unit-retention bits.
11. The low current state retention circuitry is enabled for the units that are selected by the sleep-
mode unit-retention bits.
12. The units not selected by the sleep-mode unit-retention bits are powered off.
13. The power supply to the clocks and power manager, RTC, and any units selected by the sleep-
mode unit-retention bits is switched from VCC_CORE to VCC_OSC (internal domain). The
internal SRAM banks selected by the sleep-mode unit-retention bits are switched from
VCC_SRAM to VCC_OSC (internal domain).
14. The PWR_EN pin is de-asserted. Optionally, disable the external low-voltage power domains
to minimize power consumption.
3.6.9.3 Behavior in Sleep Mode
In sleep mode, all clocks are disabled to the processor and to all peripherals except the RTC.
However, if the keypad is configured to be the wake-up source, do not disable the keypad
controller. No interrupts are recognized, and no external pin transitions other than valid wake-up
signals, reset signals, and the power fault (nVDD_FAULT and nBATT_FAULT) signals are
recognized. The nVDD_FAULT pin is ignored if PSLR[IVF] is set.
The power manager watches for pre-programmed wake-up events that the CPU configures prior to
entering sleep mode. Refer to the Intel® PXA27x Processor Family EMTS for GPIO timing
specifications.
Intel® PXA27x Processor Family Developer’s Manual 3-47
Clocks and Power Manager
The processor does not recognize the imprecise data abort or interrupt during sleep mode.
Therefore, if the corresponding PMCR[xIDAE] bit is set, the assertion of nVDD_FAULT or
nBATT_FAULT appears to the processor as a wake-up event from sleep mode. Once the processor
has exited sleep mode, an imprecise data abort or interrupt is reported to the core. See Section 3.6.4
for more information on these power faults and their management.
If nVDD_FAULT or nBATT_FAULT is asserted and if the corresponding PMCR[xIDAE] bit is set,
the processor does not issue the imprecise data abort or interrupt until sleep-mode exit completes.
If this additional latency is unacceptable, the corresponding PMCR[xIDAE] bit must be cleared
before entering sleep mode. In this case, however, assertion of the power fault results in the
immediate loss of all processor states, with no software-controlled entry into deep-sleep mode.
3.6.9.4 Sleep Exit
The following occurs after the assertion of a pre-programmed sleep-mode wake-up event while the
nVDD_FAULT and nBATT_FAULT pins are not asserted (nVDD_FAULT is ignored if
PSLR[IVF] is set):
1. PWR_EN is asserted, enabling the external low-voltage power domains.
2. The processor waits the number of 32.768-kHz timekeeping oscillator cycles specified by the
PSLR[PWR_DEL] bits.
3. The power supply to the clocks and power manager, RTC, and any units selected by the sleep-
mode unit-retention bits in PSLR is switched from VCC_OSC to VCC_CORE or from
VCC_OSC to VCC_SRAM.
4. If sleep mode was entered with PCFR[OPDE] set, the 13-MHz processor oscillator is enabled
and allowed to stabilize.
5. If any of the sleep-mode unit-retention bits are clear, power to the selected units is restored.
6. The PLLs are restarted with the corresponding values in the Core Clock Configuration register
and allowed to stabilize.
7. The sleep-mode configuration in the PWRMODE register is cleared.
8. The nRESET_OUT pin, if asserted, is de-asserted, indicating that the processor is about to
perform a fetch from the reset-vector location. The processor internal reset is de-asserted.
9. The CPU begins the required boot sequence (see Section 3.4 for information about boot
sequences), which includes the following items:
a. Software must bring the SDRAM out of self-refresh mode, which requires that the
SDRAM controller be switched to its idle state. See Chapter 6, “Memory Controller” for
details on configuring the SDRAM interface.
b. All units in the PXA27x processor, except those listed in Table 3-2, begin with their
predefined reset conditions.
c. Software must examine the Reset Controller Status register (RCSR[SMR]) to determine
that the reset source was a sleep-exit reset and the Sleep Status register (PSSR[SSS]) to
determine the reason for being in sleep mode.
d. If the Scratch Pad register (PSPR) was used for saving any general processor state during
sleep mode, the state can be recovered.
Note: If sleep mode was entered while the processor was in turbo, half-turbo or fast-bus mode, the sleep-
mode exit returns the processor to normal run mode. If sleep mode was entered while in 13M
mode, the sleep-mode exit returns the processor to 13M mode.
3-48 Intel® PXA27x Processor Family Developer’s Manual
Clocks and Power Manager
3.6.10 Deep-Sleep Mode
Deep-sleep mode offers the lowest power consumption by powering most units off. The increased
latency for this low-power mode is that all state is lost and there is no activity inside the processor,
except for the real-time clock (RTC) and the clocks and power manager. Because internal activity
has stopped, recovery from deep-sleep mode must be through an external event or an RTC event.
Because all state has been lost, the state of the processor is reset, and recovery begins with the
required boot sequence (see Section 3.4 for information about boot sequences).
In deep-sleep mode, all the power supplies (VCC_CORE, VCC_SRAM, VCC_PLL, VCC_IO,
VCC_LCD, VCC_USIM, VCC_USB, VCC_BB, and VCC_MEM) excluding VCC_BATT can be
powered off for minimized power consumption.
If deep-sleep mode was entered with a software write to the PWRMODE register, deep-sleep can
be exited by correctly programming the PWER, PFER and PRER registers for the RTC wake-up
event and a wake-up event on GPIO<3>, GPIO<1>, or GPIO<0>. If deep-sleep mode was entered
due to a power fault (assertion of nBATT_FAULT or nVDD_FAULT), then exit from deep-sleep is
limited to a wake-up event on GPIO<1> or GPIO<0>. The PWER, PFER, and PRER registers are
automatically forced to their reset values in this case.
3.6.10.1 Preparation for Deep-Sleep Mode
Complete the following steps before entering deep-sleep mode:
1. For any units that must retain state during deep-sleep mode, set the sleep-mode unit-retention
bits in the Sleep Mode Configuration register (see Section 3.8.1.11). Only the units in the PI
power domain (RTC and power manager I2C) can retain state. The PLLs are disabled
automatically.
2. Program the SYS_DEL and PWR_DEL bits in PSLR for the number of 32.768-kHz
timekeeping oscillator cycles required to stabilize the external power supplies (the reset value
is 125ms delay each).
3. For lowest power consumption, enable the sleep/deep-sleep DC-DC converter (see
Section 3.6.2.3) by setting PCFR[DC_EN].
If PCFR[DC_EN] is clear and PCFR[L1_EN] is set, the sleep/deep-sleep linear regulator is
enabled. Otherwise, the high-current linear regulator is enabled.
Note: Do not set PCFR[DC_EN] and PCFR[L1_EN] at the same time.
4. The memory controller sends the self-refresh command to the SDRAM banks. Ensure that the
supply to the SDRAM is not removed if state retention is required during deep-sleep mode.
See Chapter 6, “Memory Controller” for more details.
5. Disable the LCD controller. LCD operation during deep-sleep mode is possible only with an
external LCD panel that has a built-in frame buffer.
6. Initialize the appropriate power manager registers to determine the deep-sleep wake-up
sources:
Power Manager Wake-Up Enable register (PWER)
Power Manager Falling-Edge Detect Enable and Power Manager Rising-Edge
Detect Enable registers (PFER and PRER)
Power Manager GPIO Sleep-State registers (PGSR0, PGSR1, PGSR2 and
PGSR3).
Intel® PXA27x Processor Family Developer’s Manual 3-49
Clocks and Power Manager
Note: Because the PGSRx registers get loaded onto the GPIO outputs, be careful to initialize these to the
correct states—for example, pins related to the static and synchronous memory chip selects, PC
Card control, and so forth must be floated. When SYS_EN is de-asserted and the power domains
are powered off, all GPIOs float. However, if software is configured to maintain power during
deep-sleep mode, the GPIOs default to the pull-up, pull-down reset state as indicated in the Intel®
PXA27x Processor Family EMTS Pin Usage section for reset states and the GPIO AC Timing
Specification section for timing details.
7. For lowest-power operation, set PCFR[OPDE] to disable the 13-MHz processor oscillator
(see Section 3.8.1.8 for register details). In this case, wait until PCFR[OOK] is set before
entering sleep mode.
8. For fastest wake-up, clear PCFR[OPDE] to keep the oscillator running during sleep mode.
3.6.10.2 Entering Deep-Sleep Mode
Entry into deep-sleep mode occurs at any of the following deep-sleep entry events:
The deep-sleep configuration is written to the mode bits in the PWRMODE register (see
Section 3.8.3.2).
The pin nBATT_FAULT or nVDD_FAULT is asserted while the corresponding xIDAE bit is
clear.
nBATT_FAULT or nVDD_FAULT is asserted while exiting from deep-sleep mode.
The following sequence occurs when the deep-sleep configuration is written:
1. All processor activity is stopped and all interrupt requests to the processor are ignored.
2. All CPU loads are completed, and CPU stores are sent to the system bus.
3. The CPU clock is halted.
The sequence begins here if nBATT_FAULT or nVDD_FAULT is asserted while the
corresponding xIDAE bit is clear:
4. All new transactions from the LCD controller or DMA controller are ignored.
5. The memory controller completes all outstanding transactions in its buffers.
6. The memory controller places the SDRAM in self-refresh mode and drives the
nRAS/nSDCS<3:0> and nCAS/DQM<3:0> pins to their self-refresh state.
If nVDD_FAULT or nBATT_FAULT is asserted during the sleep or deep-sleep exit sequence,
deep-sleep mode is re-entered here:
7. The power manager switches the GPIO output pins to the sleep state programmed in registers
PGSR0-3.
8. If the deep-sleep sequence was entered because of the assertion of nVDD_FAULT or
nBATT_FAULT, regardless of the state of the corresponding xIDAE bit, the following actions
occur:
a. All wake-ups detected at this point are cleared (all GPIO edge-detects and the RTC alarm
interrupt).
b. The power manager wake-up source registers (PWER, PRER and PFER) are loaded with
the value 0x0000_0003, the reset state after a hardware reset, which limits the potential
wake-up sources to a rising or falling edge on GPIO<0> or GPIO<1>. This wake-up fault
state prevents spurious events from causing an unwanted wake-up when a problem
develops with the main battery or a power supply.
3-50 Intel® PXA27x Processor Family Developer’s Manual
Clocks and Power Manager
9. The PLL clock sources and their outputs are disabled.
10. If PCFR[OPDE] and OSCC[OOK] are set, the 13-MHz processor oscillator is disabled.
11. An internal reset (reflected externally by the assertion of the nRESET_OUT pin if
PSLR[SL_ROD] is clear) is generated to the CPU, to peripheral logic powered by VCC_PER,
and to all units not selected by the sleep mode unit retention bits.
12. The low-current state retention circuitry is enabled for the units that are selected by the sleep-
mode unit-retention bits.
13. The units not selected by the sleep-mode unit-retention bits are powered off.
14. The power supply (VCC_REG) for the regulator that generates VCC_OSC is switched from
VCC_IO to VCC_BATT.
15. The power supply to the clocks and power manager, RTC, and any units selected by the sleep-
mode unit-retention bits is switched from VCC_CORE to VCC_OSC.
16. The PWR_EN pin is de-asserted. Disable the external low-voltage power domains to minimize
power consumption.
17. The SYS_EN pin is de-asserted. Disable the external high-voltage power domains to minimize
power consumption. If any of these power supplies is disabled, then all of the external low-
voltage power domains must also be disabled.
3.6.10.3 Behavior in Deep-Sleep Mode
In deep-sleep mode, all clocks to the processor and to all peripherals (except the RTC) are disabled.
Therefore, no interrupts are recognized, and no external pin transitions other than valid wake-up
signals, reset signals, and the nBATT_FAULT signal are recognized. The nVDD_FAULT pin is
ignored until the appropriate point in the deep-sleep wake-up sequence. The nVDD_FAULT pin is
ignored if PSLR[IVF] is set.
The power manager watches for wake-up events that were programmed prior to entering deep-
sleep mode. Refer to the Intel® PXA27x Processor Family EMTS for GPIO timing specifications.
In deep-sleep mode, the external GPIO wake-up sources are limited to GPIO<3:0>, unless the
deep-sleep entry was caused by nBATT_FAULT or nVDD_FAULT assertion. In this case, the
wake-ups are limited to GPIO<1:0>.
The imprecise data abort or interrupt is not recognized in deep-sleep mode. If nBATT_FAULT is
asserted during deep-sleep mode, the processor remains in deep-sleep mode.
3.6.10.4 Exiting Deep-Sleep Mode
The following occurs after the assertion of a pre-programmed deep-sleep mode wake-up event
while the nBATT_FAULT pin is not asserted:
1. SYS_EN is asserted, enabling the external high-voltage power domains.
2. The processor waits the number of 32.768-kHz timekeeping oscillator cycles specified by
PSLR[SYS_DEL].
If PSLR[PSSD] is set, the processor shortens the wake-up sequence by asserting PWR_EN as
soon as all of the high-voltage power supplies signal that they are powered on.
3. The PWR_EN signal is asserted, enabling the external low-voltage power domains.
4. The processor waits the number of 32.768-kHz timekeeping oscillator cycles specified by
PSLR[PWR_DEL].
Intel® PXA27x Processor Family Developer’s Manual 3-51
Clocks and Power Manager
If PSLR[PSSD] is set, the processor shortens the wake-up sequence by cutting short the
PSLR[PWR_DEL] counting as soon as all of the low-voltage power supplies signal that they
are powered on.
Beyond this point, if nVDD_FAULT is asserted, the processor switches back into deep-sleep
mode.
5. The power supply to the clocks and power manager, the RTC, and any units selected by the
PSLR[sleep-mode unit-retention] bits is switched from VCC_OSC to VCC_CORE.
6. The power supply (VCC_REG) to the regulator that generates VCC_OSC is switched from
VCC_BATT to VCC_IO.
7. If deep-sleep mode was entered with PCFR[OPDE] set, the 13-MHz processor oscillator is
enabled and allowed to stabilize.
8. If any of the PSLR[sleep-mode unit-retention] bits are clear, power to the selected unit is
restored. If any of the PSLR[sleep-mode unit-retention] bits are set, the low-current state-
retention circuitry is disabled, and power to the selected unit is restored.
9. The PLLs are reprogrammed with the corresponding values in the Core Clock Configuration
register and allowed to stabilize.
10. The deep-sleep configuration in the PWRMODE register is cleared.
11. If it is asserted, the nRESET_OUT pin is de-asserted, indicating that the processor is about to
perform a fetch from the reset-vector location. The processors internal reset is de-asserted.
12. The CPU begins the required boot sequence (see Section 3.4 for information about boot
sequences), which includes the following items:
a. Software must bring the SDRAM out of self-refresh mode, which requires that the
SDRAM controller be switched to its idle state. See Chapter 6, “Memory Controller” for
details on configuring the SDRAM interface.
b. All processor units, except those listed in Table 3-2, begin with their predefined reset
states.
c. Software must examine the Reset Controller Status register (RCSR[SMR]) to determine
that the reset source was a sleep-exit reset from deep-sleep mode and the Sleep Status
register (PSSR) to determine the reason for being in deep-sleep mode.
d. If the Scratch Pad register (PSPR) was used for saving any general processor states during
deep-sleep mode, the states can be recovered.
Note: If deep-sleep mode was entered while the processor was in turbo, half-turbo or fast-bus mode, the
deep-sleep exit returns the processor to normal run mode. If deep-sleep mode was entered while the
processor was in 13M mode, the deep-sleep exit returns the processor to13M mode.
3.6.11 Initial Power-On and Deep-Sleep Exit Sequence
As shown in Figure 3-4, the external voltage regulator supplies the high-voltage and low-voltage
power supplies to the processor. The external voltage regulator also sources the nBATT_FAULT
and nVDD_FAULT signals to the processor. The processor’s SYS_EN and PWR_EN signals
control the high (VCC_IO, VCC_MEM, VCC_LCD, VCC_BB, VCC_USB, and VCC_USIM) and
low (VCC_CORE, VCC_SRAM, VCC_PLL) voltages, respectively.
3-52 Intel® PXA27x Processor Family Developer’s Manual
Clocks and Power Manager
The state diagram in Figure 3-5 shows typical steps taken by the power manager while initially
powering up and while exiting from deep-sleep mode. Based on the wake-up events and states of
the nBATT_FAULT and nVDD_FAULT signals, the processor exits from deep-sleep mode and
enters the normal power mode. Refer to the Intel® PXA27x Processor Family EMTS for timing
information on the initial power-on sequence and the deep-sleep exit sequence.
Figure 3-4. Typical System Diagram
External Power Regulator
SYS_EN
PWR_EN
Switch
Switch
Low
Volt
High
Volt
Processor
Vcc
Fault
Reg.
Reg.
nVDD_FAULT
VCC_{CORE,PLL,SRAM}
VCC_{IO,MEM,LCD,BB,USB,USIM}
Batt
Fault
nBATT_FAULT
Main Battery Backup Battery
VCC_BATT
nRESET
Intel® PXA27x Processor Family Developer’s Manual 3-53
Clocks and Power Manager
Figure 3-5. Initial Power-On and Deep-Sleep Exit States
Normal
Run
Mode
Deep
Sleep Deep
Sleep
Batt fault
Wake-up
while
Batt Fault
asserted
wake-up
Wake-up
while
Batt Fault
deasserted
wake-up = 1 & = 1 &
nBATT_FAULT = 0
nBATT_FAULT = 1
(Software initiated
nBATT_FAULT = 0
nBATT_FAULT = 0
nBATT_FAULT = 1
wake-up = 1 &
nBATT_FAULT = 0
wake-up = 1 &
nBATT_FAULT = 1
SYS_EN = 1
nBATT_FAULT = 1
Count
Down
SYS_DEL
Count
Down
PWR_DEL
(count_done = 1 & nBATT_FAULT = 1) OR
(all_vcc_hi = 1 & PSSD = 1 & nBATT_FAULT = 1)
PWR_EN = 1
(nBATT_FAULT = 1 & nVDD_FAULT = 1) &
(count_done = 1 OR (all_vcc_low = 1 & PSSD = 1))
Assert
pwr_
enable
nBATT_FAULT = 0
nBATT_FAULT = 0
nBATT_FAULT = 0
(nVDD_FAULT = 0) & (count_done = 1)
Initial
Power
Up
clk_32k_ok = 1
Enable
PLL
pll_ok = 1
=
Power manager powered by VCC_CORE
=
Power manager powered by VCC_BATT
nVDD_FAULT = 0
deep-sleep) OR
OR nBATT_FAULT = 0
Mode
3-54 Intel® PXA27x Processor Family Developer’s Manual
Clocks and Power Manager
3.6.12 Summary of Power Modes
The power modes follow the entry and exit sequences shown in Table 3-12. The total latency of the
entry into each sequence is the sum of the latencies at each step. The remaining latency visible to
software depends on latency in the boot up or interrupt service routine.
Table 3-12. Summary of Power and Clock Mode Sequences (Sheet 1 of 2)
Description of Action
Unit
Latency
(cycles)
Idle
Standby
Sleep
Deep
Sleep
Write to CP14 PWRMODE register (software); interrupts gated off. CPU 1 CPU x x x x
All current instructions, including incomplete fetches, completed. CPU ? CPU x x x x
All outstanding stores completed. CPU ? SB x x x x
Wait for synchronization. Halt CPU clock. CPM < 20 CPU x x x x
Entry point for sleep/deep-sleep entry, xIDAE bits clear
Deny all bus requests (from LCD, USB-H, DMA, CPU, or memory
controller). CPM 1 SB x x x
Complete all memory controller transactions (allow memory controller
requests).
Place SDRAM in self-refresh mode. MEM ? SB x x x
Switch GPIO output pins to sleep state in PGSR registers. CPM 1 SB x x
Re-Entry point for sleep/deep-sleep entry, Fault pin asserted during exit sequence
Clear all wake-up sources; set PWER, PRER, PFER to 0x0000 0003 if
entered from FAULT pin. CPM 1 SB x x
Synchronize clocks and power manager.
Switch clock sources if needed. CPM <4 13M
<8 SB xxx
Disable PLLs if appropriate (OPDE set, xPDIS set). CPM 2 13M x x x
Switch clocks and power manager from 13M to 32k clock if OPDE set and
disable 13M oscillator. CPM 3 32k x x x
Assert reset to internal units if appropriate.
Assert nRESET_OUT. CPM 1 32k xx
x
x
x
Power off/standby selected units according to the mode’s retention units if
any. CPM 2 32k x x x
Deassert PWR_EN. CPM 2 32k x x
Deassert SYS_EN. CPM 2 32k x
Power/clock mode entry sequence completed; waiting for external wake-up event
Enable wake-up events/interrupts to CPU. CPM 1 32k x x x x
Wake-up/interrupt received in clocks and power manager. CPM x x x x
External wake-up synchronized to clocks and power manager clock. CPM 2 32k x x x
Assert SYS_EN. CPM 1 32k x
Wait for ramp time set by SYS_DEL. CPM ? 32k x
Assert PWR_EN. CPM 1 32k x x
Wait for ramp time set by PWR_DEL. CPM ? 32k x x
The 13-MHz processor oscillator stabilizes if OPDE is set. CPM 64k* 13M x x x
Switch CPM to 13-MHz clock if OPDE set. CPM 2* 13M x x x
Power on internal units. CPM ? 13M x x x
Enable PLLs if appropriate (xPDIS clear) and wait for PLL to lock. CPM 1290 * 13M x x x
Synchronize clocks and power manager. CPM <2 13M
<4 SB xxx
Intel® PXA27x Processor Family Developer’s Manual 3-55
Clocks and Power Manager
3.7 Voltage Manager Operation
The voltage manager provides dynamic and static voltage management to the processor through
the use of an I2C module (PWR_I2C) dedicated to communication with the external regulator. The
voltage manager provides the following features:
Static (halted) or dynamic (operational) voltage change
Up to 32 I2C commands automatically sent to external PWR_I2C module
Programmable delay between commands
The voltage manager consists of two primary components:
Dedicated power manager I2C module (PWR_I2C)
Command sequencer
3.7.1 Power Manager I2C and Restrictions
The dedicated I2C module used by the voltage manager is nearly identical to the I2C described in
Chapter 9, “I2C Bus Interface Unit”. The power manager I2C (PWR_I2C) is optimized for
connection to the external voltage regulator only. The power manager I2C is a full-featured I2C
module that can connect to other units, although operation during a voltage-change operation may
be limited.
Refer to the Intel® PXA27x Processor Family EMTS for voltage-change timing specifications.
Enable I/O, clocks to all units, set PLL divider. CPM 3 SB x x x
Release bus for all transactions. CPM 1 SB x x x
Wait for synchronization. CPM <20 CPU x x x x
Enable clocks, interrupts to CPU and begin execution. CPM 2 SB x x x x
Deassert internal reset, nRESET_OUT. CPM 1 SB x x
NOTES:
x Step is followed in the corresponding power mode
? Variable
13M 13-MHz processor oscillator
32k 32.768-kHz timekeeping oscillator
CPM Clocks and power manager
CPU CPU
MEM Memory controller
SB System bus
Table 3-12. Summary of Power and Clock Mode Sequences (Sheet 2 of 2)
Description of Action
Unit
Latency
(cycles)
Idle
Standby
Sleep
Deep
Sleep
3-56 Intel® PXA27x Processor Family Developer’s Manual
Clocks and Power Manager
3.7.1.1 Programming Restrictions
Except for the ICCR fixed selections, power manager I2C is a full-function I2C capable of all
normal operations, including master and slave, receive and transmit operation. The power manager
I2C supports standard-speed operation of 40 kbits/sec and fast-speed operation of 160 kbits/sec.
When used with the voltage-change sequencer, the power manager I2C operates at standard speed.
When used apart from the voltage-change sequencer, the power manager I2C supports all I2C
specifications. The PI2C_EN bit in register PCFR (see Section 3.8.1.8) must be set to use the
power manager I2C, either with or without the voltage-change sequencer.
The following condition applies when the voltage-change sequencer is operating, indicated by
hardware setting the PVCR[VCSA] (see Section 3.8.1.13):
The power manager I2C registers (PCMDx and PVCR) are not writable and reads return
unknown values.
Thus, software must check PVCR[VCSA] before reading or writing to the power manager I2C
registers and must read the registers following a write to ensure that the write occurred.
The following restrictions apply to the voltage-change sequencer:
The sequencer allows a maximum of 32 commands in the transmission of data to the external
regulator.
The sequencer allows only master-transmitter operations to a single, predefined slave.
The sequencer does not send interrupts to the CPU.
Only the standard-speed operation at 40 kbits/sec is used.
3.7.2 Voltage-Change Sequencer
The voltage manager contains a voltage-change sequencer, which automatically sends commands
to the external regulator when triggered by the voltage-change mode. The sequencer can send up to
32 commands, which can be categorized as dynamic commands and static commands.
Dynamic commands are executed when the core is running. The power manager requests the
voltage manager for command execution. The sequencer starts sending out the commands as soon
as the request is received. The voltage manager acknowledges the power manager after completing
all of the commands.
Static commands are executed after clocks to the processor are disabled. Static commands are
transmitted by the voltage manager when voltage change is coupled with a frequency change (see
Section 3.7.6.3) or a power-mode change (see Section 3.7.6.4).
3.7.2.1 Voltage-Change Sequencer Controls
The following control bits in PCFR (see Section 3.8.1.8), PVCR (see Section 3.8.1.13), and PCMD
(see Section 3.8.1.17) affect execution of a voltage-change sequence:
Frequency/voltage change bit (PCFR[FVC])—When set, a frequency-change sequence also
triggers a voltage-change sequence.
Read Pointer in PVCR—These bits point to the PCMD register location that contains the
command to be sent out. The command sequence can start from any PCMD register by
programming these bits accordingly. After a command is sent out, the read pointer increments
Intel® PXA27x Processor Family Developer’s Manual 3-57
Clocks and Power Manager
to point to the next PCMD register location. The read pointer is not incremented if the current
command is the last command, as indicated by PCMD[LC] set.
Delay command execution bit (PCMD[DCE])—If DCE is set in the current PCMD, a counter
(set by the command delay bits in PVCR) waits for a programmable number of 13-MHz
processor-oscillator cycles before continuing execution of the command. This is useful if a
longer period between commands is required (for example, to allow for stabilization).
Multi-byte command bit (PCMD[MBC])—If set, the voltage-change sequencer continues
sending bytes to the slave with no delay or handshaking with the power manager until a
command with PCMD[MBC] clear is executed. PCMD[SQC] and PCMD[LC] must be the
same for all bytes of a multi-byte command except for the last byte, which has PCMD[MBC]
clear and PCMD[LC] set.
Last command bit (PCMD[LC])—When clear, the voltage-change sequencer expects the
PCMD register at the next higher address to contain an additional command. If PCMD[LC] is
clear in PCMD31, the PVCR read pointer rolls over to PCMD0 after executing the command
in PCMD31. When PCMD[LC] is set, the voltage-change sequencer considers the current
command the last one and finishes after execution completes. Each voltage-change command
sequence must be terminated by setting PCMD[LC] for the last command in the sequence. The
PVCR read pointer is not incremented if PCMD[LC] is set.
3.7.2.2 Static Voltage-Change Sequence Configurations
Execution of the voltage-change sequence is controlled by the following configurations set by the
SQC bits in PCMDx:
Continue configuration (PCMD[SQC] set to Continue)—Execution of this command is
automatic when the command is read from PCMDx.
Pause configuration (PCMD[SQC] set to Pause)—When this command is read, the voltage
manager sends a trigger to the power manager after executing the command. The PVCR read
pointer is incremented, but execution of the next command pauses until the power manager
issues a new request to the voltage manager.
3.7.2.3 Prerequisites for Voltage-Change Sequence
Configure the following items before initiating an automatic voltage-change sequence:
1. Set PCFR[PI2C_EN].
2. If the voltage-change sequence is to be used in conjunction with a clock frequency change, set
PCFR[FVC].
3. Program the required delay between commands into PVCR[Command Delay].
4. Program the address for the external voltage regulator into PVCR[Slave Address].
5. Configure the external voltage regulator as a slave with the same address that is specified in
PVCR[Slave Address].
6. Set all units on the power manager I2C bus to slave-receive mode. They must be prevented
from transmitting on the I2C bus during the voltage-change sequence.
7. Load PCMDx with the commands to be sent.
8. Write the starting command location to PVCR[Read Pointer].
3-58 Intel® PXA27x Processor Family Developer’s Manual
Clocks and Power Manager
3.7.2.4 Sequence Initiation
The first command in the Power Manager I2C Command register file (PCMDx) is initiated
immediately when the power manager sends a request to the voltage manager, triggered by either
of the following events:
0b1 is written to PWRMODE[VC])
0b1 is written to CLKCFG[F] while PCFR[FVC] is set.
Once the voltage-change sequence is initiated, reads from and writes to the power manager I2C
module are ignored until the voltage-change sequence is complete. All registers return unknown
values if read, writes are ignored, and interrupts from power manager I2C are directed to the
automatic voltage-change sequencer instead of to the interrupt controller. This state is indicated
when PVCR[VCSA]. is set.
Each command is executed from PCMDx in order of increasing addresses, starting with the address
in PVCR[Read Pointer]. The command is executed if all of the following events have occurred:
1. PWRMODE[VC] is set, or 0b1 is written to CLKCFG[F], while PCFR[FVC] is set.
2. All previous (lower-address) commands have completed execution but did not set their LC
configuration.
3. If the Pause configuration was set for the previous command, then a request has been received
from the power manager.
Once initiated, PVCR[VCSA] is set and remains set until the voltage-change sequence is complete.
While VCSA is set, the power manager I2C registers ignore writes and return undefined values if
read.
3.7.2.5 Command Execution
Each command is set up as a master-mode transmission to the slave device (the slave address is
stored in (PVCR[Slave Address]). Because all commands use the same transmission type and slave
address, automatic communication is limited to a single device. The voltage-change sequence
occurs automatically, as follows.
1. If Pause is set in the previously transmitted PCMDx command, wait for a request from the
power manager.
2. If PCMDx[DCE] is set in the current command, count the specified number of 13-MHz
processor oscillator cycles.
3. Write the slave address to the Power I2C Data Buffer register, PIDBR[7:1]. Clear PIDBR[0].
See Section 9.5.4, “I2C Data Buffer Register (IDBR, PIDBR)” on page 9-29 for PIDBR
register details.
4. In the I2C Control register, set the transmit-empty interrupt-enable (ITEIE), I2C unit enable,
(IUE), SCL enable (SCLEA), transfer byte (TB), and start (START) bits. This sends one byte
in master-transmit mode to the power manager I2C bus. See Section 9.5.1, “I2C Control
Registers (ICR, PICR)” on page 9-23 for PICR register details.
5. Wait for the IDBR transmit-empty interrupt, which automatically triggers the next step.
6. Read the Power I2C Status register (PISR), looking for the IDBR transmit-empty (ITE) and
unit-busy (UB) bits to be set. See Section 9.5.2, “I2C Status Registers (ISR, PISR)” on page 9-
26 for PISR register details.
7. Read PISR to clear PISR[ITEIE].
Intel® PXA27x Processor Family Developer’s Manual 3-59
Clocks and Power Manager
8. Write the currently-pointed-to PCMDx[Command Data] to PIDBR[7:0].
9. Set PICR[ITEIE], PICR[IUE], PICR[SCLEA], and PICR[TB]. If PCMDx[SQC] is set to
Pause for this command (indicating a pause after the command transmission), or if
PCMDx[MBC] is clear and PCMDx[LC] is set (indicating the last command of the sequence),
set PICR[STOP]. This sends the command byte in master-transmit mode to the power I2C bus
with a stop bit to terminate the communication.
10. Wait for the IDBR transmit-empty interrupt, which automatically triggers the next step.
11. Read PISR, looking for PISR[ITE] and PISR[UB] to be set.
12. If the current PCMDx[MBC] bit is set, repeat steps 7-11 until a command is executed in which
PCMDx[MBC] is clear.
13. If the current PCMDx[LC] or PCMDx[Pause] is set:
a. Trigger the power manager to begin modification or power-off of the power supplies.
b. Trigger the power manager to re-enable the clocks.
c. Exit the voltage-change sequence and clear PVCR[VCSA].
14. If the current PCMDx[LC] is clear (PCMDx[LC] is set to Continue), increment PVCR[Read
Pointer] and execute the next command. (repeat steps 1-14).
3.7.3 External Voltage Regulator Requirements
The external voltage regulator must meet the requirements described in the Intel® PXA27x
Processor Family EMTS.
3.7.4 Sending Commands Using Voltage-Change Sequencer
The voltage-change sequencer sends single-byte, multi-byte, or sets of single- and multi-byte
commands to the external regulator. These sequences can be used individually or as part of
complex power-mode voltage changes.
3.7.4.1 Single-Byte Command Voltage Change
Power manager I2C commands can be sent to the external regulator at any time. Sending a single
command to the external regulators I2C module is efficient, using direct software control of the
power manager I2C bus. This sequence is the basic building block for more complex change
sequences. To send a single command to the external regulator, use the following sequence, where:
n = number of the PCMD register containing the single-byte command (see Section 3.8.1.17)
1. Clear PCFR[FVC] (see Section 3.8.1.8) and PVCR[Command Delay] (see Section 3.8.1.13).
These functions are not required when sending a single command to the external regulator.
2. Program PVCR[Slave Address] with the external regulators I2C address. Because PCMD
register n contains the single-byte command, write n to PVCR[Read Pointer].
3. In PCMDn, clear the SQC, MBC and DCE bits. These functions are not required when
sending a single command to the external regulator.
4. Set PCMDn[LC], which indicates that this is the last command.
5. Program PCMDn[Command Data] with the data to be sent to the external regulator.
3-60 Intel® PXA27x Processor Family Developer’s Manual
Clocks and Power Manager
6. Because PCMDn[LC] is set, the voltage-change sequencer ignores the remaining PCMD
registers.
7. Enable power manager I2C by setting PCFR[PI2C_EN] before writing 0b1 to
PWRMODE[VC]. PCFR[PI2C_EN] must remain set as long as the power manager I2C is
being used on the I2C bus.
8. Execute the voltage-change sequence by setting PWRMODE[VC]. See Section 3.8.3.2 for
register details.
The voltage-change sequence begins as soon as PWRMODE[VC] is written with 0b1. One byte
(PCMDn[Command Data]) is sent to the external regulator. When the sequence is complete,
PVCR[VCSA] is cleared.
3.7.4.2 Single, Multiple-Byte Command Voltage-Change
The voltage-change sequencer can send a multi-byte I2C command to the external regulator at any
time. A multi-byte command is a single command that contains more than one byte of
PCMDx[Command Data]. These bytes are sent without delay or re-arbitration for the I2C bus
between bytes, even if multiple masters are present on the bus. This sequence is a basic building
block for more complex sequences. To send a single, multi-byte command to the external regulator,
use the following sequence, where:
n = number of the PCMD register containing the multi-byte command (see Section 3.8.1.17)
m = number of bytes to be sent
1. Clear PCFR[FVC] (see Section 3.8.1.8) and PVCR[Command Delay] (see Section 3.8.1.13).
These functions are not required when sending a single command to the external regulator.
2. Program PVCR[Slave Address] with the external regulators I2C address. Because PCMD
register n contains the multi-byte command, write n to PVCR[Read Pointer].
3. In registers PCMDn through PCMDn+m–1, clear the SQC and DCE bits. These functions are
not required when sending a single command to the external regulator.
4. In registers PCMDn through PCMDn+m–2, set the MBC bit. Setting MBC informs the
sequencer logic that the next highest PCMD register contains an additional byte of Command
Data to be sent as part of the command.
5. Clear PCMDn+m–1[MBC]. Clearing MBC informs the sequencer logic that the last byte of
Command Data for the command is in the current register.
6. In registers PCMDn through PCMDn+m–1, set LC. This indicates that the first command in
the PCMD is also the last (although the command contains several bytes).
7. In registers PCMDn through PCMDn+m–1, program Command Data with the data to be sent
to the external regulator.
8. Because PCMDn+m–1[LC] is set and PCMDn+m–1[MBC] is cleared, the voltage-change
sequencer ignores the remaining PCMD registers.
9. Enable power manager I2C by setting PCFR[PI2C_EN] before writing 0b1 to
PWRMODE[VC]. PCFR[PI2C_EN] must remain set as long as the power manager I2C is
being used on the I2C bus.
10. Execute the voltage-change sequence by setting PWRMODE[VC]. See Section 3.8.3.2 for
register details.
Intel® PXA27x Processor Family Developer’s Manual 3-61
Clocks and Power Manager
The voltage-change sequence begins as soon as PWRMODE[VC] is written with 0b1. m bytes
(PCMDn through PCMDn+m–1 Command Data) are sent to the external regulator. When the
sequence is complete, PVCR[VCSA] is cleared.
3.7.4.3 Multiple Single-Byte Command Voltage Change
The voltage-change sequencer can send up to 32 I2C commands to the external regulator, with
programmable delays between commands. Such commands control the ramp rate of the external
regulator.
Regulators designed specifically for dynamic voltage control of the processor have built-in ramp
control that can be specified with a minimum number of I2C commands. However, multiple I2C
commands might be required to control the ramp beyond the regulators built-in capability, or for
regulators without built-in ramp control.
Use the following sequence to send multiple single-byte commands to the external regulator,
where:
n = number of the PCMD register containing the first command (see Section 3.8.1.17)
m = number of commands to be sent
1. Clear PCFR[FVC] (see Section 3.8.1.8). This function is not required when sending multiple
commands to the external regulator.
2. Program PVCR[Command Delay] with the required delay between single-byte commands
(this delay can control the ramp rate). See Section 3.8.1.13 for register details.
3. Program PVCR[Slave Address] with the external regulators I2C address. Because PCMD
register n contains the first single-byte command, write n to PVCR[Read Pointer].
4. In registers PCMDn through PCMDn+m–1, clear the SQC and MBC bits. These functions are
not required when sending multiple single-byte commands to the external regulator.
5. Set PCMDn+m–1[LC]. This indicates that PCMDn+m–1 contains the last command.
6. In registers PCMDn through PCMDn+m–1, program Command Data with the data to be sent
to the external regulator.
For each command that is to be delayed by PVCR[Command Delay], set PCMDx[DCE].
7. Because PCMDn+m–1[LC] is set, the sequencer logic ignores the remaining PCMD registers.
8. Enable power manager I2C by setting PCFR[PI2C_EN] before writing 0b1 to
PWRMODE[VC]. PCFR[PI2C_EN] must remain set as long as the power manager I2C is
being used on the I2C bus.
9. Execute the voltage-change sequence by setting PWRMODE[VC]. See Section 3.8.3.2 for
register details.
The voltage-change sequence begins as soon as PWRMODE[VC] is written with 0b1. One byte is
sent to the external regulator for each PCMD register, for a total of m bytes. Commands with
PCMD[DCE] set are delayed by PVCR[Command Delay] before being sent. When the sequence is
complete, PVCR[VCSA] is cleared.
3-62 Intel® PXA27x Processor Family Developer’s Manual
Clocks and Power Manager
3.7.4.4 Multiple Single- and Multi-Byte Command Voltage Change
Depending on the type of external regulator used, some commands may need to be single-byte
commands and others multiple-byte commands. Additionally, some commands may require a delay
between commands, while other commands may need to be sent immediately following the
previous command. Use the following sequence to send multiple, single, and multi-byte commands
to the external regulator, where:
n = number of the PCMD register containing the first command (see Section 3.8.1.17)
m = number of commands to be sent
t = total number of command bytes to be sent
1. Clear PCFR[FVC] (see Section 3.8.1.8). This function is not required when sending multiple
commands to the external regulator.
2. Program PVCR[Command Delay] with the required delay between commands (this delay can
control the ramp rate). For register details, see Section 3.8.1.13.
3. Program PVCR[Slave Address] with the external regulators I2C address.
4. Because PCMD register n contains the first command of the sequence, write n to PVCR[Read
Pointer].
5. For registers PCMDn through PCMDn+t–1, clear the SQC bits, which are not required when
sending multiple commands to the external regulator.
6. For each multi-byte command of length m starting at location x:
a. Set MBC in registers PCMDx through PCMDx+m–2. MBC set indicates that the
following PCMD register contains an additional byte of command data.
b. Clear MBC in PCMDx+m. MBC clear indicates that the current PCMD register contains
the last byte of command data for the multi-byte command.
c. If a delay is required before executing the multi-byte command, set PCMDx[DCE].
7. For each single-byte command starting at PCMDx, clear PCMDx[MBC].
8. If the last command of the sequence is a multi-byte command of m bytes,
a. For registers PCMDn+t–m-2 through PCMDn+t–1, set LC.
b. For registers PCMDn+t–m-2 through PCMDn+t–2, set MBC.
c. Clear PCMDn+t–1[MBC]. MBC clear indicates that the last command is contained in
registers PCMDn+t–m-2 through PCMDn+t–1.
9. For registers PCMDn through PCMDn+t–1, program command data with the data to be sent to
the external regulator for each command.
10. Because PCMDn+t–1[LC] is set, the sequencer logic ignores the remaining PCMD registers.
11. Enable power manager I2C by setting PCFR[PI2C_EN] before writing 0b1 to
PWRMODE[VC]. PCFR[PI2C_EN] must remain set as long as the power manager I2C is
being used on the I2C bus.
12. Execute the voltage-change sequence by setting PWRMODE[VC]. See Section 3.8.3.2 for
register details.
The voltage-change sequence begins as soon as PWRMODE[VC] is written with 0b1.
Intel® PXA27x Processor Family Developer’s Manual 3-63
Clocks and Power Manager
For each single-byte command, one byte of command data is sent to the external regulator. For
each multi-byte command, multiple bytes are sent, as specified by the MBC bits. A total of t bytes
is sent. Commands with PCMD[DCE] set are delayed by PVCR[Command Delay] before being
sent.
PVCR[VCSA] is cleared when the sequence is complete.
3.7.5 Behavior During Power-Fault Assertion
If nBATT_FAULT or nVDD_FAULT is asserted while the voltage manager is transmitting a
command and the corresponding xIDAE bits (BIDAE, VIDAE) are clear in the Power Manager
Control register (PMCR), the command sequence is aborted with a STOP condition on the I2C bus
after completing the next command in the sequence. In this case, programmed delay between
commands, if any, is ignored. Even if the command being transmitted is part of a multi-byte
command, the behavior is the same as above.
If the nBATT_FAULT or nVDD_FAULT occurs during the programmed delay between commands
while the corresponding PMCR[xIDAE] bits are clear, the sequence terminates after executing the
command following the delay.
If nBATT_FAULT or nVDD_FAULT is asserted while the corresponding PMCR[xIDAE] bits are
set, the command sequence is not terminated.
3.7.6 Using the Voltage Manager
The power manager I2C bus and voltage-change sequencer are normally used to control the voltage
applied to the internal logic (supplied by VCC_CORE) based on frequency. The voltage can be
adjusted at any time relative to software execution, provided that the applied voltage meets the
requirements for the frequency in use at the time. However, the most efficient use of the voltage
manager is achieved when used in conjunction with the power-mode and frequency controls.
3.7.6.1 Voltage Change at Initialization
Voltage regulators for the PXA27x processor must power on with the correct default voltages. For
details, see the Intel® PXA27x Processor Family EMTS. During the boot sequence, the power
manager I2C can be used to adjust the regulator output voltages to meet the system requirements.
These adjustments can be made with direct software access to the power manager I2C, so that use
of the voltage-change sequencer is not necessary.
3.7.6.2 Coupling Voltage Change with Turbo Modes
Adjusting the processor frequency and voltage according to application requirements achieves
optimal system power consumption. The fastest way of adjusting the processor frequency is
through the use of turbo mode (see Section 3.5.7.4) or half-turbo mode (see Section 3.5.7.5), which
adjusts the frequencies of the CPU and the system bus without affecting operation of the peripheral
modules. Follow these steps to adjust the voltage accordingly:
To raise the voltage and frequency:
1. At boot-up, set the turbo mode to run mode ratio (CCCR[2N]) to the required values. If
required, execute a frequency change.
3-64 Intel® PXA27x Processor Family Developer’s Manual
Clocks and Power Manager
2. Program the PCMD and the PVCR registers to send the types of commands necessary to raise
the voltage. For example, for a controlled ramp, follow the procedure given in Section 3.7.4.3.
3. Initiate a voltage-change sequence by setting PWRMODE[VC].
4. Wait for PVCR[VCSA] to clear by periodically polling the register.
5. Enable turbo mode (or half-turbo mode) by writing to the appropriate bits in the CLKCFG
register.
To lower the voltage and frequency:
1. At boot-up, set the turbo mode to run mode ratio (CCCR[2N]) to the required values. If
required, execute a core frequency change, turbo-mode change, or fast-bus mode change.
2. Program the PCMD and the PVCR registers to send the types of commands necessary to lower
the voltage. For example, for a controlled ramp, follow the procedure given in Section 3.7.4.3.
3. Exit turbo mode (or half-turbo mode) by writing to the appropriate bits in the CLKCFG
register.
4. Initiate a voltage-change sequence by setting PWRMODE[VC].
5. The voltage change is complete when PVCR[VCSA] is clear.
3.7.6.3 Coupling Voltage Change with Frequency Change
A frequency change (clock source change or core PLL frequency change) can be used to change
the frequency of the CPU, system bus, memory controller, and LCD controller to a value not
available with turbo or fast-bus modes. This change can be coupled with a voltage change in a
similar way as turbo mode. The only additional requirement is that PCFR[FVC] be set. Similarly,
voltage change can be coupled with fast-bus mode. See sections Section 3.5.7.3 and Section 3.5.7.6
for details of these frequency changes.
In the case of a core PLL frequency change where the core PLL is also the core clock source
(CCCR[CPDIS] = 0), there is a delay while the PLL re-locks. Use the following sequence to
change the voltage and frequency to reduce the overall delay caused by the frequency change and
the voltage change as well as the software overhead required to do both:
1. Set the turbo-mode-to-run-mode ratio (CCCR[2N]) to the required values.
2. Program the PCMD registers with the required commands. For each command, set
PCMDx[SQC] to Continue. For the last command, set PCMD[LC].
The first command is executed as soon as the power manager asserts the request. After the last
command is executed, the voltage manager triggers the clocks manager to perform a frequency
change.
3. Set PCFR[FVC].
4. Initiate a frequency-change sequence by writing to CLKCFG[F] (or CLKCFG[B] if fast-bus
mode is to be used).
5. The frequency-change sequence exits at the new voltage and frequency.
Note: Observe the appropriate frequency/voltage specification (refer to the Intel® PXA27x Processor
Family EMTS for details) for the VCC_CORE power domain when initiating any frequency or
frequency-coupled voltage changes.
Intel® PXA27x Processor Family Developer’s Manual 3-65
Clocks and Power Manager
3.7.6.4 Coupling Voltage Change with Power-Mode Changes
Low-power modes (deep idle, idle, standby, sleep, and deep sleep) can reduce power consumption
significantly by gating clocks, reducing leakage, or powering off large sections of the processor.
Before entering these modes, the voltage can be adjusted for optimum power consumption.
The voltage can be changed in anticipation of entry into one of these power modes in the same way
that frequency and voltage can be changed, requiring a frequency change and a voltage change
before the power mode is changed and again after the power-mode change is finished, potentially
increasing the latency of the power-mode change. Power-mode changes can be coupled more
efficiently with voltage change by using the following sequences.
To raise the voltage during a power-mode change:
1. Set the turbo mode to run mode ratio (CCCR[2N]) to the required value.
2. Program the PCMD registers in the following order:
a. The first set of commands consists of those that may be required by the external voltage
regulator but do not actually change the voltage. These commands all have the SQC bits
set to Continue. The first command is executed as soon as the power manager asserts a
request to the voltage manager.
b. The second set of commands consists of those that actually raise the voltage; it can be a
ramp or a single command. Because the voltage must be raised before the power mode is
entered, these commands all have the SQC bits set to Continue, except the last command
of this set, which has the SQC bits set to Pause. After execution of this command, the
voltage manager sends a trigger to the power manager to enter the power mode.
c. The third set of commands consists of those that again lower the voltage after the power-
mode change is complete (these commands are executed after the power-mode wake-up
source is asserted and the PWR_EN and SYS_EN pins and associated timers have been
asserted). The last command in this set must have the PCMDx[LC] set. After executing
the last command, the voltage manager again sends a trigger to the power manager,
signaling the end of the voltage-change sequence.
3. Initiate a voltage-change sequence and power-mode change concurrently by writing to
PWRMODE[VC] and PWRMODE[M] simultaneously.
This sequence raises the voltage, enters the power mode, exits the power mode according to its
normal exit mechanism, and then lowers the voltage.
To lower the voltage during a power-mode change:
1. Set the turbo-mode-to-run-mode ratio (CCCR[2N] to the required value.
2. Program the PCMD registers in the following order:
a. The first set of commands consists of those that may be required by the external voltage
regulator but do not actually change the voltage. These commands all have the SQC bits
set to Continue. The first command is executed as soon as power manager asserts a
request to the voltage manager.
b. The second set of commands consists of those that actually lower the voltage; it can be a
ramp or a single command. Since clocks were already stopped before the power manager
asserted the request, these commands have the SQC bits set to Continue, except the last
command of this set, which has the SQC bits set to Pause. After the execution of this
command, the voltage manager sends a trigger to the power manager to enter the power
mode.
3-66 Intel® PXA27x Processor Family Developer’s Manual
Clocks and Power Manager
c. The third set of commands consists of those that again raise the voltage after the power
mode is complete (these commands are executed after the power-mode wake-up source is
asserted and the PWR_EN and SYS_EN pins and associated timers have been asserted).
The last command in this set must have the LC bit set. After executing the last command,
the voltage manager sends a trigger to the power manager signaling the end of voltage-
change sequence.
3. Initiate a voltage-change sequence and power-mode change concurrently by writing to
PWRMODE[VC] and PWRMODE[M] at the same time.
This sequence lowers the voltage, enters the power mode, exits the power mode according to its
normal exit mechanism, and then raises the voltage.
3.7.6.5 Alternate Method: Voltage, Frequency, and Power-Mode Changes
An alternative means of performing a voltage change coupled with a frequency change does not
require the use of the PWRMODE[VC] or PVCR[VCSA] functionality. The following sequences
illustrate this alternative method, which is as efficient as using the automatic power manager I2C
coupling described in Section 3.7.6.3.
To raise the voltage and frequency (for example, enter turbo mode or increase the value of L):
1. Perform the voltage change by instructing the external power-management device to raise the
voltage to the final level.
2. Optionally, the external regulator can generate an interrupt after the transfer is completed.
3. If necessary, add a delay to allow for the time required by the external device to change the
voltage.
4. Perform the frequency change.
To lower the voltage and frequency (for example, exit turbo mode or decrease the value of L):
1. Perform the frequency change.
2. Perform the voltage change by instructing the external power-management device to lower the
voltage to the final level.
3. Optionally, the external regulator can generate an interrupt after the transfer is completed.
To couple a voltage change with a power-mode change, use a sequence that is similar to the ones
shown above.
3.8 Register Descriptions
The following sections describe the registers used by the clocks and power manager:
Section 3.8.1 — Power Manager Registers
Section 3.8.2 — Clocks Manager Registers
Section 3.8.3 — Coprocessor 14: Clock and Power Management
3.8.1 Power Manager Registers
The power manager uses the following 32-bit registers:
Intel® PXA27x Processor Family Developer’s Manual 3-67
Clocks and Power Manager
Section 3.8.1.1 — Power Manager Control Register (PMCR) selects whether nVDD_FAULT
and nBATT_FAULT cause immediate entry into sleep mode or cause an imprecise data abort.
PMCR also indicates whether an imprecise data abort has occurred.
Section 3.8.1.2 — Power Manager Sleep Status Register (PSSR) contains status bits that
indicate whether sleep or standby mode was invoked. PSSR also identifies the states of certain
I/O pins after resets.
Section 3.8.1.3 — Power Manager Scratch-Pad Register (PSPR) is a general-purpose register
that stores processor data during all power modes.
Section 3.8.1.4 — Power Manager Wake-Up Enable Register (PWER), Section 3.8.1.5 —
Power Manager Rising-Edge Detect Enable Register (PRER), and Section 3.8.1.6 — Power
Manager Falling-Edge Detect Enable Register (PFER) program the sleep wake-up sources in
the system.
Section 3.8.1.7 — Power Manager Edge-Detect Status Register (PEDR) indicates which GPIO
pin caused a wake-up from standby, sleep, or deep-sleep mode.
Section 3.8.1.8 — Power Manager General Configuration Register (PCFR) controls various
configurable functions and the disable status of modules during power modes in the processor.
Section 3.8.1.9 — Power Manager GPIO Sleep-State Registers (PGSRx) program the values
loaded onto GPIO outputs when the processor switches into sleep or deep-sleep mode.
Section 3.8.1.10 — Reset Controller Status Register (RCSR) indicates the source that caused a
reset.
Section 3.8.1.11 — Power Manager Sleep Configuration Register (PSLR), and
Section 3.8.1.12 — Power Manager Standby Configuration Register (PSTR) control the power
features of sleep and standby modes.
Section 3.8.1.13 — Power Manager Voltage Change Control Register (PVCR) holds
configuration data for the external voltage regulator.
Section 3.8.1.17 — Power Manager I2C Command Register File (PCMDx) is a bank of
registers that hold the I2C commands and sequence information for use in a voltage-change
sequence.
Section 3.8.1.15 — Power Manager Keyboard Wake-Up Enable Register (PKWR) and
Section 3.8.1.16 — Power Manager Keyboard Level-Detect Status Register (PKSR) detect
and manage keyboard wake-up events.
Section 9.5.1 — I2C Control Registers (ICR, PICR),
Section 9.5.2 — I2C Status Registers (ISR, PISR),
Section 9.5.3 — I2C Slave Address Registers (ISAR, PISAR),
Section 9.5.4 — I2C Data Buffer Register (IDBR, PIDBR), and
Section 9.5.5 — I2C Bus Monitor Registers (IBMR, PIBMR) control the power manager I2C
interface.
3-68 Intel® PXA27x Processor Family Developer’s Manual
Clocks and Power Manager
3.8.1.1 Power Manager Control Register (PMCR)
PMCR, defined in Table 3-13, controls processor behavior when nVDD_FAULT or
nBATT_FAULT is asserted. There are two imprecise data-abort-enable bits (xIDAE), one for each
fault:
BIDAE—Battery fault (nBATT_FAULT)
VIDAE—VCC fault (nVDD_FAULT)
If a battery or VCC fault occurs and the corresponding xIDAE bit is clear, the processor enters
deep-sleep mode. If a battery or VCC fault occurs and the corresponding xIDAE bit is set, the
processor enters or remains in normal mode and sends an imprecise data abort or interrupt to the
core. If both faults are asserted and one of the xIDAE bits is clear, the processor enters deep-sleep
mode.
Depending on PMCR[IAS], either an interrupt or an abort is sent to the core. The imprecise -data
abort handler or the interrupt handler for this case can store critical data before entering deep-sleep
mode through software or before clearing xIDAE to let the processor enter deep-sleep mode.
If a battery or VCC fault occurs:
If the corresponding xIDAE bit is clear, indicating immediate entry into deep-sleep mode,
the PI power domain and SRAMs are powered off regardless of the PSLR register unit-
retention settings. If voltage-manager commands are being sent on the power manager I2C
(PWR_I2C) bus, the processor stops sending the voltage-manager commands after completing
the next command, and the rest of the sequence is terminated. In this case, PMCR[xIDAS] and
PMCR[INTRS] are not set.
If the corresponding xIDAE bit is set and voltage-manager commands are being sent on the
PWR_I2C bus, the processor completes all the sequences and then sends the abort or interrupt
to the processor core. The PMCR[xIDAS] bits contain the status of whichever fault was
asserted.
If PMCR[IAS] is clear, an imprecise data abort is reported to the core. If PMCR[IAS] is set, an
interrupt is sent to the interrupt controller unit. PMCR[INTRS] contains the status of the
interrupt.
Write 0b1 to clear the PMCR[xIDAS] or PMCR[INTRS] bits.
Note: Use xIDAE = 0b0 with caution because the processor enters deep-sleep mode without letting the
core or other on-chip peripherals complete their tasks.
Refer to the PSLR register (Section 3.8.1.11) for the definition of the IVF bit, which can allow
ignoring of the VCC fault during entry into sleep mode.
Power-on, hardware, watchdog, and GPIO resets return the PMCR bits to their reset values, as
shown in Table 3-13.
This is a read/write register. Ignore reads from reserved bits. Write 0b0 to reserved bits.
Intel® PXA27x Processor Family Developer’s Manual 3-69
Clocks and Power Manager
.
Table 3-13. PMCR Bit Definitions
Physical Address
0x40F0_0000 PMCR Clocks and Power Manager
User
Settings
Bit 31 30 29 28 27 26 25 24 23 22 21 20 19 18 17 16 15 14 13 12 11 10 9 8 7 6 5 4 3 2 1 0
reserved
INTRS
IAS
VDIAS
VIDAE
BIDAS
BIDAE
Reset ? ? ? ? ? ? ? ? ? ? ? ? ? ? ? ? ? ? ? ? ? ? ? ? ? ? 0 0 0 0 0 0
Bits Access Name Description
31:6 — reserved
5R/WC
INTRS
Interrupt Status
The interrupt is sent from the PWR_I2C block to the interrupt controller,
which in turn sends it to the core if the appropriate masks are enabled. For
more information, see Chapter 25, “Interrupt Controller”.
0 = No interrupt was reported to the interrupt controller.
1 = An interrupt was reported to the interrupt controller.
4 R/W IAS
Interrupt/Abort Select
0 = Send an abort to the core on a fault with the corresponding xIDAE bit
set.
1 = Send an interrupt to the core on a fault with the corresponding xIDAE
bit set.
3R/WC
VIDAS
Imprecise-Data-Abort Status for nVDD_FAULT
0 = No data abort occurred since the last time VIDAS was cleared by
software or reset; or, the data abort was not due to assertion of
nVDD_FAULT with VIDAE set.
1 = The data abort was due to the assertion of nVDD_FAULT with VIDAE
set.
2R/WVIDAE
Imprecise-Data-Abort Enable for nVDD_FAULT
0 = Allow immediate entry into deep-sleep mode when nVDD_FAULT is
asserted.
1 = Force an imprecise-data-abort signal to the CPU. This allows
software entry into deep-sleep when nVDD_FAULT is asserted.
NOTE: VIDAE and BIDAE must be identical.
1R/WC
BIDAS
Imprecise-Data Abort Status for nBATT_FAULT
0 = No data abort occurred since the last time IDAS was cleared by
software or reset; or, the data abort was not due to assertion of
nBATT_FAULT with BIDAE set.
1 = The data abort was due to the assertion of nBATT_FAULT with
BIDAE set.
0R/WBIDAE
Imprecise-Data Abort Enable for nBATT_FAULT
0 = Allow immediate entry into deep-sleep when nBATT_FAULT is
asserted.
1 = Force an imprecise-data-abort signal to the CPU. This allows
software entry into deep-sleep when nBATT_FAULT is asserted.
NOTE: BIDAE and VIDAE must be identical.
NOTE:
Write 0b1 to this bit to clear it. Writing 0b0 has no effect.
3-70 Intel® PXA27x Processor Family Developer’s Manual
Clocks and Power Manager
3.8.1.2 Power Manager Sleep Status Register (PSSR)
PSSR, defined in Table 3-15, contains the following status flags:
Read Disable Hold (RDH) is set during any reset and during sleep and deep-sleep. RDH
indicates that all processor GPIO input paths are disabled. If RDH was set due to a power-on,
hardware, watchdog, GPIO reset, or a deep-sleep entry, then a resistive pullup or pulldown in
the pad is enabled and remains enabled until RDH is cleared. Software must clear this bit for
any GPIO input pin to be enabled. The following is a summary of RDH operation:
Hardware, power-on, GPIO, and watchdog reset, or deep-sleep mode:
-The RDH bit is set.
-The receivers of all GPIO pins are disabled until RDH bit is cleared.
-The pullups/pulldowns on the GPIO pins are enabled.
-Any GPIOs that could be wake ups are not affected.
Deep-sleep mode:
-The RDH bit gets set.
-The receivers of all GPIO pins are disabled if PCFR[RO] is clear. The receivers of all
GPIO pins are not disabled if PCFR[RO] is set.
-The pullups/pulldowns on the GPIO pins are enabled.
-Any GPIOs that could serve as wakeups are not affected.
Sleep mode:
-The RDH bit is set.
-The receivers of all GPIO pins are disabled if PCFR[RO] is clear. The receivers of all
GPIO pins are not disabled if PCFR[RO] is set.
-The pullups/pulldowns on the GPIO pins are not enabled.
-Any GPIOs that could be wakeups are not affected.
Other power modes (standby, idle, and deep idle):
-The RDH bit is not set.
-The receivers of all GPIO pins are not disabled.
-The pullups/pulldowns on the GPIO pins are not enabled.
-Any GPIOs that could be wakeups are not affected.
Table 3-14 shows the effect of RDH operation in low-power modes.
Intel® PXA27x Processor Family Developer’s Manual 3-71
Clocks and Power Manager
Peripheral Control Hold (PH) is set upon entry into standby and sleep mode if PCFR[PO] is
clear. It indicates that the GPIO pins are retaining their states. PH is clear during deep sleep. If
PCFR[PO] is set, PH is cleared automatically after exiting the mode.
Standby-mode Status (STS) is set when standby mode is entered as a result of setting the
standby mode configuration in the PWRMODE register (coprocessor 14, register C7—see
Section 3.8.3.2).
VCC Fault Status (VFS) is set when the assertion of nVDD_FAULT invokes deep sleep.
Battery Fault Status (BFS) is set when the assertion of nBATT_FAULT invokes deep sleep.
Software Sleep Status (SSS) is set when sleep mode is entered as a result of setting the sleep-
mode configuration in the PWRMODE register (coprocessor 14, register C7—see
Section 3.8.3.2). Bit PSSR[SSS] is not set for deep-sleep mode. If it is necessary to determine
if an exit from deep-sleep is being performed, then:
If the reset handler is entered, the RCSR bits are clear, and PSSR[SSS] is clear, then an
exit from deep-sleep mode is being performed, or
Software can use the power manager scratch-pad register to store an indication that a
deep-sleep entry was performed.
USB On-The-Go (OTG) Peripheral Control Hold (OTGPH) is set when sleep mode is entered
as a result of setting the sleep mode configuration in the PWRMODE register (coprocessor 14,
register C7). It indicates that the OTG pad is retaining its state. Upon exit from sleep mode,
and before clearing OTGPH, software must configure the USB OTG pad, UDC, and UHC to
the state they were in before entering sleep mode. The USB OTG pad pullup and pulldown
resistor settings must be restored before clearing OTGPH to avoid invalid changes in the USB
OTG D+ and D– signals (USBC D+ and D–) after exit from sleep mode. The OTGPH is also
set when standby mode is entered and is cleared automatically when standby mode is exited.
Table 3-14. RDH Operation in Low-Power Modes
Mode Effect of RDH with PCFR[RO] Bit Clear Effect of RDH with PCFR[RO] Bit Set
Idle Modes and
Standby Mode No Effect No Effect
Hardware/
Power-On/
Watchdog/
GPIO Reset
The RDH bit gets set.
The receivers of all GPIO pins are disabled
until RDH bit is clear.
The pullups/downs on the GPIO pins are
enabled.
The RDH bit gets set.
The receivers of all GPIO pins are disabled until
RDH bit is clear.
The pullups/downs on the GPIO pins are enabled.
Deep-Sleep Mode
The RDH bit gets set.
The receivers of all GPIO pins are disabled
until RDH bit is clear.
The pullups/downs on the GPIO pins are
enabled.
Any GPIOs that could be wakeups are not
affected.
The RDH bit gets set.
The receivers of all GPIO pins are enabled after
exiting the mode even though the RDH bit is set
The pullups/downs on the GPIO pins are enabled.
Any GPIOs that could be wakeups are not affected.
Sleep Mode
The RDH bit gets set.
The receivers of all GPIO pins are disabled
until RDH bit is clear.
The pullups/downs on the GPIO pins are not
enabled.
Any GPIOs that could be wakeups are not
affected.
The RDH bit gets set.
The receivers of all GPIO pins are enabled after
exiting the mode even though the RDH bit is set
The pullups/downs on the GPIO pins are not
enabled.
Any GPIOs that could be wakeups are not affected.
3-72 Intel® PXA27x Processor Family Developer’s Manual
Clocks and Power Manager
The status flags are cleared by writing 0b1 to them. Writing 0b0 has no effect. Power-on, hardware,
watchdog, and GPIO resets return the PSSR bits to their reset values, as shown in Table 3-15. RDH
is set as a result of sleep or deep-sleep entry.
This is a read/write register. Ignore reads from reserved bits. Write 0b0 to reserved bits.
Table 3-15. PSSR Bit Definitions (Sheet 1 of 2)
Physical Address
0x40F0_0004 PSSR Clocks and Power Manager
User
Settings
Bit 31 30 29 28 27 26 25 24 23 22 21 20 19 18 17 16 15 14 13 12 11 10 9 8 7 6 5 4 3 2 1 0
reserved
OTGPH
RDH
PH
STS
VFS
BFS
SSS
Reset ? ? ? ? ? ? ? ? ? ? ? ? ? ? ? ? ? ? ? ? ? ? ? ? ? 0 1 0102020202
Bits Access Name Description
31:7 — reserved
6R/WC
3OTGPH
OTG Peripheral Control Hold
0 = OTG pad is not holding its state.
1 = OTG pad is holding its state.
5R/WC
3RDH
Read Disable Hold
0 = GPIO pins are configured according to their GPIO configuration (see
Chapter 24, “General-Purpose I/O Controller).
1 = The receivers of all GPIO pins are disabled. If RDH is set as a result
of any reset except sleep, resistive pull-downs are enabled until RDH
is cleared. RDH must be cleared by software after the peripheral and
GPIO interfaces have been configured but before they are actually
used.
4R/WC
3PH
Peripheral Control Hold
0 = GPIO pins are configured according to their GPIO configuration.
1 = GPIO pins are held in their sleep-mode states. PH is set upon entry
into sleep or standby mode. PH must be cleared by software after the
peripherals and GPIO interfaces have been configured but before
they are actually used. PH is clear during deep-sleep.
3R/WC
3STS
Standby Mode Status
0 = The processor has not been placed in standby mode by configuring
the PWRMODE register since STS was cleared by a reset or by
software.
1 = The processor was placed in standby mode by configuring the
PWRMODE register.
2R/WC
3VFS
VCC Fault Status
0 = nVDD_FAULT has not been asserted since it was last cleared by a
reset or by software.
1 = nVDD_FAULT has been asserted and caused the processor to enter
deep-sleep mode.
NOTE: This bit is not set by the assertion of nVDD_FAULT while the
processor is in deep-sleep mode.
Intel® PXA27x Processor Family Developer’s Manual 3-73
Clocks and Power Manager
3.8.1.3 Power Manager Scratch-Pad Register (PSPR)
PSPR saves processor configuration information in any preferred format. PSPR is a holding
register that is powered during sleep and deep-sleep modes and is cleared by power-on, hardware,
watchdog, and GPIO resets. Any value can be written to it while in normal mode. The value can be
read once sleep or deep-sleep mode is exited. Use the register value to retain processor
configuration prior to invoking sleep or deep-sleep modes. See Table 3-16 for details.
1R/WC
3BFS
Battery Fault Status
0 = nBATT_FAULT has not been asserted since it was last cleared by a
reset or by software.
1 = nBATT_FAULT has been asserted and caused the processor to enter
deep-sleep mode.
0R/WC
3SSS
Software Sleep Status
0 = The processor has not been placed in sleep mode by configuring the
PWRMODE register since SSS was last cleared by a reset or by the
software.
1 = The processor was placed in sleep mode by configuring the
PWRMODE register.
NOTES:
1. Exit from deep-sleep mode clears this bit.
2. Exit from sleep or deep-sleep mode does not clear or set this bit.
3. To clear this bit, write 0b1 to it.
Table 3-15. PSSR Bit Definitions (Sheet 2 of 2)
Physical Address
0x40F0_0004 PSSR Clocks and Power Manager
User
Settings
Bit 31 30 29 28 27 26 25 24 23 22 21 20 19 18 17 16 15 14 13 12 11 10 9 8 7 6 5 4 3 2 1 0
reserved
OTGPH
RDH
PH
STS
VFS
BFS
SSS
Reset ? ? ? ? ? ? ? ? ? ? ? ? ? ? ? ? ? ? ? ? ? ? ? ? ? 0 1 0102020202
Bits Access Name Description
Table 3-16. PSPR Bit Definitions
Physical Address
0x40F0_0008 PSPR Clocks and Power Manager
User
Settings
Bit 31 30 29 28 27 26 25 24 23 22 21 20 19 18 17 16 15 14 13 12 11 10 9 8 7 6 5 4 3 2 1 0
SP31
SP30
SP29
SP28
SP27
SP26
SP25
SP24
SP23
SP22
SP21
SP20
SP19
SP18
SP17
SP16
SP15
SP14
SP13
SP12
SP11
SP10
SP9
SP8
SP7
SP6
SP5
SP4
SP3
SP2
SP1
SP0
Reset 00000000000000000000000000000000
Bits Access Name Description
31:0 R/W SP[n]Scratch Pad Register bit n, where n = [31:0]
NOTES:
Exit from sleep or deep-sleep mode does not clear or set this bit.
3-74 Intel® PXA27x Processor Family Developer’s Manual
Clocks and Power Manager
3.8.1.4 Power Manager Wake-Up Enable Register (PWER)
PWER, defined in Table 3-17, selects whether the corresponding wake-up sources cause a wake-up
from standby, sleep, or deep-sleep mode. Only GPIO<3, 1:0> can cause a wake-up from deep-sleep
mode. Possible wake-up sources that can be programmed in PWER are RTC alarm, timer event,
USB host wake-up event, USB client wake-up event, MSL port, USIM card insertion detection and
GPIO<35, 15:9, 4:3, 1:0> wake-ups. Also, one of GPIO<31, 113> and one of GPIO<53, 40, 38,
36> can be programmed to cause a wake-up from standby or sleep.
Additional wake-up sources for standby and sleep are available through the PKWR register, see
Section 3.8.1.15.
For a GPIO to serve as a wake-up source from these modes:
It must be programmed as an input in the GPIO Pin-Direction registers (see Section 24.5.1 on
page 24-11).
Either or both of the corresponding bits in PRER and PFER must be set.
Refer to the Intel® PXA27x Processor Family EMTS for GPIO timing specifications.
When nVDD_FAULT or nBATT_FAULT is asserted, PWER assumes its reset value, enabling only
GPIO<1:0> as wake-up sources.
Note: If a wake-up source is programmed as an output, the corresponding bit in PWER must be clear.
Otherwise, unpredictable behavior occurs; unknown values can be read from PFER and PRER
after waking up from the mode.
This is a read/write register. Ignore reads from reserved bits. Write 0b0 to reserved bits.
Table 3-17. PWER Bit Definitions (Sheet 1 of 3)
Physical Address
0x40F0_000C PWER Clocks and Power Manager
User
Settings
Bit 31 30 29 28 27 26 25 24 23 22 21 20 19 18 17 16 15 14 13 12 11 10 9 8 7 6 5 4 3 2 1 0
WERTC
WEP1
reserved
WEUSBH2
WEUSBH1
WEUSBC
WBB
WE35
WEUSIM
reserved
WEMUX3
WEMUX2
WE15
WE14
WE13
WE12
WE11
WE10
WE9
reserved
WE4
WE3
reserved
WE1
WE0
Reset 00? 000000? ? 000000000000? ? ? ? 00011
Bits Access Name Description
31 R/W WERTCWake-up Enable for RTC Standby, Sleep, or Deep-Sleep Mode
0 = Disable wake-up due to RTC alarm.
1 = Enable wake-up due to RTC alarm.
30 R/W WEP1Wake-up Enable for PI Power Domain Standby or Sleep Mode
0 = Disable wake-up due to timer wake-up event.
1 = Enable wake-up due to timer wake-up event.
29 — reserved
28 R/W WEUSBH2Wake-up Enable for USB Host Port 2 Standby or Sleep Mode
0 = Disable wake-up due to USB host port 2.
1 = Enable wake-up due to USB host port 2.
Intel® PXA27x Processor Family Developer’s Manual 3-75
Clocks and Power Manager
27 R/W WEUSBH1Wake-up Enable for USB Host Port 1 Standby or Sleep Mode
0 = Disable wake-up due to USB host port 1.
1 = Enable wake-up due to USB host port 1.
26 R/W WEUSBCWake-up Enable for USB Client Port Standby or Sleep Mode
0 = Disable wake-up due to USB client port.
1 = Enable wake-up due to USB client port.
25 R/W WBB
Wake-up Enable for a Rising Edge from MSL (GPIO<83>) for Standby or
Sleep Mode
0 = Disable wake-up due to MSL port.
1 = Enable wake-up due to MSL port.
24 R/W WE[35]Wake-up Enable for Standby or Sleep Mode
0 = Disable wake-up due to GPIO<35> edge detect.
1 = Enable wake-up due to GPIO<35> edge detect.
23 R/w WEUSIM
Wake-up Enable for Rising or Falling Edge from UDET (GPIO<116>) for
Standby or Sleep Mode
0 = Disable wake-up due to USIM card detect port.
1 = Enable wake-up due to USIM card detect port.
22:21 — reserved
20:19 R/W WEMUX3
Wake-up Enable for GPIO<31> or GPIO<113> for Standby and Sleep
Modes
Both rising and falling edges are recognized as wake-ups.
00 = No wake-up enabled
01 = Enable wake-up due to GPIO<31>
10 = Enable wake-up due to GPIO<113 >
11 = Reserved
NOTE: Only one of these two GPIOs can be configured to cause the
processor to wake up at any given time.
18:16 R/W WEMUX2
Wake-up Enable for GPIO<36>, GPIO<38>, GPIO<40>, or GPIO<53> for
Standby and Sleep Modes
Both rising and falling edge is recognized as wake-up
000 = No wake-up enabled
001 = Enable Wake-up due to GPIO<38>
010 = Enable Wake-up due to GPIO<53>
011 = Enable Wake-up due to GPIO<40>
100 = Enable Wake-up due to GPIO<36>
Other settings = Reserved
NOTE: Only one of these four GPIOs can be configured to cause the
processor to wake up at any given time.
Table 3-17. PWER Bit Definitions (Sheet 2 of 3)
Physical Address
0x40F0_000C PWER Clocks and Power Manager
User
Settings
Bit 31 30 29 28 27 26 25 24 23 22 21 20 19 18 17 16 15 14 13 12 11 10 9 8 7 6 5 4 3 2 1 0
WERTC
WEP1
reserved
WEUSBH2
WEUSBH1
WEUSBC
WBB
WE35
WEUSIM
reserved
WEMUX3
WEMUX2
WE15
WE14
WE13
WE12
WE11
WE10
WE9
reserved
WE4
WE3
reserved
WE1
WE0
Reset 00? 000000? ? 000000000000? ? ? ? 00011
Bits Access Name Description
3-76 Intel® PXA27x Processor Family Developer’s Manual
Clocks and Power Manager
15:9 R/W WE[n]Wake-up Enable n for Standby or Sleep, n = 9 to 15
0 = Disable wake-up due to GPIO<n> edge detect.
1 = Enable wake-up due to GPIO<n> edge detect.
8:5 — reserved
4R/WWE4
Wake-up Enable for Standby or Sleep Modes
0 = Disable wake-up due to GPIO<4> edge detect.
1 = Enable wake-up due to GPIO<4> edge detect.
3R/WWE3
Wake-up Enable for Standby, Sleep, or Deep-sleep Modes
0 = Disable wake-up due to GPIO<3> edge detect.
1 = Enable wake-up due to GPIO<3> edge detect.
2 — reserved
1:0 R/W WE[n]
Wake-up Enable n for Standby, Sleep, or Deep-sleep Modes, n = 0 to 1
0 = Disable wake-up due to GPIO<n> edge detect.
1 = Enable wake-up due to GPIO<n> edge detect.
NOTES:
Exit from sleep or deep-sleep mode does not clear or set this bit.
Table 3-17. PWER Bit Definitions (Sheet 3 of 3)
Physical Address
0x40F0_000C PWER Clocks and Power Manager
User
Settings
Bit 31 30 29 28 27 26 25 24 23 22 21 20 19 18 17 16 15 14 13 12 11 10 9 8 7 6 5 4 3 2 1 0
WERTC
WEP1
reserved
WEUSBH2
WEUSBH1
WEUSBC
WBB
WE35
WEUSIM
reserved
WEMUX3
WEMUX2
WE15
WE14
WE13
WE12
WE11
WE10
WE9
reserved
WE4
WE3
reserved
WE1
WE0
Reset 00? 000000? ? 000000000000? ? ? ? 00011
Bits Access Name Description
Intel® PXA27x Processor Family Developer’s Manual 3-77
Clocks and Power Manager
3.8.1.5 Power Manager Rising-Edge Detect Enable Register (PRER)
PRER, defined in Table 3-18, selects whether the GPIO pin enabled in PWER causes a wakeup
when a rising edge is detected on that pin. When nVDD_FAULT or nBATT_FAULT is asserted,
PRER assumes its reset value, enabling rising edges on GPIO<1:0> to act as wake-up sources.
Note: Refer to the Intel® PXA27x Processor Family EMTS, “GPIO AC Timing Specifications” for the
minimum pulse duration to guarantee edge detection.
This is a read/write register. Ignore reads from reserved bits. Write 0b0 to reserved bits.
Table 3-18. PRER Bit Definitions
Physical Address
0x40F0_0010 PRER Clocks and Power Manager
User
Settings
Bit 31 30 29 28 27 26 25 24 23 22 21 20 19 18 17 16 15 14 13 12 11 10 9 8 7 6 5 4 3 2 1 0
reserved
RE35
reserved
RE15
RE14
RE13
RE12
RE11
RE10
RE9
reserved
RE4
RE3
reserved
RE1
RE0
Reset ? ? ? ? ? ? ? 0? ? ? ? ? ? ? ? 0000000? ? ? ? 00? 11
Bits Access Name Description
31:25 — reserved
24 R/W RE35Standby or Sleep-mode Rising-Edge Wake-Up Enable
0 = Disable wake-up due to GPIO<35> rising-edge detect.
1 = Enable wake-up due to GPIO<35> rising-edge detect.
23:16 — reserved
15:9 R/W RE[n]Standby or Sleep Mode Rising-Edge Wake-Up Enable n, where n = 15:9
0 = Disable wake-up due to GPIO<n> rising-edge detect.
1 = Enable wake-up due to GPIO<n> rising-edge detect.
8:5 — reserved
4 R/W RE[4]Standby or Sleep Mode Rising-Edge Wake-Up Enable
0 = Disable wake-up due to GPIO<4> rising-edge detect.
1 = Enable wake-up due to GPIO<4> rising-edge detect.
3 R/W RE[3]Standby, Sleep, or Deep-sleep Rising-Edge Wake-Up Enable
0 = Disable wake-up due to GPIO<3> rising-edge detect.
1 = Enable wake-up due to GPIO<3> rising-edge detect.
2 — reserved
1:0 R/W RE[n]Standby, Sleep, or Deep-Sleep Rising-Edge Wake-Up Enable, n = 0 to 1
0 = Disable wake-up due to GPIO<n> rising-edge detect.
1 = Enable wake-up due to GPIO<n> rising-edge detect.
NOTES:
Exit from sleep or deep-sleep mode does not clear or set this bit.
3-78 Intel® PXA27x Processor Family Developer’s Manual
Clocks and Power Manager
3.8.1.6 Power Manager Falling-Edge Detect Enable Register (PFER)
PFER, defined in Table 3-19, selects whether the GPIO pin enabled in PWER causes a wakeup
when a falling edge is detected on that pin. When nVDD_FAULT or nBATT_FAULT is asserted,
PFER assumes its reset value, enabling falling edges on GPIO<1:0> to act as wake-up sources.
Refer to the Intel® PXA27x Processor Family EMTS for GPIO timing specifications.
This is a read/write register. Ignore reads from reserved bits. Write 0b0 to reserved bits.
Table 3-19. PFER Bit Definitions
Physical Address
0x40F0_0014 PFER Clocks and Power Manager
User
Settings
Bit 31 30 29 28 27 26 25 24 23 22 21 20 19 18 17 16 15 14 13 12 11 10 9 8 7 6 5 4 3 2 1 0
reserved
RE35
reserved
RE15
RE14
RE13
RE12
RE11
RE10
RE9
reserved
RE4
RE3
reserved
RE1
RE0
Reset ? ? ? ? ? ? ? 0? ? ? ? ? ? ? ? 0000000? ? ? ? 00? 11
Bits Access Name Description
31:25 — reserved
24 R/W RE35Standby or Sleep Mode Falling-Edge Wake-Up Enable
0 = Disable wake-up due to GPIO<35> falling-edge detect.
1 = Enable wake-up due to GPIO<35> falling-edge detect.
23:16 — reserved
15:9 R/W FE[n]Standby or Sleep Mode Falling-Edge Wake-Up Enable n, where n = 15:9
0 = Disable wake-up due to GPIO<n> falling-edge detect.
1 = Enable wake-up due to GPIO<n> falling-edge detect.
8:5 — reserved
4R/WFE[n]
Standby or Sleep Falling-Edge Wake-Up Enable, n = 4
0 = Disable wake-up due to GPIO<n> falling-edge detect.
1 = Enable wake-up due to GPIO<n> falling-edge detect.
3R/WFE[n]
Standby or Sleep Falling-Edge Wake-Up Enable, n = 3
0 = Disable wake-up due to GPIO<n> falling-edge detect.
1 = Enable wake-up due to GPIO<n> falling-edge detect.
2 — reserved
1:0 R/W FE[n]Standby or Sleep Falling-Edge Wake-Up Enable, n =0 to 1
0 = Disable wake-up due to GPIO<n> falling-edge detect.
1 = Enable wake-up due to GPIO<n> falling-edge detect.
NOTES:
Exit from sleep or deep-sleep mode does not clear or set this bit.
Intel® PXA27x Processor Family Developer’s Manual 3-79
Clocks and Power Manager
3.8.1.7 Power Manager Edge-Detect Status Register (PEDR)
PEDR, defined in Table 3-20, indicates which GPIO pin (enabled through the PWER, PRER and
PFER registers) caused a wakeup from standby, sleep or deep-sleep mode. These bits can be set
only by a rising edge, falling edge, or either on the given GPIO pin, depending on the settings in the
PRER and PFER registers. These bits are cleared by writing 0b1 to them. Writing 0b0 to any status
bit has no effect. Refer to the Intel® PXA27x Processor Family EMTS for GPIO timing
specifications.
This is a read/write register. Ignore reads from reserved bits. Write 0b0 to reserved bits.
Table 3-20. PEDR Bit Definitions (Sheet 1 of 2)
Physical Address
0x40F0_0018 PEDR Clocks and Power Manager
User
Settings
Bit 31 30 29 28 27 26 25 24 23 22 21 20 19 18 17 16 15 14 13 12 11 10 9 8 7 6 5 4 3 2 1 0
EDRTC
EDP1
reserved
EDUSBH2
EDUSBH1
EDUSBC
EDBB
ED35
reserved
EDMUX3
reserved
EDMUX2
reserved
ED15
ED14
ED13
ED12
ED11
ED10
ED9
reserved
ED4
ED3
reserved
ED1
ED0
Reset 00? 00000? ? ? 0? ? 0? 0000000? ? ? ? 00? 00
Bits Access Name Description
31 R/W EDRTC
Standby, Sleep, or Deep-Sleep Wake-Up from RTC
0 = Wake-up due to RTC source not detected.
1 = Wake-up due to RTC source is detected.
30 R/W EDP1
Standby or Sleep Wake-Up from PI Power Domain
0 = Wake-up due to PI source not detected.
1 = Wake-up due to PI source is detected
29 — reserved
28 R/W EDUSBH2
Standby or Sleep Wake-Up from USB Host Port 2
0 = Wake-up due to USB host port 2 not detected.
1 = Wake-up due to USB host port 2 is detected.
27 R/W EDUSBH1
Standby or Sleep Wake-Up from USB Host Port 1
0 = Wake-up due to USB host port 1 not detected.
1 = Wake-up due to USB host port 1 is detected.
26 R/W EDUSBC
Standby or Sleep Wake-Up from USB Client:
0 = Wake-up due to USB client not detected.
1 = Wake-up due to USB client is detected.
25 R/W EDBB
Standby or Sleep Wake-Up from MSL
0 = Wake-up due to MSL not detected.
1 = Wake-up due to MSL is detected.
24 R/W ED35
GPIO<35> Standby or Sleep Edge Detect Status
0 = Wake-up due to edge on GPIO<35> not detected.
1 = Wake-up due to edge on GPIO<35> is detected.
23:21 — reserved
20 R/W EDMUX3
Standby or Sleep Edge Detect Status, where n = the value programmed in
PWER[WEMUX3]
0 = Wake-up due to edge on GPIO<n> not detected.
1 = Wake-up due to edge on GPIO<n> is detected.
19:18 — reserved
3-80 Intel® PXA27x Processor Family Developer’s Manual
Clocks and Power Manager
3.8.1.8 Power Manager General Configuration Register (PCFR)
PCFR, defined in Table 3-21, contains the following bits to configure various functions within the
processor:
RDH Override (RO)—In sleep and deep-sleep modes, the receivers of all GPIO pins are
disabled if RO is clear. The receivers of all GPIO pins are not disabled if the RO bit is set.
PH Override (PO)—PSSR[PH] is set upon entry into standby and sleep mode if PO is clear. It
indicates that the GPIO pins are retaining their states. If the PO bit is set, the PH bit is cleared
automatically after exiting the low-power mode.
GPIO Reset Disable (GPROD) enables/disables assertion of nRESET_OUT during GPIO
reset.
Sleep-Mode Sleep/Deep-Sleep Linear Regulator Enable (L1_EN) enables the sleep/deep-sleep
linear regulator during sleep mode if other conditions are also met (see Section 3.6.2.3).
17 R/W EDMUX2
Standby or Sleep Edge Detect Status, where n = the value programmed in
PWER[WEMUX2]
0 = Wake-up due to edge on GPIO<n> not detected.
1 = Wake-up due to edge on GPIO<n> is detected.
16 — reserved
15:9 R/W ED[n]
Standby or Sleep Edge Detect Status, n = 9 to 15
0 = Wake-up due to edge on GPIO<n> not detected.
1 = Wake-up due to edge on GPIO<n> is detected.
8:5 — reserved
4R/WED4
Standby or Sleep Edge Detect Status
0 = Wake-up due to edge on GPIO<4> not detected.
1 = Wake-up due to edge on GPIO<4> is detected.
3R/WED3
Standby, Sleep, or Deep-Sleep Edge Detect Status
0 = Wake-up due to edge on GPIO<3> not detected.
1 = Wake-up due to edge on GPIO<3> is detected.
2 — reserved
1:0 R/W ED[n]
Standby, Sleep, or Deep-Sleep Edge Detect Status, n = 0 through 1
0 = Wake-up due to edge on GPIO<n> not detected.
1 = Wake-up due to edge on GPIO<n> is detected.
NOTES:
Exit from sleep or deep-sleep mode does not clear or set this bit.
Table 3-20. PEDR Bit Definitions (Sheet 2 of 2)
Physical Address
0x40F0_0018 PEDR Clocks and Power Manager
User
Settings
Bit 31 30 29 28 27 26 25 24 23 22 21 20 19 18 17 16 15 14 13 12 11 10 9 8 7 6 5 4 3 2 1 0
EDRTC
EDP1
reserved
EDUSBH2
EDUSBH1
EDUSBC
EDBB
ED35
reserved
EDMUX3
reserved
EDMUX2
reserved
ED15
ED14
ED13
ED12
ED11
ED10
ED9
reserved
ED4
ED3
reserved
ED1
ED0
Reset 00? 00000? ? ? 0? ? 0? 0000000? ? ? ? 00? 00
Bits Access Name Description
Intel® PXA27x Processor Family Developer’s Manual 3-81
Clocks and Power Manager
Frequency/Voltage Change (FVC) controls initiation of the voltage-change sequence during a
frequency change.
Sleep/Deep-Sleep Dc-DC Converter Enable (DC_EN) controls use of the sleep/deep-sleep
linear regulator and the PWR_CAP pins during sleep mode if other conditions are also met
(see Section 3.6.2.3).
Power Manager I2C Enable (PI2C_EN) controls usage of the power manager I2C interface.
nRESET_GPIO Pin Enable (GRP_EN) controls usage of the pin, either as GPIO or as a GPIO
reset input.
Float PC Card (FP) and Float Status (FS) control the state of the PC Card control pins and the
static-memory control pins during sleep mode.
Oscillator Power-Down Enable (OPDE) selects whether the 13-MHz processor oscillator is
powered off in standby or sleep mode.
This is a read/write register. Ignore reads from reserved bits. Write 0b0 to reserved bits.
Table 3-21. PCFR Bit Definitions (Sheet 1 of 2)
Physical Address
0x40F0_001C PCFR Clocks and Power Manager
User
Settings
Bit 31 30 29 28 27 26 25 24 23 22 21 20 19 18 17 16 15 14 13 12 11 10 9 8 7 6 5 4 3 2 1 0
reserved
RO
PO
reserved
GPROD
L1_EN
FVC
reserved
DC_EN
PI2C_EN
reserved
GPR_EN
reserved
FS
FP
OPDE
Reset ? ? ? ? ? ? ? ? ? ? ? ? ? ? ? ? 0 0 ? 000? ? 00? 0? 000
Bits Access Name Description
31:16 — reserved
15 R/W RO
RDH Override
Overrides the default value of PSSR[RDH] in sleep and deep-sleep modes.
0 = The receivers of all GPIO pins are disabled.
1 = The receivers of all GPIO pins are enabled.
14 R/W PO
PH Override
Overrides the default value of PSSR[PH].
0 = PSSR[PH] is set upon entry into standby and sleep mode, which
indicates that the GPIO pins are retaining their states.
1 = PSSR[PH] is automatically cleared after exiting the low-power mode.
13 — reserved
12 R/W GPROD
GPIO nRESET_OUT Disable
0 = nRESET_OUT is asserted during GPIO reset.
1 = nRESET_OUT is not asserted during GPIO reset.
NOTE: GPIO reset does not clear this bit.
11 R/W L1_EN
Sleep Mode Sleep/Deep-Sleep Linear Regulator Enable
0 = The sleep/deep-sleep linear regulator is not used.
1 = The sleep/deep-sleep linear regulator is used if all enable conditions
are met.
NOTE: Do not set both L1_EN and DC_EN simultaneously.
3-82 Intel® PXA27x Processor Family Developer’s Manual
Clocks and Power Manager
10 R/W FVC
Frequency/Voltage Change
0 = The voltage-change sequencer is not initiated during a frequency
change.
1 = The voltage-change sequencer is initiated during a frequency change
if power manager I2C is enabled.
9:8 — reserved
7 R/W DC_EN
Sleep/Deep-Sleep DC-DC Converter Enable
0 = The DC-DC converter is not used.
1 = The DC-DC converter is used if all enable conditions are met.
NOTE: Do not set both L1_EN and DC_EN simultaneously.
6R/WPI
2C_EN
Power Manager I2C Enable
0 = Power manager I2C is not used; the PWR_SDA and PWR_SCL pins
can be used as GPIO.
1 = The PWR_SDA and PWR_SCL pins are driven by power manager
I2C, regardless of the GPIO configuration.
5 — reserved
4R/WGPR_EN
nRESET_GPIO Pin Enable
0 = nRESET_GPIO is not used; the pin can be used as GPIO.
1 = The nRESET_GPIO pin is use as a GPIO reset input, regardless of
the GPIO configuration.
3 — reserved
2R/WFS
Float Static Chip Selects (nCS<5:1>) During Sleep Mode
0 = The static chip select pins are driven by the appropriate PGSRx bits.
1 = The static chip select pins are floated in sleep or deep-sleep mode.
Float Static Chip Selects (nCS<0>) During Sleep Mode
0 = The static chip select pin is at the pre-sleep defined value.
1 = The static chip select pins are floated in sleep or deep-sleep mode.
1R/WFP
Float PC Card Pins During Sleep or Deep-Sleep Mode
0 = The PC Card pins are driven by the appropriate PGSRx bits.
1 = The nPOE, nPWE, nPIOW, nPIOR, nPCE<2:1>, PSKTSEL, and
nPREG pins are floated during sleep or deep-sleep mode.
0 R/W OPDE
13-MHz Processor Oscillator Power-Down Enable
0 = Do not stop the oscillator during standby, sleep, or deep-sleep mode.
1 = Stop the oscillator during standby, sleep, or deep-sleep mode if bit
OOK in the Oscillator Configuration register is set.
NOTES:
Exit from sleep or deep-sleep mode does not clear or set this bit.
Table 3-21. PCFR Bit Definitions (Sheet 2 of 2)
Physical Address
0x40F0_001C PCFR Clocks and Power Manager
User
Settings
Bit 31 30 29 28 27 26 25 24 23 22 21 20 19 18 17 16 15 14 13 12 11 10 9 8 7 6 5 4 3 2 1 0
reserved
RO
PO
reserved
GPROD
L1_EN
FVC
reserved
DC_EN
PI2C_EN
reserved
GPR_EN
reserved
FS
FP
OPDE
Reset ? ? ? ? ? ? ? ? ? ? ? ? ? ? ? ? 0 0 ? 000? ? 00? 0? 000
Bits Access Name Description
Intel® PXA27x Processor Family Developer’s Manual 3-83
Clocks and Power Manager
3.8.1.9 Power Manager GPIO Sleep-State Registers (PGSRx)
PGSR0, PGSR1, PGSR2, and PGSR3, defined in Table 3-22, allow for selecting the output state
(the driven value) of each GPIO pin when the processor enters and while it is in sleep mode, or
when it enters deep-sleep mode (until the power supplies are removed). The values programmed in
PGSRx are not driven out during standby mode.
When a transition to sleep or deep-sleep mode is required (either through software or through the
assertion of the nBATT_FAULT or nVDD_FAULT pins), the contents of the PGSRx registers are
loaded into the GPIO Output Data registers, which are normally controlled by software through the
GPSR (set) and GPCR (clear) registers. Only the pins already configured as outputs reflect the new
state; however, all bits of the output registers are loaded. After the processor re-enters normal mode
from sleep or deep-sleep mode, these GPIO pins retain their programmed sleep state until software
clears PSSR[PH]. If PSSR[PH] is clear and a pin direction switches from input to an output, the pin
is floated.
These registers are reset upon sleep or deep-sleep exit, so the configuration of the GPIO pins must
be read from external memory. However, the GPIO state itself is not changed until software resets
PSSR[PH].
In deep-sleep mode, GPIO<120:11> float if the external high-voltage power domains are removed.
(GPIO<120:119> are available on the PXA271, PXA272 processors only.)
If these supplies remain enabled, the GPIOs default to the pullup, pulldown reset state. Refer to the
Intel® PXA27x Processor Family EMTS Pin Usage section for reset states and the “GPIO States in
Deep-Sleep Mode” section for timing details.
These are read/write registers. Ignore reads from reserved bits. Write 0b0 to reserved bits.
3-84 Intel® PXA27x Processor Family Developer’s Manual
Clocks and Power Manager
3.8.1.10 Reset Controller Status Register (RCSR)
RCSR, defined in Table 3-23, indicates the last causes of a reset. Table 3-2 details the behavior of
different processor modules during each of the reset sources: power on, hardware, watchdog, sleep
or deep sleep, and GPIO.
Each RCSR status bit is set by its specific source of reset. To clear a bit, write 0b1 to it.
This is a read/write register. Ignore reads from reserved bits. Write 0b0 to reserved bits.
Table 3-22. PGSR0/1/2/3 Bit Definitions
Physical Address
0x40F0_0020
0x40F0_0024
0x40F0_0028
0x40F0_002C
PGSR0
PGSR1
PGSR2
PGSR3
Clocks and Power Manager
User
Settings
Bit 31 30 29 28 27 26 25 24 23 22 21 20 19 18 17 16 15 14 13 12 11 10 9 8 7 6 5 4 3 2 1 0
PGSR0
SS31
SS30
SS29
SS28
SS27
SS26
SS25
SS24
SS23
SS22
SS21
SS20
SS19
SS18
SS17
SS16
SS15
SS14
SS13
SS12
SS11
SS10
SS9
SS8
SS7
SS6
SS5
SS4
SS3
SS2
SS1
SS0
PGSR1
SS63
SS62
SS61
SS60
SS59
SS58
SS57
SS56
SS55
SS54
SS53
SS52
SS51
SS50
SS49
SS48
SS47
SS46
SS45
SS44
SS43
SS42
SS41
SS40
SS39
SS38
SS37
SS36
SS35
SS34
SS33
SS32
PGSR2
SS95
SS94
SS93
SS92
SS91
SS90
SS89
SS88
SS87
SS86
SS85
SS84
SS83
SS82
SS81
SS80
SS79
SS78
SS77
SS76
SS75
SS74
SS73
SS72
SS71
SS70
SS69
SS68
SS67
SS66
SS65
SS64
PGSR3 reserved
SS120††
SS119††
SS118
SS117
SS116
SS115
SS114
SS113
SS112
SS111
SS110
SS109
SS108
SS107
SS106
SS105
SS104
SS103
SS102
SS101
SS100
SS99
SS98
SS97
SS96
Reset 00000000000000000000000000000000
Bits Access Name Description
31:0 R/W SS[n]
Sleep State of GPIO<n>
0 = If programmed as an output, the pin is driven and held low during the
transition to and while in sleep mode or is driven and held low during
the transition to deep-sleep mode.
1 = If programmed as an output, the pin is driven and held high during the
transition to and while in sleep mode or is driven and held high during
the transition to deep-sleep mode.
NOTES:
Reset values of reserved bits are undefined.
†† Supported on the PXA271, PXA272 processors only.
Intel® PXA27x Processor Family Developer’s Manual 3-85
Clocks and Power Manager
3.8.1.11 Power Manager Sleep Configuration Register (PSLR)
PSLR, defined in Table 3-24, provides the following functions that control the processor behavior
in both sleep and deep-sleep modes:
System Power-Supply Ramp Delay (SYS_DEL) adjusts the power-on time (in 32.768-kHz
timekeeping oscillator cycles) from the assertion of SYS_EN to the assertion of PWR_EN.
Power-Supply Ramp Delay (PWR_DEL) adjusts the power-on time (in 32.768-kHz
timekeeping oscillator cycles) from the assertion of PWR_EN to the continuation of the sleep-
exit sequence.
Sleep-Mode Shorten Wake-up Delay Disable (PSSD) shortens the sleep-mode wake-up delay
when all power supplies have powered on.
Ignore nVDD_FAULT in Sleep Mode (IVF) prevents nVDD_FAULT from affecting the sleep
or deep-sleep state.
Table 3-23. RCSR Bit Definitions
Physical Address
0x40F0_0030 RCSR Clocks and Power Manager
User
Settings
Bit 31 30 29 28 27 26 25 24 23 22 21 20 19 18 17 16 15 14 13 12 11 10 9 8 7 6 5 4 3 2 1 0
reserved
GPR
SMR
WDR
HWR
Reset ? ? ? ? ? ? ? ? ? ? ? ? ? ? ? ? ? ? ? ? ? ? ? ? ? ? ? ? 01010101
Bits Access Name Description
31:4 — reserved
3R/WC
2GPR
GPIO Reset
0 = GPIO reset has not occurred since the last time software or power-on
reset cleared this bit.
1 = GPIO reset has occurred since the last time software or power-on
reset cleared this bit.
2R/WC
2SMR
Sleep-Exit Reset from Sleep or Deep-Sleep Mode
0 = Sleep-exit reset has not occurred since the last time software or
power-on reset cleared this bit.
1 = Sleep-exit reset has occurred since the last time software or power-
on reset cleared this bit.
1R/WC
2WDR
Watchdog Reset
0 = Watchdog reset has not occurred since the last time software or
power-on reset cleared this bit.
1 = Watchdog reset has occurred since the last time software or power-
on reset cleared this bit.
0R/WC
2HWR
Hardware/Power-On Reset
0 = Hardware or power-on reset has not occurred since the last time
software or power-on reset cleared this bit.
1 = hardware or power-on reset has occurred since the last time software
or power-on reset cleared this bit.
NOTES:
1. Power-on reset clears this bit.
2. To clear this bit, write 0b1 to it.
3-86 Intel® PXA27x Processor Family Developer’s Manual
Clocks and Power Manager
Sleep-Mode nRESET_OUT Disable (SL_ROD) prevents the nRESET_OUT pin from
asserting upon entry into from sleep or deep-sleep.
Sleep-Mode Unit Retention bits (SL_Rn) select which units retain their states in sleep. All
units except the RTC and power manager are reset; state retention affects only memories and
the PI power domain.
See Table 3-11 for more details about the possible states of each unit in sleep mode.
This is a read/write register. Ignore reads from reserved bits. Write 0b0 to reserved bits.
Table 3-24. PSLR Bit Definitions (Sheet 1 of 2)
Physical Address
0x40F0_0034 PSLR Clocks and Power Manager
User
Settings
Bit 31 30 29 28 27 26 25 24 23 22 21 20 19 18 17 16 15 14 13 12 11 10 9 8 7 6 5 4 3 2 1 0
SYS_DEL PWR_DEL
PSSD
IVF
reserved
SL_ROD
reserved
SL_R3
SL_R2
SL_R1
SL_R0
reserved SL_PI
reserved
Reset 11110101111101010101? 01? ? ? ? ? ? ? ? 01010101? ? ? ? 0101? ?
Bits Access Name Description
31:28 R/W SYS_DEL
External High-Voltage Power Domains Ramp Delay
Sets the number of 32.768-kHz timekeeping oscillator cycles between
assertion of SYS_EN (system power supplies enabled) and assertion of
PWR_EN to 2n (reset value = 0b1100 for 125 ms delay).
0b0000-0b1100: n = SYS_DEL
0b1101-0b1111: n = 12
27:24 R/W PWR_DEL
External Low-Voltage Power Domains Ramp Delay
Sets the number of 32.768-kHz timekeeping oscillator cycles between
assertion of PWR_EN and the sleep or deep-sleep recovery sequence to 2n
(reset value = 0b1100 for 125 ms delay).
0b0000-0b1100: n = PWR_DEL
0b1101-0b1111: n = 12
23 R/W PSSD
Sleep-Mode Shorten Wake-up Delay Disable
0 = Do not shorten the wake-up delay (SYS_DEL or PWR_DEL) if all the
corresponding power supplies are detected to have powered on.
1 = Shorten the wake-up delay (SYS_DEL or PWR_DEL) if all the
corresponding power supplies are detected to have powered on.
22 R/W IVF
Ignore nVDD_FAULT in Sleep Mode and Deep-Sleep Mode
0 = nVDD_FAULT is not gated off in sleep and deep-sleep mode.
1 = No action taken when nVDD_FAULT occurs in sleep or deep-sleep
mode. The nVCC_FAULT is gated off when IVF is set and PWR_EN
is deasserted.
21 — reserved
20 R/W SL_ROD
Sleep-Mode/Deep-Sleep Mode nRESET_OUT Disable
0 = nRESET_OUT is asserted upon entry into sleep or deep-sleep mode.
1 = nRESET_OUT is not asserted upon entry into sleep or deep-sleep
mode, but the CPU and on-chip peripherals are reset.
19:12 — reserved
Intel® PXA27x Processor Family Developer’s Manual 3-87
Clocks and Power Manager
11 R/W SL_R32Sleep Mode Unit Retention—Internal SRAM Bank 3
0 = SRAM bank 3 is powered off in sleep mode.
1 = SRAM bank3 retains state (memory array only) in sleep mode.
10 R/W SL_R22Sleep Mode Unit Retention—Internal SRAM Bank 2
0 = SRAM bank 2 is powered off in sleep mode.
1 = SRAM bank 2 retains state (memory array only) in sleep mode.
9R/WSL_R1
2Sleep Mode Unit Retention—Internal SRAM Bank 1
0 = SRAM bank 1 is powered off in sleep mode.
1 = SRAM bank 1 retains state (memory array only) in sleep mode.
8R/WSL_R0
2Sleep Mode Unit Retention—Internal SRAM Bank 0
0 = SRAM bank 0 is powered off in sleep mode.
1 = SRAM bank 0 retains state (memory array only) in sleep mode.
7:4 — reserved
3:2 R/W SL_PI
Sleep or Deep-sleep Mode Unit Retention—PI Power Domain
00 = The PI power domain is powered off in sleep and deep-sleep mode.
01 = The PI power domain retains state in sleep and deep-sleep mode
10 = The PI power domain is active with clocks running during sleep
mode.
Do not use this setting for deep-sleep mode.
11 = reserved
1:0 — reserved
NOTES:
1. Exit from sleep or deep-sleep mode does not clear or set this bit.
2. If this bit is set, then the PMCR[xIDAE] bits must also be set. Do not set this bit when entering deep-sleep mode.
Table 3-24. PSLR Bit Definitions (Sheet 2 of 2)
Physical Address
0x40F0_0034 PSLR Clocks and Power Manager
User
Settings
Bit 31 30 29 28 27 26 25 24 23 22 21 20 19 18 17 16 15 14 13 12 11 10 9 8 7 6 5 4 3 2 1 0
SYS_DEL PWR_DEL
PSSD
IVF
reserved
SL_ROD
reserved
SL_R3
SL_R2
SL_R1
SL_R0
reserved SL_PI
reserved
Reset 11110101111101010101? 01? ? ? ? ? ? ? ? 01010101? ? ? ? 0101? ?
Bits Access Name Description
3-88 Intel® PXA27x Processor Family Developer’s Manual
Clocks and Power Manager
3.8.1.12 Power Manager Standby Configuration Register (PSTR)
PSTR, defined in Table 3-25, contains the standby-mode unit-retention bits. These bits select
which units retain state and operation in standby mode. Registers of disabled units take their reset
values at standby exit. The CPU and most peripherals retain state in standby mode.
See Table 3-11 for more details about the possible states of each unit in standby mode.
This is a read/write register. Ignore reads from reserved bits. Write 0b0 to reserved bits.
Table 3-25. PSTR Bit Definitions
Physical Address
0x40F0_0038 PSTR Clocks and Power Manager
User
Settings
Bit 31 30 29 28 27 26 25 24 23 22 21 20 19 18 17 16 15 14 13 12 11 10 9 8 7 6 5 4 3 2 1 0
reserved
ST_R3
ST_R2
ST_R1
ST_R0
reserved ST_PI
reserved
Reset ? ? ? ? ? ? ? ? ? ? ? ? ? ? ? ? ? ? ? ? 0000? ? ? ? 00? ?
Bits Access Name Description
31:12 — reserved
11 R/W ST_R3
Standby-Mode Retain State —Internal SRAM Bank 3
0 = SRAM bank 3 is powered off in standby mode.
1 = SRAM bank 3 retains state in standby mode.
10 R/W ST_R2
Standby-Mode Retain State—Internal SRAM Bank 2
0 = SRAM bank 2 is powered off in standby mode.
1 = SRAM bank 2 retains state in standby mode.
9R/WST_R1
Standby-Mode Retain State—Internal SRAM Bank 1
0 = SRAM bank 1 is powered off in standby mode.
1 = SRAM bank 1 retains state in standby mode.
8R/WST_R0
Standby-Mode Retain State—Internal SRAM Bank 0
0 = SRAM bank 0 is powered off in standby mode.
1 = SRAM bank 0 retains state in standby mode.
7:4 — reserved
3:2 R/W ST_PI
Standby-Mode Retain State—PI Power Domain
00 = The PI power domain is powered off in standby mode.
01 = The PI power domain retains state in standby mode.
10 = The PI power domain is active with clocks running in standby mode.
11 = reserved
1:0 — reserved
NOTES:
Exit from sleep or deep-sleep mode does not clear or set this bit.
Intel® PXA27x Processor Family Developer’s Manual 3-89
Clocks and Power Manager
3.8.1.13 Power Manager Voltage Change Control Register (PVCR)
PVCR contains configuration bits that control the automatic voltage-change sequence, as described
in Table 3-26).
This is a read/write register. Ignore reads from reserved bits. Write 0b0 to reserved bits.
Table 3-26. PVCR Bit Definitions
Physical Address
0x40F0_0040 PVCR Clocks and Power Manager
User
Settings
Bit 31 30 29 28 27 26 25 24 23 22 21 20 19 18 17 16 15 14 13 12 11 10 9 8 7 6 5 4 3 2 1 0
reserved Read Pointer reserved
VCSA
reserved
Command Delay Slave Address
Reset ? ? ? ? ? ? ? 00000? ? ? ? ? 0? ? 000000000000
Bits Access Name Description
31:25 — reserved
24:20 R/W Read Pointer
A programmed value of N indicates that the voltage-change sequencer is
pointing to register PCMD[N].
When written, N points to the PCMDx register that contains the first
command of the sequence.
When read, N points to the PCMDx register that is to be or is being
transmitted.
19:15 — reserved
14 R VCSA
Voltage-Change Sequencer Active
0 = No voltage-change sequence is in progress.
1 = The voltage-change sequencer is actively communicating with the
power manager I2C bus and the external regulator. Software cannot
read from or write to the power manager I2C registers.
13:12 — reserved
11:7 R/W Command
Delay
Command Delay
When DCE is set in a PCMD register, the command waits M number of
13-MHz processor oscillator cycles before execution, allowing delay
between I2C commands.
M = 2N, where N is the value programmed as Command delay for
0b00000 < N < 0b11001
M = 224 for N 0b11001
6:0 R/W Slave
Address
Slave Address
The seven-bit address of the external regulator’s I2C module.
NOTES:
Exit from sleep or deep-sleep mode does not clear or set this bit if the PI power domain is not powered off.
3-90 Intel® PXA27x Processor Family Developer’s Manual
Clocks and Power Manager
3.8.1.14 Power Manager USIM Card Control/Status Register (PUCR)
PUCR, defined in Table 3-27, contains bits for automatic detection of the USIM card. When the
EN_UDET bit is set, the processor automatically detects insertion or removal of the USIM card if a
rising or falling edge is seen on the UDET (GPIO<11>] alternate function) pin. Depending on the
USIM114 or USIM115 bits, the UEN card-control signal is asserted or de-asserted.
The USIM card auto-detect mechanism is available in all power modes except deep-sleep mode.
See Section 3.8.1.4 regarding wake-up from sleep and standby mode in response to a falling or
rising edge on UDET.
USIM Detect Status (UDETS)—If a rising or falling edge is detected on UDET, then the
previous status is toggled. Software can also forcefully set or reset the status of the card. If
UDETS is set, the processor asserts the UEN signal, depending on the USIM115 or USIM114
bits.
USIM115 allows UEN functionality for GPIO<115>.
USIM114 allows UEN functionality for GPIO<114>.
Enable USIM Card Detect (EN_UDET) enables automatic detection of the USIM card based
on the UDET signal’s rising or falling edge.
This is a read/write register. Ignore reads from reserved bits. Write 0b0 to reserved bits.
Table 3-27. PUCR Bit Definitions (Sheet 1 of 2)
Physical Address
0x40F0_004C PUCR Clocks and Power Manager
User
Settings
Bit 31 30 29 28 27 26 25 24 23 22 21 20 19 18 17 16 15 14 13 12 11 10 9 8 7 6 5 4 3 2 1 0
reserved
UDETS
Reserved
USIM115
USIM114
Reserved
EN_UDET
Reset ??????????????????????????0? 00? 0
Bits Access Name Description
31:6 — reserved
5 R/W UDETS
USIM Detect Status
If a rising or falling edge is detected on UDET, then the previous status is
toggled. Software can also forcefully set or reset the status of the card.
0 = USIM card is not detected, deassert the nUVS1/UEN and UVS0/nUEN
signals
1 = USIM card is detected, assert the nUVS1/UEN and UVS0/nUEN
signals depending on the USIM115 and USIM114 bits.
4 — reserved
3 R/W USIM115
Allow UVS or UEN Functionality for GPIO<115>
0 = The pad is a GPIO
1 = The pad is used for UEN functionality regardless of the corresponding
alternate function configuration in GAFR3_U[AF115]. The
GPDR[PD115] bit must be set.
Intel® PXA27x Processor Family Developer’s Manual 3-91
Clocks and Power Manager
2 R/W USIM114
Allow UVS or UEN Functionality for GPIO<114>
0 = The pad is a GPIO
1 = The pad is used for UEN functionality regardless of the corresponding
alternate function configuration in GAFR3_U[AF114]. The
GPDR[PD114] bit must be set.
1 — reserved
0R/WEN_UDET
Enable USIM Card Detect
0 = Disable USIM card detect.
1 = Enable USIM card detect. The GPIO<116> pad is used for UDET
regardless of the alternate function configuration in
GAFR3_U[AF116]. The GPDR3[PD116] bit must be cleared.
NOTES:
Sleep and deep-sleep mode do not clear or set these bits.
Table 3-27. PUCR Bit Definitions (Sheet 2 of 2)
Physical Address
0x40F0_004C PUCR Clocks and Power Manager
User
Settings
Bit 31 30 29 28 27 26 25 24 23 22 21 20 19 18 17 16 15 14 13 12 11 10 9 8 7 6 5 4 3 2 1 0
reserved
UDETS
Reserved
USIM115
USIM114
Reserved
EN_UDET
Reset ? ? ? ? ? ? ? ? ? ? ? ? ? ? ? ? ? ? ? ? ? ? ? ? ? ? 0? 00? 0
Bits Access Name Description
3-92 Intel® PXA27x Processor Family Developer’s Manual
Clocks and Power Manager
3.8.1.15 Power Manager Keyboard Wake-Up Enable Register (PKWR)
PKWR, defined in Table 3-28, selects whether or not the corresponding keypad-related GPIO pin
causes a wake-up from standby or sleep mode. To serve in this manner, the GPIO must be
programmed as an input in the GPDR (see Section 24.5.1, “GPIO Pin-Direction Registers
(GPDR)” on page 24-11). Refer to the Intel® PXA27x Processor Family EMTS for GPIO timing
specifications. When nVDD_FAULT or nBATT_FAULT is asserted, PKWR assumes its reset
value, enabling only GPIO<1:0> as wake-up sources and disabling all bits in PKWR.
Additional wake-up sources for standby and sleep are available through the PWER register (see
Section 3.8.1.4).
This is a read/write register. Ignore reads from reserved bits. Write 0b0 to reserved bits.
Table 3-28. PKWR Bit Definitions
Physical Address
0x40F0_0050 PKWR Clocks and Power Manager
User
Settings
Bit 31 30 29 28 27 26 25 24 23 22 21 20 19 18 17 16 15 14 13 12 11 10 9 8 7 6 5 4 3 2 1 0
reserved
WE102
WE101
WE100
WE99
WE98
WE97
WE96
WE95
WE94
WE93
WE91
WE90
WE39
WE38
WE37
WE36
WE34
WE17
WE16
WE13
Reset ? ? ? ? ? ? ? ? ? ? ? ? 00000000000000000000
Bits Access Name Description
25:16 — reserved
19:0 R/W WE[n]
Standby or Sleep-Mode Wake-Up Enable n
0 = Disable wake-up due to high level on GPIO<n>.
1 = Enable wake-up due to high level on GPIO<n>.
NOTES:
Exit from sleep mode does not clear or set this bit.
Intel® PXA27x Processor Family Developer’s Manual 3-93
Clocks and Power Manager
3.8.1.16 Power Manager Keyboard Level-Detect Status Register (PKSR)
PKSR, defined in Table 3-29, indicates which GPIO pin caused a wake-up from standby or sleep
mode. The GPIO pin must be enabled in PKWR (see Section 3.8.1.15).
These bits are set only by a high level on the GPIO pin. The pin must be configured as an input (see
Section 24.5.1, “GPIO Pin-Direction Registers (GPDR)” on page 24-11) and as a keyboard input
(see Section 24.5.4, “GPIO Alternate Function Register (GAFR)” on page 24-23).
This is a read/write register. Ignore reads from reserved bits. Write 0b0 to reserved bits.
Table 3-29. PKSR Bit Definitions
Physical Address
0x40F0_0054 PKSR Clocks and Power Manager
User
Settings
Bit 31 30 29 28 27 26 25 24 23 22 21 20 19 18 17 16 15 14 13 12 11 10 9 8 7 6 5 4 3 2 1 0
reserved
ED102
ED101
ED100
ED99
ED98
ED97
ED96
ED95
ED94
ED93
ED91
ED90
ED39
ED38
ED37
ED36
ED34
ED17
ED16
ED13
Reset ? ? ? ? ? ? ? ? ? ? ? ? 00000000000000000000
Bits Access Name Description
31:20 — reserved
19:0 R/WC†† LD[n]
Standby or Sleep Mode Level Detect Status n
0 = Do not detect wake-up due to high level on GPIO<n>.
1 = Detect wake-up due to high level on GPIO<n>.
NOTES:
Exit from sleep or deep-sleep mode does not clear or set this bit.
†† To clear this bit, write 0b1 to it.
3-94 Intel® PXA27x Processor Family Developer’s Manual
Clocks and Power Manager
3.8.1.17 Power Manager I2C Command Register File (PCMDx)
The Power Manager I2C Command Register File is a set of 32 identical registers (PCMD0–31) that
indicate the type of transaction to be completed on the power manager I2C bus during a voltage-
change sequence. Each register represents a single command. Commands are executed starting
with the PCMD register indicated by the read pointer field in PVCR. Each register contains a 13-bit
field that holds five configuration bits and eight data bits. See Table 3-30 for bit definitions.
This is a read/write register. Ignore reads from reserved bits. Write 0b0 to reserved bits.
Table 3-30. PCMD0–31 Bit Definitions
Physical Address
0x40F0_0080
through
0x40F0_00FC
PCMD0
through
PCMD31
Clocks and Power Manager
User
Settings
Bit 31 30 29 28 27 26 25 24 23 22 21 20 19 18 17 16 15 14 13 12 11 10 9 8 7 6 5 4 3 2 1 0
reserved
MBC
DCE
LC
SQC
Command Data
Reset ? ? ? ? ? ? ? ? ? ? ? ? ? ? ? ? ? ? ? 0000000000000
Bits Access Name Description
31:13 — reserved
12 R/W MBC
Multi-Byte Command
0 = The corresponding data is sent either as a single-byte command or as
the last byte of a multi-byte command.
1 = The corresponding data is part of a multi-byte command (except the
last byte). The next byte (in the next higher order address PCMD) is
sent without delay or handshaking with the power manager.
11 R/W DCE
Delay Command Execution
0 = Execute the corresponding command without waiting for the delay
counter to time out.
1 = Execute the corresponding command only after the delay counter has
timed out.
10 R/W LC
Last Command
0 = There are additional valid commands after this one.
1 = The command in this register is the last one.
9:8 R/W SQC
Sequence Configuration
0b00 = Continue; the next command is automatically read.
0b01 = Pause; the next command is not executed until the power
manager asserts a request.
0b10 = reserved
0b11 = reserved
7:0 R/W Command
Data Power Manager I2C Command Data to be Sent to External Regulator
NOTES:
Exit from sleep or deep-sleep mode does not clear or set this bit if the PI power domain is not powered off.
Intel® PXA27x Processor Family Developer’s Manual 3-95
Clocks and Power Manager
3.8.2 Clocks Manager Registers
The clocks manager uses the following registers:
Section 3.8.2.1 — Core Clock Configuration Register (CCCR)
Section 3.8.2.2 — Clock Enable Register (CKEN)
Section 3.8.2.3 — Oscillator Configuration Register (OSCC)
Section 3.8.2.4 — Core Clock Status Register (CCSR)
Section 3.8.3.1 — Clock Configuration Register (CLKCFG), coprocessor 14
Table 3-39 summarizes the registers associated with the clocks manager and the physical addresses
to access them.
3.8.2.1 Core Clock Configuration Register (CCCR)
The core clock is the base clock from which the CPU, memory-controller, LCD-controller, and
system-bus frequencies are derived. CCCR, defined in Table 3-31, controls these frequencies with
the following bits:
Run-Mode-to-Oscillator Ratio (L) creates the nominal run-mode frequency by multiplying the
13-MHz processor oscillator by L.
Turbo-Mode-to-Run-Mode Ratio (N) creates the nominal turbo-mode frequency by
multiplying the run-mode frequency by N.
Note: CCCR[2N] must be programmed with twice the value of N.
Peripheral PLL Disable (PPDIS) turns off the peripheral PLL when not needed. If disabled, the
peripheral PLL is not selected as the clock source and renders many peripheral units
nonfunctional. If the peripheral PLL is disabled, all peripherals use the 13-MHz clock source.
Core PLL Disable (CPDIS) turns off the core PLL when not needed. If disabled, the core PLL
is not selected as the clock source, and the 13-MHz clock is used.
LCD Clock Frequency (LCD_26) selects between 13 and 26 MHz.
Enable PLLs Early (PLL_EARLY_EN)—In 13M mode, enables the core and peripheral PLLs
early, while remaining fully operational at 13 MHz. This feature can save time while waiting
for the PLLs to lock.
These configurations are not loaded instantaneously; a frequency change is required to enact any
changes. When these changes are enacted, they can be ignored if inconsistent (see Section 3.5.7.3.1
for restrictions on CPDIS and PPDIS). The actual value configured in the processor is reflected in
the Core Clock Status register (see Section 3.8.2.4). When enabled, the critical frequencies are:
Turbo-mode frequency (T) = 13-MHz processor-oscillator frequency * L * N
Run-mode frequency (R) = 13-MHz processor-oscillator frequency * L
System-bus frequency = 13-MHz processor-oscillator frequency * L / B,
where B = 1 (when in fast-bus mode) or B = 2 (when not in fast-bus mode)
For CCCR[A] = 0 (see Table 3-7):
Memory-controller frequency = 13-MHz processor-oscillator frequency * L / M,
where M = 1 (L = 2-10), M = 2 (L = 11-20), or M = 4 (L = 21-31)
LCD frequency = 13-MHz processor-oscillator frequency * L / K,
where K = 1 (L = 2-7), K = 2 (L = 8-16), or K = 4 (L = 17-31)
For CLKCFG[B] = 0 and CCCR[A] = 1 (see Table 3-7):
3-96 Intel® PXA27x Processor Family Developer’s Manual
Clocks and Power Manager
Memory-controller frequency = 13-MHz processor-oscillator frequency * L / 2
LCD frequency = 13-MHz processor-oscillator frequency * L / K,
where K = 1 (L = 2-7), K = 2 (L = 8-16), or K = 4 (L = 17-31)
For CLKCFG[B] = 1 and CCCR[A] = 1 (see Table 3-7):
Memory-controller frequency = 13-MHz processor-oscillator frequency * L
LCD frequency = 13-MHz processor-oscillator frequency * L / K,
where K = 1 (L = 2-7), K = 2 (L = 8-16), or K = 4 (L = 17-31)
This is a read/write register. Ignore reads from reserved bits. Write 0b0 to reserved bits.
Table 3-31. CCCR Bit Definitions (Sheet 1 of 2)
Physical Address
0x4130_0000 CCCR Clocks and Power Manager
User
Settings
Bit 31 30 29 28 27 26 25 24 23 22 21 20 19 18 17 16 15 14 13 12 11 10 9 8 7 6 5 4 3 2 1 0
CPDIS
PPDIS
reserved
LCD_26
PLL_EARLY_EN
A
reserved 2N
reserved
L
Reset 00? ? 000? ? ? ? ? ? ? ? ? ? ? ? ? ? 0010? ? 00111
Bits Access Name Description
31 R/W CPDIS
Core PLL Output Disable
0 = Core PLL is enabled after frequency change.
1 = Core PLL is disabled after frequency change if not selected as a clock
source.
30 R/W PPDIS
Peripheral PLL Output Disable
0 = Peripheral PLL is enabled after frequency change.
1 = Peripheral PLL is disabled after frequency change if not selected as a
clock source.
29:28 — reserved
27 R/W LCD_26
LCD Clock Frequency in Deep-Idle or 13M Mode
0 = LCD clock frequency is 13 MHz.
1 = LCD clock frequency is 26 MHz.
26 R/W PLL_EARLY_
EN
Early PLL Enable
In 13M mode, allows software to enable the PLLs ahead of time, while
remaining fully operational in 13M mode. When the core and peripheral
PLLs have locked (CCSR[CPLK] and CCSR[PPLK] set), software can
perform the frequency change. This bit is automatically cleared after a
frequency change exiting from 13M mode.
0 = Do not enable the core and peripheral PLLs early.
1 = Enable the core and peripheral PLLs early (all units and the core
remain operational at 13 MHz).
NOTE: Write to this bit only when the processor is in 13M mode and the
core PLL has been disabled by setting CPDIS. In normal run mode,
writing to this bit causes unpredictable results.
Intel® PXA27x Processor Family Developer’s Manual 3-97
Clocks and Power Manager
25 R/W A
Alternate Setting for Memory Controller Clock
0 = Memory controller clock (CLK_MEM) clock frequency is as specified
in Table 3-7.
1 = Memory controller clock (CLK_MEM) clock frequency is the same as
the system bus frequency.
Note: Refer to section 6.5.1.4 for changing CLK_MEM while SDCLK <1> or
<2> is at 104 MHz
24:11 — reserved
10:7 R/W 2N
Turbo-Mode-to-Run-Mode Ratio, N
(Reset value 0b010 for N = 1)
0b000–0b010 = ratio (N) = 1
0b011–0b110 = ratio (N) = (2N / 2)
0b111 = reserved
NOTE: Program this field with twice the value of N.
6:5 — reserved
4:0 R/W L
Run-Mode-to-Oscillator Ratio
(Reset value 0b00111 for L=7)
0b00000–0b00010 = ratio = 2
0b000110b11110 = ratio = L
0b11111 = reserved
NOTES:
GPIO, sleep, and deep-sleep resets do not clear or set this bit.
Table 3-31. CCCR Bit Definitions (Sheet 2 of 2)
Physical Address
0x4130_0000 CCCR Clocks and Power Manager
User
Settings
Bit 31 30 29 28 27 26 25 24 23 22 21 20 19 18 17 16 15 14 13 12 11 10 9 8 7 6 5 4 3 2 1 0
CPDIS
PPDIS
reserved
LCD_26
PLL_EARLY_EN
A
reserved 2N
reserved
L
Reset 00? ? 000? ? ? ? ? ? ? ? ? ? ? ? ? ? 0010? ? 00111
Bits Access Name Description
3-98 Intel® PXA27x Processor Family Developer’s Manual
Clocks and Power Manager
3.8.2.2 Clock Enable Register (CKEN)
CKEN enables or disables the clock to most of the peripheral units. For lowest power consumption,
any unit that is not being used must have its clock disabled by clearing the appropriate bit. See
Table 3-32 for register details and Table 3-33 for clock-enable-to-CKEN bit mappings.
This is a read/write register. Ignore reads from reserved bits. Write 0b0 to reserved bits.
Table 3-32. CKEN Bit Definitions
Physical Address
0x4130_0004 CKEN Clocks and Power Manager
User
Settings
Bit 31 30 29 28 27 26 25 24 23 22 21 20 19 18 17 16 15 14 13 12 11 10 9 8 7 6 5 4 3 2 1 0
CKEN31
reserved
CKEN24
CKEN23
CKEN22
CKEN21
CKEN20
CKEN19
CKEN18
CKE717
CKEN16
CKEN15
CKEN14
CKEN13
CKEN12
CKEN11
CKEN10
CKEN9
CKEN8
CKEN7
CKEN6
CKEN5
CKEN4
CKEN3
CKEN2
CKEN1
CKEN0
Reset 1? ? ? ? ? ? 1111111111111111111111111
Bits Access Name Description
31 R/W CKEN[31]
AC ‘97 Controller Configuration
This bit works in conjunction with CKEN[2], as described in Table 13-7,
“AC ‘97 Configuration” on page 13-13.
30:25 — reserved
24:0 R/W CKEN[n]
Clock Enable
0 = Clock to the unit is disabled.
1 = Clock to the unit is enabled.
See Table 3-33 for module mapping.
NOTES:
GPIO, sleep, and deep-sleep resets do not clear or set this bit.
Intel® PXA27x Processor Family Developer’s Manual 3-99
Clocks and Power Manager
3.8.2.3 Oscillator Configuration Register (OSCC)
OSCC, defined in Table 3-34, controls the 13-MHz processor and 32.768-kHz timekeeping
oscillator configurations as follows:
Processor (13-MHz) Oscillator Stabilization Delay (OSD) defines the programmable delay to
let the 13-MHz processor oscillator to stabilize. Refer to the Intel® PXA27x Processor Family
EMTS for more details on recommended settings. The delay times associated with the OSD are
approximate.
Clock Request Input (CRI) status—External processor oscillator:
If CRI is clear, the clock is supplied on the PXTAL_IN and PXTAL_OUT. Observe the
following requirements:
-CLK_PIO is configurable as a GPIO or buffered output of PXTAL_IN.
-PXTAL_IN is used as the processor-oscillator input.
-PXTAL_IN must be connected to a crystal or clock source.
-PXTAL_OUT must be connected to a crystal or clock source or floated.
-CLK_REQ is an input.
-OON and TOUT_EN is cleared out of power-on or hardware reset.
Table 3-33. Clock Enable Mappings for CKEN Bits
Name Description Name Description
CKEN[25] TPM Unit Clock Enable
CKEN[11]
USB Client Unit Clock Enable
48-MHz Clock Enable
Note: Also enables the 48-
MHz clock on
alternate functions
GPIO<11:!12>
CKEN[24] Quick Capture Interface Clock Enable
CKEN[23] SSP1 Unit Clock Enable CKEN[10] USB Host Unit Clock Enable
CKEN[22] Memory Controller CKEN[9] OS Timer Unit Clock Enable
CKEN[21] Memory Stick Host Controller CKEN[8] I2S Unit Clock Enable
CKEN[20] Internal Memory Clock Enable CKEN[7] BTUART Unit Clock Enable
CKEN[19] Keypad Interface Clock Enable CKEN[6] FFUART Unit Clock Enable
CKEN[18] USIM Unit Clock Enable CKEN[5] STUART Unit Clock Enable
CKEN[17] MSL Interface Unit Clock Enable CKEN[4] SSP3 Unit Clock Enable
CKEN[16] LCD Controller Clock Enable CKEN[3] SSP2 Unit Clock Enable
CKEN[15] Power Manager I2C Unit Clock
Enable CKEN[2] AC ’97 Controller Clock Enable
CKEN[14] I2C Unit Clock Enable
CKEN[1:0]
0b00 = All PWMs disabled
0b01 = All PWMs enabled
0b10 = All PWMs enabled
0b11 = All PWMs enabled
CKEN[13] Infrared Port Clock Enable
CKEN[12] MMC Controller Clock Enable
NOTE:
Individual PWMs can be independently disabled for lower power consumption within the PWM
controller using PWMDCRx[FD] (see Section 23.5.2, “PWM Duty Cycle Registers (PWMDCRx)” on
page 23-8.
3-100 Intel® PXA27x Processor Family Developer’s Manual
Clocks and Power Manager
If CRI is set, the clock is supplied externally. Observe the following requirements:
-CLK_PIO is used as the processor-oscillator input.
-PXTAL_IN must be grounded.
-PXTAL_OUT must be floated.
-CLK_REQ is an output.
-A crystal or clock source must be connected to TXTAL_IN.
-OON and TOUT_EN is set out of power-on or hardware reset.
Processor-Oscillator Output Enable (PIO_EN) and Timekeeping-Oscillator Output Enable
(TOUT_EN)—When set, enables the respective oscillator-derived clocks as outputs on the
corresponding pin. When clear, the GPIO function is active.
32.768-kHz Timekeeping Oscillator On (OON) enables the timekeeping oscillator. OON can
be set only by software and cleared only by power-on or hardware reset.
32.768-kHz Timekeeping Oscillator OK (OOK) sets 2-3 seconds after OON is set; switches
the clock source to the RTC and power manager from the 13-MHz processor oscillator divided
by 400 to the timekeeping oscillator. OOK can be set only by the stabilization timer and
cleared only by power-on or hardware reset.
This is a read/write register. Ignore reads from reserved bits. Write 0b0 to reserved bits.
Table 3-34. OSCC Bit Definitions (Sheet 1 of 2)
Physical Address
0x4130_0008 OSCC Clocks and Power Manager
User
Settings
Bit 31 30 29 28 27 26 25 24 23 22 21 20 19 18 17 16 15 14 13 12 11 10 9 8 7 6 5 4 3 2 1 0
reserved
OSD
CRI
PIO_EN
TOUT_EN
OON
OOK
Reset ? ? ? ? ? ? ? ? ? ? ? ? ? ? ? ? ? ? ? ? ? ? ? ? ? 0 0 ?102?1?1?1
Bits Access Name Description
31:7 — reserved
6:5 R/W OSD
Processor (13-MHz) Oscillator Stabilization Delay
00 = Approximately 5 ms
01 = Approximately 3 ms
10 = Approximately 375 μs
11 = Approximately 1 μs
4 R CRI
Clock Request Input (External Processor Oscillator) Status
0 = The processor oscillator must be supplied using PXTAL_IN and
PXTAL_OUT (the CLK_REQ pin was driven low during hardware or
watchdog reset).
1 = The processor oscillator is supplied externally (the CLK_REQ pin was
floated during hardware or watchdog reset).
NOTE: See the requirements for each of these conditions (listed in
Section 3.8.2.3).
Intel® PXA27x Processor Family Developer’s Manual 3-101
Clocks and Power Manager
3.8.2.4 Core Clock Status Register (CCSR)
CCSR, defined in Table 3-35, provides the current status of the core clock system. This read-only
register is loaded whenever the following occur: frequency change, exit from standby, or exit from
sleep or deep-sleep. The bits map functionally to the corresponding bits in the Core Clock
Configuration register (CCCR), with the addition of two bits, CPLCK and PPLCK:
Core PLL Lock (CPLCK) indicates whether the core PLL is ready to use
Peripheral PLL Lock (PPLCK) indicates whether the peripheral PLL is ready to use
This is a read-only register. Ignore reads from reserved bits.
3 R/W PIO_EN
13-MHz Processor Oscillator Output Enable
0 = CLK_PIO is not used; pin can be used as GPIO.
1 = CLK_PIO is driven at the same frequency as the processor oscillator,
regardless of the GPIO configuration. This configuration is ignored if
CRI is set.
2R/WTOUT_EN
Timekeeping (32.768 kHz) Oscillator Output Enable
0 = CLK_TOUT is not used; pin can be used as GPIO.
1 = CLK_TOUT is driven at the same frequency as the timekeeping
oscillator, regardless of the GPIO configuration. If CRI is set,
TOUT_EN is set out of power-on or hardware reset but can be set or
cleared at any time.
1R/W
3OON
Timekeeping (32.768 kHz) Oscillator On (Write once only)
0 = The timekeeping oscillator is disabled.
1 = The timekeeping oscillator is enabled. Once written, OON cannot be
cleared except by power-on or hardware reset. If CRI is set, OON is
set out of power-on or hardware reset and cannot be cleared.
0R
4OOK
Timekeeping (32.768 kHz) Oscillator OK
0 = The timekeeping oscillator is disabled or not stable, and clocks
(divided by 112) the RTC and power manager.
1 = The timekeeping oscillator has been enabled (OON = 1) and
stabilized; it clocks the RTC and power manager. If CRI is set, OOK is
set out of power-on or hardware reset.
NOTES:
1. This bit is set or cleared at power-on or hardware reset, based on the state of the CLK_REQ pin during these resets. It
is unaffected by watchdog, GPIO, or sleep and deep-sleep resets.
2. This bit is unaffected by watchdog, GPIO, or sleep and deep-sleep resets.
3. This bit can be set only by software and cleared only by power-on or hardware reset.
4. This bit can be set only by the stabilization timer and cleared only by power-on or hardware reset.
Table 3-34. OSCC Bit Definitions (Sheet 2 of 2)
Physical Address
0x4130_0008 OSCC Clocks and Power Manager
User
Settings
Bit 31 30 29 28 27 26 25 24 23 22 21 20 19 18 17 16 15 14 13 12 11 10 9 8 7 6 5 4 3 2 1 0
reserved
OSD
CRI
PIO_EN
TOUT_EN
OON
OOK
Reset ? ? ? ? ? ? ? ? ? ? ? ? ? ? ? ? ? ? ? ? ? ? ? ? ? 0 0 ?102?1?1?1
Bits Access Name Description
3-102 Intel® PXA27x Processor Family Developer’s Manual
Clocks and Power Manager
Table 3-35. CCSR Bit Definitions
Physical Address
0x4130_000C CCSR Clocks and Power Manager
User
Settings
Bit 31 30 29 28 27 26 25 24 23 22 21 20 19 18 17 16 15 14 13 12 11 10 9 8 7 6 5 4 3 2 1 0
CPDIS_S
PPDIS_S
CPLCK
PPLCK
reserved
2N_S
reserved
L_S
Reset 0011??????????????????010? ? 00111
Bits Access Name Description
31 R CPDIS_S
Core PLL Output Disable (CPDIS) Status
Updated from CCCR at frequency change and standby, sleep, or deep-
sleep exit.
30 R PPDIS_S
Peripheral PLL Output Disable (PPDIS) Status
Updated from CCCR at frequency change and standby, sleep, or deep-
sleep exit.
29 R CPLCK
Core PLL Lock
0 = Core PLL is not locked. Using it as a clock source incurs a time
penalty to make the switch while it locks.
1 = Core PLL is locked and ready to use.
28 R PPLCK
Peripheral PLL Lock
0 = Peripheral PLL is not locked. Using it as a clock source incurs a time
penalty to make the switch while it locks.
1 = Peripheral PLL is locked and ready to use.
27:10 — reserved
9:7 R 2N_S
Turbo-Mode-to-Run-Mode Ratio (N) Status
Updated from CCCR at frequency change and standby, sleep, or deep-
sleep exit. (Reset value = 0b010 for N = 1)
NOTE: The value in this field reflects twice the value of N.
6:5 — reserved
4:0 R L_S
Run-Mode to 13-MHz Processor Oscillator Ratio (L) Status
Updated from CCCR at frequency change and standby, sleep, or deep-
sleep exit. (Reset value = 0b0_0111 for L = 7)
NOTES:
GPIO, sleep, and deep-sleep resets do not set this bit.
Intel® PXA27x Processor Family Developer’s Manual 3-103
Clocks and Power Manager
3.8.3 Coprocessor 14: Clock and Power Management
Coprocessor 14 contains two registers that control the power modes and power sequences in the
PXA27x processor:
CP14 register 6—CLKCFG register
CP14 register 7—PWRMODE register
Note: CP14 registers can be accessed only in supervisor mode. Power-on, hardware, watchdog, GPIO,
sleep, and deep-sleep resets clear these registers.
3.8.3.1 Clock Configuration Register (CLKCFG)
The CLKCFG register, defined in Table 3-36, controls the following modes and sequences:
Turbo mode (See Section 3.5.7.4)
Frequency-change sequence (See Section 3.5.7.3)
Fast-bus mode (See Section 3.5.7.6)
13M mode (See Section 3.5.7.7)
Half-Turbo mode (See Section 3.5.7.5)
Note: Any two writes to CLKCFG or PWRMODE registers must be separated by six 13-MHz cycles.
This requirement is achieved by performing the write to the CLKCFG or POWERMODE register,
performing a read of CCCR, and then comparing the value in the CLKCFG or POWERMODE
register to the written value until it matches.
This is a read/write register. Ignore reads from reserved bits. Write 0b0 to reserved bits.
Table 3-36. CLKCFG Bit Definitions (Sheet 1 of 2)
Coprocessor 14
Register CR6 CLKCFG Clocks and Power Manager
User
Settings
Bit 31 30 29 28 27 26 25 24 23 22 21 20 19 18 17 16 15 14 13 12 11 10 9 8 7 6 5 4 3 2 1 0
reserved B
HT
F T
Reset ? ? ? ? ? ? ? ? ? ? ? ? ? ? ? ? ? ? ? ? ? ? ? ? ? ? ? ? 0 0 0 0
Bits Access Name Description
31:4 — reserved
3R/WB
Fast-Bus Mode
0 = System bus frequency is half of the run-mode frequency.
1 = System bus frequency is equal to the run-mode frequency.
3-104 Intel® PXA27x Processor Family Developer’s Manual
Clocks and Power Manager
3.8.3.2 Power Mode Register (PWRMODE)
Writing to PWRMODE, defined in Table 3-37, initiates entry into the following power modes:
Idle mode (see Section 3.6.6)
Deep-idle mode (seeSection 3.6.7)
Standby mode (see Section 3.6.8)
Sleep mode (see Section 3.6.9)
Deep-sleep mode (see Section 3.6.10)
Voltage-change mode (see Section 3.7)
The reset mode is normal power mode, in which the CPU is fully active.
Note: Any two writes to CLKCFG or PWRMODE must be separated by six 13-MHz cycles. This
requirement is achieved by performing the write to the CLKCFG or POWERMODE register,
performing a read of CCCR, and then comparing the value in the CLKCFG or POWERMODE
register to the preferred value until it matches.
This is a read/write register. Ignore reads from reserved bits. Write 0b0 to reserved bits.
2R/WHT
Half-Turbo Mode
0 = The core frequency is equal to run or turbo clock, depending on the
value of T bit.
1 = The core frequency is turbo clock divided by 2.
Half-turbo mode can only be invoked when the CCSR reflects the 2*N
values of 6 or 8.
1R/WF
Frequency Change
A change sequence is initiated when F is set.
0 = No frequency change is performed.
1 = Frequency-change sequence begins when written.
0R/WT
Turbo Mode
0 = Run mode
1 = Turbo mode
Table 3-36. CLKCFG Bit Definitions (Sheet 2 of 2)
Coprocessor 14
Register CR6 CLKCFG Clocks and Power Manager
User
Settings
Bit 31 30 29 28 27 26 25 24 23 22 21 20 19 18 17 16 15 14 13 12 11 10 9 8 7 6 5 4 3 2 1 0
reserved B
HT
F T
Reset ? ? ? ? ? ? ? ? ? ? ? ? ? ? ? ? ? ? ? ? ? ? ? ? ? ? ? ? 0 0 0 0
Bits Access Name Description
Intel® PXA27x Processor Family Developer’s Manual 3-105
Clocks and Power Manager
3.9 Register Summary
Table 3-38 summarizes the registers and memory mapping associated with the power manager. See
Chapter 9, “I2C Bus Interface Unit” for the power manager I2C register descriptions.
Table 3-39 summarizes the registers and memory mapping associated with the clocks manager.
Table 3-40 summarizes the coprocessor 14 clocks and power registers, which control the power
modes and power sequences for the PXA27x processor.
.
Table 3-37. PWRMODE Bit Definitions
Coprocessor 14
Register CR7 PWRMODE Clocks and Power Manager
User
Settings
Bit 31 30 29 28 27 26 25 24 23 22 21 20 19 18 17 16 15 14 13 12 11 10 9 8 7 6 5 4 3 2 1 0
reserved
VC
M
Reset ? ? ? ? ? ? ? ? ? ? ? ? ? ? ? ? ? ? ? ? ? ? ? ? ? ? ? ? 0 0 0 0
Bits Access Name Description
31:4 — reserved
3R/WVC
Voltage Change
0 = No voltage change is performed.
1 = Voltage-change sequence begins when written.
This bit is cleared upon completion of the voltage-change mode. It can be
written in conjunction with any of the modes specified by M.
2:0 R/W M
Mode
0b000 = Normal mode
0b001 = Idle mode
0b001 = Deep-idle mode
0b010 = Standby mode
0b011 = Sleep mode
0b100 = reserved
0b110 = reserved
0b111 = Deep-sleep mode
These bits are cleared (return to normal mode) upon exit from the specified
mode.
NOTE:
CCCR[CPDIS] must be set
Table 3-38. Power Manager Register Summary (Sheet 1 of 2)
Address Name Description Page
0x40F0_0000 PMCR Power Manager Control register 3-68
0x40F0_0004 PSSR Power Manager Sleep Status register 3-70
0x40F0_0008 PSPR Power Manager Scratch Pad register 3-73
0x40F0_000C PWER Power Manager Wake-Up Enable register 3-74
0x40F0_0010 PRER Power Manager Rising-Edge Detect Enable register 3-77
3-106 Intel® PXA27x Processor Family Developer’s Manual
Clocks and Power Manager
0x40F0_0014 PFER Power Manager Falling-Edge Detect Enable register 3-78
0x40F0_0018 PEDR Power Manager Edge-Detect Status register 3-79
0x40F0_001C PCFR Power Manager General Configuration register 3-80
0x40F0_0020 PGSR0 Power Manager GPIO Sleep State register for GPIO<31:0> 3-83
0x40F0_0024 PGSR1 Power Manager GPIO Sleep State register for GPIO<63:32> 3-83
0x40F0_0028 PGSR2 Power Manager GPIO Sleep State register for GPIO<95:64> 3-83
0x40F0_002C PGSR3 Power Manager GPIO Sleep State register for GPIO<120:96> 3-83
0x40F0_0030 RCSR Reset Controller Status register 3-84
0x40F0_0034 PSLR Power Manager Sleep Configuration register 3-85
0x40F0_0038 PSTR Power Manager Standby Configuration register 3-88
0x40F0_0040 PVCR Power Manager Voltage Change Control register 3-89
0x40F0_0044–
0x40F0_0048 reserved
0x40F0_004C PUCR Power Manager USIM Card Control/Status register 3-90
0x40F0_0050 PKWR Power Manager Keyboard Wake-Up Enable register 3-92
0x40F0_0054 PKSR Power Manager Keyboard Level-Detect Status register 3-93
0x40F0_0058–
0x40F0_007C reserved
0x40F0_0080–
0x40F0_00FC PCMD0–
PCMD31 Power Manager I2C Command register File 3-94
Table 3-39. Clocks Manager Register Summary
Physical
Address Name Description Page
0x4130_0000 CCCR Core Clock Configuration register 3-95
0x4130_0004 CKEN Clock Enable register 3-98
0x4130_0008 OSCC Oscillator Configuration register 3-99
0x4130_000C CCSR Core Clock Status register 3-101
0x4130_0010–
0x413F_FFFC reserved
Table 3-40. Coprocessor 14 Clocks and Power Register Summary
Address Name Description Page
CP14 register CR6 CLKCFG Clock Configuration register 3-103
CP14 register CR7 PWRMODE Power Mode register 3-104
Table 3-38. Power Manager Register Summary (Sheet 2 of 2)
Address Name Description Page
Intel® PXA27x Processor Family Developer’s Manual 4-1
Internal Memory 4
This chapter describes the internal memory of the PXA27x processor.
4.1 Overview
The PXA27x processor provides 256 Kbytes of internal memory-mapped SRAM. The SRAM is
divided into four banks, each consisting of 64 Kbytes.
4.2 Features
256 Kbytes of on-chip SRAM arranged as four banks of 64 Kbytes
Bank-by-bank power management for reduced power consumption
Byte write support
4.3 Signal Descriptions
No I/O signals are associated with the internal SRAM block.
4.4 Operation
The internal memory module has six major blocks: the system-bus interface, control and status
registers, power management block, memory-bank multiplexing and control, queues, and the four
SRAM banks. Figure 4-1 shows the internal memory block diagram.
4-2 Intel® PXA27x Processor Family Developer’s Manual
Internal Memory
Figure 4-1. Internal Memory Block Diagram
4.4.1 SRAM Array and Queue
The SRAM array module consists of four banks of 8-K x 64-bit memory arrays. Each memory
bank has a dedicated single-entry queue and 8 K x 64 bits for data storage. If a memory bank is in
standby mode, the access request is stored in the queue while the memory bank is placed in run
mode. The access is completed when the memory bank has entered run mode. If a memory bank is
in run mode and the queue does not contain any pending access requests, the queue is bypassed and
the memory is accessed normally. Refer to Section 4.4.3 for more details on memory-bank
operation during various power modes.
4.4.2 System Bus Interface
All accesses to the internal memory locations are initiated and completed using the system bus.
4.4.3 Power Management
The internal-memory power-management block shares control of the memory-bank power modes
with the PXA27x processor power manager. The processor has six power modes of operation:
normal (run and turbo), idle, deep idle, standby, sleep, and deep sleep. The status for the internal
memory in each of these modes is as follows:
In both run and turbo modes, the internal memory is enabled, and the memory-bank power
modes are controlled by the processor power manager.
In idle and deep-idle modes, the internal memory is enabled, and the memory-bank power
modes are controlled by the processor power manager.
System Bus Interface
Bank Multiplexing and Control
Power
Management
Bank 0
Queue
Control/Status
Registers
To Clocks/Power
Management Block To System Bus
Memory Array
Bank 1
Queue
Bank 2
Queue
Bank 3
Queue
Intel® PXA27x Processor Family Developer’s Manual 4-3
Internal Memory
In standby mode, the internal memory is placed either in standby mode or powered off, as
specified by the PSTR register (see Section 3.8.1.12, “Power Manager Standby Configuration
Register (PSTR)” on page 3-88).
In sleep mode, the internal memory banks go into standby mode or are powered off, as
specified by the PSLR register (see Section 3.8.1.11, “Power Manager Sleep Configuration
Register (PSLR)” on page 3-85).
In deep-sleep mode, the internal memory is always powered off. The internal memory cannot
be accessed in deep-sleep mode.
Table 4-1 lists the power modes for the power manager, the power modes of the internal memory
and the memory banks, and which power manager has control of the internal memory block and
memory-bank power modes.
All the memory banks are reset to run mode and enter run mode when the processor power
manager places the internal memory block into run mode. If the processor enters sleep mode, each
memory bank is powered off, and all data in the memory banks is lost unless the sleep-mode
retention bits PSLR[SL_Rx] are set. If the processor enters deep-sleep mode, the memory bank is
powered off and all data is lost.
4.5 Register Descriptions
Internal memory has no associated registers.
Table 4-1. Power Modes, Internal Memory, and Memory Banks
Intel® PXA27x Processor Power-Mode Control Block
for Memory Banks Control Register
Power Modes Internal
Memory Block Memory
Banks
Run and Turbo Run mode Run mode Processor power manager
Idle and Deep-
Idle Run mode Run mode Processor power manager
Standby Standby mode Retain state or
Off Processor power manager PSTR
Sleep Off Retain state or
Off Processor power manager PSLR
Deep-Sleep Off Off Processor power manager
4-4 Intel® PXA27x Processor Family Developer’s Manual
Internal Memory
4.6 Register Summary
Table 4-2 lists the internal memory banks and their memory-mapped locations.
Table 4-2. Internal Memory Register Summary
Address Name Description Page
0x5800_0000–
0x5BFF_FFFC reserved
0x5C00_0000
0x5C00_FFFC Memory Bank 0 64-Kbyte SRAM
0x5C01_0000
0x5C01_FFFC Memory Bank 1 64-Kbyte SRAM
0x5C02_0000
0x5C02_FFFC Memory Bank 2 64-Kbyte SRAM
0x5C03_0000
0x5C03_FFFC Memory Bank 3 64-Kbyte SRAM
0x5C04_0000
0x5C7F_FFFC reserved
0x5C80_0000
0x5FFF_FFFC reserved
Intel® PXA27x Processor Family Developer’s Manual 5-1
DMA Controller 5
This chapter describes the DMA controller for the PXA27x processor.
5.1 Overview
The PXA27x processor contains a direct-memory access (DMA) controller that transfers data to
and from memory in response to requests generated by peripheral devices or companion chips. The
peripheral devices and companion chips do not directly supply addresses and commands to the
memory controller. Instead, the states required to manage a data stream are maintained in 32 DMA
channels, DMA[31:0], in the DMA controller.
The DMA controller supports flow-through and fly-by transfers as shown in Table 5-1.
Figure 5-1 provides an overview of the DMA controller. Table 5-2 provides a signal listing.
5.2 Features
The DMA controller provides the following features:
Memory-to-memory data transfers in flow-through mode only.
Data transfers for peripheral-bus peripherals (PBP). Supported types are PBP-to-memory and
memory-to-PBP transfers, both in flow-through mode only.
Data transfers for internal-bus peripherals (IBPs) such as the quick capture interface. The only
supported transfer types are IBP-to-memory and flow-through mode.
Three external companion-chip-related transfers: two in fly-by and flow-through modes and
one in only flow-through mode. The external device might also be an external peripheral,
instead of a companion chip. A companion chip is defined as a device that has the ability to
control the external bus, whereas an external peripheral must be controlled by the memory
controller.
32 channels, 68 PBP requests, 3 IBP requests, and 3 external device requests. Allows any
request to a channel to be pre-programmed.
A priority mechanism to process active channels (four channels with outstanding DMA
requests at any given time).
Each of the 32 channels can operate for descriptor-fetch or no-descriptor-fetch transfers (see
Section 5.4.2).
Special descriptor modes (descriptor comparison and descriptor branching).
Retrieval of trailing bytes in the receive peripheral-device buffers.
Programmable data-burst sizes (8, 16, or 32 bytes) and programmable peripheral device data
widths (byte, half word, or word)
Up to (8 Kbytes –1) bytes of data transfer per descriptor. Larger transfers can be performed by
chaining multiple descriptors.
5-2 Intel® PXA27x Processor Family Developer’s Manual
DMA Controller
Flow-control bits to process requests from peripheral devices. Requests are not processed
unless the flow-control bit is set.
NOTE: A companion chip is defined as a device that has the ability to control the external bus, whereas an
external peripheral must be controlled by the memory controller.
5.3 Signal Descriptions
The DREQ<2:0>, PREQ<67:0>, IREQ<2:0>, and DMA_IRQ signals are controlled by the DMA
controller. The DVAL<1:0> signals are driven by the memory controller, as indicated in
Figure 5-1.
5.4 Operation
The DMA controller can be configured to transfer data using flow-through or fly-by DMA.
Table 5-1. DMA Support Matrix
Internal
Memory External
Memory Internal
Peripheral External
Peripheral Companion
Chip
Companion Chip Flow through Flow through
or
fly by Flow through Flow through
or
fly by
Flow through
or
fly by
External
Peripheral Flow through Flow through Flow through Flow through
Internal
Peripheral Flow through Flow through
External Memory Flow through Flow through
Internal Memory Flow through
Table 5-2. External DMA Controller I/O Signal Descriptions
Signal Name Direction Description
DREQ<2:0> Input
External Device Request Lines
The DMA controller detects the positive edge of this signal to log a request. The external device asserts
the DREQ<2:0> signals when a DMA transfer request is required. The DREQ<2:0> signals must remain
asserted for four CLK_MEM cycles to allow the DMA controller to recognize the low-to-high transition
(see Figure 5-2). When the DREQ<2:0> signals are de-asserted, they must remain so for at least four
CLK_MEM cycles. The DMA controller registers the transition from low to high to identify a new request.
The external device need not wait until the completion of the data transfer before asserting the next
request. It can have up to 31 outstanding requests on each of the DREQ<2:0> pins. The number of
pending requests are logged in status registers, DRQSRx.
Requests on pins DREQ<1:0> can be used for data transfers in both fly-by and flow-through modes.
Requests on pins DREQ<2> can be used for data transfers in flow-through mode only.
DVAL<1:0> Output External Data Valid signals for fly-by transfers.
The memory controller asserts DVAL to notify the companion chip that data must be driven or is valid.
Intel® PXA27x Processor Family Developer’s Manual 5-3
DMA Controller
All addresses used by the DMA controller must be physical memory addresses and not virtual
memory addresses.
Software must ensure cache coherency when it configures the DMA channels. The DMA controller
does not check the cache, so target and source addresses must be configured as non-cacheable in
the memory management unit.
The DMA controller has 32 configurable channels. Figure 5-1 shows how the controller uses the
signals.
Figure 5-1. DMA Controller Block Diagram
Figure 5-2. DREQ Timing Requirements
DSADR0
DTADR0
DCMD0
Channel 0
Channel 31
32 DMA Channels
DRCMR
Control Registers
DMA_IRQ
DCSR
DREQ<2:0>
PREQ<67:0>
Peripheral Bus (internal)
DINT
DDADR0
Internal Bus
(external)
(internal)
(internal)
DVAL<1:0>
(external)
Memory Controller
DMA Controller
IREQ<2:0>
(internal)
DREQ_DEASSERT_MIN
DREQ_ASSERT_MIN
CLK_MEM
DREQ
5-4 Intel® PXA27x Processor Family Developer’s Manual
DMA Controller
5.4.1 DMA Channels
The 32-channel DMA is controlled by four 32-bit registers. Each channel can be configured to
service any kind of transfer. Each channel is serviced in increments of that device’s burst size and
delivered in the granularity of the device port width. The burst size and port width for each device
are programmed in the channel registers and are based on the device FIFO depth and bandwidth
requirements. When multiple channels are actively executing, each channel is serviced with a burst
of data. After each burst of data, the DMA controller performs a context switch to another active
channel. The DMA controller performs context switches based on whether a channel is active,
whether its target device is currently requesting service, and the channel’s priority.
5.4.1.1 DMA Channel-Priority Scheme
The DMA channel-priority scheme helps ensure that peripherals are serviced according to their
bandwidth requirements. Assign a high priority to peripherals with high-bandwidth requirements
and a lower priority to peripherals with lower bandwidth requirements. This practice ensures that
high-bandwidth peripherals are serviced more often than low-bandwidth peripherals.
The DMA channels are divided internally into four sets of eight channels each. The channels in
each set get a round-robin priority. Set 0 has highest priority and set 3 has lowest. Program modules
with the most severe latency requirements are in set 0. Sets 2 and 3 are low-priority sets. Program
memory-to-memory moves and low-bandwidth peripherals to use set 2 and 3. Refer to Table 5-3
for details.
When all the channels are running concurrently, set 0 is serviced four out of every eight
consecutive channel-servicing instances, set 1 is serviced twice, and sets 2 and 3 are each serviced
one time.
For example, if all the channels request data transfers, the sets are prioritized in following order:
set 0, set 1, set 0, set 2, set 0, set 1, set 0, set 3. After eight channel-servicing instances, the pattern
repeats. The channels in each set are given a round-robin priority.
5.4.1.2 Concurrent Active Channels
The DMA controller can have up to four outstanding (active) DMA requests at a time. The DMA
controller has four 32-byte internal buffers to hold descriptor information or data fetched from
memory.
The DMA controller can have one of two transfer combinations at a time:
Up to four outstanding transfers on the internal bus
Three outstanding transfers on the internal bus and one outstanding transfer on the peripheral
bus
Table 5-3. Channel Priority
Set Channels Priority Number of Times Served
0 0, 1, 2, 3, 16, 17, 18, 19 Highest 4 / 8
1 4, 5, 6, 7, 20, 21, 22, 23 Higher than 2 and 3. Lower than 0, 2 / 8
2 8, 9, 10, 11, 24, 25, 26, 27 Higher than 3. Lower than 0 and 1. 1 / 8
3 12, 13, 14, 15, 28, 29, 30, 31 Lowest 1 / 8
Intel® PXA27x Processor Family Developer’s Manual 5-5
DMA Controller
After the peripheral bus is allocated to an active channel, no other channel can use the peripheral
bus until the current active channel completes the transfer on the peripheral bus. The internal bus
can be allocated successively to four active channels.
5.4.1.3 Channel States
The following states apply to the DMA channels:
Uninitialized—Occurs after a reset. DCSRx[STOPINTR] is set when uninitialized.
Valid descriptor, not running—Occurs when either a valid descriptor has been loaded in the
DDADRx register during a descriptor-fetch transfer or valid DSADRx, DTADRx, and
DCMDx registers have been programmed during a no-descriptor-fetch transfer, but the
corresponding run bit, DCSRx[RUN], is not set. For a no-descriptor-fetch transfer,
DCSRx[STOPINTR] is not cleared when the DSADRx, DTADRx and DCMDx registers are
programmed; for a descriptor-fetch transfer, DCSRx[STOPINTR] is cleared when the DMA
controller updates the DDADRx register.
Descriptor fetch, running—For a descriptor-fetch transfer, after programming DDADRx and
setting DCSRx[RUN], four words of descriptors are fetched from the memory and
DCSRx[STOPINTR] continues to be clear. For a no-descriptor-fetch transfer, after
programming the DSADRx, DTADRx and DCMDx registers and setting DCSRx[RUN], the
corresponding channel clears the DCSRx[STOPINTR], skips the “descriptor-fetch, running”
state and enters the “Wait for Request” or “Transfer Data” state (see Figure 5-3).
Wait for request—Occurs as the channel waits for a request before it starts to transfer data;
DCSRx[STOPINTR] is clear.
Transfer data—Transferring data to/from source/target; DCSRx[STOPINTR] is clear.
Channel error—Error in the channel. The channel remains in the stopped state until software
clears the error condition, re-initializes the channel, and sets the DCSRx[RUN] bit and the
DCSRx[BUSERRINTR] bit. See Section 5.5.9 and Section 5.5.8 for details.
Stopped—The channel is stopped. DCSRx[STOPINTR] is set. For a no-descriptor-fetch
transfer, a stopped channel is re-initialized by updating the DSADRx, DTADRx and DCMDx
registers, then setting DCSRx[RUN]. For a descriptor-fetch transfer, a stopped channel is re-
initialized by updating the DDADRx register and setting DCSRx[RUN].
5-6 Intel® PXA27x Processor Family Developer’s Manual
DMA Controller
5.4.2 DMA Descriptors
A DMA descriptor is a four-word (32-bit) block, aligned on a 16-byte boundary in memory:
Word [0] contains a value for the DDADRx register and a single flag bit (STOP).
Word [1] contains a value for the DSADRx register.
Table 5-4. Channel States Based on Software Configuration
Descriptor
Mode Software
Configuration DCSRx[Run] DCSRx[StopIntr] Resulting Channel
State
Descriptor-
Fetch
Mode.
Power-up 0 1 Uninitialized
Write to DDADRx before
DCSRx[Run] is set
(recommended flow). 00 Valid descriptor, not
running.
Set DCSRx[Run] after
writing to DDADRx
(recommended flow). 10 Descriptor fetch,
running.
Set DCSRx[Run] before
writing to DDADRx (not
recommended). 11
Invalid.
This configuration flow
is not recommended.
Write to DDADRx after
DCSRx[Run] is set (not
recommended). 10
Descriptor fetch,
running. This
configuration flow is
not recommended.
Stop running channel by
clearing DCSRx[Run] and
DCSRx[MaskRun] 00 -> 1
Channel, if not
immediately,
eventually switches to
a stopped state
(identified by
DCSRx[StopIntr]
toggling from low to
high’).
No-
Descriptor-
Fetch
Mode.
Power-on 0 1 Uninitialized
Write to DSADRx, DTADRx
and DCMDx before
DCSRx[Run] is set
(recommended flow).
01 Valid descriptor, not
running.
Set DCSRx[Run] after
configuring DSADRx,
DTADRx, and DCMDx
(recommended flow).
10 Wait for Request,
running.
Set DCSRx[Run] before
configuring DSADRx,
DTADRx, and DCMDx (not
recommended).
10
Wait for Request,
running. Channel uses
current DSADRx,
DTADRx and DCMDx
for the transfer and
may lead to
unpredictable results.
Stop running channel, by
clearing DCSRx[Run] and
DCSRx[MaskRun]. 00 -> 1
Channel, if not
immediately,
eventually switches to
a stopped state
(identified by
DCSRx[StopIntr]
toggling from low to
high).
Intel® PXA27x Processor Family Developer’s Manual 5-7
DMA Controller
Word [2] contains a value for the DTADRx register.
Word [3] contains a value for the DCMDx register.
The DMA controller can operate in two distinct modes based on the DCSRx[NODESCFETCH]
bit:
Descriptor-fetch transfer
No-descriptor-fetch transfer
5.4.2.1 Descriptor-Fetch Transfer Operation
Descriptor-fetch transfers (DCSRx[NODESCFETCH] = 0) operate in the following manner:
Software must first clear the DCSRx[RUN] bit and then clear the DCSRx[NODESCFETCH] bit.
Software must write a valid descriptor address to the DDADRx register and then set
DCSRx[RUN]. Doing so in this order enables the DMA controller to fetch the four-word descriptor
(if the memory is already set up with the descriptor chain) from the memory that the DDADRx
register indicates. The channel either waits for a request or starts the data transfer, as determined by
the DCMDx[FLOW] source and target bits. After the channel transfers a number of bytes equal to
the smaller of DCMDx[SIZE] and DCMDx[LEN], it either waits for the next request or continues
with the data transfer until the DCMDx[LEN] reaches zero. The channel stops or continues with a
new descriptor fetch from the memory, as determined by the DDADRx[STOP] bit. Figure 5-3
summarizes this operation.
If an error occurs during the fetch operation, the channel enters the stopped state and remains there
unless the software clears the error condition, re-initializes the channel, and sets the DCSRx[RUN]
register.
When a channel switches between a descriptor-fetch transfer and a no-descriptor-fetch transfer, it
must be stopped before the mode switch.
For a descriptor-fetch transfer, the software must load the DDADRx register and set the
DCSRx[RUN] bit. The channel-descriptor fetch does not occur unless the DCSRx[RUN] bit is set.
Although software loads the DDADRx register, the DSADRx, DTADRx, and DCMDx registers
must be loaded indirectly from DMA descriptors. The DMA descriptor indicated in the DDADRx
register is loaded into the registers of the associated DMA channel after all of the data described by
a descriptor has been transferred and when a write to the DCSRx[RUN] register switches the
channel from stopped to running.
Bit [0] (STOP) of word [0] of a DMA descriptor (the low bit of the DDADRx field) marks the
special descriptor, which resides at the end of a descriptor list. The value of the stop bit does not
affect the loading of the fields of a descriptor into channel registers in any way; however, if a
descriptor with the stop bit set is loaded into a channel register, then the channel stops after
completely transferring the data pertaining to that channel.
5-8 Intel® PXA27x Processor Family Developer’s Manual
DMA Controller
Figure 5-3. Descriptor-Fetch Transfer Channel State Diagram
5.4.2.1.1 Descriptor Branching
If DDADRx[BREN] and DCSRx[CMPST] are set, the DMA controller fetches the next descriptor
from (the address in the DDADRx register + 32 bytes). If either of the bits is clear, the DMA
controller fetches the next descriptor from the address in the DDADRx register.
DDADRx[BREN] is relevant only for descriptor-fetch transfers (DCSRx[NODESCFETCH] is
cleared).
Uninitialized
Valid
Descriptor-
Reset (hardware or sleep)
not running
(running)
Wait
for
request Transferring
data
Stopped
descriptor
fetch
error
Channel
DCSRx[RUN]=1
DCMDx[LEN] 0 &
DCMDx[FLOWSRC] = 0 &
DCMDx[FLOWTRG] = 0
DDADRx[STOP] = 1
DDADRx[STOP] = 1
DCMDx[FLOWSRC] XOR
DCMDx[FLOWTRG] = 1
DCMDx[FLOWSRC] &
DCMDx[FLOWTRG] = 0
Request asserted
DDADRx[STOP] = 0
DCMDx[FLOWSRC] XOR
DCMDx[FLOWTRG] = 1
DCSRx[RUN]=0
DCSRx[RUN]=0,
DCSRx[NODESCFETCH]=0,
DDADRx points to a
valid descriptor
error cleared
Intel® PXA27x Processor Family Developer’s Manual 5-9
DMA Controller
Figure 5-4. Flow Chart for Descriptor Branching
5.4.2.2 No-Descriptor-Fetch Transfer Operation
The typical no-descriptor-fetch transfer (DCSRx[NODESCFETCH] = 1) operation follows:
The channel is in an uninitialized state after reset. Software must first clear DCSRx[RUN] and then
set DCSRx[NODESCFETCH]. Software must write a valid source address to the DSADRx
register, a target address to the DTADRx register, and a command to the DCMDx register. The
DDADRx register is reserved in this mode and must not be written. Next, the DCSRx[RUN] bit
must be set. A descriptor fetch is not performed. Depending on the DCMDx[FLOW] source and
target bits, the channel either waits for the request or starts the data transfer. After transferring the
number of bytes equal to the smaller of DCMDx[SIZE] and DCMDx[LEN], the channel either
waits for the next request or continues with the data transfer until the DCMDx[LEN] reaches zero,
depending on the priority of the enabled DMA channels. When DCMDx[LEN] reaches zero, the
channel stops. Figure 5-5 summarizes this operation.
Setting DCSR[STOPIRQEN] to trigger a stop interrupt might cause the DMA controller to trigger
the stop interrupt prematurely, possibly even before the channel enters active run mode. See
Table 5-17 for more information on the RUN condition.
To detect stoppage of a channel as the result of an end-of-receive (EOR) from a peripheral,
software must validate the stoppage by checking the status of DCSR[EORINT]. If the EOR
condition stopped the channel, then DCSR[EORINT] is set. See Table 5-17 for more information
on the EORINT bit.
Detect normal channel stoppage by using the end interrupt, not the stop interrupt. See Table 5-17
for more information on the end interrupt.
If an error occurs during the fetch operation, the channel enters the stopped state and remains there
unless software clears the error condition and sets the DCSRx[RUN] bit field. When a channel
switches between a descriptor-fetch transfer and a no-descriptor-fetch transfer, it must be stopped
before the switch occurs.
A9378-0
1
Yes
No
End of current descriptor
Next descriptor = DDADRx
Next descriptor
= DDARx + 32 bytes
Yes
No
Stop descriptor.
Trigger interrupt, if enabled.
DDADRx[BREN]=1&
DCSRx[CMPST]=1
?
DDADRx[STOP]=1
?
5-10 Intel® PXA27x Processor Family Developer’s Manual
DMA Controller
It is possible to use a few DMA channels for a descriptor-fetch transfer and the remaining channels
in a no-descriptor-fetch transfer simultaneously. Do not program the DDADRx register of the
channels during a no-descriptor-fetch transfer.
Figure 5-5. No-Descriptor-Fetch Transfer Channel State Diagram
5.4.3 Transferring Data
The on-chip peripherals connected to the DMA on the peripheral bus operate in flow-through
transfers (For details, refer to Section 5.4.3.1.1). Although the source or destination of a DMA
transfer is usually a peripheral intended to be used as a source or sink of DMA data, the DMA
controller can transfer data to or from any memory location through memory-to-memory moves.
High-performance external DMA devices, such as companion chips, are directly connected to the
data pins of the memory SDRAMs and operate in fly-by mode. Such devices can achieve high
data-transfer rates and are restricted to transfers with alignments and lengths that match that of the
memory. These external DMA devices also work for flow-through transfers.
5.4.3.1 Servicing Internal Peripherals
The PXA27x processor has two types of internal peripherals: the peripheral bus peripherals (PBP)
and the internal bus peripherals (IBP). Peripherals such as AC ’97, MSL, and UART are examples
of PBP. The quick-capture interface is the only IBP in the processor. The DMA controller provides
DMA request to channel map registers (DRCMRx) that contain five bits of channel number for
DCSRx[RUN]=0,
DCSRx[NODESCFETCH]=1,
DSADRx,DTADRx,
Uninitialized
Valid
Reset (hardware or sleep)
not running
(running)
Wait
for
request Transferring
data
Stopped
descriptor
error
Channel
DCSRx[RUN]=1
DCMDx[LEN] 0 &
DCMDx[FLOWSRC] = 0 &
DCMDx[FLOWTRG] = 0
DDADRx[STOP] = 1
DDADRx[STOP] = 1
DCMDx[FLOWSRC] XOR
DCMDx[FLOWTRG] = 1
DCMDx[FLOWSRC] &
DCMDx[FLOWTRG] = 0
Request asserted
DDADRx[STOP] = 0
DCMDx[FLOWSRC] XOR
DCMDx[FLOWTRG] = 1
No
Descriptor-
fetch
DCSRx[RUN]=0
DCMDX programmed
Intel® PXA27x Processor Family Developer’s Manual 5-11
DMA Controller
each of the possible DMA requests. These possible peripheral requests are mapped to 32 available
channels. Peripherals on the peripheral bus assert the appropriate peripheral request signal
(PREQx); peripherals on the internal bus assert the appropriate internal request signal (IREQx).
IREQ signals are sampled directly on every system bus clock (SYSCLK). The PREQ signals are
sampled on every peripheral clock (PCLK) and synchronized to the internal bus clock domain. The
synchronization delay might cause an IREQ to be processed ahead of a PREQ, even if the latter
was mapped to a channel of higher priority. If any of the PREQ signals are sampled non-zero, a
look-up is performed on the corresponding bits of the DRCMRx register, which enables the request
to be mapped to one of the channels. If the on-chip peripheral address resides in the DSADRx
register, the DCMDx[FLOWSRC] bit must be set, which allows the processor to wait for the
request before it initiates the transfer. If the on-chip peripheral address resides in the DTADRx
register, then the DCMDx[FLOWTRG] bit must be set.
If DCMDx[IRQEN] is set, a DMA interrupt is requested at the end of the last cycle associated with
the byte that caused DCMDx[LEN] to decrement to zero.
Note: Internal peripherals, whether IBP or PBP, cannot be serviced with fly-by transfers.
5.4.3.1.1 Servicing Internal Peripherals Using Flow-Through DMA Read Cycles
A flow-through DMA read begins when an on-chip peripheral sends a request on the PREQ bus to
a channel in the DMA controller while the channel is running and is configured for flow-through
reads. The number of bytes to be transferred is specified using DCMDx[SIZE]. When the request is
recognized, the following process begins:
1. The DMA controller prompts the memory controller to read the required number of bytes
addressed by DSADRx into a 32-byte buffer in the DMA controller.
2. The DMA controller transfers the data to the peripheral device addressed in DTADRx[31:0].
The DCMDx[WIDTH] specifies the width of the internal peripheral to which the transfer is
being made.
3. At the end of the transfer, DSADRx is increased and DCMDx[LEN] is decreased by the
smaller of DCMDx[LEN] and DCMDx[SIZE].
For a flow-through DMA read from an internal peripheral, use the following settings for the DMA
controller register bits:
DCMDx[FLYBYS] and DCMDx[FLYBYT] = 0
DSADRx[SRCADDR] = memory address
DTADRx[TRGADDR] = internal peripheral address
DCMDx[INCSRCADDR] = 1
DCMDx[INCTRGADDR] = 0
DCMDx[FLOWSRC] = 0
DCMDx[FLOWTRG] = 1
5.4.3.1.2 Servicing Internal Peripherals Using Flow-Through DMA Write Cycles
A flow-through DMA write begins when an on-chip peripheral sends a request on the PREQ bus to
a channel in the DMA controller while the channel is running and is configured for flow-through
writes. The number of bytes to be transferred is specified using DCMDx[SIZE]. When the request
is recognized the following process begins:
1. The DMA controller processes the request by transferring the required number of bytes from
the peripheral device addressed by DSADRx[31:0] into a DMA controller buffer.
5-12 Intel® PXA27x Processor Family Developer’s Manual
DMA Controller
2. The DMA controller transfers the data to the memory controller on the internal bus. The
DCMDx[WIDTH] specifies the width of the internal peripheral to which the transfer is being
made.
3. At the end of the transfer, DTADRx is increased and DCMDx[LEN] is decreased by the
smaller of DCMDx[LEN] and DCMDx[SIZE].
For a flow-through DMA write from an internal peripheral, use the following settings for the DMA
controller register bits:
DCMDx[FLYBYS] and DCMDx[FLYBYT] = 0
DSADRx[SRCADDR] = internal peripheral address
DTADRx[TRGADDR] = memory address
DCMDx[INCSRCADDR] = 0
DCMDx[INCTRGADDR] = 1
DCMDx[FLOWSRC] = 1
DCMDx[FLOWTRG] = 0
5.4.3.2 Servicing External Companion Chips
External companion chips can be serviced using DREQ<1:0>, using flow-through transfers
(DCMDx[FLYBYS] and DCMDx[FLYBYT] = 0) or fly-by transfers (DCMDx[FLYBYS] or
DCMDx[FLYBYT] = 1). External companion chips can be serviced using DREQ<2>, using flow-
through transfers (DCMDx[FLYBYS] and DCMDx[FLYBYT] = 0) only. The DMA controller
provides DMA requests to the channel map registers (DRCMRx) that contain five bits of channel
number for each of the possible DMA requests. The companion-chip requests are DREQ<2:0>. A
request can be mapped to any of the eight channels in a priority set. The DMA controller detects a
request by identifying a low-to-high transition on the DREQ (the timing information is explained
in Section 5.3). The DMA controller then performs a lookup on the corresponding bits of the
DRCMRx register. The lookup maps the request to one of the channels. If the external companion-
chip address resides in the DSADRx register, the DCMDx[FLOWSRC] bit must be set. If the
external companion-chip address resides in the DTADRx register, the DCMDx[FLOWTRG] bit
must be set. This lookup allows the application processor to wait for the request before it initiates
the transfer.
If DCMDx[IRQEN] is set, a DMA interrupt is requested at the end of the last cycle associated with
the byte that caused DCMDx[LEN] to decrement to zero.
Refer to Section 5.3 for the DVAL<1:0> timing and other related information.
5.4.3.2.1 Servicing Companion Chips: Flow-Through DMA Read Cycles
A flow-through DMA read begins when an external companion chip sends a request, on the
DREQ<2:0> bus, to a channel in the DMA controller while the channel is running and is
configured for flow-through reads. The number of bytes to be transferred is specified using
DCMDx[SIZE]. When the request is recognized the following process begins:
1. The DMA controller prompts the memory controller to read the required number of bytes
addressed by DSADRx[31:0] into a 32-byte buffer in the DMA controller.
2. The DMA controller transfers the data to the external device addressed in DTADRx[31:0].
3. At the end of the transfer, DSADRx is increased and DCMDx[LEN] is decreased by the
smaller of DCMDx[LEN] and DCMDx[SIZE].
For a flow-through DMA read from an external companion chip, use the following settings for the
DMA controller register bits:
Intel® PXA27x Processor Family Developer’s Manual 5-13
DMA Controller
DCMDx[FLYBYS] and DCMDx[FLYBYT] = 0
DSADRx[SRCADDR] = memory address
DTADRx[TRGADDR] = companion chip address
DCMDx[INCSRCADDR] = 1
DCMDx[INCTRGADDR] = 0
DCMDx[FLOWSRC] = 0
DCMDx[FLOWTRG] = 1
5.4.3.2.2 Servicing Companion Chips: Flow-Through DMA Write Cycles
A flow-through DMA write begins when an external companion chip sends a request, on the
DREQ bus, to a channel in the DMA controller while the channel is running and is configured for
flow-through writes. The number of bytes to be transferred is specified using DCMDx[SIZE].
When the request becomes the highest priority request and the following process begins:
1. The DMA controller transfers the required number of bytes from the peripheral device
addressed by DSADRx into a DMA controller buffer.
2. The DMA controller transfers the data to the memory controller on the internal bus.
3. At the end of the transfer, DTADRx is increased and DCMDx[LEN] is decreased by the
smaller of DCMDx[LEN] and DCMDx[SIZE].
For a flow-through DMA write to an external companion chip, use the following settings for the
DMA controller register bits:
DCMDx[FLYBYS] and DCMDx[FLYBYT] = 0
DSADRx[SRCADDR] = companion chip address
DTADRx[TRGADDR] = memory address
DCMDx[INCSRCADDR] = 0
DCMDx[INCTRGADDR] = 1
DCMDx[FLOWSRC] = 1
DCMDx[FLOWTRG] = 0
5.4.3.2.3 Servicing Companion Chips: Fly-By DMA Read Cycles
A fly-by DMA read begins when an external companion chip sends a request on the DREQ<1:0>
bus to a channel in the DMA controller while the channel is running and is configured for fly-by
reads. The number of bytes to be transferred is specified using DCMDx[SIZE]. DREQ<2> must
not be used for the fly-by mode.
The following process when the request becomes the highest priority request:
1. The DMA controller prompts the memory controller to read the required number of bytes
addressed by DSADRx.
2. Rather than latching the data in the DMA, the DMA controller provides an external strobe
signal that allows the external device to latch the data while it is valid on the external bus.
DTADRx is not used during this transfer.
3. At the end of the transfer, DSADRx is increased and DCMDx[LEN] is decreased by the
smaller of DCMDx[LEN] and DCMDx[SIZE].
For a fly-by DMA read from an external companion chip, use the following settings for the DMA
controller register bits:
DCMDx[FLYBYS] = 1
DCMDx[FLYBYT] = 0
5-14 Intel® PXA27x Processor Family Developer’s Manual
DMA Controller
DSADRx[SRCADDR] = external memory address
DCMDx[INCSRCADDR] = 1
DCMDx[FLOWSRC] = 0
DCMDx[FLOWTRG] = 1
Note: The PXA27x processor does not support fly-by transfers between the internal SRAM and an
external companion chip. Fly-by transfers can be used only for data transfers between SDRAM and
the companion chip.
5.4.3.2.4 Servicing Companion Chips: Fly-By DMA Write Cycles
A fly-by DMA write begins when an external companion chip sends a request on the DREQ bus to
a channel in the DMA controller while the channel is running and is configured for fly-by write
transfers. The number of bytes to be transferred is specified using DCMDx[SIZE]. When this
request is recognized the following process begins:
1. The DMA controller signals the memory controller that it has received a request for a fly-by
write operation.
2. The memory controller signals the companion chip (using the DVAL signals) to drive its data
on to the external bus.
3. The required number of bytes are transferred from the companion chip into the
DTADRx[TRGADDR] memory location. DSADRx is not used during this transfer.
4. At the end of the transfer, DTADRx is increased and DCMDx[LEN] is decreased by the
smaller of DCMDx[LEN] and DCMDx[SIZE].
For a fly-by DMA write to an external companion chip, use the following settings for the DMA
controller register bits:
DCMDx[FLYBYS] = 0
DCMDx[FLYBYT] = 1
DTADRx[TRGADDR] = external memory address
DCMDx[INCTRGADDR] = 1
DCMDx[FLOWSRC] = 1
DCMDx[FLOWTRG] = 0
Note: The PXA27x processor does not support fly-by transfers between the internal SRAM and an
external companion chip. Fly-by mode can only be used for data transfers between SDRAM and
the companion chip.
5.4.3.3 Memory-to-Memory Moves
Memory-to-memory moves do not involve request signals. For a memory-to-memory move, the
processor writes to the DCSRx[RUN] bit indicated by the channel that is configured to perform a
memory-to-memory move. The DCMDx[FLOWSRC] and DCMDx[FLOWTRG] bits must be
cleared as soon as the descriptor is fetched. The transfer begins without waiting for any request
signals.
If DCMDx[IRQEN] is set, a DMA interrupt is requested at the end of the last cycle associated with
the byte that caused DCMDx[LEN] to decrement to zero.
Note: Memory-to-memory moves cannot be performed using fly-by mode. They can be performed from
internal SRAM to external memory and vice versa.
Intel® PXA27x Processor Family Developer’s Manual 5-15
DMA Controller
5.4.3.3.1 Memory-to-Memory Moves: Flow-Through DMA Read/Write Cycles
A flow-through DMA memory-to-memory read or write begins when the processor writes to the
DCSRx[RUN] bit. If the channel is in a descriptor-fetch transfer, it fetches the four-word
descriptor. The FLOWSRC and FLOWTRG bits must be cleared for a memory-to-memory move.
The channel begins to transfer data without waiting for any request signals. The number of bytes to
be transferred is specified using DCMDx[SIZE]. Processing begins as follows:
1. The DMA controller prompts the memory controller to read the required number of bytes
addressed by DSADRx into a 32-byte buffer in the controller.
2. The DMA controller generates a write cycle to the to the location addressed by DTADRx.
3. At the end of the transfer, DSADRx and DTADRx are increased and DCMDx[LEN] is
decreased by the smaller of DCMDx[LEN] and DCMDx[SIZE].
Use the following settings for the DMA controller register bits for flow-through memory-to-
memory moves:
DCMDx[FLYBYS] and DCMDx[FLYBYT] = 0
DSADRx[SRCADDR]= memory address
DTADRx[TRGADDR]= memory address
DCMDx[INCSRCADDR] = 1
DCMDx[INCTRGADDR] = 1
5.4.4 Programming Tips
This section provides information concerning software requirements, instruction ordering, and
misaligned memory accesses.
5.4.4.1 Software Management Requirements
The information that must be maintained on a per-stream basis (for example, the memory address,
the peripheral address, the transfer count, and the implied direction of data flow), is maintained in
descriptor registers in the DMA controller. The descriptor registers are loaded from memory
locations specified by the software. Multiple DMA descriptors can be chained together in a list.
This allows a DMA channel to transfer data to and from a number of separate locations. The
descriptor-based DMA design allows descriptors to be dynamically added to an active DMA
channel-descriptor chain, which is particularly useful in applications that involve network-transmit
lists and network-receiver buffer-free lists.
Each demand for data that a peripheral generates is a memory data read or write. A peripheral must
not request a DMA transfer unless it is prepared to read or write the full data block (8, 16, or 32
bytes) and is able to handle trailing bytes that can occur at the end of a DMA transfer.
5.4.4.2 Programmed I/O Operations
The processor can read and write the peripheral registers and FIFOs on the peripheral bus. The
peripherals’ internal registers must be accessed using word-access loads and stores. Internal
register and FIFO space must be mapped as non-cacheable. Byte and half-word accesses to internal
registers are not allowed. The FIFOs of some of the peripherals on the peripheral bus are accessed
using byte, half-word, or word-access loads and stores. Refer to the individual peripheral chapters
for details.
5-16 Intel® PXA27x Processor Family Developer’s Manual
DMA Controller
5.4.4.3 Instruction Ordering
The DMA controller executes programmed I/O instructions in the order specified by the software.
References to internal addresses generally complete more quickly than those issued to external
addresses, which means that memory accesses can be sent in one order and completed in a different
order.
The DMA controller ensures that memory references made by a single DMA channel are presented
to memory in order and that the descriptor fetches occur between the data blocks. The order in
which the accesses are completed cannot be guaranteed unless the channels refer to only one type
of memory (either to the external memory or to the internal SRAM).
The channel references must not reference both internal and external memory in a DMA descriptor
chain for the following operations:
Self-modifying DMA descriptor chains.
Channels that write data blocks followed by status blocks while another channel (generally the
processor) polls a field in the status block.
5.4.4.4 Misaligned Memory Accesses
The DMA controller is a 64-bit device that can access memory on byte-aligned boundaries. The
DMA controller can encounter misaligned (not aligned to 64-bit boundary) addresses while it
access memory.
Only the following type of data transfers can access misaligned addresses:
1. Memory-to-memory transfers.
2. Memory-to-peripheral transfers or peripheral-to-memory transfers. In this case, the peripheral
addresses are 32-bit-aligned.
Note: All companion-chip-related transfers must use 64-bit aligned addresses for both source and target
locations.
Addresses must be 64-bit aligned in the compare-descriptor mode.
The DMA controller employs channel-specific alignment buffers that hold either the leading or the
lagging misaligned data. These buffers must be empty when the DMA controller performs a
context switch to service the next pending channel. When the DMA controller completes a
descriptor transfer, it ensures that all of the data in the alignment buffers is properly flushed to its
respective targets.
Restricting memory addresses to 8-byte boundaries can be helpful because the DMA controller
encounters overhead while it works with misaligned data. Align the source and target addresses to
32-byte boundaries for optimal DMA controller and memory controller performance.
By default, during data transfers the DMA controller forces the least significant three bits of all
external addresses to zeros and the least significant two bits of all peripheral addresses to zeros.
Software must activate the alignment register to activate byte-aligned addressing. See Table 5-19
for details.
Intel® PXA27x Processor Family Developer’s Manual 5-17
DMA Controller
5.4.5 Fly-By Transfers
The PXA27x processor supports fly-by transfers for external devices. Fly-by transfers are achieved
through four external pins: DREQ<1:0> and DVAL<1:0>. Fly-by transfers allow the external
device to drive data on the memory data bus by three-stating this bus during writes. For fly-by
transfers, requests are only made to or from external SDRAM.
The memory controller interfaces with the DVAL<1:0> pins. The DMA controller interfaces with
the DREQ<1:0> pins to detect fly-by DMA requests. Such requests are encoded on the transfer to
the memory controller from the DMA. When the memory controller processes this transfer, the
external pins DVAL<1:0> are asserted appropriately when the data is available to the external
device for reads or when the external device must drive the data for writes. Figure 5-7 describes
fly-by DMA mode.
Read data must be latched on the rising edge of the SDCLK that is being used when DVAL is
asserted (SDCLK<1> for SDRAM partitions 0/1 or SDCLK<2> for SDRAM partitions 2/3).
For writes, DVAL is driven out two SDCLKs early, so a delayed version must be used to generate
the write data to SDRAM. Write data must be driven on the rising edge of the SDCLK that is being
used when a two-clock delayed DVAL is asserted (SDCLK<1> for SDRAM partitions 0/1 or
SDCLK<2> for SDRAM partitions 2/3) and must be released on the rising edge of the same
SDCLK when the two-clock delayed DVAL is de-asserted.
Figure 5-6. Fly-By Transfer Diagram
Memory
Controller
DMA
Companion
Chip 0
Companion
Chip 1
DREQ<0>
DREQ<1>
DVAL<0>
DVAL<1>
MD<31:0> SDRAM
Processor External System
Processor
Processor
5-18 Intel® PXA27x Processor Family Developer’s Manual
DMA Controller
Figure 5-7. Real-Time Fly-By DMA Operation for SDRAM
5.4.6 How DMA Handles Trailing Bytes
DMA normally transfers bytes equal to the transaction size specified by DCMDx[SIZE]. But if the
descriptor is reaching its end, the number of trailing bytes in the DCMDx[LEN] field could be
smaller than the transfer size. The DMA can transfer the exact number of trailing bytes if the
DCMDx[FLOWSRC] and DCMDx[FLOWTRG] bits are both 0, or if it receives a corresponding
request from the on-chip/off-chip peripheral or companion chip. The following cases are possible:
Memory-to-memory moves: The DMA transfers bytes equal to the smaller of DCMDx[LEN]
or DCMDx[SIZE].
Companion-chip-related transfers (flow through or fly by): The companion chip must assert
the request to allow the DMA to handle the trailing bytes. If the request is asserted, the DMA
transfers a number of bytes equal to the smaller of DCMDx[LEN] and DCMDx[SIZE].
Memory-to-on-chip-peripheral transfers: Most of the application processor peripherals send a
request for trailing bytes. Refer to the appropriate chapter of this document for details of a
specific peripheral’s operation. The DMA transfers a number of bytes equal to the smaller of
DCMDx[LEN] and DCMDx[SIZE].
read pre nop act nop write nop
col bank row col
rd0 rd1 rd2 rd3 wd0 wd1 wd2 wd3
“0000” mask0 mask1 mask2 mask3
drive data wd3
drive data wd2
drive data wd1
drive data wd0
latch DVAL<1> asserted
latch data rd3
latch data rd2
latch data rd1
latch data rd0
DTC=00, CL = 2, tRP = 2 clk, tRCD = 1 clk
mask data bytes
Latch data on rising edge of SDCLK<1>
when DVAL<0> is asserted.
Using DVAL<1> driven one clock early,
drive data on rising edge of SDCLK<2>.
Using DVAL<1> driven one clock early,
deassert data on rising edge of SDCLK<2>
.
0ns 50ns 100ns 150ns 200ns 250ns
SDCLK<1>
SDCLK<2>
SDCKE<1>
command
nSDCS<0>
nSDCS<2>
nSDRAS
nSDCAS
MA
nWE
MD
DQM<3:0>
RDnWR
DVAL<0>
DVAL<1>
Intel® PXA27x Processor Family Developer’s Manual 5-19
DMA Controller
On-chip-peripheral-to-memory transfers: Special hand-shaking signals and interrupts are
employed for transferring trailing bytes from an on-chip peripheral to memory. The conditions
that use the hand-shaking signals and interrupts are explained below:
End of Packet (EOP)—The peripheral receives its last data sample from an external
Codec and detects an EOP based on its receive protocol. Any remaining data samples in
the peripheral receive FIFO are treated as trailing bytes. The peripheral can be
programmed to initiate a DMA request, even if it has fewer bytes than its receive trigger
threshold. The DMA responds to this request and reads out the trailing bytes. CPU
intervention is not required as long as the descriptor chain has not ended.
Time-Out (TO)—Peripherals that do not support EOP protocols use a time-out
mechanism to determine if they have received their last data sample. Refer to the
peripheral chapters for details of the time-out implementation. Any remaining data
samples in the peripheral receive FIFO are treated as trailing bytes. The peripheral can be
programmed to initiate a DMA request, even if it has fewer bytes than its receive trigger
threshold. The DMA responds to the DMA request and reads out the trailing bytes. CPU
intervention is not required as long as the descriptor chain has not ended.
Note: When a peripheral signals either an EOP or a TO, the DMA controller sets the end-of-receive
(EOR) status bit in the corresponding channel’s Control Status register (DCSRx). See Table 5-17
for details.
End-of-Descriptor Chain (EOC)—Indicates that a DMA channel is at the end of its last
descriptor. After the current transfer, DCMDx[LEN] = 0 and DDADRx[STOP] = 1. DMA
signals the peripheral on an EOC and the peripheral interrupts the CPU to retrieve any
trailing bytes. Refer to the individual peripheral chapters for details on the processor
interrupt implementation. EOC is the only trailing-bytes case that requires programmed I/
O to retrieve data.
Request after channel stops (RAS)—Status bit in the DMA controller control status
register (DCSRx). This bit is set when a peripheral asserts a DMA request after the
channel to which the peripheral is mapped has stopped. See Table 5-17 for details.
The following cases illustrate the handling of various trailing bytes using EOR, EOC, and RAS.
Case 1—The peripheral signals a DMA request to service trailing bytes in its receive FIFO
(RxFIFO). The current descriptors DCMDx[Len] is equal to or greater than the trailing-bytes
count.
1. The peripheral signals a receive DMA request.
2. The DMA controller responds and reads out all trailing bytes including the last byte.
3. The peripheral signals an EOR.
4. The DMA controller transfers all trailing bytes to the channel’s target and then updates
DCSRx[EORInt].
5. The DMA channel can be configured to stop, jump, or just wait for another request after
receiving EOR, depending on DCSRx[EORStopEn] and DCSRx[EORJmpEn]. The EORINT
bit must be cleared before restarting a channel.
6. DCSRx[EORInt] set indicates that all trailing bytes were read and transferred to the required
target.
Case 2—The peripheral signals a DMA request to signal an EOR only (RxFIFO is empty). The
current descriptors DCMDx[Len] is greater than zero
1. The peripheral signals a receive DMA request.
5-20 Intel® PXA27x Processor Family Developer’s Manual
DMA Controller
2. The peripheral responds to the DMA controller that the RxFIFO is empty, and the DMA
controller does read any data from the RxFIFO.
3. The peripheral signals an EOR.
4. The DMA controller transfers any previously read data (temporarily stored in a local DMA
buffer) to the channel’s target and then updates DCSRx[EORInt].
5. The DMA channel can be configured to stop, jump, or just wait for another request after
receiving EOR, depending on DCSRx[EORStopEn] and DCSRx[EORJmpEn]. The EORINT
bit must be cleared before restarting a channel.
6. DCSRx[EORInt] set indicates that all trailing bytes were read and transferred to the required
target.
Case 3The peripheral signals a DMA request to service trailing bytes in its RxFIFO. The current
descriptors DCMDx[Len] is less than the trailing-bytes count. More descriptors are available in
the descriptor chain
1. The peripheral signals a receive DMA request.
2. The DMA controller responds and reads only the number of trailing bytes programmed by
DCMDx[Len].
3. The current descriptor’s DCMDx[Len] decrements to zero. This condition forces the DMA
controller to transfer all the data read from the peripheral’s RxFIFO to the channels target.
4. The DMA controller fetches the next descriptor.
5. Because the peripheral still has trailing bytes in its RxFIFO, it must make another request. The
peripheral must continue to issue such requests until the DMA controller reads out all the
trailing bytes and until an EOR is signaled.
6. DCSRx[EORInt] set indicates that all trailing bytes were read and transferred to the required
target. The EORINT bit must be cleared before restarting a channel.
Case 4The peripheral signals a DMA request to service trailing bytes in its RxFIFO. The current
descriptors DCMDx[Len] is less than the trailing-bytes count. No more descriptors are available
in the descriptor chain.
1. The peripheral signals a receive DMA request.
2. The DMA controller responds and reads only the number of trailing bytes programmed by
DCMDx[Len].
3. The current descriptor’s DCMDx[Len] decrements to zero. This condition forces the DMA
controller to transfer all the data read from the peripheral RxFIFO to the channel target.
4. The DMA channel stops, as there are no more descriptors in the descriptor chain.
5. If the DMA controller signaled an end-of-chain (EOC) while reading the last byte, the
peripheral must set a status bit in a local (peripheral) status register. This setting indicates for
software to handle the remainder of the trailing bytes in the peripheral’s RxFIFO.
6. If the DMA controller fails to signal an EOC, the peripheral signals a DMA request. Because
the DMA channel has already stopped, the DMA controller sets DCSRx[RAS]. This setting
indicates for software to handle the remainder of the trailing bytes in the peripheral’s RxFIFO.
Note: The DMA controller signals an EOC only if the descriptor chain’s last descriptors DCMDx[Len]
is greater than zero.
Intel® PXA27x Processor Family Developer’s Manual 5-21
DMA Controller
Peripherals that require the DMA services for processing trailing bytes must support the above-
mentioned signals. The DMA services can process trailing bytes on the following peripherals:
BTUART, FFUART, STUART, fast infrared port
AC ‘97 controller
SSP1, SSP2, SSP3
USB device controller (UDC)
Mobile Scalable Link (MSL)
USIM
MMC and SDIO (supports TO; does not support EOC)
Memory Stick (supports TO; does not support EOC)
I2S
Quick capture interface
5.4.7 Quick Reference to DMA Programming
Table 5-5, Table 5-6, Table 5-7, and Table 5-8 tabulate width, alignment and address increment
modes for various DMA data transfers.
Table 5-5. Configuration for Peripheral Bus Peripheral (PBP) Related Data Transfers
If a memory address is byte-aligned, then the DALGN register must be programmed. Refer to
Section 5.5.10 for further details.
If either DCMDx[IncSrcAddr] or DCMDx[IncTrgAddr] is set, then the DMA controller
increments the source or target address after each transaction by a number equal to the width of the
peripheral bus peripheral (PBP). For example, if the DMA controller is transferring 32 bytes of
data from memory to a 4-byte wide PBP, then the DMA controller writes 4 bytes to the PBP 8
times and increments the target address by 4 bytes after each of the 8 transactions.
Source Target Source
Alignment
(Bytes)
Target
Alignment
(Bytes)
DCMD
[IncSrcAddr]
(Binary)
DCMD
[IncTrgAddr]
(Binary)
DCMD
[Width]
(Binary)
PBP Memory 4 1 0 or 1 1 01, 10 or 11
Memory PBP 1 4 1 0 or 1 01, 10 or 11
PBP Expansion
memory
FIFO 4 1 0 or 1 0 01, 10 or 11
Expansion
memory
FIFO PBP 1 4 0 0 or 1 01, 10 or 11
NOTE:
Memory refers to all types of memory explained in Chapter 6, “Memory Controller (including internal memory,
external memory, variable-latency I/O memory, and expansion memory implemented in non-FIFO mode).
5-22 Intel® PXA27x Processor Family Developer’s Manual
DMA Controller
Table 5-6. Configuration for Memory-to-Memory Data Transfers
If a memory address is byte-aligned, then DALGN register must be programmed. Refer to
Section 5.5.10 for further details.
If either DCMDx[IncSrcAddr] or DCMDx[IncTrgAddr] is set, then the DMA controller
increments the source or target address after each bursting transaction by a number equal to the
transaction burst size (8, 16 or 32 bytes) or DCMDx[Len]. The latter is used if DCMDx[Len] is
less than the burst size. For example, if the DMA controller is transferring 48 bytes of data from
memory to IBP in bursts of 32 bytes, then the DMA controller increments the target address by 32
after the first burst and then by 16 after the second burst.
Source Target Source
Alignment
(Bytes)
Target
Alignment
(Bytes)
DCMD
[IncSrcAddr]
(Binary)
DCMD
[IncTrgAddr]
(Binary)
DCMD[Width]
(Binary)
Memory Memory 1 1 1 1 00
Expansion
memory
FIFO Memory 1 1 0 1 00
Memory Expansion
memory
FIFO 11 1 0 00
Expansion
memory
FIFO
Expansion
memory
FIFO 11 0 0 00
NOTE:
Memory refers to all types of memory explained in Chapter 6, “Memory Controller” (including internal memory,
external memory, variable-latency I/O memory, and expansion memory implemented in non-FIFO mode).
Table 5-7. Configuration for Internal Bus Peripheral (IBP) Related Data Transfers
Source Target Source
Alignment
(Bytes)
Target
Alignment
(Bytes)
DCMD
[IncSrcAddr]
(Binary)
DCMD
[IncTrgAddr]
(Binary)
DCMD
[Width]
(Binary)
IBP Memory 8 8 0 or 1 1 00
Memory IBP 8 8 1 0 or 1 00
IBP Expansion
memory
FIFO 8 8 0 or 1 0 00
Expansion
memory
FIFO IBP 8 8 0 0 or 1 00
NOTE:
Memory refers to all types of memory explained in Chapter 6, “Memory Controller” (including internal memory,
external memory, variable-latency I/O memory, and expansion memory implemented in non-FIFO mode).
Intel® PXA27x Processor Family Developer’s Manual 5-23
DMA Controller
Table 5-8. Configuration for Companion Chip (CC) Related Data Transfers
For flow-through data-transfer mode, any memory can be used. For fly-by data-transfer mode, the
internal memory must not be used as either a source or a target.
The companion chip or external peripheral must be connected as a variable-latency I/O memory.
If either DCMDx[IncSrcAddr] or DCMDx[IncTrgAddr] is set, then the DMA controller
increments the source or target address, after each bursting transaction, by a number equal to the
transaction burst size (8, 16 or 32 bytes) or DCMDx[Len]. The latter is used if DCMDx[Len] is
less than the burst size. For example, if the DMA is transferring 48 bytes of data from memory to
the companion chip in bursts of 32 bytes, then the DMA controller increments the target address by
32 after the first burst and then by 16 after the second burst.
Table 5-9 provides a quick reference for programming the DMA controller for the on-chip
peripherals.
Source Target Source
Alignment
(Bytes)
Target
Alignment
(Bytes)
DCMD
[IncSrcAddr]
(Binary)
DCMD
[IncTrgAddr]
(Binary)
DCMD[Width]
(Binary)
CC or
External
Peripheral Memory 8 8 0 or 1 1 00
Memory CC or
External
Peripheral 8810 or 100
CC or
External
Peripheral
Expansion
memory
FIFO 8 8 0 or 1 0 00
Expansion
memory
FIFO
CC or
External
Peripheral 8800 or 100
NOTE:
Memory refers to all types of memory explained in Chapter 6, “Memory Controller” (including internal memory,
external memory, variable-latency I/O memory, and expansion memory implemented in non-FIFO mode).
Table 5-9. DMA Quick Reference for On-Chip Peripherals (Sheet 1 of 4)
Unit Function FIFO Address Width
(Bytes)
DCMDx
Width
(Binary)
Burst Size
(Bytes) Source or Target DRCMRx
I2Sreceive 0x4040_0080 4 11 8, 16, 32 Source 0x4000_0108
transmit 0x4040_0080 4 11 8, 16, 32, or trailing Target 0x4000_010C
BTUART receive 0x4020_0000 1 or 4 01 or 11 8, 16, 32, or trailing Source 0x4000_0110
transmit 0x4020_0000 1 or 4 01 or 11 8, 16, 32, or trailing Target 0x4000_0114
FFUART receive 0x4010_0000 1 or 4 01 or 11 8, 16, 32, or trailing Source 0x4000_0118
transmit 0x4010_0000 1 or 4 01 or 11 8, 16, 32, or trailing Target 0x4000_011C
5-24 Intel® PXA27x Processor Family Developer’s Manual
DMA Controller
AC ’97
Microphone 0x4050_0060 4 11 8, 16, 32 Source 0x4000_0120
Modem receive 0x4050_0140 4 11 8, 16, 32 Source 0x4000_0124
Modem transmit 0x4050_0140 4 11 8, 16, 32 Target 0x4000_0128
Audio receive 0x4050_0040 4 11 8, 16, 32 Source 0x4000_012C
Audio transmit 0x4050_0040 4 11 8, 16, 32 Target 0x4000_0130
MSL
Receive 1 0x4140_0004 4 11 8, 16, 32, or trailing Source 0x4000_01C0
Transmit 1 0x4140_0004 4 11 8, 16, 32, or trailing Target 0x4000_01C4
Receive 2 0x4140_0008 4 11 8, 16, 32, or trailing Source 0x4000_01C8
Transmit 2 0x4140_0008 4 11 8, 16, 32, or trailing Target 0x4000_01CC
Receive 3 0x4140_000C 4 11 8, 16, 32, or trailing Source 0x4000_01D0
Transmit 3 0x4140_000C 4 11 8, 16, 32, or trailing Target 0x4000_01D4
Receive 4 0x4140_0010 4 11 8, 16, 32, or trailing Source 0x4000_01D8
Transmit 4 0x4140_0010 4 11 8, 16, 32, or trailing Target 0x4000_01DC
Receive 5 0x4140_0014 4 11 8, 16, 32, or trailing Source 0x4000_01E0
Transmit 5 0x4140_0014 4 11 8, 16, 32, or trailing Target 0x4000_01E4
Receive 6 0x4140_0018 4 11 8, 16, 32, or trailing Source 0x4000_01E8
Transmit 6 0x4140_0018 4 11 8, 16, 32, or trailing Target 0x4000_01EC
Receive 7 0x4140_001C 4 11 8, 16, 32, or trailing Source 0x4000_01F0
Transmit 7 0x4140_001C 4 11 8, 16, 32, or trailing Target 0x4000_01F4
USIM Receive 0x4160_0000 1 01 8 or trailing Source 0x4000_01F8
Transmit 0x4160_0004 1 01 8 or trailing Target 0x4000_01FC
Table 5-9. DMA Quick Reference for On-Chip Peripherals (Sheet 2 of 4)
Unit Function FIFO Address Width
(Bytes)
DCMDx
Width
(Binary)
Burst Size
(Bytes) Source or Target DRCMRx
Intel® PXA27x Processor Family Developer’s Manual 5-25
DMA Controller
USB
Endpoint 0 0x4060_0300 4 11 8, 16, 32, or trailing Source or Target 0x4000_0160
Endpoint A 0x4060_0304 4 11 8, 16, 32, or trailing Source or Target 0x4000_0164
Endpoint B 0x4060_0308 4 11 8, 16, 32, or trailing Source or Target 0x4000_0168
Endpoint C 0x4060_030C 4 11 8, 16, 32, or trailing Source or Target 0x4000_016C
Endpoint D 0x4060_0310 4 11 8, 16, 32, or trailing Source or Target 0x4000_0170
Endpoint E 0x4060_0314 4 11 8, 16, 32, or trailing Source or Target 0x4000_0174
Endpoint F 0x4060_0318 4 11 8, 16, 32, or trailing Source or Target 0x4000_0178
Endpoint G 0x4060_031C 4 11 8, 16, 32, or trailing Source or Target 0x4000_017C
Endpoint H 0x4060_0320 4 11 8, 16, 32, or trailing Source or Target 0x4000_0180
Endpoint I 0x4060_0324 4 11 8, 16, 32, or trailing Source or Target 0x4000_0184
Endpoint J 0x4060_0328 4 11 8, 16, 32, or trailing Source or Target 0x4000_0188
Endpoint K 0x4060_032C 4 11 8, 16, 32, or trailing Source or Target 0x4000_018C
Endpoint L 0x4060_0330 4 11 8, 16, 32, or trailing Source or Target 0x4000_0190
Endpoint M 0x4060_0334 4 11 8, 16, 32, or trailing Source or Target 0x4000_0194
Endpoint N 0x4060_0338 4 11 8, 16, 32, or trailing Source or Target 0x4000_0198
Endpoint P 0x4060_033C 4 11 8, 16, 32, or trailing Source or Target 0x4000_019C
Endpoint Q 0x4060_0340 4 11 8, 16, 32, or trailing Source or Target 0x4000_01A0
Endpoint R 0x4060_0344 4 11 8, 16, 32, or trailing Source or Target 0x4000_01A4
Endpoint S 0x4060_0348 4 11 8, 16, 32, or trailing Source or Target 0x4000_01A8
Endpoint T 0x4060_034C 4 11 8, 16, 32, or trailing Source or Target 0x4000_01AC
Endpoint U 0x4060_0350 4 11 8, 16, 32, or trailing Source or Target 0x4000_01B0
Endpoint V 0x4060_0354 4 11 8, 16, 32, or trailing Source or Target 0x4000_01B4
Endpoint W 0x4060_0358 4 11 8, 16, 32, or trailing Source or Target 0x4000_01B8
Endpoint X 0x4060_035C 4 11 8, 16, 32, or trailing Source or Target 0x4000_01BC
STUART Endpoint 0x4070_0000 1 or 4 01 or 11 8, 16, 32, or trailing Source 0x4000_014C
Endpoint 0x4070_0000 1 or 4 01 or 11 8, 16, 32, or trailing Target 0x4000_0150
Fast
Infrared
Port
Endpoint 0x4080_000C 1 or 4 01 or 11 8, 16, 32, or trailing Source 0x4000_0144
Endpoint 0x4080_000C 1 or 4 01 or 11 8, 16, 32, or trailing Target 0x4000_0148
SSP1 Endpoint 0x4100_0010 1, 2, or 4 01, 10, or 11 8, 16, 32, or trailing Source 0x4000_0134
Endpoint 0x4100_0010 1, 2, or 4 01, 10, or 11 8, 16, 32, or trailing Target 0x4000_0138
MMC/SDIO
Receive
0x4110_0040
(width = 1 byte)
or 0x4110_0140
(width = 4 bytes)
1 or 4 01 or 11 32 or trailing Source 0x4000_0154
Transmit
0x4110_0044
(width = 1 byte)
or 0x4110_0144
(width = 4 bytes)
1 or 4 01 or 11 32 or trailing Target 0x4000_0158
Table 5-9. DMA Quick Reference for On-Chip Peripherals (Sheet 3 of 4)
Unit Function FIFO Address Width
(Bytes)
DCMDx
Width
(Binary)
Burst Size
(Bytes) Source or Target DRCMRx
5-26 Intel® PXA27x Processor Family Developer’s Manual
DMA Controller
5.4.8 Programming Examples
Example 5-1. Setting Up and Starting a Channel
The following code example shows how to set up and start a channel to transfer LEN words that
start at the address in the DSADRx register to peripheral address in the DTADRx register. In this
example, the stop bit in the DDADRx register is set so that the DMA channel stops after it
completely transfers LEN bytes of data associated with this descriptor.
// build real descriptor
desc[0].ddadr = STOP;
desc[0].dsadr = DSADR;
desc[0].dtadr = DTADR;
desc[0].dcmd = DCMD;
// start the channel
DMANEXT[CHAN] = &desc[0];
DRUN = 1;
Example 5-2. Creating a Zero-Length Descriptor
The following code example shows how to initialize a descriptor list for a channel that is running:
// Allocate a new descriptor, and make it an End-
// Descriptor whose “ddadr” field points back at itself
newDesc = New Desc();
newDesc->ddadr = newDesc | STOP;
// make it a zero length descriptor
newDesc->dcmd = ZERO;
// Start the channel
DMANEXT[CHAN] = newDesc;
DRUN = 1;
SSP2 Receive 0x4170_0010 1, 2, or 4 01, 10, or 11 8, 16, 32 or trailing Source 0x4000_013C
Transmit 0x4170_0010 1, 2, or 4 01, 10, or 11 8, 16, 32 or trailing Target 0x4000_0140
Memory
Stick
Receive 0x4180_0018 1 01 8 or trailing Source 0x4000_1100
Transmit 0x4180_001C 1 01 8 or trailing Target 0x4000_1104
SSP3 Receive 0x4190_0010 1, 2, or 4 01, 10, or 11 8, 16, 32 or trailing Source 0x4000_1108
Transmit 0x4190_0010 1, 2, or 4 01, 10, or 11 8, 16, 32 or trailing Target 0x4000_110C
Quick
Capture
Interface
Receive 1 0x50000028 8 00 8, 16, 32 or trailing Source 0x4000_1110
Receive 2 0x50000030 8 00 8, 16, 32 or trailing Source 0x4000_1114
Receive 3 0x50000038 8 00 8, 16, 32 or trailing Source 0x4000_1118
Trusted
Platform
Module
(TPM)
Receive 0x43000008 4 11 8, 16, 32 Source 0x4000_111C
Transmit 1 0x43000000 4 11 8, 16, 32 Target 0x4000_1120
Transmit 2 0x43000004 4 11 8, 16, 32 Target 0x4000_1124
Table 5-9. DMA Quick Reference for On-Chip Peripherals (Sheet 4 of 4)
Unit Function FIFO Address Width
(Bytes)
DCMDx
Width
(Binary)
Burst Size
(Bytes) Source or Target DRCMRx
Intel® PXA27x Processor Family Developer’s Manual 5-27
DMA Controller
The channel starts up, loads the descriptor into its registers, detects that the transfer length is zero
and the stop bit is set, and stops the channel. No data transfer occurs in this case. To restart the
channel, write to its DDADRx register, then set the DCSRx[RUN] bit.
Example 5-3. Initializing a Channel to Be Used by the Direct DMA Master
The most effective way to move data between a peripheral device and memory is to use the built-in
descriptor-based DMA system. In most applications, a free DMA channel is readily available.
Some applications demand true direct-memory access. Each application has different requirements,
so a descriptor-based DMA may be best for some applications while a non-descriptor-based DMA
is best for others. For applications that cannot tolerate the time required to fetch a descriptor before
each DMA transfer, choose the non-descriptor-based DMA method. For applications that can
tolerate it, a descriptor-based DMA method can reduce the amount of core intervention.
By programming the descriptor-based DMA system, it is possible to offer true direct-memory
access to devices that require it.
In the following example, the companion chip requires the DMA to read four descriptor words,
program a channel as indicated by descriptor, and continue the transfer based on the new
descriptor. Such a companion chip makes the following requirements:
1. When the companion chip asserts DREQ, fetch four descriptor words from one of its ports.
2. Based on the information contained in the descriptor, transfer data from the source address to
the destination address without waiting for another request from the companion chip.
3. Transfer the number of bytes mentioned in DCMDx[LEN], then return to Step 1.
Such an external device can use a constant descriptor in memory:
A channel that is used by a direct DMA master must be initialized in a special way. The following
example of code shows how to initialize such a channel:
struct { long ddadr;
long dsadr;
long dtadr;
short len;
short dcmd;
} desc[2];
desc[0].ddadr = &desc[1];
desc[0].dsadr = I_ADR + I_DESC_OFFS;
desc[0].dtadr = &desc[1].dsadr;
desc[0].len = 8;
desc[0].dcmd = CMD_IncTrgAdr | CMD_FlowThru;
desc[1].ddadr = &desc[0];
desc[1].dtadr = I_ADR + I_DATA_OFFS;
desc[1].dsadr = 0;
desc[1].len = 0;
desc[1].dcmd = 0;
When the external device has data to transfer, it makes a DMA request in the standard way. The
DMA controller wakes up and reads four words from the device’s I_DESC_OFFS address. The
DMA controller only transfers four words because the first descriptor has an eight-byte count. The
four words supplied by the external device are written over the DSADRx, DTADRx, and DCMDx
registers of the next descriptor. The DMA controller then steps into the next (dynamically
5-28 Intel® PXA27x Processor Family Developer’s Manual
DMA Controller
modified) descriptor and uses the devices’s I_DATA_OFFS address to process the requested
transfer. When the data transfer is complete, the DMA controller steps back to the first descriptor
and the process repeats.
Example 5-4. Adding a Descriptor to End-of-Descriptor List (Channel Running)
Note: The following example assumes that a descriptor-fetch transfer is active.
DMA descriptor lists are used as queues of full buffers for network transmitters and as queues of
empty buffers for network receivers. Because each buffer can be small, on-the-fly manipulation of
DMA descriptor lists must be as efficient as possible.
To add a descriptor to the end of a descriptor list for a running channel:
1. Write DCSRx[RUN] = 0.
2. Wait for the channel to stop. The stop status is indicated in DCSRx[STOPINTR].
3. Create the end descriptor in the memory with the stop bit set.
4. Manipulate the DDADRx register of the last descriptor of the current chain in the memory to
ensure that the DDADRx register points to the newly created end descriptor in step 3.
5. Create a new descriptor with values in the DDADRx, DSADRx, DTADRx, and DCMDx
registers that match those in the stopped DMA channel. The new descriptor is the next
descriptor for this descriptor list.
6. Examine the DMA channel registers and determine if the channel stopped in the last descriptor
of the chain. If it did, manipulate the DDADRx register of this descriptor so that it points to the
newly created end descriptor.
7. Program the channel DDADRx register with the next descriptor created in Step 5.
8. Set DCSRx[RUN] = 1.
Example 5-5. Using Software Implementation of Full and Empty Bits
This example shows how to use the compare-descriptor and branch-descriptor modes to allow the
software to implement full and empty bits. As shown in Figure 5-8, this implementation can create
a circular descriptor chain to transfer a large amount of data. The full and empty bits are maintained
in a memory table and are cleared prior to a DMA transfer. The DMA controller uses the compare-
descriptor mode to determine that the full and empty bits are cleared before it performs a data
transfer. If either bit is set, the DMA controller uses the branch-descriptor mode to branch to a
descriptor in which the DDADRx[STOP] bit is set, which terminates the transfer. If the full and
empty bits are both cleared, the DMA controller continues to perform a regular data transfer. After
the DMA controller completes the data transfer, it updates the full and empty memory table by
setting the full and empty bits, which indicates a successful transfer.
This example assumes the following memory addresses:
SRC0, SRC1: source-address locations
TRG0, TRG1: target-address locations
FEUPDT: address pointing to data 0x0000_0003. Bit]1:0] = [Full:Empty].
In the example, the memory table contains the following full- and empty-bit information before the
DMA transfers. Only the two least significant bits are valid. Bit[1:0] = [Full:Empty].
FETBL0: 0x0000_0000
FETBL1: 0x0000_0000
Intel® PXA27x Processor Family Developer’s Manual 5-29
DMA Controller
After successful DMA transfers, the same memory table contains the following information:
FETBL0: 0x0000_0003
FETBL1: 0x0000_0003
The following code is a chain of descriptors for full- and empty-bit implementation:
First Descriptor Set
First Descriptor
//Compare and Branch Descriptor modes enabled.
//No data transferred by this descriptor.
//Source is indirectly addressed and target is directly addressed
//On a successful compare of &FETBL0 with 0x0000,
// Descriptor chain branches to desc[1] + 4*32bits, i.e desc[2].
//If Compare fails, then descriptor chain jumps to desc[1].
//Desc[1] stops the channel as Full and Empty bits were not both 0.
desc[0].ddadr = &desc[1], BrEn = 1;
desc[0].dsadr = FETBL0;
desc[0].dtadr = 0x0000;
desc[0].dcmd = CmpEn=1, AddrMode = b01;
Second Descriptor
//Error setting descriptor, which stops the channel as
//(Full:Empty) != 0b00
//No data transferred. Stop interrupt triggered.
desc[1].ddadr = (Stop = 1);
desc[1].dsadr = ignored;
desc[1].dtadr = ignored;
desc[1].dcmd = Len=0;
Third Descriptor
//Data transferring descriptor
desc[2].ddadr = &desc[3];
desc[2].dsadr = SRC0;
desc[2].dtadr = TRG0;
desc[2].dcmd = Len=4K bytes;
Fourth Descriptor
//FullEmpty table updating descriptor
desc[3].ddadr = &desc[4];
desc[3].dsadr = FEUPDT;
desc[3].dtadr = FETBL0;
desc[3].dcmd = Len=4 bytes;
Second Descriptor Set
First Descriptor
//Compare and Branch Descriptor modes enabled.
//No data transferred by this descriptor.
//Source is indirectly addressed and target is directly addressed
//On a successful compare of &FETBL1 with 0x0000,
5-30 Intel® PXA27x Processor Family Developer’s Manual
DMA Controller
// Descriptor chain branches to desc[5] + 4*32bits, i.e desc[6].
//If Compare fails, then descriptor chain jumps to desc[5].
//Desc[5] stops the channel as Full and Empty bits were not both 0.
desc[4].ddadr = &desc[5], BrEn = 1;
desc[4].dsadr = FETBL1;
desc[4].dtadr = 0x0000;
desc[4].dcmd = CmpEn=1, AddrMode = b01;
Second Descriptor
//Error setting descriptor, which stops the channel as
//(Full:Empty) != 0b00
//No data transferred. Stop interrupt triggered.
desc[5].ddadr = (Stop = 1);
desc[5].dsadr = ignored;
desc[5].dtadr = ignored;
desc[5].dcmd = Len=0;
Third Descriptor
//Data transferring descriptor
desc[6].ddadr = &desc[7];
desc[6].dsadr = SRC1;
desc[6].dtadr = TRG1;
desc[6].dcmd = Len=4K bytes;
Fourth Descriptor
//FullEmpty table updating descriptor
//Notice that the chain jumps back to desc[0].
//All ok, if software has loaded new data at the address pointed to by
//desc[0] and has also updated FETBL0
desc[7].ddadr = &desc[0];
desc[7].dsadr = FEUPDT;
desc[7].dtadr = FETBL1;
desc[7].dcmd = Len=4 bytes;
Figure 5-8. Descriptor Chain for Software Implementation of Full and Empty Bits
desc[0] desc[1]: Stop = 1
desc[2] desc[3] desc[4] desc[5]: Stop = 1
desc[6] desc[7]
Intel® PXA27x Processor Family Developer’s Manual 5-31
DMA Controller
5.5 Register Descriptions
This section describes the DMA controller registers. Table 5-21 summarizes the register names,
addresses, and descriptions.
5.5.1 DMA Request to Channel Map Register (DRCMRx)
These registers map the DMA request to a channel.
These are read/write registers. Ignore reads from reserved bits. Write 0b0 to reserved bits.
5.5.2 DMA Descriptor Address Registers (DDADRx)
These registers contain the memory address of the next descriptor for a channel. The address must
be aligned to a 128-bit (4-word) boundary. DDADRx must not contain the address of any other
internal peripheral register or DMA register, which causes a bus error.
The DDADRx register is reserved if the channel is performing a no-descriptor-fetch transaction.
These are read/write registers. Ignore reads from reserved bits. Write 0b0 to reserved bits.
Table 5-10. DRCMR0–63, DRCMR64–70, and DRCMR74 Bit Definitions
Physical Address
0x4000_0100–0x4000_01FC
0x4000_1100–0x4000_1118
0x4000_1128
DRCMR0–DRCMR63
DRCMR64–DRCMR70
DRCMR74
DMA Controller
User
Settings
Bit 31 30 29 28 27 26 25 24 23 22 21 20 19 18 17 16 15 14 13 12 11 10 9 8 7 6 5 4 3 2 1 0
reserved
MAPVLD
reserved
CHLNUM
Reset ? ? ? ? ? ? ? ? ? ? ? ? ? ? ? ? ? ? ? ? ? ? ? ? 0 ? ? 0 0 0 0 0
Bits Access Name Description
31:8 reserved
7 R/W MAPVLD
Map Valid Channel
Defines whether the request is mapped to a valid channel. If the bit is set,
the request is mapped to a valid channel indicated by DRCMRx[CHLNUM].
If the bit is cleared, the request is unmapped.
This bit can also mask the request.
0 = Request is unmapped.
1 = Request is mapped to a valid channel indicated by DRCMRx[4:0].
6:5 reserved
4:0 R/W CHLNUM
Channel Number
Indicates the valid channel number if DRCMRx[MAPVLD] is set. Do not
map two active requests to the same channel, since it produces
unpredictable results.
5-32 Intel® PXA27x Processor Family Developer’s Manual
DMA Controller
Table 5-11. DDADR0–31 Bit Definitions
Physical Address
0x4000_02x0–0x4000_03x0 DDADR0–DDADR31 DMA Controller
User
Settings
Bit 31 30 29 28 27 26 25 24 23 22 21 20 19 18 17 16 15 14 13 12 11 10 9 8 7 6 5 4 3 2 1 0
Descriptor Address
reserved
BREN
STOP
Reset ? ? ? ? ? ? ? ? ? ? ? ? ? ? ? ? ? ? ? ? ? ? ? ? ? ? ? ? ? ? 0 0
Bits Access Name Description
31:4 R/W Descriptor
Address
Descriptor Address
Contains address of next descriptor
3:2 reserved
1 R/W BREN
Enable Descriptor Branching
Works with DCSRx[CMPST] to determine which descriptor is fetched next.
If both DDADRx[BREN] and DCSRx[CMPST] are set, the DMA controller
fetches the next descriptor from (DDADRx + 32 bytes). If either of the bits is
cleared, DMA controller fetches the next descriptor from the DDADRx
register.
DDADRx[BREN] is relevant only for descriptor-fetch transactions
(DCSRx[NODESCFETCH] = 0).
See Figure 5-4 for details about the operational flow.
0 = Disable descriptor branching. Fetch the next descriptor from register
DDADRx.
1 = Enable descriptor branching.
0 R/W STOP
Stop Channel
If DDADRx[STOP] is cleared, a new descriptor fetch based on register
DDADRx and other control information is initiated after the current
descriptor is completely processed.
0 = Run channel.
1 = Stop channel after completely processing this descriptor and before
fetching the next descriptor (DCMDx[LEN] = 0).
Intel® PXA27x Processor Family Developer’s Manual 5-33
DMA Controller
5.5.3 DMA Source Address Register (DSADRx)
These registers are read-only for descriptor-fetch transactions and read/write for no-descriptor-
fetch transactions.
The registers (Table 5-12) contain the source address of the current descriptor for a channel. The
source address is the address of the on-chip peripheral or the address of a memory location. The
bits in this register are undefined at power on.
If the source address is the address of a companion chip or external peripheral, the source address
must be aligned to an eight-byte boundary; bits [2:0] of the address are reserved.
If the source address is the address for an on-chip peripheral, then the address must be 32-bit
aligned, so bits [1:0] of the address are reserved. DSADR cannot contain addresses of any other
internal DMA registers, as they cause a bus error.
If the source address is the address of a memory location, and if the alignment register is properly
configured, the address can be aligned to a byte boundary (see Section 5.5.10). Improper
configuration of the alignment register defaults the source address to an eight-byte boundary.
Other restrictions on byte boundary alignment could apply for special DMA operations (see
Section 5.4.4.4).
These are read/write registers. Ignore reads from reserved bits. Write 0b0 to reserved bits.
Table 5-12. DSADR0–31 Bit Definitions
Physical Address
0x4000_02x4–0x4000_03x4 DSADR0–DSADR31 DMA Controller
User
Settings
Bit 31 30 29 28 27 26 25 24 23 22 21 20 19 18 17 16 15 14 13 12 11 10 9 8 7 6 5 4 3 2 1 0
SRCADDR
Reset ? ? ? ? ? ? ? ? ? ? ? ? ? ? ? ? ? ? ? ? ? ? ? ? ? ? ? ? ? ? ? ?
Bits Access Name Description
31:2 R/W SRCADDR Source address of the on-chip peripheral or address of a memory location.
2R/W
SRCADDR or
reserved
SRCADDR[2], if DSADRx[SRCADDR] is a memory location and alignment
register is configured. See Section 5.5.10 for programming details and
restrictions.
SRCADDR[2], if DSADRx[SRCADDR] is an on-chip peripheral.
RESERVED for all companion-chip or external peripheral related transfers.
RESERVED for special DMA modes, such as compare modes.
1:0 R/W SRCADDR or
reserved
SRCADDR[1:0], if DSADRx[SRCADDR] is a memory location and
alignment register is configured. See Section 5.5.10 for programming
details and restrictions.
RESERVED, if DSADRx[SRCADDR] is an on-chip peripheral.
RESERVED for all companion-chip or external peripheral related transfers.
RESERVED for special DMA modes, such as compare modes
5-34 Intel® PXA27x Processor Family Developer’s Manual
DMA Controller
5.5.4 DMA Target Address Registers (DTADRx)
These registers (Table 5-13) are read only for descriptor-fetch transfers and read/write for no-
descriptor-fetch transfers.
The registers contain the target address of the current descriptor for a channel. The target address is
the address of the on-chip peripheral or the address of a memory location. The bits in this register
are undefined at power on.
If the target address is the address of a companion chip or external peripheral, the target address
must be aligned to an eight-byte boundary; bits [2:0] of the address are reserved.
If the target address is the address for an on-chip peripheral, then the address must be 32-bit
aligned; bits [1:0] of the address are reserved. DTADR cannot contain addresses of any other
internal DMA registers as they do cause a bus error.
If the target address is the address of a memory location, and if the alignment register is properly
configured, the address can be aligned to a byte boundary (see Section 5.5.10). Improper
configuration of the alignment register defaults the target address to an eight-byte boundary.
Other restrictions on byte boundary alignment could apply for special DMA operations (see
Section 5.4.4.4).
These are read/write registers. Ignore reads from reserved bits. Write 0b0 to reserved bits.
Table 5-13. DTADR0–31 Bit Definitions
Physical Address
0x4000_02x8–0x4000_03x8 DTADR0–DTADR31 DMA Controller
User
Settings
Bit 31 30 29 28 27 26 25 24 23 22 21 20 19 18 17 16 15 14 13 12 11 10 9 8 7 6 5 4 3 2 1 0
TRGADDR
Reset ? ? ? ? ? ? ? ? ? ? ? ? ? ? ? ? ? ? ? ? ? ? ? ? ? ? ? ? ? ? ? ?
Bits Access Name Description
31:2 R/W TRGADDR Target address of the on-chip peripheral or address of a memory location.
2R/W
TRGADDR or
reserved
TRGADDR[2], if DTADRx[TRGADDR] is a memory location and alignment
register is configured. See Section 5.5.10 for programming details and
restrictions.
TRGADDR[2], if DTADRx[TRGADDR] is an on-chip peripheral.
RESERVED for all companion-chip or external peripheral related transfers.
RESERVED for special DMA modes, such as compare modes.
1:0 R/W TRGADDR or
reserved
TRGADDR[1:0], if target address is a memory location and alignment
register is configured. See Section 5.5.10 for programming details and
restrictions.
RESERVED if target address is an on-chip peripheral.
RESERVED for all companion-chip or external peripheral related transfers.
RESERVED for special DMA modes, such as compare modes.
Intel® PXA27x Processor Family Developer’s Manual 5-35
DMA Controller
5.5.5 DMA Command Registers (DCMDx)
These registers (Table 5-14) are read only for descriptor-fetch transfers and read/write for no-
descriptor-fetch transfers.
The registers contain the command and length of the current descriptor for a channel.
These are read/write registers. Ignore reads from reserved bits. Write 0b0 to reserved bits.
Table 5-14. DCMD0–31 Bit Definitions (Sheet 1 of 4)
Physical Address
0x4000_02xC–0x4000_03xC DCMD0–DCMD31 DMA Controller
User
Settings
Bit 31 30 29 28 27 26 25 24 23 22 21 20 19 18 17 16 15 14 13 12 11 10 9 8 7 6 5 4 3 2 1 0
INCSRCADDR
INCTRGADDR
FLOWSRC
FLOWTRG
reserved
CMPEN
reserved
ADDRMODE
STARTIRQEN
EndIrqEn
FLYBYS
FLYBYT
reserved
SIZE
WIDTH
reserved
LEN
Reset 0 0 0 0 ? ? 0 0 0 0 0 0 0 ? 0 0 0 0 ? 0 0 0 0 0 0 0 0 0 0 0 0 0
Bits Access Name Description
31 R/W INCSRCADDR
Source Address Increment
If the source address is an internal peripheral FIFO address or external I/O
address, the address is not incremented on each successive access. In
these cases, DCMDx[INCSRCADDR] must be cleared.
0 = Do not increment source address.
1 = Increment source address.
NOTE: The only valid memory types for this mode are VLIO and Card
devices. With DMA transfers from other memory types this bit field
must be set.
30 R/W INCTRGADDR
Target Address Increment
If the target address is an internal peripheral FIFO address or external I/O
address, the address is not incremented on each successive accesses. In
these cases, DCMDx[INCTRGADDR] must be cleared.
0 = Do not increment target address.
1 = Increment target address.
NOTE: The only valid memory types for this mode are VLIO and Card
devices. With DMA transfers to other memory types this bit field
must be set.
29 R/W FLOWSRC
Source Flow Control
Must be set if the source is an on-chip peripheral or external companion
chip.
Setting both the FLOWSRC and FLOWTRG bits causes unpredictable
behavior.
0 = Do not wait for request signals associated with this channel. Start the
data transfer if it is legal to do so.
1 = Wait for a request signal before initiating the data transfer.
5-36 Intel® PXA27x Processor Family Developer’s Manual
DMA Controller
28 R/W FLOWTRG
Target Flow Control
Must be set if the target is an on-chip peripheral or external companion
chip.
Setting both the FLOWSRC and FLOWTRG bits causes unpredictable
behavior.
0 = Do not wait for request signals associated with this channel. Start the
data transfer if it is legal to do so.
1 = Wait for a request signal before initiating the data transfer.
27:26 — reserved
25 R/W CMPEN
Descriptor Compare Enable
Must be cleared for normal DMA operations.
Setting the bit enables the descriptor-compare mode, in which the DMA
controller treats the current descriptor as a special case and compares data
that corresponds to the source and target fields.
DCMDx[ADDRMODE] determines the addressing mode before the
Compare operation.
0 = DMA does not perform any address-compare operations.
1 = DMA recognizes the current descriptor as a special case and
compares data based on the source address and target address
fields. If the compare is true, the channel’s DCSRx[CMPST] bit is set.
If the compare is false, DCSRx[CMPST] is cleared.
24 reserved
23 R/W ADDRMODE
or reserved
Addressing Mode
Controls the addressing mode for descriptor comparison and is valid only in
the descriptor compare mode (DCMDx[CMPEN] = 1).
Reserved if DCMDx[CMPEN] = 0.
If DCMDx[CMPEN] is set, the bits specify the addressing modes of the
source address and target address fields. If either field contains an address,
the DMA controller fetches the data at that address and uses it for the
compare operation.
0 = Source address field contains address, and target address field
contains address.
1 = Source address field contains address, and target address field
contains data.
Table 5-14. DCMD0–31 Bit Definitions (Sheet 2 of 4)
Physical Address
0x4000_02xC–0x4000_03xC DCMD0–DCMD31 DMA Controller
User
Settings
Bit 31 30 29 28 27 26 25 24 23 22 21 20 19 18 17 16 15 14 13 12 11 10 9 8 7 6 5 4 3 2 1 0
INCSRCADDR
INCTRGADDR
FLOWSRC
FLOWTRG
reserved
CMPEN
reserved
ADDRMODE
STARTIRQEN
EndIrqEn
FLYBYS
FLYBYT
reserved
SIZE
WIDTH
reserved
LEN
Reset 0 0 0 0 ? ? 0 0 0 0 0 0 0 ? 0 0 0 0 ? 0 0 0 0 0 0 0 0 0 0 0 0 0
Bits Access Name Description
Intel® PXA27x Processor Family Developer’s Manual 5-37
DMA Controller
22 R/W STARTIRQEN
or reserved
Start Interrupt Enable
Indicates that the interrupt is enabled as soon as the descriptor is loaded.
In no-descriptor-fetch transfers, this bit is reserved.
0 = Interrupt not triggered after descriptor is loaded.
1 = Set interrupt bit for that channel in the DINT[CHLINTR] when the
descriptor (4 words) for the channel is loaded.
21 R/W EndIrqEn
End Interrupt Enable
0 = Interrupt is not triggered when LENGTH decrements to zero.
1 = Set the DINT interrupt bit for the channel when LENGTH decrements
to zero.
20 R/W FLYBYS
Fly-By Source
Use for external companion-chip support only. If this bit is set, the source is
a memory address and the target is the external companion chip.
Do not set the FLYBYS and FLYBYT bits at the same time.
0 = Flow-through
1 = Fly-by
19 R/W FLYBYT
Fly-By Target
Use for external companion chip support only, If this bit is set, the target is a
memory address, and the source is the external companion chip.
Do not set the FLYBYS and FLYBYT bits at the same time.
0 = Flow-through
1 = Fly-by
18 reserved
17:16 R/W SIZE
Maximum Burst Size of Each Data Transfer
0b00 = reserved
0b01 = 8 Bytes
0b10 = 16 Bytes
0b11 = 32 Bytes
The size must be less than or equal to the serviced peripheral’s FIFO
trigger threshold to properly handle the respective FIFO’s trailing bytes
Table 5-14. DCMD0–31 Bit Definitions (Sheet 3 of 4)
Physical Address
0x4000_02xC–0x4000_03xC DCMD0–DCMD31 DMA Controller
User
Settings
Bit 31 30 29 28 27 26 25 24 23 22 21 20 19 18 17 16 15 14 13 12 11 10 9 8 7 6 5 4 3 2 1 0
INCSRCADDR
INCTRGADDR
FLOWSRC
FLOWTRG
reserved
CMPEN
reserved
ADDRMODE
STARTIRQEN
EndIrqEn
FLYBYS
FLYBYT
reserved
SIZE
WIDTH
reserved
LEN
Reset 0 0 0 0 ? ? 0 0 0 0 0 0 0 ? 0 0 0 0 ? 0 0 0 0 0 0 0 0 0 0 0 0 0
Bits Access Name Description
5-38 Intel® PXA27x Processor Family Developer’s Manual
DMA Controller
15:14 R/W WIDTH
or reserved
Width of On-Chip Peripheral
Reserved field for operations that do not involve on-chip peripherals, such
as memory-to-memory moves and companion-chip-related operations.
WIDTH must be 0b00 for memory-to-memory moves or companion-chip-
related operations.
0b00 = reserved for on-chip peripheral-related transactions
0b01 = 1 byte
0b10 = Half-word (2 bytes)
0b11 = Word (4 Bytes)
13 — reserved
12:0 R/W LEN
Length of Transfer in Bytes
LEN = 0 means zero bytes for descriptor-fetch transactions. LEN = 0 is an
invalid setting for no-descriptor-fetch transactions. Programming LEN = 0 in
the descriptor-fetch mode when DCMD[CmpEn] is clear (normal data
transfer mode) causes the channel to immediately discard the descriptor
after it is fetched from memory. If the descriptor chain has more descriptors,
the channel fetches the next valid descriptor. The channel stops if the
descriptor chain has no more descriptors. The maximum transfer length is
(8K – 1) bytes.
If the transfer is of the memory-to-memory type, the length of the transfer
may be any value (except for the DCMDx[Len] = 0 restriction in no-
descriptor-fetch mode) up to a maximum of (8K – 1) bytes. If the transfer
involves an external peripheral (or a companion chip), then the length of the
transfer must be an integer multiple of the peripheral’s FIFO threshold (or
water-mark).
If the transfer involves any of the on-chip peripherals, the length of the
transfer must be as follows:
For AC ’97 and MMC/SDIO, LEN must be an integer multiple of 32
bytes.
For the quick capture interface, LEN must be an integer multiple of 8
bytes.
For all other on-chip peripherals, LEN must be an integer multiple of the
peripheral’s sample width (DCMDx[WIDTH]).
NOTE: LEN is ignored in the compare descriptor mode (when
DCMD[CmpEn] is set).
Table 5-14. DCMD0–31 Bit Definitions (Sheet 4 of 4)
Physical Address
0x4000_02xC–0x4000_03xC DCMD0–DCMD31 DMA Controller
User
Settings
Bit 31 30 29 28 27 26 25 24 23 22 21 20 19 18 17 16 15 14 13 12 11 10 9 8 7 6 5 4 3 2 1 0
INCSRCADDR
INCTRGADDR
FLOWSRC
FLOWTRG
reserved
CMPEN
reserved
ADDRMODE
STARTIRQEN
EndIrqEn
FLYBYS
FLYBYT
reserved
SIZE
WIDTH
reserved
LEN
Reset 0 0 0 0 ? ? 0 0 0 0 0 0 0 ? 0 0 0 0 ? 0 0 0 0 0 0 0 0 0 0 0 0 0
Bits Access Name Description
Intel® PXA27x Processor Family Developer’s Manual 5-39
DMA Controller
5.5.6 DMA Fly-By Configuration Register (FLYCNFG)
For user software, this register (Table 5-15) is read/write for polarity control of the DVAL<1:0>
signal used during fly-by DMA transfers.
This is a read/write register. Ignore reads from reserved bits. Write 0b0 to reserved bits.
Table 5-15. FLYCNFG Bit Definitions
Physical Address
0x4800_0020 FLYCNFG DMA Controller
User
Settings
Bit 31 30 29 28 27 26 25 24 23 22 21 20 19 18 17 16 15 14 13 12 11 10 9 8 7 6 5 4 3 2 1 0
reserved
FBPOL1
reserved
FBPOL0
Reset ? ? ? ? ? ? ? ? ? ? ? ? ? ? ? 0 ? ? ? ? ? ? ? ? ? ? ? ? ? ? ? 0
Bits Access Name Description
31:17 — reserved
16 R/W FBPOL1
Fly-By DMA DVAL<1> Polarity
0 = Active low
1 = Active high
15:1 — reserved
0 R/W FBPOL0
Fly-By DMA DVAL<0> Polarity
0 = Active low
1 = Active high
5-40 Intel® PXA27x Processor Family Developer’s Manual
DMA Controller
5.5.7 DREQ<2:0> Status Register (DRQSR0/1/2)
DRQSR0/1/2 (Table 5-16) logs the number of pending requests made by an external companion
chip on the corresponding DREQ<0>, DREQ<1> or DREQ<2> pin. The register reflects the status
of a 5-bit counter that is controlled by the DMA controller in the following manner:
The DMA controller increments the counter each time the external companion chip toggles the
DREQ<2:0> pin from low to high (positive-edge trigger). The external companion chip must
follow the rules outlined in Section 5.4.1.2.
For a write to an external peripheral or companion chip, the DMA controller decreases the
counter after it completes the write.
For a read from an external peripheral or companion chip, the DMA controller decreases the
counter after it sends the corresponding write request to the memory controller that completes
the read-write transaction.
The external companion chip or external peripheral must not have more than 31 pending requests
at a given time.
This is a read/write register. Ignore reads from reserved bits. Write 0b0 to reserved bits.
Table 5-16. DRQSR0/1/2 Bit Definitions
Physical Address
0x4000_00E0
0x4000_00E4
0x4000_00E8
DRQSR0
DRQSR1
DRQSR2
DMA Controller
User
Settings
Bit 31 30 29 28 27 26 25 24 23 22 21 20 19 18 17 16 15 14 13 12 11 10 9 8 7 6 5 4 3 2 1 0
reserved
CLR
reserved REQPEND
Reset ? ? ? ? ? ? ? ? ? ? ? ? ? ? ? ? ? ? ? ? ? ? ? 0 ? ? ? 0 0 0 0 0
Bits Access Name Description
31:9 — reserved
8WCLR
Clear Pending Requests
Writing 0b1 to this bit clears DRQSRx[REQPEND] and thereby clears all
pending requests made by the external DMA request pin DREQx. Writing
0b0 to this bit has no effect. This bit could be used for clearing the requests
if the channel mapped to DREQx was prematurely stopped by software.
CLR must be set only after the mapped channel has stopped
(DCSRx[STOPINTR] set). Clearing the requests of a running channel
results in unpredictable behavior.
0 = No effect on DRQSRx[REQPEND].
1 = Clear all pending requests registered in DRQSRx[REQPEND]
7:5 — reserved
4:0 R REQPEND Requests Pending
Indicates the number of pending requests on DREQx.
Intel® PXA27x Processor Family Developer’s Manual 5-41
DMA Controller
5.5.8 DMA Channel Control/Status Registers (DCSRx)
These read/write registers (Table 5-17) contains the control and status bits for the channels.
These are read/write registers. Ignore reads from reserved bits. Write 0b0 to reserved bits.
Table 5-17. DCSR0–31 Bit Definitions (Sheet 1 of 6)
Physical Address
0x4000_0000–0x4000_007C DCSR0–DCSR31 DMA Controller
User
Settings
Bit 31 30 29 28 27 26 25 24 23 22 21 20 19 18 17 16 15 14 13 12 11 10 9 8 7 6 5 4 3 2 1 0
RUN
NODESCFETCH
STOPIRQEN
EORIRQEN
EORJMPEN
EORSTOPEN
SETCMPST
CLRCMPST
RASIrqEn
MaskRun
reserved
CMPST
EORINTR
REQPEND
reserved
RASIntr
STOPINTR
ENDINTR
STARTINTR
BUSERRINTR
Reset 0 0 0 0 0 0 0 0 0 0 ? ? ? ? ? ? ? ? ? ? ? 0 0 0 ? ? ? 0 1 0 0 0
Bits Access Name Description
31 R/W RUN
Run
Allows software to start or stop the channel. If the run bit is cleared in the
middle of the burst, the burst is completed before the channel stops. Setting
RUN starts the stopped channel.
If the channel is in a descriptor-fetch transfer and RUN is set before writing
a valid descriptor address to register DDADRx, no-descriptor fetch occurs.
This bit is reset as soon as it is cleared and when the channel stops
normally. DCSRx[STOPINTR] must be polled to see the status of the
channel or to set DCSRx[STOPIRQEN] and expect an interrupt after the
channel stops.
After the channel stops, DCSRx[STOPINTR]is set. STOPINTR must be
polled to read the channel status or to set DCSRx[STOPIRQEN] and expect
an interrupt after the channel stops.
0 = Stops the channel.
1 = Starts the channel.
30 R/W NODESCFETCH
No-Descriptor-Fetch
Controls whether or not a channel has a descriptor. If NODESCFETCH is
set, the channel is considered a simple channel with no descriptors. In this
case, the DMA does not initiate descriptor fetches when software sets
DCSRx[RUN] or when the byte count for the current transfer reaches zero.
To program the channel for a no-descriptor-fetch transfer, software must set
DCSRx[NODESCFETCH], then write to the individual DSADRx, DTADRx,
and DCMDx registers for that channel. The DDADRx register is not used in
this mode and must not be written. DCSRx[RUN] must be set to allow the
channel to start the transfer.
If DCSRx[NODESCFETCH] is cleared, the DMA controller initiates
descriptor-fetches when software writes to the DDADRx register, when the
byte count for the current transfer reaches zero, and when DDADRx[STOP]
is cleared.
0 = Descriptor-fetch transfer
1 = No-descriptor-fetch transfer
5-42 Intel® PXA27x Processor Family Developer’s Manual
DMA Controller
29 R/W STOPIRQEN
Stop Interrupt Enabled
Enables the interrupt when DCSRx[STOPINTR] is set. If STOPINTEN is
cleared, no interrupt is generated after the channel stops.
DCSRx[STOPINTR] is set after system reset deassertion. Thus, if
STOPINTR is set before the channel is started, an interrupt is generated.
0 = No interrupt if the channel is in uninitialized or stopped state.
1 = Interrupt enabled if the channel is in uninitialized or stopped state.
28 R/W EORIRQEN
End-of-Receive Interrupt Enable
Setting this bit triggers an interrupt on an EOR. Clearing it does not
generate an EOR-related interrupt.
0 = Interrupt not triggered even if DCSRx[EORINT] is set.
1 = Enable interrupt if DCSRx[EORINT] is set.
27 R/W EORJMPEN
Jump to Next Descriptor on EOR
Controls the descriptor flow when the mapped peripheral signals an EOR to
the DMA controller. Setting EORJMPEN causes the DMA controller to jump
to the next descriptor on an EOR. Clearing EORJMPEN causes the DMA
controller to wait for the peripheral’s next receive request. See Figure 5-9
for the behavior of the descriptor during this condition.
This control bit has no effect on the channel for no-descriptor-fetch transfers
(DCSRx[NODESCFETCH] set). The DMA controller completes the
peripheral-to-memory data transfer on an EOR, regardless of EORJMPEN.
0 = DMA controller continues to hold the current descriptor and simply
waits until the mapped peripheral makes another receive request.
1 = DMA controller jumps to the channel’s next descriptor on receiving an
EOR from the mapped peripheral.
26 R/W EORSTOPEN
Stop Channel on EOR
Has no effect on the channel for no-descriptor-fetch transfers
(DCSRx[NODESCFETCH] set). The DMA controller completes the
peripheral-to-memory data transfer on an EOR, regardless of
DCSRx[EORSTOPEN].
Setting EORSTOPEN causes the DMA controller to stop the channel on an
EOR and set the corresponding DCSRx[STOPINTR] bit. If
DCSRx[STOPIRQEN] is set when EORSTOPEN is set, an interrupt occurs.
See Figure 5-9 for the behavior of the descriptor.
0 = DMA controller continues to hold the current descriptor and waits until
the mapped peripheral makes another receive request.
1 = DMA controller stops the channel that received an EOR from the
mapped peripheral.
Table 5-17. DCSR0–31 Bit Definitions (Sheet 2 of 6)
Physical Address
0x4000_0000–0x4000_007C DCSR0–DCSR31 DMA Controller
User
Settings
Bit 31 30 29 28 27 26 25 24 23 22 21 20 19 18 17 16 15 14 13 12 11 10 9 8 7 6 5 4 3 2 1 0
RUN
NODESCFETCH
STOPIRQEN
EORIRQEN
EORJMPEN
EORSTOPEN
SETCMPST
CLRCMPST
RASIrqEn
MaskRun
reserved
CMPST
EORINTR
REQPEND
reserved
RASIntr
STOPINTR
ENDINTR
STARTINTR
BUSERRINTR
Reset 0 0 0 0 0 0 0 0 0 0 ? ? ? ? ? ? ? ? ? ? ? 0 0 0 ? ? ? 0 1 0 0 0
Bits Access Name Description
Intel® PXA27x Processor Family Developer’s Manual 5-43
DMA Controller
25 W SETCMPST
Set Descriptor Compare Status
Partially controls DCSRx[CMPST]. Setting this bit sets DCSRx[CMPST].
Clearing SETCMPST has no effect on DCSRx[CMPST]. Software can set
DCSRx[CMPST] even if the descriptor is not configured in the compare
mode (DCMDx[CMPEN] = 0).
0 = no effect on DCSRx[CMPST]
1 = set DCSRx[CMPST]
24 W CLRCMPST
Clear Descriptor Compare Status
Partially controls DCSRx[CMPST]. Setting CLRCMPST clears
DCSRx[CMPST]. Clearing CLRCMPST has no effect on DCSRx[CMPST].
Software can set DCSRx[CMPST] even if the descriptor is not configured in
the compare mode.
0 = no effect on DCSRx[CMPST]
1 = clear DCSRx[CMPST]
23 R/W RASIrqEn
Request After Channel Stopped Interrupt Enable
0 = Interrupt not triggered when a peripheral asserts a DMA request after
the channel has stopped.
1 = Set interrupt bit for that channel in the DINT[CHLINTR] when a
peripheral asserts a DMA request after the channel has stopped.
22 W MaskRun
Mask Run
Mask DCSR[Run] during a programmed I/O write to the DCSR register.
0 = Software (programmed I/O write) can modify DCSR[RUN] during a
write transaction in which DCSR[MaskRun] is 0.
1 = Software (programmed I/O write) cannot modify DCSR[RUN] during a
write transaction in which DCSR[MaskRun] is 1.
21:11 — reserved
Table 5-17. DCSR0–31 Bit Definitions (Sheet 3 of 6)
Physical Address
0x4000_0000–0x4000_007C DCSR0–DCSR31 DMA Controller
User
Settings
Bit 31 30 29 28 27 26 25 24 23 22 21 20 19 18 17 16 15 14 13 12 11 10 9 8 7 6 5 4 3 2 1 0
RUN
NODESCFETCH
STOPIRQEN
EORIRQEN
EORJMPEN
EORSTOPEN
SETCMPST
CLRCMPST
RASIrqEn
MaskRun
reserved
CMPST
EORINTR
REQPEND
reserved
RASIntr
STOPINTR
ENDINTR
STARTINTR
BUSERRINTR
Reset 0 0 0 0 0 0 0 0 0 0 ? ? ? ? ? ? ? ? ? ? ? 0 0 0 ? ? ? 0 1 0 0 0
Bits Access Name Description
5-44 Intel® PXA27x Processor Family Developer’s Manual
DMA Controller
10 R/W CMPST
Descriptor Compare Status
Indicates the most recent status of the source and target compare
operation. CMPST is set on a successful compare of the source and target
fields. An unsuccessful comparison clears CMPST. Refer to the description
of DCMDx[ADDRMODE] for the various addressing modes used for this
comparison. For details regarding the descriptor compare mode, refer to
DCMDx[CMPEN] in Table 5-14.
The DMA controller updates CMPST only in descriptor compare mode
(DCMDx[CMPEN] = 1).
CMPST can be set and cleared by setting DCSRx[SETCMPST] and
DCSRx[CLRCMPST], respectively.
If software attempts to concurrently set and clear CMPST by setting both
DCSRx[SETCMPST] and DCSRx[CLRCMPST], DCSRx[SETCMPST] has
higher precedence. Modifying this bit after DCSRx[RUN] is set and the
channel is actively running leads to faulty behavior of the descriptor chain.
The channel must be stopped before setting or clearing CMPST.
0 = Indicates an unsuccessful address compare in descriptor compare
mode.
1 = Indicates a successful compare of the current descriptor’s source and
target addresses in descriptor compare mode.
9 R/W EORINT
End of Receive
Indicates the status of the mapped peripheral’s receive data. EORINT is set
after the DMA controller reads out the last trailing sample from the
peripheral’s receive FIFO. Figure 5-9 illustrates the behavior of the
descriptor during this condition.
To clear EORINT, write 0b1 to the bit.
EORINT pertains only to internal peripherals.
0 = DMA continues with current descriptor because the internal
peripheral is still actively receiving data.
1 = Channel mapped internal peripheral has no data remaining in its
receive FIFO and has completed all receive transactions. Refer to the
description of DCSRx[EORJMPEN] for the behavior of the DMA
controller during this condition.
NOTE: The EORINT bit must be cleared before restarting a channel.
Table 5-17. DCSR0–31 Bit Definitions (Sheet 4 of 6)
Physical Address
0x4000_0000–0x4000_007C DCSR0–DCSR31 DMA Controller
User
Settings
Bit 31 30 29 28 27 26 25 24 23 22 21 20 19 18 17 16 15 14 13 12 11 10 9 8 7 6 5 4 3 2 1 0
RUN
NODESCFETCH
STOPIRQEN
EORIRQEN
EORJMPEN
EORSTOPEN
SETCMPST
CLRCMPST
RASIrqEn
MaskRun
reserved
CMPST
EORINTR
REQPEND
reserved
RASIntr
STOPINTR
ENDINTR
STARTINTR
BUSERRINTR
Reset 0 0 0 0 0 0 0 0 0 0 ? ? ? ? ? ? ? ? ? ? ? 0 0 0 ? ? ? 0 1 0 0 0
Bits Access Name Description
Intel® PXA27x Processor Family Developer’s Manual 5-45
DMA Controller
8 R REQPEND
Request Pending
Indicates a pending request for the DMA channel.
REQPEND is cleared for a channel if that channel has no pending request
or the request has just been issued to the memory interface in case of a
read or write from the external companion chip to memory.
If DREQ assertion sets REQPEND and DCSRx[RUN] is cleared to stop that
channel, REQPEND and the internal registers that hold the DREQ
assertion information, do not remain set. If the channel is restarted,
REQPEND must be reset by a descriptor that transfers dummy data (for
example, a memory-to-memory transfer from a temporary location to
another temporary location).
0 = No request is pending for the channel.
1 = A request is pending for the channel.
7:5 reserved
4 R/W RASIntr
Request After Channel Stopped
0 = No interrupt
1 = Interrupt caused due to a request made by the peripheral after the
respective channel stopped.
3 R STOPINTR
Stop Interrupt
Reflects the channel’s state.
If the channel is uninitialized or stopped, STOPINTR is set. If
DCSRx[STOPIRQEN] is set, the DMA controller generates an interrupt.
Software must clear DCSRx[STOPIRQEN] to reset the interrupt.
Reprogramming DDADRx and setting DCSRx[RUN] restarts the channel.
0 = The channel is running
1 = The channel is in uninitialized or stopped state.
2 R/W ENDINTR
End Interrupt
Indicates that the current descriptor finished successfully and that
DCMDx[ENDIRQEN] is set. Set ENDINTR to reset the corresponding
interrupt. Clearing ENDINTR has no effect.
0 = No interrupt
1 = Interrupt was caused due to successful completion of the current
transaction and DCMDx[LEN] = 0.
1 R/W STARTINTR
Start Interrupt
Indicates that the current descriptor was loaded successfully and that
DCMDx[STARTIRQEN] is set. Set STARTINTR to reset the corresponding
interrupt. Clearing the bit has no effect.
0 = No interrupt
1 = Interrupt was caused due to successful descriptor fetch.
Table 5-17. DCSR0–31 Bit Definitions (Sheet 5 of 6)
Physical Address
0x4000_0000–0x4000_007C DCSR0–DCSR31 DMA Controller
User
Settings
Bit 31 30 29 28 27 26 25 24 23 22 21 20 19 18 17 16 15 14 13 12 11 10 9 8 7 6 5 4 3 2 1 0
RUN
NODESCFETCH
STOPIRQEN
EORIRQEN
EORJMPEN
EORSTOPEN
SETCMPST
CLRCMPST
RASIrqEn
MaskRun
reserved
CMPST
EORINTR
REQPEND
reserved
RASIntr
STOPINTR
ENDINTR
STARTINTR
BUSERRINTR
Reset 0 0 0 0 0 0 0 0 0 0 ? ? ? ? ? ? ? ? ? ? ? 0 0 0 ? ? ? 0 1 0 0 0
Bits Access Name Description
5-46 Intel® PXA27x Processor Family Developer’s Manual
DMA Controller
Figure 5-9 shows the descriptor behavior on end-of-receive (EOR).
0 R/W BUSERRINTR
Bus Error Interrupt
Indicates that an error occurred during a data transfer on the internal bus.
The error may be due to a bad descriptor source or target address (any
address that is in the non-burstable or reserved space and can cause a bus
error on the system bus).
Set BUSERRINTR to reset the corresponding interrupt. Clearing this bit has
no effect. Only one error per channel is logged. The channel that caused
the error is not updated at the end of the transfer and is not accessible until
it is reprogrammed and the corresponding run bit is set.
0 = No interrupt
1 = Interrupt was caused by bus error.
Table 5-17. DCSR0–31 Bit Definitions (Sheet 6 of 6)
Physical Address
0x4000_0000–0x4000_007C DCSR0–DCSR31 DMA Controller
User
Settings
Bit 31 30 29 28 27 26 25 24 23 22 21 20 19 18 17 16 15 14 13 12 11 10 9 8 7 6 5 4 3 2 1 0
RUN
NODESCFETCH
STOPIRQEN
EORIRQEN
EORJMPEN
EORSTOPEN
SETCMPST
CLRCMPST
RASIrqEn
MaskRun
reserved
CMPST
EORINTR
REQPEND
reserved
RASIntr
STOPINTR
ENDINTR
STARTINTR
BUSERRINTR
Reset 0 0 0 0 0 0 0 0 0 0 ? ? ? ? ? ? ? ? ? ? ? 0 0 0 ? ? ? 0 1 0 0 0
Bits Access Name Description
Intel® PXA27x Processor Family Developer’s Manual 5-47
DMA Controller
Figure 5-9. Descriptor Behavior on End-of-Receive (EOR)
A9379-01
No
No
Yes
No
No
Yes
No
Yes
Yes
Receive request
?
Wait for receive request
Channel stopped.
DCSRx[stopintr] set.
Interrupt triggered if DCSRx[StopIrqEn] = 1
Note: Fetching the NextDescriptor can be different if branching mode is enabled.
Refer to the DDADRx[BREN] description for further details.
Read receive FIFO data
Write remaining bytes
into memory
Next descriptor =
DDADRx
DCSRx[EORSTOPEN]
= 1?
EOR
?
Yes
DCSRx[EORJMPEN] = 1
DCSRx[ENDINTR] = 1
?
or
End-of-
descriptor-chain = 1 or
DCSRx[NODESCFETCH]
= 1 ?
5-48 Intel® PXA27x Processor Family Developer’s Manual
DMA Controller
5.5.9 DMA Interrupt Register (DINT)
Read-only register DINT (Table 5-18) logs the interrupt information for each channel. An interrupt
is generated if any of the following conditions occurs:
Any transaction error occurs on the internal bus associated with the relevant channel.
The current transfer finishes successfully and the DCMDx[ENDIRQEN] bit is set.
The current descriptor is loaded successfully and the DCMDx[STARTIRQEN] bit is set.
DCSRx[STOPERQEN] is set and the channel is in an uninitialized or stopped state.
DCSRx[EORIRQEN] is set and DCSRx[EORINT] is set (EOR signaled by a peripheral).
DCSRx[RASIrqEn] is set and the peripheral makes a DMA request after the channel has
stopped.
All DMA controller interrupts, except the one that corresponds to DCSRx[STOPINTR], are
cleared when software sets the respective error bit in DCSRx[STOPINTR].
Table 5-18. DINT Bit Definitions
Physical Address
0x4000_00F0 DINT DMA Controller
User
Settings
Bit 31 30 29 28 27 26 25 24 23 22 21 20 19 18 17 16 15 14 13 12 11 10 9 8 7 6 5 4 3 2 1 0
CHLINTR31
CHLINTR30
CHLINTR29
CHLINTR28
CHLINTR27
CHLINTR26
CHLINTR25
CHLINTR24
CHLINTR23
CHLINTR22
CHLINTR21
CHLINTR20
CHLINTR19
CHLINTR18
CHLINTR17
CHLINTR16
CHLINTR15
CHLINTR14
CHLINTR13
CHLINTR12
CHLINTR11
CHLINTR10
CHLINTR9
CHLINTR8
CHLINTR7
CHLINTR6
CHLINTR5
CHLINTR4
CHLINTR3
CHLINTR2
CHLINTR1
CHLINTR0
Reset 00000000000000000000000000000000
Bits Access Name Description
31:0 R CHLINTRx
Channel Interrupt
Indicates that DMA channel x has been interrupted:
0 = No interrupt
1 = Interrupt
Intel® PXA27x Processor Family Developer’s Manual 5-49
DMA Controller
5.5.10 DMA Alignment Register (DALGN)
DALGN (Table 5-19) activates byte alignment for source and target addresses. Each bit in the
register corresponds to a DMA channel. By default, during data transfers, the DMA controller
forces the least-significant three bits for all external addresses to zeros and the least-significant two
bits of all peripheral addresses to zeros.
Setting a channel-specific bit in DALGN causes the corresponding channel to access the complete
user-specified address (none of the LSB bits of the address are forced to zeros). For example, if
channel 31 is programmed to transfer data involving a misaligned address, software must write 0b1
to bit 31 of DALGN.
Clearing a bit position in the DALGN register causes the DMA controller to treat the
corresponding channel as the default, a 64-bit aligned channel; the source and target addresses are
forced to zeros, as explained earlier.
DALGN must be updated before setting DCSR[Run] and then must not be altered until the channel
stops.
Table 5-19. DALGN Bit Definitions
Physical Address
0x4000_00A0 DALGN DMA Controller
User
Settings
Bit 31 30 29 28 27 26 25 24 23 22 21 20 19 18 17 16 15 14 13 12 11 10 9 8 7 6 5 4 3 2 1 0
DALGN31
DALGN30
DALGN29
DALGN28
DALGN27
DALGN26
DALGN25
DALGN24
DALGN23
DALGN22
DALGN21
DALGN20
DALGN19
DALGN18
DALGN17
DALGN16
DALGN15
DALGN14
DALGN13
DALGN12
DALGN11
DALGN10
DALGN9
DALGN8
DALGN7
DALGN6
DALGN5
DALGN4
DALGN3
DALGN2
DALGN1
DALGN0
Reset 0 0 0 0 0 0 0 0 0 0 0 0 0 0 0 0 0 0 0 0 0 0 0 0 0 0 0 0 0 0 0 0
Bits Access Name Description
31:0 R/W DALGNx
Alignment Control for Channel X
0 = Source and target addresses of channel x are default aligned (internal
peripherals default to 4 byte alignment; external bus addresses
default to 8 byte alignment).
1 = Source and target addresses of channel x are as defined by user
(byte-aligned).
5-50 Intel® PXA27x Processor Family Developer’s Manual
DMA Controller
5.5.11 DMA Programmed I/O Control Status Register (DPCSR)
DPCSR, defined in Table 5-20, is used for activating and monitoring posted writes and split reads
on the system bus, when software uses programmed I/O (PIO) instructions to access the peripheral
address domain via the DMA bridge.
Setting DPCSR[BrgSplit] activates the following DMA behavior:
If the PIO transaction is a read from a peripheral-address domain, the DMA split responds to
the read instruction. The DMA bridge releases the system bus, then uses microcoded
instructions to read data from the peripheral bus. Once the read completes across the
peripheral bus, the DMA controller completes the split transaction by recapturing the system
bus and completing the PIO read transaction. The core is stalled until the read is returned,
because this is programmed I/O. Any PIO transactions (reads or writes) that occur while the
current PIO read transaction is between the split response and the split completion are retried.
If the PIO transaction is a write instruction to a peripheral-address domain, the DMA posts the
write instruction. The DMA bridge indicates to the system bus that the PIO write is complete
and then releases the system bus. The actual write transaction is then sent across the peripheral
bus using microcoded instructions. If software requires that a write complete on the peripheral
bus before continuing, then software must write the address, then immediately read the same
address, which guarantees that the address has been updated before allowing the core to
continue execution. Any PIO instructions (reads or writes) between the time the write gets
posted on the system bus and until the time the actual write completes across the peripheral
bus are retried.
Clearing DPCSR[BrgSplit] de-activates the posted write and split response behavior. A write
transaction on the system bus is completed only after the write is sent across the peripheral bus.
The targeted address location is guaranteed to be updated by the time the transaction completes on
the system bus. A read transaction on the system bus is completed only after the DMA bridge
receives the data from across the peripheral bus. There are no split responses, split completions, or
retries in this mode.
Note: (1) If software requires that a write complete on the peripheral bus before continuing, then software
must write the address, then immediately read the same address, which guarantees that the address
has been updated before allowing the core to continue execution. Users must perform this read-
after-write transaction to make sure the processor is in a correct state before the core continues
execution.
(2) This control bit must be modified only when DPCSR[BrgBusy] is clear (no pending peripheral
PIO transactions). Modifying this control bit when a PIO transaction is still pending might lead to
unpredictable results and is therefore not recommended.
(3) The PIO transactions are always completed in the order they were issued, regardless of
DPCSR[BrgSplit].
(4) DPCSR[BrgSplit] is set by default (reset value).
DPCSR[BrgBusy] is a status bit which, when set, indicates a pending PIO transaction across the
peripheral bus. Any further PIO transactions on the system bus are retried when DPCSR[BrgBusy]
is set. This bit cannot be modified by software. When DPCSR[BrgBusy] is clear, there are no
pending PIO transactions across the peripheral bus. A new PIO transaction is not retried in this
case.
This is a read/write register. Ignore reads from reserved bits. Write 0b0 to reserved bits.
Intel® PXA27x Processor Family Developer’s Manual 5-51
DMA Controller
5.6 Register Summary
Table 5-21 summarizes the DMA controller registers.
Table 5-20. DPCSR Bit Definitions
Physical Address
0x4000_00A4 DPCSR DMA Controller
User
Settings
Bit 31 30 29 28 27 26 25 24 23 22 21 20 19 18 17 16 15 14 13 12 11 10 9 8 7 6 5 4 3 2 1 0
BrgSplit
reserved
BrgBusy
Reset 1 ? ? ? ? ? ? ? ? ? ? ? ? ? ? ? ? ? ? ? ? ? ? ? ? ? ? ? ? ? ? 0
Bits Access Name Description
31 R/W BrgSplit
Activate Posted Writes and Split Reads
0 = Deactivate posted writes, split responses, split completions and
retries.
1 = Activate posted writes, split responses, split completions and retries.
30:1 — reserved
0RBrgBusy
Bridge Busy Status
0 = No pending PIO transactions across peripheral bus.
1 = Pending PIO transaction across peripheral bus.
Table 5-21. DMA Controller Register Summary (Sheet 1 of 8)
Address Name Description Page
0x4000_0000 DCSR0 DMA Control/Status register for Channel 0 5-41
0x4000_0004 DCSR1 DMA Control/Status register for Channel 1 5-41
0x4000_0008 DCSR2 DMA Control/Status register for Channel 2 5-41
0x4000_000C DCSR3 DMA Control/Status register for Channel 3 5-41
0x4000_0010 DCSR4 DMA Control/Status register for Channel 4 5-41
0x4000_0014 DCSR5 DMA Control/Status register for Channel 5 5-41
0x4000_0018 DCSR6 DMA Control/Status register for Channel 6 5-41
0x4000_001C DCSR7 DMA Control/Status register for Channel 7 5-41
0x4000_0020 DCSR8 DMA Control/Status register for Channel 8 5-41
0x4000_0024 DCSR9 DMA Control/Status register for Channel 9 5-41
0x4000_0028 DCSR10 DMA Control/Status register for Channel 10 5-41
0x4000_002C DCSR11 DMA Control/Status register for Channel 11 5-41
0x4000_0030 DCSR12 DMA Control/Status register for Channel 12 5-41
0x4000_0034 DCSR13 DMA Control/Status register for Channel 13 5-41
0x4000_0038 DCSR14 DMA Control/Status register for Channel 14 5-41
0x4000_003C DCSR15 DMA Control/Status register for Channel 15 5-41
5-52 Intel® PXA27x Processor Family Developer’s Manual
DMA Controller
0x4000_0040 DCSR16 DMA Control/Status register for Channel 16 5-41
0x4000_0044 DCSR17 DMA Control/Status register for Channel 17 5-41
0x4000_0048 DCSR18 DMA Control/Status register for Channel 18 5-41
0x4000_004C DCSR19 DMA Control/Status register for Channel 19 5-41
0x4000_0050 DCSR20 DMA Control/Status register for Channel 20 5-41
0x4000_0054 DCSR21 DMA Control/Status register for Channel 21 5-41
0x4000_0058 DCSR22 DMA Control/Status register for Channel 22 5-41
0x4000_005C DCSR23 DMA Control/Status register for Channel 23 5-41
0x4000_0060 DCSR24 DMA Control/Status register for Channel 24 5-41
0x4000_0064 DCSR25 DMA Control/Status register for Channel 25 5-41
0x4000_0068 DCSR26 DMA Control/Status register for Channel 26 5-41
0x4000_006C DCSR27 DMA Control/Status register for Channel 27 5-41
0x4000_0070 DCSR28 DMA Control/Status register for Channel 28 5-41
0x4000_0074 DCSR29 DMA Control/Status register for Channel 29 5-41
0x4000_0078 DCSR30 DMA Control/Status register for Channel 30 5-41
0x4000_007C DCSR31 DMA Control/Status register for Channel 31 5-41
0x4000_0080–
0x4000_009C reserved
0x4000_00A0 DALGN DMA Alignment register 5-49
0x4000_00A4 DPCSR DMA Programmed I/O Control Status register 5-51
0x4000_00A8–
0x4000_00DC reserved
0x4000_00E0 DRQSR0 DMA DREQ<0> Status register 5-40
0x4000_00E4 DRQSR1 DMA DREQ<1> Status register 5-40
0x4000_00E8 DRQSR2 DMA DREQ<2> Status register 5-40
0x4000_00EC reserved
0x4000_00F0 DINT DMA Interrupt register 5-48
0x4000_00F4–
0x4000_00FC reserved
0x4000_0100 DRCMR0 Request to Channel Map register for DREQ<0>
(companion chip request 0) 5-31
0x4000_0104 DRCMR1 Request to Channel Map register for DREQ<1>
(companion chip request 1) 5-31
0x4000_0108 DRCMR2 Request to Channel Map register for I2S receive request 5-31
0x4000_010C DRCMR3 Request to Channel Map register for I2S transmit request 5-31
0x4000_0110 DRCMR4 Request to Channel Map register for BTUART receive request 5-31
0x4000_0114 DRCMR5 Request to Channel Map register for BTUART transmit request. 5-31
0x4000_0118 DRCMR6 Request to Channel Map register for FFUART receive request 5-31
0x4000_011C DRCMR7 Request to Channel Map register for FFUART transmit request 5-31
0x4000_0120 DRCMR8 Request to Channel Map register for AC ’97 microphone request 5-31
Table 5-21. DMA Controller Register Summary (Sheet 2 of 8)
Address Name Description Page
Intel® PXA27x Processor Family Developer’s Manual 5-53
DMA Controller
0x4000_0124 DRCMR9 Request to Channel Map register for AC ’97 modem receive request 5-31
0x4000_0128 DRCMR10 Request to Channel Map register for AC ’97 modem transmit
request 5-31
0x4000_012C DRCMR11 Request to Channel Map register for AC ’97 audio receive request 5-31
0x4000_0130 DRCMR12 Request to Channel Map register for AC ’97 audio transmit request 5-31
0x4000_0134 DRCMR13 Request to Channel Map register for SSP1 receive request 5-31
0x4000_0138 DRCMR14 Request to Channel Map register for SSP1 transmit request 5-31
0x4000_013C DRCMR15 Request to Channel Map register for SSP2 receive request 5-31
0x4000_0140 DRCMR16 Request to Channel Map register for SSP2 transmit request 5-31
0x4000_0144 DRCMR17 Request to Channel Map register for ICP receive request 5-31
0x4000_0148 DRCMR18 Request to Channel Map register for ICP transmit request 5-31
0x4000_014C DRCMR19 Request to Channel Map register for STUART receive request 5-31
0x4000_0150 DRCMR20 Request to Channel Map register for STUART transmit request 5-31
0x4000_0154 DRCMR21 Request to Channel Map register for MMC/SDIO receive request 5-31
0x4000_0158 DRCMR22 Request to Channel Map register for MMC/SDIO transmit request 5-31
0x4000_015C reserved
0x4000_0160 DRCMR24 Request to Channel Map register for USB endpoint 0 request 5-31
0x4000_0164 DRCMR25 Request to Channel Map register for USB endpoint A request 5-31
0x4000_0168 DRCMR26 Request to Channel Map register for USB endpoint B request 5-31
0x4000_016C DRCMR27 Request to Channel Map register for USB endpoint C request 5-31
0x4000_0170 DRCMR28 Request to Channel Map register for USB endpoint D request 5-31
0x4000_0174 DRCMR29 Request to Channel Map register for USB endpoint E request 5-31
0x4000_0178 DRCMR30 Request to Channel Map register for USB endpoint F request 5-31
0x4000_017C DRCMR31 Request to Channel Map register for USB endpoint G request 5-31
0x4000_0180 DRCMR32 Request to Channel Map register for USB endpoint H request 5-31
0x4000_0184 DRCMR33 Request to Channel Map register for USB endpoint I request 5-31
0x4000_0188 DRCMR34 Request to Channel Map register for USB endpoint J request 5-31
0x4000_018C DRCMR35 Request to Channel Map register for USB endpoint K request 5-31
0x4000_0190 DRCMR36 Request to Channel Map register for USB endpoint L request 5-31
0x4000_0194 DRCMR37 Request to Channel Map register for USB endpoint M request 5-31
0x4000_0198 DRCMR38 Request to Channel Map register for USB endpoint N request 5-31
0x4000_019C DRCMR39 Request to Channel Map register for USB endpoint P request 5-31
0x4000_01A0 DRCMR40 Request to Channel Map register for USB endpoint Q request 5-31
0x4000_01A4 DRCMR41 Request to Channel Map register for USB endpoint R request 5-31
0x4000_01A8 DRCMR42 Request to Channel Map register for USB endpoint S request 5-31
0x4000_01AC DRCMR43 Request to Channel Map register for USB endpoint T request 5-31
0x4000_01B0 DRCMR44 Request to Channel Map register for USB endpoint U request 5-31
0x4000_01B4 DRCMR45 Request to Channel Map register for USB endpoint V request 5-31
Table 5-21. DMA Controller Register Summary (Sheet 3 of 8)
Address Name Description Page
5-54 Intel® PXA27x Processor Family Developer’s Manual
DMA Controller
0x4000_01B8 DRCMR46 Request to Channel Map register for USB endpoint W request 5-31
0x4000_01BC DRCMR47 Request to Channel Map register for USB endpoint X request 5-31
0x4000_01C0 DRCMR48 Request to Channel Map register for MSL receive request 1 5-31
0x4000_01C4 DRCMR49 Request to Channel Map register for MSL transmit request 1 5-31
0x4000_01C8 DRCMR50 Request to Channel Map register for MSL receive request 2 5-31
0x4000_01CC DRCMR51 Request to Channel Map register for MSL transmit request 2 5-31
0x4000_01D0 DRCMR52 Request to Channel Map register for MSL receive request 3 5-31
0x4000_01D4 DRCMR53 Request to Channel Map register for MSL transmit request 3 5-31
0x4000_01D8 DRCMR54 Request to Channel Map register for MSL receive request 4 5-31
0x4000_01DC DRCMR55 Request to Channel Map register for MSL transmit request 4 5-31
0x4000_01E0 DRCMR56 Request to Channel Map register for MSL receive request 5 5-31
0x4000_01E4 DRCMR57 Request to Channel Map register for MSL transmit request 5 5-31
0x4000_01E8 DRCMR58 Request to Channel Map register for MSL receive request 6 5-31
0x4000_01EC DRCMR59 Request to Channel Map register for MSL transmit request 6 5-31
0x4000_01F0 DRCMR60 Request to Channel Map register for MSL receive request 7 5-31
0x4000_01F4 DRCMR61 Request to Channel Map register for MSL transmit request 7 5-31
0x4000_01F8 DRCMR62 Request to Channel Map register for USIM receive request 5-31
0x4000_01FC DRCMR63 Request to Channel Map register for USIM transmit request 5-31
0x4000_0200 DDADR0 DMA Descriptor Address register for Channel 0 5-32
0x4000_0204 DSADR0 DMA Source Address register for Channel 0 5-33
0x4000_0208 DTADR0 DMA Target Address register for Channel 0 5-34
0x4000_020C DCMD0 DMA Command Address register for Channel 0 5-35
0x4000_0210 DDADR1 DMA Descriptor Address register for Channel 1 5-32
0x4000_0214 DSADR1 DMA Source Address register for Channel 1 5-33
0x4000_0218 DTADR1 DMA Target Address register for Channel 1 5-34
0x4000_021C DCMD1 DMA Command Address register for Channel 1 5-35
0x4000_0220 DDADR2 DMA Descriptor Address register for Channel 2 5-32
0x4000_0224 DSADR2 DMA Source Address register for Channel 2 5-33
0x4000_0228 DTADR2 DMA Target Address register for Channel 2 5-34
0x4000_022C DCMD2 DMA Command Address register for Channel 2 5-35
0x4000_0230 DDADR3 DMA Descriptor Address register for Channel 3 5-32
0x4000_0234 DSADR3 DMA Source Address register for Channel 3 5-33
0x4000_0238 DTADR3 DMA Target Address register for Channel 3 5-34
0x4000_023C DCMD3 DMA Command Address register for Channel 3 5-35
0x4000_0240 DDADR4 DMA Descriptor Address register for Channel 4 5-32
0x4000_0244 DSADR4 DMA Source Address register for Channel 4 5-33
0x4000_0248 DTADR4 DMA Target Address register for Channel 4 5-34
0x4000_024C DCMD4 DMA Command Address register for Channel 4 5-35
Table 5-21. DMA Controller Register Summary (Sheet 4 of 8)
Address Name Description Page
Intel® PXA27x Processor Family Developer’s Manual 5-55
DMA Controller
0x4000_0250 DDADR5 DMA Descriptor Address register for Channel 5 5-32
0x4000_0254 DSADR5 DMA Source Address register for Channel 5 5-33
0x4000_0258 DTADR5 DMA Target Address register for Channel 5 5-34
0x4000_025C DCMD5 DMA Command Address register for Channel 5 5-35
0x4000_0260 DDADR6 DMA Descriptor Address register for Channel 6 5-32
0x4000_0264 DSADR6 DMA Source Address register for Channel 6 5-33
0x4000_0268 DTADR6 DMA Target Address register for Channel 6 5-34
0x4000_026C DCMD6 DMA Command Address register for Channel 6 5-35
0x4000_0270 DDADR7 DMA Descriptor Address register for Channel 7 5-32
0x4000_0274 DSADR7 DMA Source Address register for Channel 7 5-33
0x4000_0278 DTADR7 DMA Target Address register for Channel 7 5-34
0x4000_027C DCMD7 DMA Command Address register for Channel 7 5-35
0x4000_0280 DDADR8 DMA Descriptor Address register for Channel 8 5-32
0x4000_0284 DSADR8 DMA Source Address register for Channel 8 5-33
0x4000_0288 DTADR8 DMA Target Address register for Channel 8 5-34
0x4000_028C DCMD8 DMA Command Address register for Channel 8 5-35
0x4000_0290 DDADR9 DMA Descriptor Address register for Channel 9 5-32
0x4000_0294 DSADR9 DMA Source Address register for Channel 9 5-33
0x4000_0298 DTADR9 DMA Target Address register for Channel 9 5-34
0x4000_029C DCMD9 DMA Command Address register for Channel 9 5-35
0x4000_02A0 DDADR10 DMA Descriptor Address register for Channel 10 5-32
0x4000_02A4 DSADR10 DMA Source Address register for Channel 10 5-33
0x4000_02A8 DTADR10 DMA Target Address register for Channel 10 5-34
0x4000_02AC DCMD10 DMA Command Address register for Channel 10 5-35
0x4000_02B0 DDADR11 DMA Descriptor Address register for Channel 11 5-32
0x4000_02B4 DSADR11 DMA Source Address register for Channel 11 5-33
0x4000_02B8 DTADR11 DMA Target Address register for Channel 11 5-34
0x4000_02BC DCMD11 DMA Command Address register for Channel 11 5-35
0x4000_02C0 DDADR12 DMA Descriptor Address register for Channel 12 5-32
0x4000_02C4 DSADR12 DMA Source Address register for Channel 12 5-33
0x4000_02C8 DTADR12 DMA Target Address register for Channel 12 5-34
0x4000_02CC DCMD12 DMA Command Address register for Channel 12 5-35
0x4000_02D0 DDADR13 DMA Descriptor Address register for Channel 13 5-32
0x4000_02D4 DSADR13 DMA Source Address register for Channel 13 5-33
0x4000_02D8 DTADR13 DMA Target Address register for Channel 13 5-34
0x4000_02DC DCMD13 DMA Command Address register for Channel 13 5-35
0x4000_02E0 DDADR14 DMA Descriptor Address register for Channel 14 5-32
0x4000_02E4 DSADR14 DMA Source Address register for Channel 14 5-33
Table 5-21. DMA Controller Register Summary (Sheet 5 of 8)
Address Name Description Page
5-56 Intel® PXA27x Processor Family Developer’s Manual
DMA Controller
0x4000_02E8 DTADR14 DMA Target Address register for Channel 14 5-34
0x4000_02EC DCMD14 DMA Command Address register for Channel 14 5-35
0x4000_02F0 DDADR15 DMA Descriptor Address register for Channel 15 5-32
0x4000_02F4 DSADR15 DMA Source Address register for Channel 15 5-33
0x4000_02F8 DTADR15 DMA Target Address register for Channel 15 5-34
0x4000_02FC DCMD15 DMA Command Address register for Channel 15 5-35
0x4000_0300 DDADR16 DMA Descriptor Address register for Channel 16 5-32
0x4000_0304 DSADR16 DMA Source Address register for Channel 16 5-33
0x4000_0308 DTADR16 DMA Target Address register for Channel 16 5-34
0x4000_030C DCMD16 DMA Command Address register for Channel 16 5-35
0x4000_0310 DDADR17 DMA Descriptor Address register for Channel 17 5-32
0x4000_0314 DSADR17 DMA Source Address register for Channel 17 5-33
0x4000_0318 DTADR17 DMA Target Address register for Channel 17 5-34
0x4000_031C DCMD17 DMA Command Address register for Channel 17 5-35
0x4000_0320 DDADR18 DMA Descriptor Address register for Channel 18 5-32
0x4000_0324 DSADR18 DMA Source Address register for Channel 18 5-33
0x4000_0328 DTADR18 DMA Target Address register for Channel 18 5-34
0x4000_032C DCMD18 DMA Command Address register for Channel 18 5-35
0x4000_0330 DDADR19 DMA Descriptor Address register for Channel 19 5-32
0x4000_0334 DSADR19 DMA Source Address register for Channel 19 5-33
0x4000_0338 DTADR19 DMA Target Address register for Channel 19 5-34
0x4000_033C DCMD19 DMA Command Address register for Channel 19 5-35
0x4000_0340 DDADR20 DMA Descriptor Address register for Channel 20 5-32
0x4000_0344 DSADR20 DMA Source Address register for Channel 20 5-33
0x4000_0348 DTADR20 DMA Target Address register for Channel 20 5-34
0x4000_034C DCMD20 DMA Command Address register for Channel 20 5-35
0x4000_0350 DDADR21 DMA Descriptor Address register for Channel 21 5-32
0x4000_0354 DSADR21 DMA Source Address register for Channel 21 5-33
0x4000_0358 DTADR21 DMA Target Address register for Channel 21 5-34
0x4000_035C DCMD21 DMA Command Address register for Channel 21 5-35
0x4000_0360 DDADR22 DMA Descriptor Address register for Channel 22 5-32
0x4000_0364 DSADR22 DMA Source Address register for Channel 22 5-33
0x4000_0368 DTADR22 DMA Target Address register for Channel 22 5-34
0x4000_036C DCMD22 DMA Command Address register for Channel 22 5-35
0x4000_0370 DDADR23 DMA Descriptor Address register for Channel 23 5-32
0x4000_0374 DSADR23 DMA Source Address register for Channel 23 5-33
0x4000_0378 DTADR23 DMA Target Address register for Channel 23 5-34
0x4000_037C DCMD23 DMA Command Address register for Channel 23 5-35
Table 5-21. DMA Controller Register Summary (Sheet 6 of 8)
Address Name Description Page
Intel® PXA27x Processor Family Developer’s Manual 5-57
DMA Controller
0x4000_0380 DDADR24 DMA Descriptor Address register for Channel 24 5-32
0x4000_0384 DSADR24 DMA Source Address register for Channel 24 5-33
0x4000_0388 DTADR24 DMA Target Address register for Channel 24 5-34
0x4000_038C DCMD24 DMA Command Address register for Channel 24 5-35
0x4000_0390 DDADR25 DMA Descriptor Address register for Channel 25 5-32
0x4000_0394 DSADR25 DMA Source Address register for Channel 25 5-33
0x4000_0398 DTADR25 DMA Target Address register for Channel 25 5-34
0x4000_039C DCMD25 DMA Command Address register for Channel 25 5-35
0x4000_03A0 DDADR26 DMA Descriptor Address register for Channel 26 5-32
0x4000_03A4 DSADR26 DMA Source Address register for Channel 26 5-33
0x4000_03A8 DTADR26 DMA Target Address register for Channel 26 5-34
0x4000_03AC DCMD26 DMA Command Address register for Channel 26 5-35
0x4000_03B0 DDADR27 DMA Descriptor Address register for Channel 27 5-32
0x4000_03B4 DSADR27 DMA Source Address register for Channel 27 5-33
0x4000_03B8 DTADR27 DMA Target Address register for Channel 27 5-34
0x4000_03BC DCMD27 DMA Command Address register for Channel 27 5-35
0x4000_03C0 DDADR28 DMA Descriptor Address register for Channel 28 5-32
0x4000_03C4 DSADR28 DMA Source Address register for Channel 28 5-33
0x4000_03C8 DTADR28 DMA Target Address register for Channel 28 5-34
0x4000_03CC DCMD28 DMA Command Address register for Channel 28 5-35
0x4000_03D0 DDADR29 DMA Descriptor Address register for Channel 29 5-32
0x4000_03D4 DSADR29 DMA Source Address register for Channel 29 5-33
0x4000_03D8 DTADR29 DMA Target Address register for Channel 29 5-34
0x4000_03DC DCMD29 DMA Command Address register for Channel 29 5-35
0x4000_03E0 DDADR30 DMA Descriptor Address register for Channel 30 5-32
0x4000_03E4 DSADR30 DMA Source Address register for Channel 30 5-33
0x4000_03E8 DTADR30 DMA Target Address register for Channel 30 5-34
0x4000_03EC DCMD30 DMA Command Address register for Channel 30 5-35
0x4000_03F0 DDADR31 DMA Descriptor Address register for Channel 31 5-32
0x4000_03F4 DSADR31 DMA Source Address register for Channel 31 5-33
0x4000_03F8 DTADR31 DMA Target Address register for Channel 31 5-34
0x4000_03FC DCMD31 DMA Command Address register for Channel 31 5-35
0x4000_0400–
0x4000_10FC reserved
0x4000_1100 DRCMR64 Request to Channel Map register for Memory Stick receive request 5-31
0x4000_1104 DRCMR65 Request to Channel Map register for Memory Stick transmit request 5-31
0x4000_1108 DRCMR66 Request to Channel Map register for SSP3 receive request 5-31
0x4000_110C DRCMR67 Request to Channel Map register for SSP3 transmit request 5-31
Table 5-21. DMA Controller Register Summary (Sheet 7 of 8)
Address Name Description Page
5-58 Intel® PXA27x Processor Family Developer’s Manual
DMA Controller
0x4000_1110 DRCMR68 Request to Channel Map register for Quick Capture Interface
Receive Request 0 5-31
0x4000_1114 DRCMR69 Request to Channel Map register for Quick Capture Interface
Receive Request 1 5-31
0x4000_1118 DRCMR70 Request to Channel Map register for Quick Capture Interface
Receive Request 2 5-31
0x4000_111C DRCMR71 Request to Channel Map register for TPM Receive Request 5-31
0x4000_1120 DRCMR72 Request to Channel Map register for TPM Transmit Request 1 5-31
0x4000_1124 DRCMR73 Request to Channel Map register for TPM Transmit Request 2 5-31
0x4000_1128 DRCMR74 Request to Channel Map register for DREQ<2>
(companion chip request 2) 5-31
0x4000_112C–
0x400F_FFFC reserved
0x4800_0020 FLYCNFG Fly-by DMA DVAL<1:0> polarities 5-39
Table 5-21. DMA Controller Register Summary (Sheet 8 of 8)
Address Name Description Page
Intel® PXA27x Processor Family Developer’s Manual 6-1
Memory Controller 6
This chapter describes the internal and external memory-interface structures for the PXA27x
processor. Memory-related registers that configure the memory controller for data transfers to and
from static and dynamic memory devices are also described.
6.1 Overview
The external memory-bus interface for the PXA27x processor supports SDRAM, synchronous, and
asynchronous burst-mode and page-mode flash memory, page-mode ROM, SRAM, variable-
latency I/O (VLIO) memory, PC Card, and CompactFlash expansion memory. Memory types are
programmable through the memory-interface configuration registers (see Table 6-44).
Memory requests are placed in a four-deep processing queue and processed in the order they are
received.
6.2 Features
The memory controller provides the following features:
Interfaces to internal synchronous flash and SDRAM devices
Interfaces to four partitions of SDRAM
Interfaces to up to 1.0 Gbytes of SDRAM
Supports 1.8-V JEDEC LP-SDRAM operation at 104 MHz
Interfaces to six partitions of static memory. Four of these six partitions can be synchronous
flash memory.
Interfaces to up to 384 Mbytes of flash memory
Interfaces to two sockets of PC Card memory
Allows an alternate bus master to take control of the bus
Places the SDRAMs into self-refresh mode before entering sleep, standby, deep-sleep, and
frequency-change modes
Provides signals and controls for fly-by DMA transfers
Supports non-volatile memory configured as bank 0 from either 16- or 32-bit devices
Provides three independent output clocks (SDCLK<2:0>) that can be turned on/off separately
and can be programmed to be free-running. The clocks can be the same frequency or half the
frequency of the input clock, CLK_MEM. One clock (SDCLK<0>) can also be programmed
as one quarter of the input-clock frequency. A fourth output clock (SDCLK<3>) depends on
configuration bits used to control SDCLK<0>.
Provides a programmable power-down mode for saving power
6-2 Intel® PXA27x Processor Family Developer’s Manual
Memory Controller
6.3 Signal Descriptions
The signals shown in Table 6-1 are inputs or outputs from the external memory controller block. In
general, do not change a signal direction unless the change is required. See the Intel® PXA270
Processor Electrical, Mechanical, and Thermal Specification and Intel® PXA27x Processor
Family Electrical, Mechanical, and Thermal Specification (Intel® PXA27x Processor Family
EMTS) for signal timing.
Table 6-1. Memory Controller I/O Signal Descriptions (Sheet 1 of 2)
Signal Name Type Description
Shared Memory Controller I/O Signals
MD<31:0> Input/Output Bidirectional data for all memory types.
MA<25:0> Output Output address to all memory types.
DQM<3:0> Output
Data byte mask control.
DQM<0> corresponds to MD<7:0>
DQM<1> corresponds to MD<15:8>
DQM<2> corresponds to MD<23:16>
DQM<3> corresponds to MD<31:24>
0 = Do not mask out corresponding byte
1 = Mask out corresponding byte
SDRAM and Static Memory I/O Signals
SDCLK<3:0> Output
Output clocks to external memory.
SDCLK<0> is for all static memory partitions.
SDCLK<1> is for SDRAM partitions 0 and 1.
SDCLK<2> is for SDRAM partitions 2 and 3.
SDCLK<3> is dedicated to synchronous flash within the PXA271and PXA272
processors. It is not intended to drive synchronous flash external to these
processors.
SDCKE Output Output-clock enable signals for external memory.
SDCKE is for all SDRAM memory partitions.
nSDRAS Output Row address strobe for SDRAM.
nSDCAS Output Column address strobe for SDRAM.
Also nADV (address strobe) for synchronous flash memory.
nSDCS<3:0> Output Chips selects for SDRAM.
nCS<5:0> Output Chip selects for static memory.
nWE Output Write enable for SDRAM and static memory.
nOE Output Output enable for static memory.
Miscellaneous I/O Signals
RDnWR Output
During active operation, this is the data direction signal to be used by output
transceivers. During inactive operation, RDnWR is driven low.
0 = MD<31:0> is being driven by the processor
1 = MD<31:0> is not being driven by the processor
DVAL<1:0> Output Data ready signals for fly-by DMA mode
Intel® PXA27x Processor Family Developer’s Manual 6-3
Memory Controller
RDY Input
VLIO signal for inserting wait states.
0 = Wait
1 = VLIO is ready
BOOT_SEL Input
Boot select signal that configures the memory controller for the bus width of the
boot memory:
0 = 32-bit ROM/flash memory
1 = 16-bit ROM/flash memory
Alternate Bus Master Mode I/O Signals
MBREQ Input Alternate bus master request
MBGNT Output Alternate bus master grant
PC Card Interface I/O Signals
nPCE<2:1> Output Byte lane enables for the PC Card interface. nPCE<1> enables MD<7:0>;
nPCE<2> enables MD<15:8>.
nPREG Output Serves as the PC Card interface address bit MA<26> and selects register
space (I/O or attribute) or memory space.
nPIOR Output PC Card interface I/O space output enable
nPIOW Output PC Card interface I/O space write enable
nPWE Output PC Card interface attribute and common memory space write enable.
Also write enable for variable-latency I/O memory.
nPOE Output PC Card interface attribute and common memory space output enable.
nIOIS16 Input
PC Card interface input from I/O space indicating the size of the data bus:
0 = 16-bit I/O space
1 = 8-bit I/O space
nPWAIT Input
PC Card interface input for inserting wait states:
0 = Wait
1 = PC Card is ready
PSKTSEL Output
This is the active low output enable that can be used as nOE for the data
transceivers.
In a single socket solution:
0 = Output enable selected
1 = Output enable not selected
In a dual socket solution, the socket select:
0 = Socket 0 selected
1 = Socket 1 selected
NOTE:
The MBREQ alternate function must not be enabled until the PSSR[RDH] bit field is cleared. For more
details, see Table 3-15, “PSSR Bit Definitions” on page 3-72.
Table 6-1. Memory Controller I/O Signal Descriptions (Sheet 2 of 2)
Signal Name Type Description
6-4 Intel® PXA27x Processor Family Developer’s Manual
Memory Controller
6.4 Operation
The processor has three different memory spaces: SDRAM, static memory, and PC Card space.
SDRAM has four partitions, static memory has six partitions, and PC Card space has two partitions
(or sockets). When user software performs a memory burst across the boundary between any two
adjacent partitions, the configurations for each partition must be identical. They must have the
same external bus width, burst length, and so forth.
In theory, the partitions can be different types of memory sharing the same configuration
characteristics. In practice, cross-partition memory bursts are conducted only when the two
partitions hold the same memory type. A typical case is a transfer across two SDRAM partitions, 0
and 1, which are mandated to have the same characteristics.
Figure 6-1 is a block diagram of the maximum configuration of the memory controller.
6.4.1 Stacked SDRAM and Flash Memory
This section describes memory types that may be supported in the PXA271 and PXA272
processors.
6.4.1.1 Stacked SDRAM
On the Intel® PXA271 processor, SDRAM is stacked and connected to SDRAM partition 0. On
systems using the Intel® PXA271 processor, external SDRAM memory chips must not exist within
the same SDRAM partition pair as that of the internal stacked SDRAM. This could cause negative
signal reflection to the stacked SDRAM device. See Section 6.4.2 for additional information on
SDRAM partition pairs.
For the Intel® PXA271 processor stacked SDRAM, the Intel® PXA27x processor memory
controller must be programmed to multiplex the SDRAM address lines out differently because the
address lines to the stacked SDRAM are not connected to the usual MA<24:10> lines. The
MDCNFG[STACKx] field on a Intel® PXA271 processor must be programmed to 0b01 to send the
SDRAM address out on MA<24:23,13:1> for stacked 16-bit SDRAM of this product.
For a non stacked part (Intel® PXA270 processor) or flash only stacked part (Intel® PXA272
processor) the MDCNFG[STACKx] field must be programmed to 0b00 to send the SDRAM
address out on MA<24:10>. See Section 6.5.1.1 for information on programming the
MDCNFG[STACKx] field.
6.4.1.2 Stacked Flash Memory
A fourth SDCLK, SDCLK<3> is driven by the memory controller, to be used in the PXA271 and
PXA272 processors containing stacked flash devices. SDCLK<3> is a buffer duplicate of
SDCLK<0> and does not have any control bits of its own to turn it on or off. Use the buffer
strength field associated with SDCLK<3> to turn off SDCLK<3> if there is no stacked flash in the
system. This buffer strength setting is located in the BSCNTR2 register. See Section 6.5.7.3 for
information on programming the SDCLK<3> buffer strength setting.
Intel® PXA27x Processor Family Developer’s Manual 6-5
Memory Controller
Static partitions 0 and 1 may contain stacked flash. The memory controller must be aware of which
static memory partitions contain stacked flash. This is programmed in the SA1111[SXSTACK]
field. See Section 6.5.3.2 for information on programming this field. When a flash device is being
written to, the nCS and nWE signals swap functionality from a normal flash write to an off-chip
device. This is shown by timing diagrams in the Intel® PXA27x Processor Family EMTS.
Figure 6-1. General Memory Interface Configuration
Memory
Controller
Interface
SDRAM Partition 2
SDRAM Partition 1
SDRAM Partition 0
nSDCS<3>
nSDCS<2>
nSDCS<1>
SDCKE
nCS<0>
nCS<1>
nCS<2>
nCS<3>
nCS<4>
nCS<5>
Static Bank 3
Static Bank 4
Static Bank 5
Buffers and
Transceivers
DQM<3:0>
nSDRAS, nSDCAS, nWE
SDCLK<1>
SDCLK<2>
SDCLK<0>&SDCLK<3>
MD<31:0>
MA<25:0>
Card Control
RDY
SDRAM Memory Interface
Up to 4 partitions of SDRAM
memory (16- or 32-bit wide)
Card Memory Interface
Up to 2-socket support.
Requires some
external buffering.
Up to 6 banks of ROM, flash,
NOTE:
1) Static Bank 0 must be populated by
Static Memory or
Variable Latency I/O Interface
(16- or 32-bit wide)
(16- or 32-bit wide)
SRAM, Variable Latency I/O,
“bootable” memory
Static Bank 0
Static Bank 1
Static Bank 2
Up to 4 banks of synchronou
s
flash memory (nCS<3:0>)
NOTE:
Static Bank 0 must be populated by
“bootable” memory
Processor
Alternate
nSDCS<0>
Bus Master
MBGNT
MBREQ
Memory Interface
Synchronous Static
SDRAM Partition 3
nOE
2) nPWE used in place of nWE for
VLIO memory types
nPWE
6-6 Intel® PXA27x Processor Family Developer’s Manual
Memory Controller
6.4.2 Synchronous Dynamic Memory (SDRAM) Interface
The processor supports the JEDEC synchronous dynamic memory (SDRAM) interface. The
SDRAM interface supports four 16-bit or 32-bit wide partitions of SDRAM. Each partition is
allocated 64 or 256 Mbytes of the internal memory map. The actual size of each partition depends
on the SDRAM configuration used. The four partitions are divided into two partition pairs: the 0/1
pair and the 2/3 pair. Both partitions in a pair must be identical in size and configuration. Pairs 0/1
and 2/3 can be different. For example, the 0/1 pair can be 100-MHz SDRAM on a 32-bit data bus,
while the 2/3 pair can be 50-MHz SDRAM on a 16-bit data bus.
The SDRAM interface includes the following:
Four partition selects, nSDCS<3:0>
Four byte mask signals, DQM<3:0>
15 multiplexed bank/row/column address signals, MA<24:10>, MA<24:23,14:2>, or
MA<24:23,13:1>, depending on the MDCNFG[STACKx] setting
One write enable, nWE
One column-address strobe (nSDCAS)
One row-address strobe (nSDRAS)
One clock enable (SDCKE)
Two clocks (SDCLK<2:1>)
The processor performs auto-refresh (CBR) during normal operation and supports self-refreshing
SDRAM during sleep, deep-sleep, standby, and frequency-change modes. An SDRAM auto-
power-down mode bit (MDREFR[APD]) can be set so that the two clocks (SDCLK<2:1>) and the
clock-enable signal (SDCKE) to SDRAM are automatically de-asserted whenever none of the
corresponding partitions is being accessed.
Each possible SDRAM section of the memory map is referred to as a partition, to distinguish them
from banks internal to SDRAM devices.
6.4.2.1 Maximum Row Active Time (TRAS)
The maximum amount of time that any SDRAM row can be active is defined as TRASMAX. When
programming MDREFR[DRI], ensure that the refresh cycle time is less than TRASMAX because it is
not monitored by the memory controller.
6.4.2.2 Programmable Larger SDRAM Memory Space
The read/write MDCNFG register contains control bits for configuring the SDRAM for larger
SDRAM configurations than fit in the 64-Mbyte SDRAM partitions. Refer to Table 6-23 for
configuration programming. Figure 6-2 shows the programmable option for the SDRAM memory
space.
Intel® PXA27x Processor Family Developer’s Manual 6-7
Memory Controller
Figure 6-2. Programmable SDRAM Memory Map Options
SDRAM Partition 0 (64 Mbyte)
Reserved (64 Mbyte)
0xBC00_0000
0xB800_0000
0xB400_0000
0xB000_0000
0xAC00_0000
0xA800_0000
0xA400_0000
0xA000_0000
SDRAM Partition 1 (64 Mbyte)
SDRAM Partition 2 (64 Mbyte)
SDRAM Partition 3 (64 Mbyte)
Reserved (64 Mbyte)
Reserved (64 Mbyte)
Reserved (64 Mbyte)
Reserved (64 Mbyte)
0x9C00_0000
0x9800_0000
0x9400_0000
0x9000_0000
0x8C00_0000
0x8800_0000
0x8400_0000
0x8000_0000
Reserved (64 Mbyte)
Reserved (64 Mbyte)
Reserved (64 Mbyte)
Reserved (64 Mbyte)
Reserved (64 Mbyte)
Reserved (64 Mbyte)
Reserved (64 Mbyte)
SDRAM Partition 0
0xB000_0000
0xA000_0000
0x9000_0000
0x8000_0000
SDRAM Partition 3
SDRAM Partition 2
SDRAM Partition 1
Normal 256-Mbyte Memory Map Large 1-Gbyte Memory Map
(256 Mbyte)
(256 Mbyte)
(256 Mbyte)
(256 Mbyte)
6-8 Intel® PXA27x Processor Family Developer’s Manual
Memory Controller
6.4.2.3 SDRAM Memory Size Options
The SDRAM interface supports up to four partitions, organized as two pairs. Both partitions within
a pair must have the same SDRAM size, configuration, timing category, and data-bus width.
Initialization software must set up the Memory Interface Configuration register with the SDRAM
timing category, data-bus width, number of row, column, and bank-address bits, addressing
scheme, and data-latching scheme.
Table 6-2 shows typical SDRAM configurations. Shaded rows are valid only in the programmable
1-GB SDRAM memory-map option (using MDCNFG[MDENX]).
Table 6-2. Example SDRAM Memory Size Options
Partition Size
(Mbyte/Partition) SDRAM
Configuration
(Words x Bits)
Chip
Size
Number Chips/
Partition Bank Bits x
Row Bits x
Column Bits
Maximum Memory
(4 Partitions) Total Number
of Chips
16-Bit
Bus 32-Bit
Bus 16-Bit
Bus 32-Bit
bus 16-Bit
Bus 32-Bit
Bus 16-Bit
Bus 32-Bit
Bus
2 Mbyte 4 Mbyte 1 M x 16 16 Mbit 1 2 1 x 11 x 8 8 Mbyte 16 Mbyte 4 8
4 Mbyte 8 Mbyte 2 M x 8 16 Mbit 2 4 1 x 11 x 9 16 Mbyte 32 Mbyte 8 16
8 Mbyte 16 Mbyte 4 M x 4 16 Mbit 4 8 1 x 11 x 10 32 Mbyte 64 Mbyte 16 32
N/A 8 Mbyte 2 M x 32 64 Mbit N/A 1 2 x 11 x 8 N/A 32 Mbyte N/A 4
8 Mbyte 16 Mbyte 4 M x 16 64 Mbit 1 2 1 x 13 x 8
2 x 12 x 8 32 Mbyte 64 Mbyte 4 8
16 Mbyte 32 Mbyte 8 M x 8 64 Mbit 2 4 1 x 13 x 9
2 x 12 x 9 64 Mbyte 128 Mbyte 8 16
32 Mbyte 64 Mbyte 16 M x 4 64 Mbit 4 8 1 x 13 x 10
2 x 12 x 10 128 Mbyte 256 Mbyte 16 32
16 Mbyte 32 Mbyte 8 M x 16 128 Mbit 1 2 2 x 12 x 9 64 Mbyte 128 Mbyte 4 8
32 Mbyte 64 Mbyte 16 M x 8 128 Mbit 2 4 2 x 12 x 10 128 Mbyte 256 Mbyte 8 16
64 Mbyte N/A 32 M x 4 128 Mbit 4 N/A 2 x 12 x 11 256 Mbyte N/A 16 N/A
32 Mbyte 64 Mbyte 16 M x 16 256 Mbit 1 2 2 x 13 x 9 128 Mbyte 256 Mbyte 4 8
64 Mbyte N/A 32 M x 8 256 Mbit 2 N/A 2 x 13 x 10 256 Mbyte N/A 8 N/A
128
Mbyte
256
Mbyte 64 M x 4 256 M bit 4 8 2 x 13 x 11 512 Mbyte 1 GB 16 32
128
Mbyte
256
Mbyte 64 M x 8 512 M bit 2 4 2 x 13 x 11 512 Mbyte 1 GB 816
256
Mbyte N/A 128 M x 4 512 M bit 4N/A 2 x 13 x 12 1 GB N/A 16 N/A
64 Mbyte 128
Mbyte 32 M x 16 512 M bit 1 2 2 x 13 x 10 256 Mbyte 512 Mbyte 4 8
Intel® PXA27x Processor Family Developer’s Manual 6-9
Memory Controller
Figure 6-3 shows the bank, row, and column address multiplexing using 2 bank bits x 13 row bits x
9 column bits x 32 data bits as an example for both the normal bank addressing scheme and the
alternate bank-addressing scheme. All unused address bits during row-address strobe (RAS) and
column-address strobe (CAS) time, including MA<9:0> bits not shown here, retain their existing
values.
The addressing modes are summarized in Table 6-3, Table 6-4, Table 6-5, Table 6-6, and Table 6-7.
The SDRAM BA<1:0> must be connected to the processor address signals shown in bold font in
Table 6-3Table 6-7.
When accessing SDRAM, only MA<19:10> and possibly MA<22:21> (or MA<11:2> and possibly
MA<13:12>, or MA<10:1> and possibly MA<12:11>, depending on the MDCNFG[STACKx]
setting) are used for column addressing. MA<20> (or MA<12> or MA<11>, depending on the
MDCNFG[STACKx] setting) is driven low during column addressing. BA<1:0> indicate to the
SDRAM which bank is being read from and remains stable during column addressing. During
SDRAM configuration, the address pins transfer the MRS command.
Figure 6-3. External-to-Internal Address Mapping Options
Internal 28-Bit Address for 2 Bank Bits x 13 Row Bits x 9 Column Bits x 32 Data Bits
012345678910111213141516171819202122232425
Normal Bank Addressing Scheme
bytescolumn
address
row
address
bank
address
012345678910111213141516171819202122232425
Alternate Bank Addressing Scheme
bytescolumn
address
row
address bank
address
101112131415161718192021222324
(External Address Pins)
Mapping during row address time
Mapping during col address time 2
34
5678910
111213141516171819202122232425
2425 0
Mapping during row address time
Mapping during col address time 2
34
5678910
1112 13141516171819202122232425
1112 0
2627
2627
123456789
101112132324
MDCNFG[STACKx] = 0b00
MDCNFG[STACKx] = 0b01
101112131415161718192021222324
(External Address Pins)
123456789
101112132324
MDCNFG[STACKx] = 0b00
MDCNFG[STACKx] = 0b01
6-10 Intel® PXA27x Processor Family Developer’s Manual
Memory Controller
Table 6-3. 64-MB and 256-MB External-to-Internal Address Mapping Options: Normal Bank
Addressing without Stacked Flash + SDRAM (Sheet 1 of 2) (For use with PXA270
and PXA272)
# Bits
Bank x
Row x
Col x
Data
External Address Pins at SDRAM RAS Time External Address Pins at SDRAM CAS Time
MA<24:10> (MDCNFG[STACKx] = 0b00)
24 23 22 21 20 19 18 17 16 15 14 13 12 11 10 24 23 22 21 20 19 18 17 16 15 14 13 12 11 10
1x11x8x32 21 20 19 18 17 16 15 14 13 12 11 10 21 0 98765432
1x11x8x16 20 19 18 17 16 15 14 13 12 11 10 9 20 0 87654321
1x11x9x32 22 21 20 19 18 17 16 15 14 13 12 11 22 0 1098765432
1x11x9x16 21 20 19 18 17 16 15 14 13 12 11 10 21 0 987654321
1x11x10x32 23 22 21 20 19 18 17 16 15 14 13 12 23 0111098765432
1x11x10x16 22 21 20 19 18 17 16 15 14 13 12 11 22 010987654321
1x11x11x32 NOT VALID (illegal addressing combination) NOT VALID (illegal addressing combination)
1x11x11x16 NOT VALID (illegal addressing combination) NOT VALID (illegal addressing combination)
1x11x12x32 NOT VALID (illegal addressing combination) NOT VALID (illegal addressing combination)
1x11x12x16 NOT VALID (illegal addressing combination) NOT VALID (illegal addressing combination)
1x12x8x32 22 21 20 19 18 17 16 15 14 13 12 11 10 22 0 98765432
1x12x8x16 21 20 19 18 17 16 15 14 13 12 11 10 9 21 0 87654321
1x12x9x32 23 22 21 20 19 18 17 16 15 14 13 12 11 23 0 1098765432
1x12x9x16 22 21 20 19 18 17 16 15 14 13 12 11 10 22 0 987654321
1x12x10x32 24 23 22 21 20 19 18 17 16 15 14 13 12 24 0111098765432
1x12x10x16 23 22 21 20 19 18 17 16 15 14 13 12 11 23 010987654321
1x12x11x32 25 24 23 22 21 20 19 18 17 16 15 14 13 25 120111098765432
1x12x11x16 24 23 22 21 20 19 18 17 16 15 14 13 12 24 11010987654321
1x12x12x32 NOT VALID (illegal addressing combination) NOT VALID (illegal addressing combination)
1x12x12x16 NOT VALID (illegal addressing combination) NOT VALID (illegal addressing combination)
1x13x8x32 23 22 21 20 19 18 17 16 15 14 13 12 11 10 23 0 98765432
1x13x8x16 22 21 20 19 18 17 16 15 14 13 12 11 10 9 22 0 87654321
1x13x9x32 24 23 22 21 20 19 18 17 16 15 14 13 12 11 24 0 1098765432
1x13x9x16 23 22 21 20 19 18 17 16 15 14 13 12 11 10 23 0 987654321
1x13x10x32 25 24 23 22 21 20 19 18 17 16 15 14 13 12 25 0111098765432
1x13x10x16 24 23 22 21 20 19 18 17 16 15 14 13 12 11 24 010987654321
1x13x11x32 26 25 24 23 22 21 20 19 18 17 16 15 14 13 26 120111098765432
1x13x11x16 25 24 23 22 21 20 19 18 17 16 15 14 13 12 25 11010987654321
1x13x12x32 27 26 25 24 23 22 21 20 19 18 17 16 15 14 27 13 12 0111098765432
1x13x12x16 26 25 24 23 22 21 20 19 18 17 16 15 14 13 26 12 11 010987654321
2x11x8x32 22 21 20 19 18 17 16 15 14 13 12 11 10 22 21 0 98765432
2x11x8x16 21 20 19 18 17 16 15 14 13 12 11 10 9 21 20 0 87654321
2x11x9x32 23 22 21 20 19 18 17 16 15 14 13 12 11 23 22 0 1098765432
Intel® PXA27x Processor Family Developer’s Manual 6-11
Memory Controller
2x11x9x16 22 21 20 19 18 17 16 15 14 13 12 11 10 22 21 0 987654321
2x11x10x32 24 23 22 21 20 19 18 17 16 15 14 13 12 24 23 0111098765432
2x11x10x16 23 22 21 20 19 18 17 16 15 14 13 12 11 23 22 010987654321
2x11x11x32 NOT VALID (illegal addressing combination) NOT VALID (illegal addressing combination)
2x11x11x16 NOT VALID (illegal addressing combination) NOT VALID (illegal addressing combination)
2x11x12x32 NOT VALID (illegal addressing combination) NOT VALID (illegal addressing combination)
2x11x12x16 NOT VALID (illegal addressing combination) NOT VALID (illegal addressing combination)
2x12x8x32 23 22 21 20 19 18 17 16 15 14 13 12 11 10 23 22 0 98765432
2x12x8x16 22 21 20 19 18 17 16 15 14 13 12 11 10 9 22 21 0 87654321
2x12x9x32 24 23 22 21 20 19 18 17 16 15 14 13 12 11 24 23 0 1098765432
2x12x9x16 23 22 21 20 19 18 17 16 15 14 13 12 11 10 23 22 0 987654321
2x12x10x32 25 24 23 22 21 20 19 18 17 16 15 14 13 12 25 24 0111098765432
2x12x10x16 24 23 22 21 20 19 18 17 16 15 14 13 12 11 24 23 010987654321
2x12x11x32 26 25 24 23 22 21 20 19 18 17 16 15 14 13 26 25 120111098765432
2x12x11x16 25 24 23 22 21 20 19 18 17 16 15 14 13 12 25 24 11010987654321
2x12x12x32 NOT VALID (illegal addressing combination) NOT VALID (illegal addressing combination)
2x12x12x16 NOT VALID (illegal addressing combination) NOT VALID (illegal addressing combination)
2x13x8x32 24 23 22 21 20 19 18 17 16 15 14 13 12 11 10 24 23 0 98765432
2x13x8x16 23 22 21 20 19 18 17 16 15 14 13 12 11 10 9 23 22 0 87654321
2x13x9x32 25 24 23 22 21 20 19 18 17 16 15 14 13 12 11 25 24 0 1098765432
2x13x9x16 24 23 22 21 20 19 18 17 16 15 14 13 12 11 10 24 23 0 987654321
2x13x10x32 26 25 24 23 22 21 20 19 18 17 16 15 14 13 12 26 25 0111098765432
2x13x10x16 25 24 23 22 21 20 19 18 17 16 15 14 13 12 11 25 24 010987654321
2x13x11x32 27 26 25 24 23 22 21 20 19 18 17 16 15 14 13 27 26 120111098765432
2x13x11x16 26 25 24 23 22 21 20 19 18 17 16 15 14 13 12 26 25 11010987654321
2x13x12x32 NOT VALID (too big) NOT VALID (too big)
2x13x12x16 27 26 25 24 23 22 21 20 19 18 17 16 15 14 13 27 26 1211010987654321
Table 6-3. 64-MB and 256-MB External-to-Internal Address Mapping Options: Normal Bank
Addressing without Stacked Flash + SDRAM (Sheet 2 of 2) (For use with PXA270
and PXA272)
# Bits
Bank x
Row x
Col x
Data
External Address Pins at SDRAM RAS Time External Address Pins at SDRAM CAS Time
MA<24:10> (MDCNFG[STACKx] = 0b00)
24 23 22 21 20 19 18 17 16 15 14 13 12 11 10 24 23 22 21 20 19 18 17 16 15 14 13 12 11 10
6-12 Intel® PXA27x Processor Family Developer’s Manual
Memory Controller
Table 6-4. 64-MB and 256-MB External-to-Internal Address Mapping Options: Normal Bank
Addressing with Stacked Flash + SDRAM (Sheet 1 of 2) (For use with PXA271)
# Bits
Bank x
Row x
Col x
Data
External Address pins at SDRAM RAS Time External Address pins at SDRAM CAS Time
MA<24:23,13:1> (MDCNFG[STACKx] = 0b01)
242313121110987654321242313121110987654321
1x11x8x32 21 20 19 18 17 16 15 14 13 12 11 10 21 0 98765432
1x11x8x16 20 19 18 17 16 15 14 13 12 11 10 9 20 0 87654321
1x11x9x32 22 21 20 19 18 17 16 15 14 13 12 11 22 0 1098765432
1x11x9x16 21 20 19 18 17 16 15 14 13 12 11 10 21 0 987654321
1x11x10x32 23 22 21 20 19 18 17 16 15 14 13 12 23 0111098765432
1x11x10x16 22 21 20 19 18 17 16 15 14 13 12 11 22 010987654321
1x11x11x32 NOT VALID (illegal addressing combination) NOT VALID (illegal addressing combination)
1x11x11x16 NOT VALID (illegal addressing combination) NOT VALID (illegal addressing combination)
1x11x12x32 NOT VALID (illegal addressing combination) NOT VALID (illegal addressing combination)
1x11x12x16 NOT VALID (illegal addressing combination) NOT VALID (illegal addressing combination)
1x12x8x32 22 21 20 19 18 17 16 15 14 13 12 11 10 22 0 98765432
1x12x8x16 21 20 19 18 17 16 15 14 13 12 11 10 9 21 0 87654321
1x12x9x32 23 22 21 20 19 18 17 16 15 14 13 12 11 23 0 1098765432
1x12x9x16 22 21 20 19 18 17 16 15 14 13 12 11 10 22 0 987654321
1x12x10x32 24 23 22 21 20 19 18 17 16 15 14 13 12 24 0111098765432
1x12x10x16 23 22 21 20 19 18 17 16 15 14 13 12 11 23 010987654321
1x12x11x32 25 24 23 22 21 20 19 18 17 16 15 14 13 25 120111098765432
1x12x11x16 24 23 22 21 20 19 18 17 16 15 14 13 12 24 11010987654321
1x12x12x32 NOT VALID (illegal addressing combination) NOT VALID (illegal addressing combination)
1x12x12x16 NOT VALID (illegal addressing combination) NOT VALID (illegal addressing combination)
1x13x8x32 23 22 21 20 19 18 17 16 15 14 13 12 11 10 23 0 98765432
1x13x8x16 22 21 20 19 18 17 16 15 14 13 12 11 10 9 22 0 87654321
1x13x9x32 24 23 22 21 20 19 18 17 16 15 14 13 12 11 24 0 1098765432
1x13x9x16 23 22 21 20 19 18 17 16 15 14 13 12 11 10 23 0 987654321
1x13x10x32 25 24 23 22 21 20 19 18 17 16 15 14 13 12 25 0111098765432
1x13x10x16 24 23 22 21 20 19 18 17 16 15 14 13 12 11 24 010987654321
1x13x11x32 26 25 24 23 22 21 20 19 18 17 16 15 14 13 26 120111098765432
1x13x11x16 25 24 23 22 21 20 19 18 17 16 15 14 13 12 25 11010987654321
1x13x12x32 27 26 25 24 23 22 21 20 19 18 17 16 15 14 27 13120111098765432
1x13x12x16 26 25 24 23 22 21 20 19 18 17 16 15 14 13 26 1211010987654321
2x11x8x32 22 21 20 19 18 17 16 15 14 13 12 11 10 22 21 0 98765432
2x11x8x16 21 20 19 18 17 16 15 14 13 12 11 10 9 21 20 0 87654321
2x11x9x32 23 22 21 20 19 18 17 16 15 14 13 12 11 23 22 0 1098765432
Intel® PXA27x Processor Family Developer’s Manual 6-13
Memory Controller
2x11x9x16 22 21 20 19 18 17 16 15 14 13 12 11 10 22 21 0 987654321
2x11x10x32 24 23 22 21 20 19 18 17 16 15 14 13 12 24 23 0111098765432
2x11x10x16 23 22 21 20 19 18 17 16 15 14 13 12 11 23 22 010987654321
2x11x11x32 NOT VALID (illegal addressing combination) NOT VALID (illegal addressing combination)
2x11x11x16 NOT VALID (illegal addressing combination) NOT VALID (illegal addressing combination)
2x11x12x32 NOT VALID (illegal addressing combination) NOT VALID (illegal addressing combination)
2x11x12x16 NOT VALID (illegal addressing combination) NOT VALID (illegal addressing combination)
2x12x8x32 23 22 21 20 19 18 17 16 15 14 13 12 11 10 23 22 0 98765432
2x12x8x16 22 21 20 19 18 17 16 15 14 13 12 11 10 9 22 21 0 87654321
2x12x9x32 24 23 22 21 20 19 18 17 16 15 14 13 12 11 24 23 0 1098765432
2x12x9x16 23 22 21 20 19 18 17 16 15 14 13 12 11 10 23 22 0 987654321
2x12x10x32 25 24 23 22 21 20 19 18 17 16 15 14 13 12 25 24 0111098765432
2x12x10x16 24 23 22 21 20 19 18 17 16 15 14 13 12 11 24 23 010987654321
2x12x11x32 26 25 24 23 22 21 20 19 18 17 16 15 14 13 26 25 120111098765432
2x12x11x16 25 24 23 22 21 20 19 18 17 16 15 14 13 12 25 24 11010987654321
2x12x12x32 NOT VALID (illegal addressing combination) NOT VALID (illegal addressing combination)
2x12x12x16 NOT VALID (illegal addressing combination) NOT VALID (illegal addressing combination)
2x13x8x32 24 23 22 21 20 19 18 17 16 15 14 13 12 11 10 24 23 0 98765432
2x13x8x16 23 22 21 20 19 18 17 16 15 14 13 12 11 10 9 23 22 0 87654321
2x13x9x32 25 24 23 22 21 20 19 18 17 16 15 14 13 12 11 25 24 0 1098765432
2x13x9x16 24 23 22 21 20 19 18 17 16 15 14 13 12 11 10 24 23 0 987654321
2x13x10x32 26 25 24 23 22 21 20 19 18 17 16 15 14 13 12 26 25 0111098765432
2x13x10x16 25 24 23 22 21 20 19 18 17 16 15 14 13 12 11 25 24 010987654321
2x13x11x32 27 26 25 24 23 22 21 20 19 18 17 16 15 14 13 27 26 120111098765432
2x13x11x16 26 25 24 23 22 21 20 19 18 17 16 15 14 13 12 26 25 11010987654321
2x13x12x32 NOT VALID (too big) NOT VALID (too big)
2x13x12x16 27 26 25 24 23 22 21 20 19 18 17 16 15 14 13 27 26 1211010987654321
Table 6-4. 64-MB and 256-MB External-to-Internal Address Mapping Options: Normal Bank
Addressing with Stacked Flash + SDRAM (Sheet 2 of 2) (For use with PXA271)
# Bits
Bank x
Row x
Col x
Data
External Address pins at SDRAM RAS Time External Address pins at SDRAM CAS Time
MA<24:23,13:1> (MDCNFG[STACKx] = 0b01)
242313121110987654321242313121110987654321
6-14 Intel® PXA27x Processor Family Developer’s Manual
Memory Controller
Table 6-5. 64-MB and 256-MB External-to-Internal Address Mapping Options: Alternate Bank
Addressing without Stacked Flash (Sheet 1 of 2)
# Bits
Bank x
Row x
Col x
Data
External Address Pins at SDRAM RAS Time External Address Pins at SDRAM CAS Time
MA<24:10> (MDCNFG[STACKx] = 0b00)
24 23 22 21 20 19 18 17 16 15 14 13 12 11 10 24 23 22 21 20 19 18 17 16 15 14 13 12 11 10
1x11x8x32 10 21 20 19 18 17 16 15 14 13 12 11 10 0 98765432
1x11x8x16 920 19 18 17 16 15 14 13 12 11 10 90 87654321
1x11x9x32 11 22 21 20 19 18 17 16 15 14 13 12 11 0 1098765432
1x11x9x16 10 21 20 19 18 17 16 15 14 13 12 11 10 0 987654321
1x11x10x32 12 23 22 21 20 19 18 17 16 15 14 13 12 0111098765432
1x11x10x16 11 22 21 20 19 18 17 16 15 14 13 12 11 010987654321
1x11x11x32 NOT VALID (illegal addressing combination) NOT VALID (illegal addressing combination)
1x11x11x16 NOT VALID (illegal addressing combination) NOT VALID (illegal addressing combination)
1x11x12x32 NOT VALID (illegal addressing combination) NOT VALID (illegal addressing combination)
1x11x12x16 NOT VALID (illegal addressing combination) NOT VALID (illegal addressing combination)
1x12x8x32 10 22 21 20 19 18 17 16 15 14 13 12 11 10 0 98765432
1x12x8x16 921 20 19 18 17 16 15 14 13 12 11 10 90 87654321
1x12x9x32 11 23 22 21 20 19 18 17 16 15 14 13 12 11 0 1098765432
1x12x9x16 10 22 21 20 19 18 17 16 15 14 13 12 11 10 0 987654321
1x12x10x32 12 24 23 22 21 20 19 18 17 16 15 14 13 12 0111098765432
1x12x10x16 11 23 22 21 20 19 18 17 16 15 14 13 12 11 010987654321
1x12x11x32 13 25 24 23 22 21 20 19 18 17 16 15 14 13 120111098765432
1x12x11x16 12 24 23 22 21 20 19 18 17 16 15 14 13 12 11010987654321
1x12x12x32 NOT VALID (illegal addressing combination) NOT VALID (illegal addressing combination)
1x12x12x16 NOT VALID (illegal addressing combination) NOT VALID (illegal addressing combination)
1x13x8x32 10 23 22 21 20 19 18 17 16 15 14 13 12 11 10 0 98765432
1x13x8x16 922 21 20 19 18 17 16 15 14 13 12 11 10 90 87654321
1x13x9x32 11 24 23 22 21 20 19 18 17 16 15 14 13 12 11 0 1098765432
1x13x9x16 10 23 22 21 20 19 18 17 16 15 14 13 12 11 10 0 987654321
1x13x10x32 12 25 24 23 22 21 20 19 18 17 16 15 14 13 12 0111098765432
1x13x10x16 11 24 23 22 21 20 19 18 17 16 15 14 13 12 11 010987654321
1x13x11x32 13 26 25 24 23 22 21 20 19 18 17 16 15 14 13 120111098765432
1x13x11x16 12 25 24 23 22 21 20 19 18 17 16 15 14 13 12 11010987654321
1x13x12x32 14 27 26 25 24 23 22 21 20 19 18 17 16 15 14 13120111098765432
1x13x12x16 13 26 25 24 23 22 21 20 19 18 17 16 15 14 13 1211010987654321
2x11x8x32 11 10 22 21 20 19 18 17 16 15 14 13 12 11 10 0 98765432
2x11x8x16 10 9 21 20 19 18 17 16 15 14 13 12 11 10 9 0 87654321
2x11x9x32 12 11 23 22 21 20 19 18 17 16 15 14 13 12 11 0 1098765432
2x11x9x16 11 10 22 21 20 19 18 17 16 15 14 13 12 11 10 0 987654321
Intel® PXA27x Processor Family Developer’s Manual 6-15
Memory Controller
2x11x10x32 13 12 24 23 22 21 20 19 18 17 16 15 14 13 12 0111098765432
2x11x10x16 12 11 23 22 21 20 19 18 17 16 15 14 13 12 11 010987654321
2x11x11x32 NOT VALID (illegal addressing combination) NOT VALID (illegal addressing combination)
2x11x11x16 NOT VALID (illegal addressing combination) NOT VALID (illegal addressing combination)
2x11x12x32 NOT VALID (illegal addressing combination) NOT VALID (illegal addressing combination)
2x11x12x16 NOT VALID (illegal addressing combination) NOT VALID (illegal addressing combination)
2x12x8x32 11 10 23 22 21 20 19 18 17 16 15 14 13 12 11 10 0 98765432
2x12x8x16 10 9 22 21 20 19 18 17 16 15 14 13 12 11 10 9 0 87654321
2x12x9x32 12 11 24 23 22 21 20 19 18 17 16 15 14 13 12 11 0 1098765432
2x12x9x16 11 10 23 22 21 20 19 18 17 16 15 14 13 12 11 10 0 987654321
2x12x10x32 13 12 25 24 23 22 21 20 19 18 17 16 15 14 13 12 0111098765432
2x12x10x16 12 11 24 23 22 21 20 19 18 17 16 15 14 13 12 11 010987654321
2x12x11x32 14 13 26 25 24 23 22 21 20 19 18 17 16 15 14 13 120111098765432
2x12x11x16 13 12 25 24 23 22 21 20 19 18 17 16 15 14 13 12 11010987654321
2x12x12x32 NOT VALID (illegal addressing combination) NOT VALID (illegal addressing combination)
2x12x12x16 NOT VALID (illegal addressing combination) NOT VALID (illegal addressing combination)
2x13x8x32 11 10 24 23 22 21 20 19 18 17 16 15 14 13 12 11 10 0 98765432
2x13x8x16 10 9 23 22 21 20 19 18 17 16 15 14 13 12 11 10 9 0 87654321
2x13x9x32 12 11 25 24 23 22 21 20 19 18 17 16 15 14 13 12 11 0 1098765432
2x13x9x16 11 10 24 23 22 21 20 19 18 17 16 15 14 13 12 11 10 0 987654321
2x13x10x32 13 12 26 25 24 23 22 21 20 19 18 17 16 15 14 13 12 0111098765432
2x13x10x16 12 11 25 24 23 22 21 20 19 18 17 16 15 14 13 12 11 010987654321
2x13x11x32 14 13 27 26 25 24 23 22 21 20 19 18 17 16 15 14 13 120111098765432
2x13x11x16 13 12 26 25 24 23 22 21 20 19 18 17 16 15 14 13 12 11010987654321
2x13x12x32 NOT VALID (too big) NOT VALID (too big)
2x13x12x16 14 13 27 26 25 24 23 22 21 20 19 18 17 16 15 14 13 1211010987654321
Table 6-5. 64-MB and 256-MB External-to-Internal Address Mapping Options: Alternate Bank
Addressing without Stacked Flash (Sheet 2 of 2)
# Bits
Bank x
Row x
Col x
Data
External Address Pins at SDRAM RAS Time External Address Pins at SDRAM CAS Time
MA<24:10> (MDCNFG[STACKx] = 0b00)
24 23 22 21 20 19 18 17 16 15 14 13 12 11 10 24 23 22 21 20 19 18 17 16 15 14 13 12 11 10
6-16 Intel® PXA27x Processor Family Developer’s Manual
Memory Controller
Table 6-6. 64-MB and 256-MB External-to-Internal Address Mapping Options: Alternate Bank
Addressing with Stacked Flash (Sheet 1 of 2)
# Bits
Bank x
Row x
Col x
Data
External Address Pins at SDRAM RAS Time External Address Pins at SDRAM CAS Time
MA<24:23,13:1> (MDCNFG[STACKx] = 0b01)
242313121110987654321242313121110987654321
1x11x8x32 10 21 20 19 18 17 16 15 14 13 12 11 10 0 98765432
1x11x8x16 920 19 18 17 16 15 14 13 12 11 10 90 87654321
1x11x9x32 11 22 21 20 19 18 17 16 15 14 13 12 11 0 1098765432
1x11x9x16 10 21 20 19 18 17 16 15 14 13 12 11 10 0 987654321
1x11x10x32 12 23 22 21 20 19 18 17 16 15 14 13 12 0111098765432
1x11x10x16 11 22 21 20 19 18 17 16 15 14 13 12 11 010987654321
1x11x11x32 NOT VALID (illegal addressing combination) NOT VALID (illegal addressing combination)
1x11x11x16 NOT VALID (illegal addressing combination) NOT VALID (illegal addressing combination)
1x11x12x32 NOT VALID (illegal addressing combination) NOT VALID (illegal addressing combination)
1x11x12x16 NOT VALID (illegal addressing combination) NOT VALID (illegal addressing combination)
1x12x8x32 10 22 21 20 19 18 17 16 15 14 13 12 11 10 0 98765432
1x12x8x16 921 20 19 18 17 16 15 14 13 12 11 10 90 87654321
1x12x9x32 11 23 22 21 20 19 18 17 16 15 14 13 12 11 0 1098765432
1x12x9x16 10 22 21 20 19 18 17 16 15 14 13 12 11 10 0 987654321
1x12x10x32 12 24 23 22 21 20 19 18 17 16 15 14 13 12 0111098765432
1x12x10x16 11 23 22 21 20 19 18 17 16 15 14 13 12 11 010987654321
1x12x11x32 13 25 24 23 22 21 20 19 18 17 16 15 14 13 120111098765432
1x12x11x16 12 24 23 22 21 20 19 18 17 16 15 14 13 12 11010987654321
1x12x12x32 NOT VALID (illegal addressing combination) NOT VALID (illegal addressing combination)
1x12x12x16 NOT VALID (illegal addressing combination) NOT VALID (illegal addressing combination)
1x13x8x32 10 23 22 21 20 19 18 17 16 15 14 13 12 11 10 0 98765432
1x13x8x16 922 21 20 19 18 17 16 15 14 13 12 11 10 90 87654321
1x13x9x32 11 24 23 22 21 20 19 18 17 16 15 14 13 12 11 0 1098765432
1x13x9x16 10 23 22 21 20 19 18 17 16 15 14 13 12 11 10 0 987654321
1x13x10x32 12 25 24 23 22 21 20 19 18 17 16 15 14 13 12 0111098765432
1x13x10x16 11 24 23 22 21 20 19 18 17 16 15 14 13 12 11 010987654321
1x13x11x32 13 26 25 24 23 22 21 20 19 18 17 16 15 14 13 120111098765432
1x13x11x16 12 25 24 23 22 21 20 19 18 17 16 15 14 13 12 11010987654321
1x13x12x32 14 27 26 25 24 23 22 21 20 19 18 17 16 15 14 13120111098765432
1x13x12x16 13 26 25 24 23 22 21 20 19 18 17 16 15 14 13 1211010987654321
2x11x8x32 11 10 22 21 20 19 18 17 16 15 14 13 12 11 10 0 98765432
2x11x8x16 10 9 21 20 19 18 17 16 15 14 13 12 11 10 9 0 87654321
2x11x9x32 12 11 23 22 21 20 19 18 17 16 15 14 13 12 11 0 1098765432
2x11x9x16 11 10 22 21 20 19 18 17 16 15 14 13 12 11 10 0 987654321
Intel® PXA27x Processor Family Developer’s Manual 6-17
Memory Controller
2x11x10x32 13 12 24 23 22 21 20 19 18 17 16 15 14 13 12 0111098765432
2x11x10x16 12 11 23 22 21 20 19 18 17 16 15 14 13 12 11 010987654321
2x11x11x32 NOT VALID (illegal addressing combination) NOT VALID (illegal addressing combination)
2x11x11x16 NOT VALID (illegal addressing combination) NOT VALID (illegal addressing combination)
2x11x12x32 NOT VALID (illegal addressing combination) NOT VALID (illegal addressing combination)
2x11x12x16 NOT VALID (illegal addressing combination) NOT VALID (illegal addressing combination)
2x12x8x32 11 10 23 22 21 20 19 18 17 16 15 14 13 12 11 10 0 98765432
2x12x8x16 10 9 22 21 20 19 18 17 16 15 14 13 12 11 10 9 0 87654321
2x12x9x32 12 11 24 23 22 21 20 19 18 17 16 15 14 13 12 11 0 1098765432
2x12x9x16 11 10 23 22 21 20 19 18 17 16 15 14 13 12 11 10 0 987654321
2x12x10x32 13 12 25 24 23 22 21 20 19 18 17 16 15 14 13 12 0111098765432
2x12x10x16 12 11 24 23 22 21 20 19 18 17 16 15 14 13 12 11 010987654321
2x12x11x32 14 13 26 25 24 23 22 21 20 19 18 17 16 15 14 13 120111098765432
2x12x11x16 13 12 25 24 23 22 21 20 19 18 17 16 15 14 13 12 11010987654321
2x12x12x32 NOT VALID (illegal addressing combination) NOT VALID (illegal addressing combination)
2x12x12x16 NOT VALID (illegal addressing combination) NOT VALID (illegal addressing combination)
2x13x8x32 11 10 24 23 22 21 20 19 18 17 16 15 14 13 12 11 10 0 98765432
2x13x8x16 10 9 23 22 21 20 19 18 17 16 15 14 13 12 11 10 9 0 87654321
2x13x9x32 12 11 25 24 23 22 21 20 19 18 17 16 15 14 13 12 11 0 1098765432
2x13x9x16 11 10 24 23 22 21 20 19 18 17 16 15 14 13 12 11 10 0 987654321
2x13x10x32 13 12 26 25 24 23 22 21 20 19 18 17 16 15 14 13 12 0111098765432
2x13x10x16 12 11 25 24 23 22 21 20 19 18 17 16 15 14 13 12 11 010987654321
2x13x11x32 14 13 27 26 25 24 23 22 21 20 19 18 17 16 15 14 13 120111098765432
2x13x11x16 13 12 26 25 24 23 22 21 20 19 18 17 16 15 14 13 12 11010987654321
2x13x12x32 NOT VALID (too big) NOT VALID (too big)
2x13x12x16 14 13 27 26 25 24 23 22 21 20 19 18 17 16 15 14 13 1211010987654321
Table 6-6. 64-MB and 256-MB External-to-Internal Address Mapping Options: Alternate Bank
Addressing with Stacked Flash (Sheet 2 of 2)
# Bits
Bank x
Row x
Col x
Data
External Address Pins at SDRAM RAS Time External Address Pins at SDRAM CAS Time
MA<24:23,13:1> (MDCNFG[STACKx] = 0b01)
242313121110987654321242313121110987654321
6-18 Intel® PXA27x Processor Family Developer’s Manual
Memory Controller
Table 6-7. 64-MB External-to-Internal Address Mapping Options: SA-1110 Addressing (Sheet 1
of 2)
# Bits
Bank x
Row x
Col x
Data
External Address Pins at SDRAM RAS Time External Address Pins at SDRAM CAS Time
MA<24:10> (MDCNFG[STACKx] = 0b00)
SA-1110 Addressing Not Supported with MDCNFG[STACKx] = 0b01
24 23 22 21 20 19 18 17 16 15 14 13 12 11 10 24 23 22 21 20 19 18 17 16 15 14 13 12 11 10
1x11x8x32 21 20 19 18 17 16 15 14 13 12 11 10 21 0 98765432
1x11x8x16 NOT VALID (illegal addressing combination) NOT VALID (illegal addressing combination)
1x11x9x32 21 20 19 18 17 16 15 14 13 12 11 10 21 0 2298765432
1x11x9x16 21 20 19 18 17 16 15 14 13 12 11 10 21 0 987654321
1x11x10x32 21 20 19 18 17 16 15 14 13 12 11 10 21 0232298765432
1x11x10x16 21 20 19 18 17 16 15 14 13 12 11 10 21 022987654321
1x11x11x32 NOT VALID (illegal addressing combination) NOT VALID (illegal addressing combination)
1x11x11x16 NOT VALID (illegal addressing combination) NOT VALID (illegal addressing combination)
1x11x12x32 NOT VALID (illegal addressing combination) NOT VALID (illegal addressing combination)
1x11x12x16 NOT VALID (illegal addressing combination) NOT VALID (illegal addressing combination)
1x12x8x32 22 21 20 19 18 17 16 15 14 13 12 11 10 21 0 98765432
1x12x8x16 NOT VALID (illegal addressing combination) NOT VALID (illegal addressing combination)
1x12x9x32 22 21 20 19 18 17 16 15 14 13 12 11 10 21 0 2398765432
1x12x9x16 22 21 20 19 18 17 16 15 14 13 12 11 10 21 0 987654321
1x12x10x32 22 21 20 19 18 17 16 15 14 13 12 11 10 21 0242398765432
1x12x10x16 22 21 20 19 18 17 16 15 14 13 12 11 10 21 023987654321
1x12x11x32 NOT VALID (illegal addressing combination) NOT VALID (illegal addressing combination)
1x12x11x16 NOT VALID (illegal addressing combination) NOT VALID (illegal addressing combination)
1x12x12x32 NOT VALID (illegal addressing combination) NOT VALID (illegal addressing combination)
1x12x12x16 NOT VALID (illegal addressing combination) NOT VALID (illegal addressing combination)
1x13x8x32 23 22 21 20 19 18 17 16 15 14 13 12 11 10 21 0 98765432
1x13x8x16 NOT VALID (illegal addressing combination) NOT VALID (illegal addressing combination)
1x13x9x32 23 22 21 20 19 18 17 16 15 14 13 12 11 10 21 0 2498765432
1x13x9x16 23 22 21 20 19 18 17 16 15 14 13 12 11 10 21 0 987654321
1x13x10x32 23 22 21 20 19 18 17 16 15 14 13 12 11 10 21 0252498765432
1x13x10x16 23 22 21 20 19 18 17 16 15 14 13 12 11 10 21 024987654321
1x13x11x32 NOT VALID (illegal addressing combination) NOT VALID (illegal addressing combination)
1x13x11x16 NOT VALID (illegal addressing combination) NOT VALID (illegal addressing combination)
1x13x12x32 NOT VALID (illegal addressing combination) NOT VALID (illegal addressing combination)
1x13x12x16 NOT VALID (illegal addressing combination) NOT VALID (illegal addressing combination)
2x11x8x32 22 21 20 19 18 17 16 15 14 13 12 11 10 22 21 0 98765432
2x11x8x16 NOT VALID (illegal addressing combination) NOT VALID (illegal addressing combination)
2x11x9x32 22 21 20 19 18 17 16 15 14 13 12 11 10 22 21 0 2398765432
2x11x9x16 22 21 20 19 18 17 16 15 14 13 12 11 10 22 21 0 987654321
Intel® PXA27x Processor Family Developer’s Manual 6-19
Memory Controller
2x11x10x32 22 21 20 19 18 17 16 15 14 13 12 11 10 22 21 0242398765432
2x11x10x16 22 21 20 19 18 17 16 15 14 13 12 11 10 22 21 023987654321
2x11x11x32 NOT VALID (illegal addressing combination) NOT VALID (illegal addressing combination)
2x11x11x16 NOT VALID (illegal addressing combination) NOT VALID (illegal addressing combination)
2x11x12x32 NOT VALID (illegal addressing combination) NOT VALID (illegal addressing combination)
2x11x12x16 NOT VALID (illegal addressing combination) NOT VALID (illegal addressing combination)
2x12x8x32 23 22 21 20 19 18 17 16 15 14 13 12 11 10 23 22 0 98765432
2x12x8x16 NOT VALID (illegal addressing combination) NOT VALID (illegal addressing combination)
2x12x9x32 23 22 21 20 19 18 17 16 15 14 13 12 11 10 23 22 0 2498765432
2x12x9x16 23 22 21 20 19 18 17 16 15 14 13 12 11 10 23 22 0 987654321
2x12x10x32 23 22 21 20 19 18 17 16 15 14 13 12 11 10 23 22 0252498765432
2x12x10x16 23 22 21 20 19 18 17 16 15 14 13 12 11 10 23 22 024987654321
2x12x11x32 NOT VALID (illegal addressing combination) NOT VALID (illegal addressing combination)
2x12x11x16 NOT VALID (illegal addressing combination) NOT VALID (illegal addressing combination)
2x12x12x32 NOT VALID (illegal addressing combination) NOT VALID (illegal addressing combination)
2x12x12x16 NOT VALID (illegal addressing combination) NOT VALID (illegal addressing combination)
2x13x8x32 24 23 22 21 20 19 18 17 16 15 14 13 12 11 10 23 22 0 98765432
2x13x8x16 NOT VALID (illegal addressing combination) NOT VALID (illegal addressing combination)
2x13x9x32 24 23 22 21 20 19 18 17 16 15 14 13 12 11 10 23 22 0 2598765432
2x13x9x16 24 23 22 21 20 19 18 17 16 15 14 13 12 11 10 23 22 0 987654321
2x13x10x32 NOT VALID (too big) NOT VALID (too big)
2x13x10x16 24 23 22 21 20 19 18 17 16 15 14 13 12 11 10 23 22 025987654321
2x13x11x32 NOT VALID (too big) NOT VALID (too big)
2x13x11x16 NOT VALID (too big) NOT VALID (too big)
2x13x12x32 NOT VALID (too big) NOT VALID (too big)
2x13x12x16 NOT VALID (illegal addressing combination) NOT VALID (illegal addressing combination)
Table 6-7. 64-MB External-to-Internal Address Mapping Options: SA-1110 Addressing (Sheet 2
of 2)
# Bits
Bank x
Row x
Col x
Data
External Address Pins at SDRAM RAS Time External Address Pins at SDRAM CAS Time
MA<24:10> (MDCNFG[STACKx] = 0b00)
SA-1110 Addressing Not Supported with MDCNFG[STACKx] = 0b01
24 23 22 21 20 19 18 17 16 15 14 13 12 11 10 24 23 22 21 20 19 18 17 16 15 14 13 12 11 10
6-20 Intel® PXA27x Processor Family Developer’s Manual
Memory Controller
6.4.2.4 SDRAM Command Overview
The processor supports most x4, x8, x16, and x32 SDRAM memory devices and includes the
following features:
15 multiplexed bank, row, and column address signals, MA<24:10>
Four chip-select signals, nSDCS<3:0>
Four data qualifiers for byte mask signals, DQM<3:0>
32 data signals, MD<31:0>
One write-enable signal, nWE
One row-address strobe, nSDRAS
One column-address strobe, nSDCAS
Two memory clocks, SDCLK<2:1>
One memory clock-enable, SDCKE
After a write to the MDMRS register, a mode-register-set (MRS) command for each enabled
SDRAM partition is sent to the SDRAM devices. The MRS command always configures SDRAM
internal mode registers for sequential (linear) burst type and a burst length of four (unless entering
alternate bus master mode in SA-1110 addressing mode—see Section 6.4.6). The CAS latency is
determined by the MDCNFG[DTC0] and MDCNFG[DTC2] bit fields.
The processor accesses SDRAM using the following subset of standard interface commands:
Mode register set (MRS)
Bank activate (ACT)
Read (READ)
Write (WRITE)
Precharge all banks (PALL)
Precharge one bank (PRE)
Auto-refresh (CBR)
Power-down (PWRDN)
Enter self-refresh (SLFRSH)
Exit power-down (PWRDNX)
No operation (NOP)
Table 6-8 shows the SDRAM interface commands.
Intel® PXA27x Processor Family Developer’s Manual 6-21
Memory Controller
The programmable opcode for address bits MA<24:17> (or MA<24:23,14:9> or MA<24:23,13:8>,
depending on the MDCNFG[STACKx] setting) used during the mode-register-set command
(MRS) is exactly what is programmed in the MDMRS register. For the PXA27x processor, the
burst length is always configured as “burst of four.” The only variable field in the MRS is the CAS
latency unless the applications processor is operating in SA-1110 legacy mode
(MDCNFG[DSA1110x] = 1) and enters alternate bus master mode. In this case, the burst length
changes to “burst of one.” See Section 6.4.6.
Table 6-8. SDRAM Command Encoding
Command
Processor Pins
SDCKE
(at clk n-1) SDCKE
(at clk n) nSDCS
<3:0> nSDRAS nSDCAS nWE DQM
<3:0>
MA <24:10>
24:21 20 19:10
PWRDN 1 0 1 1 1 1 1 x
PWRDNX 0 1 1 1 1 1 1 x
SLFRSH 1 0 0 0 0 1 0 x
CBR 1 1 0001x x
MRS 1 x 00001 Opcode
ACT 1 x 0 0 1 1 x Bank and Row
READ 1 x 0 1 0 1 0 Bank and Column 0 Column
WRITE 1 x 0 1 0 0 mask Bank and Column 0 Column
PALL
PRE
All 1 x 0010x x1
x
Bank Bank 0
NOP 1 11xxx
xx
x 0111
Table 6-9. SDRAM Mode Register Fields
Address Bits Option Value
MA<24:17>
(or MA<24:23,14:9> or MA<24:23,13,8>,
depending on MDCNFG[STACKx] setting)
Reserved MDMRS[0,2]
MA<16:14>
(or MA<8:6> or MA<7:5>,
depending on MDCNFG[STACKx] setting)
CAS Latency = 2 0b010
CAS Latency = 3 0b011
MA<13>
(or MA<5> or MA<4>,
depending on MDCNFG[STACKx] setting)
Sequential Burst 0b0
MA<12:10>
(or MA<4:2> or MA<3:1>,
depending on MDCNFG[STACKx] setting)
Burst Length = 4 0b010
6-22 Intel® PXA27x Processor Family Developer’s Manual
Memory Controller
6.4.2.5 SDRAM State Machine
Figure 6-4 shows the SDRAM controller states and transitions associated with powering on the
PXA27x processor and the SDRAMs properly. Transitions are determined by the overall memory
controller state and a few SDRAM power-down, self-refresh status, and control bits. The states that
involve multiple SDRAM devices are self-refresh and clock-stop, self-refresh, SLFRSH,
PWRDNX, power-down, power-down and clock-stop, PWRDN, PALL, and MRS. The states that
involve single SDRAM partitions are ACT, PRE, READ, and WRITE. The MRS command is sent
once to configure partition pair 0/1 and a separate MRS command is sent only once to configure
partition pair 2/3. The auto-refresh command is issued to memory in the same partition pair at the
same time. Therefore, the chip-select signals representing the partition pair are asserted at the same
time when the MRS command and auto-refresh is issued from the memory controller to a specific
partition pair.
Figure 6-4. SDRAM Power-On State Machine
Self-refresh
and
Clock-stop
Self-refresh SLFRSH
Power-down
and
Clock-stop
Power-down PWRDNX
PWRDN
NOP
Reset (Hardware or Sleep)
MRS
CBR
PALL
Enter_Sleep OR
!KnRUN
!Enter_sleep AND
KnRUN
!Enter_Sleep AND
KnRUN AND
Enter_Sleep OR
SLFRSH
Enter_Sleep OR
SLFRSH
!KnRUN OR
APD
KnRUN AND
(Auto_Power_Up OR
Enter_Sleep OR
SLFRSH)
E1PIN AND
(Auto_Power_Up OR
Enter_Sleep OR
SLFRSH)
!Enter_Sleep AND
!SLFRSH
Read/Write
New_MRS OR
REFRESH OR
!E1PIN OR
APD OR
Enter_Sleep OR
SLFRSH
!E1PIN OR
APD
New_MRS
REFRESH
!SLFRSH
KnRUN AND
initialization
normal
operation†
† Normal operation refers to
the SDRAM state machine issuing
the commands ACT, PRE,
READ, and WRITE.
Intel® PXA27x Processor Family Developer’s Manual 6-23
Memory Controller
Sleep, deep-sleep, standby, or frequency-change requests cause the SDRAM state machine to enter
the self-refresh and clock-stop state. Software must then complete the appropriate reset procedure
(refer to Section 6.4.9). Clearing MDREFR[E1PIN] and MDREFR[KnRUN] provides software
control of the SDRAM memory system low-power modes.
Note: (1) Use these modes with extreme caution, because the resulting states prohibit automatic toggles
from mode register set, read, write, and refresh commands.
The Auto_Power_Down and Auto_Power_Up transitions (made possible by setting the APD bit in
MDREFR) provide a completely automatic alternative for minimizing power consumption in the
SDRAM system.
(2) Some companion chips require the clock to be present at all times.
Use the following prioritization scheme for transitions out of the NOP state. If enabled with the
APD bit, the Auto_Power_Down transition occurs when none of the higher priority transitions are
asserted. The Auto_Power_Up transitions occur when refresh, New_MRS, or read/write is asserted
during the Power_Down state.
Highest Priority- ”Enter Sleep”
“Set_SLFRSH”
“Clear_E1PIN”
“Refresh”
“New_MRS”
“Read/Write”
Lowest Priority - “Auto_Power_Down”
KnRUN = MDREFR[K1RUN] OR MDREFR[K2RUN]
Auto_Power_Down = MDREFR[APD]
Clear_E1PIN = !(MDREFR[E1PIN])
Set_SLFRSH = MDREFR[SLFRSH]
Enter_Sleep = Sleep/Deep-Sleep/Standby/ Frequency Change Request and no more
transactions to process
Auto_Power_Up = Read/Write is asserted during the power-down state OR New_MRS
OR Refresh OR !(MDREFR[APD])
6.4.3 Synchronous, Static, and Variable-Latency I/O (VLIO)
Interfaces
The static memory and VLIO interfaces have six chip selects (nCS<5:0>) and 26 bits of byte
address (MA<25:0>) for accesses of up to 64 Mbytes of memory in each of six banks. Alternately,
a mode is available to support up to two 128-Mbyte chip selects (nCS<1:0>) with 26 bits of half-
word address (MA<0>, MA<25:1>) and two 64-Mbyte chip selects (nCS<5:4>) with 25 bits of
byte address (MA<25:0>). This programmable option resides in the Static Memory Configuration
register SA1110[SXENX]. Each chip select is individually programmed to select one of the
supported static memory types.
Non-burst ROM (Section 6.4.3.4) or flash memory (Section 6.4.3.2) is supported on each of
nCS<5:0>
Burst ROM (Section 6.4.3.4) or flash memory with non-burst writes (Section 6.4.3.2) is
supported on each of nCS<5:0>
SRAM (Section 6.4.3.5) is supported on each of nCS<5:0>
6-24 Intel® PXA27x Processor Family Developer’s Manual
Memory Controller
Variable-latency I/O (Section 6.4.3.6) is supported on each of nCS<5:0>
Synchronous flash memory (Section 6.4.3.3) is supported on each of nCS<3:0>
The four synchronous-flash memory partitions (nCS<3:0>) are divided into two partition pairs: the
0/1 pair and the 2/3 pair. Both partitions in a pair must be identical in size and configuration. The
two pairs can be different. For example, the 0/1 pair can be 66-MHz synchronous flash memory on
a 32-bit data bus while the 2/3 pair is 33-MHz synchronous flash memory on a 16-bit data bus.
The VLIO interface differs from SRAM in that it allows the use of the data-ready input signal,
RDY, to insert a variable number of wait states. For all static memory types, each chip select can be
configured individually to a 16-bit or 32-bit wide data bus. The nOE signal is asserted on reads, the
nPWE signal is asserted on writes to VLIO devices, and the nWE signal is asserted on writes to all
other static devices, both synchronous and asynchronous. For SRAM and VLIO, DQM<3:0> are
byte enables for both reads and writes. When the processor comes out of reset, it begins to fetch
and execute instructions at address 0x00, which corresponds to memory selected by nCS<0>,
which is the required location of the boot ROM. The BOOT_SEL pin determines the width of the
boot memory (refer to Section 6.5.4).
6.4.3.1 Asynchronous Static Operation
The static-memory interface is comprised of six chip selects, nCS<5:0>. These six chip selects are
configurable for the following:
Non-burst ROM (Section 6.4.3.4) or flash memory (Section 6.4.3.2)
Burst ROM (Section 6.4.3.4) or flash memory (Section 6.4.3.2)
SRAM (Section 6.4.3.5)
VLIO devices (Section 6.4.3.6)
The VLIO interface differs from SRAM in that it allows the use of a data-ready input signal, RDY,
to insert a variable number of memory-cycle wait states. The data bus width for each chip-select
region can be programmed to be 16- or 32-bit. The nCS<3:0> signals are also configurable for
synchronous static memory (refer to Section 6.5.2). The following list describes the use of nOE,
nWE, and nPWE:
nOE is asserted for all reads.
nWE is asserted for flash memory and SRAM writes.
nPWE is asserted for VLIO writes.
For SRAM and VLIO implementations, DQM<3:0> are used for the write byte-enables, where
DQM<3> corresponds to the MSB. The processor supplies 26 bits of byte address for access of up
to 64 Mbytes per chip select. This byte address is sent out on the 26 external address pins. If the
byte address is unimportant for an application, the lower bit must be truncated for 16-bit systems
and the lower two bits must be truncated for 32-bit systems. For reads, the byte address bits is 0.
For writes, the byte address bits are summarized in Table 6-10 and Table 6-11.
Intel® PXA27x Processor Family Developer’s Manual 6-25
Memory Controller
The MSCx[RTx] fields specify the type of memory:
Non-burst ROM or flash memory
SRAM
VLIO
Burst-of-four ROM or flash memory
Burst-of-eight ROM or flash memory
The MSCx[RBWx] fields specify the bus width for the memory space selected by nCS<5:0>. If a
16-bit bus width is specified, transactions occur across data pins MD<15:0>. Use the BOOT_SEL
pin or SXCNFG register to configure nCS<3:0> for synchronous static memory.
6.4.3.2 Asynchronous Flash Memory Interface
The MSCx[RDFx] bit fields define the latency for each read access of non-burst flash memory or
the first read access of burst flash memory. The same bit field also controls the nWE de-assertion
time during a write cycle to flash memory. The MSCx[RDN] field controls subsequent read access
times to burst flash memory. The MSCx[RRR] bit field calculates the minimum period from the
nCS signal de-assertion following a read or write and before the start of the read from a different
memory.
The following requirements apply to reads from flash memory:
Because flash memory defaults to read-array mode, burst reads from it are permitted, which
allows instruction caching and burst reads (DMA and USB host) from flash memory.
Some areas of flash memory might not permit burst reads. When attempting to read from these
areas, do not attempt burst reads. Consult the flash-memory data sheet for more information.
Table 6-10. 32-Bit Byte Address Bits MA<1:0> for Writes Based on DQM<3:0>
Transaction DQM<3:0> MA<1:0>
Word 0b0000 0b00
Byte 0 0b1110 0b00
Byte 1 0b1101 0b01
Byte 2 0b1011 0b10
Byte 3 0b0111 0b11
Lower half word 0b1100 0b00
Upper half word 0b0011 0b10
Table 6-11. 16-Bit Byte Address Bit MA<0> for Writes Based on DQM<1:0>
Transaction DQM<1:0> MA<0>
Half word 0b00 0b0
Byte 0 0b10 0b0
Byte 1 0b01 0b1
6-26 Intel® PXA27x Processor Family Developer’s Manual
Memory Controller
Software must partition commands and data, then write the commands to flash memory before
a read. The memory controller does not insert any commands before flash-memory reads.
The following requirements apply to writes to flash memory:
Flash memory space must be uncacheable and unbuffered.
Burst writes to flash memory do not exist. Writes to flash memory must be exactly the width of
the populated flash devices on the data bus and must be a burst length of one write (for
instance, no byte writes to a 32-bit bus, no word writes to a 16-bit bus, no writes of 2 bytes to a
32-bit bus, no writes of 1 byte to a 16-bit bus). The allowable writes are 2 bytes to a 16-bit bus
and 4 bytes to a 32-bit bus.
For writes to flash memory, the command and data must be given to the memory controller in
separate write instructions. The first instruction carries the command; the next carries the data.
Software must partition commands and data and write them to flash memory in the appropriate
sequence. The memory controller does not insert any commands before flash-memory writes.
Because burst writes to flash memory cannot occur, the DMA controller and USB host
controller must never write to flash memory. Burst writes to flash memory are not performed.
6.4.3.3 Synchronous Flash Memory
This section describes how to interface with synchronous flash memory. Synchronous flash-
memory operation resets to asynchronous mode (page mode for reads and asynchronous single-
word writes). The only way the system can enter synchronous mode (burst-timing synchronous
reads and asynchronous single-word writes) is through the Read Configuration register (RCR).
Therefore, at boot time, synchronous flash memory operates the same as asynchronous boot ROM
(see Section 6.5.4).
Table 6-12 shows sample programming values for the RCR Synchronous Flash Memory register to
ensure proper operation of synchronous flash memory.
Use the values in Table 6-12 as a reference only. Consult the data sheet for the actual part being
used. Determine the frequency-configuration code based on the CLK-to-output delay, the CLK
period, and the nADV-to-output delay timing parameters for the flash device.
Table 6-12. Sample Read Programming Values for Synchronous Flash Memory (Sheet 1 of 2)
Bits Field Name Value to Program
2:0 BURST LENGTH 0b010 = 8-word burst
5:3 reserved 0b000
6 CLOCK CONFIGURATION 0b1 = Use rising edge of clock
7 BURST SEQUENCE 0b1 = Linear burst order (Intel burst order is not supported)
8 WAIT CONFIGURATION Not applicable—The processor ignores nWAIT from the flash
device.
9 DATA OUTPUT CONFIGURATION 0b0 = Hold data for one clock
10 reserved 0b0
for configuration register
Intel® PXA27x Processor Family Developer’s Manual 6-27
Memory Controller
6.4.3.4 ROM Interface
The processor provides programmable timing for both burst and non-burst ROMs. The value of
MSCx[RDF] defines the latency (in memory clock cycles) for the first and all subsequent data
beats from non-burst ROMs and the first data beat from a burst ROM. The value of MSCx[RDN]
defines the latency for the burst data beats after the first for burst ROMs. Specifying the
MSCx[RRR] value allows a delay on the next access to a different memory space to allow time for
the current ROM to three-state the data bus. MSCx[RRR] must be programmed with the maximum
TOFF value divided by two, as specified by the ROM manufacturer.
MSC0<15:0> is selected when the address space corresponding to nCS<0> is accessed.
6.4.3.5 SRAM Interface Overview
The processor provides a 16- or 32-bit synchronous SRAM interface that uses the DQM pins for
byte enables on writes. Bits nCS<5:0> select the SRAM bank to be used. nOE is asserted on reads
and nWE is asserted on writes. Address bits MA<25:0> allow up to 64 Mbytes of SRAM per bank
to be addressed.
The RDF fields in the MSCx registers define the latencies for a read access. The MSCx[RDN] field
controls the nWE low time during a write cycle. MSCx[RRR] is defined as the minimum time from
nCS de-assertion to the beginning of a read or write access of any memory bank
Any DMA mode that does not increment the address is not supported for SRAM reads or writes.
DCMDx[INCSRCADDR] and DCMDx[INCTRGADDR] clear cause the address not to be
incremented. This DMA mode is not supported for SRAM. The only valid memory types for this
mode are VLIO and PC Card/CompactFlash devices. For more information, see Table 5-14,
“DCMD0–31 Bit Definitions” on page 5-35.
6.4.3.6 Variable-Latency I/O Interface Overview
When a companion chip is used as a VLIO device, its functionality is similar to that of an SRAM
with the additional ability to insert a variable number of wait states through the RDY pin. VLIO
can be used in the memory space for any of the six static memory locations (nCS<5:0>) by
programming the corresponding MSCx[RTx] to 0b100.
13:11 FREQUENCY CONFIGURATION
0b010 -> Code 2 (CAS latency 3)
0b011 -> Code 3 (CAS latency 4)
0b100 -> Code 4 (CAS latency 5)
0b101 -> Code 5 (CAS latency 6)
0b110 -> Code 6 (CAS latency 7)
Choose this value based on the “AC Characteristics—Read-Only
Operation” section of the flash-memory device data sheet.
14 reserved 0b0
15 READ MODE 0b0 = Synchronous operation
0b1 = Asynchronous operation
Table 6-12. Sample Read Programming Values for Synchronous Flash Memory (Sheet 2 of 2)
Bits Field Name Value to Program
for configuration register
6-28 Intel® PXA27x Processor Family Developer’s Manual
Memory Controller
VLIO read accesses differ from SRAM read accesses in that nOE toggles for each beat of a burst.
The first nOE assertion occurs two CLK_MEM cycles after the chip select, nCSx, is asserted. For
VLIO writes, nPWE is used instead of nWE, which allows SDRAM refreshes to execute while
performing the VLIO transfers.
For both reads and writes from and to VLIO, clearing DCMDx[INCSRCADDR] and
DCMDx[INCTRGADDR] causes the source and target addresses not to be incremented to the
VLIO interface, which allows port-type VLIO chips to interface with the processor. The only valid
memory types for this DMA mode are VLIO and PC Card/CompactFlash devices. See Table 5-14,
“DCMD0–31 Bit Definitions” on page 5-35 for information.
For writes to VLIO, if all byte enables are turned off (masking out the data, DQM = 0b1111), then
the write enable is suppressed (nPWE = 1) for this write-beat to VLIO. This suppression can cause
a period when nCS is asserted but neither nOE nor nPWE is asserted, which would happen if there
is a write of one beat to VLIO with all byte enables turned off. In this case, the memory controller
ignores the RDY signal. The RDY signal must not be asserted late if it is to still be asserted, which
could interfere with any following transfers. If the VLIO device does not see an nOE or a nPWE, it
must not change the state of RDY, keeping it either asserted or de-asserted.
With the exception of the case above, and when entering a frequency change, the memory
controller indefinitely waits for the RDY signal to be asserted, which can hang the system if the
external VLIO is not responding. To prevent indefinite hangs, set the watchdog timer when starting
a VLIO transfer; a watchdog reset occurs if no response is received from the VLIO device.
Figure 6-5. Variable-Latency I/O Diagram
Memory
Controller
Companion
Chip
Processor
External System
nCS<5:0>
nPWE
nOE
RDY
MD<31:0>
MA<25:0>
DQM<3:0>
Processor
Intel® PXA27x Processor Family Developer’s Manual 6-29
Memory Controller
6.4.4 PC Card and CompactFlash Interface
The PC Card interface conforms to the PC Card Standard, Volume 2, Electrical Specification,
Version 1.4 and CF+ and CompactFlash Specification Version 1.4. The PC Card and
CompactFlash interfaces provide control signals to support one or two PC or CompactFlash card
slots.
The PC Card interface uses the following signals:
Address line (MA<25:0>)
Data lines (MD<15:0>)
nPREG is actually address bit MA<26> and selects register space (I/O or attribute memory)
when asserted versus command memory space when de-asserted
nPOE and nPWE for memory and attribute reads and writes
nPIOR and nPIOW control I/O reads and writes
nIOIS16 for 16-bit I/O access—The system generates 8-bit references to the even and odd byte
of the 16-bit port being accessed.
nPWAIT asserted by the PC Card to generate read and write wait states delaying completion of
the memory access or I/O access cycle then in progress
nPCE<2 >and nPCE<1> are byte-select high and low, respectively, of a 16-bit data bus.
PSKTSEL selects between two PC Card slots.
The nPIOIS16 signal is used for I/O transfers from I/O cards and indicates whether the transfer is
either 8 or 16 bit. When a 16-bit I/O transfer is attempted from a 16-bit I/O card, the nPIOIS16
signal must be asserted. In all other cases the signal must be negated. If the nPIOIS16 signal is not
asserted when a 16-bit I/O transfer is attempted, two separate 8-bit transfers occur to access the 16-
bit even and odd bytes.
Any combination of PC Card and CompactFlash can be used for the two PC Card sockets. The PC
Card interface supports 8- and 16-bit peripherals and handles common memory, I/O, and attribute
memory accesses.
6.4.4.1 Overview
The PC Card interface provides control for two PC Cards with a PSKTSEL pin that differentiates
between the two available sockets. The interface supports 8- and 16-bit peripherals and handles
common memory, I/O, and attribute memory accesses. The duration of each access is based on
values unique to each address space that are programmed by fields in the MCMEMx, MCATTx,
and MCIOx registers. Figure 6-6 shows the memory map for the PC Card space.
6-30 Intel® PXA27x Processor Family Developer’s Manual
Memory Controller
Figure 6-6. PC Card Memory Map
The PC Card memory map space is divided into eight partitions, four for each card slot. The four
partitions for each card slot are common memory, I/O, attribute memory, and a reserved space.
Each partition starts on a 64-Mbyte boundary.
For accesses to common, attribute, and I/O memory space, the MA<25:0>, nPREG, and PSKTSEL
control signals are driven at the same time. The processor uses nPCE<2> to indicate to the
expansion device that the upper half of the data bus, MD<15:8>, is to be used for the transfer.
nPCE<1> indicates that the lower half of the data bus, MD<7:0>, is to be used.
For common memory and attribute memory space accesses, the nPCE<1> and nPCE<2> signals
share the same timing parameters as the MA<25:0> signals. All even bytes are transferred across
the lower byte lane, MD<7:0>, with nPCE<1> asserted. During a read or write transfer, either the
nPOE or nPWE control signal is asserted, respectively.
For attribute memory-space accesses, only even bytes are valid data. The card ignores nPCE<2>
and the upper byte lane (odd byte), MD<15:8> and looks at nPCE<1> and the lower byte lane
(even byte), MD<7:0> only. For this reason, no burst transfers can be performed to card-attribute
memory space (DMA, USB host, and LCD).
For I/O space accesses, the value of nPCE<2:1> depends on the value of nIOIS16 and is asserted
after the nIOIS16 signal have been sampled. The nIOIS16 input signal determines the bus width of
the transfer (8 or 16 bits) for I/O accesses only. After the address is placed on the bus, an I/O device
must respond with nIOIS16 to indicate it is performing the transfer in a single 16-bit transfer. If
nIOIS16 is not asserted, the address is assumed to be two 8-bit registers and the transfer is
completed as two 8-bit transfers on the low byte lane.
MD<7:0>—nPCE<2> de-asserted and nPCE<1> asserted
MA<0> = 0b0—For the first 8-bit transfer (even byte)
MA<0> = 0b1—For the second 8-bit transfer (odd byte)
During I/O read or write accesses, the nPIOR or nPIOW control signal is asserted, respectively.
Socket 1 Common Memory Space
Socket 1 Attribute Memory Space
Socket 1 I/O Space
Socket 0 Common Memory Space
Socket 0 Attribute Memory Space
Socket 0 I/O Space
reserved
reserved
0x3C00_0000
0x3800_0000
0x3400_0000
0x3000_0000
0x2C00_0000
0x2800_0000
0x2400_0000
0x2000_0000
Intel® PXA27x Processor Family Developer’s Manual 6-31
Memory Controller
For common memory and I/O space accesses, the even byte transfers across MD<7:0> and an odd
byte transfers across MD<15:8> when nPE<2> and nPE<1> are asserted. When nPCE<2> is de-
asserted and nPCE<1> is asserted, MA<0> determines whether the byte being transferred across
the lower byte lane is even (MA<0> = 0b0) or odd (MA<0> = 0b1). nPCE<2> is never asserted
when nPCE<1> is de-asserted. Therefore, the PC Card controller does not allow odd-byte accesses
on the MD<15:8> byte lane as noted in the PC Card standard.
For both reads and writes from and to PC Card/CompactFlash devices, clearing
DCMDx[INCSRCADDR] and DCMDx[INCTRGADDR] causes the source and target addresses
not to be incremented to the card device interface. The only valid memory types for this DMA
mode are VLIO and PC Card/CompactFlash devices. For information, see Table 5-14, “DCMD0
31 Bit Definitions” on page 5-35.
When common memory is accessed, either the MCMEM0 or MCMEM1 register is used,
depending on whether PC Card socket 0 or 1 is addressed. Use MCIO0 and MCIO1 for I/O
accesses and MCATT0 and MCATT1 to access attribute memory.
The interface waits for a minimum amount of time (ASST_WAIT) before it checks the value of the
nPWAIT signal. If nPWAIT is asserted, the interface continues to wait for a variable number of
wait states until nPWAIT is de-asserted. After nPWAIT is de-asserted, the command continues to
be asserted for a fixed amount of time (ASST_HOLD).
Note: The memory controller waits indefinitely for nPWAIT to be de-asserted, which can lock up the
system if the card memory is not responding. To prevent indefinite hangs, set the watchdog timer
when starting a PC Card transfer; the watchdog reset occurs if no response is received from the PC
Card device.
Table 6-13. Possible Common Memory Space Write Commands
nPCE<2> nPCE<1> MA<0> nPOE nPWE MD<15:8> MD<7:0>
0 0 0 1 0 odd byte even byte
1 0 0 1 0 ignore even byte
1 0 1 1 0 ignore odd byte
Table 6-14. Possible Common Memory Space Read Commands
nPCE2 nPCE1 MA<0> nPOE nPWE MD<15:8> MD<7:0>
0 0 0 0 1 odd byte even byte
1 0 0 0 1 ignore even byte
1 0 1 0 1 ignore odd byte
Table 6-15. Possible Attribute Memory Space Write Commands
nPCE2 nPCE1 MA<0> nPOE nPWE MD<15:8> MD<7:0>
0 0 0 1 0 ignore even byte
1 0 0 1 0 ignore even byte
10110 ignore ignore
6-32 Intel® PXA27x Processor Family Developer’s Manual
Memory Controller
Table 6-16. Possible Attribute Memory Space Read Commands
nPCE2 nPCE1 MA<0> nPOE nPWE MD<15:8> MD<7:0>
00001 ignore even byte
10001 ignore even byte
1 0 1 0 1 ignore ignore
Table 6-17. Possible 16-Bit I/O Space Write Commands (nIOIS16 = 0)
nPCE2 nPCE1 MA<0> nPIOR nPIOW MD<15:8> MD<7:0>
0 0 0 1 0 odd byte even byte
1 0 0 1 0 ignore even byte
1 0 1 1 0 ignore odd byte
Table 6-18. Possible 16-Bit I/O Space Read Commands (nIOIS16 = 0)
nPCE2 nPCE1 MA<0> nPIOR nPIOW MD<15:8> MD<7:0>
0 0 0 0 1 odd byte even byte
1 0 0 0 1 ignore even byte
1 0 1 0 1 ignore odd byte
Table 6-19. Possible 8-Bit I/O Space Write Commands (nIOIS16 = 1)
nPCE2 nPCE1 MA<0> nPIOR nPIOW MD<15:8> MD<7:0>
1 0 0 1 0 ignore even byte
1 0 1 1 0 ignore odd byte
Table 6-20. Possible 8-Bit I/O Space Read Commands (nIOIS16 = 1)
nPCE2 nPCE1 MA<0> nPIOR nPIOW MD<15:8> MD<7:0>
1 0 0 0 1 ignore even byte
1 0 1 0 1 ignore odd byte
Intel® PXA27x Processor Family Developer’s Manual 6-33
Memory Controller
6.4.5 Types and Sizes of Memory Accesses
The PXA27x processor performs memory accesses for the following operations:
Unbuffered read/write
Cache line copy-back
Read-lock-write sequence
Buffered write
Internal DMA read/write
Line fetch
LCD read
USB host read/write
External fly-by DMA read/write transfer (external SDRAM addresses only)
Quick capture interface
SRAM read/write
Note: On a 16-bit data bus, each full-word access becomes a two-half-word burst, with address bit 1
always starting at MA<0>. Each write access to flash memory space must occur in a single non-
burst operation, regardless of the bus size.
6.4.5.1 Reads and Writes
DQM<3:0> are data-masking bits. When set, each bit masks out the corresponding byte on the
MD<31:0> bus. When cleared, the corresponding bit does not mask out the associated byte of data
on the MD<31:0> bus.
DQM<3> corresponds to MD<31:24>
DQM<2> corresponds to MD<23:16>
DQM<1> corresponds to MD<15:8>
DQM<0> corresponds to MD<7:0>
For writes to SDRAM, SRAM, or VLIO memory spaces, the DQM<3:0> lines enable the
corresponding byte of the data bus. Flash memory space stores must be exactly the width of the
flash data bus, either 16 or 32 bits. See Section 6.4.4 for more information.
For reads from SDRAM, DQM<3:0> are de-asserted to avoid masking out all the data. For reads
from SRAM or VLIO, the DQM signals can be configured by enabling the bits in the SA1110
Compatibility register. See Section 6.5.3.2 for more information.
6.4.5.2 Illegal Accesses and Nonexistent Memory
Hardware does not detect accesses to or from nonexistent memory. Reads return indeterminate
values if no memory is selected on a read.
If a memory device occupies only a portion of all allocated space in a memory partition, reads and
writes of the unoccupied portion are processed as if the memory occupied the entire allocation of
the memory partition (applicable to any memory type).
6-34 Intel® PXA27x Processor Family Developer’s Manual
Memory Controller
A single 32-bit word (or 16-bit half word if the data bus width is defined as 16 bits) access of a
disabled SDRAM partition (MDCNFG[DEx] cleared) causes an auto-refresh (CBR) cycle for all
four partitions. The hardware initialization procedure uses this technique. Reads return
indeterminate values. Reads and writes are not executed on the external memory bus.
Illegal accesses result from the following:
Burst access of a disabled SDRAM partition
Burst writes to flash-memory/ROM space
Bursts to card configuration space.
Single-beat writes to ROM are allowed, as no distinction is made between ROM and flash memory.
A single beat is defined as one cycle of data on the external MD bus. Thus, only those write
accesses that result in more than one beat on the external memory bus to ROM or flash memory are
aborted. Partial-width accesses (for example, the lower two bytes of a 32-bit bus) are not aborted.
Accesses of reserved memory-controller register space cause indeterminate behavior.
6.4.6 Alternate Bus Master Mode
The PXA27x processor supports an alternate master on the SDRAM memory bus. The alternate
master gains control of the bus through a hardware handshake performed through MBREQ and
MBGNT, which are invoked through the alternate functions on GPIO pins (see Chapter 24,
“General-Purpose I/O Controller”).To take control of the memory bus, the alternate master asserts
MBREQ. The processor completes any memory operation that is in progress and any outstanding
SDRAM refresh cycle depending on refresh bits (MDREFR[ALTREFA] and
MDREFR[ALTREFB]) seen in Table 6-23. If the processor has started a swap operation, it does
not begin the alternate bus-master grant sequence until the swap operation is complete. The
processor then de-asserts SDCKE and three-states all memory bus pins used with SDRAM bank 0
(nSDCS<0>, MA<25:0>, nOE, nWE, nSDRAS, nSDCAS, SDCLK<1>, MD<31:0>, DQM<3:0>,
and RDnWR). All other memory and PC Card pins remain driven. Then, the processor asserts
MBGNT, the alternate master must start to drive all pins (including SDCLK<1>), and the
processor re-asserts SDCKE.
The alternate master must ensure SDRAM integrity during this period. Proper system design must
limit the period of alternate mastership to less than the refresh period or provide the alternate
master with a refresh counter that allows it to perform refreshes at the proper intervals.
6.4.6.1 Alternate Bus Master Grant Sequence and Timing
The TMEM unit of time is the CLK_MEM period.
1. The alternate master asserts MBREQ.
2. If MDREFR[ALTREFRB] is clear, the memory controller performs an SDRAM refresh if
SDRAM clocks and clock enable are turned on. Otherwise, an SDRAM refresh is performed
only if the refresh counter has reached the point where a refresh is due to be performed.
3. If MDCNFG[SA1110x] is turned on, the memory controller sends an MRS command to the
SDRAMs to change the SDRAM burst length to 1 instead of 4. The burst length is changed to
1 for SA-1110 compatibility.
4. The processor de-asserts SDCKE at time (t).
5. The processor three-states SDRAM outputs at time (t + 1*TMEM).
Intel® PXA27x Processor Family Developer’s Manual 6-35
Memory Controller
6. The processor asserts MBGNT at time (t + 2*TMEM).
7. The alternate master drives SDRAM signals prior to time (t + 3*TMEM).
8. The processor asserts SDCKE at time (t + 4*TMEM).
These requirements apply during the three-state period:
Both MBREQ and MBGNT remain high, and an external device must assume control of the
three-stated pins, driving all of them even if some are not used. Floating inputs can cause
excessive crossover current and erroneous SDRAM commands.
The processor cannot perform SDRAM refresh cycles. The alternate master must ensure
SDRAM integrity during this period. Proper system design must limit the period of alternate
mastership to less than the refresh period or provide the alternate master with a refresh counter
that allows it to perform refreshes at the proper intervals.
To give up the bus, the alternate master de-asserts MBREQ. The processor de-asserts SDCKE and
MBGNT, the alternate master stops driving the SDRAM pins (including SDCLK<1>), the
processor resumes driving the SDRAM pins (including SDCLK<1>), and the processor re-asserts
SDCKE. The release sequence and timing are as follows:
1. The alternate master de-asserts MBREQ.
2. The processor de-asserts SDCKE at time (t).
3. The processor de-asserts MBGNT at time (t + 1*TMEM).
4. The alternate master three-states SDRAM outputs prior to time (t + 2*TMEM).
5. The processor drives SDRAM outputs at time (t + 3*TMEM).
6. The processor asserts SDCKE at time (t + 4*TMEM).
7. If the MDREFR[ALTREFA] bit is clear, the memory controller performs an SDRAM refresh
if SDRAM clocks and clock enables are turned on. Otherwise, an SDRAM refresh is
performed only if the refresh counter has reached the point where a refresh is due to be
performed.
8. The memory controller sends an MRS command to SDRAM if the MDCNFG[SA1110x] bit is
turned on. This process changes the SDRAM burst length to four.
To set up alternate bus-master mode, perform the following register writes:
In the GPIO Pin Direction register (GPDRx), configure the GPIO pin corresponding to
MBGNT as an output. Configure the GPIO pin corresponding to MBREG as an input.
In the GPIO Alternate Function register (GAFRx_x), set the bit that maps the alternate
functions on the specified GPIO pins to the alternate functions corresponding to MBREQ and
MBGNT.
For details on configuring GPIO, see Chapter 24, “General-Purpose I/O Controller”.
6-36 Intel® PXA27x Processor Family Developer’s Manual
Memory Controller
Figure 6-7. Alternate Bus-Master Mode
6.4.6.2 Configuring MDREFR[ALTREFA] and MDREFR[ALTREFB]
The MDREFR[ALTREFA] and MDREFR[ALTREFB] register bits must not both be set at the
same time. Either bit can be set alone. When a bit is set, the alternate bus master must issue a PALL
command to SDRAM partition 0.
When MDREFR[ALTREFB] is set, the memory controller does not perform a PALL and refresh
before handing over the bus to the alternate bus master. Thus, the first thing the alternate master
must do upon receiving the bus is a PALL command to ensure that all banks are closed in the
SDRAM.
When MDREFR[ALTREFA] is set, the memory controller does not perform a PALL and refresh
after the alternate bus master has completed using the bus. Therefore, the last thing the alternate
master must do before de-asserting the MBREQ signal is a PALL command to the SDRAM,
ensuring that all banks are closed before handing off the bus. Figure 6-8 illustrates this behavior.
Memory
Controller
Companion
Chip
External
Applications Processor
External System
GPIO
Block
MBREQ
MBGNT
MBGNT(GPIO)
MBREQ(GPIO)
SDRAM
Bank 0
nSDCS(0)
nWE
nSDRAS
nSDCAS
MD<31:0>
MA<25:0>
SDCLK<1>
DQM<3:0>
SDCKE
Processor
Processor
Intel® PXA27x Processor Family Developer’s Manual 6-37
Memory Controller
Figure 6-8. Alternate Bus Master Refresh Options
6.4.7 Alternate Booting
The PXA27x processor allows two configurations for booting that are determined by the pin
BOOT_SEL, which is sampled as the system comes out of reset and is described in Table 6-21. The
effect of this input pin on the configuration registers at boot time is explained in Section 6.5.4.
The MSC0[RBW0] bit field reports the state of the BOOT_SEL pin during reset.
NOP PALL CBR NOP
NOP PALL SDRAM read/write NOP
NOP PALL CBR NOP
NOP SDRAM read/write PALL NOP
NOP PALL CBR NOP PALL CBR NOP
NOP SDRAM read/write NOP
Option 1: MDREFR[ALTREFB] = 0b1; MDREFR[ALTREFA] = 0b0
Option 2: MDREFR[ALTREFB] = 0b0; MDREFR[ALTREFA] = 0b1
Option 3: MDREFR[ALTREFB] = 0b0; MDREFR[ALTREFA] = 0b0
Option 4: MDREFR[ALTREFB] = 0b1; MDREFR[ALTREFA] = 0b1—Not valid
MBREQ_2
MBGNT_2
processor_2
alternate_2
MBREQ_2
MBGNT_2
processor_2
alternate_2
MBREQ_3
MBGNT_3
processor_3
alternate_3
Table 6-21. BOOT_SEL Definitions
BOOT_SEL Type of Boot Memory Value of MSC0[RBW0]
0 Asynchronous 32-bit ROM/flash memory 0
1 Asynchronous 16-bit ROM/flash memory 1
6-38 Intel® PXA27x Processor Family Developer’s Manual
Memory Controller
6.4.8 Memory System Examples
This section gives examples of memory configurations supported by the PXA27x processor.
6.4.8.1 SDRAM Memory System Example
Figure 6-9 shows a system using 4 x 16-bit SDRAM devices for a total of 48 Mbytes located in
SDRAM partitions 0, 1, and 2.
Figure 6-9. SDRAM Memory System Example
4Mx16
SDRAM
nCS
nRAS
nCAS
CLK
CKE
nWE
addr<11:0>
BA<1:0>
DQML
DQMH
DQ<15:0>
4Mx16
SDRAM
nCS
nRAS
nCAS
CLK
CKE
nWE
addr<11:0>
BA<1:0>
DQML
DQMH
DQ<15:0>
4Mx16
SDRAM
nCS
nRAS
nCAS
CLK
CKE
nWE
addr<11:0>
BA<1:0>
DQML
DQMH
DQ<15:0>
4Mx16
SDRAM
nCS
nRAS
nCAS
CLK
CKE
nWE
addr<11:0>
BA<1:0>
DQML
DQMH
DQ<15:0>
4Mx16
SDRAM
nCS
nRAS
nCAS
CLK
CKE
nWE
addr<11:0>
BA<1:0>
DQML
DQMH
DQ<15:0>
4Mx16
SDRAM
nCS
nRAS
nCAS
CLK
CKE
nWE
addr<11:0>
BA<1:0>
DQML
DQMH
DQ<15:0>
MD<31:0>
DQM<3:0>
MA<24:10>
SDCLK<2:1>
nSDRAS, nSDCAS, nWE,
nSDCS<3:0>
0
0
1
1
2
2
1
1
1
1
2
2
15:0
31:16
1
0
3
2
SDCKE
15:0 15:0
31:16 31:16
21:10
23:22
21:10
23:22
21:10
23:22
3
2
3
2
1
0
1
0
21:10
23:22 23:22
23:22
21:10 21:10
Intel® PXA27x Processor Family Developer’s Manual 6-39
Memory Controller
6.4.8.2 Static Memory System Example
Figure 6-10 shows an alternate memory configuration that uses 4 x 16-bit synchronous flash
devices in static banks 0 and 1 and SRAM x16 devices in static bank 2.
Figure 6-10. Static Memory System Example
4Mx16
Sync. Flash
nCS
nADV
CLK
nWE
addr<21:0>
nOE
DQ<15:0>
4Mx16
Sync. Flash
nCS
nADV
CLK
nWE
addr<21:0>
nOE
DQ<15:0>
nCS
nOE
nWE
addr<20:0>
DQML
DQMH
DQ<15:0>
4Mx16
Sync. Flash
nCS
nADV
CLK
nWE
addr<21:0>
nOE
DQ<15:0>
4Mx16
Sync. Flash
nCS
nADV
CLK
nWE
addr<21:0>
nOE
DQ<15:0>
SRAM
nCS
nOE
nWE
addr<20:0>
DQML
DQMH
DQ<15:0>
MD<31:0>
nOE
MA<22:0>
SDCLK<0>
nSDCAS, nWE
nCS<3:0>
0
0
1
1
2
2
15:0
31:16
DQM<3:0>
31:16 31:16
3
2
1
0
15:0 15:0
23:2 23:2
23:2 23:2
22:2
22:2
nSDCAS
nSDCAS nSDCAS
nSDCAS
2
2M x 16
SRAM
2M x 16
6-40 Intel® PXA27x Processor Family Developer’s Manual
Memory Controller
6.4.9 Memory Interface Reset and Initialization
On reset, the SDRAM interface is disabled. Reset values for the boot ROM are determined by
BOOT_SEL (See Section 6.5.4). Boot ROM is available immediately for reading upon exit from
reset, and all memory-interface control registers are available for writing.
On hardware reset, the memory pins and controller are in the state shown in Table 6-22.
Table 6-22. Memory Controller Pin Reset Values
Pin Name Reset, Sleep, Standby, Deep-Sleep, Frequency Change,
and Manual Self-Refresh Mode Values
SDCLK <3:0> 0b000
SDCKE†† 0
DQM <3:0> 0b0000
nSDCS <3:2> GPIO (memory controller drives 0b11)
nSDCS <1:0> 0b11
nWE 1
nSDRAS 1
nSDCAS 1
nOE 1
MA <25:0> 0x000_0000
RDnWR 0
MD <31:0> 0x0000_0000
nCS <0> 1
nCS <5:1> GPIO (memory controller drives 0b11111)
nPIOIR GPIO (memory controller drives high)
nPIOIW GPIO (memory controller drives high)
nPOE GPIO (memory controller drives high)
nPWE GPIO (memory controller drives high)
NOTES:
This indicates that the GPIO pin, if configured for the alternate function used by the memory
controller during reset, drives the represented value. See Chapter 24, “General-Purpose I/O
Controller”.
†† If the SDRAMs are in self-refresh mode, they are kept there by driving SDCKE low.
Intel® PXA27x Processor Family Developer’s Manual 6-41
Memory Controller
6.4.10 Hardware, Watchdog, or Sleep/Deep-Sleep/Standby Reset
Operation
After reset is released, software must follow this startup procedure to ensure proper operation.
When MDREFR is written, a valid refresh interval value (MDREFR[DRI]) must be written (not all
zeros).
1. On hardware reset, complete a power-on wait period (typically 100–200 μs) to allow the
internal clocks (which generate SDCLK) to stabilize. MDREFR[K0RUN] can be enabled at
this time for synchronous flash memory. Allowed writes are shown below. Refer to the Intel®
PXA27x Processor Family EMTS for timing details.
MSC<0>, MSC<1>, MSC<2>, SA-1110 (order is not important).
MECR, MCMEM<0>, MCMEM<1>, MCATT<0>, MCATT<1>, MCIO<0>, and
MCIO<1> (order is not important).
—FLYCNFG.
Reset the system appropriately. Configure, but do not enable, each SDRAM partition pair
by clearing the enable bits MDCNFG[DEx] when writing to the MDCNFG register.
Set MDREFR[K0RUN]. Properly configure MDREFR[K0DB2] and MDREFR[K0DB4].
Retain the current values of MDREFR[APD] (clear) and MDREFR[SLFRSH] (set).
MDREFR[DRI] must contain a valid value (not all 0s). If required, MDREFR[KxFREE]
can be de-asserted.
2. In systems that contain synchronous flash memory, write to the SXCNFG to configure all
appropriate bits, including the enables. While the synchronous flash banks are being
configured, the SDRAM banks must be disabled and MDREFR[APD] must be de-asserted
(auto-power-down disabled).
3. In systems that contain SDRAM, toggle the SDRAM controller through the following state
sequence: self-refresh and clock-stop to self-refresh to power-down to PWRDNX to NOP. See
Figure 6-4. The SDRAM clock run and enable bits, (MDREFR[K1RUN] and
MDREFR[K2RUN] and MDREFR[E1PIN]), are described in Section 6.5.1.3.
MDREFR[SLFRSH] must not be set.
a. Set MDREFR[K1RUN], MDREFR[K2RUN] (self-refresh and clock-stop through self-
refresh). MDREFR[K1DB2] and MDREFR[K2DB2] must be configured appropriately.
b. Clear MDREFR[SLFRSH] (self-refresh through power down)
c. Set MDREFR[E1PIN] (power down through PWRDNX)
d. No write required for this state transition (PWRDNX through NOP)
4. Appropriately configure, but do not enable, each SDRAM partition pair.
SDRAM partitions are disabled by keeping the MDCNFG[DEx] bits clear.
5. For systems that contain SDRAM, wait the NOP power-up waiting period required by the
SDRAMs (normally 100-200 μsec) to ensure the SDRAMs receive a stable clock with a NOP
condition.
6. Ensure the XScale core memory-management data cache (Coprocessor 15, Register 1, bit 2) is
disabled. If this bit is enabled, the refreshes triggered by the next step may not be passed
properly through to the memory controller. Coprocessor 15, register 1, bit 2 must be re-
enabled after the refreshes are performed if data cache is preferred.
7. On hardware reset in systems that contain SDRAM, trigger a number (the number required by
the SDRAM manufacturer) of refresh cycles by attempting non-burst read or write accesses to
6-42 Intel® PXA27x Processor Family Developer’s Manual
Memory Controller
any disabled SDRAM bank. Each such access causes a simultaneous CBR for all four banks,
which in turn causes a pass through the CBR state and a return to NOP. On the first pass, the
PALL state is incurred before the CBR state. See Figure 6-4.
8. Set coprocessor 15, register 1, bit 2 if it was cleared in step 6.
9. In systems that contain SDRAM, enable SDRAM partitions by setting MDCNFG[DEx] bits.
10. In systems that contain SDRAM, write the MDMRS register to trigger an MRS command to
all enabled banks of SDRAM. For each SDRAM partition pair that has one or both partitions
enabled, this forces a pass through the MRS state and a return to NOP. The CAS latency is the
only variable option and is derived from what was programmed into the MDCNFG[MDTC0]
and MDCNFG[MDTC2] fields. The burst type and length are always programmed to
sequential and four, respectively. For more information, see Section 6.4.2.5.
11. In systems that contain SDRAM or synchronous flash, optionally enable auto-power-down by
setting MDREFR[APD].
6.4.11 GPIO Reset Procedure
When coming out of GPIO reset, all memory controller registers retain the values they contained
before the GPIO reset and any outstanding auto-refresh commands are submitted. No memory
configuration programming is required following a GPIO reset. The contents of memory are not
guaranteed. Software must determine if the memory contents have been compromised.
No additional logic is required when connecting nRESET_OUT signal to the synchronous flash
reset. The additional logic preventing nRESET_OUT during GPIO reset is eliminated as long as
the PCFR[GPROD] bit. Setting PCFR[GPROD] prevents RESET_OUT from being asserted, thus
allowing the synchronous flash to remain configured for synchronous transfers.
Upon exit from GPIO reset, a series of five refreshes is performed by the memory controller to
make up for any lost refreshes during GPIO reset. This number of refreshes accounts for the
longest possible GPIO reset.
Note: Software must not allow GPIO resets to occur during flash programming and erase operations. The
processor could attempt to access the flash prior to completion of an erase or programming cycle.
6.5 Register Descriptions
6.5.1 Synchronous Dynamic Memory Registers
Each of the possible SDRAM portions of the processor memory map are referred to as partitions in
this document, to distinguish them from banks internal to SDRAM devices.
Intel® PXA27x Processor Family Developer’s Manual 6-43
Memory Controller
6.5.1.1 SDRAM MDCNFG Register (MDCNFG)
MDCNFG, shown in Table 6-23, contains control bits for configuring the SDRAM. Both SDRAM
partitions within a pair (0/1 or 2/3) must be implemented with the same type of SDRAM devices,
but the two partition pairs may differ.
This is a read/write register. Ignore reads from reserved bits. Write 0b0 to reserved bits.
Table 6-23. MDCNFG Bit Definitions (Sheet 1 of 5)
Physical Address
0x4800_0000 MDCNFG Memory Controller
User
Settings0 1 0010101111001101
Bit 31 30 29 28 27 26 25 24 23 22 21 20 19 18 17 16 15 14 13 12 11 10 9 8 7 6 5 4 3 2 1 0
MDENX
DCACX2
reserved
DSA1110_2
SETALWAYS
DADDR2
DTC2
DNB2
DRAC2
DCAC2
DWID2
DE3
DE2
STACK1
DCACX0
STACK0
DSA1110_0
SETALWAYS
DADDR0
DTC0
DNB0
DRAC0
DCAC0
DWID0
DE1
DE0
Reset 0 0 0 0 1 0 1 1 0 0 0 0 0 0 0 0 0 0 0 0 1 0 1 1 0 0 0 0 0 0 0 0
Bits Access Name Description
31 R/W MDENX
SDRAM 1 GB Memory Map Enable
0 = Use normal 256-Mbyte memory map.
1 = Use large 1-Gbyte memory map.
30 R/W DCACX2 Extra Column Addressing
Used with MDCNFG[DCAC2]. See MDCNFG[DCAC2] for usage.
29 — reserved
28 R/W DSA1110_2
SA-1110 Addressing Mode Compatibility
Use SA-1110 addressing multiplexing mode for pair 2/3. Setting this bit
overrides the addressing bit programmed in MDCNFG[DADDR2]
For an explanation of how the address is driven onto the address bus in SA-
1110 addressing mode, see Table 6-7.
0 = Use addressing mode specified in MDCNFG[DADDR2].
1 = Override the addressing bit programmed in MDCNFG[DADDR2] and
use SA-1110 addressing mode.
27 R/W SETALWAYS
Set Reserved Bit
0 = Undetermined results
1 = Always set this bit
26 R/W DADDR2
Alternate Addressing Mode
Ignored if MDCNFG[DSA1110_2] is set. For an explanation of how the
address is driven onto the address bus for the partition pair 2/3 in alternate
addressing mode, see Figure 6-3.
0 = Use normal addressing mode
1 = Use alternate addressing mode
NOTE:
The User Settings row represents the settings required for PXA271 processor configuration only. Other configurations
may differ.
6-44 Intel® PXA27x Processor Family Developer’s Manual
Memory Controller
25:24 R/W DTC2
The AC timing parameters for SDRAM partition pair 2/3 represent the
number of SDCLKs (not memory clocks) for the clocks indicated below. See
the SDRAM data sheet to determine the optimal timings. See the Intel®
PXA27x Processor Family EMTS for SDRAM timing diagrams and the
effects on AC timings.
For all timing categories, write recovery time (tWR) is hard-coded at 2
clocks.
0b00: tRP = 2 clks, CL = 2, tRCD = 1 clks, tRASMIN = 3 clks, tRC = 4 clks
0b01: tRP = 2 clks, CL = 2, tRCD = 2 clks, tRASMIN = 5 clks, tRC = 8 clks
0b10: tRP = 3 clks, CL = 3, tRCD = 3 clks, tRASMIN =7 clks, tRC = 10 clks
0b11: tRP = 3 clks, CL = 3, tRCD = 3 clks, tRASMIN = 7 clks, tRC = 11 clks
NOTE: The CAS latency programmed here is set to 3 if the CAS latency
for SDRAM partition pair 0 (MDCNFG[DTC0] CAS latency) is
programmed to 3. Otherwise, it is set as programmed here. What
this means is that the CAS latency for the two SDRAM partition
pairs is the same and equals the greater of the two programmed
values. If either partition pair is programmed to CAS latency of 3,
then both partition pairs have CAS Latency of 3; otherwise, both
partition pairs have CAS latency of 2.
23 R/W DNB2
Number of Banks in Partition Pair 2/3
0 = 2 internal SDRAM banks
1 = 4 internal SDRAM banks
22:21 R/W DRAC2
SDRAM Row Address Bit Count for Partition Pair 2/3
0b00 = 11 row address bits
0b01 = 12 row address bits
0b10 = 13 row address bits
0b11 = reserved
20:19 R/W DCAC2
SDRAM Column Address Bits for Partition Pair 2/3
Use in conjunction with DCACX2 (DCACX2 concatenated with DCAC2).
0b000 = 8 column address bits
0b001 = 9 column address bits
0b010 = 10 column address bits
0b011 = 11 column address bits
0b100 = 12 column address bits
Table 6-23. MDCNFG Bit Definitions (Sheet 2 of 5)
Physical Address
0x4800_0000 MDCNFG Memory Controller
User
Settings0 1 0010101111001101
Bit 31 30 29 28 27 26 25 24 23 22 21 20 19 18 17 16 15 14 13 12 11 10 9 8 7 6 5 4 3 2 1 0
MDENX
DCACX2
reserved
DSA1110_2
SETALWAYS
DADDR2
DTC2
DNB2
DRAC2
DCAC2
DWID2
DE3
DE2
STACK1
DCACX0
STACK0
DSA1110_0
SETALWAYS
DADDR0
DTC0
DNB0
DRAC0
DCAC0
DWID0
DE1
DE0
Reset 0 0 0 0 1 0 1 1 0 0 0 0 0 0 0 0 0 0 0 0 1 0 1 1 0 0 0 0 0 0 0 0
Bits Access Name Description
NOTE:
The User Settings row represents the settings required for PXA271 processor configuration only. Other configurations
may differ.
Intel® PXA27x Processor Family Developer’s Manual 6-45
Memory Controller
18 R/W DWID2
SDRAM Data Bus Width for Partition Pair 2/3
0 = 32 bits
1 = 16 bits
17 R/W DE3
SDRAM Enable for Partition 3
A single (non-burst) 32-bit (or 16-bit if MDCNFG[DWIDx] = 1) access (read
or write) to a disabled SDRAM partition triggers a CBR refresh cycle to all
partitions. When all partitions are disabled, the refresh counter is disabled.
0 = SDRAM partition disabled
1 = SDRAM partition enabled
16 R/W DE2
SDRAM Enable for Partition 2
A single (non-burst) 32-bit (or 16-bit if MDCNFG[DWIDx] = 1) access (read
or write) to a disabled SDRAM partition triggers a CBR refresh cycle to all
partitions. When all partitions are disabled, the refresh counter is disabled.
0 = SDRAM partition disabled
1 = SDRAM partition enabled
15 R/W STACK1
Stack 1
The 2-bit STACK field consists of MDCNFG[STACK1] (MSB) and
MDCNFG[STACK0] (LSB) to determine the SDRAM address-multiplexing
scheme.This 2-bit setting alters the SDRAM multiplexing scheme for all
SDRAM partitions as shown below.
0b00 = SDRAM address is placed on MA<24:10>. See Table 6 -3, Table 6-5
and Table 6-7.
0b01 = SDRAM address is placed on MA<24:23,13:1>. Use when flash
internal to the PXA271 processor has 16-bit total data bus width on
partition 0. See Table 6-4 and Table 6-6.
0b10 = reserved
0b11 = reserved
NOTE: When MDCNFG[STACKx] equals either 0b01 or 0b10, fly-by DMA
transfers are not supported, and SA1110 addressing mode is not
supported, DASA1110_0 must be cleared.
14 R/W DCACX0
Extra Column Addressing
Used in conjunction with MDCNFG[DCAC0]. See MDCNFG[DCAC0] for
usage.
13 R/W STACK0 Stack 0
Used in conjunction with MDCNFG[STACK1]—refer to MDCNFG[STACK0].
Table 6-23. MDCNFG Bit Definitions (Sheet 3 of 5)
Physical Address
0x4800_0000 MDCNFG Memory Controller
User
Settings0 1 0010101111001101
Bit 31 30 29 28 27 26 25 24 23 22 21 20 19 18 17 16 15 14 13 12 11 10 9 8 7 6 5 4 3 2 1 0
MDENX
DCACX2
reserved
DSA1110_2
SETALWAYS
DADDR2
DTC2
DNB2
DRAC2
DCAC2
DWID2
DE3
DE2
STACK1
DCACX0
STACK0
DSA1110_0
SETALWAYS
DADDR0
DTC0
DNB0
DRAC0
DCAC0
DWID0
DE1
DE0
Reset 0 0 0 0 1 0 1 1 0 0 0 0 0 0 0 0 0 0 0 0 1 0 1 1 0 0 0 0 0 0 0 0
Bits Access Name Description
NOTE:
The User Settings row represents the settings required for PXA271 processor configuration only. Other configurations
may differ.
6-46 Intel® PXA27x Processor Family Developer’s Manual
Memory Controller
12 R/W DSA1110_0
SA-1110 Addressing Mode Compatibility
Use SA-1110 addressing multiplexing mode for pair 0/1. Setting this bit
overrides the addressing bit programmed in MDCNFG[DADDR0].
For an explanation of how the address is driven onto the address bus in SA-
1110 addressing mode, see Table 6-7.
0 = Use addressing mode specified in MDCNFG[DADDR0]
1 = Use SA-1110 addressing mode
11 R/W SETALWAYS
Set Reserved Bit
0 = undetermined results
1 = always set this bit
10 R/W DADDR0
Alternate Addressing Mode
Ignored if MDCNFG[DSA1110_0] is set.
For an explanation of how the address is driven onto the address bus for
the partition pair 0/1 in alternate addressing mode see Figure 6-3.
0 = Use normal addressing mode
1 = Use alternate addressing mode
9:8 R/W DTC0
The AC timing parameters for SDRAM partition pair 0/1 represent the
number of SDCLKs (not memory clocks) for the clocks indicated below. See
the SDRAM data sheet to determine the optimal timings. See the Intel®
PXA27x Processor Family EMTS for SDRAM timing diagrams and the
effects on AC timings.
For all timing categories, tWR is hard coded at 2 clocks.
0b00—tRP = 2 clks, CL = 2, tRCD = 1 clks, tRASMIN = 3 clks, tRC = 4 clks
0b01—tRP = 2 clks, CL = 2, tRCD = 2 clks, tRASMIN = 5 clks, tRC = 8 clks
0b10—tRP = 3 clks, CL = 3, tRCD = 3 clks, tRASMIN =7 clks, tRC=10 clks
0b11—tRP = 3 clks, CL = 3, tRCD = 3 clks, tRASMIN = 7 clks, tRC = 11 clks
NOTE: The CAS latency programmed here is set to 3 if the CAS latency
for SDRAM partition pair 2 (MDCNFG[DTC2] CAS latency) is
programmed to 3. Otherwise, it is set as programmed here. This
means that the CAS latency for the two SDRAM partition pairs is
the same and equals the greater of the two programmed values. If
either partition pair is programmed to CAS latency of 3, then both
partition pairs have CAS latency of 3; otherwise, both partition pairs
have CAS latency of 2.
Table 6-23. MDCNFG Bit Definitions (Sheet 4 of 5)
Physical Address
0x4800_0000 MDCNFG Memory Controller
User
Settings0 1 0010101111001101
Bit 31 30 29 28 27 26 25 24 23 22 21 20 19 18 17 16 15 14 13 12 11 10 9 8 7 6 5 4 3 2 1 0
MDENX
DCACX2
reserved
DSA1110_2
SETALWAYS
DADDR2
DTC2
DNB2
DRAC2
DCAC2
DWID2
DE3
DE2
STACK1
DCACX0
STACK0
DSA1110_0
SETALWAYS
DADDR0
DTC0
DNB0
DRAC0
DCAC0
DWID0
DE1
DE0
Reset 0 0 0 0 1 0 1 1 0 0 0 0 0 0 0 0 0 0 0 0 1 0 1 1 0 0 0 0 0 0 0 0
Bits Access Name Description
NOTE:
The User Settings row represents the settings required for PXA271 processor configuration only. Other configurations
may differ.
Intel® PXA27x Processor Family Developer’s Manual 6-47
Memory Controller
7R/WDNB0
Number of Banks in Partition Pair 0/1
0 = 2 internal SDRAM banks
1 = 4 internal SDRAM banks
6:5 R/W DRAC0
SDRAM Row Address Bit Count for Partition Pair 0/1
0b00 = 11 row address bits
0b01 = 12 row address bits
0b10 = 13 row address bits
0b11 = reserved.
4:3 R/W DCAC0
SDRAM Column Address Bits for Partition Pair 0/1
Use in conjunction with DCACX0 (DCACX0 concatenated with DCAC0)
0b000 = 8 column address bits
0b001 = 9 column address bits
0b010 = 10 column address bits
0b011 = 11 column address bits
0b100 = 12 column address bits
2R/WDWID0
SDRAM Data Bus Width for Partition Pair 0/1
0 = 32 bits
1 = 16 bits
1R/WDE1
SDRAM Enable for Partition 1
A single (non-burst) 32-bit (or 16-bit if MDCNFG[DWIDx] = 1) access (read
or write) to a disabled SDRAM partition that triggers a CBR refresh cycle to
all partitions. When all partitions are disabled, the refresh counter is
disabled.
0 = SDRAM partition disabled
1 = SDRAM partition enabled
0R/WDE0
SDRAM Enable for Partition 0
A single (non-burst) 32-bit (or 16-bit if MDCNFG[DWIDx] = 1) access (read
or write) to a disabled SDRAM partition that triggers a CBR refresh cycle to
all partitions. When all partitions are disabled, the refresh counter is
disabled.
0 = SDRAM partition disabled
1 = SDRAM partition enabled
Table 6-23. MDCNFG Bit Definitions (Sheet 5 of 5)
Physical Address
0x4800_0000 MDCNFG Memory Controller
User
Settings0 1 0010101111001101
Bit 31 30 29 28 27 26 25 24 23 22 21 20 19 18 17 16 15 14 13 12 11 10 9 8 7 6 5 4 3 2 1 0
MDENX
DCACX2
reserved
DSA1110_2
SETALWAYS
DADDR2
DTC2
DNB2
DRAC2
DCAC2
DWID2
DE3
DE2
STACK1
DCACX0
STACK0
DSA1110_0
SETALWAYS
DADDR0
DTC0
DNB0
DRAC0
DCAC0
DWID0
DE1
DE0
Reset 0 0 0 0 1 0 1 1 0 0 0 0 0 0 0 0 0 0 0 0 1 0 1 1 0 0 0 0 0 0 0 0
Bits Access Name Description
NOTE:
The User Settings row represents the settings required for PXA271 processor configuration only. Other configurations
may differ.
6-48 Intel® PXA27x Processor Family Developer’s Manual
Memory Controller
6.5.1.2 SDRAM Mode Register Set Configuration Register (MDMRS)
MDMRS, shown in Table 6-24, issues MRS commands to SDRAM (see Table 6-8). Writing to this
register triggers a two-stage MRS command to external SDRAM. The first stage writes the MRS
value to SDRAM partitions 0 and 1. The second stage writes the MRS value to SDRAM partitions
2 and 3. The value written to this register is placed directly on address lines MA<24:17> (or
MA<24:23,14:9> or MA<24:23,13:8>, depending on the MDCNFG[STACKx] setting) during the
MRS command. For MA<16:10> (or MA<8:2> or MA<7:1>, depending on the
MDCNFG[STACKx] setting), values that are derived from the MDCNFG register are placed on
the address bus. When setting the values to be written out on the address lines, they must be written
out properly (based on the addressing mode being used). Writing to this register triggers an MRS
command, but the corresponding chip-select values are asserted if the memory banks are enabled
with the MDCNFG register only. To write a new MRS value to SDRAM, enable the memory with
the MDCNFG register; then write to MDMRS. Use this register for the value written during the
MRS command only. Programmed values in MDCNFG must be correct to ensure proper operation
of the processor. Refer to Section 6.4.10 for the proper sequence to use when coming out of reset.
This is a read/write register. Ignore reads from reserved bits. Write 0b0 to reserved bits.
Table 6-24. MDMRS Bit Definitions (Sheet 1 of 2)
Physical Address
0x4800_0040 MDMRS Memory Controller
User
Settings0000000000110010
Bit 31 30 29 28 27 26 25 24 23 22 21 20 19 18 17 16 15 14 13 12 11 10 9 8 7 6 5 4 3 2 1 0
reserved
MDMRS2 MDCL2
MDADD2
MDBL2
reserved
MDMRS0 MDCL0
MDADD0
MDBL0
Reset ? 0 0 0 0 0 0 0 0 0 1 0 0 0 1 0 ? 0 0 0 0 0 0 0 0 0 1 0 0 0 1 0
Bits Access Name Description
31 — reserved
30:23 R/W MDMRS2
The SDRAM MRS bits represent the value driven onto the SDRAM address
bus from MA<24:17> (or MA<24:23,14:9> or MA<24:23,13,8>, depending
on MDCNFG[STACKx] setting) during the MRS command for partition pair
2/3.
22:20 R MDCL2
SDRAM MRS bits representing CAS Latency
SDRAM partition pair 2/3 CAS latency is derived from MDCNFG[DTC2].
Writes are ignored. This bit field represents the value driven onto
MA<16:14> (or MA<8:6> or MA<7:5>, depending on MDCNFG[STACKx]
setting) during the MRS command.
19 R MDADD2
SDRAM MRS bit representing Burst Type
SDRAM partition pair 2/3 burst type. Fix to sequential addressing. This bit
field represents the value driven onto MA<13> (or MA<5> or MA<4>,
depending on MDCNFG[STACKx] setting) during the MRS command. This
field is always zero.
NOTE:
The User Settings row represents the settings required for PXA271 processor configuration only. Other configurations
may differ.
Intel® PXA27x Processor Family Developer’s Manual 6-49
Memory Controller
18:16 R MDBL2
SDRAM MRS bits representing Burst Length
SDRAM partition pair 2/3 burst length. Fixed to a burst length of four. This
bit field represents the value driven onto the MA<12:10> (or MA<4:2> or
MA<3:1>, depending on MDCNFG[STACKx] setting) during the MRS
command. This field is read as 0b010.
15 — reserved
14:7 R/W MDMRS0
The SDRAM MRS bits represent the value driven onto the SDRAM address
bus from MA<24:17> (or MA<24:23,14:9> or MA<24:23,13,8>, depending
on MDCNFG[STACKx] setting) during the MRS command for partition pair
0/1.
6:4 R MDCL0
SDRAM MRS bits representing CAS Latency
SDRAM partition pair 0/1 CAS latency is derived from MDCNFG[DTC0].
Writes are ignored. This bit field represents the value driven onto
MA<16:14> (or MA<8:6> or MA<7:5>, depending on MDCNFG[STACKx]
setting) during the MRS command.
3 R MDADD0
SDRAM MRS bit representing Burst Type
SDRAM partition pair 0/1 burst type. Fix to sequential addressing. This bit
field represents the value driven onto MA<13> (or MA<5> or MA<4>,
depending on MDCNFG[STACKx] setting) during the MRS command. This
field is always zero.
2:0 R MDBL0
SDRAM MRS bits representing Burst Length
SDRAM partition pair 0/1 burst length. Fixed to a burst length of 4. This bit
field represents the value driven onto MA<12:10> (or MA<4:2> or MA<3:1>,
depending on MDCNFG[STACKx] setting) during the MRS command. This
field is read as 0b010.
Table 6-24. MDMRS Bit Definitions (Sheet 2 of 2)
Physical Address
0x4800_0040 MDMRS Memory Controller
User
Settings0000000000110010
Bit 31 30 29 28 27 26 25 24 23 22 21 20 19 18 17 16 15 14 13 12 11 10 9 8 7 6 5 4 3 2 1 0
reserved
MDMRS2 MDCL2
MDADD2
MDBL2
reserved
MDMRS0 MDCL0
MDADD0
MDBL0
Reset ? 0 0 0 0 0 0 0 0 0 1 0 0 0 1 0 ? 0 0 0 0 0 0 0 0 0 1 0 0 0 1 0
Bits Access Name Description
NOTE:
The User Settings row represents the settings required for PXA271 processor configuration only. Other configurations
may differ.
6-50 Intel® PXA27x Processor Family Developer’s Manual
Memory Controller
6.5.1.3 Special Low-Power SDRAM Mode Register Set Configuration
Register (MDMRSLP)
MDMRSLP, shown in Table 6-25, issues special low-power MRS commands to SDRAM (see
Table 6-8). Writing to this register triggers a two-stage MRS command to external SDRAM. The
first stage writes the low-power MRS value to SDRAM partitions 0 and 1. The second stage writes
the low-power MRS value to SDRAM partitions 2 and 3. The value written in this register is placed
directly on address lines MA<24:10> (or MA<24:23,14:2> or MA<24:23,13:1>, depending on the
MDCNFG[STACKx] setting) during the MRS command. The values to be written out on the
address lines must be written out properly, based on the addressing mode being used. Although
writing to this register triggers an MRS command, the corresponding chip-select values are
asserted only if the memory banks are enabled with the MDCNFG register and the corresponding
MDMRSLP[MDLPENx] bit is set. To write a new low- power MRS value to SDRAM, enable the
memory with the MDCNFG register, then write to MDMRSLP with the enable bits set.
Use this register for the value written during the MRS command only. Programmed values in the
MDCNFG register must be correct to ensure proper operation of the processor. See Section 6.4.10
for the proper sequence to use when coming out of reset.
This is a read/write register. Ignore reads from reserved bits. Write 0b0 to reserved bits.
Table 6-25. MDMRSLP Bit Definitions
Physical Address
0x4800_0058 MDMRSLP Memory Controller
User
Settings1000000000 Max.
Ambient
Temp††
Partial Array
Refresh†† 0
Bit 31 30 29 28 27 26 25 24 23 22 21 20 19 18 17 16 15 14 13 12 11 10 9 8 7 6 5 4 3 2 1 0
MDLPEN2
MDMRSLP2
MDLPEN0
MDMRSLP0
Reset 0 0 0 0 0 0 0 0 0 0 0 0 0 0 0 0 0 0 0 0 0 0 0 0 0 0 0 0 0 0 0 0
Bits Access Name Description
31 R/W MDLPEN2 Low-Power Enable for Partition Pair 2/3
Enable bit for low-power MRS value for partition pair 2/3.
30:16 R/W MDMRSLP2 Low-Power MRS Value for Partition Pair 2/3
Low-power MRS value to be written to SDRAM for partition pair 2/3.
15 R/W MDLPEN0 Low-Power Enable for Partition Pair 0/1
Enable bit for low-power MRS value for partition pair 0/1.
14:0 R/W MDMRSLP0 Low-Power MRS Value for Partition Pair 0/1
Low-power MRS value to be written to SDRAM for partition pair 0/1.
NOTES:
The User Settings row represents the settings required for PXA271 processor configuration only. Other configurations
may differ.
†† See Intel StrataFlash® Wireless Memory (L18/L30 SCSP) 256-Mbit LX Device with 256-Mbit LPSDRAM Data Sheet for
detailed information on Temperature Compensated Self Refresh (TCSR), and Partial Array Self Refresh (PASR).
Intel® PXA27x Processor Family Developer’s Manual 6-51
Memory Controller
6.5.1.4 SDRAM Memory Device Refresh Register (MDREFR)
MDREFR, shown in Table 6-26, contains control bits for refresh of both SDRAM partition pairs.
MDREFR also contains control/status bits for SDRAM self-refresh, SDRAM/synchronous flash
memory clock divisors, SDRAM/synchronous flash memory clocks running and SDRAM clock-
enable pin states. Independent control/status is provided for each of the clock pins (SDCLK<2:0>)
and clock-enable pin (SDCKE). SDCLK<3> responds identically to the SDCLK<0> control/status
bit field.
To Change CLK_MEM from 208 MHz to 104 MHz while SDCLK<2> or SDCLK<1> is
currently at 104MHz:
1. Update refresh cycles for a slower CLK_MEM (decrease MDREFR[DRI] to account for
CLK_MEM = 104 MHz)
2. Issue frequency change to lower CLK_MEM from 208 MHz to 104 MHz (now SDCLK<1> =
52 MHz and SDCLK<2> = 52 MHz)
3. Change SDCLK<1> or SDCLK<2> to 104 MHz. (Clear MDREFR[K1DB2], which makes
SDCLK<1> = 104 MHz, or clear MDREFR[K2DB2], which makes SDCLK<2> = 104 MHz)
4. Update refresh cycles setting and SDRAM timings setting for optimized clock
(MDREFR[DRI] and MDCNFG[DTCx]). If the clock frequency is changed, the
MDREFR[DRI] register field must be rewritten, even if the value has not changed. This results
in a refresh and resets the refresh counter to the refresh interval.
To Change CLK_MEM from 104 MHz to 208 MHz while SDCLK<2> or SDCLK<1> is
currently at 104 MHz:
1. Change SDCLK<1> or SDCLK<2> to 52 MHz. (Set MDREFR[K1DB2], which makes
SDCLK<1> = 52 MHz, or set MDREFR[K2DB2], which makes SDCLK<2> = 52 MHz)
2. Issue frequency change to raise CLK_MEM from 104 MHz to 208 MHz (now SDCLK<1> =
104 MHz and SDCLK<2> = 104 MHz)
3. Optimize refresh cycles for faster CLK_MEM (increase MDREFR[DRI] to account for
CLK_MEM = 208 MHz)
Note: The clock run bits (K0RUN, K1RUN, and K2RUN) and clock-enable bit (E1PIN) provide
software control of SDRAM and synchronous flash-memory low-power modes. Use these bits with
extreme caution because the corresponding memory is inaccessible when any of these bits are
cleared.
Auto-power down, enabled by the APD bit, is an automatic mechanism for minimizing power
consumption in the processor SDCLK pin drivers or the SDRAM/synchronous flash devices. APD
is typically set. A latency penalty of one memory cycle is incurred when restarting SDCLK and
SDCKE between non-consecutive SDRAM/synchronous flash-memory transfers.
Refresh rules:
When the refresh counter is cleared, no refreshes are sent to the SDRAMs.
If a single transaction to a disabled SDRAM partition is requested, a refresh to all four
partitions is performed.
If all four SDRAM partitions are disabled, the refresh counter is disabled and refreshes are
performed when a single transaction to a disabled SDRAM partition is requested only.
6-52 Intel® PXA27x Processor Family Developer’s Manual
Memory Controller
If the clock frequency is changed, the MDREFR[DRI] register field must be rewritten, even if
the value has not changed. This rewrite results in a refresh and resets the refresh counter to the
refresh interval.
Upon exit from GPIO reset, a series of five refreshes is performed by the memory controller to
make up for any lost refreshes during GPIO reset. This number of refreshes accounts for the
longest possible GPIO reset.
This is a read/write register. Ignore reads from reserved bits. Write 0b0 to reserved bits.
Table 6-26. MDREFR Bit Definitions (Sheet 1 of 5)
Physical Address
0x4800_0004 MDREFR Memory Controller
User
Settings
Bit 31 30 29 28 27 26 25 24 23 22 21 20 19 18 17 16 15 14 13 12 11 10 9 8 7 6 5 4 3 2 1 0
ALTREFA
ALTREFB
K0DB4
reserved
K2FREE
K1FREE
K0FREE
SLFRSH
reserved
APD
K2DB2
K2RUN
K1DB2
K1RUN
E1PIN
K0DB2
K0RUN
reserved
DRI
Reset 0 0 1 0 0 0 1 1 1 1 ? 0 1 0 1 0 0 1 0 ? 1 1 1 1 1 1 1 1 1 1 1 1
Bits Access Name Description
31 R/W ALTREFA
Exiting Alternate Bus Master Mode Refresh Control
0 = SDRAM refresh is always performed after exiting alternate bus
master mode.
1 = SDRAM refresh is not performed after exiting alternate bus master
mode unless the SDRAM refresh counter has timed out.
MDREFR[ALTREFB] must be clear. The alternate master must
perform a PALL before releasing the external bus. See
Section 6.4.6.2 for more information.
30 R/W ALTREFB
Entering Alternate Bus Master Mode Refresh Control
0 = SDRAM refresh is always performed after entering alternate bus
master mode.
1 = SDRAM refresh is not performed after entering alternate bus master
mode unless the SDRAM refresh counter has timed out.
MDREFR[ALTREFA] must be clear. The alternate master must first
perform a PALL after receiving the bus grant. See Section 6.4.6 for
more information.
29 R/W K0DB4
Synchronous Static Memory Clock Pin 0 (SDCLK<0> and SDCLK<3>)
Divide-by-4 Control/Status
When set, SDCLK<0> and SDCLK<3> runs at one-fourth of the memory
clock frequency, regardless of the value of MDREFR[K0DB2]. When clear,
the SDCLK<0> and SDCLK<3> speed depends on the value programmed
in MDREFR[K0DB2].
0 = Use the value programmed in MDREFR[K0DB2] to generate
SDCLK<0> and SDCLK<3>.
1 = Divide CLK_MEM by four to generate SDCLK<0> and SDCLK<3>.
K0DB2 is ignored.
28 — reserved
27 — reserved
26 — reserved
Intel® PXA27x Processor Family Developer’s Manual 6-53
Memory Controller
25 R/W K2FREE
SDCLK<2> Free-Running
When set, it forces SDCLK<2> to be free-running, regardless of the value of
the MDREFR[APD] or MDREFR[K2RUN] bits. The bit resets to 1 so the
clock is driven initially, which provides synchronous memory with a clock for
resetting any internal circuitry. To disable free-running, clear this bit.
0 = SDCLK<2> Dependent on MDREFR[K2RUN]
1 = SDCLK<2> Free-running enabled
24 R/W K1FREE
SDCLK<1> Free-Running
When set, it forces SDCLK<1> to be free-running, regardless of the value of
the MDREFR[APD] or MDREFR[K1RUN] bits. This bit resets to 1 so the
clock is driven initially. This provides synchronous memory with a clock for
resetting any internal circuitry. To disable free-running, clear this bit.
0 = SDCLK<1> Dependent on MDREFR[K1RUN]
1 = SDCLK<1> Free-running enabled
23 R/W K0FREE
SDCLK<0> and SDCLK<3> Free-Running
When set, forces SDCLK<0> and SDCLK<3> to be free-running, regardless
of the value of the MDREFR[APD] or MDREFR[K0RUN] bits. This bit resets
to 1 so the clock is driven initially. This provides synchronous memory with a
clock for resetting any internal circuitry. To disable free-running, clear this
bit.
0 = SDCLK<0> and SDCLK<3> dependent on MDREFR[K0RUN]
1 = SDCLK<0> and SDCLK<3> free-running enabled
22 R/W SLFRSH
SDRAM Self-Refresh Control/Status
Control/status bit for entering and exiting SDRAM self-refresh. It is
automatically set upon a hardware or sleep-exit reset.
Setting the SLFRSH bit forces a self-refresh command. E1PIN does not
have to be cleared. The appropriate clock run bits (K1RUN and/or K2RUN)
must remain set until SDRAM has entered self-refresh and must be set
before exiting self-refresh (clearing SLFRSH).
NOTE: This capability must be used with extreme caution because the
resulting state prohibits automatic transitions for any commands.
See Section 6.4.2.5.
Clearing SLFRSH is a part of the hardware or sleep-exit reset procedure for
SDRAM. See Section 6.4.10.
0 = Self-refresh disabled
1 = Self-refresh enabled
21 — reserved
Table 6-26. MDREFR Bit Definitions (Sheet 2 of 5)
Physical Address
0x4800_0004 MDREFR Memory Controller
User
Settings
Bit 31 30 29 28 27 26 25 24 23 22 21 20 19 18 17 16 15 14 13 12 11 10 9 8 7 6 5 4 3 2 1 0
ALTREFA
ALTREFB
K0DB4
reserved
K2FREE
K1FREE
K0FREE
SLFRSH
reserved
APD
K2DB2
K2RUN
K1DB2
K1RUN
E1PIN
K0DB2
K0RUN
reserved
DRI
Reset 0 0 1 0 0 0 1 1 1 1 ? 0 1 0 1 0 0 1 0 ? 1 1 1 1 1 1 1 1 1 1 1 1
Bits Access Name Description
6-54 Intel® PXA27x Processor Family Developer’s Manual
Memory Controller
20 R/W APD
SDRAM/Synchronous Static Memory Auto-Power-Down Enable
If APD is set and MDEFR[KxFREE] is cleared, the SDCKE signal and
SDCLK<2:0> clocks are driven low when none of the corresponding
partitions are being accessed.
If no SDRAM partitions are being accessed, the SDRAM is put into
power-down mode and the SDCKE signal and SDCLK<2:1> clocks are
driven low.
If one SDRAM partition pair is being used and the other pair is not, the
SDCLKx clock to the partition pair that is not being used is driven low.
If synchronous flash memory is installed and not being accessed, the
SDCLK<0> and SDCLK<3> clocks corresponding to static partitions
are driven low and the synchronous flash chips are put into power-
down mode. (see part datasheets). See Section 6.4.2.5 and
Section 6.5.3
0 = APD disabled
1 = APD enabled
19 R/W K2DB2
SDRAM Clock Pin 2 (SDCLK<2>) Divide-by-2 Control/Status
When set, SDCLK<2> runs at one-half the memory clock frequency. When
cleared, SDCLK<2> runs at the memory clock frequency. This bit is
automatically set on hardware or sleep-exit reset.
0 = SDCLK<2> equals CLK_MEM
1 = SDCLK<2> equals CLK_MEM divided by 2
18 R/W K2RUN
SDRAM Clock Pin 2 (SDCLK<2>) Run Control/Status
Automatically cleared on hardware or sleep-exit reset.
NOTE: Use extreme caution when clearing the K2RUN bit because the
resulting state prohibits automatic transitions for any commands.
See Section 6.4.2.5.
Setting K1RUN or K2RUN is a part of the hardware and sleep-exit reset
procedure for SDRAM. See Section 6.4.10.
0 = SDCLK<2> Dependent on MDREFR[K2FREE]
1 = SDCLK<2> Enabled
17 R/W K1DB2
SDRAM Clock Pin 1 (SDCLK<1>) Divide-by-2 Control/Status
When set, SDCLK<1> runs at one-half the CLK_MEM frequency. When
cleared, SDCLK<1> runs at the memory clock frequency. This bit is
automatically set on hardware or sleep-exit reset.
0 = SDCLK<1> equals CLK_MEM
1 = SDCLK<1> equals CLK_MEM divided by 2
Table 6-26. MDREFR Bit Definitions (Sheet 3 of 5)
Physical Address
0x4800_0004 MDREFR Memory Controller
User
Settings
Bit 31 30 29 28 27 26 25 24 23 22 21 20 19 18 17 16 15 14 13 12 11 10 9 8 7 6 5 4 3 2 1 0
ALTREFA
ALTREFB
K0DB4
reserved
K2FREE
K1FREE
K0FREE
SLFRSH
reserved
APD
K2DB2
K2RUN
K1DB2
K1RUN
E1PIN
K0DB2
K0RUN
reserved
DRI
Reset 0 0 1 0 0 0 1 1 1 1 ? 0 1 0 1 0 0 1 0 ? 1 1 1 1 1 1 1 1 1 1 1 1
Bits Access Name Description
Intel® PXA27x Processor Family Developer’s Manual 6-55
Memory Controller
16 R/W K1RUN
SDRAM Clock Pin 1 (SDCLK<1>) Run Control/Status
Automatically cleared on hardware or sleep-exit reset.
NOTE: Use extreme caution when clearing the K1RUN bit because the
resulting state prohibits automatic transitions for any commands.
See Section 6.4.2.5.
Setting K1RUN or K2RUN is a part of the hardware and sleep-exit reset
procedure for SDRAM. See Section 6.4.10.
0 = SDCLK<1> Dependent on MDREFR[K1FREE]
1 = SDCLK<1> Enabled
15 R/W E1PIN
SDRAM Clock Enable Pin 1 (SDCKE) Level Control/Status
Automatically cleared on hardware or sleep-exit reset.
NOTE: Extreme caution must be taken when clearing the E1PIN bit to
cause a power-down command (if K1RUN = 1 and/or K2RUN = 1,
and SLFRSH = 0) because the resulting state prohibits automatic
transitions for mode register set, read, write, and refresh
commands. E1PIN must be set to cause a power-down-exit
command (if K1RUN = 1 and/or K2RUN = 1, and SLFRSH = 0).
See Section 6.4.10.
Setting E1PIN is a part of the hardware reset or sleep-exit reset procedure
for SDRAM. See Section 6.4.10.
0 = SDCKE Disabled
1 = SDCKE Enabled
14 R/W K0DB2
Synchronous Static Memory Clock Pin 0 (SDCLK<0> and SDCLK<3>)
Divide-by-2 Control/Status
Second control/status bit for clock divisor of SDCLK<0>. The value
programmed here is only valid when MDREFR[K0DB4] is cleared.
When K0DB2 is set, SDCLK<0> and SDCLK<3> run at one-half the
memory clock frequency. When clear, SDCLK<0> and SDCLK<3> run at
the memory clock frequency. This bit is automatically set on hardware or
sleep-exit reset.
0 = SDCLK<0> and SDCLK<3> equals CLK_MEM
1 = SDCLK<0> and SDCLK<3> equals CLK_MEM divided by two
Table 6-26. MDREFR Bit Definitions (Sheet 4 of 5)
Physical Address
0x4800_0004 MDREFR Memory Controller
User
Settings
Bit 31 30 29 28 27 26 25 24 23 22 21 20 19 18 17 16 15 14 13 12 11 10 9 8 7 6 5 4 3 2 1 0
ALTREFA
ALTREFB
K0DB4
reserved
K2FREE
K1FREE
K0FREE
SLFRSH
reserved
APD
K2DB2
K2RUN
K1DB2
K1RUN
E1PIN
K0DB2
K0RUN
reserved
DRI
Reset 0 0 1 0 0 0 1 1 1 1 ? 0 1 0 1 0 0 1 0 ? 1 1 1 1 1 1 1 1 1 1 1 1
Bits Access Name Description
6-56 Intel® PXA27x Processor Family Developer’s Manual
Memory Controller
13 R/W K0RUN
Synchronous Static Memory Clock Pin 0 (SDCLK<0> and SDCLK<3>) Run
Control/Status
Set on hardware or sleep-exit reset if static memory partition 0 (boot space)
is configured for synchronous static memory (see Section 6.5.4).
Otherwise, it is cleared on reset.
Use extreme caution when clearing the K0RUN bit because the resulting
state prohibits automatic transitions for any commands. See Section 6.4.10.
0 = SDCLK<0> and SDCLK<3> dependent on MDREFR[K0FREE]
1 = SDCLK<0> and SDCLK<3> enabled
12 — reserved
11:0 R/W DRI
SDRAM Refresh Interval for All Partitions
The number of memory clock cycles (divided by 32) between auto refresh
(CBR) cycles. One row is refreshed in each SDRAM bank during each CBR
refresh cycle. This interval applies to all SDRAM in the four partitions. To
calculate the refresh interval from this programmed number, multiply it by
32 and add 31.
The value that must be loaded into this register is calculated as follows:
DRI = (Number of CLK_MEM cycles – 31) / 32 = (Refresh time / rows x
memory clock frequency – 31) / 32.
This must be programmed to be shared by both partition pairs. Therefore,
the worst case number must be programmed. This number must be less
than the tRASMAX for the SDRAM being accessed.
If all four SDRAM partitions are disabled, the refresh counter is disabled
and refreshes are only performed when a single transaction to a disabled
SDRAM partition is requested.
If the clock frequency is changed, this register must be rewritten, even if the
value has not changed. This causes a refresh and resets the refresh
counter to the refresh interval.
0x000 = No refreshes are sent to the SDRAM. However, refresh cycles
can occur if VLIO cycles are performed.
NOTE: See the refresh rules for programming limitations in Section 6.5.1.4
Table 6-26. MDREFR Bit Definitions (Sheet 5 of 5)
Physical Address
0x4800_0004 MDREFR Memory Controller
User
Settings
Bit 31 30 29 28 27 26 25 24 23 22 21 20 19 18 17 16 15 14 13 12 11 10 9 8 7 6 5 4 3 2 1 0
ALTREFA
ALTREFB
K0DB4
reserved
K2FREE
K1FREE
K0FREE
SLFRSH
reserved
APD
K2DB2
K2RUN
K1DB2
K1RUN
E1PIN
K0DB2
K0RUN
reserved
DRI
Reset 0 0 1 0 0 0 1 1 1 1 ? 0 1 0 1 0 0 1 0 ? 1 1 1 1 1 1 1 1 1 1 1 1
Bits Access Name Description
Intel® PXA27x Processor Family Developer’s Manual 6-57
Memory Controller
6.5.2 Synchronous Static Memory Registers
Synchronous static memory is referred to as SX memory in this section.
6.5.2.1 Synchronous Static Memory Configuration Register (SXCNFG)
SXCNFG, shown in Table 6-27 and Table 6-28, controls all synchronous static memory. The
MSCx[RBWx] field must be written to define the external data-bus width. For synchronous flash
memory, writes are asynchronous and timing must be set up appropriately with the MSCx registers.
Refer to Table 6-27 and Table 6-28.
This is a read/write register. Ignore reads from reserved bits. Write 0b0 to reserved bits.
Table 6-27. SXCNFG Bit Definitions (Sheet 1 of 4)
Physical Address
0x4800_001C SXCNFG Memory Controller
User
Settings00110 0 0 0 0 0 0100 1
Bit 31 30 29 28 27 26 25 24 23 22 21 20 19 18 17 16 15 14 13 12 11 10 9 8 7 6 5 4 3 2 1 0
SXCLEXT2
reserved
SXTP2
reserved
SXCL2
SXEN3
SXEN2
SXCLEXT0
reserved
SXTP0
reserved SXCL0
SXEN1
SXEN0
Reset 0 1 0 0 ? ? ? ? ? ? ? 0 0 1 0 0 0 1 0 0 ? ? ? ? ? ? ? 0 0 1 0 0
Bits Access Name Description
31 R/W SXCLEXT2
Synchronous Flash Memory CAS Latency Extension for SXCL2
For synchronous flash memory, use this bit in conjunction with SXCL2 to
achieve a 4-bit CAS latency.
30 reserved (set during writes and reads are undefined)
29:28 R/W SXTP2
SX Memory Type for Partition Pair 2/3
0b00 = reserved
0b01 = reserved
0b10 = Synchronous flash memory in burst-of-8 mode
0b11 = Synchronous flash memory in burst-of-16 mode
27:21 — reserved
NOTE:
The User Settings row represents the settings required for PXA271, PXA272 processor configuration only. Other
configurations may differ.
6-58 Intel® PXA27x Processor Family Developer’s Manual
Memory Controller
20:18 R/W SXCL2
CAS Latency for SX Memory Partition Pair 2/3
SXCL2 is the number of SDCLK cycles between the time that the read
command is received and the data is latched. The unit size for SXCL2 is the
external SDCLK cycle; when SX memory is run at half the memory clock
frequency (MDREFR[K0DB2] is set), the delay is two CLK_MEM cycles.
Use in conjunction with SXCNFG[SXCLEXT2] to achieve the following CAS
latencies. The field SXCLEXT2 is added to the beginning of the SXCL2 field
to create the 4 bit values shown below.
Any frequency configuration code that inserts wait states in the return of the
data from flash memory is not valid. See the appropriate flash datasheets:
0b0000 = reserved
0b0001 = reserved
0b0010 = 3 clocks (frequency configuration code = 2)
0b0011 = 4 clocks (frequency configuration code = 3)
0b0100 = 5 clocks (frequency configuration code = 4)
0b0101 = 6 clocks (frequency configuration code = 5)
0b0110 = 7 clocks (frequency configuration code = 6)
0b0111 = 8 clocks (frequency configuration code = 7)
0b1000 = 9 clocks (frequency configuration code = 8)
0b1001 = 10 clocks (frequency configuration code = 9)
0b1010 = 11 clocks (frequency configuration code = 10)
0b1011 = 12 clocks (frequency configuration code = 11)
0b1100 = 13 clocks (frequency configuration code = 12)
0b1101 = 14 clocks (frequency configuration code = 13)
0b1110 = 15 clocks (frequency configuration code = 14)
0b1111 = 16 clocks (frequency configuration code = 15)
The first access latency count configuration tells the device how many
clocks must elapse from ADV#-inactive (VIH) before the first data word must
be driven onto its data pins. The input clock frequency determines this
value.
17 R/W SXEN3
SX Memory Partition 3 Enable
0 = Partition 3 is not enabled as SX memory.
1 = Partition 3 is enabled as SX memory.
16 R/W SXEN2
SX Memory Partition 2 Enable
0 = Partition 2 is not enabled as SX memory.
1 = Partition 2 is enabled as SX memory.
Table 6-27. SXCNFG Bit Definitions (Sheet 2 of 4)
Physical Address
0x4800_001C SXCNFG Memory Controller
User
Settings00110 0 0 0 0 0 0100 1
Bit 31 30 29 28 27 26 25 24 23 22 21 20 19 18 17 16 15 14 13 12 11 10 9 8 7 6 5 4 3 2 1 0
SXCLEXT2
reserved
SXTP2
reserved
SXCL2
SXEN3
SXEN2
SXCLEXT0
reserved
SXTP0
reserved SXCL0
SXEN1
SXEN0
Reset 0 1 0 0 ? ? ? ? ? ? ? 0 0 1 0 0 0 1 0 0 ? ? ? ? ? ? ? 0 0 1 0 0
Bits Access Name Description
NOTE:
The User Settings row represents the settings required for PXA271, PXA272 processor configuration only. Other
configurations may differ.
Intel® PXA27x Processor Family Developer’s Manual 6-59
Memory Controller
15 R/W SXCLEXT0
Synchronous Flash Memory CAS Latency Extension for SXCL0
For synchronous flash memory, use this bit in conjunction with SXCL0 to
achieve a 4-bit CAS latency.
14 reserved (set during writes and reads are undefined)
13:12 R/W SXTP0
SX Memory Type for Partition Pair 0/1
0b00 = reserved
0b01 = reserved
0b10 = Synchronous flash memory in burst-of-eight mode
0b11 = Synchronous flash memory in burst-of-16 mode
11:5 — reserved
Table 6-27. SXCNFG Bit Definitions (Sheet 3 of 4)
Physical Address
0x4800_001C SXCNFG Memory Controller
User
Settings00110 0 0 0 0 0 0100 1
Bit 31 30 29 28 27 26 25 24 23 22 21 20 19 18 17 16 15 14 13 12 11 10 9 8 7 6 5 4 3 2 1 0
SXCLEXT2
reserved
SXTP2
reserved
SXCL2
SXEN3
SXEN2
SXCLEXT0
reserved
SXTP0
reserved SXCL0
SXEN1
SXEN0
Reset 0 1 0 0 ? ? ? ? ? ? ? 0 0 1 0 0 0 1 0 0 ? ? ? ? ? ? ? 0 0 1 0 0
Bits Access Name Description
NOTE:
The User Settings row represents the settings required for PXA271, PXA272 processor configuration only. Other
configurations may differ.
6-60 Intel® PXA27x Processor Family Developer’s Manual
Memory Controller
4:2 R/W SXCL0
CAS Latency for SX Memory Partition Pair 0/1
SXCL0 is the number of SDCLK cycles between the time that the read
command is received and the data is latched. The unit size for SXCL0 is the
external SDCLK cycle. When SX memory runs at half the memory clock
frequency (MDREFR[K0DB0] is set), the delay is two CLK_MEM cycles.
Use in conjunction with SXCNFG[SXCLEXT0] to achieve the following CAS
latencies. SXCLEXT0 represents bit (3).
Any frequency configuration code that inserts wait states in the return of the
data from flash memory is not valid. See the appropriate flash data sheet for
more details.
0b0000 = reserved
0b0001 = reserved
0b0010 = 3 clocks (frequency configuration code = 2)
0b0011 = 4 clocks (frequency configuration code = 3)
0b0100 = 5 clocks (frequency configuration code = 4)
0b0101 = 6 clocks (frequency configuration code = 5)
0b0110 = 7 clocks (frequency configuration code = 6)
0b0111 = 8 clocks (frequency configuration code = 7)
0b1000 = 9 clocks (frequency configuration code = 8)
0b1001 = 10 clocks (frequency configuration code = 9)
0b1010 = 11 clocks (frequency configuration code = 10)
0b1011 = 12 clocks (frequency configuration code = 11)
0b1100 = 13 clocks (frequency configuration code = 12)
0b1101 = 14 clocks (frequency configuration code = 13)
0b1110 = 15 clocks (frequency configuration code = 14)
0b1111 = 16 clocks (frequency configuration code = 15)
The first access latency count configuration tells the device how many
clocks must elapse from ADV#-inactive (VIH) before the first data word must
be driven onto its data pins. The input clock frequency determines this
value.
1 R/W SXEN1
SX Memory Partition 1 Enable
0 = Partition 1 is not enabled as SX memory.
1 = Partition 1 is enabled as SX memory.
0 R/W SXEN0
SX Memory Partition 0 Enable
0 = Partition 0 is not enabled as SX memory.
1 = Partition 0 is enabled as SX memory.
Table 6-27. SXCNFG Bit Definitions (Sheet 4 of 4)
Physical Address
0x4800_001C SXCNFG Memory Controller
User
Settings00110 0 0 0 0 0 0100 1
Bit 31 30 29 28 27 26 25 24 23 22 21 20 19 18 17 16 15 14 13 12 11 10 9 8 7 6 5 4 3 2 1 0
SXCLEXT2
reserved
SXTP2
reserved
SXCL2
SXEN3
SXEN2
SXCLEXT0
reserved
SXTP0
reserved SXCL0
SXEN1
SXEN0
Reset 0 1 0 0 ? ? ? ? ? ? ? 0 0 1 0 0 0 1 0 0 ? ? ? ? ? ? ? 0 0 1 0 0
Bits Access Name Description
NOTE:
The User Settings row represents the settings required for PXA271, PXA272 processor configuration only. Other
configurations may differ.
Intel® PXA27x Processor Family Developer’s Manual 6-61
Memory Controller
6.5.3 Asynchronous Static Memory Registers
6.5.3.1 Static Memory Control Registers (MSCx)
MSCx, shown in Table 6-28, contains control bits for configuring static memory or VLIO. These
bits correspond to chip-select pairs nCS<1:0>, nCS<3:2>, and nCS<5:4>. Timing fields are
specified in number of memory clock cycles. Each register contains two identical CNFG fields:
one for each chip select within the pair.
When programming a different memory type in an MSC register, ensure that the new value has
been accepted and programmed before issuing a command to that memory. To do this, read the
MSC register before accessing the memory.
If any of the nCS<3:0> banks are configured for synchronous flash memory with
SXCNFG[SXENx], the corresponding half words of MSC0 or MSC1 are ignored on reads, with
the exception of MSCx[RBWx], the data width. This field must be programmed appropriately.
Because writes to the synchronous flash devices are asynchronous, all values programmed in the
MSCx register apply for writes.
In Table 6-28:
Bit fields in the MSCx register with the suffix of 1 and 0 belong to the MSC0 register.
Bit fields in the MSCx register with the suffix of 3 and 2 belong to the MSC1 register.
Bit fields in the MSCx register with the suffix of 5 and 4 belong to the MSC2 register.
MSC0 maps to physical address 0x4800_0008 and programs bit fields with the suffix of 1 and 0.
MSC1 maps to physical address 0x4800_000C and programs bit fields with the suffix of 3 and 2.
MSC2 maps to physical address 0x4800_0010 and programs bit fields with the suffix of 5 and 4.
These are read/write registers. Ignore reads from reserved bits. Write 0b0 to reserved bits.
6-62 Intel® PXA27x Processor Family Developer’s Manual
Memory Controller
Table 6-28. MSC0/1/2 Bit Definitions (Sheet 1 of 8)
Physical Address
0x4800_0008
0x4800_000C
0x4800_0010
MSC0
MSC1
MSC2
Memory Controller
User
Settings††
Bit 31 30 29 28 27 26 25 24 23 22 21 20 19 18 17 16 15 14 13 12 11 10 9 8 7 6 5 4 3 2 1 0
RBUFF1/3/5
RRR1/3/5 RDN1/3/5 RDF1/3/5
RBW1/3/5
RT1/3/5
RBUFF0/2/4
RRR0/2/4 RDN0/2/4 RDF0/2/4
RBW0/2/4
RT0/2/4
MSC2/1
Reset 0 1 1 1 1 1 1 1 1 1 1 1 0 0 0 0 0 1 1 1 1 1 1 1 1 1 1 1 ? 0 0 0
MSC0
Reset 0 1 1 1 1 1 1 1 1 1 1 1 0 0 0 0 0 1 1 1 1 1 1 1 1 1 1 1 * 0 0 0
Bits Access Name Description
31 R/W RBUFFx
Return Data Buffer vs. Streaming Behavior
When slow memory devices are used in the system (VLIO, slow
SRAM/ROM), this bit must be cleared to allow the system to process other
information rather than remain idle while all the data is read from the
device. When this bit is cleared, the system is allowed to process other
information. When the bit is set, the system halts and waits until all data is
returned from the device.
When synchronous static memory devices have been enabled for a given
bank, this bit defaults to streaming behavior. The register bit is read as 0
unless it has specifically been programmed to a 1. This behavior cannot
be overridden.
0 = Slower device (return data buffer)
1 = Faster device (streaming behavior)
30:28 R/W RRRx
ROM/SRAM Recovery Time
The value of this bit is half the number of memory clock cycles from the
time that chip select is de-asserted after a read or write until the next chip
select (of a different static memory bank) or nSDCS is asserted.
This field must be programmed with the highest of the three values: tOFF
divided by two, write pulse high time (flash memory/SRAM), and write
recovery before read (flash memory).
tOFF = RRRx * 2 + 1
NOTE: The MSCx[RRR] value (recovery time after chip select de-
asserted) must be reprogrammed prior to switching the processor
to deep-idle mode to avoid long times when the MD bus
(MD<31:0>) is in three-state mode after reads.
NOTES:
The User Settings row represents the settings required for PXA271, PXA272 processor configuration only. Other
configurations may differ.
†† This bit must be written as a 1 for the PXA271 processor. This bit must be written as a 0 for the PXA272 processor.
Intel® PXA27x Processor Family Developer’s Manual 6-63
Memory Controller
27:24 R/W RDNx
ROM Delay Next Access
The RDN field is encoded as follows:
ENCODED (Programmed) Value -----> DECODED (Actual) Value
0-11 -----> 0-11
12 -----> 15
13 -----> 20
14 -----> 26
15 -----> 30
Use the DECODED value in the equations below for RDNx instead of the
actual RDNx value.
For burst ROM or flash memory:
RDNx + 1 = number of MEM_CLKs from Address to Data Valid for
subsequent access.
For flash memory or SRAM:
RDNx + 1 = number of CLK_MEMs nWE is asserted for write
accesses
For VLIO:
RDNx * 2 = amount of time nOE or nPWE is deasserted to address
hold and address setup to nOE or nPWE assertion time.
NOTE: For VLIO, this number must be greater than or equal to 2. The
memory controller substitutes a default value of 2 for values less
than 2.
Table 6-28. MSC0/1/2 Bit Definitions (Sheet 2 of 8)
Physical Address
0x4800_0008
0x4800_000C
0x4800_0010
MSC0
MSC1
MSC2
Memory Controller
User
Settings††
Bit 31 30 29 28 27 26 25 24 23 22 21 20 19 18 17 16 15 14 13 12 11 10 9 8 7 6 5 4 3 2 1 0
RBUFF1/3/5
RRR1/3/5 RDN1/3/5 RDF1/3/5
RBW1/3/5
RT1/3/5
RBUFF0/2/4
RRR0/2/4 RDN0/2/4 RDF0/2/4
RBW0/2/4
RT0/2/4
MSC2/1
Reset 0 1 1 1 1 1 1 1 1 1 1 1 0 0 0 0 0 1 1 1 1 1 1 1 1 1 1 1 ? 0 0 0
MSC0
Reset 0 1 1 1 1 1 1 1 1 1 1 1 0 0 0 0 0 1 1 1 1 1 1 1 1 1 1 1 * 0 0 0
Bits Access Name Description
NOTES:
The User Settings row represents the settings required for PXA271, PXA272 processor configuration only. Other
configurations may differ.
†† This bit must be written as a 1 for the PXA271 processor. This bit must be written as a 0 for the PXA272 processor.
6-64 Intel® PXA27x Processor Family Developer’s Manual
Memory Controller
23:20 R/W RDFx
ROM Delay First Access
The encoding scheme is:
ENCODED (programmed) value ------> DECODED (actual) value:
0-11 ------> 0-11
12 ------> 15
13 ------> 20
14 -----> 26
15 ------> 30
The DECODED value represents:
Number of memory-clock cycles (minus 2) from address to data valid
for first read access from all devices except VLIO
Number of memory clock cycles (minus 1) from address to data valid
for subsequent read accesses to non-burst devices except VLIO
Number of memory clock cycles (minus 1) of nWE assertion for write
accesses to all types of flash memory
For variable-latency I/O, this determines the minimum number of memory
clock cycles (minus 1) of nOE (nPWE) assert time for each beat of read
(write).
NOTE: For VLIO, this number must be greater than or equal to 3. The
memory controller substitutes a default value of 3 for values less
than 3.
19 R/W RBWx
ROM Bus Width
For reset value of RBW0, see Section 6.5.4.
This value must be programmed, even when using synchronous static
memory in banks 0,1,2, or 3.
0 = 32 bits
1 = 16 bits
NOTE: This value must not be changed during normal operation.
Table 6-28. MSC0/1/2 Bit Definitions (Sheet 3 of 8)
Physical Address
0x4800_0008
0x4800_000C
0x4800_0010
MSC0
MSC1
MSC2
Memory Controller
User
Settings††
Bit 31 30 29 28 27 26 25 24 23 22 21 20 19 18 17 16 15 14 13 12 11 10 9 8 7 6 5 4 3 2 1 0
RBUFF1/3/5
RRR1/3/5 RDN1/3/5 RDF1/3/5
RBW1/3/5
RT1/3/5
RBUFF0/2/4
RRR0/2/4 RDN0/2/4 RDF0/2/4
RBW0/2/4
RT0/2/4
MSC2/1
Reset 0 1 1 1 1 1 1 1 1 1 1 1 0 0 0 0 0 1 1 1 1 1 1 1 1 1 1 1 ? 0 0 0
MSC0
Reset 0 1 1 1 1 1 1 1 1 1 1 1 0 0 0 0 0 1 1 1 1 1 1 1 1 1 1 1 * 0 0 0
Bits Access Name Description
NOTES:
The User Settings row represents the settings required for PXA271, PXA272 processor configuration only. Other
configurations may differ.
†† This bit must be written as a 1 for the PXA271 processor. This bit must be written as a 0 for the PXA272 processor.
Intel® PXA27x Processor Family Developer’s Manual 6-65
Memory Controller
18:16 R/W RTx
ROM Type:
0b000 = Synchronous flash or non-burst ROM or non-burst flash
0b001 = SRAM
0b010 = Burst-of-four ROM or burst-of-four flash (with non-burst writes)
0b011 = Burst-of-eight ROM or burst-of-eight flash (with non-burst
writes)
0b100 = Variable-latency I/O (VLIO)
0b101 = reserved
0b110 = reserved
0b111 = reserved
15 R/W RBUFFx
Return Data Buffer vs. Streaming Behavior
When slow memory devices are used in the system (VLIO, slow
SRAM/ROM), this bit must be cleared to allow the system to process other
information rather than remain idle while all the data is read from the
device. When this bit is cleared, the system is allowed to process other
information. When the bit is set, the system halts and waits until all data is
returned from the device.
When synchronous static memory devices have been enabled for a given
bank, this bit defaults to streaming behavior. The register bit is read as 0
unless it has specifically been programmed to a 1. This behavior cannot
be overridden.
0 = Slower device (return data buffer)
1 = Faster device (streaming behavior)
Table 6-28. MSC0/1/2 Bit Definitions (Sheet 4 of 8)
Physical Address
0x4800_0008
0x4800_000C
0x4800_0010
MSC0
MSC1
MSC2
Memory Controller
User
Settings††
Bit 31 30 29 28 27 26 25 24 23 22 21 20 19 18 17 16 15 14 13 12 11 10 9 8 7 6 5 4 3 2 1 0
RBUFF1/3/5
RRR1/3/5 RDN1/3/5 RDF1/3/5
RBW1/3/5
RT1/3/5
RBUFF0/2/4
RRR0/2/4 RDN0/2/4 RDF0/2/4
RBW0/2/4
RT0/2/4
MSC2/1
Reset 0 1 1 1 1 1 1 1 1 1 1 1 0 0 0 0 0 1 1 1 1 1 1 1 1 1 1 1 ? 0 0 0
MSC0
Reset 0 1 1 1 1 1 1 1 1 1 1 1 0 0 0 0 0 1 1 1 1 1 1 1 1 1 1 1 * 0 0 0
Bits Access Name Description
NOTES:
The User Settings row represents the settings required for PXA271, PXA272 processor configuration only. Other
configurations may differ.
†† This bit must be written as a 1 for the PXA271 processor. This bit must be written as a 0 for the PXA272 processor.
6-66 Intel® PXA27x Processor Family Developer’s Manual
Memory Controller
14:12 R/W RRRx
ROM/SRAM Recovery Time
The value of this bit is half the number of memory clock cycles from the
time that chip select is deasserted after a read or write until the next chip
select (of a different static memory bank) or nSDCS is asserted.
This field must be programmed with the highest of the three values: tOFF
divided by two, write pulse high time (flash memory/SRAM), and write
recovery before read (flash memory).
tOFF = RRRx * 2 + 1
NOTE: The MSCx[RRR] value (recovery time after chip select
deasserted) must be reprogrammed prior to switching the
processor to deep-idle mode to avoid long times when the MD
bus (MD<31:0>) is in three-state mode after reads.
Table 6-28. MSC0/1/2 Bit Definitions (Sheet 5 of 8)
Physical Address
0x4800_0008
0x4800_000C
0x4800_0010
MSC0
MSC1
MSC2
Memory Controller
User
Settings††
Bit 31 30 29 28 27 26 25 24 23 22 21 20 19 18 17 16 15 14 13 12 11 10 9 8 7 6 5 4 3 2 1 0
RBUFF1/3/5
RRR1/3/5 RDN1/3/5 RDF1/3/5
RBW1/3/5
RT1/3/5
RBUFF0/2/4
RRR0/2/4 RDN0/2/4 RDF0/2/4
RBW0/2/4
RT0/2/4
MSC2/1
Reset 0 1 1 1 1 1 1 1 1 1 1 1 0 0 0 0 0 1 1 1 1 1 1 1 1 1 1 1 ? 0 0 0
MSC0
Reset 0 1 1 1 1 1 1 1 1 1 1 1 0 0 0 0 0 1 1 1 1 1 1 1 1 1 1 1 * 0 0 0
Bits Access Name Description
NOTES:
The User Settings row represents the settings required for PXA271, PXA272 processor configuration only. Other
configurations may differ.
†† This bit must be written as a 1 for the PXA271 processor. This bit must be written as a 0 for the PXA272 processor.
Intel® PXA27x Processor Family Developer’s Manual 6-67
Memory Controller
11:8 R/W RDNx
ROM Delay Next Access
The RDN field is encoded as follows:
ENCODED (Programmed) Value -----> DECODED (Actual) Value
0–11 -----> 0–11
12 -----> 15
13 -----> 20
14 -----> 26
15 -----> 30
Use the DECODED value in the equations below for RDNx instead of the
actual RDNx value.
For burst ROM or flash memory:
RDNx + 1 = number of MEM_CLKs from Address to Data Valid for
subsequent access.
For flash memory or SRAM:
RDNx + 1 = number of CLK_MEMs nWE is asserted for write
accesses
For VLIO:
RDNx * 2 = amount of time nOE or nPWE is deasserted to address
hold and address setup to nOE or nPWE assertion time.
NOTE: For VLIO, this number must be greater than or equal to 2. The
memory controller substitutes a default value of 2 for values less
than 2.
Table 6-28. MSC0/1/2 Bit Definitions (Sheet 6 of 8)
Physical Address
0x4800_0008
0x4800_000C
0x4800_0010
MSC0
MSC1
MSC2
Memory Controller
User
Settings††
Bit 31 30 29 28 27 26 25 24 23 22 21 20 19 18 17 16 15 14 13 12 11 10 9 8 7 6 5 4 3 2 1 0
RBUFF1/3/5
RRR1/3/5 RDN1/3/5 RDF1/3/5
RBW1/3/5
RT1/3/5
RBUFF0/2/4
RRR0/2/4 RDN0/2/4 RDF0/2/4
RBW0/2/4
RT0/2/4
MSC2/1
Reset 0 1 1 1 1 1 1 1 1 1 1 1 0 0 0 0 0 1 1 1 1 1 1 1 1 1 1 1 ? 0 0 0
MSC0
Reset 0 1 1 1 1 1 1 1 1 1 1 1 0 0 0 0 0 1 1 1 1 1 1 1 1 1 1 1 * 0 0 0
Bits Access Name Description
NOTES:
The User Settings row represents the settings required for PXA271, PXA272 processor configuration only. Other
configurations may differ.
†† This bit must be written as a 1 for the PXA271 processor. This bit must be written as a 0 for the PXA272 processor.
6-68 Intel® PXA27x Processor Family Developer’s Manual
Memory Controller
7:4 R/W RDFx
The ROM Delay First Access
The programmed value to actual value encoding scheme is:
ENCODED (programmed) value ------> DECODED (actual) value:
0–11 ------> 0–11
12 ------> 15
13 ------> 20
14 ------> 26
15 ------> 30
The DECODED value represents:
The number of memory clock cycles (minus 2) from address to data
valid for first read access from all devices except VLIO
The number of memory clock cycles (minus 1) from address to data
valid for subsequent read accesses to non-burst devices except VLIO
The number of memory clock cycles (minus 1) of nWE assertion for
write accesses to all types of flash memory
For variable-latency I/O, this determines the minimum number of memory
clock cycles (minus 1) of nOE (nPWE) assert time for each beat of read
(write).
NOTE: For VLIO, this number must be greater than or equal to 3. The
memory controller substitutes a default value of 3 for values less
than 3.
3R/WRBWx
ROM Bus Width
This value must be programmed, even when using synchronous static
memory in banks 0,1,2, or 3.
0 = 32 bits
1 = 16 bits
NOTE: This value must not be changed during normal operation.
Table 6-28. MSC0/1/2 Bit Definitions (Sheet 7 of 8)
Physical Address
0x4800_0008
0x4800_000C
0x4800_0010
MSC0
MSC1
MSC2
Memory Controller
User
Settings††
Bit 31 30 29 28 27 26 25 24 23 22 21 20 19 18 17 16 15 14 13 12 11 10 9 8 7 6 5 4 3 2 1 0
RBUFF1/3/5
RRR1/3/5 RDN1/3/5 RDF1/3/5
RBW1/3/5
RT1/3/5
RBUFF0/2/4
RRR0/2/4 RDN0/2/4 RDF0/2/4
RBW0/2/4
RT0/2/4
MSC2/1
Reset 0 1 1 1 1 1 1 1 1 1 1 1 0 0 0 0 0 1 1 1 1 1 1 1 1 1 1 1 ? 0 0 0
MSC0
Reset 0 1 1 1 1 1 1 1 1 1 1 1 0 0 0 0 0 1 1 1 1 1 1 1 1 1 1 1 * 0 0 0
Bits Access Name Description
NOTES:
The User Settings row represents the settings required for PXA271, PXA272 processor configuration only. Other
configurations may differ.
†† This bit must be written as a 1 for the PXA271 processor. This bit must be written as a 0 for the PXA272 processor.
Intel® PXA27x Processor Family Developer’s Manual 6-69
Memory Controller
6.5.3.2 Static Memory SA-1110 Compatibility Configuration Register (SA1110)
SA1110, defined in Table 6-31, facilitates address and data-mask configuration that is compatible
with the Intel ® StrongARM* SA-1110 processor and also provides a programmable option for
support of larger static memories.
6.5.3.2.1 Large Static Memory Support
When SA1110[SXENX] is set, larger memories are supported in the existing memory space for
static memories. There are no restrictions on what type of memories these may be. These memories
may be up to 128 Mbytes each, rather than up to 64 Mbytes each and require an extra address bit,
as MA<25:2> for 32-bit memories and MA<25:1> for 16-bit memories does not provide a large
enough address for the large memories. The extra address bit is MA<0>. Thus, SA-1110
compatibility addressing mode is not valid if SA1110[SXENX] = 0b1. The 128 Mbyte half-word
address is MA<0,25:1>. The 64-Mbyte byte address remains MA<25:0>.
2:0 R/W RTx
ROM Type
0b000 = Synchronous flash or non-burst ROM or non-burst flash
0b001 = SRAM
0b010 = Burst-of-four ROM or burst-of-four flash (with non-burst writes)
0b011 = Burst-of-eight ROM or burst-of-eight flash (with non-burst
writes)
0b100 = Variable-latency I/O (VLIO)
0b101 = reserved
0b110 = reserved
0b111 = reserved
Table 6-28. MSC0/1/2 Bit Definitions (Sheet 8 of 8)
Physical Address
0x4800_0008
0x4800_000C
0x4800_0010
MSC0
MSC1
MSC2
Memory Controller
User
Settings††
Bit 31 30 29 28 27 26 25 24 23 22 21 20 19 18 17 16 15 14 13 12 11 10 9 8 7 6 5 4 3 2 1 0
RBUFF1/3/5
RRR1/3/5 RDN1/3/5 RDF1/3/5
RBW1/3/5
RT1/3/5
RBUFF0/2/4
RRR0/2/4 RDN0/2/4 RDF0/2/4
RBW0/2/4
RT0/2/4
MSC2/1
Reset 0 1 1 1 1 1 1 1 1 1 1 1 0 0 0 0 0 1 1 1 1 1 1 1 1 1 1 1 ? 0 0 0
MSC0
Reset 0 1 1 1 1 1 1 1 1 1 1 1 0 0 0 0 0 1 1 1 1 1 1 1 1 1 1 1 * 0 0 0
Bits Access Name Description
NOTES:
The User Settings row represents the settings required for PXA271, PXA272 processor configuration only. Other
configurations may differ.
†† This bit must be written as a 1 for the PXA271 processor. This bit must be written as a 0 for the PXA272 processor.
6-70 Intel® PXA27x Processor Family Developer’s Manual
Memory Controller
Figure 6-11. Programmable Static Memory Map Options
Figure 6-12. Addressing Instructions for Static Memory Chip Selects
Static nCS<0> (64 MB)
Static nCS<4> (64 MB)
0x1C00_0000
0x1800_0000
0x1400_0000
0x1000_0000
0x0C00_0000
0x0800_0000
0x0400_0000
0x0000_0000
Static nCS<1> (64 MB)
Static nCS<2> (64 MB)
Static nCS<3> (64 MB)
Static nCS<5> (64 MB)
Reserved (64 MB)
Reserved (64 MB)
Static nCS<0> (128 MB)
Static nCS<4> (64 MB)
0x1C00_0000
0x1800_0000
0x1400_0000
0x1000_0000
0x0800_0000
0x0000_0000
Static nCS<1> (128 MB)
Static nCS<5> (64 MB)
Reserved (64 MB)
Reserved (64 MB)
64 Mbyte 16-bit Memory
A<24:0>
MA<25:1>
Half-word
Address
MA<0>
64 Mbyte 32-bit Memory
A<23:0>
MA<25:2>
Word
Address
MA<1:0>
128 Mbyte 16-bit Memory
A<24:0>
MA<25:1>
Half-word
Address
MA<0> A<25>
128 Mbyte 32-bit Memory
A<23:0>
MA<25:2>
Word
Address
MA<0> A<24>
Byte address MA<0> may or may not
be used by the memory, depending on
the setting of SA1110[SA1110_x].
Byte address MA<1:0> may or may not
be used by the memory, depending on
the setting of SA1110[SA1110_x].
No byte address is given. SA1110[SA1110_x]
must be clear.
No byte address is given. SA1110[SA1110_x]
must be clear.
MA<1>
Intel® PXA27x Processor Family Developer’s Manual 6-71
Memory Controller
6.5.3.2.2 SA-1110 Addressing and Data-Masking Compatibility
When SA-1110 compatibility is enabled for a static memory partition (SA1110[SA1110_x] clear),
two things occur on reads from static memory:
1. On reads for asynchronous memory, the lower address bits correctly reflect the starting byte
address—MA<0> for 16-bit external memory and MA<1:0> for 32-bit external memory,
based on the byte enables that may be associated with the read request from the internal bus.
See Table 6-29 and Table 6-30 for details of the external address for this mode.
2. For any memory type, the DQM pins correctly reflect the byte enables received for the reads.
Register SA1110 must be programmed with bit setting as shown in the User Settings row in
Table 6-31.
Table 6-29. 32-Bit Byte Address Bits MA<1:0> for Reads Based on DQM<3:0>
DQM<3:0> MA<1:0>
0b0000 0b00
0b0001
0b1101
0b1001
0b0101
0b01
0b1011
0b0011 0b10
0b0111 0b11
Anything Else 0b00
Table 6-30. 16-Bit Byte Address Bit MA<0> for Reads Based on DQM<1:0>
DQM<1:0> MA<0>]
0b00 0b0
0b10 0b0
0b01 0b1
0b11 0b0
6-72 Intel® PXA27x Processor Family Developer’s Manual
Memory Controller
Table 6-31. SA1110 Bit Definitions (Sheet 1 of 2)
Physical Address
0x4800_0064 SA1110 Memory Controller
User
Settings01
Bit 31 30 29 28 27 26 25 24 23 22 21 20 19 18 17 16 15 14 13 12 11 10 9 8 7 6 5 4 3 2 1 0
reserved
SXSTACK
reserved
SXENX
reserved
SA1110_5
SA1110_4
SA1110_3
SA1110_2
SA1110_1
SA1110_0
Reset ? ? ? ? ? ? ? ? ? ? ? ? ? ? ? ? ? ? ? ? ? ? ? 0 ? ? 0 0 0 0 0 0
Bits Access Name Description
31:14 — reserved
13:12 R/W SXSTACK
Stacked Flash Option
0b00 = There is no stacked flash in the system
0b01 = nCS<0> contains stacked flash.
0b10 = nCS<1> contains stacked flash.
0b11 = Both nCS<0> and nCS<1> contain stacked flash.
See Section 6.4.2 for information on stacking flash and SDRAM devices.
11:9 — reserved
8 R/W SXENX
Large Memory Support
See Figure 6-11 for a diagram.
0 = Use six 64 Mbyte chip selects (nCS<5:0>
1 = Use two 64 Mbyte chip selects (nCS<5:4>) and two 128 Mbyte chip
selects (nCS<1:0>). The corresponding SA1110[3:0] bit fields must be
cleared.
7:6 — reserved
5 R/W SA1110_5†† SA-1110 Compatibility Mode for Static Memory Partition 5
0 = Disable SA-1110 compatibility.
1 = Enable SA-1110 compatibility.
4 R/W SA1110_4†† SA-1110 Compatibility Mode for Static Memory Partition 4
0 = Disable SA-1110 compatibility.
1 = Enable SA-1110 compatibility.
3 R/W SA1110_3†† SA-1110 Compatibility Mode for Static Memory Partition 3
0 = Disable SA-1110 compatibility.
1 = Enable SA-1110 compatibility.
NOTE:
The User Settings row represents the settings required for the PXA271, PXA272 processors. Other configurations may
differ.
†† Limitations apply. For a full discussion, see Section 6.5.3.2 and its subsections.
Intel® PXA27x Processor Family Developer’s Manual 6-73
Memory Controller
6.5.4 Boot Time Default Configuration Register (BOOT_DEF)
This section provides information on default boot parameters. Table 6-32 shows the valid boot
configurations. For all processor stack configurations, this signal must be driven to match the flash
bus width within the stacked configuration.
BOOT_DEF, shown in Table 6-33, contains the boot-up values for the BOOT_SEL pin.
This is a read/write register. Ignore reads from reserved bits. Write 0b0 to reserved bits.
2 R/W SA1110_2†† SA-1110 Compatibility Mode for Static Memory Partition 2
0 = Disable SA-1110 compatibility.
1 = Enable SA-1110 compatibility.
1 R/W SA1110_1†† SA-1110 Compatibility Mode for Static Memory Partition 1
0 = Disable SA-1110 compatibility.
1 = Enable SA-1110 compatibility.
0 R/W SA1110_0†† SA-1110 Compatibility Mode for Static Memory Partition 0
0 = Disable SA-1110 compatibility.
1 = Enable SA-1110 compatibility.
Table 6-31. SA1110 Bit Definitions (Sheet 2 of 2)
Physical Address
0x4800_0064 SA1110 Memory Controller
User
Settings01
Bit 31 30 29 28 27 26 25 24 23 22 21 20 19 18 17 16 15 14 13 12 11 10 9 8 7 6 5 4 3 2 1 0
reserved
SXSTACK
reserved
SXENX
reserved
SA1110_5
SA1110_4
SA1110_3
SA1110_2
SA1110_1
SA1110_0
Reset ? ? ? ? ? ? ? ? ? ? ? ? ? ? ? ? ? ? ? ? ? ? ? 0 ? ? 0 0 0 0 0 0
Bits Access Name Description
NOTE:
The User Settings row represents the settings required for the PXA271, PXA272 processors. Other configurations may
differ.
†† Limitations apply. For a full discussion, see Section 6.5.3.2 and its subsections.
Table 6-32. Valid Boot Configurations
BOOT_SEL Signal Description
Deasserted Asynchronous 32-bit ROM
Asserted Asynchronous 16-bit ROM
6-74 Intel® PXA27x Processor Family Developer’s Manual
Memory Controller
6.5.5 Expansion Memory Timing Configuration Registers
(MCMEMx, MCATTx, MCIOx)
This section provides information on the processors PC Card interface, which conforms to the PC
Card Standard, Volume 2, Electrical Specification, Version 1.4 and to the CF+ and CompactFlash
Specification Version 1.4.
The following registers contain control bits for configuring the timing of the PC
Card/CompactFlash interface. Registers 0 apply to socket 0; registers 1 apply to socket 1.
MCMEM0/1 (memory space)—Table 6-35
MCATT0/1 (attribute space)—Table 6-36
MCIO0/1 (I/O space)—Table 6-37
Use the three fields in each of the six registers to individually select the duration of accesses to I/O,
common memory, and attribute space for each of the two PC Card/CompactFlash card sockets, as
shown in Table 6-34.
Table 6-33. BOOT_DEF Bit Definitions
Physical Address
0x4800_0044 BOOT_DEF Memory Controller
User
Settings
Bit 31 30 29 28 27 26 25 24 23 22 21 20 19 18 17 16 15 14 13 12 11 10 9 8 7 6 5 4 3 2 1 0
reserved
PKG_TYPE
reserved
BOOT_SEL
Reset ? ? ? ? ? ? ? ? ? ? ? ? ? ? ? ? ? ? ? ? ? ? ? ? ? ? ? ? 1 ? ? *
Bits Access Name Description
31:4 — reserved
3 R PKG_TYPE
Package Type
0 = reserved
1 = 32-bit package
2:1 — reserved
0 R BOOT_SEL
Boot Select
Contains the input pin BOOT_SEL for the memory controller. See
Section 6.4.7 for pin configuration definitions.
0 = BOOT_SEL is low (boot from 32-bit memory).
1 = BOOT_SEL is high (boot from 16-bit memory).
Intel® PXA27x Processor Family Developer’s Manual 6-75
Memory Controller
These are read/write registers. Ignore reads from reserved bits. Write 0b0 to reserved bits.
Table 6-34. PC Card/CompactFlash Interface Command Assertion Code
MCMEMx[ASST]
MCATTx[ASST]
MCIOx[ASST] x_ASST_WAIT x_ASST_HOLD x_CMD
(x_ASST_WAIT +
(x_ASST_HOLD)
Programmed
Bit Value Code Decimal
value
# CLK_MEMs to Wait
Before Checking for
nPWAIT = 1
# CLK_MEMs t
Assert Command
After nPWAIT = 1
# CLK_MEMs for
Minimum Command
Assertion Time
(Code) (Code) (Code + 2) (2*Code + 3)
(writes) (2*Code + 4)
(reads) (3*Code + 5)
(writes) (3*Code + 6)
(reads)
00000 0 2 3 4 5 6
00001 1 3 5 6 8 9
00010 2 4 7 8 11 12
00011 3 5 9 10 14 15
00100 4 6 11 12 17 18
00101 5 7 13 14 20 21
00110 6 8 15 16 23 24
00111 7 9 17 18 26 27
01000 8 10 19 20 29 30
01001 9 11 21 22 32 33
01010 10 12 23 24 35 36
01011 11 13 25 26 38 39
01100 12 14 27284142
01101 13 15 29304445
01110 14 16 31324748
01111 15 17 33345051
10000 16 18 35 36 53 54
10001 17 19 37 38 56 57
10010 18 20 39 40 59 60
10011 19 21 41 42 62 63
10100 20 22 43 44 65 66
10101 21 23 45 46 68 69
10110 22 24 47 48 71 72
10111 23 25 49 50 74 75
11000 24 26 51527778
11001 25 27 53548081
11010 26 28 55568384
11011 27 29 57588687
11100 28 30 59 60 89 90
11101 29 31 61 62 92 93
11110 30 32 63 64 95 96
11111 31 33 65 66 98 99
6-76 Intel® PXA27x Processor Family Developer’s Manual
Memory Controller
Table 6-35. MCMEMx Bit Definitions
Physical Address
0x4800_0028
0x4800_002C MCMEM0
MCMEM1 Memory Controller
User
Settings
Bit 31 30 29 28 27 26 25 24 23 22 21 20 19 18 17 16 15 14 13 12 11 10 9 8 7 6 5 4 3 2 1 0
reserved HOLD
reserved
ASST SET
Reset ? ? ? ? ? ? ? ? ? ? ? ? 0 0 0 0 0 0 ? ? 0 0 0 0 0 0 0 0 0 0 0 0
Bits Access Name Description
31:20 — reserved
19:14 R/W HOLD
MCMEMx Address Hold
Number of memory clocks to hold address after command deassertion
for the MCMEM for socket x.
13:12 — reserved
11:7 R/W ASST
MCMEMx Command Assert
Code for the command assertion time. See Table 6-34 for a description
of this code and its effects on the command assertion.
6:0 R/W SET
MCMEMx Address Setup
Number of memory clocks (minus 2) to set up address before command
assertion for the MCMEM for socket x.
Table 6-36. MCATT0/1 Bit Definitions (Sheet 1 of 2)
Physical Address
0x4800_0030
0x4800_0034 MCATT0
MCATT1 Memory Controller
User
Settings
Bit 31 30 29 28 27 26 25 24 23 22 21 20 19 18 17 16 15 14 13 12 11 10 9 8 7 6 5 4 3 2 1 0
reserved HOLD
reserved
ASST SET
Reset ? ? ? ? ? ? ? ? ? ? ? ? 0 0 0 0 0 0 ? ? 0 0 0 0 0 0 0 0 0 0 0 0
Bits Access Name Description
31:20 — reserved
19:14 R/W HOLD
MCATTx Address Hold
Number of memory clocks to hold address after command deassertion
for the MCATT for socket x.
Intel® PXA27x Processor Family Developer’s Manual 6-77
Memory Controller
13:12 — reserved
11:7 R/W ASST
MCATTx Command Assert
Code for the command assertion time. See Table 6-34 for a description
of this code and its effects on the command assertion.
6:0 R/W SET
MCATTx Address Setup
Number of memory clocks (minus 2) to set up address before command
assertion for the MCATT for socket x.
Table 6-37. MCIO0/1 Bit Definitions
Physical Address
0x4800_0038
0x4800_003C
MCIO0
MCIO1 Memory Controller
User
Settings
Bit 31 30 29 28 27 26 25 24 23 22 21 20 19 18 17 16 15 14 13 12 11 10 9 8 7 6 5 4 3 2 1 0
reserved HOLD
reserved
ASST SET
Reset ? ? ? ? ? ? ? ? ? ? ? ? 0 0 0 0 0 0 ? ? 0 0 0 0 0 0 0 0 0 0 0 0
Bits Access Name Description
31:20 — reserved
19:14 R/W HOLD
MCIOx Address Hold
Number of memory clocks to hold address after command deassertion
for the MCIO for socket x.
13:12 — reserved
11:7 R/W ASST
MCIOx Command Assertion
Code for the command assertion time. See Table 6-34 for a description
of this code and its effects on the command assertion.
6:0 R/W SET
MCIOx Address Setup
Number of (memory clocks (minus 2) to set up address before
command assertion for the MCIO for socket x.
Table 6-36. MCATT0/1 Bit Definitions (Sheet 2 of 2)
Physical Address
0x4800_0030
0x4800_0034 MCATT0
MCATT1 Memory Controller
User
Settings
Bit 31 30 29 28 27 26 25 24 23 22 21 20 19 18 17 16 15 14 13 12 11 10 9 8 7 6 5 4 3 2 1 0
reserved HOLD
reserved
ASST SET
Reset ? ? ? ? ? ? ? ? ? ? ? ? 0 0 0 0 0 0 ? ? 0 0 0 0 0 0 0 0 0 0 0 0
Bits Access Name Description
6-78 Intel® PXA27x Processor Family Developer’s Manual
Memory Controller
6.5.6 Expansion Memory Configuration Register (MECR)
MECR, shown in Table 6-38, reduces the need for external hardware. Two bits indicate to the
memory controller that a PC Card has been inserted in the socket and the number of PC Cards the
system has been designed for. The number-of-sockets (NOS) bit is required because the PSKTSEL
pin is used as the nOE for the data transceivers. The PC-Card-is-there (CIT) bit reduces external
hardware by allowing the system to ignore nIOIS16 and nPWAIT when there is no PC Card
inserted in the socket.
This is a read/write register. Ignore reads from reserved bits. Write 0b0 to reserved bits.
6.5.7 Programmable Output Buffer Strength Registers
The following registers eliminate the requirement for termination on the high-speed address
control and data signals used by the memory controller. To clearly understand the impact on
programming the buffer-strength registers, use the IBIS models that correspond to the preferred
buffer-strength bit configuration in a simulation model. The buffer impedances are listed for a
subset of the buffer strength listed in Table 6-39. The AC timings corresponding to the specific
buffer-strength configurations are documented in the Intel® PXA27x Processor Family EMTS.
Most signals are independently programmable to a specific buffer strength, due to the possibility of
unbalanced loading. Signals expected to have the same capacitance loading are grouped together
and are programmable using the same bit-field location within the buffer-strength registers.
Table 6-39 indicates values of the buffer impedance for signals based on the programmed bit
strength of the individual signals. Values in Table 6-39 are specific to the typical process and a
temperature of 25 degrees Celsius. The program values vary across processes and temperatures,
though they do maintain the same relation. Larger programmed values in the buffer-strength bit
field result in a smaller resistance and a smaller programmed value in the buffer-strength bit field
result in a larger resistance.
Table 6-38. MECR Bit Definitions
Physical Address
0x4800_0014 MECR Memory Controller
User
Settings
Bit 31 30 29 28 27 26 25 24 23 22 21 20 19 18 17 16 15 14 13 12 11 10 9 8 7 6 5 4 3 2 1 0
reserved
CIT
NOS
Reset ? ? ? ? ? ? ? ? ? ? ? ? ? ? ? ? ? ? ? ? ? ? ? ? ? ? ? ? ? ? 0 0
Bits Access Name Description
31:2 — reserved
1R/WCIT
PC Card Is Present
This bit must be written by software when either PC Card is inserted into a
socket.
0 = No PC Card inserted
1 = PC Card inserted
0R/WNOS
PC Card Interface Number of Sockets
0 = 1 socket
1 = 2 sockets
Intel® PXA27x Processor Family Developer’s Manual 6-79
Memory Controller
Note: Use caution when configuring different strength values for signals used by a same memory device,
as this could cause AC timing violations due to the added skew between signals of the same
memory device.
Table 6-39. Impedance Selection Options
BS Bit 3 BS Bit 2 BS Bit 1 BS Bit 0 Total Resistance (Ohms)
1.8 V 2.5 V 3.3 V
0 0 0 0 387.0 290 240
0 0 0 1 129.2 96.7 80
0 0 1 0 77.6 58.3 48
0 0 1 1 55.4 41.6 34.3
0 1 0 0 43.5 32.8 26.7
0 1 0 1 35.5 26.8 21.8
01103022.318.5
01112619.6 16
1 0 0 0 23.5 17.8 14.1
1 0 0 1 20.9 15.9 12.6
1 0 1 0 18.9 14.3 11.4
1 0 1 1 17.2 13 10.4
110015.912 9.6
1 1 0 1 14.7 11.1 8.9
1 1 1 0 13.6 10.3 8.3
111112.79.6 7.7
6-80 Intel® PXA27x Processor Family Developer’s Manual
Memory Controller
6.5.7.1 System Memory Buffer Strength Control Register 0 (BSCNTR0)
BSCNTR0 register, shown in Table 6-40, contains control bits for configuring the buffer strengths
for the system memory output buffers.
This is a read/write register. Ignore reads from reserved bits. Write 0b0 to reserved bits.
Table 6-40. BSCNTR0 Bit Definitions
Physical Address
0x4800_004C BSCNTR0 Memory Controller
User
Settings
Bit 31 30 29 28 27 26 25 24 23 22 21 20 19 18 17 16 15 14 13 12 11 10 9 8 7 6 5 4 3 2 1 0
CKE1BS CLK2BS CLK1BS CLK0BS RASBS CASBS MDHBS MDLBS
Reset 0 1 0 1 0 1 0 1 0 1 0 1 0 1 0 1 0 1 0 1 0 1 0 1 0 1 0 1 0 1 0 1
Bits Access Name Description
31:28 R/W CKE1BS SDCKE Buffer Strength Control register
27:24 R/W CLK2BS SDCLK<2> Buffer Strength Control register
23:20 R/W CLK1BS SDCLK<1> Buffer Strength Control register
19:16 R/W CLK0BS SDCLK<0> Buffer Strength Control register
15:12 R/W RASBS SDRAS Buffer Strength Control register
11:8 R/W CASBS SDCAS Buffer Strength Control register
7:4 R/W MDHBS MD<31:16> Buffer Strength Control register
3:0 R/W MDLBS MD<15:0> Buffer Strength Control register
Intel® PXA27x Processor Family Developer’s Manual 6-81
Memory Controller
6.5.7.2 System Memory Buffer Strength Control Register 1 (BSCNTR1)
BSCNTR1, shown in Table 6-41, contains control bits for configuring the buffer strengths for the
system-memory output buffers.
This is a read/write register. Ignore reads from reserved bits. Write 0b0 to reserved bits.
Table 6-41. BSCNTR1 Bit Definitions
Physical Address
0x4800_0050 BSCNTR1 Memory Controller
User
Settings
Bit 31 30 29 28 27 26 25 24 23 22 21 20 19 18 17 16 15 14 13 12 11 10 9 8 7 6 5 4 3 2 1 0
DQM32BS DQM10BS SDCS32BS SDCS10BS WEBS OEBS SDCAS_DE
LAY RDnWRBS
Reset 0 1 0 1 0 1 0 1 0 1 0 1 0 1 0 1 0 1 0 1 0 1 0 1 0 1 0 1 0 1 0 1
Bits Access Name Description
31:28 R/W DQM32BS DQM<3:2> Buffer Strength Control register
27:24 R/W DQM10BS DQM<1:0> Buffer Strength Control register
23:20 R/W SDCS32BS SDCS<3:2> Buffer Strength Control register
19:16 R/W SDCS10BS SDCS<1:0> Buffer Strength Control register
15:12 R/W WEBS nWE Buffer Strength Control register
11:8 R/W OEBS nOE Buffer Strength Control register
7:4 R/W SDCAS_
DELAY
SDCAS Return Signal Timing Delay
0x5—average timing delay
All other values are not valid.
NOTE: Do not use this bit field to control the buffer strength for SDCAS.
This bit field is for signal return clock timing only.
3:0 R/W RDnWRBS RDnWR Buffer Strength Control register
6-82 Intel® PXA27x Processor Family Developer’s Manual
Memory Controller
6.5.7.3 System Memory Buffer Strength Control Register 2 (BSCNTR2)
BSCNTR2, shown in Table 6-42, contains control bits for configuring the buffer strengths for the
system-memory output buffers.
This is a read/write register. Ignore reads from reserved bits. Write 0b0 to reserved bits.
Table 6-42. BSCNTR2 Bit Definitions
Physical Address
0x4800_005C BSCNTR2 Memory Controller
User
Settings
Bit 31 30 29 28 27 26 25 24 23 22 21 20 19 18 17 16 15 14 13 12 11 10 9 8 7 6 5 4 3 2 1 0
CS5BS CS4BS CS3BS CS2BS CS1BS CS0BS CLK3BS MA25BS
Reset 0 1 0 1 0 1 0 1 0 1 0 1 0 1 0 1 0 1 0 1 0 1 0 1 ? ? ? ? 0 1 0 1
Bits Access Name Description
31:28 R/W CS5BS nCS<5> Buffer Strength Control register
31:24 R/W CS4BS nCS<4> Buffer Strength Control register
23:20 R/W CS3BS nCS<3> Buffer Strength Control register
19:16 R/W CS2BS nCS<2> Buffer Strength Control register
15:12 R/W CS1BS nCS<1> Buffer Strength Control register
11:8 R/W CS0BS nCS<0> Buffer Strength Control register
7:4 R/W CLK3BS SDCLK<3> Buffer Strength Control Bits
3:0 R/W MA25BS MA<25> Buffer Strength Control register
Intel® PXA27x Processor Family Developer’s Manual 6-83
Memory Controller
6.5.7.4 System Memory Buffer Strength Control Register 3 (BSCNTR3)
BSCNTR3, shown in Table 6-43, contains control bits for configuring the buffer strengths for the
system-memory output buffers.
This is a read/write register.
Table 6-43. BSCNTR3 Bit Definitions
Physical Address
0x4800_0060 BSCNTR3 Memory Controller
User
Settings
Bit 31 30 29 28 27 26 25 24 23 22 21 20 19 18 17 16 15 14 13 12 11 10 9 8 7 6 5 4 3 2 1 0
MA24BS MA23BS MA22BS MA21BS MA2010BS MA92BS MA1BS MA0BS
Reset 0 1 0 1 0 1 0 1 0 1 0 1 0 1 0 1 0 1 0 1 0 1 0 1 0 1 0 1 0 1 0 1
Bits Access Name Description
31:28 R/W MA24BS MA<24> Buffer Strength Control register
27:24 R/W MA23BS MA<23> Buffer Strength Control register
23:20 R/W MA22BS MA<22> Buffer Strength Control register
19:16 R/W MA21BS MA<21> Buffer Strength Control register
15:12 R/W MA2010BS MA<20:10> Buffer Strength Control register
11:8 R/W MA92BS MA<9:2> Buffer Strength Control register
7:4 R/W MA1BS MA<1> Buffer Strength Control register
3:0 R/W MA0BS MA<0> Buffer Strength Control register
6-84 Intel® PXA27x Processor Family Developer’s Manual
Memory Controller
6.6 Register Summary
Table 6-44 shows the registers associated with the memory interface and the physical addresses to
access them. These registers must be mapped as non-cacheable and non-bufferable and must be
accessed only with word accesses. Group the registers together within one page of the MMU table
so that they have the same memory protections.
Table 6-44. Memory Controller Register Summary
Address Name Description Page
0x4800_0000 MDCNFG SDRAM Configuration register 6-43
0x4800_0004 MDREFR SDRAM Refresh Control register 6-52
0x4800_0008 MSC0 Static Memory Control register 0 6-62
0x4800_000C MSC1 Static Memory Control register 1 6-62
0x4800_0010 MSC2 Static Memory Control register 2 6-62
0x4800_0014 MECR Expansion Memory (PC Card/CompactFlash) Bus Configuration
register 6-78
0x4800_0018 reserved
0x4800_001C SXCNFG Synchronous Static Memory Configuration register 6-57
0x4800_0024 reserved
0x4800_0028 MCMEM0 PC Card Interface Common Memory Space Socket 0 Timing
Configuration register 6-76
0x4800_002C MCMEM1 PC Card Interface Common Memory Space Socket 1 Timing
Configuration register 6-76
0x4800_0030 MCATT0 PC Card Interface Attribute Space Socket 0 Timing Configuration
register 6-76
0x4800_0034 MCATT1 PC Card Interface Attribute Space Socket 1 Timing Configuration
register 6-76
0x4800_0038 MCIO0 PC Card Interface I/O Space Socket 0 Timing Configuration
register 6-77
0x4800_003C MCIO1 PC Card Interface I/O Space Socket 1 Timing Configuration
register 6-77
0x4800_0040 MDMRS SDRAM Mode Register Set Configuration register 6-48
0x4800_0044 BOOT_DEF Boot Time Default Configuration register 6-74
0x4800_0048 ARB_CNTL Arbiter Control register 29-2
0x4800_004C BSCNTR0 System Memory Buffer Strength Control register 0 6-80
0x4800_0050 BSCNTR1 System Memory Buffer Strength Control register 1 6-81
0x4800_0054 LCDBSCNTR LCD Buffer Strength Control register 7-104
0x4800_0058 MDMRSLP Special Low Power SDRAM Mode Register Set Configuration
register 6-50
0x4800_005C BSCNTR2 System Memory Buffer Strength Control register 2 6-82
0x4800_0060 BSCNTR3 System Memory Buffer Strength Control register 3 6-83
0x4800_0064 SA1110 SA-1110 Compatibility Mode for Static Memory register 6-69
0x4800_0068–
0x4800_FFFC reserved
Intel® PXA27x Processor Family Developer’s Manual 7-1
LCD Controller 7
The LCD controller provides an interface between the PXA27x processor and a flat-panel display
module. The flat-panel display module can be passive (DSTN), active (TFT), or an LCD panel with
internal frame buffering.
7.1 Overview
The LCD/flat-panel controller is backward-compatible with Intel® PXA25x and Intel® PXA26x
processor LCD controllers. Several additional features are also supported. These additional
features are:
Pixel formats of 18, 19, 24, and 25 bits per pixel (bpp)
18 bpp—RGB 6:6:6
19 bpp—RGBT 6:6:6
24 bpp—RGB 8:8:8, RGBT 8:8:7
25 bpp—RGBT 8:8:8
Note: RGB a:b:c and RGBT a:b:c specify the precision used for the red, green, and blue color
components. RGBT uses the most significant bit to indicate transparency for overlay support.
Base plane with software control of two overlay windows and a hardware cursor
Color management:
Up-scaling for YCbCr 4:2:0 and 4:2:2 to YCbCr 4:4:4
Color space conversion CCIR 601—YCbCr 4:4:4 to RGB 8:8:8
Conversion from true color, (RGB 8:8:8) to high color (RGB 5:5:5) and the various
configurations of RGBT
Support for LCD panels with an internal frame buffer (smart panels)
7.2 Features
The following list describes features supported by the PXA27x processor LCD controller:
Display modes
Support for single- or dual-scan display modules
Passive monochrome mode supports up to 256 gray-scale levels (8 bits)
Active color mode supports up to 16777216 colors (24 bits)
Passive color mode supports a total of 16777216 colors (24 bits)
Support for LCD panels with an internal frame buffer
Support for 8-bit (each) passive dual-scan color displays
7-2 Intel® PXA27x Processor Family Developer’s Manual
LCD Controller
Support for up to 18-bit per pixel single-scan color displays without an internal frame
buffer
Support for up to 24-bit per pixel single-scan color displays with an internal frame buffer
Support for display sizes from 1x1 to 800 x 600 pixels. See Section 7.4.1.
64-entry (by 24 bits) output FIFO
Three 256-entry by 25-bits internal color-palette RAMs (one for each overlay and Base)
programmable to be automatically loaded at the beginning of each frame
Command data RAM (16 x 9 bits) to hold command data
Supports pixel depths of 2, 4, 8, 16, 18, and 24 bits per pixel (bpp) in RGB format
Overlays supported with pixel depths of 16, 19, 24, and 25 bpp in RGBT format
Provides one base layer plus two overlays for single-scan displays; maximum size of each
overlay can equal the display size
Integrated seven-channel DMA (one channel for base plane, one channel for Overlay 1 and
three channels for Overlay 2, one channel for the hardware cursor, and one channel to for the
command data)
Hardware support for color-space conversion from YCbCr to RGB for video streams
Supports hardware cursor for single-scan display (see Section 7.4.11 for cursor modes and
sizes)
Programmable toggle of AC bias pin output (toggled by line count)
Programmable pixel clock from 52.0 MHz to 25.4 kHz (104.0 MHz/2 to 13 MHz/512)
Supports little-endian ordering of pixels in frame buffer
Programmable wait-state insertion at beginning and end of each line
Programmable polarity for output enable, frame clock, and line clock
Programmable interrupts for input and output FIFOs (underrun)
Six 16 x 64-bit input FIFOs: one for the base channel, one for Overlay 1, three for Overlay 2,
and one for the hardware cursor; plus a seventh 4 x 52-bit input FIFO for command data for
panels with internal frame buffer
Backward-compatible with the Intel® PXA25x and Intel® PXA26x processor LCD
controllers
7.3 Signal Descriptions
LCD controller signals are listed in Table 7-1. See Section 7.4.16 for detailed information on using
the LCD controller data signals LDD<17:0>.
When the LCD controller is disabled, all of its pins can be used for general-purpose input/output
(GPIO). Refer to Chapter 24, “General-Purpose I/O Controller” for details.
Intel® PXA27x Processor Family Developer’s Manual 7-3
LCD Controller
7.4 Operation
The LCD controller provides a variety of programmable options including display type, resolution,
frame buffer, pixel depth, overlays, hardware cursor, and output data formatting. Although all
programmable combinations are possible, the selection of displays available dictates which
combinations of these programmable options are practical. The type of external memory system
used limits the bandwidth of the LCD DMA controller, which, in turn, limits the resolution and
type of screen that can be controlled. See Section 7.4.1 to determine the maximum bandwidth of
the internal bus that the LCD is allowed to use without negatively affecting all other functions.
Unlike most other peripherals, the LCD controller connects to the PXA27x processor system bus.
7.4.1 Block Diagram
The LCD controller supports a hardware cursor and three image planes, Base, Overlay 1, and
Overlay 2. The combination of the three image planes allows multiple images to be displayed
simultaneously with software control of window size and position. The simplified top-level block
diagram for the LCD controller is illustrated in Figure 7-1. The palette, frame, cursor, and
command data utilize a dedicated DMA controller that provides seven channels for fetching the
appropriate data from memory into associated input FIFOs. The DMA channel allocation is
summarized in Table 7-2.
Table 7-1. LCD Controller I/O Signal Descriptions
Signal Name Type Description
LDD<17:0> Bidirectional Data lines that transmit 4, 8, 16 or 18 data values at a time to the LCD display module.
LDD<7:0> are used as an input data bus during reads from the panel with internal frame buffers.
L_PCLK_WR Output
Pixel clock used by the LCD display module to clock the pixel data into the Line Shift register. In
passive mode, pixel clock toggles only when valid data is available on the data pins. In active mode,
pixel clock toggles continuously and the AC bias pin is used as an output to signal when data is
valid on the LCD data pins.
Write signal for writing to LCD panels with internal frame buffer.
L_LCLK_A0 Output
Line clock used by the LCD display module to signal the end of a line of pixels that transfers the line
data from the shift register to the screen and increment the line pointers. Also, it is used by active
(TFT) displays as the horizontal synchronization signal. For active displays, this is also referred to
as the “horizontal sync signal” or “HSYNC”.
It is a control signal that specifies command or data transactions when interfacing to an LCD panel
with internal frame buffer.
L_FCLK_RD Output
Frame clock used by the LCD display module to signal the start of a new frame of pixels that resets
the line pointers to the top of the screen. Also, it is used by active (TFT) display module as the
vertical synchronization signal. For active displays, this is also referred to as the “vertical sync
signal” or “VSYNC”.
Read signal during reads from the panel with internal frame buffers.
L_BIAS Output AC bias that signals the LCD display module to switch the polarity of the power supplies to the row
and column axis of the screen to counteract DC offset. In active (TFT) mode, it is used as the
output-enable to signal when data should be latched from the data pins using the pixel clock.
L_CS Output For LCD panels with internal frame buffers, this pin is used as chip-select signal.
L_VSYNC Input Refresh sync signal from the LCD panel with internal frame buffer.
7-4 Intel® PXA27x Processor Family Developer’s Manual
LCD Controller
Figure 7-1. LCD Controller Block Diagram
Internal Bus Interface
Registers
Palette
Output FIFO
Formatter
From Clock
Module
PXClk
LCDClk
Reset
Register Data
LDD<17:0>
Base
TMED
Dithering
Engine
l
Overlay 2–Cr
Overlay 1/Dual scan
Hardware Cursor
Input FiFOs Input FIFOs
Input FIFOs
Palette
Palette
YCrCb->RGB
Channel 0
Channel 6
Channel 4
Channel 1
Channel 5
TMED
Dithering
Engine
Input FIFO
Color
Channel 3
Channel 2
Overlay 2–Cb
Input FIFO
Overlay 2–Y
Input FIFO
4:4:4
4:2:0 /4:2:2-> 4:4:4 YCbCr
RAM RAM RAM RAM
or RGB
Input FIFO
4 x 52 bit
Processor System Bus
Intel® PXA27x Processor Family Developer’s Manual 7-5
LCD Controller
The frame and the palette data for the base and overlay planes are fetched by DMA channels (0–4)
over the internal system bus into separate dedicated 16x64-bit input FIFOs. The Base and Overlay
1 planes each have a single dedicated FIFO and support pseudo-color as well as several standard
RGB formats. The Overlay 2 plane uses three input FIFOs and accepts both RGB and YCbCr
formats. The frame and palette data can be stored either in internal SRAM or external memory.
The LCD controller supports mapping frame data to palette entries when 2-, 4-, or 8-bpp formats
are used. For pixel depths greater than 8 bpp, the palette RAM is bypassed and each of the red,
green, and blue color components are combined appropriately when the overlays are enabled. The
pixel format of 2 bpp is valid only for the Base plane and is available only when the overlays are
disabled. The palette RAM maps the 2-, 4- or 8-bpp formats to 16- or 25-bit values. Three separate
256x25-bit palette RAMs are associated with the Base, Overlay 1, and Overlay 2 planes.
The data for the Base, Overlay 1, Overlay 2, and cursor are combined to go through the dither
engine for passive displays, or directly to the output FIFO for active displays. The data output from
the dither logic is grouped into the selected format (such as 8-bit color, dual scan, 16-bit color) and
placed in the output FIFO. The data from the output FIFO is driven onto the LCD data pins.
There are eight modes of hardware cursor formats described in Section 7.4.11. The pixel data for
the cursor is fetched from internal SRAM or external memory by DMA channel 5 over the internal
system bus into its associated 16x64-bit input FIFO. The pixel data indexes into a 4x24-bit color
RAM (a small palette) to get 24-bit pixel color. The color RAM holds the 24-bit colors used by the
cursor and can optionally be loaded for each frame.
The LCD controller supports LCD panels with internal frame buffers. The command data RAM
hold the commands to be sent at the beginning of each frame. The 4x52-bit command FIFO is
loaded from internal SRAM or external memory by DMA channel 6 over the internal system bus.
The LCD controller supports both single- and dual-scan displays. The LCD controller does not
support overlays and hardware cursor for dual-scan displays. The frame data for the upper panel is
fetched with DMA channel 0, and channel 1 fetches the frame data for lower panel. The palette
data for both the upper and lower panels uses channel 0.
Note: Dual-scan displays are passive displays.
Table 7-2. DMA Channel Use
Channel # Comments
0Single Scan: Fetches frame and the palette data from memory for the Base frame
Dual Scan: Fetches upper half of frame data.
1Single Scan: Fetches frame and the palette data from memory for Overlay 1.
Dual Scan: Fetches lower half frame data
2, 3, 4 Single Scan: Fetches frame and palette data from memory for Overlay 2.
Dual Scan: Not used.
5Single Scan: Fetches pixel and color RAM data from memory for hardware cursor.
Dual Scan: Not used.
6Single Scan: Fetches command data from the memory for command RAM.
Dual Scan: Not used.
7-6 Intel® PXA27x Processor Family Developer’s Manual
LCD Controller
Depending on the type of panel used, the LCD controller is programmed to use 4-, 8-, 16-, or 18-
bit-output data pins. Single-scan monochrome displays use either 4 or 8 data pins to output 4 or 8
pixels for each pixel clock; single-scan color displays use 8, 16 or 18 output-data pins. Single-scan
passive color displays use 8 pins to output 2-2/3 pixels each pixel clock (8 pins/3 colors/pixel = 2 2/
3 pixels per clock). Single-scan active color displays use 8, 16 or 18 output-data pins.
For dual-scan displays, the LCD controller splits the output data lines into two groups: one to drive
the top half of the screen, and one to drive the bottom half. For dual-scan displays, the number of
pixel data output pins is doubled, allowing twice as many pixels to be output for each pixel clock to
both halves of the screen.
Displays with an internal frame buffer are always driven with eight output-data pins, with the data
for the color data of one pixel driven each cycle of L_PCLK_WR.
7.4.1.1 Temporal-Modulated Energy-Distribution (TMED) Dithering
Temporal-modulated energy-distribution (TMED) dithering in the LCD controller is shown in
Figure 7-1. For passive displays, entries selected from the lookup palette (or directly from memory
for all pixel depths greater than 8 bits per pixel) are sent to the TMED dithering engine. TMED is a
form of temporal dithering; pixels are run through an algorithm to determine if the pixel should be
on or off (modulated over time). See Figure 7-2 for a high-level diagram.
Figure 7-2. Temporal Dithering Concept
The LCD controller implements the following algorithm, which is used by TMED to determine an
upper and lower boundary.
LowerBoundary = [(PixelValue X FrameNumber) mod256] + Offset
UpperBoundary = [(PixelValue + LowerBoundary) mod256]
A 16-x-16 matrix uses the row (line), column (pixel number), and frame number (which wraps
back to 0 from 255) to select a matrix value. When the matrix value is between the lower and upper
boundaries from the algorithm, the LCD controller sends a 1 to the flat panel. The boundaries
created by the algorithm are circular; they wrap around from 255 to 0 (see Figure 7-3).
EYE
Color
Code
Temp oral
Modulator
Low
Pass
Filter
(Panel)
1 bit
8 bits
Y
X
position position
Time
(frame #)
Intel® PXA27x Processor Family Developer’s Manual 7-7
LCD Controller
Figure 7-3. Compare Range for TMED
Each color shade (RGB) progresses independently (has its own matrix). Software has a choice of
two matrices to use for each color, chosen by TCR[TM2S, TM1S, TED]. Offsets for the shading of
each color can be selected by software to avoid gray problems. Although this value may be
somewhat panel-dependent, the recommended values are listed in Section 7.5.14, with the blue
data path being used for monochrome modes. Software can also choose to use offsets for shifting
the row (horizontal), line (vertical) values, and frame number (see Section 7.5.15). The block
diagram for TMED is shown in Figure 7-4. Pixel data (up to 8 bit) enters the module and is sent
through the color value generator. In the CV generator, it is rounded off (the 1, 2, or 3 lowest bits
are not rounded off at all, as chosen by TCR[TSCS]) to create a new color value. If the original
pixel value is 254 or 255, the final data out is forced to a 1; otherwise, the following occurs.
The new color value is sent through the color offset adjuster where it is used as a lookup into one of
two matrices (selected by TCR[TM1S]). The 8-bit value output of the chosen matrix or simply 00h
(selected by TCR[TM2EN]) is added to the appropriate color seed register (TRGBR) value to form
an offset. This offset is added to the result of the multiplication of the frame number to the color
value to form the algorithm’s lower boundary (only lower 8 bits used). The color value is added to
the lower boundary to obtain the upper boundary. Row (line) and column (pixel) counters are
combined with beat suppression (offset) values in the pixel number adjuster and address generator
to form yet another address for a matrix lookup. TCR[TED] chooses which matrix to use. The
output of the chosen matrix is then compared to the lower and upper boundaries in the data
generator. If the matrix output is between those boundaries or the original pixel value is 254 or 255,
then the data output sent to the panel is a 1; otherwise it is a 0.
0255
128
192 64
Compare
Range
(LB+PV)%256
LB=(PixelValue X Frame#)%256 + Offset
:
7-8 Intel® PXA27x Processor Family Developer’s Manual
LCD Controller
Figure 7-4. TMED Block Diagram
7.4.1.2 Input FIFOs
As shown in Figure 7-1, there are seven input FIFOs, one 16x64-bit FIFO for base layer, one
16x64-bit FIFO for Overlay 1, three 16x64-bit FIFOs for Overlay 2, one 16x64-bit FIFO for the
cursor, and one 4x64-bit FIFO for the command RAM. Frame data is fetched from the frame buffer
by the dedicated LCD DMA controller and is placed in one of seven input FIFO buffers in the LCD
controller. Palette data is loaded optionally at the beginning of each frame. This data goes through
the FIFO and is written to the internal palette RAM at the output of the FIFO. Following the palette
fetch, the first FIFO is filled with encoded pixels. A 7-bit counter is loaded each time the DMA
begins to fetch palette RAM data and is decremented each time a word is stored to the palette (two
palette entries). When the counter wraps around to zero, the palette is loaded and pixel processing
begins.
The FIFO signals a service request to the DMA whenever four entries of the FIFO are empty. Pixel
data remains packed within individual 64-bit words when it is loaded into the FIFO. The LCD
controller port size is 64 bits wide to accommodate the heavy data flow from the frame buffer. If
the pixel size is 2, 4, or 8 bits, the FIFO entries are unpacked and used to index the palette RAM to
Lower Boundary
LB = FN x CV + Offset
Generator
Frame
Counter
Upper Boundary
UB = LB + CV
Generator
Color Value
Generator
Color
Offset
Adjuster
Data
Generator
LB > ME > UB
or Pixel > 253
Single Color Component Path (GREEN)
Single Color Component Path (BLUE)
Single Color Component Path (RED)
Outpu
t
Data
Bit
Frame
Number
Adjuster
FN
CV
LB
UB
LB
Outpu
t
Data
Bit
Outpu
t
Data
Bit
Line Counter Pixel Number
Adjustor
Address
Generator Matrix
Pixel Counter
frame_clk
line clk
pixel clk
TCR is the TMED Control Register
TCR[13:12]
pixel
data
TCR[1]
TCR[0]
TCR[2]
TSR is the TMED Seed Register
TSR[7:0]
TCR[3]
TCR[14]
TCR[11:8]
TCR[7:4]
force to 1
ME
Intel® PXA27x Processor Family Developer’s Manual 7-9
LCD Controller
read the color value. For 16-, 18-, 19-, 24-, or 25-bit pixels, if passive, the entries bypass the palette
and go directly to the TMED dither logic; in active (TFT) mode the pixels are output directly to the
pins.
7.4.1.3 Lookup Palette
Color palette RAMs for base and overlays are each 25-bit wide x 256 locations. Sixteen, 18, or 24
bits of the data is used, depending on the data width (number of bits per pixel). Monochrome
entries are 8 bits wide. Bit 25 defines the transparency of the pixel. The encoded pixel data taken
from the bottom entry of the input FIFO is used as an address to index and select individual palette
locations. Two-bit pixel encodings address the top four entries, 4-bit pixel encodings address 16
locations, and 8-bit pixel encodings select any of the 256 palette entries. The palette RAM is
bypassed for pixel depth greater than 8 bpp.
7.4.1.4 Output FIFO
The LCD controller contains a 64-entry x 24-bit-wide output FIFO that stores pixel pin data before
it is driven out to the pins. Each time a modulated pixel value is output from the dither generator, it
is placed into a serial shifter. The size of the shifter is controlled by programming the color/
monochrome select and single- and dual-scan, double pixel data, and passive/active select bits in
the LCD Control registers, and the pixel bit size in the frame descriptor in memory. The shifter can
be configured to be 4, 8, 16, 18, or 24 bits wide. Once the correct number of pixels have been
placed within the shifter (4-, 8-, 16-, 18-, or 24-bit pixel values), the value is transferred to the top
of the output FIFO. The value is then transferred down until it reaches the last empty location
within the FIFO. Each time a value is taken from the bottom of the FIFO, the entry is invalidated
and all data in the FIFO moves down one position.
7.4.2 Bandwidth Calculations
The LCD bandwidth formulas presented in this section provide a way to determine if any given
LCD and system configuration will function without visible video artifacts and the amount of time
needed for the LCD refresh operation. The timing values obtained can be used to determine the
maximum LCD refresh rate for any given LCD and system timing configuration, and the remaining
system task memory-bus bandwidth.
The LCD data rate required for each plane to support the LCD panel selected for the system is
calculated using this formula:
The bits per pixel is the number of bits used in the memory to store each pixel. For example: 16 bits
for a pixel depth of 16 BPP, 32 bits for a pixel depth of 18 BPP unpacked, and 24 bits for a pixel
depths of 18 BPP packed. See Section 7.4.13 to derive the bits-per-pixel value.
The number of 4-beat burst operations (8 bytes/beat) that are generated by the LCD DMA
controller is as follows:
Data Rate Length Width Refresh Rate Bits per Pixel×××
8
--------------------------------------------------------------------------------------------------------------------
⎝⎠
⎛⎞
bytes/sec=
LCD DMA burst Count Data Rate
32
-----------------------
⎝⎠
⎛⎞
Burst/sec=
7-10 Intel® PXA27x Processor Family Developer’s Manual
LCD Controller
The time consumed by the LCD refresh operation is then calculated by:
The value of Pdma is the period in microseconds of LCD DMA four-beat burst, including DRAM
or SDRAM precharge time. The time remaining within each second after the LCD refresh time is
deducted is available for instruction and data fetches, hardware accesses, and memory refresh
operations.
Be careful when setting system parameters, such as core frequency, system frequency, memory
frequency, and bus arbiter settings, such that LCD FIFOs do not underrun due to bus latencies
caused by other internal and external peripherals. This is the case especially for interrupt and polled
modes that require a longer time to service.
7.4.3 Pixel Clock Frequency Calculation
For passive and active displays, the pixel clock divider field (LCCR3[PCD]), along with the PCD
divisor select (LCCR4[PCDDIV]), configures the frequency of the pixel clock. LCCR3[PCD] can
be any value from 0 to 255 and generates a range of pixel clock frequencies from LCLK/2 to
LCLK/512 or from LCLK/2, where LCLK is the programmed frequency of the LCD/memory
controller. LCLK can vary from 26.0 MHz to 104.0 MHz for normal mode operation. When
operating in deep-idle mode or normal mode with the PLLs disabled, the LCLK operates at 13.0
MHz. Additionally, in deep-idle mode only, LCLK can be configured to operate at 26 MHz
(instead of 13 MHz) by setting CCCR[26MHz]. Refer to Table 3-31, “CCCR Bit Definitions” on
page 3-96 for more information.
The pixel-clock frequency is adjusted to meet the required screen-refresh rate. The refresh rate
depends on several factors:
The number of pixels for the target display
Whether single- or dual-scan mode is selected
Whether monochrome or color mode is selected
The number of pixel-clock wait states programmed at the beginning and end of each line
The number of line clocks inserted at the beginning and end of each frame
The width of the VSYNC signal in active mode or VSW line clocks inserted in passive mode
The width of the frame clock or HSYNC signal.
All of these factors alter the time duration between frame transmissions. Different display
manufacturers require different frame-refresh rates, depending on the physical characteristics of
the display. Use LCCR3[PCD] and LCCR4[PCDDIV] to alter the pixel-clock frequency to meet
these requirements.
If LCCR4[PCDDIV] is cleared, the frequency of the pixel clock for a set pixel-clock divider value
or the required LCCR3[PCD] value to yield a target pixel-clock frequency can be calculated using
the following two equations.
LCD refresh time LCD DMA burst count Pdma×() /second=
PixelClock LCLK
2PCD 1+()
------------------------------
=
Intel® PXA27x Processor Family Developer’s Manual 7-11
LCD Controller
If LCCR4[PCDDIV] is set, the frequency of the pixel clock for a set pixel-clock divider value or
the required LCCR3[PCD] value to yield a target pixel clock frequency can be calculated using the
two following equations.
Note: If double pixel-clock mode (LCCR3[DPC]) is enabled or if LCCR4[PCDDIV] is set, the minimum
allowable value of LCCR3[PCD] is 1.
For LCD panels with an internal frame buffer, this bit field specifies the command-inhibit time
between two consecutive write accesses to the LCD panel. The command-inhibit time is equal to:
(LCCR3[PCD]+1)*LCD_CLK_PERIOD
7.4.4 Multiple Panel Considerations
In systems that use more than one LCD panel (for instance a “flip-phone” with a small panel on the
exterior cover and a larger panel on the inside of the phone), specific procedures must be followed
to ensure proper operation when switching the LCD controller between the two panels.
The following procedure is required to switch operation between two LCD panels of different
sizes. This procedure is also required to switch operation between two LCD panels where one is a
single-scan display and the other is a dual-scan display.
1. Configure the LCD controller for the first display.
2. Enable the LCD controller.
3. When the second display is to be used instead of the first display, disable the LCD controller.
4. Reconfigure the LCD controller for the second display without programming the DMA
registers yet.
5. Enable the LCD controller.
6. Perform a quick disable (not normal disable).
7. Program the LCD controller DMA registers for the second display.
8. Enable the LCD controller. The second display is now enabled.
PCD LCLK
2PixelClock()
------------------------------------- 1=
PixelClock LCLK
PCD 1+()
--------------------------
=
PCD LCLK
PixelClock()
----------------------------------1=
7-12 Intel® PXA27x Processor Family Developer’s Manual
LCD Controller
7.4.5 Graphical Overlays
The LCD controller supports a base plane plus two overlays and hardware cursor. Figure 7-5 shows
the display of hardware cursor, base frame, and two overlays on the LCD panel.
Figure 7-5. Hardware Cursor, Base Plus 2 Overlays Displayed on LCD Panel
Overlay 2
Overlay 1
base
cursor
Overlay 2
Overlay 1
LCD Panel
Base Frame
cursor
LCD Panel
cursor
base
When LCCR0[25] = ‘1
When LCCR0[25] = ‘0’
cursor
Overlay 1
Overlay 2
cursor
Dashed area of overlays demonstrate the position and size of the base plane. The dashed areas are not defined in the
overlay frame buffers in this example.
NOTE:
Intel® PXA27x Processor Family Developer’s Manual 7-13
LCD Controller
The display order of the cursor, base frame, and overlays is shown in Table 7-3.
7.4.5.1 Transparency
A pixel of a particular plane is said to be fully transparent if the pixel in the layers below is to be
displayed instead. For pixel depths of 4 bpp and 8 bpp, the transparency is defined by the 25th bit of
each of the palette RAM location. For pixel depths greater than 8 bpp, the transparency of the pixel
is indicated by the most significant bit within each pixel value. If the transparency bit is set and the
data field contains all zeros, the pixel is fully transparent. When LCCR0[OUC] is set, the Overlay
2 transparency is defined by the transparency bit for RGB format and the Overlay 2 is not
transparent for YCbCr format. If the transparency bit is set and the data field is a non-zero value,
the pixel is half transparent.
A pixel of a particular plane is said to be half transparent if some logical blend of all the pixels of
all the planes at that location are displayed. For pixel depths of 4 bpp and 8 bpp, half transparency
is indicated by setting the 25th bit of each palette RAM location, and the data field being a non-zero
number. For pixel depths greater than 8bpp, half transparency is indicated by setting the most
significant bit of the pixel to logical 1, with the data field being a non-zero number. When
LCCR0[OUC] is cleared, the half transparency applies only for the Base layer; Overlay 1 and
Overlay 2 do not support half transparency. When LCCR0[OUC] is set, the half transparency
applies only for Overlay 1; Overlay 2 and Base do not support half transparency.
When LCCR0[OUC] = 0b0, half transparency is calculated as follows:
Table 7-3. Display Order of Three Layers and Cursor on LCD Panel
Layer Number Plane
LCCR0[25] = 0b0:
TOP or 1st Hardware Cursor
2nd Base Plane
3rd Overlay 1 window
4th Overlay 2 window
LCCR0[25] = 0b1:
TOP or 1st Hardware Cursor
2nd Overlay 1 Window
3rd Overlay 2 Window
4th Base Plane
Output R() Base R() K1×Overlay1R() Overlay2R()+()1K1()×+=
Output G() Base G() K2×Overlay1G() Overlay2G()+()1K2()×+=
Output B() Base B() K3×Overlay1B() Overlay2B()+()1K3()×+=
7-14 Intel® PXA27x Processor Family Developer’s Manual
LCD Controller
When LCCR0[OUC] = 0b1, half transparency is calculated as follows:
The variables K1, K2, and K3 are constant values between 0 to 1 in increments of 1/8, and are
programmed by writing the LCD Controller Control register 4. See Section 7.5.6.
7.4.6 Pixel Formats
The LCD controller supports basic palettized bitmap formats and several formats that contain raw
RGB data. Both the palletized and raw RGB formats also support a format to indicate transparency.
Each pixel data for pixel depths 2, 4, and 8 bpp indexes into palette RAM to get the 16- or 25-bit
value. The most significant bit of this 25-bit value is the transparency bit, and the lower 16 or 24
bits represent the color components. Pixel depths greater then 8 bpp bypass the palette RAM.
Table 7-4 shows which pixel depths support both base and the overlays and which only support a
base layer. Table 7-4 also indicates which combinations are compatible with the Intel® PXA25x
and Intel® PXA26x processors.
Each plane can be programmed independently to support one of the allowed pixel format
combinations, as shown in Table 7-5, when the data format is RGB. Table 7-5 shows the bits/pixel
format combinations allowed for all three planes.
Output R() Overlay1R() K1×Base R() O
v
erlay2R()+()1K1()×+=
Output G() Overlay1G() K2×Base G() Overlay2G()+()1K2()×+=
Output B() Overlay1B() K3×Base B() Overlay2B()+()1K3()×+=
Table 7-4. Overlay Support for Bits per Pixel (BPP) Formats
Bits per Pixel Format Base with Overlays Disabled Base with Overlays Enabled
2Not Supported
4††
8††
16 ††
18 Not Supported
19 Not Supported
24 ††
25 Not Supported
NOTES:
Indicates that the combination is supported by the PXA27x processor.
Shaded cells in Table 7-4 are compatible with the Intel® PXA25x and PXA26x processor
LCD controllers.
Intel® PXA27x Processor Family Developer’s Manual 7-15
LCD Controller
The LCD controller also supports 4:2:0, 4:2:2 and 4:4:4 YCbCr video sampling formats for the
Overlay 2 plane. The color space conversion from YCbCr to RGB is done based on CCIR 601
standard. The YCbCr formats supported are provided in Table 7-6.
Table 7-7 shows the valid pixel formats for each base/overlay frame.
Table 7-5. Bit per Pixel Format Combinations Allowed
Base Overlay 1 Overlay 2 Resultant RGB Value
4 or 8 4, 8, or width of
base palette 4, 8, or width of base
palette or YCbCr Width of the palettes defined
16 4, 8, or 16 4, 8, 16 or YCbCr 16 bits
18 4, 8, or 18 4, 8, 18 or YCbCr 18 bits
19 4, 8, or 19 4, 8, 19 or YCbCr 18 bits
24 4, 8, or 24 4, 8, 24 or YCbCr 24 bits
25 4, 8, or 25 4, 8, 25 or YCbCr 24 bits
16 RGBT 24-bit mode24-bit YCbCr 16 bits for panels without internal frame buffers.††
24 bits for panels with internal frame buffers
NOTES:
Refer to OVL1C1[BPP1] for a description of this mode.
†† Refer to Section 7.4.9.3 for a description of the method of conversion from 24 bits to 16 bits.
Table 7-6. Video Sampling Formats Supported by Overlay 2
YCbCr Format Comments
4:4:4 The color space conversion from 4:4:4 YCbCr to RGB 8:8:8
4:2:2 Video data in 4:2:2 format is converted to 4:4:4 prior to color space conversion to RGB 8:8:8.
OVL2C1[PPL2] must be > 1
4:2:0 Video data in 4:2:0 format is converted to 4:4:4 prior to color space conversion to RGB 8:8:8.
OVL2C1[PLL2] must be > 1 and OVL2C1[LPO2] must be > 1
Table 7-7. Valid Pixel Formats for Each Frame
Frame Color/Mono Valid Bpp:
Overlays Enabled Valid Bpp:
Overlays Disabled Valid Bpp:
Dual Scan Passive
Base Color 4, 8, 16, 19, 24, 25 2, 4, 8, 16, 18, 24 2, 4, 8, 16, 18, 24
Mono 4, 8 2, 4, 8 2, 4, 8
Overlay1 Color 4, 8, 16, 19, 24,
25, 24-bit mode NA NA
Mono 4, 8 NA NA
Overlay2 Color
4,8,16,19,24,25
YCbCr4:4:4,
YCbCr4:2:2,
YCbCr4:2:0
NA NA
Mono 4, 8 NA NA
7-16 Intel® PXA27x Processor Family Developer’s Manual
LCD Controller
Use LCCR3[PDFOR] and LCCR4[PAL_FOR] to configure the pixel formats for the base layer.
PDFOR configures the pixel data format that the LCD frame buffer represents for all pixel formats
of 16bpp or larger. Not all values of PDFOR are valid for all pixel depths. Valid selections are
specified in Section 7.4.6.2.1 through Section 7.4.6.2.4.
Pixel depths less than 16BPP require a palette. PAL_FOR configures the palette format for the base
plane. Four formats are possible. Refer to Table 7-44 and Table 7.4.12.1 for details on configuring
the palette.
Table 7-8 shows the valid PAL_FOR and PD_FOR for various base pixel formats.
Note: For pixel depths where only one RGB format is possible (19 bpp and 25 bpp), the value of PDFOR
is ignored.
Table 7-8. Valid Combinations of PDFOR and PAL_FOR for Various Base BPP
Base BPP PAL_FOR PDFOR with Overlays
Enabled PDFOR with Overlays
Disabled Notes
20 NA 0 For 16 bpp panels
No transparency
22 NA 3 For 18 bpp panels
No transparency
23 NA 3 For smart panels
No transparency
4,8 0 NA 0 For 16 bpp panels
No transparency
4,8 1 3 NA For 16 bpp panels.
Transparency required
4,8 2
0
LCCR3[BPP] = 0x7 or
0x8
3
LCCR3[BPP] = 0x5 or
0x6
For 18 bpp panels
Transparency optional
4,8 3 0
LCCR3[BPP] = 0xA
3
LCCR3[BPP] = 0x9
For smart panels
Transparency optional
16 030
For 16 bpp panels
Transparency optional
18 0NA 3 For 18 bpp panels
No transparency
19 00NA For 18 bpp panels
Transparency required
24 023
For smart panels.
Transparency optional
25 00NA For smart panels
Transparency required
NOTES:
Indicates that the value of this field is ignored for this mode. The use of the reset value of 0b00 is
recommended; however, any value is acceptable.
†† If a palette is used for the base plane, the pixel data in the frame buffer format is that shown in Figure 7-17
through Figure 7-20 (not the format specified by PDFOR).
Intel® PXA27x Processor Family Developer’s Manual 7-17
LCD Controller
7.4.6.1 Data Format for Pixel Depths of 2, 4 and 8 bpp
The palette RAM (internal to the LCD controller) provides for mapping the 2, 4, or 8 bpp formats
to a color value defined by the palette. See Section 7.4.12.1 for detailed information regarding the
format of the data within the palette buffer. The palette RAM must be loaded at least once before
the pixel data can be displayed on the LCD panel. The palette RAM is loaded from the palette
buffer—a separate, small frame buffer used for the palette. Figure 7-9 describes the number of
entries and formats for the possible palletized formats.
If transparency is used, the most significant bit determines the transparency and the lower 8- or 24-
bits represent the red, green, and blue color components. Load the palette RAM such that the 25th
bit of each location defines transparency. Ensure that the 25th bit is clear, if transparency is not
intended. Figure 7-18 details the format of the pixel data when overlays are used.
.
7.4.6.2 Data Format for RGB Color Space
The LCD controller supports several standard pixel depths for the RGB color space. Pixel depth
corresponds to the total number of bits required for representing the red, green, and blue color
components with a transparency bit, if applicable. When the overlays are disabled, the pixel depth
corresponds directly to the number of bits used to represent the color components. When the
overlays are enabled, the most significant bit indicates transparency. The two formats are referred
to as RGB and RGBT, respectively, with the integer fields representing the number of bits used to
represent each color channel. The supported RGB and RGBT formats are listed in Table 7-10.
7.4.6.2.1 Data Format for Pixel Depth of 16 bpp
The 16-bpp format supports two modes. In the first mode, the overlays are disabled and a true 16-
bpp format in which 65536 possible colors are provided. The second mode is used when the
overlays are enabled. In this mode, the most significant bit indicates transparency, with the
remaining 15 bits used for the color components.
Table 7-9. Palette Entries for 2, 4, and 8 bpp Formats
Palletized
Format Palette
Entries Comments
2 bpp 4 Overlays and hardware cursor disabled, RGB 6:6:6, RGB 5:6:5, RGB 8:8:8 format
(16bpp, 18bpp and 24 bpp).
4 bpp 16 Transparency supported if overlays enabled, at 16bpp, 18bpp, 19bpp, 24bpp, and 25bpp.
8 bpp 256 Transparency supported if overlays enabled, at 16bpp, 18bpp, 19bpp, 24bpp, and 25bpp.
Table 7-10. Standard RGB and RGBT Formats
Memory Depth RGB Formats:
Overlays Disabled RGB Formats:
Overlays Enabled
16-bits RGB 5:6:5 RGBT 5:5:5
18-bits RGB 6:6:6 NA
19-bits NA RGBT 6:6:6
24-bits RGB 8:8:8 RGBT 8:8:7, RGB 8:8:8
25-bits NA RGBT 8:8:8
NOTE:
RGB 8:8:8 is called 24-bit mode and is only possible with Overlay 1.
7-18 Intel® PXA27x Processor Family Developer’s Manual
LCD Controller
The RGB 5:6:5 format is supported when the overlay planes are disabled. This format is illustrated
in Table 7-11. The value of the PDFOR bit field must be cleared to 0b00, as described in
Table 7-43.
P
The RGBT 5:5:5 format is provided when one or both of the overlays are enabled. Each of the
color components uses five bits with the most significant bit in the 16-bit word specifying
transparency. The RGBT 5:5:5 format is illustrated in Table 7-12.
7.4.6.2.2 Data Format for Pixel Depth of 18 bpp
The 18-bpp format is used when both overlays are disabled. The 18 bits allow 262144 possible
colors with six bits each of red, green and blue. The RGB 6:6:6 format is shown in Table 7-13.
7.4.6.2.3 Data Format for Pixel Depth of 19 bpp
The 19-bpp format is used when one or both of the overlays are enabled. The 19 bits represent six
bits for each of the red, green, and blue components with the most significant bit to indicate
transparency as shown in Table 7-14.
Table 7-11. Pixel Depth of 16 bpp with Overlays Disabled
Bit 1514131211109876543210
PDFOR 00
Format 1 Red [4:0] Green [5:0] Blue [4:0]
Table 7-12. Pixel Depth of 16 bpp with Overlays Enabled
Bit 1514131211109876543210
PDFOR 11
Format 4 TRed [4:0] Green [4:0] Blue [4:0]
NOTES:
1. When Bit T (pixel data bit 15) is set and pixel data is non-zero, half transparency mode is enabled.
2. When pixel data = 0x8000, full transparency mode is enabled.
Table 7-13. Pixel Depth of 18 bpp with Overlays Disabled
Bit 17161514131211109876543210
PDFOR 11
Format 4 Red[5:0] Green[5:0] Blue[5:0]
Table 7-14. Pixel Depth of 19 bpp with Overlays Enabled
Bit 1817161514131211109876543210
T Red [5:0] Green [5:0] Blue [5:0]
NOTES:
1. When Bit T (pixel data bit 18) is set and pixel data is non-zero, half transparency mode is enabled.
2. When pixel data = 0x4_0000, full transparency mode is enabled.
Intel® PXA27x Processor Family Developer’s Manual 7-19
LCD Controller
7.4.6.2.4 Data Format for Pixel Depth of 24 bpp
The 24-bpp format supports three modes. In the first mode, the overlays are disabled and a true 24-
bpp format in which 16777216 possible colors are provided. The other two modes are used when
overlays are enabled.
The RGB 8:8:8 format is provided when the overlays are disabled and represents eight bits of red
data, eight bits of green data, and eight bits of blue data as shown Table 7-15.
Transparency is enabled by either of two methods. In the first of these modes, the most significant
bit indicates transparency with the remaining 23-bits used for the color components. The other
mode is unique to Overlay 1 only. When OVL1C1[BPP1] is configured to 0x0, Overlay 1 is
configured for 24bpp mode with transparency enabled, but with 8 bits of red, 8 bits of green, and 8
bits of blue. In this mode, the transparency bit (T) does not exist, but transparency is enabled,
which allows for greater precision in the overlay color. These formats are shown in Table 7-16.
The RGBT 8:8:7 format is supported when the overlays are enabled and represent eight bits of red
data, eight bits of green data, and seven bits of blue data as shown Table 7-16.
7.4.6.2.5 Data Format for Pixel Depth of 25 bpp
The 25-bpp format is used when one or both of the overlays are enabled. The 25 bits represent eight
bits for each of the red, green, and blue components with the most significant bit to indicate
transparency as shown in Table 7-17.
Table 7-15. Pixel Depth of 24 bpp with Overlays Disabled
Bit 23 16 15 8 7 0
PDFOR 11
Format 4 Red[7:0] Green[7:0] Blue[7:0]
Table 7-16. Pixel Depth of 24 bpp with Overlays Enabled
Bit 2322 17161514 8 7 6 0
PDFOR 10
Format 31,2 T Red [7:0] Green [7:0] Blue [6:0]
24 Bit Mode3Red [7:0] Green [7:0] Blue [7:0]
NOTES:
1. When Bit T (pixel data bit 23) is set and pixel data is non-zero, half transparency mode is enabled.
2. When pixel data = 0x80_0000, full transparency mode is enabled.
3. This format is only available for Overlay 1. The value of PDFOR is ignored for this mode. OVL1C1[BPP1] = 0x0 for this mode.
Table 7-17. Pixel Depth of 25 bpp with Overlays Enabled
Bit 2423 1615 8 7 0
T Red [7:0] Green [7:0] Blue [7:0]
NOTE:
1. When Bit T (pixel data bit 24) is set and pixel data is non-zero, half transparency mode is enabled.
2. When pixel data = 0x100_0000, full transparency mode is enabled.
7-20 Intel® PXA27x Processor Family Developer’s Manual
LCD Controller
7.4.6.3 Data Format for YCbCr Color Space
The YCbCr video sampling format is used in Overlay 2. In this format, luminance information is
stored as a single component (Y), and chrominance information is stored as two color-difference
components (Cb and Cr). Cb represents the difference between the blue component and a reference
value. Cr represents the difference between the red component and a reference value. Y is defined
to have a nominal range of 16 to 235; Cb and Cr are defined to have a range of 16 to 240, with zero
signal corresponding to level 128.
The LCD controller supports the following three YCbCr video formats:
4:4:4 YCbCr sampling format
4:2:0 YCbCr sampling format
4:2:2 YCbCr sampling format
7.4.6.3.1 4:4:4 YCbCr Video Format
In 4:4:4 YCbCr video format, within each video frame, the number of samples of each
chrominance component (Cr or Cb) is the same as that of the number of samples of luminance,
both horizontally and vertically. In other words, for every sample of luminance, two samples of
chrominance, one a Cr sample and the other a Cb sample, exist. In a frame of 4:4:4 YCbCr video,
the locations of chrominance samples is the same as that of luminance samples, as shown in
Figure 7-6.
Figure 7-6. Luminance and Chrominance Samples in 4:4:4 YCbCr Video Frame
The luminance and chrominance values are 8 bits each. The PXA27x processor supports storage of
4:4:4 YCbCr video format in planar or packed format in the frame buffer. The frame buffer can
reside in internal SRAM or external memory. In planar format, the luminance and chrominance
data are stored in three different regions in the memory. In packed format, the luminance and
chrominance data is stored packed in one memory region.
7.4.6.3.2 4:2:2 YCbCr Format
In the 4:2:2 YCbCr video format, in each frame of video, the number of samples per line of each
chrominance component, Cr or Cb is one-half of the number of samples per line of luminance. The
chrominance resolution is the same as that of luminance resolution vertically. The exact location of
chrominance samples with respect to luminance samples in a frame of 4:2:2 video is shown in
Figure 7-7.
= Y Sample = Cr and Cb Samples
Intel® PXA27x Processor Family Developer’s Manual 7-21
LCD Controller
Figure 7-7. Luminance and Chrominance Samples in 4:2:2 Video Frame
The luminance and chrominance values are 8 bits each. The LCD controller supports the storage of
4:2:2 YCbCr video format in planar format in the frame buffer.
7.4.6.3.3 4:2:0 YCbCr Format
In 4:2:0 YCbCr video format, in each frame of video, the number of samples of each chrominance
component (Cr or Cb) is one-half of the number of samples of luminance, both horizontally and
vertically. The exact location of chrominance samples with respect to luminance samples in a
frame of 4:2:0 video is shown in Table 7-8.The luminance and chrominance values are 8 bits each.
The LCD controller supports the storage of 4:2:0 video format in planar format in the frame buffer.
Figure 7-8. Luminance and Chrominance Samples in 4:2:0 YCbCr Video Frame
7.4.7 Base Frame
The number of pixel elements in the base frame is always equal to the resolution of the screen and
can be stored in either internal SRAM or external memory in any of the formats described in
Section 7.4.6. The screen coordinates are expressed in pixels, and a left-handed coordinate system
is used when referencing a spatial location within the screen. The upper left corner of the screen is
(0,0), with the X coordinate increasing from left to right and the Y coordinate increasing from top
to bottom.
= Y Sample = Cr or Cb Sample
= Y Sample = Cr or Cb Sample
7-22 Intel® PXA27x Processor Family Developer’s Manual
LCD Controller
The pixel format is established by writing to the LCD Controller register 3, as described in
Section 7-42. For pixel depths of 2 bpp, the overlays and hardware cursor are disabled. For pixel
depths of 2, 4, and 8 bpp, the palette data is loaded into the palette RAM by DMA channel 0. If the
pixel depth is greater than 8 bpp, the pixel data from the input FIFO bypasses the palette RAM.
The palette RAM provides for mapping the 2-, 4-, or 8-bpp formats to a 16- or 25-bit value and
must be loaded at least once before the pixel data can be displayed on the LCD panel. If
transparency is used, the most significant bit determines the transparency, and the lower 24 bits (for
color) represent the red, green, and blue color components or the lower 8 bits for monochrome. The
frame data is loaded into its dedicated input FIFO by DMA channel 0.
7.4.8 Overlay 1 Window
The number of pixel elements and the position of Overlay 1 are programmable. The pixel data for
the Overlay 1 plane is stored in either internal SRAM or external memory. The storage of Overlay
1 data in the frame buffers is shown in Figure 7-9. Each pixel stored in memory can be any one of
4-, 8-, 16-, 18-, 19-, 24-, or 25-bpp formats. The size (X1, Y1) and the pixel format is programmed
by writing to the Overlay 1 Control register 1. The position (XP1, YP1) of the window is
programmed by writing to the Overlay 1 Control register 2. The position (XP1, YP1) represents the
upper left corner of the Overlay 1 frame. Results will be unexpected if the position (XP1, YP1)
falls outside the base frame window. Use caution such that the position (XP1, YP1) is within the
base frame window and the size fits within the base frame window.
It is possible to change the size, pixel format, or position of Overlay 1 while Overlay 1 is enabled
by writing the new size or pixel format to the Overlay 1 Control register 1 or writing the new
position to the Overlay 1 Control register 2 and then writing the starting location of the descriptor
to the DMA Frame Branch registers (FBRx). If the Overlay 1 pixel format is set to 4 bpp or 8 bpp,
the palette RAM must be reloaded when the size, pixel format, or position of Overlay 1 is
modified. The Overlay 1 display is disabled upon the completion of the write to the Overlay 1
Control register 1 or the Overlay 1 Control register 2 and is re-enabled when the branch specified
in the Overlay 1 Frame Branch register has been completed and the LCD has reached the start of
the Overlay 1 position on the next frame.
If any of Overlay 1 Frame Branch registers are written when the DMA is in descriptor-fetch mode
for the Overlay 1 channel, the branch does not occur until the next frame.Consequently, if the same
data is to be used, then the same DMA descriptor address must be written to the Overlay 1 Frame
Branch register. Wait for the Overlay 1 branch-status interrupt to occur before updating the size,
pixel format, or position of the Overlay 1 again. The same procedure is used for disabling the
Overlay 1 window.
If the LCD controller is disabled while processing a frame (branch status interrupt did NOT occur),
incorrect operation of the LCD may result. If the LCD is disabled while processing a frame, follow
the steps described in Section 7.4.4 to reset the LCD controller and re-initiate correct operation of
the LCD.
Intel® PXA27x Processor Family Developer’s Manual 7-23
LCD Controller
Figure 7-9. Overlay 1 Frame Buffer Format
Overlay 1 has its own 16x64-bit input FIFO. The frame data is fetched from either internal SRAM
or external memory into the input FIFO by DMA channel 1. Overlay 1 has a dedicated 256x25-bit
palette RAM. When the pixel depth is 4 or 8 bpp, the palette data is fetched optionally every frame
from either internal SRAM or external memory into the palette RAM by DMA channel 1. When
the pixel depth is 4 bpp, the 4-bit pixel indexes into the palette RAM to select one of the 16
locations. When the pixel depth is 8 bpp, 8-bit pixel indexes into the palette RAM to select one of
the 256 locations. The output of the palette RAM is 25 bits wide. If transparency is used, the most
significant bit of the palette RAM output is the transparency bit, which defines the transparency for
the pixel and the lower 24 bits represent the pixel data for color (lower 8 bits for monochrome)—
refer to Figure 7-18. When the pixel depth is greater than 8 bpp, the pixel data bypasses the palette
RAM. The data from the input FIFO is combined with the data from Overlay 2, as shown in
Figure 7-1.
Note: The LCD controller does not support overlays and hardware cursor for dual-scan displays.
7.4.9 Overlay 2 Window
The size and the position of Overlay 2 are programmable. The size (X2, Y2) and the pixel format
are programmed by writing to the Overlay 2 Control register 1 (see Section 7.5.10) The position
(XP2,YP2) of the Overlay 2 window is programmed by writing the Overlay 2 Control register 2
(see Section 7.5.11).
Overlay 2 supports the following formats and pixel depths:
RGB format, pixel depths of 4, 8, 16, 18, 19, 24, and 25 bpp
4:4:4 YCbCr sampling format
4:2:2 YCbCr sampling format
4:2:0 YCbCr sampling format.
Note: The LCD controller does not support overlays and hardware cursor for dual-scan displays.
Overlay 1
Frame Buffer
Memory
X * Y—Size of LCD Screen
X1 * Y1—Size of Overlay 1
X
Y
X1
Y1
(XP1, YP1)
7-24 Intel® PXA27x Processor Family Developer’s Manual
LCD Controller
For RGB or 4:4:4 YcbCr packed-pixel format, the size, pixel format or position of Overlay 2 can
be changed while Overlay 2 is enabled by (1) writing the new size or pixel format to the OVL2C1
register or (2) writing the new position to the OVL2C2 register and then writing the starting
location of the descriptor to the FBR2 register. If the Overlay 2 pixel format is set to 4 bpp or 8 bpp,
the palette RAM must be reloaded when the size, pixel format, or position of Overlay 2 is
modified. The Overlay 2 with new size, pixel format, or position is displayed when the branch
specified in the Overlay 2 Frame Branch register has been completed and the LCD has reached the
start of the Overlay 2 position on the next frame. If the Channel 2 Frame Branch register is written
when the DMA is in descriptor-fetch mode for the Overlay 2 channel (channel 2), the branch does
not occur until the next frame of that channel. Consequently, if the same data is to be used, then the
same DMA descriptor address must be written to the Overlay 2 Frame Branch register. Wait for the
Overlay 2 branch-status interrupt to occur before updating the size, pixel format, or position of the
Overlay 2 again. Use the same procedure to disable the Overlay 2 window.
For 4:4:4 unpacked or 4:2:2 or 4:2:0 YCbCr pixel format, the size, pixel format or position of
Overlay 2 can be changed while Overlay 2 is enabled by writing the new size or pixel format to the
OVL2C1 register or writing the new position to the OVL2C2 register and then writing the starting
location of the descriptors to FBR2, FBR2, and FBR4 registers. Overlay 2 with the new size, pixel
format or position is displayed when all the three branches specified in the Overlay 2 Frame
Branch registers (channel 2, 3 and 4) have been completed and the LCD has reached the start of the
Overlay 2 position on the next frame. If any of the Overlay 2 Frame Branch registers are written
when the DMA is in descriptor-fetch mode for any of the Overlay 2 channels (channel 2, 3 or 4),
the branch does not occur until the next frame. Consequently, if the same data is to be used, then
the same DMA descriptor address must be written to the Overlay 2 Frame Branch registers. Wait
for the all three (channel 2, 3 and 4) Overlay 2 branch-status interrupts to occur before updating the
size, pixel format, or position of Overlay 2 again. The same procedure is used for disabling the
Overlay 2 window.
If the LCD controller is disabled while processing a frame (branch status interrupt did NOT occur),
incorrect operation of the LCD may result. If the LCD controller is disabled while processing a
frame, follow the steps described in Section 7.4.4 to reset the LCD controller and re-initiate correct
operation of the LCD.
When the pixel data is in RGB format, the frame and the palette data (for 4 or 8 bpp) are fetched
from either internal SRAM or external memory by DMA channel 2. The Overlay 2 has its own
256x25-bit palette RAM. The Overlay 2 has three 16x64-bit input FIFOs. For RGB format, the
frame data is loaded into one of the input FIFOs. When pixel depth is 4 bpp, the pixel data from the
input FIFO indexes into the palette RAM to select one of the top 16 locations. When the pixel
depth is 8 bpp, the pixel data from the input FIFO indexes into the palette RAM to select one of
256 locations. The output of the palette RAM is 16- or 25-bits wide. Since Overlay 2 always is
considered to reside underneath Overlay 1 (see Figure 7-5), the most significant bit (25th bit) of
output of the RAM is ignored, and the lower 24 bits represent the color value, which means that
any transparency information (T-bit) for Overlay 2 is ignored. When the pixel depth is greater than
8 bpp, the pixel data bypasses the palette RAM.
When the pixel data is in 4:4:4 YCbCr planar format, the luminance and chrominance data is stored
in three different regions in the frame buffer as shown in Figure 7-11. The frame data from the
frame buffer is fetched into the LCD input FIFOs by the DMA channels (channels 2, 3, and 4).
When the pixel data is in 4:4:4 YCbCr-packed format, the luminance and chrominance data is
stored packed in one memory region as shown in Figure 7-10. Each pixel has 8 bits of Y, 8 bits of
Cb and 8 bits of Cr data. Table 7-18 shows the format of the pixel data stored in memory. The data
from the frame buffer is fetched into the LCD input FIFO by the DMA channel 2. The output of the
input FIFO is color converted from 4:4:4 YCbCr format into 16-, 18-, or 24-bit RGB format. The
converted data bypasses the palette RAM and is combined with Overlay 1 data.
Intel® PXA27x Processor Family Developer’s Manual 7-25
LCD Controller
Figure 7-10. Overlay 2 Frame Buffer Format for 4:4:4 YCbCr Packed Format
When the pixel data is in 4:2:0 or 4:2:2 YCbCr planar format, the data is stored in three different
memory regions in the frame buffer, as shown in Figure 7-11. The data from the frame buffer is
fetched into the input FIFOs (dedicated for Overlay 2) by the DMA channels (channels 2, 3, and 4).
The Y data is fetched by DMA channel 2, Cb data is fetched by DMA channel 3, and Cr data is
fetched by DMA channel 4. Video data in 4:2:0 or 4:2:2 is converted into 24-bit YCbCr 4:4:4 using
bilinear interpolation (see Section 7.4.9.1). Following the interpolation, the RGB color components
are then converted to 16-, 18-, or 24-bit RGB values. The resultant RGB data bypasses the palette
RAM and is combined with the Overlay 1 data, as shown in Figure 7-1.
Figure 7-11. Overlay 2 Frame Buffer Format for YCbCr Planar Format
7.4.9.1 Bilinear Interpolation
The pixel data in YCbCr 4:2:0 and YCbCr 4:2:2 sampling formats are converted to YCbCr 4:4:4
sampling format through bilinear interpolation. In this conversion, the value of each pixel in the
up-sampled color plane (YCbCr 4:4:4) is interpolated from the values of two or four corresponding
Table 7-18. YCbCr 4:4:4 Packed Pixel Data Format Stored in Memory
23 22 21 20 19 18 17 16 15 14 13 12 11 10 9 8 7 6 5 4 3 2 1 0
Cr [7:0] Cb [7:0] Y [7:0]
Overlay 2
Frame Buffer
Frame Buffer
X * Y—Size of LCD Screen
X2 * Y2—Size of Overlay 2
X
Y
X2
Y2
YCbCr-data
Overlay 2
Frame Buffer
Frame Buffer
X * Y—Size of LCD Screen
X2 * Y2—Size of Overlay 2
X
Y
X2
Y2
Y-data
Cb-data
Cr-data
(XP2, YP2)
7-26 Intel® PXA27x Processor Family Developer’s Manual
LCD Controller
neighboring pixels in the input color plane. The method provides for interleaving the existing
integer pixel elements with the 1/2X, 1/2Y, and 1/2XY interpolated values. The bilinear
interpolation method is illustrated in Figure 7-12
Figure 7-12. Bilinear Interpolation for 1/2X, 1/2Y, and 1/2XY Locations
To deal with the boundary problem of this up-sampling method, use the following relationship for
a MxN array.
The last row and column are effectively duplicated using this approach. For example, the 2:1
upsampling of 3x3 input color plane results in a 3x6 array as illustrated in Figure 7-13.
Figure 7-13. 2:1 Upsampling in the Horizontal Dimension
A
C
d
c
B
m+1
mm+2
1
2m+12m 2m+2
20
D
b
[]
2
1++
=
DB
b
[]
2
1++
=
DC
c
[]
4
2++++
=
DCBA
d
- Integer Pixel Position
- 1/2X Fractional Pixel Position
- 1/2Y Fractional Pixel Position
- 1/2XY Fractional Pixel Position
2
,y
DyDx Δ
2
,
2
y
Dy
x
Dx Δ
Δ
+
2
,
2
y
Dy
x
Dx Δ
Δ
2
,
2
y
Dy
x
Dx Δ
+
Δ
+
2
,
2
y
Dy
x
Dx Δ
+
Δ
2
,y
DyDx Δ
+
Dy
x
Dx ,
2
Δ
+
Dy
x
Dx ,
2
Δ
ImN 1+
,()
ImN
,()
for 0 mM
≤≤
=
IM 1+ n
,()
IMn
,()
for 0 nN
≤≤
=
Iin
C00 C01 C02
C10 C11 C12
C20 C21 C22
=
Iout2
C00 C00 C01
+
2
-------------------------- C01 C01 C02
+
2
-------------------------- C02 α
C10
C10 C11
+
2
-------------------------- C11
C11 C12
+
2
-------------------------- C12 α
C20
C20 C21
+
2
-------------------------- C21
C21 C22
+
2
-------------------------- C22 α
=
Intel® PXA27x Processor Family Developer’s Manual 7-27
LCD Controller
The pixel data in YCbCr 4:2:0 format is similarly converted through 2:1 up-sampling in both the
horizontal and vertical dimensions. Figure 7-14 is an example of upscaling a 3x3 block.
Figure 7-14. 2:1 Upsampling in the Horizontal and Vertical Dimensions
7.4.9.2 Color-Space Conversion from YCbCr to RGB Format
The color-space conversion from YCrCb to RGB is done based on the CCIR 601-2 standard. Using
the inverse of the encoding equations, the YCrCb 4:4:4 data is converted to gamma-corrected RGB
using the following equations.
The matrix representation is as follows:
Equation 7-1. Matrix Representation
where K1 = 298.082, K2 = 408.583, K3 = –100.291, K4 = –208.120, K5 = 516.411
The RGB data must be saturated to 255 on overflow and to 0 on underflow to prevent errors from
occurring due to Y and CbCr occasionally going outside the 16–235 and 16–240 ranges,
respectively.
Iin
C00 C01 C02
C10 C11 C12
C20 C21 C22
=
Iout1
C00
C00 C01
+
2
-------------------------- C01
C01 C02
+
2
-------------------------- C02 α
C00 C10
+
2
-------------------------- C00 C01 C10 C11
+++
4
------------------------------------------------------------ C01 C11
+
4
-------------------------- C01 C02 C11 C12
+++
4
------------------------------------------------------------ C02 C12
+
2
-------------------------- α
C10
C10 C11
+
2
-------------------------- C11
C11 C12
+
4
-------------------------- C12 α
C10 C20
+
2
-------------------------- C10 C11 C20 C21
+++
4
------------------------------------------------------------C11 C21
+
4
-------------------------- C11 C12 C21 C22
+++
4
------------------------------------------------------------C12 C22
+
2
-------------------------- α
C20
C20 C21
+
2
-------------------------- C21
C21 C22
+
4
-------------------------- C22 α
αα α α αα
=
R1.164 Y16
()×
1.596+C
r
128
()×
=
G1.164 Y16
()
×
- 0.391 C
b
128
()
-
×
0.813 C
r
128
()×
=
B1.164 Y16
)
+ 2.017 C
b
128
()
×
(
=
R
G
B
1
256
---------
K10K2
K1K3K4
K1K50
Y
Cb
Cr
16
128
128
⎝⎠
⎜⎟
⎜⎟
⎜⎟
⎛⎞
=
7-28 Intel® PXA27x Processor Family Developer’s Manual
LCD Controller
7.4.9.3 Color-Space Conversion from 24 bpp to 16, 18, and 19 bpp RGB
Formats
The color-space conversion of the Overlay 2 image plane from YCbCr to RGB results in a 24-bit
true-color element for each pixel. To combine the image planes arithmetically, convert to a
common pixel format being used by the Base, Overlay 1, and Cursor image planes.The conversion
algorithm is straightforward and involves a scaling operation. For example, for the format
conversion from RGB 8:8:8 to RGB 5:5:5, the five most significant bits of each of the red, green,
and blue color are combined into a 16 bpp format as shown in Table 7-19 and Table 7-20. Note that
these do not show the transparency bit that must be included in the pixel data in the frame buffer.
This conversion is performed internally by the LCD controller logic and does not require any
software interaction. The converted format is determined by LCCR3[BPP] and LCCR3[PDFOR].
Example: Packing and Precision from RGB 8:8:8 to RGB 5:5:5
The supported format conversions also include the RGBT 6:6:6 format for 19 bpp and RGBT 8:8:7
format for 24 bpp. The supported conversions for the Overlay 2 plane following color space
conversion are provided in Table 7-21.
7.4.10 Interfacing with LCD Smart Panels
The LCD controller can interface to LCD smart panels. Smart panels are LCD panels that have
their own internal memory acting as a local frame buffer. The LCD controller can write to the panel
frame buffer using the read/write interface to the smart panel. Figure 7-15 shows the interface
between LCD controller and the LCD panel.
Table 7-19. Initial Format—RGB 8:8:8
Bit 23 22 21 20 19 18 17 16 15 14 13 12 11 10 9 8 7 6 5 4 3210
RGB
8:8:8 Red [7:0] Green [7:0] Blue [7:0]
3 LSBs for Each Color Channel are Truncated to Form Lower Precision RGB 5:5:5 Format.
Table 7-20. Converted Format—RGB 5:5:5
Bit 23222120191817161514 13 12 11 10 9 8 7 6 5 4 3 2 1 0
RGB
5:5:5 Red [4:0] Green[4:0] Blue[4:0]
Table 7-21. Supported Color Component Precision Conversions Following Color Space
Conversion
Pixel Depth Supported Format Conversion from RGB 8:8:8
16bpp RGBT 5:5:5
19bpp RGBT 6:6:6
24bpp RGBT 8:8:7
Intel® PXA27x Processor Family Developer’s Manual 7-29
LCD Controller
Figure 7-15. Interface to LCD Smart Panel with Internal Frame Buffer
The LCD module internal RAM stores the panel frame data. The LCD controller can read and write
into the LCD module internal RAM (frame buffer) stores. The LCD controller sends command
sequences to configure the LCD module.
The LCD controller has a 4x52-bit FIFO that holds sixteen 13-bit commands. The commands are
loaded into the command FIFO by DMA channel 6 from memory. Each command is 13 bits wide
as described in Table 7-22.
The various commands are described in Table 7-23.
Processor
RAM LCD
Panel
LCD Module
Panel Controller
L_VSYNC
RD/WR
Interface
LCD Controller
Command
FIFO
Table 7-22. Command Data Format
12:9 8 7:0
Command Command/Data bit (A0) Data
Table 7-23. Command Description
Command A0 Command Function Description
0000 0 Read Status Register Read the status register within the LCD module and
interrupt the processor. Wait until the processor reads the
LCD Controller Read register and updates the control bits.
0000 1 Read from Frame Buffer Same as Read Status register.
0001 0 Command Write Send a command write to LCD module.
0001 1 Data Write Send a data write to the LCD module.
0010 x Frame Data Write Send the entire frame data before going to next command in
the FIFO.
0011 x Wait for Vsync Wait for L_VSYNC signal to be asserted by the LCD panel
the number of times programmed in CMDCR[SYNC_CNT],
then execute the next command.
0100 x No Operation Do nothing. Go to the next command
0101 x Interrupt the Processor Interrupt the processor by setting the status bit “CMD_INTR
in LCD Status register 0.
Others x Reserved
7-30 Intel® PXA27x Processor Family Developer’s Manual
LCD Controller
7.4.10.1 Read Command
The LCD controller sends Read Status Register commands to the LCD panel with A0 low. Read
data from the LCD module is loaded into the LCD Controller Panel Read Status register (PRSR)
(see Table 7-57). The LCD controller then clears PRSR[A0] and interrupts the processor by setting
LCSR0[RD_ST]. The LCD controller waits until the processor has read PRSR and has written
PRSR[CON_NT] and PRSR[ST_OK]. CON_NT and ST_OK indicate to the LCD controller its
next action, as listed in Table 7-24.
The LCD controller sends read-from-frame-buffer commands to the LCD panel with A0 high. The
read data from the LCD module is loaded into PRSR. The LCD controller then sets PRSR[A0] and
interrupts the processor by setting LCSR0[RD_ST]. The LCD controller waits until the processor
has read PRSR and has written PRSR[CON_NT] and PRSR[ST_OK].CON_NT and ST_OK
indicate to the LCD controller its next action, as listed in Table 7-24.
The Table 7-24 describes the functionality of the PRSR control bits.
Table 7-25 shows the format in which the command data is stored in the memory. The command
data is fetched into the command RAM by DMA channel 6.
7.4.11 Hardware Cursor
The LCD controller provides a hardware cursor that can be disabled or configured to one of the
possible modes.
32x32x2bpp 2-color and transparency mode
64x64x2bpp 2-color and transparency mode
32x32x2bpp 4-color mode
64x64x2bpp 4-color mode
32x32x2bpp 3-color and transparency mode
64x64x2bpp 3-color and transparency mode
Table 7-24. Control Bit Description
[CON_NT, ST_OK] Description
0x Wait for the process to intervene
10 Repeat the same read command
11 Continue and do the next command
Table 7-25. Command Data Format Stored in Memory
Bits 31 28 16 15 12 0
0x0 Unused Command Data 1 Unused Command Data 0
0x4 Unused Command Data 3 Unused Command Data 2
.
.
.
0x1C Unused Command Data 15 Unused Command Data 14
Intel® PXA27x Processor Family Developer’s Manual 7-31
LCD Controller
128x128x1bpp 2-color mode
128x128x1bpp 1-color mode and transparency mode
Note: The LCD controller does not support the hardware cursor for dual-scan displays.
The cursor data is stored in its frame memory (a separate memory space than the main frame
buffer), which allows the cursor to be displayed and used without altering the main display image
stored. It can have multiple patterns stored in different memory locations, making it possible to
change each cursors appearance simply by switching from one stored image to another. The cursor
has a dedicated 16x64-bit input FIFO. Pixel data for the cursor is fetched from the memory by
DMA channel 5 into the input FIFO. Users can enable, disable and configure the cursor by
programming the Cursor Control register.
7.4.11.1 32x32x2bpp and 64x64x2bpp 2-Color and Transparency Modes
These two modes are follow the Microsoft Windows cursor data-plane structure. Each pixel has 2
bits, which represent four colors: two colors to draw a cursor, a third color for transparency (which
allows the main display image behind the cursor to show through) and a fourth color for inverted
transparency (which allows the main display image behind to show through, but with its color
value inverted) as shown in Table 7-26.
7.4.11.2 32x32x2bpp and 64x64x2bpp 4-Color Modes
This mode provides four colors for drawing the cursor. Each pixel contains two bits, which specify
four colors as shown in Table 7-27. The four colors reside in the color map, each pixel indexes into
the color map to get the color value.
7.4.11.3 32x32x2bpp and 64x64x2bpp 3-Color and Transparency Modes
This mode provides three colors for drawing and a fourth color for transparency, which allows the
main display image behind the cursor to show through. Each pixel contains two bits, which
specifies one of the four colors as shown in Table 7-28.
Table 7-26. Pixel Data 32x32x2bpp and 64x64x2bpp 2-Color and Transparency Modes
Bits/Pixel Color Displayed at Corresponding Pixel Position
00 Cursor Color 0
01 Cursor Color 1
10 Transparent. The pixel of the main display image behind cursor shows through.
11 Transparent, but inverted. The pixel of the main display image behind cursor shows
through with inverted color.
Table 7-27. Pixel Data 32x32x2bpp and 64x64x2bpp 4-Color Modes
Bits/Pixel Color Displayed at Corresponding Pixel Position
00 Cursor Color 0
01 Cursor Color 1
10 Cursor Color 2
11 Cursor Color 3
7-32 Intel® PXA27x Processor Family Developer’s Manual
LCD Controller
7.4.11.4 128x128x1bpp 2-Color Mode
This mode provides two colors for drawing the cursor. There is no provision for transparency in
this mode. Each pixel contains 1 bit that specifies one of the two colors coded in the color RAM, as
shown in Table 7-29.
7.4.11.5 128x128x1bpp 1-Color and Transparency Mode
This mode provides one color for drawing the cursor and a second color for transparency, which
allows the image behind the cursor to show through as shown in Table 7-30.
7.4.11.6 Cursor Positioning
The cursor position is defined by the (Xc, Yc) coordinates of the upper left corner pixel. It is
specified by writing CCR[CXPOS] and CCR[CYPOS] (see Section 7.5.12). The cursor position
(Xc, Yc) value of (0,0) positions the cursor at origin (upper left corner-of the display) of the display
frame. The cursor is displayed partly or not displayed at all, depending on the cursor position (Xc,
Yc).
It is possible to change the mode or position of the cursor while the cursor is enabled by writing the
new position or mode to the Cursor Control register and then writing the start-descriptor address to
the DMA Frame Branch register for channel 5 (FBR5). The palette for the cursor must be reloaded
whenever the cursor mode or position is changed. The cursor with the new size, pixel format and
position is displayed when the branch specified in the DMA Frame Branch registers (FBRx) has
been completed and the LCD has reached the start of the cursor position on the next frame.
Consequently, even though the palette RAM and palette buffer data remain the same, the same
DMA descriptor address must be written to the Cursor Frame Branch register. Wait for the cursor
branch-status interrupt to occur before updating the size, pixel format, or position of the cursor
again. The same procedure is used for disabling the cursor.
Table 7-28. Pixel Data 32x32x2bpp and 64x64x2bpp 3-Color and Transparency Modes
Bits/Pixel Color Displayed at Corresponding Pixel Position
00 Cursor Color 0
01 Cursor Color 1
10 Cursor Color 2
11 Transparent
Table 7-29. Pixel Data 128x128x1bpp 2-Color Mode
Bits/Pixel Color Displayed at Corresponding Pixel Position
0 Cursor Color 0
1 Cursor Color 1
Table 7-30. Pixel Data 128x128x1bpp 1-Color and Transparency Mode
Bits/Pixel Color Displayed at Corresponding Pixel Position
1Transparent
0 Cursor Color 2
Intel® PXA27x Processor Family Developer’s Manual 7-33
LCD Controller
If the LCD controller is disabled while processing a frame (branch status interrupt did NOT occur)
incorrect operation of the LCD may result. If the LCD is disabled while processing a frame follow
the steps described in Section 7.4.4 to reset the LCD controller and re-initiate correct operation of
the LCD.
Figure 7-16. Cursor Position within Display Frame
7.4.11.7 Cursor Color Map
The color map defines the colors used by the cursor. It has four 24-bit-wide locations and is loaded
from either internal or external memory through DMA channel 5.
7.4.12 External Palette Buffer
The palette data for each overlay is stored in either internal memory or the memory—this area is
referred to as the palette buffer. Palette data for the Base, Overlay 1 and Overlay 2 can be up to
256x25 bits. Palette data is 4 entries for pixel depths of 2 bpp, 16 entries for pixel depth of 4 bpp,
and 256 entries for pixel depth of 8 bpp. The palette RAM is not used for pixel depths greater then
8 bpp. Users must load the palette RAM at least once if it is to be used; afterward, reloading the
palette is optional for every frame.
7.4.12.1 Palette Data Formats
Figure 7-17 through Figure 7-20 show the pixel format for palette data stored in the palette buffer
for various pixel depths. These are used only when the pixel data in the frame buffer is less then 16
bits. If transparency is not used and the BPP is less then 18 bits, the palette data must be in the
appropriate format specified in Figure 7-17—depending on whether a monochrome or color panel
is used. If transparency is used, the palette data must be in the appropriate format specified in
Figure 7-18 through Figure 7-20—depending on whether a monochrome or color panel is used.
The palette data is programmed to one of the formats by programming LCCR4[PAL_FOR]. In 16-
bit and 18-bit palette format with transparency bit, the red, green, and blue components must be
expanded to 8 bits (each color) by padding zeros to the right as shown in the corresponding figure.
cursor
(Xc, Yc)
Origin of Display
Display Frame
7-34 Intel® PXA27x Processor Family Developer’s Manual
LCD Controller
Figure 7-17. Palette Data Formats—Transparency Disabled
16-Bit Palette Format without Transparency Bit for Color Panel
Bit 1514131211109876543210
Color Red (R) Green (G) Blue (B)
16-Bit Palette Format without Transparency Bit for Monochrome Panel
Bit 15 14 13 12 11 10 9 8 7 6 5 4 3 2 1 0
Mono Unused Monochrome (M)
Figure 7-18. Palette Data Formats 0b01—Transparency Enabled
16-Bit Palette Format with Transparency Bit for Color Panel
Bit 242322212019181716151413121110 9 8 7 6 5 4 3 2 1 0
Color T Red[4:0] 0 0 0 Green[5:0] 0 0 Blue[4:0] 0 0 0
16-Bit Palette Format with Transparency Bit for Monochrome Panel
Bit 242322212019181716151413121110 9 8 7 6 5 4 3 2 1 0
Mono TUnused Monochrome
NOTE: T bit is the transparency bit. It must be zero-value when transparency is not intended.
Figure 7-19. Palette Data Formats 0b10—Transparency Enabled
18-Bit Palette Format with Transparency Bit for Color Panel
Bit 242322212019181716151413121110 9 8 7 6 5 4 3 2 1 0
Color T Red[5:0] 0 0 Green[5:0] 0 0 Blue[5:0] 0 0
18-Bit Palette Format with Transparency Bit for Monochrome Panel
Bit 242322212019181716151413121110 9 8 7 6 5 4 3 2 1 0
Mono TUnused Monochrome
NOTE: T bit is the transparency bit. It must be zero-value when transparency is not intended.
Intel® PXA27x Processor Family Developer’s Manual 7-35
LCD Controller
7.4.12.2 Little-Endian Format
The palette entries must be in little-endian format. Endian does not imply endianness with respect
to bytes and half-words within memory. It refers strictly to the ordering of the palette entries;
palette entry 0 is located at the LSB of a word boundary. The ordering of RGB values within the
entry is fixed. Figure 7-21 shows the format in which the palette data is stored in the palette buffer.
Figure 7-20. Palette Data Formats 0b11—Transparency Enabled
25 Bit Palette Format with Transparency Bit for Color Panel
Bit 2423222120191817161514131211109876543210
Color T Expanded Red[7:0] Expanded Green[7:0] Expanded Blue[7:0]
25 Bit Palette Format with Transparency Bit for Monochrome Panel
Bit 2423222120191817161514131211109876543210
Mono TUnused Monochrome
NOTE: T bit is the transparency bit. It must be zero-value when transparency is not intended.
7-36 Intel® PXA27x Processor Family Developer’s Manual
LCD Controller
7.4.13 Frame Buffer
The frame data for the base, Overlay 1 and Overlay 2, is stored in the frame buffers that reside in
either internal or external memory. Each plane used (Base plane, Overlay 1, Overlay 2, cursor and
command RAM) requires its own frame buffer to store the pixel data for that plane. Additionally, if
a palette is used, a palette buffer (a small memory area that maps the palette colors to the LCD
colors) is required. All the planes could use the same palette buffer, or each plane could have a
separate palette buffer, depending on the system design preferences.
Figure 7-21. Format for Palette Data
Palette Entry Ordering
16- or 256-Entry Palette Buffer
Bit 31 16 15 0
0x0 Palette entry 1 Palette entry 0
0x4 Palette entry 3 Palette entry 2
Note: Entries 4 through 255 do not exist for 1- and 2-
bit/pixel modes
0x1C Palette entry 15 Palette entry 14
0x20 Palette entry 17 Palette entry 16
Note: Entries 16 through 255 do not exist for 1-, 2-
and 4-bit/pixel modes
0x1FC Palette entry 255 Palette entry 254
Palette Entry Ordering with Overlays Enabled
16- or 256-Entry Palette Buffer
Bit 31 24 17 16 15 0
0x0 Unused Palette entry 0
0x4 Unused Palette entry 1
0x8 Unused Palette entry 2
0xC Unused Palette entry 3
Note: Entries 4 through 255 do not exist for 1- and 2-
bit/pixel modes
0x38 Unused Palette entry 14
0x3C Unused Palette entry 15
Note: Entries 16 through 255 do not exist for 1-, 2-
and 4-bit/pixel modes
0x3FC Unused Palette entry 255
Intel® PXA27x Processor Family Developer’s Manual 7-37
LCD Controller
The amount of the pixel data for each layer depends on the size of the screen (for example, 800 x
600 = 480, 000 encoded pixel values as described in Section 7.4.2). The diagrams in this section
show the memory organization within the frame buffer for each pixel size. The pixel entries are
ordered starting with the least significant bit and ending with the most significant bit in a 32-bit
word.
Each line in the memory must start at a word boundary. For the various pixel sizes, this requires
each line of the display to have pixels in multiples of the following:
16 pixels for 2-bit pixels
8 pixels for 4-bit pixels
8 pixels for monochrome
8 pixels for pixel depths > 4 bpp passive-color mode
4 pixel for 8-bit pixels
2 pixels for pixel depth of 16 bpp active
8 pixels for packed 18- or 19-bit pixels
16 pixels for Overlay 2 frame when the data is in 4:2:0 YCbCr format
If the number of pixels per line of the LCD screen does not meet the requirements listed above, the
start address must be adjusted for each line by adding “dummy” pixel values to the end of the
previous line. For example, if the screen that is being driven is 107 pixels wide, and 4-bits/pixel
mode is used, each line is 107 pixels or nibbles in length (53.5 bytes). The next nearest 8-pixel
boundary (for 4-bit pixels) occurs at 112 pixels or nibbles (56 bytes). Thus, each new line must
start in the frame buffer at multiples of 56 bytes by adding an extra 5 dummy pixels per line (2.5
bytes). Note that if dummy pixels are to be inserted, the panel being controlled must ignore the
extra pixel clocks at the end of each line that correspond to the dummy pixels.
7.4.13.1 Memory Organization for Pixel Depth of 2 bpp
Figure 7-22 shows the format in which the pixel data is stored in memory for a pixel depth of 2 bits
per pixel.
7.4.13.2 Memory Organization for Pixel Depth of 4 bpp
Figure 7-23 shows the format in which the pixel data is stored in memory for a pixel depth of 4 bits
per pixel.
Figure 7-22. Memory Organization for Pixel Depth of 2 bpp
Bit 1 0
2 bits/pixel Encoded Pixel Data<1:0>
Bit 313029282726... ... 7 6 5 4 3 2 1 0
0x0 Pixel 15 Pixel 14 Pixel 13 ... Pixel 3 Pixel 2 Pixel 1 Pixel 0
0x4 Pixel 31 Pixel 30 Pixel 29 ... Pixel 19 Pixel18 Pixel 17 Pixel 16
7-38 Intel® PXA27x Processor Family Developer’s Manual
LCD Controller
7.4.13.3 Memory Organization for Pixel Depth of 8 bpp
Figure 7-24 shows the format in which the pixel data is stored in memory for a pixel depth of 8 bits
per pixel.
7.4.13.4 Memory Organization for Pixel Depth of 16 bpp
Figure 7-25 shows the format in which the pixel data is stored in memory for a pixel depth of 16
bits per pixel.
)
Figure 7-23. Memory Organization for Pixel Depth of 4 bpp
Bit 3210
4 bits/pixel Encoded Pixel Data<3:0>
Bit 31 ...28 27 ...24 23 ...20 19 ...16 15 ...12 11 ...8 7 ...4 3 ...0
0x0 Pixel 7 Pixel 6 Pixel 5 Pixel 4 Pixel 3 Pixel 2 Pixel 1 Pixel 0
0x4 Pixel 15 Pixel 14 Pixel 13 Pixel 12 Pixel 11 Pixel 10 Pixel 9 Pixel 8
Figure 7-24. Memory Organization for Pixel Depth of 8 bpp
Bit 76543210
8 bpp Encoded Pixel Data[7:0]
Bit3124231615 87 0
0x0 Pixel 3 Pixel 2 Pixel 1 Pixel 0
0x4 Pixel 7 Pixel 6 Pixel 5 Pixel 4
Figure 7-25. Memory Organization for Pixel Depth of 16 bpp
Bit 1514131211109876543210
16 bpp
Overlay
Disabled Red[4:0] Green[5:0] Blue[4:0]
16 bpp
Overlays
Enabled T Red[4:0] Green[4:0] Blue[4:0]
Memory Organization
Bit 31 16 15 0
0x0 Pixel 1 Pixel 0
0x4 Pixel 3 Pixel 2
Intel® PXA27x Processor Family Developer’s Manual 7-39
LCD Controller
7.4.13.5 Memory Organization for Pixel Depth of 18 bpp
Figure 7-26 shows the format in which the pixel data is stored in memory for a unpacked pixel
depth of 18 bits per pixel.
Figure 7-27 shows the format in which the pixel data is stored in memory for a packed pixel depth
of 18 bits per pixel.
7.4.13.6 Memory Organization for Pixel Depth of 19 bpp
Figure 7-28 shows the format in which the pixel data is stored in memory for a unpacked pixel
depth of 19 bits per pixel.
)
Figure 7-26. Memory Organization for Pixel Depth of 18 bpp Unpacked
Bit 17 16 12 11 6 5 0
18 bpp Red[5:0] Green[5:0] Blue[5:0]
Memory Organization
Bit 31 18 17 0
0x0 Unused Pixel 0
0x4 Unused Pixel 1
Figure 7-27. Memory Organization for Pixel Depth of 18 bpp Packed
Bit 17 12 11 6 5 0
18 bpp Red Data[5:0] Green Data[5:0] Blue Data[5:0]
Memory Organization
Bit 31 24 23 16 15 8 7 0
0x0 pixel1[7:0] {[000000], pixel0[17:0]}
0x4 pixel2[15:0] {[000000], pixel1[17:8]}
0x8 {[000000], pixel3[17:0]} {[000000],
pixel2[17:16]}
NOTE: The data is not packed across frame line but only in each individual frame lines.
7-40 Intel® PXA27x Processor Family Developer’s Manual
LCD Controller
Figure 7-29 shows the format in which the pixel data is stored in memory for a packed pixel depth
of 19 bits per pixel.
)
7.4.13.7 Memory Organization for Pixel Depth of 24 bpp
Figure 7-30 shows the format in which the pixel data is stored in memory for a pixel depth of 24
bits per pixel.
Note: Configuring the LCD controller for 24 bpp output is invalid for panels without an internal frame
buffer (LCCR0[LCDT] clear) and results in indeterminate behavior.
Figure 7-28. Memory Organization for Pixel Depth of 19 bpp Unpacked
Bit 18 17 12 11 6 5 0
19 bits/
pixel T Red [5:0] Green [5:0] Blue [5:0]
Memory Organization
Bit 31 24 23 0
0x0 Unused {[00000], pixel0[18:0]}
0x4 Unused {[00000], pixel1[18:0]}
Figure 7-29. Memory Organization for Pixel Depth of 19 bpp Packed
Bit 18 17 12 11 6 5 0
19 bits/
pixel T Red[5:0] Green[5:0] Blue[5:0]
Memory Organization
Bit 31 24 23 7 0
0x0 pixel1[7:0] {[00000], Pixel 0[18:0]}
0x4 pixel 2[15:0] {[00000], pixel1[18:8]}
0x8 {[00000], pixel 3[18:0]} {[00000],pixel2[18:16]}
NOTE: The data is not packed across frame line but only in each individual frame lines.
Intel® PXA27x Processor Family Developer’s Manual 7-41
LCD Controller
)
7.4.13.8 Memory Organization for Pixel Depth of 25 bpp
Figure 7-31 shows the format in which the pixel data is stored in memory for a pixel depth of 25
bits per pixel.
Note: Configuring the LCD controller for 25 bpp output is invalid for panels that are not smart panels
(LCCR0[LCDT] clear) and results in indeterminate behavior.
7.4.13.9 Memory Organization for 4:4:4 YCbCr Packed Format
Figure 7-32 shows the format in which the pixel data is stored in memory for a 4:4:4 YCbCr
packed format.
Figure 7-30. Memory Organization for Pixel Depth of 24 bpp
Bit 23 22 16 15 14 8 7 6 0
24 bpp
(Overlays
disabled) Red[7:0] Green[7:0] Blue[7:0]
24 bpp
(Overlays
enabled) T Red[7:0] Green[7:0] Blue[6:0]
24-Bit
Mode
(Overlays
enabled)
Red[7:0] Green[7:0] Blue[7:0]
Memory Organization
Bit 31 24 23 0
0x0 Unused Pixel 0
0x4 Unused Pixel 1
Figure 7-31. Memory Organization for Pixel Depth of 25 bpp
Bit 24 23 16 15 8 7 0
25 bpp T Red Data[7:0] Green Data[7:0] Blue Data[7:0]
Memory Organization
Bit 31 25 24 0
0x0 Unused Pixel 0
0x4 Unused Pixel 1
7-42 Intel® PXA27x Processor Family Developer’s Manual
LCD Controller
7.4.14 Dual-Scan Mode
In dual-scan mode, pixels are presented to two halves of the screen at the same time (upper and
lower) resulting in two sub-pixels being written every pixel clock. Single-scan panels only write
one sub-pixel per pixel clock. Because this allows more pixels to be refreshed in a fixed time
interval, lower pixel clock rates can be used, which is especially useful for larger panels and is
typically the only market for dual-scan panels.
The hardware cursor and the overlays are disabled in this dual-scan mode. The LCD controller
ignores the register values corresponding to the cursor and the overlays in this mode. DMA channel
0 fetches frame data for the upper panel into the Base input FIFO. DMA channel 1 fetches frame
data for the lower panel into Overlay 1 input FIFO. For pixel depths less then 16 bpp, the palette
data is loaded in the Base palette RAM by DMA channel 0. For monochrome, LDD<3:0> display
data on the upper half of the screen and LDD<7:4> display data on the lower half of the screen. For
passive color panels, LDD<7:0> display data on the upper half of the screen and LDD<15:8]
display data on the lower half of the screen.
7.4.15 Functional Timing
Refer to Figure 7-33 through Figure 7-38 for LCD controller-pin timing diagrams.
Figure 7-33 shows the output pin timing. The LCD controller is enabled when LCCR0[ENB] is set.
Bits LCCR3[VSP], LCCR3[HSP], and LCCR3[PCP] define the polarity of the frame clock, line
clock, and pixel clock, respectively.
7.4.15.0.1 Passive Mode Timing
For passive (and active) LCD panels, when an entire line of pixels has been output to the LCD
controller screen, the line clock pin (L_LCLK) is toggled. Likewise, when an entire frame of pixels
has been output to the LCD controller screen, the frame-clock pin (L_FCLK) is toggled.
To prevent a DC charge from building within a passive display, the power and ground supplies
must be switched periodically. The LCD controller signals the display to switch the polarity by
toggling the AC bias pin (L_BIAS). Users can control the frequency of the bias pin by
programming the number of line clock transitions between each toggle.
Figure 7-32. Memory Organization for 4:4:4 YCbCr Packed Format
Bit 23 16 15 8 7 0
Cr Data [7:0] Cb Data [7:0] Y Data [7:0]
Memory Organization
Bit 31 24 23 0
0x0 Unused Pixel 0
0x4 Unused Pixel 1
Intel® PXA27x Processor Family Developer’s Manual 7-43
LCD Controller
The programmable timing of the line and frame clock pins supports both passive and active mode.
Programming options include: Wait-state insertion both at the beginning and end of each line and
frame; pixel clock; line clock; frame clock; output-enable signal polarity; and frame-clock pulse
width.
Figure 7-33. LCD Controller Pin Timing
Line 0 Data Line 1 Data Line 2 Dat
a
PPL = 31
ELW = 0
BLW = 0
HSW = 1
VSW = 1
LCCR0[ENB]—LCD Enable
0—LCD is disabled
1—LCD is enabled
VSP—Vertical Sync Polarity
0—Frame clock is active high, inactive low
1—Frame clock is active low, inactive high
HSP—Horizontal Sync Polarity
0—Line clock is active high, inactive low
1—Line clock is active low, inactive high
PCP—Pixel Clock Polarity
0—Pixels sampled from data pins on rising edge of clock
1—Pixels sampled from data pins on falling edge of clock
Note that for PCP = 0 data, L_FCLk and L_LCLK stable on the rising edge of the L_PCLK, and
VSW = Vertical Sync Pulse Width—1
HSW = Horizontal Sync (Line Clock) Pulse Width – 1
BLW = Beginning-of-Line Pixel Clock Wait Count – 1
ELW = End-of-Line Pixel Clock Wait Count – 1
L_FCLK
L_LCLK_A0
L
_PCLK_WR
LDD<17:0>
LCCR0[ENB] set
PCP = 1
VSP = 0
HSP = 0
they toggle on falling edge of the L_PCLK.
1
7-44 Intel® PXA27x Processor Family Developer’s Manual
LCD Controller
Figure 7-34 shows the pin timing at the end of the frame.
Figure 7-34. Passive Mode End-of-Frame Timing
Line 63 Data Line 0 Dat
a
PPL = 23
BLW = 0
ELW = 0
VSW = 2
HSW = 1
LCCR0[ENB]—LCD Enable
0—LCD is disabled
1—LCD is enabled
VSP—Vertical Sync Polarity
0—Frame clock is active high, inactive low
1—Frame clock is active low, inactive high
HSP—Horizontal Sync Polarity
0—Line clock is active high, inactive low
1—Line clock is active low, inactive high
PCP—Pixel Clock Polarity
0—Pixels sampled from data pins on rising edge of clock
1—Pixels sampled from data pins on falling edge of clock
Note that for PCP = 0 data is driven out at the same time and L_PCLK is inverted.
VSW = Vertical Sync Pulse Width – 1
HSW = Horizontal Sync (Line Clock) Pulse Width – 1
BLW = Beginning-of-Line Pixel Clock Wait Count – 1
ELW = End-of-Line Pixel Clock Wait Count – 1
PPL = Pixels Per Line – 1
L_FCLK
L_LCLK_A0
L_PCLK_WR
LDD<7:0>
LCCR0[ENB] set
PCP = 1
VSP = 0
HSP = 0
LPP = Lines Per Panel – 1
LPP = 63
Intel® PXA27x Processor Family Developer’s Manual 7-45
LCD Controller
Figure 7-35 shows the output data pin timing in monochrome. LCCR3[PCP] defines the edge of
the pixel clock on which the data is sampled.
Figure 7-35. Passive Mode Pixel Clock and Data Pin (Monochrome) Timing
7.4.15.0.2 Active Mode Timing
For active (and passive) LCD panels, when an entire line of pixels has been output to the LCD
controller screen, the line-clock pin (L_LCLK) is toggled. Likewise, when an entire frame of pixels
has been output to the LCD controller screen, the frame-clock pin (L_FCLK) is toggled.
The pixel clock toggles continuously in this mode as long as the LCD is enabled. The AC bias pin
(L_BIAS) functions as an output enable. When L_BIAS is asserted, the display latches data from
the LCD pins using the pixel clock. The line-clock pin (L_LCLK_A0) is used as the horizontal
synchronization signal, and the frame clock (L_FCLK_RD) as the vertical synchronization signal.
The programmable timing of the line and frame-clock pins supports both passive and active mode.
Programming options include: Wait-state insertion both at the beginning and end of each line and
frame; pixel clock; line clock; frame clock; output-enable signal polarity; and frame-clock pulse
width.
Pixels 0 .. 3 Pixels 4 .. 7 Pixels 8 .. 11 Pixels 12 .. 15 Pixels 16 .. 19
PCP—Pixel Clock Polarity
0—Pixels sampled from data pins on rising edge of clock
1—Pixels sampled from data pins on falling edge of clock
Note that for PCP = 1 data is driven out at the same time and L_PCLK is inverted.
L_FCLK
L_LCLK_A0
L
_PCLK_WR
LDD<3:0>
PCP = 0
7-46 Intel® PXA27x Processor Family Developer’s Manual
LCD Controller
Figure 7-36 shows output-pin timing in active mode.
Figure 7-36. Active Mode Timing
Line 0 Data Line 1 Data Line 2 Data
PPL = 7
ELW = 0
BLW = 0
BFW = 1
HSW = 1
VSW = 0
ENB—LCD Enable
0—LCD is disabled
1—LCD is enabled
VSP—Vertical Sync Polarity
0—Vertical sync clock is active high, inactive low
1—Vertical sync clock is active low, inactive high
HSP—Horizontal Sync Polarity
0—Horizontal sync clock is active high, inactive low
1—Horizontal sync clock is active low, inactive high
PCP—Pixel Clock Polarity
0—Pixels sampled from data pins on rising edge of clock
1—Pixels sampled from data pins on falling edge of clock
Note that for PCP = 1 data is driven out at the same time and L_PCLK is inverted.
VSW = Vertical Sync Pulse Width – 1
HSW = Horizontal Sync Pulse Width – 1
BFW = Beginning-of-Frame Horizontal Sync Clock Wait Count
BLW = Beginning-of-Line Pixel Clock Wait Count – 1
ELW = End-of-Line Pixel Clock Wait Count – 1
PPL = Pixels Per Line – 1
L_FCLK
(VSYNC)
L_LCLK_A0
(HSYNC)
L_BIAS
(OE)
L_PCLK_WR
LDD<17:0>
VSP = 0
HSP = 0
PCP = 0
Intel® PXA27x Processor Family Developer’s Manual 7-47
LCD Controller
Figure 7-37 shows the output-data pin timing in active mode.
Figure 7-37. Active Mode Pixel Clock and Data Pin Timing
Pixel 0
Pixel 1
Pixel 2 Pixel 3 Pixel 4
PCP—Pixel Clock Polarity
0—Pixels sampled from data pins on rising edge of clock
1—Pixels sampled from data pins on falling edge of clock
Note that for PCP = 1 data is driven out at the same time and L_PCLK is inverted.
L_FCLK
(VSYNC)
L_LCKL_A0
(HSYNC)
L_BIAS
(OE)
L
_PCLK_WR
LDD<17:0>
PCP = 0
7-48 Intel® PXA27x Processor Family Developer’s Manual
LCD Controller
7.4.15.0.3 Smart Panel Mode Timing
For smart panels (LCD panels with internal frame-buffer memory), the data is written into the
frame buffer within the smart panel. At the beginning of each frame, the LCD controller sends a
command sequence from command RAM, followed by the frame data. The write interface timing
is shown in Figure 7-38.
Figure 7-38. Interface with SMART Panels Timing
7.4.16 Using the LCD Controller Data Pins
Pixel data is removed from the bottom of the output FIFO and is driven in parallel onto the LCD
data lines on the edge selected by the pixel-clock polarity bit (LCCR3[PCP]).
DWR_HLD
DWR_SET
A0CSWR_HLD
A0CSWR_SET
Data Data
Write
A0CSWR_SET = A0 and CS Setup Time before L_PCLK_WR is asserted
A0CSWR_HLD = A0 and CS Hold Time after L_PCLKWR is deasserted
DWR_SET = Data Setup Time before L_PCLK_WR is asserted
DWR_HLD = Data Hold Time after L_PCLK_WR is deasserted
Note that L_CS, L_LCLK_A0 and LDD<7:0> change at the same time. L_PCLK_WR asserts 1 clock after. All the setu
p,
L_CS
L_LCLK_A0
L_PCLK_WR
LDD<7:0>
CMD_INH
CMD_INH = Command Inhibit time between two writes
L_FCLK_RD
A0CSRD_SET
A0CSRD_HLD
WR_PULWD
RD_PULWD
A0CSRD_SET = A0 and CS Setup Time before L_FCLK_RD is asserted
A0CSRD_HLD = A0 and CS Hold Time after L_FCLK_RD is deasserted
WR_PULWD = L_PCLK_WR pulse width
RD_PULWD = L_FCLK_RD pulse width
OP_HLD
RD_ACC = Read Access Time
RD_ACC
OP_HLD = Output Hold time from L_FCLK_RD negation
widths are all programmable.
Read
Intel® PXA27x Processor Family Developer’s Manual 7-49
LCD Controller
For a 4-bit-wide bus interface, data is driven onto the LCD data lines LDD<3:0>.
For an 8-bit-wide bus interface, the data is driven onto LDD<7:0>.
For a 16-bit-wide bus interface, the data is driven onto LDD<15:0>. For 18-bit-wide bus
interface, the data is driven onto LDD<17:0>.
In monochrome dual-scan mode, the pixels for the upper half of the screen are driven onto
LDD<3:0> and the lower half to LDD<7:4>.
In color dual-scan mode, the upper panel pixels are driven onto LDD<7:0> and the lower
panel pixels to LDD<15:8>.
See Figure 7-39 for details on how the data is driven onto each LDD pin.
7.4.16.1 Single-Scan/Dual-Scan Select
In passive mode (LCCR0[PAS] cleared), the single-scan/dual-scan select bit (LCCR0[SDS])
selects the type of display control that is implemented by the LCD screen. When SDS = 0, single-
scan operation is selected (pixels presented to screen a line at a time), and when SDS = 1, dual-scan
operation is selected (pixels presented to screen two lines at a time). In dual-scan mode, the
overlays and the hardware cursor are disabled. Single-scan LCD drivers have one line/row shifter
and driver for pixels, and one line pointer. Dual-scan LCD controller drivers have two line/row
shifters (one for the top half of the screen, one for the bottom), and two line pointers (one for the
top half of the screen, one for the bottom). When dual-scan mode is programmed, two of the LCD
controller DMA channels are used. DMA channel 0 loads the palette RAM from the frame buffer
and drives the upper half of the display; DMA channel 1 drives the lower half. The two channels
alternate when fetching data for both halves of the screen, placing encoded pixel values within the
two separate input FIFOs. When dual-scan operation is enabled, the LCD controller doubles its pin
uses; thus, for monochrome screens, 8 pins are used; for color screens, 16 pins are used.
Table 7-31 shows the LCD data pins used for each mode of operation and the ordering of pixels
delivered to a screen for each mode of operation. Figure 7-39 shows the LCD data-pin pixel
ordering.
Note: LCCR0[SDS] must be cleared in active mode (PAS = 1).
.
Table 7-31. LCD Controller Data Pin Utilization
Color/Monochrome
Panel Single Scan/
Dual Scan Passive/Active
Panel Screen
Portion Pins
Monochrome Single Passive Whole LDD<3:0>
Monochrome Single Passive Whole LDD<7:0>
Monochrome Dual Passive Top LDD<3:0>
Bottom LDD<7:4>
Color Single Passive Whole LDD<7:0>
Color Dual Passive Top LD D<7:0>
Bottom LDD<15:8>
Color Single Active Whole LDD<15:0> or
LDD<17:0>
LCD Panels with
Integrated Frame Buffer NA Both Whole LDD<7:0>
Double-pixel data mode (DPD) = 1. Refer to Section 7.4.16.2.
7-50 Intel® PXA27x Processor Family Developer’s Manual
LCD Controller
Figure 7-39. LCD Data-Pin Pixel Ordering
LDD<0> LDD<1> LDD<2> LDD<3> LDD<0> LDD<1> LDD<2> LDD<3> LDD<0>
Top Left Corner of Screen
Column 0 Column 1 Column 2 Column 3 Column 4 Column 5 Column 6 Column 7 Column 8
Row 0
Row 1
Row 2
Row 3
LDD<0> LDD<1> LDD<2> LDD<3> LDD<0> LDD<1> LDD<2> LDD<3> LDD<0>
LDD<0> LDD<1> LDD<2> LDD<3> LDD<0> LDD<1> LDD<2> LDD<3> LDD<0>
LDD<0> LDD<1> LDD<2> LDD<3> LDD<0> LDD<1> LDD<2> LDD<3> LDD<0>
Passive Monochrome Single-Scan Display Pixel Ordering
LDD<0> LDD<1> LDD<2> LDD<3> LDD<4> LDD<5> LDD<6> LDD<7> LDD<0>
Top Left Corner of Screen
Column 0 Column 1 Column 2 Column 3 Column 4 Column 5 Column 6 Column 7 Column 8
Row 0
Row 1
Row 2
Row 3
LDD<0> LDD<1> LDD<2> LDD<3> LDD<4> LDD<5> LDD<6> LDD<7> LDD<0>
LDD<0> LDD<1> LDD<2> LDD<3> LDD<4> LDD<5> LDD<6> LDD<7> LDD<0>
LDD<0> LDD<1> LDD<2> LDD<3> LDD<4> LDD<5> LDD<6> LDD<7> LDD<0>
Passive Monochrome Single-Scan Double-Pixel Display Pixel Ordering
LDD<7> LDD<6> LDD<0> LDD<7> LDD<1> LDD<0> LDD<7>
Top Left Corner of Screen
Column 0 Column 0 Column 2 Column 2 Column 4 Column 5 Column 5
Row 0
Row 1
Row n/2
Row n/2+1
LDD<7> LDD<6> LDD<0> LDD<7> LDD<1> LDD<0> LDD<7>
LDD<15> LDD<14> LDD<8> LDD<15> LDD<9> LDD<0> LDD<9>
LDD<15> LDD<14> LDD<8> LDD<15> LDD<9> LDD<0> LDD<9>
LDD<7> LDD<6> LDD<5> LDD<4> LDD<3> LDD<2> LDD<1> LDD<0> LDD<7>
Top Left Corner of Screen
Column 0 Column 0 Column 0 Column 1 Column 1 Column 1 Column 2 Column 2 Column 2
Row 0
Row 1
Row 2
Row 3
LDD<7> LDD<6> LDD<5> LDD<4> LDD<3> LDD<2> LDD<1> LDD<0> LDD<7>
LDD<7> LDD<6> LDD<5> LDD<4> LDD<3> LDD<2> LDD<1> LDD<0> LDD<7>
LDD<7> LDD<6> LDD<5> LDD<4> LDD<3> LDD<2> LDD<1> LDD<0> LDD<7>
Passive Color Single-Scan Display Pixel Ordering
Red Green Blue Red Green Blue Red Green Blue
Red Green Green Blue Blue Red Green
LDD<0> LDD<1> LDD<3> LDD<0> LDD<2> LDD<3> LDD<0>
Top Left Corner of Screen
Row 0
Row 1
Row n/2
Row n/2+1
LDD<0> LDD<1> LDD<3> LDD<0> LDD<2> LDD<3> LDD<0>
LDD<2> LDD<1>
LDD<2> LDD<1>
LDD<4> LDD<5> LDD<7> LDD<4> LDD<6> LDD<7> LDD<4>
LDD<4> LDD<5> LDD<7> LDD<4> LDD<6> LDD<7> LDD<4>
LDD<6> LDD<5>
LDD<6> LDD<5>
Column 0 Column 1 Column 2 Column 3 Column 4 Column 5 Column 6 Column 7 Column 8
Passive Color Dual-scan Display Pixel Ordering
Passive Monochrome Dual-Scan Display Pixel Ordering
n = # of rows
n = # of rows
Intel® PXA27x Processor Family Developer’s Manual 7-51
LCD Controller
7.4.16.2 Output Pin Drive Format for Passive Single Scan
For the monochrome case, the 8-bit pixel value from the palette RAM goes through the dither logic
that produces a 1-bit value, which gets stored in the output FIFO. For 4-bit-wide data bus, the
output FIFO is 4 bits wide. When the FIFO is loaded with 4 bits, they are driven in parallel onto
data bus LDD<3:0> as shown in Table 7-32.
When double-pixel data (DPD = 1) mode is enabled, the data is driven on to 8-bit-wide bus. When
the FIFO is loaded with 8 bits, they are driven in parallel onto the data bus as shown in Table 7-33.
For color mode, for all pixel depths (2, 4, 8, 16, 18, 19, 24, and 25 bpp) the pixel value from the
combination logic goes through the dither logic that produces one bit for each color (red, green and
blue), which get loaded into the output FIFO. For an 8-bit-wide data bus, the output FIFO is 8 bits
wide. When the FIFO is loaded with 8 bits, they are driven in parallel onto the data bus LDD<7:0>,
as shown in Table 7-34.
7.4.16.3 8-Bit Interface for Active Monochrome Single Scan
For monochrome mode, the 8-bits from the combination logic bypass the dithering logic and are
directly written into the 8-bit-wide FIFO, which are then driven in parallel on the data bus
LDD<7:0>, as shown in Table 7-35.
Table 7-32. Monochrome, Passive Single Scan, 4-Bit Bus
Pixel Clock LDD<3> LDD<2> LDD<1> LDD<0>
0 pixel3 pixel2 pixel1 pixel0
1 pixel7 pixel6 pixel5 pixel4
Table 7-33. Monochrome, Passive Single Scan, 8-Bit Bus
Pixel Clock LDD<7> LDD<6> LDD<5> LDD<4> LDD<3> LDD<2> LDD<1> LDD<0>
0 pixel7 pixel6 pixel5 pixel4 pixel3 pixel2 pixel1 pixel0
1 pixel15 pixel14 pixel13 pixel12 pixel11 pixel10 pixel9 pixel8
Table 7-34. Color, Passive Single Scan, 8-Bit Bus
LDD<7> LDD<6> LDD<5> LDD<4> LDD<3> LDD<2> LDD<1> LDD<0>
G2R2B1G1R1B0G0R0
R5B4G4R4B3G3R3B2
B7G7R7B6G6R6B5G5
Table 7-35. Monochrome, Active Single Scan, 8-Bit Bus
LDD<7> LDD<6> LDD<5> LDD<4> LDD<3> LDD<2> LDD<1> LDD<0>
Pixel0
Pixel1
7-52 Intel® PXA27x Processor Family Developer’s Manual
LCD Controller
7.4.16.4 16-Bit Interface for Active Single Scan
For a pixel depth of 16 bpp, the data is driven in parallel onto the 16-bit data bus LDD<15:0>, as
shown in Table 7-36.
7.4.16.5 18-Bit Interface for Active Single Scan
For pixel depths of 18 bpp and 19 bpp, the data is driven on to 18-bit-wide bus as shown in
Table 7-37.
.
Table 7-36. Color, Active Single Scan, 16 bpp, 16-Bit Bus
LDD<15>
LDD<14>
LDD<13>
LDD<112>
LDD<11>
LDD<10>
LDD<9>
LDD<8>
LDD<7>
LDD<6>
LDD<5>
LDD<4>
LDD<3>
LDD<2>
LDD<1>
LDD<0>
Encoded Pixel0 data[15:0]
Encoded Pixel1 data[15:0]
Table 7-37. Color, Active Single Scan, 18 bpp or 19 bpp, 18-Bit Bus
LDD<17>
LDD<16>
LDD<15>
LDD<14>
LDD<13>
LDD<12>
LDD<11>
LDD<10>
LDD<9>
LDD<8>
LDD<7>
LDD<6>
LDD<5>
LDD<4>
LDD<3>
LDD<2>
LDD<1>
LDD<0>
Encoded Pixel0 data[17:0]
Encoded Pixel1 data[17:0]
Intel® PXA27x Processor Family Developer’s Manual 7-53
LCD Controller
7.4.16.6 Summary of Pin Assignments in Active Mode
Table 7-38 describes the pin assignments for various bus widths in the possible formats.
7.4.16.7 8-Bit Interface for Smart Panels
The data from the output FIFO is driven on to the 8-bit-wide bus in three cycles as shown in
Table 7-39. Data for each color (red, green, and blue) can be 5, 6, 7, and 8, depending on the pixel
depths and format as discussed in the Section 7.4.6.
Table 7-38. Pin Assignments in Active Mode
Base Format Overlays PAL_FOR PD_FOR
LDD<17>
LDD<16>
LDD<15>
LDD<14>
LDD<13>
LDD<112>
LDD<11>
LDD<10>
LDD<9>
LDD<8>
LDD<7>
LDD<6>
LDD<5>
LDD<4>
LDD<3>
LDD<2>
LDD<1>
LDD<0>
2, 4, 8 bpp Disabled 0 0 NA RED<4:0> GREEN<5:0> BLUE<4:0>
4, 8 bpp Enabled 1 3
LDD_ALT = 0 NA 0 RED<4:0> GREEN<4:0> BLUE<4:0>
4, 8 bpp Enabled 1 3
LDD_ALT = 1 NA RED<4:0> GREEN<4:0>,
GREEN<0> BLUE<4:0>
2, 4, 8bpp Disabled 2 3 RED<5:0> GREEN<5:0> BLUE<5:0>
4, 8bpp Enabled 2 0RED<5:0> GREEN<5:0> BLUE<5:0>
16 bpp Disabled 00 NA RED<4:0> GREEN<5:0> BLUE<4:0>
16 bpp Enabled 03
LDD_ALT = 0 NA 0 RED<4:0> GREEN<4:0> BLUE<4:0>
16 bpp Enabled 03
LDD_ALT = 1 NA RED<4:0> GREEN<4:0>,
GREEN<0> BLUE<4:0>
18 bpp Disabled 03 RED<5:0> GREEN<5:0> BLUE<5:0>
19 bpp Enabled 0NA RED<5:0> GREEN<5:0> BLUE<5:0>
NOTE:
Indicates that the value of this field is ignored in this mode. The use of the reset value of 0 is recommended, however, any
value is acceptable.
Table 7-39. 8-Bit Interface for Smart Panels
LDD<7> LDD<6> LDD<5> LDD<4> LDD<3> LDD<2> LDD<1> LDD<0>
Pixel0 Red Data
Pixel0 Green Data
Pixel0 Blue Data
7-54 Intel® PXA27x Processor Family Developer’s Manual
LCD Controller
7.5 Register Descriptions
7.5.1 Using LCD Control Registers
This section summarizes the various types of LCD control registers and describes how to use them.
Complete register descriptions for each register follow, beginning with Section 7.5.2.
7.5.1.1 LCD Panel Controller Registers
Write to the LCD Control register to program the following:
Enable or disable the LCD controller.
Define the height and width of each overlay.
Indicate single- versus dual-scan display mode, color versus monochrome mode, passive
versus active display.
Polarity of the control.
Pulse width of the line and frame clocks, pixel clock and AC bias pin frequency; the number of
wait states to insert before and after each line, after each frame, and program various interrupt
masks.
An additional control field exists to tune the DMA performance based on the type of memory
system in which the PXA27x processor is used. This field controls the placement of a
minimum delay between each LCD DMA request to ensure enough bus bandwidth is given to
other system bus masters for accesses.
The Status registers contain bits that signal input and output FIFO underrun errors, DMA bus
errors, when the DMA starts and ends a frame, when the last active frame has completed after the
LCD is disabled, and each time the AC bias pin has toggled a programmed number of times. Each
of these hardware-detected events can signal an interrupt request to the interrupt controller.
7.5.1.2 LCD Controller DMA Registers
The LCD controller has seven fully independent DMA channels to transfer palette data, the frame
data, the cursor data, and the command data from the internal or the external memory to the LCD
controller. DMA channel 0 is used for the base layer or to display data for the upper data on the
lower screen for dual-scan mode. DMA channel 1 is used for Overlay 1 or to display data on the
lower screen for dual-scan mode; DMA channels 2, 3, and 4 are used for Overlay 2; channel 5 is
used for the hardware cursor. DMA channel 6 transfers data to the command register. The palette
RAMs are always loaded through their respective DMA channels. All of the information for the
DMA transfers is maintained in registers within the LCD DMA controller. These registers are
loaded from frame descriptors located in memory. Typically, one descriptor is used for each frame
in memory. Dedicated descriptors load the palette RAMs. Multiple descriptors can be chained
together in a list, making it possible for the DMA to transfer data from a (essentially infinite)
number of discontinuous locations.
Software programs the DMA descriptor addresses; hardware programs the others. Refer to the
Section 7.5.16 on DMA registers for a complete description of how the DMA is programmed.
Note: Dual-scan operation does not permit the use of overlays.
Intel® PXA27x Processor Family Developer’s Manual 7-55
LCD Controller
7.5.1.2.1 DMA Frame Descriptors
Although the FDADRx register can be (and is) loaded by software, the FSADRx, FIDRx, and
LDCMDx registers can be loaded only indirectly from DMA frame descriptors. A frame descriptor
is a four-word (32-bits/word) block, aligned on a 16-byte boundary, in memory.
Word[0] contains the value for the FDADRx register.
Word[1] contains the value for the FSADRx register.
Word[2] contains the value for the FIDRx register.
Word[3] contains the value for the LDCMDx register.
The FDADRx register must be written with the location of the first descriptor by software before
enabling the LCD controller. Once the LCD controller is enabled, the first descriptor is read and all
four registers are written by the DMA controller. The next frame descriptor pointed to by the
FDADRx register is loaded into the registers of the associated DMA channel after all of the data
for the current descriptor has been transferred. The FDADRx register is bypassed only when the
frame-branch-register (FBRx) branch (BRA) bit is set; in this case, the frame-branch address
fetches the descriptor for the next frame. Branches load a new palette or process a regular frame. If
only one frame buffer is used in external memory, the FDADRx register must be programmed to
point back to itself.
The DMA registers bitmaps are located beginning with Table 7-54.
7.5.1.3 LCD Buffer Strength Control Register
The LCD output buffers drive strengths can be controlled through the use of the LCD Buffer
Strength Control register. See Table 7-56.
7.5.2 LCD Controller Control Register 0 (LCCR0)
Table 7-40 shows the location of all bit-fields located in LCD Control register 0 (LCCR0). All bits
in the control registers must be programmed before setting LCCR0[ENB], which enables the LCD
controller. A word write can be used to configure LCCR0 while setting ENB after all other control
registers have been programmed. Also, the LCD controller must be disabled (by clearing
LCCR0[ENB]) when changing the state of any control bit within the LCD controller. Reserved bits
are unknown at reset, must be written with zeros, and may return zeros or ones when read.
This is a read/write register. Ignore reads from reserved bits. Write 0b0 to reserved bits.
7-56 Intel® PXA27x Processor Family Developer’s Manual
LCD Controller
Table 7-40. LCCR0 Bit Definitions (Sheet 1 of 8)
Physical Address
0x4400_0000 LCCR0 LCD Controller
User
Settings
Bit 31 30 29 28 27 26 25 24 23 22 21 20 19 18 17 16 15 14 13 12 11 10 9 8 7 6 5 4 3 2 1 0
reserved
LDDALT
OUC
CMDIM
RDSTM
LCDT
OUM
BSM0
PDD
QDM
DIS
DPD
reserved
PAS
EOFM0
IUM
SOFM0
LDM
SDS
CMS
ENB
Reset ? ? ? ? ? ? ? ? ? 0 0 0 0 0 0 0 0 0 0 0 0 0 0 ? 0 0 0 0 0 0 0 0
Bits Access Name Description
31:27 — reserved
26 R/W LDDALT
LDD Alternate Mapping Control Bit
LDDALT defines the output format of the output pixel driven on the LDD
pins when Base pixel format is RGBT16 (i.e when Base BPP = 4 and
PDFOR = 3 or BPP = 0 or 1 or 2 or 3, PAL_FOR = 1 AND PDFOR = 3).
0 = Output is driven as LDD<15:0> = '0' & (5R) & (5G) & (5B)
1 = Output is driven as LDD<15:0> = (5R) & (6G) & (5B)
25 R/W OUC
Overlay Underlay Control Bit
OUC sets Overlay 1 and Overlay 2 to function as overlays or underlays
with respect to the Base Frame. When OUC is cleared Overlay 1 and
Overlay 2 reside below the Base Frame. When OUC is set, Overlay 1
and Overlay 2 reside above the Base frame. See Table 7-3.
0 = Overlay 1 and Overlay 2 are underlays with respect to the Base
1 = Overlay 1 and Overlay 2 are overlays with respect to the Base
24 R/W CMDIM
LCD Command Interrupt Mask
The Command Interrupt Mask (CMDIM) bit masks interrupt requests
that are asserted whenever the LCD controller executes an interrupt
command. When CMDIM is cleared, the interrupt is enabled, and
whenever the LCD controller executes an interrupt command in the
command queue the LCSR0[CMD_INT] status bit is set, an interrupt
request is made to the interrupt controller. When CMDIM is set, the
interrupt is masked and the state of the CMD_INT status bit is ignored
by the interrupt controller. Note that setting CMDIM does not affect the
current state of CMD_INT or the LCD controller’s ability to set and clear
CMD_INT; it only blocks the generation of the interrupt request.
0 = Instruction “command interrupt” generates an interrupt status sent
to the interrupt controller
1 = Instruction “command interrupt” does not generate an interrupt
(RD_ST status bit is ignored)
Intel® PXA27x Processor Family Developer’s Manual 7-57
LCD Controller
23 R/W RDSTM
LCD Read Status Interrupt Mask
The Read Status Mask (RDSTM) bit masks or enables interrupt
requests that are asserted whenever the LCD controller executes a
read command. When RDSTM is cleared, the interrupt is enabled, and
whenever the LCD controller reads from the panel LCSR0[RD_ST] is
set, an interrupt request is made to the interrupt controller. When
RDSTM is set, the interrupt is masked and the state of the RD_ST
status bit is ignored by the interrupt controller. Note that setting RDSTM
does not affect the current state of RD_ST or the LCD controller’s ability
to set and clear RD_ST; it only blocks the generation of the interrupt
request.
0 = Read from the panel with frame buffer generate an interrupt
status sent to the interrupt controller
1 = Read from the panel with frame buffer does not generate an
interrupt (RD_ST status bit is ignored)
22 R/W LCDT
LCD Panel Type
The LCD panel type (LCDT) bit specifies the type of LCD panel. When
this bit is set (LCDT = 1), the LCD panel has internal frame buffer. This
changes the functionality of the interface pins. When this bit is cleared
(LCDT = 0), the LCD panel is regular panel without internal frame buffer.
0 = LCD Panel with no internal frame buffer
1 = LCD Panel with internal frame buffer
21 R/W OUM
Output FIFO Underrun Mask.
0 = FIFO underrun errors generate an interrupt (state of OU status
sent to the interrupt controller).
1 = FIFO underrun errors do not generate an interrupt (OU status bits
ignored).
20 R/W BSM0
Branch Status Mask
The branch status mask (BSM0) bit masks or enables the interrupt
requests that are asserted after branching to a new frame. When BSM0
= 0, branch status interrupts are enabled, and whenever the branch
status BS 0bit within the LCD Status register 0 (LCSR0) is set (one), an
interrupt request is made to the interrupt controller. When BSM0 = 1,
branch status interrupt is masked; the state of the branch status bit is
ignored by the interrupt controller. Note that programming BSM0 = 1
does not affect the current state of BS0 or the LCD controller ability to
set and clear BS0; it only blocks the generation of the interrupt request.
0 = Generates an interrupt after branching to a new frame (state of
BS0 status sent to the interrupt controller).
1 = BS condition does not generate an interrupt (BS0 status bit
ignored).
Table 7-40. LCCR0 Bit Definitions (Sheet 2 of 8)
Physical Address
0x4400_0000 LCCR0 LCD Controller
User
Settings
Bit 31 30 29 28 27 26 25 24 23 22 21 20 19 18 17 16 15 14 13 12 11 10 9 8 7 6 5 4 3 2 1 0
reserved
LDDALT
OUC
CMDIM
RDSTM
LCDT
OUM
BSM0
PDD
QDM
DIS
DPD
reserved
PAS
EOFM0
IUM
SOFM0
LDM
SDS
CMS
ENB
Reset ? ? ? ? ? ? ? ? ? 0 0 0 0 0 0 0 0 0 0 0 0 0 0 ? 0 0 0 0 0 0 0 0
Bits Access Name Description
7-58 Intel® PXA27x Processor Family Developer’s Manual
LCD Controller
19:12 R/W PDD
Palette DMA Request Delay
The 8-bit palette DMA Request Delay (PDD) field selects the minimum
number of internal bus clock cycles to wait between the servicing of
each DMA request issued while the on-chip palette RAMs are being
loaded. Using PDD allows other system bus masters to gain access to
shared memory in between palette DMA loads. Use PDD carefully, as it
can severely degrade LCD controller performance if not used properly.
Leave PDD at zero and only add a delay when it is necessary. Note that
PDD does not apply to normal input FIFO DMA requests for Frame
buffer information since these DMA requests do not occur back to back.
The input FIFO DMA request rate is a function of the rate at which
pixels are displayed on the LCD panel.
Value (from 0 to 255) that specifies the number of pxclk internal bus
clocks to wait before requesting another burst of palette data. The
counter starts decrementing when the first word is written to the input
FIFO buffer. Programming PDD = 0x0000_0000 disables this function.
11 R/W QDM
LCD Quick Disable Mask
The LCD quick disable interrupt mask (LDM) bit masks or enables
interrupt requests that are asserted after the LCD enable (ENB) bit is
cleared and the DMA finishes the current burst transfer. The LCD
controller immediately stops requesting new data and the current frame
is not completed. This shutdown is intended to be used for Sleep
shutdown. When QDM = 0, the interrupt is enabled, and whenever the
LCD quick disable (QD) status bit within the LCD Status register 0
(LCSR0) is set (one), an interrupt request is made to the interrupt
controller. When QDM = 1, the interrupt is masked and the state of the
QD status bit is ignored by the interrupt controller. Note that
programming QDM = 1 does not affect the current state of QD or the
LCD controller ability to set and clear QD; it only blocks the generation
of the interrupt request.
0 = Generate an interrupt after quick disable (state of QD status sent
to the interrupt controller).
1 = QD status does not generate an interrupt (QD status bit ignored).
10 R/W DIS
LCD Disable
During LCD controller operation, setting DIS = 1 will cause the LCD
controller to finish the current frame and cleanly shut down. Completion
of the current frame is signaled by the LCD when it sets the LCD disable
done flag (LDD) in the LCD Status register. Use a read-modify-write
procedure to set this bit because the other bit fields within LCCR0
continue to be used until the current frame is completed. The LCD
enable (ENB) bit is also cleared by hardware when the disable is
completed.
0 = LCD controller has not been enabled and subsequently disabled.
1 = LCD controller has been disabled, or is in the process of
disabling.
Table 7-40. LCCR0 Bit Definitions (Sheet 3 of 8)
Physical Address
0x4400_0000 LCCR0 LCD Controller
User
Settings
Bit 31 30 29 28 27 26 25 24 23 22 21 20 19 18 17 16 15 14 13 12 11 10 9 8 7 6 5 4 3 2 1 0
reserved
LDDALT
OUC
CMDIM
RDSTM
LCDT
OUM
BSM0
PDD
QDM
DIS
DPD
reserved
PAS
EOFM0
IUM
SOFM0
LDM
SDS
CMS
ENB
Reset ? ? ? ? ? ? ? ? ? 0 0 0 0 0 0 0 0 0 0 0 0 0 0 ? 0 0 0 0 0 0 0 0
Bits Access Name Description
Intel® PXA27x Processor Family Developer’s Manual 7-59
LCD Controller
9R/WDPD
Double-Pixel Data (DPD) Pin Mode
The double-pixel data (DPD) pin mode bit selects whether 4 or 8 data
pins output pixel data to the LCD screen in single-scan monochrome
mode. When DPD = 0, LDD<3:0> pins output 4 pixel values each pixel
clock transition; when DPD = 1, LDD<7:0> pins output 8 pixel values
each pixel clock. Note that DPD does not affect dual-scan monochrome
mode or any of the color modes.
0 = LDD<3:0> pins output 4-pixel values each pixel clock transition.
1 = LDD<7:0> pins output 8-pixel values each pixel clock.
8 — reserved
Table 7-40. LCCR0 Bit Definitions (Sheet 4 of 8)
Physical Address
0x4400_0000 LCCR0 LCD Controller
User
Settings
Bit 31 30 29 28 27 26 25 24 23 22 21 20 19 18 17 16 15 14 13 12 11 10 9 8 7 6 5 4 3 2 1 0
reserved
LDDALT
OUC
CMDIM
RDSTM
LCDT
OUM
BSM0
PDD
QDM
DIS
DPD
reserved
PAS
EOFM0
IUM
SOFM0
LDM
SDS
CMS
ENB
Reset ? ? ? ? ? ? ? ? ? 0 0 0 0 0 0 0 0 0 0 0 0 0 0 ? 0 0 0 0 0 0 0 0
Bits Access Name Description
7-60 Intel® PXA27x Processor Family Developer’s Manual
LCD Controller
7R/W PAS
Passive/Active Display Select
The passive/active display select (PAS) bit selects whether the LCD
controller operates in passive (STN) or active (TFT) display control
mode. When PAS = 0, passive mode is selected, all LCD data flow
operates normally (including the use of the LCD dither logic), and the
LCD controller pin timing operates as described in Section 7.4.15.0.1.
When PAS = 1, active (TFT) mode is selected. For 4- and 8-bpp modes,
pixel data is transferred using the DMA from the internal or the external
memory to the input FIFO, is unpacked and used to select an entry from
the palette, just like passive mode. However, the value read from the
palette bypasses the LCD dither logic, and is sent directly to the output
FIFO to be output on the LCD data pins. For pixel depths greater than 8
bpp, the pixel is transferred using DMA from the internal or the external
memory to the input FIFO. The pixel data bypasses both the palette and
the dither logic and is placed directly in the output FIFO to be output on
the LCD data pins.
Note that the pin timing of the LCD changes when active mode is
selected. Additionally, the LCD controller can be configured in active
color display mode and used with an external DAC and optionally an
external palette to drive a video monitor. Note that only monitors that
implement the RGB data format can be used; the LCD controller does
not support the NTSC standard. However, the 2X pixel clock mode
allows the LCD controller to easily interface with an NTSC encoder.
If the panel that is being controlled contains more than 16 data pin
inputs, users can still use the LCD controller by using one of the modes
described in Section 7.5.15. If the panel’s full range of colors must be
maintained and the granularity of the spectrum increased, the 16 LCD
data pins must be interfaced to the panel’s most significant R, G, and B
pixel data input pins, and the least significant R, G, and B data pins
must be tied an appropriate level. If instead, the granularity of the
spectrum must be maintained and the overall range of colors limited,
the 16 LCD data pins must be interfaced to the panel’s least significant
R, G, and B pixel data input pins, and the most significant data pins
must be tied to an appropriate level. A third option that may yield better
results is to replicate the upper bits on the lower bits; this is known as
dumb dithering.
For panels with internal frame buffer, set this bit. The dither logic is
bypassed when this bit is set.
0 = Passive display operation enabled. Dither logic is enabled.
1 = Active display operation enable. Dither logic is bypassed,.
Table 7-40. LCCR0 Bit Definitions (Sheet 5 of 8)
Physical Address
0x4400_0000 LCCR0 LCD Controller
User
Settings
Bit 31 30 29 28 27 26 25 24 23 22 21 20 19 18 17 16 15 14 13 12 11 10 9 8 7 6 5 4 3 2 1 0
reserved
LDDALT
OUC
CMDIM
RDSTM
LCDT
OUM
BSM0
PDD
QDM
DIS
DPD
reserved
PAS
EOFM0
IUM
SOFM0
LDM
SDS
CMS
ENB
Reset ? ? ? ? ? ? ? ? ? 0 0 0 0 0 0 0 0 0 0 0 0 0 0 ? 0 0 0 0 0 0 0 0
Bits Access Name Description
Intel® PXA27x Processor Family Developer’s Manual 7-61
LCD Controller
6R/WEOFM0
End of Frame Mask for Channel 0 and for Channel 1 (Dual Scan)
This bit masks or enables interrupt requests that are asserted at the end
of each frame (when the DMA length of transfer counter decrements to
zero). When EOFM0 = 0, the interrupt is enabled, and whenever
LCSR0[EOF0] is set, an interrupt request is made to the interrupt
controller. When EOFM0 is set, the interrupt is masked and the state of
the EOF status bit is ignored by the interrupt controller. Note that setting
EOFM0 does not affect the current state of LCSR0[EOF0] or the ability
of the LCD controller to set and clear LCSR0[EOF0]; it only blocks the
generation of the interrupt request.
0 = Generates an interrupt at the end of a frame (state of
LCSR0[EOF0] sent to the interrupt controller).
1 = EOF condition does not generate an interrupt
(LCSR0[EOF0] ignored).
5 R/W IUM
Input FIFO Underrun Mask
This bit masks or enables interrupt requests that are asserted whenever
an input FIFO underrun error occurs. When IUM = 0, underrun
interrupts are enabled, and whenever an input FIFO underrun
(LCSR0[IU0, IU1]) is set, an interrupt request is made to the interrupt
controller. When IUM = 1, underrun interrupts are masked; the state of
the underrun status bits (LCSR0[IU0, IU1]) is ignored by the interrupt
controller. Note that programming IUM = 1 does not affect the current
state of these status bits or the LCD controller’s ability to set and clear
them; it only blocks the generation of the interrupt requests.
0 = FIFO underrun errors generate an interrupt (state of LCSR0[IU0,
IU1] (for dual scan) sent to the interrupt controller).
1 = FIFO underrun errors do not generate an interrupt
(LCSR0[IU0, IU1] ignored).
4R/WSOFM0
Start of Frame Mask for Channel 0 and for Channel 1 (Dual Scan)
This bit masks or enables interrupt requests that are asserted at the
beginning of each base frame when the LCD frame Descriptor has been
loaded into the internal DMA registers. When SOFM0 = 0, the interrupt
is enabled, and whenever LCSR0[SOF0] is set, an interrupt request is
made to the interrupt controller. When SOFM0 = 1, the interrupt is
masked and LCSR0[SOF0] is ignored by the interrupt controller. Note
that programming SFM0 = 1 does not affect the current state of
LCSR0[SOF0] or the LCD controller’s ability to set and clear
LCSR0[SOF0]; it only blocks the generation of the interrupt request.
0 = Starting a new frame (after loading frame Descriptor) generates
an interrupt (state of LCSR0[SOF0] sent to the interrupt
controller).
1 = SOF condition does not generate an interrupt (LCSR0[SOF0]
ignored).
Table 7-40. LCCR0 Bit Definitions (Sheet 6 of 8)
Physical Address
0x4400_0000 LCCR0 LCD Controller
User
Settings
Bit 31 30 29 28 27 26 25 24 23 22 21 20 19 18 17 16 15 14 13 12 11 10 9 8 7 6 5 4 3 2 1 0
reserved
LDDALT
OUC
CMDIM
RDSTM
LCDT
OUM
BSM0
PDD
QDM
DIS
DPD
reserved
PAS
EOFM0
IUM
SOFM0
LDM
SDS
CMS
ENB
Reset ? ? ? ? ? ? ? ? ? 0 0 0 0 0 0 0 0 0 0 0 0 0 0 ? 0 0 0 0 0 0 0 0
Bits Access Name Description
7-62 Intel® PXA27x Processor Family Developer’s Manual
LCD Controller
3R/WLDM
LCD Disable Done Mask
The LCD disable done interrupt mask (LDM) bit masks or enables
interrupt requests that are asserted after the LCD is disabled, and the
frame currently being output to the pins has completed. When LDM = 0,
the interrupt is enabled, and whenever the LCD disable done (LDD)
status bit within the LCD status register 0 (LCSR0) is set (one), an
interrupt request is made to the interrupt controller. When LDM = 1, the
interrupt is masked and the state of the LDD status bit is ignored by the
interrupt controller. Note that programming LDM = 1 does not affect the
current state of LDD or the LCD controller’s ability to set and clear LDD;
it only blocks the generation of the interrupt request. This interrupt is
particularly useful when users need to ensure the LCD has been
disabled and the current frame that is being output to the pins has
completed. Note that clearing LCD Enable (ENB) forces a “quick reset”,
and LDD is not set. This mask bit only applies to regular shutdowns
using the LCD disable (DIS) bit.
0 = LCD disable done condition generates an interrupt (state of LDD
status sent to the interrupt controller).
1 = LCD disable done condition does not generate an interrupt (LDD
status bit ignored).
Table 7-40. LCCR0 Bit Definitions (Sheet 7 of 8)
Physical Address
0x4400_0000 LCCR0 LCD Controller
User
Settings
Bit 31 30 29 28 27 26 25 24 23 22 21 20 19 18 17 16 15 14 13 12 11 10 9 8 7 6 5 4 3 2 1 0
reserved
LDDALT
OUC
CMDIM
RDSTM
LCDT
OUM
BSM0
PDD
QDM
DIS
DPD
reserved
PAS
EOFM0
IUM
SOFM0
LDM
SDS
CMS
ENB
Reset ? ? ? ? ? ? ? ? ? 0 0 0 0 0 0 0 0 0 0 0 0 0 0 ? 0 0 0 0 0 0 0 0
Bits Access Name Description
Intel® PXA27x Processor Family Developer’s Manual 7-63
LCD Controller
2R/WSDS
Single-Scan/dual-scan Display Select
0 = Single-scan display enabled. LDD<3:0> used for monochrome,
LDD<7:0> used for passive color and LCD<15:0> used for active
color.
1 = Dual-scan display enabled. LDD<7:0> used for monochrome,
LDD<15:0> used for color.
NOTE: SDS must be 0 in active mode (PAS = 1).
1R/WCMS
Color/Monochrome Select
The color/monochrome select (CMS) bit selects whether the LCD
controller operates in color or monochrome mode. When CMS = 0,
Color mode is selected, palette entries are 25 bits wide, 8 or 16 data
pins are enabled for single-scan mode, 16 data pins are enabled for
dual-scan mode, and all three dither blocks are used, one each for the
red, green, and blue pixel components. When CMS = 1, monochrome
mode is selected; 4 or 8 data pins are enabled for single-scan mode,
and 8 data pins are enabled for dual-scan mode.
0 = color operation enabled.
1 = Monochrome operation enabled.
0R/WENB
LCD Controller Enable
The LCD controller enable (ENB) bit enables and quickly disables all
LCD controller operation. All LCD Control registers must be initialized
before setting ENB. Users can program LCCR0 last, and configure all
bit fields at the same time using a word write to the register. If users
clear ENB while the LCD controller is enabled, the LCD controller will
immediately stop requesting data from the LCD DMA controller, and the
current frame will not complete. Quick disable is intended to be used for
sleep shutdown. Shutdown of the LCD controller at the end of the frame
can be accomplished with the LCD disable bit (LCCR0[DIS]). Note that
there are separate maskable interrupts for Quick disable and Regular
disable.
0 = LCD controller disabled.
1 = LCD controller enabled.
Table 7-40. LCCR0 Bit Definitions (Sheet 8 of 8)
Physical Address
0x4400_0000 LCCR0 LCD Controller
User
Settings
Bit 31 30 29 28 27 26 25 24 23 22 21 20 19 18 17 16 15 14 13 12 11 10 9 8 7 6 5 4 3 2 1 0
reserved
LDDALT
OUC
CMDIM
RDSTM
LCDT
OUM
BSM0
PDD
QDM
DIS
DPD
reserved
PAS
EOFM0
IUM
SOFM0
LDM
SDS
CMS
ENB
Reset ? ? ? ? ? ? ? ? ? 0 0 0 0 0 0 0 0 0 0 0 0 0 0 ? 0 0 0 0 0 0 0 0
Bits Access Name Description
7-64 Intel® PXA27x Processor Family Developer’s Manual
LCD Controller
7.5.3 LCD Controller Control Register 1 (LCCR1)
LCD Controller Control register 1 (LCCR1) contains four bit fields that are used as modulus values
for a collection of down counters, each of which performs a different function to control the timing
of several of the LCD pins. The LCD controller must be disabled (LCCR0[ENB] = 0) when
changing the state of any field within this register.
Table 7-41. LCCR1 Bit Definitions (Sheet 1 of 2)
Physical Address
0x4400_0004 LCCR1 LCD Controller
User
Settings
Bit 31 30 29 28 27 26 25 24 23 22 21 20 19 18 17 16 15 14 13 12 11 10 9 8 7 6 5 4 3 2 1 0
BLW ELW HSW PPL
Reset 0 0 0 0 0 0 0 0 0 0 0 0 0 0 0 0 0 0 0 0 0 0 0 0 0 0 0 0 0 0 0 0
Bits Access Name Description
31:24 R/W BLW
Beginning-of-Line Pixel Clock Wait Count
For passive and active displays, the 8-bit Beginning-of-Line Pixel Clock
Wait Count (BLW) field specifies the number of dummy pixel clocks to
insert at the beginning of each line or row of pixels. After the line clock
for the previous line has been negated, the value in BLW counts the
number of pixel clocks to wait before starting to output the first set of
pixels in the next line. BLW generates a wait period ranging from 1 to
256 pixel clock cycles. Note that the pixel clock pin, L_PCLK, does not
toggle during these dummy pixel clock cycles in passive display mode
(pixel clock toggles continuously in active display mode).
For LCD panels with internal Frame buffer, the 8-bit field (BLW)
specifies the pulse width of the Write or Read signal (L_PCLK_WR or
L_FCLK_RD), which is equal to (BLW+1)*LCD_CLK_PERIOD.
Value (from 0 to 255).specifies the number of pixel clock periods to add
to the beginning of a line transmission before the first set of pixels is
output to the display.
BOL wait = (BLW+1).
23:16 R/W ELW
End-of-Line Pixel Clock Wait Count
For passive and active displays, the 8-bit End-of-Line Pixel Clock Wait
Count (ELW) field specifies the number of dummy pixel clocks to insert
at the end of each line or row of pixels before pulsing the line clock pin.
Once a complete line of pixels is transmitted to the LCD panel, the value
in ELW counts the number of pixel clocks to wait before pulsing the line
clock. ELW generates a wait period ranging from 1 to 256 pixel clock
cycles. Note that the pixel clock pin, L_PCLK, does not toggle during the
these dummy pixel clock cycles in passive display mode (pixel clock
toggles continuously in active display mode).
For LCD panels with an internal frame buffer, ELW specifies the setup
and hold times for A0 (L_LCLK_A0), Data (LDD<7:0>), and CS (L_CS)
with respect to the Write or Read signal (L_PCLK_WR or L_FCLK_RD).
The setup and hold time is equal to (ELW+1)*LCD_CLK_PERIOD.
EOL = (ELW+1).
Intel® PXA27x Processor Family Developer’s Manual 7-65
LCD Controller
15:10 R/W HSW
Horizontal Sync Pulse Width
The 6-bit Horizontal Sync Pulse Width (HSW) field specifies the pulse
width of the line clock in passive mode or horizontal synchronization
pulse in active mode. L_LCLK is asserted each time a line or row of
pixels is output to the display and a programmable number of pixel clock
Wait states have elapsed. When line clock is asserted, the value in
HSW is transferred to a 6-bit Down counter, which uses the
programmed pixel clock frequency to decrement. When the counter
reaches zero, the line clock is negated. HSW can be programmed to
generate a line clock pulse width ranging from 1 to 64 pixel clock
periods. Note that the pixel clock does not toggle during the line clock
pulse in passive display mode, but does toggle in active display mode.
Also note that the polarity (active and Inactive state) of the line clock pin
is programmed using the horizontal sync polarity (HSP) bit in LCCR3.
For LCD Panels with an internal frame buffer, HSW indicates the input
Hi-Z hold time after L_FCLK_RD negates during reads from the panel.
The count value specifies the number of LCD clocks after L_FCLK_RD
negates that the LCD controller will not drive the output data bus.
Value (from 0 to 63).
HSYNC pulse width = (HSW+1).
9:0 R/W PPL
Pixels per Line for the Base Frame
The pixels per line (PPL) bit-field specifies the number of pixels in each
line or row on the LCD panel for the base frame. PPL is a 10-bit value
that represents between 1 to 800 pixels per line. PPL counts the correct
number of pixel clocks that must occur before the line clock can be
asserted. See Section 7.4.13 to see the restrictions on pixels per line.
If the display used is not naturally a multiple of the above, “dummy”
pixels must be added to each line to keep the frame buffer aligned in
memory. For example, if the display being controlled is 250 pixels wide
and the pixel-size is 8-bits, the nearest greater multiple of 8 is 256.
Users should program PPL to 256 (0b01_0000_0000). In this case,
users must also add the six extra dummy pixel values to the frame
buffer.
NOTE: Users must also ensure that the display being controlled will
ignore the additional pixel clocks at the end of each line
resulting from the dummy pixel values being sent to the screen.
Value (from 0 to 799).
Actual pixel per line = PPL+1
Table 7-41. LCCR1 Bit Definitions (Sheet 2 of 2)
Physical Address
0x4400_0004 LCCR1 LCD Controller
User
Settings
Bit 31 30 29 28 27 26 25 24 23 22 21 20 19 18 17 16 15 14 13 12 11 10 9 8 7 6 5 4 3 2 1 0
BLW ELW HSW PPL
Reset 0 0 0 0 0 0 0 0 0 0 0 0 0 0 0 0 0 0 0 0 0 0 0 0 0 0 0 0 0 0 0 0
Bits Access Name Description
7-66 Intel® PXA27x Processor Family Developer’s Manual
LCD Controller
7.5.4 LCD Controller Control Register 2 (LCCR2)
LCD Controller Control register 2 (LCCR2) contains four bit fields that are used as modulus values
for a collection of down counters, each of which performs a different function to control the timing
of several LCD pins.
Table 7-42. LCCR2 Bit Definitions (Sheet 1 of 3)
Physical Address
0x4400_0008 LCCR2 LCD Controller
User
Settings
Bit 31 30 29 28 27 26 25 24 23 22 21 20 19 18 17 16 15 14 13 12 11 10 9 8 7 6 5 4 3 2 1 0
BFW EFW VSW LPP
Reset 0 0 0 0 0 0 0 0 0 0 0 0 0 0 0 0 0 0 0 0 0 0 0 0 0 0 0 0 0 0 0 0
Bits Access Name Description
31:24 R/W BFW
Beginning-of-Frame Line Clock Wait Count
The 8-bit Beginning-of-Frame Line Clock Wait Count (BFW) field is used
in active mode (PAS = 1) to specify the number of line clocks to insert at
the beginning of each frame before the first set of pixels is output to the
display. The BFW count starts just after the VSYNC signal for the
previous frame has been negated. After this has occurred, the value in
BFW counts the number of line clock periods to insert before starting to
output pixels in the next frame. BFW generates a wait period ranging
from 0 to 255 extra line clock cycles (BFW = 0x00 disables the BOF wait
count). Note that the line clock pin, L_LCLK, does toggle during the
generation of the BFW line-clock wait periods.
In passive mode, BFW must be set to zero such that no beginning-of-
frame Wait states are generated. Use VSW exclusively in passive mode
to insert line-clock Wait states to allow the LCD DMA to fill the palette
and process a number of pixels before the start of the next frame.
NOTE: For LCD panels with internal frame buffer, these bits are
ignored.
23:16 R/W EFW
End-of-Frame Line Clock Wait Count
The 8-bit End-of-Frame Line Clock Wait Count (EFW) field is used in
active mode (PAS = 1) to specify the number of line clocks to insert at
the end of each frame. Once a complete frame of pixels is transmitted to
the LCD display, the value in EFW counts the number of line clock
periods to wait. After the count has elapsed, the VSYNC (L_FCLK)
signal is pulsed. EFW generates a wait period ranging from 0 to 255 line
clock cycles (setting EFW = 8’h00 disables the EOF wait count). Note
that the line clock pin L_LCLK toggles during the generation of the EFW
line clock periods.
In passive mode, EFW must be set to zero such that no end-of-frame
Wait states are generated. Use VSW exclusively in passive mode to
insert line-clock wait states to allow the LCD DMA to fill the palette and
process a number of pixels before the start of the next frame.
NOTE: For LCD panels with internal frame buffer, these bits are
ignored.
Intel® PXA27x Processor Family Developer’s Manual 7-67
LCD Controller
15:10 R/W VSW
Vertical Sync Pulse Width
VSW specifies the pulse width of the vertical synchronization pulse in
active mode, or adds extra dummy line clock wait states between the
end and beginning of frame in passive mode.
In active mode (PAS = 1), L_FCLK generates the vertical-sync signal
and is asserted each time the last line or row of pixels for a frame is
output to the display and a programmable number of line-clock wait-
states have elapsed as specified by LCCR1[ELW]. VSW can be
programmed to generate a vertical-sync pulse width ranging from 1 to
64 line clock periods. VSW must be programmed with the preferred
number of line clocks minus one. The polarity of L_FCLK is
programmed using LCCR3[FCP]. The line clock does toggle during
VSYNC.
In passive mode (PAS = 0), VSW does not affect the timing of the
L_FCLK pin, but rather adds extra line clock wait states between the
end of each frame and the beginning of the next frame. VSW can be
programmed to generate from 1 to 64 dummy line clock periods
between each frame. Program VSW to ensure that enough wait states
occur between frames such that the LCD DMA is able to fully load the
on-chip palette, as well as allowing a sufficient number of encoded pixel
values to be input from the frame buffer, to be processed by the dither
logic, and placed in the output FIFO, ready to be output to the LCD data
pins.
The number of wait states required is system dependent. The factors
that determine the number of wait states include: Palette buffer size (if
loaded; 8, 16, 32, 64, 512 or 1024 bytes), memory system speed
(number of wait states, burst speed, number of beats), and what value
is programmed in LCCR0[PDD]. Note that the line clock pin does toggle
during the insertion of the line clock Wait state periods.
Passive LCD displays require that the frame clock is active on the rising
edge of the first-line clock pulse of each frame, with adequate setup and
hold time. To meet this requirement, the LCD controller frame clock pin
is asserted on the rising edge of the first pixel clock for each frame. The
frame clock remains asserted for the remainder of the first line as pixels
are output to the display, and it is then negated on the rising edge of the
first pixel clock of the second line of each frame.
VSYNC width = (VSW+1).
NOTE: For LCD panels with internal frame buffer, these bits are
ignored.
Table 7-42. LCCR2 Bit Definitions (Sheet 2 of 3)
Physical Address
0x4400_0008 LCCR2 LCD Controller
User
Settings
Bit 31 30 29 28 27 26 25 24 23 22 21 20 19 18 17 16 15 14 13 12 11 10 9 8 7 6 5 4 3 2 1 0
BFW EFW VSW LPP
Reset 0 0 0 0 0 0 0 0 0 0 0 0 0 0 0 0 0 0 0 0 0 0 0 0 0 0 0 0 0 0 0 0
Bits Access Name Description
7-68 Intel® PXA27x Processor Family Developer’s Manual
LCD Controller
7.5.5 LCD Controller Control Register 3 (LCCR3)
LCD Controller Control register 3 (LCCR3) contains different bit fields to control various
functions within the LCD controller. The LCD controller must be disabled (LCCR0[ENB] = 0)
when changing the state of any field within this register, with the exception of the LCCR3[PCD]
bit field. Software should wait for the end of frame (indicated by LCSR0[EOF0]) before the write
to PCCR3[PCD].
This is a read/write register. Ignore reads from reserved bits. Write 0b0 to reserved bits.
9:0 R/W LPP
Lines per Panel for the Base Frame
The Lines per Panel (LPP) bit field specifies the number of lines or rows
present on the base frame. In single-scan mode, it represents the total
number of lines for the entire LCD display. In dual-scan mode, it
represents half the number of lines of the entire LCD display because it
is split into two panels. LPP is a 10-bit value that represents between 1
and 600 lines per screen. LPP must be programmed with the preferred
height of the display minus one. LPP counts the correct number of line
clocks that must occur before the frame clock can be pulsed.
Value (from 0 to 599) specifies the number of lines per panel. For single-
scan mode, this represents the total number of lines on the LCD display;
for dual-scan mode, this represents half the number of lines on the
whole LCD display. Lines/panel = (LPP+1).
Table 7-42. LCCR2 Bit Definitions (Sheet 3 of 3)
Physical Address
0x4400_0008 LCCR2 LCD Controller
User
Settings
Bit 31 30 29 28 27 26 25 24 23 22 21 20 19 18 17 16 15 14 13 12 11 10 9 8 7 6 5 4 3 2 1 0
BFW EFW VSW LPP
Reset 0 0 0 0 0 0 0 0 0 0 0 0 0 0 0 0 0 0 0 0 0 0 0 0 0 0 0 0 0 0 0 0
Bits Access Name Description
Intel® PXA27x Processor Family Developer’s Manual 7-69
LCD Controller
Table 7-43. LCCR3 Bit Definitions (Sheet 1 of 5)
Physical Address
0x4400_000C LCCR3 LCD Controller
User
Settings
Bit 31 30 29 28 27 26 25 24 23 22 21 20 19 18 17 16 15 14 13 12 11 10 9 8 7 6 5 4 3 2 1 0
PDFOR
BPP3
reserved
DPC
BPP
OEP
PCP
HSP
VSP
API
ACB
PCD
Reset 0 0 0 ? 0 0 0 0 0 0 0 0 0 0 0 0 0 0 0 0 0 0 0 0 0 0 0 0 0 0 0 0
Bits Access Name Description
31:30 R/W PDFOR
Pixel Data Format
The pixel data format (PDFOR) specifies the number of bits allocated
for R, G, and B for various pixel depths. See Section 7.4.6 for more
details.
This bit field specifies the data format for various pixel depths and
determines how the how the data is driven onto the LDD data pins.
For pixel depths where only one RGB format is possible (19bpp and
25bpp), the value of PDFOR is ignored.
0b00 = Format 1
0b01 = Format 2
0b10 = Format 3
0b11 = Format 4
See Section 7.4.6 for more definition of the formats.
29 R/W BPP3
Bits per Pixel
Used in conjunction with BPP to configure the number of bits per pixel.
Refer to the BPP field for the bit-field settings.
28 — reserved
27 R/W DPC
Double Pixel Clock Mode
DPC instructs the LCD controller to drive out a 2X pixel clock out of the
L_PCLK pin. This mode allows a glueless interface to an ADI 7171
NTSC encoder. All of the settings in the LCD controller are still specified
in terms of the “original” pixel clock; this mode ONLY affects the pixel
clock output pin. Note that if DPC is set, pixel clock divisor (PCD) must
be greater than or equal to 2, otherwise the 2X pixel clock would be the
same frequency as the LCD control clock, which is not valid.
0 = The L_PCLK pin is driven at the frequency specified by PCD.
1 = The L_PCLK pin is driven at double the frequency specified by
PCD.
7-70 Intel® PXA27x Processor Family Developer’s Manual
LCD Controller
26:24 R/W BPP
Bits per Pixel
Used in conjunction with BPP3 to specify the pixel depth for each pixel
stored in the memory for the base frame. Pixel depths of 2, 4, and 8 bpp
require the internal palette RAM be loaded before pixels can be
displayed on the screen.
The following values are a concatenation of BPP3 and BPP:
0b0001 = 2-bits/pixel [4 entry, 8 or 16 byte palette buffer]
0b0010 = 4-bits/pixel [16 entry, 32 or 64 byte palette buffer]
0b0011 = 8-bits/pixel [256 entry, 512 or 1024 byte palette buffer]
0b0100 = 16-bits/pixel [no palette buffer]
0b0101 = 18-bits/pixel[no palette buffer]
0b0110 = 18-bits/pixel packed [no palette buffer]
0b0111 = 19-bits/pixel [no palette buffer]
0b1000 = 19-bits/pixel packed [no palette buffer]
0b1001 = 24-bits/pixel [no palette buffer]
0b1010 = 25-bits/pixel [no palette buffer]
others = reserved
NOTE: Configuring the LCD controller for 24bpp output (BPP3.BPP set
to either 0b1001 or 0b1010) is invalid for panels without an internal
frame buffer (LCCR0[LCDT] clear) and will result in indeterminate
behavior.
Refer to Section 7.5.1.2 for details on programming the DMA to load the
palette RAM.
23 R/W OEP
Output Enable Polarity
The output enable polarity (OEP) bit selects the active and Inactive
states of the output enable signal in active display mode. In this mode,
the AC bias pin is used as an enable that signals the off-chip device
when data is actively being driven out using the pixel clock. The pixel
clock continuously toggles during operation of active mode (PAS = 1).
When OEP = 0, the L_BIAS pin is active high and inactive low. When
OEP = 1, the L_BIAS pin is active low and inactive high. In active
display mode, data is driven onto the LCD data pins on the programmed
edge of the L_PCLK pin when L_BIAS is in its active state. Note that
OEP does not affect L_BIAS in passive display mode.
0 = L_BIAS pin is active high and inactive low in active display mode
and parallel data input mode.
1 = L_BIAS pin is active low and inactive high in active display mode
and parallel data input mode.
In active display mode; FIFO data is driven out to the LCD’s data pins
on programmed pixel clock edge when AC bias pin is active. Note that
OEP is ignored in passive display mode.
Table 7-43. LCCR3 Bit Definitions (Sheet 2 of 5)
Physical Address
0x4400_000C LCCR3 LCD Controller
User
Settings
Bit 31 30 29 28 27 26 25 24 23 22 21 20 19 18 17 16 15 14 13 12 11 10 9 8 7 6 5 4 3 2 1 0
PDFOR
BPP3
reserved
DPC
BPP
OEP
PCP
HSP
VSP
API
ACB
PCD
Reset 0 0 0 ? 0 0 0 0 0 0 0 0 0 0 0 0 0 0 0 0 0 0 0 0 0 0 0 0 0 0 0 0
Bits Access Name Description
Intel® PXA27x Processor Family Developer’s Manual 7-71
LCD Controller
22 R/W PCP
Pixel Clock Polarity
The pixel clock polarity (PCP) bit selects which edge of the pixel clock
data is sampled on the LCD data pins. When PCP = 0, data is sampled
on the LCD data pins on the rising edge of the L_PCLK_WR pin. When
PCP = 1, data is sampled on the LCD data pins on the falling edge of
the L_PCLK_A0 pin.
0 = Data is sampled on the LCD data pins on the rising edge of
L_PCLK_WR.
1 = Data is sampled on the LCD data pins on the falling edge of
L_PCLK_WR.
21 R/W HSP
Horizontal Sync Polarity
The horizontal sync polarity (HSP) bit selects the active and inactive
states of the horizontal sync signal in active display mode, and the line
clock signal in passive display mode. When HSP = 0, the L_LCLK_A0
pin is active high and inactive low. When HSP = 1, the L_LCLK_A0 pin
is active low and inactive high. Both in active and passive display
modes, the L_FCLK_RD pin is forced to its inactive state whenever
pixels are transmitted After the end of each line and a programmable
number of pixel clock periods occur (controlled by ELW), the
L_FCLK_RD pin is forced to its active state for a programmable number
of line clocks (controlled by HSW), and is then again forced to its
inactive state.
0 = L_LCLK_A0 pin is active high and inactive low.
1 = L_LCLK_A0 pin is active low and inactive high.
20 R/W VSP
Vertical Sync Polarity
The vertical sync polarity (VSP) bit selects the active and Inactive states
of the vertical sync signal in active display mode (PAS = 1), and the
frame clock signal in passive display mode. When VSP = 0, the L_FCLK
pin is active high and inactive low. When VSP = 1, the L_FCLK_RD pin
is active low and inactive high. In active display mode, the L_FCLK_RD
pin is forced to its Inactive state while pixels are transmitted during the
frame. After the end of the frame and a programmable number of line
clocks periods occur (controlled by EFW), the L_FCLK_RD pin is forced
to its active state for a programmable number of line clocks (controlled
by VSW), and is then again forced to its Inactive state. In passive
display mode, the L_FCLK_RD pin is forced to its Inactive state during
the transmission of the second line of each frame through to the end of
the frame. Frame clock is then forced to its active state on the rising
edge of the first pixel clock of each frame. Frame clock remains active
during the transmission of the entire first line of pixels in the frame and
is then forced back to its Inactive state on the rising edge of the first
pixel clock of the second line of the frame.
0 = L_FCLK_RD pin is active high and inactive low.
1 = L_FCLK_RD pin is active low and inactive high.
Table 7-43. LCCR3 Bit Definitions (Sheet 3 of 5)
Physical Address
0x4400_000C LCCR3 LCD Controller
User
Settings
Bit 31 30 29 28 27 26 25 24 23 22 21 20 19 18 17 16 15 14 13 12 11 10 9 8 7 6 5 4 3 2 1 0
PDFOR
BPP3
reserved
DPC
BPP
OEP
PCP
HSP
VSP
API
ACB
PCD
Reset 0 0 0 ? 0 0 0 0 0 0 0 0 0 0 0 0 0 0 0 0 0 0 0 0 0 0 0 0 0 0 0 0
Bits Access Name Description
7-72 Intel® PXA27x Processor Family Developer’s Manual
LCD Controller
19-16 R/W API
AC Bias Pin Transitions per Interrupt
In passive mode, the 4-bit AC Bias Pin Transitions per Interrupt (API)
field specifies the number of L_BIAS pin transitions to count before
setting the AC bias count status (ACS) bit in the LCD Controller Status
register that signals an interrupt request. After the LCD controller is
enabled, the value in API is loaded to a 4-bit Down counter and the
counter decrements each time the AC bias pin is inverted. When the
counter reaches zero, it stops and the AC bias count (ABC) bit is set in
the Status register. Once ABC is set, the 4-bit Down counter is reloaded
with the value in API, and is disabled until ABC is cleared. When ABC is
cleared by the CPU, the Down counter is enabled and again
decrements each time the AC bias pin is inverted. The number of AC
bias pin transitions between each interrupt request ranges from 0 to 15.
Note that programming API = 0x0 disables the AC bias pin transitions
per interrupt function.
In active mode, L_BIAS is used as an output-enable signal. However,
signaling of the API interrupt can still occur. The ACB bit field counts line
clock pulses in active mode. When the programmed number of line
clock pulses occurs, an internal signal is transitioned that decrements
the 4-bit counter used by the API interrupt logic. Once this internal
signal transitions the programmed number of times as specified by API,
an interrupt is generated. Program API to zero if the API interrupt
function is not required in active mode (PAS = 1).
Value (from 0 to 15) specifies the number of AC bias pin transitions to
count before setting the line count status (ABC) bit, signaling an
interrupt request. Counter frozen when ABC is set and is restarted when
ABC is cleared by software. This function is disabled when API = 4’h0.
NOTE: This is ignored for LCD panels with internal frame buffers.
Table 7-43. LCCR3 Bit Definitions (Sheet 4 of 5)
Physical Address
0x4400_000C LCCR3 LCD Controller
User
Settings
Bit 31 30 29 28 27 26 25 24 23 22 21 20 19 18 17 16 15 14 13 12 11 10 9 8 7 6 5 4 3 2 1 0
PDFOR
BPP3
reserved
DPC
BPP
OEP
PCP
HSP
VSP
API
ACB
PCD
Reset 0 0 0 ? 0 0 0 0 0 0 0 0 0 0 0 0 0 0 0 0 0 0 0 0 0 0 0 0 0 0 0 0
Bits Access Name Description
Intel® PXA27x Processor Family Developer’s Manual 7-73
LCD Controller
15-8 R/W ACB
AC Bias Pin Frequency
The 8-bit AC Bias Frequency (ACB) field specifies the number of line
clock periods to count between each toggle of the AC bias pin (L_BIAS).
In passive mode, after the LCD controller is enabled, the value in ACB is
loaded to an 8-bit Down counter and the counter begins to decrement
using the line clock. When the counter reaches zero, it stops, the state
of L_BIAS is reversed, and the whole procedure restarts. The number of
line clocks between each AC bias pin transition ranges from 1 to 256.
Program ACB with the preferred number of line clocks minus one.
This pin is used by the LCD display to periodically reverse the polarity of
the power supplied to the screen to eliminate D.C. offset. If the LCD
display being controlled has its own internal means of switching its
power supply, set ACB to its maximum value to reduce power
consumption (0xFF). Note that the ACB bit field has no effect on
L_BIAS in active mode. Because the pixel clock toggles continuously in
active mode, the AC bias pin is used as an output-enable signal. It is
asserted automatically by the LCD controller in active mode whenever
pixel data is driven out to the data pins to signal the display when it may
latch pixels using the pixel clock.
Value (from 0 to 255) specifies the number of line clocks to count before
toggling the AC bias pin in passive mode (PAS = 0). This pin periodically
inverts the polarity of the power supply to prevent DC charge buildup
within the display. If the passive display that is being controlled does not
need to use L_BIAS, program ACB to its maximum value (0xFF) to
conserve power. Note that ACB is ignored in active mode (PAS = 1).
Number of line clocks/toggle of the L_BIAS pin = (ACB+1)
7-0 R/W PCD
Pixel Clock Divisor
Value (from 0 to 255). Used along with LCCR4[PCDDIV] for passive and
active displays to specify the frequency of the pixel clock based on the
LCD clock (LCLK) frequency. Pixel clock frequency can range from
LCLK/2 to LCLK/512, where LCLK is the programmed frequency of the
LCD/Memory controller. LCLK can vary from 13.0 MHz to 104.00 MHz
Pixel Clock Frequency = LCLK/2(PCD+1) if LCCR4{PCDDIV] = 0 or
Pixel Clock Frequency = LCLK/(PCD+1) if LCCR4{PCDDIV] = 1
Note that PCD must be programmed with a value of 1 or greater if
double pixel clock mode is enabled or if LCCR4{PCDDIV] is set.
For LCD Panels with an internal frame buffer, this bit field specifies the
command inhibit time between any two consecutive reads or writes to
the LCD panel (write/write or read/read or write/read or read/write).
Command Inhibit TIme = (PCD+1)*LCD_CLK_PERIOD.
Table 7-43. LCCR3 Bit Definitions (Sheet 5 of 5)
Physical Address
0x4400_000C LCCR3 LCD Controller
User
Settings
Bit 31 30 29 28 27 26 25 24 23 22 21 20 19 18 17 16 15 14 13 12 11 10 9 8 7 6 5 4 3 2 1 0
PDFOR
BPP3
reserved
DPC
BPP
OEP
PCP
HSP
VSP
API
ACB
PCD
Reset 0 0 0 ? 0 0 0 0 0 0 0 0 0 0 0 0 0 0 0 0 0 0 0 0 0 0 0 0 0 0 0 0
Bits Access Name Description
7-74 Intel® PXA27x Processor Family Developer’s Manual
LCD Controller
7.5.6 LCD Controller Control Register 4 (LCCR4)
LCD Controller Control register 4 (LCCR4) (Table 7-44) contains bit fields to program the
constants used to calculate the pixel value for half-transparency, output-drive format and the PCD
value for 13M mode operation.
This is a read/write register. Ignore reads from reserved bits. Write 0b0 to reserved bits.
Table 7-44. LCCR4 Bit Definitions (Sheet 1 of 5)
Physical Address
0x4400_0010 LCCR4 LCD Controller
User
Settings
Bit 31 30 29 28 27 26 25 24 23 22 21 20 19 18 17 16 15 14 13 12 11 10 9 8 7 6 5 4 3 2 1 0
PCDDIV
reserved
13M_PCD_EN
13M_PCD_VAL
PAL_FOR
reserved
K3
K2
K1
Reset 0 ? ? ? ? ? ? ? ? ? ? ? ? ? ? 0 0 ? ? ? ? ? ? 0 0 0 0 0 0 0 0 0
Bits Access Name Description
31 R/W PCDDIV
PCD Divisor Selection
This selects whether the LCD clock is divided by two in the PCD
equation.
0 = Pixel Clock = LCLK/2*(PCD+1)
1 = Pixel Clock = LCLK/(PCD+1)
NOTE: if PCDDIV is set, the minimum value of LCCR3[PCD} is one.
This bit has is ignored when the LCD controller is configured to control
a smart panel.
30:26 — reserved
25 R/W 13M_PCD_EN
13M mode Pixel Clock Divisor Enable
This enables the13M PCD value to be used when the processor is in
13M mode.
0 = Use PCD value in LCCR3[PCD] for all modes
1 = Use PCD value in LCCR4[13M_PCD_VAL] for 13M mode only
Software can set this bit during LCD configuration. The processor will
then use the value in LCCR4[13M_PCD_VAL] for 13M mode only.
(NOTE: This bit field is available in the C0 stepping and all the
subsequent steppings)
Intel® PXA27x Processor Family Developer’s Manual 7-75
LCD Controller
24:17 R/W 13M_PCD_VAL
13M mode Pixel Clock Divisor Value
Program the LCCR4[13M_PCD_VAL] with the required PCD value that
will be used while the processor is in 13M mode.
Value (from 0 to 255). Used along with LCCR4[PCDDIV] for passive
and active displays to specify the frequency of the pixel clock while in
13M mode, based on the LCD clock (LCLK) frequency. Pixel clock
frequency can range from LCLK/2 to LCLK/512, where LCLK is the
programmed frequency of the LCD/Memory controller. LCLK can only
be configured to 13MHz or 26MHz using CCCR[LCD_26] during 13M
mode operation.
Pixel Clock Frequency = LCLK/2(PCD+1) if LCCR4{PCDDIV] = 0 or
Pixel Clock Frequency = LCLK/(PCD+1) if LCCR4{PCDDIV] = 1
Note that PCD must be programmed with a value of 1 or greater if
double pixel clock mode is enabled or if LCCR4{PCDDIV] is set.
For LCD Panels with an internal frame buffer, this bit field specifies the
command inhibit time between any two consecutive reads or writes to
the LCD panel (write/write or read/read or write/read or read/write).
Command Inhibit Time = (PCD+1)*LCD_CLK_PERIOD.
NOTE: The value programmed into this bit field is only used if
LCCR4[13M_PCD_EN] is set.
(NOTE: This bit field is available in the C0 stepping and all the
subsequent steppings)
16:15 R/W PAL_FOR
Palette Data Format
The palette data format (PAL_FOR) specifies the data format for the
palette data. When the overlays are disabled and the bits per pixel is
less then 18-bits, then PAL_FOR = 0b00 is used. When the overlays
are enabled, the 25-bit palette data format with transparency bit is used.
See Figure 7-17. The PAL_FOR is set depending on the data formats.
For 16-bits per pixel data format set PAL_FOR = 0b01, for 18 bits per
pixel data format set PAL_FOR = 0b10 and for 24 bits per pixel data
format set PAL_FOR = 0b11.
This specifies the palette data format for the palette RAM.
0b00 = 16 bits without Transparency bit.
0b01 = 25 bit format with Transparency for 16 bits per pixel data formats
0b10 = 25 bit format with Transparency for 18 bits per pixel data formats
0b11 = 25 bit format with Transparency for 24 bits per pixel data formats
Table 7-44. LCCR4 Bit Definitions (Sheet 2 of 5)
Physical Address
0x4400_0010 LCCR4 LCD Controller
User
Settings
Bit 31 30 29 28 27 26 25 24 23 22 21 20 19 18 17 16 15 14 13 12 11 10 9 8 7 6 5 4 3 2 1 0
PCDDIV
reserved
13M_PCD_EN
13M_PCD_VAL
PAL_FOR
reserved
K3
K2
K1
Reset 0 ? ? ? ? ? ? ? ? ? ? ? ? ? ? 0 0 ? ? ? ? ? ? 0 0 0 0 0 0 0 0 0
Bits Access Name Description
7-76 Intel® PXA27x Processor Family Developer’s Manual
LCD Controller
14:9 — reserved
Table 7-44. LCCR4 Bit Definitions (Sheet 3 of 5)
Physical Address
0x4400_0010 LCCR4 LCD Controller
User
Settings
Bit 31 30 29 28 27 26 25 24 23 22 21 20 19 18 17 16 15 14 13 12 11 10 9 8 7 6 5 4 3 2 1 0
PCDDIV
reserved
13M_PCD_EN
13M_PCD_VAL
PAL_FOR
reserved
K3
K2
K1
Reset 0 ? ? ? ? ? ? ? ? ? ? ? ? ? ? 0 0 ? ? ? ? ? ? 0 0 0 0 0 0 0 0 0
Bits Access Name Description
Intel® PXA27x Processor Family Developer’s Manual 7-77
LCD Controller
8:6 R/W K3
Multiplication Constant for Green for Half Transparency
Multiplication constant (K3) is value between 1/8 and 1 in increments of
1/8. Users have to program to the appropriate value to get preferred
results for half transparency. K3 calculates the results for the green
value. See Section 7.4.5.1 for more detailed equations.
0b000 = 1/8
0b001 = 2/8
0b010 = 3/8
0b011 = 4/8
0b100 = 5/8
0b101 = 6/8
0b110 = 7/8
0b111 = 1
5:3 R/W K2
Multiplication Constant for Blue for Half Transparency
Multiplication constant (K2) is value between 1/8 and 1 in increments of
1/8. Users have to program to the appropriate value to get preferred
results for half transparency. K2 calculates the results for the blue
value. See Section 7.4.5.1 for more detailed equations.
0b000 = 1/8
0b001 = 2/8
0b010 = 3/8
0b011 = 4/8
0b100 = 5/8
0b101 = 6/8
0b110 = 7/8
0b111 = 1
Table 7-44. LCCR4 Bit Definitions (Sheet 4 of 5)
Physical Address
0x4400_0010 LCCR4 LCD Controller
User
Settings
Bit 31 30 29 28 27 26 25 24 23 22 21 20 19 18 17 16 15 14 13 12 11 10 9 8 7 6 5 4 3 2 1 0
PCDDIV
reserved
13M_PCD_EN
13M_PCD_VAL
PAL_FOR
reserved
K3
K2
K1
Reset 0 ? ? ? ? ? ? ? ? ? ? ? ? ? ? 0 0 ? ? ? ? ? ? 0 0 0 0 0 0 0 0 0
Bits Access Name Description
7-78 Intel® PXA27x Processor Family Developer’s Manual
LCD Controller
7.5.7 LCD Controller Control Register 5 (LCCR5)
LCD Controller Control register 5 (LCCR5) (Table 7-45) contains bit fields that mask the various
interrupt bits for channel 1 through channel 6.
This is a read/write register. Ignore reads from reserved bits. Write 0b0 to reserved bits.
2:0 R/W K1
Multiplication Constant for Red for Half Transparency
Multiplication constant (K1) is value between 1/8 and 1 in increments of
1/8. Users have to program to the appropriate value to get preferred
results for half transparency. K1 calculates the results for the red value.
See Section 7.4.5.1 for more detailed equations.
0b000 = 1/8
0b001 = 2/8
0b010 = 3/8
0b011 = 4/8
0b100 = 5/8
0b101 = 6/8
0b110 = 7/8
0b111 = 1
Table 7-44. LCCR4 Bit Definitions (Sheet 5 of 5)
Physical Address
0x4400_0010 LCCR4 LCD Controller
User
Settings
Bit 31 30 29 28 27 26 25 24 23 22 21 20 19 18 17 16 15 14 13 12 11 10 9 8 7 6 5 4 3 2 1 0
PCDDIV
reserved
13M_PCD_EN
13M_PCD_VAL
PAL_FOR
reserved
K3
K2
K1
Reset 0 ? ? ? ? ? ? ? ? ? ? ? ? ? ? 0 0 ? ? ? ? ? ? 0 0 0 0 0 0 0 0 0
Bits Access Name Description
Intel® PXA27x Processor Family Developer’s Manual 7-79
LCD Controller
Table 7-45. LCCR5 Bit Definitions (Sheet 1 of 13)
Physical Address
0x4400_0014 LCCR5 LCD Controller
User
Settings
Bit 31 30 29 28 27 26 25 24 23 22 21 20 19 18 17 16 15 14 13 12 11 10 9 8 7 6 5 4 3 2 1 0
reserved
IUM6
IUM5
IUM4
IUM3
IUM2
IUM1
reserved
BSM6
BSM5
BSM4
BSM3
BSM2
BSM1
reserved
EOFM6
EOFM5
EOFM4
EOFM3
EOFM2
EOFM1
reserved
SOFM6
SOFM5
SOFM4
SOFM3
SOFM2
SOFM1
Reset ? ? 0 0 0 0 0 0 ? ? 0 0 0 0 0 0 ? ? 0 0 0 0 0 0 ? ? 0 0 0 0 0 0
Bits Access Name Description
31:30 — reserved
29 R/W IUM6
Input FIFO Underrun Mask for Command Data
The Input FIFO Underrun Mask bit (IUM6) masks an interrupt request
that is asserted whenever an input FIFO underrun error occurs. When
IUM6 is cleared, underrun interrupts are enabled, and whenever
LCSR1[IU6] is set, an interrupt request is made to the interrupt
controller.
When IUM6 is set, underrun interrupts are masked; LCSR1[IU6] is
ignored by the interrupt controller.
Note that setting IUM6 does not affect the current state of the status bit
or the ability of the LCD controller to set and clear it; it only blocks the
generation of the interrupt request.
0 = FIFO underrun errors generate an interrupt (state of LCSR1[IU6]
sent to the interrupt controller).
1 = FIFO underrun errors do not generate an interrupt (LCSR1[IU6]
ignored).
28 R/W IUM5
Input FIFO Underrun Mask for Cursor
The Input FIFO Underrun Mask bit (IUM5) masks interrupt requests that
are asserted whenever an input FIFO underrun error occurs. When
IUM5 is cleared, underrun interrupts are enabled, and whenever
LCSR1[IU5] is set, an interrupt request is made to the interrupt
controller.
When IUM5 is set, underrun interrupts are masked; LCSR1[IU5] is
ignored by the interrupt controller.
Note that setting IUM5 does not affect the current state of the status bit
or the ability of the LCD controller to set and clear it; it only blocks the
generation of the interrupt request.
0 = FIFO underrun errors generate an interrupt (state of LCSR1[IU5]
sent to the interrupt controller.
1 = FIFO underrun errors do not generate an interrupt (LCSR1[IU5] =
ignored).
7-80 Intel® PXA27x Processor Family Developer’s Manual
LCD Controller
27 R/W IUM4
Input FIFO Underrun Mask Overlay 2
The Input FIFO Underrun Mask bit (IUM4) masks interrupt requests that
are asserted whenever an input FIFO underrun error occurs. When
IUM4 is cleared, underrun interrupts are enabled, and whenever
LCSR1[IU4] is set, an interrupt request is made to the interrupt
controller.
When IUM4 is set, underrun interrupts are masked; LCSR1[IU4] is
ignored by the interrupt controller.
Note that setting IUM4 does not affect the current state of the status bit
or the ability of the LCD controller to set and clear it; it only blocks the
generation of the interrupt request.
0 = FIFO underrun errors generate an interrupt (state of LCSR1[IU4]
sent to the interrupt controller).
1 = FIFO underrun errors do not generate an interrupt (LCSR1[IU4]
ignored).
26 R/W IUM3
Input FIFO Underrun Mask for Overlay 2
The Input FIFO Underrun Mask bit (IUM3) masks interrupt requests that
are asserted whenever an input FIFO underrun error occurs. When
IUM3 is cleared, underrun interrupts are enabled, and whenever
LCSR1[IU3] is set, an interrupt request is made to the interrupt
controller.
When IUM3 is set, underrun interrupts are masked;LCSR1[IU3] is
ignored by the interrupt controller.
Note that setting IUM3 does not affect the current state of the status bit
or the ability of the LCD controller to set and clear it; it only blocks the
generation of the interrupt request.
0 = FIFO underrun errors generate an interrupt (state of LCSR1[IU3]
sent to the interrupt controller).
1 = FIFO underrun errors do not generate an interrupt (LCSR1[IU3]
ignored).
Table 7-45. LCCR5 Bit Definitions (Sheet 2 of 13)
Physical Address
0x4400_0014 LCCR5 LCD Controller
User
Settings
Bit 31 30 29 28 27 26 25 24 23 22 21 20 19 18 17 16 15 14 13 12 11 10 9 8 7 6 5 4 3 2 1 0
reserved
IUM6
IUM5
IUM4
IUM3
IUM2
IUM1
reserved
BSM6
BSM5
BSM4
BSM3
BSM2
BSM1
reserved
EOFM6
EOFM5
EOFM4
EOFM3
EOFM2
EOFM1
reserved
SOFM6
SOFM5
SOFM4
SOFM3
SOFM2
SOFM1
Reset ? ? 0 0 0 0 0 0 ? ? 0 0 0 0 0 0 ? ? 0 0 0 0 0 0 ? ? 0 0 0 0 0 0
Bits Access Name Description
Intel® PXA27x Processor Family Developer’s Manual 7-81
LCD Controller
25 R/W IUM2
Input FIFO Underrun Mask for Overlay 2
The Input FIFO Underrun Mask bit (IUM2) masks interrupt requests that
are asserted whenever an input FIFO underrun error occurs. When
IUM2 is cleared, underrun interrupts are enabled, and whenever
LCSR1[IU2] is set, an interrupt request is made to the interrupt
controller.
When IUM2 is set, underrun interrupts are masked; LCSR1[IU2] is
ignored by the interrupt controller.
Note that setting IUM2 does not affect the current state of the status bit
or the ability of the LCD controller to set and clear it; it only blocks the
generation of the interrupt request.
0 = FIFO underrun errors generate an interrupt (state of LCSR1[IU2]
sent to the interrupt controller).
1 = FIFO underrun errors do not generate an interrupt (LCSR1[IU2]
status bits ignored).
24 R/W IUM1
Input FIFO Underrun Mask for Overlay 1 (When Enabled)
The input FIFO Underrun Mask bit (IUM1) masks interrupt requests that
are asserted whenever an input FIFO underrun error (Overlay 1
enabled) occurs. When IUM1 is cleared, underrun interrupts are
enabled, and whenever LCSR0[IU1] is set, an interrupt request is made
to the interrupt controller.
When IUM1 is set, underrun interrupts are masked; LCSR0[IU1] is
ignored by the interrupt controller.
Note that setting IUM6 does not affect the current state of the status bits
or the ability of the LCD controller to set and clear it; it only blocks the
generation of the interrupt request.
0 = FIFO underrun errors generate an interrupt (state of LCSR0[IU1]
status sent to the interrupt controller).
1 = FIFO underrun errors do not generate an interrupt (LCSR0[IU1]
status bits ignored).
23:22 — reserved
Table 7-45. LCCR5 Bit Definitions (Sheet 3 of 13)
Physical Address
0x4400_0014 LCCR5 LCD Controller
User
Settings
Bit 31 30 29 28 27 26 25 24 23 22 21 20 19 18 17 16 15 14 13 12 11 10 9 8 7 6 5 4 3 2 1 0
reserved
IUM6
IUM5
IUM4
IUM3
IUM2
IUM1
reserved
BSM6
BSM5
BSM4
BSM3
BSM2
BSM1
reserved
EOFM6
EOFM5
EOFM4
EOFM3
EOFM2
EOFM1
reserved
SOFM6
SOFM5
SOFM4
SOFM3
SOFM2
SOFM1
Reset ? ? 0 0 0 0 0 0 ? ? 0 0 0 0 0 0 ? ? 0 0 0 0 0 0 ? ? 0 0 0 0 0 0
Bits Access Name Description
7-82 Intel® PXA27x Processor Family Developer’s Manual
LCD Controller
21 R/W BSM6
Branch Mask for Command Register (DMA Channel 6)
The Branch Status Mask (BSM6) bit masks the interrupt requests that
are asserted after branching to a new frame. When BSM6 is cleared,
branch status interrupts are enabled, and whenever the branch status
bit (LCSR1[BS6]) is set, an interrupt request is made to the interrupt
controller.
When BSM6 is set, the branch status interrupt is masked; the state of
the branch status bit is ignored by the interrupt controller.
Note that setting BSM6 does not affect the current state of LCSR1[BS6]
or the ability of the LCD controller to set and clear LCSR1[BS6]; it only
blocks the generation of the interrupt request.
0 = Generates an interrupt after branching to a new frame (state of
LCSR1[BS6] sent to the interrupt controller).
1 = BS condition does not generate an interrupt (LCSR1[BS6]
ignored).
20 R/W BSM5
Branch Mask for Cursor (DMA Channel 5)
The Branch Status Mask (BSM5) bit masks the interrupt requests that
are asserted after branching to a new frame. When BSM5 is cleared,
branch status interrupts are enabled, and whenever the branch status
bit (LCSR1[BS5]) is set, an interrupt request is made to the interrupt
controller.
When BSM5 is set, the branch status interrupt is masked; the state of
the branch status bit is ignored by the interrupt controller.
Note that setting BSM5 does not affect the current state of LCSR1[BS5]
or the ability of the LCD controller to set and clear LCSR1[BS5]; it only
blocks the generation of the interrupt request.
0 = Generates an interrupt after branching to a new frame (state of
LCSR1[BS5] sent to the interrupt controller).
1 = BS condition does not generate an interrupt (LCSR1[BS5]
ignored).
Table 7-45. LCCR5 Bit Definitions (Sheet 4 of 13)
Physical Address
0x4400_0014 LCCR5 LCD Controller
User
Settings
Bit 31 30 29 28 27 26 25 24 23 22 21 20 19 18 17 16 15 14 13 12 11 10 9 8 7 6 5 4 3 2 1 0
reserved
IUM6
IUM5
IUM4
IUM3
IUM2
IUM1
reserved
BSM6
BSM5
BSM4
BSM3
BSM2
BSM1
reserved
EOFM6
EOFM5
EOFM4
EOFM3
EOFM2
EOFM1
reserved
SOFM6
SOFM5
SOFM4
SOFM3
SOFM2
SOFM1
Reset ? ? 0 0 0 0 0 0 ? ? 0 0 0 0 0 0 ? ? 0 0 0 0 0 0 ? ? 0 0 0 0 0 0
Bits Access Name Description
Intel® PXA27x Processor Family Developer’s Manual 7-83
LCD Controller
19 R/W BSM4
Branch Mask for Overlay 2 (DMA Channel 4)
The Branch Status Mask (BSM4) bit masks the interrupt requests that
are asserted after branching to a new frame. When BSM4 is cleared,
branch status interrupts are enabled, and whenever the branch status
bit (LCSR1[BS4]) is set, an interrupt request is made to the interrupt
controller.
When BSM4 is set, the branch status interrupt is masked; the state of
the branch status bit is ignored by the interrupt controller.
Note that setting BSM4 does not affect the current state of LCSR1[BS4]
or the ability of the LCD controller to set and clear LCSR1[BS4]; it only
blocks the generation of the interrupt request.
0 = Generates an interrupt after branching to a new frame (state of
LCSR1[BS4] sent to the interrupt controller).
1 = BS condition does not generate an interrupt (LCSR1[BS4]
ignored).
18 R/W BSM3
Branch Mask for Overlay 2 (DMA Channel 3)
The Branch Status Mask (BSM3) bit masks the interrupt requests that
are asserted after branching to a new frame. When BSM3 is cleared,
branch status interrupts are enabled, and whenever the branch status
bit (LCSR1[BS3]) is set, an interrupt request is made to the interrupt
controller.
When BSM3 is set, the branch status interrupt is masked; the state of
the branch status bit is ignored by the interrupt controller.
Note that setting BSM3 does not affect the current state of LCSR1[BS3]
or the ability of the LCD controller to set and clear LCSR1[BS3]; it only
blocks the generation of the interrupt request.
0 = Generates an interrupt after branching to a new frame (state of
LCSR1[BS3] sent to the interrupt controller).
1 = BS condition does not generate an interrupt (LCSR1[BS3]
ignored).
Table 7-45. LCCR5 Bit Definitions (Sheet 5 of 13)
Physical Address
0x4400_0014 LCCR5 LCD Controller
User
Settings
Bit 31 30 29 28 27 26 25 24 23 22 21 20 19 18 17 16 15 14 13 12 11 10 9 8 7 6 5 4 3 2 1 0
reserved
IUM6
IUM5
IUM4
IUM3
IUM2
IUM1
reserved
BSM6
BSM5
BSM4
BSM3
BSM2
BSM1
reserved
EOFM6
EOFM5
EOFM4
EOFM3
EOFM2
EOFM1
reserved
SOFM6
SOFM5
SOFM4
SOFM3
SOFM2
SOFM1
Reset ? ? 0 0 0 0 0 0 ? ? 0 0 0 0 0 0 ? ? 0 0 0 0 0 0 ? ? 0 0 0 0 0 0
Bits Access Name Description
7-84 Intel® PXA27x Processor Family Developer’s Manual
LCD Controller
17 R/W BSM2
Branch Mask for Overlay 2 (DMA Channel 2)
The Branch Status Mask (BSM2) bit masks the interrupt requests that
are asserted after branching to a new frame. When BSM2 is cleared,
branch status interrupts are enabled, and whenever the branch status
bit (LCSR1[BS2]) is set, an interrupt request is made to the interrupt
controller.
When BSM2 is set, the branch status interrupt is masked; the state of
the branch status bit is ignored by the interrupt controller.
Note that setting BSM2 does not affect the current state of LCSR1[BS2]
or the ability of the LCD controller to set and clear LCSR1[BS2]; it only
blocks the generation of the interrupt request.
0 = Generates an interrupt after branching to a new frame (state of
LCSR1[BS2] sent to the interrupt controller).
1 = BS condition does not generate an interrupt (LCSR1[BS2]
ignored).
16 R/W BSM1
Branch Mask for Overlay 1 (DMA Channel 1)
The Branch Status Mask (BSM1) bit masks the interrupt requests that
are asserted after branching to a new frame. When BSM1 is cleared,
branch status interrupts are enabled, and whenever the branch status
bit (LCSR1[BS1]) is set, an interrupt request is made to the interrupt
controller.
When BSM1 is set, the branch status interrupt is masked; the state of
the branch status bit is ignored by the interrupt controller.
Note that setting BSM1 does not affect the current state of LCSR1[BS1]
or the ability of the LCD controller to set and clear LCSR1[BS1]; it only
blocks the generation of the interrupt request.
0 = Generates an interrupt after branching to a new frame (state of
LCSR1[BS1] sent to the interrupt controller).
1 = BS condition does not generate an interrupt (LCSR1[BS1]
ignored).
15:14 — reserved
Table 7-45. LCCR5 Bit Definitions (Sheet 6 of 13)
Physical Address
0x4400_0014 LCCR5 LCD Controller
User
Settings
Bit 31 30 29 28 27 26 25 24 23 22 21 20 19 18 17 16 15 14 13 12 11 10 9 8 7 6 5 4 3 2 1 0
reserved
IUM6
IUM5
IUM4
IUM3
IUM2
IUM1
reserved
BSM6
BSM5
BSM4
BSM3
BSM2
BSM1
reserved
EOFM6
EOFM5
EOFM4
EOFM3
EOFM2
EOFM1
reserved
SOFM6
SOFM5
SOFM4
SOFM3
SOFM2
SOFM1
Reset ? ? 0 0 0 0 0 0 ? ? 0 0 0 0 0 0 ? ? 0 0 0 0 0 0 ? ? 0 0 0 0 0 0
Bits Access Name Description
Intel® PXA27x Processor Family Developer’s Manual 7-85
LCD Controller
13 R/W EOFM6
End Of Frame Mask for Command Data (DMA Channel 6)
The End Of Frame Mask (EOFM6) bit masks interrupt requests that are
asserted at the end of each frame (when the DMA length of transfer
counter decrements to zero). When EOFM6 is cleared, the interrupt is
enabled, and whenever the end of the frame status bit (LCSR1[EOF6])
is cleared an interrupt request is made to the interrupt controller.
When EOFM6 is set, the interrupt is masked and LCSR1[EOF6] is
ignored by the interrupt controller.
Note that setting EOFM6 does not affect the current state of
LCSR1[EOF6] or the ability of the LCD controller to set and clear
LCSR1[EOF6]; it only blocks the generation of the interrupt request.
0 = Generates an interrupt at the end of a frame (state of
LCSR1[EOF6] sent to the interrupt controller).
1 = EOF condition does not generate an interrupt (LCSR1[EOF6]
ignored).
12 R/W EOFM5
End of Frame Mask for Cursor (DMA Channel 5)
The End Of Frame Mask (EOFM5) bit masks interrupt requests that are
asserted at the end of each frame (when the DMA length of transfer
counter decrements to zero). When EOFM5 is cleared, the interrupt is
enabled, and whenever the end of the frame status bit (LCSR1[EOF5])
is cleared an interrupt request is made to the interrupt controller.
When EOFM5 is set, the interrupt is masked and LCSR1[EOF5] is
ignored by the interrupt controller.
Note that setting EOFM5 does not affect the current state of
LCSR1[EOF5] or the ability of the LCD controller to set and clear
LCSR1[EOF5]; it only blocks the generation of the interrupt request.
0 = Generates an interrupt at the end of a frame (state of
LCSR1[EOF5] sent to the interrupt controller).
1 = EOF condition does not generate an interrupt (LCSR1[EOF5]
ignored).
Table 7-45. LCCR5 Bit Definitions (Sheet 7 of 13)
Physical Address
0x4400_0014 LCCR5 LCD Controller
User
Settings
Bit 31 30 29 28 27 26 25 24 23 22 21 20 19 18 17 16 15 14 13 12 11 10 9 8 7 6 5 4 3 2 1 0
reserved
IUM6
IUM5
IUM4
IUM3
IUM2
IUM1
reserved
BSM6
BSM5
BSM4
BSM3
BSM2
BSM1
reserved
EOFM6
EOFM5
EOFM4
EOFM3
EOFM2
EOFM1
reserved
SOFM6
SOFM5
SOFM4
SOFM3
SOFM2
SOFM1
Reset ? ? 0 0 0 0 0 0 ? ? 0 0 0 0 0 0 ? ? 0 0 0 0 0 0 ? ? 0 0 0 0 0 0
Bits Access Name Description
7-86 Intel® PXA27x Processor Family Developer’s Manual
LCD Controller
11 R/W EOFM4
End Of Frame Mask for Overlay 2 (DMA Channel 4)
The End Of Frame Mask (EOFM4) bit masks interrupt requests that are
asserted at the end of each frame (when the DMA length of transfer
counter decrements to zero). When EOFM4 is cleared, the interrupt is
enabled, and whenever LCSR1[EOF4] is cleared, an interrupt request
is made to the interrupt controller.
When EOFM4 is set, the interrupt is masked and LCSR1[EOF4] is
ignored by the interrupt controller.
Note that setting EOFM4 does not affect the current state of
LCSR1[EOF4] or the ability of the LCD controller to set and clear
LCSR1[EOF4]; it only blocks the generation of the interrupt request.
0 = Generates an interrupt at the end of a frame (state of
LCSR1[EOF4] sent to the interrupt controller).
1 = EOF condition does not generate an interrupt (LCSR1[EOF4]
ignored).
10 R/W EOFM3
End Of Frame Mask for Overlay 2 (DMA Channel 3)
The End Of Frame Mask (EOFM3) bit masks interrupt requests that are
asserted at the end of each frame (when the DMA length of transfer
counter decrements to zero). When EOFM3 is cleared, the interrupt is
enabled, and whenever LCSR1[EOF3] is cleared, an interrupt request
is made to the interrupt controller.
When EOFM3 is set, the interrupt is masked and LCSR1[EOF3] is
ignored by the interrupt controller.
Note that setting EOFM3 does not affect the current state of
LCSR1[EOF3] or the ability of the LCD controller to set and clear
LCSR1[EOF3]; it only blocks the generation of the interrupt request.
0 = Generates an interrupt at the end of a frame (state of
LCSR1[EOF3] sent to the interrupt controller).
1 = EOF condition does not generate an interrupt (LCSR1[EOF3]
ignored).
Table 7-45. LCCR5 Bit Definitions (Sheet 8 of 13)
Physical Address
0x4400_0014 LCCR5 LCD Controller
User
Settings
Bit 31 30 29 28 27 26 25 24 23 22 21 20 19 18 17 16 15 14 13 12 11 10 9 8 7 6 5 4 3 2 1 0
reserved
IUM6
IUM5
IUM4
IUM3
IUM2
IUM1
reserved
BSM6
BSM5
BSM4
BSM3
BSM2
BSM1
reserved
EOFM6
EOFM5
EOFM4
EOFM3
EOFM2
EOFM1
reserved
SOFM6
SOFM5
SOFM4
SOFM3
SOFM2
SOFM1
Reset ? ? 0 0 0 0 0 0 ? ? 0 0 0 0 0 0 ? ? 0 0 0 0 0 0 ? ? 0 0 0 0 0 0
Bits Access Name Description
Intel® PXA27x Processor Family Developer’s Manual 7-87
LCD Controller
9R/WEOFM2
End Of Frame Mask for Overlay 2 (DMA Channel 2)
The End Of Frame Mask bit masks interrupt requests that are asserted
at the end of each frame (when the DMA length of transfer counter
decrements to zero). When EOFM2 is cleared, the interrupt is enabled,
and whenever LCSR1[EOF2] is cleared, an interrupt request is made to
the interrupt controller.
When EOFM2 is set, the interrupt is masked and the state of
LCSR1[EOF2] is ignored by the interrupt controller.
Note that setting EOFM2 does not affect the current state of
LCSR1[EOF2] or the ability of the LCD controller to set and clear
LCSR1[EOF2]; it only blocks the generation of the interrupt request.
0 = Generates an interrupt at the end of a frame (state of
LCSR1[EOF2] sent to the interrupt controller).
1 = EOF condition does not generate an interrupt (LCSR1[EOF2]
ignored).
8R/WEOFM1
End Of Frame Mask for Overlay 1 (DMA Channel 1)
The End Of Frame Mask bit masks interrupt requests that are asserted
at the end of each frame (when the DMA length of transfer counter
decrements to zero). When EOFM1 is cleared, the interrupt is enabled,
and whenever LCSR1[EOF1] is cleared, an interrupt request is made to
the interrupt controller.
When EOFM1 is set, the interrupt is masked and the state of
LCSR1[EOF1] is ignored by the interrupt controller.
Note that setting EOFM1 does not affect the current state of
LCSR1[EOF1] or the ability of the LCD controller to set and clear
LCSR1[EOF1]; it only blocks the generation of the interrupt request.
0 = Generates an interrupt at the end of a frame (state of
LCSR1[EOF1] sent to the interrupt controller).
1 = EOF condition does not generate an interrupt
(LCSR1[EOF1] ignored).
7:6 — reserved
Table 7-45. LCCR5 Bit Definitions (Sheet 9 of 13)
Physical Address
0x4400_0014 LCCR5 LCD Controller
User
Settings
Bit 31 30 29 28 27 26 25 24 23 22 21 20 19 18 17 16 15 14 13 12 11 10 9 8 7 6 5 4 3 2 1 0
reserved
IUM6
IUM5
IUM4
IUM3
IUM2
IUM1
reserved
BSM6
BSM5
BSM4
BSM3
BSM2
BSM1
reserved
EOFM6
EOFM5
EOFM4
EOFM3
EOFM2
EOFM1
reserved
SOFM6
SOFM5
SOFM4
SOFM3
SOFM2
SOFM1
Reset ? ? 0 0 0 0 0 0 ? ? 0 0 0 0 0 0 ? ? 0 0 0 0 0 0 ? ? 0 0 0 0 0 0
Bits Access Name Description
7-88 Intel® PXA27x Processor Family Developer’s Manual
LCD Controller
5R/WSOFM6
Start Of Frame Mask for Command Data (DMA Channel 6)
The start of frame interrupt mask (SOFM6) bit masks interrupt requests
that are asserted at the beginning of each frame when the LCD Frame
Descriptor has been loaded into the internal DMA registers. When
SOFM6 is cleared, the interrupt is enabled, and whenever
LCSR1[SOF6] is set, an interrupt request is made to the interrupt
controller.
When SOFM6 is set, the interrupt is masked and the state of
LCSR1[SOF6] is ignored by the interrupt controller.
Note that setting SOFM6 does not affect the current state of
LCSR1[SOF6] or the ability of the LCD controller to set and clear
LCSR1[SOF6]; it only blocks the generation of interrupt requests.
0 = Starting a new frame for command data (after loading frame
Descriptor) generates an interrupt (state of LCSR1[SOF6] sent to
the interrupt controller).
1 = SOF condition does not generate an interrupt (LCSR1[SOF6]
ignored).
4R/WSOFM5
Start Of Frame Mask for Cursor (DMA Channel 5)
The start of frame interrupt mask (SOFM5) bit masks interrupt requests
that are asserted at the beginning of each frame when the LCD Frame
Descriptor has been loaded into the internal DMA registers. When
SOFM5 is cleared, the interrupt is enabled, and whenever
LCSR1[SOF5] is set, an interrupt request is made to the interrupt
controller.
When SOFM5 is set, the interrupt is masked and the state of
LCSR1[SOF5] is ignored by the interrupt controller.
Note that setting SOFM5 does not affect the current state of
LCSR1[SOF5] or the ability of the LCD controller to set and clear
LCSR1[SOF5]; it only blocks the generation of interrupt requests.
0 = Starting a new frame for cursor (after loading frame Descriptor)
generates an interrupt (state of LCSR1[SOF5] sent to the
interrupt controller).
1 = SOF condition does not generate an interrupt (LCSR1[SOF5]
ignored).
Table 7-45. LCCR5 Bit Definitions (Sheet 10 of 13)
Physical Address
0x4400_0014 LCCR5 LCD Controller
User
Settings
Bit 31 30 29 28 27 26 25 24 23 22 21 20 19 18 17 16 15 14 13 12 11 10 9 8 7 6 5 4 3 2 1 0
reserved
IUM6
IUM5
IUM4
IUM3
IUM2
IUM1
reserved
BSM6
BSM5
BSM4
BSM3
BSM2
BSM1
reserved
EOFM6
EOFM5
EOFM4
EOFM3
EOFM2
EOFM1
reserved
SOFM6
SOFM5
SOFM4
SOFM3
SOFM2
SOFM1
Reset ? ? 0 0 0 0 0 0 ? ? 0 0 0 0 0 0 ? ? 0 0 0 0 0 0 ? ? 0 0 0 0 0 0
Bits Access Name Description
Intel® PXA27x Processor Family Developer’s Manual 7-89
LCD Controller
3R/WSOFM4
Start Of Frame Mask for Overlay 2 (DMA Channel 4)
The start of frame interrupt mask (SOFM4) bit masks interrupt requests
that are asserted at the beginning of each frame when the LCD Frame
Descriptor has been loaded into the internal DMA registers. When
SOFM4 is cleared, the interrupt is enabled, and whenever
LCSR1[SOF4] is set, an interrupt request is made to the interrupt
controller.
When SOFM4 is set, the interrupt is masked and the state of
LCSR1[SOF4] is ignored by the interrupt controller.
Note that setting SOFM4 does not affect the current state of
LCSR1[SOF4] or the ability of the LCD controller to set and clear
LCSR1[SOF4]; it only blocks the generation of interrupt requests.
0 = Starting a new frame for Overlay 2 (after loading frame
Descriptor) generates an interrupt (state of LCSR1[SOF4] sent to
the interrupt controller).
1 = SOF condition does not generate an interrupt (LCSR1[SOF4]
ignored).
Table 7-45. LCCR5 Bit Definitions (Sheet 11 of 13)
Physical Address
0x4400_0014 LCCR5 LCD Controller
User
Settings
Bit 31 30 29 28 27 26 25 24 23 22 21 20 19 18 17 16 15 14 13 12 11 10 9 8 7 6 5 4 3 2 1 0
reserved
IUM6
IUM5
IUM4
IUM3
IUM2
IUM1
reserved
BSM6
BSM5
BSM4
BSM3
BSM2
BSM1
reserved
EOFM6
EOFM5
EOFM4
EOFM3
EOFM2
EOFM1
reserved
SOFM6
SOFM5
SOFM4
SOFM3
SOFM2
SOFM1
Reset ? ? 0 0 0 0 0 0 ? ? 0 0 0 0 0 0 ? ? 0 0 0 0 0 0 ? ? 0 0 0 0 0 0
Bits Access Name Description
7-90 Intel® PXA27x Processor Family Developer’s Manual
LCD Controller
2R/WSOFM3
Start Of Frame Mask for Overlay 2 (DMA Channel 3)
This bit masks interrupt requests that are asserted at the beginning of
each frame when the LCD Frame Descriptor has been loaded into the
internal DMA registers. When SOFM3 is cleared, the interrupt is
enabled, and whenever LCSR1[SOF3] is set, an interrupt request is
made to the interrupt controller.
When SOFM3 is set, the interrupt is masked and the state of
LCSR1[SOF3] is ignored by the interrupt controller.
Note that setting SOFM3 does not affect the current state of
LCSR1[SOF3] or the ability of the LCD controller to set and clear
LCSR1[SOF3]; it only blocks the generation of interrupt requests.
0 = Starting a new frame for Overlay 2 (after loading frame
Descriptor) generates an interrupt (state of LCSR1[SOF3] sent to
the interrupt controller).
1 = SOF condition does not generate an interrupt (LCSR1[SOF3]
ignored).
1R/WSOFM2
Start Of Frame Mask for Overlay 2 (DMA Channel 2)
This bit masks interrupt requests that are asserted at the beginning of
each frame when the LCD Frame Descriptor has been loaded into the
internal DMA registers. When SOFM2 is cleared, the interrupt is
enabled, and whenever LCSR1[SOF2] is set, an interrupt request is
made to the interrupt controller.
When SOFM2 is set, the interrupt is masked and the state of
LCSR1[SOF2] is ignored by the interrupt controller.
Note that setting SOFM2 does not affect the current state of
LCSR1[SOF2] or the ability of the LCD controller to set and clear
LCSR1[SOF2]; it only blocks the generation of interrupt requests.
0 = Starting a new frame for Overlay 2 (after loading frame
Descriptor) generates an interrupt (state of LCSR1[SOF2] sent to
the interrupt controller).
1 = SOF condition does not generate an interrupt (LCSR1[SOF2]
ignored).
Table 7-45. LCCR5 Bit Definitions (Sheet 12 of 13)
Physical Address
0x4400_0014 LCCR5 LCD Controller
User
Settings
Bit 31 30 29 28 27 26 25 24 23 22 21 20 19 18 17 16 15 14 13 12 11 10 9 8 7 6 5 4 3 2 1 0
reserved
IUM6
IUM5
IUM4
IUM3
IUM2
IUM1
reserved
BSM6
BSM5
BSM4
BSM3
BSM2
BSM1
reserved
EOFM6
EOFM5
EOFM4
EOFM3
EOFM2
EOFM1
reserved
SOFM6
SOFM5
SOFM4
SOFM3
SOFM2
SOFM1
Reset ? ? 0 0 0 0 0 0 ? ? 0 0 0 0 0 0 ? ? 0 0 0 0 0 0 ? ? 0 0 0 0 0 0
Bits Access Name Description
Intel® PXA27x Processor Family Developer’s Manual 7-91
LCD Controller
7.5.8 Overlay 1 Control Register 1 (OVL1C1)
Overlay 1 Control register 1 (OVL1C1) (Table 7-46) contains bit fields that enable and set the size
and pixel format for Overlay 1 window.
This is a read/write register. Ignore reads from reserved bits. Write 0b0 to reserved bits.
0R/WSOFM1
Start Of Frame Mask for Overlay 1 (DMA Channel 1)
This bit masks interrupt requests that are asserted at the beginning of
each frame when the LCD Frame Descriptor has been loaded into the
internal DMA registers. When SOFM1 is cleared, the interrupt is
enabled, and whenever LCSR1[SOF1] is set, an interrupt request is
made to the interrupt controller.
When SOFM1 is set, the interrupt is masked and the state of
LCSR1[SOF1] is ignored by the interrupt controller.
Note that setting SOFM1 does not affect the current state of
LCSR1[SOF1] or the ability of the LCD controller to set and clear
LCSR1[SOF1]; it only blocks the generation of interrupt requests.
0 = Starting a new frame for Overlay 1 (after loading frame
Descriptor) generates an interrupt (state of LCSR1[SOF1] sent to
the interrupt controller).
1 = SOF condition does not generate an interrupt (LCSR1[SOF1]
ignored).
Table 7-45. LCCR5 Bit Definitions (Sheet 13 of 13)
Physical Address
0x4400_0014 LCCR5 LCD Controller
User
Settings
Bit 31 30 29 28 27 26 25 24 23 22 21 20 19 18 17 16 15 14 13 12 11 10 9 8 7 6 5 4 3 2 1 0
reserved
IUM6
IUM5
IUM4
IUM3
IUM2
IUM1
reserved
BSM6
BSM5
BSM4
BSM3
BSM2
BSM1
reserved
EOFM6
EOFM5
EOFM4
EOFM3
EOFM2
EOFM1
reserved
SOFM6
SOFM5
SOFM4
SOFM3
SOFM2
SOFM1
Reset ? ? 0 0 0 0 0 0 ? ? 0 0 0 0 0 0 ? ? 0 0 0 0 0 0 ? ? 0 0 0 0 0 0
Bits Access Name Description
7-92 Intel® PXA27x Processor Family Developer’s Manual
LCD Controller
Table 7-46. OVL1C1 Bit Definitions
Physical Address
0x4400_0050 OVL1C1 LCD Controller
User
Settings
Bit 31 30 29 28 27 26 25 24 23 22 21 20 19 18 17 16 15 14 13 12 11 10 9 8 7 6 5 4 3 2 1 0
O1EN
reserved BPP1 LPO1 PPL1
Reset 0 ? ? ? ? ? ? ? 0 0 1 0 0 0 0 0 0 0 0 0 0 0 0 0 0 0 0 0 0 0 0 0
Bits Access Name Description
31 R/W O1EN
Enable bit for Overlay 1
Enables or disables the display of the Overlay 1. When it is set, the
display of the Overlay 1 frame is enabled. When is clear, the display of
Overlay 1 frame is disabled.
0 = Overlay 1 is disabled.
1 = Overlay 1 is enabled.
30:24 — reserved
23:20 R/W BPP1
Bits per Pixel for Overlay 1
Specifies the pixel depth of each pixel stored in the memory. Pixel
depths of 4 and 8 bpp require the internal palette RAM be loaded before
pixels can be displayed on the screen.
0b0000 = 24 Bit mode without transparency bit.
0b0010 = 4-bits/pixel [16 entry, 32 or 64 byte palette buffer]
0b0011 = 8-bits/pixel [256 entry, 512 or 1024 byte palette buffer]
0b0100 = 16-bits/pixel [no palette buffer]
0b0101 = 18 bits/pixel unpacked [no palette buffer]
0b0110 = 18-bits/pixel packed [no palette buffer]
0b0111 = 19-bits/pixel unpacked [no palette buffer]
0b1000 = 19 bits/pixel packed [no palette buffer]
0b1001 = 24-bits/pixel [no palette buffer]
0b1010 = 25-bits/pixel [no palette buffer]
others = reserved
When BPP1 = 0x0, Overlay 1 is configured for 24 bpp mode with
transparency enabled and with 8 bits each of red, green and blue. In this
mode the transparency bit T does not exist, but transparency is enabled.
19:10 R/W LPO1
Number of Lines for Overlay 1
Specifies the number line or rows present in the Overlay 1 frame. This
also represents the size of the overlay in the vertical direction. LPO1 is a
10-bit value that represents between 1 and 600 lines per screen.
Specifies the size of the Overlay 1 window in the vertical direction. This
is programmed with the value from 0 to 599.
Actual number of line = LPO1 +1
9:0 R/W PPL1
Pixels per Line for Overlay 1 Frame
Specifies the number of pixels in each line or row for the Overlay 1
frame. PPL1 is a 10-bit value that represents between 1 and 800 pixels
per line. See Section 7.4.13 for the restrictions on pixels per line.
Value (from 0 to 799) specifies the number of pixels contained within
each line for the Overlay 1 frame.
Actual pixel per line = (PPL1 +1)
Intel® PXA27x Processor Family Developer’s Manual 7-93
LCD Controller
7.5.9 Overlay 1 Control Register 2 (OVL1C2)
Overlay 1 Control register 2 (OVL1C2) (Table 7-47) contains bit fields that are programmed to set
the position of Overlay 1 on the panel display.
This is a read/write register. Ignore reads from reserved bits. Write 0b0 to reserved bits.
Table 7-47. OVL1C2 Bit Definitions
Physical Address
0x4400_0060 OVL1C2 LCD Controller
User
Settings
Bit 31 30 29 28 27 26 25 24 23 22 21 20 19 18 17 16 15 14 13 12 11 10 9 8 7 6 5 4 3 2 1 0
reserved O1YPOS O1XPOS
Reset ? ? ? ? ? ? ? ? ? ? ? ? 0 0 0 0 0 0 0 0 0 0 0 0 0 0 0 0 0 0 0 0
Bits Access Name Description
31:20 — reserved
19:10 R/W O1YPOS
Vertical Position of the Upper Left-Most Pixel of Overlay 1 Window
The Vertical Position of the Overlay 1 (O1YPOS) bit field specifies the
vertical position of the Overlay 1 window. The vertical position of the
window is the Y-coordinate of the upper left-most pixel, with respect to
the origin of the screen. The origin (0, 0) of the screen is the top left
most corner. O1YPOS is 10-bit value that represents a value between 1
to 600.
Value (from 0 to 599). Actual vertical position = (O1YPOS+1).
9:0 R/W O1XPOS
Horizontal Position of the Upper Left-Most Pixel of Overlay 1 Window
The Horizontal Position of the Overlay 1 (O1XPOS) bit field specifies
the horizontal position of the Overlay 1 window. The horizontal position
of the window is the X-coordinate of the upper left-most pixel, with
respect to the origin of the screen. The origin (0, 0) of the screen is top
left most corner. O1XPOS is 10-bit value that represents a value
between 1 to 800.
Value (from 0 to 799). Actual horizontal position = (O1XPOS+1).
7-94 Intel® PXA27x Processor Family Developer’s Manual
LCD Controller
7.5.10 Overlay 2 Control Register 1 (OVL2C1)
Overlay 2 Control register 1 (OVL2C1) (Table 7-48) contains bit fields that enable and set the size
and pixel format for Overlay 2 window.
This is a read/write register. Ignore reads from reserved bits. Write 0b0 to reserved bits.
Table 7-48. OVL2C1 Bit Definitions (Sheet 1 of 2)
Physical Address
0x4400_0070 OVL2C1 LCD Controller
User
Settings
Bit 31 30 29 28 27 26 25 24 23 22 21 20 19 18 17 16 15 14 13 12 11 10 9 8 7 6 5 4 3 2 1 0
O2EN
reserved BPP2 LPO2 PPL2
Reset 0 ? ? ? ? ? ? ? 0 0 1 0 0 0 0 0 0 0 0 0 0 0 0 0 0 0 0 0 0 0 0 0
Bits Access Name Description
31 R/W O2EN
Overlay 2 Enable
The Overlay 2 enable (O2EN) bit enables or disables the display of the
Overlay. When set, the display of the Overlay 2 is enabled. When is
clear, the display is disabled.
0 = Overlay 2 is disabled.
1 = Overlay 2 is enabled.
30:24 — reserved
23:20 R/W BPP2
Bits per Pixel for Overlay 2
BPP2 specifies the pixel depth of each pixel stored in the internal or the
external memory for the Overlay 2 frame. Pixel depths of 4 and 8 bpp
require the internal palette RAM be loaded before pixels can be
displayed on the screen.
0b0010 = 4-bits/pixel [16 entry, 32 or 64 byte palette buffer]
0b0011 = 8-bits/pixel [256 entry, 512 or 1024 byte palette buffer]
0b0100 = 16-bits/pixel [no palette buffer]
0b0101 = 18 bits/pixel, unpacked [no palette buffer]
0b0110 = 18-bits/pixel, packed [no palette buffer]
0b0111 = 19-bits/pixel, unpacked [no palette buffer]
0b1000 = 19 bits/pixel, packed [no palette buffer]
0b1001 = 24-bits/pixel [no palette buffer]
0b1010 = 25-bits/pixel [no palette buffer]
others = reserved
NOTE: This bit field is ignored if OVL2C2[FOR] is configured to be any
YCbCr format (0b001–0b100)
19:10 R/W LPO2
Number of Lines for Overlay 2 Frame
The Lines per Overlay 2 (LPO2) bit field specifies the number line or
rows present in the Overlay 2 frame. This also represents the size of
the Overlay in the vertical direction. LPO2[9:0] represents a value
between 1 and 600 lines per screen.
This specifies the size of the Overlay 2 frame in the vertical direction.
This is programmed with the value from 0 to 599.
Actual number of line = LPO2 +1
If YCbCr 4:2:0 planar format is selected, LPO2 must be > 1.
Intel® PXA27x Processor Family Developer’s Manual 7-95
LCD Controller
7.5.11 Overlay 2 Control Register 2 (OVL2C2)
Overlay 2 Control register 2 (OVL2C2) (Table 7-49) contains bit fields that are programmed to set
the format of the pixel data and the position of Overlay 2 on the panel display.
This is a read/write register. Ignore reads from reserved bits. Write 0b0 to reserved bits.
9:0 R/W PPL2
Pixel per Line for Overlay 2 Frame
The Pixels per Line bit field specifies the number of pixels in each line
or row for the Overlay 2 frame. PPL2[9:0] represents a value between 1
and 800 pixels per line. See Section 7.4.13 for the restrictions on pixels
per line.
Value (from 0 to 799). Actual pixel per line = (PPL2+1).
If YCbCr 4:2:2 or 4:2:0 Planar formats are selected, PPL2 must be > 1.
NOTE: 16 pixels for Overlay 2 frame when the data is in 4:2:0 YCbCr
format.
Table 7-48. OVL2C1 Bit Definitions (Sheet 2 of 2)
Physical Address
0x4400_0070 OVL2C1 LCD Controller
User
Settings
Bit 31 30 29 28 27 26 25 24 23 22 21 20 19 18 17 16 15 14 13 12 11 10 9 8 7 6 5 4 3 2 1 0
O2EN
reserved BPP2 LPO2 PPL2
Reset 0 ? ? ? ? ? ? ? 0 0 1 0 0 0 0 0 0 0 0 0 0 0 0 0 0 0 0 0 0 0 0 0
Bits Access Name Description
7-96 Intel® PXA27x Processor Family Developer’s Manual
LCD Controller
Table 7-49. OVL2C2 Bit Definitions
Physical Address
0x4400_0080 OVL2C2 LCD Controller
User
Settings
Bit 31 30 29 28 27 26 25 24 23 22 21 20 19 18 17 16 15 14 13 12 11 10 9 8 7 6 5 4 3 2 1 0
reserved FOR O2YPOS O2XPOS
Reset ? ? ? ? ? ? ? ? ? 0 0 0 0 0 0 0 0 0 0 0 0 0 0 0 0 0 0 0 0 0 0 0
Bits Access Name Description
31:23 — reserved
22:20 R/W FOR
Format
The pixel format (FOR) bit field specifies the format of the pixel data for
Overlay 2. The pixel data can be in RGB or YCbCr format as shown
below.
Specifies the data format stored in the memory
0b000 = RGB
0b001 = YCbCr 4:4:4 Packed
0b010 = YCbCr 4:4:4 Planar
0b011 = YCbCr 4:2:2 Planar
0b100 = YCbCr 4:2:0 Planar
Others = reserved
NOTE: Setting FOR to any YCbCr value (0b001 through 0b100)
causes the value of OVL2C1[BPP2] to be ignored.
19:10 R/W O2YPOS
Vertical Position of Upper Left Most Pixel of Overlay 2
O2YPOS specifies the vertical position of the Overlay 2 frame. The
Vertical position of the Overlay 2 frame is the Y-coordinate of the upper
left-most pixel, with respect to the origin of the screen. O2YPOS[9:0]
represents a value between 1 and 600. Value is between 0 and 599.
The origin (0, 0) of the screen is top left-most corner.
9:0 R/W O2XPOS
Horizontal Position of Upper Left Most Pixel of Overlay 2
O2XPOS specifies the horizontal position of the Overlay 2 frame. The
horizontal position of the frame is the X-coordinate of the upper left-
most pixel, with respect to the origin of the screen. O2XPOS[9:0]
represents a value between 1 to 800. Value is between 0 to 799.
The origin (0, 0) of the screen is top left-most corner.
Intel® PXA27x Processor Family Developer’s Manual 7-97
LCD Controller
7.5.12 Cursor Control Register (CCR)
The Cursor Control register (CCR) (Table 7-50) contains bit fields that enable, configure, and set
the position of the hardware cursor.
This is a read/write register. Ignore reads from reserved bits. Write 0b0 to reserved bits.
Table 7-50. CCR Bit Definitions
Physical Address
0x4400_0090 CCR LCD Controller
User
Settings
Bit 31 30 29 28 27 26 25 24 23 22 21 20 19 18 17 16 15 14 13 12 11 10 9 8 7 6 5 4 3 2 1 0
CEN
reserved
CYPOS
CXPOS
reserved
CURMS
Reset 0 ? ? ? ? ? ? 0 0 0 0 0 0 0 0 0 0 0 0 0 0 0 0 0 0 0 0 ? 0 0 0
Bits Access Name Description
31 R/W CEN
Cursor Enable
This bit enables the hardware cursor. When set, the hardware cursor is
enabled. When clear, the hardware cursor is disabled.
0 = Hardware Cursor disabled
1 = Hardware Cursor enabled
30:25 — reserved
24:15 R/W CYPOS
Vertical Position of the Cursor
The Vertical Position of the Cursor (CYPOS) bit field specifies the Y
coordinates of the upper-left corner pixel of the cursor. CYPOS is 10-bit
value and the value can be from 0 to 599.
Value(0 to 599)
14:5 R/W CXPOS
Horizontal Position of the Cursor
The Horizontal Position of the Cursor (CXPOS) bit field specifies the X
coordinates of the upper-left corner pixel of the cursor. CXPOS is 10-bit
value and the value can be from 0 to 799.
Value(0 to 799).
4:3 — reserved
2:0 R/W CURMS
Cursor Mode Select
This selects one or the six available cursor modes.
0b000 = 32x32x2bpp 2-color and transparency mode
0b001 = 32x32x2bpp 3-color and transparency mode
0b010 = 32x32x2bpp 4-color mode
0b011 = 64x64x2bpp 2-color and transparency mode
0b100 = 64x64x2bpp 3-color and transparency mode
0b101 = 64x64x2bpp 4-color mode.
0b110 = 128x128x1bpp 2-color mode
0b111 = 128x128x1bpp 1-color and transparency mode
7-98 Intel® PXA27x Processor Family Developer’s Manual
LCD Controller
7.5.13 Command Control Register (CMDCR)
The Command Control register (CMDCR) (Table 7-51) contains bit fields that program the counter
values used for synchronization when interfacing with the LCD panels with internal frame buffer.
This is a read/write register. Ignore reads from reserved bits. Write 0b0 to reserved bits.
7.5.14 TMED RGB Seed Register (TRGBR)
This register contains the three (red, green, blue) eight-bit seed values used by the TMED
algorithm. This value is added into the modified pixel-data value as an offset in creating the lower
boundary for the algorithm. These values are used during the dithering process for passive (STN
and DSTN) matrix displays. The default recommended setting is 0x00AA_5500. Refer to
Section 7.4.1.1.
This is a read/write register. Ignore reads from reserved bits. Write 0b0 to reserved bits.
Table 7-51. CMDCR Bit Definitions
Physical Address
0x4400_0100 CMDCR LCD Controller
User
Settings
Bit 31 30 29 28 27 26 25 24 23 22 21 20 19 18 17 16 15 14 13 12 11 10 9 8 7 6 5 4 3 2 1 0
reserved SYNC_CNT
Reset ? ? ? ? ? ? ? ? ? ? ? ? ? ? ? ? ? ? ? ? ? ? ? ? 0 0 0 0 0 0 0 0
Bits Access Name Description
31:8 — reserved
7:0 R/W SYNC_CNT
Synchronous Count
The synchronization counter value (SYNC_CNT) specifies the counter
value that the LCD controller has to count at the fall of input signal,
L_VSYNC whenever the Wait for Vsync command is executed before
going to the next command in the command FIFO.
When the wait-for-Vsync command is executed, this is the counter
value used to count at the fall of L_VSYNC before executing the next
command in the command FIFO This applies only when interfacing with
LCD panel with an internal frame buffer. This counter value must be
programmed according to the LCD panel specifications.
Intel® PXA27x Processor Family Developer’s Manual 7-99
LCD Controller
7.5.15 TMED Control Register (TCR)
This register selects the options available to use a patented temporal-modulated energy-distribution
(TMED) algorithm, which improves image quality on STN (passive) panels. Two TMED
algorithms can be used. The default recommended setting is 0x0000_754F.
This is a read/write register. Ignore reads from reserved bits. Write 0b0 to reserved bits.
Table 7-52. TRGBR Bit Definitions
Physical Address
0x4400_0040 TRGBR LCD Controller
User
Settings
Bit 31 30 29 28 27 26 25 24 23 22 21 20 19 18 17 16 15 14 13 12 11 10 9 8 7 6 5 4 3 2 1 0
reserved TBS TGS TRS
Reset ? ? ? ? ? ? ? ? 1 0 1 0 1 0 1 0 0 1 0 1 0 1 0 1 0 0 0 0 0 0 0 0
Bits Access Name Description
31:24 — reserved
23:16 R/W TBS TMED Blue Seed Value
15:8 R/W TGS TMED Green Seed Value
7:0 R/W TRS TMED Red Seed Value
7-100 Intel® PXA27x Processor Family Developer’s Manual
LCD Controller
Table 7-53. TCR Bit Definitions (Sheet 1 of 2)
Physical Address
0x4400_0030 TCR LCD Controller
User
Settings
Bit 31 30 29 28 27 26 25 24 23 22 21 20 19 18 17 16 15 14 13 12 11 10 9 8 7 6 5 4 3 2 1 0
reserved
TED
TSCS
THBS
TVBS
TM1EN
TM2EN
TM1S
TM2S
Reset ? ? ? ? ? ? ? ? ? ? ? ? ? ? ? ? ? 1 1 1 0 1 0 1 0 1 0 0 1 1 1 1
Bits Access Name Description
31:15 — reserved
14 R/W TED
TMED Energy Distribution Select
This bit selects which matrix is used in the final step of TMED algorithm.
A 1 selects the (preferred) TMED2 matrix, a 0 selects the older TMED
matrix. After the pixel value has gone through the algorithm to
determine a lower and upper boundary, the row and column counters
are combined and run through one of the matrices to obtain a number
that will be compared to the 2 boundaries. If that number is between the
2 boundaries, then the data out for this pixel in this frame is a 1,
otherwise it is a 0.
0 = Selects Scheme 1
1 = Selects Scheme 2
13:12 R/W TSCS
TMED Shades per Color Select
This 2-bit field allows software to adjust the value of the incoming pixel
by rounding off the 1, 2, or 3 least significant bits. This adjusted value
will then be used in both the color-offset adjuster and as the pixel value
in the multiplication step of the TMED algorithm. The shades per color
(distinct pixel values) can then be reduced to 33, 65, or 129; or remain
at 256.
0b00 = Selects 33 shades for red, 65 shades for green, and 33 shades
for blue.
0b01 = Selects 65 shades for red, blue, and green.
0b10 = Selects 129 shades for red, blue, and green.
0b11 = Selects 256 shades for red, blue, and green.
11:8 R/W THBS
TMED Horizontal Beat Suppression
This is the column-shift value used as an offset that is combined with
the row (line) counter and the pixel counter to create an address to
lookup in the matrix. The matrix output is compared to the upper and
lower boundaries defined in Section 7.4.1.1.
Specifies the column shift value
7:4 R/W TVBS
TMED Vertical Beat Suppression
This is the block-shift value used as an offset that is combined with the
pixel counter.
Specifies the block shift value
Intel® PXA27x Processor Family Developer’s Manual 7-101
LCD Controller
3R/WTM1EN
TMED Method 1 Enable
This is the frame shift enable bit that allows the frame-number adjuster
to add an offset to the current frame number before the value is sent
through the algorithm. Setting this bit enables the addition of the current
frame number to a value composed from the row and column counters.
This value is derived from going through one of the two look up
matrices, which is selected by bit 1 (TMED Method 1 Select).
0 = Disables Scheme 1
1 = Enables Scheme 2
2R/WTM2EN
TMED Method 2 Enable
This bit enables the color-offset adjuster for each color. The color-offset
adjuster creates the offset in the lower boundary in the TMED algorithm
(the formula is: LB = PixelValue X FrameNumber + Offset). The Offset
is created by adding either the output of the lookup matrix (input was
the color value) or 00 to the seed value in the TSR for that color. The
color-offset adjuster for each color can be disabled by clearing this bit.
When cleared, this bit selects only the Seed register value to go through
the algorithm.
0 = Disables Scheme 1
1 = Enables Scheme 2
1R/WTM1S
TMED Method 1 Select
This bit selects which matrix is used when using the frame-number
adjuster. A 1 will select the (preferred) TMED2 matrix, and a 0 will
select the older TMED matrix.
0 = Selects Scheme 1
1 = Selects Scheme 2
0R/WTM2S
TMED Method 2 Select
This bit selects which matrix is used when using the color-offset
adjuster. A 1 will select the (preferred) TMED2 matrix, and a 0 will
select the older TMED matrix.
0 = Selects Scheme 1
1 = Selects Scheme 2
Table 7-53. TCR Bit Definitions (Sheet 2 of 2)
Physical Address
0x4400_0030 TCR LCD Controller
User
Settings
Bit 31 30 29 28 27 26 25 24 23 22 21 20 19 18 17 16 15 14 13 12 11 10 9 8 7 6 5 4 3 2 1 0
reserved
TED
TSCS
THBS
TVBS
TM1EN
TM2EN
TM1S
TM2S
Reset ? ? ? ? ? ? ? ? ? ? ? ? ? ? ? ? ? 1 1 1 0 1 0 1 0 1 0 0 1 1 1 1
Bits Access Name Description
7-102 Intel® PXA27x Processor Family Developer’s Manual
LCD Controller
7.5.16 DMA Frame Descriptor Address Registers (FDADRx)
These registers contain the memory address of the next descriptor for that channel. The DMA
controller fetches the descriptor at this location after finishing the current descriptor. The bits in
this register are undefined at power on. The descriptor address needs to be aligned to a 128-bit (16-
byte) boundary; therefore, bits [3:0] of the address are reserved.
This is a read/write register. Ignore reads from reserved bits. Write 0b0 to reserved bits.
7.5.17 DMA Frame Branch Registers (FBRx)
The Frame Branch registers contain the address of the descriptor to branch to (aligned on a 4-byte
boundary). When writing this register and setting BRA = 1, the FDADR (Frame Descriptor
Address register) is ignored and the next descriptor is fetched from the address in this register.
Setting BINT = 1 tells the DMA to set the branch status interrupt bit (BS) in the LCD Controller
Status register after fetching the branched-to descriptor. The BRA bit is automatically cleared by
the hardware when the branch is taken.
This is a read/write register. Ignore reads from reserved bits. Write 0b0 to reserved bits.
Table 7-54. FDADR0/1/2/3/4/5/6 Bit Definitions
Physical Address
0x4400_0200
0x4400_0210
0x4400_0220
0x4400_0230
0x4400_0240
0x4400_0250
0x4400_0260
FDADR0
FDADR1
FDADR2
FDADR3
FDADR4
FDADR5
FDADR6
LCD Controller
User
Settings
Bit 31 30 29 28 27 26 25 24 23 22 21 20 19 18 17 16 15 14 13 12 11 10 9 8 7 6 5 4 3 2 1 0
DESCRIPTOR ADDRESS reserved
Reset 00- 0 0 0 0 0 0 0 0 0 0 0 0 0 0 0 0 0 0 0 0 0 0 0 0 0 0 ? ? ? ?
Bits Access Name Description
31:4 R/W DESCRIPTOR
ADDRESS
Descriptor Address
Address of next Descriptor
3:0 — reserved
Intel® PXA27x Processor Family Developer’s Manual 7-103
LCD Controller
Table 7-55. FBR0/1/2/3/4/5/6 Bit Definitions
Physical Addresses
0x4400_0020
0x4400_0024
0x4400_0028
0x4400_002C
0x4400_0030
0x4400_0110
0x4400_0114
FBR0
FBR1
FBR2
FBR3
FBR4
FBR5
FBR6
LCD Controller
User
Settings
Bit 31 30 29 28 27 26 25 24 23 22 21 20 19 18 17 16 15 14 13 12 11 10 9 8 7 6 5 4 3 2 1 0
SRCADDR
reserved
BINT
BRA
Reset 0 0 0 0 0 0 0 0 0 0 0 0 0 0 0 0 0 0 0 0 0 0 0 0 0 0 0 0 ? ? 0 0
Bits Access Name Description
31:4 R/W SRCADDR Frame Branch Address
Address of the descriptor for the branched-to frame.
3:2 — reserved
1R/WBINT
Branch Interrupt
0 = Do not set the BS bit.
1 = Set branch status (BS) interrupt bit in LCD Controller Status
register after branched-to descriptor is loaded.
0R/WBRA
Branch after Finishing the Current Frame
0 = Do not branch.
1 = The next descriptor will be fetched from the frame-branch
address. This bit is automatically cleared after loading the new
descriptor.
7-104 Intel® PXA27x Processor Family Developer’s Manual
LCD Controller
7.5.18 LCD Buffer Strength Control Register (LCDBSCNTR)
LCDBSCNTR is a read/write register that contains control bits for configuring the buffer strengths
of the LCD controller output buffers. The output buffer strength configures all of the LCD
controller signals (see Table 7-1) to the same output drive strength.
This is a read/write register. Ignore reads from reserved bits. Write 0b0 to reserved bits.
7.5.19 Panel Read Status Register (PRSR)
The Panel Read Status register (PRSR) (Table 7-57) contains bit fields that load the read data from
the LCD module by the LCD controller, and the status bits. This register is valid only when the
LCD controller is configured to operate with smart panels. The Panel Read Status register is
described in Table 7-40.
This is a read/write register. Ignore reads from reserved bits. Write 0b0 to reserved bits.
Table 7-56. LCDBSCNTR Bit Definitions
Physical Address
0x4800_0054 LCDBSCNTR LCD Controller
User
Settings
Bit 31 30 29 28 27 26 25 24 23 22 21 20 19 18 17 16 15 14 13 12 11 10 9 8 7 6 5 4 3 2 1 0
reserved LCDBS
Reset ? ? ? ? ? ? ? ? ? ? ? ? ? ? ? ? ? ? ? ? ? ? ? ? ? ? ? ? 0 1 0 1
Bits Access Name Description
31:4 — reserved
3:0 R/W LCDBS
LCD Buffer Strength
This value configures the output drive strength for all of the LCD
controller signals. A smaller value configures a weaker drive strength.
Intel® PXA27x Processor Family Developer’s Manual 7-105
LCD Controller
Table 7-57. PRSR Bit Definitions
Physical Address
0x4400_0104 PRSR LCD Controller
User
Settings
Bit 31 30 29 28 27 26 25 24 23 22 21 20 19 18 17 16 15 14 13 12 11 10 9 8 7 6 5 4 3 2 1 0
reserved
CON_NT
ST_OK
A0
DATA
Reset ? ? ? ? ? ? ? ? ? ? ? ? ? ? ? ? ? ? ? ? ? 0 0 0 0 0 0 0 0 0 0 0
Bits Access Name Description
31-11 — reserved
10 R/W CON_NT
Continue to Next Command
Used by the LCD controller to execute the command. If CONT_NT = 0,
the LCD controller waits for processor intervention. If CONT_NT = 1
and
ST_OK = 1, the next command in the command FIFO is executed. If
CONT_NT = 1 and ST_OK = 0, the same command executed
previously is executed again.
0 = Wait for processor intervention.
1 = Continue to the next command or repeat the same command.
9R/WST_OK
Status OK
Used by the LCD controller to go to the next command in the FIFO or
execute the same command. The LCD controller resets this bit every
time it executes a read command. If LCCR0[DIS] is set this bit must be
set to go to next command (PRSR[ST_OK] set.
This bit must be set to go to next command if LCCR0[DIS] is set.
0 = Status is not OK.
1 = Status is OK.
8R/W A0
Read Data Source
The status or data bit (A0) bit field specifies the read data from the
Status register or from the frame-buffer RAM.
This specifies the read data is status read data or the read data from the
frame buffer RAM.
0 = Read data from smart panel Status register.
1 = Read data from the smart panel frame-buffer RAM.
7:0 R DATA
Panel Data
The panel-data (DATA) bit field loads the read data from the LCD
module.
Data from the LCD module.
7-106 Intel® PXA27x Processor Family Developer’s Manual
LCD Controller
7.5.20 LCD Controller Status Register 0 (LCSR0)
The LCD Controller Status register 0 (LCSR0) contains bits that signal overrun and underrun
errors for both the input and output FIFOs, AC bias pin transition count, LCD disabled, DMA start/
end frame and Branch status, and DMA transfer bus error conditions. Unless masked, each of these
hardware-detected events signal an interrupt request to the interrupt controller.
Each of the LCD status bits signals an interrupt request as long as the bit is set. Once the bit is
cleared, the interrupt request is cleared. Read/write bits are called status bits (read-only bits are
called flags). Status bits are referred to as sticky, meaning that once set by hardware, they must be
cleared by software. Writing a one to a sticky status bit clears it; writing a zero has no effect. Read-
only flags are set and cleared by hardware; writes have no effect. Users have the ability to mask all
LCD interrupts. See the Chapter 25, “Interrupt Controller” for more details.
This is a read/write register. Ignore reads from reserved bits. Write 0b0 to reserved bits.
Table 7-58. LCSR0 Bit Definitions (Sheet 1 of 5)
Physical Address
0x4400_0038 LCSR0 LCD Controller
User
Settings
Bit 31 30 29 28 27 26 25 24 23 22 21 20 19 18 17 16 15 14 13 12 11 10 9 8 7 6 5 4 3 2 1 0
reserved
BER_CH
reserved
CMD_INT
RD_ST
SINT
BS0
EOF0
QD
OU
IU1
IU0
ABC
BER
SOF0
LDD
Reset ? 0 0 0 0 0 0 0 0 0 0 0 0 0 0 0 0 0 0 0 0 0 0 0 0 0 0 0 0 0 0 0
Bits Access Name Description
31 — reserved
30:28 R BER_CH
Bus Error Channel Number
The bus-error-channel (BER_CH) bit field specifies the channel number
for which the DMA transfer causes a bus error on the system bus.
The channel number in which the bus error has occurred. When BER is
set, this bit field specifies on which channel the bus error has occurred.
0b000 = Channel 0
0b001 = Channel 1
0b010 = Channel 2
0b011 = Channel 3
0b100 = Channel 4
0b101 = Channel 5
0b110 = Channel 6
0b111 = Channel 7
27:13 — reserved
Intel® PXA27x Processor Family Developer’s Manual 7-107
LCD Controller
12 R/W CMD_INT
Command Interrupt Status
The command-interrupt status (CMD_INT) bit is set whenever the LCD
controller executes an interrupt command. This bit applies only to
panels with an internal frame buffer. When CMD_INT is set, an interrupt
is sent to the interrupt controller if it is unmasked (CMDIM = 0).
CMD_INT remains set until cleared.
0 = The LCD controller has not executed the interrupt command.
1 = The LCD controller sets this bit when ever it executes the interrupt
command.
11 R/W RD_ST
Read Status
The read status (RD_ST) bit is set whenever the LCD controller
executes a read command to the LCD module. When RD_ST is set, an
interrupt is sent to the interrupt controller if it is unmasked (RDSTM = 0).
RD_ST remains set until cleared by users.
0 = Cleared state of the bit. The user can clear it to zero.
1 = The LCD sets this bit whenever it executes the read command
10 R/W SINT
Subsequent Interrupt Status
The subsequent interrupt status (SINT) is a read/write bit that is set
when an unmasked interrupt occurs and there is a pending interrupt.
The frame ID of the first interrupt is saved in the interrupt frame ID
register. This bit is only set for bus error, start of frame, end of frame,
branch status, command interrupt, read status interrupts. Writing a 1 to
this bit clears it.
0 = No second unmasked branch, start of frame, end of frame, bus
error, command interrupt or read status interrupt has occurred.
1 = Another unmasked branch, start of frame, end of frame, bus error,
command interrupt or read status interrupt has occurred before
the previous interrupt (the frame in the interrupt Frame ID
register) has been cleared.
9 R/W BS0
Branch Status for Base
The branch status for channel 0 (BS0) is set after the DMA controller
has branched and loaded the descriptor from FBR0[SRCADDR], and
the branch interrupt bit (FBR0[BINT]) is set. When the branch status bit
is set, an interrupt request is made to the interrupt controller if the
branch-status mask is unmasked (LCCR0[BSM0] cleared). When dual-
scan mode is enabled (LCCR0[SDS] set), both DMA channels are
enabled, and BS0 is set only after both channel frames have been
fetched. BS0 remains set until a zero is written to it.
0 = The DMA has not loaded a branched-to descriptor, or the DMA
branched but the branch interrupt (FBR0[BINT]) bit is not set.
1 = The DMA has loaded a branched-to descriptor and the branch-
interrupt (FBR0[BINT]) bit is set.
Table 7-58. LCSR0 Bit Definitions (Sheet 2 of 5)
Physical Address
0x4400_0038 LCSR0 LCD Controller
User
Settings
Bit 31 30 29 28 27 26 25 24 23 22 21 20 19 18 17 16 15 14 13 12 11 10 9 8 7 6 5 4 3 2 1 0
reserved
BER_CH
reserved
CMD_INT
RD_ST
SINT
BS0
EOF0
QD
OU
IU1
IU0
ABC
BER
SOF0
LDD
Reset ? 0 0 0 0 0 0 0 0 0 0 0 0 0 0 0 0 0 0 0 0 0 0 0 0 0 0 0 0 0 0 0
Bits Access Name Description
7-108 Intel® PXA27x Processor Family Developer’s Manual
LCD Controller
8R/WEOF0
End of Frame Status for Base (Channel 0)
The end of frame for channel 0 (EOF0) status is set after the DMA
controller has finished fetching a frame from memory and the channel 0
Descriptor has the end of frame interrupt (EOFINT) bit set (bit 21 of the
fourth word of the DMA descriptor). When EOF0 is set, an interrupt
request is made to the interrupt controller if it is unmasked
(LCCR0[EOFM0] cleared). When dual-scan mode is enabled
(LCCR0[SDS] set), both DMA channels 0 and 1 are enabled, and EOF0
is set only after both channel frames have been fetched. EOF0 remains
set until cleared by software.
0 = A new frame has not been processed or the EOFINT bit is not set
in the fourth word of Channel 0 descriptor.
1 = The DMA has finished fetching a frame and the EOFINT bit is set
in the fourth word of Channel 0 descriptor.
7 R/W QD
LCD Quick Disable Status
The LCD quick-disable status (QD) bit is set when LCD enable (ENB) is
cleared and the DMA finishes its current data burst. When QD is set, an
interrupt request is made to the interrupt controller if it is unmasked
(QDM = 0). This forces the LCD controller to stop immediately and quit
driving the LCD pins. This method of disable is intended for use with
sleep shutdown.
0 = LCD has not been quickly disabled by clearing LCD enable
(ENB).
1 = LCD has been quickly disabled.
6 R/W OU
Output FIFO Underrun
The output-FIFO-underrun lower-panel status (OU) bit is set when an
output FIFO is completely empty and the LCD data pin driver logic
attempts to fetch data from the FIFO. It is cleared by writing a one to the
bit. This bit is used for single and dual displays. In dual-scan mode
(SDS = 1), both FIFOs are filled and read out data at the same time, so
underrun occurs at the same time. When OU is set, an interrupt request
is made to the interrupt controller if it is unmasked (OUM = 0).
0 = Output FIFO for the lower panel display has not underrun.
1 = LCD dither logic not supplying data to output FIFO for the LCD
panel at a sufficient rate. FIFO has completely emptied and data
pin driver logic has attempted to take added data from the FIFO.
Table 7-58. LCSR0 Bit Definitions (Sheet 3 of 5)
Physical Address
0x4400_0038 LCSR0 LCD Controller
User
Settings
Bit 31 30 29 28 27 26 25 24 23 22 21 20 19 18 17 16 15 14 13 12 11 10 9 8 7 6 5 4 3 2 1 0
reserved
BER_CH
reserved
CMD_INT
RD_ST
SINT
BS0
EOF0
QD
OU
IU1
IU0
ABC
BER
SOF0
LDD
Reset ? 0 0 0 0 0 0 0 0 0 0 0 0 0 0 0 0 0 0 0 0 0 0 0 0 0 0 0 0 0 0 0
Bits Access Name Description
Intel® PXA27x Processor Family Developer’s Manual 7-109
LCD Controller
5 R/W IU1
Input FIFO Underrun for Channel 1
The input FIFO underrun for each channel 1 (IU1) bit is set when the
input FIFO is completely empty and the LCD pixel unpacking logic
attempts to fetch data from the FIFO. It is cleared by writing a one to the
bit. When this bit is set, an interrupt request is made to the interrupt
controller if it is unmasked (IUM1 = 0).
0 = Input FIFO for channel 1 has not underrun.
1 = DMA not supplying data to the input FIFO for channel 1 at a
sufficient rate. FIFO has completely emptied; pixel unpacking
logic has attempted to take added data from the FIFO.
4 R/W IU0
Input FIFO Underrun for Channel 0
The input FIFO underrun for each channel 0 (IU0) bit is set when the
input FIFO is completely empty and the LCD pixel unpacking logic
attempts to fetch data from the FIFO. It is cleared by writing a one to the
bit. When this bit is set, an interrupt request is made to the interrupt
controller if it is unmasked (IUM0 = 0).
0 = Input FIFO for channel 0 has not underrun.
1 = DMA not supplying data to the input FIFO for channel 0 at a
sufficient rate. FIFO has completely emptied, pixel unpacking
logic has attempted to take added data from the FIFO.
3 R/W ABC
AC Bias Count Status
The AC bias-count status (ABC) bit it set each time the AC bias pin
(L_BIAS) toggles a particular number of times as specified by the AC
bias pin transitions per interrupt (API) field in LCCR3. If API is
programmed with a non-zero value, a counter is loaded with the value in
API and is decremented each time the L_BIAS pin reverses state.
When the counter reaches zero, the ABC bit is set, which signals an
interrupt request to the interrupt controller. The counter reloads using
the value in API, but does not start to decrement again until ABC is
cleared by users.
0 = AC bias transition counter has not decremented to zero, or API is
programmed to all zeros.
1 = AC bias transition counter has decremented to zero, indicating
that the L_BIAS pin has toggled the number of times specified by
the API control bit field. Counter is reloaded with the value in API
but is disabled until ABC is cleared.
Table 7-58. LCSR0 Bit Definitions (Sheet 4 of 5)
Physical Address
0x4400_0038 LCSR0 LCD Controller
User
Settings
Bit 31 30 29 28 27 26 25 24 23 22 21 20 19 18 17 16 15 14 13 12 11 10 9 8 7 6 5 4 3 2 1 0
reserved
BER_CH
reserved
CMD_INT
RD_ST
SINT
BS0
EOF0
QD
OU
IU1
IU0
ABC
BER
SOF0
LDD
Reset ? 0 0 0 0 0 0 0 0 0 0 0 0 0 0 0 0 0 0 0 0 0 0 0 0 0 0 0 0 0 0 0
Bits Access Name Description
7-110 Intel® PXA27x Processor Family Developer’s Manual
LCD Controller
2 R/W BER
Bus Error Status
The bus-error status (BER) bit is set when a DMA transfer causes a bus
error to occur on the system bus. A bus error is signaled when the DMA
controller attempts to access a reserved or nonexistent memory space.
The bus error channel (BER_CH) specifies for which channel the bus
error has occurred. When this occurs, the DMA controller stops and is
halted until users program the FDADR register of channel specified by
BER_CH with a valid memory address. BER remains set until cleared
by users.
0 = DMA has not attempted an access to reserved/nonexistent
memory space.
1 = DMA has attempted an access to a reserved/nonexistent location
in external memory. The DMA engine stops and must be re-
programmed to resume operation.
1R/WSOF0
Start of Frame Status for Base (Channel 0)
The start of frame for channel 0 (SOF0) status is set after the DMA
controller has loaded a new descriptor for channel 0 from memory and
that descriptor has the start of frame interrupt (SOFINT) bit set (bit 22 of
the fourth word of the channel 0 DMA descriptor). When SOF0 is set, an
interrupt request is made to the interrupt controller if it is unmasked
(LCCR0[SOFM0] cleared). When dual-scan mode is enabled
(LCCR0[SDS] set), both DMA channels 0 and 1 are enabled, and SOF0
is set only after both channel descriptors have been loaded. SOF0
remains set until cleared by software.
0 = A new frame descriptor has not been fetched or the SOFINT bit is
not set in the fourth word of Channel 0 descriptor.
1 = The DMA has begun fetching a new frame and the SOFINT bit is
set in the fourth word of Channel 0 descriptor.
0R/WLDD
LCD Disable Done Flag
The LCD disable-done flag (LDD) is set after the LCD has been
disabled and the frame that is active finishes being output to the LCD
data pins. When the LCD is disabled by setting the LCD disable bit
(LCCR0[DIS]), the LCD allows the current frame to complete before it is
disabled. After the last set of pixels is clocked out onto the LCD data
pins by the pixel clock, the LCD is disabled, LDD is set, and an interrupt
request is made to the interrupt controller if it is unmasked (LDM = 0).
This interrupt is useful to allow an orderly shutdown of the LCD
controller before users place the processor into sleep mode.
0 = LCD has not been disabled and the last active frame completed.
1 = LCD has been disabled and the last active frame has completed.
Table 7-58. LCSR0 Bit Definitions (Sheet 5 of 5)
Physical Address
0x4400_0038 LCSR0 LCD Controller
User
Settings
Bit 31 30 29 28 27 26 25 24 23 22 21 20 19 18 17 16 15 14 13 12 11 10 9 8 7 6 5 4 3 2 1 0
reserved
BER_CH
reserved
CMD_INT
RD_ST
SINT
BS0
EOF0
QD
OU
IU1
IU0
ABC
BER
SOF0
LDD
Reset ? 0 0 0 0 0 0 0 0 0 0 0 0 0 0 0 0 0 0 0 0 0 0 0 0 0 0 0 0 0 0 0
Bits Access Name Description
Intel® PXA27x Processor Family Developer’s Manual 7-111
LCD Controller
7.5.21 LCD Controller Status Register 1 (LCSR1)
The LCD Controller Status register 1 (LCSR1) contains interrupt status bits for Overlay 1, Overlay
2, cursor, and command data. Each of these hardware-detected events signals an interrupt request
to the interrupt controller. See Table 7-59.
Each of the LCD status bits signal an interrupt request as long as the bit is set. Once the bit is
cleared, the interrupt request is cleared. Read/write bits are called status bits (read-only bits are
called flags). Status bits are referred to as sticky (once set by hardware, they must be cleared by
software). Writing a one to a sticky status bit clears it; writing a zero has no effect. Read-only flags
are set and cleared by hardware; Writes have no effect. All LCD interrupts can be masked. See
Chapter 25, “Interrupt Controller for more details.
This is a read/write register. Ignore reads from reserved bits. Write 0b0 to reserved bits.
Table 7-59. LCSR1 Bit Definitions (Sheet 1 of 7)
Physical Address
0x4400_0034 LCSR1 LCD Controller
User
Settings
Bit 31 30 29 28 27 26 25 24 23 22 21 20 19 18 17 16 15 14 13 12 11 10 9 8 7 6 5 4 3 2 1 0
reserved
IU6
IU5
IU4
IU3
IU2
reserved
BS6
BS5
BS4
BS3
BS2
BS1
reserved
EOF6
EOF5
EOF4
EOF3
EOF2
EOF1
reserved
SOF6
SOF5
SOF4
SOF3
SOF2
SOF1
Reset ? ? 0 0 0 0 0 ? ? ? 0 0 0 0 0 0 ? ? 0 0 0 0 0 0 ? ? 0 0 0 0 0 0
Bits Access Name Description
31:30 — reserved
29 R/W IU6
Input FIFO Underrun for Channel 6
The input-FIFO underrun for Channel 6 (IU6) bit is set when the input
FIFO is completely empty and the LCD pixel unpacking logic attempts
to fetch data from the FIFO. It is cleared by writing a one to the bit.
When this bit is set, an interrupt request is made to the interrupt
controller if it is unmasked (mask bit LCCR5[IUM6] cleared).
0 = Input FIFO for Channel 6 has not underrun.
1 = DMA not supplying data to the input FIFO for Channel 6 at a
sufficient rate. FIFO has completely emptied; pixel unpacking
logic has attempted to take added data from the FIFO.
28 R/W IU5
Input FIFO Underrun for Channel 5
The input-FIFO underrun for Channel 5 (IU5) bit is set when the input
FIFO is completely empty and the LCD pixel unpacking logic attempts
to fetch data from the FIFO. It is cleared by writing a one to the bit.
When this bit is set, an interrupt request is made to the interrupt
controller if it is unmasked (mask bit LCCR5[IUM5] cleared).
0 = Input FIFO for Channel 5 has not underrun.
1 = DMA not supplying data to the input FIFO for Channel 5 at a
sufficient rate. FIFO has completely emptied; pixel unpacking
logic has attempted to take added data from the FIFO.
7-112 Intel® PXA27x Processor Family Developer’s Manual
LCD Controller
27 R/W IU4
Input FIFO Underrun for Channel 4
The input-FIFO underrun for Channel 4 (IU4) bit is set when the input
FIFO is completely empty and the LCD pixel unpacking logic attempts
to fetch data from the FIFO. It is cleared by writing a one to the bit.
When this bit is set, an interrupt request is made to the interrupt
controller if it is unmasked (mask bit LCCR5[IUM4] cleared).
0 = Input FIFO for Channel 4 has not underrun.
1 = DMA is not supplying data to the input FIFO for Channel 4 at a
sufficient rate. FIFO has completely emptied; pixel unpacking
logic has attempted to take additional data from the FIFO.
26 R/W IU3
Input FIFO Underrun for Channel 3
The input-FIFO underrun for Channel 3 (IU3) bit is set when the input
FIFO is completely empty and the LCD pixel unpacking logic attempts
to fetch data from the FIFO. It is cleared by writing a one to the bit.
When this bit is set, an interrupt request is made to the interrupt
controller if it is unmasked (mask bit LCCR5[IUM3] cleared).
0 = Input FIFO for Channel 3 has not underrun.
1 = DMA not supplying data to the input FIFO for Channel 3 at a
sufficient rate. FIFO has completely emptied; pixel unpacking
logic has attempted to take added data from the FIFO.
25 R/W IU2
Input FIFO Input FIFO for Channel 2
The input-FIFO underrun for Channel 2 (IU2) bit is set when the input
FIFO is completely empty and the LCD pixel unpacking logic attempts
to fetch data from the FIFO. It is cleared by writing a one to the bit.
When this bit is set, an interrupt request is made to the interrupt
controller if it is unmasked (mask bit LCCR5[IUM2] cleared).
0 = Input FIFO for Channel 2 has not underrun.
1 = DMA not supplying data to the input FIFO for Channel 2 at a
sufficient rate. FIFO has completely emptied; pixel unpacking
logic has attempted to take added data from the FIFO.
24:22 — reserved
21 R/W BS6
Branch Status for Channel 6 (Command Register).
The branch status for Channel 6 (BS6) is set after the DMA controller
has branched and loaded the descriptor from FBR6[SRCADDR], and
the branch-interrupt bit (FBR6[BINT]) is set. When BS6 is set, an
interrupt request is made to the interrupt controller if the branch status
mask is unmasked (LCCR5[BSM6] cleared). BS6 remains set until a
zero is written to it.
0 = The DMA has not loaded a branched-to descriptor, or the DMA
branched but the branch interrupt (FBR6[BINT]) bit is not set.
1 = The DMA has loaded a branched-to descriptor and the branch-
interrupt (FBR6[BINT]) bit is set.
Table 7-59. LCSR1 Bit Definitions (Sheet 2 of 7)
Physical Address
0x4400_0034 LCSR1 LCD Controller
User
Settings
Bit 31 30 29 28 27 26 25 24 23 22 21 20 19 18 17 16 15 14 13 12 11 10 9 8 7 6 5 4 3 2 1 0
reserved
IU6
IU5
IU4
IU3
IU2
reserved
BS6
BS5
BS4
BS3
BS2
BS1
reserved
EOF6
EOF5
EOF4
EOF3
EOF2
EOF1
reserved
SOF6
SOF5
SOF4
SOF3
SOF2
SOF1
Reset ? ? 0 0 0 0 0 ? ? ? 0 0 0 0 0 0 ? ? 0 0 0 0 0 0 ? ? 0 0 0 0 0 0
Bits Access Name Description
Intel® PXA27x Processor Family Developer’s Manual 7-113
LCD Controller
20 R/W BS5
Branch Status for Channel 5 (Hardware Cursor)
The branch status for Channel 5(BS5) is set after the DMA controller
has branched and loaded the descriptor from FBR5[SRCADDR], and
the branch interrupt bit (FBR5[BINT]) is set. When BS5 is set, an
interrupt request is made to the interrupt controller if the branch status
mask is unmasked (LCCR5[BSM5] cleared). BS5 remains set until a
zero is written to it.
0 = The DMA has not loaded a branched-to descriptor, or the DMA
branched but the branch interrupt (FBR5[BINT]) bit is not set.
1 = The DMA has loaded a branched-to descriptor and the branch-
interrupt (FBR5[BINT]) bit is set.
19 R/W BS4
Branch Status for Channel 4 (Overlay 2)
The branch status for Channel 4 (BS4) is set after the DMA controller
has branched and loaded the descriptor from FBR4[SRCADDR], and
the branch-interrupt bit (FBR4[BINT]) is set. When BS4 is set, an
interrupt request is made to the interrupt controller if the branch status
mask is unmasked (LCCR5[BSM4] cleared). BS6 remains set until a
zero is written to it.
0 = The DMA has not loaded a branched-to descriptor, or the DMA
branched but the branch interrupt (FBR4[BINT]) bit is not set.
1 = The DMA has loaded a branched-to descriptor and the branch-
interrupt (FBR4[BINT]) bit is set.
18 R/W BS3
Branch Status for Channel 3 (Overlay 2)
The branch status for channel 3 (BS3) is set after the DMA controller
has branched and loaded the descriptor from FBR3[SRCADDR], and
the branch-interrupt bit (FBR3[BINT]) is set. When BS3 is set, an
interrupt request is made to the interrupt controller if the branch status
mask is unmasked (LCCR5[BSM3] cleared). BS3 remains set until a
zero is written to it.
0 = The DMA has not loaded a branched-to descriptor, or the DMA
branched but the branch interrupt (FBR3[BINT]) bit is not set.
1 = The DMA has loaded a branched-to descriptor and the branch-
interrupt (FBR3[BINT]) bit is set.
17 R/W BS2
Branch Status for Channel 2 (Overlay 2)
The branch status for channel 2 (BS2) is set after the DMA controller
has branched and loaded the descriptor from FBR2[SRCADDR], and
the branch interrupt bit (FBR2[BINT]) is set. When BS2 is set, an
interrupt request is made to the interrupt controller if the Branch Status
Mask is unmasked (LCCR5[BSM2] cleared). BS2 remains set until a
zero is written to it.
0 = The DMA has not loaded a branched-to Descriptor, or the DMA
branched but the branch interrupt (FBR2[BINT]) bit is not set.
1 = The DMA has loaded a branched-to Descriptor and the branch-
interrupt (FBR2[BINT]) bit is set.
Table 7-59. LCSR1 Bit Definitions (Sheet 3 of 7)
Physical Address
0x4400_0034 LCSR1 LCD Controller
User
Settings
Bit 31 30 29 28 27 26 25 24 23 22 21 20 19 18 17 16 15 14 13 12 11 10 9 8 7 6 5 4 3 2 1 0
reserved
IU6
IU5
IU4
IU3
IU2
reserved
BS6
BS5
BS4
BS3
BS2
BS1
reserved
EOF6
EOF5
EOF4
EOF3
EOF2
EOF1
reserved
SOF6
SOF5
SOF4
SOF3
SOF2
SOF1
Reset ? ? 0 0 0 0 0 ? ? ? 0 0 0 0 0 0 ? ? 0 0 0 0 0 0 ? ? 0 0 0 0 0 0
Bits Access Name Description
7-114 Intel® PXA27x Processor Family Developer’s Manual
LCD Controller
16 R/W BS1
Branch Status for Channel 1 (Overlay 1)
The branch status for Channel 1 (BS1) is set after the DMA controller
has branched and loaded the descriptor from FBR1[SRCADDR], and
the branch-interrupt bit (FBR1[BINT]) is set. When BS1 is set, an
interrupt request is made to the interrupt controller if the Branch Status
Mask is unmasked (LCCR5[BSM1] cleared). BS1 remains set until a
zero is written to it.
0 = The DMA has not loaded a branched-to descriptor, or the DMA
branched but the branch-interrupt (FBR1[BINT]) bit is not set.
1 = The DMA has loaded a branched-to descriptor and the branch-
interrupt (FBR1[BINT]) bit is set.
15:14 — reserved
13 R/W EOF6
End of Frame Status for Command Register
The end-of-frame for Channel 6 (EOF6) status is set after the DMA
controller has finished fetching a frame from memory and the Channel 6
descriptor has the end-of-frame interrupt (EOFINT) bit set (bit 21 of the
fourth word of the DMA descriptor). When EOF6 is set, an interrupt
request is made to the interrupt controller if it is unmasked
(LCCR5[EOFM6] cleared). EOF6 remains set until cleared by software.
0 = A new frame has not been processed or the EOFINT bit is not set
in the fourth word of Channel 6 descriptor.
1 = The DMA has finished fetching a frame and the EOFINT bit is set
in the fourth word of Channel 6 descriptor.
12 R/W EOF5
End of Frame Status for Hardware Cursor
The end-of-frame for Channel 5 (EOF5) status is set after the DMA
controller has finished fetching a frame from memory and the Channel 5
descriptor has the end-of-frame interrupt (EOFINT) bit set (bit 21 of the
fourth word of the DMA descriptor). When EOF5 is set, an interrupt
request is made to the interrupt controller if it is unmasked
(LCCR5[EOFM5] cleared). EOF5 remains set until cleared by software.
0 = A new frame has not been processed or the EOFINT bit is not set
in the fourth word of Channel 5 descriptor.
1 = The DMA has finished fetching a frame and the EOFINT bit is set
in the fourth word of Channel 5 descriptor.
Table 7-59. LCSR1 Bit Definitions (Sheet 4 of 7)
Physical Address
0x4400_0034 LCSR1 LCD Controller
User
Settings
Bit 31 30 29 28 27 26 25 24 23 22 21 20 19 18 17 16 15 14 13 12 11 10 9 8 7 6 5 4 3 2 1 0
reserved
IU6
IU5
IU4
IU3
IU2
reserved
BS6
BS5
BS4
BS3
BS2
BS1
reserved
EOF6
EOF5
EOF4
EOF3
EOF2
EOF1
reserved
SOF6
SOF5
SOF4
SOF3
SOF2
SOF1
Reset ? ? 0 0 0 0 0 ? ? ? 0 0 0 0 0 0 ? ? 0 0 0 0 0 0 ? ? 0 0 0 0 0 0
Bits Access Name Description
Intel® PXA27x Processor Family Developer’s Manual 7-115
LCD Controller
11 R/W EOF4
End of Frame Status for Overlay 2 (Channel 4)
The end-of-frame for Channel 4 (EOF4) status is set after the DMA
controller has finished fetching a frame from memory and the Channel 4
descriptor has the end-of-frame interrupt (EOFINT) bit set (bit 21 of the
fourth word of the DMA descriptor). When EOF4 is set, an interrupt
request is made to the interrupt controller if it is unmasked
(LCCR5[EOFM4] cleared). EOF4 remains set until cleared by software.
0 = A new frame has not been processed or the EOFINT bit is not set
in the fourth word of Channel 4 descriptor.
1 = The DMA has finished fetching a frame and the EOFINT bit is set
in the fourth word of Channel 4 descriptor.
10 R/W EOF3
End of Frame Status for Overlay 2 (Channel 3)
The end-of-frame for Channel 3 (EOF3) status is set after the DMA
controller has finished fetching a frame from memory and the Channel 3
descriptor has the end-of-frame interrupt (EOFINT) bit set (bit 21 of the
fourth word of the DMA descriptor). When EOF3 is set, an interrupt
request is made to the interrupt controller if it is unmasked
(LCCR5[EOFM3] cleared). EOF3 remains set until cleared by software.
0 = A new frame has not been processed or the EOFINT bit is not set
in the fourth word of Channel 3 descriptor.
1 = The DMA has finished fetching a frame and the EOFINT bit is set
in the fourth word of Channel 3 descriptor.
9R/WEOF2
End of Frame Status for Overlay 2 (Channel 2)
The end-of-frame for Channel 2 (EOF2) status is set after the DMA
controller has finished fetching a frame from memory and the Channel 2
descriptor has the end-of-frame interrupt (EOFINT) bit set (bit 21 of the
fourth word of the DMA descriptor). When EOF2 is set, an interrupt
request is made to the interrupt controller if it is unmasked
(LCCR5[EOFM2] cleared). EOF2 remains set until cleared by software.
0 = A new frame has not been processed or the EOFINT bit is not set
in the fourth word of Channel 2 descriptor.
1 = The DMA has finished fetching a frame and the EOFINT bit is set
in the fourth word of Channel 2 descriptor.
8R/WEOF1
End of Frame Status for Channel 1
The end-of-frame for Channel 1 (EOF1) status is set after the DMA
controller has finished fetching a frame from memory and the Channel 1
descriptor has the end-of-frame interrupt (EOFINT) bit set (bit 21 of the
fourth word of the DMA descriptor). When EOF1 is set, an interrupt
request is made to the interrupt controller if it is unmasked
(LCCR5[EOFM1] cleared). EOF1 remains set until cleared by software.
0 = A new frame has not been processed or the EOFINT bit is not set
in the fourth word of Channel 1 descriptor.
1 = The DMA has finished fetching a frame and the EOFINT bit is set
in the fourth word of Channel 1 descriptor.
Table 7-59. LCSR1 Bit Definitions (Sheet 5 of 7)
Physical Address
0x4400_0034 LCSR1 LCD Controller
User
Settings
Bit 31 30 29 28 27 26 25 24 23 22 21 20 19 18 17 16 15 14 13 12 11 10 9 8 7 6 5 4 3 2 1 0
reserved
IU6
IU5
IU4
IU3
IU2
reserved
BS6
BS5
BS4
BS3
BS2
BS1
reserved
EOF6
EOF5
EOF4
EOF3
EOF2
EOF1
reserved
SOF6
SOF5
SOF4
SOF3
SOF2
SOF1
Reset ? ? 0 0 0 0 0 ? ? ? 0 0 0 0 0 0 ? ? 0 0 0 0 0 0 ? ? 0 0 0 0 0 0
Bits Access Name Description
7-116 Intel® PXA27x Processor Family Developer’s Manual
LCD Controller
7:6 — reserved
5R/WSOF6
Start of Frame Status for Command Register
The start-of-frame for Channel 6 (SOF6) status is set after the DMA
controller has loaded a new descriptor for Channel 6 from memory and
that descriptor has the start-of-frame interrupt (SOFINT) bit set (bit 22 of
the fourth word of the channel 6 DMA descriptor). When SOF6 is set, an
interrupt request is made to the interrupt controller if it is unmasked
(LCCR5[SOFM6] cleared). SOF6 remains set until cleared by software.
0 = A new frame descriptor has not been fetched or the SOFINT bit is
not set in the fourth word of Channel 6 descriptor.
1 = The DMA has begun fetching a new frame and the SOFINT bit is
set in the fourth word of Channel 6 descriptor.
4R/WSOF5
Start of Frame Status for Hardware Cursor
The start-of-frame for Channel 5 (SOF5) status is set after the DMA
controller has loaded a new descriptor for Channel 5 from memory and
that descriptor has the start-of-frame interrupt (SOFINT) bit set (bit 22 of
the fourth word of the channel 5 DMA descriptor). When SOF5 is set, an
interrupt request is made to the interrupt controller if it is unmasked
(LCCR5[SOFM5] cleared). SOF5 remains set until cleared by software.
0 = A new frame descriptor has not been fetched or the SOFINT bit is
not set in the fourth word of Channel 5 descriptor.
1 = The DMA has begun fetching a new frame and the SOFINT bit is
set in the fourth word of Channel 5 descriptor.
3R/WSOF4
Start of Frame Status for Overlay 2 (Channel 4)
The start-of-frame for Channel 4 (SOF4) status is set after the DMA
controller has loaded a new descriptor for Channel 4 from memory and
that descriptor has the start-of-frame interrupt (SOFINT) bit set (bit 22 of
the fourth word of the channel 4 DMA descriptor). When SOF4 is set, an
interrupt request is made to the interrupt controller if it is unmasked
(LCCR5[SOFM4] cleared). SOF4 remains set until cleared by software.
0 = A new frame descriptor has not been fetched or the SOFINT bit is
not set in the fourth word of Channel 4 descriptor.
1 = The DMA has begun fetching a new frame and the SOFINT bit is
set in the fourth word of Channel 4 descriptor.
Table 7-59. LCSR1 Bit Definitions (Sheet 6 of 7)
Physical Address
0x4400_0034 LCSR1 LCD Controller
User
Settings
Bit 31 30 29 28 27 26 25 24 23 22 21 20 19 18 17 16 15 14 13 12 11 10 9 8 7 6 5 4 3 2 1 0
reserved
IU6
IU5
IU4
IU3
IU2
reserved
BS6
BS5
BS4
BS3
BS2
BS1
reserved
EOF6
EOF5
EOF4
EOF3
EOF2
EOF1
reserved
SOF6
SOF5
SOF4
SOF3
SOF2
SOF1
Reset ? ? 0 0 0 0 0 ? ? ? 0 0 0 0 0 0 ? ? 0 0 0 0 0 0 ? ? 0 0 0 0 0 0
Bits Access Name Description
Intel® PXA27x Processor Family Developer’s Manual 7-117
LCD Controller
2R/WSOF3
Start of Frame Status for Overlay 2 (Channel 3)
The start-of-frame for Channel 3 (SOF3) status is set after the DMA
controller has loaded a new descriptor for Channel 3 from memory and
that descriptor has the start-of-frame interrupt (SOFINT) bit set (bit 22 of
the fourth word of the Channel 3 DMA descriptor). When SOF3 is set,
an interrupt request is made to the interrupt controller if it is unmasked
(LCCR5[SOFM3] cleared). SOF3 remains set until cleared by software.
0 = A new frame descriptor has not been fetched or the SOFINT bit is
not set in the fourth word of Channel 3 descriptor.
1 = The DMA has begun fetching a new frame and the SOFINT bit is
set in the fourth word of Channel 3 descriptor.
1R/WSOF2
Start of Frame Status for Overlay 2 (Channel 2)
The start-of-frame for Channel 2 (SOF2) status is set after the DMA
controller has loaded a new descriptor for Channel 2 from memory and
that descriptor has the start-of-frame interrupt (SOFINT) bit set (bit 22 of
the fourth word of the Channel 2 DMA descriptor). When SOF2 is set,
an interrupt request is made to the interrupt controller if it is unmasked
(LCCR5[SOFM2] cleared). SOF2 remains set until cleared by software.
0 = A new frame descriptor has not been fetched or the SOFINT bit is
not set in the fourth word of Channel 2 descriptor.
1 = The DMA has begun fetching a new frame and the SOFINT bit is
set in the fourth word of Channel 2 descriptor.
0R/WSOF1
Start of Frame Status for Overlay 1 (Channel 1)
The start of frame for Channel 1(SOF1) status is set after the DMA
controller has loaded a new descriptor for Channel 1 from memory and
that descriptor has the start-of-frame interrupt (SOFINT) bit set (bit 22 of
the fourth word of the Channel 1 DMA descriptor). When SOF1 is set,
an interrupt request is made to the interrupt controller if it is unmasked
(LCCR5[SOFM1] cleared). SOF1 remains set until cleared by software.
0 = A new frame descriptor has not been fetched or the SOFINT bit is
not set in the fourth word of Channel 1 descriptor.
1 = The DMA has begun fetching a new frame and the SOFINT bit is
set in the fourth word of Channel 1 descriptor.
Table 7-59. LCSR1 Bit Definitions (Sheet 7 of 7)
Physical Address
0x4400_0034 LCSR1 LCD Controller
User
Settings
Bit 31 30 29 28 27 26 25 24 23 22 21 20 19 18 17 16 15 14 13 12 11 10 9 8 7 6 5 4 3 2 1 0
reserved
IU6
IU5
IU4
IU3
IU2
reserved
BS6
BS5
BS4
BS3
BS2
BS1
reserved
EOF6
EOF5
EOF4
EOF3
EOF2
EOF1
reserved
SOF6
SOF5
SOF4
SOF3
SOF2
SOF1
Reset ? ? 0 0 0 0 0 ? ? ? 0 0 0 0 0 0 ? ? 0 0 0 0 0 0 ? ? 0 0 0 0 0 0
Bits Access Name Description
7-118 Intel® PXA27x Processor Family Developer’s Manual
LCD Controller
7.5.22 LCD Controller Interrupt ID Register (LIIDR)
LIIDR is a read-only register that contains a copy of the Frame ID register (FIDR) when a start-of-
frame (SOF), end-of-frame (EOF), branch (BS), or bus-error (BER) interrupt is signaled. LIIDR is
written only when an unmasked interrupt of the above type is signaled and there are no other
unmasked interrupts in the LCD controller pending. In other words, the register is sticky, and is
overwritten only when the signaled interrupt is cleared by writing the LCD Controller Status
register.
7.5.23 DMA Frame Source Address Registers (FSADRx)
These read-only registers contain the source address of the current descriptor for that channel. The
address must be aligned on a 128-bit (16-byte) boundary. If this descriptor is a palette load, this
register must point to the memory location at the beginning of the palette data. The size of the
palette data must be four entries for 1- and 2-bit pixels, 16 entries for 4-bit pixels, and 256 entries
for 8-bit pixels. If this descriptor is for pixel data, this register must point to the beginning of the
frame data in memory. This address is incremented as the DMA controller fetches from memory. If
preferred, the DMA Frame ID register can hold the initial frame-source address. See Table 7-61.
This is a read/write register. Ignore reads from reserved bits. Write 0b0 to reserved bits.
Table 7-60. LIIDR Bit Definitions
Physical Address
0x4400_003C LIIDR LCD Controller
User
Settings
Bit 31 30 29 28 27 26 25 24 23 22 21 20 19 18 17 16 15 14 13 12 11 10 9 8 7 6 5 4 3 2 1 0
IFRAMEID
Reset ? ? ? ? ? ? ? ? ? ? ? ? ? ? ? ? ? ? ? ? ? ? ? ? ? ? ? ? ? ? ? ?
Bits Access Name Description
31:0 R IFRAMEID Interrupt Frame ID
Intel® PXA27x Processor Family Developer’s Manual 7-119
LCD Controller
7.5.24 DMA Frame ID Registers (FIDRx)
These read-only registers contain a 32-bit ID field to describe the current frame. The particular use
of this field is user defined. This ID register is copied to the LCD Controller Interrupt ID register
when an interrupt occurs. See Table 7-62.
This is a read-only register. Ignore reads from reserved bits.
Table 7-61. FSADR0/1/2/3/4/5/6 Bit Definitions
Physical Address
0x4400_0204
0x4400_0214
0x4400_0224
0x4400_0234
0x4400_0244
0x4400_0254
0x4400_0264
FSADR0
FSADR1
FSADR2
FSADR3
FSADR4
FSADR5
FSADR6
LCD Controller
User
Settings
Bit 31 30 29 28 27 26 25 24 23 22 21 20 19 18 17 16 15 14 13 12 11 10 9 8 7 6 5 4 3 2 1 0
SRCADDR reserved
Reset 0 0 0 0 0 0 0 0 0 0 0 0 0 0 0 0 0 0 0 0 0 0 0 0 0 0 0 0 ? ? ? ?
Bits Access Name Description
31:4 R/W SRCADDR Frame Source Address:
Address of the palette or pixel frame data in memory.
3:0 — reserved
Table 7-62. FIDR0/1/2/3/4/5/6 Bit Definitions
Physical Address
0x4400_0208
0x4400_0218
0x4400_0228
0x4400_0238
0x4400_0248
0x4400_0258
0x4400_0268
FIDR0
FIDR1
FIDR2
FIDR3
FIDR4
FIDR5
FIDR6
LCD Controller
User
Settings
Bit 31 30 29 28 27 26 25 24 23 22 21 20 19 18 17 16 15 14 13 12 11 10 9 8 7 6 5 4 3 2 1 0
FRAME ID reserved
Reset 0 0 0 0 0 0 0 0 0 0 0 0 0 0 0 0 0 0 0 0 0 0 0 0 0 0 0 0 0 0 0 ?
Bits Access Name Description
31:3 R FRAME ID Frame ID
2:0 — reserved
7-120 Intel® PXA27x Processor Family Developer’s Manual
LCD Controller
7.5.25 LCD DMA Command Register (LDCMDx)
These read-only registers contain the command and length of the current descriptor for that
channel. The bits in this register are initialized to zero at power on. See Table 7-63.
This is a read-only register. Ignore reads from reserved bits.
Table 7-63. LDCMD0/1/2/3/4/5/6 Bit Definitions (Sheet 1 of 2)
Physical Address
0x4400_020C
0x4400_021C
0x4400_022C
0x4400_023C
0x4400_024C
0x4400_025C
0x4400_026C
LDCMD0
LDCMD1
LDCMD2
LDCMD3
LDCMD4
LDCMD5
LDCMD6
LCD Controller
User
Settings
Bit 31 30 29 28 27 26 25 24 23 22 21 20 19 18 17 16 15 14 13 12 11 10 9 8 7 6 5 4 3 2 1 0
reserved
PAL
reserved
SOFINT
EOFINT
LENGTH
reserved
Reset ? ? ? ? ? 0 ? ? ? 0 0 0 0 0 0 0 0 0 0 0 0 0 0 0 0 0 0 0 0 0 ? ?
Bits Access Name Description
31:27 — reserved
26 R PAL
Palette Buffer
If set, this indicates to the DMA controller that the data being fetched is
the palette buffer and it must be loaded into the palette RAM. The
palette RAM must be loaded at least once before using the LCD
controller (unless more then 8-bit pixels are used). The size of the
palette is as follows:
2-bit pixels = 4 Entries of palette data
4-bit pixels = 16 Entries of palette data
8-bit pixels = 256 Entries of palette data
0 = Data described in DMA descriptor is the frame buffer data.
1 = Data described in DMA descriptor is the palette buffer data and is
to be loaded into the palette RAM
25:23 — reserved
22 R SOFINT
Start of Frame Interrupt
When SOFINT is set, the DMA controller sets the corresponding start-
of-frame bit (LCSR1[SOFx]) when starting a new frame. The bit is set
after a new descriptor is loaded from memory, before the palette/frame
data is fetched.
0 = Do not set SOF.
1 = Set the start-of-frame (SOF) interrupt-request bit in the LCD
Status register when starting a new frame (after loading the frame
descriptor).
Intel® PXA27x Processor Family Developer’s Manual 7-121
LCD Controller
21 R EOFINT
End of the Frame Interrupt Mask
When EOFINT is set the DMA controller sets the corresponding end-of-
frame bit (LCSR1[EOFx]) after fetching the last word in the frame buffer,
that is, when the DMA length counter decrements to zero.
0 = Do not set EOF.
1 = Set the end-of-frame (EOF) interrupt-request bit in the LCD Status
register when finished fetching the last word of this frame.
20:2 R LENGTH
Length
The length of transfer in bytes.
The value of LENGTH determines how many bytes of data the DMA
controller fetches. Setting LENGTH = 0 is invalid. If PAL is set, LENGTH
must be programmed with the size of the palette RAM. This
corresponds to 8 bytes for 2-bit pixels, 32 or 64 bytes for 4-bit pixels,
and 512 or 1024 bytes for 8-bit pixels. A separate descriptor must be
used to fetch the frame data. The value of LENGTH for frame data is a
function of the screen size and the pixel size. The transfer length must
be word (32-bit) aligned.
For Overlay 2 data that is in 4:2:2 or 4:2:0 YCbCr formats, the frame
length may not naturally align to a 32-bit boundary. When this occurs,
the transfer length must be programmed to the next 32-bit word padded
with dummy pixels at the end of the frame (which the LCD controller will
ignore).
The two lowest bits [1:0] must always be zero for proper alignment.
Writes to these two lower bits are ignored.
1:0 — reserved
Table 7-63. LDCMD0/1/2/3/4/5/6 Bit Definitions (Sheet 2 of 2)
Physical Address
0x4400_020C
0x4400_021C
0x4400_022C
0x4400_023C
0x4400_024C
0x4400_025C
0x4400_026C
LDCMD0
LDCMD1
LDCMD2
LDCMD3
LDCMD4
LDCMD5
LDCMD6
LCD Controller
User
Settings
Bit 31 30 29 28 27 26 25 24 23 22 21 20 19 18 17 16 15 14 13 12 11 10 9 8 7 6 5 4 3 2 1 0
reserved
PAL
reserved
SOFINT
EOFINT
LENGTH
reserved
Reset ? ? ? ? ? 0 ? ? ? 0 0 0 0 0 0 0 0 0 0 0 0 0 0 0 0 0 0 0 0 0 ? ?
Bits Access Name Description
7-122 Intel® PXA27x Processor Family Developer’s Manual
LCD Controller
7.6 Register Summary
The LCD controller contains 16 control registers, 35 DMA registers, two status registers, and three
256-entry palette RAMs. Table 7-64 shows the registers associated with the LCD controller and the
physical addresses to access them.
Table 7-64. LCD Controller Register Summary (Sheet 1 of 2)
Address Name Description Page
0x4400_0000 LCCR0 LCD Controller Control register 0 7-56
0x4400_0004 LCCR1 LCD Controller Control register 1 7-64
0x4400_0008 LCCR2 LCD Controller Control register 2 7-66
0x4400_000C LCCR3 LCD Controller Control register 3 7-69
0x4400_0010 LCCR4 LCD Controller Control register 4 7-74
0x4400_0014 LCCR5 LCD Controller Control register 5 7-79
0x4400_0018–
0x4400_001C reserved
0x4400_0020 FBR0 DMA Channel 0 Frame Branch register 7-103
0x4400_0024 FBR1 DMA Channel 1 Frame Branch register 7-103
0x4400_0028 FBR2 DMA Channel 2 Frame Branch register 7-103
0x4400_002C FBR3 DMA Channel 3 Frame Branch register 7-103
0x4400_0030 FBR4 DMA Channel 4 Frame Branch register 7-103
0x4400_0034 LCSR1 LCD Controller Status register 1 7-111
0x4400_0038 LCSR0 LCD Controller Status register 0 7-106
0x4400_003C LIIDR LCD Controller Interrupt ID register 7-118
0x4400_0040 TRGBR TMED RGB Seed register 7-99
0x4400_0044 TCR TMED Control register 7-100
0x4400_0048–
0x4400_004C reserved
0x4400_0050 OVL1C1 Overlay 1 Control register 1 7-92
0x4400_0054–
0x4400_005C reserved
0x4400_0060 OVL1C2 Overlay 1 Control register 2 7-93
0x4400_0064–
0x4400_006C reserved
0x4400_0070 OVL2C1 Overlay 2 Control register 1 7-94
0x4400_0074–
0x4400_007C reserved
0x4400_0080 OVL2C2 Overlay 2 Control register 2 7-96
0x4400_0084–
0x4400_008C reserved
0x4400_0090 CCR Cursor Control register 7-97
0x4400_0094–
0x4400_009C reserved
Intel® PXA27x Processor Family Developer’s Manual 7-123
LCD Controller
0x4400_0100 CMDCR Command Control register 7-98
0x4400_0104 PRSR Panel Read Status register 7-105
0x4400_0108–
0x4400_010C reserved
0x4400_0110 FBR5 DMA Channel 5 Frame Branch register 7-103
0x4400_0114 FBR6 DMA Channel 6 Frame Branch register 7-103
0x4400_0118–
0x4400_01FF reserved
0x4400_0200 FDADR0 DMA Channel 0 Frame Descriptor Address register 7-102
0x4400_0204 FSADR0 DMA Channel 0 Frame Source Address register 7-119
0x4400_0208 FIDR0 DMA Channel 0 Frame ID register 7-119
0x4400_020C LDCMD0 LCD DMA Channel 0 Command register 7-120
0x4400_0210 FDADR1 DMA Channel 1 Frame Descriptor Address register 7-102
0x4400_0214 FSADR1 DMA Channel 1 Frame Source Address register 7-119
0x4400_0218 FIDR1 DMA Channel 1 Frame ID register 7-119
0x4400_021C LDCMD1 LCD DMA Channel 1 Command register 7-120
0x4400_0220 FDADR2 DMA Channel 2 Frame Descriptor Address register 7-102
0x4400_0224 FSADR2 DMA Channel 2 Frame Source Address register 7-119
0x4400_0228 FIDR2 DMA Channel 2 Frame ID register 7-119
0x4400_022C LDCMD2 LCD DMA Channel 2 Command register 7-120
0x4400_0230 FDADR3 DMA Channel 3 Frame Descriptor Address register 7-102
0x4400_0234 FSADR3 DMA Channel 3 Frame Source Address register 7-119
0x4400_0238 FIDR3 DMA Channel 3 Frame ID register 7-119
0x4400_023C LDCMD3 LCD DMA Channel 3 Command register 7-120
0x4400_0240 FDADR4 DMA Channel 4 Frame Descriptor Address register 7-102
0x4400_0244 FSADR4 DMA Channel 4 Frame Source Address register 7-119
0x4400_0248 FIDR4 DMA Channel 4 Frame ID register 7-119
0x4400_024C LDCMD4 LCD DMA Channel 4 Command register 7-120
0x4400_0250 FDADR5 DMA Channel 5 Frame Descriptor Address register 7-102
0x4400_0254 FSADR5 DMA Channel 5 Frame Source Address register 7-119
0x4400_0258 FIDR5 DMA Channel 5 Frame ID register 7-119
0x4400_025C LDCMD5 LCD DMA Channel 5 Command register 7-120
0x4400_0260 FDADR6 DMA Channel 6 Frame Descriptor Address register 7-102
0x4400_0264 FSADR6 DMA Channel 6 Frame Source Address register 7-119
0x4400_0268 FIDR6 DMA Channel 6 Frame ID register 7-119
0x4400_026C LDCMD6 LCD DMA Channel 6 Command register 7-120
0x4400_0270–
0x47FF_FFFC reserved
0x4800_0054 LCDBSCNTR LCD Buffer Strength Control register 7-104
Table 7-64. LCD Controller Register Summary (Sheet 2 of 2)
Address Name Description Page
7-124 Intel® PXA27x Processor Family Developer’s Manual
LCD Controller
Intel® PXA27x Processor Family Developer’s Manual 8-1
SSP Serial Ports 8
This chapter describes the signal definitions and operation of the three Synchronous Serial Protocol
(SSP) serial ports: SSP1, SSP2, and SSP3 included in the PXA27x processor. All three SSP ports
are mostly identical in operation, but differ as follows:
External port connections
Memory-map base location
No external clock and external clock enable for SSP3
8.1 Overview
The SSP ports are a synchronous serial interfaces that connect to a variety of external analog-to-
digital (A/D) converters, audio and telecommunication Codecs, and many other devices that use
serial protocols for data transfer. The SSP ports provide support for the following protocols:
Texas Instruments (TI) Synchronous Serial Protocol
Motorola Serial Peripheral Interface (SPI) protocol
National Semiconductor Microwire
Programmable Serial Protocol (PSP)
The SSP ports operate as full-duplex devices for the TI Synchronous Serial Protocol, SPI, and PSP
protocols and as a half-duplex device for the Microwire protocol.
The FIFOs can be loaded or emptied by the CPU using programmed I/O or by DMA burst
transfers.
8.2 Features
Supports the TI Synchronous Serial Protocol, the Motorola SPI protocol, National
Semiconductor Microwire, and a Programmable Serial Protocol (PSP)
One transmit FIFO and one receive FIFO, each 16 samples deep by 32-bits wide
Sample sizes from four to 32-bits
Bit-rates from 6.3 Kbps (minimum) to 13 Mbps (maximum)
Master-mode and slave-mode operation
Receive-without-transmit operation
Network mode with up to eight time slots and independent transmit/receive in any/all/none of
the time slots—available only with TI Synchronous Serial Protocol and Programmable Serial
Protocol (PSP) formats
Audio clock control to provide a 4x output clock and support for selection of most standard
audio Codec frequencies
8-2 Intel® PXA27x Processor Family Developer’s Manual
SSP Serial Ports
8.3 Signal Descriptions
Table 8-2 lists the external signals between the SSP serial ports and external devices. If any port is
unused, its pins are available for GPIO use. See Chapter 24, “General-Purpose I/O Controller” for
details on configuring pin direction and Chapter 25, “Interrupt Controller” for interrupt
capabilities.
Table 8-1. SSP Serial Port I/O Signal Descriptions (Sheet 1 of 2)
Name Type Description
SSPSCLK I/O Serial bit-clock to control the timing of a transfer. SSPSCLK is generated
internally (master mode) or is supplied externally (slave mode) as
indicated by SSCR1_1[SCLKDIR] as defined in Table 8-7.
SSPSYSCLK Output SSPSYSCLK is SSPSCLK x 4 when using the audio clock PLL. Select
(SSACD_1[ACPS]) and audio clock divider (SSACD_1[ACDS]) as
defined in Table 8-16.
SSPSFRM I/O
Serial frame signal that indicates the beginning and the end of a
serialized data word. SSPSFRM is generated internally (master mode) or
is supplied externally (slave mode) as indicated by SSCR1_1[SFRMDIR]
and defined in Table 8-7.
SSPTXD Output Transmit data (serial data out) serialized data line.
SSPRXD Input Receive data (serial data in) serialized data line.
SSPEXTCLK Input
External clock that can be selected to replace the internal 13-MHz clock.
SSPEXTCLK is used only when SSCR0_1[ECS] is set (Table 8-6) and
SSCR0_1[NCS], SSCR0_1[ACS], and SSCR1_1[SCLKDIR] are cleared
(Table 8-7). The maximum allowable frequency for the external clock is
13 MHz. SSPEXTCLK is multiplexed with the SSPSCLKEN alternate
function (refer to Chapter 24, “General-Purpose I/O Controller”).
SSPSCLKEN Input
Asynchronous external enable for SSPSCLK. SSPSCLKEN is
recognized only when SSCR0_1[ECS] is cleared and when the port is the
master (SSCR1_1[SCLKDIR] is cleared). When high, SSPSCLK is
enabled; when low, SSPSCLK is disabled. SSPSCLKENx is multiplexed
with the SSPEXTCLK alternate function (refer to Chapter 24, “General-
Purpose I/O Controller”).
SSPSCLK2 I/O Serial bit-clock to control the timing of a transfer. SSPSCLK2 is generated
internally (master mode) or is supplied externally (slave mode) as
indicated by SSCR1_2[SCLKDIR] as defined in Table 8-7.
SSPSYSCLK2 Output SSPSYSCLK2 is SSPSCLK2 x 4 when using the audio clock PLL. Select
(SSACD_2[ACPS]) and audio clock divider (SSACD_2[ACDS]) as
defined in Table 8-16).
SSPSFRM2 I/O
Serial frame signal that indicates the beginning and the end of a
serialized data word. SSPSFRM2 is generated internally (master mode)
or is supplied externally (slave mode) as indicated by
SSCR1_2[SFRMDIR] as defined in Table 8-7.
SSPTXD2 Output Transmit data (serial data out) serialized data line.
SSPRXD2 Input Receive data (serial data in) serialized data line.
SSPEXTCLK2 Input
External clock that can be selected to replace the internal 13-MHz clock.
SSPEXTCLK2 is used only when SSCR0_2[ECS] is set (Table 8-6) and
when SSCR0_2[NCS], SSCR0_2[ACS], and SSCR1_2[SCLKDIR] are
cleared (Table 8-7). SSPEXTCLK2 is multiplexed with the SSPSCLKEN2
alternate function (refer to Chapter 24, “General-Purpose I/O Controller”).
Intel® PXA27x Processor Family Developer’s Manual 8-3
SSP Serial Ports
Note: SSP3 does not have an external clock input or an external clock-enable input.
8.4 Operation
The SSP port controller transfers serial data between the PXA27x processor and an external device
through FIFOs in the SSP ports. The CPU initiates the transfers using programmed I/O (PIO), or
DMA bursts are used. Separate transmit and receive FIFOs and serial data paths permit
simultaneous transfers (in both directions) to and from the external device, depending on the
protocols chosen.
Programmed I/O transfers data directly between the CPU and the SSP Data register (SSDR_x).
DMA transfers data between memory and the SSP Data register (SSDR_x). Data written to the
SSDR_x (by either the CPU or DMA) is automatically transferred to the transmit FIFO. When
reading SSDR_x (by either the CPU or DMA), the “oldest” data in the receive FIFO is
automatically transferred to the SSDR_x. DMA descriptor programming guidelines are located in
Section 5.4.4, “Programming Tips” on page 5-15.
8.4.1 Processor and DMA FIFO Access
The CPU or DMA accesses data through the SSP port transmit and receive FIFOs. Programmed
I/O takes the form of a CPU access, transferring one FIFO entry per access. CPU accesses are
normally triggered off of an SSSR_x interrupt and are always 32-bits wide. CPU right-justified
SSPSCLKEN2 Input
Asynchronous external enable for SSPSCLK2. SSPSCLKEN2 is
recognized only when SSCR0_2[ECS] is cleared and when the port is the
master (SSCR1_2[SCLKDIR] is cleared). When high, SSPSCLK2 is
enabled; when low, SSPSCLK2 is disabled. SSPSCLKEN2 is multiplexed
with the SSPEXTCLK2 alternate function (refer to Chapter 24, “General-
Purpose I/O Controller”).
SSPSCLK3 Inout Serial bit-clock to control the timing of a transfer. SSPSCLK3 is generated
internally (master mode) or is supplied externally (slave mode) as
indicated by SSPCR1_3[SCLKDIR] as defined in Table 8-7.
SSPSYSCLK3 Output SSPSYSCLK3 is SSPSCLK3 x 4 when using the audio clock PLL. Select
(SSACD_3[ACPS]) and audio clock divider (SSACD_3[ACDS]) as
defined in Table 8-16).
SSPSFRM3 Inout
Serial frame signal that indicates the beginning and the end of a
serialized data word. SSPSFRM3 is generated internally (master mode)
or is supplied externally (slave mode) as indicated by
SSPCR1_3[SFRMDIR] as defined in Table 8-7.
SSPTXD3 Output Transmit data (serial data out) serialized data line.
SSPRXD3 Input Receive data (serial data in) serialized data line.
CLK_EXT Input
The network clock (CLK_EXT) is an external clock that can replace the
internal 13-MHz clock. Use CLK_EXT when SSCR0_x[NCS] is set
(Table 8-6) and SSCR1_x[SCLKDIR] is cleared (Table 8-7 ). CLK_EXT
can be used by multiple SSPs.
Sample length is a function of the selected serial data sample size set by SSCR0_x[EDSS] and the
SSCR0_x[DSS], as defined in Table 8-6.
Table 8-1. SSP Serial Port I/O Signal Descriptions (Sheet 2 of 2)
Name Type Description
8-4 Intel® PXA27x Processor Family Developer’s Manual
SSP Serial Ports
writes to the FIFOs ignore bits beyond the programmed FIFO data width (SSCR0_x[EDSS] and
SSCR0_x[DSS] values); and CPU reads return zeroes in the MSBs down to the programmed data
width.
The FIFOs can also be accessed by DMA bursts (in multiples of one, two or four bytes) depending
on the SSCR0_x[EDSS] value. When SSCR0_x[EDSS] is set, DMA bursts must be in multiples of
four bytes (the DMA must have the SSP port configured as a 32-bit peripheral).When
SSCR0_x[EDSS] is cleared, DMA bursts must be in multiples of one or two bytes (the DMA
DCMD[WIDTH] register must be at least the SSP data size programmed into the SSCR0_x[EDSS]
and SSCR0_x[DSS]. The FIFO is seen as one 32-bit location by the processor. For writes, the SSP
port takes the data from the transmit FIFO, serializes it, and sends it over the serial wire
(SSPTXDx) to the external device. Receive data from the external device (on SSPRXDx) is
converted to parallel words and stored right-justified with zeroes packed on the left in the receive
FIFO.
CPU or DMA data written to the SSP Data register (SSDR_x) is automatically transferred into the
transmit FIFO. CPU or DMA reads from SSDR_x contain the “oldest” data sample that is
automatically transferred from the receive FIFO. From a memory-map perspective, both reads and
writes are at the same address. The FIFOs are 16 samples deep by 32 bits wide. Each FIFO location
contains one SSP data sample (four to 32 bits).
When exceeded, a programmable transmit-FIFO trigger threshold generates an interrupt or DMA
service request that, if SSCR1_x[TIE] or SSCR1_x[TSRE] are enabled, signal the CPU or DMA,
respectively, to move data to the SSDR_x. Similarly, a programmable receive FIFO trigger
threshold generates an interrupt or DMA service request that, if SSCR1_x[RIE] or
SSCR1_x[RSRE] are enabled, signal the CPU or DMA, respectively, to read data from SSDR_x.
Note: (1) Do not set the value of SSCR1_x[RFT] too high for the system; otherwise, the receive FIFO
can overrun because of the bus latencies caused by other internal and external peripherals. This is
especially important when using interrupts and polled modes that require a longer time to service.
(2) Do not set the value of SSCR1_x[TFT] too low for the system; otherwise, the transmit FIFO
can underrun because of the bus latencies caused by other internal and external peripherals. This is
especially important when using interrupts and polled modes that require a longer time to service.
8.4.2 Trailing Bytes in the Receive FIFO
When the number of samples in the receive FIFO is less than the trigger threshold and no
additional data is received, the remaining bytes are called trailing bytes. Trailing bytes can be
handled by either the DMA or the CPU, (see SSCR1_x[TRAIL]). Trailing bytes are identified by a
time-out mechanism and the existence of data within the receive FIFO.
8.4.2.1 Time-Out
A time-out condition exists when the receive FIFO is idle for the period of time defined by the
Time-Out register (SSTO_x). When a time-out occurs, the receiver time-out interrupt
(SSSR_x[TINT]) is set. If the time-out interrupt is enabled (SSCR1_x[TINTE] set), a time-out
interrupt signals the CPU that a time-out condition has occurred. The time-out timer is reset after a
new sample enters the receive FIFO or after the CPU reads the receive FIFO. Once SSSR_x[TINT]
is set, it must be cleared by writing 0b1 to it. If the time-out interrupt is enabled, clearing TINT also
causes the time-out interrupt to be de-asserted.
Intel® PXA27x Processor Family Developer’s Manual 8-5
SSP Serial Ports
8.4.2.2 Peripheral Trailing Byte Interrupt
It is possible for the DMA to reach the end of its descriptor chain while removing trailing bytes.
When this happens, the CPU is forced to take over because the DMA can no longer service the SSP
port request until a new chain is linked. When the DMA reaches the end of its descriptor chain, the
SSP port performs the following:
Sets the peripheral trailing-byte interrupt bit (SSSR_x[PINT]) if it is enabled when
SSCR1_x[PINTE] is set
Signals the CPU that a peripheral trailing-byte interrupt condition has occurred
Sets the SSSR_x[EOC] status bit. If more data is received after EOC is set (and EOC has not
been cleared by software), SSSR_x[PINT] is set.
Once SSSR_x[PINT] is set, it must be cleared by writing 0b1 to it. Clearing SSSR_x[PINT] de-
asserts the peripheral trailing-byte interrupt.
Always correctly handle the possibility of trailing bytes being present. Remove the remaining bytes
using CPU I/O as described in the processor-based method below or by reprogramming a new
descriptor chain and restarting the DMA. See Chapter 5, “DMA Controller” for details of
descriptor programming and “end-of-chain” events.
8.4.2.3 Removing Trailing Bytes
Processor Based (SSCR1_x[TRAIL] cleared):
This is the default method. In this case, no receive DMA service request is generated. To read out
the trailing bytes, software must wait for the time-out interrupt and then read all remaining entries
as indicated by SSSR_x[RFL] and SSSR_x[RNE].
Note: The time-out interrupt must be enabled by setting SSCR1_x[TINTE].
DMA Based (SSCR1_x[TRAIL] set):
When the DMA must handle trailing bytes, a DMA service request is automatically issued for the
remaining number of samples left in the receive buffer. The DMA empties the contents of the
receive buffer unless the DMA reaches the end of its descriptor chain (refer to Section 8.4.2.2). If a
time out occurs, the processor is interrupted by a time-out interrupt. Enable the time-out interrupt
by setting SSCR1_x[TINTE]. When handling trailing bytes with DMA, if a time out occurs and the
receive FIFO is empty, an EOR is sent to the DMA controller.
Note: If an EOC occurs at the time that the last sample is read from the Receive Data register (the DMA
descriptor chain was exactly long enough, but the time-out counter is still running—a time out has
not occurred and the SSTO register is not zero), then when the time-out does occur, the SSP
generates a DMA request, which causes a RAS interrupt from the DMA controller. When the RAS
interrupt occurs, software must reprogram the DMA registers and re-enable the channel for the SSP
to send its EOR to the DMA controller.
8-6 Intel® PXA27x Processor Family Developer’s Manual
SSP Serial Ports
8.4.3 Frame Counter
The SSP sends a start-of-frame signal to the OS timer to increment a frame counter (see
Chapter 22, “Operating System Timers for details). In normal mode (SSCR0_x[MOD] = 0), the
start-of-frame signal is asserted on every sample that is received; in network mode
(SSCR0_x[MOD] = 1), the start-of-frame signal is asserted once every time that SSPSFRMx is
asserted.
8.4.4 Data Formats
Four pins transfer data between the PXA27x processor and external Codecs, modems, or other
compatible serial devices. Although four serial-data formats exist, each has the same basic
structure and in all cases the pins are used as follows:
SSPSCLKx—Defines the bit rate at which serial data is driven into, and sampled from, the
SSP port.
SSPSFRMx—Defines the boundaries of a basic data unit, comprised of multiple serial bits.
SSPTXDx—The serial data path for transmitted data from the processor to the peripheral.
SSPRXDx—The serial data path for received data from the peripheral to the processor.
A data frame can contain from four to 32-bits, depending on the selected protocol. Serial data is
transmitted most significant bit first. Four protocols are supported: Texas Instruments (TI)
Synchronous Serial Protocol, Motorola Serial Peripheral Interface (SPI) protocol, National
Semiconductor Microwire, and a Programmable Serial Protocol (PSP).
The SSPSFRMx function and use varies between each protocol.
For the TI Synchronous Serial Protocol, SSPSFRMx is pulsed high for one (serial) data period
at the start of each frame. Master and slave modes are supported. TI Synchronous Serial
Protocol is a full-duplex protocol.
For the Motorola SPI protocol, SSPSFRMx functions as a chip select to enable the external
device (target of the transfer) and is held active-low during the data transfer (during
continuous transfers, the SSPSFRMx signal is held low. Master and slave modes are
supported. This is a full-duplex protocol.
For the National Semiconductor Microwire protocol, SSPSFRMx functions as a chip select to
enable the external device (target of the transfer) and is held active-low during the data
transfer. Slave mode is not supported. SSPSFRMx is also held low during continuous
transfers. This is a half-duplex protocol.
For the PSP, SSPSFRMx is programmable in direction, delay, polarity, and width. Master and
slave modes are supported. PSP can be programmed to be either full or half duplex.
The function and use of SSPSCLKx varies between each protocol.
For the TI Synchronous Serial Protocol, data sources switch transmit data on the rising edge of
SSPSCLKx and sample receive data on the falling edge. Master and slave modes are
supported. When SSPSCLKx is provided by the SSP port, it only toggles during active
transfers (not continuously) unless the SSPSCLKENx, or SSCR1_x[ECRA] or
SSCR1_x[ECRB] bits, are used. When SSPSCLKx is provided by another device, it can be
either continuous or driven only during active transfers.
For the SPI protocol, select which edge of SSPSCLKx to use for switching transmit data and
for sampling receive data. In addition, users can move the phase of SSPSCLKx, shifting its
Intel® PXA27x Processor Family Developer’s Manual 8-7
SSP Serial Ports
active state one-half cycle earlier or later at the start and end of a frame. Master and slave
modes are supported, and SSPSCLKx only toggles during active transfers (not continuously).
For Microwire, both data sources switch transmit data (change to the next bit) on the falling
edge of SSPSCLKx and sample receive data on the rising edge. Slave mode is not supported.
For the PSP protocol, the configuration of which edge of SSPSCLKx is used for switching
transmit data and the edge for sampling receive data is programmable. In addition, the idle
state for SSPSCLKx can be programmed and the number of active clocks that precede and
follow the data transmission can be programmed. Master and slave modes are supported.
When SSPSCLKx is provided by the SSP port, it only toggles during active transfers (not
continuously) unless the SSPSCLKENx, or SSCR1_x[ECRA] or SSCR1_x[ECRB] bits, are
used. When SSPSCLKx is provided by another device, it can be either continuous or only
driven during active transfers, but some restrictions apply (see Section 8.4.4.4).
Microwire uses a half-duplex, master-slave messaging protocol. At the start of a frame, the
controller transmits a one-or two-byte control message to the peripheral; no data is sent by the
peripheral. The peripheral interprets the message and if the message is a read request, the
peripheral, responds with the requested data, one clock after the last bit of the request message.
Return data—part of the same frame—can be from four to 16-bits in length. The total frame length
is 13 to 33 bits. SSPSCLKx is active during the entire frame.
Note: SSPSCLKx, if provided by the SSP port, toggles only while an active data transfer is underway,
unless receive-without-transmit mode is enabled (by setting SSCR1_x[RWOT]) and the frame
format is not Microwire. If RWOT mode is enabled and the frame format is not Microwire,
SSPSCLKx toggles regardless of whether transmit data exists within the transmit FIFO.
SSPSCLKx toggles continuously if the SSP port is in network mode, or if <SSPSCLKENx> is
active, or the SSCR1_x[ECRA] or SSCR1_x[ECRB] bits, are enabled. At other times,
<SSPSCLKx> holds in an inactive (idle) state as defined by the protocol.
8.4.4.1 TI Synchronous Serial Protocol
When outgoing data in the SSP port controller is ready to transmit, SSPSFRMx asserts for one
clock period. On the following clock, data to be transmitted is driven on SSPTXDx one bit at a
time, the most significant bit first. For receive data, the peripheral similarly drives data on the
SSPRXDx pin. The word length can be from four to 32-bits. All output transitions occur on the
rising edge of SSPSCLKx while data sampling occurs on the falling edge. At the end of the
transfer, the SSPTXDx signal either retains the value of the last bit sent (LSB) (see Figure 8-1 and
Figure 8-2) or becomes high impedance (see Figure 8-13 and Figure 8-14).
Figure 8-1 shows the TI Synchronous Serial Protocol for a single transmitted frame. Figure 8-2
shows the TI Synchronous Serial Protocol for when back-to-back frames are transmitted. Once the
transmit FIFO contains data, SSPSFRMx is pulsed high for one SSPSCLKx period and the value to
be transmitted is transferred from the transmit FIFO to the Transmit Logic Serial Shift register. On
the next rising edge of SSPSCLKx, the most significant bit of the four to 32-bit data frame is
shifted to the SSPTXDx pin. Likewise, the MSB of the received data is shifted onto the SSPRXDx
pin by the off-chip serial slave device. Both the SSP port and the off-chip serial slave device then
latch each data bit into the serial shifter on the falling edge of each SSPSCLKx. The received data
is transferred from the serial shifter to the receive FIFO on the first rising edge of SSPSCLKx after
the last bit has been latched.
8-8 Intel® PXA27x Processor Family Developer’s Manual
SSP Serial Ports
For back-to-back transfers, the start of one frame is the completion of the previous frame. The
MSB of one transfer immediately follows the LSB of the preceding with no “dead” time between
them. When the SSP port is a master to the SSPSFRMx and a slave to SSPSCLKx, at least three
extra clocks are needed at the beginning and end of each block of transfers to synchronize internal
control signals (a block of transfers is a group of back-to-back continuous transfers).
Note: When configured as either master or slave to SSPSCLKx or SSPSFRMx, the SSP port continues to
drive SSPTXDx until the last bit of data is sent (the LSB) or the SSPTXDx line becomes high
impedance (see Figure 8-13 and Figure 8-14). If SSCR0_x[SSE] is cleared, the SSPTXDx line
goes low. SSPSP_x[EDTS] has no effect when in SSP mode. SSPRXDx is undefined before the
MSB is sent and after the LSB is sent. SSPRXDx must not float.
The TI SSP supports network mode as described in Table 8-6. Figure 8-3 shows the SSP in
network mode with five bits of data per sample. The TXD tristate-enable (SSCR1_x[TTE]) bit and
the TXD tristate-enable-on-last-phase (SSCR1_x[TTELP] bit are both set. The SSP is the master of
both SSPSCLKx and SSPSFRMx. The SSP has been programmed for four time slots
(SSCR0_x[FRDC] = 0b011), the TX Time Slot Active register (SSTSA_x[TTSA]) is programmed
to 0x0000 000A, and the RX Time Slot Active register (SSRSA_x[RTSA]) is programmed to
0x0000 0006.
Figure 8-1. Texas Instruments Synchronous Serial Frame Protocol (Single Transfers)
Figure 8-2. Texas Instruments Synchronous Serial Frame Protocol (Multiple Transfers)
A9518-02
SSPRXD
SSPSFRM
SSPSCLK
SSPTXD
MSB 4 to 32 Bits LSB
Bit[N] Bit[N-1] Bit[1] Bit[0]
Bit[N] Bit[N-1] Bit[1] Bit[0]
Undefined Undefined
A9650-01
SSPSCLK
SSPSFRM
SSPTX
Bit[N] Bit[N-1] Bit[1] Bit[0] Bit[N] Bit[N-1] Bit[1]Bit[0]
SSPRX
Bit[N] Bit[N-1] Bit[1] Bit[0] Bit[N] Bit[N-1] Bit[1] Bit[0]
Bit[0]
Bit[0]
Intel® PXA27x Processor Family Developer’s Manual 8-9
SSP Serial Ports
Figure 8-3. TI SSP Network Mode Example (Four Time Slots)
8.4.4.2 Motorola SPI Protocol
The SPI protocol has four possible sub-modes, depending on the SSPSCLKx edges selected for
driving data and sampling received data, and on the selection of the phase mode of SSPSCLKx (see
Section 8.4.4.2.1 for complete descriptions of each mode).
Note: The following description applies only when SPH = 0 and SPO = 0. Other combinations of SPH
and SPO result in different polarities and timings (see Figure 8-5 and Figure 8-6).
When the SSP port is disabled or in idle mode, SSPSCLKx and SSPTXDx are low and SSPSFRMx
is high. When transmit data is available to send, SSPSFRMx goes low (one clock period before the
first rising edge of SSPSCLKx) and stays low for the remainder of the frame. The most significant
bit of the serial data is driven onto SSPTXDx one half-cycle later. Halfway into the first bit period,
SSPSCLKx asserts high and continues toggling for the remaining data bits. Data transitions on the
falling edge of SSPSCLKx. Four to 32 bits can be transferred per frame.
With the assertion of SSPSFRMx, receive data is simultaneously driven from the peripheral on
SSPRXDx, MSB first. Data transitions on the SSPSCLKx falling edge and are sampled by the
controller on the SSPSCLKx rising edge. At the end of the frame, SSPSFRMx is de-asserted high
one clock period (one half clock cycle after the last falling edge of SSPSCLKx) after the last bit
latched at its destination and the completed incoming word is shifted into the incoming FIFO. The
peripheral can drive SSPRXDx to a high-impedance state after sending the last bit of the frame.
SSPTXDx retains the last value transmitted when the controller goes into idle mode, unless the SSP
port is disabled or reset (which forces SSPTXDx low).
For back-to-back transfers, frames start and complete similar to single transfers, except
SSPSFRMx does not de-assert between words. Both transmitter and receiver are configured for the
word length and internally track the start and end of frames. There are no dead bits; the least
significant bit of one frame is followed immediately by the most significant bit of the next.
When using the SPI protocol, the SSP port can be either a master or a slave device. However, the
clock and frame direction must be the same. For example, the SSCR1_x[SCLKDIR] and
SSCR0_x[SFRMDIR] must both be set or both be cleared.
When configured as either master or slave and SSPSP_x[ETDS] is set, the SSP port continues to
drive SSPTXDx with the last bit of data sent (the LSB). If SSPSP_x[ETDS] is cleared, SSPTXDx
goes low after transmitting the last data bit. The state of SSPRXDx is undefined before the MSB
and after the LSB is received. SSPRXDx must not float. When the SSP port is configured as a
master and SSCR1_x[TTE] is set, SSPSP_x[ETDS] is ignored and SSPTXDx becomes high
impedance between active transfers (see Figure 8-15).
Note: The input clock to the SSP port must not be active when SSPSFRMx is de-asserted.
SSPSCLKx
SSPTXDx
SSPSFRMx
SSPRXDx
Time Slot 0 Time Slot 1 Time Slot 2 Time Slot 3Time Slot 0 Time Slot 1 Time Slot 2 Time Slot 3 Time Slot 0
...
...
Undefined 4 3 2 1 0
4 3 2 1 0
4 3 2 1 0
...
...
4 3 2 1 0
4 3 2 1 0
4 3 2 1 0
4 3 2 1 0
43210
Undefined Undefined
8-10 Intel® PXA27x Processor Family Developer’s Manual
SSP Serial Ports
Note: When the SSP port is slave to clock and frame, SSCR1_x[SCFR] must be set.
Figure 8-4 shows one of the four possible configurations for the Motorola SPI frame protocol for a
single transmitted frame. Figure 8-5 shows when back-to-back frames are transmitted for the
Motorola SPI frame protocol.
Note: The phase and polarity of SSPSCLKx can be configured for four different modes. This example
shows just one of those modes (SSCR1_x[SPO] and SSCR1_x[SPH] cleared). Other settings for
SPO and SPH result in different polarities and timing.
.
8.4.4.2.1 Serial Clock Phase (SPH)
The phase relationship between SSPSCLKx and SSPSFRMx when the Motorola SPI protocol is
selected is controlled by SSCR1_x[SPH].
The combination of the SSCR1_x[SPO] and SSCR1_x[SPH] settings determine when SSPSCLKx
is active during the assertion of SSPSFRMx and which SSPSCLKx edge transmits and receives
data on SSPTXDx and SSPRXDx.
When SPH is cleared, SSPSCLKx remains in its inactive (idle) state (as determined by
SSCR1_x[SPO]) for one full cycle after SSPSFRMx is asserted low at the beginning of a frame.
SSPSCLKx continues to toggle for the rest of the frame. It is then held in its inactive state for one-
half of an SSPSCLKx period before SSPSFRMx is de-asserted high at the end of the frame.
Figure 8-4. Motorola SPI Frame Protocol (Single Transfers)
Figure 8-5. Motorola SPI Frame Protocol (Multiple Transfers)
A9519-02
SSPRXD
SSPSFRM
SSPSCLK
SSPTXD
MSB LSB
Bit[N]Undefined Undefined
End of Transfer Data State
Bit[N-1] Bit[1] Bit[0]
Bit[N] Bit[N-1] Bit[1] Bit[0]
4 to 32 Bits
A9651-01
SSPSCLK
SSPSFRM
Bit[N] Bit[N-1] Bit[0] Bit[N] Bit[N-1] Bit[1] Bit[0]
Bit[0]
SSPTX
SSPRX
Bit[1] Bit[0]
Bit[N] Bit[N-1] Bit[0] Bit[N] Bit[N-1] Bit[1] Bit[0]
Bit[0] Bit[1] Bit[0]
Intel® PXA27x Processor Family Developer’s Manual 8-11
SSP Serial Ports
When SPH is set, SSPSCLKx remains in its inactive or idle state (as determined by
SSCR1_x[SPO]) for one-half cycle after SSPSFRMx is asserted low at the beginning of a frame.
SSPSCLKx continues to toggle for the remainder of the frame and is then held in its inactive state
for one full SSPSCLKx period before SSPSFRMx is de-asserted high at the end of the frame.
When programming SSCR1_x[SPO] and SSCR1_x[SPH] to the same value (both set or both
cleared), transmit data is driven on the falling edge of SSPSCLKx and receive data is latched on the
rising edge of SSPSCLKx. When programming SSCR1_x[SPO] and SSCR1_x[SPH] to opposite
values (one set and the other cleared), transmit data is driven on the rising edge of SSPSCLKx and
receive data is latched on the falling edge of SSPSCLKx.
Note: SSCR1_x[SPH] is ignored for all data frame formats except for the Motorola SPI protocol.
Figure 8-6 and Figure 8-7 show the timing for all four programming combinations of
SSCR1_x[SPO] and SSCR1_x[SPH]. SSCR1_x[SPO] inverts the polarity of SSPSCLKx and
SSCR1_x[SPH] determines the phase relationship between SSPSCLKx and SSPSFRMx, shifting
SSPSCLKx one-half phase to the left or right during the assertion of SSPSFRMx.
Note: When in Motorola SPI format, if the SSP port is the master and SSPSP_x[ETDS] is cleared, the
end-of-transfer data state for SSPTXDx is low. If the SSP port is the master and SSPSP_x[ETDS]
is set, the end-of-transfer data state for SSPTXDx remains at the last bit transmitted (LSB). If the
SSP port is the slave, then SSPSP_x[ETDS] is undefined. SSPRXDx is undefined before the frame
is active and after the LSB is received. SSPRXDx must not float. When the SSP port is configured
as a master and SSCR1_x[TTE] is set, SSPSP_x[ETDS] is ignored and SSPTXDx becomes high
impedance between active transfers (see Figure 8-15).
Figure 8-6. Motorola SPI Frame Protocols for SPO and SPH Programming (SPH Set)
A9652-01
SSPRXD
SSPSFRM
SSPSCLK SPO=0
SSPSCLK SPO=1
SSPTXD
MSB 4 to 32 Bits LSB
Bit[N] Bit[N-1] Bit[1] Bit[0]
Bit[N] Bit[N-1] Bit[1] Bit[0]
Undefined Undefined
End of Transfer Data State
8-12 Intel® PXA27x Processor Family Developer’s Manual
SSP Serial Ports
Note: When in Motorola SPI format, if the SSP port is the master and SSPSP_x[ETDS] is cleared, the
end-of-transfer data state for SSPTXDx is low. If the SSP port is the master and SSPSP_x[ETDS]
is set, the end-of-transfer data state for SSPTXDx remains at the last bit transmitted (LSB). If the
SSP port is the slave, then the SSPSP_x[ETDS] is undefined. SSPRXDx is undefined before the
frame is active and after the LSB is received. SSPRXD must not float. When the SSP port is
configured as a master and SSCR1_x[TTE] is set, SSPSP_x[ETDS] is ignored and SSPTXDx
becomes high impedance between active transfers (see Figure 8-15).
8.4.4.3 Microwire Protocol
The Microwire protocol is similar to SPI, except transmission is half-duplex instead of full-duplex
and it uses master-slave message passing. While in the idle state or when the SSP port is disabled,
SSPSCLKx and SSPTXDx are low and SSPSFRMx is high.
Each serial transmission begins with SSPSFRMx asserting low, followed by an eight or 16-bit
command word sent from the controller to the peripheral on SSPTXDx. The command word data
size is selected by the Microwire transmit SSCR1_x[MWDS] data size bit. SSPRXDx is controlled
by the peripheral and remains in a high-impedance state. SSPSCLKx asserts high (rising edge)
midway into the commands most significant bit and continues toggling at the configured
SSPSCLKx bit rate.
One bit period after the last command bit, the peripheral returns the serial-data-requested most
significant bit first on SSPRXDx. Data transitions on the falling edge of SSPSCLKx and is
sampled on the rising edge. The last falling edge of SSPSCLKx coincides with the end of the last
data bit on SSPRXDx and SSPSCLKx remains low after that (if it is the only word or the last word
of the transfer). SSPSFRMx de-asserts high one-half clock period later.
The start and end of a series of back-to-back transfers are like those of a single transfer; however,
SSPSFRMx remains asserted (low) throughout the transfer. The end of a data word on SSPRXDx
is followed immediately by the start of the next command byte on SSPTXDx with no dead time. If
SSCR1_x[TTE] is set (selecting SSPTXDx to be high impedance between active transfers), then a
three-wire Microwire mode can be supported where SSPTXDx and SSPRXDx are externally tied
together (shorted).
When using the Microwire protocol, the SSP port can function only as a master (frame and clock
are outputs). Therefore, both SSCR1_x[SCLKDIR] and SSCR0_x[SFRMDIR] must both be
cleared. Figure 8-8 shows the National Semiconductor Microwire frame protocol with 8- or 16-bit
Figure 8-7. Motorola SPI Frame Protocols for SPO and SPH Programming (SPH Cleared)
A9520-02
SSPRXD
SSPSFRM
SSPSCLK SPO=0
SSPSCLK SPO=1
SSPTXD
MSB 4 to 32 Bits LSB
Bit[N] Bit[N-1] Bit[1] Bit[0]
Bit[N] Bit[N-1] Bit[1] Bit[0]
Undefined Undefined
End of Transfer Data State
Intel® PXA27x Processor Family Developer’s Manual 8-13
SSP Serial Ports
command words for a single transmitted frame. Figure 8-9 shows the National Semiconductor
Microwire frame protocol with eight-bit command words when back-to-back frames are
transmitted.
Note: (1) Microwire format is normally used with SSPSP_x[ETDS] cleared so that the end-of-transfer
data state for SSPTXDx is low. If SSPSP_x[ETDS] is set then SSPTXDx remains at the level of the
last transmitted bit (LSB). When SSCR1_x[TTE] is set, SSPSPx[ETDS] is ignored and SSPTXDx
becomes high impedance between active transfers (see Figure 8-16).
(2) The state of SSPRXD is undefined before the MSB and after the LSB is transmitted. This pin
must not float.
8.4.4.4 Programmable Serial Protocol (PSP)
The PSP provides programmability for several parameters that determine the transfer timings
between data.
There are four possible serial clock sub-modes, depending on which SSPSCLKx edges are selected
for driving data and sampling received data, and the selection of the idle state of SSPSCLKx.
For the PSP, the idle and disable modes of SSPTXDx, SSPSCLKx, and SSPSFRMx are
programmable using SSPSP_x[ETDS], SSPSP_x[SCMODE] and SSPSP_x[SFRMP]. When
transmit data is ready, SSPSCLKx remains in its idle state for the number of SSPSCLKx periods
programmed within the SSPSP_x[STRTDLY] start delay field. SSPSCLKx then starts toggling,
Figure 8-8. National Semiconductor Microwire Frame Protocol (Single Transfer)
Figure 8-9. National Semiconductor Microwire Frame Protocol (Multiple Transfers)
A9521-02
SSPRXD
SSPSFRM
SSPSCLK
SSPTXD
4 to 32 Bits
Bit[7] or
Bit[15]
8 or 16-Bit Control
Bit[0]
Bit[N] Bit[0]
End of Transfer Data State
UndefinedUndefined
A9653-01
SSPSCLK
SSPSFRM
SSPTXD
Bit[0] Bit[7] or
Bit[15] Bit[0]Bit[1]
SSPRXD
Bit[N] Bit[0] Bit[N]
Undefined Undefined
8-14 Intel® PXA27x Processor Family Developer’s Manual
SSP Serial Ports
SSPTXDx remains in the idle state for the number of cycles programmed within the
SSPSP_x[DMYSTRT] dummy start field. SSPSFRMx asserts after the number of clocks
programmed in the SSPSP_x[SFRMDLY] frame delay field. SSPSFRMx remains asserted for the
number of half-clocks programmed within the SSPSP_x[SFRMWDTH] frame width field. Four to
32-bits can be transferred per frame. Once the LSB transfers, SSPSCLKx continues toggling based
on the SSPSP_x[DMYSTOP] dummy stop field. SSPTXDx either retains the last value transmitted
or is forced to zero, depending on the value programmed within the SSPSP_x[ETDS] end-of-
transfer data state when the controller goes into idle mode, unless the SSP port is disabled or reset
(which forces SSPTXDx low). When SSCR1_x[TTE] is set, SSPSP_x[ETDS] is ignored and
SSPTXDx becomes high impedance between active transfers (see Figure 8-17 and Figure 8-18).
With the assertion of SSPSFRMx, receive data is simultaneously driven from the peripheral on
SSPRXDx, MSB first. Data transitions on SSPSCLKx are based on the serial-clock mode selected
and are sampled by the controller on the opposite edge. When the SSP port is a master to
SSPSFRMx and a slave to SSPSCLKx, at least three extra clocks are needed at the beginning and
end of each block of transfers to synchronize internal control signals (a block of transfers is a group
of back-to-back continuous transfers).
Note: When in PSP mode, if the SSP port is the master of the clock and SSPSP_x[ETDS] is cleared, the
end-of-transfer data state for SSPTXD is low. If the SSP port is the master of the clock and
SSPSP_x[ETDS] is set, the end-of-transfer data state for SSPTXD remains at the last bit
transmitted (LSB). When SSCR1_x[TTE] is set, SSPSP_x[ETDS] is ignored and SSPTXDx
becomes high impedance between active transfers (see Figure 8-17 and Figure 8-18).
If the SSP port is a slave to the clock and SSPSP_x[SCMODE] is 0b01 or 0b11, then
SSPSP_x[ETDS] can only change from the LSB if more clocks are sent to the SSP port (dummy
stop clocks or slave clock is free running).
Figure 8-10. Programmable Serial Protocol (Single Transfer)
A9522-02
MSBUndefined
Undefined Undefined
T1 T2 T3 T4
LSB
MSB LSB
End of Transfer
Data State
T6T5
SSPSCLK
(when SCMODE = 0)
SSPSCLK
(when SCMODE = 1)
SSPSCLK
(when SCMODE = 2)
SSPSCLK
(when SCMODE = 3)
SSPSFRM
(when SFRMP = 1)
SSPSFRM
(when SFRMP = 0)
SSPTXD
SSPRXD
Intel® PXA27x Processor Family Developer’s Manual 8-15
SSP Serial Ports
Figure 8-12. Programmable Serial Protocol Format (with Consecutive Transfers and
SSPSP[FSRT] Set)
Figure 8-11. Programmable Serial Protocol (Multiple Transfers)
A9523-02
SSPSCLK
(when SCMODE = 0)
SSPSCLK
(when SCMODE = 1)
SSPSCLK
(when SCMODE = 2)
SSPSCLK
(when SCMODE = 3)
SSPSFRM
(when SFRMP = 1)
SSPSFRM
(when SFRMP = 0)
SSPTXD
SSPRXD
MSBUndefined
T1 T2 T3 T3
MSB LSB
End of
Transfer
Data State
LSB End of Transfer
Data State
MSB MSB LSBLSB
T1 T2
T6T5 T5 T6
T4
Undefined Undefined Un-
defined
Bit 3
S
PSCLKx
PT
XDx
P
RXDx
S
PSFRMx
Bit 2Bit 1Bit 0Bit 3 Bit 2Bit 1Bit 0
Bit 3 Bit 2 Bit 1 Bit 0
Bit 3 Bit 2Bit 1Bit 0Bit 3 Bit 2Bit 1Bit 0
Bit 3 Bit 2 Bit 1 Bit 0
Undefined Undefined
NOTE: This example uses a Frame width of 2, dummy start = 0, dummy stop = 0, start delay = 0, frame delay = 0,
scmode = 1, Txd Tristate = 1, FSRT = 1, and frame polarity = 1.
Table 8-2. Programmable Serial Protocol (PSP) Parameters (Sheet 1 of 2)
Symbol Definition Range Units
Serial Clock Mode (SSPSP_x[SCMODE])
(Drive, Sample, SSPSCLK Idle)
0—Fall, Rise, Low
1—Rise, Fall, Low
2—Rise, Fall, High
3—Fall, Rise, High
Serial Frame Polarity (SSPSP_x[SFRMP]) High or Low
T1 Start Delay (SSPSP_x[STRTDLY]) 0–7 Clock period
T2 Dummy Start (SSPSP_x[DMYSTRT]) 0–3 Clock period
T3 Data Size
(SSCR0_x[EDSS] and SSCR0_x[DSS]) 4–32 Clock period
8-16 Intel® PXA27x Processor Family Developer’s Manual
SSP Serial Ports
Note: SSPSFRMx delay must not extend beyond the end of T4. SSPSFRMx must be asserted for at least
one SSPSCLKx, and must be de-asserted before the end of the T4 cycle (in terms of time, not bit
values, (T5 + T6) (T1 + T2 + T3 + T4), 1 T6 < (T2 + T3 + T4), and (T5 + T6) (T1 + 1) to
ensure that SSPSFRMx is asserted for at least two edges of the SSPSCLKx). Additionally,
T1+T2 T5. The T1 start delay value must be programmed to zero when SSPSCLKx is enabled by
SSPCLKxEN or either of SSCR1_x[ECRA] or SSCR1_x[ECRB]. While the SSP can be
programmed to generate the assertion of SSPSFRMx during the middle of the data transfer (after
the MSB was sent), the SSP port is not able to receive data in frame-slave mode
(SSCR1_x[SFRMDIR] is set) if the assertion of frame is not before the MSB is sent (for example,
T5 T2 if SSCR1_x[SFRMDIR] is set). Transmit data transitions from the end-of-transfer data
state to the next MSB value upon the assertion of SSPSFRMx. The start delay field must be
programmed to zero whenever SSPSCLKx or SSPSFRMx is configured as an input.
8.4.5 High Impedance on SSPTXDx
The SSP port supports placing SSPTXDx into high impedance during idle times (instead of driving
SSPTXDx) as controlled by SSCR1_x[TTE] and SSCR1_x[TTELP]. The TTE bit enables high
impedance on SSPTXDx. The TTELP bit determines which SSPSCLKx phase that SSPTXDx
becomes high impedance.
8.4.5.1 TI SSP Format
When SSCR1_x[TTE] is clear, the SSP port behaves as described in Section 8.4.4.1.
When SSCR1_x[TTE] is set, SSPTXDx behaves as shown in Figure 8-13 or Figure 8-14,
depending on SSCR1_x[TTELP].
Figure 8-13. TI SSP with SSCR1_x[TTE] = 1 and SSCR1_x[TTELP]] = 0
T4 Dummy Stop (SSPSP_x[DMYSTOP]) 0–3 Clock period
T5 Frame Delay (SSPSP_x[SFRMDLY] 0–88 Half-clock period
T6 Frame Width (SSPSP_x[SFRMWDTH] 1–44 Clock period
End of Transfer Data State
(SSPSP_x[ETDS]) Low or [bit 0]
Table 8-2. Programmable Serial Protocol (PSP) Parameters (Sheet 2 of 2)
Symbol Definition Range Units
SSPSCLKx
SSPSFRMx
SSPTXDx
SSPRXDx
Bit[N] Bit[N-1] Bit[1] Bit[0]
Bit[N] Bit[N-1] Bit[1] Bit[0] Undefined
Undefined
MSB LSB
4-32 bits
Intel® PXA27x Processor Family Developer’s Manual 8-17
SSP Serial Ports
Figure 8-14. TI SSP with SSCR1_x[TTE] = 1 and SSCR1_x[TTELP] = 1
8.4.5.2 Motorola SPI Format
When SSCR1_x[TTE] is cleared, the SSP port behaves as described in Section 8.4.4.2.
When SSCR1_x[TTE] is set, SSPTXDx behaves as in Figure 8-15. SSCR1_x[TTELP] must be
cleared for Motorola SPI format, and SSPTXDx becomes high impedance whenever SSPSFRMx is
not active (high).
Figure 8-15. Motorola SPI with SSCR1_x[TTE] = 1 and SSCR1_x[TTELP] = 0
8.4.5.3 National Microwire Format
When SSCR1_x[TTE] is cleared, the SSP port behaves as described in Section 8.4.4.3.
When SSCR1_x[TTE] is set, SSPTXDx behaves as in Figure 8-16. SSCR1_x[TTELP] must be
cleared for National Microwire format, and SSPTXDx becomes high impedance whenever
SSPSFRMx is inactive (and after the LSB is sent on SSPTXDx).
Figure 8-16. National Microwire with SSCR1_x[TTE] = 1 and SSCR1_x[TTELP] = 0
SSPSCLKx
SSPSFRMx
SSPTXDx
SSPRXDx
Bit[N] Bit[N-1] Bit[1] Bit[0]
Bit[N] Bit[N-1] Bit[1] Bit[0] Undefined
Undefined
MSB LSB
4-32 bits
SSPSCLKx
SSPSFRMx
SSPTXDx
SSPRXDx
Bit[N] Bit[N-1] Bit[1] Bit[0]
Bit[N] Bit[N-1] Bit[1] Bit[0] Undefined
Undefined
MSB LSB
4-32 bits
Undefined.
SSPSCLKx
SSPSFRMx
SSPTXDx
SSPRXDx
Bit[7] or Bit[0]
UndefinedUndefined
4-32 bits
Bit[15]
Bit[0]
Bit[N] Undefined
8-18 Intel® PXA27x Processor Family Developer’s Manual
SSP Serial Ports
8.4.5.4 PSP Format
When SSCR1_x[TTE] is cleared, the SSP port behaves as described in Section 8.4.4.4.
When SSCR1_x[TTE] is set, SSPTXDx behaves as shown in Figure 8-17 or Figure 8-18,
depending on SSCR1_x[TTELP].
Figure 8-17. PSP Format with SSCR1_x[TTE] = 1 and SSCR1_x[TTELP] = 0
Figure 8-18. PSP Format with SSCR1_x[TTE] = 1 and Either SSCR1_x[TTELP] = 1 or
SSCR1_x[SFRMDIR] = 0 (Master to Frame)
SSPSCLK
SSPSFRMx
SSPTXDx
SSPRXDx
Bit[N] Bit[1] Bit[0]
Bit[N] Bit[1] Bit[0] Undefined
Undefined
SCMODE = 0
SCMODE = 1
SCMODE = 2
SCMODE = 3
SFRMP = 0
SFRMP = 1
T1
T5
T2 T3 T4
T6
SSPSCLKx
SSPSFRMx
SSPTXDx
SSPRXDx
Bit[N] Bit[1] Bit[0]
Bit[N] Bit[1] Bit[0] Undefined
Undefined
SCMODE = 0
SCMODE = 1
SCMODE = 2
SCMODE = 3
SFRMP = 0
SFRMP = 1
T1
T5
T2 T3 T4
T6
Intel® PXA27x Processor Family Developer’s Manual 8-19
SSP Serial Ports
8.4.6 Network Mode
Network mode (see Figure 8-3) is used in systems where several devices are connected to the same
SSPTXDx, SSPRXDx, SSPSFRMx, and SSPSCLKx lines. In network mode, from 1–8 time slots
can be chosen. The SSP port can transmit or receive in any of the slots (see Table 8-13 and
Table 8-14). Only TI SSP and PSP formats support network mode, which is enabled by setting
SSCR0_x[MOD] (see Table 8-6).
In network mode, SSPSCLKx runs continuously if the SSP port is a master of the clock
(SSCR1_x[SCLKDIR] = 0). Only one SSPSFRMx is sent (received) for the number of time slots
programmed into the SSCR0_x[FRDC] field.
When beginning in network mode (and the SSP port is a master to the frame signal), the first
SSPSFRMx does not occur until after data is in the transmit FIFO. After the first SSPSFRMx, if
the SSP port is a master to the frame signal, frame syncs continue to come regardless of whether
there is data in the transmit FIFO. Therefore, the transmit-underrun (SSSR_x[TUR]) bit is set if
there is no data in the transmit FIFO and the SSP port is scheduled to drive SSPTXDx in the current
time slot (even if the SSP port is master to frame).
When shutting down from network mode (and the SSP port is a master to frame), software must
clear the MOD bit (SSCR0_x[SSE] does not need to change), then wait until SSTSS_x[NMBSY]
is cleared before shutting down the SSP port (clearing SSE). The SSP port continues driving clocks
and/or frame (depending upon SSCR1_x[SFMRDIR] and SSCR1_x[SCLKDIR]) until the last
valid time slot is over. If the SSP port is a slave to both clock and frame, NMBSY remains asserted
until the MOD bit is cleared or until one SSPSCLKx after the last valid time slot is over. When the
SSP port is a master to frame, software must ensure that no data remains in the transmit FIFO after
the network mode is exited (or else a non-network mode frame is sent). Due to the synchronization
between the processor clock domains, one extra frame may be sent out after software clears the
MOD bit.
Note: The SSP port transmits data in inactive time slots in network mode. When FRDC is set to > 0 (> 1
slots per frame) and, in SSTSA and SSRSA registers, only slot 0 is enabled and the rest of the slots
are disabled, then the SSP repeats the slot 0 data on the rest of the time slots during data transmit. If
SSCR1_x[TTELP] and SSCR1_x[TTE] are clear, the SSP continues to ship the last data on
disabled slots. For example, if FRDC is set to 3 (four slots per frame), only slot 0 is enabled, and
TTELP and TTE are clear, the SSP repeats the slot 0 data on time slot 1, 2, and 3. If TTELP and
TTE are set, the SSP three-states the data lines during the disabled slots.
8.4.7 Parallel Data Formats for FIFO Storage
The CPU or the DMA transfers one FIFO entry per access. Data in the FIFOs are stored with one
32-bit value per data sample, regardless of the format data word length. Within each 32-bit field,
the stored data sample is right justified, with the LSB of the word in bit 0. In the receive FIFO,
unused bits are packed as zeroes above the MSB of the data sample. In the transmit FIFO, unused
bits are above the MSB of the data sample. DMA and CPU access do not have to write to the
unused bit locations. Logic in the SSP port automatically formats data in the transmit FIFO so that
the sample is properly transmitted on SSPTXDx in the selected frame format.
8-20 Intel® PXA27x Processor Family Developer’s Manual
SSP Serial Ports
8.4.8 Continuous Serial Clock Operation
In addition to the normal operation, SSPSCLKx can be configured to run continuously even if
disabled by clearing SSCR0_x[SSE]. This allows an SSP port (when it has data to transmit) to
enable the serial clock of a different SSP port or an external device to enable the SSP port source
clocks.
This capability supports applications where the SSP ports interface with multiple peripherals that
share a common synchronized bit clock (for instance, a cellular network clock) that is generated by
one SSP port but used by other SSP ports. For example, SSP ports can interface with a Bluetooth
baseband processor (to carry voice data), a cellular baseband processor, and an audio Codec—all
synchronized to a network clock. This clock-gating logic ensures that the common clock is running
and consuming power only when an SSP port has data to send or an external device requests the
clock using SSPSCLKENx.
When the SSP controller sends a clock request to the serial-clock source SSP port, the serial clock
of the serial-clock source SSP port (refer to Table 8-3) is driven depending on SSCR1_x[ECRA]
and SSCR1_x[ECRB]. The clock request is a signal internal to the SSP port and is asserted when
an SSP port has data to send (for example, the transmit FIFO, Transmit FIFO Holding register, and
Shift register are not all empty.) This condition is denoted as the tx_not_empty signal in
Figure 8-19.
Note: In the following text, the term SSP_a refers to any of the three SSP ports. The term SSP_b refers to
any of the three SSP ports except for those included in SSP_a. For example, if SSP_a includes
SSP1, SSP_b cannot include SSP1 but can include SSP2 and SSP3.
The SSPSCLKa of SSP_a continues to run (at the baud rate SSP_a is programmed to) if at least one
of the following conditions are true:
SSP_b clock request is active (indicated by tx_not_empty in Figure 8-19) and
SSCR1_x[ECRA] and SSCR1_x[ECRB] are set so that a clock request from SSP_b into
SSP_a is enabled in SSP_a (refer to Table 8-3).
SSP_a is enabled and in the middle of a transaction (normal operation).
SSPCLKaEN of SSP_a is high and SSCR0_x[ECS] of SSP_a is cleared.
Table 8-3 shows the clock-request-enable selections possible. By setting either SSCR1_x[ECRA]
or SSCR1_x[ECRB], the source clock of an SSP port can be controlled by another SSP port clock
request.
Table 8-3. SSP Port Clock Request Enable Selection
Serial Clock Source SSP Port
SSP1 SSP2 SSP3
Clock Request SSP
SSP1 SSCR1_2[ECRA] set SSCR1_3[ECRA] set
SSP2 SSCR1_1[ECRA] set SSCR1_3[ECRB] set
SSP3 SSCR1_1[ECRB] set SSCR1_2[ECRB] set
Intel® PXA27x Processor Family Developer’s Manual 8-21
SSP Serial Ports
Figure 8-19. Clock Enabling on SSP2
NOTES:The SSCR0_2 and SSCR1_2 control bits above are in SSP2. SSP3 does not have an external clock
source; Because of this, SSPSCLKEN for SSP3 is tied to ground.
8.4.9 FIFO Operation
Two separate and independent FIFOs are present for transmit (to peripheral) and receive (from
peripheral) serial data. FIFOs are filled or emptied by CPU programmed I/O or by DMA bursts.
8.4.9.1 Using CPU Programmed I/O Data Transfers
The CPU can perform FIFO filling and emptying in response to an interrupt from the FIFO logic.
Each FIFO has a programmable trigger threshold at which an interrupt is triggered (if enabled).
When the number of entries in the receive FIFO exceeds the value in SSCR1_x[RFT] + 1, an
interrupt is generated (if enabled). This interrupt signals the CPU to empty the receive FIFO. When
the number of entries in the transmit FIFO is less than or equal to the value of (SSCR1_x[TFT] +
1), an interrupt is generated (if enabled). This interrupt signals the CPU to refill the transmit FIFO.
Reading the SSP Status register (see Section 8.5.3) shows whether the FIFO is full, empty, or how
many samples it contains.
8.4.9.2 Using DMA Data Transfers
The DMA controller can be programmed to transfer data to and from the SSP port FIFOs. The SSP
port stores data in its FIFOs one sample per FIFO location (each FIFO has 16 locations). Therefore,
the DMA burst size (DCMD_x[SIZE]) must not exceed 16 samples. For example, the maximum
DMA burst size is 16 bytes when the DCMD_x[WIDTH] is set to byte wide (0b01). There must be
sufficient empty room in the transmit FIFO or a sufficient number of samples in the receive FIFO
before a DMA burst is enabled. The SSP port data-sample size, the DMA sample width, and the
SSP port TX/RX FIFO threshold settings together determine the allowable DMA burst size. To
prevent underruns of the transmit FIFO or overruns of the receive FIFO when using DMA, take
care when setting the transmit and receive trigger thresholds. Refer to Table 8-4 for the allowable
DMA burst sizes for different combinations of SSP port sample size, DMA sample width and SSP
port threshold levels. Refer to Chapter 5, “DMA Controller” for instructions on programming the
DMA channels.
The programming model for using the DMA is as follows:
Program the total number of transmit and receive byte lengths, burst sizes, and peripheral
width. Program DCMD_x[WIDTH] to 0b01 for SSP port formats of 8 bits or less; to 0b10 for
SSP port formats of 9 to 16 bits; to 0b11 for SSP port formats of more than 16 bits.
Set the preferred values in the SSP Control registers.
SSP
Clock
Generation
SSCR1_2[ECRA]
SSCR1_2[ECRB]
SSCR0_2[ECS]
tx_not_empty_ssp1
tx_not_empty_ssp3
tx_not_empty_ssp2
SSPSCLKEN2 pin
bitclk_out_ssp2
bitclk_in_ssp2
SSCR1_2[SCLKDIR]
SSPSCLK2
8-22 Intel® PXA27x Processor Family Developer’s Manual
SSP Serial Ports
Set SSCR0_x[SSE] to enable the SSP port (see Section 8.5.1).
Set DCSR_x[RUN].
Wait for the DMA transmit- or receive-interrupt requests.
If the transmit/receive byte length is not an even multiple of the transfer burst size, a trailing-
byte condition may occur as described within Section 8.4.2.
In full-duplex formats where the SSP port always receives the same number of data samples as it
transmits, the DMA channel must be set up to transmit and receive the same number of bytes.
The DMA transmit burst size is limited because the smallest SSCR1_x[TFT] value is zero, which
equates to one sample left in the transmit FIFO. Software must program the transmit FIFO
threshold and the DMA burst size (DCMD_x[SIZE]) such that an underflow of the transmit FIFO
does not occur.
The receive FIFO threshold and the DMA burst size must be configured such that an overflow of
the receive FIFO does not occur.
Table 8-4. TFT and RFT Values with Possible DMA Burst Sizes
SSP Data Size
(SSCR0_x[EDSS],
SSCR0_x[DSS])
DMA Width
(DCMDx[WIDTH])
TX/RX Threshold
(SSCR1_x[TFT],
SSCR1_x[RFT])
Allowed DMA Burst Size
(in Bytes)
4–8 bits 1 byte
(0b01)
TFT = 0
RFT = 15
8 or 16
8 or 16
0 < TFT < 8
6 < RFT < 15
8
8
TFT > 7
RFT < 7
Do not use DMA
Do not use DMA
9–16 bits 2 bytes
(0b10)
TFT = 0
RFT = 15
8, 16, or 32
8, 16, or 32
TFT < 8
6 < RFT < 15
8 or 16
8 or 16
7 < TFT < 12
2 < RFT < 7
8
8
TFT > 11
RFT < 3
Do not use DMA
Do not use DMA
17–32 bits 4 bytes
(0b11)
TFT < 8
RFT > 6
8, 16, or 32
8, 16, or 32
7 < TFT < 12
2 < RFT < 7
8 or 16
8 or 16
11 < TFT < 14
0 < RFT < 3
8
8
TFT > 13
RFT = 0
Do not use DMA
Do not use DMA
Valid values for TFT and RFT are 0 through 15. For register details, see Table 8-7.
Intel® PXA27x Processor Family Developer’s Manual 8-23
SSP Serial Ports
8.4.10 Baud-Rate Generation
When the SSP port is configured as the master of SSPSCLKx as determined by
SSCR1_x[SCLKDIR], the baud rate (serial bit-rate SSPSCLKx) is generated internally by dividing
one of the following by a programmable divider (SSCR0_x[SCR]):
The on-chip 13-MHz clock
The network clock (CLK_EXT) described in Section 24.4.2, “GPIO Operation as Alternate
Function” on page 24-3.
The SSP port external clock (SSPEXTCLKx)
The division of the baud rate by one of these programmable dividers generates baud rates up to a
maximum of 13 Mbits per second. If the audio-clock-select bit is set (SSCR0_x[ACS]), the
frequency of the audio clock used by the SSP port is determined by the Audio Clock Divider
register (SSACD_x). The audio clock can also be routed through the baud-rate divider, but its
phase relationship with SSPSYSCLK will be lost.
Table 8-5 shows the clock selected to source the baud-rate generator by the external clock-select
(SSCR0_x[ECS]), network clock-select (SSCR0_x[NCS]), or audio clock-select (SSCR0_x[ACS]
(see Section 8.5.2 for register details).
Follow these steps when changing clock sources:
1. Turn off the SSP port internal clock by clearing the appropriate bit in the clock units CKEN
register—for example, CKEN[23] for SSP1. For full mapping information, see Table 3-33,
“Clock Enable Mappings for CKEN Bits” on page 3-99. For CKEN register details, see
Section 3.8.2.2, “Clock Enable Register (CKEN)” on page 3-98.
2. Write SSCR0_x[ECS] or SSCR0_x[NCS] or SSCR0_x[ACS].
3. Re-enable the SSP port internal clock by setting the appropriate CKEN register bit.
8.4.11 32-Bit I2S Emulation using SSP
To emulate 32-bit I2S mode using the SSP controller, follow the configurations below to support
either normal or “MSB-justified” mode.
8.4.11.1 “Normal” Mode
The following bit fields must be configured:
SSCR0[EDSS] = 0b1 (32-bit data)
SSCR0[FRF] = 0b11 (PSP format)
Table 8-5. SSP Port Clock Selection
SSCR0_x[ACS] SSCR0_x[ECS] SSCR0_x[NCS] Selected Clock
0 0 0 On-Chip Clock (internal 13-MHz PLL)
0 0 1 Network Clock (CLK_EXT)
0 1 0 SSP External Clock (SSPEXTCLK)
0 1 1 Network Clock (CLK_EXT)
1XX
On-Chip Audio Clock (determined from
internal PLL and SSACD_x)
8-24 Intel® PXA27x Processor Family Developer’s Manual
SSP Serial Ports
SSCR0[DSS] = 0b1111 (32-bit data)
The example below shows the use of the recommended settings:
SSCR0 = 0x001000BF (Only SSCR0[NCS] or SSCR0[ECS] bit fields settings are optional)
SSCR1 = 0x203C3C03 (SSCR1[SCLKDIR] and SSCR1[SFRMDIR] must be cleared, all
other bit fields settings are optional.)
SSPSP = 0x02100000 (all bit fields must be cleared except: FSRT = 1 and SFRMWDTH = 16,
DMYSTART=0,1)
8.4.11.2 “MSB-justified” Mode
All configurations in the example for “normal” mode above remain the same for “MSB-justified”
mode, with the exception for SSPSP.
SSPSP = 0x00100000 (all bit fields must be cleared except: SFRMWDTH = 16, DMYSTART
=0,1)
8.5 Register Descriptions
Each of the three SSP ports contain eleven registers: six control, one data, two status, one time-out,
and one test.
Access all registers using aligned words.
The SSP Control registers SSCR0_x, and SSCR1_x configure the baud rate, data length, frame
format, data-transfer mechanism, and port enabling. They also permit setting the FIFO trigger
threshold that triggers an interrupt. For SSCR0_x, the DSS, FRF, EDSS, ECS, NCS, and ACS
bit fields must be written before the SSE bit is set. If the DSS, FRF, EDSS, ECS, NCS, or ACS
bits need to be modified after the SSE bit is set; clear the SSE bit, make the modifications, and
then again set the SSE bit. For SSCR1_x, only the SPO, SPH, and SCFR bits must be written
before the SSE bit is set. If the SPO, SPH, or SCFR bits need to be modified after the SSE bit
is set; clear the SSE bit, make the modifications, and then again set the SSE bit.
Any writable bits in the SSSR, SSTO, and SSITR registers can be written at any time.
All bit fields in the SSPSP and SSACD registers must be written before the SSE bit is set. If
these bits need to be modified after the SSE bit is set; clear the SSE bit, make the
modifications, and then reset the SSE bit.
Write all bits in the SSRSA and SSTSA registers before the SSE bit is set. If these bits need to
be modified after the SSE bit is set; clear the SSE bit, make the modifications, and then reset
the SSE bit.
The SSP Time-out (SSTO_x) register programs the time-out value to signal a specified period
of receive FIFO inactivity.
While in PSP mode, the SSP Programmable Serial Protocol (SSPSP_x) registers program the
parameters used in defining the data transfer.
The data register is mapped as one 32-bit location, which physically points to either of two 32-
bit registers: one register is for writes of data to the transmit FIFO and the other register is for
reads that take data from the receive FIFO. A write cycle or burst write loads successive words
into the SSP port SSDR_x write register and then into the transmit FIFO. A read cycle or burst
Intel® PXA27x Processor Family Developer’s Manual 8-25
SSP Serial Ports
read takes data from the SSP port SSDR_x read register as the receive FIFO reloads it with the
“oldest” available FIFO data bits.
Do not increment the address when using read and write DMA bursts. All accesses to the SSP
Data register memory address access either the SSDR_x read register or SSDR_x write
register.
The FIFOs are independent buffers that allow full duplex operation.
Besides showing the state of the FIFO buffers, the status register (SSSR_x) shows whether the
programmable trigger threshold has been passed and whether a transmit or receive FIFO
service request is active. The Status register also shows how full the FIFO is. Flag bits indicate
when the SSP port is actively transmitting data, when the transmit FIFO is not full, and when
the receive FIFO is not empty. SSSR_x[ROR] bit signals an overrun of the receive FIFO. In
this case newly received data is discarded (see Section 8-11).
8.5.1 SSP Control Register 0 (SSCR0_x)
SSCR0_x, shown in Table 8-6, controls various functions within the SSP port. Before enabling the
SSP port by setting SSCR0_x[SSE], the preferred values for this register must be programmed.
These are read/write registers. Ignore reads from reserved bits. Write 0b0 to reserved bits.
Table 8-6. SSCR0_1/2/3 Bit Definitions (Sheet 1 of 5)
Physical Address
0x4100_0000
0x4170_0000
0x4190_0000
SSCR0_1
SSCR0_2
SSCR0_3
SSP Controller
User
Settings
Bit 31 30 29 28 27 26 25 24 23 22 21 20 19 18 17 16 15 14 13 12 11 10 9 8 7 6 5 4 3 2 1 0
MOD
ACS
reserved
FRDC
TIM
RIM
NCS
EDSS
SCR
SSE
ECS
FRF
DSS
Reset 0 0 ? ? ? 0 0 0 0 0 0 0 0 0 0 0 0 0 0 0 0 0 0 0 0 0 0 0 0 0 0 0
Bits Access Name Description
31 R/W MOD
Mode
0 = Normal SSP port mode
1 = Network mode
NOTE: When network mode is selected, only use DMA to move data
to/from the SSP Data register (SSDR_x). Do not use interrupts or
CPU polling.
Set this bit only when using PSP and TI SSP formats. Setting this bit causes
SSPSCLKx to run continuously (if the SSP port is a master of the clock—
SSCR1_x[SCLKDIR] = 0). During network mode, only one SSPSFRMx is
sent (received) for the number of time slots programmed into the
SSCR0_x[FRDC] field. See Section 8.4.6 for additional information.
When using the PSP format in network mode, the parameters SFRMDLY,
STRTDLY, DMYSTP, DMYSTRT must be cleared. Other parameters (such
as FRMPOL, SCMODE, FSRT, SFRMDWDTH) are programmable.
8-26 Intel® PXA27x Processor Family Developer’s Manual
SSP Serial Ports
30 R/W ACS
Audio Clock Select
0 = SSPSCLKx selection is determined by the NCS and ECS bits.
1 = Audio clock (and audio clock divider) creates SSPSCLKx.
If the ACS bit is set (and the GPIO are properly configured), SSPSYSCLKx
is continually output (even if the SSP port is disabled). SSPSCLKx is output
as previously defined (determined by format, SSPSCLKENx, ECRA/ECRB
functions).
29:27 — reserved
26:24 R/W FRDC
Frame Rate Divider Control
Value 0-7 indicates the number of time slots per frame when in network
mode (the actual number of time slots is FRDC + 1 for 1–8 time slots)
23 R/W TIM
Transmit FIFO Underrun Interrupt Mask
0 = TUR events generate an SSP port interrupt.
1 = TUR events do not generate an SSP port interrupt.
When set, this bit masks the TX FIFO underrun (TUR) event from
generating an SSP port interrupt. SSSR_x still indicates that a TUR event
has occurred. This bit can be written to at any time (before or after SSP port
is enabled).
22 R/W RIM
Receive FIFO Overrun Interrupt Mask
0 = ROR events generate an SSP port interrupt.
1 = ROR events do not generate an SSP port interrupt.
When set, this bit masks the RX FIFO overrun (ROR) event from generating
an SSP port interrupt. SSSR_x still indicates that an ROR event has
occurred.This bit can be written to at any time (before or after SSP port is
enabled).
21 R/W NCS
Network Clock Select
Used with ECS to select the network clock.
0 = The NCS bit determines clock selection.
1 = Network clock creates the SSP port SSPSCLKx.
Before setting the NCS bit, first disable the port. The NCS (and ECS) bits
must be configured before or at the same time that the SSE bit is set. For
more information, see Table 8-5.
20 R/W EDSS
Extended Data Size Select
Used with DSS to select the size of the data transmitted and received by the
SSP port.
0 = Zero is pre-appended to the DSS value that sets the DSS range from
4-16- bits.
1 = One is pre-appended to the DSS value that sets the DSS range from
17-32-bits.
Table 8-6. SSCR0_1/2/3 Bit Definitions (Sheet 2 of 5)
Physical Address
0x4100_0000
0x4170_0000
0x4190_0000
SSCR0_1
SSCR0_2
SSCR0_3
SSP Controller
User
Settings
Bit 31 30 29 28 27 26 25 24 23 22 21 20 19 18 17 16 15 14 13 12 11 10 9 8 7 6 5 4 3 2 1 0
MOD
ACS
reserved
FRDC
TIM
RIM
NCS
EDSS
SCR
SSE
ECS
FRF
DSS
Reset 0 0 ? ? ? 0 0 0 0 0 0 0 0 0 0 0 0 0 0 0 0 0 0 0 0 0 0 0 0 0 0 0
Bits Access Name Description
Intel® PXA27x Processor Family Developer’s Manual 8-27
SSP Serial Ports
19:8 R/W SCR
Serial Clock Rate
Selects the bit rate of the SSP port when in master mode with respect to
SSPSCLKx (as defined by SSCR1_x[SCLKDIR]). The maximum bit rate is
13 Mbps. The serial-clock generator uses clocks selected by ECS and NCS.
The selected clock is divided by the value of SCR plus 1 (a range of 1 to
4096) to generate SSPSCLKx.
NOTE: This field is ignored when the SSP port is a slave with respect to
SSPSCLKx (defined by SSCR1_x[SCLKDIR]) and transmission
data rates are determined by an external device. Software must not
change SCR when SSPSCLKx is enabled (through use of the
SSPSCLKEN pin or SSPCR1_x[ECRA] or SPCR1_x[ECRB])
because doing so causes the SSPSCLKx frequency to immediately
change.
Values (0 to 4095) generate the clock rate of the SSP port.
Serial bit rate = SSP port clock / (SCR + 1), where SCR is a decimal integer
7 R/W SSE
Synchronous Serial Enable
Enables or disables all SSP port operations. When the port is disabled, all of
its clocks can be stopped by programmers to minimize power consumption.
When cleared during active operation, the SSP port is disabled immediately,
terminating the current frame being transmitted or received. Clearing SSE
resets the port FIFOs and the status bits; however, the SSP Port Control
registers and the receive-FIFO-overrun status bit are not reset.
NOTE: After reset or after clearing the SSE, ensure that the SSCR1_x,
SSITR_x, SSTO_x, and SSPSP_x control registers are properly re-
configured and that the SSSR register is reset before re-enabling
the SSP port by setting SSE. Also, SSE must be cleared before re-
configuring the SSCR0_x, SSCR1_x, or SSPSP_x registers; any or
all control bits in SSCR0_x can be written at the same time as the
SSE.
0 = SSP port operation disabled.
1 = SSP port operation enabled.
Table 8-6. SSCR0_1/2/3 Bit Definitions (Sheet 3 of 5)
Physical Address
0x4100_0000
0x4170_0000
0x4190_0000
SSCR0_1
SSCR0_2
SSCR0_3
SSP Controller
User
Settings
Bit 31 30 29 28 27 26 25 24 23 22 21 20 19 18 17 16 15 14 13 12 11 10 9 8 7 6 5 4 3 2 1 0
MOD
ACS
reserved
FRDC
TIM
RIM
NCS
EDSS
SCR
SSE
ECS
FRF
DSS
Reset 0 0 ? ? ? 0 0 0 0 0 0 0 0 0 0 0 0 0 0 0 0 0 0 0 0 0 0 0 0 0 0 0
Bits Access Name Description
8-28 Intel® PXA27x Processor Family Developer’s Manual
SSP Serial Ports
6R/WECS
External Clock Select
Used with NCS to select the clock source for the SSP port.
ECS in conjunction with NCS selects whether the SSP port uses the on-chip
13-MHz clock or one of two off-chip clocks supplied by GPIO: the network
clock (CLK_EXT, described in Chapter 24, “General-Purpose I/O
Controller”) or the SSP port’s external clock (SSPEXTCLK) produces serial
transmission rates ranging from 6.3 Kbps (minimum recommended bit rate)
to a maximum of 13 Mbps. When NCS is cleared, ECS selects between the
on-chip 13-MHz clock and external clock (SSPEXTCLK). When NCS is set,
the network clock (CLK_EXT) is selected. The frequency of the off-chip
clock can be any value up to 13 MHz.
When the SSP port is a slave with respect to SSPSCLKx (defined by the
SSCR1_x[SCLKDIR]), this field is ignored and transmission data rates are
determined by the external device.
Before setting the ECS bit, first disable the port. The ECS (and NCS) bit
must be configured before or at the same time that SSE is set. For more
information see Table 8-5.
When ECS is cleared, SSPEXTCLKx is treated as SSPSCLKENx, a clock
enable that gates the SSPSCLKx output. See Figure 8-19 for details. When
the SSPSCLKENx changes, there is a 1–2 clock lag before SSPSCLKx is
started or stopped because of internal synchronization delays.
0 = On-chip clock produces the SSP port SSPSCLKx.
1 = SSPEXTCLK/GPIO pin creates the SSP port SSPSCLKx.
NOTE: The ECS bit for SSP3, SSCR0_3[ECS], should never be set to one
because the SSP3 does not have an associated SSPEXTCLK.
5:4 R/W FRF
Frame Format
Selects which frame format to use.
0b00 = Motorola Serial Peripheral Interface
0b01 = TI Synchronous Serial Protocol
0b10 = Microwire
0b11 = Programmable Serial Protocol
Table 8-6. SSCR0_1/2/3 Bit Definitions (Sheet 4 of 5)
Physical Address
0x4100_0000
0x4170_0000
0x4190_0000
SSCR0_1
SSCR0_2
SSCR0_3
SSP Controller
User
Settings
Bit 31 30 29 28 27 26 25 24 23 22 21 20 19 18 17 16 15 14 13 12 11 10 9 8 7 6 5 4 3 2 1 0
MOD
ACS
reserved
FRDC
TIM
RIM
NCS
EDSS
SCR
SSE
ECS
FRF
DSS
Reset 0 0 ? ? ? 0 0 0 0 0 0 0 0 0 0 0 0 0 0 0 0 0 0 0 0 0 0 0 0 0 0 0
Bits Access Name Description
Intel® PXA27x Processor Family Developer’s Manual 8-29
SSP Serial Ports
8.5.2 SSP Control Register 1 (SSCR1_x)
SSCR1_x, shown in Table 8-7, controls various SSP port functions. Before enabling the port (using
SSCR0_x[SSE]), the preferred values for this register must be set.
These are read/write registers. Ignore reads from reserved bits. Write 0b0 to reserved bits.
3:0 R/W DSS
Data Size Select
Used in conjunction with EDSS to select the size of the data transmitted and
received by the SSP port. The concatenated 5-bit value of EDSS and DSS
provides a data range from four to 32-bits in length.
For the Microwire protocol, DSS and EDSS determine the receive data size.
The size of the transmitted data is either eight or 16-bits (determined by
SSCR1_x[MWDS]) and the EDSS bit is ignored. For all modes (including
Microwire), EDSS and DSS determine the receive data size.
When data is programmed to be less than 32 bits, data written to the TX
FIFO must be right-justified.
EDSS DSS Data Size EDSS DSS Data Size
1
1
1
1
1
1
1
1
1
1
1
1
1
1
1
1
0b0000
0b0001
0b0010
0b0011
0b0100
0b0101
0b0110
0b0111
0b1000
0b1001
0b1010
0b1011
0b1100
0b1101
0b1110
0b1111
17-bit data
18-bit data
19-bit data
20-bit data
21-bit data
22-bit data
23-bit data
24-bit data
25-bit data
26-bit data
27-bit data
28-bit data
29-bit data
30-bit data
31-bit data
32-bit data
0
0
0
0
0
0
0
0
0
0
0
0
0
0
0
0
0b0000
0b0001
0b0010
0b0011
0b0100
0b0101
0b0110
0b0111
0b1000
0b1001
0b1010
0b1011
0b1100
0b1101
0b1110
0b1111
reserved, undefined
reserved, undefined
reserved, undefined
4-bit data
5-bit data
6-bit data
7-bit data
8-bit data
9-bit data
10-bit data
11-bit data
12-bit data
13-bit data
14-bit data
15-bit data
16-bit data
Table 8-6. SSCR0_1/2/3 Bit Definitions (Sheet 5 of 5)
Physical Address
0x4100_0000
0x4170_0000
0x4190_0000
SSCR0_1
SSCR0_2
SSCR0_3
SSP Controller
User
Settings
Bit 31 30 29 28 27 26 25 24 23 22 21 20 19 18 17 16 15 14 13 12 11 10 9 8 7 6 5 4 3 2 1 0
MOD
ACS
reserved
FRDC
TIM
RIM
NCS
EDSS
SCR
SSE
ECS
FRF
DSS
Reset 0 0 ? ? ? 0 0 0 0 0 0 0 0 0 0 0 0 0 0 0 0 0 0 0 0 0 0 0 0 0 0 0
Bits Access Name Description
8-30 Intel® PXA27x Processor Family Developer’s Manual
SSP Serial Ports
Table 8-7. SSCR1_1/2/3 Bit Definitions (Sheet 1 of 9)
Physical Address
0x4100_0004
0x4170_0004
0x4190_0004
SSCR1_1
SSCR1_2
SSCR1_3
SSP Controller
User
Settings
Bit 31 30 29 28 27 26 25 24 23 22 21 20 19 18 17 16 15 14 13 12 11 10 9 8 7 6 5 4 3 2 1 0
TTELP
TTE
EBCEI
SCFR
ECRA
ECRB
SCLKDIR
SFRMDIR
RWOT
TRAIL
TSRE
RSRE
TINTE
PINTE
Reserved
IFS
STRF
EFWR
RFT TFT
MWDS
SPH
SPO
LBM
TIE
RIE
Reset 0 0 0 0 0 0 0 0 0 0 0 0 0 0 ? 0 0 0 0 0 0 0 0 0 0 0 0 0 0 0 0 0
Bits Access Name Description
31 R/W TTELP
TXD Tristate Enable on Last Phase
TTELP is used in conjunction with TTE. When set, TTELP causes
SSPTXDx to become high impedance 1/2 phase later than specified in
the TTE bit description under either of the following 2 conditions: 1) the
format is SSP; or 2) the format is PSP and the SSP port is a slave to
frame (SSCR1_x[SFRMDIR] is set). For example, when in SSP format,
with TTELP and TTE set, SSPTXDx goes to high impedance one full
clock after the clock edge that starts the LSB.
Ensure if SCLKDIR is set (SSP port is a slave to SSPSCLKx) that the
device driving SSPSCLKx provides another clock edge.
NOTE: TTELP must not be set when using Microwire or SPI formats
1 = SSPTXDx becomes high impedance one full clock after the clock
edge that starts the LSB.
0 = SSPTXDx becomes high impedance 1/2 clock after the clock
edge that starts the LSB.
30 R/W TTE
TXD Tristate Enable
If TTE is cleared, SSPTXDx is always driven. When set, TTE causes
SSPTXDx to become high impedance when the SSP port is not
transmitting data. The timing for the high impedance enable/disable
varies according to the different serial formats and frame direction.
For Microwire format, SSPTXDx is driven on the same clock edge that
the MSB is driven, and SSPTXDx becomes high impedance one full
clock after the clock edge that starts the LSB. See Section 8.4.5.3.
For SPI protocol, SSPTXDx becomes high impedance whenever
SPSFRMx is de-asserted (driven high). See Section 8.4.5.2.
For TI Synchronous Serial Protocol, SSPTXDx is driven at the first
rising edge of the SSPSCLKx after SSPSFRMx is asserted (the same
time the MSB is driven) and continues to be driven until 1/2 clock
(TTELP = 1) or 1 full clock (TTELP = 0) after the clock edge that starts
the LSB. See Section 8.4.5.1.
For PSP format when the SSP port is a slave to frame, SSPTXDx
becomes high impedance 1/2 clock after the clock edge that starts the
LSB. For PSP format when the SSP port is a master to frame,
SSPTXDx becomes high impedance one full clock after the clock edge
that starts the LSB (even if the SSP port is a master of clock and this
clock edge does not appear on SSPSCLKx). See Section 8.4.5.4.
NOTE: TTE must be set when in network mode.
0 = SSPTXDx does not become high impedance.
1 = SSPTXDx becomes high impedance when not transmitting data.
Intel® PXA27x Processor Family Developer’s Manual 8-31
SSP Serial Ports
29 R/W EBCEI
Enable Bit Count Error Interrupt
When set, EBCEI enables a bit count error interrupt. A bit count error
occurs when the SSP port is a slave to SSPSCLKx and/or SSPSFRMx
and the SSP port detects a new frame before the internal bit counter
has reached 0 (before the LSB was driven).
0 = Interrupt due to a bit count error is disabled.
1 = Interrupt due to a bit count error is enabled.
28 R/W SCFR
Slave Clock Free Running
In slave mode (SSCR1_x[SCLKDIR] is set), SCFR must be cleared if
the input clock from the external source is running continuously.
In master mode (SSCR1_x[SCLKDIR] is cleared), SCFR is ignored.
Slave mode only:
0 = SSPSCLKx is continuously running.
1 = SSPSCLKx is active only during transfers.
27 R/W ECRA
Enable Clock Request A
Refer to Section 8.4.8 for details on the use of this bit.
0 = Clock request from another SSP port is disabled.
1 = Clock request from another SSP port is enabled.
26 R/W ECRB
Enable Clock Request B
Refer to Section 8.4.8 for details on the use of this bit.
0 = Clock request from another SSP port is disabled.
1 = Clock request from another SSP port is enabled.
25 R/W SCLKDIR
SSPSCLKx Direction
SCLKDIR determines whether the port is the master or slave (with
respect to driving SSPSCLKx).
Depending on the frame format selected, each transmitted bit is driven
on either the rising or falling edge of SSPSCLKx, and is sampled on the
opposite clock edge. When the GPIO alternate function is selected for
the SSP port, this bit has precedence over the GPIO direction bit.
SCLKDIR must be written before the GPIO direction bit (to prevent any
possible contention on SSPSCLKx).
0 = Master mode, the port generates SSPSCLKx internally, acts as
the master, and drives SSPSCLKx.
1 = Slave mode, the port acts as a slave, receives SSPSCLKx from
an external device and uses it to determine when to drive transmit
data on SSPTXDx and when to sample receive data on
SSPRXDx.
NOTE: When SCLKDIR is set, the SSCR0_x[NCS] and
SSCR0_x[ESC] bits must be cleared.
Table 8-7. SSCR1_1/2/3 Bit Definitions (Sheet 2 of 9)
Physical Address
0x4100_0004
0x4170_0004
0x4190_0004
SSCR1_1
SSCR1_2
SSCR1_3
SSP Controller
User
Settings
Bit 31 30 29 28 27 26 25 24 23 22 21 20 19 18 17 16 15 14 13 12 11 10 9 8 7 6 5 4 3 2 1 0
TTELP
TTE
EBCEI
SCFR
ECRA
ECRB
SCLKDIR
SFRMDIR
RWOT
TRAIL
TSRE
RSRE
TINTE
PINTE
Reserved
IFS
STRF
EFWR
RFT TFT
MWDS
SPH
SPO
LBM
TIE
RIE
Reset 0 0 0 0 0 0 0 0 0 0 0 0 0 0 ? 0 0 0 0 0 0 0 0 0 0 0 0 0 0 0 0 0
Bits Access Name Description
8-32 Intel® PXA27x Processor Family Developer’s Manual
SSP Serial Ports
24 R/W SFRMDIR
SSP Frame Direction
SFRMDIR determines whether the SSP port is the master or slave (with
respect to driving SSPSFRMx).
NOTE: When the port is configured as a slave to SSPSFRMx, the
external device driving SSPSFRMx must wait until
SSSR_x[CSS] is cleared after enabling the port and before
asserting SSPSFRMx (no external clock cycles are needed).
When the GPIO alternate function is selected for the port,
SFRMDIR has precedence over the GPIO direction bit.
SFRMDIR must be written before the GPIO direction bit (to
prevent any possible contention on SSPSFRMx).
0 = Master mode, the port generates SSPSFRMx internally, acts as
the master and drives SSPSFRMx.
1 = Slave mode, the port acts as a slave, receives SSPSFRMx from
an external device.
23 R/W RWOT
Receive Without Transmit
RWOT puts the SSP port into a mode similar to half duplex. This allows
the port to receive data without transmitting data (half-duplex only).
When the port is in master mode (SCLKDIR cleared) and RWOT is set,
the port continues to clock in receive data, regardless of data existing in
the transmit FIFO. Data is sent/received immediately after the port
enable bit (SSCR0_x[SSE]) is set. In this mode, if there is no data to
send, the DMA service requests and interrupts for the transmit FIFO
must be disabled (clear both SSCR1_x[TSRE,TIE]). If the transmit FIFO
is empty, SSPTXDx is driven low.
The transmit-FIFO underrun condition does not occur when RWOT is
set. When RWOT is set, SSSR_x[BSY] remains set until software
clears the RWOT bit. After RWOT is cleared, and extra frame cycle may
occur due to synchronization delays between the processor clock
domains. RWOT must not be used when SSCR0_x[MOD] is set.
0 = Transmit/receive mode.
1 = Receive without transmit mode.
22 R/W TRAIL
Trailing Byte
TRAIL configures how trailing bytes are handled (see Section 8.4.2 for
more detail).
0 = Processor based, Trailing bytes are handled by the CPU.
1 = DMA based, Trailing bytes are handled by DMA.
Table 8-7. SSCR1_1/2/3 Bit Definitions (Sheet 3 of 9)
Physical Address
0x4100_0004
0x4170_0004
0x4190_0004
SSCR1_1
SSCR1_2
SSCR1_3
SSP Controller
User
Settings
Bit 31 30 29 28 27 26 25 24 23 22 21 20 19 18 17 16 15 14 13 12 11 10 9 8 7 6 5 4 3 2 1 0
TTELP
TTE
EBCEI
SCFR
ECRA
ECRB
SCLKDIR
SFRMDIR
RWOT
TRAIL
TSRE
RSRE
TINTE
PINTE
Reserved
IFS
STRF
EFWR
RFT TFT
MWDS
SPH
SPO
LBM
TIE
RIE
Reset 0 0 0 0 0 0 0 0 0 0 0 0 0 0 ? 0 0 0 0 0 0 0 0 0 0 0 0 0 0 0 0 0
Bits Access Name Description
Intel® PXA27x Processor Family Developer’s Manual 8-33
SSP Serial Ports
21 R/W TSRE
Transmit Service Request Enable
TSRE enables the transmit FIFO DMA Service Request.
NOTE: Clearing TSRE does not affect the current state of
SSSR_x[TFS] or the ability of the transmit-FIFO logic to set
and clear SSSR_x[TFS]; it prevents the generation of the DMA
service request. The state of TSRE does not effect the
generation of the interrupt, which is asserted whenever the
SSSR_x[TFS] is set.
0 = DMA service request is disabled and the state of the transmit
FIFO DMA service request is ignored.
1 = DMA service request is enabled.
20 R/W RSRE
Receive Service Request Enable
RSRE enables the Receive FIFO DMA Service Request.
NOTE: Clearing RSRE does not affect the current state of
SSSR_x[RFS] or the ability of the receive FIFO logic to set and
clear SSSR_x[RFS]; it blocks only the generation of the DMA
service request. The state of RFRS does not affect the
generation of the interrupt, which is asserted whenever
SSSR_x[RFS] is set.
0 = DMA service request is disabled and the state of the
SSSR_x[RFS] is ignored.
1 = DMA service request is enabled.
19 R/W TINTE
Receiver Time-Out Interrupt Enable
TINTE enables the receiver time-out interrupt.
NOTE: Clearing TINTE does not affect the current state of
SSSR_x[TINT] or the ability of logic to set and clear
SSSR_x[TINT]; it prevents the generation of the interrupt
request.
0 = Receiver time-out interrupts are disabled. The interrupt is masked
and the state of SSSR_x[TINT] is ignored by the interrupt
controller.
1 = Receiver time-out interrupts are enabled.
Table 8-7. SSCR1_1/2/3 Bit Definitions (Sheet 4 of 9)
Physical Address
0x4100_0004
0x4170_0004
0x4190_0004
SSCR1_1
SSCR1_2
SSCR1_3
SSP Controller
User
Settings
Bit 31 30 29 28 27 26 25 24 23 22 21 20 19 18 17 16 15 14 13 12 11 10 9 8 7 6 5 4 3 2 1 0
TTELP
TTE
EBCEI
SCFR
ECRA
ECRB
SCLKDIR
SFRMDIR
RWOT
TRAIL
TSRE
RSRE
TINTE
PINTE
Reserved
IFS
STRF
EFWR
RFT TFT
MWDS
SPH
SPO
LBM
TIE
RIE
Reset 0 0 0 0 0 0 0 0 0 0 0 0 0 0 ? 0 0 0 0 0 0 0 0 0 0 0 0 0 0 0 0 0
Bits Access Name Description
8-34 Intel® PXA27x Processor Family Developer’s Manual
SSP Serial Ports
18 R/W PINTE
Peripheral Trailing Byte Interrupt Enable
PINTE enables the peripheral trailing byte interrupt.
NOTE: Clearing PINTE does not affect the current state of
SSSR_x[PINT] or the ability of logic to set and clear
SSSR_x[PINT]; it prevents the generation of the interrupt
request.
0 = Peripheral trailing byte interrupts are disabled. The interrupt is
masked and the state of SSSRx[PINT] is ignored by the interrupt
controller.
1 = Peripheral trailing byte interrupt are enabled.
17 — reserved
16 R/W IFS
Invert Frame Signal
0 = SSPSFRMx polarity is determined by SSP format and PSP
polarity bits.
1 = SSPSFRMx is inverted from the normal SSP frame signal (as
defined by the SSP format and PSP polarity bits).
15 R/W STRF
Select FIFO for EFWR (test mode bit only)
Only when SSCR1_x[EFWR] is set, STRF selects whether the transmit
or the receive FIFO is enabled for writes and reads.
0 = Transmit FIFO is selected for both writes and reads through
SSDR_x
1 = Receive FIFO is selected for both writes and reads through
SSDR_x
Table 8-7. SSCR1_1/2/3 Bit Definitions (Sheet 5 of 9)
Physical Address
0x4100_0004
0x4170_0004
0x4190_0004
SSCR1_1
SSCR1_2
SSCR1_3
SSP Controller
User
Settings
Bit 31 30 29 28 27 26 25 24 23 22 21 20 19 18 17 16 15 14 13 12 11 10 9 8 7 6 5 4 3 2 1 0
TTELP
TTE
EBCEI
SCFR
ECRA
ECRB
SCLKDIR
SFRMDIR
RWOT
TRAIL
TSRE
RSRE
TINTE
PINTE
Reserved
IFS
STRF
EFWR
RFT TFT
MWDS
SPH
SPO
LBM
TIE
RIE
Reset 0 0 0 0 0 0 0 0 0 0 0 0 0 0 ? 0 0 0 0 0 0 0 0 0 0 0 0 0 0 0 0 0
Bits Access Name Description
Intel® PXA27x Processor Family Developer’s Manual 8-35
SSP Serial Ports
14 R/W EFWR
Enable FIFO Write/Read (test mode bit)
Enables test mode for the SSP port.
When set, the SSP port enters a mode where whenever the CPU reads
or writes to the SSP Data register, it reads and writes directly to either
the transmit FIFO or the receive FIFO, depending on the programmed
state of SSCR1_x[STRF].
In EFWR test mode, data is not transmitted on SSPTXDx, data input on
SSPRXDx is not stored, and the busy and ROR bits have no effect.
However, the Interrupt Test register is still functional. Using software,
this mode can test whether or not the TX FIFO or the RX FIFO operates
properly as a FIFO memory stack. Verify that the SSSR_x[CSS] bit has
gone from set to clear before reading the TX FIFO. This bit must be
cleared for normal operation.
When SSCR1_x[STRF] is clear, writes to SSDR_x are performed on the
Transmit FIFO, and reads from SSDR_x read back the data written to
the TX FIFO in first-in-first-out order. When the STRF is set, writes to
SSDR_x are performed on the RX FIFO, and reads from SSDR_x read
back the data written to the RX FIFO in first-in-first-out order.
0 = FIFO write/read special function is disabled (normal SSP port
operational mode)
1 = FIFO write/read special function is enabled.
13:10 R/W RFT
Receive FIFO Threshold
RFT sets the level at or above which the FIFO controller triggers a DMA
service request (if enabled) and a CPU interrupt request (if enabled).
This level must be set to the desired trigger threshold value minus 1.
NOTE: Do not to set the value of RFT too high for the system;
otherwise, the receive FIFO can overrun because of the bus
latencies caused by other internal and external peripherals.
This is especially important when using interrupts and polled
modes that require a longer time to service.
9:6 R/W TFT
Transmit FIFO Threshold
TFT sets the level at or below which the FIFO controller triggers a DMA
service request (if enabled) and a CPU interrupt request (if enabled).
This level must be set to the desired trigger threshold value minus 1.
NOTE: Do not set the value of TFT too low for the system; otherwise,
the transmit FIFO can underrun because of the bus latencies
caused by other internal and external peripherals. This is
especially important when using interrupts and polled modes
that require a longer time to service.
Table 8-7. SSCR1_1/2/3 Bit Definitions (Sheet 6 of 9)
Physical Address
0x4100_0004
0x4170_0004
0x4190_0004
SSCR1_1
SSCR1_2
SSCR1_3
SSP Controller
User
Settings
Bit 31 30 29 28 27 26 25 24 23 22 21 20 19 18 17 16 15 14 13 12 11 10 9 8 7 6 5 4 3 2 1 0
TTELP
TTE
EBCEI
SCFR
ECRA
ECRB
SCLKDIR
SFRMDIR
RWOT
TRAIL
TSRE
RSRE
TINTE
PINTE
Reserved
IFS
STRF
EFWR
RFT TFT
MWDS
SPH
SPO
LBM
TIE
RIE
Reset 0 0 0 0 0 0 0 0 0 0 0 0 0 0 ? 0 0 0 0 0 0 0 0 0 0 0 0 0 0 0 0 0
Bits Access Name Description
8-36 Intel® PXA27x Processor Family Developer’s Manual
SSP Serial Ports
5R/WMWDS
Microwire Transmit Data Size
MWDS selects between an eight bit or 16-bit size for the command
word transmitted using the Microwire protocol. MWDS is ignored for all
other frame formats.
0 = 8-bit command word is transmitted.
1 = 16-bit command word is transmitted.
4R/WSPH
Motorola SPI SSPSCLKx Phase
SPH determines the phase relationship between SSPSCLKx and the
SSPSFRMx when the Motorola SPI format is selected. When SPH is
clear, SSPSCLKx remains in its Inactive/Idle state (as determined by
the SSCR1_x[SPO] setting) for one full cycle after SSPSFRMx is
asserted low at the beginning of a frame. SSPSCLKx continues to
toggle for the rest of the frame and is then held in its Inactive state for
one-half of an SSPSCLKx period before SSPSFRMx is deasserted high
at the end of the frame.
When SPH is set, SSPSCLKx remains in its inactive/idle state (as
determined by the SSCR1_x[SPO] bit value) for one-half cycle after
SSPSFRMx is asserted low at the beginning of a frame. SSPSCLKx
continues to toggle for the remainder of the frame, and is then held in its
inactive state for one full SSPSCLKx period before SSPSFRMx is de-
asserted high at the end of the frame. The combination of the
SSCR1_x[SPO] bit and SSCR1_x[SPH] bit settings determines when
SSPSCLKx is active during the assertion of SSPSFRMx, and which
SSPSCLKx edge transmits and receives data on the SSPTXDx and
SSPRXDx pins.
When SSCR1_x[SPO] and SSCR1_x[SPH] are programmed to the
same value (both clear or both set), SSPTXDx is driven on the falling
edge of SSPSCLKx, and SSPRXDx is latched on the rising edge of
SSPSCLKx. When SSCR1_x[SPO] and SSCR1_x[SPH] are
programmed to opposite values (one clear and the other set),
SSPTXDx is driven on the rising edge of SSPSCLKx and SSPRXDx is
latched on the falling edge of SSPSCLKx.
NOTE: SPH is ignored for all data frame formats except for the
Motorola SPI format.
Figure 8-6 and Figure 8-7 show the timing for all four programming
combinations of SSCR1_x[SPO] and SSCR1_x[SPH]. SSCR1_x[SPO]
inverts the polarity of SSPSCLKx, and SSCR1_x[SPH] determines the
phase relationship between SSPSCLKx and SSPSFRMx, shifting the
SSPSCLKx one-half phase to the left or right during the assertion of
SSPSFRMx.
0 = SSPSCLKx is inactive one cycle at the start of a frame and 1/2
cycle at the end of a frame.
1 = SSPSCLKx is inactive 1/2 cycle at the start of a frame and one
cycle at the end of a frame.
Table 8-7. SSCR1_1/2/3 Bit Definitions (Sheet 7 of 9)
Physical Address
0x4100_0004
0x4170_0004
0x4190_0004
SSCR1_1
SSCR1_2
SSCR1_3
SSP Controller
User
Settings
Bit 31 30 29 28 27 26 25 24 23 22 21 20 19 18 17 16 15 14 13 12 11 10 9 8 7 6 5 4 3 2 1 0
TTELP
TTE
EBCEI
SCFR
ECRA
ECRB
SCLKDIR
SFRMDIR
RWOT
TRAIL
TSRE
RSRE
TINTE
PINTE
Reserved
IFS
STRF
EFWR
RFT TFT
MWDS
SPH
SPO
LBM
TIE
RIE
Reset 0 0 0 0 0 0 0 0 0 0 0 0 0 0 ? 0 0 0 0 0 0 0 0 0 0 0 0 0 0 0 0 0
Bits Access Name Description
Intel® PXA27x Processor Family Developer’s Manual 8-37
SSP Serial Ports
3 R/W SPO
Motorola SPI SSPSCLKx Polarity
SPO selects the polarity of the inactive state of SSPSCLKx when the
SPI protocol is selected.
The programmed setting of SPO alone does not determine which
SSPSCLKx edge transmits or receives data; SPO in combination with
SSCR1_x[SPH] does.
NOTE: SSCR1_x[SPO] is ignored for all data frame formats except for
SPI protocol (SSCR0_x[FRF] = 0b00).
0 = SSPSCLKx is held low in the inactive or idle state when the SSP
port is not transmitting/receiving data.
1 = SSPSCLKx is held high during the inactive or idle state.
2R/WLBM
Loop-Back Mode (test-mode bit only)
LBM is a test-mode bit that enables and disables the ability of the SSP
port transmit and receive logic to communicate.
NOTE: The loop-back mode cannot be used with the Microwire
protocol since this protocol uses half-duplex master-slave
message passing.
0 = Normal SSP port operation is enabled.
1 = Output of transmit serial shifter is internally connected to the input
of the receive serial shifter. SSPTXDx continues to function
normally.
1R/W TIE
Transmit FIFO Interrupt Enable
TIE enables the TX FIFO service request interrupt.
NOTE: Clearing TIE does not affect the current state of SSSR_x[TFS]
or the ability of the transmit-FIFO logic to set and clear
SSSR_x[TFS]—it blocks only the generation of the interrupt
request. Also, the state of TIE does not effect the generation of
the transmit-FIFO DMA service request, which is asserted
whenever SSSR_x[TFS] is set.
0 = TX FIFO level interrupt is disabled. The interrupt is masked and
the state of SSSR_x[TFS] is ignored.
1 = TX FIFO level interrupt is enabled. Whenever SSSR_x[TFS] is
set, an interrupt request is made to the interrupt controller.
Table 8-7. SSCR1_1/2/3 Bit Definitions (Sheet 8 of 9)
Physical Address
0x4100_0004
0x4170_0004
0x4190_0004
SSCR1_1
SSCR1_2
SSCR1_3
SSP Controller
User
Settings
Bit 31 30 29 28 27 26 25 24 23 22 21 20 19 18 17 16 15 14 13 12 11 10 9 8 7 6 5 4 3 2 1 0
TTELP
TTE
EBCEI
SCFR
ECRA
ECRB
SCLKDIR
SFRMDIR
RWOT
TRAIL
TSRE
RSRE
TINTE
PINTE
Reserved
IFS
STRF
EFWR
RFT TFT
MWDS
SPH
SPO
LBM
TIE
RIE
Reset 0 0 0 0 0 0 0 0 0 0 0 0 0 0 ? 0 0 0 0 0 0 0 0 0 0 0 0 0 0 0 0 0
Bits Access Name Description
8-38 Intel® PXA27x Processor Family Developer’s Manual
SSP Serial Ports
8.5.3 SSP Programmable Serial Protocol Register (SSPSP_x)
SSPSP_x, shown in Table 8-8, contains bit fields to program the various programmable serial-
protocol parameters.
The contents of SSPSP_x are ignored if PSP mode is not selected.
These are read/write registers. Ignore reads from reserved bits. Write 0b0 to reserved bits.
0R/W RIE
Receive FIFO Interrupt Enable
RIE enables the RX FIFO service request interrupt.
NOTE: Clearing RIE does not affect the current state of SSSR_x[RFS]
or the ability of the RX-FIFO logic to set and clear
SSSR_x[RFS]—it blocks only the generation of the interrupt
request. The state of RIE does not affect the generation of the
RX-FIFO DMA service request, which is asserted whenever
SSSR_x[RFS] is set.
0 = RX FIFO level interrupt is disabled. The interrupt is masked and
SSSR_x[RFS] is ignored.
1 = RX FIFO level interrupt is enabled. Whenever SSSR_x[RFS] is
set, an interrupt request is made to the interrupt controller.
Table 8-7. SSCR1_1/2/3 Bit Definitions (Sheet 9 of 9)
Physical Address
0x4100_0004
0x4170_0004
0x4190_0004
SSCR1_1
SSCR1_2
SSCR1_3
SSP Controller
User
Settings
Bit 31 30 29 28 27 26 25 24 23 22 21 20 19 18 17 16 15 14 13 12 11 10 9 8 7 6 5 4 3 2 1 0
TTELP
TTE
EBCEI
SCFR
ECRA
ECRB
SCLKDIR
SFRMDIR
RWOT
TRAIL
TSRE
RSRE
TINTE
PINTE
Reserved
IFS
STRF
EFWR
RFT TFT
MWDS
SPH
SPO
LBM
TIE
RIE
Reset 0 0 0 0 0 0 0 0 0 0 0 0 0 0 ? 0 0 0 0 0 0 0 0 0 0 0 0 0 0 0 0 0
Bits Access Name Description
Intel® PXA27x Processor Family Developer’s Manual 8-39
SSP Serial Ports
Table 8-8. SSPSP1/2/3 Bit Definitions (Sheet 1 of 2)
Physical Address
0x4100_002C
0x4170_002C
0x4190_002C
SSPSP_1
SSPSP_2
SSPSP_3
SSP Controller
User
Settings
Bit 31 30 29 28 27 26 25 24 23 22 21 20 19 18 17 16 15 14 13 12 11 10 9 8 7 6 5 4 3 2 1 0
reserved
FSRT
DMYSTOP
reserved
SFRMWDTH SFRMDLY
DMYSTRT
STRTDLY
ETDS
SFRMP
SCMODE
Reset ? ? ? ? ? ? 0 0 0 ? 0 0 0 0 0 0 0 0 0 0 0 0 0 0 0 0 0 0 0 0 0 0
Bits Access Name Description
31:26 — reserved
25 R/W FSRT
Frame Sync Relative Timing
0 = Next frame is asserted after the end of the T4 timing
1 = Next frame is asserted with the LSB of the previous frame
NOTE: When FSRT is set, SSPSFRMx corresponding to the next
sample is asserted during the transmission of the LSB from the
current sample (see Figure 8-12).
24:23 R/W DMYSTOP
Dummy Stop
DMYSTOP determines the number of cycles that SSPSCLKx is active
following the last bit (bit 0) of transmitted data (SSPTXDx) or received
data (SSPRXDx). The value must be from 0 to 3. DMYSTOP must be
cleared when PSP format is used in network mode and/or when FSRT
is set.
22 — reserved
21:16 R/W SFRMWDTH
Serial Frame Width
SFRMWDTH determines the number of SSPSCLKx cycles that
SSPSFRMx is active.
The programmed value must not be asserted past the end of
DMYSTOP (T4 in Figure 8-10). The value must be from 1 to 44.
In PSP slave mode (SSCR1_x[SFRMDIR] is set), SFRMWDTH is
ignored. The incoming SSPSFRMx must be asserted for a duration of at
least one SSPSCLKx cycle for each sample. The incoming SSPSFRMx
and first data bit of the sample can be asserted at the same time.
Between samples, the incoming SSPSFRMx must be de-asserted for a
duration of at least one SSPSCLKx cycle.
15:9 R/W SFRMDLY
Serial Frame Delay
SFRMDLY determines the number of half SSPSCLKx cycles that
SSPSFRMx is delayed from the start of the transfer to the time
SSPSFRMx is asserted. The value must be from 0 to 88.
8:7 R/W DMYSTRT
Dummy Start
DMYSTRT determines the number of SSPSCLKx cycles after
STRTDLY and before transmitted data (SSPTXDx) or received data
(SSPRXDx).
8-40 Intel® PXA27x Processor Family Developer’s Manual
SSP Serial Ports
6:4 R/W STRTDLY
Start Delay
STRTDLY determines the number of cycles that SSPSCLKx remains in
its Idle state between data transfers. The STRTDLY field must be
cleared if the SSPSCLKENx, SSCR1_x[ECRA], or SSCR1_x[ECRB]
clock enables are used. The STRTDLY field must be cleared whenever
SSPSCLKx or SSPSFRMx is configured as an input
(SSCR1_x[SCLKDIR] or SSCR1_x[SFRMDIR] are set). The value must
be from 0 to 7.
3R/WETDS
End-of-Transfer Data State
ETDS determines the state of SSPTXDx at the end of a transfer. When
cleared, the state of SSPTXDx is forced low after the LSB of the frame
is sent and remains low through the next idle period. When set, the
state of SSPTXDx retains the value of the LSB through the next idle
period.
NOTE: ETDS has no effect if SSCR1_x[TTE] is set. ETDS bit has no
effect when configured in TI Synchronous Serial Protocol.
0 = Low
1 = Last Value <Bit 0>
2R/WSFRMP
Serial Frame Polarity
SFRMP determines the active state of SSPSFRMx.
In idle mode or when the SSP port is disabled, SSPSFRMx is in its
inactive state. In slave mode (SSCR1_x[SFRMDIR] is set), SFRMP
indicates the polarity of the incoming SSPSFRMx.
0 = SSPSFRMx is active low.
1 = SSPSFRMx is active high.
1:0 R/W SCMODE
Serial Bit-Rate Clock Mode
SCMODE selects one of four serial clock modes when PSP format is
used (SSCR0_x[FRF] = 0b11).
Its operation is similar to how SSCR1_x[SPO] and SSCR1_x[SPH]
together determine the idle state of SSPSCLKx and on which edges
data is driven and sampled.
0b00 = Data Driven (Falling), Data Sampled (Rising), Idle State (Low)
0b01 = Data Driven (Rising), Data Sampled (Falling), Idle State (Low)
0b10 = Data Driven (Rising), Data Sampled (Falling), Idle State (High)
0b11 = Data Driven (Falling), Data Sampled (Rising), Idle State (High)
NOTE:
For all selections of SCMODE, the Idle state is high impedance when
SSCR1_x[TIE] is set
SSPSP_x[SCMODE] must be 0b00 when operating with TI Format
(SSCR0_x[FRF] = 0b01)
Table 8-8. SSPSP1/2/3 Bit Definitions (Sheet 2 of 2)
Physical Address
0x4100_002C
0x4170_002C
0x4190_002C
SSPSP_1
SSPSP_2
SSPSP_3
SSP Controller
User
Settings
Bit 31 30 29 28 27 26 25 24 23 22 21 20 19 18 17 16 15 14 13 12 11 10 9 8 7 6 5 4 3 2 1 0
reserved
FSRT
DMYSTOP
reserved
SFRMWDTH SFRMDLY
DMYSTRT
STRTDLY
ETDS
SFRMP
SCMODE
Reset ? ? ? ? ? ? 0 0 0 ? 0 0 0 0 0 0 0 0 0 0 0 0 0 0 0 0 0 0 0 0 0 0
Bits Access Name Description
Intel® PXA27x Processor Family Developer’s Manual 8-41
SSP Serial Ports
8.5.4 SSP Time-Out Register (SSTO_x)
SSTO_x, shown in Table 8-9, specifies the time-out value to signal a period of inactivity within the
receive FIFO.
SSTO_x are read/write registers. Ignore reads from reserved bits. Write 0b0 to reserved bits.
8.5.5 SSP Interrupt Test Register (SSITR_x)
SSITR_x, shown in Table 8-10, contains bit fields used for testing purposes only.
Setting bits in this register causes the SSP port controller to generate interrupts and DMA requests,
if they are enabled, which is useful in testing port functionality.
Setting any of these bits also causes corresponding status bits to be set in SSSR_x. The interrupt or
DMA service request, caused by the setting of one of these bits, remains active until the bit is
cleared. This register must be 0 for normal operation.
These are read/write registers. Ignore reads from reserved bits. Write 0b0 to reserved bits.
Table 8-9. SSTO_1/2/3 Bit Definitions
Physical Address
0x4100_0028
0x4170_0028
0x4190_0028
SSTO_1
SSTO_2
SSTO_3
SSP Controller
User
Settings
Bit 31 30 29 28 27 26 25 24 23 22 21 20 19 18 17 16 15 14 13 12 11 10 9 8 7 6 5 4 3 2 1 0
reserved TIMEOUT
Reset ? ? ? ? ? ? ? ? 0 0 0 0 0 0 0 0 0 0 0 0 0 0 0 0 0 0 0 0 0 0 0 0
Bits Access Name Description
31:24 — reserved
23:0 R/W TIMEOUT
Time-Out Value
Sets the time-out interval. When the TIMEOUT value is cleared, no
time-out occurs and SSSR_x[TINT] is not set.
The time-out interval is given by the equation: (Time-out Interval) =
(TIMEOUT value) / (Peripheral Clock Frequency)
8-42 Intel® PXA27x Processor Family Developer’s Manual
SSP Serial Ports
8.5.6 SSP Status Register (SSSR_x)
SSSR_x, shown in Table 8-11, contains bit fields that signal overrun errors and the transmit and
receive FIFO DMA service requests. Each of these hardware-detected events signal an interrupt
request to the interrupt controller. The status register also contains flags that indicate:
When the SSP port is actively transmitting data
When the TX FIFO is not full
When the RX FIFO is not empty
One interrupt signal is sent to the interrupt controller for each SSP port. These events can cause an
interrupt:
End-of-chain
Receiver time-out
Peripheral trailing byte
RX FIFO overrun
RX FIFO request
TX FIFO request
Table 8-10. SSITR1/2/3 Bit Definitions
Physical Address
0x4100_000C
0x4170_000C
0x4190_000C
SSITR_1
SSITR_2
SSITR_3
SSP Controller
User
Settings
Bit 31 30 29 28 27 26 25 24 23 22 21 20 19 18 17 16 15 14 13 12 11 10 9 8 7 6 5 4 3 2 1 0
reserved
TROR
TRFS
TTFS
reserved
Reset ? ? ? ? ? ? ? ? ? ? ? ? ? ? ? ? ? ? ? ? ? ? ? ? 0 0 0 ? ? ? ? ?
Bits Access Name Description
31:8 — reserved
7 R/W TROR
Test RX FIFO Overrun
0 = No receive FIFO overrun DMA service request is generated.
1 = Generates a non-maskable interrupt to the CPU. No DMA request
is generated. Write 0b0 to clear.
6 R/W TRFS
Test RX FIFO Service Request
0 = No receive FIFO DMA service request is generated.
1 = Generates a non-maskable interrupt to the CPU and a DMA
request for the RX FIFO. Write 0b0 to clear.
5R/WTTFS
Test TX FIFO Service Request
0 = No transmit FIFO DMA service request is generated.
1 = Generates a non-maskable interrupt to the CPU and a DMA
request for the TX FIFO. Write 0b0 to clear.
4:0 — reserved
Intel® PXA27x Processor Family Developer’s Manual 8-43
SSP Serial Ports
An interrupt is signaled as long as the bits are set. The interrupt clears when the bits are cleared.
Read and write bits are called status bits (status bits are referred to as sticky and once set by
hardware, they must be cleared by software); read-only bits are called flags. Writing 0b1 to a sticky
status bit clears it; writing 0b0 has no effect. Read-only flags are set and cleared by hardware;
writes have no effect. The reset state of read-write bits is zero and all bits return to their reset state
when SSCR0_x[SSE] is cleared. Additionally, some bits that cause interrupts have corresponding
mask bits in the Control registers.
These are read/write registers. Ignore reads from reserved bits. Write 0b0 to reserved bits.
Table 8-11. SSSR1/2/3 Bit Definitions (Sheet 1 of 5)
Physical Address
0x4100_0008
0x4170_0008
0x4190_0008
SSSR_1
SSSR_2
SSSR_3
SSP Controller
User
Settings
Bit 31 30 29 28 27 26 25 24 23 22 21 20 19 18 17 16 15 14 13 12 11 10 9 8 7 6 5 4 3 2 1 0
reserved
BCE
CSS
TUR
EOC
TINT
PINT
reserved
RFL
TFL
ROR
RFS
TFS
BSY
RNE
TNF
reserved
Reset ? ? ? ? ? ? ? ? 0 0 0 0 0 0 ? ? 1 1 1 1 0 0 0 0 0 0 0 0 0 1 ? ?
Bits Access Name Description
31:24 — reserved
23 R/WBCE
Bit Count Error
BCE is a read-write status bit that indicates that the SSP port has
detected that SSPSFRMx has been asserted at an incorrect time. This
causes an interrupt (if enabled by SSCR1_1[BCEI]). When set, BCE
indicates that an error occurred and that to get re-synchronized to the
master device, the SSP port may disregard both the sample that had
SSPDFRMx re-asserted in the middle of it AND the next sample.
NOTE: BCE does not operate in Motorola SPI mode.
NOTE: To clear BCE, write 0b1 to it.
0 = The SSP port has not experienced a bit count error
1 = SSPSFRMx has been asserted when the bit counter was not 0
22 R CSS
Clock Synchronization Status
CSS indicates that the SSP port is busy synchronizing the control
signals into the SSPSCLKx domain. Software only needs to check CSS
when the SSP port is a slave to SSPSFRMx. Software must wait until
CSS is cleared before allowing an external device to assert
SSPSFRMx.
0 = The SSP port is ready for slave clock operations
1 = The SSP port is currently busy synchronizing slave mode signals
8-44 Intel® PXA27x Processor Family Developer’s Manual
SSP Serial Ports
21 R/WTUR
Transmit FIFO Underrun
TUR indicates that the transmitter tried to send data from the TX FIFO
when the TX FIFO was empty. When set, an interrupt is generated to
the CPU (that can be locally masked by the SSCR0_x[TIM] bit). Setting
TUR does not generate any DMA service request. TUR remains set
until cleared by software writing 0b1 to it (which also resets its interrupt
request). Writing 0b0 to TUR has no effect.
TUR can be set when the SSP port is a slave to SSPSFRMx
(SSCR1_x[SFRMDIR] set), or if the SSP port is a master to SSPSFRMx
and the SSP port is in network mode. TUR is not set if the SSP port is in
receive-without-transmit mode (SSCR1_x[RWOT] set).
0 = TX FIFO has not experienced an underrun
1 = Transmitter tried to send data from the TX FIFO when the FIFO
was empty, an interrupt is signaled
20 R/WEOC
End Of Chain
EOC indicates that the DMA has signaled an end of chain. The end- of-
chain event indicates that the DMA descriptor for the RX FIFO is
ending. This event requires software intervention if data remains in the
RX FIFO.
NOTE: To clear EOC, write 0b1 to it.
0 = DMA has not signaled an end of chain condition.
1 = DMA has signaled an end-of chain condition. An EOC interrupt is
generated only when there are trailing bytes left (the PINT bit is
set) or there are no trailing bytes (the TINT bit is set).
EOC bit is always set, but does not generate an interrupt if neither
of the these conditions are met.
19 R/WTINT
Time-Out Interrupt
TINT indicates that the RX FIFO has been idle (no samples received)
for the period of time defined by the value programmed within SSTO_x.
This interrupt can be masked by SSCR1_x[TINTE].
NOTE: To clear TINT, write 0b1 to it.
0 = No receiver time-out has occurred
1 = Receiver time-out has occurred
18 R/WPINT
Peripheral Trailing Byte Interrupt
PINT indicates that a DMA end-of-chain event has occurred and there
is data within the RX FIFO. This event requires the CPU or DMA to
transfer the remaining bytes from the RX FIFO (see Section 8.4.2.3).
This interrupt can be masked by SSCR1_x[PINTE].
NOTE: To clear PINT, write 0b1 to it.
0 = No peripheral trailing byte interrupt is pending.
1 = Peripheral trailing byte interrupt is pending
Table 8-11. SSSR1/2/3 Bit Definitions (Sheet 2 of 5)
Physical Address
0x4100_0008
0x4170_0008
0x4190_0008
SSSR_1
SSSR_2
SSSR_3
SSP Controller
User
Settings
Bit 31 30 29 28 27 26 25 24 23 22 21 20 19 18 17 16 15 14 13 12 11 10 9 8 7 6 5 4 3 2 1 0
reserved
BCE
CSS
TUR
EOC
TINT
PINT
reserved
RFL
TFL
ROR
RFS
TFS
BSY
RNE
TNF
reserved
Reset ? ? ? ? ? ? ? ? 0 0 0 0 0 0 ? ? 1 1 1 1 0 0 0 0 0 0 0 0 0 1 ? ?
Bits Access Name Description
Intel® PXA27x Processor Family Developer’s Manual 8-45
SSP Serial Ports
17:16 — reserved
15:12 R RFL
RX FIFO Level
RFL is the number of valid entries (minus 1) currently in the RX FIFO.
NOTE: When the value of 0xF is read, the RX FIFO is either empty or
full and programmers must refer to the RNE bit.
11:8 R TFL
TX FIFO Level
TFL is the number of valid entries currently in the TX FIFO.
NOTE: When the value of 0x0 is read, the TX FIFO is either empty or
full and programmers must refer to the TNF bit.
7R/W
ROR
RX FIFO Overrun
ROR indicates that the Receive logic attempted to place data into the
RX FIFO after it had been completely filled. When new data is received,
ROR is asserted and the newly received data is discarded. This
process is repeated for all new data received until at least one empty
RX FIFO location exists.
When set, an interrupt is generated to the CPU that can be locally
masked by the SSCR0_x[RIM} bit. Setting ROR does not generate any
DMA service request. Clearing ROR resets its interrupt request.
NOTE: To clear ROR, write 0b1 to it.
0 = RX FIFO has not experienced an overrun
1 = Attempted data write to a full RX FIFO, request an interrupt
6R RFS
Receive FIFO Service
A RFS request indicates that the RX FIFO requires service to prevent
an overrun. RFS is set when the number of valid entries in the RX FIFO
is equal to or greater than the RX FIFO trigger threshold. RFS is cleared
when the RX FIFO has fewer entries than the trigger threshold. When
RFS is set, an interrupt is generated if SSCR1_x[RIE] is set. When RFS
is set, a DMA service request is generated if SSCR1_x[RSRE] is set.
After the CPU or DMA reads the RX FIFO such that it has fewer entries
than the value of SSCR1_x[RFT], RFS (and the service request and/or
interrupt) is automatically cleared. SSCR1_x[RSRE] and
SSCR1_x[RIE] must not both be set.
0 = RX FIFO level is less than its trigger threshold or the SSP port is
disabled
1 = RX FIFO level is equal to or above its trigger threshold, an
interrupt or DMA service request is generated.
Table 8-11. SSSR1/2/3 Bit Definitions (Sheet 3 of 5)
Physical Address
0x4100_0008
0x4170_0008
0x4190_0008
SSSR_1
SSSR_2
SSSR_3
SSP Controller
User
Settings
Bit 31 30 29 28 27 26 25 24 23 22 21 20 19 18 17 16 15 14 13 12 11 10 9 8 7 6 5 4 3 2 1 0
reserved
BCE
CSS
TUR
EOC
TINT
PINT
reserved
RFL
TFL
ROR
RFS
TFS
BSY
RNE
TNF
reserved
Reset ? ? ? ? ? ? ? ? 0 0 0 0 0 0 ? ? 1 1 1 1 0 0 0 0 0 0 0 0 0 1 ? ?
Bits Access Name Description
8-46 Intel® PXA27x Processor Family Developer’s Manual
SSP Serial Ports
5 R TFS
Transmit FIFO Service
A TFS request indicates that the TX FIFO requires service to prevent an
underrun. TFS is set when the number of valid entries in the TX FIFO is
equal to or less than the TX FIFO trigger threshold. TFS is cleared
when the TX FIFO has more entries than the trigger threshold. When
TFS is set, an interrupt is generated if SSCR1_x[TIE] is set. When TFS
is set, a DMA service request is generated if SSCR1_x[TSRE] is set.
After the CPU or DMA fills the TX FIFO such that it has more entries
than the value of SSCR1_x[TFT], TFS (and the service request and/or
interrupt) is automatically cleared. SSCR1_x[TSRE] and SSCR1_x[TIE]
must not both be set.
0 = TX FIFO level exceeds its threshold (TFT + 1) or the SSP port is
disabled
1 = TX FIFO level is at or below its trigger threshold (TFT + 1), an
interrupt or DMA service request is generated.
4 R BSY
Busy
BSY is automatically set when the SSP port is actively transmitting
and/or receiving data and BSY is automatically cleared when the SSP
port is idle or disabled. BSY does not generate an interrupt.
NOTE: When the SSP port is a master of a clock, software determines
if the SSP port is active by monitoring SSSR_x[TFL] and
SSSR_x[BSY]. If the SSP port is a slave to a clock, software
determines if the SSP port is active by monitoring
SSSR_x[TFL], SSSRx[RFL] and SSSR_x[BSY] along with the
SSTO_x register. Also, using the time-out feature (the SSTO_x
register and SSCR1_x[TRAIL]) to handle trailing bytes provides
an indication of when the master has completed sending data.
0 = SSP port is idle or disabled
1 = SSP port is actively transmitting or receiving data
3 R RNE
RX FIFO Not Empty
RNE indicates that the RX FIFO contains one or more entries of valid
data. RNE is automatically cleared when the RX FIFO no longer
contains any valid data. This bit does not generate an interrupt.
When using programmed I/O, RNE can be polled to remove remaining
bytes of data from the RX FIFO since CPU interrupt requests are made
only when the RX FIFO trigger threshold has been met or exceeded.
0 = RX FIFO is empty.
1 = RX FIFO is not empty.
Table 8-11. SSSR1/2/3 Bit Definitions (Sheet 4 of 5)
Physical Address
0x4100_0008
0x4170_0008
0x4190_0008
SSSR_1
SSSR_2
SSSR_3
SSP Controller
User
Settings
Bit 31 30 29 28 27 26 25 24 23 22 21 20 19 18 17 16 15 14 13 12 11 10 9 8 7 6 5 4 3 2 1 0
reserved
BCE
CSS
TUR
EOC
TINT
PINT
reserved
RFL
TFL
ROR
RFS
TFS
BSY
RNE
TNF
reserved
Reset ? ? ? ? ? ? ? ? 0 0 0 0 0 0 ? ? 1 1 1 1 0 0 0 0 0 0 0 0 0 1 ? ?
Bits Access Name Description
Intel® PXA27x Processor Family Developer’s Manual 8-47
SSP Serial Ports
8.5.7 SSP Data Register (SSDR_x)
SSDR_x, shown in Table 8-12, is a single-address location that is accessed by both read and write
data transfers. Each SSDR register represents two physical registers: the first register provides
temporary storage for data on its way to the TX FIFO, while the second register provides
temporary storage for data coming from the RX FIFO.
As the CPU or DMA accesses the SSDR_x registers, FIFO control logic transfers data
automatically between the registers and FIFOs as fast as the CPU or DMA moves it. Data in the
FIFOs shift up or down to accommodate new word(s), unless attempting a write to a full transmit
FIFO. Status bits (such as SSSR_x[TFL, RFL, TNF, RNE]) show if the FIFO is full, above the
programmable trigger threshold, below the programmable trigger threshold, or empty.
For transmit data, SSDR_x can be loaded (written) by the processor (using programmed I/O or
DMA) anytime the TX FIFO falls below its trigger threshold.
When a data size of less than 32 bits is selected, do not left-justify transmit data that is written to
SSDR_x. Transmit logic left-justifies the data and ignores any unused bits. Received data of less
than 32-bits is automatically right-justified in the RX FIFO.
When the SSP port is programmed for the Microwire protocol and the size of the transmit data is
eight bits (SSCR1_x[MWDS] cleared), the most significant 24-bits are ignored. Similarly, if the
size for the transmit data is 16-bits (SSCR1_x[MWDS] set), the most significant 16-bits are
ignored. SSCR0_x[DSS] controls the receive data size.
Both the TX and RX FIFOs are cleared when the SSP port is reset, or by clearing SSCR0_x[SSE].
2R TNF
TX FIFO Not Full
TNF indicates that the TX FIFO contains one or more entries that do not
contain valid data. TNF is automatically cleared when the TX FIFO is
completely full. TNF does not generate an interrupt.
When using programmed I/O, TNF can be polled to fill the TX FIFO
beyond its trigger threshold.
0 = TX FIFO is full
1 = TX FIFO is not full
1:0 — reserved
Write 0b1 to clear this bit.
Table 8-11. SSSR1/2/3 Bit Definitions (Sheet 5 of 5)
Physical Address
0x4100_0008
0x4170_0008
0x4190_0008
SSSR_1
SSSR_2
SSSR_3
SSP Controller
User
Settings
Bit 31 30 29 28 27 26 25 24 23 22 21 20 19 18 17 16 15 14 13 12 11 10 9 8 7 6 5 4 3 2 1 0
reserved
BCE
CSS
TUR
EOC
TINT
PINT
reserved
RFL
TFL
ROR
RFS
TFS
BSY
RNE
TNF
reserved
Reset ? ? ? ? ? ? ? ? 0 0 0 0 0 0 ? ? 1 1 1 1 0 0 0 0 0 0 0 0 0 1 ? ?
Bits Access Name Description
8-48 Intel® PXA27x Processor Family Developer’s Manual
SSP Serial Ports
8.5.8 SSP TX Time Slot Active Register (SSTSA_x)
SSTSA_x are read-write registers that indicate in which time slot the SSP port transmits data.
SSTSA_x are ignored if the SSP port is not in network mode (SSCR0_x[MOD] = 1). See
Figure 8-3 for an example of using time slots only when in network mode.
These are read/write registers. Ignore reads from reserved bits. Write 0b0 to reserved bits.
Table 8-12. SSDR1/2/3 Bit Definitions
Physical Address
0x4100_0010
0x4170_0010
0x4190_0010
SSDR_1
SSDR_2
SSDR_3
SSP Controller
User
Settings
Bit 31 30 29 28 27 26 25 24 23 22 21 20 19 18 17 16 15 14 13 12 11 10 9 8 7 6 5 4 3 2 1 0
DATA
Reset ? ? ? ? ? ? ? ? ? ? ? ? ? ? ? ? ? ? ? ? ? ? ? ? ? ? ? ? ? ? ? ?
Bits Access Name Description
31:0 R/W DATA Data to be written to/read from the TX/RX FIFO, respectively.
Table 8-13. SSTSA1/2/3 Bit Definitions
Physical Address
0x4100 0030
0x4170 0030
0x4190 0030
SSTSA_1
SSTSA_2
SSTSA_3 SSP Controller
User
Settings
Bit 31 30 29 28 27 26 25 24 23 22 21 20 19 18 17 16 15 14 13 12 11 10 9 8 7 6 5 4 3 2 1 0
Reserved
TTSA
Reset ? ? ? ? ? ? ? ? ? ? ? ? ? ? ? ? ? ? ? ? ? ? ? ? 0 0 0 0 0 0 0 0
Bits Access Name Description
31:8 — Reserved
7:0 R/W TTSA
TX Time Slot Active
Only if the SSP port is in network mode, the 8 TTSA bits indicate in which of
8 associated time slots the SSP port transmits. Each TTSA bit selects one
time slot, respectively. Time slot bits beyond the SSCR0_x[FRDC] value are
ignored (if SSCR0_x[FRDC] = 0b011 to select 4 time slots, then TTSA bits
7:4 are ignored). If SSCR1_x[TTE] is set, then the SSP port causes
SSPTXD to be high impedance during time slots where associated TTSA
bits are programmed to 0.
0 = SSP port does not transmit data in this time slot
1 = SSP port transmits data in this time slot
Intel® PXA27x Processor Family Developer’s Manual 8-49
SSP Serial Ports
8.5.9 SSP RX Time Slot Active Register (SSRSA_x)
SSRSA_x are read-write registers that indicate in which time slots the SSP port receives data.
SSRSA_x are ignored if the SSP port is not in network mode. See Figure 8-3 for an example of
using time slots only when in network mode.
These are read/write registers. Ignore reads from reserved bits. Write 0b0 to reserved bits.
Table 8-14. SSRSA1/2/3 Bit Definitions
Physical Address
0x4100 0034
0x4170 0034
0x4190 0034)
SSRSA_1
SSRSA_2
SSRSA_3 SSP Controller
User
Settings
Bit 31 30 29 28 27 26 25 24 23 22 21 20 19 18 17 16 15 14 13 12 11 10 9 8 7 6 5 4 3 2 1 0
reserved
RTSA
Reset ? ? ? ? ? ? ? ? ? ? ? ? ? ? ? ? ? ? ? ? ? ? ? ? 0 0 0 0 0 0 0 0
Bits Access Name Description
31:8 — reserved
7:0 R/W RTSA
RX Time Slot Active
Only if the SSP port is in network mode, the 8 RTSA bits indicate in which of
8 associated time slots the SSP port receives data. Each RTSA bit selects
one time slot, respectively. Time slot bits beyond the SSCR0_x[FRDC]
value is ignored (if SSCR0_x[FRDC] = 0b011 to select 4 time slots, then
RTSA bits 7:4 are ignored).
0 = SP port does not receive data in this time slot
1 = SSP port receives data in this time slot
8-50 Intel® PXA27x Processor Family Developer’s Manual
SSP Serial Ports
8.5.10 SSP Time Slot Status Register (SSTSS_x)
These registers indicate which time slot the SSP port is currently in. SSTSS_x are ignored when the
SSP port is not in network mode.
These are read-only registers. Ignore reads from reserved bits. Write 0b0 to reserved bits.
Table 8-15. SSTS1/2/3 Bit Definitions
Physical Address
0x4100 0038)
0x4170 0038
0x4190 0038
SSTSS_1
SSTSS_2
SSTSS_3 SSP Controller
Bit 31 30 29 28 27 26 25 24 23 22 21 20 19 18 17 16 15 14 13 12 11 10 9 8 7 6 5 4 3 2 1 0
NMBSY
reserved
TSS
Reset 0 ? ? ? ? ? ? ? ? ? ? ? ? ? ? ? ? ? ? ? ? ? ? ? ? ? ? ? ? 0 0 0
Bits Access Name Description
31 R NMBSY
Network Mode Busy
Only if the SSP port is in network mode, NMBSY indicates when the SSP
port is in the middle of a frame. NMBSY can be used by software when a
clean shutdown of the SSP port is needed. Software must (1) ensure that
the TX FIFO is either empty or will be empty at the end of the next frame,
(2) deactivate the TX DMA requests, (3) clear the SSCR0_x[MOD] bit; then
(4) poll NMBSY until it is 0 before disabling the SSP port (by clearing the
SSCR0_x[SSE] bit).
When the SSP port is a master of SSPSFRMx, NMBSY is set. If the SSP
port is a slave to SSPSFRMx, NMBSY is set only if the current frame
(number of bits per sample number of time slots per frame) has not expired
since SSPSFRMx was asserted.
0 = No SSPSFRMx is currently asserted (network mode only)
1 = SSPSFRMx is currently asserted (network mode only)
30:3 — reserved
2:0 R TSS
Time Slot Status
Only if the SSP port is in network mode, the 3-bit TSS value indicates which
time slot the SSP port is in. Due to synchronization delays between clock
domains, the TSS value is a delayed version of the actual time slot.
Intel® PXA27x Processor Family Developer’s Manual 8-51
SSP Serial Ports
8.5.11 SSP Audio Clock Divider Register (SSACD_x)
SSACD_x selects which clock frequency is sent to the SSP port and then to SSPSYSCLKx and
SSPSCLKx. If SSCR0_x[SCR] is not 0, there is no guaranteed phase relationship between
SSPSYSCLKx and SSPSCLKx. The SSPSYSCLKx frequency (see Figure 8-20) is calculated by
dividing the chosen PLL output clock frequency (SSACD_x[ACPS]) by the chosen divider
(SSACD_x[ACDS]). SSPSYSCLKx is then divided by 4 (or by 1) to get SSPSCLKx (see
Figure 8-20). The SSPSFRMx frequency is calculated by dividing SSPSCLKx by the multiply-
product of data size (SSCR0_x[EDSS, DSS] values) times the number of time slots being used
(SSCR0_x[FRDC] value).
These are read/write registers. Ignore reads from reserved bits. Write 0b0 to reserved bits.
Figure 8-20. Audio Clock Selection
Divider
In
SSPSYSCLK Output to Pad
5.622 MHz
11.345 MHz
12.235 MHz
14.857 MHz
32.842 MHz
48.000 MHz
In()1÷
In()2÷
In()4÷
In()8÷
In()32÷
In()16÷
In In()4÷
SSPSCLK
Divider
clk_ssp to SSP
Min = 43.92 kHz
Max = 12 MHz)
SSPEXTCLK
13-MHz PLL
(Output Frequency
(becomes SSPSCLK
)
ACS, NCS, ECS
SSACD[ACDS] (from SSP)
SSACD[ACPS] (from SSP) (from SSP)
Audio Clock
GPIO_NETCLK
SSACD[SCDB]
8-52 Intel® PXA27x Processor Family Developer’s Manual
SSP Serial Ports
Table 8-16. SSACD1/2/3 Bit Definitions
Physical Address
0x4100 003C
0x4170 003C)
0x4190 003C
SSACD_1
SSACD_2
SSACD_3
SSP Controller
User
Settings
Bit 31 30 29 28 27 26 25 24 23 22 21 20 19 18 17 16 15 14 13 12 11 10 9 8 7 6 5 4 3 2 1 0
Reserved
ACPS
SCDB
ACDS
Reset ? ? ? ? ? ? ? ? ? ? ? ? ? ? ? ? ? ? ? ? ? ? ? ? ? 0 0 0 0 0 0 0
Bits Access Name Description
31:7 — Reserved
6:4 R/W ACPS
Audio Clock PLL Select
The ACPS value indicates which PLL output clock is sent to the clock
divider. See Figure 8-20, Table 8-17, and Table 8-18.
Some combinations of ACPS and ACDS are not valid (see Tab le 8-17).
ACPS Value PLL Output Frequency
0b000 5.622 MHz
0b001 11.345 MHz
0b010 12.235 MHz
0b011 14.857 MHz
0b100 32.842 MHz
0b101 48.000 MHz
0b110 Reserved
0b111 Reserved
3 R/W SCDB
SSPSYSCLK Divider Bypass
If SCDB is set and SSCR0_x[ACS] is set, SSPSYSCLKx is divided by 1 to
become SSPSCLKx. If SCDB is cleared and SSCR0_x[ACS] is set),
SSPSYSCLKx is divided by 4 to become SSPSCLKx. If SSCR0_x[ACS] is
cleared, SCDB has no effect.
0 = SSPSYSCLKx is divided by 4 to become SSPSCLKx
1 = SSPSYSCLKx is divided by 1 to become SSPSCLKx
2:0 R/W ACDS
Audio Clock Divider Select
The ACDS value indicates which divider creates SSPSYSCLKx. See
Figure 8-20, Table 8-17, and Table 8-18.
Some combinations of ACPS and ACDS are not valid (see Tab le 8-17).
ACDS Value Clock Divider Value
0b000 1
0b001 2
0b010 4
0b011 8
0b100 16
0b101 32
0b110 Reserved
0b111 Reserved
Intel® PXA27x Processor Family Developer’s Manual 8-53
SSP Serial Ports
Table 8-17. SSPSYSCLKx Frequency Selection
Table 8-18. PLL Output Frequency and Divider Selection (Selected Time Slots and Data Sizes)
Note: Table 8-18 shows the recommended divider and PLL clock selection to approximate standard
frame frequencies for a selected combination of bit sizes and time slots. Use the following formulas
to calculate other combinations (use the second equation if SSPSYSCLKx is to be 4x SSPSCLKx):
8.6 Register Summary
Table 8-19 summarizes the SSP port registers and their physical addresses.
PLL Output
Frequency ACPS
Value
ACDS Value
12 4 81632
5.622MHz 0b000 5.622 MHz 2.811 MHz 1.405 MHz 702.7 kHz 3.514 kHz 175.7 kHz
11.345MHz 0b001 11.345 MHz 5.673 MHz 2.836 MHz 1.418 MHz 709.1 kHz 354.5 kHz
12.235MHz 0b010 12.235 MHz 6.118 MHz 3.059 MHz 1.529 MHz 764.7 kHz 382.4 kHz
14.857MHz 0b011 14.857MHz 7.429 MHz 3.714 MHz 1.857 MHz 928.6 kHz 464.3 kHz
32.842MHz 0b100 not valid 16.421MHz 8.211 MHz 4.105 MHz 2.053 MHz 1.026 MHz
48.00MHz 0b101 not valid not valid 12.00 MHz 6.000 MHz 3.000 MHz 1.500 MHz
PLL Output
Frequency ACPS
Value SCDB
Divider Value (ACDS choice)
Actual
SSPSFRMx
Frequency
Closest
Standard for
SSPSFRMx
Frequency
# of Time Slots
for 8 bits/sample # of Time Slots for
16 bits/sample # of Time Slots for
32 bits/sample
124812481248
12.235 MHz 0b010 0 8 4 2 1 4 2 1 - 2 1 - - 47.79 kHz 48.00 kHz
11.345 MHz 0b001 0 8 4 2 1 4 2 1 - 2 1 - - 44.32 kHz 44.10 kHz
5.622 MHz 0b000 0 8 4 2 1 4 2 1 - 2 1 - - 21.96 kHz 22.05 kHz
32.842 MHz 0b100 0 - 32 16 8 32 16 8 4 16 8 4 2 16.04 kHz 16.00 kHz
5.622 MHz 0b000 0 16 8 4 2 8 4 2 1 42 2 1 - 10.98 kHz 11.025 kHz
11.345 MHz 0b001 0 - - - - - - - - - - - 1 11.08 kHz 11.025 kHz
32.842 MHz 0b100 0 - - 32 16 - 32 16 8 32 16 8 4 8.02 kHz 8.00 kHz
12.235 MHz 0b010 1 - - - - - - - 2 - - 2 1 47.79 kHz 48.00 kHz
11.345 MHz 0b001 1 - - - - - - - 2 - - 2 1 44.32 kHz 44.10 kHz
5.622 MHz 0b000 1 - - - - - - - 2 - - 2 1 21.96 kHz 22.05 kHz
TimeSlots BitsPerSample×Sdardtan Frequency×SSPSCLKFrequency=
SSPSCLKFrequency 4×SSPSYSCLKFrequency=
Choose divider and PLL clock output to approximate SSPSYSCLK frequency
Table 8-19. SSP Register Summary (Sheet 1 of 2)
Physical Address Name Description Page
0x4100_0000 SSCR0_1 SSP 1 Control register 0 8-25
0x4100_0004 SSCR1_1 SSP 1 Control register 1 8-30
0x4100_0008 SSSR_1 SSP 1 Status register 8-43
8-54 Intel® PXA27x Processor Family Developer’s Manual
SSP Serial Ports
0x4100_000C SSITR_1 SSP 1 Interrupt Test register 8-42
0x4100_0010 SSDR_1 SSP 1 Data Write register/Data Read register 8-48
0x4100_0014–0x4100_0024 reserved
0x4100_0028 SSTO_1 SSP 1 Time-Out register 8-41
0x4100_002C SSPSP_1 SSP 1 Programmable Serial Protocol 8-39
0x4100_0030 SSTSA_1 SSP1 TX Timeslot Active register 8-48
0x4100_0034 SSRSA_1 SSP1 RX Timeslot Active register 8-49
0x4100_0038 SSTSS_1 SSP1 Timeslot Status register 8-50
0x4100_003C SSACD_1 SSP1 Audio Clock Divider register 8-51
0x4100_0040–0x416F_FFFC reserved
0x4170_0000 SSCR0_2 SSP2 Control register 0 8-25
0x4170_0004 SSCR1_2 SSP 2 Control register 1 8-30
0x4170_0008 SSSR_2 SSP 2 Status register 8-43
0x4170_000C SSITR_2 SSP 2 Interrupt Test register 8-42
0x4170_0010 SSDR_2 SSP 2 Data Write register/Data Read register 8-48
0x4170_0014–0x4170_0024 reserved
0x4170_0028 SSTO_2 SSP 2 Time-Out register 8-41
0x4170_002C SSPSP_2 SSP 2 Programmable Serial Protocol 8-39
0x4170_0030 SSTSA_2 SSP2 TX Timeslot Active register 8-48
0x4170_0034 SSRSA_2 SSP2 RX Timeslot Active register 8-49
0x4170_0038 SSTSS_2 SSP2 Timeslot Status register 8-50
0x4170_003C SSACD_2 SSP2 Audio Clock Divider register 8-51
0x4170_0040–0x418F_FFFC reserved
0x4190_0000 SSCR0_3 SSP 3 Control register 0 8-25
0x4190_0004 SSCR1_3 SSP 3 Control register 1 8-30
0x4190_0008 SSSR_3 SSP 3 Status register 8-43
0x4190_000C SSITR_3 SSP 3 Interrupt Test register 8-42
0x4190_0010 SSDR_3 SSP 3 Data Write register/Data Read register 8-48
0x4190_0014–0x4190_0024 reserved
0x4190_0028 SSTO_3 SSP 3 Time-Out register 8-41
0x4190_002C SSPSP_3 SSP 3 Programmable Serial Protocol 8-39
0x4190_0030 SSTSA_3 SSP TX Timeslot Active register 8-48
0x4190_0034 SSRSA_3 SSP RX Timeslot Active register 8-49
0x4190_0038 SSTSS_3 SSP Timeslot Status register 8-50
0x4190_003C SSACD_3 SSP Audio Clock Divider register 8-51
0x4190_0040–0x419f_FFFC reserved
Table 8-19. SSP Register Summary (Sheet 2 of 2)
Physical Address Name Description Page
Intel® PXA27x Processor Family Developer’s Manual 9-1
I2C Bus Interface Unit 9
This chapter describes the Inter-Integrated Circuit (I2C) bus interface unit, including its operational
modes and setup. The PXA27x processor has two I2C peripherals: the standard I2C interface and
the power-manager interface (a subset of the standard I2C interface).
The I2C bus is a true multi-master bus including collision detection and arbitration. For full details
of I2C bus operation, refer to the I2C-Bus Specification, listed in Table 1-1, “Supplemental
Documentation” on page 1-3.
9.1 Overview
The serial I2C bus has a two-pin interface. The serial data and address (SDA) data pin serves I/O
functions, and the serial clock line (SCL) clock pin controls and references the I2C bus. The I2C
interface allows the PXA27x processor to serve as a master and slave device on the I2C bus.
The I2C interface enables the PXA27x processor to communicate with I2C peripherals and
microcontrollers for system-management functions. The I2C bus requires a minimum of hardware
to relay status, reliability, and control information between devices.
The I2C interface resides on the processor internal bus as a peripheral. A buffered interface
provides access to data transmitted and received over the I2C bus. A set of memory-mapped
registers relays control and status information.
Note: The I2C interface does not support the hardware general call, 10-bit addressing, high-speed mode
(HS-mode, 3.4 Mbits/s), or CBUS compatibility.
The main differences between the power manager and the standard I2C interfaces are the register
addresses, summarized in Section 9.6 and the speed of operation of the interfaces (see Section 9.2).
The power-manager I2C interface is optimized for connection to the external voltage regulator only
(see Section 3.7.1, “Power Manager I2C and Restrictions” on page 3-55). Except for the ICCR
fixed selections, the power-manager I2C interface is a full-function I2C interface capable of all
normal operations, including master and slave, receive, and transmit operations. See also
Section 3.7.1.1, “Programming Restrictions” on page 3-56.
In this chapter, the operation, register bit fields, and signal names are described in terms of the I2C
controller only. Except where noted, all references to the operation, register bit fields, and signal
names of the I2C controller also apply to the power-I2C controller. When considering the operation
of the power-I2C controller add the prefix “PWR_” to all signal names and “P” to all register
names. For example, the I2C signal “SDA” becomes “PWR_SDA” for the power I2C controller
and the register “ICR” in the I2C controller becomes “PICR” in the power-I2C register. (see
Table 9-14).
9-2 Intel® PXA27x Processor Family Developer’s Manual
I2C Bus Interface Unit
9.2 Features
The I2C unit includes the following features:
I2C compliant (see the I2C-Bus Specification, Version 2.0)
Multi-master and arbitration support
Standard-speed operation at 100 kbps. Power-I2C standard-speed operation is 40 kbps.
Fast-mode operation at 400 kbps. Power-I2C fast-mode operation is 160 kbps.
9.3 Signal Descriptions
Table 9-1 describes the I2C bus signals, SDA, and SCL.
9.4 Operation
The I2C-Bus Specification defines a serial protocol for passing information between agents on the
bus, using the two-pin interface shown in Table 9-1: a serial data and address (SDA) line, and a
serial clock line (SCL). Each device on the I2C bus is recognized by a unique seven-bit address and
can operate as a transmitter or as a receiver in master or slave mode. Table 9-2 defines the I2C-bus
terminology.
Table 9-1. I2C Bus Interface Unit I/O Signal Descriptions
Signal Name Input/Output Description
SDA Bidirectional I2C Serial Data/Address signal
SCL Bidirectional I2C Serial Clock Line signal
PWR_SDA Bidirectional Power I2C Serial Data/Address signal
PWR_SCL Bidirectional Power I2C Serial Clock Line signal
Table 9-2. I2C Bus Definitions
I2C Device Definition
Transmitter Sends data over the I2C bus
Receiver Receives data over the I2C bus
Master Initiates transfers, generates clock signals, and terminates transactions
Slave Device addressed by a master; it responds by transmitting or receiving data over the I2C bus
Multi-master More than one master can attempt to control the bus at the same time without corrupting the
message
Arbitration Ensures that only one master controls the bus when more than one master simultaneously tries
to control the bus. This technique avoids message corruption.
Intel® PXA27x Processor Family Developer’s Manual 9-3
I2C Bus Interface Unit
For example, the processor I2C interface can act as a master on the bus to address an EEPROM as
the slave to receive data (see Figure 9-1). When the I2C interface addresses the EEPROM, it serves
as a master transmitter and the EEPROM as a slave receiver. When the I2C interface reads data, it
serves as a master receiver and the EEPROM as a slave transmitter. Whether as a transmitter or
receiver, the master generates the clock, initiates the transaction, and terminates the transaction.
The I2C bus uses an open-drain wired-AND structure, which allows multiple devices to drive the
bus lines and to communicate status about events such as arbitration, wait states, and error
conditions. When a master drives the clock (SCL) line during a data transfer, it transfers a bit on
every instance that the clock is high. When the slave is unable to accept or drive data at the rate
requested by the master, the slave can hold SCL low between the high states to insert wait intervals.
The master clock can be altered only by another master during arbitration or by a slow slave
peripheral that keeps the clock line low.
The I2C bus allows multiple masters, which means that more than one device can initiate data
transfers at the same time. Bus arbitration resolves conflicts between masters. Two masters can
drive the bus simultaneously, provided they drive identical data. A master loses the arbitration if it
tries to drive SDA high while another master is driving SDA low. The SCL line is a synchronized
combination of clocks generated by the masters using the wired-AND connection to the SCL line.
I2C transactions are initiated by either the I2C interface as a master or received by the I2C interface
as a slave. Both conditions can result in reads, writes, or both over the I2C bus.
Figure 9-1. I2C Bus Configuration Example
Microcontroller
Gate
Array
EEPROM
SCL
SDA
Processor
9-4 Intel® PXA27x Processor Family Developer’s Manual
I2C Bus Interface Unit
9.4.1 Operational Blocks
The I2C unit resides on the processor peripheral bus. The processor interrupt mechanism can be
used to notify the CPU that there is activity on the I2C bus. Polling can be used instead of
interrupts. The I2C interface consists of the two-wire interface to the I2C bus, an eight-bit buffer for
passing data to and from the PXA27x processor, a set of Control and Status registers, and a Shift
register for parallel/serial conversions (see Figure 9-2).
The I2C interface initiates an interrupt to the PXA27x processor when:
A buffer is full,
A buffer is empty
The I2C interface slave address is detected
Arbitration is lost
A bus error condition occurs
All interrupt conditions must be cleared explicitly by software. See Section 9.5.2 for details.
Figure 9-2. I2C Bus Interface Unit Block Diagram
Serial Shift Register
I
2
C Control Register (ICR)
I
2
C Status Register (ISR)
I
2
C Slave Address Register (ISAR)
I
2
C Clock Count Register (ICCR)
Data
I
2
C Data Buffer Register (IDBR)
SCL
Generator
Count
SDASCL
I
2
C Bus
Monitor
XINT7#
Data
Internal Bus Interface
Internal Bus
Internal Bus Address and Control Signals
Address
Decode
Interna
l
Bus
Intel® PXA27x Processor Family Developer’s Manual 9-5
I2C Bus Interface Unit
The I2C control, status, and data registers are located in the I2C memory-mapped address space.
Section 9.5 defines the registers and their functions. The eight-bit I2C Data Buffer register (IDBR)
transmits and receives data to and from the I2C bus using an internal Shift register that is not user-
accessible. The I2C interface supports fast-mode operation at 400 kbps and standard-speed
operation at 100 kbps. See the I2C-Bus Specification for more information.
Note: The Power I2C interface operates at non-standard speeds. Fast-mode operation operates at 160
kbps and standard-speed operation at 40 kbps.
9.4.2 I2C Bus Interface Modes
The I2C unit can accomplish a transfer in different operational modes. Table 9-3 summarizes the
different modes.
While the I2C interface is idle, it defaults to slave-receive mode, which allows the interface to
monitor the bus and receive any slave addresses intended for the processor I2C interface.
When the I2C interface receives an address that matches the seven-bit address in the I2C Slave
Address register (ISAR) or the general call address (see Section 9.4.12), the interface either
remains in slave-receive mode or switches to slave-transmit mode. The read/write bit (R/nW)
determines which mode the interface enters. The R/nW bit is the least significant bit of the byte
containing the slave address. If R/nW is clear, the master that initiated the transaction intends to
write data, and the I2C interface remains in slave-receive mode. If the R/nW bit is set, the master
that initiated the transaction intends to read data, and the I2C interface switches to slave-transmit
mode. Section 9.4.10 further defines slave operation.
Table 9-3. I2C Modes of Operation
Mode Description
Master-transmit
•I
2C interface acts as a master
Used for transmit operations
•I
2C interface sends the data
•I
2C interface generates the clock
Slave device is in slave-receive mode
Master-receive
•I
2C interface acts as a master
Used for receive operations
•I
2C interface receives the data
•I
2C interface generates the clock
Slave device is in slave-transmit mode
Slave-transmit
•I
2C interface acts as a slave
Responds to a master read operation
•I
2C interface sends the data
Master device is in master-receive mode
Slave-receive (default)
•I
2C interface acts as a slave
Responds to a master write operation
•I
2C interface receives the data
Master device is in master-transmit mode
9-6 Intel® PXA27x Processor Family Developer’s Manual
I2C Bus Interface Unit
When the PXA27x processor initiates a read or write on the I2C bus, it switches the interface from
the default slave-receive mode to the master-transmit mode. If the transaction is a write, the I2C
interface remains in master-transmit mode after the address transfer is completed. If the transaction
is a read, the I2C interface transmits the slave address, then switches to master-receive mode.
Section 9.4.8 further defines master operation.
9.4.3 START and STOP Bus States
The I2C-Bus Specification defines a START transaction, used at the beginning of a transfer, and a
STOP transaction, used at the end of a transfer. A START condition occurs if a high-to-low
transition takes place on the SDA line when SCL is high. A STOP condition occurs if a low-to-high
transition takes place on the SDA line when SCL is high.
The I2C unit uses the ICR[START] and ICR[STOP] bits to:
Initiate an additional byte transfer
Initiate a START condition on the I2C bus
Enable data chaining (repeated START)
Initiate a STOP condition on the I2C bus
Table 9-4 defines the START and STOP bits in the ICR.
Figure 9-3 shows the relationship between the SDA and SCL lines for START and STOP.
Table 9-4. START and STOP Bit Definitions
STOP
bit START
bit Condition Notes
0 0 No START or STOP The I2C interface sends a no START or STOP condition when multiple data bytes are to
be transferred.
01
START condition and
repeated START
The I2C interface sends a START condition and transmits the IDBR’s eight-bit contents.
The IDBR must contain the seven-bit slave address and the R/nW bit before a START is
initiated.
For a repeated start, the IDBR contains the target slave address and the R/nW bit. This
allows a master to make multiple transfers to different slaves without giving up the bus.
The interface stays in master-transmit mode for writes and switches to master-receive
mode for reads.
1 X STOP condition
In master-transmit mode, the I2C interface transmits the IDBR’s eight-bit contents and
sends a STOP condition on the I2C bus.
In master-receive mode, ICR[ACKNAK] must be set, which defines a negative-
ACKNOWLEDGE (NAK) pulse (see Section 9.4.6). The I2C interface transmits the NAK
pulse, places the received data byte into the IDBR, and sends a STOP condition on the
I2C bus.
Intel® PXA27x Processor Family Developer’s Manual 9-7
I2C Bus Interface Unit
9.4.3.1 START Condition
The START condition (ICR[START] = 1, ICR[STOP] = 0) initiates a master transaction or
repeated START. Before it sets ICR[START], software must load the target slave address and the
R/nW bit in the IDBR (see Section 9.5.4). The START and the IDBR contents are transmitted on
the I2C bus after ICR[TB] is set. The I2C bus stays in master-transmit mode for write requests and
enters master-receive mode for read requests. For a repeated START, a change in read or write, or a
change in the target slave address, the IDBR contains the updated target slave address and the
R/nW bit. A repeated START enables a master to make multiple transfers to different slaves
without surrendering the bus.
The START condition is not cleared by the I2C interface. If the I2C interface loses arbitration while
initiating a START, it may retry the START when the bus is freed. See Section 9.4.7 for details on
how the I2C interface functions in those circumstances.
9.4.3.2 No START or STOP Condition
The no START or STOP condition (ICR[START] = 0, ICR[STOP] = 0) is used in master-transmit
mode while the I2C interface is transmitting multiple data bytes (see Figure 9-4). Software writes
the data byte, and the I2C interface sets ISR[ITE] and clears ICR[TB]. Software then writes a new
byte to the IDBR and sets ICR[TB], which initiates the new byte transmission. This process
continues until software sets ICR[START] or ICR[STOP]. ICR[START] and ICR[STOP] are not
cleared automatically by the I2C interface after the transmission of a START, STOP, or repeated
START.
After each byte transfer, including the ACKNOWLEDGE pulse defined by the ICR[ACKNAK]
control bit, the I2C interface holds the SCL line low to insert wait states until ICR[TB] is set. This
action notifies the I2C interface to release the SCL line and allow the next information transfer to
proceed.
9.4.3.3 STOP Condition
The STOP condition (ICR[START] = X, ICR[STOP] = 1) terminates a data transfer. In master-
transmit mode, ICR[STOP] and ICR[TB] must be set to initiate the last byte transfer (see
Figure 9-4). In master-receive mode, the I2C interface must set ICR[ACKNAK], ICR[STOP], and
ICR[TB] to initiate the last transfer. Software must clear ICR[STOP] after the STOP condition is
transmitted.
Figure 9-3. SDA and SCL Signals During START and STOP Conditions
SDA
SCL
Start condition
~
~~
~~
~
Stop condition
9-8 Intel® PXA27x Processor Family Developer’s Manual
I2C Bus Interface Unit
9.4.4 Data Transfer Sequence
The I2C unit transfers data in 1-byte increments and always follows this sequence:
1. START
2. Seven-bit slave address
3. R/nW bit
4. ACKNOWLEDGE pulse
5. Eight bits of data
6. ACKNOWLEDGE pulse
7. Repeat of steps 5 and 6 for the required number of bytes
8. Repeated START (repeat step 1) or STOP
9.4.5 Data and Addressing Management
The I2C Data Buffer register (IDBR) and the I2C Slave Address register (ISAR) manage data and
slave addressing. The IDBR (see Section 9.5.4) contains one byte of data or a seven-bit slave
address and the R/nW bit. The ISAR contains the processors programmable slave address. The
I2C interface puts received data into the IDBR after a full byte is received and acknowledged. To
transmit data, the CPU writes to the IDBR, and the I2C interface passes the information to the serial
bus when ICR[TB] is set. See Section 9.5.1.
When the I2C interface is in master- or slave-transmit mode:
1. Software writes data to the IDBR over the internal bus, which initiates a master transaction or
sends the next data byte after ISR[ITE] is set.
2. I2C interface transmits data from the IDBR when ICR[TB] is set.
3. When enabled, an IDBR transmit-empty interrupt is signaled when a byte is transferred on the
I2C bus and the acknowledge cycle is complete.
Figure 9-4. START and STOP Conditions
Data byte ACK/
NAK
ACK/
NAK
R/nWSTART Target Slave Address
ACK/
NAK
Data Byte STOP
No START or STOP Condition
START Condition
STOP Condition
Intel® PXA27x Processor Family Developer’s Manual 9-9
I2C Bus Interface Unit
4. When the I2C interface is ready to transfer the next byte before the CPU has written the IDBR
and a STOP condition is not in place, the I2C interface inserts wait states until the CPU writes
a new value to the IDBR and sets ICR[TB].
When the I2C interface is in master- or slave-receive mode:
1. The processor reads IDBR data over the internal bus after the IDBR receive-full interrupt is
signaled.
2. I2C interface transfers data from the Shift register to the IDBR after the acknowledge cycle
completes.
3. I2C interface inserts wait states until the IDBR is read. See Section 9.4.6 for information about
the ACKNOWLEDGE pulse in receive mode.
4. After the CPU reads the IDBR, the I2C interface unit updates the ICR[ACKNAK] and
ICR[TB] bits, allowing the next byte transfer to proceed.
9.4.5.1 Addressing a Slave Device
As a master device, the I2C interface must compose and send the first byte of a transaction. This
byte consists of the slave address for the intended device and a R/nW bit for transaction definition.
To address a slave device, write the slave address and the R/nW bit to the IDBR (see Figure 9-5).
The first byte transmission must be followed by a positive-ACKNOWLEDGE (ACK) pulse from
the addressed slave. When the transaction is a write, the I2C interface remains in master-transmit
mode and the addressed slave device stays in slave-receive mode. When the transaction is a read,
the I2C interface switches to master-receive mode immediately following the ACK, and the
addressed slave device switches to slave-transmit mode. When a negative-ACKNOWLEDGE
(NAK) is returned, the I2C interface aborts the transaction by automatically sending a STOP and
setting ISR[BED].
When the I2C interface is enabled and idle, it remains in slave-receive mode and monitors the I2C
bus for a START signal. When it detects a START condition, the I2C interface reads the first seven
bits and compares them to those in the ISAR and the general call address (0x00). When the bits
match those in the ISAR register, the I2C interface reads the eighth bit (R/nW bit) and transmits an
ACK pulse. The I2C interface either remains in slave-receive mode (R/nW = 0) or switches to
slave-transmit mode (R/nW = 1). See Section 9.4.12 for actions when a general call address is
detected.
Figure 9-5. Data Format of First Byte in Master Transaction
0
Seven-bit I2C Slave Address
7
Read/Write Transaction
MSB LSB
(0) Write
(1) Read
9-10 Intel® PXA27x Processor Family Developer’s Manual
I2C Bus Interface Unit
9.4.6 I2C ACKNOWLEDGE
Every I2C byte transfer must be accompanied by an ACKNOWLEDGE pulse that the master or
slave receiver must generate. The transmitter must release the SDA line for the receiver to transmit
the acknowledge pulse (see Figure 9-6).
In master-transmit mode, if the target slave receiver cannot generate the positive-
ACKNOWLEDGE (ACK) pulse, the SDA line remains high. The lack of an ACK causes the I2C
interface to set ISR[BED] and generate the associated interrupt when enabled. The I2C interface
automatically generates a STOP condition and aborts the transaction.
In master-receive mode, the I2C interface sends a negative-acknowledge (NAK) pulse to signal the
slave transmitter to stop sending data. The ICR[ACKNAK] bit controls the ACK/NAK pulse value
driven onto the I2C bus. As required by the I2C bus protocol, ISR[BED] is not set for a master-
receive mode NAK. The I2C interface automatically transmits the ACK pulse after it receives each
byte from the serial bus. Before the unit receives the last byte, software must set ICR[ACKNAK]
to generate a NAK. The NAK pulse, sent after the last byte, signals that the last byte has been sent.
In slave mode, the I2C interface automatically acknowledges its own slave address, regardless of
the ICR[ACKNAK] setting. In slave-receive mode, an ACK response automatically follows a data
byte, regardless of the ICR[ACKNAK] setting. The I2C interface sends the ACKNOWLEDGE
value defined by ICR[ACKNAK] after it receives the eighth data bit in a byte. In slave-transmit
mode, the I2C interface receives a NAK from the master to indicate that the last byte has been
transferred. The master then sends a STOP or repeated START; the processors unit-busy
indication, ISR[UB], remains set until a STOP or repeated START is received.
9.4.7 Arbitration
The I2C bus multi-master capabilities require I2C bus arbitration. Arbitration occurs when two or
more masters generate a START condition in the minimum hold time.
Arbitration can take a long time. If the address bit and the R/nW are the same, the arbitration
scheme considers the data. Because the I2C bus has a wired-AND nature, a transfer does not lose
data if multiple masters signal the same bus states. If the address and the R/nW bit or the data they
Figure 9-6. ACKNOWLEDGE Pulse on I2C Bus
12-7 89
SCL from
master
Data output
by receiver
Data output
by transmitter
Clock pulse
for ACKNOWLEDGE
SDA released
SDA pulled low
by receiver (ACK)
Start condition
(SDA)
(SDA)
Intel® PXA27x Processor Family Developer’s Manual 9-11
I2C Bus Interface Unit
contain are different, the master that signals a high state loses arbitration and shuts off its data
drivers. If the I2C unit loses arbitration, it shuts off the SDA or SCL drivers for the rest of the byte
transfer, sets ISR[ALD], and returns to slave-receive mode.
9.4.7.1 SCL Arbitration
Each master on the I2C bus generates its own clock on the SCL line for data transfers. As a result,
clocks with different frequencies can be connected to the SCL line. Because data is valid when a
clock is in the high period, bit-by-bit arbitration requires a defined clock-synchronization
procedure.
Clock synchronization is through the wired-AND connection of the I2C interfaces to the SCL line.
When a masters clock changes from high to low, the master holds down the SCL line for its
associated period (see Figure 9-7). A clock cannot switch from low to high if another master has
not completed its period. The master with the longest low period holds down the SCL line. Masters
with shorter periods are held in a high wait-state until the master with the longest period completes.
After the master with the longest period completes, the SCL line changes to the high state and
masters with the shorter periods continue the data cycle.
9.4.7.2 SDA Arbitration
Arbitration on the SDA line can continue for a long time because it starts with the address and
R/nW bits and continues through the data bits. Figure 9-8 shows the arbitration procedure for two
masters. More than two masters may be involved if more than two masters are connected to the
bus. If the address bit and the R/nW are the same, the arbitration scheme considers the data.
Because the I2C bus has a wired-AND nature, a transfer does not lose data if multiple masters
signal the same bus states. If the address and the R/nW bit or the data they contain are different, the
master that sent the first high data bit loses arbitration and shuts off its data drivers. If the I2C
interface loses arbitration, it shuts off the SDA or SCL drivers for the rest of the byte transfer, sets
ISR[ALD], and returns to slave-receive mode.
Figure 9-7. Clock Synchronization During Arbitration
CLK2
SCL
Wait
State
Start Counting
High Period
CLK1
The first master to complete its high
period pulls the SCL line low.
The master with the longest clock
period holds the SCL line low.
9-12 Intel® PXA27x Processor Family Developer’s Manual
I2C Bus Interface Unit
If the I2C interface loses arbitration as the address bits are transferred and it is not addressed by the
address bits, the I2C interface re-sends the address when the I2C bus becomes free. A re-send is
possible because registers IDBR and ICR are not overwritten when arbitration is lost.
If the I2C interface loses arbitration because another bus master addresses the processor I2C as a
slave device, the I2C interface switches to slave-receive mode and overwrites the original data in
register IDBR. Software can clear the START and re-initiate the master transaction.
Note: Software must prevent the I2C interface from starting a transaction to its own slave address. Such
transactions put the I2C interface into an indeterminate state.
Arbitration has boundary conditions in case an arbitration process is interrupted by a repeated
START or STOP condition transmitted on the I2C bus. To prevent errors, the I2C interface acts as a
master if no arbitration occurs in the following circumstances:
Between a repeated START condition and a data bit
Between a data bit and a STOP condition
Between a repeated START condition and a STOP condition
These situations occur if different masters write identical data to the same target slave
simultaneously and arbitration cannot be resolved after the first data byte transfer.
Note: Software must ensure that arbitration is resolved quickly. For example, software can ensure that
masters send unique data by requiring that each master transmit its I2C address as the first data byte
of any transaction. When arbitration is resolved, the winning master sends a restart and begins a
valid data transfer. The slave discards the masters address and uses the other data.
Figure 9-8. Arbitration Procedure for Two Masters
SDA
SCL
Data 1
D
ata 2
Transmitter 1 Leaves Arbitration
Data 1 SDA
Intel® PXA27x Processor Family Developer’s Manual 9-13
I2C Bus Interface Unit
9.4.8 Master Operations
When software initiates a read or write on the I2C bus, the I2C unit switches from the default slave-
receive mode to master-transmit mode. The seven-bit slave address and the R/nW bit follow the
START pulse. After the master receives an ACKNOWLEDGE, the I2C interface enters one of two
master modes:
Master-transmit—I2C interface writes data
Master-receive—I2C interface reads data
The CPU writes to the ICR register to initiate a master transaction. Data is read and written from
the I2C unit through the memory-mapped registers. Table 9-5 describes the I2C unit responsibilities
as a master device.
Table 9-5. Master Transactions (Sheet 1 of 2)
I2C Master
Action Mode of
Operation Definition
Generate clock
output
Master-transmit
Master-receive
The master drives the SCL line.
ICR[SCLE] and ICR[IUE] must be set.
Write target slave
address to IDBR
Master-transmit
Master-receive
The CPU writes to IDBR bits [7:1] before enabling a START
condition.
The first seven bits are sent on the I2C bus after START.
See Section 9.4.3.
Write R/nW bit to
IDBR
Master-transmit
Master-receive
CPU writes to least significant IDBR bit with target slave address.
If low, master remains a master-transmitter. If high, master switches
to a master receiver.
See Section 9.4.5.
Signal START
condition
Master-transmit
Master-receive
See “Generate clock output” above.
After the target slave address and R/nW bit are in the IDBR,
Software sets ICR[START].
Software sets ICR[TB] to initiate the START condition.
See Section 9.4.3.
Initiate first data
byte transfer
Master-transmit
Master-receive
The CPU writes a data byte to the IDBR
•The I
2C interface transmits the byte when ICR[TB] is set.
•The I
2C interface clears ICR[TB] and sets ISR[ITE] when the transfer
is complete.
Arbitrate for I2C
bus
Master-transmit
Master-receive
If two or more masters signal a START within the same clock period,
arbitration must occur.
•The I
2C interface arbitrates for as long as needed. Arbitration takes
place during slave address and R/nW bit or data transmission and
continues until all but one master loses the bus. No data is lost.
If the I2C interface loses arbitration, it sets ISR[ALD] after the byte
transfer is completed and switches to slave-receive mode.
If the I2C interface loses arbitration as it attempts to send the target
address byte, it attempts to resend the byte when the bus becomes
free.
Software must ensure that the boundary conditions described in
Section 9.4 do not occur.
9-14 Intel® PXA27x Processor Family Developer’s Manual
I2C Bus Interface Unit
When the CPU needs to read data, the I2C interface switches from slave-receive mode to master-
transmit mode to transmit the slave address, R/nW bit, and the ACK pulse. After it sends the ACK
pulse, the I2C interface switches to master-receive mode and waits to receive the read data from the
slave device (see Figure 9-9). Multiple transactions can occur during an I2C operation. For
example, switching from master-receive to master-transmit through a repeated start or data
chaining (see Figure 9-10). Figure 9-11 shows the SDA and SCL wave forms for a complete data
transfer.
Write one data
byte to the IDBR Master-transmit
only
Occurs when ISR[ITE] is set and ICR[TB] is clear. If the IDBR
transmit-empty interrupt is enabled, the interrupt is generated.
The CPU writes one data byte to the IDBR, sets the appropriate
START/STOP bit combination, and sets ICR[TB] to send the data.
Eight bits are taken from the shift register and written to the serial
bus. The eight bits are followed by a STOP, if requested.
Wait for
ACKNOWLEDGE
from slave
receiver
Master-transmit
only
As a master transmitter, the I2C interface generates the clock for the
ACKNOWLEDGE pulse. The I2C interface releases the SDA line to allow
slave-receiver ACKNOWLEDGE transmission.
See Section 9.4.6.
Read one byte of
I2C data from the
IDBR
Master-receive
only
Eight bits are read from the serial bus, collected in the shift register, then
transferred to the IDBR after the ICR[ACKNAK bit is read.
The CPU reads the IDBR when ISR[IRF] is set and ICR[TB] is clear.
If the IDBR receive-full interrupt is enabled, it is signaled to the CPU.
When the IDBR is read, if ISR[ACKNAK] is clear (indicating ACK),
the processor I2C interface writes the ICR[ACKNAK] bit and sets
ICR[TB] to initiate the next byte read.
If ISR[ACKNAK] is set (indicating NAK), ICR[TB] is clear, ICR[STOP]
is set, and ISR[UB] is set, then the last data byte has been read into
the IDBR, and the I2C interface is sending the STOP.
If ISR[ACKNAK] is set (indicating NAK) and ICR[TB] is clear, but
ICR[STOP] is clear, then the CPU has two options:
1. Set ICR[START], write a new target address to the IDBR, and set
ICR[TB], which sends a repeated START.
2. Set ICR[MA] and leave ICR[TB] clear, which sends a STOP only.
Transmit
ACKNOWLEDGE
to slave
transmitter
Master-receive
only
As a master receiver, the I2C interface generates the clock for the
ACKNOWLEDGE pulse and drives the SDA line during the
acknowledge cycle.
If the next data byte is to be the last transaction, the CPU sets
ICR[ACKNAK] for NAK generation.
See Section 9.4.6.
Generate a
repeated START
to chain I2C
transactions
Master-transmit
Master-receive
Data chaining takes place by using a repeated START condition instead
of a STOP condition.
The repeated START is generated after the last data byte of a
transaction has been transmitted on the I2C bus, as described in
Section 9.4.4.
The CPU writes the next target slave address and the R/nW bit to
the IDBR, sets ICR[START], and sets ICR[TB].
See Section 9.4.3.
Generate a STOP Master-transmit
Master-receive
A STOP is generated after the last data byte of a transaction has
been transmitted on the I2C bus, as described in Section 9.4.4.
ICR[STOP] must be set to generate the STOP condition.
See Section 9.4.3.
Table 9-5. Master Transactions (Sheet 2 of 2)
I2C Master
Action Mode of
Operation Definition
Intel® PXA27x Processor Family Developer’s Manual 9-15
I2C Bus Interface Unit
9.4.9 Master Mode Programming Examples
9.4.9.1 Initialize Unit
1. Set the slave address in the ISAR.
2. Enable the preferred interrupts in the ICR. Do not enable the arbitration-loss-detected
interrupt.
3. Set the ICR[IUE] and ICR[SCLE] bits to enable the I2C interface and SCL.
Figure 9-9. Master Receiver Read from Slave Transmitter
Figure 9-10. Master Receiver Read from Slave Transmitter, Repeated Start, Master Transmitter
Write to Slave-Receiver
Figure 9-11. A Complete Data Transfer
Master to Slave Slave to Master
START Slave Address R/nW
1ACK Data
Byte ACK Data
Byte STOP
N Bytes + ACK
ACK
Default
Slave-Receive
Mode
First Byte Read
START Slave R/nW
1ACK Data
Byte ACK Data
Byte
N Bytes + ACK
Read
ACK Sr Slave R/nW
0ACK Data
Byte ACK Data
Byte STOP
N Bytes + ACK
Write
ACK
Address Address
Master to Slave Slave to Master
Repeated
Start
Data Chaining
SDA
SCL
Start
Condition Address R/nW ACK Data ACK Data
1-7 8 9 8 989
1-7 1-7
ACK Stop
Condition
9-16 Intel® PXA27x Processor Family Developer’s Manual
I2C Bus Interface Unit
9.4.9.2 Write 1 Byte as a Master
1. Load target slave address and R/nW bit in the IDBR. R/nW must be 0 for a write.
2. Initiate the write.
Set ICR[START], clear ICR[STOP], clear ICR[ALDIE], set ICR[TB].
3. When an IDBR transmit-empty interrupt occurs:
Read ISR: IDBR transmit empty (1), Unit Busy (1), R/nW bit (0).
4. Write 0b1 to the ISR[ITE] bit to clear interrupt.
5. Write 0b1to the ISR[ALD] bit if set.
If the master loses arbitration, it performs an address retry when the bus becomes free. The
arbitration-loss-detected interrupt is disabled to allow the address retry.
6. Load data byte to be transferred in the IDBR.
7. Initiate the write.
Clear ICR[START], set ICR[STOP], set ICR[ALDIE], set ICR[TB].
8. When an IDBR transmit-empty interrupt occurs (unit is sending STOP):
Read ISR: IDBR transmit empty (1), Unit busy (x), R/nW bit (0).
9. Write 0b1 to the ISR[ITE] bit to clear the interrupt.
10. Clear ICR[STOP] bit.
9.4.9.3 Read 1 Byte as a Master
1. Load target slave address and R/nW bit in the IDBR. R/nW must be 1 for a read.
2. Initiate the write.
Set ICR[START], clear ICR[STOP], clear ICR[ALDIE], set ICR[TB].
3. When an IDBR transmit-empty interrupt occurs.
Read ISR: IDBR transmit empty (1), Unit busy (1), R/nW bit (1).
4. Write 0b1 to the ISR[ITE] bit to clear the interrupt.
5. Initiate the read.
Clear ICR[START], set ICR[STOP], set ICR[ALDIE], set ICR[ACKNAK], set ICR[TB].
6. When an IDBR receive-full interrupt occurs (unit is sending STOP):
Read ISR: IDBR receive full (1), Unit Busy (x), R/nW bit (1), ACK/NAK bit (1).
7. Write 0b1 to the ISR[IRF] bit to clear the interrupt.
8. Read IDBR data.
9. Clear ICR[STOP] and ICR[ACKNAK] bits.
9.4.9.4 Write 2 Bytes and Repeated Start Read 1 Byte as a Master
1. Load target slave address and R/nW bit in the IDBR. R/nW must be 0 for a write.
2. Initiate the write.
Set ICR[START], clear ICR[STOP], clear ICR[ALDIE], set ICR[TB].
3. When an IDBR transmit-empty interrupt occurs.
Read ISR: IDBR transmit empty (1), Unit Busy (1), R/nW bit (0).
4. Write 0b1 to the ISR[ITE] bit to clear interrupt.
Intel® PXA27x Processor Family Developer’s Manual 9-17
I2C Bus Interface Unit
5. Load data byte to be transferred in the IDBR.
6. Initiate the write.
Clear ICR[START], clear ICR[STOP], set ICR[ALDIE], set ICR[TB].
7. When an IDBR transmit-empty interrupt occurs:
Read ISR: IDBR transmit empty (1), Unit busy (1), R/nW bit (0).
8. Write 0b1 to the ISR[ITE] bit to clear interrupt.
9. Repeat steps 5-8 one time.
10. Load target slave address and R/nW bit in the IDBR. R/nW must be 1 for a read.
11. Send repeated START as a master.
Set ICR[START], clear ICR[STOP], clear ICR[ALDIE], set ICR[TB].
12. When an IDBR transmit-empty interrupt occurs.
Read ISR: IDBR transmit empty (1), Unit busy (1), R/nW bit (1).
13. Write 0b1 to the ISR[ITE] bit to clear interrupt.
14. Initiate the read.
Clear ICR[START], set ICR[STOP], set ICR[ALDIE], set ICR[ACKNAK], set ICR[TB].
15. When an IDBR receive-full interrupt occurs (unit is sending STOP).
Read ISR: IDBR receive full (1), Unit Busy (x), R/nW bit (1), ACK/NAK bit (1).
16. Write 0b1 to the ISR[IRF] bit to clear the interrupt.
17. Read IDBR data.
18. Clear ICR[STOP] and ICR[ACKNAK] bits.
9.4.9.5 Read 2 Bytes as a Master—Send STOP Using the Abort
1. Load target slave address and R/nW bit in the IDBR. R/nW must be 1 for a read.
2. Initiate the write.
Set ICR[START], clear ICR[STOP], clear ICR[ALDIE], set ICR[TB].
3. When an IDBR transmit-empty interrupt occurs:
Read ISR: IDBR transmit empty (1), Unit busy (1), R/nW bit (1).
4. Write 0b1 to the ISR[ITE] bit to clear interrupt.
5. Initiate the read.
Clear ICR[START], clear ICR[STOP], set ICR[ALDIE], clear ICR[ACKNAK], set ICR[TB].
6. When an IDBR receive-full interrupt occurs:
Read ISR: IDBR receive full (1), Unit Busy (1), R/nW bit (1), ACK/NAK bit (0).
7. Write 0b1 to the ISR[IRF] bit to clear the interrupt.
8. Read IDBR data.
9. Clear ICR[STOP] and ICR[ACKNAK] bits.
10. Initiate the read.
Clear ICR[START], clear ICR[STOP], set ICR[ALDIE], set ICR[ACKNAK], set ICR[TB]
ICR[STOP] is not set because STOP or repeated START is decided on the byte read.
11. When an IDBR receive-full interrupt occurs.
Read ISR: IDBR receive full (1), Unit Busy (1), R/nW bit (1), ACK/NAK bit (1).
9-18 Intel® PXA27x Processor Family Developer’s Manual
I2C Bus Interface Unit
12. Write 0b1 to the ISR[IRF] bit to clear the interrupt.
13. Read IDBR data.
14. Initiate STOP abort condition (STOP with no data transfer).
Set ICR[MA].
Note: If a NAK is not sent in Step 11, the next transaction must involve another data byte read.
9.4.10 Slave Operations
Table 9-6 describes how the I2C unit operates as a slave device.
Table 9-6. Slave Transactions
I2C Slave
Action Mode of
Operation Definition
Slave-receive
(default mode)
Slave-receive
only
•The I
2C interface monitors all slave address transactions.
ICR[IUE] must be set.
•The I
2C interface monitors bus for START conditions. When a START is detected, the
interface reads the first 8 bits and compares the most significant seven bits with the seven-
bit ISAR and the general call address (0x00). If there is a match, the I2C interface sends an
ACK.
If the first 8 bits are zeros, this is a general call address. If ICR[GCD] is clear, both the
ISR[GCAD] and ISR[SAD] are set. See Section 9.4.12.
If the eighth bit of the first byte (R/nW bit) is low, the I2C interface stays in slave-receive
mode, and ISR[SAD] is cleared. If R/nW bit is high, the 2C unit switches to slave-transmit
mode, and ISR[SAD] is set.
Set the slave-
address-
detected bit
Slave-receive
Slave-transmit
Indicates that the interface has detected an I2C operation that addresses the PXA27x
processor including the general call address. The PXA27x processor can distinguish an
ISAR match from a general call by reading ISR[GCAD].
An interrupt is generated, if enabled, after the matching slave address is received and
acknowledged.
Read one byte
of I2C data from
the IDBR
Slave-receive
only
This operation occurs when ISR[IRF] is set and ICR[TB] is clear. If enabled, the IDBR
receive-full interrupt is generated.
Eight bits are read from the serial bus into the shift register. When a full byte is received
and the ACK/NAK bit is completed, the byte is transferred from the shift register to the
IDBR.
Software reads one data byte from the IDBR. When the IDBR is read, the PXA27x
processor writes the desired ICR[ACKNAK] bit and sets ICR[TB]. This causes the I2C
interface to stop inserting wait states and let the master transmitter transmit the next piece
of information.
Transmit
Acknowledge to
master
transmitter
Slave-receive
only
As a slave receiver, the I2C interface pulls the SDA line low to generate the ACK pulse
during the high SCL period.
ICR[ACKNAK] controls the ACKNOWLEDGE pulse that the I2C interface drives. See
Section 9.4.6.
Write one byte
of I2C data to
the IDBR
Slave-transmit
only
This operation occurs when ISR[ITE] is set and ICR[TB] is clear. If enabled, the IDBR
transmit-empty interrupt is generated.
The PXA27x processor writes a data byte to IDBR and sets ICR[TB] to start the transfer.
Wait for
Acknowledge
from master
receiver
Slave-transmit
only As a slave transmitter, the I2C interface releases the SDA line to allow the master receiver
to pull the line low for the ACK. See Section 9.4.6.
Intel® PXA27x Processor Family Developer’s Manual 9-19
I2C Bus Interface Unit
Figure 9-12 through Figure 9-14 are examples of I2C transactions and show the relationships
between master and slave devices.
9.4.11 Slave Mode Programming Examples
9.4.11.1 Initialize Unit
1. Set the slave address in the ISAR.
2. Enable preferred interrupts in the ICR.
Figure 9-12. Master Transmitter Write to Slave Receiver
Figure 9-13. Master Receiver Read from Slave-Transmitter
Figure 9-14. Master Receiver Read from Slave Transmitter, Repeated START, Master
Transmitter Write to Slave Receiver
Master to Slave Slave to Master
START Slave Address R/nW
0ACK Data
Byte ACK Data
Byte STOP
N Bytes + ACKWrite
ACK
First Byte
Master to Slave Slave to Master
START Slave Address R/nW
1ACK Data
Byte ACK Data
Byte STOP
N Bytes + ACKRead
NAK
Default
Slave-Receive
Mode
First Byte
START Slave R/nW
1ACK Data
Byte ACK Data
Byte
N Bytes + ACKRead
ACK SR Slave R/nW
0ACK Data
Byte ACK Data
Byte STOP
N Bytes + ACKWrite
ACK
Address Address
Master to Slave Slave to Master
Repeated
START
Data Chaining
9-20 Intel® PXA27x Processor Family Developer’s Manual
I2C Bus Interface Unit
3. Set the ICR[IUE] bit to enable the I2C interface.
9.4.11.2 Write n Bytes as a Slave
1. When a slave-address-detected interrupt occurs:
Read ISR: Slave Address Detected (1), Unit Busy (1), R/nW bit (1), ACK/NAK (0).
2. Write 0b1 to the ISR[SAD] bit to clear the interrupt.
3. Return from interrupt.
4. Load data byte to transfer in the IDBR.
5. Set ICR[TB] bit.
6. When a IDBR transmit-empty interrupt occurs:
Read ISR: IDBR transmit empty (1), ACK/NAK (0), R/nW bit (0)
7. Load data byte to transfer in the IDBR.
8. Set the ICR[TB] bit.
9. Write 0b1 to the ISR[ITE] bit to clear interrupt.
10. Return from interrupt.
11. Repeat steps 6 to 10 for n-1 times. If at any time the slave does not have data, the I2C interface
keeps SCL low until data is available.
12. When a IDBR transmit-empty interrupt occurs.
Read ISR: IDBR transmit empty (1), ACK/NAK (1), R/nW bit (0).
13. Write 0b1 to the ISR[ITE] bit to clear interrupt.
14. Return from interrupt
15. When a slave-STOP-detected interrupt occurs.
Read ISR: Unit Busy (0), Slave STOP Detected (1).
16. Write 0b1 to the ISR[SSD] bit to clear interrupt.
9.4.11.3 Read n Bytes as a Slave
1. When a slave-address-detected interrupt occurs:
Read ISR: Slave Address Detected (1), Unit busy (1), R/nW bit (0).
2. Write 0b1 to the ISR[SAD] bit to clear the interrupt.
3. Return from interrupt.
4. Set ICR[TB] bit to initiate the transfer.
5. When an IDBR receive-full interrupt occurs:
Read ISR: IDBR receive full (1), ACK/NAK (0), R/nW bit (0).
6. Read IDBR to get the received byte.
7. Write 0b1 to the ISR[IRF] bit to clear interrupt.
8. Return from interrupt.
9. Repeat steps 4 to 8 for n-1 times. Once the IDBR is full, the I2C interface keeps SCL low until
the data is read.
10. Set ICR[TB] bit to release I2C bus and allow next transfer.
Intel® PXA27x Processor Family Developer’s Manual 9-21
I2C Bus Interface Unit
11. When a slave-STOP-detected interrupt occurs.
Read ISR: Unit busy (0), Slave STOP Detected (1).
12. Write 0b1 to the ISR[SSD] bit to clear interrupt.
9.4.12 General Call Address
A general call address is a transaction with a slave address of 0x00. When a device requires the
data from a general call address, it acknowledges the transaction and remains in slave-receive
mode. Otherwise, the device ignores the general call address. The other bytes in a general call
transaction are acknowledged by every device that uses it on the bus. Devices that do not use these
bytes must not send an ACK. The meaning of a general call address is defined in the second byte
sent by the master transmitter. Figure 9-15 shows a general call-address transaction. The least
significant bit of the second byte, called B, defines the transaction. Table 9-7 shows the valid
values and definitions when B = 0.
The I2C unit supports sending and receiving general call-address transfers on the I2C bus. When
software sends a general call message from the I2C interface, it must set the ICR[GCD] bit to
prevent the I2C interface from responding as a slave. If the ICR[GCD] is not set, the I2C bus enters
an indeterminate state.
If the I2C interface acts as a slave and receives a general call address while the ICR[GCD] bit is
clear, it:
Sets the ISR[GCAD] bit
Sets the ISR[SAD] bit
Interrupts the processor (if the interrupt is enabled)
If the I2C interface receives a general call address and the ICR[GCD] bit is set, it ignores the
general call address.
Figure 9-15. General Call Address
Master to Slave Slave to Master
START 00000000 ACK Data
Byte ACK Data
Byte STOP
N Bytes + ACK
Least Significant Bit of Master Address
ACK
Second Byte
Second Byte 0 ACK
First Byte
Defines Transaction
9-22 Intel® PXA27x Processor Family Developer’s Manual
I2C Bus Interface Unit
Software must ensure that (1) the I2C interface is not busy before it asserts a reset and (2) the I2C
bus is idle when the unit is enabled after reset. When directed to reset, the I2C interface, except for
ISAR, returns to the default reset condition. ISAR is not affected by a reset.
When B = 1, the sequence is a hardware general call and is not supported by the I2C interface.
Refer to the I2C-Bus Specification for information on hardware general calls.
I2C 10-bit addresses and CBUS compatibility are not supported.
9.4.13 Reset Conditions
Software must ensure that (1) the I2C unit is not busy before it asserts a reset and (2) the I2C bus is
idle when the unit is enabled after reset. When directed to reset, the I2C interface, except for ISAR,
returns to the default reset condition. ISAR is not affected by a reset.
When the ICR[UR] bit is set, the I2C interface resets but the associated I2C MMRs remain intact.
Use the following guidelines when resetting the I2C interface with the ICR unit reset:
1. Set the reset bit in the ICR register and clear the remainder of the register.
2. Clear the ISR register.
3. Clear reset in the ICR.
Table 9-7. General Call Address Second Byte Definitions
Least
Significant Bit
of Second
Byte (B)
Second
Byte
Value Definition
0 0x06 2-byte transaction in which the second byte tells the slave to reset and store this
value in the programmable part of its address.
0 0x04 2-byte transaction in which the second byte tells the slave to store this value in the
programmable part of its address. No reset.
0 0x00 Not allowed as a second byte
NOTE: Other values are not fixed and must be ignored.
Intel® PXA27x Processor Family Developer’s Manual 9-23
I2C Bus Interface Unit
9.5 Register Descriptions
For any access to any power-manager I2C registers, the CKEN bit for the power-manager I2C unit
must be enabled (CKEN[15] set).
9.5.1 I2C Control Registers (ICR, PICR)
The PXA27x processor uses the bits in the I2C Control register (ICR) to control the I2C unit.
These are read/write registers. Ignore reads from reserved bits. Write 0b0 to reserved bits.
Table 9-8. ICR, PICR Bit Definitions (Sheet 1 of 4)
Physical Address
0x4030_1690
0x40F0_0190
ICR
PICR Standard I2C
Power I2C
User
Settings
Bit 31 30 29 28 27 26 25 24 23 22 21 20 19 18 17 16 15 14 13 12 11 10 9 8 7 6 5 4 3 2 1 0
reserved
FM
UR
SADIE
ALDIE
SSDIE
BEIE
DRFIE
ITEIE
GCD
IUE
SCLE
MA
TB
ACKNAK
STOP
START
Reset ? ? ? ? ? ? ? ? ? ? ? ? ? ? ? ? 0 0 0 0 0 0 0 0 0 0 0 0 0 0 0 0
Bits Access Name Description
31:16 — reserved
15 R/W FM
Fast Mode
ICR (Standard I2C):
0 = 100 kbps operation
1 = 400 kbps operation
PICR (Power I2C):
0 = 40 kbps operation
1 = 160 kbps operation
14 R/W UR
Unit Reset
0 = No reset.
1 = Reset the I2C interface only.
13 R/W SADIE
Slave Address Detected Interrupt Enable
0 = Disable interrupt.
1 = Enables the I2C interface to interrupt the processor upon detecting a
slave address match or a general call address.
12 R/W ALDIE
Arbitration Loss Detected Interrupt Enable
0 = Disable interrupt.
1 = Enables the I2C interface to interrupt the processor upon losing
arbitration while in master mode.
11 R/W SSDIE
Slave STOP Detected Interrupt Enable
0 = Disable interrupt.
1 = Enables the I2C interface to interrupt the processor when it detects a
STOP condition while in slave mode.
9-24 Intel® PXA27x Processor Family Developer’s Manual
I2C Bus Interface Unit
10 R/W BEIE
Bus Error Interrupt Enable
0 = Disable interrupt.
1 = Enables the I2C interface to interrupt the processor for the following
I2C bus errors:
As a master transmitter, no Ack was detected after a byte was sent.
As a slave receiver, the I2C interface generated a NAK pulse.
NOTE: Software is responsible for guaranteeing that misplaced START
and STOP conditions do not occur. See also Section 9.2.
9R/WDRFIE
DBR Receive Full Interrupt Enable
0 = Disable interrupt.
1 = Enables the I2C interface to interrupt the processor when the IDBR
has received a data byte from the I2C bus.
8R/WITEIE
IDBR Transmit Empty Interrupt Enable
0 = Disable interrupt.
1 = Enables the I2C interface to interrupt the processor after transmitting
a byte onto the I2C bus.
7R/WGCD
General Call Disable
0 = Enable the I2C interface to respond to general call messages.
1 = Disable I2C interface response to general call messages as a slave.
This bit must be set when sending a master mode general call message
from the I2C interface.
6R/WIUE
I2C Unit Enable
0 = Disables the unit and does not master any transactions or respond to
any slave transactions.
1 = Enables the I2C interface (defaults to slave-receive mode).
Software must guarantee the I2C bus is idle before setting this bit.
Software must guarantee that the internal clock to the Power I2C unit is
enabled (CKEN[15] must be set) before setting or clearing this bit.
5R/WSCLEA
SCL Enable
0 = Disables the I2C interface from driving the SCL line.
1 = Enables the I2C clock output for master-mode operation.
Table 9-8. ICR, PICR Bit Definitions (Sheet 2 of 4)
Physical Address
0x4030_1690
0x40F0_0190
ICR
PICR Standard I2C
Power I2C
User
Settings
Bit 31 30 29 28 27 26 25 24 23 22 21 20 19 18 17 16 15 14 13 12 11 10 9 8 7 6 5 4 3 2 1 0
reserved
FM
UR
SADIE
ALDIE
SSDIE
BEIE
DRFIE
ITEIE
GCD
IUE
SCLE
MA
TB
ACKNAK
STOP
START
Reset ? ? ? ? ? ? ? ? ? ? ? ? ? ? ? ? 0 0 0 0 0 0 0 0 0 0 0 0 0 0 0 0
Bits Access Name Description
Intel® PXA27x Processor Family Developer’s Manual 9-25
I2C Bus Interface Unit
4R/WMA
Master Abort
Used by the I2C interface in master mode to generate a STOP without
transmitting another data byte:
0 = The I2C interface transmits STOP using the ICR[STOP] bit only.
1 = The I2C interface sends STOP without data transmission.
When in master-transmit mode, after transmitting a data byte, the ICR
transfer byte bit is cleared and IDBR transmit empty bit is set. When no
more data bytes need to be sent, setting master abort bit sends the STOP.
The transfer byte bit (03) must remain clear.
In master-receive mode, when a Nack is sent without a STOP (stopICR bit
was not set) and the processor does not send a repeated START, setting
this bit sends the STOP. Once again, the transfer byte bit (03) must remain
clear.
3R/WTB
Transfer Byte
Sends or receives a byte on the I2C bus:
0 = Cleared by I2C interface when the byte is sent/received.
1 = Send/receive a byte.
The processor can monitor this bit to determine when the byte transfer has
completed. In master or slave mode, after each byte transfer including
ACKNOWLEDGE pulse, the I2C interface holds the SCL line low (inserting
wait states) until TB is set.
Table 9-8. ICR, PICR Bit Definitions (Sheet 3 of 4)
Physical Address
0x4030_1690
0x40F0_0190
ICR
PICR Standard I2C
Power I2C
User
Settings
Bit 31 30 29 28 27 26 25 24 23 22 21 20 19 18 17 16 15 14 13 12 11 10 9 8 7 6 5 4 3 2 1 0
reserved
FM
UR
SADIE
ALDIE
SSDIE
BEIE
DRFIE
ITEIE
GCD
IUE
SCLE
MA
TB
ACKNAK
STOP
START
Reset ? ? ? ? ? ? ? ? ? ? ? ? ? ? ? ? 0 0 0 0 0 0 0 0 0 0 0 0 0 0 0 0
Bits Access Name Description
9-26 Intel® PXA27x Processor Family Developer’s Manual
I2C Bus Interface Unit
9.5.2 I2C Status Registers (ISR, PISR)
The ISR signals I2C interrupts to the PXA27x processor interrupt controller. Software can use the
ISR bits to check the status of the I2C unit and bus. ISR bits [9:5] are updated after the ACK/NAK
bit is completed on the I2C bus.
The ISR also clears the following interrupts signaled from the I2C interface:
IDBR receive full
IDBR transmit empty
Slave address detected
Bus error detected
STOP condition detected
Arbitration lost
2 R/W ACKNAK
Positive/Negative Acknowledge
Defines the type of ACKNOWLEDGE pulse sent by the I2C interface when
in master receive mode:
0 = Send a positive acknowledge (ACK) pulse after receiving a data byte.
1 = Send a negative acknowledge (NAK) pulse after receiving a data
byte.
The I2C interface automatically sends an ACK pulse when responding to its
slave address or when responding in slave-receive mode, regardless of the
ACKNAK control-bit setting.
1 R/W STOP
Stop
Initiates a STOP condition after transferring the next data byte on the I2C
bus when in master mode. In master-receive mode, the ACKNAK control bit
must be set in conjunction with the STOP bit. See Section 9.4.3.3 for details
of the STOP state.
0 = Do not send a STOP.
1 = Send a STOP.
0 R/W START
Start
Initiates a START condition I2C when in master mode. See Section 9.4.3.1
for details of the START state.
0 = Do not send a START pulse.
1 = Send a START pulse.
Table 9-8. ICR, PICR Bit Definitions (Sheet 4 of 4)
Physical Address
0x4030_1690
0x40F0_0190
ICR
PICR Standard I2C
Power I2C
User
Settings
Bit 31 30 29 28 27 26 25 24 23 22 21 20 19 18 17 16 15 14 13 12 11 10 9 8 7 6 5 4 3 2 1 0
reserved
FM
UR
SADIE
ALDIE
SSDIE
BEIE
DRFIE
ITEIE
GCD
IUE
SCLE
MA
TB
ACKNAK
STOP
START
Reset ? ? ? ? ? ? ? ? ? ? ? ? ? ? ? ? 0 0 0 0 0 0 0 0 0 0 0 0 0 0 0 0
Bits Access Name Description
Intel® PXA27x Processor Family Developer’s Manual 9-27
I2C Bus Interface Unit
Table 9-9. ISR, PISR Bit Definitions (Sheet 1 of 2)
Physical Address
0x4030_1698
0x40F0_0198
ISR
PISR Standard I2C
Power I2C
User
Settings
Bit 31 30 29 28 27 26 25 24 23 22 21 20 19 18 17 16 15 14 13 12 11 10 9 8 7 6 5 4 3 2 1 0
reserved
BED
SAD
GCAD
IRF
ITE
ALD
SSD
IBB
UB
ACKNAK
RWM
Reset ? ? ? ? ? ? ? ? ? ? ? ? ? ? ? ? ? ? ? ? ? 0 0 0 0 0 0 0 0 0 0 0
Bits Access Name Description
31:11 — reserved
10 Read Clear BED
Bus Error Detected
0 = No error detected.
1 = The I2C interface sets this bit when it detects one of the following error
conditions:
As a master transmitter, no Ack was detected on the interface after a
byte was sent.
As a slave receiver, the I2C interface generates a Nack pulse.
NOTE: When an error occurs, I2C bus transactions continue. Software
must guarantee that misplaced START and STOP conditions do
not occur. See Section 9.4.7.
9 Read Clear SAD
Slave Address Detected
0 = No slave address was detected.
1 = The I2C interface detected a seven-bit address that matches the
general call address or ISAR. An interrupt is signaled when enabled in
the ICR.
8 Read Clear GCAD
General Call Address Detected
0 = No general call address received.
1 = I2C interface received a general call address.
7 Read Clear IRF
IDBR Receive Full
0 = The IDBR has not received a new data byte or the I2C interface is idle.
1 = The IDBR register received a new data byte from the I2C bus. An
interrupt is signaled when enabled in the ICR.
6 Read Clear ITE
IDBR Transmit Empty
0 = The data byte is still being transmitted.
1 = The I2C interface has finished transmitting a data byte on the I2C bus.
An interrupt is signaled when enabled in the ICR.
5 Read Clear ALD
Arbitration Loss Detected
Used during multi-master operation:
0 = Cleared when arbitration is won or never took place.
1 = Set when the I2C interface loses arbitration.
4 Read Clear SSD
Slave STOP Detected
0 = No STOP detected.
1 = Set when the I2C interface detects a STOP while in slave-receive or
slave-transmit mode.
9-28 Intel® PXA27x Processor Family Developer’s Manual
I2C Bus Interface Unit
9.5.3 I2C Slave Address Registers (ISAR, PISAR)
The ISAR (see Table 9-10) defines the I2C interface seven-bit slave address. In slave-receive
mode, the PXA27x processor responds when the seven-bit address matches the value in this
register. The processor writes this register before it enables I2C operations. The ISAR is fully
programmable (no address is assigned to the I2C interface) so it can be set to a value other than
those of hard-wired I2C slave peripherals in the system. If the processor is reset, the ISAR is not
affected. The ISAR register default value is 00000002.
These are read/write registers. Ignore reads from reserved bits. Write 0b0 to reserved bits.
3RIBB
I2C Bus Busy
0 = I2C bus is idle or the I2C interface is using the bus (unit busy).
1 = Set when the I2C bus is busy but the processor’s I2C interface is not
involved in the transaction.
2RUB
Unit Busy
0 = I2C interface not busy.
1 = Set when the processor’s I2C interface is busy. This is defined as the
time between the first START and STOP.
1 R ACKNAK
Ack/Nack Status
0 = The I2C interface received or sent an Ack on the bus.
1 = The I2C interface received or sent a Nack.
Used in slave-transmit mode to determine when the byte transferred is the
last one. This bit is updated after each byte and Ack/Nack information is
received.
0RRWM
Read/Write Mode
0 = The I2C interface is in master-transmit or slave-receive mode.
1 = The I2C interface is in master-receive or slave-transmit mode.
This is the R/nW bit of the slave address. It is automatically cleared by
hardware after a STOP state.
Table 9-9. ISR, PISR Bit Definitions (Sheet 2 of 2)
Physical Address
0x4030_1698
0x40F0_0198
ISR
PISR Standard I2C
Power I2C
User
Settings
Bit 31 30 29 28 27 26 25 24 23 22 21 20 19 18 17 16 15 14 13 12 11 10 9 8 7 6 5 4 3 2 1 0
reserved
BED
SAD
GCAD
IRF
ITE
ALD
SSD
IBB
UB
ACKNAK
RWM
Reset ? ? ? ? ? ? ? ? ? ? ? ? ? ? ? ? ? ? ? ? ? 0 0 0 0 0 0 0 0 0 0 0
Bits Access Name Description
Intel® PXA27x Processor Family Developer’s Manual 9-29
I2C Bus Interface Unit
9.5.4 I2C Data Buffer Register (IDBR, PIDBR)
The PXA27x processor uses the I2C Data Buffer register to transmit and receive data from the I2C
bus. The IDBR is accessed by the programmed I/O on one side and by the I2C Shift register on the
other. The IDBR receives data coming into the I2C unit after a full byte is received and
acknowledged. The processor core writes data going out of the I2C interface to the IDBR and sends
it to the serial bus.
When the I2C interface is in transmit mode (master or slave), the processor writes data to the IDBR
over the internal bus. The processor writes data to the IDBR when a master transaction is initiated
or when the IDBR transmit-empty interrupt is signaled. Data moves from the IDBR to the Shift
register when the transfer-byte bit is set. The IDBR transmit-empty interrupt is signaled (if
enabled) when a byte is transferred on the I2C bus and the acknowledge cycle is complete. If the
IDBR is not written by the processor and a STOP condition is not in place before the I2C bus is
ready to transfer the next byte packet, the I2C unit inserts wait states until the processor writes the
IDBR and sets the transfer-byte bit.
When the I2C interface is in receive mode (master or slave), the processor reads IDBR data over
the internal bus. The processor reads data from the IDBR when the IDBR receive-full interrupt is
signaled. The data moves from the Shift register to the IDBR when the ACKNOWLEDGE cycle is
complete. The I2C interface inserts wait states until the IDBR is read. See Section 9.4.6 for more
information on the ACKNOWLEDGE pulse in receive mode. After the processor reads the IDBR,
ICR[ACKNAK] and ICR[ACKNAK] are written, allowing the next byte transfer to proceed to the
I2C bus.
These are read/write registers. Ignore reads from reserved bits. Write 0b0 to reserved bits.
Table 9-10. ISAR, PISAR Bit Definitions
Physical Address
0x4030_16A0
0x40F0_01A0
ISAR
PISAR Standard I2C
Power I2C
User
Settings
Bit 31 30 29 28 27 26 25 24 23 22 21 20 19 18 17 16 15 14 13 12 11 10 9 8 7 6 5 4 3 2 1 0
reserved Slave Address
Reset ? ? ? ? ? ? ? ? ? ? ? ? ? ? ? ? ? ? ? ? ? ? ? ? ? 0 0 0 0 0 0 0
Bits Access Name Description
31:07 — reserved
6:0 R/W Slave
Address
Slave Address
The seven-bit address to which the I2C interface responds when in slave-
receive mode.
9-30 Intel® PXA27x Processor Family Developer’s Manual
I2C Bus Interface Unit
9.5.5 I2C Bus Monitor Registers (IBMR, PIBMR)
The I2C Bus Monitor register (IBMR) tracks the status of the SCL and SDA pins. The values of
these pins are recorded in this read-only IBMR so software can determine when the I2C bus is hung
and the I2C unit must be reset.
This a read-only register. Ignore reads from reserved bits.
Table 9-11. IDBR, PIDBR Bit Definitions
Physical Address
0x4030_1688
0x40F0_0188
IDBR
PIDBR Standard I2C
Power I2C
User
Settings
Bit 31 30 29 28 27 26 25 24 23 22 21 20 19 18 17 16 15 14 13 12 11 10 9 8 7 6 5 4 3 2 1 0
reserved Data Buffer
Reset ? ? ? ? ? ? ? ? ? ? ? ? ? ? ? ? ? ? ? ? ? ? ? ? 0 0 0 0 0 0 0 0
Bits Access Name Description
31:8 — reserved
7:0 R/W Data Buffer Data Buffer
Buffer for I2C bus send/receive data.
Table 9-12. IBMR, PIBMR Bit Definitions
Physical Address
0x4030_1680
0x40F0_0180
IBMR
PIBMR Standard I2C
Power I2C
User
Settings
Bit 31 30 29 28 27 26 25 24 23 22 21 20 19 18 17 16 15 14 13 12 11 10 9 8 7 6 5 4 3 2 1 0
reserved
SCL
SDA
Reset ? ? ? ? ? ? ? ? ? ? ? ? ? ? ? ? ? ? ? ? ? ? ? ? ? ? ? ? ? ? 1 1
Bits Access Name Description
31:2 — reserved
1RSCL
IBMR[SCL] continuously reflects the value of the SCL pin.
0RSDA
IBMR[SDA] continuously reflects the value of the SDA pin.
Intel® PXA27x Processor Family Developer’s Manual 9-31
I2C Bus Interface Unit
9.6 Register Summary
Table 9-13 summarizes the standard interface I2C registers, which are located in the peripheral
memory-mapped address space. Table 9-14 summarizes the power-manager I2C registers.
Table 9-13. Standard I2C Register Summary
Address Name Description Page
0x4030_1680 IBMR I2C Bus Monitor register 9-30
0x4030_1684 reserved
0x4030_1688 IDBR I2C Data Buffer register 9-29
0x4030_168C reserved
0x4030_1690 ICR I2C Control register 9-23
0x4030_1694 reserved
0x4030_1698 ISR I2C Status register 9-26
0x4030_169C reserved
0x4030_16A0 ISAR I2C Slave Address register 9-28
0x4030_16A4–
0x403F_FFFC reserved
Table 9-14. Power I2C Register Summary
Address Name Description Page
0x40F0_0180 PIBMR Power Manager I2C Bus Monitor register 9-30
0x40F0_0184 reserved
0x40F0_0188 PIDBR Power Manager I2C Data Buffer register 9-29
0x40F0_018C reserved
0x40F0_0190 PICR Power Manager I2C Control register 9-23
0x40F0_0194 reserved
0x40F0_0198 PISR Power Manager I2C Status register 9-26
0x40F0_019C reserved
0x40F0_01A0 PISAR Power Manager I2C Slave Address register 9-28
0x40F0_01A4–
0x40FF_FFFC reserved
9-32 Intel® PXA27x Processor Family Developer’s Manual
I2C Bus Interface Unit
Intel® PXA27x Processor Family Developer’s Manual 10-1
UARTs 10
This chapter describes the universal asynchronous receiver/transmitter (UART) serial ports
included in the PXA27x processor. The serial ports are controlled using direct-memory access
(DMA) or programmed I/O. The PXA27x processor has three UARTs: full-function (FFUART),
Bluetooth (BTUART), and standard (STUART). All UARTs use the same programming model.
10.1 Overview
Each serial port contains a UART and a slow infrared-transmit encoder and receive decoder that
conform to the IrDA serial-infrared specification.1
Each UART performs serial-to-parallel conversion on data characters received from a peripheral
device or a modem and parallel-to-serial conversion on data characters received from the
processor. The processor can read a UART’s complete status during functional operation. Status
information includes the type and condition of transfer operations and error conditions (parity,
overrun, framing, or break interrupt) associated with the UART.
Each serial port operates in either FIFO or non-FIFO mode. In FIFO mode, a 64-byte transmit
FIFO holds data from the processor until it is transmitted on the serial link, and a 64-byte receive
FIFO buffers data from the serial link until it is read by the processor. In non-FIFO mode, the
transmit and receive FIFOs are bypassed.
Each UART includes a programmable baud-rate generator that can divide the input clock by 1 to
(216 1). This produces a 16X clock that can be used to drive the internal transmit and receive
logic. Software can program interrupts to meet its requirements, which minimizes the number of
computations required to handle the communications link. Each UART operates in an environment
that is either controlled by software and can be polled or is interrupt-driven.
All three UARTs support the 16550A and 167502 functions, but are slightly different in the features
supported.
10.1.1 Full-Function UART
The FFUART supports modem-control capability. The maximum baud rate is 921,600 bps.
10.1.2 Bluetooth UART
The BTUART is a high-speed UART that supports baud rates up to 921,600 bps and can be
connected to a Bluetooth module. It supports the functions in the feature list, but supports only two
modem control pins (nCTS and nRTS).
1. Infrared Data Association, Serial Infrared Physical Layer Link Specification, October 17, 1995, Version 1.1
2. The 16550A was originally produced by National Semiconductor Inc. The 16750 is produced as the TL16C750 by Texas Instruments.
10-2 Intel® PXA27x Processor Family Developer’s Manual
UARTs
10.1.3 Standard UART
The STUART supports all functions in the feature list, but does not support modem-control
capability. The maximum baud rate is 921,600 bps.
10.1.4 Compatibility with 16550A and 16750
The UARTs are functionally compatible with the 16550A and 16750 industry standards. Each
UART supports most of the 16550A and 16750 functions, as well as the following features:
DMA requests for transmit and receive data services
Slow infrared-asynchronous interface
Non-return-to-zero (NRZ) encoding/decoding function
64-byte transmit/receive FIFO buffers
Programmable receive FIFO trigger threshold
Auto baud-rate detection
Auto flow
10.2 Features
The UARTs share the following features:
Functionally compatible with the 16550A and 16750
Ability to add or delete standard asynchronous communication bits (start, stop, and parity) in
the serial data
Independently controlled transmit, receive, line status, and data-set interrupts
Programmable baud-rate generator that allows the internal clock to be divided by 1 to (216 – 1)
to generate an internal 16X clock
Modem control functions (nCTS, nRTS, nDSR, nDTR, nRI, and nDCD)
Auto-flow capability controls data I/O without generating interrupts:
nRTS (output) controlled by UART receive FIFO
nCTS (input) from modem controls UART transmitter
Fully programmable serial interface:
5-, 6-, 7-, or 8-bit characters
Even, odd, and no-parity detection
1, 1½, or 2 stop-bit generation
Baud-rate generation up to 921 kbps for all UARTs
False start-bit detection
64-byte transmit FIFO
64-byte receive FIFO
Intel® PXA27x Processor Family Developer’s Manual 10-3
UARTs
Complete status-reporting capability
Ability to generate and detect line breaks
Internal diagnostic capabilities that include:
Loopback controls for communications-link fault isolation
Break, parity, and framing-error simulation
Fully prioritized interrupt system controls
Separate DMA requests for transmit and receive data services
Slow infrared asynchronous interface that conforms to the Infrared Data Association (IrDA)
specification
10.3 Signal Descriptions
Table 10-1 lists and describes each external signal that is connected to a UART module. The pins
transmit digital CMOS-level signals and are connected to the PXA27x processor through GPIOs.
Refer to Section 24, “General-Purpose I/O Controller” for details on the GPIOs.
Table 10-1. UARTs I/O Signal Descriptions (Sheet 1 of 2)
Name Type Description
RXD Input Serial Input—Serial data input to the receive shift register. In infrared mode, it is connected to the infrared
receiver input. This signal is present on all three UARTs.
TXD Output Serial Output—Serial data output to the communications-link peripheral, modem, or data set. The TXD signal is
set to the logic 1 state upon a reset operation. It is connected to the output of the infrared transmitter in infrared
mode. This signal is present on all three UARTs.
nCTS Input
Clear to Send—When low, indicates that the modem or data set is ready to exchange data. The nCTS signal is a
modem status input, and its condition can be tested by reading bit 4 (CTS) of the Modem Status register (MSR).
MSR[CTS] is the complement of the nCTS signal. MSR[DCTS] indicates whether the nCTS input has changed
state since the last time MSR was read. nCTS has no effect on the transmitter. This signal is present on the
FFUART and BTUART.
When MSR[CTS] changes state and the modem-status interrupt is enabled, an interrupt is generated.
Non-Auto-Flow ModeWhen not in auto-flow mode, MSR[CTS] indicates the state of nCTS. MSR[DCTS]
indicates whether the nCTS input has changed state since the previous reading of MSR. nCTS has no effect on
the transmitter. The user can program the UART to interrupt the processor when DCTS changes state. Software
can then stall the outgoing data stream by starving the transmit FIFO or disabling the UART with the IER register.
NOTE: If UART transmission is stalled by disabling the UART, no MSR interrupt is received when nCTS
reasserts, because disabling the UART also disables interrupts. To get around this, either use auto-CTS
in auto-flow mode or program the nCTS GPIO pin to interrupt.
Auto-Flow Mode—In this mode, the UART transmit circuity checks the state of nCTS before transmitting each
byte. IF nCTS is high, no data is transmitted.
nDSR Input
Data Set Ready—When low, indicates that the modem or data set is ready to establish a communications link
with a UART. The nDSR signal is a modem-status input. Its condition can be tested by reading MSR[DSR], which
is the complement of nDSR. MSR[DDSR] indicates whether the nDSR input has changed state since MSR was
last read. This signal is present only on the FFUART.
When MSR[DSR] changes state, an interrupt is generated if the modem-status interrupt is enabled.
nDCD Input
Data Carrier Detect—When low, indicates that the data carrier has been detected by the modem or data set.
The nDCD signal is a modem-status input. Its condition can be tested by reading MSR[DCD], which is the
complement of the nDCD signal. MSR[DDCD] indicates whether the nDCD input has changed state since the
previous reading of MSR. nDCD has no effect on the receiver. This signal is present only on the FFUART.
When the DCD bit changes state and the modem-status interrupt is enabled, an interrupt is generated.
10-4 Intel® PXA27x Processor Family Developer’s Manual
UARTs
10.4 Operation
Figure 10-1 shows the format of a UART data frame.
Figure 10-1. Example UART Data Frame
The receive-data sample counter frequency is 16 times the value of the bit frequency. The 16X
clock is created by the baud-rate generator. Each bit is sampled three times in the middle. Shaded
bits in Figure 10-1 are optional and can be programmed by software.
Each data frame is between 7 and 12 bits long, depending on the size of the data programmed,
whether parity is enabled, and the number of stop bits. A data frame begins by transmitting a start
bit that is represented by a high-to-low transition. The start bit is followed by from 5 to 8 bits of
data that begin with the least significant bit (LSB). The data bits are followed by an optional parity
bit. The parity bit is set if even-parity is enabled and the data byte has an odd number of ones, or if
odd parity is enabled and the data byte has an even number of ones. The data frame ends with 1,
1½, or 2 stop bits, as programmed by software. The stop bits are represented by 1, , or 2
successive bit periods of logic 1.
nRI Input
Ring Indicator—When low, indicates that the modem or data set has received a telephone ringing signal. The
nRI signal is a modem-status input. Its condition can be tested by reading MSR[RI], which is the complement of
the nRI signal. MSR[TERI] (trailing-edge-of-ring indicator) indicates whether the nRI input has changed from low
to high since MSR was last read. This signal is present only on the FFUART.
When the RI bit of the MSR changes from a high to low state and the modem-status interrupt is enabled, an
interrupt is generated.
nDTR Output
Data Terminal Ready—When low, signals the modem or the data set that the UART is ready to establish a
communications link. To assert the nDTR output (active low), set MSR[DTR], which is the complement of the
output signal. A reset operation deasserts this signal (high). Loopback-mode operation holds nDTR deasserted.
This signal is present only on the FFUART.
nRTS Output
Request to Send—When low, signals the modem or the data set that the UART is ready to exchange data. To
assert the nRTS output (active low), set MSR[RTS], which is the complement of the output signal. A reset
operation deasserts this signal (high). Loopback-mode operation holds nRTS deasserted. This signal is used by
the FFUART and BTUART.
Non-Auto-Flow Mode—To assert the nRTS output (active low), set MSR[RTS].
Auto-Flow Mode—nRTS is automatically asserted by the auto-flow circuitry when the receive buffer exceeds its
programmed trigger threshold. It is deasserted when enough bytes are removed from the buffer to lower the data
level back to the trigger threshold.
Table 10-1. UARTs I/O Signal Descriptions (Sheet 2 of 2)
Name Type Description
Start
Bit
Data
<0>
Data
<1>
Data
<2>
Data
<3>
Data
<4>
Data
<5>
Data
<6>
Data
<7>
Parity
Bit
Stop
Bit 1
Stop
Bit 2
TXD or RXD Pin
LSB MSB
Intel® PXA27x Processor Family Developer’s Manual 10-5
UARTs
Each UART has two FIFOs: one transmit and one receive. The transmit FIFO is 64 bytes deep and
8 bits wide. The receive FIFO is 64 bytes deep and 11 bits wide. Three bits are used for tracking
errors.
The UART can use non-return-to-zero (NRZ) coding to represent individual bit values. To enable
NRZ coding, set IER[5]. A bit value of 0b1 is represented by a line transition, and 0b0 is
represented by no line transition. Figure 10-2 shows the data byte 0b0100_1011 in NRZ coding.
The byte’s LSB is transmitted first.
Figure 10-2. Example NRZ Bit Encoding—0b0100_1011
10.4.1 Reset
The UARTs are disabled on reset. To enable a UART, software must program the GPIO registers
(see Section 24, “General-Purpose I/O Controller”), then set IER[UUE]. When the UART is
enabled, the receiver waits for a frame-start bit and the transmitter sends data if it is available in the
Transmit Holding register. Transmit data can be written to the Transmit Holding register before the
UART unit is enabled. In FIFO mode, data is transmitted from the FIFO to the Transmit Holding
register before it goes to the pin.
When the UART unit is disabled, the transmitter or receiver finishes the current byte and stops
transmitting or receiving more data. Data in the FIFO is not cleared, and transmission resumes
when the UART is enabled.
10.4.2 FIFO Operation
Each UART has a transmit FIFO and a receive FIFO, each FIFO holding 64 characters of data.
There are three separate methods for moving data into and out of the FIFOs: interrupts, polling, and
DMA.
Note: In polled mode and interrupt mode, the end-of-chain interrupt does not occur. In DMA mode,
software must set the DMA-stop interrupt on the last descriptor in the chain to avoid errors.
10.4.2.1 FIFO Interrupt Mode Operation
10.4.2.1.1 Receive Interrupt
For a receive interrupt to occur, the receive FIFO and receive interrupts must be enabled. IIR[IID]
changes to show that receive data is available when the FIFO reaches its trigger threshold. IIR[IID]
changes to show the next waiting interrupt when the FIFO drops below the trigger threshold. A
change in IIR[IID] triggers an interrupt to the core. Software reads IIR[IID] to determine the cause
of the interrupt.
Digital
Data
NRZ
Data
Bit
Value 11010010
LSB MSB
10-6 Intel® PXA27x Processor Family Developer’s Manual
UARTs
The receive-line-status interrupt (IIR = 0xC6) has the highest priority; the received-data-available
interrupt (IIR = 0xC4) is lower. The line-status interrupt occurs only when the character at the front
of the FIFO has errors.
The data-ready bit (LSR[DR]) is set when a character is transferred from the Shift register to the
receive FIFO. LSR[DR] is cleared when the FIFO is empty.
10.4.2.1.2 Character Time-Out Interrupt
A character time-out interrupt occurs when the receive FIFO and receive time-out interrupt are
enabled and all of the following conditions exist:
At least one character is in the FIFO.
The most recently received character was received more than four continuous character-times
ago. If two stop-bits are programmed, the second is included in this interval.
The most recent FIFO read was performed more than four continuous character-times ago.
After the processor reads one character from the receive FIFO or a new start bit is received, the
time-out interrupt is cleared and the time out is reset. If a time-out interrupt has not occurred, the
time out is reset when a new character is received or the processor reads the receive FIFO.
10.4.2.1.3 Transmit Interrupt
Transmit interrupts can occur only when the transmit FIFO and transmit interrupt are enabled. The
transmit-data-request interrupt occurs when the transmit FIFO is at least half-empty. The interrupt
is cleared when the THR is written or the IIR is read.
10.4.2.2 FIFO Polled Mode Operation
When the FIFOs are enabled, clearing both IER[DMAE] and IER[4:0] places the serial port in
FIFO-polled operating mode. The receiver and the transmitter are controlled separately. Either one
or both can be in polled mode. In polled mode, software checks receiver and transmitter status
using the LSR. The processor polls the following bits for receive and transmit data service:
Receive Data Service—The processor checks the LSR[DR] (data ready) bit, which is set when
one or more bytes remain in the receive FIFO or Receive Buffer register (RBR).
Transmit Data Service—The processor checks the LSR[TDRQ] (transmit data request) bit,
which is set when the transmitter needs data.
The processor can also check the LSR[TEMT] (transmitter empty) bit, which is set when the
transmit FIFO or holding register is empty.
10.4.2.3 FIFO DMA Mode Operation
The UART has two DMA requests: one for transmit data service and one for receive data service.
DMA requests are generated in FIFO mode only. The requests are activated by setting
IER[DMAE].
Data Transmitter Data Service—When IER[DMAE] is set, if the transmit FIFO is absolutely
less than half full, the transmit-DMA request is generated. The DMA controller then writes
data to the FIFO. For each DMA request, the DMA controller can send 8, 16, or 32 bytes of
data to the FIFO. The actual number of bytes to be transmitted is programmed in the DMA
controller. The UART accepts partial-word or full-word transfers of one, two, three, or four
Intel® PXA27x Processor Family Developer’s Manual 10-7
UARTs
consecutive bytes from the DMA controller or processor I/O bridge when in 32-bit peripheral
bus mode.
Data Receiver Data Service—When IER[DMAE] is set, the receive DMA request is generated
when the receive FIFO reaches its trigger threshold with no errors in its entries. The DMA
controller then reads data from the FIFO. For each DMA request, the DMA controller can read
8, 16, or 32 bytes of data from the FIFO. The actual number of bytes to be read is programmed
in the DMA controller along with the bus width. When in 32-bit peripheral-bus mode, the
DMA controller always attempts to read four bytes of data per transfer. In the case where
fewer than four bytes are being transferred, the valid bytes are indicated by a data-valid bus
shared between the UART and the DMA controller. The UART can send 1, 2, 3, or 4 bytes of
data per bus transaction.
10.4.2.4 DMA Receive Programming Errors
If the DMA channel stops prematurely due to the end of a descriptor chain or other error, the
processor must be notified, since the DMA controller can no longer service the UART FIFOs. If
this occurs, the processor must correct the situation by programming another descriptor or by
servicing the FIFOs using interrupt or polling mode, as described above. There are two methods for
notifying the processor of a stopped DMA channel:
1. Program the DMA controller to interrupt on the event of a stopped channel by setting
DCSR[StopIrqEn].
2. For the receive channel, the UART interrupts with an end-of-descriptor chain (EOC) interrupt
if FCR[TRAIL] is set, such that the UART makes a DMA request to remove trailing bytes
(See Section 10.4.2.6). Using the UART interrupt for the receive channel is preferable to the
DMA DCSR interrupt, because extra logic exists to ensure that the UART EOC interrupt
asserts only when necessary. For example, a UART EOC interrupt does not assert if the UART
has completed the reception of its message (indicated by the character time-out timer) and the
receive FIFO is empty. The IIR[EOC] interrupt does not assert if FCR[TRAIL] is cleared.
10.4.2.5 DMA Error Handling
If an error occurs while in DMA mode:
The receive-DMA requests are disabled.
The error interrupt IIR[IID] is generated.
The processor must now read out the error bytes through programmed I/O (PIO). When all errors
have been removed from the FIFO, the receive DMA requests are once again enabled by the
UART.
If an error occurs when the receive FIFO trigger threshold has been reached such that a receive
DMA request is set, software must wait for the DMA to finish the transfer before reading out the
error bytes through PIO. Otherwise, FIFO underflow could occur.
Note: Ensure that the DMA controller has completed the previous receive DMA requests before the error
interrupt handler begins to clear the errors from the FIFO. Otherwise, FIFO underflow could occur.
10-8 Intel® PXA27x Processor Family Developer’s Manual
UARTs
10.4.2.6 Removing Trailing Bytes in DMA Mode
When the number of entries in the receive FIFO is less than its trigger threshold, and no additional
data is received, the remaining bytes are called trailing bytes. To program the UART to make a
DMA request to remove the trailing bytes, set FCR[TRAIL]. Setting FCR[TRAIL] also enables the
IIR[EOC] interrupt, described in Section 10.4.2.4.
When the DMA controller is removing trailing bytes, a request is automatically issued for the
remaining number of bytes in the receive buffer. The DMA controller then empties the contents of
the receive buffer unless the DMA reaches the end of its descriptor chain. If the DMA reaches the
end of the descriptor chain while removing trailing bytes, the processor is forced to take over, since
the DMA controller can no longer service the UART request until a new chain is linked. In this
situation, the UART sets IIR[EOC] if data exists in the receive FIFO, and if IER[RTOIE] is set, it
also sets IIR[TOD].
The remaining bytes must then be removed using the processor, as described in Section 10.4.2.1.
10.4.2.6.1 False EOR Due to Character Time-Out Expiration
It is possible for a false EOR to be asserted by the UART in the middle of receiving a message if a
pause in the remote data transmissions is long enough to cause the time-out counter to expire. This
pause causes an EOR to be sent to the DMA controller if in DMA mode.
If this pause occurs:
The EOR is applied to the last byte of data in the FIFO when the DMA responds to the EOR
request. The EOR is not applied to the last byte in the FIFO at the time of the character time out. In
other words, if remote transmission resumes before the DMA responds to the EOR request, the
EOR flag is applied to the new data that entered the FIFO and not to the last byte in the FIFO at the
time of the character time out.
10.4.2.6.2 EOR Must Be Serviced Prior to Transmission of New Message
A caveat to this behavior could be encountered under legitimate EOR situations: for example, if
message A ends with 3 bytes in the FIFO, an EOR request is made to the DMA controller to
remove these bytes. If transmission of a new message B resumes before the DMA controller
responded to the EOR request of message A, the EOR could be applied to the first byte of message
B, if this byte is written into the FIFO before the DMA controller responds to message A's EOR
request. Although this situation could occur, it would be considered a programming error, since the
higher communications protocol must prevent message B transmission until the local receiver
acknowledges the receipt of message A. The exception would be if enough new bytes enter the
FIFO to push the FIFO level to its watermark. If this push occurs, the request is treated as a normal
service request, and no EOR flag is asserted to the DMA controller.
10.4.3 Auto-Flow Control
Auto-flow control uses the clear-to-send (nCTS) and request-to-send (nRTS) signals to control the
flow of data between the UART and external modem. When auto-flow is enabled, the remote
device is not allowed to send data unless the UART asserts nRTS. If the UART de-asserts nRTS
while the remote device is sending data, the remote device is allowed to send one additional byte
after nRTS is de-asserted. An overflow could occur if the remote device violates this rule.
Likewise, the UART is not allowed to transmit data unless the remote device asserts nCTS. Using
this feature increases system efficiency and eliminates the possibility of a receive-FIFO-overflow
error due to long interrupt latency.
Intel® PXA27x Processor Family Developer’s Manual 10-9
UARTs
Auto-flow mode can be used in two ways: full auto-flow, automating both nCTS and nRTS; and
half auto-flow, automating only nCTS. To enable full auto-flow, set bits MCR[1] and MCR[5]. To
enable auto-nCTS-only mode, set MCR[5] and clear MCR[1].
10.4.3.1 nRTS (UART Output)
When in full auto-flow mode, nRTS is asserted when the UART FIFO is ready to receive data from
the remote transmitter. This assertion occurs when the amount of data in the receive FIFO is below
the programmable trigger threshold value. When the amount of data in the receive FIFO reaches
the programmable trigger threshold, nRTS is de-asserted. It is re-asserted when enough bytes are
removed from the FIFO to lower the data level below the trigger threshold.
10.4.3.2 nCTS (UART Input)
When in full- or half-auto-flow mode, nCTS is asserted by the remote receiver when the receiver is
ready to receive data from the UART. The UART checks nCTS before sending the next byte of data
and does not transmit the byte until nCTS is low. If nCTS goes high while the transfer of a byte is
in progress, the transmitter completes this byte.
If UART transmission is stalled by disabling the UART, none of the interrupts in the Modem Status
register (MSR) indicates an interrupt when nCTS re-asserts because disabling the UART also
disables interrupts. Intel recommends using auto-CTS in auto-flow mode.
Note: Auto-flow mode can be used only in conjunction with FIFO mode.
10.4.4 Auto-Baud-Rate Detection
Each UART supports auto-baud-rate detection. When enabled, the UART counts the number of
14.857-MHz clock cycles within the start-bit pulse. This number is then written into the Auto-
Baud-Count register (ACR; see Table 10-14) and is used to calculate the baud rate. When the ACR
is written, an auto-baud-lock interrupt is generated (if enabled), and the UART automatically
programs the Divisor Latch registers with the appropriate baud rate. If preferred, the processor can
read ACR and use this information to program the Divisor-Latch registers with a baud rate
calculated by the processor. After the baud rate has been programmed, it is the responsibility of the
processor to verify that the predetermined characters (usually AT or at) are being received
correctly.
If the UART is to program the Divisor Latch registers, software can use either of two methods for
auto-baud calculation (table based and formula based). The method is selected using the Auto-
Baud Control register, bit ABR[ABT].
Formula method—Any baud rate allowed in Section 10.4.7 can be programmed by the
UART. This method works well for higher baud rates, but it could fail below 28.8 kbps if the
remote transmitter’s actual baud rate differs by more than one percent of its target.
Table method—Is more immune to such errors, because the table rejects uncommon baud
rates and rounds to the common ones. The table method allows any baud rate defined by the
formula in Section 10.4.7 above 28.8 kbps. Below 28.8 kbps, the only baud rates that can be
programmed by the UART are 19200, 14400, 9600, 4800, 1200, and 300 baud.
When the baud rate is detected, the auto-baud circuitry disables itself by clearing ABR[ABE]. To
re-enable auto-baud detection, reset ABR[ABE]. Changing the baud rate is not permitted when
actively transmitting or receiving data.
10-10 Intel® PXA27x Processor Family Developer’s Manual
UARTs
Note: Auto-baud-rate detection is not supported in IrDA (slow infrared) mode.
See Section 10.5.8 for more information on auto-baud.
10.4.5 32-Bit Peripheral Bus
Each UART supports an 8- (default) or 32-bit peripheral bus. If a 32-bit bus is preferred, set the bus
bit in the FIFO Control register, FCR[5]. The bytes are written in little-endian format (7:0) with
byte 3 (the most recent byte) starting at bit 31, byte 2 starting at bit 23, and so on.
8-Bit Mode—Only the least significant byte contains valid data on the peripheral bus. The
upper 24 bits are ignored.
32-Bit ModeThe UART can read or write partial words of one, two, three, or four
continuous bytes from the peripheral bus. The method in which the valid bytes of data are
determined differs, depending on whether the transaction is being handled by the DMA
controller or PIO.
DMA—The DMA controller can read or write one, two, three, or four continuous bytes per
word. The number of valid bytes available per word is determined internally between the
DMA controller and the UART.
PIO—The processor is restricted to reading or writing one, two, or four bytes per word. When
reading, the processor must read the FIFO Occupancy register (FOR) to retrieve the number of
bytes available in the receive buffer. If the number of bytes available is four or greater, the
processor can request any number of bytes per word (except three). If the number is less than
four, software must request the proper number of bytes. When three bytes are remaining,
software must request either two bytes followed by one byte or one byte followed by two
bytes. If the processor reads more than the number of bytes available in the receive buffer, the
UART retrieves unusable data for the invalid bytes. The receive FIFO counters do not
increment.
Note: The receive and transmit FIFOs must be enabled when in 32-bit mode.
10.4.6 Slow Infrared Asynchronous Interface
The slow-infrared (SIR) interface is provided in each UART to support two-way wireless
communications using infrared transmission. SIR provides a transmit encoder and receive decoder
to support a physical link that conforms to the IrDA serial infrared specification.
The SIR interface does not contain the actual IR LED driver or the receive amplifier. The I/O pins
attached to the SIR have only digital CMOS-level signals. SIR supports two-way communication,
but full-duplex communication is not possible, because reflections from the transmit LED enter the
receiver. SIR supports frequencies up to 115.2 kbps. Because the input clock is 14.857 MHz, the
baud divisor must be eight or more.
10.4.6.1 Operation
The SIR modulation technique works with 5-, 6-, 7-, or 8-bit characters with an optional parity bit.
The data is preceded by a zero-value start bit and ends with one or more stop bits. The encoding
scheme sends a pulse 3/16 of a bit wide in the middle of every zero-value bit and sends no pulses
for bits with a value of one. The pulse for each zero-value bit must occur, even for consecutive bits
with no edge between them. Figure 10-3 shows an example of transmit/receive operation.
Intel® PXA27x Processor Family Developer’s Manual 10-11
UARTs
Figure 10-3. IR Transmit and Receive Example
The top line in Figure 10-3 shows an asynchronous transmission as it is sent from the UART. The
second line shows the pulses generated by the IR encoder at the TXD pin. A pulse is generated in
the middle of the START bit and any data bit that is a zero. The third line shows the values received
at the RXD input pin. The fourth line shows the receive decoders output. The receive decoder
drives the receive data line low when it detects a pulse. The bottom line shows how the UARTs
receiver interprets the decoders action. This last line is the same as the first, but it is shifted half a
bit period.
Intel strongly recommends setting ISR[XMODE] for the transmit pulse width. When
ISR[XMODE] is clear, each zero bit has a pulse width of 3/16 of a bit-time. When ISR[XMODE]
is set, a pulse of 1.6 μs is generated in the middle of each zero bit. The shorter infrared pulse
generated when ISR[XMODE] is set reduces the LED’s power consumption. At 2400 bps, the LED
is normally on for 78 μs for each zero bit that is transmitted. When ISR[XMODE] is set, the LED
is on for only 1.6 μs. Figure 10-4 shows an example of XMODE operation.
Note: ISR[XMODE] toggles only the transmit pulse width. It does not effect the receive pulse width,
which is always set to XMODE = 1.
Figure 10-4. XMODE Example
START
BIT STOP
BIT
10001010
START
BIT 10001010
TRANSMIT
IR ENCODER OUTPUT
IR DECODER OUTPUT
UART
UART RECEIVE
(TXD PIN VALUE)
SHIFT VALUE
RXD PIN VALUE
SHIFT VALUE
STO
P
BIT
1711 16
1.6 μs
3 16X BAUD Clock periods
IR_TXD Pin value
XMODE = 1
IR_TXD Pin value
XMODE = 0
Transmit Start bit
followed by 1
16X Baud Clock
(14.857 MHz)
10-12 Intel® PXA27x Processor Family Developer’s Manual
UARTs
To prevent transmitter LED reflection feedback to the receiver, hardware does not allow the
transmit pin to toggle if both TX and RX (ISR[RCVEIR] =1 and ISR[XMITIR] = 1) are enabled.
However, software can enable the transmitter permanently by setting ISR[XMITIR] = 1, and then
enable and disable the receiver, depending on what transfer is required (transmitting or receiving).
When software enables the receiver by setting ISR[RCVEIR]=1, hardware automatically disables
the transmitter (assuming that software permanently enabled the transmitter by setting
ISR[XMITIR] = 1). When the receiver is disabled by software (RCVEIR=0), the transmitter is
(optionally) already permanently enabled by software.
10.4.7 Programmable Baud-Rate Generator
Each UART contains a programmable baud-rate generator that can take the 14.857-MHz fixed-
input clock and divide it by 1 to (216 – 1). The baud-rate generator output frequency is 16 times the
baud rate. Two 8-bit Divisor Latch registers (DLL and DLH; see Section 10.5.3) store the divisor in
a 16-bit binary format. Load these divisor latches during initialization to ensure that the baud-rate
generator operates properly. The 16X clock stops if each Divisor Latch register is loaded with 0x0.
The baud rate of the data shifted into or out of a UART is given by the formula:
For example: if the divisor is 24, the baud rate is 38400 bps.
The divisors reset value is 0x0002. Changing the baud rate (writing to registers DLL and DLH) is
not permitted while actively transmitting or receiving data.
Note: 1) The actual frequency is derived from the internal dividers.
BaudRate 14.7456 MHz
16xDivisor()
----------------------------------
=
Table 10-2. Theoretical Baud Rate vs. Actual Baud Rate
Required Frequency
(MHz) Required Baud Rate Divisor Actual Baud Rate Actual Frequency1
(MHz)
14.7456 300 3072 302 14.857
14.7456 1200 768 1209 14.857
14.7456 2400 384 2418 14.857
14.7456 4800 192 4836 14.857
14.7456 9600 96 9672 14.857
14.7456 19200 48 19345 14.857
14.7456 38400 24 38690 14.857
14.7456 57600 16 58035 14.857
14.7456 115200 8 116070 14.857
Intel® PXA27x Processor Family Developer’s Manual 10-13
UARTs
10.5 Register Descriptions
Each UART has 13 registers: 12 for UART operation and one for slow-infrared configuration.
They are all 32-bit registers, but only the lower eight bits have valid data. The 12 UART operation
registers share nine address locations in the I/O address space. Table 10-3 shows the registers and
their addresses as offsets of a base address. The base address for each UART is 32 bits. The state of
the SLCR[DLAB] bit affects the selection of some UART registers. Software must set the
SLCR[DLAB] bit to access the Baud Rate Generator Divisor Latch registers.
.
10.5.1 Receive Buffer Register (RBR)
In non-FIFO mode, the Receive Buffer register (RBR) holds the character(s) received by the
UART Receive Shift register. If RBR (described in Table 10-4) is configured to use fewer than
eight bits, the bits are right-justified, and the most significant bits (MSB) are zeroed. Reading the
register empties the register and clears LSR[DR].
In FIFO mode, RBR latches the value of the data byte at the front of the FIFO.
Table 10-3. UART Register Addresses as Offsets from a Base Address
UART Register Addresses
(Base + offset) DLAB Bit Value Register Accessed
Base 0 Receive Buffer (read-only)
Base 0 Transmit Buffer (write-only)
Base + 0x04 0 Interrupt Enable (read/write)
Base + 0x08 X Interrupt Identification (read-only)
Base + 0x08 X FIFO Control (write-only)
Base + 0x0C X Line Control (read/write)
Base + 0x10 X Modem Control (read/write)
Base + 0x14 X Line Status (read-only)
Base + 0x18 X Modem Status (read-only)
Base + 0x1C X Scratch Pad (read/write)
Base + 0x20 X Infrared Selection (read/write)
Base 1 Divisor Latch Low (read/write)
Base + 0x04 1 Divisor Latch High (read/write)
10-14 Intel® PXA27x Processor Family Developer’s Manual
UARTs
10.5.2 Transmit Holding Register (THR)
In non-FIFO mode, THR holds the data byte(s) to be transmitted next. When the Transmit Shift
register (TSR) is emptied, the contents of THR are loaded into the TSR, and LSR[TDRQ] is set.
In FIFO mode, a write to THR puts data into the top of the FIFO. The data at the front of the FIFO
is loaded into the TSR when the TSR is empty.
10.5.3 Divisor Latch Registers, Low and High (DLL, DLH)
The Divisor Latch registers, DLL and DLH and described in Table 10-6 and Table 10-7, contain
the divisor for the programmable baud-rate generator, as described in Section 10.4.7. Access these
registers with word writes.
Table 10-4. RBR Bit Definitions
Physical Address
0xBASE_0000 (DLAB = 0) RBR UARTs
User
Settings
Bit 31 30 29 28 27 26 25 24 23 22 21 20 19 18 17 16 15 14 13 12 11 10 9 8 7 6 5 4 3 2 1 0
Byte 3 Byte 2 Byte 1 Byte 0
Reset 00000000000000000000000000000000
Bits Access Name Description
31:24 R Byte 3 Byte 3 (valid in 32-bit peripheral bus mode only)
24:16 R Byte 2 Byte 2 (valid in 32-bit peripheral bus mode only)
15:8 R Byte 1 Byte 1 (valid in 32-bit peripheral bus mode only)
7:0 R Byte 0 Byte 0
Table 10-5. THR Bit Definitions
Physical Address
0xBASE_0000 (DLAB = 0) THR UARTs
User
Settings
Bit 31 30 29 28 27 26 25 24 23 22 21 20 19 18 17 16 15 14 13 12 11 10 9 8 7 6 5 4 3 2 1 0
Byte 3 Byte 2 Byte 1 Byte 0
Reset 00000000000000000000000000000000
Bits Access Name Description
31:24 W Byte 3 Byte 3 (valid in 32-bit peripheral bus mode only)
24:16 W Byte 2 Byte 2 (valid in 32-bit peripheral bus mode only)
15:8 W Byte 1 Byte 1 (valid in 32-bit peripheral bus mode only)
7:0 W Byte 0 Byte 0
Intel® PXA27x Processor Family Developer’s Manual 10-15
UARTs
These are read/write registers. Ignore reads from reserved bits. Write 0b0 to reserved bits.
10.5.4 Interrupt Enable Register (IER)
The Interrupt Enable register (IER), described in Table 10-8, enables the five types of interrupts
that set a value in the Interrupt Identification register (IIR). To disable an interrupt, software must
clear the appropriate bit in IER. Software can enable some interrupts by setting the appropriate bit.
The character-time-out-indication interrupt is separated from the received-data-available interrupt
to ensure that the processor and the DMA controller do not service the receive FIFO at the same
time. When a character-time-out-indication interrupt occurs, the processor must handle the data in
the receive FIFO through programmed I/O.
An error interrupt is used when DMA requests are enabled. The interrupt is generated when
LSR[7] is set, because a receive DMA request is not generated when the receive FIFO has an error.
The error interrupt tells the processor to handle the data in the receive FIFO through programmed
I/O. The error interrupt is enabled when DMA requests are enabled, and it cannot be masked.
Receiver-line-status interrupts occur when the error is at the front of the FIFO.
Table 10-6. DLL Bit Definitions
Physical Address
0xBASE_0000 (DLAB = 1) DLL UARTs
User
Settings
Bit 31 30 29 28 27 26 25 24 23 22 21 20 19 18 17 16 15 14 13 12 11 10 9 8 7 6 5 4 3 2 1 0
reserved DLL
Reset ? ? ? ? ? ? ? ? ? ? ? ? ? ? ? ? ? ? ? ? ? ? ? ? 0 0 0 0 0 0 1 0
Bits Access Name Description
31:8 — reserved
7:0 R/W DLL Low-byte compare value to generate baud rate
Table 10-7. DLH Bit Definitions
Physical Address
0xBASE_0000 (DLAB = 1) DLH UARTs
User
Settings
Bit 31 30 29 28 27 26 25 24 23 22 21 20 19 18 17 16 15 14 13 12 11 10 9 8 7 6 5 4 3 2 1 0
reserved DLH
Reset ? ? ? ? ? ? ? ? ? ? ? ? ? ? ? ? ? ? ? ? ? ? ? ? 0 0 0 0 0 0 0 0
Bits Access Name Description
31:8 — reserved
7:0 R/W DLH High-byte compare value to generate baud rate
10-16 Intel® PXA27x Processor Family Developer’s Manual
UARTs
Note: (1). When DMA requests are enabled and an interrupt occurs, software must first read LSR to see if
an error interrupt exists, then check IIR for the source of the interrupt. If an interrupt occurs and
LSR[FIFOE] is clear, software must read ISR to determine the error condition. When the last error
byte is read from the FIFO, DMA requests are enabled automatically. Software is not required to
check for the error interrupt if DMA requests are disabled, because an error interrupt occurs only
when DMA requests are enabled.
IER[7] enables DMA requests. The IER also contains the unit-enable and NRZ coding-enable
control bits. Bits 7 through 4 are used differently from the standard 16550A register definition.
(2). To ensure that the DMA controller and programmed I/O do not access the same FIFO, software
must not set DMAE while the TIE or RAVIE bits are set.
This is a read/write register. Ignore reads from reserved bits. Write 0b0 to reserved bits.
Table 10-8. IER Bit Definitions (Sheet 1 of 2)
Physical Address
0xBASE_0004 IER UARTs
User
Settings
Bit 31 30 29 28 27 26 25 24 23 22 21 20 19 18 17 16 15 14 13 12 11 10 9 8 7 6 5 4 3 2 1 0
reserved
DMAE
UUE
NRZE
RTOIE
MIE
RLSE
TIE
RAVIE
Reset ? ? ? ? ? ? ? ? ? ? ? ? ? ? ? ? ? ? ? ? ? ? ? ? 0 0 0 0 0 0 0 0
Bits Access Name Description
31:8 — reserved
7R/WDMAE
DMA Requests Enable
0 = DMA requests are disabled.
1 = DMA requests are enabled.
6 R/W UUE
UART Unit Enable
0 = The unit is disabled.
1 = The unit is enabled.
5R/WNRZE
NRZ coding Enable
NRZ encoding/decoding is only used in UART mode, not in infrared mode.
If the slow infrared receiver or transmitter is enabled, NRZ coding is
disabled.
0 = NRZ coding disabled.
1 = NRZ coding enabled.
4 R/W RTOIE
Receiver Time-Out Interrupt Enable (Source IIR[TOD])
0 = Receiver data time-out interrupt disabled.
1 = Receiver data time-out interrupt enabled.
3R/WMIE
Modem Interrupt Enable (Source IIR[IID])
0 = Modem status interrupt disabled.
1 = Modem status interrupt enabled.
Intel® PXA27x Processor Family Developer’s Manual 10-17
UARTs
10.5.5 Interrupt Identification Register (IIR)
The UART prioritizes interrupts in four levels (see Table 10-9) and records them in the IIR. The
IIR stores information that indicates that a prioritized interrupt is pending and identifies the source
of the interrupt.
The error interrupt is reported separately in LSR. In non-DMA mode, IIR is updated immediately
to signify the error interrupt. In DMA mode, the generation of an error interrupt (indicated in the
IIR) disables DMA requests. Refer to Section 10.4.2.5.
If additional data is received before a receiver time-out interrupt is serviced, the interrupt is de-
asserted.
IIR contains an interrupt-pending bit (nIP). When IIR[nIP] is clear, an interrupt is pending from the
UART. When IIR[nIP] is set, no interrupt is pending, regardless of the state of the other bits in the
IIR register. This condition can occur when the condition that causes an interrupt is removed before
the interrupt is cleared.
This is a read-only register. Ignore reads from reserved bits.
2R/WRLSE
Receiver Line Status Interrupt Enable (Source IIR[IID])
0 = Receiver line status interrupt disabled.
1 = Receiver line status interrupt enabled.
1R/WTIE
Transmit Data request Interrupt Enable (Source IIR[IID])
0 = Transmit FIFO data request interrupt disabled.
1 = Transmit FIFO data request interrupt enabled.
0R/WRAVIE
Receiver Data Available Interrupt Enable (Source IIR[IID])
0 = Receiver data available (trigger threshold reached) interrupt disabled.
1 = Receiver data available (trigger threshold reached) interrupt enabled.
Table 10-8. IER Bit Definitions (Sheet 2 of 2)
Physical Address
0xBASE_0004 IER UARTs
User
Settings
Bit 31 30 29 28 27 26 25 24 23 22 21 20 19 18 17 16 15 14 13 12 11 10 9 8 7 6 5 4 3 2 1 0
reserved
DMAE
UUE
NRZE
RTOIE
MIE
RLSE
TIE
RAVIE
Reset ? ? ? ? ? ? ? ? ? ? ? ? ? ? ? ? ? ? ? ? ? ? ? ? 0 0 0 0 0 0 0 0
Bits Access Name Description
Table 10-9. Interrupt Conditions (Sheet 1 of 2)
Priority Level Interrupt Origin
1 (highest) Receiver line status: one or more error bits was set.
2Received data is available. In FIFO mode, the trigger threshold was reached. In non-FIFO
mode, RBR has data.
10-18 Intel® PXA27x Processor Family Developer’s Manual
UARTs
2Receiver time-out occurred. Occurs only in FIFO mode, when data is in the receive FIFO but
no data has been sent for a set time period.
3Transmitter requests data. In FIFO mode, the transmit FIFO is at least half empty. In non-FIFO
mode, the THR has been transmitted.
4 (lowest) Modem status: one or more modem input signals has changed state.
Table 10-10. IIR Bit Definitions
Physical Address
0xBASE_0008 IIR UARTs
User
Settings
Bit 31 30 29 28 27 26 25 24 23 22 21 20 19 18 17 16 15 14 13 12 11 10 9 8 7 6 5 4 3 2 1 0
reserved
FIFOES
EOC
ABL
TOD
IID
nIP
Reset ? ? ? ? ? ? ? ? ? ? ? ? ? ? ? ? ? ? ? ? ? ? ? ? 0 0 0 0 0 0 0 1
Bits Access Name Description
31:8 — reserved
7:6 R FIFOES[1:0]
FIFO Mode Enable Status
0b00 = Non-FIFO mode is selected.
0b01 = reserved
0b10 = reserved
0b11 = FIFO mode is selected (TRFIFOE = 1).
5REOC
DMA End of Descriptor Chain
See Section 10.4.5.
0 = DMA has not signaled the end of its programmed descriptor chain.
1 = DMA has signaled the end of its programmed descriptor chain.
4RABL
Auto-Baud Lock
See Section 10.4.4.
0 = Auto-baud circuitry has not programmed Divisor Latch registers (DLR).
1 = Divisor Latch registers (DLR) programmed by auto-baud circuitry.
3RTOD
Time-Out Detected
See Section 10.4.2.1.2.
0 = No time-out interrupt is pending.
1 = Time-out interrupt is pending. (FIFO mode only)
2:1 R IID[1:0]
Interrupt Source Encoded
0b00 = Modem status (CTS, DSR, RI, DCD modem signals changed state).
0b01 = Transmit FIFO requests data.
0b10 = Received data available
0b11 = Receive error (overrun, parity, framing, break, FIFO error. See
Table 10-19.
0RnIP
Interrupt Pending
0 = Interrupt is pending (active low).
1 = No interrupt is pending.
Table 10-9. Interrupt Conditions (Sheet 2 of 2)
Priority Level Interrupt Origin
Intel® PXA27x Processor Family Developer’s Manual 10-19
UARTs
Table 10-11 shows the priority, type, and source of the Interrupt Identification register interrupts. It
also gives the reset condition used to de-assert the interrupts. Bits[3:0] of the IIR register represent
priority encoded interrupts; bits[7:4] do not.
10.5.6 FIFO Control Register (FCR)
FCR, described in Table 10-12, is a write-only register that is located at the same address as the
IIR, which is a read-only register. FCR enables/disables the transmit/receive FIFOs, clears the
transmit/receive FIFOs, and sets the receive FIFO trigger threshold.
Note: The trigger level must be equal to the DMA burst-length programmed in the DMA registers.
Interrupt Trigger-LevelWhen the number of bytes in the receive FIFO equals the interrupt
trigger-level programmed into this field and the received-data-available interrupt is enabled (using
IER), an interrupt is generated and appropriate bits are set in the IIR. The receive-DMA request is
generated as well when trigger level is reached. The trigger level must be greater than or equal to
the DMA burst size programmed in the DMA registers.
Table 10-11. Interrupt Identification Register (IIR) Decode
Interrupt ID bits Interrupt SET/RESET Function
3 2 1 0 Priority Type Source RESET Control
nIP 0 0 0 1 None No interrupt is pending.
IID[11] 0110Highest Receiver Line
Status Overrun Error, Parity Error, Framing
Error, Break Interrupt. Reading the Line Status register.
IID[10] 0100
Second
Highest Received Data
Available
Non-FIFO mode: receive buffer is full. Non-FIFO mode: Reading the Receiver
Buffer register.
FIFO mode: trigger threshold was
reached.
FIFO mode: Reading bytes until the
receive FIFO drops below trigger
threshold or setting.
TOD 1100
Second
Highest
Character
Time-out
indication
FIFO mode only: At least one
character is left in the receive buffer
indicating trailing bytes.
Reading the receive FIFO or setting
FCR[RESETRF].
IID[01] 0010
Third
Highest Transmit FIFO
Data Request
Non-FIFO mode: Transmit Holding
register Empty
Reading the IIR register (if the source of
the interrupt) or writing into the Transmit
Holding register.
FIFO mode: transmit FIFO has half or
less than half data.
Reading the IIR register (if the source of
the interrupt) or writing to the transmit
FIFO.
IID[00] 0000
Fourth
Highest Modem Status Clear to Send, Data Set Ready, Ring
Indicator, Received Line Signal
Detect. Reading the Modem Status register.
Non Prioritized Interrupts:
ABL 4None
Auto-Baud
Lock Indication Auto-baud circuitry has locked onto
the baud rate. Reading the IIR register
EOC 5 None
DMA End of
Descriptor
Chain
The DMA has reached the end of its
programmed descriptor chain. Reading the IIR register
10-20 Intel® PXA27x Processor Family Developer’s Manual
UARTs
32-Bit Peripheral Bus—When clear, the UART ignores any information in the upper three bytes
of the 32-bit bus. A full- or partial-word read or write to the UART with this bit cleared increments
the FIFO counters by one byte only. If this bit is set, a full- or partial-word read or write increments
the counter by the number of valid bytes within the word.
Trailing Bytes—When clear, the processor handles trailing bytes. When set, the DMA controller
handles trailing bytes automatically. See Section 5.4.6, “How DMA Handles Trailing Bytes” on
page 5-18 for more information.
Transmit Interrupt Level—Setting TIL causes transmitter interrupts and DMA requests to occur
when the transmit FIFO is empty. Clearing TIL causes transmitter interrupts and DMA requests to
occur when the transmit FIFO is half-empty.
Reset Transmit FIFOWhen RESETTF is set, the transmit FIFO counter is reset to clear all the
bytes in the FIFO. The LSR[TDRQ] bit is set, generating a transmitter-requests-data interrupt
(IIR[IID]) if IER[TIE] is set. The Transmit Shift register is not reset; it completes the current
transmission. Any DMA or transmit-FIFO-service-request interrupts are cleared.
Note: (1) RESETTF is automatically reset to 0 after the FIFO is cleared.
Reset Receive FIFOWhen RESETRF is set, the receive FIFO counter is reset to clear all the
bytes in the FIFO. LSR[DR] is cleared. All error bits in the FIFO and the LSR[FIFOE] bit are
cleared. Any error bits (OE, PE, FE, or BI) that had been set in LSR remain set. The Receive Shift
register is not cleared. Any DMA or receive-FIFO-service-request interrupts are cleared.
(2) RESETRF is automatically reset to 0 after the FIFO is cleared.
Transmit and Receive FIFO EnableTRFIFOE enables and disables the transmit and receive
FIFOs. When TRFIFOE is set, both FIFOs are enabled (FIFO mode). When TRFIFOE is clear, the
FIFOs are both disabled (non-FIFO mode). Writing 0b0 to this bit clears all bytes in both FIFOs.
When changing from FIFO mode to non-FIFO mode and vice versa, data is automatically cleared
from the FIFOs. Any DMA or FIFO-service-request interrupts are cleared when TRFIFOE is clear.
(3) This bit must be 1 when other bits in this register are written, or else the other bits are not
programmed.
This is a write-only register. Write 0b0 to reserved bits.
Intel® PXA27x Processor Family Developer’s Manual 10-21
UARTs
Table 10-12. FCR Bit Definitions (Sheet 1 of 2)
Physical Address
0xBASE_0008 FCR UARTs
User
Settings
Bit 31 30 29 28 27 26 25 24 23 22 21 20 19 18 17 16 15 14 13 12 11 10 9 8 7 6 5 4 3 2 1 0
reserved
ITL
BUS
TRAIL
TIL
RESETTF
RESETRF
TRFIFOE
Reset ? ? ? ? ? ? ? ? ? ? ? ? ? ? ? ? ? ? ? ? ? ? ? ? 0 0 0 0 0 0 0 0
Bits Access Name Description
31:8 — reserved
7:6 W ITL
Interrupt Trigger-Level (Threshold):
When the number of bytes in the receive FIFO equals the interrupt trigger
threshold programmed into this field and the received-data-available
interrupt is enabled using the IER, an interrupt is generated and appropriate
bits are set in the IIR. The receive DMA request is also generated when the
trigger threshold is reached.
0b00 = 1 byte or more in FIFO causes interrupt (Not valid in DMA mode).
0b01 = 8 bytes or more in FIFO causes interrupt and DMA request.
0b10 = 16 bytes or more in FIFO causes interrupt and DMA request.
0b11 = 32 bytes or more in FIFO causes interrupt and DMA request.
5WBUS
32-Bit Peripheral Bus
0 = 8-bit peripheral bus
1 = 32-bit peripheral bus
4WTRAIL
Trailing Bytes
0 = Trailing bytes are removed by the processor.
1 = Trailing bytes are removed by the DMA controller.
3WTIL
Transmitter Interrupt Level
0 = Interrupt/DMA request when FIFO is half empty.
1 = Interrupt/DMA request when FIFO is empty.
10-22 Intel® PXA27x Processor Family Developer’s Manual
UARTs
10.5.7 Receive FIFO Occupancy Register (FOR)
The Receive FIFO Occupancy register (FOR), described in Table 10-13, shows the number of
bytes currently remaining the receive FIFO. FOR determines the number of trailing bytes to
remove in the case when the DMA reaches the end of its descriptor chain or when FCR[TRAIL] is
clear, which indicates that the processor will remove trailing bytes as opposed to the DMA (see
Section 10.4.2.6). FOR is incremented once for each byte of data written to the receive FIFO and
decremented once for each byte read.
This is a read/write register. Ignore reads from reserved bits. Write 0b0 to reserved bits.
2 W RESETTF
Reset Transmit FIFO
When RESETTF is set, all the bytes in the transmit FIFO are cleared. The
TDRQ bit in the LSR is set and the IIR shows a transmitter requests data
interrupt, if the TIE bit in the IER register is set. The transmit shift register is
not cleared, and it completes the current transmission.
0 = Writing 0 has no effect.
1 = The transmit FIFO is cleared.
1 W RESETRF
Reset Receive FIFO
When RESETRF is set, all the bytes in the receive FIFO are cleared. The
DR bit in the LSR is reset to 0. All the error bits in the FIFO and the FIFOE
bit in the LSR are cleared. Any error bits, OE, PE, FE or BI, that had been
set in LSR are still set. The receive shift register is not cleared. If the IIR had
been set to Received Data Available, it is cleared.
0 = Writing 0 has no effect.
1 = The receive FIFO is cleared.
0 W TRFIFOE
Transmit and Receive FIFO Enable
TRFIFOE enables/disables the transmit and receive FIFOs. When
TRFIFOE is set, both FIFOs are enabled (FIFO mode). When TRFIFOE is
clear, the FIFOs are both disabled (non-FIFO mode). Writing 0b0 to this bit
clears all bytes in both FIFOs. When changing from FIFO mode to non-
FIFO mode and vice versa, data is automatically cleared from the FIFOs.
This bit must be set when other bits in this register are written or the other
bits are not programmed.
0 = FIFOs are disabled.
1 = FIFOs are enabled.
Table 10-12. FCR Bit Definitions (Sheet 2 of 2)
Physical Address
0xBASE_0008 FCR UARTs
User
Settings
Bit 31 30 29 28 27 26 25 24 23 22 21 20 19 18 17 16 15 14 13 12 11 10 9 8 7 6 5 4 3 2 1 0
reserved
ITL
BUS
TRAIL
TIL
RESETTF
RESETRF
TRFIFOE
Reset ? ? ? ? ? ? ? ? ? ? ? ? ? ? ? ? ? ? ? ? ? ? ? ? 0 0 0 0 0 0 0 0
Bits Access Name Description
Intel® PXA27x Processor Family Developer’s Manual 10-23
UARTs
10.5.8 Auto-Baud Control Register (ABR)
The Auto-Baud Control register (ABR), described in Table 10-14, controls the functionality and
options for auto-baud-rate detection within the UART. Through this register, software can enable/
disable the auto-baud-lock interrupt, direct either the processor or the UART to program the final
baud rate in the Divisor Latch registers, and choose between two methods to calculate the final
baud rate.
The auto-baud circuitry counts the number of clocks in the start bit and writes this count into the
Auto-Baud Count register (ACR). It then interrupts the processor if ABR[ABLIE] is set. It also
programs the Divisor Latch registers (DLL and DLH) automatically if ABR[ABUP] is set.
See Section 10.4.4 for more information on auto-baud rate.
Note: Auto-baud-rate detection is not supported in IrDA slow-infrared mode.
This is a read/write register. Ignore reads from reserved bits. Write 0b0 to reserved bits.
Table 10-13. FOR Bit Definitions
Physical Address
0xBASE_0024 FOR UARTs
User
Settings
Bit 31 30 29 28 27 26 25 24 23 22 21 20 19 18 17 16 15 14 13 12 11 10 9 8 7 6 5 4 3 2 1 0
reserved Byte Count
Reset ? ? ? ? ? ? ? ? ? ? ? ? ? ? ? ? ? ? ? ? ? ? ? ? ? ? 0 0 0 0 0 0
Bits Access Name Description
31:6 — reserved
5:0 R/W Byte Count Number of bytes (0-63) remaining in the receive FIFO
10-24 Intel® PXA27x Processor Family Developer’s Manual
UARTs
10.5.9 Auto-Baud Count Register (ACR)
Auto-Baud Count register (ACR), defined in Table 10-15, stores the number of 14.857-MHz clock
cycles within a start-bit pulse. This value is then used by the processor or the UART to calculate the
baud rate. If auto-baud mode (ABR[ABE]) and auto-baud interrupts (ABR[ABLIE]) are enabled,
the UART interrupts the processor with the auto-baud-lock interrupt (IIR[ABL]) after it has written
the count value into ACR. The value is written regardless of the state of the auto-baud UART
program bit, (ABR[ABUP]).
This is a read-only register. Ignore reads from reserved bits.
Table 10-14. ABR Bit Definitions
Physical Address
0xBASE_0028 ABR UARTs
User
Settings
Bit 31 30 29 28 27 26 25 24 23 22 21 20 19 18 17 16 15 14 13 12 11 10 9 8 7 6 5 4 3 2 1 0
reserved
ABT
ABUP
ABLIE
ABE
Reset ? ? ? ? ? ? ? ? ? ? ? ? ? ? ? ? ? ? ? ? ? ? ? ? ? ? ? ? 0 0 0 0
Bits Access Name Description
31:4 — reserved
3 R/W ABT
Auto-Baud Rate Calculation
0 = Use a formula to calculate baud rates, allowing all possible baud
rates to be chosen by UART as shown in Section 10.4.2.1.2.
1 = Use a table to calculate baud rates, which limits UART to choosing
common baud rates.
2 R/W ABUP
Auto-Baud Programmer
0 = Processor Programs Divisor Latch registers.
1 = UART Programs Divisor Latch registers.
1 R/W ABLIE
Auto-Baud Lock Interrupt
0 = Auto-baud-lock interrupt disabled (Source IIR[ABL]).
1 = Auto-baud-lock interrupt enabled (Source IIR[ABL]).
0 R/W ABE
Auto-Baud Enable
0 = Auto-baud disabled.
1 = Auto-baud enabled.
Intel® PXA27x Processor Family Developer’s Manual 10-25
UARTs
10.5.10 Line Control Register (LCR)
The Line Control register (LCR), defined in Table 10-16, specifies the format for the asynchronous
data-communication exchange. The serial-data format consists of a start bit, five to eight data bits,
an optional parity bit, and one, one and a half, or two stop bits. LCR has bits that allow access to
the Divisor Latch registers and bits that can cause a break condition.
This is a read/write register. Ignore reads from reserved bits. Write 0b0 to reserved bits.
Table 10-15. ACR Bit Definitions
Physical Address
0xBASE_002C ACR UARTs
User
Settings
Bit 31 30 29 28 27 26 25 24 23 22 21 20 19 18 17 16 15 14 13 12 11 10 9 8 7 6 5 4 3 2 1 0
reserved Count Value
Reset ? ? ? ? ? ? ? ? ? ? ? ? ? ? ? ? 0 0 0 0 0 0 0 0 0 0 0 0 0 0 0 0
Bits Access Name Description
31:16 — reserved
15:0 R Count Value Number of 14.857-MHz clock cycles within a start-bit pulse.
Table 10-16. LCR Bit Definitions (Sheet 1 of 2)
Physical Address
0xBASE_000C LCR UARTs
User
Settings
Bit 31 30 29 28 27 26 25 24 23 22 21 20 19 18 17 16 15 14 13 12 11 10 9 8 7 6 5 4 3 2 1 0
reserved
DLAB
SB
STKYP
EPS
PEN
STB
WLS
Reset ? ? ? ? ? ? ? ? ? ? ? ? ? ? ? ? ? ? ? ? ? ? ? ? 0 0 0 0 0 0 0 0
Bits Access Name Description
31:8 — reserved
7R/WDLAB
Divisor Latch Access
Must be set to access the Divisor Latch registers of the baud-rate generator
during a read or write operation. Must be clear to access the Receive
Buffer, the Transmit Holding register, or the IER.
0 = Access Transmit Holding register (THR), Receive Buffer register
(RBR), and IER.
1 = Access Divisor Latch registers (DLL and DLH).
6R/WSB
Set Break
Causes a break condition to be transmitted to the receiving UART. Acts only
on the TXD pin and has no effect on the transmit logic. In FIFO mode, wait
until the transmitter is idle (LSR[TEMT] = 1] to set and clear SB.
0 = No effect on TXD output.
1 = Forces TXD output to 0 (space).
10-26 Intel® PXA27x Processor Family Developer’s Manual
UARTs
10.5.11 Line Status Register (LSR)
The Line Status register (LSR), defined in Table 10-17, provides data-transfer status information to
the processor. In non-FIFO mode, LSR[4:2] show the error status of the character that has just been
received. In FIFO mode, LSR[4:2] show the status bits of the character that is currently at the front
of the FIFO.
5 R/W STKYP
Sticky Parity
Forces the bit value at the parity bit location to be the opposite of the EPS
bit rather than the parity value. This stops parity generation. If PEN = 0,
STKYP is ignored.
0 = No effect on parity bit.
1 = Forces parity bit to be opposite of EPS bit value.
4 R/W EPS
Even Parity Select
If PEN = 0, EPS is ignored.
0 = Sends or checks for odd parity.
1 = Sends or checks for even parity.
3 R/W PEN
Parity Enable
Enables a parity bit to be generated on transmission or checked on
reception.
0 = No parity
1 = Parity
2R/WSTB
Stop Bits
Specifies the number of stop bits transmitted and received in each
character. When receiving, the receiver checks only the first stop bit.
0 = 1 stop bit
1 = 2 stop bits, except for 5-bit character then 1-1/2 bits
1:0 R/W WLS[1:0]
Word Length Select
Specifies the number of data bits in each transmitted or received character.
0b00 = 5-bit character
0b01 = 6-bit character
0b10 = 7-bit character
0b11 = 8-bit character
Table 10-16. LCR Bit Definitions (Sheet 2 of 2)
Physical Address
0xBASE_000C LCR UARTs
User
Settings
Bit 31 30 29 28 27 26 25 24 23 22 21 20 19 18 17 16 15 14 13 12 11 10 9 8 7 6 5 4 3 2 1 0
reserved
DLAB
SB
STKYP
EPS
PEN
STB
WLS
Reset ? ? ? ? ? ? ? ? ? ? ? ? ? ? ? ? ? ? ? ? ? ? ? ? 0 0 0 0 0 0 0 0
Bits Access Name Description
Intel® PXA27x Processor Family Developer’s Manual 10-27
UARTs
LSR[4:1] produce a receiver-line-status interrupt when the corresponding conditions are detected
and the interrupt is enabled. In FIFO mode, the receiver-line-status interrupt occurs only when the
erroneous character reaches the front of the FIFO. If the erroneous character is not at the front of
the FIFO, a line-status interrupt is generated after the other characters are read, and the erroneous
character becomes the character at the front of the FIFO.
LSR must be read before the erroneous character is read. LSR[4:1] remain set until software reads
LSR.
See Section 10.4.2.3 for details on using the DMA controller to receive data.
This is a read-only register. Ignore reads from reserved bits.
Table 10-17. LSR Bit Definitions (Sheet 1 of 3)
Physical Address
0xBASE_0014 LSR UARTs
User
Settings
Bit 31 30 29 28 27 26 25 24 23 22 21 20 19 18 17 16 15 14 13 12 11 10 9 8 7 6 5 4 3 2 1 0
reserved
FIFOE
TEMT
TDRQ
BI
FE
PE
OE
DR
Reset ? ? ? ? ? ? ? ? ? ? ? ? ? ? ? ? ? ? ? ? ? ? ? ? 0 1 1 0 0 0 0 0
Bits Access Name Description
31:8 — reserved
7 R FIFOE
FIFO Error Status
In non-FIFO mode, this bit is clear. In FIFO mode, FIFOE is set when there
is at least one parity error, framing error, or break indication for any of the
characters in the FIFO. A processor read of the LSR does not reset this bit.
FIFOE is reset when all erroneous characters have been read from the
FIFO. If DMA requests are enabled (IER bit 7 set) and FIFOE is set, the
error interrupt is generated, and no receive DMA request is generated even
when the receive FIFO reaches the trigger threshold. Once the errors have
been cleared by reading the FIFO, DMA requests are re-enabled
automatically. If DMA requests are not enabled (IER bit7 clear), FIFOE set
does not generate an error interrupt.
0 = No FIFO or no errors in receive FIFO.
1 = At least one character in receive FIFO has errors.
6RTEMT
Transmitter Empty
Set when the Transmit Holding register and the transmit shift register are
both empty. It is cleared when either the Transmit Holding register or the
transmit shift register contains a data character. In FIFO mode, TEMT is set
when the transmit FIFO and the transmit shift register are both empty.
0 = There is data in the transmit shift register, the Transmit Holding
register, or the FIFO.
1 = All the data in the transmitter has been shifted out.
10-28 Intel® PXA27x Processor Family Developer’s Manual
UARTs
5 R TDRQ
Transmit Data Request
Indicates that the UART is ready to accept a new character for
transmission. In addition, this bit causes the UART to issue an interrupt to
the processor when the transmit data request interrupt enable is set and
generates the DMA request to the DMA controller if DMA requests and
FIFO mode are enabled. The TDRQ bit is set when a character is
transferred from the Transmit Holding register into the transmit shift register.
The bit is cleared with the loading of the Transmit Holding register. In FIFO
mode, TDRQ is set when half of the characters in the FIFO have been
loaded into the shift register or the RESETTF bit in FCR has been set. It is
cleared when the FIFO has more than half data. If more than 64 characters
are loaded into the FIFO, the excess characters are lost.
0 = There is data in the holding register or FIFO waiting to be shifted out.
1 = The transmit FIFO has half or less than half data.
4RBI
Break Interrupt
BI is set when the received data input is held low for longer than a full-word
transmission time (the total time of start bit + data bits + parity bit + stop
bits). BI is cleared when the processor reads the LSR. In FIFO mode, only
one character equal to 0x00, is loaded into the FIFO regardless of the
length of the break condition. BI shows the break condition for the character
at the front of the FIFO, not the most recently received character.
0 = No break signal has been received.
1 = Break signal received.
3RFE
Framing Error
Indicates that the received character did not have a valid stop bit. FE is set
when the bit following the last data bit or parity bit is detected to be 0. If the
LCR had been set for two stop bits, the receiver does not check for a valid
second stop bit. FE is cleared when the processor reads the LSR. The
UART re-synchronizes after a framing error. To do this, it assumes that the
framing error was due to the next start bit, so it samples this start bit twice
and then reads in the data. In FIFO mode, FE shows a framing error for the
character at the front of the FIFO, not for the most recently received
character.
0 = No framing error.
1 = Invalid stop bit has been detected.
Table 10-17. LSR Bit Definitions (Sheet 2 of 3)
Physical Address
0xBASE_0014 LSR UARTs
User
Settings
Bit 31 30 29 28 27 26 25 24 23 22 21 20 19 18 17 16 15 14 13 12 11 10 9 8 7 6 5 4 3 2 1 0
reserved
FIFOE
TEMT
TDRQ
BI
FE
PE
OE
DR
Reset ? ? ? ? ? ? ? ? ? ? ? ? ? ? ? ? ? ? ? ? ? ? ? ? 0 1 1 0 0 0 0 0
Bits Access Name Description
Intel® PXA27x Processor Family Developer’s Manual 10-29
UARTs
10.5.12 Modem Control Register (MCR)
MCR, defined in Table 10-18, uses the modem-control pins nRTS and nDTR to control the
interface with a modem or data set. MCR also controls the loopback mode, which must be enabled
before the UART is enabled. The differences between UARTs specific to this register are described
in Table 10-25.
This is a read/write register. Ignore reads from reserved bits. Write 0b0 to reserved bits.
2RPE
Parity Error
Indicates that the received data character does not have the correct even or
odd parity, as selected by the even parity select bit. PE is set upon detection
of a parity error and is cleared when the processor reads the LSR. In FIFO
mode, PE shows a parity error for the character at the front of the FIFO, not
the most recently received character.
0 = No parity error.
1 = Parity error has occurred.
1ROE
Overrun Error
In non-FIFO mode, indicates that data in the Receive Buffer register was
not read by the processor before the next character was received. The new
character is lost. In FIFO mode, OE indicates that all 64 bytes of the FIFO
are full and the most recently received byte has been discarded. OE is set
upon detection of an overrun condition and cleared when the processor
reads the LSR.
0 = No data has been lost.
1 = Receive data has been lost.
0RDR
Data Ready
Set when a complete incoming character has been received and
transferred into the Receive Buffer register or the FIFO. In non-FIFO mode,
DR is cleared when the receive buffer is read. In FIFO mode, DR is cleared
if the FIFO is empty (last character has been read from RBR) or the FIFO is
reset with FCR[RESETRF].
0 = No data has been received.
1 = Data is available in RBR or the FIFO.
Table 10-17. LSR Bit Definitions (Sheet 3 of 3)
Physical Address
0xBASE_0014 LSR UARTs
User
Settings
Bit 31 30 29 28 27 26 25 24 23 22 21 20 19 18 17 16 15 14 13 12 11 10 9 8 7 6 5 4 3 2 1 0
reserved
FIFOE
TEMT
TDRQ
BI
FE
PE
OE
DR
Reset ? ? ? ? ? ? ? ? ? ? ? ? ? ? ? ? ? ? ? ? ? ? ? ? 0 1 1 0 0 0 0 0
Bits Access Name Description
10-30 Intel® PXA27x Processor Family Developer’s Manual
UARTs
Table 10-18. MCR Bit Definitions (Sheet 1 of 2)
Physical Address
0xBASE_0010 MCR UARTs
User
Settings
Bit 31 30 29 28 27 26 25 24 23 22 21 20 19 18 17 16 15 14 13 12 11 10 9 8 7 6 5 4 3 2 1 0
reserved
AFE
LOOP
OUT2
OUT1
RTS
DTR
Reset ? ? ? ? ? ? ? ? ? ? ? ? ? ? ? ? ? ? ? ? ? ? ? ? ? ? 0 0 0 0 0 0
Bits Access Name Description
31:8 — reserved
5R/WAFE
Auto-Flow Control Enable
0 = Auto-RTS and auto-CTS are disabled.
1 = Auto-CTS is enabled. If MCR[RTS] is also set, both auto-CTS and
auto-RTS are enabled.
4R/WLOOP
Loopback Mode
Provides a local loopback feature for diagnostic testing of the UART. When
LOOP is set, the following occurs: The transmitter serial output is set to a
logic 1 state. The receiver serial input is disconnected from the pin. The
output of the transmit shift register is “looped back” into the receive shift
register input. The four modem control inputs (nCTS, nDSR, nDCD, and
nRI) are disconnected from the pins and the modem control output pins
(nRTS and nDTR) are forced to their inactive state.
Coming out of the loopback mode may result in unpredictable activation of
the delta bits (bits 3:0) in the Modem Status register. Read MSR once to
clear the MSR delta bits.
Loopback mode must be configured before the UART is enabled.
The lower four bits of the MCR are connected to the upper four Modem
Status register bits:
DTR = 1 forces DSR to a 1
RTS = 1 forces CTS to a 1
OUT1 = 1 forces RI to a 1
OUT2 = 1 forces DCD to a 1
In loopback mode, data that is transmitted is immediately received. This
feature allows the processor to verify the transmit and receive data paths of
the UART. The transmit, receive, and modem-control interrupts are
operational, except that the modem control interrupts are activated by MCR
bits, not by the modem-control pins. A break signal can also be transferred
from the transmitter section to the receiver section in loopback mode.
0 = Normal UART operation
1 = Loopback-mode UART operation
3R/WOUT2
OUT2 Signal Control
OUT2 connects the UART’s interrupt output to the interrupt controller unit.
When LOOP is clear:
0 = UART interrupt is disabled.
1 = UART interrupt is enabled.
When LOOP is set, interrupts always go to the processor:
0 = MSR[DCD] forced to 0b0.
1 = MSR[DCD] forced to 0b1.
Intel® PXA27x Processor Family Developer’s Manual 10-31
UARTs
10.5.13 Modem Status Register (MSR)
The Modem Status register (MSR) provides the current state of the control lines from the modem
or data set (or a peripheral device emulating a modem) to the processor. In addition to this current
state information, four MSR bits provide change information. MSR[3:0] are set when a control
input from the modem changes state. They are cleared when the processor reads MSR. Differences
between UARTs specific to this register are listed in Table 10-25.
The status of the modem control lines does not affect the FIFOs. IER[MIE] must be set to use these
lines for flow control. When an interrupt occurs on one of the flow-control pins, the interrupt
service routine must disable the UART. The UART continues transmission/reception of the current
character and then stops. The contents of the FIFOs are preserved. If the UART is re-enabled,
transmission continues where it stopped.
Note: When bit 0, 1, 2, or 3 is set, a modem-status interrupt is generated if IER[MIE] is set.
This is a read-only register. Ignore reads from reserved bits.
2R/WOUT1
Test Bit
Used only in loopback mode. It is ignored otherwise.
0 = Force MSR[RI] to 0b0.
1 = Force MSR[RI] to 0b1.
1R/WRTS
Request to Send
0 = Non-auto-flow mode. nRTS pin is 1. Auto-RTS is disabled. Auto-flow
works only with auto-CTS.
1 = Auto-flow mode. nRTS pin is 0. Auto-RTS is enabled. Auto-flow works
with both auto-CTS and auto-RTS.
0R/WDTR
Data Terminal Ready
0 = nDTR pin is 1.
1 = nDTR pin is 0.
Table 10-18. MCR Bit Definitions (Sheet 2 of 2)
Physical Address
0xBASE_0010 MCR UARTs
User
Settings
Bit 31 30 29 28 27 26 25 24 23 22 21 20 19 18 17 16 15 14 13 12 11 10 9 8 7 6 5 4 3 2 1 0
reserved
AFE
LOOP
OUT2
OUT1
RTS
DTR
Reset ? ? ? ? ? ? ? ? ? ? ? ? ? ? ? ? ? ? ? ? ? ? ? ? ? ? 0 0 0 0 0 0
Bits Access Name Description
10-32 Intel® PXA27x Processor Family Developer’s Manual
UARTs
Table 10-19. MSR Bit Definitions
Physical Address
0xBASE_0018 MSR UARTs
User
Settings
Bit 31 30 29 28 27 26 25 24 23 22 21 20 19 18 17 16 15 14 13 12 11 10 9 8 7 6 5 4 3 2 1 0
reserved
DCD
RI
DSR
CTS
DDCD
TERI
DDSR
DCTS
Reset ? ? ? ? ? ? ? ? ? ? ? ? ? ? ? ? ? ? ? ? ? ? ? ? 1 1 1 1 0 0 0 0
Bits Access Name Description
31:8 — reserved
7 R DCD
Data Carrier Detect
Complement of the Data Carrier Detect (nDCD) input. Equivalent to
MCR[OUT2] if MCR[LOOP] is set.
0 = nDCD pin is 1.
1 = nDCD pin is 0.
6RRI
Ring Indicator
Complement of the Ring Indicator (nRI) input. Equivalent to MCR[OUT1] if
MCR[LOOP] is set.
0 = nRI pin is 1.
1 = nRI pin is 0.
5RDSR
Data Set Ready
Complement of the Data Set Ready (nDSR) input. Equivalent to MCR[DTR]
if MCR[LOOP] is set.
0 = nDSR pin is 1.
1 = nDSR pin is 0.
4RCTS
Clear To Send
Complement of the Clear to Send (nCTS) input. Equivalent to MCR[RTS] if
MCR[LOOP] is set.
0 = nCTS pin is 1.
1 = nCTS pin is 0.
3 R DDCD
Delta Data Carrier Detect
0 = No change in nDCD pin since last read of MSR.
1 = nDCD pin has changed state.
2RTERI
Trailing Edge Ring Indicator
0 = nRI pin has not changed from 0 to 1 since last read of MSR.
1 = nRI pin has changed state.
1 R DDSR
Delta Data Set Ready
0 = No change in nDSR pin since last read of MSR.
1 = nDSR pin has changed state.
0RDCTS
Delta Clear To Send
0 = No change in nCTS pin since last read of MSR.
1 = nCTS pin has changed state.
Intel® PXA27x Processor Family Developer’s Manual 10-33
UARTs
10.5.14 Scratchpad Register (SCR)
The Scratchpad register (SCR), defined in Table 10-20, has no effect on the UART. It is intended as
a scratchpad register for use by programmers. It is included for 16550A compatibility.
This is a read/write register. Ignore reads from reserved bits. Write 0b0 to reserved bits.
10.5.15 Infrared Selection Register (ISR)
Each UART can manage an IrDA module associated with it. The Infrared Selection register (ISR)
controls the IrDA functions (see Section 10.4.6).
This is a read/write register. Ignore reads from reserved bits. Write 0b0 to reserved bits.
Table 10-20. SCR Bit Definitions
Physical Address
0xBASE_001C SCR UARTs
User
Settings
Bit 31 30 29 28 27 26 25 24 23 22 21 20 19 18 17 16 15 14 13 12 11 10 9 8 7 6 5 4 3 2 1 0
reserved Scratcpad
Reset ? ? ? ? ? ? ? ? ? ? ? ? ? ? ? ? ? ? ? ? ? ? ? ? 0 0 0 0 0 0 0 0
Bits Access Name Description
31:8 — reserved
7:0 R/W Scratchpad No effect on UART functions
Table 10-21. ISR Bit Definitions (Sheet 1 of 2)
Physical Address
0x5800_0020 ISR UARTs
User
Settings
Bit 31 30 29 28 27 26 25 24 23 22 21 20 19 18 17 16 15 14 13 12 11 10 9 8 7 6 5 4 3 2 1 0
reserved
RXPL
TXPL
XMODE
RCVEIR
XMITIR
Reset ? ? ? ? ? ? ? ? ? ? ? ? ? ? ? ? ? ? ? ? ? ? ? ? ? ? ? 0 0 0 0 0
Bits Access Name Description
31:5 — reserved
4 R/W RXPL
Receive Data Polarity
0 = Slow-infrared (SIR) interface decoder takes positive pulses as zeros.
1 = SIR decoder takes negative pulses as zeros.
3 R/W TXPL
Transmit Data Polarity
0 = SIR encoder generates a positive pulse for a data bit of zero.
1 = SIR encoder generates a negative pulse for a data bit of zero.
10-34 Intel® PXA27x Processor Family Developer’s Manual
UARTs
2 R/W XMODE
Transmit Pulse Width Select
When XMODE is clear, the UART 16x clock clocks the IrDA transmit and
receive logic. When XMODE is set, receive decoder operation does not
change, and the transmit encoder generates 1.6 μs pulses (that are 3/16 of
a bit-time at 115.2 kbps) instead of pulses 3/16 of a bit-time wide. Intel
recommends setting XMODE.
0 = Transmit pulse width is 3/16 of a bit-time wide.
1 = Transmit pulse width is 1.6 μs.
1 R/W RCVEIR
Receiver SIR Enable
When RCVEIR is set, the signal from the RXD pin is processed by the IrDA
decoder before it is fed to the UART. If RCVEIR is clear, then all clocking to
the IrDA decoder is blocked and the RXD pin is fed directly to the UART.
0 = Receiver is in UART mode.
1 = Receiver is in slow infrared mode.
0 R/W XMITIR
Transmitter SIR Enable
When XMITIR is set, the normal TXD output from the UART is processed
by the IrDA encoder before it is fed to the device pin. If XMITIR is clear, all
clocking to the IrDA encoder is blocked and the UART’s TXD signal is
connected directly to the device pin.
When Transmitter SIR Enable is set, the TXD output pin, which is in a
normally high default state, switches to a normally low default state. This
can cause a false start bit unless the infrared LED is disabled before
XMITIR is set.
0 = Transmitter is in UART mode.
1 = Transmitter is in slow infrared mode.
Table 10-21. ISR Bit Definitions (Sheet 2 of 2)
Physical Address
0x5800_0020 ISR UARTs
User
Settings
Bit 31 30 29 28 27 26 25 24 23 22 21 20 19 18 17 16 15 14 13 12 11 10 9 8 7 6 5 4 3 2 1 0
reserved
RXPL
TXPL
XMODE
RCVEIR
XMITIR
Reset ? ? ? ? ? ? ? ? ? ? ? ? ? ? ? ? ? ? ? ? ? ? ? ? ? ? ? 0 0 0 0 0
Bits Access Name Description
Intel® PXA27x Processor Family Developer’s Manual 10-35
UARTs
10.6 Register Summary
Table 10-22, Table 10-23, and Table 10-24 list the register addresses for the FFUART, BTUART,
and STUART.
Table 10-25 summarizes the differences between the Bluetooth and standard UARTs.
Table 10-22. FFUART Register Summary
Address DLAB Bit Value Name Description Page
0x4010_0000 0 FFRBR Receive Buffer register 10-13
0x4010_0000 0 FFTHR Transmit Holding register 10-14
0x4010_0000 1 FFDLL Divisor Latch register, low byte 10-14
0x4010_0004 0 FFIER Interrupt Enable register 10-15
0x4010_0004 1 FFDLH Divisor Latch register, high byte 10-14
0x4010_0008 X FFIIR Interrupt ID register 10-17
0x4010_0008 X FFFCR FIFO Control register 10-19
0x4010_000C X FFLCR Line Control register 10-25
0x4010_0010 X FFMCR Modem Control register 10-29
0x4010_0014 X FFLSR Line Status register 10-26
0x4010_0018 X FFMSR Modem Status register 10-31
0x4010_001C X FFSPR Scratch Pad register 10-33
0x4010_0020 X FFISR Infrared Select register 10-33
0x4010_0024 X FFFOR Receive FIFO Occupancy register 10-22
0x4010_0028 X FFABR Auto-baud Control register 10-23
0x4010_002C X FFACR Auto-baud Count register 10-24
0x4010_0030–
0x401F_FFFC — reserved
Table 10-23. BTUART Register Summary (Sheet 1 of 2)
Address DLAB Bit Value Name Description Page
0x4020_0000 0 BTRBR Receive Buffer register 10-13
0x4020_0000 0 BTTHR Transmit Holding register 10-14
0x4020_0000 1 BTDLL Divisor Latch register, low byte 10-14
0x4020_0004 0 BTIER Interrupt Enable register 10-15
0x4020_0004 1 BTDLH Divisor Latch register, high byte 10-14
0x4020_0008 X BTIIR Interrupt ID register 10-17
0x4020_0008 X BTFCR FIFO Control register 10-19
0x4020_000C X BTLCR Line Control register 10-25
0x4020_0010 X BTMCR Modem Control register 10-29
0x4020_0014 X BTLSR Line Status register 10-26
10-36 Intel® PXA27x Processor Family Developer’s Manual
UARTs
0x4020_0018 X BTMSR Modem Status register 10-31
0x4020_001C X BTSPR Scratch Pad register 10-33
0x4020_0020 X BTISR Infrared Select register 10-33
0x4020_0024 X BTFOR Receive FIFO Occupancy register 10-22
0x4020_0028 X BTABR Auto-Baud Control register 10-23
0x4020_002C X BTACR Auto-Baud Count register 10-24
0x4020_0030–
0x402F_FFFC reserved
Table 10-24. STUART Register Summary
Address DLAB Bit Value Name Description Page
0x4070_0000 0 STRBR Receive Buffer register 10-13
0x4070_0000 0 STTHR Transmit Holding register 10-14
0x4070_0000 1 STDLL Divisor Latch register, low byte 10-14
0x4070_0004 0 STIER Interrupt Enable register 10-15
0x4070_0004 1 STDLH Divisor Latch register, high byte 10-14
0x4070_0008 X STIIR Interrupt ID register 10-17
0x4070_0008 X STFCR FIFO Control register 10-19
0x4070_000C X STLCR Line Control register 10-25
0x4070_0010 X STMCR Modem Control register 10-29
0x4070_0014 X STLSR Line Status register 10-26
0x4070_0018 X STMSR Modem Status register 10-31
0x4070_001C X STSPR Scratch Pad register 10-33
0x4070_0020 X STISR Infrared Select register 10-33
0x4070_0024 X STFOR Receive FIFO Occupancy register 10-22
0x4070_0028 X STABR Auto-Baud Control register 10-23
0x4070_002C X STACR Auto-Baud Count register 10-24
0x4070_0030–
0x407F_FFFC reserved
Table 10-23. BTUART Register Summary (Sheet 2 of 2)
Address DLAB Bit Value Name Description Page
Intel® PXA27x Processor Family Developer’s Manual 10-37
UARTs
The default descriptions for BTMCR, BTMSR, STMCR, and STMSR are modified as shown in
Table 10-25.
.
Table 10-25. Flow-Control Registers in BTUART and STUART
Bits 7:6 Bit 5 Bit 4 Bit 3 Bit 2 Bit 1 Bit 0
BTMCR reserved AFE LOOP OUT2 reserved RTS reserved
BTMSR reserved reserved CTS reserved reserved reserved DCTS
STMCR reserved reserved LOOP OUT2 reserved reserved reserved
STMSR reserved reserved reserved reserved reserved reserved reserved
10-38 Intel® PXA27x Processor Family Developer’s Manual
UARTs
Intel® PXA27x Processor Family Developer’s Manual 11-1
Fast Infrared Communications Port 11
This chapter describes the fast infrared communications port included in the PXA27x processor.
11.1 Overview
The fast infrared communications port (FICP) operates at half-duplex and provides direct
connection to commercially available Infrared Data Association (IrDA) compliant LED
transceivers. The fast infrared communications port is based on the 4-Mbps IrDA standard1 and
uses four-position pulse modulation (4PPM) and a specialized serial packet protocol developed for
IrDA transmission. To support the standard, the fast infrared communications port has:
A bit encoder/decoder
A serial-to-parallel data engine
A transmit FIFO 64 entries deep and 8 bits wide
A receive FIFO 64 entries deep and 11 bits wide
11.2 Signal Descriptions
The fast infrared communications port signals are ICP_RXD and ICP_TXD. Table 11-1 describes
each signal’s function. Most IrDA transceivers also have enable and speed pins. Use GPIOs to
enable the transceiver and select the speed. See Section 24, “General-Purpose I/O Controller” for
more information.
11.3 Operation
The fast infrared communications port is disabled and does not have control of the port’s pins after
a reset. Before software enables the FICP for high-speed operation, it must set the control registers
to reflect the desired operating mode. After the control registers are set, software can either preload
the FICP’s transmit FIFO with up to 64 bytes, or leave the FIFO empty and use the DMA to service
it after the FICP is enabled. Once the FICP is enabled, transmit/receive data can be sent on the
transmit and receive pins.
To support a variety of IrDA transceivers, both the transmit and receive data pins can be
individually configured to communicate using normal or active-low data.
1. See Infrared Data Association Serial Infrared Physical Layer Specification Version 1.3, October 15, 1998, available from
http://www.irda.org
Table 11-1. Fast Infrared Communications Port I/O Signal Descriptions
Signal Name Type Description
ICP_RXD Input Receive pin for fast infrared port
ICP_TXD Output Transmit pin for fast infrared port
11-2 Intel® PXA27x Processor Family Developer’s Manual
Fast Infrared Communications Port
The transmit/receive data is modulated according to the 4PPM IrDA standard and converted to
serial or parallel data. The modulation technique and the frame format are discussed in the sections
that follow.
11.3.1 4PPM Modulation
Four-position pulse modulation (4PPM) transmits data at the high-speed rate, 4.0 Mbps. Data bits
are encoded two at a time by placing a single 125-ns light pulse in one of four timeslots. The four
timeslots are collectively called a chip. Bytes are encoded one at a time. They are divided into four
individual two-bit pairings called nibbles. The least significant nibble is transmitted first.
Figure 11-1 shows the 4PPM encoding for the possible two-bit combinations, and Figure 11-2
shows an example of 4PPM modulation for the byte 0b10110001, which is constructed with four
chips. Bits within each nibble are not reordered, but nibble 0 (least significant) is transmitted first,
and nibble 3 (most significant) is transmitted last.
Figure 11-1. 4PPM Modulation Encodings
Chip
Timeslots
1234
Data = 0b00
Data = 0b01
Data = 0b10
Data = 0b11
Intel® PXA27x Processor Family Developer’s Manual 11-3
Fast Infrared Communications Port
11.3.2 Frame Format
The frame format used with 4-Mbps transmission is shown in Figure 11-3.
Figure 11-3. Frame Format for IrDA Transmission (4.0 Mbps)
The preamble, start, and stop flags are a mixture of chips that contain 0, 1, or 2 pulses in their
timeslots. Chips with 0 and 2 pulses are used to construct flags because the chips represent invalid
data bit pairings.
Preamble contains 16 repeated transmissions of the chips: 1000 0000 1010 1000
Start flag contains 1 transmission of 8 chips: 0000 1100 0000 1100 0110 0000 0110 0000
Stop flag contains 1 transmission of 8 chips: 0000 1100 0000 1100 0000 0110 0000 0110
The address, control, data, and CRC-32 use the standard 4PPM chip encoding to represent two bits
per chip.
Figure 11-2. 4PPM Modulation Example
4PPM
Data
Reordered
Nibbles 01001110
125 ns
Timeslots
1234123412341234
Chips 1234
Note: Receive data sample counter frequency = 6/pulse width. Each timeslot is sampled on the third clock.
Original
Byte Order 10110001
Nibble 3 Nibble 2 Nibble 1 Nibble 0
Nibble 0 Nibble 1 Nibble 2 Nibble 3
48 MHz
64 Chips 8 Chips 4 Chips
(8 bits)
4 Chips
(8 bits)
8180 Chips
max
(2045 bytes)
16 Chips
(32 bits) 8 Chips
Preamble Start Flag Address
(optional)
Control
(optional) Data CRC-32 Stop Flag
Preamble | 1000 | 0000 | 1010 | 1000 |... repeated at least 16 times
Start flag | 0000 | 1100 | 0000 | 1100 | 0110 | 0000 | 0110 | 0000 |
Stop Flag | 0000 |1100 | 0000 | 1100 | 0000 | 0110 | 0000 | 0110 |
11-4 Intel® PXA27x Processor Family Developer’s Manual
Fast Infrared Communications Port
11.3.3 Address Field
A transmitter uses the 8-bit address field to target a receiver when multiple stations are connected
to the same set of serial lines. The address allows up to 255 stations to be uniquely addressed
(0x00–0xFE). The broadcast address 0xFF sends messages to all of the connected stations.
For reception, FICP Control register 1 (ICCR1) programs a unique receive address. The AME bit
in the FICP Control register 0 (ICCR0) determines the address match function. The addresses of
the received frames are stored in the receive FIFO with normal data.
11.3.4 Control Field
The control field is an optional 8-bit field that is defined by software. The fast infrared
communications port does not provide hardware decode support for the control byte. It treats all
bytes between the address and the CRC as data.
11.3.5 Data Field
The data field can have a length from 0 to 2045 bytes. Application requirements and the target
system’s transmission characteristics affect the data field’s length. Software must determine the
length of the data to maximize the amount that can be transmitted in each frame, while allowing the
CRC to detect all errors during transmission. The serial port does not contain hardware that
restricts the maximum amount of data that can be transmitted or received. If a data field that is not
a multiple of eight bits is received, an abort is signaled.
11.3.6 CRC Field
The fast infrared communications port uses a 32-bit cyclic redundancy check (CRC) to detect bit
errors that occur during transmission. The CRC is generated from the address, control, and data
fields and is included in each frame. Transmit and receive logic have separate CRC generators. The
CRC computation logic is set to all ones before each frame is transmitted or received, and the result
is inverted before it is used for comparison or transmission. The transmitter calculates a CRC as
data is transmitted and places the inverse of the resulting 32-bit value at the end of each frame until
the stop flag is transmitted. The receiver also calculates a CRC and inverts it for each data frame
that it receives. The receiver compares the calculated CRC to the expected CRC value at the end of
each frame.
If the calculated value does not match the expected value, the CRC error bit that corresponds to the
last data byte received is set. When this byte reaches the trigger threshold range, an interrupt is
generated.
Note: Unlike the address, control, and data fields, the 32-bit inverted CRC value is transmitted and
received with the most significant nibble first.
The cyclic redundancy checker uses the 32-term polynomial:
CRC x() x32 x26 x23 x22 x16 x12 x11 x10 x8x7x5x4x2x1+ + + + + + + +++++++( )=
Intel® PXA27x Processor Family Developer’s Manual 11-5
Fast Infrared Communications Port
11.3.7 Baud Rate Generation
The baud rate is derived by dividing a fixed 48-MHz clock by six. Using a digital PLL, the 8-MHz
baud (or timeslot) clock for the receive logic is synchronized with the 4PPM data stream each time
a transition is detected on the receive data line. To encode a 4-Mbps data stream, the required chip
frequency is 2.0 MHz, with four timeslots per chip at a frequency of 8.0 MHz. Receive data is
sampled halfway through each timeslot period by counting three of the six 48-MHz clock periods
that make up each timeslot (see Figure 11-2). The chips are synchronized during the reception
preamble. The pattern of four chips repeated 16 times identifies the first timeslot (or the beginning
of a chip) and resets the two-bit timeslot counter logic.
11.3.8 Receive Operation
The IrDA standard specifies that all transmission occurs at half-duplex. This restriction forces
software to enable one direction at a given time. Either the transmit or receive logic can be enabled,
but not both. The FICP hardware does not impose such a restriction. The software can enable both
the transmitter and receiver. This feature is used with the FICP’s loopback mode, which internally
connects the output of the transmit serial shifter to the input of the receive serial shifter.
After the fast infrared communications port is enabled, the receiver logic begins and selects an
arbitrary chip boundary, uses a serial shifter to receive four incoming 4PPM chips from the receive
data pin, and latches and decodes the chips one at a time. If the chips do not have the correct
preamble, the timeslot counter’s clock skips one 8-MHz period and effectively delays the timeslot
count by one. This process is called hunt mode and is repeated until the chips have the correct
preamble, which indicates that the time-slot counter is synchronized. The preamble from the
transmitter can be repeated as few as 16 times or can be continuously repeated to indicate an idle
transmit line.
After 16 preambles are transmitted, the start flag is received. The start flag is eight chips long. If
any portion of the start flag does not match the encoding, the receive logic signals a framing error,
and the receive logic returns to hunt mode.
When the correct start flag is recognized, each following group of four chips is decoded into a data
byte and placed in a five-byte temporary FIFO that prevents the CRC from being placed in the
receive FIFO. When the temporary FIFO is full, data values are transferred to the receive FIFO one
at a time. A frame’s first data byte is the address. If receiver address matching is enabled, the
received address is compared to the address in the Address Match Value field in ICCR1. If the
values match or the incoming address contains all ones, all following data bytes, including the
address byte, are stored in the receive FIFO. If the values do not match, the receiver logic does not
store any data in the receive FIFO, ignores the remainder of the frame, and searches for the next
preamble. If receiver address matching is not enabled, the frame’s first data byte is stored in the
FIFO as normal data. The frame’s second data byte can contain an optional control field and must
be decoded in software.
The IrDA standard limits frames to any amount of data up to a 2047 bytes (including the address
and control bytes). The FICP does not limit frame size. Software must ensure that each incoming
frame does not exceed 2047 bytes.
When the receive FIFO reaches its trigger threshold, an interrupt (if enabled) and DMA transfer
request (if no errors are detected in the data) are signaled. If the data are not removed quickly
enough to prevent the FIFO from completely filling, the receive logic attempts to place additional
data into the full FIFO, and an overrun error is signaled. When the FIFO is full, all subsequent data
bytes received are lost, and all FIFO contents remain intact.
11-6 Intel® PXA27x Processor Family Developer’s Manual
Fast Infrared Communications Port
If the data field contains any invalid chips (such as 0011, 1010, 1110, or 0000), the frame aborts,
ICSR0[EIF] is set, and the oldest byte in the temporary FIFO is moved to the receive FIFO, the
remaining temporary FIFO entries are discarded, the end-of-frame (EOF) tag is set in the FIFO
entry that holds the last valid byte of data, and the receiver logic searches for the preamble.
The receive logic continuously searches for the eight-chip stop flag. When the stop flag is
recognized, the last byte that was placed within the receive FIFO is flagged as the frames last byte
and the data in the temporary FIFO is removed and used as the CRC value for the frame. The
receive logic compares the frame’s CRC value to the CRC-32 value, which is continuously
calculated from the incoming data stream. If CRC and CRC-32 values do not match, the last byte
that was placed in the receive FIFO is also tagged with a CRC error. The frame’s CRC value is not
placed in the receive FIFO. If the stop flag is not properly detected, an abort is signaled.
If software disables the FICPs receiver while it is operating, the data byte being received stops
immediately, the serial shifter and receive FIFO are cleared, the System Integration Unit (SIU)
takes control of the receive data pin, and the clocks used by the receive logic are shut off to
conserve power. The receive data input polarity must be reprogrammed if the receive data pin is
used as a GPIO input.
11.3.9 Transmit Operation
Before it enables the fast infrared communications port for transmission, the software can either
preload the transmit FIFO by filling it with data or allow service requests to cause the CPU or
DMA to fill the FIFO after the FICP is enabled. When the FICP is enabled, the transmit logic
issues a service request if its FIFO requires more data.
A minimum of 16 preambles are transmitted for each frame. If data is not available after the
sixteenth preamble, additional preambles are transmitted until a byte of valid data resides in the
bottom of the transmit FIFO. The preambles are followed by the start flag and the data from the
transmit FIFO. Groups of four chips (eight bits) are encoded and loaded in a serial shift register.
The contents of the serial shift register are sent out on the transmit data pin, which is clocked by the
8-MHz baud clock. The preamble, start and stop flags, and CRC value are transmitted
automatically.
When the transmit FIFO has 32 or more empty entries, an interrupt (if enabled) and DMA service
request are sent. If new data does not arrive quickly enough to prevent the FIFO from becoming
empty, the transmit logic attempts to transfer additional data from the empty FIFO. Software
determines whether to interpret the data underrun (a lack of data) as a signal of normal frame
completion or as an unexpected frame termination.
When software selects normal frame completion and an underrun occurs, the transmit logic
transmits the CRC value that was calculated during data transmission, including the address and
control bytes, followed by the stop flag that marks the end of the frame. The transmitter then
continuously transmits preambles until data is available in the FIFO. When data is available, the
transmitter starts to transmit the next frame.
When software selects unexpected frame termination and an underrun occurs, the transmit logic
transmits an abort and interrupts the CPU. The transmitter continues to send the abort until data is
available in the transmit FIFO. When data is available, the FICP transmits 16 preambles and a start
flag and starts the new frame. The off-chip receiver can choose to ignore the abort and continue to
receive data or signal the FICP to attempt to transmit the aborted frame again.
Intel® PXA27x Processor Family Developer’s Manual 11-7
Fast Infrared Communications Port
At the end of each transmitted frame, the FICP sends a pulse called the serial infrared interaction
pulse (SIP). A SIP must be sent at least every 500 ms to ensure that low-speed devices (115.2 Kbps
and slower) do not interfere with devices that transmit at higher speeds. The SIP simulates a start
bit that causes low-speed devices to stay off the air for at least another 500 ms. The SIP pulse
forces the transmit data pin high for 1.625 µs and low for 7.375 µs (the total SIP period is 9.0 µs).
After the SIP period, the preamble is transmitted continuously to indicate to the off-chip receiver
that the FICP’s transmitter is in the idle state. The preamble is transmitted until new data is
available in the transmit FIFO or the FICP’s transmitter is disabled. At least one frame must be
completed every 500 ms to ensure that an SIP pulse can keep low-speed devices from interrupting
the transmission. Because most IrDA-compatible devices produce an SIP after each frame
transmitted, software only needs to ensure that a frame is either transmitted or received by the FICP
every 500 ms. Frame length does not represent a significant portion of the 500 ms timeframe in
which an SIP must be produced. At 4.0 Mbps, the longest frame allowed is 16,568 bits, which
takes just over 4 ms to transmit. The FICP also issues an SIP when the transmitter is first enabled.
This ensures that low-speed devices do not interfere as the FICP transmits its data.
If software disables the FICP’s transmitter during operation, data transmission stops immediately,
the serial shifter and transmit FIFO are cleared, and the SIU takes control of the transmit data pin.
The transmit data output’s polarity must be properly reprogrammed if the pin is used as a GPIO
output.
11.3.10 Transmit and Receive FIFOs
The transmit FIFO is 64 entries deep and 8 bits wide. The receive FIFO is 64 entries deep, 11 bits
wide. The receive FIFO uses three bits of its entries as status bits. The transmit FIFO and the
receive FIFO use two separate, dedicated DMA requests.
When the transmit FIFO has 32 or more empty bytes, the transmit DMA request and an interrupt (if
enabled) are generated and tell the processor to send more data to the FIFO. When the transmit
FIFO is full, any more data from the processor is lost. When the receive FIFO reaches its trigger
threshold (programmed in ICCR2), the receive DMA request (if no errors are found within the
entries) and an interrupt (if enabled) are generated and tell the processor to remove the data from
the FIFO. If an error is found in the FIFO’s trigger threshold range, DMA requests are disabled and
an ICSR0[EIF] interrupt is generated to ensure that the DMA controller does not read the error
bytes.
The number of bytes being transferred for each DMA request is programmed in the DMA
controller and can be 8, 16, or 32 bytes. The receive FIFO’s trigger threshold must be set so that the
FIFO has enough data for the DMA controller to read. The transmit FIFO does not have
programmable trigger thresholds. Its DMA request is generated when the FIFO has 32 or more
empty bytes, regardless of the DMA transfer size.
If the DMA reaches the end of its descriptor chain while servicing the receive FIFO, the processor
is interrupted with the ICSR0[EOC] interrupt set. The processor must then link a new descriptor or
service the FIFO using interrupts. The EOC interrupt is not asserted if the descriptor chain ends
when the last byte of a message is transferred to the DMA.
Note: Ensure that the DMA controller is not servicing the same FIFO when the processor is trying to
respond to a receive-error interrupt.
11-8 Intel® PXA27x Processor Family Developer’s Manual
Fast Infrared Communications Port
11.3.11 Removing Trailing Bytes in Receive FIFO
If the last byte of a frame (due to the reception of an stop flag or error condition) is below the
trigger level of the receive FIFO, the remaining bytes in the frame are called trailing bytes. Trailing
bytes are considered a special case and are removed from the receive FIFO in a different manner
than other bytes. The exact method of removal varies depending on whether the receive FIFO is
being serviced by processor interrupts or the DMA.
In this chapter, End of Frame (EOF) refers to an internal tag placed on the last byte of a frame. This
EOF byte is tracked throughout the receive FIFO. The last byte of a frame is determined by the
reception of a stop flag. For two error conditions, CRC and overflow, similar tags are placed on
each erroneous byte in the receive FIFO. See Section 11.4.6 for additional information.
11.3.11.1 Processor Interrupt Mode
When the receive FIFO is being serviced by processor interrupts, the programmer must ensure that
ICCR2[TRAIL] is clear. Clearing ICCR2[TRAIL] does the following:
1. Disables DMA requests for trailing bytes.
2. Sets the ICSR0[EIF] bit (see Table 11-6) when bytes containing either an End of Frame or
error flag fall below the trigger level.
Note: When ICCR2[TRAIL] is set, ICSR0[EIF] is set on error flags only.
In interrupt mode, trailing bytes due to the reception of an stop flag or an error condition must be
treated the same by the processor. The processor is notified of the presence of trailing bytes by the
ICSR0[EIF] interrupt. If ICSR0[TRAIL] is clear, ICSR0[EIF] signals trailing bytes because of
either a receive error or a end of frame (EOF) flag. In either case, the assertion of the EIF interrupt
disables receive FIFO interrupts. The processor must now remove the trailing bytes and any
associated error conditions as follows:
1. Read the ICSR1 register to determine if the byte at the bottom of the FIFO contains EOF or
error flags.
2. Read the ICDR register to remove the byte at the bottom of the FIFO.
3. Continue with steps 1 and 2 until the EOF is found. The EOF flag marks the last byte of the
message.
4. Read the ICSR0 register. If the EIF bit is still set, then another frame exists in the FIFO that
contains either an error or the EOF flag below the trigger level. If this is the case, steps 1–4
must be repeated.
When the ICSR0[EIF] clears, receive FIFO service interrupts are re-enabled, and the processor
continues to service the FIFO normally.
11.3.11.2 DMA Mode
When the receive FIFO is being serviced by DMA, software must set ICCR2[TRAIL]. Doing so
results in the following:
1. Enables DMA requests for trailing bytes.
2. Sets ICSR0[EIF] (see Section 11.4.5) for EOF flags only.
Note: When ICCR2[TRAIL] is clear, ICSR0[EIF] is set for both EOF and error flags.
Intel® PXA27x Processor Family Developer’s Manual 11-9
Fast Infrared Communications Port
3. Enables End of Descriptor Chain (EOC) interrupt.
In this mode, trailing bytes caused by the reception of a stop flag are treated differently than trailing
bytes caused by error conditions. If the FICP detects trailing bytes caused by an EOF flag, the
ICSR0[EIF] bit is not set, and the processor is not interrupted. Instead, a DMA request is made for
the exact number of bytes remaining in the frame. When the DMA controller reads the last byte of
the frame, the FICP asserts an End of Receive (EOR) signal to the DMA controller. The DMA
controller can then be programmed to notify the processor of the EOR using the DCSR[EORINT]
interrupt in the DMA controller. The FICP makes new DMA requests if additional frames exist in
the receive FIFO.
11.3.11.2.1 Error Handling in DMA Mode
If the FICP detects trailing bytes caused by receive errors, all DMA requests are disabled when the
error condition falls below the receive FIFO trigger level. At this point, the error and trailing byte
condition must be handled as described in Section 11.3.11.1.
11.3.11.2.2 DMA Programming Errors
If the DMA receive channel stops prematurely because of a DMA programming error such as an
exhausted descriptor chain, the FICP interrupts the processor with an EOC interrupt if enabled with
the ICCR2[TRAIL] bit. When the processor receives this interrupt, it must restore FIFO service by
either programming another descriptor or servicing the receive FIFO using interrupt mode. If the
FICP is in DMA mode, ICCR2[TRAIL] must be set. Operating the FICP in DMA mode without
this bit set puts the FICP into a legacy mode that the PXA27x processor does not support. The
EOC interrupt is not asserted if the descriptor chain ends when the last byte of a message is
transferred out of the receive FIFO. For more information, see the description of the EOC bit in
Section 11.4.5.
11.3.12 32-Bit Peripheral Bus
The fast infrared communications port supports 32-bit transfers. The bytes must be written/read in
little-endian format (7:0) with byte 3 (the most recent byte) starting at bit 31, byte 2 starting at bit
23, and so on. An 8-bit bus can be emulated by programming the DMA controller and processor to
read/write only one byte at a time. In this case, the upper bits 31:8 are ignored by the FICP and are
not used.
The fast infrared communications port supports an 8- or 32-bit peripheral bus. The default is an 8-
bit bus. If 32-bit bus mode is preferred, set the ICCR2[BUS] bit. The bytes are written in little-
endian format (7:0) with byte 3 (the most recent byte) starting at bit 31, byte 2 starting at bit 23, and
so on.
8-Bit Mode—Only the least significant byte contains valid data on the peripheral bus. The
upper 24 bits are ignored.
32-Bit Mode—The FICP can read/write partial words of 1, 2, 3, or 4 continuous bytes from
the peripheral bus. The method in which the valid bytes of data are determined differs,
depending on whether the transaction is being handled by the DMA controller or programmed
I/O (PIO).
DMA—The DMA controller can read/write 1, 2, 3, or 4 bytes per word. The number of valid
bytes available per word is determined internally between the DMA controller and the FICP.
Programmed I/O—The processor has the restriction of only being able to read/write 1, 2, or 4
bytes per word. When reading, the processor must read the FIFO Occupancy register (ICFOR)
to retrieve the number of bytes available in the Receive buffer. If the number of bytes available
11-10 Intel® PXA27x Processor Family Developer’s Manual
Fast Infrared Communications Port
is 4 or greater, the processor can request any number of bytes per word (except 3). If the
number is less than 4, users must request the proper number of bytes. When three bytes are
remaining, users can read 1 byte at a time or request either 2 bytes followed by 1 byte or 1 byte
followed by 2 bytes. All three are allowed. If the processor reads more than the number of
bytes available in the receive buffer, the FICP retrieves invalid data for the invalid bytes. The
receive FIFO counters do not increment past the valid number of bytes. For example, if the
processor tries to read 4 bytes when only 2 remain in the receive FIFO, the head counter in the
FIFO increments by 2, not 4.
Note: When using PIO, no FICP interrupt is generated on a DMA end-of-chain condition.
11.4 Register Descriptions
The fast infrared communications port has seven registers: three control registers, one data register,
and three status registers. The FICP registers are 32 bits wide, but only the lower 8 bits of control
and status registers have valid data. The FICP does not support byte or half-word operations. CPU
reads and writes to the FICP registers must be word-wide. The data register can contain valid data
on all 32 bits and can be accessed in 1, 2, 3, or 4 byte increments.
The control registers determine: IrDA transmission rate, address match value, how transmit FIFO
underruns are handled, normal or active low transmit and receive data, whether transmit and
receive operations are enabled, the FIFO interrupt service requests, receive address matching, and
loopback mode.
The data register addresses the top of the transmit FIFO and the bottom of the receive FIFO. Reads
from the data register access the receive FIFO. Writes to the data register access the transmit FIFO.
The status registers contain: CRC, overrun, underrun, framing, and receiver abort errors; the
transmit FIFO service request; the receive FIFO service request; and end-of-frame conditions.
Each of these hardware-detected events signals an interrupt request to the interrupt controller. The
status registers also contain flags for transmitter busy, receiver synchronized, receive FIFO not
empty, and transmit FIFO not full (no interrupts are generated for flag events).
11.4.1 FICP Control Register 0 (ICCR0)
The FICP Control register 0 (ICCR0) contains eight valid bit fields that control various functions
for 4-Mbps IrDA transmission. The FICP must be disabled (RXE = TXE = 0) when ICCR0[ITR]
and ICCR0[LBM] are changed. To allow various modes to be changed during active operation,
ICCR0[7:2] can be written when the FICP is enabled.
This a read/write register. Ignore reads from reserved bits. Write 0b0 to reserved bits.
Intel® PXA27x Processor Family Developer’s Manual 11-11
Fast Infrared Communications Port
Table 11-2. ICCR0 Bit Definitions (Sheet 1 of 2)
Physical Address
0x4080_0000 ICCR0 FICP
User
Settings
Bit 31 30 29 28 27 26 25 24 23 22 21 20 19 18 17 16 15 14 13 12 11 10 9 8 7 6 5 4 3 2 1 0
reserved
AME
TIE
RIE
RXE
TXE
TUS
LBM
ITR
Reset ? ? ? ? ? ? ? ? ? ? ? ? ? ? ? ? ? ? ? ? ? ? ? ? 0 0 0 0 0 0 0 0
Bits Access Name Description
31:8 — reserved
7R/WAME
Address Match Enable
Receive logic compares the address of the incoming frames to the Address
Match Value field in ICCR1.
0 = Disables receiver address match function. Stores data in receive
FIFO.
1 = Enables receiver address match function. Does not put data in the
receive FIFO unless address is recognized or address is the
broadcast address.
6R/WTIE
Transmit FIFO Interrupt Enable
0 = Transmits FIFO service request ICSR0[TFS] does not generate an
interrupt.
1 = Transmits FIFO service request generates an interrupt.
Setting TIE does not clear TFS or prevent TFS from being set or cleared by
the transmit FIFO. TIE does not affect transmit FIFO DMA requests.
5R/WRIE
Receive FIFO Interrupt Enable
0 = Receive FIFO service request ICSR0[RFS] does not generate an
interrupt.
1 = Receive FIFO service request generates an interrupt.
Setting RIE does not clear RFS or prevent RFS from being set or cleared by
the receive FIFO. RIE does not affect receive FIFO DMA requests.
4R/WRXE
Receive Enable
0 = FICP receive logic disabled.
1 = FICP receive logic enabled if ICCR0[ITR] is set.
All other control bits must be configured before setting RXE. If RXE is
cleared while receiving data. Then reception is stopped immediately, all
data within the receive FIFO and serial input shifter is cleared, and control
of the receive data pin is given to the SIU.
While communication is normally half-duplex, it is possible to transmit and
receive data at the same time. This is used for testing in loopback mode.
If RXE is used to clear the receive FIFO, check ICSR1[RNE] to ensure the
receive FIFO is clear before re-enabling the receiver.
11-12 Intel® PXA27x Processor Family Developer’s Manual
Fast Infrared Communications Port
3R/WTXE
Transmit Enable
0 = FICP transmit logic disabled.
1 = FICP transmit logic enabled if ICCR0[ITR] is set.
All other control bits must be configured before TXE is set. An SIP is
transmitted immediately after the transmitter is enabled. If the transmit FIFO
is empty, preambles are sent until data is placed in the FIFO.
If TXE is cleared while it transmits data, transmission stops immediately, all
data in the transmit FIFO and serial output shifter is cleared, and the SIU
takes control of the transmit data pin.
While communication is normally half-duplex, it is possible to transmit and
receive data at the same time. Duplex communication is used for testing in
loopback mode.
If TXE is used to clear the transmitter, check ICSR1[TBY] to ensure the
transmitter is not busy before the transmitter is re-enabled.
2R/WTUS
Transmit FIFO Underrun Select
A transmit FIFO underrun can either end the current frame normally, or
transmit an abort.
0 = Transmit FIFO underrun causes CRC, stop flag, and SIP (if enabled)
to be transmitted, and masks transmit underrun interrupt generation.
1 = Transmit FIFO underrun causes abort to be transmitted, and
generates an interrupt.
Clearing ICCR0[TUS] does not affect the current state of ICSR0[TUR] or
prevent TUR from being set or cleared by the transmit FIFO. After an abort,
a SIP is transmitted followed by 16 preambles. Preambles continue until
data is in the FIFO.
To change the state of TUS during operation, users must fill the transmit
FIFO to ensure TUS is not written at the same time that the transmit FIFO
underflows.
1R/WLBM
Loopback Mode
Used for testing the FICP.
0 = Normal FICP operation enabled.
1 = Output of transmit serial shifter is connected to input of receive serial
shifter.
0R/WITR
IrDA Transmission
0 = FICP unit is not enabled.
1 = FICP unit is enabled.
Table 11-2. ICCR0 Bit Definitions (Sheet 2 of 2)
Physical Address
0x4080_0000 ICCR0 FICP
User
Settings
Bit 31 30 29 28 27 26 25 24 23 22 21 20 19 18 17 16 15 14 13 12 11 10 9 8 7 6 5 4 3 2 1 0
reserved
AME
TIE
RIE
RXE
TXE
TUS
LBM
ITR
Reset ? ? ? ? ? ? ? ? ? ? ? ? ? ? ? ? ? ? ? ? ? ? ? ? 0 0 0 0 0 0 0 0
Bits Access Name Description
Intel® PXA27x Processor Family Developer’s Manual 11-13
Fast Infrared Communications Port
11.4.2 FICP Control Register 1 (ICCR1)
FICP Control register 1 (ICCR1) contains the eight-bit address match value field that the FICP uses
to selectively receive frames. To allow the address match value to be changed during active receive
operation, ICCR1 can be written while the FICP is enabled.
This a read/write register. Ignore reads from reserved bits. Write 0b0 to reserved bits.
Table 11-3. ICCR1 Bit Definitions
Physical Address
0x4080_0004 ICCR1 FICP
User
Settings
Bit 31 30 29 28 27 26 25 24 23 22 21 20 19 18 17 16 15 14 13 12 11 10 9 8 7 6 5 4 3 2 1 0
reserved AMV
Reset ? ? ? ? ? ? ? ? ? ? ? ? ? ? ? ? ? ? ? ? ? ? ? ? 0 0 0 0 0 0 0 0
Bits Access Name Description
31:8 — reserved
7:0 R/W AMV
Address Match Value
The eight-bit value used by receiver logic to compare to address of
incoming frames. If ICCR0[AME] = 1 and AMV matches the address of the
incoming frame, store the frame address, control, and data in receive FIFO.
If the address does not match, ignore the frame and search for the next
preamble.
The broadcast address 0xFF in the incoming frame always generates a
match.
11-14 Intel® PXA27x Processor Family Developer’s Manual
Fast Infrared Communications Port
11.4.3 FICP Control Register 2 (ICCR2)
The FICP Control register 2 (ICCR2) contains two bit fields that control the polarity of the transmit
and receive data pins and two bits that determine the trigger threshold for the receive FIFO. The
FICP must be disabled (RXE = TXE = 0) when these bits are changed.
This a read/write register. Ignore reads from reserved bits. Write 0b0 to reserved bits.
Table 11-4. ICCR2 Bit Definitions
Physical Address
0x4080_0008 ICCR2 FICP
User
Settings
Bit 31 30 29 28 27 26 25 24 23 22 21 20 19 18 17 16 15 14 13 12 11 10 9 8 7 6 5 4 3 2 1 0
reserved
BUS
TRAIL
RXP
TXP
TRIG
Reset ? ? ? ? ? ? ? ? ? ? ? ? ? ? ? ? ? ? ? ? ? ? ? ? ? 0 0 0 1 1 0 0
Bits Access Name Description
31:6 — reserved
5R/WBUS
32-Bit Peripheral Bus
0 = 8-bit peripheral bus
1 = 32-bit peripheral bus
4R/WTRAIL
Trailing Bytes
0 = Trailing bytes are handled by the processor.
1 = Trailing bytes are handled by the DMA when enabled. Setting this bit
also enables the EOC interrupt.
3R/WRXP
Receive Pin Polarity Select
0 = Data from the receive data pin is inverted before being used by the
FICP unit.
1 = Data from the receive data pin to the FICP unit is not inverted.
Set on reset.
2R/WTXP
Transmit Pin Polarity Select
0 = Data from the FICP is inverted before being sent to the transmit data
pin.
1 = Data from the FICP is not inverted before being sent to the transmit
data pin.
Set on reset.
1:0 R/W TRIG
Receive FIFO Trigger Threshold
The receive FIFO generates service requests when the FIFO has reached
the trigger threshold and has no errors in its data. The DMA controller data
transfer size must be set to the same size as the receive FIFO trigger
threshold. To change the trigger threshold, the receive FIFO must be
disabled.
0b00 = Receive FIFO service request is generated when the FIFO has 8
bytes or more.
0b01 = Receive FIFO service request is generated when the FIFO has 16
bytes or more.
0b10 = Receive FIFO service request is generated when the FIFO has 32
bytes or more.
0b11 = reserved
Intel® PXA27x Processor Family Developer’s Manual 11-15
Fast Infrared Communications Port
11.4.4 FICP Data Register (ICDR)
The FICP Data register (ICDR) is a 32-bit register. Its lower eight bits are the top entry of the
transmit FIFO when the register is written and the bottom entry of the receive FIFO when the
register is read.
Reads from ICDR access the lower eight bits of the receive FIFOs bottom entry. As data enters the
top of the receive FIFO, bits 8–10 are used as tags to indicate conditions that occur as each piece of
data is received. The tag bits are transferred down the FIFO with the data byte that encountered the
condition. When data reaches the bottom of the FIFO, bit 8 of the FIFO entry is transferred to the
end-of-frame (EOF) flag, bit 9 to the CRC error (CRE) flag, and bit 10 to the receiver overrun
(ROR) flag. All these flags are in FICP Status register 1. These flags can be read to determine
whether the value at the bottom of the FIFO represents the frames last byte or an error that was
encountered during reception. After the flags are checked, the FIFO value can be read. This causes
the data in the next location of the receive FIFO to be transferred to the bottom entry and its EOF,
CRE, and ROR bits to be transferred to the status register.
The end/error in FIFO (EIF) flag is set in status register 0 when a tag bit is set in any of the receive
FIFOs bottom 8, 16, or 32 entries, as determined by the trigger threshold. The EIF flag is cleared
when no error bits are set in the FIFO’s bottom entries. When EIF is set, an interrupt is generated
and the receive FIFO DMA request is disabled. Software must empty the FIFO and check for the
EOF, CRE, and ROR error flags in ICSR1 before it removes each data value from the FIFO. After
each entry is removed, the EIF bit must be checked to determine if any set end or error tag remains.
The procedure is repeated until all set tags are flushed from the FIFO’s bottom entries. When EIF is
cleared, DMA service for the receive FIFO is re-enabled.
Both FIFOs are cleared when the PXA27x processor is reset. The transmit FIFO is cleared when
TXE is 0. The receive FIFO is cleared when RXE is 0.
This a read/write register. Ignore reads from reserved bits. Write 0b0 to reserved bits.
Table 11-5. ICDR Bit Definitions
Physical Address
0x4080_000C ICDR FICP
User
Settings
Bit 31 30 29 28 27 26 25 24 23 22 21 20 19 18 17 16 15 14 13 12 11 10 9 8 7 6 5 4 3 2 1 0
DATA
Reset ? ? ? ? ? ? ? ? ? ? ? ? ? ? ? ? ? ? ? ? ? ? ? ? ? ? ? ? ? ? ? ?
Bits Access Name Description
31:0 R/W DATA
Top/Bottom of Transmit/Receive FIFO
Read = Read data from front of receive FIFO.
Write = Place data at end of transmit FIFO.
11-16 Intel® PXA27x Processor Family Developer’s Manual
Fast Infrared Communications Port
11.4.5 FICP Status Register 0 (ICSR0)
FICP Status register 0 (ICSR0) contains bits that signal the transmit FIFO service request, receive
FIFO service request, receiver abort, transmit FIFO underrun, framing error, and the end/error in
receive FIFO conditions. Each of these hardware-detected events signals an interrupt request to the
interrupt controller.
If a bit signals an interrupt request, it signals the interrupt request as long as the bit is set. When the
bit is cleared, the interrupt is cleared. Read/write bits are called status bits. Read-only bits are
called flags. Status bits that must be cleared by software after they are set by hardware are called
sticky status bits. Writing a 1 to a sticky status bit clears it. Writing a 0 to a sticky status bit has no
effect. Read-only flags are set and cleared by hardware. Writes to read-only flags have no effect.
Some bits that cause interrupts have corresponding mask bits in the control registers. These bits are
indicated in the sections that follow.
This a read/write register. Ignore reads from reserved bits. Write 0b0 to reserved bits.
Table 11-6. ICSR0 Bit Definitions (Sheet 1 of 2)
Physical Address
0x4080_0014 ICSR0 FICP
User
Settings
Bit 31 30 29 28 27 26 25 24 23 22 21 20 19 18 17 16 15 14 13 12 11 10 9 8 7 6 5 4 3 2 1 0
reserved
EOC
FRE
RFS
TFS
RAB
TUR
EIF
Reset ? ? ? ? ? ? ? ? ? ? ? ? ? ? ? ? ? ? ? ? ? ? ? ? 0 0 0 0 0 0 0 0
Bits Access Name Description
31:7 — reserved
6R/WEOC
DMA End-of-Descriptor Chain
EOC bit is set (and interrupt asserted if enabled) when the DMA signals to
the FICP that the receive DMA channel has exhausted its descriptor chain
and stopped prematurely. This bit asserts only when necessary, so EOC
does not assert if the last byte of the message has been transferred out of
the receive FIFO. If data is still being received, software must either
reprogram the DMA chain or service the FIFO using interrupt requests.
EOC must be cleared by the processor.
This interrupt is enabled when ICCR0[TRAIL] is set.
0 = DMA has not signaled the end of its programmed descriptor chain.
1 = DMA has signaled the end of its programmed descriptor chain.
5R/WFRE
Framing Error
0 = No framing errors encountered in the receipt of this data.
1 = Framing error occurred. A preamble was followed by something other
than another preamble or start flag. Requests interrupt.
4RRFS
Receive FIFO Service Request (read-only)
0 = Receive FIFO has not reached it trigger threshold or receiver
disabled.
1 = Receive FIFO has reached its trigger threshold and receiver is
enabled. DMA service request signaled. Interrupt request signaled if
not masked by ICCR0[RIE].
Intel® PXA27x Processor Family Developer’s Manual 11-17
Fast Infrared Communications Port
3RTFS
Transmit FIFO Service Request (read-only)
0 = Transmit FIFO has more than 32 entries of data or transmitter
disabled.
1 = Transmit FIFO has 32 or less entries of data and transmitter is
enabled. DMA service request signaled. Interrupt request signaled if
not masked by ICCR0[TIE].
2R/WRAB
Receiver Abort
0 = No abort has been detected for the incoming frame.
1 = Abort detected during receipt of incoming frame. Two or more chips
containing no pulses or any invalid chips were detected on the
receive pin. EOF bit set on last piece of valid data received before the
abort. Requests interrupt.
1R/WTUR
Transmit FIFO Underrun
0 = Transmit FIFO has not experienced an underrun.
1 = Transmit logic attempted to fetch data from transmit FIFO while it was
empty. Interrupt request signaled if not masked by ICCR0[TUS].
Underruns are not generated when the FICP transmitter is first enabled and
is idle.
0REIF
End/Error in FIFO (read-only)
0 = Bits 8–10 are not set within any of the entries below the trigger
threshold of the receive FIFO. Receive FIFO DMA service requests
are enabled.
1 = One or more tag bits (8–10) are set within the entries below the
trigger threshold of the receive FIFO. Requests interrupt, disable
receive FIFO DMA service requests.
This interrupt is not maskable in the FICP. Once the invalid bytes have been
removed from the FIFO and EIF is cleared, DMA requests are automatically
enabled.
Table 11-6. ICSR0 Bit Definitions (Sheet 2 of 2)
Physical Address
0x4080_0014 ICSR0 FICP
User
Settings
Bit 31 30 29 28 27 26 25 24 23 22 21 20 19 18 17 16 15 14 13 12 11 10 9 8 7 6 5 4 3 2 1 0
reserved
EOC
FRE
RFS
TFS
RAB
TUR
EIF
Reset ? ? ? ? ? ? ? ? ? ? ? ? ? ? ? ? ? ? ? ? ? ? ? ? 0 0 0 0 0 0 0 0
Bits Access Name Description
11-18 Intel® PXA27x Processor Family Developer’s Manual
Fast Infrared Communications Port
11.4.6 FICP Status Register 1 (ICSR1)
FICP Status register 1 (ICSR1) contains flags that indicate that the receiver is synchronized, the
transmitter is active, the transmit FIFO is not full, the receive FIFO is not empty, and that an EOF,
CRE, or underrun error has occurred. All bits in ICSR1 are read-only.
This is a read-only register. Ignore reads from reserved bits.
Table 11-7. ICSR1 Bit Definitions (Sheet 1 of 2)
Physical Address
0x4080_0018 ICSR1 FICP
User
Settings
Bit 31 30 29 28 27 26 25 24 23 22 21 20 19 18 17 16 15 14 13 12 11 10 9 8 7 6 5 4 3 2 1 0
reserved
ROR
CRE
EOF
TNF
RNE
TBY
RSY
Reset ? ? ? ? ? ? ? ? ? ? ? ? ? ? ? ? ? ? ? ? ? ? ? ? ? 0 0 0 1 0 0 0
Bits Access Name Description
31:7 — reserved
6RROR
Receive FIFO Overrun (read-only)
0 = Receive FIFO has not experienced an overrun.
1 = Receive logic attempted to place data into receive FIFO while it was
full. Data received after the FIFO is full are lost.
Each time an 11-bit value reaches the bottom of the receive FIFO, bit 10
from the last FIFO entry is transferred to the ROR bit.
5 R CRE
CRC Error (read-only)
0 = CRC not encountered yet or no CRC check errors encountered in the
receipt of data.
1 = CRC calculated on the incoming data. Does not match CRC value
contained within the received frame. When CRE is set, ICSR0[EIF] is
also set, causing an interrupt to be generated, and the receive FIFO
DMA requests to be disabled.
Each time an 11-bit value reaches the bottom of the receive FIFO, bit 9 from
the last FIFO entry is transferred to the CRE bit.
4REOF
End of Frame (read-only)
0 = Current frame has not completed.
1 = The value at the bottom of the receive FIFO is the last byte of data
within the frame, including aborted frames. When EOF is set,
ICSR0[EIF] is also set causing an interrupt to be generated, and the
receive FIFO DMA requests to be disabled.
Each time an 11-bit value reaches the bottom of the receive FIFO, bit 8 from
the last FIFO entry is transferred to the EOF bit.
3RTNF
Transmit FIFO Not Full (read-only)
0 = Transmit FIFO is full.
1 = Transmit FIFO is not full. No interrupt generated.
Intel® PXA27x Processor Family Developer’s Manual 11-19
Fast Infrared Communications Port
11.4.7 FICP FIFO Occupancy Status Register (ICFOR)
This register shows the number of bytes currently remaining in the receive FIFO. It can be used by
the processor to determine the number of trailing bytes to remove in the case when the DMA
reaches the end of its Descriptor chain or when ICCR2[TRAIL] = 0, which indicates the processor
will remove trailing bytes as opposed to the DMA (see Section 11.3.11). ICFOR can also determine
the number of bytes available in the receive FIFO when DMA requests are disabled and the
processor is servicing the FIFO. The register organization and the individual bit definitions are
shown in Table 11-8.
This a read/write register. Ignore reads from reserved bits. Write 0b0 to reserved bits.
2 R RNE
Receive FIFO Not Empty (read-only)
0 = Receive FIFO is empty.
1 = Receive FIFO is not empty. No interrupt generated.
1RTBY
Transmitter Busy Flag (read-only)
0 = Transmitter is idle (continuous preambles) or disabled.
1 = Transmit logic is currently transmitting a frame (address, control,
data, CRC, or start/stop flag). No interrupt generated.
0RRSY
Receiver Synchronized Flag (read-only)
0 = Receiver is in hunt mode or is disabled.
1 = Receiver logic is synchronized with the incoming data (no interrupt
generated).
Table 11-7. ICSR1 Bit Definitions (Sheet 2 of 2)
Physical Address
0x4080_0018 ICSR1 FICP
User
Settings
Bit 31 30 29 28 27 26 25 24 23 22 21 20 19 18 17 16 15 14 13 12 11 10 9 8 7 6 5 4 3 2 1 0
reserved
ROR
CRE
EOF
TNF
RNE
TBY
RSY
Reset ? ? ? ? ? ? ? ? ? ? ? ? ? ? ? ? ? ? ? ? ? ? ? ? ? 0 0 0 1 0 0 0
Bits Access Name Description
Table 11-8. ICFOR Bit Definitions
Physical Address
0x4080_001C ICFOR FICP
User
Settings
Bit 31 30 29 28 27 26 25 24 23 22 21 20 19 18 17 16 15 14 13 12 11 10 9 8 7 6 5 4 3 2 1 0
reserved Byte Count
Reset ? ? ? ? ? ? ? ? ? ? ? ? ? ? ? ? ? ? ? ? ? ? ? ? ? 0 0 0 0 0 0 0
Bits Access Name Description
31:7 — reserved
6:0 R/W Byte Count Number of bytes (0–64) remaining in the receiver FIFO
11-20 Intel® PXA27x Processor Family Developer’s Manual
Fast Infrared Communications Port
11.5 Register Summary
Table 11-9 shows the registers associated with the fast infrared communications port and the
physical addresses to access them. These registers must be mapped as non-cacheable, non-
bufferable, and can only be accessed as word accesses. They are grouped together within one page,
and all have the same memory protections.
Table 11-9. Fast Infrared Communications Port Register Summary
Address Name Description Page
0x4080_0000 ICCR0 FICP Control register 0 11-10
0x4080_0004 ICCR1 FICP Control register 1 11-13
0x4080_0008 ICCR2 FICP Control register 2 11-14
0x4080_000C ICDR FICP Data register 11-15
0x4080_0010 reserved
0x4080_0014 ICSR0 FICP Status register 0 11-16
0x4080_0018 ICSR1 FICP Status register 1 11-18
0x 4080 001C ICFOR FICP FIFO Occupancy Status register 11-19
0x 4080 0020–0x 4080 FFFC reserved
Intel® PXA27x Processor Family Developer’s Manual 12-1
USB Client Controller 12
This section describes the Universal Serial Bus (USB) client, including information on the
PXA27x processor implementation of the Universal Serial Bus (USB) device controller, such as
number, type, and function of the endpoints, the interrupts to the processor, and the transmit/
receive FIFO interface. A working knowledge of the Universal Serial Bus Specification, Revision
1.11 is necessary to fully understand the material contained in this chapter. The Universal Serial
Bus device controller (UDC) is USB 1.1-compliant and supports all standard device requests
issued by any USB host controller. Refer to the Universal Serial Bus Specification, Revision 1.1,
the On-The-Go Supplement to Universal Serial Bus Specification, Revision 2.02, and the Pull-up/
Pull-down Resistors Engineering Change Notice to the USB 2.0 Specification3 for a full
description of the USB protocol and its operation.
12.1 Overview
The UDC supports 24 endpoints (endpoint 0 plus 23 programmable endpoints). The UDC is a USB
Revision 1.1-compliant, full-speed device that operates half-duplex at a baud rate of 12 Mbps (as a
slave only, not as a host or hub controller).
The serial information transmitted and received by the USB client controller contains layers of
communications protocols as defined by Universal Serial Bus Specification, Revision 1.1, the most
basic of which are fields.
USB fields include: sync, packet identifier, address, endpoint, frame number, data, and CRC.
Fields are used to produce packets. Depending on the packet function, a different combination
and number of fields can be used.
Packet types include: token, start of frame, data, and handshake. Packets are assembled into
groups to produce transfers, transactions, and frames.
Transfers fall into four groups: bulk, control, interrupt, and isochronous.
Transactions fall into four groups: IN, OUT, SOF, and SETUP. Data flow is relative to the
USB host controller. IN packets represent data flow from the USB client controller to the host
controller. OUT packets represent data flow from the USB host controller to the client
controller.
Figure 12-1 graphically represents the communications layers in the protocol. See the Universal
Serial Bus Specification, Revision 1.1 for more details on USB protocol.
The UDC uses single-ported memory to support FIFO operations. Bulk, isochronous, and interrupt
endpoint FIFO structures can be double-buffered to enable the endpoint to process one packet
while assembling another. Use either DMA or the Intel XScale® core to fill and empty the FIFOs.
An interrupt, DMA service request, or polling can be used to detect packet receipt.
1. The latest revision of the Universal Serial Bus Specification Revision 1.1 can be accessed at: http://www.usb.org/
2. The latest revision of the On-The-Go Supplement to Universal Serial Bus Specification Revision 2.0 can be accessed at: http://www.usb.org/
3. The latest revision of the Pull-up/Pull-down Resistors Engineering Change Notice to the Universal Serial Bus 2.0 Specification can be
accessed at: http://www.usb.org/
12-2 Intel® PXA27x Processor Family Developer’s Manual
USB Client Controller
The USB host controller referenced in this chapter refers to any USB host controller that is
compliant to the Universal Serial Bus Specification, Revision 1.1, including the PXA27x
processors internal USB host controller.
Figure 12-1. Communications Protocol Layers in the USB Client Controller
12.2 Features
USB Revision 1.1, full-speed compliant device
23 programmable endpoints
Type: bulk, isochronous, or interrupt
Direction: in or out
Maximum packet size
Programmable configuration, interface and alternate interface setting numbers
Endpoint 0 for control IN and OUT
Four configurations:
Three programmable configurations with up to seven interfaces with seven alternate
interface settings
Default configuration 0 with one interface and control endpoint 0
Configurable 4-Kbyte memory for endpoint data storage
Sync Packet
Identifier Address Endpoint Frame Data CRC
Fields
Token Start-of-Frame Data Handshake
Packets
Transactions Transfers Frames
IN
OUT
SOF
Bulk
Control
Interrupt
Isochronous
Intel® PXA27x Processor Family Developer’s Manual 12-3
USB Client Controller
12.3 Signal Descriptions
This section describes the signals used by the USB client controller (See Table 12-1).
12.3.1 Bidirectional Signals
USBC_P and USBC_N are the differential lines of the USB cable. Using differential signaling
allows transmitting multiple states on the serial bus. These states are combined to transmit data as
well as various bus conditions, including: idle, resume, start-of-packet (SOP), end-of-packet
(EOP), disconnect, connect, and reset. Four distinct states are represented using differential data by
decoding the polarity of the USBC_P and USBC_N pins. Two of the four states are used to
represent data. A one is represented when USBC_P is high and USBC_N is low; a zero is
represented when USBC_P is low and USBC_N is high. The remaining two states and pairings of
the four encodings are decoded further to represent the current state of the USB. Table 12-2 shows
how seven different bus states as well as one and zero are represented using differential signaling.
Table 12-1. USB Client Controller Interface I/O Signal Descriptions
Name Type Description
USBC_P Input/Output USB client port positive pin of differential pair
USBC_N Input/Output USB client port negative pin of differential pair
Table 12-2. USB States Using Differential Signaling
Bus State USBC_P Pin Level USBC_N Pin Level
1 High Low
0 Low High
Idle High from EOP to SOP
(Held by bus termination resistors)
Low from EOP to SOP
(Held by bus termination resistors)
Resume Low High
Start-of-Packet (SOP) Transition from idle to resume
End-of-Packet (EOP) Low for 2 bit-times followed by an idle for 1 bit-time
(Low, Low, High)
Low for 2 bit-times followed by an idle for 1 bit-time
(Low, Low, Low)
Disconnect Below single-ended low trigger threshold for more than 2.5 µs.
(Disconnect is the static bus condition that results when no device is plugged into a hub port.)
Connect USBC_P OR USBC_N high for more than 2.5 µs.
Reset Low for more than 2.5 µs. Low for more than 2.5 µs.
12-4 Intel® PXA27x Processor Family Developer’s Manual
USB Client Controller
12.4 Operation
The UDC consists of four major components: the peripheral bus interface, endpoint memory,
endpoint control, and USB interface. The peripheral bus interface contains the UDC control and
status registers for the endpoint configuration data and provides the interface between the PXA27x
processor and the USB data. The endpoint memory is a 4-Kbyte SRAM used for USB endpoint
data storage. It has 32 bytes dedicated to endpoint 0, allowing the remainder of its memory to be
allocated to any of the 23 programmable endpoints. The endpoint control and USB interface blocks
provide the USB functionality. Figure 12-2 is a block diagram of the USB client controller and its
dedicated I/O.
Figure 12-2. USB Client Controller Block Diagram
12.4.1 Peripheral Bus Interface and Control/Status Registers
The UDC is a slave peripheral device that is connected to the internal peripheral bus. All user-
initiated accesses to the UDC registers and endpoint memory are completed using the internal
peripheral bus. The control and status registers include registers for frame-number storage, UDC
top-level control and status, interrupt control and status, endpoint control, status, and data transfer.
The UDC Control register (UDCCR) provides control and status of internal UDC functions. The
UDCCR status bits indicate the current USB configuration, interface, and alternate interface setting
numbers assigned the UDC by the USB host controller. The UDCCR also contains a status bit to
indicate if the UDC is actively communicating on the USB, and a status bit to indicate an unusable
endpoint memory configuration. The UDCCR also allows selection of UDC enable for USB
operation, UDC resume, and endpoint memory configuration control (refer to Section 12.6.1 for
more details on the UDCCR).
Either processor interrupts or polling can be used to determine whether USB activity occurs. The
Frame Number register (UDCFNR) holds the frame number contained in the last received start-of-
frame (SOF) packet.
Although the UDC can generate only a single interrupt to the processors interrupt controller, there
are 53 sources for this interrupt. Each of the 24 endpoints (0 and A–X) has two interrupts: packet
complete and FIFO error. In addition, the UDC has five interrupts that can be generated based on
USB activity. The interrupt sources are shown in the UDC Interrupt Status registers, which must be
read to determine the cause of the interrupt being generated. In addition, USB activity can be
determined by reading the UDC Interrupt Status registers. If polling is used, the Endpoint Control/
Status registers can be read to determine activity on the USB.
Control
Peripheral
Bus Interface
(Control
and Status
Registers)
Endpoint
Memory
Endpoint USB
Interface UDC
Transceiver
USB Device Controller Pad Unit
Internal
Peripheral Bus
USBC_P
USBC_N
Intel® PXA27x Processor Family Developer’s Manual 12-5
USB Client Controller
The UDC Interrupt Control registers contain interrupt-enable bits that enable the generation of the
UDC interrupt. When an interruptible event occurs, the appropriate status bit in the Endpoint
Control/Status register is set, and if the corresponding interrupt-enable bit in the Interrupt Control
register is set, then the appropriate bit in the Interrupt Status register is set and an interrupt is
generated. An interrupt is cleared by setting the appropriate bit in the Interrupt Status registers (see
Section 12.6.2 and Section 12.6.5 for more details on the UDC Interrupt Control and Status
registers).
Endpoint 0 is the only control endpoint and the only bidirectional endpoint in the UDC, and has
characteristics different from the programmable endpoints A–X. Key characteristics of endpoint 0
include the following:
Control/Status, Byte Count, and Data registers
Configuration is fixed and does not use a configuration register
Enabled for every USB configuration and interface
Bidirectional endpoint with 32 bytes of USB data-storage space allocated in the endpoint
memory: 16 bytes of FIFO memory are used for IN data and 16 bytes are used for OUT data
USB data space is not double-buffered.
Only endpoint configured and available for USB operation after USB reset, and before the
USB host controller has enumerated the UDC
The Endpoint 0 Control/Status and Byte Count registers provide the status of the endpoint 0 IN and
OUT buffers. The Receive FIFO Not Empty bit (UDCCSR0[RNE]) and OUT Packet Complete bit
(UDCCSR0[OPC]) are set when a complete data packet has been received from the USB host
controller. If the packet is part of a SETUP transaction, the Setup Active bit (UDCCSR0[SA]) is
also set. The endpoint 0 transmit FIFO is flushed by the UDC after receiving an OUT data packet
from the USB host controller. The Byte Count register (UDCBCR0) indicates the number of bytes
of data that need to be unloaded from the receive buffer. As data is read from the endpoint 0 receive
buffer using the Endpoint 0 Data register UDCDR0, the Byte Count register value is decremented
to indicate the number of bytes remaining in the buffer. When all of the data has been unloaded
from the receive buffer, UDCCSR0[RNE] is cleared by the UDC to indicate the receive buffer is
empty. After reading all of the data from the endpoint 0 receive buffer, software must clear
UDCCSR0[OPC] to enable the buffer to receive another USB data packet.
Loading a maximum packet size of 16 bytes into the endpoint 0 transmit FIFO automatically sets
UDCCSR0[IPR]. If less than 16 bytes are loaded into the endpoint 0 transmit FIFO,
UDCCSR0[IPR] must be explicitly set to indicate a complete packet has been loaded. When the
data has been transmitted to the USB host controller, the UDC clears UDCCSR0[IPR] to indicate
the packet has been sent (see Section 12.6.7, Section 12.6.9, and Section 12.6.10 for more
information on Endpoint 0 registers).
Each of the 23 programmable endpoints, referred to as endpoints A–X, has a Configuration
register, Control/Status register, Byte Count register, and a Data register. The Configuration
registers set the configuration, interface, alternate setting and endpoint numbers, and maximum
packet size, as well as enable double-buffering for each endpoint. The Configuration registers can
be written only when the UDC is not enabled (UDCCR[UDE] is clear). When UDCCR[UDE] is
set, the endpoint configurations are loaded into the USB interface block and are set to read-only
access (refer to Section 12.4.2 for more information on configuring the programmable endpoints).
12-6 Intel® PXA27x Processor Family Developer’s Manual
USB Client Controller
The Control/Status, Byte Count, and Data registers control the operation of each endpoint after
enumeration. If an endpoint has double-buffering disabled, the Control/Status and Byte Count
registers provide the status of the endpoint buffer. If the endpoint is configured as an OUT
endpoint, the FIFO Service (FS) and Packet Complete (PC) bits in the Endpoint Control/Status
register are set when a complete data packet has been received from the USB host controller.
The Byte Count register of each endpoint indicates the number of data bytes that need to be
unloaded from the buffer. As data is read from the FIFO memory using the Data register, the
corresponding Byte Count register value is decremented to indicate the number of bytes remaining
in the buffer. When all of the data has been unloaded from the FIFO memory, the FS and Buffer
Not Empty/Buffer Not Full (BNE/BNF) bits in the Control/Status register and the Byte Count (BC)
in the Byte Count register are cleared by the UDC to indicate the current buffer is empty. After
reading all of the data from the endpoint buffer, software must clear the PC bit in the corresponding
Control/Status register.
If an OUT endpoint has double-buffering enabled, the Control/Status and Byte Count registers
provide the status of the endpoint buffer that is currently active. The FS, PC, and BNE/BNF bits in
the Endpoint Control/Status register are set when the first buffer has received a complete data
packet. The short-packet (SP) bit indicates a packet smaller than the maximum packet size has been
received and is ready for unloading, or has been loaded and is ready for transmission. The Data
register unloads data from the first buffer. The Control/Status and Byte Count registers continue to
hold the status of the first buffer until software clears the PC bit in the Control/Status register.
As the data is read from the first receive buffer, the value in the Byte Count register is decremented
and indicates the number of data bytes that still need to be read from the first buffer in the FIFO
memory. When all of the data in the first buffer has been read, the Byte Count register and the
BNE/BNF bit in the Control/Status register are cleared. If a second packet is received before all of
the data has been read from the first buffer, the FS bit continues to be set after the first buffer is
been read, but the second packet of data does not set the PC bit until after software has cleared the
PC bit.
The status of the second buffer cannot be determined until the PC bit is cleared. The PC bit must be
set to update the Control/Status and Byte Count registers with the status of the second buffer. If the
PC bit is set before reading all of the data in the first receive buffer, the data in the first receive
buffer is lost.
If the second buffer has received a complete data packet, the PC bit is again set to indicate that the
endpoint FIFO has data ready to be unloaded, and the BNE/BNF and Byte Count registers indicate
the amount of data present in the second buffer. At this point, the Data register unloads data from
the second buffer. The Control/Status and Byte Count registers continue to hold the status of the
second buffer until software again clears the PC bit. Only after all of the data has been read from
the second buffer must the PC bit be set. Doing so updates the Control/Status and Byte Count
registers to reflect the status of the first buffer. (See Figure 12-3 for the relationship between the
data in the endpoint buffers and the status bits in the Endpoint Control/Status register.)
Intel® PXA27x Processor Family Developer’s Manual 12-7
USB Client Controller
Figure 12-3. Status Bits for OUT Endpoints
If an endpoint is configured as an IN endpoint and has double-buffering disabled, the Control/
Status register provides the status of the endpoint buffer. The Byte Count register is not used for IN
endpoints and is reserved. If data has been loaded into the endpoint buffer, but has not been
transmitted to the USB host controller, the BNE/BNF and FS bits are cleared by the UDC when a
complete packet has been loaded into the FIFO memory and is ready for transmission. To indicate
a complete packet has been loaded, either write the maximum packet size to the buffer or set the
Short Packet (SP) bit. When the data has been transmitted to the USB host controller, the UDC sets
the PC bit to indicate the packet has been sent and the error/status bits in the Control/Status register
show the values for the completed transaction. The PC bit must be cleared before loading more
data for transmission.
If an IN endpoint has double-buffering enabled, the Control/Status register provides the status of
the endpoint buffer that is currently active for loading. If both buffers are empty, the BNE/BNF bit
is set and the FS bit is set, indicating that the FIFO is empty and will require service to be able to
transmit any data to the USB host controller. Data is loaded into the first buffer by writing to the
Endpoint Data register. When the current endpoint buffer has not been transmitted but has a
First
Buffer
Second
Buffer
One Packet Received
BNE/BNF = 1
FS = 1
Short
Packet
PC = 1
SP = 1
Maximum
Size
Packet
Byte Count = Number of
bytes in short
packet
Double-Buffered OUT Endpoints
Single-Buffered OUT Endpoints
First
Buffer
Second
Buffer
Two Packets Read
BNE/BNF = 0
FS = 0
PC = 0
SP = 0
Byte Count = 0
First
Buffer
Second
Buffer
Two Packets Received
BNE/BNF = 1
FS = 1
Short
Packet
PC = 1
SP = 1
Byte Count = Number of
bytes in short
packet
Maximum
Size
Packet
First
Buffer
Second
Buffer
One Packet Read
BNE/BNF = 1
FS = 1
PC = 1
SP = 0
Byte Count = Maximum
packet size
Buffer
One Packet Received
BNE/BNF = 1
FS = 1
Short
Packet
PC = 1
SP = 1
Byte Count = Number of
bytes in short
packet
Buffer
One Packet Read
BNE/BNF = 0
FS = 0
PC = 0
SP = 0
Byte Count = 0
Buffer
Second Packet Received
BNE/BNF = 1
FS = 1
PC = 1
SP = 1
Byte Count = Maximum
packet size
Maximum
Size
Packet Buffer
Second Packet Read
BNE/BNF = 0
FS = 0
PC = 0
SP = 0
Byte Count = 0
After PC bit cleared by user
All registers are 32-bits and may not be addressed as partial bytes.
Notes:
12-8 Intel® PXA27x Processor Family Developer’s Manual
USB Client Controller
complete packet loaded, the UDC clears the BNE/BNF bit. The FS bit is cleared when both buffers
have been loaded and are waiting to be transmitted to the USB host controller. The buffers can be
loaded with a maximum packet, a zero packet, or a short packet. When one buffer of data has been
transmitted to the USB host controller, the PC and FS bits are set to indicate a packet has been
transmitted and there is room in the FIFO to load another packet. Software must clear the PC bit in
the Control/Status register to allow both the transmission of the second loaded buffer of data and
loading of the empty buffer. Figure 12-4 illustrates the relationship between data in the endpoint
buffers and the status bits in the Endpoint Control/Status register.
Figure 12-4. Status Bits for IN Endpoints
12.4.2 Endpoint Memory Configuration
The endpoint memory consists of 4 Kbytes of SRAM, arranged as a 1K x 32-bits block. The
endpoint memory is used for storing USB data that has been received from the USB host controller
or has been loaded for transmission to the USB host controller. 32 bytes of the endpoint memory
are dedicated for endpoint 0 USB data storage. The remaining 4064 bytes can be allocated by users
to endpoints A–X. The FIFO memory space is flushed and the memory reallocated when users set
the Switch Endpoint Memory To Active Configuration bit UDCCR[SMAC], allowing each
configuration, interface, and alternate interface setting to allocate the entire 4064 bytes of endpoint
memory for use when that configuration and interface is active. The USB data stored in the
Double-Buffered IN Endpoints
Single-Buffered IN Endpoints
Buffer
Buffer Empty
BNE/BNF = 1
FS = 1
PC = 0
SP = 0
Buffer
Buffer Full
BNE/BNF = 0
FS = 0
PC = 0
SP = 0
Maximum
Size
Packet Buffer
Packet Transmitted
BNE/BNF = 1
FS = 1
PC = 1
SP = 0
Buffer
User Loaded Some Data
BNE/BNF = 1
FS = 1
PC = 0
SP = 0
First
Buffer
Second
Buffer
Both Packets Transmitted
BNE/BNF = 1
FS = 1
PC = 1
SP = 0
Maximum
Size
Packet
First
Buffer
Second
Buffer
Both Buffers Loaded
BNE/BNF = 0
FS = 0
Short
Packet
PC = 0
SP = 1
Maximum
Size
Packet
First
Buffer
Second
Buffer
One Packet Transmitted
BNE/BNF = 0
FS = 1
PC = 1
SP = 1
First
Buffer
Second
Buffer
First Buffer Loaded
BNE/BNF = 1
FS = 1
Short
Packet
PC = 0
SP = 1
First
Buffer
Second
Buffer
Both Buffers Empty
BNE/BNF = 1
FS = 1
PC = 0
SP = 0
After PC bit cleared by user.
Notes:
All registers are 32-bits and may not be addressed as partial bytes.
Intel® PXA27x Processor Family Developer’s Manual 12-9
USB Client Controller
4-Kbyte SRAM is accessed through the Endpoint Data registers (UDCDR0 and UDCDRA–X) in a
FIFO-type fashion and are referred to as the receive FIFO, transmit FIFO, or FIFO memory
throughout this chapter. Figure 12-5 shows the unconfigured memory map of the 4-Kbyte SRAM.
Figure 12-5. Map of 4-Kbyte SRAM for USB Endpoint Data
Each programmable endpoint A–X is allocated space in the 4-Kbyte SRAM, up to approximately
two times the maximum packet size for the particular endpoint type (if double-buffering is
enabled). The maximum packet size and double-buffering are programmed using the Endpoint
Configuration registers UDCCRA–X (see Section 12.6.11).
The endpoint memory is 32 bits wide and is allocated only on 32-bit boundaries. Although
isochronous endpoints and interrupt endpoints can be programmed for any maximum packet size
up to 1023 bytes and 64 bytes, respectively, if an endpoint is programmed for a maximum packet
size that is not 32-bit aligned, its FIFO memory space is allocated up to the next valid 4-byte
boundary.
For example, if an isochronous endpoint is configured for a maximum packet size of 317 bytes, the
endpoint is allocated 320 bytes of FIFO memory space for each buffer. The additional 3 bytes of
allocated FIFO memory space are not used and cannot be accessed. If this endpoint was
programmed to be double-buffered, it would use a total of 640 bytes of FIFO memory space (320
bytes x 2). In addition, any packet that is less than the programmed maximum packet size is
considered as occupying the entire buffer. For example, in a double-buffered OUT endpoint, a
short or zero packet completely occupies one of the buffers, leaving the adjacent buffer open for
loading.
When loading an endpoint with a packet that is not 32-bit aligned, the user must write all data as
32-bit accesses except for the final, partial-word write. The last word write can be written as 8-, 16-
or 24-bit accesses. For example, if a 15-byte packet is to be transmitted, the user must write the first
12 bytes as three 32-bit accesses. The last 3 bytes can be written as either 3 byte writes, 1 byte write
and 1 half-word write or as one 24-bit access (if being loaded by the DMA). No other accesses to
the endpoint memory may be less than 32-bit accesses. All reads must be 32-bit accesses.
Table 12-3 shows the endpoints that can be used for each type, the direction that can be
programmed, and the maximum packet sizes available. The bulk, isochronous, and interrupt
endpoints can be programmed to be double-buffered so one packet can be processed while the next
is being assembled. If an IN endpoint is double-buffered, users can be loading the endpoint data
0x000h
4K SRAM
0xFFFh Endpoints AX Data
Endpoint 0 Transmit Data
0x020h
0x01Fh
byte FFF byte FFE byte FFD byte FFC
byte FFB byte FFA byte FF9 byte FF8
byte 1F byte 1E byte 1D byte 1C
byte 1B byte 1A byte 19 byte 18
byte 7 byte 6 byte 5 byte 4
byte 3 byte 2 byte 1 byte 0
byte 17 byte 16 byte 15 byte 14
byte 13 byte 12 byte 11 byte 10
byte F byte E byte D byte C
byte B byte A byte 9 byte 8
byte 23 byte 22 byte 21 byte 20
.
.
.
USB Data
Endpoint 0 Receive Data
bit 31 bit 0
12-10 Intel® PXA27x Processor Family Developer’s Manual
USB Client Controller
into the second transmit buffer while transmitting from the first. Likewise, when unloading an
OUT endpoint, the UDC can continue to process the next incoming packet to that endpoint.
Endpoint 0 has 32 bytes of FIFO memory space, 16 bytes for IN data and 16 bytes for OUT data,
and is not double-buffered.
Programmable endpoints A–X can be selected as bulk, isochronous, or interrupt endpoints.
All bulk endpoints have maximum packet sizes of 8, 16, 32, or 64 bytes, and if double-
buffered, would result in 16, 32, 64, or 128 bytes of allocated FIFO memory space.
All isochronous endpoints have maximum packet sizes from one to 1023 bytes, and if double-
buffered, would result in allocated FIFO memory space of eight to 2048 bytes.
All interrupt endpoints have maximum packet sizes of one to 64 bytes, and if double-buffered,
would result in eight to 128 bytes of allocated FIFO memory space.
The total number of bytes of FIFO memory space allocated to all enabled endpoints for each
configuration and interface cannot exceed 4064 bytes.
If more than 4064 bytes of FIFO memory space is allocated to a single configuration and interface,
when UDCCR[UDE] is set, the endpoint configuration is checked and the error is detected, the
endpoint configuration is not loaded, the UDC is not enabled for USB operation, the endpoint
memory configuration error bit UDCCR[EMCE] bit is set, and UDCCR[UDE] is cleared by the
UDC. Figure 12-6 shows the sequence for allocating the FIFO memory, setting endpoint
configuration, and enabling the UDC for USB operation. Actions required by users are italicized.
Table 12-3. Example Endpoint Configuration
Endpoint Type UDC
Endpoint Endpoint
Direction Maximum Packet
Size (bytes) Allocated Memory if Single
Buffer Enabled (bytes) Allocated Memory if Double
Buffer Enabled (bytes)
Control 0 IN/OUT 16 32 (16 for IN, 16 for OUT) 32 (16 for IN, 16 for OUT)
Bulk A–X IN or OUT 8, 16, 32, or 64 8, 16, 32, or 64 16, 32, 64, or 128
Isochronous A–X IN or OUT 1–1023 4–1024 8–2048
Interrupt A–X IN or OUT 1–64 4–64 8–128
Intel® PXA27x Processor Family Developer’s Manual 12-11
USB Client Controller
Figure 12-6. FIFO Memory and Endpoint Configuration Sequence
If the DMA loads and unloads the endpoint memory, the DMA channel must be programmed with
the length set to the maximum packet size and the width set to word (four bytes). If the PXA27x
processor loads and unloads the endpoint memory, it must be accessed as 32-bit read or 32-bit
write. When using the PXA27x processor to load data for transmitting, four bytes must be loaded at
a time; also, when loading data for transmitting, four bytes at a time must be loaded, unless the
packet size is not 4-byte aligned; if so, the final word write can be less than 32-bits in length.
If an IN endpoint maximum packet size is not 32-bit aligned, the memory space in the FIFO that is
allocated to an endpoint but outside of the space needed for the maximum packet size is unused.
Similarly, when the processor unloads receive data, four bytes at a time must be unloaded. The
Endpoint Byte Count register indicates the number of bytes to be read from the FIFO memory
space, and decrements by four until the last read occurs.
If an OUT endpoint maximum packet size is not 32-bit aligned, the 32-bit read of the FIFO
memory space allocated to the endpoint, but outside of the maximum packet size, reads as
unknown and the Byte Count register decrements by the number of valid bytes read. As an
example, Figure 12-7 shows the unloading of FIFO memory space by reading the Endpoint Data
register, and the decrementing of the Byte Count register for an OUT endpoint with a maximum
packet size of 13 bytes. Figure 12-8 shows the loading of FIFO memory space by writing the
Endpoint Data register for an IN endpoint with a maximum packet size of 13 bytes.
Set UDE = 0
Write Endpoint
Configuration Registers
Set UDE = 1
Is Endpoint
Configuration
Set EMCE = 1
Set UDE = 0
Load Endpoint Configurations
into USB Interface
Enable UDC for
USB operation
Set Endpoint Configuration
Registers to read-only
Valid?
Yes
No
Start
Actions required by user.
12-12 Intel® PXA27x Processor Family Developer’s Manual
USB Client Controller
Figure 12-7. Example Data Ordering and FIFO Organization for OUT Endpoints
Figure 12-8. Example Data Ordering and FIFO Organization for IN Endpoints
The endpoint memory is little endian with the first byte of data received from the USB being stored
in byte 0 (bits 7–0). Figure 12-9 shows an example of how the data received on the USB is
organized in the endpoint memory. In the example, 13 bytes of data are received, the receive data is
not 32-bit aligned, and 3 bytes of the data in the last register are read as unknown.
Figure 12-9. Example Data Ordering in Endpoint Memory
If the USB host controller requests IN data and no packet is loaded in the endpoint FIFO memory,
several things occur:
The Transmit/Receive NAK (TRN) bit in the Endpoint Control/Status register,
UDCCSRx[TRN], is set.
If the endpoint is configured as a bulk or interrupt endpoint, the UDC issues a NAK handshake
to the host controller.
031
UDC Data Register
First Register Read
Last Register Read
Byte 0Byte 1Byte 2Byte 3 Byte 4Byte 5Byte 6Byte 7 Byte 8Byte 9Byte 10Byte 11 Byte 12XXXXXX
031
FIFO Memory Space
Byte 0Byte 1Byte 2Byte 3 Byte 4Byte 5Byte 6Byte 7 Byte 8Byte 9Byte 10Byte 11 Byte 12---
Data received from USB
UDC Byte
Count Register
13
9
5
1
0
031
UDC Data Register
First Register Write
Last Register Write
Byte 0Byte 1Byte 2Byte 3 Byte 4Byte 5Byte 6Byte 7 Byte 8Byte 9Byte 10Byte 11 Byte 12XXXXXX
031
FIFO Memory Space
Byte 12--- Byte 8Byte 9Byte 10Byte 11 Byte 4Byte 5Byte 6Byte 7 Byte 0Byte1Byte 2Byte 3
Data transmitted on USB
031
USB Data
First Byte Received
Last Byte Received
FIFO memory space
Byte 0
Byte 1
Byte 2
Byte 3
Byte 4
Byte 5
Byte 6
Byte 7
Byte 8
Byte 9
Byte 10
Byte 11
Byte 12
Byte 0Byte 1Byte 2Byte 3 Byte 4Byte 5Byte 6Byte 7 Byte 8Byte 9Byte 10Byte 11 Byte 12---
Intel® PXA27x Processor Family Developer’s Manual 12-13
USB Client Controller
If the endpoint is configured as an isochronous endpoint, the isochronous data packet is
dropped and the FIFO error interrupt for the affected endpoint is generated, if enabled.
If the USB host controller transmits OUT data while the endpoint buffer is full:
The Transmit/Receive NAK (TRN) bit in the Endpoint Control/Status register,
UDCCSRx[TRN] is set.
If the endpoint is configured as a bulk or interrupt endpoint, the UDC sends a NAK handshake
to the host.
If the endpoint is configured as an isochronous endpoint, the UDC sends a zero-size packet
and if enabled, the FIFO error interrupt for the affected endpoint is generated.
If the USB host controller transmits more OUT data than the maximum size packet for a bulk or
interrupt endpoint, the UDC does not send any handshake to the host controller causing the host
controller to time-out. If the USB host controller transmits more OUT data than the maximum size
packet for an isochronous endpoint, the UDC sets the data packet error (DPE) bit in the Endpoint
Control/Status register, UDCCSRx[DPE].
12.4.2.1 DMA Access
The processors DMA controller can be used to load and unload the endpoint memory. When DMA
loads or unloads a particular endpoint memory, the DMA and the Endpoint Control and
Configuration registers must be set to the correct values to ensure proper operation. The Endpoint
Control registers must have the DMA enable (DME) bit set to enable the DMA request for the
endpoint. The DMA channel must be programmed with the width set to word (four bytes). The
DMA descriptor must be set to access data from the correct address as required by the current
endpoint memory configuration. When the UDC and DMA are set for DMA loading and unloading
of endpoint memory, it is possible for the UDC work without causing any interrupts.
Note: Disable the DMA-enable (DME) bit only when the DMA channel is stopped.
When an OUT endpoint that has the DME bit set receives a maximum size packet or a short packet
(except a zero size packet) from the USB host controller, the UDC asserts a DMA request for that
endpoint. The DMA receives the request and responds to the request by unloading the data from
the endpoint buffer. When the DMA controller has responded to the request, the UDC negates the
DMA request. The DMA controller continues to read the data until either the maximum packet size
or the end of descriptor has been reached (see Figure 12-10 for a DMA descriptor for OUT
endpoint FIFO servicing). If the DMA controller stops reading data from the endpoint buffer
because it reaches the end of the descriptor, more data may still be in the endpoint buffer. In this
case, the processor must read any data remaining in the endpoint buffer, or the data might be lost.
If the Short Packet (SP) bit in the Endpoint Control register is not set, the Packet Complete (PC) bit
in the Endpoint Control register is cleared when the DMA controller unloads all of the data from
the current endpoint buffer. If the SP bit in the Endpoint Control register is set, indicating the
packet in the endpoint buffer is a short packet, the UDC asserts a DMA request for the endpoint,
and the DMA controller receives the request and responds to the request by unloading the data
from the endpoint buffer. When all of the data in the endpoint buffer has been unloaded, the UDC
generates an interrupt to the processor, indicating that the SP bit needs to be cleared. The processor
must clear the PC bit to enable the endpoint buffer to receive more data. The SP bit is automatically
cleared when PC is cleared.
12-14 Intel® PXA27x Processor Family Developer’s Manual
USB Client Controller
If the SP bit in the Endpoint Control register is set, indicating the packet in the endpoint buffer is a
short packet and no data was received with the packet (a zero-size packet), the UDC does not assert
a DMA request for the endpoint, but generates an interrupt to the processor indicating that the SP
bit needs to be cleared. The processor must clear the SP and PC bits to enable the endpoint buffer to
receive more data.
Figure 12-10. DMA Descriptors for OUT Endpoint FIFO Servicing
When an IN endpoint that has the DME bit set has an empty buffer, the UDC asserts a DMA
request for that endpoint. The DMA receives the request and responds to the request by loading
data into the endpoint memory. When the DMA has responded to the request, the UDC negates the
DMA request. The DMA must load either a maximum size packet or load a short packet, and set
the SP bit in the Endpoint Control register to enable the packet for transmission. The DMA
descriptor must be programmed to write the SP bit when needed. Figure 12-11 illustrates the use of
DMA chained descriptors to load multiple packets of USB data for transmission to the USB host
controller. The first descriptor loads a maximum size packet, while the second descriptor sets the
SP bit. Note that for IN endpoints, the descriptor length must be set to the maximum packet size
and multiple descriptors used to send multiple packets except for the case where the maximum
packet size is a multiple of the DMA burst size. In the case where the maximum packet size is a
multiple of the DMA burst size, the descriptor length can be set to the entire transfer length. For
more information on setting the DMA channel registers and the DMA descriptors, refer to
Chapter 5, “DMA Controller”.
Figure 12-11. DMA Descriptors for IN Endpoint FIFO Servicing
DSCRx.StopIrqEn = 1
Data Transferring Descriptor
desc[0].ddadr = Descriptor Address = Second Descriptor
desc[0].dsadr = UDCDRx
desc[0].dtadr = Internal or External memory
desc[0].dcmds = IncTrgAddr = 1, FlowSrc = 1, Size = user selected, Width = 3, Len = transfer length (may b
e
multiple packets)
DSCRx.StopIrqEn = 1
First Descriptor
Data Transferring Descriptor
desc[0].ddadr = Descriptor Address = Second Descriptor
desc[0].dsadr = UDCDRx
desc[0].dtadr = Internal or External memory
desc[0].dcmds = IncTrgAddr = 1, FlowSrc = 1, Size = user selected, Width = 3, Len = maximum packet siz
e
Second Descriptor
SP Bit Setting Descriptor for the last packet
desc[0].ddadr = Stop = 1
desc[0].dsadr = Internal or External Memory location with Data = 0x00000080
desc[0].dtadr = UDCCSRx
Intel® PXA27x Processor Family Developer’s Manual 12-15
USB Client Controller
12.4.2.2 USB Configurations and Interfaces
Figure 12-12 shows the configurations, interfaces, and alternate interface settings that are available
in the UDC. Configuration 0 has a fixed FIFO memory-space allocation of 32 bytes used for
endpoint 0 and is the only configuration available on the USB until the UDC has been enumerated
by the USB host controller. The endpoint memory allocations for configurations 1, 2, and 3 are
programmable.
Figure 12-12. Configurations, Interfaces, and Alternate Interface Settings for UDC
Figure 12-13 shows an example of two configurations (0 and 1), with configuration 1 having two
interfaces and a total of five alternate interface settings. Each alternate interface setting is assigned
a unique set of endpoints from endpoints A–X. Each programmable endpoint A–X can be assigned
only one configuration, interface, and alternate interface setting. These endpoints can be assigned
any USB endpoint number, type, direction, and maximum packet size with the total allocated FIFO
memory space for each configuration, interface, and alternate interface setting not exceeding 4064
bytes.
Figure 12-13. Example of Two UDC Configurations
When the USB host controller executes a SET_CONFIGURATION or SET_INTERFACE
command, and if the configuration change interrupt is enabled, an interrupt is generated. Any data
still in the endpoint memory must be unloaded, and UDCCR[SMAC] must be set to flush the
Alt. Setting 0
Endpoints
Configuration 0
Interface 0
Endpoint 0
Configuration 1
Interface 0
Alt. Setting 1
Endpoints
Alt. Setting 2
Endpoints
Alt. Setting 3
Endpoints
Alt. Setting 4
Endpoints
Alt. Setting 5
Endpoints
Alt. Setting 6
Endpoints
Alt. Setting 7
Endpoints
Alt. Setting 0
Endpoints
Interface 7
Alt. Setting 1
Endpoints
Alt. Setting 2
Endpoints
Alt. Setting 3
Endpoints
Alt. Setting 4
Endpoints
Alt. Setting 5
Endpoints
Alt. Setting 6
Endpoints
Alt. Setting 7
Endpoints
Alt. Setting 0
Endpoints
Configuration 2
Interface 0
Alt. Setting 1
Endpoints
Alt. Setting 2
Endpoints
Alt. Setting 3
Endpoints
Alt. Setting 4
Endpoints
Alt. Setting 5
Endpoints
Alt. Setting 6
Endpoints
Alt. Setting 7
Endpoints
Alt. Setting 0
Endpoints
Interface 7
Alt. Setting 1
Endpoints
Alt. Setting 2
Endpoints
Alt. Setting 3
Endpoints
Alt. Setting 4
Endpoints
Alt. Setting 5
Endpoints
Alt. Setting 6
Endpoints
Alt. Setting 7
Endpoints
Alt. Setting 0
Endpoints
Configuration 3
Interface 0
Alt. Setting 1
Endpoints
Alt. Setting 2
Endpoints
Alt. Setting 3
Endpoints
Alt. Setting 4
Endpoints
Alt. Setting 5
Endpoints
Alt. Setting 6
Endpoints
Alt. Setting 7
Endpoints
Alt. Setting 0
Endpoints
Interface 7
Alt. Setting 1
Endpoints
Alt. Setting 2
Endpoints
Alt. Setting 3
Endpoints
Alt. Setting 4
Endpoints
Alt. Setting 5
Endpoints
Alt. Setting 6
Endpoints
Alt. Setting 7
Endpoints
Endpoints
Interface Number = 0
Alternate Setting = 0
Configuration 0
Interface 0
Endpoint 0
Configuration 1
Interface 0 Interface 1
Endpoint 0
A, B, C Endpoints
Interface Number = 0
Alternate Setting = 1
Endpoint 0
D, E Endpoints
Interface Number = 0
Alternate Setting = 2
Endpoint 0
F, G Endpoint
Interface Number = 1
Alternate Setting = 0
Endpoint 0
HEndpoint
Interface Number =
1
Alternate Setting =
0
Endpoint 0
I
12-16 Intel® PXA27x Processor Family Developer’s Manual
USB Client Controller
endpoint memory and reallocate the memory according to the new configuration, interface, and
alternate interface setting. Any data remaining in the endpoint FIFO is lost when the endpoint
memory is flushed. The UDCCR[SMAC] is cleared by the UDC after the endpoint memory
reallocation has completed. The UDC completes the status stage of the SET_CONFIGURATION
and SET_INTERFACE commands regardless of the UDCCR[SMAC] value.
Table 12-4 shows an example of the memory allocated for endpoints defined by a configuration,
interface, and alternate interface setting. In this example, endpoint A is set to an isochronous OUT
endpoint, programmed to be endpoint number 1, and double-buffered with a maximum packet size
of 1023 bytes. Endpoint B is programmed to be a bulk OUT endpoint without double buffering,
assigned endpoint number 2, and a maximum packet size of 64 bytes. Endpoint C is programmed
to be a bulk IN endpoint with double-buffering enabled, using endpoint number 3, and a maximum
packet size of 32 bytes. Endpoint D is programmed to be an isochronous IN endpoint with an
endpoint number 4, a maximum packet size of 387 bytes, and double buffering enabled. Finally,
endpoint E is programmed to be an interrupt IN endpoint with an endpoint number 5 and a
maximum packet size of 16 bytes. Notice that this configuration has only 6 of the 23 programmable
endpoints enabled, but uses 2968 bytes of the 4064 bytes available.
12.4.2.3 Example Endpoint Configuration
The programmable endpoints A–X can be configured to respond as any USB endpoint number
1–15, any type (isochronous, interrupt, or bulk), and either direction (IN or OUT). All
programmable endpoints A–X being used must be configured before enabling the UDC for USB
operation. Configuring a programmable endpoint defines the configuration and interface where the
endpoint is active; the USB endpoint number, type and direction; and the maximum packet size and
type of buffering to be used for storing the endpoint data. The UDC endpoint configuration can be
changed after the UDC has been enabled for USB operation, but the UDC must be disabled before
the Configuration registers can be rewritten. Disabling the UDC resets the USB configuration,
interface, alternate interface, and address assigned to the UDC by the USB host controller, and
disables all USB features enabled by the USB host controller. The UDC must be reset and re-
enumerated by the USB host controller whenever the UDC is disabled and reenabled.
Figure 12-14 is an example configuration setting that could be used for the UDC. In this example,
the UDC setup is defined as having two configurations: the default configuration 0 and a user
programmed configuration 1. Configuration 1 is defined to have two interfaces (0 and 1), with
interface 0 having two alternate interface settings (0 and 1), and interface 1 having three alternate
interface settings (0, 1, and 2). Each of the alternate interface settings has a set of endpoints to
implement that interface. The Endpoint Configuration registers configure each UDC endpoint A–X
for its use within the configuration.
Table 12-4. Maximum Packet Size Example
Endpoint Endpoint
Number Endpoint
Type Endpoint
Direction Double-Buffering
Enabled MPS
(Bytes) Allocated FIFO
Space (Bytes)
A 1 Isochronous OUT Yes 1023 2048
B2 BulkOUT No 64 64
C3 Bulk IN Yes 32 64
D 4 Isochronous IN Yes 387 776
E 5 Interrupt IN No 16 16
TOTAL 2968
Intel® PXA27x Processor Family Developer’s Manual 12-17
USB Client Controller
Figure 12-14. Example USB Configurations for UDC
Table 12-5 lists each of the USB physical endpoints and the UDC programmable endpoint assigned
to implement it. In Table 12-5, each UDC endpoint has a unique USB endpoint number. Although
endpoint numbers can be duplicated across configurations, they may not be duplicated within a
single configuration; even if the endpoint direction is different, the endpoint number must be
unique for each endpoint within a single configuration. Endpoint 0 is the only endpoint number that
is duplicated within a configuration.
Endpoint 1:
USB Configuration
Configuration 0
Interface 0
Endpoint 0
Configuration 1
Interrupt IN
MPS—16 bytes
Endpoint 2:
Isochronous IN
MPS—128 bytes
Endpoint 5:
Interrupt OUT
MPS—8 bytes
Endpoint 6:
Bulk OUT
MPS—16 bytes
Endpoint 3:
Interrupt IN
MPS—32 bytes
Endpoint 15:
Isochronous IN
MPS—511 bytes
Endpoint 7:
Interrupt OUT
MPS—16 bytes
Endpoint 4:
Bulk OUT
MPS—32 bytes
Endpoint 9:
Bulk IN
MPS—32 bytes
Endpoint 8:
Interrupt OUT
MPS—32 bytes
Endpoint 11:
Bulk OUT
MPS—64 bytes
Endpoint 12:
Bulk IN
MPS—128 bytes
Interface 0 Interface 1
Alternate Setting 0 Alternate Setting 1 Alternate Setting 0 Alternate Setting 1 Alternate Setting 2
Endpoint 0:
Control IN/OUT
MPS—16 bytes
Endpoint 0:
Control IN/OUT
MPS—16 bytes
Endpoint 0:
Control IN/OUT
MPS—16 bytes
Endpoint 0:
Control IN/OUT
MPS—16 bytes
Endpoint 0:
Control IN/OUT
MPS—16 bytes
Table 12-5. UDC Endpoint Configuration for Example USB Configuration (Sheet 1 of 2)
USB UDC
Configuration
Number Interface
Number
Alternate
Interface
Setting
EP
Number EP Configuration
Register Double-
Buffered Configuration
Register Value EP Memory
Allocated
All All All 0 0 - No - 32
1 0 0 1 A UDCCRA No 0x0200_F041 16
1 0 0 2 B UDCCRB Yes 0x0201_3203 256
1 0 1 3 C UDCCRC No 0x0209_F081 32
1 0 1 15 D UDCCRD Yes 0x020A_F7FF 1024
1 1 0 5 E UDCCRE No 0x0440_F021 8
1 1 0 6 F UDCCRF Yes 0x0441_4043 32
1 1 1 7 G UDCCRG No 0x044B_F041 16
1 1 1 4 H UDCCRH Yes 0x044C_C083 64
1 1 1 9 I UDCCRI Yes 0x0449_3083 64
1 1 2 8 J UDCCRJ Yes 0x0650_F083 64
1 1 2 11 K UDCCRK Yes 0x0651_4103 128
1 1 2 12 L UDCCRL Yes 0x0652_3203 256
- - - - M UDCCRM No 0x0000_0000 0
12-18 Intel® PXA27x Processor Family Developer’s Manual
USB Client Controller
Table 12-6 shows the endpoint memory allocation for each configuration, interface, and alternate
interface setting. Configuration 1, interface 0, with alternate interface setting 1 allocates the most
endpoint memory space, using a total of 1088 bytes. In Table 12-5, although endpoint D has a
maximum packet size of 511, each buffer is allocated 512 bytes with the endpoint using a total of
1024 bytes of memory space.
- - - - N UDCCRN No 0x0000_0000 0
- - - - P UDCCRP No 0x0000_0000 0
- - - - Q UDCCRQ No 0x0000_0000 0
- - - - R UDCCRR No 0x0000_0000 0
- - - - S UDCCRS No 0x0000_0000 0
- - - - T UDCCRT No 0x0000_0000 0
- - - - U UDCCRU No 0x0000_0000 0
- - - - V UDCCRV No 0x0000_0000 0
- - - - W UDCCRW No 0x0000_0000 0
- - - - X UDCCRX No 0x0000_0000 0
Table 12-5. UDC Endpoint Configuration for Example USB Configuration (Sheet 2 of 2)
USB UDC
Configuration
Number Interface
Number
Alternate
Interface
Setting
EP
Number EP Configuration
Register Double-
Buffered Configuration
Register Value EP Memory
Allocated
Table 12-6. Endpoint Memory Allocation by Example USB Configuration
USB UDC
Configuration
Number Interface
Number
Alternate
Interface
Setting
Total EP Allocated
Memory/Configuration
(bytes)
Active
Endpoint
Endpoint Allocated
Memory
(bytes)
000 32 0 32
100 272 A16
B256
101 1056 C32
D1024
110 40 E8
F32
111 144
G16
H64
I64
112 448
J64
K128
L256
NOTE:
Configuration totals do not include the memory allocation required for endpoint 0.
Intel® PXA27x Processor Family Developer’s Manual 12-19
USB Client Controller
The 23 endpoints can be programmed to support USB endpoints throughout the three possible
configurations, eight possible interfaces, and eight possible alternate interface settings. Before
loading the Configuration registers, users must clear UDE in the UDCCR to 0.
When UDE = 0, the UDC Endpoint Configuration registers are set to allow write accesses, the
USB I/O signals are three-stated, and the UDC cannot respond to USB host controller
commands. Users can program the USB Endpoint Configuration registers and, when finished,
can load the Configuration registers into the USB interface block by setting UDE to 1.
When UDE = 1, the USB Configuration registers are set to read-only; the UDC memory
allocation is checked and if the allocated memory space is valid, the endpoint configurations
are loaded into the USB interface block, and the UDC is enabled for USB operation.
Section 12.4.3 is a C code listing for programming the UDC endpoints to implement the USB
configuration shown in Figure 12-14.
12.4.3 Example Code for Configuring UDC Endpoints
/* define the UDC register pointers.
*/
#define udccr ((volatile unsigned long * const) 0x40600000);
#define udccra ((volatile unsigned long * const) 0x40600404);
#define udccrb ((volatile unsigned long * const) 0x40600408);
#define udccrc ((volatile unsigned long * const) 0x4060040C);
#define udccrd ((volatile unsigned long * const) 0x40600410);
#define udccre ((volatile unsigned long * const) 0x40600414);
#define udccrf ((volatile unsigned long * const) 0x40600418);
#define udccrg ((volatile unsigned long * const) 0x4060041C);
#define udccrh ((volatile unsigned long * const) 0x40600420);
#define udccri ((volatile unsigned long * const) 0x40600424);
#define udccrj ((volatile unsigned long * const) 0x40600428);
#define udccrk ((volatile unsigned long * const) 0x4060042C);
#define udccrl ((volatile unsigned long * const) 0x40600430);
#define udccrm ((volatile unsigned long * const) 0x40600434);
#define udccrn ((volatile unsigned long * const) 0x40600438);
#define udccrp ((volatile unsigned long * const) 0x4060043C);
#define udccrq ((volatile unsigned long * const) 0x40600440);
#define udccrr ((volatile unsigned long * const) 0x40600444);
#define udccrs ((volatile unsigned long * const) 0x40600448);
#define udccrt ((volatile unsigned long * const) 0x4060044C);
#define udccru ((volatile unsigned long * const) 0x40600450);
#define udccrv ((volatile unsigned long * const) 0x40600454);
#define udccrw ((volatile unsigned long * const) 0x40600458);
#define udccrx ((volatile unsigned long * const) 0x4060045C);
/* set UDE = 0 disable UDC and make Endpoint configuration registers read-write. */
*udccr = 0x00000000;
/* PROGRAM THE ENDPOINT CONFIGURATION REGISTERS. */
/*EPA: config 1, interface 0, alternate interface setting 0, Endpoint 1, Interrupt
in, MPS = 16, DB = off. */
*udccra = 0x0200f041;
/*EPB: config 1, interface 0, alternate interface setting 0, endpoint 2,
12-20 Intel® PXA27x Processor Family Developer’s Manual
USB Client Controller
isochronous in, MPS = 128, DB = on.*/
*udccrb = 0x02013203;
/*EPC: config 1, interface 0, alternate interface setting 1, endpoint 1, Interrupt
in, MPS = 32, DB = off. */
*udccrc = 0x0209f081;
/*EPD: config 1, interface 0, alternate interface setting 1, endpoint 2,
isochronous IN, MPS = 511, DB = on.*/
*udccrd = 0x020af7ff;
/*EPE: config 1, interface 1, alternate interface setting 0, endpoint 1, Interrupt
out, MPS = 8, DB = off. */
*udccre = 0x0440f021;
/*EPF: config 1, interface 1, alternate interface setting 0, endpoint 2, bulk 0,
MPS = 16, DB = on. */
*udccrf = 0x04414043;
/*EPG: config 1, interface 1, alternate interface setting 1, endpoint 1, Interrupt
out, MPS = 16, DB = off. */
*udccrg = 0x044bf041;
/*EPH: config 1, interface 1, alternate interface setting 1, endpoint 2, bulk out,
MPS = 32, DB = on. */
*udccrh = 0x044C4083;
/*EPI: config 1, interface 1, alternate interface setting 1, endpoint 3, bulk in,
MPS = 32, DB = on. */
*udccri = 0x04493083;
/*EPJ: config 1, interface 1, alternate interface setting 2, endpoint 1, Interrupt
out, MPS = 32, DB = on. */
*udccrj = 0x0650f083;
/*EPK: config 1, interface 1, alternate interface setting 2, endpoint 2, bulk out,
MPS = 64, DB = on. */
*udccrk = 0x06514103;
/*EPL: config 1, interface 1, alternate interface setting 2, endpoint 3, bulk in,
MPS = 128, DB = on. */
*udccrl = 0x06523203;
/* set UDE = 1 to load configuration registers and enable UDC for USB operation. */
*udccr = 0x00000001;
12.4.4 UDC Device Requests
The UDC Endpoint Control, Status, and Data registers control and monitor the transmit and receive
FIFOs for all UDC endpoints. All other UDC configuration and status reporting is controlled by the
USB host controller with USB device requests. Device requests are sent as control transfers to
endpoint 0. Each control-transfer setup packet to endpoint 0 is eight bytes long and specifies:
Data transfer direction: USB host controller to UDC, UDC to USB host controller
Data transfer type: standard, class, vendor
Data recipient: device, interface, endpoint, other
Number of bytes to transfer
Index or offset
Value: passes a variable-sized data parameter
Intel® PXA27x Processor Family Developer’s Manual 12-21
USB Client Controller
Type of request
Table 12-7 is a summary of all standard device requests. Refer to the Universal Serial Bus
Specification Revision 1.1 for a full description of device requests.
The UDC decodes and responds to all but two of the standard-device requests with no intervention
required by users. In the case of standard device requests SET_ADDRESS, SET_FEATURE, and
CLEAR_FEATURE, the UDC accepts the data and updates the appropriate internal UDC registers.
The data for these device requests is not forwarded on to users through the endpoint FIFO memory.
In the case of GET_CONFIGURATION, GET_INTERFACE, and GET_STATUS, the UDC sends
the appropriate response the USB host controller with no user intervention and the device request is
not forwarded on to the users through the endpoint FIFO memory.
GET_DESCIPTOR, SET_DESCRIPTOR, and SYNCH_FRAME commands are passed through
the endpoint FIFO memory to the user. In response to the GET_DESCRIPTOR command, users
must return a description of the UDC configuration. In response to the SYNCH_FRAME
command, users must return the frame number for the requested isochronous endpoint or STALL
endpoint 0 if the SYNCH_FRAME command was sent for an endpoint that is not configured as
isochronous. Users must also handle vendor and class-specific requests. The status stage of the
control transfer is automatically handled by the UDC and requires no user intervention.
If a SET_CONFIGURATION or SET_INTERFACE transaction is sent by the host, the UDC
accepts the data and updates the appropriate internal UDC registers. The data from these device
requests is not forwarded on to users through the endpoint FIFO memory. The configuration and
interface numbers are stored in the UDCCR. If the ACM bit in the UDCCSR0 is set, the UDC
sends a NAK packet in the handshake phase of the SETUP transaction until the user has set AREN.
Once AREN is 1, the UDC sends an ACK packet for the handshake from the UDC to the host. If
the ACM bit is clear, the UDC sends the appropriate response to the USB host controller with no
user intervention.
When the USB host controller sends a SET_CONFIGURATION or SET_INTERFACE command,
if the interrupt-enable bit for configuration change is set, the UDC sends an interrupt to the core.
Users must unload any data in the endpoint memory and set SMAC to 1 to flush the endpoint
memory and enable the UDC to allocate the endpoint memory to the endpoints that are active in the
new configuration or interface selected by the USB host controller. After a
Table 12-7. Device Request Summary
Request Name
SET_FEATURE Enables a specific feature such as device remote wake-up and endpoint stalls.
CLEAR_FEATURE Clears or disables a specific feature.
SET_CONFIGURATION Configures the UDC for operation. Used following a reset of the UDC or after a
reset has been signaled by the USB host.
GET_CONFIGURATION Returns the current UDC configuration to the host.
SET_DESCRIPTOR Sets existing descriptors or add new descriptors. Existing descriptors include:
device, configuration and string
GET_DESCRIPTOR Returns the specified descriptor if it exists.
SET_INTERFACE Selects an alternate interface setting for the UDC’s interface.
GET_INTERFACE Returns the selected alternate interface setting for the specified interface.
GET_STATUS Returns the UDC’s status including: remote wake-up, self-powered, data
direction, endpoint number, and stall status.
SET_ADDRESS Sets the UDC’s 7-bit address value for all future device accesses.
SYNCH_FRAME Sets and then report an endpoint’s synchronization frame.
12-22 Intel® PXA27x Processor Family Developer’s Manual
USB Client Controller
SET_CONFIGURATION or SET_INTERFACE command has been sent by the USB host
controller, the UDC does not receive or transmit any bulk, interrupt, or isochronous data until the
user sets SMAC to 1. Once the UDC has allocated the endpoint memory for the new configuration,
the UDC is again ready for USB operation.
When users set UDE to 0, the configuration, interface, address, and features assigned or enabled by
the USB host controller to the UDC are reset. The UDC must be reset and re-enumerated by the
USB host controller after UDE has been cleared.
When the USB host controller sends a SET_FEATURE command to enable the
DEVICE_REMOTE_WAKEUP feature, the Device Remote Wake-up Enable (DRWE) Status bit
in the UDCCR is set to indicate the feature has been enabled. When the USB host controller sends
a CLEAR_FEATURE command to disable the DEVICE_REMOTE_WAKEUP feature, the DRWE
bit is cleared to indicate the feature has been disabled by the host. The user can read the UDCCR at
any time to determine if the DEVICE_REMOTE_WAKEUP feature has been enabled by the USB
host controller.
If the UDC is connected to an On-The-Go USB host controller and the USB host controller sends a
SET_FEATURE command to enable the On-The-Go specific features, the UDC does not decode
the command and responds with a STALL unless the On-The-Go Enable (OEN) bit in the UDCCR
is set. When the USB host controller sends a SET_FEATURE command to enable On-The-Go
specific features and the OEN bit is set, the On-The-Go status bits in the UDCCR are set to indicate
the feature has ben enabled. For more information on On-The-Go operation, see Section 12.5.
12.4.5 Configuration
The UDC can physically support more data-channel bandwidth than the USB allows. When
responding to the USB host controller, users must specify a legal USB configuration. For example,
if users specify a configuration of six isochronous endpoints of 256 bytes each, the USB host
controller is not able to schedule the proper bandwidth and does not take the UDC out of
configuration 0. Users must determine which endpoints to enable for each configuration and
interface to ensure that the total number of endpoints having allocated FIFO memory space does
not exceed the memory space available and that the total maximum packet sizes are valid USB
configurations.
Note: Enabled isochronous endpoints must not exceed the bandwidth available for isochronous transfers
per USB frame.
Following a reset of the PXA27x processor and prior to enabling UDC for USB operation, users
must configure and enable all of the endpoints that are to be used for each USB configuration and
interface. The USB interface block is held in reset until the UDC is enabled. While the USB
interface block is in reset, the UDC I/O signals (USBC_P and USBC_N) are three-stated and
unable to receive any USB host controller commands. Users must program the Endpoint
Configuration registers, and then set UDE to 1.
After the UDC is enabled, the endpoint control block checks the programmed endpoint memory
allocations and, if valid, loads the configuration for all enabled endpoints into the USB interface,
and then enables the UDC I/O signals for transmission, preparing the UDC for USB operation. The
USB host controller must issue a USB reset to the UDC to reset the device. After the USB host
controller issues a USB reset, the UDC enables endpoint 0, and initializes the USB interface block
to respond to default address zero. At this point, the UDC is under host control and responds to its
commands that are transmitted to endpoint 0 using control transactions. The USB host controller
Intel® PXA27x Processor Family Developer’s Manual 12-23
USB Client Controller
then enumerates the UDC and assigns the UDC a unique address. Refer to Section 12.4.2 for more
details on configuring endpoints, and Section 12.6.11 for details on the format and fields of the
Endpoint Configuration registers.
Note: The UDC does not check the programmed endpoint configuration, interface, alternate interface,
and endpoint numbers for proper operation before loading. Unpredictable behavior may occur if
the endpoint number or configuration, interface, and alternate interface settings are not
programmed correctly.
12.4.6 Cable Attach and Detach
To be compliant with Universal Serial Bus Specification, Revision 1.1, the USB host controller
provides +5 V on the USB cable. Since the PXA27x processor pins are not 5-V tolerant, the power
signal must be gated by an external level-shifting device, and the output routed to a GPIO pin,
which sends an interrupt to software.
When the GPIO indicates an attach event, software must enable the UDC by first setting the
Control and Configuration registers and then setting UDCCR[UDE].
When a detach event is detected, unload all data from the endpoint memory first and then
disable the UDC by clearing UDCCR[UDE].
12.4.7 Suspend and Resume
If idle persists on the USB for more than 3 ms, the UDC detects the suspend state, and (if the
suspend interrupt is enabled) an interrupt is sent to the processor. When the UDC enters the
suspend state, the processor stops the 48-MHz clock to the UDC and enables the UDC pins
USBC_P and USBC_N to detect the resume state. If the processor does not enter sleep mode, the
state of the UDC is preserved and is ready for resume detection.
Note: The presence of SOF packets prevents the UDC from entering suspend mode.
The UDC can exit suspend in three ways:
Resume initiated by the UDC
Resume initiated by the USB host controller
USB reset
If the USB host controller has executed the SET_FEATURE command and enabled the device
remote wake-up feature of the UDC, after the UDC has entered the suspend state, sending a wake-
up signal to the USB host controller is performed by setting UDCCR[UDR]. Doing so forces the
UDC to drive a non-idle state (K state) onto the USB for 3 milliseconds without further user
intervention. The UDC hardware then clears UDCCR[UDR]. The UDC waits for the resume signal
to be reflected back to it by the USB host controller, and when the resume state is detected on the
USB, if the resume interrupt is enabled, an interrupt is sent to the processor.
The USB host controller can wake up the UDC by driving the non-idle state (K state) either by
driving a resume or USB reset onto the USB. When the UDC pads detect this non-idle state on the
USB, they signal the processor clock manager module to start the 48-MHz clock to the UDC, and
(if the resume interrupt is enabled) an interrupt is sent to the processor. Software must take the
appropriate action to resume activity.
12-24 Intel® PXA27x Processor Family Developer’s Manual
USB Client Controller
For information on programming for UDC wake-up events from suspend refer to Chapter 3,
“Clocks and Power Manager”.
12.4.7.1 Sleep Mode Operation
If the UDC has entered the suspend state before the PXA27x processor is in sleep mode, the UDC
pins USBC_P and USBC_N are used to detect the resume state on the USB and resume operation
while the processor is in sleep mode. If the USB host controller tries to access the UDC when the
processor is in sleep mode, the USBC_P and USBC_N pins detect the resume state and signal the
processor to begin the wake-up sequence. The UDC will have lost all state information and the
UDC Configuration registers must be reloaded prior to setting UDCCR[UDE]. The USB host
controller must issue a USB reset and re-enumerate the UDC (see Chapter 3, “Clocks and Power
Manager” for more information on the wake-up sequence and USB operation during sleep mode).
If the UDC has been disconnected from the USB and the processor is in sleep mode, a GPIO pin
must be programmed to detect connection to the USB and to signal the processor to begin the
wake-up sequence. The GPIO pin must be connected through a level-shifter to the USB power
signal to detect connect/disconnect to the USB. The UDC will have lost all state information and
users must load the UDC Configuration register and enable the UDC before the UDC is ready for
USB operation.
12.5 USB On-The-Go Operation
The processor USB device and host controllers can be used to provide A- and B-device On-The-Go
(OTG) operation as specified in the On-The-Go Supplement to the USB 2.0 Specification. The on-
chip OTG transceivers provide on-chip pull-up and pull-down resistors as specified in the Pull-up/
Pull-down Engineering Change Notice to the USB 2.0 Specification. OTG operation requires user
intervention but interrupts are provided to notify the user of OTG activities including Vbus
changes, session detection, and OTG ID changes. The user must use these interrupts along with the
OTG control and status registers to operate as an OTG device. The UDC OTG support includes the
following:
Decoding of SET_FEATURE commands with OTG specific selector values
Control for on-chip OTG transceiver with multiplexing between UDC and USB host controller
(UHC) port 2
Control for multiplexing between UDC, UHC port 2 and UHC port 3 data through GPIOs
Control, status and interrupt registers for interfacing to off-chip OTG transceivers
Control, status and interrupt registers for interfacing to off-chip charge pump devices
OTG ID support
Figure 12-15 shows each of the configurations provided to support OTG operation. Each of these is
discussed in detail.
Note: The processor does not provide direct connection to or control of the USB Vbus.
Intel® PXA27x Processor Family Developer’s Manual 12-25
USB Client Controller
Figure 12-15. USB OTG Configurations
12.5.1 UDC OTG SET_FEATURE Commands
To enable the UDC to be used in OTG and non-OTG modes, the UDC can selectively decode
SET_FEATURE commands with selector values of 3, 4, or 5. If a USB host controller sends a
SET_FEATURE command with a selector value of 3, 4 or 5 to enable OTG features and the On-
The-Go Enable (OEN) bit in the UDC Control Register (UDCCR) is set, the UDC decodes the
command, responds with an ACK on the USB, and the corresponding OTG status bit in the UDC
Control Register (UDCCR) is set to indicate the feature has been enabled. If the USB host
controller sends an OTG specific SET_FEATURE command and OEN is clear, the UDC will not
decode the command, respond with a STALL on the USB, and will not set any OTG status bits in
the UDC Control Register (UDCCR). The reset value for OEN is 0, so the user must set OEN to 1
for OTG SET_FEATURE commands to be decoded. Table 12-8 lists the On-The-Go features and
the UDCCR status bits assigned to each. When OEN is set, the user can read the UDC Control
Register (UDCCR) at any time to determine if the On-The-Go features have been enabled by the
USB host controller.
UP2OCR[SEOS]
Differential Port
(USBC_P,USBC_N)
To U S B
USB Host
Port 3
MUX
MUX
USB Host
Port 2
USB Client
GPIO
Single-Ended
Port 3
GPIO
Single-Ended
Port 2
Enable To U S B
To U SBPort 3
Transceiv er
Differential Port
(USBH_P,USBH_N)
To U SB
USB Host
Port 1
Port 1
Transceiv er
UP2OCR[HXS]
UP2OCR[HXOE]
UP3OCR[CFG]
Table 12-8. On-The-Go Feature Selectors
Feature Selector Value UDCCR Status
Bit Name Description
b_hnp_enable 3 BHNP B-device enabled for host negotiation protocol
a_hnp_support 4 AHNP B-device is connected to an A-device port that supports host negotiation
protocol.
a_alt_hnp_support 5 AALTHNP B-device is connected to an A-device port that is not capable of host
negotiation protocol, but the A-device has an alternate port that is.
12-26 Intel® PXA27x Processor Family Developer’s Manual
USB Client Controller
12.5.2 On-Chip OTG Transceiver Operation
The USB host port 2 transceiver is designed in accordance with the Pull-up/Pull-down Resistors
Engineering Change Notice to the USB 2.0 Specification to provide on-chip resistors and OTG-
compliant transceiver operation. The USB host controller port 2 multiplexor is a bidirectional I/O
multiplexor that connects to the USB host port 2 transceiver and the single-ended I/O through the
GPIO. The port 2 multiplexor provides an interface that allows the UDC port or UHC port 2 to
connect to the UHC port 2 transceiver for direct bidirectional connection to the USB. The port 2
multiplexor also provides an interface that allows the UDC port, UHC port 2, and the UHC port 3
to connect to single-ended I/O through the GPIOs.
The OTG transceiver contains two pull-up resistors and one pull-down resistor on each D+ and D
that can be enabled using the USB Port 2 Output Control Register (UP2OCR) pull-up/pull-down
enable bits (DPPUBE, DMPUBE, DPPUE, DMPUE, DPPDE, DMPDE). Figure 12-16 illustrates
the on-chip host port 2 transceiver pad with the pull-up and pull-down resistors.
Enable SW3 for both D+ and D– when host port 2 is being used for USB host controller data.
Enable SW1 on the D+ pad and disable SW1 on the D– pad when host port 2 is being used for
USB device controller data.
Disable SW2 on the D+ and D– pads when host port 2 is being used for USB device controller
data.
SW2 is enabled and disabled by hardware when the UDC is idle and receiving data from an
upstream device as specified in the Pull-up/Pull-down Resistors Engineering Change Notice
to the USB 2.0 Specification. Table 12-9 lists the switch settings used for the USB host and
USB device controller I/O.
Figure 12-16. Host Port 2 OTG Transceiver
USB Host Port 2 Transceiver Pad
RxD+/RxD-
UDC TxD+/TxD-
UHC Port 2 TxD+/TxD-
UHC port 2 txen
UDC txen
UP2OCR[HXS]
UP2OCR[HXOE]
UP2OCR[DPPUBE/DMPUBE]
UP2OCR[DPPUE/DMPUE]
UP2OCR[DPPDE/DMPDE]
RPU2
900 - 1.575 K Ohms
SW2
RPU1
525 - 1.515 K Ohms
SW1
RPD
14.25 - 24.8 K Ohms
SW3
ENB D+/D-
Intel® PXA27x Processor Family Developer’s Manual 12-27
USB Client Controller
The USB host port 2 transceiver can be disabled and the output selected using the Host Port 2
Transceiver Output Enable (HXOE) and Host Port 2 Transceiver output select (HXS) bits in the
USB Port 2 Output Control Register (UP2OCR), respectively. Figure 12-16 shows a schematic of
the USB host port 2 transceiver as well as other control signals and their respective logic provided
by control bits in the USB Port 2 Output Control Register (UP2OCR). The host port 2 OTG
transceiver can be used for non-OTG operation for USB host or USB device controller USB I/O.
After reset, all of the host port 2 transfer pull-up and pull-down resistors are disabled. If the host
port 2 transceiver is used in OTG mode, the user must determine the OTG ID setting and then
enable the pull-up and pull-down resistors according to OTG ID. If the processor enters standby
and the pull-up and/or pull-down resistors are enabled, the resistors continue to be enabled during
standby mode and the USB Port 2 Output Control Register (UP2OCR) retains all programmed
values during standby mode. If the processor enters sleep mode with the pull-up and/or pull-down
resistors enabled, the resistors continue to be enabled during sleep mode, but the USB Port 2
Output Control Register (UP2OCR) is reset during sleep mode exit. The user must re-program all
values in the USB Port 2 Output Control Register (UP2OCR) before clearing the USB PH bit in the
Power Manager Sleep/Status register to 0. See Chapter 3, “Clocks and Power Manager” for more
information on USB operation in sleep and standby modes.
12.5.3 Interface to External OTG Transceiver
In the case where the user does not use the internal OTG transceiver, the UDC contains control,
status, and interrupt registers to provide seamless interfacing to external transceivers. External
transceivers can be used to provide D+, D–, and Vbus driver to the USB. In this mode, the USB D+
and D– signals are output through GPIO pads with UP2OCR[SEOS] used to control multiplexors
to select between UDC and USB host controller D+, D–, and transmit enable signals. In addition,
the USB Port 2 Output Control Register (UP2OCR) provides the external transceiver suspend
(EXSUS) and external transceiver speed (EXSP) control output bits, and the external transceiver
interrupt input to interface to the external transceiver. Figure 12-17 illustrates the OTG connection
to an external transceiver.
Table 12-9. Host Port 2 OTG Transceiver Switch Control Settings
Controller
Selected
D+ Transceiver D– Transceiver
SW1† SW2† SW3† SW1† SW2† SW3†
USB Host Disabled Disabled Enabled Disabled Disabled Enabled
USB Device Enabled Hardware
controlled Disabled Disabled Disabled Disabled
†SW1, SW2, and SW3 refer to the switches shown in Figure 12-16.
12-28 Intel® PXA27x Processor Family Developer’s Manual
USB Client Controller
Figure 12-17. Connection to External OTG Transceiver
Note: For Figure 12-17, UP2OCR[SEOS] = 4 for USB client and UP2OCR[SEOS] = 5 for USB host.
12.5.4 Interface to External Charge Pump Device
In addition to the interface options described in Section 12.5.4, the UDC provides control outputs
and interrupt inputs to drive and monitor an external charge pump device. To do so, the USB D+
and D– signals can be output using the on-chip OTG transceiver and the Vbus interface provided
by an external charge pump device. In this mode, UP2OCR[HXS] is used control multiplexors to
select between UDC and USB host controller D+, D–, and transmit enable signals to be output
through the USB host controller port 2 transceiver. In addition, USB Port 2 Output Control
Register (UP2OCR) provides the charge pump Vbus enable (CPVEN) and charge pump Vbus
pulse enable (CPVPE) control output bits used to enable the driving of Vbus and to enable the
driving of pulses on Vbus, respectively. Additionally, USB Port 2 Output Control Register
(UP2OCR) provides the Vbus valid 4.0-V, Vbus valid 4.4-V, session valid, and session request
protocol detected interrupt inputs to interface to the external charge pump device. Figure 12-18
illustrates the OTG connections to an external charge pump device.
External OTG
Transceiver
Dat_VP
SE0_VM
Vbus
D+
D-
Interrupt
OE_Tp_Int_N
Suspend Enable
Speed Control
ID
OTG ID
Processor
USB Device
Controller
D+/D-
Transmit enable
UP2OCR[EXSUS]
UP2OCR[EXSP]
UP2OCR[SEOS]
Ext. Trans. Interrupt
USB_P2_8
USB_P2_7
USB_P2_5
USB_P2_4
USB_P2_1
USB Host
Controller
1
2
3
Transmit enable
USB_P2_2
Vbus
D+
D-
Intel® PXA27x Processor Family Developer’s Manual 12-29
USB Client Controller
Figure 12-18. Connection to External OTG Charge Pump
Note: For Figure 12-18, UP2OCR[SEOS] = 6 for USB client and UP2OCR[SEOS] = 7 for USB host.
12.5.5 Interface to External USB Transceiver
In addition to the OTG interfaces to external transceiver and charge pump devices, the UDC and
USB host controllers can interface to a non-OTG external USB transceiver through the single-
ended interface with the GPIOs. In this mode, the GPIOs provide unidirectional connections to an
external transceiver and the external transceiver provides bidirectional connections for D+ and D–
to the USB. This mode is selected when SEOS in the USB Port 2 Output Control Register
(UP2OCR) is set to 2 or 3. Figure 12-19 illustrates the connection to an external USB transceiver.
External Charge Pump
Processor
Vbus
Vbus valid 4.0 V
Vbus valid 4.4 V
SRP Detect
Session Valid
Vbus Enable
Vbus Pulsing
Enable for SRP
USB Host
Controller
1
2
3
USB Device
Controller
UP2OCR[SE0S]
D+,D-
UP2OCR[CPVEN]
UP2OCR[CPVPE]
Vbus Valid 4.0 V
Vbus Valid 4.4 V
SRP Detect
Session Valid
D
+ D
-
Vbus
USB_P2_4
USB
Transceiver
OE
USB_P2_8
USB_P2_5
USB_P2_3
USB_P2_1
USB_P2_2
UP2OCR[HXS]
UP2OCR[HXOE]
To USB
OTG IDUSB_P2_7
OTG ID
USBC_P / USBC_N
12-30 Intel® PXA27x Processor Family Developer’s Manual
USB Client Controller
Figure 12-19. Connection to External USB Transceiver
Note: For Figure 12-19, UP2OCR[SEOS] = 2 for USB client and UP2OCR[SEOS] = 3 for USB host.
Table 12-10 and Table 12-11 describe the definitions associated with the possible combinations of
data while using the external USB transceiver mode.
External USB
Transceiver
D
-
D+
Processor
USB Device
Controller
D+/D-
Transmit enable
UP2OCR[SE0S] USB_P2_1
USB_P2_5
USB_P2_6
USB_P2_4
USB_P2_3
USB Host
Controller
1
2
3
Transmit enable
USB_P2_2
VMO
VP
O
OE_n
VP
V
M
RC
V
USB_P2_7
UP2OCR[EXSP]
SPEE
D
Table 12-10. Output to External USB Transceiver
P2_6/P3_6 P2_4/P3_4 Result
0 0 Logic 0
0 1 Single-Ended Zero (SE0)
1 0 Logic 1
1 1 SE0
Table 12-11. Inputs from External USB Transceiver
P2_5/P3_5 P2_3/P3_3 Result
0 0 Single-Ended Zero (SE0)
0 1 Low-speed
1 0 Full-speed
11 Error
Intel® PXA27x Processor Family Developer’s Manual 12-31
USB Client Controller
12.5.6 OTG ID
The UDC provides OTG ID interface support through USB_P2_7 (GPIO<41>). The UDC provides
USB Port 2 Output Control Register (UP2OCR) ID output enable (IDON) to enable the output for
OTG ID reading and the OTG ID interrupt input to detect changes in the OTG ID signal. When
IDON is set, the output of USB_P2_7 (GPIO<41>) is enabled and driven high with a weak output
driver. When the OTG ID pin on the USB connector is connected to a 100 k ohm resistor, the OTG
ID input is a 1. When the OTG ID pin is connected to a 10-ohm resistor to ground, the USB_P2_7
(GPIO<41>) output driver is not able to drive OTG ID to a 1, resulting in the OTG ID input being
a 0. Figure 12-20 illustrates the interface to OTG ID.
Figure 12-20. Connection to OTG ID
12.6 Register Descriptions
12.6.1 UDC Control Register (UDCCR)
The UDC Control register (UDCCR) contains control and status bits. All bits in this register are
reset after a USB reset is received from the external USB host.
12.6.1.1 ACN, AIN, and AAISN
The active configuration number (ACN), active interface number (AIN), and active alternate
interface setting number (AAISN) indicate (respectively) the current configuration, interface, and
alternate interface setting selected by the USB host controller to be used by the UDC.
The active configuration number is set when the USB host controller issues a
SET_CONFIGURATION command to the UDC. The active interface and active alternate interface
setting numbers are set when the USB host controller issues a SET_INTERFACE command to the
UDC. See Section 12.4 for more information on the execution of USB device requests.
If the UDCICR1[IECC] is clear, the UDC generates an interrupt to the processor to indicate the
SET_CONFIGURATION or SET_INTERFACE command has been completed. Users must set
UDCCR[SMAC] to set the endpoint memory allocation to the new configuration or interface
setting.
12.6.1.2 Switch Endpoint Memory to Active Configuration
Users can use UDCCR[SMAC] to control the endpoint memory allocation. When the USB host
controller sends a SET_CONFIGURATION or SET_INTERFACE command to the UDC (if the
configuration-change interrupt is enabled), the UDC sends an interrupt to the processor. After any
Processor
USB Device
Controller
OTG ID
UP2OCR[IDEN]
OTG ID
for
mini-A plug
USB_P2_7
(GP[41])
ENB
<10 ohm
OTG ID
for
mini-B plug
>100k ohm
OTG ID
OTG ID
OTG ID
12-32 Intel® PXA27x Processor Family Developer’s Manual
USB Client Controller
data remaining in the endpoint memory is read, setting UDCCR[SMAC] causes the UDC to flush
the endpoint memory and changes the endpoint memory allocation to reflect the active
configuration and interface set by the USB host controller. The UDC clears UDCCR[SMAC] when
the memory allocation has completed. See Section 12.4 for more information on the execution of
USB device requests.
Note: The UDC will NAK all bulk and interrupt transactions received after the SET_CONFIGURATION
or SET_INTERFACE command was executed, but before the UDC has changed the endpoint
memory to the new configuration.
The UDC indicates an overflow condition if an isochronous OUT token is received between the
execution of a SET_CONFIGURATION or SET_INTERFACE command and before the changing
of the endpoint memory allocation. The UDC sends zero-size packets if an isochronous IN token is
received in the same circumstance.
12.6.1.3 Endpoint Memory Configuration Error
The Endpoint Memory Configuration Error (EMCE) bit indicates that the endpoint configuration
could not be loaded and that the maximum packet sizes indicated for the configuration are in error.
When UDCCR[UDE] is set, the UDC checks the endpoint configurations to verify the endpoint
maximum packet sizes are valid and do not allocate more memory per interface than the available
4064 bytes. If the FIFO memory is allocated incorrectly, the UDC does not load the configuration
into the USB interface block and sets UDCCR[EMCE] and clears UDCCR[UDE].
UDCCR[EMCE] must be cleared before attempting to re-enable the UDC.
12.6.1.4 UDC Resume
If the USB host controller has executed the SET_FEATURE command and enabled the device
remote wake-up feature of the UDC, users can set UDCCR[UDR] when the UDC is in a suspend
state to force the UDC into a non-idle state (K state) to perform the remote wake-up operation.
When UDCCR[UDR] is set, the UDC drives resume signaling on the USBC_P and USBC_N
signals for 3 ms, and then floats the bus. If the USB host controller does not drive resume signaling
on the USB within 3 ms, the UDC goes back into suspend. The UDCCR[UDR] bit is cleared by the
UDC upon entering the non-idle state.
If the USB host controller has not enabled the device-remote wake-up feature of the UDC,
UDCCR[UDR] is ignored.
12.6.1.5 UDC Active
UDCCR[UDA], the UDC active bit, indicates the UDC is currently involved in a USB transaction.
12.6.1.6 UDC Enable
Users can set and clear the UDCCR[UDE] bit to enable and disable the UDC. UDCCR[UDE] is
cleared following a reset of the PXA27x processor, which disables the UDC, three-states USBC_P
and USBC_N, and disables the monitoring of the USB. Any USB host controller commands or
USB reset issued while UDCCR[UDE] is clear are ignored. The Endpoint Configuration registers
must be programmed prior to setting UDCCR[UDE]. When UDCCR[UDE] is set, the Endpoint
Configuration registers are set to read-only, the configuration is checked and, if valid, the
configuration data is loaded into the USB interface block. The UDC is then enabled for USB
transmission and reception.
Intel® PXA27x Processor Family Developer’s Manual 12-33
USB Client Controller
When UDCCR[UDE] is cleared, the entire UDC is disabled and reset. If performed while the UDC
is actively transmitting or receiving data, the UDC stops immediately and the remaining bits within
the transmit or receive serial shifter are reset, and all data in the transmit and receive FIFOs is lost.
While UDCCR[UDE] is clear, the UDC Endpoint Configuration registers are set to read/write
access and can be programmed for another configuration. The configuration, interface, address,
and features assigned or enabled by the USB host controller to the UDC are reset.
The register organization and individual bit definitions are shown in Table 12-12.
This is a read/write register. Ignore reads from reserved bits. Write 0b0 to reserved bits.
Table 12-12. UDCCR Bit Definitions (Sheet 1 of 3)
Physical Address
0x40600000 UDCCR USB Client Controller
User
Settings
Bit 31 30 29 28 27 26 25 24 23 22 21 20 19 18 17 16 15 14 13 12 11 10 9 8 7 6 5 4 3 2 1 0
OEN
AALTHNP
AHNP
BHNP
reserved
DWRE
reserved
ACN
AIN
AAISN
SMAC
EMCE
UDR
UDA
UDE
Reset 0 0 0 0 ? ? ? ? ? ? ? ? ? ? ? 0 ? ? ? 0 0 0 0 0 0 0 0 0 0 0 0 0
Bits Access Name Description
31 R/W OEN
On-The-Go Enable
Enables user control of the decoding of OTG SET_FEATURE commands.
When OEN is clear, the UDC does not decode SET_FEATURE values of 3,
4, and 5 and responds with a STALL if the USB host controller issues a
SET_FEATURE command with those values. When OEN is set, the UDC
decodes SET_FEATURE command values of 3, 4, and 5 and responds with
an ACK when the USB host controller issues SET_FEATURE command
with those values.
0 = On-The-Go features are disabled.
1 = On-The-Go features are enabled.
30 R AALTHNP
A-Device Alternate Host Negotiation Protocol Port Support
Indicates if the A-device alternate host negotiation protocol (HNP) feature
has been enabled by the USB host controller. The AALTHNP bit is set when
the USB host controller executes a SET_FEATURE command and indicates
the a_alt_hnp_support feature is enabled and the OEN bit is set.
0 = B-device is connected to an A-device that does not have an alternate
port that is capable of HNP.
1 = B-device is connected to an A-device port that is not capable of HNP,
but the A-device does have an alternate port that is capable of HNP.
29 R AHNP
A-Device Host Negotiation Protocol Support
Indicates if the A-device HNP feature has been enabled by the USB host
controller. The AHNP bit is set when the USB host controller executes a
SET_FEATURE command and indicates the a_hnp_support feature is
enabled and the OEN bit is set.
0 = B-device is connected to an A-device port that does not support HNP.
1 = B-device is connected to an A-device port that supports HNP.
12-34 Intel® PXA27x Processor Family Developer’s Manual
USB Client Controller
28 R BHNP
B-Device Host Negotiation Protocol Enable
Indicates if the B-device HNP feature has been enabled by the USB host
controller. The BHNP bit is set when the USB host controller executes a
SET_FEATURE command and indicates the b_hnp_enable feature is
enabled and the OEN bit is set.
0 = B-device HNP enable Feature has not been enabled by the USB host
controller.
1 = B-device HNP enable Feature has been enabled by the USB host
controller.
27:17 — reserved
16 R DWRE
Device Remote Wake-Up Feature
Indicates if the device remote wake-up feature has been enabled by the
USB host controller. This bit is set when the USB host controller executes a
SET_FEATURE command and indicates the device remote wake-up
feature is to be enabled.
0 = Device remote wake-up feature has not been enabled by the USB
host controller.
1 = Device remote wake-up feature has been enabled by the USB host
controller.
15:13 — reserved
12:11 R ACN
0–3—Active UDC Configuration Number
Selected by the USB host controller to be used by the UDC. The active
configuration number is set when the USB host controller issues a
SET_CONFIGURATION command to the UDC.
10:8 R AIN
0–7—Active UDC Interface Number
Selected by the USB host controller to be used by the UDC. The active
interface setting number is set when the USB host controller issues a
SET_INTERFACE command to the UDC.
7:5 R AAISN
0–7—Active UDC Alternate Interface Setting Number
Selected by the USB host controller to be used by the UDC. The active
alternate interface setting number is set when the USB host controller
issues a SET_INTERFACE command to the UDC.
4Read/
Write 1 to Set SMAC
Switch Endpoint Memory to Active Configuration
0 = No change to active configuration.
1 = Change the endpoint memory allocation to the Active Configuration,
Active Interface, and Active Alternate Interface Setting.
3Read/
Write 1 to
Clear EMCE
Endpoint Memory Configuration Error
0 = No endpoint memory configuration error.
1 = The endpoint memory configuration has an error and cannot be
loaded.
Table 12-12. UDCCR Bit Definitions (Sheet 2 of 3)
Physical Address
0x40600000 UDCCR USB Client Controller
User
Settings
Bit 31 30 29 28 27 26 25 24 23 22 21 20 19 18 17 16 15 14 13 12 11 10 9 8 7 6 5 4 3 2 1 0
OEN
AALTHNP
AHNP
BHNP
reserved
DWRE
reserved
ACN
AIN
AAISN
SMAC
EMCE
UDR
UDA
UDE
Reset 0 0 0 0 ? ? ? ? ? ? ? ? ? ? ? 0 ? ? ? 0 0 0 0 0 0 0 0 0 0 0 0 0
Bits Access Name Description
Intel® PXA27x Processor Family Developer’s Manual 12-35
USB Client Controller
12.6.2 UDC Interrupt Control Registers (UDCICR0, UDCICR1, and
UDCOTGICR)
The UDC Interrupt Control register 0 (UDCICR0) contains 32 read/write control bits to enable
interrupt-service requests from data endpoints 0 and A–P. The UDC Interrupt Control register 1
(UDCICR1) contains 21 control bits to enable interrupt-service requests for endpoints Q–X and
specific USB events. The UDC On-The-Go Interrupt Control register contains six control bits to
enable interrupt-service requests for specific On-The-Go events. Setting any interrupt-enable bit
enables the interrupt, while clearing any interrupt-enable bit disables that interrupt. On system reset
all of the UDCOTGICR, UDCICR0, and UDCICR1 enable bits are cleared.
Each endpoint (endpoint 0 and programmable endpoints A–X) has the potential of two interrupt
sources, FIFO error and packet complete, as specified by the ICx bit field.
FIFO Error Interrupt—This interrupt can be generated when a FIFO underrun or overrun
occurs. If an endpoint is programmed to be an IN endpoint, the FIFO error interrupt is
generated when a FIFO underrun occurs. A FIFO underrun occurs when the UDC tries to
transmit more bytes of data from the transmit buffer than were loaded into the buffer, including
when the UDC tries to transmit data when the transmit buffer is empty and the SP bit in the
corresponding Endpoint Control register is clear (or IPR bit is not set for endpoint 0). If an
endpoint is programmed to be an OUT endpoint, the FIFO error interrupt is generated when a
FIFO overrun occurs. A FIFO overrun occurs when the UDC tries to load more bytes of data
into the receive buffer than the maximum packet size of the buffer, or if data is received but the
receive buffer(s) is full. Since endpoint 0 is a bidirectional endpoint, a FIFO error can occur on
either a FIFO-overrun or FIFO-underrun condition. Refer to Section 12.6.8.7 and
Section 12.4.2 for more information on FIFO error conditions.
2Read/
Write 1 to Set UDR
UDC Resume
0 = Maintain UDC suspend state.
1 = Force UDC out of suspend.
1 R UDA
UDC Active
0 = UDC currently inactive on the USB.
1 = UDC currently active on the USB.
0 R/W UDE
UDC Enable
0 = UDC disabled, USBC_P and USBC_N tristated.
1 = UDC enabled, USBC_P and USBC_N used for transmission/
reception.
Table 12-12. UDCCR Bit Definitions (Sheet 3 of 3)
Physical Address
0x40600000 UDCCR USB Client Controller
User
Settings
Bit 31 30 29 28 27 26 25 24 23 22 21 20 19 18 17 16 15 14 13 12 11 10 9 8 7 6 5 4 3 2 1 0
OEN
AALTHNP
AHNP
BHNP
reserved
DWRE
reserved
ACN
AIN
AAISN
SMAC
EMCE
UDR
UDA
UDE
Reset 0 0 0 0 ? ? ? ? ? ? ? ? ? ? ? 0 ? ? ? 0 0 0 0 0 0 0 0 0 0 0 0 0
Bits Access Name Description
12-36 Intel® PXA27x Processor Family Developer’s Manual
USB Client Controller
Packet Complete Interrupt—If an endpoint is configured as an OUT endpoint, the packet-
complete interrupt indicates that an OUT packet has been received and is ready to be read. If
an endpoint is configured as an IN endpoint, the interrupt is generated when an IN packet has
been transmitted. The packet-complete interrupt is also generated by the DME bit in the
corresponding Control/Status register. (Refer to Section 12.6.8.6 for more details on DME.)
Note: For all endpoints, IEx[1:0] is defined as follows:
0b00 = No interrupts enabled
0b01 = Packet complete interrupt enabled
0b10 = FIFO error interrupt enabled
0b11 = Both packet complete and FIFO error interrupts enabled
Table 12-13 shows the USB event interrupts, the enable and status bits, and the USB event that
causes each interrupt to be generated by the UDC. For the interrupt enables for reset (IERS),
suspend (IESU), resume (IERU), SOF (IESOF), and configuration-change (IECC) conditions, each
bit in the UDCICR1 enables its respective interrupt request. When the interrupt-enable bit is set,
the interrupt is enabled and is generated when the USB event occurs. When the interrupt-enable bit
clear, the interrupt is disabled and is not generated. The setting of the enable bit does not affect the
setting of the UDC and endpoint status bits. If an event occurs, the status bit is set, and if the
interrupt-enable bit is set, an interrupt is also generated and the bit in the Interrupt Status register is
set.
Table 12-14 shows the USB On-The-Go events interrupts, the enable and status bits, and the USB
event that causes each interrupt to be generated by the UDC. For the On-The-Go interrupt enables,
each bit in the UDCOTGICR enables its respective interrupt request. When the interrupt-enable bit
is set, the interrupt is enabled and is generated when the USB On-The-Go event occurs. When the
interrupt-enable bit is clear, the interrupt is disabled and is not generated. The setting of the enable
bit does not affect the setting of the UDC and interrupt status bits. If an event occurs, the status bit
is set, and if the interrupt-enable bit is set, an interrupt is also generated and the bit in the Interrupt
Status register is set.
Table 12-13. USB Event Interrupts
Interrupt Enable Bit
(UDCICR1) Interrupt Status Bit
(UDCISR1) USB Condition That Generates Interrupt
IECC IRCC SET_CONFIGURATION or SET_INTERRUPT command received
IESOF IRSOF Start-of-frame received
IERU IRRU Resume detected
IESU IRSU Suspend detected
IERS IRRS USB reset detected
Table 12-14. USB On-The-Go Event Interrupts (Sheet 1 of 2)
Interrupt Enable Bit
(UDCOTGICR) Interrupt Status Bit
(UDCOTGISR) USB OTG Condition Generating Interrupt
IESF IRSF OTG SET_FEATURE Command
IEXR IRXR External OTG Transceiver Interrupt Rising Edge
IEXF IRXF External OTG Transceiver Interrupt Falling Edge
IEVV40R IRVV40R OTG Vbus Valid 4.0-V Rising Edge
IEVV40F IRVV40F OTG Vbus Valid 4.0-V Falling Edge
IEVV44R IRVV44R OTG Vbus Valid 4.4-V Rising Edge
Intel® PXA27x Processor Family Developer’s Manual 12-37
USB Client Controller
OTG Interrupts—Intended to notify the user when an OTG SET_FEATURE command has
been received and can be used with an external USB transceiver and charge pump to provide
OTG operation. The SET_FEATURE command interrupt is set when a valid OTG
SET_FEATURE command has been decoded and the OTG feature status bit is set in the UDC
Control Register (UDCCR). The external transceiver rising-edge interrupt is set when the
interrupt input from an external USB transceiver toggles from 0 to 1. Similarly, the external
transceiver falling-edge interrupt is set when the interrupt input from an external USB
transceiver toggles from 1 to 0. Select the appropriate transition for the external USB
transceiver being used in the system. See Section 12.5.
OTG Vbus Valid InterruptsInterface to an external charge pump device and detect the
Vbus voltage levels. OTG Vbus valid 4.0-V interrupts detect a low-voltage condition and
provide notification of Vbus voltage below the value necessary for proper operation of a B-
device (VA_VBUS_VLD min). OTG Vbus valid 4.4-V interrupts detect the Vbus voltage has
exceeded the A-device output voltage (VA_VBUS_OUT) valid threshold of 4.4 V. The
appropriate edge-detection of the interrupts can be used based on the polarity of the OTG
charge-pump Vbus valid output signals. For example, if the OTG charge-pump Vbus valid
outputs are active high, the OTG Vbus valid 4.0-V falling-edge interrupt indicates the A-
device output voltage has fallen below the VA_VBUS_VLD minimum specified value, and the
OTG Vbus valid 4.4-V rising-edge interrupt indicates the A-device output voltage has reached
the valid threshold of 4.4 V.
OTG Session Valid Interrupts—Interface to an external OTG charge pump and interrupt
when the external OTG charge pump detects a valid OTG session. The appropriate OTG
session valid interrupt can be used based on the polarity of the OTG charge-pump session-
valid output signal. For example, if the OTG charge-pump session-valid output signal is active
high, the OTG session valid rising-edge interrupt indicates an active OTG session and that the
Vbus is not ready for SRP, and the OTG session-valid falling-edge interrupt indicates the OTG
session is not valid and the bus is ready for SRP.
OTG A-Device SRP-Detect InterruptsInterface to an external OTG charge pump and
interrupt when the external OTG charge pump detects the start of a valid SRP. The appropriate
OTG A-device SRP interrupt can be used based on the polarity of the OTG charge pump A-
device SRP-detect output signal. For example, if the OTG charge pump A-device SRP-detect
output signal is active high, the OTG A-device SRP rising-edge interrupt indicates a valid SRP
has been detected and the OTG A-device SRP falling-edge interrupt indicates the end of the
SRP.
OTG ID Interrupts—Interrupt when a change is detected in the OTG ID signal. The OTG ID
rising-edge interrupt is set when the OTG ID signal toggles from 0 to 1. Similarly, the OTG ID
falling edge interrupt is set when the OTG ID signal toggles from 1 to 0.
IEVV44F IRVV44F OTG Vbus Valid 4.4-V Falling Edge
IESVR IRSVR OTG Session Valid Rising Edge
IESVF IESVF OTG Session Valid Falling Edge
IESDR IRSDR OTG A-Device SRP Detect Rising Edge
IESDF IESDF OTG A-Device SRP Detect Falling Edge
IEIDR IRIDR OTG ID Change Rising Edge
IEIDF IEIDF OTG ID Change Falling Edge
Table 12-14. USB On-The-Go Event Interrupts (Sheet 2 of 2)
Interrupt Enable Bit
(UDCOTGICR) Interrupt Status Bit
(UDCOTGISR) USB OTG Condition Generating Interrupt
12-38 Intel® PXA27x Processor Family Developer’s Manual
USB Client Controller
Note: Programming any interrupt-enable bit to 0 does not affect the current state of the corresponding
interrupt-request bit in the Interrupt Status register or corresponding bit in the Endpoint Control
registers; it only blocks future 0-to-1 transitions of the interrupt request and the future setting of the
corresponding interrupt-request bit in the Interrupt Status register.
The register organization and individual bit definitions for UDCICR0, UDCICR1, and
UDCOTGICR are shown in Table 12-15, Table 12-16, and Table 12-17 respectively.
These are read/write registers. Ignore reads from reserved bits. Write 0b0 to reserved bits.
Table 12-15. UDCICR0 Bit Definitions
Physical Address
0x4060_0004 UDCICR0 USB Client Controller
User
Settings
Bit 31 30 29 28 27 26 25 24 23 22 21 20 19 18 17 16 15 14 13 12 11 10 9 8 7 6 5 4 3 2 1 0
IEP IEN IEM IEL IEK IEJ IEI IEH IEG IEF IEE IED IEC IEB IEA IE0
Reset 00000000000000000000000000000000
Bits Access Name Description
31:30 R/W IEP
Interrupt Enables—Endpoint P
0b00 = No interrupts enabled.
0b01 = Packet-complete interrupt enabled.
0b10 = FIFO error interrupt enabled.
0b11 = Both packet-complete and FIFO error interrupts enabled.
NOTE: The same definitions also apply to IE bits N–A and IE0 in this
register.
29:28 R/W IEN Interrupt Enables—Endpoint N
27:26 R/W IEM Interrupt Enables—Endpoint M
25:24 R/W IEL Interrupt Enables—Endpoint L
23:22 R/W IEK Interrupt Enables—Endpoint K
21:20 R/W IEJ Interrupt Enables—Endpoint J
19:18 R/W IEI Interrupt Enables—Endpoint I
17:16 R/W IEH Interrupt Enables—Endpoint H
15:14 R/W IEG Interrupt Enables—Endpoint G
13:12 R/W IEF Interrupt Enables—Endpoint F
11:10 R/W IEE Interrupt Enables—Endpoint E
9:8 R/W IED Interrupt Enables—Endpoint D
7:6 R/W IEC Interrupt Enables—Endpoint C
5:4 R/W IEB Interrupt Enables—Endpoint B
3:2 R/W IEA Interrupt Enables—Endpoint A
1:0 R/W IE0 Interrupt Enables—Endpoint 0
Intel® PXA27x Processor Family Developer’s Manual 12-39
USB Client Controller
Table 12-16. UDCICR1 Bit Definitions
Physical Address
0x4060_0008 UDCICR1 USB Client Controller
User
Settings
Bit 31 30 29 28 27 26 25 24 23 22 21 20 19 18 17 16 15 14 13 12 11 10 9 8 7 6 5 4 3 2 1 0
IECC
IESOF
IERU
IESU
IERS
reserved IEX IEW IEV IEU IET IES IER IEQ
Reset 0 0 0 0 0 ? ? ? ? ? ? ? ? ? ? ? 0 0 0 0 0 0 0 0 0 0 0 0 0 0 0 0
Bits Access Name Description
31 R/W IECC Interrupt Enable—Configuration Change
30 R/W IESOF Interrupt Enable—Start of Frame
29 R/W IERU Interrupt Enable—Resume
28 R/W IESU Interrupt Enable—Suspend
27 R/W IERS Interrupt Enable—Reset
26:16 — reserved
15:14 R/W IEX
Interrupt Enables—Endpoint X
0b00 = No interrupts enabled.
0b01 = Packet-Complete interrupt enabled.
0b10 = FIFO error interrupt enabled.
0b11 = Both packet-complete and FIFO error interrupts enabled.
NOTE: The same definitions also apply to IE bits W–Q in this register.
13:12 R/W IEW Interrupt Enables—Endpoint W
11:10 R/W IEV Interrupt Enables—Endpoint V
9:8 R/W IEU Interrupt Enables—Endpoint U
7:6 R/W IET Interrupt Enables—Endpoint T
5:4 R/W IES Interrupt Enables—Endpoint S
3:2 R/W IER Interrupt Enables—Endpoint R
1:0 R/W IEQ Interrupt Enables—Endpoint Q
12-40 Intel® PXA27x Processor Family Developer’s Manual
USB Client Controller
Table 12-17. UDCOTGICR Bit Definitions
Physical Address
0x4060_0018 UDCOTGICR USB Client Controller
User
Settings
Bit 31 30 29 28 27 26 25 24 23 22 21 20 19 18 17 16 15 14 13 12 11 10 9 8 7 6 5 4 3 2 1 0
reserved
IESF
reserved
IEXR
IEXF
reserved
IEVV40R
IEVV40F
IEVV44R
IEVV44F
IESVR
IESVF
IESDR
IESDF
IEIDR
IEIDF
Reset ? ? ? ? ? ? ? 0 ? ? ? ? ? ? 0 0 ? ? ? ? ? ? 0 0 0 0 0 0 0 0 0 0
Bits Access Name Description
31:25 — reserved
24 R/W IESF OTG SET_FEATURE Command Received
23:18 — reserved
17 R/W IEXR External Transceiver Interrupt Rising-Edge Interrupt Enable
16 R/W IEXF External Transceiver Interrupt Falling-Edge Interrupt Enable
15:10 — reserved
9 R/W IEVV40R OTG Vbus Valid 4.0-V Rising-Edge Interrupt Enable
8 R/W IEVV40F OTG Vbus Valid 4.0-V Falling-Edge Interrupt Enable
7 R/W IEVV44R OTG Vbus Valid 4.4-V Rising-Edge Interrupt Enable
6 R/W IEVV44F OTG Vbus Valid 4.4-V Falling-Edge Interrupt Enable
5 R/W IESVR OTG Session Valid Rising-Edge Interrupt Enable
4 R/W IESVF OTG Session Valid Falling-Edge Interrupt Enable
3 R/W IESDR OTG A-Device SRP Detect Rising-Edge Interrupt Enable
2 R/W IESDF OTG A-Device SRP Detect Falling-Edge Interrupt Enable
1 R/W IEIDR OTG ID Change Rising-Edge Interrupt Enable
0 R/W IEIDF OTG ID Change Falling-Edge Interrupt Enable
Intel® PXA27x Processor Family Developer’s Manual 12-41
USB Client Controller
12.6.3 USB Port 2 Output Control Register (UP2OCR)
The USB Port 2 Output Control register contains control bits to select the input and output signals
for the host controller port 2 USB transceivers, the USB device controller transceivers, and the
GPIOs used for USB OTG operation. With these bits, several interface options can be selected.
Only one connection is allowed to each of the ports at a time. Unpredictable behavior will occur if
more than one set of I/O is specified for a port. Refer to Section 12.5 for more information on OTG
interface options.
Table 12-18 shows the legal combinations of USB port 2 control bit settings.
12.6.3.1 USB Host Controller Single-Ended Output Select
The USB host controller single-ended output select bits allow the user to choose the USB data
output on the single-ended signals through GPIOs. The GPIO controller must be programmed to
select the USB signals. The user can select between USB device controller single-ended signals,
USB host controller single-ended signals, the USB device controller signals to interface with an
external transceiver, the USB host controller signals to interface to an external transceiver, the USB
host controller to interface to an external charge pump, and the USB device controller to interface
to an external charge pump. The USB host controller single-ended outputs can provide wake-ups
when a connect/disconnect or resume signaling is detected. For information on programming UDC
wake-up events refer to Chapter 5, “DMA Controller”. Table 12-18 lists the signals selected for
output on the USB alternate function ports for each value of SEOS in USB Port 2 Output Control
Register (UP2OCR). A value of SEOS = 0 does not select any outputs. Refer to Section 12.5 for
more information on the operation of each selection value.
Table 12-18. Legal Combinations of USB Port 2 Control Bit Settings
UP2OCR Control Bits
Differential Port Single-Ended Port 2
HXOE HXS SEOS
00 or 10 Off Off
00 or 12 Off External Non-OTG Transceiver
Client
0 0 or 1 3 Off External Non-OTG Transceiver Host
0 0 or 1 4 Off External OTG Transceiver Client
0 0 or 1 5 Off External OTG Transceiver Host
1 0 3 Non-OTG Client Non-OTG Host
1 0 6 Internal OTG Transceiver Client External OTG Charge Pump Client
1 1 2 Non-OTG Host Non-OTG Client
1 1 7 Internal OTG Transceiver Host External OTG Charge Pump Host
1 0 0 Non-OTG Client Off
1 1 0 Non-OTG Host Off
12-42 Intel® PXA27x Processor Family Developer’s Manual
USB Client Controller
12.6.3.2 USB Host Port 2 Transceiver Output Enable
The USB Host Port 2 Transceiver Output Enable (HXOE) bit enables and disables the USB host
controller port 2 on-chip OTG transceiver. When HXOE is clear, the USB host controller port 2
OTG transceiver is disabled and no USB data can be transmitted or received through this port.
When HXOE is set, the USB host controller port 2 OTG transceiver is enabled and USB data can
be transmitted and received through this port.
12.6.3.3 USB Host Port 2 Transceiver Output Select
The USB Host Port 2 Transceiver Output Select (HXS) bit selects the on-chip USB controller that
is to use the USB host controller port 2 as a transceiver. When HXS is clear, the USB device
controller I/O is assigned to the USB host port 2 transceiver and when HXS is set, the USB host
controller port 2 I/O is assigned to the USB host port 2 transceiver. If the USB device controller I/
O is selected, the transceiver operation is fixed at USB high speed.
12.6.3.4 OTG ID Output Enable
The OTG ID Output Enable (IDON) bit allows the user to read the value selected by the USB OTG
cable on the ID pin to select A- or B-device functionality. The ID input signal is valid only when
IDON is set. To read the value on the OTG ID pin, set IEIDR and IEIDF in the UDC Interrupt
Control Registers (UDCICR0, UDCICR1, and UDCOTGICR) to 1, then set IDON to 1, and then
Table 12-19. Alternate Function Port Signals Selection
GPIO
Alternate
Function
Port
SEOS Value Selection
0x0 0x1 0x2 0x3 0x4 0x5 0x6 0x7
USB_P2_1 - - UDC Rx Data
(RCV—in)
UHC Rx Data
(RCV—in)
External. OTG
Transceiver Interrupt SRP Detect
USB_P2_2 - - UDC OE
(OE_n—out)
UHC OE
(OE_n—out) OE_Tp_Int_n Session Valid
USB_P2_3 - - UDC Rx D–
(VM—in)
UHC Rx D–
(VM—in) - Vbus Valid 4.4-V
USB_P2_4 - - UDC Tx D–
(VMO—out)
UHC Tx D–
(VMO—out) UDC D– UHC D– Charge Pump
Vbus Enable
USB_P2_5 - - UDC Rx D+
(VP—in)
UHC Rx D+
(VP—in) UDC D+ UHC D+ Vbus Valid 4.0-V
USB_P2_6 - - UDC Tx D+
(VPO—out)
UHC Tx D+
(VPO—out) --
USB_P2_7 - - SPEED SPEED OTG ID
USB_P2_8 - - - USBHPEN2 Suspend Charge Pump
Vbus Pulse Enable
Intel® PXA27x Processor Family Developer’s Manual 12-43
USB Client Controller
sample IRIDR and IRIDF in the UDC Interrupt Status Registers (UDCISR0, UDCISR1, and
UDCOTGISR). After reading the OTG ID value, set IDON to 0 to reduce power consumption.
Refer to Section 12.5.6 for more information.
12.6.3.5 External Transceiver Suspend Enable
The External Transceiver Suspend Enable (EXSUS) bit sets the Suspend Enable bit that can be
used by an external transceiver to indicate the USB must enter suspend.
12.6.3.6 External Transceiver Speed Control
The External Transceiver Speed Control (EXSP) bit sets the speed control signal that can be used
by an external transceiver to indicate the speed of the USB connection.
12.6.3.7 Host Port 2 D– Pull-Up Bypass Enable
The Host Port 2 D Pull-Up Bypass Enable (DMPUBE) bit is used in conjunction with Host Port 2
D– Pull-Up Enable to control the pull-up resistance applied to D– pin of the host port 2 transceiver.
When DMPUBE is 1, SW2 shown in Figure 12-21 is closed, causing the pull-up RPU2 to be
bypassed and not included in the pull-up resistance on D–. When DMPUBE is 0, SW2 shown in
Figure 12-21 is open, causing the pull-up resistor RPU2 to be added to the pull-up resistance on
D–. Refer to Table 12-9 for a summary of the SW2 programming values.
In addition to user control of SW2, SW2 is enabled and disabled by the USB device controller
when the bus state changes to/from idle and receiving data from the USB host controller. The
hardware enabling and disabling of SW2 is not reflected in the value of DMPUBE.
Figure 12-21. D– Pull-Up Resistors
RPU2
900 - 1.575 K Ohms
RPU1
525 - 1.515 K Ohms
SW2
SW1
D-
12-44 Intel® PXA27x Processor Family Developer’s Manual
USB Client Controller
Figure 12-22. D+ Pull-Up Resistors
12.6.3.8 Host Port 2 D– Pull-Up Enable
The Host Port 2 Pull-Up Enable (DMPUE) bit enables and disables the pull-ups on the D– pin on
the host controller port 2 transceiver. When DMPUE is 1, SW1 shown in Figure 12-21 is closed,
enabling the D– pull-ups. When DMPUE is 0, SW1 is open, disabling the D– pull-ups. Set
DMPUE to 0 when the USB device controller is selected as the OTG I/O for host Port 2 output.
With this selection, the D– pin pull-ups are disabled when the USB OTG is either an A-device or
B-device but is acting as the USB client. Set DMPUE to 0 when OTG is not being used. Refer to
Table 12-9 for a summary of the SW1 programming values.
Note: Data-line pulsing is performed using software control of the pull-up enable control bits, Host Port 2
D– Pull Up Enable (DPPUE) and Host Port 2 D+ Pull Up Enable (DMPDE).
12.6.3.9 Host Port 2 D+ Pull-Up Enable
The Host Port 2 Pull-Up Enable (DPPUE) bit enables and disables the pull-ups on D+ pin on the
host controller port 2 transceiver. When DPPUE is 1, SW1 shown in Figure 12-22 is closed,
enabling the D+ pull-ups. When DPPUE is 0, SW1 is open, disabling the D+ pull-ups. Set DPPUE
to 1 when the USB device controller is selected as the OTG I/O for host Port 2 output. With this
selection, the D+ pin pull-ups is enabled when the USB OTG is either an A-device or B-device but
is acting as the USB client. Set DPPUE to 0 when the USB host controller is selected as the OTG I/
O for host Port 2 output. With this selection, the D+ pin pull-ups is disabled when the USB OTG is
either an A-device or a B-device but is acting as the USB host controller. Set DPPUE to 0 when
OTG is not being used. Refer to Table 12-9 for a summary of the SW1 programming values.
Note: Data-line pulsing is performed using software control of the pull-up enable control bits, Host Port 2
D– Pull Up Enable (DPPUE) and Host Port 2 D+ Pull Up Enable (DMPDE).
12.6.3.10 Host Port 2 Pull D– Down Enable
The Host Port 2 D– Pull-Down Enable (DMPDE) bit enables and disables the pull-down on the D–
pin on the host controller port 2 transceiver. When DMPDE is 1, the D– 14.25 K–24.8 K Ohm pull-
down resistor is enabled and when PDE is 0, the D– pull-down is disabled.
RPU2
900 - 1.575 K Ohms
RPU1
525 - 1.515 K Ohms
SW1
D+
Intel® PXA27x Processor Family Developer’s Manual 12-45
USB Client Controller
Set PDE to 1 when the host port 2 implements a USB OTG interface. With this setting, the D– pull-
down is enabled when the USB OTG ports are either an A- or B-device. Set PDE to 0 when the
host port 2 is being used as the transceiver for the USB device controller in a non-OTG
configuration. With this setting, the D– pull-down is disabled as required for UDC transceiver I/O.
Refer to Table 12-9 for a summary of the pull-down enable programming values.
12.6.3.11 Host Port 2 Pull D+ Down Enable
The Host Port 2 Pull-Down Enable (DPPDE) bit enables and disables the pull-down on the D+ pins
on the host controller port 2 transceiver. When DPPDE is 1, the D+ pull-down is enabled and when
DPPDE is 0, the D+ pull-down is disabled.
Set DPPDE to 1 when the host port 2 implements a USB OTG interface and the OTG ID is 0,
indicating the USB OTG interface is to act as the A-device on the USB OTG connection. With this
setting, the D+ pull-downs are enabled when the USB OTG ports are the A-device and are to pull-
down D+. Set PDE to 0 when the host port 2 implements a USB OTG interface and the OTG ID is
1, indicating that the USB OTG interface is to be the B-device on the USB OTG connection. With
this setting, the D+ pull-down is disabled when the processor USB OTG ports are the B-device.
Also set PDE to 0 when the host port 2 is being used as the transceiver for the USB device
controller in a non-OTG configuration. With this setting, the D– pull-down is disabled as required
for UDC transceiver I/O. Refer to Table 12-9 for a summary of the pull-down enable programming
values.
12.6.3.12 Charge Pump Vbus Pulse Enable
The Charge Pump Vbus Pulse Enable (CPVPE) bit enables the Vbus charge circuitry in an external
charge pump device to provide Vbus using a 10-mA current source to provide pulsing required by
the OTG session request protocol.
Note: Data-line pulsing is performed using software control of the pull-up enable control bits, Host Port 2
D– Pull Up Enable (DPPUE) and Host Port 2 D+ Pull Up Enable (DMPDE).
12.6.3.13 Charge Pump Vbus Enable
The Charge Pump Vbus Enable (CPVE) bit enables an external charge pump device to provide
voltage to the USB Vbus.
The register organization and individual bit definitions are shown in Table 12-22.
This is a read/write register. Ignore reads from reserved bits. Write 0b0 to reserved bits.
12-46 Intel® PXA27x Processor Family Developer’s Manual
USB Client Controller
Table 12-20. UP2OCR Bit Definitions (Sheet 1 of 2)
Physical Address
0x4060_0020 UP2OCR USB Client Controller
Bit 31 30 29 28 27 26 25 24 23 22 21 20 19 18 17 16 15 14 13 12 11 10 9 8 7 6 5 4 3 2 1 0
reserved SEOS reserved
HXOE
HXS
reserved
IDON
EXSUS
EXSP
DMSTATE
VPMBlockEnbN
DPSTATE
DPPUE
DMPDE
DPPDE
CPVPE
CPVEN
Reset ? ? ? ? ? 0 0 0 ? ? ? ? ? ? 1 1 ? ? ? ? ? 0 0 0 0 0 0 0 0 0 0 0
Bits Access Name Description
31:27 — reserved
26:24 R/W SEOS
Single-Ended Output Select
0b000 = Off. No output selected.
0b001 = Not used.
0b010 = Device controller single-ended operation using GPIO pads with
an external transceiver.
0b011 = Host controller single-ended operation using GPIO pads with an
external transceiver.
0b100 = Device controller with external OTG transceiver.
0b101 = Host controller with external OTG transceiver.
0b110 = Device controller with external charge pump.
0b111 = Host controller with external charge pump.
23:18 — reserved
17 R/W HXOE
Host Port 2 Transceiver Output Enable
0 = On-chip host controller transceiver disabled.
1 = On-chip host controller transceiver enabled.
16 R/W HXS
Host Port 2 Transceiver Output Select
0 = Output signals from USB device controller.
1 = Output signals from USB host controller.
15:11 — reserved
10 R/W IDON OTG ID Read Enable
9 R/W EXSUS External Transceiver Suspend Enable
8 R/W EXSP External Transceiver Speed Control
7RDMSTATE
This bit reflects the value of the Host Port 2 D- line after two 26MHz
clock delay or approximately one 12MHz USB clock.
NOTE: This bit field is available in the C5 stepping and any subsequent
steppings. On C0 processors this bit field is: DMPUBE Host Port 2
Transceiver D– Pull Up Bypass Enable. On C5 and beyond this pullup
bypass is always disabled.
Intel® PXA27x Processor Family Developer’s Manual 12-47
USB Client Controller
12.6.4 USB Port 3 Output Control Register (UP3OCR)
The USB Port 3 Output Control register (UP3OCR) controls the Port 3 transceivers on the USB
host controller to enable using an external transceiver.
12.6.4.1 USB Host Port 3 Configuration
The USB Host Port 3 Configuration (CFG) bit field sets the operating configuration for port 3 of
the USB host controller. This port can connect to an external device and/or transceiver in several
different configurations. The USB host controller port 3 inputs can provide a wake-up when
resume signaling is detected. USB host controller port 3 inputs cannot provide a wake-up when a
connect/disconnect is detected. For information on programming UDC wake-up events refer to
Chapter 3, “Clocks and Power Manager”.
6 R/W VPMBlockEnbN
Host Port 3 VPM Block Enable
0 = When the USB is in transceiverless mode (UP3OCR[CFG] = 0x2),
then USB_P3_6 (VPO) and USB_P3_4 (VMO) are ignored by USB Host
Port 3 when USB_P3_2 (OE_n) is deasserted.
1 = When the USB is in transceiverless mode (UP3OCR[CFG] = 0x2),
then USB_P3_6 (VPO) and USB_P3_4 (VMO) are not ignored by USB
Host Port 3 when USB_P3_2 (OE_n) is deasserted.
NOTE: This bit field is available in the C5 stepping and any subsequent
steppings. On C0 processors this bit field is: DPPUBE Host Port 2
Transceiver D+ Pull Up Bypass Enable. On C5 steppings and beyond this
pullup bypass is always disabled.
5 R DPSTATE
This bit reflects the value of the Host Port 2 D+ line after two 26MHz
clock delay or approximately one 12MHz USB clock.
NOTE: This bit field is available in the C5 stepping and any subsequent
steppings. On C0 processors this bit field is: DMPUE Host Port 2
Transceiver D– Pull Up Enable. On C5 and beyond this internal pullup is no
longer available for turning on and off. It is always disabled.
4 R/W DPPUE Host Port 2 Transceiver D+ Pull Up Enable
3 R/W DMPDE Host Port 2 Transceiver D– Pull Down Enable
2 R/W DPPDE Host Port 2 Transceiver D+ Pull Down Enable
1 R/W CPVPE Charge Pump Vbus Pulse Enable
0 R/W CPVEN Charge Pump Vbus Enable
Table 12-20. UP2OCR Bit Definitions (Sheet 2 of 2)
Physical Address
0x4060_0020 UP2OCR USB Client Controller
Bit 31 30 29 28 27 26 25 24 23 22 21 20 19 18 17 16 15 14 13 12 11 10 9 8 7 6 5 4 3 2 1 0
reserved SEOS reserved
HXOE
HXS
reserved
IDON
EXSUS
EXSP
DMSTATE
VPMBlockEnbN
DPSTATE
DPPUE
DMPDE
DPPDE
CPVPE
CPVEN
Reset ? ? ? ? ? 0 0 0 ? ? ? ? ? ? 1 1 ? ? ? ? ? 0 0 0 0 0 0 0 0 0 0 0
Bits Access Name Description
12-48 Intel® PXA27x Processor Family Developer’s Manual
USB Client Controller
When CFG is set to 0x0, the USB host controller port 3 is configured to connect the internal USB
host controller port 3 outputs to an external USB transceiver.
When CFG is set to 0x2, the USB host controller port 3 is configured to connect the processor USB
host controller port 3 outputs to an external USB device controller, with the external USB device
controller providing the output enable control to the processor USB host controller port 3
transceiver. In this mode, Port 3 is best thought of as looking like a transceiver to the external
device. Table 12-21 lists the USB Host Port 3 Configuration selection values and the signals
assigned to each GPIO for each setting.
Intel® PXA27x Processor Family Developer’s Manual 12-49
USB Client Controller
The register organization and individual bit definitions are shown in Table 12-22.
This is a read/write register. Ignore reads from reserved bits. Write 0b0 to reserved bits.
Table 12-21. Port 3 Configuration Selection
GPIO
Alternate
Function
Port
Host Port 3 Configuration (CFG)
0x0 0x1 0x2 0x3
USB_P3_1 UHC Rx Data
(RCV—in) -UHC Rx Data
(RCV—out) -
USB_P3_2 UHC OE
(OE_n—out) -UHC OE
(OE_n—in) -
USB_P3_3 UHC Rx D–
(VM—in) -UHC Rx D–
(VM—out) -
USB_P3_4 UHC Tx D–
(VMO—out) -UHC Tx D–
(VMOin) -
USB_P3_5 UHC Rx D+
(VP—in) -UHC Rx D+
(VP—out) -
USB_P3_6 UHC Tx D+
(VPO—out) -UHC Tx D+
(VPO—in) -
Table 12-22. UP3OCR Bit Definitions
Physical Address
0x4060_0024 UP3OCR USB Client Controller
Bit 31 30 29 28 27 26 25 24 23 22 21 20 19 18 17 16 15 14 13 12 11 10 9 8 7 6 5 4 3 2 1 0
reserved CFG
Reset ? ? ? ? ? ? ? ? ? ? ? ? ? ? ? ? ? ? ? ? ? ? ? ? ? ? ? ? ? ? 0 0
Bits Access Name Description
31:2 — reserved
1:0 R/W CFG
Host Port 3 Configuration
0x0 = Host controller port 3 transceiver with external host controller
0x1 = Not used
0x2 = Host controller port 3 transceiver with external device controller
0x3 = ForceSE0 mode. This mode modifies USB_P3_3 to be ForceSE0
and USB_P3_5 to be ForceSE0N. The remaining pins keep the same
function as CFG=0x2.
12-50 Intel® PXA27x Processor Family Developer’s Manual
USB Client Controller
12.6.5 UDC Interrupt Status Registers (UDCISR0, UDCISR1, and
UDCOTGISR)
The UDC Interrupt Status registers UDCOTGISR, UDCISR0, and UDCISR1 contain bits to
generate the UDC interrupt request. Each bit in the UDC Interrupt Status registers is logically
ORed together to produce one interrupt request. Figure 12-23 shows the UDC interrupt generation.
When the interrupt service routine (ISR) for the UDC is executed, it must read the UDC Interrupt
Status registers to determine why the UDC interrupt occurred.
Figure 12-23. UDC Interrupt Generation
Every bit in UDCOTGISR, UDCISR0, and UDCISR1 is controlled by an enable bit in the UDC
Interrupt Control registers (UDCOTGICR, UDCICR0, and UDCICR1). When the enable bits are
clear, they prevent a status bit in the corresponding UDC Interrupt Status register from generating
an interrupt. If the enable bit for a particular status bit is set and an interruptible condition occurs,
the interrupt-status bit is set and a UDC interrupt is generated. To clear interrupt-status bits, users
must write 0b1 to the bit position to be cleared. The interrupt request for the UDC remains active as
long as the value of the UDC interrupt-status register bits ANDed with the enable bit is non-zero.
UDCISR0 contains interrupt status bits for endpoints 0 and A–P. UDCISR1 contains interrupt
status bits for endpoints Q–X. Each endpoint has the potential of two interrupt sources: FIFO error
and packet complete. UDCOTGISR contains interrupt-status bits for twelve USB On-The-Go
events. UDCISR1 also contains interrupt status bits for five USB events (see Section 12.6.2 for
additional details on the use of these interrupts).
Note: Setting any interrupt-enable bits does not affect the state of the corresponding interrupt-request bit
in the Interrupt Status register; it only blocks future 0-to-1 transitions of the interrupt-request
signal. All interrupt-request bits in the Interrupt Status registers are read/write and “write 1 to
clear.
Interrupt to co
re
Endpoint A Packet Complete Interrupt Enable
Interrupt
Status
Register
Interrupt CC
Interrupt CC Enable
.
.
.
Endpoint A DME
Endpoint A FIFO Error Interrupt Enable
Endpoint 0 Packet Complete Interrupt Enable
Endpoint 0 DME
Endpoint 0 FIFO Error Interrupt Enable
Configuration Change
Interrupt
Generation
Logic
Endpoint A FIFO Error
E
ndpoint A Packet Complete
Endpoint 0 FIFO Error
Endpoint 0 Packet Complete
Endpoint
Control/Status
Register
Intel® PXA27x Processor Family Developer’s Manual 12-51
USB Client Controller
The register organization and individual bit definitions are shown in Table 12-23, Table 12-24, and
Table 12-25.
These are read/write registers. Ignore reads from reserved bits. Write 0b0 to reserved bits.
Table 12-23. UDCISR0 Bit Definitions
Physical Address
0x4060_000C UDCISR0 USB Client Controller
User
Settings
Bit 31 30 29 28 27 26 25 24 23 22 21 20 19 18 17 16 15 14 13 12 11 10 9 8 7 6 5 4 3 2 1 0
IRP IRN IRM IRL IRK IRJ IRI IRH IRG IRF IRE IRD IRC IRB IRA IR0
Reset 0 0 0 0 0 0 0 0 0 0 0 0 0 0 0 0 0 0 0 0 0 0 0 0 0 0 0 0 0 0 0 0
Bits Access Name Description
31:30 R/W IRP Interrupt Requests—Endpoint P
29:28 R/W IRN Interrupt Requests—Endpoint N
27:26 R/W IRM Interrupt Requests—Endpoint M
25:24 R/W IRL Interrupt Requests—Endpoint L
23:22 R/W IRK Interrupt Requests—Endpoint K
21:20 R/W IRJ Interrupt Requests—Endpoint J
19:18 R/W IRI Interrupt Requests—Endpoint I
17:16 R/W IRH Interrupt Requests—Endpoint H
15:14 R/W IRG Interrupt Requests—Endpoint G
13:12 R/W IMF Interrupt Requests—Endpoint F
11:10 R/W IRE Interrupt Requests—Endpoint E
9:8 R/W IRD Interrupt Requests—Endpoint D
7:6 R/W IRC Interrupt Requests—Endpoint C
5:4 R/W IRB Interrupt Requests—Endpoint B
3:2 R/W IRA Interrupt Requests—Endpoint A
1:0 R/W IR0 Interrupt Requests—Endpoint 0
12-52 Intel® PXA27x Processor Family Developer’s Manual
USB Client Controller
Table 12-24. UDCISR1 Bit Definitions
Physical Address
0x4060_0010 UDCISR1 USB Client Controller
User
Settings
Bit 31 30 29 28 27 26 25 24 23 22 21 20 19 18 17 16 15 14 13 12 11 10 9 8 7 6 5 4 3 2 1 0
IRCC
IRSOF
IRRU
IRSU
IRRS
reserved IRX IRW IRV IRU IRT IRS IRR IRQ
Reset 0 0 0 0 0 ? ? ? ? ? ? ? ? ? ? ? 0 0 0 0 0 0 0 0 0 0 0 0 0 0 0 0
Bits Access Name Description
31 R/W IRCC Interrupt Request—Configuration Change
30 R/W IRSOF Interrupt Request—Start of Frame
29 R/W IRRU Interrupt Request—Resume
28 R/W IRSU Interrupt Request—Suspend
27 R/W IRRS Interrupt Request—Reset
26:16 — reserved
15:14 R/W IRX Interrupt Requests—Endpoint X
13:12 R/W IRW Interrupt Requests—Endpoint W
11:10 R/W IRV Interrupt Requests—Endpoint V
9:8 R/W IRU Interrupt Requests—Endpoint U
7:6 R/W IRT Interrupt Requests—Endpoint T
5:4 R/W IRS Interrupt Requests—Endpoint S
3:2 R/W IRR Interrupt Requests—Endpoint R
1:0 R/W IRQ Interrupt Requests—Endpoint Q
Table 12-25. UDCOTGISR Bit Definitions (Sheet 1 of 2)
Physical Address
0x4060_001C UDCOTGISR USB Client Controller
User
Settings
Bit 31 30 29 28 27 26 25 24 23 22 21 20 19 18 17 16 15 14 13 12 11 10 9 8 7 6 5 4 3 2 1 0
reserved
IRSF
reserved
IRXR
IRXF
reserved
IRVV40R
IRVV40F
IRVV44R
IRVV44F
IRSVR
IRSVF
IRSDR
IRSDF
IRIDR
IRIDF
Reset ? ? ? ? ? ? ? ? ? ? ? ? ? ? 0 0 ? ? ? ? ? ? 0 0 0 0 0 0 0 0 0 0
Bits Access Name Description
31:25 — reserved
24 R/WCIRSF OTG SET_FEATURE Command Received
23:18 — reserved
17 R/WCIRXR External Transceiver Interrupt Rising-Edge Interrupt Request
16 R/WCIRXF External Transceiver Interrupt Falling-Edge Interrupt Request
15:10 — reserved
Intel® PXA27x Processor Family Developer’s Manual 12-53
USB Client Controller
12.6.6 UDC Frame Number Register (UDCFNR)
The UDC Frame Number register (UDCFNR), shown in Table 12-26, holds the 11-bit frame
number contained in the last received SOF packet, and is used for isochronous transfers. If the SOF
interrupt is enabled, a SOF interrupt is generated when the frame-number bits are updated.
9R/WC
IRVV40R OTG Vbus Valid 4.0-V Rising-Edge Interrupt Request
8R/WC
IRVV40F OTG Vbus Valid 4.0-V Falling-Edge Interrupt Request
7R/WC
IRVV44R OTG Vbus Valid 4.4-V Rising-Edge Interrupt Request
6R/WC
IRVV44F OTG Vbus Valid 4.4-V Falling-Edge Interrupt Request
5R/WC
IRSVR OTG Session Valid Rising-Edge Interrupt Request
4R/WC
IRSVF OTG Session Valid Falling-Edge Interrupt Request
3R/WC
IRSDR OTG A-Device SRP Detect Rising-Edge Interrupt Request
2R/WC
IRSDF OTG A-Device SRP Detect Falling-Edge Interrupt Request
1R/WC
IRIDR OTG ID Change Rising-Edge Interrupt Request
0R/WC
IRIDF OTG ID Change Falling-Edge Interrupt Request
NOTE:
To clear this bit, write 0b1 to it.
Table 12-25. UDCOTGISR Bit Definitions (Sheet 2 of 2)
Physical Address
0x4060_001C UDCOTGISR USB Client Controller
User
Settings
Bit 31 30 29 28 27 26 25 24 23 22 21 20 19 18 17 16 15 14 13 12 11 10 9 8 7 6 5 4 3 2 1 0
reserved
IRSF
reserved
IRXR
IRXF
reserved
IRVV40R
IRVV40F
IRVV44R
IRVV44F
IRSVR
IRSVF
IRSDR
IRSDF
IRIDR
IRIDF
Reset ? ? ? ? ? ? ? ? ? ? ? ? ? ? 0 0 ? ? ? ? ? ? 0 0 0 0 0 0 0 0 0 0
Bits Access Name Description
Table 12-26. UDCFNR Bit Definitions
Physical Address
0x4060_0014 UDCFNR USB Client Controller
User
Settings
Bit 31 30 29 28 27 26 25 24 23 22 21 20 19 18 17 16 15 14 13 12 11 10 9 8 7 6 5 4 3 2 1 0
reserved FN
Reset ? ? ? ? ? ? ? ? ? ? ? ? ? ? ? ? ? ? ? ? ? 0 0 0 0 0 0 0 0 0 0 0
Bits Access Name Description
31:11 — reserved
10:0 R FN Frame number associated with last received SOF.
12-54 Intel® PXA27x Processor Family Developer’s Manual
USB Client Controller
12.6.7 UDC Endpoint 0 Control/Status Register (UDCCSR0)
The UDC Endpoint 0 Control/Status register, shown in Table 12-27, contains eight bits to operate
endpoint 0 (control endpoint).
This is a read/write register. Ignore reads from reserved bits. Write 0b0 to reserved bits.
Table 12-27. UDCCSR0 Bit Definitions (Sheet 1 of 3)
Physical Address
0x4060_0100 UDCCSR0 USB Client Controller
User
Settings
Bit 31 30 29 28 27 26 25 24 23 22 21 20 19 18 17 16 15 14 13 12 11 10 9 8 7 6 5 4 3 2 1 0
reserved
ACM
AREN
SA
RNE
FST
SST
DME
FTF
IPR
OPC
Reset ? ? ? ? ? ? ? ? ? ? ? ? ? ? ? ? ? ? ? ? ? ? 0 0 0 0 0 0 0 0 0 0
Bits Access Name Description
31:10 — reserved
9R/WACM
ACK Control Mode
Enables user control of the ACK response to the status IN requests of
SET_CONFIGURATION and SET_INTERFACE commands. When ACM is
clear, the UDC automatically responds to the STATUS IN request following
a SET_CONFIGURATION and SET_INTERFACE with an ACK. When ACM
is set, the UDC responds to the STATUS IN request following a
SET_CONFIGURATION and SET_INTERFACE command with a NAK until
AREN is set. When the user sets AREN to 1, the UDC responds with an
ACK to the next STATUS IN request.
0 = Send ACK response to SET_CONFIGURATION and
SET_INTERFACE commands with no user intervention.
1 = Send NAK response to SET_CONFIGURATION and
SET_INTERFACE commands until AREN = 1.
8Read/
Write 1 to Set AREN
ACK Response Enable
When ACM = 1, the AREN bit enables user control of the ACK response to
the status IN requests of SET_CONFIGURATION and SET_INTERFACE
commands. When ACM is set, the UDC responds to the STATUS IN
request following a SET_CONFIGURAION and SET_INTERFACE
command with a NAK until AREN is set. When the user sets AREN to 1, the
UDC responds with an ACK to the next STATUS IN request. AREN is
cleared by the UDC when another SETUP command is received.
0 = Send NAK response to SET_CONFIGURATION and
SET_INTERFACE commands.
1 = Send ACK response to SET_CONFIGURATION and
SET_INTERFACE commands.
7Read/
Write 1 to
Clear SA
Setup Active
Indicates the current packet in the endpoint 0 receive FIFO is part of a USB
SETUP command. This bit is active at the same time as Out-Packet
Complete (OPC). Users must clear this bit by writing a 1 to it. SA must be
cleared when OPC is cleared.
1 = Setup command is active on the USB.
Intel® PXA27x Processor Family Developer’s Manual 12-55
USB Client Controller
6 R RNE
Receive FIFO Not Empty
Indicates there is unread data in the endpoint 0 receive FIFO. This bit must
be polled when the OPC bit is set to determine if there is any data in the
receive FIFO. The receive FIFO must continue to be read until this bit
clears, or data is lost.
0 = Receive FIFO empty.
1 = Receive FIFO not empty.
5Read/
Write 1 to Set FST
Force Stall
Set this bit to 1 to force the UDC to issue a STALL handshake. After the
UDC issues a STALL handshake for the current control transfer, the bit is
cleared by the UDC because endpoint 0 cannot remain in a stalled
condition.
1 = Force stall handshake.
4Read/
Write 1 to
Clear SST
Sent Stall
This bit is set by the UDC when it must abort the current control transfer by
issuing a STALL handshake due to a protocol violation. When SST is set,
UDCISR0[IR0] is set if the packet-complete endpoint-0 interrupt is enabled.
Write 0b1 to SST to clear it.
1 = UDC sent stall handshake.
3R/WDME
DMA Enable
Used for endpoint 0 OUT transactions only, to request DMA reading of
endpoint 0 FIFO memory. DME is used by the UDC to control the endpoint
packet-complete interrupt and DMA request. If the bit is clear, the packet-
complete interrupt is asserted when the end-of-packet is received, and all of
the received data is still in the receive FIFO. In this case, it is assumed the
data is unloaded using the Intel XScale® technology, so an interrupt is
generated instead of a DMA request. If DME is set, the packet-complete
interrupt is not asserted, but a DMA request is generated to notify the DMA
of the received data.
DMA Enable can only be disabled when the DMA channel is stopped.
0 = Send data received interrupt after EOP received.
1 = Send data received DMA request after EOP received.
Table 12-27. UDCCSR0 Bit Definitions (Sheet 2 of 3)
Physical Address
0x4060_0100 UDCCSR0 USB Client Controller
User
Settings
Bit 31 30 29 28 27 26 25 24 23 22 21 20 19 18 17 16 15 14 13 12 11 10 9 8 7 6 5 4 3 2 1 0
reserved
ACM
AREN
SA
RNE
FST
SST
DME
FTF
IPR
OPC
Reset ? ? ? ? ? ? ? ? ? ? ? ? ? ? ? ? ? ? ? ? ? ? 0 0 0 0 0 0 0 0 0 0
Bits Access Name Description
12-56 Intel® PXA27x Processor Family Developer’s Manual
USB Client Controller
2Read 0/
Write 1 to Set FTF
Flush Transmit FIFO
Set this bit to reset the endpoint 0 transmit FIFO. FTF is reset by the UDC
after the FIFO contents have been deleted. The endpoint 0 transmit FIFO is
also flushed by the UDC after the UDC has received an OUT packet from
the USB host controller.
1 = Flush the contents of transmit FIFO.
1Read/
Write 1 to Set IPR
IN Packet Ready
Indicates a packet has been loaded and is ready for transmission. Users
must set IPR only when a packet smaller than 16 bytes has been written to
the endpoint 0 transmit FIFO. There is no need to set IPR when a maximum
size packet is loaded for transmission. The UDC automatically clears IPR
when the packet has been successfully transmitted or FTF has been set.
When IPR is cleared by the UDC, the IR0[0] bit in UDCISR0 is set if the
packet-complete endpoint 0 interrupt is enabled. IPR cannot be cleared by
software.
1 = IN packet has been loaded and is ready for transmission.
0Read/
Write 1 to
Clear OPC
OUT Packet Complete
This bit is set by the UDC when it receives a valid token to endpoint 0.
When OPC is set, the IR0[0] bit in the UDC Interrupt Status register 0
(UDCISR0) is set if the packet-complete endpoint 0 interrupt is enabled.
OPC is cleared by writing a 1 to it, and it must not be cleared until all the
receive data has been read from the endpoint 0 receive FIFO. If OPC is
cleared before all the receive data is read, the receive FIFO is flushed and
any data remaining in the FIFO is lost. The UDC does not enter the data
phase of an endpoint 0 transaction until the OPC bit is cleared.
NOTE: OPC is set when DME is set and must be cleared by software to
enter the data phase of the endpoint 0 transaction. The UDC does
not enter the data phase of an endpoint 0 transaction until the OPC
bit is cleared, even when DME is set and the packet complete
interrupt is not asserted.
0 = OUT packet not received.
1 = OUT packet received and ready for reading.
Table 12-27. UDCCSR0 Bit Definitions (Sheet 3 of 3)
Physical Address
0x4060_0100 UDCCSR0 USB Client Controller
User
Settings
Bit 31 30 29 28 27 26 25 24 23 22 21 20 19 18 17 16 15 14 13 12 11 10 9 8 7 6 5 4 3 2 1 0
reserved
ACM
AREN
SA
RNE
FST
SST
DME
FTF
IPR
OPC
Reset ? ? ? ? ? ? ? ? ? ? ? ? ? ? ? ? ? ? ? ? ? ? 0 0 0 0 0 0 0 0 0 0
Bits Access Name Description
Intel® PXA27x Processor Family Developer’s Manual 12-57
USB Client Controller
12.6.8 UDC Endpoints A–X Control Status Registers (UDCCRSA–
UDCCRSX)
Each of the 23 programmable endpoints A–X use their Control/Status registers (UDCCSRA–
UDCCSRX) to control the behavior of the endpoint and to report status for that endpoint after USB
enumeration. The UDC Control Status registers for each endpoint contain ten bits to operate the
respective endpoint.
12.6.8.1 Data Packet Error
The Data-Packet Error (DPE) bit is used for endpoints configured as Isochronous OUT endpoints
only. The DPE bit indicates a PID, bit-stuffing, or CRC error has been detected on the active buffer
of Isochronous OUT data. DPE is valid while PC is set. If an endpoint is configured as any type
other than Isochronous or as an IN endpoint, DPE is not used.
12.6.8.2 Flush Endpoint FIFO
The Flush Endpoint FIFO (FEF) bit resets the endpoint transmit or receive FIFO by setting it. FEF
is cleared by the UDC after the FIFO contents have been deleted.
12.6.8.3 Short Packet
The Short Packet (SP) bit indicates a packet smaller than the maximum packet size has been
received and is ready for unloading, or has been loaded and is ready for transmission.
If an endpoint is configured as an IN endpoint, the SP bit must be set when the last byte of a
transfer that is shorter than the maximum packet size has been loaded into the transmit buffer.
Doing so tells the UDC that the packet is ready for transmitting. For maximum size packets, SP
does not need to be set. Upon successful transmission of the data packet, the SP bit is cleared by the
UDC.
If an endpoint is configured as an OUT endpoint, when the UDC sets the SP bit, it indicates that the
last byte of a receive-data transfer that is smaller than the maximum size packet has been loaded
into the receive FIFO. If SP is set and BNE/BNF is clear, a zero-length packet has been received.
The SP bit is read-only for all OUT endpoints and is valid while the PC bit is set.
12.6.8.4 Buffer Not Empty/Buffer Not Full
The Buffer Not Empty/Buffer Not Full (BNE/BNF) bit indicates there is unread or untransmitted
data in the current receive or transmit buffer. If an endpoint is configured as an IN endpoint, the
BNE/BNF means that the buffer is not full, and if an endpoint is configured as an OUT endpoint,
the BNE/BNF means that the buffer is not empty.
If the endpoint is configured as an IN endpoint, BNE/BNF clears when the endpoint buffer space
has been filled with packet data. If the endpoint does not have double-buffering enabled, BNE/BNF
clears when one complete packet of data has been loaded into the FIFO memory space. If the
endpoint is configured as an IN endpoint and double-buffering is enabled, BNE/BNF indicates the
status of the current buffer being loaded. If both buffers are loaded with complete packets of data,
both the BNE/BNF and FS bits are 0. A complete packet of data is signified by either loading a
maximum size packet or loading a short packet, and setting the SP bit.
12-58 Intel® PXA27x Processor Family Developer’s Manual
USB Client Controller
If an endpoint is configured as an OUT endpoint, BNE/BNF must be polled when the PC bit is set
to determine if there is any data in the FIFO that needs to be unloaded. Users must continue to read
the Endpoint Data register until this bit clears, or data is lost. The UDC sets BNE/BNF when the
receive FIFO has one complete data packet in it. If the endpoint is a bulk or interrupt endpoint,
BNE/BNF is not set until the OUT packet has been error-checked by the UDC and found to be
error-free. If the endpoint is an isochronous endpoint, BNE/BNF is not set until the OUT packet
data has been error-checked by the UDC and DPE set to indicate any errors that may have been
found. A complete packet is defined as a maximum size packet, a short packet, or a zero packet.
BNE/BNF does not clear until the read of the current buffer is complete. If the endpoint has
double-buffering enabled, BNE/BNF clears when the current buffer is empty and FS bit does not
clear until neither buffer has data.
12.6.8.5 Sent STALL and Force STALL
The Sent Stall (SST) and Force Stall (FST) bits are used by endpoints configured as bulk or
interrupt endpoints only. SST and FST are considered reserved for all endpoints configured as
isochronous endpoints.
The UDC sets SST when it must abort the current transfer by issuing a STALL handshake to the
USB host controller. The SST bit is cleared by writing a 1 to it. If the endpoint is configured as an
IN endpoint, the transmit FIFO is flushed when SST is cleared. If the endpoint is configured as an
OUT endpoint, no action is taken on the receive FIFO when SST is cleared. Any data in the
endpoint receive FIFO remains valid and must be unloaded by software.
Note: Users must clear the SST bit before the USB host controller requests more data from IN endpoints
or invalid or corrupted data may be sent to the host.
To force the UDC to issue a STALL handshake in response to all IN token requests or all OUT
tokens, set the FST bit. The FST bit is cleared and the SST bit is set when the STALL handshake
has actually been sent to the USB host controller and the STALL state entered (this may be delayed
if the UDC is active when the FST bit is set). The STALL handshakes continue to be sent until the
USB host controller clears the STALL feature for the particular endpoint. The actual stall condition
in the UDC is cleared by the USB host controller using the CLEAR_FEATURE command.
12.6.8.6 DMA Enable
The DMA Enable (DME) bit is set to request DMA reading or writing of endpoint FIFO memory.
For all endpoints configured as OUT endpoints, DME is used by the UDC to control the output of
the endpoint packet-complete interrupt. If the DME bit is clear, the packet-complete interrupt is
asserted when the end-of-packet is received, and all of the received data is still in the receive FIFO;
data must be unloaded using the PXA27x processor. If DME is set, the packet complete interrupt is
not asserted, but a DMA request is generated to notify the DMA of the received data.
If an endpoint is configured as an IN endpoint, DME is used by the UDC to enable the output of the
DMA request. If the DME bit is clear, the DMA request is not generated, and users must use BNE/
BNF and FS to determine when to load data into the endpoint FIFO memory for transmission. If
the DME bit is set, the UDC generates a DMA request when there is space in the endpoint FIFO
memory for one complete data packet. The UDC continues to issue a DMA request until the
endpoint buffer(s) has been filled or the SP bit has been set. When DME is set, the PC bit is set at
the end of the transmission of the packet; however, it is not required to clear PC before loading
more data into the endpoint FIFO.
Note: Disable the DME bit only when the DMA channel is stopped.
Intel® PXA27x Processor Family Developer’s Manual 12-59
USB Client Controller
12.6.8.7 Transmit/Receive NAK
The Transmit/Receive NAK (TRN) bit is set by the UDC when the host requests IN data and a
complete packet is not ready for transmission or the host sends OUT data and the endpoint
buffer(s) is full. The TRN bit is cleared by writing a 1 to it.
For IN endpoints, the TRN bit is set by the UDC when the UDC tries to transmit data but a
complete packet of data has not been loaded into the endpoint buffer. If the endpoint is configured
as a bulk or interrupt endpoint, the UDC issues NAK handshakes to IN tokens while the endpoint
buffer continues to be empty. If the endpoint is configured as an isochronous endpoint, the UDC
sends zero-size packets while the endpoint buffer is empty and, if the FIFO error interrupt is
enabled, the UDC generates a FIFO error interrupt for the endpoint.
For OUT endpoints, the TRN bit is set by the UDC when the host sends OUT data while the
endpoint buffer(s) is full. If the endpoint is configured as a bulk or interrupt endpoint, the UDC
issues NAK handshakes to OUT tokens while the endpoint buffer(s) continues to be full. If the
OUT endpoint is configured as an isochronous endpoint, isochronous data packets sent from the
host while the endpoint buffers are full are dropped and, if the FIFO error interrupt is enabled,
generate a FIFO error interrupt for the endpoint.
12.6.8.8 Packet Complete
The UDC sets the Packet Complete (PC) bit when an entire packet has been sent to or received
from the USB host controller. PC can be used to validate the other status/error bits in the Endpoint
Control/Status register. The PC bit is cleared by writing a 1 to it.
If an endpoint is configured as an OUT endpoint, the PC bit is set by the UDC when an entire
packet has been received from the USB host controller, and generates a packet-complete interrupt
or DMA request for the endpoint, according to the Packet Complete Interrupt Enable and DME
bits. After reading all of the received data from the endpoint receive buffer, the PC bit must be
cleared. Any data remaining in the endpoint receive buffer is deleted when the PC bit is cleared.
The UDC issues NAK handshakes to all OUT tokens for any bulk or interrupt endpoint with the PC
bit set and when the endpoint buffers are full.
If an endpoint is configured as an IN endpoint, the PC bit is set by the UDC after an entire packet
has been sent to the USB host controller. Users can load more data into the transmit FIFO
regardless of the state of PC. When a packet is received by the UDC, the PC is set by the UDC, and
the corresponding PC interrupt bit in the UDCISR0 is set and an interrupt generated, if the interrupt
is enabled and DME is clear. If the PC bit was set when a packet is received by the UDC, PC
remains set and the corresponding PC interrupt bit in the UDCISR0 is set (if it has not been set
already) and an interrupt generated, if the interrupt is enabled and DME is clear. If the PC bit was
set when a packet is received by the UDC, the PC remains set and if DME is set, a DMA request is
generated.
12.6.8.9 FIFO Service
The FIFO-service (FS) bit indicates there is room in the endpoint FIFO for more data to be loaded
or more data in the endpoint FIFO to be unloaded.
If an endpoint is configured as an IN endpoint and has double-buffering enabled, the UDC sets FS
when there is space for one or more data packets to be loaded into the transmit FIFO. FS clears
when there are two complete packets of data in the transmit FIFO. If an IN endpoint has double-
12-60 Intel® PXA27x Processor Family Developer’s Manual
USB Client Controller
buffering disabled, FS is active if there is less than one complete data packet in the transmit FIFO.
FS clears when one complete data packet has been loaded into the FIFO. A complete packet of data
is signified by either loading in a maximum size packet or by setting SP.
If an endpoint is configured as an OUT endpoint and has double-buffering enabled, the FS bit is set
by the UDC when the receive FIFO has at least one complete data packet in it. FS does not clear
until the read of the FIFO is complete and neither buffer has data. In the case of both buffers being
empty, FS is not set until the UDC has checked the OUT packet for errors. If the OUT endpoint has
double-buffering disabled, FS is set by the UDC when the receive FIFO has one complete data
packet in it. FS does not clear until all of the data has been read from the FIFO. A complete packet
can be the maximum size packet, a short packet, or a zero packet.
Table 12-28 shows how each of the control and status bits in the UDCCSRA–UDCCSRX registers
are defined by endpoint direction.
The register organization and individual bit definitions are shown in Table 12-29.
This is a read/write register. Ignore reads from reserved bits. Write 0b0 to reserved bits.
Table 12-28. UDCCRSA–UDCCRSX Bit Definition by Endpoint Direction
Register Bit IN Endpoint OUT Endpoint
DPE Not used Isochronous receive data had PID, bit stuffing
or CRC error
FEF Flush the contents of the transmit FIFO Flush the contents of the receive FIFO
SP Short packet has been loaded and is ready for
transmission Short packet has been received and is ready
for reading
BNE/BNF Current transmit buffer full/not full Current receive buffer empty/not empty
FST Send STALL handshake to IN tokens
SST STALL handshake has been sent
DME DMA request asserted when transmit FIFO has
room for one complete data packet Interrupt asserted after EOP received or DMA
request asserted after EOP received
EFE FIFO underrun has occurred FIFO overflow has occurred
PC Qualification of other status/error bits. Transmit
packet has been sent Qualification of other status/error bits.
Receive packet has been received
FS Transmit FIFO has room/no room for new data Receive FIFO has room/no room for new data
Intel® PXA27x Processor Family Developer’s Manual 12-61
USB Client Controller
Table 12-29. UDCCRSA–UDCCRSX Bit Definitions (Sheet 1 of 2)
Physical Addresses
0x4060_0104–0x4060_015C UDCCSRA–UDCCSRX USB Client Controller
User
Settings
Bit 31 30 29 28 27 26 25 24 23 22 21 20 19 18 17 16 15 14 13 12 11 10 9 8 7 6 5 4 3 2 1 0
reserved
DPE
FEF
SP
BNE/BNF
FST
SST
DME
TRN
PC
FS
Reset ? ? ? ? ? ? ? ? ? ? ? ? ? ? ? ? ? ? ? ? ? ? 0 0 0 0 0 0 0 0 0 0
Bits Access Name Description
31:10 — reserved
9RDPE
Data Packet Error (isochronous endpoints only)
0 = No error detected on OUT data packet.
1 = PID, bit stuffing, or CRC error was detected on OUT packet.
8Read/
Write 1 to Set FEF
Flush Endpoint FIFO
For IN endpoints:
1 = Flush the contents of the transmit FIFO.
For OUT endpoints:
1 = Flush the contents of the receive FIFO.
7
IN Endpoints:
Read/Write 1
to Set
OUT
Endpoints: R
SP
Short Packet Control/Status
For In endpoints:
1 = Short packet ready for transmission.
For OUT endpoints:
1 = Short packet received and ready for reading.
6 R BNE/BNF
Buffer Not Empty/Buffer Not Full
For IN endpoints (Buffer Not Full):
0 = Current transmit buffer is full.
1 = Current transmit buffer is not full.
For OUT endpoints (buffer not empty):
0 = Current receive buffer is empty.
1 = Current receive buffer is not empty.
5R/WFST
Force STALL
1 = Issue STALL handshakes to all IN tokens.
4Read/
Write 1 to
Clear SST Sent STALL
1 = STALL handshake was sent.
3R/WDME
DMA Enable
For IN endpoints:
1 = Send DMA request when transmit FIFO has room for one packet.
For OUT endpoints:
0 = Send data received interrupt after EOP received.
1 = Send data received DMA request after EOP received.
12-62 Intel® PXA27x Processor Family Developer’s Manual
USB Client Controller
2Read
/Write 1 to
Clear TRN
Tx/Rx NAK
For IN endpoints:
1 = Requested data packets cannot be transmitted because FIFO is
empty.
For OUT endpoints:
1 = Received data packets cannot be stored because FIFO is full.
1Read
/Write 1 to
Clear PC
Packet Complete
For IN endpoints:
0 = Error/status bits are invalid.
1 = Transmit packet has been sent and error/status bits are valid.
For OUT endpoints:
0 = Error/status bits are invalid.
1 = Receive packet has been received and error/status bits are valid.
0RFS
FIFO needs service
For IN endpoints:
0 = Transmit FIFO has no room for new data.
1 = Transmit FIFO has room for at least 1 complete data packet.
For OUT endpoints:
0 = Receive FIFO has no room for new data.
1 = Receive FIFO has at least 1 complete data packet.
Table 12-29. UDCCRSA–UDCCRSX Bit Definitions (Sheet 2 of 2)
Physical Addresses
0x4060_0104–0x4060_015C UDCCSRA–UDCCSRX USB Client Controller
User
Settings
Bit 31 30 29 28 27 26 25 24 23 22 21 20 19 18 17 16 15 14 13 12 11 10 9 8 7 6 5 4 3 2 1 0
reserved
DPE
FEF
SP
BNE/BNF
FST
SST
DME
TRN
PC
FS
Reset ? ? ? ? ? ? ? ? ? ? ? ? ? ? ? ? ? ? ? ? ? ? 0 0 0 0 0 0 0 0 0 0
Bits Access Name Description
Intel® PXA27x Processor Family Developer’s Manual 12-63
USB Client Controller
12.6.9 UDC Byte Count Registers (UDCBCR0 and UDCBCRA–
UDCBCRX)
The Byte Count registers (UDCBCR0 and UDCBCRA–UDCBCRX) (Table 12-30) maintain the
remaining byte count in the active buffer of endpoint 0, and each programmable endpoint A–X is
configured as an OUT endpoint. There is one Byte Count register for each endpoint, but the Byte
Counter register is considered reserved for all endpoints configured as IN endpoints.
12.6.9.1 Byte Count
The Byte Count (BC) bits are updated by the UDC after each byte is read by users. Upon receiving
an interrupt that indicates the endpoint has data or after the PC bit in the corresponding UDCCSR
has been set, the Byte Count register can be read to determine the number of bytes that still need to
be read from the endpoint receive FIFO. The Byte Count register is decremented by the number of
valid data bytes read (usually four) each time data is read from the endpoint FIFO memory. The
byte count cannot decrement to less than 0.
If double-buffering is not enabled for an OUT endpoint, the Byte Count register indicates the total
number of bytes that need to be read from the endpoint buffer. The Byte Count register is
decremented each time data is read from the buffer and is cleared when the buffer is empty. The
UDC clears the BNE/BNF bit in the endpoint Control/Status register when the byte count is 0.
Continuing to read the endpoint FIFO memory after the byte count is 0 results in reading unknown
data.
If double-buffering is enabled for an OUT endpoint, the Byte Count register indicates the number
of bytes that need to be read from the active endpoint buffer. The Byte Count register is
decremented each time data is read from the buffer and is cleared when the buffer is empty. The
BNE/BNF bit in the Endpoint Control/Status register is cleared by the UDC when the byte count of
the active endpoint buffer is 0. If the second buffer contains data, the FS bit continues to be set to
indicate there is still data in the endpoint FIFO space. The BNE/BNF bit is set when the second
buffer is the active endpoint buffer, but remains 0 while the first buffer is the active endpoint buffer.
Continuing to read the endpoint FIFO memory after the byte count is 0 results in reading unknown
data, and the second buffer is not read. The PC bit in the Endpoint Control/Status register must be
cleared to: load the byte count for the second buffer into the Byte-Count register; set the BNE/BNF
bit to indicate the status of the second buffer; and enable the second buffer data for reading. See
Section 12.4.2 for more information on the Byte Count register.
This is a read-only register. Ignore reads from reserved bits.
Table 12-30. UDCBCR0 and UDCBCRA–UDCBCRX Bit Definitions
Physical Addresses
0x4060_0200–0x4060_025C UDCBCR0–UDCBCRX USB Client Controller
User
Settings
Bit 31 30 29 28 27 26 25 24 23 22 21 20 19 18 17 16 15 14 13 12 11 10 9 8 7 6 5 4 3 2 1 0
reserved BC
Reset ? ? ? ? ? ? ? ? ? ? ? ? ? ? ? ? ? ? ? ? ? ? 0 0 0 0 0 0 0 0 0 0
Bits Access Name Description
31:10 — reserved
9:0 R BC Byte Count
12-64 Intel® PXA27x Processor Family Developer’s Manual
USB Client Controller
12.6.10 UDC Data Registers (UDCDR0 and UDCDRA-–UDCDRX)
Each UDC Endpoint Data register is a 32-bit by maximum-packet-size-entry bidirectional FIFO.
When the USB host controller transmits data to UDC endpoint 0 or endpoint A–X, the appropriate
UDC Endpoint register is read to access the data. When the UDC is sending data to the USB host
controller, the data to be sent must be placed into the appropriate UDC Endpoint register. Although
read and write operations can be performed on a single FIFO during various points in a control
sequence, the FIFO can not be read and written at the same time. The UDC controls the direction
that the FIFO is flowing. For more details on accessing the endpoint FIFO memory, refer to
Section 12.4.2.
For endpoint 0, normally, the UDC is in an idle state, waiting for the USB host controller to send
commands. When this happens, the UDC fills the endpoint 0 receive FIFO with the command from
the host, and the command is read from the FIFO once it has arrived. The only time software can
write the endpoint 0 transmit FIFO is when a GET_DESCRIPTOR, vendor, or class-specific
command from the host has been received that requires a transmission in response.
For the programmable endpoints A–X, if an endpoint is configured as a bulk, interrupt, or
isochronous IN endpoint, data can be loaded using DMA or direct processor writes. If it is double-
buffered, up to two data packets can be loaded for transmission.
If an endpoint is configured as a bulk or interrupt OUT endpoint, the UDC generates either an
interrupt or DMA request when the EOP is received and the data has been checked for errors. If the
endpoint has double-buffering enabled, up to two data packets may be ready. The data can be
removed from the endpoint receive FIFO using DMA or by direct read from the processor.
Note: If the allocated memory space is still occupied with previously received USB data, the UDC issues
a NAK to the USB host controller the next time it sends an OUT packet to this endpoint. This NAK
condition remains in place until a full packet space is available in the endpoint memory allocated to
the endpoint.
If the endpoint is an isochronous OUT endpoint, the UDC generates either an interrupt or DMA
request as soon as the EOP is received and the data has been checked for PID, bit stuffing, and
CRC errors. If it is double-buffered, up to two packets of data may be ready. The data can be
removed from the endpoint receive FIFO using DMA or by direct read from the processor.
Note: If the allocated memory space is still occupied with previously received USB data, the UDC does
not issue a NAK to the USB host controller the next time it sends an OUT packet to this endpoint,
but the data is lost and an overflow condition is indicated in the Endpoint Control/Status register.
The overflow condition remains in place until a full packet space is available in the endpoint
memory allocated to this endpoint.
The register organization and individual bit definitions are shown in Table 12-31.
Intel® PXA27x Processor Family Developer’s Manual 12-65
USB Client Controller
12.6.11 UDC Endpoint A–X Configuration Registers (UDCCRA–
UDCCRX)
The UDC Configuration registers (UDCCRA–UDCCRX, shown in Table 12-32) define and enable
the programmable endpoints that are active for each particular configuration/interface/alternate
interface setting combination. The 23 programmable endpoints can each be enabled for one
programmable configuration and interface. The maximum packet size, endpoint number, type,
direction, and buffering for each endpoint is determined by software, allowing selection of which
endpoints are used for each configuration and interface, and allocate the FIFO space as needed.
At power on, the UDC is disabled and all configurations, interfaces, and alternate interface settings
are disabled. Users must program the Endpoint Configuration registers before enabling the UDC.
When the UDC is enabled, the endpoint configuration information is checked and if valid, loaded
into the USB interface and enabled for USB operation. The UDC can then be enumerated and
configured by the USB host controller. Once the UDC has been enabled, the endpoint
Configuration registers become read-only and cannot be changed until the UDC is disabled. If an
error is detected in the memory allocation when the configuration information is checked,
UDCCR[EMCE] is set, the endpoint configuration is not loaded, and the UDC is not enabled for
USB operation.
The UDC Endpoint Configuration registers can be changed after the UDC has been enabled for
USB operation, but the UDC must be disabled before the Configuration registers can be written.
Disabling the UDC resets the USB configuration, interface, alternate interface, and address
assigned to the UDC by the USB host controller, and disables all USB features enabled by the USB
host controller. The UDC must be reset and re-enumerated by the USB host controller whenever
the UDC is disabled and re-enabled by users. See Figure 12-6 for more information on the UDC
configuration programming sequence.
Table 12-31. UDCDR0 and UDCDRA–UDCDRX Bit Definitions
Physical Addresses
0x4060_0300–0x4060_035C UDCDR0, UDCDRA–UDCDRX USB Client Controller
User
Settings
Bit 31 30 29 28 27 26 25 24 23 22 21 20 19 18 17 16 15 14 13 12 11 10 9 8 7 6 5 4 3 2 1 0
ED
Reset ? ? ? ? ? ? ? ? ? ? ? ? ? ? ? ? ? ? ? ? ? ? ? ? ? ? ? ? ? ? ? ?
Bits Access Name Description
31:0
IN Endpoints:
Transmit
FIFO has no
room for new
data
OUT
Endpoints: R
Endpoint 0:
R/W
ED Endpoint Data
12-66 Intel® PXA27x Processor Family Developer’s Manual
USB Client Controller
Table 12-32. UDCCRA–UDCCRX Bit Definitions (Sheet 1 of 2)
Physical Addresses
0x4060_0404–0x4060_045C
UDCCRA–UDCCRX USB Client Controller
User
Settings
Bit 31 30 29 28 27 26 25 24 23 22 21 20 19 18 17 16 15 14 13 12 11 10 9 8 7 6 5 4 3 2 1 0
reserved CN IN AISN EN ET
ED
MPS
DE
EE
Reset ? ? ? ? ? 0 0 0 0 0 0 0 0 0 0 0 0 0 0 0 0 0 0 0 0 0 0 0 0 0 0 0
Bits Access Name Description
31:27 — reserved
26:25
If UDE = 0:
R/W
If UDE = 1:
R
CN
Configuration Number
Must be set before the UDC is enabled. Refer to Figure 12-6 for more
details on the Configuration register programming sequence. Each endpoint
A–X can be assigned to Configuration 1, 2, or 3. Each endpoint A–X can be
assigned to only one configuration/interface/alternate interface setting
combination and is active only when the USB host controller configures the
UDC for that configuration, interface, and alternate-interface setting.
1–3 = USB Configuration Number
24:22
If UDE = 0:
R/W
If UDE = 1:
R
IN
Interface Number
Must be set before the UDC is enabled. Refer to Figure 12-6 for more
details on the Configuration register programming sequence. Each endpoint
A–X can be assigned to Interface 1–7. Each endpoint A–X can be assigned
to only one configuration/interface/alternate interface setting combination
and is active only when the USB host controller configures the UDC for that
configuration, interface, and alternate-interface setting.
1–7 = USB Interface Number
21:19
If UDE = 0:
R/W
If UDE = 1:
R
AISN
Alternate Interface Number
Alternate interface setting numbers for endpoints A–X must be set before
the UCD is enabled. Refer to Figure 12-6 for more details on the
Configuration register programming sequence. Each endpoint A–X can be
assigned to Alternate Interface setting 1–7. Each endpoint A–X can be
assigned to only one configuration/interface/alternate interface setting
combination and is active only when the USB host controller configures the
UDC for that configuration, interface, and alternate-interface setting.
1–7 = USB Interface Alternate Interface Setting Number
18:15
If UDE = 0:
R/W
If UDE = 1:
R
EN
Endpoint Number:
Defines the endpoint number. Each endpoint A–X can be programmed to
respond to USB endpoint numbers 1–15.
More than one endpoint can be programmed to the same endpoint number,
but the endpoints cannot be active in the same configuration. For example,
if endpoint A and endpoint B can both be assigned endpoint number 1, but
with endpoint A in Configuration 1 and endpoint B in configuration 2.
1–15 = USB endpoint number
14:13
If UDE = 0:
R/W
If UDE = 1:
R
ET
USB Endpoint Type
0b11 = Interrupt
0b10 = Bulk
0b01 = Isochronous
0b00 = Not used
Intel® PXA27x Processor Family Developer’s Manual 12-67
USB Client Controller
12
If UDE = 0:
R/W
If UDE = 1:
R
ED
USB Endpoint Direction
Determines whether the endpoint is a an IN endpoint, which sends data
from the UDC to the USB host controller, or an OUT endpoint, which
receives data from the USB host controller.
0 = OUT
1 = IN
11:2
If UDE = 0:
R/W
If UDE = 1
R
MPS
Maximum Packet Size
Valid values are defined by endpoint type.
For interrupt endpoint: 1–64
For bulk endpoint: 8, 16, 32, 64
For isochronous endpoint: 1–1023
1
If UDE = 0:
R/W
If UDE = 1:
R
DE
Double-Buffering Enable
Setting this bit allocates two transmit or receive buffers in the endpoint
memory. If an endpoint has DE set, the endpoint is allocated at least double
the number of bytes of FIFO space as indicated by the maximum packet
size.
If an IN endpoint is double-buffered, endpoint data can be loaded into the
second transmit buffer while the UDC is transmitting from the first. If an IN
endpoint is not double-buffered, the data cannot be loaded into the buffer
until the transmission is completed.
If an OUT endpoint is double-buffered, endpoint data can be unloaded from
the first buffer while the UDC is receiving data and loading it into the
second. If an OUT endpoint is not double-buffered, the data must be
unloaded from the FIFO before more data can be received from the USB
host controller.
See Section 12.4.2 for more information on allocating endpoint memory.
0 = Double-buffering disabled (endpoint is allocated 1 buffer for endpoint
data).
1 = Double-buffering is enabled (endpoint is allocated 2 buffers for
endpoint data).
0
If UDE = 0:
R/W
If UDE = 1:
R
EE
Endpoint Enable
Set this bit to enable the endpoint for USB operation. If an endpoint is
enabled, the data in the Configuration register is checked and loaded into
the USB interface block to enable the endpoint for USB operation. If an
endpoint is not enabled, the data in the Configuration register is not
checked and is not loaded into the USB interface block, and will not be used
during USB operation.
0 = Endpoint is disabled for USB operation.
1 = Endpoint is enabled for USB operation.
Table 12-32. UDCCRA–UDCCRX Bit Definitions (Sheet 2 of 2)
Physical Addresses
0x4060_0404–0x4060_045C
UDCCRA–UDCCRX USB Client Controller
User
Settings
Bit 31 30 29 28 27 26 25 24 23 22 21 20 19 18 17 16 15 14 13 12 11 10 9 8 7 6 5 4 3 2 1 0
reserved CN IN AISN EN ET
ED
MPS
DE
EE
Reset ? ? ? ? ? 0 0 0 0 0 0 0 0 0 0 0 0 0 0 0 0 0 0 0 0 0 0 0 0 0 0 0
Bits Access Name Description
12-68 Intel® PXA27x Processor Family Developer’s Manual
USB Client Controller
12.7 Register Summary
The USB host controller controls and communicates all configuration, request/service, and status
reporting to the UDC via the USB. Several registers are available to users to control the interfacing
of the UDC to software. A control register enables the UDC and monitors USB activity. Two
control registers enable the various interrupt sources that exist within the UDC. Three status
registers indicate the state of the various interrupt sources and the current frame number. Endpoint
0 has one control/status register, one byte-count register, and one register for accessing USB data.
Endpoints A–X each have one control/status register, one configuration control register, one byte-
count register, and one register for accessing USB data.
Table 12-33 shows the registers associated with the UDC and the memory-mapped addresses to
access them.
Table 12-33. USB Client Controller Register Summary (Sheet 1 of 4)
Address Name Description Page
0x4060_0000 UDCCR UDC Control register 12-31
0x4060_0004 UDCICR0 UDC Interrupt Control register 0 12-35
0x4060_0008 UDCCIR1 UDC Interrupt Control register 1 12-35
0x4060_000C UDCISR0 UDC Interrupt Status register 0 12-50
0x4060_0010 UDCSIR1 UDC Interrupt Status register 1 12-50
0x4060_0014 UDCFNR UDC Frame Number register 12-53
0x4060_0018 UDCOTGICR UDC OTG Interrupt Control register 12-35
0x4060_001C UDCOTGISR UDC OTG Interrupt Status register 12-50
0x4060_0020 UP2OCR USB Port 2 Output Control register 12-41
0x4060_0024 UP3OCR USB Port 3 Output Control register 12-47
0x4060_0028–0x4060_00FC reserved
0x4060_0100 UDCCSR0 UDC Control/Status register—Endpoint 0 12-54
0x4060_0104 UDCCSRA UDC Control/Status register—Endpoint A 12-57
0x4060_0108 UDCCSRB UDC Control/Status register—Endpoint B 12-57
0x4060_010C UDCCSRC UDC Control/Status register—Endpoint C 12-57
0x4060_0110 UDCCSRD UDC Control/Status register—Endpoint D 12-57
0x4060_0114 UDCCSRE UDC Control/Status register—Endpoint E 12-57
0x4060_0118 UDCCSRF UDC Control/Status register—Endpoint F 12-57
0x4060_011C UDCCSRG UDC Control/Status register—Endpoint G 12-57
0x4060_0120 UDCCSRH UDC Control/Status register—Endpoint H 12-57
0x4060_0124 UDCCSRI UDC Control/Status register—Endpoint I 12-57
0x4060_0128 UDCCSRJ UDC Control/Status register—Endpoint J 12-57
0x4060_012C UDCCSRK UDC Control/Status register—Endpoint K 12-57
0x4060_0130 UDCCSRL UDC Control/Status register—Endpoint L 12-57
0x4060_0134 UDCCSRM UDC Control/Status register—Endpoint M 12-57
0x4060_0138 UDCCSRN UDC Control/Status register—Endpoint N 12-57
0x4060_013C UDCCSRP UDC Control/Status register—Endpoint P 12-57
Intel® PXA27x Processor Family Developer’s Manual 12-69
USB Client Controller
0x4060_0140 UDCCSRQ UDC Control/Status register—Endpoint Q 12-57
0x4060_0144 UDCCSRR UDC Control/Status register—Endpoint R 12-57
0x4060_0148 UDCCSRS UDC Control/Status register—Endpoint S 12-57
0x4060_014C UDCCSRT UDC Control/Status register—Endpoint T 12-57
0x4060_0150 UDCCSRU UDC Control/Status register—Endpoint U 12-57
0x4060_0154 UDCCSRV UDC Control/Status register—Endpoint V 12-57
0x4060_0158 UDCCSRW UDC Control/Status register—Endpoint
W12-57
0x4060_015C UDCCSRX UDC Control/Status register—Endpoint X 12-57
0x4060_0160–0x4060_01FC reserved
0x4060_0200 UDCBCR0 UDC Byte Count register—Endpoint 0 12-63
0x4060_0204 UDCBCRA UDC Byte Count register—Endpoint A 12-63
0x4060_0208 UDCBCRB UDC Byte Count register—Endpoint B 12-63
0x4060_020C UDCBCRC UDC Byte Count register—Endpoint C 12-63
0x4060_0210 UDCBCRD UDC Byte Count register—Endpoint D 12-63
0x4060_0214 UDCBCRE UDC Byte Count register—Endpoint E 12-63
0x4060_0218 UDCBCRF UDC Byte Count register—Endpoint F 12-63
0x4060_021C UDCBCRG UDC Byte Count register—Endpoint G 12-63
0x4060_0220 UDCBCRH UDC Byte Count register—Endpoint H 12-63
0x4060_0224 UDCBCRI UDC Byte Count register—Endpoint I 12-63
0x4060_0228 UDCBCRJ UDC Byte Count register—Endpoint J 12-63
0x4060_022C UDCBCRK UDC Byte Count register—Endpoint K 12-63
0x4060_0230 UDCBCRL UDC Byte Count register—Endpoint L 12-63
0x4060_0234 UDCBCRM UDC Byte Count register—Endpoint M 12-63
0x4060_0238 UDCBCRN UDC Byte Count register—Endpoint N 12-63
0x4060_023C UDCBCRP UDC Byte Count register—Endpoint P 12-63
0x4060_0240 UDCBCRQ UDC Byte Count register—Endpoint Q 12-63
0x4060_0244 UDCBCRR UDC Byte Count register—Endpoint R 12-63
0x4060_0248 UDCBCRS UDC Byte Count register—Endpoint S 12-63
0x4060_024C UDCBCRT UDC Byte Count register—Endpoint T 12-63
0x4060_0250 UDCBCRU UDC Byte Count register—Endpoint U 12-63
0x4060_0254 UDCBCRV UDC Byte Count register—Endpoint V 12-63
0x4060_0258 UDCBCRW UDC Byte Count register—Endpoint W 12-63
0x4060_025C UDCBCRX UDC Byte Count register—Endpoint X 12-63
0x4060_0260–0x4060_02FC reserved
0x4060_0300 UDCDR0 UDC Data register—Endpoint 0 12-63
0x4060_0304 UDCDRA UDC Data register—Endpoint A 12-63
0x4060_0308 UDCDRB UDC Data register—Endpoint B 12-63
Table 12-33. USB Client Controller Register Summary (Sheet 2 of 4)
Address Name Description Page
12-70 Intel® PXA27x Processor Family Developer’s Manual
USB Client Controller
0x4060_030C UDCDRC UDC Data register—Endpoint C 12-63
0x4060_0310 UDCDRD UDC Data register—Endpoint D 12-63
0x4060_0314 UDCDRE UDC Data register—Endpoint E 12-63
0x4060_0318 UDCDRF UDC Data register—Endpoint F 12-63
0x4060_031C UDCDRG UDC Data register—Endpoint G 12-63
0x4060_0320 UDCDRH UDC Data register—Endpoint H 12-63
0x4060_0324 UDCDRI UDC Data register—Endpoint I 12-63
0x4060_0328 UDCDRJ UDC Data register—Endpoint J 12-63
0x4060_032C UDCDRK UDC Data register—Endpoint K 12-63
0x4060_0330 UDCDRL UDC Data register—Endpoint L 12-63
0x4060_0334 UDCDRM UDC Data register—Endpoint M 12-63
0x4060_0338 UDCDRN UDC Data register—Endpoint N 12-63
0x4060_033C UDCDRP UDC Data register—Endpoint P 12-63
0x4060_0340 UDCDRQ UDC Data register—Endpoint Q 12-63
0x4060_0344 UDCDRR UDC Data register—Endpoint R 12-63
0x4060_0348 UDCDRS UDC Data register—Endpoint S 12-63
0x4060_034C UDCDRT UDC Data register—Endpoint T 12-63
0x4060_0350 UDCDRU UDC Data register—Endpoint U 12-63
0x4060_0354 UDCDRV UDC Data register—Endpoint V 12-63
0x4060_0358 UDCDRW UDC Data register—Endpoint W 12-63
0x4060_035C UDCDRX UDC Data register—Endpoint X 12-63
0x4060_0360–0x4060_03FC reserved
0x4060_0400 reserved
0x4060_0404 UDCCRA UDC Configuration register—Endpoint A 12-65
0x4060_0408 UDCCRB UDC Configuration register—Endpoint B 12-65
0x4060_040C UDCCRC UDC Configuration register—Endpoint C 12-65
0x4060_0410 UDCCRD UDC Configuration register—Endpoint D 12-65
0x4060_0414 UDCCRE UDC Configuration register—Endpoint E 12-65
0x4060_0418 UDCCRF UDC Configuration register—Endpoint F 12-65
0x4060_041C UDCCRG UDC Configuration register—Endpoint G 12-65
0x4060_0420 UDCCRH UDC Configuration register—Endpoint H 12-65
0x4060_0424 UDCCRI UDC Configuration register—Endpoint I 12-65
0x4060_0428 UDCCRJ UDC Configuration register—Endpoint J 12-65
0x4060_042C UDCCRK UDC Configuration register—Endpoint K 12-65
0x4060_0430 UDCCRL UDC Configuration register—Endpoint L 12-65
0x4060_0434 UDCCRM UDC Configuration register—Endpoint M 12-65
0x4060_0438 UDCCRN UDC Configuration register—Endpoint N 12-65
0x4060_043C UDCCRP UDC Configuration register—Endpoint P 12-65
Table 12-33. USB Client Controller Register Summary (Sheet 3 of 4)
Address Name Description Page
Intel® PXA27x Processor Family Developer’s Manual 12-71
USB Client Controller
0x4060_0440 UDCCRQ UDC Configuration register—Endpoint Q 12-65
0x4060_0444 UDCCRR UDC Configuration register—Endpoint R 12-65
0x4060_0448 UDCCRS UDC Configuration register—Endpoint S 12-65
0x4060_044C UDCCRT UDC Configuration register—Endpoint T 12-65
0x4060_0450 UDCCRU UDC Configuration register—Endpoint U 12-65
0x4060_0454 UDCCRV UDC Configuration register—Endpoint V 12-65
0x4060_0458 UDCCRW UDC Configuration register—Endpoint W 12-65
0x4060_045C UDCCRX UDC Configuration register—Endpoint X 12-65
0x4060_0460–0x406F_FFFC reserved
Table 12-33. USB Client Controller Register Summary (Sheet 4 of 4)
Address Name Description Page
12-72 Intel® PXA27x Processor Family Developer’s Manual
USB Client Controller
Intel® PXA27x Processor Family Developer’s Manual 13-1
AC ‘97 Controller 13
This chapter describes the Audio Codec ‘97 (AC 97) controller included in the PXA27x processor.
13.1 Overview
The AC ’97 controller supports the Audio Codec '97 Component Specification1, Revision 2.0,
features listed in Section 13.2. The AC-link is a synchronous, fixed-rate serial bus interface to the
digital AC ’97 controller for transferring digital audio, modem, microphone input (MIC-in), Codec
register control, and status information.
The AC ’97 Codec sends the digitized audio samples to the AC 97 controller, which stores them in
memory. For playback or synthesized audio production, the processor retrieves stored audio
samples and sends them to the Codec through the AC-link. The external digital-to-analog converter
(DAC) in the Codec then converts the audio sample to an analog audio waveform.
This chapter describes the programming model for the AC ’97 controller. The information in this
chapter requires an understanding of the AC ’97 specification, Revision 2.0.
Note: The AC ’97 controller and the I2S controller cannot be used at the same time.
13.2 Features
The PXA27x processors AC ’97 controller supports the following AC ’97 features:
Independent channels for stereo pulse code modulation (PCM) in, stereo PCM out, modem
out, modem-in and mono MIC-in
All of the above channels support only 16-bit samples in hardware. Samples less than 16 bits
are supported through software.
Multiple sample rate AC ’97 2.0 Codecs (48 kHz and below). The AC ’97 controller depends
on the Codec to control the varying rate.
Read/write access to AC ’97 registers
Secondary Codec support
Three receive FIFOs (32-bit, 16 entries)
Two transmit FIFOs (32-bit, 16 entries)
Optional AC97_SYSCLK output (support for Codecs without oscillators or crystals)
The AC ’97 controller does not support the following optional AC ’97 Revision 2.0 features:
Double-rate sampling (n+1 sample for PCM L, R and C)
18- and 20-bit sample lengths
1. The AC ‘97 specification is available from http://www.intel.com/labs/media/audio.
13-2 Intel® PXA27x Processor Family Developer’s Manual
AC ‘97 Controller
13.3 Signal Descriptions
The AC ’97 signals form the AC-link, which is a point-to-point synchronous serial interconnect
that supports full-duplex data transfers. All digital audio streams, modem line Codec streams, and
command/status information are communicated over the AC-link. The AC-link uses general-
purpose I/Os (GPIOs). Software must reconfigure the GPIOs to use them as the AC-link. The
AC-link pins are listed and described in Table 13-1.
13.3.1 Signal Configuration Steps
To configure the AC-link, perform the following steps in order:
1. Configure AC97_SYSCLK, AC97_SYNC, AC97_RESET_n, and AC97_SDATA_OUT as
outputs and configure AC97_BITCLK, AC97_SDATA_IN_0, and AC97_SDATA_IN_1 as
inputs.
2. Deassert the AC97_RESET_n signal by setting the GCR[nCRST] bit (see Section 13.7.1).
Note: Refer to Section 24, “General-Purpose I/O Controller” for details on programing the GPDR and
GAFR registers for use with the AC ’97 controller.
13.3.2 Example AC-Link
Figure 13-1 shows an example interconnect for an AC-link. The AC ’97 controller supports one or
two Codecs on the AC-link. AC97_SDATA_IN_1 is not needed if only a single Codec is
connected. The AC ‘97 controller can be optionally programmed to supply the AC97_SYSCLK
(not shown).
Table 13-1. AC ’97 Controller I/O Signal Descriptions
Name Type Description
AC97_RESET_n Output Active-low Codec reset. The Codec’s registers are reset when
AC97_RESET_n is asserted.
AC97_BITCLK Input 12.288-MHz bit-rate clock
AC97_SYNC Output 48-kHz frame indicator and synchronizer
AC97_SDATA_OUT Output Serial audio output data to Codec for digital-to-analog conversion
AC97_SDATA_IN_0 Input Serial audio input data from primary Codec
AC97_SDATA_IN_1 Input Serial audio input data from secondary Codec
AC97_SYSCLK Output Optional 24.576-MHz clock output
Intel® PXA27x Processor Family Developer’s Manual 13-3
AC ‘97 Controller
13.4 AC-Link Digital Serial Interface Protocol
Each AC ’97 Codec incorporates a five-pin digital serial interface that links it to the AC ’97
controller. AC-link is a full-duplex, fixed-clock, pulse code modulation (PCM) digital stream. It
employs a time-division-multiplexed (TDM) scheme to handle control register accesses and
multiple input and output audio streams. The AC-link architecture divides each audio frame into 12
outgoing and 12 incoming data streams. Each stream has 20-bit sample resolution and requires a
digital-to-analog converter (DAC) and an analog-to-digital converter (ADC) with a minimum 16-
bit resolution. The AC ’97 controller supports the data streams shown in Table 13-2.
Figure 13-1. Data Transfer through the AC-Link
AC97_RESET_n
AC97_SDATA_OUT
AC97_SYNC (48 kHz)
AC97_SDATA_IN_0
AC97_BITCLK (12.288 MHz)
AC ’97
Controller Unit
AC ’97
Primary Codec
AC ’97
Secondary Codec
AC97_SDATA_IN_1
(the
AC ’97
Controller) AC-Link
Table 13-2. Supported Data Stream Formats (Sheet 1 of 2)
Channel Slots Comments
PCM Playback Two output slots Two-channel composite PCM output stream
PCM Record data Two input slots Two-channel composite PCM input stream
Codec control Two output slots Control register write port
Codec status Two input slots Control register read port
Modem Line Codec Output One output slot Modem line Codec DAC input stream
Modem Line Codec Input One input slot Modem line Codec ADC output stream
13-4 Intel® PXA27x Processor Family Developer’s Manual
AC ‘97 Controller
The AC ’97 controller provides synchronization for all data transactions on the AC-link. A data
transaction is made up of 256 bits of information broken up into groups of 13 time slots and is
called a frame. Time slot 0 is called the tag phase and is 16 bits long. The other 12 time slots are
called the data phase. The tag phase contains one bit that identifies a valid frame and 12 bits that
identify the time slots in the data phase that contain valid data. Each time slot in the data phase is
20 bits long (see Figure 13-2).
A frame begins when AC97_SYNC goes high. The amount of time that AC97_SYNC is high
corresponds to the tag phase. AC ’97 frames occur at fixed 48-kHz intervals and are synchronous
to the 12.288-MHz bit rate clock, AC97_BITCLK.
The AC ‘97 controller and Codec use the AC97_SYNC and AC97_BITCLK to determine when to
send transmit data and when to sample receive data. A transmitter toggles the serial data stream on
each rising edge of AC97_BITCLK and a receiver samples the serial data stream on falling edges
of AC97_BITCLK. The transmitter must tag the valid slots in its serial data stream. The valid slots
are tagged in slot 0.
Serial data on the AC-link is ordered most significant bit (MSB) to least significant bit (LSB). The
tag phase’s first bit is bit 15 and the first bit of each slot in data phase is bit 19. The last bit in any
slot is bit 0.
Figure 13-2 shows the organization of the tag phase and the data phase for both the controller and
the Codec. Also shown in Figure 13-2 are the slot definitions the AC ’97 controller supports.
13.4.1 AC-Link Audio Output Frame (AC97_SDATA_OUT)
The audio-output-frame data stream corresponds to the multiplexed bundles that make up the
digital output data targeting the AC ’97 DAC inputs and control registers. Each audio output frame
supports up to twelve 20-bit outgoing data time slots. The AC ’97 controller does not generate
samples larger than 16 bits. The four least significant bits are padded with zeroes. Figure 13-3
illustrates the time-slot-based AC-link protocol.
Dedicated Microphone Input One input slot Dedicated microphone input stream in support of stereo
acoustic echo canceller (AEC) and other voice applications
I/O Control One output slot One slot dedicated to general-purpose outputs (GPOs) on the
modem Codec
I/O Status One input slot One slot dedicated to status from general-purpose inputs
(GPIs) in the modem Codec. Data is returned on every frame.
Table 13-2. Supported Data Stream Formats (Sheet 2 of 2)
Channel Slots Comments
Figure 13-2. AC ’97 Standard Bidirectional Audio Frame
SYNC
OUTGOING STREAMS
INCOMING STREAMS
TAG
TAG
CMD
ADR CMD
DATA PCM
LEFT PCM
RIGHT
MDM CDC RSRVD RSRVD RSRVD RSRVD I/O control
STATUS
ADR STATUS
DATA PCM
LEFT PCM
RIGHT
MIC RSRVD RSRVD RSRVD RSRVD RSRVD I/O Status
Slot # 012345
MDM CDC
6789101112
Data PhaseTag Phase
RSRVDRSRVD
Intel® PXA27x Processor Family Developer’s Manual 13-5
AC ‘97 Controller
A new audio output frame begins with a low-to-high AC97_SYNC transition synchronous to
AC97_BITCLK’s rising edge. AC97_BITCLK’s falling edge immediately follows and the AC ’97
Codec samples the AC97_SYNC’s assertion. AC97_BITCLK’s falling edge marks the time when
both sides of AC-link are aware of the start of a new audio frame. On the next rising edge of
AC97_BITCLK, the AC ’97 controller toggles AC97_SDATA_OUT into the first bit position of
slot 0 (the valid frame bit). Each new bit position is presented to AC-link on the rising edge of
AC97_BITCLK and then sampled by the AC ’97 Codec on the following falling edge of
AC97_BITCLK. This sequence ensures that data transitions and subsequent sample points for both
incoming and outgoing data streams are time-aligned.
The AC97_SDATA_OUT composite stream is MSB-justified (MSB first). The AC ’97 controller
fills all non-valid slot bit positions with zeroes. If fewer than 20 valid bits exist in an assigned valid
time slot, then the AC ’97 controller fills all trailing non-valid bit positions of the 20-bit slot with
zeroes.
For example, if a 16-bit sample stream is being played to an AC ’97 DAC, the first 16 bit positions
are presented to the DAC MSB-justified. They are followed by the next four bit positions that the
the AC ’97 controller fills with zeroes. This process ensures that the least significant bits do not
introduce any DC biasing, regardless of the implemented DAC’s resolution (16-, 18-, or 20-bit).
Note: When the AC ’97 controller transmits mono audio sample streams, software must ensure that the
left and right sample stream time slots are filled with identical data.
Figure 13-3. AC-Link Audio Output Frame
SYNC
BIT_CLK
SDATA_OUT
slot(1)
Time Slot "Valid"
Bits
20.8uS
(48 KHz)
Slot 1 Slot 2
019 019 0 19 0
Slot 3 Slot 12
81.4 nS
12.288 MHz
slot(2)
codec IDcodec ID
"0"slot(12)
("1" = time slot contains valid PCM data)
19
Valid
Frame
End of previous
Audio Frame
Tag Phase Data Phase
Figure 13-4. Start of Audio Output Frame
SYNC
SDATA_OUT
slot(1) slot(2)
Valid
Frame
End of previous
Audio Frame
AC '97 samples SYNC assertion here
AC '97 samples first SDATA_OUT bit of frame here
BIT_CLK
13-6 Intel® PXA27x Processor Family Developer’s Manual
AC ‘97 Controller
13.4.1.1 Slot 0: Tag Phase
In slot 0, the first bit is a global bit (AC97_SDATA_OUT slot 0, bit 15) that flags the validity for
the entire audio frame. If the valid frame bit is a 1, the current audio frame contains at least one slot
time of valid data. The next 12 bit positions sampled by the AC ’97 controller indicate which of the
corresponding 12 time slots contain valid data. Bits 0 and 1 of slot 0 are used as Codec ID bits for
I/O reads and writes to the Codec registers, as described in the next section. In this way, data
streams of differing sample rates can be transmitted across AC-link at its fixed 48-kHz audio frame
rate.
Codec Ready, sent by the Codec on its data out stream in slot 0, bit 15, is not expected to change
during normal operation. The AC ’97 specification, revision 2.0, requires that a Codec only change
its Codec Ready status in response to a power-off (PR) state change issued by the AC ’97
controller. The controller hardware by itself does not monitor the Codec Ready for sending or
receiving data. The controller stores Codec Ready in GSR[PCRDY] for a primary Codec and
GSR[SCRDY] for a secondary Codec only for software to trigger a DMA or a programmed I/O
operation. The controller only samples Codec Ready valid once and then ignores it for subsequent
frames. Codec Ready is only resampled after a PR state change.
13.4.1.2 Slot 1: Command Address Port
The command port controls features and monitors status for AC ’97 functions including, but not
limited to, mixer settings and power management (refer to the AC ’97 specification, revision 2.0,
for more details).
The control-interface architecture supports up to 64 16-bit read/write registers, addressable on
even-byte boundaries. Only accesses to even registers (0x00, 0x02, and so forth.) are valid.
Accesses to odd registers (0x01, 0x03, ....) are not valid.
Audio output frame slot 1 communicates control register address and write/read command
information to the AC ’97 controller.
When two Codecs are connected to the single AC97_SDATA_OUT, the AC ’97 controller
hardware uses the following mechanism to access the primary and secondary Codecs individually:
When software accesses the primary Codec, the AC ’97 controller hardware configures the
outgoing frame as follows:
In slot 0, the valid bits for slots 1 and 2 are set.
In slot 1, bit 19 is set (read) or clear (write). Bits 18–12 (of slot 1) are configured to
specify the index to the Codec register.
Slot 2 is configured with the write data (in case of a write).
When software accesses the secondary Codec, the AC ’97 controller configures the outgoing
frame as follows:
In slot 0, the valid bits for slots 1 and 2 are clear. Bits 1 and 0 (of slot 0) are set to 0b01 to
select the secondary Codec.
In slot 1, bit 19 is set (read) or clear (write). Bits 18–12 (of slot 1) are configured to
specify the index to the Codec register.
Slot 2 is configured with the write data (in case of a write).
Intel® PXA27x Processor Family Developer’s Manual 13-7
AC ‘97 Controller
Only one I/O cycle can be pending across the AC-link at any time. The AC ’97 controller uses
write and read posting on I/O accesses across the link. For instance, a read of a Codec register
returns immediately, before the access crosses the link. To get the real data, software must monitor
the CAR[CAIP] bit. Software must verify that the bit is not set before an access attempt to ensure it
is the first access. A set CAR[CAIP] bit indicates that a Codec access is pending. After the
CAR[CAIP] bit is cleared, the next Codec access (read or write) can go through.
The exception to posted accesses is reads to the Codec GPIO Pin Status register (at Codec address
0x54). Codec GPIO Pin Status reads are returned immediately with the data from the last slot 12
received. A Codec with a GPIO Pin Status register must constantly send the status of the register in
slot 12.
For reads from the Codec, the controller gives the Codec a maximum of four frames to respond,
after which if no response is received, it returns a dummy read completion to the CPU
(0xFFFF_FFFF) and also sets the read completion status bit, GSR[RDCS].
13.4.1.3 Slot 2: Command Data Port
The command data port delivers 16-bit control register write data in the event that the current
command port operation is a write cycle (as indicated by slot 1, bit 19).
13.4.1.4 Slot 3: PCM Playback Left Channel
Audio output frame slot 3 is the composite digital audio left-playback stream. If a sample stream is
transferred with a resolution that is less than 20 bits, the AC ’97 controller fills all trailing non-
valid bit positions in the slot with zeroes.
13.4.1.5 Slot 4: PCM Playback Right Channel
Audio output frame slot 4 is the composite digital audio right-playback stream. If a sample stream
is transferred with a resolution that is less than 20 bits, the AC ’97 controller fills all trailing non-
valid bit positions in the slot with zeroes.
Table 13-3. Slot 1: Command Address Port Bit Definitions
Bit Name Description
Bit[19] RW 1 = read, 0 = write
Bit[18:12] IDX Code register index
Bit[11:0] Reserved Fill with 0s
Table 13-4. Slot 2: Command Data Port Bit Definitions
Bit Name Description
Bit[19:4] Control register write data Filled with 0s if current operation is a read
Bit[3:0] Reserved Filled with 0s
NOTE: If the current command port operation is a read, the AC ’97 controller fills the
entire slot-time with zeroes.
13-8 Intel® PXA27x Processor Family Developer’s Manual
AC ‘97 Controller
13.4.1.6 Slot 5: Modem Line Codec
Audio output frame slot 5 contains the MSB-justified modem DAC input data if the line Codec is
supported. The optional modem DAC input resolution can be implemented as 16, 18, or 20 bits. If
the modem-line Codec is supported, the AC ’97 controller driver determines the DAC resolution at
boot time. During normal run-time operation, the AC ’97 controller fills all trailing non-valid bit
positions in the slot with zeroes. The modem Codec can be a separate Codec on the secondary line
or integrated with the audio Codec.
13.4.1.7 Slots 6-11: Reserved
These audio output frame slots are reserved for future use. The AC ’97 controller fills them with
zeroes.
13.4.1.8 Slot 12: I/O Control
Slot 12 has 16 MSB bits for GPIO Control (output) and Status (input). The bits minimize access
latency that results from changing conditions. The value of the bits in Slot 12 are the values written
to the Codec GPIO Status register at Codec address 0x54 in the modem Codec
I/O space. The following rules govern slot 12 use:
1. Slot 12 is initially marked invalid by default.
2. A write to Codec address 0x54 in Codec I/O space transfers the data out of slot 12 in the next
frame and slot 12 is marked valid. The data is also sent out on slots 1 and 2.
3. After the first write to Codec address 0x54, slot 12 remains valid for all subsequent frames.
The data transmitted on slot 12 is the data last written to Codec address 0x54. Any subsequent
write to the register sends the new data out on the next frame.
4. Following a system reset or AC ’97 cold reset, slot 12 is invalidated. Slot 12 remains invalid
until the next write to the Codec address 0x54.
13.4.2 AC-Link Audio Input Frame (AC97_SDATA_IN)
The AC ’97 controller has two AC97_SDATA_IN lines, AC97_SDATA_IN_0 (primary) and
AC97_SDATA_IN_1 (secondary). Each line can have Codecs attached. The type of Codec
attached determines which slots are valid or invalid. The data slots on the two inputs are
completely orthogonal (in other words, no two data slots at the same location will be valid on both
lines).
Multiple input data streams are received and multiplexed on slot boundaries, as dictated by the slot
valid bits in each stream. Each AC-link audio input frame consists of twelve 20-bit time slots. Slot
0 is reserved and contains 16 bits that are used for AC-link protocol infrastructure.
Software must poll the first bit in the audio input frame (AC97_SDATA_IN slot 0, bit 15) for an
indication that the controller is in the Codec ready state before it places the AC ’97 controller into
operation. When the controller is sampled Codec-ready, the next 12 bit positions sampled indicate
which of the 12 time slots are assigned to input data streams and whether they contain valid data.
Figure 13-5 illustrates the time-slot-based AC-link protocol.
Intel® PXA27x Processor Family Developer’s Manual 13-9
AC ‘97 Controller
A new audio input frame begins when AC97_SYNC toggles from low to high. The low-to-high
transition is synchronous to AC97_BITCLK’s rising edge. On AC97_BITCLK’s next falling edge,
AC ’97 samples AC97_SYNC’s assertion. This falling edge marks the moment that AC-links
sides are each aware that a new audio frame has started. The next time AC97_BITCLK rises, the
controller toggles AC97_SDATA_IN to the first bit position in slot 0 (Codec ready bit). Each new
bit position is presented to AC-link on a AC97_BITCLK’s rising edge and then sampled by the
AC ’97 controller on the following AC97_BITCLK’s falling edge. This sequence ensures data
transitions and subsequent sample points are time-aligned for both incoming and outgoing data
streams.
The AC97_SDATA_IN composite stream is MSB-justified (MSB first), and the AC ’97 Codec fills
non-valid bit positions with zeroes. AC97_SDATA_IN data is sampled on AC97_BITCLK falling
edges.
13.4.2.1 Slot 0: Tag Phase
In slot 0, the first bit is a global bit (AC97_SDATA_IN slot 0, bit 15) which indicates whether the
AC ’97 controller is in the Codec-ready state. If the Codec Ready bit is a 0b0, the AC ’97
controller is not ready for normal operation. This condition is normal after the power is deasserted
on reset and the AC ’97 controller voltage references are settling. When the AC-link Codec Ready
indicator bit is 0b1, the AC-link and AC ’97 control and status registers are fully operational. The
AC ’97 controller must probe the Codec Powerdown Control/Status register to determine which
subsections are ready.
Figure 13-5. AC ’97 Input Frame
SYNC
BIT_CLK
SDATA_IN
slot(1)
Time Slot "Valid"
Bits
20.8uS
(48 KHz)
Slot 1 Slot 2
019 019 0 19 0
Slot 3 Slot 12
81.4 nS
12.288 MHz
slot(2) "0""0""0"slot(12)
("1" = time slot contains valid PCM data)
19
Codec
Ready
End of previous
Audio Frame
Tag Phase Data Phase
Figure 13-6. Start of Audio Input Frame
SYNC
SDATA_IN
slot(1) slot(2)
Codec
Ready
End of previous
Audio Frame
AC '97 samples SYNC assertion here
AC '97 Controller samples first SDATA_IN bit of frame her
e
BIT_CLK
13-10 Intel® PXA27x Processor Family Developer’s Manual
AC ‘97 Controller
13.4.2.2 Slot 1: Status Address Port/SLOTREQ Bits
The status port monitors the status for the AC ’97 controller functions including, but not limited to,
mixer settings and power management.
The stream for audio input frame slot 1 echoes the control register index for the data to be returned
in slot 2, if the controller tags slots 1 and 2 as valid during slot 0.
The controller only accepts status data if the accompanying status address matches the last valid
command address issued during the most recent read command.
For multiple sample rate output, the Codec examines its sample-rate control registers, the states of
its FIFOs, and the incoming AC97_SDATA_OUT tag bits at the beginning of each audio output
frame to determine which SLOTREQ bits to set active (low). SLOTREQ bits asserted during the
current audio input frame indicate which output slots require data from the controller in the next
audio output frame. For fixed 48-kHz operation, the SLOTREQ bits are set active (low), and a
sample is transferred each frame.
For multiple sample-rate input, the tag bit for each input slot indicates whether valid data is
present.
For slot 1, the audio input frames Status Address Port delivers Codec control register read address
and multiple sample-rate slot-request flags for all output slots. AC ’97 defines the ten least
significant bits as on-demand data-request flags for output slots 3–12. For two-channel audio,
Codec-only data-request flags corresponding to slots 3 and 4 are meaningful.
Audio input frame slot 1 tag bit pertains to Status Address Port data. SLOTREQ bits are always
valid independent of the slot 1 tag bit.
Note: Slot requests for slots 3 and 4 are always set or cleared in tandem (both set or both cleared).
Table 13-5. Input Slot 1 Bit Definitions
Bit Description
19 Reserved (Filled with zero)
18:12 Control register Index (Filled with zeroes if AC ’97 tags it invalid)
11 Slot 3 request: PCM left channel
10 Slot 4 request: PCM right channel
9 Slot 5 request: Modem line 1
8 Slot 6 request: NA
7 Slot 7 request: NA
6 Slot 8 request: NA
5 Slot 9 request: NA
4 Slot 10 request: NA
3 Slot 11 request: NA
2 Slot 12 request: NA
1:0 Reserved (Filled with zero)
Intel® PXA27x Processor Family Developer’s Manual 13-11
AC ‘97 Controller
13.4.2.3 Slot 2: Status Data Port
The Status data port delivers 16-bit control register read data.
13.4.2.4 Slot 3: PCM Record Left Channel
Audio input frame slot 3 is the AC ’97 controller Codec left-channel output.
The AC ’97 controller transmits its ADC output data (MSB first) and fills any trailing non-valid bit
positions with zeroes to fill its 20-bit time slot.
13.4.2.5 Slot 4: PCM Record Right Channel
Audio input frame slot 4 is the AC ’97 controller Codec right-channel output.
The AC ’97 controller transmits its ADC output data (MSB first) and fills any trailing non-valid bit
positions with zeroes to fill its 20-bit time slot.
13.4.2.6 Slot 5: Optional Modem Line Codec
Audio input frame slot 5 contains MSB justified modem ADC output data (if the line Codec is
supported).
The PXA27x processor supports a 16-bit ADC output resolution for the optional modem.
13.4.2.7 Slot 6: Optional Dedicated Microphone Record Data
Audio input frame slot 6 is an optional third PCM system-input channel available for dedicated use
by a microphone. This input channel supplements a true stereo output that would enable a more
precise echo-cancellation algorithm for speakerphone applications.
The AC ’97 controller only supports 16-bit resolution for the MIC-in channel.
13.4.2.8 Slots 7-11: Reserved
Audio input frame slots 7–11 are reserved for future use. The AC ‘97 controller ignores them.
13.4.2.9 Slot 12: I/O Status
The GPIOs configured as inputs return their status on this slot every frame. The data returned on
the latest frame is accessible to software through the Codec register at Codec address 0x54 in the
modem Codec I/O space. Only the 16 MSBs return GPIO status. Bit 0 in the LSBs indicates a GPI
input interrupt event. (See the AC ’97 specification, Revision 2.0, for more information.)
Table 13-6. Input Slot 2 Bit Definitions
Bit Name Description
Bit[19:4] Control register read data Filled with zeroes if AC ’97 tags it invalid
Bit[3:0] Reserved Filled with zeroes
NOTE: If slot 2 is tagged invalid, the AC ’97 controller fills the entire slot with zeroes.
13-12 Intel® PXA27x Processor Family Developer’s Manual
AC ‘97 Controller
Reads from Codec address 0x54 are not transmitted across the link. Data received in slot 12 is
stored internally in the controller, and the data from the most recent slot 12 is returned on reads
from Codec address 0x54
13.5 AC-Link Low-Power Modes
Software must set the GCR[ACLINK_OFF] bit before it enters the PXA27x processors low-
power modes. This ensures that the AC ’97 controller does not drive the output pins on the
AC-link.
13.5.1 Powering Down the AC-Link
The AC-link signals enter a low-power mode when the AC ’97 Codec Powerdown register (Codec
address 0x26) PR4 bit is set to a 1 (by writing 0x1000). Then the Primary Codec drives both
AC97_BITCLK and AC97_SDATA_IN to a logic-low voltage level. The sequence follows the
timing diagram shown in Figure 13-7.
The AC ’97 controller transmits the write to Powerdown register (0x26) over the AC-link. Set up
the AC ’97 controller so that it does not transmit data to slots 3–12 when it writes to the
Powerdown register bit PR4 (data 0x1000). The AC ’97 specification, Revision 2.0, does not
require the Codec to process other data when it receives a power-off request. When the Codec
processes the request, it immediately toggles AC97_BITCLK and AC97_SDATA_IN to a
logic-low level.
The AC ’97 controller drives AC97_SYNC and AC97_SDATA_OUT to a logic-low level after
setting the GCR[ACLINK_OFF] to 0b1. The AC ’97 controller maintains AC97_RESET_n high
when GCR[ACLINK_OFF] is set.
The following steps initiate a power-down:
1. Write 0x26 and initiate power-down.
2. Wait for GSR[CDONE] indicating that the command has completed.
3. Set GCR[ACOFF] to shut down the AC-link.
Figure 13-7. AC-Link Power-Down Timing
AC97_SDATA_OUT
TAG
AC97_SYNC
AC97_BITCLK
Write to
0x26
Data
PR4
slot 12
prev. frame
TAG
slot 12
prev. frame
AC97_SDATA_IN
Note: AC97_BITCLK is not to scale
Intel® PXA27x Processor Family Developer’s Manual 13-13
AC ‘97 Controller
4. Set CKEN[31] in the Clock Enable register (see Section 3.8.2.2, “Clock Enable Register
(CKEN)” on page 3-98).
5. Wait for GSR[ACOFFD], indicating that the AC-link shutdown is complete.
6. Clear CKEN[31].
Note: If a resume event occurs during this procedure, the Codec must not be awakened until
GSR[ACOFFD] is set.
Table 13-7 describes CKEN[2] and CKEN[31] functionality:
Table 13-7. AC ‘97 Configuration
Note: Software must not set or clear CKEN[31] and CKEN[2] at the same time.
13.5.2 Waking Up the AC-Link
13.5.2.1 Wake-Up Triggered by Codec
To wake up the AC-link, a Codec drives its AC97_SDATA_IN signal to a logic high level. The
rising edge triggers the resume interrupt. The CPU then wakes up the Codec using the cold or
warm reset sequence. If a warm reset was issued by the AC ’97 controller, the Codec that signaled
the wake event must keep its AC97_SDATA_IN high until it detects that a warm reset has been
completed. The Codec can then toggle its AC97_SDATA_IN low. Figure 13-8 shows the AC-link
timing for a wake-up triggered by a Codec.
In the case of the processor needing to be awakened from the idle low-power mode, the AC ’97
controller detects the Codec wake-up event (AC97_SDATA_IN high for more than 1 μs) and
signals an interrupt to the CPU.
In the case of the processor needing to be awakened from the standby or sleep low-power modes,
the AC97_SDATA_IN_0 signal from the primary Codec must be routed to a valid, properly
configured standby/sleep wake-up GPIO signal. For the secondary Codec to wake the processor
from the standby or sleep modes, the AC97_SDATA_IN_1 GPIO must be reconfigured to be a
keypad wake-up source prior to entering standby or sleep modes.
A modem Codec may require the ability to wake up the AC-link to report events such as Caller-ID
and wake-up on ring.
CKEN[31] CKEN[2] Description
0 0 AC97_BITCLK is disabled.
0 1 AC97_BITCLK enabled and is externally provided.
1 0 AC97_RESET_n signal is asserted, and AC97_BITCLK is the
13-MHz clock.
1 1 AC97_BITCLK is a 13-MHz clock.
13-14 Intel® PXA27x Processor Family Developer’s Manual
AC ‘97 Controller
13.5.2.2 Wake-Up Triggered by AC ’97 Controller
AC-link protocol provides for a cold AC ’97 reset and a warm AC ’97 reset. The current power-
down state dictates which AC ’97 reset is used. Codec registers must stay in the same state during
all power-down modes unless a cold AC ’97 reset is performed. In a cold ds reset, the AC ’97
Codec registers are initialized to their default values.
After a power-off, the AC-link must wait for a minimum of four audio frame times after the frame
in which the power-off occurred before it can be reactivated by reasserting the AC97_SYNC
signal. When AC-link powers up, it indicates readiness in the Codec ready bit (input slot 0, bit 15).
13.5.2.2.1 Cold AC ’97 Reset
A cold reset is generated when the AC97_RESET_n signal is asserted through the GCR[nCRST].
Asserting and de-asserting AC97_RESET_n activates AC97_BITCLK (if supplied the Codec
supplies it) and AC97_SDATA_OUT. All AC ’97 Codec control registers are initialized to their
default power-on reset values. AC97_RESET_n is an asynchronous AC ’97 input to the Codec.
Note: Prior to clearing the GCR[nCRST] bit, all AC ’97 interrupts must be masked (disabled). The
interrupts can be re-enabled after the cold reset has occurred.
The following steps initiate a cold reset:
1. Set GCR[ACOFF] bit to shutdown AC-link
2. Wait for ACOFFD to be set in GSR[3] to ensure the link is cleanly shutdown
3. Mask the AC97 interrupt
4. Clear GCR[nCRST] to cold reset the AC97
5. Read GCR to ensure split transaction is finished
6. Set CKEN[31] to switch AC97_BITCLK to 13 MHz
7. Read CKEN, which guarantees that the CKEN configuration occurred
8. Unmask AC97 interrupt
Figure 13-8. AC97_SDATA_IN Wake-Up Signaling
SDATA_OUT
TAG
SYNC
BITCLK
Write to
0x26
Dat a
PR4
slot 12
prev. frame
TAG
slot 12
prev. frame
SDATA_IN
TAG
Sl ot 1
Slot 2
Power Down
Frame
Wake E
vent
Codec Sleep State
New Audio
Frame
TAG
Slot 1
Slot 2
Note 1
Note 2
AC97_SDATA_OUT
TAG
AC97_SYNC
AC97_BITCLK
Wri t e to
0x26
Data
PR4
slot 12
prev. frame
TAG
slot 12
prev. frame
AC97_SDATA_IN
TAG
Slot 1
Slot 2
Power Down
Frame
Wake Event
Sleep State
New Audio
Frame
TAG
Slot 1
Slot 2
note
Note: AC97_BITCLK not to scale
Intel® PXA27x Processor Family Developer’s Manual 13-15
AC ‘97 Controller
9. Clear CKEN[31] to disable 13 MHz clock
Read CKEN to guarantee that the CKEN configuration occurred
Set GCR[nCRST] bit to pull AC97 out of reset
10. Read GCR back to ensure the write to GCR happened
13.5.2.2.2 Warm AC ’97 Reset
A warm AC ’97 reset reactivates the AC-link without altering the current AC ’97 Codec register
values. A warm reset is generated when AC97_BITCLK is absent and AC97_SYNC is driven high
for a minimum of 1 μs.
In normal audio frames, AC97_SYNC is a synchronous AC ’97 input. When AC97_BITCLK is
absent, AC97_SYNC is treated as an asynchronous input to generate a warm reset to AC ’97.
The AC ’97 controller must not activate AC97_BITCLK until it samples AC97_SYNC low again,
which prevents a new audio frame from being falsely detected.
When the AC ’97 controller receives a wake-up from the Codec, it issues an interrupt (if the
interrupt on resume is enabled). Software must then issue a warm or cold reset to the Codec by
setting the appropriate bit in the GCR.
The following steps initiate a cold reset:
1. Write 0x26 and initiate powerdown
2. Wait for command-done bit to be set in GSR
3. Set GCR[ACOFF] to shut off AC link
4. Set CKEN[31] to switch AC97_BITCLK to 13 MHz
5. Wait for GSR[ACOFFD] to be set
6. Set GPSR3[17]. This is the GPIO set register for reset_n (GPIO 113)
7. Set GPCR0[31]. This is the GPIO clear register for sync (GPIO 31)
8. Write bits GAFR3_U[3:2] = 0b00. This is the alternate function register for GPIO 113 - switch
from AC97 to GPIO
9. Write bits GAFR0_U[31:30] = 0b00. This is the alternate function reg for GPIO 31 - switch
from AC97 to GPIO
10. Read GAFR0_U. This read guarantees that the GPIO configuration occurred
11. Clear bit 2 of CKEN, which causes RST_AC97 to be asserted
12. Set bit 2 of CKEN, which causes RST_AC97 to be de-asserted
13. Read CKEN, which guarantees that the CKEN configuration occurred
14. Write bits GAFR3_U[3:2] = 0b10. This reverts to AC97 alternate function for GPIO 113
15. Write bits GAFR0_U[31:30] = 0b10. This reverts to AC97 alternate function for GPIO 31
16. Read GAFR0_U. This read guarantees that the GPIO configuration occurred
17. Clear bit 31 of CKEN. This causes the AC97 clock to revert to the real bitclk
18. Perform a warm reset
13-16 Intel® PXA27x Processor Family Developer’s Manual
AC ‘97 Controller
Note: To prevent the codec from prematurely waking up or cold resetting, the GPIO pins must be
configured as regular GPIO during the process. Detailed steps are shown below.
The above procedure assumes GPIO[113] = AC97_nRESET and GPIO[31] = AC97_SYNC. The
GPIO registers will change if different GPIOs are used for these signals.
For all register modifications, use a read-modify-write approach and only modify the bits
mentioned.
13.6 Operation
The AC ’97 controller can be accessed through the processor or the DMA controller. The processor
uses programmed I/O instructions to access the AC ’97 controller and can access four register
types:
1. The AC ’97 controller registers: Accessible at 32-bit boundaries. They are listed in
Section 13.7.
2. Codec registers: An audio or modem Codec can contain up to sixty-four 16-bit registers. A
Codec uses a 16-bit address boundary for registers. The AC ’97 controller supplies access to
the Codec registers by mapping them to its 32-bit address domain boundary. Section 13.7.17
describes the mapping from the 32-bit to 16-bit boundary. A write or read operation that
targets these registers is sent across the AC-link.
3. Modem Codec GPIO register: If the AC ’97 controller is connected to a modem Codec, the
Codec GPIO register can also be accessed. The Codec GPIO register uses access address
0x0054 in the Codec domain. The GPIO write operation goes across the AC-link, but a read
does not. The register contents are continuously updated into a register in the controller
domain when a frame is received from the Codec. When the processor tries to read the Codec
GPIO register, this shadow register is read instead.
4. The AC ’97 controller FIFO data: The AC ’97 controller has two transmit FIFOs for audio-out
and modem-out and three receive FIFOs for audio-in, modem-in, and MIC-in. The transmit
FIFOs are written by writing either the PCM Data register (PCDR) or the Modem Data register
(MODR). Receive FIFO entries are read through the PCDR, the MODR, or the Microphone In
Data register (MCDR).
The DMA controller accesses are made through the Data registers as explained in the previous
paragraph. The DMA controller accesses FIFO data in 32-bit aligned blocks of 32 bytes. DMA
responds to the AC ’97 controller DMA requests when not disabled.
Programmed I/O (PIO) access requirements of the FIFOs are the same as for DMA. PIO uses the
same Data register and requires a 32-bit aligned data block of 32 bytes. PIO responds to AC ’97
controller interrupt requests when they are enabled.
DMA requests or PIO interrupts are made for the following conditions. Do not setup a FIFO in the
AC ’97 controller for both DMA and PIO access.
PCM FIFO transmit and receive DMA requests made when the PCM transmit and receive
FIFOs are half full.
Modem FIFO transmit and receive DMA requests made when the modem transmit and receive
FIFOs are half full.
MIC-in receive DMA requests made when the MIC-in receive FIFO is half full.
Intel® PXA27x Processor Family Developer’s Manual 13-17
AC ‘97 Controller
When the DMA signals an EOC (End of Chain) and there is data in a receive FIFO, the AC ‘97
controller signals an end-of-chain interrupt. The interrupt is cleared when software reads remaining
data out of the FIFOs.
13.6.1 Initialization
The AC ’97 Codec and AC ’97 controller circuitry are reset at power-on with the AC97_RESET_n
signal, which remains asserted (low) until either the audio or modem driver sets the GCR[nCRST]
bit.
1. Program the GPIO Direction register (GPDR) and GPIO Alternate Function Select register
(GPAR) to assign proper pin directions for the various AC ’97 controller ports. Refer to
Section 13.3, for details.
2. Enable either DMA requests in the GCR or PIO interrupts in their respective control registers.
The FIFO service requests do not support programmable FIFO thresholds.
3. Deassert AC97_RESET_n by setting GCR[nCRST] to 0b1. Deasserting AC97_RESET_n has
the following effects:
Places all other registers in their active state allowing them to be programmed. When
GCR[nCRST] is 0b0, all other registers are in their reset state.
Frames filled with 0s are transmitted because the transmit FIFO is still empty. However,
this situation does not cause an error condition (because nothing is tag-valid).
The AC ’97 controller does not record any data until it receives a Codec Ready indication
from the Codec, and the Codec tags an input frame (and slot) as valid.
4. Enable Primary Ready Interrupt Enable (GCR[PRDY_IE]) and/or Secondary Ready Interrupt
Enable (GCR[SCRDY_IE]) in the GCR. Software can also poll these bits.
5. Software responds to primary/secondary ready interrupts by triggering the DMA or PIO
operation. The AC ’97 controller triggers a PCM-Out FIFO service request. DMA or PIO
responds by filling up the transmit FIFOs.
6. The AC ’97 controller continues to transmit 0s until the transmit FIFO is one-half full. Once
one-half full, valid FIFO data is sent across the AC-link.
Note: When AC97_RESET_n is deasserted, a read of the Codec Mixer register 0x00 returns what type of
hardware resides in the Codec. If the Codec is not present or if the AC ’97 is not supported, AC 97
controller does not set the Codec-ready bit, GCR[PCRDY] for the primary Codec or
GCR[SCRDY] for secondary Codec.
13-18 Intel® PXA27x Processor Family Developer’s Manual
AC ‘97 Controller
13.6.2 Trailing Bytes and Clean Shutdown
Trailing bytes in the transmit and receive FIFOs are handled as follows:
If the transmit buffers are not an even multiple of 32-bytes, the trailing bytes in the transmit FIFO
are not transmitted. A transmit buffer must be padded with zeroes if it is smaller than a multiple of
32 bytes.
Transmit trailing bytes: Data in the transmit buffers must be a multiple of 32 bytes. If the data is
not a multiple of 32 bytes, software must pad the transmit buffer with zeroes to a multiple of 32
bytes. Any data remaining in the transmit FIFO that is not a multiple of 32 bytes is not transmitted.
Receive trailing bytes: When the Codec stops transmitting valid data, as defined by valid tag bits,
the AC ‘97 controller stops recording data for that Codec. If the data is not multiple of 32 bytes, the
AC ‘97 controller holds the trailing bytes in the FIFO until software shuts it down by setting
GCR[ACOFF] to initiate a clean shutdown. The AC ’97 controller does not make a FIFO service
request for these trailing bytes.
Clean Shutdown: Setting GCR[ACOFF] cleanly shuts down the AC ‘97 controller. The AC ‘97
controller deasserts any active transmit FIFO service request (DMA or PIO interrupt) and stops
transmitting and receiving data. The AC ‘97 controller discards all remaining data in the transmit
FIFO and receive FIFO and drives AC97_SYNC and AC97_SDATA_OUT to a low-logic level.
When all FIFOs are empty and AC97_SYNC and AC97_SDATA_OUT are at low-logic level, the
AC ‘97 controller sets GSR[ACOFFD], indicating a complete clean shutdown.
General shutdown issues: Software can determine if the clean shutdown has completed by
reading GSR[ACOFFD]. Clearing GCR[nCRST] causes an immediate shutdown of the AC-link
and reset of the AC ‘97 controller circuitry. The GCR[nCRST] bit supersedes the GCR[ACOFF]
bit and therefore prevents a clean shutdown if set during or before the shutdown sequence.
13.6.3 Operational Flow for Accessing Codec Registers
Software accesses the Codec registers by translating a 7-bit Codec address into a 32-bit processor
physical address. For details regarding the address translation, refer to Section 13.7.17.
Software must read the Codec Access register (CAR) to lock the AC-link. The AC-link is free if
the CAR[CAIP] bit is clear. For details about the CAR, refer to Table 13-14.
The read access to the CAR sets the CAR[CAIP] bit. The AC ’97 controller clears the CAR[CAIP]
bit when the Codec-write or Codec-read operation completes. Software can also clear the
CAR[CAIP] bit by writing a 0b0.
After it locks the AC-link, software can write or read a Codec register using the appropriate
PXA27x processor physical address.
The AC ’97 controller sets the GSR[CDONE] bit after the completion of a Codec write operation.
For details, refer to Table 13-9. Software indicates the completion of the Codec write operation bit
by setting the GSR[CDONE] bit.
To read a Codec, the software must complete the following steps:
1. Software issues a dummy read to the Codec register. The AC ’97 controller responds to this
read operation with invalid data. The AC 97 controller then initiates the read access across the
AC-link.
Intel® PXA27x Processor Family Developer’s Manual 13-19
AC ‘97 Controller
2. When the Codec read operation completes, the AC ’97 controller sets the GSR[SDONE] bit.
For details, refer to Table 13-9. Software clears this bit by writing 0b1 to it.
3. Software repeats the read operation as detailed in Step 1. The AC ’97 controller now returns
the data sent by the Codec. The second read operation also initiates a read access across the
AC-link.
Note: The the AC ’97 controller times-out the read operation if the Codec fails to respond in four
AC97_SYNC frames. In this case, the second read operation returns a timed-out data value of
0x0000_FFFF.
13.6.4 Clocks and Sampling Frequencies
By default, the AC ’97 controller transmits and receives data at a sampling frequency of 48 kHz. It
can, however, sample data at frequencies less than 48 kHz if the Codec supports on-demand slot
requests. The Codec in this case executes a certain algorithm and informs the controller not to
transmit valid data in certain frames. For example, if the AC ’97 controller sends out 480 frames,
and the Codec instructs the AC ’97 controller not to send valid data in 39 of those 480 frames, the
Codec would have, in effect, sampled data at 44.1 kHz. When the Codec transmits data (controller-
receive mode), it can use the same algorithm to transmit valid frames with some empty ones mixed
in.
All data transfers across the AC-link are synchronized to AC97_SYNCs rising edge. The AC ’97
controller divides the AC97_BITCLK by 256 to generate the AC97_SYNC signal. This calculation
yields a 48 kHz AC97_SYNC signal, and its period defines a frame. Data is toggled on the AC-link
on every AC97_BITCLK rising edge and subsequently sampled on AC-links receiving side on
each following AC97_BITCLK falling edge. For a timing diagram, see Figure 13-3.
Note: The AC ’97 controller cannot operate when the processor is in deep-idle mode when both PLLs are
turned off.
13.6.5 FIFOs
The AC ’97 controller has five FIFOs:
PCM transmit FIFO, with sixteen 32-bit entries
PCM receive FIFO, with sixteen 32-bit entries
Modem transmit FIFO, with sixteen 32-bit entries (upper 16 bits must always be 0)
Modem receive FIFO, with sixteen 32-bit entries (upper 16 bits are always 0)
MIC-in receive FIFO, with sixteen 32-bit entries (upper 16 bits are always 0)
A receive FIFO triggers a DMA request when the FIFO has eight or more entries. A transmit FIFO
triggers a DMA request when it holds less than eight entries. A transmit FIFO must be half-full
(filled with eight entries) before any data is transmitted across the AC-link.
13.6.5.1 Transmit FIFO Errors
Channel-specific status bits are updated during transmit-underrun conditions and trigger interrupts
if enabled. Refer to Table 13-12 and Table 13-12 for details on the status bits. During transmit-
underrun conditions, the last valid sample is continuously sent out across the AC-link. A transmit
underrun can occur under the following conditions:
13-20 Intel® PXA27x Processor Family Developer’s Manual
AC ‘97 Controller
Valid transmit data is still available in memory, but the programmed I/O or the DMA
controller starves the transmit FIFO because it is servicing other higher-priority peripherals.
Programmed I/O or the DMA controller has transferred all valid data from memory to the
transmit FIFO. This prompts the last valid sample to be echoed across the AC-link until
AC97_RESET_n is asserted and turns off the AC ’97 controller.
13.6.5.2 Receive FIFO Errors
Channel-specific status bits are updated during receive-overrun conditions and trigger interrupts
when enabled. Refer to Table 13-13, Table 13-17, and Table 13-22 for details on the status bits.
During receive-overrun conditions, data the Codec sends is not recorded.
13.6.6 Interrupts
The following status bits interrupt the processor when the interrupts are enabled:
MIC-In FIFO Error—MIC-in receive FIFO overrun or underrun error
Modem-In FIFO Error—Modem receive FIFO overrun or underrun error
PCM-in FIFO Error—Audio receive FIFO overrun or underrun error
Modem-Out FIFO Error—Modem transmit FIFO overrun or underrun error
PCM-Out FIFO Error—Audio transmit FIFO overrun or underrun error
Mic-In FIFO Service Request—Mic-in receive FIFO contains more than 16 bytes
Modem-In FIFO Service Request—Modem receive FIFO contains more than 16 bytes
PCM-In FIFO Service Request—Audio receive FIFO contains more than 32 bytes
Modem-Out FIFO Service Request—Modem transmit FIFO contains less than 16 bytes
PCM-Out FIFO Service Request—Audio transmit FIFO contains less than 32 bytes
Modem Codec GPI Status Change Interrupt—Interrupts the CPU if bit 0 of slot 12 is set. This
indicates a change in one of the bits in the modem Codec’s GPIO register.
Primary Codec Resume Interrupt—Sets a status register bit (GSR[PRESINT]) when the
Primary Codec resumes from a lower power mode. Software writes a 0b1 to this bit to clear it.
Secondary Codec Resume Interrupt—Sets a status register bit (GSR[SRESINT]) when the
Secondary Codec resumes from a lower power mode. Software writes a 0b1 to this bit to clear
it.
Codec Command Done Interrupt—Interrupts the CPU when a Codec registers command is
completed. Software writes a 0b1 to GSR[CDONE] to clear it.
Codec Status Done Interrupt—Interrupts the CPU when a Codec registers status address and
data reception are completed. Software writes a 0b1 to GSR[SDONE] to clear it.
Primary Codec Ready Interrupt—Sets a status register bit (GSR[PCRDY]) when the primary
Codec is ready. The Codec sets bit 0 of slot 0 on the input frame to signal that it is ready.
Software clears the GCR[PRIRDY_IEN] bit to clear this interrupt.
Secondary Codec Ready Interrupt—Sets a status register bit (GSR[SCRDY]) when the
secondary Codec is ready. The Codec sets bit 0 of slot 0 on the input frame to signal that it is
ready. Software clears the GCR[SECRDY_IEN] bit to clear this interrupt.
Intel® PXA27x Processor Family Developer’s Manual 13-21
AC ‘97 Controller
EOC Interrupt—A status bit is set when there is data in a receive FIFO when the DMA signals
an end-of-chain. The AC ‘97 controller signals an end-of-chain interrupt when this occurs. The
interrupt is cleared when software reads the remaining data out of the FIFOs.
13.7 Register Descriptions
The AC ’97 controller and Codec registers are mapped in addresses 0x4050_0000–0x405F_FFFC.
All AC ’97 controller registers are 32-bit-addressable. Although a Codec has up to sixty-four
16-bit registers that are 16-bit addressable, they are accessed using a 32-bit address map and are
translated to a 16-bit address for the Codec.
The programmed I/O and DMA bursts can access the following registers:
Global registers: The AC ’97 controller has three global registers: Status, Control, and Codec
access registers that are common to the audio and modem domains.
Channel-specific audio AC ’97 controller registers refer to PCM-out, PCM-in, and MIC-in
channels.
Channel-specific Modem AC ’97 controller registers refer to modem-out and modem-in
channels.
Audio Codec registers
Modem Codec registers
Channel-specific data registers are for FIFO accesses, and the PCM, modem, and MIC-in FIFOs
each have a register. A write access to one of these registers updates the written data in the
corresponding transmit FIFO. A read access to one of these registers flushes out an entry from the
corresponding receive FIFO.
Note: Some register bits receive status from Codecs. The Codec status sets the bit, and software clears the
bit (write 0b1 to clear). The status can come in at any time, even when the bit is set or during a
software clear. If software clears the bit as the Codec status updates the bit, the Codec status event
takes higher priority. The term interruptible denotes bits that can be affected by this condition.
13-22 Intel® PXA27x Processor Family Developer’s Manual
AC ‘97 Controller
13.7.1 Global Control Register (GCR)
Table 13-8 describes the AC ’97 controller Global Control register.
This is a read/write register. Ignore reads from reserved bits. Write 0b0 to reserved bits.
Table 13-8. GCR Bit Definitions (Sheet 1 of 2)
Physical Address
0x4050_000C GCR AC ’97
User
Settings
Bit 31 30 29 28 27 26 25 24 23 22 21 20 19 18 17 16 15 14 13 12 11 10 9 8 7 6 5 4 3 2 1 0
reserved
nDMAEN
reserved
CDONE_IE
SDONE_IE
reserved
SRDY_IE
PRDY_IE
reserved
SRES_IE
PRES_IE
ACOFF
WRST
nCRST
GPI_IE
Reset ? ? ? ? ? ? ? ? ? ? ? ? 0 0 ? ? ? ? ? ? ? ? 0 0 ? ? 0 0 0 0 0 0
Bits Access Name Description
31:25 — reserved
24 R/W nDMAEN
DMA Enable
0 = FIFO Service Requests do cause DMA requests.
1 = FIFO Service Requests do not cause DMA requests.
Software must set this bit to 0b1 when using PIO.
23:20 — reserved
19 R/W CDONE_IE Command Done Interrupt Enable
1 = The controller triggers an interrupt to the CPU after sending the
command address and data to the Codec.
18 R/W SDONE_IE Status Done Interrupt Enable
1 = The controller triggers an interrupt to the CPU after receiving the
status address and data from the Codec.
17:10 — reserved
9 R/W SRDY_IE Secondary Ready Interrupt Enable
1 = Enables an interrupt to occur when the secondary Codec sends the
Codec READY bit on the AC97_SDATA_IN_1 pin.
8 R/W PRDY_IE Primary Ready Interrupt Enable
1 = Enables an interrupt to occur when the primary Codec sends the
Codec READY bit on the AC97_SDATA_IN_0 pin.
7:6 — reserved
5 R/W SRES_IE Secondary Resume Interrupt Enable
1 = Enables an interrupt to occur when the secondary Codec causes a
resume event on the AC-link.
4 R/W PRES_IE Primary Resume Interrupt Enable
1 = Enables an interrupt to occur when the primary Codec causes a
resume event on the AC-link.
3R/WACOFF
AC-Link Shut Off
1 = Shuts down the AC ’97 controller. The AC ’97 controller deasserts
any active transmit and receive FIFO service request. The AC ’97
controller then discards any remaining data in the transmit and
receive FIFOs and drives AC97_SYNC and AC97_SDATA_OUT low.
Intel® PXA27x Processor Family Developer’s Manual 13-23
AC ‘97 Controller
2R/WWRST
AC ’97 Warm Reset
1 = Causes a warm reset to occur on the AC-link. The warm reset
awakens a suspended Codec without clearing its internal registers. If
software attempts to perform a warm reset while AC97_BITCLK is
running, the write is ignored, and the bit is not changed.
This bit is self-clearing. It remains set until the reset completes and
AC97_BITCLK is seen on the AC-link, after which it clears itself.
1 R/W nCRST
AC ’97 Cold Reset
0 = Causes a cold reset to occur throughout the AC ’97 circuitry. All data
in the controller and the Codec is lost.
The value of this bit is retained after suspends. Therefore, if this bit was set
to 0b1 prior to suspending, a cold reset is not generated automatically upon
resumption.
NOTE: Prior to asserting the cold reset (GCR[nCRST] = 0b0), all AC ’97
controller interrupts must be masked (disabled). The interrupts can
be re-enabled after the cold reset has occurred.
0 R/W GPI_IE
Codec GPI Interrupt Enable:
Controls whether the change in status of any modem Codec GPI causes an
interrupt.
0 = The Global Status register is set, but an interrupt is not generated.
1 = The change in value of a GPI (as indicated by bit 0 of slot 12) causes
an interrupt and sets bit 0 of the Global Status register.
Table 13-8. GCR Bit Definitions (Sheet 2 of 2)
Physical Address
0x4050_000C GCR AC ’97
User
Settings
Bit 31 30 29 28 27 26 25 24 23 22 21 20 19 18 17 16 15 14 13 12 11 10 9 8 7 6 5 4 3 2 1 0
reserved
nDMAEN
reserved
CDONE_IE
SDONE_IE
reserved
SRDY_IE
PRDY_IE
reserved
SRES_IE
PRES_IE
ACOFF
WRST
nCRST
GPI_IE
Reset ? ? ? ? ? ? ? ? ? ? ? ? 0 0 ? ? ? ? ? ? ? ? 0 0 ? ? 0 0 0 0 0 0
Bits Access Name Description
13-24 Intel® PXA27x Processor Family Developer’s Manual
AC ‘97 Controller
13.7.2 Global Status Register (GSR)
Table 13-9 describes the AC ’97 controller Global Status register.
This is a read/write register. Ignore reads from reserved bits. Write 0b0 to reserved bits.
Table 13-9. GSR Bit Definitions (Sheet 1 of 3)
Physical Address
0x4050_001C GSR AC ’97
User
Settings
Bit 31 30 29 28 27 26 25 24 23 22 21 20 19 18 17 16 15 14 13 12 11 10 9 8 7 6 5 4 3 2 1 0
reserved
CDONE
SDONE
reserved
RCS
B3S12
B2S12
B1S12
SRESINT
PRESINT
SCRDY
PCRDY
MCINT
POINT
PIINT
reserved
ACOFFD
MOINT
MIINT
GSCI
Reset ? ? ? ? ? ? ? ? ? ? ? ? 0 0 ? ? 0 0 0 0 0 0 0 0 0 0 0 ? 0 0 0 0
Bits Access Name Description
31:20 — reserved
19 R/W CDONE
Command Done
This bit is 0b1 after the controller sends command address and data to the
Codec. This bit is cleared by software writing 0b1 to this location.
(interruptible)
18 R/W SDONE
Status Done
This bit is 0b1 after controller receives status address and data from the
Codec. This bit is cleared by software writing 0b1 to this location.
(interruptible)
17:16 — reserved
15 R/W RCS
Read Completion Status:
Indicates the status of Codec Read completions. This bit is 0b1 if the Codec
Read results in a time-out. Is 0b0 if the Codec Read completes normally.
This bit is cleared by software writing 0b1 to this location.
14 R B3S12 Bit 3 of Slot 12
Display bit 3 of the most recent valid slot 12.
13 R B2S12 Bit 2 of Slot 12
Display bit 2 of the most recent valid slot 12.
12 R B1S12 Bit 1 of Slot 12
Display bit 1 of the most recent valid slot 12.
11 R/W SRESINT
Secondary Resume Interrupt
This bit is 0b1 if a resume event occurred on the AC97_SDATA_IN_1 This
bit is cleared by software writing 0b1 to this location. (interruptible)
10 R/W PRESINT
Primary Resume Interrupt
This bit is 0b1 if a resume event occurred on the AC97_SDATA_IN_0 This
bit is cleared by software writing 0b1 to this location. (interruptible)
9 R SCRDY Secondary Codec Ready
Reflects the state of the Codec Ready bit in AC97_SDATA_IN_1.
8 R PCRDY Primary Codec Ready
Reflects the state of the Codec Ready bit in AC97_SDATA_IN_0.
Intel® PXA27x Processor Family Developer’s Manual 13-25
AC ‘97 Controller
7RMCINT
Mic-In Interrupt:
Is set if one of MCSR[FIFOE], MCSR[EOC], or MCSR[FSR] is set.
This bit is automatically cleared (by AC ’97 controller) when MCSR[FIFOE],
MCSR[EOC], and MCSR[FSR] are clear.
An interrupt is triggered if one or more of the following conditions are true:
MCCR[FEIE] is 0b1 and MCSR[FIFOE] is 0b1
MCCR[FSRIE] is 0b1 and MCSR[FSR] is 0b1
MCSR[EOC] is 0b1
6RPOINT
PCM-Out Interrupt
Is set to 0b1 if either POSR[FIFOE] or POSR[FSR] is 0b1.
This bit is automatically cleared (by AC ’97 controller hardware) when
POSR[FIFOE] and POSR[FSR] are 0b0.
An interrupt is triggered if one or more of the following conditions are true:
POCR[FEIE] is 0b1 and POSR[FIFOE] is 0b1
POCR[FSRIE] is 0b1 and POSR[FSR] is 0b1
5 R PIINT
PCM-In Interrupt
Is set to 0b1 if one of PISR[FIFOE], PISR[EOC], or PISR[FSR] is 0b1.
This bit is automatically cleared (by AC ’97 controller hardware) when
PISR[FIFOE], PISR[EOC], and PISR[FSR] are 0b0.
An interrupt is triggered if one or more of the following conditions are true:
PICR[FEIE] is 0b1 and PISR[FIFOE] is 0b1
PICR[FSRIEIE] is 0b1 and PISR[FSR] is 0b1
PISR[EOC] is 0b1
4 — reserved
3RACOFFD
AC-link Shut Off Done
Is 0b1 if the AC-link has been cleanly shutdown. Is 0b0 if the AC ’97
controller still has valid data to transfer. It is cleared when GCR[ACOFF] is
cleared.This bit only has a meaning when the GCR[ACOFF] bit is 0b1.
Table 13-9. GSR Bit Definitions (Sheet 2 of 3)
Physical Address
0x4050_001C GSR AC ’97
User
Settings
Bit 31 30 29 28 27 26 25 24 23 22 21 20 19 18 17 16 15 14 13 12 11 10 9 8 7 6 5 4 3 2 1 0
reserved
CDONE
SDONE
reserved
RCS
B3S12
B2S12
B1S12
SRESINT
PRESINT
SCRDY
PCRDY
MCINT
POINT
PIINT
reserved
ACOFFD
MOINT
MIINT
GSCI
Reset ? ? ? ? ? ? ? ? ? ? ? ? 0 0 ? ? 0 0 0 0 0 0 0 0 0 0 0 ? 0 0 0 0
Bits Access Name Description
13-26 Intel® PXA27x Processor Family Developer’s Manual
AC ‘97 Controller
2RMOINT
Modem-Out Interrupt
Is set to 0b1 if either MOSR[FIFOE] or MOSR[FSR] is 0b1.
This bit is automatically cleared (by AC ’97 controller hardware) when
MOSR[FIFOE] and MOSR[FSR] are 0b0.
An interrupt is triggered if one or more of the following conditions are true:
MOCR[FEIE] is 0b1 and MOSR[FIFOE] is 0b1
MOCR[FSRIE] is 0b1 and MOSR[FSR] is 0b1
1 R MIINT
Modem-In Interrupt
Is set to 0b1 if one of MISR[FIFOE], MISR[EOC], or MISR[FSR] is 0b1.
This bit is automatically cleared (by AC ’97 controller hardware) when
MISR[FIFOE], MISR[EOC], and MISR[FSR] are 0b0.
An interrupt is triggered if one or more of the following conditions are true:
MICR[FEIE] is 0b1 and MISR[FIFOE] is 0b1
MICR[FSRIE] is 0b1 and MISR[FSR] is 0b1
MISR[EOC] is 0b1
0R/WGSCI
Codec GPI Status Change Interrupt
Is 0b1 whenever bit 0 of slot 12 is 0b1, which indicates that one of the GPIs
changed state, and that the new values are available in slot 12. The bit is
cleared by software writing 0b1 to this bit location. (interruptible)
Table 13-9. GSR Bit Definitions (Sheet 3 of 3)
Physical Address
0x4050_001C GSR AC ’97
User
Settings
Bit 31 30 29 28 27 26 25 24 23 22 21 20 19 18 17 16 15 14 13 12 11 10 9 8 7 6 5 4 3 2 1 0
reserved
CDONE
SDONE
reserved
RCS
B3S12
B2S12
B1S12
SRESINT
PRESINT
SCRDY
PCRDY
MCINT
POINT
PIINT
reserved
ACOFFD
MOINT
MIINT
GSCI
Reset ? ? ? ? ? ? ? ? ? ? ? ? 0 0 ? ? 0 0 0 0 0 0 0 0 0 0 0 ? 0 0 0 0
Bits Access Name Description
Intel® PXA27x Processor Family Developer’s Manual 13-27
AC ‘97 Controller
13.7.3 PCM Out Control Register (POCR)
Table 13-10 describes the AC ’97 controller Pulse Code Modulation (PCM) Out Control register.
This is a read/write register. Ignore reads from reserved bits. Write 0b0 to reserved bits.
Table 13-10. POCR Bit Definitions
Physical Address
0x4050_0000 POCR AC ’97
User
Settings
Bit 31 30 29 28 27 26 25 24 23 22 21 20 19 18 17 16 15 14 13 12 11 10 9 8 7 6 5 4 3 2 1 0
reserved
FEIE
Rsvd
FSRIE
reserved
Reset ? ? ? ? ? ? ? ? ? ? ? ? ? ? ? ? ? ? ? ? ? ? ? ? ? ? ? ? 0 ? 0 ?
Bits Access Name Description
31:4 — reserved
3 R/W FEIE
FIFO Error Interrupt Enable
0 = The error causes POSR[FIFOE] to be set, but the interrupt does not
occur.
1 = The occurrence of the PCM transmit FIFO error causes an interrupt.
2 — reserved
1R/WFSRIE
FIFO Service Request Interrupt Enable
0 = Disables a FIFO service request from generating an interrupt.
1 = Enables a FIFO service request to generate an interrupt.
0 — reserved
13-28 Intel® PXA27x Processor Family Developer’s Manual
AC ‘97 Controller
13.7.4 PCM In Control Register (PCMICR)
Table 13-11 describes the AC ’97 controller Pulse Code Modulation In Control register.
This is a read/write register. Ignore reads from reserved bits. Write 0b0 to reserved bits.
Table 13-11. PCMICR Bit Definitions
Physical Address
0x4050_0004 PCMICR AC ’97
User
Settings
Bit 31 30 29 28 27 26 25 24 23 22 21 20 19 18 17 16 15 14 13 12 11 10 9 8 7 6 5 4 3 2 1 2
reserved
FEIE
reserved
FSRIE
reserved
Reset ? ? ? ? ? ? ? ? ? ? ? ? ? ? ? ? ? ? ? ? ? ? ? ? ? ? ? ? 0 ? 0 ?
Bits Access Name Description
31:4 — reserved
3R/WFEIE
FIFO Error Interrupt Enable
0 = The error causes PCMISR[FIFOE] to be set, but the interrupt does
not occur.
1 = The occurrence of a PCM receive FIFO error causes an interrupt.
2 — reserved
1R/WFSRIE
FIFO Service Request Interrupt Enable
0 = Disables a FIFO service request from generating an interrupt.
1 = Enables a FIFO service request to generate an interrupt.
0 — reserved
Intel® PXA27x Processor Family Developer’s Manual 13-29
AC ‘97 Controller
13.7.5 PCM Out Status Register (POSR)
Table 13-12 describes the AC ’97 controller Pulse Code Modulation Out Status register.
This is a read/write register. Ignore reads from reserved bits. Write 0b0 to reserved bits.
Table 13-12. POSR Bit Definitions
Physical Address
0x4050_0010 POSR AC ’97
User
Settings
Bit 31 30 29 28 27 26 25 24 23 22 21 20 19 18 17 16 15 14 13 12 11 10 9 8 7 6 5 4 3 2 1 0
reserved
FIFOE
reserved
FSR
reserved
Reset ? ? ? ? ? ? ? ? ? ? ? ? ? ? ? ? ? ? ? ? ? ? ? ? ? ? ? 0 ? 0 ? ?
Bits Access Name Description
31:5 — reserved
4 R/W FIFOE
FIFO Error
Set when a FIFO error occurs. Cleared by writing 0b1 to this bit.
Set if:
1) Transmit FIFO underrun occurs. Last valid sample is repetitively sent out.
Pointers do not increment. This could happen due to:
No more valid buffer data available for transmits.
The assigned DMA channel does not have sufficient priority to handle
bandwidth and latency for AC ’97.
2) Transmit FIFO overrun occurs. Data in the transmit FIFO is preserved.
Pointers do not increment. This could happen only if programmed I/O tries
to update the transmit FIFO when it is already full. This is a critical error.
Software must re-align the data buffer to be a multiple of the request size,
clear the error, and then wait for a FIFO service request before attempting
to write the FIFO again.
3 — reserved
2RFSR
FIFO Service Request
0 = FIFO does not need servicing.
0 = FIFO needs servicing.
This bit is updated independently of the value its interrupt enable, FSRIE.
1:0 — reserved
13-30 Intel® PXA27x Processor Family Developer’s Manual
AC ‘97 Controller
13.7.6 PCM In Status Register (PCMISR)
Table 13-13 describes the AC ’97 controller Pulse Code Modulation In Status register.
This is a read/write register. Ignore reads from reserved bits. Write 0b0 to reserved bits.
Table 13-13. PCMISR Bit Definitions
Physical Address
0x4050_0014 PCMISR AC ’97
User
Settings
Bit 31 30 29 28 27 26 25 24 23 22 21 20 19 18 17 16 15 14 13 12 11 10 9 8 7 6 5 4 3 2 1 0
reserved
FIFOE
EOC
FSR
reserved
Reset ? ? ? ? ? ? ? ? ? ? ? ? ? ? ? ? ? ? ? ? ? ? ? ? ? ? ? 0 0 0 ? ?
Bits Access Name Description
31:5 — reserved
4R/WFIFOE
FIFO Error
Set when a FIFO error occurs. Cleared by writing 0b1 to this bit.
Set if:
Receive FIFO overrun occurs. The FIFO pointers do not increment.
The incoming data from the AC-link is not written into the FIFO and is
lost. This could happen if the assigned DMA channel does not have
sufficient priority to handle bandwidth and latency for AC ’97.
Receive FIFO underrun occurs. Invalid data is read by the CPU.
Pointers do not increment. This could happen only if programmed I/O
tries to read the receive FIFO when it is empty.
3R/WEOC
DMA End of Chain Interrupt
Set to 0b1 by AC ’97 controller hardware when DMA signals an end of
descriptor chain (EOC) while reading data from the FIFO. DMA channel
stops after signaling EOC and is not able to service the FIFO further.
Clear this bit by software by writing 0b1 to this bit. Software must do so only
after reading out data in the FIFO.
NOTE: This bit can only be cleared by a dedicated write of 0b1 to this bit
location. Concurrent clearing of multiple bits in this register does
not clear EOC.
2RFSR
FIFO Service Request
0 = FIFO does not need servicing.
1 = FIFO needs servicing.
This bit is updated independently of the value of its interrupt enable, FSRIE.
1:0 — reserved
Intel® PXA27x Processor Family Developer’s Manual 13-31
AC ‘97 Controller
13.7.7 Codec Access Register (CAR)
Table 13-14 describes the AC ’97 controller Codec Access register.
This is a read/write register. Ignore reads from reserved bits. Write 0b0 to reserved bits.
Table 13-14. CAR Bit Definitions
Physical Address
0x4050_0020 CAR AC ’97
User
Settings
Bit 31 30 29 28 27 26 25 24 23 22 21 20 19 18 17 16 15 14 13 12 11 10 9 8 7 6 5 4 3 2 1 0
reserved
CAIP
Reset ? ? ? ? ? ? ? ? ? ? ? ? ? ? ? ? ? ? ? ? ? ? ? ? ? ? ? ? ? ? ? 0
Bits Access Name Description
31:1 — reserved
0 R/W CAIP
Codec Access In Progress
This bit is read by software to check whether a Codec I/O cycle is currently
in progress. If no cycle is in progress, this bit is 0b0, and the act of reading
the register sets this bit to 0b1, which reserves the right for that software
driver to perform the I/O cycle. Once the cycle is complete, the hardware
automatically clears the bit. Software can also clear this bit by writing 0b0 to
this bit location, if it decides not to perform a Codec I/O cycle after having
read this bit. If the bit is already set when software reads it, it indicates that
another driver is performing a Codec I/O cycle across the link and the
currently accessing driver must try again later. (This bit applies to all Codec
I/O cycles—GPIO or otherwise.) Refer to Section 13.6.3 for more detail.
13-32 Intel® PXA27x Processor Family Developer’s Manual
AC ‘97 Controller
13.7.8 PCM Data Register (PCDR)
Table 13-15 describes the AC ’97 controller Pulse Code Modulation Data register.
This is a read/write register. Ignore reads from reserved bits. Write 0b0 to reserved bits.
Table 13-15. PCDR Bit Definitions
Physical Address
0x4050_0040 PCDR AC ’97
User
Settings
Bit 31 30 29 28 27 26 25 24 23 22 21 20 19 18 17 16 15 14 13 12 11 10 9 8 7 6 5 4 3 2 1 0
PCMR PCML
Reset 00000000000000000000000000000000
Bits Access Name Description
31:16 R/W PCMR
PCM Right Channel Data
Writing a sample to this register updates the data into the PCM transmit
FIFO. Reading this register flushes a sample from the PCM receive FIFO.
Right and left samples are read and written at the same time to form 32 bits
of data.
15:0 R/W PCML
PCM Left Channel Data
Writing a sample to this register updates the data into the PCM transmit
FIFO. Reading this register flushes a sample from the PCM receive FIFO.
Right and left data are read and written at the same time to form 32 bits of
data.
NOTE: Writing a 32-bit sample to this register updates the data into the PCM transmit FIFO. Reading this register gets a
32-bit sample from the PCM receive FIFO.
Figure 13-9. PCM Transmit and Receive Operation
TxEntry0
TxEntry1
TxEntry2
TxEntry3
TxEntry15
31
Right Left
16 15 0
RxEntry0
RxEntry1
RxEntry2
RxEntry3
RxEntry15
31
Right Left
16 15
0
PCDR Register
31 0
Processor/DMA
TxFIFO
Written
Processor/DMA
RxFIFO
Read
PCM Transmit FIFO PCM Receive FIFO
Write
Read
Transmit Data Receive Data
Intel® PXA27x Processor Family Developer’s Manual 13-33
AC ‘97 Controller
13.7.9 Microphone In Control Register (MCCR)
Table 13-16 describes the AC ’97 controller Microphone In Control register.
This is a read/write register. Ignore reads from reserved bits. Write 0b0 to reserved bits.
Table 13-16. MCCR Bit Definitions
Physical Address
0x4050_0008 MCCR AC ’97
User
Settings
Bit 31 30 29 28 27 26 25 24 23 22 21 20 19 18 17 16 15 14 13 12 11 10 9 8 7 6 5 4 3 2 1 0
reserved
FEIE
reserved
FSRIE
reserved
Reset ? ? ? ? ? ? ? ? ? ? ? ? ? ? ? ? ? ? ? ? ? ? ? ? ? ? ? ? 0 ? 0 ?
Bits Access Name Description
31:4 — reserved
3 R/W FEIE
FIFO Error Interrupt Enable
0 = MCSR[FIFOE] is set, but the interrupt does not occur.
1 = The occurrence of a MIC receive FIFO error causes an interrupt.
2 — reserved
1R/WFSR
FIFO Service Request Interrupt Enable
0 = Disables a FIFO service request from generating an interrupt.
1 = Enables a FIFO service request to generate an interrupt.
0 — reserved
13-34 Intel® PXA27x Processor Family Developer’s Manual
AC ‘97 Controller
13.7.10 Microphone In Status Register (MCSR)
Table 13-17 describes the AC ’97 controller Microphone In Status register.
This is a read/write register. Ignore reads from reserved bits. Write 0b0 to reserved bits.
Table 13-17. MCSR Bit Definitions
Physical Address
0x4050_0018 MCSR AC ’97
User
Settings
Bit 31 30 29 28 27 26 25 24 23 22 21 20 19 18 17 16 15 14 13 12 11 10 9 8 7 6 5 4 3 2 1 0
reserved
FIFOE
EOC
FSR
reserved
Reset ? ? ? ? ? ? ? ? ? ? ? ? ? ? ? ? ? ? ? ? ? ? ? ? ? ? ? 0 0 0 ? ?
Bits Access Name Description
31:5 — reserved
4R/WFIFOE
FIFO Error
Set when a FIFO error occurs. Cleared by writing 0b1 to this bit position.
Set if:
Receive FIFO overrun occurs. The FIFO pointers do not increment, the
incoming data from the AC-link is not written into the FIFO and is lost.
This could happen if the assigned DMA channel does not have
sufficient priority to handle bandwidth and latency for AC ’97.
Receive FIFO underrun occurs. Invalid data is read by the CPU.
Pointers do not increment. This could happen only if programmed I/O
tries to read the receive FIFO when it is empty.
3R/WEOC
DMA End of Chain Interrupt
Set to 0b1 by AC ’97 controller hardware when DMA signals an end of
descriptor chain (EOC) while reading data from the FIFO. DMA channel
stops after signaling EOC and is not able to service the FIFO further.
Clear this bit by software by writing 0b1 to this bit. Software must do so only
after reading out data in the FIFO.
NOTE: This bit can only be cleared by a dedicated write of 0b1 to this bit
location. Concurrent clearing of multiple bits in this register does
not clear EOC.
2RFSR
FIFO Service Request
0 = FIFO does not need servicing.
1 = FIFO needs servicing.
This bit is updated independently of the value of its interrupt enable, FSRIE.
1:0 — reserved
Intel® PXA27x Processor Family Developer’s Manual 13-35
AC ‘97 Controller
13.7.11 Microphone In Data Register (MCDR)
Table 13-18 describes the AC ’97 controller Microphone In Data register.
This is a read-only register. Ignore reads from reserved bits.
Table 13-18. MCDR Bit Definitions
Physical Address
0x4050_0060 MCDR AC ’97
User
Settings
Bit 31 30 29 28 27 26 25 24 23 22 21 20 19 18 17 16 15 14 13 12 11 10 9 8 7 6 5 4 3 2 1 0
reserved MCDAT
Reset ? ? ? ? ? ? ? ? ? ? ? ? ? ? ? ? 0 0 0 0 0 0 0 0 0 0 0 0 0 0 0 0
Bits Access Name Description
31:16 — reserved
15:0 R MCDAT
Mic-In Data
This is a read-only register. A write to this register has no effect. Reading
this register flushes a 32-bit sample from the MIC-In receive FIFO.
Figure 13-10. Microphone-In Receive-Only Operation
RxEntry0
RxEntry1
RxEntry2
RxEntry3
RxEntry15
15
0
Processor/DMA
RxFIFO
Read
MIC-in Receive FIFO
MCDR Register
31 0
1516
0x0000
Read
Receive
Data
13-36 Intel® PXA27x Processor Family Developer’s Manual
AC ‘97 Controller
13.7.12 Modem Out Control Register (MOCR)
Table 13-19 describes the AC ’97 controller Modem Out Control register.
This is a read/write register. Ignore reads from reserved bits. Write 0b0 to reserved bits.
Table 13-19. MOCR Bit Definitions
Physical Address
0x4050_0100 MOCR AC ’97
User
Settings
Bit 31 30 29 28 27 26 25 24 23 22 21 20 19 18 17 16 15 14 13 12 11 10 9 8 7 6 5 4 3 2 1 0
reserved
FEIE
reserved
FSRIE
reserved
Reset ? ? ? ? ? ? ? ? ? ? ? ? ? ? ? ? ? ? ? ? ? ? ? ? ? ? ? ? 0 ? 0 ?
Bits Access Name Description
31:4 — reserved
3R/WFEIE
FIFO Error Interrupt Enable
0 = The error causes MOSR[FIFOE] to be set, but the interrupt does not
occur.
1 = The occurrence of a modem transmit FIFO error causes an interrupt.
2 — reserved
1R/WFSRIE
FIFO Service Request Interrupt Enable
0 = Disables a FIFO service request from generating an interrupt.
1 = Enables a FIFO service request to generate an interrupt.
0 — reserved
Intel® PXA27x Processor Family Developer’s Manual 13-37
AC ‘97 Controller
13.7.13 Modem In Control Register (MICR)
Table 13-20 describes the AC ’97 controller Modem In Control register.
This is a read/write register. Ignore reads from reserved bits. Write 0b0 to reserved bits.
Table 13-20. MICR Bit Definitions
Physical Address
0x4050_0108 MICR AC ’97
User
Settings
Bit 31 30 29 28 27 26 25 24 23 22 21 20 19 18 17 16 15 14 13 12 11 10 9 8 7 6 5 4 3 2 1 0
reserved
FEIE
reserved
FSRIE
reserved
Reset ? ? ? ? ? ? ? ? ? ? ? ? ? ? ? ? ? ? ? ? ? ? ? ? ? ? ? ? 0 ? 0 ?
Bits Access Name Description
31:4 — reserved
3 R/W FEIE
FIFO Error Interrupt Enable
0 = The error causes MISR[FIFOE] to be set, but the interrupt does not
occur.
1 = The occurrence of a modem receive FIFO error causes an interrupt.
2 — reserved
1R/WFSRIE
FIFO Service Request Interrupt Enable
0 = Disables a FIFO service request from generating an interrupt.
1 = Enables a FIFO service request to generate an interrupt.
0 — reserved
13-38 Intel® PXA27x Processor Family Developer’s Manual
AC ‘97 Controller
13.7.14 Modem Out Status Register (MOSR)
Table 13-21 describes the AC ’97 controller Modem Out Status register.
This is a read/write register. Ignore reads from reserved bits. Write 0b0 to reserved bits.
Table 13-21. MOSR Bit Definitions
Physical Address
0x4050_0110 MOSR AC ’97
User
Settings
Bit 31 30 29 28 27 26 25 24 23 22 21 20 19 18 17 16 15 14 13 12 11 10 9 8 7 6 5 4 3 2 1 0
reserved
FIFOE
reserved
FSR
reserved
Reset ? ? ? ? ? ? ? ? ? ? ? ? ? ? ? ? ? ? ? ? ? ? ? ? ? ? ? 0 ? 0 ? ?
Bits Access Name Description
31:5 — reserved
4R/WFIFOE
FIFO Error
Set when a FIFO error occurs. Cleared by writing 0b1 to this bit position.
Set if:
1) Transmit FIFO underrun occurs. Last valid sample is repetitively sent out.
Pointers do not increment. This could happen due to:
No more valid buffer data available for transmits.
The assigned DMA channel does not have sufficient priority to handle
bandwidth and latency for AC ’97.
2) Transmit FIFO overrun occurs. Data in the transmit FIFO is preserved.
Pointers do not increment. This could happen only if programmed I/O tries
to update the transmit FIFO when it is already full. This is a critical error.
Software must re-align the data buffer to be a multiple of the request size,
clear the error, and then wait for a FIFO service request before attempting
to write the FIFO again.
3 — reserved
2RFSR
FIFO Service Request
0 = FIFO does not need servicing.
1 = FIFO needs servicing.
This bit is updated independently of the value of its interrupt enable, FSRIE.
1:0 — reserved
Intel® PXA27x Processor Family Developer’s Manual 13-39
AC ‘97 Controller
13.7.15 Modem In Status Register (MISR)
Table 13-22 describes the AC ’97 controller Modem In Status register.
This is a read/write register. Ignore reads from reserved bits. Write 0b0 to reserved bits.
Table 13-22. MISR Bit Definitions
Physical Address
0x4050_0118 MISR AC ’97
User
Settings
Bit 31 30 29 28 27 26 25 24 23 22 21 20 19 18 17 16 15 14 13 12 11 10 9 8 7 6 5 4 3 2 1 0
reserved
FIFOE
EOC
FSR
reserved
Reset ? ? ? ? ? ? ? ? ? ? ? ? ? ? ? ? ? ? ? ? ? ? ? ? ? ? ? 0 0 0 ? ?
Bits Access Name Description
31:5 — reserved
4 R/W FIFOE
FIFO Error
Bit set when a FIFO error occurs. Bit is cleared by writing 0b1 to this bit.
Set if:
Receive FIFO overrun occurs. The FIFO pointers do not increment.
The incoming data from the AC-link is not written into the FIFO and is
lost. This could happen if the assigned DMA channel does not have
sufficient priority to handle bandwidth and latency for AC ’97.
Receive FIFO underrun occurs. Invalid data is read by the CPU.
Pointers do not increment. This could happen only if programmed I/O
tries to read the receive FIFO when it is empty.
3R/WEOC
DMA End-of-Chain Interrupt
Set to 0b1 by AC ’97 controller hardware when DMA signals an end of
descriptor chain (EOC) while reading data from the FIFO. DMA channel
stops after signaling EOC and is not able to service the FIFO further.
Clear this bit by software by writing 0b1 to this bit. Software must do so only
after reading out data in the FIFO.
NOTE: This bit can only be cleared by a dedicated write of 0b1 to this bit
location. Concurrent clearing of multiple bits in this register does
not clear EOC.
2RFSR
FIFO Service Request
0 = FIFO does not need servicing.
1 = FIFO needs servicing.
This bit is updated independently of the value of its interrupt enable, FSRIE.
1:0 — reserved
13-40 Intel® PXA27x Processor Family Developer’s Manual
AC ‘97 Controller
13.7.16 Modem Data Register (MODR)
Table 13-23 describes the AC ’97 controller Modem Data register.
This is a read/write register. Ignore reads from reserved bits. Write 0b0 to reserved bits.
Figure 13-11. MODEM Transmit and Receive Operation
Table 13-23. MODR Bit Definitions
Physical Address
0x4050_0140 MODR AC ’97
User
Settings
Bit 31 30 29 28 27 26 25 24 23 22 21 20 19 18 17 16 15 14 13 12 11 10 9 8 7 6 5 4 3 2 1 0
reserved MODAT
Reset ? ? ? ? ? ? ? ? ? ? ? ? ? ? ? ? 0 0 0 0 0 0 0 0 0 0 0 0 0 0 0 0
Bits Access Name Description
31:16 — reserved
15:0 R/W MODAT
Modem Data
Writing a 32-bit sample to this register updates the data into the modem
transmit FIFO. Reading this register flushes a 32-bit sample from the
modem receive FIFO.
TxEntry0
TxEntry1
TxEntry2
TxEntry3
TxEntry15
15 0
RxEntry0
RxEntry1
RxEntry2
RxEntry3
RxEntry15
15 0
MODR Register
31 0
Processor/DMA Processor DMA
MODEM Transmit FIFO MODEM Receive FIFO
15
16
0x0000
Write Read
Transmit
Data
Receive
Data
Intel® PXA27x Processor Family Developer’s Manual 13-41
AC ‘97 Controller
13.7.17 Accessing Codec Registers
Each Codec has up to 64 16-bit registers that are addressable internal to the Codec at half-word
boundaries (16-bit boundaries). Because the PXA27x processor only supports internal register
accesses at word boundaries (32-bit boundaries), software must select one of the following
formulas to translate a 7-bit Codec address into a 32-bit processor address:
Physical address for a Primary Audio Codec
= 0x4050_0200 + Shift_Left_Once (Internal 7-bit Codec register address)
Physical address for a Secondary Audio Codec
= 0x4050_0300 + Shift_Left_Once (Internal 7-bit Codec register address)
Physical address for a Primary Modem Codec
= 0x4050_0400 + Shift_Left_Once (Internal 7-bit Codec register address)
Physical address for a Secondary Modem Codec
= 0x4050_0500 + Shift_Left_Once (Internal 7-bit Codec register address)
In the equations, Shift_Left_Once() shifts the 7-bit Codec address left by one bit and shifts a 0 to
the LSB. The address translations are shown in Table 13-24.
Data written to a CODEC register is sampled at the beginning of every frame. If software writes
data to the CODEC register more than once per frame, the AC ’97 controller transmits the last
write only.
Table 13-24. Address Mapping for CODEC Registers
7-Bit
Codec
Address
Physical Address for
Primary Audio Codec Physical Address for
Secondary Audio Codec Physical Address for
Primary Modem Codec Physical Address for
Secondary Modem Codec
0x00 0x4050_0200 0x4050_0300 0x4050_0400 0x4050_0500
0x02 0x4050_0204 0x4050_0304 0x4050_0404 0x4050_0504
0x04 0x4050_0208 0x4050_0308 0x4050_0408 0x4050_0508
0x06 0x4050_020C 0x4050_030C 0x4050_040C 0x4050_050C
0x08 0x4050_0210 0x4050_0310 0x4050_0410 0x4050_0510
0x0A 0x4050_0214 0x4050_0314 0x4050_0414 0x4050_0514
0x0C 0x4050_0218 0x4050_0318 0x4050_0418 0x4050_0518
0x0E 0x4050_021C 0x4050_031C 0x4050_041C 0x4050_051C
0x10 0x4050_0220 0x4050_0320 0x4050_0420 0x4050_0520
0x12 0x4050_0224 0x4050_0324 0x4050_0424 0x4050_0524
0x14 0x4050_0228 0x4050_0328 0x4050_0428 0x4050_0528
0x16 0x4050_022C 0x4050_032C 0x4050_042C 0x4050_052C
0x18 0x4050_0230 0x4050_0330 0x4050_0430 0x4050_0530
0x1A 0x4050_0234 0x4050_0334 0x4050_0434 0x4050_0534
0x1C 0x4050_0238 0x4050_0338 0x4050_0438 0x4050_0538
0x1E 0x4050_023C 0x4050_033C 0x4050_043C 0x4050_053C
0x20 0x4050_0240 0x4050_0340 0x4050_0440 0x4050_0540
0x22 0x4050_0244 0x4050_0344 0x4050_0444 0x4050_0544
13-42 Intel® PXA27x Processor Family Developer’s Manual
AC ‘97 Controller
0x24 0x4050_0248 0x4050_0348 0x4050_0448 0x4050_0548
0x26 0x4050_024C 0x4050_034C 0x4050_044C 0x4050_054C
0x28 0x4050_0250 0x4050_0350 0x4050_0450 0x4050_0550
0x2A 0x4050_0254 0x4050_0354 0x4050_0454 0x4050_0554
0x2C 0x4050_0258 0x4050_0358 0x4050_0458 0x4050_0558
0x2E 0x4050_025C 0x4050_035C 0x4050_045C 0x4050_055C
0x30 0x4050_0260 0x4050_0360 0x4050_0460 0x4050_0560
0x32 0x4050_0264 0x4050_0364 0x4050_0464 0x4050_0564
0x34 0x4050_0268 0x4050_0368 0x4050_0468 0x4050_0568
0x36 0x4050_026C 0x4050_036C 0x4050_046C 0x4050_056C
0x38 0x4050_0270 0x4050_0370 0x4050_0470 0x4050_0570
0x3A 0x4050_0274 0x4050_0374 0x4050_0474 0x4050_0574
0x3C 0x4050_0278 0x4050_0378 0x4050_0478 0x4050_0578
0x3E 0x4050_027C 0x4050_037C 0x4050_047C 0x4050_057C
0x40 0x4050_0280 0x4050_0380 0x4050_0480 0x4050_0580
0x42 0x4050_0284 0x4050_0384 0x4050_0484 0x4050_0584
0x44 0x4050_0288 0x4050_0388 0x4050_0488 0x4050_0588
0x46 0x4050_028C 0x4050_038C 0x4050_048C 0x4050_058C
0x48 0x4050_0290 0x4050_0390 0x4050_0490 0x4050_0590
0x4A 0x4050_0294 0x4050_0394 0x4050_0494 0x4050_0594
0x4C 0x4050_0298 0x4050_0398 0x4050_0498 0x4050_0598
0x4E 0x4050_029C 0x4050_039C 0x4050_049C 0x4050_059C
0x50 0x4050_02A0 0x4050_03A0 0x4050_04A0 0x4050_05A0
0x52 0x4050_02A4 0x4050_03A4 0x4050_04A4 0x4050_05A4
0x54 0x4050_02A8 0x4050_03A8 0x4050_04A8 0x4050_05A8
0x56 0x4050_02AC 0x4050_03AC 0x4050_04AC 0x4050_05AC
0x58 0x4050_02B0 0x4050_03B0 0x4050_04B0 0x4050_05B0
0x5A 0x4050_02B4 0x4050_03B4 0x4050_04B4 0x4050_05B4
0x5C 0x4050_02B8 0x4050_03B8 0x4050_04B8 0x4050_05B8
0x5E 0x4050_02BC 0x4050_03BC 0x4050_04BC 0x4050_05BC
0x60 0x4050_02C0 0x4050_03C0 0x4050_04C0 0x4050_05C0
0x62 0x4050_02C4 0x4050_03C4 0x4050_04C4 0x4050_05C4
0x64 0x4050_02C8 0x4050_03C8 0x4050_04C8 0x4050_05C8
0x66 0x4050_02CC 0x4050_03CC 0x4050_04CC 0x4050_05CC
0x68 0x4050_02D0 0x4050_03D0 0x4050_04D0 0x4050_05D0
0x6A 0x4050_02D4 0x4050_03D4 0x4050_04D4 0x4050_05D4
Table 13-24. Address Mapping for CODEC Registers
7-Bit
Codec
Address
Physical Address for
Primary Audio Codec Physical Address for
Secondary Audio Codec Physical Address for
Primary Modem Codec Physical Address for
Secondary Modem Codec
Intel® PXA27x Processor Family Developer’s Manual 13-43
AC ‘97 Controller
13.8 Register Summary
All AC ’97 controller registers are word-addressable (32 bits wide) and increment in units of
0x00004. The registers in the Codec are half-word-addressable (16 bits wide) and increment in
units of 0x00002. These register sets are mapped in the address range of 0x4050_000 through
0x405F_FFFC.
0x6C 0x4050_02D8 0x4050_03D8 0x4050_04D8 0x4050_05D8
0x6E 0x4050_02DC 0x4050_03DC 0x4050_04DC 0x4050_05DC
0x70 0x4050_02E0 0x4050_03E0 0x4050_04E0 0x4050_05E0
0x72 0x4050_02E4 0x4050_03E4 0x4050_04E4 0x4050_05E4
0x74 0x4050_02E8 0x4050_03E8 0x4050_04E8 0x4050_05E8
0x76 0x4050_02EC 0x4050_03EC 0x4050_04EC 0x4050_05EC
0x78 0x4050_02F0 0x4050_03F0 0x4050_04F0 0x4050_05F0
0x7A 0x4050_02F4 0x4050_03F4 0x4050_04F4 0x4050_05F4
0x7C 0x4050_02F8 0x4050_03F8 0x4050_04F8 0x4050_05F8
0x7E 0x4050_02FC 0x4050_03FC 0x4050_04FC 0x4050_05FC
Table 13-24. Address Mapping for CODEC Registers
7-Bit
Codec
Address
Physical Address for
Primary Audio Codec Physical Address for
Secondary Audio Codec Physical Address for
Primary Modem Codec Physical Address for
Secondary Modem Codec
Table 13-25. AC ’97 Controller Register Summary
Address Name Description Page
0x4050_0000 POCR PCM Out Control register 13-27
0x4050_0004 PCMICR PCM In Control register 13-28
0x4050_0008 MCCR Microphone In Control register 13-33
0x4050_000C GCR Global Control register 13-22
0x4050_0010 POSR PCM Out Status register 13-29
0x4050_0014 PCMISR PCM In Status register 13-30
0x4050_0018 MCSR Microphone In Status register 13-34
0x4050_001C GSR Global Status register 13-24
0x4050_0020 CAR Codec Access register 13-31
0x4050_0024–0x4050_003C reserved
0x4050_0040 PCDR PCM Data register 13-32
0x4050_0044–0x4050_005C reserved
0x4050_0060 MCDR Microphone In Data register 13-35
0x4050_0064–0x4050_00FC reserved
0x4050_0100 MOCR Modem Out Control register 13-36
0x4050_0104 reserved
0x4050_0108 MICR Modem In Control register 13-37
13-44 Intel® PXA27x Processor Family Developer’s Manual
AC ‘97 Controller
0x4050_010C reserved
0x4050_0110 MOSR Modem Out Status register 13-38
0x4050_0114 reserved
0x4050_0118 MISR Modem In Status register 13-39
0x4050_011C–0x4050_013C reserved
0x4050_0140 MODR Modem Data register 13-40
0x4050_0144–0x4050_01FC reserved
(0x4050_0200–0x4050_02FC)
with all in increments of 0x00004 Primary Audio Codec registers 13-41
(0x4050_0300–0x4050_03FC)
with all in increments of 0x00004 Secondary Audio Codec registers 13-41
(0x4050_0400–0x4050_04FC)
with all in increments of 0x0000_0004 Primary Modem Codec registers 13-41
(0x4050_0500–0x4050_05FC)
with all in increments of 0x00004 Secondary Modem Codec registers 13-41
0x4050_0600–0x405F_FFFC reserved 13-41
Table 13-25. AC ’97 Controller Register Summary
Address Name Description Page
Intel® PXA27x Processor Family Developer’s Manual 14-1
Inter-IC Sound (I2S) Controller 14
I2S, or IIS (for inter-IC sound), is the name of a protocol defined by Philips Semiconductor for
transferring two-channel digital audio signals from one IC device to another. I2S is a protocol for
digital stereo audio. The I2S controller included in the PXA27x processor controls the I2S link
(I2SLINK), which is a low-power four-pin serial interface for stereo audio.
14.1 Overview
The I2S controller consists of buffers, status registers, control registers, serializers, and counters for
transferring digitized audio between the PXA27x processor system memory and an external I2S
Codec.
The I2S controller can record digitized audio by storing the samples in system memory. For
playback of digitized audio or production of synthesized audio, the I2S controller retrieves
digitized audio samples from system memory and sends them to a Codec through the I2SLINK.
The external digital-to-analog converter in the Codec then converts the audio samples into an
analog audio waveform.
For recording digitized audio, the I2S controller receives digitized audio samples from a Codec
(through the I2SLINK) and stores them in system memory.
The I2S controller supports the normal I2S and the MSB-justified I2S formats (see Section 14.4.9
for details regarding normal I2S and the MSB-justified I2S formats). Four, or optionally five, pins
connect the controller to an external Codec:
A bit-rate clock, which can use either an internal or an external source
A formatting or left/right control signal
Two serial audio pins, one input and one output
If the bit-rate clock is supplied by the I2S controller, an optional system clock is also sent to the
Codec by the I2S controller (see Section 14.4.8 for details).
The I2S data can be stored to and retrieved from system memory either by the DMA controller or
by programmed I/O.
For I2S systems that support the L3 control bus protocol, additional pins are required to control the
external Codec. Codecs that use an L3 control bus require 3 signals: L3_CLK, L3_DATA, and
L3_MODE for writing bytes into the L3 bus register. The I2S controller supports the L3 bus
protocol via software control of the general-purpose I/O (GPIO) pins. The I2S controller does not
provide hardware control for the L3 bus protocol.
Two similar protocols exist for transmitting digitized stereo audio over a serial path: normal I2S
and MSB-justified-I2S. Both work with a variety of clock rates, which can be obtained either by
dividing the PLL clock by a programmable divider or from an external clock source. For further
details on clock rates, see Table 14-2.
Note: The AC ’97 controller and the I2S controller cannot be used at the same time.
14-2 Intel® PXA27x Processor Family Developer’s Manual
Inter-IC Sound (I2S) Controller
14.2 Features
The I2S controller has the following key features:
Record and playback of 64-bit stereo audio samples
Each sample has two channels: audio-left and audio-right.
The audio-left and audio-right channels are each 32 bits wide.
Each channel has 16 MSB bits of valid data and 16 LSB bits of padded zeros.
Supports MSB-justified and normal I2S modes
Supports sampling frequencies of 48 kHz, 44.1 kHz, 22.05 kHz, 16 kHz, 11.025 kHz, and
8 kHz. The sampling rate variations are restricted to 0.5%.
The bit-rate clock (I2S_BITCLK) can be configured to be either an input or an output. If
configured as output, the processor supplies an I2S system clock (I2S_SYSCLK) that is four
times the I2S_BITCLK.
14.3 Signal Descriptions
All clocks in the I2S controller are based on the I2S_SYSCLK signal. I2S_SYSCLK generates a
frequency between approximately 2 MHz and 12.2 MHz by dividing down the PLL clock with a
programmable divisor. This frequency is always 256 times the audio sampling frequency.
I2S_SYSCLK is driven out of the PXA27x processor only if I2S_BITCLK is configured as an
output.
I2S_BITCLK supplies the serial audio bit rate, which is the basis for the external Codec bit-
sampling logic. I2S_BITCLK is one-quarter the frequency of I2S_SYSCLK and is 64 times the
audio sampling frequency. One bit of the serial audio data sample is transmitted or received each
I2S_BITCLK period. A single serial audio sample comprises a “left” and “right” signal, each
containing either 8, 16, or 32 bits.
I2S_SYNC is I2S_BITCLK divided by 64, resulting in an 8–48 kHz signal. The state of
I2S_SYNC denotes whether the current serial data samples are left- or right-channel data.
The I2S_SDATA_IN and I2S_SDATA_OUT data pins send/receive the serial audio data to/from
the Codec.
Table 14-1 lists the signals between the I2S and an external Codec device.
Table 14-1. I2S Controller I/O Signal Descriptions
Name Type Description
I2S_SYSCLK Output System clock = I2S_BITCLK * 4 used by the Codec only.
I2S_BITCLK Input or Output Bit-rate clock = I2S_SYNC * 64
I2S_SYNC Output Left/right identifier
I2S_SDATA_OUT Output Serial audio output data to Codec
I2S_SDATA_IN Input Serial audio input data from Codec
Intel® PXA27x Processor Family Developer’s Manual 14-3
Inter-IC Sound (I2S) Controller
I2S_BITCLK can be configured either as an input or as an output. To program the direction, do the
following:
1. Program the GPIO Direction register (GPDR). See Section 24.5.1, “GPIO Pin-Direction
Registers (GPDR)” on page 24-11 for details regarding the GPDR.
2. Program the GPIO Alternate Function Select register (GAFR). See Section 24.5.4, “GPIO
Alternate Function Register (GAFR)” on page 24-23 for details regarding the GAFR.
3. Program the BCKD bit in the I2S controllers Serial Audio Control register. See Section 14.5.1
for details.
Note: Modifying the status of the SACR0[BCKD] bit during normal operation can cause jitter on the
I2S_BITCLK and can affect serial activity. To avoid such problems, the clock must be disabled
before changing the bit-clock direction and then enabled after changing the bit-clock direction
If I2S_BITCLK is an output, I2S_SYSCLK must be configured as an output. If I2S_BITCLK is
supplied by the Codec, the corresponding GPIO pin for I2S_SYSCLK can be used for an alternate
function. To configure I2S_SYSCLK as an output, follow these steps:
1. Program the GPIO Direction register (GPDR). See Section 24.5.1, “GPIO Pin-Direction
Registers (GPDR)” on page 24-11 for details regarding the GPDR.
2. Program the GPIO Alternate Function Select register (GAFR). See Section 24.5.4, “GPIO
Alternate Function Register (GAFR)” on page 24-23 for details regarding the GAFR.
To configure I2S_SYNC and I2S_SDATA_OUT as outputs, follow these steps:
1. Program the GPIO Direction register (GPDR). See Section 24.5.1, “GPIO Pin-Direction
Registers (GPDR)” on page 24-11 for details regarding the GPDR.
2. Program the GPIO Alternate Function Select register (GAFR). See Section 24.5.4, “GPIO
Alternate Function Register (GAFR)” on page 24-23 for details regarding the GAFR.
To configure I2S_SDATA_IN as an input, follow these steps:
1. Program the GPIO Direction register (GPDR). See Section 24.5.1, “GPIO Pin-Direction
Registers (GPDR)” on page 24-11 for details regarding the GPDR.
2. Program the GPIO Alternate Function Select register (GAFR). See Section 24.5.4, “GPIO
Alternate Function Register (GAFR)” on page 24-23 for details regarding the GAFR.
14.4 Operation
The I2S controller can be accessed either by the processor using programmed I/O instructions or by
the DMA controller.
The PXA27x processor uses programmed I/O instructions to access the I2S controller and can
access the following types of data:
I2S controller register data—All registers are 32 bits wide and are aligned to word boundaries.
See Section 14.4.10 for further details.
I2S controller FIFO data—An entry is placed into the transmit FIFO by writing to the I2S
controllers Serial Audio Data register (SADR). Writing to SADR updates a transmit FIFO
entry. Reading SADR flushes out a receive FIFO entry.
14-4 Intel® PXA27x Processor Family Developer’s Manual
Inter-IC Sound (I2S) Controller
I2S Codec data—The Codec registers can be accessed through the L3 bus. The L3 bus
operation is emulated by software controlling three GPIO pins.
The DMA controller can only access the FIFOs. Accesses are made through the data registers, as
explained in the previous paragraph. The DMA controller accesses FIFO data in blocks of 8, 16, or
32 bytes. The DMA controller responds to the following DMA requests made by the I2S controller:
The transmit FIFO request is based on the transmit trigger-threshold (TFTH) setting and is
asserted if the transmit FIFO has less than TFTH + 1 entries. See Table 14-5 for further details
regarding TFTH.
The receive FIFO request is based on the receive trigger-threshold (RFTH) setting and is
asserted if the receive FIFO has RFTH + 1 or more entries. See Table 14-5 for further details
regarding RFTH.
14.4.1 Initialization
1. Set the I2S_BITCLK direction by programming the GPIO Direction register (GPDR), the
GPIO Alternate Function Select register (GAFR), and bit 2 (BCKD) of the I2S controllers
Serial Audio Controller Global Control register (SACR0).
2. Choose between normal I2S or MSB-justified modes of operation. This can be done by
programming bit 0 (AMSL) of Serial Audio Controller I2S/MSB-Justified Control register
(SACR1). For further details, see Section 14.5.2.
3. Optional: Programmed I/O may be used for priming the transmit FIFO with a few samples
(ranging from 1 to 16). This allows the I2S controller to start transmission of data to the Codec
immediately after the unit is enabled.
4. The following control bits can be programmed in the I2S controllers Serial Audio Controller
Global Control register (SACR0):
a. I2SLINK is enabled by setting SACR0[ENB].
b. Modifying I2S_BITCLK direction by altering SACR0[BCKD] programmed in Step 1 will
disrupt the clock and adversely affect I2SLINK activity.
c. Program transmit and receive trigger thresholds by programming the TFTH and RFTH
bits of SACR0[11:8] and SACR0[15:12], respectively. See Section 14.5.1.2, regarding
permitted trigger thresholds.
Valid data is sent across the I2SLINK after filling the transmit FIFO with at least one sample.
One sample consists of a 32-bit value with 16 bits each dedicated to a left and a right value.
Enabling the I2SLINK also causes zeroes to be recorded by the I2S controller until the Codec
sends in valid data.
Enabling the I2SLINK also enables transmit and receive DMA requests.
14.4.2 Disabling and Enabling Audio Replay
Audio transmission is enabled automatically when the I2S controller is enabled, but the I2S
controller starts transmitting data to the external Codec only when it has at least one data sample in
the transmit FIFO. Transmission or replay can be stopped by setting SACR1[DPRL]. For more
details, see Section 14.5.2.
Intel® PXA27x Processor Family Developer’s Manual 14-5
Inter-IC Sound (I2S) Controller
Setting the DRPL bit in SACR1 has the following effects:
1. All I2SLINK replay activity is disabled. The frame or data sample being replayed will have
invalid data (some data bits will be over-written with zeroes). To avoid having invalid data,
disable replay only after completing transfer of valid data. Doing so causes frames with zeroes
to be transmitted.
2. Transmit FIFO pointers are reset to zero.
3. Transmit FIFO fill-level is reset to zero. (Receive logic is not affected.)
4. Zeroes are transmitted across the I2SLINK.
5. Transmit DMA requests are disabled.
14.4.3 Disabling and Enabling Audio Record
Audio recording is enabled automatically when the I2S controller is enabled. Recording is stopped
by setting SACR1[DREC]. For more details, see Section 14.5.2.
Setting the DREC bit in SACR1 has the following effects:
1. I2SLINK recording activity is disabled. The frame or data sample being recorded could have
invalid data (some data bits will be over-written with zeroes). To avoid having invalid data,
disable recording only after completing the transfer of valid data.
2. Receive FIFO pointers are reset to zero.
3. Receive FIFO fill-level is reset to zero (transmit FIFO fill-level is not affected).
4. Any read operations by the DMA/CPU are returned with zeroes.
5. Receive DMA requests are disabled.
14.4.4 Transmit FIFO Errors
A status bit, SASR0[TUR], is set during transmit underrun conditions. If enabled, this can trigger
an interrupt. For further details, see Section 14.5.3, Section 14.5.6, and Section 14.5.5. During
transmit underrun conditions, the last valid sample is continuously sent out across the I2SLINK.
Transmit underrun can occur under the following conditions:
1. Valid transmit data is still available in memory, but the DMA controller starves the transmit
FIFO, as it is busy servicing other higher-priority peripherals.
2. The DMA controller has transferred all valid data from memory to the transmit FIFO.
The second condition prompts for the last valid sample to be echoed across the I2SLINK until the
I2S controller is turned off by clearing the SACR0[ENB] bit.
14.4.5 Receive FIFO Errors
A status bit SASR0[ROR] is set during receive overrun conditions. If enabled, this can trigger an
interrupt. For further details, see Section 14.5.3, Section 14.5.6, and Section 14.5.5. During receive
overrun conditions, data sent by the Codec is lost and is not recorded.
14-6 Intel® PXA27x Processor Family Developer’s Manual
Inter-IC Sound (I2S) Controller
14.4.6 Trailing Bytes
When the Codec has completed transmitting valid data, zeroes are recorded by the I2S controller,
and this continues until the I2S controller is turned off by clearing SACR0[ENB].
If the total buffer size of the received data is less than a complete multiple of the receive trigger
threshold, zeroes are recorded until the I2S controller is shut down. A receive DMA request is
made when the programmed trigger threshold is reached.
To shutdown the I2S controller, clear SACR0[ENB], which causes the I2S controller to deassert
any transmit DMA requests, and assert the receive DMA request (if there is any data in the receive
FIFO). If the data in the receive FIFO is less than the receive FIFO trigger-threshold (RFTH + 1),
the I2S controller fills the remaining locations with zeroes until the FIFO has RFTH + 1 number of
entries, and then generates the receive DMA request. At the same time, SASR0[I2SOFF] is set,
indicating a clean shutdown process. When SASR0[I2SOFF] is set, no writes are allowed to the I2S
controller; any attempts to write to I2S controller registers are ignored.
Only reads are allowed during a clean shutdown process. If the I2S controller is disabled in the
middle of a recording frame, the I2S controller waits until the end of the frame, and then disables
the recording. Software can re-enable the unit only after the unit has completed the clean shutdown
process (when SASR0[I2SOFF] has cleared). See Table 14-9 for more information.
14.4.7 Startup and Shutdown
14.4.7.1 Clean Startup
When the I2S controller is enabled by setting SACR0[ENB], the I2S controller waits for a valid
data sample to be loaded to the transmit FIFO before it starts transmitting data and the I2S_SYNC
signal to the external Codec. This happens only at startup and only if replay mode is enabled
(SACR1[DRPL] clear) and recording mode is disabled (SACR1[DREC] set). If recording mode is
enabled (SACR1[DREC] clear), the I2S_SYNC signal is supplied to the external Codec at startup
immediately after setting SACR0[ENB].
14.4.7.2 Clean Shutdown
When the I2S controller is disabled (by clearing SACR0[ENB]), the I2S controller waits until all
the data in the transmit FIFO is sent to the Codec and data in the receive FIFO is read by DMA, and
then shuts down. Also see Section 14.4.6.
If the I2S controller is not receiving a bit-clock from an external Codec and the I2S controller goes
into the clean shutdown process waiting for data in the transmit FIFO to be transmitted to the
external Codec, a 24-bit time-out counter (clocked by peripheral clock) is enabled as soon as the
I2S controller enters the clean shutdown process. The time-out counter is reset whenever there is a
change in the transmit FIFO level. At the end of the time-out, if there is no change in the transmit
FIFO fill level, the I2S controller shuts down, even though there is data remaining in the transmit
FIFO.
If the I2S controller is in the middle of a recording frame when SACR0[ENB] is cleared, the I2S
controller waits until the end of the frame and then stops the recording. During this period,
SASR0[I2SOFF] is set, indicating a clean shutdown is in progress.
To re-enable the I2S controller after disabling it, first wait until the SACR0[I2SOFF] has cleared.
Intel® PXA27x Processor Family Developer’s Manual 14-7
Inter-IC Sound (I2S) Controller
14.4.8 Serial Audio Clocks and Sampling Frequencies
I2S_BITCLK is the rate at which audio data bits enter or leave the I2SLINK. I2S_SYSCLK is
required by the Codec to run delta sigma ADC operations.
I2S_BITCLK can be supplied either by the Codec or by an internal processor PLL.
If supplied internally, I2S_BITCLK and I2S_SYSCLK are configured as output pins, and both
are supplied to the Codec.
If I2S_BITCLK is supplied by the Codec, then it is configured as an input pin. In this case, the
I2S_SYSCLKs GPIO pin can be used for an alternate function.
I2S_BITCLK varies by sampling frequencies (see Table 14-2). If I2S_BITCLK is chosen as an
output, the Audio Clock Divider register divides the PLL clock to generate I2S_SYSCLK.
I2S_SYSCLK is further divided by four to generate I2S_BITCLK. The sampling frequency is the
frequency of the I2S_SYNC signal, which is generated by dividing the I2S_BITCLK by 64 (for
additional details, see Section 14.5.4).
A sampling rate of 48 kHz supports MPEG2 and MPEG4. A rate of 44.1 kHz supports MP3.
Note: The I2S controller cannot operate when the PXA27x processor is in 13-MHz idle mode when both
PLLs are turned off.
14.4.9 Data Formats
14.4.9.1 FIFO and Memory Format
FIFO buffers are 16 words deep and 32 bits wide. This stores 32 samples per channel in each
direction.
Audio data is stored with two samples (left + right) per 32-bit word, even if samples are smaller
than 16 bits. The left channel data occupies bits [15:0], while the right channel data uses bits
[31:16] of the 32-bit word. Within each 16-bit field, the audio sample is left-justified, with unused
bits packed as zeroes on the right-hand (LSB) side.
In memory, the mapping of stereo samples is the same as in the FIFO buffers. However, single-
channel audio occupies a full 32-bit word per sample, using either the upper or lower half of the
word, depending on whether it is considered a left or right sample.
Table 14-2. Supported Sampling Frequencies
Audio Clock
Divider Register
(31:0)
I2S_SYSCLK =
PLL Frequency/
(SADIV)
I2S_BITCLK =
I2S_SYSCLK / 4 I2S_SYNC or Sampling Frequency =
I2S_BITCLK / 64
0x0000_000C 12.235 MHz 3.058 MHz 47.794K (closest std = 48 kHz)
0x0000_000D 11.346 MHz 2.836 MHz 44.318K (closest std = 44.1 kHz)
0x0000_001A 5.622 MHz 1.405 MHz 21.953K (closest std = 22.05 kHz)
0x0000_0024 4.105 MHz 1.026 MHz 16.036K (closest std = 16.00 kHz)
0x0000_0034 2.811 MHz 702.75 kHz 10.980K (closest std = 11.025 kHz)
0x0000_0048 2.053 MHz 513.25 kHz 8.019K (closest std = 8.00 kHz)
14-8 Intel® PXA27x Processor Family Developer’s Manual
Inter-IC Sound (I2S) Controller
Note: Software must replicate the 16-bit sample to create a 32-bit sample, because the I2S controller is
always expecting a 32-bit sample.
Note: Transmit and receive FIFOs can hold 16 data samples of 32-bit widths. Only four bits are assigned
for TFL and RFL to show the transmit and receive FIFO levels, respectively. When FIFOs are
completely full or empty, TFL and RFL show 0 entries in the FIFOs. To differentiate when FIFOs
are full and when empty, refer to Table 14-3 and Table 14-4.
For all the combinations of TNF and TFL other than the values showed in Table 14-3, the TFL
values reflect the real TFL values.
For all the combinations of RNE and RFL other than the values showed in Table 14-4, the RFL
values reflect the real RFL values.
14.4.9.2 I2S and MSB-Justified Serial Audio Formats
Normal I2S and MSB-justified are similar protocols for digitized stereo audio transmitted over a
serial path.
The I2S_BITCLK supplies the serial audio bit rate, the basis for the external Codec bit-sampling
logic. Its frequency is 64 times the audio sampling frequency. Divided by 64, the resulting 8 kHz to
48 kHz signal signifies timing for left and right serial data samples passing on the serial data paths.
This left/right signal is sent to the Codec on the I2S_SYNC pin. Each phase of the left/right signal
is accompanied by one serial audio data sample on the data pins I2S_SDATA_IN and
I2S_SDATA_OUT.
Figure 14-1 and Figure 14-2 provide timing diagrams that show formats for the normal I2S and
MSB-justified modes of operations. Data is sampled on the rising edge of the I2S_BITCLK and
data is sent out on the falling edge of the I2S_BITCLK.
Data is transmitted and received in frames of 64 I2S_BITCLK cycles. Each frame consists of a left
sample and a right sample. Each sample holds 16 bits of valid data. The LSB 16 bits of each sample
is padded with zeroes.
In the normal I2S mode, the I2S_SYNC is low for the left sample and high for the right
sample. Also, the MSB of each data sample lags behind the I2S_SYNC edges by one
I2S_BITCLK cycle.
In the MSB-justified mode, the I2S_SYNC is high for the left sample and low for the right
sample. Also, the MSB of each data sample is aligned with the I2S_SYNC edges.
Table 14-3. Actual TFL Value Calculations
TNF TFL[3:0] = SASR0[11:8] Actual_TFL
0 0000 16 samples
1 0000 0 samples
Table 14-4. Actual RFL Value Calculations
RNE RFL[3:0] = SASR0[15:12] Actual_RFL
0 0000 0 samples
1 0000 16 samples
Intel® PXA27x Processor Family Developer’s Manual 14-9
Inter-IC Sound (I2S) Controller
Figure 14-1. I2S Data Formats (16 Bits)
Figure 14-2. MSB-Justified Data Formats (16 Bits)
14.4.10 Interrupts
The following SASR0 status bits, if enabled, interrupt the processor:
Receive FIFO Service DMA Request (RFS)
Transmit FIFO Service DMA Request (TFS)
Transmit Underrun (TUR)
Receive Overrun (ROR)
For further details, see Section 14.5.3
A8842-01
SYNC
BITCLK
Note: Timing for SData_In is identical to SData_Out.
SData_Out
cycle0
Left Right
012
15 14 13 3 2 1 0 15 14 13 12 3 2 1 0
3 13 141516 2930 31 3233 34 35 4546 4748 62 63 0
A8843-01
SYNC
BITCLK
Note: Timing for SData_In is identical to SData_Out.
SData_Out
cycle0
Left Right
012
15 14 13 3 2 1 0 15 14 13 12 3 2 1 0
3 13 141516 2930 31 3233 34 35 4546 4748 62 63 0
14-10 Intel® PXA27x Processor Family Developer’s Manual
Inter-IC Sound (I2S) Controller
14.5 Register Descriptions
The I2S controller registers are all 32-bit addressable, ranging from 0x4040_0000 through
0x404F_FFFC.
The I2S controller has the following types of registers:
Control registers program common control functions.
The Data register is used for transmit and receive FIFO accesses.
The Status register signals the state of the FIFO buffers and the status of the interface that is
selected by the common control register.
The Interrupt registers include the Interrupt Mask register and the Interrupt Clear register.
14.5.1 Serial Audio Controller Global Control Register (SACR0)
SACR0, defined in Table 14-5, controls common I2S functions. All bits are read/write.
The ENB bit controls the I2SLINK, as follows:
Clearing ENB to 0b0 does the following:
Asserts SASR0[I2SOFF] bit indicating clean shutdown process
Deasserts any transmit DMA request
Transmits any data in the transmit FIFO
Drives I2S_SDATA_OUT and I2S_SYNC outputs low
Initiates a DMA transfer for the remaining data in the receive FIFO
Resets the counter that controls the I2SLINK
Disables any I2SLINK activity
Deasserts receive DMA requests after all the data in the receive FIFO is read by DMA
The output pin I2S_SYNC does not toggle.
Any read accesses to the Data register (SADR), by the processor or by the DMA
controller, after SASR0[I2SOFF] is cleared are returned with zeros.
Disables all interrupts
Setting ENB to 0b1 does the following:
Enables I2SLINK activity
Enables DMA requests
This is a read/write register. Ignore reads from reserved bits. Write 0b0 to reserved bits.
Intel® PXA27x Processor Family Developer’s Manual 14-11
Inter-IC Sound (I2S) Controller
Table 14-5. SACR0 Bit Definitions (Sheet 1 of 2)
Physical Address
0x4040_0000 SACR0 I2S Controller
User
Settings
Bit 31 30 29 28 27 26 25 24 23 22 21 20 19 18 17 16 15 14 13 12 11 10 9 8 7 6 5 4 3 2 1 0
reserved RFTH TFTH
reserved
STRF
EFWR
RST
BCKD
reserved
ENB
Reset ? ? ? ? ? ? ? ? ? ? ? ? ? ? ? ? 0 1 1 1 0 1 1 1 0 0 0 0 0 0 0 0
Bits Access Name Description
31:16 — reserved
15:12 R/W RFTH
Receive FIFO Interrupt or DMA Trigger Threshold
Set to value 0–15. This value must be set to the trigger threshold value
minus 1.
Receive DMA request asserted whenever the receive FIFO has
(RFTH+1) entries.
11:8 R/W TFTH
Transmit FIFO Interrupt or DMA Trigger Threshold
Set to value 0–15. This value must be set to the trigger threshold value
minus 1.
Transmit DMA request asserted whenever the transmit FIFO has
less than (TFTH + 1) entries.
7:6 — reserved
5R/WSTRF
Select Transmit or Receive FIFO for EFWR-Based Special-purpose
Function
0 = Transmit FIFO is selected.
1 = Receive FIFO is selected.
See Table 14-6 for details.
4R/WEFWR
Special-Purpose FIFO Write/Read Function
0 = Special-purpose FIFO write/read function is disabled.
1 = Special-purpose FIFO write/read function is enabled.
See Table 14-6 for details.
3R/WRST
(1)
FIFO Reset
Resets FIFO logic and all registers, except this register (SACR0).
0 = Not reset.
1 = Reset is active to other registers.
2 R/W BCKD(3)
Input/Output Direction of I2S_BITCLK
0 = Input. I2S_BITCLK driven by an external source.
1 = Output. I2S_BITCLK generated internally and driven out to the
Codec.
14-12 Intel® PXA27x Processor Family Developer’s Manual
Inter-IC Sound (I2S) Controller
14.5.1.1 Special-Purpose FIFO Read/Write Function
SACR0[EFWR] and SACR0[STRF] can be programmed for special-purpose FIFO accesses (see
Table 14-6). Under normal operating conditions, the processor or the DMA controller can only
write to the transmit FIFO and only read the receive FIFO. Programming these bits allows the
processor or the DMA controller to read and write both FIFOs.
1 — reserved
0R/WENB
(1,2,4) Enable I2S Function
0 = I2SLINK is disabled.
1 = I2SLINK is enabled.
NOTES:
1. If SACR0[ENB] is toggled in the middle of a normal operation, the SACR0[RST] bit must also be set and cleared to
reset all I2S controller registers.
2. The SACR0[ENB] bit control signal crosses clock domains. It is registered in an internal clock domain that is much
faster than the I2S_BITCLK domain. It takes four I2S_BITCLK cycles and four internal clock cycles before
SACR0[ENB] is conveyed to the slower I2S_BITCLK domain. If the control setting is modified at a rate faster than
(4 I2S_BITCLK + 4 internal clock) cycles, the last updated value in this time frame is stored in a temporary register and
is transferred to the I2S_BITCLK domain.
3. When changing the I2S_BITCLK direction, disable the I2S_BITCLK from Clocks Manager’s Clock Enable register
(CKEN), change the direction and then enable the I2S_BITCLK from Clock Enable register. See Section 3.8.2.2,
“Clock Enable Register (CKEN)” on page 3-98 for details.
4. Clearing SACR0[ENB] causes the controller to finish transmitting all the data in the transmit FIFO, drives
I2S_SDATA_OUT and I2S_SYNC outputs low, initiates a final DMA transfer for any remaining receive data in the
receive FIFO. See Section 14.5.1 for more details on SACR0[ENB].
Table 14-5. SACR0 Bit Definitions (Sheet 2 of 2)
Physical Address
0x4040_0000 SACR0 I2S Controller
User
Settings
Bit 31 30 29 28 27 26 25 24 23 22 21 20 19 18 17 16 15 14 13 12 11 10 9 8 7 6 5 4 3 2 1 0
reserved RFTH TFTH
reserved
STRF
EFWR
RST
BCKD
reserved
ENB
Reset ? ? ? ? ? ? ? ? ? ? ? ? ? ? ? ? 0 1 1 1 0 1 1 1 0 0 0 0 0 0 0 0
Bits Access Name Description
Intel® PXA27x Processor Family Developer’s Manual 14-13
Inter-IC Sound (I2S) Controller
14.5.1.2 Suggested TFTH and RFTH for DMA Servicing
The DMA controller can only be programmed to send 8, 16, or 32 bytes of data. This corresponds
to 2, 4, or 8 FIFO samples. Table 14-7 shows the recommended TFTH and RFTH values to prevent
transmit FIFO overrun errors and receive FIFO underrun errors.
14.5.2 Serial Audio Controller I2S/MSB-Justified Control Register
(SACR1)
The SACR1 register specifically controls the I2S and MSB-justified modes. In addition, the
SACR1 register controls the audio replay function, record function, and interface loop-back
function. Table 14-8 shows the bit layout of SACR1.
This is a read/write register. Ignore reads from reserved bits. Write 0b0 to reserved bits.
Table 14-6. I2S FIFO Write/Read Settings
EFWR STRF Description
0x
Normal CPU/DMA Write/Read Condition
A write access to the Data register writes a transmit FIFO entry.
A read access to the Data register reads out a receive FIFO entry.
I2SLINK reads from the transmit FIFO and writes to the receive FIFO.
10
CPU or DMA Only Writes and Reads Transmit FIFO
A write access to the Data register writes a transmit FIFO entry.
A read access to the Data register reads out a transmit FIFO entry.
I2SLINK cannot read the transmit FIFO but can write to the receive FIFO.
11
CPU or DMA Only Writes and Reads Receive FIFO
A write access to the Data register writes a receive FIFO entry.
A read access to the Data register reads out a receive FIFO entry.
I2SLINK can read the transmit FIFO but cannot write to the receive FIFO.
Table 14-7. TFTH and RFTH Values for DMA Servicing
DMA Transfer Size Number of FIFO Entries TFTH Value RFTH Value
Min Max Min Max
8 Bytes 2 0 14 1 15
16 Bytes 4 0 12 3 15
32 Bytes 8 0 8 7 15
14-14 Intel® PXA27x Processor Family Developer’s Manual
Inter-IC Sound (I2S) Controller
14.5.3 Serial Audio Controller I2S/MSB-Justified Status Register
(SASR0)
The Serial Audio Status register (SASR0) is used for recording the status of the FIFOs and
I2SLINK. All bits are read-only. Table 14-9 shows the bit layout of SASR0.
This is a read-only register. Ignore reads from reserved bits.
Note: When the interrupts to processor are enabled, then the interrupt to processor and DMA service
requests (TFS and RFS) are generated simultaneously. Software must determine which one to
service (either interrupt to processor or DMA service request).
Note: For transmitting all the data in the transmit FIFO to the Codec at shutdown, the SACR[DRPL]
must be clear (replay must be enabled) before clearing SACR[ENB]. Otherwise, all the data in the
transmit FIFO is flushed during clean shutdown. If the I2S controller is in the middle of a recording
frame when SACR0[ENB] is cleared, the I2S controller waits until the end of the frame, then stops
the recording. During this period, SASR0[I2SOFF] is set, indicating a clean shutdown in progress.
Table 14-8. SACR1 Bit Definitions
Physical Address
0x4040_0004 SACR1 I2S Controller
User
Settings
Bit 31 30 29 28 27 26 25 24 23 22 21 20 19 18 17 16 15 14 13 12 11 10 9 8 7 6 5 4 3 2 1 0
reserved
ENLBF
DRPL
DREC
reserved
AMSL
Reset ? ? ? ? ? ? ? ? ? ? ? ? ? ? ? ? ? ? ? ? ? ? ? ? ? ? 0 0 0 0 0 0
Bits Access Name Description
31:6 — reserved
5R/WENLBF
Enable I2S/MSB Interface Loopback Function
0 = I2S/MSB interface loopback function is disabled.
1 = I2S/MSB interface loopback function is enabled.
4 R/W DRPLDisable Replaying Function of I2S or MSB-Justified Interface
0 = Replaying function is enabled.
1 = Replaying function is disabled.
3 R/W DRECDisable Recording Function of I2S or MSB-Justified Interface
0 = Recording function is enabled.
1 = Recording function is disabled.
2:1 — reserved
0 R/W AMSLSpecify Alternate Mode (I2S or MSB-Justified) Operation
0 = Select normal I2S operation mode.
1 = Select MSB-justified operation mode.
NOTE:
SACR1 bits DRPL, DREC, and AMSL cross clock domains. They are registered in an internal clock domain that is
much faster than the I2S_BITCLK domain. It takes 4 I2S_BITCLK cycles and 4 internal clock cycles before these
controls are conveyed to the slower I2S_BITCLK domain. If the above control settings are modified at a rate faster
than (4 I2S_BITCLK + 4 internal clock) cycles, the last updated value in this time frame is stored in a temporary
register and is transferred to the I2S_BITCLK domain.
Intel® PXA27x Processor Family Developer’s Manual 14-15
Inter-IC Sound (I2S) Controller
If software wants to re-enable the I2S controller after disabling it, it has to wait until
SASR0[I2SOFF] is clear.
Table 14-9. SASR0 Bit Definitions (Sheet 1 of 2)
Physical Address
0x4040_000C SASR0 I2S Controller
User
Settings
Bit 31 30 29 28 27 26 25 24 23 22 21 20 19 18 17 16 15 14 13 12 11 10 9 8 7 6 5 4 3 2 1 0
reserved RFL TFL
I2SOFF
ROR
TUR
RFS
TFS
BSY
RNE
TNF
Reset ? ? ? ? ? ? ? ? ? ? ? ? ? ? ? ? 0 0 0 0 0 0 0 0 0 0 0 0 0 0 0 1
Bits Access Name Description
31:16 — reserved
15:12 R RFLReceive FIFO Level
Number of Entries in Receive FIFO.
11:8 R TFL†† Transmit FIFO Level
Number of Entries in Transmit FIFO.
7RI2SOFF
I2S Controller Off
When I2SOFF is set and SACR0[ENB] is set, it indicates that the I2S
controller is in the process of a clean shutdown. When I2SOFF is set, no
write operations to the I2S controller registers are allowed. When I2SOFF is
clear and SACR0[ENB] is clear, then the unit is shut down. When I2SOFF is
clear and SACR0[ENB] is set, then the I2S controller is enabled.
When SACR0[ENB] is cleared, the I2SOFF remains set until all data in the
transmit FIFO is transmitted to the Codec, and all data in the receive FIFO
is read by DMA.
6RROR
Receive FIFO Overrun
0 = Receive FIFO has not experienced an overrun.
1 = I2S attempted data write to full receive FIFO (interruptible).
Can interrupt processor if bit 6 of Serial Audio Interrupt Mask register is set.
Cleared by setting bit 6 of Serial Audio Interrupt Clear register.
5RTUR
Transmit FIFO Underrun
0 = Transmit FIFO has not experienced an underrun.
1 = I2S attempted data read from an empty transmit FIFO.
Can interrupt processor if bit 5 of Serial Audio Interrupt Mask register is set.
Cleared by setting bit 5 of Serial Audio Interrupt Clear register.
4RRFS
Receive FIFO Service Request
0 = Receive FIFO level below RFL trigger threshold, or I2S disabled.
1 = Receive FIFO level is at or above RFL trigger threshold.
Can interrupt processor if bit 4 of Serial Audio Interrupt Mask register is set.
Cleared automatically when number of receive FIFO entries < (RFTH + 1).
3RTFS
Transmit FIFO Service Request
0 = Transmit FIFO level exceeds TFL trigger threshold, or I2S disabled.
1 = Transmit FIFO level is at or below TFL trigger threshold.
Can interrupt processor if bit 3 of Serial Audio Interrupt Mask register is set.
Cleared automatically when # of transmit FIFO entries is greater than or
equal to (TFTH + 1).
14-16 Intel® PXA27x Processor Family Developer’s Manual
Inter-IC Sound (I2S) Controller
14.5.4 Serial Audio Clock Divider Register (SADIV)
This register is used for generating six different I2S_BITCLK frequencies and the resulting six
different sampling frequencies. All bits are read/write. Table 14-10 shows the bit layout of SADIV.
The reset value, 0b0011010, defaults to a sampling frequency of 21.953 kHz (closest standard =
22.05 kHz).
Note: Setting this register to values other than those shown in Table 14-2 is not supported and causes
unpredictable activity.
This is a read/write register. Ignore reads from reserved bits. Write 0b0 to reserved bits.
2 R BSY
I2S Busy
0 = I2S is idle or disabled.
1 = I2S currently transmitting or receiving a frame.
1 R RNEReceive FIFO Not Empty
0 = Receive FIFO is empty.
1 = Receive FIFO is not empty.
0RTNF
†† Transmit FIFO Not Full
0 = Transmit FIFO is full.
1 = Transmit FIFO is not full.
NOTES:
†See Table 14-4 for more details.
†† See Table 14 -3 for more details.
Table 14-9. SASR0 Bit Definitions (Sheet 2 of 2)
Physical Address
0x4040_000C SASR0 I2S Controller
User
Settings
Bit 31 30 29 28 27 26 25 24 23 22 21 20 19 18 17 16 15 14 13 12 11 10 9 8 7 6 5 4 3 2 1 0
reserved RFL TFL
I2SOFF
ROR
TUR
RFS
TFS
BSY
RNE
TNF
Reset ? ? ? ? ? ? ? ? ? ? ? ? ? ? ? ? 0 0 0 0 0 0 0 0 0 0 0 0 0 0 0 1
Bits Access Name Description
Intel® PXA27x Processor Family Developer’s Manual 14-17
Inter-IC Sound (I2S) Controller
14.5.5 Serial Audio Interrupt Clear Register (SAICR)
The Serial Audio Interrupt Clear register (SAICR) is the interrupt control register. This is only an
addressable location and no data is actually stored. These addressable locations are used only for
clearing the SASR0[6:5] status bits. Each bit position corresponds to an interrupt source bit
position in the Status register. Table 14-11 shows the bit layout of SAICR.
This is a write-only register. A read operation is treated as a read from a reserved location. The
reset value is reserved, since the register cannot be read.
Table 14-10. SADIV Bit Definitions
Physical Address
0x4040_0060 SADIV I2S Controller
User
Settings
Bit 31 30 29 28 27 26 25 24 23 22 21 20 19 18 17 16 15 14 13 12 11 10 9 8 7 6 5 4 3 2 1 0
reserved SADIV
Reset ? ? ? ? ? ? ? ? ? ? ? ? ? ? ? ? ? ? ? ? ? ? ? ? ? 0 0 1 1 0 1 0
Bits Access Name Description
31:7 — reserved
6:0 R/W SADIV
Audio Clock Divider
Valid values are:
000 1100 = Selects an I2S_BITCLK of 3.058 MHz
000 1101 = Selects an I2S_BITCLK of 2.836 MHz
001 1010 = Selects an I2S_BITCLKof 1.405 MHz
010 0100 = Selects an I2S_BITCLK of 1.026 MHz
011 0100 = Selects an I2S_BITCLK of 702.75 kHz
100 1000 = Selects an I2S_BITCLK of 513.25 kHz
Table 14-11. SAICR Bit Definitions
Physical Address
0x4040_0018 SAICR I2S Controller
User
Settings
Bit 31 30 29 28 27 26 25 24 23 22 21 20 19 18 17 16 15 14 13 12 11 10 9 8 7 6 5 4 3 2 1 0
reserved
ROR
TUR
reserved
Reset r r r r r r r r r r r r r r r r r r r r r r r r r r r r r r r r
Bits Access Name Description
31:7 — reserved
6WROR
Clear receive FIFO overrun interrupt and ROR status bit in SASR0 by
setting this bit.
5WTUR
Clear transmit FIFO underrun interrupt and TUR status bit in SASR0 by
setting this bit.
4:0 — reserved
14-18 Intel® PXA27x Processor Family Developer’s Manual
Inter-IC Sound (I2S) Controller
14.5.6 Serial Audio Interrupt Mask Register (SAIMR)
Writing 0b1 to a bit position in the Interrupt Mask register enables the corresponding interrupt
signal. All bits are read/write. Table 14-12 shows the bit layout of SAIMR.
This is a read/write register. Ignore reads from reserved bits. Write 0b0 to reserved bits.
14.5.7 Serial Audio Data Register (SADR)
Writing a 32-bit sample to this register updates the data into the transmit FIFO. Reading this
register flushes a 32-bit sample from the receive FIFO.
Table 14-13 shows the bit layout of SADR. Figure 14-3 illustrates data flow through the FIFOs and
SADR.
This is a read/write register. Ignore reads from reserved bits. Write 0b0 to reserved bits.
Table 14-12. SAIMR Bit Definitions
Physical Address
0x4040_0014 SAIMR I2S Controller
User
Settings
Bit 31 30 29 28 27 26 25 24 23 22 21 20 19 18 17 16 15 14 13 12 11 10 9 8 7 6 5 4 3 2 1 0
reserved
ROR
TUR
RFS
TFS
reserved
Reset ? ? ? ? ? ? ? ? ? ? ? ? ? ? ? ? ? ? ? ? ? ? ? ? ? 0 0 0 0 ? ? ?
Bits Access Name Description
31:7 — reserved
6 R/W ROR Enable Receive FIFO Overrun Condition Interrupt
5 R/W TUR Enable FIFO Underrun Condition Interrupt
4 R/W RFS Enable Receive FIFO Service Request Interrupt
3 R/W TFS Enable Transmit FIFO Service Request Interrupt
2:0 — reserved
Table 14-13. SADR Bit Definitions
Physical Address
0x4040_0080 Serial Audio Data Register (SADR) I2S Controller
User
Settings
Bit 31 30 29 28 27 26 25 24 23 22 21 20 19 18 17 16 15 14 13 12 11 10 9 8 7 6 5 4 3 2 1 0
DTH DTL
Reset 0 0 0 0 0 0 0 0 0 0 0 0 0 0 0 0 0 0 0 0 0 0 0 0 0 0 0 0 0 0 0 0
Bits Access Name Description
31:16 R/W DTH Right Data Sample
15:0 R/W DTL Left Data Sample
Intel® PXA27x Processor Family Developer’s Manual 14-19
Inter-IC Sound (I2S) Controller
Figure 14-3. Transmit and Receive FIFO Accesses through the SADR
14.6 Register Summary
All registers are word addressable (32 bits wide) and increment in units of 0x00004. All I2S
controller registers are mapped in the address range of 0x4040_0000–0x404F_FFFC, as shown in
Table 14-14.
TxEntry0
TxEntry1
TxEntry2
TxEntry3
TxEntry15
31
Right Left
16 15 0
RxEntry0
RxEntry1
RxEntry2
RxEntry3
RxEntry15
31
Right Left
16 15 0
SADR Register
31 0
Processor/DMA
TxFIFO
Written
Processor/DMA
RxFIFO
Read
PCM Transmit FIFO PCM Receive FIFO
Write Read
Transmit Data Receive Data
Table 14-14. I2S Register Summary (Sheet 1 of 2)
Address Name Description Page
0x4040_0000 SACR0 Serial Audio Global Control register 14-10
0x4040_0004 SACR1 Serial Audio I2S/MSB-Justified Control register 14-13
0x4040_0008 —- reserved
0x4040_000C SASR0 Serial Audio I2S/MSB-Justified Interface and FIFO Status register 14-14
0x4040_0010 —- reserved
0x4040_0014 SAIMR Serial Audio Interrupt Mask register 14-18
0x4040_0018 SAICR Serial Audio Interrupt Clear register 14-17
0x4040_001C–
0x4040_005C —- reserved
0x4040_0060 SADIV Audio Clock Divider register. (See Section 14.4.8.) 14-16
14-20 Intel® PXA27x Processor Family Developer’s Manual
Inter-IC Sound (I2S) Controller
0x4040_0064–
0x4040_007C —- reserved
0x4040_0080 SADR Serial Audio Data register (TX and RX FIFO access register). 14-18
0x4040_0084–
0x404F_FFFC —- reserved
Table 14-14. I2S Register Summary (Sheet 2 of 2)
Address Name Description Page
Intel® PXA27x Processor Family Developer’s Manual 15-1
MultiMediaCard/SD/SDIO Controller 15
This chapter describes the MultiMediaCard (MMC) and Secure Digital (SD/SDIO) controller and
related registers supported by the PXA27x processor.
15.1 Overview
The MMC/SD/SDIO controller acts as a link between the software that accesses the PXA27x
processor and the MMC stack (a set of memory cards) and supports Multimedia Card, Secure
Digital, and Secure Digital I/O communications protocols. The MMC controller supports the
MMC system, a low-cost data storage and communications system1. The MMC controller in the
PXA27x processor is based on the standards outlined in the MultiMediaCard System Specification
Version 3.2. The SD controller supports one SD or SDIO card based on the standards outlined in
the SD Memory Card Specification Version 1.01 and
SDIO Card Specification Version 1.0 (Draft 4)
.
The MMC/SD/SDIO controller supports the translation protocol from a standard MMC or serial
peripheral interface (SPI) bus to the MMC stack. The software that accesses the PXA27x processor
must indicate whether to use MMC/SD/SDIO or SPI mode as the protocol to communicate with the
MMC/SD/SDIO controller.
15.2 Features
The MMC/SD/SDIO controller features:
Data-transfer rates up to 19.5 Mbps for MMC, 1-bit SD/SDIO, and SPI mode data transfers
Data-transfer rates up to 78 Mbps for 4-bit SD/SDIO data transfers
A response FIFO
Two transmit FIFOs and two receive FIFOs
Two modes of operation: MMC/SD/SDIO mode and SPI mode. MMC/SD/SDIO mode
supports MMC, SD, and SDIO communications protocols. SPI mode supports the SPI
communications protocol.
1- and 4-bit data transfers are supported for SD and SDIO communications protocols.
Controller turns clock on and off, based on status of FIFOs, to prevent overflows and
underruns.
Support for all valid MMC and SD/SDIO protocol data-transfer modes
Interrupt-based application interface to control software interaction
For stream writes, only data sizes of 10 bytes or more are allowed.
Using the MMC communications protocol, multiple MMC cards are supported.
Using the SD or SDIO communications protocol, one SD or SDIO card is supported.
1. A detailed description of the MMC system is available on the MMC Association’s web site at http://www.mmca.org
15-2 Intel® PXA27x Processor Family Developer’s Manual
MultiMediaCard/SD/SDIO Controller
Using the SPI communications protocol, up to two MMC or SD/SDIO cards are supported.
Mixed card types are supported for the SPI communications protocol only.
15.3 Signal Descriptions
The MMC/SD/SDIO controller signals are described in Table 15-1.
The MMCLK, MMCCS<0>, and MMCCS<1> signals are routed through alternate functions
within the GPIO pins. Refer to Chapter 24, “General-Purpose I/O Controller” for a description of
how to assign these signals to a specific GPIO. Even though there are several GPIOs assigned to
each signal, each signal must be programmed to one of the possible GPIOs. Refer to
Section 24.4.2, “GPIO Operation as Alternate Function” on page 24-3 for a complete description
of the GPIO alternate functions.
15.4 Operation
The MMC/SD/SDIO controller contains all card-specific functions, serves as the bus master for the
MMC system, and implements the standard interface to the card stack. The controller handles card
initialization; CRC generation and validation; and command, response, and data transactions.
The MMC/SD/SDIO controller is a slave to the software and consists of command and control
registers, a response FIFO, and data FIFOs. The software has access to these registers and FIFOs
and generates commands, interprets responses, and controls subsequent actions.
Figure 15-1 shows a block diagram of the interaction of a typical MMC system using the MMC
communications protocol.
Table 15-1. MultiMediaCard/SD/SDIO Controller I/O Signal Descriptions
Signal MMC and SD/SDIO SPI Description
MMCLK Output Output MMC and SD/SDIO bus clock
MMCMD Bidirectional Output MMC and SD/SDIO: Bidirectional line for command and response tokens
SPI: Output for command and write data
MMDAT<0> Bidirectional Input MMC and SD/SDIO: Bidirectional line for read and write data
SPI: Input for response token and read data
MMDAT<1> Bidirectional Input
MMC and SD/SDIO: Used for SD/SDIO 4 bit data transfers and to signal
SDIO interrupts to the controller
SPI: Signals SDIO interrupts to the controller
MMDAT<2>/
MMCCS<0> Bidirectional Output SD/SDIO: 4-bit data transfer
SPI: CS0 chip select
MMDAT<3>/
MMCCS<1> Bidirectional Output SD/SDIO: 4-bit data transfer
SPI: CS1 chip select
Intel® PXA27x Processor Family Developer’s Manual 15-3
MultiMediaCard/SD/SDIO Controller
Figure 15-2 shows a block diagram of the interaction of a typical SD/SDIO system using the SD or
SDIO communications protocol.
The MMC bus connects the card stack to the controller. The software and controller can turn the
MMCLK on and off. The card stack and the controller communicate serially through the command
and data lines and implement a message-based protocol. The messages consist of the following
tokens:
Command—A 6-byte command token starts an operation. The command set includes card
initialization, card register reads and writes, and data transfers. The MMC/SD/SDIO controller
sends the command token serially on the MMCMD signal. The format for a command token is
shown in Table 15-2.
Figure 15-1. MMC (MMC Protocol) System Interaction
MMCCS<1>
MMCCS<0>
Software
Interface
MMCLK
MMCMD
MMDAT MMC
Stack
MMCCS<0> and MMCCS<1> are used in SPI mode only.
MMC/SD/SDIO
Controller
Processor
MMCCS<0> and MMDAT<2> are multiplexed.
MMCCS<1> and MMDAT<3> are multiplexed.
Notes:
Figure 15-2. SD/SDIO (SD or SDIO Protocol) System Interaction
MMCCS<1>
MMCCS<0>
Software
Interface
MMCLK
MMCMD
MMDAT SD or SDIO
Card
MMCCS<0> and MMCCS<1> are used in SPI mode only.
MMC/SD/SDIO
Controller
Processor
MMCCS<0> and MMDAT<2> are multiplexed.
MMCCS<1> and MMDAT<3> are multiplexed.
Notes:
15-4 Intel® PXA27x Processor Family Developer’s Manual
MultiMediaCard/SD/SDIO Controller
Response—A response token is an answer to a command token. Each command has either a
specific response type or no response type. The format for a response token varies according to
the response expected and the card’s mode. Response token formats are detailed in the
MultiMediaCard System Specification, Version 3.1.
Data—Is transferred serially between the controller and the card in 8-bit blocks at rates up to
19.5 Mbps for MMC, 1-bit SD/SDIO, and SPI mode data transfers. Data is transferred at rates
up to 78 Mbps for 4-bit SD/SDIO data transfers. The format for the data token depends on the
card’s mode. Table 15-3 shows the data token format for MMC/SD/SDIO mode.
In MMC/SD/SDIO mode, all operations contain command tokens and most commands have an
associated response token. read and write commands also have a data token. Command and
response tokens are sent and received on the bidirectional MMCMD signal and data tokens are sent
and received on the bidirectional MMDAT signal.
.
Table 15-2. Command Token Format
Bit Position 47 46 [45:40] [39:8] [7:1] 0
Width (bits) 11 6 3271
Value 01 x xx1
Description start bit transmission bit command index argument CRC7 end bit
Table 15-3. MMC/SD/SDIO Data Token Format
Stream Data 1 x no CRC 1
Block Data 0x x 1
Description start bit data CRC7 end bit
Figure 15-3. MMC/SD/SDIO Mode Operation Without Data Token
Command
MMCMD
MMDAT
Operation (No Response) Operation (No Data)
Command Response
from host to card(s) from card to hostfrom host to card
Intel® PXA27x Processor Family Developer’s Manual 15-5
MultiMediaCard/SD/SDIO Controller
In SPI mode, not all commands are available. The available commands have both a command and
response token. The MMCMD and MMDAT signals are no longer bidirectional in SPI mode. The
MMCMD is an output and the MMDAT is an input with respect to the PXA27x processor. The
command and data tokens to be written are sent on the MMCMD signal, and the response and read
data tokens are received on the MMDAT signal. Figure 15-5 shows a typical SPI mode timing
diagram without a data token. Figure 15-6 and Figure 15-7 show SPI mode read and write timing
diagrams, respectively.
Figure 15-4. MMC/SD/SDIO Mode Operation With Data Token
Command
MMCMD
MMDAT
Data Transfer Operation Data Stop Operation
Response
Data Stream
from
host to
card(s)
from
card to
host
stop command
stops data transfer
Command Response
data to/from
card and host
Figure 15-5. SPI Mode Operation Without Data Token
Figure 15-6. SPI Mode Read Operation
Command
MMCMD
MMDAT
Command
Response
from host to
card from card to
host
from host to
card
Response Busy
from card to
host
Command
MMCMD
MMDAT
Command
Response
from host to
card data from card to
host
Next Command
Data Block CRC
from card to
host
15-6 Intel® PXA27x Processor Family Developer’s Manual
MultiMediaCard/SD/SDIO Controller
Note: Data transfers of 10 or more bytes are supported for stream writes only.
Refer to the MultiMediaCard System Specification for detailed information on MMC and SPI
modes of operation.
The MMC/SD/SDIO controller can interface to the cards with MMC protocol, SD/SDIO protocol
or SPI protocol. All protocols are serial interfaces to the cards, as shown in Table 15-4.
The MMC protocol supports block, multiple-block, and stream data transfers.
The SD/SDIO protocol supports block and multiple-block data transfers.
The SPI protocol supports block and multiple-block data transfers.
SD/SDIO and SPI protocols do not support stream data transfers. Only MMC cards support
stream data transfers.
15.4.1 MMC/SD/SDIO Mode
In the MMC/SD/SDIO mode, the MMCMD and MMDAT lines are bidirectional and require
external pull-ups. The command and response tokens are sent on the MMCMD line. Data is sent on
the MMDAT line(s) and is a multiple of bytes.
In the MMC protocol, card addressing is implemented during the initialization phase with address
assignment. A card is then addressed by an address in the command token.
In the SD/SDIO protocol, card addressing is implemented with point-to-point MMCMD and
MMDAT lines.
Figure 15-7. SPI Mode Write Operation
Command
MMCMD
MMDAT
Command
Response
from host to
card
data from host to
card new command
from host
Data Response Busy
from card to
host
Data Block
Data response
and busy from
card
Table 15-4. MMC/SD/SDIO Data Transfer Types
Data Transfer Types MMC Protocol SD and SDIO
Protocol SPI Protocol
Single block Supported Supported Supported
Multiple block—open-ended Supported Supported Supported
Multiple block—predefined Supported Supported Supported
Stream Supported Not supported Not supported
RW_IO Direct, CMD52 Not supported Supported for
SDIO only Supported for
SDIO only
RW_IO Extended, CMD53 Not supported Supported for
SDIO only Supported for
SDIO only
Intel® PXA27x Processor Family Developer’s Manual 15-7
MultiMediaCard/SD/SDIO Controller
The command token is protected with a 7-bit CRC. The response token has five types of coding
schemes, including the “no-response” token. The response token length is 48 or 136 bits, and can
be protected with a 7-bit CRC, depending on the response type.
Read and write data transfers are protected with a 16-bit CRC. In write data transfers, after the data
and 16-bit CRC has been transmitted, the card sends a 5-bit CRC status token. The CRC status
token indicates if the data transmission was erroneous. After the CRC status token, the card can
indicate that it is busy programming the data by pulling the MMDAT<0> line low.
15.4.1.1 MMC/SD/SDIO Mode Data Transfers
The MMC/SD/SDIO mode supports the following data transfer modes:
Single block read/write—Supported by MMC and SD/SDIO protocols
Multiple block read/write—Supported by MMC and SD/SDIO protocols
Open-ended multiple block read/write
Multiple block read/write with pre-defined block count
Stream read/write—Supported by MMC protocol only.
IO_RW_DIRECT command (CMD52)—Supported by SDIO protocol only.
IO_RW_EXTENDED command (CMD53)—Supported by SDIO protocol only.
All data transfers can be stopped at any time by the application with a MMC/SD Stop Transmission
command, CMD12, or SDIO abort with CMD52 and ASx bits set.
15.4.1.1.1 Single Block
In single block data transfers, a single block of data is transmitted. The starting address is specified
in the read/write command.
The application must tell the controller the block size. The block size is the number of bytes to be
transferred. The data block is protected with a 16-bit CRC that is generated by the transmit unit,
and checked by the receive unit. The CRC is appended after the transfer of the last data bit.
15.4.1.1.2 Multiple Block
Multiple block data transfers are similar to the single block data transfers, except multiple blocks
of data are transferred sequentially. Each block is the same length, and is stored or retrieved from
contiguous memory addresses, starting at the address specified in the command.
Two types of multiple block data transfers are defined.
Open-ended multiple block read/write
The number of blocks to be transferred is not defined in the card. The card continuously
transfers data blocks until a Stop Transmission command, CMD12, is received.
Multiple block read/write with predefined block count
The number of blocks to be transferred is defined in the card. The card transfers only the
number of data blocks specified. A Stop Transmission command, CMD12, or abort command
(CMD52 with ASx bits set) is not required at the end of the data transfer in this case, unless the
data transmission terminated with an error.
15-8 Intel® PXA27x Processor Family Developer’s Manual
MultiMediaCard/SD/SDIO Controller
To start a multiple block data transmission with a pre-defined block count, a
SET_BLOCK_COUNT command (CMD23) must immediately precede the multiple block
command (CMD18/CMD25).
The application must tell the controller the block size and the number of blocks to transfer. Each
data block is protected with a 16 bit CRC.
If the card detects an error during either type of multiple block read operation, the card stops data
transmission. The application must then stop the transmission with the Stop Transmission
command, CMD12.
If the card detects an error during either type of multiple block write operation, the card ignores any
further incoming data. The application must then stop the transmission with the Stop Transmission
command, CMD12.
The application can stop a data transmission at any time. An MMC/SD Stop Transmission
command, CMD12, or an SDIO abort with CMD52 with ASx bits set terminates multiple block
data transfers, regardless of type. Neither CMD12 or CMD52 is needed to stop transmission at the
end of a pre-defined multiple block data transfer.
15.4.1.1.3 Stream
In stream data transfers, the controller transmits a continuous stream of data. The starting address
is specified in the read/write command.
The data stream is terminated with a Stop Transmission command, CMD12. For write transfers,
CMD12 must be aligned with the last six bytes of data to ensure that no more and no less data is
written into the card. For read transfers, CMD12 can occur after the data has been transmitted.
There is no CRC protection on the data with stream data transfers.
For stream write data transfers, only data sizes of 10 bytes or more are allowed.
SPI, SD and SDIO cards do not support stream mode.
15.4.1.1.4 SDIO Data Transfer
In addition to single and multiple block data transmission commands, SDIO supports two
additional data transfer commands to support I/O, IO_RW_DIRECT, CMD52, and
IO_RW_EXTENDED, CMD53.
The IO_RW_DIRECT command is similar to the MMC “Fast I/O” command and allows direct
access to any single register within the 128k of register space in any I/O function. The command
reads/writes1 byte to the single I/O register specified.
The IO_RW_EXTENDED command allows the read/write of a a large number of I/O registers.
The data transfer may be in byte mode or block mode. The byte mode is similar to the single block
data transfer, and the block mode is similar to the multiple block data transfer.
15.4.2 SDIO Mode
This section gives a description of SDIO-specific commands and operations.
Intel® PXA27x Processor Family Developer’s Manual 15-9
MultiMediaCard/SD/SDIO Controller
15.4.2.1 SDIO Overview
SDIO cards are based on and compatible with SD cards. The intent of the SDIO card is to provide
high-speed data I/O with low power consumption for mobile electronic devices.
Some features of SDIO are:
Plug and play (PnP) support
Multi-function support, including multiple I/O and combined I/O and memory
Up to seven I/O functions plus one memory supported on one card
Allows cards to interrupt application
Read_Wait operation
Suspend/resume operation
15.4.2.2 New I/O Read/Write Commands
SDIO includes two new data transfer commands, IO_RW_DIRECT (CMD52) and
IO_RW_EXTENDED (CMD53) to support I/O.
15.4.2.2.1 IO_RW_DIRECT command (CMD52)
IO_RW_DIRECT allows the simplest access to a single register within the 128 Kbytes of register
space in any I/O function. The command is similar to the MMC “Fast I/O” command (CMD39).
In SDIO, CMD52 is also used to replace the MMC/SD Stop Transmission command, CMD12.
CMD52 can be used to write to the SDIO card’s CCCR abort register to abort a data transfer.
Consult the SDIO Card Specification for a description of the IO_RW_DIRECT command.
15.4.2.2.2 IO_RW_EXTENDED Command (CMD53)
IO_RW_EXTENDED allows the read/write of multiple I/O registers with a single command. I/O
block operations use CMD53, rather than MMC/SD memory block read/write commands. CMD53
supports multi-byte transfer modes and block mode, which are analogous to MMC/SD single and
multiple block data transfers.
Multi-byte mode does a read or write of multiple bytes of data to/from a single I/O register. Block
mode does a read or write of multiple bytes of data to/from an I/O register address that is
incremented by 1 after each operation/block.
In SDIO, CMD53 is similar to the following MMC/SD commands for memory data transfer.
In multi-byte mode:
READ_SINGLE_BLOCK (CMD17)
WRITE_SINGLE_BLOCK (CMD24)
In block mode:
READ_MULTIPLE_BLOCK (CMD18)
WRITE_MULTIPLE_BLOCK (CMD25)
15-10 Intel® PXA27x Processor Family Developer’s Manual
MultiMediaCard/SD/SDIO Controller
Multi-byte/block mode is specified in the command argument. In the block mode, the number of
blocks to be transferred is specified in the command argument. Therefore, the application does not
need to stop the data transmission as in the MMC/SD multiple block data transfers, because the
number of blocks of data transferred is known by the card and the controller.
Consult the SDIO Card Specification for a description of the IO_RW_EXTENDED command.
15.4.2.3 SDIO Data Transfer Aborts
The application can issue an I/O abort by writing the SDIO card’s CCCR register with CMD52 at
any time during an I/O extended read or write data transfer. The abort stops the data transmission.
On data writes, the abort occurs between data blocks. Also, after an I/O card receives an abort on a
data write, the card can respond busy after sending the CMD52 response.
Consult the SDIO Card Specification for a description of how to use CMD52 command to abort a
data transmission.
15.4.2.4 SDIO Interrupts
An SDIO card is allowed to interrupt the host by asserting the MMDAT<1> line low. The card
continues to keep the MMDAT<1> line low until the interrupt is either recognized and acted on by
the host or the interrupt is deasserted due to the end of the SDIO interrupt period.
Consult the SDIO Card Specification for a description of SDIO interrupts.
15.4.2.5 SDIO Suspend/Resume
In SDIO, the application can temporarily halt (suspend) a data transfer to one function or memory
to free the SDIO bus for a higher priority data transfer to a different function or memory. Once the
higher priority data transfer has completed, the application can re-start (resume) the suspended data
transfer from where it left off.
Note that the application can suspend multiple transactions and resume them in any order desired.
The suspend/resume operation works for SD/SDIO 1 and 4-bit modes. It does not apply to SPI
mode.
Consult the SDIO Card Specification for a description of SDIO suspend/resume operation.
15.4.2.6 SDIO Read Wait
In MMC/SD cards, the controller can stop the clock to stop a read data transfer in-order to prevent
a RXFIFO overrun. The controller restarts the clock and continues the data transfer when the
RXFIFO is ready for more data. This stopping of the clock is a limitation for SDIO, because while
the clock is stopped, a CMD52 cannot be issued.
SDIO adds a read wait control to enable the host to send a CMD52. With READ-WAIT, the host
uses the MMDAT<2> line to signal the card to temporarily halt the sending of read data by a card.
This allows a CMD52 to be sent while the data is halted.
Intel® PXA27x Processor Family Developer’s Manual 15-11
MultiMediaCard/SD/SDIO Controller
When the application requests a READ_WAIT from the controller, the stall of the data transfer may
not occur immediately. Therefore, the RD_WAIT request from the controller does not stop the
RXFIFOs from turning the clock off/on to prevent overflows. Therefore, the application must
continue to read the RXFIFOs during the RD_WAIT operation.
The RD_WAIT operation is only supported for multiple block read data transfers, in SDIO 1-bit
and 4-bit modes.
The RD_WAIT operation is not supported in SPI mode.
Consult the SDIO Card Specification for a description of SDIO RD_WAIT operation.
15.4.3 MMC/SD/SDIO Controller Functional Description
The software must read and write the MMC/SD/SDIO controller registers and FIFOs to initiate
communications to a card.
The MMC/SD/SDIO controller is the interface between the software and the MMC/SD/SDIO bus.
It is responsible for the timing and protocol between the software and the MMC/SD/SDIO bus. It
consists of control and status registers, a 16-bit response FIFO that is eight entries deep, two 8-bit
receive data FIFOs that are 32 entries deep, and two 8-bit transmit FIFOs that are 32 entries deep.
The registers and FIFOs are accessible by the software.
The MMC/SD/SDIO controller also enables minimal data latency by buffering data and generating
and checking CRCs.
15.4.3.1 MMC/SD/SDIO Controller Reset
The MMC/SD/SDIO controller can only be reset by a hard or soft reset of the PXA27x processor.
Resetting PXA27x processor and the MMC/SD/SDIO controller is described in Section 2.7,
“Reset” on page 2-8. All registers and FIFO controls are set to their default values after any reset.
15.4.3.2 Card Initialization Sequence
After reset, the MMC card must be initialized by sending 80 clocks to it on the MMCLK signal. To
initialize the MMC card, set the MMC_CMDAT[INIT] bit to a 1. This sends 80 clocks before the
current command in the MMC_CMD register. This function is useful for acquiring new cards that
have been inserted on the bus. Chip selects are not asserted during the initialization sequence while
in SPI mode.
After the 80-clock initialization sequence, the software must continuously send CMD1 by loading
the appropriate command index into the MMC_CMD register until the card indicates that the
power-up sequence is complete. The software can then assign an address to the card or put it into
SPI mode.
15.4.3.3 MMC/SD/SDIO and SPI Modes
After reset, the MMC card is in MMC mode. The card can remain in MMC mode or be configured
to SPI mode by setting the MMC_SPI register bits. The following sections briefly describe each
mode as it pertains to the MMC/SD/SDIO controller.
15-12 Intel® PXA27x Processor Family Developer’s Manual
MultiMediaCard/SD/SDIO Controller
15.4.3.3.1 MMC Mode
In MMC mode, the MMCMD and MMDAT<0> signals are bidirectional and require external pull-
ups. The command and response tokens are sent and received by the MMCMD signal, and data is
read and written with the MMDAT<0> signal.
After an MMC card is powered on, it is assigned a default relative card address (RCA) of 0x0001.
The software assigns different addresses to each card during the initialization sequence described
in Section 15.4.3.2. A card is then addressed by its new relative address in the argument portion of
the command token that is protected with a 7-bit CRC (see Table 15-2). For a description of the
identification process when multiple cards are connected to a system, refer to the Card
Identification Process as described in The MultiMediaCard System Specification.
There are five formats for the response token, including a no response token. The response token
length is 48 or 136 bits and can be protected with a 7-bit CRC. Details of the response token can be
found in the MultiMediaCard System Specification.
In write data transfers, the data is suffixed with a 5-bit CRC status token from the card. After the
CRC status token, the card can indicate that it is busy by pulling the MMDAT<0> line low.
The start address for a read operation can be any random byte address in the valid address space of
the card memory. For a write operation, the start address must be on a sector boundary, and the data
length must be an integer multiple of the sector length. A sector is the number of blocks that are
erased during the write operation and is fixed for each MMC card. A block is the number of bytes
to be transferred.
The MMC mode supports the following data transfer modes:
Single block read/write—In single block mode, a single block of data is transferred. The
starting address is specified in the command token of the read or write command used. The
software must set the block size in the controller by entering the number of bytes to be
transferred in the MMC_BLKLEN register. The data block is protected with a 16-bit CRC that
is generated by the sending unit and checked by the receiving unit. The CRC is appended to
the data after the last data bit is transferred.
Multiple block read/write—In multiple block mode, multiple blocks of data are transferred.
Each block is the same length as specified by the software in the MMC_BLKLEN register.
The blocks of data are stored or retrieved from contiguous memory addresses starting at the
address specified in the command token. The software specifies the number of blocks to
transfer in the MMC_NUMBLK register. Each data block is protected by appending a 16-bit
CRC. Multiple block data transfers are terminated with a stop transmission command.
Stream read/write—In stream mode, a continuous stream of data is transferred. The starting
address is specified in the command token of the read or write command used. The data stream
is terminated with a stop transmission command. For write transfers, the stop transmission
command must be transmitted with the last six bytes of data. This ensures that the correct
amount of data is written to the card. For read transfers, the stop transmission command can
occur after the data transmission has occurred. There is no CRC protection for data in this
mode.
15.4.3.3.2 SPI Mode
SPI mode is an optional secondary communications protocol. In SPI mode, the MMCMD and
MMDAT<0> lines are unidirectional. The MMCMD signal is an output from the controller and
sends the command token and write data to the MMC/SD/SDIO card. The MMDAT<0> signal is
an input to the controller and receives the response token and read data from the MMC/SD/SDIO
card.
Intel® PXA27x Processor Family Developer’s Manual 15-13
MultiMediaCard/SD/SDIO Controller
Note: When the card is in SPI mode, the only way to return to MMC/SD/SDIO mode is by toggling the
power to the card.
Card addressing is implemented with hardware chip selects, MMCCS<1> and MMCCS<0>. All
command, response, and data tokens are 8-bits long and are transmitted immediately following the
assertion of the respective chip select.
The command token is protected with a 7-bit CRC. The card always sends a response to a
command token. The response token has four formats, including an 8-bit error response. The length
of the response tokens is one, two, or five bytes.
SPI mode offers a non-protected mode. In this mode, CRC bits of the command, and data tokens
are still required in the tokens but these bits are ignored by the card and the controller.
In write data transfers, the data is suffixed with an 8-bit CRC status token from the card. As in
MMC/SD/SDIO mode, the card can indicate that it is busy by pulling the MMDAT<0> line low
after the status token. In read data transfers, the card can respond with the data or a one-byte data
error token.
15.4.3.4 Response and Data Error Detection
The MMC/SD/SDIO controller detects response and data errors on the MMC/SD/SDIO bus and
reports them in the Status register MMC_STAT. Response errors are also recorded in the
RES_ERR interrupt bit. Data errors are also recorded in the DAT_ERR interrupt bit. If a response
or data error occurs, the bit is set in the MMC_I_REG and an interrupt is generated to the
application, if the appropriate mask bit is cleared. The application can either check for an interrupt
or poll the MMC_I_REG.
The SPI_WR_ERR is checked for and recorded in the MMC_STAT register.
In SPI mode write multiple block, the MMC/SD/SDIO controller stops data transmission with the
Stop Tran token, if any of the following errors occur:
Data rejected due to a CRC error—Error reported in MMC_STAT[CRC_WR_ERR].
Data rejected due to a write error—Error reported in MMC_STAT[SPI_WR_ERR].
Table 15-5. Response and Data Errors
Error MMC SD/SDIO SPI Description
SDIO_INT no yes,
SDIO only yes,
SDIO only SDIO interrupt from card occurred
RD_STALLED no yes,
SDIO only no SDIO read data is stalled
FLSH_ERR no yes no A flash programming error occurred
RES_CRC_ERR yes yes no A CRC error was calculated on the command response
DAT_ERR_TOKEN no no yes In SPI mode a read-data error token was detected
CRC_RD_ERR yes yes yes A CRC error was calculated on read data
CRC_WR_ERR yes yes yes A CRC error was detected by the card on write data
TIME_OUT_RES yes yes yes A response time-out occurred
TIME_OUT_READ yes yes no A read data time-out occurred
SPI_WR_ERR no no yes An SPI write data rejected error occurred
15-14 Intel® PXA27x Processor Family Developer’s Manual
MultiMediaCard/SD/SDIO Controller
In SPI mode, the user must abort a multiple block read with a Stop Transmission command,
CMD12, if a read-data error token is sent by the card. The error is reported in
MMC_STAT[DAT_ERR_TOKEN].
15.5 Interrupts
The MMC/SD/SDIO controller generates interrupts to signal the status of a command sequence.
The software is responsible for masking the interrupts appropriately, verifying the interrupts, and
performing the appropriate action as necessary.
Interrupts shown in Table 15-6 and their masking are described in Section 15.9.11 and
Section 15.9.12. The CMDAT[DMA_EN] bit also masks the
MMC_I_MASK[RXFIFO_RD_REQ] and MMC_I_MASK[TXFIFO_WR_REQ] interrupt bits.
15.6 Clock Control
Both the MMC/SD/SDIO controller and the software can control the MMC/SD/SDIO bus clock
(MMCLK) by turning it on and off. This helps to control the data flow to prevent underruns and
overflows and also conserves power. The software can also change the frequency at any time to
achieve the maximum data transfer rate specified for a card’s identification frequency.
The MMC/SD/SDIO controller has an internal frequency generator that can start, stop, and divide
the MMC/SD/SDIO bus clock. The software can start and stop the clock by setting the appropriate
bits in the MMC_STRPCL register. The MMCLK frequency is controlled by the value written in
the MMC_CLKRT register.
Table 15-6. MMC/SD/SDIO Controller-Generated Interrupts
Interrupt Description
SDIO_INT An SDIO card interrupt occurred.
RD_STALLED Read data transfer has been stalled.
RES_ERR An error occurred on the command response.
DAT_ERR A data error occurred during data transmission.
TXFIFO_WR_REQ For programmed I/O, TXFIFO request to write FIFO.
This is never asserted if using the DMA.
RXFIFO_RD_REQ For programmed I/O, RXFIFO request to read FIFO.
This is never asserted if using the DMA.
CLK_IS_OFF Asserted when controller turns the clock off because the application wrote to the
MMC_STRPCL register to turn the clock off.
STOP_CMD For stream mode writes, indicates that the controller is ready for the Stop-Transmission
command.
END_CMD_RES Asserted when the command and the response transfers have completed.
PRG_DONE Asserted when a write data transfer has completed and the card is no longer busy
programming or when a command has an R1b response and the card is no longer busy.
DATA_TRAN_DONE Asserted when a data transfer has completed or timed-out.
Intel® PXA27x Processor Family Developer’s Manual 15-15
MultiMediaCard/SD/SDIO Controller
The application is not required to stop the clock before writing any MMC/SD/SDIO controller
registers, except the MMC_CLKRT register. Do not stop and start the clock for a CMD52
overlapping a data transfer. Not stopping the clock for each command sequence can save a
maximum of 127 cycles for each command sequence, because it may take a maximum of 127
cycles for the clock to stop after setting MMC_STRPCL[STOP_CLK].
Software can specify the clock divisor for the 19.5-MHz clock in the MMC_CLKRT register. The
clock rate can be set over a range from 304 kHz to 19.5 MHz. For instructions and full details, see
Section 15.9.3.
The controller can also turn the clock off automatically. If both receive FIFOs become full during
data reads, or one receive FIFO is being read by the software and the other receive FIFO becomes
full, or both transmit FIFOs become empty during data writes, or one transmit FIFO is being
written by the software and the other transmit FIFO is empty, the controller automatically turns the
clock off to prevent data overflows and underruns. For read data transfers, the controller turns the
clock back on after a receive FIFO has been emptied. For write data transfers, the controller turns
the clock back on after the transmit FIFO is no longer empty.
If the software stops the clock at any time, it must wait for the MMC_STAT[CLK_EN] status bit to
be cleared or the CLK_IS_OFF interrupt before proceeding.
15.7 Data FIFOs
The controller FIFOs for the response tokens, received data, and transmitted data are MMC_RES,
MMC_RXFIFO, and MMC_TXFIFO, respectively. These FIFOs are accessible by the software
and are described in the following sections.
15.7.1 Response Data FIFO (MMC_RES)
The response FIFO, MMC_RES, contains the response received from an MMC/SD/SDIO card
after a command is sent from the controller. MMC_RES is a read-only, 16-bit, and 8-entry deep
FIFO.
The FIFO holds all possible response lengths. Responses that are only one byte long are located on
the LSB of the 16-bit entry in the FIFO. For reads of odd byte length responses, the last byte is
located on the LSB of the 16-bit entry in the FIFO.
The FIFO does not contain the response CRC. The status of the CRC check is in
MMC_STAT[RES_CRC_ERR].
15.7.2 Receive Data FIFO (MMC_RXFIFO)
The two receive data FIFOs are read-only by the software and are readable on a one, two, or four
byte basis. Each receive data FIFO is 32 entries of 1-byte data. Access to the FIFOs is controlled by
the controller and depends on the status of the FIFOs.
Both FIFOs and their controls are cleared to a starting state after a system reset and at the
beginning of all command sequences except for the Stop Transmission command, CMD12, or
IO_RW_DIRECT, CMD52.
15-16 Intel® PXA27x Processor Family Developer’s Manual
MultiMediaCard/SD/SDIO Controller
The FIFOs swap between the software and MMC/SD/SDIO bus. At any time, while the software
has read access to one of the FIFOs, the MMC/SD/SDIO bus has write access to the other FIFO.
For purposes of an example, the FIFOs are called RXFIFO1 and RXFIFO2. After a reset or at the
beginning of a command sequence, both FIFOs are empty and the software has read access to
RXFIFO1 and the MMC/SD/SDIO bus has write access to RXFIFO2. When RXFIFO2 becomes
full and RXFIFO1 is empty, the FIFOs swap and the software has read access to RXFIFO2 and the
MMC/SD/SDIO bus has write access to RXFIFO1. When RXFIFO1 becomes full and RXFIFO2 is
empty, the FIFOs swap and the software has read access to RXFIFO1 and the MMC/SD/SDIO bus
has write access to RXFIFO2.
This swapping process continues through out the data transfer and is transparent to both the
software and the MMCMMC/SD/SDIO controller.
If at any time both FIFOs become full and the data transmission is not complete, the controller
turns the MMCLK off to prevent any overflows. When the clock is off, data transmission from the
card stops until the clock is turned back on. After the software has emptied the FIFO that it is
connected to, the controller turns the clock on to continue data transmission.
Some examples are:
Receive 96 bytes of data:
Read 32 bytes three times.
For the DMA, use three descriptors of 32 bytes and 32-byte bursts.
Receive 98 bytes of data:
Read 32 bytes three times, then read two more bytes.
For the DMA, use three descriptors of 32 bytes and 32-byte bursts and one descriptor of two
more bytes and 8-, 16-, or 32- byte bursts.
Receive 105 bytes:
Read 32 bytes three times, then read nine more bytes.
For the DMA, use three descriptors of 32 bytes and 32-byte bursts and one descriptor of nine or
more bytes and 16- or 32-byte bursts.
15.7.3 Transmit Data FIFO (MMC_TXFIFO)
The two transmit data FIFOs are written only by the software and are writable on a one, two, or
four byte basis. Each transmit data FIFO is 32 entries of one byte data. Access to the FIFOs is
controlled by the controller and depends on the status of the FIFOs.
Both FIFOs and their controls are cleared to a starting state after a system reset and at the
beginning of all command sequences except for the Stop Transmission command, CMD12, or
IO_RW_DIRECT, CMD52.
The FIFOs swap between the software and MMC bus. At any time, while the software has write
access to one of the FIFOs, the MMC bus has read access to the other FIFO.
Intel® PXA27x Processor Family Developer’s Manual 15-17
MultiMediaCard/SD/SDIO Controller
For purposes of an example, the FIFOs are called TXFIFO1 and TXFIFO2. After a reset or at the
beginning of a command sequence, both FIFOs are empty and the software has write access to
TXFIFO1 and the MMC/SD/SDIO bus has read access to TXFIFO2. When TXFIFO1 becomes full
and TXFIFO2 is empty, the FIFOs swap and the software has write access to TXFIFO2 and the
MMC/SD/SDIO bus has read access to TXFIFO1. When TXFIFO2 becomes full and TXFIFO1 is
empty, the FIFOs swap and the software has write access to TXFIFO1 and the MMC/SD/SDIO bus
has read access to TXFIFO2.
This swapping process continues through out the data transfer and is transparent to both the
software and the MMC/SD/SDIO controller.
If at any time both FIFOs become empty and the data transmission is not complete, the controller
turns the MMCLK off to prevent any underruns. When the clock is off, data transmission to the
card stops until the clock is turned back on. When the transmit FIFO is no longer empty, the MMC/
SD/SDIO controller automatically restarts the clock.
If the software does not fill the FIFO to which it is connected, the
MMC_PRTBUF[BUF_PART_FULL] bit must be set. This enables the FIFOs to swap without
filling the FIFO.
Some examples are:
Transmit 96 bytes of data:
Write 32 bytes three times.
For the DMA, use three descriptors of 32 bytes and 32-byte bursts.
Transmit 98 bytes of data:
Write 32 bytes three times, then write two more bytes.
For the DMA, use three descriptors of 32 bytes and 32-byte bursts and one descriptor of two
more bytes and 8-, 16- or 32-byte bursts and program the descriptor to set an interrupt, for the
software to write the MMC_PRTBUF[BUF_PART_FULL] bit.
Transmit 105 bytes:
Write 32 bytes three times, then write nine more bytes.
For the DMA, use three descriptors of 32 bytes and 32-byte bursts and one descriptor of nine
more bytes and 16- or 32-byte bursts and program the descriptor to set an interrupt, for the
software to write MMC_PRTBUF[BUF_PART_FULL] bit.
15.7.4 DMA and Programmed I/O
The software may communicate to the MMC/SD/SDIO controller using the DMA or programmed
I/O.
To access the FIFOs by DMA, the software must program the DMA to read or write the MMC/SD/
SDIO FIFOs with single-byte transfers and 32-byte bursts. For example, to write 64 bytes of data
to the MMC_TXFIFO, the software must program the DMA to write 64 bytes with an 8-bit port
size to the MMC/SD/SDIO controller and for 32-byte bursts. The MMC/SD/SDIO controller issues
a request to read the MMC_RXFIFO and a request to write the MMC_TXFIFO.
15-18 Intel® PXA27x Processor Family Developer’s Manual
MultiMediaCard/SD/SDIO Controller
With programmed I/O, the software waits for the MMC_I_REG[RXFIFO_RD_REQ] or
MMC_I_REG[TXFIFO_WR_REQ] interrupts before reading or writing the respective FIFO by
clearing the appropriate mask bits. Or the application may poll the MMC_I_REG register for the
FIFO request by disabling the interrupt in the interrupt controller, or setting the appropriate mask
bits to a 1. A maximum of 32 bytes can be read/written for each interrupt.
The CMDAT[DMA_EN] bit must be set to enable communication with the DMA and cleared to
enable programmed I/O.
15.8 MMC/SD Card Communications Protocol
This section discusses requirements for software and the communications protocols used between
the MMC/SD/SDIO controller and the card.
15.8.1 Start and Stop Clock
The software stops the clock, as follows:
1. Write 0x01 in MMC_STRPCL to stop the MMC/SD/SDIO clock.
2. Write 0x0f in MMC_I_MASK to mask all interrupts except the MMC_I_REG[CLK_IS_OFF]
interrupt.
3. Wait for the MMC_I_REG[CLK_IS_OFF] interrupt.
To start the clock, the software writes 0x02 in MMC_STRPCL.
15.8.2 Enabling SPI Mode
To communicate with a card in SPI mode, the software must set the MMC_SPI register as follows:
1. MMC_SPI[SPI_EN] must be set.
2. MMC_SPI[SPI_CS_EN] must be set.
3. MMC_SPI[SPI_CS_ADDRESS] must be set to specify the card that the software wants to
address. A 0 enables CS0 and a 1 enables CS1.
Note: When the card is in SPI mode, the only way to return to MMC/SD/SDIO mode is by toggling
power to the card.
15.8.3 Basic, No Data, and Command-Response Sequence
The MMC/SD/SDIO controller performs the basic MMC/SD or SPI bus transaction. It formats the
command from the command registers and generates and appends the 7-bit CRC if applicable. It
then serially translates this to the MMCMD bus, collects the response data, and validates the
response CRC. It also checks for response time-outs and card busy if applicable. The response data
is in the MMC_RES FIFO and the status of the transaction is in the status register, MMC_STAT.
The protocol of events for the software is:
1. Write to the MMC_I_MASK register and wait for and verify the
MMC_I_REG[CLK_IS_OFF] interrupt.
Intel® PXA27x Processor Family Developer’s Manual 15-19
MultiMediaCard/SD/SDIO Controller
2. Write to the following registers, as necessary:
— MMC_CMD
— MMC_ARGH
— MMC_ARGL
—MMC_CLKRT
—MMC_SPI
—MMC_RESTO
MMC_CMDAT, this register must be written, even if there is no change to the register.
3. Write to the MMC_I_MASK register and wait for and verify the
MMC_I_REG[END_CMD_RES] interrupt.
4. Read the MMC_RES FIFO and MMC_STAT registers.
Some cards can become busy as the result of a command. The software can wait for the card to
become not busy by writing the MMC_I_MASK register and waiting for the
MMC_I_REG[PRG_DONE] interrupt or the software can start communication to another card.
The software may not access the same card again until the card is no longer busy. Refer to the
MultiMediaCard System Specification for additional information.
15.8.4 Data Transfer
A data transfer is a command and response sequence with the addition of a data transfer to a card.
The software must follow the steps as described in Section 15.8.3. In addition, before starting the
clock, the software must write the following registers as necessary:
MMC_RDTO
MMC_BLKLEN
MMC_NUMBLK
After the software writes the registers and starts the clock, the software must read the MMC_RES
as described above and read or write the MMC_RXFIFO or MMC_TXFIFO FIFOs.
After completely reading or writing the data FIFOs, the software must wait for the appropriate
interrupts. The status register, MMC_STAT, must be read to ensure that the transaction is complete
and to check the status of the transaction.
When using DMA request signals, the controller indicates to the DMA when a FIFO is ready for
reading or writing. It is expected that all FIFO reads and writes will empty and fill the FIFO to
which it is connected. If at any time the MMC_TXFIFO is not filled (32 bytes) by the software, the
software must notify the controller by setting the MMC_PRTBUF[BUF_PART_FULL]. The
software can write more bytes of data than is needed into the MMC_TXFIFO, but the controller
only transmits the number of bytes in the MMC_BLKLEN register.
At the end of any data transfer or busy signal on the MMC/SD/SDIO bus, the MMC/SD/SDIO
controller waits eight MMCLKs before asserting the MMC_I_REG[DATA_TRAN_DONE]
interrupt to notify the software that the data transfer is complete. This guarantees that the specified
minimum of eight MMCLKs occurs between a data transfer and the next command.
15-20 Intel® PXA27x Processor Family Developer’s Manual
MultiMediaCard/SD/SDIO Controller
On write data transfers, a card can become busy while programming the data. The software can
wait for the card to become not busy by writing the MMC_I_MASK register and waiting for the
MMC_I_REG[PRG_DONE] interrupt or the software can start communication to another card.
Refer to the MultiMediaCard System Specification for additional information.
The MMC/SD/SDIO controller performs data transactions in all the basic modes: single block,
multiple blocks, and stream modes.
15.8.4.1 Block Data Write
In a single block data write, a block of data is written to a card. In a multiple block write, the
controller performs multiple single block write data transfers on the MMC/SD/SDIO bus.
After turning the clock on to start the command sequence, the software must program the DMA to
fill the MMC_TXFIFO (write 32 bytes). The software must continue to fill the FIFO until all of the
data has been written to the FIFOs. The software must then wait for the transmission to complete
by waiting for the MMC_I_REG[DATA_TRAN_DONE] interrupt and
MMC_I_REG[PRG_DONE] interrupt. The software can then read the status register,
MMC_STAT, to verify the status of the transaction.
For multiple block writes, the MultiMediaCard System Specification specifies that the card
continue to receive blocks of data until the stop transmission command is received. After the
controller has transmitted the number of bytes specified in the MMC_NUMBLK register, the
controller stops transmitting data. After the MMC_I_REG[DATA_TRAN_DONE] interrupt is
detected, the software must setup the controller to send the stop transmission command, CMD12.
Consult the MultiMediaCard System Specification for a description of the stop transmission
command.
If both transmit FIFOs become empty during data transmission, the MMC/SD/SDIO controller
turns the clock off. After a FIFO has been written, the controller turns the clock back on.
In a block data write, the following parameters must be specified:
The data transfer is a write.
The block length if the block length is different from the previous block data transfer or this is
the first time that the parameter is being specified.
The number of blocks to be transferred.
15.8.4.2 Block Data Read
In a single block data read, a block of data is read from a card. In a multiple block read, the
controller performs multiple single block read data transfers on the MMC/SD/SDIO bus.
After turning the clock on to start the command sequence, the software must program the DMA to
empty the MMC_RXFIFO (read 32 bytes). The software continues the process of emptying the
FIFO until all of the data has been read from the FIFO. The software must then wait for the
transmission to complete by waiting for the MMC_I_REG[DATA_TRAN_DONE] interrupt. The
software can then read the register MMC_STAT register to verify the status of the transaction.
For multiple block reads, the MultiMediaCard System Specification specifies that the card continue
to send blocks of data until the stop transmission command is received. After the controller has
received the number of bytes specified in the MMC_NUMBLK register, the controller stops
Intel® PXA27x Processor Family Developer’s Manual 15-21
MultiMediaCard/SD/SDIO Controller
receiving data. After the MMC_I_REG[DATA_TRAN_DONE] interrupt is detected, the software
must set up the controller to send the stop transmission command, CMD12. Consult the
MultiMediaCard System Specification for a description of the stop transmission command.
If both receive FIFOs become full during the data transmission, the controller turns the clock off.
Once the software empties the FIFO to which it is connected, the controller turns the clock back on.
In a block data read, the following parameters must be specified:
The data transfer is a read.
The block length, if the block length is different from the previous block data transfer or this is
the first time that the parameter is being specified.
The number of blocks to be transferred.
The receive data time-out period.
The controller marks the data transaction as timed out if data is not received before the time-out
period. The delay for the time-out period is defined as:
The software is required to calculate this value and write the appropriate value into the
MMC_RDTO register.
15.8.4.3 Stream Data Write
The stream data write looks like the single block write, except that a stop transmission command is
sent in parallel with the last six bytes of data.
After turning the clock on to start the command sequence, the software must start the process of
filling the MMC_TXFIFO and starting the clock as describe in Section 15.8.4.1. The software must
then wait for the MMC_I_REG[STOP_CMD] interrupt. This interrupt indicates that the MMC/SD/
SDIO controller is ready for the stop transmission command. The software must then write the
registers for a stop transmission command. At this point, the software must wait for the
MMC_I_REG[DATA_TRAN_DONE] and MMC_I_REG[PRG_DONE] interrupts.
In a stream data write, the following parameters must be specified:
The data transfer is a write.
The data transfer is in stream mode.
The block length, if the block length is different from the previous block data transfer or this is
the first time that the parameter is being specified.
The number of blocks to be transferred as 0xFFFF.
15.8.4.4 Stream Data Read
The stream data read looks like the single block read except that a stop transmission command
must be sent after the data transfer.
After turning the clock on to start the command sequence, the software must start the process of
reading the MMC_RXFIFO, as described in Section 15.8.4.2.
Time-Out Delay
MMC_RDTO[READ_TO]
()
13128
()×
109
------------------------------------------------------------------------------------------------sec=
15-22 Intel® PXA27x Processor Family Developer’s Manual
MultiMediaCard/SD/SDIO Controller
When it uses DMA, the software must also configure the DMA to send an interrupt after all data
has been read. After the DMA interrupt or the program has read all of the data, the software must
send the stop transmission command.
In a stream data read, the following parameters must be specified:
The data transfer is a read.
The data transfer is in stream mode.
The block length, if the block length is different from the previous block data transfer or this is
the first time that the parameter is being specified.
The number of blocks to be transferred as 0xFFFF.
The receive data time-out period.
15.8.4.5 Stop Data Transmission, Randomly
Single block, multiple block, and stream data transmissions can be stopped during the data
transmission by setting the STOP_CLK_CMD12 in the MMC_STRPCL register. Doing so stops
the clock and allows the user to set the control registers for CMD12 after the CLK_IS_OFF
interrupt has occurred.
15.8.5 Busy Sequence
The MMC/SD/SDIO controller expects a busy signal automatically from the card after every block
of data for single and multiple block write operations. It also expects a busy at the end of a
command every time the software specifies that a busy signal is expected. For example, a busy
signal is expected after the commands for stop transmission, card select, erase, and program CID.
Refer to the MultiMediaCard System Specification for more information.
While a busy signal is on the MMC/SD/SDIO bus, the software can send only one of two
commands:
Send status command (CMD13)
Disconnect command (CMD7)
If the software disconnects a card while it is in a busy state, the busy signal is turned off and the
software can connect a different card. The software may not start another command sequence on
the same card while the card is busy.
15.8.6 SPI Functionality
The MMC/SD/SDIO controller can address two cards in SPI mode. Once the software specifies the
card address and enables the chip select, the chip select signal is driven active low at the negative
edge of the MMCLK after two MMCLKs. The software deasserts the chip select when it has
performed at least one of the following:
Turned the chip select enable off
Selected a different card
Intel® PXA27x Processor Family Developer’s Manual 15-23
MultiMediaCard/SD/SDIO Controller
The software must turn the chip select off between command sequences even if they are to the
same card to maintain the byte-alignment in SPI mode. This is required because the
MultiMediaCard System Specification specifies that the SPI mode must byte align all commands
and data to the chip select falling edge.
The software specifies the card address in the MMC_SPI register. The address can be changed for
every command.
In SPI mode, the software has the option of performing a CRC check. The default is no CRC
checking.
The command and data are sent on the MMC/SD/SDIO bus aligned to every 8 clocks as described
in the SPI section of the MultiMediaCard System Specification.
In a read sequence, the card can return data or a data error token. If a data error token is received,
the controller stops the transmission and updates the status register.
15.8.7 SDIO Card Communications Protocol
SDIO cards can do data transfers in 1-bit or 4-bit mode. The 1-bit or 4-bit data transfers are enabled
in the controller with MMC_CMDAT [SD_4DAT].
15.8.8 Basic, No Data, Command-Response Sequence
The MMC/SD/SDIO controller performs the basic MMC/SD/SDIO bus transaction by formatting
the command from the command registers, MMC_CMD, CMD_ARGH and CMD_ARGL,
generating and appending the 7-bit CRC, if applicable, and then serially transmits the command
and CRC to the MMC/SD/SDIO CMD bus. The MMC/SD/SDIO controller then collects the
response data, validates the CRC, and checks for response time-outs and “card busy,” if applicable.
The response data is located in the MMC_RES FIFO, and the transaction status is located in the
Status register, MMC_STAT.
The protocol of events for the application is as follows:
1. Write the control registers, as necessary.
2. Write the MMC_CMDAT register.
3. Either poll MMC_STAT [END_CMD_RES] or unmask MMC_I_MASK [END_CMD_RES]
and wait for the END_CMD_RES interrupt from the controller.
4. Read command response in MMC_RES FIFO.
5. Wait for PRG_DONE by polling or interrupt, if the command is expected to respond busy.
6. Check the status in MMC_STAT register.
The command sequence starts on the MMC/SD/SDIO bus after MMC_CMDAT has been written.
Some cards can become busy as the result of a command. The application can wait for the card to
become “not busy” by writing the MMC_I_MASK register, and waiting for the PRG_DONE
interrupt or polling the MMC_STATUS register. Or, the application can start communicating with
another card. The application cannot access the same card again until the card is no longer busy.
Refer to the SDIO Card Specification for additional details.
15-24 Intel® PXA27x Processor Family Developer’s Manual
MultiMediaCard/SD/SDIO Controller
15.8.9 Data Transfer
A data transfer is a command-response sequence with the addition of a data transfer to/from a card.
The application must follow the events as described in Section 15.8.8.
After the application writes the registers, the application must begin the read/write of the
MMC_RXFIFO/MMC_TXFIFO, wait for END_CMD_RES, and read the MMC_RES, as
described in Section 15.8.3.
After the application has completed reading/writing the data FIFOs, it must wait for the appropriate
interrupts and verify the Status register, MMC_STAT, to ensure that the transaction is complete and
as a check of the Transaction status.
Using request signals, the controller indicates when a FIFO is ready for reads/writes.
All application FIFO reads/writes empty/fill the FIFO to which it is connected. If at any time the
MMC_TXFIFO is not filled (32 bytes) by the application, the application must notify the controller
by setting the MMC_PRTBUF register. The application can write more data bytes than necessary
into the MMC_TXFIFO; the controller only transmits the number of bytes in the MMC_BLKLEN
register.
At the end of any MMC/SD/SDIO bus data transfer, the MMC/SD/SDIO controller notifies the
application that the data transfer is complete with the MMC_DATA_TRAN_DONE interrupt. If
the card is not busy after a data write, the MMC_PRG_DONE interrupt is asserted.
On write-data transfers, a card can become busy programming the data. The application can wait
for the card to become “not busy” by writing the MMC_I_MASK register, and waiting for the
PRG_DONE interrupt. Or, the application can start communicating to another card. Refer to the
SDIO Card Specification for additional details.
The MMC/SD/SDIO controller performs data transactions in all the basic modes: single block,
multiple blocks, and stream.
15.8.9.1 Block Data Write
In a single block data write, a block of data is written to a card. In a multiple block write, the
controller repeatedly performs the single block write data transfer on the MMC/SD/SDIO bus.
The protocol of events for the application is as follows:
1. Write the control registers, as necessary.
2. Write the MMC_CMDAT register.
3. Begin writing the data TXFIFOs and wait for END_CMD_RES before reading the command
response in MMC_RES_FIFO.
4. Wait for DATA_TRAN_DONE and PRG_DONE by polling or interrupt.
5. Read MMC_STAT register.
After starting the command sequence, the application must begin writing the MMC_TXFIFO and
continue writing until all the data has been written in the FIFO. The application must then wait for
the DATA_TRAN_DONE and PRG_DONE by polling or interrupt, and then read the status
register, MMC_STAT, to verify the Transaction status.
Intel® PXA27x Processor Family Developer’s Manual 15-25
MultiMediaCard/SD/SDIO Controller
For MMC/SD/SDIO open-ended multiple block writes, the Stop Transmission command, CMD12,
must be sent to the card after the data transmission is complete. For SPI multiple block writes, the
controller terminates the transmission with a “Stop-Tran” token. Therefore, SPI mode multiple
block writes do not require a CMD12 after the data transmission is complete. Consult the SDIO
Card Specification for a description of the Stop Transmission command and SPI mode “Stop-Tran”
token.
In a block data write, the following parameters must be defined:
Specify the data transfer is a write
Specify the block length if it is different from the previous Block data transfer, or the
parameter is being specified for the first time
Specific the number of blocks to be transferred.
15.8.9.2 Block Data Read
In a single block data read, a block of data is read from a card. In a multiple block read, the
controller repeatedly performs the single block-read data transfer on the MMC/SD/SDIO bus.
The protocol of events for the application is as follows:
1. Write the control registers, as necessary.
2. Write the MMC_CMDAT register.
3. Begin reading the data RXFIFOs and wait for END_CMD_RES before reading the command
response in MMC_RES_FIFO.
4. Wait for DATA_TRAN_DONE by polling or interrupt.
5. Read MMC_STAT register.
After starting the command sequence, the application must begin reading the MMC_RXFIFO and
continue reading until all of the data has been read from the FIFO. The application must then wait
for DATA_TRAN_DONE by polling or interrupt, and then read the Status register, MMC_STAT, to
verify the Transaction status.
For open-ended multiple block reads, the Stop-Transmission command, CMD12, must be sent to
the card after the data transmission is complete. Consult the SDIO Card Specification for a
description of the Stop Transmission command.
In a block-data read, the following parameters must be defined:
Specify the data transfer is a read
Specify the block length if it is different from the previous block-data transfer, or the
parameter is being specified for the first time
Specific the number of blocks to be transferred
Specify the receive data time-out period.
The controller marks the data transaction as timed out if data is not received before the time-out
period. The number of cycles in the time-out period is defined as follows:
Read time-out = (MMC_RDTO * 13128) ns
The application must calculate this value.
15-26 Intel® PXA27x Processor Family Developer’s Manual
MultiMediaCard/SD/SDIO Controller
15.8.9.3 Stream Data Write
Stream data writes are not supported by SD/SDIO cards.
15.8.9.4 Stream Data Read
Stream data reads are not supported by SD/SDIO cards.
15.8.9.5 Stop Data Transmission Command (CMD12 or I/O ABORT with
CMD52)
In MMC and SD protocols, a data transmission is stopped with Stop Transmission command,
CMD12. In SDIO data transmission is stopped with CMD52 by setting the SDIO ASx register bits,
to abort the data transmission.
The STOP_TRAN bit in MMC_CMDAT register must be set when using CMD12 or CMD52 to
stop a data transmission. If using CMD52 to abort a data transmission to a different function other
than the current function data transmission, the STOP_TRAN bit must not be set.
Since CMD12 and CMD52 abort are sent in parallel with a data transfer, the data control signals in
MMC_CMDAT register, SD_4DAT, DMA_EN, STRM_BLK, WR_RD, DATA_EN, must also be
set as for the previous data transfer command. Also, read/write service to RXFIFO/TXFIFO must
continue during CMD12 and CMD52.
The application may stop any data transmission at any time with CMD12 or CMD52. However, the
application may not send a CMD12 during SPI mode writes.
15.8.10 Overlapping a Command with a Data Transfer
Any command without a data transfer can be issued during a data transfer from a previous
command. The control registers for the overlapping command may not be written until after
END_CMD_RES has asserted, either by interrupt or polling.
Since the command is sent in parallel with a data transfer, the data control signals in
MMC_CMDAT register, SD_4DAT, DMA_EN, STRM_BLK, WR_RD, DATA_EN, must also be
set as for the previous data transfer command. Also, read/write service to RXFIFO/TXFIFO must
continue during the overlapping command.
Issuing a new command with a data transfer while a previous commands data transfer is on the
MMC/SD/SDIO bus is not supported by this controller.
15.8.11 Busy Sequence
A card can respond busy after any data block for single and multiple block write operations or after
any R1b type response. The card responds busy by pulling the MMDAT<0> line low and stops
pulling the MMDAT<0> line low when it is no longer busy. Consult the SDIO Card Specification
for details.
The MMC/SD/SDIO controller checks for busy automatically after every data block for single and
multiple block write operations. For commands with R1b type responses, the user must set
MMC_CMDAT[BUSY]. If BUSY is set, the controller checks for busy after the command
response.
Intel® PXA27x Processor Family Developer’s Manual 15-27
MultiMediaCard/SD/SDIO Controller
When the card is not busy or stops being busy, the controller asserts MMC_STAT[PRG_DONE]
and sets the PRG_DONE interrupt if it is not masked.
A busy signal on the MMC/SD/SDIO bus means the application can send only these two
commands:
Send-Status command (CMD13)
Disconnect command (CMD7)
If the application disconnects a card while in a Busy state, the busy signal is turned off, and the
application can connect a different card. The application cannot start another command sequence
on the same card while the card is busy.
15.8.12 SPI Functionality
The MMC/SD/SDIO controller can access two cards in SPI mode. Once the application has
specified the card address and enabled the chip select (CS), the CS signal is clear, active low, at the
negative edge of the MMCLK after two MMCLKs. The CS is set back to 1 only when the
application has performed at least one of the following two options:
Turn off the CS enable, bit 2 of MMC_SPI register
Select a different card, bit 3 of MMC_SPI register.
The address can be changed for every command. The application specifies the card address in the
MMC_SPI register. In SPI mode, the application can specify whether to perform a CRC check with
the CRC_ON bit in the MMC_SPI register. The default is no CRC verification.
A multiple block write data transfer in SPI mode is terminated by the controller with a “Stop Tran”
token. A multiple block read data transfer in SPI mode is terminated with a Stop Transmission
command, CMD12, generated by the application.
If the card detects an error during a multiple block read operation, either type, the card stops data
transmission. The application must then stop the transmission with the Stop Transmission
command, CMD12.
If the card detects an error during a multiple block write operation, either type, the card ignores any
further incoming data. The controller then stops the transmission with the “Stop Tran” token. The
application may not send a Stop Transmission command, CMD12 during an SPI mode write data
transmission.
The command and data are sent on the MMC/SD/SDIO bus aligned to every 8 clocks as described
in the SPI section of the SDIO Card Specification.
15.8.13 SDIO Interrupts
An SDIO card can implement an interrupt to the controller. If the SDIO_INT_EN bit in the
MMC_CMDAT register is set, the controller monitors and report any interrupts from the card. If an
interrupt occurs the SDIO_INT bit in the MMC_STATUS register is set and an interrupt to the
application occurs if the SDIO_INT mask bit is cleared in the MMC_I_MASK register.
15-28 Intel® PXA27x Processor Family Developer’s Manual
MultiMediaCard/SD/SDIO Controller
15.8.14 SDIO Suspend/Resume
The SDIO suspend/resume operation allows the application to suspend a data transfer to a SDIO
function or memory to free the bus for a higher priority data transfer to a different function or
memory. When the higher priority data transfer is complete, the original data transfer can be
resumed.
The suspend operation suspends any data transfer if it has not even started on the bus or between
blocks for multiple block data transfers.
The application can suspend any data transfer by sending CMD52 during the data transfer. The
argument of CMD52 must be set to suspend the current function. The SDIO_SUSPEND bit in the
MMC_CMDAT register must be set. When the card acknowledges the suspend, the
SDIO_SUSPEND_ACK bit in MMC_STAT and MMC_I_REG is asserted. Also the number of
blocks that have been suspended is written in the MMC_BLKS_REM. The application is
responsible to read the MMC_BLKS_REM register and save the value for when the data transfer is
resumed.
The data transfer may complete before the suspend is acknowledged by the card. In this case,
DATA_TRAN_DONE asserts.
For multiple block writes or CMD53 block mode write, when the SDIO_SUSPEND bit is set, if the
data transfer has not started, the controller does not send any data to the card. If a data transfer is in
progress when the SDIO_SUSPEND bit is set, the controller stops sending data to the card after the
current data block is finished. The number of blocks that were not transferred is
MMC_BLKS_REM.
The application may resume any suspended data transfer by sending CMD52. The command
argument must be set to resume the function and the SDIO_RESUME bit in MMC_CMDAT
register must be set. Also the MMC_NUMBLK must be written the number of blocks that were in
MMC_BLKS_REM when the data transfer is suspended.
If DMA descriptors are being used to read/write the FIFOs, the application must stop the DMA
channel when the SDIO_SUSPEND_ACK bit is asserted.
15.8.15 SDIO Read Wait
The SDIO READ_WAIT operation allows the application to temporarily stall a data transfer. This
operation is only supported for SDIO multiple block read data transfers.
If READ_WAIT is activated, the controller signals the card to enter the read wait state by driving
MMDAT<2> low at the end of a data block. During the read Wait time, the application can
communicate with any SDIO card function using CMD52. The application can restart the stalled
read data transfer at any time.
The MMC_RDWAIT register controls the READ_WAIT operation. The RD_WAIT_EN bit in
MMC_RDWAIT register enables the controller to drive MMDAT<2> low at the end of a data
block and therefore stalling the data transfer from the card. The RD_WAIT_START bit in the
MMC_RDWAIT register enables the controller to restart the stalled data transfer.
When a data transfer is stalled, the RD_STALLED bit in the MMC_STATUS register is asserted
and the RD_STALLED interrupt occurs, if the appropriate mask bit is set.
Intel® PXA27x Processor Family Developer’s Manual 15-29
MultiMediaCard/SD/SDIO Controller
The application must continue reading of MMC_RXFIFO to prevent the FIFO from turning the
clock off. Therefore, the waiting for RD_STALLED interrupt must be done in parallel to reading
the MMC_RXFIFO.
15.9 Register Descriptions
15.9.1 MMC Clock Start/Stop Register (MMC_STRPCL)
MMC_STRPCL, defined in Table 15-7, allows the software to start and stop the MMCLK. The
register is cleared after the clock is started or stopped.
This is a read/write register. Ignore reads from reserved bits. Write 0b0 to reserved bits.
15.9.2 MMC Status Register (MMC_STAT)
MMC_STAT, defined in Table 15-8, is the status register for the MMC/SD/SDIO controller. The
register is cleared at the beginning of every command sequence.
This is a read-only register. Ignore reads from reserved bits.
Table 15-7. MMC_STRPCL Bit Definitions
Physical Address
0x4110_0000 MMC_STRPCL MMC/SD/SDIO
User
Settings
Bit 31 30 29 28 27 26 25 24 23 22 21 20 19 18 17 16 15 14 13 12 11 10 9 8 7 6 5 4 3 2 1 0
reserved
STRT_CLK
STOP_CLK
Reset ? ? ? ? ? ? ? ? ? ? ? ? ? ? ? ? ? ? ? ? ? ? ? ? ?0 ? ? ? ? ? 0 0
Bits Access Name Description
31:2 — reserved
1R/WSTRT_CLK
Start the MMCLK
1 = Starts the MMCLK and then the bit is automatically cleared.
0 R/W STOP_CLK Stop the MMCLK
1 = Stops the MMCLK and then the bit is automatically cleared.
15-30 Intel® PXA27x Processor Family Developer’s Manual
MultiMediaCard/SD/SDIO Controller
Table 15-8. MMC_STAT Bit Definitions
Physical Address
0x4110_0004 MMC_STAT MMC/SD/SDIO
User
Settings
Bit 31 30 29 28 27 26 25 24 23 22 21 20 19 18 17 16 15 14 13 12 11 10 9 8 7 6 5 4 3 2 1 0
reserved
SDIO_SUSPEND_ACK
SDIO_INT
RD_STALLED
END_CMD_RES
PRG_DONE
DATA_TRAN_DONE
SPI_WR_ERR
FLASH_ERR
CLK_EN
reserved
reserved
RES_CRC_ERR
DAT_ERR_TOKEN
CRC_RD_ERR
CRC_WR_ERR
TIME_OUT_RES
TIME_OUT_READ
Reset ? ? ? ? ? ? ? ? ? ? ? ? ? ? ? 0 0 0 0 0 0 0 0 0 0 1 0 0 0 0 0 0
Bits Access Name Description
31:17 — reserved
16 R SDIO_
SUSPEND_
ACK 1 = SDIO data transfer has been suspended by SDIO card
15 R SDIO_INT 1 = SDIO interrupt occurred
14 R
RD_STALLED
1 = Read data transfer has been stalled in response to RD_WAIT
13 R END_CMD_
RES 1 = Command and response sequence has completed
12 R PRG_DONE 1 = Card has finished programming and is not busy
11 R DATA_TRAN
_DONE 1 = Data transmission to card has completed
10 R
SPI_WR_ERR
1 = Write data rejected by card due to a write error
9 R FLASH_ERR 1 = Flash programming error occurred
8 R CLK_EN 1 = MMC/SD/SDIO Clock, MMCLK, is on
7:6 — reserved
5R
RES_CRC_
ERR 1 = CRC error occurred on the response
4R
DAT_ERR_
TOKEN 1 = SPI data error token has been received
3R
CRC_RD_
ERR 1 = CRC error occurred on received data
2R
CRC_WR_
ERR 1 = Write data rejected by card due to a CRC error
1R
TIME_OUT_
RES 1 = Card response timed out
0R
TIME_OUT_
READ 1 = Card read data timed out
Intel® PXA27x Processor Family Developer’s Manual 15-31
MultiMediaCard/SD/SDIO Controller
15.9.3 MMC Clock Rate Register (MMC_CLKRT)
MMC_CLKRT, defined in Table 15-9, specifies the frequency division of the MMCLK. The
software is responsible for setting this register.
Software can write to this register only after the clock is turned off and software has received an
interrupt that indicates that the clock is turned off.
This is a read/write register. Ignore reads from reserved bits. Write 0b0 to reserved bits.
15.9.4 MMC SPI Mode Register (MMC_SPI)
The MMC_SPI register, defined in Table 15-10, configures the MMC/SD/SDIO controller for SPI
mode. The register is for SPI mode only and is set by the software.
Both MMC_SPI[SPI_MODE] and MMC_SPI[SPI_CS_EN] must be set to configure the MMC/
SD/SDIO controller for SPI mode. Otherwise, the MMC/SD/SDIO controller remains in MMC/
SD/SDIO mode.
For example: If an SPI card is connected to MMCCS<1>, then to communicate to the card in DPI
mode:
SPI_MODE must be set.
SPI_CS_EN must be set.
SPI_CS_ADDRESS must be set.
Table 15-9. MMC_CLKRT Bit Definitions
Physical Address
0x4110_0008 MMC_CLKRT MMC/SD/SDIO
User
Settings
Bit 31 30 29 28 27 26 25 24 23 22 21 20 19 18 17 16 15 14 13 12 11 10 9 8 7 6 5 4 3 2 1 0
reserved
CLK_RATE[2]
CLK_RATE[1]
CLK_RATE[0]
Reset ? ? ? ? ? ? ? ? ? ? ? ? ? ? ? ? ? ? ? ? ? ? ? ? ? ? ? ? ? 0 0 0
Bits Access Name Description
31:3 — reserved
2:0 R/W CLK_RATE
[0:2]
Clock Frequency
0b000 = 19.5 MHz (no division)
0b001 = 9.75 MHz (19.5 MHz / 2)
0b010 = 4.88 MHz (19.5 MHz / 4)
0b011 = 2.44 MHz (19.5 MHz / 8)
0b100 = 1.22 MHz (19.5 MHz / 16)
0b101 = 609 kHz (19.5 MHz / 32)
0b110 = 304 kHz (19.5 MHz / 64)
0b111 = reserved
15-32 Intel® PXA27x Processor Family Developer’s Manual
MultiMediaCard/SD/SDIO Controller
This is a read/write register. Ignore reads from reserved bits. Write 0b0 to reserved bits.
15.9.5 MMC Command/Data Register (MMC_CMDAT)
The MMC_CMDAT register controls the command sequence. Writing to this register starts the
command sequence on the MMC/SD/SDIO bus when MMCLK is turned on.
Writing the MMC_CMDAT register clears the MMC_STAT register and clears the FIFOs unless
the STOP_TRAN bit is being written to a 1 or the command is SDIO CMD52.
If a command is to be sent in parallel with a data transfer, the data control signals in
MMC_CMDAT register, SD_4DAT, DMA_EN, STRM_BLK, WR_RD, DATA_EN, must also be
set as for the previous data transfer command. Also, read/write service to RXFIFO/TXFIFO must
continue during the overlapping command.
This is a read/write register. Ignore reads from reserved bits. Write 0b0 to reserved bits.
Table 15-10. MMC_SPI Bit Definitions
Physical Address
0x4110_000c MMC_SPI MMC/SD/SDIO
User
Settings
Bit 31 30 29 28 27 26 25 24 23 22 21 20 19 18 17 16 15 14 13 12 11 10 9 8 7 6 5 4 3 2 1 0
reserved
SPI_CS_ADDRESS
SPI_CS_EN
SPI_CRC_EN
SPI_MODE
Reset ? ? ? ? ? ? ? ? ? ? ? ? ? ? ? ? ? ? ? ? ? ? ? ? ? ? ? ? 0 0 0 0
Bits Access Name Description
31:4 — reserved
3R/W
SPI_CS_
ADDRESS
Relative Address of the Card to Activate SPI CS
0 = Enables MMCCS<0>
1 = Enables MMCCS<1>
2 R/W SPI_CS_EN
SPI Chip Select Enable
0 = Disables the SPI chip select
1 = Enables the SPI chip select
1R/W
SPI_CRC_
EN
CRC Generation Enable
0 = Disables CRC generation and verification
1 = Enables CRC generation and verification
0 R/W SPI_MODE
SPI Mode Enable
0 = Disables SPI mode
1 = Enables SPI mode
Intel® PXA27x Processor Family Developer’s Manual 15-33
MultiMediaCard/SD/SDIO Controller
Table 15-11. MMC_CMDAT Register
Physical Address
0x4110_0010 MMC_CMDAT MMC/SD/SDIO
User
Settings
Bit 31 30 29 28 27 26 25 24 23 22 21 20 19 18 17 16 15 14 13 12 11 10 9 8 7 6 5 4 3 2 1 0
reserved
SDIO_RESUME
SDIO_SUSPEND
SDIO_INT_EN
STOP_TRAN
reserved
SD_4DAT
DMA_EN
INIT
BUSY
STRM_BLK
WR_RD
DATA_EN
RES_TYPE[1]
RES_TYPE[0]
Reset ? ? ? ? ? ? ? ? ? ? ? ? ? ? ? ? ? ? 0 0 0 0 0 0 1 0 0 0 0 0 0 0
Bits Access Name Description
31:14 — reserved
13 R/W SDIO_
RESUME 1 = SDIO CMD52, resume a suspended data transfer
12 R/W SDIO_
SUSPEND 1 = SDIO CMD52, suspend current data transfer
11 R/W SDIO_
INT_EN 1 = Enables controller to check for an SDIO interrupt from the card
10 R/W STOP_TRAN 1 = Stop data transmission
9 — reserved
8R/WSD_4DAT
0 = Enable 1 bit data transfers
1 = Enable 4 bit data transfers, valid for SD/SDIO protocol only
7R/WDMA_EN
0 = Programmed I/O access to FIFOs
1 = DMA access to FIFOs
When DMA mode is used, this bit is a mask on RXFIFO_RD_REQ and
TXFIFO_WR_REQ interrupts.
6 R/W INIT 1 = Precede command sequence with 80 clocks, for initialization
5 R/W BUSY
1 = Specifies whether a busy signal is possible after the current command
sequence
This bit is for no data, command/response transactions only.
4 R/W STRM_BLK 1 = Data transfer of the current command sequence is in stream mode
3 R/W WR_RD 1 = Data transfer of the current command sequence is a write operation
2 R/W DATA_EN 1 = Current command includes a data transfer
1:0 R/W RES_TYPE These bits specify the response format for the current command.
Refer to Table 15-12.
Table 15-12. CMD_DAT_CONT RES_TYPE Bit Definitions
RES_TYPE MMC Mode
Response Format SD/SDIO Mode
Response Format SPI Mode
Response Format
00 No response No response No response
01 R1, R4, R5 R1, R6 R1
10 R2 R2 R2
11 R3 R3 R3
15-34 Intel® PXA27x Processor Family Developer’s Manual
MultiMediaCard/SD/SDIO Controller
15.9.6 MMC Response Time-Out Register (MMC_RESTO)
The MMC_RESTO register controls the number of MMCLKs the controller must wait after the
command before it can turn on the time-out error if a response has not occurred. The default value
of this register is 64.
This is a read/write register. Ignore reads from reserved bits. Write 0b0 to reserved bits.
15.9.7 MMC Read Time-Out Register (MMC_RDTO)
The MMC Read Time-Out register specifies the number of clocks following the command after
which the controller indicates a received-data time-out error. The units for this register is 13128 ns.
For example, if MMC_RDTO[READ_TO] is set to 0b10, the controller waits 26256 ns after the
response end bit for the data start; if data is not read, it reports a time-out.
Note: Because it takes a minimum of 2 cycles after the CMD End bit before the data Start bit occurs,
software must set the value of MMC_RDTO[READ_TO] to 0b10 or greater.
This is a read/write register. Ignore reads from reserved bits. Write 0b0 to reserved bits.
Table 15-13. MMC_RESTO Bit Definitions
Physical Address
0x4110_0014 MMC_RESTO MMC/SD/SDIO
User
Settings
Bit 31 30 29 28 27 26 25 24 23 22 21 20 19 18 17 16 15 14 13 12 11 10 9 8 7 6 5 4 3 2 1 0
reserved RES_TO
Reset ? ? ? ? ? ? ? ? ? ? ? ? ? ? ? ? ? ? ? ? ? ? ? ? ? 1 0 0 0 0 0 0
Bits Access Name Description
31:7 — reserved
6:0 R/W RES_TO Number of MMCLKs before a Response Time-Out
Table 15-14. MMC_RDTO Bit Definitions
Physical Address
0x4110_0018 MMC_RDTO MMC/SD/SDIO
User
Settings
Bit 31 30 29 28 27 26 25 24 23 22 21 20 19 18 17 16 15 14 13 12 11 10 9 8 7 6 5 4 3 2 1 0
reserved READ_TO[15:0]
Reset ? ? ? ? ? ? ? ? ? ? ? ? ? ? ? ? 1 1 1 1 1 1 1 1 1 1 1 1 1 1 1 1
Bits Access Name Description
31:16 — reserved
15:0 R/W READ_TO Length of Time before a Data Read Time-Out
Intel® PXA27x Processor Family Developer’s Manual 15-35
MultiMediaCard/SD/SDIO Controller
15.9.8 MMC Block Length Register (MMC_BLKLEN)
The MMC_BLKLEN register specifies the number of bytes in a block of data. The number of bytes
in a block can be up to 2048 bytes. This register must always be set to a value greater than 0 for
data transfers.
This is a read/write register. Ignore reads from reserved bits. Write 0b0 to reserved bits.
15.9.9 MMC Number of Blocks Register (MMC_NUMBLK)
In block mode, this register specifies the number of blocks.
For single block data transfers, MMC_NUMBLK must be set.
For multiple block data transfers, MMC_NUMBLK must be set to a value greater than 0.
For stream data transfers, MMC_NUMBLK can be any value. The value is ignored by the MMC/
SD/SDIO controller.
This is a read/write register. Ignore reads from reserved bits. Write 0b0 to reserved bits.
Table 15-15. MMC_BLKLEN Bit Definitions
Physical Address
0x4110_001c MMC_BLKLEN MMC/SD/SDIO
User
Settings
Bit 31 30 29 28 27 26 25 24 23 22 21 20 19 18 17 16 15 14 13 12 11 10 9 8 7 6 5 4 3 2 1 0
reserved BLK_LEN[11:0]
Reset ? ? ? ? ? ? ? ? ? ? ? ? ? ? ? ? ? ? ? ? 0 0 0 0 0 0 0 o 0 0 0 0
Bits Access Name Description
31:12 — reserved
11:0 R/W BLK_LEN Number of Bytes in a Block of Data
Table 15-16. MMC_NUMBLK Bit Definitions
Physical Address
0x4110_0020 MMC_NUMBLK MMC/SD/SDIO
User
Settings
Bit 31 30 29 28 27 26 25 24 23 22 21 20 19 18 17 16 15 14 13 12 11 10 9 8 7 6 5 4 3 2 1 0
reserved NUM_BLK[15:0]
Reset ? ? ? ? ? ? ? ? ? ? ? ? ? ? ? ? 0 0 0 0 0 0 0 0 0 0 0 0 0 0 0 0
Bits Access Name Description
31:16 — reserved
15:0 R/W NUM_BLK Number of Blocks for a Multiple Block Data Transfer
15-36 Intel® PXA27x Processor Family Developer’s Manual
MultiMediaCard/SD/SDIO Controller
15.9.10 MMC Buffer Partly Full Register (MMC_PRTBUF)
The MMC_PRTBUF register is used when MMC_TXFIFO is partially written. The FIFOs swap
when either FIFO is full (32 bytes) or the MMC_PRTBUF register is set to a 1. This register is
cleared by the MMC/SD/SDIO controller after the FIFOs have swapped.
This is a read/write register. Ignore reads from reserved bits. Write 0b0 to reserved bits.
15.9.11 MMC Interrupt Mask Register (MMC_I_MASK)
The MMC_I_MASK register masks off the various interrupts. To mask an interrupt, set its bit.
This is a read/write register. Ignore reads from reserved bits. Write 0b0 to reserved bits.
Table 15-17. MMC_PRTBUF Bit Definitions
Physical Address
0x4110_0024 MMC_PRTBUF MMC/SD/SDIO
User
Settings
Bit 31 30 29 28 27 26 25 24 23 22 21 20 19 18 17 16 15 14 13 12 11 10 9 8 7 6 5 4 3 2 1 0
reserved
PRT_BUF
Reset ? ? ? ? ? ? ? ? ? ? ? ? ? ? ? ? ? ? ? ? ? ? ? ? ? ? ? ? ? ? ? 0
Bits Access Name Description
31:1 — reserved
0R/WPRT_BUF
Buffer Partially Full
0 = Buffer is not partially full.
1 = Buffer is partially full and must be swapped to the other transmit
buffer.
Table 15-18. MMC_I_MASK Bit Definitions (Sheet 1 of 2)
Physical Address
0x4110_0028 MMC_I_MASK MMC/SD/SDIO
User
Settings
Bit 31 30 29 28 27 26 25 24 23 22 21 20 19 18 17 16 15 14 13 12 11 10 9 8 7 6 5 4 3 2 1 0
reserved
SDIO_SUSPEND_ACK
SDIO_INT
RD_STALLED
RES_ERR
DAT_ERR
TINT
TXFIFO_WR_REQ
RXFIFO_RD_REQ
CLK_IS_OFF
STOP_CMD
END_CMD_RES
PRG_DONE
DATA_TRAN_DONE
Reset ? ? ? ? ? ? ? ? ? ? ? ? ? ? ? ? ? ? ? 1 1 1 1 1 1 1 1 1 1 1 1 1
Bits Access Name Description
31:13 — reserved
Intel® PXA27x Processor Family Developer’s Manual 15-37
MultiMediaCard/SD/SDIO Controller
12 R/W SDIO_
SUSPEND_
ACK
0 = Enabled
1 = Masked
11 R/W SDIO_INT 0 = Enabled
1 = Masked
10 R/W RD_STALLED 0 = Enabled
1 = Masked
9 R/W RES_ERR 0 = Enabled
1 = Masked
8R/WDAT_ERR
0 = Enabled
1 = Masked
7R/WTINT
0 = Enabled
1 = Masked
6R/W
TXFIFO_WR
_REQ 0 = Enabled
1 = Masked
5R/W
RXFIFO_RD
_REQ 0 = Enabled
1 = Masked
4R/W
CLK_IS_
OFF 0 = Enabled
1 = Masked
3 R/W STOP_CMD 0 = Enabled
1 = Masked
2R/W
END_CMD_
RES 0 = Enabled
1 = Masked
1 R/W PRG_DONE 0 = Enabled
1 = Masked
0R/W
DATA_TRAN
_DONE 0 = Enabled
1 = Masked
Table 15-18. MMC_I_MASK Bit Definitions (Sheet 2 of 2)
Physical Address
0x4110_0028 MMC_I_MASK MMC/SD/SDIO
User
Settings
Bit 31 30 29 28 27 26 25 24 23 22 21 20 19 18 17 16 15 14 13 12 11 10 9 8 7 6 5 4 3 2 1 0
reserved
SDIO_SUSPEND_ACK
SDIO_INT
RD_STALLED
RES_ERR
DAT_ERR
TINT
TXFIFO_WR_REQ
RXFIFO_RD_REQ
CLK_IS_OFF
STOP_CMD
END_CMD_RES
PRG_DONE
DATA_TRAN_DONE
Reset ? ? ? ? ? ? ? ? ? ? ? ? ? ? ? ? ? ? ? 1 1 1 1 1 1 1 1 1 1 1 1 1
Bits Access Name Description
15-38 Intel® PXA27x Processor Family Developer’s Manual
MultiMediaCard/SD/SDIO Controller
15.9.12 MMC Interrupt Request Register (MMC_I_REG)
The MMC_I_REG register shows the currently requested interrupt. The FIFO request interrupts,
TXFIFO_WR_REQ, and RXFIFO_RD_REQ are masked off with the MMC_DMA_EN bit in the
MMC_CMDAT register. The software is responsible for monitoring these bits in programmed I/O
mode. The bits are cleared as described in Table 15-19.
If RES_ERR or DAT_ERR occurs, the type of error is in the MMC_STAT register.
This is a read-only register. Ignore reads from reserved bits.
Table 15-19. MMC_I_REG Bit Definitions (Sheet 1 of 3)
Physical Address
0x4110_002C MMC_I_REG MMC/SD/SDIO
User
Settings
Bit 31 30 29 28 27 26 25 24 23 22 21 20 19 18 17 16 15 14 13 12 11 10 9 8 7 6 5 4 3 2 1 0
reserved
SDIO_SUSPEND_ACK
SDIO_INT
RD_STALLED
RES_ERR
DAT_ERR
TINT
TXFIFO_WR_REQ
RXFIFO_RD_REQ
CLK_IS_OFF
STOP_CMD
END_CMD_RES
PRG_DONE
DATA_TRAN_DONE
Reset ? ? ? ? ? ? ? ? ? ? ? ? ? ? ? ? ? ? ? 0 0 0 0 0 0 0 0 0 0 0 0 0
Bits Access Name Description
31:13 — reserved
12 R SDIO_
SUSPEND_
ACK 1 = SDIO data transfer has been suspended by SDIO card
11 R SDIO_INT 1 = SDIO interrupt occurred
10 R
RD_STALLED
1 = Card has stalled read, in response to RD_WAIT
9 R RES_ERR 1 = An error occurred on the response
8 R DAT_ERR 1 = A data error occurred during data transmission
7RTINT
Transmit Interrupt
0 = Receive data transfer did not have a time-out.
1 = Receive data transfer has time-out.
6R
TXFIFO_WR
_REQ
Transmit FIFO Write Request
0 = No Request for data write to MMC_TXFIFO FIFO.
1 = Request for data write to MMC_TXFIFO FIFO.
Up to a maximum of 32 bytes
Intel® PXA27x Processor Family Developer’s Manual 15-39
MultiMediaCard/SD/SDIO Controller
5R
RXFIFO_RD
_REQ
Receive FIFO Read Request
0 = No Request for data read from MMC_RXFIFO FIFO.
1 = Request for data read from MMC_RXFIFO FIFO.
When the RXFIFO is full, or all of the last bytes of a transfer are in the
RXFIFO, RXFIFO_RD_REQ = 1. Then, after the first read from the
RXFIFO, RXFIFO_RD_REQ = 0. Software should always know the number
of bytes that are to be received. Software is responsible for keeping track of
the number of bytes in the RXFIFO.
Examples:
If the total number of bytes to be received is 64, then software should wait
for the first RXFIFO_RD_REQ = 1 and then read 32 bytes. Then software
should wait for the second RXFIFO_RD_REQ = 1 and read the last 32
bytes.
If the total number of bytes to be received is 8, software should wait for
RXFIFO_RD_REQ = 1 and then read 8 bytes.
If the total number of bytes to be received is 36, then software should wait
for the first RXFIFO_RD_REQ = 1 and then read 32 bytes. Then software
should wait for the second RXFIFO_RD_REQ = 1 and read the last 4 bytes.
4R
CLK_IS
_OFF
Clock is Off
0 = MMCLK has not been turned off.
1 = MMCLK has been turned off, due to stop bit in STRP_CLK register.
Cleared by the MMC_STAT[CLK_EN] bit when the clock is started.
3RSTOP_CMD
For stream mode writes.
0 = MMC is not ready for the stop transmission command.
1 = MMC is ready for the stop transmission command.
Cleared when CMD12 is loaded in the MMC_CMD register and the clock is
started.
Table 15-19. MMC_I_REG Bit Definitions (Sheet 2 of 3)
Physical Address
0x4110_002C MMC_I_REG MMC/SD/SDIO
User
Settings
Bit 31 30 29 28 27 26 25 24 23 22 21 20 19 18 17 16 15 14 13 12 11 10 9 8 7 6 5 4 3 2 1 0
reserved
SDIO_SUSPEND_ACK
SDIO_INT
RD_STALLED
RES_ERR
DAT_ERR
TINT
TXFIFO_WR_REQ
RXFIFO_RD_REQ
CLK_IS_OFF
STOP_CMD
END_CMD_RES
PRG_DONE
DATA_TRAN_DONE
Reset ? ? ? ? ? ? ? ? ? ? ? ? ? ? ? ? ? ? ? 0 0 0 0 0 0 0 0 0 0 0 0 0
Bits Access Name Description
15-40 Intel® PXA27x Processor Family Developer’s Manual
MultiMediaCard/SD/SDIO Controller
2R
END_CMD_
RES
End Command Response
0 = MMC has not received the response.
1 = MMC has received the response or a response time-out has
occurred.
Cleared by the MMC_STAT[END_CMD_RES] bit.
1RPRG_DONE
Programming Done
0 = Card has not finished programming and is busy.
1 = Card has finished programming and is no longer busy.
Cleared by the MMC_STAT[PRG_DONE] bit.
0R
DATA_TRAN
_DONE
Data Transfer Done
0 = Data transfer is not complete.
1 = Data transfer has completed or a read data time-out has occurred.
Cleared by the MMC_STAT[DATA_TRAN_DONE] bit.
Table 15-19. MMC_I_REG Bit Definitions (Sheet 3 of 3)
Physical Address
0x4110_002C MMC_I_REG MMC/SD/SDIO
User
Settings
Bit 31 30 29 28 27 26 25 24 23 22 21 20 19 18 17 16 15 14 13 12 11 10 9 8 7 6 5 4 3 2 1 0
reserved
SDIO_SUSPEND_ACK
SDIO_INT
RD_STALLED
RES_ERR
DAT_ERR
TINT
TXFIFO_WR_REQ
RXFIFO_RD_REQ
CLK_IS_OFF
STOP_CMD
END_CMD_RES
PRG_DONE
DATA_TRAN_DONE
Reset ? ? ? ? ? ? ? ? ? ? ? ? ? ? ? ? ? ? ? 0 0 0 0 0 0 0 0 0 0 0 0 0
Bits Access Name Description
Intel® PXA27x Processor Family Developer’s Manual 15-41
MultiMediaCard/SD/SDIO Controller
15.9.13 MMC Command Register (MMC_CMD)
The MMC_CMD register specifies the command number.
This is a read/write register. Ignore reads from reserved bits. Write 0b0 to reserved bits.
15.9.14 MMC Argument High Register (MMC_ARGH)
The MMC_ARGH register specifies the upper 16 bits of the argument for the current command.
This is a read/write register. Ignore reads from reserved bits. Write 0b0 to reserved bits.
Table 15-20. MMC_CMD Bit Definitions
Physical Address
0x4110_0030 MMC_CMD MMC/SD/SDIO
User
Settings
Bit 31 30 29 28 27 26 25 24 23 22 21 20 19 18 17 16 15 14 13 12 11 10 9 8 7 6 5 4 3 2 1 0
reserved
reserved
CMD_INDX
Reset ? ? ? ? ? ? ? ? ? ? ? ? ? ? ? ? ? ? ? ? ? ? ? ? 0 1 0 0 0 0 0 0
Bits Access Name Description
31:8 — reserved
7R
reserved, read-only, always 0. Start bit for command sequence and cannot
be changed.
6R
reserved, read-only, always 1. Transmission bit in command sequence and
cannot be changed.
5:0 R/W CMD_INDX
Command Index
Refer to The MultiMediaCard System Specification, SD Memory Card
Specification, and SDIO Card Specification for additional details.
Table 15-21. MMC_ARGH Bit Definitions
Physical Address
0x4110_0034 MMC_ARGH MMC/SD/SDIO
User
Settings
Bit 31 30 29 28 27 26 25 24 23 22 21 20 19 18 17 16 15 14 13 12 11 10 9 8 7 6 5 4 3 2 1 0
reserved ARG_H
Reset ? ? ? ? ? ? ? ? ? ? ? ? ? ? ? ? 0 0 0 0 0 0 0 0 0 0 0 0 0 0 0 0
Bits Access Name Description
31:16 — reserved
15:0 R/W ARG_H Upper 16 Bits of Command Argument
15-42 Intel® PXA27x Processor Family Developer’s Manual
MultiMediaCard/SD/SDIO Controller
15.9.15 MMC Argument Low Register (MMC_ARGL)
The MMC_ARGL register specifies the lower 16 bits of the argument in the current command.
This is a read/write register. Ignore reads from reserved bits. Write 0b0 to reserved bits.
15.9.16 MMC Response FIFO (Read-Only) (MMC_RES)
The MMC_RES FIFO contains the response after a command. It is 16 bits wide by eight
entries.The RES FIFO does not contain the 7-bit CRC for the response. The status for CRC
checking and response time-out status is in the status register, MMC_STAT.
This is a read-only register. Ignore reads from reserved bits.
15.9.17 MMC Receive FIFO (Read-Only) (MMC_RXFIFO)
The MMC_RXFIFO consists of two FIFOs, where each FIFO is eight bits wide by 32 entries deep.
This FIFO holds the data read from a card. It is a read-only FIFO to the software and is read on 8-
bit boundaries. The eight bits of data are read on a 32-bit peripheral bus and occupy the least
significant byte lane (7:0).
MMC_RXFIFO is readable on 1-, 2-, or 4-byte boundaries. For example, LDB reads 1 byte; LDH
reads 2 bytes; and LD reads 4 bytes.
Table 15-22. MMC_ARGL Bit Definitions
Physical Address
0x4110_0038 MMC_ARGL MMC/SD/SDIO
User
Settings
Bit 31 30 29 28 27 26 25 24 23 22 21 20 19 18 17 16 15 14 13 12 11 10 9 8 7 6 5 4 3 2 1 0
reserved ARG_L
Reset ? ? ? ? ? ? ? ? ? ? ? ? ? ? ? ? 0 0 0 0 0 0 0 0 0 0 0 0 0 0 0 0
Bits Access Name Description
31:16 — reserved
15:0 R/W ARG_L Lower 16 Bits of Command Argument
Table 15-23. MMC_RES Bit Definitions
Physical Address
0x4110_003C MMC_RES FIFO MMC/SD/SDIO
Bit 31 30 29 28 27 26 25 24 23 22 21 20 19 18 17 16 15 14 13 12 11 10 9 8 7 6 5 4 3 2 1 0
reserved Data
Reset ? ? ? ? ? ? ? ? ? ? ? ? ? ? ? ? 0 0 0 0 0 0 0 0 0 0 0 0 0 0 0 0
Bits Access Name Description
31:16 — reserved
15:0 R Data Two Bytes of Response Data
Intel® PXA27x Processor Family Developer’s Manual 15-43
MultiMediaCard/SD/SDIO Controller
This is a read-only register. Ignore reads from reserved bits.
15.9.18 MMC Transmit FIFO (MMC_TXFIFO)
The MMC_TXFIFO consists of two FIFOs, where each FIFO is eight bits wide by 32 entries deep.
This FIFO holds the data to be written to a card. It is a write-only FIFO to the software, and is
written on boundaries eight bits wide. The eight bits of data are written on a 32-bit peripheral bus
and occupy the least significant byte lane (7:0).
MMC_TXFIFO is writable on 1-, 2-, or 4-byte boundaries. For example, STRB writes 1 byte;
STRH writes 2 bytes; and STR writes 4 bytes.
This is a write-only register. Write 0b0 to reserved bits.
15.9.19 MMC RD_WAIT Register (MMC_RDWAIT)
This register is used send a RD_WAIT to the card. The RD_WAIT operation is only supported for
SDIO cards. It is not supported for SPI transfers.
The RD_WAIT_STRT bit is cleared by the controller after the read data transfer has restarted.
This is a read/write register. Ignore reads from reserved bits. Write 0b0 to reserved bits.
Table 15-24. MMC_RXFIFO Bit Definitions
Physical Address
0x4110_0040 MMC_RXFIFO MMC/SD/SDIO
Bit 31 30 29 28 27 26 25 24 23 22 21 20 19 18 17 16 15 14 13 12 11 10 9 8 7 6 5 4 3 2 1 0
reserved Data
Reset ? ? ? ? ? ? ? ? ? ? ? ? ? ? ? ? ? ? ? ? ? ? ? ? 0 0 0 0 0 0 0 0
Bits Access Name Description
31:8 — reserved
7:0 R Data One, Two, or Four Bytes of Received Data
Table 15-25. MMC_TXFIFO Bit Definitions
Physical Address
0x4110_0044 MMC_TXFIFO MMC/SD/SDIO
User
Settings
Bit 31 30 29 28 27 26 25 24 23 22 21 20 19 18 17 16 15 14 13 12 11 10 9 8 7 6 5 4 3 2 1 0
reserved Data
Reset ? ? ? ? ? ? ? ? ? ? ? ? ? ? ? ? ? ? ? ? ? ? ? ? 0 0 0 0 0 0 0 0
Bits Access Name Description
31:8 — reserved
7:0 W Data One, Two, or Four Bytes of Transmitted Data
15-44 Intel® PXA27x Processor Family Developer’s Manual
MultiMediaCard/SD/SDIO Controller
15.9.20 MMC Blocks Remaining Register (MMC_BLKS_REM)
This register contains the number of blocks that were not transferred due to:
SDIO suspension
read data time-out
SPI read data error token
SPI write data error token
SPI write CRC error
CMD12 or CMD52 abort to stop data transmission
This is a read/write register. Ignore reads from reserved bits. Write 0b0 to reserved bits.
Table 15-26. MMC_RDWAIT Bit Definitions
Physical Address
0x4110_0048 MMC_RDWAIT MMC/SD/SDIO
User
Settings
Bit 31 30 29 28 27 26 25 24 23 22 21 20 19 18 17 16 15 14 13 12 11 10 9 8 7 6 5 4 3 2 1 0
reserved
RD_WAIT_START
RD_WAIT_EN
Reset ? ? ? ? ? ? ? ? ? ? ? ? ? ? ? ? ? ? ? ? ? ? ? ? ? ? ? ? ? ? 0 0
Bits Access Name Description
31:2 — reserved
1R/W
RD_WAIT_ST
ART 1 = Restart the read data transfer.
0 R/W RD_WAIT_EN 1 = RD_WAIT is enabled. SDIO mode only.
Table 15-27. MMC_BLKS_REM Bit Definitions
Physical Address
0x4110_004C MMC_BLKS_REM MMC/SD/SDIO
User
Settings
Bit 31 30 29 28 27 26 25 24 23 22 21 20 19 18 17 16 15 14 13 12 11 10 9 8 7 6 5 4 3 2 1 0
reserved BLKS_REM[15:0]
Reset ? ? ? ? ? ? ? ? ? ? ? ? ? ? ? ? 0 0 0 0 0 0 0 0 0 0 0 0 0 0 0 0
Bits Access Name Description
31:16 — reserved
15:0 R/W BLKS_REM Number of Data Blocks Not Transferred
Intel® PXA27x Processor Family Developer’s Manual 15-45
MultiMediaCard/SD/SDIO Controller
15.10 Register Summary
The MMC/SD/SDIO controller is controlled by a set of registers that software configures before
every command sequence on the MMC/SD/SDIO bus.
Table 15-28 lists the addresses, names, and descriptions of the MMC/SD/SDIO controller registers.
Table 15-28. MMC Controller Register Summary
Address Name Description Page
0x4110_0000 MMC_STRPCL MMC Clock Start/Stop register 15-29
0x4110_0004 MMC_STAT MMC Status register 15-29
0x4110_0008 MMC_CLKRT MMC Clock Rate register 15-31
0x4110_000C MMC_SPI MMC SPI Mode register 15-31
0x4110_0010 MMC_CMDAT MMC Command/Data register 15-32
0x4110_0014 MMC_RESTO MMC Response Time-Out register 15-34
0x4110_0018 MMC_RDTO MMC Read Time-Out register 15-34
0x4110_001C MMC_BLKLEN MMC Block Length register 15-35
0x4110_0020 MMC_NUMBLK MMC Number of Blocks register 15-35
0x4110_0024 MMC_PRTBUF MMC Buffer Partly Full register 15-36
0x4110_0028 MMC_I_MASK MMC Interrupt Mask register 15-36
0x4110_002C MMC_I_REG MMC Interrupt Request register 15-38
0x4110_0030 MMC_CMD MMC Command register 15-41
0x4110_0034 MMC_ARGH MMC Argument High register 15-41
0x4110_0038 MMC_ARGL MMC Argument Low register 15-42
0x4110_003C MMC_RES MMC Response FIFO 15-42
0x4110_0040 MMC_RXFIFO MMC Receive FIFO 15-42
0x4110_0044 MMC_TXFIFO MMC Transmit FIFO 15-43
0x4110_0048 MMC_RDWAIT MMC RD_WAIT register 15-43
0x4110_004C MMC_BLKS_REM MMC Blocks Remaining register 15-44
15-46 Intel® PXA27x Processor Family Developer’s Manual
MultiMediaCard/SD/SDIO Controller
Intel® PXA27x Processor Family Developer’s Manual 16-1
Mobile Scalable Link (MSL) Interface 16
This chapter describes the mobile scalable link (MSL), a low-power, scalable, high-speed, narrow,
chip-to-chip physical interface for mobile or wireless platforms. The MSL meets the requirements
of the Intel® Personal Internet Client Architecture, which describes the framework for rapidly
building and deploying wireless devices.
16.1 Overview
The MSL physical interface consists of a pair of unidirectional, high-speed links for connecting
two devices. It has multiple logical channels for sending and receiving both packet-based and
streaming transfers such as those for multimedia data and voice communications.
The MSL data-link protocol provides reliable data transfer services for peer-to-peer
communication between upper layer protocol entities over the physical link. In addition, it provides
connection-oriented data services with acknowledged or unacknowledged transfers. The MSL data
link is capable of transporting data streams with different quality-of-service requirements (for
example, telephony signaling, real-time voice, or video) and can operate over a variety of lower-
layer physical media.
16.2 Features
The mobile scalable link has these key features:
Two independent, high-speed, unidirectional links
Scalable links with data-channel width options
Asynchronous clocking from 0 to over 48 MHz per link
Transfer rate per link up to 192 Mbps at 48 MHz
Low-power electrical interface: 1.8 V (+20%/-5%), 2.5 V, 3.0 V and 3.3 V +10%/-10%
Power management protocol and features
Figure 16-1. Mobile Scalable Link Example
Device 0
Device 1
Inbound Link Outbound Link
Outbound Link Inbound Link
16-2 Intel® PXA27x Processor Family Developer’s Manual
Mobile Scalable Link (MSL) Interface
14 independent logical data channels for managing multiple simultaneous data streams
Large 64-byte FIFOs for all data channels
Round-robin FIFO service with independent enables and configuration options
Single- or multiple-burst transfers
Support for DMA-, interrupt-, or poll-driven operation
16.3 Signal Descriptions
Table 16-1 summarizes all external signals connected to the interface. For complete information
about reset values, see “Pin Mapping and Usage” in the Intel® PXA270 Processor Electrical,
Mechanical, and Thermal Specification and Intel® PXA27x Processor Family Electrical,
Mechanical, and Thermal Specification (Intel® PXA27x Processor Family EMTS).
Table 16-1. Mobile Scalable Link I/O Signal Descriptions
Name Type Description
BB_OB_DAT<3:0> Output Outbound data bits. These pins transmit data between the source and the
target.
BB_OB_CLK Output
Outbound clock strobe. This strobe indicates valid data and control signals
when it toggles from low to high.
NOTE: The BB_IB_CLK frequency cannot exceed 48 MHz when the
peripheral clock is running at 26 MHz, or 24 MHz when the
peripheral clock is running at 13 MHz.
BB_OB_STB Output Outbound signal qualifier. This signal indicates that a channel identifier is
on the data pins when it is asserted and that a data nibble is on the data
pins when it is deasserted.
BB_OB_WAIT Input
Wait indicator for outbound link. This signal is sent from the target to the
source and indicates whether a channel is available to accept more data.
An attempted data transfer with BB_xx_WAIT asserted cancels the
transfer.
BB_IB_DAT<3:0> Input Inbound data bits.
BB_IB_CLK Input Inbound clock strobe.
BB_IB_STB Input Inbound signal qualifier.
BB_IB_WAIT Output Wait indicator for inbound link.
Intel® PXA27x Processor Family Developer’s Manual 16-3
Mobile Scalable Link (MSL) Interface
16.4 Operation
This section describes the functions of the major modules in the mobile scalable link (MSL). The
interface consists of two independent unidirectional links: one outbound link and one inbound link.
Each physical link supports seven logical data channels. These channels are multiplexed over their
respective physical link but are independent and do not interact in any way.
Figure 16-2 shows the block diagram for the interface.
16.4.1 Transmit Operation
Each of the seven identical channels in the outbound link contains a 64-byte FIFO buffer, into
which data can be written either directly by the processor or by DMA (see Figure 16-14). Data
written to a FIFO buffer is transmitted through its associated channel by the shared physical
outbound link. The FIFO buffers can be accessed a byte, half-word, or word at a time. Word or
half-word accesses write the bytes in little-endian order.
Figure 16-2. Mobile Scalable Link Block Diagram
TX
Control
Block
RX
Control
Block
Power Management
Bus Interface
I
nternal Bus
Outbound Link
Inbound Link
Power Management Unit
TX Channels
RX Channels
16-4 Intel® PXA27x Processor Family Developer’s Manual
Mobile Scalable Link (MSL) Interface
The MSL Interface Width register (BBITFC) determines how many bits are transmitted over the
outbound link at a time: one, two, or four bits wide (see Table 16-13). Bytes are sent over the link
in little-endian order. For example, if the link is set to four-bit mode, the least significant nibble is
transmitted first.
Each channel has an associated MSL Channel Configuration register (BBCFGx) that controls
activity across the channel. These registers contain trigger thresholds for each FIFO. When the
amount of data in a FIFO drops below this trigger threshold, service for the FIFO is initiated
according to the type of service specified in the MSL Channel Configuration registers,
BBCFGx[TxService] (see Section 16.5.2): interrupt, DMA, or none. DMA service supports
transfers of up to 32 bytes.
Another configuration bit, BBCFGx[TxEnable], enables or disables a channel, regardless of
whether data remains in the FIFO buffer. A disabled transmit channel generates interrupts and
allows DMA access to the FIFO, but no data is transmitted from it.
Each channel also has an associated MSL Channel Status register, BBSTATx (see Section 16.5.3),
which includes the following information about the channel:
TxWait—Channel is in wait state
TxEmpty—FIFO buffer is empty
TxEmpty—FIFO buffer is full
TxFullness—Number of data bytes remaining in FIFO buffer
The transmit block determines by arbitration the channel from which data is to be transmitted.
Transmit channels are selected in channel-number order (1 to 7, then back to 1), skipping channels
that do not contain data or are in a wait state (see Section 16.4.3 for more on wait states). A new
channel is selected for one of the following reasons:
The maximum number of bytes for the current channel has been sent.
The current channel’s transmit FIFO buffer is empty.
A stop message was received for the current channel, putting it in a wait state.
The rate at which data is transmitted from each channel over the physical link depends on two
factors: arbitration between channels for the link and the occurrence of full receive FIFOs in the
target.
16.4.2 Receive Operation
Each of the seven identical channels in the inbound link contains a 64-byte FIFO buffer, from
which data can be read either directly by the processor or by DMA (see Figure 16-14). Data
received over the link goes into the FIFO buffer for the channel from which it was received. The
FIFO buffers can be accessed a byte, a half-word, or a word at a time. Word or half-word accesses
read the bytes in little-endian order.
The MSL Interface Width register (BBITFC) determines how many bits are received over the
inbound link at a time: one, two, or four bits wide (see Table 16-13). Bytes received over the link
are assumed to be in little-endian order. For example, if the link is set to four-bit mode, the least-
significant nibble is received first.
Intel® PXA27x Processor Family Developer’s Manual 16-5
Mobile Scalable Link (MSL) Interface
Each channel has an associated MSL Channel Configuration register that controls activity across
the channel. These registers contain trigger thresholds for each FIFO buffer. When the amount of
data in a FIFO exceeds this trigger threshold, service for the FIFO is initiated according to the type
of service specified in the MSL Channel Configuration registers, BBCFGx[RxService] (see
Section 16.5.2): interrupt, DMA, or none. DMA service supports transfers of up to 32 bytes.
Another configuration bit, BBCFGx[RxEnable], enables or disables a channel, regardless of
whether data remains in the FIFO buffer. A disabled receive channel generates interrupts and
allows DMA access to the FIFO, but no data from the inbound link goes into it.
Each channel also has an associated MSL Channel Status register, BBSTATx (see Section 16.5.3),
which includes the following information about the channel:
RxWait—Channel is in wait state
RxEmpty—FIFO buffer is empty
RxEmpty—FIFO buffer is full
RxFullness—Number of data bytes remaining in FIFO buffer
16.4.3 Channel Flow Control
The channel through which data is sent must first be activated to transfer its data over the interface.
A channel is activated by asserting the BB_xx_STB signal and putting the channel number on the
data pins before the next rising-edge clock transition. Data is then transferred from the data pins on
each of the following rising-edge clock transitions.
Table 16-2 shows the three different interface widths that are supported. Data on any unused data
pins is ignored by the inbound link and held to zero by the outbound link. A whole number of bytes
must always be transferred. Transfer cycles must be in multiples, as shown in Table 16-2.
When the transmission of a message through a channel is complete, the link must change the active
channel to channel 0 (the EOM channel). Switching to the EOM channel signifies the end of a
message (EOM) and thus initiates service at the target for the corresponding receive FIFO. The
type of service initiated depends on the MSL Channel Configuration register. Figure 16-3,
Figure 16-4, and Figure 16-5 show examples of a basic data transfer of 0x3D7B over channel 3 in
nibble, two-bit, and serial modes, respectively
Table 16-2. Supported MSL Interface Widths
Mode Width in Bits BB_xx_DAT Pins Transfer Cycle
Whole-Byte
Multiple
Serial 1 <0> 8
Two-bit 2 <1:0> 4
Nibble 4 <3:0> 2
16-6 Intel® PXA27x Processor Family Developer’s Manual
Mobile Scalable Link (MSL) Interface
.
Activating a new channel requires the reassertion of the BB_xx_STB signal with the value of the
new channel on the data pins. New channels can be activated immediately following the activation
of the EOM channel when no transfer is occurring, in the middle of a transfer, or just after the
current transfer has finished. Figure 16-6 shows an example of data transfers in nibble mode for
two different channels, 3 and 2:
1. Channel 3 sends one byte, followed by a switch to channel 2, which sends one byte as well.
2. After channel 2 sends one byte, the transfer is complete, so the EOM channel is activated.
3. Immediately following the end of the message from channel 2, channel 3 sends one more byte
and ends its message.
Figure 16-3. Example MSL Waveform for Basic Transmission in Nibble Mode
Figure 16-4. Example MSL Waveform for Basic Transmission in Two-Bit Mode
Figure 16-5. Example MSL Waveform for Basic Transmission in Serial Mode
3 B 7 D 3 0
EOMEOMByte 3DByte 3DByte 7BByte 7BChannel 3Channel 3
BB_xx_CLK
BB_xx_DAT
BB_xx_STB
BB_xx_WAIT
3 0 3 2 3 1 1 3 3 0 0 0
EOMEOMByte 3DByte 3DByte 7BChannel 3 Byte 7BChannel 3
BB_xx_CLK
BB_xx_DAT
BB_xx_STB
BB_xx_WAIT
1 1 0 0 1 1 0 1 1 1 1 0 1 0 1 1 1 1 0 0 0 0 0 0
EOMEOMByte 3DByte 3DByte 7BChannel 3 Byte 7BChannel 3
BB_xx_CLK
BB_xx_DAT
BB_xx_STB
BB_xx_WAIT
Intel® PXA27x Processor Family Developer’s Manual 16-7
Mobile Scalable Link (MSL) Interface
If the source must stop transmitting a message without activating a new channel, it does so by
activating channel 11 (the idle channel). This stops the data transmission without initiating service
until a data channel is activated. Figure 16-7 shows an example waveform in nibble mode where a
two-byte transmission through channel 3 is interrupted by an activation of the idle channel.
The BB_xx_CLK signal is not a clock in the true sense, as it does not need to change regularly. It
can be kept low for an indefinite time if no data is to be transmitted. Figure 16-8 shows an example
waveform where the clock does not toggle regularly.
While receiving data, the target channel’s receive FIFO can become full, which prevents the
channel from accepting any new data. The WAIT pin notifies the source of this event.
In direct flow control, the target asserts its BB_xx_WAIT signal when the active channel is
disabled, invalid, or if its receive FIFO is full. Additionally, the BB_xx_WAIT signal is asserted
after reset and while the link is idle (no data or messages being transmitted). The source samples
the BB_xx_WAIT signal on the rising edge of the BB_xx_CLK. If the BB_xx_WAIT signal is
Figure 16-6. Example MSL Waveform for New Channel Selection
3 B 7 2 E A 0 3 D 3 0
EOMEOMByte 3DByte 3DCh 3Ch 3EOMEOMByte AEByte AECh 2Ch 2Byte 7BByte 7BCh 3Ch 3
BB_xx_CLK
BB_xx_DAT
BB_xx_STB
BB_xx_WAIT
Figure 16-7. Example MSL Waveform for Idle Channel
3 B 7 B 3 D 3 0
EOMEOMByte 3DByte 3DCh 3No xfer Ch 3No xfer
Idle
Byte 7BByte 7BCh 3Ch 3
BB_xx_CLK
BB_xx_DAT
BB_xx_STB
BB_xx_WAIT
Chan
Figure 16-8. Example MSL Waveform for Clock
3 B 7 0
BB_xx_CLK
BB_xx_DAT
BB_xx_STB
BB_xx_WAIT
16-8 Intel® PXA27x Processor Family Developer’s Manual
Mobile Scalable Link (MSL) Interface
sampled high, the active channel is in a wait state, and data transfers are ignored. Once the
BB_xx_WAIT signal is sampled low, the wait state is over, and data transmission can resume as
normal. Note that the wait signal is recognized in the middle of a byte transfer. For example, if the
wait signal is asserted during the transfer of the second nibble of a byte, that byte does not count as
a valid transfer. No data is transferred until the BB_xx_WAIT signal is deasserted. Figure 16-9
illustrates this example in nibble mode where 0x3D must be retransmitted.
Instead of waiting for the BB_xx_WAIT signal to deassert, the source can change to a new channel
and transmit data for that channel. Note that this requires the assertion of the BB_xx_STB signal
while the BB_xx_WAIT signal is still asserted. Although changing the active channel allows
transmission through one channel while the other is in a wait state, the target can assert the
BB_xx_WAIT signal as soon as the new channel is activated, thus placing that channel in wait state
as well. There is no limit to the number of times a new channel can be activated while other
channels are in wait states. Figure 16-10 shows a sample waveform in nibble mode for a new
channel activation after a BB_xx_WAIT signal is asserted. In Figure 16-10, 0x61 is transmitted
through channel 2 after channel 3 is placed in a wait state.
The source does not know when a channel exits a wait state until it activates the channel and the
BB_xx_WAIT signal is not asserted. Therefore, if a channel does not remain active during the
entire wait state, it must be polled to determine when it has exited the wait state. This polling
consists of a periodic activation of the channel in wait state. Since continuous polling can be
inefficient and a significant power draw, it is limited. Once a channel is in wait state, the transmit
control block does not activate that channel again until a user-specified time has elapsed. This
value is programmed in the MSL Wait Count register (BBWAIT; see Section 16.5.7). Waiting
before retries avoids continual activity on the interface while the channel is unavailable.
Figure 16-9. Example MSL Waveform with Wait State
3 B 7 D 3 D 3 0
EOMEOMByte 3DByte 3DCancelled Byte 3DByte 7BByte 7BCh 3Ch 3
BB_xx_CLK
BB_xx_DAT
BB_xx_STB
BB_xx_WAIT
Figure 16-10. Example MSL Waveform for New Channel Selection After Wait State
3 B 7 D 2 1 6
Byte 61Byte 61Ch 2Ch 2WaitWaitByte 7BByte 7BCh 3Ch 3
BB_xx_CLK
BB_xx_DAT
BB_xx_STB
BB_xx_WAIT
Intel® PXA27x Processor Family Developer’s Manual 16-9
Mobile Scalable Link (MSL) Interface
16.4.4 Power Management
Several power management events can occur across the interface. These events include a device’s
going to sleep, waking up, and requesting the other device to wake up. It is expected that software
provide the overall mechanism for inter-device power management policy.
The specification also requires the target device to wake up upon detecting a low-to-high
transition of the input CLK.
The Intel® MSL specification provides the wake-up channel to indicate to a target device that
it must exit any low-power state and be ready to accept commands.
16.4.4.1 Power Managing Clocks
The clocks do not need to change regularly. They can be kept low for an indefinite time if no
channels or data need to be transmitted. Figure 16-11 shows an example waveform where the clock
does not toggle regularly.
For low-power link modes, it is expected that devices will use CLK_X as a strobe, negating it when
there is no activity on the link or when the link is idle. To save power, devices can detect idle
conditions on the link and power off the clock. A link is idle when all channels have either no data
to transmit, or have data to transmit, but the individual channels are in a wait state. While a link is
idle, it is legal to either continue to toggle the clock or to stop it until the link is no longer idle. It is
recommended that implementations continue toggling the clock for a programmable number of
transmit clock cycles. There should be a mode in which the clocks immediately stop upon an idle
condition (for example, EOM channel, idle channel), stop after a programmable number of
transmit clocks, or never stop.
Figure 16-12 shows an example waveform in which the link becomes idle and the clock is stopped
one cycle after the idle time begins. Idle time begins on the first cycle WAIT_X is sampled
asserted, or when the active channel is changed to the EOM or Idle channel. In this example, the
clock stop time is set to one, therefore the clock turns off one cycle after the link becomes idle.
Figure 16-11. Power Managing Clocks Waveform
3 B 7 0
BB_CLK_O
BB_DATA_O<3:0>
BB_STB_O
BB_WAIT_O
16-10 Intel® PXA27x Processor Family Developer’s Manual
Mobile Scalable Link (MSL) Interface
16.4.4.2 Wake-Up Channel (Channel 12)
It is expected that software will manage the power management policy for the links. The hardware
defines only the wake-up channel for causing the target to exit a low-power mode. A source
generates the wake-up channel (Channel 12) using a software initiated event. Devices must provide
software with the capability of initiating a wake-up channel on the link. It is expected that target
devices decode the wake-up channel, exit any low-power link state, and be ready to accept
incoming commands, messages, or data.
Devices must generate an interrupt upon the detection of the wake-up channel so that software
can acknowledge/respond to this channel.
Devices can keep the clocks running while they are in low-power states. For these devices,
they must exit the low-power state after detecting the wake-up channel.
A device in a low power state may not be able to decode the wake-up channel. For devices in
this state, any active clock (low-to-high transition) should cause the device to wake up (for
example, by the generation of an internal interrupt). Data-link software should treat the
resulting event as a wake-up indication. It is expected that the source’s data-link software
ensure that the target device has exited any low power state, and only then, should send data or
requests to the target.
Whenever channel 12 is activated across the link, the target wakes up. Figure 16-13 shows the
waveform for this wake-up channel in quad bit-mode. No data is transmitted. The link simply
switches to the wake-up channel.
Figure 16-12. Example Waveform of Clock Stopping One Cycle After EOM
3 7 F B 9 0
channel 3 data 7 data F data B EOMdata 9
BB_CLK_X
BB_DATA_X
BB_STB_X
BB_WAIT_X
Figure 16-13. Wake-Up Channel Waveform
C 0
BB_CLK_O
BB_DATA_O
BB_STB_O
BB_WAIT_O
Intel® PXA27x Processor Family Developer’s Manual 16-11
Mobile Scalable Link (MSL) Interface
16.4.5 Channel Allocation
Sixteen logical channels are defined for each link, as listed in Table 16-3. Channel numbers are
sent across the BB_xx_DAT pins. A channel is valid when the BB_xx_STB pin is asserted and on
a rising clock edge.
16.4.6 DMA Interaction
DMA can be used to send and receive data to and from the FIFOs without any CPU interaction.
When using DMA to write data to the transmit FIFOs, the end of a DMA descriptor chain implies
the end of a message. Conversely, when using DMA to read data from a receive FIFO, reading the
last byte of a message from the receive FIFO can cause the descriptor chain to end prematurely if
the descriptor chain length is less than the message length. Therefore, if the length of an incoming
message is unknown, DMA can be programmed to receive a message as large as the maximum
possible incoming message and to stop on an end-of-message indicator. If the received message is
shorter than the DMA chain length, the DMA descriptor chain ends after the last byte of the
message.
The following sequences describe an example where DMA sends and receives a message. This
example assumes that a 40-byte message is to be sent from the multimedia chip to the baseband
chip over channel 1. The receive and transmit service trigger thresholds (BBCFGx[RxThreshLevel
and BBCFGx[TxThreshLevel]—see Section 16.5.2) are set to 16 and 32 bytes, respectively. The
baseband chip does not know the size of the incoming message. DMA burst size is 32 bytes.
The following steps set up the DMA interaction on both chips:
1. On the baseband chip, program DMA to read N bytes from FIFO1, where N is large enough to
fit the incoming packet. Program DMA to stop on end-of-message (EOM).
2. On the multimedia chip, program DMA to write 40 bytes to FIFO1.
Table 16-3. Summary of MSL Channel Allocation
Channel
Number Description
0 End of message (EOM)
1Data 1
2Data 2
3Data 3
4Data 4
5Data 5
6Data 6
7Data 7
8reserved
9reserved
10 reserved
11 Idle
12 Wake-up
16-12 Intel® PXA27x Processor Family Developer’s Manual
Mobile Scalable Link (MSL) Interface
3. On the baseband chip, program the channel 1 channel configuration register to use DMA.
Enable the channel and set the service trigger threshold to 16.
4. On the multimedia chip, program the channel 1 channel configuration register to use DMA.
Enable the channel, and set the service trigger threshold to 32.
The following events occur in the multimedia chip:
1. The transmit FIFO requests DMA service because the channel 1 transmit FIFO is empty.
2. DMA writes 32 bytes to the transmit FIFO.
3. Transmission of the channel 1 FIFO data to the baseband chip begins over channel 1.
4. Because the transmit FIFO now contains less than 32 bytes, it requests another DMA service.
5. DMA writes the last eight bytes to the transmit FIFO. Because this is the end of the descriptor,
the last byte in the FIFO is marked as the last byte in the message.
6. The multimedia chip continues sending data to the baseband chip until it reaches the last byte
in the channel 1 FIFO. After the last byte is transmitted, the multimedia chip changes its
outbound link to channel 0 to signify the end of the message.
The following events occur in the baseband processor:
1. The baseband inbound link switches to channel 1 (the baseband’s outbound link). It begins
receiving data into the channel 1 receive FIFO.
2. After receiving 16 bytes, the receive FIFO requests DMA service.
3. DMA reads 16 bytes from the receive FIFO.
4. After another 16 bytes are read, the receive FIFO requests another DMA service.
5. DMA reads another 16 bytes from the receive FIFO.
6. The last eight bytes are received and the link channel is changed to 0, indicating the end of the
packet. This causes the last byte in the receive FIFO to be marked as the EOM.
7. DMA attempts to read another 16 bytes from the receive FIFO. On the eighth read, it sees the
EOM. Since DMA is programmed to stop on an EOM, the descriptor chain ends.
Intel® PXA27x Processor Family Developer’s Manual 16-13
Mobile Scalable Link (MSL) Interface
16.5 Register Descriptions
The following sections describe the registers used by the MSL interface to manage data reception
and transmission.
Note: Do not modify the reserve bit fields. Unpredictable behavior may occur.
Since these registers work closely with DMA memory transfers, familiarity with Chapter 5, “DMA
Controller” is recommended.
16.5.1 MSL FIFO Registers (BBFIFOx)
Figure 16-14 illustrates a dual-ported receive/transmit FIFO register and its relationship to the
receive and transmit FIFO buffers. There is one such register/buffer set for each of the seven
channels. Multiple-byte data order is little endian.
The data accessed by the register depends upon the mode of addressing the register:
Reading from the register pulls new data from the receive FIFO buffer.
Writing to the register pushes new data into the transmit FIFO buffer.
The single set of BBFIFOx registers are used in either receive or transmit mode, and the
determination of what the contents are to be interpreted as depends on what mode (receive or
transmit) that the MSL interface is operating.
16.5.1.1 Receive Operation
Data received over the inbound link is right-shifted into the channel’s receive FIFO buffer. One of
the following conditions signals the need for service (which is performed by reading the BBFIFOx
register):
The amount of data in the FIFO buffer exceeds the trigger threshold specified in
BBCFGx[RxThreshLevel] (see Table 16-5)
An end-of-message (EOM) is received (see Section 16.4.3)
Reading a BBFIFOx register transfers up to four bytes of FIFO buffer data into memory. Both the
register and the receive FIFO buffer are right-shifted by the number of bytes read.
Figure 16-14. MSL FIFO Structure and Organization
Receive FIFOx Buffer
Inbound Byte 64  Byte 5 Byte 4 Byte 3 Byte 2 Byte 1

Shift Direction
BBFIFOx Register 31:24 23:16 15:8 7:0

Byte 64 Byte 63 Byte 62 Byte 61 Byte 60  Byte 1 Outbound
Transmit FIFOx Buffer
16-14 Intel® PXA27x Processor Family Developer’s Manual
Mobile Scalable Link (MSL) Interface
16.5.1.2 Transmit Operation
Data in a channel’s transmit FIFO buffer is right-shifted out for transmission over the outbound
link. When the amount of data in the FIFO buffer falls below the trigger threshold specified in
BBCFGx[TxThreshLevel] (see Table 16-5), the need for service is signaled, which is performed by
writing to the BBFIFOx register.
Writing to a BBFIFOx register transfers up to four bytes of data from memory into the channel’s
transmit FIFO buffer. The register is right-shifted by the number of bytes written.
16.5.1.3 Memory Transfer Modes
Data transfers between memory and a FIFO register take place in one of two ways:
Direct CPU access after an interrupt or a poll
DMA transfers
For DMA transfers, FIFO register accesses occur according to the settings in the DMA Command
register (see Section 5.5.5, “DMA Command Registers (DCMDx)” on page 5-35).
DCMDx[WIDTH] must be set to one word (four bytes).
16.5.1.4 Partial-Word Transfers
Access to the BBFIFOx registers takes place in multiples of bytes: word, half-word, and byte reads
and writes. This allows access to partial words in the FIFOs. Partial words read from a receive
FIFO are stored in the least-significant bytes of the word transferred to memory.
When accessing partial words, always address a BBFIFOx register at its base address (for example,
0x4140_0004 for channel 1). This is required because the least-significant bytes are right-shifted
out of the register after they are accessed. There are three ways, for example, to access three bytes
in a FIFO, always using the same BBFIFOx address:
A half-word followed by a byte
A byte followed by a half-word
Three successive bytes
Data read from an empty receive FIFO is undefined, and the FIFO state does not change. Word
and half-word reads performed with less than a word or half-word of data in the FIFO transfer the
partial word to memory in the least significant bytes of the intended word or half-word. Therefore,
always program DMA for the correct descriptor length (see Chapter 5, “DMA Controller”) or
verify that a FIFO contains data (see Section 16.5.3).
Partial words are also read when the EOM is aligned in the middle of a word. For example, a word
read of a receive FIFO containing the last two bytes of a message transfers only those two bytes to
memory, even if there is a second message in the FIFO. To detect this situation, monitor the
appropriate channel status register (see Section 16.5.3).
Writes to a transmit FIFO without enough room to hold the data are ignored, and the FIFO state
does not change. Therefore, always program DMA for the correct descriptor length (see Chapter 5,
“DMA Controller”) or verify that a FIFO has enough room to hold the data (see Section 16.5.3).
These are read/write registers. Ignore reads from reserved bits. Write 0b0 to reserved bits.
Intel® PXA27x Processor Family Developer’s Manual 16-15
Mobile Scalable Link (MSL) Interface
16.5.2 MSL Channel Configuration Registers (BBCFGx)
Each channel has associated with it a channel configuration register, which configures the channel.
Table 16-5 shows the bit layout of these registers.
The transmit control block attempts to transmit a programmable amount of data from each transmit
channel before moving on to the next one. This amount is set in each channel’s BBCFGx[TxBlock]
bit field.
When a receive FIFO buffer exceeds the trigger threshold defined in BBCFGx[RxThreshLevel], or
when a transmit FIFO drops below the trigger threshold defined in BBCFGx[TxThreshLevel], that
FIFO requests service of the type specified in BBCFGx[RxService] and BBCFGx[TxService]. The
choices are interrupt, DMA, or no service.
BBCFGx[RxEnable] and BBCFGx[TxEnable] enable and disable each channels receive and
transmit paths independently. A disabled transmit channel transmits no data from its transmit
FIFO. A disabled receive channel asserts wait signals in response to all incoming transmissions on
that channel (see Section 16.4.3).
The Rx/TxEnable and Rx/TxService fields operate independently of each other. For example,
setting a channel’s service to “none” disables only the initiation of the channel’s FIFO service—its
channel status register can still be polled and its FIFO register accessed as usual. Conversely,
disabling a channel does not prevent FIFO services from being initiated.
WAIT pin are enabled/disabled with BBCFGx[xxWAITenable]. When BBCFGx[RxWAITenable]
is cleared, the inbound link never asserts the wait signal. When BBCFGx[TxWAITenable] is
cleared, the outbound link ignores the wait signal when the channel corresponding to the cleared bit
is activated.
If DMA reads from a receive FIFO, and only if the end of a descriptor chain is reached before
EOM is read, an interrupt is generated when BBCFGx[EOCservice] = 01. No service is initiated if:
Table 16-4. BBFIFO1/2/3/4/5/6/7 Bit Definitions
Physical Address
0x4140_0004
0x4140_0008
0x4140_000C
0x4140_0010
0x4140_0014
0x4140_0018
0x4140_001C
BBFIFO1
BBFIFO2
BBFIFO3
BBFIFO4
BBFIFO5
BBFIFO6
BBFIFO7
MSL Interface
User
Settings
Bit 31 30 29 28 27 26 25 24 23 22 21 20 19 18 17 16 15 14 13 12 11 10 9 8 7 6 5 4 3 2 1 0
DATA
Reset ? ? ? ? ? ? ? ? ? ? ? ? ? ? ? ? ? ? ? ? ? ? ? ? ? ? ? ? ? ? ? ?
Bits Access Name Description
31:0 R/W DATA
Reading this register transfers DATA from the channel’s receive FIFO
buffer into memory.
Writing to this register transfers DATA from memory into the transmit FIFO
buffer.
16-16 Intel® PXA27x Processor Family Developer’s Manual
Mobile Scalable Link (MSL) Interface
the end of a descriptor chain is reached when the last byte of a message is read, or
EOM is reached before the end of the descriptor chain has been reached.
EOCservice does not depend on the service type. However, it does not make sense to set the
EOCservice bits to “interrupt” unless the RxService bits are set to DMA.
Note: Normally, RxEnable and RxWAITenable are updated only once after reset. They can be updated at
other times, but only when the inbound link is idle (to avoid synchronization problems). No such
restriction applies to TxEnable or TxWAITenable.
Note: Ensuring that the inbound link is idle requires the data link protocol between the PXA27x
processor and the baseband processor.
These are read/write registers. Ignore reads from reserved bits. Write 0b0 to reserved bits.
Table 16-5. BBCFG1/2/3/4/5/6/7 Bit Definitions (Sheet 1 of 3)
Physical Address
0x4140_0044
0x4140_0048
0x4140_004C
0x4140_0050
0x4140_0054
0x4140_0058
0x4140_005C
BBCFG1
BBCFG2
BBCFG3
BBCFG4
BBCFG5
BBCFG6
BBCFG7
MSL Interface
User
Settings
Bit 31 30 29 28 27 26 25 24 23 22 21 20 19 18 17 16 15 14 13 12 11 10 9 8 7 6 5 4 3 2 1 0
reserved
EOCservice
RxService
RxThreshLevel
RxWAITenable
reserved
RxEnable
reserved
TxBlock
TxService
TxThreshLevel
TxWAITenable
reserved
TxEnable
Reset ? ? ? ? ? ? 0 0 0 0 0 0 0 1 0 0 ? ? ? ? ? 0 0 0 0 0 0 0 0 1 0 0
Bits Access Name Description
31:26 — reserved
25:24 R/W EOCservice
Early EOC Service Select
0b00 = None
0b01 = Interrupt
0b1x = reserved
23:21 R/W RxService
Receive FIFO Service Select
0b000 = None
0b001 = DMA
0b010 = Interrupt
0b011 = reserved
0b1xx = reserved
Intel® PXA27x Processor Family Developer’s Manual 16-17
Mobile Scalable Link (MSL) Interface
20:19 R/W RxThresh
Level
Receive FIFO Service Trigger Threshold
0b00 = 4 bytes
0b01 = 8 bytes
0b10 = 16 bytes
0b11 = 32 bytes
18 R/W RxWAIT
enable
Direct Flow Control Enable
0 = Disabled
1 = Enabled
17 — reserved
16 R/W RxEnable
Receive FIFO Channel Enable
0 = Channel disabled
1 = Channel enabled
15:11 — reserved
10:8 R/W TxBlock
Transmit Block Size
0b000 = 4 bytes
0b001 = 8 bytes
0b010 = 16 bytes
0b011 = 32 bytes
0b1xx = reserved
7:5 R/W TxService
Transmit FIFO Service Select
0b000 = None
0b001 = DMA
0b010 = Interrupt
0b011 = reserved
0b1xx = reserved
Table 16-5. BBCFG1/2/3/4/5/6/7 Bit Definitions (Sheet 2 of 3)
Physical Address
0x4140_0044
0x4140_0048
0x4140_004C
0x4140_0050
0x4140_0054
0x4140_0058
0x4140_005C
BBCFG1
BBCFG2
BBCFG3
BBCFG4
BBCFG5
BBCFG6
BBCFG7
MSL Interface
User
Settings
Bit 31 30 29 28 27 26 25 24 23 22 21 20 19 18 17 16 15 14 13 12 11 10 9 8 7 6 5 4 3 2 1 0
reserved
EOCservice
RxService
RxThreshLevel
RxWAITenable
reserved
RxEnable
reserved
TxBlock
TxService
TxThreshLevel
TxWAITenable
reserved
TxEnable
Reset ? ? ? ? ? ? 0 0 0 0 0 0 0 1 0 0 ? ? ? ? ? 0 0 0 0 0 0 0 0 1 0 0
Bits Access Name Description
16-18 Intel® PXA27x Processor Family Developer’s Manual
Mobile Scalable Link (MSL) Interface
4:3 R/W TxThresh
Level
Transmit FIFO Service Trigger Threshold
0b00 = 4 bytes
0b01 = 8 bytes
0b10 = 16 bytes
0b11 = 32 bytes
2R/W
TxWAIT-
enable
Direct Flow Control Enable
0 = Disabled
1 = Enabled
1 — reserved
0R/WTxEnable
Transmit FIFO Channel Enable
0 = Channel disabled
1 = Channel enabled
Table 16-5. BBCFG1/2/3/4/5/6/7 Bit Definitions (Sheet 3 of 3)
Physical Address
0x4140_0044
0x4140_0048
0x4140_004C
0x4140_0050
0x4140_0054
0x4140_0058
0x4140_005C
BBCFG1
BBCFG2
BBCFG3
BBCFG4
BBCFG5
BBCFG6
BBCFG7
MSL Interface
User
Settings
Bit 31 30 29 28 27 26 25 24 23 22 21 20 19 18 17 16 15 14 13 12 11 10 9 8 7 6 5 4 3 2 1 0
reserved
EOCservice
RxService
RxThreshLevel
RxWAITenable
reserved
RxEnable
reserved
TxBlock
TxService
TxThreshLevel
TxWAITenable
reserved
TxEnable
Reset ? ? ? ? ? ? 0 0 0 0 0 0 0 1 0 0 ? ? ? ? ? 0 0 0 0 0 0 0 0 1 0 0
Bits Access Name Description
Intel® PXA27x Processor Family Developer’s Manual 16-19
Mobile Scalable Link (MSL) Interface
16.5.3 MSL Channel Status Registers (BBSTATx)
Each channel has associated with it a channel status register, which contains status information
about the channel. Table 16-6 shows the bit layout of these registers.
The RxEOM_x bits correspond to the next four bytes to be read from the receive FIFO. If one of
these bits is set, the corresponding byte is the last in a message. For example, if the receive FIFO is
initially empty and a four-byte message is received, the RxEOM_x bits have the value 0b1000. If
there are less than four bytes left in the receive FIFO, extra RxEOM bits remain clear. For example,
if the receive FIFO is initially empty and a two-byte message is received, the RxEOM_x bits have
the value 0b0010. RxEOM_3 and RxEOM_2 remain clear, since they do not correspond to any
data in the FIFO.
The RxEOM_FIFO bit indicates if the end of a message is in the 64-byte receive FIFO buffer. This
bit is set when an EOM notification is received. It is cleared when the last byte of a message is read
and there are no more EOM bytes in the FIFO.
Use RxEOM and RxEOM_FIFO together when software does not know the length of a message or
the location of the EOM:
1. Before reading the receive FIFO, check the RxEOM_FIFO bit.
2. If RxEOM_FIFO is set, check the RxEOM bits to see if the end-of-message is in the next four
bytes of the FIFO.
Assume, for example, that there are two messages in the receive FIFO and the RxEOM_x bits have
the value 0b0010. Without knowing this value, software cannot determine that it has read the last
two bytes of the first message and is ready to start reading the second message.
The RxWait and TxWait bits, if set, indicate that a channel is in a wait state.
For a transmit channel, this occurs when either:
a wait signal was received on the last attempt to transmit to a channel, or
a stop message but no start message has been received for the channel
For a receive channel, this occurs when either:
BBCFGx[RxWAITenable] is set and the receive FIFO is full, or
a stop message but no start message has been sent for the channel.
Note: The RxWait and TxWait bits depend on the setting of BBCFGx[xxWAITenable]. They are not
affected by BBCFGx[RxEnable] or BBCFGx[TxEnable].
RxEmpty and TxEmpty, when set, indicate that the corresponding FIFO has no data in it.
RxFull and TxFull, when set, indicate that the corresponding FIFO has no more room for data.
The RxFullness and TxFullness fields indicate the number of bytes of data remaining in the
corresponding FIFO, except when the FIFO is full. In this case, the xxFullness field has a value of
zero and the xxFull bit is set. Thus, the combined bits xxFull and xxFullness, with xxFull as the
most-significant bit, have the value 0b1000000 (64), which is the number of bytes in a full FIFO.
These are read-only registers. Ignore reads from reserved bits.
16-20 Intel® PXA27x Processor Family Developer’s Manual
Mobile Scalable Link (MSL) Interface
Table 16-6. BBSTAT1/2/3/4/5/6/7 Bit Definitions (Sheet 1 of 2)
Physical Address
0x4140_0084
0x4140_0088
0x4140_008C
0x4140_0090
0x4140_0094
0x4140_0098
0x4140_009C
BBSTAT1
BBSTAT2
BBSTAT3
BBSTAT4
BBSTAT5
BBSTAT6
BBSTAT7
MSL Interface
User
Settings
Bit 31 30 29 28 27 26 25 24 23 22 21 20 19 18 17 16 15 14 13 12 11 10 9 8 7 6 5 4 3 2 1 0
RxEOM_3
RxEOM_2
RxEOM_1
RxEOM_0
reserved
RxEOM_FIFO
RxWait
RxEmpty
RxFull
RxFullness reserved
TxWait
TxEmpty
TxFull
TxFullness
Reset ? ? ? ? ? ? 0 0 1 0 0 0 0 0 0 0 ? ? ? ? ? ? ? 0 1 0 0 0 0 0 0 0
Bits Access Name Description
31 R RxEOM_3
Fourth Byte to be Read from FIFO is Last Byte in a Message
0 = Fourth byte is not the last in a message.
1 = Fourth byte is the last in a message.
30 R RxEOM_2
Third Byte to be Read from FIFO is Last Byte in a Message
0 = Third byte is not the last in a message.
1 = Third byte is the last in a message.
29 R RxEOM_1
Second Byte to be Read from FIFO is Last Byte in a Message
0 = Second byte is not the last in a message.
1 = Second byte is the last in a message.
28 R RxEOM_0
Next Byte to be Read from FIFO is Last Byte in a Message
0 = Next byte is not the last in a message.
1 = Next byte is the last in a message.
27:26 — reserved
25 R Rx
EOM_FIFO
Receive FIFO Contains an EOM
0 = FIFO does not contain an EOM.
1 = FIFO does contain an EOM.
24 R RxWait
Receive Channel in Wait State
0 = Channel not in wait state.
1 = Channel in wait state.
23 R RxEmpty
Receive FIFO Empty
0 = Not empty
1 = Empty
22 R RxFull
Receive FIFO Full
0 = Not full
1 = Full
21:16 R RxFullness
Fullness of Receive FIFO
000000 = FIFO is either full or empty (see RxFull and RxEmpty bits).
nonzero = Number of bytes of data in receive FIFO.
15:9 — reserved
Intel® PXA27x Processor Family Developer’s Manual 16-21
Mobile Scalable Link (MSL) Interface
8RTxWait
Transmit Channel in Wait State
0 = Channel not in wait state.
1 = Channel in wait state.
7RTxEmpty
Transmit FIFO Empty
0 = Not empty
1 = Empty
6 R TxFull
Transmit FIFO Full
0 = Not full
1 = Full
5:0 R TxFullness
Fullness of Transmit FIFO
0b000000 = FIFO is either full or empty (see TxFull and TxEmpty bits)
nonzero = number of bytes of data in transmit FIFO
Table 16-6. BBSTAT1/2/3/4/5/6/7 Bit Definitions (Sheet 2 of 2)
Physical Address
0x4140_0084
0x4140_0088
0x4140_008C
0x4140_0090
0x4140_0094
0x4140_0098
0x4140_009C
BBSTAT1
BBSTAT2
BBSTAT3
BBSTAT4
BBSTAT5
BBSTAT6
BBSTAT7
MSL Interface
User
Settings
Bit 31 30 29 28 27 26 25 24 23 22 21 20 19 18 17 16 15 14 13 12 11 10 9 8 7 6 5 4 3 2 1 0
RxEOM_3
RxEOM_2
RxEOM_1
RxEOM_0
reserved
RxEOM_FIFO
RxWait
RxEmpty
RxFull
RxFullness reserved
TxWait
TxEmpty
TxFull
TxFullness
Reset ? ? ? ? ? ? 0 0 1 0 0 0 0 0 0 0 ? ? ? ? ? ? ? 0 1 0 0 0 0 0 0 0
Bits Access Name Description
16-22 Intel® PXA27x Processor Family Developer’s Manual
Mobile Scalable Link (MSL) Interface
16.5.4 MSL Channel EOM Registers (BBEOMx)
Each channel has associated with it an end-of message (EOM) register, which indicates that an
entire message has been written to the corresponding transmit FIFO. Table 16-7 shows the
BBEOMx bit layout. These are write-only registers; reads yield undefined results.
Any write to this register indicates an EOM by setting an EOM bit in the transmit FIFO. When data
marked with a set EOM bit is transmitted, the interface switches to the EOM channel, signifying an
EOM.
Use this register with processor-initiated messages only. DMA-initiated messages automatically
signal the EOM and do not require this step.
These are write-only registers. Write 0b0 to reserved bits.
Table 16-7. BBEOM1/2/3/4/5/6/7 Bit Definitions
Physical Address
0x4140_00C4
0x4140_00C8
0x4140_00CC
0x4140_00D0
0x4140_00D4
0x4140_00D8
0x4140_00DC
BBEOM1
BBEOM2
BBEOM3
BBEOM4
BBEOM5
BBEOM6
BBEOM7
MSL Interface
User
Settings
Bit 31 30 29 28 27 26 25 24 23 22 21 20 19 18 17 16 15 14 13 12 11 10 9 8 7 6 5 4 3 2 1 0
EOM
Reset N/A
Bits Access Name Description
31:0 W EOM Write any value to indicate EOM.
Intel® PXA27x Processor Family Developer’s Manual 16-23
Mobile Scalable Link (MSL) Interface
16.5.5 MSL Interrupt ID Register (BBIID)
The MSL Interrupt ID register, shown in Table 16-8, identifies the type of interrupt that occurred.
Interrupts can be generated when a FIFO reaches its trigger threshold BBCFGx[xxThreshLevel], as
set in its channel configuration register, an EOM is received, or the end of a DMA descriptor chain
is reached before the end of a message is read. Generating an interrupt at the EOM is required to
service any trailing bytes. Generating an interrupt on an early DMA end-of-channel is required to
inform the processor of improper DMA programming. Each type of interrupt has a bit associated
with it in register BBIID. When a interrupt occurs, the corresponding BBIID bit is set. Once a
BBIID bit is set, the CPU must clear it by writing one to it. Writing zero to a BBIID bit has no
effect. If a different interrupt occurs before the previous one has been serviced, both BBID bits are
set, each of which must be cleared.
Note: An interrupt bit cannot be cleared until the condition that caused the interrupt has been cleared. For
example, if receive FIFO 1 exceeds its trigger threshold and sets the RX_INT1 bit, data must be
read from that FIFO until the trigger threshold is no longer exceeded before RX_INT1 bit can be
cleared.
This a read/write register. Ignore reads from reserved bits. Write 0b0 to reserved bits.
Table 16-8. BBIID Bit Definitions
Physical Address
0x4140_0108 BBIID MSL Interface
User
Settings
Bit 31 30 29 28 27 26 25 24 23 22 21 20 19 18 17 16 15 14 13 12 11 10 9 8 7 6 5 4 3 2 1 0
reserved
TX_INT7
TX_INT6
TX_INT5
TX_INT4
TX_INT3
TX_INT2
TX_INT1
reserved
EOC_INT7
EOC_INT6
EOC_INT5
EOC_INT4
EOC_INT3
EOC_INT2
EOC_INT1
reserved
RX_INT7
RX_INT6
RX_INT5
RX_INT4
RX_INT3
RX_INT2
RX_INT1
reserved
Reset ? ? ? ? ? ? ? ? 0 0 0 0 0 0 0 ? 0 0 0 0 0 0 0 ? 0 0 0 0 0 0 0 0
Bits Access Name Description
31:24 — reserved
23:17 R/WTX_INTx Transmit FIFO Interrupt for Channel x
16 — reserved
15:9 R/WEOC_INTx EOC Interrupt for Channel x
8 — reserved
7:1 R/WRX_INTx Receive FIFO Interrupt for Channel x
0 — reserved
Write 0b1 to clear the bit.
16-24 Intel® PXA27x Processor Family Developer’s Manual
Mobile Scalable Link (MSL) Interface
16.5.6 MSL Transmit Frequency Select Register (BBFREQ)
Register BBFREQ, shown in Table 16-9, determines the clock speed (transmit frequency) for the
outbound link.
The transmit clock frequency is the interface clock (48-MHz) divided by the decimal value of the
DIV bit field:
clock frequency = 48 MHz / BBFREQ[DIV]
DIV = 0 is illegal; if zero is stored, one is actually used. Since up to one nibble is transmitted each
clock cycle, the peak transfer rate is 192 Mbps.
This is a read/write register. Ignore reads from reserved bits. Write 0b0 to reserved bits.
16.5.7 MSL Wait Count Register (BBWAIT)
Register BBWAIT, shown in Table 16-10, determines the time, in transmit clock cycles, that the
transmit control block waits before retrying a transmit to a channel that has sent a wait signal.
BBWAIT[Count] applies to all seven channels, each of which has an independent wait counter.
During the wait period (BBWAIT[Count] clock cycles), either the link remains idle or another
channel is activated. If another wait signal is received during a subsequent transmit attempt, the
source waits for another period and repeats until the data has been successfully transmitted.
Reprogramming this register clears all wait counters, allowing all channels in wait state to be
retried immediately.
This is a read/write register. Ignore reads from reserved bits. Write 0b0 to reserved bits.
Table 16-9. BBFREQ Bit Definitions
Physical Address
0x4140_0110 BBFREQ MSL Interface
User
Settings
Bit 31 30 29 28 27 26 25 24 23 22 21 20 19 18 17 16 15 14 13 12 11 10 9 8 7 6 5 4 3 2 1 0
reserved DIV reserved
Reset ? ? ? ? ? ? ? ? ? ? ? ? ? ? ? ? ? ? ? ? 0 0 0 0 0 0 0 0 ? ? ? ?
Bits Access Name Description
31:12 — reserved
11:4 R/W DIV BB_INT_CLK Clock Divider
3:0 — reserved
Intel® PXA27x Processor Family Developer’s Manual 16-25
Mobile Scalable Link (MSL) Interface
16.5.8 MSL Clock Stop Time Register (BBCST)
Register BBCST, shown in Table 16-11, determines the time (in transmit clock cycles) that the
BB_OB_CLK signal stops toggling after the outbound link becomes idle.
Figure 16-15 shows an example waveform in which the link becomes idle and the clock is stopped
one cycle after the idle time begins. Idle time begins on the first cycle the BB_xx_WAIT signal is
sampled high, or when the active channel is changed to the null or idle channel. Since, in this
example, the clock stop time is one, the clock turns off one cycle after the link becomes idle.
This is a read/write register. Ignore reads from reserved bits. Write 0b0 to reserved bits.
Table 16-10. BBWAIT Bit Definitions
Physical Address
0x4140_0114 BBWAIT MSL Interface
User
Settings
Bit 31 30 29 28 27 26 25 24 23 22 21 20 19 18 17 16 15 14 13 12 11 10 9 8 7 6 5 4 3 2 1 0
reserved Count
Reset ? ? ? ? ? ? ? ? ? ? ? ? ? ? ? ? ? ? ? ? ? ? 0 0 0 0 0 0 0 0 0 0
Bits Access Name Description
31:10 — reserved
9:0 R/W Count Number of Transmit Clock Cycles Waited before Retrying a Waiting
Channel
Figure 16-15. Example Waveform of Clock Stopping One Cycle After Idle
3 7 F B 9 0
channel 3 data 7 data F data B EOMdata 9
BB_xx_CLK
BB_xx_DAT
BB_xx_STB
BB_xx_WAIT
16-26 Intel® PXA27x Processor Family Developer’s Manual
Mobile Scalable Link (MSL) Interface
16.5.9 MSL Wake-Up Register (BBWAKE)
Use register BBWAKE, shown in Table 16-12, to wake up the connected chip. Any write to this
register initiates a wake-up message by causing a transmission over channel 12, the wake-up
channel. See Section 16.4.4 for more on power management.
This is a write-only register. Reads from it yield undefined results.
16.5.10 MSL Interface Width Register (BBITFC)
Register BBITFC, shown in Table 16-13, contains configuration bits that specify the width of the
interface.
Update this register only when the affected link is completely idle. Changing the interface width
while any activity is occurring on the link can yield unpredictable results. Reads from this register
do not affect link activity.
This is a read/write register. Ignore reads from reserved bits. Write 0b0 to reserved bits.
Table 16-11. BBCST Bit Definitions
Physical Address
0x4140_0118 BBCST MSL Interface
User
Settings
Bit 31 30 29 28 27 26 25 24 23 22 21 20 19 18 17 16 15 14 13 12 11 10 9 8 7 6 5 4 3 2 1 0
reserved Count
Reset ? ? ? ? ? ? ? ? ? ? ? ? ? ? ? ? ? ? ? ? ? ? ? ? ? ? ? ? 0 0 0 0
Bits Access Name Description
31:4 — reserved
3:0 R/W Count
Count
Number of TX clock cycles to wait before turning off clock when there is no
data to transmit.
0xF: Clock never stops.
0xN: Number of clock cycles to wait.
Table 16-12. BBWAKE Bit Definitions
Physical Address
0x4140_00140 BBWAKE MSL Interface
User
Settings
Bit 31 30 29 28 27 26 25 24 23 22 21 20 19 18 17 16 15 14 13 12 11 10 9 8 7 6 5 4 3 2 1 0
WAKE
Reset N/A
Bits Access Name Description
31:0 W WAKE Write any value to initiate wake-up message transmission.
Intel® PXA27x Processor Family Developer’s Manual 16-27
Mobile Scalable Link (MSL) Interface
16.6 Register Summary
Table 16-14 summarizes the registers for the MSL interface and their addresses.
.
Table 16-13. BBITFC Bit Definitions
Physical Address
0x4140_0144 BBITFC MSL Interface
User
Settings
Bit 31 30 29 28 27 26 25 24 23 22 21 20 19 18 17 16 15 14 13 12 11 10 9 8 7 6 5 4 3 2 1 0
reserved
RX_ITFC
reserved
TX_ITFC
Reset ? ? ? ? ? ? ? ? ? ? ? ? ? ? 1 0 ? ? ? ? ? ? ? ? ? ? ? ? ? ? 1 0
Bits Access Name Description
31:18 — reserved
17:16 R/W RX_ITFC
Receive (Inbound) Link Interface Width
0b00 = 1 bit
0b01 = 2 bits
0b10 = 4 bits
0b11 = reserved
15:2 — reserved
1:0 R/W TX_ITFC
Transmit (Outbound) Link Interface Width
0b00 = 1 bit
0b01 = 2 bits
0b10 = 4 bits
0b11 = reserved
Table 16-14. MSL Interface Register Summary (Sheet 1 of 2)
Address Name Description Page
0x4140_0004 BBFIFO1 MSL Channel 1 Receive/Transmit FIFO register 16-13
0x4140_0008 BBFIFO2 MSL Channel 2 Receive/Transmit FIFO register 16-13
0x4140_000C BBFIFO3 MSL Channel 3 Receive/Transmit FIFO register 16-13
0x4140_0010 BBFIFO4 MSL Channel 4 Receive/Transmit FIFO register 16-13
0x4140_0014 BBFIFO5 MSL Channel 5 Receive/Transmit FIFO register 16-13
0x4140_0018 BBFIFO6 MSL Channel 6 Receive/Transmit FIFO register 16-13
0x4140_001C BBFIFO7 MSL Channel 7 Receive/Transmit FIFO register 16-13
0x4140_0020–0x4140_0040 reserved
0x4140_0044 BBCFG1 MSL Channel 1 Configuration register 16-15
0x4140_0048 BBCFG2 MSL Channel 2 Configuration register 16-15
0x4140_004C BBCFG3 MSL Channel 3 Configuration register 16-15
16-28 Intel® PXA27x Processor Family Developer’s Manual
Mobile Scalable Link (MSL) Interface
0x4140_0050 BBCFG4 MSL Channel 4 Configuration register 16-15
0x4140_0054 BBCFG5 MSL Channel 5 Configuration register 16-15
0x4140_0058 BBCFG6 MSL Channel 6 Configuration register 16-15
0x4140_005C BBCFG7 MSL Channel 7 Configuration register 16-15
0x4140_0060–0x4140_0080 reserved
0x4140_0084 BBSTAT1 MSL Channel 1 Status register 16-19
0x4140_0088 BBSTAT2 MSL Channel 2 Status register 16-19
0x4140_008C BBSTAT3 MSL Channel 3 Status register 16-19
0x4140_0090 BBSTAT4 MSL Channel 4 Status register 16-19
0x4140_0094 BBSTAT5 MSL Channel 5 Status register 16-19
0x4140_0098 BBSTAT6 MSL Channel 6 Status register 16-19
0x4140_009C BBSTAT7 MSL Channel 7 Status register 16-19
0x4140_00A0–0x4140_00C0 reserved
0x4140_00C4 BBEOM1 MSL Channel 1 EOM register 16-22
0x4140_00C8 BBEOM2 MSL Channel 2 EOM register 16-22
0x4140_00CC BBEOM3 MSL Channel 3 EOM register 16-22
0x4140_00D0 BBEOM4 MSL Channel 4 EOM register 16-22
0x4140_00D4 BBEOM5 MSL Channel 5 EOM register 16-22
0x4140_00D8 BBEOM6 MSL Channel 6 EOM register 16-22
0x4140_00DC BBEOM7 MSL Channel 7 EOM register 16-22
0x4140_00E0–0x4140_00FC reserved
0x4140_0100–0x4140_0104 reserved
0x4140_0108 BBIID MSL Interrupt ID register 16-23
0x4140_010C reserved
0x4140_0110 BBFREQ MSL Transmit Frequency Select register 16-4
0x4140_0114 BBWAIT MSL Wait Count register 16-24
0x4140_0118 BBCST MSL Clock Stop Time register 16-25
0x4140_011C–0x4140_0138 reserved
0x4140_013C reserved
0x4140_0140 BBWAKE MSL Wake-Up register 16-26
0x4140_0144 BBITFC MSL Interface Width register 16-4
0x4140_0148–0x414F_FFFC reserved
Table 16-14. MSL Interface Register Summary (Sheet 2 of 2)
Address Name Description Page
Intel® PXA27x Processor Family Developer’s Manual 17-1
Memory Stick Host Controller 17
This chapter describes the memory stick host controller (MSHC) for Sony Corporations Memory
Stick.
Note: Additional technical information about this subject matter can be obtained directly from Sony
Corporation. Sony may require the execution of a license or other documents prior to releasing
such information to a recipient. Intel Corporation expressly disclaims all liability and responsibility
for information disclosed by Sony Corporation to a recipient, and makes no representation or
warranty respecting such information whatsoever.
17.1 Overview
The Memory Stick is a medium for storing and transferring data. In its simplest form, the Memory
Stick is a small, pluggable card containing flash (or other similar) memory. This memory can store
multiple content types—for example, audio data or stored image data. In addition to this basic
form, other devices are available that use the standard Memory Stick definition (for example,
camera modules). The memory stick host controller provides the interface between the PXA27x
processor and one Memory Stick.
Note: The Sony Memory Stick Standard, Format Specification Version 1.3 (the Sony MS standard)
defines the Memory Stick interface and provides the basis for this chapter. For all details of
Memory Stick operation, refer to this Sony standard.
17.2 Features
Compliance with the Sony Memory Stick standard
Built-in transmit and receive FIFO buffers
Built-in CRC calculation and checking
Transfer clock up to 20 MHz
Data transfer using programmed I/O, interrupt to processor, and DMA
Automatic command execution when an interrupt from the Memory Stick is detected
17-2 Intel® PXA27x Processor Family Developer’s Manual
Memory Stick Host Controller
17.3 Signal Descriptions
Table 17-1 summarizes the signals used by the memory stick host controller.
17.4 Operation
The memory stick host controller communicates with the Memory Stick using a half-duplex serial
protocol. This section presents an overview of the protocol. Always refer to the Sony MS standard
for details.
17.4.1 Functional Description
The Memory Stick system, depicted in Figure 17-1, consists of the memory stick host controller
and an attached Memory Stick card.
Figure 17-1. Memory Stick System Block Diagram
The memory stick host controller interfaces with the Memory Stick using a 32-bit internal
application interface. It allows:
Sending of transfer protocol commands (TPCs) to the Memory Stick using the MSHC
Command register.
Data transfer using the two separate receive (RX) and transmit (TX) FIFOs (this data can be
transferred using polling, interrupts to the processor, or DMA).
Responding directly to Memory Stick interrupts by issuing a predefined command, the
AutoCommand (ACD).
Placing the card into a low-power mode.
Table 17-1. Memory Stick Host Controller I/O Signal Descriptions
Name Type Description
MSBS Output Serial protocol bus state signal
MSSDIO Bidirectional Serial protocol data signal
nMSINS Input Stick insertion/removal detect terminal
MSSCLK Output Serial protocol clock signal
Application
Interface
Memory
Stick
Memory
nMSINS
MSSCLK
MSBS
MSSDIO
Processor
Interrupt
Stick Host
Controller
Controller
Intel® PXA27x Processor Family Developer’s Manual 17-3
Memory Stick Host Controller
17.4.2 Interrupts
The memory stick host controller generates a single interrupt to the interrupt controller. The cause
of the interrupt can be determined by reading the Interrupt and Status register (Section 17.5.3).
Status bits in this register indicate which event caused the interrupt to be generated. Interrupts can
be disabled (either individually or in total) by setting bits in the Interrupt Enable register
(Section 17.5.4).
To process an interrupt, MSINTEN[INTEN] must be set, and the enable bit for the specific
interrupt in register MSINTEN must be set.
It is possible for multiple secondary interrupts to occur if more than one MSINTEN register bit
besides INTEN are set. To determine the specific cause of the interrupt, read the Interrupt and
Status register, MSINT. To handle more than one interrupt at a time, set MSINTEN[INTEN] and
the specific MSINTEN interrupt enable bits.
17.4.3 Memory Stick Insertion and Removal
The nMSINS signal indicates the insertion and removal of a Memory Stick. nMSINS is connected
to the interrupt controller, but not to the memory stick host controller. Thus, the interrupt controller
must be programmed to generate an nMSINS interrupt. See Chapter 25, “Interrupt Controller for
details.
Software must monitor the nMSINS interrupt. When an interrupt occurs due to the removal of the
memory stick, the software must halt all MHSC activity and reset the memory stick host controller.
17.4.4 Reset
The memory stick host controller is reset in either of two ways:
Any PXA27x processor reset causes all of the MSHC registers to be reset.
Setting MSCRSR[RST] causes the memory stick host controller to enter and remain in reset
until MSCRSR[RST] is cleared. In this case, all of the registers except for the RST bit are
reset, and the output signals BS, SDIO, and SCLK are driven low. Any currently-executing
protocol is terminated when MSCRSR[RST] is asserted.
These methods do not cause a reset TPC to be sent to the Memory Stick.
Note: Before writing any of the control registers for a new bus protocol, always set MSCRSR[RST] and
then clear it.
17.4.5 TPC Code Errors
The memory stick host controller does not check the validity of the TPC that it receives. Therefore,
the memory stick host controller responds to invalid TPCs as follows:
If the TPC is invalid and TPC[3] = 0, then RDY and TOE occur.
If the TPC is invalid, TPC[3] = 1, and the data size is zero, then RDY and TOE occur.
If the TPC is invalid, TPC[3] = 1, and the data size does not equal zero, then SCLK goes high
and the MSHC hangs until it is reset by writing to MSCRSR[RST].
17-4 Intel® PXA27x Processor Family Developer’s Manual
Memory Stick Host Controller
17.4.6 Power-Save Mode
When the memory stick is not being used, software may optionally place it into a low-power mode.
This is controlled entirely by software and is not related in any way to the PXA27x processor low-
power modes.
Figure 17-2 shows how to enter and exit the Memory Stick power-save mode. To maximize overall
system power saving, software must place the Memory Stick in power-save mode prior to entering
any of the system low-power modes.
17.4.7 FIFO Operation
The memory stick host controller has a transmit FIFO and a receive FIFO, each holding 16 bytes of
data. There are three separate methods for moving data to and from the FIFOs: interrupts, polling,
and DMA.
Each FIFO has a trigger threshold that causes data-transfer service requests for interrupt and DMA
operation. For the memory stick host controller, the threshold is fixed at eight bytes (half of the
FIFO). Therefore, for the transmit FIFO, a service request is generated when the amount of empty
space reaches eight bytes; for the receive FIFO, a service request is generated when the amount of
data in the FIFO reaches eight bytes. There is no mode in which the FIFOs are not enabled.
Reads from MSRXFIFO and writes to MSTXFIFO transfer the number of bytes read or written,
regardless of whether all bytes are valid. Use the appropriate instructions and combinations of
instructions to ensure that only valid data is read from or written to the RX/TX FIFOs. Use the
following instructions to transfer the corresponding number of bytes.
To read a byte (8-bits) from the FIFO, use LDRB.
To read a half-word (16-bits) from the FIFO, use LDRH.
To read a word (32-bits) from the FIFO, use LDR.
To write a byte (8-bits) to the FIFO, use STRB.
To write a half-word (16-bits) to the FIFO, use STRH.
To write a word (32-bits) to the FIFO, use STR.
Figure 17-2. Procedure in Power-Save Mode
Execute SLEEP TPC
command to place the
Memory Stick into sleep mode
Set MSCMR[PWS]
Clear MSCMR[PWS]
Perform wake-up operations
for the Memory Stick
Power-Save Mode Cancel the Power-Save Mode
Intel® PXA27x Processor Family Developer’s Manual 17-5
Memory Stick Host Controller
To read only valid data from the receive FIFOs, do not read more bytes than indicated by
MSCRSR[RXAVAIL]. If more bytes are read than are indicated by MSCRSR[RXAVAIL], then
any data read beyond the indicated number of available bytes is indeterminate, and the value of
MSCRSR[RXAVAIL] also takes on invalid values.
To read only valid data, read MSCRSR[RXAVAIL] first to determine how many bytes are available
from MSRXFIFO. Then, use the proper combination of LDR, LDRH and LDRB instructions to
read only the number of bytes that MSCRSR[RXAVAIL] indicates. For example, if
MSCRSR[RXAVAIL] = 5, then no more than five bytes may be read from MSRXFIFO; otherwise,
indeterminate behavior results. This can be accomplished by any of the following methods:
Perform one LDR instruction and then one LDRB instruction, or
Perform two LDRH instruction and then one LDRB instruction, or
Perform five LDRB instructions.
After these bytes have been read, software must check MSCRSR[RXAVAIL] again to see if any
new data has arrived in MSRXFIFO.
Similarly, to transfer only valid data to the Memory Stick, the exact number of bytes must be
written to MSTXFIFO. If more than the exact number of bytes of valid data are written to the
transmit FIFO, the extra (invalid) bytes are also transferred to the Memory Stick. For example, if
five bytes are to be transferred to the Memory Stick, then only five bytes may be written to
MSTXFIFO. This can be accomplished by any of the following methods:
Perform one STR instruction, and then one STRB instruction, or
Perform two STRH instructions, and then one STRB instruction, or
Perform five STRB instructions.
17.4.7.1 FIFO Interrupt Mode Operation
Receive Interrupt
When the receive (RX) FIFO interrupt is enabled with MSINTEN[RXDAVEN], a receive interrupt
occurs as follows:
The receive data available interrupt (MSINT[RXDAV]) is asserted when the RX FIFO has
reached the trigger threshold. The interrupt is cleared when the amount of data in the FIFO
drops below the trigger threshold.
The RX available data count (MSCRSR[RXAVAIL]) continuously indicates how much valid
data is available in the FIFO (0 to 16 bytes). MSCRSR[RXAVAIL] indicates the amount of
data that must be read from the FIFO.
Transmit Interrupt
When the transmit (TX) FIFO interrupt is enabled with MSINTEN(TXDAVEN), a transmit
interrupt occurs as follows:
The transmit data request interrupt (MSINT[TXDAV]) occurs when the TX FIFO has reached
the trigger threshold. The interrupt is cleared when the amount of free space in the FIFO drops
below the trigger threshold.
The TX available data count (MSCRSR[TXAVAIL]) continuously indicates the amount of free
space available in the FIFO (0 to 16 bytes). MSCRSR[TXAVAIL] controls the amount of data
that is written into the FIFO.
17-6 Intel® PXA27x Processor Family Developer’s Manual
Memory Stick Host Controller
17.4.7.2 FIFO Polled-Mode Operation
When neither interrupt nor DMA transfer mode is enabled for a FIFO, the FIFO operates in polled
mode. In this mode, the FIFOs are accessed using processor read and writes in words, half words,
and bytes.
Receive Data Service
Poll RX available data count (MSCRSR[RXAVAIL]) value to determine how much data is
required (0 to 16 bytes).
Transmit Data Service
Poll the TX available data count (MSCRSR[TXAVAIL]) value to indicate how much space is
available in the FIFO (0 to 16 bytes). This does not indicate how much data is required to complete
the current transfer (this information must be separately maintained).
17.4.7.3 FIFO DMA-Mode Operation
There are two MSHC DMA service requests, one for receive data and one for transmit data.
Receive Data Service
To enable this service, set MSCMR2[RXDMAEN]. When the receive FIFO reaches its trigger
threshold, the receive DMA request is generated if enabled. The DMA controller then reads data
from the RX FIFO. For each DMA request, the DMA controller must read a total of eight bytes of
data from the FIFO. The number of bytes to be read must be programmed in the DMA controller
along with a bus width of 32 bits. The DMA controller typically attempts to read four bytes of data
per transfer. In the case where less than four bytes are being transferred, the DMA controller is
informed of the number of bytes transferred. The memory stick host controller can send one, two,
or four bytes of data per bus transaction.
Transmit Data Service
To enable this service, set MSCMR2[TXDMAEN]. When the transmit FIFO has eight or more
empty byte locations, the transmit DMA request is generated if enabled. The DMA controller then
writes data to the TX FIFO. For each DMA request, the DMA controller must send no more than
eight bytes of data to the FIFO (fewer bytes of data are acceptable and results in a new DMA
request once the FIFO returns to eight empty bytes). This must be programmed in the DMA
controller along with a bus width of 32 bits. The memory stick host controller accepts partial- or
full-word transfers of one, two, or four consecutive bytes from the DMA controller.
Special Conditions
If an error occurs when DMA RX service requests are enabled:
The receive DMA requests are disabled.
The relevant error interrupt is generated if enabled.
The processor must now read previously-received bytes through programmed input/output (PIO).
When all valid data entries have been removed from the FIFO, the memory stick host controller
again enables the receive DMA requests.
Intel® PXA27x Processor Family Developer’s Manual 17-7
Memory Stick Host Controller
Note: If an error occurs when the receive FIFO trigger threshold has been reached so that a receive DMA
request is set, software must wait for the DMA controller to finish the transfer before reading the
error bytes using PIO. If not, FIFO underflow could occur.
17.4.7.4 Trailing Bytes in the Receive FIFO
When the number of entries in the receive FIFO is less than its trigger threshold and no additional
data is received, the remaining bytes (trailing bytes) are handled according to the enabled FIFO
mode of operation. Trailing bytes are indicated when the FIFO contains less data than the trigger
threshold and the current transfer has completed. If enabled by MSINTEN[RDYEN], the
MSINT[RDY] interrupt is generated to indicate the end of a packet.
The mechanism for removing trailing bytes from the receive FIFO depends upon the FIFO mode of
operation, as follows:
Interrupt mode—No receive DMA request or receive data available interrupt is generated.
To read the trailing bytes, wait for the MSINT[RXDAV] interrupt. Then, read all remaining
bytes as indicated by MSCRSR[RXAVAIL]. The MSINT[RXDAV] interrupt must be enabled.
Polled modeNo interrupts are enabled, and the software must remove data normally. The
MSINT[RDY] bit must be checked to determine whether a packet has completed.
DMA mode—When an end-of-packet occurs, the processor may receive an MSINT[RDY]
interrupt, and a DMA request is automatically issued for the remaining number of bytes left in
the receive FIFO. The DMA controller then empties the contents of the receive FIFO unless
the DMA controller reaches the end of its descriptor chain. The MSINT[RDY] interrupt is for
notification purposes only; the processor must take no action. If required, the interrupt can be
disabled by setting MSINTEN[RDYEN].
17-8 Intel® PXA27x Processor Family Developer’s Manual
Memory Stick Host Controller
17.5 Register Descriptions
The Sony MS standard (see Section 17.1) defines the control, status, and data registers used by the
memory stick host controller. The register descriptions in this section outline and summarize the
MSHC registers, but these descriptions provide only the implementation details that are specific to
the PXA27x processor memory stick host controller. For full details of the registers and protocols,
always refer to the Sony MS standard.
17.5.1 MSHC Command Register (MSCMR)
Writing to MSCMR, defined in Table 17-2, starts the protocol. Data cannot be written while a
protocol is already in progress, as indicated by MSINT[RDY] being clear.
The DATASIZE is the number of data bytes to be transferred. The value must be greater than zero.
Writing a value of zero to DATASIZE, a zero-byte transfer is not valid.
This is a read/write register. Ignore reads from reserved bits. Write 0b0 to reserved bits.
Table 17-2. MSCMR Bit Definitions
Physical Address
0x4180_0000 MSCMR Memory Stick Host Controller
User
Settings
Bit 31 30 29 28 27 26 25 24 23 22 21 20 19 18 17 16 15 14 13 12 11 10 9 8 7 6 5 4 3 2 1 0
reserved PID
reserved
DATASIZE
Reset ? ? ? ? ? ? ? ? ? ? ? ? ? ? ? ? 0 0 0 0 ? ? 0 0 0 0 0 0 0 0 0 0
Bits Access Name Description
31:16 — reserved
15:12 R/W PIDPacket ID
11:10 — reserved
9:0 R/W DATASIZEData Size
Refer to the Sony MS standard.
Intel® PXA27x Processor Family Developer’s Manual 17-9
Memory Stick Host Controller
17.5.2 MSHC Control and Status Register (MSCRSR)
MSCRSR, defined in Table 17-3, contains control bits and status indicators to manage the data
flow.
If MSCRSR[RST] is set, the memory stick host controller enters and remains in reset until
MSCRSR[RST] is cleared. While RST is set, all MSHC registers except MSCRSR[RST] and
MSCR2[BSYCNT] are cleared, and the output signals, BS, SDIO and SCLK are driven low.
MSCRSR[RST] must always be set and then cleared before writing to any of the control registers
for a new bus protocol.
Note: If the application software reads more bytes from the receive FIFO than specified in
MSCRSR[RXAVAIL], then RXAVAIL becomes an illegal value, and data corruption results. If
software reads more bytes from the transmit FIFO than specified in MSCRSR[TXAVAIL], then
TXAVAIL becomes an illegal value, and data corruption results.
This is a read/write register. Ignore reads from reserved bits. Write 0b0 to reserved bits.
Table 17-3. MSCRSR Bit Definitions
Physical Address
0x4180_0004 MSCRSR Memory Stick Host Controller
User
Settings
Bit 31 30 29 28 27 26 25 24 23 22 21 20 19 18 17 16 15 14 13 12 11 10 9 8 7 6 5 4 3 2 1 0
reserved
RST
PWS
SIEN
NOCRC
reserved
RXAVAIL
TXAVAIL
Reset ? ? ? ? ? ? ? ? ? ? ? ? ? ? ? ? 0 0 0 0 ? ? 0 0 0 0 0 1 0 0 0 0
Bits Access Name Description
31:16 — reserved
15 R/W RSTReset
14 W PWSPower Save
13 R/W SIENSerial I/F
12 R/W NOCRCControls CRC Generation and Checking
11:10 — reserved
9:5 R/W RXAVAIL Receive Available Data Count
The number of valid data bytes in the RX FIFO (0-16)
4:0 R/W TXAVAIL Transmit Available Data Count
The number of available (unused) bytes in the TX FIFO (0-16)
Refer to the Sony MS standard.
17-10 Intel® PXA27x Processor Family Developer’s Manual
Memory Stick Host Controller
17.5.3 MSHC Interrupt and Status Register (MSINT)
MSINT, defined in Table 17-4, contains interrupt and error status for the memory stick host
controller.
When an interrupt is disabled, the corresponding MSINT bit remains set, but no interrupt is issued
to the processor. To disable interrupts, use register MSINTEN (see Section 17.5.4).
This is a read-only register. Ignore reads from reserved bits.
Table 17-4. MSINT Bit Definitions
Physical Address
0x4180_0008 MSINT Memory Stick Host Controller
User
Settings
Bit 31 30 29 28 27 26 25 24 23 22 21 20 19 18 17 16 15 14 13 12 11 10 9 8 7 6 5 4 3 2 1 0
reserved
INT
RXDAV
TXDAV
reserved
RDY
SIF
CRC
TOE
Reset ? ? ? ? ? ? ? ? ? ? ? ? ? ? ? ? 0 0 0 ? ? ? ? ? ? ? ? ? 0 0 0 0
Bits Access Name Description
31:16 — reserved
15 R INT
Interrupt Present
0 = No interrupts are present.
1 = At least one interrupt is present.
14 R RXDAV
Receive Data Available Interrupt
0 = Less than 8 bytes of valid data are available in the RX FIFO.
1 = At least 8 bytes of valid data are available in the RX FIFO.
13 R TXDAV
Transmit Space Available Interrupt
0 = Less than 8 bytes of unused space is available in the TX FIFO.
1 = At least 8 bytes of unused space is available in the transmit FIFO.
12:4 — reserved
3 R RDY
2RSIF
1 R CRC
0RTOE
Refer to the Sony MS standard.
Intel® PXA27x Processor Family Developer’s Manual 17-11
Memory Stick Host Controller
17.5.4 MSHC Interrupt Enable Register (MSINTEN)
MSINTEN, defined in Table 17-5, enables and disables the memory stick host controller interrupts.
This is a read/write register. Ignore reads from reserved bits. Write 0b0 to reserved bits.
Table 17-5. MSINTEN Bit Definitions
Physical Address
0x4180_000C MSINTEN Memory Stick Host Controller
User
Settings
Bit 31 30 29 28 27 26 25 24 23 22 21 20 19 18 17 16 15 14 13 12 11 10 9 8 7 6 5 4 3 2 1 0
reserved
INTEN
RXDAVEN
TXDAVEN
reserved
RDYEN
SIFEN
CRCEN
TOEEN
Reset ? ? ? ? ? ? ? ? ? ? ? ? ? ? ? ? 0 0 0 ? / ? ? ? ? ? ? 0 0 0 0 0
Bits Access Name Description
31:16 — reserved
15 R/W INTEN
Interrupts Enabled
0 = No interrupts are permitted from the memory stick host controller.
1 = Interrupts are enabled from the memory stick host controller.
14 R/W RXDAVEN
Receive Data Available Interrupt Enable
0 = Interrupt is disabled.
1 = Interrupt is enabled.
13 R/W TXDAVEN
Transmit Space Available Interrupt Enable
0 = Interrupt is disabled.
1 = Interrupt is enabled.
12:4 — reserved
3 R/W RDYEN
End of Packet Interrupt Enable
0 = Interrupt is disabled.
1 = Interrupt is enabled.
2R/WSIFEN
Stick Interface Interrupt Enable
0 = Interrupt is disabled.
1 = Interrupt is enabled.
1 R/W CRCEN
CRC Error Interrupt Enable
0 = Interrupt is disabled.
1 = Interrupt is enabled.
0 R/W TOEEN
Time-Out Error Interrupt Enable
0 = Interrupt is disabled.
1 = Interrupt is enabled.
17-12 Intel® PXA27x Processor Family Developer’s Manual
Memory Stick Host Controller
17.5.5 MSHC Control Register 2 (MSCR2)
MSCR2, defined in Table 17-6, contains controls for enabling auto-command (ACD) mode,
enabling DMA operation, and selecting the positive or negative clock edge for data loading.
This is a read/write register. Ignore reads from reserved bits. Write 0b0 to reserved bits.
Table 17-6. MSCR2 Bit Definitions
Physical Address
0x4180_0010 MSCR2 Memory Stick Host Controller
User
Settings
Bit 31 30 29 28 27 26 25 24 23 22 21 20 19 18 17 16 15 14 13 12 11 10 9 8 7 6 5 4 3 2 1 0
reserved
ACD
reserved
TXDMAEN
RXDMAEN
reserved
BSYCNT
Reset ? ? ? ? ? ? ? ? ? ? ? ? ? ? ? ? 0 0 0 0 ? ? ? ? ? ? ? ? ? 1 0 1
Bits Access Name Description
31:16 — reserved
15 R/W ACD
14 — reserved
13 R/W TXDMAEN
Transmit FIFO DMA Enable
0 = DMA operation is not enabled for the transmit FIFO.
1 = DMA operation is enabled for the transmit FIFO.
12 R/W RXDMAEN
Receive FIFO DMA Enable
0 = DMA operation is not enabled for the receive FIFO
1 = DMA operation is enabled for the receive FIFO
11:3 — reserved.
2:0 R/W BSYCNT
Busy Count
Specifies the number of cycles the controller waits for 5 cycles of RDY. The
number of cycles is calculated as (BSYCNT*4 + 1)
BSYCNT = 1 always generates a TOE
RDY time-out detection is not performed when BSYCNT = 0.
BSYCNT is not reset with the assertion of MSCRSR[RST].
Refer to the Sony MS standard.
Intel® PXA27x Processor Family Developer’s Manual 17-13
Memory Stick Host Controller
17.5.6 MSHC ACD Command Register (MSACD)
MSACD, defined in Table 17-7, specifies the command to execute in response to a Memory Stick
interrupt when ACD mode is enabled.
The ADATASIZE is the number of data bytes that are to be transferred. The value must be greater
than 0. Writing a value of 0 to ADATASIZE, specifying a 0-byte transfer, is not valid.
This is a read/write register. Ignore reads from reserved bits. Write 0b0 to reserved bits.
Table 17-7. MSACD Bit Definitions
Physical Address
0x4180_0014 MSACD Memory Stick Host Controller
User
Settings
Bit 31 30 29 28 27 26 25 24 23 22 21 20 19 18 17 16 15 14 13 12 11 10 9 8 7 6 5 4 3 2 1 0
reserved APID
reserved
ADATASIZE
Reset ? ? ? ? ? ? ? ? ? ? ? ? ? ? ? ? 0 1 1 1 ? ? 0 0 0 0 0 0 0 0 0 1
Bits Access Name Description
31:16 — reserved
15:12 R/W APID
11:10 — reserved
9:0 R/W ADATASIZE
Refer to the Sony MS standard.
17-14 Intel® PXA27x Processor Family Developer’s Manual
Memory Stick Host Controller
17.5.7 MSHC Receive FIFO Register (MSRXFIFO)
MSRXFIFO, defined in Table 17-8, contains the data received from the Memory Stick.
MSRXFIFO is readable only in 1-, 2- or 4-byte quantities. 1-, 2- and 4-byte reads must be done
with the following assembler directives: LDRB (byte read), LDRH (half word read), and LDR
(word read), respectively.
Reads of a word or a half-word read multiple entries within the FIFO input buffer. A half-word
read (LDRH) returns a single 16-bit value comprised of the first two entries of the input FIFO. A
word read (LDR) returns a single 32-bit value comprised of the first four entries of the input FIFO.
Refer to Section 17.4.7 for important information concerning the proper procedure for reading the
MSHC Receive FIFO register.
This is a read-only register. Ignore reads from reserved bits.
17.5.8 MSHC Transmit FIFO Register (MSTXFIFO)
MSTXFIFO, defined in Table 17-9, contains the data to be transmitted to the Memory Stick.
MSTXFIFO is writable only in 1-, 2-, or 4-byte quantities. 1-, 2- and 4-byte writes must be done
with the following assembler directives: STRB (byte write), STRH (half word write), and STR
(word write), respectively.
Stores of a word or a half-word write multiple entries within the FIFO output buffer. A half-word
store (STRH) writes a single 16-bit value as two 8-bit entries to the output FIFO. A word read
(LDR) writes a single 32-bit value as four 8-bit entries in the output FIFO.
This is a read/write register. Ignore reads from reserved bits. Write 0b0 to reserved bits.
Table 17-8. MSRXFIFO Bit Definitions
Physical Address
0x4180_0018 MSRXFIFO Memory Stick Host Controller
User
Settings
Bit 31 30 29 28 27 26 25 24 23 22 21 20 19 18 17 16 15 14 13 12 11 10 9 8 7 6 5 4 3 2 1 0
reserved RX Data
Reset ? ? ? ? ? ? ? ? ? ? ? ? ? ? ? ? 0 0 0 0 0 0 0 0 0 0 0 0 0 0 0 0
Bits Access Name Description
31:8 — reserved
7:0 R RX Data Data Received from Memory Stick
Intel® PXA27x Processor Family Developer’s Manual 17-15
Memory Stick Host Controller
17.6 Register Summary
Table 17-10 summarizes the registers and memory mapping associated with the memory stick host
controller for the Sony Memory Stick.
Table 17-11 provides cross references between the Sony register names and bit fields, as described
in the Sony MS standard, and the equivalent PXA27x processor memory stick host controller
register names and bit fields.
Table 17-9. MSTXFIFO Bit Definitions
Physical Address
0x4180_001C MSTXFIFO Memory Stick Host Controller
User
Settings
Bit 31 30 29 28 27 26 25 24 23 22 21 20 19 18 17 16 15 14 13 12 11 10 9 8 7 6 5 4 3 2 1 0
reserved TX Data
Reset ? ? ? ? ? ? ? ? ? ? ? ? ? ? ? ? 0 0 0 0 0 0 0 0 0 0 0 0 0 0 0 0
Bits Access Name Description
31:8 — reserved
7:0 R/W TX Data Data to be Transmitted to Memory Stick
Table 17-10. Memory Stick Register Summary
Address Name Description Page
0x4180_0000 MSCMR MSHC Command register 17-8
0x4180_0004 MSCRSR MSHC Control and Status register 17-9
0x4180_0008 MSINT MSHC Interrupt and Status register 17-10
0x4180_000C MSINTEN MSHC Interrupt Enable register 17-11
0x4180_0010 MSCR2 MSHC Control register 2 17-12
0x4180_0014 MSACD MSHC ACD Command register 17-13
0x4180_0018 MSRXFIFO MSHC Receive FIFO register 17-14
0x4180_001C MSTXFIFO MSHC Transmit FIFO register 17-15
0x4180_0020–
0x418F_FFFC reserved
17-16 Intel® PXA27x Processor Family Developer’s Manual
Memory Stick Host Controller
Table 17-11. Sony-to-PXA27x Processor Memory Stick Register Reference
Sony MS Standard PXA27x Processor MSHC
Register and Bit Field
Register Name Bit Field
Command register PID
DATASIZE
MSCMR[15:12]
MSCMR[9:0]
Status register INT
other bits
MSINT[15]
not supported
Control register 1
RST
PWS
SIEN
DAKEN
NOCRC
BSYCNT
MSCSR[15]
MSCSR[14]
MSCSR[13]
not supported
MSCSR[12]
MSCR2[2:0]
Receive Data Buffer not supported
Transmit Data Buffer not supported
Interrupt Data register
RDY
SIF
CRC
TOE
other bits
MSINT[3]
MSINT[2]
MSINT[1]
MSINT[0]
not supported
Interrupt Control register INTEN
other bits
MSINTEN[15]
not supported
PP Data register not supported
PP Control register not supported
Control register 2 ACD MSCR2[15]
ACD Command register APID
ADATASIZE
MSACD[15:12]
MSACD[9:0]
Intel® PXA27x Processor Family Developer’s Manual 18-1
Keypad Interface 18
This chapter describes the keypad interface included in the PXA27x processor. This interface
supports up to an 8 x 8 matrix keypad, up to eight direct keys, and up to two rotary encoders, which
can implement items such as scroll keys, jog-dials, and thumbwheels.
18.1 Overview
The keypad interface provides an interface to two styles of keypads simultaneously:
Matrix keypad interface, described in Section 18.1.1
Direct keypad interface, described in Section 18.1.2
18.1.1 Matrix Keypad Interface
The matrix-keypad interface supports manual and automatic scans of the keypad array. For details
of the matrix interface, see Section 18.4.1.
18.1.1.1 Manual Scan
Stable keypad activity that lasts longer than the key debounce interval generates an interrupt. A
manual matrix scan can then be conducted by setting appropriate bits in the Keypad Interface
Control register to sequentially assert the scan lines. The row readings for each of the columns are
read from the Keypad Interface Matrix Keypad register as they are being scanned.
If Ignore Multiple Keypress is selected, only one interrupt is generated for a debounced keypress.
For example, if three keys are depressed and held, only one interrupt is generated after the first key
is depressed and held.
18.1.1.2 Automatic Scan
In automatic scan, the scan signals are automatically asserted in sequence by the automatic scan
logic in the keypad interface, and the row readings are stored in the automatic scan registers.
Automatic scans can be initiated by either of the following methods:
If there is stable keypad activity for a period greater than the specified key-debounce interval
while the Automatic Scan on Activity bit is set. Completion of the scan generates an interrupt.
Setting the Automatic Scan bit. This method does not generate an interrupt, since user
software determines when to initiate an automatic scan.
Depending on whether the Ignore Multiple Keypress bit is selected, manual scan and automatic
scan by keypad activity take place as follows:
Ignore multiple keypress: Multiple keypresses are ignored and not considered as new keypad
activity. For example, if an automatic scan is conducted for a keypress activity, another
automatic scan is not conducted until all keys are released.
18-2 Intel® PXA27x Processor Family Developer’s Manual
Keypad Interface
Do not ignore multiple keypress: For automatic scan on keypad activity, an automatic scan is
conducted after a debounce interval for all of the time that:
One or more keys have been pressed (new activity), or
All keys have been released.
If the scanned activity is new, an interrupt is generated.
18.1.2 Direct Keypad Interface
The direct keypad interface supports the direct keys and the rotary encoders that implement
features such as scroll keys, jog-dials, and thumbwheels. For details of the direct interface, see
Section 18.4.2.
18.2 Features
The keypad interface is divided into two blocks: one each for the matrix and direct keypads. The
direct-keypad block supports eight input pins, while the matrix-keypad block supports eight output
and eight input pins.
Direct-keypad interface:
Eight inputs
Supports up to eight direct keys and up to two rotary encoders
-Eight direct keys, or
-Six direct keys and one rotary encoder (two pins for the rotary encoder), or
-Four direct keys and two rotary encoders (two pins each for the two rotary encoders)
Matrix-keypad interface:
Eight scan outputs and eight inputs (returns)
Supports up to 64 keys
Supports manual and automatic scan
Simultaneous operation of direct and matrix keypads
Interrupt generated on keypad activity:
Separate matrix- and direct-key interrupt enables
One interrupt signal, generated by merging the matrix and direct interrupts.
Continuous keypad polling
Key-debounce logic for both matrix and direct keypads
Intel® PXA27x Processor Family Developer’s Manual 18-3
Keypad Interface
18.3 Signal Descriptions
The keypad interface I/O signals are summarized in Table 18-1.
18.4 Operation
This section describes the functions of the keypad interface module. The interface supports up to an
eight-by-eight matrix keypad, up to eight direct keys, and up to two rotary encoders. The Keypad
Interface Control register see Table 18-3) controls the following operational items:
Automatic scan initiation
Enable/disable automatic-scan-on-activity
Number of rows and columns in the matrix keypad
Enable/disable ignore-multiple-keypresses (applies to matrix-keypad interface only)
Enable/disable matrix keypad and matrix interrupt
Number of keys in the direct keypad
Enable/disable rotary encoders 0 and 1
Enable/disable direct keypad and direct interrupt
The keypad interface connects the PXA27x processor to a matrix keypad and a direct keypad with
rotary encoders. Direct and matrix operation can be enabled independently or simultaneously.
Figure 18-1 shows the keypad interface block connected to a typical 8 x 8 matrix keypad and to a
direct keypad with six direct keys and one rotary encoder.
Table 18-1. Keypad Interface I/O Signal Descriptions
Name Type Description
KP_DKIN<7:0> Input
Direct key inputs signals from the direct keypad and the rotary encoder sensors.
KP_DKIN<7:4> are dedicated input pins for direct keys 7– 4.
KP_DKIN<3:2> are used as input pins for direct keys 3 and 2 or for rotary-
encoder sensor readings for rotary encoder 1, if it is enabled.
KP_DKIN<1:0> are used as input pins for direct keys 1 and 0 or for rotary-
encoder sensor readings for rotary encoder 0, if it is enabled.
KP_MKIN<7:0> Input Matrix-key return input signals from the matrix keypad and are the matrix-
keypad row readings.
KP_MKOUT<7:0> Output
Matrix-key outputs. The keypad interface sends scan signals to the columns of
the matrix keypad to detect any key(s) pressed. If an automatic scan is
occurring, these outputs are driven by the automatic scan logic. At other times,
they are driven by the settings of bits MS7 to MS0 in the Keypad Interface
Control register (KPC described in Table 18-3).
18-4 Intel® PXA27x Processor Family Developer’s Manual
Keypad Interface
Figure 18-1. Keypad Interface Block Diagram
Rotary
Encoder
BA
Direct Keypad
Matrix Keypad
Matrix
Scan
Matrix
Sense
Matrix
Interface
Direct
Interface
-
Interrupt
Generator
Keypad Interface interrupt
Keypad
Interface
Related
Registers
Intel® PXA27x Processor Family Developer’s Manual 18-5
Keypad Interface
18.4.1 Matrix Interface
The matrix interface uses eight scan outputs to and eight sense inputs from the matrix keypad (see
Section 18.3 for signal names). This eight-by-eight organization allows support for up to 64 keys.
Up to eight scan signals, corresponding to columns in the matrix keypad, are sent to the keypad to
activate the columns. Up to eight input (sense) signals, corresponding to rows in a column that has
been activated, are read into the following registers, depending on the mode of operation:
Manual scans—Section 18.5.4
Automatic scans—Section 18.5.5 and Section 18.5.6
The matrix-keypad interface has three scanning modes, described in the following sections:
Manual scan
Automatic scan initiated by keypad activity
Automatic scan initiated by user software.
18.4.1.1 Manual Matrix Scan
To enable manual matrix-keypad scanning:
1. Clear the Automatic Scan on Activity bit, KPC[ASACT].
2. Clear the Automatic Scan bit, KPC[AS].
3. Assert all column (scan output) lines by setting bits KPC[MS0:MS7].
In this polling mode of operation, all keypad columns remain constantly activated. Any keypress
that exceeds the key-debounce interval generates an interrupt. Service the interrupt as follows:
1. Deassert all of the columns by clearing bits KPC[MS0:MS7].
2. Sequentially assert bits KPC[MS0:MS7] so as to scan all keypad columns.
3. As the columns are being scanned, read each column’s row (scan input) values, which appear
in bits KPMK[MR0:MR7].
4. After servicing the interrupt, set bits KPC[MS0:MS7]. This leaves the scanning logic ready to
detect the next keypress.
Manual scanning operates in one of two modes, depending upon the setting of the Ignore Multiple
Keypress bit, KPC[IMKP]:
Ignore multiple keypresses
Set KPC[IMKP]. After a keypad interrupt is generated for a keypress activity, no further
interrupts occur until all keys pressed have been released, for example if three keys are
depressed and held, only one interrupt is generated after the first key is depressed and held.
Do not ignore multiple keypresses
Clear KPC[IMKP]. For the following keypad activities:
If a key is pressed, or multiple keys are pressed and held, an interrupt is generated after
every debounce interval expires for as long as any key is pressed, for example, if three
keys are pressed and held for four debounce intervals, four interrupts are generated.
An interrupt is generated after all keys are released.
18-6 Intel® PXA27x Processor Family Developer’s Manual
Keypad Interface
18.4.1.2 Automatic Matrix Scan Initiated by Keypad Activity
To enable automatic matrix-keypad scanning initiated by keypad activity:
1. Set the Automatic Scan on Activity bit, KPC[ASACT].
2. Clear the Automatic Scan bit, KPC[AS].
In this polling mode of operation, the setting of the Ignore Multiple keypress bit (KPC[IMKP]
defines keypress activity. An interrupt is generated after the automatic scan is completed and new
keypad activity is detected. The scanning logic performs the following sequence of events
automatically:
Note: User software cannot access the internal registers used in this procedure, KPASMKP_0x and
KPASMKP_1x.
1. Detect matrix keypad activity.
2. Assert the column scan lines sequentially, storing the row readings for each in KPASMKP_0x.
3. Allow one debounce interval to elapse, as defined in KPKDI[Interval].
4. Assert the column scan lines sequentially, storing the row readings for each in KPASMKP_1x.
5. If internal registers KPASMKP_0x match the corresponding internal registers KPASMKP_1x
(the activity is stable) and the internally stored activity differs from user-accessible registers
KPASMKPx (the activity is new), then the internal values are copied into the user-readable
registers KPAS and KMASMKPx.
The KPAS[MUKP] bit field identifies whether a single key or multiple keys were pressed. For
single keypresses, read the column and row information directly from KPAS[CP] and KPAS[RP].
For multiple keypresses, read the column and row information from registers KPASMKP0-3.
Automatic scanning operates in one of two modes, depending upon the setting of the Ignore
Multiple Keypress bit, KPC[IMKP]:
Ignore multiple keypresses
Set KPC[IMKP]. After a keypad activity has been scanned, no further automatic scans occur
until all keys pressed have been released.
Do not ignore multiple keypresses
Clear KPC[IMKP]. Automatic scans occur for the following keypad activities:
Every keypress that exceeds the key-debounce interval, for as long as any key is pressed
All keys released.
18.4.1.3 Automatic Matrix Scan Initiated by Software
To enable automatic matrix-keypad scanning initiated by user software, set the Automatic Scan bit,
KPC[AS]. In this mode of operation, the keypad is scanned only once, and the row readings are
stored in registers KPAS and KPASMKPx. No interrupt is generated, since user software initiates
the scan.
Intel® PXA27x Processor Family Developer’s Manual 18-7
Keypad Interface
18.4.2 Direct Keypad Interface
The direct-key interface receives eight input signals (KP_DKIN<7:0>) from direct keys and rotary
encoders and stores them in the Keypad Interface Direct Key register (KPDK). When the direct-
key interface detects debounced activity in the direct keys or the rotary encoders, it sets KPC[DI],
which causes a keypad interrupt.
There are two options for the direct key and rotary encoder debounce intervals depending on the
state of the direct keypad debounce select bit (DK_DEB_SEL) of the KPC register:
Regular debounce interval—This is the default debounce interval. The direct-key debounce
interval is the same as the matrix-key debounce interval field of the KPKDI register. The
rotary-encoder debounce interval can be either the matrix-key debounce interval or zero,
depending on the state of the rotary-encoder zero debounce select bit (RE_ZERO_DEB) of the
KPC register.
Direct-key debounce interval—The direct-key debounce interval is different from the
matrix-key debounce interval and is specified in the direct-key debounce interval field of the
KPKDI register. This is the debounce interval for the direct key and rotary encoder logic if the
DK_DEB_SEL bit of the KPC register is set. The rotary-encoder debounce interval can be
either the direct-key debounce interval or zero, depending on the state of the rotary-encoder
zero debounce select bit (RE_ZERO_DEB) of the KPC register.
It is not necessary for every direct-key input to be connected to the keypad interface if the
corresponding GPIO pins are being used as inputs or outputs for other blocks. As an example, if
GPIO pins corresponding to direct-key inputs 2 and 3 are being used as inputs/outputs for other
blocks, they would be unavailable for the keypad interface. In such a case, the KP_DKIN<3:2>
input signals are guaranteed a logic 0 at all times, which means that no activity is detected on direct
keys 2 and 3. The remaining direct-key inputs (KP_DKIN<1:0> and KP_DKIN<7:4>) are utilized
by software and are connected to either rotary encoders or direct keys, by specifying the number of
direct keys in the Keypad Control register as eight (KPC[DKN] = 0b111). Although the direct-key
inputs 2 and 3 are used for other applications, the keypad interface always detects no activity on
them.
18.4.2.1 Direct Keys
The direct-key interface reads up to eight direct keys and stores them in KPDK[7:0]. Power and
reset keys can be implemented as direct keys.
18.4.2.2 Rotary Encoders
A rotary encoder consists of a cylindrical rotor with metal strips and a pair of sensors, as shown in
Figure 18-2. It can implement items such as scroll keys, jog-dials, and thumbwheels. The direct-
key interface supports up to two rotary encoders and stores the sensor outputs in KPDK[3:0].
18-8 Intel® PXA27x Processor Family Developer’s Manual
Keypad Interface
Figure 18-2. Rotary Encoder
When the encoder is rotated, the sensors send logic highs or logic lows, depending on whether they
sense the metal strip. The direct-key interface incorporates an up/down counter to determine the
amount of scroll. Table 18-2 shows the effect of rotary-encoder sensor outputs on count values.
Figure 18-3 illustrates the waveforms generated by the rotary-encoder sensors. The sensor output
determines the scroll direction. At every rising edge of the keypad clock, the rotary-encoder
counter increments, decrements, or remains unchanged, depending on the scroll direction. The
Rotary Encoder Count register (KPREC) stores the following items for each of the two encoders:
Count value
Underflow (count value < 0, the minimum possible value)
Overflow (count value > 255, the maximum possible value)
The change in these values over any period of time determines the direction and magnitude of
scroll during that period.
Rotary Encoder
Sensor_A
Conductive Metal
Rotor
Sensor_B
Scroll_Up
Scroll_Dn
Table 18-2. Effect of Rotary-Encoder Sensor Outputs on Count Value
Previous A Previous B Current A Current B Effect
L L L H Count Up
L L H L Count Dn
L H L L Count Dn
L H H H Count Up
H L L L Count Up
H L H H Count Dn
H H L H Count Dn
H H H L Count Up
All Other Combinations No effect
Intel® PXA27x Processor Family Developer’s Manual 18-9
Keypad Interface
Figure 18-3. Waveforms Illustrating Operation of Rotary Encoder
18.4.3 Debounce Check
The debounce interval for the matrix and direct keys is specified in the Keypad Key Debounce
Interval register, KPKDI[Interval]. To disable debounce checking, clear all bits in the Interval field.
The input signals, direct or matrix, are considered debounced if they remain stable for the
debounce interval specified in KPKDI[Interval]. The optimum debounce interval depends on the
type of keypad and the scan mode. For detailed information on the intervals available, see
Section 18.5.7.
The following debouncing procedures, described here to clarify operation, occur transparently. No
action is required by user software.
Matrix Keypad, Manual Scan Procedure
In manual matrix scan, only the keypress or no-keypress information is detected and stored. The
user software must scan the entire keypad to determine the individual states of all keys.
1. Read the matrix keypad inputs; determine if any key(s) or no keys were pressed.
2. Wait one debounce interval.
3. Read the matrix keypad inputs again; determine if any key(s) or no keys were pressed.
4. If the results from the two successive reads match, the keys have debounced. Otherwise, repeat
steps 2 and 3 until two successive reads match.
Matrix Keypad, Automatic Scan Procedure
The debounce check occurs only for automatic scans initiated by keypad activity (KPC[ASACT]
set), not for automatic scans initiated by setting KPC[AS].
1. Automatically conduct a full scan of the matrix keypad to obtain the state of all keys.
04H 05H 06H 07H 06H 05H
clk
Sens_A_Out
Sens_B_Out
Count
= Scroll up
= Scroll down
= No Activity
Scroll_Dir
The arrows indicate the direction of scroll, and the count denotes the
distance to be scrolled from the current position. The count is incremented
for a scroll up, decremented for a scroll down, and left unchanged for no activity.
18-10 Intel® PXA27x Processor Family Developer’s Manual
Keypad Interface
2. Automatically wait one debounce interval.
3. Automatically conduct another full scan of the matrix keypad to obtain the state of all keys.
4. If the results from the two successive scans match, the keys have debounced. Otherwise,
automatically repeat steps 2 and 3 until two successive scans match.
Direct Keypad Procedure
1. Read the direct keypad inputs.
2. Wait one debounce interval.
3. Read the direct keypad inputs again.
4. If the results from the two successive reads match, the keys have debounced. Otherwise, repeat
steps 2 and 3 until two successive reads match.
18.4.4 Interrupt Generation
The keypad interface interrupt is generated by merging the matrix interrupt signal (KPC[MI] and
the direct interrupt signal (KPC[DI]. Use the interrupt-enable bits KPC[MIE] (matrix) and
KPC[DIE] (direct) to turn each type of interrupt on or off.
The following referenced sections describe interrupt generation:
Section 18.4.1.1—Manual Matrix Scan
Section 18.4.1.2—Automatic Matrix Scan Initiated by Keypad Activity
Section 18.4.1.3—Automatic Matrix Scan Initiated by Software
Section 18.4.2—Direct Keypad Interface
18.4.5 Entry Into or Exit from Standby or Sleep Mode
When keypad activity is enabled to cause exit from standby or sleep mode, it is important to assure
that, between the time that a decision is made to enter standby or sleep mode and the time that the
decision is executed, any keypad activity has first been determined to be completed. This is to
avoid the undesirable case where abrupt entry into standby or sleep mode during keypad activity
might miss a keypress, especially if the key is in the process of being debounced. Since the keypad
controller runs at 32 KHz, determination that keypad activity has been completed can occur before
the keypad controller is able to sense a new keypress.
The keypad controller itself must remain enabled (with all selected features remaining enabled)
during entry into standby or sleep mode. This is to assure that keypad activity can successfully
cause exit from standby or sleep mode. Scroll-wheel activity must not be used to cause exit from
standby or sleep mode.
The example pseudocode describes a software procedure for entering and exiting standby or sleep
mode, with particular emphasis on keypress activity. If a key-up event must be sensed, record all
keypress interrupts in the associated ISR, and until the keypad-driver interrupt-service thread
determines that it received a key-up event, block entry into standby or sleep mode.
Many operating systems typically disable interrupts during preparation for entry into sleep mode to
prevent undesired side-effects as various peripherals are shut down. Accordingly, the pseudocode
shows this disabling of interrupts as part of preparation for entry into sleep mode, but uses the term
“probably” to indicate that disabling of interrupts for a particular peripheral is not absolutely
Intel® PXA27x Processor Family Developer’s Manual 18-11
Keypad Interface
necessary if the user requires otherwise. On the other hand, many operating systems typically do
not disable interrupts during preparation for entry into standby mode. Accordingly, the pseudocode
shows that interrupts are not to be disabled as part of preparation for entry into standby mode, but
uses the term “probably” to indicate that not disabling interrupts for a particular peripheral is not
absolutely necessary if the user requires otherwise.
Pseudocode:
Begin low-power mode sequence
Begin low-power mode preparation
Prepare all devices for low-power mode entry
...
For keypad controller:
If MODE = sleep (probably) disable interrupts in ICMR
Endif
If MODE = standby (probably) do not disable interrupts in ICMR
Endif
Leave keypad controller fully configured and enabled
Configure PMU registers for entry into standby mode or sleep mode
Evaluate existing keypad activity:
Read all GPLRs that report MKIN or MKOUT pins
Keypad is active if any of the following are true:
Any MKOUTs are low // indicates matrix scan in progress
Any MKINs are high // indicates matrix key is being pressed
Any DKIN not assigned to a rotary encoder is high
// direct key or button is being pressed
End keypad activity determination
End low-power mode preparation
If keypad is not active, enter low-power mode
Endif
If keypad is active, do not enter (skip) low-power mode
Endif
Record reason for exit from or skipping of low-power mode
Restore all peripherals after exit from low-power mode
For keypad controller:
If MODE = Standby, re-enable interrupts // restore when appropriate
// (OS-dependent) if any were optionally disabled
Endif
If MODE = sleep, OS-specific restoration // with possible modification if
// low-power mode was not entered (skipped).
... Endif
End low-power mode sequence
18-12 Intel® PXA27x Processor Family Developer’s Manual
Keypad Interface
18.5 Register Descriptions
The keypad interface has ten 32-bit registers, summarized in Table 18-14. Up to three keypad
cycles are required for a value written to a keypad register from the peripheral interface to take
effect. After a value has been written to a keypad register, do not write a new value to it until
another six keypad clock cycles have elapsed.
18.5.1 Keypad Interface Control Register (KPC)
The Keypad Interface Control register specifies the keypad settings that allow independent
enabling of the direct (DE set) and matrix (ME set) keypad interfaces. Setting or clearing the DIE
and the MIE bits individually enables or disables interrupt generation for each of the keypads.
Setting or clearing the rotary encoder enable bits REE0 and REE1 enables or disables the rotary
encoders for the direct keypad. The MKRN and MKCN bits specify the number of rows and
columns of the matrix keypad. DKN specifies the number of direct keys.
When not scanning the matrix keypad, set bits MS0–MS7. This assures that new keypad activity
does not get missed. KPC[MS0–MS7] drive the KP_MKOUT<7:0> outputs at all times other than
when an automatic matrix scan is being conducted. Software must set these bits to 0b1 at all times
except when a manual matrix scan is being conducted. This ensures that all of the matrix keypad’s
column lines are activated and that activity in the matrix keypad does not go undetected. On
detection of new activity, a new manual or automatic matrix scan can be initiated, depending on the
state of KPC[ASACT].
Setting AS initiates an automatic scan of the matrix keypad. Setting ASACT and detecting keypad
activity initiate an automatic scan of the matrix keypad. When the scan completes, MI is set, which
asserts the keypad interrupt signal to the interrupt controller.
When ASACT is cleared, detecting keypad activity sets MI. An interrupt is sent to the interrupt
controller, and an interrupt service routine can initiate a manual scan of the matrix keypad by
setting the MS0-MS7 bits in the appropriate order.
If IMKP is set for the matrix-keypad interface, multiple keypresses are ignored. Only when all keys
are released is a new scan initiated to detect activity (in case of automatic scan by keypad activity)
or an interrupt generated (in case of manual scan).
Activity detected in the direct keypad or the rotary encoders sets DI. The keypad interrupt signal to
the interrupt controller is asserted, the direct-key interrupt service routine is initiated, and the
Direct Key register (KPDK) is read to determine the key(s) pressed. Table 18-3 shows the register
organization and the individual bit definitions.
This is a read/write register. Ignore reads from reserved bits. Write reserved bits with zeros.
Intel® PXA27x Processor Family Developer’s Manual 18-13
Keypad Interface
Table 18-3. KPC Bit Definitions
Physical Address
0x4150_0000 KPC Keypad Interface
User
Settings
Bit 31 30 29 28 27 26 25 24 23 22 21 20 19 18 17 16 15 14 13 12 11 10 9876543210
reserved
AS
ASACT
MKRN
MKCN
MI
IMKP
MS7
MS6
MS5
MS4
MS3
MS2
MS1
MS0
ME
MIE
reserved
DK_DEB_SEL
DKN
DI
RE_ZERO_DEB
REE1
REE0
DE
DIE
Reset ?00000000000000000000?0000000000
Bits Access Name Description
31 — reserved
30 R/W AS
Automatic Scan
0 = No effect
1 = Writes cause the keypad to be scanned once, and then the AS bit is
reset to zero.
29 R/W ASACT
Automatic Scan on Activity
0 = No automatic scan on activity.
1 = If KPC[AS] is clear, the keypad is scanned to detect the keypress
whenever there is any keypad activity and the key is pressed for a
duration longer than the key debounce interval specified by
KPKDI[Interval].
28:26 R/W MKRN
Matrix Keypad Row Number
This octal value plus 1 indicates the number of rows in the matrix keypad.
Examples:
000: Number of keypad rows = 1
111: Number of keypad rows = 8
25:23 R/W MKCN
Matrix Keypad Column Number
This octal value plus 1 indicates the number of columns in the matrix
keypad. Examples:
000: Number of keypad columns = 1
111: Number of keypad columns = 8
22 R MI Matrix Keypad Interrupt
This bit is reset when read. Writes to it are ignored.
21 R/W IMKP
Ignore Multiple keypress (Matrix-Keypad Interface Only)
0 = In case of automatic scan by keypad activity and manual scan, do not
ignore multiple keypresses.
1 = In case of automatic scan by keypad activity and manual scan, ignore
multiple keypresses after a keypress activity has been detected and
scanned.
20 R/W MS7Manual Matrix Scan Line 7
Asserted to scan column 7 of the matrix keypad.
19 R/W MS6Manual Matrix Scan Line 6
Asserted to scan column 6 of the matrix keypad.
18 R/W MS5Manual Matrix Scan Line 5
Asserted to scan column 5 of the matrix keypad.
18-14 Intel® PXA27x Processor Family Developer’s Manual
Keypad Interface
17 R/W MS4Manual Matrix Scan Line 4
Asserted to scan column 4 of the matrix keypad.
16 R/W MS3Manual Matrix Scan Line 3
Asserted to scan column 3 of the matrix keypad.
15 R/W MS2Manual Matrix Scan Line 2
Asserted to scan column 2 of the matrix keypad.
14 R/W MS1Manual Matrix Scan Line 1
Asserted to scan column 1 of the matrix keypad.
13 R/W MS0Manual Matrix Scan Line 0
Asserted to scan column 0 of the matrix keypad.
12 R/W ME
Matrix Keypad Enable
0 = Disabled
1 = Enabled
11 R/W MIE
Matrix Interrupt Enable
0 = Disabled
1 = Enabled
10 — reserved
9R/W
DK_DEB_
SEL
Direct Keypad Debounce Select
0 = Direct keypad debounce interval equal to the Matrix Key Debounce
Interval Field of the KPKDI.
1 = Direct keypad debounce interval equal to the Direct Key Debounce
Interval field of the KPKDI.
8:6 R/W DKN
Direct Key Number
This octal value + 1 indicates the number of keys in the direct keypad plus
the number of rotary-encoder sensor inputs. Examples:
000: number of direct keys plus rotary-encoder sensor inputs = 1
111: number of direct keys plus rotary-encoder sensor inputs = 8
5RDI
Direct Keypad Interrupt
This bit is reset when read. Writes to it are ignored.
4R/W
RE_ZERO_
DEB
Rotary Encoder Zero Debounce
0 = Rotary encoder logic debounce interval equal to the direct keypad
debounce interval.
1 = Rotary encoder logic debounce interval equal to zero.
Table 18-3. KPC Bit Definitions
Physical Address
0x4150_0000 KPC Keypad Interface
User
Settings
Bit 31 30 29 28 27 26 25 24 23 22 21 20 19 18 17 16 15 14 13 12 11 10 9876543210
reserved
AS
ASACT
MKRN
MKCN
MI
IMKP
MS7
MS6
MS5
MS4
MS3
MS2
MS1
MS0
ME
MIE
reserved
DK_DEB_SEL
DKN
DI
RE_ZERO_DEB
REE1
REE0
DE
DIE
Reset ? 0 0 0 0 0 0 0 0 0 0 0 0 0 0 0 0 0 0 0 0 ? 0 0 0 0 0 0 0 0 0 0
Bits Access Name Description
Intel® PXA27x Processor Family Developer’s Manual 18-15
Keypad Interface
3R/WREE1
Rotary Encoder 1 Enable
0 = Not enabled
1 = Enabled
2R/WREE0
Rotary Encoder 0 Enable
0 = Not enabled
1 = Enabled
1R/WDE
Direct Keypad Enable
0 = Disabled
1 = Enabled
0R/WDIE
Direct Keypad interrupt Enable
0 = Disabled
1 = Enabled
All of the KPC[MS7:MS0] bits must be set simultaneously to detect matrix keypad activity correctly.
Table 18-3. KPC Bit Definitions
Physical Address
0x4150_0000 KPC Keypad Interface
User
Settings
Bit 31 30 29 28 27 26 25 24 23 22 21 20 19 18 17 16 15 14 13 12 11 10 9876543210
reserved
AS
ASACT
MKRN
MKCN
MI
IMKP
MS7
MS6
MS5
MS4
MS3
MS2
MS1
MS0
ME
MIE
reserved
DK_DEB_SEL
DKN
DI
RE_ZERO_DEB
REE1
REE0
DE
DIE
Reset ?00000000000000000000?0000000000
Bits Access Name Description
18-16 Intel® PXA27x Processor Family Developer’s Manual
Keypad Interface
18.5.2 Keypad Interface Direct Key Register (KPDK)
The Direct Key register, shown in Table 18-4, contains details of the last read of the direct-keypad
inputs, if the direct-keypad is enabled (KPC[DE] set). The status of all the direct keys are stored in
KPDK on each read of the direct keypad. This register is reset only on power-up.
This is a read-only register. Ignore reads from reserved bits.
Table 18-4. KPDK Bit Definitions
Physical Address
0x4150_0008 KPDK Keypad Interface
User
Settings
Bit 31 30 29 28 27 26 25 24 23 22 21 20 19 18 17 16 15 14 13 12 11 10 9 8 7 6 5 4 3 2 1 0
DKP
reserved
DK7
DK6
DK5
DK4
RB1-DK3
RA1-DK2
RB0-DK1
RA0-DK0
Reset 0 ? ? ? ? ? ? ? ? ? ? ? ? ? ? ? ? ? ? ? ? ? ? ? 0 0 0 0 0 0 0 0
Bits Access Name Description
31 RO DKP Direct Key Pressed Since Last Read
Reset on register read.
30:8 — reserved
7 RO DK7 Direct Key 7 Input
6 RO DK6 Direct Key 6 Input
5 RO DK5 Direct Key 5 Input
4 RO DK4 Direct Key 4 Input
3 RO RB1-DK3
Rotary Encoder B/Direct Key 3 Input
Rotary Encoder 1 disabled: input = direct key 3
Rotary Encoder 1 enabled: input = rotary encoder 1, sensor B
2 RO RA1-DK2
Rotary Encoder A/Direct Key 2 Input
Rotary Encoder 1 disabled: input = direct key 2
Rotary Encoder 1 enabled: input = rotary encoder 1, sensor A
1 RO RB0-DK1
Rotary Encoder B/Direct Key 1 Input
Rotary Encoder 0 disabled: input = direct key 1
Rotary Encoder 0 enabled: input = rotary encoder 0, sensor B
0 RO RA0-DK0
Rotary Encoder A/Direct Key 0 Input
Rotary Encoder 0 disabled: input = direct key 0
Rotary Encoder 0 enabled: input = rotary encoder 0, sensor A
Intel® PXA27x Processor Family Developer’s Manual 18-17
Keypad Interface
18.5.3 Keypad Interface Rotary Encoder Count Register (KPREC)
Table 18-5 shows the organization and bit definitions of the Keypad Interface Rotary Encoder
Count register (KPREC), which stores the values of the counters pertaining to the respective rotary
encoders. These count values serve as indications of any activity in the keys implemented using the
rotary encoders. For example, with a scroll key implemented using a rotary encoder, any activity
increments or decrements the rotary encoder counter, depending on the direction of the scroll. This
count value is stored in KPREC every 32 kHz keypad clock. Software must periodically read the
count value in KPREC and compare it with the last value read to determine the direction and
magnitude of the scroll.
The KPREC register can store up to two 8-bit count values with an overflow and an underflow bit
corresponding to each of the two counts. The underflow bits UFx are set when the count goes
below zero. The overflow bits OFx are set when it goes beyond the maximum 8-bit value of 255.
The overflow and underflow bits are reset when KPREC is read.
This is a read/write register. Ignore reads from reserved bits. Write reserved bits with zeros.
Table 18-5. KPREC Bit Definitions
Physical Address
0x4150_0010 KPREC Keypad Interface
User
Settings
Bit 31 30 29 28 27 26 25 24 23 22 21 20 19 18 17 16 15 14 13 12 11 10 9 8 7 6 5 4 3 2 1 0
OF1
UF1
reserved RE Count1
OF0
UF0
reserved RE Count0
Reset 0 0 ? ? ? ? ? ? 0 0 0 0 0 0 0 0 0 0 ? ? ? ? ? ? 0 0 0 0 0 0 0 0
Bits Access Name Description
31 R/W OF1
Overflow for Rotary Encoder 1
Set when count value goes above the maximum 8-bit value (255). This bit is
reset on read.
30 R/W UF1 Underflow for Rotary Encoder 1
Set when count value goes below zero. This bit is reset on read.
29:24 — reserved
23:16 R/W RE Count1 Count Value for Rotary Encoder 1
15 R/W OF0
Overflow for Rotary Encoder 0
Set when count value goes above the maximum 8-bit value (255). This bit is
reset on read.
14 R/W UF0 Underflow for Rotary Encoder 0
Set when count value goes below zero. This bit is reset on read.
13:8 — reserved
7:0 R/W RE Count0 Count Value for Rotary Encoder 0
18-18 Intel® PXA27x Processor Family Developer’s Manual
Keypad Interface
18.5.4 Keypad Interface Matrix Key Register (KPMK)
When enabled (KPC[ME] set), the Matrix Key register contains the row details of the keys pressed
on the matrix keypad when the last manual scan was completed. The MKP bit, if set, indicates that
a matrix key was pressed since the register was last read. Table 18-6 shows the register
organization and bit definitions.
This is a read-only register. Ignore reads from reserved bits.
18.5.5 Keypad Interface Automatic Scan Register (KPAS)
The KPAS register, defined in Table 18-7, contains row and column details for a single keypress or
information about multiple keypresses and invalid data.
Automatic scan of the keypad is initiated either when there is stable keypad activity for longer than
the key debounce interval while KPC[ASACT] is set or when KPC[AS] is set.
If no key was pressed, the Multiple Keys Pressed (MUKP) field contains the value 00000.
If a single key was pressed, the row and column details of the key are stored in the RP and CP bit
fields. The MUKP bit field contains the value 00001.
If multiple keys were pressed, the MUKP bit field contains a value greater than 00001, read the
details about the keys pressed from the Keypad Interface Automatic Scan Multiple keypress
registers KPASMKP0-3.
Table 18-6. KPMK Bit Definitions
Physical Address
0x4150_0018 KPMK Keypad Interface
User
Settings
Bit 31 30 29 28 27 26 25 24 23 22 21 20 19 18 17 16 15 14 13 12 11 10 9 8 7 6 5 4 3 2 1 0
MKP
reserved
MR7
MR6
MR5
MR4
MR3
MR2
MR1
MR0
Reset 0 ? ? ? ? ? ? ? ? ? ? ? ? ? ? ? ? ? ? ? ? ? ? ? 0 0 0 0 0 0 0 0
Bits Access Name Description
31 RO MKP Matrix Key Pressed Since Last Read
Reset on register read.
30:8 — reserved
7 RO MR7 Matrix Row 7
6 RO MR6 Matrix Row 6
5 RO MR5 Matrix Row 5
4 RO MR4 Matrix Row 4
3 RO MR3 Matrix Row 3
2 RO MR2 Matrix Row 2
1 RO MR1 Matrix Row 1
0 RO MR0 Matrix Row 0
Intel® PXA27x Processor Family Developer’s Manual 18-19
Keypad Interface
The Scan On (SO) bit, if set, indicates that a scan is in progress and that the data in this register is
invalid.
This is a read-only register. Ignore reads from reserved bits.
Table 18-7. KPAS Bit Definitions
Physical Address
0x4150_0020 KPAS Keypad Interface
User
Settings
Bit 31 30 29 28 27 26 25 24 23 22 21 20 19 18 17 16 15 14 13 12 11 10 9 8 7 6 5 4 3 2 1 0
SO
MUKP reserved RP CP
Reset 0 0 0 0 0 0 ? ? ? ? ? ? ? ? ? ? ? ? ? ? ? ? ? ? 1 1 1 1 1 1 1 1
Bits Access Name Description
31 RO SO
Scan On
This bit is set at the beginning of the automatic scan or automatic scan on
activity and cleared when the scan is completed. When set, the data in this
register is invalid.
30:26 RO MUKP
Multiple Keys Pressed
00000 = No key pressed.
00001 = Single key pressed. Read row and column information from the
RP and CP bit fields.
>00001 = Multiple keys pressed. Read the keypress information from
the KPASMKP0, KPASMKP1, KPASMKP2 and KPASMKP3
registers.
25:8 — reserved
7:4 RO RP
Row Pressed
1111 = Data invalid (also the reset value)
0000 = Key pressed is in row 0
...continuing sequentially through...
0111 = Key pressed is in row 7
3:0 RO CP
Column Pressed
1111 = Data invalid (also the reset value)
0000 = Key pressed is in column 0
...continuing sequentially through...
0111 = Key pressed is in column 7
18-20 Intel® PXA27x Processor Family Developer’s Manual
Keypad Interface
18.5.6 Keypad Interface Automatic Scan Multiple Keypress
Registers 0–3 (KPASMKPx)
The Keypad Interface Automatic Scan Multiple keypress registers contain details of the row
readings from automatic scans when multiple keys have been pressed. Each register deals with two
keypad columns, as shown in Table 18-8.
Read these registers after:
An automatic scan interrupt
A scan initiated by setting KPC[AS] has completed.
Row readings are recorded in 8-bit MKCx bit fields, two per register, where x corresponds to the
keypad column number. Each bit in the MKCx field corresponds to a row under the column, with
bit 0 representing row 0 and bit 7 representing row 7. A set bit in MKCx indicates that a key has
been pressed under column x. For example:
01000000 in KPASMKP0[MKC1] indicates that a key in row 6, column 1 has been pressed.
00000010 in KPASMKP3[MKC7] indicates that a key in row 1, column 7 has been pressed.
Each KPASMKPx register contains a Scan On (SO) bit, which is set on initiation of an automatic
scan and cleared when the scan is completed. When SO is set, the data in the register is invalid.
These are read-only registers. Ignore reads from reserved bits.
Table 18-8. Keypad Columns Used by KPASMKPx Registers
Register Definition Table Keypad Column
Numbers
KPASMKP0 Table 18-9 1–0
KPASMKP1 Table 18-10 3–2
KPASMKP2 Table 18-11 5–4
KPASMKP3 Table 18-12 7–6
Intel® PXA27x Processor Family Developer’s Manual 18-21
Keypad Interface
Table 18-9. KPASMKP0 Bit Definitions
Physical Address
0x4150_0028 KPASMKP0 Keypad Interface
Bit 31 30 29 28 27 26 25 24 23 22 21 20 19 18 17 16 15 14 13 12 11 10 9 8 7 6 5 4 3 2 1 0
SO
reserved MKC1 reserved MKC0
Reset 0 ? ? ? ? ? ? ? 0 0 0 0 0 0 0 0 ? ? ? ? ? ? ? ? 0 0 0 0 0 0 0 0
Bits Access Name Description
31 RO SO
Scan On
This bit is set at the beginning of the automatic scan or automatic scan on
activity and cleared when the scan is completed. When set, the data in this
register is invalid.
30:24 — reserved
23:16 RO MKC1
Matrix Keypad Column 1 Reading
A set bit identifies a key in the corresponding row and column 1:
Bit 23 = row 7, sequentially through
Bit 16 = row 0
15:8 — reserved
7:0 RO MKC0
Matrix Keypad Column 0 Reading
A set bit identifies a key in the corresponding row and column 0.
Bit 7 = row 7, sequentially through
Bit 0 = row 0
Table 18-10. KPASMKP1 Bit Definitions
Physical Address
0x4150_0030 KPASMKP1 Keypad Interface
Bit 31 30 29 28 27 26 25 24 23 22 21 20 19 18 17 16 15 14 13 12 11 10 9 8 7 6 5 4 3 2 1 0
SO
reserved MKC3 reserved MKC2
Reset 0 ? ? ? ? ? ? ? 0 0 0 0 0 0 0 0 ? ? ? ? ? ? ? ? 0 0 0 0 0 0 0 0
Bits Access Name Description
31 RO SO
Scan On
This bit is set at the beginning of the automatic scan or automatic scan on
activity and cleared when the scan is completed. When set, the data in this
register is invalid.
30:24 — reserved
23:16 RO MKC3
Matrix Keypad Column 3 Reading
A set bit identifies a key in the corresponding row and column 3:
Bit 23 = row 7, sequentially through
Bit 16 = row 0
15:8 — reserved
7:0 RO MKC2
Matrix Keypad Column 2 Reading
A set bit identifies a key in the corresponding row and column 2:
Bit 7 = row 7, sequentially through
Bit 0 = row 0
18-22 Intel® PXA27x Processor Family Developer’s Manual
Keypad Interface
Table 18-11. KPASMKP2 Bit Definitions
Physical Address
0x4150_0038 KPASMKP2 Keypad Interface
Bit 31 30 29 28 27 26 25 24 23 22 21 20 19 18 17 16 15 14 13 12 11 10 9 8 7 6 5 4 3 2 1 0
SO
reserved MKC5 reserved MKC4
Reset 0 ? ? ? ? ? ? ? 0 0 0 0 0 0 0 0 ? ? ? ? ? ? ? ? 0 0 0 0 0 0 0 0
Bits Access Name Description
31 RO SO
Scan On
This bit is set at the beginning of the automatic scan or automatic scan on
activity and cleared when the scan is completed. When set, the data in this
register is invalid.
30:24 — reserved
23:16 RO MKC5
Matrix Keypad Column 5 Reading
A set bit identifies a key in the corresponding row and column 5:
Bit 23 = row 7, sequentially through
Bit 16 = row 0
15:8 — reserved
7:0 RO MKC4
Matrix Keypad Column 4 Reading
A set bit identifies a key in the corresponding row and column 4:
Bit 7 = row 7, sequentially through
Bit 0 = row 0
Table 18-12. KPASMKP3 Bit Definitions
Physical Address
0x4150_0040 KPASMKP3 Keypad Interface
Bit 31 30 29 28 27 26 25 24 23 22 21 20 19 18 17 16 15 14 13 12 11 10 9 8 7 6 5 4 3 2 1 0
SO
reserved MKC7 reserved MKC6
Reset 0 ? ? ? ? ? ? ? 0 0 0 0 0 0 0 0 ? ? ? ? ? ? ? ? 0 0 0 0 0 0 0 0
Bits Access Name Description
31 RO SO
Scan On
This bit is set at the beginning of the automatic scan or automatic scan on
activity and cleared when the scan is completed. When set, the data in this
register is invalid.
30:24 — reserved
23:16 RO MKC7
Matrix Keypad Column 7 Reading
A set bit identifies a key in the corresponding row and column 7:
Bit 23 = row 7, sequentially through
Bit 16 = row 0
15:8 — reserved
7:0 RO MKC6
Matrix Keypad Column 6 Reading
A set bit identifies a key in the corresponding row and column 6:
Bit 7 = row 7, sequentially through
Bit 0 = row 0
Intel® PXA27x Processor Family Developer’s Manual 18-23
Keypad Interface
18.5.7 Keypad Interface Key Debounce Interval Register (KPKDI)
The signals generated by a key do not stabilize for some tens of microseconds after the key is
pressed. Reading those signals before the key signals stabilize could lead to faulty detection. To
avoid such a condition, a time period known as a key debounce interval must elapse before any
reading is performed to determine the key pressed.
The key debounce interval is the time interval between the time keypad activity is first detected and
the time the key value is stored in the appropriate register (Matrix Key register, Direct Key register,
or an Automatic Scan register). This interval is specified in the Key Debounce Interval register
(KPKDI), defined in Table 18-13. The key debounce interval is specified as an 8-bit number in the
Interval field. The unit for the debounce interval is ms (the interval is typically between 32 ms and
128 ms). The Interval field defaults to 100 ms upon reset. To read the key(s) pressed without
waiting for the debounce interval, set the interval value in the KPKDI register to zero.
This is a read/write register. Ignore reads from reserved bits. Write 0b0 to reserved bits.
Table 18-13. KPKDI Bit Definitions
Physical Address
0x4150_0048 KPKDI Keypad Interface
User
Settings
Bit 31 30 29 28 27 26 25 24 23 22 21 20 19 18 17 16 15 14 13 12 11 10 9 8 7 6 5 4 3 2 1 0
reserved Direct-Key Debounce
Interval Matrix-Key Debounce
Interval
Reset ? ? ? ? ? ? ? ? ? ? ? ? ? ? ? ? 0 0 0 0 0 0 0 0 0 1 1 0 0 1 0 0
Bits Access Name Description
31:16 — reserved
15:8 R/W Direct-Key
Debounce
Interval Direct-Key Debounce Interval (in ms)
7:0 R/W Matrix-Key
Debounce
Interval Matrix-Key Debounce Interval (in ms)
18-24 Intel® PXA27x Processor Family Developer’s Manual
Keypad Interface
18.6 Register Summary
Table 18-14 shows the registers associated with the keypad interface and the physical addresses to
access them. These registers can be accessed only with word accesses. They are grouped together
within one page, and all have the same memory protections.
Table 18-14. Keypad Interface Register Summary
Address Name Description Page
0x4150_0000 KPC Keypad Interface Control register 18-12
0x4150_0004 reserved
0x4150_0008 KPDK Keypad Interface Direct Key register 18-16
0x4150_000C reserved
0x4150_0010 KPREC Keypad Interface Rotary Encoder Count register 18-17
0x4150_0014 reserved
0x4150_0018 KPMK Keypad Interface Matrix Key register 18-18
0x4150_001C reserved
0x4150_0020 KPAS Keypad Interface Automatic Scan register 18-18
0x4150_0024 reserved
0x4150_0028 KPASMKP0 Keypad Interface Automatic Scan Multiple Keypress register 0 18-20
0x4150_002C reserved
0x4150_0030 KPASMKP1 Keypad Interface Automatic Scan Multiple Keypress register 1 18-20
0x4150_0034 reserved
0x4150_0038 KPASMKP2 Keypad Interface Automatic Scan Multiple Keypress register 2 18-20
0x4150_003C reserved
0x4150_0040 KPASMKP3 Keypad Interface Automatic Scan Multiple Keypress register 3 18-20
0x4150_0044 reserved
0x4150_0048 KPKDI Keypad Interface Key Debounce Interval register 18-23
0x4150_004C–
0x415F_FFFC reserved
Intel® PXA27x Processor Family Developer’s Manual 19-1
Universal Subscriber ID Interface 19
This chapter describes the Universal Subscriber Identity Module (USIM) interface block and the
USIM interface-related registers supported by the PXA27x processor.
19.1 Overview
The USIM interface is a primary device and communications interface for a GSM mobile handset.
The USIM interface supports communication with smart cards as specified in the standard ISO
7816-3 and technical specification 3G TS 31.101 of the 3rd Generation Partnership Project.
Today, smart cards are used in many applications, and the GSM network USIM card is only one of
many applications. Smart cards usually consist of CPU, flash memory, and a serial-
communications interface device similar to the one described in this chapter. More sophisticated
cards contain PLL for frequency enhancement. Encryption accelerators can also exist in a smart
card, because many of their applications are security oriented. In all smart card applications, the
physical layer and data link layer are identical, so this module may serve them as well. Familiarity
with the above standards will help readers better understand this chapter.
Software controls the session between the USIM interface and the card by updating the USIM
interface registers. Choosing protocol type and parameters, receiving or sending a byte to/from the
card, activating/deactivating the card, setting transmitter/receiver baud rates, and similar operations
are accomplished with read/write operations to the USIM interface registers. Transforming byte
convention (inverse to direct and vice-versa, according to the session convention) is performed
within the USIM interface. Hence, software does not have to perform format inversion before
character receipt. The USIM interface provides functionality to support the above standards, but it
is the responsibility of software to ensure the standards are met.
19.2 Features
The USIM interface has the following key features:
Compatible with any USIM card that is compliant with standard ISO 7816-3 and
3G TS 31.101 and operates in voltages of 1.8 V or 3 V
Supports control lines for two-level voltage supply (1.8 V and 3 V)
Supports USIM card reset pin control (using reset pin control and power supply control, warm/
cold reset can be software-initiated)
Supports T = 0 and T = 1 protocols
Programmable card clock frequency
Supports any combination of the following clock-rate conversion factor F, and bit-rate
adjustment factor D:
F = {372, 512, 558}
D = {1,2,4,8,16, 32, 12, 20}
19-2 Intel® PXA27x Processor Family Developer’s Manual
Universal Subscriber ID Interface
Auto-error signal in T = 0 receive mode
Auto-character repeat in T = 0 transmit mode
Transforms inverted format to regular format and vice-versa
Programmable block guard time period
Programmable extra guard time period
Programmable character waiting time period
Programmable block waiting time period
Programmable time-out period
Programmable CPU interrupt on an error-signal detection
Programmable CPU interrupt when a smart card is connected
19.3 Signal Descriptions
This section describes the I/O signals used by the USIM interface. Table 19-1 lists all processor
pins that connect between the USIM interface and the USIM card.
Table 19-1. USIM Interface I/O Signal Descriptions (Sheet 1 of 2)
Signal Name Type Description†††
UIO Bidirectional
USIM I/O Data. Receive and transmit data connection. The bidirectional pad is
connected directly to the off-chip USIM card. When asserted, the I/O line is
forced to VLOW. When deasserted, the I/O line is pulled-up by a pull-up
resistor. (If the USIM function is not used, the pull-up resistor is not needed,
decreasing power consumption in Standby mode.)
The USIM card can also act as a pull-down on the I/O line. RXD is an input to
the USIM interface logic and an output from the processor UIO pad. RXD
reflects the status of the I/O to the USIM interface.
NOTE: When the USIM card and the processor operate at different voltage
levels, the I/O voltage level of the USIM card must be at a voltage
level the PXA27x processor supports.
UVS0Output Select for power transistor controlling voltage level supplied for card. Selects
zero voltage on the USIM card power-supply pad (VCC).
nUVS1Output Select for power transistor controlling voltage level supplied for card. Selects
1.8 V on the USIM card power-supply pad (VCC).
nUVS2Output Input for power transistor controlling voltage level supplied for card. Selects
3.0 V on the USIM card power-supply pad (VCC).
UCLK Output Clock supplied to the card. This pin connects directly to the card clock pin. The
card cannot use any other clock
nURST Output Card reset pin. Connects to card reset pin. The card is reset when this output
is asserted.
20K
Ω
Intel® PXA27x Processor Family Developer’s Manual 19-3
Universal Subscriber ID Interface
19.4 Operation
The following sections describes the connection to the USIM card connect, coding conversion,
protocols, clock control, card management, and FIFO operation.
19.4.1 USIM Card Interface
Actual connection to the USIM card is buffered by standard analog circuits. The card itself has
only five I/O pads (listed in Table 19-2).
UDET†† Output USIM detection for card present
UEN†† Output USIM enable for VCC_USIM connection
NOTES:
Care must be taken when placing the PXA27x processor into deep-sleep low-power mode. The voltage
control pins are powered from the VCC_IO power domain, and in deep-sleep mode, this is turned off.
Powering off the voltage select pins (UVS0, nUVS1, nUVS2) can cause shorting of the power supplies that
are switched to provide power to the card. To prevent these electrical problems:
-The external power supply must be turned off before (or at the same time as) the processor
enters deep-sleep power mode using USIM[USCCR] bit field.
-GPIOs must be correctly configured prior to entering deep-sleep mode with software writes to
USIM[USCCR]. See Chapter 24, “General-Purpose I/O Controller” for more details.
†† The control and status of this signal is defined using the Section 3.8.1.14, “Power Manager USIM Card
Control/Status Register (PUCR)” on page 3-90.
†††The voltage level of the pads is set off-chip. The pads work at either 1.8 V or 3.0 V.
Table 19-1. USIM Interface I/O Signal Descriptions (Sheet 2 of 2)
Signal Name Type Description†††
Table 19-2. USIM Card Pinout
Card Pin Function Pin Direction Processor Pin
I/O Data input/output (bidirectional) pad with a pull-up transistor. See
ISO 7816-3 for pad specifications. USIM card <--> Processor UIO
CARD_RST USIM card reset Processor --> USIM card nURST
CLK_CARD
Clock input. Frequencies are between 1–5 MHz. See ISO 7816-3
for pad specifications. Note that cards manufactured before April
2000 may have frequency limitation of 4 MHz. Clock-stops on low
or high phase are supported.
Processor --> USIM card UCLK
VCC Card power supply. Supplies 0 V, 1.8 V, 3 V with max currents
0 mA, 30 mA, 50 mA, respectively according to card class (B, C).
See ISO 7816-3 for pad specifications. Power supply --> Card VCC_USIM
GND Mutual USIM card, SIM interface, and VCC ground reference
voltage. Power supply --> Card VSS_IO
19-4 Intel® PXA27x Processor Family Developer’s Manual
Universal Subscriber ID Interface
19.4.2 Coding Conventions
The USIM interface performs serial-to-parallel conversion with optional format inversion on data
characters received from the USIM card, and parallel-to-serial conversion with optional format
inversion on data characters received from the processor. Every byte sent or received consists of a
start bit followed by an 8-bit data string, parity bit, and guard time. The period of time devoted for
transmission/reception of a single bit is called an elementary time unit (etu) or moment.
The start bit is mandatory, as is the first guard bit. Extra guard time is optional. The USIM interface
enables software to add up to 255 extra guard-time moments. See Section 19.5.11.
Data bits may appear in two possible conventions:
Direct ConventionData bits sent on moments m2–m9 (see Figure 19-1) are transmitted
LSB first-MSB last (the least significant bit is transmitted on m2 and the most significant bit
on m9). During moments m2–m10 (data and parity bits), transmission of VHIGH is interpreted
as a logic 1, while transmission of VLOW is interpreted as a logic 0.
Inverse Convention—Data bits sent on moments m2–m9 (see Figure 19-1) are transmitted
MSB first-LSB last (the most significant bit is transmitted on m2 and the least significant bit
on m9). During moments m2–m10 (data and parity bits), transmission of VLOW is interpreted
as a logic 1, while transmission of VHIGH is interpreted as a logic 0.
The first byte sent from the card to the USIM interface after reset deassertion determines the
convention to be used throughout the whole session. A card that encodes/decodes data in the direct
convention sends 0x3B. A card that is working in inverse convention sends 0x3F.
When receiving this first character, one of the following scenarios is possible:
Both the USIM interface and card are set to the same convention, and the first character is
received correctly (received data was either 0x3F or 0x3B with no parity error).
USIM interface and card are set to opposite conventions—the USIM interface asserts a parity
error because it expects the opposite parity bit convention.
Some other communication error occurred (for example, parity error due to thermal noise,
wrong voltage level supplied to card).
Figure 19-1. Byte Sent Versus Time
tn t10
1–255 moments
of guard time
Next
character
8 moments
of data
start
start
t0 t1
m1 m2 m3 m4 m5 m6 m7 m8 m9 m10
parity
NOTE: m1,m2...m10 stands for moments 1–10.
Intel® PXA27x Processor Family Developer’s Manual 19-5
Universal Subscriber ID Interface
19.4.3 Protocols
Both T = 0 and T = 1 protocols, as defined in the standards ISO 7816-3 and 3G TS 31.101, are
supported by the USIM interface. The protocols can be set in the USIM Line Control register
(LCR) (Section 19.5.8). The USIM interface does not analyze/generate data content or block
structure sent in the protocols. It is the responsibility of software to generate and analyze command
headers and block structure to decode data meaning. The protocols begin after either the Answer-
To-Rest (ATR) or a successful Protocol and Parameter Selection (PPS) exchange. See the
specifications for a more detailed explanation of the protocols.
In the T = 0 protocol, the USIM interface initiates every command with software writes to the
transmit FIFO (TX-FIFO) containing a five-byte command header. The header tells the card what
to do. The software-controlled command processing continues with the transfer of a variable
number of data bytes in one direction under the control of procedure bytes sent by the card. See
Figure 19-2. The T = 0 protocol allows for character retransmission when errors are detected. The
protocol also requires two extra guard-time moments to follow the parity bit.
In the T = 1 protocol, data is sent using a sequence of bytes known as a block. By analyzing block
content, software knows at any given moment the proper direction of data flow (transmit/receive).
For example, software knows the length of the block sent in a T = 1 protocol from the card to the
USIM interface by analyzing data in the third byte of the sent block (marked as a LEN byte). Note
that each character has a special meaning according to its position in the block. See Figure 19-3.
There is no character retransmission in the T = 1 protocol. Errors must be handled by software. The
T = 1 protocol requires one extra guard-time moment following the parity bit. The USIM interface
device supports DMA transfers that can be used in long T = 1 protocol block transfers.
Receive and transmit activity for each mode can be monitored in one of three possible ways:
interrupt, polled, or DMA mode. See Section 19.4.6 for more details.
Protocol switching can occur during the ATR, immediately after the ATR, or after a successful
PPS. Unpredictable results may occur when changing the protocol under other scenarios.
Figure 19-2. T = 0 Protocol Communications Method
CLA INS
P2P1
procedure byte
data stream
Interface Device
Card
P3
Command Header
data stream
NOTE:
Characters in dashed lines are transmitted either from the interface to the card or from the card to the interface,
depending on the command type (read/write).
19-6 Intel® PXA27x Processor Family Developer’s Manual
Universal Subscriber ID Interface
19.4.3.1 Errors
The USIM Error Control register (ECR) (Section 19.5.7) and the USIM Interrupt Enable register
(IER) (Section 19.5.3) allow software to control how errors are handled.
19.4.3.1.1 T = 0 Error
The appearance of an error signal during transmission in T = 0 mode is referred to as a T = 0 error.
While transmitting a character, the USIM interface senses for an error signal VLOW during the
second mandatory guard-time moment, on the I/O line. In the event an error signal is identified, the
USIM interface transmitter repeats the last byte transmitted. When the number of repetitions meets
the T = 0 error trigger level ECR[T0ERR_TL], transmission stops, an interrupt occurs if enabled,
and the LSR[T0ERR] bit is asserted. Software can then decide whether to proceed with the next
byte or re-transmit the same byte using the control bits ECR[T0_CLR] and ECR[T0_REPEAT],
respectively. In T = 1 mode, there is no repetition of data, so this interrupt is not applicable.
19.4.3.1.2 Parity Error
In T = 0 mode, the USIM interface receiver automatically signals the card in the event of a parity
error using the I/O line with a VLOW during guard time, see Figure 19-4. The erroneous byte does
not enter the receive FIFO (RX-FIFO). Retransmission by the card of the previous byte is expected
so no data is lost. When the number of repetitions meets the Parity Error trigger level ECR[PE_TL]
an interrupt occurs (if enabled) and the LSR[PERR] bit is asserted. A parity error generates an error
signal to the card, regardless of the error trigger value.
Note: Reception does not stop after receiving a parity error interrupt. If the parity error continues to
repeat, the USIM interface continues to signal the card on each occurrence. Software can either
reset the card or receive the character with a parity error by switching to T = 1 mode and then
reverting back to T = 0 mode. Software can check the RBR[PERR] bit to validate the character was
received with parity from the T = 1 mode.
In the T = 1 protocol, error signaling or sensing is not performed. When a parity error occurs, the
erroneous byte enters the RX-FIFO, the LSR[PERR] bit is asserted, and a parity error interrupt
occurs if enabled. The parity error trigger level has no effect in T = 1 mode. The erroneous bytes
are indicated in the RX-FIFO by the assertion of RBR[PERR]. See Section 19.5.1. The total
number of bytes with parity errors in the RX-FIFO can be determined by FSR[PERR_NUM].
Figure 19-3. Complete Block Structure in T = 1 Protocol
Prologue Field Information Field Epilogue Field
NAD PCB LEN INF EDC
1 byte 0 to 254 bytes 1 or 2 bytes (LCR or CRC)
Data length
Error detection code
1 byte 1 byte
Intel® PXA27x Processor Family Developer’s Manual 19-7
Universal Subscriber ID Interface
19.4.3.1.3 Overrun Error
The receive FIFO can store up to 16 bytes. If the receive FIFO is not emptied before the 17th byte
is transmitted by the card, the LSR[OVRN] bit is asserted and an overrun interrupt is generated (if
enabled), and the 17th byte does not enter the FIFO. In T = 0 mode, the USIM interface signals the
card about the error using the I/O line with a VLOW during guard time, which causes the card to
retransmit the data.
19.4.3.1.4 Framing Error
After a byte is received, the USIM interface verifies that during the last moment of mandatory
guard time the I/O line is kept at VHIGH. If the I/O line drops to VLOW, the LSR[FRAMERR] bit
asserts and an interrupt (if enabled) occurs. See Figure 19-5.
19.4.3.2 Waiting Times
Waiting Times are protocol defined parameters from standard ISO 7816-3 and specification
3G TS 31.101. These parameters can be set in the USIM interface registers. Software must set the
waiting times before changing the baud rate, see Section 19.4.4.2, to avoid unpredictable results.
Figure 19-4. T = 0 Character Transmission Format
Without Parity Error
With Parity Error
start
parity parity
start
start
start
Byte(i)
Byte(i)
Byte(i+1)
Byte(i)
Guard
time
Guard
time
Sample
moment
Sample
moment
Error
signal
Figure 19-5. Framing Error
parity
start
Byte(i) Byte(i+1)
Guard
time
T=0 no parity error
T=0 , parity error
T=1
19-8 Intel® PXA27x Processor Family Developer’s Manual
Universal Subscriber ID Interface
19.4.3.2.1 Character Waiting Time (CWT)
In the T = 0 and T = 1 protocols, the number of moments separating consecutive characters in the
same block must not exceed the Character Waiting Time (CWT). The ISO standard defines CWT
as Work Waiting Time (WWT) for the T = 0 protocol. The USIM interface measures the CWT
differently from the way it is defined in the ISO standard. In T = 0 mode, CWT is measured 12 etu
after the start bit. In T = 1 mode, the CWT is measured 11 etu after the start bit. See Section 19-22
and Figure 19-6.
As shown in Figure 19-6, CWT does not measure the time between two characters transmitted by
the USIM interface. It is software’s responsibility to ensure that data is delivered continuously and
that the upper software layers (such as data and application) are standard-compliant.
Also, if the CWT is less than the Block Guard Time (BGT) (Section 19.4.3.2.2), a CWT violation
occurs each time the USIM interface transmits data after the card has finished transmitting. This is
not an issue for the T = 0 protocol because the ISO specification defines a WWT/CWT of 9600 etu.
For the T = 1 protocol, this may be an issue because the 3G specification defines
12etu<CWT<43etu. To avoid this, software must ignore CWT violations during transmission by
the USIM interface.
Measurement of the time-out commences after reception of a character is complete. It stops with
the renewal of transmit or receive activity before the time-out period has expired or when the time-
out expires. Upon expiration of the time-out, the LSR[CWT] bit asserts and a CWT interrupt
occurs, if enabled.
When using the CWT interrupt in receive mode, software can identify either the end of a block or
lose of synchronization in communication (software expects more characters to come after the card
finishes transmitting). By using a CWT interrupt in transmit mode, software can monitor its
performance, verifying that the transmission was not stopped for more than CWT etu.
19.4.3.2.2 Block Guard Time (BGT)
The T = 0 and T = 1 protocols require different guard times between bytes transmitted in opposite
directions. This guard time is called Block Guard Time (BGT). The USIM interface enables setting
any block guard time to between 0–255 moments. The USIM interface automatically ensures BGT
Figure 19-6. Character Waiting Time
start
Parity
MGT0
MGT1
m1 m2 m3 m4 m5 m6 m7 m8 m9 m10 m11m12
start
Parity
MGT0
MGT1
m1 m2 m3 m4 m5 m6 m7 m8 m9 m10 m11 m12
CWT (ISO)
CWT (USIM_IF T = 1)
CWT (USIM_IF T = 0)
Character Transmitted by the Card Next Character Transmitted by the Card or the USIM Interface
t < CWT
MGT0 = Mandatory Guard Time for T = 0 protocol
MGT1 = Mandatory Guard Time for T = 1 protocol
NOTES:
Intel® PXA27x Processor Family Developer’s Manual 19-9
Universal Subscriber ID Interface
is kept before transmission is initiated. The USIM interface is ready to receive a character
immediately after transmission even when the card does not obey BGT. The USIM interface
measures the BGT differently from the way it is defined in the ISO standard. The overall result is
the same. In T = 0 mode, BGT is measured 12 etu after the start bit. In T = 1 mode, the BGT is
measured 11 etu after the start bit. See Section 19.5.12 and Figure 19-7.
When receiving a character, the USIM interface does not initiate an access to the bidirectional I/O
line until the character is fully received and the BGT is finished (even if the TX-FIFO is full). To
start transmitting on the I/O line, software must write at least 1 byte to the 16-byte transmit FIFO
that holds data from the processor to be transmitted on the serial link. As soon as the BGT is
finished, the USIM interface starts transmitting. Transmission continues until the TX-FIFO is
emptied or the FCR[TX_HOLD] bit is asserted.
19.4.3.2.3 Block Waiting Time (BWT)
When the card is expected to reply, it must do so no later than the Block Waiting Time (BWT)
period. The USIM interface measures the BWT differently from the way it is defined in the ISO
standard. The overall result is the same. In T = 0 mode, BWT is measured 12 etu after the start bit.
In T = 1 mode, BWT is measured 11 etu after the start bit. See Section 19.5.18 and Figure 19-8.
Measurement of the time-out commences after a card reset or the end of a transmission. It stops
with the renewal of transmit or receive activity before the time-out period has expired or when the
time-out period expires. Upon expiration of the time-out, the LSR[BWT] bit asserts and a BWT
interrupt occurs, if enabled. BWT is useful in detecting an unresponsive card.
Figure 19-7. Block Guard Time
start
Parity
MGM0
MGM1
m1 m2 m3 m4 m5 m6 m7 m8 m9 m10 m11 m12
start
Parity
MGM0
MGM1
m1 m2 m3 m4 m5 m6 m7 m8 m9 m10 m11 m12
BGT (ISO)
BGT (USIM_IF T = 1)
BGT (USIM_IF T = 0)
Last Character of a Block Sent by the Card
First Character of the Next Block Sent by the
BGT < t
MGT0 = Mandatory Guard Time for T = 0 protocol
MGT1 = Mandatory Guard Time for T = 1 protocol
USIM Interface
NOTES:
19-10 Intel® PXA27x Processor Family Developer’s Manual
Universal Subscriber ID Interface
19.4.4 Clock Control
The USIM _IF generates and controls the clock supplied to the card, UCLK, based on the values in
the USIM Clock register (CLKR) (Section 19.5.14). UCLK is defined in Equation 19-1. The
frequency of the clock driving the USIM internal logic is 48 MHz, as noted in Equation 19-2.
Equation 19-1. USIM Card Clock:
Equation 19-2. USIM Internal Clock:
The specifications ISO 7816-3 and 3G TS 31.101 limit the UCLK to a range of 1–4 MHz. UCLK is
set to 4 MHZ after a system reset. When switching the card clock frequency, do so immediately
after the Answer-To-Reset (ATR) or immediately after a successful Parameter and Protocol
Selection (PPS). See the ISO and 3G specifications for more information on the ATR and PPS.
Changing the card clock affects the etu period. See Section 19.4.4.2. Software can write a new
value to the CLKR only when CLKR[RQST] is deasserted. The CLKR does not update when
CLKR[RQST] is asserted. CLKR[RQST] ensures the USIM interface has completed all pending
transmission, reception, and block guard time before the card clock is changed.
Figure 19-8. Block Waiting Time
start
Parity
MGM0
MGM1
m1 m2 m3 m4 m5 m6 m7 m8 m9 m10 m11m12
start
Parity
MGM0
MGM1
m1 m2 m3 m4 m5 m6 m7 m8 m9 m10 m11m12
BWT (ISO)
BWT (USIM_IF T = 1)
BWT (USIM_IF T = 0)
Last Character of a Block Sent by the USIM Interface
First Character of the Next Block Sent by the Card
t < BWT
MGT0 = Mandatory Guard Time for T = 0 protocol
MGT1 = Mandatory Guard Time for T = 1 protocol
NOTES:
U
CLK
48MHz
CLKR[DIVISOR]
2
×
------------------------------------------------
-----
=
CLK_USIM 48MHZ=
Intel® PXA27x Processor Family Developer’s Manual 19-11
Universal Subscriber ID Interface
19.4.4.1 Clock Stop
It is possible to stop the clock signal supplied to the card. The USIM interface enables the stop-
clock signal either on VLOW or VHIGH. The voltage level of the clock signal during a stop period can
be configured with the STOP_LEVEL bit of the USIM Clock register. Asserting the STOP_UCLK
bit in the USIM Clock register stops the UCLK signal only after the USIM interface completes all
pending transmission, reception, and block guard time. When deasserting the STOP_UCLK bit, the
clock is reactivated. ISO 7816-3 defines guard time periods before stopping the clock and after re-
activating it, as specified in Figure 19-9.
For power savings, the USIM interface clock, CLK_USIM, can also be disabled by asserting bit
CLKR[15]. After reset, CLK_USIM is enabled by default. The USIM interface registers can still
be read/written when CLK_USIM is disabled.
19.4.4.2 Programmable Baud-Rate Generator
The USIM interface contains a programmable baud-rate generator. The same baud rate is used in
transmitting and receiving data. Although the baud rate can be configured on any given moment,
the actual change takes place only when the TX-FIFO is empty, no receive or transmit activities are
in process, and block guard time is over. The USIM Divisor Latch register must be written when
changing the baud rate even if the value is the same, see Section 19.4.4.2.2.
19.4.4.2.1 Determining the Baud Rate
When setting a new baud rate, software must specify three parameters in the following order:
1. RATIO—Ratio of the USIM internal clock verses the card clock (UCLK) (Equation 19-3).
The card clock is defined in the USIM Clock register (CLKR) (Section 19.5.14).
2. FACTOR—Number of samples/bit minus one (ISO standard is a minimum of 6 samples/bit)
(Figure 19-10). This parameter is loaded in the USIM Factor Latch register (FLR)
(Section 19.5.16).
Figure 19-9. Card Clock Stop
I / 0
CLK
RST
VPP
VCC
Te Tf
Tg Th
Clock stop
Previous Character Next Character
NOTE: Tg and Th have minimum values:
Tg > 1860 cycles
Th > 700 cycles
19-12 Intel® PXA27x Processor Family Developer’s Manual
Universal Subscriber ID Interface
3. DIVISOR—Number of CLK_USIM cycles between samples, see Figure 19-11. This
parameter is loaded in the USIM Divisor Latch register (DLR) (Section 19.5.15).
Figure 19-10. Baud-Rate Sampling Pulses When Number of Samples per Bit Is 6
Figure 19-11. Spacing Between Samples When Baud Divisor Is 2
The baud rate, defined in Equation 19-5, is determined by using the above parameters with the
following equations. The F and D parameters in Equation 19-4 are delivered by the card in the
Answer-to-Reset (ATR) or negotiated in the Parameter and Protocol Selection (PPS) defined in the
ISO standard.
Equation 19-3.
Equation 19-4.
Equation 19-5.
19.4.4.2.2 Handling a Parameter and Protocol Selection (PPS)
After a successful Parameter and Protocol Selection (PPS), the USIM interface is ready to start
transmitting with the new protocol parameters. When writing to the DLR the USIM interface
restarts counting of all waiting times (BGT, CWT, EGT, and BWT), so software must set the
waiting times before writing the DLR. The FLR must also be written before the DLR. Software
must write the DLR, even if the value has not changed, to restart the baud rate. The USIM interface
starts transmitting only after the new BGT has passed.
19.4.4.2.3 Examples of Setting the Baud Rate
The following two examples cover the cases where F/D is an integer and non-integer number.
Bit
Baud_x = 2
Sample
clk_sim
R
ATIO
CLK_USIM
UCLK 2×
--------------------------
----
=
D
IVISOR FACTOR 1+()×
RATIO 2×
-
---------------------------------------------------------------------
F
D
----
=
B
audRate
CLK_USIM (in Hz)
DIVISOR()FACTOR 1+()×
---------------------------------------------------------------------------=
UCLK RATIO 2
××
DIVISOR()FACTOR 1+()×
-----------------------------------------------------------------------
----
=
Intel® PXA27x Processor Family Developer’s Manual 19-13
Universal Subscriber ID Interface
Example 19-1. Setting a New Baud Rate—F/D is an Integer Number
Consider the case where the Fi and Di parameters delivered in the ATR (TA(1) byte of the ATR) are
512 and 32, respectively. The USIM interface is expected to start the session in the new baud rate
specified by the card. Because F/D is an integer number, F/D = 16, set any value to RATIO that
results in a card clock approved by the standard. For this example, set RATIO = 6, resulting in a
4-MHz clock for the card. Now, software must set DIVISOR and FACTOR that obey
Equation 19-4:
Possible combinations are: DIVISOR = 12 and FACTOR = 15 or DIVISOR = 24 and
FACTOR = 7. Other combinations are allowed by the standard as long as the number of samples
per bit (FACTOR) is not less than 5.
With UCLK set to 4 MHz, the baud rate is .
Example 19-2. Setting a New Baud Rate—F/D is Not an Integer Number
Consider the case where Fi and Di parameters delivered in the ATR (TA(1) byte of the ATR) were
372 and 20, respectively. Because , choose RATIO = 10.
(RATIO = 5 is also possible but not all cards operate at a clock frequency that is greater than
4 MHz). Now, software must set DIVISOR and FACTOR that obey Equation 19-4:
A possible combination is: DIVISOR = 31 and FACTOR =11.
The baud rate would be .
19.4.5 Card Management
The USIM Card Control register (Section 19.5.9) controls the USIM card voltage supply, card
reset, and I/O pad. Software uses this register to manage startup and shutdown of the card. In
particular, it is used while executing the following routines:
1. Card activation (cold reset)
2. Card warm reset
3. Card deactivation
The following subsections describe the above procedures. Refer to USIM Card Control register
(USCCR) (Section 19.5.9) for a description of the register.
19.4.5.1 Card Activation (Cold Reset)
Perform the following in sequence to activate the USIM card:
1. Clear CLKR[STOP_CLK_USIM] in the USIM Clock register (CLKR) (Section 19.5.14)
(after a system reset, this bit is cleared by default, so this step can be skipped).
D
IVISOR FACTOR 1+()×
62×
-
---------------------------------------------------------------------1
6
=
4MHz
16
-
-------------- 2 5 0 KH
z
=
F
D
-
---18
3
5
-
--
=
DIVISOR FACTOR 1+
()×
10 2×
-
-------------------------------------------------------------------
372
2
0
-----
----
=
48MHz
31 12×
-
----------------- 1 2 9 . 03 2 KH
z
=
19-14 Intel® PXA27x Processor Family Developer’s Manual
Universal Subscriber ID Interface
2. Clear USCCR[RST_CARD_N] bit.
3. Turn on the VCC voltage by setting the USCCR[VCC] bits. On first activation, set the lowest
voltage level. (Set the USCCR[VCC] bits to 0b10)
4. Enable the I/O line to return to VHIGH by clearing the USCCR[TXD_FORCE] bit.
5. Activate the card clock by clearing the stop bit CLKR[STOP_UCLK] (Section 19.5.14).
6. Verify that USCCR[RST_CARD_N] was asserted for at least 400 UCLK cycles. When UCLK
is set to the lowest frequency allowed by the standard, 400 cycles take 0.4 ms ( ). (See
tb in Figure 19-12.)
7. Deassert nURST by setting USCCR[RST_CARD_N]. The card will Answer To Reset (ATR)
within 400–40000 card clock cycles.(See tc in Figure 19-12.) If an ATR is not returned after
40000 card clock cycles, then steps 1–7 must be repeated with VCC voltage level increased
from 1.8 V to 3.0 V in step 3. (set the USCCR[VCC] bits to 0b01).
19.4.5.2 Warm Reset
Warm reset is performed to reset the card after activation. A card reset does not reset the USIM
FIFOs. The FIFOs can be reset in the USIM FIFO Control register (FCR) (Section 19.5.5). To
execute a warm reset, perform the following operation:
1. Clear USCCR[RST_CARD_N] bit.
2. Verify that USCCR[RST_CARD_N] was cleared for at least 400 UCLK cycles. Note that
when UCLK is set to the lowest frequency allowed by the standard, 400 cycles take 0.4 ms
().
3. Deassert nURST by setting USCCR[RST_CARD_N] bit.
19.4.5.3 Card Deactivation
Perform the following in sequence to deactivate the USIM card:
1. Clear USCCR[RST_CARD_N] bit.
2. Stop the clock on VLOW by clearing CLKR[STOP_LEVEL] and setting the
CLKR[STOP_UCLK] bit.
3. Force the I/O line to ground level by setting USCCR[TXD_FORCE] bit.
400
μ
sec
Figure 19-12. Card Activation
VCC
RST
tb
CLK
I / 0
ta
Answer
tc
Tb
Ta
400
μ
sec
Intel® PXA27x Processor Family Developer’s Manual 19-15
Universal Subscriber ID Interface
4. Turn the VCC voltage to ground level by setting the USCCR[VCC] bits to 0b00 at least 200
UCLK cycles after the I/O line is forced low. The I/O line can be checked in the USIM Extra
Guard Time register (EGTR), bit LSR[RXD] (Section 19.5.11). Operating system timers can
determine the amount of time that has elapsed since LSR[RXD] went low.
5. For power savings, set CLKR[STOP_CLK_USIM] (Section 19.5.14).
Note: Any write to the CLKR is ignored while CLKR[RQST] is asserted.
19.4.6 FIFO Operation
The USIM interface contains two 16-byte long FIFOs, a receive FIFO (RX-FIFO) and a transmit
FIFO (TX-FIFO). Each is accessed with USIM interface registers RBR and THR, respectively. The
USIM FIFO Control register (FCR) (Section 19.5.5), allows software to reset the FIFOs, hold
transmission, mask parity errors in the RX-FIFO, and set the trigger levels for each. The data
transmitted and received can be monitored using three modes: interrupt, polled, and DMA.
19.4.6.1 Interrupt Mode
In interrupt mode, software tracks and handles FIFO activities with interrupts. The interrupts are
enabled in the USIM Interrupt Enable register (IER) (Section 19.5.3). The interrupt source can be
determined by reading the USIM Interrupt Identification register (IIR) (Section 19.5.4).
19.4.6.1.1 Receiver-Related Interrupts
During data reception, LSR[RX_WORKING] is set, the following interrupts can occur when
enabled:
Receiver Data Ready Interrupt—The interrupt indicates the number of bytes in the RX-
FIFO is equal to or greater than FCR[RX_TL]. The interrupt and its corresponding status bit is
cleared when the number of bytes drops below FCR[RX_TL]. Empty the RX-FIFO by reading
the RBR.
Character Waiting Time Interrupt—This is an ISO protocol parameter and indicates the
maximum delay between the leading edges of two consecutive characters has been violated.
See Section 19.4.3.2.1 and the ISO standard for full details. Clearing the interrupt is performed
by writing a 0b1 to IIR[CWT].
Receiver Time-Out InterruptThe receiver time-out interrupt helps software to detect
when data is left in the receive FIFO for some time with no I/O activity occurring. This is
known as trailing bytes. It occurs when at least one character remains in the RX-FIFO and the
time-out period programmed in the USIM Time-Out register (TOR) (Section 19.5.13) has
Figure 19-13. USIM Card Deactivation
I/0
CLK
RST
VCC
Undefined
`
19-16 Intel® PXA27x Processor Family Developer’s Manual
Universal Subscriber ID Interface
expired. The interrupt and its corresponding status bit is cleared by reading the RBR, resetting
the RX-FIFO, or when the USIM interface receives another character.
Framing Error Interrupt—Occurs when the I/O line is asserted low during guard time. See
Section 19.4.3.1.4 for full details. Clear the interrupt by setting IIR[FRAMERR].
Parity Error Interrupt in T = 0 mode—The received data contains a parity error. See
Section 19.4.3.1.2 for full details. Clear the interrupt by setting IIR[PERR].
Parity Error Interrupt in T = 1 mode—The received data contains a parity error. See
Section 19.4.3.1.2 for full details. Clear the interrupt by setting IIR[PERR].
Receiver Data Overrun InterruptThe receive FIFO is full and cannot accept any more
data. See Section 19.4.3.1.3 for full details. Clear the interrupt by setting IIR[OVRN].
19.4.6.1.2 Transmitter-Related Interrupts
During transmission, LSR[TX_WORKING] is set, the following interrupts can occur when
enabled:
Transmitter Data Refill InterruptThe interrupt indicates the number of bytes in the TX-
FIFO is less than FCR[TX_TL]. The interrupt and its corresponding status bit is cleared when
the number of bytes is at or above FCR[TX_TL].
Block Waiting Time Interrupt—This is an ISO protocol parameter and indicates the
maximum delay between the leading edge of the last character of a block sent by the USIM
interface and the leading edge of the first character of the next block sent by the card has been
violated. See Section 19.4.3.2.3 and the ISO standard for full details. Clear the interrupt by
setting IIR[BWT].
T = 0 Error InterruptIn T = 0 mode, the card signals the transmitter to repeat the
transmission. See Section 19.4.3.1.1 for full details. The interrupt is cleared using bits
T0_REPEAT or T0_CLR from the USIM Error Control register.
19.4.6.1.3 Other Interrupts
Smart Card Detection Interrupt—The interrupt indicates when a new smart card has been
connected and remains asserted until the interrupt is cleared. The interrupt only asserts upon
detection of a new card. This interrupt is tied to the PUCR[UDETS], see Section 3.8.1.14,
“Power Manager USIM Card Control/Status Register (PUCR)” on page 3-90. The interrupt is
cleared by setting IIR[CARD_DET].
19.4.6.2 Polled Mode
In FIFO polled mode, interrupt and DMA requests are disabled. FIFOs are accessed with reads and
writes of the registers RBR and THR, respectively. Software checks the receiver and transmitter
status by reading the LSR and FSR registers. The USIM FIFO Status register
(FSR)(Section 19.5.6) holds information regarding FIFO status. The USIM Extra Guard Time
register (EGTR) (Section 19.5.11) contains status information on data transfers. Because the
receiver and the transmitter are controlled separately, either one or both can operate in FIFO polled
mode.
19.4.6.3 DMA Mode
In DMA mode, data is entered and removed from the FIFOs by DMA requests. DMA requests are
enabled in the USIM Interrupt Enable register (IER) (Section 19.5.3). The USIM interface has two
DMA requests: one for transmit data service and one for receive data service.
Intel® PXA27x Processor Family Developer’s Manual 19-17
Universal Subscriber ID Interface
Warning: The FIFO trigger levels in the USIM FIFO Control register must be set to 8 bytes to avoid
unpredictable results when working in DMA mode. Other trigger levels are not supported in this
mode.
19.4.6.3.1 Transmit Data Service
When the DMA_TX request is enabled in the IER and the number of bytes in the transmit FIFO is
below eight, the DMA transmit request is generated. The DMA controller then writes data to the
FIFO. For each DMA request, the DMA controller must send no more than eight bytes of data to
the TX-FIFO. Sending fewer than eight is allowed. Each Write access of the DMA to the THR adds
a single byte to the transmit FIFO.The number of bytes to be transmitted is programmed in the
DMA controller.
19.4.6.3.2 Receive Data Service
The DMA receive request is generated in two situations:
1. When the DMA_RX request is enabled in the IER and the number of bytes in the receive FIFO
is equal to or greater than eight, a DMA receive request is generated.
2. A time-out situation occurs when the DMA_TIME bit is enabled in the IER, the receive FIFO
is not empty but the trigger level was not reached, and the RBR was not accessed within the
time-out period defined in the USIM Time-Out register (TOR) ((Section 19.5.11) has expired.
A DMA receive request is then generated to remove the trailing bytes.
When one of these situations occurs, the DMA controller then reads data from the RX-FIFO. For
each DMA request, the DMA controller can read up to eight bytes of data. The number of bytes to
be read is programmed in the DMA controller.
It is software’s responsibility to ensure any remaining data in the RX-FIFO is handled properly
when the DMA reaches the end of its chain. This is not be an issue because software knows how
much data is being received via the ISO 7816-3 protocol. The USIM interface asserts an end-of-
receive (EOR) whenever the TOR or CWTR time-outs have expired and the DMA is reading the
last byte in the RX-FIFO. To avoid having the DMA stop servicing the current chain when an EOR
occurs and the end of a block has not yet been reached (recommended), software must setup the
DMA Channel Control/Status register, DCSR, as noted in Table 19-3.
Refer to Figure 5-9, “Descriptor Behavior on End-of-Receive (EOR)” on page 5-47 for more
information.
Table 19-3. DCSR Setup to Ignore EOR
DCSR Bit Name Bit Value Comment
StopIrqEn 1 Interrupt when the descriptor is finished.
EORIrqEn 0 No DMA interrupt after an EOR.
EORJmpEn 1 DMA services another channel if an EOR occurs.
EORStopEn 0 Keep waiting for more bytes until the descriptor is
finished.
19-18 Intel® PXA27x Processor Family Developer’s Manual
Universal Subscriber ID Interface
Special Condition:
In T = 1 DMA mode, parity errors enter the RX-FIFO. A DMA receive request only reads the first
eight bits from the RBR, discarding the parity error bit. To determine if a block contains a parity
error in this mode, software must follow one of two possible approaches. Each approach requires
the DMA interrupt DCMDx[EndIrqEn] to be asserted. Refer to Section 5.4.3.1, “Servicing Internal
Peripherals” on page 5-10 for more details on the DMA interrupt.
With the USIM interface parity error interrupt disabled, the DMA reads the whole block
regardless of parity errors. After the block is read the DMA interrupt occurs and software
checks LSR[PERR] to see if the block contains any parity errors.
With the USIM interface parity error interrupt enabled, when the interrupt occurs the software
interrupt service routine waits for the DMA interrupt. Upon receiving the DMA interrupt,
indicating the whole block has been read, software then requests a block retransmission.
19.5 Register Descriptions
The following registers describe the control, status, and data functionality of the USIM controller.
These registers are listed in Table 19-24. The Power Manager USIM Card Control/Status register
(PUCR) is also needed for control/status control of UDET and UEN signals, as described
Section 3.8.1.14 on page 3-90.
19.5.1 USIM Receive Buffer Register (RBR)
The RBR contains the next byte to be read from the receive FIFO (see Table 19-4). In T = 1 mode,
a byte containing parity errors has bit 8 asserted. Parity errors do not enter the FIFO in T = 0 mode.
This is a read-only register. Ignore reads from reserved bits.
Intel® PXA27x Processor Family Developer’s Manual 19-19
Universal Subscriber ID Interface
19.5.2 USIM Transmit Holding Register (THR)
The THR contains the next byte to be written to the transmit FIFO. Data bytes written to this
register are stored in the transmit FIFO and are transmitted to the card on the I/O pin in a first-in-
first-out manner. After writing at least one byte to the transmit FIFO with the THR register, the
USIM interface initiates access to the I/O line as soon as the Block Guard Time period is over.
Software must keep track of whose turn it is to access the I/O line, the USIM interface or the card.
This is a write-only register. Write 0b0 to reserved bits.
Table 19-4. RBR Bit Definitions
Physical Address
0x4160_0000 RBR USIM
User
Settings
Bit 31 30 29 28 27 26 25 24 23 22 21 20 19 18 17 16 15 14 13 12 11 10 9876543210
reserved
PERR
RB[7:0]
Reset ????????????????????????????????
Bits Access Name Description
31:9 — reserved
8RPERR
Parity Error
When not masked by the PEM bit in the FCR register, the parity error
indicator appears in this bit.
0 = Either there was no parity error when receiving the character or the
parity bit was masked.
1 = Character was received with a parity error.
7:0 R RB[7:0] Data Byte Received
Table 19-5. THR Bit Definitions
Physical Address
0x4160_0004 THR USIM
User
Settings
Bit 31 30 29 28 27 26 25 24 23 22 21 20 19 18 17 16 15 14 13 12 11 10 9876543210
reserved TB[7:0]
Reset ????????????????????????????????
Bits Access Name Description
31:8 — reserved
7:0 W TB[7:0] Data Byte Transmitted
Least significant bit first.
19-20 Intel® PXA27x Processor Family Developer’s Manual
Universal Subscriber ID Interface
19.5.3 USIM Interrupt Enable Register (IER)
The USIM Interrupt Enable register (IER) enables USIM interface interrupts that independently
activate the interrupt signal, and sets a value in the USIM Interrupt Identification register. IER is
used in FIFO operation (see Section 19.4.6) and DMA requests (see Section 19.4.6.3). Each
interrupt is explained in Section 19.4.6.1. DMA requests are also enabled in the IER and each is
explained in Section 19.4.6.3.
Each interrupt type can be individually enabled or disabled using the IER register. The receiver
time-out interrupt is separated from the receiver data ready interrupt to avoid having the CPU and
the DMA controller serve the receive FIFO simultaneously.
This is a read/write register. Ignore reads from reserved bits. Write 0b0 to reserved bits.
Table 19-6. IER Bit Definitions (Sheet 1 of 2)
Physical Address
0x4160_0008 IER USIM
User
Settings
Bit 31 30 29 28 27 26 25 24 23 22 21 20 19 18 17 16 15 14 13 12 11 10 9876543210
reserved
DMA_TX
DMA_RX
DMA_TIME
reserved
CARD_DET
TDR
RDR
reserved
BWT
CWT
TiMEO
FRAMERR
T0ERR
PERR
OVRN
Reset ? ? ? ? ? ? ? ? ? ? ? ? ? ? ? ? 0 0 0 ? ? ? 0 0 ? 0 0 0 0 0 0 0
Bits Access Name Description
31:16 — reserved
15 R/W DMA_TX
DMA Transmitter Request Enable
0 = Disabled
1 = Enabled
14 R/W DMA_RX
DMA Receiver Request Enable
0 = Disabled
1 = Enabled
13 R/W DMA_TIME
Enable DMA Receiver Requests in Event of Time-Out
0 = Disabled
1 = Enabled
12:11 — reserved
10 R/W CARD_DET
Smart card Detection
0 = Disabled
1 = Enabled
9R/WTDR
Transmitter Data Refill Interrupt
0 = Disabled
1 = Enabled
8 R/W RDR
Receiver Data Ready Interrupt
0 = Disabled
1 = Enabled
7 — reserved
Intel® PXA27x Processor Family Developer’s Manual 19-21
Universal Subscriber ID Interface
6R/WBWT
Block Waiting Time Interrupt
0 = Disabled
1 = Enabled
5R/WCWT
Character Waiting Time Interrupt
0 = Disabled
1 = Enabled
4R/WTIMEO
Receiver Time-Out Interrupt
0 = Disabled
1 = Enabled
3 R/W FRAMERR
Framing Error Interrupt
0 = Disabled
1 = Enabled
2R/WTDR
Transmitter Data Refill Interrupt Enable
0 = Disabled
1 = Enabled
1R/WRDR
Receiver Data Ready Interrupt Enable
0 = Disabled
1 = Enabled
0 R/W OVRN
Receiver Data Overrun Interrupt Enable
0 = Disabled
1 = Enabled
Table 19-6. IER Bit Definitions (Sheet 2 of 2)
Physical Address
0x4160_0008 IER USIM
User
Settings
Bit 31 30 29 28 27 26 25 24 23 22 21 20 19 18 17 16 15 14 13 12 11 10 9876543210
reserved
DMA_TX
DMA_RX
DMA_TIME
reserved
CARD_DET
TDR
RDR
reserved
BWT
CWT
TiMEO
FRAMERR
T0ERR
PERR
OVRN
Reset ? ? ? ? ? ? ? ? ? ? ? ? ? ? ? ? 0 0 0 ? ? ? 0 0 ? 0 0 0 0 0 0 0
Bits Access Name Description
19-22 Intel® PXA27x Processor Family Developer’s Manual
Universal Subscriber ID Interface
19.5.4 USIM Interrupt Identification Register (IIR)
The USIM Interrupt Identification register specifies the interrupt source. The IIR is used in the
FIFO operation (Section 19.4.6). Each interrupt is explained in Section 19.4.6.1. After software
handles the interrupt source, it must clear the interrupt by writing a 0b1 to the corresponding bit.
There are several exceptions to this rule:
The Receiver Data Ready Interrupt (RDR) is cleared only when the number of bytes in the
receive FIFO drop below eight. The receive FIFO is unloaded by reading data from the RBR
or by clearing the receive FIFO.
Receiver Time-Out Interrupt (TIMEO) is cleared when reading the RBR or clearing the
receive FIFO.
The Transmitter Data Refill Interrupt (TDR) is cleared automatically when the number of
bytes in the TX-FIFO is at or above eight. To fill the TX-FIFO, data must be written to the
THR.
A T = 0 error is cleared by either setting a request to repeat the transmission of the last byte or by
setting a request to proceed with transmission of the next byte. Both requests are set by writing the
USIM Error Control register (ECR) (Section 19.5.7).
This is a read/write register. Ignore reads from reserved bits. Write 0b0 to reserved bits.
Table 19-7. IIR Bit Definitions (Sheet 1 of 3)
Physical Address
0x4160_000C IIR USIM
User
Settings
Bit 31 30 29 28 27 26 25 24 23 22 21 20 19 18 17 16 15 14 13 12 11 10 9 8 7 6 5 4 3 2 1 0
reserved
CARD_DET
TDR
RDR
reserved
BWT
CWT
TIMEO
FRAMERR
T0ERR
PERR
OVRN
Reset ? ? ? ? ? ? ? ? ? ? ? ? ? ? ? ? ? ? ? ? ? ? 0 0 ? 0 0 0 0 0 0 0
Bits Access Name Description
31:11 — reserved
10 R/W CARD_DET
Smart card Detection
Read Values:
0 = No interrupt.
1 = Interrupt has occurred.
Write Values:
0 = No change.
1 = Clear this bit.
9RTDR
Transmitter Data Refill Interrupt
0 = No interrupt.
1 = Interrupt has occurred.
8RRDR
Receiver Data Ready Interrupt
0 = No interrupt.
1 = Interrupt has occurred.
7 — reserved
Intel® PXA27x Processor Family Developer’s Manual 19-23
Universal Subscriber ID Interface
6R/WBWT
Block Waiting Time Interrupt
Read Values:
0 = No interrupt.
1 = Interrupt has occurred.
Write Values:
0 = No change.
1 = Clear this bit.
5R/WCWT
Character Waiting Time Interrupt:
Read Values:
0 = No interrupt.
1 = Interrupt has occurred.
Write Values:
0 = No change.
1 = Clear this bit.
4RTIMEO
Receiver Time-Out Interrupt
0 = No interrupt.
1 = Interrupt has occurred.
3R/WFRAMERR
Framing Error Interrupt
Read Values:
0 = No interrupt.
1 = Interrupt has occurred.
Write Values:
0 = No change.
1 = Clear this bit.
Table 19-7. IIR Bit Definitions (Sheet 2 of 3)
Physical Address
0x4160_000C IIR USIM
User
Settings
Bit 31 30 29 28 27 26 25 24 23 22 21 20 19 18 17 16 15 14 13 12 11 10 9 8 7 6 5 4 3 2 1 0
reserved
CARD_DET
TDR
RDR
reserved
BWT
CWT
TIMEO
FRAMERR
T0ERR
PERR
OVRN
Reset ? ? ? ? ? ? ? ? ? ? ? ? ? ? ? ? ? ? ? ? ? ? 0 0 ? 0 0 0 0 0 0 0
Bits Access Name Description
19-24 Intel® PXA27x Processor Family Developer’s Manual
Universal Subscriber ID Interface
19.5.5 USIM FIFO Control Register (FCR)
The FCR allows the transmit and receive FIFOs to be reset, transmission to be stopped temporarily,
and parity error masking to occur in T = 1 mode. When the Parity Error Mask (PEM) is asserted,
parity errors are masked and do not appear in the USIM Receive Buffer register. When the Parity
Error Mask is enabled, the USIM Line Status register (LSR) and the USIM FIFO Status register
(FSR) can be examined to determine if parity errors have occurred. The transmitter and receiver
trigger threshold must be set for eight bytes when in DMA mode to avoid unpredictable results.
This is a write-only register. Write 0b0 to reserved bits.
2RT0ERR
T = 0 Error Interrupt
0 = No interrupt.
1 = Interrupt has occurred.
1R/WPERR
Parity Error Interrupt
Read Values:
0 = No interrupt.
1 = Interrupt has occurred.
Write Values:
0 = No change.
1 = Clear this bit.
0R/WOVRN
Receiver Data Overrun Interrupt
Read Values:
0 = No interrupt.
1 = Interrupt has occurred.
Write Values:
0 = No change.
1 = Clear this bit.
Table 19-7. IIR Bit Definitions (Sheet 3 of 3)
Physical Address
0x4160_000C IIR USIM
User
Settings
Bit 31 30 29 28 27 26 25 24 23 22 21 20 19 18 17 16 15 14 13 12 11 10 9 8 7 6 5 4 3 2 1 0
reserved
CARD_DET
TDR
RDR
reserved
BWT
CWT
TIMEO
FRAMERR
T0ERR
PERR
OVRN
Reset ? ? ? ? ? ? ? ? ? ? ? ? ? ? ? ? ? ? ? ? ? ? 0 0 ? 0 0 0 0 0 0 0
Bits Access Name Description
Intel® PXA27x Processor Family Developer’s Manual 19-25
Universal Subscriber ID Interface
Table 19-8. FCR Bit Definitions
Physical Address
0x4160_0010 FCR USIM
User
Settings
Bit 31 30 29 28 27 26 25 24 23 22 21 20 19 18 17 16 15 14 13 12 11 10 9 8 7 6 5 4 3 2 1 0
reserved
TX_TL
RX_TL
reserved
PEM
TX_HOLD
RESETTF
RESETRF
Reset ? ? ? ? ? ? ? ? ? ? ? ? ? ? ? ? ? ? ? ? ? ? ? 1 0 0 ? ? 0 0 0 0
Bits Access Name Description
31:9 — reserved
8Read-unpre-
dictable/
Write TX_TL
Transmitter Interrupt Trigger Level (threshold)
Set interrupt/DMA request trigger threshold in the transmit FIFO:
0 = Trigger threshold is 0 byte in TX-FIFO.
1 = Trigger threshold is 8 byte in TX-FIFO.
7:6 Read-unpre-
dictable/
Write RX_TL
Receiver Interrupt Trigger Level (threshold)
Set interrupt/DMA request trigger threshold in the receive FIFO:
0b00 = Trigger threshold is 1 byte in RX-FIFO.
0b01 = Trigger threshold is 4 byte in RX-FIFO.
0b10 = Trigger threshold is 8 byte in RX-FIFO.
0b11 = Trigger threshold is 12 byte in RX-FIFO.
5:4 — reserved
3Read-unpre-
dictable/
Write PEM
Parity Error Mask
0 = Bit 8 of the USIM Receive Buffer register is asserted when a
character enters the RX-FIFO with a parity error in T = 1 mode.
1 = A parity error coming out of the RX-FIFO is masked and does not
appear on bit 8 of the USIM Receive Buffer register (RBR). Evidence
of a parity error can still be found in:
USIM Line Status register, LSR[PERR].
USIM FIFO Status register, FSR[PERR_NUM].
USIM Interrupt Identification register, IIR[PERR] (provided the parity
error interrupt is enable).
2Read-unpre-
dictable/
Write TX_HOLD
Transmit Hold
When asserted, transmission stops after the current character is over. All
the remaining characters are stored in the transmitter FIFO. Transmission
resumes when the bit is deasserted.
0 = Transmission continues.
1 = Holds transmission.
1Read-unpre-
dictable/
Write RESETTF
Reset Transmit FIFO
0 = No effect.
1 = Transmit FIFO is cleared.
0Read-unpre-
dictable/
Write RESETRF
Reset Receive FIFO
0 = No effect.
1 = Receive FIFO is cleared.
19-26 Intel® PXA27x Processor Family Developer’s Manual
Universal Subscriber ID Interface
19.5.6 USIM FIFO Status Register (FSR)
The FSR provides software with the number of bytes in each of the FIFOs and the number of parity
errors in the USIM receive FIFO. This register is used when working in polled mode (see
Section 19.4.6.2).
This is a read-only register. Ignore reads from reserved bits.
Table 19-9. FSR Bit Definitions
Physical Address
0x4160_0014 FSR USIM
User
Settings
Bit 31 30 29 28 27 26 25 24 23 22 21 20 19 18 17 16 15 14 13 12 11 10 9 8 7 6 5 4 3 2 1 0
reserved PERR_NUM TX_LENGTH RX_LENGTH
Reset ? ? ? ? ? ? ? ? ? ? ? ? ? ? ? ? ? 0 0 0 0 0 0 0 0 0 0 0 0 0 0 0
Bits Access Name Description
31:15 — reserved
14:10 R PERR_NUM Parity Error Number
Number of characters with a parity error in the RX-FIFO.
9:5 R TX_LENGTH Transmit FIFO Length
Number of characters in the TX-FIFO.
4:0 R RX_LENGTH Receive FIFO Length
Number of characters in the RX-FIFO.
Intel® PXA27x Processor Family Developer’s Manual 19-27
Universal Subscriber ID Interface
19.5.7 USIM Error Control Register (ECR)
The USIM Error Control register allows software to determine the USIM interface behavior in
parity and T = 0 error situations when working in T = 0 mode. Table 19-10 shows the format of the
USIM Error Control register.
This is a read/write register. Ignore reads from reserved bits. Write 0b0 to reserved bits.
Table 19-10. ECR Bit Definitions (Sheet 1 of 2)
Physical Address
0x4160_0018 ECR USIM
User
Settings
Bit 31 30 29 28 27 26 25 24 23 22 21 20 19 18 17 16 15 14 13 12 11 10 9 8 7 6 5 4 3 2 1 0
reserved
T0_REPEAT
T0_CLR
reserved
PE-TL
reserved
T0ERR_TL
Reset ? ? ? ? ? ? ? ? ? ? ? ? ? ? ? ? ? ? ? ? ? ? ? ? 0 0 ? 0 0 ? 1 1
Bits Access Name Description
31:8 — reserved
7 R/W T0_REPEAT
Repeat Character Transmission
Repeat character transmission until error trigger threshold (see below) is
met again.
Read Values:
0 = Character has been repeated.
1 = Character repeat in process.
Write Values:
0 = No effect
1 = Repeat character transmission until trigger threshold is met.
6 R/W T0_CLR
Clear T = 0 Error
Read Values:
0 = T = 0 error has been cleared.
1 = Clearing of T = 0 error in process.
Write Values:
0 = No effect
1 = Clears T = 0 error indicator and transmission continues with the net
character in the TX-FIFO.
5 — reserved
19-28 Intel® PXA27x Processor Family Developer’s Manual
Universal Subscriber ID Interface
4:3 R/W PE_TL
Parity Error Trigger Level
0b00 = Reception of a single parity error causes an interrupt to occur, if
enabled
0b01 = Reception of two consecutive parity error causes an interrupt to
occur, if enabled.
0b01 = Reception of three consecutive parity error causes an interrupt to
occur, if enabled.
0b11 = Reception of four consecutive parity error causes an interrupt to
occur, if enabled.
2 — reserved
1:0 R/W T0ERR_TL
T = 0 Error Trigger Level (threshold)
Specifies number of repetition upon detection of T = 0 error. When trigger
threshold is met, both transmission hold and a T = 0 interrupt are
generated.
0b00 = Reception of single T = 0 error would cause interrupt and
transmission hold.
0b01 = Reception of two consecutive T = 0 error would cause interrupt
and transmission hold.
0b10 = Reception of three consecutive T = 0 error would cause interrupt
and transmission hold.
0b11 = Reception of a four consecutive T = 0 error would cause interrupt
and transmission hold.
Table 19-10. ECR Bit Definitions (Sheet 2 of 2)
Physical Address
0x4160_0018 ECR USIM
User
Settings
Bit 31 30 29 28 27 26 25 24 23 22 21 20 19 18 17 16 15 14 13 12 11 10 9 8 7 6 5 4 3 2 1 0
reserved
T0_REPEAT
T0_CLR
reserved
PE-TL
reserved
T0ERR_TL
Reset ? ? ? ? ? ? ? ? ? ? ? ? ? ? ? ? ? ? ? ? ? ? ? ? 0 0 ? 0 0 ? 1 1
Bits Access Name Description
Intel® PXA27x Processor Family Developer’s Manual 19-29
Universal Subscriber ID Interface
19.5.8 USIM Line Control Register (LCR)
The LCR allows software to define protocol and coding conventions for the transmitter and
receiver. The serial data format consists of a start bit (logic 0), eight data bits that can appear in
different order and polarity, and a closing even parity bit. When the T = 0 protocol is selected, error
signaling can appear over the line through guard time.
Bits [1:0] of the LCR determine the data bit order and polarity. After receiving the first byte of the
ATR, programmers must decide whether the data order should be mirrored and whether data
polarity should change. Change of polarity and order is not limited to the period of time prior to
second character arrival, so there is no need to reset the card in case the transmission was not in the
expected order.
Bit [2] determines whether the parity bit is even. Set this bit when no activity on the I/O line is
expected.
Bit [3] determines protocol type when transmitting a character. If the LCR.RX_T = 1_MODE is 0,
then the protocol is T = 0. If the bit is set, then the protocol is T = 1. In T = 0 protocol, the error
signal (VLOW through guard time) may appear on the line.While in receive mode (rx_working), the
USIM interface device generates T = 0 error signaling to the card in two cases:
The parity check result differs from that expected. In other words, exclusive OR-ing of 8 data
bits and a parity bit yield the same value as the EPS bit (see bit 1)
The receive FIFO is full when data transmission is complete.
In both of these cases, the data read is not placed in the receive FIFO because retransmission of the
data is expected.
LCR[TX_T1] determines the protocol type when transmitting a character. If the bit is clear, then
the protocol is T = 0. If the bit is set, then the protocol is T = 1. In T = 0 protocol, the error signal
(VLOW through guard time) may appear on the line.While in transmit mode (tx_working), the USIM
interface device senses for a T = 0 error signaled by the card and repeats transmission of the
previous byte in case such an error signal was detected on I/O. When the number of errors sensed
in any data transmission exceeds the error trigger threshold (TQERR_TL bits in the ECR register),
transmission stops and software intervention is required.
Protocol switch policy: When communicating using the USIM, protocol switching can occur at
three times:
Through ATR—After receiving the T = 0 byte, programmers can change the protocol to T = 0
if the card supports this protocol. The advantage of using the T = 0 protocol is an elimination
of a card reset when a single parity error occurs.
After the card finishes the ATR, the USIM is expecting transmission using the protocol
defined by T = 0 and TA2 (if it exists).
After PPS—the USIM interface can initiate a Protocol and Parameter Selection session. If the
session ended successfully, the SIM interface protocol can be changed.
Avoid any change in protocol under other scenarios.
This is a read/write register. Ignore reads from reserved bits. Write 0b0 to reserved bits.
19-30 Intel® PXA27x Processor Family Developer’s Manual
Universal Subscriber ID Interface
Table 19-11. LCR Bit Definitions
Physical Address
0x4160_001C LCR USIM
User
Settings
Bit 31 30 29 28 27 26 25 24 23 22 21 20 19 18 17 16 15 14 13 12 11 10 9 8 7 6 5 4 3 2 1 0
reserved
TX_T1
RX_T1
EPS
ORDER
INVERSE
Reset ? ? ? ? ? ? ? ? ? ? ? ? ? ? ? ? ? ? ? ? ? ? ? ? ? ? 0 0 0 1 0 0
Bits Access Name Description
31:5 — reserved
4R/WTX_T1
Transmitter Protocol
0 = T = 0 protocol set for the transmitter.
1 = T = 1 protocol set for the transmitter.
3R/WRX_T1
Receiver Protocol
0 = T = 0 protocol set for the receiver.
1 = T = 1 protocol set for the receiver.
2 R/W EPS
Even Parity Select (EPS)
When EPS is a logic 0, an odd number of logic ones is transmitted or
checked in the data word bits and the parity bit. When EPS is a logic 1, an
even number of logic ones is transmitted or checked in the data word bits
and parity bit.
0 = Sends or checks for odd parity as required by inverse convention.
1 = Sends or checks for even parity as required by direct convention.
See Section 19.4.2.
1R/W ORDER
Transmit/Receive Bit Order
0 = Regular format—LSB of data transmitted/received first (after start bit),
MSB of data transmitted/received last (and then guard time). Used in
Direct Convention. See Section 19.4.2.
1 = Inverted Format—MSB of data transmitted/received first (after start
bit), LSB of data transmitted/received last (and then guard time).
Used in Inverse Convention. See Section 19.4.2.
0 R/W INVERSE
Bit Inversion
0 = Logic 0 transmitted/received as VLOW, logic 1 transmitted/received as
VHIGH. Used in Direct Convention. See Section 19.4.2.
1 = Logic 1 transmitted/received as VLOW, logic 0 transmitted/received as
VHIGH. Used in Inverse Convention. See Section 19.4.2.
Intel® PXA27x Processor Family Developer’s Manual 19-31
Universal Subscriber ID Interface
19.5.9 USIM Card Control Register (USCCR)
The USCCR is used for card management (Section 19.4.5). Table 19-12 shows the format of the
USIM Card Control register.
This is a read/write register. Ignore reads from reserved bits. Write 0b0 to reserved bits.
Table 19-12. USCCR Bit Definitions
Physical Address
0x4160_0020 USCCR USIM
User
Settings
Bit 31 30 29 28 27 26 25 24 23 22 21 20 19 18 17 16 15 14 13 12 11 10 9 8 7 6 5 4 3 2 1 0
reserved
TXD_FORCE
reserved
VCC
RST_CARD_N
Reset ? ? ? ? ? ? ? ? ? ? ? ? ? ? ? ? ? ? ? ? ? ? ? ? ? ? ? 1 ? 0 0 0
Bits Access Name Description
31:5 — reserved
4 R/W TXD_FORCE
Force TXD
This bit must always remain non-active unless running a deactivation
process. In deactivation I/O must be turned low before turning down card’s
voltage.
0 = TXD indicates transmission.
1 = TXD is forced to VLOW.
3— reserved
2:1 R/W VCC
Card Voltage
0b00 = USIM card at 0 V (GND).
0b01 = USIM card at 3 V.
0b10 = USIM card at 1.8 V.
0b11 = reserved
0R/W
RST_CARD_
N
Card Reset.
0 = Reset the USIM card.
1 = Normal USIM card operation.
19-32 Intel® PXA27x Processor Family Developer’s Manual
Universal Subscriber ID Interface
19.5.10 USIM Line Status Register (LSR)
The LSR provides status information concerning data transfers. Most of the status bits have a
corresponding interrupt bit and are explained in detail in Section 19.4.6. The LSR bits that do not
have a corresponding interrupt are: RXD, RX_WORKING, TX_WORKING, RX_EMPTY_N,
TX_REFILL. The waiting time and error status bits (BWT, CWT, FRAMERR, PERR, OVRN) are
cleared after the LSR is read or when their corresponding interrupt is cleared. The T = 0 error is an
exception and is cleared only when ECR[T0_REPEAT] or ECR[T0_CLR] is set.
An interrupt associated with a waiting time or error status bit is not cleared when the corresponding
status bit is read from the LSR. The interrupt is only cleared when writing a 0b1 to the proper bit in
the USIM Interrupt Identification register (IIR) (Section 19.5.4).
This is a read-only register. Ignore reads from reserved bits.
Table 19-13. LSR Bit Definitions (Sheet 1 of 2)
Physical Address
0x4160_0024 LSR USIM
User
Settings
Bit 15 14 13 12 11 10 9 8 7 6 5 4 3 2 1 0
reserved
RXD
RX_WORKING
TX_WORKING
RX_EMPTY_N
TDR
reserved
BWT
CWT
TIMEO
FRAMERR
T0ERR
PERR
OVRN
Reset ? ? ? ? ? ? ? ? ? ? ? ? ? ? ? ? 1 0 0 0 1 ? ? ? ? 0 0 0 0 0 0 0
Bits Access Name Description
31:16 — reserved
15 R RXD
Reflects Sampled Data from I/O Pad
0 = I/O line is currently on logic 0.
1 = I/O line is currently on logic 1.
14 R RX_WORKING
Receiver Working
0 = Receiver idle.
1 = Receiver is in process.
13 R TX_WORKING
Transmitter Working
0 = Transmitter idle.
1 = Transmitter in process.
12 R RX_EMPTY_N
Receiver FIFO Not Empty
0 = Receiver FIFO is empty.
1 = Receiver FIFO is not empty.
11 R TDR
Transmitter Data Refill
0 = Number of characters in the TX-FIFO is at or above FCR[TX_TL].
1 = Number of characters in the TX-FIFO is less than FCR[TX_TL].
10:7 — reserved
6RBWT
Block Waiting Time
0 = BWT time-out period is not over.
1 = BWT time-out period is over.
Intel® PXA27x Processor Family Developer’s Manual 19-33
Universal Subscriber ID Interface
5RCWT
Character Waiting Time
0 = CWT time-out period is not over.
1 = CWT time-out period is over.
4RTIMEO
Receiver Time-Out
0 = TOR time-out period is not over.
1 = TOR time-out period is over.
3RFRAMERR
Framing Error
0 = Framing error has not occurred.
1 = Framing error has occurred.
2RT0ERR
T = 0 Error
0 = During transmission, the number of consecutive T = 0 errors did not
meet the repetition trigger level, ECR[T0ERR_TL].
1 = During transmission, the number of consecutive T = 0 errors met the
repetition trigger level, ECR[T0ERR_TL].
1RPERR
Parity Error
0 = During reception, the number of consecutive parity errors did not met
the repetition trigger threshold, ECR[PE_TL].
1 = During reception, the number of consecutive parity errors met the
repetition trigger threshold, ECR[PE_TL].
0ROVRN
Receiver Data Overrun Error
0 = Overrun error has not occurred.
1 = Overrun error has occurred.
Table 19-13. LSR Bit Definitions (Sheet 2 of 2)
Physical Address
0x4160_0024 LSR USIM
User
Settings
Bit 15 14 13 12 11 10 9 8 7 6 5 4 3 2 1 0
reserved
RXD
RX_WORKING
TX_WORKING
RX_EMPTY_N
TDR
reserved
BWT
CWT
TIMEO
FRAMERR
T0ERR
PERR
OVRN
Reset ? ? ? ? ? ? ? ? ? ? ? ? ? ? ? ? 1 0 0 0 1 ? ? ? ? 0 0 0 0 0 0 0
Bits Access Name Description
19-34 Intel® PXA27x Processor Family Developer’s Manual
Universal Subscriber ID Interface
19.5.11 USIM Extra Guard Time Register (EGTR)
The EGTR specifies the number of Extra Guard-Time Moments (EGTM) between bytes
transmitted by the USIM interface. This register can hold any value between 0–255. In the T = 0
protocol, the USIM interface starts measuring the extra guard time period 12 moments after the last
byte’s start bit. In T = 1, counting of the Extra Guard Time period starts 11 etu after transmission of
the last byte’s start bit. Table 19-14.
This is a read/write register. Ignore reads from reserved bits. Write 0b0 to reserved bits.
19.5.12 USIM Block Guard Time Register (BGTR)
Block guard time, is a protocol parameter from standard ISO 7816-3 and specification
3G TS 31.101. It is defined as the minimum number of guard-time moments (starting from the last
mandatory guard-time moment) in which the USIM interface transmitter cannot access the I/O port
after the card finishes its transmission.
Note: The value used in the BGT register is not the same as the value specified for ISO 7816-3 and
3G TS 31.101. The BGT register uses a value that is 12 moments less in T = 0 mode and 11
moments less in T = 1 mode than the value specified by the standards. See Table 19-16.
This is a read/write register. Ignore reads from reserved bits. Write 0b0 to reserved bits.
Table 19-14. Number of ETU between a Transmitted Byte’s Leading Edge in Different
Protocols
Protocol Spacing Between a Transmitted Byte’s Leading Edge
(in etu)
T=0 12 + EGTM
T=1 11 + EGTM
Table 19-15. EGTR Bit Definitions
Physical address
0x4160_0028 EGTR USIM
User
Settings
Bit 31 30 29 28 27 26 25 24 23 22 21 20 19 18 17 16 15 14 13 12 11 10 9 8 7 6 5 4 3 2 1 0
reserved EGTM
Reset ? ? ? ? ? ? ? ? ? ? ? ? ? ? ? ? ? ? ? ? ? ? ? 0 0 0 0 0 0 0 0 0
Bits Access Name Description
31:8 — reserved
7:0 R/W EGTM Extra Guard-Time Moments
Number of total guard-time moments.
Intel® PXA27x Processor Family Developer’s Manual 19-35
Universal Subscriber ID Interface
19.5.13 USIM Time-Out Register (TOR)
The TOR lets software detect when data is left in the receive FIFO for some time with no
I/O activity occurring. See Section 19.4.6 for more information. Time-Out is measured from the
number of moments that have passed either since the last character entered the receive FIFO or
since the receive FIFO was read. The count stops when the receive FIFO is empty or I/O activity is
occurring. Table 19-18 shows the format of the USIM Time-Out register, which sets the trigger
threshold of the time-out interrupt.
This is a read/write register. Ignore reads from reserved bits. Write 0b0 to reserved bits.
Table 19-16. Block Guard Time Values
Block Guard Time T = 0 T = 1
Value as specified in protocol BGT definition 16 22
Value converted to BGTR definition 5 11
Table 19-17. BGTR Bit Definitions
Physical address
0x4160_002C BGTR USIM
User
Settings
Bit 31 30 29 28 27 26 25 24 23 22 21 20 19 18 17 16 15 14 13 12 11 10 9 8 7 6 5 4 3 2 1 0
reserved BGT
Reset ? ? ? ? ? ? ? ? ? ? ? ? ? ? ? ? ? ? ? ? ? ? ? ? 0 0 0 0 0 1 0 0
Bits Access Name Description
31:8 — reserved
7:0 R/W BGT Block Guard Time
Number of total block guard-time moments.
Table 19-18. TOR Bit Definitions
Physical address
0x4160_0030 TOR USIM
User
Settings
Bit 31 30 29 28 27 26 25 24 23 22 21 20 19 18 17 16 15 14 13 12 11 10 9 8 7 6 5 4 3 2 1 0
reserved TO
Reset ? ? ? ? ? ? ? ? ? ? ? ? ? ? ? ? ? ? ? ? ? ? ? ? 0 0 0 1 0 1 1 0
Bits Access Name Description
31:8 — reserved
7:0 R/W TO Time-Out
Number of total time-out moments.
19-36 Intel® PXA27x Processor Family Developer’s Manual
Universal Subscriber ID Interface
19.5.14 USIM Clock Register (CLKR)
The CLKR allows software to set the values of the card clock, UCLK, using the methodology
described in Section 19.4.4. Note the CLKR cannot be updated while CLKR[RQST] is set. Any
writes to the CLKR when CLKR[RQST] is set is ignored. After reset, the card clock is disabled
and its frequency is set to 4 MHz by default. For power savings, the USIM interface clock
CLK_USIM can be disabled by asserting bit CLKR[15]. After reset, CLK_USIM is enabled by
default. Note, the USIM interface registers can be read/written when CLK_USIM is disabled.
Table 19-19 shows the format of the USIM Clock register.
This is a read/write register. Ignore reads from reserved bits. Write 0b0 to reserved bits.
Note: Changing UCLK affects the etu period. See Section 19.4.4.2. Software can enter a new value to
CLKR at any given moment. The new value is validated only when the USIM interface completes
all previous jobs that are pending (transmission/reception, block guard time and extra guard time
periods are finished, and the receive FIFO is empty).
Table 19-19. CLKR Bit Definitions
Physical Address
0x4160_0034 CLKR USIM
User
Settings
Bit 31 30 29 28 27 26 25 24 23 22 21 20 19 18 17 16 15 14 13 12 11 10 9876543210
reserved
STOP_CLK_UCLK
STOP_LEVEL
STOP_UCLK
RQST
reserved DIVISOR[7:0]
Reset ? ? ? ? ? ? ? ? ? ? ? ? ? ? ? ? 1 0 1 0 ? ? ? ? 0 0 0 0 0 1 1 0
Bits Access Name Description
31:16 — reserved
15 R/W STOP_CLK_UC
LK
Stop USIM Interface Clock
0 = Starts the USIM clock, CLK_USIM.
1 = Stops the USIM clock. Does not stop the clock that controls the USIM
registers.
14 R/W STOP_LEVEL
Stop Level
0 = Clock stops on low.
1 = Clock stops on high.
13 R/W STOP_UCLK
Stop Clock
0 = Starts the card’s clock.
1 = Stops the card’s clock.
12 R RQST
Clock Change Request
0 = Request not occurring, CLKR can be updated.
1 = Request occurring, do not update CLKR.
11:8 — reserved
7:0 R/W DIVISOR
Clock Divisor
The card’s clock frequency is 48 MHz/DIVISOR. The value zero results in
unpredictable behavior.
Intel® PXA27x Processor Family Developer’s Manual 19-37
Universal Subscriber ID Interface
Note: Intel recommends that the input clock frequency be 48 MHz. However, it is possible to use other
frequencies. In such cases, it is important to change the value of the CLKR register and follow the
values of the USIM programmable baud-rate generator registers.
19.5.15 USIM Divisor Latch Register (DLR)
The DLR contains the Divisor used in controlling the baud rate. See Section 19.4.4.2. The reset
value conforms to the ISO 7816-3 requirement that the etu is 372 clock cycles during the ATR.
Table 19-20 shows the format of the USIM Divisor Latch register.
This is a read/write register. Ignore reads from reserved bits. Write 0b0 to reserved bits.
Note: Change in the actual baud rate is not immediate.
19.5.16 USIM Factor Latch Register (FLR)
The FLR contains the Factor used in controlling the baud rate. See Section 19.4.4.2. The reset
value conforms to the ISO 7816-3 requirement that the etu is 372 clock cycles during the ATR.
Table 19-21 shows the format of the USIM Factor Latch register. The FLR must be modified
before the DLR.
This is a read/write register. Ignore reads from reserved bits. Write 0b0 to reserved bits.
Table 19-20. DLR Bit Definitions
Physical Address
0x4160_0038 DLR USIM
User
Settings
Bit 31 30 29 28 27 26 25 24 23 22 21 20 19 18 17 16 15 14 13 12 11 10 9876543210
reserved DIVISOR
Reset ? ? ? ? ? ? ? ? ? ? ? ? ? ? ? ? 0 000000101110100
Bits Access Name Description
31:16 reserved — reserved
15:0 R/W DIVISOR
Baud Divisor
Determines the number of USIM clock in between samples, forcing the total
length of a bit to be DIVISOR*(FACTOR+1)*(USIM_CYCLE). The value of
DIVISOR must not be set to zero.
19-38 Intel® PXA27x Processor Family Developer’s Manual
Universal Subscriber ID Interface
19.5.17 USIM Character Waiting Time Register (CWTR)
Character waiting time, see Section 19.4.3.2.1, is a protocol parameter from standard ISO 7816-3
and specification 3G TS 31.101. It is defined as the maximum delay between the leading edges of
two consecutive characters in a block. During the ATR, the ISO standard specifies an initial
waiting time of 9600 etu. This initial waiting time is equivalent to CWT, and so the reset value of
CWT is 9600 – 12 = 9588 etu. The 12 is a result of how the CWT is measured and because the
FIFOs are reset to T = 0 mode. For a receive occurring in T = 1 mode, the value would be:
9600 – 11 = 9589.
This is a read/write register. Ignore reads from reserved bits. Write 0b0 to reserved bits.
Table 19-21. FLR Bit Definitions
Physical Address
0x4160_003C FLR USIM
User
Settings
Bit 31 30 29 28 27 26 25 24 23 22 21 20 19 18 17 16 15 14 13 12 11 10 9876543210
reserved FACTOR
Reset ? ? ? ? ? ? ? ? ? ? ? ? ? ? ? ? ? ? ? ? ? ? ? ? 0 0 0 0 1 0 1 1
Bits Access Name Description
31:8 — reserved
7:0 R/W FACTOR
Baud Factor
Determines the number of samples per bit. Number of samples would be
(FACTOR + 1). ISO standard demands minimum of 6 samples; therefore 5
is the minimum value of FACTOR bits.
Table 19-22. CWTR Bit Definitions
Physical address
0x4160_0040 CWTR USIM
User
Settings
Bit 31 30 29 28 27 26 25 24 23 22 21 20 19 18 17 16 15 14 13 12 11 10 9 8 7 6 5 4 3 2 1 0
reserved CWT
Reset ? ? ? ? ? ? ? ? ? ? ? ? ? ? ? ? 0 0 1 0 0 1 0 1 0 1 1 1 0 1 0 0
Bits Access Name Description
31:16 — reserved
15:0 R/W CWT Character Waiting Time
Number of total character waiting time moments.
Intel® PXA27x Processor Family Developer’s Manual 19-39
Universal Subscriber ID Interface
19.5.18 USIM Block Waiting Time Register (BWTR)
Block Waiting Time, see Section 19.4.3.2.3, is a protocol parameter from standard ISO 7816-3 and
specification 3G TS 31.101. It is defined as the maximum delay between the leading edge of the
last character of the block received by the card and the leading edge of first character of the next
block sent by the card.
This is a read/write register. Ignore reads from reserved bits. Write 0b0 to reserved bits.
Table 19-23. BWTR Bit Definitions
Physical address
0x4160_0044 BWTR USIM
User
Settings
Bit 31 30 29 28 27 26 25 24 23 22 21 20 19 18 17 16 15 14 13 12 11 10 9 8 7 6 5 4 3 2 1 0
reserved BWT
Reset ? ? ? ? ? ? ? ? ? ? ? ? ? ? ? ? 0 0 0 0 0 0 0 0 0 1 1 0 1 1 0 0
Bits Access Name Description
31:16 — reserved
15:0 R/W BWT Block Waiting Time
Number of total block waiting time moments.
19-40 Intel® PXA27x Processor Family Developer’s Manual
Universal Subscriber ID Interface
19.6 Register Summary
There are eighteen 32-bit-wide registers in the USIM interface. Table 19-24 shows the registers and
their addresses.
Table 19-24. USIM Interface Register Summary
Address Name Description Page
0x4160_0000 RBR USIM Receive Buffer register 19-18
0x4160_0004 THR USIM Transmit Holding register 19-19
0x4160_0008 IER USIM Interrupt Enable register 19-20
0x4160_000C IIR USIM Interrupt Identification register 19-22
0x4160_0010 FCR USIM FIFO Control register 19-24
0x4160_0014 FSR USIM FIFO Status register 19-26
0x4160_0018 ECR USIM Error Control register 19-27
0x4160_001C LCR USIM Line Control register 19-29
0x4160_0020 USCCR USIM Card Control register 19-31
0x4160_0024 LSR USIM Line Status register 19-32
0x4160_0028 EGTR USIM Extra Guard Time register 19-34
0x4160_002C BGTR USIM Block Guard Time register 19-34
0x4160_0030 TOR USIM Time-Out register 19-35
0x4160_0034 CLKR USIM Clock register 19-36
0x4160_0038 DLR USIM Divisor Latch register 19-37
0x4160_003C FLR USIM Factor Latch register 19-37
0x4160_0040 CWTR USIM Character Waiting Time register 19-38
0x4160_0044 BWTR USIM Block Waiting Time register 19-39
0x4160_0048–0x4160_FFFC reserved reserved
Intel® PXA27x Processor Family Developer’s Manual 20-1
USB Host Controller 20
This chapter describes the Universal Serial Bus host controller (UHC) implemented in the PXA27x
processor.
20.1 Overview
The Universal Serial Bus (USB) supports serial data exchanges between a host computer and a
variety of simultaneously accessible peripherals. The attached peripherals share USB bandwidth
through a host-scheduled, token-based protocol. Peripherals can be attached, configured, used, and
detached, while the host and other peripherals continue operation. Familiarity with the Universal
Serial Bus Specification, Revision 1.11 and the OHCI specification2 are necessary to fully
understand the material contained in this section
See the Universal Serial Bus Specification Revision 1.1 and the Open HCI—Open Host controller
Specification for USB for details of the interface operation.
20.2 Features
USB Rev. 1.1 compatible
Supports both low-speed and full-speed USB devices
Open Host Controller Interface (OHCI) Rev 1.0a compatible
Root hub supports two downstream ports
20.3 Signal Descriptions
This section describes the signal pins that are inputs or outputs from the USB host controller (see
Table 20-1).
1. The latest revision of the Universal Serial Bus Specification Revision 1.1 can be accessed at: http://www.usb.org/
2. Open Host Controller Interface Specification for USB, Release 1.0a.
20-2 Intel® PXA27x Processor Family Developer’s Manual
USB Host Controller
A USB host must supply 5.0 volts (per the USB specification); however, the PXA27x processor
does not have 5.0-volt-tolerant pads. Therefore, system designers must provide an external device
to interface the USBHPEN and USBHPWR pins to the power supply and over-current detection
circuits.
20.3.1 Input Signals
The USBHPWR<3:1> signals are active-high signals that indicate an over-current fault condition
on the USB power supply. The USB host can be programmed to change the polarity of these
signals to be active low. These signals are multiplexed with GPIO pins; please refer to Chapter 24,
“General-Purpose I/O Controller” for details on configuration.
20.3.2 Output Signals
The USBHPEN<3:1> signals reflect the status of the UHCRHPSx[PPS] bits and control an
external power-switching device that supplies power to USB peripherals. The USB host can be
programmed to change the polarity of these signals to be active low. These signals are mixed with
GPIO pins; refer to Chapter 24, “General-Purpose I/O Controller” for details on configuration.
20.3.3 Bidirectional Signals
USBH_P<3:1> and USBH_N<3:1> are the differential signals of the USB ports.
20.4 Operation
Note: Although the PXA27x processor provides three USB host ports, the second and third USB host
ports (USBH2 and USBH3) must be configured through the USB client registers. The first port
(USBH1) is assigned purely to the host, while the second and third ports are programmed using
both the USB host and client modules.
A USB system consists of four main components: two of these, the client software and the host
controller driver, are implemented in software; the other two areas (host controller and the device
controller) are implemented in hardware. The host controller driver and the host controller work
together to serially transfer data between a shared memory data structure and the USB controller.
Figure 20-1 shows a block diagram of the USB host controller. This module consists of an OHCI-
compliant core, a bus interface unit to connect it the system bus, two small FIFOs for buffering
data in and out, 2 input pins, 2 output pins, and the transceivers located in the pad unit. The bus
interface unit connects to the system bus for register access and for writing and reading of the
FIFOs. The registers must be accessed as 32-bit entities on 32-bit aligned addresses.
Table 20-1. USB Host Controller I/O Signal Descriptions
Name Type Description
USBHPWR<3:1> Input Over-current indicator from ports 3, 2 and 1
USBH_P<3:1> Inout Data positive to ports 3, 2 and 1
USBH_N<3:1> Inout Data minus to ports 3, 2 and 1.
USBHPEN<3:1> Output Controls power to the USB ports
Intel® PXA27x Processor Family Developer’s Manual 20-3
USB Host Controller
The serial information transmitted and received by the USB host (USBH) contains layers of
communications protocols, the most basic of which are fields. USBH fields include sync, packet
identifier, address, Endpoint, Frame Number, data, and CRC fields. Fields are used to produce
packets. Depending on the packet function, a different combination and number of fields can be
used. Packet types include token, start of frame, data, and handshake. There are four data transfer
types define in USB: bulk, control, interrupt, and isochronous. Packets are assembled into groups
to produce frames. Data transfers can be grouped into two categories: periodic (isochronous and
interrupt) and non-periodic (control and bulk). Fields inside of the Endpoint Descriptor (ED) and
Transfer Descriptor (TD) memory structures define what type of transfer is to take place.
Figure 20-1. USB Host Controller Block Diagram
There are two communication channels between the host controller and the host controller driver.
The first channel uses a set of registers for control, status and list pointers (described in
Section 20.9). The second communication channel is the Host Controller Communication Area
(HCCA). The HCCA contains pointers to the interrupt ED, done queue, and status information
associated with start of frame processing.
The USB host controller functions as a “smart” DMA operating on linked lists (EDs and TDs)
created by the HCD and located in system memory. The HCD assigns an Endpoint Descriptor to
each Endpoint in the system. The information in these descriptors include: maximum packet size,
the Endpoint address, the speed of the Endpoint, and the direction of data flow. A queue of TDs is
linked to the ED for a specific Endpoint. The TDs contain information on data toggle, shared
memory buffer location and completion status codes. The HCD creates these ED lists and TD
queues then passes control to the UHC for processing (by setting bits two through five of the
UHCHCON register, described in Section 20.8.2). The HCD adds to the TD queues and the UHC
removes from the queues by linking a finished TD with the Done Queue. The UHC updates fields
(such as Current Buffer Pointer and Condition Code) in the TD in system memory space upon
completion of a TD.
System Bus
OHCI
Rev. 1.0a
Compliant
USB
Host
Core
Write FIFO
Read FIFO
Port 1
Interface
System Bus
Transceiver
Port 2
Transceiver
(DMA &
USBH_P<2>
USBH_N<2>
USBH_P<1>
USBH_N<1>
USBHPEN<3>
USBHPWR<3>
USBHPEN<1>
USBHPWR<1>
Pad Unit
(32 bits
(32 bits
USB Host Controller
HCI
Interface
x
4 entries)
x
4 entries)
non-OHCI
Registers) Port 3
Transceiver
USBH_P<3>
USBH_N<3>
USBHPEN<2>
USBHPWR<2>
20-4 Intel® PXA27x Processor Family Developer’s Manual
USB Host Controller
Head pointers to the Bulk and Control ED lists are maintained in the UHC (UHCBHED and
UHCCHED registers). The HCD must initialize these registers. Figure 20-2 illustrates a typical list
structure.
Figure 20-2. Typical List Structure
Interrupt EDs are maintained in the HCCA1. The HCD must also maintain the state of the UHC
(operational, resume, suspend, reset), the list processing pointers (the UHCBHED and UHCCHED
registers), list processing enables (bits 5-2 of the UHCHCON register), and interrupt enables (in
the UHCINTE register).
Note: Remote host wake from sleep may not be absolutely USB 1.1 specification-compliant. The USB
host controller may not be able to feed back resume signaling to downstream devices within 100
microseconds.
Note: In isochronous transfer mode, the latency associated with using VLIO and PC Card memory
accesses may violate the 10s time limit. As a result, the USB host controller sends a corrupted
CRC (an OUT packet) or not issue an ACK; in the latter case, an interrupt occurs (if enabled) and
the ISO packet is dropped by software.
20.5 Interrupts
The USB host controller generates two interrupts to the interrupt controller (see Chapter 25,
“Interrupt Controller” for details).
An OHCI USB interrupt (generated from the Interrupt Status register; see Section 20.8.4)
All other USB host controller event interrupts (see Section 20.8.23)
Buffer-access interrupt
Remote wake-up interrupt
Port-resume signal interrupt
ED ED ED ED
TD
TD
TD
TD TDTD
TD
Head Pointer
1. See the OHCI Rev.1.0a specification, page 9, section 3.2.2 for details.
Intel® PXA27x Processor Family Developer’s Manual 20-5
USB Host Controller
OHCI-initiated interface-clear signal interrupt (transfer abort)
USB port-power-over-current-exception interrupts
20.6 Programming Considerations
Programming the USB host controller is very similar to programming the USB host in the Intel®
StrongARM* SA-1111 microprocessor companion chip.1 The major exceptions are in the base
address of the OHC registers and in functions of the Status register (UHCSTAT). In the SA-1111
companion chip, this register (referred to as USB Status register at address 0x0000518) monitors
the host controller events, no events were latched, and a total of five different interrupts could be
generated. In the USB host controller unit, two interrupts can be sent (OHCI and non-OHCI). The
non-OHCI interrupt is generated from the UHCSTAT register, which latches all events (enabled
interrupts), and the bits remain set until cleared by the HCD.
On system reset, the default condition is for the UHC Reset register (UHCHR) to enable each port
by clearing either UHCHR[SSEP1] or UHCHR[SSEP2] or UHCHR[SSEP3], or globally by
clearing UHCHR[SSE]. If either USB port 1, port 2, or USB port 3 is not physically available, it
must be disabled by setting the appropriate bit (see Section 20.8.24) for more information.
20.6.1 USB Reset
The USB host controller is not fully reset following a PXA27x processor reset. The full-chip
processor reset leaves the USB force host controller reset bit UHCHR[FHR] set. To initialize the
USB host controller, use the following sequence:
1. Start the USB clocks
2. Wait at least 10 µs
3. Clear the UHCHR[FHR]
The USB host controller is then operational.
20.6.2 USB Suspend
The USB specification defines a power-conservation mechanism called UsbSuspend2. Devices and
hubs can be placed into a suspend state; and if required, the whole system can be suspended (global
suspend).
A USB device can enter the suspend state if it does not receive an SOF (keep awake) packet in
greater than 3 ms. Software needs to explicitly invoke the suspend state; otherwise, devices
automatically receive 1-ms “keep-awake” SOF packets.
If there is no USB activity, the host can invoke the global suspend state, which causes all connected
devices and hubs to enter into their suspend states within 5 ms. The host can re-enable the bus by
invoking the Resume state. If a device requires attention, it can cause a resume by sending the host
a remote wake-up event. See Section 12.4.7, “Suspend and Resume for additional information.
1. Intel® StrongARM* SA-1111 Microprocessor Companion Chip Developers Manual, Order No: 278242-003.
2. Open Host Controller Interface Specification for USB, Release 1.0a
20-6 Intel® PXA27x Processor Family Developer’s Manual
USB Host Controller
20.7 Power Management
The Open Host Controller Interface Specification for the USB defines a port power-switching
mechanism.
All ports can be continuously powered, or the power can be switched.
Power switching can be globally switched for all ports or individually switched.
The power switching is independent of the port state, such as its speed, or whether it is connected
or enabled. Power-enable features can be operated only while the USB host clocks are running (the
USB clocks must be running to disable or enable power-enable features).
This USB host controller has the following features that support power-conservation features of the
Open Host Controller Interface:
USB clock stopping
Port power-enable
Port-resume interrupt
20.7.1 USB Clock Stopping and Power Enable
The USB clocks can be stopped at any time; however, stopping the clocks is recommended only
when the USB is in the global-suspend state, which is reached when there has been no activity on
the USB for more than 5 ms, and the host controller is in the suspend state. In the suspend state, the
port (single-ended receivers on the USBH_P and USBH_N pads) is also in low-power mode, but is
still able to detect the USB port resume condition and asynchronously generate an interrupt to the
wake-up controller of the clock unit (refer to Section 3.8.1.4, “Power Manager Wake-Up Enable
Register (PWER)” on page 3-74 for details).
If a device is not connected to the USB port, the host controller cannot be suspended, and the port
(PAD) is not in its low-power mode. To save power when a device is not connected to the USB port
(PAD), the port power enable can be disabled before the USB clock is stopped (refer to OHCI
specification). To stop the USB clocks, refer to Section 3.8.2.2, “Clock Enable Register (CKEN)”
on page 3-98.
20.7.2 Port-Resume Interrupt
The port-resume interrupt does not depend on the USB or the system bus clocks to be running. This
interrupt indicates that an event has occurred on the USB bus that requires the USB clocks to be
restarted. If the USB clocks are not running and UHCHIE[RWIE] is set, then a port-resume event
asynchronously sends an interrupt to the wake-up controller of the clock unit. Once the clocks have
been restarted, a non-OHCI interrupt is sent to the interrupt controller. If the USB clocks are
running, the host controller OHCI interrupt handles any interrupt conditions. For the port-resume
interrupt to function, both the USB pads single-ended receiver and the port power supply must be
powered on.
Three events can cause a UsbPortResume interrupt:
A device is connected (indicated by one of the USB port signals being pulled high)
A port is disconnected (indicated by both the USB port signals being pulled low)
Intel® PXA27x Processor Family Developer’s Manual 20-7
USB Host Controller
A remote resume signal from a currently connected device (indicated by an idle K-state
transition on the USB bus).
In addition to the above, an over-current condition on either port 1 or port 2 can also
asynchronously be sent to the wake-up controller of the clock unit (see Section 3.8.1.4, “Power
Manager Wake-Up Enable Register (PWER)” on page 3-74) to restart clocks.
20.7.3 Summary of USB Host Low-Power Operation
Table 20-2 lists the power status of each of the potential power-drain components in the USB
interface for the various modes of operation. If the USB clocks, the transmitter drivers, single-
ended receivers, or the differential receivers are to be turned off, software must first ensure that
either there are no USB devices connected, or that the USB has been placed into the USB suspend
state.
Table 20-2. Operational Power Status
Mode of Operation Notes
Power Status
USB Core Tx Driver Differential
Receiver Single-Ended
Receiver Port Power
Supply
Fully operational 1 Powered Powered Powered Powered Powered
USB global suspend 2, 3, 6 Under user
control Low power Low power Powered Powered
USB port power disabled (as
specified in OHCI spec). 3,4 Under user
control Low power Low power Low power Low power
Processor in sleep or standby
mode 5 Low power Low power Low power Low power Under user
control
Processor in idle mode 2, 3, 4, 7 Under user
control Under user
control Under user
control Under user
control Under user
control
NOTES:
1. Fully operational is defined as: USB host controller is in the operational state, the sleep mode is not active, and the port power
is enabled.
2. The user can stop the USB clocks and still be able to receive a USB port resume interrupt when a device sends a remote
resume interrupt or a device is disconnected.
3. When the PortPowerStatus bit in the UHC core is disabled the USB port is considered to be disabled, and therefore not in use,
all components are put into low-power mode. Users can stop the USB clocks to further reduce power drain.
4. When the USB pads singled-ended receiver is in low-power mode, the remote resume interrupt does not function; this can
also be the case if the device does not receive power from the USB port.
5. When the Intel® PXA27x processor Sleep or Standby modes are active, the USB host is disabled and does not respond to a
port resume, connect, or disconnect event. USB ports must be powered off before entering either of these modes. However,
the PWER register can be programmed to recognize activity on these ports, such as a cable connect, to use as a wakeup
source for bringing the Intel® PXA27x processor out of Sleep or Standby modes. The USB must be re-initialized upon exiting
Sleep or Standby modes.
6. A device must be connected before the UHC can be put into the suspend state.
7. The single-ended port receiver and USB power supply are powered on if the port power enable was enabled before the clock
was stopped. The differential receivers are disabled (powered off) if the USB clocks are stopped. The USB host is capable of
recognizing a remote wake-up event in this mode even if the USB host clocks are off as long as the single-ended receivers are
still enabled.
20-8 Intel® PXA27x Processor Family Developer’s Manual
USB Host Controller
20.7.4 Suggested Power-Management Routines
The following applies to all of the suggested power-management routines in this section:
The UsbPortResume interrupt is not generated when a device is connected unless
UHCHR[SSE], the Sleep Standby Enable bit, is cleared.
To set UHCRHS[LPS], the global power enable bit, it is necessary to first start the USB clock.
20.7.4.1 Initial Port Power-Down Sequence
To initiate a port power-down sequence, follow this procedure:
1. Wait for the devices hardware reset sequence to complete. For more information on USB
reset, see Section 20.6.1. The USB clock must be enabled.
2. Send a software reset to the host controller by setting UHCCOMS[HCR] and then wait 10 µs.
3. Set the global power enable bit (UHCRHS[LPS]) to turn off power to all ports.
4. Clear the Sleep Standby Enable bit (UHCHR[SSE]) to enable power to the downstream ports.
5. Stop the USB clock. The USB is now in standby mode.
Note: Software waits for the UsbPortResume interrupt before restarting the USB clock.
20.7.4.2 Low-Power Mode in Suspend State Sequence
To put the USB system into low-power mode, do the following in sequence:
1. Wait for the USB to go to global suspend state.
2. Set the port suspend bit (UHCRHPS1[PSS] or UHCRHPS2[PSS] or UHCRHPS3[PSS]). This
can be automatic after 5 ms of inactivity on the USB bus.
3. Wait for the port suspend bit (UHCRHPS1[PSS] or UHCRHPS2[PSS] or UHCRHPS3[PSS])
to be set.
The USB is now in suspend mode.
4. Clear the Sleep Standby Enable bit (UHCHR[SSE]), enabling power to the USB single-ended
receivers and the USB port power supplies.
5. Stop the USB clocks.
The USB is now in standby mode.
Note: Software waits for the UsbPortResume interrupt to go active. Start the USB clock, and the host
controller restarts.
20.7.4.3 Low-Power Mode after Device Disconnect Sequence
To activate low-power mode, follow this sequence:
1. Wait for port-connection status to clear (UHCRHPSx[CCS]), indicating no device is
connected; or wait for the USB port resume interrupt if the USB clock is stopped and check the
connection status.
2. Clear the Sleep Standby Enable bit (UHCHR[SSE]) to enable power to the downstage ports.
Intel® PXA27x Processor Family Developer’s Manual 20-9
USB Host Controller
3. Stop the USB clocks.
The USB is now in standby mode.
Note: The port is powered down. For more information on the initial port power-down sequence, see
Section 20.7.4.1. Software waits for the USB port resume interrupt before restarting the USB
clock. If the USB clocks are stopped in any mode other than that described above, the host
controller and any connected device might need re-initialization.
20.7.4.4 Disable USB Port
To initiate a port-disable sequence, follow this procedure:
1. Wait for the device’s hardware-reset sequence to complete. For more information on USB
Reset, see Section 20.6.1. The USB clock is enabled
2. Send a software reset to the host controller by setting UHCCOMS[HCR] and then wait 10 µs.
3. Clear the global power enable bit (UHCRHS[LPS]) by writing a 1 to it. The hub must be in
port power switching mode. The USB is now in port power-disabled mode.
4. Clear the Sleep Standby Enable bit (UHCHR[SSE]) to enable power to the downstream ports
5. Stop the USB clocks.
The USB is now in standby mode and the port power is disabled.
Note: The UsbPortResume interrupt is not generated when a device is connected unless the Sleep
Standby Enable bit is cleared. To set the global power enable bit, it is necessary to first start the
USB clock.
20-10 Intel® PXA27x Processor Family Developer’s Manual
USB Host Controller
20.8 Register Descriptions
20.8.1 UHC HCI Spec Revision Register (UHCREV)
This read-only register contains the binary-coded decimal (BCD) representation of the HCI
specification version that the PXA27x processor implements. The UHC complies with the OHCI
Rev. 1.0a specification, so this register always has a value of 0x0000_0010.
The register organization and individual bit definitions are shown in Table 20-3.
20.8.2 UHC Host Control Register (UHCHCON)
The UHC Host Control (UHCHCON, shown in Table 20-4) register defines the operating modes
for the host controller. Most of the fields in this register are modified only by the host controller
driver, except for the HostControllerFunctionalState and RemoteWakeupConnected fields.
This is a read/write register. Ignore reads from reserved bits. Write 0b0 to reserved bits.
Table 20-3. UHCREV Bit Definitions
Physical Address
0x4C00_0000 UHCREV USB Host Controller
User
Settings
Bit 31 30 29 28 27 26 25 24 23 22 21 20 19 18 17 16 15 14 13 12 11 10 9 8 7 6 5 4 3 2 1 0
Rev
Reset 00000000000000000000000000010000
Bits Access Name Description
31:0 R Rev
OHCI Specification Revision Number
This USB host is compliant to OHCI Rev. 1.0a, so this register reads
0x0000_0010.
Intel® PXA27x Processor Family Developer’s Manual 20-11
USB Host Controller
Table 20-4. UHCHCON Bit Definitions (Sheet 1 of 3)
Physical Address
0x4C00_0004 UHCHCON USB Host Controller
User
Settings
Bit 31 30 29 28 27 26 25 24 23 22 21 20 19 18 17 16 15 14 13 12 11 10 9 8 7 6 5 4 3 2 1 0
reserved
RWE
RWC
IR
HCFS
BLE
CLE
IE
PLE
CBSR
Reset ? ? ? ? ? ? ? ? ? ? ? ? ? ? ? ? ? ? ? ? ? 0 0 0 0 0 0 0 0 0 0 0
Bits Access Name Description
31:11 — reserved
10 R/W RWE
RemoteWakeupEnable
The host controller driver uses this bit to enable or disable the remote wake-
up feature upon the detection of upstream resume signaling. When this bit
is set and the ResumeDetected bit in HcInterruptStatus (Section 20.8.4) is
set, a remote wake-up is signaled to the host system. Setting this bit has no
impact on the generation of hardware interrupt.
0 = Disable remote wake-up is signaling to the host system.
1 = Enable remote wake-up is signaling to the host system.
9R/WRWC
RemoteWakeupConnected
This bit indicates whether the UHC supports remote wake-up signaling. If
remote wake-up is supported and used by the system, it is the responsibility
of system firmware to set this bit after reset. The UHC clears the bit upon a
hardware reset, but does not alter it upon a software reset
0 = UHC does not support remote wake-up signaling.
1 = UHC supports remote wake-up signaling.
8 R/W IR
InterruptRouting
This bit determines the routing of interrupts generated by events registered
in the UHC Interrupt Status register, UHCINTS (Section 20.8.4). If clear, all
interrupts are routed to the normal host bus-interrupt mechanism. If set,
interrupts are routed to the system management interrupt (SMI). The host
controller driver clears this bit on a hardware reset, but it does not alter this
bit on a software reset. The host controller driver uses this bit as a tag to
indicate the ownership of UHC. This implementation of the OHCI host
controller does not support SMI. Therefore, the host controller driver must
never set this bit.
0 = All interrupts are routed to the normal host bus interrupt mechanism.
1 = Interrupts are routed to the SMI.
20-12 Intel® PXA27x Processor Family Developer’s Manual
USB Host Controller
7:6 R/W HCFS
HostControllerFunctionalState
This field of two bits displays the current functional state of the USB host
controller.
0b00 = USBRESET
0b01 = USBRESUME
0b10 = USBOPERATIONAL
0b11 = USBSUSPEND
A transition to USBOPERATIONAL from another state causes an SOF
generation to begin 1 ms later. The host controller driver can determine
whether UHC has begun sending SOFs by reading the StartofFrame field of
HcInterruptStatus (Section 20.8.4).
This field can be changed by UHC only when in the USBSUSPEND state.
UHC can move from the USBSUSPEND state to the USBRESUME state
after detecting the resume signaling from a downstream port.
HC enters USBSUSPEND after a software reset, whereas it enters
USBRESET after a hardware reset. The latter also resets the root hub and
asserts subsequent reset signaling to downstream ports. The root hub is
defined as the USB hub attached directly to the USB host controller
(physically it is a part of the host). Root hubs can have from 1 to 15
downstream ports (this implementation in the PXA27x processor has two
downstream ports). Refer to Section 6.2 of the OHCI Rev. 1.0a
Specification for more details.
5R/WBLE
BulkListEnable
The host controller driver sets this bit to enable the processing of the bulk
list in the next frame. If cleared by the host controller driver, processing of
the bulk list does not occur after the next SOF. UHC checks this bit
whenever it needs to process the list. When disabled, the host controller
driver can modify the list. If HcBulkCurrentED (Section 20.8.12) is pointing
to an ED to be removed, the host controller driver must advance the pointer
by updating HcBulkCurrentED before re-enabling list processing.
0 = Disables processing of the bulk list after the next SOF.
1 = Enables the processing of the bulk list in the next frame.
4R/WCLE
ControlListEnable
The host controller driver sets this bit to enable the processing of the control
list in the next frame. If cleared by the host controller driver, processing of
the control list does not occur after the next SOF. UHC must check this bit
whenever it determines to process the list. When disabled, the host
controller driver can modify the list. If HcControlCurrentED
(Section 20.8.10) is pointing to an ED to be removed, the host controller
driver must advance the pointer by updating HcControlCurrentED before re-
enabling list processing.
0 = Disables processing of the control list after the next SOF.
1 = Enables the processing of the control list in the next frame.
Table 20-4. UHCHCON Bit Definitions (Sheet 2 of 3)
Physical Address
0x4C00_0004 UHCHCON USB Host Controller
User
Settings
Bit 31 30 29 28 27 26 25 24 23 22 21 20 19 18 17 16 15 14 13 12 11 10 9 8 7 6 5 4 3 2 1 0
reserved
RWE
RWC
IR
HCFS
BLE
CLE
IE
PLE
CBSR
Reset ? ? ? ? ? ? ? ? ? ? ? ? ? ? ? ? ? ? ? ? ? 0 0 0 0 0 0 0 0 0 0 0
Bits Access Name Description
Intel® PXA27x Processor Family Developer’s Manual 20-13
USB Host Controller
3 R/W IE
IsochronousEnable
The host controller driver uses this bit to enable/disable processing of
isochronous EDs. While processing the periodic list in a frame, UHC checks
the status of this bit when it finds an isochronous ED (F = 1). If set
(enabled), UHC continues processing the EDs. If cleared (disabled), UHC
halts processing of the periodic list, and begins processing the bulk/control
lists. Setting this bit is guaranteed to take effect in the next frame (not the
current frame).
0 = Disables processing of isochronous EDs.
1 = Enables processing of isochronous EDs.
2R/WPLE
PeriodicListEnable
This bit is set to enable the processing of the periodic list in the current
frame. If cleared by the host controller driver, processing of the periodic list
does not halt until after the next SOF. UHC must check this bit before it
starts processing the list.
0 = Disables processing of the periodic list.
1 = Enables processing of the periodic list.
1:0 R/W CBSR
ControlBulkServiceRatio
This bit specifies the service ratio between control and bulk EDs. Before
processing any of the non-periodic lists, UHC must compare the ratio
specified with its internal count on how many non-empty control EDs have
been processed, in determining whether to continue serving another control
ED or switching to bulk EDs. The internal count is retained when crossing
the frame boundary. In case of reset, the host controller driver is
responsible for restoring this value. The number of control EDs over bulk
EDs served is as follows:
0b00 = 1:1
0b01 = 2:1
0b10 = 3:1
0b11 = 4:1
Table 20-4. UHCHCON Bit Definitions (Sheet 3 of 3)
Physical Address
0x4C00_0004 UHCHCON USB Host Controller
User
Settings
Bit 31 30 29 28 27 26 25 24 23 22 21 20 19 18 17 16 15 14 13 12 11 10 9 8 7 6 5 4 3 2 1 0
reserved
RWE
RWC
IR
HCFS
BLE
CLE
IE
PLE
CBSR
Reset ? ? ? ? ? ? ? ? ? ? ? ? ? ? ? ? ? ? ? ? ? 0 0 0 0 0 0 0 0 0 0 0
Bits Access Name Description
20-14 Intel® PXA27x Processor Family Developer’s Manual
USB Host Controller
20.8.3 UHC Command Status Register (UHCCOMS)
The USB host controller uses the UHC Command Status (UHCCOMS, shown in Table 20-5)
register to receive commands that the host controller driver issues, as well as reflecting the current
status of the host controller. To the host controller driver, it appears to be a write-to-set register. Bits
written as 1 become set in the register, while bits written as 0 remain unchanged in the register. In
this way, the host controller driver can issue multiple distinct commands to the host controller
without concern for corrupting previously issued commands. The host controller driver has read
access to all of these bits.
Table 20-5. UHCCOMS Bit Definitions (Sheet 1 of 2)
Physical Address
0x4C00_0008 UHCCOMS USB Host Controller
User
Settings
Bit 31 30 29 28 27 26 25 24 23 22 21 20 19 18 17 16 15 14 13 12 11 10 9 8 7 6 5 4 3 2 1 0
reserved
SOC
reserved
OCR
BLF
CLF
HCR
Reset ? ? ? ? ? ? ? ? ? ? ? ? ? ? 0 0 ? ? ? ? ? ? ? ? ? ? ? ? 0 0 0 0
Bits Access Name Description
31:18 — reserved
17:16 R SOC
SchedulingOverrunCount
The SchedulingOverrunCount field indicates the number of frames with
which the host controller has detected the scheduling overrun error, which
occurs when the periodic list does not complete before EOF. When a
scheduling-overrun error is detected, the host controller increments the
counter and sets the SchedulingOverrun field in the UHC Interrupt Status
register, UHCINTS. These bits are incremented on each scheduling overrun
error. It is initialized to 0b00 and wraps around at 0b11. This is incremented
when a scheduling overrun is detected even if SchedulingOverrun in
HcInterruptStatus (Section 20.8.4) has already been set. This bit field and
the scheduling overrun interrupt are used by the host controller driver to
monitor any persistent scheduling problems.
These bits are incremented on each scheduling overrun error.
15:4 — reserved
3R/WOCR
OwnershipChangeRequest
The host controller driver sets this bit to request a change of control of the
UHC. When set, UHC sets OwnershipChange in HcInterruptStatus
(Section 20.8.4). When read, this bit always returns 0.
This implementation of the OHCI host does not support SMI. Therefore,
software must never write 0b1 to this bit.
0 = No HCD request for a change in control of the UHC is pending.
1 = HCD is requesting a change of control of the UHC.
Intel® PXA27x Processor Family Developer’s Manual 20-15
USB Host Controller
2R/WBLF
BulkListFilled
This bit indicates whether there are any TDs on the bulk list. It is set by the
host controller driver whenever it adds a TD to an ED in the bulk list. When
UHC begins to process the head of the bulk list, it checks the BulkListFilled
bit (BLF). As long as BulkListFilled is 0, UHC does not start processing the
bulk list. If BulkListFilled is 1, UHC starts processing the bulk list and sets
BLF to 0. If UHC finds a TD on the list, then UHC sets BulkListFilled to 1,
causing the bulk list processing to continue. If no TD is found on the bulk
list, and if the host controller driver does not set BulkListFilled, then
BulkListFilled is still 0 when UHC completes processing the bulk list, and
bulk list processing stops.
0 = Bulk list processing stops.
1 = HC starts processing the bulk list and sets BLF to 0.
1R/WCLF
ControlListFilled
This bit indicates whether there are any TDs on the control list. It is set by
the host controller driver whenever it adds a TD to an ED in the control list.
When UHC begins to process the head of the control list, it checks the
control list filled (CLF) bit. As long as CLF is 0, UHC does not start
processing the Control list. If CF is 1, UHC starts processing the control list
and sets CLF to 0. If UHC finds a TD on the list, then UHC sets CLF to 1
causing the control list processing to continue. If no TD is found on the
control list, and if the host controller driver does not set CLF, then it is still 0
when UHC completes processing the control list, and control list processing
stops.
0 = UHC does not start processing the control list.
1 = UHC starts processing the control list and sets ControlListFilled to 0.
0 R/W HCR
HostControllerReset
The host controller driver sets this bit to initiate a software reset of UHC.
Regardless of the functional state of the UHC, it moves to the
USBSUSPEND state in which most of the operational registers are reset.
The exceptions to that are stated in the OHCI Spec (for example, the
InterruptRouting field of the UHC Host Control register). While this bit is set,
no USB host bus accesses are allowed (writes or reads of the OHCI
registers). This bit is cleared by the UHC upon the completion of the reset
operation (which is completed within 10 μs.). This bit, when set, does not
cause a reset to the root hub and no subsequent reset signaling is asserted
to its downstream ports.
0 = Controller is not in reset.
1 = Reset the host controller.
Table 20-5. UHCCOMS Bit Definitions (Sheet 2 of 2)
Physical Address
0x4C00_0008 UHCCOMS USB Host Controller
User
Settings
Bit 31 30 29 28 27 26 25 24 23 22 21 20 19 18 17 16 15 14 13 12 11 10 9 8 7 6 5 4 3 2 1 0
reserved
SOC
reserved
OCR
BLF
CLF
HCR
Reset ? ? ? ? ? ? ? ? ? ? ? ? ? ? 0 0 ? ? ? ? ? ? ? ? ? ? ? ? 0 0 0 0
Bits Access Name Description
20-16 Intel® PXA27x Processor Family Developer’s Manual
USB Host Controller
20.8.4 UHC Interrupt Status Register (UHCINTS)
The UHC INTerrupt Status (UHCINTS) register provides status on various events that cause
hardware interrupts. When an event occurs, the host controller sets the corresponding bit in this
register. When a bit is set, a hardware interrupt is generated if the interrupt is enabled in the
HcInterruptEnable register (see Section 20.8.5) and the MasterInterruptEnable bit is set. The host
controller driver can clear specific bits in this register by writing 1 to bit positions to be cleared.
The host controller driver cannot set any of these bits. The host controller never clears these bits
(except for during a system reset). Because of the difference in clock frequencies between the
system bus and the USB host controller core, there is a latency from the time a write occurs on the
system bus until the actual register bit is cleared. The HCD needs to take into this delay into
consideration.
Table 20-6. UHCINTS Bit Definitions (Sheet 1 of 2)
Physical Address
0x4C00_000C UHCINTS USB Host Controller
User
Settings
Bit 31 30 29 28 27 26 25 24 23 22 21 20 19 18 17 16 15 14 13 12 11 10 9 8 7 6 5 4 3 2 1 0
reserved
OC
reserved
RHSC
FNO
UE
RD
SF
WDH
SO
Reset ? 0 ? ? ? ? ? ? ? ? ? ? ? ? ? ? ? ? ? ? ? ? ? ? ? 0 0 0 0 0 0 0
Bits Access Name Description
31 — reserved
30 R/WCOC
OwnershipChange
This bit is set by UHC when the host controller driver sets the
OwnershipChangeRequest field in HcCommandStatus (Section 20.8.3).
However, this implementation of the OHCI host does not support SMI.
Therefore, software must never write 0b1 to the UHCCOMS[OCR] bit.
This bit is tied to 0 because the SMI pin is not implemented in this design.
29:7 — reserved
6R/WC
RHSC
RootHubStatusChange
This bit is set when the content of HcRhStatus (Section 20.8.21) or the
content of any of HcRhPortStatus (Section 20.8.22) for port 1, 2, or 3 has
changed.
0 = The contents of the above four registers has not changed.
1 = The contents of HcRhStatus or HcRhPortStatus[3:1] has changed.
5R/WC
FNO
FrameNumberOverflow
This bit is set when the most significant bit (15) of HcFmNumber
(Section 20.8.16) changes value, from 0 to 1or from 1 to 0, and after
HccaFrameNumber has been updated.
0 = Otherwise
1 = HcFmNumber (bit 15) changed in value, from 0 to 1 or from 1 to 0, or
HccaFrameNumber has been updated
Intel® PXA27x Processor Family Developer’s Manual 20-17
USB Host Controller
4R/WC
UE
UnrecoverableError
This bit is set when UHC detects a system error not related to USB. UHC
must not proceed with any processing or signaling before the system error
has been corrected. System errors such as incorrect buffer addressing
offsets or condition codes (as described by section 4.3.2.3.1 on pg. 27 of
the OHCI Rev 1.0a spec.). The HCD clears this bit by either writing a 1 to it,
or by resetting the UHC OHCI core by generating a software reset (writing a
1 to the UHCCOMS[HCR] bit).
0 = No system error was detected.
1 = UHC detected a system error not related to USB.
3R/WC
RD
ResumeDetected
This bit is set when UHC detects that a device on the USB is asserting
resume-signaling. It is the transition from no-resume-signaling to resume-
signaling that sets this bit. This bit is not set when HCD sets the
USBRESUME state.
0 = No device is asserting resume-signaling.
1 = A device on the USB is asserting resume-signaling.
2R/WC
SF
StartofFrame
This bit is set by UHC at each start of a frame and after the update of
HccaFrameNumber. UHC also generates a SOF token at the same time.
1 = A start of a frame or an update of HccaFrameNumber has occurred
1R/WC
WDH
WritebackDoneHead
This bit is set immediately after the UHC has written to the value of the
UHCDHead to an external the memory location referred to (by the OHCI
spec) as HccaDoneHead. Additional updates of the HccaDoneHead do not
occur until this bit has been cleared. HCD must clear this bit only after it has
saved the content of HccaDoneHead.
1 = UHC has written HcDoneHead to HccaDoneHead.
0R/WC
SO
SchedulingOverrun
This bit is set when the USB schedule for the current frame overruns, and
after the update of HccaFrameNumber. A scheduling overrun also causes
the SchedulingOverrunCount of UHCCOMS to be incremented
To avoid this condition, take care to enable the periodic lists as early in the
frame as possible. Processing of the periodic lists occurs with no TDs
scheduled. If a list is enabled at the end of the frame, and the reading of the
lists occurs beyond the frame boundary the SO bit is set to 0b1 and the
SOC counter is incremented.
1 = The USB schedule for the current frame has overrun or the update of
HccaFrameNumber has occurred.
NOTE:
To clear this bit, write 0b1 to it.
Table 20-6. UHCINTS Bit Definitions (Sheet 2 of 2)
Physical Address
0x4C00_000C UHCINTS USB Host Controller
User
Settings
Bit 31 30 29 28 27 26 25 24 23 22 21 20 19 18 17 16 15 14 13 12 11 10 9 8 7 6 5 4 3 2 1 0
reserved
OC
reserved
RHSC
FNO
UE
RD
SF
WDH
SO
Reset ? 0 ? ? ? ? ? ? ? ? ? ? ? ? ? ? ? ? ? ? ? ? ? ? ? 0 0 0 0 0 0 0
Bits Access Name Description
20-18 Intel® PXA27x Processor Family Developer’s Manual
USB Host Controller
20.8.5 UHC Interrupt Enable Register (UHCINTE)
Each enable bit in the UHC Interrupt Enable (UHCINTE) register corresponds to an associated
interrupt bit in the UHCINTS register. The UHC Interrupt Enable register controls which events
generate an OHCI hardware interrupt. When a bit is set in UHCINTS, the UHC Interrupt Status
register, the corresponding bit in the UHC Interrupt Enable register is set, and UHCINTE[MIE],
the MasterInterruptEnable bit is set, an OCHI interrupt request is sent to the processor interrupt
controller.
Writing a 1 to a bit in this register sets the corresponding bit, whereas writing a 0 to a bit in this
register leaves the corresponding bit unchanged. On a read, the current value of this register is
returned. To clear a bit in this register, write 0b1 to the Interrupt Disable register (UHCINTD), see
Section 20.8.6.
The register organization and individual bit definitions are shown in Table 20-7. All reserved bits
are read as unknown values and must be written with only a 0. A question mark indicates the value
is unknown at reset.
Table 20-7. UHCINTE Bit Definitions (Sheet 1 of 2)
Physical Address
0x4C00_0010 UHCINTE USB Host Controller
User
Settings
Bit 31 30 29 28 27 26 25 24 23 22 21 20 19 18 17 16 15 14 13 12 11 10 9 8 7 6 5 4 3 2 1 0
MIE
OC
reserved
RHSC
FNO
UE
RD
SF
WDH
SO
Reset 0 0 ? ? ? ? ? ? ? ? ? ? ? ? ? ? ? ? ? ? ? ? ? ? ? 0 0 0 0 0 0 0
Bits Access Name Description
31 R/W MIE
Master Interrupt Enable
0 = Ignore
1 = Enable interrupt generation due to events specified in the other bits of
this register.
30 Read/Write 1
to set OC
Ownership Change
0 = Ignore
1 = Enable interrupt generation due to ownership change.
29:7 — reserved
6Read/Write 1
to set RHSC
Root Hub Status Change
0 = Ignore
1 = Enable interrupt generation due to root hub status change.
5Read/Write 1
to set FNO
Frame Number Overflow
0 = Ignore
1 = Enable interrupt generation due to frame number overflow.
4Read/Write 1
to set UE
Unrecoverable Error
0 = Ignore
1 = Enable interrupt generation due to unrecoverable error.
3Read/Write 1
to set RD
Resume Detect
0 = Ignore
1 = Enable interrupt generation due to resume detect.
Intel® PXA27x Processor Family Developer’s Manual 20-19
USB Host Controller
2Read/Write 1
to set SF
Start of Frame
0 = Ignore
1 = Enable interrupt generation due to start of frame.
1Read/Write 1
to set WDH
Writeback HcDoneHead
0 = Ignore
1 = Enable interrupt generation due to HcDoneHead writeback.
0Read/Write 1
to set SO
Scheduling Overrun
0 = Ignore
1 = Enable interrupt generation due to scheduling overrun.
Table 20-7. UHCINTE Bit Definitions (Sheet 2 of 2)
Physical Address
0x4C00_0010 UHCINTE USB Host Controller
User
Settings
Bit 31 30 29 28 27 26 25 24 23 22 21 20 19 18 17 16 15 14 13 12 11 10 9 8 7 6 5 4 3 2 1 0
MIE
OC
reserved
RHSC
FNO
UE
RD
SF
WDH
SO
Reset 0 0 ? ? ? ? ? ? ? ? ? ? ? ? ? ? ? ? ? ? ? ? ? ? ? 0 0 0 0 0 0 0
Bits Access Name Description
20-20 Intel® PXA27x Processor Family Developer’s Manual
USB Host Controller
20.8.6 UHC Interrupt Disable Register (UHCINTD)
Each disable bit in the UHC Interrupt Disable (UHCINTD, shown in Table 20-8) register
corresponds to an associated interrupt bit in UHCINTS, the UHC Interrupt Status register. The
UHC Interrupt Disable register is coupled with the UHC Interrupt Enable register. Thus, writing a
1 to a bit in this register clears the corresponding bit in the UHC Interrupt Enable register, whereas
writing a 0 to a bit in this register leaves the corresponding bit in the UHC Interrupt Enable register
unchanged. On a Read, the current value of the UHC Interrupt Enable register is returned.
Table 20-8. UHCINTD Bit Definitions
Physical Address
0x4C00_0014 UHCINTD USB Host Controller
User
Settings
Bit 31 30 29 28 27 26 25 24 23 22 21 20 19 18 17 16 15 14 13 12 11 10 9 8 7 6 5 4 3 2 1 0
MIE
OC
reserved
RHSC
FNO
UE
RD
SF
WDH
SO
Reset 0 0 ? ? ? ? ? ? ? ? ? ? ? ? ? ? ? ? ? ? ? ? ? ? ? 0 0 0 0 0 0 0
Bits Access Name Description
31 R/W MIE
Master Interrupt Enable
0 = Ignore
1 = Disable interrupt generation due to events specified in the other bits
of this register.
This field is set after a hardware or software reset
30 R/W OC
Ownership Change
0 = Ignore
1 = Disable interrupt generation due to ownership change.
29:7 — reserved
6 R/W RHSC
Root Hub Status Change
0 = Ignore
1 = Disable interrupt generation due to root hub status change.
5R/WFNO
Frame Number Overflow
0 = Ignore
1 = Disable interrupt generation due to frame number overflow.
4R/WUE
Unrecoverable Error
0 = Ignore
1 = Disable interrupt generation due to unrecoverable error.
3R/WRD
Resume Detect
0 = Ignore
1 = Disable interrupt generation due to resume detect.
2R/WSF
Start of Frame
0 = Ignore
1 = Disable interrupt generation due to start of frame.
1R/WWDH
Writeback HcDoneHead
0 = Ignore
1 = Disable interrupt generation due to HcDoneHead Writeback.
0R/WSO
Scheduling Overrun
0 = Ignore
1 = Disable interrupt generation due to scheduling overrun.
Intel® PXA27x Processor Family Developer’s Manual 20-21
USB Host Controller
20.8.7 UHC Host Controller Communication Area (UHCHCCA)
The UHCHCCA register contains the exact physical address of the host controller communication
area.
20.8.8 UHC Period Current Endpoint Descriptor (UHCPCED)
The UHCPCED register contains the exact physical address of the current Isochronous or Interrupt
Endpoint Descriptor. The register organization and individual bit definitions are shown in
Table 20-10. The lower 4 bits are read as 0 and are unaffected by writes.
Table 20-9. UHCHCCA Bit Definitions
Physical Address
0x4C00_0018 UHCHCCA USB Host Controller
User
Settings
Bit 31 30 29 28 27 26 25 24 23 22 21 20 19 18 17 16 15 14 13 12 11 10 9 8 7 6 5 4 3 2 1 0
HCCA 0
Reset 0 0 0 0 0 0 0 0 0 0 0 0 0 0 0 0 0 0 0 0 0 0 0 0 0 0 0 0 0 0 0 0
Bits Access Name Description
31:8 R/W HCCA
Host Controller Communication Area
Base address of the host controller communication area. This register is a
pointer to an area that holds the control structures and the interrupt table
that both the host controller and the host controller driver access. The
minimum alignment for the HCCA is 256 bytes; therefore, bits 0 through 7 of
this register always return 0 when read. Detailed descriptions are located in
Chapter 4 of the OHCI Rev. 1.0a Spec.
7:0 R Fixed at 0
Table 20-10. UHCPCED Bit Definitions
Physical Address
0x4C00_001C UHCPCED USB Host Controller
User
Settings
Bit 31 30 29 28 27 26 25 24 23 22 21 20 19 18 17 16 15 14 13 12 11 10 9 8 7 6 5 4 3 2 1 0
PCED 0
Reset 0 0 0 0 0 0 0 0 0 0 0 0 0 0 0 0 0 0 0 0 0 0 0 0 0 0 0 0 0 0 0 0
Bits Access Name Description
31:4 R PCED
PeriodCurrent Endpoint Descriptor
This register is used by the UHC to point to the head of one of the Periodic
lists which is processed in the current frame. The content of this register is
updated by the UHC after a Periodic ED has been processed. The HCD can
read the content in determining which ED is currently being processed at
the time of reading. This address is 32 byte aligned, therefore, the lower 4
bits are always 0
3:0 R Fixed at 0
20-22 Intel® PXA27x Processor Family Developer’s Manual
USB Host Controller
20.8.9 UHC Control Head Endpoint Descriptor (UHCCHED)
The UHCCHED register contains the physical address of the first Endpoint Descriptor of the
control list. The register organization and individual bit definitions are shown in Table 20-11. The
lower 4 bits are read as 0 and are unaffected by writes.
20.8.10 UHC Control Current Endpoint Descriptor (UHCCCED)
The UHCCCED register contains the physical address of the current Endpoint Descriptor of the
control list. The register organization and individual bit definitions are shown in Table 20-12. All
reserved bits are read as 0 and are unaffected by writes.
Table 20-11. UHCCHED Bit Definitions
Physical Address
0x4C00_0020 UHCCHED USB Host Controller
User
Settings
Bit 31 30 29 28 27 26 25 24 23 22 21 20 19 18 17 16 15 14 13 12 11 10 9 8 7 6 5 4 3 2 1 0
CHED 0
Reset 00000000000000000000000000000000
Bits Access Name Description
31:4 R/W CHED
ControlHead Endpoint Descriptor
The UHC traverses the control list starting with the HcControlHeadED
pointer (the UHCCHED register, Section 20.8.9); the content is loaded from
the HCCA during the initialization of the UHC. This address pointer is 32
byte aligned, therefore, the lower 4 bits are always 0.
3:0 R Fixed at 0
Intel® PXA27x Processor Family Developer’s Manual 20-23
USB Host Controller
20.8.11 UHC Bulk Head Endpoint Descriptor (UHCBHED)
The UHCBHED register contains the physical address of the first Endpoint Descriptor of the Bulk
list. The register organization and individual bit definitions are shown in Table 20-13. The lower 4
bits are read as 0 and are unaffected by Writes.
Table 20-12. UHCCCED Bit Definitions
Physical Address
0x4C00_0024 UHCCCED USB Host Controller
User
Settings
Bit 31 30 29 28 27 26 25 24 23 22 21 20 19 18 17 16 15 14 13 12 11 10 9 8 7 6 5 4 3 2 1 0
CCED 0
Reset 0 0 0 0 0 0 0 0 0 0 0 0 0 0 0 0 0 0 0 0 0 0 0 0 0 0 0 0 0 0 0 0
Bits Access Name Description
31:4 R/W CCED
ControlCurrent Enpoint Descriptor
This pointer is advanced to the next ED after serving the present one. The
UHC continues processing the list from where it left off in the last frame.
When it reaches the end of the Control list, the UHC checks the
ControlListFilled bit of in HcCommandStatus (UHCCOMS[CLF]). If set, it
copies the content of HcControlHeadED (the UHCCHED register) to the
UHC Control Current ED (this register) and clears the UHCCOMS[CLF] bit.
If UHCCOMS[CLF] is not set, the UHC does nothing. The HCD is allowed to
modify this register only when the ControlListEnable bit of HcControl
(UHCHCON[CLE]) is cleared. When UHCHCON[CLE] is set, the HCD only
reads the instantaneous value of this register. Initially, this is set to zero to
indicate the end of the Control list. This pointer/address is 32-byte aligned,
therefore, the lower 4 bits are always 0.
3:0 R Fixed at 0
Table 20-13. UHCBHED Bit Definitions
Physical Address
0x4C00_0028 UHCBHED USB Host Controller
User
Settings
Bit 31 30 29 28 27 26 25 24 23 22 21 20 19 18 17 16 15 14 13 12 11 10 9 8 7 6 5 4 3 2 1 0
BHED 0
Reset 0 0 0 0 0 0 0 0 0 0 0 0 0 0 0 0 0 0 0 0 0 0 0 0 0 0 0 0 0 0 0 0
Bits Access Name Description
31:4 R/W BHED
BulkHead Endpoint Descriptor
The UHC traverses the Bulk list starting with the HcBulkHeadED pointer
(UHCBHED register, Section 20.8.11); the content is loaded from the HCCA
during the initialization of the UHC. This pointer/address is 32 byte aligned,
therefore, the lower 4 bits are always 0.
3:0 R Fixed at 0
20-24 Intel® PXA27x Processor Family Developer’s Manual
USB Host Controller
20.8.12 UHC Bulk Current Endpoint Descriptor (UHCBCED)
The UHCBCED register contains the physical address of the current Endpoint of the Bulk list. The
register organization and individual bit definitions are shown in Table 20-14. The lower 4 bits are
read as 0 and are unaffected by Writes.
Table 20-14. UHCBCED Bit Definitions
Physical Address
0x4C00_002C UHCBCED USB Host Controller
User
Settings
Bit 31 30 29 28 27 26 25 24 23 22 21 20 19 18 17 16 15 14 13 12 11 10 9 8 7 6 5 4 3 2 1 0
BCED 0
Reset 00000000000000000000000000000000
Bits Access Name Description
31:4 R/W BCED
Bulk Current Endpoint Descriptor
This pointer is advanced to the next ED after the UHC has served the
present one. The UHC continues processing the Bulk list from where it left
off in the last frame. When it reaches the end of the Bulk list, the UHC
checks the ControlListFilled bit of HcControl (UHCHCON[CLF]). If set, the
UHC copies the content of the UHC Bulk Head ED register to UHC Bulk
Current ED and clears the UHCHCON[CLF] bit. If the UHCHCON[CLF] bit
is not set, the UHC does nothing. The HCD is only allowed to modify this
register when the BulkListEnable bit of the UHC Control register
(UHCHCON[BLE]) is cleared. When the UHCHCON[BLE] bit is set, the
HCD only reads the instantaneous value of this register. This register is
initially set to zero to indicate the end of the Bulk list. As the Bulk list is
served in a round-robin fashion, the Endpoints are ordered according to
their insertion to the list. This address is 32 byte aligned, therefore, the
lower 4 bits are always 0
3:0 R Fixed at 0
Intel® PXA27x Processor Family Developer’s Manual 20-25
USB Host Controller
20.8.13 UHC Done Head Register (UHCDHEAD)
The UHCDHEAD register contains the physical address of the last completed Transfer Descriptor
that was added to the Done queue. The register organization and individual bit definitions are
shown in Table 20-15. The lower 4 bits are read as 0 and are unaffected by Writes.
Table 20-15. UHCDHEAD Bit Definitions
Physical Address
0x4C00_0030 UHCDHEAD USB Host Controller
User
Settings
Bit 31 30 29 28 27 26 25 24 23 22 21 20 19 18 17 16 15 14 13 12 11 10 9 8 7 6 5 4 3 2 1 0
DHED 0
Reset 0 0 0 0 0 0 0 0 0 0 0 0 0 0 0 0 0 0 0 0 0 0 0 0 0 0 0 0 0 0 0 0
Bits Access Name Description
31:4 R DHED
DoneHead
When a TD is completed, the UHC writes the content of the UHC Done
Head register to the NextTD field of the TD. The UHC then overwrites the
content of the UHCDHead with the address of this TD. Whenever the UHC
writes the content of this register to HCCA, this register is set to zero, and
the UHC also sets the WritebackDoneHead bit of the UHC Interrupt Status
register (UHCINTS[WBDH]). In normal operation, the host controller driver
must not need to read this register as its content is periodically written to the
HCCA. This address is 32 byte aligned, therefore, the lower 4 bits are
always 0.
3:0 R Fixed at 0
20-26 Intel® PXA27x Processor Family Developer’s Manual
USB Host Controller
20.8.14 UHC Frame Interval Register (UHCFMI)
The UHC Frame Interval (UHCFMI) register contains a 14-bit value that indicates the bit-time
interval in a frame (between two consecutive SOFs), and a 15-bit value indicating the full-speed,
maximum packet size that the host controller can transmit or receive without causing scheduling
overrun. The host controller driver can carry out a minor adjustment on the frame interval by
writing a new value over the present one at each SOF. This mechanism provides the
programmability necessary for the host controller to synchronize with an external clocking
resource and to adjust any unknown local clock offset. A write to this register by the HCD takes
affect in the next frame (the host controller delays updating its frame interval counter until the next
SOF).
The register organization and individual bit definitions are shown in Table 20-16. All reserved bits
are read as unknown values and must be written with only a 0. A question mark indicates the value
is unknown at reset.
Table 20-16. UHCFMI Bit Definitions
Physical Address
0x4C00_0034 UHCFMI USB Host Controller
User
Settings
Bit 31 30 29 28 27 26 25 24 23 22 21 20 19 18 17 16 15 14 13 12 11 10 9 8 7 6 5 4 3 2 1 0
FIT
FSMPS
reserved
FI
Reset 0 0 0 0 0 0 0 0 0 0 0 0 0 0 0 0 ? ? 1 0 1 1 1 0 1 1 0 1 1 1 1 1
Bits Access Name Description
31 R/W FIT FrameIntervalToggle
HCD toggles this bit whenever it loads a new value to FrameInterval
30:16 R/W FSMPS
FSLargestDataPacket
This field specifies a value that is loaded into the Largest Data Packet
counter at the beginning of each frame. The counter value represents the
largest amount of data in bits that can be sent or received by the UHC in a
single transaction at any given time without causing scheduling overrun.
The field value is calculated by the HCD.
15:14 — reserved
13:0 R/W FI
FrameInterval
This specifies the interval between two consecutive SOFs in bit-times. The
nominal value is set at 11,999.
HCD must store the current value of this field before resetting UHC (by
setting the HostControllerReset field of HcCommandStatus, Section 20.8.3)
as this causes the UHC to reset this field to its nominal value. The HCD can
choose to restore the stored value upon the completion of the reset
sequence.
Intel® PXA27x Processor Family Developer’s Manual 20-27
USB Host Controller
20.8.15 UHC Frame Remaining Register (UHCFMR)
The UHC Frame Remaining (UHCFMR) register is a 14-bit down counter showing the bit-time
remaining in the current frame.
Table 20-17. UHCFMR Bit Definitions
Physical Address
0x4C00_0038 UHCFMR USB Host Controller
User
Settings
Bit 31 30 29 28 27 26 25 24 23 22 21 20 19 18 17 16 15 14 13 12 11 10 9 8 7 6 5 4 3 2 1 0
FRT
reserved FR
Reset 0 ? ? ? ? ? ? ? ? ? ? ? ? ? ? ? ? ? 0 0 0 0 0 0 0 0 0 0 0 0 0 0
Bits Access Name Description
31 R FRT
Frame Remaining Toggle
Loaded from the Frame Interval Toggle field of the UHC Frame Interval
register (UHCFMI[FIT]) whenever the Frame Remaining value
(UHCFMR[FR]) reaches 0. This bit is used by the HCD for the
synchronization between frame interval and frame remaining.
30:14 reserved. Read as unknown and must be written as zero.
13:0 R FR
Frame Remaining
This counter is decremented at each bit-time. When it reaches zero, it is
reset by loading the frame interval value specified in the UHC Frame
Interval register at the next bit-time boundary. When entering the
USBOPERATIONAL state, the UHC re-loads the content with the frame
interval (UHCFMI[FI]) and uses the updated value from the next SOF.
20-28 Intel® PXA27x Processor Family Developer’s Manual
USB Host Controller
20.8.16 UHC Frame Number Register (UHCFMN)
The UHC Frame Number (UHCFMN) register is a 16-bit counter which provides a timing
reference.
Table 20-18. UHCFMN Bit Definitions
Physical Address
0x4C00_003C UHCFMN USB Host Controller
User
Settings
Bit 31 30 29 28 27 26 25 24 23 22 21 20 19 18 17 16 15 14 13 12 11 10 9 8 7 6 5 4 3 2 1 0
reserved FN
Reset ? ? ? ? ? ? ? ? ? ? ? ? ? ? ? ? 0 0 0 0 0 0 0 0 0 0 0 0 0 0 0 0
Bits Access Name Description
31:16 reserved. Read as unknown and must be written as zero.
15:0 R FN
Frame Number
This 16-bit counter provides a timing reference among events happening in
the host controller and the host controller driver. The host controller driver
can use the 16-bit value specified in this register and generate a 32-bit
Frame Number without requiring frequent register access. This is
incremented when UHCFR is re-loaded. It is rolled over to 0x0 after
0xFFFF. When entering the USBOPERATIONAL state, this is incremented
automatically. The content is written to the HCCA after the UHC has
incremented the Frame Number at each frame boundary and sent a SOF
but before the UHC reads the first ED in that Frame. After writing to the
HCCA, the UHC sets the Start of Frame bit in the UHC Interrupt Status
register (UHCINTS[SOF])
Intel® PXA27x Processor Family Developer’s Manual 20-29
USB Host Controller
20.8.17 UHC Periodic Start Register (UHCPERS)
The UHC Periodic Start (UHCPERS) register has a 14-bit programmable value that determines the
earliest time the UHC must start processing the periodic list.
Table 20-19. UHCPERS Bit Definitions
Physical Address
0x4C00_0040 UHCPERS USB Host Controller
User
Settings
Bit 31 30 29 28 27 26 25 24 23 22 21 20 19 18 17 16 15 14 13 12 11 10 9 8 7 6 5 4 3 2 1 0
reserved PS
Reset ? ? ? ? ? ? ? ? ? ? ? ? ? ? ? ? ? ? 0 0 0 0 0 0 0 0 0 0 0 0 0 0
Bits Access Name Description
31:14 reserved. Read as unknown and must be written as zero.
13:0 R/W PS
PeriodicStart
After a hardware reset, this field is cleared. This is then set by the HCD
during the UHC initialization. The value is calculated roughly as ten percent
off from the UHC frame interval value. A typical value is 0x3E67. When
UHC Frame Remaining (UHCFMR[FR]) value reaches the value specified
in this register, processing of the periodic lists has priority over Control/Bulk
processing. The UHC therefore starts processing the interrupt list after
completing the current control or bulk transaction that is in progress
20-30 Intel® PXA27x Processor Family Developer’s Manual
USB Host Controller
20.8.18 UHC Low-Speed Threshold Register (UHCLST)
The UHC Low-Speed Threshold register is used by the UHC to determine whether to commit to
the transfer of a maximum of 8-byte LS packet before EOF.
The register organization and individual bit definitions are shown in Table 20-20. All reserved bits
are read as unknown values and must be written with only a 0. A question mark indicates the value
is unknown at reset.
Table 20-20. UHCLST Bit Definitions
Physical Address
0x4C00_0044 UHCLST USB Host Controller
User
Settings
Bit 31 30 29 28 27 26 25 24 23 22 21 20 19 18 17 16 15 14 13 12 11 10 9 8 7 6 5 4 3 2 1 0
reserved LST
Reset ? ? ? ? ? ? ? ? ? ? ? ? ? ? ? ? ? ? ? ? 0 1 1 0 0 0 1 0 1 0 0 0
Bits Access Name Description
31:12 reserved. Read as unknown and must be written as zero.
11:0 R/W LST
LSThreshold
This field contains an 12-bit value that is compared to the Frame Remaining
field (UHCFMR[FR]) prior to initiating a low-speed transaction. The
transaction is started only if the Frame Remaining value is greater than or
equal to this field. The value is calculated by HCD with the consideration of
transmission and setup overhead.
Intel® PXA27x Processor Family Developer’s Manual 20-31
USB Host Controller
20.8.19 UHC Root Hub Descriptor A Register (UHCRHDA)
The Root Hub Descriptor A register is the first register of two describing the characteristics of the
root hub. The descriptor length, descriptor type, and hub controller current fields of the Hub Class
descriptor are emulated by the HCD. All other fields are located in the Root Hub Descriptor A and
Root Hub Descriptor B registers.
Table 20-21. UHCRHDA Bit Definitions (Sheet 1 of 2)
Physical Address
0x4C00_0048 UHCRHDA USB Host Controller
User
Settings
Bit 31 30 29 28 27 26 25 24 23 22 21 20 19 18 17 16 15 14 13 12 11 10 9 8 7 6 5 4 3 2 1 0
POTPGT reserved
NOCP
OCPM
DT
NPS
PSM
NDP
Reset 0 0 0 0 0 1 0 0 ? ? ? ? ? ? ? ? ? ? ? 0 1 0 0 1 0 0 0 0 0 0 1 0
Bits Access Name Description
31:24 R/W POTPGT
PowerOnToPowerGoodTime
The duration that the HCD must wait before accessing a powered on port
(in 2-ms units)
23:13 reserved. Read as unknown and must be written as zero.
12 R/W NOCP
NoOverCurrentProtection
This bit describes if over-current protection is supported.
0 = Over-current protection is supported.
1 = No over-current protection supported.
11 R/W OCPM
OverCurrentProtectionMode
This bit describes how the over-current status for the root hub ports are
reported. At reset, this field reflects the same mode as
PowerSwitchingMode. This field is valid only if the No Over Current
Protection field is cleared.
0 = Over-current status is reported collectively for all downstream ports
(global).
1 = Over-current status is reported on a per-port basis.
10 R DT
DeviceType
This bit specifies that the root hub is not a compound device. The root hub
is not permitted to be a compound device. This field always reads 0.
This bit always reads 0.
20-32 Intel® PXA27x Processor Family Developer’s Manual
USB Host Controller
9R/WNPS
NoPowerSwitching
This bit specifies if power-switching is supported or if ports are always
powered. When this bit is cleared, the PowerSwitchingMode
(UHCRHDA[PSM]) bit specifies global or per-port switching (the ports are
power-switched). If this bit is set, ports are always powered on when the
UHC is powered on.
0 = Ports are power-switched.
1 = Ports are always powered on when the UHC is powered on.
8R/WPSM
PowerSwitchingMode
This bit specifies how the power switching of the root hub ports is
controlled. This field is only valid if the NoPowerSwitching bit
UHCRHDA[NPS] is clear. If UHCRHDA[PSM] is set, each port is powered
individually. This mode allows port power to be controlled by either the
global switch or per-port switching. If the Port Power Control Mask bit
(UHCRHDB[PPCM]) is set, the port responds only to port power commands
(Set/ClearPortPower: to Set Port Power, write 0b1 to UHCRHPS1/2/
3[PPS], to Clear Port Power, write 0b1 to UHCRHPS1/2/3[LDA]). If the port
mask is cleared, the port is controlled only by the global power switch (to
Set/ClearGlobalPower: write 1 to UHCRHDB[LPSC] to Set Global Power,
write 1 to UHCRHDB[LPS] to Clear Global Power). If the UHCRHDA[PSM]
bit is cleared, all ports are powered at the same time.
0 = All ports are powered at the same time.
1 = Each port is powered individually.
7:0 R NDP
NumberDownstreamPorts
The actual number of downstream ports supported by the root hub is equal
to NDP + 1.
NOTE: Although the USB host controller supports three (3) downstream
ports, this field always contains a value of 0x2.
Table 20-21. UHCRHDA Bit Definitions (Sheet 2 of 2)
Physical Address
0x4C00_0048 UHCRHDA USB Host Controller
User
Settings
Bit 31 30 29 28 27 26 25 24 23 22 21 20 19 18 17 16 15 14 13 12 11 10 9 8 7 6 5 4 3 2 1 0
POTPGT reserved
NOCP
OCPM
DT
NPS
PSM
NDP
Reset 0 0 0 0 0 1 0 0 ? ? ? ? ? ? ? ? ? ? ? 0 1 0 0 1 0 0 0 0 0 0 1 0
Bits Access Name Description
Intel® PXA27x Processor Family Developer’s Manual 20-33
USB Host Controller
20.8.20 UHC Root Hub Descriptor B Register (UHCRHDB)
The UHC Root Hub Descriptor B register is the second register of two describing the
characteristics of the root hub. These fields are written during initialization to correspond with the
system implementation. Only bits 1, 2, 17, and 18 are writable; all other bits always read as 0.
Table 20-22. UHCRHDB Bit Definitions
Physical Address
0x4C00_004C UHCRHDB USB Host Controller
User
Settings
Bit 31 30 29 28 27 26 25 24 23 22 21 20 19 18 17 16 15 14 13 12 11 10 9 8 7 6 5 4 3 2 1 0
PPCM DR
Reset 0 0 0 0 0 0 0 0 0 0 0 0 0 0 0 0 0 0 0 0 0 0 0 0 0 0 0 0 0 0 0 0
Bits Access Name Description
31:16 R/W PPCM
PortPowerControlMask
Each bit in this field indicates if a port is affected by a global power control
command when power switching mode (UHCRHDA[PSM]) is set. When this
bit (UHCRHDB[PPCM]) is set, the port power state is affected only by per-
port power control (Set/Clear Port Power). When cleared, the port is
controlled by the global power switch (Set/Clear Global Power). If the
device is configured to global switching mode (UHCRHDA[PSM] = 0), this
field is not valid. Bit 17 corresponds to ganged-power mask on port 1, and
bit 18 corresponds to ganged-power mask on port 2, and bit 19
corresponds to ganged-power mask on port 3. Bits 31 to 20, and bit 16 are
not used.
bit 16: Unused, always reads as 0
bit 17: Ganged-power mask on port 1
bit 18: Ganged-power mask on port 2
bit 19: Ganged-power mask on port 3
bits 20–31: Unused, always reads as 0
15:0 R/W DNR
DeviceNotRemovable
Each bit is dedicated to a port of the root hub. When cleared, the attached
device is removable; when set, it is not removable. Bit 1 refers to port 1, bit
2 refers to port 2, and bit 3 refers to port 3. Bits 15–4 and bit 0 are unused.
If set, this bit forces the corresponding Port Status register current
connection status bit (UHCRHPS1/2/3[CSC]) to 1.
bit 0: Unused, always reads as 0
bit 1: 1 if device attached to port 1 is not removable
bit 2: 1 if device attached to port 2 is not removable
bit 3: 1 if device attached to port 3 is not removable
bits 4–15: Unused, always reads as 0
20-34 Intel® PXA27x Processor Family Developer’s Manual
USB Host Controller
20.8.21 UHC Root Hub Status Register (UHCRHS)
The UHC Root Hub Status register is divided into two parts. The lower word of a word represents
the Hub Status field and the upper word represents the Hub Status Change field.
Table 20-23. UHCRHS Bit Definitions (Sheet 1 of 2)
Physical Address
0x4C00_0050 UHCRHS USB Host Controller
User
Settings
Bit 31 30 29 28 27 26 25 24 23 22 21 20 19 18 17 16 15 14 13 12 11 10 9 8 7 6 5 4 3 2 1 0
CRWE
reserved
OCIC
LPSC
DRWE
reserved
OCI
LPS
Reset 0 ? ? ? ? ? ? ? ? ? ? ? ? ? 0 0 0 ? ? ? ? ? ? ? ? ? ? ? ? ? 0 0
Bits Access Name Description
31 R/W CRWE
ClearRemoteWakeupEnable
Writing a 1 clears the device remote wake-up enable (UHCRHS[DRWE])
bit. Writing a 0 has no effect.
This bit always reads as 0.
30:18 reserved. Read as unknown and must be written as zero.
17 R/WCOCIC
OverCurrentIndicatorChange
This bit is set by hardware when a change has occurred to the OCI field of
this register. The HCD clears this bit by writing a 1. Writing a 0 has no effect.
1 = A change has occurred to the OCI field of this register
16 Read/Write 1
to set SGP LPSC
(read) LocalPowerStatusChange / (write) SetGlobalPower: wake-up
The root hub does not support the local power status feature; thus, this bit is
always read as 0.
In global power mode (UHCRHDA[PSM] is clear), this bit is written to 1 to
turn on power to all ports (set Goal Port Power). In per-port power mode,
this bit sets PortPowerStatus (UHCRHPS1/2/3[PPS]) only on ports whose
port power control mask bit (UHCRHDB[PPCM]) is not set. Writing a 0 has
no effect.
This bit is always read as 0.
15 Read/Write 1
to set SRWE DRWE
(read) DeviceRemoteWakeupEnable / (write) SetRemoteWakeupEnable
This bit enables a ConnectStatusChange bit (UHCRHPS1/2/3[CSC]) as a
resume event, causing a USBSUSPEND-to-USBRESUME state transition
and setting the resume-detected interrupt. If it reads 0, a
ConnectStatusChange is not a remote wake-up event. If it is read as a 1,
ConnectStatusChange is a remote wake-up event.
Writing a 1 sets the device remote wake-up enable (this bit). Writing a 0 has
no effect.
0 = ConnectStatusChange is not a remote wake-up event.
1 = ConnectStatusChange is a remote wake-up event.
14:2 reserved. Read as unknown and must be written as zero.
Intel® PXA27x Processor Family Developer’s Manual 20-35
USB Host Controller
20.8.22 UHC Root Hub Port Status 1/2/3 Registers (UHCRHPS1,
UHCRHPS2, and UHCRHPS3)
The UHC Root Hub Port Status[3:1] registers control and report USB ports 1, 2, and 3 events on a
per-port basis. The lower word of UHCRHPS1/2/3 reflects the port status, whereas the upper word
reflects the status change bits. Some status bits are implemented with special write behavior (see
Table 20-24). If a transaction (token through handshake) is in progress when a write to change port
status occurs, the resulting port-status change must be postponed until the transaction completes.
The register organization and individual bit definitions are shown in Table 20-24.
1ROCI
OverCurrentIndicator
This bit reports over-current conditions when the global reporting is
implemented. When set, an over-current condition exists. When cleared, all
power operations are normal. If per-port over-current protection is
implemented, this bit is always 0
0Read/ Write 1
to Clear CGP LPS
(read) LocalPowerStatus/ (write) ClearGlobalPower
The root hub does not support the local power-status feature; thus, this bit
is always read as 0.
In global power mode (when UHCRHDA[PSM] is clear), this bit is set to turn
off power to all ports (clear PortPowerStatus). In per-port power mode, it
clears PortPowerStatus only on ports whose port power control mask bit is
not set. Clearing to 0 has no effect.
NOTE:
To clear this bit, write 0b1 to it.
Table 20-23. UHCRHS Bit Definitions (Sheet 2 of 2)
Physical Address
0x4C00_0050 UHCRHS USB Host Controller
User
Settings
Bit 31 30 29 28 27 26 25 24 23 22 21 20 19 18 17 16 15 14 13 12 11 10 9 8 7 6 5 4 3 2 1 0
CRWE
reserved
OCIC
LPSC
DRWE
reserved
OCI
LPS
Reset 0 ? ? ? ? ? ? ? ? ? ? ? ? ? 0 0 0 ? ? ? ? ? ? ? ? ? ? ? ? ? 0 0
Bits Access Name Description
20-36 Intel® PXA27x Processor Family Developer’s Manual
USB Host Controller
Table 20-24. UHCRHPS1/2/3 Bit Definitions (Sheet 1 of 4)
Physical Address
0x4C00_0054
0x4C00_0058
0x4C00_005C
UHCRHPS1
UHCRHPS2
UHCRHPS3 USB Host Controller
User
Settings
Bit 31 30 29 28 27 26 25 24 23 22 21 20 19 18 17 16 15 14 13 12 11 10 9 8 7 6 5 4 3 2 1 0
reserved
PRSC
POCIC
PSSC
PESC
CSC
reserved
LSDA
PPS
reserved
PRS
POCI
PSS
PES
CCS
Reset ? ? ? ? ? ? ? ? ? ? ? 0 0 0 0 0 ? ? ? ? ? ? 0 0 ? ? ? 0 0 0 0 0
Bits Access Name Description
31:21 reserved. Read as unknown and must be written as zero.
20 R/W PRSC
PortResetStatusChange
This bit is set at the end of the 10-ms port reset signal. A 1 indicates that the
port reset has completed. A 0 indicates that the port reset is not yet
complete. The HCD writes a 1 to clear this bit. Writing a 0 has no effect.
0 = Port reset is not complete.
1 = Port reset is complete.
19 R/W POCIC
PortOverCurrentIndicatorChange
This bit is valid only if over-current conditions are reported on a per-port
basis. This bit is set when root hub changes the port over-current indicator
bit. The HCD writes a 1 to clear this bit. Writing a 0 has no effect
0 = No change in PortOverCurrentIndicator.
1 = PortOverCurrentIndicator has changed.
18 R/W PSSC
PortSuspendStatusChange
This bit is set by the UHC when the full resume sequence has been
completed. This sequence includes the 20-ms resume pulse, LS EOP, and
3-ms re-synchronization delay. The HCD writes a 1 to clear this bit. Writing
a 0 has no effect. This bit is also cleared when PortResetStatusChange is
set.
0 = Resume is not completed.
1 = Resume completed.
17 R/W PESC
PortEnableStatusChange
This bit is set when events (such as over-current condition, disconnect,
switched-off power, or operational bus error-babble), cause the
PortEnableStatus bit to be cleared. Changes from HCD writes do not set
this bit. The HCD writes a 1 to clear this bit. Writing a 0 has no effect
0 = No change in PortEnableStatus.
0 = Change in PortEnableStatus.
Intel® PXA27x Processor Family Developer’s Manual 20-37
USB Host Controller
16 R/W CSC
ConnectStatusChange
This bit is set by hardware whenever a connect or disconnect event occurs.
The HCD writes a 1 to clear this bit. Writing a 0 has no effect. If
CurrentConnectStatus is cleared when a set-port-reset, set-port-enable, or
set-port-suspend write occurs, this bit is set to force the driver to re-
evaluate the connection status since these writes must not occur if the port
is disconnected.
0 = No change in CurrentConnectStatus.
1 = Change in CurrentConnectStatus.
NOTE: If the device removable bit in the Root Hub Descriptor B register is
set (indicating that this device is not removable), then the CSC bit
is set only after a root hub reset to inform the system that the
device is attached.
15:10 reserved. Read as unknown and must be written as zero.
9R/WC
CPP LSDA
(read) LowSpeedDeviceAttached / (write) ClearPortPower
When read, this bit indicates the speed of the device attached to this port.
When set, a low-speed device is attached to this port. When clear, a full-
speed device is attached to this port. This field is valid only when the
CurrentConnectStatus is set. When the HCD writes a 1 to this bit, the
controller clears the PortPowerStatus bit. Writing a 0 has no effect.
0 = Full-speed device attached.
1 = Low-speed device attached.
8 R/W PPS
(read) PortPowerStatus / (write) SetPortPower
This bit reflects the PortPowerStatus, regardless of the type of power-
switching implemented. This bit is cleared if an over-current condition is
detected. HCD sets this bit by writing Set Port Power (writing a 1 to this bit,
UHCRHPS1/2/3[PPS]) or Set Global Power (UHCRHS[LPSC]). HCD clears
this bit by writing Clear Port Power (writing a 1 to UHCRHPS1/2/3[LSDA])
or Clear Global Power (UHCRHS[LPS]).
0 = Port power is off.
1 = Port power is on.
The HCD writes a 0b1 to set the PortPowerStatus bit. Writing 0b0 has no
effect
7:5 reserved. Read as unknown and must be written as zero.
Table 20-24. UHCRHPS1/2/3 Bit Definitions (Sheet 2 of 4)
Physical Address
0x4C00_0054
0x4C00_0058
0x4C00_005C
UHCRHPS1
UHCRHPS2
UHCRHPS3 USB Host Controller
User
Settings
Bit 31 30 29 28 27 26 25 24 23 22 21 20 19 18 17 16 15 14 13 12 11 10 9 8 7 6 5 4 3 2 1 0
reserved
PRSC
POCIC
PSSC
PESC
CSC
reserved
LSDA
PPS
reserved
PRS
POCI
PSS
PES
CCS
Reset ? ? ? ? ? ? ? ? ? ? ? 0 0 0 0 0 ? ? ? ? ? ? 0 0 ? ? ? 0 0 0 0 0
Bits Access Name Description
20-38 Intel® PXA27x Processor Family Developer’s Manual
USB Host Controller
4R/WPRS
(read) PortResetStatus / (write) SetPortReset
When this bit is set by an HCD write to set port reset, port reset signaling is
asserted. When reset is completed, this bit is cleared when
PortResetStatusChange is set. This bit cannot be set if
CurrentConnectStatus is cleared.
The HCD sets the port reset signaling by writing a 1 to this bit. Writing a 0
has no effect. If CurrentConnectStatus is cleared, this write does not set
port-reset status, but instead sets connect-status-change. This informs the
driver that it attempted to reset a disconnected port.
0 = Port reset signal is not active.
1 = Port reset signal is active.
3R/WPOCI
(read) PortOverCurrentIndicator / (write) ClearSuspendStatus
When read, this bit is valid only when the root hub is configured in such a
way that over-current conditions are reported on a per-port basis. If per-port
over-current reporting is not supported, this bit is forced to 0. If this bit is
cleared, all power operations are normal for this port. If set, an over-current
condition exists on this port. This bit always reflects the over-current input
signal. The HCD writes a 1 to this bit to initiate a resume. Writing a 0 has no
effect. A resume is initiated only if PortSuspendStatus is set.
0 = No over-current condition.
1 = Over-current condition detected.
2 R/W PSS
(read) PortSuspendStatus / (write) SetPortSuspend
This bit indicates if the port is suspended or in the resume sequence (1). If it
is a 0, the port is not suspended or in the resume sequence. It is set by a
set suspend state write and cleared when PortSuspendStatus change is set
at the end of the resume interval. This bit cannot be set if
CurrentConnectStatus is cleared. This bit is also cleared when
PortResetStatus change is set at the end of the port reset, or when the UHC
is placed in the USBRESUME state. If an upstream resume is in progress, it
must propagate to the HC.
The HCD sets the PortSuspendStatus bit by writing a 1 to this bit. Writing a
0 has no effect. If CurrentConnectStatus is cleared, this write does not set
PortSuspendStatus; instead it sets ConnectStatusChange. This informs the
driver that it attempted to suspend a disconnected port.
0 = Port is not suspended.
1 = Port is suspended.
Table 20-24. UHCRHPS1/2/3 Bit Definitions (Sheet 3 of 4)
Physical Address
0x4C00_0054
0x4C00_0058
0x4C00_005C
UHCRHPS1
UHCRHPS2
UHCRHPS3 USB Host Controller
User
Settings
Bit 31 30 29 28 27 26 25 24 23 22 21 20 19 18 17 16 15 14 13 12 11 10 9 8 7 6 5 4 3 2 1 0
reserved
PRSC
POCIC
PSSC
PESC
CSC
reserved
LSDA
PPS
reserved
PRS
POCI
PSS
PES
CCS
Reset ? ? ? ? ? ? ? ? ? ? ? 0 0 0 0 0 ? ? ? ? ? ? 0 0 ? ? ? 0 0 0 0 0
Bits Access Name Description
Intel® PXA27x Processor Family Developer’s Manual 20-39
USB Host Controller
20.8.23 UHC Status Register (UHCSTAT)
This register lets users monitor the non-OHCI-specific interrupt sources. When an event occurs, if
the interrupt enable bit (in UHCHIE register) for that event is set, then the corresponding bit in the
UHC Status register (UHCSTAT) is set, and an interrupt is sent. UHC Status register bits are
cleared only by writing a 1 to the bit. If the corresponding interrupt enable bit (in UHCHIE
register) is not set, then no interrupt is sent, and the status of the event is not seen in this register.
Refer to Chapter 25, “Interrupt Controller” for more details on the two USB host interrupts.
1 R/W PES
(read) PortEnableStatus / (write) SetPortEnable
This bit indicates whether the port is enabled (1) or disabled (0). The root
hub can clear this bit when an over-current condition, disconnect event,
switched-off power, or operational bus error, such as babble, is detected.
This change also causes the port enabled status change bit (UHCRHPS1/
2/3[PESC] to be set. The HCD sets the PortEnableStatus bit, by writing a 1
to it, and clears this bit by writing a 1 to clear port enable (UHCRHPS1/2/
3[CCS], bit 0 of this register). If CurrentConnectStatus is cleared, this write
does not set PortEnableStatus, but instead sets ConnectStatusChange.
This informs the driver that it attempted to enable a disconnected port.
Writing a 0 to the PortEnableStatus bit has no effect. This bit is also set, if
not already, at the completion of a port reset when reset status change
(UHCRHPS1/2/3[PRSC]) is set or port suspend when suspend status
change (UHCRHPS1/2/3[PSSC]) is set
0 = Port is disabled.
1 = Port is enabled.
0 R/W CCS
(read) CurrentConnectStatus / (write) ClearPortEnable
This bit reflects the current state of the downstream port. If a device is
connected, this bit reads as 1, and if no device is connected, it is 0.
The HCD writes a 1 to this bit to clear the PortEnableStatus bit. Writing a 0
has no effect. The CurrentConnectStatus is not affected by any write.
NOTE: This bit is always read as 1 when the attached device is non-
removable
This bit reflects the current state of the downstream port.
0 = No device connected.
1 = Device connected.
NOTE:
To clear this bit, write 0b1 to it.
Table 20-24. UHCRHPS1/2/3 Bit Definitions (Sheet 4 of 4)
Physical Address
0x4C00_0054
0x4C00_0058
0x4C00_005C
UHCRHPS1
UHCRHPS2
UHCRHPS3 USB Host Controller
User
Settings
Bit 31 30 29 28 27 26 25 24 23 22 21 20 19 18 17 16 15 14 13 12 11 10 9 8 7 6 5 4 3 2 1 0
reserved
PRSC
POCIC
PSSC
PESC
CSC
reserved
LSDA
PPS
reserved
PRS
POCI
PSS
PES
CCS
Reset ? ? ? ? ? ? ? ? ? ? ? 0 0 0 0 0 ? ? ? ? ? ? 0 0 ? ? ? 0 0 0 0 0
Bits Access Name Description
20-40 Intel® PXA27x Processor Family Developer’s Manual
USB Host Controller
USB Power Sense Port 3—This bit reflects the state of the USB Power Sense over-current pin
(USBHPWR<3>). This status bit is also reflected in the over-current condition status bits of the
HCI controller (UHCRHS[OCI]), and (UHCRHPS3[POCI]) when the USB host controller clocks
are running. A 1 indicates that port 3 is over current. This interrupt is sent asynchronously to the
wake-up controller of the clock unit, and then, after the clocks have restarted, to the interrupt
controller. HCD can clear this bit by writing a 1 to it.
System Bus Master Abort InterruptThis bit indicates that a master abort event has occurred
on a USB host-initiated system bus transfer. This interrupt is non-maskable. HCD can clear this bit
by writing a 1 to it.
System Bus Target Abort InterruptThis bit indicates that a target abort event has occurred on
a USB host-initiated system bus transfer. This interrupt is non-maskable. HCD can clear this bit by
writing a 1 to it.
USB Port Resume InterruptThis bit indicates that a resume, a connect, or a disconnect event
has occurred on either port 1, 2, or 3. HCD can clear this bit by writing a 1 to it. This interrupt can
only occur if the USB clocks have been stopped (see Section 3.8.2.2, “Clock Enable Register
(CKEN)” on page 3-98 for details). An asynchronous signal is sent to the wake-up controller of the
clock unit, which then begins sending USB clocks after which, the UHC sends this interrupt to the
interrupt controller.
USB Power Sense Port 2—This bit reflects the state of the USB Power Sense over-current pin
(USBHPWR<2>). This status bit is also reflected in the over-current condition status bits of the
HCI controller (UHCRHS[OCI]) and (UHCRHPS2[POCI]) when the USB host controller clocks
are running. A 1 indicates that port 2 is over current. This interrupt is sent asynchronously to the
wake-up controller of the clock unit, and then, after the clocks have restarted, to the interrupt
controller. HCD can clear this bit by writing a 1 to it.
USB Power Sense Port 1—This bit reflects the state of the USB Power Sense over-current pin
(USBHPWR<1>). This status bit is also reflected in the over-current condition status bits of the
HCI controller (UHCRHS[OCI]) and (UHCRHPS1[POCI]) when the USB host controller clocks
are running. A 1 indicates that port 1 is over current. This interrupt is sent asynchronously to the
wake-up controller of the clock unit, and then, after the clocks have restarted, to the interrupt
controller. HCD can clear this bit by writing a 1 to it.
HCI Transfer Abort—This bit is asserted by hardware when the host controller can no longer
start or continue the current host controller interface (HCI) transfer (for example, during a reset
while an HCI transfer is in progress). When asserted, it indicates that the application must
terminate the transfer, and that the FIFOs are cleared. This event is active for a minimum of 10 μs.
The HCD must not try to force the host controller to re-enter the Operational state from the suspend
state until after a minimum of 10 μs after this interrupt occurs. The HCD can clear this bit by
writing a 1 to it.
HCI Buffer ActiveThis bit is active while the host controller is accessing the data buffer for the
current TD or when an ED is being accessed (this informs the application whether the host
controller is accessing the shared memory). HCD can clear this bit by writing a 1 to it.
HCI Remote Wake-Up Event—If enabled (UHCHIE[RWIE] bit and the UHCHCON[RWE] bit
are set), this bit is asserted (1) when a remote wake-up event occurs on one of the downstream ports
of the root hub and the USB clocks are running. If the UHCINTE[RD] bit is set, an OHCI interrupt
is also generated. HCD can clear this bit by writing a 1 to it.
Intel® PXA27x Processor Family Developer’s Manual 20-41
USB Host Controller
The register organization and individual bit definitions are shown in Table 20-25. All reserved bits
are read as unknown values and must be written with only a 0. A question mark indicates the value
is unknown at reset.
20.8.24 UHC Reset Register (UHCHR)
This register provides software with a mechanism to reset the USB core and system bus interface.
This register also controls the polarity of the Power Control and Power Sense signals. A processor
reset (full chip reset) sets the Force Host Controller Reset bit (FHR) and must be cleared by the
HCD for normal operation. The Clock Generation Reset bit (CGR) is used only for simulation and
Table 20-25. UHCSTAT Bit Definitions
Physical Address
0x4C00_0060 UHCSTAT USB Host Controller
User
Settings
Bit 31 30 29 28 27 26 25 24 23 22 21 20 19 18 17 16 15 14 13 12 11 10 9 8 7 6 5 4 3 2 1 0
reserved
UPS3
SBMAI
SBTAI
UPRI
UPS2
UPS1
HTA
reserved
HBA
RWUE
reserved
Reset ? ? ? ? ? ? ? ? ? ? ? ? ? ? ? 0 0 0 0 0 0 0 ? 0 0 ? ? ? ? ? ? ?
Bits Access Name Description
31:17 reserved. Read as unknown and must be written as zero.
16 R/WCUPS3 USB Power Sense Port 3
1 = Port 3 is over current.
15 R/WCSBMAI System Bus Master Abort Interrupt
1 = A master abort event has occurred on a USB host-initiated system
bus transfer.
14 R/WCSBTAI System Bus Target Abort Interrupt
1 = A target abort event has occurred on a USB host-initiated system bus
transfer.
13 R/WCUPRI USB Port Resume Interrupt
1 = A resume, a connect, or a disconnect event has occurred on either
port 1, 2, or 3.
12 R/WCUPS2 USB Power Sense Port 2
1 = Port 2 is over-current.
11 R/WCUPS1 USB Power Sense Port 1
1 = Port 1 is over-current.
10 R/WCHTA HCI Transfer Abort
1 = The HCI interface clear signal has gone active.
9 reserved. Read as unknown and must be written as zero.
8R/WC
HBA HCI Buffer Active
1 = The host controller is accessing the shared memory
7R/WC
RWUE HCI Remote Wake-Up Event
1 = A RemoteWakeUp event has occurred on one of the downstream
ports of the root hub.
6:0 reserved. Read as unknown and must be written as zero.
NOTE:
To clear this bit, write 0b1 to it.
20-42 Intel® PXA27x Processor Family Developer’s Manual
USB Host Controller
test, and user software must never set this bit. This register must not be written to after the USB
host begins operation unless an error condition occurs that requires a reset to the system bus
interface or to the USB OHCI core (setting bits UHCHR[FSBIR] or UHCHR[FHR]).
.
Table 20-26. UHCHR Bit Definitions (Sheet 1 of 2)
Physical Address
0x4C00_0064 UHCHR USB Host Controller
User
Settings
Bit 31 30 29 28 27 26 25 24 23 22 21 20 19 18 17 16 15 14 13 12 11 10 9 8 7 6 5 4 3 2 1 0
reserved
SSEP3
SSEP2
SSEP1
reserved
PCPL
PSPL
SSE
UIT
SSDC
CGR
FHR
FSBIR
Reset ? ? ? ? ? ? ? ? ? ? ? ? ? ? ? ? ? ? ? ? 0 1 1 ? 0 0 1 0 0 1 1 0
Bits Access Name Description
31:12 reserved. Read as unknown and must be written as zero.
11 R/W SSEP3
Sleep Standby Enable for Port 3
0 = Enables power to the USB single-ended receivers and the USB port 3
power supply.
1 = Disables power to the USB single-ended receivers and the USB port
3 power supply.
10 R/W SSEP2
Sleep Standby Enable for Port 2
0 = Enables power to the USB single-ended receivers and the USB port 2
power supply.
1 = Disables power to the USB single-ended receivers and the USB port
2 power supply.
9 R/W SSEP1
Sleep Standby Enable for Port 1
0 = Enables power to the USB single-ended receivers and the USB port 1
power supply.
1 = Disables power to the USB single-ended receivers and the USB port
1 power supply.
8 reserved. Read as unknown and must be written as zero.
7 R/W PCPL
Power Control Polarity Low
This bit selects the polarity of the USBHPEN<3:1> output signals. When
this bit is set, the output signals are considered active low.
0 = Polarity of the USBHPEN<3:1> output signals is active high.
1 = Output signals are considered active low.
6 R/W PSPL
Power Sense Polarity Low
This bit selects the polarity of the USBHPWR<3:1> input signals. When this
bit is set, the input signals are considered active low.
0 = Polarity of the USBHPWR<3:1> input signals is active high.
1 = Input signals are considered active low.
5 R/W SSE
Sleep Standby Enable
When set, this bit disables the USB single-ended receivers and the USB
port power supplies for all USB host downstream ports.
0 = Enables power to the USB single-ended receivers and the USB port
power supply.
1 = Disables power to the USB single-ended receivers and the USB port
power supply.
Intel® PXA27x Processor Family Developer’s Manual 20-43
USB Host Controller
4R/WUIT
USB Interrupt Test
When set and test mode is active, this bit enables the interrupt test bits that
directly force the interrupt signals to the UHCSTAT register.
0 = Disables the interrupt test bits in the UHCHIT register.
1 = Enables the interrupt test bits in the UHCHIT register.
3 R/W SSDC
Simulation Scale Down Clock
When set, this bit scales down the 1-ms interval clock in the host controller.
Only used for test and simulation, it must be 0 for normal operation.
0 = Normal operation.
1 = 1-ms interval clock in the UHC is switched to 1μs.
2R/WCGR
Clock Generation Reset
When cleared, this bit resets the host controller clock-generation block
inside of the OHCI-compliant core. It can be used by the test interface to
guarantee deterministic behavior for the host controller block. If cleared,
this bit needs to remain active for at least 4 periods of the 12-MHz USB host
clock. This bit is to be used only for simulation and testing purposes, and
the host controller driver can leave this bit as inactive. This bit is reset to the
inactive state, 1.
0 = Reset to the DPLL circuit is active.
1 = Reset to the DPLL is inactive.
1R/WFHR
Force Host Controller Reset
When set, forces a reset to the USB host controller OHCI core and all
12-MHz clocked logic that interfaces to it (for example, the write FIFO). This
bit must be cleared by the HCD for the host controller to function. This bit is
also set active (to 1) by the processor chip-reset signal and remains in the
active state until software clears this bit. This bit needs to remain active (1)
for at least 10 μs.
0 = Normal operation.
1 = OHCI core and 12-MHz logic is in reset.
0 R/W FSBIR
Force System Bus Interface Reset
When a 1 is written to this bit, a reset is sent to all of the system interface
logic. This includes the system bus interface, the DMA, and part of the
FIFOs. The UHC automatically clears this bit after three system-bus clock
cycles. This bit is used when a software or hardware reset is written to the
host controller after the USB host controller has requested a system-bus
cycle. The software or hardware reset sent to the host controller partially
flushes the FIFOs, but this reset will be needed if the system bus interface
has already requested a bus cycle.
This bit always reads as 0b0.
Table 20-26. UHCHR Bit Definitions (Sheet 2 of 2)
Physical Address
0x4C00_0064 UHCHR USB Host Controller
User
Settings
Bit 31 30 29 28 27 26 25 24 23 22 21 20 19 18 17 16 15 14 13 12 11 10 9 8 7 6 5 4 3 2 1 0
reserved
SSEP3
SSEP2
SSEP1
reserved
PCPL
PSPL
SSE
UIT
SSDC
CGR
FHR
FSBIR
Reset ? ? ? ? ? ? ? ? ? ? ? ? ? ? ? ? ? ? ? ? 0 1 1 ? 0 0 1 0 0 1 1 0
Bits Access Name Description
20-44 Intel® PXA27x Processor Family Developer’s Manual
USB Host Controller
20.8.25 UHC Interrupt Enable Register (UHCHIE)
This register can individually enable the non-OHCI-defined interrupts sent from the USB host
controller to the interrupt controller. They generate only interrupts if the USB clocks have been
disabled. The register organization and individual bit definitions are shown in Table 20-27.
Table 20-27. UHCHIE Bit Definitions (Sheet 1 of 2)
Physical Address
0x4C00_0068 UHCHIE USB Host Controller
User
Settings
Bit 31 30 29 28 27 26 25 24 23 22 21 20 19 18 17 16 15 14 13 12 11 10 9 8 7 6 5 4 3 2 1 0
reserved
UPS3IE
UPRIE
UPS2IE
UPS1IE
TAIE
reserved
HBAIE
RWIE
reserved
Reset ? ? ? ? ? ? ? ? ? ? ? ? ? ? ? ? ? 0 0 0 0 0 ? 0 0 ? ? ? ? ? ? ?
Bits Access Name Description
31:15 reserved. Read as unknown and must be written as zero.
14 R/W UPS3IE
USB Power Sense Port 3 Interrupt Enable
This bit enables the port 3 over-current indicator pin to cause an
UHCSTAT[UPS3] type interrupt.
0 = Disable interrupt.
1 = Enable interrupt.
13 R/W UPRIE
USB Port Resume Interrupt Enable
If enabled, an interrupt is generated if a resume condition is generated on
either port 1, 2, or 3. This is similar to UHCINTS[RD], the OHCI Resume
Interrupt bit, except this allows the interrupt to be sent even if the USB
host’s 12- and 48-MHz clocks are turned off.
0 = Disable interrupt.
1 = Enable interrupt.
12 R/W UPS2IE
USB Power Sense Port 2 Interrupt Enable
This bit enables the port 2 over-current indicator pin to cause an
USBHStatus[UPS2] type interrupt.
0 = Disable interrupt.
1 = Enable interrupt.
11 R/W UPS1IE
USB Power Sense Port 1 Interrupt Enable
This bit enables the port 1 over-current indicator pin to cause an
USBHStatus[UPS1] type interrupt.
0 = Disable interrupt.
1 = Enable interrupt.
10 R/W TAIE
HCI Interface Transfer Abort Interrupt Enable
This corresponds to the Transfer Abort bit 10 of the USBHStatus register.
When the USB host controller decides to abort a transaction, it sends out a
clear signal to reset the FIFOs, their counters, and the DMA logic.
0 = Disable interrupt.
1 = Enable interrupt.
9 reserved. Read as unknown and must be written as zero.
Intel® PXA27x Processor Family Developer’s Manual 20-45
USB Host Controller
20.8.26 UHC Interrupt Test Register (UHCHIT)
The UHCHIT register is used for test purposes only. It enables the interrupt path to be exercised
independently of the interrupt source (without actually creating conditions in the hardware). With
any of the interrupt enable bits (UHCHIE) or any of the interrupt test bits (UHCHIT) set and the
USB interrupt test bit (UHCHR[UIT]) set, these bits send an interrupt signal to the interrupt
controller. The interrupts are created from rising-edge detects; therefore, software must clear an
individual bit before that bit can cause a second interrupt. The exception to this requirement is bit 9
(IRQT), which does not need an enable bit. Also, bit 9 (IRQT) is a level-detect and must be cleared
before the interrupt can be cleared. The UHCHIT[IRQT] bit enables software developers to create
interrupts in their software so that they can debug interrupt handlers.
The register organization and individual bit definitions are shown in Table 20-28.
8 R/W HBAIE
HCI Buffer Active Interrupt Enable
This bit enables the HCI buffer active interrupt.
0 = Disable interrupt.
1 = Enable interrupt.
7 R/W RWIE
HCI Remote Wake-Up Interrupt Enable
This bit enables the remote wake-up interrupt.
0 = Disable interrupt.
1 = Enable interrupt.
6:0 reserved. Read as unknown and must be written as zero.
Table 20-27. UHCHIE Bit Definitions (Sheet 2 of 2)
Physical Address
0x4C00_0068 UHCHIE USB Host Controller
User
Settings
Bit 31 30 29 28 27 26 25 24 23 22 21 20 19 18 17 16 15 14 13 12 11 10 9 8 7 6 5 4 3 2 1 0
reserved
UPS3IE
UPRIE
UPS2IE
UPS1IE
TAIE
reserved
HBAIE
RWIE
reserved
Reset ? ? ? ? ? ? ? ? ? ? ? ? ? ? ? ? ? 0 0 0 0 0 ? 0 0 ? ? ? ? ? ? ?
Bits Access Name Description
20-46 Intel® PXA27x Processor Family Developer’s Manual
USB Host Controller
Table 20-28. UHCHIT Bit Definitions
Physical Address
0x4C00_006C UHCHIT USB Host Controller
User
Settings
Bit 31 30 29 28 27 26 25 24 23 22 21 20 19 18 17 16 15 14 13 12 11 10 9 8 7 6 5 4 3 2 1 0
reserved
UPS3T
SMAT
STAT
UPRT
UPS2T
UPS1T
TAT
IRQT
BAT
RWUT
reserved
Reset ? ? ? ? ? ? ? ? ? ? ? ? ? ? ? 0 0 0 0 0 0 0 0 0 0 ? ? ? ? ? ? ?
Bits Access Name Description
31:17 reserved. Read as unknown and must be written as zero.
16 R/W UPS3T
USB Power Sense Port3 Interrupt Test
0 = No effect.
1 = Force interrupt strobe if UHCHIE[UPS3IE] bit is set.
15 R/W SMAT
System Bus Master Abort Interrupt Test
0 = No effect.
1 = Force interrupt strobe (non-maskable).
14 R/W STAT
System Bus Target Abort Interrupt Test
0 = No effect.
1 = Force interrupt strobe (non-maskable).
13 R/W UPRT
USB Port Resume Interrupt Test
0 = No effect.
1 = Force interrupt strobe if UHCHIE[UPRIE] bit is set.
12 R/W UPS2T
USB Power Sense Port2 Interrupt Test
0 = No effect.
1 = Force interrupt strobe if UHCHIE[UPS2IE] bit is set.
11 R/W UPS1T
USB Power Sense Port1 Interrupt Test
0 = No effect.
1 = Force interrupt strobe if UHCHIE[UPS1IE] bit is set.
10 R/W TAT
HCI Interface Transfer Abort Interrupt Test
0 = No effect.
1 = Force interrupt strobe if UHCHIE[TAIE] bit is set.
9 R/W IRQT
Normal OHC Interrupt Test
0 = No effect.
1 = Force interrupt strobe.
8R/WBAT
HCI Buffer Active Interrupt Test
1 = Force interrupt strobe if UHCHIE[BAIE] bit is set.
0 = No effect
7R/WRWUT
HCI Remote Wake-Up Interrupt Test
0 = No effect
1 = Force interrupt strobe if UHCHIE[RWUIE] bit is set.
6:0 reserved. Read as unknown and must be written as zero.
Intel® PXA27x Processor Family Developer’s Manual 20-47
USB Host Controller
20.9 Register Summary
The USB host controller block contains control and status registers in addition to registers required
by the OHCI specification (0x4C00_0000–0x4C00_0058). Table 20-29 lists these registers and
their memory-mapped locations. All registers must be accessed as 32-bit entities.
Table 20-29. USB Host Controller Register Summary
Address Name Description Page
0x4C00 0000 UHCREV UHC HCI Spec Revision register 20-10
0x4C00 0004 UHCHCON UHC Host Control register 20-10
0x4C00 0008 UHCCOMS UHC Command Status register 20-14
0x4C00 000C UHCINTS UHC Interrupt Status register 20-16
0x4C00 0010 UHCINTE UHC Interrupt Enable register 20-18
0x4C00 0014 UHCINTD UHC Interrupt Disable register 20-20
0x4C00 0018 UHCHCCA UHC Host Controller Communication Area register 20-21
0x4C00 001C UHCPCED UHC Period Current Endpoint Descriptor register 20-21
0x4C00 0020 UHCCHED UHC Control Head Endpoint Descriptor register 20-22
0x4C00 0024 UHCCCED UHC Control Current Endpoint Descriptor register 20-22
0x4C00 0028 UHCBHED UHC Bulk Head Endpoint Descriptor register 20-23
0x4C00 002C UHCBCED UHC Bulk Current Endpoint Descriptor register 20-24
0x4C00 0030 UHCDHEAD UHC Done Head register 20-25
0x4C00 0034 UHCFMI UHC Frame Interval register 20-26
0x4C00 0038 UHCFMR UHC Frame Remaining register 20-27
0x4C00 003C UHCFMN UHC Frame Number register 20-28
0x4C00 0040 UHCPERS UHC Periodic Start register 20-29
0x4C00 0044 UHCLST UHC Low-Speed Threshold register 20-30
0x4C00 0048 UHCRHDA UHC Root Hub Descriptor A register 20-31
0x4C00 004C UHCRHDB UHC Root Hub Descriptor B register 20-33
0x4C00 0050 UHCRHS UHC Root Hub Status register 20-34
0x4C00 0054 UHCRHPS1 UHC Root Hub Port 1 Status register 20-35
0x4C00 0058 UHCRHPS2 UHC Root Hub Port 2 Status register 20-35
0x4C00 005C UHCRHPS3 UHC Root Hub Port 3 Status register 20-35
0x4C00 0060 UHCSTAT UHC Status register 20-39
0x4C00 0064 UHCHR UHC Reset register 20-41
0x4C00 0068 UHCHIE UHC Interrupt Enable register 20-44
0x4C00 006C UHCHIT UHC Interrupt Test register 20-45
0x4C00 0070
0x4FFF FFFF reserved
20-48 Intel® PXA27x Processor Family Developer’s Manual
USB Host Controller
Intel® PXA27x Processor Family Developer’s Manual 21-1
Real-Time Clock (RTC) 21
This chapter describes the real-time clock (RTC) controller included in the PXA27x processor.
21.1 Overview
The PXA27x processor contains a real-time clock (RTC) that provides a general-purpose, real-time
reference for use by the system. The RTC provides five basic functions:
Timer
Wristwatch
Stopwatch
Periodic interrupt
Trimmer
21.2 Features
Timer Section
User-programmable, free-running counter
User-programmable alarm register
Resolution of one second
Wristwatch Section
User-programmable, free-running counter containing time of the day in terms of hours,
minutes, seconds, day of week, week of month, day of month, month, and year
User-programmable alarm registers to generate alarms in terms of hours, minutes,
seconds, day of week, week of month, day of month, month, and year
Resolution of one second
Stopwatch Section
Programmable counter register that contains the time elapsed between two events in terms
of hours, minutes, seconds, and hundredths of a second
Two user-programmable alarm registers to generate alarms in terms of hours, minutes,
seconds, and hundredths of a second
Resolution of one 100th of a second
Periodic Interrupt Section
Programmable alarm register to generate periodic interrupts at regular intervals
Resolution of one millisecond
Trimmer Section
21-2 Intel® PXA27x Processor Family Developer’s Manual
Real-Time Clock (RTC)
User-programmable trimmer register to generate a precise 1-Hz clock for the timer and
wristwatch sections
21.3 Signal Descriptions
Table 21-1 describes the one external signal associated with the RTC controller.
21.4 Operation
The functionality of the RTC controller is defined primarily by five sections:
Timer
Wristwatch
Stopwatch
Periodic interrupt
Trimmer
The peripheral bus interface block contains the RTC Status register (RTSR), which provides the
interface between the core and the RTC data. Figure 21-1 is a block diagram of the RTC controller
and the RTC dedicated I/O.
With the exception of the RTC Trim register, all registers in the RTC controller are reset by
hardware reset and watchdog reset. The RTC Trim register (RTTR) is reset by the hardware reset
only. The other resets—sleep-exit and GPIO— do not affect any of the RTC controller blocks.
The operation of all five sections, except the trimmer, is the same. Figure 21-2 shows the
operational flow of one of these four identical sections.
Table 21-1. Real-Time Clock Controller I/O Signal Descriptions
Signal Name Type Polarity Description
HZ_CLK Output NA 1-Hz clock generated by the trimmer section of the RTC. It is available in all
power modes and is used by the timer section and the wristwatch section.
The accuracy of the 1-Hz clock is one 32.768-kHz clock cycle.
Intel® PXA27x Processor Family Developer’s Manual 21-3
Real-Time Clock (RTC)
Figure 21-1. RTC Block Diagram
Each section has one or more counter registers and one or more corresponding alarm registers. For
example, the timer section has one counter register and one alarm register.
First, the desired alarm set conditions are written to the alarm register. The corresponding alarm-
enable bit in the RTC Status register (RTSR) is then set. If a counter has a count-enable bit, the
corresponding count-enable bit must be set to enable the counter to start counting. The count-
enable bits for the corresponding counter registers reside in the RTSR. The stopwatch and periodic-
interrupt sections have count-enable bits, while the timer and wristwatch sections consist of free-
running counters without any count-enable bits.
As shown in Figure 21-2, when the data in the counter register and the alarm register are equal, the
RTC controller signals the power manager, regardless of the state of the corresponding alarm-
enable bit in the RTSR. The RTC controller then checks whether the corresponding alarm-enable
bit in the RTSR has been set. If so, the corresponding alarm-detect bit in the RTSR is set, indicating
an alarm has been detected. This information is forwarded to the interrupt controller, as shown in
Figure 21-2. The corresponding alarm-detect bit in the RTSR is cleared by writing a one to it. This
process is identical for all alarm-detection events.
Peripheral
Bus Interface
Status
Register
Internal
Peripheral Bus
(RTSR)
Timer
Wristwatch
Stopwatch
Periodic
Interrupt
Trimmer
Clockgen
3
2.768 kHz
1-kHz clock
100-Hz clock
1-Hz clock
1-Hz clock
1-Hz clock
1-kHz clock
100-Hz clock
21-4 Intel® PXA27x Processor Family Developer’s Manual
Real-Time Clock (RTC)
Figure 21-2. Operational Flow of RTC Sections
Has the corresponding alarm-detect
bit in the RTSR been cleared (by
writing a 1 to the bit)?
yes
no
yes
no
yes
Is the counter register value equal
to the alarm register value?
(compared at the rising edge of the
corresponding clock signal)
Is the corresponding alarm-enable
bit in the RTSR set?
RTC controller sends the
corresponding sleep_alarm to the
power manager.
RTC controller activates the
corresponding alarm-detect bit
in the RTSR and sends an
interrupt to the interrupt
controller.
no
Intel® PXA27x Processor Family Developer’s Manual 21-5
Real-Time Clock (RTC)
Table 21-2 lists the registers and their associated section of the RTC controller. Refer to
Section 21.6 for the locations of each of these registers.
21.4.1 Timer
The Timer section consists of a free-running counter, the RTC Counter register (RCNR), which
starts incrementing after the deassertion of hardware reset or watchdog reset. The count value is
incremented at each rising edge of the 1-Hz clock. This value of this counter can be altered by
writing to it. The value of the counter is unaffected by transitions into and out of sleep or idle
modes.
The corresponding RTC Alarm register, RTAR, can be written with a value to be compared against
the counter. On each rising edge of the 1-Hz clock, the counter is incremented and then compared
to the value of RTAR. If the values match, and if the alarm-enable bit (RTSR[ALE]) is set, the
corresponding alarm-detect bit (RTSR[AL]) is set.
21.4.2 Wristwatch
The wristwatch section consists of two subsections—counters and alarms—as shown in
Figure 21-3.
Table 21-2. RTC Controller Alarm Bit Location Summary
Section Counter
Register Alarm Register(s) Alarm Detect Bit Alarm Enable Bit
Timer RCNR RTAR RTSR[AL] RTSR[ALE]
Wristwatch RDCR
RYCR
RDAR1, RYAR1
RDAR2, RYAR2
RTSR[RDAL1]
RTSR[RDAL2]
RTSR[RDALE1]
RTSR[RDALE2]
Stopwatch SWCR SWAR1
SWAR2
RTSR[SWAL1]
RTSR[SWAL2]
RTSR[SWALE1]
RTSR[SWALE2]
Periodic
Interrupt RTCPICR PIAR RTSR[PIAL] RTSR[PIALE]
Trimmer RTTR N/A N/A N/A
21-6 Intel® PXA27x Processor Family Developer’s Manual
Real-Time Clock (RTC)
Figure 21-3. Block Diagram of Wristwatch Section
The counters section of the wristwatch consists of two 32-bit, free-running counters (RDCR and
RYCR) and two alarms in the alarms subsection. Each of the alarms consists of two 32-bit
registers. Alarm 1 contains RDAR1 and RYAR1. Alarm 2 contains RDAR2 and RYAR2.
The wristwatch section runs in all power modes. The counters subsection counts the current time
and year. The time of the day in terms of seconds, minutes, hours, day-of-week, and week-of-
month is available through the RDCR. The year, month, and day-of-month is available through the
RYCR.
Alarm 1 has a corresponding alarm-detect bit (RTSR[RDAL1]) and a corresponding alarm-enable
bit (RTSR[RDALE1]). Refer to columns labeled “Alarm Detect Bit” and “Alarm Enable Bit” in
Table 21-2.
Similarly, alarm 2 has a corresponding alarm-detect bit (RTSR[RDAL2]) and a corresponding
alarm-enable bit (RTSR[RDALE2]). Refer to columns labeled “Alarm Detect Bit” and “Alarm
Enable Bit” in Table 21-2.
21.4.2.1 Programming Wristwatch Registers
There are two counter registers (RDCR and RYCR) and four alarm registers (RDAR1, RYAR1,
RDAR2, and RYAR2) in the wristwatch section.
The RDCR (see Table 21-14) and RDAR1/2 (see Table 21-9) each have five fields:
Seconds
Minutes
Wristwatch Controller
Alarms
Counters
Alarm 1
Alarm 2
RDCR RYCR
RDAR1 RYAR1 RDAR2 RYAR2
RDCR = RTC Day Counter Register
RYCR = RTC Year Counter Register
RDAR1 = RTC Day Alarm Register 1
RYAR1 = RTC Year Alarm Register 1
RDAR2 = RTC Day Alarm Register 2
RYAR2 = RTC Year Alarm Register 2
Intel® PXA27x Processor Family Developer’s Manual 21-7
Real-Time Clock (RTC)
Hour
Day-of-week (DOW)
Week-of-month (WOM)
The RYCR counter (see Table 21-15) and the RYAR1/2 (see Table 21-10) each have three fields:
Day-of-month (DOM)
Month
Year
21.4.2.2 Allowable Values for Wristwatch Register Fields
For reference, Table 21-3 provides all the valid and invalid values for each of the fields of the
counter registers and the alarm registers.
Note: The Day of Month (DOM) field is a special case. Depending on the month and the type of year, the
validity of the data in this field varies. Table 21-4 lists the valid values for this field for each month.
For the months January, March, May, July, August, October, and December, the count can go from
1 to 31, because there are 31 days in these months. Since 31 is the maximum decimal number for
the DOM field, five bits are needed to represent this number in binary. With five bits, the maximum
decimal number that can be represented is 31. Zero is the only invalid data for these months.
Table 21-3. Valid and Invalid Data for Wristwatch Register Fields
Field Name Number of
Bits Needed
in Binary Valid Data Invalid Data
Seconds 6 0 to 59 60,61,62,63
Minutes 6 0 to 59 60,61,62,63
Hours 5 0 to 23 24 to 31
Day of week (DOW) 3 1 to 7 0
Week of month (WOM) 3 1 to 5 0,6,7
Day of month (DOM) 5 refer to Table 21-4 refer to Table 21-4
Month 4 1 to 12 0,13,14,15
Year 12 0 to 4095 NA
Table 21-4. Valid Data for Day of Month (DOM) Field In RYCR
Month Year Valid Data Invalid Data
January, March, May,
July, August, October,
December Any 1 to 31 0
April, June, September,
November Any 1 to 30 0,31
February leap year 1 to 29 0,30,31
nonleap year 1 to 28 0,29,30,31
21-8 Intel® PXA27x Processor Family Developer’s Manual
Real-Time Clock (RTC)
For the months April, June, September, and November, the count goes from 1 to 30, because there
are only 30 days in these particular months. The invalid data in this case is 31 and zero.
If the year is a leap year, the count in February goes from 1 to 29; and the invalid data in this case is
30, 31, and zero. If the year is not a leap year, the count in February goes from 1 to 28; and the
invalid data in this case is 29, 30, 31, and zero.
21.4.2.3 Effects of Data Written to Wristwatch Register Fields
This section describes the effects of writing the wristwatch register fields with valid and invalid
data. The discussion is separated for counter registers and alarm registers. Zero and non-zero data
is described separately for the alarm registers.
21.4.2.3.1 Writing RDCR and RYCR Counter Registers with Valid Data
The counter registers are updated only when there is a write to the RTC Day Counter register
(RDCR). When the write for RYCR is executed, the new data for RYCR is first written into an
internal register. This new data is only written into the RYCR register when a write to the RDCR
occurs. If a write to the RDCR is not issued, the new data in the internal register is never written
into RYCR, and users read the original data from RYCR register. Therefore, the protocol to be
followed in each of the three possible cases follows.
Update the RYCR only and not the RDCR:
Write the RYCR with new data—which writes the new data into the internal register.
Read the RDCR.
Write the RDCR with data just read—new data in the internal register is written into the
RYCR and the current data from the RDCR is re-written.
Update the RDCR only and not the RYCR:
Write the RDCR with new data—the RYCR (with current data) and the RDCR (with new
data) is written.
Update both the RDCR and the RYCR:
Write the RYCR with new data—which writes the new data into the internal register.
Write the RDCR with new data—new data in the internal register is written into the
RYCR and the new data from the RDCR is written.
21.4.2.3.2 Writing Counter Registers with Invalid Data
Any attempt to write invalid or incorrect data to the counter registers results in unpredictable
behavior.
Valid and correct data must be written to the wristwatch registers (RDCR and RYCR) initially.
Subsequently, the registers are normally to be treated as read-only registers. Only rarely do these
registers need updating.
21.4.2.3.3 Writing Alarm Registers with Valid Data
Alarm 1 consists of the alarm registers RDAR1 and RYAR1. Alarm 2 consists of the alarm
registers RDAR2 and RYAR2. A write to these alarm registers with valid data follows the same
procedures as writing valid data to the counter registers. Refer to Section 21.4.2.3.1 for the proper
procedure.
Intel® PXA27x Processor Family Developer’s Manual 21-9
Real-Time Clock (RTC)
21.4.2.3.4 Writing Alarm Registers with Invalid Data (Other than Zero)
Except for the WOM field, writing invalid data to the alarm registers results in no match ever
occurring between the counter and alarm registers.
For the RDARx[WOM] fields, the invalid data is 6 and 7. If 6 is written to the RDARx[WOM]
field, the first and third weeks are matched. If 7 is written to the RDARx[WOM] field, the second
and fourth weeks are matched.
An exception in the use of the alarm registers is if RYARx[DOM] contains valid data,
RDSRx[DOW] and RDSRx[WOM] are ignored for matching the data.
For example, the following data is written:
RDAR1[SECONDS] contains 0b00_0000
RDAR1[MINUTES]contains 0b00_0000
RDAR1[HOURS]contains 0b00_0000
RDAR1[DOW] contains 0b111
RDAR1[WOM]contains 0b110
RYAR1[DOM] contains 0b0_0001
RYAR1[MONTH] contains 0b0001
RYAR1[MONTH] contains 0b0111_1101_0000
In this example, the RYAR1[DOM] field contains valid data. As a result, RDAR1[DOW] and
RDAR1[WOM] are ignored and the alarm is set on 01/01/2000 at 0:00:00 hours.
If invalid data is written to RYARx[DOM], the data in RDARx[DOW] and RDARx[WOM] is
considered only for generating the alarm. For example, using the same data as the example above,
RYAR1[DOM] instead contains invalid data. Since the data written in RDAR1[DOW] is 7
(Saturday) and the data written in RDAR1[WOM] field is 6, the alarm is set on the first and the
third Saturday of the first month (January) in the year 2000 at 0:00:00 hours.
21.4.2.3.5 Writing Alarm Registers with Invalid (Zero) Data
In some of the fields of the alarm registers, zero is an invalid value. The effects of zero in the fields
of the alarm registers are as follows:
Hours, Minutes and Seconds fields—Zero is valid for these fields.
Day-Of-Week (DOW), or Week-Of-Month (WOM), Day of Month (DOM), Month or Year
fields—Zero is not valid for these fields. If zero is written into any of these fields, it is ignored
while generating the alarm. For example, if a zero is written into a DOW field, the alarm is set
every day at the time written in the Hours, Minutes, and Seconds field. If zeroes are written
into all the fields of the alarm register, the alarm occurs at 0:00:00 hours every day.
If the same data is written (as given in the previous item) in all fields except for the Month
field, where a zero was entered. In this case, the hardware sets the alarm every month. So, the
alarm will be set on the first day of every month in the year 2000 at 0:00:00 hours.
Note: The hour field works in 24-hour mode only. Software must convert the time to 12-hour mode, if
needed.
21-10 Intel® PXA27x Processor Family Developer’s Manual
Real-Time Clock (RTC)
21.4.3 Stopwatch
The stopwatch section consists of a Stopwatch Counter register (SWCR) that measures the elapsed
time between two events. This counter is activated with the corresponding stopwatch count-enable
bit, RTSR[SWCE].
The Stopwatch has two alarm registers: Stopwatch Alarm register1 (SWAR1) and Stopwatch
Alarm register 2 (SWAR2). The corresponding alarm-detect bits and alarm-enable bits are given in
Table 21-2. The stopwatch counter is clocked with a 100-Hz clock signal incrementing SWCR at
each rising edge of the 100-Hz clock signal.
To reset the SWCR counter to zero, write a new value to SWAR1. Any value written to SWAR1
register clears SWCR to zero.
To use the stopwatch function as a stopwatch:
1. Set the stopwatch count-enable bit (RTSR[SWCE]). This starts the SWCR counter
incrementing.
2. Clear RTSR[SWCE]—the counter stops counting and SWCR contains the elapsed time
between the setting and clearing of RTSR[SWCE].
3. (optional) If RTSR[SWCE] is set again, the counter starts counting from where it stopped.
If another session is desired, (that is, with the counter starting to count from zero), a new value
must be written into SWAR1.
21.4.3.1 Interval Interrupts
The SWCR can also generate an interval interrupt. The required elapsed time is written to an alarm
register (SWAR1 or SWAR2), and then set the corresponding alarm-enable (RTSR[SWALE1] or
RTSR[SWALE2]) is set. Set the stopwatch count-enable bit (RTSR[SWCE]). When the alarm
register and the counter register are equal, the corresponding alarm-detect bit (RTSR[SWAL1] or
RTSR[SWAL2]) is set by the RTC controller logic.
Note: The value written to SWAR1 or SWAR2 is the elapsed time required, not the time (based on the
current time) when the alarm should trigger. This is because any write to a Stopwatch Alarm
register 1 (SWAR1) clears the Stopwatch Counter register (SWCR).
For example:
60 minutes is written into SWAR1 (0x0007_8000) and 90 minutes into SWAR2
(0x0013_4000).
The alarm-enable bits are set (RTRS[SWALE1] and RTSR[SWALE2].
The count-enable bit (RTSR[SWCE]) is set, which enables the counter (the count starts from
zero).
When the count in the SWCR reaches 60 minutes, the first alarm-detect bit in the
RTSR[SWAL1] is set.
The counter continues counting. When the count in the SWCR reaches 90 minutes, the second
alarm-detect bit in the RTSR[SWAL2] is set.
If the count enable bit (RTSR[SWCE]) is still set, the counter continues to count. When the
RTSR[SWCE] is cleared, the counter stops counting.
Intel® PXA27x Processor Family Developer’s Manual 21-11
Real-Time Clock (RTC)
In this example, if RTSR[SWCE] had been cleared when the counter reached 100 minutes, the
counter would have stopped counting and SWCR would contain a value of 100 minutes.
Whenever new data is written into SWAR1, SWCR is reset, and a new session begins. For
example, in the above example, after clearing RTSR[SWCE], if new data—say, 70 minutes—is
written into SWAR1, the counter resets from 100 minutes to zero and is ready for a new session.
Setting RTSR[SWCE] again would start the counter incrementing from zero.
Note: Whenever a new session is required, RTSR[SWCE] must be set only after the new data is written
into the alarm register. The delay between the two writes must be at least two CPU clock cycles.
21.4.3.2 Programming Stopwatch Registers
There is one counter register (SWCR) and two alarm registers (SWAR1and SWAR2) for the
stopwatch.
The SWCR (Table 21-16), SWAR1 Alarm register (Table 21-11), and SWAR2 Alarm register
(Table 21-11) each have four different fields: Hundredths, Seconds, Minutes, and Hour.
Table 21-5 provides the valid and invalid values for each of the fields of the counter register and
the alarm registers for the stopwatch.
21.4.3.2.1 Writing Counter Register (SWCR) with Invalid Data
Writing invalid data into any field of the counter register results in unpredictable behavior of the
RTC controller.
21.4.3.2.2 Writing Alarm Registers (SWAR1 and SWAR2) with Invalid Data
Writing invalid data to the alarm registers prevents a match between the counter register and the
alarm register.
21.4.4 Periodic Interrupt
The periodic interrupt controller section of the RTC controller generates alarms periodically,
depending on the interval programmed into the Periodic Interrupt Alarm register (PIAR). The
counter is clocked on the positive edge of a 1-kHz clock. The Periodic Interrupt Counter register
(RTCPICR) contains the current value of the periodic interrupt counter.
The periodic interrupt counter only increments when the periodic interrupt count enable bit
(RTSR[PICE]) is set. If disabled, (by clearing RTSR[PICE]), the counter stops counting at the
value it reaches. If then re-enabled (by setting RTSR[PICE]), the counter continues counting from
the value it had previously reached.
Table 21-5. Valid and Invalid Data for SWCR, SWAR1, and SWAR2
Field Name Number of Bits
Needed in Binary Valid Data Invalid Data
Hundredths 7 0 to 99 100 to 127
Seconds 6 0 to 59 60,61,62,63
Minutes 6 0 to 59 60,61,62,63
Hours 5 0 to 23 24 to 31
21-12 Intel® PXA27x Processor Family Developer’s Manual
Real-Time Clock (RTC)
The periodic interrupt alarm-enable bit (RTSR[PIALE]) must be set for the periodic interrupt alarm
bit (RTSR[PIAL]) to be set. Whenever the Periodic Interrupt Counter register (RTCPICR) equals
the Periodic Interrupt Alarm register (PIAR), RTSR[PIAL] is set (if RTSR[PIALE] is set), and the
RTCPICR resets to zero. This process repeats as long as RTSR[PICE] remains set.
For example, if the PIAR is written with 78 (0x4E), an alarm occurs (the RTSR[PIAL] is set) every
78 ms if RTSR[PIALE] is set. Whenever a new session is required, a write to the Periodic Interrupt
Alarm register (PIAR) must occur. The PICE bit must be enabled only after PIAR is written with
new data. There must be at least two CPU cycles delay between the two actions.
Note: If the PIAR is zero and the periodic interrupt alarm enable bit (RTSR[PIALE]) is set, the hardware
behavior is unpredictable. Zero is not a valid value for the Periodic Interrupt Counter register. The
general use of this alarm is to generate interrupts to the processor in sleep mode. Therefore, a valid
value (non-zero) must be written into PIAR. The maximum value that can be written is 65,535. The
correct use of the periodic interrupt alarm detect bit is as follows
First, write to PAIAR (the Match register) with a non-zero value. This also resets the PICR
(the counter)
IF a user wants the RTSR[PIAL] bit (alarm-detect bit) to be set to 1 after wake-up, then write a
1 to the RTSR[PIALE] bit.
If a user prefers an RTC interrupt to the core after wake-up, then the RTC interrupt-enable bits
in the interrupt controller block must be set.
Assert the PICE so that the counter increments
21.4.5 Trimmer
The trimmer section generates the 1-Hz clock by dividing down the 32.768-kHz crystal oscillator
output by approximately 32,768.
The inherent inaccuracies of crystals, aggravated by varying capacitance of the board connections,
cause the time base to be somewhat inaccurate, requiring a periodic adjustment in the 1-Hz clock
period. The PXA27x processor, through the RTTR, allows the 1-Hz timebase to be trimmed to an
accuracy of ± 5 seconds per month. The trimming procedure is described in Section 21.4.5.1.
21.4.5.1 Trim Procedure
The 1-Hz clock driving the RTC is obtained by dividing the output of the oscillator multiplexor. At
reset, the RTTR contains 0x0000_7FFF, which yields an approximate 1-Hz clock. When the
divider count in RTTR[CLK_DIV] is set to zero, the 1-Hz clock driving the RTC maintains a high-
level signal. Setting RTTR[CLK_DIV] = 0x0001 divides the frequency of the oscillator
multiplexor output by two. The RTTR is reset to its default value of 0x0000_7FFF each time the
hardware reset bit is asserted.
To generate the value to be entered into the RTTR, the output frequency of the oscillator
multiplexor must first be measured (approximately 32 kHz) using an accurate timebase, such as a
frequency counter. Refer to Chapter 24, “General-Purpose I/O Controller” for details on the
procedure to select the appropriate GPIO alternate function to make the oscillator multiplexor
externally visible. The trim is accomplished by dividing the output of the oscillator by an integer
value, and then performing fine-grain fractional adjustment by periodically deleting clocks from
the stream driving this integer divider.
Intel® PXA27x Processor Family Developer’s Manual 21-13
Real-Time Clock (RTC)
21.4.5.2 RTTR Value Calculations
After the true oscillator frequency is known, it must be split into integer and fractional portions.
The integer portion of the value (minus one) is written into RTTR[CLK_DIV]. This value is
compared against a 16-bit counter clocked by the output of the oscillator multiplexor
(approximately 32 kHz). The counter resets and generates a pulse when the two values are equal.
This pulse constitutes the raw 1-Hz signal.
The fractional part of the adjustment is performed by periodically deleting clocks from the clock
stream driving the integer counter. The period, called the trim interval, is hardwired to be 210–1
seconds (approximately 17 minutes). The number of clocks deleted, called the trim delete value, is
a 10-bit programmable counter allowing from 0 to (210–1) 32-kHz clocks to be deleted from the
input-clock stream once per trim interval. RTTR[DEL] represents the number of clocks deleted per
trim operation. In summary, every 210 –1 seconds, the integer counter stops clocking for a period
equal to the fractional error that has accumulated. If this counter is programmed to zero, no trim
operations occur, and the RTC is clocked with the raw 32-kHz clock. The relationship between the
nominal 1-Hz clock frequency and the nominal 32-kHz clock (f1 and f32K, respectively) is shown
in the following equation.
where:
f1 = HZ_CLK frequency
f32k = RTC internal clock—either the 32.678-kHz crystal output or the 13-MHz crystal output
divided down to 32.754 kHz
RTTR[DEL] = RTTR(25:16)
RTTR[CK_DIV] = RTTR(15:0)
21.4.5.2.1 Trim Example #1—Measured Value Has No Fractional Component
In this example, the desired HZ_CLK frequency is 1 Hz. The oscillator output is measured as
36045.000 cycles/s (Hz). This output is exactly 3277 cycles over the nominal frequency of the
crystal (32.768 kHz) and has no fractional component. As such, only the integer trim function is
needed—no fractional trim is required. Accordingly, RTTR[CK_DIV] is loaded with the binary
equivalent of 36045–1, or 0x0000_8CCC. RTTR[DEL] is left at zero (power-up state) to disable
fractional trimming. This trim exercise leaves an error of zero in trimming.
21.4.5.2.2 Trim Example #2—Measured Value Has a Fractional Component
This example is more common in that the measured frequency of the oscillator has a fractional
component. Again, the desired HZ_CLK output frequency is 1 Hz. If the oscillator output is
measured as 32768.92 cycles/s (Hz), an integer trim is necessary so that the average number of
cycles counted before generating one 1-Hz clock is 32768.92. Similar to the previous example, the
integer field RTTR[CK_DIV] is loaded with the hexadecimal equivalent of 32768–1 or 0x7FFF
(reset value).
Because the actual clock frequency is 0.92 cycles per second faster than the integer value, the 1-Hz
clock generated by just the integer trimming is slightly faster than needed and must be slowed
down. Accordingly, program the fractional trim to delete 0.92 cycles per second on average to
bring the 1-Hz output frequency down to the proper value. Since the trimming procedure is
performed every 1023 (210–1) seconds, the trim must be set to delete 941.16 clocks every 1023
f1= (2^10-1)*(RTTR[CK_DIV]+1) – RTTR[DEL]
(2^10-1)*(RTTR[CK_DIV]+1) *f32k
(RTTR[CK_DIV]+1
)
21-14 Intel® PXA27x Processor Family Developer’s Manual
Real-Time Clock (RTC)
seconds (.92 x 1023 = 941.16). Load RTTR[DEL] with the hexadecimal equivalent of 941, or
0x3AD. The fractional component of this value cannot be trimmed out and constitutes the error in
trimming, described below.
This trim setting leaves an error of 0.16 cycles per 1023 seconds. The error calculation yields (in
parts-per-million or ppm):
21.4.5.2.3 Maximum Error Calculation Versus Real-Time Clock Accuracy
As seen from trim example #2, the maximum possible error approaches 1 clock per 210–1 seconds.
Calculating the ppm error for this scenario yields:
To maintain an accuracy of ± 5 seconds per month, the required accuracy is calculated to be:
This calculation indicates the 1-Hz clock output can be made very accurate through the use of the
trim procedure. Likewise, use the trim procedure to compensate for a range of factors that can
affect crystal oscillators. Such factors can include, but are not limited to:
Manufacturing and supplier variance in the crystals
Crystal aging effects
System voltage differences
System manufacturing variance
The trim procedure can counteract these factors by providing a highly accurate mechanism to
remove the variance and shifts from the manufacturing and static environment variables on an
individual system level. However, since this is a calibration solution, it is not a practical solution
for dynamic changes in the system and environment and can most likely only be done in a factory
setting due the equipment required.
Error 0.16 cycles
1023 sec
---------------------------X1 sec
32768 cycles
------------------------------- 0 . 00 2 p pm==
Error (maximum) 1 cycle
1023 sec
---------------------X1sec
1024 sec
--------------------- 0.03 ppm==
Error 5 sec
month
---------------X1 month
2592000 sec
------------------------------ 1.9 ppm==
Intel® PXA27x Processor Family Developer’s Manual 21-15
Real-Time Clock (RTC)
21.4.6 Low-Power Modes
Predefined RTC events result in the PXA27x processor exiting from low-power modes.
21.4.6.1 RTC Recovery from Idle Mode
The PXA27x processor exits from idle mode when an RTC interrupt is generated if
ICPR[RTC_AL] is set to one and any of the following groups of RTC conditions occur:
RTSR[PICE] is set to one and RTSR[PIALE] is set to one and a match between PICR and
PIAR occurs.
RTSR[SWCE] is set to one and RTSR[SWALE1] is set to one and a match between SWCR
and SWAR1 occurs.
RTSR[SWCE] is set to one and RTSR[SWALE2] is set to one and a match between SWCR
and SWAR2 occurs.
RTSR[ALE] is set to one and a match between RCNR and RTAR occurs.
RTSR[RDALE1] is set to one and matches between both (RDCR, RYCR) and (RDAR1,
RYAR1) occur, respectively.
RTSR[RDALE2] is set to one and matches between both (RDCR, RYCR) and (RDAR2,
RYAR2) occur, respectively.
21.4.6.2 RTC Recovery from Standby, Sleep, and Deep-Sleep Modes
The PXA27x processor exits from standby, sleep, and deep-sleep modes (deep-sleep mode must
have been entered using a software write to the PWRMODE register) if PWER[WERTC] is set to
one and any of the following conditions occur:
If RTSR[PICE] is set to one and a match between PICR and PIAR occurs. Wake-up of the
processor occurs regardless of the state of the RTSR[PIALE] bit.
If RTSR[SWCE] is set to one and a match between SWCR and SWAR1 occurs. Wake-up of
the processor occurs regardless of the state of the RTSR[SWALE1] bit.
If RTSR[SWCE] is set to one and a match between SWCR and SWAR2 occurs. Wake-up of
the processor occurs regardless of the state of the RTSR[SWALE2] bit.
Anytime a match between RCNR and RTAR occurs. Wake-up of the processor occurs
regardless of the state of the RTSR[ALE] bit.
Anytime matches between both (RDCR, RYCR) and (RDAR1, RYAR1) occur, respectively.
Wake-up of the processor occurs regardless of the state of the RTSR[RDALE1] bit.
Anytime matches between both (RDCR, RYCR) and (RDAR2, RYAR2) occur, respectively.
Wake-up of the processor occurs regardless of the state of the RTSR[RDALE2] bit.
21.5 Register Descriptions
The RTC controller contains 15 registers used for the control and communication of the status of
the RTC controller.
21-16 Intel® PXA27x Processor Family Developer’s Manual
Real-Time Clock (RTC)
Most registers in the RTC controller are read/write registers. Intel strongly recommends that the
operating system use the core’s memory management unit (MMU) protection mechanisms to
prevent inadvertent writes to the RCNR. For more information about the MMU, see the Intel
XScale® Core Developers Manual.
Because of the asynchronous nature of the 1-Hz clock relative to the processor clock, writes to
these registers are controlled by a hardware mechanism which delays the actual write until the data
can be properly synchronized. In the case of multiple writes to RTC counter and alarm registers in
quick succession, the final update to the RTC register may be delayed by a maximum of six 32 kHz
clock cycles.
The RTC counter and alarm registers can be read at any time. Reads reflect the value in the register
after it increments or after it is written.
21.5.1 RTC Trim Register (RTTR)
RTTR, defined in Table 21-6, configures the frequency of the 1-Hz clock. The reset value of this
register (0x0000_7FFF) is such that a perfect 32.768-kHz crystal would result in a 1-Hz clock. (See
Section 21.4.5.1 for details on how to calculate the value for this register.)
The RTTR register is only reset by hardware reset. To ensure the validity of the data written into
the RTTR, RTTR[31] is used as a lock bit. The data in RTTR can be changed only if RTTR[LCK]
is zero. Once RTTR[LCK] is set, only a hardware reset can clear the RTTR.
This is a read/write register. Ignore reads from reserved bits. Write 0b0 to reserved bits.
Table 21-6. RTTR Bit Definitions
Physical Address
0x4090_000C RTTR RTC Controller
User
Settings
Bit 31 30 29 28 27 26 25 24 23 22 21 20 19 18 17 16 15 14 13 12 11 10 9 8 7 6 5 4 3 2 1 0
LCK
reserved DEL CK_DIV
Reset 0 ? ? ? ? ? 0 0 0 0 0 0 0 0 0 0 0 1 1 1 1 1 1 1 1 1 1 1 1 1 1 1
Bits Access Name Description
31 R/W LCK
Lock for RTTR
0 = Value of RTTR can be overwritten.
1 = Value of RTTR cannot be overwritten.
NOTE: Once LCK has been set, the value of RTTR can be changed
only after a hardware reset.
30:26 — reserved
25:16 R/WDEL Trim Delete Count
The number of 32-kHz clocks to delete when clock trimming begins.
15:0 R/WCK_DIV
Clock Divider Count
The integer portion of the true 32-kHz oscillator frequency minus one.
Example: If true frequency = 32768.92 Hz, then CLK_DIV = 32768 –1 =
32767 = 0x7FFF.
These bit fields can be written to only if RTTR[LCK] is clear.
Intel® PXA27x Processor Family Developer’s Manual 21-17
Real-Time Clock (RTC)
21.5.2 RTC Status Register (RTSR)
The bits within RTSR, defined in Table 21-7, are categorized as alarm-enable bits, count-enable
bits, and alarm-detect bits.
The alarm-enable bits enable and disable the alarm functions of the RTC. The RTSR contains
the alarm-enable bits for the timer (ALE), wristwatch (RDALE1 and RDALE2), and
stopwatch (SWALE1 and SWALE2). The RTSR also contains a 1-Hz clock edge-detection-
enable bit (HZE).
The count-enable bits enable and disable the counter functions of the RTC. The RTSR contains
two count-enable bits: one for the stopwatch (SWCE) and one for the periodic interrupt
(PICE). The counters increment only if their corresponding count-enable bits are set.
The alarm-detect bits indicate whether the corresponding alarm has occurred. The alarm-detect
bits are set by the RTC controller logic if the corresponding enable bits are set and the alarm
conditions have been met. The alarm-detect bits in this register are routed to the interrupt
controller where they can be enabled to cause a second-level interrupt. The alarm-detect bits
are reset by writing 0b1 to the bits to be cleared. The RTSR contains alarm-detect bits for the
timer (AL), wristwatch (RDAL1 and RDAL2), stopwatch (SWAL1 and SWAL2), periodic
interrupt (PIAL), and the 1-Hz clock edge-detect (HZ).
When the PXA27x processor is in the sleep mode, the alarm-detect bit in the RTSR is updated if an
RTC alarm is detected and the corresponding alarm-enable bit in the RTSR is set.
This is a read/write register. Ignore reads from reserved bits. Write 0b0 to reserved bits.
Table 21-7. RTSR Bit Definitions (Sheet 1 of 3)
Physical Address
0x4090_0008 RTSR RTC
User
Settings
Bit 31 30 29 28 27 26 25 24 23 22 21 20 19 18 17 16 15 14 13 12 11 10 9 8 7 6 5 4 3 2 1 0
reserved
PICE
PIALE
PIAL
SWCE
SWALE2
SWAL2
SWALE1
SWAL1
RDALE2
RDAL2
RDALE1
RDAL1
HZE
ALE
HZ
AL
Reset ? ? ? ? ? ? ? ? ? ? ? ? ? ? ? ? 0 0 0 0 0 0 0 0 0 0 0 0 0 0 0 0
Bits Access Name Description
31:16 — reserved
15 R/W PICE
Periodic Interrupt Count Enable for RTCPICR Count Register
0 = RTCPICR counter incrementing is disabled.
1 = RTCPICR counter is incrementing is enabled.
14 R/W PIALE
Periodic Interrupt Alarm Enable
0 = PIALE is not enabled; PIAL is not set.
1 = PIALE is enabled; when there is a match between PIAR and
RTCPICR, then PIAL is set.
13 R/WCPIAL
Periodic Interrupt Alarm Status
0 = Periodic interrupt alarm not detected.
1 = Alarm match occurred and PIALE is enabled.
12 R/W SWCE
Stopwatch Count Enable for SWCR Count Register
0 = SWCR counter incrementing is disabled.
1 = SWCR counter incrementing is enabled.
21-18 Intel® PXA27x Processor Family Developer’s Manual
Real-Time Clock (RTC)
11 R/W SWALE2
Stopwatch Alarm Enable for Stopwatch Alarm 2
0 = Stopwatch alarm 2 is not enabled.
1 = Stopwatch alarm 2 is enabled.
10 R/WCSWAL2
Stopwatch Alarm 2 Status
0 = No stopwatch alarm 2 has been detected.
1 = Stopwatch alarm 2 has been detected (SWAR2 matches SWCR)
and SWALE2 is set.
9 R/W SWALE1
Stopwatch Alarm Enable for Stopwatch Alarm 1
0 = Stopwatch alarm 1 is not enabled.
1 = Stopwatch alarm 1 is enabled.
8R/WC
SWAL1
Stopwatch Alarm 1 Status
0 = No stopwatch alarm 1 has been detected.
1 = Stopwatch alarm 1 has been detected (SWAR1 matches SWCR)
and SWALE1 is set.
7 R/W RDALE2
Wristwatch Alarm Enable for Wristwatch Alarm 2
0 = Wristwatch alarm 2 is not enabled.
1 = Wristwatch alarm 2 is enabled.
6R/WC
RDAL2
Wristwatch Alarm 2 Status
0 = No wristwatch alarm 2 has been detected.
1 = Wristwatch alarm 2 has been detected (RDAR2 matches RDCR
and RYAR2 matches RYCR) and RDALE2 bit is set.
5 R/W RDALE1
Wristwatch Alarm Enable for Wristwatch Alarm 1
0 = Wristwatch alarm 1 is not enabled.
1 = Wristwatch alarm 1 is enabled.
4R/WC
RDAL1
Wristwatch Alarm 1 Status
0 = No wristwatch alarm 1 has been detected.
1 = Wristwatch alarm 1 has been detected (RDAR1 matches RDCR
and RYAR1 matches RYCR) and RDALE1 bit is set.
3R/W HZE
HZ interrupt Enable
0 = The HZ interrupt is not enabled.
0 = The HZ interrupt is enabled.
2R/W ALE
RTC Alarm interrupt Enable
0 = The RTC alarm interrupt is not enabled.
1 = The RTC alarm interrupt is enabled.
Table 21-7. RTSR Bit Definitions (Sheet 2 of 3)
Physical Address
0x4090_0008 RTSR RTC
User
Settings
Bit 31 30 29 28 27 26 25 24 23 22 21 20 19 18 17 16 15 14 13 12 11 10 9 8 7 6 5 4 3 2 1 0
reserved
PICE
PIALE
PIAL
SWCE
SWALE2
SWAL2
SWALE1
SWAL1
RDALE2
RDAL2
RDALE1
RDAL1
HZE
ALE
HZ
AL
Reset ? ? ? ? ? ? ? ? ? ? ? ? ? ? ? ? 0 0 0 0 0 0 0 0 0 0 0 0 0 0 0 0
Bits Access Name Description
Intel® PXA27x Processor Family Developer’s Manual 21-19
Real-Time Clock (RTC)
21.5.3 RTC Alarm Register (RTAR)
RTAR, defined in Table 21-8, is a 32-bit register. Following each rising edge of the 1-Hz clock, this
register is compared to the RCNR. If the two are equal and RTSR[ALE] is set, then RTSR[AL] is
set.
1R/WC
HZ
HZ Rising Edge Detected
0 = No 1-Hz rising edge has been detected.
1 = A 1-Hz rising edge has been detected and HZE is set.
0R/WC
AL
RTC Alarm Detected
0 = No RTC alarm has been detected.
1 = An RTC alarm has been detected (RTAR matches RCNR) and
RTSR[ALE] bit is set.
To clear this bit, write 0b1 to it.
Table 21-7. RTSR Bit Definitions (Sheet 3 of 3)
Physical Address
0x4090_0008 RTSR RTC
User
Settings
Bit 31 30 29 28 27 26 25 24 23 22 21 20 19 18 17 16 15 14 13 12 11 10 9 8 7 6 5 4 3 2 1 0
reserved
PICE
PIALE
PIAL
SWCE
SWALE2
SWAL2
SWALE1
SWAL1
RDALE2
RDAL2
RDALE1
RDAL1
HZE
ALE
HZ
AL
Reset ? ? ? ? ? ? ? ? ? ? ? ? ? ? ? ? 0 0 0 0 0 0 0 0 0 0 0 0 0 0 0 0
Bits Access Name Description
Table 21-8. RTAR Bit Definitions
Physical Address
0x4090_0004 RTAR RTC
User
Settings
Bit 31 30 29 28 27 26 25 24 23 22 21 20 19 18 17 16 15 14 13 12 11 10 9 8 7 6 5 4 3 2 1 0
RTMV
Reset 0 0 0 0 0 0 0 0 0 0 0 0 0 0 0 0 0 0 0 0 0 0 0 0 0 0 0 0 0 0 0 0
Bits Access Name Description
31:0 R/W RTMV RTC Target Match Value
The value compared with the RTC counter (RCNR).
21-20 Intel® PXA27x Processor Family Developer’s Manual
Real-Time Clock (RTC)
21.5.4 RTC Wristwatch Day Alarm Registers (RDARx)
The RDARx registers are defined in Table 21-9. Following each rising edge of the 1-Hz clock,
these registers along with the Wristwatch Year Alarm registers (RYAR1/2) are compared to the
RDCR and RYCR, respectively. If the conditions result in a match and the corresponding
Wristwatch Alarm Enable bit (RTSR[RDALE1/2]) is set, the RTC controller logic sets the
corresponding Wristwatch Alarm Detect bit, RTSR[RDAL1/2].
These are read/write registers. Ignore reads from reserved bits. Write 0b0 to reserved bits.
Table 21-9. RDAR1/2 Bit Definitions
Physical Address
0x4090_0018
0x4090_0020 RDAR1
RDAR2 RTC
User
Settings
Bit 31 30 29 28 27 26 25 24 23 22 21 20 19 18 17 16 15 14 13 12 11 10 9 8 7 6 5 4 3 2 1 0
reserved WOM DOW HOURS MINUTES SECONDS
Reset ? ? ? ? ? ? ? ? ? 0 0 0 0 0 0 0 0 0 0 0 0 0 0 0 0 0 0 0 0 0 0 0
Bits Access Name Description
31:23 — reserved
22:20 R/W WOM Match Value for Week of Month
19:17 R/W DOW Match Value for Day of Week
16:12 R/W HOURS Match Value for Hours
11:6 R/W MINUTES Match Value for Minutes
5:0 R/W SECONDS Match Value for Seconds
Intel® PXA27x Processor Family Developer’s Manual 21-21
Real-Time Clock (RTC)
21.5.5 RTC Wristwatch Year Alarm Registers (RYARx)
RYARx is defined in Table 21-10. Following each rising edge of the 1-Hz clock, these registers
along with the Wristwatch Day Alarm registers (RDAR1/2) are compared to the RYCR and
RDCR, respectively. If the conditions result in a match and the corresponding Wristwatch Alarm
Enable bit (RTSR[RDALE1/2]) is set, the RTC controller logic sets the corresponding Wristwatch
Alarm Detect bit, RTSR[RDAL1/2].
These are read/write registers. Ignore reads from reserved bits. Write 0b0 to reserved bits.
Table 21-10. RYAR1/2 Bit Definitions
Physical Address
0x4090_001C
0x4090_0024 RYAR1
RYAR2 RTC
User
Settings
Bit 31 30 29 28 27 26 25 24 23 22 21 20 19 18 17 16 15 14 13 12 11 10 9 8 7 6 5 4 3 2 1 0
reserved YEAR MONTH DOM
Reset ? ? ? ? ? ? ? ? ? ? ? 0 0 0 0 0 0 0 0 0 0 0 0 0 0 0 0 0 0 0 0 0
Bits Access Name Description
31:21 — reserved
20:9 R/W YEAR Match Value for Year Count, from 1 to 4096
8:5 R/W MONTH Match Value for Month
4:0 R/W DOM Match Value for Day of Month
21-22 Intel® PXA27x Processor Family Developer’s Manual
Real-Time Clock (RTC)
21.5.6 RTC Stopwatch Alarm Registers (SWARx)
The RTC Stopwatch Alarm registers (SWARx), defined in Table 21-11, are 32-bit registers.
Following each rising edge of the 100-Hz clock, these registers are compared to the SWCR. If
either match and the corresponding Stopwatch Alarm Enable bit (RTSR[SWALE1/2]) is set, the
RTC controller logic sets the corresponding Stopwatch Alarm Detect bit, RTSR[SWAL1/2].
These are read/write registers. Ignore reads from reserved bits. Write 0b0 to reserved bits.
Table 21-11. SWAR1/2 Bit Definitions
Physical Address
0x4090_002C
0x4090_0030 SWAR1
SWAR2 RTC
User
Settings
Bit 31 30 29 28 27 26 25 24 23 22 21 20 19 18 17 16 15 14 13 12 11 10 9 8 7 6 5 4 3 2 1 0
reserved HOURS MINUTES SECONDS HUNDRETHS
Reset ? ? ? ? ? ? ? ? 0 0 0 0 0 0 0 0 0 0 0 0 0 0 0 0 0 0 0 0 0 0 0 0
Bits Access Name Description
31:24 — reserved
23:19 R/W HOURS Match Value for Stopwatch Time in Hours
18:13 R/W MINUTES Match Value for Stopwatch Time in Minutes
12:7 R/W SECONDS Match Value for Stopwatch Time in Seconds
6:0 R/W HUNDRETHS Match Value for Stopwatch Time in Hundredths of a Second
Intel® PXA27x Processor Family Developer’s Manual 21-23
Real-Time Clock (RTC)
21.5.7 RTC Periodic Interrupt Alarm Register (PIAR)
PIAR, defined in Table 21-12, is a 32-bit register. Following each rising edge of the 1-kHz clock,
this register is compared to the RTCPICR. If the two are equal and RTSR[PIALE] is set, then
RTSR[PIAL] is set, and RTCPICR is reset to zero. This process repeats as long as the count-enable
RTSR[PICE] remains set.
Any write to the PIAR resets the periodic interrupt counter and RTCPICR to zero. The
RTSR[PICE] bit must be enabled only after PIAR is written with new data. There must be at least
two CPU cycles delay between the two actions.
Note: Zero is an invalid value for the PIAR when RTSR[PICE] is set and results in unpredictable
behavior. The maximum value that can be written is 65535.
This is a read/write register. Ignore reads from reserved bits. Write 0b0 to reserved bits.
Table 21-12. PIAR Bit Definitions
Physical Address
0x4090_0038 PIAR RTC
User
Settings
Bit 31 30 29 28 27 26 25 24 23 22 21 20 19 18 17 16 15 14 13 12 11 10 9 8 7 6 5 4 3 2 1 0
reserved MILLISECONDS
Reset ? ? ? ? ? ? ? ? ? ? ? ? ? ? ? ? 0 0 0 0 0 0 0 0 0 0 0 0 0 0 0 0
Bits Access Name Description
31:16 — reserved
15:0 R/W MILLISECONDS Match value for the periodic interrupt time in milliseconds. This value is
compared with the periodic interrupt counter (RTCPICR).
21-24 Intel® PXA27x Processor Family Developer’s Manual
Real-Time Clock (RTC)
21.5.8 RTC Counter Register (RCNR)
RCNR, defined in Table 21-13, reflects the current value of the RTC counter.
RCNR is incremented at each rising edge of a 1-Hz clock signal, which is obtained after trimming
the approximate 32-kHz clock signal in the trimmer section. A crystal clock oscillator provides the
32.768-kHz clock.
21.5.9 RTC Day Counter Register (RDCR)
RDCR, defined in Table 21-14, reflects the current time in seconds, minutes, hours, day-of-the-
week, and week-of-the-month.
This Week-Of-Month (WOM) and Day-Of-Month (DOM) fields are used together to represent the
current day and week of the month. For example: DOW = 3 indicates Tuesday and WOM = 1
indicates the first week of the month, so together this indicates Tuesday of the first week of the
month.
This is a read/write register. Ignore reads from reserved bits. Write 0b0 to reserved bits.
Table 21-13. RCNR Bit Definitions
Physical Address
0x4090_0000 RCNR RTC
User
Settings
Bit 31 30 29 28 27 26 25 24 23 22 21 20 19 18 17 16 15 14 13 12 11 10 9 8 7 6 5 4 3 2 1 0
RCV
Reset 0 0 0 0 0 0 0 0 0 0 0 0 0 0 0 0 0 0 0 0 0 0 0 0 0 0 0 0 0 0 0 0
Bits Access Name Description
31:0 R/W RCV Count Value
Current value of the RTC counter in seconds.
Table 21-14. RDCR Bit Definitions (Sheet 1 of 2)
Physical Address
0x4090_0010 RDCR RTC
User
Settings
Bit 31 30 29 28 27 26 25 24 23 22 21 20 19 18 17 16 15 14 13 12 11 10 9 8 7 6 5 4 3 2 1 0
reserved WOM DOW HOURS MINUTES SECONDS
Reset ? ? ? ? ? ? ? ? ? 0 0 1 1 1 1 0 0 0 0 0 0 0 0 0 0 0 0 0 0 0 0 0
Bits Access Name Description
31:23 — Reserved
22:20 R/W WOM Week of Month—1 (first week) through 5 (fifth week)
19:17 R/W DOW Day of Week—1 (Sunday) through 7 (Saturday)
Intel® PXA27x Processor Family Developer’s Manual 21-25
Real-Time Clock (RTC)
21.5.10 RTC Year Counter Register (RYCR)
RYCR, defined in Table 21-15, contains the current time in the day-of-the-month, month, and year.
The year count starts at 0 and ends at 4095.
This is a read/write register. Ignore reads from reserved bits. Write 0b0 to reserved bits.
16:12 R/W HOURS Hours—0 to 23
11:6 R/W MINUTES Minutes—0 to 59
5:0 R/W SECONDS Seconds—0 to 59
Table 21-14. RDCR Bit Definitions (Sheet 2 of 2)
Physical Address
0x4090_0010 RDCR RTC
User
Settings
Bit 31 30 29 28 27 26 25 24 23 22 21 20 19 18 17 16 15 14 13 12 11 10 9 8 7 6 5 4 3 2 1 0
reserved WOM DOW HOURS MINUTES SECONDS
Reset ? ? ? ? ? ? ? ? ? 0 0 1 1 1 1 0 0 0 0 0 0 0 0 0 0 0 0 0 0 0 0 0
Bits Access Name Description
Table 21-15. RYCR Bit Definitions
Physical Address
0x4090_0014 RYCR RTC
User
Settings
Bit 31 30 29 28 27 26 25 24 23 22 21 20 19 18 17 16 15 14 13 12 11 10 9 8 7 6 5 4 3 2 1 0
reserved YEAR MONTH DOM
Reset ? ? ? ? ? ? ? ? ? ? ? 0 1 1 1 1 1 0 1 0 0 0 0 0 0 0 1 0 0 0 0 1
Bits Access Name Description
31:21 — reserved
20:9 R/W YEAR Current Year—0 to 4095
8:5 R/W MONTH Month—1 (January) through 12 (December)
4:0 R/W DOM
Day of Month—starting with 1. Zero is not allowed.
The maximum count varies, based on the month and the type of year.
Table 21-4 lists the allowable values.
21-26 Intel® PXA27x Processor Family Developer’s Manual
Real-Time Clock (RTC)
21.5.11 RTC Stopwatch Counter Register (SWCR)
SWCR, defined in Table 21-16, contains the elapsed time of the stopwatch in hours, minutes,
seconds, and hundredths of a second.
SWCR increments only when the count-enable bit (RTSR[SWCE]) is set. While RTSR[SWCE] is
set, the counter continuously counts. When the counter reaches the maximum possible time (24
hours minus 1/100sec), it reverts to zero and starts counting again.
SWCR can be programmed to be used as a stopwatch or to generate an interval interrupt.
This is a read/write register. Ignore reads from reserved bits. Write 0b0 to reserved bits.
21.5.12 RTC Periodic Interrupt Counter Register (RTCPICR)
RTCPICR, defined in Table 21-17, contains the current count of the 1-kHz periodic interrupt
counter and is clocked on the positive edge of the 1-kHz clock. The RTCPICR increments only
when the periodic interrupt count enable bit (RTSR[PICE]) is set.
If RTSR[PICE] is disabled, the periodic interrupt counter stops incrementing at the value last
reached. If re-enabled, the counter resumes counting from the value it stopped at previously.
Whenever the RTCPICR equals the PIAR and RTSR[PIALE] is set, RTSR[PIAL] is set by the RTC
controller logic, and RTCPICR resets to zero. This process repeats as long as RTSR[PICE] is set.
Whenever a new session (count started from zero) is required, the periodic interrupt counter must
be reset to zero by executing a write to the PIAR.
This is a read/write register. Ignore reads from reserved bits. Write 0b0 to reserved bits.
Table 21-16. SWCR Bit Definitions
Physical Address
0x4090_0028 SWCR RTC
User
Settings
Bit 31 30 29 28 27 26 25 24 23 22 21 20 19 18 17 16 15 14 13 12 11 10 9 8 7 6 5 4 3 2 1 0
reserved HOURS MINUTES SECONDS HUNDRETHS
Reset ? ? ? ? ? ? ? ? 0 0 0 0 0 0 0 0 0 0 0 0 0 0 0 0 0 0 0 0 0 0 0 0
Bits Access Name Description
31:24 — reserved
23:19 R/W HOURS Number of Elapsed Hours in Stopwatch Counter
18:13 R/W MINUTES Number of Elapsed Minutes in Stopwatch Counter
12:7 R/W SECONDS Number of Elapsed Seconds in Stopwatch Counter
6:0 R/W HUNDRETHS Hundreths of a Second in Stopwatch Counter
Intel® PXA27x Processor Family Developer’s Manual 21-27
Real-Time Clock (RTC)
21.6 Register Summary
Table 21-18 describes the location of the real-time clock registers.
Table 21-17. RTCPICR Bit Definitions
Physical Address
0x4090_0034 RTCPICR RTC Controller
User
Settings
Bit 31 30 29 28 27 26 25 24 23 22 21 20 19 18 17 16 15 14 13 12 11 10 9 8 7 6 5 4 3 2 1 0
reserved MILLISECONDS
Reset ? ? ? ? ? ? ? ? ? ? ? ? ? ? ? ? 0 0 0 0 0 0 0 0 0 0 0 0 0 0 0 0
Bits Access Name Description
31:16 — reserved
15:0 R/W MILLISECONDS Periodic Interrupt Time (in milliseconds)
Table 21-18. RTC Controller Register Summary
Address Name Description Page
0x4090_0000 RCNR RTC Counter register 21-24
0x4090_0004 RTAR RTC Alarm register 21-19
0x4090_0008 RTSR RTC Status register 21-17
0x4090_000C RTTR RTC Timer Trim register 21-16
0x4090_0010 RDCR RTC Day Counter register 21-24
0x4090_0014 RYCR RTC Year Counter register 21-25
0x4090_0018 RDAR1 RTC Wristwatch Day Alarm register 1 21-20
0x4090_001C RYAR1 RTC Wristwatch Year Alarm register 1 21-21
0x4090_0020 RDAR2 RTC Wristwatch Day Alarm register 2 21-20
0x4090_0024 RYAR2 RTC Wristwatch Year Alarm register 2 21-21
0x4090_0028 SWCR RTC Stopwatch Counter register 21-26
0x4090_002C SWAR1 RTC Stopwatch Alarm register 1 21-22
0x4090_0030 SWAR2 RTC Stopwatch Alarm register 2 21-22
0x4090_0034 RTCPICR RTC Periodic Interrupt Counter register 21-27
0x4090_0038 PIAR RTC Periodic Interrupt Alarm register 21-23
0x4090_003C–
0x409F_FFFC Reserved
21-28 Intel® PXA27x Processor Family Developer’s Manual
Real-Time Clock (RTC)
Intel® PXA27x Processor Family Developer’s Manual 22-1
Operating System Timers 22
This chapter describes the operating-system timers included in the PXA27x processor.
22.1 Overview
The operating-system timers block provides a set of timer channels that allows software to generate
timed interrupts (or wake-up events). In the PXA27x processor, these interrupts are generated by
two sets of timer channels. The first set, which provides one counter and four match registers, is
clocked from a 3.25-MHz clock. The other set, which provides eight counters and eight match
registers, can be clocked from either the 32.768-kHz timer clock, a 13-MHz clock, or an externally
supplied clock, providing a wide range of timer resolutions. The latter set of interrupts can be used
as a wake-up source, if wake-up from a power island (PI) domain event is enabled in the Power
Manager Wake Enable register (PWER[WEP1] is set) (see Table 3-17, “PWER Bit Definitions” on
page 3-74).
22.2 Features
The timers provide the following features:
Single counter operating at 3.25 MHz
Four Match registers
Watchdog function.
The PXA27x processor also provides eight additional timer channels that supply the following
additional features:
Eight independent channels, each consisting of
— Counter
Match register
Control register
Independent clock for each counter, selectable by software
32.768-kHz clock for low power
13-MHz clock for high accuracy
Externally-supplied clock for network synchronization
Counter resolutions of 1/32768th of a second, 1 millisecond, 1 second, and 1 microsecond
Periodic and one-shot timers
Two external synchronization events
Operation during reduced-power modes (standby, sleep, and deep-sleep modes)
22-2 Intel® PXA27x Processor Family Developer’s Manual
Operating System Timers
22.3 Signal Descriptions
This section describes the external signals the timers use. Table 22-1 summarizes the signals.
22.4 Operation
This section describes the operation of the operating system timers. Throughout this section, the
terms compare and match describe when a counter register, OSCRx, is being compared to a match
register, OSMRx.
A compare occurs at the rising edge of every corresponding clock, CKCx.
A match occurs when a compare is being performed, and the value in OSCRx is the same as
the value in OSMRx. A match triggers an interrupt if the corresponding bit is set in the OIER
register (see Table 22-7).
22.4.1 Block Diagrams
Figure 22-1 shows the OS timers block.
Table 22-1. Operating System Timers I/O Signal Descriptions
Name Type Description
EXT_SYNC<1:0> Input
External synchronization signals that reset timers. These signals are provided by the GPIO block
and must be held low until the appropriate alternate functions have been programmed. Once
programmed, these signals reflect the state of the external pin. When the OMCRx[S] field is enabled
for either of these external-synchronization signals, the corresponding OSCRx register is reset
when a rising edge is detected on the appropriate EXT_SYNC signal (See Table 22-2, Table 22-3,
and Table 22-4 for information on these registers).
CHOUT<1:0> Output
CHOUT<1> is a periodic output clock generated from channel 11.
CHOUT<0> is a periodic output clock generated from channel 10.
These active-high output signals generate output clocks from timer channels 11 and 10,
respectively, if these channels have been programmed to be periodic. The signal for an active
channel programmed as periodic changes state each time a match occurs. The signal is low for any
non-periodic channel.
Intel® PXA27x Processor Family Developer’s Manual 22-3
Operating System Timers
Figure 22-1. Operating System Timers Block Diagram
22.4.1.1 Channel Access and Control
This block is responsible for controlling reads and writes to registers within the operating system
timers block. It is also responsible for maintaining the Match Control registers (see Section 22.5.1)
and generating the appropriate clocks and control signals for each timer channel.
22.4.1.2 PXA25x Processor-Compatible Timer Channels
This block is responsible for maintaining the four PXA25x processor-compatible timer channels
and for generating the appropriate channel-match signals. Figure 22-2 diagrams this timer channel
block.
Note: The diagram in Figure 22-2 does not show the clock synchronizers in the register read and write
data path.
PXA25x
Channel 4
Channel 5
Channel 6
Channel 7
Channel 8
Channel 9
Channel 10
Channel 11
CHOUT<1:0>
WDOG_RST
M0
M1
M2
M3
M4
M5
M6
M7
M8
M9
M10
M11
Output
Control
Channel
Access/
Control
Read/Write
Data and Ctrl
CLK_32K
CLK_EXT
CLK_13M
EXT_SYNC<0:1>
CLK_3.25M
(Internal)
(External)
(External)
Compatible
Timer Channels
Processor
22-4 Intel® PXA27x Processor Family Developer’s Manual
Operating System Timers
Figure 22-2. PXA25x Processor-Compatible Timer Channel Block (Channels 0 to 3)
22.4.1.3 Channels 4–11
Figure 22-3 is a block diagram of a timer channel.
Figure 22-3. Timer Channel Block Diagram
22.4.1.4 Output Control
This block is responsible for collecting the match signals from each timer channel and generating
the match signals to the interrupt controller, the channel-output signals to the GPIO block, and the
watchdog-reset signal.
22.4.2 Compares and Matches
Each of the OS Timer Counter registers (OSCRx) is incremented on the rising edge of the
corresponding clock. The OS Timer Counter register, OSCRx, is compared with the appropriate
OS Timer Match register, OSMRx. When a match occurs, the match bit in the OS Timer Status
register (OSSRx) is set only if the corresponding interrupt-enable bit is set in the OS Timer
Interrupt Enable register (OIER). There are two exceptions to this rule:
Watchdog reset—When the OWER[WME] watchdog match-enable bit has been set, the
OIER[E3] interrupt-enable bit does not need to be set for a match to generate a watchdog reset.
The watchdog reset is sent out on the WDOG_RST pin instead of setting the OSSR[M3] bit.
+1
0
=
=
=
=
CKM0
CKM1
CKM2
CKM3
CKC0
M0
M1
M2
M3
RDATA
WDATA
OSMR0
OSMR1
OSMR2
OSMR3
OSCR0
+1
0
=
CKMx
CKCx
Mx
RDATA
WDATA
OSMRx
OSCRx
OSCR4 (ch 4–7)
OSCR8 (ch 8–11)
Intel® PXA27x Processor Family Developer’s Manual 22-5
Operating System Timers
If OMCRx[C] bit is not set, another exception occurs (see Table 22-2). In this case, only
OSCR4 is compared to OSMR[4:7] to generate OSSR[M4:M7] if the corresponding interrupt-
enable bit is set in the OIER register. Similarly, only OSCR8 is compared to OSMR[8:11] to
generate OSSR[M8:M11] if the corresponding interrupt-enable bit is set in the OIER register.
For channels 5–7 and channels 9–11, when OMCRx[C] is clear, the corresponding OSCRx register
is not incremented.
For channels 5–7 and channels 9–11, when OMCRx[C] is set, a write to the corresponding OSCRx
register starts the channel.
For channel 4 and channel 8 only, a write to the corresponding OSCRx register always starts the
channel.
22.4.3 PXA25x Processor Compatibility
The one Count register OSCR0 and four Match registers OSMR0–3 are identical to those in the
PXA25x processor. The watchdog-reset functionality is also unchanged. However, the input clock
that increments OSCR0 has changed. For the PXA25x processor, this clock was 3.6864 MHz. For
the PXA27x processor, the clock frequency is 3.25 MHz. Software must recalculate any time
periods that must be exact.
22.4.4 Timer Channels
In addition to the OSCR0 and four match registers OSMR0–3, the processor provides eight
additional timer channels (OSCR4–11) with a wider range of counter resolutions, interval and
periodic timers, synchronization features, output waveform generation, and low-power mode
operability. Each of the features is described in this section.
22.4.5 Counter Resolutions
The following sections discuss the possible resolutions for each counter register in the OS timer.
22.4.5.1 Clock Generation for Counter 0 Register
The OSCR0 Counter register always increments on the rising edge of the 3.25-MHz clock. This
clock is generated in the Channel Access/Control block by dividing the 13-MHz input clock
(CLK_13M) by four.
22.4.5.2 Clock Generation for Channels 4–7
Each of the four counters (OSCR7:4) can be configured to run at the following speeds:
32.768 kHz (1/32768th of a second)—This is the 32.768-kHz clock.
1 kHz (1 millisecond)—This clock is generated using the 32.768-kHz clock; it approximates 1
ms. The interval between clock increments averages one millisecond, but the time between
individual ticks varies because the counter resolution is derived from the 32.768-kHz clock.
Note: This clock may induce a gain of about 1 ms per minute (0.0017%) due to the approximation in
deriving this clock from the 32.768 kHz clock when the Timekeeping Oscillator is enabled
(OSCC[OON]=1).
22-6 Intel® PXA27x Processor Family Developer’s Manual
Operating System Timers
1 Hz (1 second)—This clock is generated using the 32.768-kHz clock; it approximates 1
second. The interval between ticks averages one second, but the time between individual ticks
varies because the counter resolution is derived from the 32.768-kHz clock.
1 MHz (1 microsecond)—This clock is derived from the 13-MHz clock.
The external clock input, CLK_EXT.
22.4.5.3 Clock Generation for Channels 8–11
Each of the four counters (OSCR8:11) can be configured to run at the following speeds:
32.768 kHz (1/32768th of a second)—This is the 32.768-kHz clock.
1 kHz (1 millisecond)—This clock is generated using the 32.768-kHz clock and approximates
1 ms. The interval between clock increments averages one millisecond, but the time between
individual ticks varies because the counter resolution is derived from the 32.768-kHz clock.
Note: This clock may induce a gain of about 1 ms per minute (0.0017%) due to the
approximation in deriving this clock from the 32.768 kHz clock when the Timekeeping
Oscillator is enabled (OSCC[OON]=1).
1 Hz (1 second)—This clock is generated using the 32.768-kHz clock; it approximates 1
second. The interval between ticks averages one second, but the time between individual ticks
varies because the counter resolution is derived from the 32.768-kHz clock.
1 MHz (1 microsecond)—Derived from the 13-MHz clock.
Same as the external clock input, CLK_EXT.
Same as the Frame Detect signal from SSP1.
Same as the Frame Detect signal from SSP2.
Same as the Frame Detect signal from SSP3.
1 kHz (1 millisecond)—Start-of-Frame signal from UDC.
22.4.6 External Synchronization (EXT_SYNC<1:0>)
For channel counters 4–11, when programmed with the OMCRx[S] field, the rising edge of either
of the external synchronization input signals EXT_SYNC<1:0> can be used to reset the
corresponding Channel Counter register, OSCRx. The timing diagram in Figure 22-4 shows an
example where:
OMCR6[S] field is programmed to 0b10 (reset on rising edge of EXT_SYNC<1>).
OMCR6[CES] field is programmed to 0b001 (the 32.768-kHz clock).
The EXT_SYNC<1:0> signals are brought into the OS timers block using two-stage synchronizers.
Intel® PXA27x Processor Family Developer’s Manual 22-7
Operating System Timers
Figure 22-4. Reset of OSCR6 Based on Rising Edge of EXT_SYNC<1> and Counter
Configured for 32-kHz Operation
22.4.7 Output Generation
There are two outputs from the OS timers block—CHOUT<1:0>. Channel 11 generates the
periodic output CHOUT<1>. Channel 10 generates the periodic output CHOUT<0>.
22.4.7.1 Output Generation for CHOUT<1:0>
For channels 11 and 10, if OMCRx[P] is set, the channel counter OSCRx is configured to be
periodic. This means that when a match occurs, the channel counter continues counting. If, in
addition, OMCRx[R] is set, the counter OSCRx is reset when this match occurs. The effect on the
output pin CHOUT<x> follows.
If OMCRx[R] and OMCRx[P] are cleared, the counter starts at zero and increments at the
selected clock rate (see Section 22.4.5.3) until OSCRx matches the value programmed in
OSMRx. Once this match occurs, the counter OSCRx stops incrementing and holds its match
value. The corresponding CHOUT<x> output pin is held low.
If OMCRx[R] is set, and OMCRx[P] is cleared, the counter starts at 0x0000_0000 and
increments at the selected clock rate (see Section 22.4.5.3) until OSCRx matched the value
programmed in OSMRx. Once this match occurs, the counter OSCRx resets to 0x0000_0000
and stops incrementing. The corresponding CHOUT<x> output pin is held low.
If OMCRx[R] is cleared, and OMCRx[P] is set, the counter starts at 0x0000_0000 and
increments at the selected clock rate (see Section 22.4.5.3) until OSCRx matches the value
programmed in OSMRx. Once this match occurs, CHOUT<x> is inverted, and the counter
OSCRx continues counting. When the counter reaches 0xFFFF_FFFF, it rolls over and
continues counting from 0x0000_0000.
If both OMCRx[R] and OMCRx[P] are set, the counter starts at 0x0000_0000 and increments
at the selected clock rate (see Section 22.4.5.3) until OSCRx matches the value programmed in
OSMRx. Once this match occurs, CHOUT<x> is inverted, the counter OSCRx is reset to
0x0000_0000, and incrementing of OSCRx resumes.
FFFF13FA FFFF13FB FFFF13FC 00000000 00000001 00000002
EXT_SYNC_1_sync is an internal signal that is EXT_SYNC<1> after going through a two-stage synchronizer.
0ms
50ms 100ms 150ms
CLK_32K
EXT_SYNC<1>
EXT_SYNC_1_sync
OSCR6
CLK_32K is a 32-kHz internal clock signal.
22-8 Intel® PXA27x Processor Family Developer’s Manual
Operating System Timers
22.4.8 Snapshot Mode
For channels 11 and 9, enable snapshot mode by setting OMCRx[N] (available only in these two
channels). While in snapshot mode, when a read operation of OSCR_11 is performed, a snapshot
of the value of OSCR_10 is taken and is transferred to OS Timer Snapshot register OSNR.
Similarly, if snapshot mode is enabled for channel 9, a read from OSCR_9 results in copying the
current value of OSCR_8 to OSNR. This mode allows software to read the timer values in two
channels simultaneously.
22.4.9 Operation in Low-Power Modes
Counter operation for low-power modes (standby and sleep) is summarized in this section.
Counters are not stopped but not reset when they are not operating in low-power modes. Counters
continue incrementing and checking for matches when operating in low-power modes. The
13-MHz input clock is configurable (either on or off) in standby mode.
Note: No counters operate in deep-sleep mode.
The OS timers block is in the PI power island.
To wake up using the OS timers, or if the OS timers block must be functional while in a low-
power mode, software must program PSTR[PI] or PSLR[PI] in standby or sleep mode,
respectively, to the RUN setting.
OSCR0 does not operate during any low-power mode.
The counter register OSCRx (only applies to OSCR4–11) operates in the low-power modes if
the clock is generated from the 32.768-kHz input clock, CLK_32K. The counter is configured
using OMCRx[CRES].
The counter register OSCRx (only applies to OSCR4–11) does not operate in the low-power
modes if the clock is generated from the external-input clock, CLK_EXT. The counter is
configured with OMCRx[CRES].
The counter register OSCRx (only applies to OSCR4–11) does not operate in the low-power
modes if PCFR[OPDE] and OSCC[OOK] are set and the clock is generated from the 13-MHz
input clock, CLK_13M. The counter is configured with OMCRx[CRES].
Intel® PXA27x Processor Family Developer’s Manual 22-9
Operating System Timers
22.5 Register Descriptions
The following sections describe the registers that configure the OS timers.
22.5.1 OS Match Control Registers (OMCRx)
The OS Match Control registers, shown in Table 22-2, Table 22-3, and Table 22-4, control the
operation of timer channels 4–11. Periodic control of the timer channels using OMCRx[P] and
OMCRx[R] affects timer channels 4–11. The registers have different capabilities and are grouped
as follows:
OMCR[[4–7]
OMCR[8] and OMCR[10]
OMCR[9] and OMCR[11]
These are read/write registers. Ignore reads from reserved bits. Write 0b0 to reserved bits.
Table 22-2. OMCR4/5/6/7 Bit Definitions (Sheet 1 of 2)
0x40A0_00C0
0x40A0_00C4
0x40A0_00C8
0x40A0_00CC
OMCR4
OMCR5
OMCR6
OMCR7
OS TImer
User
Settings
Bit 31 30 29 28 27 26 25 24 23 22 21 20 19 18 17 16 15 14 13 12 11 10 9 8 7 6 5 4 3 2 1 0
reserved C P S R CRES
Reset ? ? ? ? ? ? ? ? ? ? ? ? ? ? ? ? ? ? ? ? ? ? ? ? 0 0 0 0 0 0 0 0
Bits Access Name Description
31:8 — reserved
7R/WC
Channel 4–7 Match Against
0 = Channel x is compared to OSCR4 and OSCRx is not incremented.
1 = Channel x is compared to OSCRx and a write to OSCRx starts the
channel.
NOTE: For channel 4, the counter always operates as if this bit is set.
6R/WP
Periodic Timer
0 = The channel stops incrementing after detecting a match.
1 = The channel continues incrementing after detecting a match.
5:4 R/W S
External Synchronization Control
0b00 = No external synchronization
0b01 = Reset OSCRx on the rising edge of EXT_SYNC<0>.
0b10 = Reset OSCRx on the rising edge of EXT_SYNC<1>.
0b11 = reserved.
3R/WR
Reset OSCRx on Match
0 = Do not reset OSCRx on match.
1 = Reset OSCRx on match.
22-10 Intel® PXA27x Processor Family Developer’s Manual
Operating System Timers
2:0 R/W CRES
Counter Resolution
0b000 = The counter is disabled.
0b001 = 1/32768th of a second
0b010 = 1 millisecond. The interval between clock increments averages
one millisecond, but the time between individual clock increments
varies because the counter resolution is derived from the 32.768-
kHz clock.
0b011 = 1 second
0b100 = 1 microsecond
0b101 = Externally supplied clock. The counter resolution is the clock
period of the externally supplied clock.
0b110–0b111 = reserved
Any channel using a counter that is derived from the 32.768-kHz clock
continues to operate in standby and sleep mode. This applies to the values
of CRES between 0x1 and 0x3.
Any channel not using a counter that is derived from the 32.768-kHz clock
stops incrementing in standby, sleep, or deep-sleep mode. This applies to
the values of CRES of 0b100 and 0b101.
Table 22-2. OMCR4/5/6/7 Bit Definitions (Sheet 2 of 2)
0x40A0_00C0
0x40A0_00C4
0x40A0_00C8
0x40A0_00CC
OMCR4
OMCR5
OMCR6
OMCR7
OS TImer
User
Settings
Bit 31 30 29 28 27 26 25 24 23 22 21 20 19 18 17 16 15 14 13 12 11 10 9 8 7 6 5 4 3 2 1 0
reserved C P S R CRES
Reset ? ? ? ? ? ? ? ? ? ? ? ? ? ? ? ? ? ? ? ? ? ? ? ? 0 0 0 0 0 0 0 0
Bits Access Name Description
Intel® PXA27x Processor Family Developer’s Manual 22-11
Operating System Timers
Table 22-3. OMCR8/10 Bit Definitions (Sheet 1 of 2)
0x40A0_00D0
0x40A0_00D8 OMCR8
OMCR10 OS TImer
User
Settings
Bit 31 30 29 28 27 26 25 24 23 22 21 20 19 18 17 16 15 14 13 12 11 10 9 8 7 6 5 4 3 2 1 0
reserved
CRES[3]
CP S R CRES
Reset ? ? ? ? ? ? ? ? ? ? ? ? ? ? ? ? ? ? ? ? ? ? ? 0 0 0 0 0 0 0 0 0
Bits Access Name Description
31:9 — reserved
8 R/W CRES[3] Most significant bit to be appended to CRES (OMCR8/10[2:0])
7R/WC
Channel 8 and 10 Match Against
0 = Channel x is compared to OSCR8 and OSCRx is not incremented.
1 = Channel x is compared to OSCRx and a write to OSCRx starts the
channel.
NOTE: For channel 8 the counter always operates as if this is set.
6R/WP
Periodic Timer
0 = The channel stops incrementing after detecting a match.
1 = The channel continues incrementing after detecting a match.
5:4 R/W S
External Synchronization Control
0b00 = No external synchronization
0b01 = Reset OSCRx on the rising edge of EXT_SYNC<0>.
0b10 = Reset OSCRx on the rising edge of EXT_SYNC<1>.
0b11 = reserved
3R/WR
Reset OSCRx on Match
0 = Do not reset OSCRx on match.
1 = Reset OSCRx on match.
22-12 Intel® PXA27x Processor Family Developer’s Manual
Operating System Timers
2:0 R/W CRES
Counter Resolution
0b0000 = The counter is disabled.
0b0001 = 1/32768th of a second
0b0010 = 1 millisecond. The interval between clock increments averages
one millisecond, but the time between individual clock
increments varies because the counter resolution is derived from
the 32.768-kHz clock.
0b0011 = 1 second
0b0100 = 1 microsecond
0b0101 = Externally supplied clock. The counter resolution is the clock
period of the externally supplied clock.
0b0110 = SSP1 Frame Detect. The counter resolution is the SSP1 frame
detect rate.
0b0111 = SSP2 Frame Detect. The counter resolution is the SSP2 frame
detect rate.
0b1000 = SSP3 Frame Detect. The counter resolution is the SSP3 frame
detect rate.
0b1001 = UDC Frame Detect. The counter resolution is the UDC frame
detect rate.
0b10100b1111 = reserved
Any channel using a counter that is derived from the 32.768-kHz clock
continues to operate in standby and sleep mode. This applies to the values
of CRES between 0x1 and 0x3.
Any channel not using a counter that is derived from the 32.768-kHz clock
stops incrementing in standby, sleep, or deep-sleep mode. This applies to
the values of CRES between 0x4 and 0x9.
NOTE: The values shown in this field are the result of concatenating
CRES[3] with CRES.
Table 22-3. OMCR8/10 Bit Definitions (Sheet 2 of 2)
0x40A0_00D0
0x40A0_00D8 OMCR8
OMCR10 OS TImer
User
Settings
Bit 31 30 29 28 27 26 25 24 23 22 21 20 19 18 17 16 15 14 13 12 11 10 9 8 7 6 5 4 3 2 1 0
reserved
CRES[3]
C P S R CRES
Reset ? ? ? ? ? ? ? ? ? ? ? ? ? ? ? ? ? ? ? ? ? ? ? 0 0 0 0 0 0 0 0 0
Bits Access Name Description
Intel® PXA27x Processor Family Developer’s Manual 22-13
Operating System Timers
Table 22-4. OMCR9/11 Bit Definitions (Sheet 1 of 2)
0x40A0_00D4
0x40A0_00DC OMCR9
OMCR11 OS TImer
User
Settings
Bit 31 30 29 28 27 26 25 24 23 22 21 20 19 18 17 16 15 14 13 12 11 10 9 8 7 6 5 4 3 2 1 0
reserved N
CRES[3]
CP S R CRES
Reset ? ? ? ? ? ? ? ? ? ? ? ? ? ? ? ? ? ? ? ? ? ? 0 0 0 0 0 0 0 0 0 0
Bits Access Name Description
31:10 — reserved
9R/WN
Snapshot Mode
Channel 9:
0 = Snapshot mode is disabled.
1 = Read from OSCR9 copies contents of OSCR8 to OSNR.
Channel 11:
0 = Snapshot mode is disabled.
1 = Read from OSCR11 copies contents of OSCR10 to OSNR.
8 R/W CRES[3] Most significant bit to be appended to CRES (OMCR8/10[2:0])
7R/WC
Channel 9 and 11 Match Against
0 = Channel x is compared to OSCR8 and OSCRx is not incremented.
1 = Channel x is compared to OSCRx and a write to OSCRx starts the
channel.
6R/WP
Periodic Timer
0 = The channel stops incrementing after detecting a match.
1 = The channel continues incrementing after detecting a match.
5:4 R/W S
External Synchronization Control
0b00 = No external synchronization
0b01 = Reset OSCRx on the rising edge of EXT_SYNC<0>.
0b10 = Reset OSCRx on the rising edge of EXT_SYNC<1>.
0b11 = reserved.
3R/WR
Reset OSCRx on Match
0 = Do not reset OSCRx on match.
1 = Reset OSCRx on match.
22-14 Intel® PXA27x Processor Family Developer’s Manual
Operating System Timers
22.5.2 OS Timer Match Registers (OSMRx)
OSMR0–OSMR3 are compared against the OSCR0 register after every rising edge of the
3.25-MHz clock.
The OSMR3 register can also serve as a watchdog timer (see Section 22.5.7).
OSMR4–OSMR11 are compared against an OS Counter register after every rising edge of the
clock selected by the CRES field of the appropriate Match Control register (see Section 22.5.1).
2:0 R/W CRES
Counter Resolution
0b0000 = The counter is disabled.
0b0001 = 1/32768th of a second
0b0010 = 1 millisecond. The interval between clock increments averages
one millisecond, but the time between individual clock
increments varies because the counter resolution is derived from
the 32.768-kHz clock.
0b0011 = 1 second
0b0100 = 1 microsecond
0b0101 = Externally supplied clock. The counter resolution is the clock
period of the externally supplied clock.
0b0110 = SSP1 Frame Detect. The counter resolution is the SSP1 frame
detect rate.
0b0111 = SSP2 Frame Detect. The counter resolution is the SSP2 frame
detect rate.
0b1000 = SSP3 Frame Detect. The counter resolution is the SSP3 frame
detect rate.
0b1001 = UDC Frame Detect. The counter resolution is the UDC frame
detect rate.
0b10100b1111 = reserved
Any channel using a counter that is derived from the 32.768-kHz clock
continues to operate in standby and sleep mode. This applies to the values
of CRES between 0x1 and 0x3.
Any channel not using a counter that is derived from the 32.768-kHz clock
stops incrementing in standby, sleep, or deep-sleep mode. This applies to
the values of CRES between 0x4 and 0x9.
NOTE: The values shown in this field are the result of concatenating
CRES[3] with CRES.
Table 22-4. OMCR9/11 Bit Definitions (Sheet 2 of 2)
0x40A0_00D4
0x40A0_00DC OMCR9
OMCR11 OS TImer
User
Settings
Bit 31 30 29 28 27 26 25 24 23 22 21 20 19 18 17 16 15 14 13 12 11 10 9 8 7 6 5 4 3 2 1 0
reserved N
CRES[3]
C P S R CRES
Reset ? ? ? ? ? ? ? ? ? ? ? ? ? ? ? ? ? ? ? ? ? ? 0 0 0 0 0 0 0 0 0 0
Bits Access Name Description
Intel® PXA27x Processor Family Developer’s Manual 22-15
Operating System Timers
If any of these registers matches the configured counter register (OSCRx), the corresponding status
bit in OSSR is set. The status bits are routed to the interrupt controller where they generate a CPU
interrupt (see Section 22.5.4) it the corresponding interrupt is enabled.
These are read/write registers. Ignore reads from reserved bits. Write 0b0 to reserved bits.
22.5.3 OS Timer Watchdog Match Enable Register (OWER)
OSCR0 can be programmed to generate a watchdog-reset signal. When OWER[WME] is set,
OSCR0 is compared to OSMR3 every rising edge of the 3.25-MHz clock. If a match is detected,
the output pin nRESET_OUT is asserted; a reset is applied to the PXA27x processor and most
internal states are cleared. The only way to clear this pin is with a reset function (hardware reset,
sleep-exit reset, watchdog reset, or GPIO reset).
The following procedure is suggested when using OSMR3 as a watchdog:
Each time the operating system services the register, the current value of the counter is read,
and a number is then added to the value read, corresponding to the amount of time before the
next time-out (be sure to account for counter wraparound)
This number is then written back to OSMR3.
The OS code must repeat this procedure periodically before each match occurs. If the match
occurs, the OS timer asserts the WDOG_RST pin. This pin can be reset only by one of the
reset functions (hardware reset, sleep-exit reset, watchdog reset, or GPIO reset)
The Watchdog Match Enable register contains a single control bit (bit 0) that enables the watchdog
function by setting this bit. Once enabled, the watchdog function can be disabled only by one of the
reset functions (hardware reset, sleep-exit reset, watchdog reset, or GPIO reset). Writing a zero to
the Watchdog Match Enable bit after it has been set has no effect. Table 22-6 shows the bit
locations for the OWER register.
This is a read/write register. Ignore reads from reserved bits. Write 0b0 to reserved bits.
Table 22-5. OSMR 0–11 Bit Definitions
0x40A0_0000–0x40A0_000C
0x40A0_0080–0x40A0_009C OSMR0–OSMR3
OSMR4–OSMR11 OS Timer
User
Settings
Bit 31 30 29 28 27 26 25 24 23 22 21 20 19 18 17 16 15 14 13 12 11 10 9 8 7 6 5 4 3 2 1 0
Match_Value
Reset 0 0 0 0 0 0 0 0 0 0 0 0 0 0 0 0 0 0 0 0 0 0 0 0 0 0 0 0 0 0 0 0
Bits Access Name Description
31:0 R/W Match_Value Match Value
Value that is compared with OSCRx.
22-16 Intel® PXA27x Processor Family Developer’s Manual
Operating System Timers
22.5.4 OS Timer Interrupt Enable Register (OIER)
This register contains 12 enable bits that configure whether a match between one of the OS Match
registers and an OS Counter register sets a status bit in the OSSR. Each match register has a
corresponding enable bit. Clearing an enable bit does not clear the corresponding interrupt status
bit if that bit is already set. See Table 22-7.
This is a read/write register. Ignore reads from reserved bits. Write 0b0 to reserved bits.
22.5.5 OS Timer Count Register 0 (OSCR0)
This register is incremented on rising edges of the 3.25-MHz clock. The counter can be read or
written at any time. Table 22-8 shows the bit definitions.
This is a read/write register. Ignore reads from reserved bits. Write 0b0 to reserved bits.
Table 22-6. OWER Bit Definitions
0x40A0_0018 OWER OS Timer
User
Settings
Bit 31 30 29 28 27 26 25 24 23 22 21 20 19 18 17 16 15 14 13 12 11 10 9 8 7 6 5 4 3 2 1 0
reserved
WME
Reset ? ? ? ? ? ? ? ? ? ? ? ? ? ? ? ? ? ? ? ? ? ? ? ? ? ? ? ? ? ? ? 0
Bits Access Name Description
31:1 reserved reserved
Read as unknown and must be written as zero.
0R/WWME
Watchdog Match Enable
0 = OSMR3 match with OSCR0 does not cause a reset of the processor.
1 = OSMR3 match with OSCR0 causes a reset of the processor.
Table 22-7. OIER Bit Definitions
0x40A0_001C OIER OS Timer
User
Settings
Bit 31 30 29 28 27 26 25 24 23 22 21 20 19 18 17 16 15 14 13 12 11 10 9 8 7 6 5 4 3 2 1 0
reserved
E11
E10
E9
E8
E7
E6
E5
E4
E3
E2
E1
E0
Reset ? ? ? ? ? ? ? ? ? ? ? ? ? ? ? ? ? ? ? ? 0 0 0 0 0 0 0 0 0 0 0 0
Bits Access Name Description
31:12 — reserved
11:0 R/W E{n}
Interrupt Enable Channel n
0 = No interrupt bit is asserted on a match.
1 = Assert the interrupt bit M(n) in the OSSR if a match occurs between
OSMRn and the OS timer.
Intel® PXA27x Processor Family Developer’s Manual 22-17
Operating System Timers
22.5.6 OS Timer Count Registers (OSCR4–11)
These OS Timer Count registers increment on rising edges of the clock selected by the CRES field
of the appropriate Match Control register (see Section 22.5.1). A counter can be read or written at
any time. Table 22-9 shows the bit definitions.
This is a read/write register. Ignore reads from reserved bits. Write 0b0 to reserved bits.
22.5.7 OS Timer Status Register (OSSR)
This status register contains status bits to indicate if a match has occurred between any of the 12
OS Match registers and the OS Counter registers. These bits are set when a match event occurs and
the corresponding interrupt-enable bit is set in the OIER register. If a match value is loaded that
equals any of the current OS Counter registers, or a Counter register is loaded with a value that
Table 22-8. OSCR0 Bit Definitions
0x40A0_0010 OSCR0 OS Timer
User
Settings
Bit 31 30 29 28 27 26 25 24 23 22 21 20 19 18 17 16 15 14 13 12 11 10 9 8 7 6 5 4 3 2 1 0
Count
Reset 0 0 0 0 0 0 0 0 0 0 0 0 0 0 0 0 0 0 0 0 0 0 0 0 0 0 0 0 0 0 0 0
Bits Access Name Description
31:0 R/W Count Count
This field increments on every rising edge of the 3.25-MHz clock.
Table 22-9. OSCR4–11 Bit Definitions
0x40A0_0040
0x40A0_0044
0x40A0_0048
0x40A0_004C
0x40A0_0050
0x40A0_0054
0x40A0_0058
0x40A0_005C
OSCR4
OSCR5
OSCR6
OSCR7
OSCR8
OSCR9
OSCR10
OSCR11
OS Timer
User
Settings
Bit 31 30 29 28 27 26 25 24 23 22 21 20 19 18 17 16 15 14 13 12 11 10 9 8 7 6 5 4 3 2 1 0
Count
Reset 0 0 0 0 0 0 0 0 0 0 0 0 0 0 0 0 0 0 0 0 0 0 0 0 0 0 0 0 0 0 0 0
Bits Access Name Description
31:0 R/W Count
Count
This field increments on every rising edge of the clock specified by the
CRES field of the appropriate OMCR register.
22-18 Intel® PXA27x Processor Family Developer’s Manual
Operating System Timers
equals any of the match registers, the status bit is set immediately, before the next rising clock edge
for the counters. The OSSR bits are cleared by setting the proper bit position. Clearing any bit
locations in this register has no effect. Table 22-11 shows the bit locations for OSSR.
Match registers 0–3 generate separate interrupts to the interrupt controller but match registers 4–11
generate only a single interrupt, and software must determine the source from the value in the
OSSR register.
This is a read/write register. Ignore reads from reserved bits. Write 0b0 to reserved bits.
22.5.8 OS Timer Snapshot Register (OSNR)
This status register contains snapshot value of either OSCR8 or OSCR10. When snapshot mode is
enabled in OMCR9 and OSCR9 is read, the contents of OSCR8 are copied to OSNR. Similarly,
when snapshot mode is enabled in OMCR11 and OSCR11 is read, the contents of OSCR10 are
copied to OSNR.
This is a read-only register. Ignore reads from reserved bits.
Table 22-10. OSSR Bit Definitions
0x40A0_0014 OSSR OS TImer
User
Settings
Bit 31 30 29 28 27 26 25 24 23 22 21 20 19 18 17 16 15 14 13 12 11 10 9 8 7 6 5 4 3 2 1 0
reserved
M11
M10
M9
M8
M7
M6
M5
M4
M3
M2
M1
M0
Reset ? ? ? ? ? ? ? ? ? ? ? ? ? ? ? ? ? ? ? ? 0 0 0 0 0 0 0 0 0 0 0 0
Bits Access Name Description
31:12 reserved — reserved
11:0 R/W M{n}
Match Status Channel n
If OIER(n) is set then:
0 = No OSMRn match has occurred since the last clear.
1 = An OSMRn match has occurred since the last clear.
Table 22-11. OSNR Bit Definitions
0x40A0_0020 OSNR OS TImer
User
Settings
Bit 31 30 29 28 27 26 25 24 23 22 21 20 19 18 17 16 15 14 13 12 11 10 9 8 7 6 5 4 3 2 1 0
Snapshot_Value
Reset 00000000000000000000000000000000
Bits Access Name Description
31:0 R Snapshot_
Value
Snapshot Value
The snapshot value of channel 8 or channel 10
Intel® PXA27x Processor Family Developer’s Manual 22-19
Operating System Timers
22.6 Register Summary
Table 22-12 shows the registers associated with the OS timers and the physical addresses to access
them.
Table 22-12. OS Timers Register Summary (Sheet 1 of 2)
Address Name Description Page
0x40A0_0000 OSMR0 OS Timer Match 0 register 22-15
0x40A0_0004 OSMR1 OS Timer Match 1 register 22-15
0x40A0_0008 OSMR2 OS Timer Match 2 register 22-15
0x40A0_000C OSMR3 OS Timer Match 3 register 22-15
0x40A0_0010 OSCR0 OS Timer Counter 0 register 22-17
0x40A0_0014 OSSR OS Timer Status register (used for all counters) 22-18
0x40A0_0018 OWER OS Timer Watchdog Enable register 22-16
0x40A0_001C OIER OS Timer Interrupt Enable register (used for all counters) 22-16
0x40A0_0020 OSNR OS Timer Snapshot register 22-19
0x40A0_0024
0x40A0_003C reserved
0x40A0_0040 OSCR4
OS Timer Counter 4–11 registers 22-17
0x40A0_0044 OSCR5
0x40A0_0048 OSCR6
0x40A0_004C OSCR7
0x40A0_0050 OSCR8
0x40A0_0054 OSCR9
0x40A0_0058 OSCR10
0x40A0_005C OSCR11
0x40A0_0060–
0x40A0_007C reserved
0x40A0_0080 OSMR4
OS Timer Match 4–11 registers 22-15
0x40A0_0084 OSMR5
0x40A0_0088 OSMR6
0x40A0_008C OSMR7
0x40A0_0090 OSMR8
0x40A0_0094 OSMR9
0x40A0_0098 OSMR10
0x40A0_009C OSMR11
0x40A0_00A0–
0x40A0_00BC reserved
22-20 Intel® PXA27x Processor Family Developer’s Manual
Operating System Timers
0x40A0_00C0 OMCR4
OS Match Control 4–7 registers 22-9
0x40A0_00C4 OMCR5
0x40A0_00C8 OMCR6
0x40A0_00CC OMCR7
0x40A0_00D0 OMCR8 OS Match Control 8 register 22-11
0x40A0_00D4 OMCR9 OS Match Control 9 register 22-13
0x40A0_00D8 OMCR10 OS Match Control 10 register 22-11
0x40A0_00DC OMCR11 OS Match Control 11 register 22-13
0x40A0_00E0–
0x40AF_FFFC reserved
Table 22-12. OS Timers Register Summary (Sheet 2 of 2)
Address Name Description Page
Intel® PXA27x Processor Family Developer’s Manual 23-1
Pulse Width Modulator Controller 23
The pulse width modulator (PWM) controller generates four independent PWM outputs. Specific
applications of the PWM controller vary. In general, the PWM controller provides a basic digital-
to-analog converter with an appropriate analog filter. Examples include:
Controlling the brightness of an LED output by modulating the “on” time
LCD contrast control
23.1 Overview
The PXA27x processor contains four PWMs, PWM0–PWM3. Each PWM operates independently
of the others, is configured by its own set of registers, and provides a pulse-width modulated signal
on an external pin. Because each PWM contains identical circuitry, a generic PWM<x>, where x is
0, 1, 2, or 3, is described.
Each PWM function enables the control of leading- and falling-edge timing of a single output
channel. The edge timing can be set up to run indefinitely or adjusted on the fly to adapt to variable
requirements. Power-saving modes include the ability to stop the PSCLK_PWM used to source the
PWM<x> and drive the PWM_OUT<x> signals to a steady high or low state.
The frequency range supporting a 50% duty cycle varies from 49.6 kHz to 1.625 MHz. Other duty-
cycle options depend on the choice of desired frequency.
23.2 Features
Four pulse-width modulated output channels
Enhanced period control through 6-bit clock divider and 10-bit period counter
10-bit pulse control
23-2 Intel® PXA27x Processor Family Developer’s Manual
Pulse Width Modulator Controller
23.3 Signal Descriptions
Output signals are the four single-bit output channels defined as PWM_OUT<0>, PWM_OUT<1>,
PWM_OUT<2>, and PWM_OUT<3> (see Table 23-1). These signals are sent to GPIO
multiplexers.
23.4 Operation
Pulse-width modulated outputs, once programmed, output a specified waveform until the value in
any associated register is altered.
For PWMPCRx[PV] values 0x005 and larger—After a register value is altered, the
PWM_OUT<x> output changes when the previously programmed waveform cycle is
complete.
For PWMPCRx[PV] values less than 0x005—After a register value is altered, the
PWM_OUT<x> output changes after two waveform cycles.
To program the PWM controller, determine the period and pulse-width values. The period value is
based on two registers, PWMPCRx and PWMCRx.
Each of the four PWM channels can be independently shut down to save power.
The output waveform in Figure 23-1 is derived by writing the PWMPCRx register with a value of
10(0x00A) and writing the PWMDCRx register with 0x06.
Table 23-1. Pulse Width Modulator I/O Signal Descriptions
Signal Name Direction Description
PWM_OUT<0> Output Pulse-width modulated output signal for PWM 0
PWM_OUT<1> Output Pulse-width modulated output signal for PWM 1
PWM_OUT<2> Output Pulse-width modulated output signal for PWM 2
PWM_OUT<3> Output Pulse-width modulated output signal for PWM 3
Intel® PXA27x Processor Family Developer’s Manual 23-3
Pulse Width Modulator Controller
Figure 23-1. Basic Pulse Width Modulated Waveform
Programming PWMCRx[PRESCALE] configures the Scaled Counter Clock (refer to Figure 23-3).
Two timing examples are provided in Figure 23-2. Both examples have the PWMDCRx and
PWMPCRx registers set with the same 50% duty cycle setting. The first example shows the effect
on the Scaled Counter Clock effectively being divided by two with a setting of 0x01, while the
second example shows the Scaled Counter Clock being divided by four with a setting of 0x03. For
more information regarding the calculation of waveform values, see Section 23.4.4 and
Figure 23-3.
Figure 23-2. Effects of PWMCRx Settings
PWM_OUT<x>
PWMDCRx = 6
PWMPCRx = 10 (+1)
Scaled counter clock
Internal counter
0x00 0x01 0x02 0x03 0x04 0x05 0x06 0x07 0x08 0x09 0x10 0x11
PSCLK_PWM<x> (13 MHz)
Internal counter
PSCLK_PWM<x>
PWMCRx[PRESCALE] = 0x001
PWMDCRx[DCYCLE] = 0x001
PWM_OUT<x>
PSCLK_PWM<x>
PWMPCRx[PV]
= 0x001
PWMDCRx[DCYCLE]
= 0x001
PWMCRx[PRESCALE]
= 0x003
Internal counter
PWM_OUT<x>
0x000
0x001
0x000 0x001
0x000
0x001
0x000
50% duty cycle
Example 1: Clock divided by 2
Example 2: Clock divided by 4
PWMPCRx[PV] = 0x001
† The effective value of this field is one greater than the programmed value. Refer to register descriptions.
register setup
50% duty cycle
register setup
23-4 Intel® PXA27x Processor Family Developer’s Manual
Pulse Width Modulator Controller
23.4.1 Block Diagram
Figure 23-3 shows the block diagram for the PWM control logic.
Figure 23-3. PWM<x> Block Diagram
23.4.2 Interdependencies
PWM<x> module clocks are supplied by the clock unit. The signals are based on the 13-MHz
clock and must be a minimum of two clock cycles wide. These signals are sent from the PXA27x
processor by configuring the GPIOs.
Each PWM<x> is controlled by three registers: the Pulse Width Control register (PWMCRx), the
Duty-Cycle Control register (PWMDCRx), and the Period Control register (PWMPCRx). Using
the values in these registers, the PWM<x> unit produces a pulse-width modulated output signal.
The registers contain the values for PWM<x> counters and PWM<x> power-management mode.
23.4.3 Reset Sequence
During system reset, the PWMCRx and PWMDCRx registers are reset to 0 and the PWMPCRx
register is set to 0x004. Externally, reset places the PWM_OUT<x> channels in a steady low state.
Internally, the 6-bit down counter is reset to 0x0 and passes PSCLK_PWM<x> on to the Scaled
Peripheral
Peripheral
PSCLK_PWM<x> 13 MHz
Clock
Gate
6-BIT DOWN COUNTER
PWMCR_HOLDx
PWMPCR_HOLDx
PWMCRx
PWMPCRx
PWMDCRx
RST COMPARATOR
SET COMPARATOR
10-BIT UP COUNTER
PWMDCR_HOLDx
Clock and Control
Address and Data
Control Block
F-F
RESET
SET
PWM_OUT<x>
PRESCALEx
Peripheral Reset
Totalreset_N
Scaled counter
clock
Bus
Register Block
Intel® PXA27x Processor Family Developer’s Manual 23-5
Pulse Width Modulator Controller
Count Clock and to the 10-bit up counter, which causes the 10-bit up counter to count continuously
from 0x0 to 0x4. The PWM_OUT<x> channel remains reset to 0 until the PWMDCRx register is
programed with a non-zero value. Therefore, system reset results in no pulse-width modulated
signal.
The register interface can be reset independently during operation using the peripheral bus reset.
Each PWM<x> contains three registers that control the clock, the period, and the duty cycle timing
of the PWM_OUT<x>. The following sections provide a summary (Table 23-5) and detailed
register descriptions (Table 23-2, Table 23-3, and Table 23-4).
23.4.4 Programming Considerations
The PWMs use three registers to configure the output of each PWM<x> signal: PWMCRx,
PWMDCRx, and PWMPCRx.
PWM<x> timing is based on the input clock to the PWM<x> controller, PSCLK_PWM<x>, which
is fixed at 13 MHz. This signal is divided by (PWMCRx[PRESCALE] + 1) to generate the Scaled
Counter Clock. The 6-bit PRESCALE field allows the input clock to be divided by values between
1 (PRESCALE = 0) and 64 (PRESCALE = 63). The Scaled Counter Clock is further divided by
contents of the PWMDCRx and PWMPCRx registers to generate the duty cycle (time asserted) and
period of the PWM<x> signal.
To calculate the frequency of the Scaled Counter Clock, use the following equation:
Scaled Counter Clock frequency = 13 MHz / (PWMCRx[PRESCALE] + 1)
To calculate the cycle time of the Scaled Counter Clock, use the following equation:
Scaled Counter Clock cycle time = 76.9 ns x (PWMCRx[PRESCALE] + 1)
Both the period and the duty cycle of the PWM are based on the Scaled Counter Clock cycle time.
The PWM_OUT<x> signal is asserted for the number of Scaled Counter Clock cycles equal to
PWMDCRx[DCYCLE].
To calculate the duty cycle time of the PWM, use the following equation:
Duty cycle time = Scaled Counter Clock cycle time x PWMDCRx[DCYCLE]
which also equals:
Duty cycle time = 76.9nS x (PWMCRx[PRESCALE] + 1) x PWMDCRx[DCYCLE]
The PWM Period Control register (PWMPCRx) determines the number of Scaled Counter Clock
cycles each PWM period contains. The actual number of clocks is the value of PWMPCRx[PV]
plus one. When the RST comparator in Figure 23-3 equals (PWMPCRx[PV] + 1), the comparators
and the flip-flop are reset, and the values of the PWMDCR_HOLDx, PWMCR_HOLDx, and
PWMPCR_HOLDx registers are loaded from the control block.
To calculate the period of the PWM, use the following equation:
PWM period = Scaled Counter Clock period x (PWMPCRx[PV] + 1)
which also equals:
PWM cycle time = 76.9nS x (PWMCRx[PRESCALE] + 1) x (PWMPCRx[PV] + 1)
Note: The PWMDCRx[FD] bit determines if PWM_OUT<x> is always asserted. When this bit is set,
PWM_OUT<x> remains high until PWMDCRx[FD] is cleared.
23-6 Intel® PXA27x Processor Family Developer’s Manual
Pulse Width Modulator Controller
To produce a toggle of the output, ensure that the value of the PWMPCRx[PV] remains equal to or
greater than PWMDCRx[DCYCLE]. If PWMPCRx[PV] is less than PWMDCRx[DCYCLE], the
PWM_OUT<x> output remains high. Ensure that the PWMDCRx[DCYCLE] is greater than one.
If it equals zero, the output remains low.
23.4.5 Power Management
Each PWM<x> can be disabled through a pair of clock-enable bits (see Section 3.8.2.2, “Clock
Enable Register (CKEN)” on page 3-98). If the clock is disabled, the unit shuts down abruptly or
gracefully (as selected by the PWMPCRx[SD] described in Section 23.5.1).
For a graceful shutdown, PWM_OUT<x> completes the current cycle before it stops.
For an abrupt shutdown, PWM_OUT<x> stops immediately.
Shutdown for the PWM modules is defined as the clock stopping. If power is removed after the
clock is stopped, the registers are placed in an unknown state and must be rewritten.
Intel® PXA27x Processor Family Developer’s Manual 23-7
Pulse Width Modulator Controller
23.5 Register Descriptions
23.5.1 PWM Control Registers (PWMCRx)
The PWM<x> Control registers (PWMCRx), defined in Table 23-2, configure the behavioral
characteristics of the PWM<x> shut-down response and the divisor for the input clocks to the
PWM<x> control unit that configures the frequency of the Scaled Counter Clock.
The 13-MHz clock (PSCLK_PWM<x>) is divided by (PWMCRx[PRESCALE] + 1) to generate
the Scaled Counter Clock (see Figure 23-3). The Scaled Counter Clock clocks the counters and the
flip-flops that control the level of PWM<x>.
Each PWM<x> can shut down gracefully or abruptly, depending on the PWMCRx[SD] setting. If
PWMCRx[SD] is set, a graceful shutdown is configured and the duty-cycle counter completes its
count before PWM<x> enters the power-management mode. If PWMCRx[SD] is cleared, an
abrupt shutdown is configured, the prescale and duty-cycle counters are immediately reset to the
reload values in their associated registers, and PWM<x> immediately enters the shutdown mode.
The PWM_OUT<x> signal may be delayed by at most one PSCLK_PWM<x> clock period. See
Section 3.6, “Power Manager Operation” on page 3-34 for power-management information.
These are read/write registers. Ignore reads from reserved bits. Write 0b0 to reserved bits.
Table 23-2. PWMCR0/1/2/3 Bit Definitions
Physical Address
0x40B0_0000
0x40C0_0000
0x40B0_0010
0x40C0_0010
PWMCR0
PWMCR1
PWMCR2
PWMCR3
PWM Controller
User
Settings
Bit 31 30 29 28 27 26 25 24 23 22 21 20 19 18 17 16 15 14 13 12 11 10 9 8 7 6 5 4 3 2 1 0
reserved
SD
PRESCALE
Reset ? ? ? ? ? ? ? ? ? ? ? ? ? ? ? ? ? ? ? ? ? ? ? ? ? 0 0 0 0 0 0 0
Bits Access Name Description
31:7 — reserved
6R/WSD
Pulse Width Modulator Shutdown Mode
0 = Graceful shutdown of PWM<x> when the processor transitions to
power management mode.
1 = Abrupt shutdown of PWM<x> when the processor transitions to
power management mode.
5:0 R/W PRESCALE The scaled counter clock frequency is:
PSCLK_PWM<x> / (PRESCALEx +1)
23-8 Intel® PXA27x Processor Family Developer’s Manual
Pulse Width Modulator Controller
23.5.2 PWM Duty Cycle Registers (PWMDCRx)
The PWM<x> Duty Cycle registers (PWMDCRx), defined in Table 23-3, configure the duty cycle
of the corresponding PWM_OUT<x> signals.
PWMDCRx[DCYCLE] specifies the number of Scaled Counter Clocks that PWM_OUT<x> is
asserted during each cycle of the PWM_OUT<x>. Refer to Section 23.4.4 and Figure 23-3 for
details on calculating the value of PWMDCRx[DCYCLE].
If PWMDCRx[FD] is set, PWM_OUT<x> remains high until PWMDCRx[FD] is cleared. This
results in a duty cycle of 100%. Typically, PWMDCRx[FD] is cleared and the duty cycle of
PWM_OUT<x> is a function of PWMDCRx[DCYCLE].
These are read/write registers. Ignore reads from reserved bits. Write 0b0 to reserved bits.
Table 23-3. PWMDCR0/1/2/3 Bit Definitions
Physical Address
0x40B0_0004
0x40C0_0004
0x40B0_0014
0x40C0_0014
PWMDCR0
PWMDCR1
PWMDCR2
PWMDCR3
PWM Controller
User
Settings
Bit 31 30 29 28 27 26 25 24 23 22 21 20 19 18 17 16 15 14 13 12 11 10 9 8 7 6 5 4 3 2 1 0
reserved
FD
DCYCLE
Reset ? ? ? ? ? ? ? ? ? ? ? ? ? ? ? ? ? ? ? ? ? 0 0 0 0 0 0 0 0 0 0 0
Bits Access Name Description
31:11 — reserved
10 R/W FD
Full Duty Cycle
0 = PWM_OUT<x> is determined by DCYCLE value.
1 = PWM_OUT<x> is continuously asserted.
9:0 R/W DCYCLE
Duty Cycle of PWM_OUT<x>
0 = PWM_OUT<x> is continuously deasserted.
1 = PWM_OUT<x> is high for the number of 13-MHz clock periods equal
to PWMDCRx[DCYCLE] x (PWMCRx[PRESCALE]+ 1),
which is a time equal to
PWMDCRx[DCYCLE] x (PWMCRx[PRESCALE] + 1) x 76.9 ns
If FD is set, DCYCLE has no effect on the output of PWM<x>.
Intel® PXA27x Processor Family Developer’s Manual 23-9
Pulse Width Modulator Controller
23.5.3 PWM Period Control Registers (PWMPCRx)
The Period Control registers (PWMPCRx), defined in Table 23-4, configure the cycle time of the
corresponding PWM_OUT<x> signals.
PWMPCRx[PV] specifies the number of Scaled Counter Clocks (plus one) in each cycle of the
PWM_OUT<x>. Refer to Section 23.4.4 and Figure 23-3 for details on calculating the value of
PWMPCRx[PV].
If these registers are cleared, the period is two scaled clock cycles, and the PWM_OUT<x> output
maintains a high state.
These are read/write registers. Ignore reads from reserved bits. Write 0b0 to reserved bits.
Table 23-4. PWMPCR0/1/2/3 Bit Definitions
Physical Address
0x40B0_0008
0x40C0_0008
0x40B0_0018
0x40C0_0018
PWMPCR0
PWMPCR1
PWMPCR2
PWMPCR3
PWM Controller
User
Settings
Bit 31 30 29 28 27 26 25 24 23 22 21 20 19 18 17 16 15 14 13 12 11 10 9 8 7 6 5 4 3 2 1 0
reserved PV
Reset ? ? ? ? ? ? ? ? ? ? ? ? ? ? ? ? ? ? ? ? ? ? 0 0 0 0 0 0 0 1 0 0
Bits Access Name Description
31:10 — reserved
9:0 R/W PV
Period Value
The value of scaled clock cycles per cycle of PWM_OUT<x> plus one.
If all zeros are written to this register, a single clock cycle count is produced,
and the output remains high.
23-10 Intel® PXA27x Processor Family Developer’s Manual
Pulse Width Modulator Controller
23.6 Register Summary
Table 23-5 shows the registers associated with the PWM controller and the physical addresses to
access them.
Table 23-5. PWM Control Registers
Address Name Description Page
0x40B0_0000 PWMCR0 PWM 0 Control register 23-7
0x40B0_0004 PWMDCR0 PWM 0 Duty Cycle register 23-8
0x40B0_0008 PWMPCR0 PWM 0 Period register 23-9
0x40B0_000C reserved
0x40B0_0010 PWMCR2 PWM 2 Control register 23-7
0x40B0_0014 PWMDCR2 PWM 2 Duty Cycle register 23-8
0x40B0_0018 PWMPCR2 PWM 2 Period register 23-9
0x40B0_001C– 0x40BF_FFFC reserved
0x40C0_0000 PWMCR1 PWM 1 Control register 23-7
0x40C0_0004 PWMDCR1 PWM 1 Duty Cycle register 23-8
0x40C0_0008 PWMPCR1 PWM 1 Period register 23-9
0x40C0_000C reserved
0x40C0_0010 PWMCR3 PWM 3 Control register 23-7
0x40C0_0014 PWMDCR3 PWM 3 Duty Cycle register 23-8
0x40C0_0018 PWMPCR3 PWM 3 Period register 23-9
0x40C0_001C–0x40CF_FFFC reserved
Intel® PXA27x Processor Family Developer’s Manual 24-1
General-Purpose I/O Controller 24
This chapter describes the operation of the general-purpose I/O (GPIO) controller.
24.1 Overview
The PXA27x processor provides 1211 highly-multiplexed general-purpose I/O (GPIO) pins for use
in generating and capturing application-specific input and output signals. Each pin can be
programmed as an output, an input, or as bidirectional for certain alternate functions (that override
the value programmed in the GPIO direction registers). When programmed as an input, a GPIO can
also serve as an interrupt source. All GPIO pins are configured as inputs during the assertion of all
resets, and they remain inputs until configured otherwise. In addition, select special-function GPIO
pins serve as bidirectional pins where the I/O direction is driven from the respective unit
(overriding the GPIO direction register).
To minimize power consumption, configure all unused GPIOs as outputs.
A subset of the GPIO pins can generate wake-up events to bring the processor out of sleep and
deep-sleep modes, as described in Section 24.4.1. When the PXA27x processor comes out of sleep
or reset (hardware reset, power-on reset, GPIO reset, watch dog reset, sleep, or deep-sleep), the
GPIO input path is disabled until the read disable hold (PSSR[RDH]) bit is cleared. PSSR[RDH]
must not be cleared until the GPIO registers have been configured for their respective functions.
GPIO pins may have alternate input and output functions. A pin may serve either as GPIO or as an
alternate function, but not as both at the same time, as described in Section 24.4.2.
24.2 Features
Most of the peripheral pins double as GPIO pins. This section lists the general features of the
GPIO.
As inputs, the GPIOs can be sampled or programmed to generate interrupts from either rising
or falling edges.
As outputs, the GPIOs can be individually cleared or set. They can be preprogrammed to either
state when entering sleep or deep-sleep mode.
Each GPIO can be programmed to alternate functions, providing system flexibility.
24.3 Signal Descriptions
Table 24-1 describes the signals associated with the GPIO controller. The GPIO signals are
multiplexed with other signal pins that are described in the corresponding chapters.
1. Although the PXA27x processor has 121 GPIO pins, only 119 are bonded out in the PXA270 processor. All 121 GPIOs are available in the
PXA271, PXA272, and PXA273 processors. Additionally, five of these GPIOs have dedicated functions and are not available as GPIOs.
24-2 Intel® PXA27x Processor Family Developer’s Manual
General-Purpose I/O Controller
24.4 Operation
The GPIO signals operate as either general-purpose I/O or as one of their alternate functions. This
section describes operation in both modes.
24.4.1 GPIO Operation as Application-Specific GPIO
Use the GPIO Pin Direction registers GPDR0/1/2/3 (see Section 24.5.1) to program the GPIO pins
as inputs or outputs. For a pin configured as an output, write to the GPIO Pin Output Set register
(GPSR0/1/2/3) to set the pin high; write to the GPIO Pin Output Clear register (GPCR0/1/2/3) to
clear the pin to a low level (see Section 24.5.2). Writes to GPDRx and GPSRx can take place
whether the pin is configured as an input or an output. If a pin is configured as an input, the
programmed output state occurs when the pin is reconfigured as an output.
To validate the state of a GPIO pin, read the GPIO Pin Level register GPLR0/1/2/3 (see
Section 24.5.5). Software can read this register at any time to confirm the state of a pin, even if the
pin is configured as an output.
To detect either a rising or a falling edge on each GPIO pin, use the GPIO Rising-Edge Detect
Enable registers (GRER0/1/2/3) and GPIO Falling Edge Detect Enable registers (GFER0/1/2/3).
For register details, see Section 24.5.3. Use the GPIO Edge Detect Status register GEDR0/1/2/3
(see Section 24.5.6) to read edge-detect state. To program these edge-detects to generate interrupts,
see Chapter 25, “Interrupt Controller”.
GPIO<116>, GPIO<113>, GPIO<102:93>, GPIO<91:90>, GPIO<83>, GPIO<53>,
GPIO<40:34>, GPIO<31>, GPIO<17:9>, GPIO<4:3>, and GPIO<1:0> can generate wake-up
events to bring the processor out of sleep and standby modes (see Section 3.6.9, “Sleep Mode” on
page 3-45 and Section 3.6.10, “Deep-Sleep Mode” on page 3-48), in addition to the keypad, USB,
and MSL wake-up events. Additionally, GPIO<3> and GPIO<1:0> can bring the processor out of
deep-sleep mode.
When the processor enters sleep mode, the contents of the Power Manager Sleep State registers
(PGSR0/1/2/3) are loaded into the output data registers. If the particular pin is programmed as an
output, then the value in the PGSR is driven onto the pin before entering sleep mode. When the
PXA27x processor exits sleep mode, these values remain driven until the GPIO pins are
reprogrammed by writing to the GPDR, GPSR or GPCR, and setting the GPIO bit in the Power
Manager Sleep Status register (PSSR) to indicate that the GPIO registers have been re-initialized
after sleep mode. This is necessary since the GPIO logic loses power during sleep mode.
Table 24-1. GPIO Controller I/O Signal Descriptions
Signal Name Type Description
GPIO<120:0> Input or Output
Programmable for:
Inputs or outputs
Interrupts or wake-up sources
Rising or falling edge
GPIO or one of several alternate functions
NOTE: GPIO<120:119> are supported in the PXA271, PXA272, and PXA273 processors only.
Intel® PXA27x Processor Family Developer’s Manual 24-3
General-Purpose I/O Controller
Most GPIO pins are multiplexed with alternate functions of the PXA27x processor. Certain modes
within the serial controllers and LCD controller require extra pins. These functions are externally
available through specific GPIO pins, and their use is described in the following paragraphs. Even
though a GPIO pin is used for an alternate function, the proper direction of that pin must still be
programmed through the GPDR. Details on alternate functions are provided in Section 24.4.2.
Figure 24-1 shows a block diagram of a single GPIO pin.
24.4.2 GPIO Operation as Alternate Function
GPIO pins can have as many as three alternate input and three alternate output functions. If a GPIO
is used for an alternate function, then it cannot be used as a GPIO at the same time. When using an
alternate function of a GPIO signal, first configure the alternate function and then enable the
corresponding unit. Also, disable the unit prior to changing the alternate function signals in the
GPIO control registers.
GPIO<0> is reserved because of its special use during sleep mode and is not available for
alternate functions.
GPIO<116>, GPIO<113>, GPIO<102:93>, GPIO<91:90>, GPIO<83>, GPIO<53>,
GPIO<40:34>, GPIO<31>, GPIO<17:9>, GPIO<4:3>, and GPIO<1:0>, in addition to the
keypad, USB, and MSL wake-up events, are used for wake-up from sleep or standby mode.
GPIO<3> and GPIO<1:0> can be used exclusively for wake-up from deep-sleep mode; if
BATT_FAULT or nVDD_FAULT is asserted, GPIO<1:0> are used for wake-up.
Figure 24-1. General-Purpose I/O Block Diagram
Edge
Detect
GPIO Pin
Pin Direction
Register
Pin Set and
Clear Registers
Edge-Detect
Status Register
Pin-Level
Register
0
Alternate Function
Registers
Rising-Edge Detect
Enable Register
Falling-Edge Detect
Enable Register
1
2
3Alternate Functions
(Outputs)
Alternate Functions
(Inputs)
0
1
2
3
Power Manager
Sleep Wake-up logic
2
24-4 Intel® PXA27x Processor Family Developer’s Manual
General-Purpose I/O Controller
The wake-up functionality is described in Section 3.6.9.4, “Sleep Exit” on page 3-47. Table 24-2
shows each GPIO pin and its corresponding alternate functions.
Note: Configuring a GPIO for an alternate function that is not defined for it causes unpredictable results.
The Power Manager is capable of overriding the alternate function of GPIO<10:9> and
GPIO<4:3> directly. See Section 3.4.6.1, “Enabling GPIO Reset” on page 3-10 for more details.
Note: PSSR[RDH] must be cleared before the MBREQ alternate function is enabled. Otherwise,
unpredictable MBGNT behavior results. For more information, see Chapter 3, “Clocks and Power
Manager”.
For more information on alternate functions, refer to “Pin Usage and Mapping” in the Intel®
PXA270 Processor Electrical, Mechanical, and Thermal Specification and Intel® PXA27x
Processor Family Electrical, Mechanical, and Thermal Specification (Intel® PXA27x Processor
Family EMTS) for a summary of all block function pins.
MMCMD, MMDAT<1:0>, MMDAT<2>/MMCCS<0>, MMDAT<3>/MMCCS<1>, MSSDIO,
SSPSCLK, SSPSCLK2, SSPSCLK3, SSPSFRM, SSPSFRM2, SSPSFRM3, LDD<17:0>, CIF_LV,
CIF_FV, and the I2C pins PWR_SDA, PWR_SCL, SDA, and SCL are special bidirectional GPIOs
where the direction of the pin is controlled by the peripheral directly overriding the GPIO direction
settings for these pins (GPDR). Notice also that the alternate function for input and output variants
of these functions is the same. For example, configuring GPIO<112> with the alternate function 01
selects MMCMD in both input and output mode.
24.4.2.1 Special Function Bidirectional GPIOs
Table 24-2 shows the alternate mapping of all the GPIOs, with the special-function bidirectional
GPIOs shown shaded. These GPIOs act like the special bidirectional GPIOs described above,
except that the input and output function of the alternate function are not the same.
For example, GPIO<35> can be configured as SSPSFRM3 if it is configured for alternate function
3 AND it is configured as an input. Since this is a special-function bidirectional GPIO (as indicated
by the shading), SSPSFRM3 functions as an input or as an output depending on how this signal is
configured in the SSP3 controller, not how it is configured in the GPIO direction register. To
configure SSPSFRM3 as an output on GPIO<35>, the GPIO Direction register must be configured
as an input, the GPIO Alternate Function register must select alternate function 3 and the SSP3
Control register 1 must configure SSPSFRM3 as an output. If however, GPIO<35> was configured
as an output and Alternate Function 3 was configured in the Alternate Function register,
GPIO<35> would function as SSPTXD3. The other combinations of direction and alternate
function selection for this signal function normally.
SSPTXD, SSPTXD2, and SSPTXD3 are not true bidirectional signals; however, they are listed as
special-function bidirectional GPIOs because the SSP unit has the ability to three-state these
signals (effectively overriding the direction register settings).
KP_MKOUT<7:0> are also not true bidirectional signals; however, they are listed as special-
function bidirectional GPIOs because their function is altered during a matrix-scan cycle to three-
state and pull-down the signal when not driving a logic 1 value. This modification prevents the
potential of high current drain when multiple keys are pressed simultaneously.
Intel® PXA27x Processor Family Developer’s Manual 24-5
General-Purpose I/O Controller
Table 24-2. GPIO Alternate Functions (Sheet 1 of 4)
GPIO
Pin Pin Name Alternate
Function 1
(In)
Alternate
Function 2
(In)
Alternate
Function 3
(In)
Alternate
Function 1
(Out)
Alternate
Function 2
(Out)
Alternate
Function 3
(Out)
0GPIO<0>
1GPIO<1>/
nRESET_GPIO4
2 SYS_EN5
3GPIO<3>/
PWR_SCL
4GPIO<4>/
PWR_SDA
5 PWR_CAP<0>5
6 PWR_CAP<1>5
7 PWR_CAP<2>5
8 PWR_CAP<3>5
9 GPIO<9> FFCTS HZ_CLK CHOUT<0>
10 GPIO<10> FFDCD USB_P3_57HZ_CLK CHOUT<1>
11 GPIO<11> EXT_SYNC<0> SSPRXD2 USB_P3_1 CHOUT<0> PWM_OUT<2> 48_MHz
12 GPIO<12> EXT_SYNC<1> CIF_DD<7> CHOUT<1> PWM_OUT<3> 48_MHz
13 GPIO<13> CLK_EXT KP_DKIN<7> KP_MKIN<7>
SSPTXD2
14 GPIO<14> L_VSYNC SSPSFRM2 SSPSFRM2 UCLK
15 GPIO<15> nPCE<1> nCS<1>
16 GPIO<16> KP_MKIN<5> PWM_OUT<0> FFTXD
17 GPIO<17> KP_MKIN<6> CIF_DD<6> PWM_OUT<1>
18 GPIO<18> RDY
19 GPIO<19> SSPSCLK2 FFRXD SSPSCLK2 L_CS nURST
20 GPIO<20> DREQ<0> MBREQ nSDCS<2>
21 GPIO<21> nSDCS<3> DVAL<0> MBGNT
22 GPIO<22> SSPEXTCLK2 SSPSCLKEN2 SSPSCLK2 KP_MKOUT<7> SSPSYSCLK2 SSPSCLK2
23 GPIO<23> SSPSCLK CIF_MCLK SSPSCLK
24 GPIO<24> CIF_FV SSPSFRM CIF_FV SSPSFRM
25 GPIO<25> CIF_LV CIF_LV SSPTXD
26 GPIO<26> SSPRXD CIF_PCLK FFCTS
27 GPIO<27> SSPEXTCLK SSPSCLKEN CIF_DD<0> SSPSYSCLK FFRTS
28 GPIO<28> AC97_BITCLK I2S_BITCLK SSPSFRM I2S_BITCLK SSPSFRM
29 GPIO<29> AC97_
SDATA_IN_0 I2S_SDATA_IN SSPSCLK SSPRXD2 SSPSCLK
30 GPIO<30> I2S_SDATA_OUT AC97_
SDATA_OUT USB_P3_2
31 GPIO<31> I2S_SYNC AC97_SYNC USB_P3_6
32 GPIO<32> MSSCLK MMCLK
24-6 Intel® PXA27x Processor Family Developer’s Manual
General-Purpose I/O Controller
33 GPIO<33> FFRXD FFDSR DVAL<1> nCS<5> MBGNT
34 GPIO<34> FFRXD KP_MKIN<3> SSPSCLK3 USB_P2_2 SSPSCLK3
35 GPIO<35> FFCTS USB_P2_1 SSPSFRM3 KP_MKOUT<6> SSPTXD3
36 GPIO<36> FFDCD SSPSCLK2 KP_MKIN<7> USB_P2_4 SSPSCLK2
37 GPIO<37> FFDSR SSPSFRM2 KP_MKIN<3> USB_P2_8 SSPSFRM2 FFTXD
38 GPIO<38> FFRI KP_MKIN<4> USB_P2_3 SSPTXD3 SSPTXD28PWM_OUT<0>
39 GPIO<39> KP_MKIN<4> SSPSFRM3 USB_P2_6 FFTXD SSPSFRM3
40 GPIO<40> SSPRXD2 USB_P2_5 KP_MKOUT<6> FFDTR SSPSCLK3
41 GPIO<41> FFRXD USB_P2_7 SSPRXD3 KP_MKOUT<7> FFRTS
42 GPIO<42> BTRXD ICP_RXD CIF_MCLK
43 GPIO<43> CIF_FV ICP_TXD BTTXD CIF_FV
44 GPIO<44> BTCTS CIF_LV CIF_LV
45 GPIO<45> CIF_PCLK AC97_SYSCLK BTRTS SSPSYSCLK3
46 GPIO<46> ICP_RXD STD_RXD PWM_OUT<2>
47 GPIO<47> CIF_DD<0> STD_TXD ICP_TXD PWM_OUT<3>
48 GPIO<48> CIF_DD<5> BB_OB_DAT<1> nPOE
49 GPIO<49> nPWE
50 GPIO<50> CIF_DD<3> SSPSCLK2 BB_OB_DAT<2> nPIOR SSPSCLK2
51 GPIO<51> CIF_DD<2> BB_OB_DAT<3> nPIOW
52 GPIO<52> CIF_DD<4> SSPSCLK3 BB_OB_CLK SSPSCLK3
53 GPIO<53> FFRXD USB_P2_3 BB_OB_STB CIF_MCLK SSPSYSCLK
54 GPIO<54> BB_OB_WAIT CIF_PCLK nPCE<2>
55 GPIO<55> CIF_DD<1> BB_IB_DAT<1> nPREG
56 GPIO<56> nPWAIT BB_IB_DAT<2> USB_P3_4
57 GPIO<57> nIOIS16 BB_IB_DAT<3> SSPTXD
58 GPIO<58> LDD<0> LDD<0>
59 GPIO<59> LDD<1> LDD<1>
60 GPIO<60> LDD<2> LDD<2>
61 GPIO<61> LDD<3> LDD<3>
62 GPIO<62> LDD<4> LDD<4>
63 GPIO<63> LDD<5> LDD<5>
64 GPIO<64> LDD<6> LDD<6>
65 GPIO<65> LDD<7> LDD<7>
66 GPIO<66> LDD<8> LDD<8>
67 GPIO<67> LDD<9> LDD<9>
68 GPIO<68> LDD<10> LDD<10>
Table 24-2. GPIO Alternate Functions (Sheet 2 of 4)
GPIO
Pin Pin Name Alternate
Function 1
(In)
Alternate
Function 2
(In)
Alternate
Function 3
(In)
Alternate
Function 1
(Out)
Alternate
Function 2
(Out)
Alternate
Function 3
(Out)
Intel® PXA27x Processor Family Developer’s Manual 24-7
General-Purpose I/O Controller
69 GPIO<69> LDD<11> LDD<11>
70 GPIO<70> LDD<12> LDD<12>
71 GPIO<71> LDD<13> LDD<13>
72 GPIO<72> LDD<14> LDD<14>
73 GPIO<73> LDD<15> LDD<15>
74 GPIO<74> L_FCLK_RD
75 GPIO<75> L_LCLK_A0
76 GPIO<76> L_PCLK_WR
77 GPIO<77> L_BIAS
78 GPIO<78> nPCE<2> nCS<2>
79 GPIO<79> PSKTSEL nCS<3> PWM_OUT<2>
80 GPIO<80> DREQ<1> MBREQ nCS<4> PWM_OUT<3>
81 GPIO<81> CIF_DD<0> SSPTXD3 BB_OB_DAT<0>
82 GPIO<82> SSPRXD3 BB_IB_DAT<0> CIF_DD<5> FFDTR
83 GPIO<83> SSPSFRM3 BB_IB_CLK CIF_DD<4> SSPSFRM3 FFTXD FFRTS
84 GPIO<84> SSPCLK3 BB_IB_STB CIF_FV SSPCLK3 CIF_FV
85 GPIO<85> FFRXD DREQ<2> CIF_LV nPCE<1> BB_IB_WAIT CIF_LV
86 GPIO<86> SSPRXD2 LDD<16> USB_P3_5 nPCE<1> LDD<16>
87 GPIO<87> nPCE<2> LDD<17> USB_P3_1 SSPTXD2 LDD<17> SSPSFRM2
88 GPIO<88> USBHPWR<1> SSPRXD2 SSPSFRM2 SSPTXD28SSPSFRM2
89 GPIO<89> SSPRXD3 FFRI AC97_SYSCLK USBHPEN<1> SSPTXD2
90 GPIO<90> KP_MKIN<5> USB_P3_5 CIF_DD<4> nURST
91 GPIO<91> KP_MKIN<6> USB_P3_1 CIF_DD<5> UCLK
92 GPIO<92> MMDAT<0> MMDAT<0> MSBS
93 GPIO<93> KP_DKIN<0> CIF_DD<6> AC97_
SDATA_OUT
94 GPIO<94> KP_DKIN<1> CIF_DD<5> AC97_SYNC
95 GPIO<95> KP_DKIN<2> CIF_DD<4> KP_MKIN<6> AC97_RESET_n
96 GPIO<96> KP_DKIN<3> MBREQ FFRXD DVAL<1> KP_MKOUT<6>
97 GPIO<97> KP_DKIN<4> DREQ<1> KP_MKIN<3> MBGNT
98 GPIO<98> KP_DKIN<5> CIF_DD<0> KP_MKIN<4> AC97_SYSCLK FFRTS
99 GPIO<99> KP_DKIN<6> AC97_
SDATA_IN_1 KP_MKIN<5> FFTXD
100 GPIO<100> KP_MKIN<0> DREQ<2> FFCTS
101 GPIO<101> KP_MKIN<1>
102 GPIO<102> KP_MKIN<2> FFRXD nPCE<1>
103 GPIO<103> CIF_DD<3> KP_MKOUT<0>
Table 24-2. GPIO Alternate Functions (Sheet 3 of 4)
GPIO
Pin Pin Name Alternate
Function 1
(In)
Alternate
Function 2
(In)
Alternate
Function 3
(In)
Alternate
Function 1
(Out)
Alternate
Function 2
(Out)
Alternate
Function 3
(Out)
24-8 Intel® PXA27x Processor Family Developer’s Manual
General-Purpose I/O Controller
24.4.2.2 Exceptions to GPDR Direction Bits
Typically, the GPIO output enable is controlled by the GPIO Direction register (GPDR). However
there are two instances when GPDR is used like an additional alternate-function select function.
For these two cases, the combination of the alternate function selected in the GAFR and the
direction configured in the GPDR cause an output alternate-function to operate as an input and vice
verse. These two cases are detailed below.
104 GPIO<104> CIF_DD<2> PSKTSEL KP_MKOUT<1>
105 GPIO<105> CIF_DD<1> nPCE<2> KP_MKOUT<2>
106 GPIO<106> CIF_DD<9> KP_MKOUT<3>
107 GPIO<107> CIF_DD<8> KP_MKOUT<4>
108 GPIO<108> CIF_DD<7> CHOUT<0> KP_MKOUT<5>
109 GPIO<109> MMDAT<1> MSSDIO MMDAT<1> MSSDIO
110 GPIO<110> MMDAT<2>/
MMCCS<0> MMDAT<2>/
MMCCS<0>
111 GPIO<111> MMDAT<3>/
MMCCS<1> MMDAT<3>/
MMCCS<1>
112 GPIO<112> MMCMD nMSINS MMCMD
113 GPIO<113> USB_P3_3 I2S_SYSCLK AC97_RESET_n
1141GPIO<114> CIF_DD<1> UEN UVS0
1152GPIO<115> DREQ<0> CIF_DD<3> MBREQ UEN nUVS1 PWM_OUT<1>
1163GPIO<116> CIF_DD<2> AC97_
SDATA_IN_0 UDET DVAL<0> nUVS2 MBGNT
117 GPIO<117> SCL SCL
118 GPIO<118> SDA SDA
119 GPIO<119> USBHPWR<2>
120 GPIO<120> USBHPEN<2>
NOTES:
1. GPIO<114> signal is driven by UEN regardless of the alternate function selection if PUCR[USIM114] is set. GPDR3[PD114]
must be set must be cleared for this configuration. See Section 3.8.1.14, “Power Manager USIM Card Control/Status Register
(PUCR)” on page 3-90.
2. GPIO<115> signal is driven by UEN regardless of the alternate function selection if PUCR[USIM115] is set. GPDR3[PD115]
must be set must be cleared for this configuration. See Section 3.8.1.14, “Power Manager USIM Card Control/Status Register
(PUCR)” on page 3-90.
3. GPIO<116> signal is configured as UDET regardless of the alternate function selection if PUCR[EN_UDET] bit is set.
GPDR3[PD116] must be cleared for this configuration. See Section 3.8.1.14, “Power Manager USIM Card Control/Status
Register (PUCR)” on page 3-90.
4. nRESET_GPIO is not selected through use of the GPIO registers. nRESET_GPIO is configured through the Power Manager.
For more details, see Section 3.4.6.1, “Enabling GPIO Reset” on page 3-10.
5. This signal is dedicated to the function shown and is not available as a GPIO.
6. GPIO<120:119> are supported in the PXA271, PXA272, and PXA273 processors only.
7. Shaded cells indicate special-function bidirectional GPIOs, as described in Section 24.4.2.1.
8. When GPIO<88> alternate function 2 out is selected, GPIO<38> alternate function 2 out is automatically changed from
SSP2TXD2 to SSPRXD2. This operation is enabled as of the C5 stepping.
Table 24-2. GPIO Alternate Functions (Sheet 4 of 4)
GPIO
Pin Pin Name Alternate
Function 1
(In)
Alternate
Function 2
(In)
Alternate
Function 3
(In)
Alternate
Function 1
(Out)
Alternate
Function 2
(Out)
Alternate
Function 3
(Out)
Intel® PXA27x Processor Family Developer’s Manual 24-9
General-Purpose I/O Controller
Configuring GPIO<29> alternate function 1 output configures the SSPRXD2 input function.
When the SSPRXD2 function is configured on GPIO<29>, the GPIO<29> pad output enable
is inverted to configure the pad as an input.
Configuring GPIO<87> alternate function 1 input configures the nPCE<2> output function.
When the nPCE<2> function is configured on GPIO<87>, the GPIO<87> pad input enable is
inverted to configure the pad as an output.
24.4.2.3 Alternate Function Programming Example
The procedure for configuring the alternate function registers is described here with an example.
Table 24-3 contains the list of alternate functions and an example function selection (shaded). After
the deassertion of any RESET, GPDR0[15:0] configures GPIO pins in this example as inputs.
GAFR0_L[31:0] is 0x0000_0000 to indicate normal GPIO function.
In this example, the boxes that are shaded in Table 24-3 are to be selected as alternate functions.
For simplicity, assume that GPIO<31:16> are inputs configured to perform the normal GPIO
function.
This programming sequence must be followed to program the GPIO alternate functions out of
reset:
1. WRITE GPSR0 0x0000_8000—This sets GPIO<15> (active-low chip-select) when it is
configured as an output.
2. WRITE GPDR0 0x0000_8604—GPIO<2>, GPIO<9>, GPIO<10> and GPIO<15> as outputs.
GPIO<15> drives 1 even before the alternate function information is programmed. This is
required for active-low outputs.
3. WRITE GAFR0_L 0x9D74_0004—This maps the correct alternate functions of GPIO<15:0>.
For GPIOs that need to be configured as outputs, first program the GPSR and GPCR signals such
that when the pin direction is changed by means of setting the bit in the GPDR register, 1 is driven
for active-high signals, and 0 is driven for active-low signals.
Table 24-3. GPIO Alternate Function Programming Example (Sheet 1 of 2)
GPIO
Pin
Alternate
Function 1
(In)
Alternate
Function 2
(In)
Alternate
Function 3
(In)
Alternate
Function 1
(Out)
Alternate
Function 2
(Out)
Alternate
Function 3
(Out) Pin Name
0GPIO<0>
1GPIO<1>/
nRESET_GPIO1
2SYS_EN2
3GPIO<3>/
PWR_SCL
4GPIO<4>/
PWR_SDA
5PWR_CAP<0>2
6PWR_CAP<1>2
7PWR_CAP<2>2
8PWR_CAP<3>2
24-10 Intel® PXA27x Processor Family Developer’s Manual
General-Purpose I/O Controller
24.5 Register Descriptions
There are a total of thirty-six 32-bit registers within the GPIO control block. There are nine distinct
register functions, and there are four sets of each of the nine registers to serve the 121 GPIOs. The
various functions of the nine registers corresponding to each GPIO pin include:
Four monitor pin states (GPLRx).
Eight control output pin states (GPSRx, GPCRx).
Four control pin directions (GPDRx).
Eight control whether rising edges or falling edges are detected (GRERx & GFERx).
Four indicate when specified edge types have been detected on pins (GEDRx).
Eight determine whether a pin is used as a normal GPIO or whether it is to be taken over by
one of three possible alternate functions (GAFR_Lx, GAFR_Ux).
9 FFCTS HZ_CLK CHOUT<0> GPIO<9>
10 FFDCD USB_P3_5 HZ_CLK CHOUT<1> GPIO<10>
11 EXT_SYNC<0> SSPRXD2 USB_P3_1 CHOUT<0> PWM_OUT<2> 48_MHz GPIO<11>
12 EXT_SYNC<1> CIF_DD<7> CHOUT<1> PWM_OUT<3> 48_MHz GPIO<12>
13 CLK_EXT KP_DKIN<7> KP_MKIN<7> SSPTXD2 GPIO<13>
14 L_VSYNC SSPSFRM2 SSPSFRM2 UCLK GPIO<14>
15 nPCE<1> nCS<1> GPIO<15>
NOTES:
1. RESET_GPIO is not selected through use of the GPIO registers. nRESET_GPIO is configured through the Power Manager.
For more details, see Section 3.4.6.1, “Enabling GPIO Reset” on page 3-10.
2. This signal is dedicated to the function shown and is not available as a GPIO.
Table 24-3. GPIO Alternate Function Programming Example (Sheet 2 of 2)
GPIO
Pin
Alternate
Function 1
(In)
Alternate
Function 2
(In)
Alternate
Function 3
(In)
Alternate
Function 1
(Out)
Alternate
Function 2
(Out)
Alternate
Function 3
(Out) Pin Name
Intel® PXA27x Processor Family Developer’s Manual 24-11
General-Purpose I/O Controller
24.5.1 GPIO Pin-Direction Registers (GPDR)
Whether a pin is an input or an output is controlled by programming the GPIO pin direction
registers (GPDR0/1/2/3). The GPDR registers contain one direction-control bit for each of the
1211GPIO pins. If a direction bit is programmed to 0b1, the GPIO is an output. If it is programmed
to 0b0, it is an input.
Note: A reset clears all bits in the GPDR0/1/2/3 registers and configures all GPIO pins as inputs. For
correct operation as an input, PSSR[RDH] must be clear (see Section 3.8.1.2, “Power Manager
Sleep Status Register (PSSR)” on page 3-70).
Table 24-5 through Table 24-8 show the bit descriptions of the GPIO Pin Direction registers.
These are read/write registers. Ignore reads from reserved bits. Write 0b0 to reserved bits.
Table 24-4. GPIO Register Definitions
Register
Type Register Function GPIO
<15:0> GPIO
<31:16> GPIO
<47:32> GPIO
<63:48> GPIO
<79:64> GPIO
<95:80> GPIO
<111:96> GPIO
<120:112>
GPLR Monitor Pin State GPLR0 GPLR1 GPLR2 GPLR3
GPSR Control Output
Pin State
GPSR0 GPSR1 GPSR2 GPSR3
GPCR GPCR0 GPCR1 GPCR2 GPCR3
GPDR Set Pin Direction GPDR0 GPDR1 GPDR2 GPDR3
GRER Detect Rising/Falling
Edge
GRER0 GRER1 GRER2 GRER3
GFER GFER0 GFER1 GFER2 GFER3
GEDR Detect Edge Type GEDR0 GEDR1 GEDR2 GEDR3
GAFR Set Alternate
Functions GAFR0_L GAFR0_U GAFR1_L GAFR1_U GAFR2_L GAFR2_U GAFR3_L GAFR3_U
NOTES:
1. For the alternate function registers, the designator _L signifies that the lower 16 GPIOs’ alternate functions are configured by
that register and _U designates that the upper 16 GPIOs’ alternate functions are configured by that register.
2. GPLR0<8:5>, GPLR0<2>, GPLR3<31:25>, GPSR0<8:5>, GPSR0<2>, GPSR3<31:25>, GPCR0<8:5>, GPCR0<2>,
GPCR3<31:25>, GPDR0<8:5>, GPDR0<2>, GPDR3<31:25>, GRER0<8:5>, GRER0<2>, GRER3<31:25>, GFER0<8:5>,
GFER0<2>, GFER3<31:25>, GEDR0<8:5>, GEDR0<2>, GEDR3<31:25> and GAFR0_L<8:5>, GAFR0_L<2>,
GAFR3_U<31:18> are reserved bits. Write 0b0 to these bits and ignore all reads from these bits.
3. All GPIO registers are initialized to 0x0 at reset, which results in all GPIO pins being initialized as inputs.
1. Although the PXA27x processor has 121 GPIO pins, only 119 are bonded out in the PXA270 processor. All 121 GPIOs are available in the
PXA271, PXA272, and PXA273 processors. Additionally, five of these GPIOs have dedicated functions and are not available as GPIOs
24-12 Intel® PXA27x Processor Family Developer’s Manual
General-Purpose I/O Controller
Table 24-5. GPDR0 Bit Definitions
Physical Address
0x40E0_000C GPDR0 GPIO Controller
User
Settings
Bit 31 30 29 28 27 26 25 24 23 22 21 20 19 18 17 16 15 14 13 12 11 10 9 8 7 6 5 4 3 2 1 0
PD31
PD30
PD29
PD28
PD27
PD26
PD25
PD24
PD23
PD22
PD21
PD20
PD19
PD18
PD17
PD16
PD15
PD14
PD13
PD12
PD11
PD10
PD9
reserved
PD4
PD3
reserved
PD1
PD0
Reset 00000000000000000000000000000000
Bits Access Name Description
<31:9> R/W PDx
GPIO Pin Direction ‘x’ (where x = 9 to 31)
This field configures the direction of each GPIO.
0 = Pin configured as an input.
1 = Pin configured as an output.
<8:5> — reserved
<4:3> R/W PDx
GPIO Pin Direction ‘x’ (where x = 3 to 4)
This field configures the direction of each GPIO.
0 = Pin configured as an input.
1 = Pin configured as an output.
<2> — reserved
<1:0> R/W PDx
GPIO Pin Direction ‘x’ (where x = 0 to 1)
This field configures the direction of each GPIO.
0 = Pin configured as an input.
1 = Pin configured as an output.
Table 24-6. GPDR1 Bit Definitions
Physical Address
0x40E0_0010 GPDR1 GPIO Controller
User
Settings
Bit 31 30 29 28 27 26 25 24 23 22 21 20 19 18 17 16 15 14 13 12 11 10 9 8 7 6 5 4 3 2 1 0
PD63
PD62
PD61
PD60
PD59
PD58
PD57
PD56
PD55
PD54
PD53
PD52
PD51
PD50
PD49
PD48
PD47
PD46
PD45
PD44
PD43
PD42
PD41
PD40
PD39
PD38
PD37
PD36
PD35
PD34
PD33
PD32
Reset 0 0 0 0 0 0 0 0 0 0 0 0 0 0 0 0 0 0 0 0 0 0 0 0 0 0 0 0 0 0 0 0
Bits Access Name Description
<31:0> R/W PDx
GPIO Pin Direction ‘x’ (where x = 32 to 63)
This field configures the direction of each GPIO.
0 = Pin configured as an input.
1 = Pin configured as an output.
Intel® PXA27x Processor Family Developer’s Manual 24-13
General-Purpose I/O Controller
Table 24-7. GPDR2 Bit Definitions
Physical Address
0x40E0_0014 GPDR2 GPIO Controller
User
Settings
Bit 31 30 29 28 27 26 25 24 23 22 21 20 19 18 17 16 15 14 13 12 11 10 9 8 7 6 5 4 3 2 1 0
PD95
PD94
PD93
PD92
PD91
PD90
PD89
PD88
PD87
PD86
PD85
PD84
PD83
PD82
PD81
PD80
PD79
PD78
PD77
PD76
PD75
PD74
PD73
PD72
PD71
PD70
PD69
PD68
PD67
PD66
PD65
PD64
Reset 0 0 0 0 0 0 0 0 0 0 0 0 0 0 0 0 0 0 0 0 0 0 0 0 0 0 0 0 0 0 0 0
Bits Access Name Description
<31:0> R/W PDx
GPIO Pin Direction ‘x’ (where x = 64 to 95)
This field configures the direction of each GPIO.
0 = Pin configured as an input.
1 = Pin configured as an output.
Table 24-8. GPDR3 Bit Definitions
Physical Address
0x40E0_010C GPDR3 GPIO Controller
User
Settings
User
Settings
Bit 31 30 29 28 27 26 25 24 23 22 21 20 19 18 17 16 15 14 13 12 11 10 9 8 7 6 5 4 3 2 1 0
reserved
PD120
PD119
PD118
PD117
PD116
PD115
PD114
PD113
PD112
PD111
PD110
PD109
PD108
PD107
PD106
PD105
PD104
PD103
PD102
PD101
PD100
PD99
PD98
PD97
PD96
Reset 0 0 0 0 0 0 0 0 0 0 0 0 0 0 0 0 0 0 0 0 0 0 0 0 0 0 0 0 0 0 0 0
Bits Access Name Description
<31:25> — reserved
<24:0> R/W PDx
GPIO Pin Direction ‘x’ (where x = 96 to 120)
This field configures the direction of each GPIO.
0 = Pin configured as an input.
1 = Pin configured as an output.
24-14 Intel® PXA27x Processor Family Developer’s Manual
General-Purpose I/O Controller
24.5.2 GPIO Pin-Output Set Registers (GPSR) and GPIO Pin-
Output Clear Registers (GPCR)
When a GPIO is configured as an output, the state of the pin is controlled by writing to either the
GPIO Pin Output Set registers (GPSR0/1/2/3) or the GPIO Pin Output Clear registers (GPCR0/1/2/
3). An output pin is set by setting to its corresponding bit within the GPSR. To clear an output pin,
set the corresponding GPCR bit.
Writing 0b0 to any of the GPSR or GPCR bits has no effect on the state of the pin. Writing 0b1 to a
GPSR or GPCR bit corresponding to a pin that is configured as an input is effective only after the
pin is configured as an output.
Note: When a GPIO pin is reconfigured as an output, the most recent write to GPSR or GPCR determines
the pin’s output state.
The GPIO Pin-Output Set registers (GPSR0/1/2/3) and GPIO Pin-Output Clear registers (GPCR0/
1/2/3) are write-only registers. Reads return unpredictable values.
Table 24-9 through Table 24-12 show the bit descriptions of the GPIO Pin-Output Set registers.
Table 24-13 through Table 24-16 show the bit descriptions of the GPIO Pin-Output Clear registers.
These are write-only registers. Write 0b0 to reserved bits.
Table 24-9. GPSR0 Bit Definitions
Physical Address
0x40E0_0018 GPSR0 GPIO Controller
User
Settings
Bit 31 30 29 28 27 26 25 24 23 22 21 20 19 18 17 16 15 14 13 12 11 10 9 8 7 6 5 4 3 2 1 0
PS31
PS30
PS29
PS28
PS27
PS26
PS25
PS24
PS23
PS22
PS21
PS20
PS19
PS18
PS17
PS16
PS15
PS14
PS13
PS12
PS11
PS10
PS9
reserved
PS4
PS3
reserved
PS1
PS0
Reset 00000000000000000000000000000000
Bits Access Name Description
<31:9> W PSx
GPIO Pin Set ‘x’ (where x = 9 to 31)
This field configures the output level of each GPIO.
0 = Pin level unaffected.
1 = If pin configured as an output, set pin level high (one).
<8:5> — reserved
<4:3> W PSx
GPIO Pin Set ‘x’ (where x = 3 to 4)
This field configures the output level of each GPIO.
0 = Pin level unaffected.
1 = If pin configured as an output, set pin level high (one).
<2> — reserved
<1:0> W PSx
GPIO Pin Set ‘x’ (where x = 0 to 1)
This field configures the output level of each GPIO.
0 = Pin level unaffected.
1 = If pin configured as an output, set pin level high (one).
Intel® PXA27x Processor Family Developer’s Manual 24-15
General-Purpose I/O Controller
Table 24-10. GPSR1 Bit Definitions
Physical Address
0x40E0_001C GPSR1 GPIO Controller
User
Settings
Bit 31 30 29 28 27 26 25 24 23 22 21 20 19 18 17 16 15 14 13 12 11 10 9 8 7 6 5 4 3 2 1 0
PS63
PS62
PS61
PS60
PS59
PS58
PS57
PS56
PS55
PS54
PS53
PS52
PS51
PS50
PS49
PS48
PS47
PS46
PS45
PS44
PS43
PS42
PS41
PS40
PS39
PS38
PS37
PS36
PS35
PS34
PS33
PS32
Reset 0 0 0 0 0 0 0 0 0 0 0 0 0 0 0 0 0 0 0 0 0 0 0 0 0 0 0 0 0 0 0 0
Bits Access Name Description
<31:0> W PSx
GPIO Pin Set ‘x’ (where x = 32 to 63)
This field configures the output level of each GPIO.
0 = Pin level unaffected.
1 = If pin configured as an output, set pin level high (one).
Table 24-11. GPSR2 Bit Definitions
Physical Address
0x40E0_0020 GPSR2 GPIO Controller
User
Settings
Bit 31 30 29 28 27 26 25 24 23 22 21 20 19 18 17 16 15 14 13 12 11 10 9 8 7 6 5 4 3 2 1 0
PS95
PS94
PS93
PS92
PS91
PS90
PS89
PS88
PS87
PS86
PS85
PS84
PS83
PS82
PS81
PS80
PS79
PS78
PS77
PS76
PS75
PS74
PS73
PS72
PS71
PS70
PS69
PS68
PS67
PS66
PS65
PS64
Reset 0 0 0 0 0 0 0 0 0 0 0 0 0 0 0 0 0 0 0 0 0 0 0 0 0 0 0 0 0 0 0 0
Bits Access Name Description
<31:0> W PSx
GPIO Pin Set ‘x’ (where x = 64 to 95)
This field configures the output level of each GPIO.
0 = Pin level unaffected.
1 = If pin configured as an output, set pin level high (one).
24-16 Intel® PXA27x Processor Family Developer’s Manual
General-Purpose I/O Controller
Table 24-12. GPSR3 Bit Definitions
Physical Address
0x40E0_0118 GPSR3 GPIO Controller
User
Settings
User
Settings
Bit 31 30 29 28 27 26 25 24 23 22 21 20 19 18 17 16 15 14 13 12 11 10 9 8 7 6 5 4 3 2 1 0
reserved
PS120
PS119
PS118
PS117
PS116
PS115
PS114
PS113
PS112
PS111
PS110
PS109
PS108
PS107
PS106
PS105
PS104
PS103
PS102
PS101
PS100
PS99
PS98
PS97
PS96
Reset 0 0 0 0 0 0 0 0 0 0 0 0 0 0 0 0 0 0 0 0 0 0 0 0 0 0 0 0 0 0 0 0
Bits Access Name Description
<31:25> — reserved
<24:0> W PSx
GPIO Pin Set ‘x’ (where x = 96 to 120)
This field configures the output level of each GPIO.
0 = Pin level unaffected.
1 = If pin configured as an output, set pin level high (one).
Table 24-13. GPCR0 Bit Definitions
Physical Address
0x40E0_0024 GPCR0 GPIO Controller
User
Settings
Bit 31 30 29 28 27 26 25 24 23 22 21 20 19 18 17 16 15 14 13 12 11 10 9 8 7 6 5 4 3 2 1 0
PC31
PC30
PC29
PC28
PC27
PC26
PC25
PC24
PC23
PC22
PC21
PC20
PC19
PC18
PC17
PC16
PC15
PC14
PC13
PC12
PC11
PC10
PC9
reserved
PC4
PC3
reserved
PC1
PC0
Reset 00000000000000000000000000000000
Bits Access Name Description
<31:9> W PCx
GPIO Pin Clear ‘x’ (where x = 9 to 31)
This field configures the output level of each GPIO.
0 = Pin level unaffected.
1 = If pin configured as an output, clear pin level low (zero).
<8:5> — reserved
<4:3> W PCx
GPIO Pin Clear ‘x’ (where x = 3 to 4)
This field configures the output level of each GPIO.
0 = Pin level unaffected.
1 = If pin configured as an output, clear pin level low (zero).
<2> — reserved
<1:0> W PCx
GPIO Pin Clear ‘x’ (where x = 0 to 1)
This field configures the output level of each GPIO.
0 = Pin level unaffected.
1 = If pin configured as an output, clear pin level low (zero).
Intel® PXA27x Processor Family Developer’s Manual 24-17
General-Purpose I/O Controller
Table 24-14. GPCR1 Bit Definitions
Physical Address
0x40E0_0028 GPCR1 GPIO Controller
User
Settings
Bit 31 30 29 28 27 26 25 24 23 22 21 20 19 18 17 16 15 14 13 12 11 10 9 8 7 6 5 4 3 2 1 0
PC63
PC62
PC61
PC60
PC59
PC58
PC57
PC56
PC55
PC54
PC53
PC52
PC51
PC50
PC49
PC48
PC47
PC46
PC45
PC44
PC43
PC42
PC41
PC40
PC39
PC38
PC37
PC36
PC35
PC34
PC33
PC32
Reset 0 0 0 0 0 0 0 0 0 0 0 0 0 0 0 0 0 0 0 0 0 0 0 0 0 0 0 0 0 0 0 0
Bits Access Name Description
<31:0> W PCx
GPIO Pin Clear ‘x’ (where x = 32 to 63)
This field configures the output level of each GPIO.
0 = Pin level unaffected.
0 = If pin configured as an output, clear pin level low (zero).
Table 24-15. GPCR2 Bit Definitions
Physical Address
0x40E0_002C GPCR2 GPIO Controller
User
Settings
Bit 31 30 29 28 27 26 25 24 23 22 21 20 19 18 17 16 15 14 13 12 11 10 9 8 7 6 5 4 3 2 1 0
PC95
PC94
PC93
PC92
PC91
PC90
PC89
PC88
PC87
PC86
PC85
PC84
PC83
PC82
PC81
PC80
PC79
PC78
PC77
PC76
PC75
PC74
PC73
PC72
PC71
PC70
PC69
PC68
PC67
PC66
PC65
PC64
Reset 0 0 0 0 0 0 0 0 0 0 0 0 0 0 0 0 0 0 0 0 0 0 0 0 0 0 0 0 0 0 0 0
Bits Access Name Description
<31:0> W PCx
GPIO Pin Clear ‘x’ (where x = 64 to 95)
This field configures the output level of each GPIO.
0 = Pin level unaffected.
1 = If pin configured as an output, clear pin level low (zero).
24-18 Intel® PXA27x Processor Family Developer’s Manual
General-Purpose I/O Controller
24.5.3 GPIO Rising-Edge Detect Enable Registers (GRER0/1/2/3)
and Falling-Edge Detect Enable Registers (GFER0/1/2/3)
Each GPIO can also be programmed to detect a rising-edge, falling-edge, or either transition on a
pin. When an edge is detected that matches the type of edge programmed for the pin, a status bit is
set. The interrupt controller can be programmed so that an interrupt is signaled to the core when
any of these status bits is set. Additionally, the interrupt controller can be programmed so that a
subset of the status bits causes the PXA27x processor to wake from sleep/deep-sleep mode when it
is set. Refer to Chapter 3, “Clocks and Power Manager” for more information on which status bits
can cause a wake-up from sleep/deep-sleep mode.
The GPIO Rising-Edge Detect Enable register (GRER0/1/2/3) and Falling Edge Detect Enable
register (GFER0/1/2/3) select the type of transition on a GPIO pin that causes a bit within the GPIO
Edge Detect Enable Status register (GEDR0/1/2/3) to be set. For a given GPIO pin, its
corresponding GRER bit is set, causing a GEDR status bit to be set when the pin transitions from
logic level zero to logic level one. Likewise, GFER sets the corresponding GEDR status bit when a
transition from logic level one to logic level zero occurs. When the corresponding bits are set in
both registers, either a falling- or a rising-edge transition causes the corresponding GEDR status bit
to be set.
Note: Minimum pulse-width timing requirements exist to guarantee that an edge or level transition is
detected. For more information, refer to the Intel® PXA27x Processor Family EMTS, “GPIO AC
Timing Specifications.
Table 24-17 through Table 24-20 show the descriptions of the GPIO Rising-Edge Detect Enable
registers. Table 24-21 through Table 24-24 show the bit descriptions of the GPIO Falling Edge
Detect Enable registers.
These are read/write registers. Ignore reads from reserved bits. Write 0b0 to reserved bits.
Table 24-16. GPCR3 Bit Definitions
Physical Address
0x40E0_0124 GPCR3 GPIO Controller
User
Settings
User
Settings
Bit 31 30 29 28 27 26 25 24 23 22 21 20 19 18 17 16 15 14 13 12 11 10 9 8 7 6 5 4 3 2 1 0
reserved
PC120
PC119
PC118
PC117
PC116
PC115
PC114
PC113
PC112
PC111
PC110
PC109
PC108
PC107
PC106
PC105
PC104
PC103
PC102
PC101
PC100
PC99
PC98
PC97
PC96
Reset 0 0 0 0 0 0 0 0 0 0 0 0 0 0 0 0 0 0 0 0 0 0 0 0 0 0 0 0 0 0 0 0
Bits Access Name Description
<31:25> — reserved
<24:0> W PCx
GPIO Pin Clear ‘x’ (where x = 96 to 120)
This field configures the output level of each GPIO.
0 = Pin level unaffected.
1 = If pin configured as an output, clear pin level low (zero).
Intel® PXA27x Processor Family Developer’s Manual 24-19
General-Purpose I/O Controller
Table 24-17. GRER0 Bit Definitions
Physical Address
0x40E0_0030 GRER0 GPIO Controller
User
Settings
Bit 31 30 29 28 27 26 25 24 23 22 21 20 19 18 17 16 15 14 13 12 11 10 9 8 7 6 5 4 3 2 1 0
RE31
RE30
RE29
RE28
RE27
RE26
RE25
RE24
RE23
RE22
RE21
RE20
RE19
RE18
RE17
RE16
RE15
RE14
RE13
RE12
RE11
RE10
RE9
reserved
RE4
RE3
reserved
RE1
RE0
Reset 0 0 0 0 0 0 0 0 0 0 0 0 0 0 0 0 0 0 0 0 0 0 0 0 0 0 0 0 0 0 0 0
Bits Access Name Description
<31:9> R/W REx
GPIO Pin Rising-Edge Detect Enable Bit ‘x’ (where x = 9 to 31)
This field configures the output level of each GPIO.
0 = Disables rising-edge detect enable.
1 = Sets corresponding GEDR status bit when a rising edge is
detected on the GPIO pin.
<8:5> — reserved.
<4:3> R/W REx
GPIO Pin Rising-Edge Detect Enable Bit ‘x’ (where x = 3 to 4)
This field configures the output level of each GPIO.
0 = Disables rising-edge detect enable.
1 = Sets corresponding GEDR status bit when a rising edge is
detected on the GPIO pin.
<2> — reserved
<1:0> R/W REx
GPIO Pin Rising-Edge Detect Enable Bit ‘x’ (where x = 0 to 1)
This field configures the output level of each GPIO.
0 = Disables rising-edge detect enable.
1 = Sets corresponding GEDR status bit when a rising edge is
detected on the GPIO pin.
Table 24-18. GRER1 Bit Definitions
Physical Address
0x40E0_0034 GRER1 GPIO Controller
User
Settings
Bit 31 30 29 28 27 26 25 24 23 22 21 20 19 18 17 16 15 14 13 12 11 10 9 8 7 6 5 4 3 2 1 0
RE63
RE62
RE61
RE60
RE59
RE58
RE57
RE56
RE55
RE54
RE53
RE52
RE51
RE50
RE49
RE48
RE47
RE46
RE45
RE44
RE43
RE42
RE41
RE40
RE39
RE38
RE37
RE36
RE35
RE34
RE33
RE32
Reset 0 0 0 0 0 0 0 0 0 0 0 0 0 0 0 0 0 0 0 0 0 0 0 0 0 0 0 0 0 0 0 0
Bits Access Name Description
<31:0> R/W REx
GPIO Pin Rising-Edge Detect Enable Bit ‘x’ (where x = 32 to 63)
This field configures the output level of each GPIO.
0 = Disables rising-edge detect enable.
1 = Sets corresponding GEDR status bit when a rising edge is
detected on the GPIO pin.
24-20 Intel® PXA27x Processor Family Developer’s Manual
General-Purpose I/O Controller
Table 24-19. GRER2 Bit Definitions
Physical Address
0x40E0_0038 GRER2 GPIO Controller
User
Settings
Bit 31 30 29 28 27 26 25 24 23 22 21 20 19 18 17 16 15 14 13 12 11 10 9 8 7 6 5 4 3 2 1 0
RE95
RE94
RE93
RE92
RE91
RE90
RE89
RE88
RE87
RE86
RE85
RE84
RE83
RE82
RE81
RE80
RE79
RE78
RE77
RE76
RE75
RE74
RE73
RE72
RE71
RE70
RE69
RE68
RE67
RE66
RE65
RE64
Reset 0 0 0 0 0 0 0 0 0 0 0 0 0 0 0 0 0 0 0 0 0 0 0 0 0 0 0 0 0 0 0 0
Bits Access Name Description
<31:0> R/W REx
GPIO Pin Rising-Edge Detect Enable Bit ‘x’ (where x = 64 to 95)
This field configures the output level of each GPIO.
0 = Disables rising-edge detect enable.
1 = Sets corresponding GEDR status bit when a rising edge is
detected on the GPIO pin.
Table 24-20. GRER3 Bit Definitions
Physical Address
0x40E0_0130 GRER3 GPIO Controller
User
Settings
Bit 31 30 29 28 27 26 25 24 23 22 21 20 19 18 17 16 15 14 13 12 11 10 9 8 7 6 5 4 3 2 1 0
reserved
RE120
RE119
RE118
RE117
RE116
RE115
RE114
RE113
RE112
RE111
RE110
RE109
RE108
RE107
RE106
RE105
RE104
RE103
RE102
RE101
RE100
RE99
RE98
RE97
RE96
Reset 0 0 0 0 0 0 0 0 0 0 0 0 0 0 0 0 0 0 0 0 0 0 0 0 0 0 0 0 0 0 0 0
Bits Access Name Description
<31:25> — reserved
<24:23> R/W REx
GPIO Pin Falling Edge detect Enable bit ‘x’ (where x = 119 to 120)
This field configures the output level of each GPIO.
0 = Disables rising-edge detect enable.
1 = Sets corresponding GEDR status bit when a falling edge is
detected on the GPIO pin.
NOTE: These GPIO selections are supported on the PXA271,
PXA272, and PXA273 processors only. These bits are reserved
in the PXA270 processor.
<22:0> R/W REx
GPIO Pin Rising-Edge Detect Enable Bit ‘x’ (where x = 96 to 118)
This field configures the output level of each GPIO.
0 = Disables rising-edge detect enable.
1 = Sets corresponding GEDR status bit when a rising edge is
detected on the GPIO pin.
Intel® PXA27x Processor Family Developer’s Manual 24-21
General-Purpose I/O Controller
Table 24-21. GFER0 Bit Definitions
Physical Address
0x40E0_003C GFER0 GPIO Controller
User
Settings
Bit 31 30 29 28 27 26 25 24 23 22 21 20 19 18 17 16 15 14 13 12 11 10 9 8 7 6 5 4 3 2 1 0
FE31
FE30
FE29
FE28
FE27
FE26
FE25
FE24
FE23
FE22
FE21
FE20
FE19
FE18
FE17
FE16
FE15
FE14
FE13
FE12
FE11
FE10
FE9
reserved
FE4
FE3
reserved
FE1
FE0
Reset 0 0 0 0 0 0 0 0 0 0 0 0 0 0 0 0 0 0 0 0 0 0 0 0 0 0 0 0 0 0 0 0
Bits Access Name Description
<31:9> R/W FEx
GPIO Pin Falling Edge detect Enable bit ‘x’ (where x = 9 to 31)
This field configures the output level of each GPIO.
0 = Disables rising-edge detect enable.
1 = Sets corresponding GEDR status bit when a falling edge is
detected on the GPIO pin.
<8:5> — reserved
<4:3> R/W FEx
GPIO Pin Falling Edge detect Enable bit ‘x’ (where x = 3 to 4)
This field configures the output level of each GPIO.
0 = Disables rising-edge detect enable.
1 = Sets corresponding GEDR status bit when a falling edge is
detected on the GPIO pin.
<2> — reserved
<1:0> R/W FEx
GPIO Pin Falling Edge detect Enable bit ‘x’ (where x = 0 to 1)
This field configures the output level of each GPIO.
0 = Disables rising-edge detect enable.
1 = Sets corresponding GEDR status bit when a falling edge is
detected on the GPIO pin.
Table 24-22. GFER1 Bit Definitions
Physical Address
0x40E0_0040 GFER1 GPIO Controller
User
Settings
Bit 31 30 29 28 27 26 25 24 23 22 21 20 19 18 17 16 15 14 13 12 11 10 9 8 7 6 5 4 3 2 1 0
FE63
FE62
FE61
FE60
FE59
FE58
FE57
FE56
FE55
FE54
FE53
FE52
FE51
FE50
FE49
FE48
FE47
FE46
FE45
FE44
FE43
FE42
FE41
FE40
FE39
FE38
FE37
FE36
FE35
FE34
FE33
FE32
Reset 0 0 0 0 0 0 0 0 0 0 0 0 0 0 0 0 0 0 0 0 0 0 0 0 0 0 0 0 0 0 0 0
Bits Access Name Description
<31:0> R/W FEx
GPIO Pin Falling Edge detect Enable bit ‘x’ (where x = 32 to 63)
This field configures the output level of each GPIO.
0 = Disables rising-edge detect enable.
1 = Sets corresponding GEDR status bit when a falling edge is
detected on the GPIO pin.
24-22 Intel® PXA27x Processor Family Developer’s Manual
General-Purpose I/O Controller
Table 24-23. GFER2 Bit Definitions
Physical Address
0x40E0_0044 GFER2 GPIO Controller
User
Settings
Bit 31 30 29 28 27 26 25 24 23 22 21 20 19 18 17 16 15 14 13 12 11 10 9 8 7 6 5 4 3 2 1 0
FE95
FE94
FE93
FE92
FE91
FE90
FE89
FE88
FE87
FE86
FE85
FE84
FE83
FE82
FE81
FE80
FE79
FE78
FE77
FE76
FE75
FE74
FE73
FE72
FE71
FE70
FE69
FE68
FE67
FE66
FE65
FE64
Reset 0 0 0 0 0 0 0 0 0 0 0 0 0 0 0 0 0 0 0 0 0 0 0 0 0 0 0 0 0 0 0 0
Bits Access Name Description
<31:0> R/W FEx
GPIO Pin Falling Edge detect Enable bit ‘x’ (where x = 64 to 95)
This field configures the output level of each GPIO.
0 = Disables rising-edge detect enable.
1 = Sets corresponding GEDR status bit when a falling edge is
detected on the GPIO pin.
Table 24-24. GFER3 Bit Definitions
Physical Address
0x40E0_013C GFER3 GPIO Controller
User
Settings
Bit 31 30 29 28 27 26 25 24 23 22 21 20 19 18 17 16 15 14 13 12 11 10 9 8 7 6 5 4 3 2 1 0
reserved
FE120
FE119
FE118
FE117
FE116
FE115
FE114
FE113
FE112
FE111
FE110
FE109
FE108
FE107
FE106
FE105
FE104
FE103
FE102
FE101
FE100
FE99
FE98
FE97
FE96
Reset 0 0 0 0 0 0 0 0 0 0 0 0 0 0 0 0 0 0 0 0 0 0 0 0 0 0 0 0 0 0 0 0
Bits Access Name Description
<31:25> — reserved
<24:23> R/W FEx
GPIO Pin Falling Edge detect Enable bit ‘x’ (where x = 119 to 120)
This field configures the output level of each GPIO.
0 = Disables rising-edge detect enable.
1 = Sets corresponding GEDR status bit when a falling edge is
detected on the GPIO pin.
NOTE: These GPIO selections are supported on the PXA271,
PXA272, and PXA273 processors only. These bits are reserved
in the PXA270 processor.
<22:0> R/W FEx
GPIO Pin Falling Edge detect Enable bit ‘x’ (where x = 96 to 118)
This field configures the output level of each GPIO.
0 = Disables rising-edge detect enable.
1 = Sets corresponding GEDR status bit when a falling edge is
detected on the GPIO pin.
Intel® PXA27x Processor Family Developer’s Manual 24-23
General-Purpose I/O Controller
24.5.4 GPIO Alternate Function Register (GAFR)
The GPIO alternate function registers (GAFR0/1/2/3) contain select bits that correspond to the 121
GPIO pins. Each GPIO can be configured to be either a generic GPIO pin, one of three alternate
input functions, or one of three alternate output functions. To select any of the alternate functions,
the GPDR register must configure the GPIO to be an input. Similarly, only GPIOs configured as
outputs by the GPDR can be configured for alternate output functions. Each GPIO pin has a pair of
bits assigned to it whose values determine which function (normal GPIO, alternate function 1,
alternate function 2 or alternate function 3) the GPIO performs. The function selected is
determined by writing the GAFR bit pair as below:
0b00 indicates normal GPIO function
0b01 selects alternate input function 1 (ALT_FN_1_IN) or alternate output function 1
(ALT_FN_1_OUT)
0b10 selects alternate input function 2 (ALT_FN_2_IN) or alternate output function 2
(ALT_FN_2_OUT)
0b11 selects alternate input function 3 (ALT_FN_3_IN) or alternate output function 3
(ALT_FN_3_OUT)
See Section 24.4.2 for details on alternate functions. The assignment of bits in the GAFR registers
that correspond to the GPIO pins is defined in Table 24-2. For additional information on an
alternate function, see “Pin Usage and Mapping” in the Intel® PXA27x Processor Family EMTS for
a summary of all block function pins.
GPIO<0> is reserved because of its special use during sleep mode and is not available for alternate
functions. Other GPIO pins are used for wake-up from sleep mode (see Section 24.4.1 for
additional information). GPIO<3> and GPIO<1:0> are used exclusively for wake-up from deep-
sleep mode. If nBATT_FAULT or nVDD_FAULT is asserted, GPIO<1:0> can be use for wake-up.
The wake-up functionality is described in Section 3.6.9.4, “Sleep Exit” on page 3-47.
All GAFR registers are cleared to all zeroes on reset conditions. GAFR0_L[5:4],
GAFR0_L[17:10], and GAFR3_U[31:18] are reserved.
Note: The power manager can override the alternate function of GPIO<10:9> and GPIO<4:3> directly.
See Section 3.4.6.1, “Enabling GPIO Reset” on page 3-10 for more details.
Note: Configuring a GPIO to map to an alternate function that is not available causes indeterminate
results.
A subset of the alternate functions is the special bidirectional GPIOs where the direction of the pin
is controlled by the peripheral directly—overriding the GPIO direction settings for these pins
(GPDR). This occurs with signals for which the alternate function for input and output variants of
these functions is the same and for some signals having different input and output alternate
functions. For further information on these signals, refer to Section 24.4.2.
Table 24-25 through Table 24-32 show the bitmaps of the GPIO Alternate Function Select
registers.
These are read/write registers. Ignore reads from reserved bits. Write 0b0 to reserved bits.
24-24 Intel® PXA27x Processor Family Developer’s Manual
General-Purpose I/O Controller
Table 24-25. GAFR0_L Bit Definitions
Physical Address
0x40E0_0054 GAFR0_L GPIO Controller
User
Settings
Bit 31 30 29 28 27 26 25 24 23 22 21 20 19 18 17 16 15 14 13 12 11 10 9 8 7 6 5 4 3 2 1 0
AF15 AF14 AF13 AF12 AF11 AF10 AF9
reserved
AF4 AF3
reserved
AF1 AF0
Reset 00000000000000000000000000000000
Bits Access Name Description
<31:18> R/W AFx
GPIO ‘x’ Alternate Function Select Bits (where x = 9 to 15)
A bit-pair in this register determines the corresponding GPIO pin’s
functionality as one of the alternate functions that is mapped to it or as a
generic GPIO pin.
0b00 = The corresponding GPIO pin (GPIO<x>) is used as a general-
purpose I/O.
0b01 = The corresponding GPIO pin (GPIO<x>) is used for its alternate
function 1.
0b10 = The corresponding GPIO pin (GPIO<x>) is used for its alternate
function 2.
0b11 = The corresponding GPIO pin (GPIO<x>) is used for its alternate
function 3.
<17:10> — reserved
<9:6> R/W AFx
GPIO ‘x’ Alternate Function Select Bits (where x = 3 to 4)
A bit-pair in this register determines the corresponding GPIO pin’s
functionality as one of the alternate functions that is mapped to it or as a
generic GPIO pin.
0b00 = The corresponding GPIO pin (GPIO<x>) is used as a general-
purpose I/O.
0b01 = The corresponding GPIO pin (GPIO<x>) is used for its alternate
function 1.
0b10 = The corresponding GPIO pin (GPIO<x>) is used for its alternate
function 2.
0b11 = The corresponding GPIO pin (GPIO<x>) is used for its alternate
function 3.
<5:4> — reserved
<3:0> R/W AFx
GPIO ‘x’ Alternate Function Select Bits (where x = 0 through 1)
A bit-pair in this register determines the corresponding GPIO pin’s
functionality as one of the alternate functions that is mapped to it or as a
generic GPIO pin.
0b00 = The corresponding GPIO pin (GPIO<x>) is used as a general-
purpose I/O.
0b01 = The corresponding GPIO pin (GPIO<x>) is used for its alternate
function 1.
0b10 = The corresponding GPIO pin (GPIO<x>) is used for its alternate
function 2.
0b11 = The corresponding GPIO pin (GPIO<x>) is used for its alternate
function 3.
Intel® PXA27x Processor Family Developer’s Manual 24-25
General-Purpose I/O Controller
Table 24-26. GAFR0_U Bit Definitions
Physical Address
0x40E0_0058 GAFR0_U GPIO Controller
User
Settings
Bit 31 30 29 28 27 26 25 24 23 22 21 20 19 18 17 16 15 14 13 12 11 10 9 8 7 6 5 4 3 2 1 0
AF31 AF30 AF29 AF28 AF27 AF26 AF25 AF24 AF23 AF22 AF21 AF20 AF19 AF18 AF17 AF16
Reset 0 0 0 0 0 0 0 0 0 0 0 0 0 0 0 0 0 0 0 0 0 0 0 0 0 0 0 0 0 0 0 0
Bits Access Name Description
<31:0> R/W AFx
GPIO ‘x’ Alternate Function Select Bits (where x = 16 through 31)
A bit-pair in this register determines the corresponding GPIO pin’s
functionality as one of the alternate functions that is mapped to it or as a
generic GPIO pin.
0b00 = The corresponding GPIO pin (GPIO<x>) is used as a general-
purpose I/O.
0b01 = The corresponding GPIO pin (GPIO<x>) is used for its alternate
function 1.
0b10 = The corresponding GPIO pin (GPIO<x>) is used for its alternate
function 2.
0b11 = The corresponding GPIO pin (GPIO<x>) is used for its alternate
function 3.
Table 24-27. GAFR1_L Bit Definitions
Physical Address
0x40E0_005C GAFR1_L GPIO Controller
User
Settings
Bit 31 30 29 28 27 26 25 24 23 22 21 20 19 18 17 16 15 14 13 12 11 10 9 8 7 6 5 4 3 2 1 0
AF47 AF46 AF45 AF44 AF43 AF42 AF41 AF40 AF39 AF38 AF37 AF36 AF35 AF34 AF33 AF32
Reset 0 0 0 0 0 0 0 0 0 0 0 0 0 0 0 0 0 0 0 0 0 0 0 0 0 0 0 0 0 0 0 0
Bits Access Name Description
<31:0> R/W AFx
GPIO ‘x’ Alternate Function Select Bits (where x = 32 through 47)
A bit-pair in this register determines the corresponding GPIO pin’s
functionality as one of the alternate functions that is mapped to it or as a
generic GPIO pin.
0b00 = The corresponding GPIO pin (GPIO<x>) is used as a general-
purpose I/O.
0b01 = The corresponding GPIO pin (GPIO<x>) is used for its alternate
function 1.
0b10 = The corresponding GPIO pin (GPIO<x>) is used for its alternate
function 2.
0b11 = The corresponding GPIO pin (GPIO<x>) is used for its alternate
function 3.
24-26 Intel® PXA27x Processor Family Developer’s Manual
General-Purpose I/O Controller
Table 24-28. GAFR1_U Bit Definitions
Physical Address
0x40E0_0060 GAFR1_U GPIO Controller
User
Settings
Bit 31 30 29 28 27 26 25 24 23 22 21 20 19 18 17 16 15 14 13 12 11 10 9 8 7 6 5 4 3 2 1 0
AF63 AF62 AF61 AF60 AF59 AF58 AF57 AF56 AF55 FA54 AF53 AF52 AF51 AF50 AF49 AF48
Reset 00000000000000000000000000000000
Bits Access Name Description
<31:0> R/W AFx
GPIO ‘x’ Alternate Function Select Bits (where x = 48 through 63)
A bit-pair in this register determines the corresponding GPIO pin’s
functionality as one of the alternate functions that is mapped to it or as a
generic GPIO pin.
0b00 = The corresponding GPIO pin (GPIO<x>) is used as a general-
purpose I/O.
0b01 = The corresponding GPIO pin (GPIO<x>) is used for its alternate
function 1.
0b10 = The corresponding GPIO pin (GPIO<x>) is used for its alternate
function 2.
0b11 = The corresponding GPIO pin (GPIO<x>) is used for its alternate
function 3.
Table 24-29. GAFR2_L Bit Definitions
Physical Address
0x40E0_0064 GAFR2_L GPIO Controller
User
Settings
Bit 31 30 29 28 27 26 25 24 23 22 21 20 19 18 17 16 15 14 13 12 11 10 9 8 7 6 5 4 3 2 1 0
AF79 AF78 AF77 AF76 AF75 AF74 AF73 AF72 AF71 AF70 AF69 AF68 AF67 AF66 AF65 AF64
Reset 00000000000000000000000000000000
Bits Access Name Description
<31:0> R/W AFx
GPIO ‘x’ Alternate Function Select Bits (where x = 64 through 79)
A bit-pair in this register determines the corresponding GPIO pin’s
functionality as one of the alternate functions that is mapped to it or as a
generic GPIO pin.
0b00 = The corresponding GPIO pin (GPIO<x>) is used as a general-
purpose I/O.
0b01 = The corresponding GPIO pin (GPIO<x>) is used for its alternate
function 1.
0b10 = The corresponding GPIO pin (GPIO<x>) is used for its alternate
function 2.
0b11 = The corresponding GPIO pin (GPIO<x>) is used for its alternate
function 3.
Intel® PXA27x Processor Family Developer’s Manual 24-27
General-Purpose I/O Controller
Table 24-30. GAFR2_U Bit Definitions
Physical Address
0x40E0_0068 GAFR2_U GPIO Controller
User
Settings
Bit 31 30 29 28 27 26 25 24 23 22 21 20 19 18 17 16 15 14 13 12 11 10 9 8 7 6 5 4 3 2 1 0
AF95 AF94 AF93 AF92 AF91 AF90 AF89 AF88 AF87 AF86 AF85 AF84 AF83 AF82 AF81 AF80
Reset 0 0 0 0 0 0 0 0 0 0 0 0 0 0 0 0 0 0 0 0 0 0 0 0 0 0 0 0 0 0 0 0
Bits Access Name Description
<31:0> R/W AFx
GPIO ‘x’ Alternate Function Select Bits (where x = 80 through 95)
A bit-pair in this register determines the corresponding GPIO pin’s
functionality as one of the alternate functions that is mapped to it or as a
generic GPIO pin.
0b00 = The corresponding GPIO pin (GPIO<x>) is used as a general-
purpose I/O.
0b01 = The corresponding GPIO pin (GPIO<x>) is used for its alternate
function 1.
0b10 = The corresponding GPIO pin (GPIO<x>) is used for its alternate
function 2.
0b11 = The corresponding GPIO pin (GPIO<x>) is used for its alternate
function 3.
Table 24-31. GAFR3_L Bit Definitions
Physical Address
0x40E0_006C GAFR3_L GPIO Controller
User
Settings
Bit 31 30 29 28 27 26 25 24 23 22 21 20 19 18 17 16 15 14 13 12 11 10 9 8 7 6 5 4 3 2 1 0
AF111
AF110
AF109
AF108
AF107
AF106
AF105
AF104
AF103
AF102
AF101
AF100
AF99
AF98
AF97
AF96
Reset 0 0 0 0 0 0 0 0 0 0 0 0 0 0 0 0 0 0 0 0 0 0 0 0 0 0 0 0 0 0 0 0
Bits Access Name Description
<31:0> R/W AFx
GPIO ‘x’ Alternate Function Select Bits (where x = 96 through 111)
A bit-pair in this register determines the corresponding GPIO pin’s
functionality as one of the alternate functions that is mapped to it or as a
generic GPIO pin.
0b00 = The corresponding GPIO pin (GPIO<x>) is used as a general-
purpose I/O.
0b01 = The corresponding GPIO pin (GPIO<x>) is used for its alternate
function 1.
0b10 = The corresponding GPIO pin (GPIO<x>) is used for its alternate
function 2.
0b11 = The corresponding GPIO pin (GPIO<x>) is used for its alternate
function 3.
24-28 Intel® PXA27x Processor Family Developer’s Manual
General-Purpose I/O Controller
24.5.5 GPIO Pin-Level Registers (GPLRx)
Check the state of each of the GPIO pins by reading the GPIO Pin Level register (GPLR). Each bit
in the GPLR corresponds to one pin in the GPIO. GPLR0<31:0> correspond to GPIO<31:0>,
GPLR1<31:0> correspond to GPIO<63:32>, GPLR2<31:0> correspond to GPIO<95:64>, and
GPLR3<24:0> correspond to GPIO<120:96>. Use the GPLRx read-only registers to determine the
current value of a particular pin (regardless of the programmed pin direction). For reserved bits
(GPLR3<31:25>), reads return zero.
Table 24-33 through Table 24-36 show the bitmaps of the GPIO Pin Level registers.
These are read-only registers. Ignore reads from reserved bits.
Table 24-32. GAFR3_U Bit Definitions
Physical Address
0x40E0_0070 GAFR3_U GPIO Controller
User
Settings
User
Settings
Bit 31 30 29 28 27 26 25 24 23 22 21 20 19 18 17 16 15 14 13 12 11 10 9 8 7 6 5 4 3 2 1 0
reserved
AF120
AF119
AF118
AF117
AF116
AF115
AF114
AF113
AF112
Reset 00000000000000000000000000000000
Bits Access Name Description
<31:18> — reserved
<17:0> R/W AFx
GPIO ‘x’ Alternate Function Select Bits (where x = 112 through 120)
A bit-pair in this register determines the corresponding GPIO pin’s
functionality as one of the alternate functions that is mapped to it or as a
generic GPIO pin.
0b00 = The corresponding GPIO pin (GPIO<x>) is used as a general-
purpose I/O.
0b01 = The corresponding GPIO pin (GPIO<x>) is used for its alternate
function 1.
0b10 = The corresponding GPIO pin (GPIO<x>) is used for its alternate
function 2.
0b11 = The corresponding GPIO pin (GPIO<x>) is used for its alternate
function 3.
Intel® PXA27x Processor Family Developer’s Manual 24-29
General-Purpose I/O Controller
Table 24-33. GPLR0 Bit Definitions
Physical Address
0x40E0_0000 GPLR0 GPIO Controller
User
Settings
Bit 31 30 29 28 27 26 25 24 23 22 21 20 19 18 17 16 15 14 13 12 11 10 9 8 7 6 5 4 3 2 1 0
PL31
PL30
PL29
PL28
PL27
PL26
PL25
PL24
PL23
PL22
PL21
PL20
PL19
PL18
PL17
PL16
PL15
PL14
PL13
PL12
PL11
PL10
PL9
reserved
PL4
PL3
reserved
PL1
PL0
Reset 0 0 0 0 0 0 0 0 0 0 0 0 0 0 0 0 0 0 0 0 0 0 0 0 0 0 0 0 0 0 0 0
Bits Access Name Description
<31:9> R PLx
GPIO Pin Level ‘x’ (where x = 9 to 31)
This read-only field indicates the current value of each GPIO.
0 = Pin state is low.
1 = Pin state is high.
<8:5> — reserved
<4:3> R PLx
GPIO Pin Level ‘x’ (where x = 3 to 4)
This read-only field indicates the current value of each GPIO.
0 = Pin state is low.
0 = Pin state is high.
<2> — reserved
<1:0> R PLx
GPIO Pin Level ‘x’ (where x = 0 to 1)
This read-only field indicates the current value of each GPIO.
0 = Pin state is low.
1 = Pin state is high.
Table 24-34. GPLR1 Bit Definitions
Physical Address
0x40E0_0004 GPLR1 GPIO Controller
User
Settings
Bit 31 30 29 28 27 26 25 24 23 22 21 20 19 18 17 16 15 14 13 12 11 10 9 8 7 6 5 4 3 2 1 0
PL63
PL62
PL61
PL60
PL59
PL58
PL57
PL56
PL55
PL54
PL53
PL52
PL51
PL50
PL49
PL48
PL47
PL46
PL45
PL44
PL43
PL42
PL41
PL40
PL39
PL38
PL37
PL36
PL35
PL34
PL33
PL32
Reset 0 0 0 0 0 0 0 0 0 0 0 0 0 0 0 0 0 0 0 0 0 0 0 0 0 0 0 0 0 0 0 0
Bits Access Name Description
<31:0> R PLx
GPIO Pin Level ‘x’ (where x = 32 to 63)
This read-only field indicates the current value of each GPIO.
0 = Pin state is low.
1 = Pin state is high.
24-30 Intel® PXA27x Processor Family Developer’s Manual
General-Purpose I/O Controller
24.5.6 GPIO Edge Detect Status Register (GEDR)
The GPIO Edge Detect Status registers (GEDR0/1/2/3) contain a total of 121 status bits that
correspond to the 121 GPIO pins. When an edge-detect occurs on a pin that matches the type of
edge programmed in the GRER and/or GFER registers, the corresponding status bit is set in
GEDR. Once a GEDR bit is set by an edge event, the bit remains set until it is cleared by writing a
one to the status bit. Writing a zero to a GEDR status bit has no effect.
Table 24-35. GPLR2 Bit Definitions
Physical Address
0x40E0_0008 GPLR2 GPIO Controller
User
Settings
Bit 31 30 29 28 27 26 25 24 23 22 21 20 19 18 17 16 15 14 13 12 11 10 9 8 7 6 5 4 3 2 1 0
PL95
PL94
PL93
PL92
PL91
PL90
PL89
PL88
PL87
PL86
PL85
PL84
PL83
PL82
PL81
PL80
PL79
PL78
PL77
PL76
PL75
PL74
PL73
PL72
PL71
PL70
PL69
PL68
PL67
PL66
PL65
PL64
Reset 0 0 0 0 0 0 0 0 0 0 0 0 0 0 0 0 0 0 0 0 0 0 0 0 0 0 0 0 0 0 0 0
Bits Access Name Description
<31:0> R PLx
GPIO Pin Level ‘x’ (where x = 64 to 95)
This read-only field indicates the current value of each GPIO.
0 = Pin state is low.
1 = Pin state is high.
Table 24-36. GPLR3 Bit Definitions
Physical Address
0x40E0_0100 GPLR3 GPIO Controller
User
Settings
User
Settings
Bit 31 30 29 28 27 26 25 24 23 22 21 20 19 18 17 16 15 14 13 12 11 10 9 8 7 6 5 4 3 2 1 0
reserved
PL120
PL119
PL118
PL117
PL116
PL115
PL114
PL113
PL112
PL111
PL110
PL109
PL108
PL107
PL106
PL105
PL104
PL103
PL102
PL101
PL100
PL99
PL98
PL97
PL96
Reset 0 0 0 0 0 0 0 0 0 0 0 0 0 0 0 0 0 0 0 0 0 0 0 0 0 0 0 0 0 0 0 0
Bits Access Name Description
<31:25> — reserved
<24:0> R PLx
GPIO Pin Level ‘x’ (where x = 96 to 120)
This read-only field indicates the current value of each GPIO.
0 = Pin state is low.
1 = Pin state is high.
Intel® PXA27x Processor Family Developer’s Manual 24-31
General-Purpose I/O Controller
Each edge-detect that sets the corresponding GEDR status bit for GPIO<120:0> can trigger an
interrupt request. GPIO<120:2> together form a group that can cause one interrupt request to be
triggered when any one of GEDR<120:2> is set. GPIO<0> and GPIO<1> cause independent first-
level interrupts. Refer to Chapter 25, “Interrupt Controller” for a description of the programming of
GPIO interrupts.
Table 24-37 through Table 24-40 show the bit descriptions of the GPIO Edge Detect Status
registers.
These are read/write registers. Ignore reads from reserved bits. Write 0b0 to reserved bits.
Table 24-37. GEDR0 Bit Definitions
Physical Address
0x40E0_0048 GEDR0 GPIO Controller
User
Settings
Bit 31 30 29 28 27 26 25 24 23 22 21 20 19 18 17 16 15 14 13 12 11 10 9 8 7 6 5 4 3 2 1 0
ED31
ED30
ED29
ED28
ED27
ED26
ED25
ED24
ED23
ED22
ED21
ED20
ED19
ED18
ED17
ED16
ED15
ED14
ED13
ED12
ED11
ED10
ED9
reserved
ED4
ED3
reserved
ED1
ED0
Reset 0 0 0 0 0 0 0 0 0 0 0 0 0 0 0 0 0 0 0 0 0 0 0 0 0 0 0 0 0 0 0 0
Bits Access Name Description
<31:9> R/W EDx
GPIO Pin ‘x’ Edge Detect Status (where x = 9 to 31)
READ
0 = No edge detect has occurred on pin as specified in GRER and/or
GFER.
1 = Edge detect has occurred on pin as specified in GRER and/or
GFER.
WRITE
0 = No effect.
1 = Clear edge detect status field.
<8:5> — reserved
<4:3> R/W EDx
GPIO Pin ‘x’ Edge Detect Status (where x = 3 to 4)
READ
0 = No edge detect has occurred on pin as specified in GRER and/or
GFER.
1 = Edge detect has occurred on pin as specified in GRER and/or
GFER.
WRITE
0 = No effect.
1 = Clear edge detect status field.
<2> — reserved
<1:0> R/W EDx
GPIO Pin ‘x’ Edge Detect Status (where x= 0 through 1)
READ
0 = No edge detect has occurred on pin as specified in GRER and/or
GFER.
1 = Edge detect has occurred on pin as specified in GRER and/or
GFER.
WRITE
0 = No effect.
1 = Clear edge detect status field.
24-32 Intel® PXA27x Processor Family Developer’s Manual
General-Purpose I/O Controller
Table 24-38. GEDR1 Bit Definitions
Physical Address
0x40E0_004C GEDR1 GPIO Controller
User
Settings
Bit 31 30 29 28 27 26 25 24 23 22 21 20 19 18 17 16 15 14 13 12 11 10 9 8 7 6 5 4 3 2 1 0
ED63
ED62
ED61
ED60
ED59
ED58
ED57
ED56
ED55
ED54
ED53
ED52
ED51
ED50
ED49
ED48
ED47
ED46
ED45
ED44
ED43
ED42
ED41
ED40
ED39
ED38
ED37
ED36
ED35
ED34
ED33
ED32
Reset 0 0 0 0 0 0 0 0 0 0 0 0 0 0 0 0 0 0 0 0 0 0 0 0 0 0 0 0 0 0 0 0
Bits Access Name Description
<31:0> R/W EDx
GPIO Pin ‘x’ Edge Detect Status (where x = 32 through 63)
READ
0 = No edge detect has occurred on pin as specified in GRER and/or
GFER.
1 = Edge detect has occurred on pin as specified in GRER and/or
GFER.
WRITE
0 = No effect.
1 = Clear edge detect status field.
Table 24-39. GEDR2 Bit Definitions
Physical Address
0x40E0_0050 GEDR2 GPIO Controller
User
Settings
Bit 31 30 29 28 27 26 25 24 23 22 21 20 19 18 17 16 15 14 13 12 11 10 9 8 7 6 5 4 3 2 1 0
ED95
ED94
ED93
ED92
ED91
ED90
ED89
ED88
ED87
ED86
ED85
ED84
ED83
ED82
ED81
ED80
ED79
ED78
ED77
ED76
ED75
ED74
ED73
ED72
ED71
ED70
ED69
ED68
ED67
ED66
ED65
ED64
Reset 0 0 0 0 0 0 0 0 0 0 0 0 0 0 0 0 0 0 0 0 0 0 0 0 0 0 0 0 0 0 0 0
Bits Access Name Description
<31:0> R/W EDx
GPIO Pin ‘x’ Edge Detect Status. (where x = 64 through 95)
READ
0 = No edge detect has occurred on pin as specified in GRER and/or
GFER.
1 = Edge detect has occurred on pin as specified in GRER and/or
GFER.
WRITE
0 = No effect.
1 = Clear edge detect status field.
Intel® PXA27x Processor Family Developer’s Manual 24-33
General-Purpose I/O Controller
24.6 Register Summary
Table 24-41 describes the location of the GPIO registers.
Table 24-40. GEDR3 Bit Definitions
Physical Address
0x40E0_0148 GEDR3 GPIO Controller
User
Settings
User
Settings
Bit 31 30 29 28 27 26 25 24 23 22 21 20 19 18 17 16 15 14 13 12 11 10 9 8 7 6 5 4 3 2 1 0
reserved
ED120
ED119
ED118
ED117
ED116
ED115
ED114
ED113
ED112
ED111
ED110
ED109
ED108
ED107
ED106
ED105
ED104
ED103
ED102
ED101
ED100
ED99
ED98
ED97
ED96
Reset 0 0 0 0 0 0 0 0 0 0 0 0 0 0 0 0 0 0 0 0 0 0 0 0 0 0 0 0 0 0 0 0
Bits Access Name Description
<31:25> — reserved
<24:0> R/W EDx
GPIO Pin ‘x’ Edge Detect Status (where x = 96 through 120)
READ
0 = No edge detect has occurred on pin as specified in GRER and/or
GFER.
1 = Edge detect has occurred on pin as specified in GRER and/or
GFER.
WRITE
0 = No effect.
1 = Clear edge detect status field.
Table 24-41. GPIO Controller Register Summary (Sheet 1 of 2)
Physical Address Name Description Page
0x40E0_ 0000 GPLR0 GPIO Pin-Level register GPIO<31:0> 24-28
0x40E0_ 0004 GPLR1 GPIO Pin-Level register GPIO<63:32> 24-28
0x40E0_ 0008 GPLR2 GPIO Pin-Level register GPIO<95:64> 24-28
0x40E0_ 000C GPDR0 GPIO Pin Direction register GPIO<31:0> 24-11
0x40E0_ 0010 GPDR1 GPIO Pin Direction register GPIO<63:32> 24-11
0x40E0_ 0014 GPDR2 GPIO Pin Direction register GPIO<95:64> 24-11
0x40E0_ 0018 GPSR0 GPIO Pin Output Set register GPIO<31:0> 24-14
0x40E0_ 001C GPSR1 GPIO Pin Output Set register GPIO<63:32> 24-14
0x40E0_ 0020 GPSR2 GPIO Pin Output Set register GPIO<95:64> 24-14
0x40E0_ 0024 GPCR0 GPIO Pin Output Clear register GPIO<31:0> 24-14
0x40E0_ 0028 GPCR1 GPIO Pin Output Clear register GPIO <63:32> 24-14
0x40E0_ 002C GPCR2 GPIO pin Output Clear register GPIO <95:64> 24-14
0x40E0_ 0030 GRER0 GPIO Rising-Edge Detect Enable register GPIO<31:0> 24-18
24-34 Intel® PXA27x Processor Family Developer’s Manual
General-Purpose I/O Controller
0x40E0_ 0034 GRER1 GPIO Rising-Edge Detect Enable register GPIO<63:32> 24-18
0x40E0_ 0038 GRER2 GPIO Rising-Edge Detect Enable register GPIO<95:64> 24-18
0x40E0_ 003C GFER0 GPIO Falling-Edge Detect Enable register GPIO<31:0> 24-18
0x40E0_ 0040 GFER1 GPIO Falling-Edge Detect Enable register GPIO<63:32> 24-18
0x40E0_ 0044 GFER2 GPIO Falling-Edge Detect Enable register GPIO<95:64> 24-18
0x40E0_ 0048 GEDR0 GPIO Edge Detect Status register GPIO<31:0> 24-30
0x40E0_ 004C GEDR1 GPIO Edge Detect Status register GPIO<63:32> 24-30
0x40E0_ 0050 GEDR2 GPIO Edge Detect Status register GPIO<95:64> 24-30
0x40E0_ 0054 GAFR0_L GPIO Alternate Function register GPIO<15:0> 24-23
0x40E0_ 0058 GAFR0_U GPIO Alternate Function register GPIO<31:16> 24-23
0x40E0_ 005C GAFR1_L GPIO Alternate Function register GPIO<47:32> 24-23
0x40E0_ 0060 GAFR1_U GPIO Alternate Function register GPIO<63:48> 24-23
0x40E0_ 0064 GAFR2_L GPIO Alternate Function register GPIO<79:64> 24-23
0x40E0_ 0068 GAFR2_U GPIO Alternate Function register GPIO <95:80> 24-23
0x40E0_ 006C GAFR3_L GPIO Alternate Function register GPIO<111:96> 24-23
0x40E0_ 0070 GAFR3_U GPIO Alternate Function register GPIO<120:112> 24-23
0x40E0_ 0074
0x40E0_ 00FC reserved
0x40E0_ 0100 GPLR3 GPIO Pin-Level register GPIO<120:96> 24-28
0x40E0_ 0104
0x40E0_ 0108 -— reserved
0x40E0_ 010C GPDR3 GPIO Pin Direction register GPIO<120:96> 24-11
0x40E0_ 0110–
0x40E0_ 0114 reserved
0x40E0_ 0118 GPSR3 GPIO Pin Output Set register GPIO<120:96> 24-14
0x40E0_ 011C–
0x40E0_ 0120 reserved
0x40E0_ 0124 GPCR3 GPIO Pin Output Clear register GPIO<120:96> 24-14
0x40E0_ 0128
0x40E0_ 012C reserved
0x40E0_ 0130 GRER3 GPIO Rising-Edge Detect Enable register GPIO<120:96> 24-18
0x40E0_ 0134
0x40E0_ 0138 reserved
0x40E0_ 013C GFER3 GPIO Falling-Edge Detect Enable register GPIO<120:96> 24-18
0x40E0_ 0140
0x40E0_ 0144 reserved
0x40E0_ 0148 GEDR3 GPIO Edge Detect Status register GPIO<120:96> 24-18
0x40E0_ 014C–
0x40EF_FFFC -— reserved
Table 24-41. GPIO Controller Register Summary (Sheet 2 of 2)
Physical Address Name Description Page
Intel® PXA27x Processor Family Developer’s Manual 25-1
Interrupt Controller 25
This chapter describes the interrupt controller included in the PXA27x processor, explains its
modes of operation, and defines its registers. The interrupt controller controls the interrupt sources
available to the processor and contains the location of the interrupt source to allow software to
determine the first-level source of all interrupts. It also determines whether the interrupts cause an
IRQ or an FIQ to occur and masks the interrupts.
25.1 Overview
The interrupt controller provides a two-level hierarchy of interrupts. It can receive interrupts from
peripherals or PXA27x processor devices. Processor devices are the primary sources of interrupts.
The internal events that occur in a peripheral and cause an interrupt are called secondary sources of
interrupts.
Multiple secondary sources are usually mapped to a single primary source. For example, the DMA
controller is a primary source of interrupts to the interrupt controller, with 32 possible secondary
sources.
Each interrupt source is set to generate either an IRQ or an FIQ. The setting that determines
whether an IRQ or an FIQ generated is called the level of the interrupt. The interrupt controller can
be programmed to individually mask interrupts from the different sources. If an interrupt is
masked, the controller does not cause the interrupt. The software can read registers in the interrupt
controller, which identifies all the active IRQ and FIQ interrupts.
The controller assigns a unique priority to each primary source. It uses the assigned priority values
to determine the highest priority peripheral when more than one interrupt is pending. Software can
determine the peripheral ID with the highest active priority by reading a register in the controller.
The registers can be accessed by two methods: as coprocessor registers or as memory-mapped I/O
registers. Coprocessor-register mode has less access latency than memory-mapped I/O-register
mode access.
25.2 Features
The interrupt controller unit has the following features:
Peripheral interrupt sources can be mapped to FIQ or IRQ
Each interrupt source can be independently enabled
Priority mechanism to indicate highest priority interrupt
Accessible from the coprocessor interface
Accessible as a memory-mapped peripheral for backward compatibility
25-2 Intel® PXA27x Processor Family Developer’s Manual
Interrupt Controller
25.3 Signal Descriptions
No external I/O signals are associated with the interrupt controller.
25.4 Operation
The Interrupt Controller Pending register (ICPR) (see Section 25.5.1) has a bit for each of the
peripherals (primary interrupt sources). Each active interrupt sets the corresponding bit. The
Interrupt Controller IRQ Pending register (ICIP) (see Section 25.5.2) and the Interrupt Controller
FIQ Pending register (ICFP) (see Section 25.5.3) identify the active, unmasked pending interrupt
sources that are causing IRQ- and FIQ-level interrupts, respectively. Interrupts are set at their
source and masked or unmasked in the interrupt controller. The programmable Interrupt Controller
Mask register (ICMR) (see Section 25.5.4) chooses which interrupt source is masked. Masked
interrupt sources do not cause an IRQ or FIQ interrupt to the core and only update the ICPR. The
Interrupt Control Level register (ICLR) (see Section 25.5.5) chooses whether an interrupt causes an
IRQ or an FIQ.
Because more than one unmasked interrupt can be active at the same time, the processor must
select the one with the highest priority. Software can determine that through the ICIP and ICFP or
by reading the Interrupt Controller Highest Priority (ICHP) (see Section 25.5.8) register at the
controller that contains the peripheral ID with the highest priority value among the active
unmasked interrupts.
The second level of the interrupt structure is represented by registers contained in the source device
(the device that generated the first-level interrupt bit). Second-level interrupt status provides
additional information about the interrupt and is used inside the interrupt-service routine. After it
reads the first-level registers, software reads the registers in the device to determine the function
that is causing the interrupt. In general, multiple second-level interrupts are ORed to produce a
first-level interrupt bit. Interrupts are enabled inside the source device.
Interrupt Priority registers (IPRs) (see Section 25.5.7) specify the mapping between the different
priority levels and the peripheral IDs. The interrupt controller uses these set values to prioritize the
active unmasked interrupts and to update the ICHP register. The core can read the highest priority
peripheral ID for both IRQ- and FIQ-level from the ICHP.
Because the highest priority register is automatically updated with the peripheral ID, the software
is not required to examine each of the pending interrupts to determine which peripheral ID has the
highest priority. ICHP is updated with both the highest priority IRQ and FIQ peripherals.
Most interrupt controller registers can be accessed using coprocessor-register-access mode or
memory-mapped register-access mode. The software can use either access method. Anomalies that
can occur due to the varying access latencies in each mode must be considered. For example, a
coprocessor-mapped read of a register that immediately follows a memory-mapped register write
to the register may not yield the correct value. The memory-mapped register I/Os must be read
immediately after the write to ensure that the memory-mapped write has been performed properly.
For coprocessor-register-access mode, coprocessor space number six is used. Interrupt controller
registers can be accessed only in supervisory mode. If any software process attempts to access the
registers in the coprocessor mode, it receives an undefined access error. A software process that
attempts to access the registers in memory-mapped register-access mode triggers a data-abort error.
Intel® PXA27x Processor Family Developer’s Manual 25-3
Interrupt Controller
Software sets the enabling and access options for the coprocessor. Detailed information on setting
access and enable options is located in the Intel XScale® Microarchitecture Programmers
Reference Manual.
When the processor is in idle state, the occurrence of any enabled interrupt causes the processor to
resume operation. When ICCR disable-idle mode (DIM) is cleared—its default state—the interrupt
controller ignores interrupt masks when the processor is in idle.
Figure 25-1 is a block diagram of the interrupt controllers operation. All of the registers depicted
in Figure 25-1 are described in detail in this chapter.
Figure 25-1. Interrupt Controller Block Diagram
Interrupt Level
Register
Interrupt Pending
Register
Interrupt Mask
Register
IRQ Interrupt
Pending Register
FIQ Interrupt
Pending Register
Interrupt Priority
Register
Highest Priority
Register Peripheral Priority
Processor
ICCR[DIM] = 0b0 &
P
rocessor in IDLE state
Interrupt Source
Bit
All Other
Qualified
Interrupt Bits
32 32
FIQ Interrupt t
o
Processor
IRQ Interrupt
to
Processor
33 33
25-4 Intel® PXA27x Processor Family Developer’s Manual
Interrupt Controller
25.4.1 Accessing Interrupt Controller Registers
Most of the interrupt controller registers can be accessed through coprocessor registers. Accessing
the interrupt controller registers through the coprocessor registers significantly reduces access
times. The coprocessor must be accessed in the supervisory mode only. Attempts to access the
interrupt coprocessor in user mode result in an undefined instruction exception.
Table 25-1 shows the interrupt controller registers and the coprocessor register numbers that
correspond to them. The registers are mapped to the register space of Coprocessor 6.
25.4.2 Enabling and Accessing the Coprocessor
To access the interrupt controller as Coprocessor 6, the corresponding coprocessor must be enabled
in the core CPAR register. See the Intel XScale® Core Developers Manual for more information
about enabling the coprocessors.
The example code sequences that follow assume that Coprocessor 6 is enabled:
To read from the coprocessor register, use an MRC instruction:
MRC P6, 0, Rd, CRn, C0, 0 ; Rd:Arm register and CRn:Coprocessor register
Note: All registers except IPR and ICCR are readable in coprocessor-access mode.
To write the interrupt controller register, use an MCR instruction:
LDR Rd, =0xdesired_val; Loading core register with desired value
MCR P6, 0, Rd, CRn, C0, 0 write the ARM* register to CP6 register CRn
Note: Only ICMR and ICLR can be written to in coprocessor-access mode.
Table 25-1. Interrupt Controller Register Mapping When Mapped to Coprocessor Space
Coprocessor 6 Register
Number Name Access
Mode Description
CR0 ICIP R Interrupt Controller IRQ Pending register
CR1 ICMR R/W Interrupt Controller Mask register
CR2 ICLR R/W Interrupt Controller Level register
CR3 ICFP R Interrupt Controller FIQ Pending register
CR4 ICPR R Interrupt Controller Pending register
CR5 ICHP R Interrupt Controller Highest Priority register
CR6 ICIP2 R Interrupt Controller IRQ Pending register 2
CR7 ICMR2 R/W Interrupt Controller Mask register 2
CR8 ICLR2 R/W Interrupt Controller Level register 2
CR9 ICFP2 R Interrupt Controller FIQ Pending register 2
CR10 ICPR2 R Interrupt Controller Pending register 2
Not Mapped to coprocessor ICCR R/W Interrupt Controller Control register
Not Mapped to coprocessor IPR0–IPR39 R/W Interrupt Priority registers for Interrupts 0 to 39
Intel® PXA27x Processor Family Developer’s Manual 25-5
Interrupt Controller
25.4.3 Bit Positions and Peripheral IDs
Table 25-2 contains a list of sources for the interrupts. Each source can be associated with a number
of second-level sources. Refer to the appropriate chapters for more detailed information on the
second-level interrupt sources in each device. Each interrupt source has a peripheral ID. For the
sake of simplicity, the peripheral ID is assigned according to bit position. The IPRs are set using
these values as the peripheral ID.
Table 25-2. Bit Positions for Primary Interrupt Sources (Sheet 1 of 2)
Bit
Position Source Module Bit Field Description Peripheral
ID
IP[39] NA reserved 39
IP[38] NA reserved 38
IP[37] NA reserved 37
IP[36] NA reserved 36
IP[35] NA reserved 35
IP[34] NA reserved 34
IP[33] Quick capture interface Quick capture interface interrupt 33
IP[32] Trusted Platform Module Trusted Platform Module interrupt 32
IP[31] Real-time clock RTC equals Alarm register 31
IP[30] One Hz clock TIC occurred 30
IP[29]
Operating system timers
OS timer equals Match register 3 29
IP[28] OS timer equals Match register 2 28
IP[27] OS timer equals Match register 1 27
IP[26] OS timer equals Match register 0 26
IP[25] DMA controller DMA Channel service request 25
IP[24] Synchronous serial port 1 SSP_1 service request 24
IP[23] Flash card interface/MMC Flash Card status/Error detection 23
IP[22] FFUART Transmit or receive error in FFUART 22
IP[21] BTUART Transmit or receive error in BTUART 21
IP[20] STUART Transmit or receive error in STUART 20
IP[19] Infrared communications port Transmit or receive error in infrared communications
port 19
IP[18] I2CI
2C service request 18
IP[17] LCD controller LCD controller service request 17
IP[16] Synchronous serial port 2 SSP_2 service request 16
IP[15] USIM interface Smart card interface status/error 15
IP[14] AC ’97 AC ’97 interrupt 14
IP[13] I2SI
2S interrupt 13
IP[12] PMU PMU (performance monitor) interrupt 12
IP[11] USB client USB client interrupt 11
25-6 Intel® PXA27x Processor Family Developer’s Manual
Interrupt Controller
25.5 Register Descriptions
25.5.1 Interrupt Controller Pending Registers (ICPR and ICPR2)
ICPR (Table 25-3) and ICPR2 (Table 25-4) are read-only registers that show all active interrupts in
the system. The contents are not affected by the state of the mask registers (ICMR and ICMR2).
Both the IRQ-level and FIQ-level active interrupts are read as set in this register. The register is
cleared during reset.
IP[10]
GPIO
GPIO_xOR” of the GPIO edge detect (except 0 and 1) 10
IP[9] GPIO<1> detects an edge 9
IP[8] GPIO<0> detects an edge 8
IP[7] Operating system timers OS timer matches registers 4–11 7
IP[6] Power I2CPower I
2C interrupt 6
IP[5] Memory Stick Memory stick interrupt 5
IP[4] Keypad controller Keypad controller interrupt 4
IP[3] USB host controller USB host interrupt 1 (OHCI) 3
IP[2] USB host interrupt 2 2
IP[1] Mobile scalable link MSL Interface interrupt 1
IP[0] Synchronous serial port 3 SSP_3 service request 0
Table 25-2. Bit Positions for Primary Interrupt Sources (Sheet 2 of 2)
Bit
Position Source Module Bit Field Description Peripheral
ID
Intel® PXA27x Processor Family Developer’s Manual 25-7
Interrupt Controller
Table 25-3. ICPR Bit Definitions (Sheet 1 of 3)
Physical Address: 0x40D0_0010
Coprocessor Register: CR4 ICPR Interrupt Controller
User
Settings
Bit 31 30 29 28 27 26 25 24 23 22 21 20 19 18 17 16 15 14 13 12 11 10 9 8 7 6 5 4 3 2 1 0
RTC_AL
RTC_HZ
OST_3
OST_2
OST_1
OST_0
DMAC
SSP1
MMC
FFUART
BTUART
STUART
ICP
I2C
LCD
SSP2
USIM
AC97
I2S
PMU
USBC
GPIO_x
GPIO_1
GPIO_0
OST_4_11
PWR_I2C
MEM_STK
KEYPAD
USBH1
USBH2
MSL
SSP3
Reset 0 0 0 0 0 0 0 0 0 0 0 0 0 0 0 0 0 0 0 0 0 0 0 0 0 0 0 0 0 0 0 0
Bits Access Name Description
31 R RTC_AL
Real-Time Clock Alarm:
0 = RTC equals alarm register interrupt has not occurred.
1 = RTC equals alarm register interrupt has occurred.
30 R RTC_HZ
One Hz Clock:
0 = One Hz clock TIC has not occurred.
1 = One Hz clock TIC has occurred.
29 R OST_3
OS Timer 3:
0 = OS timer does not equal match register 3.
1 = OS timer equals match register 3.
28 R OST_2
OS Timer 2:
0 = OS timer does not equal match register 2.
1 = OS timer equals match register 2.
27 R OST_1
OS Timer 1:
0 = OS timer does not equal match register 1.
1 = OS timer equals match register 1.
26 R OST_0
OS Timer 0:
0 = OS timer does not equal match register 0.
1 = OS timer equals match register 0.
25 R DMAC
DMA Controller:
0 = DMA Channel service request has not occurred.
1 = DMA Channel service request has occurred.
24 R SSP1
SSP 1:
0 = SSP 1 has not requested service.
1 = SSP 1 has requested service.
23 R MMC
MultiMediaCard:
0 = Flash card status has not changed/error detection has not occurred.
1 = Flash card status change/error detection has occurred.
22 R FFUART
FFUART:
0 = A transmit or receive error in FFUART has not occurred.
1 = A transmit or receive error in FFUART has occurred.
21 R BTUART
BTUART:
0 = A transmit or receive error in BTUART has not occurred.
1 = A transmit or receive error in BTUART has occurred.
20 R STUART
STUART:
0 = A transmit or receive error in STUART has not occurred.
1 = A transmit or receive error in STUART has occurred.
25-8 Intel® PXA27x Processor Family Developer’s Manual
Interrupt Controller
19 R ICP
Infrared Communications Port:
0 = A transmit or receive error in infrared port has not occurred.
1 = A transmit or receive error in infrared port has occurred.
18 R I2C
I2C:
0 = I2C service request has not occurred.
1 = I2C service request has occurred.
17 R LCD
LCD:
0 = LCD controller has not requested service.
1 = LCD controller has requested service.
16 R SSP2
SSP2:
0 = SSP 2 has not requested service.
1 = SSP 2 has requested service.
15 R USIM
USIM:
0 = Smart card interface status changes/error has occurred.
1 = Smart card interface status changes/error has occurred.
14 R AC97
AC97:
0 = AC ’97 interrupt has not occurred.
1 = AC ’97 interrupt has occurred.
13 R I2S
I2S:
0 = 2S interrupt has not occurred.
1 = I2S interrupt has occurred.
12 R PMU
PMU:
0 = PMU (performance monitor) interrupt has not occurred.
1 = PMU (performance monitor) interrupt has occurred.
11 R USBC
USB Client:
0 = USB client interrupt has not occurred.
1 = USB client interrupt has occurred.
10 R GPIO_x
GPIO_x
0 = A GPIO_x edge (other than GPIO_0 or GPIO_1) has not been
detected.
1 = A GPIO_x edge (other than GPIO_0 or GPIO_1) has been detected.
9 R GPIO_1
GPIO_1:
0 = GPIO<1> edge has not been detected.
1 = GPIO<1> edge has been detected.
8 R GPIO_0
GPIO_0:
0 = GPIO<0> edge has not been detected.
1 = GPIO<0> edge has been detected.
Table 25-3. ICPR Bit Definitions (Sheet 2 of 3)
Physical Address: 0x40D0_0010
Coprocessor Register: CR4 ICPR Interrupt Controller
User
Settings
Bit 31 30 29 28 27 26 25 24 23 22 21 20 19 18 17 16 15 14 13 12 11 10 9 8 7 6 5 4 3 2 1 0
RTC_AL
RTC_HZ
OST_3
OST_2
OST_1
OST_0
DMAC
SSP1
MMC
FFUART
BTUART
STUART
ICP
I2C
LCD
SSP2
USIM
AC97
I2S
PMU
USBC
GPIO_x
GPIO_1
GPIO_0
OST_4_11
PWR_I2C
MEM_STK
KEYPAD
USBH1
USBH2
MSL
SSP3
Reset 0 0 0 0 0 0 0 0 0 0 0 0 0 0 0 0 0 0 0 0 0 0 0 0 0 0 0 0 0 0 0 0
Bits Access Name Description
Intel® PXA27x Processor Family Developer’s Manual 25-9
Interrupt Controller
7ROST_4_11
OS Timers 4–11:
0 = OS timer match 4-11 has not occurred.
1 = OS timer match 4-11 has occurred.
6RPWR_I2C
Power I2C:
0 = I2C power unit interrupt has not occurred.
1 = I2C power unit interrupt has occurred.
5RMEM_STK
Memory Stick:
0 = Memory stick host controller request has not occurred.
1 = Memory stick host controller request has occurred.
4 R KEYPAD
Keypad:
0 = Keypad controller interrupt has not occurred.
1 = Keypad controller interrupt has occurred.
3 R USBH1
USB Host 1:
0 = USB host interrupt 1 (OHCI) has not occurred.
1 = USB host interrupt 1 (OHCI) has occurred.
2 R USBH2
USB Host 2:
0 = USB host interrupt 2 has not occurred.
1 = USB host interrupt 2 has occurred.
1RMSL
MSL:
0 = MSL interface interrupt 1 has not occurred.
1 = MSL interface interrupt 1 has occurred.
0 R SSP3
SSP 3:
0 = SSP3 has not requested service.
1 = SSP3 has requested service.
Table 25-3. ICPR Bit Definitions (Sheet 3 of 3)
Physical Address: 0x40D0_0010
Coprocessor Register: CR4 ICPR Interrupt Controller
User
Settings
Bit 31 30 29 28 27 26 25 24 23 22 21 20 19 18 17 16 15 14 13 12 11 10 9 8 7 6 5 4 3 2 1 0
RTC_AL
RTC_HZ
OST_3
OST_2
OST_1
OST_0
DMAC
SSP1
MMC
FFUART
BTUART
STUART
ICP
I2C
LCD
SSP2
USIM
AC97
I2S
PMU
USBC
GPIO_x
GPIO_1
GPIO_0
OST_4_11
PWR_I2C
MEM_STK
KEYPAD
USBH1
USBH2
MSL
SSP3
Reset 0 0 0 0 0 0 0 0 0 0 0 0 0 0 0 0 0 0 0 0 0 0 0 0 0 0 0 0 0 0 0 0
Bits Access Name Description
25-10 Intel® PXA27x Processor Family Developer’s Manual
Interrupt Controller
Several units have more than one source per interrupt signal. When one of these units signals an
interrupt, the interrupt-service routine identifies the interrupt through the registers (ICPR and
ICPR2) or by reading the ICHP that contains the peripheral ID with the interrupt that has highest
active, unmasked priority. The handler then reads the interrupting unit’s status register to identify
which source in the unit signaled the interrupt. For all interrupts that have only one corresponding
source, the interrupt-handler routine must use only the interrupt controller registers to identify the
exact cause of the interrupt. After the interrupt from a source is served, the corresponding bit is
cleared.
25.5.2 Interrupt Controller IRQ Pending Registers (ICIP and ICIP2)
ICIP and ICIP2 have one bit per interrupt source. A bit is set when the corresponding peripheral
has a pending unmasked IRQ interrupt that is waiting to be served. In general, software reads status
registers in the interrupting device for detailed information to determine how to service the
interrupt. Interrupt bits in the ICPR and ICPR2 are read-only and represent the logical OR of the
status bits for a given interrupt in the source unit. After an interrupt has been serviced, the handler
clears the pending interrupt at the source by writing to the required status bit. Refer to the
respective peripheral chapters for details.
Clearing the interrupt-status bit at the source automatically clears the corresponding ICIP (or
ICIP2) bit. Table 25-5 and Table 25-5 show the bit locations that correspond to the independent
Interrupt-Pending Status flags in the ICIP and ICIP2. An interrupting source creates an IRQ if the
corresponding bit in the ICLR or ICLR2 is cleared.
Table 25-4. ICPR2 Bit Definitions
Physical Address
0x40D0_00AC
Coprocessor Register Number
CR10
ICPR2 Interrupt Controller
Bit 31 30 29 28 27 26 25 24 23 22 21 20 19 18 17 16 15 14 13 12 11 10 9 8 7 6 5 4 3 2 1 0
reserved
CIF
TPM
Reset ? ? ? ? ? ? ? ? ? ? ? ? ? ? ? ? ? ? ? ? ? ? ? ? 0 0 0 0 0 0 0 0
Bits Access Name Description
31-2 — reserved
1RCIF
Quick Capture Interface:
0 = Quick capture Interface interrupt has not occurred
1 = Quick capture Interface interrupt has occurred = 0 otherwise
0RTPM
Trusted Platform Module:
0 = Trusted Platform Module interrupt has not occurred
1 = Trusted Platform Module interrupt has occurred
Intel® PXA27x Processor Family Developer’s Manual 25-11
Interrupt Controller
Table 25-5. ICIP Bit Definitions (Sheet 1 of 4)
Physical Address: 0x40D0_0000
Coprocessor Register: CR0 ICIP Interrupt Controller
User
Settings
Bit 31 30 29 28 27 26 25 24 23 22 21 20 19 18 17 16 15 14 13 12 11 10 9 8 7 6 5 4 3 2 1 0
RTC_AL
RTC_HZ
OST_3
OST_2
OST_1
OST_0
DMAC
SSP1
MMC
FFUART
BTUART
STUART
ICP
I2C
LCD
SSP2
USIM
AC97
I2S
PMU
USBC
GPIO_x
GPIO_1
GPIO_0
OST_4_11
PWR_I2C
MEM_STK
KEYPAD
USB1
USB2
MSL
SSP3
Reset 0 0 0 0 0 0 0 0 0 0 0 0 0 0 0 0 0 0 0 0 0 0 0 0 0 0 0 0 0 0 0 0
Bits Access Name Description
31 R RTC_AL
Real-Time Clock Alarm
0 = One of the requirements for setting the bit has not been met.
1 = RTC equals Alarm register, interrupt level<31> = 0, and either Mask
Bit <31> = 1 or DIM Bit = 0.
30 R RTC_HZ
One Hz Clock
0 = One of the requirements for setting the bit has not been met.
1 = One Hz clock TIC occurred, interrupt level<30> = 0, and either Mask
Bit <30> = 1 or DIM Bit = 0.
29 R OST_3
OS Timer 3
0 = One of the requirements for setting the bit has not been met.
1 = OS timer equals match register 3, interrupt level<29> = 0, and either
Mask Bit <29> = 1 or DIM Bit = 0.
28 R OST_2
OS Timer 2
0 = One of the requirements for setting the bit has not been met.
1 = OS timer equals match register 2, interrupt level<28> = 0, and either
Mask Bit <28> = 1 or DIM Bit = 0.
27 R OST_1
OS Timer 1
0 = One of the requirements for setting the bit has not been met.
1 = OS timer equals match register 1, interrupt level<27> = 0, and either
Mask Bit <27> = 1 or DIM Bit = 0.
26 R OST_0
OS Timer 0
0 = One of the requirements for setting the bit has not been met.
1 = OS timer equals match register 0, interrupt level<26> = 0, and either
Mask Bit <26> = 1 or DIM Bit = 0.
25 R DMAC
DMA Controller
0 = One of the requirements for setting the bit has not been met.
1 = DMA Channel service request has occurred, interrupt level <23> = 0,
and either Mask Bit<23> = 1 or DIM Bit = 0.
24 R SSP1
SSP 1
0 = One of the requirements for setting the bit has not been met.
1 = SSP 1 service request has occurred, interrupt level <22> = 0, and
either Mask Bit<22> = 1 or DIM Bit = 0.
23 R MMC
MultiMediaCard
0 = One of the requirements for setting the bit has not been met.
1 = Flash card status has changed or any error has been detected,
interrupt level<19> = 0, and either Mask Bit<19> = 1 or DIM Bit = 0.
25-12 Intel® PXA27x Processor Family Developer’s Manual
Interrupt Controller
22 R FFUART
FFUART
0 = One of the requirements for setting the bit has not been met.
1 = A transmit or receive error has occurred in FFUART, interrupt
level<18> = 0, and either Mask Bit<18> = 1 or DIM Bit = 0.
21 R BTUART
BTUART
0 = One of the requirements for setting the bit has not been met.
1 = A transmit or receive error has occurred in BTUART, interrupt
level<17> = 0, and either Mask Bit<17> = 1or DIM Bit = <0>.
20 R STUART
STUART
0 = One of the requirements for setting the bit has not been met.
1 = A transmit or receive error has occurred in STUART, interrupt
level<16> = 0, and either Mask Bit<16> = 1 or DIM Bit = 0.
19 R ICP
Infrared Communications Port
0 = One of the requirements for setting the bit has not been met.
1 = A transmit or receive error has occurred in infrared port, interrupt
level<15> = 0, and either Mask Bit<15> = 1 or DIM Bit = 0.
18 R I2C
I2C
0 = One of the requirements for setting the bit has not been met.
1 = I2C service request has occurred, interrupt level<14> = 0, and either
Mask Bit<14> = 1 or DIM Bit = 0.
17 R LCD
LCD
0 = One of the requirements for setting the bit has not been met.
1 = LCD controller service request has occurred, interrupt level<13> = 0,
and either Mask Bit<13> = 1 or DIM Bit = 0.
16 R SSP2
SSP 2
0 = One of the requirements for setting the bit has not been met.
1 = SSP 2 service requests has occurred, interrupt level<21> = 0, and
either Mask Bit<21> = 1 or DIM Bit = 0.
15 R USIM
USIM
0 = One of the requirements for setting the bit has not been met.
1 = Smart card interface status/error has occurred, interrupt
level<20> = 0, and either Mask Bit<20> = 1 or DIM Bit = 0.
14 R AC97
AC97
0 = One of the requirements for setting the bit has not been met.
1 = AC ’97 interrupt has occurred, interrupt level<12> = 0, and either
Mask Bit<12> = 1, or DIM Bit = 0.
13 R I2S
I2S
0 = One of the requirements for setting the bit has not been met.
1 = I2S interrupt has occurred, interrupt level<11> = 0, and either Mask
Bit<11> = 1 or DIM Bit = 0.
Table 25-5. ICIP Bit Definitions (Sheet 2 of 4)
Physical Address: 0x40D0_0000
Coprocessor Register: CR0 ICIP Interrupt Controller
User
Settings
Bit 31 30 29 28 27 26 25 24 23 22 21 20 19 18 17 16 15 14 13 12 11 10 9 8 7 6 5 4 3 2 1 0
RTC_AL
RTC_HZ
OST_3
OST_2
OST_1
OST_0
DMAC
SSP1
MMC
FFUART
BTUART
STUART
ICP
I2C
LCD
SSP2
USIM
AC97
I2S
PMU
USBC
GPIO_x
GPIO_1
GPIO_0
OST_4_11
PWR_I2C
MEM_STK
KEYPAD
USB1
USB2
MSL
SSP3
Reset 0 0 0 0 0 0 0 0 0 0 0 0 0 0 0 0 0 0 0 0 0 0 0 0 0 0 0 0 0 0 0 0
Bits Access Name Description
Intel® PXA27x Processor Family Developer’s Manual 25-13
Interrupt Controller
12 R PMU
Power Management Unit
0 = One of the requirements for setting the bit has not been met.
1 = PMU (Performance Monitor) interrupt has occurred, interrupt
level<6> = 0, and either Mask Bit<6> = 1 or DIM Bit = 0.
11 R USBC
USB Client
0 = One of the requirements for setting the bit has not been met.
1 = USB client interrupt has occurred, interrupt level<5> = 0, and either
Mask Bit<5> = 1 or DIM Bit = 0.
10 R GPIO_x
GPIO_x
0 = One of the requirements for setting the bit has not been met.
1 = GPIO_x (other than GPIO_0 or GPIO_1) edge detect = 1, interrupt
level<10> = 0, and either Mask Bit<10> = 1 or DIM Bit = 0.
9 R GPIO_1
GPIO_1
0 = One of the requirements for setting the bit has not been met.
1 = GPIO<1> has detected an edge, interrupt level<9> = 0, and either
Mask Bit<9> = 1 or DIM Bit = 0.
8 R GPIO_0
GPIO_0
0 = One of the requirements for setting the bit has not been met.
1 = GPIO<0> has detected an edge, interrupt level<8> = 0, and either
Mask Bit<8> = 1 or DIM Bit = 0.
7ROST_4_11
OS Timer 4-11
0 = One of the requirements for setting the bit has not been met.
1 = OS timer match 4-11 has occurred, interrupt level<7> = 0, and either
Mask Bit<7> = 1 or DIM Bit = 0.
6RPWR_I2C
Power I2C
0 = One of the requirements for setting the bit has not been met.
1 = I2C power unit interrupt has occurred, interrupt level<0> = 0, and
either Mask Bit<0> = 1 or DIM Bit = 0.
5RMEM_STK
Memory Stick
0 = One of the requirements for setting the bit has not been met.
1 = Memory stick host controller request has occurred, interrupt
level<24> = 0, and either Mask Bit<24> = 1 or DIM Bit = 0.
4 R KEYPAD
Keypad
0 = One of the requirements for setting the bit has not been met.
1 = Keypad controller interrupt has occurred, interrupt level<4> = 0, and
either Mask Bit<4> = 1 or DIM Bit = 0.
3 R USBH1
USB Host 1
0 = One of the requirements for setting the bit has not been met.
1 = USB host interrupt 1 (OHCI) interrupt has occurred, interrupt
level<3> = 0, and either Mask Bit<3> = 1 or DIM Bit = 0.
Table 25-5. ICIP Bit Definitions (Sheet 3 of 4)
Physical Address: 0x40D0_0000
Coprocessor Register: CR0 ICIP Interrupt Controller
User
Settings
Bit 31 30 29 28 27 26 25 24 23 22 21 20 19 18 17 16 15 14 13 12 11 10 9 8 7 6 5 4 3 2 1 0
RTC_AL
RTC_HZ
OST_3
OST_2
OST_1
OST_0
DMAC
SSP1
MMC
FFUART
BTUART
STUART
ICP
I2C
LCD
SSP2
USIM
AC97
I2S
PMU
USBC
GPIO_x
GPIO_1
GPIO_0
OST_4_11
PWR_I2C
MEM_STK
KEYPAD
USB1
USB2
MSL
SSP3
Reset 0 0 0 0 0 0 0 0 0 0 0 0 0 0 0 0 0 0 0 0 0 0 0 0 0 0 0 0 0 0 0 0
Bits Access Name Description
25-14 Intel® PXA27x Processor Family Developer’s Manual
Interrupt Controller
2 R USBH2
USB Host 2
0 = One of the requirements for setting the bit has not been met.
1 = USB host interrupt 2 interrupt has occurred, interrupt level<2> = 0,
and either Mask Bit<2> = 1 or DIM Bit = 0.
1RMSL
MSL
0 = One of the requirements for setting the bit has not been met.
1 = MSL interrupt has occurred, interrupt level<1> = 0, and either Mask
Bit<1> = 1 or DIM Bit = 0.
0 R SSP3
SSP 3
0 = One of the requirements for setting the bit has not been met.
1 = SSP 3 service request has occurred, interrupt level<0> = 0, and either
Mask Bit<0> = 1 or DIM Bit = 0.
Table 25-6. ICIP2 Bit Definitions
Physical Address
0x40D0_009C
Coprocessor Register Number
CR6
ICIP2 Interrupt Controller
User
Settings
Bit 31 30 29 28 27 26 25 24 23 22 21 20 19 18 17 16 15 14 13 12 11 10 9 8 7 6 5 4 3 2 1 0
reserved
CIF
TPM
Reset ? ? ? ? ? ? ? ? ? ? ? ? ? ? ? ? ? ? ? ? ? ? ? ? 0 0 0 0 0 0 0 0
Bits Access Name Description
31-2 — reserved
1RCIF
Quick Capture Interface
0 = No interrupt notification
1 = Quick capture Interface interrupt occurs and ((Mask Bit(0) = 0b1)OR
(DIM Bit = 0b0)) and (interrupt level (33) = 0b0)
0RTPM
Trusted Platform Module
0 = One of the requirements for setting the bit has not been met.
1 = Trusted Platform Module service request has occurred, interrupt level
<0> = 0, and either Mask Bit<0> = 1 or DIM Bit = 0.
Table 25-5. ICIP Bit Definitions (Sheet 4 of 4)
Physical Address: 0x40D0_0000
Coprocessor Register: CR0 ICIP Interrupt Controller
User
Settings
Bit 31 30 29 28 27 26 25 24 23 22 21 20 19 18 17 16 15 14 13 12 11 10 9 8 7 6 5 4 3 2 1 0
RTC_AL
RTC_HZ
OST_3
OST_2
OST_1
OST_0
DMAC
SSP1
MMC
FFUART
BTUART
STUART
ICP
I2C
LCD
SSP2
USIM
AC97
I2S
PMU
USBC
GPIO_x
GPIO_1
GPIO_0
OST_4_11
PWR_I2C
MEM_STK
KEYPAD
USB1
USB2
MSL
SSP3
Reset 0 0 0 0 0 0 0 0 0 0 0 0 0 0 0 0 0 0 0 0 0 0 0 0 0 0 0 0 0 0 0 0
Bits Access Name Description
Intel® PXA27x Processor Family Developer’s Manual 25-15
Interrupt Controller
25.5.3 Interrupt Controller FIQ Pending Registers (ICFP and
ICFP2)
ICFP and ICFP2 have one bit per interrupt source. A bit is set if the corresponding peripheral has a
pending unmasked FIQ interrupt waiting to be served (see Table 25-7 and Table 25-8).
Table 25-7. ICFP Bit Definitions (Sheet 1 of 4)
Physical Address
0x40D0_000C
Coprocessor Register
CR3
ICFP Interrupt Controller
User
Settings
Bit 31 30 29 28 27 26 25 24 23 22 21 20 19 18 17 16 15 14 13 12 11 10 9 8 7 6 5 4 3 2 1 0
RTC_AL
RTC_HZ
OST_3
OST_2
OST_1
OST_0
DMAC
SSP1
MMC
FFUART
BTUART
STUART
ICP
I2C
LCD
SSP2
USIM
AC97
I2S
PMU
USBC
GPIO_x
GPIO_1
GPIO_0
OST_4_11
PWR_I2C
MEM_STK
KEYPAD
USBH1
USBH2
MSL
SSP3
Reset 0 0 0 0 0 0 0 0 0 0 0 0 0 0 0 0 0 0 0 0 0 0 0 0 0 0 0 0 0 0 0 0
Bits Access Name Description
31 R RTC_AL
Real-Time Clock Alarm
0 = No interrupt notification
1 = RTC equals alarm register has occurred, interrupt level<31> = 1, and
either Mask Bit<31> = 1 or DIM Bit = 0.
30 R RTC_HZ
One Hz Clock
0 = No interrupt notification
1 = One Hz clock TIC has occurred, interrupt level<30> = 1, and either
Mask Bit<30> = 1 or DIM Bit = 0.
29 R OST_3
OS Timer 3
0 = No interrupt notification
1 = OS timer equals match register 3, interrupt level<29> = 1, and either
Mask Bit<29> = 1 or DIM Bit = 0.
28 R OST_2
OS Timer 2
0 = No interrupt notification
1 = OS timer equals match register 2, interrupt level<28> = 1, and either
Mask Bit<28> = 1 or DIM Bit = 0.
27 R OST_1
OS Timer 1
0 = No interrupt notification
1 = OS timer equals match register 1, interrupt level<27> = 1, and either
Mask Bit<27> = 1 or DIM Bit = 0.
26 R OST_0
OS Timer 0
0 = No interrupt notification
1 = OS timer equals match register 0, interrupt level<26> = 1, and either
Mask Bit<26> = 1 or DIM Bit = 0.
25 R DMAC
DMA Controller
0 = No interrupt notification
1 = DMA Channel service request has occurred, interrupt level<23> = 1,
and either Mask Bit<23> = 1 or DIM Bit = 0.
25-16 Intel® PXA27x Processor Family Developer’s Manual
Interrupt Controller
24 R SSP1
SSP 1
0 = No interrupt notification
1 = SSP 1 service request has occurred, interrupt level<22> = 1, and
either Mask Bit<22> = 1 or DIM Bit = 0.
23 R MMC
MultiMediaCard
0 = No interrupt notification
1 = Flash Card status has changed or any error has been detected,
interrupt level<19> = 1, and either Mask Bit<19> = 1 or DIM Bit = 0.
22 R FFUART
FFUART
0 = No interrupt notification
1 = A transmit or receive error has occurred in FFUART, interrupt
level<18> = 1, and either Mask Bit<18> = 1 or DIM Bit = 0.
21 R BTUART
BTUART
0 = No interrupt notification
1 = A transmit or receive error has occurred in BTUART, interrupt
level<17> = 1, and either Mask Bit<17> = 1 or DIM Bit = 0.
20 R STUART
STUART
0 = No interrupt notification
1 = A transmit or receive error in STUART has occurred, interrupt
level<16> = 1, and either Mask Bit<16> = 1 or DIM Bit = 0.
19 R ICP
Infrared Communications Port
0 = No interrupt notification
1 = A transmit or receive error in ICP has occurred, interrupt
level<15> = 1, and either Mask Bit<15> = 1 or DIM Bit = 0.
18 R I2C
I2C
0 = No interrupt notification
1 = I2C service request has occurred, interrupt level<14> = 1, and either
Mask Bit<14> = 1 or DIM Bit = 0.
17 R LCD
LCD Controller
0 = One of the requirements for setting the bit has not been met.
1 = LCD controller service request. has occurred, interrupt level<13> = 1,
and either Mask Bit<13> = 1 or DIM Bit = 0.
16 R SSP2
SSP 2
0 = No interrupt notification
1 = SSP 2 service request has occurred, interrupt level<21> = 1, and
either Mask Bit<21> = 1 or DIM Bit = 0.
Table 25-7. ICFP Bit Definitions (Sheet 2 of 4)
Physical Address
0x40D0_000C
Coprocessor Register
CR3
ICFP Interrupt Controller
User
Settings
Bit 31 30 29 28 27 26 25 24 23 22 21 20 19 18 17 16 15 14 13 12 11 10 9 8 7 6 5 4 3 2 1 0
RTC_AL
RTC_HZ
OST_3
OST_2
OST_1
OST_0
DMAC
SSP1
MMC
FFUART
BTUART
STUART
ICP
I2C
LCD
SSP2
USIM
AC97
I2S
PMU
USBC
GPIO_x
GPIO_1
GPIO_0
OST_4_11
PWR_I2C
MEM_STK
KEYPAD
USBH1
USBH2
MSL
SSP3
Reset 0 0 0 0 0 0 0 0 0 0 0 0 0 0 0 0 0 0 0 0 0 0 0 0 0 0 0 0 0 0 0 0
Bits Access Name Description
Intel® PXA27x Processor Family Developer’s Manual 25-17
Interrupt Controller
15 R USIM
USIM
0 = No interrupt notification
1 = Smart card interface status/error has occurred, interrupt
level<20> = 1, and either Mask Bit<20> = 1 or DIM Bit = 0.
14 R AC97
AC97
0 = No interrupt notification
1 = AC ’97 interrupt has occurred, interrupt level<12> = 1, and either
Mask Bit<12> = 1 or DIM Bit = 0.
13 R I2S
I2S
0 = No interrupt notification
1 = I2S interrupt has occurred, interrupt level<11> = 1, and either Mask
Bit<11> = 1 or DIM Bit = 0.
12 R PMU
Performance Monitor Unit
0 = No interrupt notification
1 = PMU interrupt has occurred, interrupt level<6> = 1, and either Mask
Bit<6> = 1 or DIM Bit = 0.
11 R USBC
USB Client
0 = No interrupt notification
1 = USB client interrupt has occurred, interrupt level<5> = 1, and either
Mask Bit<5> = 1 or DIM Bit = 0.
10 R GPIO_x
GPIO x
0 = No interrupt notification.
1 = GPIO_x (other than GPIO_0 and GPIO_1) edge detect =1, interrupt
level<10> = 1, and either Mask Bit<10> = 1 or DIM Bit = 0.
9 R GPIO_1
GPIO 1
0 = No interrupt notification
1 = GPIO<1> detected an edge, interrupt level<9> = 1, and either Mask
Bit<9> = 1 or DIM Bit = 0.
8 R GPIO_0
GPIO 0
0 = No interrupt notification
1 = GPIO<0> detected an edge, interrupt level<8> = 1, and either Mask
Bit<8> = 1 or DIM Bit = 0.
7ROST_4_11
OS Timer 4–11
0 = No interrupt notification
1 = OS timer match 4-11 has occurred, interrupt level<7> = 1, and either
Mask Bit<7> = 1 or DIM Bit = 0.
Table 25-7. ICFP Bit Definitions (Sheet 3 of 4)
Physical Address
0x40D0_000C
Coprocessor Register
CR3
ICFP Interrupt Controller
User
Settings
Bit 31 30 29 28 27 26 25 24 23 22 21 20 19 18 17 16 15 14 13 12 11 10 9 8 7 6 5 4 3 2 1 0
RTC_AL
RTC_HZ
OST_3
OST_2
OST_1
OST_0
DMAC
SSP1
MMC
FFUART
BTUART
STUART
ICP
I2C
LCD
SSP2
USIM
AC97
I2S
PMU
USBC
GPIO_x
GPIO_1
GPIO_0
OST_4_11
PWR_I2C
MEM_STK
KEYPAD
USBH1
USBH2
MSL
SSP3
Reset 0 0 0 0 0 0 0 0 0 0 0 0 0 0 0 0 0 0 0 0 0 0 0 0 0 0 0 0 0 0 0 0
Bits Access Name Description
25-18 Intel® PXA27x Processor Family Developer’s Manual
Interrupt Controller
6RPWR_I2C
Power I2C
0 = No interrupt notification
1 = I2C Power Unit interrupt has occurred, interrupt level<0> = 1, and
either Mask Bit<0> = 1 or DIM Bit = 0.
5 R MEM_STK
Memory Stick
0 = No interrupt notification
1 = Memory Stick Host controller request has occurred, interrupt
level<24> = 1, and either Mask Bit<24> = 1 or DIM Bit = 0.
4 R KEYPAD
Keypad
0 = No interrupt notification
1 = Keypad controller interrupt has occurred, interrupt level<4> = 1, and
either Mask Bit<4> = 1 or DIM Bit = 0.
3 R USBH1
USB Host 1
0 = No interrupt notification
1 = USB host interrupt 1 (OHCI) has occurred, interrupt level<3> = 1, and
either Mask Bit<3> = 1 or DIM Bit = 0.
2 R USBH2
USB Host 2
0 = No interrupt notification
1 = USB host interrupt 2 has occurred, interrupt level<2> = 1, and either
Mask Bit<2> = 1 or DIM Bit = 0.
1RMSL
MSL
0 = No interrupt notification
1 = MSL interrupt 1 has occurred, interrupt level<1> = 1, and either Mask
Bit<1> = 1 or DIM Bit = 0.
0 R SSP3
SSP 3
0 = No interrupt notification
1 = SSP three service request has occurred, interrupt level<0> = 1, and
either Mask Bit<0> = 1 or DIM Bit = 0.
Table 25-7. ICFP Bit Definitions (Sheet 4 of 4)
Physical Address
0x40D0_000C
Coprocessor Register
CR3
ICFP Interrupt Controller
User
Settings
Bit 31 30 29 28 27 26 25 24 23 22 21 20 19 18 17 16 15 14 13 12 11 10 9 8 7 6 5 4 3 2 1 0
RTC_AL
RTC_HZ
OST_3
OST_2
OST_1
OST_0
DMAC
SSP1
MMC
FFUART
BTUART
STUART
ICP
I2C
LCD
SSP2
USIM
AC97
I2S
PMU
USBC
GPIO_x
GPIO_1
GPIO_0
OST_4_11
PWR_I2C
MEM_STK
KEYPAD
USBH1
USBH2
MSL
SSP3
Reset 0 0 0 0 0 0 0 0 0 0 0 0 0 0 0 0 0 0 0 0 0 0 0 0 0 0 0 0 0 0 0 0
Bits Access Name Description
Intel® PXA27x Processor Family Developer’s Manual 25-19
Interrupt Controller
25.5.4 Interrupt Controller Mask Registers (ICMR and ICMR2)
The read/write Interrupt Controller Mask registers (ICMR and ICMR2) contains one mask bit per
pending interrupt. Any active interrupt from the source is sent to the IRQ or FIQ (depending on the
level set for the interrupt) if the corresponding mask bit in ICMR or ICMR2 is set, unless the
processor is in the Idle state and ICCR[DIM] is clear.
The ICMR and ICMR2 bits are initialized and reset to 0s, which indicates that all interrupts are
masked at reset and that ICMR and ICMR2 must be configured by software.
Table 25-9 and Table 25-10 shows the ICMR and the ICMR2 register bit locations that correspond
to the interrupt mask bits.
Table 25-8. ICFP2 Bit Definitions
Physical Address
0x40D0_00A8
Coprocessor Register Number
CR9
ICFP2 Interrupt Controller
User
Settings
Bit 31 30 29 28 27 26 25 24 23 22 21 20 19 18 17 16 15 14 13 12 11 10 9 8 7 6 5 4 3 2 1 0
Reserved
CIF
TPM
Reset ? ? ? ? ? ? ? ? ? ? ? ? ? ? ? ? ? ? ? ? ? ? ? ? 0 0 0 0 0 0 0 0
Bits Access Name Description
31-2 — reserved
1RCIF
Quick Capture Interface
0 = No interrupt notification
1 = Quick capture Interface interrupt occurs and ((Mask Bit(0) = 0b1)OR
(DIM Bit = 0b0)) and (interrupt level (33) = 0b1)
0RTPM
Trusted Platform Module
0 = No interrupt notification
1 = Trusted Platform Module service request has occurred, interrupt
level<0> = 1, and either Mask Bit<0> = 1 or DIM Bit = 0.
25-20 Intel® PXA27x Processor Family Developer’s Manual
Interrupt Controller
Table 25-9. ICMR Bit Definitions (Sheet 1 of 3)
Physical Address
0x40D0_0004
Coprocessor Register
CR1
ICMR Interrupt Controller
User
Settings
Bit 31 30 29 28 27 26 25 24 23 22 21 20 19 18 17 16 15 14 13 12 11 10 9 8 7 6 5 4 3 2 1 0
RTC_AL
RTC_HZ
OST_3
OST_2
OST_1
OST_0
DMAC
SSP1
MMC
FFUART
BTUART
STUART
ICP
I2C
LCD
SSP2
USIM
AC97
I2S
PMU
USBC
GPIO_x
GPIO_1
GPIO_0
OST_4_11
PWR_I2C
MEM_STK
KEYPAD
USBH1
USBH2
MSL
SSP3
Reset 0 0 0 0 0 0 0 0 0 0 0 0 0 0 0 0 0 0 0 0 0 0 0 0 0 0 0 0 0 0 0 0
Bits Access Name Description
31 R/W RTC_AL
Real-Time Clock Alarm
0 = Masked.
1 = RTC equals alarm register interrupt is not to be masked.
30 R/W RTC_HZ
One Hz Clock
0 = Masked.
1 = One Hz clock TIC interrupt is not to be masked.
29 R/W OST_3
OS Timer 3
0 = Masked.
1 = OS timer equals match register 3 interrupt is not to be masked.
28 R/W OST_2
OS Timer 2
0 = Masked.
1 = OS timer equals match register 2 interrupt is not to be masked.
27 R/W OST_1
OS Timer 1
0 = Masked.
1 = OS timer equals match register 1 interrupt is not to be masked.
26 R/W OST_0
OS Timer 0
0 = Masked.
1 = OS timer equals match register 0 interrupt is not to be masked.
25 R/W DMAC
DMA Controller
0 = Masked.
1 = DMA Channel service request interrupt is not to be masked.
24 R/W SSP1
SSP 1
0 = Masked.
1 = SSP 1 service request interrupt is not to be masked.
23 R/W MMC
MultiMediaCard
0 = Masked.
1 = Flash card interrupt is not to be masked.
22 R/W FFUART
FFUART
0 = Masked.
1 = FFUART interrupt is not to be masked.
21 R/W BTUART
BTUART
0 = Masked.
1 = BTUART interrupt is not to be masked.
Intel® PXA27x Processor Family Developer’s Manual 25-21
Interrupt Controller
20 R/W STUART
STUARTS
0 = Masked.
1 = STUART interrupt is not to be masked.
19 R/W ICP
Infrared Communications Port
0 = Masked.
1 = ICP interrupt is not to be masked.
18 R/W I2C
I2C
0 = Masked.
1 = I2C interrupt is not to be masked.
17 R/W LCD
LCD Controller
0 = Masked.
1 = LCD controller interrupt is not to be masked.
16 R/W SSP2
SSP 2
0 = Masked.
1 = SSP 2 service request interrupt is not to be masked.
15 R/W USIM
USIM
0 = Masked.
1 = Smart card interface status/error interrupt is not to be masked.
14 R/W AC97
AC97
0 = Masked.
1 = AC ’97 interrupt is not to be masked.
13 R/W I2S
I2S
0 = Masked.
1 = I2S interrupt is not to be masked.
12 R/W PMU
Performance Monitor Unit
0 = Masked.
1 = PMU interrupt is not to be masked.
11 R/W USBC
USB Client
0 = Masked.
1 = USB client interrupt is not to be masked.
10 R/W GPIO_x
GPIO_x
0 = Masked.
1 = GPIO_x (other than GPIO_0 and GPIO_1) edge detected interrupt is
not to be masked.
Table 25-9. ICMR Bit Definitions (Sheet 2 of 3)
Physical Address
0x40D0_0004
Coprocessor Register
CR1
ICMR Interrupt Controller
User
Settings
Bit 31 30 29 28 27 26 25 24 23 22 21 20 19 18 17 16 15 14 13 12 11 10 9 8 7 6 5 4 3 2 1 0
RTC_AL
RTC_HZ
OST_3
OST_2
OST_1
OST_0
DMAC
SSP1
MMC
FFUART
BTUART
STUART
ICP
I2C
LCD
SSP2
USIM
AC97
I2S
PMU
USBC
GPIO_x
GPIO_1
GPIO_0
OST_4_11
PWR_I2C
MEM_STK
KEYPAD
USBH1
USBH2
MSL
SSP3
Reset 0 0 0 0 0 0 0 0 0 0 0 0 0 0 0 0 0 0 0 0 0 0 0 0 0 0 0 0 0 0 0 0
Bits Access Name Description
25-22 Intel® PXA27x Processor Family Developer’s Manual
Interrupt Controller
9 R/W GPIO_1
GPIO_1
0 = Masked.
1 = GPIO<1> edge detect interrupt is not to be masked.
8 R/W GPIO_0
GPIO_0
0 = Masked.
1 = GPIO<0> edge detect interrupt is not to be masked.
7R/WOST_4_11
OS Timer 4–11
0 = Masked.
1 = OS timer match 4-11 interrupt is not to be masked.
6R/WPWR_I2C
Power Manager I2C
0 = Masked.
1 = I2C power interrupt is not to be masked.
5 R/W MEM_STK
Memory Stick
0 = Masked.
1 = Memory stick host controller service request is not to be masked.
4 R/W KEYPAD
Keypad Controller
0 = Masked.
1 = Keypad controller interrupt is not to be masked.
3 R/W USBH1
USB Host 1
0 = Masked.
1 = USB host interrupt 1 (OHCI) is not to be masked.
2 R/W USBH
USB Host 2
0 = Masked.
1 = USB host interrupt 2 is not to be masked.
1R/WMSL
MSL
0 = Masked.
1 = MSL interrupt is not to be masked.
0 R/W SSP3
SSP 3
0 = Masked.
1 = SSP 3 service request interrupt is not to be masked.
Table 25-9. ICMR Bit Definitions (Sheet 3 of 3)
Physical Address
0x40D0_0004
Coprocessor Register
CR1
ICMR Interrupt Controller
User
Settings
Bit 31 30 29 28 27 26 25 24 23 22 21 20 19 18 17 16 15 14 13 12 11 10 9 8 7 6 5 4 3 2 1 0
RTC_AL
RTC_HZ
OST_3
OST_2
OST_1
OST_0
DMAC
SSP1
MMC
FFUART
BTUART
STUART
ICP
I2C
LCD
SSP2
USIM
AC97
I2S
PMU
USBC
GPIO_x
GPIO_1
GPIO_0
OST_4_11
PWR_I2C
MEM_STK
KEYPAD
USBH1
USBH2
MSL
SSP3
Reset 0 0 0 0 0 0 0 0 0 0 0 0 0 0 0 0 0 0 0 0 0 0 0 0 0 0 0 0 0 0 0 0
Bits Access Name Description
Intel® PXA27x Processor Family Developer’s Manual 25-23
Interrupt Controller
25.5.5 Interrupt Controller Level Registers (ICLR and ICLR2)
The Interrupt Controller Level registers (ICLR and ICLR2) controls whether a pending interrupt
generates an FIQ or an IRQ interrupt. If a pending interrupt is unmasked, the corresponding ICLR
(or ICLR2) bit field is decoded to select which CPU interrupt is asserted. Table 25-11 and
Table 25-12 shows the location of all interrupt-level bits in the ICLR and the ICLR2. The ICLR
and the ICLR2 registers is initialized to all zeros at reset and software must configure them to
reflect the correct value for normal operation.
Table 25-10. ICMR2 Bit Definitions
Physical Address
0x40D0_00A0
Coprocessor Register Number
CR7
ICMR2 Interrupt Controller
User
Settings
Bit 31 30 29 28 27 26 25 24 23 22 21 20 19 18 17 16 15 14 13 12 11 10 9 8 7 6 5 4 3 2 1 0
reserved
CIF
TPM
Reset ? ? ? ? ? ? ? ? ? ? ? ? ? ? ? ? ? ? ? ? ? ? ? ? 0 0 0 0 0 0 0 0
Bits Access Name Description
31-2 — reserved
1R/WCIF
Quick Capture Interface
0 = Masked.
1 = CIF interrupt is not to be masked.
0R/WTPM
Trusted Platform Module
0 = Masked.
1 = TPM interrupt is not to be masked.
25-24 Intel® PXA27x Processor Family Developer’s Manual
Interrupt Controller
Table 25-11. ICLR Bit Definitions (Sheet 1 of 3)
Physical Address
0x40D0 0008
Coprocessor Register
CR2
ICLR Interrupt Controller
User
Settings
Bit 31 30 29 28 27 26 25 24 23 22 21 20 19 18 17 16 15 14 13 12 11 10 9 8 7 6 5 4 3 2 1 0
RTC_AL
RTC_HZ
OST_3
OST_2
OST_1
OST_0
DMAC
SSP1
MMC
FFUART
BTUART
STUART
ICP
I2C
LCD
SSP2
USIM
AC97
I2S
PMU
USBC
GPIO_x
GPIO_1
GPIO_0
OST_4_11
PWR_I2C
Mem_stk
Keypad
USBH1
USBH2
MSL
SSP3
Reset 0 0 0 0 0 0 0 0 0 0 0 0 0 0 0 0 0 0 0 0 0 0 0 0 0 0 0 0 0 0 0 0
Bits Access Name Description
31 R/W RTC_AL
Real-Time Clock Alarm
0 = RTC equals alarm register interrupt creates an IRQ.
1 = RTC equals alarm register interrupt creates an FIQ.
30 R/W RTC_HZ
One Hz Clock
0 = One Hz clock TIC interrupt creates an IRQ.
1 = One Hz clock TIC interrupt creates an FIQ.
29 R/W OST_3
OS Timer 3
0 = OS timer equals match register 3 interrupt creates an IRQ.
1 = OS timer equals match register 3 interrupt creates an FIQ.
28 R/W OST_2
OS Timer 2
0 = OS timer equals match register 2 interrupt creates an IRQ.
1 = OS timer equals match register 2 interrupt creates an FIQ.
27 R/W OST_1
OS Timer 1
0 = OS timer equals match register 1 interrupt creates an IRQ.
1 = OS timer equals match register 1 interrupt creates an FIQ.
26 R/W OST_0
OS Timer 0
0 = OS timer equals match register 0 interrupt creates an IRQ.
1 = OS timer equals match register 0 interrupt creates an FIQ.
25 R/W DMAC
DMA Controller
0 = DMA Channel service request interrupt creates an IRQ.
1 = DMA Channel service request interrupt creates an FIQ.
24 R/W SSP1
SSP 1
0 = SSP 1 service request interrupt creates an IRQ
1 = SSP 1 service request interrupt creates an FIQ
23 R/W MMC
MultiMediaCard
0 = MMC interrupt creates an IRQ
1 = MMC card interrupt creates an FIQ
22 R/W FFUART
FFUART
0 = FFUART interrupt creates an IRQ.
1 = FFUART interrupt creates an FIQ.
21 R/W BTUART
BTUART
0 = BTUART interrupt creates an IRQ.
1 = BTUART interrupt creates an FIQ.
Intel® PXA27x Processor Family Developer’s Manual 25-25
Interrupt Controller
20 R/W STUART
STUART
0 = STUART interrupt creates an IRQ.
1 = STUART interrupt creates an FIQ.
19 R/W ICP
Infrared Communications Port
0 = ICP interrupt creates an IRQ.
1 = ICP interrupt creates an FIQ.
18 R/W I2C
I2C
0 = I2C interrupt creates an IRQ.
1 = I2C interrupt creates an FIQ.
17 R/W LCD
LCD Controller
0 = LCD controller interrupt creates an IRQ.
1 = LCD controller interrupt creates an FIQ.
16 R/W SSP2
SSP 2
0 = SSP 2 service request interrupt creates an IRQ.
1 = SSP 2 service request interrupt creates an FIQ.
15 R/W USIM
USIM
0 = Smart card interface status/error interrupt creates an IRQ.
1 = Smart card interface status/error interrupt creates an FIQ.
14 R/W AC97
AC97
0 = AC ’97 interrupt creates an IRQ.
1 = AC ’97 interrupt creates an FIQ.
13 R/W I2S
I2S
0 = I2S interrupt creates an IRQ.
1 = I2S interrupt creates an FIQ.
12 R/W PMU
Performance Monitor Unit
0 = PMU interrupt creates an IRQ.
1 = PMU interrupt creates an FIQ.
11 R/W USBC
USB Client
0 = USB client interrupt creates an IRQ.
1 = USB client interrupt creates an FIQ.
10 R/W GPIO_x
GPIO_x
0 = GPIO_x (other than GPIO_0 and GPIO_1) edge detected interrupt
creates an IRQ.
1 = GPIO_x (other than GPIO_0 and GPIO_1) edge detected interrupt
creates an FIQ.
Table 25-11. ICLR Bit Definitions (Sheet 2 of 3)
Physical Address
0x40D0 0008
Coprocessor Register
CR2
ICLR Interrupt Controller
User
Settings
Bit 31 30 29 28 27 26 25 24 23 22 21 20 19 18 17 16 15 14 13 12 11 10 9 8 7 6 5 4 3 2 1 0
RTC_AL
RTC_HZ
OST_3
OST_2
OST_1
OST_0
DMAC
SSP1
MMC
FFUART
BTUART
STUART
ICP
I2C
LCD
SSP2
USIM
AC97
I2S
PMU
USBC
GPIO_x
GPIO_1
GPIO_0
OST_4_11
PWR_I2C
Mem_stk
Keypad
USBH1
USBH2
MSL
SSP3
Reset 0 0 0 0 0 0 0 0 0 0 0 0 0 0 0 0 0 0 0 0 0 0 0 0 0 0 0 0 0 0 0 0
Bits Access Name Description
25-26 Intel® PXA27x Processor Family Developer’s Manual
Interrupt Controller
9 R/W GPIO_1
GPIO_1
0 = GPIO<1> edge detect interrupt creates an IRQ.
1 = GPIO<1> edge detect interrupt creates an FIQ.
8 R/W GPIO_0
GPIO_0
0 = GPIO<0> edge detect interrupt creates an IRQ.
1 = GPIO<0> edge detect interrupt creates an FIQ.
7R/WOST_4_11
OS Timer 4–11
0 = OS timer match 4-11 interrupt creates an IRQ.
1 = OS timer match 4-11 interrupt creates an FIQ.
6R/WPWR_I2C
Power I2C
0 = I2C power unit interrupt creates an IRQ.
1 = I2C power unit interrupt creates an FIQ.
5 R/W MEM_STK
Memory Stick Host
0 = Memory stick host controller interrupt creates an IRQ.
1 = Memory stick host controller interrupt creates an FIQ.
4 R/W KEYPAD
Keypad
0 = Keypad controller interrupt creates an IRQ.
1 = Keypad controller interrupt creates an FIQ.
3 R/W USBH1
USB Host 1
0 = USB host interrupt 1 (OHCI) creates an IRQ.
1 = USB host interrupt 1 (OHCI) creates an FIQ.
2 R/W USBH2
USB Host 2
0 = USB host interrupt 2 creates an IRQ.
1 = USB host interrupt 2 creates an FIQ.
1R/WMSL
MSL
0 = MSL interrupt creates an IRQ.
1 = MSL interrupt creates an FIQ.
0 R/W SSP3
SSP 3
0 = SSP 3 service request interrupt creates an IRQ.
1 = SSP 3 service request interrupt creates an FIQ.
Table 25-11. ICLR Bit Definitions (Sheet 3 of 3)
Physical Address
0x40D0 0008
Coprocessor Register
CR2
ICLR Interrupt Controller
User
Settings
Bit 31 30 29 28 27 26 25 24 23 22 21 20 19 18 17 16 15 14 13 12 11 10 9 8 7 6 5 4 3 2 1 0
RTC_AL
RTC_HZ
OST_3
OST_2
OST_1
OST_0
DMAC
SSP1
MMC
FFUART
BTUART
STUART
ICP
I2C
LCD
SSP2
USIM
AC97
I2S
PMU
USBC
GPIO_x
GPIO_1
GPIO_0
OST_4_11
PWR_I2C
Mem_stk
Keypad
USBH1
USBH2
MSL
SSP3
Reset 0 0 0 0 0 0 0 0 0 0 0 0 0 0 0 0 0 0 0 0 0 0 0 0 0 0 0 0 0 0 0 0
Bits Access Name Description
Intel® PXA27x Processor Family Developer’s Manual 25-27
Interrupt Controller
25.5.6 Interrupt Controller Control Register (ICCR)
The Interrupt Controller Control register (ICCR) contains a single control bit, the disable idle mask
bit (DIM). When set, this bit inhibits the idle mode in which any active interrupt can interrupt the
CPU, regardless of the value in ICMR. Table 25-13 shows the location of the DIM bit in the ICCR.
This is a read/write register. Ignore reads from reserved bits. Write 0b0 to reserved bits.
Table 25-12. ICLR2 Bit Definitions
Physical Address
0x40D0 00A4
Coprocessor Register Number
CR8
ICLR2 Interrupt Controller
User
Settings
Bit 31 30 29 28 27 26 25 24 23 22 21 20 19 18 17 16 15 14 13 12 11 10 9 8 7 6 5 4 3 2 1 0
reserved
CIF
TPM
Reset ? ? ? ? ? ? ? ? ? ? ? ? ? ? ? ? ? ? ? ? ? ? ? ? 0 0 0 0 0 0 0 0
Bits Access Name Description
31-2 — reserved
1RCIF
Quick Capture Interface
0 = Quick capture interface service request interrupt creates an IRQ.
1 = Quick capture interface service request interrupt creates a FIQ.
0RTPM
Trusted Platform Module
0 = Trusted Platform Module service request interrupt creates an IRQ.
1 = Trusted Platform Module service request interrupt creates a FIQ.
Table 25-13. ICCR Bit Definitions
Physical Address
0x40D0 0014 ICCR Interrupt Controller
User
Settings
Bit 31 30 29 28 27 26 25 24 23 22 21 20 19 18 17 16 15 14 13 12 11 10 9 8 7 6 5 4 3 2 1 0
Reserved
DIM
Reset ? ? ? ? ? ? ? ? ? ? ? ? ? ? ? ? ? ? ? ? ? ? ? ? ? ? ? ? ? ? ? 0
Bits Access Name Description
31:1 — reserved
0R/WDIM
0 = Any interrupt in ICPR brings the processor out of idle mode.
1 = Only active, unmasked interrupts (as defined in the ICMR) bring the
processor out of idle mode. Cleared during resets.
25-28 Intel® PXA27x Processor Family Developer’s Manual
Interrupt Controller
25.5.7 Interrupt Priority Registers 0–39 (IPRx)
These registers set a peripheral ID for each priority value. At reset, these registers are marked
invalid. Software must program the values in these registers after reset, before it unmasks the
interrupts.
These registers allow unique priority values to be defined for each peripheral. The interrupt
controller uses the priority values to resolve situations in which multiple active unmasked
interrupts occur at the same time. Each register contains the peripheral ID assigned to the
corresponding priority. The priority value for the register is the register number. Priority 0 is the
highest priority and 39 is the lowest priority. The peripheral ID with priority 0 is written to IPR0.
IPR39 contains the peripheral ID with priority 39. The contents of the IPRs typically are not
changed during execution.
If the contents of these registers are changed during execution, all interrupts must be masked. The
interrupts must be masked until the changes written to the IPRs have taken effect. Interrupts can be
disabled by writing to the Core Program Status register (CPSR) and altering its F-bit and I-bit.
The IPRx[31] is the valid bit (0b1 = valid and 0b0 = invalid). The peripherals IDs range between 0
and 39. Peripheral IDs for different sources are shown in Table 25-2. The lower six bits assign
peripheral IDs. A valid peripheral ID must be in to the priority registers. However, if an invalid or
non-existing peripheral ID (40 or 52, for example) is programmed in to one of the priority registers,
it will be ignored and not have any effect on the determination of the highest priority FIQ and IRQ
interrupts. Valid peripheral IDs are 0 through 39, however there are currently only 34 interrupts
incoming to the interrupt controller, and hence IDs 34 through 39 correspond to interrupt lines that
will be tied to 0 for now. The interrupt controller logic can extend to 40 interrupts if future
expansions require new interrupts to be added.
To ease the highest priority selection process in the hardware, only one peripheral ID can be
assigned to a single priority value. In addition, hardware does not offer any protection against
assigning one peripheral ID to multiple priority values. Software must ensure that such cases are
avoided. In a case in which multiple-priority values are assigned to one peripheral, the hardware
uses only the highest priority values and ignores the others.
Table 25-14 shows the format for IPR registers.
This is a read/write register. Ignore reads from reserved bits. Reserved bits must be
written with zeros.
Intel® PXA27x Processor Family Developer’s Manual 25-29
Interrupt Controller
25.5.8 Interrupt Control Highest Priority Register (ICHP)
This register contains the highest priority peripheral ID that caused an interrupt. The register
contains peripheral IDs for the level of interrupts for FIQ and IRQ. If no interrupting peripheral for
a particular interrupt level exists, the corresponding peripheral ID field is invalidated. The register
is updated when an unmasked interrupt occurs. If ICPs are partially defined, the ICHP uses the
partial information to determine the highest priority peripheral. If none of the ICP fields is defined,
ICHP contains invalidated values in both fields. After an interrupt is served and the status bit is set
in the Peripheral Status register, the ICHP register is updated with the peripheral ID with the next
highest priority.
Changes in the IPR registers can also lead to an update in ICHP.
Table 25-15 shows the format for ICHP register.
This is a read-only register. Ignore reads from reserved bits.
Table 25-14. IPR0/39 Bit Definitions
Physical Addresses
0x40D0_001C-0098 (IPR 0–31) and
0x40D0_00B0-00CC (IPR 32–39)
Not Mapped to Coprocessor
Registers
IPR0–IPR39 Interrupt Controller
User
Settings
Bit 31 30 29 28 27 26 25 24 23 22 21 20 19 18 17 16 15 14 13 12 11 10 9 8 7 6 5 4 3 2 1 0
VAL
Reserved PID
Reset 0 0 0 0 0 0 0 0 0 0 0 0 0 0 0 0 0 0 0 0 0 0 0 0 0 0 0 ? ? ? ? ?
Bits Access Name Description
31 R/W VAL
Valid Bit
0 = Peripheral ID contained in the register is not valid.
1 = Peripheral ID contained in the register is valid.
30:6 — reserved
5:0 R/W PID
Peripheral ID for this Priority IPR[n]
Peripheral ID of peripheral with priority n (n=IPR number). Valid IDs: 0
through 39
25-30 Intel® PXA27x Processor Family Developer’s Manual
Interrupt Controller
Table 25-15. ICHP Bit Definitions
Physical Address
0x40D0_0018
Coprocessor Register Number
CR5
ICHP Interrupt Controller
User
Settings
Bit 31 30 29 28 27 26 25 24 23 22 21 20 19 18 17 16 15 14 13 12 11 10 9 8 7 6 5 4 3 2 1 0
VAL_IRQ
Reserved IRQ
VAL_FIQ
Reserved FIQ
Reset 0 0 0 0 0 0 0 0 0 0 0 0 0 0 0 0 0 0 0 0 0 0 0 0 0 0 0 0 0 0 0 0
Bits Access Name Description
31 R VAL_IRQ
Valid IRQ
0 = No valid peripheral ID that is causing an IRQ interrupt.
1 = Valid peripheral ID is causing an IRQ interrupt.
30:22 — reserved
21:16 R IRQ
IRQ Highest Priority Field
Peripheral ID with the highest IRQ priority.
When no interrupt has occurred, this bit is set to –1.
15 R VAL_FIQ
Valid FIQ
0 = No valid peripheral ID that is causing an FIQ interrupt.
1 = Valid peripheral ID is causing an FIQ interrupt.
14:6 — reserved
5:0 R FIQ
FIQ Highest Priority Field
Peripheral ID with the highest FIQ priority.
When no interrupt has occurred, this bit is set to –1.
Intel® PXA27x Processor Family Developer’s Manual 25-31
Interrupt Controller
25.6 Register Summary
Table 25-16 shows the registers that are associated with the interrupt controller and their physical
addresses.
Table 25-16. Interrupt Controller Register Summary
Address Name Description Page
0x40D0_0000 ICIP Interrupt Controller IRQ Pending register 25-11
0x40D0_0004 ICMR Interrupt Controller Mask register 25-20
0x40D0_0008 ICLR Interrupt Controller Level register 25-24
0x40D0_000C ICFP Interrupt Controller FIQ Pending register 25-15
0x40D0_0010 ICPR Interrupt Controller Pending register 25-6
0x40D0_0014 ICCR Interrupt Controller Control register 25-27
0x40D0_0018 ICHP Interrupt Controller Highest Priority register 25-30
0x40D0_001C–
0x40D0_0098 IPR0–IPR31 Interrupt Priority registers for Priorities 0–31 25-29
0x40D0_009C ICIP2 Interrupt Controller IRQ Pending register 2 25-10
0x40D0_00A0 ICMR2 Interrupt Controller Mask register 2 25-23
0x40D0_00A4 ICLR2 Interrupt Controller Level register 2 25-27
0x40D0_00A8 ICFP2 Interrupt Controller FIQ Pending register 2 25-19
0x40D0_00AC ICPR2 Interrupt Controller Pending register 2 25-6
0x40D0_00B0–
0x40D0_00CC IPR32–IPR39 Interrupt Priority registers for Priorities 32–39 25-29
0x40D0_00D0–
0x40DF_FFFC reserved
25-32 Intel® PXA27x Processor Family Developer’s Manual
Interrupt Controller
Intel® PXA27x Processor Family Developer’s Manual 26-1
Software Debug 26
This chapter describes the debug architecture and related features implemented in the PXA27x
processor.
26.1 Overview
This chapter refers to a debugger and a debug handler. These key terms require clear definition in
debugging. They concern the differences between the host and target portions of a debugging
scenario:
The debugger is software that runs on a host system outside the PXA27x processor.
The debug handler is a software event handler that runs on the processor when a debug event
occurs.
The core debug unit, when used with a debugger application, allows software running on a core
target to be debugged. The debug unit allows the debugger to stop program execution and redirect
execution to a debug handling routine. When the program has stopped, the debugger can examine
or modify the processor state, coprocessor state, or memory. The debugger can then restart the
program.
The external debug interface to the PXA27x processor uses the JTAG port. For information on
using the JTAG interface, see the “JTAG Debug Interface” chapter in the Intel® PXA27x Processor
Family Design Guide.
26.2 Features
The debug unit provides the following features:
A mechanism to load the instruction cache through JTAG
A serial debug communications link using the JTAG interface
A trace buffer
Four hardware instruction and data breakpoints
A mini-instruction cache
Debug modes, registers, and exceptions
26.3 Signal Descriptions
The JTAG signals that interface with the Test Access Port (TAP) controller are described in the
“JTAG Debug Interface” chapter in the Intel® PXA27x Processor Family Design Guide.
26-2 Intel® PXA27x Processor Family Developer’s Manual
Software Debug
26.4 Operation
This section describes the debug architecture, its operation, and related features that are
implemented in the PXA27x processor.
26.4.1 Debug Exceptions
A debug exception causes the processor to redirect program execution to a debug event handling
routine. The core debug architecture defines the following debug exceptions:
Instruction breakpoint
Data breakpoint
Software breakpoint
External debug break
Exception vector trap
Trace-buffer full break
When a debug exception occurs, the action taken by the processor depends on whether the debug
unit is configured for halt or monitor mode.
Table 26-1 shows the priority of debug exceptions relative to other processor exceptions.
26.4.1.1 Halt Mode
When the debug unit is configured for halt mode, the reset vector is overloaded to serve as the
debug vector. Another processor mode, debug mode (CPSR[4:0] = 0x15), allows debug exceptions
to be handled similarly to other types of ARM* exceptions.
Table 26-1. Event Priority
Event Priority
Reset 1
Vector trap2
Data abort (precise) 3
Data breakpoint 4
Data abort (imprecise) 5
External debug break, trace-buffer full 6
FIQ 7
IRQ 8
Instruction breakpoint 9
Prefetch abort 10
Undefined, SWI, BKPT 11
†See Table 26-7 for vector trap options.
Intel® PXA27x Processor Family Developer’s Manual 26-3
Software Debug
The debugger turns on halt mode through the JTAG interface by scanning in a value that sets the bit
in the Debug Control and Status register (DCSR; see Section 26.5.2). The debugger turns off halt
mode through JTAG, either by scanning in a new DCSR value or by a JTAG reset (TRST).
Processor reset does not affect the value of the halt mode bit.
When a debug exception occurs and halt mode is active, the processor switches to debug mode and
uses the reset vector as the debug vector. After the debug handler starts, the debugger can
communicate with the debug handler to examine or alter processor state or memory through the
JTAG interface.
Through the JTAG interface, the debug handler and exception vectors can be downloaded and
locked directly into the instruction cache to intercept the default vectors and reset handler.
Downloading them into the instruction cache means that external memory is not required to
contain debug handler code. The debug handler and exception vectors can also reside in external
memory. Downloading into the instruction cache allows a system with memory problems or no
external memory to be debugged. Refer to Section 26.4.6.3 for details about downloading code into
the instruction cache.
During halt mode, software running on the core cannot access DCSR or any of the hardware
breakpoint registers unless the processor is in the special debug state (SDS).
When a debug exception occurs during halt mode, the processor takes the following actions:
Disables the trace buffer
Sets DCSR[MOE] encoding (see Table 26-7)
Enters SDS
For data breakpoints, trace-buffer full break, and external debug break:
R14_dbg = PC of the next instruction to execute + 4
For instruction breakpoints, software breakpoints, and vector traps:
R14_dbg = PC of the aborted instruction + 4
SPSR_dbg = CPSR
CPSR[4:0] = 0b1_0101 (debug mode)
CPSR[5] = 0
CPSR[6] = 1
CPSR[7] = 1
PC = 0x01
Following a debug exception, the processor switches to debug mode and enters SDS, which allows
the following special functionality:
All events are disabled. SWI and undefined instructions have unpredictable results. The
processor ignores prefetch aborts, FIQ, and IRQ (SDS disables FIQ and IRQ regardless of the
enable values in the CPSR). The processor reports data aborts detected during SDS by setting
DCSR[SA] but does not generate an exception. The processor also sets up FSR and FAR as it
normally would for a data abort.
Normally, software cannot write to the hardware breakpoint registers or the DCSR during halt
mode. However, during SDS, software has write access to the breakpoint registers (see
Section 26.4.2) and the DCSR (see Table 26-7).
1. When the vector table is relocated (CP15 Control register[13] = 1), the debug vector is relocated to 0xFFFF_0000
26-4 Intel® PXA27x Processor Family Developer’s Manual
Software Debug
The core’s instruction memory management unit (IMMU) is disabled. For more information
about the IMMU, see the Intel XScale® Core Developers Manual. In halt mode, the debug
handler is typically downloaded directly into the instruction cache and it is not appropriate to
perform TLB accesses or translation walks, because there may not be any external memory or,
if there is, the translation table or TLB may not contain a valid mapping for the debug handler
code. To avoid these problems, the processor internally disables the IMMU during SDS.
The PID is disabled for instruction fetches. This prevents fetches of the debug handler code
from being remapped to an address other than the address from which the code was
downloaded. For more details on the PID, see “Register 13: Process ID” in the Intel XScale®
Core Developers Manual.
The SDS remains active regardless of the processor mode. This allows the debug handler to switch
to other modes and maintain SDS functionality. Entering user mode causes unpredictable behavior.
The processor exits SDS after a CPSR restore operation.
To exit, the debug handler uses:
su bs pc, lr, #4
This restores CPSR, turns off SDS functionality, and branches to the target instruction.
26.4.1.2 Monitor Mode
In monitor mode, debug exceptions are handled as ARM* prefetch aborts or ARM* data aborts. If
debug functionality is enabled (DCSR[GE] set) and the processor is in monitor mode, debug
exceptions cause either a data abort or a prefetch abort.
When a debug exception occurs, the processor switches to abort mode and branches to a debug
handler using the prefetch abort vector or data abort vector. The debugger then communicates with
the debug handler to access processor state or memory contents.
In monitor mode, the processor handles debug exceptions as normal ARM* exceptions.
The following debug exceptions cause data aborts:
Data breakpoint
External debug break
Trace-buffer full break
The following debug exceptions cause prefetch aborts:
Instruction breakpoint
BKPT instruction
The processor ignores vector traps during monitor mode.
When an exception occurs in monitor mode, the processor takes the following actions:
Disables the trace buffer
Sets DCSR[MOE] encoding
Sets FSR[9]
For data aborts: R14_abt = PC of the next instruction to execute + 4.
For prefetch aborts: R14_abt = PC of the faulting instruction + 4.
Intel® PXA27x Processor Family Developer’s Manual 26-5
Software Debug
SPSR_abt = CPSR
CPSR[4:0] = 0b1_0111 (abort mode)
CPSR[5] = 0
CPSR[6] = unchanged
CPSR[7] = 1
For data aborts: PC = 0x10.
For prefetch aborts: PC = 0xC.
During abort mode, external debug breaks and trace-buffer full breaks are internally postponed.
When the processor exits abort mode, either through a CPSR restore or a write directly to the
CPSR, the postponed debug breaks immediately generate a debug exception. Any of these
postponed debug breaks are cleared once any one debug exception occurs.
When exiting abort mode, the debug handler must perform a CPSR restore operation that branches
to the next instruction to be executed in the program under debug.
26.4.2 Hardware Breakpoint Resources
The PXA27x debug architecture defines two instruction and two data breakpoint registers, denoted
IBCR0 and IBCR1 (shown in Table 26-9) and DBR0 and DBR1 (shown in Table 26-10).
The instruction and data address breakpoint registers are 32-bit registers. The instruction
breakpoint causes a break before execution of the target instruction. The data breakpoint causes a
break after the memory access has been issued.
In this section, Modified Virtual Address (MVA) refers to the virtual address that the PID ORs. The
processor does not OR the PID with the specified breakpoint address before it performs address
comparison. Address comparison must be performed by the software and written to the breakpoint
register as the MVA. This applies to data and instruction breakpoints.
26.4.2.1 Instruction Breakpoints
The debug architecture defines two instruction breakpoint registers (IBCR0 and IBCR1). The
format of these registers is shown on Table 26-9. In ARM* mode, the upper 30 bits contain a word-
aligned MVA to break on. In Thumb mode, the upper 31 bits contain a half-word-aligned MVA to
break on. In each mode, bit 0 enables and disables the instruction breakpoint register. Enabling
instruction breakpoints while debug is globally disabled (DCSR[GE] clear) results in unpredictable
behavior.
An instruction breakpoint generates a debug exception before the instruction at the address
specified in the IBCR executes. When an instruction breakpoint occurs, the processor sets
DBCR[MOE] to 0b001.
Software must disable the breakpoint before exiting the handler. This allows the instruction to
execute after the exception is handled.
Single step execution is accomplished using the instruction breakpoint registers and must be
completely handled in software, either on the host or by the debug handler.
26-6 Intel® PXA27x Processor Family Developer’s Manual
Software Debug
26.4.2.2 Data Breakpoints
The debug architecture defines two data breakpoint registers: DBR0 and DBR1. Table 26-10 shows
the format of these registers.
DBR0 is a dedicated data address breakpoint register. DBR1 can be programmed for either of two
operations:
Second data address breakpoint
Data address mask
The DBCON register controls the functionality of DBR1 and the enabling of DBR0 and DBR1.
DBCON also determines the type of memory access on which to break. Table 26-8 shows the
format of the DBCON register.
26.4.2.2.1 Data Address Breakpoint
A data address breakpoint is triggered if the memory access matches the access type and the
address of any byte in the memory access matches the address in DBRx. For example, LDR
triggers a breakpoint if DBCON[E0] is 0b10 or 0b11 and the address of any of the four bytes
accessed by the load matches the address in DBR0.
The processor does not trigger data breakpoints for the PLD instruction or any CP15, register 7, 8,
9, or 10 functions. Any other type of memory access can trigger a data breakpoint. For data
breakpoint purposes, the SWP and SWPB instructions are treated as stores. They do not cause a
data breakpoint if the breakpoint is set up to break on loads only and an address match occurs.
On unaligned memory accesses, breakpoint address comparison occurs on a word-aligned address
(aligned down to word boundary).
When a memory access triggers a data breakpoint, the breakpoint is reported after the access is
issued. The memory access is not aborted by the processor. The actual timing of the completion of
the access with respect to the start of the debug handler depends on the memory configuration.
On a data breakpoint, the processor generates a debug exception and redirects execution to the
debug handler before the next instruction executes. The processor reports the data breakpoint by
setting the DCSR[MOE] to 0b010. The link register of a data breakpoint is always the PC (of the
next instruction to execute) + 4, whether the processor is configured for monitor mode or halt
mode.
When DBR1 is programmed as a second data address breakpoint, it functions independently of
DBR0 and is controlled by DBCON[E1].
26.4.2.2.2 Data Address Mask
When DBR1 is programmed as a data address mask, it is used in conjunction with the address in
DBR0. The bits set in DBR1 are ignored by the processor when it compares the address of a
memory access with the address in DBR0. Using DBR1 as a data address mask allows a range of
addresses to generate a data breakpoint. When DBR1 is selected as a data address mask, it is
unaffected by DBCON[E1]. The mask is used only when DBR0 is enabled.
Intel® PXA27x Processor Family Developer’s Manual 26-7
Software Debug
26.4.3 Software Breakpoints
Mnemonics: BKPT (See ARM* Architecture Reference Manual, ARMv5T)
Operation: If DCSR[GE] is clear, BKPT is a no-operation.
If DCSR[GE] is set, BKPT causes a debug exception.
The processor handles the software breakpoint as described in Section 26.4.1.
26.4.4 Normal RX Handshaking versus High-Speed Download
26.4.4.1 Normal Receive Register (RX) Handshaking
Debugger Actions
1. The debugger has data to send to the debug handler.
2. Before it writes new data to the RX register, the debugger must poll the RX register ready flag
(TXRXCTRL[RR]) through JTAG until the register bit is cleared.
3. After the debugger reads 0b0 from TXRXCTRL[RR], it scans data into the JTAG TDI signal
to write to the RX register and sets the valid bit. The write to the RX register automatically sets
TXRXCTRL[RR].
Debug Handler Actions
1. The debug handler polls TXRXCTRL[RR] until it is set, indicating that data in the RX register
is valid.
2. After TXRXCTRL[RR] is set, the debug handler reads the new data from the RX register. The
read operation automatically clears TXRXCTRL[RR].
26.4.4.2 High-Speed Handshaking States
When data is being downloaded by the debugger, part of the normal handshaking can be bypassed
to allow the download rate to be increased. Before the high-speed download starts, both the
debugger and debug handler must be synchronized to ensure that the debug handler is executing a
routine that supports the high-speed download.
Although it is similar to normal handshaking, the debugger polling of TXRXCTRL[RR] is
bypassed on the assumption that the debug handler can read the previous data from the RX register
before the debugger can scan in the new data.
Debugger Actions
1. The debugger has code to transfer into the processor system memory.
2. Before the download starts, the debugger polls TXRXCTRL[RR] until it is clear, which
indicates that the debug handler is ready. Then, the debugger starts the download.
3. The debugger scans data into JTAG to write to the RX register with the download bit and the
valid bitset. TXRXCTRL[RR] and TXRXCTRL[D] are automatically set following the write
to the RX register.
4. Without polling TXRXCTRL[RR] to determine whether the debug handler has read the data
just scanned in, the debugger continues to scan new data into JTAG for RX, with the download
bit and the valid bit set.
26-8 Intel® PXA27x Processor Family Developer’s Manual
Software Debug
5. An overflow condition occurs if the debug handler does not read the previous data before the
debugger completely scans in the new data. See the TXRXCTRL[OV] bit description in
Table 26-6 for details on the overflow condition.
6. After the download is complete, the debugger clears TXRXCTRL[D], which allows the debug
handler to exit the download loop.
Debug Handler Actions
1. The debug handler is in a routine waiting to write data out to memory. The routine loops based
on TXRXCTRL[D].
2. The debug handler polls TXRXCTRL[RR] until it is set. It then reads the register and writes
its contents out to memory. The handler loops, repeating these operations until the debugger
clears TXRXCTRL[D].
26.4.5 Executing Conditionally Using TXRXCTRL
The bits in the TXRXCTRL register are placed so that they can be read directly into the CC flags in
the CPSR with an MRC (with Rd = PC). The subsequent instruction can then conditionally execute
based on the updated CC value.
To simplify the debug handler, the TXRXCTRL register must be read using the following
instruction:
mrc p14, 0, r15, C14, C0, 0
This instruction directly updates the condition codes in the CPSR. The debug handler can then
conditionally execute based on each CC bit. Table 26-2 shows the mnemonic extension to
conditionally execute based on whether the TXRXCTRL bit is set or clear.
The following example is a code sequence in which the debug handler polls the TXRXCTRL
handshaking bit to determine when the debugger has completed its write to RX and the data is
ready for the debug handler to read:
loop: mcr p14, 0, r15, c14, c0, 0# read the handshaking bit in TXRXCTRL
mcrmi p14, 0, r0, c9, c0, 0 # if RX is valid, read it
bpl loop # if RX is not valid, loop
26.4.6 Debug JTAG Access
This section describes the debug interface with the PXA27x processor through the JTAG port. For
more information on the JTAG instructions and controller states, see the “JTAG Debug Interface”
chapter in the Intel® PXA27x Processor Family Design Guide.
Table 26-2. TXRXCTRL Mnemonic Extensions
TXRXCTRL
Bit Mnemonic Extension to
Execute if Bit is Set Mnemonic Extension to
Execute if Bit is Clear
31 (to N flag) MI PL
30 (to Z flag) EQ NE
29 (to C flag) CS CC
28 (to V flag) VS VC
Intel® PXA27x Processor Family Developer’s Manual 26-9
Software Debug
26.4.6.1 JTAG Commands and Registers
The debugger uses four JTAG instructions during software debug: LDIC, SEL_DCSR, DBG_TX,
and DBG_RX. The LDIC instruction is described in Section 26.4.6.3. The other three JTAG
instructions are described in this section.
SEL_DCSR, DBG_TX and DBG_RX use a common 36-bit shift register, DBG_SR. New data is
shifted in and captured data is shifted out through DBG_SR. In the Update-DR state, the new data
is shifted into the appropriate data register. See the “JTAG Debug Interface” chapter in the Intel®
PXA27x Processor Family Design Guide for details of the JTAG state machine.
26.4.6.1.1 SEL_DCSR JTAG Command and Register
The SEL_DCSR JTAG instruction selects the DCSR JTAG data register. The JTAG opcode is
0b0_1001. When the SEL_DCSR JTAG instruction is in the JTAG instruction register, the
debugger can directly access the DCSR. The debugger can only modify certain bits through JTAG,
but it can read the entire register.
The SEL_DCSR instruction also allows the debugger to generate an external debug break.
Placing the SEL_DCSR JTAG instruction in the JTAG IR selects the DCSR JTAG Data register
(Figure 26-1) and allows the debugger to access the DCSR, generate an external debug break, and
set the hold_rst signal, which is used when loading code into the instruction cache during reset.
Figure 26-1. SEL_DCSR Hardware
TDOTDI
DBG_SR
Capture-DR
Update-DR
DBG_REG
1233435
031
software read/write
TCK
Core CLK
00
0
1 0
12
3334 0
ignored
DBG_REG[HLD_RST
]
DBG_REG[BRK]
DBG_REG[DCSR]
26-10 Intel® PXA27x Processor Family Developer’s Manual
Software Debug
A Capture-DR state loads the current DCSR value into DBG_SR[34:3]. The other bits in DBG_SR
are loaded as shown in Figure 26-1.
During the Shift-DR state, a new DCSR value can be scanned into DBG_SR, and the previous
value can be scanned out. When scanning a new DCSR value into DBG_SR, ensure that
DBG_SR[2:1] is set up to prevent undesirable behavior.
The Update-DR state parallel-loads the new DCSR value into DBG_REG[33:2]. This value is then
loaded into the actual DCSR register. All bits defined as JTAG writable in Table 26-7 are updated.
A debug host and the debug handler that is running on the core must synchronize access to the
DCSR. If one writes to the DCSR at the same time the other reads from the DCSR, the results are
unpredictable.
DBG_REG[HLD_RST]
The debugger uses DBG_REG[HLD_RST] to load code into the instruction cache during a
processor reset. See Section 26.4.6.3 for details about loading code into the instruction cache.
The debugger must set DBG_REG[HLD_RST] before or during assertion of the reset pin. After
DBG_REG[HLD_RST] is set, the reset pin can be deasserted and the processor remains in reset
internally. The debugger then loads debug handler code into the instruction cache before the
processor begins to execute any code.
After the code download is complete, the debugger must clear DBG_REG[HLD_RST]. This brings
the processor out of reset and allows the code execution to begin at the reset vector.
A debugger sets DBG_REG[HLD_RST] in one of two ways:
Placing the JTAG state machine into the Capture-DR state, which automatically loads
DBG_SR[1] with 1, then placing the state machine into the Exit2-DR state, followed by the
Update-DR state. This sets the DBG_REG[HLD_RST], clears DBG_REG[BRK], and leaves
the DCSR unchanged. The DCSR bits captured in DBG_SR[34:3] are written back to the
DCSR on the Update-DR state.
Scanning a 1 into DBG_SR[1] and scanning in the appropriate values for the DCSR and
DBG_REG[BRK].
DBG_REG[HLD_RST] can only be cleared by scanning in a 0 to DBG_SR[1] and scanning in the
appropriate values for the DCSR and DBG_REG[BRK].
DBG_REG[BRK]
DBG_REG[BRK] allows the debugger to generate an external debug break and asynchronously
redirect execution to a debug handling routine.
To set an external debug break, a debugger scans data into DBG_SR with DBG_SR[2] set and the
desired value for the DCSR JTAG writable bits in DBG_SR[34:3].
After an external debug break is set, it remains set internally until a debug exception occurs. In
monitor mode, external debug breaks detected during abort mode are postponed until the processor
exits abort mode. In halt mode, breaks detected during SDS are postponed until the processor exits
SDS. When an external debug break is detected outside of these two cases, the processor stops
executing instructions when the current pipeline contents are completed. This improves breakpoint
Intel® PXA27x Processor Family Developer’s Manual 26-11
Software Debug
accuracy by reducing the number of instructions that execute after the external debug break is
requested. However, the processor continues to process any instructions that have already started.
The processor does not enter debug mode until all processor activity stops.
DBG_REG[DCSR]
The DCSR is updated with the value loaded into DBG_REG[DCSR] following an Update-DR
state. Only the bit locations specified as writable by JTAG in Table 26-7 are updated.
26.4.6.1.2 DBG_TX JTAG Command and Register
The DBG_TX JTAG instruction selects the debug JTAG data register (Figure 26-2). The JTAG
opcode for this instruction is 0b1_0000. The debugger uses the DBG_TX data register to poll for
internal and external breaks that trigger the processor to enter debug mode. In debug mode, the
debugger uses the DBG_TX data register to read data from the debug handler.
A Capture-DR state loads the TX register value into DBG_SR[34:3] and the value in
TXRXCTRL[TR] into DBG_SR[0]. The other bits in DBG_SR are loaded as shown in Table 26-2.
The captured TX value is scanned out during the Shift-DR state.
Data scanned into the TX register is ignored during the Update-DR state.
If DBG_SR[0] is set, the captured TX data is valid. After the debugger exits the Capture-DR state,
it must place the JTAG state machine in the Shift-DR state. This ensures that the debugger performs
a read, which clears TXRXCTRL[TR].
Figure 26-2. DBG_TX Hardware
TDOTDI
DBG_SR
Capture-DR
Update-DR
123
34
35
031 TXRXCTRL
TX
Core CLK
software read-only
00
0
1
28
set by write to TX
cleared by debugger read
Ignored
software write
TCLK delay
0x0000_0000
10
26-12 Intel® PXA27x Processor Family Developer’s Manual
Software Debug
26.4.6.1.3 DBG_RX JTAG Command and Register
The DBG_RX JTAG instruction selects the DBG_RX JTAG data register. The JTAG opcode for
this instruction is 0b0_0010. After the DBG_RX data register is selected, the debugger can send
data or commands to the debug handler through the RX register.
A Capture-DR state loads TXRXCTRL[RR] into DBG_SR[0]. The other bits in DBG_SR are
loaded as shown in Figure 26-3.
The captured data is scanned out during the Shift-DR state.
Note: Incorrectly setting DBG_SR[35] or DBG_SR[1] while polling TXRXCTRL[RR] causes
unpredictable behavior after an Update-DR state.
The Update-DR state parallel-loads DBG_SR[35:1] into DBG_REG[34:0]. The inputs to the RX
write logic determine whether the new data is written to the RX register or an overflow condition is
detected.
RX Write Logic
The RX write logic (Figure 26-4) serves four functions:
Figure 26-3. DBG_RX Hardware
12
3334
TDOTDI
DBG_SR
Capture-DR
Update-DR
DBG_REG
1233435
delay
031
software read
TXRXCTRL
RX
TCK
Core CLK
software read/write
00
0
0
1
3031 29
RX
DBG_REG[1]
Write
Logic
Flush RR
to TXRXCTRL[D]
clear DBG_REG[34]
data
enable
set overflow
Intel® PXA27x Processor Family Developer’s Manual 26-13
Software Debug
Enables the debugger write to the RX register. The logic ensures that only new, valid data from
the debugger is written to the RX register. In particular, when the debugger polls
TXRXCTRL[RR] to determine whether the debug handler has read the previous data from the
RX register. The JTAG state machine must go through Update-DR, which must not modify the
RX register.
Clears DBG_REG[34] to support high-speed downloads. During a high-speed download, the
debugger continuously scans in data to send to the debug handler and sets DBG_REG[35],
which is copied to DBG_REG[34] to signal that the data is valid. Because the debugger does
not clear DBG_REG[34], the RX write logic clears DBG_REG[34], which signals the
debugger write to RX.
Sets TXRXCTRL[RR]. When the debugger writes new data to RX, the write logic sets
TXRXCTRL[RR], which signals the debug handler that the data is valid.
Sets the overflow flag (TXRXCTRL[OV]). During a high-speed download, the debugger does
not poll to determine if the debug handler has read the previous data. The RX write logic sets
the overflow flag when the previous data has not yet been read and the debugger has just
written new data to RX. This prevents the debug handler from stalling long enough to allow
the debugger to overwrite the data before it is read.
26.4.6.1.4 DBG_RX Data Register
The debugger uses the bits in the DBG_RX data register (Figure 26-5) to send data to the
processor. The data register also contains a bit that flushes previously written data and a bit that is a
high-speed download flag.
Figure 26-4. RX Write Logic
Core CLK
DBG_REG[34]
TXRXCTRL[RR]
Clear DBG_REG[34]
RX write enable
Set TXRXCTRL[RR]
Set overflow flag
(TXRXCTRL[OV])
Latch
Latch
26-14 Intel® PXA27x Processor Family Developer’s Manual
Software Debug
DBG_SR[RR]
The debugger uses DBG_SR[RR] as part of the synchronization that occurs between the debugger
and debug handler to allow them to access RX. This bit contains the value of TXRXCTRL[RR]
after a Capture-DR state. The debug handler automatically sets TXRXCTRL[RR] by performing a
write to RX.
The debugger polls DBG_SR[RR] to determine if the debug handler has read the previous data
from the RX register.
The debugger sets TXRXCTRL[RR] by setting the DBG_REG[V] bit.
DBG_REG[V]
The debugger sets the DBG_REG[V] bit to indicate that the data scanned into DBG_SR[34:3] is
valid data to write to RX. The bit is an input to the RX write logic and is cleared by the RX write
logic.
When this bit is set, data scanned into DBG_SR is written to RX after an Update-DR state. If
DBG_REG[V] is not set and the debugger performs an Update-DR, the RX register is not changed.
DBG_REG[V] does not affect the actions of DBG_REG[FLUSH] or DBG_REG[D].
DBG_REG[RX]
Figure 26-5. DBG_RX Data Register
12
3334
TDO
TDI
DBG_SR
Capture-DR
Update-DR
DBG_REG
1233435
TCK
00
RX TXRXCTRL[RR]
DBG_SR[RR]
DBG_REG[FLUSH
]
DBG_REG[RX]
DBG_REG[V]
0
0
1
DBG_REG[D]
cleared by
RX Write Logic
Intel® PXA27x Processor Family Developer’s Manual 26-15
Software Debug
DBG_REG[RX] is written into the RX register based on the output of the RX write logic. Data to
be sent from the debugger to the processor must be loaded into DBG_REG[RX] with
DBG_REG[V] set. DBG_REG[RX] is loaded from DBG_SR[34:3] when the JTAG enters the
Update-DR state.
DBG_REG[RX] is written to RX when the RX write logic enables the RX register after an
Update-DR state.
DBG_REG[D]
DBG_REG[D] is used during high-speed downloads. It is written directly to TXRXCTRL[D]. The
debugger sets DBG_REG[D] when it downloads a block of code or data to the system memory.
The debug handler then uses TXRXCTRL[D] as a branch flag to determine the end of the loop.
Using DBG_REG[D] as a branch flags eliminates the need for a loop counter in the debug handler
code. Eliminating the loop counter prevents a situation in which a debugger loop counter is out of
synchronization with the debug handler’s counter because an overflow condition has occurred.
DBG_REG[FLUSH]
DBG_REG[FLUSH] allows the debugger to flush data that has been previously written to RX.
Setting DBG_REG[FLUSH] clears TXRXCTRL[RR].
26.4.6.2 Debug JTAG Data Register Reset Values
When TRST is asserted, the debug data register is reset. Asserting the nRESET pin does not affect
the debug data register. Table 26-3 shows the reset and TRST values for the data register.
Note: These values apply for DBG_REG for SEL_DCSR, DBG_TX, and DBG_RX.
26.4.6.3 Downloading Code into Instruction Cache
The processor core provides a 2-Kbyte mini-instruction cache that is physically separate from the
32-Kbyte main instruction cache and can be used as an on-chip instruction RAM. For additional
information about the mini-instruction cache, see Section 26.4.6.3.6.
Note: The mini-instruction cache cannot be written with a cache line fill from external memory. It can be
written only through JTAG.
A debug host can download code directly into either instruction cache through JTAG. The core also
allows either instruction cache to be loaded during reset or program execution. Loading the
instruction cache during normal program execution requires a strict handshaking protocol between
the software running on the core and the debug host.
Table 26-3. Debug Data Register Reset Values
Bit TRST RESET
DBG_REG[0] 0 unchanged
DBG_REG[1] 0 unchanged
DBG_REG[33:2] unpredictable unpredictable
DBG_REG[34] 0 unchanged
26-16 Intel® PXA27x Processor Family Developer’s Manual
Software Debug
Throughout the remainder of Section 26.4.6.3, the terminstruction cache” applies to both the
main and mini-instruction caches.
26.4.6.3.1 LDIC JTAG Command
The LDIC JTAG command selects the JTAG data register to load code into the instruction cache
(IC). The JTAG opcode for this command is 0b0_0111. The LDIC command must be in the JTAG
instruction register to load code directly into the instruction cache through JTAG.
26.4.6.3.2 LDIC JTAG Data Register
The LDIC JTAG data register is selected when the LDIC JTAG instruction is in the JTAG IR. A
debug host can load and invalidate lines in the instruction cache through this data register.
Note: The data loaded into LDIC_SR1 during a Capture-DR state is unpredictable.
LDIC functions and data consist of 33-bit packets that are scanned into LDIC_SR1 during the
Shift-DR state.
The Update-DR state parallel-loads the value in LDIC_SR1 into LDIC_REG. LDIC_REG is then
loaded into LDIC_SR2. After the data is loaded into LDIC_SR2, the LDIC state machine serially
shifts the contents of LDIC_SR2 into the instruction cache.
Note: Removing the LDIC JTAG command from the JTAG IR before the entire contents of LDIC_SR2
are sent to the instruction cache causes unpredictable behavior. To avoid this behavior, the LDIC
Figure 26-6. LDIC JTAG Data Register Hardware
TDOTDI
Capture-DR
Update-DR
12332
TCK
Core CLK
0
12
32 0
unpredictable
LDIC_SR1
To Instruction Cache
LDIC_REG
12
32 0
LDIC_SR2
LDIC
State Machine
Intel® PXA27x Processor Family Developer’s Manual 26-17
Software Debug
command must remain in the JTAG IR for a minimum of 15 TCKs after the Update-DR state for
the last LDIC packet. This ensures that the last packet is correctly sent to the instruction cache.
26.4.6.3.3 LDIC Cache Functions
The processor core supports four cache functions that can be executed through JTAG. Two
functions allow a debug host to download code into an instruction cache through JTAG. Two
additional functions allow invalidating of lines in the instruction cache. Table 26-4 shows the cache
functions supported through JTAG.
Invalidate Main IC Line invalidates the line in the instruction cache (IC) that contains the specified
virtual address. If the line is not in the cache, the operation has no effect. Invalidate Main IC Line
does not take any data arguments.
Invalidate Mini IC invalidates the entire mini-instruction cache but does not affect the main
instruction cache. It does not require a virtual address or any data arguments.
Load Main IC and Load Mini IC write one line of data (eight ARM* instructions) into the specified
instruction cache at the specified virtual address.
The Invalidate Mini IC function does not invalidate the ARM* branch target buffer (BTB) as the
CP15 Invalidate IC function does, so software must manually invalidate the BTB where
appropriate.
Each cache function is downloaded through JTAG in 33-bit packets. Figure 26-7 shows the packet
formats for each of the JTAG cache functions. Invalidate Main IC Line and Invalidate Mini IC each
require one packet. Load Main IC and Load Mini IC each require nine packets.
Table 26-4. LDIC Cache Functions
Function Encoding
Arguments
Address Number of
Data Words
Invalidate Main IC Line 0b000 VA of line to invalidate 0
Invalidate Mini IC 0b001 0
Load Main IC 0b010 VA of line to load 8
Load Mini IC 0b011 VA of line to load 8
reserved 0b100-0b111 —
26-18 Intel® PXA27x Processor Family Developer’s Manual
Software Debug
All packets are 33 bits long. Bits[2:0] of the first packet specify the function to execute. For
functions that require an address, bits[32:6] of the first packet specify an 8-word-aligned address
(Packet1[32:6] = VA[31:5]). For Load Main IC and Load Mini IC, eight additional data packets
specify eight ARM* instructions to be loaded into the target instruction cache. Bits[31:0] of the
data packets contain the data to download. Bit[32] of the data packets is the value of the parity for
the data in that packet.
As shown in Figure 26-7, the first bit shifted in TDI is bit[0] of the first packet. After each 33-bit
packet, the host must place the JTAG state machine into the Update-DR state. After the host
performs an Update-DR and returns the JTAG state machine to the Shift-DR state, the host can
immediately begin shifting in the next 33-bit packet.
26.4.6.3.4 Loading the Instruction Cache During Reset
Code can be downloaded into the instruction cache through JTAG during a processor reset. This
feature is used during software debugging to download the debug handler before starting an
application program. The downloaded handler can then intercept the reset vector and perform any
necessary setup before the application code starts.
Any code downloaded into the instruction cache through JTAG must be downloaded to addresses
in the instruction cache that are not already valid. Downloading code to valid addresses results in
unpredictable behavior by the processor. During a processor reset, the instruction cache is typically
invalidated, but the following modes are not:
LDIC mode—Active when the LDIC JTAG instruction is loaded in the JTAG IR. It ensures
that the instruction caches are not invalidated during reset.
Halt mode—Active when the halt mode bit is set in the DCSR. It ensures that the mini-
instruction cache is not invalidated. In this mode, the main instruction cache is invalidated by
reset.
Figure 26-7. Format of LDIC Cache Functions
25
00
31
Invalidate Main IC Line
x0xx . . .
Invalidate Mini IC
VA[31:5]
Load Main IC
VA[31:5]
.
.
.
Data Word 0
Data Word 7
Load Mini IC
and
(CMD = 0b010)
(CMD = 0b011)
Indicates first
Indicates last
bit shifted in
bit shifted in
0 00
000 0
0
00 0 CMD
32
0
1
2531 032
2531 032
P
P
Intel® PXA27x Processor Family Developer’s Manual 26-19
Software Debug
During a cold reset in which both a processor reset and a JTAG reset occur, the instruction cache is
invalidated because the JTAG reset takes the processor out of either of these modes.
During a warm reset in which a JTAG reset does not occur, the instruction cache is not invalidated
by reset when either of the modes is active. This situation requires special attention if code is
downloaded during the warm reset.
Note: While halt mode is active, a reset invalidates the main instruction cache. Thus, debug handler code
downloaded during reset must be loaded into the mini-instruction cache. However, code can be
dynamically downloaded into the main instruction cache (see Section 26.4.6.3.5).
The following sections describe the steps necessary to ensure code is correctly downloaded into the
instruction cache.
Loading the IC During Cold Reset for Debug
Figure 26-8 shows the actions necessary to download code into the instruction cache during a cold
reset for debug.
Note: HOLD_RST is an internal signal that is set and cleared through JTAG. When the JTAG IR contains
the SEL_DCSR instruction, the HOLD_RST signal is set to the value scanned into DBG_SR[1].
Figure 26-8. Code Download During a Cold Reset for Debug
Internal
TRST
JTAG IR
RESET invalidates IC
Enter LDIC mode
RESET does not affect IC
TRST resets JTAG IR to IDCODE
IDCODE
set hold_rst signal clear hold_rst signal
nRESET
RESET
RESET pin asserted until hold_rst signal is set
Processor branches
hold_rst
hold_rst keeps internal reset asserted
SEL_DCSR SEL_DCSR
keep halt mode bit set
clock 15 tcks after
Download codeset halt mode bit
to address 0
LDIC
wait 2030 tcks after
Reset deasserted last Update-DR
in LDIC mode
26-20 Intel® PXA27x Processor Family Developer’s Manual
Software Debug
A debug host must complete the following steps to load code into the instruction cache after a cold
reset:
1. Assert the Reset and TRST pins. This resets the JTAG IR to IDCODE and invalidates the
instruction cache.
2. Load the SEL_DCSR JTAG instruction into JTAG IR and scan in a value to set the halt mode
bit in DCSR and to set the hold_rst signal. To set up the reset vector trap before the code is
downloaded, scan in a DCSR value that sets the trap reset bit along with the values for the halt
mode bit and the hold_rst signal. For details on the SEL_DCSR instruction, refer to
Section 26.4.6.1.1.
Note: If the reset vector trap is not set up in step 2, it must be set up in step 8.
3. Deassert the reset pin. The processor is held in reset internally.
4. Wait 2030 TCKs.
5. Load the LDIC JTAG instruction into JTAG IR.
6. Download code into the instruction cache in 33-bit packets, as described in Section 26.4.6.3.3.
7. After the download is complete, wait a minimum of 15 TCKs after the last Update-DR state in
LDIC mode.
8. If the reset vector trap was not set up in step 2, it must be set up now. The halt mode bit and the
hold_rst signal must remain set while a DCSR value that sets the trap reset bit is scanned in.
9. Place the SEL_DCSR JTAG instruction into the JTAG IR and scan in a value to clear the
hold_rst signal. The halt-mode bit must remain set to prevent the instruction cache from being
invalidated.
10. When hold_rst is cleared, the internal reset is deasserted; the processor executes the reset
vector at address 0.
Loading the IC During a Warm Reset for Debug
Loading the instruction cache during a warm reset is a slightly different situation than loading them
during a cold reset. For a warm reset, the main issue is whether or not the instruction cache is
invalidated by the processor reset.
The following scenarios are possible:
While reset is asserted, TRST is also asserted.
The instruction cache is invalidated, so the actions taken to download code are identical to
those described in “Loading the IC During Cold Reset for Debug” on page 26-19
When reset is asserted, TRST is not asserted and the processor is not in halt mode.
The instruction cache is also invalidated, so the actions are the same as described in Loading
the IC During Cold Reset for Debug”, starting at step 6.
When reset is asserted, TRST is not asserted and the processor is in halt mode.
The mini-instruction cache is not invalidated by reset, because the processor is in halt mode.
Figure 26-9 depicts this operation in detail.
Intel® PXA27x Processor Family Developer’s Manual 26-21
Software Debug
As shown in Figure 26-9, reset does not invalidate the mini-instruction cache because the processor
is in halt mode. Because the mini-instruction cache is not invalidated, it may contain valid lines.
The host must ensure that code is not downloaded to virtual addresses (VAs) that are already valid
in the mini-instruction cache. If code is downloaded to a valid VA, the processor behaves
unpredictably.
To ensure that code is not downloaded to a VA that already exists in the mini-instruction cache, use
one of the following solutions:
If it is not necessary to download code into the mini-instruction cache, use the code that was
previously downloaded. The mini-instruction cache is not invalidated. Any code previously
downloaded into the mini-instruction cache is valid and it is not necessary to download the
same code again.
If it is necessary to download code into the instruction cache:
a. Assert TRST to halt the device that is awaiting activity on the JTAG interface.
b. Clear the halt mode bit through JTAG to allow the instruction cache to be invalidated by
reset.
c. Place the LDIC JTAG instruction in the JTAG IR, then proceed with the normal code
download, using the Invalidate Main IC Line function before loading each line. This
requires that each cache line consist of 10 packets rather than nine, as described in
Section 26.4.6.3.3.
Figure 26-9. Code Download During a Warm Reset for Debug
Internal
TRST
SEL_DCSR JTAG IR
Enter LDIC mode
RESET does not affect Mini IC (halt mode bit set)
JTAG INSTR SEL_DCSR LDIC
Set hold_rst signal Clear hold_rst signal
RESET
Reset pin
RESET pin asserted until hold_rst signal is set
hold_rst
hold_rst keeps internal reset asserted
Halt Mode
Load code into IC
Clock 15 tcks after
Wait 2030 tcks after
Reset deasserted last Update-DR
in LDIC mode
Keep halt mode bit set Keep halt mode bit se
t
26-22 Intel® PXA27x Processor Family Developer’s Manual
Software Debug
26.4.6.3.5 Dynamically Loading the Instruction Cache After Reset
A debug host can load code into the instruction cache dynamically (on-the-fly). Dynamic loads
after reset occur when the host downloads code while the processor is not being reset. Such loads
require strict synchronization between the code running on the processor core and the debug host.
The guidelines for downloading code during program execution must be followed to ensure that
the processor operates properly. The description in this section focuses on using a debug handler
running on the core to synchronize with the debug host, but the details apply for any application
that is running while code is dynamically downloaded.
To dynamically download code during software debug, a minimal debug handler stub that is
responsible for handshaking with the host must reside in the instruction cache. This debug handler
stub can be downloaded into the instruction cache during processor reset using the method
described in Section 26.4.6.3.4.
Figure 26-10 shows a high-level view of the actions that the host and debug handler take during
dynamic code download.
The following steps describe the details for downloading code:
1. Because the debug handler is responsible for synchronization during the code download, the
handler must be started before the host begins the download. The debug handler starts when
the application running on the processor core generates a debug exception or when the host
generates an external debug break.
2. While the DBG_TX JTAG instruction is in the JTAG IR (see Section 26.4.6.1.2), the host polls
DBG_SR[0] and waits for the debug handler to set the bit.
3. When the debug handler is ready to begin the code download, it writes to TX, which
automatically sets DBG_SR[0]. This signals the host that it can start the download. The debug
handler then starts to poll TXRXCTRL[RR] and waits for the host to clear bit through the
DBG_RX JTAG register, which indicates that the download is complete.
4. The host writes LDIC to the JTAG IR and downloads the code. For each line that is
downloaded, the host must invalidate the target line before it can download code to that line.
Writing to a line that has not been invalidated causes unpredictable processor operation.
Figure 26-10. Downloading Code into Instruction Cache During Program Execution
DBG_RX
JTAG IR DBG_TX LDIC
Wait for handler to signal
Download code
Signal handler
Handler begins execution Signal host ready Wait for host to signal
download is complete
Continue execution
.
ready to start download
for download download complete
Debugger Actions
Debug Handler Actions
clock
15 TCKs
Intel® PXA27x Processor Family Developer’s Manual 26-23
Software Debug
5. When the host completes its download, it must wait a minimum of 15 TCKs, then switch the
JTAG IR to DBG_RX and complete the handshaking by scanning in a value that sets
DBG_SR[35]. This clears TXRXCTL[RR] and allows the debug handler code to exit the
polling loop.
6. After the handler exits the polling loop, it branches to the downloaded code.
Note: The debug handler stub must reside in the instruction cache and execute out of the cache while
performing the synchronization. The processor must not perform any code fetches to external
memory while code is being downloaded.
Dynamic Code Download Synchronization
The debug handler must contain the following code fragments to implement the synchronization
that is used during dynamic code download. The code must be in the same order as shown below:
Before the download can start, all outstanding instruction fetches must complete.
The MCR invalidate IC by line function serves as a barrier instruction in
the core. All outstanding instruction fetches are guaranteed to complete before
the next instruction executes.
NOTE1: The actual address specified to invalidate is implementation defined, but
it must not have any harmful effects.
NOTE2: The placement of the invalidate code is implementation defined. The only
requirement is that it must be placed such that by the time the debugger starts
loading the IC, all outstanding instruction fetches have completed.
mov r5, address
mcr p15, 0, r5, c7, c5, 1
The host waits for the debug handler to signal that it is ready for the
code download. This can be done using the TX register access handshaking
protocol. The host polls the TR bit through JTAG until it is set, then begins
the code download. The following MCR does a write to TX, automatically
setting the TR bit:
NOTE: The value written to TX is implementation defined.
mcr p14, 0, r6, c8, c0, 0
The debug handler waits until the download is complete before continuing. The
debugger uses the RX handshaking to signal the debug handler when the download
is complete. The debug handler polls the RR bit until it is set. A debugger write
to RX automatically sets the RR bit, allowing the handler to proceed.
NOTE: The value written to RX by the debugger is implementation defined - it can
be a bogus value signaling the handler to continue, or it can be a target
address for the handler to branch to.
loop:
mrc p14, 0, r15, c14, c0, 0 @ handler waits for signal from debugger
bpl loop
mrc p14, 0, r0, c8, c0, 0 @ debugger writes target address to RX
bx r0
In a very simple debug handler stub, the pieces of code (with some handler entry and exit code)
may form the complete debug handler that is downloaded during reset. When a debug exception
occurs, routines can be downloaded as necessary. This allows the debug handler to be dynamic.
26-24 Intel® PXA27x Processor Family Developer’s Manual
Software Debug
One way to create a more complete debug handler is to download the handler during reset. The
debug handler could support some operations, such as read memory and write memory, and
dynamically download other operations, such as reading from or writing to a group of coprocessor
registers. This method can be used to dynamically download infrequently used debug handler
functions, while allowing the more common operations to remain static in the mini-instruction
cache.
26.4.6.3.6 Mini-Instruction Cache Overview
The mini-instruction cache is a smaller version of the main instruction cache. Refer to the Intel
XScale® Core Developers Manual for details on the main instruction cache. The mini-instruction
cache is a 2-Kbyte, two way, set-associative cache. It has 32 sets and each set contains two ways.
Each way contains eight words. The cache uses the round-robin replacement policy for lines
overloaded from the debugger.
Code other than debug-handler code is never cached in the mini-instruction cache on an instruction
fetch. The only way to download code into the mini-instruction cache is through the JTAG LDIC
function. Code downloaded into the mini-instruction cache is essentially locked. The debug
handler cannot be overwritten by application code running on the processor core, but it is not
locked against code downloaded through the JTAG LDIC functions.
Application code can invalidate a line in the mini-instruction cache with a CP15 Invalidate Main
IC Line function to an address in the mini-instruction cache. However, a CP15 global Invalidate IC
function does not affect the mini-instruction cache.
The mini-instruction cache can be globally invalidated through JTAG with the LDIC Invalidate IC
function or with a processor reset when the processor is not in halt or LDIC mode. A single line in
the mini-instruction cache can be invalidated through JTAG with the LDIC Invalidate Main IC
Line function.
The mini-instruction cache is virtually addressed and the addresses can be remapped by the PID.
Because the debug handler executes in SDS, address translation and PID remapping are turned off.
Application code makes accesses to the mini-instruction cache with the normal address translation
and PID mechanisms.
26.4.7 Trace Buffer
The 256-entry trace buffer provides the ability to capture control flow information to be used for
debugging an application. Two modes are supported:
Fill-once mode: the buffer fills up completely and generates a debug exception. After the
debug exception, software must empty the buffer.
Wraparound mode: the buffer fills up and wraps around until it is disabled. After the buffer is
disabled, software must empty the buffer.
26.4.7.1 Trace Buffer CP Registers
CP14 defines three registers TBREG, CHKPT0, and CHKPT1 (shown in Table 26-15) for use with
the trace buffer. The CP14 registers are accessible using MRC, MCR, LDC, and STC (CDP to any
CP14 registers causes an undefined instruction trap). The CRn field specifies the number of the
register to access. The CRm, opcode_1, and opcode_2 fields are not used and must be cleared to 0.
Any access to the trace buffer registers in user mode causes an undefined instruction exception.
Specifying registers that do not exist has unpredictable results.
Intel® PXA27x Processor Family Developer’s Manual 26-25
Software Debug
26.4.7.2 Trace Buffer Usage
The trace buffer is 256 bytes long. The first byte read from the buffer represents the oldest trace
history information in the buffer. The last (256th) byte read represents the most recent entry in the
buffer. The last byte read from the buffer is always a message byte. This provides the debugger
with a starting point for parsing the entries out of the buffer. Because the debugger requires the last
byte as a starting point when parsing the buffer, the entire trace buffer (256 bytes) must be read
before the buffer can be parsed. Figure 26-11 shows a high-level view of the trace buffer.
The trace buffer must be initialized before each use, including its first use. To initialize the trace
buffer, read it entirely. Reading the trace buffer also clears it by setting all entries to 0b0000_0000.
This means that when the trace buffer captures a trace, the process of reading the captured trace
data also re-initializes the trace buffer for its next use.
The trace buffer can capture a trace up to a processor reset. A processor reset disables the trace
buffer, but does not affect the contents. The trace buffer does not capture reset events or debug
exceptions.
Because the trace buffer is initialized and cleared before it is used, all entries are initially
0b0000_0000. In fill-once mode, these zeros can identify the first valid entry in the trace buffer. In
wraparound mode, the zero entries identify the first valid entry and can be used to determine
whether a wraparound occurred.
When the trace buffer is read, the oldest entries are read first. Reading a series of at least five
consecutive 0b0000_0000 entries in the oldest entries indicates that the trace buffer has not
wrapped around and the first valid entry is the first non-zero value that is read.
Figure 26-11. High Level View of Trace Buffer
target[7:0]
1001 CCCC (indirect)
1000 CCCC (direct)
1100 CCCC (direct)
....
1111 1111 (roll-over)
target[31:24]
target[23:16]
target[15:8]
target[7:0]
1101 CCCC (indirect)
1000 CCCC (direct)
1111 1111 (roll-over)
1000 CCCC (direct)
Last byte read
(most recent entry)
First byte read
(oldest entry)
CHKPT1
CHKPT0
26-26 Intel® PXA27x Processor Family Developer’s Manual
Software Debug
Reading four or fewer consecutive 0b0000_0000 values requires the host software to determine
whether the zeros are part of the address of an indirect branch message or whether they are part of
the 0b0000_0000 that initialized the trace buffer. If the first non-zero message byte is an indirect
branch message, the zeros are part of the address because the address is always read before the
indirect branch message (see Section 26.4.7.3.4). If the first non-zero entry is any other type of
message byte, the zeros indicate that the trace buffer has not wrapped around and the first non-zero
entry is the start of the trace.
If the oldest entry from the trace buffer is not a zero, the trace buffer has either wrapped around or
is full.
After the trace buffer is read and parsed, the host software must re-create the trace history from
oldest trace buffer entry to latest. Re-creating the trace going backwards from the most recent trace
buffer entry is not possible in most cases, because the source of a branch message may be
impossible to determine after the branch occurs.
In fill-once mode, returns from the debug handler to the application generate an indirect branch
message. The address placed in the trace buffer is that of the target application instruction. Using
this as a starting point, re-creating a trace going forward is relatively simple.
In wraparound mode, the host software uses the checkpoint registers (see Section 26.5.8) and
address bytes from indirect branch entries to re-create the trace going forward. The drawback is
that some of the oldest entries in the trace buffer may be untraceable, depending on the location of
the earliest checkpoint or indirect branch entry. The best case occurs when the oldest entry in the
trace buffer sets a checkpoint, allowing the entire trace buffer to re-create the trace. The worst case
occurs when the first checkpoint is in the middle of the trace buffer and no indirect branch
messages exist before this checkpoint. In that case, the host software has to start at its known
address (the first checkpoint) midway through the buffer and work forward from there.
26.4.7.3 Trace Buffer Entries
Trace buffer entries consist of either one or five bytes. Most entries are 1-byte messages that
indicate the type of control flow change. The target address of the control flow change represented
by the message byte is either encoded in the message byte (as for exceptions) or can be determined
by examining the instruction word (as for direct branches). Indirect branches require five bytes per
entry. One byte is the message byte that identifies the indirect branch. The other four bytes make up
the target address. The sections that follow describe the trace buffer entries in detail.
26.4.7.3.1 Message Byte
The message byte of an indirect address uses one of two formats: exception or non-exception.
Figure 26-12 shows the two message byte formats.
Intel® PXA27x Processor Family Developer’s Manual 26-27
Software Debug
Table 26-5 shows the possible trace messages. All. other byte formats are reserved.
26.4.7.3.2 Exception Message Byte
When an exception occurs, an exception message is placed in the trace buffer. In an exception
message byte, the message type bit (M) is always 0.
The vector exception (VVV) field specifies bits[4:2] of the vector address (offset from the base of
default or relocated vector table). The vector allows the host software to identify the type of
exception that occurred.
The incremental word count (CCCC) is the instruction count since the last control flow change (not
including the current instruction for undef, SWI, and prefetch abort). The instruction count
includes instructions that were executed and conditional instructions that were not executed
because the condition of the instruction and the CC flags did not match.
A count value of 0 indicates that no instructions have executed since the last control flow change
and the current exception. For example, if a branch is immediately followed by an SWI, a direct
branch exception message (for the branch) is sent. The branch exception message is followed by an
exception message (for the SWI) in the trace buffer. The count value in the exception message is 0,
meaning that no instructions executed after the last control flow change (the branch) and before the
current control flow change (the SWI). If an IRQ immediately follows a branch, the count is also 0,
because no instructions executed after the branch and before the interrupt.
Figure 26-12. Message Byte Formats
07
VM CCCCVV
07
MM CCCCMM
Exception Format Non-Exception Format
M = Message Type Bit
VVV = Exception vector[4:2]
CCCC = Incremental Word Count
MMMM = Message Type Bits
CCCC = Incremental Word Coun
t
Table 26-5. Message Byte Formats
Message Name Message Byte Type Message Byte Format Number of
Address Bytes
Exception exception 0b0VVV_CCCC 0
Direct Branch1
1. Direct branches include ARM* and THUMB bl, b
non-exception 0b1000_CCCC 0
Direct Branch with checkpointa2
2. These message types correspond to trace buffer updates to the checkpoint registers
non-exception 0b1100_CCCC 0
Indirect Branch3
3. Indirect branches include ARM* ldm, ldr, and dproc to PC; ARM* and THUMB bx, blx and THUMB pop.
non-exception 0b1001_CCCC 4
Indirect Branch with checkpointbnon-exception 0b1101_CCCC 4
Rollover non-exception 0b1111_1111 0
26-28 Intel® PXA27x Processor Family Developer’s Manual
Software Debug
A count of 0b1111 indicates that 15 instructions executed between the last branch and the
exception. This indicates that an exception was either caused by the 16th instruction (if it is an
undefined instruction exception, prefetch abort, or SWI) or handled before the 16th instruction
executed (for FIQ, IRQ, or data abort).
26.4.7.3.3 Non-Exception Message Byte
Non-exception message bytes are used for direct branches, indirect branches, and rollovers.
In a non-exception message byte, the 4-bit message type field (MMMM) specifies the type of
message (refer to Table 26-5).
The incremental word count (CCCC) is the instruction count since the last control flow change
(excluding the current branch). The instruction count includes instructions that were executed and
conditional instructions that were not executed because the condition of the instruction did not
match the CC flags. In the case of back-to-back branches, the word count is 0, which indicates that
no instructions executed after the last branch and before the current one.
A rollover message keeps track of long traces of code that do not have control flow changes. The
rollover message means that 16 instructions have executed since the last message byte was written
to the trace buffer.
If the incremental counter reaches its maximum value of 15, a rollover message is written to the
trace buffer after the next instruction (which is the 16th instruction to execute). This is shown in
Figure 26-13. The count in the rollover message is 0b1111, indicating that 15 instructions have
executed after the last branch and before the current non-branch instruction that caused the rollover
message.
If the sixteenth instruction is a branch (direct or indirect), the appropriate branch message is placed
in the trace buffer instead of the rollover message. The incremental counter is still set to 0b1111,
meaning that 15 instructions executed between the last branch and the current branch.
Figure 26-13. Rollover Message Examples
count = 5
BL label1
count = 0
MOV
count = 1
MOV
count = 2
MOV
...
count = 14
MOV
count = 15
MOV
count = 0
rollover message placed in trace buffer after 16th instruction executes
count = 0b1111
branch message placed in trace buffer after branch executes
count = 0b0101
Intel® PXA27x Processor Family Developer’s Manual 26-29
Software Debug
26.4.7.3.4 Address Bytes
Only indirect branch entries contain address bytes in addition to the message byte. Indirect branch
entries have four address bytes that indicate the target of the indirect branch. When a trace buffer is
read, the MSB of the target address is read first. The LSB is the fourth byte read and the indirect
branch message byte is the fifth. The byte organization of an indirect branch message is shown in
Figure 26-14.
26.4.8 Halt Mode Software Protocol
This section describes the overall debug process in halt mode. It describes how to start and end a
debug session and provides details for implementing a debug handler. The code and other
documentation that describes additional handler implementation techniques and requirements is
intended for manufacturers of debugging tools.
26.4.8.1 Starting a Debug Session
Before starting a debug session in halt mode, the debugger must download code into the instruction
cache during reset, using JTAG (see Section 26.4.6.3). The code to be downloaded typically
consists of:
A debug handler
An override default vector table
An override relocated vector table, if necessary
While the processor is still in reset, the debugger sets up the DCSR to trap the reset vector. This
causes a debug exception to occur when the processor comes out of reset. Execution is redirected to
the debug handler, which allows the debugger to perform any necessary initialization. The reset
vector trap is the only debug exception that can occur with debug globally disabled (DCSR[RR]
clear). Therefore, the debugger must also enable debug before it exits the handler to ensure all that
subsequent debug exceptions correctly break to the debug handler.
26.4.8.1.1 Setting Up Override Vector Tables
The override default vector table intercepts the reset vector and branches to the debug handler
when a debug exception occurs. If the vector table is relocated, the debug vector is relocated to
address 0xFFFF_0000. Thus, an override relocated vector table is required to intercept vector
0xFFFF_0000 and branch to the debug handler.
Figure 26-14. Indirect Branch Entry Address Byte Organization
target[31:24]
target[23:16]
target[15:8]
target[7:0]
indirect branch message
Trace buffer is read by
software in this
direction. The message
byte is always the last of
the 5 bytes in the entry
to be read.
26-30 Intel® PXA27x Processor Family Developer’s Manual
Software Debug
Both override vector tables also intercept the other debug exceptions, so they must be set up to
either branch to a debugger-specific handler or go to the applications handlers.
If an application modifies its vector tables in memory, the debugger cannot set up the override
vector table to branch to the applications handlers. The debug handler can work around this
problem by reading memory and branching to the appropriate address. The debug handler can be
accessed by vector traps or the override vector tables can redirect execution to a debug handler
routine that examines memory and branches to the application’s handler.
26.4.8.1.2 Placing the Handler in Memory
The debug handler is not required to be placed at a specific predefined address. However, the
debug handler’s placement is limited by the locations of the override vector tables and the two-way
set-associative mini-instruction cache.
In the override vector table, the reset vector must branch to the debug handler using one of two
methods:
A direct branch, which limits the start of the handler code to within 32 Mbytes of the reset
vector.
An indirect branch with a data processing instruction. The data processing instruction creates
an address using immediate operands and then branches to the target. An LDR to the PC does
cannot be performed because the debugger cannot set up data in memory before it starts the
debug handler.
The two way set-associative limitation occurs because the override default and relocated vector
tables that are downloaded take up both ways of set 0 (with addresses 0x0 and 0xFFFF_0000).
Therefore, debug handler code cannot be downloaded to an address that maps into set 0, because
doing so overwrites one of the vector tables. To accomplish this, avoid addresses in which the
lower 12 bits are zeros.
The instruction cache two way set limitation is not a problem when the reset vector uses a direct
branch, because the branch offset can be adjusted accordingly. However, the two way set limitation
does make using indirect branches more complicated. For an indirect branch, the reset vector
requires multiple data processing instructions to create the target address and branch to it.
One way to deal with an indirect branch is to set up vector traps on the non-reset exception vectors.
These vector locations can then be used to extend the reset vector.
Another solution is to use the reset vector to perform a direct branch to intermediate code. The
intermediate code can then use several instructions to create the debug handler start address and
branch to it. This requires another line in the mini-instruction cache, because the intermediate code
must also be downloaded. To use this solution, the debugger handler must have a well-planned
layout so it can avoid overwriting a line of debug handler code with the intermediate code, or vice
versa.
For the indirect branch cases, a temporary scratch register can hold intermediate values while
computing the final target address. DBG_r13 can be used as such a scratch register. See
Section 26.4.8.3.1, “Debug Handler Restrictions” for restrictions on DBG_r13 usage.
26.4.8.2 Implementing a Debug Handler
The debugger uses the debug handler to examine or modify processor state by sending commands
and reading data through JTAG. The software interface between the debugger and debug handler is
specific to the debugger implementation.
Intel® PXA27x Processor Family Developer’s Manual 26-31
Software Debug
26.4.8.3 Debug Handler Entry
When the debugger requests an external debug break or is waiting for an internal break, it polls
TXRXCTRL[TR] through JTAG to determine when the processor enters debug mode. The debug
handler entry code must write to TX to signal the debugger that the processor has entered debug
mode. The write to the TX register sets TXRXCTRL[TR], which signals to the host that a debug
exception has occurred and the processor has entered debug mode. The value of the data written to
the TX register is implementation-defined (such as debug break message and contents of register to
save on host).
26.4.8.3.1 Debug Handler Restrictions
The debug handler executes in debug mode, which is similar to other privileged processor modes.
The following list shows the restrictions on the debug handler code and the differences between
debug mode and the other privileged processor modes:
The processor is in SDS after a debug exception. Because it is in SDS, it has special
functionality as described in Section 26.4.1.1.
Address translation and PID remapping are disabled for instruction accesses (as defined in
SDS), but data accesses use the normal address translation and PID remapping mechanisms.
Debug mode does not have a dedicated stack pointer. DBG_r13 is not a general-purpose
register and its contents are unpredictable and cannot be relied upon across any instructions or
exceptions. It can be used, by data processing (non-RRX) and MCR/MRC instructions, as a
temporary scratch register.
The following instructions must not be executed in debug mode because they result in
unpredictable behavior:
—LDM
LDR with Rd = PC
LDR with RRX addressing mode
—SWP
—LDC
—STC
The debugger handler executes in debug mode and can be switched to other modes to access
banked registers. The handler must not enter user mode, because doing so causes
unpredictable behavior. Any user-mode registers that must be accessed must be accessed in
system mode.
26.4.8.3.2 Dynamic Debug Handler
In the processor core, the debug handler and override vector tables may reside in the 2-Kbyte mini-
instruction cache, separate from the main instruction cache. A static debug handler is downloaded
during reset. The code downloaded during reset is the base handler code that is necessary to
perform common operations such as handler entry/exit, parsing commands from the debugger,
reads and writes to ARM* registers, and reads and writes to memory.
Some functions require large amounts of code or are not be used very often. As long as the mini-
instruction cache has space, these functions can be downloaded as part of the static debug handler.
However, if space is limited, the debug handler also has a dynamic capability that allows a function
to be downloaded when it is needed. A dynamic debug handler can minimize the amount of space
it requires by downloading a given function, then overwriting it when another function is required.
26-32 Intel® PXA27x Processor Family Developer’s Manual
Software Debug
Because dynamic functions often perform common routines, such as the polling routines for
reading RX or writing TX, the debug handler can reduce the space required by the dynamic
functions by defining a set of registers that contain the addresses of the most commonly used
routines. The dynamic functions can then access these routines using indirect branches (BLX).
This helps to reduce the amount of space the dynamic functions require because common routines
are not replicated in each dynamic function.
A dynamic debug handler can be implemented in one of three methods: using the mini-instruction
cache, using the main instruction cache, or using external memory. For all three methods, the
downloaded code executes in the context of the debug handler. The processor is in SDS, so the
special functionality related to SDS applies. Each method has limitations and advantages.
Section 26.4.6.3.5 describes how to dynamically load the mini or main instruction cache.
Using the Mini-Instruction Cache
A static debug handler can support a command that has a function that is dynamically mapped to it.
A dynamic command does not have a specific function associated with it until the debugger
downloads a function into the mini-instruction cache. When the debugger sends the dynamic
command to the handler, the new function can be downloaded or the previously downloaded
function can be used.
The debug handler can support multiple dynamic commands with each command mapped to a
different dynamic function. It can also support a single dynamic command that branches to one of
several downloaded dynamic functions, as determined by a parameter passed by the debugger.
Debug handlers that allow code to be dynamically downloaded into the mini-instruction cache
must be written carefully to avoid overwriting a critical piece of debug handler code. Dynamic
code is downloaded to the way that is pointed to by the round-robin pointer. Thus, critical debug
handler code can be overwritten if the pointer does not select the proper way.
To avoid this problem, the debug handler must be written to avoid placing critical code in either of
the two ways in a set that is intended for dynamic code download. Avoiding such placement allows
code to be downloaded into either way and ensures that the only code that is overwritten is the
previously downloaded dynamic function. To use this method, some space in the mini-instruction
cache must be allocated for dynamic downloads. This limits the space available for the static debug
handler, and the remaining space may be too small for a larger dynamic function.
After a dynamic function is downloaded, it essentially becomes part of the debug handler. If it is
written in the mini-instruction cache, it cannot be overwritten by application code. It remains in the
cache until it is replaced by another dynamic function or its lines it are invalidated.
Using the Main Instruction Cache
The steps required to download a dynamic function into the main instruction cache are similar to
those for downloading it into the mini-instruction cache. Using the main instruction cache offers
some advantages.
Using the main instruction cache eliminates the problem of inadvertently overwriting static debug
handler code by writing to the wrong way of a set, because the instruction caches are separate. In
the main instruction cache, debug handler code does not have to be specially mapped out to avoid
this problem. Another advantage is that dynamic functions are not limited to an allocated size, as
they are in the mini-instruction cache.
Intel® PXA27x Processor Family Developer’s Manual 26-33
Software Debug
Dynamic functions downloaded into the main instruction cache can be downloaded anywhere in
the address space. The debugger specifies the location of the dynamic function by writing the
address to RX when it signals to the handler to continue. The debug handler then performs a
branch-and-link to that address.
If a dynamic function is already downloaded in the main instruction cache, the debugger
immediately downloads the address and signals the handler to continue.
The static debug handler only has to support one dynamic function command. Multiple dynamic
functions can be downloaded to different addresses and accessed by the debugger using a
function’s address to specify which one to execute.
Because the dynamic function is downloaded into the main instruction cache, it can overwrite valid
application code or be overwritten by application code. The only time that a dynamic function is
guaranteed to be in the cache is from the time it is downloaded to the time the debug handler
returns to the application or the debugger overwrites the function.
Using External Memory
Dynamic functions can also be downloaded to external memory. In some cases, they already exist
in external memory. The debugger can download to external memory using the write-memory
commands. After the debugger downloads a dynamic function to external memory, it executes the
function using the functions address. This method has many of the same advantages as
downloading into the main instruction cache.
Using external memory to hold dynamic functions is always slower than downloading directly into
an instruction cache. Another problem with using external memory is that the application may
write to the memory address that contains a function. If the software design can ensure that the
application does not modify downloaded dynamic functions, the debug handler can save the time it
takes to download the code again. If the software design cannot ensure that functions are not
overwritten, the debugger must download a dynamic function each time it is used.
26.4.8.3.3 High-Speed Download
The PXA27x processor provides special debug hardware to support a high-speed download mode
that increases the performance of downloads to system memory (when compared to writing a block
of memory using the standard handshaking).
The basic assumption is that the debug handler can read the data the debugger sends and write it to
memory before the debugger sends more data. Thus, in the time required for the debugger to scan
in the next data word and perform an Update-DR, the handler is already in a polling loop, waiting
for it. The debugger does not have to poll RR to see whether the handler has read the previous data
because it assumes the previous data has been consumed and immediately starts scanning in the
next data word.
The assumption that the debug handler can read the data the debugger sends and write it to memory
before the debugger sends more data fails when the write to memory stalls long enough to allow
the debugger to catch up. If the write to memory stalls that long, a download with normal
handshaking can be used. A high-speed download can still be used, but extra TCKs must be added
in the Pause-DR state to allow more time for the store to complete.
The hardware support for high-speed download includes the download bit (RXTXCTRL[D]) and
the overflow flag (RXTXCTRL[OV]).
26-34 Intel® PXA27x Processor Family Developer’s Manual
Software Debug
The download bit acts as a branch flag that signals the handler to continue with the download. This
removes the need for a counter in the debug handler.
The overflow flag indicates that the debugger attempted to download the next word before the
debug handler read the previous word.
For more details on the download bit, overflow flag, and high-speed download, see Table 26-6.
The following example code shows how the download bit and overflow flag are used in the debug
handler:
hs_write_word_loop:
hs_write_overflow:
bl read_RX @ read data word from host
@@ read TXRXCTRL into the CCs
mrc p14, 0, r15, c14, c0, 0
bcc hs_write_done @ if D bit clear, download complete, exit loop.
beq hs_write_overflow @ if overflow detected, loop until host clears D bit
str r0, [r6], #4 @ store only if there is no overflow.
b hs_write_word_loop @ get next data word
hs_write_done:
@@ after the loop, if the overflow flag was set, return error message to host
moveq r0, #OVERFLOW_RESPONSE
beq send_response
b write_common_exit
26.4.8.4 Ending a Debug Session
Before it ends a debug session, the debugger must take the following actions:
1. Clear the DCSR.
a. Disable debug.
b. Exit halt mode.
c. Clear all vector traps.
d. Disable the trace buffer.
2. Turn off all breakpoints.
3. Invalidate the mini-instruction cache if it has been altered.
4. Invalidate the main instruction cache if it has been altered.
5. Invalidate the BTB.
These actions ensure that the application program executes correctly after the debugger has been
disconnected.
Intel® PXA27x Processor Family Developer’s Manual 26-35
Software Debug
26.4.9 Software Debug Notes
Trace buffer message count value on data aborts:
LDR to non-PC that aborts is counted in the exception message. An LDR to the PC that aborts
is not counted as an exception message.
Data abort-generation in SDS:
Avoid code that could generate precise data aborts.
If precise data aborts cannot be avoided, the handler must be written so that a memory access
is followed by one NOP. In addition, certain memory operations must be avoided: LDM, STM,
STRD, LDC, SWP.
Data abort on SDS:
When write-back is on for a memory access that causes a data abort, the base register is
updated with the write-back value. This is inconsistent with normal (non-SDS) behavior in
which the base remains unchanged if write-back is on and a data abort occurs.
Trace buffer wraps around and loses data in halt mode when configured for fill-once mode:
Data from the trace buffer can overflow and be lost in fill-once mode when the processor is in
halt mode. When the trace buffer fills up, it has space for one indirect branch message
(5 bytes) and one exception message (1 byte).
If the trace buffer fills up with an indirect branch message and generates a trace-buffer full
break at the same time that a data abort occurs, the data abort has higher priority and the
processor services the data abort handler first. The data abort is placed into the trace buffer
without losing any data.
However, if another imprecise data abort is detected at the start of the data abort handler, it has
a higher priority than the trace-buffer full break, so the processor returns to the data abort
handler. The second data abort is also written into the trace buffer. This causes the trace buffer
to wrap around and lose one trace buffer entry (the oldest entry). Additional trace buffer
entries can be lost if imprecise data aborts continue to be detected before the processor can
handle the trace buffer full break and turn off the trace buffer).
The trace buffer overflow problem can be avoided by enabling vector traps on data aborts.
TXRXCTRL[OV] (the overflow flag) is not set during high-speed downloads if the handler
reads the RX register at the same time the debugger writes to it.
If the debugger writes to RX at the same time the handler reads from it, the handler read
returns the newly written data and the previous data is lost. However, the overflow flag is not
set, so the debugger is unaware that the download was not successful.
26-36 Intel® PXA27x Processor Family Developer’s Manual
Software Debug
26.5 Register Descriptions
This section describes the control, status, and data registers that configure the PXA27x processor
debug unit.
26.5.1 Transmit/Receive Control Register (TXRXCTRL)
Communication between the debug handler and debugger are controlled through handshaking bits
that ensure the debugger and debug handler make synchronized accesses to TX and RX. The
debugger side of the handshaking is accessed through the DBG_TX (Section 26.4.6.1.2) and
DBG_RX (Section 26.4.6.1.3) JTAG Data registers, depending on the direction of the data transfer.
The debug handler uses separate handshaking bits in TXRXCTRL register to access TX and RX.
The TXRXCTRL register contains two other bits that support high-speed downloads. One bit
indicates an overflow condition that occurs when the debugger attempts to write the RX register
before the debug handler has read the previous data written to RX. The other bit is used by the
debug handler as a branch flag during high-speed download.
This is a read/write register. Ignore reads from reserved bits. Write 0b0 to reserved bits.
Table 26-6. TXRXCTRL Bit Definitions (Sheet 1 of 3)
CP14, CRn14, CRm0 TXRXCTRL Debug
User
Settings
Bit 31 30 29 28 27 26 25 24 23 22 21 20 19 18 17 16 15 14 13 12 11 10 9 8 7 6 5 4 3 2 1 0
RR
OV
D
TR
reserved
Reset 0 0 0 0 0 0 0 0 0 0 0 0 0 0 0 0 0 0 0 0 0 0 0 0 0 0 0 0 0 0 0 0
Bits Access Name Description
31
Software:
R only
W ignored
JTAG:
W only
RR
RX Register Ready
Used by the debugger and the debug handler to synchronize accesses to
RX.
Normally, the debugger and debug handler use a handshaking scheme
that requires both sides to poll the RR bit. To support higher download
performance for large amounts of data, a high-speed download
handshaking scheme can be used. In this scheme, the debug handler
polls the RR bit before it accesses the RX register and the debugger
continuously downloads data.
0 = RX register is not ready
1 = RX register is ready
Intel® PXA27x Processor Family Developer’s Manual 26-37
Software Debug
30 Software:
R/W OV
RX Overflow
This sticky flag bit is set when the debugger writes to the RX register while
the RR bit is set.
This flag is used during high-speed downloads to indicate that data has
been lost. The assumption during high-speed downloads is that the time it
takes for the debugger to shift in the next data word is greater than the
time necessary for the debug handler to process the previous data word.
So, before the debugger shifts in the next data word, the handler starts to
poll for that data.
However, if the handler stalls long enough that the handler is still
processing the previous data when the debugger completes shifting in the
next data word, an overflow condition occurs and the OV bit is set.
When set, the overflow flag remains set until cleared by a write to
TXRXCTRL with an MCR. After the debugger completes the download, it
can examine the OV bit to determine if an overflow occurred. The debug
handler software is responsible for saving the address of the last valid
store before the overflow occurred.
0 = RX overflow has not occurred
1 = RX overflow has occurred.
29
Software:
R only
W ignored
JTAG:
W only
D
Download
The value of the high-speed Download flag is set by the debugger through
JTAG. This flag is asserted during high-speed download to replace a loop
counter.
Using the download flag, the debug handler loops until the debugger
clears the flag. Therefore, when doing a high-speed download, for each
data word downloaded, the debugger must set the D bit. On completing
the download the debugger clears the D bit releasing the debug handler to
take the data.
The download flag is useful when an overflow occurs. If a loop counter is
used and an overflow occurs, the debug handler cannot determine how
many data words overflowed. Therefore, the debug handler counter can
be out of sync with the debugger. The debugger can finish downloading
the data, but the debug handler counter can indicate there is more data to
be downloaded. This results in unpredictable behavior in the debug
handler.
0 = Normal RX
1 = High-speed RX
Table 26-6. TXRXCTRL Bit Definitions (Sheet 2 of 3)
CP14, CRn14, CRm0 TXRXCTRL Debug
User
Settings
Bit 31 30 29 28 27 26 25 24 23 22 21 20 19 18 17 16 15 14 13 12 11 10 9 8 7 6 5 4 3 2 1 0
RR
OV
D
TR
reserved
Reset 0 0 0 0 0 0 0 0 0 0 0 0 0 0 0 0 0 0 0 0 0 0 0 0 0 0 0 0 0 0 0 0
Bits Access Name Description
26-38 Intel® PXA27x Processor Family Developer’s Manual
Software Debug
26.5.2 Debug Control and Status Register (DCSR)
DCSR is the main control register for the debug unit. Table 26-7 shows the format of the register.
The DCSR register can be accessed in privileged modes by software running on the core and by a
debugger through the JTAG interface. Refer to Section 26.4.6.1.1 for details about accessing
DCSR through JTAG. For the trap bits in Table 26-7, setting the bits enables the trap behavior, and
clearing them disables the trap.
When a trap bit is set, it acts as if an instruction breakpoint was set up on the corresponding
exception vector. A debug exception is generated before the instruction in the exception vector
executes.
To set up a non-reset vector trap:
Software running on the processor core must set DCSR[GE].
The debugger must set DCSR[H] and the appropriate vector trap bit through JTAG.
28
Software:
R only
W ignored
JTAG:
W only
TR
TX Register Ready
Used by the debugger and debug handler to synchronize access to the TX
register.
The debugger and debug handler must poll the TR bit before accessing
the TX register. The following handshaking schemes are used to access
the TX register.
Debugger actions:
The debugger is expecting data from the debug handler.
Before reading data from the TX register, the debugger polls the TR bit
through JTAG until the bit is set. While the debugger polls TR, it must
scan out the TR bit and the TX register data.
Reading 0b1 from the TR bit indicates that the TX data is valid
Scanning out data when the TR bit is set automatically clears TR.
Debug handler actions:
The debug handler has data to send to the debugger (in response to a
previous request).
The debug handler polls the TR bit to determine when the TX register
is empty (any previous data has been read out by the debugger). The
handler polls the TR bit until it is clear.
When the TR bit is clear, the debug handler writes new data to the TX
register. The write operation automatically sets the TR bit.
0 = The TX register is not ready.
1 = The TX register is ready.
27:0 — reserved
Table 26-6. TXRXCTRL Bit Definitions (Sheet 3 of 3)
CP14, CRn14, CRm0 TXRXCTRL Debug
User
Settings
Bit 31 30 29 28 27 26 25 24 23 22 21 20 19 18 17 16 15 14 13 12 11 10 9 8 7 6 5 4 3 2 1 0
RR
OV
D
TR
reserved
Reset 0 0 0 0 0 0 0 0 0 0 0 0 0 0 0 0 0 0 0 0 0 0 0 0 0 0 0 0 0 0 0 0
Bits Access Name Description
Intel® PXA27x Processor Family Developer’s Manual 26-39
Software Debug
To set up a reset vector trap, the debugger sets DCSR[H] and reset vector trap bit through JTAG.
DCSR[GE] does not affect the reset vector trap. A reset vector trap can be set up before or during a
processor reset. When processor reset is deasserted, a debug exception occurs before the
instruction in the reset vector is executed.
This is a read/write register. Ignore reads from reserved bits. Write 0b0 to reserved bits.
Table 26-7. DCSR Bit Definitions (Sheet 1 of 3)
CP14, CRn10, CRm0 DCSR Debug
User
Settings
Bit 31 30 29 28 27 26 25 24 23 22 21 20 19 18 17 16 15 14 13 12 11 10 9 8 7 6 5 4 3 2 1 0
GE
H
reserved
TF
TI
reserved
TD
TA
TS
TU
TR
reserved
SA
MOE
M
E
Reset 0 N ? ? ? ? ? ? N N ? N N N N N ? ? ? ? ? ? ? ? ? ? 0 0 0 0 0 0
TRST
Reset N 0 ? ? ? ? ? ? 0 0 ? 0 0 0 0 0 ? ? ? ? ? ? ? ? ? ? N N N N N N
Bits Access Name Description
31
Software:
R/W
JTAG:
R only
GE
Global Enable
Enables and disables all debug functionality except the reset vector trap.
After a processor reset, this bit is clear, so debug functionality is disabled.
When debug functionality is disabled, the BKPT instruction becomes an
NOP and external debug breaks, hardware breakpoints, and non-reset
vector traps are ignored.
0 = Disables all debug functionality
1 = Enables all debug functionality
30
Software:
R only
JTAG:
R/W
H
Halt Mode
Configures the debug unit for halt or monitor mode.
0 = Monitor mode
1 = Halt mode
29:24 — reserved
23
Software:
R only
JTAG:
R/W
TF
Trap FIQ
The vector trap bits allow instruction breakpoints to be set on exception
vectors without using any of the breakpoint registers.
0 = Disables instruction breakpoint on FIQ
1 = Enables instruction breakpoint on FIQ
22
Software:
R only
JTAG:
R/W
TI
Trap IRQ
0 = Disables instruction breakpoint on IRQ
1 = Enables instruction breakpoint on IRQ
21 — reserved
20
Software:
R only
JTAG:
R/W
TD
Trap Data abort:
0 = Disables instruction breakpoint on data abort
1 = Enables instruction breakpoint on data abort
19
Software:
R only
JTAG:
R/W
TA
Trap Prefetch Abort:
0 = Disables instruction breakpoint on prefetch abort
1 = Enables instruction breakpoint on prefetch abort
26-40 Intel® PXA27x Processor Family Developer’s Manual
Software Debug
18
Software:
R only
JTAG:
R/W
TS
Trap Software Interrupt
0 = Disables instruction breakpoint on software interrupt
1 = Enables instruction breakpoint on software interrupt
17
Software
Read-only
JTAG
Read / Write
TU
Trap Undefined Instruction: details in the bit-field description for
DCSR[TF].
0 = Disables instruction breakpoint on undefined Instruction
1 = Enables instruction breakpoint on undefined Instruction
16
Software:
R only
JTAG:
R/W
TR
Trap Reset
0 = Disables instruction breakpoint on reset
1 = Enables instruction breakpoint on reset
15:6 — reserved
5
Software:
R/W
JTAG:
R only
SA
Sticky Abort
This bit is valid in halt mode only. It indicates a data abort occurred in SDS
(see Section 26.4.1.1). Because SSDS disables all exceptions, a data
abort exception does not occur. However, the processor sets SA to
indicate that a data abort was detected. The debugger can use this bit to
determine if a data abort was detected during the SDS. The sticky abort bit
must be cleared by the debug handler before exiting the debug handler.
Table 26-7. DCSR Bit Definitions (Sheet 2 of 3)
CP14, CRn10, CRm0 DCSR Debug
User
Settings
Bit 31 30 29 28 27 26 25 24 23 22 21 20 19 18 17 16 15 14 13 12 11 10 9 8 7 6 5 4 3 2 1 0
GE
H
reserved
TF
TI
reserved
TD
TA
TS
TU
TR
reserved
SA
MOE
M
E
Reset 0 N ? ? ? ? ? ? N N ? N N N N N ? ? ? ? ? ? ? ? ? ? 0 0 0 0 0 0
TRST
Reset N 0 ? ? ? ? ? ? 0 0 ? 0 0 0 0 0 ? ? ? ? ? ? ? ? ? ? N N N N N N
Bits Access Name Description
Intel® PXA27x Processor Family Developer’s Manual 26-41
Software Debug
26.5.3 Data Breakpoint Controls Register (DBCON)
The DBCON register controls the functionality of DBR1 and the enables for both DBR1 and
DBR2. DBCON also controls what type of memory access to break on. Table 26.5.3 shows the
format of the DBCON register.
This is a read/write register. Ignore reads from reserved bits. Write 0b0 to reserved bits.
4:2
Software:
R/W
JTAG:
R only
MOE
Method Of Entry
These bits specify the cause of the most recent debug exception. When
multiple exceptions occur in parallel, the processor places the highest
priority exception (based on the priorities in Table 26-1) in the MOE field.
0b000—processor reset
0b001—instruction breakpoint hit
0b010—data breakpoint hit
0b011—bkpt instruction executed
0b100—external debug event asserted
0b101—vector trap occurred
0b110—trace-buffer full break
0b111—reserved
1
Software:
R/W
JTAG:
R only
M
Trace Buffer Mode
This bit selects one of two trace buffer modes:
0 = Wraparound mode—the trace buffer fills up and wraps around until a
debug exception occurs.
1 = Fill-once mode—the trace buffer automatically generates a debug
exception (trace buffer full break) when it becomes full and stops.
0
Software:
R/W
JTAG:
R only
E
Trace Buffer Enable
Enables and disables the trace buffer. Both DCSR[E] and DCSR[GE] must
be set to enable the trace buffer. The processor automatically clears this
bit to disable the trace buffer when a debug exception occurs. For more
details on the trace buffer, refer to Section 26.4.7.
0 = Disabled
1 = Enabled
Table 26-7. DCSR Bit Definitions (Sheet 3 of 3)
CP14, CRn10, CRm0 DCSR Debug
User
Settings
Bit 31 30 29 28 27 26 25 24 23 22 21 20 19 18 17 16 15 14 13 12 11 10 9 8 7 6 5 4 3 2 1 0
GE
H
reserved
TF
TI
reserved
TD
TA
TS
TU
TR
reserved
SA
MOE
M
E
Reset 0 N ? ? ? ? ? ? N N ? N N N N N ? ? ? ? ? ? ? ? ? ? 0 0 0 0 0 0
TRST
Reset N 0 ? ? ? ? ? ? 0 0 ? 0 0 0 0 0 ? ? ? ? ? ? ? ? ? ? N N N N N N
Bits Access Name Description
26-42 Intel® PXA27x Processor Family Developer’s Manual
Software Debug
26.5.4 Instruction Breakpoint Address and Control Register
(IBCRx)
The PXA27x processor debug architecture defines two instruction breakpoint address and control
registers (IBCR0, IBCR1). The format of the registers is shown in Table 26-9.
Table 26-8. DBCON Bit Definitions
CP15, CRn14, CRm4 DBCON Debug
User
Settings
Bit 31 30 29 28 27 26 25 24 23 22 21 20 19 18 17 16 15 14 13 12 11 10 9876543210
reserved M reserved E1 E0
Reset 00000000000000000000000000000000
Bits Access Name Description
31:9 — reserved
8R/WM
DBR1 Mode
0 = DBR1 data address breakpoint
1 = DBR1 data address mask
7:4 — reserved
3:2 R/W E1
The DBR1 Enable bit functions only when DBCON[M] is clear. When
DBCON[M] is set, this field has no effect.
0b00—DBR1 disabled
0b01—DBR1 enabled, store only
0b10—DBR1 enabled, any data access, load or store
0b11—DBR1 enabled, load only
1:0 R/W E0
DBR0 Enable
0b00—DBR0 disabled
0b01—DBR0 enabled, store only
0b10—DBR0 enabled, any data access, load or store
0b11—DBR0 enabled, load only
Table 26-9. IBCRx Bit Definitions
CP15, CRn14, CRm8
CP15, CRn14, CRm9 IBCR0
IBCR1 Debug
User
Settings
Bit 31 30 29 28 27 26 25 24 23 22 21 20 19 18 17 16 15 14 13 12 11 10 9 8 7 6 5 4 3 2 1 0
IBCRx E
Reset ? ? ? ? ? ? ? ? ? ? ? ? ? ? ? ? ? ? ? ? ? ? ? ? ? ? ? ? ? ? ? ?
Bits Access Name Description
31:1 Read / Write IBCRx Instruction Breakpoint MVA
In ARM* mode, IBCRx[1] is ignored.
0 Read / Write E
IBCRx Enable
0 = Breakpoint disabled
1 = Breakpoint enabled
Intel® PXA27x Processor Family Developer’s Manual 26-43
Software Debug
26.5.5 Data Breakpoint Register (DBRx)
The debug architecture defines two data breakpoint registers (DBR0, DBR1). The format of the
registers is shown in Table 26-10.
26.5.6 Transmit Register (TX)
The TX register is the debug handler transmit buffer. The debug handler sends data to the debugger
through this register.
Table 26-10. DBRx Bit Definitions
CP15, CRn14, CRm0
CP15, CRn14, CRm3 DBR0
DBR1 Debug
User
Settings
Bit 31 30 29 28 27 26 25 24 23 22 21 20 19 18 17 16 15 14 13 12 11 10 9 8 7 6 5 4 3 2 1 0
DBRx
Reset ? ? ? ? ? ? ? ? ? ? ? ? ? ? ? ? ? ? ? ? ? ? ? ? ? ? ? ? ? ? ? ?
Bits Access Name Description
31:0 R/W DBRx DBR0: Data breakpoint MVA only
DBR1: Data address mask or data breakpoint MVA
Table 26-11. TX Bit Definitions
CP14, CRn8, CRm0 TX Debug
User
Settings
Bit 31 30 29 28 27 26 25 24 23 22 21 20 19 18 17 16 15 14 13 12 11 10 9 8 7 6 5 4 3 2 1 0
TX
Reset ? ? ? ? ? ? ? ? ? ? ? ? ? ? ? ? ? ? ? ? ? ? ? ? ? ? ? ? ? ? ? ?
Bits Access Name Description
31:0
Software
Read / Write
JTAG
Read-only
TX
Transmit Data
The debug handler writes data to send to debugger.
Because the TX register is accessed by the debug handler (with MCR/
MRC) and the debugger (through JTAG), handshaking is required to
prevent the debug handler from writing new data before the debugger
reads the previous data.The handshaking is described in the
TXRXCTRL[TR] bit description in Table 26-6.
26-44 Intel® PXA27x Processor Family Developer’s Manual
Software Debug
26.5.7 Receive Register (RX)
The RX register is the receive buffer used by the debug handler to receive data sent by the
debugger through the JTAG interface.
26.5.8 Checkpoint Registers (CHKPTx)
When the debugger reconstructs a trace history, it is required to start at the oldest trace buffer entry
and construct a trace going forward. In fill-once mode and wraparound mode, when the buffer does
not wrap around, the trace can be reconstructed by starting from the point in the code at which the
trace buffer was first enabled.
Complications occur in wraparound mode when the trace buffer wraps around at least once. If this
happens, the debugger takes a snapshot of the last N control flow changes in the program, where N
is less than or equal to the size of the buffer. The debugger does not know the starting address of the
oldest entry read from the trace buffer. The checkpoint registers provide reference addresses to help
reduce this problem.
The two checkpoint registers (CHKPT0, CHKPT1) in the processor debug unit provide the
debugger with two reference addresses to use for reconstructing the trace history.
When the trace buffer is enabled, reading or writing to either checkpoint register has unpredictable
results. When the trace buffer is disabled, writing to a checkpoint register sets the register to the
value written and reading the checkpoint registers returns the value of the register.
Normally, the checkpoint registers hold the target addresses of specific entries in the trace buffer.
Direct and indirect entries written into the trace buffer are marked as checkpoints with the
corresponding target address automatically written into the checkpoint registers. Exception and
rollover messages never use the checkpoint registers. When a checkpoint register value is updated,
the processor sets bit[6] of the message byte in the trace buffer to indicate that the update occurred
(see Table 26-5, “Message Byte Formats”).
When the trace buffer contains only one entry that relates to a checkpoint, the corresponding
checkpoint register is CHKPT0. When the trace buffer wraps around, two entries are typically
marked as related to checkpoint register values. The entries marked as related are usually about
Table 26-12. RX Bit Definitions
CP14, CRn9, CRm0 RX Debug
User
Settings
Bit 31 30 29 28 27 26 25 24 23 22 21 20 19 18 17 16 15 14 13 12 11 10 9 8 7 6 5 4 3 2 1 0
RX
Reset ? ? ? ? ? ? ? ? ? ? ? ? ? ? ? ? ? ? ? ? ? ? ? ? ? ? ? ? ? ? ? ?
Bits Access Name Description
31:0
Software:
R only
JTAG:
W only
RX
Software reads the RX register to receive data and commands from the
debugger.
Because the RX register is accessed by the debug handler (with MRC) and
the debugger (through JTAG), handshaking is required to prevent the
debugger from writing new data to the register before the debug handler
reads the previous data out. The handshaking is described in the
TXRXCNTL[RR] bit field in Table 26-6.
Intel® PXA27x Processor Family Developer’s Manual 26-45
Software Debug
half the length of the trace buffer apart. This is always the case as the messages in the trace buffer
vary in length. With two entries, the first (oldest) entry that set a checkpoint in the trace buffer
corresponds to CHKPT1 and the second entry that set a checkpoint corresponds to CHKPT0.
Although the checkpoint registers are provided for wraparound mode, they are valid in fill-once
mode.
26.5.9 Trace Buffer Register (TBREG)
The trace buffer is read through TBREG with MRC and MCR. Software can read the trace buffer
only when the buffer is disabled. Reading the trace buffer returns the oldest byte in the trace buffer
in the least significant byte of TBREG. The byte is either a message byte or one byte of the 32-bit
address associated with an indirect branch message.Table 26-14 shows the format of the trace
buffer register.
Note: Reading the trace buffer while it is enabled causes unpredictable trace-buffer behavior. Writes to
the trace buffer produce unpredictable results.
Table 26-13. CHKPTx Bit Definitions
CP14, CRn12, CRm0
CP14, CRn13, CRm0 CHKPT0
CHKPT1 Debug
User
Settings
Bit 31 30 29 28 27 26 25 24 23 22 21 20 19 18 17 16 15 14 13 12 11 10 9 8 7 6 5 4 3 2 1 0
CHKPTx
Reset ? ? ? ? ? ? ? ? ? ? ? ? ? ? ? ? ? ? ? ? ? ? ? ? ? ? ? ? ? ? ? ?
Bits Access Name Description
31:0 R/W CHKPTx CHKPTx is the target address for corresponding entry in the trace buffer.
Table 26-14. TBREG Bit Definitions
CP14, CRn11, CRm0 TBREG Debug
User
Settings
Bit 31 30 29 28 27 26 25 24 23 22 21 20 19 18 17 16 15 14 13 12 11 10 9 8 7 6 5 4 3 2 1 0
reserved Data
Reset ? ? ? ? ? ? ? ? ? ? ? ? ? ? ? ? ? ? ? ? ? ? ? ? ? ? ? ? ? ? ? ?
Bits Access Name Description
31:8 — reserved
7:0 RData Message or Address Byte
Read these bits only when the trace buffer is disabled.
26-46 Intel® PXA27x Processor Family Developer’s Manual
Software Debug
26.6 Register Summary
Coprocessor 15 registers are accessible with MRC and MCR. CRn and CRm specify the register to
access. The opcode_1 and opcode_2 fields are not used and must be cleared to 0. Software access
to debug registers must be performed in privileged mode. user-mode accesses generate an
undefined instruction exception. Specifying registers that do not exist has unpredictable results.
Coprocessor 14 registers are accessible with MRC, MCR, LDC, and STC (CDP to any CP14
registers causes an undefined instruction trap). The CRn field specifies the number of the register
to access. The CRm, opcode_1, and opcode_2 fields are not used and must be cleared to zero.
The RX register, the TX register, and certain bits in DCSR can be accessed by a debugger through
the JTAG interface. This allows an external debugger to have access to the internal state of the
processor. For details of which bits can be accessed, see Table 26-6, Table 26-2, and Table 26-7.
Table 26-15. Coprocessor Debug and Trace Register Summary
CRn CRm Name Description Page
Coprocessor 15
14 8 IBCR0 Instruction Breakpoint register 0 26-42
14 9 IBCR1 Instruction Breakpoint register 1 26-42
14 0 DBR0 Data Breakpoint register 0 26-43
14 3 DBR1 Data Breakpoint register 1 26-43
14 4 DBCON Data Breakpoint Control register 26-41
Coprocessor 14
8 0 TX TX register 26-43
9 0 RX RX register 26-44
10 0 DCSR Debug Control and Status register 26-39
11 0 TBREG Trace Buffer register 26-45
12 0 CHKPT0 Checkpoint register 0 26-45
13 0 CHKPT1 Checkpoint register 1 26-45
14 0 TXRXCTRL TXRX Control register 26-36
Intel® PXA27x Processor Family Developer’s Manual 27-1
Quick Capture Interface 27
This chapter describes the operation and signals of the quick capture interface, which provides a
connection between the processor and a camera image sensor. The quick capture interface was
designed to work primarily with CMOS-type image sensors. However, it may be possible to
connect some CCD-type image sensors to the PXA27x processor, depending on a specific CCD
sensors interface requirements.
27.1 Overview
The quick capture interface acquires data and control signals from the image sensor and performs
the appropriate data formatting prior to routing the data to memory using direct memory access
(DMA). A broad range of interface and signaling options provides direct connection. The image
sensor can provide raw data through a variety of parallel and serial formats. For sensors that
provide pre-processing capabilities, the quick capture interface supports several formats for RGB
and YCbCr color space. The interface supports the International Telecommunication Union
Recommendation ITU-R BT.656-41 Start-of-Active-Video (SAV) and End-of-Active-Video (EAV)
embedded synchronization sequences for four- and eight-bit configurations.
27.2 Features
The quick capture interface provides the following features:
Parallel interface support for 8, 9, and 10 bits
Serial interface support for 4-bit and 5-bit device connections
Support for ITU-R BT.656-4 SAV and EAV embedded synchronization
Pre-processed capture modes:
RGB 8:8:8, RGBT 8:8:8, RGB 6:6:6, RGB 5:6:5, RGB 5:5:5, RGBT 5:5:5, RGB 4:4:4
data formats
YCbCr 4:2:2 data format
RGB component precision reductions for RGB 8:8:8
Raw capture mode
A common raw format is RGGB. The quick capture interface is capable of capturing
most any raw format as long as the software running on the PXA27x processor has been
written to correctly interpret that particular raw format.
Support for packing of 8-, 9-, and 10-bit raw pixel precision
Support for both packed and planar data formatting for YCbCr 4:2:2 formats
Programmable vertical and horizontal resolutions up to 2048 x 2048
Two 8-entry (by 64 bits) and one 16-entry (by 64 bits) FIFOs
1. This document is available from the International Telecommunication Union at www.itu.int.
27-2 Intel® PXA27x Processor Family Developer’s Manual
Quick Capture Interface
Programmable sensor clock output from 196.777 kHz to 52 MHz
Programmable interface timing signals for internal and external synchronization
Programmable interrupts for FIFO overflow, end-of-line, and end-of-frame
Programmable frame capture rate allows users to capture all frames or 1 out of every 2 to 8
frames
27.3 Signal Descriptions
The quick capture interface uses the input/output (I/O) signals described in Table 27-1.
27.4 Operation
The quick capture interface supports a wide variety of camera imaging sensors from different
manufacturers. Imaging sensors typically vary in terms of interfacing modes, degree of image pre-
processing provided, and the number of pins required for a direct connection. The PXA27x
processors quick capture interface provides a high degree of flexibility for signal connections.
The quick capture interface receives the video/image data stream from the image sensor and
provides all control signaling for operation with the sensor as either a master or slave device. In the
sensor-master (master) modes, the processors quick capture interface receives synchronization
signals from the sensor. In sensor-slave (slave) mode, the quick capture interface provides the
synchronization signaling to the sensor. Several reduced pin-count alternatives are supported as
subsets of the master mode of operation. These include serialized data for 4-bit and 5-bit solutions
and the elimination of the synchronization signals for sensors that embed SAV and EAV in the data
stream.
The CIF_MCLK output for the sensor is programmable. The timing signals CIF_FV and CIF_LV,
provided by the sensor, activate and reset the quick capture interface. The quick capture interface
can be configured to provide an interrupt at the end of each line and each frame. It contains
registers that provide setup configurations specific to the mode of operation for a particular sensor.
The SAV/EAV decode functionality is used when control sequences to synchronize the frame and
line level timings are embedded within the data stream itself. Many image sensors provide the
SAV/EAV decode functionality defined by the ITU-R BT.656-4 recommendation. The use of
embedded timing reduces pin count for synchronization signaling.
Table 27-1. Quick Capture Interface I/O Signal Descriptions
Pin Name Type Definition
CIF_DD<9:0> I Data lines to transmit 4, 5, 8, 9, or 10 bits of data per pixel clock cycle
CIF_MCLK O Programmable clock output used by the imaging sensor
CIF_PCLK I Pixel clock used by the quick capture interface to clock pixel data into the input
FIFO. Cannot exceed 1/4 of CICLK, where CICLK is the same frequency as
the LCD clock. For 104-MHz CICLK, the maximum CIF_PCLK is 26 MHz.
CIF_LV I/O Line start or alternate synchronization signal used by the sensor to signal line
readout or for external horizontal synchronization
CIF_FV I/O Frame start or alternate synchronization signal used by the sensor to signal
frame readout or for external vertical synchronization
Intel® PXA27x Processor Family Developer’s Manual 27-3
Quick Capture Interface
The pixel data received can be in several possible formats: RAW RGGB, YCbCr 4:2:2, RGB 8:8:8,
RGB 6:6:6, RGB 5:6:5, RGB 5:5:5, RGBT 5:5:5, and RGB 4:4:4. When a RAW RGGB capture
mode is enabled, the data can be in 8-, 9-, or 10-bit formats. The RAW RGGB data are de-
serialized if necessary and then packed as either 8- or 16-bit elements prior to transfer to memory.
In a similar manner, the pre-processed image formats are packed into 16- or 32-bit elements.
The pre-processed formats can be manipulated and organized in memory in several different
fashions.
The YCbCr 4:2:2 format can be organized in either packed or planar formats.
The RGB 8:8:8 and RGB 6:6:6 formats can be organized in memory in either unpacked or
packed formats. RGB component precision reductions are supported for 24 bpp conversions to
18, 16, and 12 bpp.
Examples of unpacked, packed, and planar formats can be found in Section 27.4.5.
There is considerable overlap for control and interface among the various manufacturers of image-
capture devices. Table 27-1 lists the quick capture interface signals. If the capture interface
functionality is not required, all of its pins can be used for general-purpose input/output (GPIO).
27.4.1 Operating Modes
The quick capture interface provides a variety of user-programmable options allowing direct
connection to image sensors targeted for low-power mobile video and imaging applications. The
quick capture interface supports five modes of interconnection to a image sensor, listed in
Table 27-2. The designations 8P, 9P, and 10P refer to 8-, 9-, and 10-bit parallel connections. The
designation 4S and 5S refers to 4- and 5-bit serial connections.
Most sensors are programmed for exposure, frame rate, and possibly for additional parameters
associated with exposure control and image processing. Once configured, the sensor begins
providing data across the interface. If the sensor operates in master mode, it also generates the
frame and line synchronization signals.
Table 27-2. Quick Capture Interface Modes of Operation
Mode Name Mode Data Bus:
S = Serial
P = Parallel
Sync
Signals Definition
Master-Parallel MP 8P, 9P, 10P CIF_LV
CIF_FV
The image sensor generates the synchronization
signals. The data bus is parallel, either 8, 9, or 10
bits wide.
Slave-Parallel SP 8P, 9P, 10P CIF_LV
CIF_FV
The quick capture interface generates the
synchronization signals. The data bus is parallel,
either 8, 9, or 10 bits wide.
Master-Serial MS 4S, 5S CIF_LV
CIF_FV
The image sensor generates the synchronization
signals. The data bus is serial, 4 or 5 bits wide.
Embedded-Parallel EP 8P
The image sensor generates the synchronization
signals. Start-of-Active-Video (SAV) and End-of-
Active-Video (EAV) are embedded in the data
stream. The data bus is parallel, 8 bits wide.
Embedded-Serial ES 4S —
The image sensor generates the synchronization
signals. Start-of-Active-Video (SAV) and End-of-
Active-Video (EAV) are embedded in the data
stream. The data bus is serial, 4 bits wide.
27-4 Intel® PXA27x Processor Family Developer’s Manual
Quick Capture Interface
In slave mode, the synchronization signaling is provided externally by the quick capture interface
to the sensor.
The embedded modes are master modes by default, in which the frame and line synchronization
signals are embedded in the data stream (SAV and EAV). The embedded modes use either parallel
or serialized data streams.
27.4.1.1 Master-Parallel (MP) Mode
The master-parallel (MP) mode of operation requires a parallel data-bus interface, two control
signals for frame timing, and optionally a pixel clock for basic timing. In this mode, the sensor has
been programmed for an exposure time and frame rate through a separate interface, typically the
I2C serial control interface (see Chapter 9, “I2C Bus Interface Unit”).
Acquisition of data from the sensor is initiated by transitions based on the state of the CIF_LV and
CIF_FV signals, which are generated internally by the sensor. To support any required variation in
delay from signal transitions to valid data, several programmable wait states are introduced, as
illustrated in Figure 27-1.
Figure 27-1. Master Modes State Diagram
Table 27-3 identifies the control items shown in Figure 27-1 and discussed below. Labels in the
drawing are identical to the register bit-field names.
BFW = Begining of Frame Wait
PPL = Pixels Per Line
BLW = Begining of Line Wait
LPF = Lines Per Frame
Idle
Begin Frame
Wait
LPF = 0
CIF_FV = 1
Active
Data
Capture
Begin Line
Wait PPL--
CIF_LV= 1
BLW--
PPL = 0
CIF_LV = 1
BFW--
LPF --
-- = decrement
Table 27-3. Master Modes State-Machine Controls
Register Bit Field / Label Description
CICR3 BFW Beginning-of-frame wait
Intel® PXA27x Processor Family Developer’s Manual 27-5
Quick Capture Interface
Once the quick capture interface is enabled, the capture sequence is activated by the assertion of
the CIF_FV signal, which indicates that a frame read-out is about to occur. The assertion of
CIF_FV causes the state machine’s transition to the Begin Frame Wait state, where it then waits for
the number of line clocks configured by BFW (CIF_LV). Once this BFW count has elapsed,
another CIF_LV assertion brings the state machine to the Begin Line Wait state. In this state, the
master mode state machine waits for BLW pixel clock cycles before moving on to the active data
capture state.
Counters are maintained for both the pixels-per-line (PPL) and the lines-per-frame (LPF). Program
the quick capture interface with the image sensors specific PPL and LPF values. The End-of-Line
Wait state can insert a delay equal to ELW pixel clocks after the capture of a line. Wait states are
skipped if the corresponding delay values (BFW, BLW and ELW) are zero.
27.4.1.2 Slave-Parallel (SP) Mode
The slave-parallel (SP) mode of operation is an option with some image sensors. In this mode, the
quick capture interface asserts the frame (CIF_FV) and line (CIF_LV) synchronization signals
instead of the image sensor. Ensure that any timing requirements for the sensor are satisfied when
programming the quick capture interface. The timing relationship between the capture interface
and the sensor must be kept exact for proper operation. Figure 27-2 shows the slave-parallel mode
state diagram.
CICR2 BLW Beginning-of-line wait
CICR1 PPL Pixels per line
CICR3 LPF Lines per frame
Table 27-3. Master Modes State-Machine Controls
Register Bit Field / Label Description
27-6 Intel® PXA27x Processor Family Developer’s Manual
Quick Capture Interface
Figure 27-2. Slave-Parallel Mode State Diagram
Once the quick capture interface is enabled and data capture is triggered by setting
CICR0[SL_CAP_EN] (see Section 27.5.1), the quick capture interface begins generating
synchronization signals for the sensor. The signaling sequence begins with the assertion of the
CIF_FV signal, followed by the assertion of the CIF_LV signal after a delay specified by the
beginning-of-frame pixel clock wait CICR2[BFPW] (see Section 27.5.3). CIF_FV is asserted for a
duration of CIC3[VSW] pixel clock cycles, and CIF_LV is asserted for CIC2[HSW] pixel clock
cycles. Delays are provided to skip the capture of a specified number of frames (FSW) at the
beginning of a frame sequence, a specified number of lines at the beginning of a frame (BFW), and
a number of pixels at the beginning of a line (BLW). Similarly, programmable delays can be
inserted at the end of a line (ELW) and at the end of a frame (EFW). The quick capture interface
captures data when the slave state machine has reached the active data capture state and counters
corresponding to BFW and FSW have decremented to zero. Counters corresponding to PPL and
LPF values indicate the end-of-line and end-of-frame captures, respectively. The wait states are
skipped if the corresponding delay values (BLW, ELW, EFW, BFW and BFPW) are zero.
Note: If the sensor is configured to supply a pixel clock to the quick capture interface, (as indicated by
CICR4[PCLK_EN] (see Section 27.5.5) the sensor must keep the pixel clock free running in slave
mode, as long as the quick capture interface is enabled.
27.4.1.3 Master-Serial (MS) Mode
In master-serial mode of operation, only half of the parallel data bus is used, providing a lower pin-
count solution. The most significant half of data is presented to the quick capture interface first,
followed by the least significant half of data. The width of the data bus could be either 4 bits or 5
bits as indicated by CICR1[DATAWIDTH] (see Section 27.5.2). In 4-bit master-serial mode,
-- = decrement
EFW = End of Frame Line Clock Wait
BLW = Begining of Line Wait
VSW = Vertical Sync Width
HSW = Horizontal Sync Width
FSW = Frame Stabilization Wait
BFPW = Beginning of Frame Pixel Clock Wait
PPL = Pixels Per Line
LPF = Lines Per Frame
BFW = Begining of Frame Wait
ELW = End of Line Wait
SL_CAP_EN=1 Idle
Frame_Start VSW --
End Line
Wait
Line Start
HSW --
ELW --
CIF_LV=1
BFW > 0
or
LPF > 0
or
EFW >0
BFW = 0
LPF = 0
EFW = 0
CIF_FV=1
BFW -- before capture
LPF -- during capture
EFW -- after capture
BFPW--
Begin_frame
_pixel_wait
Begin Line
Wait
BLW--
Active
Data_Capture
BFW=0 AND
FSW =0
PPL--
FSW --
SL_CAP_EN=0
SL_CAP_EN=1
Intel® PXA27x Processor Family Developer’s Manual 27-7
Quick Capture Interface
CIF_DD<3:0> transfers pixel data to the quick capture interface and the rest of CIF_DD bits are
ignored. In 5-bit master-serial mode CIF_DD<4:0> transfers pixel data to the quick capture
interface, and the rest of CIF_DD bits are ignored. In MS mode, the quick capture interface
transitions through different wait states and data capture state as illustrated in Figure 27-1.
27.4.1.4 Embedded-Parallel (EP) and Embedded-Serial (ES) Modes
The ITU-R BT.656-4 specification provides a standard interface for unidirectional connection
between a single source and a single destination for digital component video signals in 525-line
and 625-line television systems operating at the 4:2:2 level of recommendation ITU-R BT.601. The
specification describes the characteristics of bit-parallel and bit-serial implementations. The
important component of the BT.656-4 specification for the PXA27x processor is the specification
of the embedded timing reference signals, Start-of-Active-Video (SAV) and End-of-Active-Video
(EAV). Use of the SAV and EAV signals allows the CIF_LV and CIF_FV signals to be eliminated
from the interface, thereby reducing the pin count.
27.4.1.4.1 Embedded Control Data
To distinguish between the video/image data and the control sequences, certain levels in the video
sample data must be defined as illegal. In the ITU-R BT.656-4 specification, the color space is
defined according to the ITU-R BT601. In this, the luminance channel Y is defined to have a
nominal range of 16 to 235; and the chrominance channels, Cb and Cr are defined to have a range
of 16 to 240, with zero signal corresponding to level 128. When transferring image data using a
different format, the values FF and 00 must also be defined as illegal. The values FF and 00 are
reserved for use in timing reference signals formed by the 4-byte sequence FF 00 00 XY. The
timing reference sequence is illustrated in Table 27-4.
Table 27-4. ITU-R BT.656-4 EAV/SAV Sequence for 8-Bit
The reference coding is based on three bits: F, V, and H. These bits allow the conventional video
timing signals HSYNC, VSYNC, and BLANK to be embedded in the video stream. The quick
capture interface routes the embedded video data to memory when the encoding indicates active
video. The image data can be in any of the supported formats, in which the values FF and 00 are
excluded levels in the image data. Use the parity bits P3:P0 to correct one-bit errors and detect
two-bit errors. The embedded timing signals are illustrated in Table 27-5.
8-Bit Data
7
MSB 6543210
LSB
1st Byte (FF) 1 1111111
2nd Byte (00) 0 0000000
3rd Byte (00) 0 0000000
Status Word (XY) 1 F V H P3P2P1P0
27-8 Intel® PXA27x Processor Family Developer’s Manual
Quick Capture Interface
Table 27-5. ITU-R BT.656-4 Timing Reference Coding
The flow diagram for the embedded modes is illustrated in Figure 27-3.
Bit 76543210
8 Bits/Pixel (bpp) 1 F V H P3P2P1P0
Bits Name Description
6F
NOTE: The quick capture interface does not utilize “fields”, so the
value of F has no influence on data capture other than its
value influences the value of the parity bits.
Field: This specifies the frame start signal. For the 625/525-line
TV systems, it is used for the even/odd fields. (A field is a defined
group of lines in a TV system)
0 = First field of a frame (field 1)
1 = Second field of a frame (field 2)
5V
For the quick capture interface, this bit must be clear to indicate
scan lines are an integral part of the image.
Vertical Interval: This specifies whether the data is active video, or
vertical blanking.
0 = No vertical blanking
1 = Vertical blanking, no data is captured
4H
Horizontal Interval: This bit specifies the start or end of active
video.
0 = Start-of-Active-Video (SAV).
1 = End-of-Active-Video (EAV)
3:0 P3:P0
Parity Bits: These bits have states dependent on the states of the
bits F, V, and H. This arrangement permits 1-bit errors to be
corrected and 2-bit errors to be detected.
F V H – P3 P2 P1 P0
0b000–0000 -> (SAV) Field 1 Active Video
0b001–1101 -> (EAV) Field 1 Active Video
0b010–1011 -> (SAV) Field 1 Blanking
0b011–0110 -> (EAV) Field 1 Blanking
0b100–0111 -> (SAV) Field 2 Active Video
0b101–1010 -> (EAV) Field 2 Active Video
0b110–1100 -> (SAV) Field 2 Blanking
0b111–0001 -> (EAV) Field 2 Blanking
Intel® PXA27x Processor Family Developer’s Manual 27-9
Quick Capture Interface
Figure 27-3. Embedded Synchronization Mode Flow Diagram
27.4.2 Clock (CICLK and MCLK) Generation
To generate the sensor master clock (MCLK) of programmable frequency, the clock generator
divides the internal input clock, CICLK, by the programmed clock divider value CICR4[DIV].
CICLK is the same frequency as the internal LCD clock, and the frequencies are as shown in the
LCD Frequency column of Table 3-7, “Clock Frequencies on page 3-20. The following equation
gives the MCLK frequency.
Note: The sensor can use either the MCLK supplied by the quick capture interface or its own local clock
as the master clock. However, the pixel clock supplied by the sensor to the quick capture interface
cannot exceed 1/4 the frequency of CICLK. If the sensor does not supply a pixel clock to the quick
capture interface (in which case sensor must use MCLK supplied by the quick capture interface),
the MCLK frequency must not exceed 1/4 the frequency of CICLK.
27.4.3 Serial-to-Parallel Conversion
If serial mode of operation is selected (CICR0[SIM] is programmed for master-serial or embedded-
serial), a serial-to-parallel module converts the data stream into parallel data. The serial-to-parallel
module performs 5:10 conversion for 5-bit wide interfaces, and 4:8 conversion for 4-bit wide
interfaces with the sensor.
wait for camera
interface enable
Y
Y
N
N
N
NN
Y
Y
byte
received=80h
or C7h?
byte
received=FFh
?
byte
received=00h
?
byte
received=00h
?
byte
received=FFh
?
Y
capture data
MCLK CICLK
2DIV 1+()
----------------------------=
27-10 Intel® PXA27x Processor Family Developer’s Manual
Quick Capture Interface
27.4.4 FIFO Operation
The capture interface has three separate FIFOs to act as temporary storage for the captured video/
image data from the image sensor. The channel 0 FIFO has a storage capacity of 128 bytes, and
each of the 16 FIFO entries is 8 bytes wide. The channel 1 and channel 2 FIFOs each have a storage
capacity of 64 bytes. Each of their 8 entries is 8 bytes wide.
The planarized YCbCr mode uses all three channel input FIFOS. The channel 0 FIFO stores the Y
data component, the channel 1 FIFO stores the Cb component, and the channel 2 FIFO stores the
Cr component. Other modes of operation use the channel 0 FIFO only.
Note: All capture interface FIFOs are read-only. Any write to the capture interface FIFOs causes a target
abort.
27.4.4.1 FIFO Data Packing
The input data from the sensor is packed into the required format and written into the FIFO. If
serial mode is selected, output of the serial-to-parallel converter is captured, and re-arranged based
on input data width and number of bits per pixel. In parallel mode, the same functions are
performed on the parallel data from the sensor. The timing references for capture are provided by
the CIF_LV and CIF_FV inputs (or the decoded SAV/EAV in embedded modes).
When an End of Frame is encountered during data capture, the remaining bits in the 8-byte wide
FIFO location (after writing the last data) are padded with zeros. For example, if the last sample of
a frame occupies byte 0 of the 8-byte FIFO entry, bytes 1 through 7 is written with zeros. The first
valid data of the next frame is loaded to the next 8-byte wide FIFO entry. In RGBT modes
(RGBT5:5:5 or RGBT 8:8:8), bits at the end of frame that are padded to fill to the 8-byte boundary
in the FIFO have the transparency bit (CICR1[TBIT]—see Section 27.5.2) inserted at the desired
bit position.
Note: The amount of time required to perform the zero-padding depends on the last valid byte position,
and if planarized YCbCr mode is enabled (planarized YCbCr uses all 3 FIFOs so all 3 need to be
padded). If the next frame capture starts before the zero-padding for the previous frame is
complete, undefined capture interface operation results. When the number of bytes per frame is not
a multiple of eight, the inter-frame delay (measured from the last valid pixel of a frame to the first
valid pixel of the next frame) must be greater than or equal to 64 CICLK cycles. To avoid the
undefined capture interface operation mentioned above, software must ensure the delay
requirement (minimum of 64 CICLK cycles) is satisfied.
The capture-interface data output FIFOs (eight bytes wide) are padded with zeros at the end of a
frame if the captured frame data does not end at an 8-byte boundary. The DMA controller must be
programmed to read the entire data including any zero padding. The programmed DMA length
must be a multiple of 8 bytes. Similarly, if the processor is reading data from the capture-interface
output FIFOs (1,2 or 4 bytes at a time), it must read the entire FIFO entry including padded zeros
(if any, at end of frame) before moving on to the next frame.
27.4.4.2 Processor-Initiated Data Transfers from FIFOs
The processor can perform data transfers from the quick capture interface FIFOs in response to an
interrupt generated by the FIFO’s threshold level logic. The channel 0 FIFO’s threshold level is
programmed in CIFR[THL_0] (see Section 27.5.8). Threshold levels of the channel 1 and channel
2 FIFOs are fixed at 32 bytes. When the FIFO threshold levels are reached, an interrupt is
generated (if enabled in CICR0[RDAVM]—see Section 27.5.1), which signals the CPU to empty
Intel® PXA27x Processor Family Developer’s Manual 27-11
Quick Capture Interface
the FIFOs by reading the corresponding CIBRx Receive Buffer registers (see Section 27.5.9). In
response to the interrupts, the processor reads from the corresponding CIBRx. The capture
interface supports processor reads of one, two or four bytes at a time. The number of bytes in the
capture-interface FIFOs corresponding to a captured frame is always a multiple of eight bytes, and
the processor must read the entire frame data including padded zeros (if any) before moving on to
read data corresponding to the next frame.
Software can poll the FIFO control register (CIFR; see Section 27.5.8) to determine how many
bytes are in a FIFO and the status register (CISR; see Section 27.5.7) to see if the FIFO is empty.
27.4.4.3 DMA Data Transfers from FIFOs
The quick capture interface has three DMA receive-data service requests, one for each of the three
input-channel FIFOs.
When a FIFO issues a DMA service request, the DMA controller responds by transferring a burst
of data from the FIFO to the destination address specified in the DMA descriptor. The DMA
Source Address register (DSADRx; see Section 5.5.3, “DMA Source Address Register
(DSADRx)” on page 5-33) must point to CIBR0, CIBR1, or CIBR2, depending on which one of
the three DMA services is being employed. These are the only valid source addresses for quick
capture interface DMA.
The DMA descriptors must be programmed to transfer all bytes in a frame. In planarized YCbCr
mode of operation, program individual DMA channels to transfer the total number of bytes per
frame for each of the components.
For DMA transfers, refer to Chapter 5, “DMA Controller”. Use the following programming model:
1. In register DCMDx, program the number of bytes to be transferred, burst sizes, and other
control items. Set the descriptor chain to transfer an entire frame. The peripheral width for
DMA transactions from the quick capture interface is always eight bytes, regardless of the
DCMD[WIDTH] setting.
2. Program DSADRx with the address of CIBR0, CIBR1, or CIBR2, depending on which
channel FIFO is to be served by DMA. Program DTADRx with the desired target address.
3. Using the quick capture interface control registers CICRx, configure the quick capture
interface for the desired operation.
4. Enable the quick capture interface by setting CICR0[ENB].
5. Set the DCSRx[RUN] bits for the selected channel(s).
27.4.4.4 Trailing Bytes in FIFOs
When the number of samples in the FIFO is less than its FIFO trigger threshold level and no
additional data is received, the remaining bytes are called trailing bytes. The quick capture
interface uses a time-out based request mechanism to handle trailing bytes. A time-out condition
exists when the FIFO level is below its trigger level, and the FIFO has been idle for a period of
time defined by the value programmed in register CITOR (see Section 27.5.6). The time-out
counter is reset when a new data sample is written to the FIFO or when a read from the FIFO
occurs. When all three quick capture interface FIFOs are used (in Planarized YCbCr mode), the
time-out counter starts counting after the last data sample has been written to the FIFO and is reset
only after a read from all of the FIFOs. When a time-out occurs, the FIFO time-out bit CISR[FTO]
is set, and an interrupt request is issued if unmasked in CICR0. Values in the Quick Capture
Interface FIFO Control register (see Section 27.5.8) must be read to determine how many bytes
27-12 Intel® PXA27x Processor Family Developer’s Manual
Quick Capture Interface
remain in the FIFOs. If DMA FIFO data transfers are enabled (CICR0[DMA_EN] is set) and a
time-out is detected, the FIFO makes a request for DMA transfer even though the FIFO threshold is
not reached. The descriptor chain must be programmed to handle the entire frame to make sure that
all trailing bytes are transferred.
Note: When the quick capture interface is disabled by clearing CICR0[ENB], data capture is immediately
stopped and a trailing byte situation is possible. Software must make sure that the DMA channel(s)
is stopped by resetting the corresponding run bit. In this case, the data in the FIFOs is discarded.
27.4.5 Pixel Formats
The quick capture interface supports RAW, RGB 8:8:8, RGBT 8:8:8, RGB 6:6:6, RGB 5:5:5,
RGBT 5:5:5, RGB 5:6:5, RGB 4:4:4, and YCbCr 4:2:2 video sampling formats.
27.4.5.1 Raw Pixel Data Formats
All image data originates with the raw sensor pixel data. Each sub-pixel has a color filter over it,
passing light centered around one (or more) wavelength. As received from the sensor, each pixel
has 8, 9, or 10 bits of accuracy. The most common color filter array is the Bayer pattern, which
interleaves red and green pixels on the even/odd rows and blue and green pixels on the odd/even
rows.
The PXA27x processor can accept raw data in most any format. When configured for raw data
capture, the PXA27x processor makes no assumptions about the format of the data. The key
requirement is that the image capture software running on the PXA27x processor must be written
to correctly interpret data in the particular format used.
27.4.5.1.1 Raw 8-Bit Data Format
The PXA27x processor supports the acquisition of raw 8-bit sensor data that must be processed
further prior to display or encode. The data type for the required processing is 8-bit unsigned
integer. The 8-bit data is packed into 32-bit words prior to storage. There are no tag bits specifying
the color components with raw image capture.
Intel® PXA27x Processor Family Developer’s Manual 27-13
Quick Capture Interface
Table 27-6. Memory Organization for Raw 8-Bit Data
27.4.5.1.2 Raw 9-Bit Data Format
The PXA27x processor supports the acquisition of raw 9-bit sensor data that must be processed
further prior to display or encode. The data type for the required processing is 16-bit unsigned
integer. The 9-bit data is packed into 16-bit half words prior to storage. There are no tag bits
specifying the color components with raw image capture. The upper 7 bits of the 16-bit word are
unused and written as zeros. The pixel format for 9-bit raw data capture is illustrated in Table 27-7.
Table 27-7. Memory Organization for Raw 9-Bit Data
27.4.5.1.3 Raw 10-Bit Data Format
The PXA27x processor supports the acquisition of raw 10-bit sensor data that must be processed
further prior to display or encode. The data type for the required processing is 16-bit unsigned
integer. The 10-bit data is packed into 16-bit half words prior to storage. There are no tag bits
specifying the color components with raw image capture. The upper 6 bits of the 16-bit word are
unused and written as zeros. The pixel format for 10-bit raw data capture is illustrated in
Table 27-8.
Bit76543210
8 bits/pixel Pixel Data<7:0>
Memory Organization for Little Endian
Bit3124231615 87 0
Base+
0x0 Pixel 3 Pixel 2 Pixel 1 Pixel 0
Base+
0x4 Pixel 7 Pixel 6 Pixel 5 Pixel 4
Bit1514131211109876543210
16 bits/pixel Unused bits, written as zeros Pixel Data<8:0>
Memory Organization
Bit 31 16 15 0
Base+0x0 Pixel 1 Pixel 0
Base+0x4 Pixel 3 Pixel 2
27-14 Intel® PXA27x Processor Family Developer’s Manual
Quick Capture Interface
Table 27-8. Memory Organization for Raw 10-Bit Data
27.4.5.2 Pre-Processed RGB Pixel Data Formats
It is important to be aware that not all image sensors output color components in the same order or
sequence for a given color space. Table 27-9 illustrates the expected sequence for RGB 8:8:8.
Table 27-10 illustrates the expected sequence for RGB 5:6:5. For the RGB color space, the red
components are expected first, next green, and then blue.
This section also illustrates the memory organization of the various RGB packed and un-packed
formats.
Table 27-9. 8-Bit Data-Capture Sequence for RGB 8:8:8
Bit1514131211109876543210
16 bits/pixel Unused bits, written as zeros Pixel Data<9:0>
Memory Organization
Bit 31 16 15 0
Base+0x0 Pixel 1 Pixel 0
Base+0x4 Pixel 3 Pixel 2
Data Bus RGB 8:8:8 Byte Sequence
CIF_DD<7> R7(0) G7(0) B2(0) R7(1) G7(1) B2(1)
CIF_DD<6> R6(0) G6(0) B1(0) R6(1 G6(1) B1(1)
CIF_DD<5> R5(0) G5(0) B0(0) R5(1) G5(1) B0(1)
CIF_DD<4> R4(0) G4(0) B4(0) R4(1) G4(1) B4(1)
CIF_DD<3> R3(0) G3(0) B3(0) R3(1) G3(1) B3(1)
CIF_DD<2> R2(0) G2(0) B2(0) R2(1) G2(1) B2(1)
CIF_DD<1> R1(0) G1(0) B1(0) R1(1) G1(1) B1(1)
CIF_DD<0> R0(0) G0(0) B0(0) R0(1) G0(1) B0(1)
Byte sequence 0 1 3 4 5 6
Pixel Pixel 0 Pixel 1
Intel® PXA27x Processor Family Developer’s Manual 27-15
Quick Capture Interface
Table 27-10. 8-Bit Data-Capture Sequence for RGB 5:6:5 Color Space
27.4.5.2.1 RGB 8:8:8 Pixel Data Format
The PXA27x processor supports the acquisition of pre-processed RGB 8:8:8 data. The memory
organization for pre-processed image data can be in packed or unpacked formats. The memory
organization for the 24-bpp RGB 8:8:8 unpacked format is illustrated in Table 27-11.
Table 27-11. Memory Organization for Unpacked RGB 8:8:8 (Pixel Depth of 24 bpp)
The memory organization for the 24-bpp RGB 8:8:8 packed format is illustrated in Table 27-12.
Table 27-12. Memory Organization for Packed RGB 8:8:8 (Pixel Depth of 24 bpp)
Data Bus RGB 5:6:5 Packed Byte Sequence
CIF_DD<7> G2(0) B4(0) G2(1) B4(1) G2(2) B4(2) G2(3) B4(3
CIF_DD<6> G1(0) B3(0) G1(1) B3(1) G1(2) B3(2) G1(3) B3(3)
CIF_DD<5> G0(0) B2(0) G0(1) B2(1) G0(2) B2(2) G0(3) B2(3)
CIF_DD<4> R4(0) B1(0) R4(1) B1(1) R4(2) B1(2) R4(3) B1(3)
CIF_DD<3> R3(0) B0(0) R3(1) B0(1) R3(2) B0(2) R3(3) B0(3)
CIF_DD<2> R2(0) G5(0) R2(1) G5(1) R2(2) G5(2) R2(3) G5(3)
CIF_DD<1> R1(0) G4(0) R1(1) G4(1) R1(2) G4(2) R1(3) G4(3)
CIF_DD<0> R0(0) G3(0) R0(1) G3(1) R0(2) G3(2) R0(3) G3(3)
Byte sequence 0 1 2 3 4 5 6 7
Pixel Byte order LSB MSB LSB MSB LSB MSB LSB MSB
Pixel 0 1 2 3
Bit 23 16 15 8 7 0
24bpp Red[23:16] Green[15:8] Blue[7:0]
Memory Organization
Bit 31 24 23 0
Base+0x0 Unused bits,
written as zeros Pixel 0
Base+0x4 Unused bits,
written as zeros Pixel 1
Bit 23 16 15 8 7 0
24bpp Red[23:16] Green[15:8] Blue[7:0]
Memory Organization
Bit 31 24 23 16 15 8 7 0
Base+0x0 Pixel1[7:0] Pixel0[23:0]
Base+0x4 Pixel2[15:0] Pixel1[23:8]
Base+0x8 Pixel3[23:0] Pixel2[23:16]
27-16 Intel® PXA27x Processor Family Developer’s Manual
Quick Capture Interface
27.4.5.2.2 RGBT 8:8:8 Pixel Data Format
The PXA27x processor supports the acquisition of pre-processed RGB 8:8:8 data for storage in
RGBT 8:8:8 format. The pixel depth is 25 bpp, with the most significant bit being a programmable
transparency bit. The memory organization for the 25-bpp RGBT 8:8:8 format is illustrated in
Table 27-13.
Table 27-13. Memory Organization for RGBT 8:8:8 (Pixel Depth of 25 bpp)
27.4.5.2.3 RGB 6:6:6 Pixel Data Format
The PXA27x processor supports the acquisition of pre-processed RGB 6:6:6 data. The memory
organization for pre-processed image data can be in packed or unpacked formats. The memory
organization for the 18-bpp RGB 6:6:6 format is illustrated in Table 27-14.
Table 27-14. Memory Organization for Unpacked RGB 6:6:6 (Pixel Depth of 18 bpp)
The memory organization for the 18-bpp RGB 6:6:6 packed format is illustrated in Table 27-15.
Bit 31 25 24 23 16 15 8 7 0
25bpp Unused bits,
written as zeros T Red[23:16] Green[15:8] Blue[7:0]
Memory Organization
Bit 31 25 24 0
Base+0x0 Unused bits,
written as zeros Pixel 0
Base+0x4 Unused bits,
written as zeros Pixel 1
Bit 31 18 17 12 11 6 5 0
18bpp Unused bits,
written as zero Red[17:12] Green[11:6] Blue[5:0]
Memory Organization
Bit 31 18 17 0
Base+0x0 Unused bits,
written as zeros Pixel 0
Base+0x4 Unused bits,
written as zeros Pixel 1
Intel® PXA27x Processor Family Developer’s Manual 27-17
Quick Capture Interface
Table 27-15. Memory Organization for Packed RGB 6:6:6 (Pixel Depth of 18 bpp)
27.4.5.2.4 RGB 5:6:5 Pixel Data Format
The memory organization for pre-processed image data is illustrated in Table 27-16.
Table 27-16. Memory Organization for RGB 5:6:5 Format (Pixel Depth of 16 bpp)
27.4.5.2.5 RGB 5:5:5 and RGBT 5:5:5 Pixel Data Formats
The PXA27x processor supports the acquisition of pre-processed RGB 5:5:5 data for storage in
RGBT 5:5:5 format. The pixel depth is 16 bpp with the most significant bit being a programmable
transparency bit. The memory organization for the 16-bpp RGBT 5:5:5 format is illustrated in
Table 27-17.
Table 27-17. Memory Organization for RGBT 5:5:5 Format (Pixel Depth of 16 bpp)
Bit 23 18 17 12 11 6 5 0
18bpp Unused bits,
written as zeros Red[17:12] Green[11:6] Blue[5:0]
Memory Organization
Bit 31 24 23 16 15 8 7 0
Base+0x0 Pixel1[7:0] {000000,Pixel0[17:0]}
Base+0x4 Pixel2[15:0] {000000, Pixel1[17:8]}
Base+0x8 {000000,Pixel3[17:0]} {000000,Pixel2[17:16]}
Bit 1514131211109876543210
Red[15:11] Green[10:5] Blue[4:0]
Memory Organization
Bit 31 16 15 0
Base+0x0 Pixel 1 Pixel 0
Base+0x4 Pixel 3 Pixel 2
Bit 15 14 13 12 11 10 9 8 7 6 5 4 3 2 1 0
T Red[14:10] Green[9:5] Blue[4:0]
Memory Organization
Bit 31 16 15 0
Base+0x0 Pixel 1 Pixel 0
Base+0x4 Pixel 3 Pixel 2
27-18 Intel® PXA27x Processor Family Developer’s Manual
Quick Capture Interface
27.4.5.2.6 RGB 4:4:4 Pixel Data Format
The PXA27x processor supports the acquisition of pre-processed RGB 4:4:4 data. The memory
organization for pre-processed image data is illustrated in Table 27-18.
Table 27-18. Memory Organization for RGB 4:4:4 Pixel Data (Pixel Depth of 12 bpp)
27.4.5.3 Pre-Processed YCbCr Pixel Data Formats
The quick capture interface accepts YCbCr data in the 4:2:2 format. The YCbCr color space is
important because data in this format is frequently used for input to MPEG and JPEG compression
sequences or Codecs. Overlay 2 in the LCD controller provides a hardware-based color space
conversion engine that can be programmed to accept the YCbCr data. This allows YCbCr data to
be streamed from the quick capture interface directly to Overlay 2. The color space conversion
engine converts the YCbCr image data into the RGB color space so it can be displayed on a screen.
There are several useful formats for YCbCr image data. These formats fall into two distinct
categories. The packed format and the planar format. In the packed format, the Y, Cb, and Cr
samples are packed together into groups of three that are stored as a single array in memory. In the
planar format, the Y, Cb, and Cr components are stored as three separate arrays.
The YCbCr 4:2:2 data can be presented across either a parallel or serial interface. This format has a
horizontal sub-sampling interval of two. In this particular YCbCr format, there are two luminance
(Y) values for each chrominance pair (Cb, Cr). The expected 8-bit data sequence for YCbCr 4:2:2
is illustrated in Table 27-19.
Bit 1514131211109876543210
Unused bits, written as
zeros Red[11:8] Green[7:0] Blue[3:0]
Memory Organization
Bit 31 16 15 0
Base+0x0 Pixel 1 Pixel 0
Base+0x4 Pixel 3 Pixel 2
Intel® PXA27x Processor Family Developer’s Manual 27-19
Quick Capture Interface
27.4.5.3.1 YCbCr Planar Format
The PXA27x processor supports the acquisition of YCbCr 4:2:2 data and the storage of pixel data
in planar format. The planar format requires the luminance and chrominance planes to be stored in
separate locations in memory, although they can be in contiguous memory areas. The memory
organization for the planar format is illustrated in Table 27-20.
Table 27-20. Memory Organization for 4:2:2 YCbCr Planar Format
Table 27-19. 8-Bit Data Capture Sequence for YCbCr 4:2:2 Color Space
Data Bus YCbCr 4:2:2 Byte Sequence
CIF_DD<7> Cb07 Y07 Cr07 Y17 Cb27 Y27 Cr27 Y37
CIF_DD<6> Cb06 Y06 Cr06 Y16 Cb26 Y26 Cr26 Y36
CIF_DD<5> Cb05 Y05 Cr05 Y15 Cb25 Y25 Cr25 Y35
CIF_DD<4> Cb04 Y04 Cr04 Y14 Cb24 Y24 Cr24 Y34
CIF_DD<3> Cb03 Y03 Cr03 Y13 Cb23 Y23 Cr23 Y33
CIF_DD<2> Cb02 Y02 Cr02 Y12 Cb22 Y22 Cr22 Y32
CIF_DD<1> Cb01 Y01 Cr01 Y11 Cb21 Y21 Cr21 Y31
CIF_DD<0> Cb00 Y00 Cr00 Y10 Cb20 Y20 Cr20 Y30
Y pixel components 0 1 2 3
Cb, Cr pixel components 0,1 2,3
Byte sequence 01234567
Luminance Channel (Y) Memory Organization
Bit 31 24 23 16 15 8 7 0
Base+
0x00 Yn+3 Yn+2 Yn+1 Yn
Base +
0x04 Yn+7 Yn+6 Yn+5 Yn+4
Red Chrominance Channel (Cr) Memory Organization
31 24 23 16 15 8 7 0
Base+
K+0x00 Crn+3 Crn+2 Crn+1 Crn
Base+
K+0x04 Crn+7 Crn+6 Crn+5 Crn+4
Blue Chrominance Channel (Cb) Memory Organization
31 24 23 16 15 8 7 0
Base+
M+0x00 Cbn+3 Cbn+2 Cbn+1 Cbn
Base+
M+0x04 Cbn+7 Cbn+6 Cbn+5 Cbn+4
27-20 Intel® PXA27x Processor Family Developer’s Manual
Quick Capture Interface
27.4.5.3.2 4:2:2 YCbCr Video Packed Format
The PXA27x processor supports the acquisition of YCbCr 4:2:2 data and its storage in packed
format. The packed format requires the luminance and chrominance components to be stored in
contiguous locations in memory. The memory organization for the packed format is illustrated in
Table 27-21.
Table 27-21. Memory Organization for 4:2:2 YCbCr Packed Format
27.4.5.4 Conversion from RGB 8:8:8 24 bpp to 12, 16, 18, and 25 bpp RGB
Formats
The conversion from the pre-processed pixel format RGB 8:8:8 to RGBT 8:8:8, RGB 6:6:6, RGB
5:6:5, RGBT 5:5:5, and RGB 4:4:4 is supported to allow devices that support full image processing
chains to be easily formatted for LCD controller RGB pixel formats. The conversion algorithm is
straightforward and involves a scaling operation for each of the color components. For example,
the format conversion from RGB 8:8:8 to RGBT 5:5:5, the five most significant bits of each of the
red, green, and blue color are combined into a 16-bpp format, as shown in Table 27-22.
The supported format conversions for RGB 8:8:8 include the RGBT 8:8:8 format for 25 bpp, RGB
6:6:6 format for 18 bpp, RGB 5:6:5 format for 16 bpp, RGBT 5:5:5 format for 16 bpp, and RGB
4:4:4 format for 12 bpp.
Memory Organization
Bit3124231615 87 0
Base+
0x0 Yn+1 CrnYnCbn
Base+
0x4 Yn+3 Crn+1 Yn+2 Cbn+1
Table 27-22. Packing and Precision Conversion from RGB 8:8:8 to RGB 5:5:5
Bit 23 22 21 20 19 18 17 16 15 14 13 12 11 10 9 8 76543210
RGB
8:8:8 Red [7:0] Green [7:0] Blue [7:0]
3 LSBs for Each Color Channel are Truncated to Form Lower Precision RGB 5:5:5 Format.
Bit 15 14 13 12 11 10 9 8 7 6 5 4 3 2 1 0
RGBT
5:5:5 T Red [4:0] Green[4:0] Blue[4:0]
Intel® PXA27x Processor Family Developer’s Manual 27-21
Quick Capture Interface
.
27.4.6 Functional Timing
27.4.6.1 Master-Parallel Functional Timing
The master-parallel interface timing is shown in Figure 27-4. The valid data is captured with the
active edge of CIF_PCLK, after “Beginning of Line Wait Count” (programmed with
CICR2[BLW]) CIF_PCLK cycles have elapsed from the CIF_LV. From the last data of a line, the
interface waits a delay of “End of Line Wait” (programmed with CICR2[ELW]) CIF_PCLK cycles
occurs before a new line capture can begin. At the end of the capture of the last line of a frame, the
quick capture interface waits for the assertion of CIF_FV to begin the next frame capture sequence.
Note: To avoid potential loss of line data, the image sensor must assert CIF_LV only after the last pixel of
the previous line.
Figure 27-4. Master-Parallel Functional Timing
Table 27-23. Supported Color Component Precision Conversions for RGB 8:8:8
Pixel Depth Supported Format Conversion from RGB 8:8:8
25bpp RGBT 8:8:8
18bpp RGB 6:6:6
16bpp RGB 5:6:5
16bpp RGBT 5:5:5
12bpp RGB 4:4:4
BLW=3
LINE0 DATA LINE1 DATA LINE n DATA
n = LPF – 1
BLW = Beginning of Line Pixel Clock Wait Count
CIF_PCLK
CIF_FV
CIF_LV
CIF_DD<9:0>
27-22 Intel® PXA27x Processor Family Developer’s Manual
Quick Capture Interface
27.4.6.2 Slave-Parallel Functional Timing
In slave-parallel mode, the quick capture interface drives the synchronization signals CIF_LV and
CIF_FV. Before the quick capture interface starts operating in this mode, the sensor must be
configured to float the synchronization pins. Figure 27-5, shows the functional timing for slave-
parallel mode. CIF_FV and CIF_LV are driven for the duration specified by Vertical Sync Width
(VSW) and Horizontal Sync Width (HSW) respectively.
Figure 27-5. Slave-Parallel Functional Timing
27.4.6.3 Embedded-Parallel Functional Timing
Figure 27-6 shows the embedded-parallel functional timing for an 8-bit wide interface. The first
embedded synchronization sequence (xFF00009D) signals an EAV (End of Active Video) and the
second synchronization sequence (xFF000080) signals SAV (Start of Active Video). Between EAV
and SAV is the Horizontal Blanking period. Any data sent during this blanking period is not
captured by the quick capture interface. The active video window is between an SAV and an EAV.
Similarly a set V bit in the synchronization sequence indicates Vertical Blanking period, and data
presented to the quick capture interface during this interval is not captured.
Figure 27-6. Embedded-Parallel Functional Timing for 8-Bit Interface
HSW=1
VSW=1VSW=1
EFWEFWELW=2ELW=2
BLW=3
BFPW=3 BLW=3
BFPW=3
LINE0 DATA LINE1 DATA LINE n DATA
n = LPF – 1
VSW = Vertical Sync Pulse Width – 1
HSW = Horizontal Sync Pulse Width – 1
BFPW= Beginning of Frame Pixel Wait Count – 1
BLW = Beginning of Line Wait
ELW = End of Line Pixel Clock Wait Count
EFW = End of Frame Line Clock Wait Count
CIF_PCLK
CIF_FV
CIF_LV
CIF_DD<9:0>
ACTIVE VIDEOACTIVE VIDEOH BLANKINGH BLANKING
FF 00 00 9D FF 00 00 80 FF 00 00 9D
EAV
F=0
V=0
H=1
SAV
F=0
V=0
H=0
EAV
F=0
V=0
H=1
CIF_PCLK
CIF_DD<9:0>
Intel® PXA27x Processor Family Developer’s Manual 27-23
Quick Capture Interface
27.4.6.4 Embedded-Serial Functional Timing
Figure 27-7 shows the embedded serial functional timing for a 4-bit wide interface. The timing is
very similar to the embedded-parallel mode, except that a single datum is presented in two
CIF_PCLK cycles. The most significant half of data is sent first, followed by the least significant
half. The first embedded synchronization sequence signals an EAV (End of Active Video) and the
second synchronization sequence signals SAV (Start of Active Video). Between EAV and SAV is
the Horizontal Blanking period. Any data sent during this blanking period is not captured by the
quick capture interface. The active video window is between an SAV and an EAV. Similarly, if the
V field is set in the synchronization sequence, this indicates vertical blanking period, and data
presented to the quick capture interface during this interval is not captured.
Figure 27-7. Embedded-Serial Functional Timing for 4-Bit Interface
27.4.6.5 Master-Serial Functional Timing
Figure 27-8, shows the functional timing for master-serial mode of operation with a 4 bit wide
interface. The timing is very similar to the master-parallel mode, except that the a single datum is
presented in two CIF_PCLK cycles. The most significant half of data is sent first, followed by the
least significant half.
Figure 27-8. Master-Serial Functional Timing for 4-Bit Interface
ACTIVE VIDEOACTIVE VIDEOH BLANKINGH BLANKING
FF00 00 8
EAV
F=0
V=0
H=1
SAV
F=0
V=0
H=0
EAV
F=0
V=0
H=1
009D FF00 0 FF00009D
CIF_PCLK
C
IF_DD<3:0>
LINE 0 DATALINE 0 DATA
BLW=2BLW=2
D0[7:4] D0[3:0] D1[7:4]
BLW = Beginning of Line Pixel Clock Wait Count
CIF_PCLK
CIF_FV
CIF_LV
CIF_DD<3:0>
CIF_DD<9:4>
27-24 Intel® PXA27x Processor Family Developer’s Manual
Quick Capture Interface
27.5 Register Descriptions
The following sections describe the quick capture interface registers:
Section 27.5.1 — Quick Capture Interface Control Register 0 (CICR0)
Section 27.5.2 — Quick Capture Interface Control Register 1 (CICR1)
Section 27.5.3 — Quick Capture Interface Control Register 2 (CICR2)
Section 27.5.4 — Quick Capture Interface Control Register 3 (CICR3)
Section 27.5.5 — Quick Capture Interface Control Register 4 (CICR4)
Section 27.5.6 — Quick Capture Interface Time-Out Register (CITOR)
Section 27.5.7 — Quick Capture Interface Status Register (CISR)
Section 27.5.8 — Quick Capture Interface FIFO Control Register (CIFR)
Section 27.5.9 — Quick Capture Interface Receive Buffer Registers (CIBRx)
27.5.1 Quick Capture Interface Control Register 0 (CICR0)
CICR0, defined in Table 27-24, contains the quick capture interface enable bit (ENB) in addition to
other control bit fields.
To configure and enable the quick capture interface, follow these steps:
1. Disable the capture interface by clearing CICR0[ENB].
2. Write all other control items to registers CICR1–CICR4. Program CICR0 last, configuring all
bit fields at the same time with a word write
3. Enable the capture interface by setting CICR0[ENB] with a word write.
Note: Before changing any other control bits in the CICR0–CICR4 registers, be sure to disable the quick
capture interface by clearing CICR0[ENB].
CICR0 contains the following control items:
DMA request enable (DMAEN)—Set this bit to enable DMA service requests. When DMAEN is
clear, no DMA requests are asserted.
Parity enable (PAR_EN)—Set this bit to enable parity checking in embedded synchronization
modes. The protection bits P3, P2, P1, and P0 in the embedded synchronization character are used
to detect and correct errors in the F, V and H bits. Multi-bit errors set the status bit
CISR[PAR_ERR]. Single-bit errors are corrected and do not set CISR[PAR_ERR]. For more
information on the embedded controls, see Section 27.4.1.4.1.
Capture enable for slave mode (SL_CAP_EN)—During slave-parallel operation, setting this bit
triggers the slave-mode image capture. The quick capture interface continues with data capture
until SL_CAP_EN is cleared. When SL_CAP_EN is cleared during data capture, the quick capture
interface continues to capture until the entire frame is completed.
Quick capture interface enable (ENB)—Enables and quickly disables all quick capture interface
operations. Clearing ENB disables the quick capture interface, and all quick capture interface pins
can be used for general-purpose I/O (see Chapter 24, “General-Purpose I/O Controller”). Setting
ENB enables the quick capture interface. Initialize all other CICRx control registers before setting
Intel® PXA27x Processor Family Developer’s Manual 27-25
Quick Capture Interface
ENB. Program CICR0 last, configuring all bit fields at the same time using a word write. Clearing
ENB while the quick capture interface is enabled stops the data acquisition immediately, and the
current frame does not complete. For sleep-mode shutdown, use this quick-disable feature. For
regular shutdown of the quick capture interface at the end of a frame, use CICR0[DIS].
Note: There are separate maskable interrupts for quick disable (CICR0[QDM]) and regular disable
(CICR0[CDM]). The description of these interrupt masks can be found later in this section.
Quick capture interface disable (DIS) —While the quick capture interface is operating, setting
DIS causes the interface to finish capturing the current frame and then shut down, signaling the
shut-down by setting quick capture disable done (CISR[CDD]). Use a read-modify-write
procedure to set DIS, since the current frame requires the other CICR0 configuration items until it
completes. Completion of the disable command clears the quick capture interface enable (ENB)
bit.
Sensor interface mode (SIM)—Selects the mode for interfacing with the quick capture sensor:
master-parallel, master-serial, slave-parallel, embedded-parallel, or embedded-serial. For more
information, see Section 27.4.1.
Time-out mask (TOM)—When TOM is clear, the time-out interrupt is enabled, so that if
CISR[FTO] is set, an interrupt request is sent to the interrupt controller. If TOM is set, the interrupt
is masked.
Receive-data-available mask (RDAVM)—Masks the interrupt requests that are asserted when a
receive-data-available condition occurs in any of the FIFOs, as indicated by CISR[RDAV_x]. If
RDAVM is clear, the interrupt is enabled, so that whenever a CISR[DAV_x] bit is set, an interrupt
request is sent to the interrupt controller. If RDAVM is set, the interrupt is masked.
FIFO-empty mask (FEM)—Masks the interrupt requests that are asserted when a FIFO empty
condition occurs in any of the FIFOs, as indicated by CISR[FEMPTY_x]. When FEM is clear, the
interrupt is enabled, so that whenever a CISR [FEMPTY_x] bit is set, an interrupt request is sent to
the interrupt controller. If FEM is set, the interrupt is masked.
End-of-line mask (EOLM)—Masks the interrupt requests that are asserted at the end of each line.
If EOLM is clear, the interrupt is enabled, so that whenever CISR[EOL] is set, an interrupt request
is sent to the interrupt controller. If EOLM is set, the interrupt is masked.
Setting EOLM does not affect the current state of CISR[EOL] or the quick capture interfaces
ability to set and clear CISR[EOL]. It simply blocks the generation of the interrupt request.
Parity-error mask (PERRM)—Masks the interrupt requests that are asserted when a multi-bit
error is detected in the embedded synchronization character. If PERRM is clear, the interrupt is
enabled, so that whenever CISR[PAR_ERR] is set, an interrupt request is sent to the interrupt
controller. When PERRM is set, the interrupt is masked.
Quick-disable mask (QDM)—Intended for use with sleep-mode shutdown. This bit masks the
interrupt requests that are asserted after ENB is cleared and the capture of the current pixel is
completed. New data acquisition stops immediately, and the current frame is not completed. If
QDM is clear, the interrupt is enabled, so that whenever the CISR[CQD] status bit is set, an
interrupt request is sent to the interrupt controller. If QDM is set, the interrupt is masked.
Setting QDM does not affect the current state of CISR[CQD] or the quick capture interface’s
ability to set and clear CISR[CQD]. It simply blocks the generation of the interrupt request.
27-26 Intel® PXA27x Processor Family Developer’s Manual
Quick Capture Interface
Quick capture interface disable-done mask (CDM)Masks the interrupt requests that are
asserted after the quick capture interface is disabled and the frame currently being captured has
completed. If CDM is clear, the interrupt is enabled, so that whenever the CISR[CDD] status bit is
set, an interrupt request is generated. If CDM is set, the interrupt is masked.
Setting CDM does not affect the current state of CISR[CDD] or the quick capture interface’s ability
to set and clear CISR[CDD]. It simply blocks the generation of the interrupt request.
Use this interrupt to ensure the quick capture interface has been disabled and that the current frame
being captured has completed.
Note: Clearing ENB forces a quick disable, and CISR[CDD] is not set. CDM applies only to regular
shutdowns using the disable (DIS) bit.
Start-of-frame mask (SOFM)—Masks interrupt requests that are asserted at the start of each
frame. If SOFM is clear, the interrupt is enabled, so that whenever CISR[SOF] is set, an interrupt
request is sent to the interrupt controller. If SOFM is set, the interrupt is masked.
Setting SOFM does not affect the current state of CISR[SOF] or the quick capture interface’s
ability to set and clear SOF. It simply blocks the generation of the interrupt request.
End-of-frame mask (EOFM)—Masks interrupt requests that are asserted at the end of each frame.
When EOFM is clear, the interrupt is enabled, so that whenever the CISR[EOF] status bit is set, an
interrupt request is sent to the interrupt controller. When EOFM is set, the interrupt is masked, so
that CISR[EOF] does not generate an interrupt.
Setting EOFM does not affect the current state of CISR[EOF] or the quick capture interface’s
ability to set and clear CISR[EOF]. It simply blocks the generation of the interrupt request.
FIFO overrun mask (FOM)—Masks interrupt requests that are asserted when a FIFO overrun
occurs in any of the FIFOs, as indicated by CISR[IFO_0], CISR[IFO_1], and CISR[IFO_2]. When
FOM is clear, the interrupt is enabled, so that whenever CISR[IFO_x] is set, an interrupt request is
sent to the interrupt controller. When FOM is set, the interrupt is masked, so that the CISR[IFO_x]
status bits do not generate interrupts.
This is a read/write register. Ignore reads from reserved bits. Write 0b0 to reserved bits.
Intel® PXA27x Processor Family Developer’s Manual 27-27
Quick Capture Interface
Table 27-24. CICR0 Bit Definitions (Sheet 1 of 2)
Physical Address
0x5000_0000 CICR0 Quick Capture Interface
User
Settings
Bit 31 30 29 28 27 26 25 24 23 22 21 20 19 18 17 16 15 14 13 12 11 10 9 8 7 6 5 4 3 2 1 0
DMA_EN
PAR_EN
SL_CAP_EN
ENB
DIS
SIM
reserved
TOM
RDAVM
FEM
EOLM
PERRM
QDM
CDM
SOFM
EOFM
FOM
Reset 0 0 0 0 0 0 0 0 ? ? ? ? ? ? ? ? ? ? ? ? ? ? 1 1 1 1 1 1 1 1 1 1
Bits Access Name Description
31 R/W DMA_EN
DMA Request Enable
0 = DMA requests disabled.
1 = DMA requests enabled.
30 R/W PAR_EN
Parity Enable
0 = Parity check disabled for embedded modes.
1 = Parity check enabled for embedded modes.
29 R/W SL_CAP_EN
Quick Capture Enable for Slave Mode
0 = Quick capture interface data capture disabled in slave mode.
1 = Quick capture interface actively captures data in slave mode.
28 R/W ENB
Quick Capture Interface Enable (and Quick Disable)
0 = Quick capture interface disabled.
1 = Quick capture interface enabled.
27 R/W DIS
Quick Capture Interface Disable
0 = Quick capture interface has not been programmed with the sequence
of being enabled and then subsequently disabled.
1 = Quick capture interface has been disabled, or is in the process of
disabling.
26:24 R/W SIM
Sensor interface Mode
0b000 = Master-parallel mode
0b001 = Slave-parallel mode
0b010 = Master-serial mode
0b011 = Embedded-parallel mode
0b100 = Embedded-serial mode
Others: reserved
23:10 — reserved
9R/WTOM
Time-Out Mask
0 = Time-out condition generates an interrupt.
1 = Time-out condition does not generate an interrupt.
8 R/W RDAVM
Receive-Data-Available Mask
0 = Receiver data available (trigger level reached) interrupt enabled.
1 = Receiver data available (trigger level reached) interrupt disabled.
7R/WFEM
FIFO-Empty Mask
0 = FIFO Empty condition generates an interrupt.
1 = FIFO Empty condition does not generate an interrupt.
6R/WEOLM
End-of-Line Mask
0 = CISR[EOL] can generates an interrupt
1 = CISR[EOL] does not generate an interrupt
27-28 Intel® PXA27x Processor Family Developer’s Manual
Quick Capture Interface
27.5.2 Quick Capture Interface Control Register 1 (CICR1)
CICR1, detailed in Table 27-26, defines the pixel format, color space, bits per pixel, data format,
precision control and the width of the interface between the quick capture interface and the image
sensor. All control bits in CICR1 must be programmed before setting CICR0[ENB].
Transparency bit (TBIT)—When conversion from RGB format to RGBT is enabled
(RGBT_CONV = 01 or 10), TBIT specifies the transparency. TBIT is ignored when conversion to
RGBT is not enabled.
RGBT Conversion (RGBT_CONV)—Specifies the type of conversion to be performed on RGB
data to generate RGBT data. Note that conversion to RGBT format is supported only for 24 bits per
pixel (RGB_BPP = 100 and RGB_CONV = 000) and 15 bits per pixel (RGB_BPP = 001 or
(RGB_BPP = 100 and RGB_CONV = 011). For all other settings, RGBT_CONV is ignored.
Pixels per line (PPL)—Specifies the number of pixels in each line or row of the frame. PPL is an
11-bit value that represents between 1 to 2048 pixels per line. Program PPL with the required
number of pixels per line minus 1. PPL is used by the quick capture interface in master and slave
modes to capture the correct number of pixels in a line.
5R/WPERRM
Parity-Error Mask
0 = CISR[PAR_ERR] can generate an interrupt.
1 = CISR[PAR_ERR] does not generate an interrupt.
4R/WQDM
Quick-Disable Mask
0 = CISR[CQD] can generate an interrupt.
1 = CISR[CQD] does not generate an interrupt.
3R/WCDM
Disable-Done Mask
0 = CISR[CDD] can generate an interrupt.
1 = CISR[CDD] does not generate an interrupt.
2R/WSOFM
Start-of-Frame Mask
0 = CISR[SOF] can generate an interrupt.
1 = CISR[SOF] does not generate an interrupt.
1R/WEOFM
End-of-Frame Mask
0 = CISR[EOF] can generate an interrupt.
1 = CISR[EOF] does not generate an interrupt.
0R/WFOM
FIFO Overrun Mask
0 = FIFO overrun errors generate interrupts.
1 = FIFO overrun errors do not generate interrupts.
Table 27-24. CICR0 Bit Definitions (Sheet 2 of 2)
Physical Address
0x5000_0000 CICR0 Quick Capture Interface
User
Settings
Bit 31 30 29 28 27 26 25 24 23 22 21 20 19 18 17 16 15 14 13 12 11 10 9 8 7 6 5 4 3 2 1 0
DMA_EN
PAR_EN
SL_CAP_EN
ENB
DIS
SIM
reserved
TOM
RDAVM
FEM
EOLM
PERRM
QDM
CDM
SOFM
EOFM
FOM
Reset 0 0 0 0 0 0 0 0 ? ? ? ? ? ? ? ? ? ? ? ? ? ? 1 1 1 1 1 1 1 1 1 1
Bits Access Name Description
Intel® PXA27x Processor Family Developer’s Manual 27-29
Quick Capture Interface
RGB bits-per-pixel conversion (RGB_CONV)—This bit field specifies the type of conversion to
be performed on RGB 8:8:8 pixel conversion. This field is used only when RGB color space is
selected by COLOR_SP field and RGB_BPP field is set for 24 bits per pixel. In all other settings,
the value of RGB_CONV is ignored. See Section 27.4.5.4 for more details.
RGB format (RGB_F)—When RGB Color space is selected (COLOR_SP = 01), and RGB_BPP
field is set for 24 bits (RGB_BPP = 100 and RGB_CONV = 000) or 18 bits (RGB_BPP = 011 or
(RGB_BPP = 100 and RGB_CONV = 001)) per pixel, RGB_F bit selects the format used for
storing the captured data. When RGB_F bit is set, pixel data is stored in a packed format. When
this bit is clear, the captured data is stored in unpacked format. Note that for settings other than
those mentioned above, RGB_F is ignored.
YCbCr format (YCBCR_F)—When YCbCr color space is selected (COLOR_SP = 10),
YCBCR_F bit selects the pixel format used for YCbCr data. If YCBCR_F is set, the captured data
is arranged in a planarized format. In this case each of the image component is stored in a separate
memory location. If YCBCR_F is clear, captured data is arranged in a packed format where each of
the components are stored as they are received. See Section 27.4.5.3 for more details.
Note: When YCbCr color space is selected, the quick capture interface supports only 8 bits per pixel.
RGB bits per pixel (RGB_BPP)—When RGB color space is selected (COLOR_SP = 01),
RGB_BPP specifies the number of bits per pixel.
Raw bits per pixel (RAW_BPP)—When raw color space is selected (COLOR_SP = 00),
RAW_BPP specifies the number of bits per pixel.
Color space (COLOR_SP)—Specifies the color space used for the image data. The supported
color spaces are RAW, RGB and YCbCr.
Data width (DW)—The image sensor can interface with the quick capture interface using a data
width of 4 bits, 5 bits, 8 bits, 9 bits, or 10 bits, based on the mode of operation. Table 27-25 lists the
number of bits per pixel (BPP) that are compatible with the data width for each mode of operation.
This is a read/write register. Ignore reads from reserved bits. Write 0b0 to reserved bits.
Table 27-25. Data Width/Bits per Pixel Compatibility
Mode of Operation Data Width, Bits
458910
Master-Parallel (MP) all all all
Master-Serial (MS) 8 bpp 10 bpp
Slave-Parallel (SP) all all all
Embedded-Parallel (EP) all
Embedded-Serial (ES) 8 bpp
27-30 Intel® PXA27x Processor Family Developer’s Manual
Quick Capture Interface
Table 27-26. CICR1 Bit Definitions (Sheet 1 of 2)
Physical Address
0x5000_0004 CICR1 Quick Capture Interface
User
Settings
Bit 31 30 29 28 27 26 25 24 23 22 21 20 19 18 17 16 15 14 13 12 11 10 9 8 7 6 5 4 3 2 1 0
TBIT
RGBT_CONV
reserved
PPL
RGB_CONV
RGB_F
YCBCR_F
RGB_BPP
RAW_BPP
COLOR_SP
DW
Reset 0 0 0 ? ? ? 0 0 0 0 0 0 0 0 0 0 0 0 0 0 0 0 0 0 0 0 0 0 0 0 0 0
Bits Access Name Description
31 R/W TBIT
Transparency Bit
0 = Transparency bit of 0 is inserted if RGBT conversion is selected
1 = Transparency bit of 1 is inserted if RGBT conversion is selected
30:29 R/W RGBT_CONV
RGBT Conversion
00 = No conversion to RGBT
01 = From RGB 8:8:8 to RGBT 8:8:8
10 = From RGB 5:5:5 to RGBT 5:5:5
11 = reserved
28:26 — reserved
25:15 R/W PPL
Pixels per Line for the Frame
Value from 0 through 2047. PPL specifies the number of pixels contained
within each line of the image. Actual pixels per line = PPL+1.
14:12 R/W RGB_CONV
RGB Bits per Pixel Conversion
000 = No conversion from RGB 8:8:8
001 = From RGB 8:8:8 to RGB 6:6:6
010 = From RGB 8:8:8 to RGB 5:6:5
011 = From RGB 8:8:8 to RGB 5:5:5
100 = From RGB 8:8:8 to RGB 4:4:4
Others: reserved
11 R/W RGB_F
RGB Format
0 = Unpacked format
1 = Packed format
10 R/W YCBCR_F
YCbCr Format
0 = Packed format
1 = Planarized format
9:7 R/W RGB_BPP
RGB Bits per Pixel
000 = 12 bits per pixel (4:4:4)
001 = 15 bits per pixel (5:5:5)
010 = 16 bits per pixel (5:6:5)
011 = 18 bits per pixel (6:6:6)
100 = 24 bits per pixel (8:8:8)
Others: reserved
Intel® PXA27x Processor Family Developer’s Manual 27-31
Quick Capture Interface
6:5 R/W RAW_BPP
Raw Bits per Pixel
00 = 8 bits per pixel
01 = 9 bits per pixel
10 = 10 bits per pixel
11 = reserved
4:3 R/W COLOR_SP
Color Space
00 = Raw
01 = RGB
10 = YCbCr
11 = reserved
2:0 R/W DW
Data Width
000 = 4 bits wide data from the sensor
001 = 5 bits wide data from the sensor
010 = 8 bits wide data from the sensor
011 = 9 bits wide data from the sensor
100 = 10 bits wide data from the sensor
Others: reserved
Table 27-26. CICR1 Bit Definitions (Sheet 2 of 2)
Physical Address
0x5000_0004 CICR1 Quick Capture Interface
User
Settings
Bit 31 30 29 28 27 26 25 24 23 22 21 20 19 18 17 16 15 14 13 12 11 10 9 8 7 6 5 4 3 2 1 0
TBIT
RGBT_CONV
reserved
PPL
RGB_CONV
RGB_F
YCBCR_F
RGB_BPP
RAW_BPP
COLOR_SP
DW
Reset 0 0 0 ? ? ? 0 0 0 0 0 0 0 0 0 0 0 0 0 0 0 0 0 0 0 0 0 0 0 0 0 0
Bits Access Name Description
27-32 Intel® PXA27x Processor Family Developer’s Manual
Quick Capture Interface
27.5.3 Quick Capture Interface Control Register 2 (CICR2)
CICR2, detailed in Table 27-27, defines the wait counts at the beginning and end of a line, width of
horizontal sync signal and number of frames to skip at the beginning of a frame sequence.
Beginning-of-line pixel clock wait count (BLW)—Specifies the number of pixel clocks to wait
from the active edge of CIF_LV before starting the data capture. This wait count is used for both
master and slave modes of operation. BLW generates a wait period ranging from 0 to 255 pixel
clock cycles.
End-of-line pixel clock wait count (ELW)This 8-bit field specifies the number of pixel clocks
to wait at the end of each line or row of pixels before pulsing the CIF_LV pin in slave mode. This
field is not used when the quick capture interface is in master mode of operation. Program ELW
with the required wait count minus 1. The resulting wait period ranges from 1 to 255 pixel clock
cycles.
Horizontal sync width (HSW)—This 6-bit field specifies the pulse width (in CIF_PCLK cycles)
of CIF_LV in slave mode. This field is not used when quick capture interface is in master mode of
operation. CIF_LV is asserted each time quick capture interface begins to capture a line or row of
pixels. HSW can be programmed to generate a CIF_LV width ranging from 1 to 64 pixel clock
periods. Users must program HSW with the required number of pixel clocks minus one. Also note
that the polarity (active and inactive state) of the CIF_LV pin is programmed using the horizontal
sync polarity (HSP) bit in CICR4.
Beginning-of-frame pixel clock wait count (BFPW)—This 6-bit field specifies the delay between
the assertion of CIF_FV and CIF_LV in slave mode. BFPW generates a delay ranging from 1 to 64
pixel clock cycles. Users must program BFPW with the preferred number of pixel clocks minus
one.
Frame stabilization wait count (FSW)—This 3-bit field is used in slave mode only to specify the
number of frames before the sensor starts sending valid frames. The quick capture interface starts
capturing data only after FSW count has elapsed. FSW count generates a wait period ranging from
0 to 7 frames.
This is a read/write register. Ignore reads from reserved bits. Write 0b0 to reserved bits.
Intel® PXA27x Processor Family Developer’s Manual 27-33
Quick Capture Interface
27.5.4 Quick Capture Interface Control Register 3 (CICR3)
CICR3, detailed in Table 27-28, defines the wait counts at the beginning and end of a frame, width
of vertical sync signal, and number of lines per frame.
Beginning-of-frame line clock wait count (BFW)—This 8-bit field specifies the number of line
clocks (CIF_LV) to wait at the beginning of each frame. The BFW count starts after the CIF_FV
signal is asserted for a new frame. After CIF_FV assertion, the value in BFW counts the number of
line clock periods to wait before starting the frame capture. BFW generates a wait period ranging
from 0 to 255 extra line clock cycles (BFW = 0x00 disables the wait count). BFW is used by the
quick capture interface in both master and slave modes of operation to delay the data capture. Note
that the line clock signal, CIF_LV, does toggle during the generation of the BFW line-clock wait
periods. BFW count is not used in embedded mode (internal synchronization).
End-of-frame line clock wait count (EFW)—This 8-bit field specifies the number of line clocks
(CIF_LV) to wait at the end of each frame when the quick capture interface is operating in slave
mode. Once a complete frame of pixels is captured by quick capture interface (as indicated by
pixels-per-line and lines-per-frame counters), the value in EFW counts the number of line-clock
periods to wait. After the count has elapsed, the CIF_FV signal is pulsed to start the next frame
capture. EFW generates a wait period ranging from 0 to 255 line clock cycles (setting EFW = 0x00
Table 27-27. CICR2 Bit Definitions
Physical Address
0x5000_0008 CICR2 Quick Capture Interface
User
Settings
Bit 31 30 29 28 27 26 25 24 23 22 21 20 19 18 17 16 15 14 13 12 11 10 9 8 7 6 5 4 3 2 1 0
BLW ELW HSW
reserved
BFPW FSW
Reset 0 0 0 0 0 0 0 0 0 0 0 0 0 0 0 0 0 0 0 0 0 0 ? 0 0 0 0 0 0 0 0 0
Bits Access Name Description
31:24 R/W BLW
Beginning-of-Line Pixel Clock Wait Count
Allowed values are 0 to 255. Specifies the delay from active edge of CIF_LV
to the first valid data at the interface, in terms of pixel clock periods.
23:16 R/W ELW
End-of-Line Pixel Clock Wait Count
Allowed values are 0 to 255. ELW + 1 specifies the number of pixel clock
periods to wait after the end of a line, before beginning the next line.
15:10 R/W HSW
Horizontal Sync Pulse Width
Allowed values are 0 to 63. In slave mode, HSW + 1 specifies the number
of pixel clock periods to pulse CIF_LV at the beginning of each line. CIF_LV
pulse width = (HSW+1).
9 — reserved
8:3 R/W BFPW
Beginning-of-Frame Pixel Clock Wait Count
Allowed values are 0 to 63. In slave mode, BFPW +1 specifies the number
of pixel clock periods to wait from CIF_FV before asserting CIF_LV.
2:0 R/W FSW
Frame Stabilization Wait Count
Value from 0 through 7. In slave mode, specifies the number of frame clock
periods to wait before valid data is sent out by the sensor.
27-34 Intel® PXA27x Processor Family Developer’s Manual
Quick Capture Interface
disables the EOF wait count). Note that the line clock pin, CIF_LV, does not toggle during the
generation of the EFW line clock periods. EFW is not used if quick capture interface is operating in
master mode.
Vertical sync pulse width (VSW)—This 5-bit field specifies the width of CIF_FV in slave mode.
This field is not used when the quick capture interface is in master mode of operation. CIF_FV is
asserted each time quick capture interface begins to capture a frame. VSW can be programmed to
generate a CIF_FV width ranging from 1 to 32 pixel clock periods. Program VSW with the
required number of pixel clocks minus one. Also note that the polarity (active and inactive state) of
the line clock pin is programmed using CICR4[VSP].
Lines per frame (LPF)—This 11-bit field specifies the number of lines in one frame of data.
This is a read/write register. Ignore reads from reserved bits. Write 0b0 to reserved bits.
27.5.5 Quick Capture Interface Control Register 4 (CICR4)
CICR4, defined in Table 27-29, contains different bit fields to control various functions within the
quick capture interface.
Note: Before changing the state of any field within this register, disable the quick capture interface by
clearing CICR0[ENB]. CICR0[DIS] may also be used to disable the quick capture interface.
Note: Clearing both MCLK_EN and PCLK_EN is an invalid clock configuration. No data is captured by
the capture interface when both are clear.
Table 27-28. CICR3 Bit Definitions
Physical Address
0x5000_000C CICR3 Quick Capture Interface
User
Settings
Bit 31 30 29 28 27 26 25 24 23 22 21 20 19 18 17 16 15 14 13 12 11 10 9 8 7 6 5 4 3 2 1 0
BFW EFW VSW LPF
Reset 0 0 0 0 0 0 0 0 0 0 0 0 0 0 0 0 0 0 0 0 0 0 0 0 0 0 0 0 0 0 0 0
Bits Access Name Description
31:24 R/W BFW
Beginning-of-Frame Line Clock Wait Count
Allowed values are 0 to 255. Specifies the number of line clock periods to
wait at the beginning of a frame before the first set of pixels are captured.
23:16 R/W EFW
End-of-Frame Line Clock Wait Count
Allowed values are 0 to 255. In slave mode, specifies the number of line
clock periods to add to the end of each frame.
15:11 R/W VSW
Vertical Sync Pulse Width
Allowed values are 0 through 31. In slave mode, VSW + 1 specifies the
number of pixel clock periods to pulse the CIF_FV pin at the beginning of
each frame.
CIF_FV pulse width = (VSW+1).
10:0 R/W LPF
Lines per Frame
Allowed values are 0 to 2047. LPF+1 specifies the number of lines per
frame.
Lines/frame = (LPF+1).
Intel® PXA27x Processor Family Developer’s Manual 27-35
Quick Capture Interface
Master Clock Data Capture Delay (MCLK_DLY)—When the sensor uses an MCLK supplied by
the capture interface but does not supply a pixel clock to capture interface, the master clock data
capture delay (MCLK_DLY) specifies the number of CICLK cycles to wait from the active edge of
MCLK (as specified by pixel clock polarity, PCP) before sampling the pixel data. MCLK_DLY
delays the data sampling only when CICR4[MCLK_EN] is set and CICR4[PCLK_EN] is clear. For
other settings of MCLK_EN and PCLK_EN, the MCLK_DLY value is ignored. Programming the
MCLK_DLY value allows software to compensate for the data skew from MCLK when the sensor
does not supply a pixel clock.
Pixel clock enable (PCLK_EN)—Specifies whether or not the sensor is supplying a pixel clock to
the quick capture interface. When the sensor does not supply a pixel clock to quick capture
interface, PCLK_EN must be clear. The quick capture interface uses MCLK to clock in pixel data.
This bit needs to be set if the sensor supplies a pixel clock.
Pixel clock polarity (PCP)—Selects which edge of the pixel clock samples data on the CIF_DD
data pins. When PCP is clear, data is sampled on the CIF_DD data pins on the rising edge of
CIF_PCLK. When PCP is set, data is sampled on the CIF_DD data pins on the falling edge of
CIF_PCLK.
Horizontal sync polarity (HSP)—Selects the active and inactive states of the line valid signal
(CIF_LV). When HSP is set, CIF_LV is active high and inactive low. When HSP is clear, CIF_LV
is active low and inactive high. This polarity control applies in both master and slave modes of
operation.
Vertical sync polarity (VSP)—Selects the active and inactive states of the frame valid signal
(CIF_FV). When VSP is clear, CIF_FV is active high and inactive low. When VSP is set, CIF_FV
is active low and inactive high. This polarity control applies in both master and slave modes of
operation.
Master clock enable (MCLK_EN)—Clock enable for CIF_MCLK supplied by the quick capture
interface to the sensor. MCLK_EN needs to be set to supply the clock at the rate specified by
CICR4[DIV]. Turn off CIF_MCLK by clearing MCLK_EN.
Frame capture rate (FR_RATE)—Defines the rate at which the incoming frames are captured by
the quick capture interface. By programming this field, users can capture frames at a rate lower
than the output rate of the sensor.
Clock divisor (DIV)—Selects the frequency of the master clock (CIF_MCLK) supplied to the
image sensor. DIV can be of any value from 0 to 255 and generates a range of MCLK frequencies
from CICLK/2 to CICLK/512, where CICLK is the clock input to the capture interface. CICLK is
the same frequency as the internal LCD clock. The master clock frequency is: determined by:.
This is a read/write register. Ignore reads from reserved bits. Write 0b0 to reserved bits.
MCLK CICLK
2DIV 1+()
----------------------------=
27-36 Intel® PXA27x Processor Family Developer’s Manual
Quick Capture Interface
Table 27-29. CICR4 Bit Definitions
Physical Address
0x5000_0010 CICR4 Quick Capture Interface
User
Settings
Bit 31 30 29 28 27 26 25 24 23 22 21 20 19 18 17 16 15 14 13 12 11 10 9 8 7 6 5 4 3 2 1 0
reserved
MCLK_DLY
PCLK_EN
PCP
HSP
VSP
MCLK_EN
reserved FR_RATE DIV
Reset ? ? ? ? ? ? ? ? 0 0 0 0 0 ? ? ? ? ? ? ? ? 0 0 0 0 0 0 0 0 0 0 0
Bits Access Name Description
31:27 — reserved
26:24 R/W MCLK_DLY
MCLK Data Capture Delay
Value (from 0 to 7) specifies the delay from MCLK active edge to the pixel
data-sampling point in terms of CICLK cycles.
23 R/W PCLK_EN
Pixel Clock Enable
0 = CIF_PCLK is not supplied by the sensor.
1 = CIF_PCLK is supplied by the sensor.
22 R/W PCP
Pixel Clock Polarity
0 = Data is sampled on the quick capture interface’s data pins on the
rising edge of CIF_PCLK.
1 = Data is sampled on the quick capture interface’s data pins on the
falling edge of CIF_PCLK.
21 R/W HSP
Horizontal Sync Polarity
0 = CIF_LV pin is active high and inactive low.
1 = CIF_LV pin is active low and inactive high.
20 R/W VSP
Vertical Sync Polarity
0 = CIF_FV pin is active high and inactive low.
1 = CIF_FV pin is active low and inactive high.
19 R/W MCLK_EN
MCLK Enable
0 = MCLK is not supplied by quick capture interface to the sensor.
1 = MCLK is supplied by quick capture interface to the sensor.
18:11 — reserved
10:8 R/W FR_RATE
Frame Capture Rate
0b000 = Capture all incoming frames.
0b001 = Capture 1 out of every 2 frames.
0b010 = Capture 1 out of every 3 frames.
0b011 = Capture 1 out of every 4 frames.
0b100 = Capture 1 out of every 5 frames.
0b101 = Capture 1 out of every 6 frames.
0b110 = Capture 1 out of every 7 frames.
0b111 = Capture 1 out of every 8 frames.
7:0 R/W DIV
Clock Divisor
Value from 0 to 255. Specifies the frequency of the clock supplied to the
sensor MCLK. CICLK is the same frequency as the internal LCD clock.
MCLK Clock Frequency = CICLK/2(DIV+1).
Intel® PXA27x Processor Family Developer’s Manual 27-37
Quick Capture Interface
27.5.6 Quick Capture Interface Time-Out Register (CITOR)
CITOR, defined in Table 27-30, contains the time-out value used to specify the period of inactivity
in the quick capture interface FIFOs in the number of CICLK cycles.
The TIMEOUT field sets the time-out interval described in Section 27.4.4.4. When the
CITOR[TIMEOUT] value is 0, no time-out occurs, and CISR[FTO] is not set. The time-out
interval is given by the equation:
This is a read/write register. Ignore reads from reserved bits. Write 0b0 to reserved bits.
27.5.7 Quick Capture Interface Status Register (CISR)
CISR, defined in Table 27-31, contains status flag bits for hardware-detected events. Unless
masked, each of these status bits signals an interrupt request to the interrupt controller for as long
as the bit remains set. When the status bit is cleared, the interrupt is cleared.
To clear a CISR status bit, write 0b1 to it. Writing 0b0 to a status bit has no effect.
To mask the interrupt generated by a CISR status bit, refer to register CICR0, which contains the
masks; see Section 27.5.1.
FIFO time-out (FTO)—When set, the quick capture interface FIFO has been idle (no samples
received) for a period of time defined by the value programmed in register CITOR. To mask this
interrupt, set CICR0[TOM].
Receive data available (RDAV_2, RDAV_1, RDAV_0)—When set, the corresponding FIFO’s
threshold level has been reached. Threshold levels for the channel 1 and channel 2 FIFOs are fixed
(see Section 27.4.4.2). To program the threshold level for the channel 0 FIFO, use CIFR[THL_0].
To enable or mask the interrupt generated by these bits, use CICR0[RDAVM].
FIFO empty (FEMPTY_2, FEMTPY_1, FEMTPY_0)—When set, DMA has finished transferring
all the contents of the respective channel’s FIFO. To mask this interrupt, set CICR0[FEM].
End of line (EOL)—When set, the quick capture interface has finished capturing all pixels in a
line. To enable or mask the interrupt generated by this bit, use CICR0[EOLM].
Time outinterval CITOR TIMEOUT[]
CICLK frrequency
----------------------------------------------------=
Table 27-30. CITOR Bit Definitions
Physical Address
0x5000_001C CITOR Quick Capture Interface
User
Settings
Bit 31 30 29 28 27 26 25 24 23 22 21 20 19 18 17 16 15 14 13 12 11 10 9 8 7 6 5 4 3 2 1 0
TIMEOUT
Reset 0 0 0 0 0 0 0 0 0 0 0 0 0 0 0 0 0 0 0 0 0 0 0 0 0 0 0 0 0 0 0 0
Bits Access Name Description
31:0 R/W TIMEOUT
Time-Out
Value from 0 through (231 – 1) that defines the time-out interval. See the
equation given in Section 27.5.6.
27-38 Intel® PXA27x Processor Family Developer’s Manual
Quick Capture Interface
Parity error (PAR_ERR)—In embedded synchronization modes, and if parity checking is enabled
(CICR0[PAR_EN] set), PAR_ERR is set when a multi-bit error is detected in the synchronization
character. For more information, see CICR0[PAR_EN] in Section 27.5.1. To mask this interrupt,
set CICR0[PERRM].
Quick capture interface quick disable (CQD)—Set when CICR0[ENB] has been cleared to
disable the quick capture interface quickly. When CQD is set, the quick capture interface stops
capturing data and quits driving the quick capture interface pins. The DMA controller and the core
can still read the FIFOs. The core can still access the quick capture interface control and status
registers.
This disabling method allows quick entry into sleep and deep-sleep modes. Monitor CQD to ensure
that the quick capture interface is disabled. To enable this interrupt, set CICR0[QDM].
Quick capture interface disable done (CDD)—Set after CICR0[DIS] has been set to disable the
quick capture interface in an orderly manner and after capture of the last frame has finished. When
CDD is set, the quick capture interface stops capturing data and stops driving the quick capture
interface pins. The DMA controller and the core can still read the FIFOs. The core can still access
the quick capture interface control and status registers.
This disabling method allows orderly entry into sleep and deep-sleep modes. Software can monitor
CDD and FEMPTY_x to ensure that the last frame has been transferred from quick capture
interface. To enable or mask the interrupt generated by this bit, use CICR0[CDM].
Start of frame (SOF)—Set when the quick capture interface detects the start of a frame. To mask
this interrupt, set CICR0[SOFM].
End of frame (EOF)—Set when the quick capture interface has finished capturing all lines in a
frame. To mask this interrupt, set CICR0[EOFM].
Input FIFO overrun (IFO_2, IFO_1, IFO_0)—When set, an overrun condition has occurred in
the respective input FIFO. The overrun happens when the FIFO is full and an attempt is made to
write a new sample to the FIFO. This new sample and following data samples are not loaded into
the FIFO. To mask this interrupt, set CICR0[FOM].
Intel® PXA27x Processor Family Developer’s Manual 27-39
Quick Capture Interface
Table 27-31. CISR Bit Definitions (Sheet 1 of 2)
Physical Address
0x5000_0014 CISR Quick Capture Interface
User
Settings
Bit 31 30 29 28 27 26 25 24 23 22 21 20 19 18 17 16 15 14 13 12 11 10 9 8 7 6 5 4 3 2 1 0
reserved
FTO
RDAV_2
RDAV_1
RDAV_0
FEMPTY_2
FEMPTY_1
FEMPTY_0
EOL
PAR_ERR
CQD
CDD
SOF
EOF
IFO_2
IFO_1
IFO_0
Reset ? ? ? ? ? ? ? ? ? ? ? ? ? ? ? ? 0 0 0 0 0 0 0 0 0 0 0 0 0 0 0 0
Bits Access Name Description
31:16 — reserved
15 R/WCFTO
FIFO Time-Out
0 = FIFO time-out has not occurred.
1 = FIFO time-out has occurred.
14 R/WCRDAV_2
Channel 2 Receive Data Available
0 = Received data is not available in channel 2 FIFO.
1 = Received data is available in channel 2 FIFO.
13 R/WCRDAV_1
Channel 1 Receive Data Available
0 = Received data is not available in channel 1 FIFO.
1 = Received data is available in channel 1 FIFO.
12 R/WCRDAV_0
Channel 0 Receive Data Available
0 = Received data is not available in channel 0 FIFO.
1 = Received data is available in channel 0 FIFO.
11 R/WCFEMPTY_2
Channel 2 FIFO Empty
0 = Channel 2 FIFO is not empty.
1 = Channel 2 FIFO is empty.
10 R/WCFEMPTY_1
Channel 1 FIFO Empty
0 = Channel 1 FIFO is not empty.
1 = Channel 1 FIFO is empty.
9R/WC
FEMPTY_0
Channel 0 FIFO Empty
0 = Channel 0 FIFO is not empty.
1 = Channel 0 FIFO is empty.
8R/WC
EOL
End of Line
0 = Quick capture interface has not received an end-of-line.
1 = Quick capture interface has received an end-of-line.
7R/WC
PAR_ERR
Parity Error
0 = No multi-bit parity error is detected in the embedded sync
character.
1 = Multi-bit parity error is detected in the embedded sync character.
6R/WC
CQD
Quick Capture Interface Quick Disable
0 = The quick capture interface has not been quick-disabled.
1 = The quick capture interface has been quick-disabled by clearing
CICR0[ENB].
5R/WC
CDD
Quick Capture Interface Disable Done
0 = The quick capture Interface has not been disabled.
1 = The quick capture interface has been disabled and the active frame
has completed.
4R/WC
SOF
Start of Frame
0 = The quick capture interface has not received a start of frame.
1 = The quick capture interface has received a start of frame.
27-40 Intel® PXA27x Processor Family Developer’s Manual
Quick Capture Interface
27.5.8 Quick Capture Interface FIFO Control Register (CIFR)
CIFR, defined in Table 27-32, contains bits that control the behavior of the input FIFOs and bit
fields that indicate the number of bytes in the FIFOs.
FIFO level (FLVL0, FLVL1, FLVL2)—Each bit field indicates the number of bytes in the FIFO
for the corresponding channel. Software can poll the FLVLx values to determine the number of
bytes remaining to be read in each of the FIFOs.
Threshold level for channel 0 (THL_0)—Specifies the input FIFO level that can trigger a DMA
service request for channel 0. If CICR0[DMAEN] is set, DMA service requests are issued when
the FIFO trigger levels are reached.
Reset input FIFO (RESETF)When set, the FIFO pointers of all three FIFOs are reset. This bit
is automatically cleared after resetting the pointers.
FIFO enable (FEN0, FEN1, FEN2)—When set, each of these bits enables the FIFO for the
corresponding channel. Only the planarized YCbCr mode of operation requires that all three FIFOs
be enabled (see Section 27.4.4 for information on FIFO usage). In this mode, the channel 0 FIFO
holds the Y component, the channel 1 FIFO holds the Cb component, and the channel 2 FIFO holds
the Cr component. All other modes use only the channel 0 FIFO to hold captured data.
NOTE: The programming of the FIFO enable bits FEN0, FEN1, and FEN2 is no longer required.
The appropriate FIFOs are automatically enabled and utilized based on the programmed mode.
3R/WC
EOF
End of Frame
0 = The capture Interface has not received an end of frame.
1 = The capture Interface has received an end of frame.
2R/WC
IFO_2
FIFO Overrun for Channel 2
0 = Overrun has not occurred in channel 2.
1 = Channel 2 input FIFO is full, and an attempts is made to write a
new sample to the FIFO
1R/WC
IFO_1
FIFO Overrun for Channel 1
0 = Overrun has not occurred in channel 1.
1 = Channel 1 input FIFO is full, and an attempts is made to write a
new sample to the FIFO
0R/WC
IFO_0
FIFO Overrun for Channel 0
0 = Overrun has not occurred in channel 0.
1 = Channel 0 input FIFO is full, and an attempts is made to write a
new sample to the FIFO
To clear this bit, write 0b1 to it.
Table 27-31. CISR Bit Definitions (Sheet 2 of 2)
Physical Address
0x5000_0014 CISR Quick Capture Interface
User
Settings
Bit 31 30 29 28 27 26 25 24 23 22 21 20 19 18 17 16 15 14 13 12 11 10 9 8 7 6 5 4 3 2 1 0
reserved
FTO
RDAV_2
RDAV_1
RDAV_0
FEMPTY_2
FEMPTY_1
FEMPTY_0
EOL
PAR_ERR
CQD
CDD
SOF
EOF
IFO_2
IFO_1
IFO_0
Reset ? ? ? ? ? ? ? ? ? ? ? ? ? ? ? ? 0 0 0 0 0 0 0 0 0 0 0 0 0 0 0 0
Bits Access Name Description
Intel® PXA27x Processor Family Developer’s Manual 27-41
Quick Capture Interface
This is a read/write register. Ignore reads from reserved bits. Write 0b0 to reserved bits.
Table 27-32. CIFR Bit Definitions
Physical Address
0x5000_0018 CIFR Quick Capture Interface
User
Settings
Bit 31 30 29 28 27 26 25 24 23 22 21 20 19 18 17 16 15 14 13 12 11 10 9 8 7 6 5 4 3 2 1 0
reserved
FLVL2
FLVL1
FLVL0
reserved
THL_0
RESETF
FEN2
FEN1
FEN0
Reset ? ? 0 0 0 0 0 0 0 0 0 0 0 0 0 0 0 0 0 0 0 0 0 0 ? ? 0 0 0 0 0 0
Bits Access Name Description
31:30 — reserved
29:23 R FLVL2
FIFO 2 Level
Value from 0 through 64 indicates the number of bytes in the channel 2
FIFO.
22:16 R FLVL1
FIFO 1 Level
Value from 0 through 64 indicates the number of bytes in the channel 1
FIFO.
15:8 R FLVL0
FIFO 0 Level
Value from 0 through 128 indicates the number of bytes in the channel 0
FIFO.
7:6 — reserved
5:4 R/W THL_0
Threshold Level for Channel 0 FIFO
0b00 = 32 bytes or more in FIFO_0 causes a DMA request.
0b01 = 64 bytes or more in FIFO_0 causes a DMA request.
0b10 = 96 bytes or more in FIFO_0 causes a DMA request.
0b11 = reserved
3 R/W RESETF
Reset input FIFOs
0 = No effect.
1 = Input FIFOs are cleared. After clearing, this bit is automatically
cleared.
2R/WFEN2
FIFO Enable for channel 2
0 = FIFO not enabled for channel 2.
1 = FIFO enabled for channel 2.
NOTE: The programming of FEN2 is no longer required. The FIFO is
automatically enabled and utilized based on the programmed mode.
1R/WFEN1
FIFO Enable for Channel 1
0 = FIFO not enabled for channel 1.
1 = FIFO enabled for channel 1.
NOTE: The programming of FEN1 is no longer required. The FIFO is
automatically enabled and utilized based on the programmed mode.
0R/WFEN0
FIFO Enable for Channel 0
0 = FIFO not enabled for channel 0.
1 = FIFO enabled for channel 0.
NOTE: The programming of FEN0 is no longer required. The FIFO is
automatically enabled and utilized based on the programmed mode.
27-42 Intel® PXA27x Processor Family Developer’s Manual
Quick Capture Interface
27.5.9 Quick Capture Interface Receive Buffer Registers (CIBRx)
CIBRx holds the data word pointed to by the read pointer of the channel x FIFO, where x
corresponds to channel 0, 1, or 2.
Four bytes (byte 3 through byte 0) of the channel x FIFO entry can be read from the CIBRx
location before the read pointer is incremented to point to the next FIFO entry.
These are read-only registers. Writes to these registers may cause a target abort.
c
Table 27-33. CIBR0/1/2 Bit Definitions
Physical Address
0x5000_0028
0x5000_0030
0x5000_0038
CIBR0
CIBR1
CIBR2
Quick Capture Interface
User
Settings
Bit 31 30 29 28 27 26 25 24 23 22 21 20 19 18 17 16 15 14 13 12 11 10 9 8 7 6 5 4 3 2 1 0
Byte 3 Byte 2 Byte 1 Byte 0
Reset 0 0 0 0 0 0 0 0 0 0 0 0 0 0 0 0 0 0 0 0 0 0 0 0 0 0 0 0 0 0 0 0
Bits Access Name Description
31:24 R Byte 3 Byte 3 of the captured data in channel x, where x = CIBRx
23:16 R Byte 2 Byte 2 of the captured data in channel x, where x = CIBRx
15:8 R Byte 1 Byte 1 of the captured data in channel x, where x = CIBRx
7:0 R Byte 0 Byte 0 of the captured data in channel x, where x = CIBRx
Intel® PXA27x Processor Family Developer’s Manual 27-43
Quick Capture Interface
27.6 Register Summary
Table 27-34 summarizes the registers and memory mapping associated with the quick capture
interface.
These registers must be mapped as non-cacheable and non-bufferable. They can be accessed only
with word accesses. They are grouped together in one page and, therefore, all have the same
memory protections.
Table 27-34. Quick Capture Interface Register Summary
Physical
Address Name Description Page
0x5000_0000 CICR0 Quick Capture Interface Control register 0 27-24
0x5000_0004 CICR1 Quick Capture Interface Control register 1 27-28
0x5000_0008 CICR2 Quick Capture Interface Control register 2 27-32
0x5000_000C CICR3 Quick Capture Interface Control register 3 27-33
0x5000_0010 CICR4 Quick Capture Interface Control register 4 27-34
0x5000_0014 CISR Quick Capture Interface Status register 27-37
0x5000_0018 CIFR Quick Capture Interface FIFO Control register 27-40
0x5000_001C CITOR Quick Capture Interface Time-Out register 27-37
0x5000_0020 –
0x5000_0024 reserved
0x5000_0028 CIBR0 Quick Capture Interface Receive Buffer register 0 (channel 0) 27-42
0x5000_002C reserved
0x5000_0030 CIBR1 Quick Capture Interface Receive Buffer register 1 (channel 1) 27-42
0x5000_0034 reserved
0x5000_0038 CIBR2 Quick Capture Interface Receive Buffer register 2 (channel 2) 27-42
0x5000_003C–
0x53FF_FFFC reserved
27-44 Intel® PXA27x Processor Family Developer’s Manual
Quick Capture Interface
Intel® PXA27x Processor Family Developer’s Manual 28-1
Memory Map and Registers 28
This chapter describes the memory-mapped and coprocessor registers available in the PXA27x
processor, as follows:
Section 28.1 — Overview
Section 28.2 — System Bus Unit Registers
Section 28.3 — Peripheral Module Registers
28.1 Overview
This chapter describes the physical address map, memory-mapped registers, and coprocessor
registers of the PXA27x processor. Software can use the memory management unit included in the
Intel XScale® core to map these into a specific virtual address map as required.
The following diagrams describe the top-level memory map and decoding:
Figure 28-1 shows the physical address map decode regions.
Figure 28-2 shows the summary memory map for region 0x0000_0000–0x7FFF_FFFF.
Figure 28-3 shows the summary memory map for region 0x8000_0000–0xFFFF_FFFF.
Note: Accessing reserved portions of the memory map shown in Figure 28-2 and Figure 28-3 results in a
data-abort exception. Accessing reserved portions of a particular peripheral’s address space does
not cause a data-abort exception, but the data returned is undefined.
The PC Card interface is divided into Socket 0 and Socket 1 space. These two partitions are each
subdivided into I/O, memory, and attribute space. Each socket is allocated 256 Mbytes of memory
space.
Figure 28-1. Physical Address Map Decode Regions
Block Decode
(64 Blocks, 64 Mbyte
each)
Unit Decode (64 Units,
1 Mbyte each)
PXA27x processor: bits
24 and 25 always 0b0
Sub-Unit Decode (1 Mbyte); for the PXA27x processor: bits 19-11 always ze
ro
3
130 29 28 27 26 25 24 23 22 21 20 19 18 17 16 15 14 13 12 11 10 9 8 7 6 5 4 3 2 1 0
28-2 Intel® PXA27x Processor Family Developer’s Manual
Memory Map and Registers
Figure 28-2. Memory Map—0x0000_0000–0x7FFF_FFFF
reserved (64 Mbyte)
Static Chip Select 0 (64 Mbyte)
Peripherals memory-mapped registers
PC Card/CompactFlash Slot 0 (256 Mbyte)
Static Chip Select 2 (64 Mbyte)
Static Chip Select 1 (64 Mbyte)
Static Chip Select 3 (64 Mbyte)
Static Chip Select 4 (64 Mbyte)
Static Chip Select 5 (64 Mbyte)
reserved (64 Mbyte)
reserved (64 Mbyte)
reserved (64 Mbyte)
reserved (64 Mbyte)
reserved (64 Mbyte)
reserved (64 Mbyte)
Internal memory storage (256 Kbyte)
reserved (64 Mbyte)
LCD memory-mapped registers
Memory controller memory-mapped registers
USB host memory-mapped registers
reserved (64 Mbyte)
reserved (64 Mbyte)
Internal memory control
Capture interface memory-mapped registers
reserved (64 Mbyte)
0x0000_0000
0x0400_0000
0x0800_0000
0x0C00_0000
0x1000_0000
0x1400_0000
0x1800_0000
0x1C00_0000
0x2000_0000
0x2400_0000
0x2800_0000
0x2C00_0000
0x3000_0000
0x3400_0000
0x3800_0000
0x3C00_0000
0x4000_0000
0x4400_0000
0x4800_0000
0x4C00_0000
0x5000_0000
0x5400_0000
0x5800_0000
0x5C00_0000
0x6000_0000
0x6400_0000
0x6800_0000
0x6C00_0000
0x7000_0000
0x7400_0000
0x7800_0000
0x7C00_0000
PC Card/CompactFlash Slot 1 (256 Mbyte)
Static Chip Select 0 (128 Mbyte)
Static Chip Select 1 (128 Mbyte)
Static Chip Select 4 (64 Mbyte)
Static Chip Select 5 (64 Mbyte)
reserved (64 Mbyte)
reserved (64 Mbyte)
0x0000_0000
0x0800_0000
0x1000_0000
0x1400_0000
0x1800_0000
0x1C00_0000
Programmable Static Memory Map Option
s
Intel® PXA27x Processor Family Developer’s Manual 28-3
Memory Map and Registers
Figure 28-3. Memory Map—0x8000_0000–0xFFFF_FFFF
reserved (64 Mbyte)
SDRAM Partition 0 (64 Mbyte)
SDRAM Partition 1 (64 Mbyte)
reserved (64 Mbyte)
reserved (64 Mbyte)
reserved (64 Mbyte)
reserved (64 Mbyte)
reserved (64 Mbyte)
reserved (64 Mbyte)
reserved (64 Mbyte)
reserved (64 Mbyte)
SDRAM Partition 3 (64 Mbyte)
0xFFFF_FFFF
reserved (64 Mbyte)
SDRAM Partition 2 (64 Mbyte)
reserved (64 Mbyte)
reserved (64 Mbyte)
reserved (64 Mbyte)
reserved (64 Mbyte)
reserved (64 Mbyte)
reserved (64 Mbyte)
reserved (64 Mbyte)
reserved (64 Mbyte)
reserved (64 Mbyte)
reserved (64 Mbyte)
reserved (64 Mbyte)
reserved (64 Mbyte)
reserved (64 Mbyte)
reserved (64 Mbyte)
reserved (64 Mbyte)
reserved (64 Mbyte)
reserved (64 Mbyte)
reserved (64 Mbyte)
0x8400_0000
0x8800_0000
0x8C00_0000
0x9000_0000
0x94000_0000
0x9800_0000
0x9C00_0000
0xA000_0000
0xA400_0000
0xA800_0000
0xAC00_0000
0xB000_0000
0xB4000_0000
0xB800_0000
0xBC00_0000
0xC000_0000
0xC400_0000
0xC800_0000
0xCC00_0000
0xD000_0000
0xD4000_0000
0xD800_0000
0xDC00_0000
0xE000_0000
0xE400_0000
0xE800_0000
0xEC00_0000
0xF000_0000
0xF4000_0000
0xF800_0000
0xFC00_0000
SDRAM Partition 0 (256 Mbyte)
SDRAM Partition 1 (256 Mbyte)
0x8000_0000
0x9000_0000
0xA000_0000
0xB000_0000
Large 1-Gbyte Memory Map Option
0x8000_0000
SDRAM Partition 3 (256 Mbyte)
SDRAM Partition 2 (256 Mbyte)
0xC000_0000
28-4 Intel® PXA27x Processor Family Developer’s Manual
Memory Map and Registers
28.2 System Bus Unit Registers
This section summarizes the memory maps for the following modules on the main system bus of
the on-chip system:
Section 28.2.1 — Intel XScale® Microarchitecture Core Registers
Section 28.2.2 — Memory Controller Registers (see also Chapter 6, “Memory Controller”)
Section 28.2.3 — LCD Controller Registers (see also Chapter 7, “LCD Controller”)
Section 28.2.4 — USB Host Controller Registers (see also Chapter 20, “USB Host
Controller)
Section 28.2.5 — Internal Memory Registers (see also Chapter 4, “Internal Memory”)
Section 28.2.6 — Quick Capture Interface Registers (see also Chapter 27, “Quick Capture
Interface”)
The addresses of these blocks lie within the range 0x4000_0000–0x5FFF_FFFF.
28.2.1 Intel XScale® Microarchitecture Core Registers
Table 28-1 summarizes the registers within the independent coprocessors in the processor core. For
more information, refer to the Intel XScale® Core Developers Manual.
These registers are accessible using coprocessor instructions. Some, as noted in Table 28-1, are
also accessible through memory-map addressing.
Table 28-1. Coprocessor Register Summary (Sheet 1 of 3)
CRn CRm Opcode2 Register
Symbol Register Description
Coprocessor 6—Interrupt Controller
000ICIP
Interrupt Controller IRQ Pending register
100ICMR
Interrupt Controller Mask register
200ICLR
Interrupt Controller Level register
300ICFR
Interrupt Controller FIQ Pending register
400ICPR
Interrupt Pending register
5 0 0 ICHPInterrupt Highest Priority register
Coprocessor 14—Clock, Power Management, Debug, and Trace Registers
0 0 0 PMNC Performance Monitoring Control register
1 0 0 CCNT Performance Monitoring Clock Counter
2 0 0 PMN0 Performance Monitoring Event Counter 0
3 0 0 PMN1 Performance Monitoring Event Counter 1
4—— —reserved
5—— —reserved
6 0 0 CCLKCFG Core Clock Configuration register
7 0 0 PWRMODE Power Management register
Intel® PXA27x Processor Family Developer’s Manual 28-5
Memory Map and Registers
8 0 0 TX Access Transmit Debug register
9 0 0 RX Access Receive Debug register
10 0 0 DBGCSR Access Debug Control and Status register
11 0 0 TBREG Access Trace Buffer register
12 0 0 CHKPT0 Access Checkpoint0 register
13 0 0 CHKPT1 Access Checkpoint1 register
14 0 0 TXRXCTRL Access Transmit and Receive Debug Control
15 — reserved
Coprocessor 15—Intel XScale® Core System Control
ID and Cache Type Registers
0 0 0 ID Identification register
0 0 1 Cache Type
Control and Auxiliary Registers
1 0 0 ARM* Control register
1 0 1 Auxiliary Control register
2 0 0 Translation Table Base register
3 0 0 Domain Access Control register
4—— —reserved
5 0 0 Fault Status register
6 0 0 Fault Address register
Cache Operations
7 7 0 Invalidate I&D cache and BTB
7 5 0 Invalidate I cache and BTB
7 5 1 Invalidate I-cache Line
7 6 0 Invalidate D-cache
7 6 1 Invalidate D-cache Line
7 10 1 Clean D-cache Line
7 10 4 Drain Write (&Fill) Buffer
7 5 6 Invalidate Branch Target Buffer
7 2 5 Allocate Line in the Data Cache
8 7 0 Invalidate I&D TLB
8 5 0 Invalidate I TLB
8 5 1 Invalidate I TLB Entry
8 6 0 Invalidate D TLB
8 6 1 Invalidate D TLB Entry
Cache Lock Down
9 1 0 Fetch and Lock I-Cache Line
Table 28-1. Coprocessor Register Summary (Sheet 2 of 3)
CRn CRm Opcode2 Register
Symbol Register Description
28-6 Intel® PXA27x Processor Family Developer’s Manual
Memory Map and Registers
28.2.2 Memory Controller Registers
TLB Operations
9 1 1 Unlock I-Cache
9 2 0 Read Data Cache Lock register
9 2 0 Write Data Cache Lock register
9 2 1 Unlock Data Cache
TLB Lock Down
10 4 0 Translate and Lock Instruction TLB Entry
10 8 0 Translate and Lock Data TLB Entry
10 4 1 Unlock Instruction TLB
10 8 1 Unlock Data TLB
11 — reserved
12 — reserved
13 0 0 PID Processor ID
Breakpoint Registers
14 0 0 DBCR0 Data Breakpoint register 0
14 3 0 DBCR1 Data Breakpoint register 1
14 4 0 DBCON Data Breakpoint Control register
14 8 0 IBCR0 Instruction Breakpoint register 0
14 9 0 IBCR1 Instruction Breakpoint register 1
15 1 0 CPAR Coprocessor Access
15 1 0 CPAR Coprocessor Access
These registers are also accessible through memory-mapped addressing.
Table 28-2. Memory Controller Register Summary (Sheet 1 of 2)
Address Name Description Page
0x4800_0000 MDCNFG SDRAM Configuration register 6-43
0x4800_0004 MDREFR SDRAM Refresh Control register 6-52
0x4800_0008 MSC0 Static Memory Control register 0 6-62
0x4800_000C MSC1 Static Memory Control register 1 6-62
0x4800_0010 MSC2 Static Memory Control register 2 6-62
0x4800_0014 MECR Expansion Memory (PC Card/CompactFlash) Bus Configuration
register 6-78
0x4800_0018 — reserved
0x4800_001C SXCNFG Synchronous Static Memory Configuration register 6-57
Table 28-1. Coprocessor Register Summary (Sheet 3 of 3)
CRn CRm Opcode2 Register
Symbol Register Description
Intel® PXA27x Processor Family Developer’s Manual 28-7
Memory Map and Registers
28.2.3 LCD Controller Registers
0x4800_0020 FLYCNFG Fly-by DMA DVAL<1:0> polarities 5-39
0x4800_0024 — reserved
0x4800_0028 MCMEM0 PC Card Interface Common Memory Space Socket 0 Timing
Configuration register 6-76
0x4800_002C MCMEM1 PC Card Interface Common Memory Space Socket 1 Timing
Configuration register 6-76
0x4800_0030 MCATT0 PC Card Interface Attribute Space Socket 0 Timing Configuration
register 6-76
0x4800_0034 MCATT1 PC Card Interface Attribute Space Socket 1 Timing Configuration
register 6-76
0x4800_0038 MCIO0 PC Card Interface I/o Space Socket 0 Timing Configuration
register 6-77
0x4800_003C MCIO1 PC Card Interface I/o Space Socket 1 Timing Configuration
register 6-77
0x4800_0040 MDMRS SDRAM Mode Register Set Configuration register 6-48
0x4800_0044 BOOT_DEF Boot Time Default Configuration register 6-74
0x4800_0048 ARB_CNTL Arbiter Control register 29-2
0x4800_004C BSCNTR0 System Memory Buffer Strength Control register 0 6-80
0x4800_0050 BSCNTR1 System Memory Buffer Strength Control register 1 6-81
0x4800_0054 LCDBSCNTR LCD Buffer Strength Control register 7-104
0x4800_0058 MDMRSLP Special Low Power SDRAM Mode Register Set Configuration
register 6-50
0x4800_005C BSCNTR2 System Memory Buffer Strength Control register 2 6-82
0x4800_0060 BSCNTR3 System Memory Buffer Strength Control register 3 6-83
0x4800_0064 SA1110 SA-1110 Compatibility Mode for Static Memory register 6-69
0x4800_0068–
0x4800_FFFC —reserved —
Table 28-3. LCD Controller Register Summary (Sheet 1 of 3)
Address Name Description Page
0x4400_0000 LCCR0 LCD Controller Control register 0 7-56
0x4400_0004 LCCR1 LCD Controller Control register 1 7-64
0x4400_0008 LCCR2 LCD Controller Control register 2 7-66
0x4400_000C LCCR3 LCD Controller Control register 3 7-69
0x4400_0010 LCCR4 LCD Controller Control register 4 7-74
0x4400_0014 LCCR5 LCD Controller Control register 5 7-79
0x4400_0018–
0x4400_001C — reserved
Table 28-2. Memory Controller Register Summary (Sheet 2 of 2)
Address Name Description Page
28-8 Intel® PXA27x Processor Family Developer’s Manual
Memory Map and Registers
0x4400_0020 FBR0 DMA Channel 0 Frame Branch register 7-103
0x4400_0024 FBR1 DMA Channel 1 Frame Branch register 7-103
0x4400_0028 FBR2 DMA Channel 2 Frame Branch register 7-103
0x4400_002C FBR3 DMA Channel 3 Frame Branch register 7-103
0x4400_0030 FBR4 DMA Channel 4 Frame Branch register 7-103
0x4400_0034 LCSR1 LCD Controller Status register 1 7-111
0x4400_0038 LCSR0 LCD Controller Status register 0 7-106
0x4400_003C LIIDR LCD Controller Interrupt ID register 7-118
0x4400_0040 TRGBR TMED RGB Seed register 7-99
0x4400_0044 TCR TMED Control register 7-100
0x4400_0048–
0x4400_004C —reserved —
0x4400_0050 OVL1C1 Overlay 1 Control register 1 7-92
0x4400_0054–
0x4400_005C —reserved —
0x4400_0060 OVL1C2 Overlay 1 Control register 2 7-93
0x4400_0064–
0x4400_006C —reserved —
0x4400_0070 OVL2C1 Overlay 2 Control register 1 7-94
0x4400_0074–
0x4400_007C —reserved —
0x4400_0080 OVL2C2 Overlay 2 Control register 2 7-96
0x4400_0084–
0x4400_008C —reserved —
0x4400_0090 CCR Cursor Control register 7-97
0x4400_0094–
0x4400_009C —reserved —
0x4400_0100 CMDCR Command Control register 7-98
0x4400_0104 PRSR Panel Read Status register 7-105
0x4400_0108–
0x4400_010C —reserved —
0x4400_0110 FBR5 DMA Channel 5 Frame Branch register 7-103
0x4400_0114 FBR6 DMA Channel 6 Frame Branch register 7-103
0x4400_0118–
0x4400_01FF —reserved —
0x4400_0200 FDADR0 DMA Channel 0 Frame Descriptor Address register 7-102
0x4400_0204 FSADR0 DMA Channel 0 Frame Source Address register 7-119
0x4400_0208 FIDR0 DMA Channel 0 Frame ID register 7-119
0x4400_020C LDCMD0 LCD DMA Channel 0 Command register 7-120
0x4400_0210 FDADR1 DMA Channel 1 Frame Descriptor Address register 7-102
0x4400_0214 FSADR1 DMA Channel 1 Frame Source Address register 7-119
Table 28-3. LCD Controller Register Summary (Sheet 2 of 3)
Address Name Description Page
Intel® PXA27x Processor Family Developer’s Manual 28-9
Memory Map and Registers
28.2.4 USB Host Controller Registers
0x4400_0218 FIDR1 DMA Channel 1 Frame ID register 7-119
0x4400_021C LDCMD1 LCD DMA Channel 1 Command register 7-120
0x4400_0220 FDADR2 DMA Channel 2 Frame Descriptor Address register 7-102
0x4400_0224 FSADR2 DMA Channel 2 Frame Source Address register 7-119
0x4400_0228 FIDR2 DMA Channel 2 Frame ID register 7-119
0x4400_022C LDCMD2 LCD DMA Channel 2 Command register 7-120
0x4400_0230 FDADR3 DMA Channel 3 Frame Descriptor Address register 7-102
0x4400_0234 FSADR3 DMA Channel 3 Frame Source Address register 7-119
0x4400_0238 FIDR3 DMA Channel 3 Frame ID register 7-119
0x4400_023C LDCMD3 LCD DMA Channel 3 Command register 7-120
0x4400_0240 FDADR4 DMA Channel 4 Frame Descriptor Address register 7-102
0x4400_0244 FSADR4 DMA Channel 4 Frame Source Address register 7-119
0x4400_0248 FIDR4 DMA Channel 4 Frame ID register 7-119
0x4400_024C LDCMD4 LCD DMA Channel 4 Command register 7-120
0x4400_0250 FDADR5 DMA Channel 5 Frame Descriptor Address register 7-102
0x4400_0254 FSADR5 DMA Channel 5 Frame Source Address register 7-119
0x4400_0258 FIDR5 DMA Channel 5 Frame ID register 7-119
0x4400_025C LDCMD5 LCD DMA Channel 5 Command register 7-120
0x4400_0260 FDADR6 DMA Channel 6 Frame Descriptor Address register 7-102
0x4400_0264 FSADR6 DMA Channel 6 Frame Source Address register 7-119
0x4400_0268 FIDR6 DMA Channel 6 Frame ID register 7-119
0x4400_026C LDCMD6 LCD DMA Channel 6 Command register 7-120
0x4400_0270–
0x47FF_FFFC — reserved
0x4800_0054 LCDBSCNTR LCD Buffer Strength Control register 7-104
Table 28-4. USB Host Controller Register Summary (Sheet 1 of 2)
Address Name Description Page
0x4C00 0000 UHCREV UHC HCI Spec Revision register 20-10
0x4C00 0004 UHCHCON UHC Host Control register 20-10
0x4C00 0008 UHCCOMS UHC Command Status register 20-14
0x4C00 000C UHCINTS UHC Interrupt Status register 20-16
0x4C00 0010 UHCINTE UHC Interrupt Enable register 20-18
0x4C00 0014 UHCINTD UHC Interrupt Disable register 20-20
0x4C00 0018 UHCHCCA UHC Host Controller Communication Area register 20-21
Table 28-3. LCD Controller Register Summary (Sheet 3 of 3)
Address Name Description Page
28-10 Intel® PXA27x Processor Family Developer’s Manual
Memory Map and Registers
28.2.5 Internal Memory Registers
0x4C00 001C UHCPCED UHC Period Current Endpoint Descriptor register 20-21
0x4C00 0020 UHCCHED UHC Control Head Endpoint Descriptor register 20-22
0x4C00 0024 UHCCCED UHC Control Current Endpoint Descriptor register 20-22
0x4C00 0028 UHCBHED UHC Bulk Head Endpoint Descriptor register 20-23
0x4C00 002C UHCBCED UHC Bulk Current Endpoint Descriptor register 20-24
0x4C00 0030 UHCDHEAD UHC Done Head register 20-25
0x4C00 0034 UHCFMI UHC Frame Interval register 20-26
0x4C00 0038 UHCFMR UHC Frame Remaining register 20-27
0x4C00 003C UHCFMN UHC Frame Number register 20-28
0x4C00 0040 UHCPERS UHC Periodic Start register 20-29
0x4C00 0044 UHCLST UHC Low-Speed Threshold register 20-30
0x4C00 0048 UHCRHDA UHC Root Hub Descriptor A register 20-31
0x4C00 004C UHCRHDB UHC Root Hub Descriptor B register 20-33
0x4C00 0050 UHCRHS UHC Root Hub Status register 20-34
0x4C00 0054 UHCRHPS1 UHC Root Hub Port 1 Status register 20-35
0x4C00 0058 UHCRHPS2 UHC Root Hub Port 2 Status register 20-35
0x4C00 005C UHCRHPS3 UHC Root Hub Port 3 Status register 20-35
0x4C00 0060 UHCSTAT UHC Status register 20-39
0x4C00 0064 UHCHR UHC Reset register 20-41
0x4C00 0068 UHCHIE UHC Interrupt Enable register 20-44
0x4C00 006C UHCHIT UHC Interrupt Test register 20-45
0x4C00 0070–
0x4FFF FFFF —reserved
Table 28-5. Internal Memory Register Summary (Sheet 1 of 2)
Address Name Description Page
0x5800_0000–
0x5BFF_FFFC —reserved —
0x5C00_0000
0x5C00_FFFC Memory Bank 0 64-Kbyte SRAM
0x5C01_0000
0x5C01_FFFC Memory Bank 1 6-4Kbyte SRAM
0x5C02_0000
0x5C02_FFFC Memory Bank 2 64-Kbyte SRAM
Table 28-4. USB Host Controller Register Summary (Sheet 2 of 2)
Address Name Description Page
Intel® PXA27x Processor Family Developer’s Manual 28-11
Memory Map and Registers
28.2.6 Quick Capture Interface Registers
0x5C03_0000–
0x5C03_FFFC Memory Bank 3 64-Kbyte SRAM
0x5C04_0000–
0x5C7F_FFFC —reserved —
0x5C80_0000–
0x5FFF_FFFC —reserved —
Table 28-6. Quick Capture Interface Register Summary
Physical
Address Name Description Page
0x5000_0000 CICR0 Quick Capture Interface Control register 0 27-24
0x5000_0004 CICR1 Quick Capture Interface Control register 1 27-28
0x5000_0008 CICR2 Quick Capture Interface Control register 2 27-32
0x5000_000C CICR3 Quick Capture Interface Control register 3 27-33
0x5000_0010 CICR4 Quick Capture Interface Control register 4 27-34
0x5000_0014 CISR Quick Capture Interface Status register 27-37
0x5000_0018 CIFR Quick Capture Interface FIFO Control register 27-40
0x5000_001C CITOR Quick Capture Interface Time-Out register 27-37
0x5000_0020 –
0x5000_0024 —reserved —
0x5000_0028 CIBR0 Quick Capture Interface Receive Buffer register 0 (Channel 0) 27-42
0x5000_002C — reserved
0x5000_0030 CIBR1 Quick Capture Interface Receive Buffer register 1 (Channel 1) 27-42
0x5000_0034 — reserved
0x5000_0038 CIBR2 Quick Capture Interface Receive Buffer register 2 (Channel 2) 27-42
0x5000_003C–
0x53FF_FFFC —reserved —
Table 28-5. Internal Memory Register Summary (Sheet 2 of 2)
Address Name Description Page
28-12 Intel® PXA27x Processor Family Developer’s Manual
Memory Map and Registers
28.3 Peripheral Module Registers
Table 28-7 summarizes the memory areas for the modules connected to the processor peripheral
bus. Table 28-8 details the register addresses within each peripheral.
Table 28-7. Peripheral Module Address Summary
Unit Address
DMA Controller 0x4000_0000
UART1—Full Function UART 0x4010_0000
UART2—Bluetooth UART 0x4020_0000
Standard I2C Bus Interface Unit 0x4030_0000
I2S Controller 0x4040_0000
AC ’97 Controller 0x4050_0000
USB Client Controller 0x4060_0000
UART 3—Standard UART 0x4070_0000
Fast Infrared Communications Port 0x4080_0000
RTC 0x4090_0000
OS Timers 0x40A0_0000
PWM0 and 2 0x40B0_0000
PWM1 and 3 0x40C0_0000
Interrupt Controller 0x40D0_0000
GPIO Controller 0x40E0_0000
Power Manager 0x40F0_0000
Reset Controller 0x40F0_0000
Power Manager I2C 0x40F0_0180
Synchronous Serial Port 1 0x4100_0000
MultiMediaCard/SD/SDIO Controller 0x4110_0000
reserved 0x4120_0000
Clocks Manager 0x4130_0000
Mobile Scalable Link (MSL) 0x4140_0000
Keypad Interface 0x4150_0000
Universal Subscriber ID (USIM) Interface 0x4160_0000
Synchronous Serial Port 2 0x4170_0000
Memory Stick Host Controller 0x4180_0000
Synchronous Serial Port 3 0x4190_0000
Intel® PXA27x Processor Family Developer’s Manual 28-13
Memory Map and Registers
Table 28-8. Register Address Summary—Peripherals (Sheet 1 of 24)
Address Name Description Page
DMA Controller
0x4000_0000 DCSR0 DMA Control/Status register for Channel 0 5-41
0x4000_0004 DCSR1 DMA Control/Status register for Channel 1 5-41
0x4000_0008 DCSR2 DMA Control/Status register for Channel 2 5-41
0x4000_000C DCSR3 DMA Control/Status register for Channel 3 5-41
0x4000_0010 DCSR4 DMA Control/Status register for Channel 4 5-41
0x4000_0014 DCSR5 DMA Control/Status register for Channel 5 5-41
0x4000_0018 DCSR6 DMA Control/Status register for Channel 6 5-41
0x4000_001C DCSR7 DMA Control/Status register for Channel 7 5-41
0x4000_0020 DCSR8 DMA Control/Status register for Channel 8 5-41
0x4000_0024 DCSR9 DMA Control/Status register for Channel 9 5-41
0x4000_0028 DCSR10 DMA Control/Status register for Channel 10 5-41
0x4000_002C DCSR11 DMA Control/Status register for Channel 11 5-41
0x4000_0030 DCSR12 DMA Control/Status register for Channel 12 5-41
0x4000_0034 DCSR13 DMA Control/Status register for Channel 13 5-41
0x4000_0038 DCSR14 DMA Control/Status register for Channel 14 5-41
0x4000_003C DCSR15 DMA Control/Status register for Channel 15 5-41
0x4000_0040 DCSR16 DMA Control/Status register for Channel 16 5-41
0x4000_0044 DCSR17 DMA Control/Status register for Channel 17 5-41
0x4000_0048 DCSR18 DMA Control/Status register for Channel 18 5-41
0x4000_004C DCSR19 DMA Control/Status register for Channel 19 5-41
0x4000_0050 DCSR20 DMA Control/Status register for Channel 20 5-41
0x4000_0054 DCSR21 DMA Control/Status register for Channel 21 5-41
0x4000_0058 DCSR22 DMA Control/Status register for Channel 22 5-41
0x4000_005C DCSR23 DMA Control/Status register for Channel 23 5-41
0x4000_0060 DCSR24 DMA Control/Status register for Channel 24 5-41
0x4000_0064 DCSR25 DMA Control/Status register for Channel 25 5-41
0x4000_0068 DCSR26 DMA Control/Status register for Channel 26 5-41
0x4000_006C DCSR27 DMA Control/Status register for Channel 27 5-41
0x4000_0070 DCSR28 DMA Control/Status register for Channel 28 5-41
0x4000_0074 DCSR29 DMA Control/Status register for Channel 29 5-41
0x4000_0078 DCSR30 DMA Control/Status register for Channel 30 5-41
0x4000_007C DCSR31 DMA Control/Status register for Channel 31 5-41
0x4000_0080–
0x4000_009C —reserved —
0x4000_00A0 DALGN DMA Alignment register 5-49
0x4000_00A4 DPCSR DMA Programmed I/O Control Status register 5-51
28-14 Intel® PXA27x Processor Family Developer’s Manual
Memory Map and Registers
0x4000_00A8
0x4000_00DC — reserved
0x4000_00E0 DRQSR0 DMA DREQ<0> Status register 5-40
0x4000_00E4 DRQSR1 DMA DREQ<1> Status register 5-40
0x4000_00E8 DRQSR2 DMA DREQ<2> Status register 5-40
0x4000_00EC — reserved
0x4000_00F0 DINT DMA Interrupt register 5-48
0x4000_00F4–
0x4000_00FC — reserved
0x4000_0100 DRCMR0 Request to Channel Map register for DREQ<0>
(companion chip request 0) 5-31
0x4000_0104 DRCMR1 Request to Channel Map register for DREQ<1>
(companion chip request 1) 5-31
0x4000_0108 DRCMR2 Request to Channel Map register for I2S receive request 5-31
0x4000_010C DRCMR3 Request to Channel Map register for I2S transmit request 5-31
0x4000_0110 DRCMR4 Request to Channel Map register for BTUART receive request 5-31
0x4000_0114 DRCMR5 Request to Channel Map register for BTUART transmit request. 5-31
0x4000_0118 DRCMR6 Request to Channel Map register for FFUART receive request 5-31
0x4000_011C DRCMR7 Request to Channel Map register for FFUART transmit request 5-31
0x4000_0120 DRCMR8 Request to Channel Map register for AC ’97 microphone request 5-31
0x4000_0124 DRCMR9 Request to Channel Map register for AC ’97 modem receive request 5-31
0x4000_0128 DRCMR10 Request to Channel Map register for AC ’97 modem transmit
request 5-31
0x4000_012C DRCMR11 Request to Channel Map register for AC ’97 audio receive request 5-31
0x4000_0130 DRCMR12 Request to Channel Map register for AC ’97 audio transmit request 5-31
0x4000_0134 DRCMR13 Request to Channel Map register for SSP1 receive request 5-31
0x4000_0138 DRCMR14 Request to Channel Map register for SSP1 transmit request 5-31
0x4000_013C DRCMR15 Request to Channel Map register for SSP2 receive request 5-31
0x4000_0140 DRCMR16 Request to Channel Map register for SSP2 transmit request 5-31
0x4000_0144 DRCMR17 Request to Channel Map register for ICP receive request 5-31
0x4000_0148 DRCMR18 Request to Channel Map register for ICP transmit request 5-31
0x4000_014C DRCMR19 Request to Channel Map register for STUART receive request 5-31
0x4000_0150 DRCMR20 Request to Channel Map register for STUART transmit request 5-31
0x4000_0154 DRCMR21 Request to Channel Map register for MMC/SDIO receive request 5-31
0x4000_0158 DRCMR22 Request to Channel Map register for MMC/SDIO transmit request 5-31
0x4000_015C — reserved
0x4000_0160 DRCMR24 Request to Channel Map register for USB endpoint 0 request 5-31
0x4000_0164 DRCMR25 Request to Channel Map register for USB endpoint A request 5-31
0x4000_0168 DRCMR26 Request to Channel Map register for USB endpoint B request 5-31
0x4000_016C DRCMR27 Request to Channel Map register for USB endpoint C request 5-31
Table 28-8. Register Address Summary—Peripherals (Sheet 2 of 24)
Address Name Description Page
Intel® PXA27x Processor Family Developer’s Manual 28-15
Memory Map and Registers
0x4000_0170 DRCMR28 Request to Channel Map register for USB endpoint D request 5-31
0x4000_0174 DRCMR29 Request to Channel Map register for USB endpoint E request 5-31
0x4000_0178 DRCMR30 Request to Channel Map register for USB endpoint F request 5-31
0x4000_017C DRCMR31 Request to Channel Map register for USB endpoint G request 5-31
0x4000_0180 DRCMR32 Request to Channel Map register for USB endpoint H request 5-31
0x4000_0184 DRCMR33 Request to Channel Map register for USB endpoint I request 5-31
0x4000_0188 DRCMR34 Request to Channel Map register for USB endpoint J request 5-31
0x4000_018C DRCMR35 Request to Channel Map register for USB endpoint K request 5-31
0x4000_0190 DRCMR36 Request to Channel Map register for USB endpoint L request 5-31
0x4000_0194 DRCMR37 Request to Channel Map register for USB endpoint M request 5-31
0x4000_0198 DRCMR38 Request to Channel Map register for USB endpoint N request 5-31
0x4000_019C DRCMR39 Request to Channel Map register for USB endpoint P request 5-31
0x4000_01A0 DRCMR40 Request to Channel Map register for USB endpoint Q request 5-31
0x4000_01A4 DRCMR41 Request to Channel Map register for USB endpoint R request 5-31
0x4000_01A8 DRCMR42 Request to Channel Map register for USB endpoint S request 5-31
0x4000_01AC DRCMR43 Request to Channel Map register for USB endpoint T request 5-31
0x4000_01B0 DRCMR44 Request to Channel Map register for USB endpoint U request 5-31
0x4000_01B4 DRCMR45 Request to Channel Map register for USB endpoint V request 5-31
0x4000_01B8 DRCMR46 Request to Channel Map register for USB endpoint W request 5-31
0x4000_01BC DRCMR47 Request to Channel Map register for USB endpoint X request 5-31
0x4000_01C0 DRCMR48 Request to Channel Map register for MSL receive request 1 5-31
0x4000_01C4 DRCMR49 Request to Channel Map register for MSL transmit request 1 5-31
0x4000_01C8 DRCMR50 Request to Channel Map register for MSL receive request 2 5-31
0x4000_01CC DRCMR51 Request to Channel Map register for MSL transmit request 2 5-31
0x4000_01D0 DRCMR52 Request to Channel Map register for MSL receive request 3 5-31
0x4000_01D4 DRCMR53 Request to Channel Map register for MSL transmit request 3 5-31
0x4000_01D8 DRCMR54 Request to Channel Map register for MSL receive request 4 5-31
0x4000_01DC DRCMR55 Request to Channel Map register for MSL transmit request 4 5-31
0x4000_01E0 DRCMR56 Request to Channel Map register for MSL receive request 5 5-31
0x4000_01E4 DRCMR57 Request to Channel Map register for MSL transmit request 5 5-31
0x4000_01E8 DRCMR58 Request to Channel Map register for MSL receive request 6 5-31
0x4000_01EC DRCMR59 Request to Channel Map register for MSL transmit request 6 5-31
0x4000_01F0 DRCMR60 Request to Channel Map register for MSL receive request 7 5-31
0x4000_01F4 DRCMR61 Request to Channel Map register for MSL transmit request 7 5-31
0x4000_01F8 DRCMR62 Request to Channel Map register for USIM receive request 5-31
0x4000_01FC DRCMR63 Request to Channel Map register for USIM transmit request 5-31
0x4000_0200 DDADR0 DMA Descriptor Address register for Channel 0 5-32
0x4000_0204 DSADR0 DMA Source Address register for Channel 0 5-33
Table 28-8. Register Address Summary—Peripherals (Sheet 3 of 24)
Address Name Description Page
28-16 Intel® PXA27x Processor Family Developer’s Manual
Memory Map and Registers
0x4000_0208 DTADR0 DMA Target Address register for Channel 0 5-34
0x4000_020C DCMD0 DMA Command Address register for Channel 0 5-35
0x4000_0210 DDADR1 DMA Descriptor Address register for Channel 1 5-32
0x4000_0214 DSADR1 DMA Source Address register for Channel 1 5-33
0x4000_0218 DTADR1 DMA Target Address register for Channel 1 5-34
0x4000_021C DCMD1 DMA Command Address register for Channel 1 5-35
0x4000_0220 DDADR2 DMA Descriptor Address register for Channel 2 5-32
0x4000_0224 DSADR2 DMA Source Address register for Channel 2 5-33
0x4000_0228 DTADR2 DMA Target Address register for Channel 2 5-34
0x4000_022C DCMD2 DMA Command Address register for Channel 2 5-35
0x4000_0230 DDADR3 DMA Descriptor Address register for Channel 3 5-32
0x4000_0234 DSADR3 DMA Source Address register for Channel 3 5-33
0x4000_0238 DTADR3 DMA Target Address register for Channel 3 5-34
0x4000_023C DCMD3 DMA Command Address register for Channel 3 5-35
0x4000_0240 DDADR4 DMA Descriptor Address register for Channel 4 5-32
0x4000_0244 DSADR4 DMA Source Address register for Channel 4 5-33
0x4000_0248 DTADR4 DMA Target Address register for Channel 4 5-34
0x4000_024C DCMD4 DMA Command Address register for Channel 4 5-35
0x4000_0250 DDADR5 DMA Descriptor Address register for Channel 5 5-32
0x4000_0254 DSADR5 DMA Source Address register for Channel 5 5-33
0x4000_0258 DTADR5 DMA Target Address register for Channel 5 5-34
0x4000_025C DCMD5 DMA Command Address register for Channel 5 5-35
0x4000_0260 DDADR6 DMA Descriptor Address register for Channel 6 5-32
0x4000_0264 DSADR6 DMA Source Address register for Channel 6 5-33
0x4000_0268 DTADR6 DMA Target Address register for Channel 6 5-34
0x4000_026C DCMD6 DMA Command Address register for Channel 6 5-35
0x4000_0270 DDADR7 DMA Descriptor Address register for Channel 7 5-32
0x4000_0274 DSADR7 DMA Source Address register for Channel 7 5-33
0x4000_0278 DTADR7 DMA Target Address register for Channel 7 5-34
0x4000_027C DCMD7 DMA Command Address register for Channel 7 5-35
0x4000_0280 DDADR8 DMA Descriptor Address register for Channel 8 5-32
0x4000_0284 DSADR8 DMA Source Address register for Channel 8 5-33
0x4000_0288 DTADR8 DMA Target Address register for Channel 8 5-34
0x4000_028C DCMD8 DMA Command Address register for Channel 8 5-35
0x4000_0290 DDADR9 DMA Descriptor Address register for Channel 9 5-32
0x4000_0294 DSADR9 DMA Source Address register for Channel 9 5-33
0x4000_0298 DTADR9 DMA Target Address register for Channel 9 5-34
0x4000_029C DCMD9 DMA Command Address register for Channel 9 5-35
Table 28-8. Register Address Summary—Peripherals (Sheet 4 of 24)
Address Name Description Page
Intel® PXA27x Processor Family Developer’s Manual 28-17
Memory Map and Registers
0x4000_02A0 DDADR10 DMA Descriptor Address register for Channel 10 5-32
0x4000_02A4 DSADR10 DMA Source Address register for Channel 10 5-33
0x4000_02A8 DTADR10 DMA Target Address register for Channel 10 5-34
0x4000_02AC DCMD10 DMA Command Address register for Channel 10 5-35
0x4000_02B0 DDADR11 DMA Descriptor Address register for Channel 11 5-32
0x4000_02B4 DSADR11 DMA Source Address register for Channel 11 5-33
0x4000_02B8 DTADR11 DMA Target Address register for Channel 11 5-34
0x4000_02BC DCMD11 DMA Command Address register for Channel 11 5-35
0x4000_02C0 DDADR12 DMA Descriptor Address register for Channel 12 5-32
0x4000_02C4 DSADR12 DMA Source Address register for Channel 12 5-33
0x4000_02C8 DTADR12 DMA Target Address register for Channel 12 5-34
0x4000_02CC DCMD12 DMA Command Address register for Channel 12 5-35
0x4000_02D0 DDADR13 DMA Descriptor Address register for Channel 13 5-32
0x4000_02D4 DSADR13 DMA Source Address register for Channel 13 5-33
0x4000_02D8 DTADR13 DMA Target Address register for Channel 13 5-34
0x4000_02DC DCMD13 DMA Command Address register for Channel 13 5-35
0x4000_02E0 DDADR14 DMA Descriptor Address register for Channel 14 5-32
0x4000_02E4 DSADR14 DMA Source Address register for Channel 14 5-33
0x4000_02E8 DTADR14 DMA Target Address register for Channel 14 5-34
0x4000_02EC DCMD14 DMA Command Address register for Channel 14 5-35
0x4000_02F0 DDADR15 DMA Descriptor Address register for Channel 15 5-32
0x4000_02F4 DSADR15 DMA Source Address register for Channel 15 5-33
0x4000_02F8 DTADR15 DMA Target Address register for Channel 15 5-34
0x4000_02FC DCMD15 DMA Command Address register for Channel 15 5-35
0x4000_0300 DDADR16 DMA Descriptor Address register for Channel 16 5-32
0x4000_0304 DSADR16 DMA Source Address register for Channel 16 5-33
0x4000_0308 DTADR16 DMA Target Address register for Channel 16 5-34
0x4000_030C DCMD16 DMA Command Address register for Channel 16 5-35
0x4000_0310 DDADR17 DMA Descriptor Address register for Channel 17 5-32
0x4000_0314 DSADR17 DMA Source Address register for Channel 17 5-33
0x4000_0318 DTADR17 DMA Target Address register for Channel 17 5-34
0x4000_031C DCMD17 DMA Command Address register for Channel 17 5-35
0x4000_0320 DDADR18 DMA Descriptor Address register for Channel 18 5-32
0x4000_0324 DSADR18 DMA Source Address register for Channel 18 5-33
0x4000_0328 DTADR18 DMA Target Address register for Channel 18 5-34
0x4000_032C DCMD18 DMA Command Address register for Channel 18 5-35
0x4000_0330 DDADR19 DMA Descriptor Address register for Channel 19 5-32
0x4000_0334 DSADR19 DMA Source Address register for Channel 19 5-33
Table 28-8. Register Address Summary—Peripherals (Sheet 5 of 24)
Address Name Description Page
28-18 Intel® PXA27x Processor Family Developer’s Manual
Memory Map and Registers
0x4000_0338 DTADR19 DMA Target Address register for Channel 19 5-34
0x4000_033C DCMD19 DMA Command Address register for Channel 19 5-35
0x4000_0340 DDADR20 DMA Descriptor Address register for Channel 20 5-32
0x4000_0344 DSADR20 DMA Source Address register for Channel 20 5-33
0x4000_0348 DTADR20 DMA Target Address register for Channel 20 5-34
0x4000_034C DCMD20 DMA Command Address register for Channel 20 5-35
0x4000_0350 DDADR21 DMA Descriptor Address register for Channel 21 5-32
0x4000_0354 DSADR21 DMA Source Address register for Channel 21 5-33
0x4000_0358 DTADR21 DMA Target Address register for Channel 21 5-34
0x4000_035C DCMD21 DMA Command Address register for Channel 21 5-35
0x4000_0360 DDADR22 DMA Descriptor Address register for Channel 22 5-32
0x4000_0364 DSADR22 DMA Source Address register for Channel 22 5-33
0x4000_0368 DTADR22 DMA Target Address register for Channel 22 5-34
0x4000_036C DCMD22 DMA Command Address register for Channel 22 5-35
0x4000_0370 DDADR23 DMA Descriptor Address register for Channel 23 5-32
0x4000_0374 DSADR23 DMA Source Address register for Channel 23 5-33
0x4000_0378 DTADR23 DMA Target Address register for Channel 23 5-34
0x4000_037C DCMD23 DMA Command Address register for Channel 23 5-35
0x4000_0380 DDADR24 DMA Descriptor Address register for Channel 24 5-32
0x4000_0384 DSADR24 DMA Source Address register for Channel 24 5-33
0x4000_0388 DTADR24 DMA Target Address register for Channel 24 5-34
0x4000_038C DCMD24 DMA Command Address register for Channel 24 5-35
0x4000_0390 DDADR25 DMA Descriptor Address register for Channel 25 5-32
0x4000_0394 DSADR25 DMA Source Address register for Channel 25 5-33
0x4000_0398 DTADR25 DMA Target Address register for Channel 25 5-34
0x4000_039C DCMD25 DMA Command Address register for Channel 25 5-35
0x4000_03A0 DDADR26 DMA Descriptor Address register for Channel 26 5-32
0x4000_03A4 DSADR26 DMA Source Address register for Channel 26 5-33
0x4000_03A8 DTADR26 DMA Target Address register for Channel 26 5-34
0x4000_03AC DCMD26 DMA Command Address register for Channel 26 5-35
0x4000_03B0 DDADR27 DMA Descriptor Address register for Channel 27 5-32
0x4000_03B4 DSADR27 DMA Source Address register for Channel 27 5-33
0x4000_03B8 DTADR27 DMA Target Address register for Channel 27 5-34
0x4000_03BC DCMD27 DMA Command Address register for Channel 27 5-35
0x4000_03C0 DDADR28 DMA Descriptor Address register for Channel 28 5-32
0x4000_03C4 DSADR28 DMA Source Address register for Channel 28 5-33
0x4000_03C8 DTADR28 DMA Target Address register for Channel 28 5-34
0x4000_03CC DCMD28 DMA Command Address register for Channel 28 5-35
Table 28-8. Register Address Summary—Peripherals (Sheet 6 of 24)
Address Name Description Page
Intel® PXA27x Processor Family Developer’s Manual 28-19
Memory Map and Registers
0x4000_03D0 DDADR29 DMA Descriptor Address register for Channel 29 5-32
0x4000_03D4 DSADR29 DMA Source Address register for Channel 29 5-33
0x4000_03D8 DTADR29 DMA Target Address register for Channel 29 5-34
0x4000_03DC DCMD29 DMA Command Address register for Channel 29 5-35
0x4000_03E0 DDADR30 DMA Descriptor Address register for Channel 30 5-32
0x4000_03E4 DSADR30 DMA Source Address register for Channel 30 5-33
0x4000_03E8 DTADR30 DMA Target Address register for Channel 30 5-34
0x4000_03EC DCMD30 DMA Command Address register for Channel 30 5-35
0x4000_03F0 DDADR31 DMA Descriptor Address register for Channel 31 5-32
0x4000_03F4 DSADR31 DMA Source Address register for Channel 31 5-33
0x4000_03F8 DTADR31 DMA Target Address register for Channel 31 5-34
0x4000_03FC DCMD31 DMA Command Address register for Channel 31 5-35
0x4000_0400–
0x4000_10FC —reserved —
0x4000_1100 DRCMR64 Request to Channel Map register for Memory Stick receive request 5-31
0x4000_1104 DRCMR65 Request to Channel Map register for Memory Stick transmit request 5-31
0x4000_1108 DRCMR66 Request to Channel Map register for SSP3 receive request 5-31
0x4000_110C DRCMR67 Request to Channel Map register for SSP3 transmit request 5-31
0x4000_1110 DRCMR68 Request to Channel Map register for Quick Capture Interface
Receive Request 0 5-31
0x4000_1114 DRCMR69 Request to Channel Map register for Quick Capture Interface
Receive Request 1 5-31
0x4000_1118 DRCMR70 Request to Channel Map register for Quick Capture Interface
Receive Request 2 5-31
0x4000_111C
0x4000_1124 —reserved —
0x4000_1128 DRCMR74 Request to Channel Map register for DREQ<2>
(companion chip request 2) 5-31
0x4000_112C–
0x400F_FFFC —reserved —
0x4800_0020 FLYCNFG Fly-by DMA DVAL<1:0> polarities 5-39
Full-Function UART
0x4010_0000 FFRBR Receive Buffer register 10-13
0x4010_0000 FFTHR Transmit Holding register 10-14
0x4010_0000 FFDLL Divisor Latch register, low byte 10-14
0x4010_0004 FFIER Interrupt Enable register 10-15
0x4010_0004 FFDLH Divisor Latch register, high byte 10-14
0x4010_0008 FFIIR Interrupt ID register 10-17
0x4010_0008 FFFCR FIFO Control register 10-19
0x4010_000C FFLCR Line Control register 10-25
Table 28-8. Register Address Summary—Peripherals (Sheet 7 of 24)
Address Name Description Page
28-20 Intel® PXA27x Processor Family Developer’s Manual
Memory Map and Registers
0x4010_0010 FFMCR Modem Control register 10-29
0x4010_0014 FFLSR Line Status register 10-26
0x4010_0018 FFMSR Modem Status register 10-31
0x4010_001C FFSPR Scratch Pad register 10-33
0x4010_0020 FFISR Infrared Select register 10-33
0x4010_0024 FFFOR Receive FIFO Occupancy register 10-22
0x4010_0028 FFABR Auto-baud Control register 10-23
0x4010_002C FFACR Auto-baud Count register 10-24
0x4010_0030–
0x401F_FFFC — reserved
Bluetooth UART
0x4020_0000 BTRBR Receive Buffer register 10-13
0x4020_0000 BTTHR Transmit Holding register 10-14
0x4020_0000 BTDLL Divisor Latch register, low byte 10-14
0x4020_0004 BTIER Interrupt Enable register 10-15
0x4020_0004 BTDLH Divisor Latch register, high byte 10-14
0x4020_0008 BTIIR Interrupt ID register 10-17
0x4020_0008 BTFCR FIFO Control register 10-19
0x4020_000C BTLCR Line Control register 10-25
0x4020_0010 BTMCR Modem Control register 10-29
0x4020_0014 BTLSR Line Status register 10-26
0x4020_0018 BTMSR Modem Status register 10-31
0x4020_001C BTSPR Scratch Pad register 10-33
0x4020_0020 BTISR Infrared Select register 10-33
0x4020_0024 BTFOR Receive FIFO Occupancy register 10-22
0x4020_0028 BTABR Auto-Baud Control register 10-23
0x4020_002C BTACR Auto-Baud Count register 10-24
0x4020_0030–
0x402F_FFFC — reserved
Standard I2C
0x4030_1680 IBMR I2C Bus Monitor register 9-30
0x4030_1684 — reserved
0x4030_1688 IDBR I2C Data Buffer register 9-29
0x4030_168C — reserved
0x4030_1690 ICR I2C Control register 9-23
0x4030_1694 — reserved
0x4030_1698 ISR I2C Status register 9-26
Table 28-8. Register Address Summary—Peripherals (Sheet 8 of 24)
Address Name Description Page
Intel® PXA27x Processor Family Developer’s Manual 28-21
Memory Map and Registers
0x4030_169C — reserved
0x4030_16A0 ISAR I2C Slave Address register 9-28
0x4030_16A4–
0x403F_FFFC —reserved —
I2S Controller
0x4040_0000 SACR0 Serial Audio Global Control register 14-10
0x4040_0004 SACR1 Serial Audio I2S/MSB-Justified Control register 14-13
0x4040_0008 — reserved
0x4040_000C SASR0 Serial Audio I2S/MSB-Justified Interface and FIFO Status register 14-14
0x4040_0010 — reserved
0x4040_0014 SAIMR Serial Audio Interrupt Mask register 14-18
0x4040_0018 SAICR Serial Audio Interrupt Clear register 14-17
0x4040_001C–
0x4040_005C —reserved —
0x4040_0060 SADIV Audio Clock Divider register 14-16
0x4040_0064–
0x4040_007C —reserved —
0x4040-0080 SADR Serial Audio Data register (TX and RX FIFO access register). 14-18
0x4040-0084–
0x404F_FFFC —reserved —
AC ’97 Controller
0x4050_0000 POCR PCM Out Control register 13-27
0x4050_0004 PCMICR PCM In Control register 13-28
0x4050_0008 MCCR Microphone In Control register 13-33
0x4050_000C GCR Global Control register 13-22
0x4050_0010 POSR PCM Out Status register 13-29
0x4050_0014 PCMISR PCM In Status register 13-30
0x4050_0018 MCSR MIC In Status register 13-34
0x4050_001C GSR Global Status register 13-24
0x4050_0020 CAR Codec Access register 13-31
0x4050_0024–
0x4050_003C —reserved —
0x4050_0040 PCDR PCM Data register 13-32
0x4050_0044–
0x4050_005C —reserved —
0x4050_0060 MCDR MIC In Data register 13-35
0x4050_0064–
0x4050_00FC —reserved —
0x4050_0100 MOCR Modem Out Control register 13-36
0x4050_0104 — reserved
Table 28-8. Register Address Summary—Peripherals (Sheet 9 of 24)
Address Name Description Page
28-22 Intel® PXA27x Processor Family Developer’s Manual
Memory Map and Registers
0x4050_0108 MICR Modem In Control register 13-37
0x4050_010C — reserved
0x4050_0110 MOSR Modem Out Status register 13-38
0x4050_0114 — reserved
0x4050_0118 MISR Modem In Status register 13-39
0x4050_011C
0x4050_013C — reserved
0x4050_0140 MODR Modem Data register 13-40
0x4050_0144–
0x4050_01FC — reserved
(0x4050_0200–
0x4050_02FC)
with all in
increments of
0x00004
Primary Audio Codec registers 13-41
(0x4050_0300–
0x4050_03FC)
with all in
increments of
0x00004
Secondary Audio Codec registers 13-41
(0x4050_0400–
0x4050_04FC)
with all in
increments of
0x0000_0004
Primary Modem Codec registers 13-41
(0x4050_0500–
0x4050_05FC)
with all in
increments of
0x00004
Secondary Modem Codec registers 13-41
0x4050_0600–
0x405F_FFFC — reserved 13-41
USB Client Controller
0x4060_0000 UDCCR UDC Control register 12-31
0x4060_0004 UDCICR0 UDC Interrupt Control register 0 12-35
0x4060_0008 UDCCIR1 UDC Interrupt Control register 1 12-35
0x4060_000C UDCISR0 UDC Interrupt Status register 0 12-50
0x4060_0010 UDCSIR1 UDC Interrupt Status register 1 12-50
0x4060_0014 UDCFNR UDC Frame Number register 12-53
0x4060_0018 UDCOTGICR UDC OTG Interrupt Control register 12-35
0x4060_001C UDCOTGISR UDC OTG Interrupt Status register 12-50
0x4060_0020 UP2OCR USB Port 2 Output Control register 12-41
0x4060_0024 UP3OCR USB Port 3 Output Control register 12-47
0x4060_0028–
0x4060_00FC — reserved
Table 28-8. Register Address Summary—Peripherals (Sheet 10 of 24)
Address Name Description Page
Intel® PXA27x Processor Family Developer’s Manual 28-23
Memory Map and Registers
0x4060_0100 UDCCSR0 UDC Control/Status register—Endpoint 0 12-54
0x4060_0104 UDCCSRA UDC Control/Status register—Endpoint A 12-57
0x4060_0108 UDCCSRB UDC Control/Status register—Endpoint B 12-57
0x4060_010C UDCCSRC UDC Control/Status register—Endpoint C 12-57
0x4060_0110 UDCCSRD UDC Control/Status register—Endpoint D 12-57
0x4060_0114 UDCCSRE UDC Control/Status register—Endpoint E 12-57
0x4060_0118 UDCCSRF UDC Control/Status register—Endpoint F 12-57
0x4060_011C UDCCSRG UDC Control/Status register—Endpoint G 12-57
0x4060_0120 UDCCSRH UDC Control/Status register—Endpoint H 12-57
0x4060_0124 UDCCSRI UDC Control/Status register—Endpoint I 12-57
0x4060_0128 UDCCSRJ UDC Control/Status register—Endpoint J 12-57
0x4060_012C UDCCSRK UDC Control/Status register—Endpoint K 12-57
0x4060_0130 UDCCSRL UDC Control/Status register—Endpoint L 12-57
0x4060_0134 UDCCSRM UDC Control/Status register—Endpoint M 12-57
0x4060_0138 UDCCSRN UDC Control/Status register—Endpoint N 12-57
0x4060_013C UDCCSRP UDC Control/Status register—Endpoint P 12-57
0x4060_0140 UDCCSRQ UDC Control/Status register—Endpoint Q 12-57
0x4060_0144 UDCCSRR UDC Control/Status register—Endpoint R 12-57
0x4060_0148 UDCCSRS UDC Control/Status register—Endpoint S 12-57
0x4060_014C UDCCSRT UDC Control/Status register—Endpoint T 12-57
0x4060_0150 UDCCSRU UDC Control/Status register—Endpoint U 12-57
0x4060_0154 UDCCSRV UDC Control/Status register—Endpoint V 12-57
0x4060_0158 UDCCSRW UDC Control/Status register—Endpoint W 12-57
0x4060_015C UDCCSRX UDC Control/Status register—Endpoint X 12-57
0x4060_0160–
0x4060_01FC —reserved —
0x4060_0200 UDCBCR0 UDC Byte Count register—Endpoint 0 12-63
0x4060_0204 UDCBCRA UDC Byte Count register—Endpoint A 12-63
0x4060_0208 UDCBCRB UDC Byte Count register—Endpoint B 12-63
0x4060_020C UDCBCRC UDC Byte Count register—Endpoint C 12-63
0x4060_0210 UDCBCRD UDC Byte Count register—Endpoint D 12-63
0x4060_0214 UDCBCRE UDC Byte Count register—Endpoint E 12-63
0x4060_0218 UDCBCRF UDC Byte Count register—Endpoint F 12-63
0x4060_021C UDCBCRG UDC Byte Count register—Endpoint G 12-63
0x4060_0220 UDCBCRH UDC Byte Count register—Endpoint H 12-63
0x4060_0224 UDCBCRI UDC Byte Count register—Endpoint I 12-63
0x4060_0228 UDCBCRJ UDC Byte Count register—Endpoint J 12-63
0x4060_022C UDCBCRK UDC Byte Count register—Endpoint K 12-63
Table 28-8. Register Address Summary—Peripherals (Sheet 11 of 24)
Address Name Description Page
28-24 Intel® PXA27x Processor Family Developer’s Manual
Memory Map and Registers
0x4060_0230 UDCBCRL UDC Byte Count register—Endpoint L 12-63
0x4060_0234 UDCBCRM UDC Byte Count register—Endpoint M 12-63
0x4060_0238 UDCBCRN UDC Byte Count register—Endpoint N 12-63
0x4060_023C UDCBCRP UDC Byte Count register—Endpoint P 12-63
0x4060_0240 UDCBCRQ UDC Byte Count register—Endpoint Q 12-63
0x4060_0244 UDCBCRR UDC Byte Count register—Endpoint R 12-63
0x4060_0248 UDCBCRS UDC Byte Count register—Endpoint S 12-63
0x4060_024C UDCBCRT UDC Byte Count register—Endpoint T 12-63
0x4060_0250 UDCBCRU UDC Byte Count register—Endpoint U 12-63
0x4060_0254 UDCBCRV UDC Byte Count register—Endpoint V 12-63
0x4060_0258 UDCBCRW UDC Byte Count register—Endpoint W 12-63
0x4060_025C UDCBCRX UDC Byte Count register—Endpoint X 12-63
0x4060_0260–
0x4060_02FC — reserved
0x4060_0300 UDCDR0 UDC Data register—Endpoint 0 12-63
0x4060_0304 UDCDRA UDC Data register—Endpoint A 12-63
0x4060_0308 UDCDRB UDC Data register—Endpoint B 12-63
0x4060_030C UDCDRC UDC Data register—Endpoint C 12-63
0x4060_0310 UDCDRD UDC Data register—Endpoint D 12-63
0x4060_0314 UDCDRE UDC Data register—Endpoint E 12-63
0x4060_0318 UDCDRF UDC Data register—Endpoint F 12-63
0x4060_031C UDCDRG UDC Data register—Endpoint G 12-63
0x4060_0320 UDCDRH UDC Data register—Endpoint H 12-63
0x4060_0324 UDCDRI UDC Data register—Endpoint I 12-63
0x4060_0328 UDCDRJ UDC Data register—Endpoint J 12-63
0x4060_032C UDCDRK UDC Data register—Endpoint K 12-63
0x4060_0330 UDCDRL UDC Data register—Endpoint L 12-63
0x4060_0334 UDCDRM UDC Data register—Endpoint M 12-63
0x4060_0338 UDCDRN UDC Data register—Endpoint N 12-63
0x4060_033C UDCDRP UDC Data register—Endpoint P 12-63
0x4060_0340 UDCDRQ UDC Data register—Endpoint Q 12-63
0x4060_0344 UDCDRR UDC Data register—Endpoint R 12-63
0x4060_0348 UDCDRS UDC Data register—Endpoint S 12-63
0x4060_034C UDCDRT UDC Data register—Endpoint T 12-63
0x4060_0350 UDCDRU UDC Data register—Endpoint U 12-63
0x4060_0354 UDCDRV UDC Data register—Endpoint V 12-63
0x4060_0358 UDCDRW UDC Data register—Endpoint W 12-63
0x4060_035C UDCDRX UDC Data register—Endpoint X 12-63
Table 28-8. Register Address Summary—Peripherals (Sheet 12 of 24)
Address Name Description Page
Intel® PXA27x Processor Family Developer’s Manual 28-25
Memory Map and Registers
0x4060_0360–
0x4060_03FC —reserved —
0x4060_0400 — reserved
0x4060_0404 UDCCRA UDC Configuration register—Endpoint A 12-65
0x4060_0408 UDCCRB UDC Configuration register—Endpoint B 12-65
0x4060_040C UDCCRC UDC Configuration register—Endpoint C 12-65
0x4060_0410 UDCCRD UDC Configuration register—Endpoint D 12-65
0x4060_0414 UDCCRE UDC Configuration register—Endpoint E 12-65
0x4060_0418 UDCCRF UDC Configuration register—Endpoint F 12-65
0x4060_041C UDCCRG UDC Configuration register—Endpoint G 12-65
0x4060_0420 UDCCRH UDC Configuration register—Endpoint H 12-65
0x4060_0424 UDCCRI UDC Configuration register—Endpoint I 12-65
0x4060_0428 UDCCRJ UDC Configuration register—Endpoint J 12-65
0x4060_042C UDCCRK UDC Configuration register—Endpoint K 12-65
0x4060_0430 UDCCRL UDC Configuration register—Endpoint L 12-65
0x4060_0434 UDCCRM UDC Configuration register—Endpoint M 12-65
0x4060_0438 UDCCRN UDC Configuration register—Endpoint N 12-65
0x4060_043C UDCCRP UDC Configuration register—Endpoint P 12-65
0x4060_0440 UDCCRQ UDC Configuration register—Endpoint Q 12-65
0x4060_0444 UDCCRR UDC Configuration register—Endpoint R 12-65
0x4060_0448 UDCCRS UDC Configuration register—Endpoint S 12-65
0x4060_044C UDCCRT UDC Configuration register—Endpoint T 12-65
0x4060_0450 UDCCRU UDC Configuration register—Endpoint U 12-65
0x4060_0454 UDCCRV UDC Configuration register—Endpoint V 12-65
0x4060_0458 UDCCRW UDC Configuration register—Endpoint W 12-65
0x4060_045C UDCCRX UDC Configuration register—Endpoint X 12-65
0x4060_0460–
0x406F_FFFC —reserved —
Standard UART
0x4070_0000 STRBR Receive Buffer register 10-13
0x4070_0000 STTHR Transmit Holding register 10-14
0x4070_0000 STDLL Divisor Latch register, low byte 10-14
0x4070_0004 STIER Interrupt Enable register 10-15
0x4070_0004 STDLH Divisor Latch register, high byte 10-14
0x4070_0008 STIIR Interrupt ID register 10-17
0x4070_0008 STFCR FIFO Control register 10-19
0x4070_000C STLCR Line Control register 10-25
0x4070_0010 STMCR Modem Control register 10-29
Table 28-8. Register Address Summary—Peripherals (Sheet 13 of 24)
Address Name Description Page
28-26 Intel® PXA27x Processor Family Developer’s Manual
Memory Map and Registers
0x4070_0014 STLSR Line Status register 10-26
0x4070_0018 STMSR Modem Status register 10-31
0x4070_001C STSPR Scratch Pad register 10-33
0x4070_0020 STISR Infrared Select register 10-33
0x4070_0024 STFOR Receive FIFO Occupancy register 10-22
0x4070_0028 STABR Auto-Baud Control register 10-23
0x4070_002C STACR Auto-Baud Count register 10-24
0x4070_0030–
0x407F_FFFC — reserved
Infrared Communications Port
0x4080_0000 ICCR0 FICP Control register 0 11-10
0x4080_0004 ICCR1 FICP Control register 1 11-13
0x4080_0008 ICCR2 FICP Control register 2 11-14
0x4080_000C ICDR FICP Data register 11-15
0x4080_0010 — reserved
0x4080_0014 ICSR0 FICP Status register 0 11-16
0x4080_0018 ICSR1 FICP Status register 1 11-18
0x 4080 001C ICFOR FICP FIFO Occupancy Status register 11-19
0x 4080 0020–
0x 4080 FFFC — reserved
Real-Time Clock
0x4090_0000 RCNR RTC Counter register 21-24
0x4090_0004 RTAR RTC Alarm register 21-19
0x4090_0008 RTSR RTC Status register 21-17
0x4090_000C RTTR RTC Timer Trim register 21-16
0x4090_0010 RDCR RTC Day Counter register 21-24
0x4090_0014 RYCR RTC Year Counter register 21-25
0x4090_0018 RDAR1 RTC Wristwatch Day Alarm register 1 21-20
0x4090_001C RYAR1 RTC Wristwatch Year Alarm register 1 21-21
0x4090_0020 RDAR2 RTC Wristwatch Day Alarm register 2 21-20
0x4090_0024 RYAR2 RTC Wristwatch Year Alarm register 2 21-21
0x4090_0028 SWCR RTC Stopwatch Counter register 21-26
0x4090_002C SWAR1 RTC Stopwatch Alarm register 1 21-22
0x4090_0030 SWAR2 RTC Stopwatch Alarm register 2 21-22
0x4090_0034 RTCPICR RTC Periodic Interrupt Counter register 21-27
0x4090_0038 PIAR RTC Periodic Interrupt Alarm register 21-23
0x4090_003C–
0x409F_FFFC —Reserved —
Table 28-8. Register Address Summary—Peripherals (Sheet 14 of 24)
Address Name Description Page
Intel® PXA27x Processor Family Developer’s Manual 28-27
Memory Map and Registers
OS Timers
0x40A0_0000 OSMR0 OS Timer Match 0 register 22-15
0x40A0_0004 OSMR1 OS Timer Match 1 register 22-15
0x40A0_0008 OSMR2 OS Timer Match 2 register 22-15
0x40A0_000C OSMR3 OS Timer Match 3 register 22-15
0x40A0_0010 OSCR0 OS Timer Counter 0 register 22-17
0x40A0_0014 OSSR OS Timer Status register (used for all counters) 22-18
0x40A0_0018 OWER OS Timer Watchdog Enable register 22-16
0x40A0_001C OIER OS Timer Interrupt Enable register (used for all counters) 22-16
0x40A0_0020 OSNR OS Timer Snapshot register 22-19
0x40A0_0024–
0x40A0_003C —reserved —
0x40A0_0040 OSCR4
OS Timer Counter 4–11 registers 22-17
0x40A0_0044 OSCR5
0x40A0_0048 OSCR6
0x40A0_004C OSCR7
0x40A0_0050 OSCR8
0x40A0_0054 OSCR9
0x40A0_0058 OSCR10
0x40A0_005C OSCR11
0x40A0_0060–
0x40A0_007C —reserved —
0x40A0_0080 OSMR4
OS Timer Match 4–11 registers 22-15
0x40A0_0084 OSMR5
0x40A0_0088 OSMR6
0x40A0_008C OSMR7
0x40A0_0090 OSMR8
0x40A0_0094 OSMR9
0x40A0_0098 OSMR10
0x40A0_009C OSMR11
0x40A0_00A0–
0x40A0_00BC —reserved —
0x40A0_00C0 OMCR4
OS Match Control 4–7 registers 22-9
0x40A0_00C4 OMCR5
0x40A0_00C8 OMCR6
0x40A0_00CC OMCR7
0x40A0_00D0 OMCR8 OS Match Control 8 register 22-11
0x40A0_00D4 OMCR9 OS Match Control 9 register 22-13
Table 28-8. Register Address Summary—Peripherals (Sheet 15 of 24)
Address Name Description Page
28-28 Intel® PXA27x Processor Family Developer’s Manual
Memory Map and Registers
0x40A0_00D8 OMCR10 OS Match Control 10 register 22-11
0x40A0_00DC OMCR11 OS Match Control 11 register 22-13
0x40A0_00E0–
0x40AF_FFFC — reserved
Pulse-Width Modulation
0x40B0_0000 PWMCR0 PWM 0 Control register 23-7
0x40B0_0004 PWMDCR0 PWM 0 Duty Cycle register 23-8
0x40B0_0008 PWMPCR0 PWM 0 Period register 23-9
0x40B0_000C — reserved
0x40B0_0010 PWMCR2 PWM 2 Control register 23-7
0x40B0_0014 PWMDCR2 PWM 2 Duty Cycle register 23-8
0x40B0_0018 PWMPCR2 PWM 2 Period register 23-9
0x40B0_001C–
0x40BF_FFFC — reserved
0x40C0_0000 PWMCR1 PWM 1 Control register 23-7
0x40C0_0004 PWMDCR1 PWM 1 Duty Cycle register 23-8
0x40C0_0008 PWMPCR1 PWM 1 Period register 23-9
0x40C0_000C — reserved
0x40C0_0010 PWMCR3 PWM 3 Control register 23-7
0x40C0_0014 PWMDCR3 PWM 3 Duty Cycle register 23-8
0x40C0_0018 PWMPCR3 PWM 3 Period register 23-9
0x40C0_001C
0x40CF_FFFC — reserved
Interrupt Controller
0x40D0_0000 ICIP Interrupt Controller IRQ Pending register 25-11
0x40D0_0004 ICMR Interrupt Controller Mask register 25-20
0x40D0_0008 ICLR Interrupt Controller Level register 25-24
0x40D0_000C ICFP Interrupt Controller FIQ Pending register 25-15
0x40D0_0010 ICPR Interrupt Controller Pending register 25-6
0x40D0_0014 ICCR Interrupt Controller Control register 25-27
0x40D0_0018 ICHP Interrupt Controller Highest Priority register 25-30
0x40D0_001C
0x40D0_0098 IPR0–IPR31 Interrupt Priority registers for Priorities 0–31 25-29
0x40D0_009C ICIP2 Interrupt Controller IRQ Pending register 2 25-10
0x40D0_00A0 ICMR2 Interrupt Controller Mask register 2 25-23
0x40D0_00A4 ICLR2 Interrupt Controller Level register 2 25-27
0x40D0_00A8 ICFP2 Interrupt Controller FIQ Pending register 2 25-19
0x40D0_00AC ICPR2 Interrupt Controller Pending register 2 25-6
Table 28-8. Register Address Summary—Peripherals (Sheet 16 of 24)
Address Name Description Page
Intel® PXA27x Processor Family Developer’s Manual 28-29
Memory Map and Registers
0x40D0_00B0–
0x40D0_00CC IPR32–IPR39 Interrupt Priority registers for Priorities 32–39 25-29
0x40D0_00D0–
0x40DF_FFFC —reserved —
General-Purpose I/O (GPIO) Controller
0x40E0_ 0000 GPLR0 GPIO Pin-Level register GPIO<31:0> 24-28
0x40E0_ 0004 GPLR1 GPIO Pin-Level register GPIO<63:32> 24-28
0x40E0_ 0008 GPLR2 GPIO Pin-Level register GPIO<95:64> 24-28
0x40E0_ 000C GPDR0 GPIO Pin Direction register GPIO<31:0> 24-11
0x40E0_ 0010 GPDR1 GPIO Pin Direction register GPIO<63:32> 24-11
0x40E0_ 0014 GPDR2 GPIO Pin Direction register GPIO<95:64> 24-11
0x40E0_ 0018 GPSR0 GPIO Pin Output Set register GPIO<31:0> 24-14
0x40E0_ 001C GPSR1 GPIO Pin Output Set register GPIO<63:32> 24-14
0x40E0_ 0020 GPSR2 GPIO Pin Output Set register GPIO<95:64> 24-14
0x40E0_ 0024 GPCR0 GPIO Pin Output Clear register GPIO<31:0> 24-14
0x40E0_ 0028 GPCR1 GPIO Pin Output Clear register GPIO <63:32> 24-14
0x40E0_ 002C GPCR2 GPIO pin Output Clear register GPIO <95:64> 24-14
0x40E0_ 0030 GRER0 GPIO Rising-Edge Detect Enable register GPIO<31:0> 24-18
0x40E0_ 0034 GRER1 GPIO Rising-Edge Detect Enable register GPIO<63:32> 24-18
0x40E0_ 0038 GRER2 GPIO Rising-Edge Detect Enable register GPIO<95:64> 24-18
0x40E0_ 003C GFER0 GPIO Falling-Edge Detect Enable register GPIO<31:0> 24-18
0x40E0_ 0040 GFER1 GPIO Falling-Edge Detect Enable register GPIO<63:32> 24-18
0x40E0_ 0044 GFER2 GPIO Falling-Edge Detect Enable register GPIO<95:64> 24-18
0x40E0_ 0048 GEDR0 GPIO Edge Detect Status register GPIO<31:0> 24-30
0x40E0_ 004C GEDR1 GPIO Edge Detect Status register GPIO<63:32> 24-30
0x40E0_ 0050 GEDR2 GPIO Edge Detect Status register GPIO<95:64> 24-30
0x40E0_ 0054 GAFR0_L GPIO Alternate Function register GPIO<15:0> 24-23
0x40E0_ 0058 GAFR0_U GPIO Alternate Function register GPIO<31:16> 24-23
0x40E0_ 005C GAFR1_L GPIO Alternate Function register GPIO<47:32> 24-23
0x40E0_ 0060 GAFR1_U GPIO Alternate Function register GPIO<63:48> 24-23
0x40E0_ 0064 GAFR2_L GPIO Alternate Function register GPIO<79:64> 24-23
0x40E0_ 0068 GAFR2_U GPIO Alternate Function register GPIO <95:80> 24-23
0x40E0_ 006C GAFR3_L GPIO Alternate Function register GPIO<111:96> 24-23
0x40E0_ 0070 GAFR3_U GPIO Alternate Function register GPIO<120:112> 24-23
0x40E0_ 0074–
0x40E0_ 00FC —reserved —
0x40E0_ 0100 GPLR3 GPIO Pin-Level register GPIO<120:96> 24-28
0x40E0_ 0104–
0x40E0_ 0108 —reserved —
Table 28-8. Register Address Summary—Peripherals (Sheet 17 of 24)
Address Name Description Page
28-30 Intel® PXA27x Processor Family Developer’s Manual
Memory Map and Registers
0x40E0_ 010C GPDR3 GPIO Pin Direction register GPIO<120:96> 24-11
0x40E0_ 0110
0x40E0_ 0114 — reserved
0x40E0_ 0118 GPSR3 GPIO Pin Output Set register GPIO<120:96> 24-14
0x40E0_ 011C–
0x40E0_ 0120 — reserved
0x40E0_ 0124 GPCR3 GPIO Pin Output Clear register GPIO<120:96> 24-14
0x40E0_ 0128
0x40E0_ 012C — reserved
0x40E0_ 0130 GRER3 GPIO Rising-Edge Detect Enable register GPIO<120:96> 24-18
0x40E0_ 0134
0x40E0_ 0138 — reserved
0x40E0_ 013C GFER3 GPIO Falling-Edge Detect Enable register GPIO<120:96> 24-18
0x40E0_ 0140
0x40E0_ 0144 — reserved
0x40E0_ 0148 GEDR3 GPIO Edge Detect Status register GPIO<120:96> 24-18
0x40E0_ 014C
0x40EF_FFFC — reserved
Power Manager and Reset Control
0x40F0_0000 PMCR Power Manager Control register 3-68
0x40F0_0004 PSSR Power Manager Sleep Status register 3-70
0x40F0_0008 PSPR Power Manager Scratch Pad register 3-73
0x40F0_000C PWER Power Manager Wake-Up Enable register 3-74
0x40F0_0010 PRER Power Manager Rising-Edge Detect Enable register 3-77
0x40F0_0014 PFER Power Manager Falling-Edge Detect Enable register 3-78
0x40F0_0018 PEDR Power Manager Edge-Detect Status register 3-79
0x40F0_001C PCFR Power Manager General Configuration register 3-80
0x40F0_0020 PGSR0 Power Manager GPIO Sleep State register for GPIO<31:0> 3-83
0x40F0_0024 PGSR1 Power Manager GPIO Sleep State register for GPIO<63:32> 3-83
0x40F0_0028 PGSR2 Power Manager GPIO Sleep State register for GPIO<95:64> 3-83
0x40F0_002C PGSR3 Power Manager GPIO Sleep State register for GPIO<120:96> 3-83
0x40F0_0030 RCSR Reset Controller Status register 3-84
0x40F0_0034 PSLR Power Manager Sleep Configuration register 3-85
0x40F0_0038 PSTR Power Manager Standby Configuration register 3-88
0x40F0_003C — reserved
0x40F0_0040 PVCR Power Manager Voltage Change Control register 3-89
0x40F0_0044
0x40F0_0048 — reserved
0x40F0_004C PUCR Power Manager USIM Card Control/Status register 3-90
0x40F0_0050 PKWR Power Manager Keyboard Wake-Up Enable register 3-92
Table 28-8. Register Address Summary—Peripherals (Sheet 18 of 24)
Address Name Description Page
Intel® PXA27x Processor Family Developer’s Manual 28-31
Memory Map and Registers
0x40F0_0054 PKSR Power Manager Keyboard Level-Detect Status register 3-93
0x40F0_0058–
0x40F0_007C —reserved —
0x40F0_0080–
0x40F0_00FC PCMD0–
PCMD31 Power Manager I2C Command register File 3-94
0x40F0_0100–
0x40F0_017C —reserved —
Power Manager I2C
0x40F0_0180 PIBMR Power Manager I2C Bus Monitor register 9-30
0x40F0_0184 — reserved
0x40F0_0188 PIDBR Power Manager I2C Data Buffer register 9-29
0x40F0_018C — reserved
0x40F0_0190 PICR Power Manager I2C Control register 9-23
0x40F0_0194 — reserved
0x40F0_0198 PISR Power Manager I2C Status register 9-26
0x40F0_019C — reserved
0x40F0_01A0 PISAR Power Manager I2C Slave Address register 9-28
0x40F0_01A4–
0x40FF_FFFC —reserved —
Synchronous Serial Port 1
0x4100_0000 SSCR0_1 SSP 1 Control register 0 8-25
0x4100_0004 SSCR1_1 SSP 1 Control register 1 8-30
0x4100_0008 SSSR_1 SSP 1 Status register 8-43
0x4100_000C SSITR_1 SSP 1 Interrupt Test register 8-42
0x4100_0010 SSDR_1 SSP 1 Data Write register/Data Read register 8-48
0x4100_0014–
0x4100_0024 —reserved —
0x4100_0028 SSTO_1 SSP 1 Time-Out register 8-41
0x4100_002C SSPSP_1 SSP 1 Programmable Serial Protocol 8-39
0x4100_0030 SSTSA_1 SSP1 TX Timeslot Active register 8-48
0x4100_0034 SSRSA_1 SSP1 RX Timeslot Active register 8-49
0x4100_0038 SSTSS_1 SSP1 Timeslot Status register 8-50
0x4100_003C SSACD_1 SSP1 Audio Clock Divider register 8-51
0x4100_0040–
0x416F_FFFC —reserved —
MultiMediaCard/SD/SDIO Controller
0x4110_0000 MMC_STRPCL MMC Clock Start/Stop register 15-29
0x4110_0004 MMC_STAT MMC Status register 15-29
0x4110_0008 MMC_CLKRT MMC Clock Rate register 15-31
Table 28-8. Register Address Summary—Peripherals (Sheet 19 of 24)
Address Name Description Page
28-32 Intel® PXA27x Processor Family Developer’s Manual
Memory Map and Registers
0x4110_000C MMC_SPI MMC SPI Mode register 15-31
0x4110_0010 MMC_CMDAT MMC Command/Data register 15-32
0x4110_0014 MMC_RESTO MMC Response Time-Out register 15-34
0x4110_0018 MMC_RDTO MMC Read Time-Out register 15-34
0x4110_001C MMC_BLKLEN MMC Block Length register 15-35
0x4110_0020 MMC_NUMBLK MMC Number of Blocks register 15-35
0x4110_0024 MMC_PRTBUF MMC Buffer Partly Full register 15-36
0x4110_0028 MMC_I_MASK MMC Interrupt Mask register 15-36
0x4110_002C MMC_I_REG MMC Interrupt Request register 15-38
0x4110_0030 MMC_CMD MMC Command register 15-41
0x4110_0034 MMC_ARGH MMC Argument High register 15-41
0x4110 _0038 MMC_ARGL MMC Argument Low register 15-42
0x4110_003C MMC_RES MMC Response FIFO 15-42
0x4110_0040 MMC_RXFIFO MMC Receive FIFO 15-42
0x4110_0044 MMC_TXFIFO MMC Transmit FIFO 15-43
0x4110_0048 MMC_RDWAIT MMC RD_WAIT register 15-43
0x4110_004C MMC_BLKS_REM MMC Blocks Remaining register 15-44
Clocks Manager
0x4130_0000 CCCR Core Clock Configuration register 3-95
0x4130_0004 CKEN Clock Enable register 3-98
0x4130_0008 OSCC Oscillator Configuration register 3-99
0x4130_000C CCSR Core Clock Status register 3-101
0x4130_0010–
0x413F_FFFC — reserved
Mobile Scalable Link (MSL) Interface
0x4140_0004 BBFIFO1 MSL Channel 1 Receive/Transmit FIFO register 16-13
0x4140_0008 BBFIFO2 MSL Channel 2 Receive/Transmit FIFO register 16-13
0x4140_000C BBFIFO3 MSL Channel 3 Receive/Transmit FIFO register 16-13
0x4140_0010 BBFIFO4 MSL Channel 4 Receive/Transmit FIFO register 16-13
0x4140_0014 BBFIFO5 MSL Channel 5 Receive/Transmit FIFO register 16-13
0x4140_0018 BBFIFO6 MSL Channel 6 Receive/Transmit FIFO register 16-13
0x4140_001C BBFIFO7 MSL Channel 7 Receive/Transmit FIFO register 16-13
0x4140_0020–
0x4140_0040 — reserved
0x4140_0044 BBCFG1 MSL Channel 1 Configuration register 16-15
0x4140_0048 BBCFG2 MSL Channel 2 Configuration register 16-15
0x4140_004C BBCFG3 MSL Channel 3 Configuration register 16-15
0x4140_0050 BBCFG4 MSL Channel 4 Configuration register 16-15
Table 28-8. Register Address Summary—Peripherals (Sheet 20 of 24)
Address Name Description Page
Intel® PXA27x Processor Family Developer’s Manual 28-33
Memory Map and Registers
0x4140_0054 BBCFG5 MSL Channel 5 Configuration register 16-15
0x4140_0058 BBCFG6 MSL Channel 6 Configuration register 16-15
0x4140_005C BBCFG7 MSL Channel 7 Configuration register 16-15
0x4140_0060–
0x4140_0080 —reserved —
0x4140_0084 BBSTAT1 MSL Channel 1 Status register 16-19
0x4140_0088 BBSTAT2 MSL Channel 2 Status register 16-19
0x4140_008C BBSTAT3 MSL Channel 3 Status register 16-19
0x4140_0090 BBSTAT4 MSL Channel 4 Status register 16-19
0x4140_0094 BBSTAT5 MSL Channel 5 Status register 16-19
0x4140_0098 BBSTAT6 MSL Channel 6 Status register 16-19
0x4140_009C BBSTAT7 MSL Channel 7 Status register 16-19
0x4140_00A0–
0x4140_00C0 —reserved —
0x4140_00C4 BBEOM1 MSL Channel 1 EOM register 16-22
0x4140_00C8 BBEOM2 MSL Channel 2 EOM register 16-22
0x4140_00CC BBEOM3 MSL Channel 3 EOM register 16-22
0x4140_00D0 BBEOM4 MSL Channel 4 EOM register 16-22
0x4140_00D4 BBEOM5 MSL Channel 5 EOM register 16-22
0x4140_00D8 BBEOM6 MSL Channel 6 EOM register 16-22
0x4140_00DC BBEOM7 MSL Channel 7 EOM register 16-22
0x4140_00E0–
0x4140_00FC —reserved —
0x4140_0100–
0x4140_0104 —reserved —
0x4140_0108 BBIID MSL Interrupt ID register 16-23
0x4140_010C — reserved
0x4140_0110 BBFREQ MSL Transmit Frequency Select register 10-6
0x4140_0114 BBWAIT MSL Wait Count register 16-24
0x4140_0118 BBCST MSL Clock Stop Time register 16-25
0x4140_011C–
0x4140_0138 —reserved —
0x4140_013C — reserved
0x4140_0140 BBWAKE MSL Wake-Up register 16-26
0x4140_0144 BBITFC MSL Interface Width register 10-6
0x4140_0148–
0x414F_FFFC —reserved —
Table 28-8. Register Address Summary—Peripherals (Sheet 21 of 24)
Address Name Description Page
28-34 Intel® PXA27x Processor Family Developer’s Manual
Memory Map and Registers
Keypad Interface
0x4150_0000 KPC Keypad Interface Control register 18-12
0x4150_0004 — reserved
0x4150_0008 KPDK Keypad Interface Direct Key register 18-16
0x4150_000C — reserved
0x4150_0010 KPREC Keypad Interface Rotary Encoder Count register 18-17
0x4150_0014 — reserved
0x4150_0018 KPMK Keypad Interface Matrix Key register 18-18
0x4150_001C — reserved
0x4150_0020 KPAS Keypad Interface Automatic Scan register 18-18
0x4150_0024 — reserved
0x4150_0028 KPASMKP0 Keypad Interface Automatic Scan Multiple Keypress register 0 18-20
0x4150_002C — reserved
0x4150_0030 KPASMKP1 Keypad Interface Automatic Scan Multiple Keypress register 1 18-20
0x4150_0034 — reserved
0x4150_0038 KPASMKP2 Keypad Interface Automatic Scan Multiple Keypress register 2 18-20
0x4150_003C — reserved
0x4150_0040 KPASMKP3 Keypad Interface Automatic Scan Multiple Keypress register 3 18-20
0x4150_0044 — reserved
0x4150_0048 KPKDI Keypad Interface Key Debounce Interval register 18-23
0x4150_004C–
0x415F_FFFC — reserved
Universal Subscriber ID (USIM) Interface
0x4160_0000 RBR USIM Receive Buffer register 19-18
0x4160_0004 THR USIM Transmit Holding register 19-19
0x4160_0008 IER USIM Interrupt Enable register 19-20
0x4160_000C IIR USIM Interrupt Identification register 19-22
0x4160_0010 FCR USIM FIFO Control register 19-24
0x4160_0014 FSR USIM FIFO Status register 19-26
0x4160_0018 ECR USIM Error Control register 19-27
0x4160_001C LCR USIM Line Control register 19-29
0x4160_0020 USCCR USIM Card Control register 19-31
0x4160_0024 LSR USIM Line Status register 19-32
0x4160_0028 EGTR USIM Extra Guard Time register 19-34
0x4160_002C BGTR USIM Block Guard Time register 19-34
0x4160_0030 TOR USIM Time-Out register 19-35
0x4160_0034 CLKR USIM Clock register 19-36
Table 28-8. Register Address Summary—Peripherals (Sheet 22 of 24)
Address Name Description Page
Intel® PXA27x Processor Family Developer’s Manual 28-35
Memory Map and Registers
0x4160_0038 DLR USIM Divisor Latch register 19-37
0x4160_003C FLR USIM Factor Latch register 19-37
0x4160_0040 CWTR USIM Character Waiting Time register 19-38
0x4160_0044 BWTR USIM Block Waiting Time register 19-39
0x4160_0048–
0x4160_FFFC —reserved —
Synchronous Serial Port 2
0x4170_0000 SSCR0_2 SSP2 Control register 0 8-25
0x4170_0004 SSCR1_2 SSP 2 Control register 1 8-30
0x4170_0008 SSSR_2 SSP 2 Status register 8-43
0x4170_000C SSITR_2 SSP 2 Interrupt Test register 8-42
0x4170_0010 SSDR_2 SSP 2 Data Write register/Data Read register 8-48
0x4170_0014–
0x4170_0024 —reserved —
0x4170_0028 SSTO_2 SSP 2 Time-Out register 8-41
0x4170_002C SSPSP_2 SSP 2 Programmable Serial Protocol 8-39
0x4170_0030 SSTSA_2 SSP2 TX Timeslot Active register 8-48
0x4170_0034 SSRSA_2 SSP2 RX Timeslot Active register 8-49
0x4170_0038 SSTSS_2 SSP2 Timeslot Status register 8-50
0x4170_003C SSACD_2 SSP2 Audio Clock Divider register 8-51
0x4170_0040–
0x418F_FFFC —reserved —
Memory Stick Host Controller
0x4180_0000 MSCMR MSHC Command register 17-8
0x4180_0004 MSCRSR MSHC Control and Status register 17-9
0x4180_0008 MSINT MSHC Interrupt and Status register 17-10
0x4180_000C MSINTEN MSHC Interrupt Enable register 17-11
0x4180_0010 MSCR2 MSHC Control register 2 17-12
0x4180_0014 MSACD MSHC ACD Command register 17-13
0x4180_0018 MSRXFIFO MSHC Receive FIFO register 17-14
0x4180_001C MSTXFIFO MSHC Transmit FIFO register 17-15
0x4180_0020–
0x418F_FFFC —reserved —
Synchronous Serial Port 3
0x4190_0000 SSCR0_3 SSP 3 Control register 0 8-25
0x4190_0004 SSCR1_3 SSP 3 Control register 1 8-30
0x4190_0008 SSSR_3 SSP 3 Status register 8-43
0x4190_000C SSITR_3 SSP 3 Interrupt Test register 8-42
Table 28-8. Register Address Summary—Peripherals (Sheet 23 of 24)
Address Name Description Page
28-36 Intel® PXA27x Processor Family Developer’s Manual
Memory Map and Registers
0x4190_0010 SSDR_3 SSP 3 Data Write register/Data Read register 8-48
0x4190_0014–
0x4190_0024 — reserved
0x4190_0028 SSTO_3 SSP 3 Time-Out register 8-41
0x4190_002C SSPSP_3 SSP 3 Programmable Serial Protocol 8-39
0x4190_0030 SSTSA_3 SSP TX Timeslot Active register 8-48
0x4190_0034 SSRSA_3 SSP RX Timeslot Active register 8-49
0x4190_0038 SSTSS_3 SSP Timeslot Status register 8-50
0x4190_003C SSACD_3 SSP Audio Clock Divider register 8-51
0x4190_0040
0x419f_FFFC — reserved
Table 28-8. Register Address Summary—Peripherals (Sheet 24 of 24)
Address Name Description Page
Intel® PXA27x Processor Family Developer’s Manual 29-1
System Bus Arbiter 29
This chapter describes the internal system bus arbitration mechanism included in the PXA27x
processor.
29.1 Overview
The PXA27x processor system bus supports six clients — the core, the DMA controller, the LCD
controller, the USB host controller, and the two memory controllers (internal and external). The
bus is multiplexed (instead of a three-state approach), and clients can request the bus without any
limitations. Arbitration for bus access is performed by the arbiter, which is programmable through
the ARB_CNTRL register.
29.2 Features
The internal system bus arbiter includes the following features:
Programmable client weights
Software-selectable bus parking
Bus locking
29.3 Signal Descriptions
There are no external signals associated with the bus arbiter.
29.4 Operation
29.4.1 Programmable Weights
The lower 12 bits of the Arbiter Control register (shown in Table 29-1) determine the arbitration
priority of the clients on the bus. A detailed description of the arbitration policy of the scalable
programmable system bus arbiter is beyond the scope of this document. However, the values
programmed in the three weight fields of the ARB_CNTRL register denote the relative importance
of the three programmable clients on the bus—core, DMA controller, and LCD controller. Between
them, they attempt to capture the “spread” of the transactions on the internal bus.
For example, if the core is expected to need twice the bandwidth as the LCD controller, which
needs the same as that of the DMA controller, a good value to program would be 0x77E. This
ensures that the “weight” of the core is twice that of the other clients on the bus. This effect could
also have been achieved by 0x224 or 0x448 or any similar combination. The absolute number to
chose is a trade-off between the accuracy of the arbiter in implementing the desired weight and the
29-2 Intel® PXA27x Processor Family Developer’s Manual
System Bus Arbiter
maximum guaranteed time to grant for any client. Thus, 0x77E could force the LCD controller to
wait for 8 transactions (7 core and 1 DMA) before getting on the bus, even as it attempts to more
accurately implement the programmers intended importance to the core over its challengers.
In general, chose smaller numbers when max_time_to_grant must be kept to a minimum, while
larger numbers provide improved accuracy.
The reset value of this field is 0x234, but this is largely a formality, since only the core is expected
to be executing transactions during boot-up time.
29.4.2 Bus Parking
Parking reduces the latency of a transaction by speculatively granting the bus to a client in
anticipation of a request from that client. The penalty for a mis-speculation could be two to three
cycles in the PXA27x processor. The bus is parked with a particular client by setting the park bit
corresponding to that client (bits 31:24). Once the register is set, the bus is granted to that client if
no other client asks for the bus.
An exception to this rule occurs when there are overriding circumstances. For instance, if
Lock_flag (bit 23) is set and the DMA is designated as the park-client (by setting
ARB_CNTRL[DMA_park]) and there is a SWAP operation in progress from the core, then the
park directive is overridden. Other conditions in the system such as sleep and retries may also
prevent park from taking effect. In all such conditions, the bus is not parked with any client.
If no park bits are set, the bus is not given to any client.
If more than one park bit is set, the priority is from bit 31 to bit 24 (descending).
29.5 Register Descriptions
29.5.1 Arbiter Control Register (ARB_CNTRL)
ARB_CNTRL, defined in Table 29-1, physically resides in the external memory controller. Writes
to this register are immediately communicated to the arbiter.
There are three types of fields in the register—weights, parking, and a lock flag. These occupy a
total of 21 bits, and the rest are reserved.
This is a read/write register. Ignore reads from reserved bits. Write 0b0 to reserved bits.
Intel® PXA27x Processor Family Developer’s Manual 29-3
System Bus Arbiter
29.6 System Considerations
29.6.1 Access Latency on System Bus
There are four masters (core, DMA, USB host, and LCD controller) on the system bus. All
accesses to the external memory from any of these masters flow through the memory controller.
The memory controller has four internal buffers that work as a FIFO. All requests are executed in
order.
The programmer can program the system bus arbitration priority enabling one of the four masters
to access the system bus with higher priority than others.
Table 29-1. ARB_CNTRL Bit Definitions
Physical Address
0x4800_0048 ARB_CNTRL Internal Bus Arbiter
User
Settings
Bit 31 30 29 28 27 26 25 24 23 22 21 20 19 18 17 16 15 14 13 12 11 10 9 8 7 6 5 4 3 2 1 0
DMA_SLV_park
CI_park
EX_MEM_park
INT_MEM_park
USB_park
LCD_park
DMA_park
Core_park
LOCK_FLAG
r e s e r v e d LCD_wt DMA_wt Core_wt
Reset 0 0 0 0 0 0 0 0 1 ? ? ? ? ? ? ? ? ? ? ? 0 0 1 0 0 0 1 1 0 1 0 0
Bits Access Name Description
31 R/W DMA_SLV_park 1 = Bus is parked with DMA slave when idle
30 R/W CI_park 1 = Bus is parked with quick capture interface when idle
29 R/W EX_MEM_park 1 = Bus is parked with external memory controller when idle
28 R/W INT_MEM_park 1 = Bus is parked with internal memory controller when idle
27 R/W USB_park 1 = Bus is parked with USB host controller when idle
26 R/W LCD_park 1 = Bus is parked with LCD controller when idle
25 R/W DMA_park 1 = Bus is parked with DMA controller when idle
24 R/W Core_park 1 = Bus is parked with core when idle
23 R/W LOCK_FLAG 1 = Only locking masters gain access to the bus
22:12 R/W reserved reserved
11:8 R/W LCD_Wt
LCD Priority Value
Values in this field determine the relative priority of LCD requests for the bus
with core and DMA requests.
7:4 R/W DMA_Wt
DMA Priority Value
Values in this field determine the relative priority of DMA requests for the
bus with core and LCD requests.
3:0 R/W Core_Wt
Core Priority Value
Values in this field determine the relative priority of core requests for the bus
with DMA and LCD requests.
29-4 Intel® PXA27x Processor Family Developer’s Manual
System Bus Arbiter
To compute the worst-case latency for an external-memory transfer in a very busy system, where
all the internal bus masters are continuously trying to access the system bus (assuming that the
master has highest priority programmed in the arbiter), programmers must account for the
following transfers ahead of the current master accessing the external bus:
One current external bus transfer
Four pending transfers in the memory controller queue
Two transfers on the system bus
Any other transfers pending within the master
An SDRAM refresh.
To compute the worst-case latency for an internal-memory transfer in a very busy system
(assuming that the master has highest priority programmed in the arbiter and the internal memory
bank is not in standby or sleep mode and the queue is empty), programmers must account for the
following transfers ahead of the current master acquiring the system bus:
Two transfers on the system bus
Any other transfers pending within the master.
As any of the internal memory accesses is generally lower in latency, any accesses having a critical
latency requirement, such as USB host isochronous buffer data, must be placed in internal memory.
29.6.2 I/O Ordering
The PXA27x processor memory controller contains queues that accept memory requests from the
four internal masters (core, DMA, USB host, and LCD controller). All external memory accesses
that are issued by any one master are guaranteed to complete in order. However, there is no
guarantee of strict ordering of internal or external memory transactions between different masters.
Because of buffering in the memory controller, loads and stores to internal addresses (for example,
on-chip memory) generally complete in a shorter time than those issued to external (memory)
addresses, which makes it possible for a pair of operations to complete in the reverse of their
program order. For example, in the following sequence, the store to address R4 completes before
the store to address R2 because the external-memory transfer could be buffered waiting for
memory, while the internal-memory transfer completes with no delay.
str r1, [r2] ; store to external memory address [r2]
str r3, [r4] ; store to internal (on-chip) memory address [r4]
If the two stores happen to be control operations that absolutely must complete in program order,
insert a load-to-external memory followed by an operation dependent on the data from that load, as
shown:
str r1, [r2] ; First store is issued
ldr r5, [r6] ; load from some external-memory address ([r2] if possible)
mov r5, r5 ; nop stalls until previous load completes
str r3, [r4] ; second store completes in program order
29.6.3 Flushing the Memory Controller Buffers
Memory controller buffers work as a FIFO and are flushed if the processor reads any memory
controller internal registers.
Intel® PXA27x Processor Family Developer’s Manual 29-5
System Bus Arbiter
29.6.4 Semaphores
The Swap (SWP) and Swap Byte (SWPB) instructions, as described in the ARM* V5TE
architecture reference, can be used for semaphore manipulation. The PXA27x processor guarantees
that no other on-chip master (or process) accesses a memory location between the load-and-store
portion of a SWP or SWPB to the same location.
It is not possible for an external companion chip (through the use of the MBREQ/MBGNT
handshake) to take ownership of the bus in the middle of a Swap sequence.
29.6.5 Interrupts
If an interrupt is taken, software can read a single Interrupt Pending register to identify the interrupt
source. Refer to Chapter 25, “Interrupt Controller” for details. It is then the responsibility of
software to service the interrupt and clear it (in the source unit) before exiting the service routine.
A delay exists associated with clearing interrupts; the interrupt-service routine (ISR) must clear the
interrupt early in the routine to allow time for the status bit to clear before returning from that
routine.
29.7 Register Summary
Table 29-2 summarizes the register used for bus arbitration.
.
Table 29-2. System Bus Arbiter Register Summary
Address Name Description Page
0x4800_0048 ARB_CNTRL Arbiter Control register 29-2
29-6 Intel® PXA27x Processor Family Developer’s Manual
System Bus Arbiter
Intel® PXA27x Processor Family Developer’s Manual Glossary-1
Glossary
3G—An industry term that describe the next, still-to-come generation of wireless applications. It represents a move
from circuit-switched communications (where a device user has to dial in to a network) to broadband, high-speed,
packet-based wireless networks (which are always on). The first generation of wireless communications relied on
analog technology, followed by digital wireless communications. The third generation expands the digital
capabilities by including high-speed connections and increased reliability.
802.11—Wireless specifications developed by the IEEE, outlining the means to manage packet traffic over a
network and ensure that packets do not collide, which could result in the loss of data, when travelling from device
to device.
8PSK8-phase shift key modulation scheme. Used in the EDGE standard.
AC ’97—AC-link standard serial interface for modem and audio.
ACK—Handshake packet indicating a positive acknowledgment.
Active Device—A device that is powered and is not in the suspended state.
Air Interface—The RF interface between a mobile cellular handset and the base station.
AMPS—Advanced Mobile Phone Service. A term used for analog technologies, the first generation of wireless
technologies.
Analog—Radio signals that are converted into a format that allows them to carry data. Cellular phones and other
wireless devices use analog in geographic areas with insufficient digital networks.
ARM* V5te—An ARM* architecture designation indicating the processor is conforms to ARM* architecture
version 5, including “Thumb” mode and the “El Segundo” DSP extensions.
Asynchronous Data—Data transferred at irregular intervals with relaxed latency requirements.
Asynchronous RA—The incoming data rate, Fs i, and the outgoing data rate, Fs o, of the RA process are
independent (in other words, there is no shared master clock). See also Rate Adaptation.
Asynchronous SRC—The incoming sample rate, Fs i, and outgoing sample rate, Fs o, of the SRC process are
independent (in other words, there is no shared master clock). See also Sample Rate Conversion (SRC).
Audio device—A device that sources or sinks sampled analog data.
AWG#The measurement of a wire’s cross-section, as defined by the American Wire Gauge standard.
b/s—Transmission rate expressed in bits per second.
B/s—Transmission rate expressed in bytes per second.
Babble—Unexpected bus activity that persists beyond a specified point in a (micro)frame.
Backlight Inverter—A device to drive cold cathode fluorescent lamps that illuminate LCD panels.
Glossary-2 Intel® PXA27x Processor Family Developer’s Manual
Bandwidth—The amount of data transmitted per unit of time, typically bits per second (b/s) or bytes per second
(B/s). The size of a network “pipe” or channel for communication in wired networks. In wireless, it refers to the
range of available frequencies that carry a signal.
Base Station—The telephone company’s interface to the Mobile Station.
BFSKBinary Frequency Shift Keying. A coding scheme for digital data.
BGABall Grid Array.
Bit—A unit of information used by digital computers. Represents the smallest piece of addressable memory within
a computer. A bit expresses the choice between two possibilities and is typically represented by a logical one (1) or
zero (0).
Bit Stuffing—Insertion of a “0” bit into a data stream to cause an electrical transition on the data wires, allowing a
PLL to remain locked.
Blackberry—A two-way wireless device (pager) made by Research In Motion (RIM) that allows users to check
e-mail and voice mail translated into text, as well as page other users of a wireless network service. It has a
miniature “qwerty” keyboard that can be used by your thumbs, and uses SMS protocol. A Blackberry user must
subscribe to the proprietary wireless service that allows for data transmission.
BluetoothA short-range wireless specification that allows for radio connections between devices within a
30-foot range of each other. The name comes from 10th-century Danish King Harald Blatand (Bluetooth), who
unified Denmark and Norway.
BPSKBinary Phase Shift Keying. A means of encoding digital data into a signal using phase-modulated
communication.
BTBBranch Target Buffer.
BTSBase Transmitter Station.
Buffer—Storage used to compensate for a difference in data rates or time of occurrence of events, when
transmitting data from one device to another.
Bulk TransferOne of the four USB transfer types. Bulk transfers are non-periodic, large bursty communication
typically used for a transfer that can use any available bandwidth and can also be delayed until bandwidth is
available. See also Transfer Type.
Bus EnumerationDetecting and identifying USB devices.
ByteA data element that is eight bits in size.
Capabilities—Those attributes of a USB device that are administrated by the host.
CASCycle Accurate Simulator.
CAS-B4-RAS—See CBR.
CBRCAS Before RAS. Column Address Strobe Before Row Address Strobe. A fast refresh technique in which
the DRAM keeps track of the next row it needs to refresh, thus simplifying what a system would have to do to
refresh the part.
Intel® PXA27x Processor Family Developer’s Manual Glossary-3
CDMA—Code Division Multiple Access. U.S. wireless carriers Sprint PCD and Verizon use CDMA to allocate
bandwidth for users of digital wireless devices. CDMA distinguishes between multiple transmissions carried
simultaneously on a single wireless signal. It carries the transmissions on that signal, freeing network room for the
wireless carrier and providing interference-free calls for the user. Several versions of the standard are still under
development. CDMA may increase network capacity for wireless carriers and improve the quality of wireless
messaging. CDMA is an alternative to GSM.
CDPD—Cellular Digital Packet Data Telecommunications. Companies can use DCPD to transfer data on unused
cellular networks to other users. If one section, or “cell” of the network is overtaxed, DCPD automatically allows
for the reallocation of services.
Cellular—Technology that senses analog or digital transmissions from transmitters that have areas of coverage
called cells. As a user of a cellular phone moves between transmitters from one cell to another, the users’ call
travels from transmitter to transmitter uninterrupted.
Characteristics—Those qualities of a USB device that are unchangeable; for example, the device class is a device
characteristic.
Circuit Switched—Used by wireless carriers, this method lets a user connect to a network or the Internet by
dialing in, such as with a traditional phone line. Circuit switched connections are typically slower and less reliable
than packet-switched networks, but are currently the primary method of network access for wireless users in the
U.S.
Client—Software resident on the host that interacts with the USB System Software to arrange data transfer
between a function and the host. The client is often the data provider and consumer for transferred data.
CML—Current mode logic.
Configuring Software—Software resident on the host software that is responsible for configuring a USB device.
This may be a system configuration or software specific to the device.
Control Endpoint—A pair of device endpoints with the same endpoint number that are used by a control pipe.
Control endpoints transfer data in both directions and, therefore, use both endpoint directions of a device address
and endpoint number combination. Thus, each control endpoint consumes two endpoint addresses.
Control Pipe—Same as a message pipe.
Control TransferOne of the four USB transfer types. Control transfers support configuration/command/status
type communication between client and function. See also Transfer Type.
CRC—See Cyclic Redundancy Check (CRC).
CSP—Chip Scale Package.
CTE—Coefficient of thermal expansion.
CTI—Computer Telephony Integration.
Cyclic Redundancy Check (CRC)—A check performed on data to see if an error has occurred in transmitting,
reading, or writing the data. The result of a CRC is typically stored or transmitted with the checked data. The stored
or transmitted result is compared to a CRC calculated for the data to determine if an error has occurred.
D-cache—Data cache.
DECT—Digital European Cordless Telecommunications standard.
Glossary-4 Intel® PXA27x Processor Family Developer’s Manual
Default Address—An address defined by the USB Specification and used by a USB device when it is first
powered or reset. The default address is 00h.
Default Pipe—The message pipe created by the USB system software to pass control and status information
between the host and a USB device’s endpoint zero.
Device—A logical or physical entity that performs a function. The actual entity described depends on the context of
the reference. At the lowest level, device may refer to a single hardware component, as in a memory device. At a
higher level, it may refer to a collection of hardware components that perform a particular function, such as a USB
interface device. At an even higher level, device may refer to the function performed by an entity attached to the
USB; for example, a data/FAX modem device. Devices may be physical, electrical, addressable, and logical. When
used as a non-specific reference, a USB device is either a hub or a function.
Device Address—A seven-bit value representing the address of a device on the USB. The device address is the
default address (00H) when the USB device is first powered or the device is reset. Devices are assigned a unique
device address by the USB system software.
Device Endpoint—A uniquely addressable portion of a USB device that is the source or sink of information in a
communication flow between the host and device. See also Endpoint Address.
Device Resources—Resources provided by USB devices, such as buffer space and endpoints. See also Host
Resources and Universal Serial Bus Resources.
Device Software—Software that is responsible for using a USB device. This software may or may not also be
responsible for configuring the device for use.
DMADirect Memory Access.
Downstream—The direction of data flow from the host or away from the host. A downstream port is the port on a
hub electrically farthest from the host that generates downstream data traffic from the hub. Downstream ports
receive upstream data traffic.
DQPSK—Differential Quadrature Phase Shift Keying. A modulation technique used in TDMA.
Driver—When referring to hardware, an I/O pad that drives an external load. When referring to software, a
program responsible for interfacing to a hardware device, that is, a device driver.
DSPDigital Signal Processing.
DSTN—Double-layer Supertwist Nematic. A passive LCD panel that uses two display layers to counteract the
color shifting that occurs with conventional supertwist displays. See STN.
Dual Band Mobile PhoneA phone that supports both analog and digital technologies by picking up analog
signals when digital signals fade. Most mobile phones are not dual-band.
DWORD—Double word. A data element that is two words (four bytes or 32 bits) in size.
Dynamic Insertion and Removal—The ability to attach and remove devices while the host is in operation.
E2PROMSee Electrically Erasable Programmable Read-Only Memory (EEPROM).
EAV—End of Active Video.
EDGE—Enhanced Data GSM Environment. A faster version of the GSM standard. It is faster because it can carry
messages using broadband networks that employ more bandwidth than standard GSM networks.
Intel® PXA27x Processor Family Developer’s Manual Glossary-5
EEPROM—See Electrically Erasable Programmable Read-Only Memory (EEPROM).
Electrically Erasable Programmable Read-Only Memory (EEPROM)—Non-volatile re-writable memory
storage technology.
End User—The user of a host.
EndpointSee Device Endpoint.
Endpoint Address—The combination of an endpoint number and an endpoint direction on a USB device. Each
endpoint address supports data transfer in one direction.
Endpoint Direction—The direction of data transfer on the USB. The direction can be either IN or OUT. IN refers
to transfers to the host; OUT refers to transfers from the host.
Endpoint Number—A four-bit value between 0H and FH, inclusive, associated with an endpoint on a USB
device.
Envelope Detector—An electronic circuit inside a USB device that monitors the USB data lines and detects
certain voltage related signal characteristics.
EOF—End-of-(micro)Frame.
EOP—End-of-Packet.
EOTD—Enhanced Observed Time Difference.
ETM—Embedded Trace Macrocell. The ARM* real-time trace capability.
External Port—See Port.
Eye Pattern—A representation of USB signaling that provides minimum and maximum voltage levels as well as
signal jitter.
False EOPA spurious, usually noise-induced event that is interpreted by a packet receiver as an EOP.
FAR—Fault Address Register. Part of the ARM* architecture.
FDD—The Mobile Station transmits on one frequency; the Base Station transmits on another frequency.
FDM—Frequency Division Multiplexing. Each mobile station transmits on a different frequency (within a cell).
FDMA—Frequency Division Multiple Access. An analog standard that lets multiple users access a group of radio
frequency bands and eliminates interference of message traffic.
FHSS—See Frequency Hopping Spread Spectrum.
FIQ—Fast Interrupt Request. See also IMMU.
Flash Memory —A type of erasable, rewritable memory that holds its content when power is off. The low-cost,
low-power and high-density memory chip, with high-speed architecture, is highly reliable.
Frame—A 1-millisecond time base established on full-/low-speed buses.
Frame PatternA sequence of frames that exhibit a repeating pattern in the number of samples transmitted per
frame. For a 44.1 kHz audio transfer, the frame pattern could be nine frames containing 44 samples followed by one
frame containing 45 samples.
Glossary-6 Intel® PXA27x Processor Family Developer’s Manual
Frequency Hopping Spread Spectrum—A method by which a carrier spreads out packets of information (voice
or data) over different frequencies. For example, a phone call is carried on several different frequencies so that
when one frequency is lost another picks up the call without breaking the connection.
Fs—See Sample Rate (Fs).
FSRFault Status Register. Part of the ARM* architecture.
Full-Duplex—Computer data transmission occurring in both directions simultaneously.
Full-SpeedUSB operation at 12 Mb/s. See also Low-Speed and High-Speed.
FunctionA USB device that provides a capability to the host, such as an ISDN connection, a digital microphone,
or speakers.
GMSK—Gaussian Minimum Shift Keying. A modulation scheme used in GSM.
GPRS—General Packet Radio Service A technology that sends packets of data across a wireless network at speeds
up to 114 Kbps. Unlike circuit-switched networks, wireless users do not have to dial in to networks to download
information; GPRS wireless devices are “always on” in that they can send and receive data without dial-ins. GPRS
works with GSM.
GPSGlobal Positioning System.
GSMGlobal System for Mobile Communication. A standard for how data is coded and transferred through the
wireless spectrum. The European wireless standard, also used in parts of Asia, GSM is an alternative to CDMA.
GSM digitizes and compresses data and sends it across a channel with two other streams of user data. GSM is based
on TDMA technology.
Hamming DistanceThe distance (number of bits) between encoded values that can change without causing a
decode into the wrong value.
Handshake Packet—A packet that acknowledges or rejects a specific condition. For examples, see ACK and
NAK.
HDML—Handheld Device Markup Language. HDML uses hypertext transfer protocol (HTTP) to display text
versions of web pages on wireless devices. Unlike WML, HDML is not based on XML. HDML does not allow
scripts, while WML uses a variant of JavaScript. Web site developers using HDML must re-code their web pages in
HDML to be viewed on the smaller screen sizes of handheld devices.
HARP—Hardware Adaptation Reference Platform. Microsoft® Windows CE standard development platform
specification.
High-Bandwidth Endpoint—A high-speed device endpoint that transfers more than 1024 bytes and less than
3073 bytes per microframe.
High-Speed—USB operation at 480 Mb/s. See also Low-Speed and Full-Speed.
HostThe host computer system where the USB host controller is installed. This includes the host hardware
platform (CPU, bus, and so forth.) and the operating system in use.
Host Controller—The host’s USB interface.
Host Controller Driver (HCD)The USB software layer that abstracts the host controller hardware. The host
controller driver provides an SPI for interaction with a host controller. The host controller driver hides the specifics
of the host controller hardware implementation.
Intel® PXA27x Processor Family Developer’s Manual Glossary-7
Host Resources—Resources provided by the host, such as buffer space and interrupts. See also Device Resources
and Universal Serial Bus Resources.
HSTL—High-Speed Transceiver Logic.
Hub—A USB device that provides additional connections to the USB.
Hub Tier—One plus the number of USB links in a communication path between the host and a function.
I/O Request PacketAn identifiable request by a software client to move data between itself (on the host) and an
endpoint of a device in an appropriate direction.
IBISI/O Buffer Information Specification is a behavioral description of the I/O buffers and package
characteristics of a semiconductor device. IBIS models use a standard format to make it easier to import data into
circuit simulation software packages.
I-cache—Instruction cache.
iDEN—Integrated Digital Enhanced Network. A technology that allows users to access phone calls, two-way radio
transmissions, paging and data transmissions from one wireless device. iDEN was developed by Motorola and
based on TDMA.
IMMU—Instruction Memory Management Unit. Part of the Intel XScale® core.
I-Mode—A Japanese wireless service for transferring packet-based data to handheld devices created by NTT
DoCoMo. I-Mode is based on a compact version of HTML and does not currently use WAP.
Interrupt Request (IRQ) A hardware signal that allows a device to request attention from a host. The host
typically invokes an interrupt service routine to handle the condition that caused the request.
Interrupt TransferOne of the four USB transfer types. Interrupt transfer characteristics are small data,
non-periodic, low-frequency, and bounded-latency. Interrupt transfers typically handle service needs. See also
Transfer Type.
IrDAInfrared Development Association.
IRPSee I/O Request Packet.
IRQSee IMMU.
ISIInter-Signal Interference. Data ghosting caused when multi-path delay causes previous symbols to interfere
with the one currently being processed.
ISMIndustrial, Scientific, and Medical band. Part of the wireless spectrum that is less regulated, such as 802.11.
Isochronous Data—A stream of data whose timing is implied by its delivery rate.
Isochronous Device—An entity with isochronous endpoints, as defined in the USB Specification, that sources or
sinks sampled analog streams or synchronous data streams.
Isochronous Sink EndpointAn endpoint that is capable of consuming an isochronous data stream that is sent by
the host.
Isochronous Source Endpoint—An endpoint that is capable of producing an isochronous data stream and sending
it to the host.
Glossary-8 Intel® PXA27x Processor Family Developer’s Manual
Isochronous TransferOne of the four USB transfer types. Isochronous transfers are used when working with
isochronous data. Isochronous transfers provide periodic, continuous communication between host and device. See
also Transfer Type.
JitterA tendency toward lack of synchronization caused by mechanical or electrical changes. More specifically,
the phase shift of digital pulses over a transmission medium.
kb/sTransmission rate expressed in kilobits per second. A measurement of bandwidth in the U.S.
kB/sTransmission rate expressed in kilobytes per second.
Little Endian —Method of storing data that places the least significant byte of multiple-byte values at lower
storage addresses. For example, a 16-bit integer stored in little endian format places the least significant byte at the
lower address and the most significant byte at the next address.
LOALoss of bus activity characterized by an SOP without a corresponding EOP.
Low-Speed—USB operation at 1.5 Mb/s. See also Full-Speed and High-Speed.
LSb—Least Significant Bit.
LSBLeast Significant Byte.
LVDSLow-Voltage Differential Signal.
MAC—Multiply Accumulate unit.
Mb/s—Transmission rate expressed in megabits per second.
MB/s—Transmission rate expressed in megabytes per second.
MC—Media Center. A combination digital set-top box, video and music jukebox, personal video recorder and an
Internet gateway and firewall that hooks up to a broadband connection.
Message Pipe—A bidirectional pipe that transfers data using a request/data/status paradigm. The data has an
imposed structure that allows requests to be reliably identified and communicated.
Microframe—A 125-microsecond time base established on high-speed buses.
MMC—MultiMediaCard. Small form factor memory and I/O card.
MMX Technology—The Intel® MMX™ technology comprises a set of instructions that are designed to greatly
enhance the performance of advanced media and communications applications. See Chapter 10 of the Intel
Architecture Software Developers Manual, Volume 3: System Programming Guide, Order #245472.
Mobile Station—Cellular telephone handset
M-PSK—Multilevel Phase Shift Keying. A convention for encoding digital data in which there are multiple states.
MMU—Memory Management Unit. Part of the Intel XScale®core.
MSb—Most Significant Bit.
MSB—Most Significant Byte.
MSL—Mobile Scalable Link.
Intel® PXA27x Processor Family Developer’s Manual Glossary-9
NAK—Handshake packet indicating a negative acknowledgment.
Non Return to Zero Invert (NRZI)A method of encoding serial data in which ones and zeroes are represented
by opposite and alternating high and low voltages where there is no return to zero (reference) voltage between
encoded bits. Eliminates the need for clock pulses.
NTSC—National Television Standards Committee. The analog transmission standard used for televisions in the
United States, Canada, Japan, and other countries. Delivers 525 lines of resolution at 60 half-frames per second,
whereas PAL, used widely in the rest of the world, delivers 625 lines at 50 half-frames per second.
Object—Host software or data structure representing a USB entity.
Orthogonal Frequency Division Multiplexing (OFDM)—A special form of multi-carrier modulation. In a
multi-path channel, most conventional modulation techniques are sensitive to inter-symbol interference unless the
channel symbol rate is small compared to the delay spread of the channel. OFDM is significantly less sensitive to
inter-symbol interference, because a special set of signals builds the composite transmitted signal. The basic idea is
that each bit occupies a frequency-time window that ensures little or no distortion of the waveform. In practice, it
means that bits are transmitted in parallel over a number of frequency-nonselective channels.
OTG—See USB OTG.
Packet—A bundle of data organized in a group for transmission. Packets typically contain three elements: control
information (for example, source, destination, and length), the data to be transferred, and error detection and
correction bits. Packet data is the basis for packet-switched networks, which eliminate the need to dial-in to send or
receive information, because they are “always on.”
Packet BufferThe logical buffer used by a USB device for sending or receiving a single packet. This determines
the maximum packet size the device can send or receive.
Packet ID (PID)—A field in a USB packet that indicates the type of packet, and by inference, the format of the
packet and the type of error detection applied to the packet.
Packet Switched NetworkNetworks that transfer packets of data.
PALPhase Alternating Line. Video standard for composite color encoding used in Europe, Australia, parts of
Africa and the Middle East. PAL delivers 625 lines at 50 half-frames per second, whereas NTSC, the television
standard used in the United States, delivers 525 lines of resolution at 60 half-frames per second.
PCMCIA—Personal Computer Memory Card Interface Association (PC Card).
PCS—Personal Communication Services. An alternative to cellular, PCS works like cellular technology because it
sends calls from transmitter to transmitter as a caller moves. But PCS uses its own network, not a cellular network,
and offers fewer “blind spots” than cellular, where calls are not available. PCS transmitters are generally closer
together than their cellular counterparts.
PDA—Personal Digital Assistant. A mobile handheld device that gives users access to text-based information.
Users can synchronize their PDAs with a PC or network; some models support wireless communication to retrieve
and send e-mail and get information from the Internet.
Phase—A token, data, or handshake packet. A transaction has three phases.
Phase-Locked Loop (PLL)—A circuit that acts as a phase detector to keep an oscillator in phase with an incoming
frequency.
Physical Device—A device that has a physical implementation; for example, speakers, microphones, and CD
players.
Glossary-10 Intel® PXA27x Processor Family Developer’s Manual
PIDSee Packet ID (PID) or Process ID.
PIOProgrammed Input/Output.
PipeA logical abstraction representing the association between an endpoint on a device and software on the host.
A pipe has several attributes; for example, a pipe may transfer data as streams (stream pipe) or messages (message
pipe). See also Stream Pipe and Message Pipe.
PLLSee Phase-Locked Loop (PLL).
PM—Phase Modulation.
PMICPower Management Integrated Circuit. A highly integrated device with both required and optional
features to support the nine power domains on the processor, as well as dynamic voltage management features.
Polling—Asking multiple devices, one at a time, if they have any data to transmit.
PORSee Power-On Reset (POR).
PortPoint of access to or from a system or circuit. For the USB, the point where a USB device is attached.
Power-On Reset (POR)—Restoring a storage device, register, or memory to a predetermined state when power is
applied.
Process ID—Process Identifier.
Programmable Data Rate—Either a fixed data rate (single-frequency endpoints), a limited number of data rates
(32 kHz, 44.1 kHz, 48 kHz, …), or a continuously programmable data rate. The exact programming capabilities of
an endpoint must be reported in the appropriate class-specific endpoint descriptors.
Protocol—A specific set of rules, procedures, or conventions relating to format and timing of data transmission
between two devices.
PSP—Programmable Serial Protocol.
PWMPulse Width Modulator.
QAMQuadrature Amplitude Modulation. A coding scheme for digital data.
QBSQualification By Similarity. A technique allowed by JEDEC for part qualification when target parameters
are fully understood and data exist to warrant omitting a specific test.
QPSK—Quadrature Phase Shift Keying. A convention for encoding digital data into a signal using
phase-modulated communication.
RA—See Rate Adaptation.
Radio Frequency DeviceThese devices use radio frequencies to transmit data. One typical use is for bar code
scanning of products in a warehouse or distribution center, and sending that information to an ERP database.
Rate Adaptation—The process by which an incoming data stream, sampled at Fs i, is converted to an outgoing
data stream, sampled at Fs o, with a certain loss of quality, determined by the rate adaptation algorithm. Error
control mechanisms are required for the process. Fs i and Fs o can be different and asynchronous. Fs i is the input
data rate of the RA; Fs o is the output data rate of the RA.
Request—A request made to a USB device contained within the data portion of a SETUP packet.
Intel® PXA27x Processor Family Developer’s Manual Glossary-11
Retire—The action of completing service for a transfer and notifying the appropriate software client of the
completion.
RGBT—Red, Green, Blue, Transparency color model.
ROM—Read-Only Memory.
Root Hub—A USB hub directly attached to the host controller. This hub (tier 1) is attached to the host.
Root Port—The downstream port on a root hub.
RTCReal-Time Clock.
Intel® StrongARM* SA-1110—StrongARM* based applications processor for handheld products.
Intel® StrongARM* SA-1111—Companion chip for the Intel® SA-1110 processor.
SAD—Sum of absolute differences.
Sample—The smallest unit of data on which an endpoint operates; a property of an endpoint.
Sample Rate (Fs)—The number of samples per second, expressed in Hertz (Hz).
Sample Rate Conversion (SRC)—A dedicated implementation of the RA process for use on sampled analog data
streams. The error control mechanism is replaced by interpolating techniques. Service A procedure provided by a
System Programming Interface (SPI).
Satellite PhonePhones that connect callers by satellite. Users have a world-wide alternative to terrestrial
connections. Typical use is for isolated users, such as crews of deep-see oil rigs with phones configured to connect
to a satellite service.
SAVStart of Active Video.
SAW—Surface Acoustic Wave filter.
SD—Secure Digital. A non-volatile and very small memory card with high-storage capacity.
SDIOSee Secure Digital I/O (SDIO).
SDRAMSynchronous Dynamic Random Access Memory.
Secure Digital I/O (SDIO)—Protocol provides high-speed data I/O with low-power consumption. The card
supports multiple I/O functions, interrupts, and read/write operations.
SE0 (Single-Ended Zero)—The USB uses differential signals (D+ and D-) to transmit and receive data. The SE0
can be set to control the multiplexors.
Service Interval—The period between consecutive requests to a USB endpoint to send or receive data.
Service Jitter—The deviation of service delivery from its scheduled delivery time.
Service Rate—The number of services to a given endpoint per unit time.
SIMDSingle Instruction Multiple Data. A parallel processing architecture.
Glossary-12 Intel® PXA27x Processor Family Developer’s Manual
Smart Phone—A combination of a mobile phone and a PDA, which allow users to communicate as well as
perform tasks; such as, accessing the Internet and storing contacts in a database. Smart phones have a PDA-like
screen.
SMROM—Synchronous Mask ROM.
SMSShort Messaging Service. A service through which users can send text-based messages from one device to
another. The message can be up to 160 characters and appears on the screen of the receiving device. SMS works
with GSM networks.
SOCSystem On Chip.
SOFSee Start-of-Frame (SOF).
SOPStart-of-Packet.
SPI—See System Programming Interface (SPI).
SPI—Serial Peripheral Interface. Also see the Serial Peripheral Interface protocol.
Split Transaction—A transaction type supported by host controllers and hubs. This transaction type allows full-
and low-speed devices to be attached to hubs operating at high-speed.
Spread Spectrum—An encoding technique patented by actress Hedy Lamarr and composer George Antheil,
which broadcasts a signal over a range of frequencies.
SRAMStatic Random Access Memory.
SRC—See Sample Rate Conversion (SRC).
SSE—Streaming SIMD Extensions.
SSE2Streaming SIMD Extensions 2. For Intel Architecture machines, 144 new instructions, a 128-bit SIMD
integer arithmetic, and 128-bit SIMD double precision floating point instructions, enabling enhanced multimedia
experiences.
SSP—Synchronous Serial Port.
SSTLStub Series Terminated Logic.
StageOne part of the sequence composing a control transfer; stages include the Setup stage, the Data stage, and
the Status stage.
Start-of-Frame (SOF)—The first transaction in each (micro)frame. An SOF allows endpoints to identify the start
of the (micro)frame and synchronize internal endpoint clocks to the host.
STNSupertwist Nematic. A passive LCD display using the technique of twisting light rays to improve the quality
of the LCD screens. Passive LCD displays apply either full-on voltage or full-off voltage (on or off) during each
frame refresh. By intelligently turning the pixel on and off each frame a partial intensity is affected on each pixel.
This process is known as dithering.
Stream PipeA pipe that transfers data as a stream of samples with no defined USB structure.
SWISoftware Interrupt.
Intel® PXA27x Processor Family Developer’s Manual Glossary-13
Synchronization Type—A classification that characterizes an isochronous endpoint’s capability to connect to
other isochronous endpoints.
Synchronous RA—The incoming data rate, Fs i, and the outgoing data rate, Fs o, of the RA process are derived
from the same master clock. There is a fixed relation between Fs i and Fs o.
Synchronous SRC—The incoming sample rate, Fs i, and outgoing sample rate, Fs o, of the SRC process are
derived from the same master clock. There is a fixed relation between Fs i and Fs o.
System Programming Interface (SPI)—A defined interface to services provided by system software.
TAP Test Access Port. The boundary-scan interface provides a means of driving and sampling the external pins
of the processor: testing the processors electrical connections to the circuit board and the integrity of the circuit
board connections between devices. The interface is controlled through five dedicated TAP pins.
TC—Temperature Cycling.
TDD (Time Division Duplexing) —The Mobile Station and the Base Station transmit on same frequency at
different times.
TDM—See Time Division Multiplexing (TDM).
TDMA—Time Division Multiple Access. TDMA protocol allows multiple users to access a single radio frequency
by allocating time slots for use to multiple voice or data calls. TDMA breaks down data transmissions, such as a
phone conversation, into fragments and transmits each fragment in a short burst, assigning each fragment a time
slot. With a cell phone, the caller would not detect this fragmentation. TDMA works with GSM and digital cellular
services.
TDR—See Time Domain Reflectometer (TDR).
TerminationPassive components attached at the end of cables to prevent signals from being reflected or echoed.
TFT —Thin Film Transistor. An active LCD panel in which each pixel is controlled by individual transistors that
allows the voltage applied to each pixel to be precisely controlled. This permits faster response time and greater
contrast compared to passive LCD panels.
Three-State—A high-impedance state in which the output is floating and is electrically isolated from the buffer's
circuitry.
Time Division Multiplexing (TDM)—A method of transmitting multiple signals (data, voice, and/or video)
simultaneously over one communication medium by interleaving a piece of each signal one after another.
Time Domain Reflectometer (TDR)An instrument capable of measuring impedance characteristics of the USB
signal lines.
Time-Out—The detection of a lack of bus activity for some predetermined interval.
Token Packet—A type of packet that identifies what transaction is to be performed on the bus.
TPV—Third-Party Vendor.
TransactionThe delivery of service to an endpoint; consists of a token packet, optional data packet, and optional
handshake packet. Specific packets are allowed/required based on the transaction type.
Glossary-14 Intel® PXA27x Processor Family Developer’s Manual
Transaction Translator—A functional component of a USB hub. The transaction translator responds to special
high-speed transactions and translates them to full/low-speed transactions with full/low-speed devices attached on
downstream facing ports.
TransferOne or more bus transactions to move information between a software client and its function.
Transfer TypeDetermines the characteristics of the data flow between a software client and its function. Four
standard transfer types are defined: control, interrupt, bulk, and isochronous.
TS—Thermal Shock.
Turn-Around Time—The time a device needs to wait to begin transmitting a packet after a packet has been
received to prevent collisions on the USB. This time is based on the length and propagation delay characteristics of
the cable and the location of the transmitting device in relation to other devices on the USB.
UART—Universal Asynchronous Receiver/Transmitter serial port.
UICCUniversal Integrated Circuit Card, formerly SIM card. A small electronic device about the size of a credit
card that contains an embedded 8-bit microprocessor. The card stores a mathematical algorithm that encrypts voice
and data transmissions. The card also identifies the caller to the mobile network as being a legitimate caller.
UDC—Universal Serial Bus Device Controller. The UDC, which consists of peripheral bus interface, endpoint
memory, endpoint control, and USB interface, provides interface options to a host of peripheral devices at full
speed.
UHCUniversal Serial Bus Host Controller. The UHC in conjunction with the UHC driver serially transfers data
between a shared-memory data structure and the USB controller.
Universal Serial Bus Driver (USBD)—The host resident software entity responsible for providing common
services to clients that are manipulating one or more functions on one or more host controllers.
Universal Serial Bus Resources—Resources provided by the USB, such as bandwidth and power. See also Device
Resources and Host Resources.
Universal Subscriber Identity Module (USIM)—The USIM controller is an interface for a GSM mobile handset
that supports communication with smart cards.
Upstream—The direction of data flow towards the host. An upstream port is the port on a device electrically
closest to the host that generates upstream data traffic from the hub. Upstream ports receive downstream data
traffic.
USBD—See Universal Serial Bus Driver (USBD).
USB-IF—USB Implementers Forum, Inc. is a nonprofit corporation formed to facilitate the development of
USB-compliant products and promote the technology.
USB OTGThe USB On-The-Go provides “dual-role peripheral” capability: it can act as either host or peripheral
depending on how users connect the cable to its unique mini-AB receptacle. When the dual-role device is
connected to the mini-A plug, it turns into a host. When the mini-B plug is connected instead, the device becomes a
peripheral.
USIMSee Universal Subscriber Identity Module (USIM).
VBI—Vertical Blanking Interval. Also known as the “backporch”.
Intel® PXA27x Processor Family Developer’s Manual Glossary-15
Virtual DeviceA device that is represented by a software interface layer. An example of a virtual device is a hard
disk with its associated device driver and client software that makes it able to reproduce an audio WAV file.
VLIOVariable Latency Input/Output interface.
WAPWireless Application Protocol. WAP is a set of protocols that lets users of mobile phones and other digital
wireless devices access Internet content, check voice mail and e-mail, receive text of faxes and conduct
transactions. WAP works with multiple standards, including CDMA and GSM. Not all mobile devices support
WAP.
W-CDMAWideband CDMA. A third generation wireless technology under development that allows for
high-speed, high-quality data transmission. Derived from CDMA, W-CDMA digitizes and transmits wireless data
over a broad range of frequencies. It requires more bandwidth than CDMA, but offers faster transmission because it
optimizes the use of multiple wireless signals, instead of one, as does CDMA.
Wireless LAN—A wireless LAN uses radio frequency technology to transmit network messages through the air
for relatively short distances, like across an office building or a college campus. A wireless LAN can serve as a
replacement for, or an extension to, a traditional wired LAN.
Wireless Spectrum—A band of frequencies where wireless signals travel carrying voice and data information.
WordA data element that is four bytes (32 bits) in size.
WML—Wireless Markup Language. A version of HDML based on XML. Wireless applications developers use
WML to re-target content for wireless devices.
YUV—A method of characterizing video signals typically used in digital cameras and PAL television specifying
luminance and chrominance.
Glossary-16 Intel® PXA27x Processor Family Developer’s Manual
Intel® PXA27x Processor Family Developer’s Manual Index-1
Index
Numerics
13M mode 3-31
deep-idle mode 3-42
LCD frequency 3-96
PLL early enable 3-96
sleep-mode exit 3-47
13-MHz processor oscillator 3-17
2N bit field 3-20, 3-28, 3-97
2N_S bit field 3-28, 3-102
32.768-kHz timekeeping oscillator 3-18
48-MHz output clock signal
alternate function 24-5
description 2-18, 3-3, 3-6
A
A bit field 3-20, 3-97
A0 bit field 7-105
AAISN bit field 12-34
AALTHNP bit field 12-33
ABC bit field 7-109
ABE bit field 10-24
A-bit mode 3-13, 3-97
ABL bit field 10-18
ABLIE bit field 10-24
ABR register definition 10-24
ABT bit field 10-24
ABUP bit field 10-24
AC ‘97 controller 13-1
audio output frame 13-5
block diagram 13-3
clock enable 3-99
clocks and sampling frequencies 13-19
Codec register access 13-18, 13-41
configuration 3-98, 13-13
core frequency change 3-26
deep-idle mode 13-19
digital serial interface protocol 13-3
DMA quick reference 5-24
DMA transfer length 5-38
example 13-2
features 13-1
FIFOs 13-19
I2S controller use 13-1, 14-1
initialization 13-17
input frame 13-9
interrupts 13-20, 25-5
low-power mode 13-12
MIC-in receive-only operation 13-35
modem transmit and receive operation 13-40
operation 13-16
overview 13-1
PCM transmit and receive operation 13-32
power-down timing 13-12
register descriptions 13-21
register summary 13-43
reset state 2-9
signal configuration steps 13-2
signal descriptions 2-17, 13-2
trailing bytes and clean shutdown 13-18
wake-up signaling 13-14
AC97 bit field 25-8, 25-12, 25-17, 25-21, 25-25
AC97_BITCLK signal
alternate function 24-5
description 2-17, 13-2
usage 13-4, 13-1213-14, 13-19
AC97_RESET_n signal
alternate function 24-724-8
control 13-23
description 2-17, 13-2
usage 13-12, 13-14, 13-17
AC97_SDATA_IN signals
alternate functions 24-5, 24-8
control 13-22, 13-24
description 2-17, 13-2
usage 13-8, 13-13
AC97_SDATA_OUT signal
alternate function 24-5
control 13-22
description 2-17, 13-2
usage 13-4
AC97_SYNC signal
alternate function 24-5, 24-7
control 13-22
description 2-17, 13-2
frequency 13-19
usage 13-413-5, 13-15
AC97_SYSCLK signal
alternate function 24-624-7
description 2-17, 13-2
usage 13-113-2
ACB bit field 7-73
ACD bit field 17-12
ACDS bit field 8-52
ACKNAK bit field 9-26, 9-28
ACM bit field 12-54
ACN bit field 12-34
ACOFF bit field 13-22
ACOFFD bit field 13-25
acoustic echo canceller (AEC) 13-4, 13-11
ACPS bit field 8-52
ACR register definition 10-25
ACS bit field 8-26
ADATASIZE bit field 17-13
address mapping options 6-10
ADDRMODE bit field 5-36
AFE bit field 10-30
Index-2 Intel® PXA27x Processor Family Developer’s Manual
Index
AFx bit field 24-2424-28
AHNP bit field 12-33
AIN bit field 12-34
AISN bit field 12-66
AL bit field 21-19
ALD bit field 9-27
ALDIE bit field 9-23
ALE bit field 21-18
algorithms. See equations. 7-6
alternate bus master mode 6-34
ALTREFA bit field 6-52
ALTREFB bit field 6-52
AME bit field 11-11
AMSL bit field 14-14
AMV bit field 11-13
APD bit field 6-54
API bit field 7-72
APID bit field 17-13
ARB_CNTRL register definition 29-3
arbiter 29-1
access latency 29-3
bus parking 29-229-3
flushing memory controller buffers 29-4
I/O ordering 29-4
interrupts 29-5
priority 29-1
programmable weights 29-1
register descriptions 29-2
register summary 29-5
semaphores 29-5
system bus access latency 29-3
system considerations 29-3
Arbiter Control register (ARB_CNTRL) 29-2
Arch Version bit field 2-4
AREN bit field 12-54
ARG_H bit field 15-41
ARG_L bit field 15-42
ARM* architecture 1-41-5, 1-19
AS bit field 18-13
ASACT bit field 18-13
ASST bit field 6-766-77
asynchronous flash memory interface 6-25
audio
AC ’97 controller 13-1
AC ’97 data stream formats 13-3
I2S clock and sampling frequencies 14-7
I2S controller 14-1
memory stick host controller 17-1
PLL frequency 8-53
SSP clock 8-20, 8-23, 8-51
Audio Clock Select bit field 8-26
Auto-Baud Control register (ABR) 10-23
Auto-Baud Count register (ACR) 10-24
auto-flow mode 10-310-4
Auxiliary Control register (P-Bit) 2-5
B
B bit field 3-22, 3-103
B1S12 bit field 13-24
B2S12 bit field 13-24
B3S12 bit field 13-24
bank addressing 6-96-10
base frame 7-21
baseband processor 2-16, 16-12
See also mobile scalable link (MSL).
BAT bit field 20-46
battery fault 3-39, 3-68
battery fault (nBATT_FAULT) signal 3-5
BB_IB_CLK signal
alternate function 24-7
description 2-17, 16-2
frequency 16-2
BB_IB_DAT<3:0> signals
alternate function 24-624-7
description 2-17, 16-2
BB_IB_STB signal
alternate function 24-7
description 2-17, 16-2
BB_IB_WAIT signal
alternate function 24-7
description 2-17, 16-2
BB_OB_CLK signal
alternate function 24-6
control 16-25
description 2-16, 16-2
BB_OB_DAT<3:0> signals
alternate function 24-624-7
description 2-16, 16-2
BB_OB_STB signal
alternate function 24-6
description 2-17, 16-2
BB_OB_WAIT signal
alternate function 24-6
description 2-17, 16-2
BBCFG1/2/3/4/5/6/7 register definition 16-16
BBCST register definition 16-26
BBEOM1/2/3/4/5/6/7 register definition 16-22
BBFIFO1/2/3/4/5/6/7 register definition 16-15
BBFREQ register definition 16-24
BBIID register definition 16-23
BBITFC register definition 16-27
BBSTAT1/2/3/4/5/6/7 register definition 16-20
BBWAIT register definition 16-25
BBWAKE register definition 16-26
BC bit field 12-63
BCE bit field 8-43
BCED bit field 20-24
BCKD bit field 14-11
BED bit field 9-27
BEIE bit field 9-24
BER bit field 7-110
BER_CH bit field 7-106
BFPW bit field 27-33
BFS bit field 3-73
BFW bit field 7-66, 27-34
BGT bit field 19-35
BGTR register definition 19-35
BHED bit field 20-23
BHNP bit field 12-34
Intel® PXA27x Processor Family Developer’s Manual Index-3
Index
BI bit field 10-28
BIDAE bit field 3-69
BIDAS bit field 3-69
bilinear interpolation 7-25
BINT bit field 7-103
BLE bit field 20-12
BLF bit field 20-15
BLK_LEN bit field 15-35
BLKS_REM bit field 15-44
BLW bit field 7-64, 27-33
BNE/BNF bit field 12-61
Boot Time Default Configuration register (BOOT_DEF) 6-73
BOOT_DEF register definition 6-74
BOOT_SEL bit field 6-74
BOOT_SEL signal
control 6-74
definition 6-37
description 2-12, 6-3
valid boot configurations 6-73
booting
alternate 6-37
defaults 6-73
power-on reset 2-10
sequences after reset 3-7
software startup procedure 6-41
valid configurations 6-73
BPP bit field 7-70
BPP1 bit field 7-92
BPP2 bit field 7-94
BPP3 bit field 7-69
BRA bit field 7-103
BREN bit field 5-32
BrgBusy bit field 5-51
BrgSplit bit field 5-51
BS0 bit field 7-107
BS1 bit field 7-114
BS2 bit field 7-113
BS3 bit field 7-113
BS4 bit field 7-113
BS5 bit field 7-113
BS6 bit field 7-112
BSCNTR0 register definition 6-80
BSCNTR1 register definition 6-81
BSCNTR2 register definition 6-82
BSCNTR3 register definition 6-83
BSM0 bit field 7-57
BSM1 bit field 7-84
BSM2 bit field 7-84
BSM3 bit field 7-83
BSM4 bit field 7-83
BSM5 bit field 7-82
BSM6 bit field 7-82
BSY bit field 8-46, 14-16
BSYCNT bit field 17-12
BTCTS signal 2-14
BTRTS signal 2-14
BTRXD signal 2-14
BTTXD signal 2-14
BTUART bit field 25-7, 25-12, 25-16, 25-20, 25-24
buffer strength 6-78
burst length 6-21, 6-33
BUS bit field 10-21, 11-14
bus. See specific bus types.
BUSERRINTR bit field 5-46
BUSY bit field 15-33
BWT bit field 19-21, 19-23, 19-32, 19-39
BWTR register definition 19-39
Byte 0 bit field 10-14, 27-42
Byte 1 bit field 10-14, 27-42
Byte 2 bit field 10-14, 27-42
Byte 3 bit field 10-14, 27-42
byte alignment 5-49
Byte Count bit field 10-23, 11-19
byte write support 4-1
C
C bit field 22-9, 22-11, 22-13
cache
coherency 5-3
configuration 2-5
contents in power modes 3-35
data 1-6
debug instruction 26-3, 26-15
disabling during startup 6-41
instruction 1-6
line copy-back memory access 6-33
mini-data 1-6
CAIP bit field 13-31
caller-ID 13-13
camera interface. See quick capture interface.
CAR register definition 13-31
CARD_DET bit field 19-20, 19-22
CAS latency 6-206-21, 6-27, 6-42, 6-44, 6-46
CASBS bit field 6-80
CBSR bit field 20-13
CCCR register definition 3-96
CCED bit field 20-23
CCR register definition 7-97
CCS bit field 20-39
CCSR register definition 3-102
CDD bit field 27-39
CDM bit field 27-28
CDONE bit field 13-24
CDONE_IE bit field 13-22
CEN bit field 7-97
CFG bit field 12-49
CGR bit field 20-43
Checkpoint registers (CHKPTx) 26-44
CHED bit field 20-22
CHKPTx bit field 26-45
CHKPTx register definition 26-45
CHLINTRx bit field 5-48
CHLNUM bit field 5-31
CHOUT<1:0> signals
alternate function 24-5, 24-8, 24-10
control 22-7
description 2-19, 22-2
usage 22-7
CI_park bit field 29-3
Index-4 Intel® PXA27x Processor Family Developer’s Manual
Index
CIBR0/1/2 register definition 27-42
CICR0 register definition 27-27
CICR1 register definition 27-30
CICR2 register definition 27-33
CICR3 register definition 27-34
CICR4 register definition 27-36
CIF bit field 25-10, 25-14, 25-19, 25-23, 25-27
CIF_DD<9:0> signals
control 27-35
description 2-16, 27-2
CIF_FV signal
alternate function 24-424-7
control 27-3227-35
description 2-16, 27-2
CIF_LV signal
alternate function 24-424-7
control 27-3227-33, 27-35
description 2-16, 27-2
CIF_MCLK signal
alternate function 24-5
control 27-35
description 2-16, 27-2
CIF_PCLK signal
alternate function 24-524-6
control 27-32, 27-35
description 2-16, 27-2
CIFR register definition 27-41
CISR register definition 27-39
CIT bit field 6-78
CITOR register definition 27-37
CK_DIV bit field 21-16
CKE1BS bit field 6-80
CKEN register definition 3-98
CKEN[31] bit field 3-98
CKEN[n] bit field 3-98
CLE bit field 20-12
Clear to Send signal 10-3
CLF bit field 20-15
CLK_EN bit field 15-30
CLK_EXT signal
alternate function 24-5
control 8-28, 22-10, 22-12, 22-14
description 2-18, 3-2, 3-5
MSL interface 16-24
SSP port input 8-3, 8-23
timer clock input 22-6
CLK_IS_OFF bit field 15-37, 15-39
CLK_MEM internal signal
control 3-97
frequencies 3-20
processor oscillator frequencies 3-17
CLK_PIO signal
control 3-99
description 2-18, 3-2, 3-4
precautions 3-17
usage 3-16
CLK_RATE[0:2] bit field 15-31
CLK_REQ signal
control 3-99
description 2-18, 3-2, 3-5
usage 3-16
CLK_TOUT signal
control 3-101
description 2-18, 3-2, 3-5
usage 3-16, 3-18
CLK0BS bit field 6-80
CLK1BS bit field 6-80
CLK2BS bit field 6-80
CLK3BS bit field 6-82
CLKCFG register definition 3-103
CLKR register definition 19-36
clock
enable mappings 3-99
external source selection 3-16
frequencies 3-20
gating 3-21
mode summary 3-33
signal descriptions 2-18
See also clocks and power manager.
Clock Configuration register (CLKCFG) 3-103
Clock Enable register (CKEN) 3-98
clock request (CLK_REQ) signal 3-5
clocks and power manager 3-1
13M mode 3-31
48-MHz output clock 3-6
boot sequences after reset 3-7
clock frequencies 3-20
clock modes summary 3-33
clocks manager operation 3-13
coprocessor 14 3-103
core frequency change 3-25
core phase-locked loop 3-19
deep-idle mode 3-42
deep-sleep mode 3-48
external clock source selection 3-16
external voltage regulator requirements 3-59
fast-bus mode 3-30
features 3-1
functional-unit clock gating 3-21
GPIO reset 3-4, 3-10
GPIO wake-up sources 3-3
half-turbo mode 3-29
hardware reset 3-8
idle mode 3-40
modifying clock frequencies 3-21
modifying power modes 3-40
module reset sensitivity summary 3-12
oscillators 3-173-18
overview 3-1
peripheral phase-locked loop (312 MHz) 3-19
power domains 3-53-6, 3-34, 3-363-37
power faults and imprecise-data abort 3-39
power manager I2C interface 3-39
power manager I2C restrictions 3-55
power manager operation 3-34
power modes summary 3-54
power-fault assertion behavior 3-63
power-on and deep-sleep exit sequence 3-51
power-on reset 3-7
register descriptions 3-66
Intel® PXA27x Processor Family Developer’s Manual Index-5
Index
register summary 3-95
reset manager operation 3-6
reset sequences summary 3-12
reset types 3-6
signal descriptions 2-192-20, 3-2
sleep mode 3-45
standby mode 3-42
turbo mode 3-27
voltage manager operation 3-55
voltage regulators 3-37
voltage-change sequencer 3-56, 3-59
wake-ups 3-2
watchdog reset 3-9
CLR bit field 5-40
CLRCMPST bit field 5-43
CMD_INDX bit field 15-41
CMD_INT bit field 7-107
CMDCR register definition 7-98
CMDIM bit field 7-56
CMPEN bit field 5-36
CMPST bit field 5-44
CMS bit field 7-63
CN bit field 12-66
code. See examples.
Codec
AC ’97 interface 13-1
AC ’97 register address mapping 13-41
I2S controller interface 14-1
modem line 13-8
SSP serial clock operation 8-20
trailing bytes 5-19
Codec Access register (CAR) 13-31
color space conversion 27-18
CCIR 601-2 standard 7-27
supported 7-1, 7-28
COLOR_SP bit field 27-31
Command Control register (CMDCR) 7-98
Command Data bit field 3-94
Command Delay bit field 3-89
CompactFlash interface 6-29, 6-746-75
signal descriptions 2-12
See also memory controller.
companion chips 1-4
connected as VLIO memory 5-23
defined 5-1
DMA servicing 5-12
DMA support matrix 5-2
DMA transfers 5-1
semaphore usage 2-7, 29-5
VLIO interface functionality 6-27
compatibility 1-4
exceptions 1-19
Intel XScale® technology 1-19
LCD controller 7-1, 7-14
timers 22-3, 22-5
UARTS 10-2
CON_NT bit field 7-105
coprocessor 1-6
clock and power management registers 2-3, 3-22, 3-40,
3-1033-104
coprocessor 6 25-4
coprocessor 14 3-103
coprocessor 15 2-3, 2-6
interrupt controller registers 2-2, 25-4
performance monitoring registers 2-2
register access 2-1
register summary 28-4
software debug registers 2-3, 26-46
coprocessor 14 3-106, 26-24, 26-46
coprocessor 15 26-46
Coprocessor Access register 2-5
core bus parking 29-3
frequency change 3-25
phase-locked loop 3-19
power modes summary 3-35
processor oscillator as clock source 3-17
reset state 2-9
See also Intel XScale® core.
Core Clock Configuration register (CCCR) 3-95
Core Clock Status register (CCSR) 3-101
Core G bit field 2-4
Core R bit field 2-4
Core_park bit field 29-3
Core_Wt bit field 29-3
Count bit field 16-26, 22-17
Count Value bit field 10-25
CountIndex bit field 16-25
CP bit field 18-19
CPDIS bit field 3-96
CPDIS_S bit field 3-102
CPLCK bit field 3-102
CPLL 3-19
13M mode 3-31
disable (CPDIS) 3-95
early enable 3-95
power mode summary 3-35
CPn bit field 2-5
CPVEN bit field 12-47
CPVPE bit field 12-47
CPWAIT sequence 2-6
CQD bit field 27-39
CRC bit field 17-10
CRC_RD_ERR bit field 15-30
CRC_WR_ERR bit field 15-30
CRCEN bit field 17-11
CRE bit field 11-18
CRES bit field 22-10, 22-12, 22-14
CRES[3] bit field 22-11, 22-13
CRI bit field 3-100
CRWE bit field 20-34
crystal. See oscillators.
CS0BS bit field 6-82
CS1BS bit field 6-82
CS2BS bit field 6-82
CS3BS bit field 6-82
CS4BS bit field 6-82
CS5BS bit field 6-82
CSC bit field 20-37
CSS bit field 8-43
Index-6 Intel® PXA27x Processor Family Developer’s Manual
Index
CTS bit field 10-32
CURMS bit field 7-97
cursor
color map 7-33
hardware 7-30
positioning 7-32
Cursor Control register (CCR) 7-97
CWT bit field 19-21, 19-23, 19-33, 19-38
CWTR register definition 19-38
CXPOS bit field 7-97
CYPOS bit field 7-97
D
D bit field 26-37
DADDR0 bit field 6-46
DADDR2 bit field 6-43
DALGN register definition 5-49
DALGNx bit field 5-49
DAT_ERR bit field 15-3715-38
DAT_ERR_TOKEN bit field 15-30
DATA bit field 7-105, 8-48, 11-15, 16-15
Data bit field 15-4215-43, 26-45
Data Breakpoint Controls register (DBCON) 26-41
Data Breakpoint register (DBRx) 26-43
Data Carrier Detect signal 10-3
data masking 6-71
Data Set Ready signal 10-3
Data Terminal Ready signal 10-4
data type representation 1-2
Data Buffer bit field 9-30
DATA_EN bit field 15-33
DATA_TRAN_DONE bit field 15-30, 15-37, 15-40
data-abort exception 28-1
DATASIZE bit field 17-8
DBCON register definition 26-42
DBG_RX Data register 26-13
DBG_RX JTAG register 26-12
DBG_TX JTAG register 26-11
DBRx bit field 26-43
DBRx register definition 26-43
DC_EN bit field 3-82
DCAC0 bit field 6-47
DCAC2 bit field 6-44
DCACX0 bit field 6-45
DCACX2 bit field 6-43
DCD bit field 10-32
DC-DC converter 3-38
DCE bit field 3-94
DCMD0–31 register definition 5-35
DCSR register definition 26-39
DCSR0–31 register definition 5-41
DCTS bit field 10-32
DCYCLE bit field 23-8
DDADR0–31 register definition 5-32
DDCD bit field 10-32
DDSR bit field 10-32
DE bit field 12-67, 18-15
Debug Control and Status register (DCSR) 26-38
debugging. See software debug.
deep-idle mode 2-11, 3-42
initiation 3-40, 3-104
internal memory 4-2
LCD frequency 3-96, 7-10
Power Manager Sleep Status register 3-70
reprogramming recovery time 6-62
deep-sleep mode 2-11, 3-48
GPIO state 24-1
GPIO wake-ups 24-2
initiation 3-40, 3-104
internal memory 4-3
memory controller pin state 6-40
memory controller startup 6-41
module power and clock state 3-35
Power Manager Sleep Status register 3-70
power supply shorting 19-3
quick capture shutdown 27-38
RDH bit effect 3-71
read disable hold (RDH) bit field settings 3-70
RTC recovery 21-15
timer operation 22-8
USIM interface 19-3
wake-ups 2-18, 3-3, 3-74
DEL bit field 21-16
DESCRIPTOR ADDRESS bit field 7-102
Descriptor Address bit field 5-32
DEx bit field 6-45, 6-47
DHED bit field 20-25
DI bit field 18-14
DIE bit field 18-15
digital stereo audio 13-1, 14-1
DIM bit field 25-27
DINT register definition 5-48
Direct Key Debounce Interval bit field 18-23
direct keypad interface 18-2
DIS bit field 7-58, 27-27
DIV bit field 16-24, 27-36
DIVISOR bit field 19-3619-37
Divisor Latch registers, Low and High (DLL, DLH) 10-14
DK_DEB_SEL bit field 18-14
DKN bit field 18-14
DKP bit field 18-16
DKx bit field 18-16
DLAB bit field 10-25
DLH bit field 10-15
DLH register definition 10-15
DLL bit field 10-15
DLL register definition 10-15
DLR register definition 19-37
DMA Alignment register (DALGN) 5-49
DMA Channel Control/Status registers (DCSRx) 5-41
DMA Command registers (DCMDx) 5-35
DMA controller 5-1
AC ’97 FIFOs 13-16
arbitration 29-1
block diagram 5-3
bus parking 29-3
channels 5-4
CompactFlash reads and writes 6-31
companion chips 5-12
Intel® PXA27x Processor Family Developer’s Manual Index-7
Index
configuring channels 5-6
descriptors 5-6
features 5-1
flash memory writes 6-26
fly-by transfers 5-17, 6-1
I2S FIFOs 14-4
infrared FIFOs 11-7
internal peripherals 5-10
interrupt 25-5
interrupt controller 25-1
LCD controller 7-3
memory stick FIFOs 17-6
memory-to-memory moves 5-14
MMC/SD/SDIO FIFOs 15-17
MSL FIFOs 16-3
operation 5-2
overview 5-1
PC Card reads and writes 6-31
programmed I/O 5-15
programming examples 5-26
programming reference 5-21
programming tips 5-15
quick capture interface FIFOs 27-10
quick reference (table) 5-23
register descriptions 5-31
register summary 5-51
reset state 2-9
signal descriptions 2-18
software management requirements 5-15
SRAM reads and writes 6-27
SSP FIFOs 8-3
support matrix 5-2
trailing bytes 5-18
transferring data 5-10
UART FIFOs 10-6
USB client endpoint memory 12-13
USIM FIFOs 19-15
VLIO reads and writes 6-28
DMA Descriptor Address registers (DDADRx) 5-31
DMA Fly-By Configuration register (FLYCNFG) 5-39
DMA Frame Branch registers (FBRx) 7-102
DMA Frame Descriptor Address registers (FDADRx) 7-102
DMA Frame ID registers (FIDRx) 7-119
DMA Frame Source Address registers (FSADRx) 7-118
DMA Interrupt register (DINT) 5-48
DMA Programmed I/O Control Status register (DPCSR) 5-50
DMA Request to Channel Map register (DRCMRx) 5-31
DMA Source Address register (DSADRx) 5-33
DMA Target Address registers (DTADRx) 5-34
DMA_EN bit field 15-33, 27-27
DMA_park bit field 29-3
DMA_RX bit field 19-20
DMA_SLV_park bit field 29-3
DMA_TIME bit field 19-20
DMA_TX bit field 19-20
Dma_Wt bit field 29-3
DMAC bit field 25-7, 25-11, 25-15, 25-20, 25-24
DMAE bit field 10-16
DME bit field 12-55, 12-61
DMPDE bit field 12-47
DMPUBE bit field 12-46
DMPUE bit field 12-47
DMYSTOP bit field 8-39
DMYSTRT bit field 8-39
DNB0 bit field 6-47
DNB2 bit field 6-44
documentation
conventions 1-1
related 1-3
DOM bit field 21-21, 21-25
DOW bit field 21-20, 21-24
DPC bit field 7-69
DPCSR register definition 5-51
DPD bit field 7-59
DPE bit field 12-61
DPPDE bit field 12-47
DPPUBE bit field 12-47
DPPUE bit field 12-47
DQM<3:0> signals
control 6-81
description 2-11, 6-2
usage 6-33
DQM10BS bit field 6-81
DQM32BS bit field 6-81
DR bit field 10-29, 20-33
DRAC0 bit field 6-47
DRAC2 bit field 6-44
DRCMR0–63 register definition 5-31
DRCMR64–70 register definition 5-31
DRCMR74 register definition 5-31
DREC bit field 14-14
DREQ<2:0> signals
control 5-40
description 2-18, 5-2
timing 5-3
DREQ<2:0> Status register (DRQSR0/1/2) 5-40
DRFIE bit field 9-24
DRI bit field 6-56
DRPL bit field 14-14
DRQSR0/1/2 register definition 5-40
DRWE bit field 20-34
DSA1110_0 bit field 6-46
DSA1110_2 bit field 6-43
DSADR0–31 register definition 5-33
DSR bit field 10-32
DSS bit field 8-29
DT bit field 20-31
DTADR0–31 register definition 5-34
DTC0 bit field 6-46
DTC2 bit field 6-44
DTH bit field 14-18
DTL bit field 14-18
DTR bit field 10-31
dumb dithering 7-60
DVAL<1:0> signals
control 5-39
description 2-12, 5-2, 6-2
timing 5-17
DW bit field 27-31
DWID0 bit field 6-47
Index-8 Intel® PXA27x Processor Family Developer’s Manual
Index
DWID2 bit field 6-45
DWRE bit field 12-34
E
E bit field 26-4126-42
E[n] bit field 22-16
E0 bit field 26-42
E1 bit field 26-42
E1PIN bit field 6-55
EAVSAV sequence 27-7
EBCEI bit field 8-31
ECR register definition 19-27
ECRA bit field 8-31
ECRB bit field 8-31
ECS bit field 8-28
ED bit field 12-65, 12-67
ED[n] bit field 3-80
ED3 bit field 3-80
ED35 bit field 3-79
ED4 bit field 3-80
EDBB bit field 3-79
EDMUX2 bit field 3-80
EDMUX3 bit field 3-79
EDP1 bit field 3-79
EDRTC bit field 3-79
EDSS bit field 8-26
EDUSBC bit field 3-79
EDUSBH1 bit field 3-79
EDUSBH2 bit field 3-79
EDx bit field 24-3124-33
EE bit field 12-67
EFW bit field 7-66, 27-34
EFWR bit field 8-35, 14-11
EGTM bit field 19-34
EGTR register definition 19-34
EIF bit field 11-17
ELW bit field 7-64, 27-33
embedded-parallel (EP) quick capture mode 27-7
embedded-serial (ES) quick capture mode 27-7
EMCE bit field 12-34
EN bit field 12-66
EN_UDET bit field 3-91
ENB bit field 7-63, 14-12, 27-27
END_CMD_RES bit field 15-30, 15-37, 15-40
endianness 2-1, 2-6, 7-2, 7-35, 10-10, 11-9
ENDINTR bit field 5-45
EndIrqEn bit field 5-37
ENLBF bit field 14-14
EOC bit field 8-44, 10-18, 11-16, 13-30, 13-34, 13-39
EOC_INTx bit field 16-23
EOCservice bit field 16-16
EOF bit field 11-18, 27-40
EOF0 bit field 7-108
EOF1 bit field 7-115
EOF2 bit field 7-115
EOF3 bit field 7-115
EOF4 bit field 7-115
EOF5 bit field 7-114
EOF6 bit field 7-114
EOFINT bit field 7-121
EOFM bit field 27-28
EOFM0 bit field 7-61
EOFM1 bit field 7-87
EOFM2 bit field 7-87
EOFM3 bit field 7-86
EOFM4 bit field 7-86
EOFM5 bit field 7-85
EOFM6 bit field 7-85
EOL bit field 27-39
EOLM bit field 27-27
EOM bit field 16-22
EORINT bit field 5-44
EORIRQEN bit field 5-42
EORJMPEN bit field 5-42
EORSTOPEN bit field 5-42
EPS bit field 10-26, 19-30
equations
AC ’97 data synchronization 13-19
Codec-to-processor address translation 13-41
color space conversion 7-27
infrared port CRC 11-4
LCD data rate 7-9
LCD DMA burst count 7-9
LCD refresh time 7-10
LCD TMED 7-6, 7-101
memory access delay 6-636-64
MMC time-out 15-25
MMC time-out delay 15-21
pixel clock divisor 7-73
pixel clock frequency 7-107-11
pixel transparency 7-13
PWM duty cycle 23-5
PWM period 23-5
PWM scaled counter clock 23-5
quick capture interface time-out 27-37
RTC trim 21-1321-14
SDRAM refresh 6-56
sensor master clock 27-9
SSP system clock frequency 8-53
SSP time-out 8-41
UART baud rate 10-12
USIM baud rate 19-12
USIM clocks 19-10
ET bit field 12-66
ETDS bit field 8-40
EX_MEM_park bit field 29-3
examples
clock configuration 3-14
coprocessor register access 2-6
CP15 update 2-6
debugging 26-4, 26-8, 26-23, 26-34
DMA programming 5-265-30
GPIO alternate function programming 24-9
I/O ordering 2-7, 29-4
I2C programming 9-15, 9-19
keypad interface low-power modes entry/exit 18-11
memory configuration 6-38
MSL configuration 16-11
power-mode prioritization 6-23
Intel® PXA27x Processor Family Developer’s Manual Index-9
Index
reading and writing coprocessor registers 25-4
RTC alarm programming 21-9
RTC trimming 21-13
SDRAM memory size options 6-8
USB client endpoint configuration 12-10
USIM baud rate 19-12
Expansion Memory Configuration register (MECR) 6-78
Expansion Memory Timing Configuration registers
(MCMEMx, MCATTx, MCIOx) 6-74
EXSP bit field 12-46
EXSUS bit field 12-46
EXT_SYNC<1:0> signals
control 22-9, 22-11, 22-13
description 2-18, 22-2
timing 22-7
usage 22-6
external clock (CLK_EXT) signal 3-5
external clock source selection (CLK_REQ) signal 3-16
external voltage regulator requirements 3-59
F
F bit field 3-104
FACTOR bit field 19-38
fast-bus mode
configuration 3-103
overview 3-14, 3-22, 3-30
voltage change 3-64
FBPOL0 bit field 5-39
FBPOL1 bit field 5-39
FBR0/1/2/3/4/5/6 register definition 7-103
FCR register definition 10-21
FCR register definition 19-25
FD bit field 23-8
FDADR0/1/2/3/4/5/6 register definition 7-102
FE bit field 10-28
FE[n] bit field 3-78
FEF bit field 12-61
FEIE bit field 13-2713-28, 13-33, 13-3613-37
FEM bit field 27-27
FEMPTY_x bit field 27-39
FENx bit field 27-41
FEx bit field 24-2124-22
FFCTS signal 2-13
FFDCD signal 2-13
FFDSR signal 2-13
FFDTR signal 2-14
FFRI signal 2-13
FFRTS signal 2-14
FFRXD signal 2-13
FFTXD signal 2-13
FFUART bit field 25-7, 25-12, 25-16, 25-20, 25-24
FHR bit field 20-43
FI bit field 20-26
FICP Control register 0 (ICCR0) 11-10
FICP Control register 1 (ICCR1) 11-13
FICP Control register 2 (ICCR2) 11-14
FICP Data register (ICDR) 11-15
FICP FIFO Occupancy Status register (ICFOR) 11-19
FICP Status register 0 (ICSR0) 11-16
FICP Status register 1 (ICSR1) 11-18
FIDR0/1/2/3/4/5/6 register definition 7-119
FIFO Control register (FCR) 10-19
FIFOE bit field 10-27, 13-2913-30, 13-34, 13-3813-39
FIFOES[1:0] bit field 10-18
FIQ 1-7, 25-1
FIQ bit field 25-30
FIT bit field 20-26
flash memory 6-6
asynchronous interface 6-25
clock frequencies 3-20
CompactFlash 6-29
GPIO reset 3-10, 6-42
illegal accesses 6-34
partitions 6-24
reset signal connection 3-10
SDRAM bank addressing 6-12, 6-16
stacked 6-4
stores 6-33
synchronous interface 6-26
write access 6-33
FLASH_ERR bit field 15-30
FLOWSRC bit field 5-35
flow-through DMA 5-2
FLOWTRG bit field 5-36
FLR register definition 19-38
FLVLx bit field 27-41
fly-by DMA 5-2
FLYBYS bit field 5-37
FLYBYT bit field 5-37
FLYCNFG register definition 5-39
FM bit field 9-23
FN bit field 12-53, 20-28
FNO bit field 20-16, 20-18, 20-20
FOM bit field 27-28
FOR bit field 7-96
FOR register definition 10-23
formulas. See equations. 7-6
FP bit field 3-82
FR bit field 20-27
FR_RATE bit field 27-36
frame buffer 7-36
frame capture rate 27-2, 27-35
FRAME ID bit field 7-119
FRAMERR bit field 19-21, 19-23, 19-33
FRDC bit field 8-26
FRE bit field 11-16
FRF bit field 8-28
FRT bit field 20-27
FS bit field 3-82, 12-62
FSADR0/1/2/3/4/5/6 register definition 7-119
FSBIR bit field 20-43
FSMPS bit field 20-26
FSR bit field 13-2913-30, 13-3313-34, 13-3813-39
FSR register definition 19-26
FSRIE bit field 13-2713-28, 13-3613-37
FSRT bit field 8-39
FST bit field 12-55, 12-61
FSW bit field 27-33
FTF bit field 12-56
Index-10 Intel® PXA27x Processor Family Developer’s Manual
Index
FTO bit field 27-39
FVC bit field 3-82
G
GAFR0_L register definition 24-24
GAFR0_U register definition 24-25
GAFR1_L register definition 24-25
GAFR1_U register definition 24-26
GAFR2_L register definition 24-26
GAFR2_U register definition 24-27
GAFR3_L register definition 24-27
GAFR3_U register definition 24-28
GCAD bit field 9-27
GCD bit field 9-24
GCR register definition 13-22
GE bit field 26-39
GEDR0 register definition 24-31
GEDR1 register definition 24-32
GEDR2 register definition 24-32
GEDR3 register definition 24-33
general-purpose I/O (GPIO) controller 24-1
alternate function 24-3, 24-5
alternate function programming example 24-9
alternate function select 24-23
application-specific GPIO 24-2
block diagram 24-3
edge detection 24-2
exceptions to GPDR direction bits 24-8
features 24-1
interrupt 25-6
keypad interface 18-7
operation 24-2
overview 24-1
pin direction 24-11
read disable hold (RDH) setting 3-70
register descriptions 24-10
register summary 24-33
reset state 2-9
signal descriptions 2-18, 24-1
sleep mode 24-3
transition detection 24-18
USB signals 12-41
validate state 24-2
wake-up functionality 3-47
wake-up sources 3-3
wake-ups from low-power modes 24-224-3
GFER0 register definition 24-21
GFER1 register definition 24-21
GFER2 register definition 24-22
GFER3 register definition 24-22
Global Control register (GCR) 13-22
Global Status register (GSR) 13-24
glossary Glossary-1
GPCR0 register definition 24-16
GPCR1 register definition 24-17
GPCR2 register definition 24-17
GPCR3 register definition 24-18
GPDR0 register definition 24-12
GPDR1 register definition 24-12
GPDR2 register definition 24-13
GPDR3 register definition 24-13
GPI_IE bit field 13-23
GPIO Alternate Function register (GAFR) 24-23
GPIO Edge Detect Status register (GEDR) 24-30
GPIO Falling Edge Detect Enable registers (GFER0/1/2/3)
24-18
GPIO Pin-Direction registers (GPDR) 24-11
GPIO Pin-Level registers (GPLRx) 24-28
GPIO Pin-Output Clear registers (GPCR) 24-14
GPIO Pin-Output Set registers (GPSR) 24-14
GPIO reset
GPIO<1> signal 2-18, 3-4
indicator 3-85
internal register state 2-9
memory controller effect 6-42
nRESET_OUT signal 2-19, 3-3
overview 2-8, 3-7, 3-10
RDH bit effect 3-71
GPIO reset (nRESET_GPIO/GPIO<1>) signal 3-4
GPIO Rising Edge Detect Enable registers (GRER0/1/2/3)
24-18
GPIO<1> signal
description 2-18, 3-4
GPIO reset 3-11
usage 3-10
GPIO<3> signal 3-23-3, 3-6, 24-3
GPIO<1:0> signals 3-2
interrupts 25-6
usage 24-31
GPIO<120:0> signals
description 2-18, 3-2, 24-2
timing 24-18
wake-up sources 3-3
GPIO_0 bit field 25-8, 25-13, 25-17, 25-22, 25-26
GPIO_1 bit field 25-8, 25-13, 25-17, 25-22, 25-26
GPIO_x bit field 25-8, 25-13, 25-17, 25-21, 25-25
GPLR0 register definition 24-29
GPLR1 register definition 24-29
GPLR2 register definition 24-30
GPLR3 register definition 24-30
GPR bit field 3-85
GPR_EN bit field 3-82
GPROD bit field 3-81
GPSR0 register definition 24-14
GPSR1 register definition 24-15
GPSR2 register definition 24-15
GPSR3 register definition 24-16
GRER0 register definition 24-19
GRER1 register definition 24-19
GRER2 register definition 24-20
GRER3 register definition 24-20
GSCI bit field 13-26
GSR register definition 13-24
H
H bit field 26-39
half-turbo mode
configuration 3-22
Intel® PXA27x Processor Family Developer’s Manual Index-11
Index
functional description 3-29
voltage change 3-63
halt mode 26-2, 26-29
hardware breakpoints 26-5
hardware cursor 7-30
hardware reset
hardware reset (nRESET) signal 3-3
indicator 3-85
internal register state 2-9
memory controller pin state 6-40
memory controller startup 6-41
nRESET_OUT signal 2-19, 3-3
overview 2-8, 3-73-8
RDH bit effect 3-71
SDRAM self-refresh 6-53
hardware reset (nRESET) signal 3-3
HBA bit field 20-41
HBAIE bit field 20-45
HCCA bit field 20-21
HCFS bit field 20-12
HCR bit field 20-15
high-current linear voltage regulator 3-38
HOLD bit field 6-766-77
HOURS bit field 21-20, 21-22, 21-2521-26
HSP bit field 7-71, 27-36
HSW bit field 7-65, 27-33
HSYNC signal 7-3
HT bit field 3-20, 3-104
HTA bit field 20-41
HUNDRETHS bit field 21-22, 21-26
HWR bit field 3-85
HXOE bit field 12-46
HXS bit field 12-46
HZ bit field 21-19
HZ_CLK signal
alternate function 24-5
description 2-18, 21-2
RTC trimming 21-13
HZE bit field 21-18
I
I/O ordering 29-4
I2C bit field 25-8, 25-12, 25-16, 25-21, 25-25
I2C bus interface unit 9-1
acknowledge 9-10
arbitration 9-10
block diagram 9-4
bus interface modes 9-5
clock enable 3-99
configuration example 9-3
core frequency change 3-26
data and addressing management 9-8
data transfer sequence 9-8
enabling power-manager registers 9-23
features 9-2
general call address 9-21
interrupt 25-5
master mode programming examples 9-15
master operations 9-13
non-supported features 9-1
operation 9-2
operational blocks 9-4
overview 9-1
power-manager interface 9-1, 9-23
PPLL frequency 3-19
quick capture interface 27-4
register descriptions 9-23
register summary 9-31
reset conditions 9-22
reset state 2-9
signal descriptions 2-17, 9-2
slave mode programming examples 9-19
slave operations 9-18
start and stop bus states 9-6
I2C Bus Monitor registers (IBMR, PIBMR) 9-30
I2C Control registers (ICR, PICR) 9-23
I2C Data Buffer register (IDBR, PIDBR) 9-29
I2C Slave Address registers (ISAR, PISAR) 9-28
I2C Status registers (ISR, PISR) 9-26
I2S bit field 25-8, 25-12, 25-17, 25-21, 25-25
I2S controller 14-1
AC ’97 controller use 13-1, 14-1
audio record disabling and enabling 14-5
audio replay disabling and enabling 14-4
clock enable 3-99
core frequency change 3-26
data formats 14-7
DMA quick reference 5-23
features 14-2
FIFO and memory format 14-7
initialization 14-4
interrupts 14-9, 25-5
M3 support 14-7
MPEG support 14-7
MSB-justified serial audio formats 14-8
operation 14-3
overview 14-1
PPLL frequency 3-19
receive FIFO errors 14-5
register descriptions 14-10
register summary 14-19
reset state 2-9
sampling frequencies 14-7
serial audio clocks 14-7
signal descriptions 2-17, 14-2
startup and shutdown 14-6
trailing bytes 14-6
transmit FIFO errors 14-5
I2S_BITCLK signal
alternate function 24-5
control 14-11, 14-17
description 2-17, 14-2
frequencies 14-7
jitter 14-3
usage 14-2, 14-8
I2S_SDATA_IN signal
alternate function 24-5
description 2-17, 14-2
usage 14-3, 14-8
Index-12 Intel® PXA27x Processor Family Developer’s Manual
Index
I2S_SDATA_OUT signal
alternate function 24-5
control 14-10
description 2-17, 14-2
usage 14-3, 14-8
I2S_SYNC signal
alternate function 24-5
control 14-10
description 2-17, 14-2
frequencies 14-7
usage 14-3, 14-8
I2S_SYSCLK signal
alternative function 24-8
control 14-17
description 2-17, 14-2
frequencies 14-7
usage 14-214-3
I2SLINK serial interface for stereo audio 14-1
I2SOFF bit field 14-15
IAS bit field 3-69
IBB bit field 9-28
IBCRx bit field 26-42
IBCRx register definition 26-42
IBIS models 6-78
IBMR bit definitions 9-30
ICCR register definition 25-27
ICCR0 register definition 11-11
ICCR1 register definition 11-13
ICCR2 register definition 11-14
ICDR register definition 11-15
ICFOR register definition 11-19
ICFP register definition 25-15
ICFP2 register definition 25-19
ICHP register definition 25-30
ICIP register definition 25-11
ICIP2 register definition 25-14
ICLR register definition 25-24
ICLR2 register definition 25-27
ICMR register definition 25-20
ICMR2 register definition 25-23
ICP bit field 25-8, 25-12, 25-16, 25-21, 25-25
ICP_RXD signal
alternative function 24-6
control 11-14
description 2-14, 11-1
ICP_TXD signal
alternative function 24-6
control 11-14
description 2-14, 11-1
ICPR register definition 25-7
ICPR2 register definition 25-10
ICR bit definitions 9-23
ICSR0 register definition 11-16
ICSR1 register definition 11-18
IDBR bit definitions 9-30
idle mode 2-11, 3-40
inhibiting 25-27
initiation 3-40, 3-104
internal memory 4-2
interrupt controller 25-27
module power and clock state 3-35
Power Manager Sleep Status register 3-70
RTC recovery 21-15
SSP serial ports 8-9, 8-14
USB host controller 20-7
IDON bit field 12-46
IE bit field 20-13
IE0 bit field 12-38
IEA bit field 12-38
IEB bit field 12-38
IEC bit field 12-38
IECC bit field 12-39
IED bit field 12-38
IEE bit field 12-38
IEF bit field 12-38
IEG bit field 12-38
IEH bit field 12-38
IEI bit field 12-38
IEIDF bit field 12-40
IEIDR bit field 12-40
IEJ bit field 12-38
IEK bit field 12-38
IEL bit field 12-38
IEM bit field 12-38
IEN bit field 12-38
IEP bit field 12-38
IEQ bit field 12-39
IER bit field 12-39
IER register definition 10-16, 19-20
IERS bit field 12-39
IERU bit field 12-39
IES bit field 12-39
IESDF bit field 12-40
IESDR bit field 12-40
IESF bit field 12-40
IESOF bit field 12-39
IESU bit field 12-39
IESVF bit field 12-40
IESVR bit field 12-40
IET bit field 12-39
IEU bit field 12-39
IEV bit field 12-39
IEVV40F bit field 12-40
IEVV40R bit field 12-40
IEVV44F bit field 12-40
IEVV44R bit field 12-40
IEW bit field 12-39
IEX bit field 12-39
IEXF bit field 12-40
IEXR bit field 12-40
IFO_0 bit field 27-40
IFO_1 bit field 27-40
IFO_2 bit field 27-40
IFRAMEID bit field 7-118
IFS bit field 8-34
IID[1:0] bit field 10-18
IIR register definition 10-18, 19-22
illegal memory accesses 6-33
image sensors 27-1
CCD 27-1
clock frequency 27-35
CMOS 27-1
control 27-28
data capture sequence expected 27-14
data width interface by mode 27-29
master clock generation 27-9
IMF bit field 12-51
IMKP bit field 18-13
impedance 6-79
imprecise-data abort 2-19, 3-39, 3-68
IN bit field 12-66
INCSRCADDR bit field 5-35
INCTRGADDR bit field 5-35
infrared communications port 11-1
32-bit peripheral bus 11-9
4PPM modulation 11-2
address field 11-4
baud rate generation 11-5
bus size 11-14
clock enable 3-99
control field 11-4
core frequency change 3-26
CRC field 11-4
data field 11-4
DMA mode 11-8
DMA quick reference 5-25
fast interface 11-1
FIFOs 11-7
frame format 11-3
interrupt 25-5
loopback mode 11-12
operation 11-1
overview 11-1
PPLL frequency 3-19
processor interrupt mode 11-8
receive operation 11-5
register descriptions 11-10
register summary 11-20
reset state 2-9
signal descriptions 2-14, 11-1
SIR interface 10-10
slow interface 10-10
trailing bytes 11-8
transmit operation 11-6
UART support 10-10
Infrared Selection register (ISR) 10-33
INIT bit field 15-33
Instruction Breakpoint Address and Control register (IBCRx)
26-42
instruction ordering 5-16
instruction set 1-4, 1-7, 1-19
INT bit field 17-10
INT_MEM_park bit field 29-3
Intel XScale® core
bus parking 29-3
documentation 1-3
implementation 2-1
overview 1-5
INTEN bit field 17-11
internal memory 4-1
block diagram 4-2
clock enable 3-99
features 4-1
memory bank summary 4-4
operation 4-1
overview 4-1
power management 4-2
power mode summary 3-35
power modes, internal memory, and memory banks 4-3
reset state 2-9
SRAM array and queue 4-2
system bus interface 4-2
internal reset (nRESET_OUT) signal 3-3
internal voltage regulators 3-37
Interrupt Control Highest Priority register (ICHP) 25-29
interrupt controller 25-1
bit position summary 25-5
block diagram 25-3
coprocessor access 25-4
coprocessor-register access mode 25-2
features 25-1
idle mode 25-27
interrupt service routine 2-8
masking 25-2
memory-mapped register-access mode 25-2
operation 25-2
overview 2-7, 25-1
peripheral IDs 25-5
priority values 25-2, 25-28
register access 25-4
register descriptions 25-6
register summary 25-31
reset state 2-9
sources 25-5
supervisory mode 25-2
See also interrupts.
Interrupt Controller Control register (ICCR) 25-27
Interrupt Controller FIQ Pending registers (ICFP and ICFP2)
25-15
Interrupt Controller IRQ Pending registers (ICIP and ICIP2)
25-10
Interrupt Controller Level registers (ICLR and ICLR2) 25-23
Interrupt Controller Mask registers (ICMR and ICMR2)
25-19
Interrupt Controller Pending registers (ICPR and ICPR2) 25-6
Interrupt Enable register (IER) 10-15
Interrupt Identification register (IIR) 10-17
Interrupt Priority registers 0–39 (IPRx) 25-28
interrupts
AC ’97 controller 13-20
clearing delay 29-5
DMA controller 5-10, 5-48
GPIOs 24-1, 24-18
I2C bus interface unit 9-4, 9-26
I2S controller 14-9
infrared communications port 11-10, 11-16
keypad interface 18-10
LCD controller 7-54, 7-118
level 25-1
memory stick host controller 17-3, 17-11
Index-14 Intel® PXA27x Processor Family Developer’s Manual
Index
MMC/SD/SDIO controller 15-10, 15-14, 15-27, 15-38
MSL interface 16-23
multiple sources mapped to single primary 25-1
power manager I2C 3-69
quick capture interface 27-37
RTC controller 21-1021-11, 21-17
sources 25-5
SSP ports 8-42
timers 22-16
UARTs 10-5, 10-15, 10-17, 10-19
USB client controller 12-4, 12-24, 12-3512-36
USB host controller 20-4, 20-16, 20-39
USIM interface 19-1519-16, 19-20, 19-22
See also interrupt controller.
INTRS bit field 3-69
INVERSE bit field 19-30
IPR bit field 12-56
IPR0/39 register definition 25-29
IR bit field 20-11
IR0 bit field 12-51
IRA bit field 12-51
IRB bit field 12-51
IRC bit field 12-51
IRCC bit field 12-52
IRD bit field 12-51
IRE bit field 12-51
IRF bit field 9-27
IRG bit field 12-51
IRH bit field 12-51
IRI bit field 12-51
IRIDF bit field 12-53
IRIDR bit field 12-53
IRJ bit field 12-51
IRK bit field 12-51
IRL bit field 12-51
IRM bit field 12-51
IRN bit field 12-51
IRP bit field 12-51
IRQ bit field 12-52, 25-30
IRQT bit field 20-46
IRR bit field 12-52
IRRS bit field 12-52
IRRU bit field 12-52
IRS bit field 12-52
IRSDF bit field 12-53
IRSDR bit field 12-53
IRSF bit field 12-52
IRSOF bit field 12-52
IRSU bit field 12-52
IRSVF bit field 12-53
IRSVR bit field 12-53
IRT bit field 12-52
IRU bit field 12-52
IRV bit field 12-52
IRVV40F bit field 12-53
IRVV40R bit field 12-53
IRVV44F bit field 12-53
IRVV44R bit field 12-53
IRW bit field 12-52
IRX bit field 12-52
IRXF bit field 12-52
IRXR bit field 12-52
ISAR bit definitions 9-29
isochronous mode 20-13, 29-4
ISR bit definitions 9-27
ISR register definition 10-33
ITE bit field 9-27
ITEIE bit field 9-24
ITL bit field 10-21
ITR bit field 11-12
ITU-R BT.656-4 timing coding 27-8
IU0 bit field 7-109
IU1 bit field 7-109
IU2 bit field 7-112
IU3 bit field 7-112
IU4 bit field 7-112
IU5 bit field 7-111
IU6 bit field 7-111
IUE bit field 9-24
IUM bit field 7-61
IUM1 bit field 7-81
IUM2 bit field 7-81
IUM3 bit field 7-80
IUM4 bit field 7-80
IUM5 bit field 7-79
IUM6 bit field 7-79
IVF bit field 3-86
J
JTAG interface
overview 1-18, 26-8
registers 26-9
signal descriptions 2-19
K
K0DB2 bit field 6-55
K0DB4 bit field 6-52
K0FREE bit field 6-53
K0RUN bit field 6-56
K1 bit field 7-78
K1DB2 bit field 6-54
K1FREE bit field 6-53
K1RUN bit field 6-55
K2 bit field 7-77
K2DB2 bit field 6-54
K2FREE bit field 6-53
K2RUN bit field 6-54
key debounce interval 18-23
KEYPAD bit field 25-9, 25-13, 25-18, 25-22, 25-26
keypad interface 18-1
block diagram 18-4
clock enable 3-99
core frequency change 3-26
debounce check 18-9
direct interface 18-2, 18-7
features 18-2
GPIO pin usage 18-7
Intel® PXA27x Processor Family Developer’s Manual Index-15
Index
interrupts 18-10, 25-6
matrix interface 18-1, 18-5
operation 18-3
overview 18-1
register descriptions 18-12
register summary 18-24
reset state 2-9
rotary encoders 18-7
signal descriptions 2-16, 18-3
sleep mode 18-10
standby mode 18-10
wake-ups 3-92
Keypad Interface Automatic Scan Multiple Keypress registers
0–3 (KPASMKPx) 18-20
Keypad Interface Automatic Scan register (KPAS) 18-18
Keypad Interface Control register (KPC) 18-12
Keypad Interface Direct Key register (KPDK) 18-16
Keypad Interface Key Debounce Interval register (KPKDI)
18-23
Keypad Interface Matrix Key register (KPMK) 18-18
Keypad Interface Rotary Encoder Count register (KPREC)
18-17
KP_DKIN<7:0> signals
alternate functions 24-5, 24-7
description 2-16, 18-3
usage 18-7
KP_MKIN<7:0> signals
alternate function 24-524-7, 24-10
description 2-16, 18-3
KP_MKOUT<7:0> signals
alternate functions 24-424-8
control 18-12
description 2-16, 18-3
KPAS register definition 18-19
KPASMKP0 register definition 18-21
KPASMKP1 register definition 18-21
KPASMKP2 register definition 18-22
KPASMKP3 register definition 18-22
KPC register definition 18-13
KPDK register definition 18-16
KPKDI register definition 18-23
KPMK register definition 18-18
KPREC register definition 18-17
L
L bit field 3-20, 3-25, 3-97
L_BIAS signal
alternate function 24-7
control 7-70, 7-727-73, 7-109
description 2-13, 7-3
usage 7-42, 7-45
L_CS signal
alternate function 24-5
description 2-13, 7-3
timing 7-64
L_FCLK_RD signal
alternate function 24-7
control 7-64, 7-71
description 2-13, 7-3
timing 7-43, 7-647-65
usage 7-45
L_LCLK_A0 signal
alternate function 24-7
control 7-71
description 2-13, 7-3
timing 7-43, 7-64
usage 7-45
L_PCLK_WR signal
control 7-64, 7-71
description 2-13, 7-3
timing 7-43, 7-64
usage 7-6
L_S bit field 3-102
L_VSYNC signal
alternate function 24-5
control 7-98
description 2-13, 7-3
L1_EN bit field 3-81
L3 I2S control bus protocol 14-1, 14-4
latency
AC ’97 13-8
bus parking 29-2
CAS 6-206-21, 6-27, 6-42, 6-44, 6-46
clock frequency changes 3-22, 3-24
clock modes (table) 3-33
DMA channel priority 5-4
fast-bus mode change 3-30
flash memory 6-25
power modes (table) 3-54
register access mode 25-125-2
reset sequence (table) 3-12
ROM 6-27
SDRAM 6-27
system bus access 29-3
turbo mode 3-28
USB host controller 20-16
USB host isochronous transfer mode 20-4
variable-latency I/O interface 6-23
worst-case memory transfers 29-4
LBM bit field 8-37, 11-12
LC bit field 3-94
LCCR0 register definition 7-56
LCCR1 register definition 7-64
LCCR2 register definition 7-66
LCCR3 register definition 7-69
LCCR4 register definition 7-74
LCCR5 register definition 7-79
LCD bit field 25-8, 25-12, 25-16, 25-21, 25-25
LCD Buffer Strength Control register (LCDBSCNTR) 7-104
LCD controller 7-1
active mode timing 7-45
arbitration 29-1
bandwidth calculations 7-9
base frame 7-21
bits per pixel 7-37
block diagram 7-3
bus parking 29-3
clock enable 3-99
clock frequency 3-20
Index-16 Intel® PXA27x Processor Family Developer’s Manual
Index
clock in 13M mode 3-31
color component precision conversions 7-28
command data format 7-29
contrast control 23-1
control bit description 7-30
core frequency change 3-26
cursor positioning 7-32
data pin pixel ordering 7-50
data pin utilization 7-49
data rate 7-9
deep-idle mode 7-10
disabling 7-58
display order on panel 7-13
DMA burst count 7-9
DMA channel use 7-5
DMA registers 7-54
dual-scan mode 7-42
external palette buffer 7-33
features 7-1
frame buffer 7-36
frequency 3-64
graphical overlays 7-12
hardware cursor 7-30
input FIFOs 7-8
interrupts 7-106, 25-5
LCD Control registers 7-54
lookup palette 7-9
multiple panel considerations 7-11
output FIFO 7-9
Overlay 1 window 7-22
Overlay 2 window 7-23
overlay support for BPP formats 7-14
overview 7-1
palette data formats 7-33
passive mode timing 7-42
pixel clock frequency calculation 7-10
pixel formats 7-14
processor oscillator as clock source 3-17
refresh rate 7-9
register descriptions 7-54
register summary 7-122
reset state 2-9
RGB and RGBT formats 7-17
signal descriptions 2-13, 7-2
smart panel interfacing 7-28
smart panel timing 7-48
temporal modulated energy distribution (TMED)
dithering 7-6
timing diagrams 7-42
transparency 7-13
video sampling formats 7-15
LCD Controller Control register 0 (LCCR0) 7-55
LCD Controller Control register 1 (LCCR1) 7-64
LCD Controller Control register 2 (LCCR2) 7-66
LCD Controller Control register 3 (LCCR3) 7-68
LCD Controller Control register 4 (LCCR4) 7-74
LCD Controller Control register 5 (LCCR5) 7-78
LCD Controller Interrupt ID register (LIIDR) 7-118
LCD Controller Status register 0 (LCSR0) 7-106
LCD Controller Status register 1 (LCSR1) 7-111
LCD DMA Command register (LDCMDx) 7-120
LCD_26 bit field 3-96
LCD_park bit field 29-3
Lcd_Wt bit field 29-3
LCDBSCNTR register definition 7-104
LCK bit field 21-16
LCR register definition 10-25
LCR register definition 19-30
LCSR0 register definition 7-106
LCSR1 register definition 7-111
LD[n] bit field 3-93
LDCMD0/1/2/3/4/5/6 register definition 7-120
LDD<17:0> signals
alternate functions 24-4, 24-624-7
control 7-56, 7-59, 7-63
description 2-13, 7-3
pixel data format 7-69
pixel ordering 7-50
timing 7-43, 7-64
usage 7-49
LDIC JTAG Data register 26-16
LDR instruction 17-4
LDRB instruction 17-4
LDRH instruction 17-4
LED output 23-1
LEN bit field 5-38
LIIDR register definition 7-118
Line Control register (LCR) 10-25
Line Status register (LSR) 10-26
loads and stores 2-7, 29-429-5
LOCK_FLAG bit field 29-3
LOOP bit field 10-30
loopback mode 10-30, 11-12, 14-14
low-power modes. See clocks and power manager. See
specific mode names.
LPF bit field 27-34
LPS bit field 20-35
LPSC bit field 20-34
LSDA bit field 20-37
LSR register definition 10-27, 19-32
LST bit field 20-30
M
M bit field 3-105, 26-4126-42
M{n} bit field 22-18
M3 support 14-7
MA bit field 9-25
MA<25:0> signals
address mapping 6-9
control 6-45, 6-826-83
description 2-11, 6-2
large static memory 6-69
usage 6-48
MA0BS bit field 6-83
MA1BS bit field 6-83
MA2010BS bit field 6-83
MA21BS bit field 6-83
MA22BS bit field 6-83
MA23BS bit field 6-83
Intel® PXA27x Processor Family Developer’s Manual Index-17
Index
MA24BS bit field 6-83
MA25BS bit field 6-82
MA92BS bit field 6-83
MAPVLD bit field 5-31
MaskRun bit field 5-43
master-parallel (MP) quick capture mode 27-4
master-serial (MS) quick capture mode 27-6
Match_Value bit field 22-15
Matrix Key Debounce Interval bit field 18-23
matrix keypad interface 18-1, 18-5
MBC bit field 3-94
MBGNT signal
alternate bus master mode 6-34
alternate function 24-524-7
description 2-12, 6-3
timing 6-34
unpredictable behavior 24-4
MBREQ signal 24-4
alternate bus master mode 6-34
alternate function 24-5, 24-724-8
description 2-12, 6-3
enabling 6-3
timing 6-34
MCATT0/1 register definition 6-76
MCCR register definition 13-33
MCDAT bit field 13-35
MCDR register definition 13-35
MCINT bit field 13-25
MCIO0/1 register definition 6-77
MCLK_DLY bit field 27-36
MCLK_EN bit field 27-36
MCMEMx register definition 6-76
MCR instruction 2-6
MCR register definition 10-30
MCSR register definition 13-34
MD<31:0> signals
control 6-80
deep-idle mode 6-62
description 2-11, 6-2
masking 6-33
MDADD0 bit field 6-49
MDADD2 bit field 6-48
MDBL0 bit field 6-49
MDBL2 bit field 6-49
MDCL0 bit field 6-49
MDCL2 bit field 6-48
MDCNFG register definition 6-43
MDENX bit field 6-43
MDHBS bit field 6-80
MDLBS bit field 6-80
MDLPEN0 bit field 6-50
MDLPEN2 bit field 6-50
MDMRS register definition 6-48
MDMRS0 bit field 6-49
MDMRS2 bit field 6-48
MDMRSLP register definition 6-50
MDMRSLP0 bit field 6-50
MDMRSLP2 bit field 6-50
MDREFR register definition 6-52
ME bit field 18-14
MECR register definition 6-78
MEM_STK bit field 25-9, 25-13, 25-18, 25-22, 25-26
memory
map 28-1
peripheral bus map 28-12
system bus map 28-4
system examples 6-38
types and sizes 6-33
See also internal memory.
memory controller 6-1
A-bit clock mode 3-13
address mapping options 6-10
alternate booting 6-37
alternate bus master mode 6-34
asynchronous flash memory interface 6-25
asynchronous static memory registers 6-61
asynchronous static operation 6-24
bank addressing 6-9
boot time defaults 6-73
bus parking 29-3
card interface 6-74
clock enable 3-99
CompactFlash command assertion codes 6-75
CompactFlash interface 6-29
core frequency change 3-26
features 6-1
flushing buffers 29-4
frequency 3-64
GPIO reset procedure 6-41
hardware, watchdog, or sleep reset operation 6-41
illegal accesses and nonexistent memory 6-33
larger SDRAM memory space 6-6
memory access types and sizes 6-33
memory map 28-1
memory map options 6-7, 6-70
operation 6-4
output buffer strength registers 6-78
overview 6-1
PC Card command assertion codes 6-75
PC Card interface 6-29
pin reset values 6-40
processor oscillator as clock source 3-17
register descriptions 6-42
register summary 6-84
reset and initialization 6-40
reset state 2-9
ROM interface 6-27
row active time (TRAS) 6-6
SDRAM command overview 6-20
SDRAM memory size options 6-8
SDRAM refresh interval 6-56
SDRAM state machine 6-22
signal descriptions 2-11, 6-2
stacking flash 6-4
stacking SDRAM 6-4
static memory support 6-69
synchronous dynamic memory (SDRAM) interface 6-6
synchronous dynamic memory registers 6-42
synchronous flash memory 6-26
synchronous static memory registers 6-57
Index-18 Intel® PXA27x Processor Family Developer’s Manual
Index
synchronous, static, and variable-latency I/O interface
6-23
system diagram 6-5
system examples 6-38
valid boot configurations 6-73
memory stick host controller 17-1
clock enable 3-99
DMA mode 17-6
features 17-1
interrupts 17-3, 17-5, 25-6
memory stick insertion and removal 17-3
operation 17-2, 17-4
overview 17-1
polled mode 17-6
power-save mode 17-4
register descriptions 17-8
register summary 17-15
reset 17-3
signal descriptions 2-16, 17-2
Sony register name reference 17-16
TPC code errors 17-3
trailing bytes 17-7
memory-to-memory moves 5-14
MI bit field 18-13
MIC In Control register (MCCR) 13-33
MIC In Data register (MCDR) 13-35
MIC In Status register (MCSR) 13-34
MICR register definition 13-37
Microwire protocol 8-12
MIE bit field 10-16, 18-14, 20-18, 20-20
MIINT bit field 13-26
MILLISECONDS bit field 21-23, 21-27
MINUTES bit field 21-20, 21-22, 21-2521-26
misaligned memory accesses 5-16, 5-49
MISR register definition 13-39
MKC0 bit field 18-21
MKC1 bit field 18-21
MKC2 bit field 18-21
MKC3 bit field 18-21
MKC4 bit field 18-22
MKC5 bit field 18-22
MKC6 bit field 18-22
MKC7 bit field 18-22
MKCN bit field 18-13
MKP bit field 18-18
MKRN bit field 18-13
MMC Argument High register (MMC_ARGH) 15-41
MMC Argument Low register (MMC_ARGL) 15-42
MMC bit field 25-7, 25-11, 25-16, 25-20, 25-24
MMC Block Length register (MMC_BLKLEN) 15-35
MMC Blocks Remaining register (MMC_BLKS_REM)
15-44
MMC Buffer Partly Full register (MMC_PRTBUF) 15-36
MMC Clock Rate register (MMC_CLKRT) 15-31
MMC Clock Start/Stop register (MMC_STRPCL) 15-29
MMC Command register (MMC_CMD) 15-41
MMC Command/Data register (MMC_CMDAT) 15-32
MMC Interrupt Mask register (MMC_I_MASK) 15-36
MMC Interrupt Request register (MMC_I_REG) 15-38
MMC Number of Blocks register (MMC_NUMBLK) 15-35
MMC RD_WAIT register (MMC_RDWAIT) 15-43
MMC Read Time-Out register (MMC_RDTO) 15-34
MMC Receive FIFO (Read-Only) (MMC_RXFIFO) 15-42
MMC Response FIFO (Read-Only) (MMC_RES) 15-42
MMC Response Time-Out register (MMC_RESTO) 15-34
MMC SPI Mode register (MMC_SPI) 15-31
MMC Status register (MMC_STAT) 15-29
MMC Transmit FIFO (MMC_TXFIFO) 15-43
MMC/SD Card Communication Protocol 15-18
MMC_ARGH register definition 15-41
MMC_ARGL register definition 15-42
MMC_BLKLEN register definition 15-35
MMC_BLKS_REM register definition 15-44
MMC_CLKRT register definition 15-31
MMC_CMD register definition 15-41
MMC_CMDAT register 15-33
MMC_I_MASK register definition 15-36
MMC_I_REG register definition 15-38
MMC_NUMBLK register definition 15-35
MMC_PRTBUF register definition 15-36
MMC_RDTO register definition 15-34
MMC_RDWAIT register definition 15-44
MMC_RES register definition 15-42
MMC_RESTO register definition 15-34
MMC_RXFIFO register definition 15-43
MMC_SPI register definition 15-32
MMC_STAT register definition 15-30
MMC_STRPCL register definition 15-29
MMC_TXFIFO register definition 15-43
MMCCS<1:0> signals
alternate functions 24-4
description 2-14, 15-2
MMCLK signal
alternate function 24-5
control 15-2915-30, 15-34, 15-39
description 2-14, 15-2
frequency 15-31
initialization 15-11
usage 15-14, 15-19, 15-22, 15-27
MMCMD signal
alternate function 24-4, 24-8
availability 15-515-6
command token 15-3
description 2-14, 15-2
pull-ups 15-6
MMDAT<3:0> signals
alternate functions 24-4, 24-724-8
availability 15-515-6
description 2-14, 15-2
pull-ups 15-6
usage 15-10
mobile scalable link (MSL) 16-1
block diagram 16-3
channel allocation 16-11
channel flow control 16-5
clock enable 3-99
core frequency change 3-26
DMA interaction 16-11
DMA quick reference 5-24
example waveforms 16-616-9, 16-25
Intel® PXA27x Processor Family Developer’s Manual Index-19
Index
external clock (CLK_EXT) 3-5
features 16-1
FIFO structure 16-13
interface widths supported 16-5
interrupt 25-6
operation 16-3
overview 16-1
power management 16-9
PPLL frequency 3-19
receive operation 16-4
register descriptions 16-13
register summary 16-27
reset state 2-9
signal descriptions 2-16, 16-2
transmit operation 16-3
wake-up 3-74
wake-up channel 16-10
MOCR register definition 13-36
MOD bit field 8-25
MODAT bit field 13-40
Modem Control register (MCR) 10-29
Modem Data register (MODR) 13-40
Modem In Control register (MICR) 13-37
Modem In Status register (MISR) 13-39
Modem Out Control register (MOCR) 13-36
Modem Out Status register (MOSR) 13-38
Modem Status register (MSR) 10-31
modifying
clock frequencies 3-13, 3-21
power modes 3-40
voltage 3-65
MODR register definition 13-40
MOE bit field 26-41
MOINT bit field 13-26
monitor mode 26-4
MONTH bit field 21-21, 21-25
MOSR register definition 13-38
MP3 support 14-7
MPEG support 14-7, 27-18
MPS bit field 12-67
MRC instruction 25-4
MRx bit field 18-18
MS3 bit field 18-14
MSACD register definition 17-13
MSB-justified serial audio format 14-1, 14-8
MSBS signal
alternate function 24-7
description 2-16, 17-2
MSC0/1/2 register definition 6-62
MSCMR register definition 17-8
MSCR2 register definition 17-12
MSCRSR register definition 17-9
MSHC ACD Command register (MSACD) 17-13
MSHC Command register (MSCMR) 17-8
MSHC Control and Status register (MSCRSR) 17-9
MSHC Control register 2 (MSCR2) 17-12
MSHC Interrupt and Status register (MSINT) 17-10
MSHC Interrupt Enable register (MSINTEN) 17-11
MSHC Receive FIFO register (MSRXFIFO) 17-14
MSHC Transmit FIFO register (MSTXFIFO) 17-14
MSINT register definition 17-10
MSINTEN register definition 17-11
MSL bit field 25-9, 25-14, 25-18, 25-22, 25-26
MSL Channel Configuration registers (BBCFGx) 16-15
MSL Channel EOM registers (BBEOMx) 16-22
MSL Channel Status registers (BBSTATx) 16-19
MSL Clock Stop Time register (BBCST) 16-25
MSL FIFO registers (BBFIFOx) 16-13
MSL Interface Width register (BBITFC) 16-26
MSL Interrupt ID register (BBIID) 16-23
MSL Transmit Frequency Select register (BBFREQ) 16-24
MSL Wait Count register (BBWAIT) 16-24
MSL Wake-Up register (BBWAKE) 16-26
MSR register definition 10-32
MSRXFIFO register definition 17-14
MSSCLK signal
alternate function 24-5
description 2-16, 17-2
MSSDIO signal
alternate function 24-4, 24-8
description 2-16, 17-2
MSTXFIFO register definition 17-15
MSx bit field 18-1318-14
MUKP bit field 18-19
MultiMediaCard/SD/SDIO controller 15-1
clock control 15-14
clock enable 3-99
core frequency change 3-26
data FIFOs 15-15
DMA and programmed I/O 15-17
DMA quick reference 5-25
DMA transfer length 5-38
features 15-1
functional description 15-11
interrupts 15-14, 25-5
MMC/SD/SDIO mode 15-6
operation 15-2
overview 15-1
receive data FIFO (MMC_RXFIFO) 15-15
register descriptions 15-29
register summary 15-45
response data FIFO (MMC_RES) 15-15
SDIO 15-8
SDIO card communication protocol 15-23
SDIO interrupts 15-27
signal descriptions 2-14, 15-2
transmit data FIFO (MMC_TXFIFO) 15-16
MWDS bit field 8-36
N
N bit field 22-13
Name bit field 15-29
naming conventions 1-2
nBATT_FAULT signal
control 3-68
description 2-19, 3-2, 3-5
status 3-73
usage 3-3, 3-52, 3-63
nCRST bit field 13-23
Index-20 Intel® PXA27x Processor Family Developer’s Manual
Index
NCS bit field 8-26
nCS<5:0> signals
control 3-82, 6-61, 6-72, 6-82
description 2-12, 6-2
reset values 6-40
nCTS signal
Bluetooth UART support 10-1
control 10-32
description 10-3
usage 10-810-9
nDCD signal
control 10-32
description 10-3
nDMAEN bit field 13-22
NDP bit field 20-32
nDSR signal 10-3
control 10-32
description 10-3
nDTR signal
control 10-31
description 10-4
usage 10-29
network SSP mode 8-19
nIOIS16 signal
alternate function 24-6
description 2-13, 6-3
ignoring 6-78
timing 6-30
nIP bit field 10-18
NMBSY bit field 8-50
nMSINS signal
alternate function 24-8
description 2-16, 17-2
usage 17-3
NOCP bit field 20-31
NOCRC bit field 17-9
NODESCFETCH bit field 5-41
nOE signal
control 6-81
description 2-11, 6-2
timing 6-63
normal-operation power mode. See run mode.
NOS bit field 6-78
notation conventions 1-1
nPCE<2:1> signals
control 3-82
description 2-12, 6-3
timing 6-30
nPIOR signal
alternate function 24-6
control 3-82
description 2-12, 6-3
nPIOW signal
alternate function 24-6
control 3-82
description 2-12, 6-3
nPOE signal
alternate function 24-6
control 3-82
description 2-12, 6-3
reset value 6-40
nPREG signal
alternate function 24-6
control 3-82
description 2-13, 6-3
NPS bit field 20-32
nPWAIT signal 6-3
alternate function 24-6
description 2-13, 6-3
ignoring 6-78
timing 6-31, 6-75
nPWE signal
alternate function 24-6
control 3-82, 6-63
description 2-12, 6-3
reset value 6-40
nRESET signal
description 2-19, 3-23-3
hardware reset 2-8, 3-7
JTAG effect 26-15
power-on reset 2-10, 3-8
usage 3-8
nRESET_GPIO signal
alternate function 24-5
control 3-82
description 3-4
nRESET_OUT signal
control 3-80, 3-86
description 2-19, 3-23-3
flash requirements 3-10
flash reset configuration 6-42
power-on reset 2-10
watchdog configuration 22-15
nRI signal
control 10-32
description 10-4
nRTS signal
Bluetooth UART support 10-1
control 10-31
description 10-4
usage 10-810-9, 10-29
NRZ bit encoding 10-5, 10-16
NRZE bit field 10-16
nSDCAS signal
control 6-80
description 2-11, 6-2
reset value 6-40
nSDCS<3:0> signals
description 2-12, 6-2
reset values 6-40
nSDRAS signal
control 6-80
description 2-11, 6-2
reset value 6-40
nTRST signal 2-19
NTSC encoder 7-60, 7-69
NUM_BLK bit field 15-35
number representation 1-1
nURST signal
alternate function 24-5, 24-7
Intel® PXA27x Processor Family Developer’s Manual Index-21
Index
connection 19-3
control 19-31
description 2-16, 19-2
nUVS<2:1> signals
alternate functions 24-8
control 3-90
description 2-16, 19-2
powering off 19-3
nVDD_FAULT signal
control 3-68
description 2-19, 3-2, 3-5
status 3-72
usage 3-3, 3-52, 3-63
nWE signal
control 6-81
description 2-11, 6-2
timing 6-63
O
OC bit field 20-16, 20-18, 20-20
OCI bit field 20-35
OCIC bit field 20-34
OCPM bit field 20-31
OCR bit field 20-14
OE bit field 10-29
OEBS bit field 6-81
OEN bit field 12-33
OF0 bit field 18-17
OF1 bit field 18-17
OIER register definition 22-16
OMCR4/5/6/7/8/9/10/11 register definition 22-9
OMCR8/10 register definition 22-11
OMCR9/11 register definition 22-13
On-the-Go operation. See USB client controller.
OOK bit field 3-101
OON bit field 3-101
OPC bit field 12-56
OPDE bit field 3-82
ORDER bit field 19-30
OS Match Control registers (OMCRx) 22-9
OS Timer Count register 0 (OSCR0) 22-16
OS Timer Count registers (OSCR4-OSCR11) 22-17
OS Timer Interrupt Enable register (OIER) 22-16
OS Timer Match registers (OSMRx) 22-14
OS Timer Status register (OSSR) 22-1722-18
OS Timer Watchdog Match Enable register (OWER) 22-15
OSCC register definition 3-100
Oscillator Configuration register (OSCC) 3-99
oscillators
13-MHz processor 3-17
32.768-kHz timekeeping 3-18
configuration 3-99
noise coupling 3-18
nRESET signal 2-19
power manager clock 3-173-18
power mode summary 3-35
power-down enable 3-81
PPLL frequencies 3-19
processor clock source 3-17
processor output frequencies 3-17
RTC clock 3-18
RTC trim procedure 21-12, 21-14
run-mode-to-oscillator ratio bit 3-25
signal descriptions 2-18, 3-2, 3-4
OSCR0 register definition 22-17
OSCR4–11 register definition 22-17
OSD bit field 3-100
OSMR 0–11 register definition 22-15
OSSR register definition 22-18
OST_0 bit field 25-7, 25-11, 25-15, 25-20, 25-24
OST_1 bit field 25-7, 25-11, 25-15, 25-20, 25-24
OST_2 bit field 25-7, 25-11, 25-15, 25-20, 25-24
OST_3 bit field 25-7, 25-11, 25-15, 25-20, 25-24
OST_4_11 bit field 25-9, 25-13, 25-17, 25-22, 25-26
OTG. See USB client controller.
OTGPH bit field 3-72
OUT1 bit field 10-31
OUT2 bit field 10-30
OV bit field 26-37
Overlay 1 7-22
Overlay 1 Control register 1 (OVL1C1) 7-91
Overlay 1 Control register 2 (OVL1C2) 7-93
Overlay 2
functional description 7-23
quick capture interface 27-18
video sampling formats 7-15
Overlay 2 Control register 1 (OVL2C1) 7-94
Overlay 2 Control register 2 (OVL2C2) 7-95
OVL1C1 register definition 7-92
OVL1C2 register definition 7-93
OVL2C1 register definition 7-94
OVL2C2 register definition 7-96
OVRN bit field 19-21, 19-24, 19-33
OWER register definition 22-16
P
P bit field 22-9, 22-11, 22-13
palette
data formats 7-33
external buffer 7-33
lookup 7-9
Panel Read Status register (PRSR) 7-104
PAR_EN bit field 27-27
PAR_ERR bit field 27-39
P-bit 2-5
PC bit field 12-62
PC Card interface 6-29
command assertion codes 6-75
floating pins during sleep modes 3-45, 3-49, 3-81
signal descriptions 2-12, 6-3
See also memory controller.
PCDR register definition 13-32
PCED bit field 20-21
PCFR register definition 3-81
PCLK_EN bit field 27-36
PCM Data register (PCDR) 13-32
PCM In Control register (PCMICR) 13-28
PCM In Status register (PCMISR) 13-30
Index-22 Intel® PXA27x Processor Family Developer’s Manual
Index
PCM Out Control register (POCR) 13-27
PCM Out Status register (POSR) 13-29
PCMD0–31 register definition 3-94
PCMICR register definition 13-28
PCMISR register definition 13-30
PCML bit field 13-32
PCMR bit field 13-32
PCP bit field 27-36
PCPL bit field 20-42
PCRDY bit field 13-24
PCx bit field 24-1624-18
PDx bit field 24-1224-13
PE bit field 10-29
PE_TL bit field 19-28
PEDR register definition 3-79
PEM bit field 19-25
PEN bit field 10-26
performance monitoring 2-2, 28-4
peripheral bus
block diagram 1-5, 3-15
concurrent active DMA channels 5-4
DMA quick reference 5-21
DMA service to internal peripherals 5-11
fixed-frequency clocks 3-13
flow-through DMA transfers 5-105-11
memory map 28-12
peripherals 5-10
PPLL frequency 3-19
programmed I/O DMA transfers 5-15, 5-50
reset 23-5
USB client interface 12-4
peripheral phase-locked loop (312 MHz) 3-19
PERR bit field 19-19, 19-24, 19-33
PERR_NUM bit field 19-26
PERRM bit field 27-28
PES bit field 20-39
PESC bit field 20-36
PFER register definition 3-78
PGSR0/1/2/3 register definition 3-84
PH bit field 3-72
PI2C_EN bit field 3-82
PIAL bit field 21-17
PIALE bit field 21-17
PIAR register definition 21-23
PIBMR bit definitions 9-30
PICE bit field 21-17
PICR register definition 9-23
PID bit field 17-8, 25-29
PIDBR bit definitions 9-30
PIINT bit field 13-25
pins. See signal descriptions.
PINT bit field 8-44
PINTE bit field 8-34
PIO_EN bit field 3-101
PISAR register definition 9-29
PISR register definition 9-27
pixelclock frequency 7-10, 27-9
data pin ordering 7-50
formats 7-14, 27-3, 27-12, 27-28
PKG_TYPE bit field 6-74
PKSR register definition 3-93
PKWR register definition 3-92
PLE bit field 20-13
PLL output frequencies 3-21
PLL_EARLY_EN bit field 3-96
PLx bit field 24-2924-30
PMCR register definition 3-69
PMU bit field 25-8, 25-13, 25-17, 25-21, 25-25
PO bit field 3-81
POCI bit field 20-38
POCIC bit field 20-36
POCR register definition 13-27
POINT bit field 13-25
POSR register definition 13-29
POTPGT bit field 20-31
power domains
high-voltage external 3-6
internal 3-363-37
low-voltage external 3-5
power enable (PWR_EN) signal 3-5
power faults and imprecise-data abort 3-39
power manager capacitor (PWR_CAP<3:0>) signals 3-6
Power Manager Control register (PMCR) 3-68
Power Manager Edge-Detect Status register (PEDR) 3-79
Power Manager Falling-Edge Detect Enable register (PFER)
3-78
Power Manager General Configuration register (PCFR) 3-80
Power Manager GPIO Sleep-State registers (PGSRx) 3-83
power manager I2C 3-55
power manager I2C Clock (PWR_SCL/GPIO<3>) signal 3-6
Power Manager I2C Command register File (PCMDx) 3-94
power manager I2C Data (PWR_SDA/GPIO<4>) signal 3-6
power manager I2C Interface 3-39
Power Manager Keyboard Level-Detect Status register
(PKSR) 3-93
Power Manager Keyboard Wake-Up Enable register (PKWR)
3-92
power manager registers 3-66
Power Manager Rising-Edge Detect Enable register (PRER)
3-77
Power Manager Scratch-Pad register (PSPR) 3-73
Power Manager Sleep Configuration register (PSLR) 3-85
Power Manager Sleep Status register (PSSR) 3-70
Power Manager Standby Configuration register (PSTR) 3-88
power manager supply output (PWR_OUT) signal 3-6
Power Manager USIM Card Control/Status register (PUCR)
3-90
Power Manager Voltage Change Control register (PVCR)
3-89
Power Manager Wake-Up Enable register (PWER) 3-74
Power Mode register (PWRMODE) 3-104
power modes
HZ_CLK signal 21-2
internal memory 4-24-3
modifying 3-40
sequence summary 3-54
timer operation 22-8
power savings 2-11
power. See clocks and power manager.
Intel® PXA27x Processor Family Developer’s Manual Index-23
Index
power-fault assertion behavior 3-63
power-on and deep-sleep exit sequence 3-51
power-on reset 3-7
indicator 3-85
nRESET_OUT signal 2-19, 3-3
overview 2-8, 3-63-7
RDH bit effect 3-71
PPCM bit field 20-33
PPDIS bit field 3-96
PPDIS_S bit field 3-102
PPL bit field 27-30
PPLCK bit field 3-102
PPLL 3-19
13M mode 3-31
disable (PPDIS) 3-95
early enable 3-95
frequencies 3-19
power mode summary 3-35
PPS bit field 20-37
PRDY_IE bit field 13-22
PRER register definition 3-77
PRES_IE bit field 13-22
PRESCALE bit field 23-7
PRESINT bit field 13-24
PRG_DONE bit field 15-30, 15-37, 15-40
Processor Cache Type register 2-5
processor clock input/output (CLK_PIO/GPIO<9>) signal
3-4
Processor CPAR register 2-5
Processor ID register 2-4
processor oscillator input (PXTAL_IN) signal 3-4
processor oscillator output (PXTAL_OUT) signal 3-4
Prod ID bit field 2-4
Prod R bit field 2-4
programmable serial protocol (PSP) 8-13
PRS bit field 20-38
PRSC bit field 20-36
PRSR register definition 7-105
PRT_BUF bit field 15-36
PS bit field 20-29
PSKTSEL signal
alternate function 24-724-8
control 3-82
description 2-13, 6-3
PSLR register definition 3-86
PSM bit field 20-32
PSPL bit field 20-42
PSPR register definition 3-73
PSS bit field 20-38
PSSC bit field 20-36
PSSD bit field 3-86
PSSR register definition 3-72
PSTR register definition 3-88
PSx bit field 24-1424-16
PUCR register definition 3-90
pulse width modulator (PWM) controller 23-1
block diagram 23-4
clock enable 3-99
clock frequency 23-5
clocks 23-4
duty cycle time calculation 23-5
features 23-1
interdependencies 23-4
LCD contrast control 23-1
operation 23-2
overview 23-1
period calculation 23-5
power management 23-6
programming considerations 23-5
register descriptions 23-7
register summary 23-10
reset sequence 23-4
reset state 2-9
shutdown 23-6
signal descriptions 2-17, 23-2
waveform 23-3
PV bit field 23-9
PVCR register definition 3-89
PWER register definition 3-74
PWM Control registers (PWMCRx) 23-7
PWM Duty Cycle registers (PWMDCRx) 23-8
PWM Period Control register (PWMPCRx) 23-9
PWM_OUT<3:0> signals
alternate functions 24-524-8, 24-10
control 3-99, 23-823-9
description 2-17, 23-2
PWMCR0/1/2/3 register definition 23-7
PWMDCR0/1/2/3 register definition 23-8
PWMPCR0/1/2/3 register definition 23-9
PWR_CAP<3:0> signals
connection 3-39
control 3-81
description 2-19, 3-3, 3-6
external capacitors 3-39
GPIO usage 2-18
usage 3-38
PWR_DEL bit field 3-86
PWR_EN signal
control 3-85
description 2-19, 3-2, 3-5
PWR_I2C bit field 25-9, 25-13, 25-18, 25-22, 25-26
PWR_OUT signal 2-19, 3-3
connection 3-39
PWR_SCL signal
alternate function 24-424-5
control 3-82
description 2-19, 3-2, 3-6
usage 9-1
PWR_SDA signal
alternate function 24-424-5
control 3-82
description 2-19, 3-2, 3-6
usage 9-1
PWRMODE register definition 3-105
PWS bit field 17-9
PXA27x processor
block diagram 1-5
booting 2-10
instruction set 1-4
interrupts 2-7
Index-24 Intel® PXA27x Processor Family Developer’s Manual
Index
power management 1-7, 2-10
primary clock source 3-17
product overview 1-4
reset 2-8
signal descriptions 2-11
PXTAL_IN signal
control 3-99
description 2-18, 3-2, 3-4
precautions 3-17
usage 3-16
PXTAL_OUT signal
control 3-99
description 2-18, 3-2, 3-4
usage 3-17
Q
QDM bit field 27-28
quick capture interface 27-1
bus parking 29-3
clock enable 3-99
clock generation 27-9
color space definition 27-7
converting formats 27-20
core frequency change 3-26
disabling 27-2427-25
DMA data transfers 27-11
DMA quick reference 5-26
DMA transfer length 5-38
EAVSAV sequence 27-7
embedded control data 27-7
embedded-parallel (EP) mode 27-7
embedded-serial (ES) mode 27-7
enabling 27-24
features 27-1
FIFO operation 27-10
functional timing 27-21
interrupt 25-5
ITU-R BT.656-4 timing coding 27-8
LCD clock frequency 3-20
master-parallel (MP) mode 27-4
master-serial (MS) mode 27-6
operating modes 27-3
operation 27-2
overview 27-1
pixel formats 27-12
pre-processed formats 27-14
raw formats 27-12
register descriptions 27-24
register summary 27-43
reset state 2-9
serial-to-parallel conversion 27-9
shutdown 27-24
signal descriptions 2-16, 27-2
slave-parallel (SP) mode 27-5
sleep mode operation 27-38
trailing bytes 27-11
video timing signals 27-7
Quick Capture Interface Control register 0 (CICR0) 27-24
Quick Capture Interface Control register 1 (CICR1) 27-28
Quick Capture Interface Control register 2 (CICR2) 27-32
Quick Capture Interface Control register 3 (CICR3) 27-33
Quick Capture Interface Control register 4 (CICR4) 27-34
Quick Capture Interface FIFO Control register (CIFR) 27-40
Quick Capture Interface Receive Buffer registers (CIBRx)
27-42
Quick Capture Interface Status register (CISR) 27-37
Quick Capture Interface Time-Out register (CITOR) 27-37
R
R bit field 22-9, 22-11, 22-13
RA0–DK0 bit field 18-16
RA1–DK2 bit field 18-16
RAB bit field 11-17
RASBS bit field 6-80
RASIntr bit field 5-45
RASIrqEn bit field 5-43
RAVIE bit field 10-17
RAW_BPP bit field 27-31
RB[7:0] bit field 19-19
RB0–DK1 bit field 18-16
RB1–DK3 bit field 18-16
RBR register definition 10-14, 19-19
RBUFFx bit field 6-62, 6-65
RBWx bit field 6-64, 6-68
RCNR register definition 21-24
RCS bit field 13-24
RCSR register definition 3-85
RCV bit field 21-24
RCVEIR bit field 10-34
RD bit field 20-1720-18, 20-20
RD_STALLED bit field 15-30, 15-3715-38
RD_WAIT_EN bit field 15-44
RD_WAIT_START bit field 15-44
RDAL1 bit field 21-18
RDAL2 bit field 21-18
RDALE1 bit field 21-18
RDALE2 bit field 21-18
RDAR1/2 register definition 21-20
RDAV_0 bit field 27-39
RDAV_1 bit field 27-39
RDAV_2 bit field 27-39
RDAVM bit field 27-27
RDCR register definition 21-24
RDFx bit field 6-64, 6-68
RDH bit field 3-72
RDnWR signal
control 6-81
description 2-12, 6-2
reset value 6-40
RDnWRBS bit field 6-81
RDNx bit field 6-63, 6-67
RDR bit field 19-2019-22
RDY bit field 17-10
RDY signal
alternate function 24-5
description 2-12, 6-3
RDYEN bit field 17-11
RE Count0 bit field 18-17
Intel® PXA27x Processor Family Developer’s Manual Index-25
Index
RE Count1 bit field 18-17
RE[3] bit field 3-77
RE[4] bit field 3-77
RE[n] bit field 3-77
RE_ZERO_DEB bit field 18-14
RE35 bit field 3-773-78
read disable hold (RDH) bit field 3-70
Read Pointer bit field 3-89
READ_TO bit field 15-34
real-time clock (RTC) 21-1
13-MHz processor oscillator 3-17
alarm bit location summary 21-5
alarm wake-up 3-74
core frequency change 3-26
features 21-1
interrupt 25-5
interval interrupts 21-10
low-power modes 21-15
operation 21-2
oscillator trim procedure 21-12
overview 21-1
periodic interrupt 21-11
power mode summary 3-35
register descriptions 21-15
register summary 21-27
reset state 2-9, 3-12
section flow 21-4
signal descriptions 21-2
stopwatch 21-10
timer 21-5
trimmer 21-12
wristwatch 21-5
Receive Buffer register (RBR) 10-13
Receive FIFO Occupancy register (FOR) 10-22
Receive register (RX) 26-44
REE0 bit field 18-15
REE1 bit field 18-15
registers 2-10, 28-4
REQPEND bit field 5-40, 5-45
Request to Send signal 10-4
RES_CRC_ERR bit field 15-30
RES_ERR bit field 15-3715-38
RES_TO bit field 15-34
RES_TYPE bit field 15-33
reserved register bits 2-10
resetcause determination 3-84
internal register states 2-9
memory controller pin values 6-40
memory interface 6-406-41
RTC effect 21-2
sensitivity of modules 3-12
sequence summary 3-12
types 2-8, 3-6
Reset Controller Status register (RCSR) 3-84
RESETF bit field 27-41
RESETRF bit field 10-22, 19-25
RESETTF bit field 10-22, 19-25
Rev bit field 20-10
REx bit field 24-1924-20
RFL bit field 8-45, 14-15
RFS bit field 8-45, 11-16, 14-15, 14-18
RFT bit field 8-35
RFTH bit field 14-11
RGB format 7-17
RGB_BPP bit field 27-30
RGB_CONV bit field 27-30
RGB_F bit field 27-30
RGBT format 7-17
RGBT_CONV bit field 27-30
RHSC bit field 20-16, 20-18, 20-20
RI bit field 10-32
RIE bit field 8-38, 11-11
RIM bit field 8-26
Ring Indicator signal 10-4
RLSE bit field 10-17
RNE bit field 8-46, 11-19, 12-55, 14-16
RO bit field 3-81
ROM Delay Next Access bit field 6-63
ROM interface 6-27
boot reset values 6-40
boot ROM location 6-24
burst ROM 6-23
bus width 6-64
non-burst ROM 6-23
recovery time 6-62
type 6-65
root hub 20-12
ROR bit field 8-45, 11-18, 14-15, 14-1714-18
rotary encoders 18-7
row active time (TRAS) 6-6
RP bit field 18-19
RQST bit field 19-36
RR bit field 26-36
RRRx bit field 6-62, 6-66
RSRE bit field 8-33
RST bit field 14-11, 17-9
RST_CARD_N bit field 19-31
RSY bit field 11-19
RTAR register definition 21-19
RTC Alarm register (RTAR) 21-19
RTC Counter register (RCNR) 21-24
RTC Day Counter register (RDCR) 21-24
RTC Periodic Interrupt Alarm register (PIAR) 21-23
RTC Periodic Interrupt Counter register (RTCPICR) 21-26
RTC Status register (RTSR) 21-17
RTC Stopwatch Alarm registers (SWARx) 21-22
RTC Stopwatch Counter register (SWCR) 21-26
RTC Trim register (RTTR) 21-16
RTC Wristwatch Day Alarm registers (RDARx) 21-20
RTC Wristwatch Year Alarm registers (RYARx) 21-21
RTC Year Counter register (RYCR) 21-25
RTC_AL bit field 25-7, 25-11, 25-15, 25-20, 25-24
RTC_HZ bit field 25-7, 25-11, 25-15, 25-20, 25-24
RTCPICR register definition 21-27
RTMV bit field 21-19
RTOIE bit field 10-16
RTS bit field 10-31
RTSA bit field 8-49
RTSR register definition 21-17
Index-26 Intel® PXA27x Processor Family Developer’s Manual
Index
RTTR register definition 21-16
RTx bit field 6-65, 6-69
RUN bit field 5-41
run mode 2-11
clock frequencies 3-20
configuration 3-22, 3-103
internal memory 4-2
module power and clock state 3-35
run-mode-to-oscillator ratio bit 3-25, 3-95
RWC bit field 20-11
RWE bit field 20-11
RWIE bit field 20-45
RWM bit field 9-28
RWOT bit field 8-32
RWUE bit field 20-41
RWUT bit field 20-46
RX bit field 26-44
RX Data bit field 17-14
RX register definition 26-44
RX_EMPTY_N bit field 19-32
RX_INTx bit field 16-23
RX_ITFC bit field 16-27
RX_LENGTH bit field 19-26
RX_T1 bit field 19-30
RX_TL bit field 19-25
RX_WORKING bit field 19-32
RXAVAIL bit field 17-9
RXD bit field 19-32
RXD signal 10-3
RXDAV bit field 17-10
RXDAVEN bit field 17-11
RXDMAEN bit field 17-12
RXE bit field 11-11
RxEmpty bit field 16-20
RxEnable bit field 16-17
RxEOM_0 bit field 16-20
RxEOM_1 bit field 16-20
RxEOM_2 bit field 16-20
RxEOM_3 bit field 16-20
RxEOM_FIFO bit field 16-20
RXFIFO_RD_REQ bit field 15-37, 15-39
RxFull bit field 16-20
RxFullness bit field 16-20
RXP bit field 11-14
RXPL bit field 10-33
RxService bit field 16-16
RxThreshLevel bit field 16-17
RxWait bit field 16-20
RxWAITenable 16-17
RYAR1/2 register definition 21-21
RYCR register definition 21-25
S
S bit field 22-9, 22-11, 22-13
SA bit field 12-54, 26-40
SA1110 register definition 6-72
SA1110_0 bit field 6-73
SA1110_1 bit field 6-73
SA1110_2 bit field 6-73
SA1110_3 bit field 6-72
SA1110_4 bit field 6-72
SA1110_5 bit field 6-72
SACR0 register definition 14-11
SACR1 register definition 14-14
SAD bit field 9-27
SADIE bit field 9-23
SADIV bit field 14-17
SADIV register definition 14-17
SADR register definition 14-18
SAICR register definition 14-17
SAIMR register definition 14-18
SASR0 register definition 14-15
SB bit field 10-25
SBMAI bit field 20-41
SBTAI bit field 20-41
SCDB bit field 8-52
SCFR bit field 8-31
SCL bit field 9-30
SCL signal
alternate function 24-4, 24-8
arbitration 9-11
control 9-249-25
description 2-17, 9-2
start and stop bus states 9-6
status 9-30
timing 9-7
usage 9-3
SCLEA bit field 9-24
SCLKDIR bit field 8-31
SCMODE bit field 8-40
SCR bit field 8-27
SCR register definition 10-33
Scratchpad bit field 10-33
Scratchpad register (SCR) 10-33
SCRDY bit field 13-24
SD bit field 23-7
SD_4DAT bit field 15-33
SDA bit field 9-30
SDA signal
alternate function 24-4, 24-8
arbitration 9-11
description 2-17, 9-2
start and stop bus states 9-6
status 9-30
timing 9-7
usage 9-3
SDCAS_DELAY bit field 6-81
SDCKE signal
control 6-546-55, 6-80
description 2-11, 6-2
SDCLK<3:0> signals
control 6-51, 6-80, 6-82
description 2-12, 6-2
frequencies 3-20
usage 6-4
SDCS10BS bit field 6-81
SDCS32BS bit field 6-81
SDIO_INT bit field 15-30, 15-3715-38
SDIO_INT_EN bit field 15-33
Intel® PXA27x Processor Family Developer’s Manual Index-27
Index
SDIO_RESUME bit field 15-33
SDIO_SUSPEND bit field 15-33
SDIO_SUSPEND_ACK bit field 15-30, 15-3715-38
SDONE bit field 13-24
SDONE_IE bit field 13-22
SDRAM
addressing options 6-10
bank addressing 6-9
clock frequency 3-20
command overview 6-20
fly-by DMA timing 5-18
illegal accesses 6-34
interface 6-6
larger memory space 6-6
memory size options 6-8
refresh interval 6-56
registers 6-42
stacked 6-6
state machine 6-22
SDRAM MDCNFG register (MDCNFG) 6-43
SDRAM Memory Device Refresh register (MDREFR) 6-51
SDRAM Mode register Set Configuration register (MDMRS)
6-48
SECONDS bit field 21-20, 21-22, 21-2521-26
SEL_DCSR JTAG Register 26-9
semaphores 2-7, 29-5
SEOS bit field 12-46
Serial Audio Clock Divider register (SADIV) 14-16
Serial Audio Controller Global Control register (SACR0)
14-10
Serial Audio Controller I2S/MSB-Justified Control register
(SACR1) 14-13
Serial Audio Controller I2S/MSB-Justified Status register
(SASR0) 14-14
Serial Audio Data register (SADR) 14-18
Serial Audio Interrupt Clear register (SAICR) 14-17
Serial Audio Interrupt Mask register (SAIMR) 14-18
SET bit field 6-766-77
SETALWAYS bit field 6-43, 6-46
SETCMPST bit field 5-43
SF bit field 20-17, 20-1920-20
SFRMDIR bit field 8-32
SFRMDLY bit field 8-39
SFRMP bit field 8-40
SFRMWDTH bit field 8-39
SIEN bit field 17-9
SIF bit field 17-10
SIFEN bit field 17-11
signals
description table 2-11
floating 2-11
GPIO alternate functions table 24-5
SIM bit field 27-27
SIZE bit field 5-37
SL_CAP_EN bit field 27-27
SL_PI bit field 3-87
SL_R02 bit field 3-87
SL_R12 bit field 3-87
SL_R22 bit field 3-87
SL_R32 bit field 3-87
SL_ROD bit field 3-86
Slave Address bit field 3-89, 9-29
slave-parallel (SP) quick capture mode 27-5
sleep mode 2-11, 3-45
GPIO state 24-1
GPIO wake-ups 24-2
initiation 3-40, 3-104
internal memory 4-3
keypad interface 18-10
LCD controller shutdown 7-110
memory controller pin state 6-40
memory controller startup 6-41
module power and clock state 3-35
Power Manager Sleep Status register 3-70
PSSR programming 24-2
quick capture shutdown 27-25
RDH bit effect 3-71
read disable hold (RDH) bit field settings 3-70
RTC alarm 21-12, 21-17
RTC recovery 21-15
timer operation 22-8
USB client operation 12-24, 12-27
USB host controller 20-7
wake-ups 2-18, 3-3, 3-74
sleep/deep-sleep DC-DC converter 3-38, 3-81
sleep/deep-sleep linear voltage regulator 3-38, 3-80
sleep-exit reset
indicator 3-85
internal register state 2-9
nRESET_OUT signal 2-19
overview 2-8, 3-7, 3-47
SDRAM self-refresh 6-53
SLFRSH bit field 6-53
SMAC bit field 12-34
smart card support 19-1, 19-13
smart LCD panels 7-1, 7-28
SMAT bit field 20-46
SMR bit field 3-85
Snapshot_Value bit field 22-18
SO bit field 18-19, 18-2118-22, 20-17, 20-1920-20
SOC bit field 20-14
SOF bit field 27-39
SOFM bit field 27-28
software debug 26-1
coprocessor debug and trace register summary 26-46
data breakpoints 26-6
debug exceptions 26-2
debug handler implementation 26-30
downloading code into instruction cache 26-15
event priority 26-2
executing conditionally using TXRXCTRL 26-8
features 26-1
halt mode 26-2
halt mode software protocol 26-29
hardware breakpoint resources 26-5
high-speed download 26-7
instruction breakpoints 26-5
JTAG commands 26-9
JTAG registers 26-9
monitor mode 26-4
Index-28 Intel® PXA27x Processor Family Developer’s Manual
Index
operation 26-2
overview 26-1
recommendations 26-35
register descriptions 26-36
register summary 26-46
RX handshaking 26-7
session initiation 26-29
signal descriptions 26-1
software breakpoints 26-7
trace buffer 26-24
Sony Memory Stick register reference 17-16
SP bit field 12-61
SP[n] bit field 3-73
Special Low-Power SDRAM Mode Register Set
Configuration register (MDMRSLP) 6-50
specifications 1-3
SPH bit field 8-36
SPI protocol 8-9
SPI_CRC_EN bit field 15-32
SPI_CS_ADDRESS bit field 15-32
SPI_CS_EN bit field 15-32
SPI_MODE bit field 15-32
SPI_WR_ERR bit field 15-30
SPO bit field 8-37
SQC bit field 3-94
SRAM
array and queue 4-2
block diagram 4-2
deep-sleep mode state retention 3-38
external interface 6-27
fly-by DMA support 5-14
internal 4-1
power mode summary 3-35
recovery time 6-62
sleep mode state retention 3-38
standby mode state retention 3-42
system example 6-39
USB endpoint data storage 12-4, 12-9
SRCADDR bit field 5-33
SRDY_IE bit field 13-22
SRES_IE bit field 13-22
SRESINT bit field 13-24
SS[n] bit field 3-84
SSACD1/2/3 register definition 8-52
SSCR0_1/2/3 register definition 8-25
SSCR1_1/2/3 register definition 8-30
SSD bit field 9-27
SSDC bit field 20-43
SSDIE bit field 9-23
SSDR1/2/3 register definition 8-48
SSE bit field 8-27, 20-42
SSEP1 bit field 20-42
SSEP2 bit field 20-42
SSEP3 bit field 20-42
SSITR1/2/3 register definition 8-42
SSP Audio Clock Divider register (SSACD_x) 8-51
SSP Control register 0 (SSCR0_x) 8-25
SSP Control register 1 (SSCR1_x) 8-29
SSP Data register (SSDR_x) 8-47
SSP Interrupt Test register (SSITR_x) 8-41
SSP Programmable Serial Protocol register (SSPSP_x) 8-38
SSP RX Time Slot Active register (SSRSA_x) 8-49
SSP serial ports 8-1
audio clock selection 8-51
baud-rate generation 8-23
clock enable 3-99
clock selection 8-23
clock source change 8-23
continuous clock operation 8-20
core frequency change 3-26
data formats 8-6
DMA FIFO access 8-3
DMA quick reference 5-255-26
external clock (CLK_EXT) 3-5
features 8-1
FIFO operation 8-21
frame counter 8-6
high impedance on SSPTXDx 8-16
interrupt 25-525-6
network mode 8-19
operation 8-3
overview 8-1
parallel data formats for FIFO storage 8-19
PLL frequency selection 8-53
register descriptions 8-24
register summary 8-53
signal descriptions 2-14, 8-2, 24-4
SSPSYSCLKx frequency selection 8-53
timer configuration 22-6, 22-12
trailing bytes 8-4
SSP Status register (SSSR_x) 8-42
SSP Time Slot Status register (SSTSS_x) 8-50
SSP Time-Out register (SSTO_x) 8-41
SSP TX Time Slot Active register (SSTSA_x) 8-48
SSP1 bit field 25-7, 25-11, 25-16, 25-20, 25-24
SSP2 bit field 25-8, 25-12, 25-16, 25-21, 25-25
SSP3 bit field 25-9, 25-14, 25-18, 25-22, 25-26
SSPEXTCLKx signal
alternate function 24-5
baud rate 8-23
control 8-28
description 2-15, 8-2
SSPRXDx signal
alternate function 24-5
control 8-31
description 2-14, 8-2
usage 8-4, 8-6
SSPSCLKENx signal
alternate function 24-5
control 8-268-28, 8-40
description 2-15, 8-2
usage 8-208-21
SSPSCLKx signal
alternate function 24-424-5
baud rate 8-23
control 8-268-28, 8-31, 8-368-37, 8-398-40
description 2-14, 8-2
frequency 8-51
usage 8-68-7, 8-198-20
SSPSFRMx signal
Intel® PXA27x Processor Family Developer’s Manual Index-29
Index
alternate function 24-424-6
control 8-32, 8-34, 8-398-40, 8-43, 8-50
description 2-14, 8-2
frequency 8-51, 8-53
usage 8-6, 8-19
SSPSP1/2/3 register definition 8-39
SSPSYSCLKx signal
alternate function 24-524-6
control 8-52
description 2-15, 8-2
frequency 8-51, 8-53
SSPTXDx signal
alternate function 24-424-6
control 8-308-32, 8-40, 8-48
description 2-14, 8-2
high impedance 8-16
usage 8-4, 8-6
SSRSA1/2/3 register definition 8-49
SSS bit field 3-73
SSSR1/2/3 register definition 8-43
SST bit field 12-55, 12-61
SSTO_1/2/3 register definition 8-41
SSTS1/2/3 register definition 8-50
SSTSA1/2/3 register definition 8-48
ST_PI bit field 3-88
ST_R0 bit field 3-88
ST_R1 bit field 3-88
ST_R2 bit field 3-88
ST_R3 bit field 3-88
stacked
flash 6-4, 6-72
SDRAM 6-4, 6-6
STACKx bit field
description 6-45
usage 6-21
standby mode
13-MHz input clock 22-8
GPIO wake-ups 24-2
initiation 3-40, 3-104
internal memory 4-3
keypad interface 18-10
memory controller pin state 6-40
memory controller startup 6-41
module power and clock state 3-35
overview 2-11, 3-42
Power Manager Sleep Status register 3-70
Power Manager Standby Configuration register 3-88
RTC recovery 21-15
timer operation 22-8
USB client controller 12-27
USB host controller 20-7
wake-ups 2-18, 3-3, 3-74
START bit field 9-26
STARTINTR bit field 5-45
STARTIRQEN bit field 5-37
STAT bit field 20-46
staticinterface 6-23
memory addressing instructions 6-70
memory support 6-69
Static Memory Control registers (MSCx) 6-61
Static Memory SA-1110 Compatibility Configuration register
(SA1110) 6-69
STB bit field 10-26
STD_RXD signal 2-14
STD_TXD signal 2-14
stereo audio 14-1
sticky status bits 7-106
STKYP bit field 10-26
STOP bit field 5-32, 9-26
STOP_CLK bit field 15-29
STOP_CLK_UCLK bit field 19-36
STOP_CMD bit field 15-37, 15-39
STOP_LEVEL bit field 19-36
STOP_TRAN bit field 15-33
STOP_UCLK bit field 19-36
STOPINTR bit field 5-45
STOPIRQEN bit field 5-42
stores 2-7
STR instruction 17-4
STRB instruction 17-4
STRF bit field 8-34, 14-11
STRH instruction 17-4
STRM_BLK bit field 15-33
STRT_CLK bit field 15-29
STRTDLY bit field 8-40
STS bit field 3-72
STUART bit field 25-7, 25-12, 25-16, 25-21, 25-25
SWAL1 bit field 21-18
SWAL2 bit field 21-18
SWALE1 bit field 21-18
SWALE2 bit field 21-18
SWAR1/2 register definition 21-22
SWCE bit field 21-17
SWCR register definition 21-26
SWP instruction 2-7
SWPB instruction 2-7
SXCL0 bit field 6-60
SXCL2 bit field 6-58
SXCLEXT0 bit field 6-59
SXCLEXT2 bit field 6-57
SXCNFG register definition 6-57
SXEN0 bit field 6-60
SXEN1 bit field 6-60
SXEN2 bit field 6-58
SXEN3 bit field 6-58
SXENX bit field 6-72
SXSTACK bit field 6-72
SXTP0 bit field 6-59
SXTP2 bit field 6-57
synchronous
dynamic memory (SDRAM) interface 6-6
flash memory 6-26
interface 6-23
serial protocol 8-7
static memory registers 6-57
Synchronous Static Memory Configuration register
(SXCNFG) 6-57
SYS_DEL bit field 3-86
SYS_EN signal
Index-30 Intel® PXA27x Processor Family Developer’s Manual
Index
alternate function 24-5
control 3-85
description 2-19, 3-2, 3-6
system architecture 2-1
clock configuration registers 2-3
coprocessor 15 2-3
coprocessor software debug registers 2-3
endianness 2-6
I/O ordering 2-7
Intel XScale® core implementation options 2-1
internal registers 2-10
interrupt controller registers 2-2
interrupts 2-7
overview 2-1
performance monitoring registers 2-2
power management 2-10
power management registers 2-3
power-on reset and boot operation 2-10
reset 2-8
reset effects on internal register state 2-9
selecting peripherals or GPIOs 2-10
semaphores 2-7
signal descriptions 2-11
system considerations 29-3
system bus
access latency 29-3
arbiter 29-1
block diagram 1-41-5, 3-15
clients supported 29-1
configuration 3-103
CPPL 3-13
DMA channel error 7-106
fast-bus mode 3-30
frequency 3-17, 3-20, 3-30, 3-64
LCD controller 7-3
multiplexed 29-1
parking 29-229-3
processor oscillator as clock source 3-17
registers 28-4
USB host controller 20-2
USB host controller abort interrupts 20-40
USB host controller latency 20-16
System Memory Buffer Strength Control register 0
(BSCNTR0) 6-80
System Memory Buffer Strength Control register 1
(BSCNTR1) 6-81
System Memory Buffer Strength Control register 2
(BSCNTR2) 6-82
System Memory Buffer Strength Control register 3
(BSCNTR3) 6-83
system power enable (SYS_EN) signal 3-6
T
T bit field 3-20, 3-104
T0_CLR bit field 19-27
T0_REPEAT bit field 19-27
T0ERR bit field 19-24, 19-33
T0ERR_TL bit field 19-28
TA bit field 26-39
TAIE bit field 20-44
TAT bit field 20-46
TB bit field 9-25
TB[7:0] bit field 19-19
TBIT bit field 27-30
TBREG register definition 26-45
TBY bit field 11-19
TCK signal 2-19
TCR register definition 7-100
TD bit field 26-39
TDI signal 2-19
TDO signal 2-19
TDR bit field 19-2019-22, 19-32
TDRQ bit field 10-28
TEMT bit field 10-27
TERI bit field 10-32
TEST signal 2-19
TESTCLK signal 2-19
TF bit field 26-39
TFL bit field 8-45, 14-15
TFS bit field 8-46, 11-17, 14-15, 14-18
TFT bit field 8-35
TFTH bit field 14-11
THL_0 bit field 27-41
THR register definition 10-14, 19-19
TI bit field 26-39
TIE bit field 8-37, 10-17, 11-11
TIL bit field 10-21
TIM bit field 8-26
TIME_OUT_READ bit field 15-30
TIME_OUT_RES bit field 15-30
timekeeping clock output signal 3-5
timekeeping oscillator input (TXTAL_IN) signal 3-4
timekeeping oscillator output (TXTAL_OUT) signal 3-4
TIMEO bit field 19-21, 19-23, 19-33
timers 22-1
13M mode 3-31
block diagrams 22-2
channels 22-5
clock enable 3-99
compares and matches 22-4
compatibility 22-5
core frequency change 3-26
counter resolutions 22-5
external clock (CLK_EXT) 3-5
external synchronization 22-6
feature list 22-1
interrupts 25-525-6
low-power mode operation 22-8
operation 22-2
output generation 22-7
overview 22-1
power mode summary 3-35
register descriptions 22-9
register summary 22-19
reset state 2-9, 3-12
signal descriptions 2-18, 22-2
snapshot mode 22-8
SSP frame detect signals 22-6
wake-up 3-74
Intel® PXA27x Processor Family Developer’s Manual Index-31
Index
watchdog reset 3-7
timing diagrams
AC ’97 AC-link signals 13-12
DREQ DMA request 5-3
I2S data formats 14-814-9
keypad rotary-encoder sensor 18-818-9
LCD controller pins 7-427-48
MMC/SD/SDIO timing 15-415-5
MSL 16-616-10, 16-25
pulse-width modulation 23-3
quick capture interface 27-2127-23
SSP modes 8-88-18
timers 22-622-7
TINT bit field 8-44, 15-3715-38
TINTE bit field 8-33
TMED Control register (TCR) 7-99
TMED dithering 7-6
TMED RGB Seed register (TRGBR) 7-98
TMS signal 2-19
TNF bit field 8-47, 11-18, 14-16
TO bit field 19-35
TOD bit field 10-18
TOE bit field 17-10
TOEEN bit field 17-11
TOM bit field 27-27
TOR register definition 19-35
TOUT_EN bit field 3-101
TR bit field 26-38, 26-40
trace buffer 26-24
Trace Buffer CP registers 26-24
Trace Buffer register (TBREG) 26-45
TRAIL bit field 8-32, 10-21, 11-14
trailing bytes
AC ’97 FIFO 13-18
DMA controller 5-18
I2S FIFO 14-6
infrared port FIFO 11-8
memory stick FIFO 17-7
MSL 16-23
quick capture interface FIFOs 27-11
SSP FIFO 8-4
supported peripherals for DMA service 5-21
UART FIFO 10-8, 10-22
USIM 19-15, 19-17
Transmit Holding register (THR) 10-14
Transmit register (TX) 26-43
Transmit/Receive Control register (TXRXCTRL) 26-36
transparency
half transparency 7-13
overview 7-13
quick capture interface 27-10, 27-28
RGBT 7-1
TRAS 6-6
TRFIFOE bit field 10-22
TRFS bit field 8-42
TRGADDR bit field 5-34
TRGBR register definition 7-99
TRIG bit field 11-14
TRN bit field 12-62
TROR bit field 8-42
TS bit field 26-40
TSRE bit field 8-33
TSS bit field 8-50
TTE bit field 8-30
TTELP bit field 8-30
TTFS bit field 8-42
TTSA bit field 8-48
TU bit field 26-40
TUR bit field 8-44, 11-17, 14-15, 14-1714-18
turbo mode 2-11
clock frequencies 3-20
configuration 3-13, 3-22, 3-103
functional description 3-27
internal memory 4-2
turbo-mode-to-run-mode ratio 3-95
voltage change 3-63
TUS bit field 11-12
TX bit field 26-43
TX Data bit field 17-15
TX register definition 26-43
TX_HOLD bit field 19-25
TX_INTx bit field 16-23
TX_ITFC bit field 16-27
TX_LENGTH bit field 19-26
TX_T1 bit field 19-30
TX_TL bit field 19-25
TX_WORKING bit field 19-32
TXAVAIL bit field 17-9
TxBlock bit field 16-17
TXD signal
control 10-25, 10-34
description 10-3
TXD_FORCE bit field 19-31
TXDAV bit field 17-10
TXDAVEN bit field 17-11
TXDMAEN bit field 17-12
TXE bit field 11-12
TxEmpty bit field 16-21
TxEnable bit field 16-18
TXFIFO_WR_REQ bit field 15-3715-38
TxFull bit field 16-21
TxFullness bit field 16-21
TXP bit field 11-14
TXPL bit field 10-33
TXRXCTRL register definition 26-36
TxService bit field 16-17
TXTAL_IN signal
buffered version 3-5
control 3-100
description 2-18, 3-2, 3-4
precautions 3-18
usage 3-16, 3-18
TXTAL_OUT signal
description 2-18, 3-2, 3-4
precautions 3-18
TxThreshLevel bit field 16-18
TxWait bit field 16-21
TxWAITenable bit field 16-18
Index-32 Intel® PXA27x Processor Family Developer’s Manual
Index
U
UARTs 10-1
auto-baud rate detection 10-9
auto-flow control 10-8
baud rate 10-9
baud-rate generator 10-12
Bluetooth UART (BTUART) 10-1
clock enable 3-99
compatibility 10-2
core frequency change 3-26
data frame example 10-4
DMA error handling 10-7
DMA mode 10-6
DMA quick reference 5-23, 5-25
features 10-2
full-function UART (FFUART) 10-1
infrared (slow) asynchronous interface 10-10, 10-34
interrupt 25-5
interrupt conditions 10-17
interrupt identification 10-19
interrupt mode 10-5
loopback mode 10-30
operation 10-410-5
overview 10-1
peripheral bus 10-10
polled mode 10-6
PPLL frequency 3-19
register address offsets 10-13
register descriptions 10-13
register differences in BTUART and STUART 10-37
register summary 10-35
reset 10-5
reset state 2-9
signal descriptions 2-132-14, 10-3
standard UART (STUART) 10-2
trailing bytes 10-8, 10-22
UB bit field 9-28
UCLK signal
alternate function 24-5, 24-7, 24-10
baud rate 19-11
connection 19-3
control 19-36
description 2-16, 19-2
frequency 19-10
reset 19-14
usage 19-11
UDA bit field 12-35
UDC Byte Count registers (UDCBCR0 and
UDCBCRA–UDCBCRX) 12-63
UDC Control register (UDCCR) 12-31
UDC Data registers (UDCDR0 and UDCDRA-–UDCDRX)
12-64
UDC Endpoint 0 Control Status register (UDCCSR0) 12-54
UDC Endpoint A–X Configuration registers
(UDCCRA–UDCCRX) 12-65
UDC Endpoints A–X Control Status registers
(UDCCRSA–UDCCRSX) 12-57
UDC Frame Number register (UDCFNR) 12-53
UDC Interrupt Control registers (UDCICR0, UDCICR1, and
UDCOTGICR) 12-35
UDC Interrupt Status registers (UDCISR0, UDCISR1, and
UDCOTGISR) 12-50
UDCBCR0 register definition 12-63
UDCBCRA–UDCBCRX register definition 12-63
UDCCR register definition 12-33
UDCCRA–UDCCRX register definition 12-66
UDCCRSA–UDCCRSX register definition 12-61
UDCCSR0 register definition 12-54
UDCDR0 register definition 12-65
UDCDRA–UDCDRX register definition 12-65
UDCFNR register definition 12-53
UDCICR0 register definition 12-38
UDCICR1 register definition 12-39
UDCISR0 register definition 12-51
UDCISR1 register definition 12-52
UDCOTGICR register definition 12-40
UDCOTGISR register definition 12-52
UDE bit field 12-35
UDET signal
alternate function 24-8
control 3-75, 3-90, 19-22
description 2-16, 19-3
UDETS bit field 3-90
UDR bit field 12-35
UE bit field 20-1720-18, 20-20
UEN signal
alternate function 24-8
control 3-90
description 2-16, 19-3
UF0 bit field 18-17
UF1 bit field 18-17
UHC Bulk Current Endpoint Descriptor (UHCBCED) 20-24
UHC Bulk Head Endpoint Descriptor (UHCBHED) 20-23
UHC Command Status register (UHCCOMS) 20-14
UHC Control Current Endpoint Descriptor (UHCCCED)
20-22
UHC Control Head Endpoint Descriptor (UHCCHED) 20-22
UHC Done Head register (UHCDHEAD) 20-25
UHC Frame Interval register (UHCFMI) 20-26
UHC Frame Number register (UHCFMN) 20-28
UHC Frame Remaining register (UHCFMR) 20-27
UHC HCI Spec Revision register (UHCREV) 20-10
UHC Host Control register (UHCHCON) 20-10
UHC Host Controller Communication Area (UHCHCCA)
20-21
UHC Interrupt Disable register (UHCINTD) 20-20
UHC Interrupt Enable register (UHCHIE) 20-44
UHC Interrupt Enable register (UHCINTE) 20-18
UHC Interrupt Status register (UHCINTS) 20-16
UHC Interrupt Test register (UHCHIT) 20-45
UHC Low-Speed Threshold register (UHCLST) 20-30
UHC Period Current Endpoint Descriptor (UHCPCED) 20-21
UHC Periodic Start register (UHCPERS) 20-29
UHC Reset register (UHCHR) 20-41
UHC Root Hub Descriptor A register (UHCRHDA) 20-31
UHC Root Hub Descriptor B register (UHCRHDB) 20-33
UHC Root Hub Port Status 1/2/3 registers (UHCRHPS1,
UHCRHPS2, and UHCRHPS3) 20-35
UHC Root Hub Status register (UHCRHS) 20-34
Intel® PXA27x Processor Family Developer’s Manual Index-33
Index
UHC Status register (UHCSTAT) 20-39
UHCBCED register definition 20-24
UHCBHED register definition 20-23
UHCCCED register definition 20-23
UHCCHED register definition 20-22
UHCCOMS register definition 20-14
UHCDHEAD register definition 20-25
UHCFMI register definition 20-26
UHCFMN register definition 20-28
UHCFMR register definition 20-27
UHCHCCA register definition 20-21
UHCHCON register definition 20-11
UHCHIE register definition 20-44
UHCHIT register definition 20-46
UHCHR register definition 20-42
UHCINTD register definition 20-20
UHCINTE register definition 20-18
UHCINTS register definition 20-16
UHCLST register definition 20-30
UHCPCED register definition 20-21
UHCPERS register definition 20-29
UHCREV register definition 20-10
UHCRHDA register definition 20-31
UHCRHDB register definition 20-33
UHCRHPS1/2/3 register definition 20-36
UHCRHS register definition 20-34
UHCSTAT register definition 20-41
UIO signal
connection 19-3
description 2-16, 19-2
UIT bit field 20-43
undefined instruction exception 25-4
universal asynchronous receiver/transmitter. See UARTs.
universal subscriber ID (USIM) interface 19-1
baud rate 19-11
card deactivation 19-14
card detection control 3-90
card management 19-13
character waiting time 19-8
clock control 19-10
clock enable 3-99
coding conventions 19-4
cold reset 19-13
deep-sleep mode 19-3
direct convention 19-4
DMA mode 19-16
DMA quick reference 5-24
errors 19-6
etu period 19-4, 19-36
features 19-1
FIFO operation 19-15
interrupt 25-5
inverse convention 19-4
moment 19-4
operation 19-3
overview 19-1
polled mode 19-16
PPLL frequency 3-19
protocols 19-5
register descriptions 19-18
register summary 19-40
signal descriptions 2-16, 19-2
UCLK change 19-36
wake-up 3-74
warm reset 19-14
UP2OCR register definition 12-46
UP3OCR register definition 12-49
UPRI bit field 20-41
UPRIE bit field 20-44
UPRT bit field 20-46
UPS1 bit field 20-41
UPS1IE bit field 20-44
UPS1T bit field 20-46
UPS2 bit field 20-41
UPS2IE bit field 20-44
UPS2T bit field 20-46
UPS3 bit field 20-41
UPS3IE bit field 20-44
UPS3T bit field 20-46
UR bit field 9-23
USB client controller 12-1
alternate interface number 12-31
block diagram 12-4
bus states 12-3
cable attach and detach 12-23
charge pump device interface 12-28
clock enable 3-99
communication protocol layers 12-2
compatibility exception 1-19
configuration 12-22
configuration number 12-31
control and status registers 12-4
core frequency change 3-26
device requests 12-20
DMA access 12-13
DMA quick reference 5-25
endpoint 0 12-5
endpoint configuration 12-8
endpoint configuration example code 12-19
external transceiver interface 12-29
features 12-2
interface number 12-31
interrupt generation 12-50
interrupts 12-36, 25-5
on-the-go (OTG) operation 12-24
operation 12-4
OTG external transceiver interface 12-27
OTG ID 12-31
OTG in sleep mode 3-71
OTG interrupts 12-36
OTG on-chip transceiver operation 12-26
OTG peripheral control hold 3-71
OTG SET_FEATURE commands 12-25
overview 12-1
peripheral bus interface registers 12-4
PPLL frequency 3-19
register descriptions 12-31
register summary 12-68
reset state 2-9
signal descriptions 2-15, 12-212-3
Index-34 Intel® PXA27x Processor Family Developer’s Manual
Index
sleep mode exit 3-71
sleep mode operation 12-24
states 12-3
suspend and resume 12-23
timer configuration 22-6, 22-12
unaligned IN endpoint maximum packet size 12-11
unaligned OUT endpoint maximum packet size 12-11
wake-up 3-74
USB host controller 20-1
block diagram 20-3
clock enable 3-99
clock stopping and power enable 20-6
core frequency change 3-26
device configuration 12-22
device requests 12-2012-21
endpoint memory configuration 12-8
enumeration 12-1512-16, 12-22
features 20-1
interrupts 20-4, 25-6
latency 20-4
low-power mode operation summary 20-7
operation 20-2
OTG behavior 12-22
overview 20-1
port 2 configuration 12-41
port 3 configuration 12-47
port configuration 20-2
port-resume interrupt 20-6
power management 20-6
power-management routines 20-8
PPLL frequency 3-19
programming considerations 20-5
register descriptions 12-41, 12-47, 20-10
register summary 20-47
reset 20-5
reset state 2-9
signal descriptions 20-1
sleep mode operation 12-24
suspend 12-23, 20-5
typical list structure 20-4
UDC reset 12-22
wake-up 3-74
wake-up signaling support 20-11
USB Port 2 Output Control register (UP2OCR) 12-41
USB Port 3 Output Control register (UP3OCR) 12-47
USB_P2_x signal
alternate function 24-6
description 2-15
USB_P3_x signal
alternate function 24-5, 24-724-8
description 2-15
USB_park bit field 29-3
USBC bit field 25-8, 25-13, 25-17, 25-21, 25-25
USBC_N signals
control 12-35
description 2-16, 12-3
differential lines 12-3
reset state 12-22
USBC_P signals
control 12-35
description 2-16, 12-3
differential signaling 12-3
reset state 12-22
USBH bit field 25-22
USBH_N signals
description 2-16, 20-2
usage 20-6
USBH_P signals
description 2-16, 20-2
usage 20-6
USBH1 bit field 25-9, 25-13, 25-18, 25-22, 25-26
USBH2 bit field 25-9, 25-14, 25-18, 25-26
USBHPEN<3:1> signals 20-2
5-V tolerance 20-2
control 20-37, 20-42
description 2-15, 20-2
usage 20-2
USBHPWR<3:1> signals
5-V tolerance 20-2
control 20-40, 20-42
description 2-15, 20-2
usage 20-2
USCCR register definition 19-31
USIM bit field 25-8, 25-12, 25-17, 25-21, 25-25
USIM Block Guard Time register (BGTR) 19-34
USIM Block Waiting Time register (BWTR) 19-39
USIM Card Control register (USCCR) 19-31
USIM Character Waiting Time register (CWTR) 19-38
USIM Clock register (CLKR) 19-36
USIM Divisor Latch register (DLR) 19-37
USIM Error Control register (ECR) 19-27
USIM Extra Guard Time register (EGTR) 19-34
USIM Factor Latch register (FLR) 19-37
USIM FIFO Control register (FCR) 19-24
USIM FIFO Status register (FSR) 19-26
USIM Interrupt Enable register (IER) 19-20
USIM Interrupt Identification register (IIR) 19-22
USIM Line Control register (LCR) 19-29
USIM Line Status register (LSR) 19-32
USIM Receive Buffer register (RBR) 19-18
USIM Time-Out register (TOR) 19-35
USIM Transmit Holding register (THR) 19-19
USIM. See universal subscriber ID (USIM) interface.
USIM114 bit field 3-91
USIM115 bit field 3-90
UUE bit field 10-16
UVS0 signal
alternate function 24-8
control 3-90
description 2-16, 19-2
powering off 19-3
V
VAL bit field 25-29
VAL_FIQ bit field 25-30
VAL_IRQ bit field 25-30
variable-latency I/O (VLIO) interface 6-23
VC bit field 3-105
VCC bit field 19-31
Intel® PXA27x Processor Family Developer’s Manual Index-35
Index
VCC fault 3-39, 3-68
VCC_BATT signal
description 2-20
power-on reset 2-8
usage 3-73-8
VCC_BB signal
description 2-20
power domain 3-6
power-on reset 3-8
VCC_CORE power domain 3-64
VCC_CORE<13:0> signals
description 2-20
power domain 3-5
power-on reset 3-8
usage 3-1, 3-633-64
VCC_CPU power domain 3-36
VCC_IO<7:0> signals
description 2-20
power domain 3-6
power-on reset 3-8
USIM interface 19-3
VCC_LCD signal
description 2-20
power domain 3-6
power-on reset 3-8
VCC_MEM<16:0> signals
description 2-20
power domain 3-6
power-on reset 3-8
VCC_OSC power domain 3-34, 3-36
VCC_PER power domain 3-36
VCC_PI power domain 3-353-36, 3-68, 3-74, 3-86, 3-89,
3-94
VCC_PLL signal
description 2-20
power domain 3-5
power-on reset 3-8
VCC_REG power domain 3-36
VCC_RTC power domain 3-34, 3-36
VCC_Rx power domain 3-36
VCC_SRAM<3:0> signals
description 2-20
power domain 3-5
power-on reset 3-8
VCC_USB signal
description 2-20
power domain 3-6
power-on reset 3-8
VCC_USIM signal
connection 19-3
description 2-16, 2-20, 19-3
power domain 3-6
power-on reset 3-8
VCSA bit field 3-89
VDD fault (nVDD_FAULT) signal 3-5
Vendor bit field 2-4
VFS bit field 3-72
VIDAE bit field 3-69
VIDAS bit field 3-69
video
bilinear interpolation 7-25
color space definition 27-7
DMA channels 7-25
image sensor connection modes 27-3
luminance and chrominance samples 7-20
pixel formats supported 27-12
quick capture interface 27-2
sampling formats supported 7-15
SAV and EAV support 27-1
timing coding 27-7
timing signals 27-7
YCbCR data format 7-20
VLIO interface 6-23
voltage change
command register file 3-94
control register 3-89
frequency change 3-64
initialization 3-63
initiation 3-40
power modes 3-65
sequencer 3-56, 3-59
turbo modes 3-63
voltage regulators 3-373-38, 3-59
VSP bit field 27-36
VSS<3:0> signals 2-20
VSS_BB signal 2-20
VSS_CORE<17:0> signals 2-20
VSS_IO<4:0> signals
description 2-20
USIM connection 2-16, 19-3
VSS_MEM<16:0> signals 2-20
VSS_PLL signal 2-20
VSW bit field 27-34
VSYNC signal 7-3
W
WAKE bit field 16-26
wake-up on ring 13-13
wake-ups 3-3, 3-74
AC ’97 13-13
deep-sleep mode 3-74
fast 3-43
GPIOs 2-9, 2-18, 3-3, 24-224-3
keypad interface 2-9, 3-92
MSL interface 3-74, 16-26
PI power domain 3-74
Power Manager Wake-Up Enable register 3-74
RTC alarm 3-74
shorten sleep-mode delay 3-85
sleep mode 3-74
standby mode 3-74
timer event 3-74
USB client wake-up event 3-74
USB host controller event 3-74
USIM card detection 3-74
watchdog reset 3-85
indicator 3-85
internal register state 2-9
memory controller startup 6-41
Index-36 Intel® PXA27x Processor Family Developer’s Manual
Index
nRESET_OUT signal 2-19, 3-3
OS timers 22-4
overview 2-8, 3-7, 3-9
RDH bit effect 3-71
RTC controller 21-2
WBB bit field 3-75
WDH bit field 20-17, 20-1920-20
WDR bit field 3-85
WE[35] bit field 3-75
WE[n] bit field 3-76, 3-92
WE3 bit field 3-76
WE4 bit field 3-76
WEBS bit field 6-81
WEMUX2 bit field 3-75
WEMUX3 bit field 3-75
WEP1 bit field 3-74
WERTC bit field 3-74
WEUSBC bit field 3-75
WEUSBH1 bit field 3-75
WEUSBH2 bit field 3-74
WEUSIM bit field 3-75
WIDTH bit field 5-38
WLS[1:0] bit field 10-26
WME bit field 22-16
WOM bit field 21-20, 21-24
WR_RD bit field 15-33
WRST bit field 13-23
X
XMITIR bit field 10-34
XMODE bit field 10-34
Y
YCbCr data format 7-20
YCBCR_F bit field 27-30
YEAR bit field 21-21, 21-25

Navigation menu