Product Detail Manual EC
User Manual: ec
Open the PDF directly: View PDF
.
Page Count: 648 [warning: Documents this large are best viewed by clicking the View PDF Link!]
- QUICK REFERENCE INDEX
- Table of Contents
- INDEX FOR DTC
- PRECAUTIONS
- PREPARATION
- ENGINE CONTROL SYSTEM
- System Diagram
- Vacuum Hose Drawing
- System Chart
- Multiport Fuel Injection (MFI) System
- Electronic Ignition (EI) System
- Air Conditioning Cut Control
- Fuel Cut Control (at No Load and High Engine Speed)
- CAN communication
- BASIC SERVICE PROCEDURE
- ON BOARD DIAGNOSTIC (OBD) SYSTEM
- Introduction
- Two Trip Detection Logic
- Emission-Related Diagnostic Information
- IVIS (Infiniti Vehicle Immobilizer System — NATS)
- Malfunction Indicator Lamp (MIL)
- OBD System Operation Chart
- RELATIONSHIP BETWEEN MIL, 1ST TRIP DTC, DTC, AND DETECTABLE ITEMS
- SUMMARY CHART
- RELATIONSHIP BETWEEN MIL, DTC, 1ST TRIP DTC AND DRIVING PATTERNS FOR “MISFIRE ” <EXHAUST QUALITY ...
- EXPLANATION FOR DRIVING PATTERNS FOR “MISFIRE <EXHAUST QUALITY DETERIORATION>”, “FUEL INJECTION S...
- RELATIONSHIP BETWEEN MIL, DTC, 1ST TRIP DTC AND DRIVING PATTERNS
- EXPLANATION FOR DRIVING PATTERNS
- TROUBLE DIAGNOSIS
- Trouble Diagnosis Introduction
- DTC Inspection Priority Chart
- Fail-Safe Chart
- Basic Inspection
- Symptom Matrix Chart
- Engine Control Component Parts Location
- Circuit Diagram
- ECM Harness Connector Terminal Layout
- ECM Terminals and Reference Value
- CONSULT-II Function
- Generic Scan Tool (GST) Function
- CONSULT-II Reference Value in Data Monitor Mode
- Major Sensor Reference Graph in Data Monitor Mode
- TROUBLE DIAGNOSIS - SPECIFICATION VALUE
- TROUBLE DIAGNOSIS FOR INTERMITTENT INCIDENT
- POWER SUPPLY CIRCUIT FOR ECM
- DTC U1000, U1001 CAN COMMUNICATION LINE
- DTC P0011, P0021 IVT CONTROL
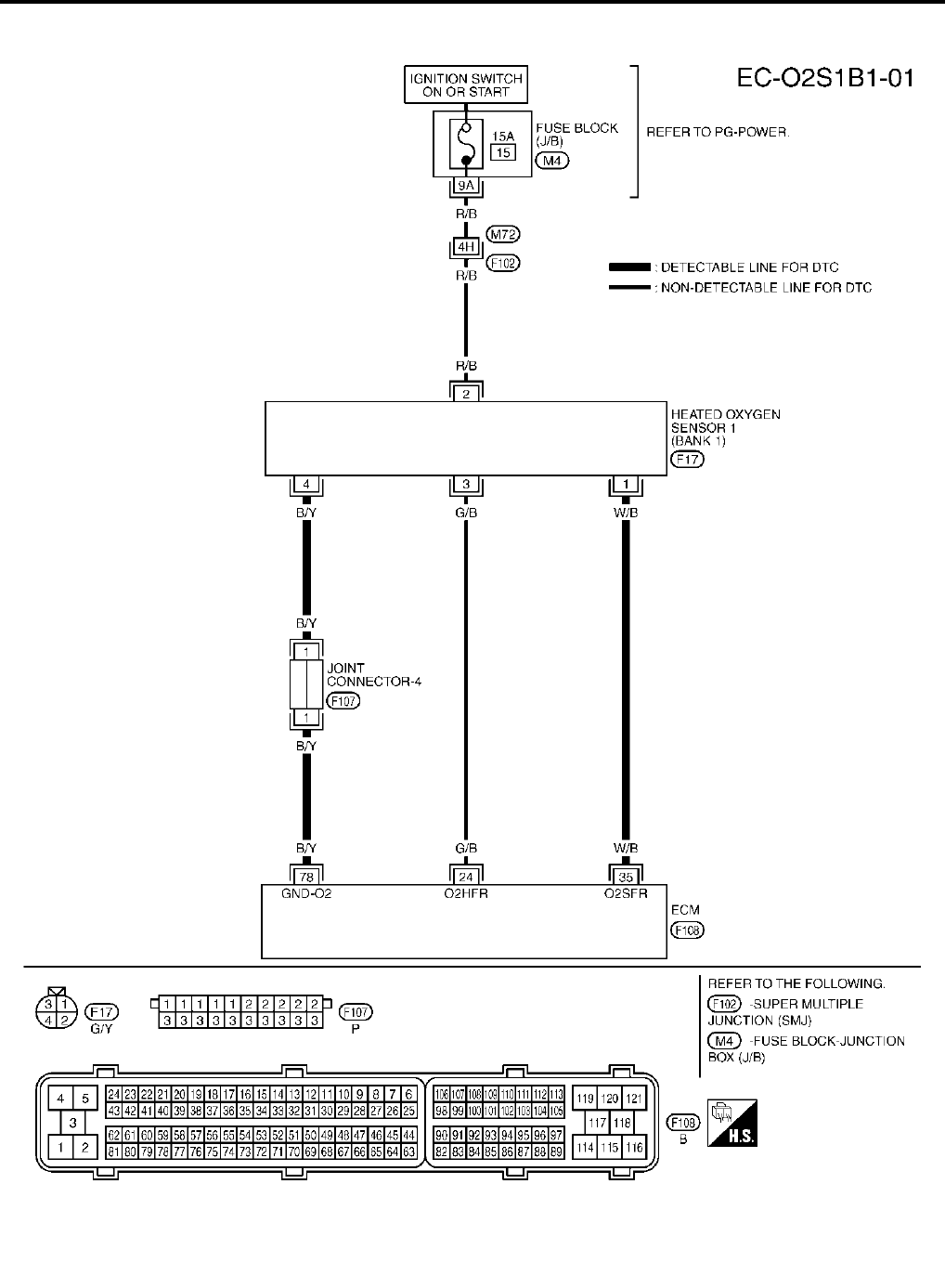
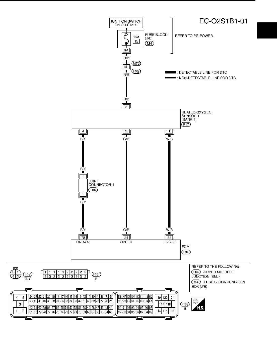
- DTC P0031, P0032, P0051, P0052 HO2S1 HEATER
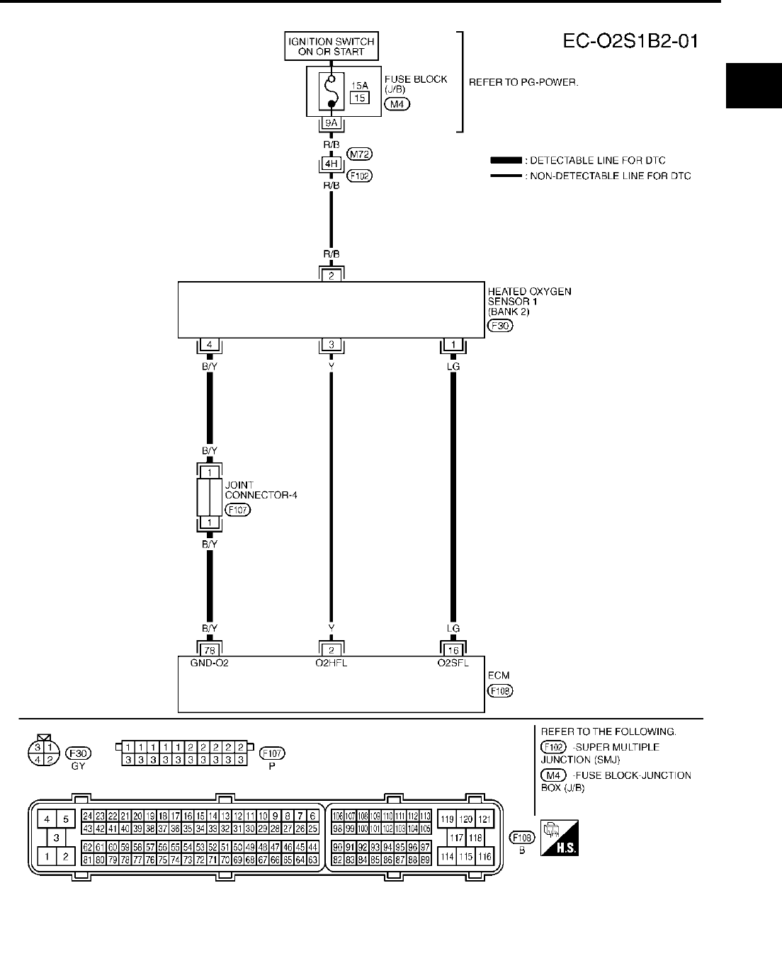
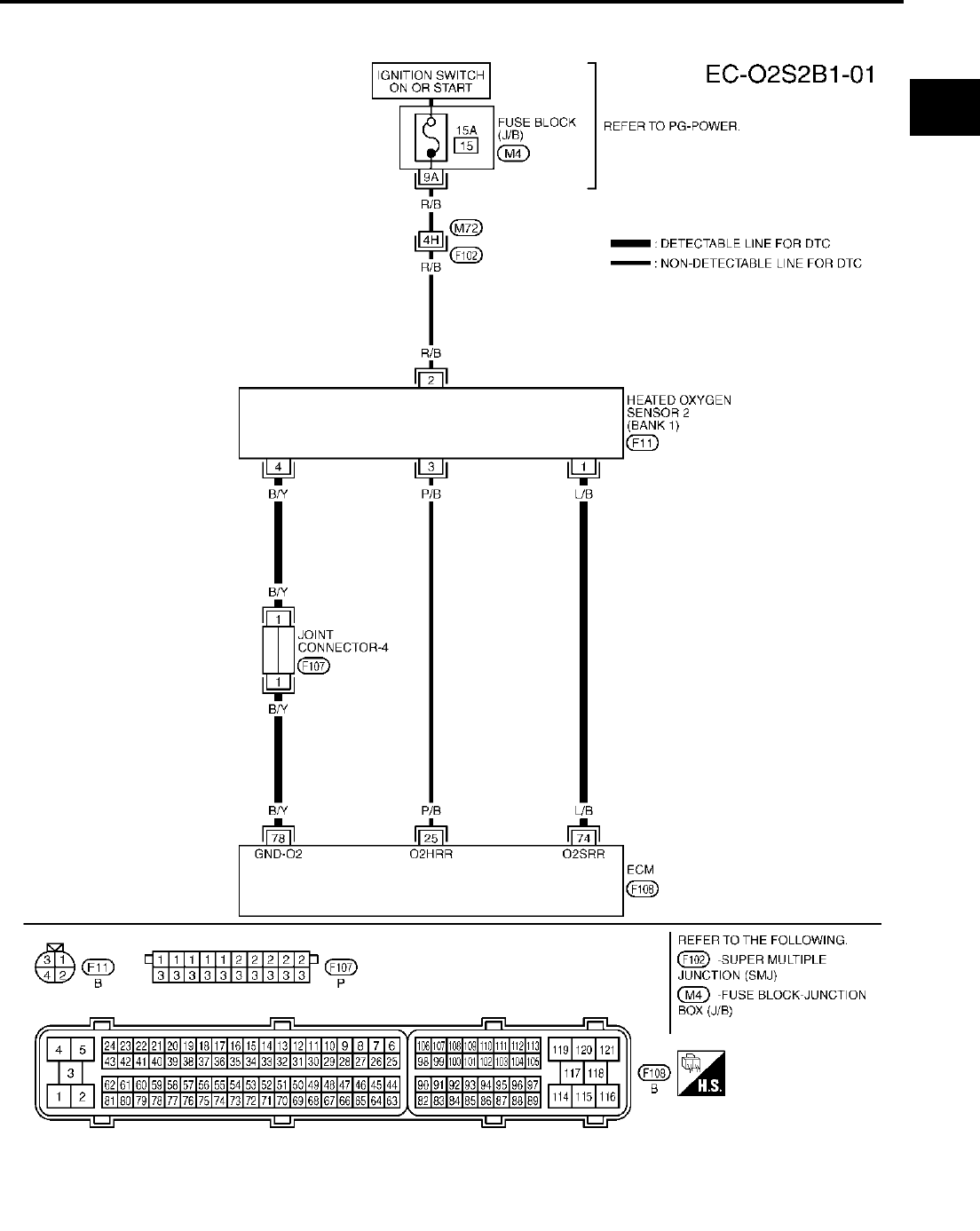
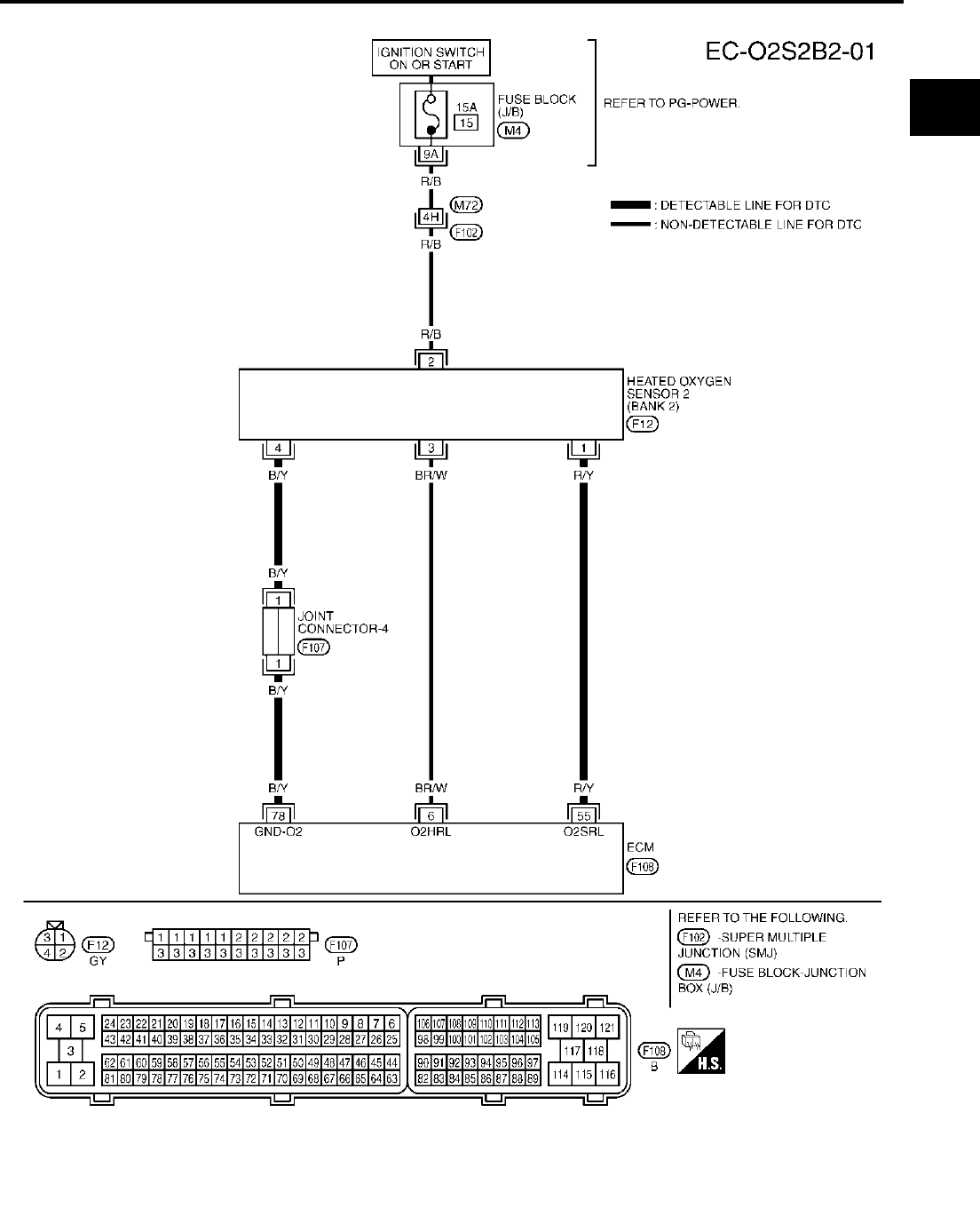
- DTC P0037, P0038, P0057, P0058 HO2S2 HEATER
- DTC P0101 MAF SENSOR
- DTC P0102, P0103 MAF SENSOR
- DTC P0112, P0113 IAT SENSOR
- DTC P0117, P0118 ECT SENSOR
- DTC P0122, P0123 TP SENSOR
- DTC P0125 ECT SENSOR
- DTC P0127 IAT SENSOR
- DTC P0128 THERMOSTAT FUNCTION
- DTC P0132, P0152 HO2S1
- DTC P0133, P0153 HO2S1
- DTC P0134, P0154 HO2S1
- DTC P0138, P0158 HO2S2
- DTC P0139, P0159 HO2S2
- DTC P0171, P0174 FUEL INJECTION SYSTEM FUNCTION
- DTC P0172, P0175 FUEL INJECTION SYSTEM FUNCTION
- DTC P0181 FTT SENSOR
- DTC P0182, P0183 FTT SENSOR
- DTC P0222, P0223 TP SENSOR
- DTC P0300 - P0306 MULTIPLE CYLINDER MISFIRE, NO. 1 - 6 CYLINDER MISFIRE
- DTC P0327, P0328 KS
- DTC P0335 CKP SENSOR (POS)
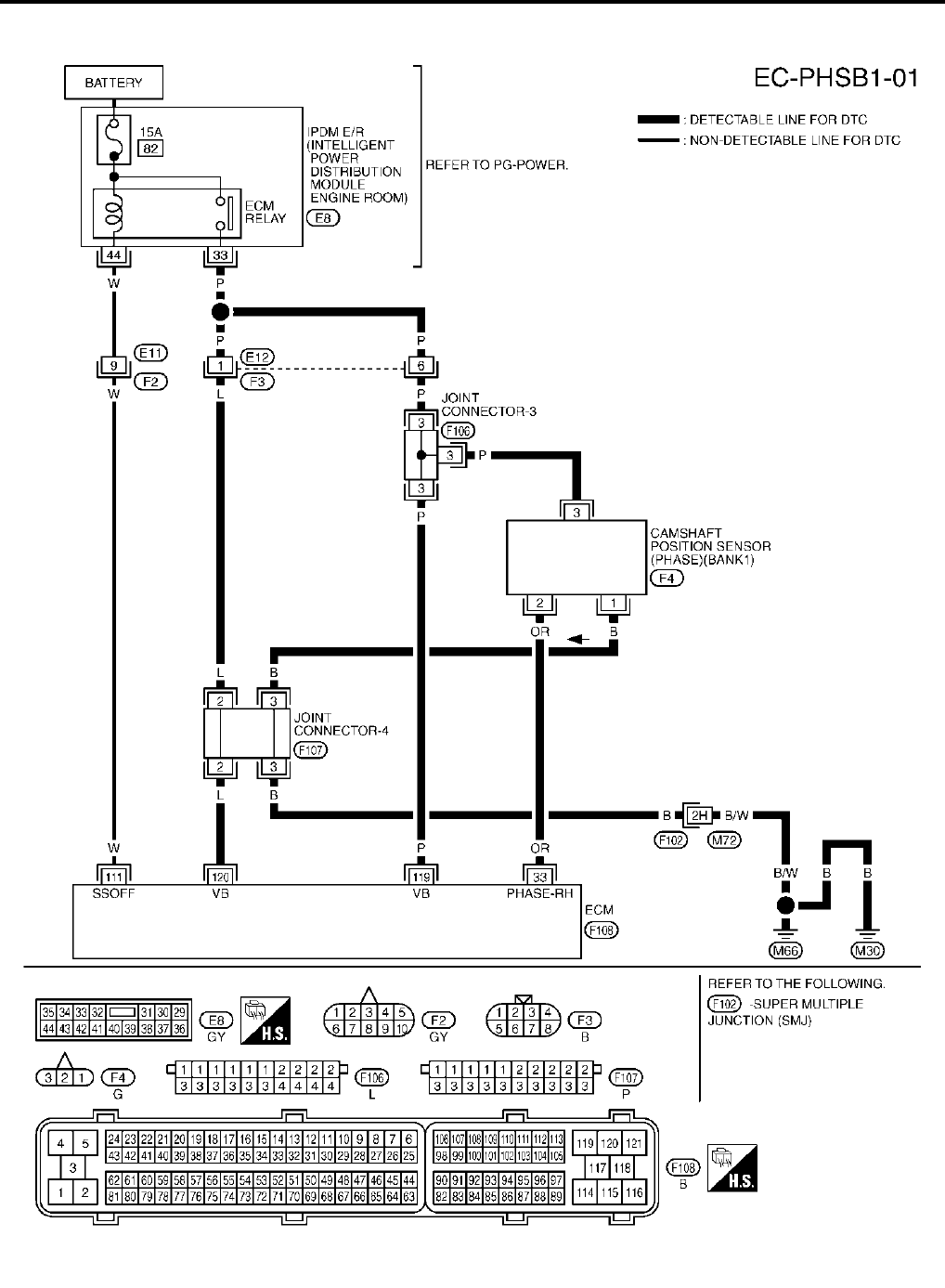
- DTC P0340, P0345 CMP SENSOR (PHASE)
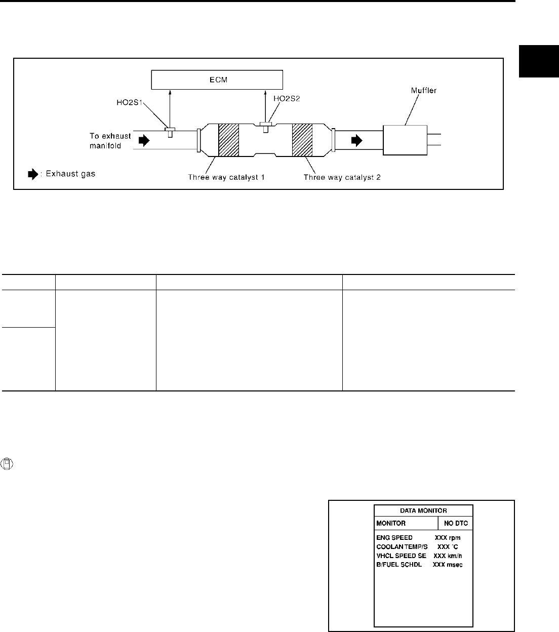
- DTC P0420, P0430 THREE WAY CATALYST FUNCTION
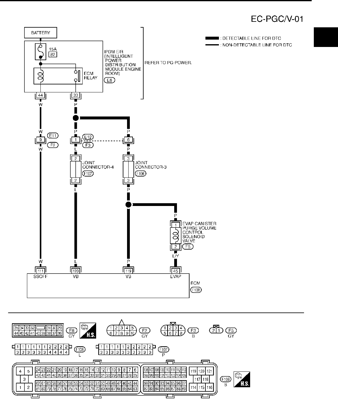
- DTC P0441 EVAP CONTROL SYSTEM
- DTC P0442 EVAP CONTROL SYSTEM
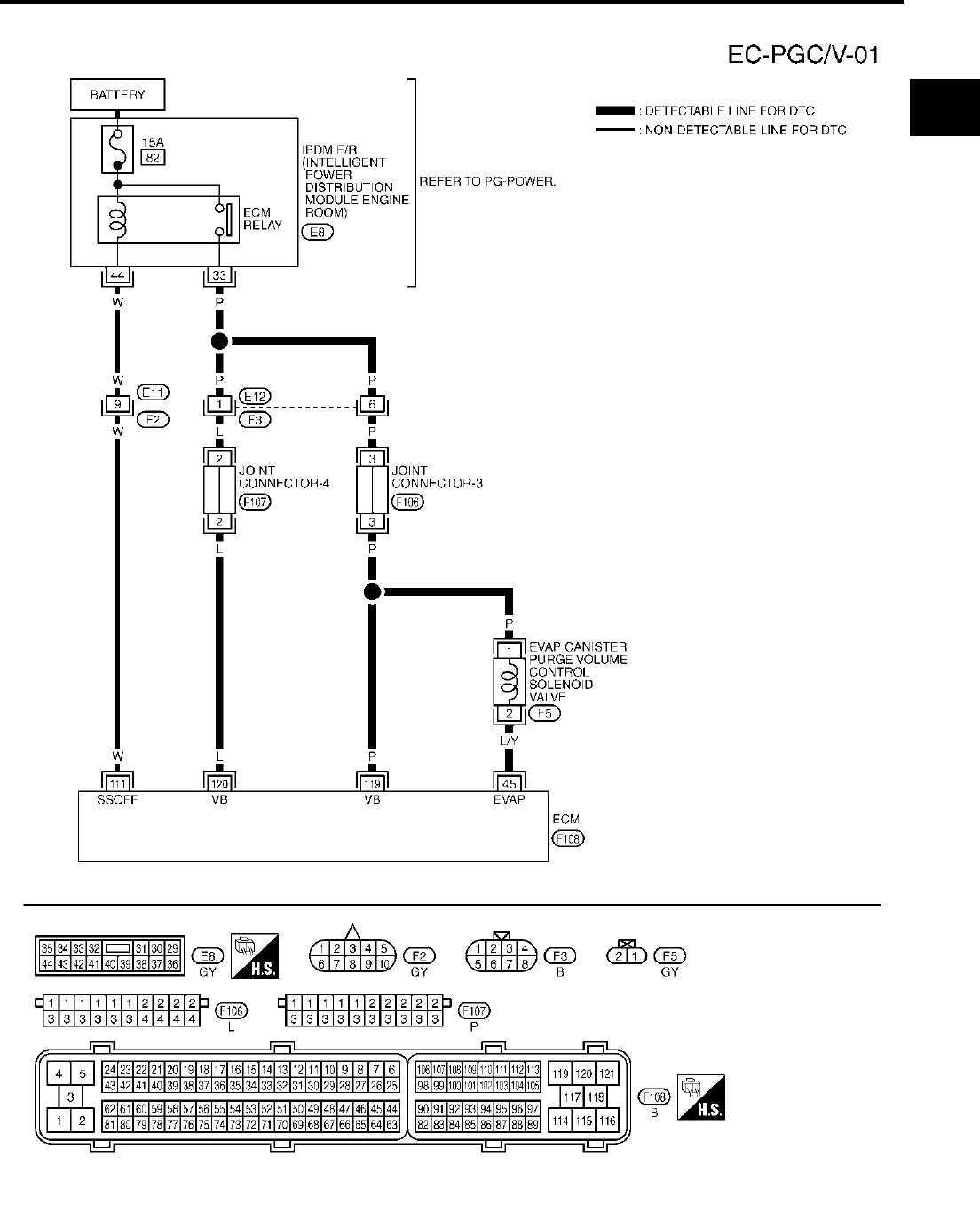
- DTC P0444, P0445 EVAP CANISTER PURGE VOLUME CONTROL SOLENOID VALVE
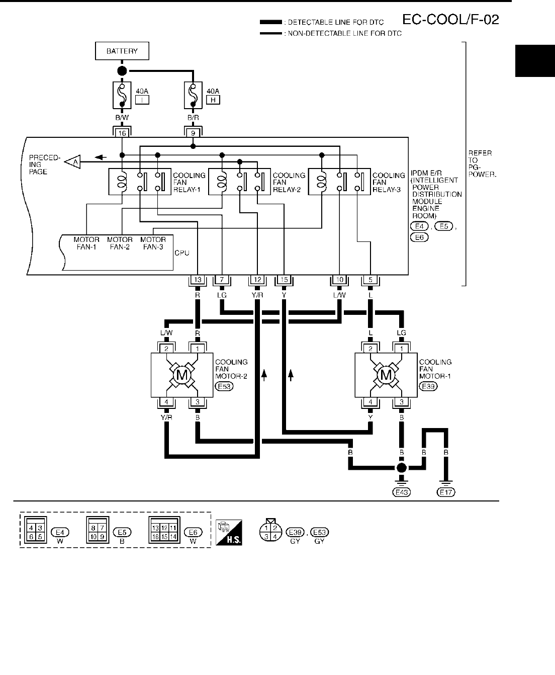
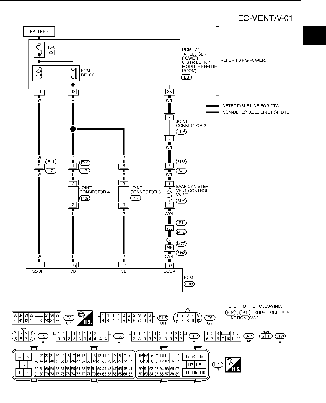
- DTC P0447 EVAP CANISTER VENT CONTROL VALVE
- DTC P0451 EVAP CONTROL SYSTEM PRESSURE SENSOR
- DTC P0452 EVAP CONTROL SYSTEM PRESSURE SENSOR
- DTC P0453 EVAP CONTROL SYSTEM PRESSURE SENSOR
- DTC P0455 EVAP CONTROL SYSTEM
- DTC P0456 EVAP CONTROL SYSTEM
- DTC P0460 FUEL LEVEL SENSOR
- DTC P0461 FUEL LEVEL SENSOR
- DTC P0462 FUEL LEVEL SENSOR
- DTC P0500 VSS
- DTC P0506 ISC SYSTEM
- DTC P0507 ISC SYSTEM
- DTC P0550 PSP SENSOR
- DTC P0605 ECM
- DTC P1065 ECM POWER SUPPLY
- DTC P1111, P1136 IVT CONTROL SOLENOID VALVE
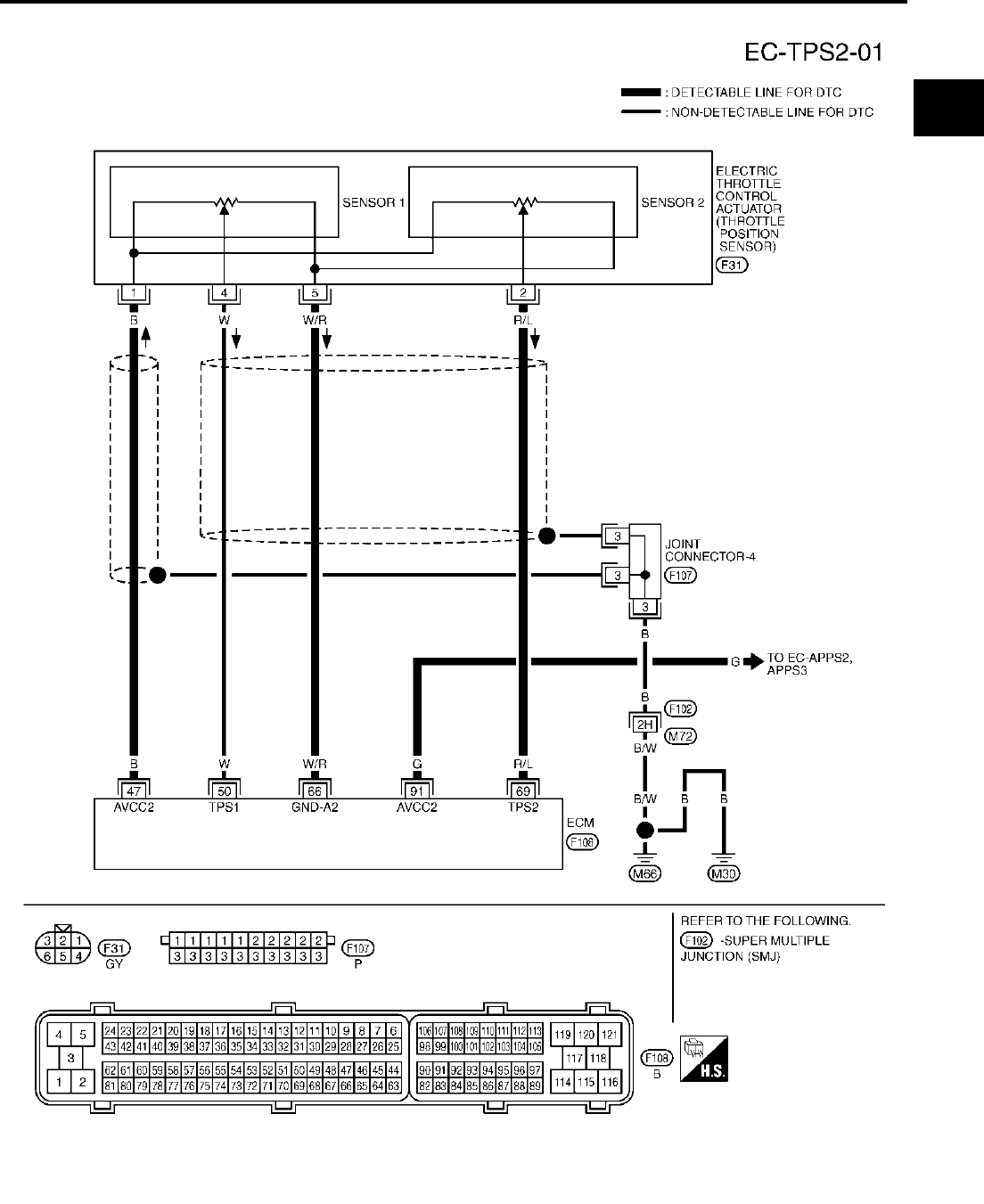
- DTC P1121 ELECTRIC THROTTLE CONTROL ACTUATOR
- DTC P1122 ELECTRIC THROTTLE CONTROL FUNCTION
- DTC P1124, P1126 THROTTLE CONTROL MOTOR RELAY
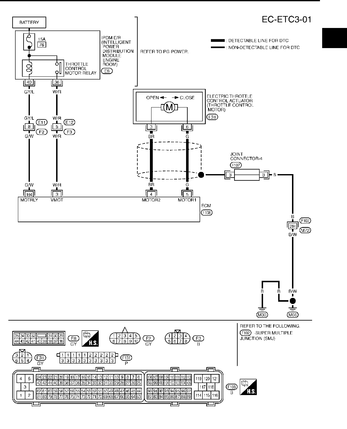
- DTC P1128 THROTTLE CONTROL MOTOR
- DTC P1143, P1163 HO2S1
- DTC P1144, P1164 HO2S1
- DTC P1146, P1166 HO2S2
- DTC P1147, P1167 HO2S2
- DTC P1148, P1168 CLOSED LOOP CONTROL
- DTC P1211 TCS CONTROL UNIT
- DTC P1212 TCS COMMUNICATION LINE
- DTC P1217 ENGINE OVER TEMPERATURE
- DTC P1225 TP SENSOR
- DTC P1226 TP SENSOR
- DTC P1229 SENSOR POWER SUPPLY
- DTC P1444 EVAP CANISTER PURGE VOLUME CONTROL SOLENOID VALVE
- DTC P1446 EVAP CANISTER VENT CONTROL VALVE
- DTC P1564 ASCD STEERING SWITCH
- DTC P1572 ASCD BRAKE SWITCH
- DTC P1574 ASCD VEHICLE SPEED SENSOR
- DTC P1706 PNP SWITCH
- DTC P1805 BRAKE SWITCH
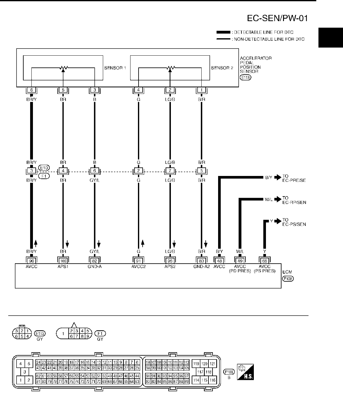
- DTC P2122, P2123 APP SENSOR
- DTC P2127, P2128 APP SENSOR
- DTC P2135 TP SENSOR
- DTC P2138 APP SENSOR
- IGNITION SIGNAL
- INJECTOR CIRCUIT
- FUEL PUMP CIRCUIT
- REFRIGERANT PRESSURE SENSOR
- ELECTRICAL LOAD SIGNAL
- ASCD BRAKE SWITCH
- ASCD INDICATOR
- MIL AND DATA LINK CONNECTOR
- EVAPORATIVE EMISSION SYSTEM
- ON BOARD REFUELING VAPOR RECOVERY (ORVR)
- POSITIVE CRANKCASE VENTILATION
- AUTOMATIC SPEED CONTROL DEVICE (ASCD)
- SERVICE DATA AND SPECIFICATIONS (SDS)
- Fuel Pressure
- Idle Speed and Ignition Timing
- Calculated Load Value
- Mass Air Flow Sensor
- Intake Air Temperature Sensor
- Engine Coolant Temperature Sensor
- Heated Oxygen Sensor 1 Heater
- Heated Oxygen Sensor 2 Heater
- Crankshaft Position Sensor (POS)
- Camshaft Position Sensor (PHASE)
- Throttle Control Motor
- Injector
- Fuel Pump
- JOINT CONNECTOR (J/C)
- ELECTRICAL UNITSELECTRICAL UNITS
- SUPER MULTIPLE JUNCTION (SMJ)
- FUSE BLOCK - JUNCTION BOX (J/B)
- FUSE, FUSIBLE LINK AND RELAY BOX

EC-1
ENGINE CONTROL SYSTEM
B ENGINE
CONTENTS
C
D
E
F
G
H
I
J
K
L
M
SECTION EC A
EC
Revision; 2004 April 2003 G35 Coupe
ENGINE CONTROL SYSTEM
INDEX FOR DTC ........................................................ 8
Alphabetical Index .................................................... 8
DTC No. Index ....................................................... 12
PRECAUTIONS ........................................................ 16
Precautions for Supplemental Restraint System
(SRS) “AIR BAG” and “SEAT BELT PRE-TEN-
SIONER” ................................................................ 16
Precautions for Battery Service .............................. 16
On Board Diagnostic (OBD) System of Engine and
A/T .......................................................................... 16
Precaution .............................................................. 17
Wiring Diagrams and Trouble Diagnosis ................ 19
PREPARATION ......................................................... 20
Special Service Tools ............................................. 20
Commercial Service Tools ...................................... 21
ENGINE CONTROL SYSTEM .................................. 22
System Diagram ..................................................... 22
Vacuum Hose Drawing ........................................... 23
System Chart ......................................................... 24
Multiport Fuel Injection (MFI) System .................... 25
Electronic Ignition (EI) System ............................... 27
Air Conditioning Cut Control ................................... 28
Fuel Cut Control (at No Load and High Engine
Speed) .................................................................... 28
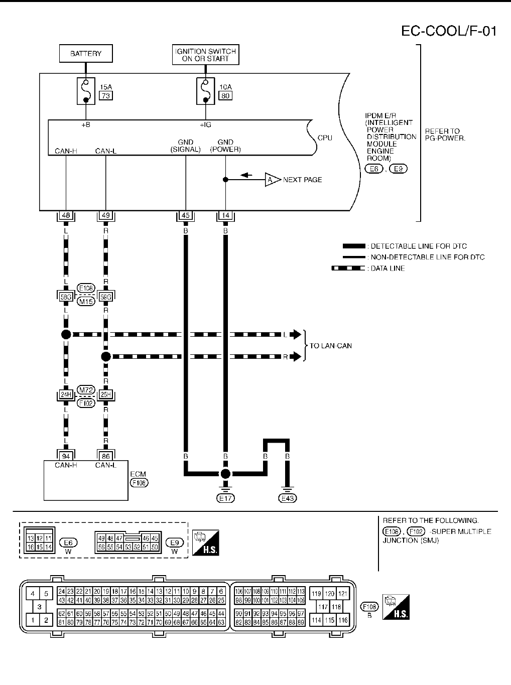
CAN communication .............................................. 29
BASIC SERVICE PROCEDURE .............................. 34
Idle Speed and Ignition Timing Check .................... 34
Idle Speed/Ignition Timing/Idle Mixture Ratio
Adjustment ............................................................. 35
Accelerator Pedal Released Position Learning ...... 46
Throttle Valve Closed Position Learning ................ 46
Idle Air Volume Learning ........................................ 46
Fuel Pressure Check .............................................. 48
ON BOARD DIAGNOSTIC (OBD) SYSTEM ............ 50
Introduction ............................................................ 50
Two Trip Detection Logic ........................................ 50
Emission-Related Diagnostic Information .............. 51
IVIS (Infiniti Vehicle Immobilizer System — NATS) ... 66
Malfunction Indicator Lamp (MIL) ........................... 66
OBD System Operation Chart ................................ 70
TROUBLE DIAGNOSIS ............................................ 75
Trouble Diagnosis Introduction ............................... 75
DTC Inspection Priority Chart ................................. 78
Fail-Safe Chart ....................................................... 80
Basic Inspection ..................................................... 81
Symptom Matrix Chart ............................................ 86
Engine Control Component Parts Location ............ 90
Circuit Diagram ....................................................... 96
ECM Harness Connector Terminal Layout ............. 98
ECM Terminals and Reference Value ..................... 98
CONSULT-II Function ...........................................107
Generic Scan Tool (GST) Function .......................119
CONSULT-II Reference Value in Data Monitor Mode
.122
Major Sensor Reference Graph in Data Monitor
Mode .....................................................................125
TROUBLE DIAGNOSIS - SPECIFICATION VALUE .128
Description ............................................................128
Testing Condition ..................................................128
Inspection Procedure ............................................128
Diagnostic Procedure ...........................................129
TROUBLE DIAGNOSIS FOR INTERMITTENT INCI-
DENT .......................................................................132
Description ............................................................132
Diagnostic Procedure ...........................................132
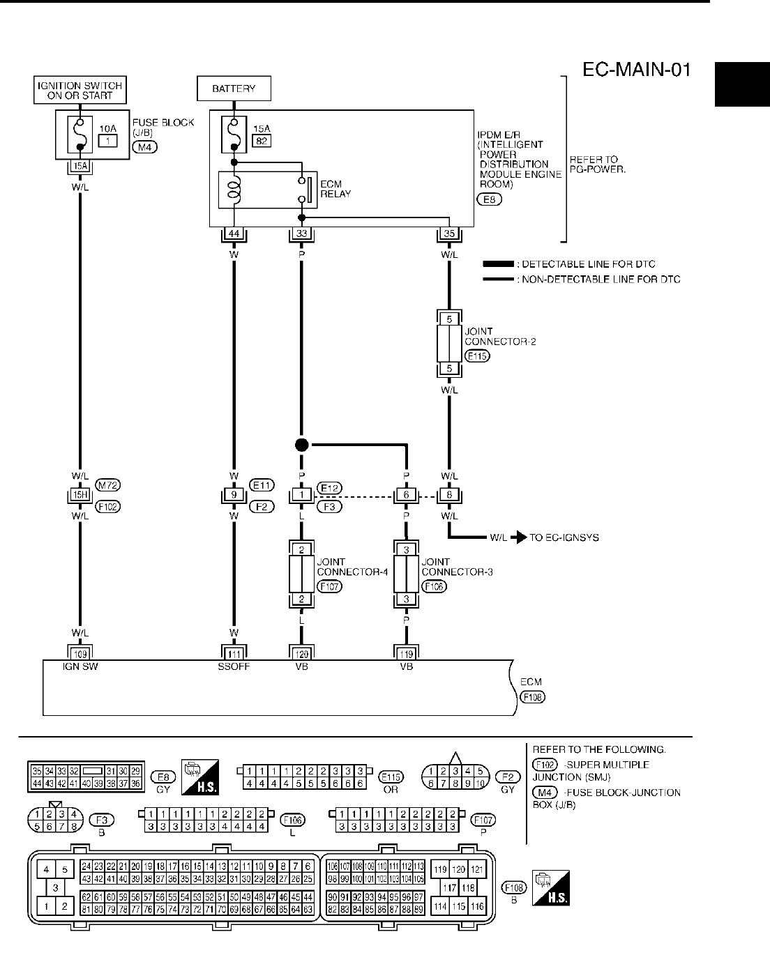
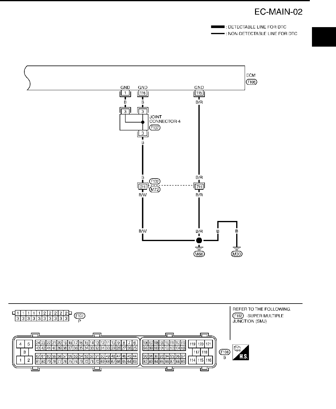
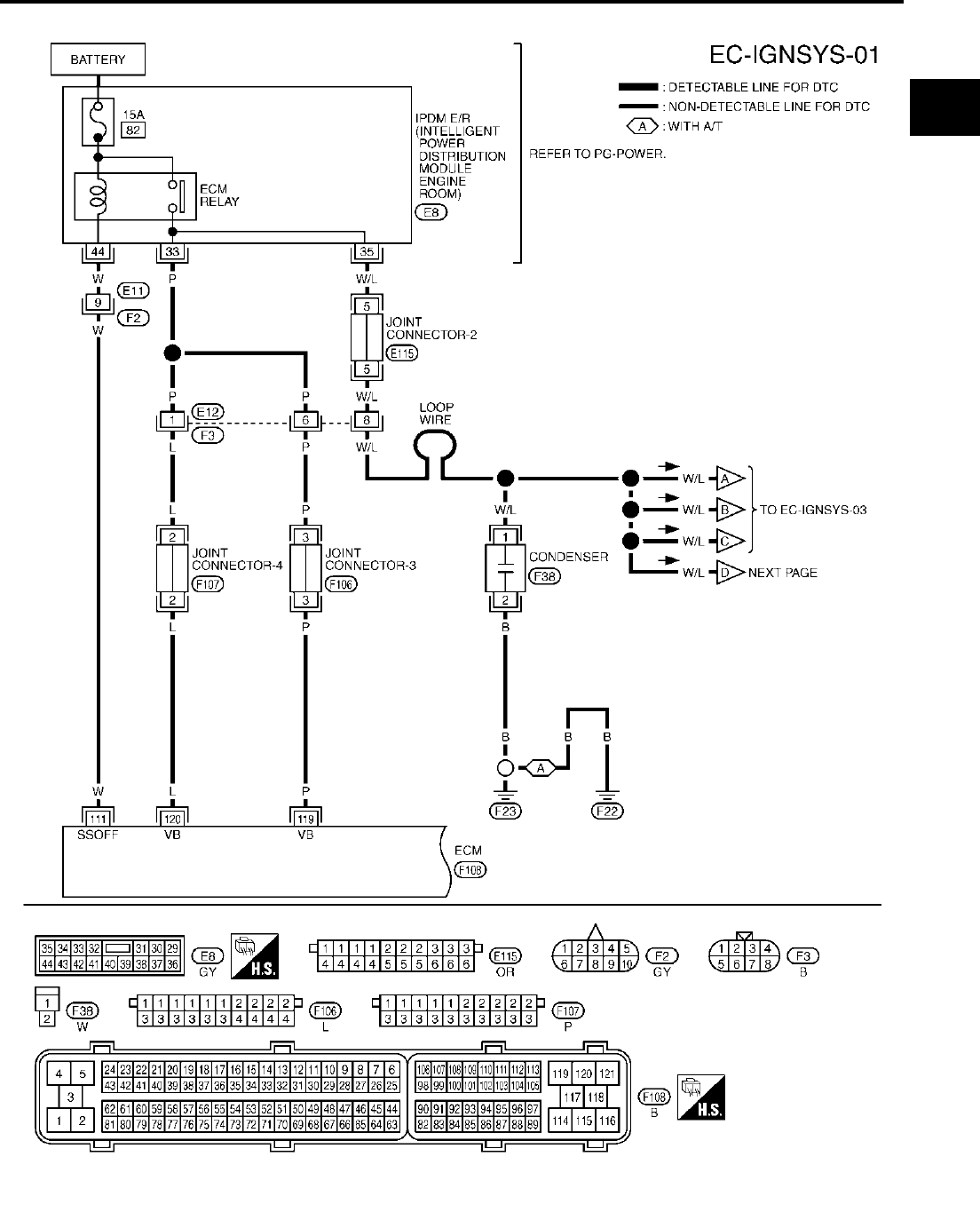
POWER SUPPLY CIRCUIT FOR ECM ...................133
Wiring Diagram .....................................................133
Diagnostic Procedure ...........................................136
DTC U1000, U1001 CAN COMMUNICATION LINE .140
Description ............................................................140
On Board Diagnosis Logic ....................................140
DTC Confirmation Procedure ...............................140
Wiring Diagram .....................................................141
Diagnostic Procedure ...........................................142
DTC P0011, P0021 IVT CONTROL ........................143
Description ............................................................143
CONSULT-II Reference Value in Data Monitor Mode
.143
On Board Diagnosis Logic ....................................144

EC-2
Revision; 2004 April 2003 G35 Coupe
DTC Confirmation Procedure ...............................144
Diagnostic Procedure ...........................................145
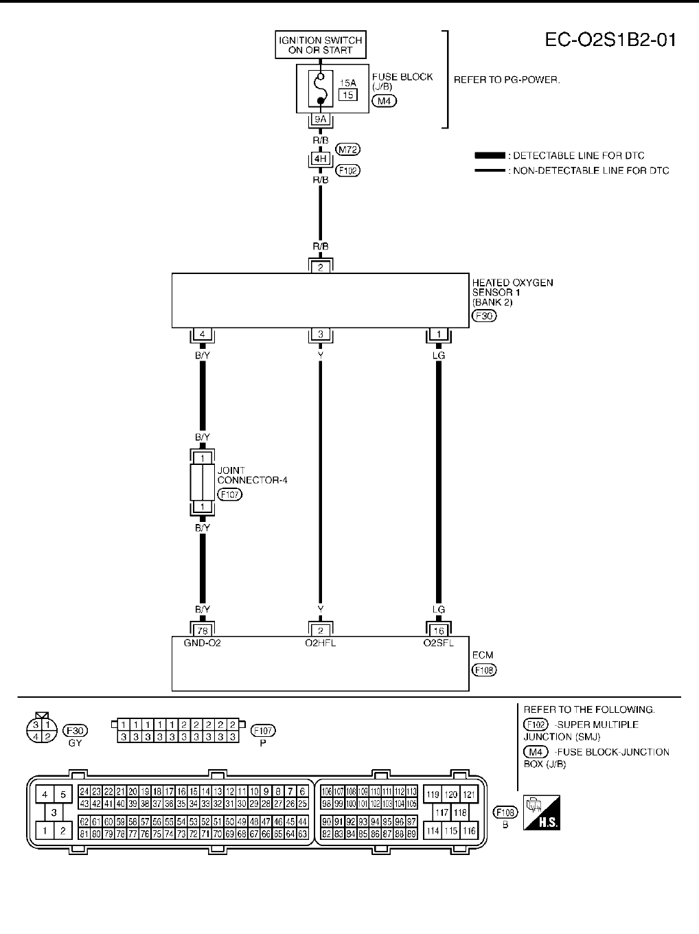
DTC P0031, P0032, P0051, P0052 HO2S1 HEATER .146
Description ............................................................146
CONSULT-II Reference Value in Data Monitor Mode
.146
On Board Diagnosis Logic ....................................146
DTC Confirmation Procedure ...............................147
Wiring Diagram .....................................................148
Diagnostic Procedure ...........................................151
Component Inspection ..........................................153
Removal and Installation ......................................153
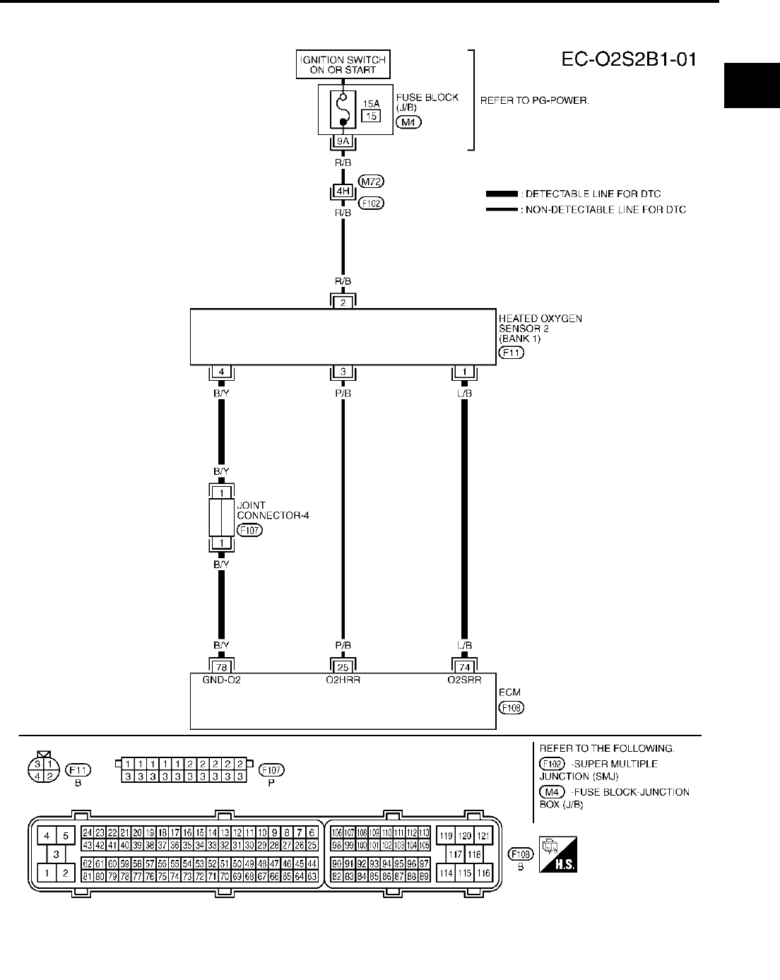
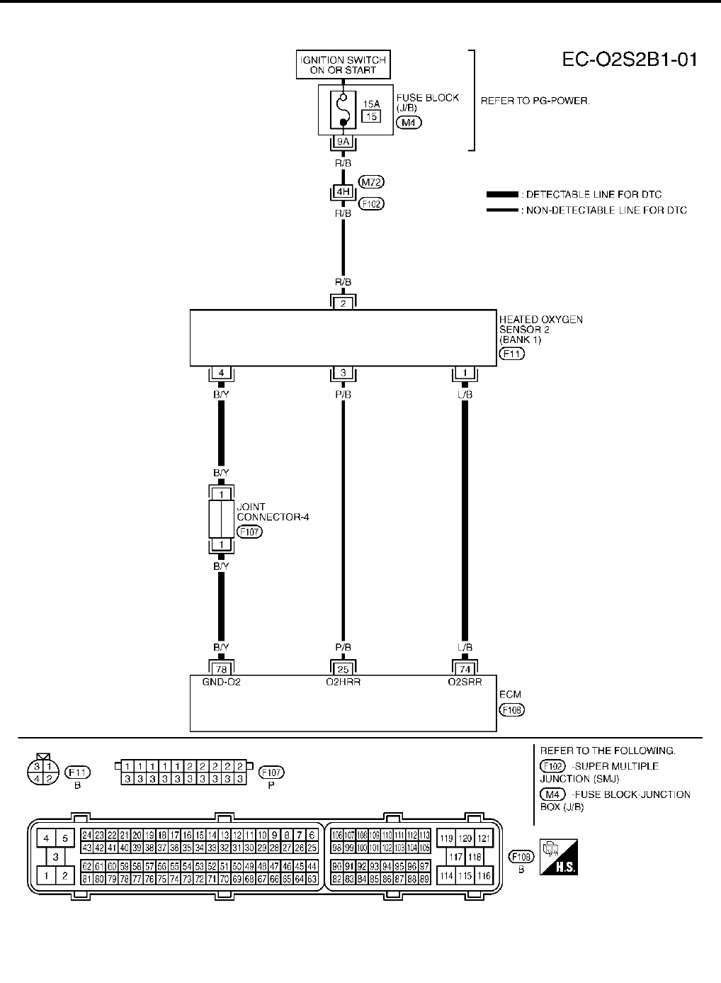
DTC P0037, P0038, P0057, P0058 HO2S2 HEATER .154
Description ............................................................154
CONSULT-II Reference Value in Data Monitor Mode
.154
On Board Diagnosis Logic ....................................154
DTC Confirmation Procedure ...............................155
Wiring Diagram .....................................................156
Diagnostic Procedure ...........................................159
Component Inspection ..........................................161
Removal and Installation ......................................161
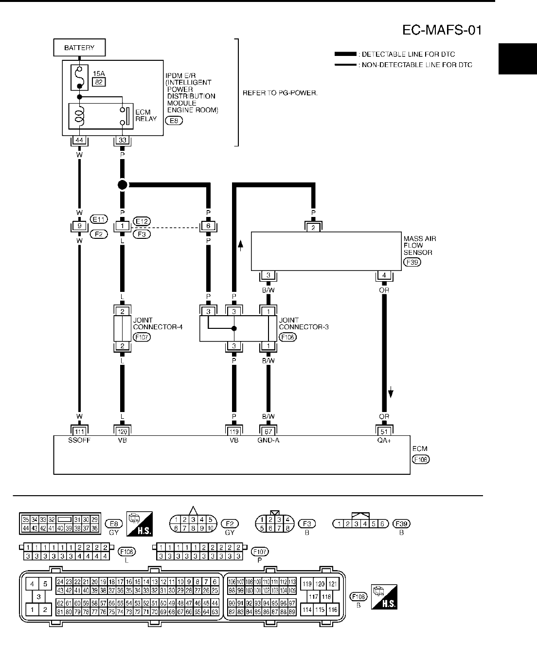
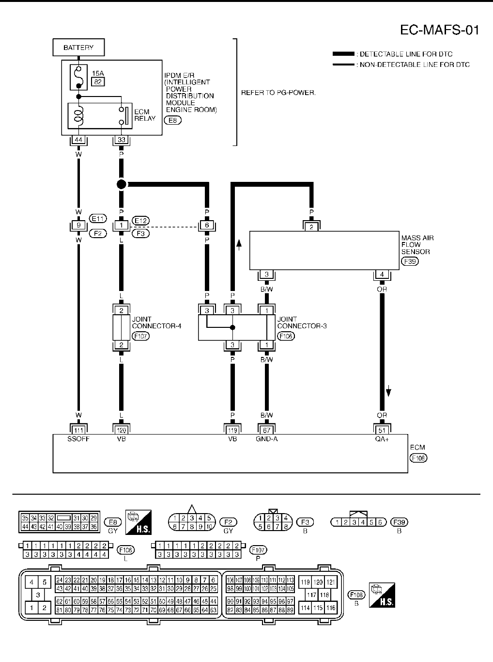
DTC P0101 MAF SENSOR .....................................162
Component Description ........................................162
CONSULT-II Reference Value in Data Monitor Mode
.162
On Board Diagnosis Logic ....................................162
DTC Confirmation Procedure ...............................163
Overall Function Check ........................................164
Wiring Diagram .....................................................165
Diagnostic Procedure ...........................................166
Component Inspection ..........................................169
Removal and Installation ......................................169
DTC P0102, P0103 MAF SENSOR .........................170
Component Description ........................................170
CONSULT-II Reference Value in Data Monitor Mode
.170
On Board Diagnosis Logic ....................................170
DTC Confirmation Procedure ...............................171
Wiring Diagram .....................................................172
Diagnostic Procedure ...........................................173
Component Inspection ..........................................176
Removal and Installation ......................................176
DTC P0112, P0113 IAT SENSOR ...........................177
Component Description ........................................177
On Board Diagnosis Logic ....................................177
DTC Confirmation Procedure ...............................177
Wiring Diagram .....................................................179
Diagnostic Procedure ...........................................180
Component Inspection ..........................................181
Removal and Installation ......................................181
DTC P0117, P0118 ECT SENSOR ..........................182
Component Description ........................................182
On Board Diagnosis Logic ....................................182
DTC Confirmation Procedure ...............................183
Wiring Diagram .....................................................184
Diagnostic Procedure ...........................................185
Component Inspection ..........................................186
Removal and Installation ......................................186
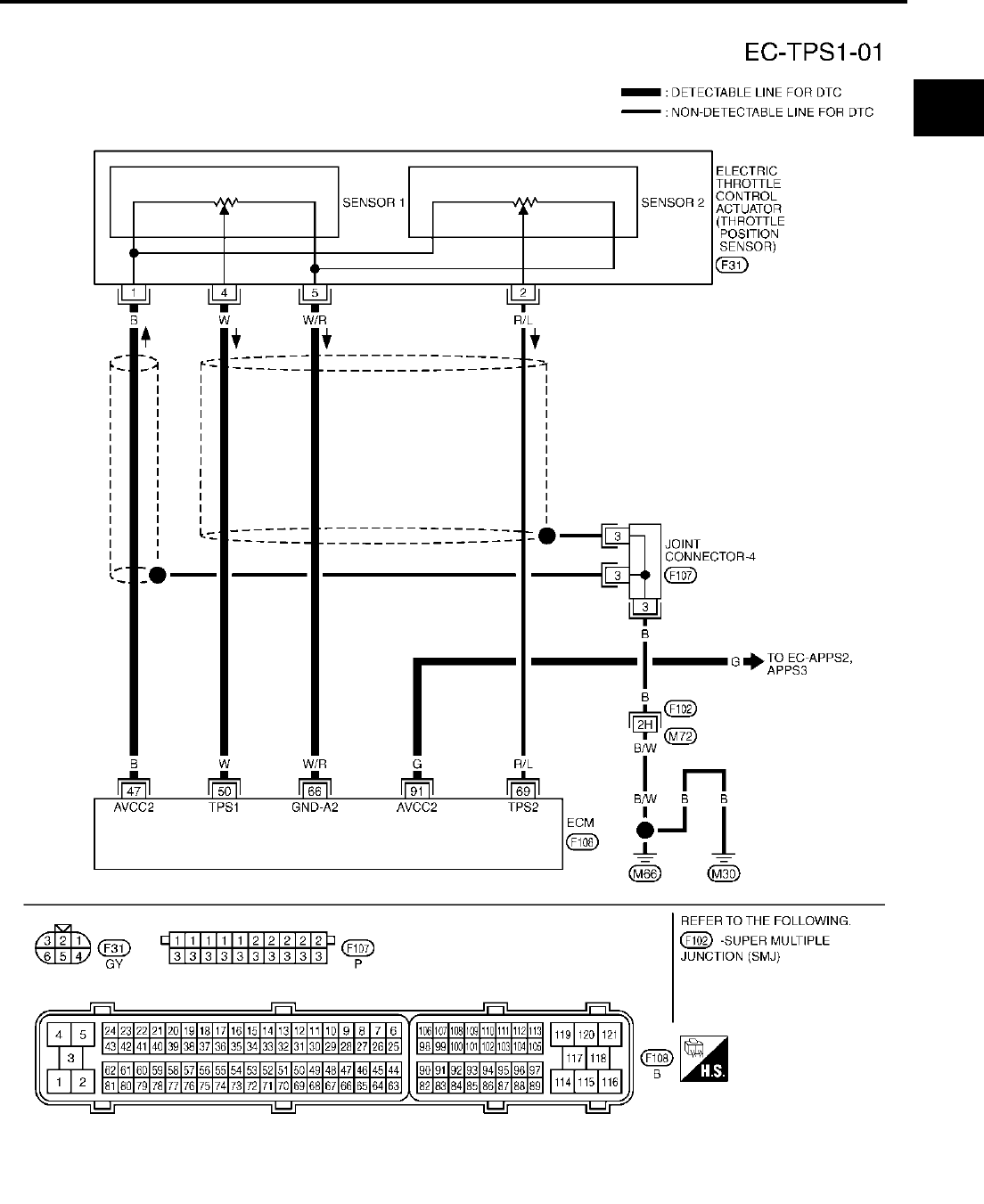
DTC P0122, P0123 TP SENSOR ............................187
Component Description ........................................187
CONSULT-II Reference Value in Data Monitor Mode
.187
On Board Diagnosis Logic ....................................187
DTC Confirmation Procedure ................................188
Wiring Diagram .....................................................189
Diagnostic Procedure ............................................190
Component Inspection ..........................................193
Removal and Installation .......................................193
DTC P0125 ECT SENSOR ......................................194
Component Description ........................................194
On Board Diagnosis Logic ....................................194
DTC Confirmation Procedure ................................195
Diagnostic Procedure ............................................195
Component Inspection ..........................................196
Removal and Installation .......................................196
DTC P0127 IAT SENSOR ........................................197
Component Description ........................................197
On Board Diagnosis Logic ....................................197
DTC Confirmation Procedure ................................197
Diagnostic Procedure ............................................198
Component Inspection ..........................................198
Removal and Installation .......................................199
DTC P0128 THERMOSTAT FUNCTION .................200
On Board Diagnosis Logic ....................................200
DTC Confirmation Procedure ................................200
Diagnostic Procedure ............................................200
Component Inspection ..........................................201
Removal and Installation .......................................201
DTC P0132, P0152 HO2S1 .....................................202
Component Description ........................................202
CONSULT-II Reference Value in Data Monitor Mode
.202
On Board Diagnosis Logic ....................................202
DTC Confirmation Procedure ................................203
Wiring Diagram .....................................................204
Diagnostic Procedure ............................................207
Component Inspection ..........................................210
Removal and Installation .......................................211
DTC P0133, P0153 HO2S1 .....................................212
Component Description ........................................212
CONSULT-II Reference Value in Data Monitor Mode
.212
On Board Diagnosis Logic ....................................212
DTC Confirmation Procedure ................................213
Overall Function Check .........................................214
Wiring Diagram .....................................................215
Diagnostic Procedure ............................................218
Component Inspection ..........................................223
Removal and Installation .......................................224
DTC P0134, P0154 HO2S1 .....................................225
Component Description ........................................225
CONSULT-II Reference Value in Data Monitor Mode
.225
On Board Diagnosis Logic ....................................225
DTC Confirmation Procedure ................................226
Overall Function Check .........................................227
Wiring Diagram .....................................................228

EC-3
C
D
E
F
G
H
I
J
K
L
M
EC
A
Revision; 2004 April 2003 G35 Coupe
Diagnostic Procedure ........................................... 231
Component Inspection ......................................... 232
Removal and Installation ...................................... 234
DTC P0138, P0158 HO2S2 .................................... 235
Component Description ........................................ 235
CONSULT-II Reference Value in Data Monitor Mode
. 235
On Board Diagnosis Logic ................................... 235
DTC Confirmation Procedure ............................... 236
Wiring Diagram .................................................... 237
Diagnostic Procedure ........................................... 240
Component Inspection ......................................... 243
Removal and Installation ...................................... 244
DTC P0139, P0159 HO2S2 .................................... 245
Component Description ........................................ 245
CONSULT-II Reference Value in Data Monitor Mode
. 245
On Board Diagnosis Logic ................................... 245
DTC Confirmation Procedure ............................... 246
Overall Function Check ........................................ 246
Wiring Diagram .................................................... 248
Diagnostic Procedure ........................................... 251
Component Inspection ......................................... 254
Removal and Installation ...................................... 256
DTC P0171, P0174 FUEL INJECTION SYSTEM
FUNCTION .............................................................. 257
On Board Diagnosis Logic ................................... 257
DTC Confirmation Procedure ............................... 257
Wiring Diagram .................................................... 259
Diagnostic Procedure ........................................... 261
DTC P0172, P0175 FUEL INJECTION SYSTEM
FUNCTION .............................................................. 266
On Board Diagnosis Logic ................................... 266
DTC Confirmation Procedure ............................... 266
Wiring Diagram .................................................... 268
Diagnostic Procedure ........................................... 270
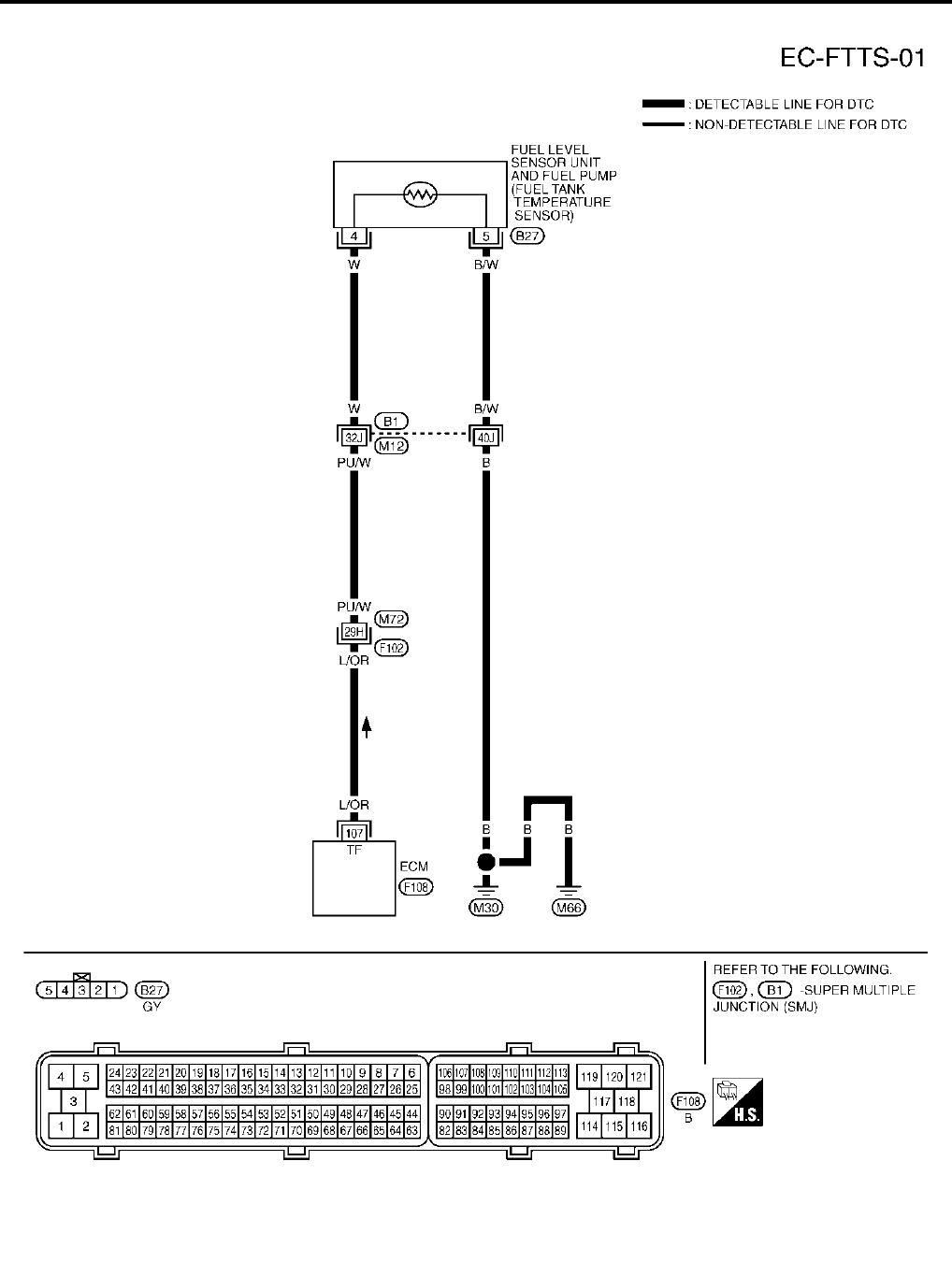
DTC P0181 FTT SENSOR ...................................... 274
Component Description ........................................ 274
On Board Diagnosis Logic ................................... 274
DTC Confirmation Procedure ............................... 274
Wiring Diagram .................................................... 276
Diagnostic Procedure ........................................... 277
Component Inspection ......................................... 278
Removal and Installation ...................................... 278
DTC P0182, P0183 FTT SENSOR ......................... 279
Component Description ........................................ 279
On Board Diagnosis Logic ................................... 279
DTC Confirmation Procedure ............................... 279
Wiring Diagram .................................................... 280
Diagnostic Procedure ........................................... 281
Component Inspection ......................................... 282
Removal and Installation ...................................... 282
DTC P0222, P0223 TP SENSOR ........................... 283
Component Description ........................................ 283
CONSULT-II Reference Value in Data Monitor Mode
. 283
On Board Diagnosis Logic ................................... 283
DTC Confirmation Procedure ............................... 284
Wiring Diagram .................................................... 285
Diagnostic Procedure ...........................................286
Component Inspection ..........................................289
Removal and Installation ......................................289
DTC P0300 - P0306 MULTIPLE CYLINDER MIS-
FIRE, NO. 1 - 6 CYLINDER MISFIRE .....................290
On Board Diagnosis Logic ....................................290
DTC Confirmation Procedure ...............................290
Diagnostic Procedure ...........................................291
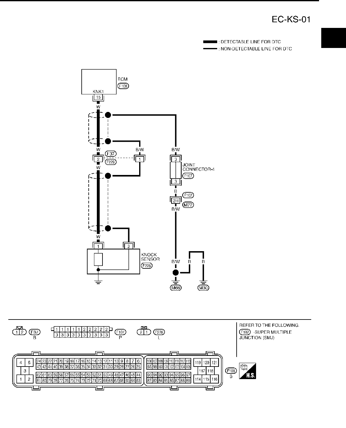
DTC P0327, P0328 KS ...........................................296
Component Description ........................................296
On Board Diagnosis Logic ....................................296
DTC Confirmation Procedure ...............................296
Wiring Diagram .....................................................297
Diagnostic Procedure ...........................................298
Component Inspection ..........................................299
Removal and Installation ......................................300
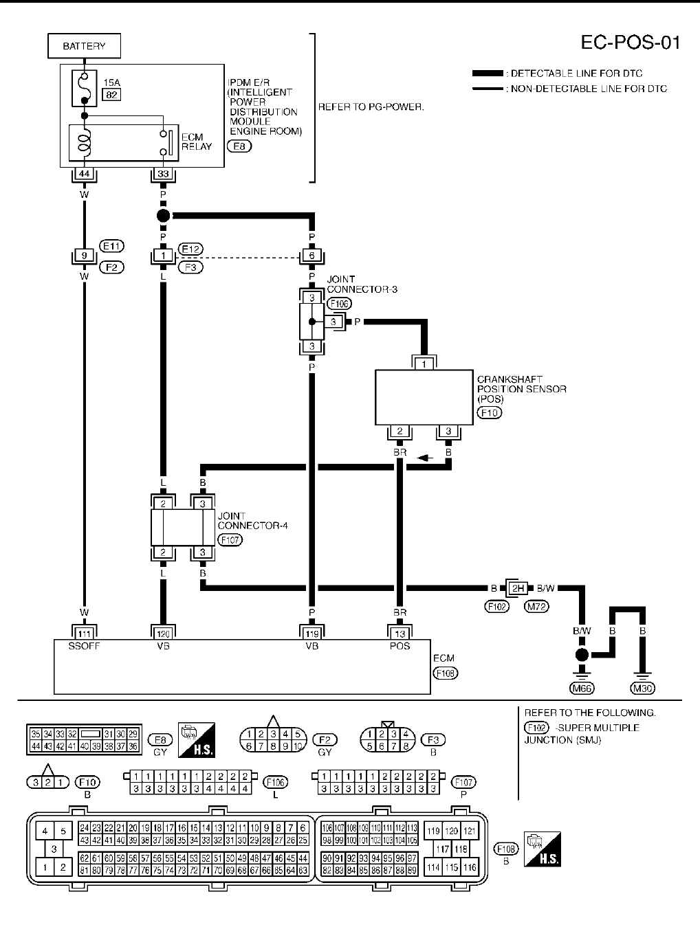
DTC P0335 CKP SENSOR (POS) ..........................301
Component Description ........................................301
CONSULT-II Reference Value in Data Monitor Mode
.301
On Board Diagnosis Logic ....................................301
DTC Confirmation Procedure ...............................301
Wiring Diagram .....................................................302
Diagnostic Procedure ...........................................303
Component Inspection ..........................................306
Removal and Installation ......................................306
DTC P0340, P0345 CMP SENSOR (PHASE) ........307
Component Description ........................................307
CONSULT-II Reference Value in Data Monitor Mode
.307
On Board Diagnosis Logic ....................................307
DTC Confirmation Procedure ...............................307
Wiring Diagram .....................................................308
Diagnostic Procedure ...........................................311
Component Inspection ..........................................314
Removal and Installation ......................................314
DTC P0420, P0430 THREE WAY CATALYST FUNC-
TION ........................................................................315
On Board Diagnosis Logic ....................................315
DTC Confirmation Procedure ...............................315
Overall Function Check ........................................316
Diagnostic Procedure ...........................................317
DTC P0441 EVAP CONTROL SYSTEM .................320
System Description ...............................................320
On Board Diagnosis Logic ....................................320
DTC Confirmation Procedure ...............................320
Overall Function Check ........................................321
Diagnostic Procedure ...........................................322
DTC P0442 EVAP CONTROL SYSTEM .................325
On Board Diagnosis Logic ....................................325
DTC Confirmation Procedure ...............................326
Diagnostic Procedure ...........................................328
DTC P0444, P0445 EVAP CANISTER PURGE VOL-
UME CONTROL SOLENOID VALVE ......................335
Description ............................................................335
CONSULT-II Reference Value in Data Monitor Mode
.335
On Board Diagnosis Logic ....................................336
DTC Confirmation Procedure ...............................336

EC-4
Revision; 2004 April 2003 G35 Coupe
Wiring Diagram .....................................................337
Diagnostic Procedure ...........................................339
Component Inspection ..........................................340
Removal and Installation ......................................341
DTC P0447 EVAP CANISTER VENT CONTROL
VALVE .....................................................................342
Component Description ........................................342
CONSULT-II Reference Value in Data Monitor Mode
.342
On Board Diagnosis Logic ....................................342
DTC Confirmation Procedure ...............................343
Wiring Diagram .....................................................344
Diagnostic Procedure ...........................................345
Component Inspection ..........................................347
DTC P0451 EVAP CONTROL SYSTEM PRESSURE
SENSOR ..................................................................349
Component Description ........................................349
CONSULT-II Reference Value in Data Monitor Mode
.349
On Board Diagnosis Logic ....................................349
DTC Confirmation Procedure ...............................350
Diagnostic Procedure ...........................................350
Component Inspection ..........................................351
DTC P0452 EVAP CONTROL SYSTEM PRESSURE
SENSOR ..................................................................352
Component Description ........................................352
CONSULT-II Reference Value in Data Monitor Mode
.352
On Board Diagnosis Logic ....................................352
DTC Confirmation Procedure ...............................353
Wiring Diagram .....................................................354
Diagnostic Procedure ...........................................355
Component Inspection ..........................................357
DTC P0453 EVAP CONTROL SYSTEM PRESSURE
SENSOR ..................................................................358
Component Description ........................................358
CONSULT-II Reference Value in Data Monitor Mode
.358
On Board Diagnosis Logic ....................................358
DTC Confirmation Procedure ...............................359
Wiring Diagram .....................................................360
Diagnostic Procedure ...........................................361
Component Inspection ..........................................365
DTC P0455 EVAP CONTROL SYSTEM .................366
On Board Diagnosis Logic ....................................366
DTC Confirmation Procedure ...............................367
Diagnostic Procedure ...........................................368
DTC P0456 EVAP CONTROL SYSTEM .................374
On Board Diagnosis Logic ....................................374
DTC Confirmation Procedure ...............................375
Overall Function Check ........................................376
Diagnostic Procedure ...........................................377
DTC P0460 FUEL LEVEL SENSOR .......................384
Component Description ........................................384
On Board Diagnosis Logic ....................................384
DTC Confirmation Procedure ...............................384
Diagnostic Procedure ...........................................385
Removal and Installation ......................................385
DTC P0461 FUEL LEVEL SENSOR .......................386
Component Description ........................................386
On Board Diagnosis Logic ....................................386
Overall Function Check .........................................386
Diagnostic Procedure ............................................387
Removal and Installation .......................................387
DTC P0462 FUEL LEVEL SENSOR .......................388
Component Description ........................................388
On Board Diagnosis Logic ....................................388
DTC Confirmation Procedure ................................388
Diagnostic Procedure ............................................389
Removal and Installation .......................................389
DTC P0500 VSS ......................................................390
Description ............................................................390
On Board Diagnosis Logic ....................................390
DTC Confirmation Procedure ................................390
Overall Function Check .........................................391
Diagnostic Procedure ............................................391
DTC P0506 ISC SYSTEM .......................................392
Description ............................................................392
On Board Diagnosis Logic ....................................392
DTC Confirmation Procedure ................................392
Diagnostic Procedure ............................................393
DTC P0507 ISC SYSTEM .......................................394
Description ............................................................394
On Board Diagnosis Logic ....................................394
DTC Confirmation Procedure ................................394
Diagnostic Procedure ............................................395
DTC P0550 PSP SENSOR ......................................396
Component Description ........................................396
CONSULT-II Reference Value in Data Monitor Mode
.396
On Board Diagnosis Logic ....................................396
DTC Confirmation Procedure ................................396
Wiring Diagram .....................................................397
Diagnostic Procedure ............................................398
Component Inspection ..........................................400
DTC P0605 ECM .....................................................401
Component Description ........................................401
On Board Diagnosis Logic ....................................401
DTC Confirmation Procedure ................................401
Diagnostic Procedure ............................................402
DTC P1065 ECM POWER SUPPLY ........................404
Component Description ........................................404
On Board Diagnosis Logic ....................................404
DTC Confirmation Procedure ................................404
Wiring Diagram .....................................................405
Diagnostic Procedure ............................................406
DTC P1111, P1136 IVT CONTROL SOLENOID
VALVE ......................................................................408
Component Description ........................................408
CONSULT-II Reference Value in Data Monitor Mode
.408
On Board Diagnosis Logic ....................................408
DTC Confirmation Procedure ................................408
Wiring Diagram .....................................................409
Diagnostic Procedure ............................................412
Component Inspection ..........................................414
Removal and Installation .......................................414
DTC P1121 ELECTRIC THROTTLE CONTROL

EC-5
C
D
E
F
G
H
I
J
K
L
M
EC
A
Revision; 2004 April 2003 G35 Coupe
ACTUATOR ............................................................ 415
Component Description ........................................ 415
On Board Diagnosis Logic ................................... 415
DTC Confirmation Procedure ............................... 415
Diagnostic Procedure ........................................... 416
DTC P1122 ELECTRIC THROTTLE CONTROL
FUNCTION .............................................................. 417
Description ........................................................... 417
On Board Diagnosis Logic ................................... 417
DTC Confirmation Procedure ............................... 417
Wiring Diagram .................................................... 418
Diagnostic Procedure ........................................... 419
Component Inspection ......................................... 422
Remove and Installation ....................................... 422
DTC P1124, P1126 THROTTLE CONTROL MOTOR
RELAY .................................................................... 423
Component Description ........................................ 423
CONSULT-II Reference Value in Data Monitor Mode
. 423
On Board Diagnosis Logic ................................... 423
DTC Confirmation Procedure ............................... 423
Wiring Diagram .................................................... 425
Diagnostic Procedure ........................................... 426
DTC P1128 THROTTLE CONTROL MOTOR ........ 428
Component Description ........................................ 428
On Board Diagnosis Logic ................................... 428
DTC Confirmation Procedure ............................... 428
Wiring Diagram .................................................... 429
Diagnostic Procedure ........................................... 430
Component Inspection ......................................... 431
Removal and Installation ...................................... 432
DTC P1143, P1163 HO2S1 ..................................... 433
Component Description ........................................ 433
CONSULT-II Reference Value in Data Monitor Mode
. 433
On Board Diagnosis Logic ................................... 433
DTC Confirmation Procedure ............................... 434
Overall Function Check ........................................ 435
Diagnostic Procedure ........................................... 435
Component Inspection ......................................... 437
Removal and Installation ...................................... 438
DTC P1144, P1164 HO2S1 ..................................... 439
Component Description ........................................ 439
CONSULT-II Reference Value in Data Monitor Mode
. 439
On Board Diagnosis Logic ................................... 439
DTC Confirmation Procedure ............................... 440
Overall Function Check ........................................ 441
Diagnostic Procedure ........................................... 441
Component Inspection ......................................... 443
Removal and Installation ...................................... 445
DTC P1146, P1166 HO2S2 ..................................... 446
Component Description ........................................ 446
CONSULT-II Reference Value in Data Monitor Mode
. 446
On Board Diagnosis Logic ................................... 446
DTC Confirmation Procedure ............................... 447
Overall Function Check ........................................ 447
Wiring Diagram .................................................... 449
Diagnostic Procedure ...........................................452
Component Inspection ..........................................455
Removal and Installation ......................................457
DTC P1147, P1167 HO2S2 .....................................458
Component Description ........................................458
CONSULT-II Reference Value in Data Monitor Mode
.458
On Board Diagnosis Logic ....................................458
DTC Confirmation Procedure ...............................459
Overall Function Check ........................................459
Wiring Diagram .....................................................461
Diagnostic Procedure ...........................................464
Component Inspection ..........................................467
Removal and Installation ......................................469
DTC P1148, P1168 CLOSED LOOP CONTROL ....470
On Board Diagnosis Logic ....................................470
DTC Confirmation Procedure ...............................470
Overall Function Check ........................................471
Diagnostic Procedure ...........................................471
DTC P1211 TCS CONTROL UNIT ..........................472
Description ............................................................472
On Board Diagnosis Logic ....................................472
DTC Confirmation Procedure ...............................472
Diagnostic Procedure ...........................................472
DTC P1212 TCS COMMUNICATION LINE ............473
Description ............................................................473
On Board Diagnosis Logic ....................................473
DTC Confirmation Procedure ...............................473
Diagnostic Procedure ...........................................473
DTC P1217 ENGINE OVER TEMPERATURE ........474
Description ............................................................474
CONSULT-II Reference Value in Data Monitor Mode
.475
On Board Diagnosis Logic ....................................475
Overall Function Check ........................................476
Wiring Diagram .....................................................478
Diagnostic Procedure ...........................................480
Main 12 Causes of Overheating ...........................484
Component Inspection ..........................................485
DTC P1225 TP SENSOR ........................................486
Component Description ........................................486
On Board Diagnosis Logic ....................................486
DTC Confirmation Procedure ...............................486
Diagnostic Procedure ...........................................487
Removal and Installation ......................................487
DTC P1226 TP SENSOR ........................................488
Component Description ........................................488
On Board Diagnosis Logic ....................................488
DTC Confirmation Procedure ...............................488
Diagnostic Procedure ...........................................489
Removal and Installation ......................................489
DTC P1229 SENSOR POWER SUPPLY ................490
On Board Diagnosis Logic ....................................490
DTC Confirmation Procedure ...............................490
Wiring Diagram .....................................................491
Diagnostic Procedure ...........................................492
DTC P1444 EVAP CANISTER PURGE VOLUME
CONTROL SOLENOID VALVE ...............................495
Description ............................................................495

EC-6
Revision; 2004 April 2003 G35 Coupe
CONSULT-II Reference Value in Data Monitor Mode
.495
On Board Diagnosis Logic ....................................496
DTC Confirmation Procedure ...............................496
Wiring Diagram .....................................................497
Diagnostic Procedure ...........................................499
Component Inspection ..........................................501
Removal and Installation ......................................502
DTC P1446 EVAP CANISTER VENT CONTROL
VALVE .....................................................................503
Component Description ........................................503
CONSULT-II Reference Value in Data Monitor Mode
.503
On Board Diagnosis Logic ....................................503
DTC Confirmation Procedure ...............................504
Wiring Diagram .....................................................505
Diagnostic Procedure ...........................................506
Component Inspection ..........................................508
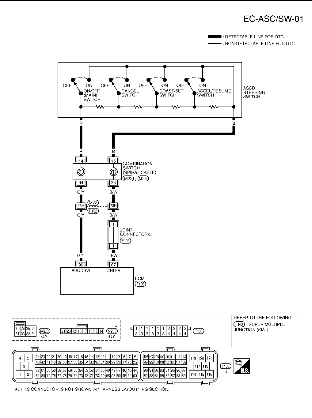
DTC P1564 ASCD STEERING SWITCH ................510
Component Description ........................................510
CONSULT-II Reference Value in Data Monitor Mode
.510
On Board Diagnosis Logic ....................................510
DTC Confirmation Procedure ...............................511
Wiring Diagram .....................................................512
Diagnostic Procedure ...........................................514
Component Inspection ..........................................516
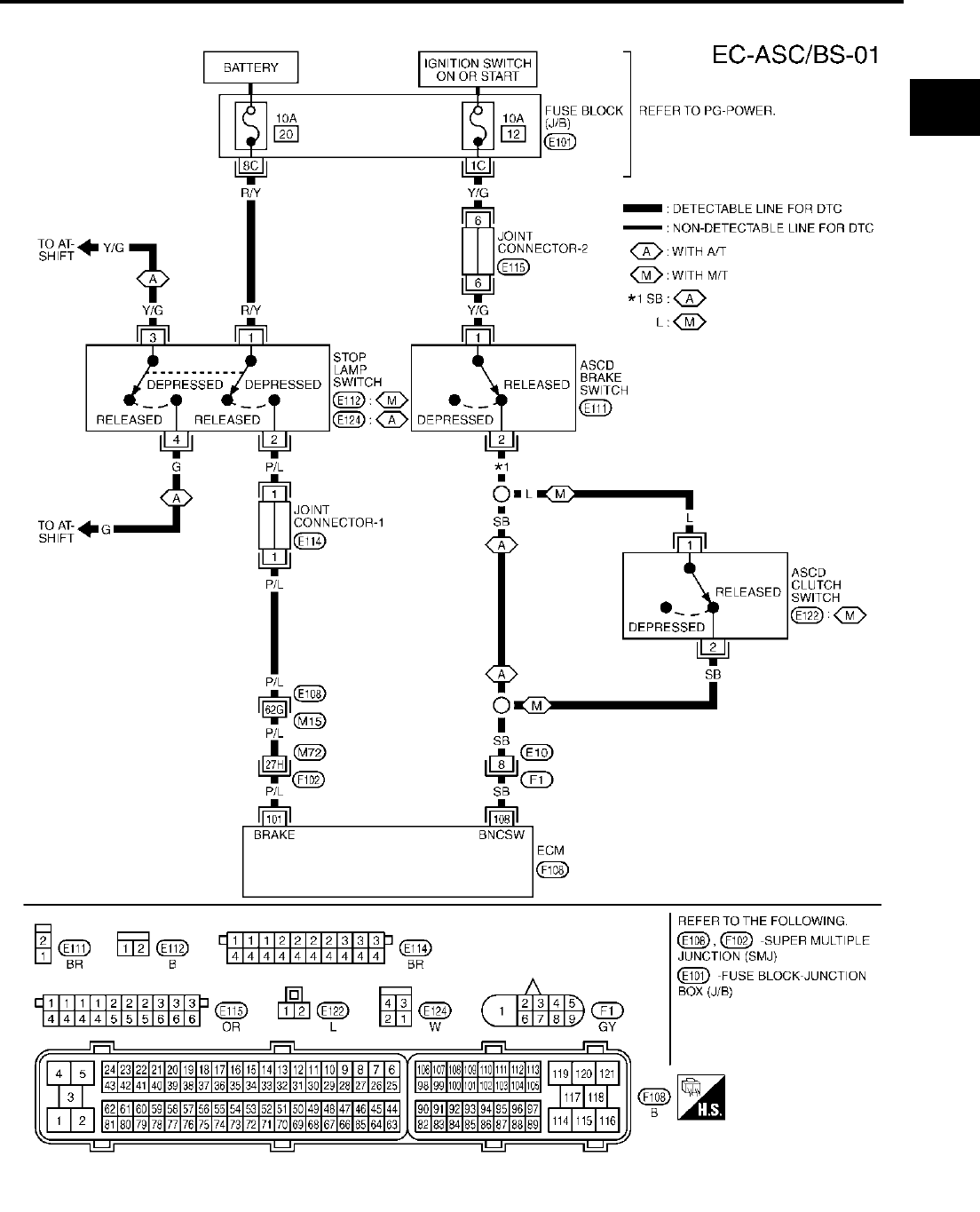
DTC P1572 ASCD BRAKE SWITCH ......................517
Component Description ........................................517
CONSULT-II Reference Value in Data Monitor Mode
.517
On Board Diagnosis Logic ....................................517
DTC confirmation Procedure ................................518
Wiring Diagram .....................................................519
Diagnostic Procedure ...........................................521
Component Inspection ..........................................531
DTC P1574 ASCD VEHICLE SPEED SENSOR .....533
Component Description ........................................533
On Board Diagnosis Logic ....................................533
DTC Confirmation Procedure ...............................533
Diagnostic Procedure ...........................................534
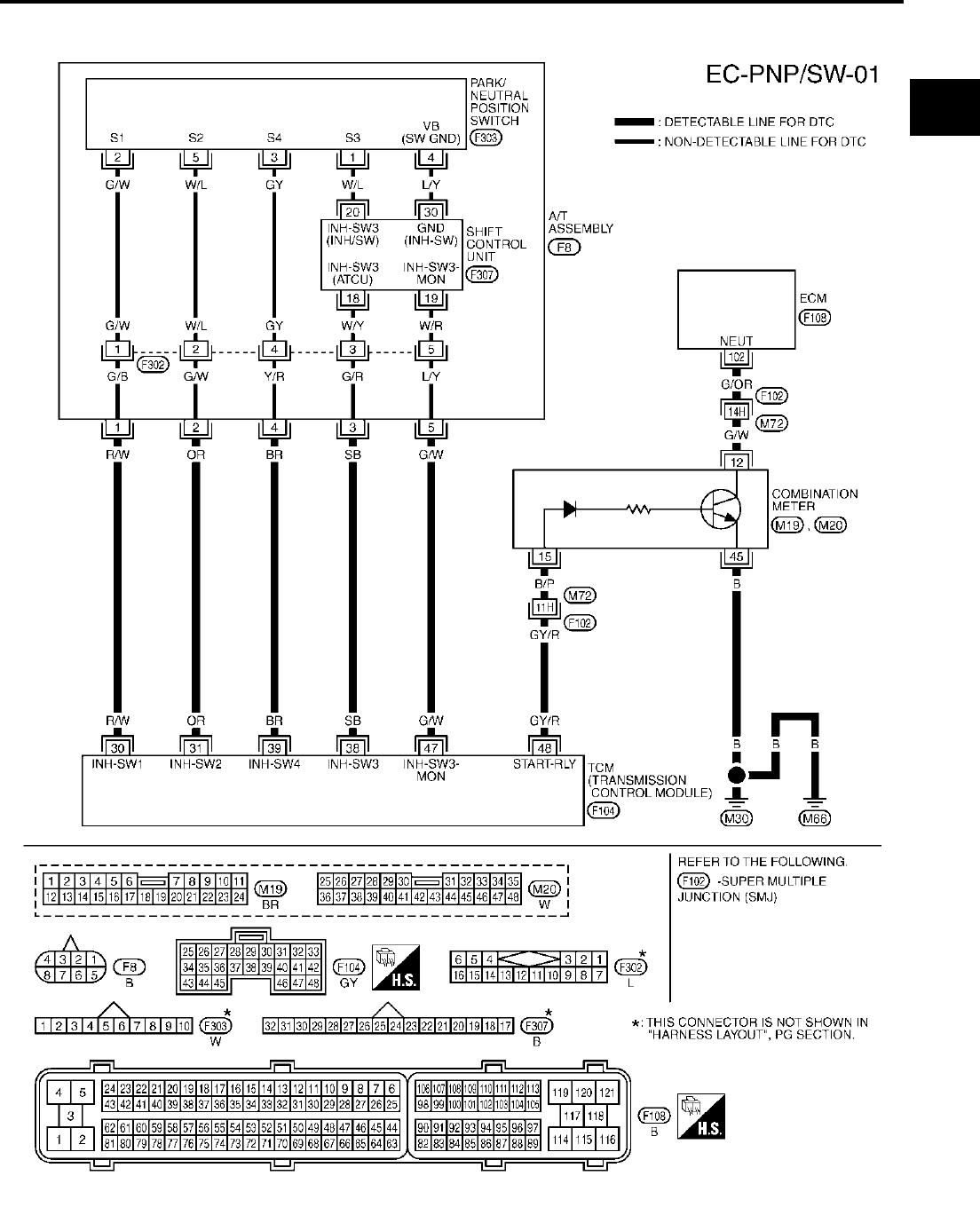
DTC P1706 PNP SWITCH ......................................535
Component Description ........................................535
CONSULT-II Reference Value in Data Monitor Mode
.535
On Board Diagnosis Logic ....................................535
DTC Confirmation Procedure ...............................535
Overall Function Check ........................................536
Wiring Diagram .....................................................537
Diagnostic Procedure ...........................................540
DTC P1805 BRAKE SWITCH .................................544
Description ............................................................544
CONSULT-II Reference Value in Data Monitor Mode
.544
On Board Diagnosis Logic ....................................544
DTC Confirmation Procedure ...............................544
Wiring Diagram .....................................................545
Diagnostic Procedure ...........................................546
Component Inspection ..........................................549
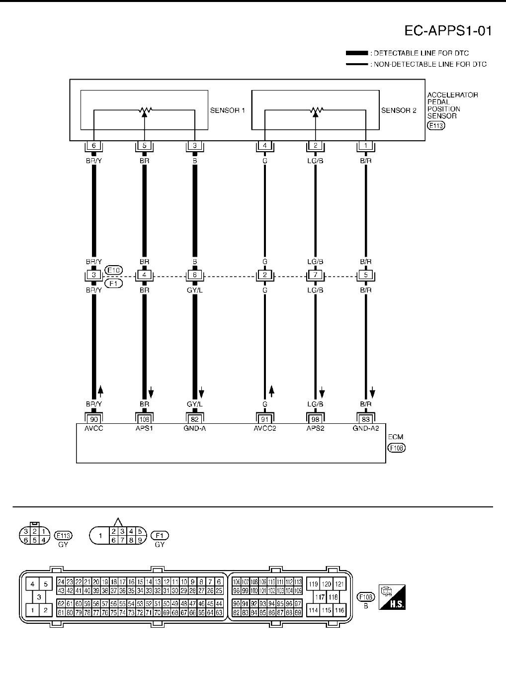
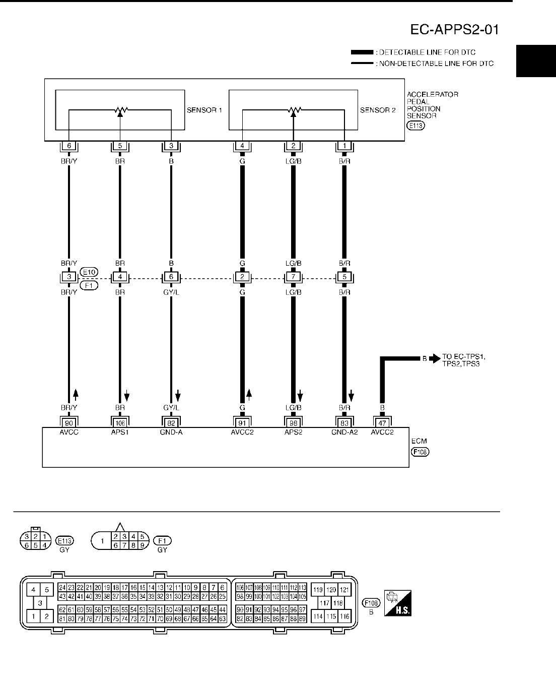
DTC P2122, P2123 APP SENSOR .........................550
Component Description ........................................550
CONSULT-II Reference Value in Data Monitor Mode
.550
On Board Diagnosis Logic ....................................550
DTC Confirmation Procedure ................................551
Wiring Diagram .....................................................552
Diagnostic Procedure ............................................553
Component Inspection ..........................................555
Removal and Installation .......................................556
DTC P2127, P2128 APP SENSOR .........................557
Component Description ........................................557
CONSULT-II Reference Value in Data Monitor Mode
.557
On Board Diagnosis Logic ....................................557
DTC Confirmation Procedure ................................558
Wiring Diagram .....................................................559
Diagnostic Procedure ............................................560
Component Inspection ..........................................563
Removal and Installation .......................................563
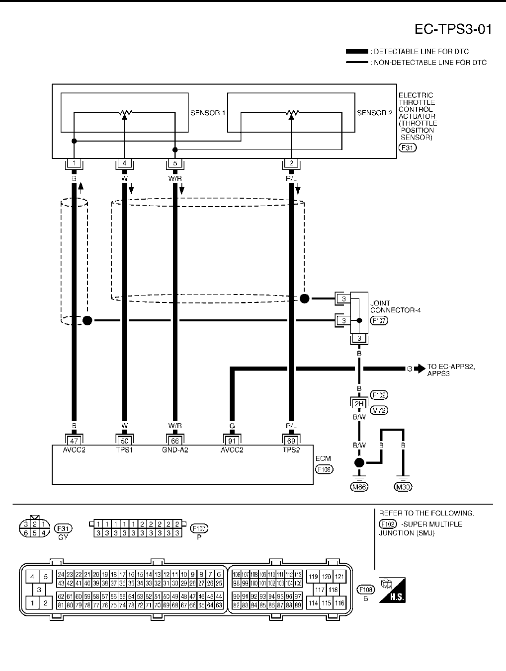
DTC P2135 TP SENSOR ........................................564
Component Description ........................................564
CONSULT-II Reference Value in Data Monitor Mode
.564
On Board Diagnosis Logic ....................................564
DTC Confirmation Procedure ................................565
Wiring Diagram .....................................................566
Diagnostic Procedure ............................................567
Component Inspection ..........................................570
Removal and Installation .......................................570
DTC P2138 APP SENSOR ......................................571
Component Description ........................................571
CONSULT-II Reference Value in Data Monitor Mode
.571
On Board Diagnosis Logic ....................................571
DTC Confirmation Procedure ................................572
Wiring Diagram .....................................................573
Diagnostic Procedure ............................................574
Component Inspection ..........................................579
Removal and Installation .......................................579
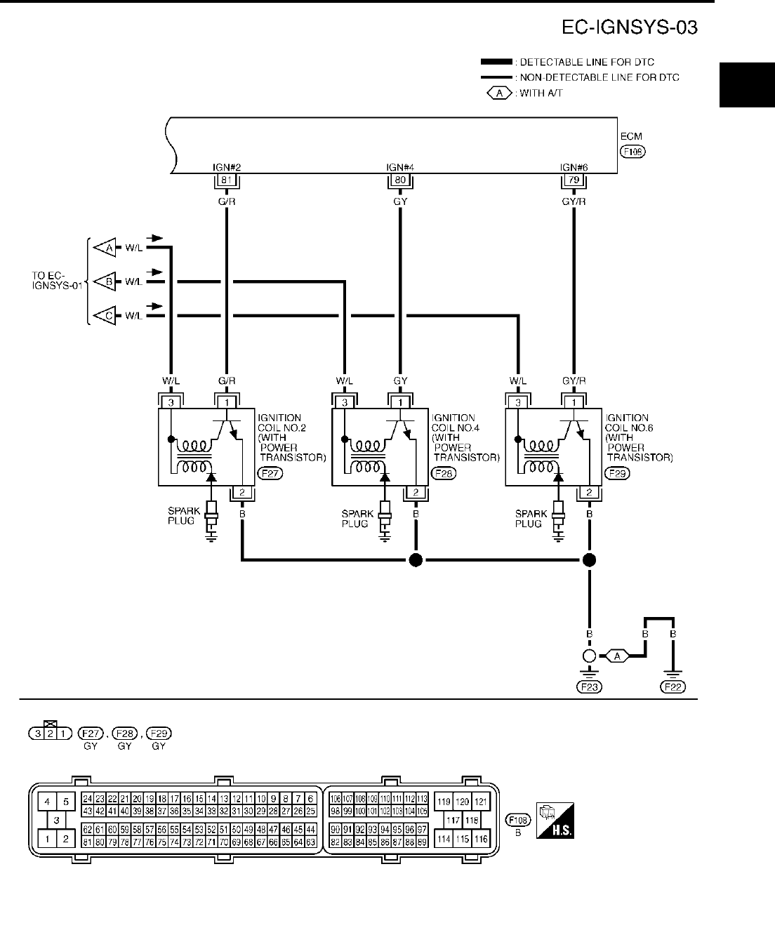
IGNITION SIGNAL ..................................................580
Component Description ........................................580
Wiring Diagram .....................................................581
Diagnostic Procedure ............................................586
Component Inspection ..........................................591
Removal and Installation .......................................591
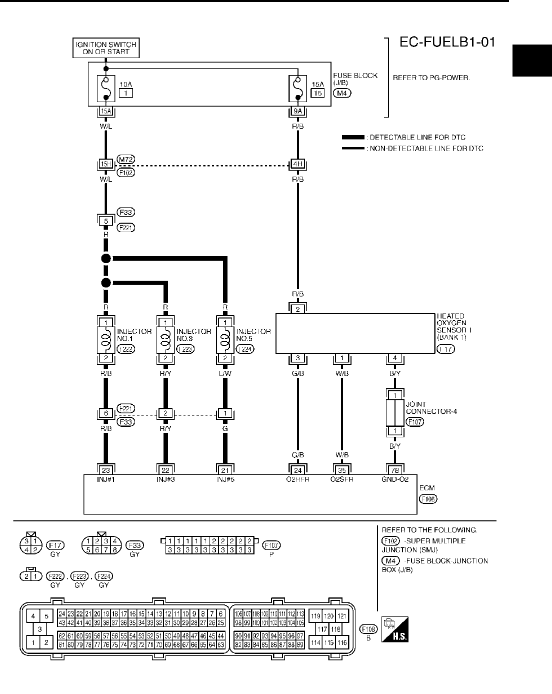
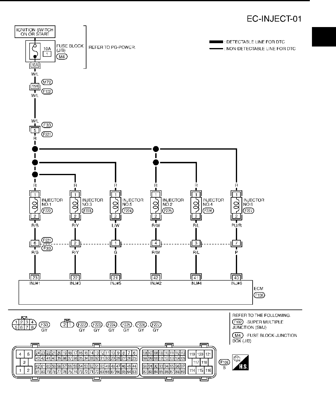
INJECTOR CIRCUIT ...............................................592
Component Description ........................................592
CONSULT-II Reference Value in Data Monitor Mode
.592
Wiring Diagram .....................................................593
Diagnostic Procedure ............................................595
Component Inspection ..........................................597
Removal and Installation .......................................597
FUEL PUMP CIRCUIT .............................................598
Description ............................................................598
CONSULT-II Reference Value in Data Monitor Mode
.598
Wiring Diagram .....................................................599

EC-7
C
D
E
F
G
H
I
J
K
L
M
EC
A
Revision; 2004 April 2003 G35 Coupe
Diagnostic Procedure ........................................... 600
Component Inspection ......................................... 603
Removal and Installation ...................................... 603
REFRIGERANT PRESSURE SENSOR ................. 604
Component Description ........................................ 604
Wiring Diagram .................................................... 605
Diagnostic Procedure ........................................... 606
Removal and Installation ...................................... 608
ELECTRICAL LOAD SIGNAL ................................ 609
Description ........................................................... 609
CONSULT-II Reference Value in Data Monitor Mode
. 609
Diagnostic Procedure ........................................... 609
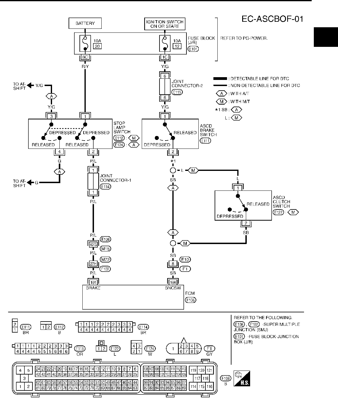
ASCD BRAKE SWITCH ......................................... 610
Component Description ........................................ 610
CONSULT-II Reference Value in Data Monitor Mode
. 610
Wiring Diagram .....................................................611
Diagnostic Procedure ........................................... 613
Component Inspection ......................................... 623
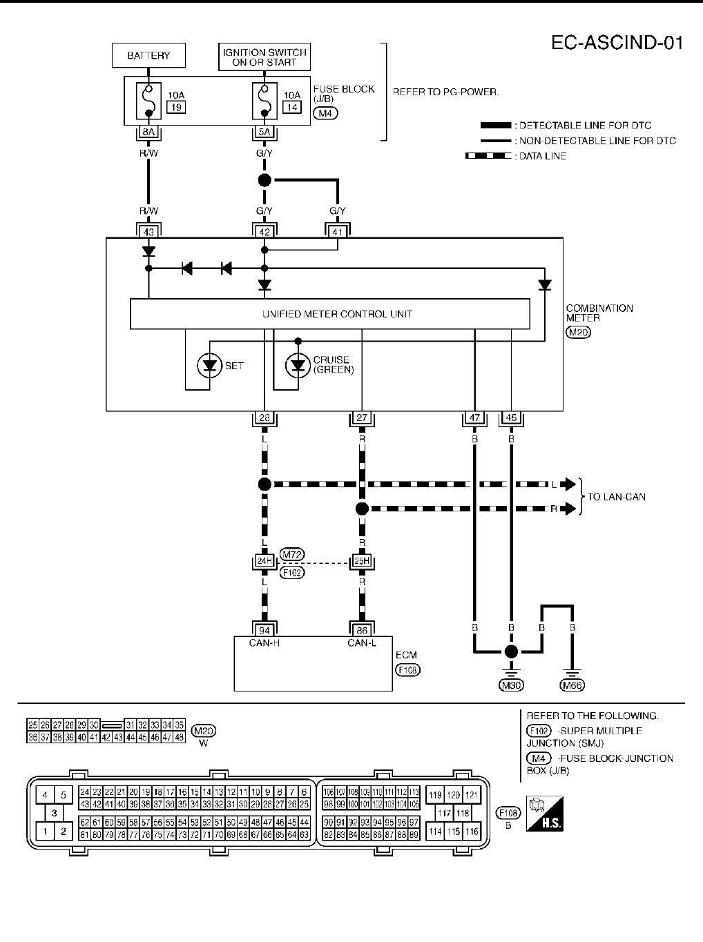
ASCD INDICATOR ................................................. 625
Component Description ........................................ 625
CONSULT-II Reference Value in Data Monitor Mode
. 625
Wiring Diagram .................................................... 626
Diagnostic Procedure ........................................... 627
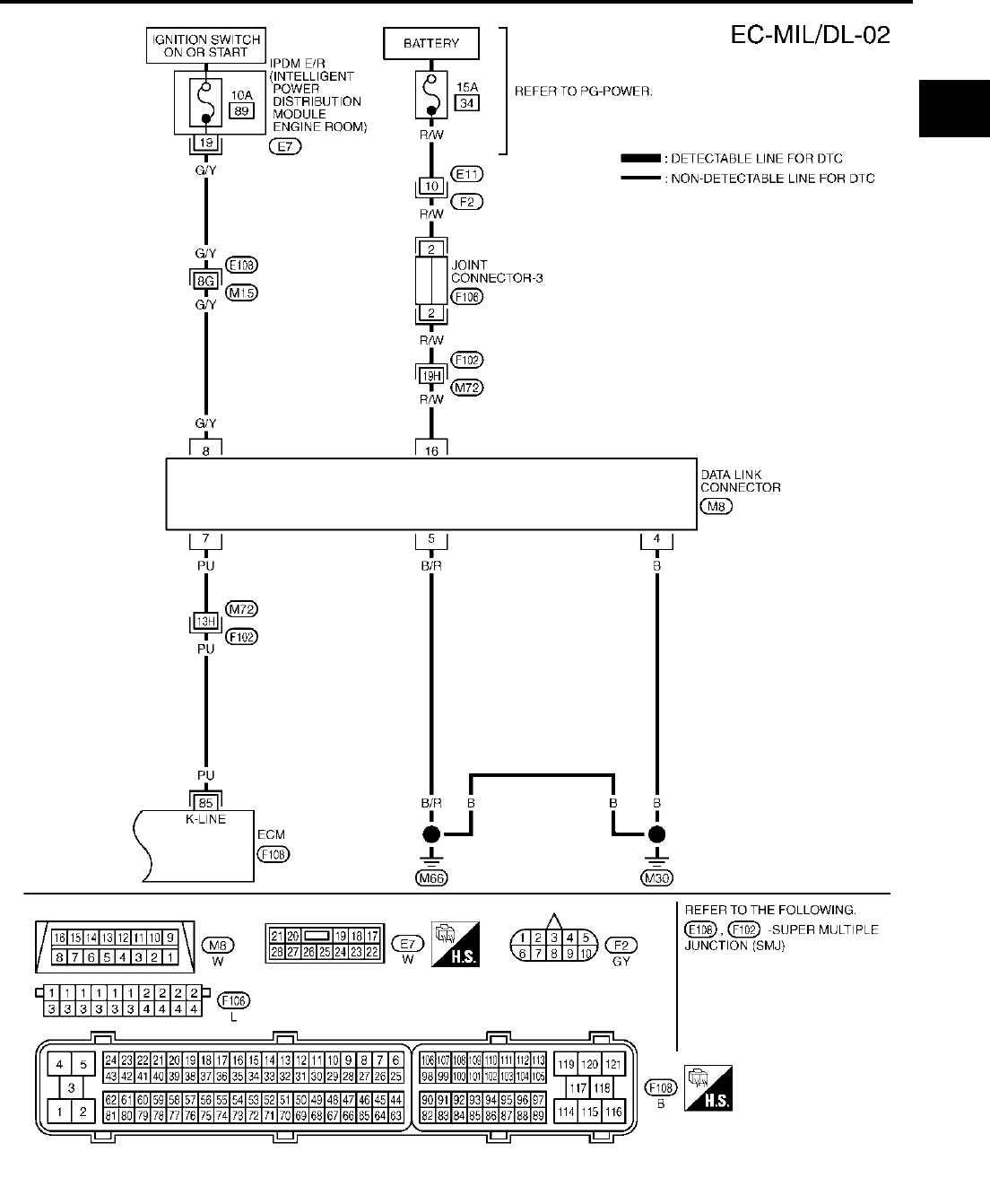
MIL AND DATA LINK CONNECTOR ..................... 628
Wiring Diagram .................................................... 628
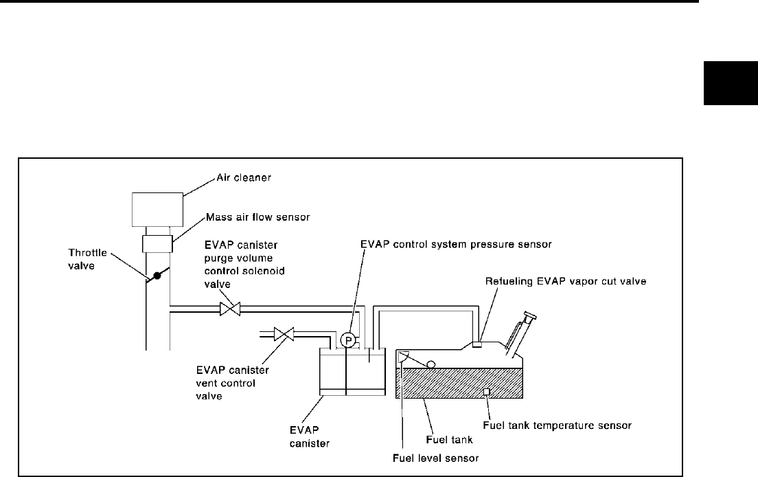
EVAPORATIVE EMISSION SYSTEM ..................... 630
Description ............................................................630
Component Inspection ..........................................633
Removal and Installation ......................................634
How to Detect Fuel Vapor Leakage ......................634
ON BOARD REFUELING VAPOR RECOVERY
(ORVR) ....................................................................637
System Description ...............................................637
Diagnostic Procedure ...........................................638
Component Inspection ..........................................640
POSITIVE CRANKCASE VENTILATION ...............642
Description ............................................................642
Component Inspection ..........................................642
AUTOMATIC SPEED CONTROL DEVICE (ASCD) .644
System Description ...............................................644
Component Description ........................................645
SERVICE DATA AND SPECIFICATIONS (SDS) ....646
Fuel Pressure .......................................................646
Idle Speed and Ignition Timing .............................646
Calculated Load Value ..........................................646
Mass Air Flow Sensor ...........................................646
Intake Air Temperature Sensor .............................646
Engine Coolant Temperature Sensor ...................646
Heated Oxygen Sensor 1 Heater .........................646
Heated Oxygen Sensor 2 Heater .........................646
Crankshaft Position Sensor (POS) .......................646
Camshaft Position Sensor (PHASE) ....................646
Throttle Control Motor ...........................................647
Injector ..................................................................647
Fuel Pump ............................................................647

EC-8
INDEX FOR DTC
Revision; 2004 April 2003 G35 Coupe
INDEX FOR DTC PFP:00024
Alphabetical Index ABS0036X
NOTE:
If DTC U1000 or U1001 is displayed with other DTC, first perform the trouble diagnosis for DTC U1000,
U1001. Refer to EC-140, "DTC U1000, U1001 CAN COMMUNICATION LINE" . ×:Applicable —: Not applicable
Items
(CONSULT-II screen terms)
DTC*1
Trip MIL lighting
up Reference page
CONSULT-II
GST*2ECM*3
A/T INTERLOCK P1730 1730 1 ×AT-159
A/T TCC S/V FNCTN P0744 0744 2 ×AT-122
APP SEN 1/CIRC P2122 2122 1 ×EC-550
APP SEN 1/CIRC P2123 2123 1 ×EC-550
APP SEN 2/CIRC P2127 2127 1 ×EC-557
APP SEN 2/CIRC P2128 2128 1 ×EC-557
APP SENSOR P2138 2138 1 ×EC-571
ASCD BRAKE SW P1572 1572 1 — EC-517
ASCD SW P1564 1564 1 — EC-510
ASCD VHL SPD SEN P1574 1574 1 — EC-533
ATF TEMP SEN/CIRC P0710 0710 2 ×AT-146
BRAKE SW/CIRCUIT P1805 1805 2 — EC-544
CAN COMM CIRCUIT U1000 1000*51×EC-140
CAN COMM CIRCUIT U1001 1001*52—EC-140
CKP SEN/CIRCUIT P0335 0335 2 ×EC-301
CLOSED LOOP-B1 P1148 1148 1 ×EC-470
CLOSED LOOP-B2 P1168 1168 1 ×EC-470
CMP SEN/CIRC-B1 P0340 0340 2 ×EC-307
CMP SEN/CIRC-B2 P0345 0345 2 ×EC-307
CTP LEARNING P1225 1225 2 — EC-486
CTP LEARNING P1226 1226 2 — EC-488
CYL 1 MISFIRE P0301 0301 2 ×EC-290
CYL 2 MISFIRE P0302 0302 2 ×EC-290
CYL 3 MISFIRE P0303 0303 2 ×EC-290
CYL 4 MISFIRE P0304 0304 2 ×EC-290
CYL 5 MISFIRE P0305 0305 2 ×EC-290
CYL 6 MISFIRE P0306 0306 2 ×EC-290
D/C SOLENOID/CIRC P1762 1762 1 ×AT-189
D/C SOLENOID FNCTN P1764 1764 1 ×AT-194
ECM P0605 0605 1 or 2 × or — EC-401
ECM BACK UP/CIRCUIT P1065 1065 2 ×EC-404
ECT SEN/CIRCUIT P0117 0117 1 ×EC-182
ECT SEN/CIRCUIT P0118 0118 1 ×EC-182
ECT SENSOR P0125 0125 1 ×EC-194
ENG OVER TEMP P1217 1217 1 ×EC-474
ENGINE SPEED SIG P0725 0725 2 ×AT-115
ETC ACTR P1121 1121 1 ×EC-415

INDEX FOR DTC
EC-9
C
D
E
F
G
H
I
J
K
L
M
A
EC
Revision; 2004 April 2003 G35 Coupe
ETC FUNCTION/CIRC P1122 1122 1 ×EC-417
ETC MOT P1128 1128 1 ×EC-428
ETC MOT PWR P1124 1124 1 ×EC-423
ETC MOT PWR P1126 1126 1 ×EC-423
EVAP GROSS LEAK P0455 0455 2 ×EC-366
EVAP PURG FLOW/MON P0441 0441 2 ×EC-320
EVAP SMALL LEAK P0442 0442 2 ×EC-325
EVAP SYS PRES SEN P0451 0451 2 ×EC-349
EVAP SYS PRES SEN P0452 0452 2 ×EC-352
EVAP SYS PRES SEN P0453 0453 2 ×EC-358
EVAP VERY SML LEAK P0456 0456 2 ×EC-374
FR/B SOLENOID/CIRC P1757 1757 1 ×AT-179
FR/B SOLENOID FNCT P1759 1759 1 ×AT-184
FTT SEN/CIRCUIT P0182 0182 2 ×EC-279
FTT SEN/CIRCUIT P0183 0183 2 ×EC-279
FTT SENSOR P0181 0181 2 ×EC-274
FUEL LEV SEN SLOSH P0460 0460 2 ×EC-384
FUEL LEVEL SENSOR P0461 0461 2 ×EC-386
FUEL LEVL SEN/CIRC P0462 0462 2 ×EC-388
FUEL SYS-LEAN-B1 P0171 0171 2 ×EC-257
FUEL SYS-LEAN-B2 P0174 0174 2 ×EC-257
FUEL SYS-RICH-B1 P0172 0172 2 ×EC-266
FUEL SYS-RICH-B2 P0175 0175 2 ×EC-266
HLR/C SOL FNCTN P1769 1769 1 ×AT-203
HLR/C SOL/CIRC P1767 1767 1 ×AT-198
HO2S1 (B1) P0132 0132 2 ×EC-202
HO2S1 (B1) P0133 0133 2 ×EC-212
HO2S1 (B1) P0134 0134 2 ×EC-225
HO2S1 (B1) P1143 1143 2 ×EC-433
HO2S1 (B1) P1144 1144 2 ×EC-439
HO2S1 (B2) P0152 0152 2 ×EC-202
HO2S1 (B2) P0153 0153 2 ×EC-212
HO2S1 (B2) P0154 0154 2 ×EC-225
HO2S1 (B2) P1163 1163 2 ×EC-433
HO2S1 (B2) P1164 1164 2 ×EC-439
HO2S1 HTR (B1) P0031 0031 2 ×EC-146
HO2S1 HTR (B1) P0032 0032 2 ×EC-146
HO2S1 HTR (B2) P0051 0051 2 ×EC-146
HO2S1 HTR (B2) P0052 0052 2 ×EC-146
HO2S2 (B1) P0138 0138 2 ×EC-235
HO2S2 (B1) P0139 0139 2 ×EC-245
HO2S2 (B1) P1146 1146 2 ×EC-446
Items
(CONSULT-II screen terms)
DTC*1
Trip MIL lighting
up Reference page
CONSULT-II
GST*2ECM*3

EC-10
INDEX FOR DTC
Revision; 2004 April 2003 G35 Coupe
HO2S2 (B1) P1147 1147 2 ×EC-458
HO2S2 (B2) P0158 0158 2 ×EC-235
HO2S2 (B2) P0159 0159 2 ×EC-245
HO2S2 (B2) P1166 1166 2 ×EC-446
HO2S2 (B2) P1167 1167 2 ×EC-458
HO2S2 HTR (B1) P0037 0037 2 ×EC-154
HO2S2 HTR (B1) P0038 0038 2 ×EC-154
HO2S2 HTR (B2) P0057 0057 2 ×EC-154
HO2S2 HTR (B2) P0058 0058 2 ×EC-154
I/C SOLENOID/CIRC P1752 1752 1 ×AT-170
I/C SOLENOID FNCTN P1754 1754 1 ×AT-175
IAT SEN/CIRCUIT P0112 0112 2 ×EC-177
IAT SEN/CIRCUIT P0113 0113 2 ×EC-177
IAT SENSOR P0127 0127 2 ×EC-197
INT/V TIM CONT-B1 P0011 0011 2 ×EC-143
INT/V TIM CONT-B2 P0021 0021 2 ×EC-143
INT/V TIM V/CIR-B1 P1111 1111 2 ×EC-408
INT/V TIM V/CIR-B2 P1136 1136 2 ×EC-408
ISC SYSTEM P0506 0506 2 ×EC-392
ISC SYSTEM P0507 0507 2 ×EC-394
KNOCK SEN/CIRC-B1 P0327 0327 2 — EC-296
KNOCK SEN/CIRC-B1 P0328 0328 2 — EC-296
L/PRESS SOL/CIRC P0745 0745 2 ×AT-127
LC/B SOLENOID FNCT P1774 1774 1 ×AT-213
LC/B SOLENOID/CIRC P1772 1772 1 ×AT-208
MAF SEN/CIRCUIT P0101 0101 1 ×EC-162
MAF SEN/CIRCUIT P0102 0102 1 ×EC-170
MAF SEN/CIRCUIT P0103 0103 1 ×EC-170
MULTI CYL MISFIRE P0300 0300 2 ×EC-290
NATS MALFUNCTION P1610 - P1615 1610 - 1615 2 — EC-66
NO DTC IS DETECTED.
FURTHER TESTING
MAY BE REQUIRED.
No DTC Flashing*4—Flashing*4EC-67
NO DTC IS DETECTED.
FURTHER TESTING
MAY BE REQUIRED. P0000 0000 —— —
P-N POS SW/CIRCUIT P1706 1706 2 ×EC-535
PNP SW/CIRC P0705 0705 2 ×AT-105
PURG VOLUME CONT/V P0444 0444 2 ×EC-335
PURG VOLUME CONT/V P0445 0445 2 ×EC-335
PURG VOLUME CONT/V P1444 1444 2 ×EC-495
PW ST P SEN/CIRC P0550 0550 2 — EC-396
SENSOR POWER/CIRC P1229 1229 1 ×EC-490
TCC SOLENOID/CIRC P0740 0740 2 ×AT-117
Items
(CONSULT-II screen terms)
DTC*1
Trip MIL lighting
up Reference page
CONSULT-II
GST*2ECM*3

INDEX FOR DTC
EC-11
C
D
E
F
G
H
I
J
K
L
M
A
EC
Revision; 2004 April 2003 G35 Coupe
*1: 1st trip DTC No. is the same as DTC No.
*2: This number is prescribed by SAE J2012.
*3: In Diagnostic Test Mode II (Self-diagnostic results), this number is controlled by NISSAN.
*4: When engine is running.
*5: The troubleshooting for this DTC needs CONSULT-II.
*6: When the fail-safe operations for both self-diagnoses occur, the MIL illuminates.
TCS C/U FUNCTN P1211 1211 2 — EC-472
TCS/CIRC P1212 1212 2 — EC-473
THERMSTAT FNCTN P0128 0128 2 ×EC-200
TP SEN 1/CIRC P0222 0222 1 ×EC-283
TP SEN 1/CIRC P0223 0223 1 ×EC-283
TP SEN 2/CIRC P0122 0122 1 ×EC-187
TP SEN 2/CIRC P0123 0123 1 ×EC-187
TP SEN/CIRC A/T P1705 1705 1 ×AT-144
TP SENSOR P2135 2135 1 ×EC-564
TURBINE REV S/CIRC P1716 1716 2 ×AT-152
TW CATALYST SYS-B1 P0420 0420 2 ×EC-315
TW CATALYST SYS-B2 P0430 0430 2 ×EC-315
VEH SPD SEN/CIR AT*6P0720 0720 2 ×AT-110
VEH SPEED SEN/CIRC*6P0500 0500 2 ×EC-390
VENT CONTROL VALVE P0447 0447 2 ×EC-342
VENT CONTROL VALVE P1446 1446 2 ×EC-503
Items
(CONSULT-II screen terms)
DTC*1
Trip MIL lighting
up Reference page
CONSULT-II
GST*2ECM*3

EC-12
INDEX FOR DTC
Revision; 2004 April 2003 G35 Coupe
DTC No. Index ABS0036Y
NOTE:
If DTC U1000 or U1001 is displayed with other DTC, first perform the trouble diagnosis for DTC U1000,
U1001. Refer to EC-140, "DTC U1000, U1001 CAN COMMUNICATION LINE" . ×:Applicable —: Not applicable
DTC*1
Items
(CONSULT-II screen terms) Trip MIL lighting
up Reference page
CONSULT-II
GST*2ECM*3
No DTC Flashing*4NO DTC IS DETECTED.
FURTHER TESTING
MAY BE REQUIRED.
—Flashing*4EC-67
U1000 1000*5CAN COMM CIRCUIT 1 ×EC-140
U1001 1001*5CAN COMM CIRCUIT 2 — EC-140
P0000 0000 NO DTC IS DETECTED.
FURTHER TESTING
MAY BE REQUIRED. —— —
P0011 0011 INT/V TIM CONT-B1 2 ×EC-143
P0021 0021 INT/V TIM CONT-B2 2 ×EC-143
P0031 0031 HO2S1 HTR (B1) 2 ×EC-146
P0032 0032 HO2S1 HTR (B1) 2 ×EC-146
P0037 0037 HO2S2 HTR (B1) 2 ×EC-154
P0038 0038 HO2S2 HTR (B1) 2 ×EC-154
P0051 0051 HO2S1 HTR (B2) 2 ×EC-146
P0052 0052 HO2S1 HTR (B2) 2 ×EC-146
P0057 0057 HO2S2 HTR (B2) 2 ×EC-154
P0058 0058 HO2S2 HTR (B2) 2 ×EC-154
P0101 0101 MAF SEN/CIRCUIT 1 ×EC-162
P0102 0102 MAF SEN/CIRCUIT 1 ×EC-170
P0103 0103 MAF SEN/CIRCUIT 1 ×EC-170
P0112 0112 IAT SEN/CIRCUIT 2 ×EC-177
P0113 0113 IAT SEN/CIRCUIT 2 ×EC-177
P0117 0117 ECT SEN/CIRCUIT 1 ×EC-182
P0118 0118 ECT SEN/CIRCUIT 1 ×EC-182
P0122 0122 TP SEN 2/CIRC 1 ×EC-187
P0123 0123 TP SEN 2/CIRC 1 ×EC-187
P0125 0125 ECT SENSOR 1 ×EC-194
P0127 0127 IAT SENSOR 2 ×EC-197
P0128 0128 THERMSTAT FNCTN 2 ×EC-200
P0132 0132 HO2S1 (B1) 2 ×EC-202
P0133 0133 HO2S1 (B1) 2 ×EC-212
P0134 0134 HO2S1 (B1) 2 ×EC-225
P0138 0138 HO2S2 (B1) 2 ×EC-235
P0139 0139 HO2S2 (B1) 2 ×EC-245
P0152 0152 HO2S1 (B2) 2 ×EC-202
P0153 0153 HO2S1 (B2) 2 ×EC-212
P0154 0154 HO2S1 (B2) 2 ×EC-225
P0158 0158 HO2S2 (B2) 2 ×EC-235

INDEX FOR DTC
EC-13
C
D
E
F
G
H
I
J
K
L
M
A
EC
Revision; 2004 April 2003 G35 Coupe
P0159 0159 HO2S2 (B2) 2 ×EC-245
P0171 0171 FUEL SYS-LEAN-B1 2 ×EC-257
P0172 0172 FUEL SYS-RICH-B1 2 ×EC-266
P0174 0174 FUEL SYS-LEAN-B2 2 ×EC-257
P0175 0175 FUEL SYS-RICH-B2 2 ×EC-266
P0181 0181 FTT SENSOR 2 ×EC-274
P0182 0182 FTT SEN/CIRCUIT 2 ×EC-279
P0183 0183 FTT SEN/CIRCUIT 2 ×EC-279
P0222 0222 TP SEN 1/CIRC 1 ×EC-283
P0223 0223 TP SEN 1/CIRC 1 ×EC-283
P0300 0300 MULTI CYL MISFIRE 2 ×EC-290
P0301 0301 CYL 1 MISFIRE 2 ×EC-290
P0302 0302 CYL 2 MISFIRE 2 ×EC-290
P0303 0303 CYL 3 MISFIRE 2 ×EC-290
P0304 0304 CYL 4 MISFIRE 2 ×EC-290
P0305 0305 CYL 5 MISFIRE 2 ×EC-290
P0306 0306 CYL 6 MISFIRE 2 ×EC-290
P0327 0327 KNOCK SEN/CIRC-B1 2 — EC-296
P0328 0328 KNOCK SEN/CIRC-B1 2 — EC-296
P0335 0335 CKP SEN/CIRCUIT 2 ×EC-301
P0340 0340 CMP SEN/CIRC-B1 2 ×EC-307
P0345 0345 CMP SEN/CIRC-B2 2 ×EC-307
P0420 0420 TW CATALYST SYS-B1 2 ×EC-315
P0430 0430 TW CATALYST SYS-B2 2 ×EC-315
P0441 0441 EVAP PURG FLOW/MON 2 ×EC-320
P0442 0442 EVAP SMALL LEAK 2 ×EC-325
P0444 0444 PURG VOLUME CONT/V 2 ×EC-335
P0445 0445 PURG VOLUME CONT/V 2 ×EC-335
P0447 0447 VENT CONTROL VALVE 2 ×EC-342
P0451 0451 EVAP SYS PRES SEN 2 ×EC-349
P0452 0452 EVAP SYS PRES SEN 2 ×EC-352
P0453 0453 EVAP SYS PRES SEN 2 ×EC-358
P0455 0455 EVAP GROSS LEAK 2 ×EC-366
P0456 0456 EVAP VERY SML LEAK 2 ×EC-374
P0460 0460 FUEL LEV SEN SLOSH 2 ×EC-384
P0461 0461 FUEL LEVEL SENSOR 2 ×EC-386
P0462 0462 FUEL LEVL SEN/CIRC 2 ×EC-388
P0500 0500 VEH SPEED SEN/CIRC*62×EC-390
P0506 0506 ISC SYSTEM 2 ×EC-392
P0507 0507 ISC SYSTEM 2 ×EC-394
P0550 0550 PW ST P SEN/CIRC 2 — EC-396
P0605 0605 ECM 1 or 2 × or — EC-401
DTC*1
Items
(CONSULT-II screen terms) Trip MIL lighting
up Reference page
CONSULT-II
GST*2ECM*3

EC-14
INDEX FOR DTC
Revision; 2004 April 2003 G35 Coupe
P0705 0705 PNP SW/CIRC 2 ×AT-105
P0710 0710 ATF TEMP SEN/CIRC 2 ×AT-146
P0720 0720 VEH SPD SEN/CIR AT*62×AT-110
P0725 0725 ENGINE SPEED SIG 2 ×AT-115
P0740 0740 TCC SOLENOID/CIRC 2 ×AT-117
P0744 0744 A/T TCC S/V FNCTN 2 ×AT-122
P0745 0745 L/PRESS SOL/CIRC 2 ×AT-127
P1065 1065 ECM BACK UP/CIRCUIT 2 ×EC-404
P1111 1111 INT/V TIM V/CIR-B1 2 ×EC-408
P1121 1121 ETC ACTR 1 ×EC-415
P1122 1122 ETC FUNCTION/CIRC 1 ×EC-417
P1124 1124 ETC MOT PWR 1 ×EC-423
P1126 1126 ETC MOT PWR 1 ×EC-423
P1128 1128 ETC MOT 1 ×EC-428
P1136 1136 INT/V TIM V/CIR-B2 2 ×EC-408
P1143 1143 HO2S1 (B1) 2 ×EC-433
P1144 1144 HO2S1 (B1) 2 ×EC-439
P1146 1146 HO2S2 (B1) 2 ×EC-446
P1147 1147 HO2S2 (B1) 2 ×EC-458
P1148 1148 CLOSED LOOP-B1 1 ×EC-470
P1163 1163 HO2S1 (B2) 2 ×EC-433
P1164 1164 HO2S1 (B2) 2 ×EC-439
P1166 1166 HO2S2 (B2) 2 ×EC-446
P1167 1167 HO2S2 (B2) 2 ×EC-458
P1168 1168 CLOSED LOOP-B2 1 ×EC-470
P1211 1211 TCS C/U FUNCTN 2 — EC-472
P1212 1212 TCS/CIRC 2 — EC-473
P1217 1217 ENG OVER TEMP 1 ×EC-474
P1225 1225 CTP LEARNING 2 — EC-486
P1226 1226 CTP LEARNING 2 — EC-488
P1229 1229 SENSOR POWER/CIRC 1 ×EC-490
P1444 1444 PURG VOLUME CONT/V 2 ×EC-495
P1446 1446 VENT CONTROL VALVE 2 ×EC-503
P1564 1564 ASCD SW 1 — EC-510
P1572 1572 ASCD BRAKE SW 1 — EC-517
P1574 1574 ASCD VHL SPD SEN 1 — EC-533
P1610 - P1615 1610 - 1615 NATS MALFUNCTION 2 — EC-66
P1705 1705 TP SEN/CIRC A/T 1 ×AT-144
P1706 1706 P-N POS SW/CIRCUIT 2 ×EC-535
P1716 1716 TURBINE REV S/CIRC 2 ×AT-152
P1730 1730 A/T INTERLOCK 1 ×AT-159
P1752 1752 I/C SOLENOID/CIRC 1 ×AT-170
DTC*1
Items
(CONSULT-II screen terms) Trip MIL lighting
up Reference page
CONSULT-II
GST*2ECM*3

INDEX FOR DTC
EC-15
C
D
E
F
G
H
I
J
K
L
M
A
EC
Revision; 2004 April 2003 G35 Coupe
*1: 1st trip DTC No. is the same as DTC No.
*2: This number is prescribed by SAE J2012.
*3: In Diagnostic Test Mode II (Self-diagnostic results), this number is controlled by NISSAN.
*4: When engine is running.
*5: The troubleshooting for this DTC needs CONSULT-II.
*6: When the fail-safe operations for both self-diagnoses occur, the MIL illuminates.
P1754 1754 I/C SOLENOID FNCTN 1 ×AT-175
P1757 1757 FR/B SOLENOID/CIRC 1 ×AT-179
P1759 1759 FR/B SOLENOID FNCT 1 ×AT-184
P1762 1762 D/C SOLENOID/CIRC 1 ×AT-189
P1764 1764 D/C SOLENOID FNCTN 1 ×AT-194
P1767 1767 HLR/C SOL/CIRC 1 ×AT-198
P1769 1769 HLR/C SOL FNCTN 1 ×AT-203
P1772 1772 LC/B SOLENOID/CIRC 1 ×AT-208
P1774 1774 LC/B SOLENOID FNCT 1 ×AT-213
P1805 1805 BRAKE SW/CIRCUIT 2 — EC-544
P2122 2122 APP SEN 1/CIRC 1 ×EC-550
P2123 2123 APP SEN 1/CIRC 1 ×EC-550
P2127 2127 APP SEN 2/CIRC 1 ×EC-557
P2128 2128 APP SEN 2/CIRC 1 ×EC-557
P2135 2135 TP SENSOR 1 ×EC-564
P2138 2138 APP SENSOR 1 ×EC-571
DTC*1
Items
(CONSULT-II screen terms) Trip MIL lighting
up Reference page
CONSULT-II
GST*2ECM*3

EC-16
PRECAUTIONS
Revision; 2004 April 2003 G35 Coupe
PRECAUTIONS PFP:00001
Precautions for Supplemental Restraint System (SRS) “AIR BAG” and “SEAT
BELT PRE-TENSIONER” ABS008G3
The Supplemental Restraint System such as “AIR BAG” and “SEAT BELT PRE-TENSIONER”, used along
with a front seat belt, helps to reduce the risk or severity of injury to the driver and front passenger for certain
types of collision. This system includes seat belt switch inputs and dual stage front air bag modules. The SRS
system uses the seat belt switches to determine the front air bag deployment, and may only deploy one front
air bag, depending on the severity of a collision and whether the front occupants are belted or unbelted.
Information necessary to service the system safely is included in the SRS and SB section of this Service Man-
ual.
WARNING:
●To avoid rendering the SRS inoperative, which could increase the risk of personal injury or death
in the event of a collision which would result in air bag inflation, all maintenance must be per-
formed by an authorized NISSAN/INFINITI dealer.
●Improper maintenance, including incorrect removal and installation of the SRS, can lead to per-
sonal injury caused by unintentional activation of the system. For removal of Spiral Cable and Air
Bag Module, see the SRS section.
●Do not use electrical test equipment on any circuit related to the SRS unless instructed to in this
Service Manual. SRS wiring harnesses can be identified by yellow and/or orange harnesses or
harness connectors.
Precautions for Battery Service ABS00B3Q
Before disconnecting the battery, lower both the driver and passenger windows. This will prevent any interfer-
ence between the window edge and the vehicle when the door is opened/closed. During normal operation, the
window slightly raises and lowers automatically to prevent any window to vehicle interference. The automatic
window function will not work with the battery disconnected.
On Board Diagnostic (OBD) System of Engine and A/T ABS00371
The ECM has an on board diagnostic system. It will light up the malfunction indicator lamp (MIL) to warn the
driver of a malfunction causing emission deterioration.
CAUTION:
●Be sure to turn the ignition switch OFF and disconnect the negative battery cable before any
repair or inspection work. The open/short circuit of related switches, sensors, solenoid valves,
etc. will cause the MIL to light up.
●Be sure to connect and lock the connectors securely after work. A loose (unlocked) connector will
cause the MIL to light up due to the open circuit. (Be sure the connector is free from water, grease,
dirt, bent terminals, etc.)
●Certain systems and components, especially those related to OBD, may use a new style slide-
locking type harness connector. For description and how to disconnect, refer to PG-63, "HAR-
NESS CONNECTOR" .
●Be sure to route and secure the harnesses properly after work. The interference of the harness
with a bracket, etc. may cause the MIL to light up due to the short circuit.
●Be sure to connect rubber tubes properly after work. A misconnected or disconnected rubber tube
may cause the MIL to light up due to the malfunction of the EVAP system or fuel injection system,
etc.
●Be sure to erase the unnecessary malfunction information (repairs completed) from the ECM and
TCM (Transmission control module) before returning the vehicle to the customer.

PRECAUTIONS
EC-17
C
D
E
F
G
H
I
J
K
L
M
A
EC
Revision; 2004 April 2003 G35 Coupe
Precaution ABS00372
●Always use a 12 volt battery as power source.
●Do not attempt to disconnect battery cables while engine is
running.
●Before connecting or disconnecting the ECM harness con-
nector, turn ignition switch OFF and disconnect battery
ground cable. Failure to do so may damage the ECM
because battery voltage is applied to ECM even if ignition
switch is turned OFF.
●Before removing parts, turn ignition switch OFF and then
disconnect battery ground cable.
●Do not disassemble ECM.
●If a battery cable is disconnected, the memory will return to
the ECM value.
The ECM will now start to self-control at its initial value.
Engine operation can vary slightly when the terminal is dis-
connected. However, this is not an indication of a malfunc-
tion. Do not replace parts because of a slight variation.
●When connecting ECM harness connector, fasten it
securely with a lever as far as it will go as shown at right.
●When connecting or disconnecting pin connectors into or
from ECM, take care not to damage pin terminals (bend or
break).
Make sure that there are not any bends or breaks on ECM
pin terminal, when connecting pin connectors.
●Securely connect ECM harness connectors.
A poor connection can cause an extremely high (surge)
voltage to develop in coil and condenser, thus resulting in
damage to ICs.
●Keep engine control system harness at least 10 cm (4 in)
away from adjacent harness, to prevent engine control sys-
tem malfunctions due to receiving external noise, degraded
operation of ICs, etc.
●Keep engine control system parts and harness dry.
SEF289H
PBIB1164E
SEC406D
PBIB0090E

EC-18
PRECAUTIONS
Revision; 2004 April 2003 G35 Coupe
●Before replacing ECM, perform ECM Terminals and Refer-
ence Value inspection and make sure ECM functions prop-
erly. Refer to EC-98 .
●Handle mass air flow sensor carefully to avoid damage.
●Do not disassemble mass air flow sensor.
●Do not clean mass air flow sensor with any type of deter-
gent.
●Do not disassemble electric throttle control actuator.
●Even a slight leak in the air intake system can cause seri-
ous incidents.
●Do not shock or jar the camshaft position sensor (PHASE),
crankshaft position sensor (POS).
●After performing each TROUBLE DIAGNOSIS, perform DTC
Confirmation Procedure or Overall Function Check.
The DTC should not be displayed in the DTC Confirmation
Procedure if the repair is completed. The Overall Function
Check should be a good result if the repair is completed.
●When measuring ECM signals with a circuit tester, never
allow the two tester probes to contact.
Accidental contact of probes will cause a short circuit and
damage the ECM power transistor.
●Do not use ECM ground terminals when measuring input/
output voltage. Doing so may result in damage to the ECM's
transistor. Use a ground other than ECM terminals, such as
the ground.
MEF040D
SEF217U
SEF348N

PRECAUTIONS
EC-19
C
D
E
F
G
H
I
J
K
L
M
A
EC
Revision; 2004 April 2003 G35 Coupe
●B1 indicates the bank 1, B2 indicates the bank 2 as shown
in the figure.
●Do not operate fuel pump when there is no fuel in lines.
●Tighten fuel hose clamps to the specified torque.
●Do not depress accelerator pedal when starting.
●Immediately after starting, do not rev up engine unneces-
sarily.
●Do not rev up engine just prior to shutdown.
●When installing C.B. ham radio or a mobile phone, be sure
to observe the following as it may adversely affect elec-
tronic control systems depending on installation location.
–Keep the antenna as far as possible from the electronic
control units.
–Keep the antenna feeder line more than 20 cm (8 in) away
from the harness of electronic controls.
Do not let them run parallel for a long distance.
–Adjust the antenna and feeder line so that the standing-
wave radio can be kept smaller.
–Be sure to ground the radio to vehicle body.
Wiring Diagrams and Trouble Diagnosis ABS00373
When you read wiring diagrams, refer to the following:
●GI-15, "How to Read Wiring Diagrams"
●PG-4, "POWER SUPPLY ROUTING CIRCUIT" for power distribution circuit
When you perform trouble diagnosis, refer to the following:
●GI-11, "HOW TO FOLLOW TEST GROUPS IN TROUBLE DIAGNOSES"
●GI-27, "How to Perform Efficient Diagnosis for an Electrical Incident"
SEC893C
PBIB1100E
SEF709Y
SEF708Y

EC-20
PREPARATION
Revision; 2004 April 2003 G35 Coupe
PREPARATION PFP:00002
Special Service Tools ABS00374
The actual shapes of Kent-Moore tools may differ from those of special service tools illustrated here.
Tool number
(Kent-Moore No.)
Tool name
Description
KV10117100
(J36471-A)
Heated oxygen
sensor wrench
Loosening or tightening heated oxygen sensors
with 22 mm (0.87 in) hexagon nut
KV10114400
(J-38365)
Heated oxygen
sensor wrench
Loosening or tightening heated oxygen sensors
a: 22 mm (0.87 in)
(J44321)
Fuel pressure gauge
kit
Checking fuel pressure
KV109E0010
(J-46209)
Break-out box
Measuring the ECM signals with a circuit tester
KV109E0080
(J-45819)
Y-cable adapter
Measuring the ECM signals with a circuit tester
EG17650301
(J-33984-A)
Radiator cap tester
adapter
Adapting radiator cap tester to radiator cap and
radiator filler neck
a: 28 (1.10) dia.
b: 31.4 (1.236) dia.
c: 41.3 (1.626) dia.
Unit: mm (in)
S-NT379
S-NT636
LEC642
S-NT825
S-NT826
S-NT564

PREPARATION
EC-21
C
D
E
F
G
H
I
J
K
L
M
A
EC
Revision; 2004 April 2003 G35 Coupe
Commercial Service Tools ABS00375
Tool name
(Kent-Moore No.) Description
Leak detector
i.e.: (J41416)
Locating the EVAP leak
EVAP service port
adapter
i.e.: (J41413-OBD)
Applying positive pressure through EVAP service
port
Fuel filler cap adapter
i.e.: (MLR-8382)
Checking fuel tank vacuum relief valve opening
pressure
Socket wrench Removing and installing engine coolant
temperature sensor
Oxygen sensor thread
cleaner
i.e.: (J-43897-18)
(J-43897-12)
Reconditioning the exhaust system threads
before installing a new oxygen sensor. Use with
anti-seize lubricant shown below.
a: 18 mm diameter with pitch 1.5 mm for
Zirconia Oxygen Sensor
b: 12 mm diameter with pitch 1.25 mm for
Titania Oxygen Sensor
Anti-seize lubricant
i.e.: (PermatexTM
133AR or equivalent
meeting MIL
specification MIL-A-
907)
Lubricating oxygen sensor thread cleaning tool
when reconditioning exhaust system threads.
S-NT703
S-NT704
S-NT815
S-NT705
AEM488
S-NT779

EC-22
ENGINE CONTROL SYSTEM
Revision; 2004 April 2003 G35 Coupe
ENGINE CONTROL SYSTEM PFP:23710
System Diagram ABS00376
PBIB1101E

EC-24
ENGINE CONTROL SYSTEM
Revision; 2004 April 2003 G35 Coupe
System Chart ABS00378
*1: This sensor is not used to control the engine system. This is used only for the on board diagnosis.
*2: This sensor is not used to control the engine system under normal conditions.
*3: This input signal is sent to the ECM through CAN communication line.
*4: This output signal is sent from the ECM through CAN communication line.
Input (Sensor) ECM Function Output (Actuator)
●Camshaft position sensor (PHASE)
●Crankshaft position sensor (POS)
●Mass air flow sensor
●Engine coolant temperature sensor
●Heated oxygen sensor 1
●Throttle position sensor
●Accelerator pedal position sensor
●Park/neutral position (PNP) switch
●Intake air temperature sensor
●Power steering pressure sensor
●Ignition switch
●Battery voltage
●Knock sensor
●Refrigerant pressure sensor
●Stop lamp switch
●ASCD steering switch
●ASCD brake switch
●ASCD clutch switch
●Fuel level sensor*1 *3
●EVAP control system pressure sensor
●Fuel tank temperature sensor*1
●Heated oxygen sensor 2 *2
●TCM (Transmission control module) *3
●Air conditioner switch*3
●Wheel sensor*3
●Electrical load signal*3
Fuel injection & mixture ratio control Fuel injectors
Electronic ignition system Power transistor
Fuel pump control Fuel pump relay*4
ASCD vehicle speed control Electric throttle control actuator
On board diagnostic system MIL (On the instrument panel)*4
Heated oxygen sensor 1 heater control Heated oxygen sensor 1 heater
Heated oxygen sensor 2 heater control Heated oxygen sensor 2 heater
EVAP canister purge flow control EVAP canister purge volume control
solenoid valve
Air conditioning cut control Air conditioner relay*4
Cooling fan control Cooling fan relays*4
ON BOARD DIAGNOSIS for EVAP system EVAP canister vent control valve

ENGINE CONTROL SYSTEM
EC-25
C
D
E
F
G
H
I
J
K
L
M
A
EC
Revision; 2004 April 2003 G35 Coupe
Multiport Fuel Injection (MFI) System ABS00379
INPUT/OUTPUT SIGNAL CHART
*1: Under normal conditions, this sensor is not for engine control operation.
*2: This signal is sent to the ECM through CAN communication line.
*3: ECM determines the start signal status by the signals of engine speed and battery voltage.
SYSTEM DESCRIPTION
The amount of fuel injected from the fuel injector is determined by the ECM. The ECM controls the length of
time the valve remains open (injection pulse duration). The amount of fuel injected is a program value in the
ECM memory. The program value is preset by engine operating conditions. These conditions are determined
by input signals (for engine speed and intake air) from both the crankshaft position sensor and the mass air
flow sensor.
VARIOUS FUEL INJECTION INCREASE/DECREASE COMPENSATION
In addition, the amount of fuel injected is compensated to improve engine performance under various operat-
ing conditions as listed below.
<Fuel increase>
●During warm-up
●When starting the engine
●During acceleration
●Hot-engine operation
●When selector lever is changed from N to D (A/T models)
●High-load, high-speed operation
<Fuel decrease>
●During deceleration
●During high engine speed operation
Sensor Input Signal to ECM ECM function Actuator
Crankshaft position sensor (POS) Engine speed*3
Piston position
Fuel injection
& mixture ratio
control
Fuel injectors
Camshaft position sensor (PHASE)
Mass air flow sensor Amount of intake air
Engine coolant temperature sensor Engine coolant temperature
Heated oxygen sensor 1 Density of oxygen in exhaust gas
Throttle position sensor Throttle position
Accelerator pedal position sensor Accelerator pedal position
Park/neutral position (PNP) switch Gear position
Knock sensor Engine knocking condition
Battery Battery voltage*3
Power steering pressure sensor Power steering operation
Heated oxygen sensor 2 *1Density of oxygen in exhaust gas
Air conditioner switch*2Air conditioner operation
Wheel sensor*2Vehicle speed

EC-26
ENGINE CONTROL SYSTEM
Revision; 2004 April 2003 G35 Coupe
MIXTURE RATIO FEEDBACK CONTROL (CLOSED LOOP CONTROL)
The mixture ratio feedback system provides the best air-fuel mixture ratio for driveability and emission control.
The three way catalyst 1 can then better reduce CO, HC and NOx emissions. This system uses heated oxy-
gen sensor 1 in the exhaust manifold to monitor if the engine operation is rich or lean. The ECM adjusts the
injection pulse width according to the sensor voltage signal. For more information about heated oxygen sensor
1, refer to EC-202 . This maintains the mixture ratio within the range of stoichiometric (ideal air-fuel mixture).
This stage is referred to as the closed loop control condition.
Heated oxygen sensor 2 is located downstream of the three way catalyst 1. Even if the switching characteris-
tics of heated oxygen sensor 1 shift, the air-fuel ratio is controlled to stoichiometric by the signal from heated
oxygen sensor 2.
Open Loop Control
The open loop system condition refers to when the ECM detects any of the following conditions. Feedback
control stops in order to maintain stabilized fuel combustion.
●Deceleration and acceleration
●High-load, high-speed operation
●Malfunction of heated oxygen sensor 1 or its circuit
●Insufficient activation of heated oxygen sensor 1 at low engine coolant temperature
●High engine coolant temperature
●During warm-up
●After shifting from N to D (A/T models)
●When starting the engine
MIXTURE RATIO SELF-LEARNING CONTROL
The mixture ratio feedback control system monitors the mixture ratio signal transmitted from heated oxygen
sensor 1. This feedback signal is then sent to the ECM. The ECM controls the basic mixture ratio as close to
the theoretical mixture ratio as possible. However, the basic mixture ratio is not necessarily controlled as orig-
inally designed. Both manufacturing differences (i.e., mass air flow sensor hot film) and characteristic changes
during operation (i.e., injector clogging) directly affect mixture ratio.
Accordingly, the difference between the basic and theoretical mixture ratios is monitored in this system. This is
then computed in terms of “injection pulse duration” to automatically compensate for the difference between
the two ratios.
“Fuel trim” refers to the feedback compensation value compared against the basic injection duration. Fuel trim
includes short term fuel trim and long term fuel trim.
“Short term fuel trim” is the short-term fuel compensation used to maintain the mixture ratio at its theoretical
value. The signal from heated oxygen sensor 1 indicates whether the mixture ratio is RICH or LEAN compared
to the theoretical value. The signal then triggers a reduction in fuel volume if the mixture ratio is rich, and an
increase in fuel volume if it is lean.
“Long term fuel trim” is overall fuel compensation carried out long-term to compensate for continual deviation
of the short term fuel trim from the central value. Such deviation will occur due to individual engine differences,
wear over time and changes in the usage environment.
PBIB0121E

ENGINE CONTROL SYSTEM
EC-27
C
D
E
F
G
H
I
J
K
L
M
A
EC
Revision; 2004 April 2003 G35 Coupe
FUEL INJECTION TIMING
Two types of systems are used.
Sequential Multiport Fuel Injection System
Fuel is injected into each cylinder during each engine cycle according to the firing order. This system is used
when the engine is running.
Simultaneous Multiport Fuel Injection System
Fuel is injected simultaneously into all six cylinders twice each engine cycle. In other words, pulse signals of
the same width are simultaneously transmitted from the ECM.
The six injectors will then receive the signals two times for each engine cycle.
This system is used when the engine is being started and/or if the fail-safe system (CPU) is operating.
FUEL SHUT-OFF
Fuel to each cylinder is cut off during deceleration or operation of the engine at excessively high speeds.
Electronic Ignition (EI) System ABS0037A
INPUT/OUTPUT SIGNAL CHART
*1: This signal is sent to the ECM through CAN communication line.
*2: ECM determines the start signal status by the signals of engine speed and battery voltage.
SYSTEM DESCRIPTION
The ignition timing is controlled by the ECM to maintain the best air-
fuel ratio for every running condition of the engine. The ignition tim-
ing data is stored in the ECM. This data forms the map shown.
The ECM receives information such as the injection pulse width and
camshaft position sensor signal. Computing this information, ignition
signals are transmitted to the power transistor.
e.g., N: 1,800 rpm, Tp: 1.50 msec
A °BTDC
During the following conditions, the ignition timing is revised by the
ECM according to the other data stored in the ECM.
●At starting
●During warm-up
SEF179U
Sensor Input Signal to ECM ECM function Actuator
Crankshaft position sensor (POS) Engine speed*2
Piston position
Ignition timing
control Power transistor
Camshaft position sensor (PHASE)
Mass air flow sensor Amount of intake air
Engine coolant temperature sensor Engine coolant temperature
Throttle position sensor Throttle position
Accelerator pedal position sensor Accelerator pedal position
Knock sensor Engine knocking
Park/neutral position (PNP) switch Gear position
Battery Battery voltage*2
Wheel sensor*1Vehicle speed
SEF742M

EC-28
ENGINE CONTROL SYSTEM
Revision; 2004 April 2003 G35 Coupe
●At idle
●At low battery voltage
●During acceleration
The knock sensor retard system is designed only for emergencies. The basic ignition timing is programmed
within the anti-knocking zone, if recommended fuel is used under dry conditions. The retard system does not
operate under normal driving conditions. If engine knocking occurs, the knock sensor monitors the condition.
The signal is transmitted to the ECM. The ECM retards the ignition timing to eliminate the knocking condition.
Air Conditioning Cut Control ABS0037B
INPUT/OUTPUT SIGNAL CHART
*1: This signal is sent to the ECM through CAN communication line.
*2: ECM determines the start signal status by the signals of engine speed and battery voltage.
SYSTEM DESCRIPTION
This system improves engine operation when the air conditioner is used.
Under the following conditions, the air conditioner is turned off.
●When the accelerator pedal is fully depressed.
●When cranking the engine.
●At high engine speeds.
●When the engine coolant temperature becomes excessively high.
●When operating power steering during low engine speed or low vehicle speed.
●When engine speed is excessively low.
●When refrigerant pressure is excessively low or high.
Fuel Cut Control (at No Load and High Engine Speed) ABS0037C
INPUT/OUTPUT SIGNAL CHART
*: This signal is sent to the ECM through CAN communication line.
SYSTEM DESCRIPTION
If the engine speed is above 1,800 rpm with no load (for example, in neutral and engine speed over 1,800
rpm) fuel will be cut off after some time. The exact time when the fuel is cut off varies based on engine speed.
Fuel cut will operate until the engine speed reaches 1,500 rpm, then fuel cut is cancelled.
Sensor Input Signal to ECM ECM function Actuator
Air conditioner switch*1Air conditioner ON signal
Air conditioner
cut control Air conditioner relay
Throttle position sensor Throttle position
Accelerator pedal position sensor Accelerator pedal position
Crankshaft position sensor (POS)
Camshaft position sensor (PHASE) Engine speed*2
Engine coolant temperature sensor Engine coolant temperature
Battery Battery voltage*2
Refrigerant pressure sensor Refrigerant pressure
Power steering pressure sensor Power steering operation
Wheel sensor*1Vehicle speed
Sensor Input Signal to ECM ECM function Actuator
Park/neutral position (PNP) switch Neutral position
Fuel cut con-
trol Fuel injectors
Throttle position sensor Throttle position
Accelerator pedal position sensor Accelerator pedal position
Engine coolant temperature sensor Engine coolant temperature
Crankshaft position sensor (POS)
Camshaft position sensor (PHASE) Engine speed
Wheel sensor* Vehicle speed

ENGINE CONTROL SYSTEM
EC-29
C
D
E
F
G
H
I
J
K
L
M
A
EC
Revision; 2004 April 2003 G35 Coupe
NOTE:
This function is different from deceleration control listed under Multiport Fuel Injection (MFI) System, EC-25 .
CAN communication ABS0037D
SYSTEM DESCRIPTION
CAN (Controller Area Network) is a serial communication line for real time application. It is an on-vehicle mul-
tiplex communication line with high data communication speed and excellent error detection ability. Many elec-
tronic control units are equipped onto a vehicle, and each control unit shares information and links with other
control units during operation (not independent). In CAN communication, control units are connected with 2
communication lines (CAN H line, CAN L line) allowing a high rate of information transmission with less wiring.
Each control unit transmits/receives data but selectively reads required data only.
CAN COMMUNICATION UNIT
×: Applicable
Body type Coupe
Axle 2WD
Engine VQ35DE
Transmission M/T A/T
Brake control VDC
CAN communication unit
ECM ××
TCM ×
Data link connector ××
Combination meter ××
BCM ××
Steering angle sensor ××
VDC/TCS/ABS control unit ××
IPDM E/R ××
CAN communication type EC-30 EC-32

EC-30
ENGINE CONTROL SYSTEM
Revision; 2004 April 2003 G35 Coupe
M/T Models
SYSTEM DIAGRAM
INPUT/OUTPUT SIGNAL CHART T: Transmit R: Receive
Signals ECM Combina-
tion meter BCM
Steering
angle sen-
sor
VDC/TCS/
ABS con-
trol unit
IPDM E/R
Engine speed signal T R R
Engine coolant temperature signal T R
Accelerator pedal position signal T R
Fuel consumption monitor signal T R
Air conditioner switch signal R T
A/C compressor request signal T R
A/C compressor feedback signal T R
Blower fan motor switch signal R T
Cooling fan motor operation signal T R
Position lights request signal R T R
Low beam request signal T R
Low beam status signal R R T
High beam request signal R T R
High beam status signal R R T
Front fog lights request signal T R
Vehicle speed signal RT
RTR
Sleep request 1 signal R T
Sleep request 2 signal T R
Wake up request 1 signal R T
Wake up request 2 signal R T
Door switch signal (without navigation system) R T R
Door switch signal (with navigation system) T R
Turn indicator signal R T
Seat belt buckle switch signal T R
Oil pressure switch signal R T
Buzzer output signal R T
Trunk switch signal R T
Malfunction indicator lamp signal T R
ASCD SET lamp signal T R
ASCD CRUISE lamp signal T R
SKIA4474E

ENGINE CONTROL SYSTEM
EC-31
C
D
E
F
G
H
I
J
K
L
M
A
EC
Revision; 2004 April 2003 G35 Coupe
Fuel level sensor signal R T
Front wiper request signal T R
Front wiper stop position signal R T
Rear window defogger switch signal T R
Rear window defogger control signal R R T
Hood switch signal R T
Theft warning horn request signal T R
Horn chirp signal T R
Steering angle sensor signal T R
Signals ECM Combina-
tion meter BCM
Steering
angle sen-
sor
VDC/TCS/
ABS con-
trol unit
IPDM E/R

EC-32
ENGINE CONTROL SYSTEM
Revision; 2004 April 2003 G35 Coupe
A/T Models
SYSTEM DIAGRAM
INPUT/OUTPUT SIGNAL CHART T: Transmit R: Receive
SKIA1880E
Signals ECM TCM Combina-
tion meter BCM
Steering
angle
sensor
VDC/TCS/
ABS con-
trol unit
IPDM E/R
Engine speed signal T R R R
Engine coolant temperature signal T R R
Accelerator pedal position signal T R R
Closed throttle position signal T R
Wide open throttle position signal T R
Battery voltage signal T R
Stop lamp switch R T
Fuel consumption monitor signal T R
A/T self-diagnosis signal R T
A/T CHECK indicator lamp signal T R
A/T position indicator signal T R R
ABS operation signal R T
A/T shift schedule change demand
signal RT
Air conditioner switch signal R T
A/C compressor request signal T R
A/C compressor feedback signal T R
Blower fan motor switch signal R T
Cooling fan motor operation signal T R
Position lights request signal R T R
Low beam request signal T R
Low beam status signal R R T
High beam request signal R T R
High beam status signal R R T
Front fog lights request signal T R
Vehicle speed signal RT
RRT R
Sleep request 1 signal R T
Sleep request 2 signal T R
Wake up request 1 signal R T
Wake up request 2 signal R T

ENGINE CONTROL SYSTEM
EC-33
C
D
E
F
G
H
I
J
K
L
M
A
EC
Revision; 2004 April 2003 G35 Coupe
Door switch signal (without naviga-
tion system) RT R
Door switch signal (with navigation
system) TR
Turn indicator signal R T
Seat belt buckle switch signal T R
Oil pressure switch signal R T
Buzzer output signal R T
Trunk switch signal R T
Malfunction indicator lamp signal T R
ASCD SET lamp signal T R
ASCD CRUISE lamp signal T R
Fuel level sensor signal R T
Output shaft revolution signal R T
Turbine revolution signal R T
Front wiper request signal T R
Front wiper stop position signal R T
Rear window defogger switch signal T R
Rear window defogger control sig-
nal RRT
Manual mode signal R T
Not manual mode signal R T
Manual mode shift up signal R T
Manual mode shift down signal R T
Manual mode indicator signal T R
Hood switch signal R T
Theft warning horn request signal T R
Horn chirp signal T R
Steering angle sensor signal TR
Signals ECM TCM Combina-
tion meter BCM
Steering
angle
sensor
VDC/TCS/
ABS con-
trol unit
IPDM E/R

EC-34
BASIC SERVICE PROCEDURE
Revision; 2004 April 2003 G35 Coupe
BASIC SERVICE PROCEDURE PFP:00018
Idle Speed and Ignition Timing Check ABS0037E
IDLE SPEED
With CONSULT-II
Check idle speed in “DATA MONITOR” mode with CONSULT-II.
With GST
Check idle speed with GST.
IGNITION TIMING
Any of following two methods may be used.
Method A
1. Attach timing light to loop wire as shown.
2. Check ignition timing.
Method B
1. Remove No. 1 ignition coil.
2. Connect No. 1 ignition coil and No. 1 spark plug with suitable
high-tension wire as shown, and attach timing light clamp to this
wire.
SEF058Y
PBIB1287E
PBIB1019E
PBIB1097E

BASIC SERVICE PROCEDURE
EC-35
C
D
E
F
G
H
I
J
K
L
M
A
EC
Revision; 2004 April 2003 G35 Coupe
3. Check ignition timing.
Idle Speed/Ignition Timing/Idle Mixture Ratio Adjustment ABS0037F
PREPARATION
1. Make sure that the following parts are in good order.
●Battery
●Ignition system
●Engine oil and coolant levels
●Fuses
●ECM harness connector
●Vacuum hoses
●Air intake system
(Oil filler cap, oil level gauge, etc.)
●Fuel pressure
●Engine compression
●Throttle valve
●Evaporative emission system
2. On air conditioner equipped models, checks should be carried out while the air conditioner is OFF.
3. On automatic transmission equipped models, when checking idle rpm, ignition timing and mixture ratio,
checks should be carried out while shift lever is in N position.
4. When measuring CO percentage, insert probe more than 40 cm (15.7 in) into tail pipe.
5. Turn off headlamp, heater blower, rear window defogger.
6. Keep front wheels pointed straight ahead.
SEF166Y
PBIB1655E

EC-36
BASIC SERVICE PROCEDURE
Revision; 2004 April 2003 G35 Coupe
OVERALL INSPECTION SEQUENCE
PBIB1054E

BASIC SERVICE PROCEDURE
EC-37
C
D
E
F
G
H
I
J
K
L
M
A
EC
Revision; 2004 April 2003 G35 Coupe
INSPECTION PROCEDURE
1. INSPECTION START
1. Check service records for any recent repairs that may indicate a related malfunction, or a current need for
scheduled maintenance.
2. Open engine hood and check the following:
–Harness connectors for improper connections
–Wiring harness for improper connections, pinches and cut
–Vacuum hoses for splits, kinks and improper connections
–Hoses and ducts for leaks
–Air cleaner clogging
–Gasket
3. Confirm that electrical or mechanical loads are not applied.
–Head lamp switch is OFF.
–Air conditioner switch is OFF.
–Rear window defogger switch is OFF.
–Steering wheel is in the straight-ahead position, etc.
4. Start engine and warm it up until engine coolant temperature
indicator points the middle of gauge.
Ensure engine stays below 1,000 rpm.
5. Run engine at about 2,000 rpm for about 2 minutes under no-
load.
6. Make sure that no DTC is displayed with CONSULT-II or GST.
OK or NG
OK >> GO TO 3.
NG >> GO TO 2.
2. REPAIR OR REPLACE
Repair or replace components as necessary according to corresponding Diagnostic Procedure.
>> GO TO 3.
SEF983U
SEF976U
SEF977U

EC-38
BASIC SERVICE PROCEDURE
Revision; 2004 April 2003 G35 Coupe
3. CHECK TARGET IDLE SPEED
With CONSULT-II
1. Run engine at about 2,000 rpm for about 2 minutes under no-load.
2. Rev engine (2,000 to 3,000 rpm) two or three times under no-
load, then run engine at idle speed for about 1 minute.
3. Read idle speed in “DATA MONITOR” mode with CONSULT-II.
Without CONSULT-II
1. Run engine at about 2,000 rpm for about 2 minutes under no-load.
2. Rev engine (2,000 to 3,000 rpm) two or three times under no-load, then run engine at idle speed for about
1 minute.
3. Check idle speed.
OK or NG
OK >> GO TO 10.
NG >> GO TO 4.
4. PERFORM ACCELERATOR PEDAL RELEASED POSITION LEARNING
1. Stop engine.
2. Perform EC-46, "Accelerator Pedal Released Position Learning" .
>> GO TO 5.
5. PERFORM THROTTLE VALVE CLOSED POSITION LEARNING
Perform EC-46, "Throttle Valve Closed Position Learning" .
>> GO TO 6.
SEF978U
A/T: 650 ± 50 rpm (in P or N position)
M/T: 650 ± 50 rpm (in N position)
SEF058Y
A/T: 650 ± 50 rpm (in P or N position)
M/T: 650 ± 50 rpm (in N position)

BASIC SERVICE PROCEDURE
EC-39
C
D
E
F
G
H
I
J
K
L
M
A
EC
Revision; 2004 April 2003 G35 Coupe
6. PERFORM IDLE AIR VOLUME LEARNING
Perform EC-46, "Idle Air Volume Learning" .
Is Idle Air Volume Learning carried out successfully?
YES or NO
YES >> GO TO 7.
NO >> 1. Follow the instruction of Idle Air Volume Learning.
2. GO TO 4.
7. CHECK TARGET IDLE SPEED AGAIN
With CONSULT-II
1. Start engine and warm it up to normal operating temperature.
2. Read idle speed in “DATA MONITOR” mode with CONSULT-II.
Without CONSULT-II
1. Start engine and warm it up to normal operating temperature.
2. Check idle speed.
OK or NG
OK >> GO TO 10.
NG >> GO TO 8.
8. DETECT MALFUNCTIONING PART
Check the following.
●Check camshaft position sensor (PHASE) and circuit. Refer to EC-307 .
●Check crankshaft position sensor (POS) and circuit. Refer to EC-301 .
OK or NG
OK >> GO TO 9.
NG >> 1. Repair or replace.
2. GO TO 4.
9. CHECK ECM FUNCTION
1. Substitute another known-good ECM to check ECM function. (ECM may be the cause of a incident, but
this is the rarely the case.)
2. Perform initialization of IVIS (NATS) system and registration of IVIS (NATS) ignition key IDs. Refer to BL-
124, "ECM Re-Communicating Function" .
>> GO TO 4.
A/T: 650 ± 50 rpm (in P or N position)
M/T: 650 ± 50 rpm (in N position)
A/T: 650 ± 50 rpm (in P or N position)
M/T: 650 ± 50 rpm (in N position)

EC-40
BASIC SERVICE PROCEDURE
Revision; 2004 April 2003 G35 Coupe
10. CHECK IGNITION TIMING
1. Run engine at idle.
2. Check ignition timing with a timing light.
OK or NG
OK (With CONSULT-II)>>GO TO 19.
OK (Without CONSULT-II)>>GO TO 20.
NG >> GO TO 11.
11. PERFORM ACCELERATOR PEDAL RELEASED POSITION LEARNING
1. Stop engine.
2. Perform EC-46, "Accelerator Pedal Released Position Learning" .
>> GO TO 12.
12. PERFORM THROTTLE VALVE CLOSED POSITION LEARNING
Perform EC-46, "Throttle Valve Closed Position Learning" .
>> GO TO 13.
13. PERFORM IDLE AIR VOLUME LEARNING
Perform EC-46, "Idle Air Volume Learning" .
Is Idle Air Volume Learning carried out successfully?
YES or NO
YES >> GO TO 14.
NO >> 1. Follow the instruction of Idle Air Volume Learning.
2. GO TO 4.
14. CHECK TARGET IDLE SPEED AGAIN
With CONSULT-II
1. Start engine and warm it up to normal operating temperature.
2. Read idle speed in “DATA MONITOR” mode with CONSULT-II.
Without CONSULT-II
1. Start engine and warm it up to normal operating temperature.
2. Check idle speed.
OK or NG
OK >> GO TO 15.
NG >> GO TO 17.
A/T: 15 ± 5° BTDC (in P or N position)
M/T: 15 ± 5° BTDC (in N position)
PBIB1655E
A/T: 650 ± 50 rpm (in P or N position)
M/T: 650 ± 50 rpm (in N position)
A/T: 650 ± 50 rpm (in P or N position)
M/T: 650 ± 50 rpm (in N position)

BASIC SERVICE PROCEDURE
EC-41
C
D
E
F
G
H
I
J
K
L
M
A
EC
Revision; 2004 April 2003 G35 Coupe
15. CHECK IGNITION TIMING AGAIN
1. Run engine at idle.
2. Check ignition timing with a timing light.
OK or NG
OK (With CONSULT-II)>>GO TO 19.
OK (Without CONSULT-II)>>GO TO 20.
NG >> GO TO 16.
16. CHECK TIMING CHAIN INSTALLATION
Check timing chain installation. Refer to EM-50, "TIMING CHAIN" .
OK or NG
OK >> GO TO 17.
NG >> 1. Repair the timing chain installation.
2. GO TO 4.
17. DETECT MALFUNCTIONING PART
Check the following.
●Check camshaft position sensor (PHASE) and circuit. Refer to EC-307 .
●Check crankshaft position sensor (POS) and circuit. Refer to EC-301 .
OK or NG
OK >> GO TO 18.
NG >> 1. Repair or replace.
2. GO TO 4.
18. CHECK ECM FUNCTION
1. Substitute another known-good ECM to check ECM function. (ECM may be the cause of a incident, but
this is the rarely the case.)
2. Perform initialization of IVIS (NATS) system and registration of IVIS (NATS) ignition key IDs. Refer to BL-
124, "ECM Re-Communicating Function" .
>> GO TO 4.
A/T: 15 ± 5° BTDC (in P or N position)
M/T: 15 ± 5° BTDC (in N position)
PBIB1655E

EC-42
BASIC SERVICE PROCEDURE
Revision; 2004 April 2003 G35 Coupe
19. CHECK HEATED OXYGEN SENSOR 1 (BANK 1) SIGNAL
With CONSULT-II
1. Run engine at about 2,000 rpm for about 2 minutes under no-load.
2. See “HO2S1 MNTR (B1)” in “DATA MONITOR” mode.
3. Running engine at 2,000 rpm under no-load (The engine is
warmed up to normal operating temperature.), check that the
monitor fluctuates between LEAN and RICH more than 5 times
during 10 seconds.
OK or NG
OK >> GO TO 21.
NG (Monitor does not fluctuate.)>>GO TO 23.
NG (Monitor fluctuates less than 5 times.)>>GO TO 31.
20. CHECK HEATED OXYGEN SENSOR 1 (BANK 1) SIGNAL
Without CONSULT-II
1. Stop engine and set ECM to Self-diagnostic mode II (Heated oxygen sensor 1 monitor). Refer to EC-68,
"HOW TO SWITCH DIAGNOSTIC TEST MODE" .
2. Start engine and run it at about 2,000 rpm for about 2 minutes under no-load.
3. Running engine at 2,000 rpm under no-load (The engine is warmed up to normal operating temperature.),
check that the MIL comes on more than 5 times during 10 seconds.
OK or NG
OK >> GO TO 22.
NG (MIL does not come on)>>GO TO 23.
NG (MIL comes on less than 5 times)>>GO TO 31.
21. CHECK HEATED OXYGEN SENSOR 1 (BANK 2) SIGNAL
With CONSULT-II
1. See “HO2S1 MNTR (B2)” in “DATA MONITOR” mode.
2. Running engine at 2,000 rpm under no-load (The engine is
warmed up to normal operating temperature.), check that the
monitor fluctuates between LEAN and RICH more than 5 times
during 10 seconds.
OK or NG
OK >> INSPECTION END
NG (Monitor does not fluctuate.)>>GO TO 24.
NG (Monitor fluctuates less than 5 times.)>>GO TO 31.
1 time: RICH → LEAN → RICH
2 times: RICH → LEAN → RICH → LEAN → RICH
PBIB0120E
1 time: RICH → LEAN → RICH
2 times: RICH → LEAN → RICH → LEAN → RICH
PBIB0120E

BASIC SERVICE PROCEDURE
EC-43
C
D
E
F
G
H
I
J
K
L
M
A
EC
Revision; 2004 April 2003 G35 Coupe
22. CHECK HEATED OXYGEN SENSOR 1 (BANK 2) SIGNAL
Without CONSULT-II
1. Switch the monitored sensor from bank 1 to bank 2. Refer to EC-68, "How to Switch Monitored Sensor
From Bank 1 to Bank 2 or Vice Versa" .
2. Running engine at 2,000 rpm under no-load (The engine is warmed up to normal operating temperature.),
check that the MIL comes on more than 5 times during 10 seconds.
OK or NG
OK >> INSPECTION END
NG (MIL does not come on)>>GO TO 24.
NG (MIL comes on less than 5 times)>>GO TO 31.
23. CHECK HEATED OXYGEN SENSOR 1 (BANK 1) HARNESS
1. Turn ignition switch OFF and disconnect battery ground cable.
2. Disconnect ECM harness connector.
3. Disconnect heated oxygen sensor 1 (bank 1) harness connector.
4. Check harness continuity between ECM terminal 35 and heated oxygen sensor 1 (bank 1) terminal 1.
Refer to Wiring Diagram, EC-204, "BANK 1" .
5. Also check harness for short to ground and short to power.
OK or NG
OK >> GO TO 25.
NG >> 1. Repair or replace harness between ECM and heated oxygen sensor 1 (bank 1).
2. GO TO 4.
24. CHECK HEATED OXYGEN SENSOR 1 (BANK 2) HARNESS
1. Turn ignition switch OFF and disconnect battery ground cable.
2. Disconnect ECM harness connector.
3. Disconnect heated oxygen sensor 1 (bank 2) harness connector.
4. Check harness continuity between ECM terminal 16 and heated oxygen sensor 1 (bank 2) terminal 1.
Refer to Wiring Diagram, EC-206, "BANK 2" .
5. Also check harness for short to ground and short to power.
OK or NG
OK >> GO TO 25.
NG >> 1. Repair or replace harness between ECM and heated oxygen sensor 1 (bank 2).
2. GO TO 4.
25. PERFORM ACCELERATOR PEDAL RELEASED POSITION LEARNING
1. Reconnect ECM harness connector.
2. Perform EC-46, "Accelerator Pedal Released Position Learning" .
>> GO TO 26.
26. PERFORM THROTTLE VALVE CLOSED POSITION LEARNING
Perform EC-46, "Throttle Valve Closed Position Learning" .
>> GO TO 27.
Continuity should exist.
Continuity should exist.

EC-44
BASIC SERVICE PROCEDURE
Revision; 2004 April 2003 G35 Coupe
27. PERFORM IDLE AIR VOLUME LEARNING
Refer to EC-46, "Idle Air Volume Learning" .
Is Idle Air Volume Learning carried out successfully?
YES or NO
YES (With CONSULT-II)>>GO TO 28.
YES (Without CONSULT-II)>>GO TO 29.
NO >> 1. Follow the instruction of Idle Air Volume Learning.
2. GO TO 4.
28. CHECK CO%
With CONSULT-II
1. Start engine and warm it up until engine coolant temperature indicator points the middle of gauge.
2. Turn ignition switch OFF, wait at least 10 seconds and then turn ON.
3. Select “ENG COOLANT TEMP” in “ACTIVE TEST” mode.
4. Set “ENG COOLANT TEMP” to 5°C (41°F) by touching “DWN”
and “Qd”.
5. Start engine and rev it (2,000 to 3,000 rpm) two or three times
under no-load, then run engine at idle speed.
6. Check CO%.
OK or NG
OK >> GO TO 31.
NG >> GO TO 30.
29. CHECK CO%
Without CONSULT-II
1. Start engine and warm it up until engine coolant temperature indicator points to the middle of gauge.
2. Turn ignition switch OFF.
3. Disconnect engine coolant temperature sensor harness connector.
4. Connect a resistor (4.4 kΩ) between terminals of engine coolant
temperature sensor harness connector.
5. Start engine and rev it (2,000 to 3,000 rpm) two or three times
under no-load, then run engine at idle speed.
6. Check CO%.
7. After checking CO%, turn ignition switch OFF, disconnect the
resistor from the terminals of engine coolant temperature sensor
harness connector, and then connect engine coolant tempera-
ture sensor harness connector to engine coolant temperature
sensor.
OK or NG
OK >> GO TO 31.
NG >> GO TO 30.
30. RECONNECT HEATED OXYGEN SENSOR 1 HARNESS CONNECTOR
1. Turn ignition switch OFF.
2. Reconnect heated oxygen sensor 1 harness connector.
>> GO TO 34.
Idle CO: 0.7 − 9.9% and engine runs smoothly.
SEF172Y
Idle CO: 0.7 − 9.9% and engine runs smoothly.
SEF982UA

BASIC SERVICE PROCEDURE
EC-45
C
D
E
F
G
H
I
J
K
L
M
A
EC
Revision; 2004 April 2003 G35 Coupe
31. REPLACE HEATED OXYGEN SENSOR 1
1. Stop engine.
2. Replace heated oxygen sensor 1 on the malfunctioning bank.
With CONSULT-II>>GO TO 32.
Without CONSULT-II>>GO TO 33.
32. CHECK HEATED OXYGEN SENSOR 1 (BANK 1)/(BANK 2) SIGNAL
With CONSULT-II
1. Start engine and warm it up until engine coolant temperature indicator points the middle of gauge.
2. See “HO2S1 MNTR (B1)/(B2)” in “DATA MONITOR” mode.
3. Running engine at 2,000 rpm under no-load (The engine is warmed up to normal operating temperature.),
check that the monitor fluctuates between LEAN and RICH more than 5 times during 10 seconds.
OK or NG
OK >> GO TO 4.
NG >> GO TO 34.
33. CHECK HEATED OXYGEN SENSOR 1 (BANK 1)/(BANK 2) SIGNAL
Without CONSULT-II
1. Set ECM to Self-diagnostic mode II (Heated oxygen sensor 1 monitor). Refer to EC-68, "HOW TO
SWITCH DIAGNOSTIC TEST MODE" .
2. Switch the monitored sensor to the malfunctioning bank. Refer to EC-68, "How to Switch Monitored Sen-
sor From Bank 1 to Bank 2 or Vice Versa" .
3. Running engine at 2,000 rpm under no-load (The engine is warmed up to normal operating temperature.),
check that the MIL comes on more than 5 times during 10 seconds.
OK or NG
OK >> GO TO 4.
NG >> GO TO 34.
34. DETECT MALFUNCTIONING PART
Check the following.
●Check fuel pressure regulator and repair or replace if necessary. Refer to EC-48, "Fuel Pressure Check" .
●Check mass air flow sensor and its circuit, and repair or replace if necessary. Refer to EC-162 and EC-
170 .
●Check injector and its circuit, and repair or replace if necessary. Refer to EC-592 .
●Check engine coolant temperature sensor and its circuit, and repair or replace if necessary. Refer to EC-
182 and EC-194 .
OK or NG
OK >> GO TO 36.
NG >> 1. Repair or replace.
2. GO TO 35.
1 time: RICH → LEAN → RICH
2 times: RICH → LEAN → RICH → LEAN → RICH

EC-46
BASIC SERVICE PROCEDURE
Revision; 2004 April 2003 G35 Coupe
35. ERASE UNNECESSARY DTC
After this inspection, unnecessary DTC might be displayed.
Erase the stored memory in ECM and TCM. Refer to EC-64, "HOW TO ERASE EMISSION-RELATED DIAG-
NOSTIC INFORMATION" and AT-38, "HOW TO ERASE DTC" .
>> GO TO 4.
36. CHECK ECM FUNCTION
1. Substitute another known-good ECM to check ECM function. (ECM may be the cause of a incident, but
this is the rarely the case.)
2. Perform initialization of IVIS (NATS) system and registration of IVIS (NATS) ignition key IDs. Refer to BL-
124, "ECM Re-Communicating Function" .
>> GO TO 4.
Accelerator Pedal Released Position Learning ABS0037G
DESCRIPTION
Accelerator Pedal Released Position Learning is an operation to learn the fully released position of the accel-
erator pedal by monitoring the accelerator pedal position sensor output signal. It must be performed each time
harness connector of accelerator pedal position sensor or ECM is disconnected.
OPERATION PROCEDURE
1. Make sure that accelerator pedal is fully released.
2. Turn ignition switch ON and wait at least 2 seconds.
3. Turn ignition switch OFF wait at least 10 seconds.
4. Turn ignition switch ON and wait at least 2 seconds.
5. Turn ignition switch OFF wait at least 10 seconds.
Throttle Valve Closed Position Learning ABS0037H
DESCRIPTION
Throttle Valve Closed Position Learning is an operation to learn the fully closed position of the throttle valve by
monitoring the throttle position sensor output signal. It must be performed each time harness connector of
electric throttle control actuator or ECM is disconnected.
OPERATION PROCEDURE
1. Make sure that accelerator pedal is fully released.
2. Turn ignition switch ON.
3. Turn ignition switch OFF wait at least 10 seconds.
Make sure that throttle valve moves during above 10 seconds by confirming the operating sound.
Idle Air Volume Learning ABS0037I
DESCRIPTION
Idle Air Volume Learning is an operation to learn the idle air volume that keeps each engine within the specific
range. It must be performed under any of the following conditions:
●Each time electric throttle control actuator or ECM is replaced.
●Idle speed or ignition timing is out of specification.
PREPARATION
Before performing Idle Air Volume Learning, make sure that all of the following conditions are satisfied.
Learning will be cancelled if any of the following conditions are missed for even a moment.
●Battery voltage: More than 12.9V (At idle)
●Engine coolant temperature: 70 - 100°C (158 - 212°F)
●PNP switch: ON
●Electric load switch: OFF
(Air conditioner, headlamp, rear window defogger)

BASIC SERVICE PROCEDURE
EC-47
C
D
E
F
G
H
I
J
K
L
M
A
EC
Revision; 2004 April 2003 G35 Coupe
On vehicles equipped with daytime light systems, set lighting switch to the 1st position to light
only small lamps.
●Steering wheel: Neutral (Straight-ahead position)
●Vehicle speed: Stopped
●Transmission: Warmed-up
For models with CONSULT-II, drive vehicle until “FLUID TEMP SE” in “DATA MONITOR” mode of “A/T”
system indicates less than 0.9V.
For models without CONSULT-II, drive vehicle for 10 minutes.
OPERATION PROCEDURE
With CONSULT-II
1. Perform EC-46, "Accelerator Pedal Released Position Learning" .
2. Perform EC-46, "Throttle Valve Closed Position Learning" .
3. Start engine and warm it up to normal operating temperature.
4. Check that all items listed under the topic PREPARATION (previously mentioned) are in good order.
5. Select “IDLE AIR VOL LEARN” in “WORK SUPPORT” mode.
6. Touch “START” and wait 20 seconds.
7. Make sure that “CMPLT” is displayed on CONSULT-II screen. If
“CMPLT” is not displayed, Idle Air Volume Learning will not be
carried out successfully. In this case, find the cause of the inci-
dent by referring to the Diagnostic Procedure below.
8. Rev up the engine two or three times and make sure that idle
speed and ignition timing are within the specifications.
Without CONSULT-II
NOTE:
●It is better to count the time accurately with a clock.
●It is impossible to switch the diagnostic mode when an accelerator pedal position sensor circuit
has a malfunction.
SEF217Z
SEF454Y
ITEM SPECIFICATION
Idle speed A/T: 650±50 rpm (in P or N position)
M/T: 650±50 rpm (in N position)
Ignition timing A/T: 15±5° BTDC (in P or N position)
M/T: 15±5° BTDC (in N position)
MBIB0238E

EC-48
BASIC SERVICE PROCEDURE
Revision; 2004 April 2003 G35 Coupe
1. Perform EC-46, "Accelerator Pedal Released Position Learning" .
2. Perform EC-46, "Throttle Valve Closed Position Learning" .
3. Start engine and warm it up to normal operating temperature.
4. Check that all items listed under the topic PREPARATION (previously mentioned) are in good order.
5. Turn ignition switch OFF and wait at least 10 seconds.
6. Confirm that accelerator pedal is fully released, turn ignition switch ON and wait 3 seconds.
7. Repeat the following procedure quickly five times within 5 seconds.
a. Fully depress the accelerator pedal.
b. Fully release the accelerator pedal.
8. Wait 7 seconds, fully depress the accelerator pedal and keep it for approx. 20 seconds until the MIL stops
blinking and turned ON.
9. Fully release the accelerator pedal within 3 seconds after the MIL turned ON.
10. Start engine and let it idle.
11. Wait 20 seconds.
12. Rev up the engine two or three times and make sure that idle speed and ignition timing are within the
specifications.
13. If idle speed and ignition timing are not within the specification, Idle Air Volume Learning will not be carried
out successfully. In this case, find the cause of the incident by referring to the DIAGNOSTIC PROCE-
DURE below.
DIAGNOSTIC PROCEDURE
If idle air volume learning cannot be performed successfully, proceed as follows:
1. Check that throttle valve is fully closed.
2. Check PCV valve operation.
3. Check that downstream of throttle valve is free from air leakage.
4. When the above three items check out OK, engine component parts and their installation condi-
tion are questionable. Check and eliminate the cause of the incident.
It is useful to perform EC-128, "TROUBLE DIAGNOSIS - SPECIFICATION VALUE" .
5. If any of the following conditions occur after the engine has started, eliminate the cause of the
incident and perform Idle air volume learning all over again:
●Engine stalls.
●Erroneous idle.
Fuel Pressure Check ABS0037J
FUEL PRESSURE RELEASE
With CONSULT-II
1. Turn ignition switch ON.
ITEM SPECIFICATION
Idle speed A/T: 650±50 rpm (in P or N position)
M/T: 650±50 rpm (in N position)
Ignition timing A/T: 15±5° BTDC (in P or N position)
M/T: 15±5° BTDC (in N position)
SEC897C

BASIC SERVICE PROCEDURE
EC-49
C
D
E
F
G
H
I
J
K
L
M
A
EC
Revision; 2004 April 2003 G35 Coupe
2. Perform “FUEL PRESSURE RELEASE” in “WORK SUPPORT”
mode with CONSULT-II.
3. Start engine.
4. After engine stalls, crank it two or three times to release all fuel
pressure.
5. Turn ignition switch OFF.
Without CONSULT-II
1. Remove fuel pump fuse located in IPDM E/R.
2. Start engine.
3. After engine stalls, crank it two or three times to release all fuel
pressure.
4. Turn ignition switch OFF.
5. Reinstall fuel pump fuse after servicing fuel system.
FUEL PRESSURE CHECK
Before disconnecting fuel line, release fuel pressure from fuel line to eliminate danger.
NOTE:
●Prepare pans or saucers under the disconnected fuel line because the fuel may spill out. The fuel
pressure cannot be completely released because V35 models do not have fuel return system.
●Use Fuel Pressure Gauge Kit (J-44321) to check fuel pressure.
1. Release fuel pressure to zero. Refer to EC-48, "FUEL PRESSURE RELEASE" .
2. Install the inline fuel quick disconnected fitting between fuel
damper and injector tube.
3. Connect the fuel pressure test gauge (quick connector adapter
hose) to the inline fuel quick disconnected fitting.
4. Turn ignition switch ON and check for fuel leakage.
5. Start engine and check for fuel leakage.
6. Read the indication of fuel pressure gauge.
7. If result is unsatisfactory, go to next step.
8. Check the following.
●Fuel hoses and fuel tubes for clogging
●Fuel filter for clogging
●Fuel pump
●Fuel pressure regulator for clogging
If OK, replace fuel pressure regulator.
If NG, repair or replace.
SEF214Y
PBIB1094E
At idling: Approximately 350 kPa (3.57 kg/cm2 , 51 psi)
PBIB1662E

EC-50
ON BOARD DIAGNOSTIC (OBD) SYSTEM
Revision; 2004 April 2003 G35 Coupe
ON BOARD DIAGNOSTIC (OBD) SYSTEM PFP:00028
Introduction ABS0037K
The ECM has an on board diagnostic system, which detects malfunctions related to engine sensors or actua-
tors. The ECM also records various emission-related diagnostic information including:
The above information can be checked using procedures listed in the table below. ×: Applicable —: Not applicable
*1: 1st trip DTCs for self-diagnoses concerning SRT items cannot be shown on the GST display.
*2: When DTC and 1st trip DTC simultaneously appear on the display, they cannot be clearly distinguished from each other.
The malfunction indicator lamp (MIL) on the instrument panel lights up when the same malfunction is detected
in two consecutive trips (Two trip detection logic), or when the ECM enters fail-safe mode. (Refer to EC-80 .)
Two Trip Detection Logic ABS0037L
When a malfunction is detected for the first time, 1st trip DTC and 1st trip Freeze Frame data are stored in the
ECM memory. The MIL will not light up at this stage. <1st trip>
If the same malfunction is detected again during the next drive, the DTC and Freeze Frame data are stored in
the ECM memory, and the MIL lights up. The MIL lights up at the same time when the DTC is stored. <2nd
trip> The “trip” in the “Two Trip Detection Logic” means a driving mode in which self-diagnosis is performed
during vehicle operation. Specific on board diagnostic items will cause the ECM to light up or blink the MIL,
and store DTC and Freeze Frame data, even in the 1st trip, as shown below. ×: Applicable —: Not applicable
When there is an open circuit on MIL circuit, the ECM cannot warn the driver by lighting MIL up when there is
malfunction on engine control system.
Therefore, when electrical controlled throttle and part of ECM related diagnoses are continuously detected as
NG for 5 trips, ECM warns the driver that engine control system malfunctions and MIL circuit is open by means
of operating fail-safe function.
Emission-related diagnostic information SAE Mode
Diagnostic Trouble Code (DTC) Mode 3 of SAE J1979
Freeze Frame data Mode 2 of SAE J1979
System Readiness Test (SRT) code Mode 1 of SAE J1979
1st Trip Diagnostic Trouble Code (1st Trip DTC) Mode 7 of SAE J1979
1st Trip Freeze Frame data
Test values and Test limits Mode 6 of SAE J1979
Calibration ID Mode 9 of SAE J1979
DTC 1st trip DTC Freeze Frame
data
1st trip Freeze
Frame data SRT code Test value
CONSULT-II ×× × × ×—
GST ××*1 ×—××
ECM ××*2 — — — —
Items
MIL DTC 1st trip DTC
1st trip 2nd trip 1st trip
displaying
2nd trip
displaying
1st trip
displaying
2nd trip
display-
ing
Blinking Lighting
up Blinking Lighting
up
Misfire (Possible three way cata-
lyst damage) — DTC: P0300 -
P0306 is being detected
×————— ×—
Misfire (Possible three way cata-
lyst damage) — DTC: P0300 -
P0306 is being detected
—— ×—— ×——
One trip detection diagnoses
(Refer to EC-8 .) —×—— ×———
Except above — — — ×—××—

ON BOARD DIAGNOSTIC (OBD) SYSTEM
EC-51
C
D
E
F
G
H
I
J
K
L
M
A
EC
Revision; 2004 April 2003 G35 Coupe
The fail-safe function also operates when above diagnoses except MIL circuit are detected and demands the
driver to repair the malfunction.
Emission-Related Diagnostic Information ABS0037M
EMISSION-RELATED DIAGNOSTIC INFORMATION ITEMS
Engine operating condition in fail-safe mode Engine speed will not rise more than 2,500 rpm due to the fuel cut
Items
(CONSULT-II screen terms)
DTC*1
SRT code
Test value/
Test limit
(GST only)
1st trip DTC Reference
page
CONSULT-II
GST*2ECM*3
CAN COMM CIRCUIT U1000 1000*6———EC-140
CAN COMM CIRCUIT U1001 1001*6—— ×EC-140
NO DTC IS DETECTED.
FURTHER TESTING
MAY BE REQUIRED. P0000 0000 ————
INT/V TIM CONT-B1 P0011 0011 — — ×EC-143
INT/V TIM CONT-B2 P0021 0021 — — ×EC-143
HO2S1 HTR (B1) P0031 0031 ××
×*5EC-146
HO2S1 HTR (B1) P0032 0032 ××
×*5EC-146
HO2S2 HTR (B1) P0037 0037 ××
×*5EC-154
HO2S2 HTR (B1) P0038 0038 ××
×*5EC-154
HO2S1 HTR (B2) P0051 0051 ××
×*5EC-146
HO2S1 HTR (B2) P0052 0052 ××
×*5EC-146
HO2S2 HTR (B2) P0057 0057 ××
×*5EC-154
HO2S2 HTR (B2) P0058 0058 ××
×*5EC-154
MAF SEN/CIRCUIT P0101 0101 — — — EC-162
MAF SEN/CIRCUIT P0102 0102 — — — EC-170
MAF SEN/CIRCUIT P0103 0103 — — — EC-170
IAT SEN/CIRCUIT P0112 0112 — — ×EC-177
IAT SEN/CIRCUIT P0113 0113 — — ×EC-177
ECT SEN/CIRCUIT P0117 0117 — — — EC-182
ECT SEN/CIRCUIT P0118 0118 — — — EC-182
TP SEN 2/CIRC P0122 0122 — — — EC-187
TP SEN 2/CIRC P0123 0123 — — — EC-187
ECT SENSOR P0125 0125 — — — EC-194
IAT SENSOR P0127 0127 — — ×EC-197
THERMSTAT FNCTN P0128 0128 — — ×EC-200
HO2S1 (B1) P0132 0132 ××
×*5EC-202
HO2S1 (B1) P0133 0133 ××
×*5EC-212
HO2S1 (B1) P0134 0134 ××
×*5EC-225
HO2S2 (B1) P0138 0138 ××
×*5EC-235
HO2S2 (B1) P0139 0139 ××
×*5EC-245
HO2S1 (B2) P0152 0152 ××
×*5EC-202
HO2S1 (B2) P0153 0153 ××
×*5EC-212
HO2S1 (B2) P0154 0154 ××
×*5EC-225

EC-52
ON BOARD DIAGNOSTIC (OBD) SYSTEM
Revision; 2004 April 2003 G35 Coupe
HO2S2 (B2) P0158 0158 ××
×*5EC-235
HO2S2 (B2) P0159 0159 ××
×*5EC-245
FUEL SYS-LEAN-B1 P0171 0171 — — ×EC-257
FUEL SYS-RICH-B1 P0172 0172 — — ×EC-266
FUEL SYS-LEAN-B2 P0174 0174 — — ×EC-257
FUEL SYS-RICH-B2 P0175 0175 — — ×EC-266
FTT SENSOR P0181 0181 — — ×EC-274
FTT SEN/CIRCUIT P0182 0182 — — ×EC-279
FTT SEN/CIRCUIT P0183 0183 — — ×EC-279
TP SEN 1/CIRC P0222 0222 — — — EC-283
TP SEN 1/CIRC P0223 0223 — — — EC-283
MULTI CYL MISFIRE P0300 0300 — — ×EC-290
CYL 1 MISFIRE P0301 0301 — — ×EC-290
CYL 2 MISFIRE P0302 0302 — — ×EC-290
CYL 3 MISFIRE P0303 0303 — — ×EC-290
CYL 4 MISFIRE P0304 0304 — — ×EC-290
CYL 5 MISFIRE P0305 0305 — — ×EC-290
CYL 6 MISFIRE P0306 0306 — — ×EC-290
KNOCK SEN/CIRC-B1 P0327 0327 — — ×EC-296
KNOCK SEN/CIRC-B1 P0328 0328 — — ×EC-296
CKP SEN/CIRCUIT P0335 0335 — — ×EC-301
CMP SEN/CIRC-B1 P0340 0340 — — ×EC-307
CMP SEN/CIRC-B2 P0345 0345 — — ×EC-307
TW CATALYST SYS-B1 P0420 0420 ××
×*5EC-315
TW CATALYST SYS-B2 P0430 0430 ××
×*5EC-315
EVAP PURG FLOW/MON P0441 0441 ××
×*5EC-320
EVAP SMALL LEAK P0442 0442 ××
×*5EC-325
PURG VOLUME CONT/V P0444 0444 — — ×EC-335
PURG VOLUME CONT/V P0445 0445 — — ×EC-335
VENT CONTROL VALVE P0447 0447 — — ×EC-342
EVAP SYS PRES SEN P0451 0451 — — ×EC-349
EVAP SYS PRES SEN P0452 0452 — — ×EC-352
EVAP SYS PRES SEN P0453 0453 — — ×EC-358
EVAP GROSS LEAK P0455 0455 — ××*5EC-366
EVAP VERY SML LEAK P0456 0456 ×*4××*5EC-374
FUEL LEV SEN SLOSH P0460 0460 — — ×EC-384
FUEL LEVEL SENSOR P0461 0461 — — ×EC-386
FUEL LEVL SEN/CIRC P0462 0462 — — ×EC-388
VEH SPEED SEN/CIRC*7P0500 0500 — — ×EC-390
ISC SYSTEM P0506 0506 — — ×EC-392
ISC SYSTEM P0507 0507 — — ×EC-394
Items
(CONSULT-II screen terms)
DTC*1
SRT code
Test value/
Test limit
(GST only)
1st trip DTC Reference
page
CONSULT-II
GST*2ECM*3

ON BOARD DIAGNOSTIC (OBD) SYSTEM
EC-53
C
D
E
F
G
H
I
J
K
L
M
A
EC
Revision; 2004 April 2003 G35 Coupe
PW ST P SEN/CIRC P0550 0550 — — ×EC-396
ECM P0605 0605 — — × or — EC-401
PNP SW/CIRC P0705 0705 — — ×AT-105
ATF TEMP SEN/CIRC P0710 0710 — — ×AT-146
VEH SPD SEN/CIR AT*7P0720 0720 — — ×AT-110
ENGINE SPEED SIG P0725 0725 — — ×AT-115
TCC SOLENOID/CIRC P0740 0740 — — ×AT-117
A/T TCC S/V FNCTN P0744 0744 — — ×AT-122
L/PRESS SOL/CIRC P0745 0745 — — ×AT-127
ECM BACK UP/CIRC P1065 1065 — — ×EC-404
INT/V TIM V/CIR-B1 P1111 1111 — — ×EC-408
ETC ACTR P1121 1121 — — — EC-415
ETC FUNCTION/CIRC P1122 1122 — — — EC-417
ETC MOT PWR P1124 1124 — — — EC-423
ETC MOT PWR P1126 1126 — — — EC-423
ETC MOT P1128 1128 — — — EC-428
INT/V TIM V/CIR-B2 P1136 1136 — — ×EC-408
HO2S1 (B1) P1143 1143 ××
×*5EC-433
HO2S1 (B1) P1144 1144 ××
×*5EC-439
HO2S2 (B1) P1146 1146 ××
×*5EC-446
HO2S2 (B1) P1147 1147 ××
×*5EC-458
CLOSED LOOP-B1 P1148 1148 — — — EC-470
HO2S1 (B2) P1163 1163 ××
×*5EC-433
HO2S1 (B2) P1164 1164 ××
×*5EC-439
HO2S2 (B2) P1166 1166 ××
×*5EC-446
HO2S2 (B2) P1167 1167 ××
×*5EC-458
CLOSED LOOP-B2 P1168 1168 — — — EC-470
TCS C/U FUNCTN P1211 1211 — — ×EC-472
TCS/CIRC P1212 1212 — — ×EC-473
ENG OVER TEMP P1217 1217 — — — EC-474
CTP LEARNING P1225 1225 — — ×EC-486
CTP LEARNING P1226 1226 — — ×EC-488
SENSOR POWER/CIRC P1229 1229 — — — EC-490
PURG VOLUME CONT/V P1444 1444 — — ×EC-495
VENT CONTROL VALVE P1446 1446 — — ×EC-503
ASCD SW P1564 1564 — — — EC-510
ASCD BRAKE SW P1572 1572 — — — EC-517
ASCD VHL SPD SEN P1574 1574 — — — EC-533
NATS MALFUNCTION P1610 -
P1615 1610 - 1615 — — ×EC-66
TPV SEN/CIRC A/T P1705 1705 — — — AT-144
Items
(CONSULT-II screen terms)
DTC*1
SRT code
Test value/
Test limit
(GST only)
1st trip DTC Reference
page
CONSULT-II
GST*2ECM*3

EC-54
ON BOARD DIAGNOSTIC (OBD) SYSTEM
Revision; 2004 April 2003 G35 Coupe
*1: 1st trip DTC No. is the same as DTC No.
*2: This number is prescribed by SAE J2012.
*3: In Diagnostic Test Mode II (Self-diagnostic results), this number is controlled by NISSAN.
*4: SRT code will not be set if the self-diagnostic result is NG.
*5: This is not displayed with GST.
*6: The troubleshooting for this DTC needs CONSULT-II.
*7: When the fail-safe operations for both self-diagnoses occur at the same time, the MIL illuminates.
DTC AND 1ST TRIP DTC
The 1st trip DTC (whose number is the same as the DTC number) is displayed for the latest self-diagnostic
result obtained. If the ECM memory was cleared previously, and the 1st trip DTC did not reoccur, the 1st trip
DTC will not be displayed.
If a malfunction is detected during the 1st trip, the 1st trip DTC is stored in the ECM memory. The MIL will not
light up (two trip detection logic). If the same malfunction is not detected in the 2nd trip (meeting the required
driving pattern), the 1st trip DTC is cleared from the ECM memory. If the same malfunction is detected in the
2nd trip, both the 1st trip DTC and DTC are stored in the ECM memory and the MIL lights up. In other words,
the DTC is stored in the ECM memory and the MIL lights up when the same malfunction occurs in two consec-
utive trips. If a 1st trip DTC is stored and a non-diagnostic operation is performed between the 1st and 2nd
trips, only the 1st trip DTC will continue to be stored. For malfunctions that blink or light up the MIL during the
1st trip, the DTC and 1st trip DTC are stored in the ECM memory.
Procedures for clearing the DTC and the 1st trip DTC from the ECM memory are described in EC-64, "HOW
TO ERASE EMISSION-RELATED DIAGNOSTIC INFORMATION" .
For malfunctions in which 1st trip DTCs are displayed, refer to EC-51, "EMISSION-RELATED DIAGNOSTIC
INFORMATION ITEMS" . These items are required by legal regulations to continuously monitor the system/
component. In addition, the items monitored non-continuously are also displayed on CONSULT-II.
1st trip DTC is specified in Mode 7 of SAE J1979. 1st trip DTC detection occurs without lighting up the MIL and
therefore does not warn the driver of a malfunction. However, 1st trip DTC detection will not prevent the vehi-
cle from being tested, for example during Inspection/Maintenance (I/M) tests.
When a 1st trip DTC is detected, check, print out or write down and erase (1st trip) DTC and Freeze Frame
data as specified in Work Flow procedure Step II, refer to EC-76, "WORK FLOW" . Then perform DTC Confir-
P-N POS SW/CIRCUIT P1706 1706 — — ×EC-535
TURBINE REV S/CIRC P1716 1716 — — ×AT-152
A/T INTERLOCK P1730 1730 — — — AT-159
I/C SOLENOID/CIRC P1752 1752 — — — AT-170
I/C SOLENOID FNCTN P1754 1754 — — — AT-175
FR/B SOLENOID/CIRC P1757 1757 — — — AT-179
FR/B SOLENOID/CIRC P1759 1759 — — — AT-184
D/C SOLENOID/CIRC P1762 1762 — — — AT-189
D/C SOLENOID FNCTN P1764 1764 — — — AT-194
HLR/C SOL/CIRC P1767 1767 — — — AT-198
HLR/C SOL FNCTN P1769 1769 — — — AT-203
LC/B SOLENOID/CIRC P1772 1772 — — — AT-208
LC/B SOLENOID FNCT P1774 1774 — — — AT-213
BRAKE SW/CIRCUIT P1805 1805 — — ×EC-544
APP SEN 1/CIRC P2122 2122 — — — EC-550
APP SEN 1/CIRC P2123 2123 — — — EC-550
APP SEN 2/CIRC P2127 2127 — — — EC-557
APP SEN 2/CIRC P2128 2128 — — — EC-557
TP SENSOR P2135 2135 — — — EC-564
APP SENSOR P2138 2138 — — — EC-571
Items
(CONSULT-II screen terms)
DTC*1
SRT code
Test value/
Test limit
(GST only)
1st trip DTC Reference
page
CONSULT-II
GST*2ECM*3

ON BOARD DIAGNOSTIC (OBD) SYSTEM
EC-55
C
D
E
F
G
H
I
J
K
L
M
A
EC
Revision; 2004 April 2003 G35 Coupe
mation Procedure or Overall Function Check to try to duplicate the malfunction. If the malfunction is dupli-
cated, the item requires repair.
How to Read DTC and 1st Trip DTC
DTC and 1st trip DTC can be read by the following methods.
With CONSULT-II
With GST
CONSULT-II or GST (Generic Scan Tool) Examples: P0340, P1148, P1706, etc.
These DTCs are prescribed by SAE J2012.
(CONSULT-II also displays the malfunctioning component or system.)
No Tools
The number of blinks of the MIL in the Diagnostic Test Mode II (Self-Diagnostic Results) indicates the DTC.
Example: 0340, 1148, 1706, etc.
These DTCs are controlled by NISSAN.
●1st trip DTC No. is the same as DTC No.
●Output of a DTC indicates a malfunction. However, GST or the Diagnostic Test Mode II do not indi-
cate whether the malfunction is still occurring or has occurred in the past and has returned to nor-
mal. CONSULT-II can identify malfunction status as shown below. Therefore, using CONSULT-II (if
available) is recommended.
A sample of CONSULT-II display for DTC and 1st trip DTC is shown below. DTC or 1st trip DTC of a malfunc-
tion is displayed in SELF-DIAGNOSTIC RESULTS mode of CONSULT-II. Time data indicates how many times
the vehicle was driven after the last detection of a DTC.
If the DTC is being detected currently, the time data will be [0].
If a 1st trip DTC is stored in the ECM, the time data will be [1t].
FREEZE FRAME DATA AND 1ST TRIP FREEZE FRAME DATA
The ECM records the driving conditions such as fuel system status, calculated load value, engine coolant tem-
perature, short term fuel trim, long term fuel trim, engine speed, vehicle speed, base fuel schedule and intake
air temperature at the moment a malfunction is detected.
Data which are stored in the ECM memory, along with the 1st trip DTC, are called 1st trip freeze frame data.
The data, stored together with the DTC data, are called freeze frame data and displayed on CONSULT-II or
GST. The 1st trip freeze frame data can only be displayed on the CONSULT-II screen, not on the GST. For
details, see EC-111, "Freeze Frame Data and 1st Trip Freeze Frame Data" .
Only one set of freeze frame data (either 1st trip freeze frame data or freeze frame data) can be stored in the
ECM. 1st trip freeze frame data is stored in the ECM memory along with the 1st trip DTC. There is no priority
for 1st trip freeze frame data and it is updated each time a different 1st trip DTC is detected. However, once
freeze frame data (2nd trip detection/MIL on) is stored in the ECM memory, 1st trip freeze frame data is no
longer stored. Remember, only one set of freeze frame data can be stored in the ECM. The ECM has the fol-
lowing priorities to update the data.
For example, the EGR malfunction (Priority: 2) was detected and the freeze frame data was stored in the 2nd
trip. After that when the misfire (Priority: 1) is detected in another trip, the freeze frame data will be updated
from the EGR malfunction to the misfire. The 1st trip freeze frame data is updated each time a different mal-
PBIB0911E
Priority Items
1Freeze frame data Misfire — DTC: P0300 - P0306
Fuel Injection System Function — DTC: P0171, P0172, P0174, P0175
2 Except the above items (Includes A/T related items)
3 1st trip freeze frame data

EC-56
ON BOARD DIAGNOSTIC (OBD) SYSTEM
Revision; 2004 April 2003 G35 Coupe
function is detected. There is no priority for 1st trip freeze frame data. However, once freeze frame data is
stored in the ECM memory, 1st trip freeze data is no longer stored (because only one freeze frame data or 1st
trip freeze frame data can be stored in the ECM). If freeze frame data is stored in the ECM memory and freeze
frame data with the same priority occurs later, the first (original) freeze frame data remains unchanged in the
ECM memory.
Both 1st trip freeze frame data and freeze frame data (along with the DTCs) are cleared when the ECM mem-
ory is erased. Procedures for clearing the ECM memory are described in EC-64, "HOW TO ERASE EMIS-
SION-RELATED DIAGNOSTIC INFORMATION" .
SYSTEM READINESS TEST (SRT) CODE
System Readiness Test (SRT) code is specified in Mode 1 of SAE J1979.
As part of an enhanced emissions test for Inspection & Maintenance (I/M), certain states require the status of
SRT be used to indicate whether the ECM has completed self-diagnosis of major emission systems and com-
ponents. Completion must be verified in order for the emissions inspection to proceed.
If a vehicle is rejected for a State emissions inspection due to one or more SRT items indicating “INCMP”, use
the information in this Service Manual to set the SRT to “CMPLT”.
In most cases the ECM will automatically complete its self-diagnosis cycle during normal usage, and the SRT
status will indicate “CMPLT” for each application system. Once set as “CMPLT”, the SRT status remains
“CMPLT” until the self-diagnosis memory is erased.
Occasionally, certain portions of the self-diagnostic test may not be completed as a result of the customer's
normal driving pattern; the SRT will indicate “INCMP” for these items.
NOTE:
The SRT will also indicate “INCMP” if the self-diagnosis memory is erased for any reason or if the ECM mem-
ory power supply is interrupted for several hours.
If, during the state emissions inspection, the SRT indicates “CMPLT” for all test items, the inspector will con-
tinue with the emissions test. However, if the SRT indicates “INCMP” for one or more of the SRT items the
vehicle is returned to the customer untested.
NOTE:
If MIL is ON during the state emissions inspection, the vehicle is also returned to the customer untested even
though the SRT indicates “CMPLT” for all test items. Therefore, it is important to check SRT (“CMPLT”) and
DTC (No DTCs) before the inspection.

ON BOARD DIAGNOSTIC (OBD) SYSTEM
EC-57
C
D
E
F
G
H
I
J
K
L
M
A
EC
Revision; 2004 April 2003 G35 Coupe
SRT Item
The table below shows required self-diagnostic items to set the SRT to “CMPLT”.
*1: If completion of several SRTs is required, perform driving patterns (DTC confirmation procedure), one by one based on the priority for
models with CONSULT-II.
SRT Set Timing
SRT is set as “CMPLT” after self-diagnosis has been performed one or more times. Completion of SRT is
done regardless of whether the result is OK or NG. The set timing is different between OK and NG results and
is shown in the table below.
OK: Self-diagnosis is carried out and the result is OK.
NG: Self-diagnosis is carried out and the result is NG.
SRT item
(CONSULT-II indica-
tion)
Perfor-
mance Pri-
ority*1
Required self-diagnostic items to set the SRT to “CMPLT” Corresponding DTC
No.
CATALYST 2 Three way catalyst function P0420, P0430
EVAP SYSTEM 1 EVAP control system P0442
2 EVAP control system P0456
2 EVAP control system purge flow monitoring P0441
HO2S 2 Heated oxygen sensor 1 P0132, P0152
Heated oxygen sensor 1 P0133, P0153
Heated oxygen sensor 1 P0134, P0154
Heated oxygen sensor 1 P1143, P1163
Heated oxygen sensor 1 P1144, P1164
Heated oxygen sensor 2 P0138, P0158
Heated oxygen sensor 2 P0139, P0159
Heated oxygen sensor 2 P1146, P1166
Heated oxygen sensor 2 P1147, P1167
HO2S HTR 2 Heated oxygen sensor 1 heater P0031, P0032, P0051,
P0052
Heated oxygen sensor 2 heater P0037, P0038, P0057,
P0058
Self-diagnosis result
Example
Diagnosis Ignition cycle
← ON → OFF ← ON → OFF ← ON → OFF ← ON →
All OK Case 1 P0400 OK (1) — (1) OK (2) — (2)
P0402 OK (1) — (1) — (1) OK (2)
P1402 OK (1) OK (2) — (2) — (2)
SRT of EGR “CMPLT” “CMPLT” “CMPLT” “CMPLT”
Case 2 P0400 OK (1) — (1) — (1) — (1)
P0402 — (0) — (0) OK (1) — (1)
P1402 OK (1) OK (2) — (2) — (2)
SRT of EGR “INCMP” “INCMP” “CMPLT” “CMPLT”
NG exists Case 3 P0400 OK OK — —
P0402 — — — —
P1402 NG — NG
NG
(Consecutive
NG)
(1st trip)
DTC 1st trip DTC — 1st trip DTC DTC
(= MIL “ON”)
SRT of EGR “INCMP” “INCMP” “INCMP” “CMPLT”

EC-58
ON BOARD DIAGNOSTIC (OBD) SYSTEM
Revision; 2004 April 2003 G35 Coupe
—: Self-diagnosis is not carried out.
When all SRT related self-diagnoses showed OK results in a single cycle (Ignition OFF-ON-OFF), the SRT will
indicate “CMPLT”. → Case 1 above
When all SRT related self-diagnoses showed OK results through several different cycles, the SRT will indicate
“CMPLT” at the time the respective self-diagnoses have at least one OK result. → Case 2 above
If one or more SRT related self-diagnoses showed NG results in 2 consecutive cycles, the SRT will also indi-
cate “CMPLT”. → Case 3 above
The table above shows that the minimum number of cycles for setting SRT as “INCMP” is one (1) for each
self-diagnosis (Case 1 & 2) or two (2) for one of self-diagnoses (Case 3). However, in preparation for the state
emissions inspection, it is unnecessary for each self-diagnosis to be executed twice (Case 3) for the following
reasons:
●The SRT will indicate “CMPLT” at the time the respective self-diagnoses have one (1) OK result.
●The emissions inspection requires “CMPLT” of the SRT only with OK self-diagnosis results.
●When, during SRT driving pattern, 1st trip DTC (NG) is detected prior to “CMPLT” of SRT, the self-diagno-
sis memory must be erased from ECM after repair.
●If the 1st trip DTC is erased, all the SRT will indicate “INCMP”.
NOTE:
SRT can be set as “CMPLT” together with the DTC(s). Therefore, DTC check must always be carried out
prior to the state emission inspection even though the SRT indicates “CMPLT”.
SRT Service Procedure
If a vehicle has failed the state emissions inspection due to one or more SRT items indicating “INCMP”, review
the flowchart diagnostic sequence on the next page.

ON BOARD DIAGNOSTIC (OBD) SYSTEM
EC-59
C
D
E
F
G
H
I
J
K
L
M
A
EC
Revision; 2004 April 2003 G35 Coupe
How to Display SRT Code
WITH CONSULT-II
Selecting “SRT STATUS” in “DTC CONFIRMATION” mode with
CONSULT-II.
For items whose SRT codes are set, a “CMPLT” is displayed on the
CONSULT-II screen; for items whose SRT codes are not set,
“INCMP” is displayed.
A sample of CONSULT-II display for SRT code is shown at right.
“INCMP” means the self-diagnosis is incomplete and SRT is not set.
“CMPLT” means the self-diagnosis is complete and SRT is set.
WITH GST
Selecting Mode 1 with GST (Generic Scan Tool)
*1 EC-55 *2 EC-59 *3 EC-60
SEF573XA
SEF935Z

EC-60
ON BOARD DIAGNOSTIC (OBD) SYSTEM
Revision; 2004 April 2003 G35 Coupe
How to Set SRT Code
To set all SRT codes, self-diagnosis for the items indicated above must be performed one or more times. Each
diagnosis may require a long period of actual driving under various conditions.
WITH CONSULT-II
Perform corresponding DTC Confirmation Procedure one by one based on Performance Priority in the table
on EC-57, "SRT Item" .
WITHOUT CONSULT-II
The most efficient driving pattern in which SRT codes can be properly set is explained on the next page. The
driving pattern should be performed one or more times to set all SRT codes.

ON BOARD DIAGNOSTIC (OBD) SYSTEM
EC-61
C
D
E
F
G
H
I
J
K
L
M
A
EC
Revision; 2004 April 2003 G35 Coupe
Driving Pattern
PBIB1053E

EC-62
ON BOARD DIAGNOSTIC (OBD) SYSTEM
Revision; 2004 April 2003 G35 Coupe
●The time required for each diagnosis varies with road surface conditions, weather, altitude, individual driv-
ing habits, etc.
Zone A refers to the range where the time, required for the diagnosis under normal conditions*, is the
shortest.
Zone B refers to the range where the diagnosis can still be performed if the diagnosis is not completed
within zone A.
*: Normal conditions refer to the following:
●Sea level
●Flat road
●Ambient air temperature: 20 - 30°C (68 - 86°F)
●Diagnosis is performed as quickly as possible under normal conditions.
Under different conditions [For example: ambient air temperature other than 20 - 30°C (68 - 86°F)], diag-
nosis may also be performed.
Pattern 1:
●The engine is started at the engine coolant temperature of −10 to 35°C (14 to 95°F)
(where the voltage between the ECM terminal 73 and ground is 3.0 - 4.3V).
●The engine must be operated at idle speed until the engine coolant temperature is greater than
70°C (158°F) (where the voltage between the ECM terminal 73 and ground is lower than 1.4V).
●The engine is started at the fuel tank temperature of warmer than 0°C (32°F) (where the voltage
between the ECM terminal 107 and ground is less than 4.1V).
Pattern 2:
●When steady-state driving is performed again even after it is interrupted, each diagnosis can be con-
ducted. In this case, the time required for diagnosis may be extended.
Pattern 3:
●The driving pattern outlined in *2 must be repeated at least 3 times.
Pattern 4:
●Tests are performed after the engine has been operated for at least 17 minutes.
●The accelerator pedal must be held very steady during steady-state driving.
●If the accelerator pedal is moved, the test must be conducted all over again.
*1: Depress the accelerator pedal until vehicle speed is 90 km/h (56 MPH), then release the accelerator pedal
and keep it released for more than 10 seconds. Depress the accelerator pedal until vehicle speed is 90 km/h
(56 MPH) again.
*2: Operate the vehicle in the following driving pattern.
1. Decelerate vehicle to 0 km/h (0 MPH) and let engine idle.
2. Repeat driving pattern shown at right at least 10 times.
–During acceleration, hold the accelerator pedal as steady as
possible.
*3: Checking the vehicle speed with GST is advised.
Suggested Transmission Gear Position
Set the selector lever in the D position.
Suggested Upshift Speeds for M/T Models
Shown below are suggested vehicle speeds for shifting into a higher gear. These suggestions relate to fuel
economy and vehicle performance. Actual upshift speeds will vary according to road conditions, the weather
and individual driving habits.
SEF414S

ON BOARD DIAGNOSTIC (OBD) SYSTEM
EC-63
C
D
E
F
G
H
I
J
K
L
M
A
EC
Revision; 2004 April 2003 G35 Coupe
Suggested Maximum Speed in Each Gear
Downshift to a lower gear if the engine is not running smoothly, or if you need to accelerate.
Do not exceed the maximum suggested speed (shown below) in any gear. For level road driving, use the high-
est gear suggested for that speed. Always observe posted speed limits and drive according to the road condi-
tions to ensure sage operation. Do not over-rev the engine when shifting to a lower gear as it may cause
engine damage or loss of vehicle control.
TEST VALUE AND TEST LIMIT (GST ONLY — NOT APPLICABLE TO CONSULT-II)
The following is the information specified in Mode 6 of SAE J1979.
The test value is a parameter used to determine whether a system/circuit diagnostic test is OK or NG while
being monitored by the ECM during self-diagnosis. The test limit is a reference value which is specified as the
maximum or minimum value and is compared with the test value being monitored.
Items for which these data (test value and test limit) are displayed are the same as SRT code items (30 test
items).
These data (test value and test limit) are specified by Test ID (TID) and Component ID (CID) and can be dis-
played on the GST screen. ×: Applicable —: Not applicable
For normal acceleration in low altitude areas
[less than 1,219 m (4,000 ft)]:
For quick acceleration in low altitude
areas and high altitude areas
[over 1,219 m (4,000 ft)]:
Gear change ACCEL shift point km/h (MPH) CRUISE shift point km/h (MPH) km/h (MPH)
1st to 2nd 21 (13) 13 (8) 24 (15)
2nd to 3rd 37 (23) 26 (16) 40 (25)
3rd to 4th 48 (30) 40 (25) 64 (40)
4th to 5th 60 (37) 45 (28) 72 (45)
6th 68 (42) 53 (33) 80 (50)
Gear km/h (MPH)
1st 56 (35)
2nd 96 (60)
3rd 136 (85)
4th —
5th —
6th —
SRT item Self-diagnostic test item Test value (GST display) Test limit Application
TID CID
CATALYST
Three way catalyst function (Bank 1) 01H 01H Max. ×
02H 81H Min. ×
Three way catalyst function (Bank 2) 03H 02H Max. ×
04H 82H Min. ×
EVAP SYSTEM
EVAP control system (Small leak) 05H 03H Max. ×
EVAP control system purge flow monitoring 06H 83H Min. ×
EVAP control system (Very small leak) 07H 03H Max. ×

EC-64
ON BOARD DIAGNOSTIC (OBD) SYSTEM
Revision; 2004 April 2003 G35 Coupe
HOW TO ERASE EMISSION-RELATED DIAGNOSTIC INFORMATION
How to Erase DTC
WITH CONSULT-II
The emission related diagnostic information in the ECM can be erased by selecting “ERASE” in the “SELF-
DIAG RESULTS” mode with CONSULT-II.
If DTCs are displayed for both ECM and TCM (Transmission control module), they need to be erased individu-
ally from the ECM and TCM (Transmission control module).
NOTE:
If the DTC is not for A/T related items (see EC-8 ), skip steps 2 through 4.
1. If the ignition switch stays ON after repair work, be sure to turn ignition switch OFF once. Wait at least 10
seconds and then turn it ON (engine stopped) again.
2. Turn CONSULT-II ON and touch “A/T”.
3. Touch “SELF-DIAG RESULTS”.
4. Touch “ERASE”. [The DTC in the TCM (Transmission control module) will be erased.] Then touch “BACK”
twice.
5. Touch “ENGINE”.
6. Touch “SELF-DIAG RESULTS”.
HO2S
Heated oxygen sensor 1 (Bank 1)
09H 04H Max. ×
0AH 84H Min. ×
0BH 04H Max. ×
0CH 04H Max. ×
0DH 04H Max. ×
Heated oxygen sensor 1 (Bank 2)
11H 05H Max. ×
12H 85H Min. ×
13H 05H Max. ×
14H 05H Max. ×
15H 05H Max. ×
Heated oxygen sensor 2 (Bank 1)
19H 86H Min. ×
1AH 86H Min. ×
1BH 06H Max. ×
1CH 06H Max. ×
Heated oxygen sensor 2 (Bank 2)
21H 87H Min. ×
22H 87H Min. ×
23H 07H Max. ×
24H 07H Max. ×
HO2S HTR
Heated oxygen sensor 1 heater (Bank 1) 29H 08H Max. ×
2AH 88H Min. ×
Heated oxygen sensor 1 heater (Bank 2) 2BH 09H Max. ×
2CH 89H Min. ×
Heated oxygen sensor 2 heater (Bank 1) 2DH 0AH Max. ×
2EH 8AH Min. ×
Heated oxygen sensor 2 heater (Bank 2) 2FH 0BH Max. ×
30H 8BH Min. ×
SRT item Self-diagnostic test item Test value (GST display) Test limit Application
TID CID

ON BOARD DIAGNOSTIC (OBD) SYSTEM
EC-65
C
D
E
F
G
H
I
J
K
L
M
A
EC
Revision; 2004 April 2003 G35 Coupe
7. Touch “ERASE”. (The DTC in the ECM will be erased.)
WITH GST
The emission related diagnostic information in the ECM can be erased by selecting Mode 4 with GST.
NOTE:
If the DTC is not for A/T related items (see EC-8 ), skip step 2.
1. If the ignition switch stays ON after repair work, be sure to turn ignition switch OFF once. Wait at least 10
seconds and then turn it ON (engine stopped) again.
2. Perform AT-96, "TCM SELF-DIAGNOSTIC PROCEDURE (NO TOOLS)" . (The engine warm-up step can
be skipped when performing the diagnosis only to erase the DTC.)
3. Select Mode 4 with GST (Generic Scan Tool).
NO TOOLS
1. If the ignition switch stays ON after repair work, be sure to turn ignition switch OFF once.
2. Wait at least 10 seconds and then turn it ON (engine stopped) again.
3. Change the diagnostic test mode from Mode II to Mode I by depressing the accelerator pedal. Refer to
EC-68, "HOW TO SWITCH DIAGNOSTIC TEST MODE" .
●If the battery is disconnected, the emission-related diagnostic information will be lost within 24
hours.
●The following data are cleared when the ECM memory is erased.
–Diagnostic trouble codes
–1st trip diagnostic trouble codes
–Freeze frame data
–1st trip freeze frame data
–System readiness test (SRT) codes
SCIA5671E

EC-66
ON BOARD DIAGNOSTIC (OBD) SYSTEM
Revision; 2004 April 2003 G35 Coupe
–Test values
–Others
Actual work procedures are explained using a DTC as an example. Be careful so that not only the DTC, but all
of the data listed above, are cleared from the ECM memory during work procedures.
IVIS (Infiniti Vehicle Immobilizer System — NATS) ABS0037N
●If the security indicator lights up with the ignition switch in
the ON position or “NATS MALFUNCTION” is displayed on
“SELF-DIAG RESULTS” screen, perform self-diagnostic
results mode with CONSULT-II using NATS program card.
Refer to BL-122, "IVIS (INFINITI VEHICLE IMMOBILIZER
SYSTEM-NATS)" .
●Confirm no self-diagnostic results of IVIS (NATS) is dis-
played before touching “ERASE” in “SELF-DIAG RESULTS”
mode with CONSULT-II.
●When replacing ECM, initialization of IVIS (NATS) system
and registration of all IVIS (NATS) ignition key IDs must be
carried out with CONSULT-II using NATS program card.
Therefore, be sure to receive all keys from vehicle owner. Regarding the procedures of IVIS (NATS)
initialization and IVIS (NATS) ignition key ID registration, refer to CONSULT-II operation manual,
IVIS/NVIS.
Malfunction Indicator Lamp (MIL) ABS0037O
DESCRIPTION
The MIL is located on the instrument panel.
1. The MIL will light up when the ignition switch is turned ON with-
out the engine running. This is a bulb check.
If the MIL does not light up, refer to DI-32, "WARNING LAMPS" ,
or see EC-628 .
2. When the engine is started, the MIL should go off.
If the MIL remains on, the on board diagnostic system has
detected an engine system malfunction.
SEF543X
SEF217U

ON BOARD DIAGNOSTIC (OBD) SYSTEM
EC-67
C
D
E
F
G
H
I
J
K
L
M
A
EC
Revision; 2004 April 2003 G35 Coupe
ON BOARD DIAGNOSTIC SYSTEM FUNCTION
The on board diagnostic system has the following four functions.
When there is an open circuit on MIL circuit, the ECM cannot warn the driver by lighting MIL up when there is
malfunction on engine control system.
Therefore, when electrical controlled throttle and part of ECM related diagnoses are continuously detected as
NG for 5 trips, ECM warns the driver that engine control system malfunctions and MIL circuit is open by means
of operating fail-safe function.
The fail-safe function also operates when above diagnoses except MIL circuit are detected and demands the
driver to repair the malfunction.
MIL Flashing Without DTC
If the ECM is in Diagnostic Test Mode II, MIL may flash when engine is running. In this case, check ECM diag-
nostic test mode. EC-68, "HOW TO SWITCH DIAGNOSTIC TEST MODE" .
How to switch the diagnostic test (function) modes, and details of the above functions are described later. EC-
68, "HOW TO SWITCH DIAGNOSTIC TEST MODE" .
The following emission-related diagnostic information is cleared when the ECM memory is erased.
●Diagnostic trouble codes
●1st trip diagnostic trouble codes
●Freeze frame data
●1st trip freeze frame data
●System readiness test (SRT) codes
●Test values
●Others
Diagnostic Test
Mode
KEY and ENG.
Status
Function Explanation of Function
Mode I Ignition switch in
ON position
Engine stopped
BULB CHECK This function checks the MIL bulb for damage (blown,
open circuit, etc.).
If the MIL does not come on, check MIL circuit.
Engine running MALFUNCTION
WARNING
This is a usual driving condition. When a malfunction is
detected twice in two consecutive driving cycles (two trip
detection logic), the MIL will light up to inform the driver
that a malfunction has been detected.
The following malfunctions will light up or blink the MIL in
the 1st trip.
●Misfire (Possible three way catalyst damage)
●One trip detection diagnoses
Mode II Ignition switch in
ON position
Engine stopped
SELF-DIAGNOSTIC
RESULTS
This function allows DTCs and 1st trip DTCs to be read.
Engine running HEATED OXYGEN SENSOR 1
MONITOR
This function allows the fuel mixture condition (lean or
rich), monitored by heated oxygen sensor 1, to be read.
Engine operating condition in fail-safe mode Engine speed will not rise more than 2,500 rpm due to the fuel cut

EC-68
ON BOARD DIAGNOSTIC (OBD) SYSTEM
Revision; 2004 April 2003 G35 Coupe
HOW TO SWITCH DIAGNOSTIC TEST MODE
NOTE:
●It is better to count the time accurately with a clock.
●It is impossible to switch the diagnostic mode when an accelerator pedal position sensor circuit
has a malfunction.
●Always ECM returns to Diagnostic Test Mode I after ignition switch is turned OFF.
How to Set Diagnostic Test Mode II (Self-diagnostic Results)
1. Confirm that accelerator pedal is fully released, turn ignition switch ON and wait 3 seconds.
2. Repeat the following procedure quickly five times within 5 seconds.
a. Fully depress the accelerator pedal.
b. Fully release the accelerator pedal.
3. Wait 7 seconds, fully depress the accelerator pedal and keep it for approx. 10 seconds until the MIL starts
blinking.
4. Fully release the accelerator pedal.
ECM has entered to Diagnostic Test Mode II (Self-diagnostic results).
How to Set Diagnostic Test Mode II (Heated Oxygen Sensor 1 Monitor)
1. Set the ECM in Diagnostic Test Mode II (Self-diagnostic results). Refer to EC-68, "How to Set Diagnostic
Test Mode II (Self-diagnostic Results)" .
2. Start Engine.
ECM has entered to Diagnostic Test Mode II (Heated oxygen sensor 1 monitor).
ECM will start heated oxygen sensor 1 monitoring from the bank 1 sensor.
How to Switch Monitored Sensor From Bank 1 to Bank 2 or Vice Versa
1. Fully depress the accelerator pedal quickly and then release it immediately.
2. Make sure that monitoring sensor has changed by MIL blinking as follows.
How to Erase Diagnostic Test Mode II (Self-diagnostic Results)
1. Set ECM in Diagnostic Test Mode II (Self-diagnostic results). Refer to EC-68, "How to Set Diagnostic Test
Mode II (Self-diagnostic Results)" .
2. Fully depress the accelerator pedal and keep it for more than 10 seconds.
The emission-related diagnostic information has been erased from the backup memory in the ECM.
3. Fully release the accelerator pedal, and confirm the DTC 0000 is displayed.
PBIB0092E
PBIB0093E

ON BOARD DIAGNOSTIC (OBD) SYSTEM
EC-69
C
D
E
F
G
H
I
J
K
L
M
A
EC
Revision; 2004 April 2003 G35 Coupe
DIAGNOSTIC TEST MODE I — BULB CHECK
In this mode, the MIL on the instrument panel should stay ON. If it remains OFF, check the bulb. Refer to DI-
32, "WARNING LAMPS" or see EC-628 .
DIAGNOSTIC TEST MODE I — MALFUNCTION WARNING
This DTC number is clarified in Diagnostic Test Mode II (SELF-DIAGNOSTIC RESULTS)
DIAGNOSTIC TEST MODE II — SELF-DIAGNOSTIC RESULTS
In this mode, the DTC and 1st trip DTC are indicated by the number of blinks of the MIL as shown below.
The DTC and 1st trip DTC are displayed at the same time. If the MIL does not illuminate in diagnostic test
mode I (Malfunction warning), all displayed items are 1st trip DTCs. If only one code is displayed when the MIL
illuminates in diagnostic test mode II (SELF-DIAGNOSTIC RESULTS), it is a DTC; if two or more codes are
displayed, they may be either DTCs or 1st trip DTCs. DTC No. is same as that of 1st trip DTC. These uniden-
tified codes can be identified by using the CONSULT-II or GST. A DTC will be used as an example for how to
read a code.
A particular trouble code can be identified by the number of four-digit numeral flashes. The “zero” is indicated
by the number of ten flashes. The length of time the 1,000th-digit numeral flashes on and off is 1.2 seconds
consisting of an ON (0.6-second) - OFF (0.6-second) cycle.
The 100th-digit numeral and lower digit numerals consist of a 0.3-second ON and 0.3-second OFF cycle.
A change from one digit numeral to another occurs at an interval of 1.0-second OFF. In other words, the later
numeral appears on the display 1.3 seconds after the former numeral has disappeared.
A change from one trouble code to another occurs at an interval of 1.8-second OFF.
In this way, all the detected malfunctions are classified by their DTC numbers. The DTC 0000 refers to no mal-
function. (See EC-8, "INDEX FOR DTC" )
How to Erase Diagnostic Test Mode II (Self-diagnostic Results)
The DTC can be erased from the back up memory in the ECM by depressing accelerator pedal. Refer to EC-
68, "How to Erase Diagnostic Test Mode II (Self-diagnostic Results)" .
●If the battery is disconnected, the DTC will be lost from the backup memory within 24 hours.
●Be careful not to erase the stored memory before starting trouble diagnoses.
DIAGNOSTIC TEST MODE II — HEATED OXYGEN SENSOR 1 MONITOR
In this mode, the MIL displays the condition of the fuel mixture (lean or rich) which is monitored by the heated
oxygen sensor 1.
MIL Condition
ON When the malfunction is detected.
OFF No malfunction.
SEF952W

EC-70
ON BOARD DIAGNOSTIC (OBD) SYSTEM
Revision; 2004 April 2003 G35 Coupe
*: Maintains conditions just before switching to open loop.
To check the heated oxygen sensor 1 function, start engine in the Diagnostic Test Mode II and warm it up until
engine coolant temperature indicator points to the middle of the gauge.
Next run engine at about 2,000 rpm for about 2 minutes under no-load conditions. Then make sure that the
MIL comes ON more than 5 times within 10 seconds with engine running at 2,000 rpm under no-load.
OBD System Operation Chart ABS0037P
RELATIONSHIP BETWEEN MIL, 1ST TRIP DTC, DTC, AND DETECTABLE ITEMS
●When a malfunction is detected for the first time, the 1st trip DTC and the 1st trip freeze frame data are
stored in the ECM memory.
●When the same malfunction is detected in two consecutive trips, the DTC and the freeze frame data are
stored in the ECM memory, and the MIL will come on. For details, refer to EC-50, "Two Trip Detection
Logic" .
●The MIL will go off after the vehicle is driven 3 times with no malfunction. The drive is counted only when
the recorded driving pattern is met (as stored in the ECM). If another malfunction occurs while counting,
the counter will reset.
●The DTC and the freeze frame data will be stored until the vehicle is driven 40 times (driving pattern A)
without the same malfunction recurring (except for Misfire and Fuel Injection System). For Misfire and
Fuel Injection System, the DTC and freeze frame data will be stored until the vehicle is driven 80 times
(driving pattern C) without the same malfunction recurring. The “TIME” in “SELF-DIAGNOSTIC
RESULTS” mode of CONSULT-II will count the number of times the vehicle is driven.
●The 1st trip DTC is not displayed when the self-diagnosis results in OK for the 2nd trip.
SUMMARY CHART
For details about patterns B and C under “Fuel Injection System” and “Misfire”, see EC-72 .
For details about patterns A and B under “Other”, see EC-74 .
*1: Clear timing is at the moment OK is detected.
*2: Clear timing is when the same malfunction is detected in the 2nd trip.
MIL Fuel mixture condition in the exhaust gas Air fuel ratio feedback control condition
ON Lean Closed loop system
OFF Rich
*Remains ON or OFF Any condition Open loop system
Items Fuel Injection System Misfire Other
MIL (goes off) 3 (pattern B) 3 (pattern B) 3 (pattern B)
DTC, Freeze Frame Data (no
display) 80 (pattern C) 80 (pattern C) 40 (pattern A)
1st Trip DTC (clear) 1 (pattern C), *1 1 (pattern C), *1 1 (pattern B)
1st Trip Freeze Frame Data
(clear) *1, *2 *1, *2 1 (pattern B)

ON BOARD DIAGNOSTIC (OBD) SYSTEM
EC-71
C
D
E
F
G
H
I
J
K
L
M
A
EC
Revision; 2004 April 2003 G35 Coupe
RELATIONSHIP BETWEEN MIL, DTC, 1ST TRIP DTC AND DRIVING PATTERNS FOR “MISFIRE
” <EXHAUST QUALITY DETERIORATION>, “FUEL INJECTION SYSTEM”
*1: When the same malfunction is
detected in two consecutive trips,
MIL will light up.
*2: MIL will go off after vehicle is driven
3 times (pattern B) without any mal-
functions.
*3: When the same malfunction is
detected in two consecutive trips, the
DTC and the freeze frame data will
be stored in ECM.
*4: The DTC and the freeze frame data
will not be displayed any longer after
vehicle is driven 80 times (pattern C)
without the same malfunction. (The
DTC and the freeze frame data still
remain in ECM.)
*5: When a malfunction is detected for
the first time, the 1st trip DTC and
the 1st trip freeze frame data will be
stored in ECM.
*6: The 1st trip DTC and the 1st trip
freeze frame data will be cleared at
the moment OK is detected.
*7: When the same malfunction is
detected in the 2nd trip, the 1st trip
freeze frame data will be cleared.
*8: 1st trip DTC will be cleared when
vehicle is driven once (pattern C)
without the same malfunction after
DTC is stored in ECM.
SEF392S

EC-72
ON BOARD DIAGNOSTIC (OBD) SYSTEM
Revision; 2004 April 2003 G35 Coupe
EXPLANATION FOR DRIVING PATTERNS FOR “MISFIRE <EXHAUST QUALITY DETERIORA-
TION>”, “FUEL INJECTION SYSTEM”
<Driving Pattern B>
Driving pattern B means the vehicle operation as follows:
All components and systems should be monitored at least once by the OBD system.
●The B counter will be cleared when the malfunction is detected once regardless of the driving pattern.
●The B counter will be counted up when driving pattern B is satisfied without any malfunction.
●The MIL will go off when the B counter reaches 3. (*2 in OBD SYSTEM OPERATION CHART)
<Driving Pattern C>
Driving pattern C means the vehicle operation as follows:
The following conditions should be satisfied at the same time:
Engine speed: (Engine speed in the freeze frame data) ±375 rpm
Calculated load value: (Calculated load value in the freeze frame data) x (1±0.1) [%]
Engine coolant temperature (T) condition:
●When the freeze frame data shows lower than 70°C (158°F), T should be lower than 70°C (158°F).
●When the freeze frame data shows higher than or equal to 70°C (158°F), T should be higher than or equal
to 70°C (158°F).
Example:
If the stored freeze frame data is as follows:
Engine speed: 850 rpm, Calculated load value: 30%, Engine coolant temperature: 80°C (176°F)
To be satisfied with driving pattern C, the vehicle should run under the following conditions:
Engine speed: 475 - 1,225 rpm, Calculated load value: 27 - 33%, Engine coolant temperature: more than 70°C
(158°F)
●The C counter will be cleared when the malfunction is detected regardless of vehicle conditions above.
●The C counter will be counted up when vehicle conditions above is satisfied without the same malfunction.
●The DTC will not be displayed after C counter reaches 80.
●The 1st trip DTC will be cleared when C counter is counted once without the same malfunction after DTC
is stored in ECM.

ON BOARD DIAGNOSTIC (OBD) SYSTEM
EC-73
C
D
E
F
G
H
I
J
K
L
M
A
EC
Revision; 2004 April 2003 G35 Coupe
RELATIONSHIP BETWEEN MIL, DTC, 1ST TRIP DTC AND DRIVING PATTERNS EXCEPT FOR
“MISFIRE <EXHAUST QUALITY DETERIORATION>”, “FUEL INJECTION SYSTEM”
*1: When the same malfunction is
detected in two consecutive trips,
MIL will light up.
*2: MIL will go off after vehicle is driven
3 times (pattern B) without any mal-
functions.
*3: When the same malfunction is
detected in two consecutive trips, the
DTC and the freeze frame data will
be stored in ECM.
*4: The DTC and the freeze frame data
will not be displayed any longer after
vehicle is driven 40 times (pattern A)
without the same malfunction.
(The DTC and the freeze frame data
still remain in ECM.)
*5: When a malfunction is detected for
the first time, the 1st trip DTC and
the 1st trip freeze frame data will be
stored in ECM.
*6: 1st trip DTC will be cleared after
vehicle is driven once (pattern B)
without the same malfunction.
*7: When the same malfunction is
detected in the 2nd trip, the 1st trip
freeze frame data will be cleared.
SEF393S

EC-74
ON BOARD DIAGNOSTIC (OBD) SYSTEM
Revision; 2004 April 2003 G35 Coupe
EXPLANATION FOR DRIVING PATTERNS EXCEPT FOR “MISFIRE <EXHAUST QUALITY
DETERIORATION>”, “FUEL INJECTION SYSTEM”
<Driving Pattern A>
●The A counter will be cleared when the malfunction is detected regardless of (1) - (4).
●The A counter will be counted up when (1) - (4) are satisfied without the same malfunction.
●The DTC will not be displayed after the A counter reaches 40.
<Driving Pattern B>
Driving pattern B means the vehicle operation as follows:
All components and systems should be monitored at least once by the OBD system.
●The B counter will be cleared when the malfunction is detected once regardless of the driving pattern.
●The B counter will be counted up when driving pattern B is satisfied without any malfunctions.
●The MIL will go off when the B counter reaches 3 (*2 in OBD SYSTEM OPERATION CHART).
AEC574

TROUBLE DIAGNOSIS
EC-75
C
D
E
F
G
H
I
J
K
L
M
A
EC
Revision; 2004 April 2003 G35 Coupe
TROUBLE DIAGNOSIS PFP:00004
Trouble Diagnosis Introduction ABS0037Q
INTRODUCTION
The engine has an ECM to control major systems such as fuel con-
trol, ignition control, idle air control system, etc. The ECM accepts
input signals from sensors and instantly drives actuators. It is essen-
tial that both input and output signals are proper and stable. At the
same time, it is important that there are no malfunctions such as vac-
uum leaks, fouled spark plugs, or other malfunctions with the engine.
It is much more difficult to diagnose a incident that occurs intermit-
tently rather than continuously. Most intermittent incidents are
caused by poor electric connections or improper wiring. In this case,
careful checking of suspected circuits may help prevent the replace-
ment of good parts.
A visual check only may not find the cause of the incidents. A road
test with CONSULT-II (or GST) or a circuit tester connected should
be performed. Follow the Work Flow on EC-76 .
Before undertaking actual checks, take a few minutes to talk with a
customer who approaches with a driveability complaint. The cus-
tomer can supply good information about such incidents, especially
intermittent ones. Find out what symptoms are present and under
what conditions they occur. A Diagnostic Worksheet like the example
on EC-78 should be used.
Start your diagnosis by looking for conventional malfunctions first.
This will help troubleshoot driveability malfunctions on an electroni-
cally controlled engine vehicle.
MEF036D
SEF233G
SEF234G

EC-76
TROUBLE DIAGNOSIS
Revision; 2004 April 2003 G35 Coupe
WORK FLOW
Flow Chart
*1 If time data of “SELF-DIAG
RESULTS” is other than [0] or [1t],
perform EC-132, "TROUBLE DIAG-
NOSIS FOR INTERMITTENT INCI-
DENT" .
*2 If the incident cannot be verified, per-
form EC-132, "TROUBLE DIAGNO-
SIS FOR INTERMITTENT
INCIDENT" .
*3 If the on board diagnostic system
cannot be performed, check main
power supply and ground circuit.
Refer to EC-133, "POWER SUPPLY
CIRCUIT FOR ECM" .
*4 If malfunctioning part cannot be
detected, perform EC-132, "TROU-
BLE DIAGNOSIS FOR INTERMIT-
TENT INCIDENT" .
*5 EC-61 *6 EC-128
PBIB1043E

TROUBLE DIAGNOSIS
EC-77
C
D
E
F
G
H
I
J
K
L
M
A
EC
Revision; 2004 April 2003 G35 Coupe
Description for Work Flow
DIAGNOSTIC WORKSHEET
Description
There are many operating conditions that lead to the malfunction of
engine components. A good grasp of such conditions can make trou-
bleshooting faster and more accurate.
In general, each customer feels differently about a incident. It is
important to fully understand the symptoms or conditions for a cus-
tomer complaint.
Utilize a diagnostic worksheet like the one on the next page in order
to organize all the information for troubleshooting.
Some conditions may cause the MIL to come on steady or blink and
DTC to be detected. Examples:
●Vehicle ran out of fuel, which caused the engine to misfire.
STEP DESCRIPTION
STEP I Get detailed information about the conditions and the environment when the incident/symptom occurred using the
EC-77, "DIAGNOSTIC WORKSHEET" .
STEP II
Before confirming the concern, check and write down (print out using CONSULT-II or GST) the (1st trip) DTC and the
(1st trip) freeze frame data, then erase the DTC and the data. (Refer to EC-64 .) The (1st trip) DTC and the (1st trip)
freeze frame data can be used when duplicating the incident at STEP III & IV.
If the incident cannot be verified, perform EC-132, "TROUBLE DIAGNOSIS FOR INTERMITTENT INCIDENT" .
Study the relationship between the cause, specified by (1st trip) DTC, and the symptom described by the customer.
(The Symptom Matrix Chart will be useful. See EC-86 .)
Also check related service bulletins for information.
STEP III
Try to confirm the symptom and under what conditions the incident occurs.
The DIAGNOSTIC WORK SHEET and the freeze frame data are useful to verify the incident. Connect CONSULT-II
to the vehicle in DATA MONITOR (AUTO TRIG) mode and check real time diagnosis results.
If the incident cannot be verified, perform EC-132, "TROUBLE DIAGNOSIS FOR INTERMITTENT INCIDENT" .
If the malfunction code is detected, skip STEP IV and perform STEP V.
STEP IV
Try to detect the (1st trip) DTC by driving in (or performing) the DTC Confirmation Procedure. Check and read the (1st
trip) DTC and (1st trip) freeze frame data by using CONSULT-II or GST.
During the (1st trip) DTC verification, be sure to connect CONSULT-II to the vehicle in DATA MONITOR (AUTO TRIG)
mode and check real time diagnosis results.
If the incident cannot be verified, perform EC-132, "TROUBLE DIAGNOSIS FOR INTERMITTENT INCIDENT" .
In case the DTC Confirmation Procedure is not available, perform the Overall Function Check instead. The (1st trip)
DTC cannot be displayed by this check, however, this simplified check is an effective alternative.
The NG result of the Overall Function Check is the same as the (1st trip) DTC detection.
STEP V
Take the appropriate action based on the results of STEP I through IV.
If the malfunction code is indicated, proceed to TROUBLE DIAGNOSIS FOR DTC PXXXX.
If the normal code is indicated, proceed to the BASIC INSPECTION. (Refer to EC-81 .) Then perform inspections
according to the Symptom Matrix Chart. (Refer to EC-86 .)
STEP VI
Identify where to begin diagnosis based on the relationship study between symptom and possible causes. Inspect the
system for mechanical binding, loose connectors or wiring damage using (tracing) Harness Layouts.
Gently shake the related connectors, components or wiring harness with CONSULT-II set in “DATA MONITOR
(AUTO TRIG)” mode.
Check the voltage of the related ECM terminals or monitor the output data from the related sensors with CONSULT-II.
Refer to EC-98 , EC-122 .
The Diagnostic Procedure in EC section contains a description based on open circuit inspection. A short circuit
inspection is also required for the circuit check in the Diagnostic Procedure. For details, refer to Circuit Inspection in
GI-27, "How to Perform Efficient Diagnosis for an Electrical Incident" .
Repair or replace the malfunction parts.
If malfunctioning part cannot be detected, perform EC-132, "TROUBLE DIAGNOSIS FOR INTERMITTENT INCI-
DENT" .
STEP VII
Once you have repaired the circuit or replaced a component, you need to run the engine in the same conditions and
circumstances which resulted in the customer's initial complaint.
Perform the DTC Confirmation Procedure and confirm the normal code [DTC No. P0000] is detected. If the incident is
still detected in the final check, perform STEP VI by using a method different from the previous one.
Before returning the vehicle to the customer, be sure to erase the unnecessary (already fixed) (1st trip) DTC in ECM
and TCM (Transmission control module). (Refer to EC-64, "HOW TO ERASE EMISSION-RELATED DIAGNOSTIC
INFORMATION" and AT-38, "HOW TO ERASE DTC" .)
SEF907L

EC-78
TROUBLE DIAGNOSIS
Revision; 2004 April 2003 G35 Coupe
●Fuel filler cap was left off or incorrectly screwed on, allowing fuel to evaporate into the atmosphere.
Worksheet Sample
DTC Inspection Priority Chart ABS0037R
If some DTCs are displayed at the same time, perform inspections one by one based on the following priority
chart.
NOTE:
If DTC U1000 and/or U1001 is displayed with other DTC, first perform the trouble diagnosis for DTC
U1000, U1001. Refer to EC-140 .
MTBL0017

TROUBLE DIAGNOSIS
EC-79
C
D
E
F
G
H
I
J
K
L
M
A
EC
Revision; 2004 April 2003 G35 Coupe
Priority Detected items (DTC)
1●U1000 U1001 CAN communication line
●P0101 P0102 P0103 Mass air flow sensor
●P0112 P0113 P0127 Intake air temperature sensor
●P0117 P0118 P0125 Engine coolant temperature sensor
●P0128 Thermostat function
●P0122 P0123 P0222 P0223 P1225 P1226 P1229 P2135 Throttle position sensor
●P0181 P0182 P0183 Fuel tank temperature sensor
●P0327 P0328 Knock sensor
●P0335 Crankshaft position sensor (POS)
●P0340 P0345 Camshaft position sensor (PHASE)
●P0460 P0461 P0462 Fuel level sensor
●P0500 Vehicle speed sensor
●P0605 ECM
●P0705 Park/Neutral position (PNP) switch
●P1229 Sensor power supply
●P1610 - P1615 NATS
●P1706 Park/Neutral position (PNP) switch
●P2122 P2123 P2127 P2128 P2138 Accelerator pedal position sensor
2●P0031P0032 P0051 P0052 Heated oxygen sensor 1 heater
●P0037 P0038 P0057 P0058 Heated oxygen sensor 2 heater
●P0132 P0133 P0134 P0152 P0153 P0154 P1143 P1144 P1163 P1164 Heated oxygen sensor 1
●P0138 P0139 P0158 P0159 P1146 P1147 P1166 P1167 Heated oxygen sensor 2
●P0441 EVAP control system purge flow monitoring
●P0444 P0445 P1444 EVAP canister purge volume control solenoid valve
●P0447 P1446 EVAP canister vent control valve
●P0451 P0452 P0453 EVAP control system pressure sensor
●P0550 Power steering pressure sensor
●P0710 P0720 P0725 P0740 P0744 P0745 P1705 P1716 P1730 P1752 P1754 P1757 P1759 P1762 P1764 P1767
P1769 P1772 P1774 A/T related sensors, solenoid valves and switches
●P1065 ECM power supply
●P1111 P1136 Intake valve timing control solenoid valve
●P1122 Electric throttle control function
●P1124 P1126 P1128 Electric throttle control actuator
●P1217 Engine over temperature (OVERHEAT)
●P1805 Brake switch
3●P0011 P0021 Intake valve timing control
●P0171 P0172 P0174 P0175 Fuel injection system function
●P0300 - P0306 Misfire
●P0420 P0430 Three way catalyst function
●P0442 P0456 EVAP control system
●P0506 P0507 Idle speed control system
●P1121 Electric throttle control actuator
●P1148 P1168 Closed loop control
●P1211 TCS control unit
●P1212 TCS communication line
●P1564 ASCD steering switch
●P1572 ASCD brake switch
●P1574 ASCD vehicle speed sensor

EC-80
TROUBLE DIAGNOSIS
Revision; 2004 April 2003 G35 Coupe
Fail-Safe Chart ABS0037S
When the DTC listed below is detected, the ECM enters fail-safe mode and the MIL lights up.
●When there is an open circuit on MIL circuit, the ECM cannot warn the driver by lighting MIL up when
there is malfunction on engine control system.
Therefore, when electrical controlled throttle and part of ECM related diagnoses are continuously detected
as NG for 5 trips, ECM warns the driver that engine control system malfunctions and MIL circuit is open by
means of operating fail-safe function.
The fail-safe function also operates when above diagnoses except MIL circuit are detected and demands
the driver to repair the malfunction.
DTC No. Detected items Engine operating condition in fail-safe mode
P0102
P0103
Mass air flow sensor circuit Engine speed will not rise more than 2,400 rpm due to the fuel cut.
P0117
P0118
Engine coolant tempera-
ture sensor circuit
Engine coolant temperature will be determined by ECM based on the time after turning
ignition switch ON or START.
CONSULT-II displays the engine coolant temperature decided by ECM.
Condition Engine coolant temperature decided
(CONSULT-II display)
Just as ignition switch is turned
ON or Start 40°C (104°F)
More than approx. 4 minutes after
ignition ON or Start 80°C (176°F)
Except as shown above 40 - 80°C (104 - 176°F)
(Depends on the time)
When the fail-safe system for engine coolant temperature sensor is activated, the cooling
fan operates while engine is running.
P0122
P0123
P0222
P0223
P2135
Throttle position sensor ECM controls the electric throttle control actuator in regulating the throttle opening in
order for the idle position to be within +10 degrees.
ECM regulates the opening speed of the throttle valve to be slower than the normal con-
dition.
So, the acceleration will be poor.
P1121 Electric throttle control
actuator
(When electric throttle control actuator does not function properly due to the return spring
malfunction:)
ECM controls the electric throttle actuator by regulating the throttle opening around the
idle position. The engine speed will not rise more than 2,000 rpm.
(When throttle valve opening angle in fail-safe mode is not in specified range:)
ECM controls the electric throttle control actuator by regulating the throttle opening to 20
degrees or less.
(When ECM detects the throttle valve is stuck open:)
While the vehicle is driving, it slows down gradually by fuel cut. After the vehicle stops,
the engine stalls.
The engine can restart in N or P position, and engine speed will not exceed 1,000 rpm or
more.
P1122 Electric throttle control
function
ECM stops the electric throttle control actuator control, throttle valve is maintained at a
fixed opening (approx. 5 degrees) by the return spring.
P1124
P1126
Throttle control motor relay ECM stops the electric throttle control actuator control, throttle valve is maintained at a
fixed opening (approx. 5 degrees) by the return spring.
P1128 Throttle control motor ECM stops the electric throttle control actuator control, throttle valve is maintained at a
fixed opening (approx. 5 degrees) by the return spring.
P1229 Sensor power supply ECM stops the electric throttle control actuator control, throttle valve is maintained at a
fixed opening (approx. 5 degrees) by the return spring.
P2122
P2123
P2127
P2128
P2138
Accelerator pedal position
sensor
ECM controls the electric throttle control actuator in regulating the throttle opening in
order for the idle position to be within +10 degrees.
ECM regulates the opening speed of the throttle valve to be slower than the normal con-
dition.
So, the acceleration will be poor.
Engine operating condition in fail-safe mode Engine speed will not rise more than 2,500 rpm due to the fuel cut

TROUBLE DIAGNOSIS
EC-81
C
D
E
F
G
H
I
J
K
L
M
A
EC
Revision; 2004 April 2003 G35 Coupe
Basic Inspection ABS0037T
1. INSPECTION START
1. Check service records for any recent repairs that may indicate a related malfunction, or a current need for
scheduled maintenance.
2. Open engine hood and check the following:
–Harness connectors for improper connections
–Wiring harness for improper connections, pinches and cut
–Vacuum hoses for splits, kinks and improper connections
–Hoses and ducts for leaks
–Air cleaner clogging
–Gasket
3. Confirm that electrical or mechanical loads are not applied.
–Headlamp switch is OFF.
–Air conditioner switch is OFF.
–Rear window defogger switch is OFF.
–Steering wheel is in the straight-ahead position, etc.
4. Start engine and warm it up until engine coolant temperature
indicator points the middle of gauge.
Ensure engine stays below 1,000 rpm.
5. Run engine at about 2,000 rpm for about 2 minutes under no-
load.
6. Make sure that no DTC is displayed with CONSULT-II or GST.
OK or NG
OK >> GO TO 3.
NG >> GO TO 2.
2. REPAIR OR REPLACE
Repair or replace components as necessary according to corresponding Diagnostic Procedure.
>> GO TO 3.
SEF983U
SEF976U
SEF977U

EC-82
TROUBLE DIAGNOSIS
Revision; 2004 April 2003 G35 Coupe
3. CHECK TARGET IDLE SPEED
With CONSULT-II
1. Run engine at about 2,000 rpm for about 2 minutes under no-load.
2. Rev engine (2,000 to 3,000 rpm) two or three times under no-
load, then run engine at idle speed for about 1 minute.
3. Read idle speed in “DATA MONITOR” mode with CONSULT-II.
Without CONSULT-II
1. Run engine at about 2,000 rpm for about 2 minutes under no-load.
2. Rev engine (2,000 to 3,000 rpm) two or three times under no-load, then run engine at idle speed for about
1 minute.
3. Check idle speed.
OK or NG
OK >> GO TO 10.
NG >> GO TO 4.
4. PERFORM ACCELERATOR PEDAL RELEASED POSITION LEARNING
1. Stop engine.
2. Perform EC-46, "Accelerator Pedal Released Position Learning" .
>> GO TO 5.
5. PERFORM THROTTLE VALVE CLOSED POSITION LEARNING
Perform EC-46, "Throttle Valve Closed Position Learning" .
>> GO TO 6.
SEF978U
A/T: 650 ± 50 rpm (in P or N position)
M/T: 650 ± 50 rpm (in N position)
SEF058Y
A/T: 650 ± 50 rpm (in P or N position)
M/T: 650 ± 50 rpm (in N position)

TROUBLE DIAGNOSIS
EC-83
C
D
E
F
G
H
I
J
K
L
M
A
EC
Revision; 2004 April 2003 G35 Coupe
6. PERFORM IDLE AIR VOLUME LEARNING
Refer to EC-46, "Idle Air Volume Learning" .
Is Idle Air Volume Learning carried out successfully?
YES or NO
YES >> GO TO 7.
NO >> 1. Follow the instruction of Idle Air Volume Learning.
2. GO TO 4.
7. CHECK TARGET IDLE SPEED AGAIN
With CONSULT-II
1. Start engine and warm it up to normal operating temperature.
2. Read idle speed in “DATA MONITOR” mode with CONSULT-II.
Without CONSULT-II
1. Start engine and warm it up to normal operating temperature.
2. Check idle speed.
OK or NG
OK >> GO TO 10.
NG >> GO TO 8.
8. DETECT MALFUNCTIONING PART
Check the following.
●Check camshaft position sensor (PHASE) and circuit. Refer to EC-307 .
●Check crankshaft position sensor (POS) and circuit. Refer to EC-301 .
OK or NG
OK >> GO TO 9.
NG >> 1. Repair or replace.
2. GO TO 4.
9. CHECK ECM FUNCTION
1. Substitute another known-good ECM to check ECM function. (ECM may be the cause of a incident, but
this is the rarely the case.)
2. Perform initialization of IVIS (NATS) system and registration of IVIS (NATS) ignition key IDs. Refer to EC-
66, "IVIS (Infiniti Vehicle Immobilizer System — NATS)" .
>> GO TO 4.
A/T: 650 ± 50 rpm (in P or N position)
M/T: 650 ± 50 rpm (in N position)
A/T: 650 ± 50 rpm (in P or N position)
M/T: 650 ± 50 rpm (in N position)

EC-84
TROUBLE DIAGNOSIS
Revision; 2004 April 2003 G35 Coupe
10. CHECK IGNITION TIMING
1. Run engine at idle.
2. Check ignition timing with a timing light.
OK or NG
OK >> INSPECTION END
NG >> GO TO 11.
11. PERFORM ACCELERATOR PEDAL RELEASED POSITION LEARNING
1. Stop engine.
2. Perform EC-46, "Accelerator Pedal Released Position Learning" .
>> GO TO 12.
12. PERFORM THROTTLE VALVE CLOSED POSITION LEARNING
Perform EC-46, "Throttle Valve Closed Position Learning" .
>> GO TO 13.
13. PERFORM IDLE AIR VOLUME LEARNING
Refer to EC-46, "Idle Air Volume Learning" .
Is Idle Air Volume Learning carried out successfully?
YES or NO
YES >> GO TO 14.
NO >> 1. Follow the instruction of Idle Air Volume Learning.
2. GO TO 4.
14. CHECK TARGET IDLE SPEED AGAIN
With CONSULT-II
1. Start engine and warm it up to normal operating temperature.
2. Read idle speed in “DATA MONITOR” mode with CONSULT-II.
Without CONSULT-II
1. Start engine and warm it up to normal operating temperature.
2. Check idle speed.
OK or NG
OK >> GO TO 15.
NG >> GO TO 17.
A/T: 15 ± 5° BTDC (in P or N position)
M/T: 15 ± 5° BTDC (in N position)
PBIB1655E
A/T: 650 ± 50 rpm (in P or N position)
M/T: 650 ± 50 rpm (in N position)
A/T: 650 ± 50 rpm (in P or N position)
M/T: 650 ± 50 rpm (in N position)

TROUBLE DIAGNOSIS
EC-85
C
D
E
F
G
H
I
J
K
L
M
A
EC
Revision; 2004 April 2003 G35 Coupe
15. CHECK IGNITION TIMING AGAIN
1. Run engine at idle.
2. Check ignition timing with a timing light.
OK or NG
OK >> INSPECTION END
NG >> GO TO 16.
16. CHECK TIMING CHAIN INSTALLATION
Check timing chain installation. Refer to EM-50, "TIMING CHAIN" .
OK or NG
OK >> GO TO 17.
NG >> 1. Repair the timing chain installation.
2. GO TO 4.
17. DETECT MALFUNCTIONING PART
Check the following.
●Check camshaft position sensor (PHASE) and circuit. Refer to EC-307 .
●Check crankshaft position sensor (POS) and circuit. Refer to EC-301 .
OK or NG
OK >> GO TO 18.
NG >> 1. Repair or replace.
2. GO TO 4.
18. CHECK ECM FUNCTION
1. Substitute another known-good ECM to check ECM function. (ECM may be the cause of a incident, but
this is the rarely the case.)
2. Perform initialization of IVIS (NATS) system and registration of IVIS (NATS) ignition key IDs. Refer to EC-
66, "IVIS (Infiniti Vehicle Immobilizer System — NATS)" .
>> GO TO 4.
A/T: 15 ± 5° BTDC (in P or N position)
M/T: 15 ± 5° BTDC (in N position)
PBIB1655E

EC-86
TROUBLE DIAGNOSIS
Revision; 2004 April 2003 G35 Coupe
Symptom Matrix Chart ABS0037U
SYSTEM — BASIC ENGINE CONTROL SYSTEM
SYMPTOM
Reference
page
HARD/NO START/RESTART (EXCP. HA)
ENGINE STALL
HESITATION/SURGING/FLAT SPOT
SPARK KNOCK/DETONATION
LACK OF POWER/POOR ACCELERATION
HIGH IDLE/LOW IDLE
ROUGH IDLE/HUNTING
IDLING VIBRATION
SLOW/NO RETURN TO IDLE
OVERHEATS/WATER TEMPERATURE HIGH
EXCESSIVE FUEL CONSUMPTION
EXCESSIVE OIL CONSUMPTION
BATTERY DEAD (UNDER CHARGE)
Warranty symptom code AA AB AC AD AE AF AG AH AJ AK AL AM HA
Fuel Fuel pump circuit 11232 22 3 2EC-598
Fuel pressure regulator system 334444444 4 EC-48
Injector circuit 11232 22 2 EC-592
Evaporative emission system 334444444 4 EC-630
Air Positive crankcase ventilation sys-
tem 334444444 41 EC-642
Incorrect idle speed adjustment 1 1 1 1 1 EC-35
Electric throttle control actuator 112332222 2 2
EC-415,
EC-417
IgnitionIncorrect ignition timing adjustment33111 11 1 EC-35
Ignition circuit 11222 22 2 EC-580
Main power supply and ground circuit 22333 33 23 EC-133
Mass air flow sensor circuit
1
12
2
222 2
EC-162,
EC-170
Engine coolant temperature sensor circuit
3
33 EC-182,
EC-194
Heated oxygen sensor 1 circuit
EC-202,
EC-212 ,
EC-225 ,
EC-433 ,
EC-439
Throttle position sensor circuit
22
EC-187,
EC-283 ,
EC-486 ,
EC-488 ,
EC-490 ,
EC-564
Accelerator pedal position sensor circuit 3 2 1
EC-550,
EC-557 ,
EC-571
Knock sensor circuit 2 3 EC-296
Crankshaft position sensor (POS) circuit 2 2 EC-301
Camshaft position sensor (PHASE) circuit 3 2 EC-307
Vehicle speed signal circuit 2 3 3 3 EC-390
Power steering pressure sensor circuit 2 3 3 EC-396

TROUBLE DIAGNOSIS
EC-87
C
D
E
F
G
H
I
J
K
L
M
A
EC
Revision; 2004 April 2003 G35 Coupe
1 - 6: The numbers refer to the order of inspection.
(continued on next page)
SYSTEM — ENGINE MECHANICAL & OTHER
ECM 22333333333 EC-401,
EC-404
Intake valve timing control solenoid valve cir-
cuit 32 13223 3 EC-408
PNP switch circuit 3 3 3 3 3 EC-535
Refrigerant pressure sensor circuit 2 3 3 4 EC-604
Electrical load signal circuit 3 EC-609
Air conditioner circuit 223333333 3 2ATC-42
VDC/TCS/ABS control unit 4 BRC-15
SYMPTOM
Reference
page
HARD/NO START/RESTART (EXCP. HA)
ENGINE STALL
HESITATION/SURGING/FLAT SPOT
SPARK KNOCK/DETONATION
LACK OF POWER/POOR ACCELERATION
HIGH IDLE/LOW IDLE
ROUGH IDLE/HUNTING
IDLING VIBRATION
SLOW/NO RETURN TO IDLE
OVERHEATS/WATER TEMPERATURE HIGH
EXCESSIVE FUEL CONSUMPTION
EXCESSIVE OIL CONSUMPTION
BATTERY DEAD (UNDER CHARGE)
Warranty symptom code AA AB AC AD AE AF AG AH AJ AK AL AM HA
SYMPTOM
Reference
page
HARD/NO START/RESTART (EXCP. HA)
ENGINE STALL
HESITATION/SURGING/FLAT SPOT
SPARK KNOCK/DETONATION
LACK OF POWER/POOR ACCELERATION
HIGH IDLE/LOW IDLE
ROUGH IDLE/HUNTING
IDLING VIBRATION
SLOW/NO RETURN TO IDLE
OVERHEATS/WATER TEMPERATURE HIGH
EXCESSIVE FUEL CONSUMPTION
EXCESSIVE OIL CONSUMPTION
BATTERY DEAD (UNDER CHARGE)
Warranty symptom code AA AB AC AD AE AF AG AH AJ AK AL AM HA
Fuel Fuel tank 5
5
FL-11
Fuel piping 5 5 5 5 5 5 EM-34
Vapor lock —
Valve deposit
5 555 55 5
—
Poor fuel (Heavy weight gaso-
line, Low octane) —

EC-88
TROUBLE DIAGNOSIS
Revision; 2004 April 2003 G35 Coupe
Air Air duct
55555 5
EM-14
Air cleaner EM-14
Air leakage from air duct
(Mass air flow sensor — electric
throttle control actuator) 5555
EM-14
Electric throttle control actuator EM-16
Air leakage from intake manifold/
Collector/Gasket
EM-16,
EM-20
Cranking Battery 111111
1
1SC-4
Generator circuit SC-20
Starter circuit 3 SC-10
Signal plate 6 EM-98
PNP switch 4AT-105 or
MT-12
Engine Cylinder head 55555 55 5 EM-81
Cylinder head gasket 4 3
Cylinder block
66666 66 6
4
EM-98
Piston
Piston ring
Connecting rod
Bearing
Crankshaft
Valve
mecha-
nism
Timing chain
55555 55 5
EM-50
Camshaft EM-66
Intake valve timing control EM-50
Intake valve 3EM-81
Exhaust valve
Exhaust Exhaust manifold/Tube/Muffler/
Gasket 55555 55 5 EM-22, EX-
3
Three way catalyst
Lubrica-
tion
Oil pan/Oil strainer/Oil pump/Oil
filter/Oil gallery/Oil cooler 55555 55 5
EM-26, LU-
12 , LU-9 ,
LU-10
Oil level (Low)/Filthy oil LU-6
SYMPTOM
Reference
page
HARD/NO START/RESTART (EXCP. HA)
ENGINE STALL
HESITATION/SURGING/FLAT SPOT
SPARK KNOCK/DETONATION
LACK OF POWER/POOR ACCELERATION
HIGH IDLE/LOW IDLE
ROUGH IDLE/HUNTING
IDLING VIBRATION
SLOW/NO RETURN TO IDLE
OVERHEATS/WATER TEMPERATURE HIGH
EXCESSIVE FUEL CONSUMPTION
EXCESSIVE OIL CONSUMPTION
BATTERY DEAD (UNDER CHARGE)
Warranty symptom code AA AB AC AD AE AF AG AH AJ AK AL AM HA

TROUBLE DIAGNOSIS
EC-89
C
D
E
F
G
H
I
J
K
L
M
A
EC
Revision; 2004 April 2003 G35 Coupe
1 - 6: The numbers refer to the order of inspection.
Cooling Radiator/Hose/Radiator filler cap
55555 55 45
CO-12,
CO-16
Thermostat 5 CO-24
Water pump CO-20
Water gallery CO-26
Coolant level (Low)/Contami-
nated coolant 5CO-9
IVIS (Infiniti Vehicle Immobilizer System —
NATS) 11 EC-66 or
BL-122
SYMPTOM
Reference
page
HARD/NO START/RESTART (EXCP. HA)
ENGINE STALL
HESITATION/SURGING/FLAT SPOT
SPARK KNOCK/DETONATION
LACK OF POWER/POOR ACCELERATION
HIGH IDLE/LOW IDLE
ROUGH IDLE/HUNTING
IDLING VIBRATION
SLOW/NO RETURN TO IDLE
OVERHEATS/WATER TEMPERATURE HIGH
EXCESSIVE FUEL CONSUMPTION
EXCESSIVE OIL CONSUMPTION
BATTERY DEAD (UNDER CHARGE)
Warranty symptom code AA AB AC AD AE AF AG AH AJ AK AL AM HA

EC-90
TROUBLE DIAGNOSIS
Revision; 2004 April 2003 G35 Coupe
Engine Control Component Parts Location ABS0037V
PBIB1272E

TROUBLE DIAGNOSIS
EC-91
C
D
E
F
G
H
I
J
K
L
M
A
EC
Revision; 2004 April 2003 G35 Coupe
PBIB1273E

EC-92
TROUBLE DIAGNOSIS
Revision; 2004 April 2003 G35 Coupe
PBIB1274E

TROUBLE DIAGNOSIS
EC-93
C
D
E
F
G
H
I
J
K
L
M
A
EC
Revision; 2004 April 2003 G35 Coupe
PBIB1189E
PBIB1284E

EC-94
TROUBLE DIAGNOSIS
Revision; 2004 April 2003 G35 Coupe
PBIB1275E

TROUBLE DIAGNOSIS
EC-95
C
D
E
F
G
H
I
J
K
L
M
A
EC
Revision; 2004 April 2003 G35 Coupe
PBIB1276E

EC-96
TROUBLE DIAGNOSIS
Revision; 2004 April 2003 G35 Coupe
Circuit Diagram ABS0037W
TBWT0251E

TROUBLE DIAGNOSIS
EC-97
C
D
E
F
G
H
I
J
K
L
M
A
EC
Revision; 2004 April 2003 G35 Coupe
TBWT0252E

EC-98
TROUBLE DIAGNOSIS
Revision; 2004 April 2003 G35 Coupe
ECM Harness Connector Terminal Layout ABS0037X
ECM Terminals and Reference Value ABS0037Y
PREPARATION
1. ECM is located behind the passenger side instrument lower
panel. For this inspection, remove passenger side instrument
lower panel.
2. Remove ECM harness connector.
3. When disconnecting ECM harness connector, loosen it with
levers as far as they will go as shown at right.
4. Connect a break-out box (SST) and Y-cable adapter (SST)
between the ECM and ECM harness connector.
●Use extreme care not to touch 2 pins at one time.
●Data is for comparison and may not be exact.
ECM INSPECTION TABLE
Specification data are reference values and are measured between each terminal and ground.
Pulse signal is measured by CONSULT-II.
CAUTION:
Do not use ECM ground terminals when measuring input/output voltage. Doing so may result in dam-
age to the ECMs transistor. Use a ground other than ECM terminals, such as the ground.
PBIB1192E
PBIB1278E
SEC406D
TER-
MINAL
NO.
WIRE
COLOR ITEM CONDITION DATA (DC Voltage)
1 B ECM ground [Engine is running]
●Idle speed Engine ground

TROUBLE DIAGNOSIS
EC-99
C
D
E
F
G
H
I
J
K
L
M
A
EC
Revision; 2004 April 2003 G35 Coupe
2Y Heated oxygen sensor 1
heater (bank 2)
[Engine is running]
●Warm-up condition
●Engine speed is below 3,600 rpm.
Approximately 8V
[Engine is running]
●Engine speed is above 3,600 rpm.
BATTERY VOLTAGE
(11 - 14V)
3W/R Throttle control motor relay
power supply [Ignition switch: ON] BATTERY VOLTAGE
(11 - 14V)
4BR Throttle control motor
(Close)
[Ignition switch: ON]
●Engine stopped
●Shift lever: D (A/T) or 1st (M/T)
●Accelerator pedal is releasing
0 - 14V
5G Throttle control motor
(Open)
[Ignition switch: ON]
●Engine stopped
●Shift lever: D (A/T) or 1st (M/T)
●Accelerator pedal is depressing
0 - 14V
6BR/WHeated oxygen sensor 2
heater (bank 2)
[Engine is running]
●Engine speed is below 3,600 rpm after the
following conditions are met.
–Engine: after warming up
–Keeping the engine speed between 3,500
and 4,000 rpm for 1 minute and at idle for 1
minute under no load.
0 - 1.0V
[Ignition switch: ON]
●Engine stopped
[Engine is running]
●Engine speed is above 3,600 rpm.
BATTERY VOLTAGE
(11 - 14V)
10 W/G Intake valve timing control
solenoid valve (bank 2)
[Engine is running]
●Warm-up condition
●Idle speed
BATTERY VOLTAGE
(11 - 14V)
[Engine is running]
●Warm-up condition
●When revving engine up to 2,500 rpm
quickly
7 - 12V
TER-
MINAL
NO.
WIRE
COLOR ITEM CONDITION DATA (DC Voltage)
PBIB0519E
PBIB1104E
PBIB1105E
PBIB1790E

EC-100
TROUBLE DIAGNOSIS
Revision; 2004 April 2003 G35 Coupe
11 R/W Intake valve timing control
solenoid valve (bank 1)
[Engine is running]
●Warm-up condition
●Idle speed
BATTERY VOLTAGE
(11 - 14V)
[Engine is running]
●Warm-up condition
●When revving engine up to 2,500 rpm
quickly
7 - 12V
12 L/W Power steering pressure
sensor
[Engine is running]
●Steering wheel is being turned. 0.5 - 4.5V
[Engine is running]
●Steering wheel is not being turned. 0.4 - 0.8V
13 BR Crankshaft position sensor
(POS)
[Engine is running]
●Warm-up condition
●Idle speed
Approximately 1.2V
[Engine is running]
●Engine speed is 2,000 rpm.
Approximately 1.1V
14 Y Camshaft position sensor
(PHASE) (bank 2)
[Engine is running]
●Warm-up condition
●Idle speed
1.0 - 4.0V
[Engine is running]
●Engine speed is 2,000 rpm.
1.0 - 4.0V
15 W Knock sensor [Engine is running]
●Idle speed Approximately 2.5V
16 LG Heated oxygen sensor 1
(bank 2)
[Engine is running]
●Warm-up condition
●Engine speed is 2,000 rpm.
0 - Approximately 1.0V
(Periodically change)
TER-
MINAL
NO.
WIRE
COLOR ITEM CONDITION DATA (DC Voltage)
PBIB1790E
PBIB1041E
PBIB1042E
PBIB1039E
PBIB1040E

TROUBLE DIAGNOSIS
EC-101
C
D
E
F
G
H
I
J
K
L
M
A
EC
Revision; 2004 April 2003 G35 Coupe
21
22
23
G
R/Y
R/B
Injector No. 5
Injector No. 3
Injector No. 1
[Engine is running]
●Warm-up condition
●Idle speed
BATTERY VOLTAGE
(11 - 14V)
[Engine is running]
●Warm-up condition
●Engine speed is 2,000 rpm.
BATTERY VOLTAGE
(11 - 14V)
24 G/B Heated oxygen sensor 1
heater (bank 1)
[Engine is running]
●Warm-up condition
●Engine speed is below 3,600 rpm.
Approximately 8V
[Engine is running]
●Engine speed is above 3,600 rpm.
BATTERY VOLTAGE
(11 - 14V)
25 P/B Heated oxygen sensor 2
heater (bank 1)
[Engine is running]
●Engine speed is below 3,600 rpm after the
following conditions are met.
–Engine: after warming up
–Keeping the engine speed between 3,500
and 4,000 rpm for 1 minute and at idle for 1
minute under no load.
0 - 1.0V
[Ignition switch: ON]
●Engine stopped
[Engine is running]
●Engine speed is above 3,600 rpm.
BATTERY VOLTAGE
(11 - 14V)
32 P EVAP control system pres-
sure sensor [Ignition switch: ON] Approximately 1.8 - 4.8V
TER-
MINAL
NO.
WIRE
COLOR ITEM CONDITION DATA (DC Voltage)
SEC984C
SEC985C
PBIB0519E

EC-102
TROUBLE DIAGNOSIS
Revision; 2004 April 2003 G35 Coupe
33 OR Camshaft position sensor
(PHASE) (bank 1)
[Engine is running]
●Warm-up condition
●Idle speed
1.0 - 4.0V
[Engine is running]
●Engine speed is 2,000 rpm.
1.0 - 4.0V
34 Y/G Intake air temperature sen-
sor [Engine is running] Approximately 0 - 4.8V
Output voltage varies with intake
air temperature.
35 W/B Heated oxygen sensor 1
(bank 1)
[Engine is running]
●Warm-up condition
●Engine speed is 2,000 rpm.
0 - Approximately 1.0V
(Periodically change)
40
41
42
P
R/L
R/W
Injector No. 6
Injector No. 4
Injector No. 2
[Engine is running]
●Warm-up condition
●Idle speed
BATTERY VOLTAGE
(11 - 14V)
[Engine is running]
●Warm-up condition
●Engine speed is 2,000 rpm
BATTERY VOLTAGE
(11 - 14V)
TER-
MINAL
NO.
WIRE
COLOR ITEM CONDITION DATA (DC Voltage)
PBIB1039E
PBIB1040E
SEC984C
SEC985C

TROUBLE DIAGNOSIS
EC-103
C
D
E
F
G
H
I
J
K
L
M
A
EC
Revision; 2004 April 2003 G35 Coupe
45 L/Y EVAP canister purge vol-
ume control solenoid valve
[Engine is running]
●Idle speed
BATTERY VOLTAGE
(11 - 14V)
[Engine is running]
●Engine speed is about 2,000 rpm (More
than 100 seconds after starting engine).
BATTERY VOLTAGE
(11 - 14V)
47 B Sensors' power supply
(Throttle position sensor) [Ignition switch: ON] Approximately 5V
48 B/Y
Sensors' power supply
(EVAP control system pres-
sure sensor) [Ignition switch: ON] Approximately 5V
49 W/L
Sensors' power supply
(Refrigerant pressure sen-
sor) [Ignition switch: ON] Approximately 5V
50 W Throttle position sensor 1
[Ignition switch: ON]
●Engine stopped
●Shift lever: D (A/T) or 1st (M/T)
●Accelerator pedal fully released
More than 0.36V
[Ignition switch: ON]
●Engine stopped
●Shift lever: D (A/T) or 1st (M/T)
●Accelerator pedal fully depressed
Less than 4.75V
51 OR Mass air flow sensor
[Engine is running]
●Warm-up condition
●Idle speed
0.9 - 1.2V
[Engine is running]
●Warm-up condition
●Engine speed is 2,500 rpm.
1.6 - 1.9V
55 R/Y Heated oxygen sensor 2
(bank 2)
[Engine is running]
●Warm-up condition
●Revving engine from idle to 3,000 rpm
quickly after the following conditions are
met.
–After keeping the engine speed between
3,500 and 4,000 rpm for 1 minute and at idle
for 1 minute under no load.
0 - Approximately 1.0V
TER-
MINAL
NO.
WIRE
COLOR ITEM CONDITION DATA (DC Voltage)
SEC990C
SEC991C

EC-104
TROUBLE DIAGNOSIS
Revision; 2004 April 2003 G35 Coupe
60
61
62
PU/W
L/R
Y/R
Ignition signal No. 5
Ignition signal No. 3
Ignition signal No. 1
[Engine is running]
●Warm-up condition
●Idle speed
0 - 0.2V
[Engine is running]
●Warm-up condition
●Engine speed is 2,500 rpm.
0.1 - 0.4V
66 W/R Sensors' ground
(Throttle position sensor)
[Engine is running]
●Warm-up condition
●Idle speed
Approximately 0V
67 B/W
Sensors' ground
(Mass air flow sensor / IAT
sensor / Power steering
pressure sensor / EVAP
control system pressure
sensor / ASCD steering
switch)
[Engine is running]
●Warm-up condition
●Idle speed
Approximately 0V
68 Y
Sensors' power supply
(Power steering pressure
sensor) [Ignition switch: ON] Approximately 5V
69 R/L Throttle position sensor 2
[Ignition switch: ON]
●Engine stopped
●Shift lever: D (A/T) or 1st (M/T)
●Accelerator pedal fully released
Less than 4.75V
[Ignition switch: ON]
●Engine stopped
●Shift lever: D (A/T) or 1st (M/T)
●Accelerator pedal fully depressed
More than 0.36V
70 R/B Refrigerant pressure sensor
[Engine is running]
●Warm-up condition
●Both A/C switch and blower switch are ON.
(Compressor operates.)
1.0 - 4.0V
73 Y/B Engine coolant temperature
sensor [Engine is running] Approximately 0 - 4.8V
Output voltage varies with
engine coolant temperature.
74 L/B Heated oxygen sensor 2
(bank 1)
[Engine is running]
●Warm-up condition
●Revving engine from idle to 3,000 rpm
quickly after the following conditions are
met.
–After keeping the engine speed between
3,500 and 4,000 rpm for 1 minute and at idle
for 1 minute under no load.
0 - Approximately 1.0V
TER-
MINAL
NO.
WIRE
COLOR ITEM CONDITION DATA (DC Voltage)
SEC986C
SEC987C

TROUBLE DIAGNOSIS
EC-105
C
D
E
F
G
H
I
J
K
L
M
A
EC
Revision; 2004 April 2003 G35 Coupe
78 B/Y Sensors' ground
(Heated oxygen sensor)
[Engine is running]
●Warm-up condition
●Idle speed
Approximately 0V
79
80
81
GY/R
GY
G/R
Ignition signal No. 6
Ignition signal No. 4
Ignition signal No. 2
[Engine is running]
●Warm-up condition
●Idle speed
0 - 0.2V
[Engine is running]
●Warm-up condition
●Engine speed is 2,500 rpm.
0.1 - 0.4V
82 GY/L Sensors' ground
(APP sensor 1)
[Engine is running]
●Warm-up condition
●Idle speed
Approximately 0V
83 B/R Sensors' ground
(APP sensor 2)
[Engine is running]
●Warm-up condition
●Idle speed
Approximately 0V
85 PU Data link connector [Ignition switch: ON]
●CONSULT-II or GST is disconnected.
Approximately 5V - Battery volt-
age (11 - 14V)
86 R CAN communication line [Ignition switch: ON] Approximately 1.1 - 2.3V
Output voltage varies with the
communication status.
90 BR/Y Sensors' power supply
(APP sensor 1) [Ignition switch: ON] Approximately 5V
91 G Sensors' power supply
(APP sensor 2) [Ignition switch: ON] Approximately 5V
94 L CAN communication line [Ignition switch: ON] Approximately 2.6 - 3.2V
Output voltage varies with the
communication status.
98 LG/B Accelerator pedal position
sensor 2
[Ignition switch: ON]
●Engine stopped
●Accelerator pedal fully released
0.15 - 0.60V
[Ignition switch: ON]
●Engine stopped
●Accelerator pedal fully depressed
1.95 - 2.40V
TER-
MINAL
NO.
WIRE
COLOR ITEM CONDITION DATA (DC Voltage)
SEC986C
SEC987C

EC-106
TROUBLE DIAGNOSIS
Revision; 2004 April 2003 G35 Coupe
99 G/Y ASCD steering switch
[Ignition switch: ON]
●ASCD steering switch is released. Approximately 4V
[Ignition switch: ON]
●CRUISE switch is pressed. Approximately 0V
[Ignition switch: ON]
●CANCEL switch is pressed. Approximately 1V
[Ignition switch: ON]
●COAST/SET switch is pressed. Approximately 2V
[Ignition switch: ON]
●ACCEL/RESUME switch is pressed. Approximately 3V
101 P/L Stop lamp switch
[Ignition switch: ON]
●Brake pedal is fully released Approximately 0V
[Ignition switch: ON]
●Brake pedal is depressed
BATTERY VOLTAGE
(11 - 14V)
102 G/OR PNP switch
[Ignition switch: ON]
●Shift lever: P or N (A/T), Neutral (M/T) Approximately 0V
[Ignition switch: ON]
●Except the above gear position
BATTERY VOLTAGE
(11 - 14V)
104 G/W Throttle control motor relay [Ignition switch: OFF] BATTERY VOLTAGE
(11 - 14V)
[Ignition switch: ON] 0 - 1.0V
106 BR Accelerator pedal position
sensor 1
[Ignition switch: ON]
●Engine stopped
●Accelerator pedal fully released
0.5 - 1.0V
[Ignition switch: ON]
●Engine stopped
●Accelerator pedal fully depressed
3.9 - 4.7V
107 L/OR Fuel tank temperature sen-
sor [Engine is running] Approximately 0 - 4.8V
Output voltage varies with fuel
tank temperature.
108 SB ASCD brake switch
[Ignition switch: ON]
●Brake pedal is depressed (A/T models)
●Brake pedal and/or clutch pedal are
depressed (M/T models)
Approximately 0V
[Ignition switch: ON]
●Brake pedal is fully released (A/T models)
●Brake pedal and clutch pedal are fully
released (M/T models)
BATTERY VOLTAGE
(11 - 14V)
109 W/L Ignition switch
[Ignition switch: OFF] 0V
[Ignition switch: ON] BATTERY VOLTAGE
(11 - 14V)
111 W ECM relay
(Self shut-off)
[Engine is running]
[Ignition switch: OFF]
●For a few seconds after turning ignition
switch OFF
0 - 1.5V
[Ignition switch: OFF]
●A few seconds passed after turning ignition
switch OFF
BATTERY VOLTAGE
(11 - 14V)
TER-
MINAL
NO.
WIRE
COLOR ITEM CONDITION DATA (DC Voltage)

TROUBLE DIAGNOSIS
EC-107
C
D
E
F
G
H
I
J
K
L
M
A
EC
Revision; 2004 April 2003 G35 Coupe
: Average voltage for pulse signal (Actual pulse signal can be confirmed by oscilloscope.)
CONSULT-II Function ABS0037Z
FUNCTION
*: The following emission-related diagnostic information is cleared when the ECM memory is erased.
●Diagnostic trouble codes
●1st trip diagnostic trouble codes
●Freeze frame data
●1st trip freeze frame data
●System readiness test (SRT) codes
●Test values
●Others
113 B/OR Fuel pump relay
[Ignition switch: ON]
●For 1 second after turning ignition switch ON
[Engine is running]
0 - 1.5V
[Ignition switch: ON]
●More than 1 second after turning ignition
switch ON.
BATTERY VOLTAGE
(11 - 14V)
115
116
B/R
BECM ground [Engine is running]
●Idle speed Engine ground
117 GY/L EVAP canister vent control
valve [Ignition switch: ON] BATTERY VOLTAGE
(11 - 14V)
119
120
P
LPower supply for ECM [Ignition switch: ON] BATTERY VOLTAGE
(11 - 14V)
121 R/W Power supply for ECM
(Buck-up) [Ignition switch: OFF] BATTERY VOLTAGE
(11 - 14V)
TER-
MINAL
NO.
WIRE
COLOR ITEM CONDITION DATA (DC Voltage)
Diagnostic test mode Function
Work support This mode enables a technician to adjust some devices faster and more accurately by following the
indications on the CONSULT-II unit.
Self-diagnostic results Self-diagnostic results such as 1st trip DTC, DTCs and 1st trip freeze frame data or freeze frame data
can be read and erased quickly.*
Data monitor Input/Output data in the ECM can be read.
Data monitor (SPEC) Input/Output of the specification for Basic fuel schedule, AFM, A/F feedback control value and the
other data monitor items can be read.
CAN diagnostic support
monitor The results of transmit/receive diagnosis of CAN communication can be read.
Active test Diagnostic Test Mode in which CONSULT-II drives some actuators apart from the ECMs and also
shifts some parameters in a specified range.
DTC & SRT confirmation The status of system monitoring tests and the self-diagnosis status/result can be confirmed.
Function test This mode is used to inform customers when their vehicle condition requires periodic maintenance.
ECM part number ECM part number can be read.

EC-108
TROUBLE DIAGNOSIS
Revision; 2004 April 2003 G35 Coupe
ENGINE CONTROL COMPONENT PARTS/CONTROL SYSTEMS APPLICATION
Item
DIAGNOSTIC TEST MODE
WORK
SUP-
PORT
SELF-DIAGNOSTIC
RESULTS DATA
MONI-
TOR
DATA
MONI-
TOR
(SPEC)
ACTIVE
TEST
DTC & SRT
CONFIRMATION
DTC*1 FREEZE
FRAME
DATA*2
SRT
STATUS
DTC
WORK
SUP-
PORT
ENGINE CONTROL COMPONENT PARTS
INPUT
Crankshaft position sensor (POS) ××××
Camshaft position sensor (PHASE) ××××
Mass air flow sensor ×××
Engine coolant temperature sensor ×××××
Heated oxygen sensor 1 ×××××
Heated oxygen sensor 2 ×××××
Vehicle speed sensor ××××
Accelerator pedal position sensor ×××
Throttle position sensor ×××
Fuel tank temperature sensor ××××
EVAP control system pressure
sensor ×××
Intake air temperature sensor ××××
Knock sensor ×
Refrigerant pressure sensor ××
Closed throttle position switch
(accelerator pedal position sensor
signal)
××
Air conditioner switch ××
Park/neutral position (PNP) switch ×××
Stop lamp switch ×××
Power steering pressure sensor ×××
Battery voltage ××
Load signal ××
Fuel level sensor ×××
ASCD steering switch ×××
ASCD brake switch ×××
ASCD clutch switch ×××

TROUBLE DIAGNOSIS
EC-109
C
D
E
F
G
H
I
J
K
L
M
A
EC
Revision; 2004 April 2003 G35 Coupe
X: Applicable
*1: This item includes 1st trip DTCs.
*2: This mode includes 1st trip freeze frame data or freeze frame data. The items appear on CONSULT-II screen in freeze frame data
mode only if a 1st trip DTC or DTC is detected. For details, refer to EC-55 .
INSPECTION PROCEDURE
1. Turn ignition switch OFF.
2. Connect “CONSULT-II” and “CONSULT-II CONVERTER” to
data link connector, which is located under LH dash panel near
the hood opener handle.
3. Turn ignition switch ON.
4. Touch “START (NISSAN BASED VHCL)”.
ENGINE CONTROL COMPONENT PARTS
OUTPUT
Injectors ×× ×
Power transistor (Ignition timing) ×× ×
Throttle control motor relay ×××
Throttle control motor ×
EVAP canister purge volume con-
trol solenoid valve ×××××
Air conditioner relay ××
Fuel pump relay ××××
Cooling fan relay ××××
Heated oxygen sensor 1 heater ××××
Heated oxygen sensor 2 heater ××××
EVAP canister vent control valve ×× ×××
Intake valve timing control solenoid
valve ××××
Calculated load value ×××
Item
DIAGNOSTIC TEST MODE
WORK
SUP-
PORT
SELF-DIAGNOSTIC
RESULTS DATA
MONI-
TOR
DATA
MONI-
TOR
(SPEC)
ACTIVE
TEST
DTC & SRT
CONFIRMATION
DTC*1 FREEZE
FRAME
DATA*2
SRT
STATUS
DTC
WORK
SUP-
PORT
PHIA0096E
MBIB0233E

EC-110
TROUBLE DIAGNOSIS
Revision; 2004 April 2003 G35 Coupe
5. Touch “ENGINE”.
If “ENGINE” is not indicated, go to GI-39, "CONSULT-II Data
Link Connector (DLC) Circuit" .
6. Perform each diagnostic test mode according to each service
procedure.
For further information, see the CONSULT-II Operation Manual.
WORK SUPPORT MODE
Work Item
SEF995X
PBIB2308E
WORK ITEM CONDITION USAGE
FUEL PRESSURE RELEASE ●FUEL PUMP WILL STOP BY TOUCHING START DUR-
ING IDLING.
CRANK A FEW TIMES AFTER ENGINE STALLS.
When releasing fuel pressure
from fuel line
IDLE AIR VOL LEARN ●THE IDLE AIR VOLUME THAT KEEPS THE ENGINE
WITHIN THE SPECIFIED RANGE IS MEMORIZED IN
ECM.
When learning the idle air volume
SELF-LEARNING CONT ●THE COEFFICIENT OF SELF-LEARNING CONTROL
MIXTURE RATIO RETURNS TO THE ORIGINAL COEF-
FICIENT.
When clearing the coefficient of
self-learning control value
EVAP SYSTEM CLOSE CLOSE THE EVAP CANISTER VENT CONTROL VALVE IN
ORDER TO MAKE EVAP SYSTEM CLOSE UNDER THE
FOLLOWING CONDITIONS.
●IGN SW ON
●ENGINE NOT RUNNING
●AMBIENT TEMPERATURE IS ABOVE 0°C (32°F).
●NO VACUUM AND NO HIGH PRESSURE IN EVAP SYS-
TEM
● FUEL TANK TEMP. IS MORE THAN 0°C (32°F).
●WITHIN 10 MINUTES AFTER STARTING EVAP SYS-
TEM CLOSE
●WHEN TRYING TO EXECUTE EVAP SYSTEM CLOSE
UNDER THE CONDITION EXCEPT ABOVE, CONSULT-
II WILL DISCONTINUE IT AND DISPLAY APPROPRI-
ATE INSTRUCTION.
NOTE:
WHEN STARTING ENGINE, CONSULT-II MAY DISPLAY
BATTERY VOLTAGE IS LOW. CHARGE BATTERY,
EVEN IN USING CHARGED BATTERY.
When detecting EVAP vapor leak
point of EVAP system

TROUBLE DIAGNOSIS
EC-111
C
D
E
F
G
H
I
J
K
L
M
A
EC
Revision; 2004 April 2003 G35 Coupe
*: This function is not necessary in the usual service procedure.
SELF-DIAG RESULTS MODE
Self Diagnostic Item
Regarding items of DTC and 1st trip DTC, refer to EC-8, "INDEX FOR DTC" .)
Freeze Frame Data and 1st Trip Freeze Frame Data
*: This item is the same as that of 1st trip freeze frame data.
TARGET IDLE RPM ADJ* ●IDLE CONDITION When setting target idle speed
TARGET IGN TIM ADJ* ●IDLE CONDITION When adjusting target ignition tim-
ing
After adjustment, confirm target
ignition timing with a timing light.
WORK ITEM CONDITION USAGE
Freeze frame data
item* Description
DIAG TROUBLE
CODE
[PXXXX]
●The engine control component part/control system has a trouble code, it is displayed as PXXXX. (Refer to
EC-8, "INDEX FOR DTC" .)
FUEL SYS-B1 ●“Fuel injection system status” at the moment a malfunction is detected is displayed.
●One mode in the following is displayed.
Mode2: Open loop due to detected system malfunction
Mode3: Open loop due to driving conditions (power enrichment, deceleration enrichment)
Mode4: Closed loop - using oxygen sensor(s) as feedback for fuel control
Mode5: Open loop - has not yet satisfied condition to go to closed loop
FUEL SYS-B2
CAL/LD VALUE [%] ●The calculated load value at the moment a malfunction is detected is displayed.
COOLANT TEMP [°C]
or [°F] ●The engine coolant temperature at the moment a malfunction is detected is displayed.
L-FUEL TRIM-B1 [%] ●“Long-term fuel trim” at the moment a malfunction is detected is displayed.
●The long-term fuel trim indicates much more gradual feedback compensation to the base fuel schedule
than short-term fuel trim.
L-FUEL TRIM-B2 [%]
S-FUEL TRIM-B1 [%] ●“Short-term fuel trim” at the moment a malfunction is detected is displayed.
●The short-term fuel trim indicates dynamic or instantaneous feedback compensation to the base fuel
schedule.
S-FUEL TRIM-B2 [%]
ENGINE SPEED
[rpm] ●The engine speed at the moment a malfunction is detected is displayed.
VEHICL SPEED [km/
h] or [mph] ●The vehicle speed at the moment a malfunction is detected is displayed.
B/FUEL SCHDL
[msec] ●The base fuel schedule at the moment a malfunction is detected is displayed.
INT/A TEMP SE [°C]
or [°F] ●The intake air temperature at the moment a malfunction is detected is displayed.

EC-112
TROUBLE DIAGNOSIS
Revision; 2004 April 2003 G35 Coupe
DATA MONITOR MODE
Monitored Item ×: Applicable
Monitored item
[Unit]
ECM
INPUT
SIG-
NALS
MAIN
SIG-
NALS
Description Remarks
ENG SPEED [rpm] ××
●Indicates the engine speed computed from the
signal of the crankshaft position sensor (POS)
and CMPS (PHASE).
●Accuracy becomes poor if engine
speed drops below the idle rpm.
●If the signal is interrupted while the
engine is running, an abnormal value
may be indicated.
MAS A/F SE-B1 [V] ××
●The signal voltage of the mass air flow sensor
is displayed.
●When the engine is stopped, a certain
value is indicated.
B/FUEL SCHDL
[msec] ×
●“Base fuel schedule” indicates the fuel injec-
tion pulse width programmed into ECM, prior
to any learned on board correction.
A/F ALPHA-B1 [%] ×
●The mean value of the air-fuel ratio feedback
correction factor per cycle is indicated.
●When the engine is stopped, a certain
value is indicated.
●This data also includes the data for
the air-fuel ratio learning control.
A/F ALPHA-B2 [%] ×
COOLAN TEMP/S
[°C] or [°F] ××
●The engine coolant temperature (determined
by the signal voltage of the engine coolant
temperature sensor) is displayed.
●When the engine coolant temperature
sensor is open or short-circuited,
ECM enters fail-safe mode. The
engine coolant temperature deter-
mined by the ECM is displayed.
HO2S1 (B1) [V] ××
●The signal voltage of the heated oxygen sen-
sor 1 is displayed.
HO2S1 (B2) [V] ×
HO2S2 (B1) [V] ×●The signal voltage of the heated oxygen sen-
sor 2 is displayed.
HO2S2 (B2) [V] ×
HO2S1 MNTR (B1)
[RICH/LEAN] ××
●Display of heated oxygen sensor 1 signal dur-
ing air-fuel ratio feedback control:
RICH: means the mixture became “rich”, and
control is being affected toward a leaner mix-
ture.
LEAN: means the mixture became “lean”, and
control is being affected toward a rich mixture.
●After turning ON the ignition switch,
“RICH” is displayed until air-fuel mix-
ture ratio feedback control begins.
●When the air-fuel ratio feedback is
clamped, the value just before the
clamping is displayed continuously.
HO2S1 MNTR (B2)
[RICH/LEAN] ×
HO2S2 MNTR (B1)
[RICH/LEAN] ×●Display of heated oxygen sensor 2 signal:
RICH: means the amount of oxygen after three
way catalyst is relatively small.
LEAN: means the amount of oxygen after
three way catalyst is relatively large.
●When the engine is stopped, a certain
value is indicated.
HO2S2 MNTR (B2)
[RICH/LEAN] ×
VHCL SPEED SE
[km/h] or [mph] ××
●The vehicle speed computed from the vehicle
speed signal sent from combination meter is
displayed.
BATTERY VOLT
[V] ××
●The power supply voltage of ECM is displayed.
ACCEL SEN 1 [V] ××
●The accelerator pedal position sensor signal
voltage is displayed.
ACCEL SEN 2 [V] ×
THRTL SEN 1 [V] ××
●The throttle position sensor signal voltage is
displayed.
THRTL SEN 2 [V] ×
FUEL T/TEMP SE
[°C] or [°F] ×
●The fuel temperature (determined by the signal
voltage of the fuel tank temperature sensor) is
displayed.

TROUBLE DIAGNOSIS
EC-113
C
D
E
F
G
H
I
J
K
L
M
A
EC
Revision; 2004 April 2003 G35 Coupe
INT/A TEMP SE
[°C] or [°F] ××
●The intake air temperature (determined by the
signal voltage of the intake air temperature
sensor) is indicated.
EVAP SYS PRES
[V] ×●The signal voltage of EVAP control system
pressure sensor is displayed.
FUEL LEVEL SE
[V] ×●The signal voltage of the fuel level sensor is
displayed.
START SIGNAL
[ON/OFF] ××
●Indicates start signal status [ON/OFF] com-
puted by the ECM according to the signals of
engine speed and battery voltage.
●After starting the engine, [OFF] is dis-
played regardless of the starter sig-
nal.
CLSD THL POS
[ON/OFF] ××
●Indicates idle position [ON/OFF] computed by
ECM according to the accelerator pedal posi-
tion sensor signal.
AIR COND SIG
[ON/OFF] ××
●Indicates [ON/OFF] condition of the air condi-
tioner switch as determined by the air condi-
tioner signal.
P/N POSI SW
[ON/OFF] ××
●Indicates [ON/OFF] condition from the park/
neutral position (PNP) switch signal.
PW/ST SIGNAL
[ON/OFF] ××
●[ON/OFF] condition of the power steering sys-
tem (determined by the signal voltage of the
power steering pressure sensor signal) is indi-
cated.
LOAD SIGNAL
[ON/OFF] ××
●Indicates [ON/OFF] condition from the electri-
cal load signal.
ON: Rear window defogger switch is ON and/
or lighting switch is in 2nd position.
OFF: Both rear window defogger switch and
lighting switch are OFF.
IGNITION SW
[ON/OFF] ×●Indicates [ON/OFF] condition from ignition
switch signal.
HEATER FAN SW
[ON/OFF] ×●Indicates [ON/OFF] condition from the heater
fan switch signal.
BRAKE SW
[ON/OFF]
●Indicates [ON/OFF] condition from the stop
lamp switch signal.
INJ PULSE-B1
[msec] ×●Indicates the actual fuel injection pulse width
compensated by ECM according to the input
signals.
●When the engine is stopped, a certain
computed value is indicated.
INJ PULSE-B2
[msec]
IGN TIMING
[BTDC] ×●Indicates the ignition timing computed by ECM
according to the input signals.
●When the engine is stopped, a certain
value is indicated.
CAL/LD VALUE [%] ●“Calculated load value” indicates the value of
the current air flow divided by peak air flow.
MASS AIRFLOW
[g·m/s]
●Indicates the mass air flow computed by ECM
according to the signal voltage of the mass air
flow sensor.
PURG VOL C/V
[%]
●Indicates the EVAP canister purge volume
control solenoid valve control value computed
by the ECM according to the input signals.
●The opening becomes larger as the value
increases.
Monitored item
[Unit]
ECM
INPUT
SIG-
NALS
MAIN
SIG-
NALS
Description Remarks

EC-114
TROUBLE DIAGNOSIS
Revision; 2004 April 2003 G35 Coupe
INT/V TIM (B1)
[°CA] ●Indicates [°CA] of intake camshaft advanced
angle.
INT/V TIM (B2)
[°CA]
INT/V SOL (B1) [%] ●The control value of the intake valve timing
control solenoid valve (determined by ECM
according to the input signals) is indicated.
●The advance angle becomes larger as the
value increases.
INT/V SOL (B2) [%]
AIR COND RLY
[ON/OFF] ×
●The air conditioner relay control condition
(determined by ECM according to the input
signals) is indicated.
FUEL PUMP RLY
[ON/OFF] ×
●Indicates the fuel pump relay control condition
determined by ECM according to the input sig-
nals.
VENT CONT/V
[ON/OFF]
●The control condition of the EVAP canister
vent control valve (determined by ECM
according to the input signals) is indicated.
ON: Closed
OFF: Open
THRTL RELAY
[ON/OFF]
●Indicates the throttle control motor relay con-
trol condition determined by the ECM accord-
ing to the input signals.
COOLING FAN
[HI/LOW/OFF]
●The control condition of the cooling fan (deter-
mined by ECM according to the input signals)
is indicated.
HI: High speed operation
LOW: Low speed operation
OFF: Stop
HO2S1 HTR (B1)
[ON/OFF] ●Indicates [ON/OFF] condition of heated oxy-
gen sensor 1 heater determined by ECM
according to the input signals.
HO2S1 HTR (B2)
[ON/OFF]
HO2S2 HTR (B1)
[ON/OFF] ●Indicates [ON/OFF] condition of heated oxy-
gen sensor 2 heater determined by ECM
according to the input signals.
HO2S2 HTR (B2)
[ON/OFF]
I/P PULLY SPD
[rpm]
●Indicates the engine speed computed from the
turbine revolution sensor signal.
VEHICLE SPEED
[km/h] or [MPH]
●Indicates the vehicle speed computed from the
revolution sensor signal.
IDL A/V LEARN
[YET/CMPLT]
●Display the condition of idle air volume learn-
ing
YET: Idle air volume learning has not been per-
formed yet.
CMPLT: Idle air volume learning has already
been performed successfully.
TRVL AFTER MIL
[km] or [mile] ●Distance traveled while MIL is activated.
O2SEN HTR DTY
[%]
●Indicates the heated oxygen sensor 1 heater
control value computed by the ECM according
to the input signals.
Monitored item
[Unit]
ECM
INPUT
SIG-
NALS
MAIN
SIG-
NALS
Description Remarks

TROUBLE DIAGNOSIS
EC-115
C
D
E
F
G
H
I
J
K
L
M
A
EC
Revision; 2004 April 2003 G35 Coupe
NOTE:
●Any monitored item that does not match the vehicle being diagnosed is deleted from the display automatically.
AC PRESS SEN
[V]
●The signal voltage from the refrigerant pres-
sure sensor is displayed.
VHCL SPEED SE
[km/h] or [mph]
●The vehicle speed computed from the vehicle
speed signal sent from TCM is displayed.
SET VHCL SPD
[km/h] or [mph] ●The preset vehicle speed is displayed.
MAIN SW
[ON/OFF]
●Indicates [ON/OFF] condition from CRUISE
switch signal.
CANCEL SW
[ON/OFF]
●Indicates [ON/OFF] condition from CANCEL
switch signal.
RESUME/ACC SW
[ON/OFF]
●Indicates [ON/OFF] condition from ACCEL/
RES switch signal.
SET SW
[ON/OFF]
●Indicates [ON/OFF] condition from COAST/
SET switch signal.
BRAKE SW1
[ON/OFF]
●Indicates [ON/OFF] condition from ASCD
brake switch signal, and ASCD clutch switch
signal (M/T models).
BRAKE SW2
[ON/OFF]
●Indicates [ON/OFF] condition of stop lamp
switch signal.
VHCL SPD CUT
[NON/CUT]
●Indicates the vehicle cruise condition.
NON: Vehicle speed is maintained at the
ASCD set speed.
CUT: Vehicle speed increased to excessively
high compared with the ASCD set speed, and
ASCD operation is cut off.
LO SPEED CUT
[NON/CUT]
●Indicates the vehicle cruise condition.
NON: Vehicle speed is maintained at the
ASCD set speed.
CUT: Vehicle speed decreased to excessively
low compared with the ASCD set speed, and
ASCD operation is cut off.
AT OD MONITOR
[ON/OFF]
●Indicates [ON/OFF] condition of A/T O/D
according to the input signal from the TCM.
AT OD CANCEL
[ON/OFF]
●Indicates [ON/OFF] condition of A/T O/D can-
cel signal sent from the TCM.
CRUISE LAMP
[ON/OFF]
●Indicates [ON/OFF] condition of CRUISE lamp
determined by the ECM according to the input
signals.
SET LAMP
[ON/OFF]
●Indicates [ON/OFF] condition of SET lamp
determined by the ECM according to the input
signals.
Voltage [V]
●Voltage, frequency, duty cycle or pulse width
measured by the probe.
●Only “#” is displayed if item is unable
to be measured.
●Figures with “#”s are temporary ones.
They are the same figures as an
actual piece of data which was just
previously measured.
Frequency [msec],
[Hz] or [%]
DUTY-HI
DUTY-LOW
PLS WIDTH-HI
PLS WIDTH-LOW
Monitored item
[Unit]
ECM
INPUT
SIG-
NALS
MAIN
SIG-
NALS
Description Remarks

EC-116
TROUBLE DIAGNOSIS
Revision; 2004 April 2003 G35 Coupe
DATA MONITOR (SPEC) MODE
Monitored Item
NOTE:
Any monitored item that does not match the vehicle being diagnosed is deleted from the display automatically.
ACTIVE TEST MODE
Test Item
Monitored item [Unit]
ECM
input
signals
Main
signals Description Remarks
ENG SPEED [rpm] ××
●Indicates the engine speed computed
from the signal of the crankshaft position
sensor (POS).
MAS A/F SE-B1 [V] ××
●The signal voltage of the mass air flow
sensor specification is displayed.
●When engine is running specification
range is indicated.
B/FUEL SCHDL
[msec] ×
●“Base fuel schedule” indicates the fuel
injection pulse width programmed into
ECM, prior to any learned on board cor-
rection.
●When engine is running specification
range is indicated.
A/F ALPHA-B1 [%]
A/F ALPHA-B2 [%] ×
●The mean value of the air-fuel ratio feed-
back correction factor per cycle is indi-
cated.
●When engine is running specification
range is indicated.
●This data also includes the data for the
air-fuel ratio learning control.
TEST ITEM CONDITION JUDGEMENT CHECK ITEM (REMEDY)
FUEL INJEC-
TION
●Engine: Return to the original
trouble condition
●Change the amount of fuel injec-
tion using CONSULT-II.
If trouble symptom disappears, see
CHECK ITEM.
●Harness and connectors
●Fuel injectors
●Heated oxygen sensor 1
IGNITION TIM-
ING
●Engine: Return to the original
trouble condition
●Timing light: Set
●Retard the ignition timing using
CONSULT-II.
If trouble symptom disappears, see
CHECK ITEM. ●Perform Idle Air Volume Learning.
POWER BAL-
ANCE
●Engine: After warming up, idle
the engine.
●A/C switch OFF
●Shift lever N
●Cut off each injector signal one at
a time using CONSULT-II.
Engine runs rough or dies.
●Harness and connectors
●Compression
●Fuel injectors
●Power transistor
●Spark plugs
●Ignition coils
COOLING FAN*
●Ignition switch: ON
●Turn the cooling fan “HI", “LOW”
and “OFF” using CONSULT-II.
Cooling fan moves and stops.
●Harness and connectors
●Cooling fan motor
●IPDM E/R
ENG COOLANT
TEMP
●Engine: Return to the original
trouble condition
●Change the engine coolant tem-
perature using CONSULT-II.
If trouble symptom disappears, see
CHECK ITEM.
●Harness and connectors
●Engine coolant temperature sen-
sor
●Fuel injectors
FUEL PUMP
RELAY
●Ignition switch: ON (Engine
stopped)
●Turn the fuel pump relay “ON”
and “OFF” using CONSULT-II
and listen to operating sound.
Fuel pump relay makes the operat-
ing sound.
●Harness and connectors
●Fuel pump relay

TROUBLE DIAGNOSIS
EC-117
C
D
E
F
G
H
I
J
K
L
M
A
EC
Revision; 2004 April 2003 G35 Coupe
*: Leaving cooling fan “OFF” with CONSULT-II while engine is running may cause the engine to overheat.
DTC & SRT CONFIRMATION MODE
SRT STATUS Mode
For details, refer to EC-56, "SYSTEM READINESS TEST (SRT) CODE" .
SRT Work Support Mode
This mode enables a technician to drive a vehicle to set the SRT while monitoring the SRT status.
DTC Work Support Mode
*: DTC P1442 and P1456 does not apply to V35 models but appears in DTC Work Support Mode screens.
PURG VOL
CONT/V
●Engine: After warming up, run
engine at 1,500 rpm.
●Change the EVAP canister purge
volume control solenoid valve
opening percent using CON-
SULT-II.
Engine speed changes according to
the opening percent.
●Harness and connectors
●Solenoid valve
FUEL/T TEMP
SEN ●Change the fuel tank temperature using CONSULT-II.
VENT CON-
TROL/V
●Ignition switch: ON (Engine
stopped)
●Turn solenoid valve “ON” and
“OFF” with the CONSULT-II and
listen to operating sound.
Solenoid valve makes an operating
sound.
●Harness and connectors
●Solenoid valve
V/T ASSIGN
ANGLE
●Engine: Return to the original
trouble condition
●Change intake valve timing using
CONSULT-II.
If trouble symptom disappears, see
CHECK ITEM.
●Harness and connectors
●Intake valve timing control sole-
noid valve
TEST ITEM CONDITION JUDGEMENT CHECK ITEM (REMEDY)
Test mode Test item Condition Reference page
EVAP SYSTEM
PURGE FLOW P0441
Refer to corresponding
trouble diagnosis for
DTC.
EC-320
EVAP SML LEAK P0442/P1442* EC-325
EVAP V/S SML LEAK P0456/P1456* EC-374
PURG VOL CN/V P1444 EC-495
HO2S1
HO2S1 (B1) P0133 EC-212
HO2S1 (B1) P0134 EC-225
HO2S1 (B1) P1143 EC-433
HO2S1 (B1) P1144 EC-439
HO2S1 (B2) P0153 EC-212
HO2S1 (B2) P0154 EC-225
HO2S1 (B2) P1163 EC-433
HO2S1 (B2) P1164 EC-439
H02S2
HO2S2 (B1) P0139 EC-245
HO2S2 (B1) P1146 EC-446
HO2S2 (B1) P1147 EC-458
HO2S2 (B2) P0159 EC-245
HO2S2 (B2) P1166 EC-446
HO2S2 (B2) P1167 EC-458

EC-118
TROUBLE DIAGNOSIS
Revision; 2004 April 2003 G35 Coupe
REAL TIME DIAGNOSIS IN DATA MONITOR MODE (RECORDING VEHICLE DATA)
Description
CONSULT-II has two kinds of triggers and they can be selected by touching “SETTING” in “DATA MONITOR”
mode.
1. “AUTO TRIG” (Automatic trigger):
●The malfunction will be identified on the CONSULT-II screen
in real time.
In other words, DTC/1st trip DTC and malfunction item will be
displayed if the malfunction is detected by ECM.
At the moment a malfunction is detected by ECM, “MONI-
TOR” in “DATA MONITOR” screen is changed to “Recording
Data ... xx%” as shown at right, and the data after the mal-
function detection is recorded. Then when the percentage
reached 100%, “REAL-TIME DIAG” screen is displayed. If
“STOP” is touched on the screen during “Recording Data ...
xx%”, “REAL-TIME DIAG” screen is also displayed.
The recording time after the malfunction detection and the
recording speed can be changed by “TRIGGER POINT” and
“Recording Speed”. Refer to CONSULT-II OPERATION MAN-
UAL.
2. “MANU TRIG” (Manual trigger):
●DTC/1st trip DTC and malfunction item will not be displayed
automatically on CONSULT-II screen even though a malfunc-
tion is detected by ECM.
DATA MONITOR can be performed continuously even though
a malfunction is detected.
SEF705Y
SEF707X

TROUBLE DIAGNOSIS
EC-119
C
D
E
F
G
H
I
J
K
L
M
A
EC
Revision; 2004 April 2003 G35 Coupe
Operation
1. “AUTO TRIG”
●While trying to detect the DTC/1st trip DTC by performing the DTC Confirmation Procedure, be sure to
select to “DATA MONITOR (AUTO TRIG)” mode. You can confirm the malfunction at the moment it is
detected.
●While narrowing down the possible causes, CONSULT-II should be set in “DATA MONITOR (AUTO
TRIG)” mode, especially in case the incident is intermittent.
When you are inspecting the circuit by gently shaking (or twisting) the suspicious connectors, compo-
nents and harness in the DTC Confirmation Procedure, the moment a malfunction is found the DTC/1st
trip DTC will be displayed. (Refer to INCIDENT SIMULATION TESTS in GI-27, "How to Perform Effi-
cient Diagnosis for an Electrical Incident" .)
2. “MANU TRIG”
●If the malfunction is displayed as soon as “DATA MONITOR” is selected, reset CONSULT-II to “MANU
TRIG”. By selecting “MANU TRIG” you can monitor and store the data. The data can be utilized for fur-
ther diagnosis, such as a comparison with the value for the normal operating condition.
Generic Scan Tool (GST) Function ABS00380
DESCRIPTION
Generic Scan Tool (OBDII scan tool) complying with SAE J1978 has
8 different functions explained below.
ISO9141 is used as the protocol.
The name “GST” or “Generic Scan Tool” is used in this service man-
ual.
PBIB0197E
SEF139P

EC-120
TROUBLE DIAGNOSIS
Revision; 2004 April 2003 G35 Coupe
FUNCTION
INSPECTION PROCEDURE
1. Turn ignition switch OFF.
2. Connect “GST” to data link connector, which is located under LH
dash panel near the hood opener handle.
Diagnostic test mode Function
MODE 1 READINESS TESTS This mode gains access to current emission-related data values, including analog inputs
and outputs, digital inputs and outputs, and system status information.
MODE 2 (FREEZE DATA)
This mode gains access to emission-related data value which were stored by ECM during
the freeze frame. For details, refer toEC-55, "FREEZE FRAME DATA AND 1ST TRIP
FREEZE FRAME DATA" .
MODE 3 DTCs This mode gains access to emission-related power train trouble codes which were stored
by ECM.
MODE 4 CLEAR DIAG INFO
This mode can clear all emission-related diagnostic information. This includes:
●Clear number of diagnostic trouble codes (MODE 1)
●Clear diagnostic trouble codes (MODE 3)
●Clear trouble code for freeze frame data (MODE 1)
●Clear freeze frame data (MODE 2)
●Reset status of system monitoring test (MODE 1)
●Clear on board monitoring test results (MODE 6 and 7)
MODE 6 (ON BOARD TESTS) This mode accesses the results of on board diagnostic monitoring tests of specific com-
ponents/systems that are not continuously monitored.
MODE 7 (ON BOARD TESTS)
This mode enables the off board test drive to obtain test results for emission-related pow-
ertrain components/systems that are continuously monitored during normal driving condi-
tions.
MODE 8 —
This mode can close EVAP system in ignition switch ON position (Engine stopped). When
this mode is performed, the following parts can be opened or closed.
●EVAP canister vent control valve open
In the following conditions, this mode cannot function.
●Low ambient temperature
●Low battery voltage
●Engine running
●Ignition switch OFF
●Low fuel temperature
●Too much pressure is applied to EVAP system
MODE 9 (CALIBRATION ID) This mode enables the off-board test device to request specific vehicle information such
as Vehicle Identification Number (VIN) and Calibration IDs.
PHIA0096E

TROUBLE DIAGNOSIS
EC-121
C
D
E
F
G
H
I
J
K
L
M
A
EC
Revision; 2004 April 2003 G35 Coupe
3. Turn ignition switch ON.
4. Enter the program according to instruction on the screen or in
the operation manual.
(*: Regarding GST screens in this section, sample screens are
shown.)
5. Perform each diagnostic mode according to each service proce-
dure.
For further information, see the GST Operation Manual of
the tool maker.
SEF398S
SEF416S

EC-122
TROUBLE DIAGNOSIS
Revision; 2004 April 2003 G35 Coupe
CONSULT-II Reference Value in Data Monitor Mode ABS00381
Remarks:
● Specification data are reference values.
● Specification data are output/input values which are detected or supplied by the ECM at the connector.
* Specification data may not be directly related to their components signals/values/operations.
i.e. Adjust ignition timing with a timing light before monitoring IGN TIMING, because the monitor may show the specification data in
spite of the ignition timing not being adjusted to the specification data. This IGN TIMING monitors the data calculated by the ECM
according to the signals input from the camshaft position sensor and other ignition timing related sensors.
MONITOR ITEM CONDITION SPECIFICATION
ENG SPEED ●Run engine and compare CONSULT-II value with the tachometer indica-
tion.
Almost the same speed as the
tachometer indication.
MAS A/F SE-B1
●Engine: After warming up
●Air conditioner switch: OFF
●Shift lever: N (A/T), Neutral (M/T)
●No-load
Idle Approx. 0.9 - 1.2V
2,500 rpm Approx. 1.6 - 1.9V
B/FUEL SCHDL
●Engine: After warming up
●Shift lever: N (A/T), Neutral (M/T)
●Air conditioner switch: OFF
●No-load
Idle 2.5 - 3.5 msec
2,000 rpm 2.5 - 3.5 msec
A/F ALPHA-B1
A/F ALPHA-B2 ●Engine: After warming up Maintaining engine speed at 2,000
rpm 54% - 155%
COOLAN TEMP/S ●Engine: After warming up More than 70°C (158°F)
HO2S1 (B1)
HO2S1 (B2) ●Engine: After warming up Maintaining engine speed at 2,000
rpm
0 - 0.3V ←→ Approx. 0.6 -
1.0V
HO2S2 (B1)
HO2S2 (B2)
●Warm-up condition
●After keeping engine speed
between 3,500 and 4,000 rpm for
1 minute and at idle for 1 minute
under no load.
Revving engine from idle to 3,000 rpm
quickly.
0 - 0.3V ←→ Approx. 0.6 -
1.0V
HO2S1 MNTR (B1)
HO2S1 MNTR (B2) ●Engine: After warming up Maintaining engine speed at 2,000
rpm
LEAN ←→ RICH
Changes more than 5 times
during 10 seconds.
HO2S2 MNTR (B1)
HO2S2 MNTR (B2)
●Warm-up condition
●After keeping engine speed
between 3,500 and 4,000 rpm for
1 minute and at idle for 1 minute
under no load.
Revving engine from idle to 3,000 rpm
quickly. LEAN ←→ RICH
VHCL SPEED SE ●Turn drive wheels and compare CONSULT-II value with the speedometer
indication.
Almost the same speed as the
speedometer indication
BATTERY VOLT ●Ignition switch: ON (Engine stopped) 11 - 14V
ACCEL SEN1 ●Ignition switch: ON
(Engine stopped)
Accelerator pedal: Fully released 0.5 - 1.0V
Accelerator pedal: Fully depressed 4.0 - 4.7V
ACCEL SEN2* ●Ignition switch: ON
(Engine stopped)
Accelerator pedal: Fully released 0.3 - 1.2V
Accelerator pedal: Fully depressed 3.9 - 4.8V
THRTL SEN1
THRTL SEN2*
●Ignition switch: ON
(Engine stopped)
●Shift lever: D (A/T), 1st (M/T)
Accelerator pedal: Fully released More than 0.36V
Accelerator pedal: Fully depressed Less than 4.75V
EVAP SYS PRES ●Ignition switch: ON Approx. 1.8 - 4.8V
START SIGNAL ●Ignition switch: ON → START → ON OFF → ON → OFF
CLSD THL POS ●Ignition switch: ON
(Engine stopped)
Accelerator pedal: Fully released ON
Accelerator pedal: Slightly depressed OFF

TROUBLE DIAGNOSIS
EC-123
C
D
E
F
G
H
I
J
K
L
M
A
EC
Revision; 2004 April 2003 G35 Coupe
AIR COND SIG ●Engine: After warming up, idle
the engine
Air conditioner switch: OFF OFF
Air conditioner switch: ON
(Compressor operates.) ON
P/N POSI SW ●Ignition switch: ON Shift lever: P or N (A/T), Neutral (M/T) ON
Shift lever: Except above OFF
PW/ST SIGNAL ●Engine: After warming up, idle
the engine
Steering wheel is in neutral position.
(Forward direction) OFF
Steering wheel is turned. ON
LOAD SIGNAL ●Ignition switch: ON
Rear window defogger switch is ON
and/or lighting switch is in 2nd. ON
Rear window defogger switch is OFF
and lighting switch is OFF. OFF
IGNITION SW ●Ignition switch: ON → OFF → ON ON → OFF → ON
HEATER FAN SW ●Engine: After warming up, idle
the engine
Heater fan is operating. ON
Heater fan is not operating OFF
BRAKE SW ●Ignition switch: ON Brake pedal: Fully released OFF
Brake pedal: Slightly depressed ON
INJ PULSE-B1
INJ PULSE-B2
●Engine: After warming up
●Shift lever: N (A/T), Neutral (M/T)
●Air conditioner switch: OFF
●No-load
Idle 2.0 - 3.0 msec
2,000 rpm 1.9 - 2.9 msec
IGN TIMING
●Engine: After warming up
●Shift lever: N (A/T), Neutral (M/T)
●Air conditioner switch: OFF
●No-load
Idle 13° - 18° BTDC
2,000 rpm 25° - 45° BTDC
CAL/LD VALUE
●Engine: After warming up
●Shift lever: N (A/T), Neutral (M/T)
●Air conditioner switch: OFF
●No-load
Idle 5% - 35%
2,500 rpm 5% - 35%
MASS AIRFLOW
●Engine: After warming up
●Shift lever: N (A/T), Neutral (M/T)
●Air conditioner switch: OFF
●No-load
Idle 2.0 - 6.0 g·m/s
2,500 rpm 7.0 - 20.0 g·m/s
PURG VOL C/V
●Engine: After warming up
●Shift lever: N (A/T), Neutral (M/T)
●Air conditioner switch: OFF
●No-load
Idle 0%
2,000 rpm —
INT/V TIM (B1)
INT/V TIM (B2)
●Engine: After warming up
●Shift lever: N (A/T), Neutral (M/T)
●Air conditioner switch: OFF
●No-load
Idle −5° - 5°CA
When revving engine up to 2,000 rpm
quickly Approx. 0° - 30°CA
INT/V SOL (B1)
INT/V SOL (B2)
●Engine: After warming up
●Shift lever: N (A/T), Neutral (M/T)
●Air conditioner switch: OFF
●No-load
Idle 0% - 2%
When revving engine up to 2,000 rpm
quickly Approx. 0% - 50%
AIR COND RLY ●Engine: After warming up, idle
the engine
Air conditioner switch: OFF OFF
Air conditioner switch: ON
(Compressor operates) ON
MONITOR ITEM CONDITION SPECIFICATION

EC-124
TROUBLE DIAGNOSIS
Revision; 2004 April 2003 G35 Coupe
FUEL PUMP RLY
●For 1 second after turning ignition switch ON
●Engine running or cranking ON
●Except above conditions OFF
VENT CONT/V ●Ignition switch: ON OFF
THRTL RELAY ●Ignition switch: ON ON
COOLING FAN
●Engine: After warming up, idle
the engine
●Air conditioner switch: OFF
Engine coolant temperature is 94°C
(201°F) or less OFF
Engine coolant temperature is
between 95°C (203°F) and 99°C
(210°F)
LOW
Engine coolant temperature is 100°C
(212°F) or more HI
HO2S1 HTR (B1)
HO2S1 HTR (B2)
●Engine: After warming up
●Engine speed: Below 3,600 rpm ON
●Engine speed: Above 3,600 rpm OFF
HO2S2 HTR (B1)
HO2S2 HTR (B2)
●Engine speed is below 3,600 rpm after the following conditions are met.
–Engine: After warming up
–Keeping the engine speed between 3,500 and 4,000 rpm for 1 minute and
at idle for 1 minute under no load
ON
●Engine speed: Above 3,600 rpm OFF
I/P PULLY SPD ●Vehicle speed: More than 20 km/h (12 MPH) Almost the same speed as the
CONSULT-II value
VEHICLE SPEED ●Turn drive wheels and compare CONSULT-II value with the speedometer
indication.
Almost the same speed as the
speedometer indication
TRVL AFTER MIL ●Ignition switch: ON Vehicle has traveled after MIL has
turned ON.
0 - 65,535 km
(0 - 40,723 mile)
O2SEN HTR DTY ●Engine coolant temperature when engine started: More than 80°C (176°F)
●Engine speed: Below 3,600 rpm Approx. 40%
AC PRESS SEN
●Ignition switch: ON (Engine stopped) Approx. 0V
●Engine: Idle
●Air conditioner switch: OFF 1.0 - 4.0V
VEH SPEED SE ●Turn drive wheels and compare speedometer indication with the CON-
SULT-II value.
Almost the same speed as the
CONSULT-II value
SET VHCL SPD ●Engine: Running ASCD: Operating. The preset vehicle speed is
displayed.
MAIN SW ●Ignition switch: ON CRUISE switch: Pressed ON
CRUISE switch: Released OFF
CANCEL SW ●Ignition switch: ON CANCEL switch: Pressed ON
CANCEL switch: Released OFF
RESUME/ACC SW ●Ignition switch: ON ACCEL/RES switch: Pressed ON
ACCEL/RES switch: Released OFF
SET SW ●Ignition switch: ON COAST/SET switch: Pressed ON
COAST/SET switch: Released OFF
BRAKE SW1 ●Ignition switch: ON
Clutch pedal (M/T) and brake pedal:
Fully released ON
Clutch pedal (M/T) and/or brake pedal:
Slightly depressed OFF
BRAKE SW2 ●Ignition switch: ON Brake pedal: Fully released OFF
Brake pedal: Slightly depressed ON
MONITOR ITEM CONDITION SPECIFICATION

TROUBLE DIAGNOSIS
EC-125
C
D
E
F
G
H
I
J
K
L
M
A
EC
Revision; 2004 April 2003 G35 Coupe
*: Accelerator pedal position sensor 2 signal and throttle position sensor 2 signal are converted by ECM internally. Thus, they differ from
ECM terminals voltage signal.
Major Sensor Reference Graph in Data Monitor Mode ABS00382
The following are the major sensor reference graphs in “DATA MONITOR” mode.
CLSD THL POS, ACCEL SEN 1, THRTL SEN 1
Below is the data for “CLSD THL POS”, “ACCEL SEN 1” and “THRTL SEN 1” when depressing the accelera-
tor pedal with the ignition switch ON and with selector lever in D, 1st (M/T) position.
The signal of “ACCEL SEN 1” and “THRTL SEN 1” should rise gradually without any intermittent drop or rise
after “CLSD THL POS” is changed from “ON” to “OFF”.
CRUISE LAMP ●Ignition switch: ON CRUISE lamp: Illuminated ON
CRUISE lamp: Not illuminated OFF
SET LAMP ●Ignition switch: ON SET lamp: Illuminated ON
SET lamp: Not illuminated OFF
MONITOR ITEM CONDITION SPECIFICATION
PBIB0198E

EC-126
TROUBLE DIAGNOSIS
Revision; 2004 April 2003 G35 Coupe
ENG SPEED, MAS A/F SE-B1, THRTL SEN 1, HO2S2 (B1), HO2S1 (B1), INJ PULSE-B1
Below is the data for “ENG SPEED”, “MAS A/F SE-B1”, “THRTL SEN 1”, “HO2S2 (B1)”, “HO2S1 (B1)” and
“INJ PULSE-B1” when revving engine quickly up to 4,800 rpm under no load after warming up engine suffi-
ciently.
Each value is for reference, the exact value may vary.
SEF241Y

TROUBLE DIAGNOSIS
EC-127
C
D
E
F
G
H
I
J
K
L
M
A
EC
Revision; 2004 April 2003 G35 Coupe
PBIB0668E

EC-128
TROUBLE DIAGNOSIS - SPECIFICATION VALUE
Revision; 2004 April 2003 G35 Coupe
TROUBLE DIAGNOSIS - SPECIFICATION VALUE PFP:00031
Description ABS00383
The specification (SP) value indicates the tolerance of the value that is displayed in “DATA MONITOR (SPEC)”
mode of CONSULT-II during normal operation of the Engine Control System. When the value in “DATA MONI-
TOR (SPEC)” mode is within the SP value, the Engine Control System is confirmed OK. When the value in
“DATA MONITOR (SPEC)” mode is NOT within the SP value, the Engine Control System may have one or
more malfunctions.
The SP value is used to detect malfunctions that may affect the Engine Control System, but will not light the
MIL.
The SP value will be displayed for the following three items:
●B/FUEL SCHDL (The fuel injection pulse width programmed into ECM prior to any learned on board cor-
rection)
●A/F ALPHA-B1/B2 (The mean value of air-fuel ratio feedback correction factor per cycle)
●MAS A/F SE-B1 (The signal voltage of the mass air flow sensor)
Testing Condition ABS00384
●Vehicle driven distance: More than 5,000 km (3,017 miles)
●Barometric pressure: 98.3 - 104.3 kPa (1.003 - 1.064 kg/cm2 , 14.25 - 15.12 psi)
●Atmospheric temperature: 20 - 30°C (68 - 86°F)
●Engine coolant temperature: 75 - 95°C (167 - 203°F)
●Transmission: Warmed-up*1
●Electrical load: Not applied*2
●Engine speed: Idle
*1: For A/T models, after the engine is warmed up to normal operating temperature, drive vehicle until “FLUID
TEMP SE” (A/T fluid temperature sensor signal) indicates more than 60°C (140°F).
For M/T models, after the engine is warmed up to normal operating temperature, drive vehicle for 5 minutes.
*2: Rear window defogger switch, air conditioner switch, lighting switch are OFF. Steering wheel is straight
ahead.
Inspection Procedure ABS00385
NOTE:
Perform “DATA MONITOR (SPEC)” mode in maximum scale display.
1. Perform EC-81, "Basic Inspection" .
2. Confirm that the testing conditions indicated above are met.
3. Select “B/FUEL SCHDL”, “A/F ALPHA-B1”, “A/F ALPHA-B2”
and “MAS A/F SE-B1” in “DATA MONITOR (SPEC)” mode with
CONSULT-II.
4. Make sure that monitor items are within the SP value.
5. If NG, go to EC-129, "Diagnostic Procedure" .
SEF601Z

TROUBLE DIAGNOSIS - SPECIFICATION VALUE
EC-129
C
D
E
F
G
H
I
J
K
L
M
A
EC
Revision; 2004 April 2003 G35 Coupe
Diagnostic Procedure ABS00386
SEF613ZD

EC-130
TROUBLE DIAGNOSIS - SPECIFICATION VALUE
Revision; 2004 April 2003 G35 Coupe
SEF768Z

TROUBLE DIAGNOSIS - SPECIFICATION VALUE
EC-131
C
D
E
F
G
H
I
J
K
L
M
A
EC
Revision; 2004 April 2003 G35 Coupe
SEF615ZA

EC-132
TROUBLE DIAGNOSIS FOR INTERMITTENT INCIDENT
Revision; 2004 April 2003 G35 Coupe
TROUBLE DIAGNOSIS FOR INTERMITTENT INCIDENT PFP:00006
Description ABS00387
Intermittent incidents (I/I) may occur. In many cases, the malfunction resolves itself (the part or circuit function
returns to normal without intervention). It is important to realize that the symptoms described in the customer's
complaint often do not recur on (1st trip) DTC visits. Realize also that the most frequent cause of I/I occur-
rences is poor electrical connections. Because of this, the conditions under which the incident occurred may
not be clear. Therefore, circuit checks made as part of the standard diagnostic procedure may not indicate the
specific malfunctioning area.
Common I/I Report Situations
Diagnostic Procedure ABS00388
1. INSPECTION START
Erase (1st trip) DTCs. Refer to EC-64, "HOW TO ERASE EMISSION-RELATED DIAGNOSTIC INFORMA-
TION" .
>> GO TO 2.
2. CHECK GROUND TERMINALS
Check ground terminals for corroding or loose connection.
Refer to GI-27, "How to Perform Efficient Diagnosis for an Electrical Incident" , "CIRCUIT INSPECTION",
"Ground Inspection".
OK or NG
OK >> GO TO 3.
NG >> Repair or replace.
3. SEARCH FOR ELECTRICAL INCIDENT
Perform GI-27, "How to Perform Efficient Diagnosis for an Electrical Incident" , "INCIDENT SIMULATION
TESTS".
OK or NG
OK >> GO TO 4.
NG >> Repair or replace.
4. CHECK CONNECTOR TERMINALS
Refer to GI-24, "How to Check Terminal" , "HOW TO PROBE CONNECTORS", “How to Check Enlarged Con-
tact Spring of Terminal”.
OK or NG
OK >> INSPECTION END
NG >> Repair or replace connector.
STEP in Work Flow Situation
II The CONSULT-II is used. The SELF-DIAG RESULTS screen shows time data other than [0] or [1t].
III The symptom described by the customer does not recur.
IV (1st trip) DTC does not appear during the DTC Confirmation Procedure.
VI The Diagnostic Procedure for PXXXX does not indicate the malfunctioning area.

POWER SUPPLY CIRCUIT FOR ECM
EC-133
C
D
E
F
G
H
I
J
K
L
M
A
EC
Revision; 2004 April 2003 G35 Coupe
POWER SUPPLY CIRCUIT FOR ECM PFP:24110
Wiring Diagram ABS00389
TBWT0253E

EC-134
POWER SUPPLY CIRCUIT FOR ECM
Revision; 2004 April 2003 G35 Coupe
Specification data are reference values and are measured between each terminal and ground.
CAUTION:
Do not use ECM ground terminals when measuring input/output voltage. Doing so may result in dam-
age to the ECM's transistor. Use a ground other than ECM terminals, such as the ground.
TER-
MINAL
NO.
WIRE
COLOR ITEM CONDITION DATA (DC Voltage)
109 W/L Ignition switch
[Ignition switch: OFF] 0V
[Ignition switch: ON] BATTERY VOLTAGE
(11 - 14V)
111 W ECM relay
(Self shut-off)
[Engine is running]
[Ignition switch: OFF]
●For a few seconds after turning ignition
switch OFF
0 - 1.5V
[Ignition switch: OFF]
●A few seconds passed after turning ignition
switch OFF
BATTERY VOLTAGE
(11 - 14V)
119
120
P
LPower supply for ECM [Ignition switch: ON] BATTERY VOLTAGE
(11 - 14V)

POWER SUPPLY CIRCUIT FOR ECM
EC-135
C
D
E
F
G
H
I
J
K
L
M
A
EC
Revision; 2004 April 2003 G35 Coupe
TBWT0254E

EC-136
POWER SUPPLY CIRCUIT FOR ECM
Revision; 2004 April 2003 G35 Coupe
Specification data are reference values and are measured between each terminal and ground.
CAUTION:
Do not use ECM ground terminals when measuring input/output voltage. Doing so may result in dam-
age to the ECM's transistor. Use a ground other than ECM terminals, such as the ground.
Diagnostic Procedure ABS0038A
1. INSPECTION START
Start engine.
Is engine running?
Yes or No
Yes >> GO TO 7.
No >> GO TO 2.
2. CHECK ECM POWER SUPPLY CIRCUIT-I
1. Turn ignition switch OFF and then ON.
2. Check voltage between ECM terminal 109 and ground with
CONSULT-II or tester.
OK or NG
OK >> GO TO 4.
NG >> GO TO 3.
3. DETECT MALFUNCTIONING PART
Check the following.
●Harness connectors M72, F102
●Fuse block (J/B) connector M4
●10A fuse
●Harness for open or short between ECM and fuse
>> Repair harness or connectors.
TER-
MINAL
NO.
WIRE
COLOR ITEM CONDITION DATA (DC Voltage)
1 B ECM ground [Engine is running]
●Idle speed Engine ground
115
116
B/R
BECM ground [Engine is running]
●Idle speed Engine ground
Voltage: Battery voltage
MBIB0015E

POWER SUPPLY CIRCUIT FOR ECM
EC-137
C
D
E
F
G
H
I
J
K
L
M
A
EC
Revision; 2004 April 2003 G35 Coupe
4. CHECK ECM GROUND CIRCUIT FOR OPEN AND SHORT-I
1. Turn ignition switch OFF.
2. Disconnect ECM harness connector.
3. Check harness continuity between ECM terminals 1, 115, 116 and ground.
Refer to Wiring Diagram.
4. Also check harness for short to power.
OK or NG
OK >> GO TO 6.
NG >> GO TO 5.
5. DETECT MALFUNCTIONING PART
Check the following.
●Joint connector-4
●Harness connectors F102, M72
●Harness for open or short between ECM and ground
>> Repair open circuit or short to power in harness or connectors.
6. CHECK ECM POWER SUPPLY CIRCUIT-II
1. Reconnect ECM harness connector.
2. Turn ignition switch ON.
3. Check voltage between IPDM E/R terminal 35 and ground with
CONSULT-II or tester.
OK or NG
OK >> Go to EC-580, "IGNITION SIGNAL" .
NG >> GO TO 7.
7. CHECK ECM POWER SUPPLY CIRCUIT-III
1. Turn ignition switch ON and then OFF.
2. Check voltage between ECM terminals 119, 120 and ground
with CONSULT-II or tester.
OK or NG
OK >> GO TO 16.
NG (Battery voltage does not exist.)>>GO TO 8.
NG (Battery voltage exists for more than a few seconds.)>>GO TO
16.
Continuity should exist.
Voltage: Battery voltage
PBIB1396E
Voltage: After turning ignition switch OFF, battery
voltage will exist for a few seconds, then
drop approximately 0V.
PBIB1630E

EC-138
POWER SUPPLY CIRCUIT FOR ECM
Revision; 2004 April 2003 G35 Coupe
8. CHECK ECM POWER SUPPLY CIRCUIT-V
1. Turn ignition switch OFF.
2. Check voltage between ECM terminal 111 and ground with
CONSULT-II or tester.
OK or NG
OK >> GO TO 9.
NG >> GO TO 11.
9. CHECK ECM POWER SUPPLY CIRCUIT-VI
1. Disconnect ECM harness connector.
2. Disconnect IPDM E/R harness connector E8.
3. Check harness continuity between ECM terminals 119, 120 and IPDM E/R terminal 33.
Refer to Wiring Diagram.
4. Also check harness for short to ground and short to power.
OK or NG
OK >> GO TO 14.
NG >> GO TO 10.
10. DETECT MALFUNCTIONING PART
Check the following.
●Joint connector-3
●Joint connector-4
●Harness or connectors E12, F3
●Harness for open or short between ECM and IPDM E/R
>> Repair open circuit or short to ground or short to power in harness or connectors.
11. CHECK ECM POWER SUPPLY CIRCUIT-VII
1. Disconnect ECM harness connector.
2. Disconnect IPDM E/R harness connector.
3. Check harness continuity between ECM terminal 111 and IPDM E/R terminal 44.
Refer to Wiring Diagram.
4. Also check harness for short to ground and short to power.
OK or NG
OK >> GO TO 13.
NG >> GO TO 12.
Voltage: Battery voltage
PBIB1191E
Continuity should exist.
Continuity should exist.

POWER SUPPLY CIRCUIT FOR ECM
EC-139
C
D
E
F
G
H
I
J
K
L
M
A
EC
Revision; 2004 April 2003 G35 Coupe
12. DETECT MALFUNCTIONING PART
Check the following.
●Harness or connectors E11, F2
●Harness for open or short between ECM and IPDM E/R
>> Repair open circuit or short to ground or short to power in harness or connectors.
13. CHECK 15A FUSE
1. Disconnect 15A fuse from IPDM E/R.
2. Check 15A fuse.
OK or NG
OK >> GO TO 16.
NG >> Replace 15A fuse.
14. CHECK ECM GROUND CIRCUIT FOR OPEN AND SHORT-II
1. Check harness continuity between ECM terminals 1, 115, 116 and ground.
Refer to Wiring Diagram.
2. Also check harness for short to power.
OK or NG
OK >> GO TO 16.
NG >> GO TO 15.
15. DETECT MALFUNCTIONING PART
Check the following.
●Joint connector-4
●Harness or connectors F102, M72
●Harness for open or short between ECM and ground
>> Repair open circuit or short to power in harness connectors.
16. CHECK INTERMITTENT INCIDENT
Refer to EC-132, "TROUBLE DIAGNOSIS FOR INTERMITTENT INCIDENT" .
OK or NG
OK >> Replace IPDM E/R. Refer to PG-17 .
NG >> Repair open circuit or short to ground or short to power in harness or connectors.
Continuity should exist.

EC-140
DTC U1000, U1001 CAN COMMUNICATION LINE
Revision; 2004 April 2003 G35 Coupe
DTC U1000, U1001 CAN COMMUNICATION LINE PFP:23710
Description ABS0038B
CAN (Controller Area Network) is a serial communication line for real time application. It is an on-vehicle mul-
tiplex communication line with high data communication speed and excellent error detection ability. Many elec-
tronic control units are equipped onto a vehicle, and each control unit shares information and links with other
control units during operation (not independent). In CAN communication, control units are connected with 2
communication lines (CAN H line, CAN L line) allowing a high rate of information transmission with less wiring.
Each control unit transmits/receives data but selectively reads required data only.
On Board Diagnosis Logic ABS0038C
*1: This self-diagnosis has the one trip detection logic.
*2: The MIL will not light up for this diagnosis.
DTC Confirmation Procedure ABS0038D
1. Turn ignition switch ON and wait at least 3 seconds.
2. Select “DATA MONITOR” mode with CONSULT-II.
3. If 1st trip DTC is detected, go to EC-142, "Diagnostic Procedure" .
DTC No. Trouble diagnosis
name DTC detecting condition Possible cause
U1000*1
1000*1CAN communication
line
●ECM cannot communicate to other control
units.
●ECM cannot communicate for more than the
specified time.
●Harness or connectors
(CAN communication line is open or
shorted)
U1001*2
1001*2

DTC U1000, U1001 CAN COMMUNICATION LINE
EC-141
C
D
E
F
G
H
I
J
K
L
M
A
EC
Revision; 2004 April 2003 G35 Coupe
Wiring Diagram ABS0038E
TBWT0255E

EC-142
DTC U1000, U1001 CAN COMMUNICATION LINE
Revision; 2004 April 2003 G35 Coupe
Diagnostic Procedure ABS0038F
Go to LAN-4, "CAN Communication Unit" .

DTC P0011, P0021 IVT CONTROL
EC-143
C
D
E
F
G
H
I
J
K
L
M
A
EC
Revision; 2004 April 2003 G35 Coupe
DTC P0011, P0021 IVT CONTROL PFP:23796
Description ABS0038G
SYSTEM DESCRIPTION
This mechanism hydraulically controls cam phases continuously with the fixed operating angle of the intake
valve.
The ECM receives signals such as crankshaft position, camshaft position, engine speed, and engine coolant
temperature. Then, the ECM sends ON/OFF pulse duty signals to the intake valve timing control solenoid
valve depending on driving status. This makes it possible to control the shut/open timing of the intake valve to
increase engine torque in low/mid speed range and output in high-speed range.
CONSULT-II Reference Value in Data Monitor Mode ABS0038H
Specification data are reference values.
Sensor Input signal to ECM ECM function Actuator
Crankshaft position sensor (POS) Engine speed Intake valve
timing control
Intake valve timing control
solenoid valve
Camshaft position sensor (PHASE)
Engine coolant temperature sensor Engine coolant temperature
Wheel sensor Vehicle speed
PBIB1102E
MONITOR ITEM CONDITION SPECIFICATION
INT/V TIM (B1)
INT/V TIM (B2)
●Engine: After warming up
●Shift lever: N (A/T), Neutral (M/T)
●Air conditioner switch: OFF
●No-load
Idle −5° - 5°CA
When revving engine up to 2,000 rpm
quickly Approx. 0° - 30°CA
INT/V SOL (B1)
INT/V SOL (B2)
●Engine: After warming up
●Shift lever: N (A/T), Neutral (M/T)
●Air conditioner switch: OFF
●No-load
Idle 0% - 2%
When revving engine up to 2,000 rpm
quickly Approx. 0% - 50%

EC-144
DTC P0011, P0021 IVT CONTROL
Revision; 2004 April 2003 G35 Coupe
On Board Diagnosis Logic ABS0038I
FAIL-SAFE MODE
When the malfunction is detected, the ECM enters fail-safe mode.
DTC Confirmation Procedure ABS0038J
CAUTION:
Always drive at a safe speed.
NOTE:
●If DTC P0011 or P0021 is displayed with DTC P1111 or P1136, first perform trouble diagnosis for
DTC P1111 or P1136. Refer to EC-408 .
●If DTC Confirmation Procedure has been previously conducted, always turn ignition switch OFF and wait
at least 10 seconds before conducting the next test.
TESTING CONDITION:
Before performing the following procedure, confirm that battery voltage is between 10V and 16V at
idle.
WITH CONSULT-II
1. Turn ignition switch ON and select “DATA MONITOR” mode with
CONSULT-II.
2. Start engine and warm it up to the normal operating tempera-
ture.
3. Maintain the following conditions for at least 6 consecutive sec-
onds.
Hold the accelerator pedal as steady as possible.
4. Stop vehicle with engine running and let engine idle for 10 seconds.
5. If 1st trip DTC is detected, go to EC-145, "Diagnostic Procedure" .
If 1st trip DTC is not detected, go to next step.
6. Maintain the following conditions for at least 20 consecutive seconds.
7. If the 1st trip DTC is detected, go to EC-145, "Diagnostic Procedure" .
DTC No. Trouble diagnosis
name Detecting condition Possible cause
P0011
0011
(Bank 1) Intake valve timing
control performance
There is a gap between angle of target and
phase-control angle degree.
●Crankshaft position sensor (POS)
●Camshaft position sensor (PHASE)
●Accumulation of debris to the signal pick-up
portion of the camshaft
P0021
0021
(Bank 2)
Detected items Engine operating condition in fail-safe mode
Intake valve timing control The signal is not energized to the solenoid valve and the valve control does not function.
VHCL SPEED SE 100 - 120 km/h (63 - 75 MPH)
ENG SPEED 2,000 - 4,000 rpm
COOLAN TEMP/S 60 - 120°C (140 - 248°F)
B/FUEL SCHDL More than 7.26 msec
Selector lever A/T models: D position
M/T models: 5th position
ENG SPEED 1,700 - 3,175 rpm (A constant rotation is maintained.)
COOLANT TEMPS 70 - 105°C (158 - 221°F)
Selector lever 1st or 2nd position
Driving location uphill
Driving vehicle uphill
(Increased engine load will help maintain the driving
conditions required for this test.)
SEF353Z

DTC P0011, P0021 IVT CONTROL
EC-145
C
D
E
F
G
H
I
J
K
L
M
A
EC
Revision; 2004 April 2003 G35 Coupe
WITH GST
Follow the procedure “WITH CONSULT-II” above.
Diagnostic Procedure ABS0038K
1. CHECK CRANKSHAFT POSITION SENSOR (POS)
Refer to EC-306, "Component Inspection" .
OK or NG
OK >> GO TO 2.
NG >> Replace crankshaft position sensor (POS).
2. CHECK CAMSHAFT POSITION SENSOR (PHASE)
Refer to EC-314, "Component Inspection" .
OK or NG
OK >> GO TO 3.
NG >> Replace camshaft position sensor (PHASE).
3. CHECK CAMSHAFT (INTAKE)
Check the following.
●Accumulation of debris to the signal plate of camshaft rear end
●Chipping signal plate of camshaft rear end
OK or NG
OK >> GO TO 4.
NG >> Remove debris and clean the signal plate of camshaft
rear end or replace camshaft.
4. CHECK INTERMITTENT INCIDENT
Refer to EC-132, "TROUBLE DIAGNOSIS FOR INTERMITTENT INCIDENT" .
For wiring diagram, refer to EC-302 for CKP sensor (POS), EC-308 and EC-310 for CMP sensor (PHASE).
>> INSPECTION END
SEC905C

EC-146
DTC P0031, P0032, P0051, P0052 HO2S1 HEATER
Revision; 2004 April 2003 G35 Coupe
DTC P0031, P0032, P0051, P0052 HO2S1 HEATER PFP:22690
Description ABS0038L
SYSTEM DESCRIPTION
The ECM performs ON/OFF control of the heated oxygen sensor 1 heater corresponding to the engine speed
and engine coolant temperature. The duty percent varies with engine coolant temperature when engine is
started.
OPERATION
CONSULT-II Reference Value in Data Monitor Mode ABS0038M
Specification data are reference values.
On Board Diagnosis Logic ABS0038N
Sensor Input signal to ECM ECM function Actuator
Camshaft position sensor (PHASE)
Crankshaft position sensor (POS) Engine speed Heated oxygen sensor 1
heater control Heated oxygen sensor 1 heater
Engine coolant temperature sensor Engine coolant tempera-
ture
Engine speed rpm Heated oxygen sensor 1 heater
Above 3,600 OFF
Below 3,600 after warming up ON
MONITOR ITEM CONDITION SPECIFICATION
HO2S1 HTR (B1)
HO2S1 HTR (B2)
●Engine: After warming up
●Engine speed: Below 3,600 rpm ON
●Engine speed: Above 3,600 rpm OFF
DTC No. Trouble diagnosis
name DTC detecting condition Possible cause
P0031
0031
(Bank 1) Heated oxygen
sensor 1 heater
control circuit low
The current amperage in the heated oxygen
sensor 1 heater circuit is out of the normal
range.
(An excessively low voltage signal is sent to
ECM through the heated oxygen sensor 1
heater.)
●Harness or connectors
(The heated oxygen sensor 1 heater circuit is
open or shorted.)
●Heater oxygen sensor 1 heater
P0051
0051
(Bank 2)
P0032
0032
(Bank 1) Heated oxygen
sensor 1 heater
control circuit high
The current amperage in the heated oxygen
sensor 1 heater circuit is out of the normal
range.
(An excessively high voltage signal is sent to
ECM through the heated oxygen sensor 1
heater.)
●Harness or connectors
(The heated oxygen sensor 1 heater circuit is
shorted.)
●Heater oxygen sensor 1 heater
P0052
0052
(Bank 2)

DTC P0031, P0032, P0051, P0052 HO2S1 HEATER
EC-147
C
D
E
F
G
H
I
J
K
L
M
A
EC
Revision; 2004 April 2003 G35 Coupe
DTC Confirmation Procedure ABS0038O
NOTE:
If DTC Confirmation Procedure has been previously conducted, always turn ignition switch OFF and wait at
least 10 seconds before conducting the next test.
TESTING CONDITION:
Before performing the following procedure, confirm that battery voltage is between 10.5V and 16V at
idle.
WITH CONSULT-II
1. Start engine and warm it up to normal operating temperature.
2. Turn ignition switch OFF and wait at least 10 seconds.
3. Turn ignition switch ON and select “DATA MONITOR” mode with
CONSULT-II.
4. Start engine and run it for at least 6 seconds at idle speed.
5. If 1st trip DTC is detected, go to EC-151, "Diagnostic Procedure"
.
WITH GST
1. Start engine and warm it up to normal operating temperature.
2. Turn ignition switch OFF and wait at least 10 seconds.
3. Start engine and run it for at least 6 seconds at idle speed.
4. Turn ignition switch OFF and wait at least 10 seconds.
5. Start engine and run it for at least 6 seconds at idle speed.
6. Select “MODE 3” with GST.
7. If DTC is detected, go to EC-151, "Diagnostic Procedure" .
●When using GST, DTC Confirmation Procedure should be performed twice as much as when using
CONSULT-II because GST cannot display MODE 7 (1st trip DTC) concerning this diagnosis. There-
fore, using CONSULT-II is recommended.
SEF058Y

EC-148
DTC P0031, P0032, P0051, P0052 HO2S1 HEATER
Revision; 2004 April 2003 G35 Coupe
Wiring Diagram ABS0038P
BANK 1
TBWT0258E

DTC P0031, P0032, P0051, P0052 HO2S1 HEATER
EC-149
C
D
E
F
G
H
I
J
K
L
M
A
EC
Revision; 2004 April 2003 G35 Coupe
Specification data are reference values and are measured between each terminal and ground.
Pulse signal is measured by CONSULT-II.
CAUTION:
Do not use ECM ground terminals when measuring input/output voltage. Doing so may result in dam-
age to the ECM's transistor. Use a ground other than ECM terminals, such as the ground.
: Average voltage for pulse signal (Actual pulse signal can be confirmed by oscilloscope.)
TER-
MINAL
NO.
WIRE
COLOR ITEM CONDITION DATA (DC Voltage)
24 G/B Heated oxygen sensor 1
heater (bank 1)
[Engine is running]
●Warm-up condition
●Engine speed is below 3,600 rpm.
Approximately 8V
[Engine is running]
●Engine speed is above 3,600 rpm.
BATTERY VOLTAGE
(11 - 14V)
PBIB0519E

EC-150
DTC P0031, P0032, P0051, P0052 HO2S1 HEATER
Revision; 2004 April 2003 G35 Coupe
BANK 2
TBWT0259E

DTC P0031, P0032, P0051, P0052 HO2S1 HEATER
EC-151
C
D
E
F
G
H
I
J
K
L
M
A
EC
Revision; 2004 April 2003 G35 Coupe
Specification data are reference values and are measured between each terminal and ground.
Pulse signal is measured by CONSULT-II.
CAUTION:
Do not use ECM ground terminals when measuring input/output voltage. Doing so may result in dam-
age to the ECM's transistor. Use a ground other than ECM terminals, such as the ground.
: Average voltage for pulse signal (Actual pulse signal can be confirmed by oscilloscope.)
Diagnostic Procedure ABS0038Q
1. CHECK HO2S1 POWER SUPPLY CIRCUIT
1. Turn ignition switch OFF.
2. Disconnect heated oxygen sensor 1 harness connector.
3. Turn ignition switch ON.
4. Check voltage between HO2S1 terminal 2 and ground with
CONSULT-II or tester.
OK or NG
OK >> GO TO 3.
NG >> GO TO 2.
TER-
MINAL
NO.
WIRE
COLOR ITEM CONDITION DATA (DC Voltage)
2Y Heated oxygen sensor 1
heater (bank 2)
[Engine is running]
●Warm-up condition
●Engine speed is below 3,600 rpm.
Approximately 8V
[Engine is running]
●Engine speed is above 3,600 rpm.
BATTERY VOLTAGE
(11 - 14V)
PBIB0519E
Voltage: Battery voltage
PBIB1285E
PBIB0969E

EC-152
DTC P0031, P0032, P0051, P0052 HO2S1 HEATER
Revision; 2004 April 2003 G35 Coupe
2. DETECT MALFUNCTIONING PART
Check the following.
●Harness connectors M72, F102
●Fuse block (J/B) connector M4
●15A fuse
●Harness for open or short between heated oxygen sensor 1 and fuse
>> Repair harness or connectors.
3. CHECK HO2S1 OUTPUT SIGNAL CIRCUIT FOR OPEN AND SHORT
1. Turn ignition switch OFF.
2. Disconnect ECM harness connector.
3. Check harness continuity between ECM terminal and HO2S1 terminal as follows.
Refer to Wiring Diagram.
4. Also check harness for short to ground and short to power.
OK or NG
OK >> GO TO 4.
NG >> Repair open circuit or short to ground or short to power in harness or connectors.
4. CHECK HEATED OXYGEN SENSOR 1 HEATER
Refer to EC-153, "Component Inspection" .
OK or NG
OK >> GO TO 5.
NG >> Replace malfunctioning heated oxygen sensor 1.
5. CHECK INTERMITTENT INCIDENT
Refer to EC-132, "TROUBLE DIAGNOSIS FOR INTERMITTENT INCIDENT" .
>> INSPECTION END
DTC Terminals Bank
ECM Sensor
P0031, P0032 24 3 1
P0051, P0052 2 3 2
Continuity should exist.

DTC P0031, P0032, P0051, P0052 HO2S1 HEATER
EC-153
C
D
E
F
G
H
I
J
K
L
M
A
EC
Revision; 2004 April 2003 G35 Coupe
Component Inspection ABS0038R
HEATED OXYGEN SENSOR 1 HEATER
1. Check resistance between HO2S1 terminals as follows.
2. If NG, replace heated oxygen sensor 1.
CAUTION:
●Discard any heated oxygen sensor which has been dropped
from a height of more than 0.5 m (19.7 in) onto a hard sur-
face such as a concrete floor; use a new one.
●Before installing new oxygen sensor, clean exhaust system
threads using Oxygen Sensor Thread Cleaner tool J-43897-
18 or J-43897-12 and approved anti-seize lubricant.
Removal and Installation ABS0038S
HEATED OXYGEN SENSOR 1
Refer to EM-22, "EXHAUST MANIFOLD AND THREE WAY CATALYST" .
Terminal No. Resistance
2 and 3 3.3 - 4.0 Ω at 25°C (77°F)
1 and 2, 3, 4 ∞ Ω
(Continuity should not exist)
4 and 1, 2, 3
PBIB0970E

EC-154
DTC P0037, P0038, P0057, P0058 HO2S2 HEATER
Revision; 2004 April 2003 G35 Coupe
DTC P0037, P0038, P0057, P0058 HO2S2 HEATER PFP:226A0
Description ABS0038T
SYSTEM DESCRIPTION
The ECM performs ON/OFF control of the heated oxygen sensor 2 heater corresponding to the engine speed,
amount of intake air and engine coolant temperature.
OPERATION
CONSULT-II Reference Value in Data Monitor Mode ABS0038U
Specification data are reference values.
On Board Diagnosis Logic ABS0038V
Sensor Input signal to ECM ECM function Actuator
Camshaft position sensor (PHASE) Engine speed
Heated oxygen sensor 2
heater control Heated oxygen sensor 2 heater
Crankshaft position sensor (POS)
Engine coolant temperature sensor Engine coolant tempera-
ture
Mass air flow sensor Amount of intake air
Engine speed rpm Heated oxygen sensor 2 heater
Above 3,600 OFF
Below 3,600 rpm after the following conditions are met.
●Engine: After warming up
●Keeping the engine speed between 3,500 and 4,000 rpm for 1
minute and at idle for 1 minute under no load
ON
MONITOR ITEM CONDITION SPECIFICATION
HO2S2 HTR (B1)
HO2S2 HTR (B2)
●Engine speed is below 3,600 rpm after the following conditions are met.
–Engine: After warming up
–Keeping the engine speed between 3,500 and 4,000 rpm for 1 minute and
at idle for 1 minute under no load
ON
●Engine speed: Above 3,600 rpm OFF
DTC No. Trouble diagnosis
name DTC detecting condition Possible cause
P0037
0037
(Bank 1) Heated oxygen
sensor 2 heater
control circuit low
The current amperage in the heated oxygen sen-
sor 2 heater circuit is out of the normal range.
(An excessively low voltage signal is sent to ECM
through the heated oxygen sensor 2 heater.)
●Harness or connectors
(The heated oxygen sensor 2 heater circuit is
open or shorted.)
●Heater oxygen sensor 2 heater
P0057
0057
(Bank 2)
P0038
0038
(Bank 1) Heated oxygen
sensor 2 heater
control circuit high
The current amperage in the heated oxygen sen-
sor 2 heater circuit is out of the normal range.
(An excessively high voltage signal is sent to
ECM through the heated oxygen sensor 2
heater.)
●Harness or connectors
(The heated oxygen sensor 2 heater circuit is
shorted.)
●Heater oxygen sensor 2 heater
P0058
0058
(Bank 2)

DTC P0037, P0038, P0057, P0058 HO2S2 HEATER
EC-155
C
D
E
F
G
H
I
J
K
L
M
A
EC
Revision; 2004 April 2003 G35 Coupe
DTC Confirmation Procedure ABS0038W
NOTE:
If DTC Confirmation Procedure has been previously conducted, always turn ignition switch OFF and wait at
least 10 seconds before conducting the next test.
TESTING CONDITION:
Before performing the following procedure, confirm that battery voltage is between 10.5V and 16V at
idle.
WITH CONSULT-II
1. Turn ignition switch ON and select “DATA MONITOR” mode with CONSULT-II.
2. Start engine and warm it up to the normal operating tempera-
ture.
3. Turn ignition switch OFF and wait at least 10 seconds.
4. Start the engine and keep the engine speed between 3,500 rpm
and 4,000 rpm for at least 1 minute under no load.
5. Let engine idle for 1 minute.
6. If 1st trip DTC is detected, go to EC-159, "Diagnostic Procedure"
.
WITH GST
1. Start engine and warm it up to the normal operating temperature.
2. Turn ignition switch OFF”and wait at least 10 seconds.
3. Start the engine and keep the engine speed between 3,500 rpm and 4,000 rpm for at least 1 minute under
no load.
4. Let engine idle for 1 minute.
5. Turn ignition switch OFF and wait at least 10 seconds.
6. Start the engine and keep the engine speed between 3,500 rpm and 4,000 rpm for at least 1 minute under
no load.
7. Let engine idle for 1 minute.
8. Select “MODE 3” with GST.
9. If DTC is detected, go to EC-159, "Diagnostic Procedure" .
●When using GST, DTC Confirmation Procedure should be performed twice as much as when using
CONSULT-II because GST cannot display MODE 7 (1st trip DTC) concerning this diagnosis. There-
fore, using CONSULT-II is recommended.
SEF176Y

EC-156
DTC P0037, P0038, P0057, P0058 HO2S2 HEATER
Revision; 2004 April 2003 G35 Coupe
Wiring Diagram ABS0038X
BANK 1
TBWT0260E

DTC P0037, P0038, P0057, P0058 HO2S2 HEATER
EC-157
C
D
E
F
G
H
I
J
K
L
M
A
EC
Revision; 2004 April 2003 G35 Coupe
Specification data are reference values and are measured between each terminal and ground.
CAUTION:
Do not use ECM ground terminals when measuring input/output voltage. Doing so may result in dam-
age to the ECM's transistor. Use a ground other than ECM terminals, such as the ground.
TER-
MINAL
NO.
WIRE
COLOR ITEM CONDITION DATA (DC Voltage)
25 P/B Heated oxygen sensor 2
heater (bank 1)
[Engine is running]
●Engine speed is below 3,600 rpm after the
following conditions are met.
–Engine: after warming up
–Keeping the engine speed between 3,500
and 4,000 rpm for 1 minute and at idle for 1
minute under no load.
0 - 1.0V
[Ignition switch: ON]
●Engine stopped
[Engine is running]
●Engine speed is above 3,600 rpm.
BATTERY VOLTAGE
(11 - 14V)

EC-158
DTC P0037, P0038, P0057, P0058 HO2S2 HEATER
Revision; 2004 April 2003 G35 Coupe
BANK 2
TBWT0261E

DTC P0037, P0038, P0057, P0058 HO2S2 HEATER
EC-159
C
D
E
F
G
H
I
J
K
L
M
A
EC
Revision; 2004 April 2003 G35 Coupe
Specification data are reference values and are measured between each terminal and ground.
CAUTION:
Do not use ECM ground terminals when measuring input/output voltage. Doing so may result in dam-
age to the ECM's transistor. Use a ground other than ECM terminals, such as the ground.
Diagnostic Procedure ABS0038Y
1. CHECK HO2S2 POWER SUPPLY CIRCUIT
1. Turn ignition switch OFF.
2. Disconnect heated oxygen sensor 2 harness connector.
3. Turn ignition switch ON.
4. Check voltage between HO2S2 terminal 2 and ground with
CONSULT-II or tester.
OK or NG
OK >> GO TO 3.
NG >> GO TO 2.
TER-
MINAL
NO.
WIRE
COLOR ITEM CONDITION DATA (DC Voltage)
6BR/WHeated oxygen sensor 2
heater (bank 2)
[Engine is running]
●Engine speed is below 3,600 rpm after the
following conditions are met.
–Engine: after warming up
–Keeping the engine speed between 3,500
and 4,000 rpm for 1 minute and at idle for 1
minute under no load.
0 - 1.0V
[Ignition switch: ON]
●Engine stopped
[Engine is running]
●Engine speed is above 3,600 rpm.
BATTERY VOLTAGE
(11 - 14V)
PBIB1284E
Voltage: Battery voltage
PBIB0969E

EC-160
DTC P0037, P0038, P0057, P0058 HO2S2 HEATER
Revision; 2004 April 2003 G35 Coupe
2. DETECT MALFUNCTIONING PART
Check the following.
●Harness connectors M72, F102
●Fuse block (J/B) connector M4
●15A fuse
●Harness for open or short between heated oxygen sensor 2 and fuse
>> Repair harness or connectors.
3. CHECK HO2S2 OUTPUT SIGNAL CIRCUIT FOR OPEN AND SHORT
1. Turn ignition switch OFF.
2. Disconnect ECM harness connector.
3. Check harness continuity between ECM terminal and HO2S2 terminal as follows.
Refer to Wiring Diagram.
4. Also check harness for short to ground and short to power.
OK or NG
OK >> GO TO 4.
NG >> Repair open circuit or short to ground or short to power in harness or connectors.
4. CHECK HEATED OXYGEN SENSOR 2 HEATER
Refer to EC-161, "Component Inspection" .
OK or NG
OK >> GO TO 5.
NG >> Replace malfunctioning heated oxygen sensor 2.
5. CHECK INTERMITTENT INCIDENT
Refer to EC-132, "TROUBLE DIAGNOSIS FOR INTERMITTENT INCIDENT" .
>> INSPECTION END
DTC Terminals Bank
ECM Sensor
P0037, P0038 25 3 1
P0057, P0058 6 3 2
Continuity should exist.

DTC P0037, P0038, P0057, P0058 HO2S2 HEATER
EC-161
C
D
E
F
G
H
I
J
K
L
M
A
EC
Revision; 2004 April 2003 G35 Coupe
Component Inspection ABS0038Z
HEATED OXYGEN SENSOR 2 HEATER
1. Check resistance between HO2S2 terminals as follows.
2. If NG, replace heated oxygen sensor 2.
CAUTION:
●Discard any heated oxygen sensor which has been dropped
from a height of more than 0.5 m (19.7 in) onto a hard sur-
face such as a concrete floor; use a new one.
●Before installing new oxygen sensor, clean exhaust system
threads using Oxygen Sensor Thread Cleaner tool J-43897-
18 or J-43897-12 and approved anti-seize lubricant.
Removal and Installation ABS00390
HEATED OXYGEN SENSOR 2
Refer to EM-22, "EXHAUST MANIFOLD AND THREE WAY CATALYST" .
Terminal No. Resistance
2 and 3 5.0 - 7.0 Ω at 25°C (77°F)
1 and 2, 3, 4 ∞ Ω
(Continuity should not exist)
4 and 1, 2, 3
PBIB0970E

EC-162
DTC P0101 MAF SENSOR
Revision; 2004 April 2003 G35 Coupe
DTC P0101 MAF SENSOR PFP:22680
Component Description ABS00391
The mass air flow sensor is placed in the stream of intake air. It mea-
sures the intake flow rate by measuring a part of the entire intake
flow. It consists of a hot film that is supplied with electric current from
the ECM. The temperature of the hot film is controlled by the ECM a
certain amount. The heat generated by the hot film is reduced as the
intake air flows around it. The more air, the greater the heat loss.
Therefore, the ECM must supply more electric current to maintain
the temperature of the hot film as air flow increases. The ECM
detects the air flow by means of this current change.
CONSULT-II Reference Value in Data Monitor Mode ABS00392
Specification data are reference values.
On Board Diagnosis Logic ABS00393
This self-diagnosis has the one trip detection logic.
PBIB1604E
MONITOR ITEM CONDITION SPECIFICATION
MAS A/F SE-B1
●Engine: After warming up
●Air conditioner switch: OFF
●Shift lever: N (A/T), Neutral (M/T)
●No-load
Idle Approx. 0.9 - 1.2V
2,500 rpm Approx. 1.6 - 1.9V
CAL/LD VALUE
●Engine: After warming up
●Shift lever: N (A/T), Neutral (M/T)
●Air conditioner switch: OFF
●No-load
Idle 5% - 35%
2,500 rpm 5% - 35%
MASS AIRFLOW
●Engine: After warming up
●Shift lever: N (A/T), Neutral (M/T)
●Air conditioner switch: OFF
●No-load
Idle 2.0 - 6.0 g·m/s
2,500 rpm 7.0 - 20.0 g·m/s
DTC No. Trouble diagnosis name DTC detecting condition Possible cause
P0101
0101
Mass air flow sensor cir-
cuit range/performance
problem
A) A high voltage from the sensor is sent to ECM
under light load driving condition.
●Harness or connectors
(The sensor circuit is open or
shorted.)
●Mass air flow sensor
B) A low voltage from the sensor is sent to ECM
under heavy load driving condition.
●Harness or connectors
(The sensor circuit is open or
shorted.)
●Intake air leaks
●Mass air flow sensor

DTC P0101 MAF SENSOR
EC-163
C
D
E
F
G
H
I
J
K
L
M
A
EC
Revision; 2004 April 2003 G35 Coupe
DTC Confirmation Procedure ABS00394
Perform PROCEDURE FOR MALFUNCTION A first.
If the DTC cannot be confirmed, perform PROCEDURE FOR MALFUNCTION B.
NOTE:
If DTC Confirmation Procedure has been previously conducted, always turn ignition switch OFF and wait at
least 10 seconds before conducting the next test.
PROCEDURE FOR MALFUNCTION A
NOTE:
If engine will not start or stops soon, wait at least 10 seconds with engine stopped (Ignition switch ON) instead
of running engine at idle speed.
With CONSULT-II
1. Turn ignition switch ON.
2. Select “DATA MONITOR” mode with CONSULT-II.
3. Start engine and warm it up to normal operating temperature.
4. Run engine for at least 10 seconds at idle speed.
5. If DTC is detected, go to EC-166, "Diagnostic Procedure" .
With GST
Follow the procedure “With CONSULT-II” above.
PROCEDURE FOR MALFUNCTION B
CAUTION:
Always drive vehicle at a safe speed.
With CONSULT-II
1. Turn ignition switch ON.
2. Start engine and warm it up to normal operating temperature.
If engine cannot be started, go to EC-166, "Diagnostic Procedure" .
3. Select “DATA MONITOR” mode with CONSULT-II.
4. Check the voltage of “MAS A/F SE-B1” with “DATA MONITOR”.
5. Increases engine speed to about 4,000 rpm.
6. Monitor the linear voltage rise in response to engine speed
increases.
If NG, go to EC-166, "Diagnostic Procedure" .
If OK, go to following step.
SEF174Y
SEF243Y

EC-164
DTC P0101 MAF SENSOR
Revision; 2004 April 2003 G35 Coupe
7. Maintain the following conditions for at least 10 consecutive sec-
onds.
8. If DTC is detected, go to EC-166, "Diagnostic Procedure" .
Overall Function Check ABS00395
PROCEDURE FOR MALFUNCTION B
Use this procedure to check the overall function of the mass air flow sensor circuit. During this check, a 1st trip
DTC might not be confirmed.
With GST
1. Start engine and warm it up to normal operating temperature.
2. Select “MODE 1” with GST.
3. Check the mass air flow sensor signal with “MODE 1”.
4. Check for linear mass air flow sensor signal value rise in
response to increases to about 4,000 rpm in engine speed.
5. If NG, go to EC-166, "Diagnostic Procedure" .
ENG SPEED More than 2,000 rpm
THRTL SEN 1 More than 3V
THRTL SEN 2 More than 3V
Selector lever Suitable position
Driving location Driving vehicle uphill (Increased engine load) will help
maintain the driving conditions required for this test.
PBIB0199E
SEF534P

DTC P0101 MAF SENSOR
EC-165
C
D
E
F
G
H
I
J
K
L
M
A
EC
Revision; 2004 April 2003 G35 Coupe
Wiring Diagram ABS00396
TBWT0262E

EC-166
DTC P0101 MAF SENSOR
Revision; 2004 April 2003 G35 Coupe
Specification data are reference values and are measured between each terminal and ground.
CAUTION:
Do not use ECM ground terminals when measuring input/output voltage. Doing so may result in dam-
age to the ECM's transistor. Use a ground other than ECM terminals, such as the ground.
Diagnostic Procedure ABS00397
1. INSPECTION START
Which malfunction (A or B) is duplicated?
A or B
A >> GO TO 3.
B >> GO TO 2.
2. CHECK INTAKE SYSTEM
Check the following for connection.
●Air duct
●Vacuum hoses
●Intake air passage between air duct and intake manifold
OK or NG
OK >> GO TO 3.
NG >> Reconnect the parts.
TER-
MINAL
NO.
WIRE
COLOR ITEM CONDITION DATA (DC Voltage)
51 OR Mass air flow sensor
[Engine is running]
●Warm-up condition
●Idle speed
0.9 - 1.2V
[Engine is running]
●Warm-up condition
●Engine speed is 2,500 rpm.
1.6 - 1.9V
67 B/W
Sensors' ground
(Mass air flow sensor / IAT
sensor / Power steering
pressure sensor / EVAP
control system pressure
sensor)
[Engine is running]
●Warm-up condition
●Idle speed
Approximately 0V
111 W ECM relay
(Self shut-off)
[Engine is running]
[Ignition switch: OFF]
●For a few seconds after turning ignition
switch OFF
0 - 1.5V
[Ignition switch: OFF]
●A few seconds passed after turning ignition
switch OFF
BATTERY VOLTAGE
(11 - 14V)
119
120
P
LPower supply for ECM [Ignition switch: ON] BATTERY VOLTAGE
(11 - 14V)

DTC P0101 MAF SENSOR
EC-167
C
D
E
F
G
H
I
J
K
L
M
A
EC
Revision; 2004 April 2003 G35 Coupe
3. RETIGHTEN GROUND SCREWS
1. Turn ignition switch OFF.
2. Loosen and retighten engine ground screws.
>> GO TO 4.
4. CHECK MAF SENSOR POWER SUPPLY CIRCUIT
1. Disconnect mass air flow (MAF) sensor harness connector.
2. Turn ignition switch ON.
3. Check voltage between MAF sensor terminal 2 and ground with
CONSULT-II or tester.
OK or NG
OK >> GO TO 6.
NG >> GO TO 5.
5. DETECT MALFUNCTIONING PART
Check the following.
●Harness connectors E12, F3
●Joint connector-3
●Joint connector-4
●Harness for open or short between IPDM E/R and mass air flow sensor
●Harness for open or short between mass air flow sensor and ECM
>> Repair harness or connectors.
PBIB0986E
PBIB1077E
Voltage: Battery voltage
PBIB1168E

EC-168
DTC P0101 MAF SENSOR
Revision; 2004 April 2003 G35 Coupe
6. CHECK MAF SENSOR GROUND CIRCUIT FOR OPEN AND SHORT
1. Turn ignition switch OFF.
2. Disconnect ECM harness connector.
3. Check harness continuity between MAF sensor terminal 3 and ECM terminal 67.
Refer to Wiring Diagram.
4. Also check harness for short to ground and short to power.
OK or NG
OK >> GO TO 8.
NG >> GO TO 7.
7. DETECT MALFUNCTIONING PART
Check the following.
●Joint connector-3
●Harness for open or short between mass air flow sensor and ECM
>> Repair open circuit or short to ground or short to power in harness or connectors.
8. CHECK MAF SENSOR INPUT SIGNAL CIRCUIT FOR OPEN AND SHORT
1. Check harness continuity between MAF sensor terminal 4 and ECM terminal 51.
Refer to Wiring Diagram.
2. Also check harness for short to ground and short to power.
OK or NG
OK >> GO TO 9.
NG >> Repair open circuit or short to ground or short to power in harness or connectors.
9. CHECK MASS AIR FLOW SENSOR
Refer to EC-169, "Component Inspection" .
OK or NG
OK >> GO TO 10.
NG >> Replace mass air flow sensor.
10. CHECK INTERMITTENT INCIDENT
Refer to EC-132, "TROUBLE DIAGNOSIS FOR INTERMITTENT INCIDENT" .
>> INSPECTION END
Continuity should exist.
Continuity should exist.

DTC P0101 MAF SENSOR
EC-169
C
D
E
F
G
H
I
J
K
L
M
A
EC
Revision; 2004 April 2003 G35 Coupe
Component Inspection ABS00398
MASS AIR FLOW SENSOR
1. Reconnect all harness connectors disconnected.
2. Start engine and warm it up to normal operating temperature.
3. Check voltage between ECM terminal 51 (Mass air flow sensor
signal) and ground.
*: Check for linear voltage rise in response to engine being increased to about
4,000 rpm.
4. If the voltage is out of specification, proceed the following.
●Turn ignition switch OFF.
●Disconnect mass air flow sensor harness connector and reconnect it again.
●Perform steps 2 and 3 again.
5. If NG, remove mass air flow sensor from air duct. Check hot film for damage or dust.
6. If NG, clean or replace mass air flow sensor.
Removal and Installation ABS00399
MASS AIR FLOW SENSOR
Refer to EM-14, "AIR CLEANER AND AIR DUCT" .
Condition Voltage V
Ignition switch ON (Engine stopped.) Approx. 0.4
Idle (Engine is warmed-up to normal
operating temperature.) 0.9 - 1.2
2,500 rpm (Engine is warmed-up to
normal operating temperature.) 1.6 - 1.9
Idle to about 4,000 rpm* 0.9 - 1.2 to Approx. 2.4 PBIB1106E

EC-170
DTC P0102, P0103 MAF SENSOR
Revision; 2004 April 2003 G35 Coupe
DTC P0102, P0103 MAF SENSOR PFP:22680
Component Description ABS0039A
The mass air flow sensor is placed in the stream of intake air. It mea-
sures the intake flow rate by measuring a part of the entire intake
flow. It consists of a hot film that is supplied with electric current from
the ECM. The temperature of the hot film is controlled by the ECM a
certain amount. The heat generated by the hot film is reduced as the
intake air flows around it. The more air, the greater the heat loss.
Therefore, the ECM must supply more electric current to maintain
the temperature of the hot film as air flow increases. The ECM
detects the air flow by means of this current change.
CONSULT-II Reference Value in Data Monitor Mode ABS0039B
Specification data are reference values.
On Board Diagnosis Logic ABS0039C
These self-diagnoses have the one trip detection logic.
FAIL-SAFE MODE
When the malfunction is detected, the ECM enters fail-safe mode and the MIL lights up.
PBIB1604E
MONITOR ITEM CONDITION SPECIFICATION
MAS A/F SE-B1
●Engine: After warming up
●Air conditioner switch: OFF
●Shift lever: N (A/T), Neutral (M/T)
●No-load
Idle Approx. 0.9 - 1.2V
2,500 rpm Approx. 1.6 - 1.9V
CAL/LD VALUE
●Engine: After warming up
●Shift lever: N (A/T), Neutral (M/T)
●Air conditioner switch: OFF
●No-load
Idle 5% - 35%
2,500 rpm 5% - 35%
MASS AIRFLOW
●Engine: After warming up
●Shift lever: N (A/T), Neutral (M/T)
●Air conditioner switch: OFF
●No-load
Idle 2.0 - 6.0 g·m/s
2,500 rpm 7.0 - 20.0 g·m/s
DTC No. Trouble diagnosis
name DTC detecting condition Possible cause
P0102
0102
Mass air flow sensor
circuit low input
An excessively low voltage from the sensor is
sent to ECM.
●Harness or connectors
(The sensor circuit is open or shorted.)
●Intake air leaks
●Mass air flow sensor
P0103
0103
Mass air flow sensor
circuit high input
An excessively high voltage from the sensor is
sent to ECM.
●Harness or connectors
(The sensor circuit is open or shorted.)
●Mass air flow sensor
Detected items Engine operating condition in fail-safe mode
Mass air flow sensor circuit Engine speed will not rise more than 2,400 rpm due to the fuel cut.

DTC P0102, P0103 MAF SENSOR
EC-171
C
D
E
F
G
H
I
J
K
L
M
A
EC
Revision; 2004 April 2003 G35 Coupe
DTC Confirmation Procedure ABS0039D
NOTE:
If DTC Confirmation Procedure has been previously conducted, always turn ignition switch OFF and wait at
least 10 seconds before conducting the next test.
PROCEDURE FOR DTC P0102
With CONSULT-II
1. Turn ignition switch ON.
2. Select “DATA MONITOR” mode with CONSULT-II.
3. Start engine and wait at least 5 seconds.
4. If DTC is detected, go to EC-173, "Diagnostic Procedure" .
With GST
Follow the procedure “With CONSULT-II” above.
PROCEDURE FOR DTC P0103
With CONSULT-II
1. Turn ignition switch ON.
2. Select “DATA MONITOR” mode with CONSULT-II.
3. Wait at least 5 seconds.
4. If DTC is detected, go to EC-173, "Diagnostic Procedure" .
If DTC is not detected, go to next step.
5. Start engine and wait at least 5 seconds.
6. If DTC is detected, go to EC-173, "Diagnostic Procedure" .
With GST
Follow the procedure “With CONSULT-II” above.
SEF058Y
SEF058Y

EC-172
DTC P0102, P0103 MAF SENSOR
Revision; 2004 April 2003 G35 Coupe
Wiring Diagram ABS0039E
TBWT0262E

DTC P0102, P0103 MAF SENSOR
EC-173
C
D
E
F
G
H
I
J
K
L
M
A
EC
Revision; 2004 April 2003 G35 Coupe
Specification data are reference values and are measured between each terminal and ground.
CAUTION:
Do not use ECM ground terminals when measuring input/output voltage. Doing so may result in dam-
age to the ECM's transistor. Use a ground other than ECM terminals, such as the ground.
Diagnostic Procedure ABS0039F
1. INSPECTION START
Which malfunction (P0102 or P0103) is duplicated?
P0102 or P0103
P0102 >> GO TO 2.
P0103 >> GO TO 3.
2. CHECK INTAKE SYSTEM
Check the following for connection.
●Air duct
●Vacuum hoses
●Intake air passage between air duct and intake manifold
OK or NG
OK >> GO TO 3.
NG >> Reconnect the parts.
TER-
MINAL
NO.
WIRE
COLOR ITEM CONDITION DATA (DC Voltage)
51 OR Mass air flow sensor
[Engine is running]
●Warm-up condition
●Idle speed
0.9 - 1.2V
[Engine is running]
●Warm-up condition
●Engine speed is 2,500 rpm.
1.6 - 1.9V
67 B/W
Sensors' ground
(Mass air flow sensor / IAT
sensor / Power steering
pressure sensor / EVAP
control system pressure
sensor)
[Engine is running]
●Warm-up condition
●Idle speed
Approximately 0V
111 W ECM relay
(Self shut-off)
[Engine is running]
[Ignition switch: OFF]
●For a few seconds after turning ignition
switch OFF
0 - 1.5V
[Ignition switch: OFF]
●A few seconds passed after turning ignition
switch OFF
BATTERY VOLTAGE
(11 - 14V)
119
120
P
LPower supply for ECM [Ignition switch: ON] BATTERY VOLTAGE
(11 - 14V)

EC-174
DTC P0102, P0103 MAF SENSOR
Revision; 2004 April 2003 G35 Coupe
3. RETIGHTEN GROUND SCREWS
1. Turn ignition switch OFF.
2. Loosen and retighten engine ground screws.
>> GO TO 4.
4. CHECK MAF SENSOR POWER SUPPLY CIRCUIT
1. Disconnect mass air flow (MAF) sensor harness connector.
2. Turn ignition switch ON.
3. Check voltage between MAF sensor terminal 2 and ground with
CONSULT-II or tester.
OK or NG
OK >> GO TO 6.
NG >> GO TO 5.
5. DETECT MALFUNCTIONING PART
Check the following.
●Harness connectors E12, F3
●Joint connector-3
●Joint connector-4
●Harness for open or short between IPDM E/R and mass air flow sensor
●Harness for open or short between mass air flow sensor and ECM
>> Repair harness or connectors.
PBIB0986E
PBIB1077E
Voltage: Battery voltage
PBIB1168E

DTC P0102, P0103 MAF SENSOR
EC-175
C
D
E
F
G
H
I
J
K
L
M
A
EC
Revision; 2004 April 2003 G35 Coupe
6. CHECK MAF SENSOR GROUND CIRCUIT FOR OPEN AND SHORT
1. Turn ignition switch OFF.
2. Disconnect ECM harness connector.
3. Check harness continuity between MAF sensor terminal 3 and ECM terminal 67.
Refer to Wiring Diagram.
4. Also check harness for short to ground and short to power.
OK or NG
OK >> GO TO 8.
NG >> GO TO 7.
7. DETECT MALFUNCTIONING PART
Check the following.
●Joint connector-3
●Harness for open or short between mass air flow sensor and ECM
>> Repair open circuit or short to ground or short to power in harness or connectors.
8. CHECK MAF SENSOR INPUT SIGNAL CIRCUIT FOR OPEN AND SHORT
1. Check harness continuity between MAF sensor terminal 4 and ECM terminal 51.
Refer to Wiring Diagram.
2. Also check harness for short to ground and short to power.
OK or NG
OK >> GO TO 9.
NG >> Repair open circuit or short to ground or short to power in harness or connectors.
9. CHECK MASS AIR FLOW SENSOR
Refer to EC-169, "Component Inspection" .
OK or NG
OK >> GO TO 10.
NG >> Replace mass air flow sensor.
10. CHECK INTERMITTENT INCIDENT
Refer to EC-132, "TROUBLE DIAGNOSIS FOR INTERMITTENT INCIDENT" .
>> INSPECTION END
Continuity should exist.
Continuity should exist.

EC-176
DTC P0102, P0103 MAF SENSOR
Revision; 2004 April 2003 G35 Coupe
Component Inspection ABS0039G
MASS AIR FLOW SENSOR
1. Reconnect all harness connectors disconnected.
2. Start engine and warm it up to normal operating temperature.
3. Check voltage between ECM terminal 51 (Mass air flow sensor
signal) and ground.
*: Check for linear voltage rise in response to engine being increased to about
4,000 rpm.
4. If the voltage is out of specification, proceed the following.
●Turn ignition switch OFF.
●Disconnect mass air flow sensor harness connector and reconnect it again.
●Perform steps 2 and 3 again.
5. If NG, remove mass air flow sensor from air duct. Check hot film for damage or dust.
6. If NG, clean or replace mass air flow sensor.
Removal and Installation ABS0039H
MASS AIR FLOW SENSOR
Refer to EM-14, "AIR CLEANER AND AIR DUCT" .
Condition Voltage V
Ignition switch ON (Engine stopped.) Approx. 0.4
Idle (Engine is warmed-up to normal
operating temperature.) 0.9 - 1.2
2,500 rpm (Engine is warmed-up to
normal operating temperature.) 1.6 - 1.9
Idle to about 4,000 rpm* 0.9 - 1.2 to Approx. 2.4 PBIB1106E

DTC P0112, P0113 IAT SENSOR
EC-177
C
D
E
F
G
H
I
J
K
L
M
A
EC
Revision; 2004 April 2003 G35 Coupe
DTC P0112, P0113 IAT SENSOR PFP:22630
Component Description ABS0039I
The intake air temperature sensor is built-into mass air flow sensor.
The sensor detects intake air temperature and transmits a signal to
the ECM.
The temperature sensing unit uses a thermistor which is sensitive to
the change in temperature. Electrical resistance of the thermistor
decreases in response to the temperature rise.
<Reference data>
*: These data are reference values and are measured between ECM terminal 34
(Intake air temperature sensor) and ground.
CAUTION:
Do not use ECM ground terminals when measuring input/output
voltage. Doing so may result in damage to the ECM's transistor.
Use a ground other than ECM terminals, such as the ground.
On Board Diagnosis Logic ABS0039J
DTC Confirmation Procedure ABS0039K
NOTE:
If DTC Confirmation Procedure has been previously conducted, always turn ignition switch OFF and wait at
least 10 seconds before conducting the next test.
WITH CONSULT-II
1. Turn ignition switch ON.
2. Select “DATA MONITOR” mode with CONSULT-II.
3. Wait at least 5 seconds.
4. If 1st trip DTC is detected, go to EC-180, "Diagnostic Procedure"
.
PBIB1604E
Intake air temperature
°C (°F) Voltage* V Resistance kΩ
25 (77) 3.32 1.94 - 2.06
80 (176) 1.23 0.295 - 0.349
SEF012P
DTC No. Trouble diagnosis
name DTC detecting condition Possible cause
P0112
0112
Intake air tempera-
ture sensor circuit
low input
An excessively low voltage from the sensor is
sent to ECM. ●Harness or connectors
(The sensor circuit is open or shorted.)
●Intake air temperature sensor
P0113
0113
Intake air tempera-
ture sensor circuit
high input
An excessively high voltage from the sensor is
sent to ECM.
SEF058Y

EC-178
DTC P0112, P0113 IAT SENSOR
Revision; 2004 April 2003 G35 Coupe
WITH GST
Follow the procedure “With CONSULT-II” above.

DTC P0112, P0113 IAT SENSOR
EC-179
C
D
E
F
G
H
I
J
K
L
M
A
EC
Revision; 2004 April 2003 G35 Coupe
Wiring Diagram ABS0039L
TBWT0263E

EC-180
DTC P0112, P0113 IAT SENSOR
Revision; 2004 April 2003 G35 Coupe
Diagnostic Procedure ABS0039M
1. CHECK INTAKE AIR TEMPERATURE SENSOR POWER SUPPLY CIRCUIT
1. Turn ignition switch OFF.
2. Disconnect mass air flow sensor (intake air temperature sensor
is built-into) harness connector.
3. Turn ignition switch ON.
4. Check voltage between mass air flow sensor terminal 5 and
ground.
OK or NG
OK >> GO TO 2.
NG >> Repair harness or connectors.
2. CHECK INTAKE AIR TEMPERATURE SENSOR GROUND CIRCUIT FOR OPEN AND SHORT
1. Turn ignition switch OFF.
2. Disconnect ECM.
3. Check harness continuity between mass air flow sensor terminal 6 and ECM terminal 67.
Refer to Wiring Diagram.
4. Also check harness for short to ground and short to power.
OK or NG
OK >> GO TO 3.
NG >> Repair open circuit or short to ground or short to power in harness or connectors.
3. CHECK INTAKE AIR TEMPERATURE SENSOR
Refer to EC-181, "Component Inspection" .
OK or NG
OK >> GO TO 4.
NG >> Replace mass air flow sensor (with intake air temperature sensor).
4. CHECK INTERMITTENT INCIDENT
Refer to EC-132, "TROUBLE DIAGNOSIS FOR INTERMITTENT INCIDENT" .
>> INSPECTION END
PBIB1077E
Voltage: Approximately 5V
PBIB1169E
Continuity should exist.

DTC P0112, P0113 IAT SENSOR
EC-181
C
D
E
F
G
H
I
J
K
L
M
A
EC
Revision; 2004 April 2003 G35 Coupe
Component Inspection ABS0039N
INTAKE AIR TEMPERATURE SENSOR
1. Check resistance between mass air flow sensor terminals 5 and
6 under the following conditions.
2. If NG, replace mass air flow sensor (with intake air temperature
sensor).
Removal and Installation ABS0039O
MASS AIR FLOW SENSOR
Refer to EM-14, "AIR CLEANER AND AIR DUCT" .
Intake air temperature °C (°F) Resistance kΩ
25 (77) 1.94 - 2.06
PBIB1604E
SEF012P

EC-182
DTC P0117, P0118 ECT SENSOR
Revision; 2004 April 2003 G35 Coupe
DTC P0117, P0118 ECT SENSOR PFP:22630
Component Description ABS0039P
The engine coolant temperature sensor is used to detect the engine
coolant temperature. The sensor modifies a voltage signal from the
ECM. The modified signal returns to the ECM as the engine coolant
temperature input. The sensor uses a thermistor which is sensitive to
the change in temperature. The electrical resistance of the ther-
mistor decreases as temperature increases.
<Reference data>
*: These data are reference values and are measured between ECM terminal 73
(Engine coolant temperature sensor) and ground.
CAUTION:
Do not use ECM ground terminals when measuring input/output voltage. Doing so may result in dam-
age to the ECM's transistor. Use a ground other than ECM terminals, such as the ground.
On Board Diagnosis Logic ABS0039Q
These self-diagnoses have the one trip detection logic.
FAIL-SAFE MODE
When the malfunction is detected, the ECM enters fail-safe mode and the MIL lights up.
SEF594K
Engine coolant temperature
°C (°F) Voltage* V Resistance kΩ
−10 (14) 4.4 7.0 - 11.4
20 (68) 3.5 2.1 - 2.9
50 (122) 2.2 0.68 - 1.00
90 (194) 0.9 0.236 - 0.260
SEF012P
DTC No. Trouble Diagnosis
Name DTC Detecting Condition Possible Cause
P0117
0117
Engine coolant tem-
perature sensor cir-
cuit low input
An excessively low voltage from the sensor is
sent to ECM. ●Harness or connectors
(The sensor circuit is open or shorted.)
●Engine coolant temperature sensor
P0118
0118
Engine coolant tem-
perature sensor cir-
cuit high input
An excessively high voltage from the sensor is
sent to ECM.
Detected items Engine operating condition in fail-safe mode
Engine coolant temper-
ature sensor circuit
Engine coolant temperature will be determined by ECM based on the time after turning ignition switch ON
or START.
CONSULT-II displays the engine coolant temperature decided by ECM.
Condition Engine coolant temperature decided
(CONSULT-II display)
Just as ignition switch is turned ON or Start 40°C (104°F)
More than approx. 4 minutes after ignition ON or
Start 80°C (176°F)
Except as shown above 40 - 80°C (104 - 176°F)
(Depends on the time)
When the fail-safe system for engine coolant temperature sensor is activated, the cooling fan operates
while engine is running.

DTC P0117, P0118 ECT SENSOR
EC-183
C
D
E
F
G
H
I
J
K
L
M
A
EC
Revision; 2004 April 2003 G35 Coupe
DTC Confirmation Procedure ABS0039R
NOTE:
If DTC Confirmation Procedure has been previously conducted, always turn ignition switch OFF and wait at
least 10 seconds before conducting the next test.
WITH CONSULT-II
1. Turn ignition switch ON.
2. Select “DATA MONITOR” mode with CONSULT-II.
3. Wait at least 5 seconds.
4. If DTC is detected, go to EC-185, "Diagnostic Procedure" .
WITH GST
Follow the procedure “WITH CONSULT-II” above.
SEF058Y

EC-184
DTC P0117, P0118 ECT SENSOR
Revision; 2004 April 2003 G35 Coupe
Wiring Diagram ABS0039S
TBWT0264E

DTC P0117, P0118 ECT SENSOR
EC-185
C
D
E
F
G
H
I
J
K
L
M
A
EC
Revision; 2004 April 2003 G35 Coupe
Diagnostic Procedure ABS0039T
1. CHECK ECT SENSOR POWER SUPPLY CIRCUIT
1. Turn ignition switch OFF.
2. Disconnect engine coolant temperature (ECT) sensor harness
connector.
3. Turn ignition switch ON.
4. Check voltage between ECT sensor terminal 1 and ground with
CONSULT-II or tester.
OK or NG
OK >> GO TO 2.
NG >> Repair open circuit or short to ground or short to power
in harness or connectors.
2. CHECK ECT SENSOR GROUND CIRCUIT FOR OPEN AND SHORT
1. Turn ignition switch OFF.
2. Disconnect ECM harness connector.
3. Check harness continuity between ECT sensor terminal 2 and ECM terminal 67.
Refer to Wiring Diagram.
4. Also check harness for short to ground and short to power.
OK or NG
OK >> GO TO 4.
NG >> GO TO 3.
3. DETECT MALFUNCTIONING PART
Check the following.
●Joint connector-3
●Harness for open and short between ECT sensor and ECM
>> Repair open circuit or short to ground or short to power in harness or connectors.
4. CHECK ENGINE COOLANT TEMPERATURE SENSOR
Refer to EC-186, "Component Inspection" .
OK or NG
OK >> GO TO 5.
NG >> Replace engine coolant temperature sensor.
PBIB0993E
Voltage: Approximately 5V
PBIB0080E
Continuity should exist.

EC-186
DTC P0117, P0118 ECT SENSOR
Revision; 2004 April 2003 G35 Coupe
5. CHECK INTERMITTENT INCIDENT
Refer to EC-132, "TROUBLE DIAGNOSIS FOR INTERMITTENT INCIDENT" .
>> INSPECTION END
Component Inspection ABS0039U
ENGINE COOLANT TEMPERATURE SENSOR
1. Check resistance between engine coolant temperature sensor
terminals 1 and 2 as shown in the figure.
<Reference data>
*: These data are reference values and are measured between ECM terminal
73 (Engine coolant temperature sensor) and ground.
2. If NG, replace engine coolant temperature sensor.
Removal and Installation ABS0039V
ENGINE COOLANT TEMPERATURE SENSOR
Refer to CO-24, "THERMOSTAT AND THERMOSTAT HOUSING" .
PBIB0081E
Engine coolant
temperature °C (°F) Voltage* V Resistance kΩ
−10 (14) 4.4 7.0 - 11.4
20 (68) 3.5 2.1 - 2.9
50 (122) 2.2 0.68 - 1.00
90 (194) 0.9 0.236 - 0.260
SEF012P

DTC P0122, P0123 TP SENSOR
EC-187
C
D
E
F
G
H
I
J
K
L
M
A
EC
Revision; 2004 April 2003 G35 Coupe
DTC P0122, P0123 TP SENSOR PFP:16119
Component Description ABS0039W
Electric Throttle Control Actuator consists of throttle control motor,
throttle position sensor, etc. The throttle position sensor responds to
the throttle valve movement.
The throttle position sensor has the two sensors. These sensors are
a kind of potentiometers which transform the throttle valve position
into output voltage, and emit the voltage signal to the ECM. In addi-
tion, these sensors detect the opening and closing speed of the
throttle valve and feed the voltage signals to the ECM. The ECM
judges the current opening angle of the throttle valve from these sig-
nals and the ECM controls the throttle control motor to make the
throttle valve opening angle properly in response to driving condi-
tion.
CONSULT-II Reference Value in Data Monitor Mode ABS0039X
Specification data are reference values.
*: Throttle position sensor 2 signal is converted by ECM internally. Thus, it differs from ECM terminal voltage signal.
On Board Diagnosis Logic ABS0039Y
These self-diagnoses have the one trip detection logic.
FAIL-SAFE MODE
When the malfunction is detected, ECM enters fail-safe mode and the MIL lights up.
PBIB0145E
MONITOR ITEM CONDITION SPECIFICATION
THRTL SEN1
THRTL SEN2*
●Ignition switch: ON
(Engine stopped)
●Shift lever: D (A/T), 1st (M/T)
Accelerator pedal: Fully released More than 0.36V
Accelerator pedal: Fully depressed Less than 4.75V
DTC No. Trouble diagnosis name DTC detecting condition Possible cause
P0122
0122
Throttle position sensor
2 circuit low input
An excessively low voltage from the TP sensor
2 is sent to ECM.
●Harness or connectors
(The TP sensor 2 circuit is open or
shorted.)
(APP sensor 2 circuit is shorted.)
●Electric throttle control actuator
(TP sensor 2)
●Accelerator pedal position sensor
(APP sensor 2)
P0123
0123
Throttle position sensor
2 circuit high input
An excessively high voltage from the TP sen-
sor 2 is sent to ECM.
Engine operation condition in fail-safe mode
ECM controls the electric throttle control actuator in regulating the throttle opening in order for the idle position to be within +10
degrees.
ECM regulates the opening speed of the throttle valve to be slower than the normal condition.
So, the acceleration will be poor.

EC-188
DTC P0122, P0123 TP SENSOR
Revision; 2004 April 2003 G35 Coupe
DTC Confirmation Procedure ABS0039Z
NOTE:
If DTC Confirmation Procedure has been previously conducted, always turn ignition switch OFF and wait at
least 10 seconds before conducting the next test.
TESTING CONDITION:
Before performing the following procedure, confirm that battery voltage is more than 10V at idle.
WITH CONSULT-II
1. Turn ignition switch ON.
2. Select “DATA MONITOR” mode with CONSULT-II.
3. Start engine and let it idle for 1 second.
4. If DTC is detected, go to EC-190, "Diagnostic Procedure" .
WITH GST
Follow the procedure “WITH CONSULT-II” above.
SEF058Y

DTC P0122, P0123 TP SENSOR
EC-189
C
D
E
F
G
H
I
J
K
L
M
A
EC
Revision; 2004 April 2003 G35 Coupe
Wiring Diagram ABS003A0
TBWB0068E

EC-190
DTC P0122, P0123 TP SENSOR
Revision; 2004 April 2003 G35 Coupe
Specification data are reference values and are measured between each terminal and ground.
CAUTION:
Do not use ECM ground terminals when measuring input/output voltage. Doing so may result in dam-
age to the ECM's transistor. Use a ground other than ECM terminals, such as the ground.
Diagnostic Procedure ABS003A1
1. RETIGHTEN GROUND SCREWS
1. Turn ignition switch OFF.
2. Loosen and retighten engine ground screws.
>> GO TO 2.
TER-
MINAL
NO.
WIRE
COLOR ITEM CONDITION DATA (DC Voltage)
47 B Sensors' power supply
(Throttle position sensor) [Ignition switch: ON] Approximately 5V
50 W Throttle position sensor 1
[Ignition switch: ON]
●Engine stopped
●Shift lever: D (A/T) or 1st (M/T)
●Accelerator pedal fully released
More than 0.36V
[Ignition switch: ON]
●Engine stopped
●Shift lever: D (A/T) or 1st (M/T)
●Accelerator pedal fully depressed
Less than 4.75V
66 W/R Sensors' ground
(Throttle position sensor)
[Engine is running]
●Warm-up condition
●Idle speed
Approximately 0V
69 R/L Throttle position sensor 2
[Ignition switch: ON]
●Engine stopped
●Shift lever: D (A/T) or 1st (M/T)
●Accelerator pedal fully released
Less than 4.75V
[Ignition switch: ON]
●Engine stopped
●Shift lever: D (A/T) or 1st (M/T)
●Accelerator pedal fully depressed
More than 0.36V
91 G Sensors' power supply
(APP sensor 2) [Ignition switch: ON] Approximately 5V
PBIB0986E

DTC P0122, P0123 TP SENSOR
EC-191
C
D
E
F
G
H
I
J
K
L
M
A
EC
Revision; 2004 April 2003 G35 Coupe
2. CHECK THROTTLE POSITION SENSOR 2 POWER SUPPLY CIRCUIT-I
1. Disconnect electric throttle control actuator harness connector.
2. Turn ignition switch ON.
3. Check voltage between electric throttle control actuator terminal
1 and ground with CONSULT-II or tester.
OK or NG
OK >> GO TO 7.
NG >> GO TO 3.
3. CHECK THROTTLE POSITION SENSOR 2 POWER SUPPLY CIRCUIT-II
1. Turn ignition switch OFF.
2. Disconnect ECM harness connector.
3. Check harness continuity between electric throttle control actuator terminal 1 and ECM terminal 47.
Refer to Wiring Diagram.
OK or NG
OK >> GO TO 4.
NG >> Repair or replace open circuit.
4. CHECK THROTTLE POSITION SENSOR 2 POWER SUPPLY CIRCUIT-III
Check harness for short to power and short to ground, between the following terminals.
OK or NG
OK >> GO TO 5.
NG >> Repair short to ground or short to power in harness or connectors.
5. CHECK APP SENSOR
Refer to EC-563, "Component Inspection" .
OK or NG
OK >> GO TO 11.
NG >> GO TO 6.
PBIB0995E
Voltage: Approximately 5V
PBIB0082E
Continuity should exist.
ECM terminal Sensor terminal Reference Wiring Diagram
47 Electric throttle control actuator terminal 1 EC-189
91 APP sensor terminal 4 EC-559

EC-192
DTC P0122, P0123 TP SENSOR
Revision; 2004 April 2003 G35 Coupe
6. REPLACE ACCELERATOR PEDAL ASSEMBLY
1. Replace the accelerator pedal assembly.
2. Perform EC-46, "Accelerator Pedal Released Position Learning" .
3. Perform EC-46, "Throttle Valve Closed Position Learning" .
4. Perform EC-46, "Idle Air Volume Learning" .
>> INSPECTION END
7. CHECK THROTTLE POSITION SENSOR 2 GROUND CIRCUIT FOR OPEN AND SHORT
1. Turn ignition switch OFF.
2. Disconnect ECM harness connector.
3. Check harness continuity between electric throttle control actuator terminal 5 and ECM terminal 66.
Refer to Wiring Diagram.
4. Also check harness for short to ground and short to power.
OK or NG
OK >> GO TO 8.
NG >> Repair open circuit or short to ground or short to power in harness or connectors.
8. CHECK THROTTLE POSITION SENSOR 2 INPUT SIGNAL CIRCUIT FOR OPEN AND SHORT
1. Check harness continuity between ECM terminal 69 and electric throttle control actuator terminal 2.
Refer to Wiring Diagram.
2. Also check harness for short to ground and short to power.
OK or NG
OK >> GO TO 9.
NG >> Repair open circuit or short to ground or short to power in harness or connectors.
9. CHECK THROTTLE POSITION SENSOR
Refer to EC-193, "Component Inspection" .
OK or NG
OK >> GO TO 11.
NG >> GO TO 10.
10. REPLACE ELECTRIC THROTTLE CONTROL ACTUATOR
1. Replace the electric throttle control actuator.
2. Perform EC-46, "Throttle Valve Closed Position Learning" .
3. Perform EC-46, "Idle Air Volume Learning" .
>> INSPECTION END
11. CHECK INTERMITTENT INCIDENT
Refer to EC-132, "TROUBLE DIAGNOSIS FOR INTERMITTENT INCIDENT" .
>> INSPECTION END
Continuity should exist.
Continuity should exist.

DTC P0122, P0123 TP SENSOR
EC-193
C
D
E
F
G
H
I
J
K
L
M
A
EC
Revision; 2004 April 2003 G35 Coupe
Component Inspection ABS003A2
THROTTLE POSITION SENSOR
1. Reconnect all harness connectors disconnected.
2. Perform EC-46, "Throttle Valve Closed Position Learning" .
3. Turn ignition switch ON.
4. Set selector lever to D (A/T) or 1st (M/T) position.
5. Check voltage between ECM terminals 50 (TP sensor 1signal),
69 (TP sensor 2signal) and engine ground under the following
conditions.
6. If NG, replace electric throttle control actuator and go to the next
step.
7. Perform EC-46, "Throttle Valve Closed Position Learning" .
8. Perform EC-46, "Idle Air Volume Learning" .
Removal and Installation ABS003A3
ELECTRIC THROTTLE CONTROL ACTUATOR
Refer to EM-16, "INTAKE MANIFOLD COLLECTOR" .
Terminal Accelerator pedal Voltage
50
(Throttle position sensor 1)
Fully released More than 0.36V
Fully depressed Less than 4.75V
69
(Throttle position sensor 2)
Fully released Less than 4.75V
Fully depressed More than 0.36V
PBIB1170E

EC-194
DTC P0125 ECT SENSOR
Revision; 2004 April 2003 G35 Coupe
DTC P0125 ECT SENSOR PFP:22630
Component Description ABS003A4
NOTE:
If DTC P0125 is displayed with P0117 or P0118, first perform the trouble diagnosis for DTC P0117 or
P0118. Refer to EC-182 .
The engine coolant temperature sensor is used to detect the engine
coolant temperature. The sensor modifies a voltage signal from the
ECM. The modified signal returns to the ECM as the engine coolant
temperature input. The sensor uses a thermistor which is sensitive to
the change in temperature. The electrical resistance of the ther-
mistor decreases as temperature increases.
<Reference data>
*: These data are reference values and are measured between ECM terminal 73
(Engine coolant temperature sensor) and ground.
CAUTION:
Do not use ECM ground terminals when measuring input/output voltage. Doing so may result in dam-
age to the ECM's transistor. Use a ground other than ECM terminals, such as the ground.
On Board Diagnosis Logic ABS003A5
This self-diagnosis has the one trip detection logic.
SEF594K
Engine coolant
temperature °C (°F) Voltage* V Resistance kΩ
−10 (14) 4.4 7.0 - 11.4
20 (68) 3.5 2.1 - 2.9
50 (122) 2.2 0.68 - 1.00
90 (194) 0.9 0.236 - 0.260
SEF012P
DTC No. Trouble diagnosis name DTC detecting condition Possible cause
P0125
0125
Insufficient engine cool-
ant temperature for
closed loop fuel control
●Voltage sent to ECM from the sensor is not
practical, even when some time has passed
after starting the engine.
●Engine coolant temperature is insufficient for
closed loop fuel control.
●Harness or connectors
(High resistance in the circuit)
●Engine coolant temperature sensor
●Thermostat

DTC P0125 ECT SENSOR
EC-195
C
D
E
F
G
H
I
J
K
L
M
A
EC
Revision; 2004 April 2003 G35 Coupe
DTC Confirmation Procedure ABS003A6
CAUTION:
Be careful not to overheat engine.
NOTE:
If DTC Confirmation Procedure has been previously conducted, always turn ignition switch OFF and wait at
least 10 seconds before conducting the next test.
WITH CONSULT-II
1. Turn ignition switch ON.
2. Select “DATA MONITOR” mode with CONSULT-II.
3. Check that “COOLAN TEMP/S” is above 10°C (50°F).
If it is above 10°C (50°F), the test result will be OK.
If it is below 10°C (50°F), go to following step.
4. Start engine and run it for 65 minutes at idle speed.
If “COOLAN TEMP/S” increases to more than 10°C (50°F)
within 65 minutes, stop engine because the test result will
be OK.
5. If 1st trip DTC is detected, go to EC-195, "Diagnostic Procedure"
.
WITH GST
Follow the procedure “WITH CONSULT-II” above.
Diagnostic Procedure ABS003A7
1. CHECK ENGINE COOLANT TEMPERATURE SENSOR
Refer to EC-196, "Component Inspection" .
OK or NG
OK >> GO TO 2.
NG >> Replace engine coolant temperature sensor.
2. CHECK THERMOSTAT OPERATION
When the engine is cold [lower than 70°C (158°F)] condition, grasp lower radiator hose and confirm the engine
coolant does not flow.
OK or NG
OK >> GO TO 3.
NG >> Repair or replace thermostat. Refer to CO-24, "THERMOSTAT AND THERMOSTAT HOUSING" .
3. CHECK INTERMITTENT INCIDENT
Refer to EC-132, "TROUBLE DIAGNOSIS FOR INTERMITTENT INCIDENT" .
Refer to EC-184, "Wiring Diagram" .
>> INSPECTION END
SEF174Y

EC-196
DTC P0125 ECT SENSOR
Revision; 2004 April 2003 G35 Coupe
Component Inspection ABS003A8
ENGINE COOLANT TEMPERATURE SENSOR
1. Check resistance between engine coolant temperature sensor
terminals 1 and 2 as shown in the figure.
<Reference data>
*: These data are reference values and are measured between ECM terminal
73 (Engine coolant temperature sensor) and ground.
2. If NG, replace engine coolant temperature sensor.
Removal and Installation ABS003A9
ENGINE COOLANT TEMPERATURE SENSOR
Refer to CO-24, "THERMOSTAT AND THERMOSTAT HOUSING" .
PBIB0081E
Engine coolant
temperature °C (°F) Voltage* V Resistance kΩ
−10 (14) 4.4 7.0 - 11.4
20 (68) 3.5 2.1 - 2.9
50 (122) 2.2 0.68 - 1.00
90 (194) 0.9 0.236 - 0.260
SEF012P

DTC P0127 IAT SENSOR
EC-197
C
D
E
F
G
H
I
J
K
L
M
A
EC
Revision; 2004 April 2003 G35 Coupe
DTC P0127 IAT SENSOR PFP:22630
Component Description ABS003AA
The intake air temperature sensor is built into mass air flow sensor.
The sensor detects intake air temperature and transmits a signal to
the ECM.
The temperature sensing unit uses a thermistor which is sensitive to
the change in temperature. Electrical resistance of the thermistor
decreases in response to the temperature rise.
<Reference data>
*: These data are reference values and are measured between ECM terminal 34
(Intake air temperature sensor) and ground.
CAUTION:
Do not use ECM ground terminals when measuring input/output
voltage. Doing so may result in damage to the ECM's transistor.
Use a ground other than ECM terminals, such as the ground.
On Board Diagnosis Logic ABS003AB
DTC Confirmation Procedure ABS003AC
NOTE:
If DTC Confirmation Procedure has been previously conducted, always turn ignition switch OFF and wait at
least 10 seconds before conducting the next test.
CAUTION:
Always drive vehicle at a safe speed.
TESTING CONDITION:
This test may be conducted with the drive wheels lifted in the shop or by driving the vehicle. If a road
test is expected to be easier, it is unnecessary to lift the vehicle.
WITH CONSULT-II
1. Wait until engine coolant temperature is less than 90°C (194°F)
a. Turn ignition switch ON.
PBIB1604E
Intake air temperature
°C (°F) Voltage* V Resistance kΩ
25 (77) 3.32 1.94 - 2.06
80 (176) 1.23 0.295 - 0.349
SEF012P
DTC No. Trouble diagnosis name DTC detecting condition Possible cause
P0127
0127
Intake air temperature
too high
Rationally incorrect voltage from the sensor is
sent to ECM, compared with the voltage signal
from engine coolant temperature sensor.
●Harness or connectors
(The sensor circuit is open or shorted)
●Intake air temperature sensor

EC-198
DTC P0127 IAT SENSOR
Revision; 2004 April 2003 G35 Coupe
b. Select “DATA MONITOR” mode with CONSULT-II.
c. Check the engine coolant temperature.
d. If the engine coolant temperature is not less than 90°C (194°F),
turn ignition switch OFF and cool down engine.
●Perform the following steps before engine coolant tempera-
ture is above 90°C (194°F).
2. Turn ignition switch ON.
3. Select “DATA MONITOR” mode with CONSULT-II.
4. Start engine.
5. Hold vehicle speed at more than 70 km/h (43 MPH) for 100 con-
secutive seconds.
6. If 1st trip DTC is detected, go to EC-198, "Diagnostic Procedure" .
WITH GST
Follow the procedure “WITH CONSULT-II” above.
Diagnostic Procedure ABS003AD
1. CHECK INTAKE AIR TEMPERATURE SENSOR
Refer to EC-181, "Component Inspection" .
OK or NG
OK >> GO TO 2.
NG >> Replace mass air flow sensor (with intake air temperature sensor).
2. CHECK INTERMITTENT INCIDENT
Refer to EC-132, "TROUBLE DIAGNOSIS FOR INTERMITTENT INCIDENT" .
Refer to EC-179, "Wiring Diagram" .
>> INSPECTION END
Component Inspection ABS003AE
INTAKE AIR TEMPERATURE SENSOR
1. Check resistance between intake air temperature sensor termi-
nals 5 and 6 under the following conditions.
2. If NG, replace mass air flow sensor (with intake air temperature
sensor).
SEF058Y
Intake air temperature °C (°F) Resistance kΩ
25 (77) 1.94 - 2.06
PBIB1604E
SEF012P

DTC P0127 IAT SENSOR
EC-199
C
D
E
F
G
H
I
J
K
L
M
A
EC
Revision; 2004 April 2003 G35 Coupe
Removal and Installation ABS003AF
MASS AIR FLOW SENSOR
Refer to EM-14, "AIR CLEANER AND AIR DUCT" .

EC-200
DTC P0128 THERMOSTAT FUNCTION
Revision; 2004 April 2003 G35 Coupe
DTC P0128 THERMOSTAT FUNCTION PFP:21200
On Board Diagnosis Logic ABS003AG
Engine coolant temperature has not risen enough to open the thermostat even though the engine has run long
enough.
This is due to a leak in the seal or the thermostat stuck open.
DTC Confirmation Procedure ABS003AH
NOTE:
If DTC Confirmation Procedure has been previously conducted, always turn ignition switch OFF and wait at
least 10 seconds before conducting the next test.
TESTING CONDITION:
●For best results, perform at ambient temperature of –10°C (14°F) or higher.
●For best results, perform at engine coolant temperature of –10°C (14°F) to 60°C (140°F).
WITH CONSULT-II
1. Replace thermostat with new one. Refer to CO-24 . Use only a genuine NISSAN thermostat as a replace-
ment. If an incorrect thermostat is used, the MIL may come on.
2. Turn ignition switch ON.
3. Select “COOLAN TEMP/S” in “DATA MONITOR” mode with CONSULT-II.
4. Check that the “COOLAN TEMP/S” is above 60°C (140°F).
If it is below 60°C (140°F), go to following step.
If it is above 60°C (140°F), stop engine and cool down the engine to less than 60°C (140°F), then retry
from step 1.
5. Drive vehicle for 10 consecutive minutes under the following conditions.
If 1st trip DTC is detected, go to EC-200, "Diagnostic Procedure" .
WITH GST
1. Follow the procedure “WITH CONSULT-II” above.
Diagnostic Procedure ABS003AI
1. CHECK ENGINE COOLANT TEMPERATURE SENSOR
Refer to EC-201, "Component Inspection" .
OK or NG
OK >> INSPECTION END
NG >> Replace engine coolant temperature sensor.
DTC No. Trouble diagnosis name DTC detecting condition Possible cause
P0128
0128 Thermostat function
The engine coolant temperature does not
reach to specified temperature even though
the engine has run long enough.
●Thermostat
●Leakage from sealing portion of thermo-
stat
●Engine coolant temperature sensor
VHCL SPEED SE 80 - 120 km/h (50 - 75 MPH)

DTC P0128 THERMOSTAT FUNCTION
EC-201
C
D
E
F
G
H
I
J
K
L
M
A
EC
Revision; 2004 April 2003 G35 Coupe
Component Inspection ABS003AJ
ENGINE COOLANT TEMPERATURE SENSOR
Check resistance as shown in the figure.
<Reference data>
If NG, replace engine coolant temperature sensor.
Removal and Installation ABS003AK
ENGINE COOLANT TEMPERATURE SENSOR
Refer to CO-24, "THERMOSTAT AND THERMOSTAT HOUSING" .
SEF152P
Temperature °C (°F) Resistance kΩ
20 (68) 2.1 - 2.9
50 (122) 0.68 - 1.0
90 (194) 0.236 - 0.260
SEF012P

EC-202
DTC P0132, P0152 HO2S1
Revision; 2004 April 2003 G35 Coupe
DTC P0132, P0152 HO2S1 PFP:22690
Component Description ABS003AL
The heated oxygen sensor 1 is placed into the exhaust manifold. It
detects the amount of oxygen in the exhaust gas compared to the
outside air. The heated oxygen sensor 1 has a closed-end tube
made of ceramic zirconia. The zirconia generates voltage from
approximately 1V in richer conditions to 0V in leaner conditions. The
heated oxygen sensor 1 signal is sent to the ECM. The ECM adjusts
the injection pulse duration to achieve the ideal air-fuel ratio. The
ideal air-fuel ratio occurs near the radical change from 1 to 0V.
CONSULT-II Reference Value in Data Monitor Mode ABS003AM
Specification data are reference values.
On Board Diagnosis Logic ABS003AN
To judge the malfunction, the diagnosis checks that the heated oxy-
gen sensor 1 output is not inordinately high.
SEF463R
SEF288D
MONITOR ITEM CONDITION SPECIFICATION
HO2S1 (B1)
HO2S1 (B2) ●Engine: After warming up Maintaining engine speed at 2,000
rpm
0 - 0.3V ←→ Approx. 0.6 -
1.0V
HO2S1 MNTR (B1)
HO2S1 MNTR (B2) ●Engine: After warming up Maintaining engine speed at 2,000
rpm
LEAN ←→ RICH
Changes more than 5 times
during 10 seconds.
SEF301UA
DTC No. Trouble diagnosis name DTC detecting condition Possible cause
P0132
0132
(Bank 1) Heated oxygen sensor
1 circuit high voltage
An excessively high voltage from the sensor is
sent to ECM.
●Harness or connectors
(The sensor circuit is open or shorted)
●Heated oxygen sensor 1
P0152
0152
(Bank 2)

DTC P0132, P0152 HO2S1
EC-203
C
D
E
F
G
H
I
J
K
L
M
A
EC
Revision; 2004 April 2003 G35 Coupe
DTC Confirmation Procedure ABS003AO
NOTE:
If DTC Confirmation Procedure has been previously conducted, always turn ignition switch OFF and wait at
least 10 seconds before conducting the next test.
WITH CONSULT-II
1. Start engine and warm it up to normal operating temperature.
2. Turn ignition switch OFF and wait at least 10 seconds.
3. Turn ignition switch ON.
4. Select “DATA MONITOR” mode with CONSULT-II.
5. Restart engine and let it idle for 2 minutes.
6. If 1st trip DTC is detected, go to EC-207, "Diagnostic Procedure"
.
WITH GST
1. Start engine and warm it up to normal operating temperature.
2. Turn ignition switch OFF and wait at least 10 seconds.
3. Restart engine and let it idle for 2 minutes.
4. Turn ignition switch OFF and wait at least 10 seconds.
5. Restart engine and let it idle for 2 minutes.
6. Select “MODE 3” with GST.
7. If DTC is detected, go to EC-207, "Diagnostic Procedure" .
●When using GST, DTC Confirmation Procedure should be performed twice as much as when using
CONSULT-II because GST cannot display MODE 7 (1st trip DTC) concerning this diagnosis. There-
fore, using CONSULT-II is recommended.
SEF174Y

EC-204
DTC P0132, P0152 HO2S1
Revision; 2004 April 2003 G35 Coupe
Wiring Diagram ABS003AP
BANK 1
TBWT0265E

DTC P0132, P0152 HO2S1
EC-205
C
D
E
F
G
H
I
J
K
L
M
A
EC
Revision; 2004 April 2003 G35 Coupe
Specification data are reference values and are measured between each terminal and ground.
CAUTION:
Do not use ECM ground terminals when measuring input/output voltage. Doing so may result in dam-
age to the ECM's transistor. Use a ground other than ECM terminals, such as the ground.
TER-
MINAL
NO.
WIRE
COLOR ITEM CONDITION DATA (DC Voltage)
35 W/B Heated oxygen sensor 1
(bank 1)
[Engine is running]
●Warm-up condition
●Engine speed is 2,000 rpm.
0 - Approximately 1.0V
(Periodically change)
78 B/Y Sensors' ground
(Heated oxygen sensor)
[Engine is running]
●Warm-up condition
●Idle speed
Approximately 0V

EC-206
DTC P0132, P0152 HO2S1
Revision; 2004 April 2003 G35 Coupe
BANK 2
TBWT0266E

DTC P0132, P0152 HO2S1
EC-207
C
D
E
F
G
H
I
J
K
L
M
A
EC
Revision; 2004 April 2003 G35 Coupe
Specification data are reference values and are measured between each terminal and ground.
CAUTION:
Do not use ECM ground terminals when measuring input/output voltage. Doing so may result in dam-
age to the ECM's transistor. Use a ground other than ECM terminals, such as the ground.
Diagnostic Procedure ABS003AQ
1. RETIGHTEN HEATED OXYGEN SENSOR 1
1. Turn ignition switch OFF.
2. Loosen and retighten corresponding heated oxygen sensor 1.
>> GO TO 2.
TER-
MINAL
NO.
WIRE
COLOR ITEM CONDITION DATA (DC Voltage)
16 LG Heated oxygen sensor 1
(bank 2)
[Engine is running]
●Warm-up condition
●Engine speed is 2,000 rpm.
0 - Approximately 1.0V
(Periodically change)
78 B/Y Sensors' ground
(Heated oxygen sensor)
[Engine is running]
●Warm-up condition
●Idle speed
Approximately 0V
Tightening torque: 40 - 50 N·m (4.1 - 5.1 kg-m, 30 - 37 ft-lb)
PBIB1284E

EC-208
DTC P0132, P0152 HO2S1
Revision; 2004 April 2003 G35 Coupe
2. CHECK HO2S1 GROUND CIRCUIT FOR OPEN AND SHORT
1. Disconnect ECM harness connector.
2. Disconnect heated oxygen sensor 1 harness connector.
3. Check harness continuity between HO2S1 terminal 4 and ECM terminal 78.
Refer to Wiring Diagram.
4. Also check harness for short to ground and short to power.
OK or NG
OK >> GO TO 4.
NG >> GO TO 3.
3. DETECT MALFUNCTIONING PART
Check the following.
●Joint connector-4
●Harness for open or short between HO2S1 and ECM
>> Repair open circuit or short to ground or short to power in harness or connectors.
Continuity should exist.
PBIB1285E

DTC P0132, P0152 HO2S1
EC-209
C
D
E
F
G
H
I
J
K
L
M
A
EC
Revision; 2004 April 2003 G35 Coupe
4. CHECK HO2S1 INPUT SIGNAL CIRCUIT FOR OPEN AND SHORT
1. Check harness continuity between ECM terminal and HO2S1 terminal as follows.
Refer to Wiring Diagram.
2. Check harness continuity between the following terminals and ground.
Refer to Wiring Diagram.
3. Also check harness for short to power.
OK or NG
OK >> GO TO 5.
NG >> Repair open circuit or short to ground or short to power in harness or connectors.
5. CHECK HO2S1 CONNECTOR FOR WATER
1. Turn ignition switch OFF.
2. Disconnect heated oxygen sensor 1 harness connector.
3. Check connectors for water.
OK or NG
OK >> GO TO 6.
NG >> Repair or replace harness or connectors.
6. CHECK HEATED OXYGEN SENSOR 1
Refer to EC-210, "Component Inspection" .
OK or NG
OK >> GO TO 7.
NG >> Replace malfunctioning heated oxygen sensor 1.
7. CHECK INTERMITTENT INCIDENT
Refer to EC-132, "TROUBLE DIAGNOSIS FOR INTERMITTENT INCIDENT" .
>> INSPECTION END
DTC Terminals Bank
ECM Sensor
P0132 35 1 1
P0152 16 1 2
Continuity should exist.
DTC Terminals Bank
ECM Sensor
P0132 35 1 1
P0152 16 1 2
Continuity should not exist.
Water should not exist.

EC-210
DTC P0132, P0152 HO2S1
Revision; 2004 April 2003 G35 Coupe
Component Inspection ABS003AR
HEATED OXYGEN SENSOR 1
With CONSULT-II
1. Start engine and warm it up to normal operating temperature.
2. Select “MANU TRIG” and adjust “TRIGGER POINT” to 100% in “DATA MONITOR” mode with CONSULT-
II.
3. Select “HO2S1 (B1)/(B2)” and “HO2S1 MNTR (B1)/(B2)”.
4. Hold engine speed at 2,000 rpm under no load during the following steps.
5. Touch “RECORD” on CONSULT-II screen.
6. Check the following.
●“HO2S1 MNTR (B1)/(B2)” in “DATA MONITOR” mode
changes from “RICH” to “LEAN” to “RICH” more than 5 times
in 10 seconds.
5 times (cycles) are counted as shown at right.
●“HO2S1 (B1)/(B2)” voltage goes above 0.6V at least once.
●“HO2S1 (B1)/(B2)” voltage goes below 0.3V at least once.
●“HO2S1 (B1)/(B2)” voltage never exceeds 1.0V.
CAUTION:
●Discard any heated oxygen sensor which has been dropped from a height of more than 0.5 m
(19.7 in) onto a hard surface such as a concrete floor; use a new one.
●Before installing new oxygen sensor, clean exhaust system threads using Oxygen Sensor
Thread Cleaner tool J-43897-18 or J-43897-12 and approved anti-seize lubricant.
SEF646Y
SEF647Y
SEF648Y

DTC P0132, P0152 HO2S1
EC-211
C
D
E
F
G
H
I
J
K
L
M
A
EC
Revision; 2004 April 2003 G35 Coupe
Without CONSULT-II
1. Start engine and warm it up to normal operating temperature.
2. Set voltmeter probes between ECM terminal 35 [HO2S1 (B1) signal] or 16 [HO2S1 (B2) signal] and
engine ground.
3. Check the following with engine speed held at 2,000 rpm con-
stant under no load.
●The voltage fluctuates between 0 to 0.3V and 0.6 to 1.0V
more than 5 times within 10 seconds.
●The maximum voltage is over 0.6V at least one time.
●The minimum voltage is below 0.3V at least one time.
●The voltage never exceeds 1.0V.
1 time: 0 - 0.3V → 0.6 - 1.0V → 0 - 0.3V
2 times: 0 - 0.3V → 0.6 - 1.0V → 0 - 0.3V → 0.6 - 1.0V
CAUTION:
●Discard any heated oxygen sensor which has been
dropped from a height of more than 0.5 m (19.7 in) onto a hard surface such as a concrete floor;
use a new one.
●Before installing new oxygen sensor, clean exhaust system threads using Oxygen Sensor
Thread Cleaner tool J-43897-18 or J-43897-12 and approved anti-seize lubricant.
Removal and Installation ABS003AS
HEATED OXYGEN SENSOR 1
Refer to EM-22, "EXHAUST MANIFOLD AND THREE WAY CATALYST" .
PBIB1107E

EC-212
DTC P0133, P0153 HO2S1
Revision; 2004 April 2003 G35 Coupe
DTC P0133, P0153 HO2S1 PFP:22690
Component Description ABS003AT
The heated oxygen sensor 1 is placed into the exhaust manifold. It
detects the amount of oxygen in the exhaust gas compared to the
outside air. The heated oxygen sensor 1 has a closed-end tube
made of ceramic zirconia. The zirconia generates voltage from
approximately 1V in richer conditions to 0V in leaner conditions. The
heated oxygen sensor 1 signal is sent to the ECM. The ECM adjusts
the injection pulse duration to achieve the ideal air-fuel ratio. The
ideal air-fuel ratio occurs near the radical change from 1 to 0V.
CONSULT-II Reference Value in Data Monitor Mode ABS003AU
Specification data are reference values.
On Board Diagnosis Logic ABS003AV
To judge the malfunction of heated oxygen sensor 1, this diagnosis
measures response time of heated oxygen sensor 1 signal. The time
is compensated by engine operating (speed and load), fuel feedback
control constant, and heated oxygen sensor 1 temperature index.
Judgment is based on whether the compensated time (heated oxy-
gen sensor 1 cycling time index) is inordinately long or not.
SEF463R
SEF288D
MONITOR ITEM CONDITION SPECIFICATION
HO2S1 (B1)
HO2S1 (B2) ●Engine: After warming up Maintaining engine speed at 2,000
rpm
0 - 0.3V ←→ Approx. 0.6 -
1.0V
HO2S1 MNTR (B1)
HO2S1 MNTR (B2) ●Engine: After warming up Maintaining engine speed at 2,000
rpm
LEAN ←→ RICH
Changes more than 5 times
during 10 seconds.
SEF010V

DTC P0133, P0153 HO2S1
EC-213
C
D
E
F
G
H
I
J
K
L
M
A
EC
Revision; 2004 April 2003 G35 Coupe
DTC Confirmation Procedure ABS003AW
CAUTION:
Always drive vehicle at a safe speed.
NOTE:
If DTC Confirmation Procedure has been previously conducted, always turn ignition switch OFF and wait at
least 10 seconds before conducting the next test.
TESTING CONDITION:
●Always perform at a temperature above −10°C (14°F).
●Before performing the following procedure, confirm that battery voltage is more than 11V at idle.
WITH CONSULT-II
1. Start engine and warm it up to normal operating temperature.
2. Stop engine and wait at least 10 seconds.
3. Turn ignition switch ON and select “HO2S1 (B1) P0133” or “HO2S1 (B2) P0153” of “HO2S1” in “DTC
WORK SUPPORT” mode with CONSULT-II.
4. Touch “START”.
5. Start engine and let it idle for at least 3 minutes.
NOTE:
Never raise engine speed above 3,600 rpm after this step. If
the engine speed limit is exceeded, return to step 5.
6. When the following conditions are met, “TESTING” will be dis-
played on the CONSULT-II screen. Maintain the conditions con-
tinuously until “TESTING” changes to “COMPLETED”. (It will
take approximately 20 to 50 seconds.)
If “TESTING” is not displayed after 5 minutes, retry from
step 2.
DTC No. Trouble diagnosis name DTC detecting condition Possible cause
P0133
0133
(Bank 1)
Heated oxygen sensor
1 circuit slow response
The response of the voltage signal from the
sensor takes more than the specified time.
●Harness or connectors
(The sensor circuit is open or shorted)
●Heated oxygen sensor 1
●Heated oxygen sensor 1 heater
●Fuel pressure
●Injectors
●Intake air leaks
●Exhaust gas leaks
●PCV valve
●Mass air flow sensor
P0153
0153
(Bank 2)
SEF338Z
ENG SPEED 1,200 - 3,100 rpm
Vehicle speed More than 80 km/h (50 MPH)
B/FUEL SCHDL 2.5 - 12.0 msec
Selector lever Suitable position
SEF339Z

EC-214
DTC P0133, P0153 HO2S1
Revision; 2004 April 2003 G35 Coupe
7. Make sure that “OK” is displayed after touching “SELF-DIAG
RESULTS”. If “NG” is displayed, refer to EC-218, "Diagnostic
Procedure" .
Overall Function Check ABS003AX
Use this procedure to check the overall function of the heated oxygen sensor 1 circuit. During this check, a
DTC might not be confirmed.
WITH GST
1. Start engine and warm it up to normal operating temperature.
2. Set voltmeter probes between ECM terminal 35 [HO2S1(B1) signal] or 16 [HO2S1(B2) signal] and engine
ground.
3. Check the following with engine speed held at 2,000 rpm con-
stant under no load.
–The voltage fluctuates between 0 to 0.3V and 0.6 to 1.0V more
than 5 times within 10 seconds.
4. If NG, go to EC-218, "Diagnostic Procedure" .
SEF658Y
1 time: 0 - 0.3V → 0.6 - 1.0V → 0 - 0.3V
2
times: 0 - 0.3V → 0.6 - 1.0V → 0 - 0.3V → 0.6 - 1.0V
→ 0 - 0.3V
PBIB1107E

DTC P0133, P0153 HO2S1
EC-215
C
D
E
F
G
H
I
J
K
L
M
A
EC
Revision; 2004 April 2003 G35 Coupe
Wiring Diagram ABS003AY
BANK 1
TBWT0265E

EC-216
DTC P0133, P0153 HO2S1
Revision; 2004 April 2003 G35 Coupe
Specification data are reference values and are measured between each terminal and ground.
CAUTION:
Do not use ECM ground terminals when measuring input/output voltage. Doing so may result in dam-
age to the ECM's transistor. Use a ground other than ECM terminals, such as the ground.
TER-
MINAL
NO.
WIRE
COLOR ITEM CONDITION DATA (DC Voltage)
35 W/B Heated oxygen sensor 1
(bank 1)
[Engine is running]
●Warm-up condition
●Engine speed is 2,000 rpm.
0 - Approximately 1.0V
(Periodically change)
78 B/Y Sensors' ground
(Heated oxygen sensor)
[Engine is running]
●Warm-up condition
●Idle speed
Approximately 0V

DTC P0133, P0153 HO2S1
EC-217
C
D
E
F
G
H
I
J
K
L
M
A
EC
Revision; 2004 April 2003 G35 Coupe
BANK 2
TBWT0266E

EC-218
DTC P0133, P0153 HO2S1
Revision; 2004 April 2003 G35 Coupe
Specification data are reference values and are measured between each terminal and ground.
CAUTION:
Do not use ECM ground terminals when measuring input/output voltage. Doing so may result in dam-
age to the ECM's transistor. Use a ground other than ECM terminals, such as the ground.
Diagnostic Procedure ABS003AZ
1. RETIGHTEN GROUND SCREWS
1. Turn ignition switch OFF.
2. Loosen and retighten engine ground screws.
>> GO TO 2.
2. RETIGHTEN HEATED OXYGEN SENSOR 1
Loosen and retighten heated oxygen sensor 1.
>> GO TO 3.
TER-
MINAL
NO.
WIRE
COLOR ITEM CONDITION DATA (DC Voltage)
16 LG Heated oxygen sensor 1
(bank 2)
[Engine is running]
●Warm-up condition
●Engine speed is 2,000 rpm.
0 - Approximately 1.0V
(Periodically change)
78 B/Y Sensors' ground
(Heated oxygen sensor)
[Engine is running]
●Warm-up condition
●Idle speed
Approximately 0V
PBIB0986E
Tightening torque: 40 - 50 N·m (4.1 - 5.1 kg-m, 30 - 37 ft-lb)
PBIB1284E

DTC P0133, P0153 HO2S1
EC-219
C
D
E
F
G
H
I
J
K
L
M
A
EC
Revision; 2004 April 2003 G35 Coupe
3. CHECK FOR EXHAUST GAS LEAK
1. Start engine and run it at idle.
2. Listen for an exhaust gas leak before three way catalyst 1.
OK or NG
OK >> GO TO 4.
NG >> Repair or replace.
4. CHECK FOR INTAKE AIR LEAK
Listen for an intake air leak after the mass air flow sensor.
OK or NG
OK >> GO TO 5.
NG >> Repair or replace.
PBIB1165E

EC-220
DTC P0133, P0153 HO2S1
Revision; 2004 April 2003 G35 Coupe
5. CLEAR THE SELF-LEARNING DATA
With CONSULT-II
1. Start engine and warm it up to normal operating temperature.
2. Select “SELF-LEARNING CONT” in “WORK SUPPORT” mode with CONSULT-II.
3. Clear the self-learning control coefficient by touching “CLEAR”.
4. Run engine for at least 10 minutes at idle speed.
Is the 1st trip DTC P0171, P0172, P0174 or P0175 detected?
Is it difficult to start engine?
Without CONSULT-II
1. Start engine and warm it up to normal operating temperature.
2. Turn ignition switch OFF.
3. Disconnect mass air flow sensor harness connector, and restart
and run engine for at least 5 seconds at idle speed.
4. Stop engine and reconnect mass air flow sensor harness con-
nector.
5. Make sure DTC P0102 is displayed.
6. Erase the DTC memory. Refer to EC-64, "HOW TO ERASE
EMISSION-RELATED DIAGNOSTIC INFORMATION" .
7. Make sure DTC P0000 is displayed.
8. Run engine for at least 10 minutes at idle speed.
Is the 1st trip DTC P0171, P0172, P0174 or P0175 detected?
Is it difficult to start engine?
Yes or No
Yes >> Perform trouble diagnosis for DTC P0171, P0174 or DTC P0172, P0175 (Refer to EC-257 or EC-
266 ).
No >> GO TO 6.
SEF968Y
PBIB1077E

DTC P0133, P0153 HO2S1
EC-221
C
D
E
F
G
H
I
J
K
L
M
A
EC
Revision; 2004 April 2003 G35 Coupe
6. CHECK HO2S1 GROUND CIRCUIT FOR OPEN AND SHORT
1. Turn ignition switch OFF.
2. Disconnect ECM harness connector.
3. Disconnect heated oxygen sensor 1 harness connector.
4. Check harness continuity between HO2S1 terminal 4 and ECM terminal 78.
Refer to Wiring Diagram.
5. Also check harness for short to ground and short to power.
OK or NG
OK >> GO TO 8.
NG >> GO TO 7.
7. DETECT MALFUNCTIONING PART
Check the following.
●Joint connector-4
●Harness for open or short between HO2S1 and ECM
>> Repair open circuit or short to ground or short to power in harness or connectors.
Continuity should exist.
PBIB1285E

EC-222
DTC P0133, P0153 HO2S1
Revision; 2004 April 2003 G35 Coupe
8. CHECK HO2S1 INPUT SIGNAL CIRCUIT FOR OPEN AND SHORT
1. Check harness continuity between ECM terminal and HO2S1 terminal as follows.
Refer to Wiring Diagram.
2. Check harness continuity between the following terminals and ground.
Refer to Wiring Diagram.
3. Also check harness for short to power.
OK or NG
OK >> GO TO 9.
NG >> Repair open circuit or short to ground or short to power in harness or connectors.
9. CHECK HEATED OXYGEN SENSOR 1 HEATER
Refer to EC-153, "Component Inspection" .
OK or NG
OK >> GO TO 10.
NG >> Replace malfunctioning heated oxygen sensor 1.
10. CHECK MASS AIR FLOW SENSOR
Refer to EC-176, "Component Inspection" .
OK or NG
OK >> GO TO 11.
NG >> Replace mass air flow sensor.
11. CHECK PCV VALVE
Refer to EC-642, "Component Inspection" .
OK or NG
OK >> GO TO 12.
NG >> Replace PCV valve.
12. CHECK HEATED OXYGEN SENSOR 1
Refer to EC-223, "Component Inspection" .
OK or NG
OK >> GO TO 13.
NG >> Replace malfunctioning heated oxygen sensor 1.
DTC Terminals Bank
ECM Sensor
P0133 35 1 1
P0153 16 1 2
Continuity should exist.
DTC Terminals Bank
ECM Sensor
P0133 35 1 1
P0153 16 1 2
Continuity should not exist.

DTC P0133, P0153 HO2S1
EC-223
C
D
E
F
G
H
I
J
K
L
M
A
EC
Revision; 2004 April 2003 G35 Coupe
13. CHECK INTERMITTENT INCIDENT
Refer to EC-132, "TROUBLE DIAGNOSIS FOR INTERMITTENT INCIDENT" .
>> INSPECTION END
Component Inspection ABS003B0
HEATED OXYGEN SENSOR 1
With CONSULT-II
1. Start engine and warm it up to normal operating temperature.
2. Select “MANU TRIG” and adjust “TRIGGER POINT” to 100% in “DATA MONITOR” mode with CONSULT-
II.
3. Select “HO2S1 (B1)/(B2)” and “HO2S1 MNTR (B1)/(B2)”.
4. Hold engine speed at 2,000 rpm under no load during the following steps.
5. Touch “RECORD” on CONSULT-II screen.
6. Check the following.
●“HO2S1 MNTR (B1)/(B2)” in “DATA MONITOR” mode
changes from “RICH” to “LEAN” to “RICH” more than 5 times
in 10 seconds.
5 times (cycles) are counted as shown at right.
●“HO2S1 (B1)/(B2)” voltage goes above 0.6V at least once.
●“HO2S1 (B1)/(B2)” voltage goes below 0.3V at least once.
●“HO2S1 (B1)/(B2)” voltage never exceeds 1.0V.
CAUTION:
●Discard any heated oxygen sensor which has been dropped from a height of more than 0.5 m (19.7
in) onto a hard surface such as a concrete floor; use a new one.
●Before installing new oxygen sensor, clean exhaust system threads using Oxygen Sensor Thread
Cleaner tool J-43897-18 or J-43897-12 and approved anti-seize lubricant.
SEF646Y
SEF647Y
SEF648Y

EC-224
DTC P0133, P0153 HO2S1
Revision; 2004 April 2003 G35 Coupe
Without CONSULT-II
1. Start engine and warm it up to normal operating temperature.
2. Set voltmeter probes between ECM terminal 35 [HO2S1 (B1) signal] or 16 [HO2S1 (B2) signal] and
engine ground.
3. Check the following with engine speed held at 2,000 rpm con-
stant under no load.
●The voltage fluctuates between 0 to 0.3V and 0.6 to 1.0V
more than 5 times within 10 seconds.
●The maximum voltage is over 0.6V at least one time.
●The minimum voltage is below 0.3V at least one time.
●The voltage never exceeds 1.0V.
1 time: 0 - 0.3V → 0.6 - 1.0V → 0 - 0.3V
2 times: 0 - 0.3V → 0.6 - 1.0V → 0 - 0.3V → 0.6 - 1.0V
CAUTION:
●Discard any heated oxygen sensor which has been dropped
from a height of more than 0.5 m (19.7 in) onto a hard surface such as a concrete floor; use a new
one.
●Before installing new oxygen sensor, clean exhaust system threads using Oxygen Sensor Thread
Cleaner tool J-43897-18 or J-43897-12 and approved anti-seize lubricant.
Removal and Installation ABS003B1
HEATED OXYGEN SENSOR 1
Refer to EM-22, "EXHAUST MANIFOLD AND THREE WAY CATALYST" .
PBIB1107E

DTC P0134, P0154 HO2S1
EC-225
C
D
E
F
G
H
I
J
K
L
M
A
EC
Revision; 2004 April 2003 G35 Coupe
DTC P0134, P0154 HO2S1 PFP:22690
Component Description ABS003B2
The heated oxygen sensor 1 is placed into the exhaust manifold. It
detects the amount of oxygen in the exhaust gas compared to the
outside air. The heated oxygen sensor 1 has a closed-end tube
made of ceramic zirconia. The zirconia generates voltage from
approximately 1V in richer conditions to 0V in leaner conditions. The
heated oxygen sensor 1 signal is sent to the ECM. The ECM adjusts
the injection pulse duration to achieve the ideal air-fuel ratio. The
ideal air-fuel ratio occurs near the radical change from 1 to 0V.
CONSULT-II Reference Value in Data Monitor Mode ABS003B3
Specification data are reference values.
On Board Diagnosis Logic ABS003B4
Under the condition in which the heated oxygen sensor 1 signal is
not input, the ECM circuits will read a continuous approximately
0.3V. Therefore, for this diagnosis, the time that output voltage is
within 200 to 400 mV range is monitored, and the diagnosis checks
that this time is not inordinately long.
SEF463R
SEF288D
MONITOR ITEM CONDITION SPECIFICATION
HO2S1 (B1)
HO2S1 (B2) ●Engine: After warming up Maintaining engine speed at 2,000
rpm
0 - 0.3V ←→ Approx. 0.6 -
1.0V
HO2S1 MNTR (B1)
HO2S1 MNTR (B2) ●Engine: After warming up Maintaining engine speed at 2,000
rpm
LEAN ←→ RICH
Changes more than 5 times
during 10 seconds.
SEF237U
DTC No. Trouble diagnosis name DTC detecting condition Possible cause
P0134
0134
(Bank 1) Heated oxygen sensor
1 circuit no activity
detected
The voltage from the sensor is constantly
approx. 0.3V.
●Harness or connectors
(The sensor circuit is open or shorted)
●Heated oxygen sensor 1
P0154
0154
(Bank 2)

EC-226
DTC P0134, P0154 HO2S1
Revision; 2004 April 2003 G35 Coupe
DTC Confirmation Procedure ABS003B5
CAUTION:
Always drive vehicle at a safe speed.
NOTE:
If DTC Confirmation Procedure has been previously conducted, always turn ignition switch OFF and wait at
least 10 seconds before conducting the next test.
TESTING CONDITION:
Before performing the following procedure, confirm that battery voltage is more than 11V at idle.
WITH CONSULT-II
1. Start engine and warm it up to normal operating temperature.
2. Select “HO2S1 (B1) P0134” or “HO2S1 (B2) P0154” of “HO2S1” in “DTC WORK SUPPORT” mode with
CONSULT-II.
3. Touch “START”.
4. Let it idle for at least 3 minutes.
NOTE:
Never raise engine speed above 3,600 rpm after this step. If
the engine speed limit is exceeded, return to step 4.
5. When the following conditions are met, “TESTING” will be dis-
played on the CONSULT-II screen. Maintain the conditions con-
tinuously until “TESTING” changes to “COMPLETED”. (It will
take approximately 10 to 60 seconds.)
If “TESTING” is not displayed after 5 minutes, retry from
step 2.
6. Make sure that “OK” is displayed after touching “SELF-DIAG
RESULTS”. If “NG” is displayed, refer to EC-231, "Diagnostic
Procedure" .
PBIB0544E
ENG SPEED 1,400 - 2,600 rpm
Vehicle speed More than 64 km/h (40 MPH)
B/FUEL SCHDL 2.0 - 12.0 msec
Selector lever Suitable position
PBIB0545E
SEC750C

DTC P0134, P0154 HO2S1
EC-227
C
D
E
F
G
H
I
J
K
L
M
A
EC
Revision; 2004 April 2003 G35 Coupe
Overall Function Check ABS003B6
Use this procedure to check the overall function of the heated oxygen sensor 1 circuit. During this check, a
DTC might not be confirmed.
WITH GST
1. Start engine and warm it up to normal operating temperature.
2. Set voltmeter probes between ECM terminal 35 [HO2S1 (B1) signal] or 16 [HO2S1 (B2) signal] and
engine ground.
3. Check the following with engine speed held at 2,000 rpm con-
stant under no load.
–The voltage does not remain in the range of 0.2 to 0.4V.
4. If NG, go to EC-231, "Diagnostic Procedure" .
PBIB1107E

EC-228
DTC P0134, P0154 HO2S1
Revision; 2004 April 2003 G35 Coupe
Wiring Diagram ABS003B7
BANK 1
TBWT0265E

DTC P0134, P0154 HO2S1
EC-229
C
D
E
F
G
H
I
J
K
L
M
A
EC
Revision; 2004 April 2003 G35 Coupe
Specification data are reference values and are measured between each terminal and ground.
CAUTION:
Do not use ECM ground terminals when measuring input/output voltage. Doing so may result in dam-
age to the ECM's transistor. Use a ground other than ECM terminals, such as the ground.
TER-
MINAL
NO.
WIRE
COLOR ITEM CONDITION DATA (DC Voltage)
35 W/B Heated oxygen sensor 1
(bank 1)
[Engine is running]
●Warm-up condition
●Engine speed is 2,000 rpm.
0 - Approximately 1.0V
(Periodically change)
78 B/Y Sensors' ground
(Heated oxygen sensor)
[Engine is running]
●Warm-up condition
●Idle speed
Approximately 0V

EC-230
DTC P0134, P0154 HO2S1
Revision; 2004 April 2003 G35 Coupe
BANK 2
TBWT0266E

DTC P0134, P0154 HO2S1
EC-231
C
D
E
F
G
H
I
J
K
L
M
A
EC
Revision; 2004 April 2003 G35 Coupe
Specification data are reference values and are measured between each terminal and ground.
CAUTION:
Do not use ECM ground terminals when measuring input/output voltage. Doing so may result in dam-
age to the ECM's transistor. Use a ground other than ECM terminals, such as the ground.
Diagnostic Procedure ABS003B8
1. INSPECTION START
1. Turn ignition switch OFF.
2. Loosen and retighten engine ground screws.
>> GO TO 2.
2. CHECK HO2S1 GROUND CIRCUIT FOR OPEN AND SHORT
1. Disconnect ECM harness connector.
2. Disconnect heated oxygen sensor 1 harness connector.
3. Check harness continuity between HO2S1 terminal 4 and ECM terminal 78.
Refer to Wiring Diagram.
4. Also check harness for short to ground and short to power.
OK or NG
OK >> GO TO 4.
NG >> GO TO 3.
TER-
MINAL
NO.
WIRE
COLOR ITEM CONDITION DATA (DC Voltage)
16 LG Heated oxygen sensor 1
(bank 2)
[Engine is running]
●Warm-up condition
●Engine speed is 2,000 rpm.
0 - Approximately 1.0V
(Periodically change)
78 B/Y Sensors' ground
(Heated oxygen sensor)
[Engine is running]
●Warm-up condition
●Idle speed
Approximately 0V
PBIB0986E
Continuity should exist.
PBIB1285E

EC-232
DTC P0134, P0154 HO2S1
Revision; 2004 April 2003 G35 Coupe
3. DETECT MALFUNCTIONING PART
Check the following.
●Joint connector-4
●Harness for open or short between HO2S1 and ECM
>> Repair open circuit or short to ground or short to power in harness or connectors.
4. CHECK HO2S1 INPUT SIGNAL CIRCUIT FOR OPEN AND SHORT
1. Check harness continuity between ECM terminal and HO2S1 terminal as follows.
Refer to Wiring Diagram.
2. Check harness continuity between the following terminals and ground.
Refer to Wiring Diagram.
3. Also check harness for short to power.
OK or NG
OK >> GO TO 5.
NG >> Repair open circuit or short to ground or short to power in harness or connectors.
5. CHECK HEATED OXYGEN SENSOR 1
Refer to EC-232, "Component Inspection" .
OK or NG
OK >> GO TO 6.
NG >> Replace malfunctioning heated oxygen sensor 1.
6. CHECK INTERMITTENT INCIDENT
Refer to EC-132, "TROUBLE DIAGNOSIS FOR INTERMITTENT INCIDENT" .
>> INSPECTION END
Component Inspection ABS003B9
HEATED OXYGEN SENSOR 1
With CONSULT-II
1. Start engine and warm it up to normal operating temperature.
2. Select “MANU TRIG” and adjust “TRIGGER POINT” to 100% in “DATA MONITOR” mode with CONSULT-
II.
3. Select “HO2S1 (B1)/(B2)” and “HO2S1 MNTR (B1)/(B2)”.
4. Hold engine speed at 2,000 rpm under no load during the following steps.
DTC Terminals Bank
ECM Sensor
P0134 35 1 1
P0154 16 1 2
Continuity should exist.
DTC Terminals Bank
ECM Sensor
P0134 35 1 1
P0154 16 1 2
Continuity should not exist.

DTC P0134, P0154 HO2S1
EC-233
C
D
E
F
G
H
I
J
K
L
M
A
EC
Revision; 2004 April 2003 G35 Coupe
5. Touch “RECORD” on CONSULT-II screen.
6. Check the following.
●“HO2S1 MNTR (B1)/(B2)” in “DATA MONITOR” mode
changes from “RICH” to “LEAN” to “RICH” more than 5 times
in 10 seconds.
5 times (cycles) are counted as shown at right.
●“HO2S1 (B1)/(B2)” voltage goes above 0.6V at least once.
●“HO2S1 (B1)/(B2)” voltage goes below 0.3V at least once.
●“HO2S1 (B1)/(B2)” voltage never exceeds 1.0V.
CAUTION:
●Discard any heated oxygen sensor which has been dropped from a height of more than 0.5 m (19.7
in) onto a hard surface such as a concrete floor; use a new one.
●Before installing new oxygen sensor, clean exhaust system threads using Oxygen Sensor Thread
Cleaner tool J-43897-18 or J-43897-12 and approved anti-seize lubricant.
Without CONSULT-II
1. Start engine and warm it up to normal operating temperature.
2. Set voltmeter probes between ECM terminal 35 [HO2S1 (B1) signal] or 16 [HO2S1 (B2) signal] and
engine ground.
3. Check the following with engine speed held at 2,000 rpm con-
stant under no load.
●The voltage fluctuates between 0 to 0.3V and 0.6 to 1.0V
more than 5 times within 10 seconds.
●The maximum voltage is over 0.6V at least one time.
●The minimum voltage is below 0.3V at least one time.
●The voltage never exceeds 1.0V.
1 time: 0 - 0.3V → 0.6 - 1.0V → 0 - 0.3V
2 times: 0 - 0.3V → 0.6 - 1.0V → 0 - 0.3V → 0.6 - 1.0V
CAUTION:
●Discard any heated oxygen sensor which has been dropped
from a height of more than 0.5 m (19.7 in) onto a hard surface such as a concrete floor; use a new
one.
SEF646Y
SEF647Y
SEF648Y
PBIB1107E

EC-234
DTC P0134, P0154 HO2S1
Revision; 2004 April 2003 G35 Coupe
●Before installing new oxygen sensor, clean exhaust system threads using Oxygen Sensor Thread
Cleaner tool J-43897-18 or J-43897-12 and approved anti-seize lubricant.
Removal and Installation ABS003BA
HEATED OXYGEN SENSOR 1
Refer to EM-22, "EXHAUST MANIFOLD AND THREE WAY CATALYST" .

DTC P0138, P0158 HO2S2
EC-235
C
D
E
F
G
H
I
J
K
L
M
A
EC
Revision; 2004 April 2003 G35 Coupe
DTC P0138, P0158 HO2S2 PFP:226A0
Component Description ABS003BB
The heated oxygen sensor 2, after three way catalyst 1, monitors the
oxygen level in the exhaust gas on each bank.
Even if switching characteristics of the heated oxygen sensor 1 are
shifted, the air-fuel ratio is controlled to stoichiometric, by the signal
from the heated oxygen sensor 2.
This sensor is made of ceramic zirconia. The zirconia generates volt-
age from approximately 1V in richer conditions to 0V in leaner condi-
tions.
Under normal conditions the heated oxygen sensor 2 is not used for
engine control operation.
CONSULT-II Reference Value in Data Monitor Mode ABS003BC
Specification data are reference values.
On Board Diagnosis Logic ABS003BD
The heated oxygen sensor 2 has a much longer switching time
between rich and lean than the heated oxygen sensor 1. The oxygen
storage capacity before the three way catalyst causes the longer
switching time. To judge the malfunctions of heated oxygen sensor
2, ECM monitors whether the voltage is unusually high during the
various driving condition such as fuel-cut.
SEF327R
MONITOR ITEM CONDITION SPECIFICATION
HO2S2 (B1)
HO2S2 (B2)
●Warm-up condition
●After keeping engine speed
between 3,500 and 4,000 rpm for
1 minute and at idle for 1 minute
under no load.
Revving engine from idle to 3,000 rpm
quickly.
0 - 0.3V ←→ Approx. 0.6 -
1.0V
HO2S2 MNTR (B1)
HO2S2 MNTR (B2) LEAN ←→ RICH
SEF305UA
DTC No. Trouble diagnosis name DTC detecting condition Possible cause
P0138
0138
(Bank 1) Heated oxygen sensor
2 circuit high voltage
An excessively high voltage from the sensor is
sent to ECM.
●Harness or connectors
(The sensor circuit is open or shorted)
●Heated oxygen sensor 2
P0158
0158
(Bank 2)

EC-236
DTC P0138, P0158 HO2S2
Revision; 2004 April 2003 G35 Coupe
DTC Confirmation Procedure ABS003BE
CAUTION:
Always drive vehicle at a safe speed.
NOTE:
If DTC Confirmation Procedure has been previously conducted, always turn ignition switch OFF and wait at
least 10 seconds before conducting the next test.
WITH CONSULT-II
1. Turn ignition switch ON and select “DATA MONITOR” mode with
CONSULT-II.
2. Start engine and warm it up to the normal operating tempera-
ture.
3. Turn ignition switch OFF and wait at least 10 seconds.
4. Start engine and keep the engine speed between 3,500 and
4,000 rpm for at least 1 minute under no load.
5. Let engine idle for 2 minutes.
6. If 1st trip DTC is detected, go to EC-240, "Diagnostic Procedure"
.
WITH GST
1. Start engine and warm it up to the normal operating temperature.
2. Turn ignition switch OFF and wait at least 10 seconds.
3. Start engine and keep the engine speed between 3,500 and 4,000 rpm for at least 1 minute under no load.
4. Let engine idle for 2 minutes.
5. Turn ignition switch OFF and wait at least 10 seconds.
6. Start engine and keep the engine speed between 3,500 and 4,000 rpm for at least 1 minute under no load.
7. Let engine idle for 2 minutes.
8. Select “MODE 3” with GST.
9. If DTC is detected, go to EC-240, "Diagnostic Procedure" .
SEF174Y

DTC P0138, P0158 HO2S2
EC-237
C
D
E
F
G
H
I
J
K
L
M
A
EC
Revision; 2004 April 2003 G35 Coupe
Wiring Diagram ABS003BF
BANK 1
TBWT0267E

EC-238
DTC P0138, P0158 HO2S2
Revision; 2004 April 2003 G35 Coupe
Specification data are reference values and are measured between each terminal and ground.
CAUTION:
Do not use ECM ground terminals when measuring input/output voltage. Doing so may result in dam-
age to the ECM's transistor. Use a ground other than ECM terminals, such as the ground.
TER-
MINAL
NO.
WIRE
COLOR ITEM CONDITION DATA (DC Voltage)
74 L/B Heated oxygen sensor 2
(bank 1)
[Engine is running]
●Warm-up condition
●Revving engine from idle to 3,000 rpm
quickly after the following conditions are
met.
–After keeping the engine speed between
3,500 and 4,000 rpm for 1 minute and at idle
for 1 minute under no load.
0 - Approximately 1.0V
78 B/Y Sensors' ground
(Heated oxygen sensor)
[Engine is running]
●Warm-up condition
●Idle speed
Approximately 0V

DTC P0138, P0158 HO2S2
EC-239
C
D
E
F
G
H
I
J
K
L
M
A
EC
Revision; 2004 April 2003 G35 Coupe
BANK 2
TBWT0268E

EC-240
DTC P0138, P0158 HO2S2
Revision; 2004 April 2003 G35 Coupe
Specification data are reference values and are measured between each terminal and ground.
CAUTION:
Do not use ECM ground terminals when measuring input/output voltage. Doing so may result in dam-
age to the ECM's transistor. Use a ground other than ECM terminals, such as the ground.
Diagnostic Procedure ABS003BG
1. RETIGHTEN GROUND SCREWS
1. Turn ignition switch OFF.
2. Loosen and retighten engine ground screws.
>> GO TO 2.
TER-
MINAL
NO.
WIRE
COLOR ITEM CONDITION DATA (DC Voltage)
55 R/Y Heated oxygen sensor 2
(bank 2)
[Engine is running]
●Warm-up condition
●Revving engine from idle to 3,000 rpm
quickly after the following conditions are
met.
–After keeping the engine speed between
3,500 and 4,000 rpm for 1 minute and at idle
for 1 minute under no load.
0 - Approximately 1.0V
78 B/Y Sensors' ground
(Heated oxygen sensor)
[Engine is running]
●Warm-up condition
●Idle speed
Approximately 0V
PBIB0986E

DTC P0138, P0158 HO2S2
EC-241
C
D
E
F
G
H
I
J
K
L
M
A
EC
Revision; 2004 April 2003 G35 Coupe
2. CHECK HO2S2 GROUND CIRCUIT FOR OPEN AND SHORT
1. Turn ignition switch OFF.
2. Disconnect ECM harness connector.
3. Disconnect heated oxygen sensor 2 harness connector.
4. Check harness continuity between HO2S2 terminal 4 and ECM terminal 78.
Refer to Wiring Diagram.
5. Also check harness for short to ground and short to power.
OK or NG
OK >> GO TO 4.
NG >> GO TO 3.
3. DETECT MALFUNCTIONING PART
Check the following.
●Joint connector-4
●Harness for open or short between HO2S2 and ECM
>> Repair open circuit or short to ground or short to power in harness or connectors.
Continuity should exist.
PBIB1284E

EC-242
DTC P0138, P0158 HO2S2
Revision; 2004 April 2003 G35 Coupe
4. CHECK HO2S2 INPUT SIGNAL CIRCUIT FOR OPEN AND SHORT
1. Check harness continuity between ECM terminal and HO2S2 terminal as follows.
Refer to Wiring Diagram.
2. Check harness continuity between the following terminals and ground.
Refer to Wiring Diagram.
3. Also check harness for short to power.
OK or NG
OK >> GO TO 5.
NG >> Repair open circuit or short to ground or short to power in harness or connectors.
5. CHECK HO2S2 CONNECTOR FOR WATER
1. Turn ignition switch OFF.
2. Disconnect heated oxygen sensor 2 harness connector.
3. Check connectors for water.
OK or NG
OK >> GO TO 6.
NG >> Repair or replace harness or connectors.
6. CHECK HEATED OXYGEN SENSOR 2
Refer to EC-243, "Component Inspection" .
OK or NG
OK >> GO TO 7.
NG >> Replace malfunctioning heated oxygen sensor 2.
7. CHECK INTERMITTENT INCIDENT
Refer to EC-132, "TROUBLE DIAGNOSIS FOR INTERMITTENT INCIDENT" .
>> INSPECTION END
DTC Terminals Bank
ECM Sensor
P0138 74 1 1
P0158 55 1 2
Continuity should exist.
DTC Terminals Bank
ECM Sensor
P0138 74 1 1
P0158 55 1 2
Continuity should not exist.
Water should not exist.

DTC P0138, P0158 HO2S2
EC-243
C
D
E
F
G
H
I
J
K
L
M
A
EC
Revision; 2004 April 2003 G35 Coupe
Component Inspection ABS003BH
HEATED OXYGEN SENSOR 2
With CONSULT-II
1. Turn ignition switch ON and select “DATA MONITOR” mode with
CONSULT-II.
2. Start engine and warm it up to the normal operating tempera-
ture.
3. Turn ignition switch OFF and wait at least 10 seconds.
4. Start engine and keep the engine speed between 3,500 and
4,000 rpm for at least 1 minute under no load.
5. Let engine idle for 1 minutes.
6. Select “FUEL INJECTION” in “ACTIVE TEST” mode, and select
“HO2S2 (B1)/(B2)” as the monitor item with CONSULT-II.
7. Check “HO2S2 (B1)/(B2)” at idle speed when adjusting “FUEL INJECTION” to ±25%.
“HO2S2 (B1)/(B2)” should be above 0.63V at least once when the “FUEL INJECTION” is +25%.
“HO2S2 (B1)/(B2)” should be below 0.48V at least once when the “FUEL INJECTION” is −25%.
CAUTION:
●Discard any heated oxygen sensor which has been dropped from a height of more than 0.5 m (19.7
in) onto a hard surface such as a concrete floor; use a new one.
●Before installing new oxygen sensor, clean exhaust system threads using Oxygen Sensor Thread
Cleaner tool J-43897-18 or J-43897-12 and approved anti-seize lubricant.
Without CONSULT-II
1. Start engine and warm it up to the normal operating temperature.
2. Turn ignition switch OFF and wait at least 10 seconds.
3. Start engine and keep the engine speed between 3,500 and 4,000 rpm for at least 1 minute under no load.
4. Let engine idle for 1 minutes.
5. Set voltmeter probes between ECM terminal 74 [HO2S2 (B1) signal] or 55 [HO2S2 (B2) signal] and
engine ground.
SEF174Y
SEF662Y
PBIB0796E

EC-244
DTC P0138, P0158 HO2S2
Revision; 2004 April 2003 G35 Coupe
6. Check the voltage when revving up to 4,000 rpm under no load
at least 10 times.
(Depress and release accelerator pedal as soon as possible.)
The voltage should be above 0.63V at least once during this
procedure.
If the voltage is above 0.63V at step 6, step 7 is not neces-
sary.
7. Keep vehicle at idling for 10 minutes, then check voltage. Or
check the voltage when coasting from 80 km/h (50 MPH) in D
position (A/T), 4th gear position (M/T).
The voltage should be below 0.48V at least once during this
procedure.
8. If NG, replace heated oxygen sensor 2.
CAUTION:
●Discard any heated oxygen sensor which has been dropped from a height of more than 0.5 m (19.7
in) onto a hard surface such as a concrete floor; use a new one.
●Before installing new oxygen sensor, clean exhaust system threads using Oxygen Sensor Thread
Cleaner tool J-43897-18 or J-43897-12 and approved anti-seize lubricant.
Removal and Installation ABS003BI
HEATED OXYGEN SENSOR 2
Refer to EM-22, "EXHAUST MANIFOLD AND THREE WAY CATALYST" .
PBIB1607E

DTC P0139, P0159 HO2S2
EC-245
C
D
E
F
G
H
I
J
K
L
M
A
EC
Revision; 2004 April 2003 G35 Coupe
DTC P0139, P0159 HO2S2 PFP:226A0
Component Description ABS003BJ
The heated oxygen sensor 2, after three way catalyst 1, monitors the
oxygen level in the exhaust gas on each bank.
Even if switching characteristics of the heated oxygen sensor 1 are
shifted, the air-fuel ratio is controlled to stoichiometric, by the signal
from the heated oxygen sensor 2.
This sensor is made of ceramic zirconia. The zirconia generates volt-
age from approximately 1V in richer conditions to 0V in leaner condi-
tions.
Under normal conditions the heated oxygen sensor 2 is not used for
engine control operation.
CONSULT-II Reference Value in Data Monitor Mode ABS003BK
Specification data are reference values.
On Board Diagnosis Logic ABS003BL
The heated oxygen sensor 2 has a much longer switching time
between rich and lean than the heated oxygen sensor 1. The oxygen
storage capacity before the three way catalyst causes the longer
switching time. To judge the malfunctions of heated oxygen sensor
2, ECM monitors whether the switching response of the sensor's
voltage is faster than specified during the various driving condition
such as fuel-cut.
SEF327R
MONITOR ITEM CONDITION SPECIFICATION
HO2S2 (B1)
HO2S2 (B2)
●Warm-up condition
●After keeping engine speed
between 3,500 and 4,000 rpm for
1 minute and at idle for 1 minute
under no load.
Revving engine from idle to 3,000 rpm
quickly.
0 - 0.3V ←→ Approx. 0.6 -
1.0V
HO2S2 MNTR (B1)
HO2S2 MNTR (B2) LEAN ←→ RICH
SEF302U
DTC No. Trouble diagnosis name DTC detecting condition Possible cause
P0139
0139
(Bank 1) Heated oxygen sensor
2 circuit slow response
It takes more time for the sensor to respond
between rich and lean than the specified time.
●Harness or connectors
(The sensor circuit is open or shorted)
●Heated oxygen sensor 2
●Fuel pressure
●Injectors
●Intake air leaks
P0159
0159
(Bank 2)

EC-246
DTC P0139, P0159 HO2S2
Revision; 2004 April 2003 G35 Coupe
DTC Confirmation Procedure ABS003BM
NOTE:
If DTC Confirmation Procedure has been previously conducted, always turn ignition switch OFF and wait at
least 10 seconds before conducting the next test.
WITH CONSULT-II
TESTING CONDITION:
For better results, perform “DTC WORK SUPPORT” at a temperature of 0 to 30 °C (32 to 86 °F).
1. Turn ignition switch ON and select “DATA MONITOR” mode with
CONSULT-II.
2. Start engine and warm it up to the normal operating tempera-
ture.
3. Turn ignition switch OFF and wait at least 10 seconds.
4. Start engine and keep the engine speed between 3,500 and
4,000 rpm for at least 1 minute under no load.
5. Let engine idle for 1 minutes.
6. Make sure that “COOLAN TEMP/S” indicates more than 70°C
(158°F).
If not, warm up engine and go to next step when “COOLAN
TEMP/S” indication reaches to 70°C (158°F).
7. Select “HO2S2 (B1) P0139” or “HO2S2 (B2) P0159” of “HO2S2” in “DTC WORK SUPPORT” mode with
CONSULT-II.
8. Start engine and following the instruction of CONSULT-II.
9. Make sure that “OK” is displayed after touching “SELF-DIAG RESULTS”.
If “NG” is displayed, refer to EC-251, "Diagnostic Procedure" .
If “CAN NOT BE DIAGNOSED” is displayed, perform the following.
a. Turn ignition switch OFF and leave the vehicle in a cool place (soak the vehicle).
b. Return to step 1.
Overall Function Check ABS003BN
Use this procedure to check the overall function of the heated oxygen sensor 2 circuit. During this check, a
DTC might not be confirmed.
WITH GST
1. Start engine and warm it up to the normal operating temperature.
2. Turn ignition switch OFF and wait at least 10 seconds.
3. Start engine and keep the engine speed between 3,500 and 4,000 rpm for at least 1 minute under no load.
4. Let engine idle for 1 minutes.
5. Set voltmeter probes between ECM terminal 74 [HO2S2 (B1) signal] or 55 [HO2S2 (B2) signal] and
engine ground.
SEF174Y
PBIB0115E

DTC P0139, P0159 HO2S2
EC-247
C
D
E
F
G
H
I
J
K
L
M
A
EC
Revision; 2004 April 2003 G35 Coupe
6. Check the voltage when revving up to 4,000 rpm under no load
at least 10 times.
(Depress and release accelerator pedal as soon as possible.)
A change of voltage should be more than 0.06V for 1 sec-
ond during this procedure.
If the voltage can be confirmed in step 6, step 7 is not nec-
essary.
7. Keep vehicle at idling for 10 minutes, then check the voltage. Or
check the voltage when coasting from 80 km/h (50 MPH) in D
position (A/T), 4th gear position (M/T).
A change of voltage should be more than 0.06V for 1 sec-
ond during this procedure.
8. If NG, go to EC-251, "Diagnostic Procedure" .
PBIB1607E

EC-248
DTC P0139, P0159 HO2S2
Revision; 2004 April 2003 G35 Coupe
Wiring Diagram ABS003BO
BANK 1
TBWT0267E

DTC P0139, P0159 HO2S2
EC-249
C
D
E
F
G
H
I
J
K
L
M
A
EC
Revision; 2004 April 2003 G35 Coupe
Specification data are reference values and are measured between each terminal and ground.
CAUTION:
Do not use ECM ground terminals when measuring input/output voltage. Doing so may result in dam-
age to the ECM's transistor. Use a ground other than ECM terminals, such as the ground.
TER-
MINAL
NO.
WIRE
COLOR ITEM CONDITION DATA (DC Voltage)
74 L/B Heated oxygen sensor 2
(bank 1)
[Engine is running]
●Warm-up condition
●Revving engine from idle to 3,000 rpm
quickly after the following conditions are
met.
–After keeping the engine speed between
3,500 and 4,000 rpm for 1 minute and at idle
for 1 minute under no load.
0 - Approximately 1.0V
78 B/Y Sensors' ground
(Heated oxygen sensor)
[Engine is running]
●Warm-up condition
●Idle speed
Approximately 0V

EC-250
DTC P0139, P0159 HO2S2
Revision; 2004 April 2003 G35 Coupe
BANK 2
TBWT0268E

DTC P0139, P0159 HO2S2
EC-251
C
D
E
F
G
H
I
J
K
L
M
A
EC
Revision; 2004 April 2003 G35 Coupe
Specification data are reference values and are measured between each terminal and ground.
CAUTION:
Do not use ECM ground terminals when measuring input/output voltage. Doing so may result in dam-
age to the ECM's transistor. Use a ground other than ECM terminals, such as the ground.
Diagnostic Procedure ABS003BP
1. RETIGHTEN GROUND SCREWS
1. Turn ignition switch OFF.
2. Loosen and retighten engine ground screws.
>> GO TO 2.
TER-
MINAL
NO.
WIRE
COLOR ITEM CONDITION DATA (DC Voltage)
55 R/Y Heated oxygen sensor 2
(bank 2)
[Engine is running]
●Warm-up condition
●Revving engine from idle to 3,000 rpm
quickly after the following conditions are
met.
–After keeping the engine speed between
3,500 and 4,000 rpm for 1 minute and at idle
for 1 minute under no load.
0 - Approximately 1.0V
78 B/Y Sensors' ground
(Heated oxygen sensor)
[Engine is running]
●Warm-up condition
●Idle speed
Approximately 0V
PBIB0986E

EC-252
DTC P0139, P0159 HO2S2
Revision; 2004 April 2003 G35 Coupe
2. CLEAR THE SELF-LEARNING DATA
With CONSULT-II
1. Start engine and warm it up to normal operating temperature.
2. Select “SELF-LEARNING CONT” in “WORK SUPPORT” mode
with CONSULT-II.
3. Clear the self-learning control coefficient by touching “CLEAR”.
4. Run engine for at least 10 minutes at idle speed.
Is the 1st trip DTC P0171, P0172, P0174 or P0175 detected?
Is it difficult to start engine?
Without CONSULT-II
1. Start engine and warm it up to normal operating temperature.
2. Turn ignition switch OFF.
3. Disconnect mass air flow sensor harness connector, and restart
and run engine for at least 5 seconds at idle speed.
4. Stop engine and reconnect mass air flow sensor harness con-
nector.
5. Make sure DTC P0102 is displayed.
6. Erase the DTC memory. Refer to EC-64, "HOW TO ERASE
EMISSION-RELATED DIAGNOSTIC INFORMATION" .
7. Make sure DTC P0000 is displayed.
8. Run engine for at least 10 minutes at idle speed.
Is the 1st trip DTC P0171, P0172, P0174 or P0175 detected?
Is it difficult to start engine?
Yes or No
Yes >> Perform trouble diagnosis for DTC P0171, P0174 or P0172, P0175. Refer to EC-257 or EC-266 .
No >> GO TO 3.
SEF968Y
PBIB1077E

DTC P0139, P0159 HO2S2
EC-253
C
D
E
F
G
H
I
J
K
L
M
A
EC
Revision; 2004 April 2003 G35 Coupe
3. CHECK HO2S2 GROUND CIRCUIT FOR OPEN AND SHORT
1. Turn ignition switch OFF.
2. Disconnect ECM harness connector.
3. Disconnect heated oxygen sensor 2 harness connector.
4. Check harness continuity between HO2S2 terminal 4 and ECM terminal 78.
Refer to Wiring Diagram.
5. Also check harness for short to ground and short to power.
OK or NG
OK >> GO TO 5.
NG >> GO TO 4.
4. DETECT MALFUNCTIONING PART
Check the following.
●Joint connector-4
●Harness for open or short between HO2S2 and ECM
>> Repair open circuit or short to ground or short to power in harness or connectors.
Continuity should exist.
PBIB1284E

EC-254
DTC P0139, P0159 HO2S2
Revision; 2004 April 2003 G35 Coupe
5. CHECK HO2S2 INPUT SIGNAL CIRCUIT FOR OPEN AND SHORT
1. Check harness continuity between ECM terminal and HO2S2 terminal as follows.
Refer to Wiring Diagram.
2. Check harness continuity between the following terminals and ground.
Refer to Wiring Diagram.
3. Also check harness for short to power.
OK or NG
OK >> GO TO 6.
NG >> Repair open circuit or short to ground or short to power in harness or connectors.
6. CHECK HEATED OXYGEN SENSOR 2
Refer to EC-254, "Component Inspection" .
OK or NG
OK >> GO TO 7.
NG >> Replace malfunctioning heated oxygen sensor 2.
7. CHECK INTERMITTENT INCIDENT
Refer to EC-132, "TROUBLE DIAGNOSIS FOR INTERMITTENT INCIDENT" .
>> INSPECTION END
Component Inspection ABS003BQ
HEATED OXYGEN SENSOR 2
With CONSULT-II
1. Turn ignition switch ON and select “DATA MONITOR” mode with
CONSULT-II.
2. Start engine and warm it up to the normal operating tempera-
ture.
3. Turn ignition switch OFF and wait at least 10 seconds.
4. Start engine and keep the engine speed between 3,500 and
4,000 rpm for at least 1 minute under no load.
5. Let engine idle for 1 minutes.
DTC Terminals Bank
ECM Sensor
P0139 74 1 1
P0159 55 1 2
Continuity should exist.
DTC Terminals Bank
ECM Sensor
P0139 74 1 1
P0159 55 1 2
Continuity should not exist.
SEF174Y

DTC P0139, P0159 HO2S2
EC-255
C
D
E
F
G
H
I
J
K
L
M
A
EC
Revision; 2004 April 2003 G35 Coupe
6. Select “FUEL INJECTION” in “ACTIVE TEST” mode, and select
“HO2S2 (B1)/(B2)” as the monitor item with CONSULT-II.
7. Check “HO2S2 (B1)/(B2)” at idle speed when adjusting “FUEL INJECTION” to ±25%.
“HO2S2 (B1)/(B2)” should be above 0.63V at least once when the “FUEL INJECTION” is +25%.
“HO2S2 (B1)/(B2)” should be below 0.48V at least once when the “FUEL INJECTION” is −25%.
CAUTION:
●Discard any heated oxygen sensor which has been dropped from a height of more than 0.5 m (19.7
in) onto a hard surface such as a concrete floor; use a new one.
●Before installing new oxygen sensor, clean exhaust system threads using Oxygen Sensor Thread
Cleaner tool J-43897-18 or J-43897-12 and approved anti-seize lubricant.
Without CONSULT-II
1. Start engine and warm it up to the normal operating temperature.
2. Turn ignition switch OFF and wait at least 10 seconds.
3. Start engine and keep the engine speed between 3,500 and 4,000 rpm for at least 1 minute under no load.
4. Let engine idle for 1 minutes.
5. Set voltmeter probes between ECM terminal 74 [HO2S2 (B1) signal] or 55 [HO2S2 (B2) signal] and
engine ground.
6. Check the voltage when revving up to 4,000 rpm under no load
at least 10 times.
(Depress and release accelerator pedal as soon as possible.)
The voltage should be above 0.63V at least once during this
procedure.
If the voltage is above 0.63V at step 6, step 7 is not neces-
sary.
7. Keep vehicle at idling for 10 minutes, then check voltage. Or
check the voltage when coasting from 80 km/h (50 MPH) in D
position (A/T), 4th gear position (M/T).
The voltage should be below 0.48V at least once during this
procedure.
8. If NG, replace heated oxygen sensor 2.
CAUTION:
●Discard any heated oxygen sensor which has been dropped from a height of more than 0.5 m (19.7
in) onto a hard surface such as a concrete floor; use a new one.
●Before installing new oxygen sensor, clean exhaust system threads using Oxygen Sensor Thread
Cleaner tool J-43897-18 or J-43897-12 and approved anti-seize lubricant.
SEF662Y
PBIB0796E
PBIB1607E

EC-256
DTC P0139, P0159 HO2S2
Revision; 2004 April 2003 G35 Coupe
Removal and Installation ABS003BR
HEATED OXYGEN SENSOR 2
Refer to EM-22, "EXHAUST MANIFOLD AND THREE WAY CATALYST" .

DTC P0171, P0174 FUEL INJECTION SYSTEM FUNCTION
EC-257
C
D
E
F
G
H
I
J
K
L
M
A
EC
Revision; 2004 April 2003 G35 Coupe
DTC P0171, P0174 FUEL INJECTION SYSTEM FUNCTION PFP:16600
On Board Diagnosis Logic ABS003BS
With the Air/Fuel Mixture Ratio Self-Learning Control, the actual mixture ratio can be brought closely to the
theoretical mixture ratio based on the mixture ratio feedback signal from the heated oxygen sensors 1. The
ECM calculates the necessary compensation to correct the offset between the actual and the theoretical
ratios.
In case the amount of the compensation value is extremely large (The actual mixture ratio is too lean.), the
ECM judges the condition as the fuel injection system malfunction and lights up the MIL (2 trip detection logic).
DTC Confirmation Procedure ABS003BT
NOTE:
If DTC Confirmation Procedure has been previously conducted, always turn ignition switch OFF and wait at
least 10 seconds before conducting the next test.
WITH CONSULT-II
1. Start engine and warm it up to normal operating temperature.
2. Turn ignition switch OFF and wait at least 10 seconds.
3. Turn ignition switch ON and select “SELF-LEARNING CONT” in “WORK SUPPORT” mode with CON-
SULT-II.
4. Clear the self-learning control coefficient by touching “CLEAR”.
5. Select “DATA MONITOR” mode with CONSULT-II.
6. Start engine again and let it idle for at least 10 minutes.
The 1st trip DTC P0171 or P0174 should be detected at this
stage, if a malfunction exists. If so, go to EC-261, "Diagnostic
Procedure" .
7. If it is difficult to start engine at step 6, the fuel injection system
has a malfunction, too.
8. Crank engine while depressing accelerator pedal. If engine
starts, go to EC-261, "Diagnostic Procedure" . If engine does not
start, check exhaust and intake air leak visually.
Sensor Input signal to ECM ECM function Actuator
Heated oxygen sensors 1 Density of oxygen in exhaust gas
(Mixture ratio feedback signal)
Fuel injection
control Fuel injectors
DTC No. Trouble diagnosis
name DTC detecting condition Possible cause
P0171
0171
(Bank 1)
Fuel injection system
too lean
●Fuel injection system does not operate properly.
●The amount of mixture ratio compensation is too
large. (The mixture ratio is too lean.)
●Intake air leaks
●Heated oxygen sensor 1
●Injectors
●Exhaust gas leaks
●Incorrect fuel pressure
●Lack of fuel
●Mass air flow sensor
●Incorrect PCV hose connection
P0174
0174
(Bank 2)
SEF968Y

EC-258
DTC P0171, P0174 FUEL INJECTION SYSTEM FUNCTION
Revision; 2004 April 2003 G35 Coupe
WITH GST
1. Start engine and warm it up to normal operating temperature.
2. Turn ignition switch OFF and wait at least 10 seconds.
3. Disconnect mass air flow sensor harness connector. Then
restart and run engine for at least 5 seconds at idle speed.
4. Stop engine and reconnect mass air flow sensor harness con-
nector.
5. Select “MODE 3” with GST. Make sure DTC P0102 is detected.
6. Select “MODE 4” with GST and erase the DTC P0102.
7. Start engine again and let it idle for at least 10 minutes.
8. Select “MODE 7” with GST. The 1st trip DTC P0171 or P0174
should be detected at this stage, if a malfunction exists. If so, go
to EC-261, "Diagnostic Procedure" .
9. If it is difficult to start engine at step 7, the fuel injection system
has a malfunction.
10. Crank engine while depressing accelerator pedal. If engine starts, go to EC-261, "Diagnostic Procedure" .
If engine does not start, check exhaust and intake air leak visually.
PBIB1077E

DTC P0171, P0174 FUEL INJECTION SYSTEM FUNCTION
EC-259
C
D
E
F
G
H
I
J
K
L
M
A
EC
Revision; 2004 April 2003 G35 Coupe
Wiring Diagram ABS003BU
BANK 1
TBWT0269E

EC-260
DTC P0171, P0174 FUEL INJECTION SYSTEM FUNCTION
Revision; 2004 April 2003 G35 Coupe
BANK 2
TBWT0270E

DTC P0171, P0174 FUEL INJECTION SYSTEM FUNCTION
EC-261
C
D
E
F
G
H
I
J
K
L
M
A
EC
Revision; 2004 April 2003 G35 Coupe
Diagnostic Procedure ABS003BV
1. CHECK EXHAUST GAS LEAK
1. Start engine and run it at idle.
2. Listen for an exhaust gas leak before three way catalyst 1.
OK or NG
OK >> GO TO 2.
NG >> Repair or replace.
2. CHECK FOR INTAKE AIR LEAK
1. Listen for an intake air leak after the mass air flow sensor.
2. Check PCV hose connection.
OK or NG
OK >> GO TO 3.
NG >> Repair or replace.
PBIB1165E

EC-262
DTC P0171, P0174 FUEL INJECTION SYSTEM FUNCTION
Revision; 2004 April 2003 G35 Coupe
3. CHECK HEATED OXYGEN SENSOR 1 CIRCUIT FOR OPEN AND SHORT
1. Turn ignition switch OFF.
2. Disconnect corresponding heated oxygen sensor 1 (HO2S1) harness connector.
3. Disconnect ECM harness connector.
4. Check harness continuity between ECM terminal and HO2S1 terminal as follows.
Refer to Wiring Diagram.
5. Check harness continuity between the following terminals and ground.
Refer to Wiring Diagram.
6. Check harness continuity between HO2S1 terminal 4 and ECM terminal 78.
7. Also check harness for short to ground and short to power.
OK or NG
OK >> GO TO 5.
NG >> GO TO 4.
4. DETECT MALFUNCTIONING PART
Check the following.
●Joint connector-4
●Harness for open or short between HO2S1 and ECM
>> Repair open circuit or short to ground or short to power in harness or connectors.
5. CHECK FUEL PRESSURE
1. Release fuel pressure to zero. Refer to EC-48, "FUEL PRESSURE RELEASE" .
2. Install fuel pressure gauge and check fuel pressure. Refer to EC-49, "FUEL PRESSURE CHECK" .
OK or NG
OK >> GO TO 7.
NG >> GO TO 6.
DTC Terminals Bank
ECM Sensor
P0171 35 1 1
P0174 16 1 2
Continuity should exist.
DTC Terminals Bank
ECM Sensor
P0171 35 1 1
P0174 16 1 2
Continuity should not exist.
Continuity should exist.
At idling: 350 kPa (3.57 kg/cm2 , 51 psi)

DTC P0171, P0174 FUEL INJECTION SYSTEM FUNCTION
EC-263
C
D
E
F
G
H
I
J
K
L
M
A
EC
Revision; 2004 April 2003 G35 Coupe
6. DETECT MALFUNCTIONING PART
Check the following.
●Fuel pump and circuit (Refer to EC-598 .)
●Fuel pressure regulator (Refer to EC-49 .)
●Fuel lines
●Fuel filter for clogging
>> Repair or replace.
7. CHECK MASS AIR FLOW SENSOR
With CONSULT-II
1. Install all removed parts.
2. Check “MASS AIR FLOW” in “DATA MONITOR” mode with CONSULT-II.
With GST
1. Install all removed parts.
2. Check mass air flow sensor signal in “MODE 1” with GST.
OK or NG
OK >> GO TO 8.
NG >> Check connectors for rusted terminals or loose connections in the mass air flow sensor circuit or
engine grounds. Refer to EC-162, "DTC P0101 MAF SENSOR" .
2.0 - 6.0 g·m/sec: at idling
7.0 - 20.0 g·m/sec: at 2,500 rpm
2.0 - 6.0 g·m/sec: at idling
7.0 - 20.0 g·m/sec: at 2,500 rpm

EC-264
DTC P0171, P0174 FUEL INJECTION SYSTEM FUNCTION
Revision; 2004 April 2003 G35 Coupe
8. CHECK FUNCTION OF INJECTORS
With CONSULT-II
1. Start engine.
2. Perform “POWER BALANCE” in “ACTIVE TEST” mode with
CONSULT-II.
3. Make sure that each circuit produces a momentary engine
speed drop.
Without CONSULT-II
1. Start engine.
2. Listen to each injector operating sound.
OK or NG
OK >> GO TO 9.
NG >> Perform trouble diagnosis for EC-592, "INJECTOR CIRCUIT" .
9. CHECK INJECTOR
1. Confirm that the engine is cooled down and there are no fire hazards near the vehicle.
2. Turn ignition switch OFF.
3. Disconnect all injector harness connectors.
4. Remove injector gallery assembly. Refer to EM-34, "FUEL INJECTOR AND FUEL TUBE" .
Keep fuel hose and all injectors connected to injector gallery.
5. For DTC P0171, reconnect injector harness connectors on bank 1.
For DTC P0174, reconnect injector harness connectors on bank 2.
6. Disconnect all ignition coil harness connectors.
7. Prepare pans or saucers under each injector.
8. Crank engine for about 3 seconds.
For DTC P0171, make sure that fuel sprays out from injectors
on bank 1.
For DTC P0174, make sure that fuel sprays out from injectors
on bank 2.
OK or NG
OK >> GO TO 10.
NG >> Replace injectors from which fuel does not spray out.
Always replace O-ring with new ones.
PBIB0133E
Clicking noise should be heard.
PBIB1725E
Fuel should be sprayed evenly for each injector.
PBIB1726E

EC-266
DTC P0172, P0175 FUEL INJECTION SYSTEM FUNCTION
Revision; 2004 April 2003 G35 Coupe
DTC P0172, P0175 FUEL INJECTION SYSTEM FUNCTION PFP:16600
On Board Diagnosis Logic ABS003BW
With the Air/Fuel Mixture Ratio Self-Learning Control, the actual mixture ratio can be brought closely to the
theoretical mixture ratio based on the mixture ratio feedback signal from the heated oxygen sensors 1. The
ECM calculates the necessary compensation to correct the offset between the actual and the theoretical
ratios.
In case the amount of the compensation value is extremely large (The actual mixture ratio is too rich.), the
ECM judges the condition as the fuel injection system malfunction and lights up the MIL (2 trip detection logic).
DTC Confirmation Procedure ABS003BX
NOTE:
If DTC Confirmation Procedure has been previously conducted, always turn ignition switch OFF and wait at
least 10 seconds before conducting the next test.
WITH CONSULT-II
1. Start engine and warm it up to normal operating temperature.
2. Turn ignition switch OFF and wait at least 10 seconds.
3. Turn ignition switch ON and select “SELF-LEARNING CONT” in “WORK SUPPORT” mode with CON-
SULT-II.
4. Clear the self-learning control coefficient by touching “CLEAR”.
5. Select “DATA MONITOR” mode with CONSULT-II.
6. Start engine again and let it idle for at least 10 minutes.
The 1st trip DTC P0172, P0175 should be detected at this stage,
if a malfunction exists. If so, go to EC-270, "Diagnostic Proce-
dure" .
7. If it is difficult to start engine at step 6, the fuel injection system
has a malfunction, too.
8. Crank engine while depressing accelerator pedal.
If engine starts, go to EC-270, "Diagnostic Procedure" . If engine
does not start, remove ignition plugs and check for fouling, etc.
Sensor Input signal to ECM ECM function Actuator
Heated oxygen sensors 1 Density of oxygen in exhaust gas
(Mixture ratio feedback signal)
Fuel injection
control Fuel injectors
DTC No. Trouble diagnosis
name DTC detecting condition Possible cause
P0172
0172
(Bank 1) Fuel injection system
too rich
●Fuel injection system does not operate properly.
●The amount of mixture ratio compensation is too
large. (The mixture ratio is too rich.)
●Heated oxygen sensor 1
●Injectors
●Exhaust gas leaks
●Incorrect fuel pressure
●Mass air flow sensor
P0175
0175
(Bank 2)
SEF968Y

DTC P0172, P0175 FUEL INJECTION SYSTEM FUNCTION
EC-267
C
D
E
F
G
H
I
J
K
L
M
A
EC
Revision; 2004 April 2003 G35 Coupe
WITH GST
1. Start engine and warm it up to normal operating temperature.
2. Turn ignition switch OFF and wait at least 10 seconds.
3. Disconnect mass air flow sensor harness connector. Then
restart and run engine for at least 5 seconds at idle speed.
4. Stop engine and reconnect mass air flow sensor harness con-
nector.
5. Select “MODE 3” with GST. Make sure DTC P0102 is detected.
6. Select “MODE 4” with GST and erase the DTC P0102.
7. Start engine again and let it idle for at least 10 minutes.
8. Select “MODE 7” with GST. The 1st trip DTC P0172 or P0175
should be detected at this stage, if a malfunction exists. If so, go
to EC-270, "Diagnostic Procedure" .
9. If it is difficult to start engine at step 7, the fuel injection system
has a malfunction.
10. Crank engine while depressing accelerator pedal.
If engine starts, go to EC-270, "Diagnostic Procedure" . If engine does not start, check exhaust and intake
air leak visually.
PBIB1077E

EC-268
DTC P0172, P0175 FUEL INJECTION SYSTEM FUNCTION
Revision; 2004 April 2003 G35 Coupe
Wiring Diagram ABS003BY
BANK 1
TBWT0269E

DTC P0172, P0175 FUEL INJECTION SYSTEM FUNCTION
EC-269
C
D
E
F
G
H
I
J
K
L
M
A
EC
Revision; 2004 April 2003 G35 Coupe
BANK 2
TBWT0270E

EC-270
DTC P0172, P0175 FUEL INJECTION SYSTEM FUNCTION
Revision; 2004 April 2003 G35 Coupe
Diagnostic Procedure ABS003BZ
1. CHECK EXHAUST GAS LEAK
1. Start engine and run it at idle.
2. Listen for an exhaust gas leak before three way catalyst 1.
OK or NG
OK >> GO TO 2.
NG >> Repair or replace.
2. CHECK FOR INTAKE AIR LEAK
Listen for an intake air leak after the mass air flow sensor.
OK or NG
OK >> GO TO 3.
NG >> Repair or replace.
PBIB1165E

DTC P0172, P0175 FUEL INJECTION SYSTEM FUNCTION
EC-271
C
D
E
F
G
H
I
J
K
L
M
A
EC
Revision; 2004 April 2003 G35 Coupe
3. CHECK HEATED OXYGEN SENSOR 1 CIRCUIT FOR OPEN AND SHORT
1. Turn ignition switch OFF.
2. Disconnect corresponding heated oxygen sensor 1 (HO2S1) harness connector.
3. Disconnect ECM harness connector.
4. Check harness continuity between ECM terminal and HO2S1 terminal as follows.
Refer to Wiring Diagram.
5. Check harness continuity between the following terminals and ground.
Refer to Wiring Diagram.
6. Check harness continuity between HO2S1 terminal 4 and ECM terminal 78.
7. Also check harness for short to ground and short to power.
OK or NG
OK >> GO TO 5.
NG >> GO TO 4.
4. DETECT MALFUNCTIONING PART
Check the following.
●Joint connector-4
●Harness for open or short between HO2S1 and ECM
>> Repair open circuit or short to ground or short to power in harness or connectors.
5. CHECK FUEL PRESSURE
1. Release fuel pressure to zero. Refer to EC-48, "FUEL PRESSURE RELEASE" .
2. Install fuel pressure gauge and check fuel pressure. Refer to EC-49, "FUEL PRESSURE CHECK" .
OK or NG
OK >> GO TO 7.
NG >> GO TO 6.
DTC Terminals Bank
ECM Sensor
P0172 35 1 1
P0175 16 1 2
Continuity should exist.
DTC Terminals Bank
ECM Sensor
P0172 35 1 1
P0175 16 1 2
Continuity should not exist.
Continuity should exist.
At idling: 350 kPa (3.57 kg/cm2 , 51 psi)

EC-272
DTC P0172, P0175 FUEL INJECTION SYSTEM FUNCTION
Revision; 2004 April 2003 G35 Coupe
6. DETECT MALFUNCTIONING PART
Check the following.
●Fuel pump and circuit (Refer to, EC-598 .)
●Fuel pressure regulator (Refer to EC-49 .)
>> Repair or replace.
7. CHECK MASS AIR FLOW SENSOR
With CONSULT-II
1. Install all removed parts.
2. Check “MASS AIR FLOW” in “DATA MONITOR” mode with CONSULT-II.
With GST
1. Install all removed parts.
2. Check mass air flow sensor signal in “MODE 1” with GST.
OK or NG
OK >> GO TO 8.
NG >> Check connectors for rusted terminals or loose connections in the mass air flow sensor circuit or
engine grounds. Refer to EC-162, "DTC P0101 MAF SENSOR" .
2.0 - 6.0 g·m/sec: at idling
7.0 - 20.0 g·m/sec: at 2,500 rpm
2.0 - 6.0 g·m/sec: at idling
7.0 - 20.0 g·m/sec: at 2,500 rpm

DTC P0172, P0175 FUEL INJECTION SYSTEM FUNCTION
EC-273
C
D
E
F
G
H
I
J
K
L
M
A
EC
Revision; 2004 April 2003 G35 Coupe
8. CHECK FUNCTION OF INJECTORS
With CONSULT-II
1. Start engine.
2. Perform “POWER BALANCE” in “ACTIVE TEST” mode with
CONSULT-II.
3. Make sure that each circuit produces a momentary engine
speed drop.
Without CONSULT-II
1. Start engine.
2. Listen to each injector operating sound.
OK or NG
OK >> GO TO 9.
NG >> Perform trouble diagnosis for EC-592, "INJECTOR CIRCUIT" .
9. CHECK INJECTOR
1. Remove injector assembly. Refer to EM-34, "FUEL INJECTOR AND FUEL TUBE" .
Keep fuel hose and all injectors connected to injector gallery.
2. Confirm that the engine is cooled down and there are no fire hazards near the vehicle.
3. Disconnect all injector harness connectors.
4. Disconnect all ignition coil harness connectors.
5. Prepare pans or saucers under each injectors.
6. Crank engine for about 3 seconds.
Make sure fuel does not drip from injector.
OK or NG
OK (Does not drip.)>>GO TO 10.
NG (Drips.)>>Replace the injectors from which fuel is dripping. Always replace O-ring with new one.
10. CHECK INTERMITTENT INCIDENT
Refer to EC-132, "TROUBLE DIAGNOSIS FOR INTERMITTENT INCIDENT" .
>> INSPECTION END
PBIB0133E
Clicking noise should be heard.
PBIB1725E

EC-274
DTC P0181 FTT SENSOR
Revision; 2004 April 2003 G35 Coupe
DTC P0181 FTT SENSOR PFP:22630
Component Description ABS003C0
The fuel tank temperature sensor is used to detect the fuel tempera-
ture inside the fuel tank. The sensor modifies a voltage signal from
the ECM. The modified signal returns to the ECM as the fuel temper-
ature input. The sensor uses a thermistor which is sensitive to the
change in temperature. The electrical resistance of the thermistor
decreases as temperature increases.
<Reference data>
*: These data are reference values and are measured between ECM terminal 107
(Fuel tank temperature sensor) and ground.
CAUTION:
Do not use ECM ground terminals when measuring input/output
voltage. Doing so may result in damage to the ECM's transistor.
Use a ground other than ECM terminals, such as the ground.
On Board Diagnosis Logic ABS003C1
DTC Confirmation Procedure ABS003C2
NOTE:
If DTC Confirmation Procedure has been previously conducted, always turn ignition switch OFF and wait at
least 10 seconds before conducting the next test.
WITH CONSULT-II
1. Turn ignition switch ON.
2. Select “DATA MONITOR” mode with CONSULT-II.
3. Wait at least 10 seconds.
If the result is NG, go to EC-277, "Diagnostic Procedure" .
If the result is OK, go to following step.
4. Check “COOLAN TEMP/S” value.
If “COOLAN TEMP/S” is less than 60°C (140°F), the result will
be OK.
If “COOLAN TEMP/S” is above 60°C (140°F), go to the following
step.
5. Cool engine down until “COOLAN TEMP/S” is less than 60°C
(140°F).
6. Wait at least 10 seconds.
7. If 1st trip DTC is detected, go to EC-277, "Diagnostic Procedure" .
PBIB1280E
Fluid temperature
°C (°F)
Voltage*
V
Resistance
kΩ
20 (68) 3.5 2.3 - 2.7
50 (122) 2.2 0.79 - 0.90
SEF012P
DTC No. Trouble diagnosis name DTC detecting condition Possible cause
P0181
0181
Fuel tank temperature
sensor circuit range/
performance
Rationally incorrect voltage from the sensor is
sent to ECM, compared with the voltage sig-
nals from engine coolant temperature sensor
and intake air temperature sensor.
●Harness or connectors
(The sensor circuit is open or shorted)
●Fuel tank temperature sensor
SEF174Y

DTC P0181 FTT SENSOR
EC-275
C
D
E
F
G
H
I
J
K
L
M
A
EC
Revision; 2004 April 2003 G35 Coupe
WITH GST
Follow the procedure “WITH CONSULT-II” above.

EC-276
DTC P0181 FTT SENSOR
Revision; 2004 April 2003 G35 Coupe
Wiring Diagram ABS003C3
TBWT0271E

DTC P0181 FTT SENSOR
EC-277
C
D
E
F
G
H
I
J
K
L
M
A
EC
Revision; 2004 April 2003 G35 Coupe
Diagnostic Procedure ABS003C4
1. CHECK FUEL TANK TEMPERATURE SENSOR POWER SUPPLY CIRCUIT
1. Turn ignition switch OFF.
2. Disconnect “fuel level sensor unit and fuel pump” harness con-
nector.
3. Turn ignition switch ON.
4. Check voltage between “fuel level sensor unit and fuel pump”
terminal 4 and ground with CONSULT-II or tester.
OK or NG
OK >> GO TO 3.
NG >> GO TO 2.
2. DETECT MALFUNCTIONING PART
Check the following.
●Harness connectors M72, F102
●Harness connectors B1, M12
●Harness for open or short between ECM and “fuel level sensor unit and fuel pump”
>> Repair harness or connector.
3. CHECK FUEL TANK TEMPERATURE SENSOR GROUND CIRCUIT FOR OPEN AND SHORT
1. Turn ignition switch OFF.
2. Check harness continuity between “fuel level sensor unit and fuel pump” terminal 5 and body ground.
Refer to Wiring Diagram.
3. Also check harness for short to power.
OK or NG
OK >> GO TO 5.
NG >> GO TO 4.
4. DETECT MALFUNCTIONING PART
Check the following.
●Harness connectors B1, M12
●Harness for open or short between “fuel level sensor unit and fuel pump” and body ground.
>> Repair open circuit or short to power in harness or connector.
PBIB1280E
Voltage: Approximately 5V
PBIB0932E
Continuity should exist.

EC-278
DTC P0181 FTT SENSOR
Revision; 2004 April 2003 G35 Coupe
5. CHECK FUEL TANK TEMPERATURE SENSOR
Refer to EC-278, "Component Inspection" .
OK or NG
OK >> GO TO 6.
NG >> Replace fuel level sensor unit.
6. CHECK INTERMITTENT INCIDENT
Refer to EC-132, "TROUBLE DIAGNOSIS FOR INTERMITTENT INCIDENT" .
>> INSPECTION END
Component Inspection ABS003C5
FUEL TANK TEMPERATURE SENSOR
1. Remove fuel level sensor unit.
2. Check resistance between “fuel level sensor unit and fuel pump”
terminals 4 and 5 by heating with hot water or heat gun as
shown in the figure.
Removal and Installation ABS003C6
FUEL TANK TEMPERATURE SENSOR
Refer to FL-5, "FUEL LEVEL SENSOR UNIT, FUEL FILTER AND FUEL PUMP ASSEMBLY" .
Temperature °C (°F) Resistance kΩ
20 (68) 2.3 - 2.7
50 (122) 0.79 - 0.90
PBIB0931E

DTC P0182, P0183 FTT SENSOR
EC-279
C
D
E
F
G
H
I
J
K
L
M
A
EC
Revision; 2004 April 2003 G35 Coupe
DTC P0182, P0183 FTT SENSOR PFP:22630
Component Description ABS003C7
The fuel tank temperature sensor is used to detect the fuel tempera-
ture inside the fuel tank. The sensor modifies a voltage signal from
the ECM. The modified signal returns to the ECM as the fuel temper-
ature input. The sensor uses a thermistor which is sensitive to the
change in temperature. The electrical resistance of the thermistor
decreases as temperature increases.
<Reference data>
*: These data are reference values and are measured between ECM terminal 107
(Fuel tank temperature sensor) and ground.
CAUTION:
Do not use ECM ground terminals when measuring input/output
voltage. Doing so may result in damage to the ECM's transistor.
Use a ground other than ECM terminals, such as the ground.
On Board Diagnosis Logic ABS003C8
DTC Confirmation Procedure ABS003C9
NOTE:
If DTC Confirmation Procedure has been previously conducted, always turn ignition switch OFF and wait at
least 10 seconds before conducting the next test.
WITH CONSULT-II
1. Turn ignition switch ON.
2. Select “DATA MONITOR” mode with CONSULT-II.
3. Wait at least 5 seconds.
4. If 1st trip DTC is detected, go to EC-281, "Diagnostic Procedure"
.
WITH GST
Follow the procedure “With CONSULT-II” above.
PBIB1280E
Fluid temperature
°C (°F)
Voltage*
V
Resistance
kΩ
20 (68) 3.5 2.3 - 2.7
50 (122) 2.2 0.79 - 0.90
SEF012P
DTC No. Trouble diagnosis name DTC detecting condition Possible cause
P0182
0182
Fuel tank temperature
sensor circuit low input
An excessively low voltage from the sensor is
sent to ECM. ●Harness or connectors
(The sensor circuit is open or shorted.)
●Fuel tank temperature sensor
P0183
0183
Fuel tank temperature
sensor circuit high input
An excessively high voltage from the sensor is
sent to ECM.
SEF174Y

EC-280
DTC P0182, P0183 FTT SENSOR
Revision; 2004 April 2003 G35 Coupe
Wiring Diagram ABS003CA
TBWT0271E

DTC P0182, P0183 FTT SENSOR
EC-281
C
D
E
F
G
H
I
J
K
L
M
A
EC
Revision; 2004 April 2003 G35 Coupe
Diagnostic Procedure ABS003CB
1. CHECK FUEL TANK TEMPERATURE SENSOR POWER SUPPLY CIRCUIT
1. Turn ignition switch OFF.
2. Disconnect “fuel level sensor unit and fuel pump” harness con-
nector.
3. Turn ignition switch ON.
4. Check voltage between “fuel level sensor unit and fuel pump”
terminal 4 and ground with CONSULT-II or tester.
OK or NG
OK >> GO TO 3.
NG >> GO TO 2.
2. DETECT MALFUNCTIONING PART
Check the following.
●Harness connectors M72, F102
●Harness connectors B1, M12
●Harness for open or short between ECM and “fuel level sensor unit and fuel pump”
>> Repair harness or connector.
3. CHECK FUEL TANK TEMPERATURE SENSOR GROUND CIRCUIT FOR OPEN AND SHORT
1. Turn ignition switch OFF.
2. Check harness continuity between “fuel level sensor unit and fuel pump” terminal 5 and body ground.
Refer to Wiring Diagram.
3. Also check harness for short to power.
OK or NG
OK >> GO TO 5.
NG >> GO TO 4.
4. DETECT MALFUNCTIONING PART
Check the following.
●Harness connectors B1, M12
●Harness for open or short between “fuel level sensor unit and fuel pump” and body ground.
>> Repair open circuit or short to power in harness or connector.
PBIB1280E
Voltage: Approximately 5V
PBIB0932E
Continuity should exist.

EC-282
DTC P0182, P0183 FTT SENSOR
Revision; 2004 April 2003 G35 Coupe
5. CHECK FUEL TANK TEMPERATURE SENSOR
Refer to EC-278, "Component Inspection" .
OK or NG
OK >> GO TO 6.
NG >> Replace fuel level sensor unit.
6. CHECK INTERMITTENT INCIDENT
Refer to EC-132, "TROUBLE DIAGNOSIS FOR INTERMITTENT INCIDENT" .
>> INSPECTION END
Component Inspection ABS003CC
FUEL TANK TEMPERATURE SENSOR
1. Remove fuel level sensor unit.
2. Check resistance between “fuel level sensor unit and fuel pump”
terminals 4 and 5 by heating with hot water or heat gun as
shown in the figure.
Removal and Installation ABS003CD
FUEL TANK TEMPERATURE SENSOR
Refer to FL-5, "FUEL LEVEL SENSOR UNIT, FUEL FILTER AND FUEL PUMP ASSEMBLY" .
Temperature °C (°F) Resistance kΩ
20 (68) 2.3 - 2.7
50 (122) 0.79 - 0.90
PBIB0931E

DTC P0222, P0223 TP SENSOR
EC-283
C
D
E
F
G
H
I
J
K
L
M
A
EC
Revision; 2004 April 2003 G35 Coupe
DTC P0222, P0223 TP SENSOR PFP:16119
Component Description ABS003CE
Electric Throttle Control Actuator consists of throttle control motor,
throttle position sensor, etc. The throttle position sensor responds to
the throttle valve movement.
The throttle position sensor has the two sensors. These sensors are
a kind of potentiometers which transform the throttle valve position
into output voltage, and emit the voltage signal to the ECM. In addi-
tion, these sensors detect the opening and closing speed of the
throttle valve and feed the voltage signals to the ECM. The ECM
judges the current opening angle of the throttle valve from these sig-
nals and the ECM controls the throttle control motor to make the
throttle valve opening angle properly in response to driving condi-
tion.
CONSULT-II Reference Value in Data Monitor Mode ABS003CF
Specification data are reference values.
*: Throttle position sensor 2 signal is converted by ECM internally. Thus, it differs from ECM terminal voltage signal.
On Board Diagnosis Logic ABS003CG
These self-diagnoses have the one trip detection logic.
FAIL-SAFE MODE
When the malfunction is detected, ECM enters fail-safe mode an the MIL lights up.
PBIB0145E
MONITOR ITEM CONDITION SPECIFICATION
THRTL SEN1
THRTL SEN2*
●Ignition switch: ON
(Engine stopped)
●Shift lever: D (A/T), 1st (M/T)
Accelerator pedal: Fully released More than 0.36V
Accelerator pedal: Fully depressed Less than 4.75V
DTC No. Trouble diagnosis name DTC detecting condition Possible cause
P0222
0222
Throttle position sensor
1 circuit low input
An excessively low voltage from the TP sensor
1 is sent to ECM.
●Harness or connectors
(The TP sensor 1 circuit is open or
shorted.)
(APP sensor 2 circuit is shorted.)
●Electric throttle control actuator
(TP sensor 1)
●Accelerator pedal position sensor
(APP sensor 2)
P0223
0223
Throttle position sensor
1 circuit high input
An excessively high voltage from the TP sen-
sor 1 is sent to ECM.
Engine operation condition in fail-safe mode
ECM controls the electric throttle control actuator in regulating the throttle opening in order for the idle position to be within +10
degrees.
ECM regulates the opening speed of the throttle valve to be slower than the normal condition.
So, the acceleration will be poor.

EC-284
DTC P0222, P0223 TP SENSOR
Revision; 2004 April 2003 G35 Coupe
DTC Confirmation Procedure ABS003CH
NOTE:
If DTC Confirmation Procedure has been previously conducted, always turn ignition switch OFF and wait at
least 10 seconds before conducting the next test.
TESTING CONDITION:
Before performing the following procedure, confirm that battery voltage is more than 10V at idle.
WITH CONSULT-II
1. Turn ignition switch ON.
2. Select “DATA MONITOR” mode with CONSULT-II.
3. Start engine and let it idle for 1 second.
4. If DTC is detected, go to EC-286, "Diagnostic Procedure" .
WITH GST
Follow the procedure “WITH CONSULT-II” above.
SEF058Y

DTC P0222, P0223 TP SENSOR
EC-285
C
D
E
F
G
H
I
J
K
L
M
A
EC
Revision; 2004 April 2003 G35 Coupe
Wiring Diagram ABS003CI
TBWB0067E

EC-286
DTC P0222, P0223 TP SENSOR
Revision; 2004 April 2003 G35 Coupe
Specification data are reference values and are measured between each terminal and ground.
CAUTION:
Do not use ECM ground terminals when measuring input/output voltage. Doing so may result in dam-
age to the ECM's transistor. Use a ground other than ECM terminals, such as the ground.
Diagnostic Procedure ABS003CJ
1. RETIGHTEN GROUND SCREWS
1. Turn ignition switch OFF.
2. Loosen and retighten engine ground screws.
>> GO TO 2.
TER-
MINAL
NO.
WIRE
COLOR ITEM CONDITION DATA (DC Voltage)
47 B Sensors' power supply
(Throttle position sensor) [Ignition switch: ON] Approximately 5V
50 W Throttle position sensor 1
[Ignition switch: ON]
●Engine stopped
●Shift lever: D (A/T) or 1st (M/T)
●Accelerator pedal fully released
More than 0.36V
[Ignition switch: ON]
●Engine stopped
●Shift lever: D (A/T) or 1st (M/T)
●Accelerator pedal fully depressed
Less than 4.75V
66 W/R Sensors' ground
(Throttle position sensor)
[Engine is running]
●Warm-up condition
●Idle speed
Approximately 0V
69 R/L Throttle position sensor 2
[Ignition switch: ON]
●Engine stopped
●Shift lever: D (A/T) or 1st (M/T)
●Accelerator pedal fully released
Less than 4.75V
[Ignition switch: ON]
●Engine stopped
●Shift lever: D (A/T) or 1st (M/T)
●Accelerator pedal fully depressed
More than 0.36V
91 G Sensors' power supply
(APP sensor 2) [Ignition switch: ON] Approximately 5V
PBIB0986E

DTC P0222, P0223 TP SENSOR
EC-287
C
D
E
F
G
H
I
J
K
L
M
A
EC
Revision; 2004 April 2003 G35 Coupe
2. CHECK THROTTLE POSITION SENSOR 1 POWER SUPPLY CIRCUIT-I
1. Disconnect electric throttle control actuator harness connector.
2. Turn ignition switch ON.
3. Check voltage between electric throttle control actuator terminal
1 and ground with CONSULT-II or tester.
OK or NG
OK >> GO TO 7.
NG >> GO TO 3.
3. CHECK THROTTLE POSITION SENSOR 1 POWER SUPPLY CIRCUIT-II
1. Turn ignition switch OFF.
2. Disconnect ECM harness connector.
3. Check harness continuity between electric throttle control actuator terminal 1 and ECM terminal 47.
Refer to Wiring Diagram.
OK or NG
OK >> GO TO 4.
NG >> Repair or replace open circuit.
4. CHECK THROTTLE POSITION SENSOR 1 POWER SUPPLY CIRCUIT-III
Check harness for short to power and short to ground, between the following terminals.
OK or NG
OK >> GO TO 5.
NG >> Repair short to ground or short to power in harness or connectors.
5. CHECK APP SENSOR
Refer to EC-563, "Component Inspection" .
OK or NG
OK >> GO TO 11.
NG >> GO TO 6.
PBIB0995E
Voltage: Approximately 5V
PBIB0082E
Continuity should exist.
ECM terminal Sensor terminal Reference Wiring Diagram
47 Electric throttle control actuator terminal 1 EC-285
91 APP sensor terminal 4 EC-559

EC-288
DTC P0222, P0223 TP SENSOR
Revision; 2004 April 2003 G35 Coupe
6. REPLACE ACCELERATOR PEDAL ASSEMBLY
1. Replace the accelerator pedal assembly.
2. Perform EC-46, "Accelerator Pedal Released Position Learning" .
3. Perform EC-46, "Throttle Valve Closed Position Learning" .
4. Perform EC-46, "Idle Air Volume Learning" .
>> INSPECTION END
7. CHECK THROTTLE POSITION SENSOR 1 GROUND CIRCUIT FOR OPEN AND SHORT
1. Turn ignition switch OFF.
2. Disconnect ECM harness connector.
3. Check harness continuity between electric throttle control actuator terminal 5 and ECM terminal 66.
Refer to Wiring Diagram.
4. Also check harness for short to ground and short to power.
OK or NG
OK >> GO TO 8.
NG >> Repair open circuit or short to ground or short to power in harness or connectors.
8. CHECK THROTTLE POSITION SENSOR 1 INPUT SIGNAL CIRCUIT FOR OPEN AND SHORT
1. Check harness continuity between ECM terminal 50 and electric throttle control actuator terminal 4.
Refer to Wiring Diagram.
2. Also check harness for short to ground and short to power.
OK or NG
OK >> GO TO 9.
NG >> Repair open circuit or short to ground or short to power in harness or connectors.
9. CHECK THROTTLE POSITION SENSOR
Refer to EC-289, "Component Inspection" .
OK or NG
OK >> GO TO 11.
NG >> GO TO 10.
10. REPLACE ELECTRIC THROTTLE CONTROL ACTUATOR
1. Replace the electric throttle control actuator.
2. Perform EC-46, "Throttle Valve Closed Position Learning" .
3. Perform EC-46, "Idle Air Volume Learning" .
>> INSPECTION END
11. CHECK INTERMITTENT INCIDENT
Refer to EC-132, "TROUBLE DIAGNOSIS FOR INTERMITTENT INCIDENT" .
>> INSPECTION END
Continuity should exist.
Continuity should exist.

DTC P0222, P0223 TP SENSOR
EC-289
C
D
E
F
G
H
I
J
K
L
M
A
EC
Revision; 2004 April 2003 G35 Coupe
Component Inspection ABS003CK
THROTTLE POSITION SENSOR
1. Reconnect all harness connectors disconnected.
2. Perform EC-46, "Throttle Valve Closed Position Learning" .
3. Turn ignition switch ON.
4. Set selector lever to D (A/T) or 1st (M/T) position.
5. Check voltage between ECM terminals 50 (TP sensor 1signal),
69 (TP sensor 2signal) and engine ground under the following
conditions.
6. If NG, replace electric throttle control actuator and go to the next
step.
7. Perform EC-46, "Throttle Valve Closed Position Learning" .
8. Perform EC-46, "Idle Air Volume Learning" .
Removal and Installation ABS003CL
ELECTRIC THROTTLE CONTROL ACTUATOR
Refer to EM-16, "INTAKE MANIFOLD COLLECTOR" .
Terminal Accelerator pedal Voltage
50
(Throttle position sensor 1)
Fully released More than 0.36V
Fully depressed Less than 4.75V
69
(Throttle position sensor 2)
Fully released Less than 4.75V
Fully depressed More than 0.36V
PBIB1170E

EC-290
DTC P0300 - P0306 MULTIPLE CYLINDER MISFIRE, NO. 1 - 6 CYLINDER MIS-
FIRE
Revision; 2004 April 2003 G35 Coupe
DTC P0300 - P0306 MULTIPLE CYLINDER MISFIRE, NO. 1 - 6 CYLINDER MIS-
FIRE PFP:00000
On Board Diagnosis Logic ABS003CM
When a misfire occurs, engine speed will fluctuate. If the engine speed fluctuates enough to cause the crank-
shaft position (CKP) sensor (POS) signal to vary, ECM can determine that a misfire is occurring.
The misfire detection logic consists of the following two conditions.
1. One Trip Detection Logic (Three Way Catalyst Damage)
On the first trip that a misfire condition occurs that can damage the three way catalyst (TWC) due to over-
heating, the MIL will blink.
When a misfire condition occurs, the ECM monitors the CKP sensor signal every 200 engine revolutions
for a change.
When the misfire condition decreases to a level that will not damage the TWC, the MIL will turn off.
If another misfire condition occurs that can damage the TWC on a second trip, the MIL will blink.
When the misfire condition decreases to a level that will not damage the TWC, the MIL will remain on.
If another misfire condition occurs that can damage the TWC, the MIL will begin to blink again.
2. Two Trip Detection Logic (Exhaust quality deterioration)
For misfire conditions that will not damage the TWC (but will affect vehicle emissions), the MIL will only
light when the misfire is detected on a second trip. During this condition, the ECM monitors the CKP sen-
sor signal every 1,000 engine revolutions.
A misfire malfunction can be detected on any one cylinder or on multiple cylinders.
DTC Confirmation Procedure ABS003CN
CAUTION:
Always drive vehicle at a safe speed.
NOTE:
If DTC Confirmation Procedure has been previously conducted, always turn ignition switch OFF and wait at
least 10 seconds before conducting the next test.
Sensor Input Signal to ECM ECM function
Crankshaft position sensor (POS) Engine speed On board diagnosis of misfire
DTC No. Trouble diagnosis name DTC detecting condition Possible cause
P0300
0300
Multiple cylinder misfire
detected Multiple cylinder misfire. ●Improper spark plug
●Insufficient compression
●Incorrect fuel pressure
●The injector circuit is open or shorted
●Fuel injectors
●Intake air leak
●The ignition signal circuit is open or
shorted
●Lack of fuel
●Signal plate
●Heated oxygen sensor 1
●Incorrect PCV hose connection
P0301
0301
No.1 cylinder misfire
detected No. 1 cylinder misfires.
P0302
0302
No. 2 cylinder misfire
detected No. 2 cylinder misfires.
P0303
0303
No. 3 cylinder misfire
detected No. 3 cylinder misfires.
P0304
0304
No. 4 cylinder misfire
detected No. 4 cylinder misfires.
P0305
0305
No. 5 cylinder misfire
detected No. 5 cylinder misfires.
P0306
0306
No. 6 cylinder misfire
detected No. 6 cylinder misfires.

DTC P0300 - P0306 MULTIPLE CYLINDER MISFIRE, NO. 1 - 6 CYLINDER MIS-
FIRE
EC-291
C
D
E
F
G
H
I
J
K
L
M
A
EC
Revision; 2004 April 2003 G35 Coupe
WITH CONSULT-II
1. Turn ignition switch ON, and select “DATA MONITOR” mode
with CONSULT-II.
2. Start engine and warm it up to normal operating temperature.
3. Turn ignition switch OFF and wait at least 10 seconds.
4. Restart engine and let it idle for about 15 minutes.
5. If 1st trip DTC is detected, go to EC-291, "Diagnostic Procedure"
.
NOTE:
If 1st trip DTC is not detected during above procedure, performing
the following procedure is advised.
1. Turn ignition switch OFF and wait at least 10 seconds.
2. Start engine and drive the vehicle under the similar conditions to (1st trip) Freeze Frame Data for a certain
time. Refer to the table below.
Hold the accelerator pedal as steady as possible.
The similar conditions to (1st trip) Freeze Frame Data means the vehicle operation that the following con-
ditions should be satisfied at the same time.
The time to driving varies according to the engine speed in the freeze frame data.
WITH GST
Follow the procedure “WITH CONSULT-II” above.
Diagnostic Procedure ABS003CO
1. CHECK FOR INTAKE AIR LEAK AND PCV HOSE
1. Start engine and run it at idle speed.
2. Listen for the sound of the intake air leak.
3. Check PCV hose connection.
OK or NG
OK >> GO TO 2.
NG >> Discover air leak location and repair.
2. CHECK FOR EXHAUST SYSTEM CLOGGING
Stop engine and visually check exhaust tube, three way catalyst and muffler for dents.
OK or NG
OK >> GO TO 3.
NG >> Repair or replace it.
PBIB0164E
Engine speed Engine speed in the freeze frame data ± 400 rpm
Vehicle speed Vehicle speed in the freeze frame data ± 10 km/h (5 MPH)
Engine coolant temperature
(T) condition
When the freeze frame data shows lower than 70 °C (158 °F),
T should be lower than 70 °C (158 °F).
When the freeze frame data shows higher than or equal to 70 °C (158 °F),
T should be higher than or equal to 70 °C (158 °F).
Engine speed Time
Around 1,000 rpm Approximately 10 minutes
Around 2,000 rpm Approximately 5 minutes
More than 3,000 rpm Approximately 3.5 minutes

EC-292
DTC P0300 - P0306 MULTIPLE CYLINDER MISFIRE, NO. 1 - 6 CYLINDER MIS-
FIRE
Revision; 2004 April 2003 G35 Coupe
3. PERFORM POWER BALANCE TEST
With CONSULT-II
1. Perform “POWER BALANCE” in “ACTIVE TEST” mode.
2. Is there any cylinder which does not produce a momentary
engine speed drop?
Without CONSULT-II
When disconnecting each injector harness connector one at a time,
is there any cylinder which does not produce a momentary engine
speed drop?
Yes or No
Yes >> GO TO 4.
No >> GO TO 7.
4. CHECK INJECTOR
Does each injector make an operating sound at idle?
Yes or No
Yes >> GO TO 5.
No >> Check injector(s) and circuit(s). Refer to EC-592,
"INJECTOR CIRCUIT" .
PBIB0133E
PBIB0997E
PBIB1725E

DTC P0300 - P0306 MULTIPLE CYLINDER MISFIRE, NO. 1 - 6 CYLINDER MIS-
FIRE
EC-293
C
D
E
F
G
H
I
J
K
L
M
A
EC
Revision; 2004 April 2003 G35 Coupe
5. CHECK IGNITION SPARK
1. Remove ignition coil assembly from rocker cover.
2. Remove spark plug from ignition coil assembly
3. Connect a known good spark plug to the ignition coil.
4. Place end of spark plug against a suitable ground and crank engine.
5. Check for spark.
OK or NG
OK >> GO TO 6.
NG >> Check ignition coil, power transistor and their circuits.
Refer to EC-580, "IGNITION SIGNAL" .
6. CHECK SPARK PLUGS
Remove the spark plugs and check for fouling, etc.
OK or NG
OK >> GO TO 7.
NG >> Repair or replace spark plug(s) with standard type
one(s). For spark plug type, refer to, MA-16, "Changing
Spark Plugs (Platinum-Tipped Type)" .
7. CHECK COMPRESSION PRESSURE
Check compression pressure. Refer to EM-81, "CHECKING COMPRESSION PRESSURE" .
OK or NG
OK >> GO TO 8.
NG >> Check pistons, piston rings, valves, valve seats and cylinder head gaskets.
8. CHECK FUEL PRESSURE
1. Install all removed parts.
2. Release fuel pressure to zero. Refer to EC-48, "FUEL PRESSURE RELEASE" .
3. Install fuel pressure gauge and check fuel pressure. Refer to EC-49, "FUEL PRESSURE CHECK" .
OK or NG
OK >> GO TO 10.
NG >> GO TO 9.
SEF575Q
SEF156I
Standard: 1,275 kPa (13.0 kg/cm2 , 185 psi)/300 rpm
Minimum: 981 kPa (10.0 kg/cm2 , 142 psi)/300 rpm
Difference between each
cylinder: 98 kPa (1.0 kg/cm2 , 14 psi)/300 rpm
At idle: Approx. 350 kPa (3.57 kg/cm2 , 51 psi)

EC-294
DTC P0300 - P0306 MULTIPLE CYLINDER MISFIRE, NO. 1 - 6 CYLINDER MIS-
FIRE
Revision; 2004 April 2003 G35 Coupe
9. DETECT MALFUNCTIONING PART
Check the following.
●Fuel pump and circuit (Refer to EC-598, "FUEL PUMP CIRCUIT" .)
●Fuel pressure regulator (Refer to EC-49, "FUEL PRESSURE CHECK" .)
●Fuel lines
●Fuel filter for clogging
>> Repair or replace.
10. CHECK IGNITION TIMING
Check the following items. Refer to EC-81, "Basic Inspection" .
OK or NG
OK >> GO TO 11.
NG >> Follow the EC-81, "Basic Inspection" .
11. CHECK HEATED OXYGEN SENSOR 1 (BANK 1)/(BANK 2)
Refer to EC-210, "Component Inspection" .
OK or NG
OK >> GO TO 13.
NG >> GO TO 12.
12. CHECK MASS AIR FLOW SENSOR
With CONSULT-II
Check mass air flow sensor signal in “DATA MONITOR” mode with CONSULT-II.
With GST
Check mass air flow sensor signal in “MODE 1” with GST.
OK or NG
OK >> GO TO 13.
NG >> Check connectors for rusted terminals or loose connections in the mass air flow sensor circuit or
engine grounds. Refer to EC-162, "DTC P0101 MAF SENSOR" .
13. CHECK SYMPTOM MATRIX CHART
Check items on the rough idle symptom in EC-86, "Symptom Matrix Chart" .
OK or NG
OK >> GO TO 14.
NG >> Repair or replace.
Items Specifications
Target idle speed A/T 650 ± 50 rpm (in P or N position)
M/T 650 ± 50 rpm (in N position)
Ignition timing A/T 15 ± 5° BTDC (in P or N position)
M/T 15 ± 5° BTDC (in N position)
2.0 - 6.0 g·m/sec: at idling
7.0 - 20.0 g·m/sec: at 2,500 rpm
2.0 - 6.0 g·m/sec: at idling
7.0 - 20.0 g·m/sec: at 2,500 rpm

DTC P0300 - P0306 MULTIPLE CYLINDER MISFIRE, NO. 1 - 6 CYLINDER MIS-
FIRE
EC-295
C
D
E
F
G
H
I
J
K
L
M
A
EC
Revision; 2004 April 2003 G35 Coupe
14. ERASE THE 1ST TRIP DTC
Some tests may cause a 1st trip DTC to be set.
Erase the 1st trip DTC from the ECM memory after performing the tests. Refer to EC-64, "HOW TO ERASE
EMISSION-RELATED DIAGNOSTIC INFORMATION" .
>> GO TO 15.
15. CHECK INTERMITTENT INCIDENT
Refer to EC-132, "TROUBLE DIAGNOSIS FOR INTERMITTENT INCIDENT" .
>> INSPECTION END

EC-296
DTC P0327, P0328 KS
Revision; 2004 April 2003 G35 Coupe
DTC P0327, P0328 KS PFP:22060
Component Description ABS003CP
The knock sensor is attached to the cylinder block. It senses engine
knocking using a piezoelectric element. A knocking vibration from
the cylinder block is sensed as vibrational pressure. This pressure is
converted into a voltage signal and sent to the ECM.
On Board Diagnosis Logic ABS003CQ
The MIL will not light up for these diagnoses.
DTC Confirmation Procedure ABS003CR
NOTE:
If DTC Confirmation Procedure has been previously conducted, always turn ignition switch OFF and wait at
least 10 seconds before conducting the next test.
TESTING CONDITION:
Before performing the following procedure, confirm that battery voltage is more than 10V at idle.
WITH CONSULT-II
1. Turn ignition switch ON and select “DATA MONITOR” mode with CONSULT-II.
2. Start engine and run it for at least 5 seconds at idle speed.
3. If 1st trip DTC is detected, go to EC-298, "Diagnostic Procedure"
.
WITH GST
Follow the procedure “WITH CONSULT-II” above.
PBIB0998E
DTC No. Trouble diagnosis
name DTC detected condition Possible cause
P0327
0327
Knock sensor circuit
low input
An excessively low voltage from the sensor is
sent to ECM. ●Harness or connectors
(The sensor circuit is open or shorted.)
●Knock sensor
P0328
0328
Knock sensor circuit
high input
An excessively high voltage from the sensor is
sent to ECM.
SEF058Y

DTC P0327, P0328 KS
EC-297
C
D
E
F
G
H
I
J
K
L
M
A
EC
Revision; 2004 April 2003 G35 Coupe
Wiring Diagram ABS003CS
TBWT0278E

EC-298
DTC P0327, P0328 KS
Revision; 2004 April 2003 G35 Coupe
Specification data are reference values and are measured between each terminal and ground.
CAUTION:
Do not use ECM ground terminals when measuring input/output voltage. Doing so may result in dam-
age to the ECM's transistor. Use a ground other than ECM terminals, such as the ground.
Diagnostic Procedure ABS003CT
1. CHECK KNOCK SENSOR INPUT SIGNAL CIRCUIT FOR OPEN AND SHORT-I
1. Turn ignition switch OFF.
2. Disconnect ECM harness connector.
3. Check resistance between ECM terminal 15 and engine ground. Refer to Wiring Diagram.
NOTE:
It is necessary to use an ohmmeter which can measure more than 10 MΩ.
4. Also check harness for short to ground and short to power.
OK or NG
OK >> GO TO 4.
NG >> GO TO 2.
2. CHECK KNOCK SENSOR INPUT SIGNAL CIRCUIT FOR OPEN AND SHORT-II
1. Disconnect knock sensor harness connector.
2. Check harness continuity between ECM terminal 15 and knock
sensor terminal 1.
Refer to Wiring Diagram.
3. Also check harness for short to ground and short to power.
OK or NG
OK >> GO TO 4.
NG >> GO TO 3.
3. DETECT MALFUNCTIONING PART
Check the following.
●Harness connectors F37, F229
●Harness for open or short between ECM and knock sensor
>> Repair open circuit or short to ground or short to power in harness or connectors.
4. CHECK KNOCK SENSOR
Refer to EC-299, "Component Inspection" .
OK or NG
OK >> GO TO 5.
NG >> Replace knock sensor.
TER-
MINAL
NO.
WIRE
COLOR ITEM CONDITION DATA (DC Voltage)
15 W Knock sensor [Engine is running]
●Idle speed Approximately 2.5V
Resistance: Approximately 532 - 588 kΩ [at 20°C (68°F)]
Continuity should exist.
PBIB0998E

DTC P0327, P0328 KS
EC-299
C
D
E
F
G
H
I
J
K
L
M
A
EC
Revision; 2004 April 2003 G35 Coupe
5. RETIGHTEN GROUND SCREWS
Loosen and retighten engine ground screws.
>> GO TO 6.
6. CHECK KNOCK SENSOR SHIELD CIRCUIT FOR OPEN AND SHORT
1. Turn ignition switch OFF.
2. Disconnect knock sensor harness connector.
3. Check harness continuity between knock sensor terminal 2 and body ground. Refer to Wiring Diagram.
OK or NG
OK >> GO TO 8.
NG >> GO TO 7.
7. DETECT MALFUNCTIONING PART
Check the following.
●Joint connector-4
●Harness connectors F37, F229
●Harness connectors F102, M72
●Harness for open or short between knock sensor terminal 2 and body ground
>> Repair open circuit or short power in harness or connectors.
8. CHECK INTERMITTENT INCIDENT
Refer to EC-132, "TROUBLE DIAGNOSIS FOR INTERMITTENT INCIDENT" .
>> INSPECTION END
Component Inspection ABS003CU
KNOCK SENSOR
Check resistance between knock sensor terminal 1 and ground.
NOTE:
It is necessary to use an ohmmeter which can measure more
than 10 MΩ.
CAUTION:
Do not use any knock sensors that have been dropped or phys-
ically damaged. Use only new ones.
PBIB0986E
Continuity should exist.
Resistance: Approximately 532 - 588 kΩ [at 20°C (68°F)]
SEF111Y

EC-300
DTC P0327, P0328 KS
Revision; 2004 April 2003 G35 Coupe
Removal and Installation ABS003CV
KNOCK SENSOR
Refer to EM-98, "CYLINDER BLOCK" .

DTC P0335 CKP SENSOR (POS)
EC-301
C
D
E
F
G
H
I
J
K
L
M
A
EC
Revision; 2004 April 2003 G35 Coupe
DTC P0335 CKP SENSOR (POS) PFP:23731
Component Description ABS003CW
The crankshaft position sensor (POS) is located on the oil pan facing
the gear teeth (cogs) of the signal plate. It detects the fluctuation of
the engine revolution.
The sensor consists of a permanent magnet and Hall IC.
When the engine is running, the high and low parts of the teeth
cause the gap with the sensor to change.
The changing gap causes the magnetic field near the sensor to
change.
Due to the changing magnetic field, the voltage from the sensor
changes.
The ECM receives the voltage signal and detects the fluctuation of
the engine revolution.
CONSULT-II Reference Value in Data Monitor Mode ABS003CX
Specification data are reference values.
On Board Diagnosis Logic ABS003CY
DTC Confirmation Procedure ABS003CZ
NOTE:
If DTC Confirmation Procedure has been previously conducted, always turn ignition switch OFF and wait at
least 10 seconds before conducting the next test.
TESTING CONDITION:
Before performing the following procedure, confirm that battery voltage is more than 10.5V with igni-
tion switch ON.
WITH CONSULT-II
1. Turn ignition switch ON and select “DATA MONITOR” mode with
CONSULT-II.
2. Crank engine for at least 2 seconds and run it for at least 5 sec-
onds at idle speed.
3. If 1st trip DTC is detected, go to EC-303, "Diagnostic Procedure"
.
WITH GST
Follow the procedure “WITH CONSULT-II” above.
PBIB0562E
MONITOR ITEM CONDITION SPECIFICATION
ENG SPEED· ●Run engine and compare tachometer indication with the CONSULT-II
value.
Almost the same speed as the
tachometer indication.
DTC No. Trouble diagnosis name DTC detecting condition Possible cause
P0335
0335
Crankshaft position
sensor (POS) circuit
●The crankshaft position sensor (POS) signal
is not detected by the ECM during the first
few seconds of engine cranking.
●The proper pulse signal from the crankshaft
position sensor (POS) is not sent to ECM
while the engine is running.
●The crankshaft position sensor (POS) signal
is not in the normal pattern during engine
running.
●Harness or connectors
(The sensor circuit is open or shorted)
●Crankshaft position sensor (POS)
●Signal plate
SEF058Y

EC-302
DTC P0335 CKP SENSOR (POS)
Revision; 2004 April 2003 G35 Coupe
Wiring Diagram ABS003D0
TBWT0279E

DTC P0335 CKP SENSOR (POS)
EC-303
C
D
E
F
G
H
I
J
K
L
M
A
EC
Revision; 2004 April 2003 G35 Coupe
Specification data are reference values and are measured between each terminal and ground.
Pulse signal is measured by CONSULT-II.
CAUTION:
Do not use ECM ground terminals when measuring input/output voltage. Doing so may result in dam-
age to the ECM's transistor. Use a ground other than ECM terminals, such as the ground.
: Average voltage for pulse signal (Actual pulse signal can be confirmed by oscilloscope.)
Diagnostic Procedure ABS003D1
1. RETIGHTEN GROUND SCREWS
1. Turn ignition switch OFF.
2. Loosen and retighten engine ground screws.
>> GO TO 2.
TER-
MINAL
NO.
WIRE
COLOR ITEM CONDITION DATA (DC Voltage)
13 BR Crankshaft position sensor
(POS)
[Engine is running]
●Warm-up condition
●Idle speed
Approximately 1.2V
[Engine is running]
●Engine speed is 2,000 rpm.
Approximately 1.1V
PBIB1041E
PBIB1042E
PBIB0986E

EC-304
DTC P0335 CKP SENSOR (POS)
Revision; 2004 April 2003 G35 Coupe
2. CHECK CRANKSHAFT POSITION (CKP) SENSOR (POS) POWER SUPPLY CIRCUIT
1. Disconnect crankshaft position (CKP) sensor (POS) harness
connector.
2. Turn ignition switch ON.
3. Check voltage between CKP sensor (POS) terminal 1 and
ground with CONSULT-II or tester.
OK or NG
OK >> GO TO 4.
NG >> GO TO 3.
3. DETECT MALFUNCTIONING PART
Check the following.
●Harness connectors E12, F3
●Joint connector-3
●Joint connector-4
●Harness for open or short between crankshaft position sensor (POS) and ECM
●Harness for open or short between crankshaft position sensor (POS) and IPDM E/R
>> Repair open circuit or short to ground or short to power in harness or connectors.
4. CHECK CKP SENSOR (POS) GROUND CIRCUIT FOR OPEN AND SHORT
1. Turn ignition switch OFF.
2. Check harness continuity between CKP sensor (POS) terminal 3 and ground. Refer to Wiring Diagram.
3. Also check harness for short to power.
OK or NG
OK >> GO TO 6.
NG >> GO TO 5.
5. DETECT MALFUNCTIONING PART
Check the following.
●Harness connectors F102, M72
●Joint connector-4
●Harness for open or short between crankshaft position sensor (POS) and ground
>> Repair open circuit or short to power in harness or connectors.
PBIB1279E
Voltage: Battery voltage
PBIB0664E
Continuity should exist.

DTC P0335 CKP SENSOR (POS)
EC-305
C
D
E
F
G
H
I
J
K
L
M
A
EC
Revision; 2004 April 2003 G35 Coupe
6. CHECK CKP SENSOR (POS) INPUT SIGNAL CIRCUIT FOR OPEN AND SHORT
1. Disconnect ECM harness connector.
2. Check harness continuity between ECM terminal 13 and CKP sensor (POS) terminal 2.
Refer to Wiring Diagram.
3. Also check harness for short to ground and short to power.
OK or NG
OK >> GO TO 7.
NG >> Repair open circuit or short to ground or short to power in harness or connectors.
7. CHECK CRANKSHAFT POSITION SENSOR (POS)
Refer to EC-306, "Component Inspection" .
OK or NG
OK >> GO TO 8.
NG >> Replace crankshaft position sensor (POS).
8. CHECK GEAR TOOTH
Visually check for chipping signal plate gear tooth.
OK or NG
OK >> GO TO 9.
NG >> Replace the signal plate.
9. CHECK INTERMITTENT INCIDENT
Refer to EC-132, "TROUBLE DIAGNOSIS FOR INTERMITTENT INCIDENT" .
>> INSPECTION END
Continuity should exist.

EC-306
DTC P0335 CKP SENSOR (POS)
Revision; 2004 April 2003 G35 Coupe
Component Inspection ABS003D2
CRANKSHAFT POSITION SENSOR (POS)
1. Loosen the fixing bolt of the sensor.
2. Disconnect crankshaft position sensor (POS) harness connector.
3. Remove the sensor.
4. Visually check the sensor for chipping.
5. Check resistance as shown in the figure.
Removal and Installation ABS003D3
CRANKSHAFT POSITION SENSOR (POS)
Refer to EM-26, "OIL PAN AND OIL STRAINER" .
PBIB0563E
Terminal No. (Polarity) Resistance Ω [at 25°C (77°F)]
1 (+) - 2 (-)
Except 0 or ∞1 (+) - 3 (-)
2 (+) - 3 (-)
PBIB0564E

DTC P0340, P0345 CMP SENSOR (PHASE)
EC-307
C
D
E
F
G
H
I
J
K
L
M
A
EC
Revision; 2004 April 2003 G35 Coupe
DTC P0340, P0345 CMP SENSOR (PHASE) PFP:23731
Component Description ABS003D4
The camshaft position sensor (PHASE) senses the retraction of
intake valve camshaft to identify a particular cylinder. The camshaft
position sensor (PHASE) senses the piston position.
When the crankshaft position sensor (POS) system becomes inoper-
ative, the camshaft position sensor (PHASE) provides various con-
trols of engine parts instead, utilizing timing of cylinder identification
signals.
The sensor consists of a permanent magnet and Hall IC.
When engine is running, the high and low parts of the teeth cause
the gap with the sensor to change.
The changing gap causes the magnetic field near the sensor to
change.
Due to the changing magnetic field, the voltage from the sensor changes.
CONSULT-II Reference Value in Data Monitor Mode ABS00957
Specification data are reference values.
On Board Diagnosis Logic ABS003D5
DTC Confirmation Procedure ABS003D6
NOTE:
If DTC Confirmation Procedure has been previously conducted, always turn ignition switch OFF and wait at
least 10 seconds before conducting the next test.
TESTING CONDITION:
Before performing the following procedure, confirm that battery voltage is more than 10.5V with igni-
tion switch ON.
WITH CONSULT-II
1. Turn ignition switch ON.
2. Select “DATA MONITOR” mode with CONSULT-II.
3. Crank engine for at least 2 seconds and run it for at least 5 sec-
onds at idle speed.
4. If 1st trip DTC is detected, go to EC-311, "Diagnostic Procedure"
.
If 1st trip DTC is not detected, go to next step.
5. Maintaining engine speed at more than 800 rpm for at least 5
seconds.
6. If 1st trip DTC is detected, go to EC-311, "Diagnostic Procedure"
.
WITH GST
Follow the procedure “WITH CONSULT-II” above.
PBIB0562E
MONITOR ITEM CONDITION SPECIFICATION
ENG SPEED· ●Run engine and compare tachometer indication with the CONSULT-II
value.
Almost the same speed as the
tachometer indication.
DTC No. Trouble diagnosis name DTC detecting condition Possible cause
P0340
0340
(Bank 1)
Camshaft position sen-
sor (PHASE) circuit
●The cylinder No. signal is not sent to ECM
for the first few seconds during engine
cranking.
●The cylinder No. signal is not sent to ECM
during engine running.
●The cylinder No. signal is not in the normal
pattern during engine running.
●Harness or connectors
(The sensor circuit is open or shorted)
●Camshaft position sensor (PHASE)
●Camshaft (Intake)
●Starter motor (Refer to SC-10 .)
●Starting system circuit (Refer to SC-10 .)
●Dead (Weak) battery
P0345
0345
(Bank 2)
SEF013Y

EC-308
DTC P0340, P0345 CMP SENSOR (PHASE)
Revision; 2004 April 2003 G35 Coupe
Wiring Diagram ABS003D7
BANK 1
TBWT0280E

DTC P0340, P0345 CMP SENSOR (PHASE)
EC-309
C
D
E
F
G
H
I
J
K
L
M
A
EC
Revision; 2004 April 2003 G35 Coupe
Specification data are reference values and are measured between each terminal and ground.
Pulse signal is measured by CONSULT-II.
CAUTION:
Do not use ECM ground terminals when measuring input/output voltage. Doing so may result in dam-
age to the ECM's transistor. Use a ground other than ECM terminals, such as the ground.
: Average voltage for pulse signal (Actual pulse signal can be confirmed by oscilloscope.)
TER-
MINAL
NO.
WIRE
COLOR ITEM CONDITION DATA (DC Voltage)
33 OR Camshaft position sensor
(PHASE) (bank 1)
[Engine is running]
●Warm-up condition
●Idle speed
1.0 - 4.0V
[Engine is running]
●Engine speed is 2,000 rpm.
1.0 - 4.0V
PBIB1039E
PBIB1040E

EC-310
DTC P0340, P0345 CMP SENSOR (PHASE)
Revision; 2004 April 2003 G35 Coupe
BANK 2
TBWT0281E

DTC P0340, P0345 CMP SENSOR (PHASE)
EC-311
C
D
E
F
G
H
I
J
K
L
M
A
EC
Revision; 2004 April 2003 G35 Coupe
Specification data are reference values and are measured between each terminal and ground.
Pulse signal is measured by CONSULT-II.
CAUTION:
Do not use ECM ground terminals when measuring input/output voltage. Doing so may result in dam-
age to the ECM's transistor. Use a ground other than ECM terminals, such as the ground.
: Average voltage for pulse signal (Actual pulse signal can be confirmed by oscilloscope.)
Diagnostic Procedure ABS003D8
1. CHECK STARTING SYSTEM
Turn ignition switch to START position.
Yes or No
Yes >> GO TO 2.
No >> Check starting system. (Refer to SC-10, "STARTING SYSTEM" .)
2. RETIGHTEN GROUND SCREWS
1. Turn ignition switch OFF.
2. Loosen and retighten engine ground screws.
>> GO TO 3.
TER-
MINAL
NO.
WIRE
COLOR ITEM CONDITION DATA (DC Voltage)
14 Y Camshaft position sensor
(PHASE) (bank 2)
[Engine is running]
●Warm-up condition
●Idle speed
1.0 - 4.0V
[Engine is running]
●Engine speed is 2,000 rpm.
1.0 - 4.0V
PBIB1039E
PBIB1040E
Does the engine turn over?
Does the starter motor operate?
PBIB0986E

EC-312
DTC P0340, P0345 CMP SENSOR (PHASE)
Revision; 2004 April 2003 G35 Coupe
3. CHECK CAMSHAFT POSITION (CMP) SENSOR (PHASE) POWER SUPPLY CIRCUIT
1. Disconnect camshaft position (CMP) sensor (PHASE) harness connector.
2. Turn ignition switch ON.
3. Check voltage between CMP sensor (PHASE) terminal 3 and
ground with CONSULT-II or tester.
OK or NG
OK >> GO TO 5.
NG >> GO TO 4.
4. DETECT MALFUNCTIONING PART
Check the following.
●Harness connectors E12, F3
●Joint connector-3
●Joint connector-4
●Harness for open or short between camshaft position sensor (PHASE) and ECM
●Harness for open or short between camshaft position sensor (PHASE) and IPDM E/R
>> Repair open circuit or short to ground or short to power in harness or connectors.
5. CHECK CMP SENSOR (PHASE) GROUND CIRCUIT FOR OPEN AND SHORT
1. Turn ignition switch OFF.
2. Check harness continuity between CMP sensor (PHASE) terminal 1 and ground.
3. Also check harness for short to power.
OK or NG
OK >> GO TO 7.
NG >> GO TO 6.
Voltage: Battery voltage
PBIB1000E
SEF481Y
Continuity should exist.

DTC P0340, P0345 CMP SENSOR (PHASE)
EC-313
C
D
E
F
G
H
I
J
K
L
M
A
EC
Revision; 2004 April 2003 G35 Coupe
6. DETECT MALFUNCTIONING PART
Check the following.
●Harness connectors F102, M72
●Joint connector-4
●Harness for open or short between CMP sensor (PHASE) and engine ground
>> Repair open circuit or short to power in harness or connectors.
7. CHECK CMP SENSOR (PHASE) INPUT SIGNAL CIRCUIT FOR OPEN AND SHORT
1. Disconnect ECM harness connector.
2. Check harness continuity between ECM terminal 33 or 14 and CMP sensor (PHASE) terminal 2.
Refer to Wiring Diagram.
3. Also check harness for short to ground and short to power.
OK or NG
OK >> GO TO 8.
NG >> Repair open circuit or short to ground or short to power in harness or connectors.
8. CHECK CAMSHAFT POSITION SENSOR (PHASE)
Refer to EC-314, "Component Inspection" .
OK or NG
OK >> GO TO 9.
NG >> Replace camshaft position sensor (PHASE).
9. CHECK CAMSHAFT (INTAKE)
Check the following.
●Accumulation of debris to the signal plate of camshaft rear end
●Chipping signal plate of camshaft rear end
OK or NG
OK >> GO TO 10.
NG >> Remove debris and clean the signal plate of camshaft
rear end or replace camshaft.
10. CHECK INTERMITTENT INCIDENT
Refer to EC-132, "TROUBLE DIAGNOSIS FOR INTERMITTENT INCIDENT" .
>> INSPECTION END
Continuity should exist.
SEC905C

EC-314
DTC P0340, P0345 CMP SENSOR (PHASE)
Revision; 2004 April 2003 G35 Coupe
Component Inspection ABS003D9
CAMSHAFT POSITION SENSOR (PHASE)
1. Loosen the fixing bolt of the sensor.
2. Disconnect camshaft position sensor (PHASE) harness connector.
3. Remove the sensor.
4. Visually check the sensor for chipping.
5. Check resistance as shown in the figure.
Removal and Installation ABS003DA
CAMSHAFT POSITION SENSOR (PHASE)
Refer to EM-66, "CAMSHAFT" .
PBIB0563E
Terminal No. (Polarity) Resistance Ω [at 25°C (77°F)]
1 (+) - 2 (-)
Except 0 or ∞1 (+) - 3 (-)
2 (+) - 3 (-)
PBIB0564E

DTC P0420, P0430 THREE WAY CATALYST FUNCTION
EC-315
C
D
E
F
G
H
I
J
K
L
M
A
EC
Revision; 2004 April 2003 G35 Coupe
DTC P0420, P0430 THREE WAY CATALYST FUNCTION PFP:20905
On Board Diagnosis Logic ABS003DB
The ECM monitors the switching frequency ratio of heated oxygen sensors 1 and 2.
A three way catalyst 1 with high oxygen storage capacity will indicate a low switching frequency of heated oxy-
gen sensor 2. As oxygen storage capacity decreases, the heated oxygen sensor 2 switching frequency will
increase.
When the frequency ratio of heated oxygen sensors 1 and 2 approaches a specified limit value, the three way
catalyst 1 malfunction is diagnosed.
DTC Confirmation Procedure ABS003DC
NOTE:
If DTC Confirmation Procedure has been previously conducted, always turn ignition switch OFF and wait at
least 10 seconds before conducting the next test.
WITH CONSULT-II
TESTING CONDITION:
Do not hold engine speed for more than the specified minutes below.
1. Turn ignition switch ON and select “DATA MONITOR” mode with
CONSULT-II.
2. Start engine and warm it up to the normal operating tempera-
ture.
3. Turn ignition switch OFF and wait at least 10 seconds.
4. Start engine and keep the engine speed between 3,500 and
4,000 rpm for at least 1 minute under no load.
5. Let engine idle for 1 minutes.
6. Make sure that “COOLAN TEMP/S” indicates more than 70°C
(158°F).
If not, warm up engine and go to next step when “COOLAN
TEMP/S” indication reaches to 70°C (158°F).
7. Open engine hood.
PBIB1166E
DTC No. Trouble diagnosis name DTC detecting condition Possible cause
P0420
0420
(Bank 1)
Catalyst system effi-
ciency below threshold
●Three way catalyst 1 does not operate prop-
erly.
●Three way catalyst 1 does not have enough
oxygen storage capacity.
●Three way catalyst 1
●Exhaust tube
●Intake air leaks
●Fuel injectors
●Fuel injector leaks
●Spark plug
●Improper ignition timing
P0430
0430
(Bank 2)
SEF189Y

EC-316
DTC P0420, P0430 THREE WAY CATALYST FUNCTION
Revision; 2004 April 2003 G35 Coupe
8. Select “DTC & SRT CONFIRMATION” then “SRT WORK SUP-
PORT” mode with CONSULT-II.
9. Rev engine up to 2,000 to 3,000 rpm and hold it for 3 consecu-
tive minutes then release the accelerator pedal completely.
If “INCMP” of “CATALYST” changed to “CMPLT”, go to step 12.
10. Wait 5 seconds at idle.
11. Rev engine up to 2,000 to 3,000 rpm and maintain it until
“INCMP” of “CATALYST” changes to “CMPLT” (It will take
approximately 5 minutes).
If not “CMPLT”, stop engine and cool it down to less than 70°C
(158°F) and then retest from step 1.
12. Select “SELF-DIAG RESULTS” mode with CONSULT-II.
13. Confirm that the 1st trip DTC is not detected.
If the 1st trip DTC is detected, go to EC-317, "Diagnostic Proce-
dure" .
Overall Function Check ABS003DD
Use this procedure to check the overall function of the three way catalyst 1. During this check, a DTC might
not be confirmed.
WITH GST
1. Turn ignition switch OFF and wait at least 10 seconds.
2. Start engine and keep the engine speed between 3,500 and 4,000 rpm for at least 1 minute under no load.
3. Let engine idle for 1 minutes.
4. Open engine hood.
5. Set voltmeters probes between ECM terminals 35 [HO2S1
(bank 1) signal], 16 [HO2S1 (bank 2) signal] and engine ground,
and ECM terminals 74 [HO2S2 (bank 1) signal], 55 [HO2S2
(bank 2) signal] and engine ground.
6. Keep engine speed at 2,000 rpm constant under no load.
SEF940Z
SEF941Z
SEF535Z
PBIB1107E

DTC P0420, P0430 THREE WAY CATALYST FUNCTION
EC-317
C
D
E
F
G
H
I
J
K
L
M
A
EC
Revision; 2004 April 2003 G35 Coupe
7. Make sure that the voltage switching frequency (high & low)
between ECM terminals 74 and engine ground, or 55 and
engine ground is very less than that of ECM terminals 35 and
engine ground, or 16 and engine ground.
Switching frequency ratio = A/B
A: Heated oxygen sensor 2 voltage switching frequency
B: Heated oxygen sensor 1 voltage switching frequency
This ratio should be less than 0.75.
If the ratio is greater than above, it means three way catalyst 1
does not operate properly. Go to EC-317, "Diagnostic Proce-
dure" .
NOTE:
If the voltage at terminal 35 or 16 does not switch periodically more than 5 times within 10 seconds at step 7,
perform trouble diagnosis for DTC P0133, P0153 first. (See EC-212 .)
Diagnostic Procedure ABS003DE
1. CHECK EXHAUST SYSTEM
Visually check exhaust tubes and muffler for dent.
OK or NG
OK >> GO TO 2.
NG >> Repair or replace.
2. CHECK EXHAUST GAS LEAK
1. Start engine and run it at idle.
2. Listen for an exhaust gas leak before the three way catalyst 1.
OK or NG
OK >> GO TO 3.
NG >> Repair or replace.
3. CHECK INTAKE AIR LEAK
Listen for an intake air leak after the mass air flow sensor.
OK or NG
OK >> GO TO 4.
NG >> Repair or replace.
PBIB1108E
PBIB1165E

EC-318
DTC P0420, P0430 THREE WAY CATALYST FUNCTION
Revision; 2004 April 2003 G35 Coupe
4. CHECK IGNITION TIMING
Check the following items. Refer to EC-81, "Basic Inspection" .
OK or NG
OK >> GO TO 5.
NG >> Follow the EC-81, "Basic Inspection" .
5. CHECK INJECTORS
1. Stop engine and then turn ignition switch ON.
2. Check voltage between ECM terminals 21, 22, 23, 40, 41, 42
and ground with CONSULT-II or tester.
Refer to Wiring Diagram for Injectors, EC-593 .
OK or NG
OK >> GO TO 6.
NG >> Perform EC-595, "Diagnostic Procedure" .
6. CHECK IGNITION SPARK
1. Turn ignition switch OFF.
2. Disconnect ignition coil assembly from rocker cover.
3. Connect a known-good spark plug to the ignition coil assembly.
4. Place end of spark plug against a suitable ground and crank engine.
5. Check for spark.
OK or NG
OK >> GO TO 7.
NG >> Check ignition coil with power transistor and their circuit.
Refer to EC-580, "IGNITION SIGNAL" .
Items Specifications
Target idle speed A/T 650 ± 50 rpm (in P or N position)
M/T 650 ± 50 rpm (in N position)
Ignition timing A/T 15 ± 5° BTDC (in P or N position)
M/T 15 ± 5° BTDC (in N position)
Battery voltage should exist.
PBIB1172E
SEF575Q

DTC P0420, P0430 THREE WAY CATALYST FUNCTION
EC-319
C
D
E
F
G
H
I
J
K
L
M
A
EC
Revision; 2004 April 2003 G35 Coupe
7. CHECK INJECTOR
1. Turn ignition switch OFF.
2. Remove injector assembly.
Refer to EM-34, "FUEL INJECTOR AND FUEL TUBE" .
Keep fuel hose and all injectors connected to injector gallery.
3. Disconnect all ignition coil harness connectors.
4. Turn ignition switch ON.
Make sure fuel does not drip from injector.
OK or NG
OK (Does not drip.)>>GO TO 8.
NG (Drips.)>>Replace the injector(s) from which fuel is dripping.
8. CHECK INTERMITTENT INCIDENT
Refer to EC-132, "TROUBLE DIAGNOSIS FOR INTERMITTENT INCIDENT" .
Trouble is fixed.>>INSPECTION END
Trouble is not fixed.>>Replace three way catalyst assembly.

EC-320
DTC P0441 EVAP CONTROL SYSTEM
Revision; 2004 April 2003 G35 Coupe
DTC P0441 EVAP CONTROL SYSTEM PFP:14950
System Description ABS003DF
NOTE:
If DTC P0441 is displayed with other DTC such as P2122, P2123, P2127, P2128 or P2138, first perform
trouble diagnosis for other DTC.
In this evaporative emission (EVAP) control system, purge flow occurs during non-closed throttle conditions.
Purge volume is related to air intake volume. Under normal purge conditions (non-closed throttle), the EVAP
canister purge volume control solenoid valve is open to admit purge flow. Purge flow exposes the EVAP con-
trol system pressure sensor to intake manifold vacuum.
On Board Diagnosis Logic ABS003DG
Under normal conditions (non-closed throttle), sensor output voltage indicates if pressure drop and purge flow
are adequate. If not, a malfunction is determined.
DTC Confirmation Procedure ABS003DH
CAUTION:
Always drive vehicle at a safe speed.
NOTE:
If DTC Confirmation Procedure has been previously conducted, always turn ignition switch OFF and wait at
least 10 seconds before conducting the next test.
TESTING CONDITION:
Always perform test at a temperature of 5°C (41°F) or more.
PBIB1026E
DTC No. Trouble diagnosis name DTC detecting condition Possible cause
P0441
0441
EVAP control system
incorrect purge flow
EVAP control system does not operate prop-
erly, EVAP control system has a leak between
intake manifold and EVAP control system pres-
sure sensor.
●EVAP canister purge volume control
solenoid valve stuck closed
●EVAP control system pressure sensor
and the circuit
●Loose, disconnected or improper con-
nection of rubber tube
●Blocked rubber tube
●Cracked EVAP canister
●EVAP canister purge volume control
solenoid valve circuit
●Accelerator pedal position sensor
●Blocked purge port
●EVAP canister vent control valve

DTC P0441 EVAP CONTROL SYSTEM
EC-321
C
D
E
F
G
H
I
J
K
L
M
A
EC
Revision; 2004 April 2003 G35 Coupe
WITH CONSULT-II
1. Start engine and warm it up to normal operating temperature.
2. Turn ignition switch OFF and wait at least 10 seconds.
3. Start engine and let it idle for at least 70 seconds.
4. Select “PURG FLOW P0441” of “EVAPORATIVE SYSTEM” in “DTC CONFIRMATION” mode with CON-
SULT-II.
5. Touch “START”.
If “COMPLETED” is displayed, go to step 7.
6. When the following conditions are met, “TESTING” will be displayed on the CONSULT-II screen. Maintain
the conditions continuously until “TESTING” changes to “COMPLETED”. (It will take at least 35 seconds.)
If “TESTING” is not changed for a long time, retry from step 2.
7. Make sure that “OK” is displayed after touching “SELF-DIAG RESULTS”. If “NG” is displayed, refer to EC-
322, "Diagnostic Procedure" .
Overall Function Check ABS003DI
Use this procedure to check the overall monitoring function of the EVAP control system purge flow monitoring.
During this check, a DTC might not be confirmed.
WITH GST
1. Lift up drive wheels.
2. Start engine (TCS switch or VDC switch OFF) and warm it up to normal operating temperature.
3. Turn ignition switch OFF, wait at least 10 seconds.
4. Start engine and wait at least 70 seconds.
5. Set voltmeter probes to ECM terminals 32 (EVAP control system
pressure sensor signal) and ground.
6. Check EVAP control system pressure sensor value at idle speed
and note it.
7. Establish and maintain the following conditions for at least 1
minute.
8. Verify that EVAP control system pressure sensor value stays 0.1V less than the value at idle speed (mea-
sured at step 6) for at least 1 second.
Selector lever Suitable position
Vehicle speed 32 - 120 km/h (20 - 75 MPH)
ENG SPEED 500 - 3,000 rpm
B/FUEL SCHDL 1.3 - 9.0 msec
Engine coolant temperature 70 - 100°C (158 - 212°F)
PBIB0826E
Air conditioner switch ON
Headlamp switch ON
Rear window defogger switch ON
Engine speed Approx. 3,000 rpm
Gear position Any position other than P, N or R
PBIB1109E

EC-322
DTC P0441 EVAP CONTROL SYSTEM
Revision; 2004 April 2003 G35 Coupe
9. If NG, go to EC-322, "Diagnostic Procedure" .
Diagnostic Procedure ABS003DJ
1. CHECK EVAP CANISTER
1. Turn ignition switch OFF.
2. Check EVAP canister for cracks.
OK or NG
OK (With CONSULT-II)>>GO TO 2.
OK (Without CONSULT-II)>>GO TO 3.
NG >> Replace EVAP canister.
2. CHECK PURGE FLOW
With CONSULT-II
1. Disconnect vacuum hose connected to EVAP canister purge volume control solenoid valve at EVAP ser-
vice port and install vacuum gauge. For the location of EVAP service port, refer to EC-631, "EVAPORA-
TIVE EMISSION LINE DRAWING" .
2. Start engine and let it idle.
3. Select “PURG VOL CONT/V” in “ACTIVE TEST” mode with CONSULT-II.
4. Rev engine up to 2,000 rpm.
5. Touch “Qd” and “Qu” on CONSULT-II screen to adjust “PURG
VOL CONT/V” opening and check vacuum existence.
OK or NG
OK >> GO TO 7.
NG >> GO TO 4.
3. CHECK PURGE FLOW
Without CONSULT-II
1. Start engine and warm it up to normal operating temperature.
2. Stop engine.
3. Disconnect vacuum hose connected to EVAP canister purge volume control solenoid valve at EVAP ser-
vice port and install vacuum gauge. For the location of EVAP service port, refer to EC-631, "EVAPORA-
TIVE EMISSION LINE DRAWING" .
4. Start engine and let it idle for at least 80 seconds.
5. Check vacuum gauge indication when revving engine up to 2,000 rpm.
6. Release the accelerator pedal fully and let idle.
OK or NG
OK >> GO TO 7.
NG >> GO TO 4.
PURG VOL CONT/V Vacuum
100% Should exist.
0% Should not exist.
PBIB0147E
Vacuum should exist.
Vacuum should not exist.

DTC P0441 EVAP CONTROL SYSTEM
EC-323
C
D
E
F
G
H
I
J
K
L
M
A
EC
Revision; 2004 April 2003 G35 Coupe
4. CHECK EVAP PURGE LINE
1. Turn ignition switch OFF.
2. Check EVAP purge line for improper connection or disconnection.
Refer to EC-631, "EVAPORATIVE EMISSION LINE DRAWING" .
OK or NG
OK >> GO TO 5.
NG >> Repair it.
5. CHECK EVAP PURGE HOSE AND PURGE PORT
1. Disconnect purge hoses connected to EVAP service port A and
EVAP canister purge volume control solenoid valve B .
2. Blow air into each hose and EVAP purge port C .
3. Check that air flows freely.
OK or NG
OK (With CONSULT-II)>>GO TO 6.
OK (Without CONSULT-II)>>GO TO 7.
NG >> Repair or clean hoses and/or purge port.
6. CHECK EVAP CANISTER PURGE VOLUME CONTROL SOLENOID VALVE
With CONSULT-II
1. Start engine.
2. Perform “PURG VOL CONT/V” in “ACTIVE TEST” mode with
CONSULT-II. Check that engine speed varies according to the
valve opening.
OK or NG
OK >> GO TO 8.
NG >> GO TO 7.
7. CHECK EVAP CANISTER PURGE VOLUME CONTROL SOLENOID VALVE
Refer to EC-340, "Component Inspection" .
OK or NG
OK >> GO TO 8.
NG >> Replace EVAP canister purge volume control solenoid valve.
SEF367U
SEF368U
PBIB0147E

EC-324
DTC P0441 EVAP CONTROL SYSTEM
Revision; 2004 April 2003 G35 Coupe
8. CHECK EVAP CONTROL SYSTEM PRESSURE SENSOR CONNECTOR
1. Disconnect EVAP control system pressure sensor harness connector.
2. Check connectors for water.
OK or NG
OK >> GO TO 9.
NG >> Replace EVAP control system pressure sensor.
9. CHECK EVAP CONTROL SYSTEM PRESSURE SENSOR FUNCTION
Refer to DTC Confirmation Procedure for DTC P0452 EC-353 , P0453 EC-359 .
OK or NG
OK >> GO TO 10.
NG >> Replace EVAP control system pressure sensor.
10. CHECK RUBBER TUBE FOR CLOGGING
1. Disconnect rubber tube connected to EVAP canister vent control valve.
2. Check the rubber tube for clogging.
OK or NG
OK >> GO TO 11.
NG >> Clean the rubber tube using an air blower.
11. CHECK EVAP CANISTER VENT CONTROL VALVE
Refer to EC-347, "Component Inspection" .
OK or NG
OK >> GO TO 12.
NG >> Replace EVAP canister vent control valve.
12. CHECK EVAP PURGE LINE
Inspect EVAP purge line (pipe and rubber tube). Check for evidence of leaks.
Refer to EC-631, "EVAPORATIVE EMISSION LINE DRAWING" .
OK or NG
OK >> GO TO 13.
NG >> Replace it.
13. CLEAN EVAP PURGE LINE
Clean EVAP purge line (pipe and rubber tube) using air blower.
>> GO TO 14.
14. CHECK INTERMITTENT INCIDENT
Refer to EC-132, "TROUBLE DIAGNOSIS FOR INTERMITTENT INCIDENT" .
>> INSPECTION END
Water should not exist.

DTC P0442 EVAP CONTROL SYSTEM
EC-325
C
D
E
F
G
H
I
J
K
L
M
A
EC
Revision; 2004 April 2003 G35 Coupe
DTC P0442 EVAP CONTROL SYSTEM PFP:14950
On Board Diagnosis Logic ABS003DK
This diagnosis detects leaks in the EVAP purge line using engine intake manifold vacuum.
If pressure does not increase, the ECM will check for leaks in the line between the fuel tank and EVAP canister
purge volume control solenoid valve, under the following “Vacuum test” conditions.
The EVAP canister vent control valve is closed to shut the EVAP purge line off. The EVAP canister purge vol-
ume control solenoid valve will then be opened to depressurize the EVAP purge line using intake manifold
vacuum. After this occurs, the EVAP canister purge volume control solenoid valve will be closed.
PBIB1026E

EC-326
DTC P0442 EVAP CONTROL SYSTEM
Revision; 2004 April 2003 G35 Coupe
CAUTION:
●Use only a genuine NISSAN fuel filler cap as a replacement. If an incorrect fuel filler cap is used,
the MIL may come on.
●If the fuel filler cap is not tightened properly, the MIL may come on.
●Use only a genuine NISSAN rubber tube as a replacement.
DTC Confirmation Procedure ABS003DL
NOTE:
●If DTC Confirmation Procedure has been previously conducted, always turn ignition switch OFF and wait
at least 10 seconds before conducting the next test.
TESTING CONDITION:
●Perform “DTC WORK SUPPORT” when the fuel level is between 1/4 and 3/4 full, and vehicle is
placed on flat level surface.
●Always perform test at a temperature of 0 to 30°C (32 to 86°F).
WITH CONSULT-II
1. Turn ignition switch ON.
2. Turn ignition switch OFF and wait at least 10 seconds.
3. Turn ignition switch ON and select “DATA MONITOR” mode with CONSULT-II.
4. Make sure that the following conditions are met.
COOLAN TEMP/S: 0 - 70°C (32 - 158°F)
INT/A TEMP SE: 0 - 30°C (32 - 86°F)
5. Select “EVAP SML LEAK P0442/P1442” of “EVAPORATIVE SYSTEM” in “DTC WORK SUPPORT” mode
with CONSULT-II.
DTC No. Trouble diagnosis name DTC detecting condition Possible cause
P0442
0442
EVAP control system
small leak detected
(negative pressure)
EVAP control system has a leak, EVAP
control system does not operate prop-
erly.
●Incorrect fuel tank vacuum relief valve
●Incorrect fuel filler cap used
●Fuel filler cap remains open or fails to close.
●Foreign matter caught in fuel filler cap.
●Leak is in line between intake manifold and
EVAP canister purge volume control solenoid
valve.
●Foreign matter caught in EVAP canister vent
control valve.
●EVAP canister or fuel tank leaks
●EVAP purge line (pipe and rubber tube) leaks
●EVAP purge line rubber tube bent
●Blocked or bent rubber tube to EVAP control sys-
tem pressure sensor
●Loose or disconnected rubber tube
●EVAP canister vent control valve and the circuit
●EVAP canister purge volume control solenoid
valve and the circuit
●Fuel tank temperature sensor
●O-ring of EVAP canister vent control valve is
missing or damaged
●EVAP canister is saturated with water
●EVAP control system pressure sensor
●Fuel level sensor and the circuit
●Refueling EVAP vapor cut valve
●ORVR system leaks

DTC P0442 EVAP CONTROL SYSTEM
EC-327
C
D
E
F
G
H
I
J
K
L
M
A
EC
Revision; 2004 April 2003 G35 Coupe
Follow the instruction displayed.
NOTE:
If the engine speed cannot be maintained within the range displayed on the CONSULT-II screen, go to
EC-81, "Basic Inspection" .
6. Make sure that “OK” is displayed.
If “NG” is displayed, refer to EC-328, "Diagnostic Procedure" .
NOTE:
Make sure that EVAP hoses are connected to EVAP canister
purge volume control solenoid valve properly.
WITH GST
NOTE:
Be sure to read the explanation of Driving Pattern on EC-61 before driving vehicle.
1. Start engine.
2. Drive vehicle according to Driving Pattern, EC-61 .
3. Stop vehicle.
4. Select “MODE 1” with GST.
●If SRT of EVAP system is not set yet, go to the following step.
●If SRT of EVAP system is set, the result will be OK.
5. Turn ignition switch OFF and wait at least 10 seconds.
6. Start engine.
It is not necessary to cool engine down before driving.
7. Drive vehicle again according to the Driving Pattern, EC-61 .
8. Stop vehicle.
9. Select “MODE 3” with GST.
●If P0442 is displayed on the screen, go to EC-328, "Diagnostic Procedure" .
●If P0441 is displayed on the screen, go to Diagnostic Procedure for DTC P0441, EC-322 .
●If P0441 and P0442 are not displayed on the screen, go to the following step.
10. Select “MODE 1” with GST.
●If SRT of EVAP system is set, the result will be OK.
●If SRT of EVAP system is not set, go to step 6.
PBIB0829E
SEC763C

EC-328
DTC P0442 EVAP CONTROL SYSTEM
Revision; 2004 April 2003 G35 Coupe
Diagnostic Procedure ABS003DM
1. CHECK FUEL FILLER CAP DESIGN
1. Turn ignition switch OFF.
2. Check for genuine NISSAN fuel filler cap design.
OK or NG
OK >> GO TO 2.
NG >> Replace with genuine NISSAN fuel filler cap.
2. CHECK FUEL FILLER CAP INSTALLATION
Check that the cap is tightened properly by rotating the cap clockwise.
OK or NG
OK >> GO TO 3.
NG >> 1. Open fuel filler cap, then clean cap and fuel filler neck threads using air blower.
2. Retighten until ratcheting sound is heard.
3. CHECK FUEL FILLER CAP FUNCTION
Check for air releasing sound while opening the fuel filler cap.
OK or NG
OK >> GO TO 5.
NG >> GO TO 4.
4. CHECK FUEL TANK VACUUM RELIEF VALVE
Refer to EC-633, "FUEL TANK VACUUM RELIEF VALVE (BUILT INTO FUEL FULLER CAP)" .
OK or NG
OK >> GO TO 5.
NG >> Replace fuel filler cap with a genuine one.
SEF915U

DTC P0442 EVAP CONTROL SYSTEM
EC-329
C
D
E
F
G
H
I
J
K
L
M
A
EC
Revision; 2004 April 2003 G35 Coupe
5. INSTALL THE PRESSURE PUMP
To locate the EVAP leak, install EVAP service port adapter and pres-
sure pump to EVAP service port securely. For the location of EVAP
service port, refer to EC-631, "EVAPORATIVE EMISSION LINE
DRAWING" .
NOTE:
Improper installation of the EVAP service port adapter to the EVAP service port may cause leaking.
Models with CONSULT-II>>GO TO 6.
Models without CONSULT-II>>GO TO 7.
PBIB1001E
SEF916U

EC-330
DTC P0442 EVAP CONTROL SYSTEM
Revision; 2004 April 2003 G35 Coupe
6. CHECK FOR EVAP LEAK
With CONSULT-II
1. Turn ignition switch ON.
2. Select “EVAP SYSTEM CLOSE” of “WORK SUPPORT” mode with CONSULT-II.
3. Touch “START” and apply pressure into the EVAP line until the
pressure indicator reaches the middle of the bar graph.
NOTE:
●Never use compressed air or a high pressure pump.
●Do not exceed 4.12 kPa (0.042 kg/cm2 , 0.6 psi) of pres-
sure in the system.
4. Using EVAP leak detector, locate the EVAP leak. For the leak
detector, refer to the instruction manual for more details.
Refer to EC-631, "EVAPORATIVE EMISSION LINE DRAWING"
.
OK or NG
OK >> GO TO 8.
NG >> Repair or replace.
PEF917U
SEF200U

DTC P0442 EVAP CONTROL SYSTEM
EC-331
C
D
E
F
G
H
I
J
K
L
M
A
EC
Revision; 2004 April 2003 G35 Coupe
7. CHECK FOR EVAP LEAK
Without CONSULT-II
1. Turn ignition switch OFF.
2. Apply 12 volts DC to EVAP canister vent control valve. The valve will close. (Continue to apply 12 volts
until the end of test.)
3. Pressurize the EVAP line using pressure pump with 1.3 to 2.7 kPa (10 to 20 mmHg, 0.39 to 0.79 inHg),
then remove pump and EVAP service port adapter.
NOTE:
●Never use compressed air or a high pressure pump.
●Do not exceed 4.12 kPa (0.042 kg/cm2 , 0.6 psi) of pressure in the system.
4. Using EVAP leak detector, locate the EVAP leak. For the leak
detector, refer to the instruction manual for more details. Refer
to EC-631, "EVAPORATIVE EMISSION LINE DRAWING" .
OK or NG
OK >> GO TO 8.
NG >> Repair or replace.
8. CHECK EVAP CANISTER VENT CONTROL VALVE
Check the following.
●EVAP canister vent control valve is installed properly.
Refer to EC-634, "Removal and Installation" .
●EVAP canister vent control valve.
Refer to EC-347, "Component Inspection" .
OK or NG
OK >> GO TO 9.
NG >> Repair or replace EVAP canister vent control valve and O-ring.
PBIB1086E
SEF200U

EC-332
DTC P0442 EVAP CONTROL SYSTEM
Revision; 2004 April 2003 G35 Coupe
9. CHECK IF EVAP CANISTER SATURATED WITH WATER
1. Remove EVAP canister with EVAP canister vent control valve and EVAP control system pressure sensor
attached.
2. Does water drain from the EVAP canister?
Yes or No
Yes >> GO TO 10.
No (With CONSULT-II)>>GO TO 12.
No (Without CONSULT-II)>>GO TO 13.
10. CHECK EVAP CANISTER
Weigh the EVAP canister with the EVAP canister vent control valve and EVAP control system pressure sensor
attached.
The weight should be less than 2.2 kg (4.9 lb).
OK or NG
OK (With CONSULT-II)>>GO TO 12.
OK (Without CONSULT-II)>>GO TO 13.
NG >> GO TO 11.
11. DETECT MALFUNCTIONING PART
Check the following.
●EVAP canister for damage
●EVAP hose between EVAP canister and vehicle frame for clogging or poor connection
>> Repair hose or replace EVAP canister.
12. CHECK EVAP CANISTER PURGE VOLUME CONTROL SOLENOID VALVE OPERATION
With CONSULT-II
1. Disconnect vacuum hose to EVAP canister purge volume control solenoid valve at EVAP service port.
2. Start engine.
3. Perform “PURG VOL CONT/V” in “ACTIVE TEST” mode.
4. Touch “Qu” on CONSULT-II screen to increase “PURG VOL
CONT/V” opening to 100%.
5. Check vacuum hose for vacuum when revving engine up to
2,000 rpm.
OK or NG
OK >> GO TO 15.
NG >> GO TO 14.
PBIB1031E
PBIB0147E

DTC P0442 EVAP CONTROL SYSTEM
EC-333
C
D
E
F
G
H
I
J
K
L
M
A
EC
Revision; 2004 April 2003 G35 Coupe
13. CHECK EVAP CANISTER PURGE VOLUME CONTROL SOLENOID VALVE OPERATION
Without CONSULT-II
1. Start engine and warm it up to normal operating temperature.
2. Stop engine.
3. Disconnect vacuum hose to EVAP canister purge volume control solenoid valve at EVAP service port.
4. Start engine and let it idle for at least 80 seconds.
5. Check vacuum hose for vacuum when revving engine up to 2,000 rpm.
OK or NG
OK >> GO TO 16.
NG >> GO TO 14.
14. CHECK VACUUM HOSE
Check vacuum hoses for clogging or disconnection. Refer to EC-23, "Vacuum Hose Drawing" .
OK or NG
OK >> GO TO 15.
NG >> Repair or reconnect the hose.
15. CHECK EVAP CANISTER PURGE VOLUME CONTROL SOLENOID VALVE
Refer to EC-340, "Component Inspection" .
OK or NG
OK >> GO TO 16.
NG >> Replace EVAP canister purge volume control solenoid valve.
16. CHECK FUEL TANK TEMPERATURE SENSOR
Refer to EC-278, "Component Inspection" .
OK or NG
OK >> GO TO 17.
NG >> Replace fuel level sensor unit.
17. CHECK EVAP CONTROL SYSTEM PRESSURE SENSOR
Refer to EC-357, "Component Inspection" .
OK or NG
OK >> GO TO 18.
NG >> Replace EVAP control system pressure sensor.
18. CHECK EVAP PURGE LINE
Check EVAP purge line (pipe, rubber tube, fuel tank and EVAP canister) for cracks or improper connection.
Refer to EC-631, "EVAPORATIVE EMISSION LINE DRAWING" .
OK or NG
OK >> GO TO 19.
NG >> Repair or reconnect the hose.
19. CLEAN EVAP PURGE LINE
Clean EVAP purge line (pipe and rubber tube) using air blower.
>> GO TO 20.
Vacuum should exist.

EC-334
DTC P0442 EVAP CONTROL SYSTEM
Revision; 2004 April 2003 G35 Coupe
20. CHECK EVAP/ORVR LINE
Check EVAP/ORVR line between EVAP canister and fuel tank for clogging, kink, looseness and improper con-
nection. For location, refer to EC-637, "ON BOARD REFUELING VAPOR RECOVERY (ORVR)" .
OK or NG
OK >> GO TO 21.
NG >> Repair or replace hoses and tubes.
21. CHECK RECIRCULATION LINE
Check recirculation line between filler neck tube and fuel tank for clogging, kink, cracks, looseness and
improper connection.
OK or NG
OK >> GO TO 22.
NG >> Repair or replace hose, tube or filler neck tube.
22. CHECK REFUELING EVAP VAPOR CUT VALVE
Refer to EC-640, "REFUELING EVAP VAPOR CUT VALVE" .
OK or NG
OK >> GO TO 23.
NG >> Replace refueling EVAP vapor cut valve with fuel tank.
23. CHECK FUEL LEVEL SENSOR
Refer to DI-22, "FUEL LEVEL SENSOR UNIT CHECK" .
OK or NG
OK >> GO TO 24.
NG >> Replace fuel level sensor unit.
24. CHECK INTERMITTENT INCIDENT
Refer to EC-132, "TROUBLE DIAGNOSIS FOR INTERMITTENT INCIDENT" .
>> INSPECTION END

DTC P0444, P0445 EVAP CANISTER PURGE VOLUME CONTROL SOLENOID
VALVE
EC-335
C
D
E
F
G
H
I
J
K
L
M
A
EC
Revision; 2004 April 2003 G35 Coupe
DTC P0444, P0445 EVAP CANISTER PURGE VOLUME CONTROL SOLENOID
VALVE PFP:14920
Description ABS003DN
SYSTEM DESCRIPTION
*1:ECM determines the start signal status by the signals of engine speed and battery voltage.
*2: This signal is sent to the ECM through CAN communication line.
This system controls flow rate of fuel vapor from the EVAP canister. The opening of the vapor by-pass pas-
sage in the EVAP canister purge volume control solenoid valve changes to control the flow rate. The EVAP
canister purge volume control solenoid valve repeats ON/OFF operation according to the signal sent from the
ECM. The opening of the valve varies for optimum engine control. The optimum value stored in the ECM is
determined by considering various engine conditions. When the engine is operating, the flow rate of fuel vapor
from the EVAP canister is regulated as the air flow changes.
COMPONENT DESCRIPTION
The EVAP canister purge volume control solenoid valve uses a ON/
OFF duty to control the flow rate of fuel vapor from the EVAP canis-
ter. The EVAP canister purge volume control solenoid valve is
moved by ON/OFF pulses from the ECM. The longer the ON pulse,
the greater the amount of fuel vapor that will flow through the valve.
CONSULT-II Reference Value in Data Monitor Mode ABS003DO
Specification data are reference values.
Sensor Input Signal to ECM ECM function Actuator
Crankshaft position sensor (POS)
Camshaft position sensor (PHASE) Engine speed *1
EVAP canister
purge flow control
EVAP canister purge vol-
ume control solenoid valve
Mass air flow sensor Amount of intake air
Engine coolant temperature sensor Engine coolant temperature
Battery Battery voltage*1
Throttle position sensor Throttle position
Accelerator pedal position sensor Accelerator pedal position
Heated oxygen sensors 1 Density of oxygen in exhaust gas
(Mixture ratio feedback signal)
Fuel tank temperature sensor Fuel temperature in fuel tank
Vehicle speed signal*2Vehicle speed
SEF337U
MONITOR ITEM CONDITION SPECIFICATION
PURG VOL C/V
●Engine: After warming up
●Shift lever: N (A/T), Neutral (M/T)
●Air conditioner switch: OFF
●No-load
Idle 0%
2,000 rpm —

EC-336
DTC P0444, P0445 EVAP CANISTER PURGE VOLUME CONTROL SOLENOID
VALVE
Revision; 2004 April 2003 G35 Coupe
On Board Diagnosis Logic ABS003DP
DTC Confirmation Procedure ABS003DQ
NOTE:
If DTC Confirmation Procedure has been previously conducted, always turn ignition switch OFF and wait at
least 10 seconds before conducting the next test.
TESTING CONDITION:
Before performing the following procedure, confirm battery voltage is more than 11V at idle.
WITH CONSULT-II
1. Turn ignition switch ON.
2. Select “DATA MONITOR” mode with CONSULT-II.
3. Start engine and let it idle for at least 13 seconds.
4. If 1st trip DTC is detected, go to EC-339, "Diagnostic Procedure"
.
WITH GST
Follow the procedure “WITH CONSULT-II” above.
DTC No. Trouble diagnosis name DTC detecting condition Possible cause
P0444
0444
EVAP canister purge volume
control solenoid valve circuit
open
An excessively low voltage signal is sent
to ECM through the valve
●Harness or connectors
(The solenoid valve circuit is open or
shorted.)
●EVAP canister purge volume control
solenoid valve
P0445
0445
EVAP canister purge volume
control solenoid valve circuit
shorted
An excessively high voltage signal is sent
to ECM through the valve
●Harness or connectors
(The solenoid valve circuit is shorted.)
●EVAP canister purge volume control
solenoid valve
SEF058Y

DTC P0444, P0445 EVAP CANISTER PURGE VOLUME CONTROL SOLENOID
VALVE
EC-337
C
D
E
F
G
H
I
J
K
L
M
A
EC
Revision; 2004 April 2003 G35 Coupe
Wiring Diagram ABS003DR
TBWT0282E

EC-338
DTC P0444, P0445 EVAP CANISTER PURGE VOLUME CONTROL SOLENOID
VALVE
Revision; 2004 April 2003 G35 Coupe
Specification data are reference values and are measured between each terminal and ground.
Pulse signal is measured by CONSULT-II.
CAUTION:
Do not use ECM ground terminals when measuring input/output voltage. Doing so may result in dam-
age to the ECM's transistor. Use a ground other than ECM terminals, such as the ground.
: Average voltage for pulse signal (Actual pulse signal can be confirmed by oscilloscope.)
TER-
MINAL
NO.
WIRE
COLOR ITEM CONDITION DATA (DC Voltage)
45 L/W EVAP canister purge vol-
ume control solenoid valve
[Engine is running]
●Idle speed
BATTERY VOLTAGE
(11 - 14V)
[Engine is running]
●Engine speed is about 2,000 rpm (More
than 100 seconds after starting engine).
BATTERY VOLTAGE
(11 - 14V)
111 W ECM relay
(Self shut-off)
[Engine is running]
[Ignition switch: OFF]
●For a few seconds after turning ignition
switch OFF
0 - 1.5V
[Ignition switch: OFF]
●A few seconds passed after turning ignition
switch OFF
BATTERY VOLTAGE
(11 - 14V)
119
120
P
LPower supply for ECM [Ignition switch: ON] BATTERY VOLTAGE
(11 - 14V)
SEC990C
SEC991C

DTC P0444, P0445 EVAP CANISTER PURGE VOLUME CONTROL SOLENOID
VALVE
EC-339
C
D
E
F
G
H
I
J
K
L
M
A
EC
Revision; 2004 April 2003 G35 Coupe
Diagnostic Procedure ABS003DS
1. CHECK EVAP CANISTER PURGE VOLUME CONTROL SOLENOID VALVE POWER SUPPLY CIR-
CUIT
1. Turn ignition switch OFF.
2. Disconnect EVAP canister purge volume control solenoid valve
harness connector.
3. Turn ignition switch ON.
4. Check voltage between EVAP canister purge volume control
solenoid valve terminal 1 and ground with CONSULT-II or tester.
OK or NG
OK >> GO TO 3.
NG >> GO TO 2.
2. DETECT MALFUNCTIONING PART
Check the following.
●Harness connectors E12, F3
●Joint connector-3
●Joint connector-4
●Harness for open or short between EVAP canister purge volume control solenoid valve and IPDM E/R
●Harness for open or short between EVAP canister purge volume control solenoid valve and ECM
>> Repair harness or connectors.
3. CHECK EVAP CANISTER PURGE VOLUME CONTROL SOLENOID VALVE OUTPUT SIGNAL CIR-
CUIT FOR OPEN AND SHORT
1. Turn ignition switch OFF.
2. Disconnect ECM harness connector.
3. Check harness continuity between ECM terminal 45 and EVAP canister purge volume control solenoid
valve terminal 2. Refer to Wiring Diagram.
4. Also check harness for short to ground and short to power.
OK or NG
OK (With CONSULT-II)>>GO TO 4.
OK (Without CONSULT-II)>>GO TO 5.
NG >> Repair open circuit or short to ground or short to power in harness or connectors.
PBIB1001E
Voltage: Battery voltage
PBIB0148E
Continuity should exist.

EC-340
DTC P0444, P0445 EVAP CANISTER PURGE VOLUME CONTROL SOLENOID
VALVE
Revision; 2004 April 2003 G35 Coupe
4. CHECK EVAP CANISTER PURGE VOLUME CONTROL SOLENOID VALVE OPERATION
With CONSULT-II
1. Reconnect all harness connectors disconnected.
2. Start engine.
3. Perform “PURG VOL CONT/V” in “ACTIVE TEST” mode with
CONSULT-II. Check that engine speed varies according to the
valve opening.
OK or NG
OK >> GO TO 6.
NG >> GO TO 5.
5. CHECK EVAP CANISTER PURGE VOLUME CONTROL SOLENOID VALVE
Refer to EC-340, "Component Inspection" .
OK or NG
OK >> GO TO 6.
NG >> Replace EVAP canister purge volume control solenoid valve.
6. CHECK INTERMITTENT INCIDENT
Refer to EC-132, "TROUBLE DIAGNOSIS FOR INTERMITTENT INCIDENT" .
>> INSPECTION END
Component Inspection ABS003DT
EVAP CANISTER PURGE VOLUME CONTROL SOLENOID VALVE
With CONSULT-II
Check air passage continuity of EVAP canister purge volume control
solenoid valve under the following conditions.
Without CONSULT-II
Check air passage continuity of EVAP canister purge volume control
solenoid valve under the following conditions.
PBIB0147E
Condition
(PURG VOL CONT/V value)
Air passage continuity
between A and B
100% Yes
0% No
PBIB0149E
Condition Air passage continuity
between A and B
12V direct current supply between
terminals 1 and 2 Yes
No supply No
PBIB0150E

DTC P0444, P0445 EVAP CANISTER PURGE VOLUME CONTROL SOLENOID
VALVE
EC-341
C
D
E
F
G
H
I
J
K
L
M
A
EC
Revision; 2004 April 2003 G35 Coupe
Removal and Installation ABS003DU
EVAP CANISTER PURGE VOLUME CONTROL SOLENOID VALVE
Refer to EM-16, "INTAKE MANIFOLD COLLECTOR" .

EC-342
DTC P0447 EVAP CANISTER VENT CONTROL VALVE
Revision; 2004 April 2003 G35 Coupe
DTC P0447 EVAP CANISTER VENT CONTROL VALVE PFP:14935
Component Description ABS003DV
The EVAP canister vent control valve is located on the EVAP canis-
ter and is used to seal the canister vent.
This solenoid valve responds to signals from the ECM. When the
ECM sends an ON signal, the coil in the solenoid valve is energized.
A plunger will then move to seal the canister vent. The ability to seal
the vent is necessary for the on board diagnosis of other evaporative
emission control system components.
This solenoid valve is used only for diagnosis, and usually remains
opened.
When the vent is closed, under normal purge conditions, the evapo-
rative emission control system is depressurized and allows “EVAP
Control System” diagnosis.
CONSULT-II Reference Value in Data Monitor Mode ABS003DW
Specification data are reference values.
On Board Diagnosis Logic ABS003DX
PBIB1263E
PBIB1086E
MONITOR ITEM CONDITION SPECIFICATION
VENT CONT/V ●Ignition switch: ON OFF
DTC No. Trouble diagnosis name DTC detecting condition Possible cause
P0447
0447
EVAP canister vent con-
trol valve circuit open
An improper voltage signal is sent to ECM
through EVAP canister vent control valve.
●Harness or connectors
(The valve circuit is open or shorted.)
●EVAP canister vent control valve

DTC P0447 EVAP CANISTER VENT CONTROL VALVE
EC-343
C
D
E
F
G
H
I
J
K
L
M
A
EC
Revision; 2004 April 2003 G35 Coupe
DTC Confirmation Procedure ABS003DY
NOTE:
If DTC Confirmation Procedure has been previously conducted, always turn ignition switch OFF and wait at
least 10 seconds before conducting the next test.
TESTING CONDITION:
Before performing the following procedure, confirm battery voltage is more than 11V at idle.
WITH CONSULT-II
1. Turn ignition switch ON.
2. Select “DATA MONITOR” mode with CONSULT-II.
3. Start engine and wait at least 8 seconds.
4. If 1st trip DTC is detected, go to EC-345, "Diagnostic Procedure"
.
WITH GST
Follow the procedure “WITH CONSULT-II” above.
SEF058Y

EC-344
DTC P0447 EVAP CANISTER VENT CONTROL VALVE
Revision; 2004 April 2003 G35 Coupe
Wiring Diagram ABS003DZ
TBWT0283E

DTC P0447 EVAP CANISTER VENT CONTROL VALVE
EC-345
C
D
E
F
G
H
I
J
K
L
M
A
EC
Revision; 2004 April 2003 G35 Coupe
Specification data are reference values and are measured between each terminal and ground.
CAUTION:
Do not use ECM ground terminals when measuring input/output voltage. Doing so may result in dam-
age to the ECM's transistor. Use a ground other than ECM terminals, such as the ground.
Diagnostic Procedure ABS003E0
1. INSPECTION START
Do you have CONSULT-II?
Yes or No
Yes >> GO TO 2.
No >> GO TO 3.
2. CHECK EVAP CANISTER VENT CONTROL VALVE CIRCUIT
With CONSULT-II
1. Turn ignition switch OFF and then turn ON.
2. Select “VENT CONTROL/V” in “ACTIVE TEST” mode with CONSULT-II.
3. Touch “ON/OFF” on CONSULT-II screen.
4. Check for operating sound of the valve.
Clicking noise should be heard.
OK or NG
OK >> GO TO 7.
NG >> GO TO 3.
TER-
MINAL
NO.
WIRE
COLOR ITEM CONDITION DATA (DC Voltage)
111 W ECM relay
(Self shut-off)
[Engine is running]
[Ignition switch: OFF]
●For a few seconds after turning ignition
switch OFF
0 - 1.5V
[Ignition switch: OFF]
●A few seconds passed after turning ignition
switch OFF
BATTERY VOLTAGE
(11 - 14V)
117 GY/L EVAP canister vent control
valve [Ignition switch: ON] BATTERY VOLTAGE
(11 - 14V)
119
120
P
LPower supply for ECM [Ignition switch: ON] BATTERY VOLTAGE
(11 - 14V)
PBIB0151E

EC-346
DTC P0447 EVAP CANISTER VENT CONTROL VALVE
Revision; 2004 April 2003 G35 Coupe
3. CHECK EVAP CANISTER VENT CONTROL VALVE POWER SUPPLY CIRCUIT
1. Turn ignition switch OFF.
2. Disconnect EVAP canister vent control valve harness connector.
3. Turn ignition switch ON.
4. Check voltage between EVAP canister vent control valve termi-
nal 1 and ground with CONSULT-II or tester.
OK or NG
OK >> GO TO 5.
NG >> GO TO 4.
4. DETECT MALFUNCTIONING PART
Check the following.
●Harness connectors E123, B41
●Joint connector-2
●Harness for open or short between EVAP canister vent control valve and IPDM E/R
>> Repair harness or connectors.
5. CHECK EVAP CANISTER VENT CONTROL VALVE OUTPUT SIGNAL CIRCUIT FOR OPEN AND
SHORT
1. Turn ignition switch OFF.
2. Disconnect ECM harness connector.
3. Check harness continuity between ECM terminal 117 and EVAP canister vent control valve terminal 2.
Refer to Wiring Diagram.
4. Also check harness for short to ground and short to power.
OK or NG
OK >> GO TO 7.
NG >> GO TO 6.
Voltage: Battery voltage
PBIB1086E
PBIB0152E
Continuity should exist.

DTC P0447 EVAP CANISTER VENT CONTROL VALVE
EC-347
C
D
E
F
G
H
I
J
K
L
M
A
EC
Revision; 2004 April 2003 G35 Coupe
6. DETECT MALFUNCTIONING PART
Check the following.
●Harness connectors B1, M12
●Harness connectors M72, F102
●Harness for open or short between EVAP canister vent control valve and ECM
>> Repair open circuit or short to ground or short to power in harness or connectors.
7. CHECK RUBBER TUBE FOR CLOGGING
1. Disconnect rubber tube connected to EVAP canister vent control valve.
2. Check the rubber tube for clogging.
OK or NG
OK >> GO TO 8.
NG >> Clean the rubber tube using an air blower.
8. CHECK EVAP CANISTER VENT CONTROL VALVE
Refer to EC-347, "Component Inspection" .
OK or NG
OK >> GO TO 9.
NG >> Replace EVAP canister vent control valve.
9. CHECK INTERMITTENT INCIDENT
Refer to EC-132, "TROUBLE DIAGNOSIS FOR INTERMITTENT INCIDENT" .
>> INSPECTION END
Component Inspection ABS003E1
EVAP CANISTER VENT CONTROL VALVE
With CONSULT-II
1. Remove EVAP canister vent control valve from EVAP canister.
2. Check portion B of EVAP canister vent control valve for being
rusted.
If NG, replace EVAP canister vent control valve.
If OK, go to next step.
3. Reconnect harness connectors disconnected.
4. Turn ignition switch ON.
PBIB1033E

EC-348
DTC P0447 EVAP CANISTER VENT CONTROL VALVE
Revision; 2004 April 2003 G35 Coupe
5. Perform “VENT CONTROL/V” in “ACTIVE TEST” mode.
6. Check air passage continuity and operation delay time.
Make sure new O-ring is installed properly.
Operation takes less than 1 second.
If NG, replace EVAP canister vent control valve.
If OK, go to next step.
7. Clean the air passage (Portion A to B ) of EVAP canister vent control valve using an air blower.
8. Perform step 6 again.
Without CONSULT-II
1. Remove EVAP canister vent control valve from EVAP canister.
2. Check portion B of EVAP canister vent control valve for being
rusted.
3. Check air passage continuity and operation delay time under the
following conditions.
Make sure new O-ring is installed properly.
Operation takes less than 1 second.
If NG, replace EVAP canister vent control valve.
If OK, go to next step.
4. Clean the air passage (Portion A to B ) of EVAP canister vent control valve using an air blower.
5. Perform step 3 again.
Condition VENT CONTROL/V Air passage continuity between A and B
ON No
OFF Yes
PBIB0151E
PBIB1033E
Condition Air passage continuity between A and B
12V direct current supply between
terminals 1 and 2 No
OFF Yes
PBIB1034E

DTC P0451 EVAP CONTROL SYSTEM PRESSURE SENSOR
EC-349
C
D
E
F
G
H
I
J
K
L
M
A
EC
Revision; 2004 April 2003 G35 Coupe
DTC P0451 EVAP CONTROL SYSTEM PRESSURE SENSOR PFP:22365
Component Description ABS004W2
The EVAP control system pressure sensor detects pressure in the purge line. The sensor output voltage to the
ECM increases as pressure increases.
CONSULT-II Reference Value in Data Monitor Mode ABS004W3
Specification data are reference values.
On Board Diagnosis Logic ABS004W4
NOTE:
If DTC P0451 is displayed with DTC P1229, first perform the trouble diagnosis for DTC P1229. Refer to
EC-490 .
PBIB1086E
PBIB1207E
MONITOR ITEM CONDITION SPECIFICATION
EVAP SYS PRES ●Ignition switch: ON Approx. 1.8 - 4.8V
DTC No. Trouble diagnosis name DTC detecting condition Possible cause
P0451
0451
EVAP control system
pressure sensor perfor-
mance
ECM detects a sloshing signal from the EVAP
control system pressure sensor
●Harness or connectors
●EVAP control system pressure sensor

EC-350
DTC P0451 EVAP CONTROL SYSTEM PRESSURE SENSOR
Revision; 2004 April 2003 G35 Coupe
DTC Confirmation Procedure ABS004W5
NOTE:
If DTC Confirmation Procedure has been previously conducted, always turn ignition switch OFF and wait at
least 10 seconds before conducting the next test.
WITH CONSULT-II
1. Turn ignition switch OFF and wait at least 10 seconds.
2. Turn ignition switch ON and select “DATA MONITOR” mode with
CONSULT-II.
3. Start engine and wait at least 40 seconds.
NOTE:
Do not depress accelerator pedal even slightly.
If 1st trip DTC is detected, go to EC-350, "Diagnostic Procedure"
.
WITH GST
Follow the procedure “WITH CONSULT-II” above.
Diagnostic Procedure ABS004W6
1. CHECK EVPA CONTROL SYSTEM PRESSURE SENSOR CONNECTOR FOR WATER
1. Disconnect EVAP control system pressure sensor harness connector.
2. Check sensor harness connector for water.
OK or NG
OK >> GO TO 2.
NG >> Repair or replace harness connector.
2. CHECK EVAP CONTROL SYSTEM PRESSURE SENSOR
Refer to EC-351, "Component Inspection" .
OK or NG
OK >> GO TO 3.
NG >> Replace EVAP control system pressure sensor.
3. CHECK INTERMITTENT INCIDENT
Refer to EC-132, "TROUBLE DIAGNOSIS FOR INTERMITTENT INCIDENT" .
For wiring diagram, refer to EC-354 .
>> INSPECTION END
SEF194Y
Water should not exist.
PBIB1086E

DTC P0451 EVAP CONTROL SYSTEM PRESSURE SENSOR
EC-351
C
D
E
F
G
H
I
J
K
L
M
A
EC
Revision; 2004 April 2003 G35 Coupe
Component Inspection ABS004W7
EVAP CONTROL SYSTEM PRESSURE SENSOR
1. Remove EVAP control system pressure sensor with its harness connector connected.
2. Remove EVAP control system pressure sensor from EVAP canister.
Do not reuse the O-ring, replace it with a new one.
3. Install a vacuum pump to EVAP control system pressure sensor.
4. Turn ignition switch “ON” and check output voltage between
ECM terminal 32 and ground under the following conditions.
CAUTION:
●Always calibrate the vacuum pump gauge when using it.
●Do not apply below -93.3 kPa (-700 mmHg, -27.56 inHg) or
pressure over 101.3 kPa (760 mmHg, 29.92 inHg).
5. If NG, replace EVAP control system pressure sensor.
Applied vacuum kPa
(mmHg, inHg) Voltage V
Not applied 1.8 - 4.8
-26.7 (-200, -7.87) 2.1 to 2.5V lower than above value
PBIB1173E

EC-352
DTC P0452 EVAP CONTROL SYSTEM PRESSURE SENSOR
Revision; 2004 April 2003 G35 Coupe
DTC P0452 EVAP CONTROL SYSTEM PRESSURE SENSOR PFP:25085
Component Description ABS003E2
The EVAP control system pressure sensor detects pressure in the purge line. The sensor output voltage to the
ECM increases as pressure increases.
CONSULT-II Reference Value in Data Monitor Mode ABS003E3
Specification data are reference values.
On Board Diagnosis Logic ABS003E4
NOTE:
If DTC P0452 is displayed with DTC P1229, first perform the trouble diagnosis for DTC P1229. Refer to
EC-490 .
PBIB1086E
PBIB1207E
MONITOR ITEM CONDITION SPECIFICATION
EVAP SYS PRES ●Ignition switch: ON Approx. 1.8 - 4.8V
DTC No. Trouble diagnosis name DTC detecting condition Possible cause
P0452
0452
EVAP control system
pressure sensor low
input
An excessively low voltage from the sensor is
sent to ECM.
●Harness or connectors
(The sensor circuit is open or shorted.)
●EVAP control system pressure sensor

DTC P0452 EVAP CONTROL SYSTEM PRESSURE SENSOR
EC-353
C
D
E
F
G
H
I
J
K
L
M
A
EC
Revision; 2004 April 2003 G35 Coupe
DTC Confirmation Procedure ABS003E5
NOTE:
If DTC Confirmation Procedure has been previously conducted, always turn ignition switch OFF and wait at
least 10 seconds before conducting the next test.
TESTING CONDITION:
Always perform test at a temperature of 5°C (41°F) or more.
WITH CONSULT-II
1. Start engine and warm it up to normal operating temperature.
2. Turn ignition switch OFF and wait at least 10 seconds.
3. Turn ignition switch ON.
4. Select “DATA MONITOR” mode with CONSULT-II.
5. Make sure that “FUEL T/TEMP SE” is more than 0°C (32°F).
6. Start engine and wait at least 20 seconds.
If 1st trip DTC is detected, go to EC-355, "Diagnostic Procedure"
.
WITH GST
1. Start engine and warm it up to normal operating temperature.
2. Check that voltage between ECM terminal 107 (Fuel tank tem-
perature sensor signal) and ground is less than 4.2V.
3. Turn ignition switch “OFF” and wait at least 10 seconds.
4. Start engine and wait at least 20 seconds.
5. Select “MODE 7” with GST.
If 1st trip DTC is detected, go to EC-355, "Diagnostic Procedure"
.
SEF194Y
PBIB1110E

EC-354
DTC P0452 EVAP CONTROL SYSTEM PRESSURE SENSOR
Revision; 2004 April 2003 G35 Coupe
Wiring Diagram ABS003E6
TBWT0284E

DTC P0452 EVAP CONTROL SYSTEM PRESSURE SENSOR
EC-355
C
D
E
F
G
H
I
J
K
L
M
A
EC
Revision; 2004 April 2003 G35 Coupe
Specification data are reference values and are measured between each terminal and ground.
CAUTION:
Do not use ECM ground terminals when measuring input/output voltage. Doing so may result in dam-
age to the ECM's transistor. Use a ground other than ECM terminals, such as the ground.
Diagnostic Procedure ABS003E7
1. RETIGHTEN GROUND SCREWS
Loosen and retighten engine ground screws.
>> GO TO 2.
2. CHECK CONNECTOR
1. Disconnect EVAP control system pressure sensor harness connector.
2. Check sensor harness connector for water.
OK or NG
OK >> GO TO 3.
NG >> Repair or replace harness connector.
TER-
MINAL
NO.
WIRE
COLOR ITEM CONDITION DATA (DC Voltage)
32 P EVAP control system pres-
sure sensor [Ignition switch: ON] Approximately 1.8 - 4.8V
48 B/Y
Sensors' power supply
(EVAP control system pres-
sure sensor) [Ignition switch: ON] Approximately 5V
67 B/W
Sensors' ground
(Mass air flow sensor / IAT
sensor / Power steering
pressure sensor / EVAP
control system pressure
sensor)
[Engine is running]
●Warm-up condition
●Idle speed
Approximately 0V
PBIB0986E
Water should not exist.
PBIB1086E

EC-356
DTC P0452 EVAP CONTROL SYSTEM PRESSURE SENSOR
Revision; 2004 April 2003 G35 Coupe
3. CHECK EVAP CONTROL SYSTEM PRESSURE SENSOR POWER SUPPLY CIRCUIT
1. Turn ignition switch ON.
2. Check voltage between EVAP control system pressure sensor
terminal 3 and ground with CONSULT-II or tester.
OK or NG
OK >> GO TO 5.
NG >> GO TO 4.
4. DETECT MALFUNCTIONING PART
Check the following.
●Harness connectors B1, M12
●Harness connectors M72, F102
●Harness for open or short between EVAP control system pressure sensor and ECM
>> Repair open circuit or short to ground or short to power in harness or connectors.
5. CHECK EVAP CONTROL SYSTEM PRESSURE SENSOR GROUND CIRCUIT FOR OPEN AND
SHORT
1. Turn ignition switch OFF.
2. Disconnect ECM harness connector.
3. Check harness continuity between EVAP control system pressure sensor terminal 1 and ECM terminal
67.
Refer to Wiring Diagram.
4. Also check harness for short to ground and short to power.
OK or NG
OK >> GO TO 7.
NG >> GO TO 6.
6. DETECT MALFUNCTIONING PART
Check the following.
●Harness connectors B1, M12
●Harness connectors M72, F102
●Joint connector-3
●Harness for open or short between EVAP control system pressure sensor and ECM
>> Repair open circuit or short to ground or short to power in harness or connectors.
Voltage: Approximately 5V
PBIB0138E
Continuity should exist.

DTC P0452 EVAP CONTROL SYSTEM PRESSURE SENSOR
EC-357
C
D
E
F
G
H
I
J
K
L
M
A
EC
Revision; 2004 April 2003 G35 Coupe
7. CHECK EVAP CONTROL SYSTEM PRESSURE SENSOR INPUT SIGNAL CIRCUIT FOR OPEN AND
SHORT
1. Check harness continuity between ECM terminal 32 and EVAP control system pressure sensor terminal
2.
Refer to Wiring Diagram.
2. Also check harness for short to ground and short to power.
OK or NG
OK >> GO TO 9.
NG >> GO TO 8.
8. DETECT MALFUNCTIONING PART
Check the following.
●Harness connectors B1, M12
●Harness connectors M72, F102
●Harness for open or short between EVAP control system pressure sensor and ECM
>> Repair open circuit or short to ground or short to power in harness or connectors.
9. CHECK EVAP CONTROL SYSTEM PRESSURE SENSOR
Refer to EC-357, "Component Inspection" .
OK or NG
OK >> GO TO 10.
NG >> Replace EVAP control system pressure sensor.
10. CHECK INTERMITTENT INCIDENT
Refer to EC-132, "TROUBLE DIAGNOSIS FOR INTERMITTENT INCIDENT" .
>> INSPECTION END
Component Inspection ABS003E8
EVAP CONTROL SYSTEM PRESSURE SENSOR
1. Remove EVAP control system pressure sensor with its harness connector connected.
2. Remove EVAP control system pressure sensor from EVAP canister.
Do not reuse the O-ring, replace it with a new one.
3. Install a vacuum pump to EVAP control system pressure sensor.
4. Turn ignition switch ON and check output voltage between ECM
terminal 32 and ground under the following conditions.
CAUTION:
●Always calibrate the vacuum pump gauge when using it.
●Do not apply below -93.3 kPa (-700 mmHg, -27.56 inHg) or
pressure over 101.3 kPa (760 mmHg, 29.92 inHg).
5. If NG, replace EVAP control system pressure sensor.
Continuity should exist.
Applied vacuum kPa
(mmHg, inHg) Voltage V
Not applied 1.8 - 4.8
-26.7 (-200, -7.87) 2.1 to 2.5V lower than above value
PBIB1173E

EC-358
DTC P0453 EVAP CONTROL SYSTEM PRESSURE SENSOR
Revision; 2004 April 2003 G35 Coupe
DTC P0453 EVAP CONTROL SYSTEM PRESSURE SENSOR PFP:25085
Component Description ABS003E9
The EVAP control system pressure sensor detects pressure in the purge line. The sensor output voltage to the
ECM increases as pressure increases.
CONSULT-II Reference Value in Data Monitor Mode ABS003EA
Specification data are reference values.
On Board Diagnosis Logic ABS003EB
NOTE:
If DTC P0453 is displayed with DTC P1229, first perform the trouble diagnosis for DTC P1229. Refer to
EC-490 .
PBIB1086E
PBIB1207E
MONITOR ITEM CONDITION SPECIFICATION
EVAP SYS PRES ●Ignition switch: ON Approx. 1.8 - 4.8V
DTC No. Trouble diagnosis name DTC detecting condition Possible cause
P0453
0453
EVAP control system
pressure sensor high
input
An excessively high voltage from the sensor is
sent to ECM.
●Harness or connectors
(The sensor circuit is open or shorted.)
●EVAP control system pressure sensor
●EVAP canister vent control valve
●EVAP canister
●Rubber hose from EVAP canister vent
control valve to vehicle frame

DTC P0453 EVAP CONTROL SYSTEM PRESSURE SENSOR
EC-359
C
D
E
F
G
H
I
J
K
L
M
A
EC
Revision; 2004 April 2003 G35 Coupe
DTC Confirmation Procedure ABS003EC
NOTE:
If DTC Confirmation Procedure has been previously conducted, always turn ignition switch OFF and wait at
least 10 seconds before conducting the next test.
TESTING CONDITION:
Always perform test at a temperature of 5°C (41°F) or more.
WITH CONSULT-II
1. Start engine and warm it up to normal operating temperature.
2. Turn ignition switch OFF and wait at least 10 seconds.
3. Turn ignition switch ON.
4. Select “DATA MONITOR” mode with CONSULT-II.
5. Make sure that “FUEL T/TEMP SE” is more than 0°C (32°F).
6. Start engine and wait at least 20 seconds.
7. If 1st trip DTC is detected, go to EC-361, "Diagnostic Procedure"
.
WITH GST
1. Start engine and warm it up to normal operating temperature.
2. Check that voltage between ECM terminal 107 (Fuel tank tem-
perature sensor signal) and ground is less than 4.2V.
3. Turn ignition switch OFF and wait at least 10 seconds.
4. Start engine and wait at least 20 seconds.
5. Select “MODE 7” with GST.
If 1st trip DTC is detected, go to EC-361, "Diagnostic Procedure"
.
SEF194Y
PBIB1110E

EC-360
DTC P0453 EVAP CONTROL SYSTEM PRESSURE SENSOR
Revision; 2004 April 2003 G35 Coupe
Wiring Diagram ABS003ED
TBWT0284E

DTC P0453 EVAP CONTROL SYSTEM PRESSURE SENSOR
EC-361
C
D
E
F
G
H
I
J
K
L
M
A
EC
Revision; 2004 April 2003 G35 Coupe
Specification data are reference values and are measured between each terminal and ground.
CAUTION:
Do not use ECM ground terminals when measuring input/output voltage. Doing so may result in dam-
age to the ECM's transistor. Use a ground other than ECM terminals, such as the ground.
Diagnostic Procedure ABS003EE
1. RETIGHTEN GROUND SCREWS
Loosen and retighten engine ground screws.
>> GO TO 2.
2. CHECK CONNECTOR
1. Disconnect EVAP control system pressure sensor harness connector.
2. Check sensor harness connector for water.
OK or NG
OK >> GO TO 3.
NG >> Repair or replace harness connector.
TER-
MINAL
NO.
WIRE
COLOR ITEM CONDITION DATA (DC Voltage)
32 P EVAP control system pres-
sure sensor [Ignition switch: ON] Approximately 1.8 - 4.8V
48 B/Y
Sensors' power supply
(EVAP control system pres-
sure sensor) [Ignition switch: ON] Approximately 5V
67 B/W
Sensors' ground
(Mass air flow sensor / IAT
sensor / Power steering
pressure sensor / EVAP
control system pressure
sensor)
[Engine is running]
●Warm-up condition
●Idle speed
Approximately 0V
PBIB0986E
Water should not exist.
PBIB1086E

EC-362
DTC P0453 EVAP CONTROL SYSTEM PRESSURE SENSOR
Revision; 2004 April 2003 G35 Coupe
3. CHECK EVAP CONTROL SYSTEM PRESSURE SENSOR POWER SUPPLY CIRCUIT
1. Turn ignition switch ON.
2. Check voltage between EVAP control system pressure sensor
terminal 3 and ground with CONSULT-II or tester.
OK or NG
OK >> GO TO 5.
NG >> GO TO 4.
4. DETECT MALFUNCTIONING PART
Check the following.
●Harness connectors B1, M12
●Harness connectors M72, F102
●Harness for open or short between EVAP control system pressure sensor and ECM
>> Repair open circuit or short to ground or short to power in harness or connectors.
5. CHECK EVAP CONTROL SYSTEM PRESSURE SENSOR GROUND CIRCUIT FOR OPEN AND
SHORT
1. Turn ignition switch OFF.
2. Disconnect ECM harness connector.
3. Check harness continuity between EVAP control system pressure sensor terminal 1 and ECM terminal
67.
Refer to Wiring Diagram.
4. Also check harness for short to ground and short to power.
OK or NG
OK >> GO TO 7.
NG >> GO TO 6.
6. DETECT MALFUNCTIONING PART
Check the following.
●Harness connectors B1, M12
●Harness connectors M72, F102
●Joint connector-3
●Harness for open or short between EVAP control system pressure sensor and ECM
>> Repair open circuit or short to ground or short to power in harness or connectors.
Voltage: Approximately 5V
PBIB0138E
Continuity should exist.

DTC P0453 EVAP CONTROL SYSTEM PRESSURE SENSOR
EC-363
C
D
E
F
G
H
I
J
K
L
M
A
EC
Revision; 2004 April 2003 G35 Coupe
7. CHECK EVAP CONTROL SYSTEM PRESSURE SENSOR INPUT SIGNAL CIRCUIT FOR OPEN AND
SHORT
1. Check harness continuity between ECM terminal 32 and EVAP control system pressure sensor terminal
2.
Refer to Wiring Diagram.
2. Also check harness for short to ground and short to power.
OK or NG
OK >> GO TO 9.
NG >> GO TO 8.
8. DETECT MALFUNCTIONING PART
Check the following.
●Harness connectors B1, M12
●Harness connectors M72, F102
●Harness for open or short between EVAP control system pressure sensor and ECM
>> Repair open circuit or short to ground or short to power in harness or connectors.
9. CHECK RUBBER TUBE FOR CLOGGING
1. Disconnect rubber tube connected to EVAP canister vent control valve.
2. Check the rubber tube for clogging.
OK or NG
OK >> GO TO 10.
NG >> Clean the rubber tube using an air blower.
10. CHECK EVAP CANISTER VENT CONTROL VALVE
Refer to EC-347, "Component Inspection" .
OK or NG
OK >> GO TO 11.
NG >> Replace EVAP canister vent control valve.
11. CHECK EVAP CONTROL SYSTEM PRESSURE SENSOR
Refer to EC-365, "Component Inspection" .
OK or NG
OK >> GO TO 12.
NG >> Replace EVAP control system pressure sensor.
12. CHECK RUBBER TUBE
Check obstructed rubber tube connected to EVAP canister vent control valve.
OK or NG
OK >> GO TO 13.
NG >> Clean rubber tube using an air blower, repair or replace rubber tube.
Continuity should exist.

EC-364
DTC P0453 EVAP CONTROL SYSTEM PRESSURE SENSOR
Revision; 2004 April 2003 G35 Coupe
13. CHECK IF EVAP CANISTER SATURATED WITH WATER
1. Remove EVAP canister with EVAP canister vent control valve and EVAP control system pressure sensor
attached.
2. Check if water will drain from the EVAP canister.
Yes or No
Yes >> GO TO 14.
No >> GO TO 16.
14. CHECK EVAP CANISTER
Weigh the EVAP canister with the EVAP canister vent control valve and EVAP control system pressure sensor
attached.
The weight should be less than 2.2 kg (4.9 lb).
OK or NG
OK >> GO TO 16.
NG >> GO TO 15.
15. DETECT MALFUNCTIONING PART
Check the following.
●EVAP canister for damage
●EVAP hose between EVAP canister and vehicle frame for clogging or poor connection
>> Repair hose or replace EVAP canister.
16. CHECK INTERMITTENT INCIDENT
Refer to EC-132, "TROUBLE DIAGNOSIS FOR INTERMITTENT INCIDENT" .
>> INSPECTION END
PBIB1031E

DTC P0453 EVAP CONTROL SYSTEM PRESSURE SENSOR
EC-365
C
D
E
F
G
H
I
J
K
L
M
A
EC
Revision; 2004 April 2003 G35 Coupe
Component Inspection ABS003EF
EVAP CONTROL SYSTEM PRESSURE SENSOR
1. Remove EVAP control system pressure sensor with its harness connector connected.
2. Remove EVAP control system pressure sensor from EVAP canister.
Do not reuse the O-ring, replace it with a new one.
3. Install a vacuum pump to EVAP control system pressure sensor.
4. Turn ignition switch ON and check output voltage between ECM
terminal 32 and ground under the following conditions.
CAUTION:
●Always calibrate the vacuum pump gauge when using it.
●Do not apply below -93.3 kPa (-700 mmHg, -27.56 inHg) or
pressure over 101.3 kPa (760 mmHg, 29.92 inHg).
5. If NG, replace EVAP control system pressure sensor.
Applied vacuum kPa
(mmHg, inHg) Voltage V
Not applied 1.8 - 4.8
-26.7 (-200, -7.87) 2.1 to 2.5V lower than above value
PBIB1173E

EC-366
DTC P0455 EVAP CONTROL SYSTEM
Revision; 2004 April 2003 G35 Coupe
DTC P0455 EVAP CONTROL SYSTEM PFP:14950
On Board Diagnosis Logic ABS003EG
This diagnosis detects a very large leak (fuel filler cap fell off etc.) in EVAP system between the fuel tank and
EVAP canister purge volume control solenoid valve.
DTC No. Trouble diagnosis name DTC detecting condition Possible cause
P0455
0455
EVAP control system
gross leak detected
EVAP control system has a very large leak
such as fuel filler cap fell off, EVAP control sys-
tem does not operate properly.
●Fuel filler cap remains open or fails to
close.
●Incorrect fuel tank vacuum relief valve
●Incorrect fuel filler cap used
●Foreign matter caught in fuel filler cap.
●Leak is in line between intake manifold
and EVAP canister purge volume control
solenoid valve.
●Foreign matter caught in EVAP canister
vent control valve.
●EVAP canister or fuel tank leaks
●EVAP purge line (pipe and rubber tube)
leaks
●EVAP purge line rubber tube bent.
●Blocked or bent rubber tube to EVAP
control system pressure sensor
●Loose or disconnected rubber tube
●EVAP canister vent control valve and the
circuit
●EVAP canister purge volume control
solenoid valve and the circuit
●Fuel tank temperature sensor
●O-ring of EVAP canister vent control
valve is missing or damaged.
●EVAP control system pressure sensor
●Refueling EVAP vapor cut valve
●ORVR system leaks
PBIB1026E

DTC P0455 EVAP CONTROL SYSTEM
EC-367
C
D
E
F
G
H
I
J
K
L
M
A
EC
Revision; 2004 April 2003 G35 Coupe
CAUTION:
●Use only a genuine NISSAN fuel filler cap as a replacement. If an incorrect fuel filler cap is used,
the MIL may come on.
●If the fuel filler cap is not tightened properly, the MIL may come on.
●Use only a genuine NISSAN rubber tube as a replacement.
DTC Confirmation Procedure ABS003EH
CAUTION:
Never remove fuel filler cap during the DTC Confirmation Procedure.
NOTE:
●Make sure that EVAP hoses are connected to EVAP canister purge volume control solenoid valve
properly.
●If DTC Confirmation Procedure has been previously conducted, always turn ignition switch OFF and wait
at least 10 seconds before conducting the next test.
TESTING CONDITION:
●Perform “DTC WORK SUPPORT” when the fuel level is between 1/4 and 3/4 full, and vehicle is
placed on flat level surface.
●Open engine hood before conducting the following procedures.
WITH CONSULT-II
1. Tighten fuel filler cap securely until ratcheting sound is heard.
2. Turn ignition switch ON.
3. Turn ignition switch OFF and wait at least 10 seconds.
4. Turn ignition switch ON and select “DATA MONITOR” mode with CONSULT-II.
5. Make sure that the following conditions are met.
COOLAN TEMP/S: 0 - 70°C (32 - 158°F)
INT/A TEMP SE: 0 - 60°C (32 - 140°F)
6. Select “EVAP SML LEAK P0442/P1442” of “EVAPORATIVE SYSTEM” in “DTC WORK SUPPORT” mode
with CONSULT-II.
Follow the instruction displayed.
NOTE:
If the engine speed cannot be maintained within the range displayed on the CONSULT-II screen, go to
EC-81, "Basic Inspection" .
7. Make sure that “OK” is displayed.
If “NG” is displayed, select “SELF-DIAG RESULTS” mode and
make sure that “EVAP GROSS LEAK [P0455]” is displayed. If it
is displayed, refer to EC-368, "Diagnostic Procedure" .
If P0442 is displayed, perform Diagnostic Procedure for DTC
P0442 EC-328, "Diagnostic Procedure" .
PBIB0829E
SEC763C

EC-368
DTC P0455 EVAP CONTROL SYSTEM
Revision; 2004 April 2003 G35 Coupe
WITH GST
NOTE:
Be sure to read the explanation of Driving Pattern on EC-61 before driving vehicle.
1. Start engine.
2. Drive vehicle according to EC-61, "Driving Pattern" .
3. Stop vehicle.
4. Select “MODE 1” with GST.
●If SRT of EVAP system is not set yet, go to the following step.
●If SRT of EVAP system is set, the result will be OK.
5. Turn ignition switch OFF and wait at least 10 seconds.
6. Start engine.
It is not necessary to cool engine down before driving.
7. Drive vehicle again according to the EC-61, "Driving Pattern" .
8. Stop vehicle.
9. Select “MODE 3” with GST.
●If P0455 is displayed on the screen, go to EC-368, "Diagnostic Procedure" .
●If P0442 is displayed on the screen, go to Diagnostic Procedure for DTC P0442, EC-328 .
●If P0441 is displayed on the screen, go to Diagnostic Procedure for DTC P0441, EC-322 .
●If P0455, P0441, P0442 are not displayed on the screen, go to the following step.
10. Select “MODE 1” with GST.
●If SRT of EVAP system is set, the result will be OK.
●If SRT of EVAP system is not set, go to step 6.
Diagnostic Procedure ABS003EI
1. CHECK FUEL FILLER CAP DESIGN
1. Turn ignition switch OFF.
2. Check for genuine NISSAN fuel filler cap design.
OK or NG
OK >> GO TO 2.
NG >> Replace with genuine NISSAN fuel filler cap.
2. CHECK FUEL FILLER CAP INSTALLATION
Check that the cap is tightened properly by rotating the cap clockwise.
OK or NG
OK >> GO TO 3.
NG >> 1. Open fuel filler cap, then clean cap and fuel filler neck threads using air blower.
2. Retighten until ratcheting sound is heard.
3. CHECK FUEL FILLER CAP FUNCTION
Check for air releasing sound while opening the fuel filler cap.
OK or NG
OK >> GO TO 5.
NG >> GO TO 4.
SEF915U

DTC P0455 EVAP CONTROL SYSTEM
EC-369
C
D
E
F
G
H
I
J
K
L
M
A
EC
Revision; 2004 April 2003 G35 Coupe
4. CHECK FUEL TANK VACUUM RELIEF VALVE
Refer to EC-633, "FUEL TANK VACUUM RELIEF VALVE (BUILT INTO FUEL FULLER CAP)" .
OK or NG
OK >> GO TO 5.
NG >> Replace fuel filler cap with a genuine one.
5. CHECK EVAP PURGE LINE
Check EVAP purge line (pipe, rubber tube, fuel tank and EVAP canister) for cracks, improper connection or
disconnection.
Refer to EC-631, "EVAPORATIVE EMISSION LINE DRAWING" .
OK or NG
OK >> GO TO 6.
NG >> Repair or reconnect the hose.
6. CLEAN EVAP PURGE LINE
Clean EVAP purge line (pipe and rubber tube) using air blower.
>> GO TO 7.
7. CHECK EVAP CANISTER VENT CONTROL VALVE
Check the following.
●EVAP canister vent control valve is installed properly.
Refer to EC-634, "Removal and Installation" .
●EVAP canister vent control valve.
Refer to EC-347, "Component Inspection" .
OK or NG
OK >> GO TO 8.
NG >> Repair or replace EVAP canister vent control valve and O-ring.

EC-370
DTC P0455 EVAP CONTROL SYSTEM
Revision; 2004 April 2003 G35 Coupe
8. INSTALL THE PRESSURE PUMP
To locate the EVAP leak, install EVAP service port adapter and pres-
sure pump to EVAP service port securely.
NOTE:
Improper installation of the EVAP service port adapter to the
EVAP service port may cause leaking.
Models with CONSULT-II>>GO TO 9.
Models without CONSULT-II>>GO TO 10.
9. CHECK FOR EVAP LEAK
With CONSULT-II
1. Turn ignition switch ON.
2. Select “EVAP SYSTEM CLOSE” of “WORK SUPPORT” mode
with CONSULT-II.
3. Touch “START” and apply pressure into the EVAP line until the
pressure indicator reaches the middle of the bar graph.
NOTE:
●Never use compressed air or a high pressure pump.
●Do not exceed 4.12 kPa (0.042 kg/cm2 , 0.6 psi) of pres-
sure in the system.
4. Using EVAP leak detector, locate the EVAP leak. For the leak
detector, refer to the instruction manual for more details.
Refer to EC-631, "EVAPORATIVE EMISSION LINE DRAWING"
.
OK or NG
OK >> GO TO 11.
NG >> Repair or replace.
PBIB1001E
SEF916U
PEF917U
SEF200U

DTC P0455 EVAP CONTROL SYSTEM
EC-371
C
D
E
F
G
H
I
J
K
L
M
A
EC
Revision; 2004 April 2003 G35 Coupe
10. CHECK FOR EVAP LEAK
Without CONSULT-II
1. Turn ignition switch OFF.
2. Apply 12 volts DC to EVAP canister vent control valve. The valve will close. (Continue to apply 12 volts
until the end of test.)
3. Pressurize the EVAP line using pressure pump with 1.3 to 2.7 kPa (10 to 20 mmHg, 0.39 to 0.79 inHg),
then remove pump and EVAP service port adapter.
NOTE:
●Never use compressed air or a high pressure pump.
●Do not exceed 4.12 kPa (0.042 kg/cm2 , 0.6 psi) of pressure in the system.
4. Using EVAP leak detector, locate the EVAP leak. For the leak
detector, refer to the instruction manual for more details. Refer
to EC-631, "EVAPORATIVE EMISSION LINE DRAWING" .
OK or NG
OK >> GO TO 12.
NG >> Repair or replace.
11. CHECK EVAP CANISTER PURGE VOLUME CONTROL SOLENOID VALVE OPERATION
With CONSULT-II
1. Disconnect vacuum hose to EVAP canister purge volume control solenoid valve at EVAP service port.
2. Start engine.
3. Perform “PURG VOL CONT/V” in “ACTIVE TEST” mode.
4. Touch “Qu” on CONSULT-II screen to increase “PURG VOL
CONT/V” opening to 100%.
5. Check vacuum hose for vacuum when revving engine up to
2,000 rpm.
OK or NG
OK >> GO TO 14.
NG >> GO TO 13.
PBIB1086E
SEF200U
PBIB0828E

EC-372
DTC P0455 EVAP CONTROL SYSTEM
Revision; 2004 April 2003 G35 Coupe
12. CHECK EVAP CANISTER PURGE VOLUME CONTROL SOLENOID VALVE OPERATION
Without CONSULT-II
1. Start engine and warm it up to normal operating temperature.
2. Stop engine.
3. Disconnect vacuum hose to EVAP canister purge volume control solenoid valve at EVAP service port.
4. Start engine and let it idle for at least 80 seconds.
5. Check vacuum hose for vacuum when revving engine up to 2,000 rpm.
OK or NG
OK >> GO TO 15.
NG >> GO TO 13.
13. CHECK VACUUM HOSE
Check vacuum hoses for clogging or disconnection. Refer to EC-23, "Vacuum Hose Drawing" .
OK or NG
OK (With CONSULT-II)>>GO TO 14.
OK (Without CONSULT-II)>>GO TO 15.
NG >> Repair or reconnect the hose.
14. CHECK EVAP CANISTER PURGE VOLUME CONTROL SOLENOID VALVE
With CONSULT-II
1. Start engine.
2. Perform “PURG VOL CONT/V” in “ACTIVE TEST” mode with
CONSULT-II. Check that engine speed varies according to the
valve opening.
OK or NG
OK >> GO TO 16.
NG >> GO TO 15.
15. CHECK EVAP CANISTER PURGE VOLUME CONTROL SOLENOID VALVE
Refer to EC-340, "Component Inspection" .
OK or NG
OK >> GO TO 16.
NG >> Replace EVAP canister purge volume control solenoid valve.
16. CHECK FUEL TANK TEMPERATURE SENSOR
Refer to EC-278, "Component Inspection" .
OK or NG
OK >> GO TO 17.
NG >> Replace fuel level sensor unit.
Vacuum should exist.
PBIB0828E

DTC P0455 EVAP CONTROL SYSTEM
EC-373
C
D
E
F
G
H
I
J
K
L
M
A
EC
Revision; 2004 April 2003 G35 Coupe
17. CHECK EVAP CONTROL SYSTEM PRESSURE SENSOR
Refer to EC-357, "Component Inspection" .
OK or NG
OK >> GO TO 18.
NG >> Replace EVAP control system pressure sensor.
18. CHECK EVAP/ORVR LINE
Check EVAP/ORVR line between EVAP canister and fuel tank for clogging, kink, looseness and improper con-
nection. For location, refer to EC-637, "ON BOARD REFUELING VAPOR RECOVERY (ORVR)" .
OK or NG
OK >> GO TO 19.
NG >> Repair or replace hoses and tubes.
19. CHECK RECIRCULATION LINE
Check recirculation line between filler neck tube and fuel tank for clogging, kink, cracks, looseness and
improper connection.
OK or NG
OK >> GO TO 20.
NG >> Repair or replace hose, tube or filler neck tube.
20. CHECK REFUELING EVAP VAPOR CUT VALVE
Refer to EC-640, "REFUELING EVAP VAPOR CUT VALVE" .
OK or NG
OK >> GO TO 21.
NG >> Replace refueling EVAP vapor cut valve with fuel tank.
21. CHECK INTERMITTENT INCIDENT
Refer to EC-132, "TROUBLE DIAGNOSIS FOR INTERMITTENT INCIDENT" .
>> INSPECTION END

EC-374
DTC P0456 EVAP CONTROL SYSTEM
Revision; 2004 April 2003 G35 Coupe
DTC P0456 EVAP CONTROL SYSTEM PFP:14950
On Board Diagnosis Logic ABS003EJ
This diagnosis detects very small leaks in the EVAP line between fuel tank and EVAP canister purge volume
control solenoid valve, using the intake manifold vacuum in the same way as conventional EVAP small leak
diagnosis.
If ECM judges a leak which corresponds to a very small leak, the very small leak P0456 will be detected.
If ECM judges a leak equivalent to a small leak, EVAP small leak P0442 will be detected.
If ECM judges there are no leaks, the diagnosis will be OK.
PBIB1026E

DTC P0456 EVAP CONTROL SYSTEM
EC-375
C
D
E
F
G
H
I
J
K
L
M
A
EC
Revision; 2004 April 2003 G35 Coupe
CAUTION:
●Use only a genuine NISSAN fuel filler cap as a replacement. If an incorrect fuel filler cap is used,
the MIL may come on.
●If the fuel filler cap is not tightened properly, the MIL may come on.
●Use only a genuine NISSAN rubber tube as a replacement.
DTC Confirmation Procedure ABS003EK
NOTE:
●If DTC P0456 is displayed with P0442, first perform trouble diagnosis for DTC P0456.
●After repair, make sure that the hoses and clips are installed properly.
●If DTC Confirmation Procedure has been previously conducted, always turn ignition switch OFF and wait
at least 10 seconds before conducting the next test.
TESTING CONDITION:
●Open engine hood before conducting following procedure.
●If any of following conditions are met just before the DTC confirmation procedure, leave the vehi-
cle for more than 1 hour.
–Fuel filler cap is removed.
–Refilled or drained the fuel.
–EVAP component parts is/are removed.
●Before performing the following procedure, confirm that battery voltage is more than 11V at idle.
DTC No. Trouble diagnosis name DTC detecting condition Possible cause
P0456
0456
Evaporative emission
control system very
small leak (negative
pressure check)
●EVAP system has a very small leak.
●EVAP system does not operate prop-
erly.
●Incorrect fuel tank vacuum relief valve
●Incorrect fuel filler cap used
●Fuel filler cap remains open or fails to close.
●Foreign matter caught in fuel filler cap.
●Leak is in line between intake manifold and EVAP
canister purge volume control solenoid valve.
●Foreign matter caught in EVAP canister vent con-
trol valve.
●EVAP canister or fuel tank leaks
●EVAP purge line (pipe and rubber tube) leaks
●EVAP purge line rubber tube bent
●Blocked or bent rubber tube to EVAP control sys-
tem pressure sensor
●Loose or disconnected rubber tube
●EVAP canister vent control valve and the circuit
●EVAP canister purge volume control solenoid
valve and the circuit
●Fuel tank temperature sensor
●O-ring of EVAP canister vent control valve is miss-
ing or damaged
●EVAP canister is saturated with water
●EVAP control system pressure sensor
●Refueling EVAP vapor cut valve
●ORVR system leaks
●Fuel level sensor and the circuit
●Foreign matter caught in EVAP canister purge vol-
ume control solenoid valve

EC-376
DTC P0456 EVAP CONTROL SYSTEM
Revision; 2004 April 2003 G35 Coupe
WITH CONSULT-II
1. Turn ignition switch ON and select “DATA MONITOR” mode with CONSULT-II.
2. Make sure the following conditions are met.
FUEL LEVEL SE: 0.25 - 1.4V
COOLAN TEMP/S: 0 - 32°C (32 - 90°F)
FUEL T/TMP SE: 0 - 35°C (32 - 95°F)
INT A/TEMP SE: More than 0°C (32°F)
If NG, turn ignition switch OFF and leave the vehicle in a cool place (soak the vehicle) or refilling/draining
fuel until the output voltage condition of the “FUEL LEVEL SE” meets within the range above and leave
the vehicle for more than 1 hour. Then start from step 1).
3. Turn ignition switch OFF and wait at least 10 seconds.
4. Turn ignition switch ON.
5. Select “EVAP V/S LEAK P0456/P1456” of “EVAPORATIVE SYSTEM” in “DTC WORK SUPPORT” mode
with CONSULT-II.
Follow the instruction displayed.
6. Make sure that “OK” is displayed.
If “NG” is displayed, refer to EC-377, "Diagnostic Procedure" .
NOTE:
●If the engine speed cannot be maintained within the range displayed on CONSULT-II screen, go
to EC-81, "Basic Inspection" .
●Make sure that EVAP hoses are connected to EVAP canister purge volume control solenoid
valve properly.
Overall Function Check ABS003EL
WITH GST
Use this procedure to check the overall function of the EVAP very small leak function. During this check, a
DTC might not be confirmed.
CAUTION:
●Never use compressed air, doing so may damage the EVAP system.
●Do not start engine.
●Do not exceeded 4.12 kPa (0.042 kg/cm2 , 0.6 psi).
1. Attach the EVAP service port adapter securely to the EVAP ser-
vice port.
PBIB0837E
PBIB1001E

DTC P0456 EVAP CONTROL SYSTEM
EC-377
C
D
E
F
G
H
I
J
K
L
M
A
EC
Revision; 2004 April 2003 G35 Coupe
2. Set the pressure pump and a hose.
3. Also set a vacuum gauge via 3-way connector and a hose.
4. Turn ignition switch ON.
5. Connect GST and select “MODE 8”.
6. Using “MODE 8” control the EVAP canister vent control valve
(close).
7. Apply pressure and make sure the following conditions are sat-
isfied.
Pressure to be applied: 2.7 kPa (20 mmHg, 0.79 inHg)
Time to be waited after the pressure drawn in to the EVAP
system and the pressure to be dropped: 60 seconds and
the pressure should not be dropped more than 0.4 kPa (3 mmHg, 0.12 inHg).
If NG, go to EC-377, "Diagnostic Procedure" .
If OK, go to next step.
8. Disconnect GST.
9. Start engine and warm it up to normal operating temperature.
10. Turn ignition switch OFF and wait at least 10 seconds.
11. Restart engine and let it idle for 90 seconds.
12. Keep engine speed at 2,000 rpm for 30 seconds.
13. Turn ignition switch OFF.
NOTE:
For more information, refer to GST instruction manual.
Diagnostic Procedure ABS003EM
1. CHECK FUEL FILLER CAP DESIGN
1. Turn ignition switch OFF.
2. Check for genuine NISSAN fuel filler cap design.
OK or NG
OK >> GO TO 2.
NG >> Replace with genuine NISSAN fuel filler cap.
2. CHECK FUEL FILLER CAP INSTALLATION
Check that the cap is tightened properly by rotating the cap clockwise.
OK or NG
OK >> GO TO 3.
NG >> 1. Open fuel filler cap, then clean cap and fuel filler neck threads using air blower.
2. Retighten until ratcheting sound is heard.
3. CHECK FUEL FILLER CAP FUNCTION
Check for air releasing sound while opening the fuel filler cap.
OK or NG
OK >> GO TO 5.
NG >> GO TO 4.
SEF462UI
SEF915U

EC-378
DTC P0456 EVAP CONTROL SYSTEM
Revision; 2004 April 2003 G35 Coupe
4. CHECK FUEL TANK VACUUM RELIEF VALVE
Refer to EC-633, "FUEL TANK VACUUM RELIEF VALVE (BUILT INTO FUEL FULLER CAP)" .
OK or NG
OK >> GO TO 5.
NG >> Replace fuel filler cap with a genuine one.
5. INSTALL THE PRESSURE PUMP
To locate the EVAP leak, install EVAP service port adapter and pres-
sure pump to EVAP service port securely. For the location of EVAP
service port, refer to EC-631, "EVAPORATIVE EMISSION LINE
DRAWING" .
NOTE:
Improper installation of the EVAP service port adapter to the EVAP service port may cause leaking.
Models with CONSULT-II>>GO TO 6.
Models without CONSULT-II>>GO TO 7.
PBIB1001E
SEF916U

DTC P0456 EVAP CONTROL SYSTEM
EC-379
C
D
E
F
G
H
I
J
K
L
M
A
EC
Revision; 2004 April 2003 G35 Coupe
6. CHECK FOR EVAP LEAK
With CONSULT-II
1. Turn ignition switch ON.
2. Select “EVAP SYSTEM CLOSE” of “WORK SUPPORT” mode with CONSULT-II.
3. Touch “START” and apply pressure into the EVAP line until the
pressure indicator reaches the middle of the bar graph.
NOTE:
●Never use compressed air or a high pressure pump.
●Do not exceed 4.12 kPa (0.042 kg/cm2 , 0.6 psi) of pres-
sure in the system.
4. Using EVAP leak detector, locate the EVAP leak. For the leak
detector, refer to the instruction manual for more details.
Refer to EC-631, "EVAPORATIVE EMISSION LINE DRAWING"
.
OK or NG
OK >> GO TO 8.
NG >> Repair or replace.
PEF917U
SEF200U

EC-380
DTC P0456 EVAP CONTROL SYSTEM
Revision; 2004 April 2003 G35 Coupe
7. CHECK FOR EVAP LEAK
Without CONSULT-II
1. Turn ignition switch OFF.
2. Apply 12 volts DC to EVAP canister vent control valve. The valve will close. (Continue to apply 12 volts
until the end of test.)
3. Pressurize the EVAP line using pressure pump with 1.3 to 2.7 kPa (10 to 20 mmHg, 0.39 to 0.79 inHg),
then remove pump and EVAP service port adapter.
NOTE:
●Never use compressed air or a high pressure pump.
●Do not exceed 4.12 kPa (0.042 kg/cm2 , 0.6 psi) of pressure in the system.
4. Using EVAP leak detector, locate the EVAP leak. For the leak
detector, refer to the instruction manual for more details. Refer
to EC-631, "EVAPORATIVE EMISSION LINE DRAWING" .
OK or NG
OK >> GO TO 8.
NG >> Repair or replace.
8. CHECK EVAP CANISTER VENT CONTROL VALVE
Check the following.
●EVAP canister vent control valve is installed properly.
Refer to EC-634, "Removal and Installation" .
●EVAP canister vent control valve.
Refer to EC-347, "Component Inspection" .
OK or NG
OK >> GO TO 9.
NG >> Repair or replace EVAP canister vent control valve and O-ring.
PBIB1086E
SEF200U

DTC P0456 EVAP CONTROL SYSTEM
EC-381
C
D
E
F
G
H
I
J
K
L
M
A
EC
Revision; 2004 April 2003 G35 Coupe
9. CHECK IF EVAP CANISTER SATURATED WITH WATER
1. Remove EVAP canister with EVAP canister vent control valve and EVAP control system pressure sensor
attached.
2. Does water drain from the EVAP canister?
Yes or No
Yes >> GO TO 10.
No (With CONSULT-II)>>GO TO 12.
No (Without CONSULT-II)>>GO TO 13.
10. CHECK EVAP CANISTER
Weigh the EVAP canister with the EVAP canister vent control valve and EVAP control system pressure sensor
attached.
The weight should be less than 2.2 kg (4.9 lb).
OK or NG
OK (With CONSULT-II)>>GO TO 12.
OK (Without CONSULT-II)>>GO TO 13.
NG >> GO TO 11.
11. DETECT MALFUNCTIONING PART
Check the following.
●EVAP canister for damage
●EVAP hose between EVAP canister and vehicle frame for clogging or poor connection
>> Repair hose or replace EVAP canister.
12. CHECK EVAP CANISTER PURGE VOLUME CONTROL SOLENOID VALVE OPERATION
With CONSULT-II
1. Disconnect vacuum hose to EVAP canister purge volume control solenoid valve at EVAP service port.
2. Start engine.
3. Perform “PURG VOL CONT/V” in “ACTIVE TEST” mode.
4. Touch “Qu” on CONSULT-II screen to increase “PURG VOL
CONT/V” opening to 100%.
5. Check vacuum hose for vacuum when revving engine up to
2,000 rpm.
OK or NG
OK >> GO TO 15.
NG >> GO TO 14.
PBIB1031E
PBIB0147E

EC-382
DTC P0456 EVAP CONTROL SYSTEM
Revision; 2004 April 2003 G35 Coupe
13. CHECK EVAP CANISTER PURGE VOLUME CONTROL SOLENOID VALVE OPERATION
Without CONSULT-II
1. Start engine and warm it up to normal operating temperature.
2. Stop engine.
3. Disconnect vacuum hose to EVAP canister purge volume control solenoid valve at EVAP service port.
4. Start engine and let it idle for at least 80 seconds.
5. Check vacuum hose for vacuum when revving engine up to 2,000 rpm.
OK or NG
OK >> GO TO 16.
NG >> GO TO 14.
14. CHECK VACUUM HOSE
Check vacuum hoses for clogging or disconnection. Refer to EC-23, "Vacuum Hose Drawing" .
OK or NG
OK >> GO TO 15.
NG >> Repair or reconnect the hose.
15. CHECK EVAP CANISTER PURGE VOLUME CONTROL SOLENOID VALVE
Refer to EC-340, "Component Inspection" .
OK or NG
OK >> GO TO 16.
NG >> Replace EVAP canister purge volume control solenoid valve.
16. CHECK FUEL TANK TEMPERATURE SENSOR
Refer to EC-278, "Component Inspection" .
OK or NG
OK >> GO TO 17.
NG >> Replace fuel level sensor unit.
17. CHECK EVAP CONTROL SYSTEM PRESSURE SENSOR
Refer to EC-357, "Component Inspection" .
OK or NG
OK >> GO TO 18.
NG >> Replace EVAP control system pressure sensor.
18. CHECK EVAP PURGE LINE
Check EVAP purge line (pipe, rubber tube, fuel tank and EVAP canister) for cracks or improper connection.
Refer to EC-631, "EVAPORATIVE EMISSION LINE DRAWING" .
OK or NG
OK >> GO TO 19.
NG >> Repair or reconnect the hose.
19. CLEAN EVAP PURGE LINE
Clean EVAP purge line (pipe and rubber tube) using air blower.
>> GO TO 20.
Vacuum should exist.

DTC P0456 EVAP CONTROL SYSTEM
EC-383
C
D
E
F
G
H
I
J
K
L
M
A
EC
Revision; 2004 April 2003 G35 Coupe
20. CHECK EVAP/ORVR LINE
Check EVAP/ORVR line between EVAP canister and fuel tank for clogging, kink, looseness and improper con-
nection. For location, refer to EC-637, "ON BOARD REFUELING VAPOR RECOVERY (ORVR)" .
OK or NG
OK >> GO TO 21.
NG >> Repair or replace hoses and tubes.
21. CHECK RECIRCULATION LINE
Check recirculation line between filler neck tube and fuel tank for clogging, kink, cracks, looseness and
improper connection.
OK or NG
OK >> GO TO 22.
NG >> Repair or replace hose, tube or filler neck tube.
22. CHECK REFUELING EVAP VAPOR CUT VALVE
Refer to EC-640, "Component Inspection" .
OK or NG
OK >> GO TO 23.
NG >> Replace refueling EVAP vapor cut valve with fuel tank.
23. CHECK FUEL LEVEL SENSOR
Refer to DI-22, "FUEL LEVEL SENSOR UNIT CHECK" .
OK or NG
OK >> GO TO 24.
NG >> Replace fuel level sensor unit.
24. CHECK INTERMITTENT INCIDENT
Refer to EC-132, "TROUBLE DIAGNOSIS FOR INTERMITTENT INCIDENT" .
>> INSPECTION END

EC-384
DTC P0460 FUEL LEVEL SENSOR
Revision; 2004 April 2003 G35 Coupe
DTC P0460 FUEL LEVEL SENSOR PFP:25060
Component Description ABS003EN
The fuel level sensor is mounted in the fuel level sensor unit. The
sensor detects a fuel level in the fuel tank and transmits a signal to
the combination meter. The combination meter sends the fuel level
sensor signal to the ECM through CAN communication line.
It consists of two parts, one is mechanical float and the other is vari-
able resistor. Fuel level sensor output voltage changes depending on
the movement of the fuel mechanical float.
On Board Diagnosis Logic ABS003EO
NOTE:
If DTC P0460 is displayed with DTC U1000 or U1001, first perform the trouble diagnosis for DTC U1000,
U1001. Refer to EC-140 .
When the vehicle is parked, naturally the fuel level in the fuel tank is stable. It means that output signal of the
fuel level sensor does not change. If ECM senses sloshing signal from the sensor, fuel level sensor malfunc-
tion is detected.
DTC Confirmation Procedure ABS003EP
NOTE:
If DTC Confirmation Procedure has been previously conducted, always turn ignition switch OFF and wait at
least 10 seconds before conducting the next test.
WITH CONSULT-II
1. Turn ignition switch ON.
2. Select “DATA MONITOR” mode with CONSULT-II.
3. Start engine and wait maximum of 2 consecutive minutes.
4. If 1st trip DTC is detected, go to EC-385, "Diagnostic Procedure"
.
WITH GST
Follow the procedure “WITH CONSULT-II” above.
PBIB1100E
DTC No. Trouble diagnosis name DTC detecting condition Possible cause
P0460
0460
Fuel level sensor circuit
noise
Even though the vehicle is parked, a signal
being varied is sent from the fuel level sensor
to ECM.
●Harness or connectors
(The CAN communication line is open or
shorted)
●Harness or connectors
(The sensor circuit is open or shorted)
●Combination meter
●Fuel level sensor
SEF195Y

DTC P0460 FUEL LEVEL SENSOR
EC-385
C
D
E
F
G
H
I
J
K
L
M
A
EC
Revision; 2004 April 2003 G35 Coupe
Diagnostic Procedure ABS003EQ
1. CHECK FUEL GAUGE OPERATION
Refer to DI-13, "Meter/Gauges Operation and Odo/Trip Meter" .
OK or NG
OK >> GO TO 2.
NG >> Follow the instruction of DI-13, "Meter/Gauges Operation and Odo/Trip Meter" .
2. CHECK FUEL LEVEL SENSOR AND CIRCUIT
Refer to DI-17, "Inspection/Fuel Level Sensor" .
OK or NG
OK >> GO TO 3.
NG >> Repair or replace malfunctioning parts.
3. CHECK INTERMITTENT INCIDENT
Refer to EC-132, "TROUBLE DIAGNOSIS FOR INTERMITTENT INCIDENT" .
>> INSPECTION END
Removal and Installation ABS003ER
FUEL LEVEL SENSOR
Refer to FL-5, "FUEL LEVEL SENSOR UNIT, FUEL FILTER AND FUEL PUMP ASSEMBLY" .

EC-386
DTC P0461 FUEL LEVEL SENSOR
Revision; 2004 April 2003 G35 Coupe
DTC P0461 FUEL LEVEL SENSOR PFP:25060
Component Description ABS003ES
The fuel level sensor is mounted in the fuel level sensor unit. The
sensor detects a fuel level in the fuel tank and transmits a signal to
the combination meter. The combination meter sends the fuel level
sensor signal to the ECM through CAN communication line.
It consists of two parts, one is mechanical float and the other is vari-
able resistor. Fuel level sensor output voltage changes depending on
the movement of the fuel mechanical float.
On Board Diagnosis Logic ABS003ET
NOTE:
If DTC P0461 is displayed with DTC U1000 or U1001, first perform the trouble diagnosis for DTC U1000,
U1001. Refer to EC-140 .
Driving long distances naturally affect fuel gauge level.
This diagnosis detects the fuel gauge malfunction of the gauge not moving even after a long distance has
been driven.
Overall Function Check ABS003EU
Use this procedure to check the overall function of the fuel level sensor function. During this check, a 1st trip
DTC might not be confirmed.
WARNING:
When performing following procedure, be sure to observe the handling of the fuel. Refer to FL-11,
"FUEL TANK" .
TESTING CONDITION:
Before starting overall function check, preparation of draining fuel and refilling fuel is required.
WITH CONSULT-II
NOTE:
Start from step 11, if it is possible to confirm that the fuel cannot be drained by 30 (7-7/8 US gal, 6-5/
8 Imp gal) in advance.
1. Prepare a fuel container and a spare hose.
2. Release fuel pressure from fuel line, refer to EC-48, "FUEL PRESSURE RELEASE" .
3. Remove the fuel feed hose on the fuel level sensor unit.
4. Connect a spare fuel hose where the fuel feed hose was removed.
5. Turn ignition switch OFF and wait at least 10 seconds then turn ON.
6. Select “FUEL LEVEL SE” in “DATA MONITOR” mode with CONSULT-II.
PBIB1100E
DTC No. Trouble diagnosis name DTC detecting condition Possible cause
P0461
0461
Fuel level sensor circuit
range/performance
The output signal of the fuel level sensor does
not change within the specified range even
though the vehicle has been driven a long dis-
tance.
●Harness or connectors
(The CAN communication line is open or
shorted)
●Harness or connectors
(The sensor circuit is open or shorted)
●Combination meter
●Fuel level sensor

DTC P0461 FUEL LEVEL SENSOR
EC-387
C
D
E
F
G
H
I
J
K
L
M
A
EC
Revision; 2004 April 2003 G35 Coupe
7. Check “FUEL LEVEL SE” output voltage and note it.
8. Select “FUEL PUMP” in “ACTIVE TEST” mode with CONSULT-
II.
9. Touch “ON” and drain fuel approximately 30 (7-7/8 US gal, 6-
5/8 Imp gal) and stop it.
10. Fill fuel into the fuel tank for 30 (7-7/8 US gal, 6-5/8 Imp gal).
11. Check “FUEL LEVEL SE” output voltage and note it.
12. Check “FUEL LEVEL SE” output voltage and confirm whether
the voltage changes more than 0.03V during step 7 to 11.
If NG, go to EC-387, "Diagnostic Procedure" .
WITH GST
NOTE:
Start from step 8, if it is possible to confirm that the fuel cannot be drained by 30 (7-7/8 US gal, 6-5/8
Imp gal) in advance.
1. Prepare a fuel container and a spare hose.
2. Release fuel pressure from fuel line. Refer to EC-48, "FUEL PRESSURE RELEASE" .
3. Remove the fuel feed hose on the fuel level sensor unit.
4. Connect a spare fuel hose where the fuel feed hose was removed.
5. Turn ignition switch ON.
6. Drain fuel by 30 (7-7/8 US gal, 6-5/8 Imp gal) from the fuel tank using proper equipment.
7. Confirm that the fuel gauge indication varies.
8. Fill fuel into the fuel tank for 30 (7-7/8 US gal, 6-5/8 Imp gal).
9. Confirm that the fuel gauge indication varies.
10. If NG, go to EC-387, "Diagnostic Procedure" .
Diagnostic Procedure ABS003EV
1. CHECK FUEL GAUGE OPERATION
Refer to DI-13, "Meter/Gauges Operation and Odo/Trip Meter" .
OK or NG
OK >> GO TO 2.
NG >> Follow the instruction of DI-13, "Meter/Gauges Operation and Odo/Trip Meter" .
2. CHECK FUEL LEVEL SENSOR AND CIRCUIT
Refer to DI-17, "Inspection/Fuel Level Sensor" .
OK or NG
OK >> GO TO 3.
NG >> Repair or replace malfunctioning parts.
3. CHECK INTERMITTENT INCIDENT
Refer to EC-132, "TROUBLE DIAGNOSIS FOR INTERMITTENT INCIDENT" .
>> INSPECTION END
Removal and Installation ABS003EW
FUEL LEVEL SENSOR
Refer to FL-5, "FUEL LEVEL SENSOR UNIT, FUEL FILTER AND FUEL PUMP ASSEMBLY" .
SEF195Y

EC-388
DTC P0462 FUEL LEVEL SENSOR
Revision; 2004 April 2003 G35 Coupe
DTC P0462 FUEL LEVEL SENSOR PFP:25060
Component Description ABS003EX
The fuel level sensor is mounted in the fuel level sensor unit. The
sensor detects a fuel level in the fuel tank and transmits a signal to
the combination meter. The combination meter sends the fuel level
sensor signal to the ECM through CAN communication line.
It consists of two parts, one is mechanical float and the other is vari-
able resistor. Fuel level sensor output voltage changes depending on
the movement of the fuel mechanical float.
On Board Diagnosis Logic ABS003EY
NOTE:
If DTC P0462 is displayed with DTC U1000 or U1001, first perform the trouble diagnosis for DTC U1000,
U1001. Refer to EC-140 .
This diagnosis indicates the former, to detect open or short circuit malfunction.
DTC Confirmation Procedure ABS003EZ
NOTE:
If DTC Confirmation Procedure has been previously conducted, always turn ignition switch OFF and wait at
least 10 seconds before conducting the next test.
TESTING CONDITION:
Before performing the following procedure, confirm that battery voltage is more than 11V at ignition
switch ON.
WITH CONSULT-II
1. Turn ignition switch ON.
2. Select “DATA MONITOR” mode with CONSULT-II.
3. Wait at least 5 seconds.
4. If 1st trip DTC is detected, go to EC-389, "Diagnostic Procedure"
.
WITH GST
Follow the procedure “WITH CONSULT-II” above.
PBIB1100E
DTC No. Trouble diagnosis name DTC detecting condition Possible cause
P0462
0462
Fuel level sensor circuit
low input
An excessively low voltage from the sensor is
sent to ECM.
●Harness or connectors
(The CAN communication line is open or
shorted)
●Harness or connectors
(The sensor circuit is open or shorted)
●Combination meter
●Fuel level sensor
SEF195Y

DTC P0462 FUEL LEVEL SENSOR
EC-389
C
D
E
F
G
H
I
J
K
L
M
A
EC
Revision; 2004 April 2003 G35 Coupe
Diagnostic Procedure ABS003F0
1. CHECK FUEL GAUGE OPERATION
Refer to DI-13, "Meter/Gauges Operation and Odo/Trip Meter" .
OK or NG
OK >> GO TO 2.
NG >> Follow the instruction of DI-13, "Meter/Gauges Operation and Odo/Trip Meter" .
2. CHECK FUEL LEVEL SENSOR AND CIRCUIT
Refer to DI-17, "Inspection/Fuel Level Sensor" .
OK or NG
OK >> GO TO 3.
NG >> Repair or replace malfunctioning parts.
3. CHECK INTERMITTENT INCIDENT
Refer to EC-132, "TROUBLE DIAGNOSIS FOR INTERMITTENT INCIDENT" .
>> INSPECTION END
Removal and Installation ABS003F1
FUEL LEVEL SENSOR
Refer to FL-5, "FUEL LEVEL SENSOR UNIT, FUEL FILTER AND FUEL PUMP ASSEMBLY" .

EC-390
DTC P0500 VSS
Revision; 2004 April 2003 G35 Coupe
DTC P0500 VSS PFP:32702
Description ABS003F2
NOTE:
If DTC P0500 is displayed with DTC U1000 or U1001, first perform the trouble diagnosis for DTC U1000,
U1001. Refer to EC-140, "DTC U1000, U1001 CAN COMMUNICATION LINE" .
The vehicle speed signal is sent to the combination meter from the VDC/TCS/ABS control unit by CAN com-
munication line. The combination meter then sends the signal to the ECM by CAN communication line.
On Board Diagnosis Logic ABS003F3
DTC Confirmation Procedure ABS003F4
CAUTION:
Always drive vehicle at a safe speed.
NOTE:
If DTC Confirmation Procedure has been previously conducted, always turn ignition switch OFF and wait at
least 10 seconds before conducting the next test.
TESTING CONDITION:
Steps 1 and 2 may be conducted with the drive wheels lifted in the shop or by driving the vehicle. If a
road test is expected to be easier, it is unnecessary to lift the vehicle.
WITH CONSULT-II
1. Start engine (VDC switch OFF).
2. Read “VHCL SPEED SE” in “DATA MONITOR” mode with CONSULT-II. The vehicle speed on CONSULT-
II should exceed 10 km/h (6 MPH) when rotating wheels with suitable gear position.
If NG, go to EC-391, "Diagnostic Procedure" .
If OK, go to following step.
3. Select “DATA MONITOR” mode with CONSULT-II.
4. Warm engine up to normal operating temperature.
5. Maintain the following conditions for at least 60 consecutive sec-
onds.
6. If 1st trip DTC is detected, go to EC-391, "Diagnostic Procedure"
.
DTC No. Trouble diagnosis name DTC detecting condition Possible cause
P0500
0500 Vehicle speed sensor
The almost 0 km/h (0 MPH) signal from
vehicle speed sensor is sent to ECM
even when vehicle is being driven.
●Harness or connectors
(The CAN communication line is open or
shorted)
●Harness or connectors
(The vehicle speed signal circuit is open or
shorted)
●Wheel sensor
●Combination meter
●VDC/TCS/ABS control unit
ENG SPEED 1,600 - 6,000 rpm
COOLAN TEMP/S More than 70°C (158°F)
B/FUEL SCHDL 5.3 - 31.8 (A/T) msec
5.0 - 31.8 (M/T) msec
Selector lever Except P or N position (A/T)
Except Neutral position (M/T)
PW/ST SIGNAL OFF SEF196Y

DTC P0500 VSS
EC-391
C
D
E
F
G
H
I
J
K
L
M
A
EC
Revision; 2004 April 2003 G35 Coupe
Overall Function Check ABS003F5
Use this procedure to check the overall function of the vehicle speed sensor circuit. During this check, a 1st
trip DTC might not be confirmed.
WITH GST
1. Lift up drive wheels.
2. Start engine.
3. Read vehicle speed sensor signal in “MODE 1” with GST.
The vehicle speed sensor on GST should be able to exceed 10 km/h (6 MPH) when rotating wheels with
suitable gear position.
4. If NG, go to EC-391, "Diagnostic Procedure" .
Diagnostic Procedure ABS003F6
1. CHECK DTC WITH VDC/TCS ABS CONTROL UNIT
Refer to BRC-15, "TROUBLE DIAGNOSIS" .
OK or NG
OK >> GO TO 2.
NG >> Repair or replace.
2. COMBINATION METER
Check combination meter function.
Refer to DI-4, "COMBINATION METERS" .
>> INSPECTION END

EC-392
DTC P0506 ISC SYSTEM
Revision; 2004 April 2003 G35 Coupe
DTC P0506 ISC SYSTEM PFP:23781
Description ABS003F7
NOTE:
If DTC P0506 is displayed with other DTC, first perform the trouble diagnosis for the other DTC.
The ECM controls the engine idle speed to a specified level through the fine adjustment of the air, which is let
into the intake manifold, by operating the electric throttle control actuator. The operating of the throttle valve is
varied to allow for optimum control of the engine idling speed. The crankshaft position sensor (POS) detects
the actual engine speed and sends a signal to the ECM.
The ECM controls the electric throttle control actuator so that the engine speed coincides with the target value
memorized in the ECM. The target engine speed is the lowest speed at which the engine can operate steadily.
The optimum value stored in the ECM is determined by taking into consideration various engine conditions,
such as during warming up, deceleration, and engine load (air conditioner, power steering and cooling fan
operation, etc.).
On Board Diagnosis Logic ABS003F8
DTC Confirmation Procedure ABS003F9
NOTE:
●If DTC Confirmation Procedure has been previously conducted, always turn ignition switch OFF and wait
at least 10 seconds before conducting the next test.
●If the target idle speed is out of the specified value, perform Idle Air Volume Learning, EC-46 ,
before conducting DTC Confirmation Procedure. For the target idle speed, refer to the Service
Data and Specifications (SDS), EC-646 .
TESTING CONDITION:
●Before performing the following procedure, confirm that battery voltage is more than 11V at idle.
●Always perform the test at a temperature above −10°C (14°F).
WITH CONSULT-II
1. Open engine hood.
2. Start engine and warm it up to normal operating temperature.
3. Turn ignition switch OFF and wait at least 10 seconds.
4. Turn ignition switch ON again and select “DATA MONITOR”
mode with CONSULT-II.
5. Start engine and run it for at least 1 minute at idle speed.
6. If 1st trip DTC is detected, go to EC-393, "Diagnostic Procedure"
.
WITH GST
Follow the procedure “WITH CONSULT-II” above.
DTC No. Trouble diagnosis name DTC detecting condition Possible cause
P0506
0506
Idle speed control sys-
tem RPM lower than
expected
The idle speed is less than the target idle
speed by 100 rpm or more.
●Electric throttle control actuator
●Intake air leak
SEF174Y

DTC P0506 ISC SYSTEM
EC-393
C
D
E
F
G
H
I
J
K
L
M
A
EC
Revision; 2004 April 2003 G35 Coupe
Diagnostic Procedure ABS003FA
1. CHECK INTAKE AIR LEAK
1. Start engine and let it idle.
2. Listen for an intake air leak after the mass air flow sensor.
OK or NG
OK >> GO TO 2.
NG >> Discover air leak location and repair.
2. REPLACE ECM
1. Stop engine.
2. Replace ECM.
3. Perform initialization of NATS system and registration of all NATS ignition key IDs. Refer to BL-124, "ECM
Re-Communicating Function" .
4. Perform EC-46, "Accelerator Pedal Released Position Learning" .
5. Perform EC-46, "Throttle Valve Closed Position Learning" .
6. Perform EC-46, "Idle Air Volume Learning" .
>> INSPECTION END

EC-394
DTC P0507 ISC SYSTEM
Revision; 2004 April 2003 G35 Coupe
DTC P0507 ISC SYSTEM PFP:23781
Description ABS003FB
NOTE:
If DTC P0507 is displayed with other DTC, first perform the trouble diagnosis for the other DTC.
The ECM controls the engine idle speed to a specified level through the fine adjustment of the air, which is let
into the intake manifold, by operating the electric throttle control actuator. The operating of the throttle valve is
varied to allow for optimum control of the engine idling speed. The crankshaft position sensor (POS) detects
the actual engine speed and sends a signal to the ECM.
The ECM controls the electric throttle control actuator so that the engine speed coincides with the target value
memorized in the ECM. The target engine speed is the lowest speed at which the engine can operate steadily.
The optimum value stored in the ECM is determined by taking into consideration various engine conditions,
such as during warming up, deceleration, and engine load (air conditioner, power steering and cooling fan
operation, etc.).
On Board Diagnosis Logic ABS003FC
DTC Confirmation Procedure ABS003FD
NOTE:
●If DTC Confirmation Procedure has been previously conducted, always turn ignition switch OFF and wait
at least 10 seconds before conducting the next test.
●If the target idle speed is out of the specified value, perform Idle Air Volume Learning, EC-46 ,
before conducting DTC Confirmation Procedure. For the target idle speed, refer to the Service
Data and Specifications (SDS), EC-646 .
TESTING CONDITION:
●Before performing the following procedure, confirm that battery voltage is more than 11V at idle.
●Always perform the test at a temperature above −10°C (14°F).
WITH CONSULT-II
1. Open engine hood.
2. Start engine and warm it up to normal operating temperature.
3. Turn ignition switch OFF and wait at least 10 seconds.
4. Turn ignition switch ON again and select “DATA MONITOR”
mode with CONSULT-II.
5. Start engine and run it for at least 1 minute at idle speed.
6. If 1st trip DTC is detected, go to EC-395, "Diagnostic Procedure"
.
WITH GST
Follow the procedure “WITH CONSULT-II” above.
DTC No. Trouble diagnosis name DTC detecting condition Possible cause
P0507
0507
Idle speed control sys-
tem RPM higher than
expected
The idle speed is more than the target idle
speed by 200 rpm or more.
●Electric throttle control actuator
●Intake air leak
●PCV system
SEF174Y

DTC P0507 ISC SYSTEM
EC-395
C
D
E
F
G
H
I
J
K
L
M
A
EC
Revision; 2004 April 2003 G35 Coupe
Diagnostic Procedure ABS003FE
1. CHECK PCV HOSE CONNECTION
Confirm that PCV hose is connected correctly.
OK or NG
OK >> GO TO 2.
NG >> Repair or replace.
2. CHECK INTAKE AIR LEAK
1. Start engine and let it idle.
2. Listen for an intake air leak after the mass air flow sensor.
OK or NG
OK >> GO TO 3.
NG >> Discover air leak location and repair.
3. REPLACE ECM
1. Stop engine.
2. Replace ECM.
3. Perform initialization of NATS system and registration of all NATS ignition key IDs. Refer to BL-124, "ECM
Re-Communicating Function" .
4. Perform EC-46, "Accelerator Pedal Released Position Learning" .
5. Perform EC-46, "Throttle Valve Closed Position Learning" .
6. Perform EC-46, "Idle Air Volume Learning" .
>> INSPECTION END

EC-396
DTC P0550 PSP SENSOR
Revision; 2004 April 2003 G35 Coupe
DTC P0550 PSP SENSOR PFP:49763
Component Description ABS003FF
Power steering pressure (PSP) sensor is installed to the power
steering high-pressure tube and detects a power steering load. This
sensor is a potentiometer which transforms the power steering load
into output voltage, and emits the voltage signal to the ECM. The
ECM controls the electric throttle control actuator and adjusts the
throttle valve opening angle to increase the engine speed and
adjusts the idle speed for the increased load.
CONSULT-II Reference Value in Data Monitor Mode ABS003FG
Specification data are reference values.
On Board Diagnosis Logic ABS003FH
The MIL will not light up for this diagnosis.
NOTE:
If DTC P0550 is displayed with DTC P1229, first perform the trouble diagnosis for DTC P1229. Refer to
EC-490 .
DTC Confirmation Procedure ABS003FI
NOTE:
If DTC Confirmation Procedure has been previously conducted, always turn ignition switch OFF and wait at
least 10 seconds before conducting the next test.
WITH CONSULT-II
1. Turn ignition switch ON.
2. Select “DATA MONITOR” mode with CONSULT-II.
3. Start engine and let it idle for at least 5 seconds.
4. If 1st trip DTC is detected, go to EC-398, "Diagnostic Procedure" .
WITH GST
Follow the procedure “WITH CONSULT-II” above.
PBIB1281E
MONITOR ITEM CONDITION SPECIFICATION
PW/ST SIGNAL ●Engine: After warming up, idle
the engine
Steering wheel is in neutral position.
(Forward direction) OFF
Steering wheel is turned. ON
DTC No. Trouble diagnosis name DTC detecting condition Possible cause
P0550
0550
Power steering pres-
sure sensor circuit
An excessively low or high voltage from the
sensor is sent to ECM.
●Harness or connectors
(The sensor circuit is open or shorted)
●Power steering pressure sensor

DTC P0550 PSP SENSOR
EC-397
C
D
E
F
G
H
I
J
K
L
M
A
EC
Revision; 2004 April 2003 G35 Coupe
Wiring Diagram ABS003FJ
TBWT0285E

EC-398
DTC P0550 PSP SENSOR
Revision; 2004 April 2003 G35 Coupe
Specification data are reference values and are measured between each terminal and ground.
CAUTION:
Do not use ECM ground terminals when measuring input/output voltage. Doing so may result in dam-
age to the ECM's transistor. Use a ground other than ECM terminals, such as the ground.
Diagnostic Procedure ABS003FK
1. RETIGHTEN GROUND SCREWS
1. Turn ignition switch OFF.
2. Loosen and retighten engine ground screws.
>> GO TO 2.
TER-
MINAL
NO.
WIRE
COLOR ITEM CONDITION DATA (DC Voltage)
12 L/W Power steering pressure
sensor
[Engine is running]
●Steering wheel is being turned. 0.5 - 4.5V
[Engine is running]
●Steering wheel is not being turned. 0.4 - 0.8V
67 B/W
Sensors' ground
(Mass air flow sensor / IAT
sensor / Power steering
pressure sensor)
[Engine is running]
●Warm-up condition
●Idle speed
Approximately 0V
68 Y
Sensors' power supply
(Power steering pressure
sensor / EVAP control sys-
tem pressure sensor)
[Ignition switch: ON] Approximately 5V
PBIB0986E

DTC P0550 PSP SENSOR
EC-399
C
D
E
F
G
H
I
J
K
L
M
A
EC
Revision; 2004 April 2003 G35 Coupe
2. CHECK PSP SENSOR POWER SUPPLY CIRCUIT
1. Disconnect PSP sensor harness connector.
2. Turn ignition switch ON.
3. Check voltage between PSP sensor terminal 1 and ground with
CONSULT-II or tester.
OK or NG
OK >> GO TO 3.
NG >> Repair open circuit or short to ground or short to power
in harness or connectors.
3. CHECK PSP SENSOR GROUND CIRCUIT FOR OPEN AND SHORT
1. Turn ignition switch OFF.
2. Disconnect ECM harness connector.
3. Check harness continuity between PSP sensor terminal 3 and ECM terminal 67.
Refer to Wiring Diagram.
4. Also check harness for short to ground and short to power.
OK or NG
OK >> GO TO 5.
NG >> GO TO 4.
4. DETECT MALFUNCTIONING PART
Check the following.
●Joint connector-3
●Harness for open or short between power steering pressure sensor and ECM
>> Repair open circuit or short to ground or short to power in harness or connectors.
5. CHECK PSP SENSOR INPUT SIGNAL CIRCUIT FOR OPEN AND SHORT
1. Check harness continuity between ECM terminal 12 and PSP sensor terminal 2.
2. Also check harness for short to ground and short to power.
OK or NG
OK >> GO TO 6.
NG >> Repair open circuit or short to ground or short to power in harness or connectors.
PBIB1281E
Voltage: Approximately 5V
PBIB0188E
Continuity should exist.
Continuity should exist.

EC-400
DTC P0550 PSP SENSOR
Revision; 2004 April 2003 G35 Coupe
6. CHECK PSP SENSOR
Refer to EC-400, "Component Inspection" .
OK or NG
OK >> GO TO 7.
NG >> Replace PSP sensor.
7. CHECK INTERMITTENT INCIDENT
Refer to EC-132, "TROUBLE DIAGNOSIS FOR INTERMITTENT INCIDENT" .
>> INSPECTION END
Component Inspection ABS003FL
POWER STEERING PRESSURE SENSOR
1. Reconnect all harness connectors disconnected.
2. Start engine and let it idle.
3. Check voltage between ECM terminal 12 and ground under the
following conditions.
Condition Voltage
Steering wheel is being turned. 0.5 - 4.5V
Steering wheel is not being turned. 0.4 - 0.8V
MBIB0126E

DTC P0605 ECM
EC-401
C
D
E
F
G
H
I
J
K
L
M
A
EC
Revision; 2004 April 2003 G35 Coupe
DTC P0605 ECM PFP:23710
Component Description ABS003FM
The ECM consists of a microcomputer and connectors for signal
input and output and for power supply. The ECM controls the engine.
On Board Diagnosis Logic ABS003FN
This self-diagnosis has one or two trip detection logic.
FAIL-SAFE MODE
ECM enters fail-safe mode when the malfunction A is detected.
DTC Confirmation Procedure ABS003FO
Perform PROCEDURE FOR MALFUNCTION A first. If the 1st trip DTC cannot be confirmed, perform
PROCEDURE FOR MALFUNCTION B. If there is no malfunction on PROCEDURE FOR MALFUNCTION
B, perform PROCEDURE FOR MALFUNCTION C.
NOTE:
If DTC Confirmation Procedure has been previously conducted, always turn ignition switch OFF and wait at
least 10 seconds before conducting the next test.
PROCEDURE FOR MALFUNCTION A
With CONSULT-II
1. Turn ignition switch ON.
2. Select “DATA MONITOR” mode with CONSULT-II.
3. If 1st trip DTC is detected, go to EC-402, "Diagnostic Procedure"
.
With GST
Follow the procedure “With CONSULT-II” above.
PBIB1164E
DTC No. Trouble diagnosis name DTC detecting condition Possible cause
P0605
0605 Engine control module
A) ECM calculation function is malfunctioning.
●ECMB) ECM EEP-ROM system is malfunctioning.
C) ECM self shut-off function is malfunctioning.
Detected items Engine operation condition in fail-safe mode
Malfunction A
●ECM stops the electric throttle control actuator control, throttle valve is maintained at a fixed opening (approx. 5
degrees) by the return spring.
●ECM deactivates ASCD operation.
SEF058Y

EC-402
DTC P0605 ECM
Revision; 2004 April 2003 G35 Coupe
PROCEDURE FOR MALFUNCTION B
With CONSULT-II
1. Turn ignition switch ON and wait at least 1 second.
2. Select “DATA MONITOR” mode with CONSULT-II.
3. Turn ignition switch OFF, wait at least 10 seconds, and then turn
ON.
4. If 1st trip DTC is detected, go to EC-402, "Diagnostic Procedure"
.
With GST
Follow the procedure “With CONSULT-II” above.
PROCEDURE FOR MALFUNCTION C
With CONSULT-II
1. Turn ignition switch ON and wait at least 1 second.
2. Select “DATA MONITOR” mode with CONSULT-II.
3. Turn ignition switch OFF, wait at least 10 seconds, and then turn
ON.
4. Repeat step 3 for 32 times.
5. If 1st trip DTC is detected, go to EC-402, "Diagnostic Procedure"
.
With GST
Follow the procedure “With CONSULT-II” above.
Diagnostic Procedure ABS003FP
1. INSPECTION START
With CONSULT-II
1. Turn ignition switch ON.
2. Select “SELF DIAG RESULTS” mode with CONSULT-II.
3. Touch “ERASE”.
4. Perform DTC Confirmation Procedure.
See EC-401 .
5. Is the 1st trip DTC P0605 displayed again?
With GST
1. Turn ignition switch ON.
2. Select “MODE 4” with GST.
3. Touch “ERASE”.
4. Perform DTC Confirmation Procedure.
See EC-401 .
5. Is the 1st trip DTC P0605 displayed again?
Yes or No
Yes >> GO TO 2.
No >> INSPECTION END
SEF058Y
SEF058Y

DTC P0605 ECM
EC-403
C
D
E
F
G
H
I
J
K
L
M
A
EC
Revision; 2004 April 2003 G35 Coupe
2. REPLACE ECM
1. Replace ECM.
2. Perform initialization of NATS system and registration of all NATS ignition key IDs. Refer to BL-124, "ECM
Re-Communicating Function" .
3. Perform EC-46, "Accelerator Pedal Released Position Learning" .
4. Perform EC-46, "Throttle Valve Closed Position Learning" .
5. Perform EC-46, "Idle Air Volume Learning" .
>> INSPECTION END

EC-404
DTC P1065 ECM POWER SUPPLY
Revision; 2004 April 2003 G35 Coupe
DTC P1065 ECM POWER SUPPLY PFP:23710
Component Description ABS003FQ
Battery voltage is supplied to the ECM even when the ignition switch
is turned OFF for the ECM memory function of the DTC memory, the
air-fuel ratio feedback compensation value memory, the idle air vol-
ume learning value memory, etc.
On Board Diagnosis Logic ABS003FR
DTC Confirmation Procedure ABS003FS
NOTE:
If DTC Confirmation Procedure has been previously conducted, always turn ignition switch OFF and wait at
least 10 seconds before conducting the next test.
WITH CONSULT-II
1. Turn ignition switch ON and wait at least 1 second.
2. Select “DATA MONITOR” mode with CONSULT-II.
3. Start engine and let it idle for 1 second.
4. Turn ignition switch OFF, wait at least 10 seconds, and then turn
ON.
5. Repeat steps 3 and 4 four times.
6. If 1st trip DTC is detected, go to EC-406, "Diagnostic Procedure"
.
WITH GST
Follow the procedure “WITH CONSULT-II” above.
PBIB1164E
DTC No. Trouble diagnosis name DTC detecting condition Possible cause
P1065
1065
ECM power supply cir-
cuit
ECM back-up RAM system does not function
properly.
●Harness or connectors
[ECM power supply (back-up) circuit is
open or shorted.]
●ECM
SEF058Y

DTC P1065 ECM POWER SUPPLY
EC-405
C
D
E
F
G
H
I
J
K
L
M
A
EC
Revision; 2004 April 2003 G35 Coupe
Wiring Diagram ABS003FT
TBWT0286E

EC-406
DTC P1065 ECM POWER SUPPLY
Revision; 2004 April 2003 G35 Coupe
Specification data are reference values and are measured between each terminal and ground.
CAUTION:
Do not use ECM ground terminals when measuring input/output voltage. Doing so may result in dam-
age to the ECM's transistor. Use a ground other than ECM terminals, such as the ground.
Diagnostic Procedure ABS003FU
1. CHECK ECM POWER SUPPLY
1. Turn ignition switch OFF.
2. Disconnect ECM harness connector.
3. Check voltage between ECM terminal 121 and ground with
CONSULT-II or tester.
OK or NG
OK >> GO TO 3.
NG >> GO TO 2.
2. DETECT MALFUNCTIONING PART
Check the following.
●Harness connectors E11, F2
●Joint connector-3
●15A fuse
●Harness for open or short between ECM and battery
>> Repair or replace harness or connectors.
3. CHECK INTERMITTENT INCIDENT
Refer to EC-132, "TROUBLE DIAGNOSIS FOR INTERMITTENT INCIDENT" .
OK or NG
OK >> GO TO 4.
NG >> Repair or replace harness or connectors.
TER-
MINAL
NO.
WIRE
COLOR ITEM CONDITION DATA (DC Voltage)
121 R/W Power supply for ECM
(Back-up) [Ignition switch: OFF] BATTERY VOLTAGE
(11 - 14V)
Voltage: Battery voltage
MBIB0026E

DTC P1065 ECM POWER SUPPLY
EC-407
C
D
E
F
G
H
I
J
K
L
M
A
EC
Revision; 2004 April 2003 G35 Coupe
4. PERFORM DTC CONFIRMATION PROCEDURE
With CONSULT-II
1. Turn ignition switch ON.
2. Select “SELF DIAG RESULTS” mode with CONSULT-II.
3. Touch “ERASE”.
4. Perform DTC Confirmation Procedure.
See EC-404 .
5. Is the 1st trip DTC P1065 displayed again?
With GST
1. Turn ignition switch ON.
2. Select “MODE 4” with GST.
3. Touch “ERASE”.
4. Perform DTC Confirmation Procedure.
See EC-404 .
5. Is the 1st trip DTC P1065 displayed again?
Yes or No
Yes >> GO TO 5.
No >> INSPECTION END
5. REPLACE ECM
1. Replace ECM.
2. Perform initialization of NATS system and registration of all NATS ignition key IDs. Refer to BL-124, "ECM
Re-Communicating Function" .
3. Perform EC-46, "Accelerator Pedal Released Position Learning" .
4. Perform EC-46, "Throttle Valve Closed Position Learning" .
5. Perform EC-46, "Idle Air Volume Learning" .
>> INSPECTION END

EC-408
DTC P1111, P1136 IVT CONTROL SOLENOID VALVE
Revision; 2004 April 2003 G35 Coupe
DTC P1111, P1136 IVT CONTROL SOLENOID VALVE PFP:23796
Component Description ABS003FV
Intake valve timing control solenoid valve is activated by ON/OFF
pulse duty (ratio) signals from the ECM.
The intake valve timing control solenoid valve changes the oil
amount and direction of flow through intake valve timing control unit
or stops oil flow.
The longer pulse width advances valve angle.
The shorter pulse width retards valve angle.
When ON and OFF pulse widths become equal, the solenoid valve
stops oil pressure flow to fix the intake valve angle at the control
position.
CONSULT-II Reference Value in Data Monitor Mode ABS003FW
Specification data are reference values.
On Board Diagnosis Logic ABS003FX
DTC Confirmation Procedure ABS003FY
NOTE:
If DTC Confirmation Procedure has been previously conducted, always turn ignition switch OFF and wait at
least 10 seconds before conducting the next test.
WITH CONSULT-II
1. Turn ignition switch ON.
2. Select “DATA MONITOR” mode with CONSULT-II.
3. Start engine and let it idle for 5 seconds.
4. If 1st trip DTC is detected, go to EC-412, "Diagnostic Procedure"
.
WITH GST
Following the procedure “WITH CONSULT-II” above.
PBIB0195E
MONITOR ITEM CONDITION SPECIFICATION
INT/V SOL (B1)
INT/V SOL (B2)
●Engine: After warming up
●Shift lever: N (A/T), Neutral (M/T)
●Air conditioner switch: OFF
●No-load
Idle 0% - 2%
When revving engine up to 2,000 rpm
quickly Approx. 0% - 50%
DTC No. Trouble diagnosis name DTC detecting condition Possible cause
P1111
1111
(Bank 1) Intake valve timing control
solenoid valve circuit
An improper voltage is sent to the ECM
through intake valve timing control solenoid
valve.
●Harness or connectors
(Intake valve timing control solenoid valve
circuit is open or shorted.)
●Intake valve timing control solenoid valve
P1136
1136
(Bank 2)
SEF058Y

DTC P1111, P1136 IVT CONTROL SOLENOID VALVE
EC-409
C
D
E
F
G
H
I
J
K
L
M
A
EC
Revision; 2004 April 2003 G35 Coupe
Wiring Diagram ABS003FZ
BANK 1
TBWT0256E

EC-410
DTC P1111, P1136 IVT CONTROL SOLENOID VALVE
Revision; 2004 April 2003 G35 Coupe
Specification data are reference values and are measured between each terminal and ground.
Pulse signal is measured by CONSULT-II.
CAUTION:
Do not use ECM ground terminals when measuring input/output voltage. Doing so may result in dam-
age to the ECM's transistor. Use a ground other than ECM terminals, such as the ground.
: Average voltage for pulse signal (Actual pulse signal can be confirmed by oscilloscope.)
TER-
MINAL
NO.
WIRE
COLOR ITEM CONDITION DATA (DC Voltage)
11 R/W Intake valve timing control
solenoid valve (bank 1)
[Engine is running]
●Warm-up condition
●Idle speed
BATTERY VOLTAGE
(11 - 14V)
[Engine is running]
●Warm-up condition
●When revving engine up to 2,500 rpm
quickly
7 - 12V
PBIB1790E

DTC P1111, P1136 IVT CONTROL SOLENOID VALVE
EC-411
C
D
E
F
G
H
I
J
K
L
M
A
EC
Revision; 2004 April 2003 G35 Coupe
BANK 2
TBWT0257E

EC-412
DTC P1111, P1136 IVT CONTROL SOLENOID VALVE
Revision; 2004 April 2003 G35 Coupe
Specification data are reference values and are measured between each terminal and ground.
CAUTION:
Do not use ECM ground terminals when measuring input/output voltage. Doing so may result in dam-
age to the ECM's transistor. Use a ground other than ECM terminals, such as the ground.
: Average voltage for pulse signal (Actual pulse signal can be confirmed by oscilloscope.)
Diagnostic Procedure ABS003G0
1. CHECK INTAKE VALVE TIMING CONTROL SOLENOID VALVE POWER SUPPLY CIRCUIT
1. Turn ignition switch OFF.
2. Disconnect intake valve timing control solenoid valve harness connector.
3. Turn ignition switch ON.
4. Check voltage between intake valve timing control solenoid
valve terminal 2 and ground with CONSULT-II or tester.
OK or NG
OK >> GO TO 3.
NG >> GO TO 2.
TER-
MINAL
NO.
WIRE
COLOR ITEM CONDITION DATA (DC Voltage)
10 W/G Intake valve timing control
solenoid valve (bank 2)
[Engine is running]
●Warm-up condition
●Idle speed
BATTERY VOLTAGE
(11 - 14V)
[Engine is running]
●Warm-up condition
●When revving engine up to 2,500 rpm
quickly
7 - 12V
PBIB1790E
Voltage: Battery voltage
PBIB0988E
PBIB0192E

DTC P1111, P1136 IVT CONTROL SOLENOID VALVE
EC-413
C
D
E
F
G
H
I
J
K
L
M
A
EC
Revision; 2004 April 2003 G35 Coupe
2. DETECT MALFUNCTIONING PART
Check the following.
●Harness connectors E12, F3
●Harness connectors F18, F201
●Joint connector-2
●IPDM E/R harness connector E8
●Harness for open or short between intake valve timing control solenoid valve and IPDM E/R
>> Repair harness or connectors.
3. CHECK INTAKE VALVE TIMING CONTROL SOLENOID VALVE OUTPUT SIGNAL CIRCUIT FOR
OPEN AND SHORT
1. Turn ignition switch OFF.
2. Disconnect ECM harness connector.
3. Check harness continuity between ECM terminal 11 (bank 1) or 10 (bank 2) and intake valve timing con-
trol solenoid valve terminal 1. Refer to Wiring Diagram.
4. Also check harness for short to ground and short to power.
OK or NG
OK >> GO TO 5.
NG >> GO TO 4.
4. DETECT MALFUNCTIONING PART
Check the following.
●Harness connectors F18, F201
●Harness for open and short between ECM and intake valve timing control solenoid valve
>> Repair open circuit or short to ground or short to power in harness or connectors.
5. CHECK INTAKE VALVE TIMING CONTROL SOLENOID VALVE
Refer to EC-414, "Component Inspection" .
OK or NG
OK >> GO TO 6.
NG >> Replace intake valve timing control solenoid valve.
6. CHECK INTERMITTENT INCIDENT
Refer to EC-132, "TROUBLE DIAGNOSIS FOR INTERMITTENT INCIDENT" .
>> INSPECTION END
Continuity should exist.

EC-414
DTC P1111, P1136 IVT CONTROL SOLENOID VALVE
Revision; 2004 April 2003 G35 Coupe
Component Inspection ABS003G1
INTAKE VALVE TIMING CONTROL SOLENOID VALVE
1. Disconnect intake valve timing control solenoid valve harness connector.
2. Check resistance between intake valve timing control solenoid
valve terminals as follows.
Removal and Installation ABS003G2
INTAKE VALVE TIMING CONTROL SOLENOID VALVE
Refer to EM-50, "TIMING CHAIN" .
Terminals Resistance
1 and 2 7.0 - 7.5Ω at 20°C (68°F)
1 or 2 and ground ∞Ω
(Continuity should not exist)
PBIB0193E

DTC P1121 ELECTRIC THROTTLE CONTROL ACTUATOR
EC-415
C
D
E
F
G
H
I
J
K
L
M
A
EC
Revision; 2004 April 2003 G35 Coupe
DTC P1121 ELECTRIC THROTTLE CONTROL ACTUATOR PFP:16119
Component Description ABS003G3
Electric Throttle Control Actuator consists of throttle control motor, throttle position sensor, etc.
The throttle control motor is operated by the ECM and it opens and closes the throttle valve.
The throttle position sensor detects the throttle valve position, and the opening and closing speed of the throt-
tle valve and feeds the voltage signals to the ECM. The ECM judges the current opening angle of the throttle
valve from these signals and the ECM controls the throttle control motor to make the throttle valve opening
angle properly in response to driving condition.
On Board Diagnosis Logic ABS003G4
These self-diagnoses have the one trip detection logic.
FAIL-SAFE MODE
When the malfunction is detected, ECM enters fail-safe mode and the MIL lights up.
DTC Confirmation Procedure ABS003G5
NOTE:
●Perform PROCEDURE FOR MALFUNCTION A AND B first. If the 1st trip DTC cannot be confirmed,
perform PROCEDURE FOR MALFUNCTION C.
●If DTC Confirmation Procedure has been previously conducted, always turn ignition switch OFF and wait
at least 10 seconds before conducting the next test.
PROCEDURE FOR MALFUNCTION A AND B
With CONSULT-II
1. Turn ignition switch ON and wait at least 1 second.
2. Select “DATA MONITOR” mode with CONSULT-II.
3. Shift selector lever to D position (A/T) or 1st position (M/T), and
wait at least 2 seconds.
4. Shift selector lever to P position (A/T) or Neutral position (M/T).
5. Turn ignition switch OFF and wait at least 10 seconds.
6. Turn ignition switch ON and wait at least 1 second.
7. Shift selector lever to D position (A/T) or 1st position (M/T), and
wait at least 2 seconds.
8. Shift selector lever to P position (A/T) or Neutral position (M/T).
9. Turn ignition switch OFF, wait at least 10 seconds, and then turn
ON.
10. If DTC is detected, go to EC-416, "Diagnostic Procedure" .
With GST
Follow the procedure “With CONSULT-II” above.
DTC No. Trouble diagnosis name DTC detecting condition Possible cause
P1121
1121
Electric throttle control
actuator
A)
Electric throttle control actuator does not func-
tion properly due to the return spring malfunc-
tion.
●Electric throttle control actuator
B) Throttle valve opening angle in fail-safe mode is
not in specified range.
C) ECM detects the throttle valve is stuck open.
Detected items Engine operating condition in fail-safe mode
Malfunction A ECM controls the electric throttle actuator by regulating the throttle opening around the idle position. The
engine speed will not rise more than 2,000 rpm.
Malfunction B ECM controls the electric throttle control actuator by regulating the throttle opening to 20 degrees or less.
Malfunction C While the vehicle is driving, it slows down gradually by fuel cut. After the vehicle stops, the engine stalls.
The engine can restart in N or P position, and engine speed will not exceed 1,000 rpm or more.
SEF058Y

EC-416
DTC P1121 ELECTRIC THROTTLE CONTROL ACTUATOR
Revision; 2004 April 2003 G35 Coupe
PROCEDURE FOR MALFUNCTION C
With CONSULT-II
1. Turn ignition switch ON and wait at least 1 second.
2. Select “DATA MONITOR” mode with CONSULT-II.
3. Shift selector lever to D position (A/T) or 1st position (M/T) and
wait at least 2 seconds.
4. Shift selector lever to N, P position (A/T) or Neutral (M/T) posi-
tion.
5. Start engine and let it idle for 3 seconds.
6. If DTC is detected, go to EC-416, "Diagnostic Procedure" .
With GST
Follow the procedure “With CONSULT-II” above.
Diagnostic Procedure ABS003G6
1. CHECK ELECTRIC THROTTLE CONTROL ACTUATOR VISUALLY
1. Remove the intake air duct.
2. Check if a foreign matter is caught between the throttle valve
and the housing.
OK or NG
OK >> GO TO 2.
NG >> Remove the foreign matter and clean the electric throttle
control actuator inside.
2. REPLACE ELECTRIC THROTTLE CONTROL ACTUATOR
1. Replace the electric throttle control actuator.
2. Perform EC-46, "Throttle Valve Closed Position Learning" .
3. Perform EC-46, "Idle Air Volume Learning" .
>> INSPECTION END
SEF058Y
PBIB1015E

DTC P1122 ELECTRIC THROTTLE CONTROL FUNCTION
EC-417
C
D
E
F
G
H
I
J
K
L
M
A
EC
Revision; 2004 April 2003 G35 Coupe
DTC P1122 ELECTRIC THROTTLE CONTROL FUNCTION PFP:16119
Description ABS003G7
NOTE:
If DTC P1122 is displayed with DTC P1121 or 1126, first perform the trouble diagnosis for DTC P1121 or
P1126. Refer to EC-415 or EC-423 .
Electric Throttle Control Actuator consists of throttle control motor, throttle position sensor, etc.
The throttle control motor is operated by the ECM and it opens and closes the throttle valve.
The current opening angle of the throttle valve is detected by the throttle position sensor and it provides feed-
back to the ECM to control the throttle control motor to make the throttle valve opening angle properly in
response to driving condition.
On Board Diagnosis Logic ABS003G8
This self-diagnosis has the one trip detection logic.
FAIL-SAFE MODE
When the malfunction is detected, ECM enters fail-safe mode and the MIL lights up.
DTC Confirmation Procedure ABS003G9
NOTE:
If DTC Confirmation Procedure has been previously conducted, always turn ignition switch OFF and wait at
least 10 seconds before conducting the next test.
WITH CONSULT-II
1. Turn ignition switch ON and wait at least 2 seconds.
2. Select “DATA MONITOR” mode with CONSULT-II.
3. Start engine and let it idle for 5 seconds.
4. If DTC is detected, go to EC-419, "Diagnostic Procedure" .
WITH GST
Follow the procedure “WITH CONSULT-II” above.
DTC No. Trouble diagnosis name DTC detecting condition Possible cause
P1122
1122
Electric throttle control
performance problem
Electric throttle control function does not oper-
ate properly.
●Harness or connectors
(Throttle control motor circuit is open or
shorted)
●Electric throttle control actuator
Engine operating condition in fail-safe mode
ECM stops the electric throttle control actuator control, throttle valve is maintained at a fixed opening (approx. 5 degrees) by the return
spring.
SEF058Y

EC-418
DTC P1122 ELECTRIC THROTTLE CONTROL FUNCTION
Revision; 2004 April 2003 G35 Coupe
Wiring Diagram ABS003GA
TBWT0287E

DTC P1122 ELECTRIC THROTTLE CONTROL FUNCTION
EC-419
C
D
E
F
G
H
I
J
K
L
M
A
EC
Revision; 2004 April 2003 G35 Coupe
Specification data are reference values and are measured between each terminal and ground.
Pulse signal is measured by CONSULT-II.
CAUTION:
Do not use ECM ground terminals when measuring input/output voltage. Doing so may result in dam-
age to the ECM's transistor. Use a ground other than ECM terminals, such as the ground.
Diagnostic Procedure ABS003GB
1. RETIGHTEN GROUND SCREWS
1. Turn ignition switch OFF.
2. Loosen and retighten engine ground screws.
>> GO TO 2.
TER-
MINAL
NO.
WIRE
COLOR ITEM CONDITION DATA (DC Voltage)
3W/R Throttle control motor relay
power supply [Ignition switch: ON] BATTERY VOLTAGE
(11 - 14V)
4BR Throttle control motor
(Close)
[Ignition switch: ON]
●Engine stopped
●Shift lever: D (A/T) or 1st (M/T)
●Accelerator pedal is releasing
0 - 14V
5G Throttle control motor
(Open)
[Ignition switch: ON]
●Engine stopped
●Shift lever: D (A/T) or 1st (M/T)
●Accelerator pedal is depressing
0 - 14V
104 G/W Throttle control motor relay [Ignition switch: OFF] BATTERY VOLTAGE
(11 - 14V)
[Ignition switch: ON] 0 - 1.0V
PBIB1104E
PBIB1105E
PBIB0986E

EC-420
DTC P1122 ELECTRIC THROTTLE CONTROL FUNCTION
Revision; 2004 April 2003 G35 Coupe
2. CHECK THROTTLE CONTROL MOTOR RELAY INPUT SIGNAL CIRCUIT-I
1. Check voltage between ECM terminal 3 and ground under the
following conditions with CONSULT-II or tester.
OK or NG
OK >> GO TO 10.
NG >> GO TO 3.
3. CHECK THROTTLE CONTROL MOTOR RELAY INPUT SIGNAL CIRCUIT-II
1. Turn ignition switch OFF.
2. Disconnect ECM harness connector.
3. Disconnect IPDM E/R harness connector E8.
4. Check continuity between ECM terminal 3 and IPDM E/R terminal 36.
Refer to Wiring Diagram.
5. Also check harness for short to ground and short to power.
OK or NG
OK >> GO TO 5.
NG >> GO TO 4.
4. DETECT MALFUNCTIONING PART
Check the following.
●Harness connectors E12, F3
●Harness for open or short between ECM and IPDM E/R
>> Repair open circuit or short to ground or short to power in harness or connectors.
5. CHECK THROTTLE CONTROL MOTOR RELAY POWER SUPPLY CIRCUIT-I
1. Reconnect all harness connectors disconnected.
2. Check voltage between ECM terminal 104 and ground with
CONSULT-II or tester.
OK or NG
OK >> GO TO 9.
NG >> GO TO 6.
Ignition switch Voltage
OFF Approximately 0V
ON Battery voltage
(11 - 14V)
MBIB0028E
Continuity should exist.
Voltage: Battery voltage
PBIB1171E

DTC P1122 ELECTRIC THROTTLE CONTROL FUNCTION
EC-421
C
D
E
F
G
H
I
J
K
L
M
A
EC
Revision; 2004 April 2003 G35 Coupe
6. CHECK THROTTLE CONTROL MOTOR RELAY POWER SUPPLY CIRCUIT-II
1. Disconnect ECM harness connector.
2. Disconnect IPDM E/R harness connector E8.
3. Check continuity between ECM terminal 104 and IPDM E/R terminal 40.
Refer to Wiring Diagram.
4. Also check harness for short to ground and short to power.
OK or NG
OK >> GO TO 8.
NG >> GO TO 7.
7. DETECT MALFUNCTIONING PART
Check the following.
●Harness connectors E11, F2
●Harness for open or short between ECM and IPDM E/R
>> Repair open circuit or short to ground or short to power in harness or connectors.
8. CHECK FUSE
1. Disconnect 15A fuse.
2. Check 15A fuse for blown.
OK or NG
OK >> GO TO 9.
NG >> Replace 15A fuse.
9. CHECK INTERMITTENT INCIDENT
Refer to EC-132, "TROUBLE DIAGNOSIS FOR INTERMITTENT INCIDENT" .
OK or NG
OK >> Replace IPDM E/R. Refer to PG-17, "IPDM E/R (INTELLIGENT POWER DISTRIBUTION MOD-
ULE ENGINE ROOM)" .
NG >> Repair or replace harness or connectors.
10. CHECK THROTTLE CONTROL MOTOR OUTPUT SIGNAL CIRCUIT FOR OPEN OR SHORT
1. Turn ignition switch OFF.
2. Disconnect electric throttle control actuator harness connector.
3. Disconnect ECM harness connector.
4. Check harness continuity between the following terminals.
Refer to Wiring Diagram.
5. Also check harness for short to ground and short to power.
OK or NG
OK >> GO TO 11.
NG >> Repair or replace.
Continuity should exist.
Electric throttle control
actuator terminal ECM terminal Continuity
35 Should not exist
4 Should exist
65 Should exist
4 Should not exist
PBIB0995E

EC-422
DTC P1122 ELECTRIC THROTTLE CONTROL FUNCTION
Revision; 2004 April 2003 G35 Coupe
11. CHECK ELECTRIC THROTTLE CONTROL ACTUATOR VISUALLY
1. Remove the intake air duct.
2. Check if foreign matter is caught between the throttle valve and
the housing.
OK or NG
OK >> GO TO 12.
NG >> Remove the foreign matter and clean the electric throttle
control actuator inside.
12. CHECK THROTTLE CONTROL MOTOR
Refer to EC-422, "Component Inspection" .
OK or NG
OK >> GO TO 13.
NG >> GO TO 14.
13. CHECK INTERMITTENT INCIDENT
Refer to EC-132, "TROUBLE DIAGNOSIS FOR INTERMITTENT INCIDENT" .
OK or NG
OK >> GO TO 14.
NG >> Repair or replace harness or connectors.
14. REPLACE ELECTRIC THROTTLE CONTROL ACTUATOR
1. Replace the electric throttle control actuator.
2. Perform EC-46, "Throttle Valve Closed Position Learning" .
3. Perform EC-46, "Idle Air Volume Learning" .
>> INSPECTION END
Component Inspection ABS003GC
THROTTLE CONTROL MOTOR
1. Disconnect electric throttle control actuator harness connector.
2. Check resistance between terminals 3 and 6.
3. If NG, replace electric throttle control actuator and go to next
step.
4. Perform EC-46, "Throttle Valve Closed Position Learning" .
5. Perform EC-46, "Idle Air Volume Learning" .
Remove and Installation ABS003GD
ELECTRIC THROTTLE CONTROL ACTUATOR
Refer to EM-16, "INTAKE MANIFOLD COLLECTOR" .
PBIB1015E
Resistance: Approximately 1 - 15 Ω [at 25 °C (77°F)]
PBIB0095E

DTC P1124, P1126 THROTTLE CONTROL MOTOR RELAY
EC-423
C
D
E
F
G
H
I
J
K
L
M
A
EC
Revision; 2004 April 2003 G35 Coupe
DTC P1124, P1126 THROTTLE CONTROL MOTOR RELAY PFP:16119
Component Description ABS003GE
Power supply for the throttle control motor is provided to the ECM via throttle control motor relay. The throttle
control motor relay is ON/OFF controlled by the ECM. When the ignition switch is turned ON, the ECM sends
an ON signal to throttle control motor relay and battery voltage is provided to the ECM. When the ignition
switch is turned OFF, the ECM sends an OFF signal to throttle control motor relay and battery voltage is not
provided to the ECM.
CONSULT-II Reference Value in Data Monitor Mode ABS003GF
Specification data are reference values.
On Board Diagnosis Logic ABS003GG
These self-diagnoses have the one trip detection logic.
FAIL-SAFE MODE
When the malfunction is detected, ECM enters fail-safe mode and the MIL lights up.
DTC Confirmation Procedure ABS003GH
NOTE:
If DTC Confirmation Procedure has been previously conducted, always turn ignition switch OFF and wait at
least 10 seconds before conducting the next test.
PROCEDURE FOR DTC P1124
TESTING CONDITION:
Before performing the following procedure, confirm that battery voltage is more than 10V at idle.
With CONSULT-II
1. Turn ignition switch ON and wait at least 1 second.
2. Select “DATA MONITOR” mode with CONSULT-II.
3. If DTC is detected, go to EC-426, "Diagnostic Procedure" .
MONITOR ITEM CONDITION SPECIFICATION
THRTL RELAY ●Ignition switch: ON ON
DTC No. Trouble diagnosis name DTC detecting condition Possible cause
P1124
1124
Throttle control motor
relay circuit short
ECM detects the throttle control motor relay is
stuck ON.
●Harness or connectors
(Throttle control motor relay circuit is
shorted)
●Throttle control motor relay
P1126
1126
Throttle control motor
relay circuit open
ECM detects a voltage of power source for
throttle control motor is excessively low.
●Harness or connectors
(Throttle control motor relay circuit is
open)
●Throttle control motor relay
Engine operating condition in fail-safe mode
ECM stops the electric throttle control actuator control, throttle valve is maintained at a fixed opening (approx. 5 degrees) by the return
spring.
SEF058Y

EC-424
DTC P1124, P1126 THROTTLE CONTROL MOTOR RELAY
Revision; 2004 April 2003 G35 Coupe
With GST
Follow the procedure “With CONSULT-II” above.
PROCEDURE FOR DTC P1126
With CONSULT-II
1. Turn ignition switch ON and wait at least 2 seconds.
2. Select “DATA MONITOR””mode with CONSULT-II.
3. Start engine and let it idle for 5 seconds.
4. If DTC is detected, go to EC-426, "Diagnostic Procedure" .
With GST
Follow the procedure “With CONSULT-II” above.
SEF058Y

DTC P1124, P1126 THROTTLE CONTROL MOTOR RELAY
EC-425
C
D
E
F
G
H
I
J
K
L
M
A
EC
Revision; 2004 April 2003 G35 Coupe
Wiring Diagram ABS003GI
TBWT0288E

EC-426
DTC P1124, P1126 THROTTLE CONTROL MOTOR RELAY
Revision; 2004 April 2003 G35 Coupe
Specification data are reference values and are measured between each terminal and ground.
CAUTION:
Do not use ECM ground terminals when measuring input/output voltage. Doing so may result in dam-
age to the ECM's transistor. Use a ground other than ECM terminals, such as the ground.
Diagnostic Procedure ABS003GJ
1. CHECK THROTTLE CONTROL MOTOR RELAY POWER SUPPLY CIRCUIT-I
1. Turn ignition switch OFF.
2. Check voltage between ECM terminal 104 and ground with
CONSULT-II or tester.
OK or NG
OK >> GO TO 5.
NG >> GO TO 2.
2. CHECK THROTTLE CONTROL MOTOR RELAY POWER SUPPLY CIRCUIT-II
1. Disconnect ECM harness connector.
2. Disconnect IPDM E/R harness connector E8.
3. Check continuity between ECM terminal 104 and IPDM E/R terminal 40.
Refer to Wiring Diagram.
4. Also check harness for short to ground and short to power.
OK or NG
OK >> GO TO 4.
NG >> GO TO 3.
3. DETECT MALFUNCTIONING PART
Check the following.
●Harness connectors E11, F2
●Harness for open or short between ECM and IPDM E/R
>> Repair open circuit or short to ground or short to power in harness or connectors.
TER-
MINAL
NO.
WIRE
COLOR ITEM CONDITION DATA (DC Voltage)
3W/R Throttle control motor relay
power supply [Ignition switch: ON] BATTERY VOLTAGE
(11 - 14V)
104 G/W Throttle control motor relay [Ignition switch: OFF] BATTERY VOLTAGE
(11 - 14V)
[Ignition switch: ON] 0 - 1.0V
Voltage: Battery voltage
PBIB1171E
Continuity should exist.

DTC P1124, P1126 THROTTLE CONTROL MOTOR RELAY
EC-427
C
D
E
F
G
H
I
J
K
L
M
A
EC
Revision; 2004 April 2003 G35 Coupe
4. CHECK FUSE
1. Disconnect 15A fuse.
2. Check 15A fuse for blown.
OK or NG
OK >> GO TO 8.
NG >> Replace 15A fuse.
5. CHECK THROTTLE CONTROL MOTOR RELAY INPUT SIGNAL CIRCUIT-I
1. Check voltage between ECM terminal 3 and ground under the
following conditions with CONSULT-II or tester.
OK or NG
OK >> GO TO 8.
NG >> GO TO 6.
6. CHECK THROTTLE CONTROL MOTOR RELAY INPUT SIGNAL CIRCUIT-II
1. Turn ignition switch OFF.
2. Disconnect ECM harness connector.
3. Disconnect IPDM E/R harness connector E8.
4. Check continuity between ECM terminal 3 and IPDM E/R terminal 36.
Refer to Wiring Diagram.
5. Also check harness for short to ground and short to power.
OK or NG
OK >> GO TO 8.
NG >> GO TO 7.
7. DETECT MALFUNCTIONING PART
Check the following.
●Harness connectors E12, F3
●Harness for open or short between ECM and IPDM E/R
>> Repair open circuit or short to ground or short to power in harness or connectors.
8. CHECK INTERMITTENT INCIDENT
Refer to EC-132, "TROUBLE DIAGNOSIS FOR INTERMITTENT INCIDENT" .
OK or NG
OK >> Replace IPDM E/R. Refer to PG-17, "IPDM E/R (INTELLIGENT POWER DISTRIBUTION MOD-
ULE ENGINE ROOM)" .
NG >> Repair or replace harness or connectors.
Ignition switch Voltage
OFF Approximately 0V
ON Battery voltage
(11 - 14V)
MBIB0028E
Continuity should exist.

EC-428
DTC P1128 THROTTLE CONTROL MOTOR
Revision; 2004 April 2003 G35 Coupe
DTC P1128 THROTTLE CONTROL MOTOR PFP:16119
Component Description ABS003GK
The throttle control motor is operated by the ECM and it opens and closes the throttle valve.
The current opening angle of the throttle valve is detected by the throttle position sensor and it provides feed-
back to the ECM to control the throttle control motor to make the throttle valve opening angle properly in
response to driving condition.
On Board Diagnosis Logic ABS003GL
This self-diagnosis has the one trip detection logic.
FAIL-SAFE MODE
When the malfunction is detected, the ECM enters fail-safe mode and the MIL lights up.
DTC Confirmation Procedure ABS003GM
NOTE:
If DTC Confirmation Procedure has been previously conducted, always turn ignition switch OFF and wait at
least 10 seconds before conducting the next test.
WITH CONSULT-II
1. Turn ignition switch ON and wait at least 2 seconds.
2. Select “DATA MONITOR” mode with CONSULT-II.
3. Start engine and let it idle for 5 seconds.
4. If DTC is detected, go to EC-430, "Diagnostic Procedure" .
WITH GST
Follow the procedure “WITH CONSULT-II” above.
DTC No. Trouble diagnosis name DTC detecting condition Possible cause
P1128
1128
Throttle control motor
circuit short
ECM detects short in both circuits between
ECM and throttle control motor.
●Harness or connectors
(Throttle control motor circuit is shorted.)
●Electric throttle control actuator
(Throttle control motor)
Engine operating condition in fail-safe mode
ECM stops the electric throttle control actuator control, throttle valve is maintained at a fixed opening (approx. 5 degrees) by the return
spring.
SEF058Y

DTC P1128 THROTTLE CONTROL MOTOR
EC-429
C
D
E
F
G
H
I
J
K
L
M
A
EC
Revision; 2004 April 2003 G35 Coupe
Wiring Diagram ABS003GN
TBWT0289E

EC-430
DTC P1128 THROTTLE CONTROL MOTOR
Revision; 2004 April 2003 G35 Coupe
Specification data are reference values and are measured between each terminal and ground.
Pulse signal is measured by CONSULT-II.
CAUTION:
Do not use ECM ground terminals when measuring input/output voltage. Doing so may result in dam-
age to the ECM's transistor. Use a ground other than ECM terminals, such as the ground.
: Average voltage for pulse signal (Actual pulse signal can be confirmed by oscilloscope.)
Diagnostic Procedure ABS003GO
1. RETIGHTEN GROUND SCREWS
1. Turn ignition switch OFF.
2. Loosen and retighten engine ground screws.
>> GO TO 2.
TER-
MINAL
NO.
WIRE
COLOR ITEM CONDITION DATA (DC Voltage)
4BR Throttle control motor
(Close)
[Ignition switch: ON]
●Engine stopped
●Shift lever: D (A/T) or 1st (M/T)
●Accelerator pedal is releasing
0 - 14V
5G Throttle control motor
(Open)
[Ignition switch: ON]
●Engine stopped
●Shift lever: D (A/T) or 1st (M/T)
●Accelerator pedal is depressing
0 - 14V
PBIB1104E
PBIB1105E
PBIB0986E

DTC P1128 THROTTLE CONTROL MOTOR
EC-431
C
D
E
F
G
H
I
J
K
L
M
A
EC
Revision; 2004 April 2003 G35 Coupe
2. CHECK THROTTLE CONTROL MOTOR OUTPUT SIGNAL CIRCUIT FOR OPEN OR SHORT
1. Turn ignition switch OFF.
2. Disconnect electric throttle control actuator harness connector.
3. Disconnect ECM harness connector.
4. Check harness continuity between the following terminals.
Refer to Wiring Diagram.
5. Also check harness for short to ground and short to power.
OK or NG
OK >> GO TO 3.
NG >> Repair or replace.
3. CHECK THROTTLE CONTROL MOTOR
Refer to EC-431, "Component Inspection" .
OK or NG
OK >> GO TO 4.
NG >> GO TO 5.
4. CHECK INTERMITTENT INCIDENT
Refer to EC-132, "TROUBLE DIAGNOSIS FOR INTERMITTENT INCIDENT" .
OK or NG
OK >> GO TO 5.
NG >> Repair or replace harness or connectors.
5. REPLACE ELECTRIC THROTTLE CONTROL ACTUATOR
1. Replace the electric throttle control actuator.
2. Perform EC-46, "Throttle Valve Closed Position Learning" .
3. Perform EC-46, "Idle Air Volume Learning" .
>> INSPECTION END
Component Inspection ABS003GP
THROTTLE CONTROL MOTOR
1. Disconnect electric throttle control actuator harness connector.
2. Check resistance between terminals 3 and 6.
3. If NG, replace electric throttle control actuator and go to next
step.
4. Perform EC-46, "Throttle Valve Closed Position Learning" .
5. Perform EC-46, "Idle Air Volume Learning" .
Electric throttle control
actuator terminal ECM terminal Continuity
35 Should not exist
4 Should exist
65 Should exist
4 Should not exist
PBIB0995E
Resistance: Approximately 1 - 15 Ω [at 25 °C (77°F)]
PBIB0095E

EC-432
DTC P1128 THROTTLE CONTROL MOTOR
Revision; 2004 April 2003 G35 Coupe
Removal and Installation ABS003GQ
ELECTRIC THROTTLE CONTROL ACTUATOR
Refer to EM-16, "INTAKE MANIFOLD COLLECTOR" .

DTC P1143, P1163 HO2S1
EC-433
C
D
E
F
G
H
I
J
K
L
M
A
EC
Revision; 2004 April 2003 G35 Coupe
DTC P1143, P1163 HO2S1 PFP:22690
Component Description ABS003GR
The heated oxygen sensor 1 is placed into the exhaust manifold. It
detects the amount of oxygen in the exhaust gas compared to the
outside air. The heated oxygen sensor 1 has a closed-end tube
made of ceramic zirconia. The zirconia generates voltage from
approximately 1V in richer conditions to 0V in leaner conditions. The
heated oxygen sensor 1 signal is sent to the ECM. The ECM adjusts
the injection pulse duration to achieve the ideal air-fuel ratio. The
ideal air-fuel ratio occurs near the radical change from 1 to 0V.
CONSULT-II Reference Value in Data Monitor Mode ABS003GS
Specification data are reference values.
On Board Diagnosis Logic ABS003GT
To judge the malfunction, the output from the heated oxygen sensor
1 is monitored to determine whether the “rich” output is sufficiently
high and whether the “lean” output is sufficiently low. When both the
outputs are shifting to the lean side, the malfunction will be detected.
SEF463R
SEF288D
MONITOR ITEM CONDITION SPECIFICATION
HO2S1 (B1)
HO2S1 (B2) ●Engine: After warming up Maintaining engine speed at 2,000
rpm
0 - 0.3V ←→ Approx. 0.6 -
1.0V
HO2S1 MNTR (B1)
HO2S1 MNTR (B2) ●Engine: After warming up Maintaining engine speed at 2,000
rpm
LEAN ←→ RICH
Changes more than 5 times
during 10 seconds.
SEF300U
DTC No. Trouble diagnosis name DTC detecting condition Possible cause
P1143
1143
(Bank 1) Heated oxygen sensor
1 lean shift monitoring
The maximum and minimum voltage from the
sensor are not reached to the specified volt-
ages.
●Heated oxygen sensor 1
●Heated oxygen sensor 1 heater
●Fuel pressure
●Injectors
●Intake air leaks
P1163
1163
(Bank 2)

EC-434
DTC P1143, P1163 HO2S1
Revision; 2004 April 2003 G35 Coupe
DTC Confirmation Procedure ABS003GU
CAUTION:
Always drive vehicle at a safe speed.
NOTE:
If DTC Confirmation Procedure has been previously conducted, always turn ignition switch OFF and wait at
least 10 seconds before conducting the next test.
TESTING CONDITION:
●Always perform at a temperature above −10°C (14°F).
●Before performing following procedure, confirm that battery voltage is more than 11V at idle.
WITH CONSULT-II
1. Start engine and warm it up to normal operating temperature.
2. Stop engine and wait at least 10 seconds.
3. Turn ignition switch ON and select “HO2S1 (B1) P1143” of “HO2S1” or “HO2S1 (B2) P1163” of “HO2S1”
in “DTC WORK SUPPORT” mode with CONSULT-II.
4. Touch “START”.
5. Start engine and let it idle for at least 3 minutes.
NOTE:
Never raise engine speed above 3,600 rpm after this step. If
the engine speed limit is exceeded, return to step 5.
6. When the following conditions are met, “TESTING” will be dis-
played on the CONSULT-II screen. Maintain the conditions con-
tinuously until “TESTING” changes to “COMPLETED”. (It will
take approximately 40 seconds or more.)
If “TESTING” is not displayed after 5 minutes, retry from
step 2.
7. Make sure that “OK” is displayed after touching “SELF-DIAG
RESULTS”. If “NG” is displayed, refer to EC-435, "Diagnostic
Procedure" .
PBIB0546E
ENG SPEED 1,200 - 2,600 rpm
Vehicle speed Less than 100 km/h (62 MPH)
B/FUEL SCHDL 2.5 - 12.0 msec
Selector lever Suitable position
PBIB0547E
SEC769C

DTC P1143, P1163 HO2S1
EC-435
C
D
E
F
G
H
I
J
K
L
M
A
EC
Revision; 2004 April 2003 G35 Coupe
Overall Function Check ABS003GV
Use this procedure to check the overall function of the heated oxygen sensor 1 circuit. During this check, a
DTC might not be confirmed.
WITH GST
1. Start engine and warm it up to normal operating temperature.
2. Set voltmeter probes between ECM terminal 35 [HO2S1(B1) signal] or 16 [HO2S1(B2) signal] and engine
ground.
3. Check one of the following with engine speed held at 2,000 rpm
constant under no load.
–The maximum voltage is over 0.6V at least one time.
–The minimum voltage is over 0.1V at least one time.
4. If NG, go to EC-435, "Diagnostic Procedure" .
Diagnostic Procedure ABS003GW
1. RETIGHTEN GROUND SCREWS
1. Turn ignition switch OFF.
2. Loosen and retighten engine ground screws.
>> GO TO 2.
2. RETIGHTEN HEATED OXYGEN SENSOR 1
Loosen and retighten corresponding heated oxygen sensor 1.
>> GO TO 3.
PBIB1107E
PBIB0986E
Tightening torque: 40 - 50 N·m (4.1 - 5.1 kg-m, 30 - 37 ft-lb)
PBIB1284E

EC-436
DTC P1143, P1163 HO2S1
Revision; 2004 April 2003 G35 Coupe
3. CLEAR THE SELF-LEARNING DATA
With CONSULT-II
1. Start engine and warm it up to normal operating temperature.
2. Select “SELF-LEARNING CONT” in “WORK SUPPORT” mode with CONSULT-II.
3. Clear the self-learning control coefficient by touching “CLEAR”.
4. Run engine for at least 10 minutes at idle speed.
Is the 1st trip DTC P0171 or P0174 detected?
Is it difficult to start engine?
Without CONSULT-II
1. Start engine and warm it up to normal operating temperature.
2. Turn ignition switch OFF.
3. Disconnect mass air flow sensor harness connector, and restart
and run engine for at least 5 seconds at idle speed.
4. Stop engine and reconnect mass air flow sensor harness con-
nector.
5. Make sure DTC P0102 is displayed.
6. Erase the DTC memory. Refer to EC-64, "HOW TO ERASE
EMISSION-RELATED DIAGNOSTIC INFORMATION" .
7. Make sure DTC P0000 is displayed.
8. Run engine for at least 10 minutes at idle speed.
Is the 1st trip DTC P0171 or P0174 detected?
Is it difficult to start engine?
Yes or No
Yes >> Perform trouble diagnosis for DTC P0171, P0174. Refer to EC-257 .
No >> GO TO 4.
4. CHECK HEATED OXYGEN SENSOR 1 HEATER
Refer to EC-153, "Component Inspection" .
OK or NG
OK >> GO TO 5.
NG >> Replace malfunctioning heated oxygen sensor 1.
5. CHECK HEATED OXYGEN SENSOR 1
Refer to EC-437, "Component Inspection" .
OK or NG
OK >> GO TO 6.
NG >> Replace malfunctioning heated oxygen sensor 1.
6. CHECK INTERMITTENT INCIDENT
Refer to EC-132, "TROUBLE DIAGNOSIS FOR INTERMITTENT INCIDENT" .
For circuit, refer to EC-204, "Wiring Diagram" .
>> INSPECTION END
SEF968Y
PBIB1077E

DTC P1143, P1163 HO2S1
EC-437
C
D
E
F
G
H
I
J
K
L
M
A
EC
Revision; 2004 April 2003 G35 Coupe
Component Inspection ABS003GX
HEATED OXYGEN SENSOR 1
With CONSULT-II
1. Start engine and warm it up to normal operating temperature.
2. Select “MANU TRIG” and adjust “TRIGGER POINT” to 100% in “DATA MONITOR” mode with CONSULT-
II.
3. Select “HO2S1 (B1)/(B2)” and “HO2S1 MNTR (B1)/(B2)”.
4. Hold engine speed at 2,000 rpm under no load during the following steps.
5. Touch “RECORD” on CONSULT-II screen.
6. Check the following.
●“HO2S1 MNTR (B1)/(B2)” in “DATA MONITOR” mode
changes from “RICH” to “LEAN” to “RICH” more than 5 times
in 10 seconds.
5 times (cycles) are counted as shown at right.
●“HO2S1 (B1)/(B2)” voltage goes above 0.6V at least once.
●“HO2S1 (B1)/(B2)” voltage goes below 0.3V at least once.
●“HO2S1 (B1)/(B2)” voltage never exceeds 1.0V.
CAUTION:
●Discard any heated oxygen sensor which has been dropped from a height of more than 0.5 m
(19.7 in) onto a hard surface such as a concrete floor; use a new one.
●Before installing new oxygen sensor, clean exhaust system threads using Oxygen Sensor
Thread Cleaner tool J-43897-18 or J-43897-12 and approved anti-seize lubricant.
SEF646Y
SEF647Y
SEF648Y

EC-438
DTC P1143, P1163 HO2S1
Revision; 2004 April 2003 G35 Coupe
Without CONSULT-II
1. Start engine and warm it up to normal operating temperature.
2. Set voltmeter probes between ECM terminal 35 [HO2S1 (B1) signal] or 16 [HO2S1 (B2) signal] and
engine ground.
3. Check the following with engine speed held at 2,000 rpm con-
stant under no load.
●The voltage fluctuates between 0 to 0.3V and 0.6 to 1.0V
more than 5 times within 10 seconds.
●The maximum voltage is over 0.6V at least one time.
●The minimum voltage is below 0.3V at least one time.
●The voltage never exceeds 1.0V.
1 time: 0 - 0.3V → 0.6 - 1.0V → 0 - 0.3V
2 times: 0 - 0.3V → 0.6 - 1.0V → 0 - 0.3V → 0.6 - 1.0V
CAUTION:
●Discard any heated oxygen sensor which has been
dropped from a height of more than 0.5 m (19.7 in) onto a hard surface such as a concrete floor;
use a new one.
●Before installing new oxygen sensor, clean exhaust system threads using Oxygen Sensor
Thread Cleaner tool J-43897-18 or J-43897-12 and approved anti-seize lubricant.
Removal and Installation ABS003GY
HEATED OXYGEN SENSOR 1
Refer to EM-22, "EXHAUST MANIFOLD AND THREE WAY CATALYST" .
PBIB1107E

DTC P1144, P1164 HO2S1
EC-439
C
D
E
F
G
H
I
J
K
L
M
A
EC
Revision; 2004 April 2003 G35 Coupe
DTC P1144, P1164 HO2S1 PFP:22690
Component Description ABS003GZ
The heated oxygen sensor 1 is placed into the exhaust manifold. It
detects the amount of oxygen in the exhaust gas compared to the
outside air. The heated oxygen sensor 1 has a closed-end tube
made of ceramic zirconia. The zirconia generates voltage from
approximately 1V in richer conditions to 0V in leaner conditions. The
heated oxygen sensor 1 signal is sent to the ECM. The ECM adjusts
the injection pulse duration to achieve the ideal air-fuel ratio. The
ideal air-fuel ratio occurs near the radical change from 1 to 0V.
CONSULT-II Reference Value in Data Monitor Mode ABS003H0
Specification data are reference values.
On Board Diagnosis Logic ABS003H1
To judge the malfunction, the output from the heated oxygen sensor
1 is monitored to determine whether the “rich” output is sufficiently
high, and “lean” output is sufficiently low. When both the outputs are
shifting to the rich side, the malfunction will be detected.
SEF463R
SEF288D
MONITOR ITEM CONDITION SPECIFICATION
HO2S1 (B1)
HO2S1 (B2) ●Engine: After warming up Maintaining engine speed at 2,000
rpm
0 - 0.3V ←→ Approx. 0.6 -
1.0V
HO2S1 MNTR (B1)
HO2S1 MNTR (B2) ●Engine: After warming up Maintaining engine speed at 2,000
rpm
LEAN ←→ RICH
Changes more than 5 times
during 10 seconds.
SEF299U
DTC No. Trouble diagnosis name DTC detecting condition Possible cause
P1144
1144
(Bank 1) Heated oxygen sensor
1 rich shift monitoring
The maximum and minimum voltages from the
sensor are beyond the specified voltages.
●Heated oxygen sensor 1
●Heated oxygen sensor 1 heater
●Fuel pressure
●Injectors
P1164
1164
(Bank 2)

EC-440
DTC P1144, P1164 HO2S1
Revision; 2004 April 2003 G35 Coupe
DTC Confirmation Procedure ABS003H2
CAUTION:
Always drive vehicle at a safe speed.
NOTE:
If DTC Confirmation Procedure has been previously conducted, always turn ignition switch OFF and wait at
least 10 seconds before conducting the next test.
TESTING CONDITION:
●Always perform at a temperature above −10°C (14°F).
●Before performing the following procedure, confirm that battery voltage is more than 11V at idle.
WITH CONSULT-II
1. Start engine and warm it up to normal operating temperature.
2. Stop engine and wait at least 5 seconds.
3. Turn ignition switch ON and select “HO2S1 (B1) P1144” or “HO2S1 (B2) P1164” of “HO2S1” in “DTC
WORK SUPPORT” mode with CONSULT-II.
4. Touch “START”.
5. Start engine and let it idle for at least 3 minutes.
NOTE:
Never raise engine speed above 3,600 rpm after this step. If
the engine speed limit is exceeded, return to step 5.
6. When the following conditions are met, “TESTING” will be dis-
played on the CONSULT-II screen. Maintain the conditions con-
tinuously until “TESTING” changes to “COMPLETED”. (It will
take approximately 40 seconds or more.)
If “TESTING” is not displayed after 5 minutes, retry from
step 2.
7. Make sure that “OK” is displayed after touching “SELF-DIAG
RESULTS”. If “NG” is displayed, refer to EC-441, "Diagnostic
Procedure" .
PBIB0548E
ENG SPEED 1,200 - 2,600 rpm
Vehicle speed Less than 100 km/h (62 MPH)
B/FUEL SCHDL 2.5 - 12.0 msec
Selector lever Suitable position
PBIB0549E
SEC772C

DTC P1144, P1164 HO2S1
EC-441
C
D
E
F
G
H
I
J
K
L
M
A
EC
Revision; 2004 April 2003 G35 Coupe
Overall Function Check ABS003H3
Use this procedure to check the overall function of the heated oxygen sensor 1 circuit. During this check, a
DTC might not be confirmed.
WITH GST
1. Start engine and warm it up to normal operating temperature.
2. Set voltmeter probes between ECM terminal 35 [HO2S1(B1) signal] 16 [HO2S1(B2) signal] and engine
ground.
3. Check one of the following with engine speed held at 2,000 rpm
constant under no load.
–The maximum voltage is below 0.8V at least one time.
–The minimum voltage is below 0.35V at least one time.
4. If NG, go to EC-441, "Diagnostic Procedure" .
Diagnostic Procedure ABS003H4
1. RETIGHTEN GROUND SCREWS
1. Turn ignition switch OFF.
2. Loosen and retighten engine ground screws.
>> GO TO 2.
2. RETIGHTEN HEATED OXYGEN SENSOR 1
Loosen and retighten heated oxygen sensor 1.
>> GO TO 3.
PBIB1107E
PBIB0986E
Tightening torque: 40 - 50 N·m (4.1 - 5.1 kg-m, 30 - 37 ft-lb)
PBIB1284E

EC-442
DTC P1144, P1164 HO2S1
Revision; 2004 April 2003 G35 Coupe
3. CLEAR THE SELF-LEARNING DATA
With CONSULT-II
1. Start engine and warm it up to normal operating temperature.
2. Select “SELF-LEARNING CONT” in “WORK SUPPORT” mode with CONSULT-II.
3. Clear the self-learning control coefficient by touching “CLEAR”.
4. Run engine for at least 10 minutes at idle speed.
Is the 1st trip DTC P0172 or P0175 detected?
Is it difficult to start engine?
Without CONSULT-II
1. Start engine and warm it up to normal operating temperature.
2. Turn ignition switch OFF.
3. Disconnect mass air flow sensor harness connector, and restart
and run engine for at least 5 seconds at idle speed.
4. Stop engine and reconnect mass air flow sensor harness con-
nector.
5. Make sure DTC P0102 is displayed.
6. Erase the DTC memory. Refer to EC-64, "HOW TO ERASE
EMISSION-RELATED DIAGNOSTIC INFORMATION" .
7. Make sure DTC P0000 is displayed.
8. Run engine for at least 10 minutes at idle speed.
Is the 1st trip DTC P0172 or P0175 detected?
Is it difficult to start engine?
Yes or No
Yes >> Perform trouble diagnosis for DTC P0172, P0175. Refer to EC-266 .
No >> GO TO 4.
SEF968Y
PBIB1077E

DTC P1144, P1164 HO2S1
EC-443
C
D
E
F
G
H
I
J
K
L
M
A
EC
Revision; 2004 April 2003 G35 Coupe
4. CHECK HO2S1 CONNECTOR FOR WATER
1. Turn ignition switch OFF.
2. Disconnect heated oxygen sensor 1 harness connector.
3. Check connectors for water.
OK or NG
OK >> GO TO 5.
NG >> Repair or replace harness or connectors.
5. CHECK HEATED OXYGEN SENSOR 1 HEATER
Refer to EC-153, "Component Inspection" .
OK or NG
OK >> GO TO 6.
NG >> Replace malfunctioning heated oxygen sensor 1.
6. CHECK HEATED OXYGEN SENSOR 1
Refer to EC-443, "Component Inspection" .
OK or NG
OK >> GO TO 7.
NG >> Replace malfunctioning heated oxygen sensor 1.
7. CHECK INTERMITTENT INCIDENT
Refer to EC-132, "TROUBLE DIAGNOSIS FOR INTERMITTENT INCIDENT" .
For circuit, refer to EC-204, "Wiring Diagram" .
>> INSPECTION END
Component Inspection ABS003H5
HEATED OXYGEN SENSOR 1
With CONSULT-II
1. Start engine and warm it up to normal operating temperature.
2. Select “MANU TRIG” and adjust “TRIGGER POINT” to 100% in “DATA MONITOR” mode with CONSULT-
II.
3. Select “HO2S1 (B1)” and “HO2S1 MNTR (B1)”.
4. Hold engine speed at 2,000 rpm under no load during the following steps.
Water should not exist.
PBIB1285E

EC-444
DTC P1144, P1164 HO2S1
Revision; 2004 April 2003 G35 Coupe
5. Touch “RECORD” on CONSULT-II screen.
6. Check the following.
●“HO2S1 MNTR (B1)/(B2)” in “DATA MONITOR” mode
changes from “RICH” to “LEAN” to “RICH” more than 5 times
in 10 seconds.
5 times (cycles) are counted as shown at right.
●“HO2S1 (B1)/(B2)” voltage goes above 0.6V at least once.
●“HO2S1 (B1)/(B2)” voltage goes below 0.3V at least once.
●“HO2S1 (B1)/(B2)” voltage never exceeds 1.0V.
CAUTION:
●Discard any heated oxygen sensor which has been dropped from a height of more than 0.5 m
(19.7 in) onto a hard surface such as a concrete floor; use a new one.
●Before installing new oxygen sensor, clean exhaust system threads using Oxygen Sensor
Thread Cleaner tool J-43897-18 or J-43897-12 and approved anti-seize lubricant.
Without CONSULT-II
1. Start engine and warm it up to normal operating temperature.
2. Set voltmeter probes between ECM terminal 35 [HO2S1 (B1) signal] or 16 [HO2S1 (B2) signal] and
engine ground.
3. Check the following with engine speed held at 2,000 rpm con-
stant under no load.
●The voltage fluctuates between 0 to 0.3V and 0.6 to 1.0V
more than 5 times within 10 seconds.
●The maximum voltage is over 0.6V at least one time.
●The minimum voltage is below 0.3V at least one time.
●The voltage never exceeds 1.0V.
1 time: 0 - 0.3V → 0.6 - 1.0V → 0 - 0.3V
2 times: 0 - 0.3V → 0.6 - 1.0V → 0 - 0.3V → 0.6 - 1.0V
CAUTION:
●Discard any heated oxygen sensor which has been
dropped from a height of more than 0.5 m (19.7 in) onto a hard surface such as a concrete floor;
use a new one.
SEF646Y
SEF647Y
SEF648Y
PBIB1107E

DTC P1144, P1164 HO2S1
EC-445
C
D
E
F
G
H
I
J
K
L
M
A
EC
Revision; 2004 April 2003 G35 Coupe
●Before installing new oxygen sensor, clean exhaust system threads using Oxygen Sensor
Thread Cleaner tool J-43897-18 or J-43897-12 and approved anti-seize lubricant.
Removal and Installation ABS003H6
HEATED OXYGEN SENSOR 1
Refer to EM-22, "EXHAUST MANIFOLD AND THREE WAY CATALYST" .

EC-446
DTC P1146, P1166 HO2S2
Revision; 2004 April 2003 G35 Coupe
DTC P1146, P1166 HO2S2 PFP:226A0
Component Description ABS003H7
The heated oxygen sensor 2, after three way catalyst 1, monitors the
oxygen level in the exhaust gas on each bank.
Even if switching characteristics of the heated oxygen sensor 1 are
shifted, the air-fuel ratio is controlled to stoichiometric, by the signal
from the heated oxygen sensor 2.
This sensor is made of ceramic zirconia. The zirconia generates volt-
age from approximately 1V in richer conditions to 0V in leaner condi-
tions.
Under normal conditions the heated oxygen sensor 2 is not used for
engine control operation.
CONSULT-II Reference Value in Data Monitor Mode ABS003H8
Specification data are reference values.
On Board Diagnosis Logic ABS003H9
The heated oxygen sensor 2 has a much longer switching time
between rich and lean than the heated oxygen sensor 1. The oxygen
storage capacity of the three way catalyst causes the longer switch-
ing time. To judge the malfunctions of heated oxygen sensor 2, ECM
monitors whether the minimum voltage of sensor is sufficiently low
during the various driving condition such as fuel-cut.
SEF327R
MONITOR ITEM CONDITION SPECIFICATION
HO2S2 (B1)
HO2S2 (B2)
●Warm-up condition
●After keeping engine speed
between 3,500 and 4,000 rpm for
1 minute and at idle for 1 minute
under no load.
Revving engine from idle to 3,000 rpm
quickly.
0 - 0.3V ←→ Approx. 0.6 -
1.0V
HO2S2 MNTR (B1)
HO2S2 MNTR (B2) LEAN ←→ RICH
SEF972Z
DTC No. Trouble diagnosis name DTC detecting condition Possible cause
P1146
1146
(Bank 1) Heated oxygen sensor
2 minimum voltage
monitoring
The minimum voltage from the sensor is not
reached to the specified voltage.
●Harness or connectors
(The sensor circuit is open or shorted)
●Heated oxygen sensor 2
●Fuel pressure
●Injectors
P1166
1166
(Bank 2)

DTC P1146, P1166 HO2S2
EC-447
C
D
E
F
G
H
I
J
K
L
M
A
EC
Revision; 2004 April 2003 G35 Coupe
DTC Confirmation Procedure ABS003HA
NOTE:
If DTC confirmation Procedure has been previously conducted, always turn ignition switch OFF and wait at
least 10 seconds before conducting the next test.
WITH CONSULT-II
TESTING CONDITION:
For better results, perform “DTC WORK SUPPORT” at a temperature of 0 to 30 °C (32 to 86 °F).
1. Turn ignition switch ON and select “DATA MONITOR” mode with
CONSULT-II.
2. Start engine and warm it up to the normal operating tempera-
ture.
3. Turn ignition switch OFF and wait at least 10 seconds.
4. Start engine and keep the engine speed between 3,500 and
4,000 rpm for at least 1 minute under no load.
5. Let engine idle for 1 minutes.
6. Make sure that “COOLAN TEMP/S” indicates more than 70°C
(158°F).
If not, warm up engine and go to next step when “COOLAN
TEMP/S” indication reaches to 70°C (158°F).
7. Open engine hood.
8. Select “HO2S2 (B1) P1146” or “HO2S2 (B2) P1166” of “HO2S2” in “DTC WORK SUPPORT” mode with
CONSULT-II.
9. Start engine and following the instruction of CONSULT-II.
10. Make sure that “OK” is displayed after touching “SELF-DIAG RESULTS”.
If “NG” is displayed, refer to EC-452, "Diagnostic Procedure" .
If “CAN NOT BE DIAGNOSED” is displayed, perform the following.
a. Turn ignition switch OFF and leave the vehicle in a cool place (soak the vehicle).
b. Return to step 1.
Overall Function Check ABS003HB
Use this procedure to check the overall function of the heated oxygen sensor 2 circuit. During this check, a
DTC might not be confirmed.
WITH GST
1. Start engine and warm it up to the normal operating temperature.
2. Turn ignition switch OFF and wait at least 10 seconds.
3. Start engine and keep the engine speed between 3,500 and 4,000 rpm for at least 1 minute under no load.
4. Let engine idle for 1 minutes.
5. Set voltmeter probes between ECM terminal 74 [HO2S2 (B1) signal] or 55 [HO2S2 (B2) signal] and
engine ground.
SEF174Y
PBIB0818E

EC-448
DTC P1146, P1166 HO2S2
Revision; 2004 April 2003 G35 Coupe
6. Check the voltage when revving up to 4,000 rpm under no load
at least 10 times.
(Depress and release accelerator pedal as soon as possible.)
The voltage should be below 0.48V at least once during this
procedure.
If the voltage can be confirmed in step 6, step 7 is not nec-
essary.
7. Keep vehicle at idling for 10 minutes, then check the voltage. Or
check the voltage when coasting from 80 km/h (50 MPH) in D
position (A/T), 4th gear (M/T).
The voltage should be below 0.48V at least once during this
procedure.
8. If NG, go to EC-452, "Diagnostic Procedure" .
PBIB1607E

DTC P1146, P1166 HO2S2
EC-449
C
D
E
F
G
H
I
J
K
L
M
A
EC
Revision; 2004 April 2003 G35 Coupe
Wiring Diagram ABS003HC
BANK 1
TBWT0267E

EC-450
DTC P1146, P1166 HO2S2
Revision; 2004 April 2003 G35 Coupe
Specification data are reference values and are measured between each terminal and ground.
CAUTION:
Do not use ECM ground terminals when measuring input/output voltage. Doing so may result in dam-
age to the ECM's transistor. Use a ground other than ECM terminals, such as the ground.
TER-
MINAL
NO.
WIRE
COLOR ITEM CONDITION DATA (DC Voltage)
74 L/B Heated oxygen sensor 2
(bank 1)
[Engine is running]
●Warm-up condition
●Revving engine from idle to 3,000 rpm
quickly after the following conditions are
met.
–After keeping the engine speed between
3,500 and 4,000 rpm for 1 minute and at idle
for 1 minute under no load.
0 - Approximately 1.0V
78 B/Y Sensors' ground
(Heated oxygen sensor)
[Engine is running]
●Warm-up condition
●Idle speed
Approximately 0V

DTC P1146, P1166 HO2S2
EC-451
C
D
E
F
G
H
I
J
K
L
M
A
EC
Revision; 2004 April 2003 G35 Coupe
BANK 2
TBWT0268E

EC-452
DTC P1146, P1166 HO2S2
Revision; 2004 April 2003 G35 Coupe
Specification data are reference values and are measured between each terminal and ground.
CAUTION:
Do not use ECM ground terminals when measuring input/output voltage. Doing so may result in dam-
age to the ECM's transistor. Use a ground other than ECM terminals, such as the ground.
Diagnostic Procedure ABS003HD
1. RETIGHTEN GROUND SCREWS
1. Turn ignition switch OFF.
2. Loosen and retighten engine ground screws.
>> GO TO 2.
TER-
MINAL
NO.
WIRE
COLOR ITEM CONDITION DATA (DC Voltage)
55 R/Y Heated oxygen sensor 2
(bank 2)
[Engine is running]
●Warm-up condition
●Revving engine from idle to 3,000 rpm
quickly after the following conditions are
met.
–After keeping the engine speed between
3,500 and 4,000 rpm for 1 minute and at idle
for 1 minute under no load.
0 - Approximately 1.0V
78 B/Y Sensors' ground
(Heated oxygen sensor)
[Engine is running]
●Warm-up condition
●Idle speed
Approximately 0V
PBIB0986E

DTC P1146, P1166 HO2S2
EC-453
C
D
E
F
G
H
I
J
K
L
M
A
EC
Revision; 2004 April 2003 G35 Coupe
2. CLEAR THE SELF-LEARNING DATA
With CONSULT-II
1. Start engine and warm it up to normal operating temperature.
2. Select “SELF-LEARNING CONT” in “WORK SUPPORT” mode
with CONSULT-II.
3. Clear the self-learning control coefficient by touching “CLEAR”.
4. Run engine for at least 10 minutes at idle speed.
Is the 1st trip DTC P0172 or P0175 detected?
Is it difficult to start engine?
Without CONSULT-II
1. Start engine and warm it up to normal operating temperature.
2. Turn ignition switch OFF.
3. Disconnect mass air flow sensor harness connector, and restart
and run engine for at least 5 seconds at idle speed.
4. Stop engine and reconnect mass air flow sensor harness con-
nector.
5. Make sure DTC P0102 is displayed.
6. Erase the DTC memory. Refer to EC-64, "HOW TO ERASE
EMISSION-RELATED DIAGNOSTIC INFORMATION" .
7. Make sure DTC P0000 is displayed.
8. Run engine for at least 10 minutes at idle speed.
Is the 1st trip DTC P0172 or P0175 detected?
Is it difficult to start engine?
Yes or No
Yes >> Perform trouble diagnosis for DTC P0172, P0175. Refer to EC-266 .
No >> GO TO 3.
SEF968Y
PBIB1077E

EC-454
DTC P1146, P1166 HO2S2
Revision; 2004 April 2003 G35 Coupe
3. CHECK HO2S2 GROUND CIRCUIT FOR OPEN AND SHORT
1. Turn ignition switch OFF.
2. Disconnect ECM harness connector.
3. Disconnect heated oxygen sensor 2 harness connector.
4. Check harness continuity between HO2S2 terminal 4 and ECM terminal 78.
Refer to Wiring Diagram.
5. Also check harness for short to ground and short to power.
OK or NG
OK >> GO TO 5.
NG >> GO TO 4.
4. DETECT MALFUNCTIONING PART
Check the following.
●Joint connector-4
●Harness for open or short between HO2S2 and ECM
>> Repair open circuit or short to ground or short to power in harness or connectors.
Continuity should exist.
PBIB1284E

DTC P1146, P1166 HO2S2
EC-455
C
D
E
F
G
H
I
J
K
L
M
A
EC
Revision; 2004 April 2003 G35 Coupe
5. CHECK HO2S2 INPUT SIGNAL CIRCUIT FOR OPEN AND SHORT
1. Check harness continuity between ECM terminal and HO2S2 terminal as follows.
Refer to Wiring Diagram.
2. Check harness continuity between the following terminals and ground.
Refer to Wiring Diagram.
3. Also check harness for short to ground and short to power.
OK or NG
OK >> GO TO 6.
NG >> Repair open circuit or short to ground or short to power in harness or connectors.
6. CHECK HEATED OXYGEN SENSOR 2
Refer to EC-455, "Component Inspection" .
OK or NG
OK >> GO TO 7.
NG >> Replace malfunctioning heated oxygen sensor 2.
7. CHECK INTERMITTENT INCIDENT
Refer to EC-132, "TROUBLE DIAGNOSIS FOR INTERMITTENT INCIDENT" .
>> INSPECTION END
Component Inspection ABS003HE
HEATED OXYGEN SENSOR 2
With CONSULT-II
1. Turn ignition switch ON and select “DATA MONITOR” mode with
CONSULT-II.
2. Start engine and warm it up to the normal operating tempera-
ture.
3. Turn ignition switch OFF and wait at least 10 seconds.
4. Start engine and keep the engine speed between 3,500 and
4,000 rpm for at least 1 minute under no load.
5. Let engine idle for 1 minutes.
DTC Terminals Bank
ECM Sensor
P1146 74 1 1
P1166 55 1 2
Continuity should exist.
DTC Terminals Bank
ECM Sensor
P1146 74 1 1
P1166 55 1 2
Continuity should not exist.
SEF174Y

EC-456
DTC P1146, P1166 HO2S2
Revision; 2004 April 2003 G35 Coupe
6. Select “FUEL INJECTION” in “ACTIVE TEST” mode, and select
“HO2S2 (B1)/(B2)” as the monitor item with CONSULT-II.
7. Check “HO2S2 (B1)/(B2)” at idle speed when adjusting “FUEL INJECTION” to ±25%.
“HO2S2 (B1)/(B2)” should be above 0.63V at least once when the “FUEL INJECTION” is +25%.
“HO2S2 (B1)/(B2)” should be below 0.48V at least once when the “FUEL INJECTION” is −25%.
CAUTION:
●Discard any heated oxygen sensor which has been dropped from a height of more than 0.5 m (19.7
in) onto a hard surface such as a concrete floor; use a new one.
●Before installing new oxygen sensor, clean exhaust system threads using Oxygen Sensor Thread
Cleaner tool J-43897-18 or J-43897-12 and approved anti-seize lubricant.
Without CONSULT-II
1. Start engine and warm it up to the normal operating temperature.
2. Turn ignition switch OFF and wait at least 10 seconds.
3. Start engine and keep the engine speed between 3,500 and 4,000 rpm for at least 1 minute under no load.
4. Let engine idle for 1 minutes.
5. Set voltmeter probes between ECM terminal 74 [HO2S2 (B1) signal] or 55 [HO2S2 (B2) signal] and
engine ground.
6. Check the voltage when revving up to 4,000 rpm under no load
at least 10 times.
(Depress and release accelerator pedal as soon as possible.)
The voltage should be above 0.63V at least once during this
procedure.
If the voltage is above 0.63V at step 6, step 7 is not neces-
sary.
7. Keep vehicle at idling for 10 minutes, then check voltage. Or
check the voltage when coasting from 80 km/h (50 MPH) in D
position (A/T), 4th gear position (M/T).
The voltage should be below 0.48V at least once during this
procedure.
8. If NG, replace heated oxygen sensor 2.
CAUTION:
●Discard any heated oxygen sensor which has been dropped from a height of more than 0.5 m (19.7
in) onto a hard surface such as a concrete floor; use a new one.
●Before installing new oxygen sensor, clean exhaust system threads using Oxygen Sensor Thread
Cleaner tool J-43897-18 or J-43897-12 and approved anti-seize lubricant.
SEF662Y
PBIB0796E
PBIB1607E

DTC P1146, P1166 HO2S2
EC-457
C
D
E
F
G
H
I
J
K
L
M
A
EC
Revision; 2004 April 2003 G35 Coupe
Removal and Installation ABS003HF
HEATED OXYGEN SENSOR 2
Refer to EM-22, "EXHAUST MANIFOLD AND THREE WAY CATALYST" .

EC-458
DTC P1147, P1167 HO2S2
Revision; 2004 April 2003 G35 Coupe
DTC P1147, P1167 HO2S2 PFP:226A0
Component Description ABS003HG
The heated oxygen sensor 2, after three way catalyst 1, monitors the
oxygen level in the exhaust gas on each bank.
Even if switching characteristics of the heated oxygen sensor 1 are
shifted, the air-fuel ratio is controlled to stoichiometric, by the signal
from the heated oxygen sensor 2.
This sensor is made of ceramic zirconia. The zirconia generates volt-
age from approximately 1V in richer conditions to 0V in leaner condi-
tions.
Under normal conditions the heated oxygen sensor 2 is not used for
engine control operation.
CONSULT-II Reference Value in Data Monitor Mode ABS003HH
Specification data are reference values.
On Board Diagnosis Logic ABS003HI
The heated oxygen sensor 2 has a much longer switching time
between rich and lean than the heated oxygen sensor 1. The oxygen
storage capacity before the three way catalyst causes the longer
switching time. To judge the malfunctions of heated oxygen sensor
2, ECM monitors whether the maximum voltage of the sensor is suf-
ficiently high during the various driving condition such as fuel-cut.
SEF327R
MONITOR ITEM CONDITION SPECIFICATION
HO2S2 (B1)
HO2S2 (B2)
●Warm-up condition
●After keeping engine speed
between 3,500 and 4,000 rpm for
1 minute and at idle for 1 minute
under no load.
Revving engine from idle to 3,000 rpm
quickly.
0 - 0.3V ←→ Approx. 0.6 -
1.0V
HO2S2 MNTR (B1)
HO2S2 MNTR (B2) LEAN ←→ RICH
PBIB0820E
DTC No. Trouble diagnosis name DTC detecting condition Possible cause
P1147
1147
(Bank 1) Heated oxygen sensor
2 maximum voltage
monitoring
The maximum voltage from the sensor is not
reached to the specified voltage.
●Harness or connectors
(The sensor circuit is open or shorted)
●Heated oxygen sensor 2
●Fuel pressure
●Injectors
●Intake air leaks
P1167
1167
(Bank 2)

DTC P1147, P1167 HO2S2
EC-459
C
D
E
F
G
H
I
J
K
L
M
A
EC
Revision; 2004 April 2003 G35 Coupe
DTC Confirmation Procedure ABS003HJ
NOTE:
If DTC confirmation Procedure has been previously conducted, always turn ignition switch OFF and wait at
least 10 seconds before conducting the next test.
WITH CONSULT-II
TESTING CONDITION:
For better results, perform “DTC WORK SUPPORT” at a temperature of 0 to 30 °C (32 to 86 °F).
1. Turn ignition switch ON and select “DATA MONITOR” mode with
CONSULT-II.
2. Start engine and warm it up to the normal operating tempera-
ture.
3. Turn ignition switch OFF and wait at least 10 seconds.
4. Start engine and keep the engine speed between 3,500 and
4,000 rpm for at least 1 minute under no load.
5. Let engine idle for 1 minutes.
6. Make sure that “COOLAN TEMP/S” indicates more than 70°C
(158°F).
If not, warm up engine and go to next step when “COOLAN
TEMP/S” indication reaches to 70°C (158°F).
7. Open engine hood.
8. Select “HO2S2 (B1) P1147” or “HO2S2 (B2) P1167” of “HO2S2” in “DTC WORK SUPPORT” mode with
CONSULT-II.
9. Start engine and following the instruction of CONSULT-II.
10. Make sure that “OK” is displayed after touching “SELF-DIAG RESULTS”.
If “NG” is displayed, refer to EC-464, "Diagnostic Procedure" .
If “CAN NOT BE DIAGNOSED” is displayed, perform the following.
a. Turn ignition switch OFF and leave the vehicle in a cool place (soak the vehicle).
b. Return to step 1.
Overall Function Check ABS003HK
Use this procedure to check the overall function of the heated oxygen sensor 2 circuit. During this check, a
DTC might not be confirmed.
WITH GST
1. Start engine and warm it up to the normal operating temperature.
2. Turn ignition switch OFF and wait at least 10 seconds.
3. Start engine and keep the engine speed between 3,500 and 4,000 rpm for at least 1 minute under no load.
4. Let engine idle for 1 minutes.
5. Set voltmeter probes between ECM terminal 74 [HO2S2 (B1) signal] or 55 [HO2S2 (B2) signal] and
engine ground.
SEF174Y
PBIB0819E

EC-460
DTC P1147, P1167 HO2S2
Revision; 2004 April 2003 G35 Coupe
6. Check the voltage when revving up to 4,000 rpm under no load
at least 10 times.
(Depress and release accelerator pedal as soon as possible.)
The voltage should be above 0.63V at least once during this
procedure.
If the voltage can be confirmed in step 6, step 7 is not nec-
essary.
7. Keep vehicle at idling for 10 minutes, then check the voltage. Or
check the voltage when coasting from 80 km/h (50 MPH) in D
position (A/T), 4th gear position (M/T).
The voltage should be above 0.63V at least once during this
procedure.
8. If NG, go to EC-464, "Diagnostic Procedure" .
PBIB1607E

DTC P1147, P1167 HO2S2
EC-461
C
D
E
F
G
H
I
J
K
L
M
A
EC
Revision; 2004 April 2003 G35 Coupe
Wiring Diagram ABS003HL
BANK 1
TBWT0267E

EC-462
DTC P1147, P1167 HO2S2
Revision; 2004 April 2003 G35 Coupe
Specification data are reference values and are measured between each terminal and ground.
CAUTION:
Do not use ECM ground terminals when measuring input/output voltage. Doing so may result in dam-
age to the ECM's transistor. Use a ground other than ECM terminals, such as the ground.
TER-
MINAL
NO.
WIRE
COLOR ITEM CONDITION DATA (DC Voltage)
74 L/B Heated oxygen sensor 2
(bank 1)
[Engine is running]
●Warm-up condition
●Revving engine from idle to 3,000 rpm
quickly after the following conditions are
met.
–After keeping the engine speed between
3,500 and 4,000 rpm for 1 minute and at idle
for 1 minute under no load.
0 - Approximately 1.0V
78 B/Y Sensors' ground
(Heated oxygen sensor)
[Engine is running]
●Warm-up condition
●Idle speed
Approximately 0V

DTC P1147, P1167 HO2S2
EC-463
C
D
E
F
G
H
I
J
K
L
M
A
EC
Revision; 2004 April 2003 G35 Coupe
BANK 2
TBWT0268E

EC-464
DTC P1147, P1167 HO2S2
Revision; 2004 April 2003 G35 Coupe
Specification data are reference values and are measured between each terminal and ground.
CAUTION:
Do not use ECM ground terminals when measuring input/output voltage. Doing so may result in dam-
age to the ECM's transistor. Use a ground other than ECM terminals, such as the ground.
Diagnostic Procedure ABS003HM
1. RETIGHTEN GROUND SCREWS
1. Turn ignition switch OFF.
2. Loosen and retighten engine ground screws.
>> GO TO 2.
TER-
MINAL
NO.
WIRE
COLOR ITEM CONDITION DATA (DC Voltage)
55 R/Y Heated oxygen sensor 2
(bank 2)
[Engine is running]
●Warm-up condition
●Revving engine from idle to 3,000 rpm
quickly after the following conditions are
met.
–After keeping the engine speed between
3,500 and 4,000 rpm for 1 minute and at idle
for 1 minute under no load.
0 - Approximately 1.0V
78 B/Y Sensors' ground
(Heated oxygen sensor)
[Engine is running]
●Warm-up condition
●Idle speed
Approximately 0V
PBIB0986E

DTC P1147, P1167 HO2S2
EC-465
C
D
E
F
G
H
I
J
K
L
M
A
EC
Revision; 2004 April 2003 G35 Coupe
2. CLEAR THE SELF-LEARNING DATA
With CONSULT-II
1. Start engine and warm it up to normal operating temperature.
2. Select “SELF-LEARNING CONT” in “WORK SUPPORT” mode
with CONSULT-II.
3. Clear the self-learning control coefficient by touching “CLEAR”.
4. Run engine for at least 10 minutes at idle speed.
Is the 1st trip DTC P0171 or P0174 detected?
Is it difficult to start engine?
Without CONSULT-II
1. Start engine and warm it up to normal operating temperature.
2. Turn ignition switch OFF.
3. Disconnect mass air flow sensor harness connector, and restart
and run engine for at least 5 seconds at idle speed.
4. Stop engine and reconnect mass air flow sensor harness con-
nector.
5. Make sure DTC P0102 is displayed.
6. Erase the DTC memory. Refer to EC-64, "HOW TO ERASE
EMISSION-RELATED DIAGNOSTIC INFORMATION" .
7. Make sure DTC P0000 is displayed.
8. Run engine for at least 10 minutes at idle speed.
Is the 1st trip DTC P0171 or P0174 detected?
Is it difficult to start engine?
Yes or No
Yes >> Perform trouble diagnosis for DTC P0171or P0174. Refer to EC-257 .
No >> GO TO 3.
SEF968Y
PBIB1077E

EC-466
DTC P1147, P1167 HO2S2
Revision; 2004 April 2003 G35 Coupe
3. CHECK HO2S2 GROUND CIRCUIT FOR OPEN AND SHORT
1. Turn ignition switch OFF.
2. Disconnect ECM harness connector.
3. Disconnect heated oxygen sensor 2 harness connector.
4. Check harness continuity between HO2S2 terminal 4 and ECM terminal 78.
Refer to Wiring Diagram.
5. Also check harness for short to ground and short to power.
OK or NG
OK >> GO TO 5.
NG >> GO TO 4.
4. DETECT MALFUNCTIONING PART
Check the following.
●Joint connector-4
●Harness for open or short between HO2S2 and ECM
>> Repair open circuit or short to ground or short to power in harness or connectors.
Continuity should exist.
PBIB1284E

DTC P1147, P1167 HO2S2
EC-467
C
D
E
F
G
H
I
J
K
L
M
A
EC
Revision; 2004 April 2003 G35 Coupe
5. CHECK HO2S2 INPUT SIGNAL CIRCUIT FOR OPEN AND SHORT
1. Check harness continuity between ECM terminal and HO2S2 terminal as follows.
Refer to Wiring Diagram.
2. Check harness continuity between the following terminals and ground.
Refer to Wiring Diagram.
3. Also check harness for short to ground and short to power.
OK or NG
OK >> GO TO 6.
NG >> Repair open circuit or short to ground or short to power in harness or connectors.
6. CHECK HEATED OXYGEN SENSOR 2
Refer to EC-467, "Component Inspection" .
OK or NG
OK >> GO TO 7.
NG >> Replace malfunctioning heated oxygen sensor 2.
7. CHECK INTERMITTENT INCIDENT
Refer to EC-132, "TROUBLE DIAGNOSIS FOR INTERMITTENT INCIDENT" .
>> INSPECTION END
Component Inspection ABS003HN
HEATED OXYGEN SENSOR 2
With CONSULT-II
1. Turn ignition switch ON and select “DATA MONITOR” mode with
CONSULT-II.
2. Start engine and warm it up to the normal operating tempera-
ture.
3. Turn ignition switch OFF and wait at least 10 seconds.
4. Start engine and keep the engine speed between 3,500 and
4,000 rpm for at least 1 minute under no load.
5. Let engine idle for 1 minutes.
DTC Terminals Bank
ECM Sensor
P1147 74 1 1
P1167 55 1 2
Continuity should exist.
DTC Terminals Bank
ECM Sensor
P1147 74 1 1
P1167 55 1 2
Continuity should not exist.
SEF174Y

EC-468
DTC P1147, P1167 HO2S2
Revision; 2004 April 2003 G35 Coupe
6. Select “FUEL INJECTION” in “ACTIVE TEST” mode, and select
“HO2S2 (B1)/(B2)” as the monitor item with CONSULT-II.
7. Check “HO2S2 (B1)/(B2)” at idle speed when adjusting “FUEL INJECTION” to ±25%.
“HO2S2 (B1)/(B2)” should be above 0.63V at least once when the “FUEL INJECTION” is +25%.
“HO2S2 (B1)/(B2)” should be below 0.48V at least once when the “FUEL INJECTION” is −25%.
CAUTION:
●Discard any heated oxygen sensor which has been dropped from a height of more than 0.5 m (19.7
in) onto a hard surface such as a concrete floor; use a new one.
●Before installing new oxygen sensor, clean exhaust system threads using Oxygen Sensor Thread
Cleaner tool J-43897-18 or J-43897-12 and approved anti-seize lubricant.
Without CONSULT-II
1. Start engine and warm it up to the normal operating temperature.
2. Turn ignition switch OFF and wait at least 10 seconds.
3. Start engine and keep the engine speed between 3,500 and 4,000 rpm for at least 1 minute under no load.
4. Let engine idle for 1 minutes.
5. Set voltmeter probes between ECM terminal 74 [HO2S2 (B1) signal] or 55 [HO2S2 (B2) signal] and
engine ground.
6. Check the voltage when revving up to 4,000 rpm under no load
at least 10 times.
(Depress and release accelerator pedal as soon as possible.)
The voltage should be above 0.63V at least once during this
procedure.
If the voltage is above 0.63V at step 6, step 7 is not neces-
sary.
7. Keep vehicle at idling for 10 minutes, then check voltage. Or
check the voltage when coasting from 80 km/h (50 MPH) in D
position (A/T), 4th gear position (M/T).
The voltage should be below 0.48V at least once during this
procedure.
8. If NG, replace heated oxygen sensor 2.
CAUTION:
●Discard any heated oxygen sensor which has been dropped from a height of more than 0.5 m (19.7
in) onto a hard surface such as a concrete floor; use a new one.
●Before installing new oxygen sensor, clean exhaust system threads using Oxygen Sensor Thread
Cleaner tool J-43897-18 or J-43897-12 and approved anti-seize lubricant.
SEF662Y
PBIB0796E
PBIB1607E

DTC P1147, P1167 HO2S2
EC-469
C
D
E
F
G
H
I
J
K
L
M
A
EC
Revision; 2004 April 2003 G35 Coupe
Removal and Installation ABS003HO
HEATED OXYGEN SENSOR 2
Refer to EM-22, "EXHAUST MANIFOLD AND THREE WAY CATALYST" .

EC-470
DTC P1148, P1168 CLOSED LOOP CONTROL
Revision; 2004 April 2003 G35 Coupe
DTC P1148, P1168 CLOSED LOOP CONTROL PFP:22690
On Board Diagnosis Logic ABS003HP
These self-diagnoses have the one trip detection logic.
DTC Confirmation Procedure ABS003HQ
CAUTION:
Always drive vehicle at a safe speed.
NOTE:
If DTC Confirmation Procedure has been previously conducted, always turn ignition switch OFF and wait at
least 10 seconds before conducting the next test.
TESTING CONDITION:
●Never raise engine speed above 3,600 rpm during the DTC Confirmation Procedure. If the engine
speed limit is exceeded, retry the procedure from step 2.
●Before performing the following procedure, confirm that battery voltage is more than 11V at idle.
WITH CONSULT-II
1. Start engine and warm it up to normal operating temperature.
2. Select “DATA MONITOR” mode with CONSULT-II.
3. Hold engine speed at 2,000 rpm and check one of the following.
–“HO2S1 (B1)/(B2)” voltage should go above 0.70V at least once.
–“HO2S1 (B1)/(B2)” voltage should go below 0.21V at least once.
If the check result is NG, perform EC-471, "Diagnostic Proce-
dure" .
If the check result is OK, perform the following step.
4. Let engine idle at least 5 minutes.
5. Maintain the following condition at least 50 consecutive sec-
onds.
During this test, P0132 and/or P0152 may be displayed on CONSULT-II screen.
6. If DTC is detected, go to EC-471, "Diagnostic Procedure" .
DTC No. Trouble diagnosis name DTC detecting condition Possible cause
P1148
1148
(Bank 1) Closed loop control
function
The closed loop control function for bank 1
does not operate even when vehicle is driving
in the specified condition.
●The heated oxygen sensor 1 circuit is
open or shorted.
●Heated oxygen sensor 1
●Heated oxygen sensor heater
P1168
1168
(Bank 2)
The closed loop control function for bank 2
does not operate even when vehicle is driving
in the specified condition.
B/FUEL SCHDL 2.5 msec or more
ENG SPEED More than 1,500 rpm
Selector lever Suitable position
VHCL SPEED SE More than 70 km/h (43 MPH)
SEC011C

DTC P1148, P1168 CLOSED LOOP CONTROL
EC-471
C
D
E
F
G
H
I
J
K
L
M
A
EC
Revision; 2004 April 2003 G35 Coupe
Overall Function Check ABS003HR
Use this procedure to check the overall function of the closed loop control. During this check, a DTC might not
be confirmed.
WITH GST
1. Start engine and warm it up to normal operating temperature.
2. Set voltmeter probes between ECM terminal 35 [HO2S1 (B1)
signal] or 16 [HO2S1 (B2) signal] and engine ground.
3. Check the following with engine speed held at 2,000 rpm con-
stant under no-load.
–The voltage should go above 0.70V at least once.
–The voltage should go below 0.21V at least once.
4. If NG, go to EC-471, "Diagnostic Procedure" .
Diagnostic Procedure ABS003HS
Perform trouble diagnosis for DTC P0133, P0153. Refer to EC-218, "Diagnostic Procedure" .
PBIB1107E

EC-472
DTC P1211 TCS CONTROL UNIT
Revision; 2004 April 2003 G35 Coupe
DTC P1211 TCS CONTROL UNIT PFP:47850
Description ABS003HT
The malfunction information related to TCS is transferred through the CAN communication line from VDC/
TCS/ABS control unit to ECM.
Be sure to erase the malfunction information such as DTC not only for VDC/TCS/ABS control unit but
also for ECM after TCS related repair.
On Board Diagnosis Logic ABS003HU
Freeze frame data is not stored in the ECM for this self-diagnosis. The MIL will not light up for this self-
diagnosis.
DTC Confirmation Procedure ABS003HV
TESTING CONDITION:
Before performing the following procedure, confirm that battery voltage is more than 10.5V at idle.
WITH CONSULT-II
1. Turn ignition switch ON.
2. Select “DATA MONITOR” mode with CONSULT-II.
3. Start engine and let it idle for at least 60 seconds.
4. If 1st trip DTC is detected, go to EC-472, "Diagnostic Procedure"
.
WITH GST
Follow the procedure “WITH CONSULT-II” above.
Diagnostic Procedure ABS003HW
Go to BRC-15, "TROUBLE DIAGNOSIS" .
DTC No. Trouble diagnosis name DTC detecting condition Possible cause
P1211
1211 TCS control unit ECM receives a malfunction information from
VDC/TCS/ABS control unit.
●VDC/TCS/ABS control unit
●TCS related parts
SEF058Y

DTC P1212 TCS COMMUNICATION LINE
EC-473
C
D
E
F
G
H
I
J
K
L
M
A
EC
Revision; 2004 April 2003 G35 Coupe
DTC P1212 TCS COMMUNICATION LINE PFP:47850
Description ABS003HX
NOTE:
If DTC P1212 is displayed with DTC U1000 or U1001, first perform the trouble diagnosis for DTC U1000,
U1001. Refer to EC-140, "DTC U1000, U1001 CAN COMMUNICATION LINE" .
This CAN communication line is used to control the smooth engine operation during the TCS operation. Pulse
signals are exchanged between ECM and VDC/TCS/ABS control unit.
Be sure to erase the malfunction information such as DTC not only for VDC/TCS/ABS control unit but
also for ECM after TCS related repair.
On Board Diagnosis Logic ABS003HY
Freeze frame data is not stored in the ECM for this self-diagnosis. The MIL will not light up for this self-
diagnosis.
DTC Confirmation Procedure ABS003HZ
TESTING CONDITION:
Before performing the following procedure, confirm that battery voltage is more than 10.5V at idle.
WITH CONSULT-II
1. Turn ignition switch ON.
2. Select “DATA MONITOR” mode with CONSULT-II.
3. Start engine and let it idle for at least 10 seconds.
4. If 1st trip DTC is detected, go to EC-473, "Diagnostic Procedure"
.
WITH GST
Follow the procedure “WITH CONSULT-II” above.
Diagnostic Procedure ABS003I0
1. CHECK VDC/TCS/ABS CONTROL UNIT FUNCTION
Refer to BRC-15, "TROUBLE DIAGNOSIS" .
>> INSPECTION END
DTC No. Trouble diagnosis name DTC detecting condition Possible cause
P1212
1212
TCS communication
line
ECM can not receive the information
from VDC/TCS/ABS control unit continu-
ously.
●Harness or connectors
(The CAN communication line is open or
shorted.)
●VDC/TCS/ABS control unit
●Dead (Weak) battery
SEF058Y

EC-474
DTC P1217 ENGINE OVER TEMPERATURE
Revision; 2004 April 2003 G35 Coupe
DTC P1217 ENGINE OVER TEMPERATURE PFP:00000
Description ABS003I1
SYSTEM DESCRIPTION
NOTE:
If DTC P1217 is displayed with DTC U1000 or U1001, first perform the trouble diagnosis for DTC U1000,
U1001. Refer to EC-140, "DTC U1000, U1001 CAN COMMUNICATION LINE" .
Cooling Fan Control
*1: The ECM determines the start signal status by the signals of engine speed and battery voltage.
*2: This signal is sent to ECM through CAN communication line.
The ECM controls the cooling fan corresponding to the vehicle speed, engine coolant temperature, refrigerant
pressure, and air conditioner ON signal. The control system has 3-step control [HIGH/LOW/OFF].
Cooling Fan Operation
Sensor Input Signal to ECM ECM function Actuator
Crankshaft position sensor (POS)
Camshaft position sensor (PHASE) Engine speed*1
Cooling fan
control
IPDM E/R
(Cooling fan relays)
Battery Battery voltage*1
Wheel sensor Vehicle speed*2
Engine coolant temperature sensor Engine coolant temperature
Air conditioner switch Air conditioner ON signal*2
Refrigerant pressure sensor Refrigerant pressure
PBIB1103E

DTC P1217 ENGINE OVER TEMPERATURE
EC-475
C
D
E
F
G
H
I
J
K
L
M
A
EC
Revision; 2004 April 2003 G35 Coupe
Cooling Fan Relay Operation
The ECM controls cooling fan relays in the IPDM E/R through CAN communication line.
COMPONENT DESCRIPTION
Cooling Fan Motor
The cooling fan operates at each speed when the current flows in the cooling fan motor as follows.
CONSULT-II Reference Value in Data Monitor Mode ABS003I2
Specification data are reference values.
On Board Diagnosis Logic ABS003I3
If the cooling fan or another component in the cooling system malfunctions, engine coolant temperature will
rise.
When the engine coolant temperature reaches an abnormally high temperature condition, a malfunction is
indicated.
This self-diagnosis has the one trip detection logic.
Cooling fan speed Cooling fan relay
123
Stop OFF OFF OFF
Low ON OFF OFF
High ON ON ON
Cooling fan speed Cooling fan motor terminals
(+) (−)
Low 13
24
High 1 and 2 3 and 4
MONITOR ITEM CONDITION SPECIFICATION
AIR COND SIG ●Engine: After warming up, idle
the engine
Air conditioner switch: OFF OFF
Air conditioner switch: ON
(Compressor operates.) ON
COOLING FAN
●Engine: After warming up, idle
the engine
●Air conditioner switch: OFF
Engine coolant temperature is 94°C
(201°F) or less OFF
Engine coolant temperature is
between 95°C (203°F) and 99°C
(210°F)
LOW
Engine coolant temperature is 100°C
(212°F) or more HI
DTC No. Trouble diagnosis name DTC detecting condition Possible cause
P1217
1217
Engine over tempera-
ture (Overheat)
●Cooling fan does not operate properly (Over-
heat).
●Cooling fan system does not operate prop-
erly (Overheat).
●Engine coolant was not added to the system
using the proper filling method.
●Engine coolant is not within the specified
range.
●Harness or connectors
(The cooling fan circuit is open or
shorted.)
●Cooling fan
●Radiator hose
●Radiator
●Radiator cap
●Water pump
●Thermostat
For more information, refer to EC-484,
"Main 12 Causes of Overheating" .

EC-476
DTC P1217 ENGINE OVER TEMPERATURE
Revision; 2004 April 2003 G35 Coupe
CAUTION:
When a malfunction is indicated, be sure to replace the coolant. Refer to CO-9, "Changing Engine
Coolant" . Also, replace the engine oil. Refer to LU-8, "Changing Engine Oil" .
1. Fill radiator with coolant up to specified level with a filling speed of 2 liters per minute. Be sure to
use coolant with the proper mixture ratio. Refer to MA-10, "Anti-Freeze Coolant Mixture Ratio" .
2. After refilling coolant, run engine to ensure that no water-flow noise is emitted.
Overall Function Check ABS003I4
Use this procedure to check the overall function of the cooling fan. During this check, a DTC might not be con-
firmed.
WARNING:
Never remove the radiator cap when the engine is hot. Serious burns could be caused by high pres-
sure fluid escaping from the radiator.
Wrap a thick cloth around cap. Carefully remove the cap by turning it a quarter turn to allow built-up
pressure to escape. Then turn the cap all the way off.
WITH CONSULT-II
1. Check the coolant level in the reservoir tank and radiator.
Allow engine to cool before checking coolant level.
If the coolant level in the reservoir tank and/or radiator is below
the proper range, skip the following steps and go to EC-480,
"Diagnostic Procedure" .
2. Confirm whether customer filled the coolant or not. If customer
filled the coolant, skip the following steps and go to EC-480,
"Diagnostic Procedure" .
3. Turn ignition switch ON.
4. Perform “COOLING FAN” in “ACTIVE TEST” mode with CON-
SULT-II.
5. If the results are NG, go to EC-480, "Diagnostic Procedure" .
WITH GST
1. Check the coolant level in the reservoir tank and radiator.
Allow engine to cool before checking coolant level.
If the coolant level in the reservoir tank and/or radiator is below
the proper range, skip the following steps and go to EC-480,
"Diagnostic Procedure" .
2. Confirm whether customer filled the coolant or not. If customer
filled the coolant, skip the following steps and go to EC-480,
"Diagnostic Procedure" .
3. Start engine.
Be careful not to overheat engine.
4. Turn air conditioner switch ON.
5. Turn blower fan switch ON.
SEF621W
SEF646X
SEF621W

DTC P1217 ENGINE OVER TEMPERATURE
EC-477
C
D
E
F
G
H
I
J
K
L
M
A
EC
Revision; 2004 April 2003 G35 Coupe
6. Make sure that cooling fan operates at low speed.
If NG, go to EC-480, "Diagnostic Procedure" .
If OK, go to the following step.
7. Turn ignition switch OFF.
8. Turn air conditioner switch and blower fan switch OFF.
9. Disconnect engine coolant temperature sensor harness connec-
tor.
10. Connect 150Ω resistor to engine coolant temperature sensor
harness connector.
11. Restart engine and make sure that cooling fan operates at
higher speed than low speed.
Be careful not to overheat engine.
12. If NG, go to EC-480, "Diagnostic Procedure" .
SEC163BA
MEC475B

EC-478
DTC P1217 ENGINE OVER TEMPERATURE
Revision; 2004 April 2003 G35 Coupe
Wiring Diagram ABS003I5
TBWT0290E

DTC P1217 ENGINE OVER TEMPERATURE
EC-479
C
D
E
F
G
H
I
J
K
L
M
A
EC
Revision; 2004 April 2003 G35 Coupe
TBWT0291E

EC-480
DTC P1217 ENGINE OVER TEMPERATURE
Revision; 2004 April 2003 G35 Coupe
Diagnostic Procedure ABS003I6
1. INSPECTION START
Do you have CONSULT-II?
Yes or No
Yes >> GO TO 2.
No >> GO TO 4.
2. CHECK COOLING FAN LOW SPEED OPERATION
With CONSULT-II
1. Start engine and let it idle.
2. Select “COOLING FAN” in “ACTIVE TEST” mode with CON-
SULT-II and touch “LOW” on the CONSULT-II screen.
3. Make sure that cooling fans-1 and -2 operate at low speed.
OK or NG
OK >> GO TO 3.
NG >> Check cooling fan low speed control circuit. (Go to EC-
482, "PROCEDURE A" .)
3. CHECK COOLING FAN HIGH SPEED OPERATION
With CONSULT-II
1. Touch “HIGH” on the CONSULT-II screen.
2. Make sure that cooling fans-1 and -2 operate at higher speed
than low speed.
OK or NG
OK >> GO TO 6.
NG >> Check cooling fan high speed control circuit. (Go to EC-
484, "PROCEDURE B" .)
4. CHECK COOLING FAN LOW SPEED OPERATION
Without CONSULT-II
1. Start engine and let it idle.
2. Turn air conditioner switch ON.
3. Turn blower fan switch ON.
4. Make sure that cooling fans-1 and -2 operate at low speed.
OK or NG
OK >> GO TO 5.
NG >> Check cooling fan low speed control circuit. (Go to EC-
482, "PROCEDURE A" .)
SEF784Z
SEF785Z
SEC163BA

DTC P1217 ENGINE OVER TEMPERATURE
EC-481
C
D
E
F
G
H
I
J
K
L
M
A
EC
Revision; 2004 April 2003 G35 Coupe
5. CHECK COOLING FAN HIGH SPEED OPERATION
Without CONSULT-II
1. Turn ignition switch OFF.
2. Turn air conditioner switch and blower fan switch OFF.
3. Disconnect engine coolant temperature sensor harness connector.
4. Connect 150Ω resistor to engine coolant temperature sensor harness connector.
5. Restart engine and make sure that cooling fans-1 and -2 oper-
ate at higher speed than low speed.
OK or NG
OK >> GO TO 6.
NG >> Check cooling fan high speed control circuit. (Go to EC-
484, "PROCEDURE B" .)
6. CHECK COOLING SYSTEM FOR LEAK
Apply pressure to the cooling system with a tester, and check if the
pressure drops.
CAUTION:
Higher than the specified pressure may cause radiator damage.
Pressure should not drop.
OK or NG
OK >> GO TO 7.
NG >> Check the following for leak. Refer to CO-9, "LEAK
CHECK" .
●Hose
●Radiator
●Water pump
7. CHECK RADIATOR CAP
Apply pressure to cap with a tester.
OK or NG
OK >> GO TO 8.
NG >> Replace radiator cap.
MEC475B
Testing pressure: 157 kPa (1.6 kg/cm2 , 23 psi)
SLC754A
Radiator cap relief pressure: 59 - 98 kPa (0.6 - 1.0 kg/cm2
, 9 - 14 psi)
SLC755A

EC-482
DTC P1217 ENGINE OVER TEMPERATURE
Revision; 2004 April 2003 G35 Coupe
8. CHECK THERMOSTAT
1. Check valve seating condition at normal room temperatures.
It should seat tightly.
2. Check valve opening temperature and valve lift.
3. Check if valve is closed at 5°C (9°F) below valve opening tem-
perature.
For details, refer to CO-24, "THERMOSTAT AND THERMO-
STAT HOUSING" .
OK or NG
OK >> GO TO 9.
NG >> Replace thermostat
9. CHECK ENGINE COOLANT TEMPERATURE SENSOR
Refer to EC-186, "Component Inspection" .
OK or NG
OK >> GO TO 10.
NG >> Replace engine coolant temperature sensor.
10. CHECK MAIN 12 CAUSES
If the cause cannot be isolated, go to EC-484, "Main 12 Causes of Overheating" .
>> INSPECTION END
PROCEDURE A
1. CHECK POWER SUPPLY CIRCUIT
1. Turn ignition switch OFF.
2. Disconnect IPDM E/R harness connectors E5 and E6.
3. Check voltage between IPDM E/R terminals 9, 16 and ground
with CONSULT-II or tester.
OK or NG
OK >> GO TO 3.
NG >> GO TO 2.
2. DETECT MALFUNCTIONING PART
Check the following.
●40A fusible links
●Harness for open or short between IPDM E/R and battery
>> Repair open circuit or short to ground or short to power in harness or connectors.
Valve opening temperature: 76.5°C (170°F) [standard]
Valve lift: More than 8.6 mm/90°C
(0.339 in/194°F)
SLC343
Voltage: Battery voltage
PBIB0789E

DTC P1217 ENGINE OVER TEMPERATURE
EC-483
C
D
E
F
G
H
I
J
K
L
M
A
EC
Revision; 2004 April 2003 G35 Coupe
3. CHECK COOLING FAN MOTORS CIRCUIT
1. Disconnect cooling fan motor-1 harness connector and cooling
fan motor-2 harness connector.
2. Check harness continuity between cooling fan motor-1 terminal
1 and IPDM E/R terminal 7, cooling fan motor-1 terminal 3 and
ground.
Refer to wiring diagram.
3. Also check harness for short to ground and short to power.
4. Check harness continuity between cooling fan motor-2 terminal
1 and IPDM E/R terminal 13, cooling fan motor-2 terminal 3 and
ground.
Refer to wiring diagram.
5. Also check harness for short to ground and short to power.
OK or NG
OK >> GO TO 4.
NG >> Repair open circuit or short to ground or short to power in harness connectors.
4. CHECK COOLING FAN MOTORS
Refer to EC-485, "Component Inspection" .
OK or NG
OK >> GO TO 5.
NG >> Replace cooling fan motors.
5. CHECK INTERMITTENT INCIDENT
Perform EC-132, "TROUBLE DIAGNOSIS FOR INTERMITTENT INCIDENT" .
OK or NG
OK >> Replace IPDM E/R. Refer to PG-17, "IPDM E/R (INTELLIGENT POWER DISTRIBUTION MOD-
ULE ENGINE ROOM)" .
NG >> Repair or replace harness or connector.
Continuity should exist.
Continuity should exist.
PBIB1283E

EC-484
DTC P1217 ENGINE OVER TEMPERATURE
Revision; 2004 April 2003 G35 Coupe
PROCEDURE B
1. CHECK COOLING FAN MOTORS CIRCUIT
1. Turn ignition switch OFF.
2. Disconnect cooling fan motor-1 harness connector and cooling
fan motor-2 harness connector.
3. Check harness continuity between the following;
cooling fan motor-1 terminal 2 and IPDM E/R terminal 5,
cooling fan motor-1 terminal 4 and IPDM E/R terminal 15,
IPDM E/R terminal 14 and ground,
IPDM E/R terminal 45 and ground.
Refer to wiring diagram.
4. Also check harness for short to ground and short to power.
5. Check harness continuity between the following;
cooling fan motor-2 terminal 2 and IPDM E/R terminal 10,
cooling fan motor-2 terminal 4 and IPDM E/R terminal 12,
IPDM E/R terminal 14 and ground,
IPDM E/R terminal 45 and ground.
Refer to wiring diagram.
6. Also check harness for short to ground and short to power.
OK or NG
OK >> GO TO 2.
NG >> Repair open circuit or short to ground or short to power in harness or connectors.
2. CHECK COOLING FAN MOTORS
Refer to EC-485, "Component Inspection" .
OK or NG
OK >> GO TO 3.
NG >> Replace cooling fan motors.
3. CHECK INTERMITTENT INCIDENT
Perform EC-132, "TROUBLE DIAGNOSIS FOR INTERMITTENT INCIDENT" .
OK or NG
OK >> Replace IPDM E/R. Refer to PG-17, "IPDM E/R (INTELLIGENT POWER DISTRIBUTION MOD-
ULE ENGINE ROOM)" .
NG >> Repair or replace harness connectors.
Main 12 Causes of Overheating ABS003I7
Continuity should exist.
Continuity should exist.
PBIB1283E
Engine Step Inspection item Equipment Standard Reference page
OFF 1 ●Blocked radiator
●Blocked condenser
●Blocked radiator grille
●Blocked bumper
●Visual No blocking —
2●Coolant mixture ●Coolant tester 50 - 50% coolant mixture MA-10
3●Coolant level ●Visual Coolant up to MAX level
in reservoir tank and radi-
ator filler neck
CO-9
4●Radiator cap ●Pressure tester 59 - 98 kPa
(0.6 - 1.0 kg/cm2 , 9 - 14
psi) (Limit)
CO-14

DTC P1217 ENGINE OVER TEMPERATURE
EC-485
C
D
E
F
G
H
I
J
K
L
M
A
EC
Revision; 2004 April 2003 G35 Coupe
*1: Turn the ignition switch ON.
*2: Engine running at 3,000 rpm for 10 minutes.
*3: Drive at 90 km/h (55 MPH) for 30 minutes and then let idle for 10 minutes.
*4: After 60 minutes of cool down time.
For more information, refer to CO-6, "OVERHEATING CAUSE ANALYSIS" .
Component Inspection ABS003I8
COOLING FAN MOTORS-1 AND -2
1. Disconnect cooling fan motor harness connectors.
2. Supply cooling fan motor terminals with battery voltage and
check operation.
Cooling fan motor should operate.
If NG, replace cooling fan motor.
ON*25●Coolant leaks ●Visual No leaks CO-9
ON*26●Thermostat ●Touch the upper and
lower radiator hoses
Both hoses should be hot CO-24
ON*17●Cooling fan ●CONSULT-II Operating See trouble diagnosis for
DTC P1217 (EC-474 ).
OFF 8 ●Combustion gas leak ●Color checker chemical
tester 4 Gas analyzer
Negative —
ON*39●Coolant temperature
gauge
●Visual Gauge less than 3/4
when driving
—
●Coolant overflow to
reservoir tank
●Visual No overflow during driving
and idling
CO-9
OFF*410 ●Coolant return from
reservoir tank to radia-
tor
●Visual Should be initial level in
reservoir tank
CO-9
OFF 11 ●Cylinder head ●Straight gauge feeler
gauge
0.1 mm (0.004 in) Maxi-
mum distortion (warping)
EM-83
12 ●Cylinder block and pis-
tons
●Visual No scuffing on cylinder
walls or piston
EM-98
Engine Step Inspection item Equipment Standard Reference page
Speed terminals
(+) (−)
Cooling fan motor Low 13
24
High 1 and 2 3 and 4
SEF734W

EC-486
DTC P1225 TP SENSOR
Revision; 2004 April 2003 G35 Coupe
DTC P1225 TP SENSOR PFP:16119
Component Description ABS003I9
Electric Throttle Control Actuator consists of throttle control motor,
throttle position sensor, etc. The throttle position sensor responds to
the throttle valve movement.
The throttle position sensor has the two sensors. These sensors are
a kind of potentiometers which transform the throttle valve position
into output voltage, and emit the voltage signal to the ECM. In addi-
tion, these sensors detect the opening and closing speed of the
throttle valve and feed the voltage signals to the ECM. The ECM
judges the current opening angle of the throttle valve from these sig-
nals and the ECM controls the throttle control motor to make the
throttle valve opening angle properly in response to driving condi-
tion.
On Board Diagnosis Logic ABS003IA
The MIL will not light up for this diagnosis.
DTC Confirmation Procedure ABS003IB
NOTE:
If DTC Confirmation Procedure has been previously conducted, always turn ignition switch OFF and wait at
least 10 seconds before conducting the next test.
TESTING CONDITION:
Before performing the following procedure, confirm that battery voltage is more than 10V at idle.
WITH CONSULT-II
1. Turn ignition switch ON.
2. Select “DATA MONITOR” mode with CONSULT-II.
3. Turn ignition switch OFF, wait at least 10 seconds.
4. Turn ignition switch ON.
5. If 1st trip DTC is detected, go to EC-487, "Diagnostic Procedure"
.
WITH GST
Follow the procedure “WITH CONSULT-II” above.
PBIB0145E
DTC No. Trouble diagnosis name DTC detecting condition Possible cause
P1225
1225
Closed throttle position
learning performance
problem
Closed throttle position learning value is exces-
sively low.
●Electric throttle control actuator
(TP sensor 1 and 2)
SEF058Y

DTC P1225 TP SENSOR
EC-487
C
D
E
F
G
H
I
J
K
L
M
A
EC
Revision; 2004 April 2003 G35 Coupe
Diagnostic Procedure ABS003IC
1. CHECK ELECTRIC THROTTLE CONTROL ACTUATOR VISUALLY
1. Turn ignition switch OFF.
2. Remove the intake air duct.
3. Check if foreign matter is caught between the throttle valve and
the housing.
OK or NG
OK >> GO TO 2.
NG >> Remove the foreign matter and clean the electric throttle
control actuator inside.
2. REPLACE ELECTRIC THROTTLE CONTROL ACTUATOR
1. Replace the electric throttle control actuator.
2. Perform EC-46, "Throttle Valve Closed Position Learning" .
3. Perform EC-46, "Idle Air Volume Learning" .
>> INSPECTION END
Removal and Installation ABS003ID
ELECTRIC THROTTLE CONTROL ACTUATOR
Refer to EM-16, "INTAKE MANIFOLD COLLECTOR" .
PBIB1015E

EC-488
DTC P1226 TP SENSOR
Revision; 2004 April 2003 G35 Coupe
DTC P1226 TP SENSOR PFP:16119
Component Description ABS003IE
Electric Throttle Control Actuator consists of throttle control motor,
throttle position sensor, etc. The throttle position sensor responds to
the throttle valve movement.
The throttle position sensor has the two sensors. These sensors are
a kind of potentiometers which transform the throttle valve position
into output voltage, and emit the voltage signal to the ECM. In addi-
tion, these sensors detect the opening and closing speed of the
throttle valve and feed the voltage signals to the ECM. The ECM
judges the current opening angle of the throttle valve from these sig-
nals and the ECM controls the throttle control motor to make the
throttle valve opening angle properly in response to driving condi-
tion.
On Board Diagnosis Logic ABS003IF
The MIL will not light up for this diagnosis.
DTC Confirmation Procedure ABS003IG
NOTE:
If DTC Confirmation Procedure has been previously conducted, always turn ignition switch OFF and wait at
least 10 seconds before conducting the next test.
TESTING CONDITION:
Before performing the following procedure, confirm that battery voltage is more than 10V at idle.
WITH CONSULT-II
1. Turn ignition switch ON.
2. Select “DATA MONITOR” mode with CONSULT-II.
3. Turn ignition switch OFF, wait at least 10 seconds.
4. Turn ignition switch ON.
5. Repeat steps 3 and 4 for 32 times.
6. If 1st trip DTC is detected, go to EC-489, "Diagnostic Procedure"
.
WITH GST
Follow the procedure “WITH CONSULT-II” above.
PBIB0145E
DTC No. Trouble diagnosis name DTC detecting condition Possible cause
P1226
1226
Closed throttle position
learning performance
problem
Closed throttle position learning is not per-
formed successfully, repeatedly.
●Electric throttle control actuator
(TP sensor 1 and 2)
SEF058Y

DTC P1226 TP SENSOR
EC-489
C
D
E
F
G
H
I
J
K
L
M
A
EC
Revision; 2004 April 2003 G35 Coupe
Diagnostic Procedure ABS003IH
1. CHECK ELECTRIC THROTTLE CONTROL ACTUATOR VISUALLY
1. Turn ignition switch OFF.
2. Remove the intake air duct.
3. Check if foreign matter is caught between the throttle valve and
the housing.
OK or NG
OK >> GO TO 2.
NG >> Remove the foreign matter and clean the electric throttle
control actuator inside.
2. REPLACE ELECTRIC THROTTLE CONTROL ACTUATOR
1. Replace the electric throttle control actuator.
2. Perform EC-46, "Throttle Valve Closed Position Learning" .
3. Perform EC-46, "Idle Air Volume Learning" .
>> INSPECTION END
Removal and Installation ABS003II
ELECTRIC THROTTLE CONTROL ACTUATOR
Refer to EM-16, "INTAKE MANIFOLD COLLECTOR" .
PBIB1015E

EC-490
DTC P1229 SENSOR POWER SUPPLY
Revision; 2004 April 2003 G35 Coupe
DTC P1229 SENSOR POWER SUPPLY PFP:16119
On Board Diagnosis Logic ABS003IJ
This self-diagnosis has the one trip detection logic.
FAIL-SAFE MODE
When the malfunction is detected, ECM enters fail-safe mode and the MIL lights up.
DTC Confirmation Procedure ABS003IK
NOTE:
If DTC Confirmation Procedure has been previously conducted, always turn ignition switch OFF and wait at
least 10 seconds before conducting the next test.
TESTING CONDITION:
Before performing the following procedure, confirm that battery voltage is more than 10V at idle.
WITH CONSULT-II
1. Turn ignition switch ON.
2. Select “DATA MONITOR” mode with CONSULT-II.
3. Start engine and let it idle for 1 second.
4. If DTC is detected, go to EC-492, "Diagnostic Procedure" .
WITH GST
Follow the procedure “WITH CONSULT-II” above.
DTC No. Trouble diagnosis
name DTC detecting condition Possible cause
P1229
1229
Sensor power supply
circuit short
ECM detects a voltage of power source for
sensor is excessively low or high.
●Harness or connectors
(APP sensor 1 circuit is shorted.)
(EVAP control system pressure sensor circuit
is shorted.)
(PSP sensor circuit is shorted.)
(Refrigerant pressure sensor circuit is
shorted.)
●Accelerator pedal position sensor
(APP sensor 1)
●EVAP control system pressure sensor
●Power steering pressure sensor
●Refrigerant pressure sensor
Engine operation condition in fail-safe mode
ECM stops the electric throttle control actuator control, throttle valve is maintained at a fixed opening (approx. 5 degrees) by the return
spring.
SEF058Y

DTC P1229 SENSOR POWER SUPPLY
EC-491
C
D
E
F
G
H
I
J
K
L
M
A
EC
Revision; 2004 April 2003 G35 Coupe
Wiring Diagram ABS003IL
TBWB0071E

EC-492
DTC P1229 SENSOR POWER SUPPLY
Revision; 2004 April 2003 G35 Coupe
Specification data are reference values and are measured between each terminal and ground.
CAUTION:
Do not use ECM ground terminals when measuring input/output voltage. Doing so may result in dam-
age to the ECM's transistor. Use a ground other than ECM terminals, such as the ground.
Diagnostic Procedure ABS003IM
1. RETIGHTEN GROUND SCREWS
1. Turn ignition switch OFF.
2. Loosen and retighten engine ground screws.
>> GO TO 2.
TER-
MINAL
NO.
WIRE
COLOR ITEM CONDITION DATA (DC Voltage)
48 B/Y
Sensors' power supply
(EVAP control system pres-
sure sensor) [Ignition switch: ON] Approximately 5V
49 W/L
Sensors' power supply
(Refrigerant pressure sen-
sor) [Ignition switch: ON] Approximately 5V
68 Y
Sensors' power supply
(Power steering pressure
sensor) [Ignition switch: ON] Approximately 5V
90 BR/Y Sensors' power supply
(APP sensor 1) [Ignition switch: ON] Approximately 5V
PBIB0986E

DTC P1229 SENSOR POWER SUPPLY
EC-493
C
D
E
F
G
H
I
J
K
L
M
A
EC
Revision; 2004 April 2003 G35 Coupe
2. CHECK ACCELERATOR PEDAL POSITION SENSOR 1 POWER SUPPLY CIRCUIT
1. Disconnect accelerator pedal position (APP) sensor harness
connector.
2. Turn ignition switch ON.
3. Check voltage between APP sensor terminal 6 and ground with
CONSULT-II or tester.
OK or NG
OK >> GO TO 5.
NG >> GO TO 3.
3. CHECK SENSOR POWER SUPPLY CIRCUITS
Check harness for short to power and short to ground, between the following terminals.
OK or NG
OK >> GO TO 4.
NG >> Repair short to ground or short to power in harness or connectors.
4. CHECK COMPONENTS
Check the following.
●EVAP control system pressure sensor (Refer to EC-357, "Component Inspection" .)
●Refrigerant pressure sensor (Refer to ATC-95, "COMPONENT INSPECTION" .)
●Power steering pressure sensor (Refer to EC-400, "Component Inspection" .)
OK or NG
OK >> GO TO 7.
NG >> Replace malfunctioning component.
5. CHECK APP SENSOR
Refer to EC-555, "Component Inspection" .
OK or NG
OK >> GO TO 7.
NG >> GO TO 6.
PBIB0996E
Voltage: Approximately 5V
PBIB0914E
ECM terminal Sensor terminal Reference Wiring Diagram
90 APP sensor terminal 6 EC-491
48 EVAP control system pressure sensor terminal 3 EC-354
49 Refrigerant pressure sensor terminal 1 EC-605
68 PSP sensor terminal 1 EC-397

EC-494
DTC P1229 SENSOR POWER SUPPLY
Revision; 2004 April 2003 G35 Coupe
6. REPLACE ACCELERATOR PEDAL ASSEMBLY
1. Replace the accelerator pedal assembly.
2. Perform EC-46, "Accelerator Pedal Released Position Learning" .
3. Perform EC-46, "Throttle Valve Closed Position Learning" .
4. Perform EC-46, "Idle Air Volume Learning" .
>> INSPECTION END
7. CHECK INTERMITTENT INCIDENT
Refer to EC-132, "TROUBLE DIAGNOSIS FOR INTERMITTENT INCIDENT" .
>> INSPECTION END

DTC P1444 EVAP CANISTER PURGE VOLUME CONTROL SOLENOID VALVE
EC-495
C
D
E
F
G
H
I
J
K
L
M
A
EC
Revision; 2004 April 2003 G35 Coupe
DTC P1444 EVAP CANISTER PURGE VOLUME CONTROL SOLENOID VALVE
PFP:14920
Description ABS003IN
SYSTEM DESCRIPTION
*1: ECM determines the start signal status by the signals of engine speed and battery voltage.
*2: This signal is sent to the ECM through CAN communication line.
This system controls flow rate of fuel vapor from the EVAP canister. The opening of the vapor by-pass pas-
sage in the EVAP canister purge volume control solenoid valve changes to control the flow rate. The EVAP
canister purge volume control solenoid valve repeats ON/OFF operation according to the signal sent from the
ECM. The opening of the valve varies for optimum engine control. The optimum value stored in the ECM is
determined by considering various engine conditions. When the engine is operating, the flow rate of fuel vapor
from the EVAP canister is regulated as the air flow changes.
COMPONENT DESCRIPTION
The EVAP canister purge volume control solenoid valve uses a ON/
OFF duty to control the flow rate of fuel vapor from the EVAP canis-
ter. The EVAP canister purge volume control solenoid valve is
moved by ON/OFF pulses from the ECM. The longer the ON pulse,
the greater the amount of fuel vapor that will flow through the valve.
CONSULT-II Reference Value in Data Monitor Mode ABS003IO
Specification data are reference values.
Sensor Input Signal to ECM ECM function Actuator
Crankshaft position sensor (POS)
Camshaft position sensor (PHASE) Engine speed *1
EVAP canister
purge flow control
EVAP canister purge vol-
ume control solenoid valve
Mass air flow sensor Amount of intake air
Engine coolant temperature sensor Engine coolant temperature
Battery Battery voltage*1
Throttle position sensor Throttle position
Accelerator pedal position sensor Accelerator pedal position
Heated oxygen sensors 1 Density of oxygen in exhaust gas
(Mixture ratio feedback signal)
Fuel tank temperature sensor Fuel temperature in fuel tank
Vehicle speed signal*2Vehicle speed
SEF337U
MONITOR ITEM CONDITION SPECIFICATION
PURG VOL C/V
●Engine: After warming up
●Shift lever: N (A/T), Neutral (M/T)
●Air conditioner switch: OFF
●No-load
Idle 0%
2,000 rpm —

EC-496
DTC P1444 EVAP CANISTER PURGE VOLUME CONTROL SOLENOID VALVE
Revision; 2004 April 2003 G35 Coupe
On Board Diagnosis Logic ABS003IP
DTC Confirmation Procedure ABS003IQ
NOTE:
If DTC Confirmation Procedure has been previously conducted, always turn ignition switch OFF and wait at
least 10 seconds before conducting the next test.
TESTING CONDITION:
Always perform test at a temperature of 5°C (41°F) or more.
WITH CONSULT-II
1. Start engine and warm it up to normal operating temperature.
2. Turn ignition switch OFF and wait at least 10 seconds.
3. Turn ignition switch ON.
4. Select “PURG VOL CN/V P1444” of “EVAPORATIVE SYSTEM” in “DTC WORK SUPPORT” mode with
CONSULT-II.
5. Touch “START”.
6. Start engine and let it idle until “TESTING” on CONSULT-II changes to “COMPLETED”. (It will take
approximately 10 seconds.)
If “TESTING” is not displayed after 5 minutes, retry from step 2.
7. Make sure that “OK” is displayed after touching “SELF-DIAG RESULTS”. If “NG” is displayed, refer to EC-
499, "Diagnostic Procedure" .
WITH GST
1. Start engine and warm it up to normal operating temperature.
2. Turn ignition switch OFF and wait at least 10 seconds.
3. Start engine and let it idle for at least 20 seconds.
4. Select “MODE 7” with GST.
5. If 1st trip DTC is detected, go to EC-499, "Diagnostic Procedure" .
DTC No. Trouble diagnosis name DTC detecting condition Possible cause
P1444
1444
EVAP canister purge
volume control solenoid
valve
The canister purge flow is detected during the
specified driving conditions, even when EVAP
canister purge volume control solenoid valve is
completely closed.
●EVAP control system pressure sensor
●EVAP canister purge volume control
solenoid valve
(The valve is stuck open.)
●EVAP canister vent control valve
●EVAP canister
●Hoses
(Hoses are connected incorrectly or
clogged.)
PBIB0839E

DTC P1444 EVAP CANISTER PURGE VOLUME CONTROL SOLENOID VALVE
EC-497
C
D
E
F
G
H
I
J
K
L
M
A
EC
Revision; 2004 April 2003 G35 Coupe
Wiring Diagram ABS003IR
TBWT0282E

EC-498
DTC P1444 EVAP CANISTER PURGE VOLUME CONTROL SOLENOID VALVE
Revision; 2004 April 2003 G35 Coupe
Specification data are reference values and are measured between each terminal and ground.
Pulse signal is measured by CONSULT-II.
CAUTION:
Do not use ECM ground terminals when measuring input/output voltage. Doing so may result in dam-
age to the ECM's transistor. Use a ground other than ECM terminals, such as the ground.
: Average voltage for pulse signal (Actual pulse signal can be confirmed by oscilloscope.)
TER-
MINAL
NO.
WIRE
COLOR ITEM CONDITION DATA (DC Voltage)
45 L/Y EVAP canister purge vol-
ume control solenoid valve
[Engine is running]
●Idle speed
BATTERY VOLTAGE
(11 - 14V)
[Engine is running]
●Engine speed is about 2,000 rpm (More
than 100 seconds after starting engine).
BATTERY VOLTAGE
(11 - 14V)
111 W ECM relay
(Self shut-off)
[Engine is running]
[Ignition switch: OFF]
●For a few seconds after turning ignition
switch OFF
0 - 1.5V
[Ignition switch: OFF]
●A few seconds passed after turning ignition
switch OFF
BATTERY VOLTAGE
(11 - 14V)
119
120
P
LPower supply for ECM [Ignition switch: ON] BATTERY VOLTAGE
(11 - 14V)
SEC990C
SEC991C

DTC P1444 EVAP CANISTER PURGE VOLUME CONTROL SOLENOID VALVE
EC-499
C
D
E
F
G
H
I
J
K
L
M
A
EC
Revision; 2004 April 2003 G35 Coupe
Diagnostic Procedure ABS003IS
1. CHECK EVAP CANISTER PURGE VOLUME CONTROL SOLENOID VALVE POWER SUPPLY CIR-
CUIT
1. Turn ignition switch OFF.
2. Disconnect EVAP canister purge volume control solenoid valve
harness connector.
3. Turn ignition switch ON.
4. Check voltage between EVAP canister purge volume control
solenoid valve terminal 1 and ground with CONSULT-II or tester.
OK or NG
OK >> GO TO 3.
NG >> GO TO 2.
2. DETECT MALFUNCTIONING PART
Check the following.
●Harness connectors E12, F3
●Joint connector-3
●Joint connector-4
●IPDM E/R harness connector E8
●Harness for open or short between EVAP canister purge volume control solenoid valve and IPDM E/R
●Harness for open or short between EVAP canister purge volume control solenoid valve and ECM
>> Repair harness or connectors.
3. CHECK EVAP CANISTER PURGE VOLUME CONTROL SOLENOID VALVE OUTPUT SIGNAL CIR-
CUIT FOR OPEN AND SHORT
1. Turn ignition switch OFF.
2. Disconnect ECM harness connector.
3. Check harness continuity between ECM terminal 45 and EVAP canister purge volume control solenoid
valve terminal 2. Refer to Wiring Diagram.
4. Also check harness for short to ground and short to power.
OK or NG
OK >> GO TO 4.
NG >> Repair open circuit or short to ground or short to power in harness or connectors.
PBIB1001E
Voltage: Battery voltage
PBIB0148E
Continuity should exist.

EC-500
DTC P1444 EVAP CANISTER PURGE VOLUME CONTROL SOLENOID VALVE
Revision; 2004 April 2003 G35 Coupe
4. CHECK EVAP CONTROL SYSTEM PRESSURE SENSOR CONNECTOR
1. Disconnect EVAP control system pressure sensor harness connector.
2. Check connectors for water.
OK or NG
OK >> GO TO 5.
NG >> Replace EVAP control system pressure sensor.
5. CHECK EVAP CONTROL SYSTEM PRESSURE SENSOR
Refer to EC-357, "Component Inspection" .
OK or NG
OK (With CONSULT-II)>>GO TO 6.
OK (Without CONSULT-II)>>GO TO 7.
NG >> Replace EVAP control system pressure sensor.
6. CHECK EVAP CANISTER PURGE VOLUME CONTROL SOLENOID VALVE
With CONSULT-II
1. Turn ignition switch OFF.
2. Reconnect harness connectors disconnected.
3. Start engine.
4. Perform “PURG VOL CONT/V” in “ACTIVE TEST” mode with
CONSULT-II. Check that engine speed varies according to the
valve opening.
OK or NG
OK >> GO TO 8.
NG >> GO TO 7.
7. CHECK EVAP CANISTER PURGE VOLUME CONTROL SOLENOID VALVE
Refer to EC-501, "Component Inspection" .
OK or NG
OK >> GO TO 8.
NG >> Replace EVAP canister purge volume control solenoid valve.
8. CHECK RUBBER TUBE FOR CLOGGING
1. Disconnect rubber tube connected to EVAP canister vent control valve.
2. Check the rubber tube for clogging.
OK or NG
OK >> GO TO 9.
NG >> Clean the rubber tube using an air blower.
9. CHECK EVAP CANISTER VENT CONTROL VALVE
Refer to EC-347, "Component Inspection" .
OK or NG
OK >> GO TO 10.
NG >> Replace EVAP canister vent control valve.
Water should not exist.
PBIB0147E

DTC P1444 EVAP CANISTER PURGE VOLUME CONTROL SOLENOID VALVE
EC-501
C
D
E
F
G
H
I
J
K
L
M
A
EC
Revision; 2004 April 2003 G35 Coupe
10. CHECK IF EVAP CANISTER SATURATED WITH WATER
1. Remove EVAP canister with EVAP canister vent control valve and EVAP control system pressure sensor
attached.
2. Check if water will drain from the EVAP canister.
Yes or No
Yes >> GO TO 11.
No >> GO TO 13.
11. CHECK EVAP CANISTER
Weigh the EVAP canister with the EVAP canister vent control valve and EVAP control system pressure sensor
attached.
The weight should be less than 2.2 kg (4.9 lb).
OK or NG
OK >> GO TO 13.
NG >> GO TO 12.
12. DETECT MALFUNCTIONING PART
Check the following.
●EVAP canister for damage
●EVAP hose between EVAP canister and vehicle frame for clogging or poor connection
>> Repair hose or replace EVAP canister.
13. CHECK INTERMITTENT INCIDENT
Refer to EC-132, "TROUBLE DIAGNOSIS FOR INTERMITTENT INCIDENT" .
>> INSPECTION END
Component Inspection ABS003IT
EVAP CANISTER PURGE VOLUME CONTROL SOLENOID VALVE
With CONSULT-II
Check air passage continuity of EVAP canister purge volume control
solenoid valve under the following conditions.
PBIB1031E
Condition
(PURG VOL CONT/V value)
Air passage continuity
between A and B
100% Yes
0% No
PBIB0149E

EC-502
DTC P1444 EVAP CANISTER PURGE VOLUME CONTROL SOLENOID VALVE
Revision; 2004 April 2003 G35 Coupe
Without CONSULT-II
Check air passage continuity of EVAP canister purge volume control
solenoid valve under the following conditions.
Removal and Installation ABS003IU
EVAP CANISTER PURGE VOLUME CONTROL SOLENOID VALVE
Refer to EM-16, "INTAKE MANIFOLD COLLECTOR" .
Condition Air passage continuity
between A and B
12V direct current supply between
terminals 1 and 2 Yes
No supply No
PBIB0150E

DTC P1446 EVAP CANISTER VENT CONTROL VALVE
EC-503
C
D
E
F
G
H
I
J
K
L
M
A
EC
Revision; 2004 April 2003 G35 Coupe
DTC P1446 EVAP CANISTER VENT CONTROL VALVE PFP:14935
Component Description ABS003IV
The EVAP canister vent control valve is located on the EVAP canis-
ter and is used to seal the canister vent.
This solenoid valve responds to signals from the ECM. When the
ECM sends an ON signal, the coil in the solenoid valve is energized.
A plunger will then move to seal the canister vent. The ability to seal
the vent is necessary for the on board diagnosis of other evaporative
emission control system components.
This solenoid valve is used only for diagnosis, and usually remains
opened.
When the vent is closed, under normal purge conditions, the evapo-
rative emission control system is depressurized and allows “EVAP
Control System” diagnosis.
CONSULT-II Reference Value in Data Monitor Mode ABS003IW
Specification data are reference values.
On Board Diagnosis Logic ABS003IX
PBIB1263E
PBIB1086E
MONITOR ITEM CONDITION SPECIFICATION
VENT CONT/V ●Ignition switch: ON OFF
DTC No. Trouble diagnosis name DTC detecting condition Possible cause
P1446
1446
EVAP canister vent con-
trol valve close
EVAP canister vent control valve remains
closed under specified driving conditions.
●EVAP canister vent control valve
●EVAP control system pressure sensor
and the circuit
●Blocked rubber tube to EVAP canister
vent control valve
●EVAP canister is saturated with water

EC-504
DTC P1446 EVAP CANISTER VENT CONTROL VALVE
Revision; 2004 April 2003 G35 Coupe
DTC Confirmation Procedure ABS003IY
NOTE:
If DTC Confirmation Procedure has been previously conducted, always turn ignition switch OFF and wait at
least 10 seconds before conducting the next test.
WITH CONSULT-II
1. Turn ignition switch ON and wait at least 5 seconds.
2. Turn ignition switch OFF and wait at least 10 seconds.
3. Turn ignition switch ON and select “DATA MONITOR” mode with
CONSULT-II.
4. Start engine and let it idle for at least 1 minute.
5. Repeat next procedures 3 times.
a. Increase the engine speed up to 3,000 to 3,500 rpm and keep it
for 2 minutes and 50 seconds to 3 minutes.
Never exceed 3 minutes.
b. Fully released accelerator pedal and keep engine idle for about
5 seconds.
6. If 1st trip DTC is detected, go to EC-506, "Diagnostic Procedure"
.
If 1st trip DTC is not detected, go to the next step.
7. Repeat next procedure 20 times.
a. Quickly increase the engine speed up to 4,000 to 4,500 rpm or more and keep it for 25 to 30 seconds.
b. Fully released accelerator pedal and keep engine idle for at least 35 seconds.
8. If 1st trip DTC is detected, go to EC-506, "Diagnostic Procedure" .
WITH GST
Follow the procedure “WITH CONSULT-II” above.
SEF058Y
PBIB0972E

DTC P1446 EVAP CANISTER VENT CONTROL VALVE
EC-505
C
D
E
F
G
H
I
J
K
L
M
A
EC
Revision; 2004 April 2003 G35 Coupe
Wiring Diagram ABS003IZ
TBWT0283E

EC-506
DTC P1446 EVAP CANISTER VENT CONTROL VALVE
Revision; 2004 April 2003 G35 Coupe
Specification data are reference values and are measured between each terminal and ground.
CAUTION:
Do not use ECM ground terminals when measuring input/output voltage. Doing so may result in dam-
age to the ECM's transistor. Use a ground other than ECM terminals, such as the ground.
Diagnostic Procedure ABS003J0
1. CHECK RUBBER TUBE
1. Turn ignition switch OFF.
2. Disconnect rubber tube connected to EVAP canister vent control valve.
3. Check the rubber tube for clogging.
OK or NG
OK >> GO TO 2.
NG >> Clean rubber tube using an air blower.
2. CHECK EVAP CANISTER VENT CONTROL VALVE
Refer to EC-508, "EVAP CANISTER VENT CONTROL VALVE" .
OK or NG
OK >> GO TO 3.
NG >> Replace EVAP canister vent control valve.
TER-
MINAL
NO.
WIRE
COLOR ITEM CONDITION DATA (DC Voltage)
111 W ECM relay
(Self shut-off)
[Engine is running]
[Ignition switch: OFF]
●For a few seconds after turning ignition
switch OFF
0 - 1.5V
[Ignition switch: OFF]
●A few seconds passed after turning ignition
switch OFF
BATTERY VOLTAGE
(11 - 14V)
117 GY/L EVAP canister vent control
valve [Ignition switch: ON] BATTERY VOLTAGE
(11 - 14V)
119
120
P
LPower supply for ECM [Ignition switch: ON] BATTERY VOLTAGE
(11 - 14V)
PBIB1086E

DTC P1446 EVAP CANISTER VENT CONTROL VALVE
EC-507
C
D
E
F
G
H
I
J
K
L
M
A
EC
Revision; 2004 April 2003 G35 Coupe
3. CHECK IF EVAP CANISTER SATURATED WITH WATER
1. Remove EVAP canister with EVAP canister vent control valve and EVAP control system pressure sensor
attached.
2. Check if water will drain from the EVAP canister.
Yes or No
Yes >> GO TO 4.
No >> GO TO 6.
4. CHECK EVAP CANISTER
Weigh the EVAP canister with the EVAP canister vent control valve and EVAP control system pressure sensor
attached.
The weight should be less than 2.2 kg (4.9 lb).
OK or NG
OK >> GO TO 6.
NG >> GO TO 5.
5. DETECT MALFUNCTIONING PART
Check the following.
●EVAP canister for damage
●EVAP hose between EVAP canister and vehicle frame for clogging or poor connection
>> Repair hose or replace EVAP canister.
6. CHECK EVAP CONTROL SYSTEM PRESSURE SENSOR CONNECTOR
1. Disconnect EVAP control system pressure sensor harness connector.
2. Check connectors for water.
OK or NG
OK >> GO TO 7.
NG >> Replace EVAP control system pressure sensor.
7. CHECK EVAP CONTROL SYSTEM PRESSURE SENSOR
Refer to EC-357, "Component Inspection" .
OK or NG
OK >> GO TO 8.
NG >> Replace EVAP control system pressure sensor.
8. CHECK INTERMITTENT INCIDENT
Refer to EC-132, "TROUBLE DIAGNOSIS FOR INTERMITTENT INCIDENT" .
>> INSPECTION END
PBIB1031E
Water should not exist.

EC-508
DTC P1446 EVAP CANISTER VENT CONTROL VALVE
Revision; 2004 April 2003 G35 Coupe
Component Inspection ABS003J1
EVAP CANISTER VENT CONTROL VALVE
With CONSULT-II
1. Remove EVAP canister vent control valve from EVAP canister.
2. Check portion B of EVAP canister vent control valve for being
rusted.
If NG, replace EVAP canister vent control valve.
If OK, go to next step.
3. Reconnect harness connectors disconnected.
4. Turn ignition switch ON.
5. Perform “VENT CONTROL/V” in “ACTIVE TEST” mode.
6. Check air passage continuity and operation delay time.
Make sure new O-ring is installed properly.
Operation takes less than 1 second.
If NG, replace EVAP canister vent control valve.
If OK, go to next step.
7. Clean the air passage (Portion A to B ) of EVAP canister vent control valve using an air blower.
8. Perform step 6 again.
Without CONSULT-II
1. Remove EVAP canister vent control valve from EVAP canister.
2. Check portion B of EVAP canister vent control valve for being
rusted.
3. Check air passage continuity and operation delay time under the
following conditions.
Make sure new O-ring is installed properly.
Operation takes less than 1 second.
If NG, replace EVAP canister vent control valve.
If OK, go to next step.
4. Clean the air passage (Portion A to B ) of EVAP canister vent control valve using an air blower.
PBIB1033E
Condition VENT CONTROL/V Air passage continuity between A and B
ON No
OFF Yes
PBIB0151E
PBIB1033E
Condition Air passage continuity between A and B
12V direct current supply between
terminals 1 and 2 No
OFF Yes
PBIB1034E

DTC P1446 EVAP CANISTER VENT CONTROL VALVE
EC-509
C
D
E
F
G
H
I
J
K
L
M
A
EC
Revision; 2004 April 2003 G35 Coupe
5. Perform step 3 again.

EC-510
DTC P1564 ASCD STEERING SWITCH
Revision; 2004 April 2003 G35 Coupe
DTC P1564 ASCD STEERING SWITCH PFP:25551
Component Description ABS003J2
ASCD steering switch has variant values of electrical resistance for
each button. ECM reads voltage variation of switch, and determines
which button is operated.
Refer to EC-644, "AUTOMATIC SPEED CONTROL DEVICE
(ASCD)" for the ASCD function.
CONSULT-II Reference Value in Data Monitor Mode ABS003J3
Specification data are reference values.
On Board Diagnosis Logic ABS003J4
This self-diagnosis has the one trip detection logic.
The MIL will not light up for this diagnosis.
NOTE:
If DTC P1564 is displayed with DTC P0605, first perform the trouble diagnosis for DTC P0605. Refer to
EC-401.
PBIB1006E
MONITOR ITEM CONDITION SPECIFICATION
MAIN SW ●Ignition switch: ON CRUISE switch: Pressed ON
CRUISE switch: Released OFF
CANCEL SW ●Ignition switch: ON CANCEL switch: Pressed ON
CANCEL switch: Released OFF
RESUME/ACC SW ●Ignition switch: ON ACCEL/RES switch: Pressed ON
ACCEL/RES switch: Released OFF
SET SW ●Ignition switch: ON COAST/SET switch: Pressed ON
COAST/SET switch: Released OFF
DTC No. Trouble Diagnosis
Name DTC Detecting Condition Possible Cause
P1564
1564
ASCD steering
switch
●An excessively high voltage signal from the ASCD
steering switch is sent to ECM.
●ECM detects that input signal from the ASCD
steering switch is out of the specified range.
●ECM detects that the ASCD steering switch is
stuck ON.
●Harness or connectors
(The switch circuit is open or shorted.)
●ASCD steering switch
●ECM

DTC P1564 ASCD STEERING SWITCH
EC-511
C
D
E
F
G
H
I
J
K
L
M
A
EC
Revision; 2004 April 2003 G35 Coupe
DTC Confirmation Procedure ABS003J5
NOTE:
If DTC Confirmation Procedure has been previously conducted, always turn ignition switch OFF and wait at
least 10 seconds before conducting the next test.
WITH CONSULT-II
1. Turn ignition switch ON.
2. Select “DATA MONITOR” mode with CONSULT-II.
3. Wait at least 10 seconds.
4. Press “CRUISE” switch for at least 10 seconds, then release it and wait at least 10 seconds.
5. Press “ACCEL/RES” switch for at least 10 seconds, then release it and wait at least 10 seconds.
6. Press “COAST/SET” switch for at least 10 seconds, then release it and wait at least 10 seconds.
7. Press “CANCEL” switch for at least 10 seconds, then release it and wait at least 10 seconds.
8. If DTC is detected, go to EC-514, "Diagnostic Procedure" .
WITH GST
Follow the procedure “WITH CONSULT-II” above.

EC-512
DTC P1564 ASCD STEERING SWITCH
Revision; 2004 April 2003 G35 Coupe
Wiring Diagram ABS003J6
TBWT0293E

DTC P1564 ASCD STEERING SWITCH
EC-513
C
D
E
F
G
H
I
J
K
L
M
A
EC
Revision; 2004 April 2003 G35 Coupe
Specification data are reference values and are measured between each terminal and ground.
CAUTION:
Do not use ECM ground terminals when measuring input/output voltage. Doing so may result in dam-
age to the ECM's transistor. Use a ground other than ECM terminals, such as the ground.
TER-
MINAL
NO.
WIRE
COLOR ITEM CONDITION DATA (DC Voltage)
67 B/W
Sensors' ground
(Mass air flow sensor / IAT
sensor / Power steering
pressure sensor / EVAP
control system pressure
sensor / ASCD steering
switch)
[Engine is running]
●Warm-up condition
●Idle speed
Approximately 0V
99 G/Y ASCD steering switch
[Ignition switch: ON]
●ASCD steering switch is released. Approximately 4V
[Ignition switch: ON]
●CRUISE switch is pressed. Approximately 0V
[Ignition switch: ON]
●CANCEL switch is pressed. Approximately 1V
[Ignition switch: ON]
●COAST/SET switch is pressed. Approximately 2V
[Ignition switch: ON]
●ACCEL/RESUME switch is pressed. Approximately 3V

EC-514
DTC P1564 ASCD STEERING SWITCH
Revision; 2004 April 2003 G35 Coupe
Diagnostic Procedure ABS003J7
1. CHECK ASCD STEERING SWITCH CIRCUIT
With CONSULT-II
1. Turn ignition switch ON.
2. Select “MAIN SW”, “RESUME/ACC SW”, “SET SW” and “CANCEL SW” in “DATA MONITOR” mode with
CONSULT-II.
3. Check each item indication under the following conditions.
Without CONSULT-II
1. Turn ignition switch ON.
2. Check voltage between ECM terminal 99 and ground with press-
ing each button.
OK or NG
OK >> GO TO 7.
NG >> GO TO 2.
2. CHECK ASCD STEERING SWITCH GROUND CIRCUIT FOR OPEN AND SHORT
1. Turn ignition switch OFF.
2. Disconnect ECM harness connector.
3. Disconnect combination switch harness connector M203.
4. Check harness continuity between combination switch terminal
15 and ECM terminal 67. Refer to Wiring Diagram.
5. Also check harness for short to ground and short to power.
OK or NG
OK >> GO TO 4.
NG >> GO TO 3.
Switch Monitor item Condition Indication
CRUISE MAIN SW Pressed ON
Released OFF
COAST/SET SET SW Pressed ON
Released OFF
ACCEL/RES RESUME/ACC SW Pressed ON
Released OFF
CANCEL CANCEL SW Pressed ON
Released OFF
SEC006D
Switch Condition Voltage [V]
CRUISE SW Pressed Approx. 0
Released Approx. 4
COAST/SET SW Pressed Approx. 2
Released Approx. 4
ACCEL/RES SW Pressed Approx. 3
Released Approx. 4
CANCEL SW Pressed Approx. 1
Released Approx. 4
PBIB0311E
Continuity should exist.
PBIB1006E

DTC P1564 ASCD STEERING SWITCH
EC-515
C
D
E
F
G
H
I
J
K
L
M
A
EC
Revision; 2004 April 2003 G35 Coupe
3. DETECT MALFUNCTIONING PART
Check the following.
●Harness connectors M72, F102
●Joint connector-3
●Combination switch (spiral cable)
●Harness for open and short between ECM and combination switch
>> Repair open circuit or short to ground or short to power in harness or connectors.
4. CHECK ASCD STEERING SWITCH INPUT SIGNAL CIRCUIT FOR OPEN AND SHORT
1. Check harness continuity between ECM terminal 99 and combination switch terminal 14.
Refer to Wiring Diagram.
2. Also check harness for short to ground and short to power.
OK or NG
OK >> GO TO 6.
NG >> GO TO 5.
5. DETECT MALFUNCTIONING PART
Check the following.
●Harness connectors M72, F102
●Combination switch (spiral cable)
●Harness for open and short between ECM and combination switch
>> Repair open circuit or short to ground or short to power in harness or connectors.
6. CHECK ASCD STEERING SWITCH
Refer to EC-516, "Component Inspection" .
OK or NG
OK >> GO TO 7.
NG >> Replace steering wheel.
7. CHECK INTERMITTENT INCIDENT
Refer to EC-132, "TROUBLE DIAGNOSIS FOR INTERMITTENT INCIDENT" .
>> INSPECTION END
Continuity should exist.

EC-516
DTC P1564 ASCD STEERING SWITCH
Revision; 2004 April 2003 G35 Coupe
Component Inspection ABS003J8
ASCD STEERING SWITCH
1. Disconnect combination switch (spiral cable).
2. Check continuity between combination switch (spiral cable) ter-
minals 14 and 15 with pushing each switch.
Switch Condition Resistance [Ω]
CRUISE SW Pressed Approx. 0
Released Approx. 4,000
COAST/SET SW Pressed Approx. 660
Released Approx. 4,000
ACCEL/RES SW Pressed Approx. 1,480
Released Approx. 4,000
CANCEL SW Pressed Approx. 250
Released Approx. 4,000
PBIB0967E

DTC P1572 ASCD BRAKE SWITCH
EC-517
C
D
E
F
G
H
I
J
K
L
M
A
EC
Revision; 2004 April 2003 G35 Coupe
DTC P1572 ASCD BRAKE SWITCH PFP:25320
Component Description ABS003J9
When the brake pedal is depressed, ASCD brake switch is turned
OFF and stop lamp switch is turned ON. ECM detects the state of
the brake pedal by this input of two kinds (ON/OFF signal).
Refer to EC-644, "AUTOMATIC SPEED CONTROL DEVICE
(ASCD)" for the ASCD function.
CONSULT-II Reference Value in Data Monitor Mode ABS003JA
Specification data are reference values.
On Board Diagnosis Logic ABS003JB
This self-diagnosis has the one trip detection logic.
The MIL will not light up for this diagnosis.
NOTE:
●If DTC P 1572 is displayed with DTC P0605, first perform the trouble diagnosis for DTC P0605.
Refer to EC-401
●This self-diagnosis has one trip detection logic. When malfunction A is detected, DTC is not
stored in ECM memory. And in that case, 1st trip DTC and 1st trip freeze frame data are displayed.
1st trip DTC is erased when ignition switch is turned OFF. And even when malfunction A is
detected in two consecutive trips, DTC is not stored in ECM memory.
PBIB1282E
MONITOR ITEM CONDITION SPECIFICATION
BRAKE SW 1
(ASCD brake switch) ●Ignition switch: ON
●Clutch pedal (M/T) and brake
pedal: Fully released ON
●Clutch pedal (M/T) and/or
brake pedal: Slightly
depressed
OFF
BRAKE SW 2
(stop lamp switch) ●Ignition switch: ON ●Brake pedal fully released OFF
●Brake pedal depressed ON
DTC No. Trouble Diagnosis
Name DTC Detecting Condition Possible Cause
P1572
1572 ASCD brake switch
A)
●When the vehicle speed is above 30km/h
(19 MPH), ON signals from the stop lamp
switch and the ASCD brake switch are
sent to ECM at the same time.
●Harness or connectors
(The stop lamp switch circuit is shorted.)
●Harness or connectors
(The ASCD brake switch circuit is shorted.)
●Harness or connectors (M/T models)
(The ASCD clutch switch circuit is shorted.)
●Stop lamp switch
●ASCD brake switch
●ASCD clutch switch (M/T models)
●Incorrect stop lamp switch installation
●Incorrect ASCD brake switch installation
●Incorrect ASCD clutch switch installation
(M/T models)
●ECM
B)
●ASCD brake switch signal is not sent to
ECM for extremely long time while the
vehicle is driving

EC-518
DTC P1572 ASCD BRAKE SWITCH
Revision; 2004 April 2003 G35 Coupe
DTC confirmation Procedure ABS003JC
CAUTION:
Always drive vehicle at a safe speed.
NOTE:
●If DTC Confirmation Procedure has been previously conducted, always turn ignition switch OFF and wait
at least 10 seconds before conducting the next test.
●Procedure for malfunction B is not described here. It takes extremely long time to complete procedure for
malfunction B. By performing procedure for malfunction A, the incident that causes malfunction B can be
detected.
TESTING CONDITION:
Steps 4 and 5 may be conducted with the drive wheels lifted in the shop or by driving the vehicle. If a
road test is expected to be easier, it is unnecessary to lift the vehicle.
WITH CONSULT-II
1. Start engine (TCS switch or VDC switch OFF).
2. Select “DATA MONITOR” mode with CONSULT-II.
3. Press CRUISE switch and make sure that CRUISE indicator
lights up.
4. Drive the vehicle for at least 5 consecutive seconds under the
following condition.
If 1st trip DTC is detected, go to EC-521, "Diagnostic Procedure"
.
If 1st trip DTC is not detected, go to the following step.
5. Drive the vehicle for at least 5 consecutive seconds under the following condition.
6. If 1st trip DTC is detected, go to EC-521, "Diagnostic Procedure" .
WITH GST
Follow the procedure “WITH CONSULT-II” above.
VHCL SPEED SE More than 30 km/h (19 MPH)
Selector lever Suitable position
PBIB2386E
VHCL SPEED SE More than 30 km/h (19 MPH)
Selector lever Suitable position
Driving location
Depress the brake pedal for more than
five seconds so as not to come off from
the above-mentioned vehicle speed.

DTC P1572 ASCD BRAKE SWITCH
EC-519
C
D
E
F
G
H
I
J
K
L
M
A
EC
Revision; 2004 April 2003 G35 Coupe
Wiring Diagram ABS003JD
TBWT0294E

EC-520
DTC P1572 ASCD BRAKE SWITCH
Revision; 2004 April 2003 G35 Coupe
Specification data are reference values and are measured between each terminal and ground.
CAUTION:
Do not use ECM ground terminals when measuring input/output voltage. Doing so may result in dam-
age to the ECM's transistor. Use a ground other than ECM terminals, such as the ground.
TER-
MINAL
NO.
WIRE
COLOR ITEM CONDITION DATA (DC Voltage)
101 P/L Stop lamp switch
[Ignition switch: ON]
●Brake pedal is fully released Approximately 0V
[Ignition switch: ON]
●Brake pedal is depressed
BATTERY VOLTAGE
(11 - 14V)
108 SB ASCD brake switch
[Ignition switch: ON]
●Brake pedal is depressed (A/T models)
●Brake pedal and/or clutch pedal are
depressed (M/T models)
Approximately 0V
[Ignition switch: ON]
●Brake pedal is fully released (A/T models)
●Brake pedal and clutch pedal are fully
released (M/T models)
BATTERY VOLTAGE
(11 - 14V)

DTC P1572 ASCD BRAKE SWITCH
EC-521
C
D
E
F
G
H
I
J
K
L
M
A
EC
Revision; 2004 April 2003 G35 Coupe
Diagnostic Procedure ABS003JE
A/T MODELS
1. CHECK OVERALL FUNCTION-I
With CONSULT-II
1. Turn ignition switch ON.
2. Select “BRAKE SW1” in “DATA MONITOR” mode with CONSULT-II.
3. Check “BRAKE SW1” indication under the following conditions.
Without CONSULT-II
1. Turn ignition switch ON.
2. Check voltage between ECM terminal 108 and ground under the
following conditions.
OK or NG
OK >> GO TO 2.
NG >> GO TO 3.
CONDITION INDICATION
When brake pedal is depressed OFF
When brake pedal is fully released ON
SEC011D
CONDITION VOLTAGE
When brake pedal is depressed Approximately 0V
When brake pedal is fully released Battery voltage
MBIB0061E

EC-522
DTC P1572 ASCD BRAKE SWITCH
Revision; 2004 April 2003 G35 Coupe
2. CHECK OVERALL FUNCTION-II
With CONSULT-II
Check “BRAKE SW2” indication in “DATA MONITOR” mode.
Without CONSULT-II
Check voltage between ECM terminal 101 and ground under the following conditions.
OK or NG
OK >> GO TO 13.
NG >> GO TO 8.
CONDITION INDICATION
When brake pedal is released OFF
When brake pedal is depressed ON
SEC013D
CONDITION VOLTAGE
When brake pedal is released Approximately 0V
When brake pedal is depressed Battery voltage
MBIB0060E

DTC P1572 ASCD BRAKE SWITCH
EC-523
C
D
E
F
G
H
I
J
K
L
M
A
EC
Revision; 2004 April 2003 G35 Coupe
3. CHECK ASCD BRAKE SWITCH POWER SUPPLY CIRCUIT
1. Turn ignition switch OFF.
2. Disconnect ASCD brake switch harness connector.
3. Turn ignition switch ON.
4. Check voltage between ASCD brake switch terminal 1 and
ground with CONSULT-II or tester.
OK or NG
OK >> GO TO 5.
NG >> GO TO 4.
4. DETECT MALFUNCTIONING PART
Check the following.
●Joint connector-2
●Fuse block (J/B) connector E101
●10A fuse
●Harness for open or short between ASCD brake switch and fuse
>> Repair open circuit or short to ground or short to power in harness or connectors.
5. CHECK ASCD BRAKE SWITCH INPUT SIGNAL CIRCUIT FOR OPEN AND SHORT
1. Turn ignition switch OFF.
2. Disconnect ECM harness connector.
3. Check harness continuity between ECM terminal 108 and ASCD brake switch terminal 2.
Refer to Wiring Diagram.
4. Also check harness for short to ground and short to power.
OK or NG
OK >> GO TO 7.
NG >> GO TO 6.
PBIB1005E
Voltage: Battery voltage
PBIB0857E
Continuity should exist.

EC-524
DTC P1572 ASCD BRAKE SWITCH
Revision; 2004 April 2003 G35 Coupe
6. DETECT MALFUNCTIONING PART
Check the following.
●Harness connectors E10, F1
●Harness for open or short between ECM and ASCD brake switch
>> Repair open circuit or short to ground or short to power in harness or connectors.
7. CHECK ASCD BRAKE SWITCH
Refer to EC-531, "Component Inspection"
OK or NG
OK >> GO TO 13.
NG >> Replace ASCD brake switch.
8. CHECK STOP LAMP SWITCH POWER SUPPLY CIRCUIT
1. Turn ignition switch OFF.
2. Disconnect stop lamp switch harness connector.
3. Check voltage between stop lamp switch terminal 1 and ground
with CONSULT -II or tester.
OK or NG
OK >> GO TO 10.
NG >> GO TO 9.
9. DETECT MALFUNCTIONING PART
Check the following.
●Fuse block (J/B) connector E101
●10A fuse
●Harness for open or short between stop lamp switch and fuse
>> Repair open circuit or short to ground or short to power in harness or connectors.
PBIB1005E
Voltage: Battery voltage
PBIB1184E

DTC P1572 ASCD BRAKE SWITCH
EC-525
C
D
E
F
G
H
I
J
K
L
M
A
EC
Revision; 2004 April 2003 G35 Coupe
10. CHECK STOP LAMP SWITCH INPUT SIGNAL CIRCUIT FOR OPEN AND SHORT
1. Disconnect ECM harness connector.
2. Check harness continuity between ECM terminal 101 and stop lamp switch terminal 2.
Refer to Wiring Diagram.
3. Also check harness for short to ground and short to power.
OK or NG
OK >> GO TO 12.
NG >> GO TO 11.
11. DETECT MALFUNCTIONING PART
Check the following.
●Harness connectors E108, M15
●Harness connectors M72, F102
●Joint connector-1
●Harness for open or short between ECM and stop lamp switch
>> Repair open circuit or short to ground or short to power in harness or connectors.
12. CHECK STOP LAMP SWITCH
Refer to EC-531, "Component Inspection"
OK or NG
OK >> GO TO 13.
NG >> Replace stop lamp switch.
13. CHECK INTERMITTENT INCIDENT
Refer to EC-132, "TROUBLE DIAGNOSIS FOR INTERMITTENT INCIDENT" .
>> INSPECTION END
Continuity should exist.

EC-526
DTC P1572 ASCD BRAKE SWITCH
Revision; 2004 April 2003 G35 Coupe
M/T MODELS
1. CHECK OVERALL FUNCTION-I
With CONSULT-II
1. Turn ignition switch ON.
2. Select “BRAKE SW1” in “DATA MONITOR” mode with CONSULT-II.
3. Check “BRAKE SW1” indication under the following conditions.
Without CONSULT-II
1. Turn ignition switch ON.
2. Check voltage between ECM terminal 108 and ground under the
following conditions.
OK or NG
OK >> GO TO 2.
NG >> GO TO 3.
CONDITION INDICATION
When brake pedal and/or clutch pedal are depressed OFF
When brake pedal and clutch pedal are fully released ON
SEC011D
CONDITION VOLTAGE
When brake pedal and/or clutch pedal are depressed Approximately 0V
When brake pedal and clutch pedal are fully released Battery voltage
MBIB0061E

DTC P1572 ASCD BRAKE SWITCH
EC-527
C
D
E
F
G
H
I
J
K
L
M
A
EC
Revision; 2004 April 2003 G35 Coupe
2. CHECK OVERALL FUNCTION-II
With CONSULT-II
Check “BRAKE SW2” indication in “DATA MONITOR” mode.
Without CONSULT-II
Check voltage between ECM terminal 101 and ground under the fol-
lowing conditions.
OK or NG
OK >> GO TO 16.
NG >> GO TO 11.
3. CHECK ASCD BRAKE SWITCH CIRCUIT
1. Turn ignition switch OFF.
2. Disconnect ASCD clutch switch harness connector.
3. Turn ignition switch ON.
4. Check voltage between ASCD clutch switch terminal 1 and
ground with CONSULT-II or tester.
OK or NG
OK >> GO TO 8.
NG >> GO TO 4.
CONDITION INDICATION
When brake pedal is released OFF
When brake pedal is depressed ON
SEC013D
CONDITION VOLTAGE
When brake pedal is released Approximately 0V
When brake pedal is depressed Battery voltage
MBIB0060E
PBIB1282E
Voltage: Battery voltage
PBIB0799E

EC-528
DTC P1572 ASCD BRAKE SWITCH
Revision; 2004 April 2003 G35 Coupe
4. CHECK ASCD BRAKE SWITCH POWER SUPPLY CIRCUIT
1. Turn ignition switch OFF.
2. Disconnect ASCD brake switch harness connector.
3. Turn ignition switch ON.
4. Check voltage between ASCD brake switch terminal 1 and
ground with CONSULT-II or tester.
OK or NG
OK >> GO TO 6.
NG >> GO TO 5.
5. DETECT MALFUNCTIONING PART
Check the following.
●Joint connector-2
●Fuse block (J/B) connector E101
●10A fuse
●Harness for open or short between ASCD brake switch and fuse
>> Repair open circuit or short to ground or short to power in harness or connectors.
6. CHECK ASCD BRAKE SWITCH INPUT SIGNAL CIRCUIT FOR OPEN AND SHORT
1. Turn ignition switch OFF.
2. Check harness continuity between ASCD brake switch terminal 2 and ASCD clutch switch terminal 1.
Refer to Wiring Diagram.
3. Also check harness for short to ground and short to power.
OK or NG
OK >> GO TO 7.
NG >> Repair open circuit or short to ground or short to power in harness or connectors.
7. CHECK ASCD BRAKE SWITCH
Refer to EC-531, "Component Inspection"
OK or NG
OK >> GO TO 16.
NG >> Replace ASCD brake switch.
PBIB1282E
Voltage: Battery voltage
PBIB0857E
Continuity should exist.

DTC P1572 ASCD BRAKE SWITCH
EC-529
C
D
E
F
G
H
I
J
K
L
M
A
EC
Revision; 2004 April 2003 G35 Coupe
8. CHECK ASCD CLUTCH SWITCH INPUT SIGNAL CIRCUIT FOR OPEN AND SHORT
1. Turn ignition switch OFF.
2. Disconnect ECM harness connector.
3. Check harness continuity between ASCD clutch switch terminal 2 and ECM terminal 108.
Refer to Wiring Diagram.
4. Also check harness for short to ground and short to power.
OK or NG
OK >> GO TO 10.
NG >> GO TO 9.
9. DETECT MALFUNCTIONING PART
Check the following.
●Harness connectors E10, F1
●Harness for open or short between ECM and ASCD clutch switch
>> Repair open circuit or short to ground or short to power in harness or connectors.
10. CHECK ASCD CLUTCH SWITCH
Refer to EC-531, "Component Inspection" .
OK or NG
OK >> GO TO 16.
NG >> Replace ASCD clutch switch.
11. CHECK STOP LAMP SWITCH POWER SUPPLY CIRCUIT
1. Turn ignition switch OFF.
2. Disconnect stop lamp switch harness connector.
3. Check voltage between stop lamp switch terminal 1 and ground
with CONSULT -II or tester.
OK or NG
OK >> GO TO 13.
NG >> GO TO 12.
Continuity should exist.
PBIB1282E
Voltage: Battery voltage
PBIB0117E

EC-530
DTC P1572 ASCD BRAKE SWITCH
Revision; 2004 April 2003 G35 Coupe
12. DETECT MALFUNCTIONING PART
Check the following.
●Fuse block (J/B) connector E101
●10A fuse
●Harness for open or short between stop lamp switch and fuse
>> Repair open circuit or short to ground or short to power in harness or connectors.
13. CHECK STOP LAMP SWITCH INPUT SIGNAL CIRCUIT FOR OPEN AND SHORT
1. Disconnect ECM harness connector.
2. Check harness continuity between ECM terminal 101 and stop lamp switch terminal 2.
Refer to Wiring Diagram.
3. Also check harness for short to ground and short to power.
OK or NG
OK >> GO TO 15.
NG >> GO TO 14.
14. DETECT MALFUNCTIONING PART
Check the following.
●Harness connectors E108, M15
●Harness connectors M72, F102
●Joint connector-1
●Harness for open or short between ECM and stop lamp switch
>> Repair open circuit or short to ground or short to power in harness or connectors.
15. CHECK STOP LAMP SWITCH
Refer to EC-531, "Component Inspection"
OK or NG
OK >> GO TO 16.
NG >> Replace stop lamp switch.
16. CHECK INTERMITTENT INCIDENT
Refer to EC-132, "TROUBLE DIAGNOSIS FOR INTERMITTENT INCIDENT" .
>> INSPECTION END
Continuity should exist.

DTC P1572 ASCD BRAKE SWITCH
EC-531
C
D
E
F
G
H
I
J
K
L
M
A
EC
Revision; 2004 April 2003 G35 Coupe
Component Inspection ABS003JF
ASCD BRAKE SWITCH
1. Turn ignition switch OFF.
2. Disconnect ASCD brake switch harness connector.
3. Check harness continuity between ASCD brake switch terminals
1 and 2 under the following conditions.
If NG, adjust ASCD brake switch installation, refer to BR-6,
"BRAKE PEDAL" , and perform step 3 again.
ASCD CLUTCH SWITCH
1. Turn ignition switch OFF.
2. Disconnect ASCD clutch switch harness connector.
3. Check harness continuity between ASCD clutch switch termi-
nals 1 and 2 under the following conditions.
If NG, adjust ASCD clutch switch installation, refer to CL-5,
"CLUTCH PEDAL" , and perform step 3 again.
STOP LAMP SWITCH (FOR A/T MODELS)
1. Turn ignition switch OFF.
2. Disconnect stop lamp switch harness connector.
3. Check harness continuity between stop lamp switch terminals 1
and 2 under the following conditions.
If NG, adjust stop lamp switch installation, refer to BR-6,
"BRAKE PEDAL" , and perform step 3 again.
STOP LAMP SWITCH (FOR M/T MODELS)
1. Turn ignition switch OFF.
2. Disconnect stop lamp switch harness connector.
Condition Continuity
When brake pedal is fully released. Should exist.
When brake pedal is depressed. Should not exist.
SEC023D
Condition Continuity
When clutch pedal is fully released. Should exist.
When clutch pedal is depressed. Should not exist.
SEC024D
Condition Continuity
When brake pedal is fully released. Should not exist.
When brake pedal is depressed. Should exist.
PBIB1185E

EC-532
DTC P1572 ASCD BRAKE SWITCH
Revision; 2004 April 2003 G35 Coupe
3. Check harness continuity between stop lamp switch terminals 1
and 2 under the following conditions.
If NG, adjust stop lamp switch installation, refer to BR-6,
"BRAKE PEDAL" , and perform step 3 again.
Condition Continuity
When brake pedal is fully released. Should not exist.
When brake pedal is depressed. Should exist.
PBIB0118E

DTC P1574 ASCD VEHICLE SPEED SENSOR
EC-533
C
D
E
F
G
H
I
J
K
L
M
A
EC
Revision; 2004 April 2003 G35 Coupe
DTC P1574 ASCD VEHICLE SPEED SENSOR PFP:31036
Component Description ABS003JG
The ECM receives two vehicle speed sensor signals via CAN communication line. One is sent from combina-
tion meter and the other is from TCM (Transmission control module). The ECM uses these signals for ASCD
control. Refer to EC-644, "AUTOMATIC SPEED CONTROL DEVICE (ASCD)" for ASCD functions.
On Board Diagnosis Logic ABS003JH
This self-diagnosis has the one trip detection logic.
The MIL will not light up for this diagnosis.
NOTE:
●If DTC P1574 is displayed with DTC U1000, U1001, first perform the trouble diagnosis for DTC
U1000, U1001. Refer to EC-140, "DTC U1000, U1001 CAN COMMUNICATION LINE" .
●If DTC P1574 is displayed with DTC P0500, first perform the trouble diagnosis for DTC P0500.
Refer to EC-390, "DTC P0500 VSS"
●If DTC P1574 is displayed with DTC P0605, first perform the trouble diagnosis for DTC P0605.
Refer to EC-401, "DTC P0605 ECM"
DTC Confirmation Procedure ABS003JI
CAUTION:
Always drive vehicle at a safe speed.
NOTE:
If DTC Confirmation Procedure has been previously conducted, always turn ignition switch OFF and wait at
least 10 seconds before conducting the next test.
TESTING CONDITION:
Step 3 may be conducted with the drive wheels lifted in the shop or by driving the vehicle. If a road test
is expected to be easier, it is unnecessary to lift the vehicle.
WITH CONSULT-II
1. Start engine (TCS switch or VDC switch OFF).
2. Select “DATA MONITOR” mode with CONSULT-II.
3. Drive the vehicle at more than 40 km/h (25 MPH).
4. If DTC is detected, go to EC-534, "Diagnostic Procedure" .
WITH GST
Follow the procedure “WITH CONSULT-II” above.
DTC No. Trouble Diagnosis
Name DTC Detecting Condition Possible Cause
P1574
1574
ASCD vehicle speed
sensor
ECM detects a difference between two vehicle
speed signals is out of the specified range.
●Harness or connectors
(The CAN communication line is open or
shorted.)
●Combination meter
●VDC/TCS/ABS control unit
●Wheel sensor
●TCM
●ECM
SEF058Y

EC-534
DTC P1574 ASCD VEHICLE SPEED SENSOR
Revision; 2004 April 2003 G35 Coupe
Diagnostic Procedure ABS003JJ
1. CHECK DTC WITH TCM
Check DTC with TCM. Refer to AT-37 .
OK or NG
OK >> GO TO 2.
NG >> Perform trouble shooting relevant to DTC indicated.
2. CHECK DTC WITH VDC/TCS ABS CONTROL UNIT
Refer to AT-41, "TROUBLE DIAGNOSIS" .
OK or NG
OK >> GO TO 3.
NG >> Repair or replace.
3. CHECK COMBINATION METER
Check combination meter function.
Refer to DI-4, "COMBINATION METERS" .
>> INSPECTION END

DTC P1706 PNP SWITCH
EC-535
C
D
E
F
G
H
I
J
K
L
M
A
EC
Revision; 2004 April 2003 G35 Coupe
DTC P1706 PNP SWITCH PFP:32006
Component Description ABS003JK
When the gear position is P or N (A/T), Neutral (M/T), park/neutral position (PNP) switch is ON.
ECM detects the position because the continuity of the line (the ON signal) exists.
CONSULT-II Reference Value in Data Monitor Mode ABS003JL
Specification data are reference values.
On Board Diagnosis Logic ABS003JM
DTC Confirmation Procedure ABS003JN
CAUTION:
Always drive vehicle at a safe speed.
NOTE:
If DTC Confirmation Procedure has been previously conducted, always turn ignition switch OFF and wait at
least 10 seconds before conducting the next test.
WITH CONSULT-II
1. Turn ignition switch “ON”.
2. Select “P/N POSI SW” in “DATA MONITOR” mode with CON-
SULT-II. Then check the “P/N POSI SW” signal under the follow-
ing conditions.
If NG, go to EC-540, "Diagnostic Procedure" .
If OK, go to following step.
3. Select “DATA MONITOR” mode with CONSULT-II.
4. Start engine and warm it up to normal operating temperature.
5. Maintain the following conditions for at least 60 consecutive sec-
onds.
6. If 1st trip DTC is detected, go to EC-540, "Diagnostic Procedure"
.
MONITOR ITEM CONDITION SPECIFICATION
P/N POSI SW ●Ignition switch: ON Shift lever: P or N (A/T), Neutral (M/T) ON
Shift lever: Except above OFF
DTC No. Trouble diagnosis name DTC detecting condition Possible cause
P1706
1706
Park/neutral position
switch
The signal of the park/neutral position (PNP)
switch is not changed in the process of engine
starting and driving.
●Harness or connectors
[The park/neutral position (PNP) switch
circuit is open or shorted.]
●Park/neutral position (PNP) switch
●Combination meter (A/T models)
Position (Selector lever) Known-good signal
N and P position (A/T)
Neutral position (M/T) ON
Except the above position OFF
ENG SPEED 1,400 - 6375 rpm
COOLAN TEMP/S More than 70°C (158°F)
B/FUEL SCHDL 2.0 - 31.8 msec
VHCL SPEED SE More than 64 km/h (40 MPH)
Selector lever Suitable position
SEF212Y
SEF213Y

EC-536
DTC P1706 PNP SWITCH
Revision; 2004 April 2003 G35 Coupe
Overall Function Check ABS003JO
Use this procedure to check the overall function of the park/neutral position (PNP) switch circuit. During this
check, a 1st trip DTC might not be confirmed.
WITH GST
1. Turn ignition switch ON.
2. Check voltage between ECM terminal 102 (PNP switch signal)
and ground under the following conditions.
3. If NG, go to EC-540, "Diagnostic Procedure" .
Condition (Gear position) Voltage V (Known good data)
P and N position (A/T)
Neutral position (M/T) Approx. 0
Except the above position BATTERY VOLTAGE
(11 - 14V)
MBIB0043E

DTC P1706 PNP SWITCH
EC-537
C
D
E
F
G
H
I
J
K
L
M
A
EC
Revision; 2004 April 2003 G35 Coupe
Wiring Diagram ABS003JP
A/T MODELS
TBWT0295E

EC-538
DTC P1706 PNP SWITCH
Revision; 2004 April 2003 G35 Coupe
Specification data are reference values and are measured between each terminal and ground.
CAUTION:
Do not use ECM ground terminals when measuring input/output voltage. Doing so may result in dam-
age to the ECM's transistor. Use a ground other than ECM terminals, such as the ground.
TER-
MINAL
NO.
WIRE
COLOR ITEM CONDITION DATA (DC Voltage)
102 G/OR PNP switch
[Ignition switch: ON]
●Shift lever: P or N Approximately 0V
[Ignition switch: ON]
●Except the above gear position
BATTERY VOLTAGE
(11 - 14V)

DTC P1706 PNP SWITCH
EC-539
C
D
E
F
G
H
I
J
K
L
M
A
EC
Revision; 2004 April 2003 G35 Coupe
M/T MODELS
TBWT0296E

EC-540
DTC P1706 PNP SWITCH
Revision; 2004 April 2003 G35 Coupe
Specification data are reference values and are measured between each terminal and ground.
CAUTION:
Do not use ECM ground terminals when measuring input/output voltage. Doing so may result in dam-
age to the ECM's transistor. Use a ground other than ECM terminals, such as the ground.
Diagnostic Procedure ABS003JQ
A/T MODELS
1. INSPECTION START
Do you have CONSULT-II?
Yes or No
Yes >> GO TO 2.
No >> GO TO 3.
2. CHECK PNP SWITCH SIGNAL
With CONSULT-II
1. Turn ignition switch ON.
2. Select “A/T”, then “DATA MONITOR” mode with CONSULT-II.
3. Select “P/N POSI SW” signal and check its indication under the
following conditions.
OK or NG
OK >> GO TO 5.
NG >> GO TO 4.
3. CHECK PNP SWITCH
Without CONSULT-II
Confirm that the PNP switch signal is sent to TCM correctly.
Refer to AT-105, "DTC P0705 PARK/NEUTRAL POSITION SWITCH" .
OK or NG
OK >> GO TO 5.
NG >> GO TO 4.
4. CHECK INTERMITTENT INCIDENT
Check the PNP switch circuit.
Refer to AT-105, "DTC P0705 PARK/NEUTRAL POSITION SWITCH" .
>> INSPECTION END
TER-
MINAL
NO.
WIRE
COLOR ITEM CONDITION DATA (DC Voltage)
102 G/OR PNP switch
[Ignition switch: ON]
●Shift lever: Neutral Approximately 0V
[Ignition switch: ON]
●Except the above gear position
BATTERY VOLTAGE
(11 - 14V)
Condition (Gear position) P/N POSI SW
P or N position ON
Other position OFF
PBIB0102E

DTC P1706 PNP SWITCH
EC-541
C
D
E
F
G
H
I
J
K
L
M
A
EC
Revision; 2004 April 2003 G35 Coupe
5. CHECK PNP SWITCH INPUT SIGNAL CIRCUIT FOR OPEN AND SHORT-I
1. Turn ignition switch OFF.
2. Disconnect TCM harness connector.
3. Disconnect combination meter harness connector.
4. Check harness continuity between TCM terminal 48 and combination meter terminal 15.
Refer to Wiring Diagram.
5. Also check harness for short to ground and short to power.
OK or NG
OK >> GO TO 7
NG >> GO TO 6.
6. DETECT MALFUNCTIONING PART
Check the following.
●Harness connectors F102, M72
●Harness for open or short between TCM and combination meter
>> Repair open circuit or short to ground or short to power in harness or connectors.
7. CHECK PNP SWITCH INPUT SIGNAL CIRCUIT FOR OPEN AND SHORT-II
1. Check harness continuity between combination meter terminal 45 and ground.
Refer to Wiring Diagram.
2. Also check harness for short to power.
OK or NG
OK >> GO TO 8.
NG >> Repair open circuit or short to power in harness or connectors.
8. CHECK PNP SWITCH INPUT SIGNAL CIRCUIT FOR OPEN AND SHORT-III
1. Disconnect ECM harness connector.
2. Check harness continuity between ECM terminal 102 and combination meter terminal 12.
Refer to Wiring Diagram.
3. Also check harness for short to ground and short to power.
OK or NG
OK >> GO TO 10.
NG >> GO TO 9.
9. DETECT MALFUNCTIONING PART
Check the following.
●Harness connectors F102, M72
●Harness for open or short between ECM and combination meter
>> Repair open circuit or short to ground or short to power in harness or connectors.
Continuity should exist.
Continuity should exist.
Continuity should exist.

EC-542
DTC P1706 PNP SWITCH
Revision; 2004 April 2003 G35 Coupe
10. CHECK COMBINATION METER
Refer to DI-4, "COMBINATION METERS" .
OK or NG
OK >> GO TO 11.
NG >> Replace combination meter
11. CHECK INTERMITTENT INCIDENT
Refer to EC-132, "TROUBLE DIAGNOSIS FOR INTERMITTENT INCIDENT" .
>> INSPECTION END
M/T MODELS
1. CHECK PNP SWITCH GROUND CIRCUIT
1. Turn ignition switch OFF.
2. Disconnect PNP switch harness connector.
3. Check harness continuity between PNP switch terminal 2 and ground.
Refer to Wiring Diagram.
4. Also check harness for short to power.
OK or NG
OK >> GO TO 3
NG >> GO TO 2.
2. DETECT MALFUNCTIONING PART
Check the following.
●Harness connectors F102, M72
●Joint connector-4
●Harness for open or short between PNP switch and ground
>> Repair open circuit or short to power in harness or connectors.
3. CHECK PNP SWITCH INPUT SIGNAL CIRCUIT
1. Disconnect ECM harness connector.
2. Check harness continuity between ECM terminal 102 and PNP switch terminal 1.
Refer to Wiring Diagram.
3. Also check harness for short to ground and short to power.
OK or NG
OK >> GO TO 4.
NG >> Repair open circuit or short to ground or short to power in harness or connectors.
4. CHECK PNP SWITCH
Refer to MT-12, "NEUTRAL POSITION SWITCH" .
OK or NG
OK >> GO TO 5.
NG >> Replace PNP switch.
Continuity should exist.
Continuity should exist.

EC-544
DTC P1805 BRAKE SWITCH
Revision; 2004 April 2003 G35 Coupe
DTC P1805 BRAKE SWITCH PFP:25320
Description ABS003JR
Brake switch signal is applied to the ECM through the stop lamp switch when the brake pedal is depressed.
This signal is used mainly to decrease the engine speed when the vehicle is driving.
CONSULT-II Reference Value in Data Monitor Mode ABS003JS
Specification data are reference values.
On Board Diagnosis Logic ABS003JT
The MIL will not light up for this diagnosis.
FAIL-SAFE MODE
When the malfunction is detected, the ECM enters fail-safe mode.
DTC Confirmation Procedure ABS003JU
WITH CONSULT-II
1. Turn ignition switch ON.
2. Fully depress the brake pedal for at least 5 seconds.
3. Erase the DTC with CONSULT-II.
4. Select “DATA MONITOR” mode with CONSULT-II.
5. If 1st trip DTC is detected, go to EC-546, "Diagnostic Procedure"
.
WITH GST
Follow the procedure “WITH CONSULT-II” above.
MONITOR ITEM CONDITION SPECIFICATION
BRAKE SW ●Ignition switch: ON Brake pedal: Fully released OFF
Brake pedal: Slightly depressed ON
DTC No. Trouble diagnosis name DTC detecting condition Possible cause
P1805
1805 Brake switch A brake switch signal is not sent to ECM for an
extremely long time while the vehicle is driving.
●Harness or connectors
(Stop lamp switch circuit is open or
shorted.)
●Stop lamp switch
Engine operating condition in fail-safe mode
ECM controls the electric throttle control actuator by regulating the throttle opening to a small range.
Therefore, acceleration will be poor.
Driving condition
When engine is idling Normal
When accelerating Poor acceleration
SEF058Y

DTC P1805 BRAKE SWITCH
EC-545
C
D
E
F
G
H
I
J
K
L
M
A
EC
Revision; 2004 April 2003 G35 Coupe
Wiring Diagram ABS003JV
TBWT0297E

EC-546
DTC P1805 BRAKE SWITCH
Revision; 2004 April 2003 G35 Coupe
Specification data are reference values and are measured between each terminal and ground.
CAUTION:
Do not use ECM ground terminals when measuring input/output voltage. Doing so may result in dam-
age to the ECM's transistor. Use a ground other than ECM terminals, such as the ground.
Diagnostic Procedure ABS003JW
1. CHECK STOP LAMP SWITCH CIRCUIT
1. Turn ignition switch OFF.
2. Check the stop lamp when depressing and releasing the brake pedal.
OK or NG
OK >> GO TO 4.
NG >> GO TO 2.
TER-
MINAL
NO.
WIRE
COLOR ITEM CONDITION DATA (DC Voltage)
101 P/L Stop lamp switch
[Ignition switch: ON]
●Brake pedal is fully released Approximately 0V
[Ignition switch: ON]
●Brake pedal is depressed
BATTERY VOLTAGE
(11 - 14V)
Brake pedal Stop lamp
Fully released Not illuminated
Depressed Illuminated

DTC P1805 BRAKE SWITCH
EC-547
C
D
E
F
G
H
I
J
K
L
M
A
EC
Revision; 2004 April 2003 G35 Coupe
2. CHECK STOP LAMP SWITCH POWER SUPPLY CIRCUIT
1. Disconnect stop lamp switch harness connector.
2. Check voltage between stop lamp switch terminal 1 and ground
with CONSULT-II or tester.
OK or NG
OK >> GO TO 4.
NG >> GO TO 3.
3. DETECT MALFUNCTIONING PART
Check the following.
●10A fuse
●Fuse block (J/B) connector E101
●Harness for open and short between stop lamp switch and fuse
>> Repair open circuit or short to ground or short to power in harness or connectors.
PBIB1282E
PBIB1184E
PBIB0117E
Voltage: Battery voltage

EC-548
DTC P1805 BRAKE SWITCH
Revision; 2004 April 2003 G35 Coupe
4. CHECK STOP LAMP SWITCH INPUT SIGNAL CIRCUIT FOR OPEN AND SHORT
1. Turn ignition switch OFF.
2. Disconnect ECM harness connector.
3. Disconnect stop lamp switch harness connector.
4. Check harness continuity between ECM terminal 101 and stop
lamp switch terminal 2.
Refer to Wiring Diagram.
5. Also check harness for short to ground and short to power.
OK or NG
OK >> GO TO 6.
NG >> GO TO 5.
5. DETECT MALFUNCTIONING PART
Check the following.
●Harness connectors E108, M15
●Harness connectors M72, F102
●Joint connector-1
●Harness for open or short between ECM and stop lamp switch
>> Repair open circuit or short to ground or short to power in harness or connectors.
6. CHECK STOP LAMP SWITCH
Refer to EC-549, "Component Inspection" .
OK or NG
OK >> GO TO 7.
NG >> Replace stop lamp switch.
7. CHECK INTERMITTENT INCIDENT
Refer to EC-132, "TROUBLE DIAGNOSIS FOR INTERMITTENT INCIDENT" .
>> INSPECTION END
Continuity should exist.
PBIB1282E

DTC P1805 BRAKE SWITCH
EC-549
C
D
E
F
G
H
I
J
K
L
M
A
EC
Revision; 2004 April 2003 G35 Coupe
Component Inspection ABS003JX
STOP LAMP SWITCH (FOR A/T MODELS)
1. Turn ignition switch OFF.
2. Disconnect stop lamp switch harness connector.
3. Check harness continuity between stop lamp switch terminals 1
and 2 under the following conditions.
If NG, adjust stop lamp switch installation, refer to BR-6,
"BRAKE PEDAL" , and perform step 3 again.
STOP LAMP SWITCH (FOR M/T MODELS)
1. Turn ignition switch OFF.
2. Disconnect stop lamp switch harness connector.
3. Check harness continuity between stop lamp switch terminals 1
and 2 under the following conditions.
If NG, adjust stop lamp switch installation, refer to BR-6,
"BRAKE PEDAL" , and perform step 3 again.
Condition Continuity
When brake pedal is fully released. Should not exist.
When brake pedal is depressed. Should exist.
PBIB1185E
Condition Continuity
When brake pedal is fully released. Should not exist.
When brake pedal is depressed. Should exist.
PBIB0118E

EC-550
DTC P2122, P2123 APP SENSOR
Revision; 2004 April 2003 G35 Coupe
DTC P2122, P2123 APP SENSOR PFP:18002
Component Description ABS003JY
The accelerator pedal position sensor is installed on the upper end
of the accelerator pedal assembly. The sensor detects the accelera-
tor position and sends a signal to the ECM.
Accelerator pedal position sensor has two sensors. These sensors
are a kind of potentiometers which transform the accelerator pedal
position into output voltage, and emit the voltage signal to the ECM.
In addition, these sensors detect the opening and closing speed of
the accelerator pedal and feed the voltage signals to the ECM. The
ECM judges the current opening angle of the accelerator pedal from
these signals and controls the throttle control motor based on these
signals.
Idle position of the accelerator pedal is determined by the ECM
receiving the signal from the accelerator pedal position sensor. The ECM uses this signal for the engine oper-
ation such as fuel cut.
CONSULT-II Reference Value in Data Monitor Mode ABS003JZ
Specification data are reference values.
*: Accelerator pedal position sensor 2 signal is converted by ECM internally. Thus, it differ from ECM terminal voltage.
On Board Diagnosis Logic ABS003K0
These self-diagnoses have the one trip detection logic.
NOTE:
If DTC P2122 or P2123 is displayed with DTC P1229, first perform the trouble diagnosis for DTC P1229.
Refer to EC-490 .
FAIL-SAFE MODE
When the malfunction is detected, ECM enters fail-safe mode and the MIL lights up.
PBIB1741E
MONITOR ITEM CONDITION SPECIFICATION
ACCEL SEN1 ●Ignition switch: ON
(Engine stopped)
Accelerator pedal: Fully released 0.5 - 1.0V
Accelerator pedal: Fully depressed 4.0 - 4.7V
ACCEL SEN2* ●Ignition switch: ON
(Engine stopped)
Accelerator pedal: Fully released 0.3 - 1.2V
Accelerator pedal: Fully depressed 3.9 - 4.8V
CLSD THL POS ●Ignition switch: ON
(Engine stopped)
Accelerator pedal: Fully released ON
Accelerator pedal: Slightly depressed OFF
DTC No. Trouble diagnosis name DTC detecting condition Possible cause
P2122
2122
Accelerator pedal posi-
tion sensor 1 circuit low
input
An excessively low voltage from the APP sen-
sor 1 is sent to ECM.
●Harness or connectors
(The APP sensor 1 circuit is open or
shorted.)
●Accelerator pedal position sensor
(APP sensor 1)
P2123
2123
Accelerator pedal posi-
tion sensor 1 circuit high
input
An excessively high voltage from the APP sen-
sor 1 is sent to ECM.
Engine operating condition in fail-safe mode
ECM controls the electric throttle control actuator in regulating the throttle opening in order for the idle position to be within +10
degrees.
ECM regulates the opening speed of the throttle valve to be slower than the normal condition.
So, the acceleration will be poor.

DTC P2122, P2123 APP SENSOR
EC-551
C
D
E
F
G
H
I
J
K
L
M
A
EC
Revision; 2004 April 2003 G35 Coupe
DTC Confirmation Procedure ABS003K1
NOTE:
If DTC Confirmation Procedure has been previously conducted, always turn ignition switch OFF and wait at
least 10 seconds before conducting the next test.
TESTING CONDITION:
Before performing the following procedure, confirm that battery voltage is more than 10V at idle.
WITH CONSULT-II
1. Turn ignition switch ON.
2. Select “DATA MONITOR” mode with CONSULT-II.
3. Start engine and let it idle for 1 second.
4. If DTC is detected, go to EC-553, "Diagnostic Procedure" .
WITH GST
Follow the procedure “WITH CONSULT-II” above.
SEF058Y

EC-552
DTC P2122, P2123 APP SENSOR
Revision; 2004 April 2003 G35 Coupe
Wiring Diagram ABS003K2
TBWT0276E

DTC P2122, P2123 APP SENSOR
EC-553
C
D
E
F
G
H
I
J
K
L
M
A
EC
Revision; 2004 April 2003 G35 Coupe
Specification data are reference values and are measured between each terminal and ground.
CAUTION:
Do not use ECM ground terminals when measuring input/output voltage. Doing so may result in dam-
age to the ECM's transistor. Use a ground other than ECM terminals, such as the ground.
Diagnostic Procedure ABS003K3
1. RETIGHTEN GROUND SCREWS
1. Turn ignition switch OFF.
2. Loosen and retighten engine ground screws.
>> GO TO 2.
TER-
MINAL
NO.
WIRE
COLOR ITEM CONDITION DATA (DC Voltage)
82 GY/L Sensors' ground
(APP sensor 1)
[Engine is running]
●Warm-up condition
●Idle speed
Approximately 0V
83 B/R Sensors' ground
(APP sensor 2)
[Engine is running]
●Warm-up condition
●Idle speed
Approximately 0V
90 BR/Y Sensors' power supply
(APP sensor 1) [Ignition switch: ON] Approximately 5V
91 G Sensors' power supply
(APP sensor 2) [Ignition switch: ON] Approximately 5V
98 LG/B Accelerator pedal position
sensor 2
[Ignition switch: ON]
●Engine stopped
●Accelerator pedal fully released
0.15 - 0.60V
[Ignition switch: ON]
●Engine stopped
●Accelerator pedal fully depressed
1.95 - 2.40V
106 BR Accelerator pedal position
sensor 1
[Ignition switch: ON]
●Engine stopped
●Accelerator pedal fully released
0.5 - 1.0V
[Ignition switch: ON]
●Engine stopped
●Accelerator pedal fully depressed
3.9 - 4.7V
PBIB0986E

EC-554
DTC P2122, P2123 APP SENSOR
Revision; 2004 April 2003 G35 Coupe
2. CHECK APP SENSOR 1 POWER SUPPLY CIRCUIT
1. Disconnect accelerator pedal position (APP) sensor harness
connector.
2. Turn ignition switch ON.
3. Check voltage between APP sensor terminal 6 and ground with
CONSULT-II or tester.
OK or NG
OK >> GO TO 4.
NG >> GO TO 3.
3. DETECT MALFUNCTIONING PART
Check the following.
●Harness connectors E10, F1
●Harness for open or short between ECM and accelerator pedal position sensor
>> Repair open circuit or short to ground or short to power in harness or connectors.
4. CHECK APP SENSOR 1 GROUND CIRCUIT FOR OPEN AND SHORT
1. Turn ignition switch OFF.
2. Disconnect ECM harness connector.
3. Check harness continuity between APP sensor terminal 3 and ECM terminal 82.
Refer to Wiring Diagram.
4. Also check harness for short to ground and short to power.
OK or NG
OK >> GO TO 6.
NG >> GO TO 5.
5. DETECT MALFUNCTIONING PART
Check the following.
●Harness connectors E10, F1
●Harness for open or short between ECM and accelerator pedal position sensor
>> Repair open circuit or short to ground or short to power in harness or connectors.
PBIB0996E
Voltage: Approximately 5V
PBIB0914E
Continuity should exist.

DTC P2122, P2123 APP SENSOR
EC-555
C
D
E
F
G
H
I
J
K
L
M
A
EC
Revision; 2004 April 2003 G35 Coupe
6. CHECK APP SENSOR INPUT SIGNAL CIRCUIT FOR OPEN AND SHORT
1. Check harness continuity between ECM terminal 106 and APP sensor terminal 5.
Refer to Wiring Diagram.
2. Also check harness for short to ground and short to power.
OK or NG
OK >> GO TO 8.
NG >> GO TO 7.
7. DETECT MALFUNCTIONING PART
Check the following.
●Harness connectors E10, F1
●Harness for open or short between ECM and accelerator pedal position sensor
>> Repair open circuit or short to ground or short to power in harness or connectors.
8. CHECK APP SENSOR
Refer to EC-579, "Component Inspection" .
OK or NG
OK >> GO TO 10.
NG >> GO TO 9.
9. REPLACE ACCELERATOR PEDAL ASSEMBLY
1. Replace the accelerator pedal assembly.
2. Perform EC-46, "Accelerator Pedal Released Position Learning" .
3. Perform EC-46, "Throttle Valve Closed Position Learning" .
4. Perform EC-46, "Idle Air Volume Learning" .
>> INSPECTION END
10. CHECK INTERMITTENT INCIDENT
Refer to EC-132, "TROUBLE DIAGNOSIS FOR INTERMITTENT INCIDENT" .
>> INSPECTION END
Component Inspection ABS003K4
ACCELERATOR PEDAL POSITION SENSOR
1. Reconnect all harness connectors disconnected.
2. Turn ignition switch ON.
3. Check voltage between ECM terminals 106 (APP sensor 1 sig-
nal), 98 (APP sensor 2 signal) and engine ground under the fol-
lowing conditions.
Continuity should exist.
Terminal Accelerator pedal Voltage
106
(Accelerator pedal position
sensor 1)
Fully released 0.5 - 1.0V
Fully depressed 3.9 - 4.7V
98
(Accelerator pedal position
sensor 2)
Fully released 0.15 - 0.60V
Fully depressed 1.95 - 2.40V
MBIB0023E

EC-556
DTC P2122, P2123 APP SENSOR
Revision; 2004 April 2003 G35 Coupe
4. If NG, replace accelerator pedal assembly and go to next step.
5. Perform EC-46, "Accelerator Pedal Released Position Learning" .
6. Perform EC-46, "Throttle Valve Closed Position Learning" .
7. Perform EC-46, "Idle Air Volume Learning" .
Removal and Installation ABS003K5
ACCELERATOR PEDAL
Refer to ACC-3, "ACCELERATOR CONTROL SYSTEM" .

DTC P2127, P2128 APP SENSOR
EC-557
C
D
E
F
G
H
I
J
K
L
M
A
EC
Revision; 2004 April 2003 G35 Coupe
DTC P2127, P2128 APP SENSOR PFP:18002
Component Description ABS003K6
The accelerator pedal position sensor is installed on the upper end
of the accelerator pedal assembly. The sensor detects the accelera-
tor position and sends a signal to the ECM.
Accelerator pedal position sensor has two sensors. These sensors
are a kind of potentiometers which transform the accelerator pedal
position into output voltage, and emit the voltage signal to the ECM.
In addition, these sensors detect the opening and closing speed of
the accelerator pedal and feed the voltage signals to the ECM. The
ECM judges the current opening angle of the accelerator pedal from
these signals and controls the throttle control motor based on these
signals.
Idle position of the accelerator pedal is determined by the ECM
receiving the signal from the accelerator pedal position sensor. The ECM uses this signal for the engine oper-
ation such as fuel cut.
CONSULT-II Reference Value in Data Monitor Mode ABS003K7
Specification data are reference values.
*: Accelerator pedal position sensor 2 signal is converted by ECM internally. Thus, it differ from ECM terminal voltage.
On Board Diagnosis Logic ABS003K8
These self-diagnoses have the one trip detection logic.
FAIL-SAFE MODE
When the malfunction is detected, ECM enters fail-safe mode and the MIL lights up.
PBIB1741E
MONITOR ITEM CONDITION SPECIFICATION
ACCEL SEN1 ●Ignition switch: ON
(Engine stopped)
Accelerator pedal: Fully released 0.5 - 1.0V
Accelerator pedal: Fully depressed 4.0 - 4.7V
ACCEL SEN2* ●Ignition switch: ON
(Engine stopped)
Accelerator pedal: Fully released 0.3 - 1.2V
Accelerator pedal: Fully depressed 3.9 - 4.8V
CLSD THL POS ●Ignition switch: ON
(Engine stopped)
Accelerator pedal: Fully released ON
Accelerator pedal: Slightly depressed OFF
DTC No. Trouble diagnosis name DTC detecting condition Possible cause
P2127
2127
Accelerator pedal posi-
tion sensor 2 circuit low
input
An excessively low voltage from the APP sen-
sor 2 is sent to ECM.
●Harness or connectors
(The APP sensor 2 circuit is open or
shorted.)
(TP sensor circuit is shorted.)
●Accelerator pedal position sensor
(APP sensor 2)
●Electric throttle control actuator
(TP sensor 1 and 2)
P2128
2128
Accelerator pedal posi-
tion sensor 2 circuit high
input
An excessively high voltage from the APP sen-
sor 2 is sent to ECM.
Engine operating condition in fail-safe mode
ECM controls the electric throttle control actuator in regulating the throttle opening in order for the idle position to be within +10
degrees.
ECM regulates the opening speed of the throttle valve to be slower than the normal condition.
So, the acceleration will be poor.

EC-558
DTC P2127, P2128 APP SENSOR
Revision; 2004 April 2003 G35 Coupe
DTC Confirmation Procedure ABS003K9
NOTE:
If DTC Confirmation Procedure has been previously conducted, always turn ignition switch OFF and wait at
least 10 seconds before conducting the next test.
TESTING CONDITION:
Before performing the following procedure, confirm that battery voltage is more than 10V at idle.
WITH CONSULT-II
1. Turn ignition switch ON.
2. Select “DATA MONITOR” mode with CONSULT-II.
3. Start engine and let it idle for 1 second.
4. If DTC is detected, go to EC-560, "Diagnostic Procedure" .
WITH GST
Follow the procedure “With CONSULT-II” above.
SEF058Y

DTC P2127, P2128 APP SENSOR
EC-559
C
D
E
F
G
H
I
J
K
L
M
A
EC
Revision; 2004 April 2003 G35 Coupe
Wiring Diagram ABS003KA
TBWB0070E

EC-560
DTC P2127, P2128 APP SENSOR
Revision; 2004 April 2003 G35 Coupe
Specification data are reference values and are measured between each terminal and ground.
CAUTION:
Do not use ECM ground terminals when measuring input/output voltage. Doing so may result in dam-
age to the ECM's transistor. Use a ground other than ECM terminals, such as the ground.
Diagnostic Procedure ABS003KB
1. RETIGHTEN GROUND SCREWS
1. Turn ignition switch OFF.
2. Loosen and retighten engine ground screws.
>> GO TO 2.
TER-
MINAL
NO.
WIRE
COLOR ITEM CONDITION DATA (DC Voltage)
47 B Sensors' power supply
(Throttle position sensor) [Ignition switch: ON] Approximately 5V
82 GY/L Sensors' ground
(APP sensor 1)
[Engine is running]
●Warm-up condition
●Idle speed
Approximately 0V
83 B/R Sensors' ground
(APP sensor 2)
[Engine is running]
●Warm-up condition
●Idle speed
Approximately 0V
90 BR/Y Sensors' power supply
(APP sensor 1) [Ignition switch: ON] Approximately 5V
91 G Sensors' power supply
(APP sensor 2) [Ignition switch: ON] Approximately 5V
98 LG/B Accelerator pedal position
sensor 2
[Ignition switch: ON]
●Engine stopped
●Accelerator pedal fully released
0.15 - 0.60V
[Ignition switch: ON]
●Engine stopped
●Accelerator pedal fully depressed
1.95 - 2.40V
106 BR Accelerator pedal position
sensor 1
[Ignition switch: ON]
●Engine stopped
●Accelerator pedal fully released
0.5 - 1.0V
[Ignition switch: ON]
●Engine stopped
●Accelerator pedal fully depressed
3.9 - 4.7V
PBIB0986E

DTC P2127, P2128 APP SENSOR
EC-561
C
D
E
F
G
H
I
J
K
L
M
A
EC
Revision; 2004 April 2003 G35 Coupe
2. CHECK APP SENSOR 2 POWER SUPPLY CIRCUIT-I
1. Disconnect accelerator pedal position (APP) sensor harness
connector.
2. Turn ignition switch ON.
3. Check voltage between APP sensor terminal 4 and ground with
CONSULT-II or tester.
OK or NG
OK >> GO TO 8.
NG >> GO TO 3.
3. CHECK APP SENSOR 2 POWER SUPPLY CIRCUIT-II
1. Turn ignition switch OFF.
2. Disconnect ECM harness connector.
3. Check harness continuity between APP sensor terminal 4 and ECM terminal 91.
Refer to Wiring Diagram.
OK or NG
OK >> GO TO 5.
NG >> GO TO 4.
4. DETECT MALFUNCTIONING PART
Check the following.
●Harness connectors E10, F1
●Harness for open between ECM and accelerator pedal position sensor
>> Repair or replace open circuit.
5. CHECK APP SENSOR 2 POWER SUPPLY CIRCUIT-III
Check harness for short to power and short to ground, between the following terminals.
OK or NG
OK >> GO TO 6.
NG >> Repair short to ground or short to power in harness or connectors.
PBIB0996E
Voltage: Approximately 5V
PBIB0915E
Continuity should exist.
ECM terminal Sensor terminal Reference Wiring Diagram
91 APP sensor terminal 4 EC-559
47 Electric throttle control actuator terminal 1 EC-566

EC-562
DTC P2127, P2128 APP SENSOR
Revision; 2004 April 2003 G35 Coupe
6. CHECK THROTTLE POSITION SENSOR
Refer to EC-570, "Component Inspection" .
OK or NG
OK >> GO TO 14.
NG >> GO TO 7.
7. REPLACE ELECTRIC THROTTLE CONTROL ACTUATOR
1. Replace the electric throttle control actuator.
2. Perform EC-46, "Throttle Valve Closed Position Learning" .
3. Perform EC-46, "Idle Air Volume Learning" .
>> INSPECTION END
8. CHECK APP SENSOR 2 GROUND CIRCUIT FOR OPEN AND SHORT
1. Turn ignition switch OFF.
2. Disconnect ECM harness connector.
3. Check harness continuity between APP sensor terminal 1 and ECM terminal 83.
Refer to Wiring Diagram.
4. Also check harness for short to ground and short to power.
OK or NG
OK >> GO TO 10.
NG >> GO TO 9.
9. DETECT MALFUNCTIONING PART
Check the following.
●Harness connectors E10, F1
●Harness for open or short between ECM and accelerator pedal position sensor
>> Repair open circuit or short to ground or short to power in harness or connectors.
10. CHECK APP SENSOR 2 INPUT SIGNAL CIRCUIT FOR OPEN AND SHORT
1. Check harness continuity between ECM terminal 98 and APP sensor terminal 2.
Refer to Wiring Diagram.
2. Also check harness for short to ground and short to power.
OK or NG
OK >> GO TO 12.
NG >> GO TO 11.
11. DETECT MALFUNCTIONING PART
Check the following.
●Harness connectors E10, F1
●Harness for open or short between ECM and accelerator pedal position sensor
>> Repair open circuit or short to ground or short to power in harness or connectors.
Continuity should exist.
Continuity should exist.

DTC P2127, P2128 APP SENSOR
EC-563
C
D
E
F
G
H
I
J
K
L
M
A
EC
Revision; 2004 April 2003 G35 Coupe
12. CHECK APP SENSOR
Refer to EC-579, "Component Inspection" .
OK or NG
OK >> GO TO 14.
NG >> GO TO 13.
13. REPLACE ACCELERATOR PEDAL ASSEMBLY
1. Replace the accelerator pedal assembly.
2. Perform EC-46, "Accelerator Pedal Released Position Learning" .
3. Perform EC-46, "Throttle Valve Closed Position Learning" .
4. Perform EC-46, "Idle Air Volume Learning" .
>> INSPECTION END
14. CHECK INTERMITTENT INCIDENT
Refer to EC-132, "TROUBLE DIAGNOSIS FOR INTERMITTENT INCIDENT" .
>> INSPECTION END
Component Inspection ABS003KC
ACCELERATOR PEDAL POSITION SENSOR
1. Reconnect all harness connectors disconnected.
2. Turn ignition switch ON.
3. Check voltage between ECM terminals 106 (APP sensor 1 sig-
nal), 98 (APP sensor 2 signal) and engine ground under the fol-
lowing conditions.
4. If NG, replace accelerator pedal assembly and go to next step.
5. Perform EC-46, "Accelerator Pedal Released Position Learning" .
6. Perform EC-46, "Throttle Valve Closed Position Learning" .
7. Perform EC-46, "Idle Air Volume Learning" .
Removal and Installation ABS003KD
ACCELERATOR PEDAL
Refer to ACC-3, "ACCELERATOR CONTROL SYSTEM" .
Terminal Accelerator pedal Voltage
106
(Accelerator pedal position
sensor 1)
Fully released 0.5 - 1.0V
Fully depressed 3.9 - 4.7V
98
(Accelerator pedal position
sensor 2)
Fully released 0.15 - 0.60V
Fully depressed 1.95 - 2.40V
MBIB0023E

EC-564
DTC P2135 TP SENSOR
Revision; 2004 April 2003 G35 Coupe
DTC P2135 TP SENSOR PFP:16119
Component Description ABS003KE
Electric Throttle Control Actuator consists of throttle control motor,
throttle position sensor, etc. The throttle position sensor responds to
the throttle valve movement.
The throttle position sensor has the two sensors. These sensors are
a kind of potentiometers which transform the throttle valve position
into output voltage, and emit the voltage signal to the ECM. In addi-
tion, these sensors detect the opening and closing speed of the
throttle valve and feed the voltage signals to the ECM. The ECM
judges the current opening angle of the throttle valve from these sig-
nals and the ECM controls the throttle control motor to make the
throttle valve opening angle properly in response to driving condi-
tion.
CONSULT-II Reference Value in Data Monitor Mode ABS003KF
Specification data are reference values.
*: Throttle position sensor 2 signal is converted by ECM internally. Thus, it differs from ECM terminal voltage signal.
On Board Diagnosis Logic ABS003KG
This self-diagnosis has the one trip detection logic.
FAIL-SAFE MODE
When the malfunction is detected, the ECM enters fail-safe mode and the MIL lights up.
PBIB0145E
MONITOR ITEM CONDITION SPECIFICATION
THRTL SEN1
THRTL SEN2*
●Ignition switch: ON
(Engine stopped)
●Shift lever: D (A/T), 1st (M/T)
Accelerator pedal: Fully released More than 0.36V
Accelerator pedal: Fully depressed Less than 4.75V
DTC No. Trouble diagnosis name DTC detecting condition Possible cause
P2135
2135
Throttle position sensor
circuit range/perfor-
mance problem
Rationally incorrect voltage is sent to ECM
compared with the signals from TP sensor 1
and TP sensor 2.
●Harness or connector
(The TP sensor 1 and 2 circuit is open or
shorted.)
(APP sensor 2 circuit is shorted.)
●Electric throttle control actuator
(TP sensor 1 and 2)
●Accelerator pedal position sensor
(APP sensor 2)
Engine operation condition in fail-safe mode
ECM controls the electric throttle control actuator in regulating the throttle opening in order for the idle position to be within +10
degrees.
ECM regulates the opening speed of the throttle valve to be slower than the normal condition.
So, the acceleration will be poor.

DTC P2135 TP SENSOR
EC-565
C
D
E
F
G
H
I
J
K
L
M
A
EC
Revision; 2004 April 2003 G35 Coupe
DTC Confirmation Procedure ABS003KH
NOTE:
If DTC Confirmation Procedure has been previously conducted, always turn ignition switch OFF and wait at
least 10 seconds before conducting the next test.
TESTING CONDITION:
Before performing the following procedure, confirm that battery voltage is more than 10V at idle.
WITH CONSULT-II
1. Turn ignition switch ON.
2. Select “DATA MONITOR” mode with CONSULT-II.
3. Start engine and let it idle for 1 second.
4. If DTC is detected, go to EC-567, "Diagnostic Procedure" .
WITH GST
Follow the procedure “WITH CONSULT-II” above.
SEF058Y

EC-566
DTC P2135 TP SENSOR
Revision; 2004 April 2003 G35 Coupe
Wiring Diagram ABS003KI
TBWB0066E

DTC P2135 TP SENSOR
EC-567
C
D
E
F
G
H
I
J
K
L
M
A
EC
Revision; 2004 April 2003 G35 Coupe
Specification data are reference values and are measured between each terminal and ground.
CAUTION:
Do not use ECM ground terminals when measuring input/output voltage. Doing so may result in dam-
age to the ECM's transistor. Use a ground other than ECM terminals, such as the ground.
Diagnostic Procedure ABS003KJ
1. RETIGHTEN GROUND SCREWS
1. Turn ignition switch OFF.
2. Loosen and retighten engine ground screws.
>> GO TO 2.
TER-
MINAL
NO.
WIRE
COLOR ITEM CONDITION DATA (DC Voltage)
47 B Sensors' power supply
(Throttle position sensor) [Ignition switch: ON] Approximately 5V
50 W Throttle position sensor 1
[Ignition switch: ON]
●Engine stopped
●Shift lever: D (A/T) or 1st (M/T)
●Accelerator pedal fully released
More than 0.36V
[Ignition switch: ON]
●Engine stopped
●Shift lever: D (A/T) or 1st (M/T)
●Accelerator pedal fully depressed
Less than 4.75V
66 W/R Sensors' ground
(Throttle position sensor)
[Engine is running]
●Warm-up condition
●Idle speed
Approximately 0V
69 R/L Throttle position sensor 2
[Ignition switch: ON]
●Engine stopped
●Shift lever: D (A/T) or 1st (M/T)
●Accelerator pedal fully released
Less than 4.75V
[Ignition switch: ON]
●Engine stopped
●Shift lever: D (A/T) or 1st (M/T)
●Accelerator pedal fully depressed
More than 0.36V
91 G Sensors' power supply
(APP sensor 2) [Ignition switch: ON] Approximately 5V
PBIB0986E

EC-568
DTC P2135 TP SENSOR
Revision; 2004 April 2003 G35 Coupe
2. CHECK THROTTLE POSITION SENSOR POWER SUPPLY CIRCUIT
1. Disconnect electric throttle control actuator harness connector.
2. Turn ignition switch ON.
3. Check voltage between electric throttle control actuator terminal
1 and ground with CONSULT-II or tester.
OK or NG
OK >> GO TO 7.
NG >> GO TO 3.
3. CHECK THROTTLE POSITION SENSOR POWER SUPPLY CIRCUIT
1. Turn ignition switch OFF.
2. Disconnect ECM harness connector.
3. Check harness continuity between electric throttle control actuator terminal 1 and ECM terminal 47.
Refer to Wiring Diagram.
OK or NG
OK >> GO TO 4.
NG >> Repair or replace open circuit.
4. CHECK THROTTLE POSITION SENSOR POWER SUPPLY CIRCUIT
Check harness for short to power and short to ground, between the following terminals.
OK or NG
OK >> GO TO 5.
NG >> Repair short to ground or short to power in harness or connectors.
5. CHECK APP SENSOR
Refer to EC-563, "Component Inspection" .
OK or NG
OK >> GO TO 11.
NG >> GO TO 6.
PBIB0995E
Voltage: Approximately 5V
PBIB0082E
Continuity should exist.
ECM terminal Sensor terminal Reference Wiring Diagram
47 Electric throttle control actuator terminal 1 EC-566
91 APP sensor terminal 4 EC-559

DTC P2135 TP SENSOR
EC-569
C
D
E
F
G
H
I
J
K
L
M
A
EC
Revision; 2004 April 2003 G35 Coupe
6. REPLACE ACCELERATOR PEDAL ASSEMBLY
1. Replace the accelerator pedal assembly.
2. Perform EC-46, "Accelerator Pedal Released Position Learning" .
3. Perform EC-46, "Throttle Valve Closed Position Learning" .
4. Perform EC-46, "Idle Air Volume Learning" .
>> INSPECTION END
7. CHECK THROTTLE POSITION SENSOR GROUND CIRCUIT FOR OPEN AND SHORT
1. Turn ignition switch OFF.
2. Disconnect ECM harness connector.
3. Check harness continuity between electric throttle control actuator terminal 5 and ECM terminal 66.
Refer to Wiring Diagram.
4. Also check harness for short to ground and short to power.
OK or NG
OK >> GO TO 8.
NG >> Repair open circuit or short to ground or short to power in harness or connectors.
8. CHECK THROTTLE POSITION SENSOR INPUT SIGNAL CIRCUIT FOR OPEN AND SHORT
1. Check harness continuity between ECM terminal 50 and electric throttle control actuator terminal 4, ECM
terminal 69 and electric throttle control actuator terminal 2.
Refer to Wiring Diagram.
2. Also check harness for short to ground and short to power.
OK or NG
OK >> GO TO 9.
NG >> Repair open circuit or short to ground or short to power in harness or connectors.
9. CHECK THROTTLE POSITION SENSOR
Refer to EC-193, "Component Inspection" .
OK or NG
OK >> GO TO 11.
NG >> GO TO 10.
10. REPLACE ELECTRIC THROTTLE CONTROL ACTUATOR
1. Replace the electric throttle control actuator.
2. Perform EC-46, "Throttle Valve Closed Position Learning" .
3. Perform EC-46, "Idle Air Volume Learning" .
>> INSPECTION END
11. CHECK INTERMITTENT INCIDENT
Refer to EC-132, "TROUBLE DIAGNOSIS FOR INTERMITTENT INCIDENT" .
>> INSPECTION END
Continuity should exist.
Continuity should exist.

EC-570
DTC P2135 TP SENSOR
Revision; 2004 April 2003 G35 Coupe
Component Inspection ABS003KK
THROTTLE POSITION SENSOR
1. Reconnect all harness connectors disconnected.
2. Perform EC-46, "Throttle Valve Closed Position Learning" .
3. Turn ignition switch ON.
4. Set selector lever to D (A/T) or 1st (M/T) position.
5. Check voltage between ECM terminals 50 (TP sensor 1signal),
69 (TP sensor 2signal) and engine ground under the following
conditions.
6. If NG, replace electric throttle control actuator and go to the next
step.
7. Perform EC-46, "Throttle Valve Closed Position Learning" .
8. Perform EC-46, "Idle Air Volume Learning" .
Removal and Installation ABS003KL
ELECTRIC THROTTLE CONTROL ACTUATOR
Refer to EM-16, "INTAKE MANIFOLD COLLECTOR" .
Terminal Accelerator pedal Voltage
50
(Throttle position sensor 1)
Fully released More than 0.36V
Fully depressed Less than 4.75V
69
(Throttle position sensor 2)
Fully released Less than 4.75V
Fully depressed More than 0.36V
PBIB1170E

DTC P2138 APP SENSOR
EC-571
C
D
E
F
G
H
I
J
K
L
M
A
EC
Revision; 2004 April 2003 G35 Coupe
DTC P2138 APP SENSOR PFP:18002
Component Description ABS003KM
The accelerator pedal position sensor is installed on the upper end
of the accelerator pedal assembly. The sensor detects the accelera-
tor position and sends a signal to the ECM.
Accelerator pedal position sensor has two sensors. These sensors
are a kind of potentiometers which transform the accelerator pedal
position into output voltage, and emit the voltage signal to the ECM.
In addition, these sensors detect the opening and closing speed of
the accelerator pedal and feed the voltage signals to the ECM. The
ECM judges the current opening angle of the accelerator pedal from
these signals and controls the throttle control motor based on these
signals.
Idle position of the accelerator pedal is determined by the ECM
receiving the signal from the accelerator pedal position sensor. The ECM uses this signal for the engine oper-
ation such as fuel cut.
CONSULT-II Reference Value in Data Monitor Mode ABS003KN
Specification data are reference values.
*: Accelerator pedal position sensor 2 signal is converted by ECM internally. Thus, it differ from ECM terminal voltage.
On Board Diagnosis Logic ABS003KO
This self-diagnosis has the one trip detection logic.
NOTE:
If DTC P2138 is displayed with DTC P1229, first perform the trouble diagnosis for DTC P1229. Refer to
EC-490 .
FAIL-SAFE MODE
When the malfunction is detected, ECM enters fail-safe mode and the MIL lights up.
PBIB1741E
MONITOR ITEM CONDITION SPECIFICATION
ACCEL SEN1 ●Ignition switch: ON
(Engine stopped)
Accelerator pedal: Fully released 0.5 - 1.0V
Accelerator pedal: Fully depressed 4.0 - 4.7V
ACCEL SEN2* ●Ignition switch: ON
(Engine stopped)
Accelerator pedal: Fully released 0.3 - 1.2V
Accelerator pedal: Fully depressed 3.9 - 4.8V
CLSD THL POS ●Ignition switch: ON
(Engine stopped)
Accelerator pedal: Fully released ON
Accelerator pedal: Slightly depressed OFF
DTC No. Trouble diagnosis name DTC detecting condition Possible cause
P2138
2138
Accelerator pedal posi-
tion sensor circuit
range/performance
problem
Rationally incorrect voltage is sent to ECM
compared with the signals from APP sensor 1
and APP sensor 2.
●Harness or connector
(The APP sensor 1 and 2 circuit is open
or shorted.)
(TP sensor circuit is shorted.)
●Accelerator pedal position sensor
(APP sensor 1 and 2)
●Electric throttle control actuator
(TP sensor 1 and 2)
Engine operating condition in fail-safe mode
ECM controls the electric throttle control actuator in regulating the throttle opening in order for the idle position to be within +10
degrees.
ECM regulates the opening speed of the throttle valve to be slower than the normal condition.
So, the acceleration will be poor.

EC-572
DTC P2138 APP SENSOR
Revision; 2004 April 2003 G35 Coupe
DTC Confirmation Procedure ABS003KP
NOTE:
If DTC Confirmation Procedure has been previously conducted, always turn ignition switch OFF and wait at
least 10 seconds before conducting the next test.
TESTING CONDITION:
Before performing the following procedure, confirm that battery voltage is more than 10V at idle.
WITH CONSULT-II
1. Turn ignition switch ON.
2. Select “DATA MONITOR” mode with CONSULT-II.
3. Start engine and let it idle for 1 second.
4. If DTC is detected, go to EC-574, "Diagnostic Procedure" .
WITH GST
Follow the procedure “WITH CONSULT-II” above.
SEF058Y

DTC P2138 APP SENSOR
EC-573
C
D
E
F
G
H
I
J
K
L
M
A
EC
Revision; 2004 April 2003 G35 Coupe
Wiring Diagram ABS003KQ
TBWB0069E

EC-574
DTC P2138 APP SENSOR
Revision; 2004 April 2003 G35 Coupe
Specification data are reference values and are measured between each terminal and ground.
CAUTION:
Do not use ECM ground terminals when measuring input/output voltage. Doing so may result in dam-
age to the ECM's transistor. Use a ground other than ECM terminals, such as the ground.
Diagnostic Procedure ABS003KR
1. RETIGHTEN GROUND SCREWS
1. Turn ignition switch OFF.
2. Loosen and retighten engine ground screws.
>> GO TO 2.
TER-
MINAL
NO.
WIRE
COLOR ITEM CONDITION DATA (DC Voltage)
47 B Sensors' power supply
(Throttle position sensor) [Ignition switch: ON] Approximately 5V
82 GY/L Sensors' ground
(APP sensor 1)
[Engine is running]
●Warm-up condition
●Idle speed
Approximately 0V
83 B/R Sensors' ground
(APP sensor 2)
[Engine is running]
●Warm-up condition
●Idle speed
Approximately 0V
90 BR/Y Sensors' power supply
(APP sensor 1) [Ignition switch: ON] Approximately 5V
91 G Sensors' power supply
(APP sensor 2) [Ignition switch: ON] Approximately 5V
98 LG/B Accelerator pedal position
sensor 2
[Ignition switch: ON]
●Engine stopped
●Accelerator pedal fully released
0.15 - 0.60V
[Ignition switch: ON]
●Engine stopped
●Accelerator pedal fully depressed
1.95 - 2.40V
106 BR Accelerator pedal position
sensor 1
[Ignition switch: ON]
●Engine stopped
●Accelerator pedal fully released
0.5 - 1.0V
[Ignition switch: ON]
●Engine stopped
●Accelerator pedal fully depressed
3.9 - 4.7V
PBIB0986E

DTC P2138 APP SENSOR
EC-575
C
D
E
F
G
H
I
J
K
L
M
A
EC
Revision; 2004 April 2003 G35 Coupe
2. CHECK APP SENSOR 1 POWER SUPPLY CIRCUIT
1. Disconnect accelerator pedal position (APP) sensor harness
connector.
2. Turn ignition switch ON.
3. Check voltage between APP sensor terminal 6 and ground with
CONSULT-II or tester.
OK or NG
OK >> GO TO 4.
NG >> GO TO 3.
3. DETECT MALFUNCTIONING PART
Check the following.
●Harness connectors E10, F1
●Harness for open or short between ECM and accelerator pedal position sensor
>> Repair open circuit or short to ground or short to power in harness or connectors.
4. CHECK APP SENSOR 2 POWER SUPPLY CIRCUIT-I
Check voltage between APP sensor terminal 4 and ground with
CONSULT-II or tester.
OK or NG
OK >> GO TO 10.
NG >> GO TO 5.
PBIB0996E
Voltage: Approximately 5V
PBIB0914E
Voltage: Approximately 5V
PBIB0915E

EC-576
DTC P2138 APP SENSOR
Revision; 2004 April 2003 G35 Coupe
5. CHECK APP SENSOR 2 POWER SUPPLY CIRCUIT-II
1. Turn ignition switch OFF.
2. Disconnect ECM harness connector.
3. Check harness continuity between APP sensor terminal 4 and ECM terminal 91.
Refer to Wiring Diagram.
OK or NG
OK >> GO TO 7.
NG >> GO TO 6.
6. DETECT MALFUNCTIONING PART
Check the following.
●Harness connectors E10, F1
●Harness for open between ECM and accelerator pedal position sensor
>> Repair or replace open circuit.
7. CHECK APP SENSOR 2 POWER SUPPLY CIRCUIT-III
Check harness for short to power and short to ground, between the following terminals.
OK or NG
OK >> GO TO 8.
NG >> Repair short to ground or short to power in harness or connectors.
8. CHECK THROTTLE POSITION SENSOR
Refer to EC-570, "Component Inspection" .
OK or NG
OK >> GO TO 16.
NG >> GO TO 9.
9. REPLACE ELECTRIC THROTTLE CONTROL ACTUATOR
1. Replace the electric throttle control actuator.
2. Perform EC-46, "Throttle Valve Closed Position Learning" .
3. Perform EC-46, "Idle Air Volume Learning" .
>> INSPECTION END
Continuity should exist.
ECM terminal Sensor terminal Reference Wiring Diagram
91 APP sensor terminal 4 EC-573
47 Electric throttle control actuator terminal 1 EC-566

DTC P2138 APP SENSOR
EC-577
C
D
E
F
G
H
I
J
K
L
M
A
EC
Revision; 2004 April 2003 G35 Coupe
10. CHECK APP SENSOR GROUND CIRCUIT FOR OPEN AND SHORT
1. Turn ignition switch OFF.
2. Disconnect ECM harness connector.
3. Check harness continuity between APP sensor terminal 1 and ECM terminal 83, APP sensor terminal 3
and ECM terminal 82.
Refer to Wiring Diagram.
4. Also check harness for short to ground and short to power.
OK or NG
OK >> GO TO 12.
NG >> GO TO 11.
11. DETECT MALFUNCTIONING PART
Check the following.
●Harness connectors E10, F1
●Harness for open or short between ECM and accelerator pedal position sensor
>> Repair open circuit or short to ground or short to power in harness or connectors.
12. CHECK APP SENSOR INPUT SIGNAL CIRCUIT FOR OPEN AND SHORT
1. Check harness continuity between ECM terminal 106 and APP sensor terminal 5, ECM terminal 98 and
APP sensor terminal 2.
Refer to Wiring Diagram.
2. Also check harness for short to ground and short to power.
OK or NG
OK >> GO TO 14.
NG >> GO TO 13.
13. DETECT MALFUNCTIONING PART
Check the following.
●Harness connectors E10, F1
●Harness for open or short between ECM and accelerator pedal position sensor
>> Repair open circuit or short to ground or short to power in harness or connectors.
14. CHECK APP SENSOR
Refer to EC-579, "Component Inspection" .
OK or NG
OK >> GO TO 16.
NG >> GO TO 15.
Continuity should exist.
Continuity should exist.

EC-578
DTC P2138 APP SENSOR
Revision; 2004 April 2003 G35 Coupe
15. REPLACE ACCELERATOR PEDAL ASSEMBLY
1. Replace the accelerator pedal assembly.
2. Perform EC-46, "Accelerator Pedal Released Position Learning" .
3. Perform EC-46, "Throttle Valve Closed Position Learning" .
4. Perform EC-46, "Idle Air Volume Learning" .
>> INSPECTION END
16. CHECK INTERMITTENT INCIDENT
Refer to EC-132, "TROUBLE DIAGNOSIS FOR INTERMITTENT INCIDENT" .
>> INSPECTION END

DTC P2138 APP SENSOR
EC-579
C
D
E
F
G
H
I
J
K
L
M
A
EC
Revision; 2004 April 2003 G35 Coupe
Component Inspection ABS003KS
ACCELERATOR PEDAL POSITION SENSOR
1. Reconnect all harness connectors disconnected.
2. Turn ignition switch ON.
3. Check voltage between ECM terminals 106 (APP sensor 1 sig-
nal), 98 (APP sensor 2 signal) and engine ground under the fol-
lowing conditions.
4. If NG, replace accelerator pedal assembly and go to next step.
5. Perform EC-46, "Accelerator Pedal Released Position Learning" .
6. Perform EC-46, "Throttle Valve Closed Position Learning" .
7. Perform EC-46, "Idle Air Volume Learning" .
Removal and Installation ABS003KT
ACCELERATOR PEDAL
Refer to ACC-3, "ACCELERATOR CONTROL SYSTEM" .
Terminal Accelerator pedal Voltage
106
(Accelerator pedal position
sensor 1)
Fully released 0.5 - 1.0V
Fully depressed 3.9 - 4.7V
98
(Accelerator pedal position
sensor 2)
Fully released 0.15 - 0.60V
Fully depressed 1.95 - 2.40V
MBIB0023E

EC-580
IGNITION SIGNAL
Revision; 2004 April 2003 G35 Coupe
IGNITION SIGNAL PFP:22448
Component Description ABS003KU
IGNITION COIL & POWER TRANSISTOR
The ignition signal from the ECM is sent to and amplified by the power transistor. The power transistor turns
on and off the ignition coil primary circuit. This on-off operation induces the proper high voltage in the coil sec-
ondary circuit.
PBIB1007E

IGNITION SIGNAL
EC-581
C
D
E
F
G
H
I
J
K
L
M
A
EC
Revision; 2004 April 2003 G35 Coupe
Wiring Diagram ABS003KV
TBWT0298E

EC-582
IGNITION SIGNAL
Revision; 2004 April 2003 G35 Coupe
Specification data are reference values and are measured between each terminal and ground.
CAUTION:
Do not use ECM ground terminals when measuring input/output voltage. Doing so may result in dam-
age to the ECM's transistor. Use a ground other than ECM terminals, such as the ground.
TER-
MINAL
NO.
WIRE
COLOR ITEM CONDITION DATA (DC Voltage)
111 W ECM relay
(Self shut-off)
[Engine is running]
[Ignition switch: OFF]
●For a few seconds after turning ignition
switch OFF
0 - 1.5V
[Ignition switch: OFF]
●A few seconds passed after turning ignition
switch OFF
BATTERY VOLTAGE
(11 - 14V)
119
120
P
LPower supply for ECM [Ignition switch: ON] BATTERY VOLTAGE
(11 - 14V)

IGNITION SIGNAL
EC-583
C
D
E
F
G
H
I
J
K
L
M
A
EC
Revision; 2004 April 2003 G35 Coupe
TBWT0299E

EC-584
IGNITION SIGNAL
Revision; 2004 April 2003 G35 Coupe
Specification data are reference values and are measured between each terminal and ground.
Pulse signal is measured by CONSULT-II.
CAUTION:
Do not use ECM ground terminals when measuring input/output voltage. Doing so may result in dam-
age to the ECM's transistor. Use a ground other than ECM terminals, such as the ground.
: Average voltage for pulse signal (Actual pulse signal can be confirmed by oscilloscope.)
TER-
MINAL
NO.
WIRE
COLOR ITEM CONDITION DATA (DC Voltage)
60
61
62
PU/W
L/R
Y/R
Ignition signal No. 5
Ignition signal No. 3
Ignition signal No. 1
[Engine is running]
●Warm-up condition
●Idle speed
0 - 0.2V
[Engine is running]
●Warm-up condition
●Engine speed is 2,500 rpm.
0.1 - 0.4V
SEC986C
SEC987C

IGNITION SIGNAL
EC-585
C
D
E
F
G
H
I
J
K
L
M
A
EC
Revision; 2004 April 2003 G35 Coupe
TBWT0300E

EC-586
IGNITION SIGNAL
Revision; 2004 April 2003 G35 Coupe
Specification data are reference values and are measured between each terminal and ground.
Pulse signal is measured by CONSULT-II.
CAUTION:
Do not use ECM ground terminals when measuring input/output voltage. Doing so may result in dam-
age to the ECM's transistor. Use a ground other than ECM terminals, such as the ground.
: Average voltage for pulse signal (Actual pulse signal can be confirmed by oscilloscope.)
Diagnostic Procedure ABS003KW
1. CHECK ENGINE START
Turn ignition switch OFF, and restart engine.
Is engine running?
Yes or No
Yes (With CONSULT-II)>>GO TO 2.
Yes (Without CONSULT-II)>>GO TO 3.
No >> GO TO 4.
2. CHECK OVERALL FUNCTION
With CONSULT-II
1. Perform “POWER BALANCE” in “ACTIVE TEST” mode with
CONSULT-II.
2. Make sure that each circuit produces a momentary engine
speed drop.
OK or NG
OK >> INSPECTION END
NG >> GO TO 10.
TER-
MINAL
NO.
WIRE
COLOR ITEM CONDITION DATA (DC Voltage)
79
80
81
GY/R
GY
G/R
Ignition signal No. 6
Ignition signal No. 4
Ignition signal No. 2
[Engine is running]
●Warm-up condition
●Idle speed
0 - 0.2V
[Engine is running]
●Warm-up condition
●Engine speed is 2,500 rpm.
0.1 - 0.4V
SEC986C
SEC987C
PBIB0133E

IGNITION SIGNAL
EC-587
C
D
E
F
G
H
I
J
K
L
M
A
EC
Revision; 2004 April 2003 G35 Coupe
3. CHECK OVERALL FUNCTION
Without CONSULT-II
1. Let engine idle.
2. Read the voltage signal between ECM terminals 60, 61, 62, 79,
80, 81 and ground with an oscilloscope.
3. Verify that the oscilloscope screen shows the signal wave as
shown below.
OK or NG
OK >> INSPECTION END
NG >> GO TO 10.
4. CHECK IGNITION COIL POWER SUPPLY CIRCUIT-I
1. Turn ignition switch OFF, wait at least 10 seconds and then turn ON.
2. Check voltage between ECM terminals 119, 120 and ground
with CONSULT-II or tester.
OK or NG
OK >> GO TO 5.
NG >> Go to EC-133, "POWER SUPPLY CIRCUIT FOR ECM"
.
PBIB1186E
SEC986C
Voltage: Battery voltage
MBIB0034E

EC-588
IGNITION SIGNAL
Revision; 2004 April 2003 G35 Coupe
5. CHECK IGNITION COIL POWER SUPPLY CIRCUIT-II
1. Turn ignition switch OFF.
2. Disconnect condenser harness connector.
3. Turn ignition switch ON.
4. Check voltage between condenser terminal 1 and ground with
CONSULT-II or tester.
OK or NG
OK >> GO TO 8.
NG >> GO TO 6.
6. CHECK IGNITION COIL POWER SUPPLY CIRCUIT-III
1. Turn ignition switch OFF.
2. Disconnect IPDM E/R harness connector E8.
3. Check harness continuity between IPDM E/R terminal 35 and condenser terminal 1.
Refer to Wiring Diagram.
4. Also check harness for short to ground and short to power.
OK or NG
OK >> GO TO 17.
NG >> GO TO 7.
7. DETECT MALFUNCTIONING PART
Check the following.
●Harness connectors E12, F3
●Joint connector-2
●Harness for open or short between IPDM E/R and condenser
>> Repair open circuit or short to ground or short to power in harness or connectors.
PBIB1286E
Voltage: Battery voltage
PBIB0624E
Continuity should exist.

IGNITION SIGNAL
EC-589
C
D
E
F
G
H
I
J
K
L
M
A
EC
Revision; 2004 April 2003 G35 Coupe
8. CHECK CONDENSER GROUND CIRCUIT FOR OPEN AND SHORT
1. Turn ignition switch OFF.
2. Check harness continuity between condenser terminal 2 and engine ground.
Refer to Wiring Diagram.
3. Also check harness for short to power.
OK or NG
OK >> GO TO 9.
NG >> Repair open circuit or short to power in harness or connectors.
9. CHECK CONDENSER
Refer to EC-591, "Component Inspection" .
OK or NG
OK >> GO TO 10.
NG >> Replace condenser.
10. CHECK IGNITION COIL POWER SUPPLY CIRCUIT-V
1. Turn ignition switch OFF.
2. Reconnect all harness connectors disconnected.
3. Disconnect ignition coil harness connector.
4. Turn ignition switch ON.
5. Check voltage between ignition coil terminal 3 and ground with
CONSULT-II or tester.
OK or NG
OK >> GO TO 12.
NG >> GO TO 11.
11. DETECT MALFUNCTIONING PART
Check the following.
●Harness connectors F18, F201
●Harness for open or short between ignition coil and harness connector F3
>> Repair or replace harness or connectors.
Continuity should exist.
Voltage: Battery voltage
PBIB1007E
PBIB0138E

EC-590
IGNITION SIGNAL
Revision; 2004 April 2003 G35 Coupe
12. CHECK IGNITION COIL GROUND CIRCUIT FOR OPEN AND SHORT
1. Turn ignition switch OFF.
2. Check harness continuity between ignition coil terminal 2 and engine ground.
Refer to Wiring Diagram.
3. Also check harness for short to power.
OK or NG
OK >> GO TO 14.
NG >> GO TO 13.
13. DETECT MALFUNCTIONING PART
Check the following.
●Harness connectors F18, F201
●Harness for open or short between ignition coil and engine ground
>> Repair open circuit or short to power in harness or connectors.
14. CHECK IGNITION COIL OUTPUT SIGNAL CIRCUIT FOR OPEN AND SHORT
1. Disconnect ECM harness connector.
2. Check harness continuity between ECM terminals 60, 61, 62, 79, 80, 81 and ignition coil terminal 1.
Refer to Wiring Diagram.
3. Also check harness for short to ground and short to power.
OK or NG
OK >> GO TO 16.
NG >> GO TO 15.
15. DETECT MALFUNCTIONING PART
Check the following.
●Harness connectors F18, F201
●Harness for open or short between ignition coil and ECM
>> Repair open circuit or short to ground or short to power in harness or connectors.
16. CHECK IGNITION COIL WITH POWER TRANSISTOR
Refer to EC-591, "Component Inspection" .
OK or NG
OK >> GO TO 17.
NG >> Replace ignition coil with power transistor.
17. CHECK INTERMITTENT INCIDENT
Refer to EC-132, "TROUBLE DIAGNOSIS FOR INTERMITTENT INCIDENT" .
OK or NG
OK >> Replace IPDM E/R. refer to PG-17 .
NG >> Repair open circuit or short to ground or short to power in harness or connectors.
Continuity should exist.
Continuity should exist.

IGNITION SIGNAL
EC-591
C
D
E
F
G
H
I
J
K
L
M
A
EC
Revision; 2004 April 2003 G35 Coupe
Component Inspection ABS003KX
IGNITION COIL WITH POWER TRANSISTOR
1. Turn ignition switch OFF.
2. Disconnect ignition coil harness connector.
3. Check resistance between ignition coil terminals as follows.
CONDENSER
1. Turn ignition switch OFF.
2. Disconnect condenser harness connector.
3. Check resistance between condenser terminals 1 and 2.
Removal and Installation ABS003KY
IGNITION COIL WITH POWER TRANSISTOR
Refer to EM-31, "IGNITION COIL" .
Terminal No. (Polarity) Resistance Ω [at 25°C (77°F)]
1 and 2 Except 0 or ∞
1 and 3 Except 0
2 and 3
PBIB0847E
Resistance Above 1 MΩ at 25°C (77°F)
PBIB0794E

EC-592
INJECTOR CIRCUIT
Revision; 2004 April 2003 G35 Coupe
INJECTOR CIRCUIT PFP:16600
Component Description ABS003KZ
The fuel injector is a small, precise solenoid valve. When the ECM
supplies a ground to the injector circuit, the coil in the injector is
energized. The energized coil pulls the needle valve back and allows
fuel to flow through the injector into the intake manifold. The amount
of fuel injected depends upon the injection pulse duration. Pulse
duration is the length of time the injector remains open. The ECM
controls the injection pulse duration based on engine fuel needs.
CONSULT-II Reference Value in Data Monitor Mode ABS003L0
Specification data are reference values.
SEF375Z
MONITOR ITEM CONDITION SPECIFICATION
B/FUEL SCHDL
●Engine: After warming up
●Shift lever: N (A/T), Neutral (M/T)
●Air conditioner switch: OFF
●No-load
Idle 2.5 - 3.5 msec
2,000 rpm 2.5 - 3.5 msec
INJ PULSE-B1
INJ PULSE-B2
●Engine: After warming up
●Shift lever: N (A/T), Neutral (M/T)
●Air conditioner switch: OFF
●No-load
Idle 2.0 - 3.0 msec
2,000 rpm 1.9 - 2.9 msec

INJECTOR CIRCUIT
EC-593
C
D
E
F
G
H
I
J
K
L
M
A
EC
Revision; 2004 April 2003 G35 Coupe
Wiring Diagram ABS003L1
TBWT0301E

EC-594
INJECTOR CIRCUIT
Revision; 2004 April 2003 G35 Coupe
Specification data are reference values and are measured between each terminal and ground.
Pulse signal is measured by CONSULT-II.
CAUTION:
Do not use ECM ground terminals when measuring input/output voltage. Doing so may result in dam-
age to the ECM's transistor. Use a ground other than ECM terminals, such as the ground.
: Average voltage for pulse signal (Actual pulse signal can be confirmed by oscilloscope.)
TER-
MINAL
NO.
WIRE
COLOR ITEM CONDITION DATA (DC Voltage)
21
22
23
G
R/Y
R/B
Injector No. 5
Injector No. 3
Injector No. 1
[Engine is running]
●Warm-up condition
●Idle speed
BATTERY VOLTAGE
(11 - 14V)
[Engine is running]
●Warm-up condition
●Engine speed is 2,000 rpm
BATTERY VOLTAGE
(11 - 14V)
40
41
42
P
R/L
R/W
Injector No. 6
Injector No. 4
Injector No. 2
[Engine is running]
●Warm-up condition
●Idle speed
BATTERY VOLTAGE
(11 - 14V)
[Engine is running]
●Warm-up condition
●Engine speed is 2,000 rpm
BATTERY VOLTAGE
(11 - 14V)
SEC984C
SEC985C
SEC984C
SEC985C

INJECTOR CIRCUIT
EC-595
C
D
E
F
G
H
I
J
K
L
M
A
EC
Revision; 2004 April 2003 G35 Coupe
Diagnostic Procedure ABS003L2
1. INSPECTION START
Turn ignition switch to START.
Is any cylinder ignited?
Yes or No
Yes >> GO TO 2.
No >> GO TO 3.
2. CHECK OVERALL FUNCTION
With CONSULT-II
1. Start engine.
2. Perform “POWER BALANCE” in “ACTIVE TEST” mode with
CONSULT-II.
3. Make sure that each circuit produces a momentary engine
speed drop.
Without CONSULT-II
1. Start engine.
2. Listen to each injector operating sound.
Clicking noise should be heard.
OK or NG
OK >> INSPECTION END
NG >> GO TO 3.
PBIB0133E
PBIB1725E

EC-596
INJECTOR CIRCUIT
Revision; 2004 April 2003 G35 Coupe
3. CHECK INJECTOR POWER SUPPLY CIRCUIT
1. Turn ignition switch OFF.
2. Disconnect injector harness connector.
3. Turn ignition switch ON.
4. Check voltage between injector terminal 1 and ground with
CONSULT-II or tester.
OK or NG
OK >> GO TO 5.
NG >> GO TO 4.
4. DETECT MALFUNCTIONING PART
Check the following.
●Harness connectors M72, F102
●Harness connectors F33, F221
●Fuse block (J/B) connector M4
●10A fuse
●Harness for open or short between injector and fuse
>> Repair harness or connectors.
5. CHECK INJECTOR OUTPUT SIGNAL CIRCUIT FOR OPEN AND SHORT
1. Turn ignition switch OFF.
2. Disconnect ECM harness connector.
3. Check harness continuity between injector terminal 2 and ECM terminals 21, 22, 23, 40, 41, 42.
Refer to Wiring Diagram.
4. Also check harness for short to ground and short to power.
OK or NG
OK >> GO TO 7.
NG >> GO TO 6.
PBIB0997E
Voltage: Battery voltage
PBIB0582E
Continuity should exist.

INJECTOR CIRCUIT
EC-597
C
D
E
F
G
H
I
J
K
L
M
A
EC
Revision; 2004 April 2003 G35 Coupe
6. DETECT MALFUNCTIONING PART
Check the following.
●Harness connectors F33, F221
●Harness for open or short between injector and ECM
>> Repair open circuit or short to ground or short to power in harness or connectors.
7. CHECK INJECTOR
Refer to EC-597, "Component Inspection" .
OK or NG
OK >> GO TO 8.
NG >> Replace injector.
8. CHECK INTERMITTENT INCIDENT
Refer to EC-132, "TROUBLE DIAGNOSIS FOR INTERMITTENT INCIDENT" .
>> INSPECTION END
Component Inspection ABS003L3
INJECTOR
1. Disconnect injector harness connector.
2. Check resistance between terminals as shown in the figure.
Removal and Installation ABS003L4
INJECTOR
Refer to EM-34, "FUEL INJECTOR AND FUEL TUBE" .
Resistance: 13.5 - 17.5Ω [at 20°C (68°F)]
PBIB1727E

EC-598
FUEL PUMP CIRCUIT
Revision; 2004 April 2003 G35 Coupe
FUEL PUMP CIRCUIT PFP:17042
Description ABS003L5
SYSTEM DESCRIPTION
*: ECM determines the start signal status by the signals of engine speed and battery voltage.
The ECM activates the fuel pump for several seconds after the ignition switch is turned on to improve engine
startability. If the ECM receives a engine speed signal from the camshaft position sensor (PHASE), it knows
that the engine is rotating, and causes the pump to operate. If the engine speed signal is not received when
the ignition switch is ON, the engine stalls. The ECM stops pump operation and prevents battery discharging,
thereby improving safety. The ECM does not directly drive the fuel pump. It controls the ON/OFF fuel pump
relay, which in turn controls the fuel pump.
COMPONENT DESCRIPTION
A turbine type design fuel pump is used in the furl tank.
CONSULT-II Reference Value in Data Monitor Mode ABS003L6
Specification data are reference values.
Sensor Input Signal to ECM ECM Function Actuator
Crankshaft position sensor (POS)
Camshaft position sensor (PHASE) Engine speed* Fuel pump control Fuel pump relay
Battery Battery voltage*
Condition Fuel pump operation
Ignition switch is turned to ON. Operates for 1 second.
Engine running and cranking Operates.
When engine is stopped Stops in 1.5 seconds.
Except as shown above Stops.
PBIB1100E
MONITOR ITEM CONDITION SPECIFICATION
FUEL PUMP RLY
●For 1 second after turning ignition switch ON
●Engine running or cranking ON
●Except above conditions OFF

FUEL PUMP CIRCUIT
EC-599
C
D
E
F
G
H
I
J
K
L
M
A
EC
Revision; 2004 April 2003 G35 Coupe
Wiring Diagram ABS003L7
TBWT0302E

EC-600
FUEL PUMP CIRCUIT
Revision; 2004 April 2003 G35 Coupe
Specification data are reference values and are measured between each terminal and ground.
CAUTION:
Do not use ECM ground terminals when measuring input/output voltage. Doing so may result in dam-
age to the ECM's transistor. Use a ground other than ECM terminals, such as the ground.
Diagnostic Procedure ABS003L8
1. CHECK OVERALL FUNCTION
1. Turn ignition switch ON.
2. Pinch fuel feed hose with two fingers.
Fuel pressure pulsation should be felt on the fuel feed hose
for 1 second after ignition switch is turned ON.
OK or NG
OK >> INSPECTION END
NG >> GO TO 2.
2. CHECK FUEL PUMP POWER SUPPLY CIRCUIT-I
1. Turn ignition switch OFF.
2. Disconnect ECM harness connector.
3. Turn ignition switch ON.
4. Check voltage between ECM terminal 113 and ground with
CONSULT-II or tester.
OK or NG
OK >> GO TO 5.
NG >> GO TO 3.
TER-
MINAL
NO.
WIRE
COLOR ITEM CONDITION DATA (DC Voltage)
113 B/OR Fuel pump relay
[Ignition switch: ON]
●For 1 second after turning ignition switch ON
[Engine is running]
0 - 1.5V
[Ignition switch: ON]
●More than 1 second after turning ignition
switch ON.
BATTERY VOLTAGE
(11 - 14V)
PBIB1020E
Voltage: Battery voltage
PBIB1187E

FUEL PUMP CIRCUIT
EC-601
C
D
E
F
G
H
I
J
K
L
M
A
EC
Revision; 2004 April 2003 G35 Coupe
3. CHECK FUEL PUMP POWER SUPPLY CIRCUIT-I
1. Turn ignition switch ON.
2. Check voltage between IPDM E/R terminal 20 and ground with
CONSULT-II or tester.
OK or NG
OK >> GO TO 4.
NG >> GO TO 12.
4. DETECT MALFUNCTIONING PART
Check the following.
●Harness connectors E11, F2
●Harness for open or short between IPDM E/R and ECM
>> Repair harness or connectors.
5. CHECK CONDENSER POWER SUPPLY CIRCUIT-I
1. Turn ignition switch OFF.
2. Reconnect all harness connectors disconnected.
3. Disconnect condenser harness connector.
4. Turn ignition switch ON.
5. Check voltage between condenser terminal 1 and ground with
CONSULT-II or tester.
6. Also check harness for short to ground and short to power.
OK or NG
OK >> GO TO 9.
NG >> GO TO 6.
6. CHECK 15A FUSE
1. Turn ignition switch OFF.
2. Disconnect 15A fuse.
3. Check 15A fuse.
OK or NG
OK >> GO TO 7.
NG >> Replace fuse.
Voltage: Battery voltage
PBIB1397E
Voltage: Battery voltage should exist for 1 sec-
ond after ignition switch is turned ON.
PBIB0624E

EC-602
FUEL PUMP CIRCUIT
Revision; 2004 April 2003 G35 Coupe
7. CHECK CONDENSER POWER SUPPLY CIRCUIT-II
1. Disconnect IPDM E/R harness connector E7.
2. Check harness continuity between IPDM E/R terminal 23 and condenser terminal 1.
Refer to Wiring Diagram.
3. Also check harness for short to ground and short to power.
OK or NG
OK >> GO TO 12.
NG >> GO TO 8.
8. DETECT MALFUNCTIONING PART
Check the following.
●Harness connectors E123, B41
●Harness for open or short between IPDM E/R and condenser
>> Repair harness or connectors.
9. CHECK CONDENSER GROUND CIRCUIT
1. Check harness continuity between condenser terminal 2 and ground.
Refer to Wiring Diagram.
2. Also check harness for short to power.
OK or NG
OK >> GO TO 10.
NG >> Repair open circuit or short to power in harness or connectors.
10. CHECK CONDENSER
Refer to EC-603, "Component Inspection" .
OK or NG
OK >> GO TO 11.
NG >> Replace condenser.
11. CHECK FUEL PUMP POWER SUPPLU AND GROUND CIRCUIT FOR OPEN AND SHORT
1. Turn ignition switch OFF.
2. Disconnect “fuel level sensor unit and fuel pump” harness con-
nector.
3. Check harness continuity between “fuel level sensor unit and
fuel pump” terminal 1 and harness connector B41 terminal 3,
“fuel level sensor unit and fuel pump” terminal 3 and ground.
Refer to Wiring Diagram.
4. Also check harness for short to ground and short to power.
OK or NG
OK >> GO TO 12.
NG >> Repair open circuit or short to power in harness or connectors.
Continuity should exist.
Continuity should exist.
Continuity should exist.
PBIB1280E

FUEL PUMP CIRCUIT
EC-603
C
D
E
F
G
H
I
J
K
L
M
A
EC
Revision; 2004 April 2003 G35 Coupe
12. CHECK INTERMITTENT INCIDENT
Refer to EC-132, "TROUBLE DIAGNOSIS FOR INTERMITTENT INCIDENT" .
OK or NG
OK >> Replace IPDM E/R.
NG >> Repair or replace harness or connectors.
Component Inspection ABS003L9
FUEL PUMP
1. Disconnect fuel level sensor unit and fuel pump harness connector.
2. Check resistance between fuel level sensor unit and fuel pump
terminals 1 and 3.
CONDENSER
1. Turn ignition switch OFF.
2. Disconnect condenser harness connector.
3. Check resistance between condenser terminals as 1 and 2.
Removal and Installation ABS003LA
FUEL PUMP
Refer to FL-5, "FUEL LEVEL SENSOR UNIT, FUEL FILTER AND FUEL PUMP ASSEMBLY" .
Resistance: Approximately 1.0Ω [at 25°C (77°F)]
SEC918C
Resistance Above 1 MΩ at 25°C (77°F)
PBIB0794E

EC-604
REFRIGERANT PRESSURE SENSOR
Revision; 2004 April 2003 G35 Coupe
REFRIGERANT PRESSURE SENSOR PFP:92136
Component Description ABS003LB
The refrigerant pressure sensor is installed at the liquid tank of the
air conditioner system. The sensor uses an electrostatic volume
pressure transducer to convert refrigerant pressure to voltage. The
voltage signal is sent to ECM, and ECM controls cooling fan system.
PBIB1009E
SEF099XA

REFRIGERANT PRESSURE SENSOR
EC-605
C
D
E
F
G
H
I
J
K
L
M
A
EC
Revision; 2004 April 2003 G35 Coupe
Wiring Diagram ABS003LC
TBWT0303E

EC-606
REFRIGERANT PRESSURE SENSOR
Revision; 2004 April 2003 G35 Coupe
Specification data are reference values and are measured between each terminal and ground.
CAUTION:
Do not use ECM ground terminals when measuring input/output voltage. Doing so may result in dam-
age to the ECM's transistor. Use a ground other than ECM terminals, such as the ground.
Diagnostic Procedure ABS003LD
1. CHECK REFRIGERANT PRESSURE SENSOR OVERALL FUNCTION
1. Start engine and warm it up to normal operating temperature.
2. Turn A/C switch and blower switch ON.
3. Check voltage between ECM terminal 70 and ground with CON-
SULT-II or tester.
OK or NG
OK >> INSPECTION END
NG >> GO TO 2.
TER-
MINAL
NO.
WIRE
COLOR ITEM CONDITION DATA (DC Voltage)
49 W/L
Sensors' power supply
(Refrigerant pressure sen-
sor) [Ignition switch: ON] Approximately 5V
67 B/W
Sensors' ground
(Mass air flow sensor / IAT
sensor / Power steering
pressure sensor / EVAP
control system pressure
sensor)
[Engine is running]
●Warm-up condition
●Idle speed
Approximately 0V
70 R/B Refrigerant pressure sensor
[Engine is running]
●Warm-up condition
●Both A/C switch and blower switch are ON.
(Compressor operates.)
1.0 - 4.0V
Voltage: 1.0 - 4.0V
PBIB1188E

REFRIGERANT PRESSURE SENSOR
EC-607
C
D
E
F
G
H
I
J
K
L
M
A
EC
Revision; 2004 April 2003 G35 Coupe
2. CHECK REFRIGERANT PRESSURE SENSOR POWER SUPPLY CIRCUIT
1. Turn A/C switch and blower switch OFF.
2. Stop engine.
3. Disconnect refrigerant pressure sensor harness connector.
4. Turn ignition switch ON.
5. Check voltage between refrigerant pressure sensor terminal 1
and ground with CONSULT-II or tester.
OK or NG
OK >> GO TO 4.
NG >> GO TO 3.
3. DETECT MALFUNCTIONING PART
Check the following.
●Harness connectors E11, F2
●Harness for open or short between ECM and refrigerant pressure sensor
>> Repair harness or connectors.
4. CHECK REFRIGERANT PRESSURE SENSOR GROUND CIRCUIT FOR OPEN AND SHORT
1. Turn ignition switch OFF.
2. Disconnect ECM harness connector.
3. Check harness continuity between refrigerant pressure sensor terminal 3 and ECM terminal 67.
Refer to Wiring Diagram.
4. Also check harness for short to ground and short to power.
OK or NG
OK >> GO TO 6.
NG >> GO TO 5.
PBIB1009E
Voltage: Approximately 5V
PBIB0188E
Continuity should exist.

EC-608
REFRIGERANT PRESSURE SENSOR
Revision; 2004 April 2003 G35 Coupe
5. DETECT MALFUNCTIONING PART
Check the following.
●Harness connectors E11, F2
●Joint connector-3
●Harness for open or short between ECM and refrigerant pressure sensor
>> Repair open circuit or short to ground or short to power in harness or connectors.
6. CHECK REFRIGERANT PRESSURE SENSOR INPUT SIGNAL CIRCUIT FOR OPEN AND SHORT
1. Check harness continuity between ECM terminal 70 and refrigerant pressure sensor terminal 2.
Refer to Wiring Diagram.
2. Also check harness for short to ground and short to power.
OK or NG
OK >> GO TO 8.
NG >> GO TO 7.
7. DETECT MALFUNCTIONING PART
Check the following.
●Harness connectors E11, F2
●Harness for open or short between ECM and refrigerant pressure sensor
>> Repair open circuit or short to ground or short to power in harness or connectors.
8. CHECK INTERMITTENT INCIDENT
Refer to EC-132, "TROUBLE DIAGNOSIS FOR INTERMITTENT INCIDENT" .
OK or NG
OK >> Replace refrigerant pressure sensor.
NG >> Repair or replace.
Removal and Installation ABS003LE
REFRIGERANT PRESSURE SENSOR
Refer to ATC-156, "Removal and Installation of Refrigerant Pressure Sensor" .
Continuity should exist.

ELECTRICAL LOAD SIGNAL
EC-609
C
D
E
F
G
H
I
J
K
L
M
A
EC
Revision; 2004 April 2003 G35 Coupe
ELECTRICAL LOAD SIGNAL PFP:25350
Description ABS003LF
The electrical load signal (Headlamp switch signal, rear window defogger switch signal, etc.) is transferred
through the CAN communication line from BCM to ECM via IPDM E/R.
CONSULT-II Reference Value in Data Monitor Mode ABS003LG
Specification data are reference values.
Diagnostic Procedure ABS003LH
1. CHECK LOAD SIGNAL CIRCUIT OVERALL FUNCTION-I
1. Turn ignition switch ON.
2. Connect CONSULT-II and select "DATA MONITOR" mode.
3. Select "LOAD SIGNAL" and check indication under the following
conditions.
OK or NG
OK >> GO TO 2.
NG >> GO TO 3.
2. CHECK LOAD SIGNAL CIRCUIT OVERALL FUNCTION-II
Check "LOAD SIGNAL" indication under the following conditions.
OK or NG
OK >> INSPECTION END
NG >> GO TO 4.
3. CHECK REAR WINDOW DEFOGGER SYSTEM
Refer to GW-62, "REAR WINDOW DEFOGGER" .
>> INSPECTION END
4. CHECK HEADLAMP SYSTEM
Refer to LT-7, "HEADLAMP (FOR USA)" or LT-32, "HEADLAMP (FOR CANADA) - DAYTIME LIGHT SYS-
TEM -" .
>> INSPECTION END
MONITOR ITEM CONDITION SPECIFICATION
LOAD SIGNAL ●Ignition switch: ON
Rear window defogger switch is ON
and/or lighting switch is in 2nd. ON
Rear window defogger switch is OFF
and lighting switch is OFF. OFF
Condition Indication
Rear window defogger switch ON ON
Rear window defogger switch OFF OFF
PBIB0103E
Condition Indication
Lighting switch ON at 2nd position ON
Lighting switch OFF OFF
PBIB0103E

EC-610
ASCD BRAKE SWITCH
Revision; 2004 April 2003 G35 Coupe
ASCD BRAKE SWITCH PFP:25320
Component Description ABS003LI
When the brake pedal is depressed, ASCD brake switch is turned
OFF and stop lamp switch is turned ON. ECM detects the state of
the brake pedal by this input of two kinds (ON/OFF signal).
Refer to EC-644, "AUTOMATIC SPEED CONTROL DEVICE
(ASCD)" for the ASCD function.
CONSULT-II Reference Value in Data Monitor Mode ABS003LJ
Specification data are reference values.
PBIB1282E
MONITOR ITEM CONDITION SPECIFICATION
BRAKE SW 1
(ASCD brake switch) ●Ignition switch: ON
●Clutch pedal (M/T) and brake
pedal: Fully released ON
●Clutch pedal (M/T) and/or
brake pedal: Slightly
depressed
OFF
BRAKE SW 2
(stop lamp switch) ●Ignition switch: ON ●Brake pedal fully released OFF
●Brake pedal depressed ON

ASCD BRAKE SWITCH
EC-611
C
D
E
F
G
H
I
J
K
L
M
A
EC
Revision; 2004 April 2003 G35 Coupe
Wiring Diagram ABS003LK
TBWT0304E

EC-612
ASCD BRAKE SWITCH
Revision; 2004 April 2003 G35 Coupe
Specification data are reference values and are measured between each terminal and ground.
CAUTION:
Do not use ECM ground terminals when measuring input/output voltage. Doing so may result in dam-
age to the ECM's transistor. Use a ground other than ECM terminals, such as the ground.
TER-
MINAL
NO.
WIRE
COLOR ITEM CONDITION DATA (DC Voltage)
101 P/L Stop lamp switch
[Ignition switch: ON]
●Brake pedal is fully released Approximately 0V
[Ignition switch: ON]
●Brake pedal is depressed
BATTERY VOLTAGE
(11 - 14V)
108 SB ASCD brake switch
[Ignition switch: ON]
●Brake pedal is depressed (A/T models)
●Brake pedal and/or clutch pedal are
depressed (M/T models)
Approximately 0V
[Ignition switch: ON]
●Brake pedal is fully released (A/T models)
●Brake pedal and clutch pedal are fully
released (M/T models)
BATTERY VOLTAGE
(11 - 14V)

ASCD BRAKE SWITCH
EC-613
C
D
E
F
G
H
I
J
K
L
M
A
EC
Revision; 2004 April 2003 G35 Coupe
Diagnostic Procedure ABS003LL
A/T MODELS
1. CHECK OVERALL FUNCTION-I
With CONSULT-II
1. Turn ignition switch ON.
2. Select “BRAKE SW1” in “DATA MONITOR” mode with CONSULT-II.
3. Check “BRAKE SW1” indication under the following conditions.
Without CONSULT-II
1. Turn ignition switch ON.
2. Check voltage between ECM terminal 108 and ground under the
following conditions.
OK or NG
OK >> GO TO 2.
NG >> GO TO 3.
CONDITION INDICATION
When brake pedal is depressed OFF
When brake pedal is fully released ON
SEC011D
CONDITION VOLTAGE
When brake pedal is depressed Approximately 0V
When brake pedal is fully released Battery voltage
MBIB0061E

EC-614
ASCD BRAKE SWITCH
Revision; 2004 April 2003 G35 Coupe
2. CHECK OVERALL FUNCTION-II
With CONSULT-II
Check “BRAKE SW2” indication in “DATA MONITOR” mode.
Without CONSULT-II
Check voltage between ECM terminal 101 and ground under the following conditions.
OK or NG
OK >> INSPECTION END
NG >> GO TO 8.
CONDITION INDICATION
When brake pedal is released OFF
When brake pedal is depressed ON
SEC013D
CONDITION VOLTAGE
When brake pedal is released Approximately 0V
When brake pedal is depressed Battery voltage
MBIB0060E

ASCD BRAKE SWITCH
EC-615
C
D
E
F
G
H
I
J
K
L
M
A
EC
Revision; 2004 April 2003 G35 Coupe
3. CHECK ASCD BRAKE SWITCH POWER SUPPLY CIRCUIT
1. Turn ignition switch OFF.
2. Disconnect ASCD brake switch harness connector.
3. Turn ignition switch ON.
4. Check voltage between ASCD brake switch terminal 1 and
ground with CONSULT-II or tester.
OK or NG
OK >> GO TO 5.
NG >> GO TO 4.
4. DETECT MALFUNCTIONING PART
Check the following.
●Joint connector-2
●Fuse block (J/B) connector E101
●10A fuse
●Harness for open or short between ASCD brake switch and fuse
>> Repair open circuit or short to ground or short to power in harness or connectors.
5. CHECK ASCD BRAKE SWITCH INPUT SIGNAL CIRCUIT FOR OPEN AND SHORT
1. Turn ignition switch OFF.
2. Disconnect ECM harness connector.
3. Check harness continuity between ECM terminal 108 and ASCD brake switch terminal 2.
Refer to Wiring Diagram.
4. Also check harness for short to ground and short to power.
OK or NG
OK >> GO TO 7.
NG >> GO TO 6.
PBIB1005E
Voltage: Battery voltage
PBIB0857E
Continuity should exist.

EC-616
ASCD BRAKE SWITCH
Revision; 2004 April 2003 G35 Coupe
6. DETECT MALFUNCTIONING PART
Check the following.
●Harness connectors E10, F1
●Harness for open or short between ECM and ASCD brake switch
>> Repair open circuit or short to ground or short to power in harness or connectors.
7. CHECK ASCD BRAKE SWITCH
Refer to EC-531, "Component Inspection"
OK or NG
OK >> GO TO 13.
NG >> Replace ASCD brake switch.
8. CHECK STOP LAMP SWITCH POWER SUPPLY CIRCUIT
1. Turn ignition switch OFF.
2. Disconnect stop lamp switch harness connector.
3. Check voltage between stop lamp switch terminal 1 and ground
with CONSULT -II or tester.
OK or NG
OK >> GO TO 10.
NG >> GO TO 9.
9. DETECT MALFUNCTIONING PART
Check the following.
●Fuse block (J/B) connector E101
●10A fuse
●Harness for open or short between stop lamp switch and fuse
>> Repair open circuit or short to ground or short to power in harness or connectors.
PBIB1005E
Voltage: Battery voltage
PBIB1184E

ASCD BRAKE SWITCH
EC-617
C
D
E
F
G
H
I
J
K
L
M
A
EC
Revision; 2004 April 2003 G35 Coupe
10. CHECK STOP LAMP SWITCH INPUT SIGNAL CIRCUIT FOR OPEN AND SHORT
1. Disconnect ECM harness connector.
2. Check harness continuity between ECM terminal 101 and stop lamp switch terminal 2.
Refer to Wiring Diagram.
3. Also check harness for short to ground and short to power.
OK or NG
OK >> GO TO 12.
NG >> GO TO 11.
11. DETECT MALFUNCTIONING PART
Check the following.
●Harness connectors E108, M15
●Harness connectors M72, F102
●Joint connector-1
●Harness for open or short between ECM and stop lamp switch
>> Repair open circuit or short to ground or short to power in harness or connectors.
12. CHECK STOP LAMP SWITCH
Refer to EC-531, "Component Inspection"
OK or NG
OK >> GO TO 13.
NG >> Replace stop lamp switch.
13. CHECK INTERMITTENT INCIDENT
Refer to EC-132, "TROUBLE DIAGNOSIS FOR INTERMITTENT INCIDENT" .
>> INSPECTION END
Continuity should exist.

EC-618
ASCD BRAKE SWITCH
Revision; 2004 April 2003 G35 Coupe
M/T MODELS
1. CHECK OVERALL FUNCTION-I
With CONSULT-II
1. Turn ignition switch ON.
2. Select “BRAKE SW1” in “DATA MONITOR” mode with CONSULT-II.
3. Check “BRAKE SW1” indication under the following conditions.
Without CONSULT-II
1. Turn ignition switch ON.
2. Check voltage between ECM terminal 108 and ground under the
following conditions.
OK or NG
OK >> GO TO 2.
NG >> GO TO 3.
CONDITION INDICATION
When brake pedal and/or clutch pedal are depressed OFF
When brake pedal and clutch pedal are fully released ON
SEC011D
CONDITION VOLTAGE
When brake pedal and/or clutch pedal are depressed Approximately 0V
When brake pedal and clutch pedal are fully released Battery voltage
MBIB0061E

ASCD BRAKE SWITCH
EC-619
C
D
E
F
G
H
I
J
K
L
M
A
EC
Revision; 2004 April 2003 G35 Coupe
2. CHECK OVERALL FUNCTION-II
With CONSULT-II
Check “BRAKE SW2” indication in “DATA MONITOR” mode.
Without CONSULT-II
Check voltage between ECM terminal 101 and ground under the fol-
lowing conditions.
OK or NG
OK >> INSPECTION END
NG >> GO TO 11.
3. CHECK ASCD BRAKE SWITCH CIRCUIT
1. Turn ignition switch OFF.
2. Disconnect ASCD clutch switch harness connector.
3. Turn ignition switch ON.
4. Check voltage between ASCD clutch switch terminal 1 and
ground with CONSULT-II or tester.
OK or NG
OK >> GO TO 8.
NG >> GO TO 4.
CONDITION INDICATION
When brake pedal is released OFF
When brake pedal is depressed ON
SEC013D
CONDITION VOLTAGE
When brake pedal is released Approximately 0V
When brake pedal is depressed Battery voltage
MBIB0060E
PBIB1282E
Voltage: Battery voltage
PBIB0799E

EC-620
ASCD BRAKE SWITCH
Revision; 2004 April 2003 G35 Coupe
4. CHECK ASCD BRAKE SWITCH POWER SUPPLY CIRCUIT
1. Turn ignition switch OFF.
2. Disconnect ASCD brake switch harness connector.
3. Turn ignition switch ON.
4. Check voltage between ASCD brake switch terminal 1 and
ground with CONSULT-II or tester.
OK or NG
OK >> GO TO 6.
NG >> GO TO 5.
5. DETECT MALFUNCTIONING PART
Check the following.
●Joint connector-2
●Fuse block (J/B) connector E101
●10A fuse
●Harness for open or short between ASCD brake switch and fuse
>> Repair open circuit or short to ground or short to power in harness or connectors.
6. CHECK ASCD BRAKE SWITCH INPUT SIGNAL CIRCUIT FOR OPEN AND SHORT
1. Turn ignition switch OFF.
2. Check harness continuity between ASCD brake switch terminal 2 and ASCD clutch switch terminal 1.
Refer to Wiring Diagram.
3. Also check harness for short to ground and short to power.
OK or NG
OK >> GO TO 7.
NG >> Repair open circuit or short to ground or short to power in harness or connectors.
7. CHECK ASCD BRAKE SWITCH
Refer to EC-531, "Component Inspection"
OK or NG
OK >> GO TO 16.
NG >> Replace ASCD brake switch.
PBIB1282E
Voltage: Battery voltage
PBIB0857E
Continuity should exist.

ASCD BRAKE SWITCH
EC-621
C
D
E
F
G
H
I
J
K
L
M
A
EC
Revision; 2004 April 2003 G35 Coupe
8. CHECK ASCD CLUTCH SWITCH INPUT SIGNAL CIRCUIT FOR OPEN AND SHORT
1. Turn ignition switch OFF.
2. Disconnect ECM harness connector.
3. Check harness continuity between ASCD clutch switch terminal 2 and ECM terminal 108.
Refer to Wiring Diagram.
4. Also check harness for short to ground and short to power.
OK or NG
OK >> GO TO 10.
NG >> GO TO 9.
9. DETECT MALFUNCTIONING PART
Check the following.
●Harness connectors E10, F1
●Harness for open or short between ECM and ASCD clutch switch
>> Repair open circuit or short to ground or short to power in harness or connectors.
10. CHECK ASCD CLUTCH SWITCH
Refer to EC-531, "Component Inspection" .
OK or NG
OK >> GO TO 16.
NG >> Replace ASCD clutch switch.
11. CHECK STOP LAMP SWITCH POWER SUPPLY CIRCUIT
1. Turn ignition switch OFF.
2. Disconnect stop lamp switch harness connector.
3. Check voltage between stop lamp switch terminal 1 and ground
with CONSULT-II or tester.
OK or NG
OK >> GO TO 13.
NG >> GO TO 12.
Continuity should exist.
PBIB1282E
Voltage: Battery voltage
PBIB0117E

EC-622
ASCD BRAKE SWITCH
Revision; 2004 April 2003 G35 Coupe
12. DETECT MALFUNCTIONING PART
Check the following.
●Fuse block (J/B) connector E101
●10A fuse
●Harness for open or short between stop lamp switch and fuse
>> Repair open circuit or short to ground or short to power in harness or connectors.
13. CHECK STOP LAMP SWITCH INPUT SIGNAL CIRCUIT FOR OPEN AND SHORT
1. Disconnect ECM harness connector.
2. Check harness continuity between ECM terminal 101 and stop lamp switch terminal 2.
Refer to Wiring Diagram.
3. Also check harness for short to ground and short to power.
OK or NG
OK >> GO TO 15.
NG >> GO TO 14.
14. DETECT MALFUNCTIONING PART
Check the following.
●Harness connectors E108, M15
●Harness connectors M72, F102
●Joint connector-1
●Harness for open or short between ECM and stop lamp switch
>> Repair open circuit or short to ground or short to power in harness or connectors.
15. CHECK STOP LAMP SWITCH
Refer to EC-531, "Component Inspection"
OK or NG
OK >> GO TO 16.
NG >> Replace stop lamp switch.
16. CHECK INTERMITTENT INCIDENT
Refer to EC-132, "TROUBLE DIAGNOSIS FOR INTERMITTENT INCIDENT" .
>> INSPECTION END
Continuity should exist.

ASCD BRAKE SWITCH
EC-623
C
D
E
F
G
H
I
J
K
L
M
A
EC
Revision; 2004 April 2003 G35 Coupe
Component Inspection ABS003LM
ASCD BRAKE SWITCH
1. Turn ignition switch OFF.
2. Disconnect ASCD brake switch harness connector.
3. Check harness continuity between ASCD brake switch terminals
1 and 2 under the following conditions.
If NG, adjust ASCD brake switch installation, refer to BR-6,
"BRAKE PEDAL" , and perform step 3 again.
ASCD CLUTCH SWITCH
1. Turn ignition switch OFF.
2. Disconnect ASCD clutch switch harness connector.
3. Check harness continuity between ASCD clutch switch termi-
nals 1 and 2 under the following conditions.
If NG, adjust ASCD clutch switch installation, refer to CL-5,
"CLUTCH PEDAL" , and perform step 3 again.
STOP LAMP SWITCH (FOR A/T MODELS)
1. Turn ignition switch OFF.
2. Disconnect stop lamp switch harness connector.
3. Check harness continuity between stop lamp switch terminals 1
and 2 under the following conditions.
If NG, adjust stop lamp switch installation, refer to BR-6,
"BRAKE PEDAL" , and perform step 3 again.
STOP LAMP SWITCH (FOR M/T MODELS)
1. Turn ignition switch OFF.
2. Disconnect stop lamp switch harness connector.
Condition Continuity
When brake pedal is fully released. Should exist.
When brake pedal is depressed. Should not exist.
SEC023D
Condition Continuity
When clutch pedal is fully released. Should exist.
When clutch pedal is depressed. Should not exist.
SEC024D
Condition Continuity
When brake pedal is fully released. Should not exist.
When brake pedal is depressed. Should exist.
PBIB1185E

EC-624
ASCD BRAKE SWITCH
Revision; 2004 April 2003 G35 Coupe
3. Check harness continuity between stop lamp switch terminals 1
and 2 under the following conditions.
If NG, adjust stop lamp switch installation, refer to BR-6,
"BRAKE PEDAL" , and perform step 3 again.
Condition Continuity
When brake pedal is fully released. Should not exist.
When brake pedal is depressed. Should exist.
PBIB0118E

ASCD INDICATOR
EC-625
C
D
E
F
G
H
I
J
K
L
M
A
EC
Revision; 2004 April 2003 G35 Coupe
ASCD INDICATOR PFP:24814
Component Description ABS003LN
ASCD indicator lamp illuminates to indicate ASCD operation status. Lamp has two indicators, CRUISE and
SET, and is integrated in combination meter.
CRUISE indicator illuminates when CRUISE switch on ASCD steering switch is turned ON to indicated that
ASCD system is ready for operation.
SET indicator illuminates when following conditions are met.
●CRUISE indicator is illuminated.
●SET switch on ASCD steering switch is turned ON while vehicle speed is within the range of ASCD set-
ting.
SET indicator remains lit during ASCD control.
Refer to EC-644, "AUTOMATIC SPEED CONTROL DEVICE (ASCD)" for the ASCD function.
CONSULT-II Reference Value in Data Monitor Mode ABS003LO
Specification data are reference value.
MONITOR ITEM CONDITION SPECIFICATION
CRUISE LAMP ●Ignition switch: ON ●CRUISE switch pressed ON
●CRUISE switch released OFF
SET LAMP
●CRUISE switch: ON
●When vehicle speed is
between 40 km/h (25 MPH)
and 144 km/h (89 MPH)
●COAST/SET switch pressed ON
●COAST/SET switch released OFF

EC-626
ASCD INDICATOR
Revision; 2004 April 2003 G35 Coupe
Wiring Diagram ABS003LP
TBWT0305E

ASCD INDICATOR
EC-627
C
D
E
F
G
H
I
J
K
L
M
A
EC
Revision; 2004 April 2003 G35 Coupe
Diagnostic Procedure ABS003LQ
1. CHECK OVERALL FUNCTION
Check ASCD indicator under the following conditions.
OK or NG
OK >> INSPECTION END
NG >> GO TO 2.
2. CHECK DTC
Check that DTC U1000 or U1001 is not displayed.
OK or NG
OK >> GO TO 3.
NG >> Perform trouble diagnoses for DTC U1000, U1001. Refer to EC-140, "DTC U1000, U1001 CAN
COMMUNICATION LINE" .
3. CHECK COMBINATION METER OPERATION
Does combination meter operate normally?
Yes or No
Yes >> GO TO 4.
No >> Check combination meter circuit. Refer to DI-4, "COMBINATION METERS" .
4. CHECK INTERMITTENT INCIDENT
Refer to EC-132, "TROUBLE DIAGNOSIS FOR INTERMITTENT INCIDENT" .
>> INSPECTION END
ASCD INDICATOR CONDITION SPECIFICATION
CRUISE LAMP ●Ignition switch: ON ●CRUISE switch pressed ON
●CRUISE switch released OFF
SET LAMP
●CRUISE switch: ON
●When vehicle speed is
between 40 km/h (25 MPH)
and 144 km/h (89 MPH)
●COAST/SET switch pressed ON
●COAST/SET switch released OFF

EC-628
MIL AND DATA LINK CONNECTOR
Revision; 2004 April 2003 G35 Coupe
MIL AND DATA LINK CONNECTOR PFP:24814
Wiring Diagram ABS003LR
TBWT0306E

MIL AND DATA LINK CONNECTOR
EC-629
C
D
E
F
G
H
I
J
K
L
M
A
EC
Revision; 2004 April 2003 G35 Coupe
TBWT0307E

EC-630
EVAPORATIVE EMISSION SYSTEM
Revision; 2004 April 2003 G35 Coupe
EVAPORATIVE EMISSION SYSTEM PFP:14950
Description ABS003LS
SYSTEM DESCRIPTION
The evaporative emission system is used to reduce hydrocarbons emitted into the atmosphere from the fuel
system. This reduction of hydrocarbons is accomplished by activated charcoals in the EVAP canister.
The fuel vapor in the sealed fuel tank is led into the EVAP canister which contains activated carbon and the
vapor is stored there when the engine is not operating or when refueling to the fuel tank.
The vapor in the EVAP canister is purged by the air through the purge line to the intake manifold when the
engine is operating. EVAP canister purge volume control solenoid valve is controlled by ECM. When the
engine operates, the flow rate of vapor controlled by EVAP canister purge volume control solenoid valve is
proportionally regulated as the air flow increases.
EVAP canister purge volume control solenoid valve also shuts off the vapor purge line during decelerating and
idling.
PBIB1631E

EVAPORATIVE EMISSION SYSTEM
EC-631
C
D
E
F
G
H
I
J
K
L
M
A
EC
Revision; 2004 April 2003 G35 Coupe
EVAPORATIVE EMISSION LINE DRAWING
PBIB1022E

EC-632
EVAPORATIVE EMISSION SYSTEM
Revision; 2004 April 2003 G35 Coupe
PBIB1066E

EVAPORATIVE EMISSION SYSTEM
EC-633
C
D
E
F
G
H
I
J
K
L
M
A
EC
Revision; 2004 April 2003 G35 Coupe
Component Inspection ABS003LT
EVAP CANISTER
Check EVAP canister as follows:
1. Block port B .
2. Blow air into port A and check that it flows freely out of port C .
3. Release blocked port B .
4. Apply vacuum pressure to port B and check that vacuum pres-
sure exists at the ports A and C .
5. Block port A and B .
6. Apply pressure to port C and check that there is no leakage.
FUEL TANK VACUUM RELIEF VALVE (BUILT INTO FUEL FULLER CAP)
1. Wipe clean valve housing.
2. Check valve opening pressure and vacuum.
3. If out of specification, replace fuel filler cap as an assembly.
CAUTION:
Use only a genuine fuel filler cap as a replacement. If an incor-
rect fuel filler cap is used, the MIL may come on.
EVAP CANISTER PURGE VOLUME CONTROL SOLENOID VALVE
Refer to EC-340 .
FUEL TANK TEMPERATURE SENSOR
Refer to EC-282 .
EVAP CANISTER VENT CONTROL VALVE
Refer to EC-347 .
EVAP CONTROL SYSTEM PRESSURE SENSOR
Refer to EC-357 .
PBIB1044E
SEF445Y
Pressure: 15.3 - 20.0 kPa (0.156 - 0.204 kg/cm2 , 2.22
- 2.90 psi)
Vacuum: −6.0 to −3.3 kPa (−0.061 to −0.034 kg/cm2 ,
−0.87 to −0.48 psi)
SEF943S

EC-634
EVAPORATIVE EMISSION SYSTEM
Revision; 2004 April 2003 G35 Coupe
EVAP SERVICE PORT
Positive pressure is delivered to the EVAP system through the EVAP
service port. If fuel vapor leakage in the EVAP system occurs, use a
leak detector to locate the leak.
Removal and Installation ABS003LU
EVAP CANISTER
Tighten EVAP canister as shown in the figure.
EVAP CANISTER VENT CONTROL VALVE
1. Turn EVAP canister vent control valve counterclockwise.
2. Remove the EVAP canister vent control valve.
Do not reuse the O-ring, replace it with a new one.
How to Detect Fuel Vapor Leakage ABS003LV
CAUTION:
●Never use compressed air or a high pressure pump.
●Do not exceed 4.12 kPa (0.042 kg/cm2 , 0.6 psi) of pressure in EVAP system.
NOTE:
●Do not start engine.
●Improper installation of EVAP service port adapter to the EVAP service port may cause a leak.
SEF462UA
PBIB1029E
PBIB1030E

EVAPORATIVE EMISSION SYSTEM
EC-635
C
D
E
F
G
H
I
J
K
L
M
A
EC
Revision; 2004 April 2003 G35 Coupe
WITH CONSULT-II
1. Attach the EVAP service port adapter securely to the EVAP service port.
2. Also attach the pressure pump and hose to the EVAP service port adapter.
3. Turn ignition switch ON.
4. Select the “EVAP SYSTEM CLOSE” of “WORK SUPPORT
MODE” with CONSULT-II.
5. Touch “START”. A bar graph (Pressure indicating display) will
appear on the screen.
6. Apply positive pressure to the EVAP system until the pressure
indicator reaches the middle of the bar graph.
7. Remove EVAP service port adapter and hose with pressure
pump.
8. Locate the leak using a leak detector. Refer to EC-631, "EVAP-
ORATIVE EMISSION LINE DRAWING" .
WITHOUT CONSULT-II
1. Attach the EVAP service port adapter securely to the EVAP ser-
vice port.
2. Also attach the pressure pump with pressure gauge to the EVAP
service port adapter.
PEF838U
PEF917U
SEF200U
SEF462UA

EC-636
EVAPORATIVE EMISSION SYSTEM
Revision; 2004 April 2003 G35 Coupe
3. Apply battery voltage to between the terminals of EVAP canister vent control valve to make a closed
EVAP system.
4. To locate the leak, deliver positive pressure to the EVAP system until pressure gauge points reach 1.38 to
2.76 kPa (0.014 to 0.028 kg/cm2 , 0.2 to 0.4 psi).
5. Remove EVAP service port adapter and hose with pressure pump.
6. Locate the leak using a leak detector. Refer to EC-631, "EVAPORATIVE EMISSION LINE DRAWING" .
PBIB1086E

ON BOARD REFUELING VAPOR RECOVERY (ORVR)
EC-637
C
D
E
F
G
H
I
J
K
L
M
A
EC
Revision; 2004 April 2003 G35 Coupe
ON BOARD REFUELING VAPOR RECOVERY (ORVR) PFP:00032
System Description ABS003LW
From the beginning of refueling, the air and vapor inside the fuel tank go through refueling EVAP vapor cut
valve and EVAP/ORVR line to the EVAP canister. The vapor is absorbed by the EVAP canister and the air is
released to the atmosphere.
When the refueling has reached the full level of the fuel tank, the refueling EVAP vapor cut valve is closed and
refueling is stopped because of auto shut-off. The vapor which was absorbed by the EVAP canister is purged
during driving.
WARNING:
When conducting inspections below, be sure to observe the following:
●Put a “CAUTION: INFLAMMABLE” sign in workshop.
●Do not smoke while servicing fuel system. Keep open flames and sparks away from work area.
●Be sure to furnish the workshop with a CO2 fire extinguisher.
CAUTION:
●Before removing fuel line parts, carry out the following procedures:
–Put drained fuel in an explosion-proof container and put lid on securely.
–Release fuel pressure from fuel line. Refer to EC-48, "FUEL PRESSURE RELEASE" .
–Disconnect battery ground cable.
●Always replace O-ring when the fuel gauge retainer is removed.
●Do not kink or twist hose and tube when they are installed.
●Do not tighten hose and clamps excessively to avoid damaging hoses.
●After installation, run engine and check for fuel leaks at connection.
●Do not attempt to top off the fuel tank after the fuel pump nozzle shuts off automatically.
Continued refueling may cause fuel overflow, resulting in fuel spray and possibly a fire.
PBIB1068E

EC-638
ON BOARD REFUELING VAPOR RECOVERY (ORVR)
Revision; 2004 April 2003 G35 Coupe
Diagnostic Procedure ABS003LX
SYMPTOM: FUEL ODOR FROM EVAP CANISTER IS STRONG.
1. CHECK EVAP CANISTER
1. Remove EVAP canister with EVAP canister vent control valve and EVAP control system pressure sensor
attached.
2. Weigh the EVAP canister with EVAP canister vent control valve and EVAP control system pressure sensor
attached.
The weight should be less than 2.2 kg (4.9 lb).
OK or NG
OK >> GO TO 2.
NG >> GO TO 3.
2. CHECK IF EVAP CANISTER SATURATED WITH WATER
Does water drain from the EVAP canister?
Yes or No
Yes >> GO TO 3.
No >> GO TO 5.
3. REPLACE EVAP CANISTER
Replace EVAP canister with a new one.
>> GO TO 4.
4. DETECT MALFUNCTIONING PART
Check the EVAP hose between EVAP canister and vehicle frame for clogging or poor connection.
>> Repair or replace EVAP hose.
5. CHECK REFUELING EVAP VAPOR CUT VALVE
Refer to EC-640, "Component Inspection" .
OK or NG
OK >> INSPECTION END
NG >> Replace refueling EVAP vapor cut valve with fuel tank.
PBIB1031E

ON BOARD REFUELING VAPOR RECOVERY (ORVR)
EC-639
C
D
E
F
G
H
I
J
K
L
M
A
EC
Revision; 2004 April 2003 G35 Coupe
SYMPTOM: CANNOT REFUEL/FUEL ODOR FROM THE FUEL FILLER OPENING IS STRONG
WHILE REFUELING.
1. CHECK EVAP CANISTER
1. Remove EVAP canister with EVAP canister vent control valve and EVAP control system pressure sensor
attached.
2. Weigh the EVAP canister with EVAP canister vent control valve and EVAP control system pressure sensor
attached.
The weight should be less than 2.2 kg (4.9 lb).
OK or NG
OK >> GO TO 2.
NG >> GO TO 3.
2. CHECK IF EVAP CANISTER SATURATED WITH WATER
Does water drain from the EVAP canister?
Yes or No
Yes >> GO TO 3.
No >> GO TO 5.
3. REPLACE EVAP CANISTER
Replace EVAP canister with a new one.
>> GO TO 4.
4. DETECT MALFUNCTIONING PART
Check the EVAP hose between EVAP canister and vehicle frame for clogging or poor connection.
>> Repair or replace EVAP hose.
5. CHECK VENT HOSES AND VENT TUBES
Check hoses and tubes between EVAP canister and refueling EVAP vapor cut valve for clogging, kink, loose-
ness and improper connection.
OK or NG
OK >> GO TO 6.
NG >> Repair or replace hoses and tubes.
6. CHECK FILLER NECK TUBE
Check recirculation line for clogging, dents and cracks.
OK or NG
OK >> GO TO 7.
NG >> Replace filler neck tube.
PBIB1031E

EC-640
ON BOARD REFUELING VAPOR RECOVERY (ORVR)
Revision; 2004 April 2003 G35 Coupe
7. CHECK REFUELING EVAP VAPOR CUT VALVE
Refer to EC-640, "Component Inspection" .
OK or NG
OK >> GO TO 8.
NG >> Replace refueling EVAP vapor cut valve with fuel tank.
8. CHECK FUEL FILLER TUBE
Check filler neck tube and hose connected to the fuel tank for clogging, dents and cracks.
OK or NG
OK >> GO TO 9.
NG >> Replace fuel filler tube.
9. CHECK ONE-WAY FUEL VALVE-I
Check one-way valve for clogging.
OK or NG
OK >> GO TO 10.
NG >> Repair or replace one-way fuel valve with fuel tank.
10. CHECK ONE-WAY FUEL VALVE-II
1. Make sure that fuel is drained from the tank.
2. Remove fuel filler tube and hose.
3. Check one-way fuel valve for operation as follows.
When a stick is inserted, the valve should open, when removing
stick it should close.
Do not drop any material into the tank.
OK or NG
OK >> INSPECTION END
NG >> Replace fuel filler tube or replace one-way fuel valve
with fuel tank.
Component Inspection ABS003LY
REFUELING EVAP VAPOR CUT VALVE
With CONSULT-II
1. Remove fuel tank. Refer to FL-11, "FUEL TANK" .
2. Drain fuel from the tank as follows:
a. Remove fuel feed hose located on the fuel gauge retainer.
b. Connect a spare fuel hose, one side to fuel gauge retainer where the hose was removed and the other
side to a fuel container.
c. Drain fuel using “FUEL PUMP RELAY” in “ACTIVE TEST” mode with CONSULT-II.
3. Check refueling EVAP vapor cut valve for being stuck to close as follows.
Blow air into the refueling EVAP vapor cut valve (from the end of EVAP/ORVR line hose), and check that
the air flows freely into the tank.
4. Check refueling EVAP vapor cut valve for being stuck to open as follows.
a. Connect vacuum pump to hose end.
b. Remove fuel gauge retainer with fuel gauge unit.
Always replace O-ring with new one.
c. Put fuel tank upside down.
SEF665U

ON BOARD REFUELING VAPOR RECOVERY (ORVR)
EC-641
C
D
E
F
G
H
I
J
K
L
M
A
EC
Revision; 2004 April 2003 G35 Coupe
d. Apply vacuum pressure to hose end [−13.3 kPa (−100 mmHg, −3.94 inHg)] with fuel gauge retainer
remaining open and check that the pressure is applicable.
Without CONSULT-II
1. Remove fuel tank. Refer to FL-11, "FUEL TANK" .
2. Drain fuel from the tank as follows:
a. Remove fuel gauge retainer.
b. Drain fuel from the tank using a handy pump into a fuel container.
3. Check refueling EVAP vapor cut valve for being stuck to close as follows.
Blow air into the refueling EVAP vapor cut valve (from the end of EVAP/ORVR line hose), and check that
the air flows freely into the tank.
4. Check refueling EVAP vapor cut valve for being stuck to open as follows.
a. Connect vacuum pump to hose end.
b. Remove fuel gauge retainer with fuel gauge unit.
Always replace O-ring with new one.
c. Put fuel tank upside down.
d. Apply vacuum pressure to hose end [−13.3 kPa (−100 mmHg, −3.94 inHg)] with fuel gauge retainer
remaining open and check that the pressure is applicable.
PBIB1035E
PBIB1035E

EC-642
POSITIVE CRANKCASE VENTILATION
Revision; 2004 April 2003 G35 Coupe
POSITIVE CRANKCASE VENTILATION PFP:11810
Description ABS003LZ
SYSTEM DESCRIPTION
This system returns blow-by gas to the intake manifold.
The positive crankcase ventilation (PCV) valve is provided to conduct crankcase blow-by gas to the intake
manifold. During partial throttle operation of the engine, the intake manifold sucks the blow-by gas through the
PCV valve. Normally, the capacity of the valve is sufficient to handle any blow-by and a small amount of venti-
lating air. The ventilating air is then drawn from the air inlet tubes into the crankcase. In this process the air
passes through the hose connecting air inlet tubes to rocker cover. Under full-throttle condition, the manifold
vacuum is insufficient to draw the blow-by flow through the valve. The flow goes through the hose connection
in the reverse direction.
On vehicles with an excessively high blow-by, the valve does not
meet the requirement. This is because some of the flow will go
through the hose connection to the air inlet tubes under all condi-
tions.
Component Inspection ABS003M0
PCV (POSITIVE CRANKCASE VENTILATION) VALVE
With engine running at idle, remove PCV valve from rocker cover. A
properly working valve makes a hissing noise as air passes through
it. A strong vacuum should be felt immediately when a finger is
placed over valve inlet.
SEC921C
PBIB1588E
PBIB1589E

POSITIVE CRANKCASE VENTILATION
EC-643
C
D
E
F
G
H
I
J
K
L
M
A
EC
Revision; 2004 April 2003 G35 Coupe
PCV VALVE VENTILATION HOSE
1. Check hoses and hose connections for leaks.
2. Disconnect all hoses and clean with compressed air. If any hose
cannot be freed of obstructions, replace.
S-ET277

EC-644
AUTOMATIC SPEED CONTROL DEVICE (ASCD)
Revision; 2004 April 2003 G35 Coupe
AUTOMATIC SPEED CONTROL DEVICE (ASCD) PFP:18930
System Description ABS003M1
INPUT/OUTPUT SIGNAL CHART
*: This signal is sent to the ECM through CAN communication line.
BASIC ASCD SYSTEM
Refer to Owner's Manual for ASCD operating instructions.
Automatic Speed Control Device (ASCD) allows a driver to keep vehicle at predetermined constant speed
without depressing accelerator pedal. Driver can set vehicle speed in advance between approximately 40 km/
h (25 MPH) and 144 km/h (89 MPH).
ECM controls throttle angle of electric throttle control actuator to regulate engine speed.
Operation status of ASCD is indicated by CRUISE indicator and SET indicator in combination meter. If any
malfunction occurs in ASCD system, it automatically deactivates control.
NOTE:
Always drive vehicle in safe manner according to traffic conditions and obey all traffic laws.
SET OPERATION
Press ASCD CRUISE switch (Main switch). (The CRUISE indicator in combination meter illuminates.)
When vehicle speed reaches a desired speed between approximately 40 km/h (25 MPH) and 144 km/h (89
MPH), press SET switch. (Then SET indicator in combination meter illuminates.)
ACCEL OPERATION
If the RESUME/ACCEL switch is pressed during cruise control driving, increase the vehicle speed until the
switch is released or vehicle speed reaches maximum speed controlled by the system.
And then ASCD will keep the new set speed.
CANCEL OPERATION
When any of following conditions exist, cruise operation will be canceled.
●CANCEL switch is pressed
●More than 2 switches at ASCD steering switch are pressed at the same time (Set speed will be cleared)
●Brake pedal is depressed
●Clutch pedal is depressed or gear position is changed to the neutral position (M/T models)
●Selector lever is changed to N, P, R position (A/T models)
●Vehicle speed decreased to 13 km/h (8 MPH) lower than the set speed
●VDC/TCS system is operated
When the ECM detects any of the following conditions, the ECM will cancel the cruise operation and inform
the driver by blinking indicator lamp.
●Engine coolant temperature is slightly higher than the normal operating temperature, CRUISE lamp may
blink slowly.
When the engine coolant temperature decreases to the normal operating temperature, CRUISE lamp will
stop blinking and the cruise operation will be able to work by pressing SET switch or RESUME switch.
●Malfunction for some self-diagnoses regarding ASCD control: SET lamp will blink quickly.
If MAIN switch is turned to OFF during ASCD is activated, all of ASCD operations will be canceled and vehicle
speed memory will be erased.
Sensor Input signal to ECM ECM function Actuator
ASCD brake switch Brake pedal operation
ASCD vehicle speed control Electric throttle control
actuator
Stop lamp switch Brake pedal operation
ASCD clutch switch Clutch pedal operation
ASCD steering switch ASCD steering switch operation
Park/Neutral position (PNP)
switch Gear position
Combination meter* Vehicle speed
TCM* Powertrain revolution

AUTOMATIC SPEED CONTROL DEVICE (ASCD)
EC-645
C
D
E
F
G
H
I
J
K
L
M
A
EC
Revision; 2004 April 2003 G35 Coupe
COAST OPERATION
When the SET/COAST switch is pressed during cruise control driving, decrease vehicle set speed until the
switch is released. And then ASCD will keep the new set speed.
RESUME OPERATION
When the RESUME/ACCEL switch is pressed after cancel operation other than pressing MAIN switch is per-
formed, vehicle speed will return to last set speed. To resume vehicle set speed, vehicle condition must meet
following conditions.
●Brake pedal is released
●Clutch pedal is released (M/T models)
●A/T selector lever is in other than P and N positions (A/T models)
●Vehicle speed is greater than 40 km/h (25 MPH) and less than 144 km/h (89 MPH)
Component Description ABS003M2
ASCD STEERING SWITCH
Refer to EC-510 .
ASCD BRAKE SWITCH
Refer to EC-517 , and EC-610 .
ASCD CLUTCH SWITCH
Refer to EC-517 .
STOP LAMP SWITCH
Refer to EC-517 , EC-544 and EC-610 .
ELECTRIC THROTTLE CONTROL ACTUATOR
Refer to EC-415 , EC-417 , EC-423 and EC-428 .
ASCD INDICATOR
Refer to EC-625 .

EC-646
SERVICE DATA AND SPECIFICATIONS (SDS)
Revision; 2004 April 2003 G35 Coupe
SERVICE DATA AND SPECIFICATIONS (SDS) PFP:00030
Fuel Pressure ABS003M3
Idle Speed and Ignition Timing ABS003M4
*: Under the following conditions:
●Air conditioner switch: OFF
●Electric load: OFF (Lights, heater fan & rear window defogger)
●Steering wheel: Kept in straight-ahead position
Calculated Load Value ABS003M5
Mass Air Flow Sensor ABS003M6
*: Engine is warmed up to normal operating temperature and running under no-load.
Intake Air Temperature Sensor ABS003M7
Engine Coolant Temperature Sensor ABS003M8
Heated Oxygen Sensor 1 Heater ABS003M9
Heated Oxygen Sensor 2 Heater ABS003MA
Crankshaft Position Sensor (POS) ABS003MB
Refer to EC-306, "Component Inspection" .
Camshaft Position Sensor (PHASE) ABS003MC
Refer to EC-314, "Component Inspection" .
Fuel pressure at idling kPa (kg/cm2 , psi) Approximately 350 (3.57, 51)
Target idle speed A/T No-load* (in P or N position) 650±50 rpm
M/T No-load* (in Neutral position)
Air conditioner: ON A/T In P or N position 775 rpm or more
M/T In Neutral position
Ignition timing A/T In P or N position 15° ± 5° BTDC
M/T In Neutral position
Conditions Calculated load value % (Using CONSULT-II or GST)
At idle 5 - 35
At 2,500 rpm 5 - 35
Supply voltage Battery voltage (11 - 14V)
Output voltage at idle 0.9 - 1.2*V
Mass air flow (Using CONSULT-II or GST) 2.0 - 6.0 g·m/sec at idle*
7.0 - 20.0 g·m/sec at 2,500 rpm*
Temperature °C (°F) Resistance kΩ
25 (77) 1.94 - 2.06
80 (176) 0.295 - 0.349
Temperature °C (°F) Resistance kΩ
20 (68) 2.1 - 2.9
50 (122) 0.68 - 1.00
90 (194) 0.236 - 0.260
Resistance [at 25°C (77°F)] 3.3 - 4.0Ω
Resistance [at 25°C (77°F)] 5.0 - 7.0Ω

SERVICE DATA AND SPECIFICATIONS (SDS)
EC-647
C
D
E
F
G
H
I
J
K
L
M
A
EC
Revision; 2004 April 2003 G35 Coupe
Throttle Control Motor ABS003MD
Injector ABS003ME
Fuel Pump ABS003MF
Resistance [at 25°C (77°F)] Approximately 1 - 15Ω
Resistance [at 20°C (68°F)] 13.5 - 17.5Ω
Resistance [at 25°C (77°F)] Approximately 1.0Ω

EC-648
SERVICE DATA AND SPECIFICATIONS (SDS)
Revision; 2004 April 2003 G35 Coupe


