4812 Fire Lite.ms 4812.ms 4824
User Manual: fire-lite.ms-4812.ms-4824
Open the PDF directly: View PDF
.
Page Count: 17

D. CLASS A/CLASS B ZONE INSTALLATION (INITIATING ZONE MODULES)
Each Initiating Zone Module provides up to 2 class A (style D), 4 class B (style B) or 1 class A and 2 class B
zones of protection. This module accommodates both 2 and 4-wire smoke detectors, N.O. alarm initiating de-
vices and N.O. or N.C. supervisory devices. Use any UL Listed N.O. or N.C. device not requiring power from
the Fire Control Panel such as pull stations, heat detectors, waterflow switches, etc. Use only those 2 and 4-
wire smoke detectors which are listed in Table 2 in section II.C 'Summary Of Specifications'. Each zone pro-
vides enough current (2mA) to power up to 16 of the 2-wire detectors listed in that section. Before proceeding,
position the module jumpers for the desired zone configuration as shown in Figure 4.
IMPORTANT!: N.C. supervisory devices are not permitted for NFPA71-central station installations, but are
permitted for NFPA 72A-local installations.
Insert the first module into slot 2 of the main board and connect the ribbon cable to the connector shown on the
Summary of Connections Diagram (Figures 8, 9). Wire connections from initiating devices to this module are
made on the main terminal block.if used, the second module plugs into slot 3, with its ribbon cable plugged into
the Auxiliary Terminal Block Board as shown in the Summary of Connections Diagram. Wire connections to
the second module are made to the Auxiliary Terminal Block Board.
When wiring initiating devices, be sure that the maximum zone wire run resistance does not exceed 100 ohms
for both the MS4812 and the MS4824. Observe polarity when wiring 2-wire smoke detectors. Be sure that
only 2 and 4wire smoke detectors are wired to zones that will be programmed for alarm verification (other de-
vices may not be programmed for alarm verification).

FIGURE 4. ZONE CONFIGURATIONS FOR INITIATING ZONE MODULES (Previous Page)*
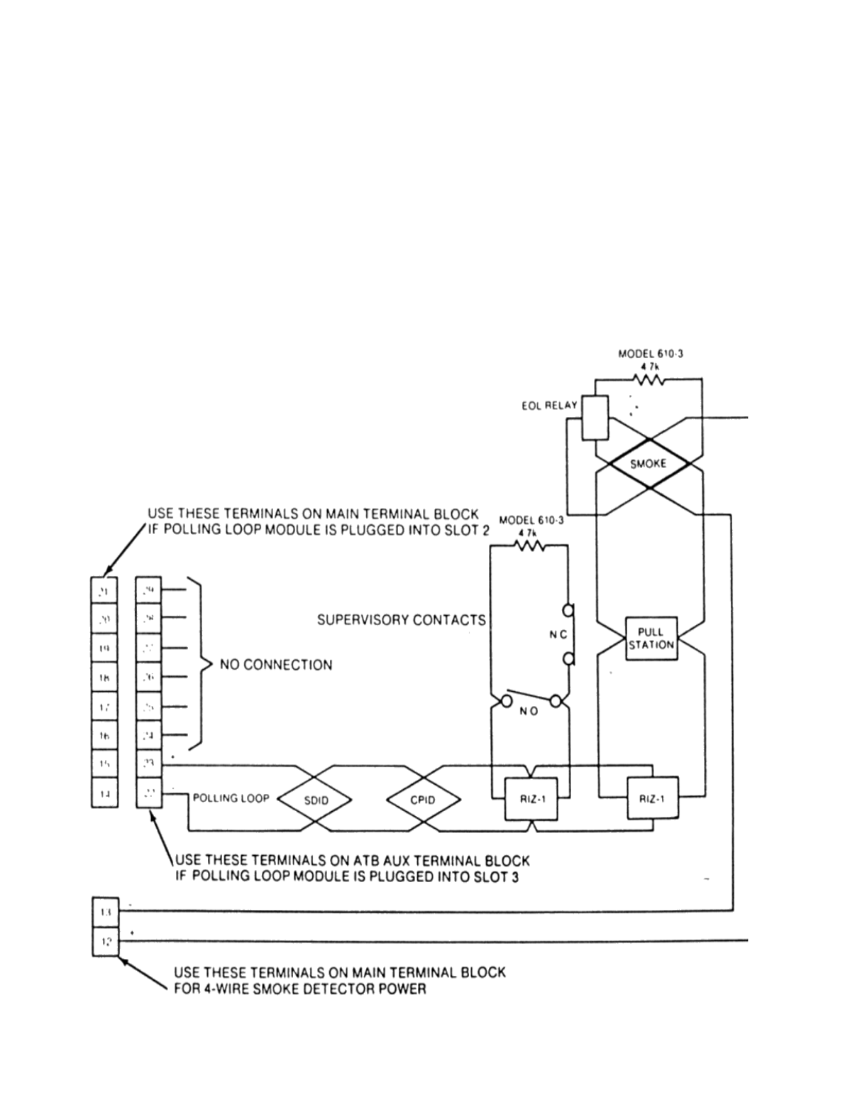
E. ADDRESSABLE SENSOR INSTALLATION (POLLING LOOP MODULES)
The Polling Loop module provides a supervised polling loop output for connection to addressable sensors. The
polling loop provides power to sensors and serves as a communication path between the control panel and sensors.
Each sensor is assigned a unique address ID number, set by an 8 position DIP switch, which is displayed at the key-
pad console when annunciating the sensor's status.
Each Polling Loop module 'provides up to 55mA of current for sensors. Fill out the polling loop loading worksheet
(Table 3) to determine the maximum number of sensors that can be connected to a single loop. A second module
can be installed, which provides a second 55mA polling loop output, if additional sensors are required. Note that
the maximum number of sensors supported by the system is 88. Do not connect one polling loop output to the other
polling loop output if two modules are used.
The first Polling Loop module is installed in slot 2 of the main board, and its ribbon cable plugs into the connector
on the main terminal block as shown in the Summary of Connections Diagram. The second module (if used) is in-
stalled in slot 3 of the main board with its ribbon cable connected to the connector on the Auxiliary Terminal Block
Board as shown in the Summary of Connections diagram.
Before installing sensors, be sure to assign unique ID numbers (from 9-96) using each sensor's DIP switch. Do not
assign the same number to more than one sensor. Refer to Table 4 in this section when setting DIP switches. Wire
sensors to the polling loop as shown in Figure 5. Observe the wire run length limitations listed in section II.C
Polling Loop module specifications. Sensors can be connected to a single wire run or groups of sensors can be
connected to separate wire runs without affecting the Fire Control Panel's ability to supervise individual sensors.
Be sure to observe sensor polarity when wiring.
CAUTION! Use of shielded wire or conduit reduces the maximum combined wire run length for multiple wire
runs (f rom one Polling Loop Module) f rom 4000 f eet (1 200m) to 2000 feet (600m), independent of wire gauge.
RIZ-1 Installation and Connection
When using the RIZ-1 module, be sure that the maximum wire run resistance does not exceed 100 ohms. Wire ini-
tiating devices to the RIZ-1 zone as shown in Figure 5. Be sure that only 4- wire smoke detectors are wired to the
zone if the zone will be programmed for alarm verification. The RIZ-1 mounts to any standard double gang electri-
cal box using the four screws supplied with the module.
When using SDID, SDID-T, or CPID smoke detectors, or the BGID pull station, follow the instructions included
with these modules for proper installation.
TABLE 3. POLLING LOOP LOADING WORKSHEET
SENSOR/LOAD FACTOR NUMBER INSTALLED EFFECTIVE LOAD
SDID: 0.36mA
SDID-T: 0.36mA
BGID: 0.56mA
CPID: .0.36mA
RIZ-1: 1.95mA
TOTALS: (88 max.) (55mA max.)

For each addressable sensor type shown above, fill in the number of sensors to be installed, then calculate the
Effective load by muftiplying the number of installed sensors by the the load factor listed. Add the numbers in
each column. Verify that the total number of sensors installed does not exceed 88 and that the total load does not
exceed 55mA.
NOTE: Load Factor is defined as follows:
Load Factor = (standby current + alarm current) X 1/2
This load factor was chosen so that maximum polling loop current (55mA) is drawn when 1/2 of the installed sen-
sors are in alarm states and 1/2 are in standby state.
FIGURE 5. POLLING LOOP CONNECTIONS

SWITCH POSITION SWITCH POSITION
1 2 3 4 5 6 7 8 1 2 3 4 5 6 7 8
ON ON
OFF OFF
ID# ID#
OFF OFF OFF OFF on OFF OFF on = 9 OFF OFF on on OFF on OFF on = 53
OFF OFF OFF OFF on OFF on OFF =10 OFF OFF on on OFF on on OFF = 54
OFF OFF OFF OFF on OFF on on =11 OFF OFF on on OFF on on on = 55
OFF OFF OFF OFF on on OFF OFF =12 OFF OFF on on on OFF OFF OFF = 56
OFF OFF OFF OFF on on OFF on =13 OFF OFF on on on OFF OFF on = 57
OFF OFF OFF OFF on on on OFF =14 OFF OFF on on on OFF on OFF = 58
OFF OFF OFF OFF on on on on =15 OFF OFF on on on OFF on on = 59
OFF OFF OFF on OFF OFF OFF OFF =16 OFF OFF on on on on OFF OFF = 60
OFF OFF OFF on OFF OFF OFF on =17 OFF OFF on on on on OFF on = 61
OFF OFF OFF on OFF OFF on OFF=18 OFF OFF on on on on on OFF = 62
OFF OFF OFF on OFF OFF on on =19 OFF OFF onon on on on on = 63
OFF OFF OFF on OFF on OFF OFF =20 OFF on OFF OFF OFF OFF OFF OFF = 64
OFF OFF OFF on OFF on OFF on = 21 OFF on OFF OFF OFF OFF OFF on = 65
OFF OFF OFF on OFF on on OFF = 22 OFF on OFF OFF OFF OFF on OFF = 66
OFF OFF OFF on OFF on on on = 23 OFF on OFF OFF OFF OFF on on = 67
OFF OFF OFF on on OFF OFF OFF= 24 OFF on OFF OFF OFF on OFF OFF = 68
OFF OFF OFF on on OFF OFF on = 25 OFF on OFF OFF OFF on OFF on = 69
OFF OFF OFF on on OFF on OFF= 26 OFF on OFF OFF OFF on on OFF = 70
OFF OFF OFF on on OFF on on = 27 OFF on OFF OFF OFF on on on = 71
OFF OFF OFF on on on OFF OFF= 28 OFF on OFF OFF on OFF OFF OFF = 72
OFF OFF OFF on on on OFF on = 29 OFF on OFF OFF on OFF OFF on = 73
OFF OFF OFF on on on on OFF= 30 OFF on OFF OFF on OFF on OFF = 74
OFF OFF OFF on on on on on = 31 OFF on OFF OFF on OFF on on = 75
OFF OFF on OFF OFF OFF OFF OFF=32 OFF on OFF OFF on on OFF OFF = 76
OFF OFF on OFF OFF OFF OFF on =33 OFF on OFF OFF on on OFF on = 77
OFF OFF on OFF OFF OFF on OFF=34 OFF on OFF OFF on on on OFF = 78
OFF OFF on OFF OFF OFF on on =35 OFF on OFF OFF on on on on = 79
OFF OFF on OFF OFF on OFF OFF=36 OFF on OFF on OFF OFF OFF OFF = 80
OFF OFF on OFF OFF on OFF on =37 OFF on OFF on OFF OFF OFF on = 81
OFF OFF on OFF OFF on on OFF =38 OFF on OFF on OFF OFF on OFF = 82
OFF OFF on OFF OFF on on on =39 OFF on OFF on OFF OFF on on = 83
OFF OFF on OFF on OFF OFF OFF=40 OFF on OFF on OFF on OFF OFF = 84
OFF OFF on OFF on OFF OFF on =41 OFF on OFF on OFF on OFF on = 85
OFF OFF on OFF on OFF on OFF=42 OFF on OFF on OFF on on OFF = 86
OFF OFF on OFF on OFF on on=43 OFF on OFF on OFF on on on = 87
OFF OFF on OFF on on OFF OFF=44 OFF on OFF on on OFF OFF OFF = 88
OFF OFF on OFF on on OFF on=45 OFF on OFF on on OFF OFF on = 89
OFF OFF on OFF on on on OFF= 46 OFF on OFF on on OFF on OFF = 90
OFF OFF on OFF on on on on= 47 OFF on OFF on on OFF on on = 91
OFF OFF on on OFF OFF OFF OFF =48 OFF on OFFon on on OFF OFF = 92
OFF OFF on on OFF OFF OFF on= 49 OFF on OFF on on on OFF on = 93
OFF OFF on on OFF OFF on OFF=50 OFF on OFFon on on on OFF = 94
OFF OFF on on OFF OFF on on =51 OFF on OFFon on on on on = 95
OFF OFF on on OFF on OFF OFF =52 OFF on on OFF OFF OFF OFF OFF = 96
TABLE 4. ADDRESSABLE SENSOR DIP SWITCH SETTING TABLE (Above)
TABLE 6. POWER SUPPLY LOADING WORKSHEET (Next)
Fill in the alarm and standby currents drawn from each output listed below. Add up the currents in both columns.
Verify that the total alarm current does not exceed the maximum current limit (67omA for MS4812; 585mA for
MS4824). Use the total standby current to choose the battery capacity needed to achieve 24 hours of standby time.

SLOT/DEVICE MS4812 MS4824 STANDBY CURRENT ALARM CURRENT
RATING RATING (mA) (mA)
FDC-UL 15mA standby 12mA standby
(Slot 1) 85mA alarm 40mA alarm
IZ412 36mA standby SLOT 2 SLOT 3 SLOT 2 SLO
100mA alarm
IZ424 36mA standby
100mA alarm
DCID 85mA standby
75mA standby
DCID24 50mA standby
(Slot2/Slot3) 45mA alarm
RR12 60mA standby 70mA standby
(Slot 4) 100mA alarm 100mA alarm
ATR 40mA standby 25mA standy
(Slot 5) 90mA alarm 50mA alarm
ABM-12 3mA standby
53mA alarm
ABM-24 3mA standby
(Slot 6) 33mA alarm
Remote 75mA standby 45mA standby
Annunciator 140mA alarm 85mA alarm (See NOTE 2)
Output (RDA)
4-Wire See Ratings (160mA max.)
Smoke Detector provided with
Detectors
TOTALS MS4812=420mA max. MS4812=670mA max.
MS4824=310mA max. MS4824= 585mA max.
NOTE 1: The MS4812 rating represents the modulelperipheral current draw from a 12V battery. The MS4824
rating represents the modulelperipheral current draw from the 24V battery.
NOTE 2: Amaximumof2RDAmodulesmaybeconnectedtotheRemoteAnnunciatorpoweroutput. Thisoutputprovides
28OmA at 12V. Each RDA draws l4OmA at 12V in alarm.
TABLES 7A AND 7B. BATTERY CAPACITY SELECTION TABLES
Use the appropriate table shown below to determine the battery capacity required to provide 24 hours of standby
time followed by 5 minutes of alarm time for the total standby current determined from the power supply loading
table above.

TABLE 7A. MS4812 BATTERY SELECTION
* NOTE: Two pairs of battery cables are supplied. Splice one pair together to connect batteries in series. Use both
pairs for connecting batteries in parallel.
TABLE 7B. MS4824 BATTERY SELECTION
TOTAL STANDBY CURRENT BATTERY CAPACITY MAKE AND MODEL NUMBER
Up to 36mA 4AH Yuasa NP4-12 (12V)
Connect 2 in series*
Up to 120mA 6AH Yuasa NP6-12 (12V)
Connect 2 in series*
Up to140mA 6.5AH FireLite PS1265 (12V)
Connect 2 in series*
Up to 200mA 8AH Yuasa NP8-6 (6V)
Connect 4 in series*
Up to 285mA 10AH Yuasa NP10-6 (6V)
Connect 4 in series*
Up to310mA 12AH Yuasa NP6-12 (12V)
FireLite PS1265 (12V)
See note below
NOTE: Use four batteries. Connect two sets of 2 batteries in series, then connect both sets in paratial Observe po-
larity.
*NOTE: Three pairs of battery cables are provided. Use the red and black cables to connect batteries to terminal
block. Two pairs of redlblack cables are provided to allow batteries to be connected in parallel. Two white jumper
cables are provided to connect batteries in series (splice a red and black cable together to connect four batteries in
series)
TOTAL STANDBY CURRENT BATTERY CAPACITY MAKE AND MODEL NUMBER
UP TO 80 mA 6 AH Yuasa NP6-12 (12V)
UP TO 100mA 6.5 AH Fire-Lite PS 1265 (12V)
UP TO 160mA 8 AH Yuasa NP8-6 (6V)
Fire-Lite PS 682 (6V)
connect 2 in series*
UP TO 240mA 10 AH Yuasa NP10-6 (6V)
connect 2 in series*
UP TO 310mA 13 AH Fire-Lite PS 1265 (12V)
connect 2 in parallel*
UP TO MAX STANDBY CUR-
RENT (420mA MAX.) 15 AH Yuasa NP15-12 (12V)

V. TESTING THE SYSTEM
The system can execute the following tests: bell test, LED test, battery test, walk test and smoke detector test. The
bell test activates both bell circuits for the purposes of conducting a fire drill. The LED test checks that all LEDs
and all segments of the digital display are working properly. Upon completion of the LED test, the digital display
will display the system ID numbers of all tests in progress. The battery test checks the status of the battery. The
walk test is used to check the operation of alarm initiating devices. The smoke detector test allows testing of ad-
dressable smoke detectors from the KeypaJ/Console.
Bell Test
To execute a bell test, press the BELL TEST key. Depending upon operating option programming, both bell cir-
cuits will activate steadily or in march time. The TEST MODE LED will light. The TEST MODE LED remains
on and the bell circuits remain activated until the BELL TEST key is pressed again.
LED Test
To execute an LED test, press the DISPLAY key to enter the Display mode. The DISPLAY MODE LED will light
and all other LEDs will turn off. Then press the LED TEST key. All LEDs will light and the number '88' will ap-
pear in the digital display for 2 seconds. After 2 seconds, the digital display will display the ID numbers of tests
which are in progress. Tests in progress are displayed using the following system ID numbers:
50 = battery test in progress
51 = walk test in progress
52 = bell test in progress
Press the END key to return to the Normal mode.
Battery Test
To activate the battery test, press DISPLAY key + # key + 50. The Battery test function (code 50) allows a battery
test to be manually activated. This test forces the system to operate from the battery for a 1 0 minute period. If the
battery fails to maintain proper operating voltage at any time during the test, the test is aborted and the TROUBLE
LED will light. The system normally performs an automatic battery test every 12 hours, beginning 15 minutes from
power up.
Walk Test
To activate the Walk Test, press DISPLAY + # + 51. The Walk Test (code 51) allows a service person to verify
the operation of all zones and sensors which are programmed for alarm. When this mode is first activated, the ex-
ternal sounders will sound for 3 seconds and the communicator (if installed) will transmit a "Start of Walk Test'
message. To perform the test, simulate an alarm condition at each zone or sensor. The external sounder will sound
for half a second, every 2-5 seconds and the faulted zone or sensor address will be repeatedly flashed on the Con-
trol's display window, for as long as the alarm condition is present.
Smoke Detector Test
SDID/4192SD, SDID-T/4192SDT and CPID Smoke Detectors can be tested via the Console's keypad while in the
Walk Test Mode by entering the address of the detector to be tested. The external sounders will sound briefly and
the detector address will be displayed for 1 second, every 2-5 seconds. Each new address entered ends the test for
the previous address. If an address that is an installed sensor, but is not the address of an addressable smoke detec-
tor, is entered, the system will remain at this location waiting to hear from the unit selected. To get past this erro-
neous entry, enter 99 and testing can be continued. To completely end the smoke detector test, re-enter the last
smoke detector address tested. If an entered address has not been programmed, the keypad will beep 3 times. (This
feature can also be used to verify that any polling loop sensor's address has been programmed, by entering the de-
sired address. If the keypad does not beep 3 times, the address has been programmed.)

Note that alarm reports are NOT sent to the Central station while the walk test is activated. To terminate the walk
test manually, re-enter [* + # +51]. The walk test will also automatically terminate 30 minutes after the last time a
key is pressed or a sensor is faulted. The communicator will transmit an 'End of Walk Test" message when the
walk test mode is terminated, either manually or automatically.
TABLE 9: SUMMARY OF KEYPAD FUNCTIONS
FUNCTION KEYS
Normal Mode
To silence keypad buzzer Press BUZZER SILENCE
To test external sounders Press BELL TEST. (Press again to silence.)
To silence bells activated by alarm Press BELL SILENCE
To reset the system Press RESET
To disable a zone or addressable sensor Press ZONE DISABLE (#) +
Zone or sensor ID number
(enter again to restore a disable zone)
Display Mode
To enter display mode Press DISPLAY (*)
To display current alarms Press DISPLAY (*) + ALARM (1)
To display current supervisory faults Press DISPLAY (*) + SUPV. (2)
To display current sensor and system troubles Press DISPLAY (*) + TROUBLE (3)
To display disabled zones Press DISPLAY (*) + DISABLE (4)
To stop a scrolling display Press STEP (6)
(Repeated depression causes manual scrolling
of ID numbers)
To return to scrolling display Press SCAN (5)
(when in Display Mode)
To test keypad console LEDs and display Press (*) + LED TEST (7)
current tests in progress (test last 2 seconds)
To diplay alarm history Press DISPLAY (*) + (#) + 91
To display supervisory history Press DISPLAY (*) + (#) + 92
To display trouble history Press DISPLAY (*) + (#) + 93
To disable Main Bell Circuit Press DISPLAY (*) + (#) + 70
(Re-enter to enable)

To disable Aux. Bell Circuit Press DISPLAY (*) + (#) + 71
(Re-enter to enable)
To disable Aux. Alarm Relay Press DISPLAY (*) + (#) + 72
(Re-enter to enable)
To disable Aux. Trouble Relay Press DISPLAY (*) + (#) + 73
(Re-enter to enable)
To disable Reversing Relay Press DISPLAY (*) + (#) + 74
(Re-enter to enable)
To disable Digital Comm. Press DISPLAY (*) + (#) + 75
(Re-enter to enable)
To activate battery test Press DISPLAY (*) + (#) + 50
(test lasts 10 minutes)
To activate walk test Press DISPLAY (*) + (#) + 51
(Re-enter to stop test)
To return to Normal Mode from Display Mode Press END (9)
Programming Mode
To enter Program Mode Press DISPLAY (*) + (#) + 10
To program a data field Press (*) + Field Number + [Data to be entered]
To display a previously programmed field Press (#) + Field Number
(when in Program Mode)
To clear the program Press (*) + 90
(when in Program Mode)
To exit program mode with lockout Press (*) + 98
(Re-entry to Program Mode is only within
30 seconds of power up.)
To exit program with lockout Press (*) + 99
(Re-enter Program Mode anytime)
NOTE. Once In DISPLAY mode and the DISPLAY LED Is lit, it Is not necessary to press the DISPLAY (.)
keyagalntoonteradifterentDISPLAYmode. Simply press the appropriate key(s) for the display desired.
SPECIAL MESSAGES
FC: Field Code error, occurs while programming fields. Re-enter data
OC: Open Circuit. No communication If it appears on built-in console, check console's ribbon connector to

main terminal block. If h appears on RDA, check continuity of yellow data wire to RDA.
The following codes may appear while displaying trouble conditions and represent
system troubles:
A0 Polling loop short
Al Future use
A2 Future Use
A3 Main Bell Circuit faulted
A4 Aux. Bell Circuit faulted
A5 Ground fault
A6 Telco Line I faulted
A7 Telco Line 2 faulted
A8 'Low battery
A9 AC Loss
AA Kiss off failure
Ab External sounders silenced
The following codes may appear while displaying disables:
E0 -Main Bell circuit disabled
El - Auxiliary Bell circuit disabled
E2 = Auxiliary Alarm relay,disabled
E3 - Auxiliary Trouble Relay disabled
E4 - Reversing Relay disabled
E5 - Digital Communicator disabled
The following codes may appear while displaying tests In progress:
50 Battery Test
51 Walk Test
52 Bell Test

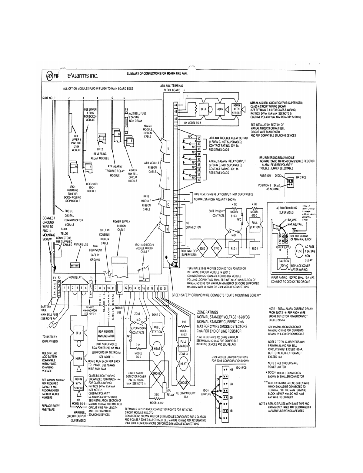
Figure 8: MS4812 Summary of Connections Diagram


FIELD FUNCTION LOCATIONS
[56] SUPERVISORY RETARD TIME
[57] BELL TIMEOUT PERIOD
[58] BELL AND RELAY OPTIONS
For march time bell sounding, enter 0
in location 1
[59] REPORT ROUTING
Alarm reports=locations 1&2
Non-Alarm reports=locations 3&4
[60] REPORT ROUTING AND OP-
TIONS
12 hour test report=0 in location 3
[61] PRIMARY DIALER FORMAT
[62] SECONDARY DIALER FORMAT
Ademco Low Speed=0 in loc. 1, 3 & 4
3+1/4+1 data format=0 in location 2
[63] DIALER LINE OPTIONS
Rotary Service=0 in locatuions 1
[64] DIAL TONE WAIT, AC-
KNOWLEDGEMENTS
5 second wait=0 in locations 1&2
30 second ack=0 in location 3
500msec kissoff=0 in location 4
[65] EXPANDED REPORT OPTIONS
Expanded Zone/Sensor reports=loc. 1-3
Expanded system reports=location 4
[66] PABX ACCESS CODE
{Enter up to four 2-digit numbers, 00-15 each}
[67] PRIMARY SUBSCRIBER ACCOUNT NO.
X2 seconds (01-15)
X2 minutes (01-15)
Bell Stdy Main t/o Aux t/o Not Used
0 enter 1 if yes,
0 if no
alrm prim alrm 2nd non prim non 2nd
enter 1 if yes,
0 if no
2nd bkup prior order 24 hr rprt test rprt
enter 1 if yes,
0 if no
Sescoa 4 + 2 high spd Radionics
enter 1 if yes,
0 if no
enter 1 if yes,
0 if no
T/T Ln 2 T/T Ln 1 Not Used Comm. instll?
enter 1 if yes,
0 if no
11 sc wait 30 sc wait 60 sc wait 1.2 sc kissoff
enter 1 if yes,
0 if no
expd alrm supv trble expd dsble expd systm
enter 1 if yes,
0 if no

[70] PLUGGED-IN OPTIONS
[71] FIRST TEST REPORT TIME DELAY
[72] SECONDARY SUBSCRIBER ACCT. NO. {Enter up to four 2-digit numbers, 00-15}
[73] FACTORY PROGRAMMED FIELD
Recore digits displayed, but
DO NOT CHANGE ANY VALUES!
[74] OTHER REPORT FORMATS/
ROTARY BACKUP (see fields 61&62)
[75] COMMUNICATION OPTIONS
Enter 1 to select checksum/0 if no
Enter 1 to disable dial tone detection/
0 if detection is desired
PROGRAMMING CHART FOR THE MS4812/MS4824 FIRE CONTROL PANEL
FIELD FUNCTION LOCATIONS
(enter 1 to select option, 0 if not desired) 1 2 3 4 5 6 7 8
[00] CLASS A SELECTION (zones only)
[01] MAIN BELL ACTIVATION
[02] AUX BELL ACTIVATION
[03] ALARM VERIFICATION
[04] WATERFLOW
[05] ALARM RELAY ACTIVATION
[06] DELAY REPORTING*
[07] SUPERVISORY SHORT
[08] SUPERVISORY OPEN
[09] SUPERVISORY RETARD
[10] REVERSING RELAY ACTIVATION
For home run wired zones, the location
number corresponds to the programmable group number.
For polling loop sensors, the location number corresponds to the programmable group number.
DCID2 DCID3 IZM2 IZM3
enter 1 if in-
stalled/0 if not
X2 hours (00-15)
Record digits
only!
Expr Prim Expr 2nd Sens ID Rotary Bkup
enter 1 if yes,
0 if no
Cksm Prim Cksm 2nd Dial detc Not Used
0
00000000

Each programmable group responds to the listed option according to the entry made: 1=yes/0=no.
(Enter Group Number 1-7. Enter 0 if not installed)
1 2 3 4 5 6 7 8
[11] SENSORS 9-16
[12] SENSORS 17-24
[13] SENSORS 25-32
[14] SENSORS 33-40
[15] SENSORS 41-48
[16] SENSORS 49-56
[17] SENSORS 57-64
[18] SENSORS 65-72
[19] SENSORS 73-80
[20] SENSORS 81-88
[21] SENSORS 89-96
IMPORTANT! Enter only zeros in all eight locatons of field 6.
1ST DIGIT 2ND DIGIT (Enter 00-15 for all locations)
[22] GROUP 1 ALARM CODE
[23] GROUP 2 ALARM CODE
[24] GROUP 3 ALARM CODE
[25] GROUP 4 ALARM CODE
[26] GROUP 5 ALARM CODE
[27] GROUP 6 ALARM CODE
[28] GROUP 7 ALARM CODE
[29] GROUP 8 ALARM CODE
[30] GROUP 1 ALARM RESTORE CODE
[31] GROUP 2 ALARM RESTORE CODE
[32] GROUP 3 ALARM RESTORE CODE
[33] GROUP 4 ALARM RESTORE CODE
[34] GROUP 5 ALARM RESTORE CODE
[35] GROUP 6 ALARM RESTORE CODE
[36] GROUP 7 ALARM RESTORE CODE
[37] GROUP 8 ALARM RESTORE CODE

[38] SYSTEM TROUBLE CODE
[39] SYSTEM TROUBLE RESTORE CODE
[40] LOW BATTERY CODE
[41] LOW BATTERY RESTORE CODE
[42] AC LOSS CODE
[43] AC RESTORE CODE
[44] SYSTEM DISABLE CODE
[45] SYSTEM DISABLE RESTORE CODE
[46] ZONE TROUBLE CODE
[47] ZONE TROUBLE RESTORE CODE
[48] ZONE DISBALE CODE
[49] AONE DISABLE RESTORE CODE
[50] WALK TEST START CODE
[51] WALK TEST END CODE
[52] SUPERVISORY CODE
[53] SUPERVISORY RESTORE CODE
[54] 12/24 HOUR TEST CODE
[55] NOT USED
Programming Key Components
0000
To enter Programming Mode Press [*] + [#] + [10]
To Program a Data Field Press [*] + [field number]
To Display Previous Data Field Press [#] + [field number]
To Clear Entire Program Press [*] + [90]
To Exit with Lock-Out Option Press [*] + [98]
To Exit without Lock-Out Option Press [*] +[ 99]

Code Enter Code Enter
1-9 01-09 1-9 01-09
0 10 0 00 or 10
B11* 11
C12# 12
D13
E14
F15
Error Messages
FC=Field Code Error, reenter data
OC=Open Circuit, no communication to Console from the Control Panel
Alarm Codes PABX/Telco Codes
To disable any report, enter 0000
Note that digits are programmed and displayed from left to right.