LG M4410 Schematics. Www.s Manuals.com. Schematics
User Manual: Phone LG M4410 - Service manuals and Schematics, Disassembly / Assembly. Free.
Open the PDF directly: View PDF
.
Page Count: 11

- 103 -
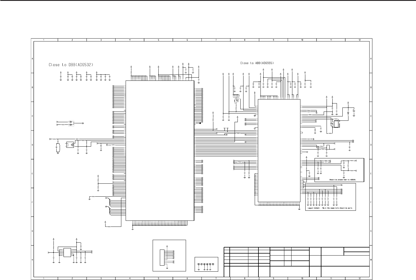
7. èË̈ËÔˇθ̇fl ÒıÂχ
7. èË̈ËÔˇθ̇fl ÒıÂχ
Notice No. NO.
DRAWING
Name
Designer
GUIDE HOLE
Iss.
J.H.BAE
LGIC(42)-A-5505-10:01
LG Electronics Inc.
Sign & NameSection Date
NAME
Approved
Checked
Sheet/Sheets
MODEL
01/21
2005 1/8
VER 1.0
MONACO, TYPHOONE, SIM
M4410
DRAWING
S.W.JEONG
LG Electronics Inc.
Date
JTAG PORT
SIM CONNECTOR
D
G
S1
S2
S3
S4
S5
VUSB
Q101
FDJ129P
VBAT
C145
0
R127
VBAT
0.1u
0
2V8_VMEM
R115
1u
C114
220n
C166
33p
C159
C102
47n
39p
1V8_VINT
C104
OJ3
R102 100
VSIM
2V8_VRTC
R104 330
27p
C167
VBUS_USB
C110
39p0.1u
C105
C148
0.1u
39p
C109
2V8_VEXT
C106
0.1u
1.2M
R103
C153
2V75_VTCXO
100p
C127
1u
1u
C136
3
1
2
VBAT
VBAT
D101
KDS121E
OJ2
C149
C108
0.1u
39p
L101
270nH
VABB
C115
4.7u
C139
1000p
R122
R126
0
10K
330K
R121
560p
C142
R112 0
VCORE
2V8_VMEM
OJ1
C147 0.1u
33p
220n
C160
1V5_VPLL
C165
TP101
C113
0.1u
C140
2V8_VMEM
C107
220p
2V5_VMIC
2V8_VEXT
0.1u
D102
CUS02
VSIM
VCORE
C155
33p
C158
CLK 3
4GND1
GND2 7
8
GND3
GND4
9
10 GND5
6IO
2
RST
VCC 1
VPP
5
18p
1
2
34
J101
MC-146_12.5pF X101
32.768KHz
47n
C101
R120
1V5_VPLL
1u
VCORE
24K
C146
R124
20K
0.01u
VSIM
C132
10K
R123
OJ6
C119
0.47u
C168
27p
C126
1u
1000p
C169
0.1u
C103
C130
27p
VEXT6 T1
T2
VEXT7 T5
VEXT8
VEXT9 T14
B12
VMC
E15
VMEM1
VMEM2 F16
VMEM3 J16
L16
VMEM4 N16
VMEM5
A9
VPLL1 B8
VPLL2 G9
VPLL3
VSIM G1
C9
VUSB
U1
VCORE11
VCORE12 U2
E16
VCORE2 H10
VCORE3
VCORE4 J4
VCORE5 K13
M1
VCORE6 M2
VCORE7
VCORE8 N7
VCORE9 R15
C6
VDDRTC
VEXT1 J8
K8
VEXT2
VEXT3 M4
N8
VEXT4 P4
VEXT5
SIMCLK H7
G2
SIMDATAIO
TESTMODE
V14
D10
USB_M
USB_P D9
USC0 J7
USC1 K4
J2
USC2
USC3 J1
USC4 H2
USC5 H4
H1
USC6
A3
VABB1
VABB2 D2
D4
VCORE1
T10
VCORE10
NRAMCS1
U19 NRAMCS2
R18
C18 NRD
A14 NRESET
V18 NROMCS1
NWAIT
J13
NWE
C19
OSCIN
D7
D6 OSCOUT
PWRON
A8
G11 SD_CLK
A13 SD_CMD
SD_DAT0
G10
SD_DAT1
B11
A11 SD_DAT2
A12 SD_DAT3
GPIO_99
T12
JTAGEN N11
KEYPADCOL0
W15
T13 KEYPADCOL1
W14 KEYPADCOL2
KEYPADCOL3
V13
W13 KEYPADCOL4
KEYPADROW0
V19
T18 KEYPADROW1
U18 KEYPADROW2
KEYPADROW3
W18
V17 KEYPADROW4
NADV
H18
NGPCS1
T19
NHWR_UBS
K19
L18 NLWR_LBS
GPIO_68 W17
L1
GPIO_69
R5 GPIO_7
GPIO_70 L2
M7
GPIO_71
GPIO_72 N2
N4
GPIO_73 N1
GPIO_74
GPIO_76 A2
GPIO_78 F4
V4 GPIO_8
GPIO_85
N9
GPIO_86
W11
GPIO_87
V10
W4 GPIO_9
V12 GPIO_98
GPIO_53
B13
GPIO_54
A16
W16
GPIO_55 N12
GPIO_56
GPIO_57 A5
B5
GPIO_58 K1
GPIO_59
V3 GPIO_6
GPIO_60 K2
GPIO_61 L7
GPIO_62 A4
GPIO_63 C2
GPIO_64 L4
T15
GPIO_65
GPIO_66 T16
GPIO_67 V16
W6 GPIO_22
GPIO_24 G12
GPIO_3
R1
GPIO_32 A15
W8 GPIO_33
T8 GPIO_34
W9 GPIO_35
GPIO_36
V9
W10 GPIO_37
T9 GPIO_38
W2 GPIO_4
B14 GPIO_49
GPIO_5
W3
GPIO_50
J12
GPIO_51
D13
GPIO_52
D12
P2 GPIO_0
GPIO_1
P1
GPIO_10
W5
G4
GPIO_100
V5 GPIO_11
V6 GPIO_12
GPIO_13
T6
T7 GPIO_14
V7 GPIO_15
GPIO_16
W7
V8 GPIO_17
N10
GPIO_18 V11
GPIO_19
R2 GPIO_2
T11
GPIO_20
GPIO_21 W12
GND30
M10
M11 GND31
GND32
M12
GND33
P16
GND34
R4
T4 GND35
GND36
V1
GND37
V2
GND38
W1
GND39
W19
A19 GND4
GND5
C7
GND6
C10
GND7
D5
D8 GND8
GND9
D11
J9 GND16
GND17
J10
J11 GND18
K7 GND19
A7 GND2
K9 GND20
K10 GND21
K11 GND22
L8 GND23
GND24
L9
L10 GND25
GND26
L11
L12 GND27
GND28
M8
M9 GND29
GND3
A10
DATA15
J19
DATA2
E18
E19 DATA3
G16 DATA4
DATA5
F18
DATA6
H16
DATA7
F19
G18 DATA8
J18 DATA9
A1 GND1
E5 GND10
G7 GND11
H8 GND12
GND13
H9
GND14
H11
H12 GND15
BSOFS B2
BURSTCLK
H13
CLKIN
G8 CLKON
V15 CLKOUT E4
CLKOUT_GATE D1
CSDI F2
CSDO F1
CSFS A6
DATA0
D18
D19 DATA1
DATA10
G19
DATA11
K12
H19 DATA12
K18 DATA13
DATA14
K16
ADD21 R19
R16
ADD22 G13
ADD23
ADD3 A17
ADD4 A18
ADD5 D16
ADD6 B18
B16
ADD7
ADD8 B17
ADD9 B19
B4
ASDI
ASDO B1
C1
ASFS
BSDI E1
BSDO B3
BSIFS E2
AD6532XCA
D14
ADD0 D15
ADD1
ADD10 L13
ADD11 M18
ADD12 L19
ADD13 M16
ADD14 M19
ADD15 N18
M13
ADD16 N19
ADD17
ADD18 P18
P19
ADD19
ADD2 B15
N13
ADD20
U102
0.1u
1000p
C112
C129
C137
TDI
TDO_0
TDO_1
TMS
VBAT
_F_WE
0.1u
1V8_VINT
JTAG1
GND
JTAGEN
RPWON
TCK
C135
0.1u
39p
C154
C123
VUSB
2V8_VEXT
VBAT
1u
R110
NA
R114
0
R117 0
C125
1u
OJ5
C134
10u
C138
1u
1D1
2D2
3
D3 6
D4
7
D5
D6 8
4G S 5
TPCF8102
Q102
OJ4
20K
R113
1V8_VINT
10u
C116
R107 0
C156
33p
R108
0.2
C118
1u
VBAT
2.2u
10u
C133
C131
1u
C122
39p
C151
R116
33p
100
C163
VCHARGE
R101
2.4
R125
0
R119
470K
1u
C128
1V5_VPLL
2V8_VEXT
2V8_VEXT
R130
2V8_VRTC
VUSB
100
C120
1u
C121
VSIM
R111
1u
C117
10M
1u
C164
33p
C144
27p
27p
C143
4.7u
C124
C162
18p
C161
18p
39p
C150
N2
T2
VMEM1
VMEM2 T3
P2
VMEMIN1 R2
VMEMIN2
VMEMSEL
R3
N16
VMIC
VPLL
G16
VRTC T7
VRTCIN R6
T6
VSIM
E15 VUSB
F15 VUSBIN
D16
VVCXO
VBAT1
VBAT21 G15
H15
VBAT22
A3
VBAT31 B3
VBAT32
VBAT4 R5
R4
VBAT5
VBATSENSE B8
A5
VCHG
F16 VCORE
VCOREGATE
E16
VCXOEN
A2
VEXT1 A4
B4
VEXT2
N1
VINT1 P1
VINT2
VINTIN
RSVD_C16
K1 RXON
R8 SGND1
T8 SGND2
R10
SPWR1
SPWR2 T10
TCK
B2
A1 TDI
C1 TDO
TEMP1 B9
TEMP2 A8
B1 TMS
K2 TXON
VABB H16
T4 VBACK
T5 VBACKSEL
C15
N15
L16
LIGHT1 M15
LIGHT2
LIGHT3 M16
MCLK
L1
J2 MCLKEN
NC_R12 R12
PA B12
QN
A14 QP
A15
B15
REF
REFBB A10
D15
REFCHG
B11
REFOUT
RESET
T1
A16
RSVD_A16 C16
R1
CSDI
H2
H1 CSDO
CSFS
L2
DBBON
R7
M2 DGND
GATEDRIVE A6
GPI
C2
IBIAS T15
A13 IN
D1 INT
IP
A12
A7
ISENSE
T14
KEYON
KEYOUT T13
LDOEN T12
LGND
T11
J16
AOUT3L
K16
AOUT3R
E1 ASDI
ASDO
D2
F2 ASFS
ASM
J1
AUXADC1 B10
A9
AUXADC2
B6
BATTYPE
BSDI
G2
BSDO
E2
F1 BSIFS
G1 BSOFS
B7
CHGDACREF
CHGOSC B5
CRST
F6
AGND1
B16
A11 AGND2
AGND3
L15
T16 AGND4
R16
AIN1N
P16
AIN1P
AIN2N R15
AIN2P P15
AIN3L R13
R14
AIN3R
AOUT1N K15
J15
AOUT1P
AOUT2N1 R9
AOUT2N2 T9
R11
AOUT2P1
AOUT2P2
L7
L10 AGND029
AGND03
E6
AGND030
L11
L12 AGND031
AGND032
M5
M6 AGND033
AGND034
M7
M10 AGND035
M11 AGND036
M12 AGND037
AGND04
E7
AGND05
E10
E11 AGND06
AGND07
E12
F5 AGND08
AGND09
F12
G5 AGND014
AGND015
G6
G7 AGND016
AGND017
G10
G11 AGND018
AGND019
G12
E5 AGND02
AGND020
K5
AGND021
K6
AGND022
K7
AGND023
K10
AGND024
K11
K12 AGND025
AGND026
L5
L6 AGND027
AGND028
AD6555XBC
U101
ABBRESET
M1 B14
AFCDAC
B13 AGND01
F7 AGND010
AGND011
F10
F11 AGND012
AGND013
18p
C157
R109
2V8_VEXT
150
C170
0.1u
R105
100K
R118
1V8_VINT
100
47p
C141
C111
MAINLCD_DIM_CTL
INDLED_R
MAIN_MICN
0.1u
TMS
TCK
SIM_RST
SIM_DATA SIM_CLK
_SPKAMP_SHDN
_PREAMP_SHDN
RPWRON
ONNOFF
TCK
KEYPADROW(0:4)
BURSTCLK
FLASH_EN
EARMM_EN
INDLED_G
HEADSET_MICN
_LCD_RST
BT_EN
LCD_ID
JTAGEN
TDI
KEYPADROW(3)
KEYPADROW(2)
KEYPADROW(1)
KEYPADROW(0)
KEYPADCOL(4)
KEYPADCOL(3)
KEYPADCOL(2)
KEYPADCOL(1)
KEYPADCOL(0)
SCLK
SDATA
SLE
VC1
VC2
ASM
RXENA
CLKON
AUX_SPK_R
AUX_SPK_L
MAIN_RCVP
MAIN_RCVN
MAIN_MICP
AFCDAC
13MHz
KEYPADCOL(0:4)
SIM_DATA
SIM_CLK
DBBON
_WR
_WAIT
_ROM_CS1
_RESET
_RD
_RAM_CS1
_LBS
_UBS
_ADV
KEYPADROW(4)
DATA10
DATA1
DATA0
CLKON
RF_TEMPSENSE
_RESET
QP
QN
VAPCDAC
KEYPADROW(4)
_POWERKEY
IP
IN
RPWRON
BAT_TEMP
ASM
ADD2
ADD1
ADD0
DATA9
DATA8
DATA7
DATA6
DATA5
DATA4
DATA3
DATA2
DATA15
DATA14
DATA13
DATA12
DATA11
ADD17
ADD16
ADD15
ADD14
ADD13
ADD12
ADD11
ADD10
ADD9
ADD8
ADD7
ADD6
ADD5
ADD4
ADD3
ADD22
TDO0
SIM_RST
VIBRATOR
_ROM_CS2
FLIP_DETECT
USC6
USC5
USC4
USC3
USC2
USC1
USC0
ADD23
ADD21
ADD20
ADD19
ADD18
_BT_RST
_MIDI_CS
_CAM_RST
CAM_IRQ
JACK_DETECT
_MIDI_IRQ
USBDM
USBDP
DBBON
RXON
TXON
RADIO_POWER
TXON
RXON
HEADSET_MICP
_CAM_CS
ONNOFF
DEBUG_TX
DEBUG_RX
PRECHARGE
SXENA
VC3
PCM_EN
PACEN
13MHZ_DBBOUT
TXENA
DSR
CHG_DETECT
_MIDI_RST
HOOK_DETECT
OLED_ON
TMS
TDO1
SPK_RCVN
TDI
JTAGEN
KEYBACKLIGHT
KEYPADROW(5)
ABB_IRQ
ABB_IRQ
VMMC_CTL
SD_DAT3
SD_DAT2
SD_DAT1
SD_DAT0
SD_CLK
SD_CMD
JACK_TYPE
SPKPH_EN
SD_DETECT
RPWRON
TDO1
_WR
TDO0

- 104 -
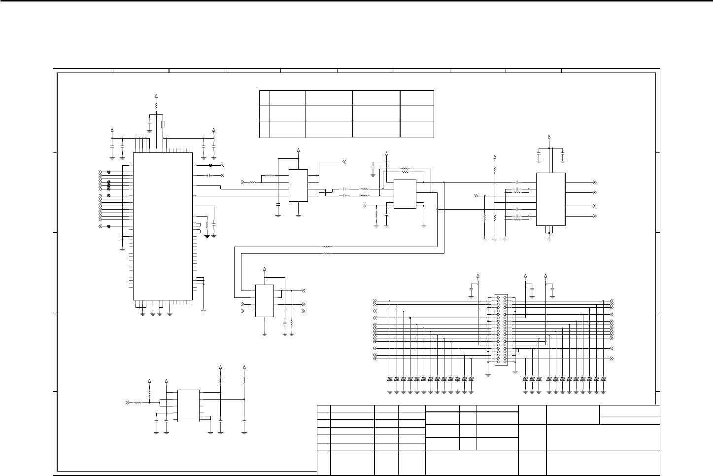
7. èË̈ËÔˇθ̇fl ÒıÂχ
USC5
USC0
Approved
NO.
RX
Checked
10
4
Designer
RXD
1
RESET
LG Electronics Inc.
A
6
2
MODEL
Date
TX
B
Sheet/Sheets
8
-
DRAWING
DAI
Sign & Name
REVERSE TYPE
S.W.JEONG
3
PIN
D
A
TXD
USC1
USC4
5
( 256Mbit FLASH / 64 Mbit pSRAM )
DRAWING
-
2
UART
9
B
MEMORY
2/8
VER 1.0
MEMORY, I/O, mini SD
C
Name
-
LG Electronics Inc.
USC2
Section
3
USC6
LGIC(42)-A-5505-10:01
C
CLOCK
4
A
CTS/RTS(PC)
NAME
D
1
B
RTS/CTS(PC)
Notice No.
-
MINI-SD SOCKET
Date
I/O CONNECTOR
7
5
E
Iss.
J.H.BAE
2005
01/21 M4410
C203
0.1u
C207
2V8_VEXT
1u
1V8_VINT
100K
R201
C211
56p
0
R216
R227 10
_OE1
_OE2 H8
_P1_CS D6
_P2_CS K2
_RST F4
C2
_R_LB
H1
_R_OE
_R_UB F3
D5
_R_WE
_S_CS1 J1
_WE F5
E4
_WP
2V8_VEXT
VCCQ2
L3 VCCQ3
D4 VPP
VSS1
B4
VSS2
C4
VSS3
L1
L2 VSS4
L5 VSS5
L6 VSS6
VSS7
L7
VSS8
L8 WAIT G7
_ADV E5
_CE1 K1
_CE2 G8
_CE3 K3
J2
A2
A7
NC3 A8
NC4
NC6
M1 NC7
M2
M7 NC8
M8 NC9
P_MODE K8
K5 P_VCC
S_CS2 C5
S_VCC
K4
VCC11
B5
VCC12
L4
VCC21
B6
K6 VCC22
J8 VCCQ1
K7
H3
D10 G4
D11 J4
H5
D12 G6
D13
D14 H6
D15 J7
D2 G3
H4
D3 J5
D4 G5
D5 J6
D6 H7
D7 G2
D8
D9 J3
NC1 A1
NC2
E1
E6 A20
A21
B7
A22
C7
A23
C3
D3 A24
E3 A25
D1 A3
B1 A4
C1 A5
A6
F2
A7
E2
A8
F6
A9
D7
CLK C6
D0 H2
D1
G1 A0
F1 A1
A10
E7
A11
B8
C8 A12
A13
D8
A14
F7
E8 A15
F8 A16
D2 A17
B2 A18
B3 A19
A2
U202
RD38F4050L0ZBQ0
3
0.1u
C204
CN201
1
2
R203 NA
10R225
0
R206
VBAT
2V8_VMEM
R224 NA
10p
C219 C220
10p
2V8_VMEM
10
R218
100K
R236
0
R205
2V8_VEXT
10p
R204 NA
C222
C210
15p
R219 0
NA
R214
10
R228
100K
R233
R212 10
56p
C215
27p
C212
0
R208
10p
C221
C206
0.1u 1
D+
D+IC
6
D-
3
D-IC
4
2
GND
5
VBUS
10p
U203
STF203-22
C218
C208
100K
R230
15p
0
R220
R207 0
VA202 AVL5M02-200
R202
100K
6
8
1
3
5
7
C201
4.7u
100K
RA201
2
4
100K
R217 10
R702 100K
R235
2V8_VMMC
R232 100K
10
R223
R210 NA
2V8_VEXT
R211 NA
0.1u
C202
5_CLK
6_VSS
7_D0
8_D1
9_D2
GND
GND
SW_A
SW_B
DM2B-DSF-PEJ
S201
10_NC
11_NC
1_D3
2_CMD
3_VSS
4_VDD
2
20
21
22
23
24
25
26
3
4
5
6
7
8
9
CN202
1
10
11
12
13
14
15
16
17
18
19
C217
10p
100K
R234
22u
2V8_VMMC
C2
A2
VCC
VCHARGE
2V8_VMEM
C213
SN74AUC1G08YZPR
U201
GND
C1
A1
B1
100K
R701
R700 100K
10
R213
C216
R209
10u
NA
R222 10
56p
C209
0.1u
C205
NA
R215
VBUS_USB
AVL5M02-200
VA201
D
G
S
SI1305
Q201
NA
R226
C214
1u
R229 NA
100K
R703
0
R221
100K
R231
DSR
USC0
USC_1
USC_2
VMMC_CTL
TCK
TDO1
JTAGEN
_RESET
TMS
TDI
SD_DETECT
BAT_TEMP
RPWRON
DEBUG_TX
DEBUG_RX
USC3
USC4
USC5
USC6
USBDP
USBDM
CHG_DETECT
SD_CLK
_ROM_CS2
_ROMCS1
_ROM_CS1
_ROM_CS1
_ROMCS1
_ROM_CS2
DATA8
DATA9
_RESET
_WAIT
BURSTCLK
_ADV
_RD
_WR
_LBS
_UBS
_RAM_CS1
SD_DAT3
SD_CMD
SD_DAT0
SD_DAT1
SD_DAT2
ADD20
ADD21
ADD22
ADD23
DATA0
DATA1
DATA10
DATA11
DATA12
DATA13
DATA14
DATA15
DATA2
DATA3
DATA4
DATA5
DATA6
DATA7
ADD1
ADD2
ADD3
ADD4
ADD5
ADD6
ADD7
ADD8
ADD9
ADD10
ADD11
ADD12
ADD13
ADD14
ADD15
ADD16
ADD17
ADD18
ADD19

- 105 -
7. èË̈ËÔˇθ̇fl ÒıÂχ
Checked
Designer
PHONE
(N.A)
AMP Enable
AMP
MODEL
B
Approved
DRAWING
(HEADSET)
LG Electronics Inc.
A
1
A
D
SHUTDOWM
4
EARMM_EN
_PREAMP_SHDN
10
LGIC(42)-A-5505-10:01 LG Electronics Inc.
S.W.JEONG
E
5
SPKPH_EN
Section
DRAWING
SPEAKER
C
6
Sign & Name
8
2
J.H.BAE
Sheet/Sheets
H
VOICE
3
Iss.
Date
01/21
2005
MIDI, MP3, KEYPCB CON
VER 1.0
3/8
M4410
Date
(HEADSET)
AMP
7
NO.
B
A
NAME
9
L
SHUTDOWM
MIDI, MP3
C
D
MIDI, MP3
B
NameNotice No.
_SPKAMP_SHDN
BOARD TO KEY CONNECTOR
5
AMP Enable
C310 0.1u
0.1u
C317
VA325 AVL14K02200
AVL14K02200
VA301
C309 0.1u
2V8_VMEM
TP305
TP306
C315
0.1u
AVL14K02200
VA305
AVL14K02200
VA319
VBAT
NA
R303
FB301
VA323 AVL14K02200
AVL14K02200
VA307
VBAT
1V5_NEC_CORE
2V5_VMIC 2V8_VEXT
0
R302
R305
0
AVL14K02200
VA311
1u
C319
AVL14K02200
VA303
VA306 AVL14K02200
2V8_VMEM
VA318 AVL14K02200
0.01u
C322
0
R309
NA R380
0
R304
33
R319
R308
100K
0
R320
33
34
35
36
37
38
39
4
40
5
6
7
8
9
19
2
20 21
22
23
24
25
26
27
28
29
3
30
31
32
CN301
1
10
11
12
13
14
15
16
17
18
TP307
VA320 AVL14K02200
VA310 AVL14K02200
VA316 AVL14K02200
2V8_NEC_AVDD
TP304
TP303
TP301
C308 1000p
AVL14K02200
VA321
C326
0.1u
2V8_NEC_AVDD
C324 470n
A2
IN2
C1
NC1
A1
NC2
C4
NO1
A4
NO2
B4
V+
R306 NA
U304
MAX4684EBC_T
C3
COM1
A3
COM2
B1
GND
C2
IN1
VA322 AVL14K02200
1u
C321
1u
C304
VA313 AVL14K02200
AVL14K02200
VA317
1u
C305
VBAT
R311
1M
C306
1u
U306 LM4809LQX
9
BGND
BYPASS
3 4
GND
8VDD
VIN1
2
VIN2
6
1
VOUT1
7
VOUT2
_SHDN
5
LOUT2 7
PGND
15
ROUT1 11
14
ROUT2
6
VDD1
VDD2 13
VINL+
9
8VINL-
2VINR+
VINR-
1
10 _SHDN
LM4666SDX
U301
GAIN_SEL
3
GND1
5
GND2
12
4
LOUT1
R318 33
R317
100K
0.1u
C316
1u
C302
0.1u
C311
AVL14K02200
VA309
C318
0.1u
TP302
2V8_NEC_AVDD
C313
C3
COM1
A3
COM2
B1
GND
C2
IN1
A2
IN2
C1
NC1
A1
NC2
C4
NO1
A4
NO2
B4
V+
0.1u
A3
TM3
TM4 B4
TRSCK
A5
D9 VIB
E2
VREF
K7 WR_B_SCLK
U302
MAX4684EBC_T
J1
NC9
PO0
K3
J3 PO1
K4 PO2
PO3
J4
B6 PS
RDATA
A4
J7 RD_B_SPIMODE
RESET_B E9
SHORT_A1 K1
K10
SHORT_A10
A1
SHORT_K1
SHORT_K10 A10
C2
TM0
TM1 F2
TM2 B3
E3
NC16
NC17 F3
G3
NC18
NC19
H3 D8
NC2
NC20
D4
NC21
H5
C6 NC22
H6 NC23
NC24
C7
NC3 G8
H8
NC4 B9
NC5
NC6 J9
B10
NC7
NC8 B1
EGND
A6
EVDD C9
F8 INT_DSP_B
INT_SG_B
E10
IREF D2
LED
C10
LINEOUT_L C1
F1
LINEOUT_R
LRCLK
A8
H7
NC1
A2
NC10
NC11 B2
J2
NC12
NC13 K2
C3
NC14
NC15 D3
D1
J8
H10 D2
H9 D3
D4
G10
D5
G9
F10 D6
D7
F9
C5 DGND1
DGND2
E8
DGND3
J10
K5 DGND4
DVDD1 A9
C4
DVDD2
DVDD3 C8
D10
DVDD4 K9
DVDD5
K6 A0_DATA_TXD
A1_RXD
J5
H4 A2
AGND1
D1
G1 AGND2
H1 AGND_P
A7 ASI
B7 ASO
E1
AVDD G2
AVDD_P
B8 BCLK
B5 CLK8K
CLKIN H2
CS_B_SCS
J6
K8 D0_SERINIT
AVL14K02200
VA315
EUSY0221901
U303
VA302 AVL14K02200
20K
R315
NA
R301
C314
220n
C307
1u
100K
R312
VBAT
VA304 AVL14K02200
1u
C301
C320
1u
1u
C303
R307
2V8_NEC_AVDD
56K
2
EN2
3
6
GND
5NC1
NC2 7
8
NC3
1VIN 10
VOUT1
VOUT2 9
2V8_NEC_AVDD
C312 0.1u
U305 MIC2211-FMYML
BGND 11
4BYP
EN1
VA324
1V5_NEC_CORE
VA308 AVL14K02200
AVL14K02200
R310
0
AVL14K02200
VA312
C325
VA314 AVL14K02200
470n
R314 20K
R316
100K
R313 100K
1u
C323
CLKON
SPKPH_EN
SPK_RCVN
_PREAMP_SHDN
_SPKAMP_SHDN
HEADSET_SPK_R
HEADSET_SPK_L
AUX_SPK_R
AUX_SPK_L
LSPK-
LSPK+
RSPK-
RSPK+
_WR
13MHZ_DBBOUT
EARMM_EN
_RD
_MIDI_RST
ADD0
ADD1
ADD2
_MIDI_CS
DATA8
DATA9
DATA10
DATA11
DATA12
DATA13
DATA14
DATA15
_MIDI_IRQ
JACK_TYPE
JACK_DETECT
HEADSET_SPK_L
HEADSET_SPK_R
KEYPADCOL(0)
KEYPADCOL(1)
KEYPADCOL(2)
KEYPADCOL(3)
KEYPADCOL(4)
_POWERKEY
INDLEDR
MAIN_MICP
MAIN_MICN
HEADSET_MICP
FLIP_DETECT
KEYBACKLIGHT
KEYPADROW(5)
KEYPADROW(4)
HEADSET_MICN
KEYPADROW(3)
KEYPADROW(2)
KEYPADROW(1)
KEYPADROW(0)
INDLED_G
HOOK_DETECT

- 106 -
7. èË̈ËÔˇθ̇fl ÒıÂχ
LG Electronics Inc.
BLUETOOTH
WHITE/FLASH LED CHARGE PUMP
C
LG Electronics Inc.
Checked
B
S.W.JEONG
5
NO.
A
Iss. Name
2005
LGIC(42)-A-5505-10:01
01/21 MODEL
2
A
Date
Section
High Pass Filter
Sign & Name
DRAWING
4
Sheets
6
3
PRECHARGE
Approved NAME
C
7
CAMERA CTL IC
4
8 9
Notice No.
INDICATED LED
DRAWING
D
J.H.BAE
A
BT_ANT
FEEDING
NC
VER 1.0
CAMERA, CHARGE PUMP
4/8
M4410
2
D
5
Designer
PRECHARGE, BLUETOOTH
Date
1
10
B
B
E
3
Sheet/
1
2V8_VEXT
C416
0.1u
10K
R422
C414
0.1u
R401
10K
2.2u
C418
0R425
0
R428
NA
R402
C417
NA
R499
0
C411
1u
D4
VEO1 E9
VEO2
VEO3 G6
B8
VSYNC
G1 MD6
MD7
G2
G3 MD8
H2 MD9
D2 MINT
MREN
D3
MVDD B2
E3 MWEN
A7
PCLK
A1
RESET
RVDD1 D7
RVDD2 H5
SCL B9
A9
SDA
C9
SMCKO
B7
SVDD
LWEN
J8
MA0
B1
C1 MA1
MCS
D1
E1 MD0
MD1
E2
MD10
H3
H4 MD11
MD12
J2
J3 MD13
MD14
J4
J5 MD15
MD2
F1
F2 MD3
MD4
F3
F4 MD5
C7 LD13
LD14
C6
C5 LD15
LD16
E7
G4 LD17
LD2
G8
G7 LD3
G5 LD4
LD5
F7
F6 LD6
LD7
F5
LD8
E6
E5 LD9
J7 LREN
LRS
J6
H1
LVDD
F8
DVSS4
DVSS5 H9
DVSS6 J1
GPIO0 C2
C3
GPIO1
GPIO2 E8
D8
GPIO3_STROBE
GPIO4 D9
HREF A8
J9 LCS1
H8 LCS2
LD0
H7
H6 LD1
LD10
E4
D6 LD11
LD12
D5
CLKI F9
G9
CLKO
A3
DI0
DI1 B3
DI2 A4
B4
DI3 A5
DI4
DI5 B5
DI6 A6
B6
DI7
DVSS1 A2
DVSS2 C4
DVSS3 C8
C412
U402
MV3018SNK
0.01u
330
R410
R418 47
0
R409
VBAT
C409
0.01u
47
R416
C415
VBAT
3
4
VCC
5
2.2u
TC7SH08FS
U404
GND
2
1
2.7K
R406
BGND 6
GND
2
5
NC
1STBY
VIN
3 4
VOUT
1.5nH
L402
U403
BH28FB1WHFV
SPI401
C403
C406
0.1u
4 NC
NO
6
VCC 2
0.1u
NLAST4599DFT2G
U401
COM 5
3
GND
IN
1
47
C_AVDD
R417
2V8_VMEM
C424
1u
R427
0
C402
56p
10u
10u
C401
SPI404
C428
C420
C413
0.1u
C410
1u
2.2u
C422
1u
2V8_VBT
2V8_VBT
SPI402
R414 47
VBAT
TP401
100K
R408
C430
1K
R426
6
ISINK2
ISINK3 7
NC 8
PGND
17
4VIN
13
VOUT_BL
3
VOUT_FL
0.5p
U406 AAT2807AIXN-4.5
11
C1+
12
C1- 14
C2+
15
C2- 2
C3+
C3- 1
EN_FLSH
16
EN_SET
10
9GND
5
ISINK1
VBAT
C405
0.1u
VBAT
C425
1u
R419 47
2.2u
1000p
C407
C419
1u
C421
1u
PIO4
PIO5
10
RESETB
16
13 SPI_CLK
SPI_CSB
14
15 SPI_MISO
SPI_MOSI
12
UART_CTS 26
23
UART_RTS
UART_RX 24
27
UART_TX
VDD_1_8V 22
21
VDD_DIG 3
VDD_VREGIN
C404
5
ANT
GND1 4
GND2 6
11
GND3 25
GND4
NC
28
PCM_CLK 20
19
PCM_IN 17
PCM_OUT
PCM_SYNC 18
1PIO0
PIO1
2
7PIO2
PIO3
8
9
M401 LBMA-2C67B
C423
1u
2V8_VMEM
C672 3.3p
6
BGND
2GND
NC 5
STBY
1
3VIN VOUT 4
VCHARGE
1K
R403
BH30FB1WHFV
U407
0
R407
1.5K
R405
0
R413
22
R421
VCHARGE
SPI403
L401 22nH
2
5 6
3 1
4
UMX1NTN
Q402
C671
15p
C674
1p
C670
15p
R424
22K
C1
NC2
A1
NO1
C4
NO2
A4
V+
B4
R415 47
MAX4717EBC-T
U405
COM1
C3
COM2
A3
GND
B1
IN1
C2
IN2
A2
NC1
VIN
3 4
VOUT
VBAT 2V8_C_PWR
C426
1u
U408
BH28FB1WHFV
BGND 6
GND
2
5
NC
1STBY
C673
1p
L610
6.8nH
L609
6.8nH
L608
2.2nH
15
R404
C427
1u
C408
0.1u
10K
R420
FB401
2V8_VBT
C_AVDD_EN
L_DATA16
L_DATA17
MAINLCD_DIM_CTL
VMLED
PCM_SYNC8
C_AVDD_EN
C_AVDD_EN
DEBUG_RX
DEBUG_TX
BT_EN
FLED1
FLASH_EN
USC_2
USC_1
PCM_EN
USC2
USC1
USC0
PCM_TX
PCM_SYNC8
PCM_RX
PCM_TX
PCM_RX
_BT_RST
USC3
PCM_TX
ADD16
INDLEDR
INDLED_R
PRECHARGE
C_DATA6
C_DATA7
C_HS
C_PCLK
C_SDA
C_SCK
C_MCLK
C_VS
13MHZ_DBBOUT
DATA1
ADD17
_CAM_RST
C_RST
L_DATA5
L_DATA6
L_DATA7
L_DATA8
L_DATA9
L_MAINLCD_CS
L_ADD1
L_SUBLCD_CS
LCD_RD
LCD_WR
C_DATA0
C_DATA1
C_DATA2
C_DATA3
C_DATA4
C_DATA5
DATA13
DATA14
DATA15
ADD1
ADD2
_CAM_CS
_RD
_WR
CAM_IRQ
L_DATA0
L_DATA1
L_DATA10
L_DATA11
L_DATA12
L_DATA13
L_DATA14
L_DATA15
L_DATA2
L_DATA3
L_DATA4
MLED1
MLED2
MLED3
DATA0
DATA2
DATA3
DATA4
DATA5
DATA6
DATA7
DATA8
DATA9
DATA10
DATA11
DATA12

- 107 -
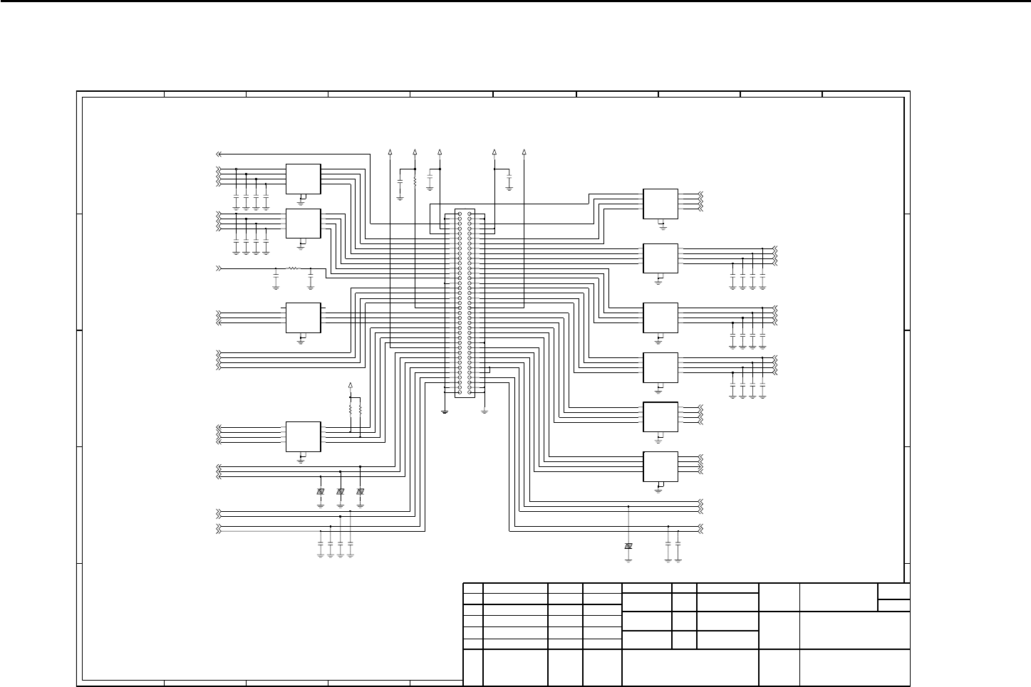
7. èË̈ËÔˇθ̇fl ÒıÂχ
Notice No.
A
C
3
E
LGIC(42)-A-5505-10:01
REVERSE
1
Designer
5
Section
5
S.W.JEONG
LG Electronics Inc.
Date
4
LG Electronics Inc.
10
D
Date
3
1
J.H.BAE
2
VER 1.0
BOARD TO BOARD CON
Iss.
2005
Sheet/
BOARD TO LCD, CAMERA CONNECTOR
A
B
9
4
B
MODEL
Checked
Sheets
FORWARD
6
C
8
7
Approved
01/21
2
DRAWING
NAME
DRAWING
A
MUSIC
D
NO.
Sign & Name
Name
B
27p
C520
M4410 5/8
G4
C512
27p
61
62
63
64
65
66
67
68
69
7
70
8
9
G1 G2
G3
46
47
48
49
5
50
51
52
53
54
55
56
57
58
59
6
60
32
33
34
35 36
37
38
39
4
40
41
42
43
44
45
17
18
19
2
20
21
22
23
24
25
26
27
28
29
3
30
31
CN501
1
10
11
12
13
14
15
16
1K
R501
INOUT_A1
INOUT_A2
2
3
INOUT_A3
INOUT_A4
4
INOUT_B1
9
INOUT_B2
8
INOUT_B3
7
6
INOUT_B4
VA502
AVL14K02200
ICVE21054E250R201PR
FL504
5
G1
10
G2
1
2V8_C_PWR
R502 4.7K
AVL14K02200
VA501
C509 39p
27p
2V8_C_PWR
C523
C505 39p
39p
C508
27p
C529
2V8_VEXT
9
8
INOUT_B2
INOUT_B3
7
6
INOUT_B4
G1
5
10
G2
1
INOUT_A1
INOUT_A2
2
3
INOUT_A3
INOUT_A4
4
INOUT_B1
200
R504
ICVE21054E250R201PR
FL506
INOUT_B3
INOUT_B4
6
C531
39p
FL503 ICVE21054E250R201PR
5
G1
G2
10
INOUT_A1
1
2
INOUT_A2
INOUT_A3
3
4
INOUT_A4
9
INOUT_B1
INOUT_B2
8
7
C527
2V8_VRTC
27p
27p
C510
C521
27p
27p
C513
C506 39p
C515
27p
27p
C514
C526
C525
27p
C524
27p
27p
5
G1
G2
10
1
INOUT_A1
INOUT_A2
2
3
INOUT_A3
INOUT_A4
4
INOUT_B1
9
8
INOUT_B2
INOUT_B3
7
6
INOUT_B4
ICVE21184E150R500PR
FL508
56p
C502
C517
27p
27p
1u
C530
C501
C528
27p
INOUT_B3
7
6
INOUT_B4
39p
C504
ICVE21054E250R201PR
FL502
5
G1
10
G2
1
INOUT_A1
INOUT_A2
2
3
INOUT_A3
INOUT_A4
4
INOUT_B1
9
8
INOUT_B2
G1
5
G2
10
INOUT_A1
1
2
INOUT_A2
3
INOUT_A3
4
INOUT_A4
9
INOUT_B1
INOUT_B2
8
7
INOUT_B3
INOUT_B4
6
FL509 ICVE21184E150R500PR
VA504
AVL14K02200
C532
15p
FL505 ICVE21184E150R500PR
G1
5
G2
10
INOUT_A1
1
2
INOUT_A2
3
INOUT_A3
4
INOUT_A4
9
INOUT_B1
8
INOUT_B2
7
INOUT_B3
INOUT_B4
6
C507
8
INOUT_B2
INOUT_B3
7
6
INOUT_B4
39p
ICVE21054E250R201PRFL501
5
G1
10
G2
1
INOUT_A1
2
INOUT_A2
3
INOUT_A3
INOUT_A4
4
INOUT_B1
9
27p
27p
C518 C519
C511
C_AVDD
27p
R503 4.7K
27p
VBAT
C516
AVL14K02200
VA503
1u
C503
FL507 ICVE21054E250R201PR
G1
5
G2
10
INOUT_A1
1
2
INOUT_A2
INOUT_A3
3
4
INOUT_A4
9
INOUT_B1
INOUT_B2
8
7
INOUT_B3
INOUT_B4
6
INOUT_A2
INOUT_A3
3
4INOUT_A4
9
INOUT_B1
INOUT_B2 8
7
INOUT_B3
INOUT_B4 6
FL510 ICVE21184E150R500PR
G1
5
10 G2
INOUT_A1
1
2
L_DATA13
L_DATA12
L_DATA11
L_DATA10
MLED3
MLED2
MLED1
VMLED
L_DATA7
C_VS
C_DATA6
L_DATA0
L_DATA1
L_DATA2
L_DATA3
L_DATA4
L_DATA5
L_DATA6
L_ADD1
L_MAINLCD_CS
LCD_WR
L_DATA17
OLED_ON
L_DATA9
L_DATA14
L_DATA15
L_DATA16
_LCD_RST
L_SUBLCD_CS
C_HS
C_SDA
C_SCK
C_RST
C_DATA7
VIBRATOR
C_DATA5
C_DATA3
C_DATA4
C_DATA1
C_DATA2
C_PCLK
C_DATA0
C_MCLK
LCD_RD
L_DATA8
KEYPADCOL(2)
KEYPADCOL(1)
KEYPADCOL(0)
LCD_ID
KEYPADROW(0)
FLED1
LSPK+
LSPK-
RSPK+
RSPK- MAIN_RCVN
MAIN_RCVP

- 108 -
7. èË̈ËÔˇθ̇fl ÒıÂχ
L
10
H
Approved
Date
DCS/PCS_Tx
PCS RX
EGSM RX
L L
L
L
Notice No.
EGSM_Tx
Section Sign & Name
DRAWING
DCS RX
H
H
H
LG Electronics Inc.
L
L
2005.01.21
H
Sheets
Designer
Date
J.H.BAE
L
Sheet/
NO.
Checked
L
NAME
Iss. Name
VC2
VC1
MODEL
H
DRAWING
2005.01.21
VC3
HHM2319B2
N601
7B_OUT1
5B_OUT2
COU_OUT
8
2
GND1
GND2
6IN1 1
3
IN2
TERM 4
D.H.SEO M4410 6/8
VER 1.0
RF
0.5p
2V8_VMEM
V_SYN
C620
680p
C640
1.2p
C621
R609
0
PCS_RX
9
VC1
VC2
8
7
VC3
VCC
6
FDFT6755B2E
2
1G_TX
4
2G_TX
ANT
17
12
DCS_RX
10
EGSM_RX
GND1
1
GND2
3
GND3
5
GND4
11
GND5
13
GND6
15
16
GND7
18
GND8
GND9
19 14
V_RF
FL601
NA
R620
C632
0.01u
5.1
R615
NA
C631
C627
270K_1%
R622
NA
0.1u
5.1
R634
C652
C665
4.7u
R635
0
3
GND
1
2
4
5
VCC
NC7SV00P5X_NL
U605
VBAT
R604
NA
270p
C604
C641
0.01u
1.2nH
L601
0.01u
C656
10
R628
C611
0.01u
R629
10K
5.1
R612
C647
0.1u
4.7u
U606
3CE ECO 4
2GND
VDD
1VOUT 5
C618
VBAT
V_RF
R1161N281D5-TR
R619
0
VBAT
4.7u
C667
390
R613
51p
C636
NA
V_RF
C616
C661
NA
C668
15p
C648
27p
R606
15K
NA
R605
120p
C662
C629
39p V_RF
R625
1M
R627
10
10u
C660
C638
56p
L604
3.3nH
R636
NA
10
R630
C630
3900p
47nH
L606
0.1u
C649
5.6p
C610
2.4K
C653
R633
3
VCC1
VCC2 8
680p
11 GND4
GND5
13
14 GND6
GND7
15
16 GND8
18 GND9
5
HB_IN
HB_OUT
17
LB_IN 6
LB_OUT
12
1
NC1
NC2
19
23
PGND
TX_EN 2
VAPC 22
VBATT 20
SKY77316_revB
U601
B_SEL 4
7
GND1
21
GND10
9GND2
GND3
10
X601
13MHz
GND 2
OUT
3
VCC
4
VCONT 1
C607
NA
C634
1p
C646 390p
VBAT
R631
C654
0.1u
2K
0
R601
56p
C644
C651
10p
0.5p
C626 C606
NA
R610
390
OUT603
C623
100p
C609
56p
V_SYN
V_RF
C639
0.01u
OUT601
R614
390
C658
8200p
L603
2.2nH
10
R616
10u
R618
560
C655
4.7K
R624
6.8nH
L605
C650
0.1u 1000p
C612
36
R621
C635
33p
12nH
L602
C659
22p
PT601
22K
V_RF
C601
NA
OUT602
R617
NA
680
R623
C663
0.01u
C669
0.1u
R632
5.6K
15p
C664
51
R603
220p
C657
5.1
R607
2V75_VTCXO
V_SYN
V_RF
R602
0
0.01u
C643
1000p
39K
C613
R626
C625
5p
270p
C603
0.01u
V_RXBB
33
V_SYNA
V_SYNCP 37
32
V_SYND
V_TXVCO 53
46
V_UHF
39
XTALTUNE
4XTAL_EN
C637
TX850900
7TXCPO
2TXENA
TXIN
19
18 TXIP
TXQN
21
20 TXQP
56
TXVCOTUNE
UHFBYP 44
36
UHFCPO
UHFTUNE 45
V_DD 43
6V_LNACP
V_LO 47
V_LOB
5
24 V_MIX
52
11
LNA1900
13
LNA850900
9
8LOOUT
29
LPFADJ
12 NC1
14 NC2
NC3
15
57
PGND
RXENA
1
RXIN 50
RXIP 51
48
RXQN
49
RXQP
38
SXENA
TX18001900 55
54
CAPIP
28 CAPQN
CAPQP
27
CLK 41
CLK_OUT 30
DATA 40
34
FREF
GNDD 31
GNDFN 35
10 GNDLNA850900
HB_LB
3
16 IFINN
IFINP
17
IFMODN
23
22 IFMODP
42
LE
LNA1800
SKY74045
U602
26 CAPIN
25
C617
NA
C622
V_RF
390p
56p
33p
V_RF
C645
VBAT
C633
C605
270p
C602
V_RF
NA
C628
22p
1000p
C614
100
R611
68u
1V5_VPLL
L607
10nH
C642
R608
NA NA
C619
SW601
ENWY0002201
ANT
G1
G2
RF
U604
MIC5255-2.85BM5
4BYP EN 3
GND 2
1
IN
5OUT
C615
0.01u
V_RF
V_RF
15p
C608
T3 17
T4 18
VAPC 16
23
VPC
19
V_DC
V_IF
8
V_LO
6
V_RF
2
C666
10u
CLK 24
COMPN 20
21
COMPP
DATA 22
15
ENB
GNDI
4
IFOUTN
12
11 IFOUTP
13
IFREFN
IFREFP 14
1LE
5LOIN
PGND 25
3RFIN
9T1
T2
10
SKY74046
U603
7BAND
V_RF
VBAT
15p
C624
VC1
VC2
VC3
RXENA
PACEN
RADIO_POWER
RADIO_POWER
13MHZ
CLKON
SLE
QP
QN
IP
IN
SXENA
SDATA
SCLK
VAPCDAC
RF_TEMPSENSE
TXENA
AFCDAC

- 109 -
7. èË̈ËÔˇθ̇fl ÒıÂχ
B
TO LCD CONNECTOR
SPEAKER
3
10
VIBRATOR
A
5
A
4
Name
Designer
Approved
7
DateIss.
TO PHONE CONNECTOR RECEIVER
S.W.JEONG
LG Electronics Inc.
Sign & Name
Date
1
LGIC(42)-A-5505-10:01
5
Close to PAD
LG Electronics Inc.
J.H.BAE
6
DRAWING
NAME
B
03/08
2005
FPCB(1.3Mega)
VER_1.0
7/8
M4410
3
2
Notice No. NO.
DRAWING
C
D
D
B
18
TO CAMERA CONNECTOR
MODEL
2
E
VISION MARK
Sheet/Sheets
C
4
Checked
A
Section
9
C110
0.1u
2V8_VEXT
TP106
TP108
C109
47p
C111
1u
BAT101
VA102
AVLC14S02050
OUT108
VA103
AVLC14S02050
27p
C_AVDD
C105
C112
NA
0
R109
C104
47p
TP104
TP101
1.5K
R105
C106
47p
KB103
KB102
C102
R103
100K
47p
C103
47p
2
20
21
22
23
24
3
4
5
6
7
8
9
CN102
1
10
11
12 13
14
15
16
17
18
19
TP102
TP105
100K
R104
NA
R102
TP107
OUT103
OUT107
C_AVDD
VBAT
TP103
2V8_C_PWR
27p
C107
AVLC14S02050
VA106
OUT102
C101
27p
2V8_C_PWR
OUT105
KB101
VA105
AVLC14S02050
AVLC14S02050
VA101
G1 G2
G3 G4
VBAT
59
6
60
61
62
63
64
65
66
67
68
69
7
70
8
9
44
45
46
47
48
49
5
50
51
52
53
54
55
56
57
58
3
30
31
32
33
34
35 36
37
38
39
4
40
41
42
43
15
16
17
18
19
2
20
21
22
23
24
25
26
27
28
29
CN103
1
10
11
12
13
14
OUT101 OUT104
33
34
35
36
37
38
39
4
40
5
6
7
8
9
19
2
20 21
22
23
24
25
26
27
28
29
3
30
31
32
G1
G2
1
10
11
12
13
14
15
16
17
18
CN101
LD101 LEWW-S35KA
R107
15
R108
NA
AVLC14S02050
VA104
47p
C108
1SS352
OUT106
D101
2V8_VEXT
R101
NA
VBAT 2V8_VEXT
R106
100K
C_MCLK
C_HS
C_VS
C_DATA1
C_DATA0
C_PCLK
C_DATA5
C_DATA4
C_DATA3
C_DATA2
C_DATA6
C_DATA7
C_RST
C_SDA
C_SCK
C_DATA1
C_DATA0
C_PCLK
C_MCLK
VIBRATOR
KEYPADROW(0)
MAIN_RCVN
MAIN_RCVP
KEYPADCOL(0)
KEYPADROW(0)
KEYPADCOL(1)
KEYPADCOL(2)
C_SDA
L_DATA17
L_DATA16
L_DATA15
L_DATA14
L_DATA13
L_DATA12
L_DATA11
L_DATA10
L_DATA9
L_DATA8
L_ADD1
L_MAINLCD_CS
C_DATA5
C_DATA4
C_DATA3
C_DATA2
VMLED
MLED1
MLED2
MLED3
C_DATA6
C_DATA7
C_VS
C_HS
C_SCK
C_RST
KEYPADCOL(0)
KEYPADCOL(1)
KEYPADCOL(2)
LSPK-
LSPK+
RSPK-
RSPK+
_LCD_RST
OLED_ON
LCD_RD
LCD_WR
MAIN_RCVP
LSPK-
RSPK-
LCD_ID
L_SUBLCD_CS
L_DATA0
L_DATA1
L_DATA2
L_DATA3
L_DATA4
L_DATA5
L_DATA6
L_DATA7
L_DATA16
L_DATA17
LCD_WR
LCD_RDMLED3
MLED2
MLED1
VMLED
L_DATA7
L_DATA6
L_DATA5
L_DATA4
LSPK+
RSPK+
MAIN_RCVN
VIBRATOR
L_DATA3
L_DATA2
L_DATA1
L_DATA0
L_SUBLCD_CS
_LCD_RST
OLED_ON
L_MAINLCD_CS
L_ADD1
L_DATA8
L_DATA9
L_DATA10
L_DATA11
L_DATA12
LCD_ID
L_DATA13
L_DATA14
L_DATA15

- 110 -
7. èË̈ËÔˇθ̇fl ÒıÂχ
Date
T-ZONE
DRAWING
#
DRAWING
KEY BACKLIGHT
7
2
Sign & Name
LG Electronics Inc.
CAM_ROW0
CAMERA
MUSIC
LEFT
CONTACT
NAME
Approved
9
DOWN
MENU
Checked
MODEL
Date
CAMERA SIDEKEY
VOLUME SIDEKEY
DOWN
Sheet/Sheets
LG Electronics Inc.
MUSIC SEND
Section
UP
SIDE_ROW0
FLIP SWITCH
END
CLOSE TO MIC
Designer
Name
3CLR
Iss.
J.H.BAE
Notice No.
INDICATED LED
SELECT
*
UP
LGIC(42)-A-5505-10:01
8
4 5 6
1
RIGHT
NO.
27p
02/14
2005 8/8
VER_D
KEY PCB
M4410
S.W.JEONG
0
GUIDE HOLE
C133
270
R113
2SC5585
Q101
AVL14K02200
VA127
LD102 SSC-Z20B
7
AVL14K02200
VA156
AST
LEFT
0.1u
VBAT
C118
AVL14K02200
VA117
1
10
11
12
13
14
15
16
2
3
4
5
6
7
8
9
CN103
47
R133
AVL14K02200
VA150
VA119 AVL14K02200
2V5_VMIC
5
AVL14K02200
VA141
8
2V5_VMIC
R132
47
VA123 AVL14K02200
VA128 AVL14K02200
VA132 AVL14K02200
LD101
SML-521MUWT86
12
34
100K
R119
AVL14K02200
VA118
47
R122
0.1u
C135
HASH
100
R114
27p
C111
VA151 AVL14K02200
VBAT
AVL14K02200
VA152
VA154 AVL14K02200
SELECT
VA101
AVL14K02200
CLR
RIGHT
MENU
1K
R109
27p
27p
C134
C130
C104
0.1u
VA113 AVL14K02200
R112
2.2K
0.1u
C120
AVL14K02200
VA143
VA144 AVL14K02200
DOWN
39p
C108
VA136 AVL14K02200
AVL14K02200
VA137
R121
100K
OJ3
OJ1
SEND
VA103
AVL14K02200
2V5_VMIC
OJ4
C112 22u
R120
100K
R118
2V8_VEXT
LD114 SSC-Z20B
100K
1K
R101
2V8_VEXT
R102
2.2K
C101
10u
R108
2.2K
C122 27p
R123
47
VA138 AVL14K02200
SSC-Z20B
LD108
C123 27p
4
LD113 SSC-Z20B
SSC-Z20B
LD112
R106 100
VBAT
AVL14K02200
VA102
100
R110
VA108
AVL14K02200
4
C102
39p
1
2
3
CN101
1
2
3
CN102
7
8
9
AVL14K02200
VA135
29
3
30
31
32
33
34
35
36
37
38
39
4
40
5
6
14
15
16
17
18
19
2
20 21
22
23
24
25
26
27
28
CN104
1
10
11
12
13
C116
47p
27p
C124
LD107 SSC-Z20B
OJ2
1.5K
R117
R104 100
0
CONT
R115
47
R124
AVL14K02200
VA112
VA148
VA155 AVL14K02200
AVL14K02200
VA149 AVL14K02200
C117
47p
C114
47p
VA145 AVL14K02200
AVL14K02200
VA146
27pC121
VA105 AVL14K02200
6
2
AVL14K02200
VA130
AVL14K02200
VA114
VA115 AVL14K02200
VA131 AVL14K02200
C132 27p
3
GND1
GND2
4
2
NC1
5NC2
1
OUTPUT
7PGND
VDD
6
2V8_VEXT
U101
A3212EEH
AVL14K02200
C103
27p
100R111
VA109
1
C115
47p
2V8_VEXT
51K
R103
47
R134
VA106 AVL14K02200
27p
39p
C107
C127
SSC-Z20B
LD103
MIC101
SOB-413S44-RC3310
1
2
LD104 SSC-Z20B
VA120 AVL14K02200
AVL14K02200
VA133
VA134 AVL14K02200
AVL14K02200
VA139
VA140 AVL14K02200
27p
UP
C129
T MUSIC
END
AVL14K02200
VA107
VA142 AVL14K02200
VA104
AVL14K02200
0.1u
0
C119
2V8_VEXT
VA124 AVL14K02200
SSC-Z20B
LD106
3
9
AVL14K02200
VA116
C113 22u
C105
39p
100
R105
VA147 AVL14K02200
47
R129
R116
R128
47
2.2K
47
R127
R126
47
AVL14K02200
VA110
VA153 AVL14K02200
AVL14K02200
C106
VA111
10p
LD109 SSC-Z20B
10u
C109 C110
JACK_TYPE
INDLEDR
INDLED_G
KEYBACKLIGHT
39p
KEYPADCOL(0)
_POWERKEY
KEYPADCOL(4)
KEYPADCOL(3)
MAIN_MICP
HEADSET_MICP
INDLED_G
INDLEDR
HOOK_DETECT
MAIN_MICN
KEYPADROW(2)
KEYPADROW(3)
KEYPADROW(4)
KEYPADROW(0)
KEYPADROW(1)
JACK_DETECT
HEADSET_SPK_R
HEADSET_SPK_L
HEADSET_MICN
KEYPADCOL(2)
KEYPADCOL(1)
KEYPADCOL(3)
KEYPADCOL(0)
KEYPADCOL(1)
KEYPADCOL(2)
KEYPADROW(0)
KEYPADCOL(4)
KEYPADROW(5)
KEYPADROW(5)
KEYBACKLIGHT
FLIP_DETECT
HEADSET_MICN
HEADSET_SPK_L
HEADSET_SPK_R
HEADSET_MICP
FLIP_DETECT
MAIN_MICN
MAIN_MICP
JACK_DETECT
JACK_TYPE
HOOK_DETECT
_POWERKEY
KEYPADROW(4)
KEYPADROW(3)
KEYPADROW(2)
KEYPADROW(1)

- 111 -
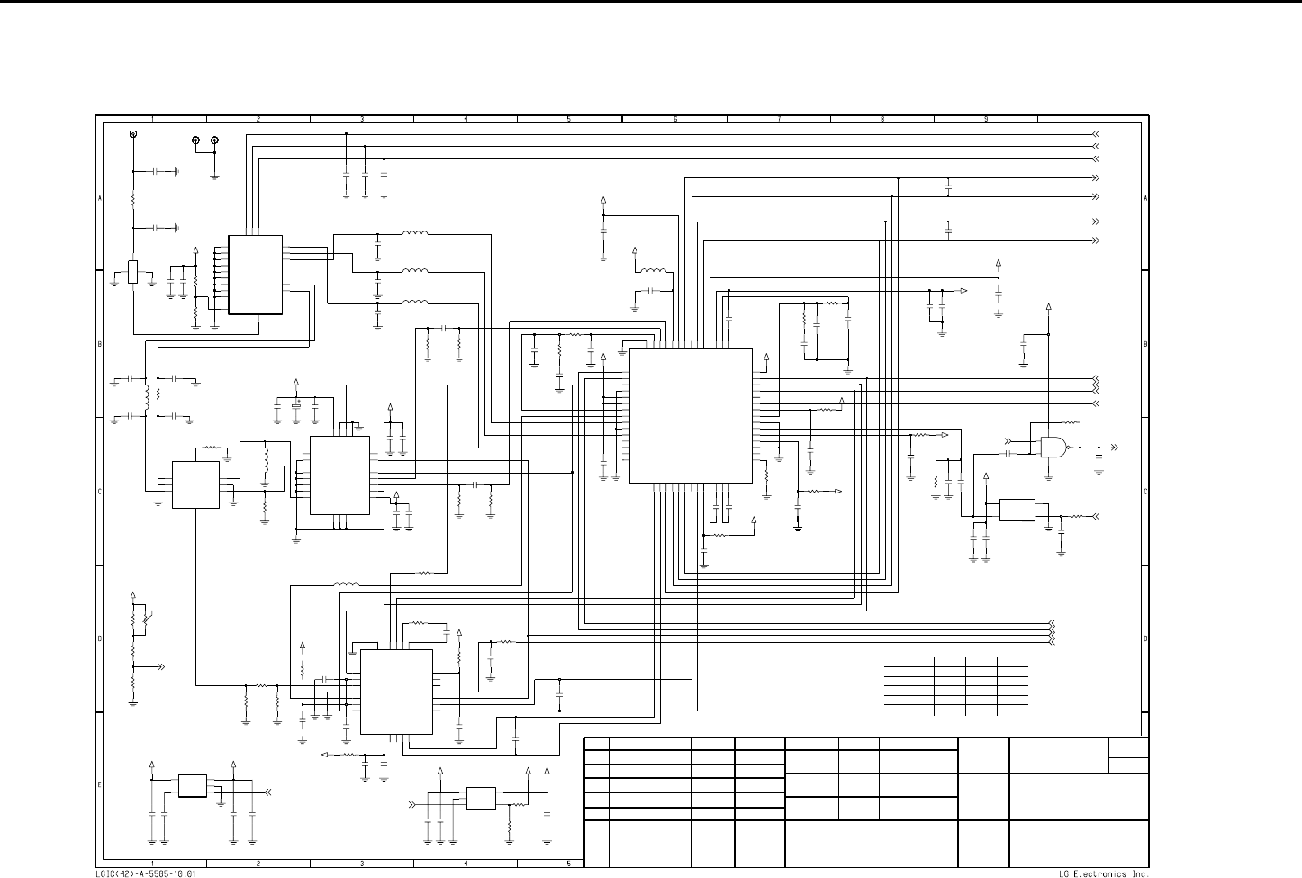
8. ê‡ÒÔÓÎÓÊÂÌË ̇ Ô˜‡ÚÌÓÈ Ô·ÚÂ
8. ê‡ÒÔÓÎÓÊÂÌË ̇ Ô˜‡ÚÌÓÈ Ô·ÚÂ

- 112 -
8. ê‡ÒÔÓÎÓÊÂÌË ̇ Ô˜‡ÚÌÓÈ Ô·ÚÂ
