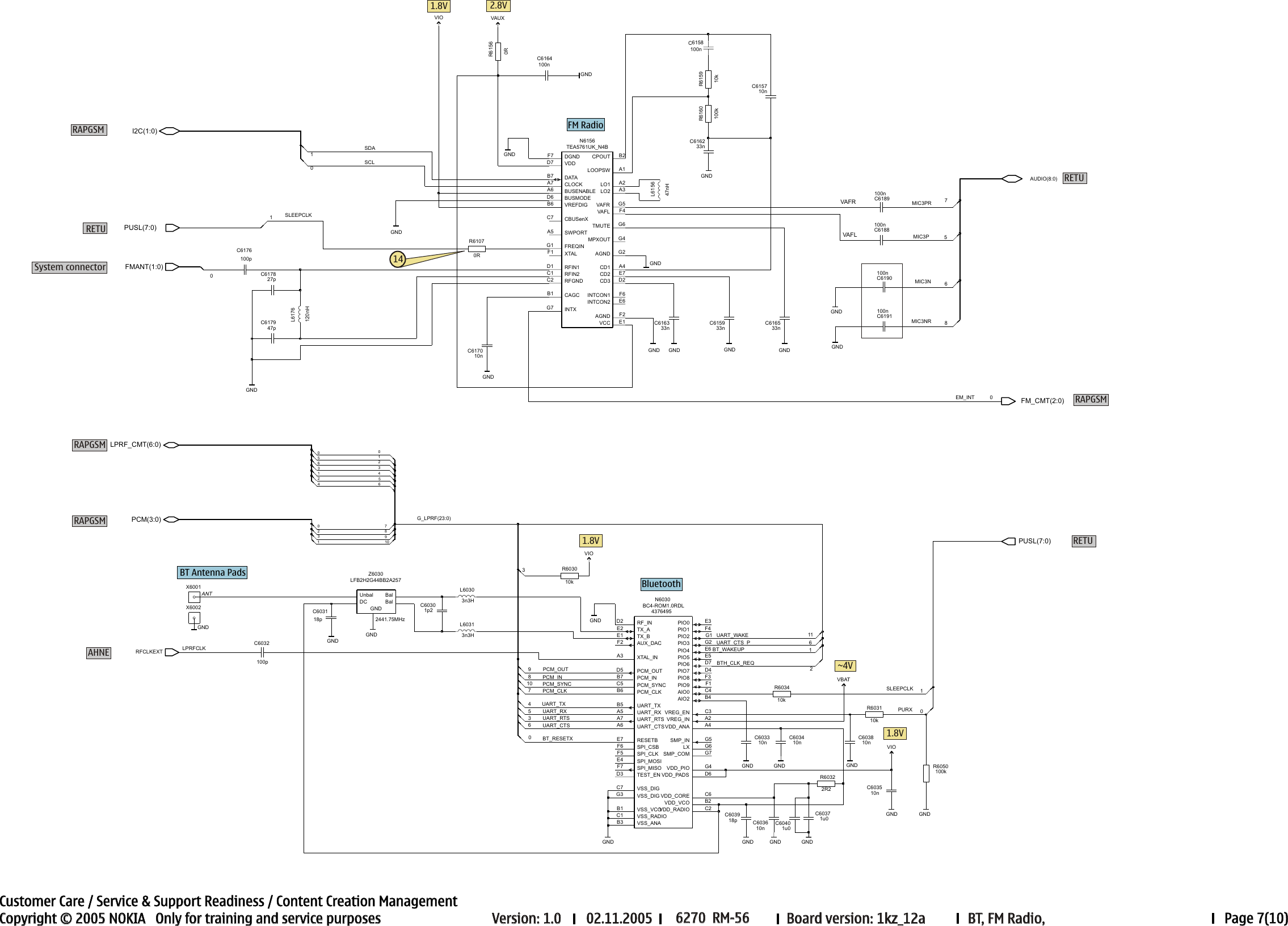
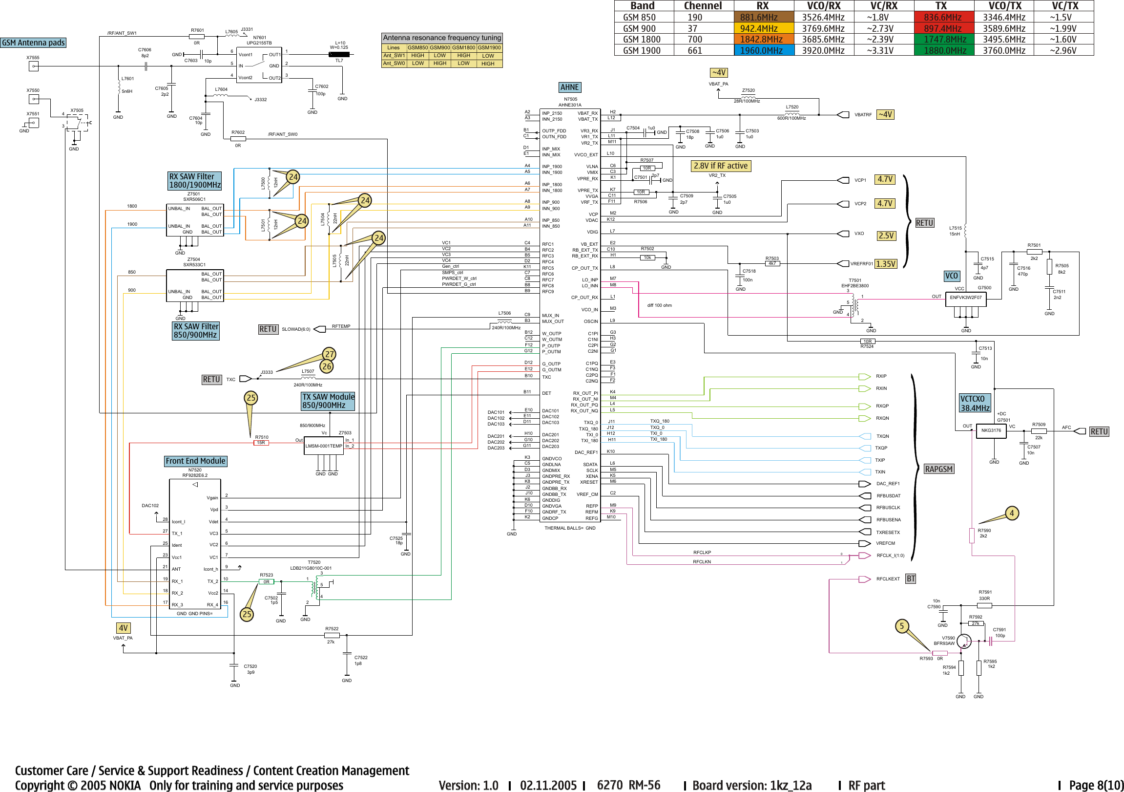
6270_RM 56_schematics_V0_9 Nokia 6270 Rm 56 Service Schematics
User Manual: Phone Nokia 6270 RM-56 - Service manuals and Schematics, Disassembly / Assembly. Free.
Open the PDF directly: View PDF
.
Page Count: 10










User Manual: Phone Nokia 6270 RM-56 - Service manuals and Schematics, Disassembly / Assembly. Free.
Open the PDF directly: View PDF
.
Page Count: 10









