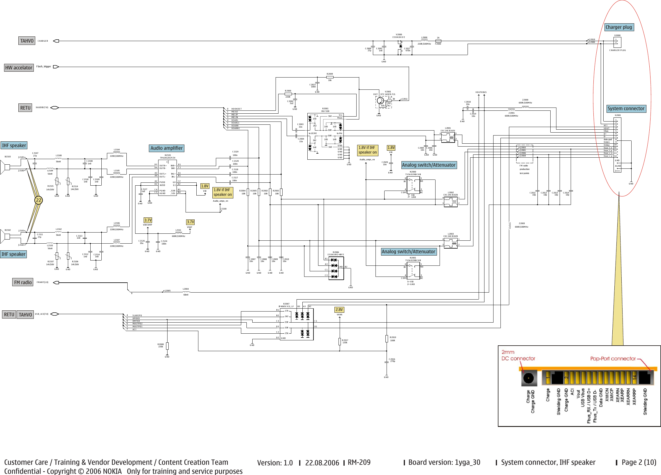
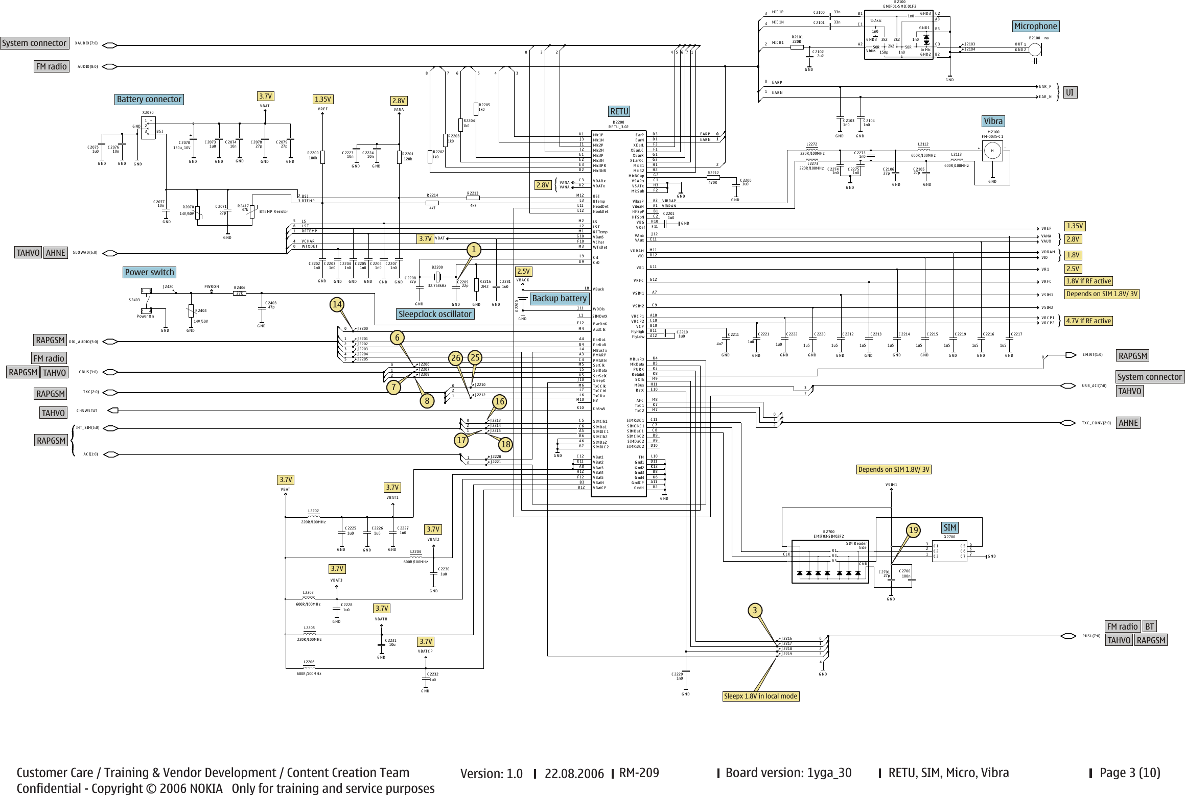
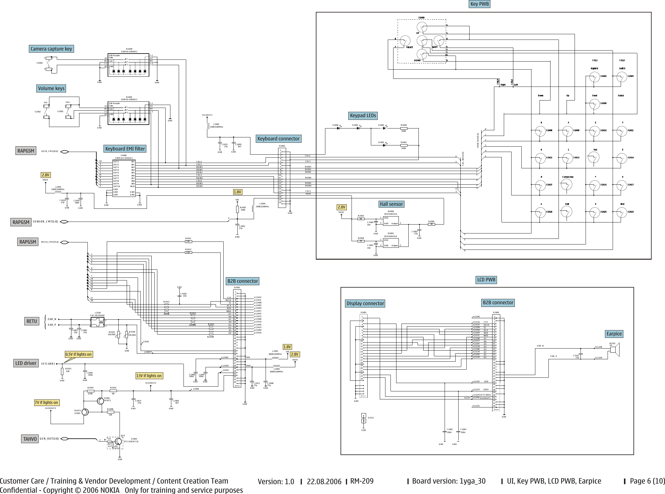
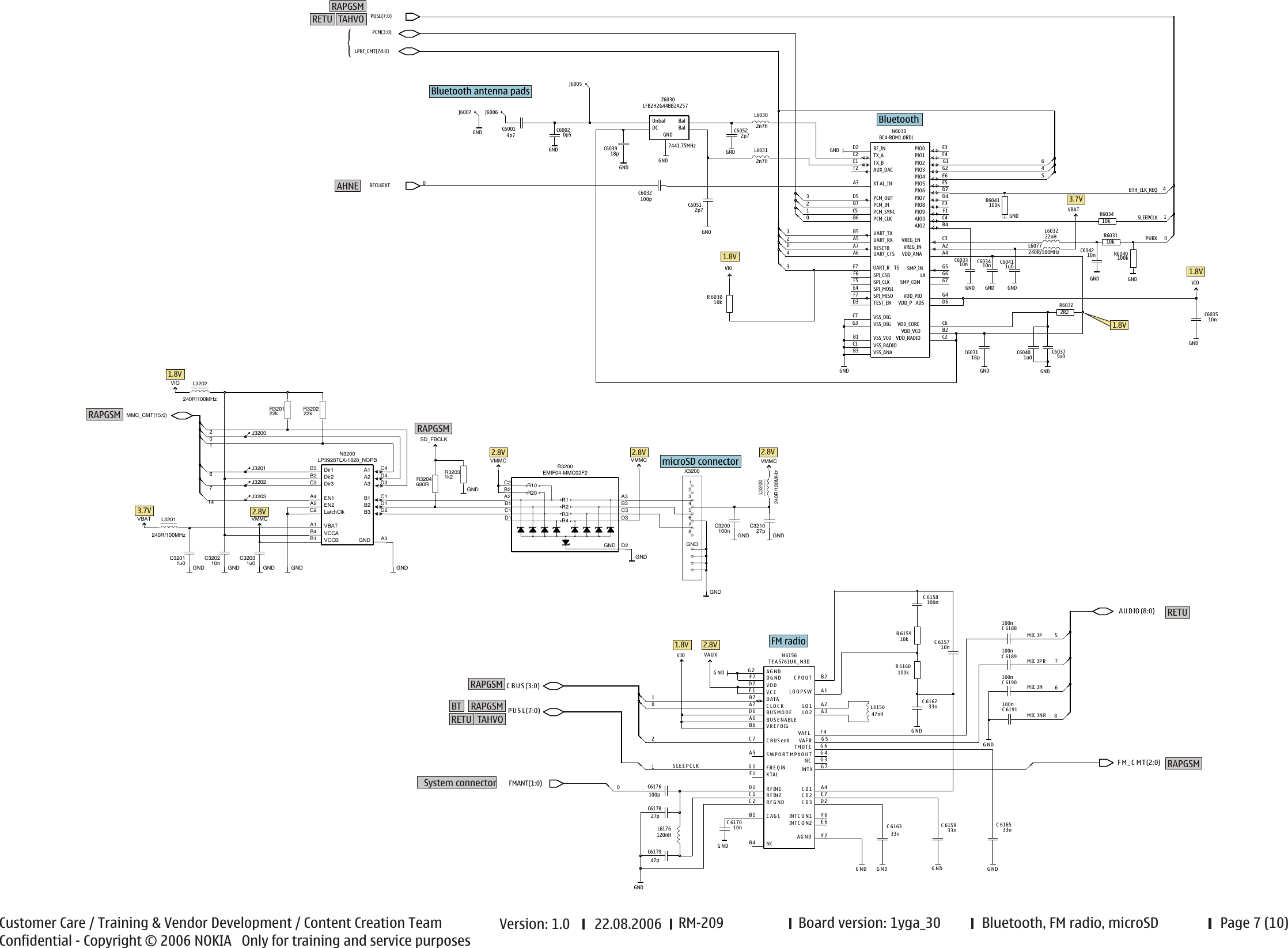
6270_RM 56_schematics_V0_9 Nokia 7373 Rm 209 Service Schematics
User Manual: Phone Nokia 7373 RM-209 - Service manuals and Schematics, Disassembly / Assembly. Free.
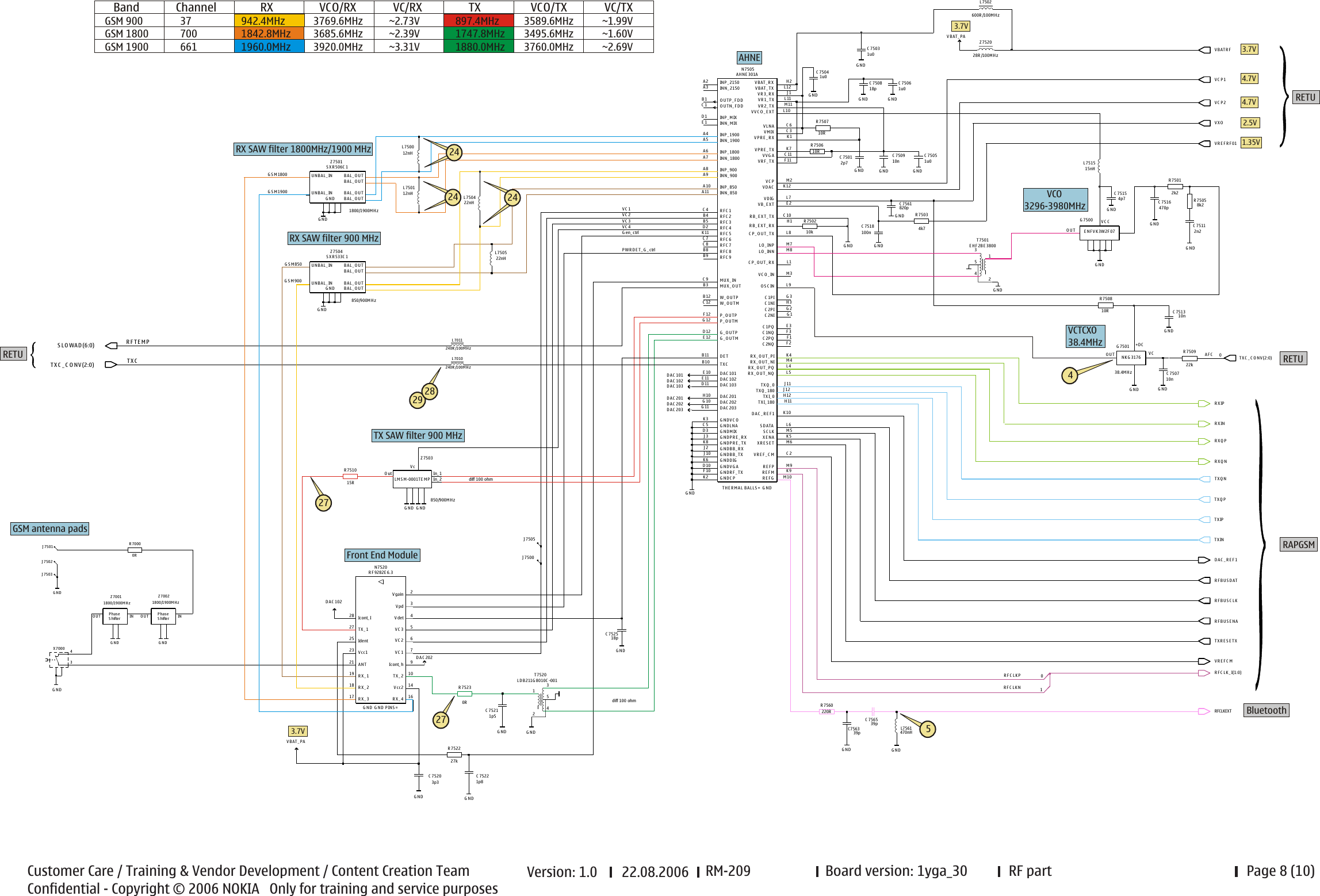
Open the PDF directly: View PDF
.
Page Count: 10










User Manual: Phone Nokia 7373 RM-209 - Service manuals and Schematics, Disassembly / Assembly. Free.
Open the PDF directly: View PDF
.
Page Count: 10









