Picocell Gateway User Guide
picocell_gateway_user_guide
User Manual:
Open the PDF directly: View PDF
.
Page Count: 34

www.semtech.com
PicoCell Gateway V1.0 User Guide
Final Rev 1.1
July 2017
WIRELESS & SENSING PRODUCTS
LoRa® PicoCell Gateway V1.0
User Guide to the
LoRa® PicoCell Gateway V1.0

Wireless & Sensing Products
User Guide Final Rev 1.1
PicoCell Gateway V1.0 July 2017
Page 2 of 34
Semtech
Table of Contents
1 Introduction ....................................................................................................................................................................... 4
2 Hardware Presentation .................................................................................................................................................. 5
2.1 Absolute Maximum Ratings ................................................................................................................................... 5
2.2 External Host Processor Connection .................................................................................................................. 5
2.3 RF Front-End Architecture ...................................................................................................................................... 6
2.4 PicoCell Gateway Block Diagram ......................................................................................................................... 7
2.5 Hardware Control Signals ....................................................................................................................................... 8
2.6 Power Consumption ................................................................................................................................................. 9
3 Software Overview ........................................................................................................................................................ 11
4 Use with Raspberry Pi ................................................................................................................................................... 13
4.1 Raspberry Pi Connection ....................................................................................................................................... 13
4.2 Raspberry Pi Image Software Installation ....................................................................................................... 14
4.3 Starting Raspberry Pi .............................................................................................................................................. 15
4.3.1 Login: pi and Password: raspberry ............................................................................................................ 15
4.3.2 Resize Partition / FS ........................................................................................................................................ 16
4.3.3 Install dfu-util Tool .......................................................................................................................................... 18
4.3.4 Load STM32F401CD MCU Binary .............................................................................................................. 19
4.3.5 Compile Semtech HAL + Packet Forwarder .......................................................................................... 23
4.3.6 Semtech HAL Compilation Check ............................................................................................................. 23
4.3.7 Set a Unique ID to the Gateway ................................................................................................................. 24
4.3.8 Run Basic Packet Forwarder ........................................................................................................................ 26
5 JSON file for RF Parameter Tuning ........................................................................................................................... 27
6 References ........................................................................................................................................................................ 31
7 Revision History .............................................................................................................................................................. 32
8 Glossary ............................................................................................................................................................................. 33

Wireless & Sensing Products
User Guide Final Rev 1.1
PicoCell Gateway V1.0 July 2017
Page 3 of 34
Semtech
List of Figures
Figure 1: LoRa® PicoCell Gateway V1.0 .............................................................................................................................. 4
Figure 2: USB Port Type A for External Host Processor and Power Supply .......................................................... 5
Figure 3: PicoCell Gateway V1.0 RF Block Diagram ....................................................................................................... 7
Figure 4: PicoCell GW V1.0 HW Control Signals .............................................................................................................. 8
Figure 5: GW Software Overview ....................................................................................................................................... 11
Figure 6: Raspberry Pi and PicoCell GW Connection .................................................................................................. 13
Figure 7: SDFormatter ........................................................................................................................................................... 14
Figure 8: Win32 Disk Imager ............................................................................................................................................... 14
Figure 9: MobaXterm SSH Client ....................................................................................................................................... 15
Figure 10: raspi-config Menu .............................................................................................................................................. 16
Figure 11: raspi-config “Expand Filesystem” ................................................................................................................. 16
Figure 12: Git Clones .............................................................................................................................................................. 17
Figure 13: Dfu-util Make Install .......................................................................................................................................... 18
Figure 14: STM32 MCU Boot0 Button .............................................................................................................................. 19
Figure 15: Load STM32F401CD MCU Binary .................................................................................................................. 19
Figure 16: “lsusb” Command Result ................................................................................................................................. 20
Figure 17: “dmesg” Command Result .............................................................................................................................. 20
Figure 18: DFU Mode ............................................................................................................................................................. 21
Figure 19: Update STM32F401CD MCU Binary ............................................................................................................. 21
Figure 20: Util_com_stress ................................................................................................................................................... 23
Figure 21: Util_chip_id .......................................................................................................................................................... 24
Figure 22: Basic Packet Forwarder .................................................................................................................................... 26

Wireless & Sensing Products
User Guide Final Rev 1.1
PicoCell Gateway V1.0 July 2017
Page 4 of 34
Semtech
1 Introduction
This user guide introduces the Semtech LoRa® PicoCell Gateway V1.0 reference design and how to
set it up with a Raspberry Pi 2.
Figure 1: LoRa® PicoCell Gateway V1.0
The LoRa® PicoCell Gateway V1.0 (called here after “PicoCell GW”) is a multi-channel high
performance transceiver designed to simultaneously receive several LoRa® packets using random
spreading factors.
Three hardware reference designs are made available to address:
- Europe 868 MHz ISM band [863 MHz - 870 MHz]
- USA/Australia 915 MHz ISM band [902 MHz - 928 MHz]
- China 470 MHz ISM band [470 MHz - 510 MHz]
For countries with a comparable regulatory framework (no LBT), choose the design corresponding to
the right frequency.

Wireless & Sensing Products
User Guide Final Rev 1.1
PicoCell Gateway V1.0 July 2017
Page 5 of 34
Semtech
2 Hardware Presentation
2.1 Absolute Maximum Ratings
Table 1: Absolute Maximum Ratings
Item
Minimum
Typical
Maximum
Unit
Maximum Supply Voltage -0.3 5.0 6.0 V
Operating Temperature
0
25
70
oC
Maximum RF Input Level -10 dBm
Notice!
The PicoCell Gateway V1.0 with SX1308 chip is designed for indoor applications with a metal alloy
housing. It is strongly recommended to maintain the ambient operating temperature below 40 °C, to
ensure that an ambient operating temperature of 70 °C is not exceeded in the housing.
The operating temperature range can be extended to “-40 °C to 85 °C” if the PicoCell uses a SX1301
chip instead of a SX1308 chip. See
Section 2.4 LoRa® PicoCell Gateway Block Diagram 2.4
.
2.2 External Host Processor Connection
The LoRaWAN protocol can be run through an external host processor. On the PicoCell GW reference
design, there is a USB port type A to interface with the external host processor. This USB port is also
used to provide the main 5.0 V power supply:
Figure 2: USB Port Type A for External Host Processor and Power Supply

Wireless & Sensing Products
User Guide Final Rev 1.1
PicoCell Gateway V1.0 July 2017
Page 6 of 34
Semtech
2.3 RF Front-End Architecture
The RF front-end architecture of the PicoCell GW displays the following characteristics:
- Half-duplex mode i.e. can’t receive and transmit simultaneously
- Simultaneously receive 8 LoRa® channels multi-data rates (SF7 ~ SF12 / 125 kHz) + 2 mono-data
rate (LoRa® 250 / 500 kHz and FSK 50 kbps)
- 3 ISM bands
o Europe 868MHz ISM band [863 MHz - 870 MHz
o USA/Australia 915MHz ISM band [902 MHz - 928 MHz]
o China 470MHz ISM band [470 MHz - 510 MHz]
- Maximum transmit output power = +20dBm
- Typical sensitivity level:
o -139 dBm at SF12 BW 125 kHz
o -125 dBm at SF7 BW 125 kHz
o -109 dBm at FSK 50 kbps
- Ability to work in hostile RF environments such as close to cellular mobile phones, WiFi routers,
Bluetooth devices

Wireless & Sensing Products
User Guide Final Rev 1.1
PicoCell Gateway V1.0 July 2017
Page 7 of 34
Semtech
2.4 PicoCell Gateway Block Diagram
Figure 3: PicoCell Gateway V1.0 RF Block Diagram
- The SX1308 digital baseband chip is a massive digital signal processing engine which integrates
the LoRa® Concentrator IP
- The two SX1257 transceivers are highly integrated RF front-end to digital I and Q modulator and
demodulator. Two transceivers are used instead of one to be able to simultaneously receive 8
LoRa® 200 kHz channels. To address the Chinese market (470 MHz band), SX1255 transceivers are
used instead of SX1257 transceivers.

Wireless & Sensing Products
User Guide Final Rev 1.1
PicoCell Gateway V1.0 July 2017
Page 8 of 34
Semtech
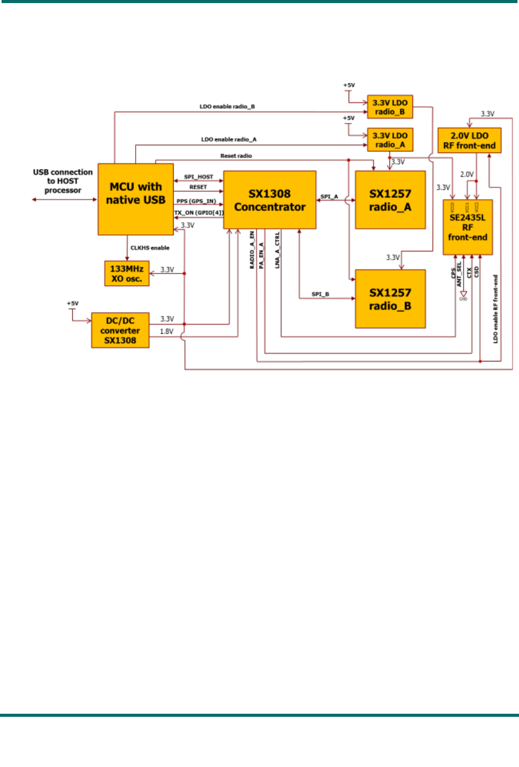
2.5 Hardware Control Signals
The control signals from/to the MCU and the SX1308 device are described below:
Figure 4: PicoCell GW V1.0 HW Control Signals
Add an on-board MCU with native USB:
- To implement a USB CDC (virtual com port) protocol to bridge commands coming from host to
the SX1308 SPI interface
- SX1308 power management during downlink to meet 500 mA USB plug max power constraint
On-board MCU main requirements:
- 1 x USB
- 1 x SPI
- 1 x I2C
- 96 kbytes RAM to support future features
- 1 x 32-bits timer
- Allow 32 MHz input clock
- IRQ management
- 10 x GPIO

Wireless & Sensing Products
User Guide Final Rev 1.1
PicoCell Gateway V1.0 July 2017
Page 9 of 34
Semtech
2.6 Power Consumption
Table 2: Typical Current Consumption at 5.0 V
Mode
Description
Typical Current Consumption
Unit
8 Rx channels ON
Tx OFF
HAL packet_forwarder
330
mA
8 Rx channels OFF
Tx ON at 20 dBm
HAL util_tx_continuous
230
mA
The maximum current consumption (mA) in Rx mode with 8 channels ON is displayed in the table
below:
Table 3: Maximum Current Consumption per Supply Rail in Rx Mode
Maximum current consumption (mA) in Rx mode with 8 channels ON
1.8V 3.3V 3.3V 3.3V 2.0V
VCCDIG18 VCCDIG33 VCC_A VCC_B VCC_FEM
SX1308 Baseband processor 800 10
END4643A 133MHz oscillator 60
END4243A 32MHz TCXO 2
SX1257 Receiver A 25
SX1257 Receiver B 25
SE2435*
Front-end module (PA,
LNA, switch)
7
STM32F401CDU6
MCU 25
Current on individual power supply [mA] 800 95 27 25 7
Main Voltage [V] 5 5 5 5 5
Regulator Voltage [V] 1.8 3.3 3.3 3.3 3.3
Regulator efficiency** [%] 85 90 - - -
Current @ +5.0V [mA] 339 70 27 25 7468 [mA]
Power @ +5.0V [mW] 1695 350 135 125 35 2340 [mW]
* Maximum estimated Current consumption with 20% margin taken on typical current value when max. not specified
** Semtech SC283 step-down regulator
Part
Description
Current consumption per supply rail [mA]
Total

Wireless & Sensing Products
User Guide Final Rev 1.1
PicoCell Gateway V1.0 July 2017
Page 10 of 34
Semtech
The maximum current consumption (mA) in Tx mode i.e. when downlink packet is sent by the
concentrator board is displayed in the table below:
Table 4: Maximum Current Consumption per Supply Rail in Tx Mode
Maximum current consumption (mA) in Tx mode @ 20 dBm
1.8V 3.3V 3.3V 3.3V 2.0V
VCCDIG18 VCCDIG33 VCC_A VCC_B VCC_FEM
SX1308 Baseband processor 400 10
END4643A 133MHz oscillator 0
END4243A 32MHz TCXO 2
SX1257 Receiver A 85
SX1257 Receiver B 2
SE2435*
Front-end module (PA,
LNA, switch)
150
STM32F401CDU6
MCU 25
Current on individual power supply [mA] 400 35 87 2150
Main Voltage [V] 5 5 5 5 5
Regulator Voltage [V] 1.8 3.3 3.3 3.3 3.3
Regulator efficiency** [%] 85 90 - - -
Current @ +5.0V [mA] 169 26 87 2150 434 [mA]
Power @ +5.0V [mW] 845 130 435 10 750 2170 [mW]
* Maximum estimated Current consumption with 20% margin taken on typical current value when max. not specified
** Semtech SC283 step-down regulator
Device
Description
Current consumption per supply rail [mA]
Total

Wireless & Sensing Products
User Guide Final Rev 1.1
PicoCell Gateway V1.0 July 2017
Page 11 of 34
Semtech
3 Software Overview
The PicoCell GW software can be split in three main parts:
- The packet forwarder is a program running on the host of a LoRa® gateway that forwards RF
packets received by the concentrator to a server through an IP/UDP link, and emits RF packets
that are sent by the server.
- The picoGW_hal is a host driver/HAL to build a PicoCell GW which communicates through USB or
UART with a concentrator board based on Semtech SX1308 multi-channel modem and
SX1257/SX1255 RF transceivers. The library implements a USB CDC (virtual com port) to
communicate with the embedded MCU.
- The picoGW_mcu is an MCU driver/HAL for the PicoCell GW concentrator board. This program
runs on MCU (STM32-F401CD). The embedded firmware takes in charge the power management
of the SX1308 during the downlink to respect the 500 mA max power constraint in the USB plug.
It also implements a USB CDC protocol to bridge commands coming from host to the SX1308 SPI
interface.
Figure 5: GW Software Overview

Wireless & Sensing Products
User Guide Final Rev 1.1
PicoCell Gateway V1.0 July 2017
Page 12 of 34
Semtech
The packet_forwarder (gateway application) source code can be found under LoRa® Github:
https://github.com/Lora-net/picoGW_packet_forwarder
For more details see the readme.md file in the picoGW_packet_forwarder directory.
The picoGW_hal (SX130x control library) source code can be found under LoRa® Github:
https://github.com/Lora-net/picoGW_hal
For more details see the readme.md file in the picoGW_hal directory.
The picoGW_mcu driver/HAL source code can be found under LoRa® Github:
https://github.com/Lora-net/picoGW_mcu
For more details see the readme.md file in the picoGW_mcu directory.
The [PATH]/picoGW_mcu/bin/ directory contains the precompiled binary files in .hex or .dfu (“Device
Firmware Update”) formats. To load the binary file into the STM32F401CD target MCU, you can use a
tool such as “dfu-util”: http://dfu-util.sourceforge.net/
For basic testing, utilities such as packet logger, util_tx_test, util_tx_continuous, are provided on the
LoRa® Github repository:
https://github.com/Lora-net/picoGW_hal
https://github.com/Lora-net/picoGW_packet_forwarder)
Notice!
The default configuration file “global_conf.json” is given as an example and may need to be adapted
to your design. Several configuration file examples are located in the following directory:
[PATH]/picoGW_packet_forwarder/lora_pkt_fwd/cfg/

Wireless & Sensing Products
User Guide Final Rev 1.1
PicoCell Gateway V1.0 July 2017
Page 13 of 34
Semtech
4 Use with Raspberry Pi
The Semtech LoRa® Concentrator reference design has been tested with Raspberry Pi 2 model B, Pi 3
model B as well as Pi zero w:
https://www.raspberrypi.org/products/
4.1 Raspberry Pi Connection
Simply connect the PicoCell GW to the Raspbery Pi through any of the USB Type A connectors as
depicted on the picture below:
Figure 6: Raspberry Pi and PicoCell GW Connection

Wireless & Sensing Products
User Guide Final Rev 1.1
PicoCell Gateway V1.0 July 2017
Page 14 of 34
Semtech
4.2 Raspberry Pi Image Software Installation
• Download the Raspbian image:
o Go to address https://www.raspberrypi.org/downloads/raspbian/
o Choose “RASPBIAN JESSIE LITE”
• Refer to following guide to setup your SD card with the downloaded image:
https://www.raspberrypi.org/documentation/installation/installing-images/
o Format the SD card:
https://www.sdcard.org/downloads/formatter_4/
Figure 7: SDFormatter
o Write the image previously downloaded on the SD card:
https://sourceforge.net/projects/win32diskimager/
Figure 8: Win32 Disk Imager

Wireless & Sensing Products
User Guide Final Rev 1.1
PicoCell Gateway V1.0 July 2017
Page 15 of 34
Semtech
4.3 Starting Raspberry Pi
Once the SD card is burned, insert it in the Raspberry Pi and choose a way to login Raspberry Pi:
- HDMI monitor and USB keyboard
- UART terminal (thanks to an extra USB to serial adapter)
Below is the description through an SSH client enabled from
raspi-config
tool,
Interfacing Option
4.3.1 Login: pi and Password: raspberry
Figure 9: MobaXterm SSH Client

Wireless & Sensing Products
User Guide Final Rev 1.1
PicoCell Gateway V1.0 July 2017
Page 16 of 34
Semtech
4.3.2 Resize Partition / FS
• On larger SD cards, the root partition can be resized to use extra space, using the
Expand
Filesystem
option from raspi-config menu:
$ sudo raspi-config
Figure 10: raspi-config Menu
• Select
1 Expand Filesystem
from raspi-config menu and press Enter:
Figure 11: raspi-config “Expand Filesystem”
• The system must be then rebooted:
$ sudo reboot
For more details, go to the following address:
https://www.raspberrypi.org/documentation/configuration/raspi-config.md

Wireless & Sensing Products
User Guide Final Rev 1.1
PicoCell Gateway V1.0 July 2017
Page 17 of 34
Semtech
Get the latest Semtech software package from LoRa® Github (requires a connection to internet):
-
$ mkdir lora-net
-
$ cd lora-net
-
$ sudo apt-get update
-
$ sudo apt-get install git
-
$ git clone
https://github.com/Lora-net/picoGW_packet_forwarder.git
-
$ git clone
https://github.com/Lora-net/picoGW_mcu.git
-
$ git clone
https://github.com/Lora-net/picoGW_hal.git
Figure 12: Git Clones

Wireless & Sensing Products
User Guide Final Rev 1.1
PicoCell Gateway V1.0 July 2017
Page 18 of 34
Semtech
4.3.3 Install dfu-util Tool
-
$ cd ~/lora-net/
-
$ sudo apt-get install autoconf
-
$ git clone
https://git.code.sf.net/p/dfu-util/dfu-util
-
$ cd dfu-util
-
$ ./autogen.sh
-
$ sudo apt-get install libusb-1.0-0-dev
-
$ ./configure
-
$ make
-
$ sudo make install
Figure 13: Dfu-util Make Install

Wireless & Sensing Products
User Guide Final Rev 1.1
PicoCell Gateway V1.0 July 2017
Page 19 of 34
Semtech
4.3.4 Load STM32F401CD MCU Binary
For the first time only, load the STM32F401CD MCU binary:
1. Press the “BOOT0” button of the PicoCell GW while plugging it to any USB port of the Raspberry
Pi board:
Figure 14: STM32 MCU Boot0 Button
2. On the Raspberry Pi, load the binary into the STM32F401CD MCU with the following command:
$ sudo /usr/local/bin/dfu-util -a 0 -D ~/lora-net/picoGW_mcu/bin/pgw_fw_usb.dfu
Figure 15: Load STM32F401CD MCU Binary

Wireless & Sensing Products
User Guide Final Rev 1.1
PicoCell Gateway V1.0 July 2017
Page 20 of 34
Semtech
For any future STM32F401CD MCU binary update, there should be no need to press the “BOOT0”
button, simply connect the PicoCell GW to any USB port of the Raspberry Pi and type following
commands:
-
$ lsusb
To check Pico GW is recognized:
Figure 16: “lsusb” Command Result
-
$ dmesg
To know the COM device to be used to access to the Pico GW (here “ttyACMo”):
Figure 17: “dmesg” Command Result
-
$ cd ~/lora-net/picoGW_hal/util_boot
-
$ make

Wireless & Sensing Products
User Guide Final Rev 1.1
PicoCell Gateway V1.0 July 2017
Page 21 of 34
Semtech
-
$ ./util_boot –d /dev/ttyACM0
-
$ lsusb
To check Pico GW is in DFU (Device Firmware Update) mode:
Figure 18: DFU Mode
-
$ sudo /usr/local/bin/dfu-util -a 0 -D ~/lora-net/picoGW_mcu/bin/pgw_fw_usb.dfu
Figure 19: Update STM32F401CD MCU Binary

Wireless & Sensing Products
User Guide Final Rev 1.1
PicoCell Gateway V1.0 July 2017
Page 22 of 34
Semtech
Notice!
To exit the DFU (Device Firmware Update) mode, you need to unplug and plug again the PicoCell
GW to the Raspberry Pi board. You can also do it by controlling the USB power of the Raspberry Pi
board through a tool such as “hub-ctrl”: https://github.com/codazoda/hub-ctrl.c

Wireless & Sensing Products
User Guide Final Rev 1.1
PicoCell Gateway V1.0 July 2017
Page 23 of 34
Semtech
4.3.5 Compile Semtech HAL + Packet Forwarder
-
$ cd ~/lora-net/picoGW_hal
-
$ make clean all
-
$ cd ~/lora-net/picoGW_packet_forwarder
-
$ make clean all
4.3.6 Semtech HAL Compilation Check
The program
util_com_stress
is used to check the reliability of the link between the host platform
(on which the program is run) and the LoRa® concentrator register file that is the interface through
which all interactions with the LoRa® concentrator happen.
The tests run endlessly or until an error is detected: press Ctrl+C to stop the application.
-
$ cd ~/lora-net/picoGW_hal/util_com_stress
-
$ ./util_com_stress -t 4 -d /dev/ttyACM0
The output looks like this:
Figure 20: Util_com_stress

Wireless & Sensing Products
User Guide Final Rev 1.1
PicoCell Gateway V1.0 July 2017
Page 24 of 34
Semtech
4.3.7 Set a Unique ID to the Gateway
The PicoCell GW has a unique ID given at production. This ID can be used as a 64-bit MAC address for
the PicoCell GW.
$ cd ~/lora-net/picoGW_hal/util_chip_id
$ ./util_chip_id -d /dev/ttyACM0
Return a unique ID like the following:
3535303229002e00
Figure 21: Util_chip_id
The gateway ID could be then replaced in the global_conf.json file within the repository:
~/lora-net/picoGW_packet_forwarder/lora_pkt_fwd
{"gateway_conf": {
"gateway_ID": "3535303229002e00"
}
}

Wireless & Sensing Products
User Guide Final Rev 1.1
PicoCell Gateway V1.0 July 2017
Page 25 of 34
Semtech
The user can also create a local_conf.json file in the repository:
~/lora-net/picoGW_packet_forwarder/lora_pkt_fwd
with the following line
{"gateway_conf": {
"gateway_ID": "3535303229002e00"
}
}

Wireless & Sensing Products
User Guide Final Rev 1.1
PicoCell Gateway V1.0 July 2017
Page 26 of 34
Semtech
4.3.8 Run Basic Packet Forwarder
The Basic Packet Forwarder is a program running on the host of a LoRa® Gateway that forward RF
packets received by the concentrator to a server through an IP/UDP link, and emits RF packets that
are sent by the server.
Run Basic Packet Forwarder for a functional check:
$ cd ~/lora-net/picoGW_packet_forwarder/lora_pkt_fwd/
$ ./lora_pkt_fwd -d /dev/ttyACM0
The output looks like this:
Figure 22: Basic Packet Forwarder

Wireless & Sensing Products
User Guide Final Rev 1.1
PicoCell Gateway V1.0 July 2017
Page 27 of 34
Semtech
5 JSON file for RF Parameter Tuning
Edit the file
~/lora-net/picoGW_packet_forwarder/lora_pkt_fwd/global_conf.json
to update the
following RF parameters:
-
freq
,
radio
and
if
to set frequency channels
o Frequency channels = [
freq
of selected
radio
+
if
] in Hz
-
rssi_offset
to tune SX1257 + SX1308 RSSI
- 16 available gain tables
tx_lut_0
until
tx_lut_15
to tune Tx output power thanks to the 4
following parameters:
o
pa_gain
: no possible PA gain setting on PicoCell GW V1.0, so keep it to 0
o
mix_gain
: 11 possible mixer gain settings from 5 (min. gain) to 15 (max. gain)
o
rf_power
: RF output power target in dBm
o
dig_gain
: 4 possible digital gain settings from 0 (max. gain) to 3 (min. gain)
Within a Tx gain table index, the setting {
pa_gain
,
mix_gain
,
dig_gain
} must correspond to the RF
output power target defined in the parameter
rf_power
.
A typical PicoCell GW
global_conf.json
file looks like this:
{
"SX1301_conf": {
"lorawan_public": false,
"clksrc": 1, /* radio_1 provides clock to concentrator */
"antenna_gain": 0, /* antenna gain, in dBi */
"radio_0": {
"enable": true,
"type": "SX1257",
"freq": 867500000,
"rssi_offset": -164.0,
"tx_enable": true,
"tx_freq_min": 863000000,
"tx_freq_max": 870000000
},
"radio_1": {
"enable": true,
"type": "SX1257",
"freq": 868500000,
"rssi_offset": -164.0,
"tx_enable": false
},
"chan_multiSF_0": {
/* Lora MAC channel, 125kHz, all SF, 868.1 MHz */
"enable": true,
"radio": 1,
"if": -400000
},
"chan_multiSF_1": {

Wireless & Sensing Products
User Guide Final Rev 1.1
PicoCell Gateway V1.0 July 2017
Page 28 of 34
Semtech
/* Lora MAC channel, 125kHz, all SF, 868.3 MHz */
"enable": true,
"radio": 1,
"if": -200000
},
"chan_multiSF_2": {
/* Lora MAC channel, 125kHz, all SF, 868.5 MHz */
"enable": true,
"radio": 1,
"if": 0
},
"chan_multiSF_3": {
/* Lora MAC channel, 125kHz, all SF, 867.1 MHz */
"enable": true,
"radio": 0,
"if": -400000
},
"chan_multiSF_4": {
/* Lora MAC channel, 125kHz, all SF, 867.3 MHz */
"enable": true,
"radio": 0,
"if": -200000
},
"chan_multiSF_5": {
/* Lora MAC channel, 125kHz, all SF, 867.5 MHz */
"enable": true,
"radio": 0,
"if": 0
},
"chan_multiSF_6": {
/* Lora MAC channel, 125kHz, all SF, 867.7 MHz */
"enable": true,
"radio": 0,
"if": 200000
},
"chan_multiSF_7": {
/* Lora MAC channel, 125kHz, all SF, 867.9 MHz */
"enable": true,
"radio": 0,
"if": 400000
},
"chan_Lora_std": {
/* Lora MAC channel, 250kHz, SF7, 868.3 MHz */
"enable": true,
"radio": 1,
"if": -200000,
"bandwidth": 250000,
"spread_factor": 7
},
"chan_FSK": {
/* FSK 50kbps channel, 868.8 MHz */
"enable": true,
"radio": 1,
"if": 300000,
"bandwidth": 125000,
"datarate": 50000
},
"tx_lut_0": {
/* TX gain table, index 0 */
"pa_gain": 0,
"mix_gain": 5,
"rf_power": 9,
"dig_gain": 3
},
"tx_lut_1": {
/* TX gain table, index 1 */

Wireless & Sensing Products
User Guide Final Rev 1.1
PicoCell Gateway V1.0 July 2017
Page 29 of 34
Semtech
"pa_gain": 0,
"mix_gain": 5,
"rf_power": 9,
"dig_gain": 3
},
"tx_lut_2": {
/* TX gain table, index 2 */
"pa_gain": 0,
"mix_gain": 5,
"rf_power": 9,
"dig_gain": 3
},
"tx_lut_3": {
/* TX gain table, index 3 */
"pa_gain": 0,
"mix_gain": 5,
"rf_power": 9,
"dig_gain": 3
},
"tx_lut_4": {
/* TX gain table, index 4 */
"pa_gain": 0,
"mix_gain": 5,
"rf_power": 9,
"dig_gain": 3
},
"tx_lut_5": {
/* TX gain table, index 5 */
"pa_gain": 0,
"mix_gain": 5,
"rf_power": 9,
"dig_gain": 3
},
"tx_lut_6": {
/* TX gain table, index 6 */
"pa_gain": 0,
"mix_gain": 5,
"rf_power": 9,
"dig_gain": 3
},
"tx_lut_7": {
/* TX gain table, index 7 */
"pa_gain": 0,
"mix_gain": 6,
"rf_power": 11,
"dig_gain": 3
},
"tx_lut_8": {
/* TX gain table, index 8 */
"pa_gain": 0,
"mix_gain": 5,
"rf_power": 13,
"dig_gain": 2
},
"tx_lut_9": {
/* TX gain table, index 9 */
"pa_gain": 0,
"mix_gain": 8,
"rf_power": 14,
"dig_gain": 3
},
"tx_lut_10": {
/* TX gain table, index 10 */
"pa_gain": 0,
"mix_gain": 6,
"rf_power": 15,

Wireless & Sensing Products
User Guide Final Rev 1.1
PicoCell Gateway V1.0 July 2017
Page 30 of 34
Semtech
"dig_gain": 2
},
"tx_lut_11": {
/* TX gain table, index 11 */
"pa_gain": 0,
"mix_gain": 6,
"rf_power": 16,
"dig_gain": 1
},
"tx_lut_12": {
/* TX gain table, index 12 */
"pa_gain": 0,
"mix_gain": 9,
"rf_power": 17,
"dig_gain": 3
},
"tx_lut_13": {
/* TX gain table, index 13 */
"pa_gain": 0,
"mix_gain": 10,
"rf_power": 18,
"dig_gain": 3
},
"tx_lut_14": {
/* TX gain table, index 14 */
"pa_gain": 0,
"mix_gain": 11,
"rf_power": 19,
"dig_gain": 3
},
"tx_lut_15": {
/* TX gain table, index 15 */
"pa_gain": 0,
"mix_gain": 12,
"rf_power": 20,
"dig_gain": 3
}
},
"gateway_conf": {
"gateway_ID": "AA555A0000240409",
/* change with default server address/ports, or overwrite in local_conf.json */
"server_address": "localhost",
"serv_port_up": 1680,
"serv_port_down": 1680,
/* adjust the following parameters for your network */
"keepalive_interval": 10,
"stat_interval": 30,
"push_timeout_ms": 100,
/* forward only valid packets */
"forward_crc_valid": true,
"forward_crc_error": false,
"forward_crc_disabled": false
}
}
}

Wireless & Sensing Products
User Guide Final Rev 1.1
PicoCell Gateway V1.0 July 2017
Page 32 of 34
Semtech
7 Revision History
Version
Date
Modifications
1.0 May 2017 First Release
1.1 July 2017 Section 3: addition of of UART support
Figure 5 updated accordingly
“SX1301” replaced by “SX1308”
Section 4.3.4, step 2: linux command change
Figure 15 updated accordingly
New Figure 16: “lsusb” command result
New Figure 17: “dmesg” command result
New linux command to get the COM device
New Figure 18: DFU mode
New Figure 19: Update STM32F401CD MCU Binary
Linux commands change (add –d option parameter + .dfu name)
Section 4.3.6: linux command change (add –d option parameter) + Figure 20:
Util_com_stress updated accordingly
Section 4.3.7: linux command change (add –d option parameter)
Figure 21: Util_chip_id updated accordingly
Section 4.3.8: linux command change (add –d option parameter)
Figure 22: Basic Packet Forwarder updated accordingly

Wireless & Sensing Products
User Guide Final Rev 1.1
PicoCell Gateway V1.0 July 2017
Page 33 of 34
Semtech
8 Glossary
BB BaseBand
BoM Bill Of Materials
BW BandWidth
CLK Clock
CW Continuous Wave
ETSI European Telecommunications Standard Institute
DFU Device Firmware Update
EU Europe
EUI Extended Unique Identifier
GB GigaByte
GPS Global Positioning System
GW GateWay
HAL Hardware Abstraction Layer
HDMI High-Definition Multimedia Interface
HW HardWare
IP Intellectual Property
ISM Industrial, Scientific and Medical applications
LAN Local Area Network
LBT Listen Before Talk
LO Local Oscillator
LoRa® LOng RAnge modulation technique
LoRaWAN LoRa® low power Wide Area Network protocol
LPF Low Pass Filter
LSB Least Significant Bit
LUT Look Up Table
MAC Media Access Control address
MCU Micro-Controller Unit
MPU Micro-Processing Unit
PA Power Amplifier
RSSI Received Signal Strength Indication
RF Radio-Frequency
RX Receiver
SAW Surface Acoustic Wave filter
SD Card Secure Digital Card
SF Spreading Factor
SPI Serial Peripheral Interface
SPDT Single-Pole, Double-Throw switch
SSH Secure SHell
SW SoftWare
TX Transmitter
UART Universal Asynchronous Receiver/Transmitter
UDP User Datagram Protocol
USB Universal Serial Bus

Wireless & Sensing Products
User Guide Final Rev 1.1
PicoCell Gateway V1.0 July 2017
Page 34 of 34
Semtech
Important Notice
Information relating to this product and the application or design described herein is believed to be reliable, however such
information is provided as a guide only and Semtech assumes no liability for any errors in this document, or for the application or
design described herein. Semtech reserves the right to make changes to the product or this document at any time without notice.
Buyers should obtain the latest relevant information before placing orders and should verify that such information is current and
complete. Semtech warrants performance of its products to the specifications applicable at the time of sale, and all sales are made in
accordance with Semtech’s standard terms and conditions of sale.
SEMTECH PRODUCTS ARE NOT DESIGNED, INTENDED, AUTHORIZED OR WARRANTED TO BE SUITABLE FOR USE IN LIFE-SUPPORT
APPLICATIONS, DEVICES OR SYSTEMS, OR IN NUCLEAR APPLICATIONS IN WHICH THE FAILURE COULD BE REASONABLY EXPECTED TO
RESULT IN PERSONAL INJURY, LOSS OF LIFE OR SEVERE PROPERTY OR ENVIRONMENTAL DAMAGE. INCLUSION OF SEMTECH
PRODUCTS IN SUCH APPLICATIONS IS UNDERSTOOD TO BE UNDERTAKEN SOLELY AT THE CUSTOMER’S OWN RISK. Should a customer
purchase or use Semtech products for any such unauthorized application, the customer shall indemnify and hold Semtech and its
officers, employees, subsidiaries, affiliates, and distributors harmless against all claims, costs damages and attorney fees which could
arise.
The Semtech name and logo are registered trademarks of the Semtech Corporation. All other trademarks and trade names mentioned
may be marks and names of Semtech or their respective companies. Semtech reserves the right to make changes to, or discontinue
any products described in this document without further notice. Semtech makes no warranty, representation or guarantee, express or
implied, regarding the suitability of its products for any particular purpose. All rights reserved.
© Semtech 2017
Contact Information
Semtech Corporation
Wireless & Sensing Products
200 Flynn Road, Camarillo, CA 93012
E-mail: sales@semtech.com
Phone: (805) 498-2111, Fax: (805) 498-3804
www.semtech.com
