Quanta LG3/5 Schematics. Www.s Manuals.com. Lg3, 5 R2a Schematics
User Manual: Notebook LG N450 - Service manuals and Schematics, Disassembly / Assembly. Free.
Open the PDF directly: View PDF
.
Page Count: 41

1
1
2
2
3
3
4
4
5
5
6
6
7
7
8
8
A A
B B
C C
D D
Size Document Number Rev
Date: Sheet of
4XDQWD&RPSXWHU,QF
352-(&7/*0X[OHVV80$
1%
BLOCK DIAGRAM
2A
Custom
142Wednesday, March 07, 2012
Size Document Number Rev
Date: Sheet of
4XDQWD&RPSXWHU,QF
352-(&7/*0X[OHVV80$
1%
BLOCK DIAGRAM
2A
Custom
142Wednesday, March 07, 2012
Size Document Number Rev
Date: Sheet of
4XDQWD&RPSXWHU,QF
352-(&7/*0X[OHVV80$
1%
BLOCK DIAGRAM
2A
Custom
142Wednesday, March 07, 2012
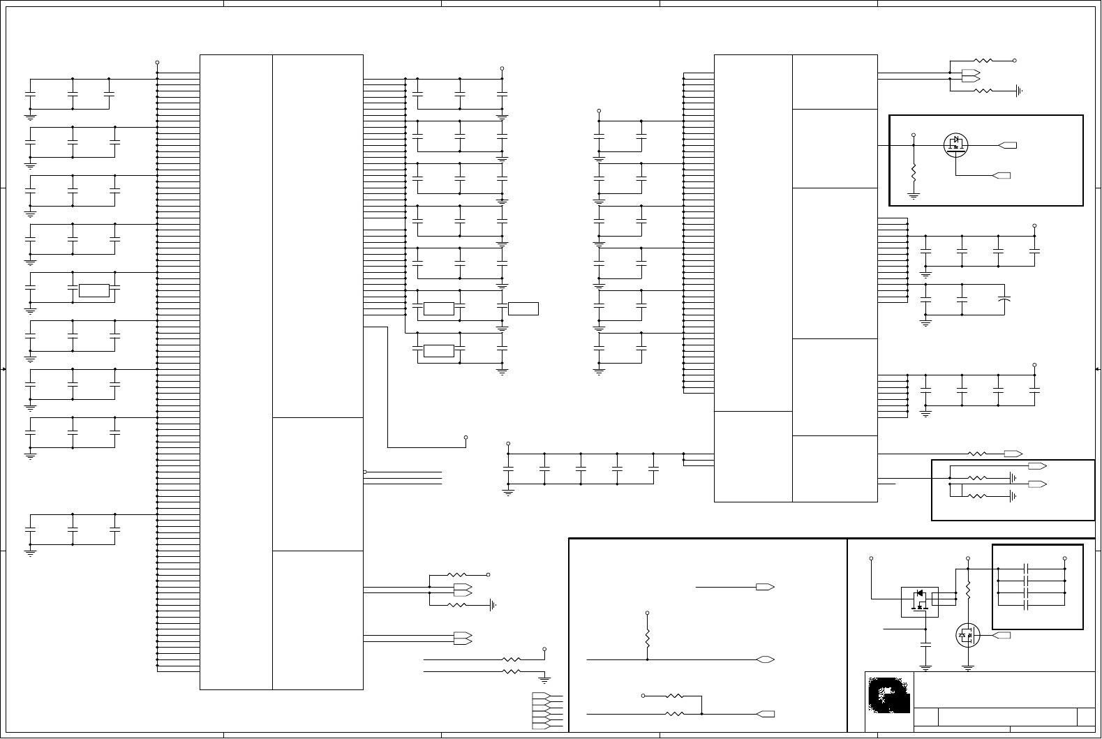
LG3/5 (14"/15.6") MUXLESS and UMA. BLOCK DIAGRAM
(12)
(2)
.H\ERDUG
Fingerprint
7RXFK3DG
Audio
LPC
ITE KBC
Azalia
Webcam w/ Mic
CPU Core2 (NCP5911)QC
PAGE 36
PCI-E 100M
PAGE 24
CPU Core1 (NCP6132B)QC
+VGACORE (RT8208)
PAGE 29
$/&49&*5
32.768KHz
$XGLR-DFN
+HDGSKRQH0,&
PAGE 24
PAGE 28
PAGE 37
USB2.0 (48Mbps)
ITE 8518/HX
PAGE 24
7-in-1
flash media
slot(SD/ SDHC /
SDXC(UHS 104) /
MS/MMC/ XD/MSP)
PAGE 24
Card Reader
Realtek RTS5209 Wireless LAN
half size
mini-card
PAGE 22
Atheros AR8161
LAN
RJ45
PAGE 25
25MHz
PAGE 25
Intel
Ivy Bridge
( rPGA 989 )
CPU 45Watt
32.768KHz
DMI2.0*4
PAGE 2-5
Platform
Controller
Hub
PCH 3.5Watt
PAGE 6-11
4 Core
63,520
(&):
PAGE 29
DDR3-SODIMM1
DDR3 800,1066,1333,1600 MT/s
PAGE 12
DDR3-SODIMM2
PAGE 13
PAGE 28
6$7$*EV
35Watt
PAGE 21
(0,9,11)
USB2.0 Port
PAGE 26
FDI
(1)
USB2.0 Port
PAGE 26
(2) (1)(4)
AMD
PAGE 19-20
Thames-Pro/LP 128bit
Seymour-XT 64bit
3&,([SUHVV
*HQ;
PAGE 14-18
VRAM DDR3 *4/*8
(1Gb / 2Gb)
27MHz
-DFNWR
6SHDNHU
PAGE 24
6$7$+''67
PAGE 23
6$7$*EV
6$7$&'520
PAGE 23
29mm X 29mm
PAGE 35
+1.8V (G9661)
PAGE 40PAGE 38
Dis-charge IC (SLG55448VTR)
730
PAGE 28
LPC
6/%77
>ŽŶŶ;ϭϱ͘ϲΗͿ
W'Ϯϭ
>s^/ŶƚĞƌĨĂĐĞ
,D//ŶƚĞƌĨĂĐĞ
Zd/ŶƚĞƌĨĂĐĞ
,D/ŽŶŶ
W'Ϯϭ
ZdŽŶŶ
W'ϮϮ
W'Ϯϲ
h^ϯ͘ϬWŽƌƚdžϮ
h^ϯ͘Ϭ/ŶƚĞƌĨĂĐĞ;ϭϮDďƉƐͿ
>zZϱ͗^s
>zZϲ͗Kd
>zZϮ͗^'E
>zZϰ͗/EϮ;>ŽǁͿ
>zZϭ͗dKW
>zZϯ͗/Eϭ;,ŝŐŚͿ
Wϲ>^d<hW
h^ŚĂƌŐĞƐƵƉƉŽƌƚ
(8)
BlueTooth
PAGE 28
(10) (1,2)
^LJƐƚĞŵ/K^
^W/ZKD W'ϳ
SPI
Accelerometer
Sensor
Page 26
60%86
>/^ϯ,dZ
DDR3 800,1066,1333,1600 MT/s
Charger (OZ8682)
PAGE 30
PAGE 31
3/5VS5 (RT8223P)
PAGE 32
DDR III (RT8207)
PAGE 34
+1.05V(RT8240BZ)
PAGE 33
VCCSA (SY8037B) +VGA POWER
PAGE 39
32.768kHz

5
5
4
4
3
3
2
2
1
1
D D
C C
B B
A A
TP_CATERR#
PM_THRMTRIP#_R
PM_SYNC_R
SM_RCOMP_0
CPU_DRAMRST#
SM_RCOMP_2
XDP_TMS
XDP_TDO
XDP_TCLK
XDP_TDI_R
XDP_PREQ#
XDP_PRDY#
SM_RCOMP_1
PEG_COMP
SKTOCC#
PM_DRAM_PWRGD_R
H_PWRGOOD_R
H_PECI
H_PROCHOT#_R
XDP_TRST#
XDP_DBRST#
INT_eDP_HPD_Q
eDP_COMP
PEG_COMP
eDP_COMP
INT_eDP_HPD_Q
C_PEG_TX0
C_PEG_TX6
C_PEG_TX3
C_PEG_TX1
C_PEG_TX7
C_PEG_TX4
C_PEG_TX2
C_PEG_TX5
PEG_TX1
PEG_TX2
PEG_TX3
PEG_TX4
PEG_TX0
PEG_TX5
PEG_TX6
PEG_TX7
C_PEG_TX#6
C_PEG_TX#3
C_PEG_TX#0
C_PEG_TX#1
C_PEG_TX#7
C_PEG_TX#4
C_PEG_TX#2
C_PEG_TX#5
PEG_TX#1
PEG_TX#2
PEG_TX#3
PEG_TX#4
PEG_TX#0
PEG_TX#5
PEG_TX#6
PEG_TX#7
XDP_TRST#
XDP_TDI_R
XDP_PREQ#
XDP_TCLK
XDP_TMS
H_PROCHOT#
XDP_TDO
PM_DRAM_PWRGD_R
CPU_DRAMRST#
CPU_DRAMRST#_R
CPU_PLTRST#_R
CLK_DPLL_SSCLKN_R
CLK_DPLL_SSCLKP_R
PEG_RX0
PEG_RX1
PEG_RX2
PEG_RX3
PEG_RX4
PEG_RX5
PEG_RX6
PEG_RX7
PEG_RX#7
PEG_RX#6
PEG_RX#5
PEG_RX#4
PEG_RX#3
PEG_RX#2
PEG_RX#1
PEG_RX#0
C_PEG_TX#7
C_PEG_TX#6
C_PEG_TX#5
C_PEG_TX#4
C_PEG_TX#3
C_PEG_TX#2
C_PEG_TX#1
C_PEG_TX#0
C_PEG_TX7
C_PEG_TX6
C_PEG_TX5
C_PEG_TX4
C_PEG_TX3
C_PEG_TX2
C_PEG_TX1
C_PEG_TX0
DMI_TXN0[6]
DMI_TXN1[6]
DMI_TXN2[6]
DMI_TXN3[6]
DMI_TXP0[6]
DMI_TXP1[6]
DMI_TXP2[6]
DMI_TXP3[6]
DMI_RXN0[6]
DMI_RXN1[6]
DMI_RXN2[6]
DMI_RXN3[6]
DMI_RXP0[6]
DMI_RXP1[6]
DMI_RXP2[6]
DMI_RXP3[6]
FDI_TXN0[6]
FDI_TXN1[6]
FDI_TXN3[6]
FDI_TXN2[6]
FDI_TXN5[6]
FDI_TXN7[6]
FDI_TXN6[6]
FDI_TXN4[6]
FDI_TXP1[6]
FDI_TXP5[6]
FDI_TXP7[6]
FDI_TXP6[6]
FDI_TXP4[6]
FDI_TXP3[6]
FDI_TXP2[6]
FDI_TXP0[6]
FDI_FSYNC0[6]
FDI_FSYNC1[6]
FDI_INT[6]
FDI_LSYNC1[6]
FDI_LSYNC0[6]
EC_PECI[29]
PM_SYNC[6]
H_PWRGOOD[9]
H_PROCHOT#[29,36]
CLK_CPU_BCLKN [8]
CLK_CPU_BCLKP [8]
H_SNB_IVB#[7]
PM_THRMTRIP#[9,29]
XDP_DBRST# [6]
PEG_TX[0..7][14] PEG_TX#[0..7][14]
MAIN_ONG [4,38]
DRAMRST_CNTRL_PCH[8,12,13]
DDR3_DRAMRST#[12,13]
+1.05V_VTT
+3VS5[6,7,8,9,10,27,28,29,31,34,35,38,39]
+1.5V_CPU[4,10,22]
+3V[6,7,8,9,10,12,13,14,16,21,22,23,24,25,26,27,28,29,34,36,38,40]
PLTRST#[8,14,22,23,25,28,29]
PM_DRAM_PWRGD[6]
PEG_RX#[0..7] [14]
PEG_RX[0..7] [14]
+3V
+1.05V
+1.05V
+1.05V
+1.05V
+1.5V_CPU +1.5VSUS
+1.05V
Size Document Number Rev
Date: Sheet of
4XDQWD&RPSXWHU,QF
352-(&7/*0X[OHVV80$
1%
SNB 1/4 (PCIE&DMI&FDI)
2A
Custom
242Wednesday, March 07, 2012
Size Document Number Rev
Date: Sheet of
4XDQWD&RPSXWHU,QF
352-(&7/*0X[OHVV80$
1%
SNB 1/4 (PCIE&DMI&FDI)
2A
Custom
242Wednesday, March 07, 2012
Size Document Number Rev
Date: Sheet of
4XDQWD&RPSXWHU,QF
352-(&7/*0X[OHVV80$
1%
SNB 1/4 (PCIE&DMI&FDI)
2A
Custom
242Wednesday, March 07, 2012
Sandy Bridge Processor (DMI,PEG,FDI) Sandy Bridge Processor (CLK,MISC,JTAG)
0.22uF AC coupling Caps for PCIE GEN1/2/3
SNB_IVB# N.A at SNB EDS #27637 0.7v1
CPU XDP
DP & PEG Compensation
PEG_ICOMPI and RCOMPO signals
should be routed within 500 mils typical
impedance = 43 mohms PEG_ICOMPO
signals should be routed within 500 mils
typical impedance = 14.5 mohms
eDP_COMPIO and ICOMPO signals should be shorted
near balls and routed with typical impedance <25 mohms
PEG x16 disable (UMA only remove)
Processor pull-up (CPU)
DDR3 DRAM RESET
PEG_COMP connect to PIN H22&J22 W:4mils/S:15mils/L: 500mils.
PEG_COMP connect to PIN J21 W:12mils/S:15mils/L: 500mils.
eDP_COMP connect to PIN A18 W:4mils/S:15mils/L: 500mils.
eDP_COMP connect to PIN A17 W:12mils/S:15mils/L: 500mils.
SM_RCOMP[0] W:20mils/S:20mils/L: 500mils,
SM_RCOMP[1] W:20mils/S:20mils/L: 500mils,
SM_RCOMP[2] W:15mils/S:20mils/L: 500mils,
Placement close to EC.
CPU RESET#
SM_DRAMPWROK Processor Input.
PROCTHOT# with two VR topology ..75ohm
PROCTHOT# with one VR topology ..56 ohm
PROCTHOT# with two VR topology ..100ohm
PROCTHOT# with one VR topology ..62 ohm
reserved for "boot hang 47" issue
sϮ͘͘͘ŚĂŶŐĞW'h^ϬΕϳ
&KZW'h^EŽƌŵĂů
ŽƉĞƌĂƚŝŽŶ
C513
0.047U/10V_4
C513
0.047U/10V_4
R136 56.2/F_4R136 56.2/F_4 R261 140/F_4R261 140/F_4
Q19
2N7002
Q19
2N7002
3
2
1
C118 0.1U/10V_4C118 0.1U/10V_4
R516 51_4R516 51_4
R368 1K_4R368 1K_4
C90 0.1U/10V_4C90 0.1U/10V_4
C122 0.1U/10V_4C122 0.1U/10V_4
C112 0.1U/10V_4C112 0.1U/10V_4
C128 0.1U/10V_4C128 0.1U/10V_4
R521 1K_4R521 1K_4
R216 24.9/F_4R216 24.9/F_4
C102 0.1U/10V_4C102 0.1U/10V_4
C735
*47P/50V_4
C735
*47P/50V_4
R531 130/F_4R531 130/F_4
R369 *0_4R369 *0_4
R370
4.99K/F_4
R370
4.99K/F_4
R513 *0_4/SR513 *0_4/S
C68 0.1U/10V_4C68 0.1U/10V_4
R511 51_4R511 51_4
R112 62_4R112 62_4
R508 51_4R508 51_4
R523 200/F_4R523 200/F_4
C69 0.1U/10V_4C69 0.1U/10V_4
R514 51_4R514 51_4
TP53TP53
TP11TP11
R510 10K_4R510 10K_4
R506 1.5K/F_4R506 1.5K/F_4
TP56TP56
R532
*39_4
R532
*39_4
R130 *1K_4R130 *1K_4
C224 43P/50V_4C224 43P/50V_4
C98 0.1U/10V_4C98 0.1U/10V_4
Q28
*2N7002
Q28
*2N7002
3
2
1
CLOCKS
MISCTHERMALPWR MANAGEMENT
DDR3
MISC
JTAG & BPM
U19B
Sandy Bridge_rPGA_Rev0p61
rpga989-47989-socket
DGG^9000023
IC SOCKET RPGA 989P(P1.0,M/H3.0)
CLOCKS
MISCTHERMALPWR MANAGEMENT
DDR3
MISC
JTAG & BPM
U19B
Sandy Bridge_rPGA_Rev0p61
rpga989-47989-socket
DGG^9000023
IC SOCKET RPGA 989P(P1.0,M/H3.0)
SM_RCOMP[1] A5
SM_RCOMP[2] A4
SM_DRAMRST# R8
SM_RCOMP[0] AK1
BCLK# A27
BCLK A28
DPLL_REF_SSCLK# A15
DPLL_REF_SSCLK A16
CATERR#
AL33
PECI
AN33
PROCHOT#
AL32
THERMTRIP#
AN32
SM_DRAMPWROK
V8
RESET#
AR33
PRDY# AP29
PREQ# AP27
TCK AR26
TMS AR27
TRST# AP30
TDI AR28
TDO AP26
DBR# AL35
BPM#[0] AT28
BPM#[1] AR29
BPM#[2] AR30
BPM#[3] AT30
BPM#[4] AP32
BPM#[5] AR31
BPM#[6] AT31
BPM#[7] AR32
PM_SYNC
AM34
SKTOCC#
AN34
SNB_IVB#
C26
UNCOREPWRGOOD
AP33
R519 1K_4R519 1K_4
TP55TP55
R505
750/F_4
R505
750/F_4
R509 *0_4/SR509 *0_4/S
R534
200/F_4
R534
200/F_4
R113 *51_4R113 *51_4
TP59TP59
C82 0.1U/10V_4C82 0.1U/10V_4
PCI EXPRESS* - GRAPHICS
DMI
Intel(R) FDI
eDP
U19A
Sandy Bridge_rPGA_Rev0p61
rpga989-47989-socket
DGG^9000023
IC SOCKET RPGA 989P(P1.0,M/H3.0)
PCI EXPRESS* - GRAPHICS
DMI
Intel(R) FDI
eDP
U19A
Sandy Bridge_rPGA_Rev0p61
rpga989-47989-socket
DGG^9000023
IC SOCKET RPGA 989P(P1.0,M/H3.0)
DMI_RX#[0]
B27
DMI_RX#[1]
B25
DMI_RX#[2]
A25
DMI_RX#[3]
B24
DMI_RX[0]
B28
DMI_RX[1]
B26
DMI_RX[2]
A24
DMI_RX[3]
B23
DMI_TX#[0]
G21
DMI_TX#[1]
E22
DMI_TX#[2]
F21
DMI_TX#[3]
D21
DMI_TX[0]
G22
DMI_TX[1]
D22
DMI_TX[3]
C21 DMI_TX[2]
F20
FDI0_TX#[0]
A21
FDI0_TX#[1]
H19
FDI0_TX#[2]
E19
FDI0_TX#[3]
F18
FDI1_TX#[0]
B21
FDI1_TX#[1]
C20
FDI1_TX#[2]
D18
FDI1_TX#[3]
E17
FDI0_TX[0]
A22
FDI0_TX[1]
G19
FDI0_TX[2]
E20
FDI0_TX[3]
G18
FDI1_TX[0]
B20
FDI1_TX[1]
C19
FDI1_TX[2]
D19
FDI1_TX[3]
F17
FDI0_FSYNC
J18
FDI1_FSYNC
J17
FDI_INT
H20
FDI0_LSYNC
J19
FDI1_LSYNC
H17
PEG_ICOMPI J22
PEG_ICOMPO J21
PEG_RCOMPO H22
PEG_RX#[0] K33
PEG_RX#[1] M35
PEG_RX#[2] L34
PEG_RX#[3] J35
PEG_RX#[4] J32
PEG_RX#[5] H34
PEG_RX#[6] H31
PEG_RX#[7] G33
PEG_RX#[8] G30
PEG_RX#[9] F35
PEG_RX#[10] E34
PEG_RX#[11] E32
PEG_RX#[12] D33
PEG_RX#[13] D31
PEG_RX#[14] B33
PEG_RX#[15] C32
PEG_RX[0] J33
PEG_RX[1] L35
PEG_RX[2] K34
PEG_RX[3] H35
PEG_RX[4] H32
PEG_RX[5] G34
PEG_RX[6] G31
PEG_RX[7] F33
PEG_RX[8] F30
PEG_RX[9] E35
PEG_RX[10] E33
PEG_RX[11] F32
PEG_RX[12] D34
PEG_RX[13] E31
PEG_RX[14] C33
PEG_RX[15] B32
PEG_TX#[0] M29
PEG_TX#[1] M32
PEG_TX#[2] M31
PEG_TX#[3] L32
PEG_TX#[4] L29
PEG_TX#[5] K31
PEG_TX#[6] K28
PEG_TX#[7] J30
PEG_TX#[8] J28
PEG_TX#[9] H29
PEG_TX#[10] G27
PEG_TX#[11] E29
PEG_TX#[12] F27
PEG_TX#[13] D28
PEG_TX#[14] F26
PEG_TX#[15] E25
PEG_TX[0] M28
PEG_TX[1] M33
PEG_TX[2] M30
PEG_TX[3] L31
PEG_TX[4] L28
PEG_TX[5] K30
PEG_TX[6] K27
PEG_TX[7] J29
PEG_TX[8] J27
PEG_TX[9] H28
PEG_TX[10] G28
PEG_TX[11] E28
PEG_TX[12] F28
PEG_TX[13] D27
PEG_TX[14] E26
PEG_TX[15] D25
eDP_AUX
C15
eDP_AUX#
D15
eDP_TX[0]
C17
eDP_TX[1]
F16
eDP_TX[2]
C16
eDP_TX[3]
G15
eDP_TX#[0]
C18
eDP_TX#[1]
E16
eDP_TX#[2]
D16
eDP_TX#[3]
F15
eDP_COMPIO
A18
eDP_HPD
B16 eDP_ICOMPO
A17
C79 0.1U/10V_4C79 0.1U/10V_4
R507 43_4R507 43_4
C73 0.1U/10V_4C73 0.1U/10V_4
R386 *0_4/SR386 *0_4/S
TP13TP13
C65 0.1U/10V_4C65 0.1U/10V_4
R518 *10K_4R518 *10K_4
TP57TP57
C107 0.1U/10V_4C107 0.1U/10V_4
C269 0.1U/10V_4C269 0.1U/10V_4
R515 51_4R515 51_4R517 24.9/F_4R517 24.9/F_4
TP58TP58
R524 25.5/F_4R524 25.5/F_4
R533
*3K/F_4
R533
*3K/F_4
R367 1K_4R367 1K_4
R504 *0_4/SR504 *0_4/S TP10TP10
C76 0.1U/10V_4C76 0.1U/10V_4
C89 0.1U/10V_4C89 0.1U/10V_4

5
5
4
4
3
3
2
2
1
1
D D
C C
B B
A A
M_A_DQ0
M_A_DQ1
M_A_DQ2
M_A_DQ3
M_A_DQ4
M_A_DQ5
M_A_DQ6
M_A_DQ7
M_A_DQ10
M_A_DQ11
M_A_DQ13
M_A_DQ12
M_A_DQ14
M_A_DQ15
M_A_DQ8
M_A_DQ9
M_A_DQ18
M_A_DQ19
M_A_DQ21
M_A_DQ20
M_A_DQ22
M_A_DQ23
M_A_DQ24
M_A_DQ31
M_A_DQ30
M_A_DQ28
M_A_DQ29
M_A_DQ27
M_A_DQ26
M_A_DQ25
M_A_DQ16
M_A_DQ17
M_A_DQ34
M_A_DQ35
M_A_DQ37
M_A_DQ36
M_A_DQ38
M_A_DQ39
M_A_DQ40
M_A_DQ47
M_A_DQ46
M_A_DQ44
M_A_DQ45
M_A_DQ43
M_A_DQ42
M_A_DQ41
M_A_DQ32
M_A_DQ54
M_A_DQ52
M_A_DQ53
M_A_DQ51
M_A_DQ50
M_A_DQ58
M_A_DQ59
M_A_DQ61
M_A_DQ60
M_A_DQ62
M_A_DQ63
M_A_DQ56
M_A_DQ55
M_A_DQ49
M_A_DQ48
M_A_DQ57
M_A_DQ33
M_A_A0
M_A_A1
M_A_A2
M_A_A3
M_A_A5
M_A_A6
M_A_A7
M_A_A4
M_A_A9
M_A_A10
M_A_A11
M_A_A8
M_A_A12
M_A_A15
M_A_A14
M_A_A13
M_A_DQSP1
M_A_DQSP2
M_A_DQSP3
M_A_DQSP0
M_A_DQSP4
M_A_DQSP6
M_A_DQSP5
M_A_DQSP7
M_A_DQSN1
M_A_DQSN0
M_A_DQSN3
M_A_DQSN2
M_A_DQSN5
M_A_DQSN6
M_A_DQSN4
M_A_DQSN7
M_B_DQ2
M_B_DQ3
M_B_A1
M_B_A9
M_B_A10
M_B_A11
M_B_A8
M_B_A12
M_B_A15
M_B_A14
M_B_A13
M_B_A2
M_B_A3
M_B_A0
M_B_A5
M_B_A6
M_B_A7
M_B_A4
M_B_DQ34
M_B_DQ35
M_B_DQ37
M_B_DQ36
M_B_DQ39
M_B_DQ38
M_B_DQ32
M_B_DQ41
M_B_DQ40
M_B_DQ46
M_B_DQ47
M_B_DQ44
M_B_DQ45
M_B_DQ43
M_B_DQ42
M_B_DQ33
M_B_DQ53
M_B_DQ51
M_B_DQ50
M_B_DQ63
M_B_DQ62
M_B_DQ56
M_B_DQ57
M_B_DQ48
M_B_DQ54
M_B_DQ55
M_B_DQ52
M_B_DQ49
M_B_DQ58
M_B_DQ59
M_B_DQ61
M_B_DQ60
M_B_DQ6
M_B_DQ7
M_B_DQ4
M_B_DQ5
M_B_DQ0
M_B_DQSN1
M_B_DQSN0
M_B_DQSN3
M_B_DQSN2
M_B_DQSN5
M_B_DQSN6
M_B_DQSN4
M_B_DQSN7
M_B_DQ10
M_B_DQ11
M_B_DQ13
M_B_DQ12
M_B_DQ15
M_B_DQ14
M_B_DQ8
M_B_DQ9
M_B_DQ1
M_B_DQSP1
M_B_DQSP0
M_B_DQSP3
M_B_DQSP2
M_B_DQSP5
M_B_DQSP6
M_B_DQSP4
M_B_DQSP7
M_B_DQ18
M_B_DQ19
M_B_DQ21
M_B_DQ20
M_B_DQ23
M_B_DQ22
M_B_DQ16
M_B_DQ25
M_B_DQ24
M_B_DQ30
M_B_DQ31
M_B_DQ28
M_B_DQ29
M_B_DQ27
M_B_DQ26
M_B_DQ17
M_A_A[15:0] [12]
M_A_DQSP[7:0] [12]
M_A_DQSN[7:0] [12]
M_A_DQ[63:0][12]
M_A_CLKN1 [12]
M_A_CKE1 [12]
M_A_CLKP1 [12]
M_A_CS#0 [12]
M_A_ODT0 [12]
M_A_CS#1 [12]
M_A_ODT1 [12]
M_A_BS#0[12]
M_A_WE#[12]
M_A_RAS#[12]
M_A_BS#1[12]
M_A_BS#2[12]
M_A_CAS#[12]
M_B_DQ[63:0][13]
M_B_ODT1 [13]
M_B_CLKN0 [13]
M_B_CS#0 [13]
M_B_ODT0 [13]
M_B_CKE0 [13]
M_B_CLKP0 [13]
M_B_CS#1 [13]
M_B_CLKN1 [13]
M_B_CKE1 [13]
M_B_CLKP1 [13]
M_B_A[15:0] [13]
M_B_DQSN[7:0] [13]
M_B_DQSP[7:0] [13]
M_B_BS#1[13]
M_B_BS#2[13]
M_B_WE#[13]
M_B_RAS#[13]
M_B_CAS#[13]
M_B_BS#0[13]
M_A_CLKP0 [12]
M_A_CLKN0 [12]
M_A_CKE0 [12]
Size Document Number Rev
Date: Sheet of
4XDQWD&RPSXWHU,QF
352-(&7/*0X[OHVV80$
1%
SNB 2/4 (DDR3 I/F)
2A
Custom
342Wednesday, March 07, 2012
Size Document Number Rev
Date: Sheet of
4XDQWD&RPSXWHU,QF
352-(&7/*0X[OHVV80$
1%
SNB 2/4 (DDR3 I/F)
2A
Custom
342Wednesday, March 07, 2012
Size Document Number Rev
Date: Sheet of
4XDQWD&RPSXWHU,QF
352-(&7/*0X[OHVV80$
1%
SNB 2/4 (DDR3 I/F)
2A
Custom
342Wednesday, March 07, 2012
Sandy Bridge Processor (DDR3)
DDR SYSTEM MEMORY A
U19C
Sandy Bridge_rPGA_Rev0p61
rpga989-47989-socket
DGG^9000023
IC SOCKET RPGA 989P(P1.0,M/H3.0)
DDR SYSTEM MEMORY A
U19C
Sandy Bridge_rPGA_Rev0p61
rpga989-47989-socket
DGG^9000023
IC SOCKET RPGA 989P(P1.0,M/H3.0)
SA_BS[0]
AE10
SA_BS[1]
AF10
SA_BS[2]
V6
SA_CAS#
AE8
SA_RAS#
AD9
SA_WE#
AF9
SA_CLK[0] AB6
SA_CLK[1] AA5
SA_CLK#[0] AA6
SA_CLK#[1] AB5
SA_CKE[0] V9
SA_CKE[1] V10
SA_CS#[0] AK3
SA_CS#[1] AL3
SA_ODT[0] AH3
SA_ODT[1] AG3
SA_DQS[0] D4
SA_DQS#[0] C4
SA_DQS[1] F6
SA_DQS#[1] G6
SA_DQS[2] K3
SA_DQS#[2] J3
SA_DQS[3] N6
SA_DQS#[3] M6
SA_DQS[4] AL5
SA_DQS#[4] AL6
SA_DQS[5] AM9
SA_DQS#[5] AM8
SA_DQS[6] AR11
SA_DQS#[6] AR12
SA_DQS[7] AM14
SA_DQS#[7] AM15
SA_MA[0] AD10
SA_MA[1] W1
SA_MA[2] W2
SA_MA[3] W7
SA_MA[4] V3
SA_MA[5] V2
SA_MA[6] W3
SA_MA[7] W6
SA_MA[8] V1
SA_MA[9] W5
SA_MA[10] AD8
SA_MA[11] V4
SA_MA[12] W4
SA_MA[13] AF8
SA_MA[14] V5
SA_MA[15] V7
SA_DQ[0]
C5
SA_DQ[1]
D5
SA_DQ[2]
D3
SA_DQ[3]
D2
SA_DQ[4]
D6
SA_DQ[5]
C6
SA_DQ[6]
C2
SA_DQ[7]
C3
SA_DQ[8]
F10
SA_DQ[9]
F8
SA_DQ[10]
G10
SA_DQ[11]
G9
SA_DQ[12]
F9
SA_DQ[13]
F7
SA_DQ[14]
G8
SA_DQ[15]
G7
SA_DQ[16]
K4
SA_DQ[17]
K5
SA_DQ[18]
K1
SA_DQ[19]
J1
SA_DQ[20]
J5
SA_DQ[21]
J4
SA_DQ[22]
J2
SA_DQ[23]
K2
SA_DQ[24]
M8
SA_DQ[25]
N10
SA_DQ[26]
N8
SA_DQ[27]
N7
SA_DQ[28]
M10
SA_DQ[29]
M9
SA_DQ[30]
N9
SA_DQ[31]
M7
SA_DQ[32]
AG6
SA_DQ[33]
AG5
SA_DQ[34]
AK6
SA_DQ[35]
AK5
SA_DQ[36]
AH5
SA_DQ[37]
AH6
SA_DQ[38]
AJ5
SA_DQ[39]
AJ6
SA_DQ[40]
AJ8
SA_DQ[41]
AK8
SA_DQ[42]
AJ9
SA_DQ[43]
AK9
SA_DQ[44]
AH8
SA_DQ[45]
AH9
SA_DQ[46]
AL9
SA_DQ[47]
AL8
SA_DQ[48]
AP11
SA_DQ[49]
AN11
SA_DQ[50]
AL12
SA_DQ[51]
AM12
SA_DQ[52]
AM11
SA_DQ[53]
AL11
SA_DQ[54]
AP12
SA_DQ[55]
AN12
SA_DQ[56]
AJ14
SA_DQ[57]
AH14
SA_DQ[58]
AL15
SA_DQ[59]
AK15
SA_DQ[60]
AL14
SA_DQ[61]
AK14
SA_DQ[62]
AJ15
SA_DQ[63]
AH15
SA_CLK[2] AB4
SA_CLK#[2] AA4
SA_CLK[3] AB3
SA_CLK#[3] AA3
SA_CKE[2] W9
SA_CKE[3] W10
SA_CS#[2] AG1
SA_CS#[3] AH1
SA_ODT[2] AG2
SA_ODT[3] AH2
DDR SYSTEM MEMORY B
U19D
Sandy Bridge_rPGA_Rev0p61
rpga989-47989-socket
DGG^9000023
IC SOCKET RPGA 989P(P1.0,M/H3.0)
DDR SYSTEM MEMORY B
U19D
Sandy Bridge_rPGA_Rev0p61
rpga989-47989-socket
DGG^9000023
IC SOCKET RPGA 989P(P1.0,M/H3.0)
SB_BS[0]
AA9
SB_BS[1]
AA7
SB_BS[2]
R6
SB_CAS#
AA10
SB_RAS#
AB8
SB_WE#
AB9
SB_CLK[0] AE2
SB_CLK[1] AE1
SB_CLK#[0] AD2
SB_CLK#[1] AD1
SB_CKE[0] R9
SB_CKE[1] R10
SB_ODT[0] AE4
SB_ODT[1] AD4
SB_DQS[4] AN6
SB_DQS#[4] AN5
SB_DQS[5] AP8
SB_DQS#[5] AP9
SB_DQS[6] AK11
SB_DQS#[6] AK12
SB_DQS[7] AP14
SB_DQS#[7] AP15
SB_DQS[0] C7
SB_DQS#[0] D7
SB_DQS[1] G3
SB_DQS#[1] F3
SB_DQS[2] J6
SB_DQS#[2] K6
SB_DQS[3] M3
SB_DQS#[3] N3
SB_MA[0] AA8
SB_MA[1] T7
SB_MA[2] R7
SB_MA[3] T6
SB_MA[4] T2
SB_MA[5] T4
SB_MA[6] T3
SB_MA[7] R2
SB_MA[8] T5
SB_MA[9] R3
SB_MA[10] AB7
SB_MA[11] R1
SB_MA[12] T1
SB_MA[13] AB10
SB_MA[14] R5
SB_MA[15] R4
SB_DQ[0]
C9
SB_DQ[1]
A7
SB_DQ[2]
D10
SB_DQ[3]
C8
SB_DQ[4]
A9
SB_DQ[5]
A8
SB_DQ[6]
D9
SB_DQ[7]
D8
SB_DQ[8]
G4
SB_DQ[9]
F4
SB_DQ[10]
F1
SB_DQ[11]
G1
SB_DQ[12]
G5
SB_DQ[13]
F5
SB_DQ[14]
F2
SB_DQ[15]
G2
SB_DQ[16]
J7
SB_DQ[17]
J8
SB_DQ[18]
K10
SB_DQ[19]
K9
SB_DQ[20]
J9
SB_DQ[21]
J10
SB_DQ[22]
K8
SB_DQ[23]
K7
SB_DQ[24]
M5
SB_DQ[25]
N4
SB_DQ[26]
N2
SB_DQ[27]
N1
SB_DQ[28]
M4
SB_DQ[29]
N5
SB_DQ[30]
M2
SB_DQ[31]
M1
SB_DQ[32]
AM5
SB_DQ[33]
AM6
SB_DQ[34]
AR3
SB_DQ[35]
AP3
SB_DQ[36]
AN3
SB_DQ[37]
AN2
SB_DQ[38]
AN1
SB_DQ[39]
AP2
SB_DQ[40]
AP5
SB_DQ[41]
AN9
SB_DQ[42]
AT5
SB_DQ[43]
AT6
SB_DQ[44]
AP6
SB_DQ[45]
AN8
SB_DQ[46]
AR6
SB_DQ[47]
AR5
SB_DQ[48]
AR9
SB_DQ[49]
AJ11
SB_DQ[50]
AT8
SB_DQ[51]
AT9
SB_DQ[52]
AH11
SB_DQ[53]
AR8
SB_DQ[54]
AJ12
SB_DQ[55]
AH12
SB_DQ[56]
AT11
SB_DQ[57]
AN14
SB_DQ[58]
AR14
SB_DQ[59]
AT14
SB_DQ[60]
AT12
SB_DQ[61]
AN15
SB_DQ[62]
AR15
SB_DQ[63]
AT15
SB_CLK[2] AB2
SB_CLK#[2] AA2
SB_CKE[2] T9
SB_CLK[3] AA1
SB_CLK#[3] AB1
SB_CKE[3] T10
SB_CS#[0] AD3
SB_CS#[1] AE3
SB_CS#[2] AD6
SB_CS#[3] AE6
SB_ODT[2] AD5
SB_ODT[3] AE5

5
5
4
4
3
3
2
2
1
1
D D
C C
B B
A A
H_CPU_SVIDALRT#
VR_SVID_CLK
VR_SVID_DATA
H_CPU_SVIDALRT#
VR_SVID_CLK
VCCUSA_SENSE_R
MAIND
VR_SVID_DATA
MAIND
VCCP_SENSE
VSSP_SENSE
VCC_SENSE [36]
VSS_SENSE [36]
VCCP_SENSE [34]
VCCUSA_SENSE [33]
VR_SVID_CLK [36]
VR_SVID_ALERT# [36]
VCC_AXG_SENSE [36]
VSS_AXG_SENSE [36]
DDR_VTTREF [12,13,32]
MAIND [38]
+VCC_CORE[37]
+1.5V_CPU[2,10,22]
+1.05V_VTT
+VCC_GFX[37]
+1.5VSUS[2,12,13,27,32,39]
+VCCSA[33]
VCCSA_SEL [33]
VR_SVID_DATA [36]
MAIN_ONG [2,38]
VSSP_SENSE [34]
VCCSA_SEL0 [33]
+VCC_CORE
+VCC_CORE
+1.8V
+VCCSA
+VDDR_REF_CPU
+VCC_GFX
+VCC_GFX
+1.05V
+1.05V
+1.05V
+1.5V_CPU
+1.05V
+1.5V_CPU+1.5VSUS +1.5VSUS
+1.05V
Size Document Number Rev
Date: Sheet of
4XDQWD&RPSXWHU,QF
352-(&7/*0X[OHVV80$
1%
SNB 3/4 (POWER)
2A
Custom
442Wednesday, March 07, 2012
Size Document Number Rev
Date: Sheet of
4XDQWD&RPSXWHU,QF
352-(&7/*0X[OHVV80$
1%
SNB 3/4 (POWER)
2A
Custom
442Wednesday, March 07, 2012
Size Document Number Rev
Date: Sheet of
4XDQWD&RPSXWHU,QF
352-(&7/*0X[OHVV80$
1%
SNB 3/4 (POWER)
2A
Custom
442Wednesday, March 07, 2012
SNB: 55A
Sandy Bridge Processor (POWER) Sandy Bridge Processor (GRAPHIC POWER)
SNB: 1.5A
SNB: 6A
CAD Note: +VDDR_REF_CPU should
have 10 mil trace width
SVID CLK
SVID ALERT
330uF x1, 10uF_8 x1 Socket BOT edge,
10uF_8 x2 Socket BOT cavity.
22uF_8 x2 Socket TOP cavity
22uF_8 x2 Socket BOT cavity
22uF_8 x4 Socket TOP edge
22uF_8 x4 Socket BOT edge
470uF_7343 x2
SNB: 21.5A
SNB: 8.5A
22uF_8 x7 Socket TOP cavity
22uF_8 x5 Socket BOT cavity
22uF_8 x2 Socket TOP cavity (no stuff)
22uF_8 x5 Socket BOT cavity (no stuff)
330uF_7343 x2
22uF_8 x8 Socket TOP cavity
22uF_8 x10 Socket BOT cavity
22uF_8 x8 Socket TOP edge
470uF_7343 x4
Place PU resistor close to CPU
Place PU resistor
close to VR
Layout note: need routing
together and ALERT need
between CLK and DATA.
330uF x1, 10uF_8 x6 Socket BOT edge.
SNB: 5A
SVID DATA
Place PU resistor
close to CPU
CPU VDDQ
Add for intel CRB
VCCSA_SEL0 for intel CRB
Placement close to CPU.
C208
22U/6.3VS_8
C208
22U/6.3VS_8
C438 0.1U/10V_4C438 0.1U/10V_4
C333
*22U/6.3VS_8
C333
*22U/6.3VS_8
C316
22U/6.3VS_8
C316
22U/6.3VS_8
C352
22U/6.3VS_8
C352
22U/6.3VS_8
C225
22U/6.3VS_8
C225
22U/6.3VS_8
R214 10K_4R214 10K_4
C748
22U/6.3VS_8
C748
22U/6.3VS_8
C740
10U/6.3V_8
C740
10U/6.3V_8
R522 10_4R522 10_4
C439 0.1U/10V_4C439 0.1U/10V_4
C242
22U/6.3VS_8
C242
22U/6.3VS_8
CORE SUPPLY
PEG AND DDR
SENSE LINES SVID
U19F
Sandy Bridge_rPGA_Rev0p61
rpga989-47989-socket
DGG^9000023
IC SOCKET RPGA 989P(P1.0,M/H3.0)
CORE SUPPLY
PEG AND DDR
SENSE LINES SVID
U19F
Sandy Bridge_rPGA_Rev0p61
rpga989-47989-socket
DGG^9000023
IC SOCKET RPGA 989P(P1.0,M/H3.0)
VCC_SENSE AJ35
VSS_SENSE AJ34
VIDALERT# AJ29
VIDSCLK AJ30
VIDSOUT AJ28
VSSIO_SENSE A10
VCC1
AG35
VCC2
AG34
VCC3
AG33
VCC4
AG32
VCC5
AG31
VCC6
AG30
VCC7
AG29
VCC8
AG28
VCC9
AG27
VCC10
AG26
VCC11
AF35
VCC12
AF34
VCC13
AF33
VCC14
AF32
VCC15
AF31
VCC16
AF30
VCC17
AF29
VCC18
AF28
VCC19
AF27
VCC20
AF26
VCC21
AD35
VCC22
AD34
VCC23
AD33
VCC24
AD32
VCC25
AD31
VCC26
AD30
VCC27
AD29
VCC28
AD28
VCC29
AD27
VCC30
AD26
VCC31
AC35
VCC32
AC34
VCC33
AC33
VCC34
AC32
VCC35
AC31
VCC36
AC30
VCC37
AC29
VCC38
AC28
VCC39
AC27
VCC40
AC26
VCC41
AA35
VCC42
AA34
VCC43
AA33
VCC44
AA32
VCC45
AA31
VCC46
AA30
VCC47
AA29
VCC48
AA28
VCC49
AA27
VCC50
AA26
VCC51
Y35
VCC52
Y34
VCC53
Y33
VCC54
Y32
VCC55
Y31
VCC56
Y30
VCC57
Y29
VCC58
Y28
VCC59
Y27
VCC60
Y26
VCC61
V35
VCC62
V34
VCC63
V33
VCC64
V32
VCC65
V31
VCC66
V30
VCC67
V29
VCC68
V28
VCC69
V27
VCC70
V26
VCC71
U35
VCC72
U34
VCC73
U33
VCC74
U32
VCC75
U31
VCC76
U30
VCC77
U29
VCC78
U28
VCC79
U27
VCC80
U26
VCC81
R35
VCC82
R34
VCC83
R33
VCC84
R32
VCC85
R31
VCC86
R30
VCC87
R29
VCC88
R28
VCC89
R27
VCC90
R26
VCC91
P35
VCC92
P34
VCC93
P33
VCC94
P32
VCC95
P31
VCC96
P30
VCC97
P29
VCC98
P28
VCC99
P27
VCC100
P26
VCCIO1 AH13
VCCIO12 J11
VCCIO18 G12
VCCIO19 F14
VCCIO20 F13
VCCIO21 F12
VCCIO22 F11
VCCIO23 E14
VCCIO24 E12
VCCIO2 AH10
VCCIO3 AG10
VCCIO4 AC10
VCCIO5 Y10
VCCIO6 U10
VCCIO7 P10
VCCIO8 L10
VCCIO9 J14
VCCIO10 J13
VCCIO11 J12
VCCIO13 H14
VCCIO14 H12
VCCIO15 H11
VCCIO16 G14
VCCIO17 G13
VCCIO25 E11
VCCIO32 C12
VCCIO33 C11
VCCIO34 B14
VCCIO35 B12
VCCIO36 A14
VCCIO37 A13
VCCIO38 A12
VCCIO39 A11
VCCIO26 D14
VCCIO27 D13
VCCIO28 D12
VCCIO29 D11
VCCIO30 C14
VCCIO31 C13
VCCIO_SENSE B10
VCCIO40 J23
C745
10U/6.3V_8
C745
10U/6.3V_8
Q16
AON7410
Q16
AON7410
3
5 2
4
1
C308
22U/6.3VS_8
C308
22U/6.3VS_8
R282
100K_4
R282
100K_4
C160
22U/6.3VS_8
C160
22U/6.3VS_8
R132 43_4R132 43_4
C281
22U/6.3VS_8
C281
22U/6.3VS_8
C330
22U/6.3VS_8
C330
22U/6.3VS_8
C754
22U/6.3VS_8
C754
22U/6.3VS_8
C228
22U/6.3VS_8
C228
22U/6.3VS_8
C273
22U/6.3VS_8
C273
22U/6.3VS_8
C244
22U/6.3VS_8
C244
22U/6.3VS_8
C359
10U/6.3V_8
C359
10U/6.3V_8
C315
22U/6.3VS_8
C315
22U/6.3VS_8
C751
22U/6.3VS_8
C751
22U/6.3VS_8
C243
22U/6.3VS_8
C243
22U/6.3VS_8
C440
*470P/50V_4
C440
*470P/50V_4
C283
22U/6.3VS_8
C283
22U/6.3VS_8
C360
10U/6.3V_8
C360
10U/6.3V_8
C341
0.1U/10V_4
C341
0.1U/10V_4
C411
10U/6.3V_8
C411
10U/6.3V_8
C289
22U/6.3VS_8
C289
22U/6.3VS_8
C285
22U/6.3VS_8
C285
22U/6.3VS_8
C318
22U/6.3VS_8
C318
22U/6.3VS_8
C307
22U/6.3VS_8
C307
22U/6.3VS_8
C755
22U/6.3VS_8
C755
22U/6.3VS_8
C759
22U/6.3VS_8
C759
22U/6.3VS_8
R500 100_4R500 100_4
C332
22U/6.3VS_8
C332
22U/6.3VS_8
R108 75_4R108 75_4
C436 0.1U/10V_4C436 0.1U/10V_4
C741
22U/6.3VS_8
C741
22U/6.3VS_8
Q13
2N7002
Q13
2N7002
3
2
1
GRAPHICS
DDR3 -1.5V RAILS SENSE
LINES
1.8V RAIL
SA RAIL
VREFMISC
U19G
Sandy Bridge_rPGA_Rev0p61
rpga989-47989-socket
DGG^9000023
IC SOCKET RPGA 989P(P1.0,M/H3.0)
GRAPHICS
DDR3 -1.5V RAILS SENSE
LINES
1.8V RAIL
SA RAIL
VREFMISC
U19G
Sandy Bridge_rPGA_Rev0p61
rpga989-47989-socket
DGG^9000023
IC SOCKET RPGA 989P(P1.0,M/H3.0)
SM_VREF AL1
VSSAXG_SENSE AK34
VAXG_SENSE AK35
VAXG1
AT24
VAXG2
AT23
VAXG3
AT21
VAXG4
AT20
VAXG5
AT18
VAXG6
AT17
VAXG7
AR24
VAXG8
AR23
VAXG9
AR21
VAXG10
AR20
VAXG11
AR18
VAXG12
AR17
VAXG13
AP24
VAXG14
AP23
VAXG15
AP21
VAXG16
AP20
VAXG17
AP18
VAXG18
AP17
VAXG19
AN24
VAXG20
AN23
VAXG21
AN21
VAXG22
AN20
VAXG23
AN18
VAXG24
AN17
VAXG25
AM24
VAXG26
AM23
VAXG27
AM21
VAXG28
AM20
VAXG29
AM18
VAXG30
AM17
VAXG31
AL24
VAXG32
AL23
VAXG33
AL21
VAXG34
AL20
VAXG35
AL18
VAXG36
AL17
VAXG37
AK24
VAXG38
AK23
VAXG39
AK21
VAXG40
AK20
VAXG41
AK18
VAXG42
AK17
VAXG43
AJ24
VAXG44
AJ23
VAXG45
AJ21
VAXG46
AJ20
VAXG47
AJ18
VAXG48
AJ17
VAXG49
AH24
VAXG50
AH23
VAXG51
AH21
VAXG52
AH20
VAXG53
AH18
VAXG54
AH17
VDDQ11 U4
VDDQ12 U1
VDDQ13 P7
VDDQ14 P4
VDDQ15 P1
VDDQ1 AF7
VDDQ2 AF4
VDDQ3 AF1
VDDQ4 AC7
VDDQ5 AC4
VDDQ6 AC1
VDDQ7 Y7
VDDQ8 Y4
VDDQ9 Y1
VDDQ10 U7
VCCPLL1
B6
VCCPLL2
A6
VCCSA1 M27
VCCSA2 M26
VCCSA3 L26
VCCSA4 J26
VCCSA5 J25
VCCSA6 J24
VCCSA7 H26
VCCSA8 H25
VCCSA_SENSE H23
VCCSA_VID1 C24
VCCPLL3
A2
FC_C22 C22
C758
22U/6.3VS_8
C758
22U/6.3VS_8
C383
0.1U/10V_4
C383
0.1U/10V_4
C306
22U/6.3VS_8
C306
22U/6.3VS_8
C227
22U/6.3VS_8
C227
22U/6.3VS_8
R520 10_4R520 10_4
C350
22U/6.3VS_8
C350
22U/6.3VS_8
R212 10K_4R212 10K_4
C746
22U/6.3VS_8
C746
22U/6.3VS_8
C284
22U/6.3VS_8
C284
22U/6.3VS_8
C288
22U/6.3VS_8
C288
22U/6.3VS_8
C752
22U/6.3VS_8
C752
22U/6.3VS_8
R503 100_4R503 100_4
C272
22U/6.3VS_8
C272
22U/6.3VS_8
C355
10U/6.3V_8
C355
10U/6.3V_8
C287
22U/6.3VS_8
C287
22U/6.3VS_8
C276
22U/6.3VS_8
C276
22U/6.3VS_8
C241
22U/6.3VS_8
C241
22U/6.3VS_8
R131
130/F_4
R131
130/F_4
C753
22U/6.3VS_8
C753
22U/6.3VS_8
C334
22U/6.3VS_8
C334
22U/6.3VS_8
R280
220_8
R280
220_8
C747
22U/6.3VS_8
C747
22U/6.3VS_8
C226
22U/6.3VS_8
C226
22U/6.3VS_8
C304
22U/6.3VS_8
C304
22U/6.3VS_8
R499 100_4R499 100_4
C353
*22U/6.3VS_8
C353
*22U/6.3VS_8
C358
10U/6.3V_8
C358
10U/6.3V_8
C743
22U/6.3VS_8
C743
22U/6.3VS_8
C356
*22U/6.3VS_8
C356
*22U/6.3VS_8
C331
22U/6.3VS_8
C331
22U/6.3VS_8
+
C760
*330U_2.5V_5.0x5.9_ESR10m
+
C760
*330U_2.5V_5.0x5.9_ESR10m
12
C282
22U/6.3VS_8
C282
22U/6.3VS_8
C275
22U/6.3VS_8
C275
22U/6.3VS_8
C305
22U/6.3VS_8
C305
22U/6.3VS_8
R211 *0_4/SR211 *0_4/S
C280
22U/6.3VS_8
C280
22U/6.3VS_8
C390
10U/6.3V_8
C390
10U/6.3V_8
R498 100_4R498 100_4
C749
*10U/6.3V_8
C749
*10U/6.3V_8
C744
10U/6.3V_8
C744
10U/6.3V_8
C757
*22U/6.3VS_8
C757
*22U/6.3VS_8
C286
22U/6.3VS_8
C286
22U/6.3VS_8
C351
22U/6.3VS_8
C351
22U/6.3VS_8
C388
1U/6.3V_4
C388
1U/6.3V_4
C274
22U/6.3VS_8
C274
22U/6.3VS_8
C750
22U/6.3VS_8
C750
22U/6.3VS_8
C437 0.1U/10V_4C437 0.1U/10V_4
C392
10U/6.3V_8
C392
10U/6.3V_8
C342
1U/6.3V_4
C342
1U/6.3V_4
Q12
2N7002
Q12
2N7002
3
2
1
C317
*22U/6.3VS_8
C317
*22U/6.3VS_8
C756
22U/6.3VS_8
C756
22U/6.3VS_8
C742
*22U/6.3VS_8
C742
*22U/6.3VS_8

5
5
4
4
3
3
2
2
1
1
D D
C C
B B
A A
CFG0
CFG4
CFG7CFG7
CFG2
CFG4
CFG2
CFG5
CFG6
CFG7
CFG5
CFG6
VSS_DIE_SENSE
VCC_DIE_SENSE
SMDDR_VREF_DQ0_M3[12]
SMDDR_VREF_DQ1_M3[13]
Size Document Number Rev
Date: Sheet of
4XDQWD&RPSXWHU,QF
352-(&7/*0X[OHVV80$
1%
SNB 4/4 (GND)
2A
Custom
542Wednesday, March 07, 2012
Size Document Number Rev
Date: Sheet of
4XDQWD&RPSXWHU,QF
352-(&7/*0X[OHVV80$
1%
SNB 4/4 (GND)
2A
Custom
542Wednesday, March 07, 2012
Size Document Number Rev
Date: Sheet of
4XDQWD&RPSXWHU,QF
352-(&7/*0X[OHVV80$
1%
SNB 4/4 (GND)
2A
Custom
542Wednesday, March 07, 2012
Sandy Bridge Processor (RESERVED, CFG)
CFG4
(DP Presence Strap) Enable; An ext DP device is connected to eDP
PEG train immediately following
xxRESETB de assertion
CFG2
(PEG Static Lane Reversal)
Processor Strapping
CFG7
(PEG Defer Training)
10
Normal Operation Lane Reversed
Disable; No physical DP attached to eDP
For rPGA socket, RSVD59 pin should be left NC.
The CFG signals have a default value of '1' if not terminated on the board.
PEG wait for BIOS training
11: (Default) x16 - Device 1 functions 1 and 2 disabled
10: x8, x8 - Device 1 function 1 enabled ; function 2 disabled
01: Reserved - (Device 1 function 1 disabled ; function 2 enabled)
00: x8,x4,x4 - Device 1 functions 1 and 2 enabled
CFG[6:5] (PCIE Port Bifurcation Straps)
Sandy Bridge Processor (GND)
#27636 SNB EDS0.7v1 no function.
For CPU debug.
sϮ͘͘͘ZϭϭϳEKEͲ^dh&&&KZW'h^EŽƌŵĂůŽƉĞƌĂƚŝŽŶ
TP14TP14
R135 *1K_4R135 *1K_4
VSS
U19H
Sandy Bridge_rPGA_Rev0p61
DGG^9000023
rpga989-47989-socket
IC SOCKET RPGA 989P(P1.0,M/H3.0)
VSS
U19H
Sandy Bridge_rPGA_Rev0p61
DGG^9000023
rpga989-47989-socket
IC SOCKET RPGA 989P(P1.0,M/H3.0)
VSS1
AT35
VSS2
AT32
VSS3
AT29
VSS4
AT27
VSS5
AT25
VSS6
AT22
VSS7
AT19
VSS8
AT16
VSS9
AT13
VSS10
AT10
VSS11
AT7
VSS12
AT4
VSS13
AT3
VSS14
AR25
VSS15
AR22
VSS16
AR19
VSS17
AR16
VSS18
AR13
VSS19
AR10
VSS20
AR7
VSS21
AR4
VSS22
AR2
VSS23
AP34
VSS24
AP31
VSS25
AP28
VSS26
AP25
VSS27
AP22
VSS28
AP19
VSS29
AP16
VSS30
AP13
VSS31
AP10
VSS32
AP7
VSS33
AP4
VSS34
AP1
VSS35
AN30
VSS36
AN27
VSS37
AN25
VSS38
AN22
VSS39
AN19
VSS40
AN16
VSS41
AN13
VSS42
AN10
VSS43
AN7
VSS44
AN4
VSS45
AM29
VSS46
AM25
VSS47
AM22
VSS48
AM19
VSS49
AM16
VSS50
AM13
VSS51
AM10
VSS52
AM7
VSS53
AM4
VSS54
AM3
VSS55
AM2
VSS56
AM1
VSS57
AL34
VSS58
AL31
VSS59
AL28
VSS60
AL25
VSS61
AL22
VSS62
AL19
VSS63
AL16
VSS64
AL13
VSS65
AL10
VSS66
AL7
VSS67
AL4
VSS68
AL2
VSS69
AK33
VSS70
AK30
VSS71
AK27
VSS72
AK25
VSS73
AK22
VSS74
AK19
VSS75
AK16
VSS76
AK13
VSS77
AK10
VSS78
AK7
VSS79
AK4
VSS80
AJ25
VSS81 AJ22
VSS82 AJ19
VSS83 AJ16
VSS84 AJ13
VSS85 AJ10
VSS86 AJ7
VSS87 AJ4
VSS88 AJ3
VSS89 AJ2
VSS90 AJ1
VSS91 AH35
VSS92 AH34
VSS93 AH32
VSS94 AH30
VSS95 AH29
VSS96 AH28
VSS97 AH26
VSS98 AH25
VSS99 AH22
VSS100 AH19
VSS101 AH16
VSS102 AH7
VSS103 AH4
VSS104 AG9
VSS105 AG8
VSS106 AG4
VSS107 AF6
VSS108 AF5
VSS109 AF3
VSS110 AF2
VSS111 AE35
VSS112 AE34
VSS113 AE33
VSS114 AE32
VSS115 AE31
VSS116 AE30
VSS117 AE29
VSS118 AE28
VSS119 AE27
VSS120 AE26
VSS121 AE9
VSS122 AD7
VSS123 AC9
VSS124 AC8
VSS125 AC6
VSS126 AC5
VSS127 AC3
VSS128 AC2
VSS129 AB35
VSS130 AB34
VSS131 AB33
VSS132 AB32
VSS133 AB31
VSS134 AB30
VSS135 AB29
VSS136 AB28
VSS137 AB27
VSS138 AB26
VSS139 Y9
VSS140 Y8
VSS141 Y6
VSS142 Y5
VSS143 Y3
VSS144 Y2
VSS145 W35
VSS146 W34
VSS147 W33
VSS148 W32
VSS149 W31
VSS150 W30
VSS151 W29
VSS152 W28
VSS153 W27
VSS154 W26
VSS155 U9
VSS156 U8
VSS157 U6
VSS158 U5
VSS159 U3
VSS160 U2
TP16TP16
TP15TP15
R512 *1K_4R512 *1K_4
TP30TP30
VSS
U19I
Sandy Bridge_rPGA_Rev0p61
DGG^9000023
rpga989-47989-socket
IC SOCKET RPGA 989P(P1.0,M/H3.0)
VSS
U19I
Sandy Bridge_rPGA_Rev0p61
DGG^9000023
rpga989-47989-socket
IC SOCKET RPGA 989P(P1.0,M/H3.0)
VSS161
T35
VSS162
T34
VSS163
T33
VSS164
T32
VSS165
T31
VSS166
T30
VSS167
T29
VSS168
T28
VSS169
T27
VSS170
T26
VSS171
P9
VSS172
P8
VSS173
P6
VSS174
P5
VSS175
P3
VSS176
P2
VSS177
N35
VSS178
N34
VSS179
N33
VSS180
N32
VSS181
N31
VSS182
N30
VSS183
N29
VSS184
N28
VSS185
N27
VSS186
N26
VSS187
M34
VSS188
L33
VSS189
L30
VSS190
L27
VSS191
L9
VSS192
L8
VSS193
L6
VSS194
L5
VSS195
L4
VSS196
L3
VSS197
L2
VSS198
L1
VSS199
K35
VSS200
K32
VSS201
K29
VSS202
K26
VSS203
J34
VSS204
J31
VSS205
H33
VSS206
H30
VSS207
H27
VSS208
H24
VSS209
H21
VSS210
H18
VSS211
H15
VSS212
H13
VSS213
H10
VSS214
H9
VSS215
H8
VSS216
H7
VSS217
H6
VSS218
H5
VSS219
H4
VSS220
H3
VSS221
H2
VSS222
H1
VSS223
G35
VSS224
G32
VSS225
G29
VSS226
G26
VSS227
G23
VSS228
G20
VSS229
G17
VSS230
G11
VSS231
F34
VSS232
F31
VSS233
F29
VSS234 F22
VSS235 F19
VSS236 E30
VSS237 E27
VSS238 E24
VSS239 E21
VSS240 E18
VSS241 E15
VSS242 E13
VSS243 E10
VSS244 E9
VSS245 E8
VSS246 E7
VSS247 E6
VSS248 E5
VSS249 E4
VSS250 E3
VSS251 E2
VSS252 E1
VSS253 D35
VSS254 D32
VSS255 D29
VSS256 D26
VSS257 D20
VSS258 D17
VSS259 C34
VSS260 C31
VSS261 C28
VSS262 C27
VSS263 C25
VSS264 C23
VSS265 C10
VSS266 C1
VSS267 B22
VSS268 B19
VSS269 B17
VSS270 B15
VSS271 B13
VSS272 B11
VSS273 B9
VSS274 B8
VSS275 B7
VSS276 B5
VSS277 B3
VSS278 B2
VSS279 A35
VSS280 A32
VSS281 A29
VSS282 A26
VSS283 A23
VSS284 A20
VSS285 A3
RESERVED
U19E
Sandy Bridge_rPGA_Rev0p61
DGG^9000023
rpga989-47989-socket
IC SOCKET RPGA 989P(P1.0,M/H3.0)
RESERVED
U19E
Sandy Bridge_rPGA_Rev0p61
DGG^9000023
rpga989-47989-socket
IC SOCKET RPGA 989P(P1.0,M/H3.0)
CFG[0]
AK28
CFG[1]
AK29
CFG[2]
AL26
CFG[3]
AL27
CFG[4]
AK26
CFG[5]
AL29
CFG[6]
AL30
CFG[7]
AM31
CFG[8]
AM32
CFG[9]
AM30
CFG[10]
AM28
CFG[11]
AM26
CFG[12]
AN28
CFG[13]
AN31
CFG[14]
AN26
CFG[15]
AM27
CFG[16]
AK31
CFG[17]
AN29
RSVD34 AM33
RSVD35 AJ27
RSVD38 J16
RSVD42 AT34
RSVD39 H16
RSVD40 G16
RSVD41 AR35
RSVD43 AT33
RSVD45 AR34
RSVD56 AT2
RSVD57 AT1
RSVD58 AR1
RSVD46 B34
RSVD47 A33
RSVD48 A34
RSVD49 B35
RSVD50 C35
RSVD51 AJ32
RSVD52 AK32
RSVD30 AE7
RSVD31 AK2
RSVD28 L7
RSVD29 AG7
RSVD27
J15
RSVD16
C30 RSVD15
D23
RSVD17
A31
RSVD18
B30
RSVD20
D30 RSVD19
B29
RSVD22
A30 RSVD21
B31
RSVD23
C29
RSVD24
J20
RSVD37 T8
RSVD6
B4
RSVD7
D1
RSVD8
F25
RSVD9
F24
RSVD11
D24
RSVD12
G25
RSVD13
G24
RSVD14
E23
RSVD32 W8
RSVD33 AT26
RSVD25
B18
RSVD44 AP35
RSVD10
F23
RSVD5
AJ26
RSVD1
AJ31
RSVD2
AH31
RSVD3
AJ33
RSVD4
AH33
KEY B1
RSVD53 AH27
RSVD26
A19
RSVD54 AN35
RSVD55 AM35
TP54TP54
R119 1K_4R119 1K_4
R117 *1K_4R117 *1K_4
TP31TP31
R551
*1K_4
R551
*1K_4
R256
*1K_4
R256
*1K_4
R118 *1K_4R118 *1K_4
TP12TP12

5
5
4
4
3
3
2
2
1
1
D D
C C
B B
A A
RSMRST#
AC_PRESENT_R
DAC_IREF
DMI_RBIAS
XDP_DBRST#
PM_BATLOW#
PM_RI#
DSWVREN
PCIE_WAKE#
CLKRUN#
PCH_LA_CLK
PCH_LA_CLK#
PCH_LA_DATAN0
PCH_LA_DATAN2
PCH_LA_DATAN1
PCH_LA_DATAP0
PCH_LA_DATAP2
PCH_LA_DATAP1
PCH_LB_CLK
PCH_LB_CLK#
PCH_LB_DATAN0
PCH_LB_DATAP0
PCH_LB_DATAN2
PCH_LB_DATAP2
PCH_LB_DATAN1
PCH_LB_DATAP1
PCH_CRT_R
PCH_CRT_B
PCH_CRT_G
SLP_LAN#
IMVP_PWRGD
CLKRUN#
RSMRST#
XDP_DBRST#
PM_RI#
PM_BATLOW#
PCIE_WAKE#
SLP_LAN#
AC_PRESENT_R
SUS_PWR_ACK
SUS_PWR_ACK
PCH_SUSCLK_L
DSWVREN
DMI_COMP
PCH_CRT_G
PCH_CRT_R
PCH_CRT_B
RSMRST#
IN_D2#
IN_D2
IN_D1#
IN_D1
IN_D0#
IN_D0
IN_CLK#
IN_CLK
EC_PWROK
PM_DRAM_PWRGD_L
EC_PWROK
LVD_IBG
CTRL_CLK
CTRL_DATA
PCH_HSYNC_R
PCH_VSYNC_R
PCH_CRT_G
PCH_CRT_R
PCH_CRT_B
PM_DRAM_PWRGD[2]
DNBSWON#[29]
RSMRST#[29]
PM_SYNC [2]
DMI_RXN0[2]
DMI_RXN1[2]
DMI_RXN2[2]
DMI_RXN3[2]
DMI_RXP0[2]
DMI_RXP1[2]
DMI_RXP2[2]
DMI_RXP3[2]
DMI_TXN0[2]
DMI_TXN1[2]
DMI_TXN2[2]
DMI_TXN3[2]
DMI_TXP0[2]
DMI_TXP1[2]
DMI_TXP2[2]
DMI_TXP3[2]
FDI_TXN0 [2]
FDI_TXN1 [2]
FDI_TXN2 [2]
FDI_TXN3 [2]
FDI_TXN4 [2]
FDI_TXN5 [2]
FDI_TXN6 [2]
FDI_TXN7 [2]
FDI_TXP4 [2]
FDI_TXP5 [2]
FDI_TXP6 [2]
FDI_TXP1 [2]
FDI_TXP0 [2]
FDI_TXP7 [2]
FDI_TXP2 [2]
FDI_TXP3 [2]
FDI_INT [2]
FDI_FSYNC0 [2]
FDI_FSYNC1 [2]
FDI_LSYNC0 [2]
FDI_LSYNC1 [2]
XDP_DBRST#[2] PCIE_WAKE# [25]
CLKRUN# [28,29]
SUSC# [29]
SUSB# [29]
PCH_EDIDCLK[21]
PCH_EDIDDATA[21]
PCH_LA_CLK[21]
PCH_LA_CLK#[21]
PCH_LA_DATAN0[21]
PCH_LA_DATAN2[21]
PCH_LA_DATAN1[21]
PCH_LA_DATAP1[21]
PCH_LA_DATAP2[21]
PCH_LA_DATAP0[21]
PCH_CRT_R[22]
PCH_CRT_B[22]
PCH_CRT_G[22]
PCH_DDCDATA[22]
PCH_DDCCLK[22]
SDVO_DATA [21]
SDVO_CLK [21]
PCH_LB_CLK[21]
PCH_LB_CLK#[21]
PCH_LB_DATAN0[21]
PCH_LB_DATAP0[21]
PCH_LB_DATAP1[21]
PCH_LB_DATAN1[21]
PCH_LB_DATAN2[21]
PCH_LB_DATAP2[21]
EC_PWROK[29]
SUS_PWR_ACK[29]
SLP_S5 [28,29]
+3V[2,7,8,9,10,12,13,14,16,21,22,23,24,25,26,27,28,29,34,36,38,40]
+3V_RTC[7,10,29]
+3VS5[7,8,9,10,27,28,29,31,34,35,38,39]
+1.05V[2,4,7,8,10,29,34,36]
+5V[7,10,21,22,23,24,26,28,38]
+3VPCU[7,21,26,28,29,30,31]
PCH_LVDS_BLON[21]
PCH_DPST_PWM[21]
PCH_DISP_ON[21]
SUS_STAT# [28]
HDMI_HPD_CON [21]
IN_CLK# [21]
IN_CLK [21]
IN_D0# [21]
IN_D0 [21]
IN_D1# [21]
IN_D1 [21]
IN_D2# [21]
IN_D2 [21]
IMVP_PWRGD[36]
PCH_HSYNC[22]
PCH_VSYNC[22]
+1.05V
+3V_RTC
+3V
+3VS5
+3V
Size Document Number Rev
Date: Sheet of
4XDQWD&RPSXWHU,QF
352-(&7/*0X[OHVV80$
1%
PCH 1/6 (DMI/FDI/VIDEO)
2A
Custom
642Wednesday, March 07, 2012
Size Document Number Rev
Date: Sheet of
4XDQWD&RPSXWHU,QF
352-(&7/*0X[OHVV80$
1%
PCH 1/6 (DMI/FDI/VIDEO)
2A
Custom
642Wednesday, March 07, 2012
Size Document Number Rev
Date: Sheet of
4XDQWD&RPSXWHU,QF
352-(&7/*0X[OHVV80$
1%
PCH 1/6 (DMI/FDI/VIDEO)
2A
Custom
642Wednesday, March 07, 2012
Cougar Point (DMI,FDI,PM)
PCH Pull-high/low(CLG)
Cougar Point (LVDS,DDI)
(DSW)
(+3V)
(+3VS5)
(+3VS5)
On Die DSW VR Enable
High = Enable (Default)
Low = Disable
INT. HDMI
INT LVDS & CRT disable
(DIS only remove)
(+3VS5)
(+3VS5)
(+3VS5)
(+3VS5)
PD Res place close to PCH
PCH to Res routeing 50 ohm Impedance.
Res to connector filter routeing 37.5ohm Impedance.
EMI(near PCH)
R197 10K_4R197 10K_4
R290 150/F_4R290 150/F_4
R268 2.37K/F_4R268 2.37K/F_4
R156 8.2K_4R156 8.2K_4
DMI
FDI
System Power Management
U4C
CougarPoint_Rev_0p7
fcbga989-intel-cougarpoint
AJ0QPRG0T09
IC CTRL(989P)COUGARPOINT QMVY (FCBGA)
DMI
FDI
System Power Management
U4C
CougarPoint_Rev_0p7
fcbga989-intel-cougarpoint
AJ0QPRG0T09
IC CTRL(989P)COUGARPOINT QMVY (FCBGA)
DMI0RXN
BC24
DMI1RXN
BE20
DMI2RXN
BG18
DMI3RXN
BG20
DMI0RXP
BE24
DMI1RXP
BC20
DMI2RXP
BJ18
DMI3RXP
BJ20
DMI0TXN
AW24
DMI1TXN
AW20
DMI2TXN
BB18
DMI3TXN
AV18
DMI0TXP
AY24
DMI1TXP
AY20
DMI2TXP
AY18
DMI3TXP
AU18
DMI_ZCOMP
BJ24
DMI_IRCOMP
BG25
FDI_RXN0 BJ14
FDI_RXN1 AY14
FDI_RXN2 BE14
FDI_RXN3 BH13
FDI_RXN4 BC12
FDI_RXN5 BJ12
FDI_RXN6 BG10
FDI_RXN7 BG9
FDI_RXP0 BG14
FDI_RXP1 BB14
FDI_RXP2 BF14
FDI_RXP3 BG13
FDI_RXP4 BE12
FDI_RXP5 BG12
FDI_RXP6 BJ10
FDI_RXP7 BH9
FDI_FSYNC0 AV12
FDI_FSYNC1 BC10
FDI_LSYNC0 AV14
FDI_LSYNC1 BB10
FDI_INT AW 16
PMSYNCH AP14
SLP_SUS# G16
SLP_S3# F4
SLP_S4# H4
SLP_S5# / GPIO63 D10
SYS_RESET#
K3
SYS_PWROK
P12
PWRBTN#
E20
RI#
A10
WAKE# B9
SUS_STAT# / GPIO61 G8
SUSCLK / GPIO62 N14
ACPRESENT / GPIO31
H20
BATLOW# / GPIO72
E10
PWROK
L22
CLKRUN# / GPIO32 N3
SUSWARN#/SUSPW RDNACK/GPIO30
K16
RSMRST#
C21
DRAMPWROK
B13
SLP_LAN# / GPIO29 K14
APWROK
L10
DPWROK E22
DMI2RBIAS
BH21
SLP_A# G10
DSWVRMEN A18
SUSACK#
C12
R124 *0_4/SR124 *0_4/S
R147 8.2K_4R147 8.2K_4
R308 33_4R308 33_4
C408 *6.8P/50V_4C408 *6.8P/50V_4
TP51TP51
R116 10K_4R116 10K_4
R289 150/F_4R289 150/F_4
R227 10K_4R227 10K_4
T1T1
R158 *100K_4R158 *100K_4
TP25TP25
R291 150/F_4R291 150/F_4
R309 2.2K_4R309 2.2K_4
R307 33_4R307 33_4
R241 100K_4R241 100K_4
R188 *1K_4R188 *1K_4
R217 330K_4R217 330K_4
R226 750/F_4R226 750/F_4
R228 49.9/F_4R228 49.9/F_4
R219 *330K_4R219 *330K_4
R123 *0_4/SR123 *0_4/S
TP27TP27
R322 2.2K_4R322 2.2K_4
C410 *6.8P/50V_4C410 *6.8P/50V_4
R194 10K_4R194 10K_4
R168 *0_4/SR168 *0_4/S
LVDS
Digital Display Interface
CRT
U4D
CougarPoint_Rev_0p7
fcbga989-intel-cougarpoint
AJ0QPRG0T09
IC CTRL(989P)COUGARPOINT QMVY (FCBGA)
LVDS
Digital Display Interface
CRT
U4D
CougarPoint_Rev_0p7
fcbga989-intel-cougarpoint
AJ0QPRG0T09
IC CTRL(989P)COUGARPOINT QMVY (FCBGA)
L_BKLTCTL
P45
L_BKLTEN
J47
L_CTRL_CLK
T45
L_CTRL_DATA
P39
L_DDC_CLK
T40
L_DDC_DATA
K47
L_VDD_EN
M45
LVDSA_CLK#
AK39
LVDSA_CLK
AK40
LVDSA_DATA#0
AN48
LVDSA_DATA#1
AM47
LVDSA_DATA#2
AK47
LVDSA_DATA#3
AJ48
LVDSA_DATA0
AN47
LVDSA_DATA1
AM49
LVDSA_DATA2
AK49
LVDSA_DATA3
AJ47
LVDSB_CLK#
AF40
LVDSB_CLK
AF39
LVDSB_DATA#0
AH45
LVDSB_DATA#1
AH47
LVDSB_DATA#2
AF49
LVDSB_DATA#3
AF45
LVDSB_DATA0
AH43
DDPB_0N AV42
DDPB_1N AV45
LVD_VREFH
AE48
LVD_VREFL
AE47
DDPD_2N BF42
DDPD_3N BJ42
DDPB_2N AU48
DDPB_3N AV47
DDPC_0N AY47
DDPC_1N AY43
DDPC_2N BA47
DDPC_3N BB47
DDPD_0N BB43
DDPD_1N BF44
DDPB_0P AV40
DDPB_1P AV46
DDPD_2P BE42
DDPD_3P BG42
DDPB_2P AU47
DDPB_3P AV49
LVDSB_DATA1
AH49
LVDSB_DATA2
AF47
LVDSB_DATA3
AF43
LVD_IBG
AF37
LVD_VBG
AF36
DDPC_1P AY45
DDPC_0P AY49
DDPC_2P BA48
DDPC_3P BB49
DDPD_0P BB45
DDPD_1P BE44
CRT_BLUE
N48
CRT_DDC_CLK
T39
CRT_DDC_DATA
M40
CRT_GREEN
P49
CRT_HSYNC
M47
CRT_IRTN
T42
CRT_RED
T49
CRT_VSYNC
M49
DAC_IREF
T43
SDVO_CTRLCLK P38
SDVO_CTRLDATA M39
DDPC_CTRLCLK P46
DDPC_CTRLDATA P42
DDPD_CTRLCLK M43
DDPD_CTRLDATA M36
DDPB_AUXN AT49
DDPC_AUXN AP47
DDPD_AUXN AT45
DDPB_AUXP AT47
DDPC_AUXP AP49
DDPD_AUXP AT43
DDPB_HPD AT40
DDPC_HPD AT38
DDPD_HPD BH41
SDVO_TVCLKINP AP45
SDVO_TVCLKINN AP43
SDVO_STALLP AM40
SDVO_STALLN AM42
SDVO_INTP AP40
SDVO_INTN AP39
R313
1K/F_4
R313
1K/F_4
C2480.1U/10V_4 C2480.1U/10V_4
R234 10K_4R234 10K_4
R159 1K_4R159 1K_4
C409 *6.8P/50V_4C409 *6.8P/50V_4
R165 *10K_4R165 *10K_4

5
5
4
4
3
3
2
2
1
1
D D
C C
B B
A A
PCH_SPI_CS0#
ACZ_BCLK
SM_INTRUDER#
RTC_RST#
SERIRQ
PCH_DRQ#0
PCH_DRQ#1
SATA_COMP
SATA3_COMP
SATA3_RBIAS
BBS_BIT0
PCH_SPI_CLK
PCH_SPI_CS1#
PCH_SPI_SI
PCH_SPI_SO
PCH_JTAG_TDI_R
ACZ_SYNC
SPKR
ACZ_RST#
ACZ_SDOUT
PCH_INVRMEN
SRTC_RST#
RTC_X1
RTC_X2
GPIO33
SATA0GP
SRTC_RST#
RTC_RST#
ACZ_BCLK
ACZ_RST#
ACZ_SDOUT
PCH_JTAG_TCK_R
PCH_JTAG_TMS
PCH_JTAG_TDO_R
+3V_RTC_0
+3V_RTC_2
+3V_RTC_1
ACZ_SYNC
PCH_INVRMEN
ACZ_SDOUT
SPKR
BBS_BIT0
GPIO33
PCH_SPI_SI
SRTC_RST#RTC_RST#
ACZ_SYNC
PCH_SPI_CS0#_R
PCH_SPI_CS1#
PCH_SPI_SO
PCH_SPI_CLK_R
PCH_SPI_SO_R
PCH_SPI_CS0#
PCH_SPI_CLK
PCH_SPI_SI PCH_SPI_SI_R
+3V_RTC_0
GEN_XTAL25_OUT
GEN_XTAL25_IN
LAN_XTAL25_A 25M_A25M_A
LAN_XTAL25_A
PCH_XTAL25_IN
+3V_RTC_0
GEN_XTAL25_IN
GEN_XTAL25_OUT
CLKGEN_RTC_X1 CLKGEN_RTC_X1
RTC_X2
RTC_X1
25M_B
SATA_LED# [28]
SPKR[24]
ACZ_SDIN0[24]
BIT_CLK_AUDIO[24]
ACZ_RST#_AUDIO[24]
ACZ_SDOUT_AUDIO[24]
SERIRQ [28,29]
+3V[2,6,8,9,10,12,13,14,16,21,22,23,24,25,26,27,28,29,34,36,38,40]
+1.8V[4,10,35]
+1.05V[2,4,6,8,10,29,34,36]
PCH_SPI_CLK[29]
PCH_SPI_CS0#[29]
PCH_SPI_SI[29]
PCH_SPI_SO[29]
LAD1 [22,28,29]
LAD2 [22,28,29]
LAD3 [22,28,29]
LAD0 [22,28,29]
LFRAME# [22,28,29]
NV_ALE [8]
PCI_GNT3# [8]
NV_CLE [8]
H_SNB_IVB# [2]
ACZ_SDOUT [29]
BBS_BIT1 [8]
ICC_EN# [9]
PLL_ODVR_EN [9]
SATA_RXN0 [23]
SATA_RXP0 [23]
SATA_TXN0 [23]
SATA_TXP0 [23]
ACZ_SYNC_AUDIO[24]
+3V_RTC[6,10,29]
ACZ_SDOUT[29]
+3VPCU[21,26,28,29,30,31]
+3VS5[6,8,9,10,27,28,29,31,34,35,38,39]
+5V[10,21,22,23,24,26,28,38]
PCH_SPI_CS1#[29]
PCH_XTAL25_IN[8]
SATA_RXN1 [23]
SATA_RXP1 [23]
SATA_TXN1 [23]
SATA_TXP1 [23]
LAN_XTAL25_IN[25]
+3V_RTC
+1.05V
+3V_RTC
+3V
+3VPCU
+3V
+3V
+3VS5
+3V
+3V
+1.8V
+3V_RTC
+1.8V
+3V
+5V
+3V
+3V
+3VS5
+3VS5
+3V
+3V_RTC
+1.05V
+3VPCU
+3VLANVCC
+3VLANVCC
Size Document Number Rev
Date: Sheet of
4XDQWD&RPSXWHU,QF
352-(&7/*0X[OHVV80$
1%
PCH 2/6 (SATA/HDA/SPI)
2A
Custom
742Wednesday, March 07, 2012
Size Document Number Rev
Date: Sheet of
4XDQWD&RPSXWHU,QF
352-(&7/*0X[OHVV80$
1%
PCH 2/6 (SATA/HDA/SPI)
2A
Custom
742Wednesday, March 07, 2012
Size Document Number Rev
Date: Sheet of
4XDQWD&RPSXWHU,QF
352-(&7/*0X[OHVV80$
1%
PCH 2/6 (SATA/HDA/SPI)
2A
Custom
742Wednesday, March 07, 2012
RTC Circuitry(RTC)
Cougar Point (HDA,JTAG,SATA)
HDD0 (SATA3 6.0Gb/s)
(+3V)
(+3VS5)
(+3V)
HDA Bus(CLG)
30mils
RTC Power trace width 20mils.
RTC Clock 32.768KHz
(+3V)
(+3V)
0 = Disable
Only for Interposer
1 = Default (weak pull-up 20K)
0 = Override
PWROK
Flash Descriptor Security
HDA_DOCK_EN#/GPIO33
Different from
Calpella
iTPM function Disable APWROK
INTVRMEN
Integrated 1.05V VRM enable ALWAYS Should be always pull-up
0 = Default (weak pull-down 20K)
1 = Enable
Different from
Calpella
Default weak pull-up on GNT0/1#
Different from
Calpella
HDA_SYNC On-Die PLL VR Voltage Select
SPI_MOSI
GPIO28
RSMRST
HDA_SDO
PWROKFlash Descriptor Security 0 = Override
0 = Support by 1.8V (weak pull-down)
1 = Support by 1.5V
1 = Setting to No-Reboot mode
1 = Enable (Default)On-die PLL Voltage Regulator RSMRST#
GNT3# / GPIO55
Top-Block Swap Override 0 = "top-block swap" mode
1 = Default (weak pull-up 20K)
USE GPIO PIN
Integrated Clock Chip Enable Should be pull-down (weak pull-up 20K)RSMRST#
GNT2# / GPIO53
NV_CLE
PCH Strap Table
GNT0#GNT1#
PWROK
LPC
00
SPI
11
Boot Location
No reboot mode setting PWROK 0 = Default (weak pull-down 20K)
SPKR
PWROK
NV_ALE
GPIO19
PWROK
Boot BIOS Selection 0 [bit-0]
Boot BIOS Selection 1 [bit-1]
Pin Name Strap description Sampled Configuration
DMI Termination voltage weak pull-down 20kohm
PWROK Should not be pull-down
(weak pull-up 20K)
ESI strap (Server only)
[Need external pull-down for LPC BIOS]
Intel Anti-Theft HDD protection PWROK 0 = Disable (Internal pull-down 20kohm)
GNT1# / GPIO51
Circuit
GPIO8
PWROK
Only for Interposer
1 = Default (weak pull-up 20K)
ODD (SATA2,3Gb/s)
PCH SPI ROM(CLG)
U5 Placement TOP side
Green CLK Circuitry
Footprint Apply
RTC Clock 32.768KHz
EON
Vender
AMIC
Socket
Size
2MB
2MB
AKE38ZN0Q00 (EN25QH16-104HIP)
DFHS08FS023
P/N
AKE38ZN0802 (AMIC A25LQ16M-F/Q)
DG recommended that AC coupling capacitors should be
close to the connector (<100 mils) for optimal signal quality.
sϮ͘͘͘ŚĂŶŐĞ^dWŽƌƚĨŽƌ,DϳϬ
sϮ͘͘͘ĞůĞƚĞhϴWŝŶϭϭнϯsͺs'WƵůůŚŝŐŚ͕ϰϲϴ
sϮ͘͘͘ĞůĞƚĞhϴWŝŶϭϮEd><ͺϮϳDͺs'ͺϮ͕Zϯϰϭ͕
DV2...C448,C449 Change to 15p
PV...Change C479 net to LAN_XTAL25_A
PV...Change C478 net to PCH_XTAL25_IN
PV...Add C851 for EMI
R296 0_4R296 0_4
Y1
*32.768KHZ
Y1
*32.768KHZ
4 1
23
R288 *1K_4R288 *1K_4
D13
*BAT54C
D13
*BAT54C
R157 *1K_4R157 *1K_4
RTCIHDA
SATA
LPC
SPI JTAG
SATA 6G
U4A
CougarPoint_Rev_0p7
fcbga989-intel-cougarpoint
AJ0QPRG0T09
IC CTRL(989P)COUGARPOINT QMVY (FCBGA)
RTCIHDA
SATA
LPC
SPI JTAG
SATA 6G
U4A
CougarPoint_Rev_0p7
fcbga989-intel-cougarpoint
AJ0QPRG0T09
IC CTRL(989P)COUGARPOINT QMVY (FCBGA)
RTCX1
A20
RTCX2
C20
INTVRMEN
C17
INTRUDER#
K22
HDA_BCLK
N34
HDA_SYNC
L34
HDA_RST#
K34
HDA_SDIN0
E34
HDA_SDIN1
G34
HDA_SDIN2
C34
HDA_SDO
A36
SATALED# P3
FWH0 / LAD0 C38
FWH1 / LAD1 A38
FWH2 / LAD2 B37
FWH3 / LAD3 C37
LDRQ1# / GPIO23 K36
FWH4 / LFRAME# D36
LDRQ0# E36
RTCRST#
D20
HDA_SDIN3
A34
HDA_DOCK_EN# / GPIO33
C36
HDA_DOCK_RST# / GPIO13
N32
SRTCRST#
G22
SATA0RXN AM3
SATA0RXP AM1
SATA0TXN AP7
SATA0TXP AP5
SATA1RXN AM10
SATA1RXP AM8
SATA1TXN AP11
SATA1TXP AP10
SATA2RXN AD7
SATA2RXP AD5
SATA2TXN AH5
SATA2TXP AH4
SATA3RXN AB8
SATA3RXP AB10
SATA3TXN AF3
SATA3TXP AF1
SATA4RXN Y7
SATA4RXP Y5
SATA4TXN AD3
SATA4TXP AD1
SATA5RXN Y3
SATA5RXP Y1
SATA5TXN AB3
SATA5TXP AB1
SATAICOMPI Y10
SPI_CLK
T3
SPI_CS0#
Y14
SPI_CS1#
T1
SPI_MOSI
V4
SPI_MISO
U3
SATA0GP / GPIO21 V14
SATA1GP / GPIO19 P1
JTAG_TCK
J3
JTAG_TMS
H7
JTAG_TDI
K5
JTAG_TDO
H1
SERIRQ V5
SPKR
T10
SATAICOMPO Y11
SATA3COMPI AB13
SATA3RCOMPO AB12
SATA3RBIAS AH1
R196 *1K_4R196 *1K_4
C453
2.2U/6.3V_6
C453
2.2U/6.3V_6
R200 10K_4R200 10K_4
R207 10K_4R207 10K_4
R181 *1K_4R181 *1K_4
R240 1K_4R240 1K_4
C379 *10P/50V_4C379 *10P/50V_4
TP22TP22
R218 330K_4R218 330K_4
U5
SPI Flash Socket
U5
SPI Flash Socket
CE#
1
SCK
6
SI
5
SO
2
WP#
3
VDD 8
VSS 4
HOLD# 7
CN2
*BAT_CONN
CN2
*BAT_CONN
1
2
TP29TP29
C393
1U/6.3V_4
C393
1U/6.3V_4
R231 1M_4R231 1M_4
C449
15P/50V_4
C449
15P/50V_4
R303 0_4R303 0_4
R283 33_4R283 33_4
R175 *1K_4R175 *1K_4
C396
1U/6.3V_4
C396
1U/6.3V_4
C478 *10P/50V_4C478 *10P/50V_4
R361 330_4R361 330_4
R272 *0_4R272 *0_4
C312 *18P/50V_4C312 *18P/50V_4
R221 0_4R221 0_4
R311 *1K_4R311 *1K_4
R206 8.2K_4R206 8.2K_4
R171 *1K_4R171 *1K_4
C479 47P/50V_4C479 47P/50V_4
C459 0.1U/10V_4C459 0.1U/10V_4
R223
*10M_4
R223
*10M_4
R304 1K_4R304 1K_4
R297 3.3K_4R297 3.3K_4
R239
*1K_4
R239
*1K_4
C851 10P/50V_4C851 10P/50V_4 R356 33_4R356 33_4
R273 3.3K_4R273 3.3K_4
R314 10K_4R314 10K_4
R271 0_4R271 0_4
R429 *0_6/SR429 *0_6/S
C414
1U/6.3V_4
C414
1U/6.3V_4
R247 33_4R247 33_4
R173 750/F_4R173 750/F_4
R427 *1K_4R427 *1K_4
C476 22U/6.3VS_8C476 22U/6.3VS_8
R278
20K/F_4
R278
20K/F_4
R238 33_4R238 33_4
R204 49.9/F_4R204 49.9/F_4
R267 *0_6R267 *0_6
R205 37.4/F_4R205 37.4/F_4
TP48TP48
C426
22P/50V_4
C426
22P/50V_4
C394
0.1U/10V_4
C394
0.1U/10V_4
R324 10K_4R324 10K_4
C472 0.1U/10V_4C472 0.1U/10V_4
Q15
2N7002K
Q15
2N7002K
3
2
1
U8
SLG3NB274
U8
SLG3NB274
VDD 2
25M_A
6
25M_B
5
GND 4
VDDIO_25M_A
8
XTAL_OUT
1
VDDIO_25M_B
3GND 7
32Khz
9
VDDIO_27/NC
11
VBAT 10
27Mhz/NC
12
GND 13
XTAL_IN
16
+V3.3A 15
VDD_RTC_OUT 14
GND 17
R237 *1K_4R237 *1K_4
R199 1K_4R199 1K_4
R203 1K_4R203 1K_4
C480 0.1U/10V_4C480 0.1U/10V_4
R281 0_4R281 0_4
TP47TP47
C448
15P/50V_4
C448
15P/50V_4
R254 *10K_4R254 *10K_4
R320 1M_4R320 1M_4
R354 0_4R354 0_4
Y3
25MHZ +-10PPM
Y3
25MHZ +-10PPM
4 1
23
CN1
BAT_CONN
CN1
BAT_CONN
1
2
C309 *18P/50V_4C309 *18P/50V_4
R172 2.2K_4R172 2.2K_4
TP18TP18
R319 33_4R319 33_4
R269
20K/F_4
R269
20K/F_4

5
5
4
4
3
3
2
2
1
1
D D
C C
B B
A A
PCI_PIRQA#
PCI_PIRQB#
PCI_PIRQC#
PCI_PIRQD#
BT_COMBO_EN#
BBS_BIT1
PCI_GNT3#
SMB_PCH_CLK
SMB_PCH_DAT
MPC_PWR_CTRL#
LCD_BK
PCH_GPIO4
USB_OC6#
USB_OC4#
USB_OC5#
NV_ALE
NV_CLE
USB_OC3#
USB_OC7#
CLK_PCI_CARD_R
USB_OC0#
USB_OC1#
USB_OC2#
PCIE_TXN1_C
PCIE_TXP1_C
CLK_PCI_FB
XCLK_RCOMP
CL_CLK_R
CL_RST#_R
CL_DAT_R
SMB_ME1_DAT
SMB_ME1_CLK
SML1ALERT#_R
SMB_ME0_CLK
SMB_ME0_DAT
DRAMRST_CNTRL_PCH
SMBALERT#
DRAMRST_CNTRL_PCH
SML1ALERT#_R
SMBALERT#
SMB_ME0_DAT
SMB_ME0_CLK
SMB_PCH_DAT
SMB_PCH_CLK
CLK_BUF_PCIE_3GPLL#
CLK_PCH_14M
CLK_BUF_PCIE_3GPLL
CLK_BUF_DREFSSCLK
CLK_BUF_DREFSSCLK#
CLK_BUF_DREFCLK
CLK_BUF_DREFCLK#
CLK_BUF_BCLK_N
CLK_BUF_BCLK_P
PCIE_TXN2_LAN_C
PCIE_TXP2_LAN_C
CLK_PCI_EC_R
CLK_PCI_LPC_R
CLK_PCI_FB_R
CLK_PCI_FB
USB_BIAS
CLK_PEGB_REQ#
PCIE_CLKREQ_WLAN#
CLK_PCIE_REQ3#
CLK_PCIE_REQ4#
CLK_PEGA_REQ#
CLK_BUF_PCIE_3GPLL#
CLK_BUF_DREFSSCLK
CLK_PCH_14M
CLK_BUF_PCIE_3GPLL
CLK_BUF_DREFCLK#
CLK_BUF_DREFCLK
CLK_BUF_DREFSSCLK#
XTAL25_OUT
CLK_PCH_ITPP
CLK_PCH_ITPN
PCIE_CLKREQ_CR#
PCIE_CLKREQ_LAN#
CLK_PEGA_REQ#
CLK_BUF_BCLK_P
CLK_BUF_BCLK_N
PCI_PME#
CLK_PEGB_REQ#
CLK_PCIE_REQ3#
CLK_PCIE_REQ4#
MPC_PWR_CTRL#
BT_COMBO_EN#
PCI_PIRQA#
PCI_PIRQB#
PCI_PIRQC#
PCI_PIRQD#
LCD_BK
PCH_GPIO4
MPC_PWR_CTRL#
CLK_PCI_TPM_R
INTH#
CLK_FLEX1
CLK_FLEX3
CLK_FLEX0
CLK_FLEX2
CLK_PEGA_REQ#
SMB_ME1_CLK
SMB_ME1_DAT
SMB_PCH_DAT
SMB_PCH_CLK
PCIE_TXP3_CR_C
PCIE_TXN3_CR_C
CLK_PEGA_REQ#
XTAL25_IN
XTAL25_OUT
XTAL25_IN
USB_OC0#
USB_OC7#
USB_OC5#
USB_OC6#
USB_OC2#
USB_OC3#
USB_OC4#
USB_OC1#
CLK_33M_DEBUG[22]
CLK_33M_KBC[29]
BBS_BIT1[7]
NV_ALE [7]
NV_CLE [7]
PCIE_RXN1[22]
PCIE_RXP1[22]
PCIE_TXN1[22]
PCIE_TXP1[22]
DRAMRST_CNTRL_PCH [2,12,13]
PCI_GNT3#[7]
LCD_BK[21]
BT_COMBO_EN#[22]
PCIE_RXP2_LAN[25]
PCIE_RXN2_LAN[25]
PCIE_TXN2_LAN[25]
PCIE_TXP2_LAN[25]
CLK_CPU_BCLKN [2]
CLK_CPU_BCLKP [2]
INT_BT_COMBO_EN#[22]
BOARD_ID2[9]
BOARD_ID0[9]
USBP10- [22]
USBP10+ [22]
+3V[2,6,7,9,10,12,13,14,16,21,22,23,24,25,26,27,28,29,34,36,38,40]
+3VS5[6,7,9,10,27,28,29,31,34,35,38,39]
USBP8- [28]
USBP8+ [28]
CLK_PCI_TPM[28]
BOARD_ID7[9]
BOARD_ID6[9]
VGA_CLK_REQ# [16]
INTH#[26]
CLK_PCIE_WLANN[22]
CLK_PCIE_WLANP[22]
PCIE_CLKREQ_WLAN#[22]
CLK_PCIE_LANN[25]
CLK_PCIE_LANP[25]
PCIE_CLKREQ_LAN#[25]
CLK_PCIE_CRN[23]
CLK_PCIE_CRP[23]
PCIE_CLKREQ_CR#[23]
CLK_PCIE_VGA# [14]
CLK_PCIE_VGA [14]
PLTRST#[2,14,22,23,25,28,29]
MBDATA2[13,17,26,28,29]
MBCLK2[13,17,26,28,29]
SMB_RUN_CLK[12,13]
SMB_RUN_DAT[12,13]
USBP9- [26]
USBP9+ [26]
PCIE_TXP3_CR[23]
PCIE_TXN3_CR[23]
PCIE_RXN3_CR[23]
PCIE_RXP3_CR[23]
DGPU_PWROK [9,29,39,40]
PCH_XTAL25_IN [7]
USB30_RX3-[26]
USB30_RX4-[26]
USB30_RX3+[26]
USB30_RX4+[26]
USB30_TX3-[26]
USB30_TX4-[26]
USB30_TX3+[26]
USB30_TX4+[26]
USBP11- [28]
USBP11+ [28]
USBP0- [26]
USBP0+ [26]
USBP2- [26]
USBP2+ [26]
USBP3- [26]
USBP3+ [26]
USBP5- [21]
USBP5+ [21]
+1.05V
+3VS5
+3VS5
+3V
+3V
+3VS5
+3V
+3V
+3VS5
+3V
+3V
Size Document Number Rev
Date: Sheet of
4XDQWD&RPSXWHU,QF
352-(&7/*0X[OHVV80$
1%
PCH 3/6 (PCIE/USB/CLK)
2A
Custom
842Wednesday, March 07, 2012
Size Document Number Rev
Date: Sheet of
4XDQWD&RPSXWHU,QF
352-(&7/*0X[OHVV80$
1%
PCH 3/6 (PCIE/USB/CLK)
2A
Custom
842Wednesday, March 07, 2012
Size Document Number Rev
Date: Sheet of
4XDQWD&RPSXWHU,QF
352-(&7/*0X[OHVV80$
1%
PCH 3/6 (PCIE/USB/CLK)
2A
Custom
842Wednesday, March 07, 2012
Cougar Point-M (PCI,USB,NVRAM)
Cougar Point-M (PCI-E,SMBUS,CLK)
LAN
WLAN
CLOCK TERMINATION for FCIM
(+3V)
(+3VS5)
(+3V)
(+3VS5)
(+3V)
(+3V)
(+3V)
(+3V)
(+3V)
(+3V)
(+3V)
(+3V)
(+3V)
(+3VS5)
(+3VS5)
(+3VS5)
(+3VS5)
(+3VS5)
(+3VS5)
(+3VS5)
(+3VS5)
(+3VS5)
(+3VS5)
(+3VS5)
(+3VS5)
(+3VS5)
(+3VS5)
(+3VS5)
(+3VS5)
(+3VS5)
(+3VS5)
(+3VS5)
(+3V)
(+3V)
(+3V)
(+3V)
(+3V)
CLK_REQ/Strap Pin(CLG)
SMBus/Pull-up(CLG)
Remove for UMA only.
Blue tooth
MinPCIE-USB-H
WLAN
LAN
ĂƌĚƌĞĚĞƌ
GPU
PCI/USBOC# Pull-up(CLG)
MPC Switch Control
MPC_PWR_CTRL#
Low = MPC ON
High = MPC OFF (Default)
MV EMI add CAP near PCI Clock
h^ϯ͘Ϭ
Muxless : Rb ; UMA : Ra
Ra
Rb
SMBus/Pull-up(CLG)
Right_USB
sϮ͘͘͘ŚĂŶŐĞh^Ϯ͘ϬWŽƌƚĨŽƌ,DϳϬ
ĂƌĚƌĞĂĚĞƌ
PEG Clock detect (reserve)
Fingerprint
Right_USB
Left USB
Left USB
Webcam
sϮ͘͘͘ŚĂŶŐĞh^ϯ͘ϬWŽƌƚĨŽƌ,DϳϬ
R193 2.2K_4R193 2.2K_4
R166 1K_4R166 1K_4
R187 10K_4R187 10K_4
C377 0.1U/10V_4C377 0.1U/10V_4
R222 10K_4R222 10K_4
C384 0.1U/10V_4C384 0.1U/10V_4
PCI-E*
CLOCKS
FLEX CLOCKS
SMBUSController
Link
U4B
CougarPoint_Rev_0p7
fcbga989-intel-cougarpoint
AJ0QPRG0T09
IC CTRL(989P)COUGARPOINT QMVY (FCBGA)
PCI-E*
CLOCKS
FLEX CLOCKS
SMBUSController
Link
U4B
CougarPoint_Rev_0p7
fcbga989-intel-cougarpoint
AJ0QPRG0T09
IC CTRL(989P)COUGARPOINT QMVY (FCBGA)
PERN1
BG34
PERP1
BJ34
PERN2
BE34
PERP2
BF34
PERN3
BG36
PERP3
BJ36
PERN4
BF36
PERP4
BE36
PERN5
BG37
PERP5
BH37
PERN6
BJ38
PERP6
BG38
PERN7
BG40
PERP7
BJ40
PERN8
BE38
PERP8
BC38
PETN1
AV32
PETP1
AU32
PETN2
BB32
PETP2
AY32
PETN3
AV34
PETP3
AU34
PETN4
AY34
PETP4
BB34
PETN5
AY36
PETP5
BB36
PETN6
AU36
PETP6
AV36
PETN7
AY40
PETP7
BB40
PETN8
AW38
PETP8
AY38
CLKOUT_PCIE0N
Y40
CLKOUT_PCIE0P
Y39
CLKOUT_PCIE1N
AB49
CLKOUT_PCIE1P
AB47
CLKOUT_PCIE2N
AA48
CLKOUT_PCIE2P
AA47
CLKOUT_PCIE3N
Y37
CLKOUT_PCIE3P
Y36
CLKOUT_PCIE4N
Y43
CLKOUT_PCIE4P
Y45
CLKOUT_PCIE5N
V45
CLKOUT_PCIE5P
V46
CLKIN_GND1_N BJ30
CLKIN_GND1_P BG30
CLKIN_DMI_N BF18
CLKIN_DMI_P BE18
CLKIN_DOT_96N G24
CLKIN_DOT_96P E24
CLKIN_SATA_N AK7
CLKIN_SATA_P AK5
XTAL25_IN V47
XTAL25_OUT V49
REFCLK14IN K45
CLKIN_PCILOOPBACK H45
CLKOUT_PEG_A_N AB37
CLKOUT_PEG_A_P AB38
PEG_A_CLKRQ# / GPIO47 M10
PCIECLKRQ0# / GPIO73
J2
PCIECLKRQ1# / GPIO18
M1
PCIECLKRQ2# / GPIO20
V10
PCIECLKRQ3# / GPIO25
A8
PCIECLKRQ4# / GPIO26
L12
PCIECLKRQ5# / GPIO44
L14
CLKOUTFLEX0 / GPIO64 K43
CLKOUTFLEX1 / GPIO65 F47
CLKOUTFLEX2 / GPIO66 H47
CLKOUTFLEX3 / GPIO67 K49
CLKOUT_DMI_N AV22
CLKOUT_DMI_P AU22
PEG_B_CLKRQ# / GPIO56
E6
CLKOUT_PEG_B_P
AB40 CLKOUT_PEG_B_N
AB42
XCLK_RCOMP Y47
CLKOUT_DP_P AM13
CLKOUT_DP_N AM12
CLKOUT_PCIE6N
V40
CLKOUT_PCIE6P
V42
PCIECLKRQ7# / GPIO46
K12
CLKOUT_PCIE7N
V38
CLKOUT_PCIE7P
V37
CLKOUT_ITPXDP_N
AK14
CLKOUT_ITPXDP_P
AK13
SMBALERT# / GPIO11 E12
SMBCLK H14
SMBDATA C9
SML0ALERT# / GPIO60 A12
SML0CLK C8
SML0DATA G12
SML1ALERT# / PCHHOT# / GPIO74 C13
SML1CLK / GPIO58 E14
SML1DATA / GPIO75 M16
CL_CLK1 M7
CL_DATA1 T11
CL_RST1# P10
PCIECLKRQ6# / GPIO45
T13
TP34TP34
R232 10K_4R232 10K_4
R162 2.2K_4R162 2.2K_4
R148 4.7K_4R148 4.7K_4
C375 0.1U/10V_4C375 0.1U/10V_4
R161 10K_4R161 10K_4
TP19TP19
TP17TP17
TP21TP21
R277
*1M_4
R277
*1M_4
R286 22_4R286 22_4
R140 2.2K_4R140 2.2K_4
TP36TP36
*33P/50V_4C434 *33P/50V_4C434
C425*27P/50V_4 C425*27P/50V_4
*33P/50V_4C404 *33P/50V_4C404
R334 90.9/F_4R334 90.9/F_4
R202 10K_4R202 10K_4
TP49TP49
R274 10K_4R274 10K_4
R310 8.2K_4R310 8.2K_4
Q8
*2N7002
Q8
*2N7002
3
2
1
RSVD
NVRAM
PCI
USB
U4E
CougarPoint_Rev_0p7
fcbga989-intel-cougarpoint
AJ0QPRG0T09
IC CTRL(989P)COUGARPOINT QMVY (FCBGA)
RSVD
NVRAM
PCI
USB
U4E
CougarPoint_Rev_0p7
fcbga989-intel-cougarpoint
AJ0QPRG0T09
IC CTRL(989P)COUGARPOINT QMVY (FCBGA)
NV_ALE AV5
NV_CE#0 AY7
NV_CE#1 AV7
NV_CE#2 AU3
NV_CE#3 BG4
NV_CLE AY1
NV_DQS0 AT10
NV_DQS1 BC8
NV_DQ0 / NV_IO0 AU2
NV_DQ1 / NV_IO1 AT4
NV_DQ10 / NV_IO10 BB5
NV_DQ11 / NV_IO11 BB3
NV_DQ12 / NV_IO12 BB7
NV_DQ13 / NV_IO13 BE8
NV_DQ14 / NV_IO14 BD4
NV_DQ15 / NV_IO15 BF6
NV_DQ2 / NV_IO2 AT3
NV_DQ3 / NV_IO3 AT1
NV_DQ4 / NV_IO4 AY3
NV_DQ5 / NV_IO5 AT5
NV_DQ6 / NV_IO6 AV3
NV_DQ7 / NV_IO7 AV1
NV_DQ8 / NV_IO8 BB1
NV_DQ9 / NV_IO9 BA3
NV_RB# AT8
NV_RCOMP AV10
NV_RE#_W RB0 AY5
NV_RE#_W RB1 BA2
NV_WE#_CK0 AT12
NV_WE#_CK1 BF3
PIRQA#
K40
PIRQB#
K38
PIRQC#
H38
PIRQD#
G38
REQ1# / GPIO50
C46
REQ2# / GPIO52
C44
REQ3# / GPIO54
E40
GNT1# / GPIO51
D47
GNT2# / GPIO53
E42
GNT3# / GPIO55
F46
PIRQE# / GPIO2
G42
PIRQF# / GPIO3
G40
PIRQG# / GPIO4
C42
PIRQH# / GPIO5
D44
USBP0N C24
USBP0P A24
USBP1N C25
USBP1P B25
USBP2N C26
USBP2P A26
USBP3N K28
USBP3P H28
USBP4N E28
USBP4P D28
USBP5N C28
USBP5P A28
USBP6N C29
USBP6P B29
USBP7N N28
USBP7P M28
USBP8N L30
USBP8P K30
USBP9N G30
USBP9P E30
USBP10N C30
USBP10P A30
USBP11N L32
USBP11P K32
USBP12N G32
USBP12P E32
USBP13N C32
USBP13P A32
PME#
K10
CLKOUT_PCI0
H49
CLKOUT_PCI1
H43
CLKOUT_PCI2
J48
USBRBIAS# C33
USBRBIAS B33
OC0# / GPIO59 A14
OC1# / GPIO40 K20
OC2# / GPIO41 B17
OC3# / GPIO42 C16
OC4# / GPIO43 L16
OC5# / GPIO9 A16
OC6# / GPIO10 D14
OC7# / GPIO14 C14
CLKOUT_PCI4
H40 CLKOUT_PCI3
K42
PLTRST#
C6
TP1
BG26
TP2
BJ26
TP3
BH25
TP6
AH38
TP7
AH37
TP8
AK43
TP9
AK45
TP16
Y13
TP17
K24
TP18
L24
TP19
AB46
TP20
AB45
TP21
B21
TP22
M20
TP23
AY16
TP25
BE28
TP26
BC30
TP27
BE32
TP28
BJ32
TP29
BC28
TP30
BE30
TP31
BF32
TP32
BG32
TP33
AV26
TP34
BB26
TP35
AU28
TP36
AY30
TP37
AU26
TP38
AY26
TP39
AV28
TP40
AW30
TP4
BJ16
TP5
BG16
TP15
AM5 TP14
AM4 TP13
AH12 TP12
H3 TP11
N30 TP10
C18
TP24
BG46
*33P/50V_4C435 *33P/50V_4C435
R276 0_4R276 0_4
R294 *0_4R294 *0_4
R164 10K_4R164 10K_4
R285 22_4R285 22_4
R150 10K_4R150 10K_4
R224 10K_4R224 10K_4
*33P/50V_4C405 *33P/50V_4C405
TP35TP35
TP23TP23
R287 22_4R287 22_4
TP26TP26
R323 8.2K_4R323 8.2K_4
*33P/50V_4C406 *33P/50V_4C406
R242 10K_4R242 10K_4
R145 10K_4R145 10K_4
R312 22_4R312 22_4
C380 0.1U/10V_4C380 0.1U/10V_4
TP50TP50
R275
10K_10P8R_6
R275
10K_10P8R_6
10
9
8
7 4
3
2
1
56
Q11
2N7002DW
Q11
2N7002DW
6
2
1
5
4 3
R183 2.2K_4R183 2.2K_4
C374 0.1U/10V_4C374 0.1U/10V_4
R134 10K_4R134 10K_4
R109 4.7K_4R109 4.7K_4
R127 10K_4R127 10K_4
R184 2.2K_4R184 2.2K_4
R133 *10K_4R133 *10K_4
C424*27P/50V_4 C424*27P/50V_4
R146 100K_4R146 100K_4
R257 8.2K_4R257 8.2K_4
Q10
2N7002DW
Q10
2N7002DW
6
2
1
5
4 3
R149 10K_4R149 10K_4
R126 2.2K_4R126 2.2K_4
Y2
*25MHZ
Y2
*25MHZ
21
R230
22.6/F_4
R230
22.6/F_4
R233 10K_4R233 10K_4
TP37TP37
R263 *1K_4R263 *1K_4
C386 0.1U/10V_4C386 0.1U/10V_4
R236 10K_4R236 10K_4
R209
10K_10P8R_6
R209
10K_10P8R_6
10
9
8
7 4
3
2
1
56
R284 8.2K_4R284 8.2K_4
TP24TP24
R167 10K_4R167 10K_4
TP52TP52
R190 10K_4R190 10K_4
R141 *0_4R141 *0_4

5
5
4
4
3
3
2
2
1
1
D D
C C
B B
A A
S_GPIO
SIO_EXT_SMI#
BT_OFF#
SIO_EXT_SCI#
LAN_DISABLE#_R
BIOS_REC
PLL_ODVR_EN_R
BOARD_ID3
EC_RCIN#
PCH_THRMTRIP#
FDI_OVRVLTG
MFG_MODE
DGPU_PRSNT#
GPIO27
TEST_SET_UP
SATA5GP
SV_DET
FDI_OVRVLTGDGPU_PWR_EN_R
BIOS_REC
MFG_MODE
BOARD_ID4
RF_OFF#
RF_OFF#
TEST_SET_UP
S_GPIO
DGPU_PWR_EN_R
ODD_PRSNT#_R
ICC_EN#
SV_DET
LAN_DISABLE#_R
EC_RCIN#
SATA5GP
SIO_EXT_SMI#
BT_OFF#
EC_A20GATE
SIO_EXT_SCI#
DGPU_PWROK
ODD_PRSNT#_R
DGPU_OPT_DIS#
DGPU_HOLD_RST#_R
BOARD_ID0
BOARD_ID5
BOARD_ID4
BOARD_ID2
BOARD_ID0
BOARD_ID1
BOARD_ID2
BOARD_ID3
DGPU_PWROK
GPIO27
BOARD_ID1
BOARD_ID5
DGPU_PWROK_R
GPIO68
BOARD_ID6
BOARD_ID7
DGPU_PRSNT#
DGPU_OPT_DIS#
BOARD_ID7
BOARD_ID6
SIO_EXT_SMI#[29]
EC_A20GATE [29]
EC_RCIN# [29]
H_PWRGOOD [2]
PM_THRMTRIP# [2,29]
ICC_EN#[7]
DGPU_PWROK[8,29,39,40]
PLL_ODVR_EN[7]
RF_OFF#[22]
DGPU_PWR_EN[39,40]
SIO_EXT_SCI#[29]
BT_OFF#[28]
+3V[2,6,7,8,10,12,13,14,16,21,22,23,24,25,26,27,28,29,34,36,38,40]
+3VS5[6,7,8,10,27,28,29,31,34,35,38,39]
BOARD_ID0[8]
BOARD_ID2[8]
DGPU_HOLD_RST#[14]
RF_PWR_OFF# [22]
BOARD_ID6[8]
BOARD_ID7[8] +3V +3V
+3V
+3V
+3VS5
+3V
+3V
+3V
+3V
+3VS5
+3V
+3VS5
+3V
+3VS5
+3V
Size Document Number Rev
Date: Sheet of
4XDQWD&RPSXWHU,QF
352-(&7/*0X[OHVV80$
1%
PCH 4/6 (GPIO/MISC)
2A
Custom
942Wednesday, March 07, 2012
Size Document Number Rev
Date: Sheet of
4XDQWD&RPSXWHU,QF
352-(&7/*0X[OHVV80$
1%
PCH 4/6 (GPIO/MISC)
2A
Custom
942Wednesday, March 07, 2012
Size Document Number Rev
Date: Sheet of
4XDQWD&RPSXWHU,QF
352-(&7/*0X[OHVV80$
1%
PCH 4/6 (GPIO/MISC)
2A
Custom
942Wednesday, March 07, 2012
ʹΠΦΘΒΣ͑ΠΚΟΥ͙͑ͺ͝·΄΄ΐͿʹ΅ͷ͝΄·͵͚
ʹΠΦΘΒΣ͑ΠΚΟΥ͙͑ͺ͝·΄΄ΐͿʹ΅ͷ͝΄·͵͚ʹΠΦΘΒΣ͑ΠΚΟΥ͙͑ͺ͝·΄΄ΐͿʹ΅ͷ͝΄·͵͚
ʹΠΦΘΒΣ͑ΠΚΟΥ͙͑ͺ͝·΄΄ΐͿʹ΅ͷ͝΄·͵͚
(+3VS5)
(DSW)
(+3V)
BIOS RECOVERY High = Disable (Default)
Low = Enable
MFG-TEST
Low = Disable (Default)
High = Enable
Intel ME Crypto Transport Layer
Security (TLS) cipher suite
SV_SET_UP
High = Strong (Default)
SGPIO
(+3V)
(+3V)
(+3V)
(+3V)
(+3V)
(+3V)
(+3V)
(+3VS5)
(+3VS5)
(+3V)
(+3V)
(+3V)
(+3VS5)
(+3VS5)
(+3V)
(+3V)
(+3V)
(+3V)
(+3V)
(+3V)
(+3V)
(+3V)
(+3VS5)
TEST DETECT
Low = Default
GPIO Pull-up/Pull-down(CLG)
DG rev0.9 suggest to TS_VSS connect to GND.
RD0
RD1
RD2
RD3
RD4
RD5
RU0
RU1
RU2
RU3
RU4
RU5
DGPU_PWR_EN
DGPU_HOLD_RST#
Muxless POWER control pin
DGPU_PWROK
GPIO17
GPIO24
GPIO36
DGPU_PWR_EN
GPIO36 POWER output control
Muxless
Always
High
Dis UMA
Always
High
Low
Ra
Rb
RcRd
Only Reserve
RD6
RD7
RU6
RU7
*3,2
9*$ 80$
Chief River BOARD ID SETTING
02'(/%,7
*3,2
*3,2
02'(/%,7
*3,2
*3,2
5HVHUYHDQGSXOOORZ
*3,2'*38B237B',6
5HVHUYHDQGSXOOORZ%2$5'B,'
%2$5'B,'
%2$5'B,'
%2$5'B,'
%2$5'B,' 02'(/%,7
*3,2
*3,2'*38B35617
0X[OHVV 'LVRQO\
%2$5'B,'
02'(/%,7
Board ID [3:0] Model Name
0100
0101
LG3
LG5
Select
Ra
Rb
VGA
UMA
Ra
Rb
R142 100K_4R142 100K_4
CPU/MISC
NCTF
GPIO
U4F
CougarPoint_Rev_0p7
fcbga989-intel-cougarpoint
AJ0QPRG0T09
IC CTRL(989P)COUGARPOINT QMVY (FCBGA)
CPU/MISC
NCTF
GPIO
U4F
CougarPoint_Rev_0p7
fcbga989-intel-cougarpoint
AJ0QPRG0T09
IC CTRL(989P)COUGARPOINT QMVY (FCBGA)
GPIO27
E16
GPIO28
P8
GPIO24 / MEM_LED
E8
GPIO57
D6
LAN_PHY_PWR_CTRL / GPIO12
C4
VSS_NCTF_1
A4
VSS_NCTF_2
A44
VSS_NCTF_3
A45
VSS_NCTF_4
A46
VSS_NCTF_5
A5
VSS_NCTF_6
A6
VSS_NCTF_7
B3
VSS_NCTF_8
B47
VSS_NCTF_9
BD1
VSS_NCTF_10
BD49
VSS_NCTF_11
BE1
VSS_NCTF_12
BE49
TACH2 / GPIO6
H36
TACH0 / GPIO17
D40
TACH3 / GPIO7
E38
SATA3GP / GPIO37
M5
SATA5GP / GPIO49
V3
SCLOCK / GPIO22
T5
SLOAD / GPIO38
N2
SDATAOUT0 / GPIO39
M3
SDATAOUT1 / GPIO48
V13
PROCPWRGD AY11
RCIN# P5
PECI AU16
THRMTRIP# AY10
GPIO8
C10
BMBUSY# / GPIO0
T7
GPIO15
G2
TACH1 / GPIO1
A42
SATA2GP / GPIO36
V8
INIT3_3V# T14
STP_PCI# / GPIO34
K1
GPIO35
K4
SATA4GP / GPIO16
U2
VSS_NCTF_32 F49
A20GATE P4
TACH4 / GPIO68 C40
TACH6 / GPIO70 C41
TACH7 / GPIO71 A40
TACH5 / GPIO69 B41
VSS_NCTF_17 BH3
VSS_NCTF_18 BH47
VSS_NCTF_19 BJ4
VSS_NCTF_20 BJ44
VSS_NCTF_21 BJ45
VSS_NCTF_22 BJ46
VSS_NCTF_23 BJ5
VSS_NCTF_24 BJ6
VSS_NCTF_25 C2
VSS_NCTF_26 C48
VSS_NCTF_27 D1
VSS_NCTF_28 D49
VSS_NCTF_29 E1
VSS_NCTF_30 E49
VSS_NCTF_31 F1
NC_4 AK10
NC_3 AH10
NC_2 AK11
NC_1 AH8
NC_5 P37
VSS_NCTF_13
BF1
VSS_NCTF_14
BF49
VSS_NCTF_15 BG2
VSS_NCTF_16 BG48
R185 *0_4R185 *0_4
R120 *10K_4R120 *10K_4
R191 1K_4R191 1K_4
R248 10K_4R248 10K_4
R264 *10K_4R264 *10K_4
R258 *10K_4R258 *10K_4
R186 *0_4/SR186 *0_4/S
R260 10K_4R260 10K_4
R208 10K_4R208 10K_4
R163 10K_4R163 10K_4
R198 390_4R198 390_4
R152 *200K/F_4R152 *200K/F_4
R201 *0_4R201 *0_4
R179 10K_4R179 10K_4
R122 *1K_4R122 *1K_4
R144 *10K_4R144 *10K_4
R192 100K_4R192 100K_4
R251 10K/F_4R251 10K/F_4
R189 10K_4R189 10K_4
R177 *0_4R177 *0_4
R121 10K/F_4R121 10K/F_4
R115 10K_4R115 10K_4
R154 *0_4R154 *0_4
R129 *10K_4R129 *10K_4
R174 10K_4R174 10K_4
R249 *10K_4R249 *10K_4
R176 100_4R176 100_4
R178 10K_4R178 10K_4
R180 10K_4R180 10K_4
R170 *10K_4R170 *10K_4
R151 *0_4/SR151 *0_4/S
R169 10K_4R169 10K_4
R244 *10K_4R244 *10K_4
R155 10K_4R155 10K_4
R279 *10K_4R279 *10K_4
R182 10K_4R182 10K_4
R265 10K_4R265 10K_4
R295 10K_4R295 10K_4
R243 *10K_4R243 *10K_4R246 10K_4R246 10K_4
R259 10K_4R259 10K_4
R160 *10K_4R160 *10K_4
R253 10K_4R253 10K_4
R128 10K_4R128 10K_4
R195 *10K_4R195 *10K_4
R125 *0_4/SR125 *0_4/S
R153 10K_4R153 10K_4
R270 *0_4/SR270 *0_4/S
C270 0.1U/10V_4C270 0.1U/10V_4
R143 10K_4R143 10K_4
R252 *10K/F_4R252 *10K/F_4
R266 10K_4R266 10K_4

5
5
4
4
3
3
2
2
1
1
D D
C C
B B
A A
+VCCA_USBSUS
+1.05V_VCCA_B_DPL
+VCCRTCEXT
+VCCSST
+3V_SUS_CLKF33
+VCCSUS1
+1.05V_VCCA_A_DPL
+5V_PCH_VCC5REFSUS
+5V_PCH_VCC5REF
+1.05V_VCCA_B_DPL
+1.05V_VCCAPLL_FDI
+3V_SUS_CLKF33
+3V_SUS_CLKF33_R
+5V_PCH_VCC5REFSUS
+1.05V_VCCAPLL_EXP
+1.05V_VCCA_A_DPL
+VCCA_DAC_1_2
+5V_PCH_VCC5REF
+1.5V_CPU[2,4,22]
+1.5VSUS[2,4,12,13,27,32,39]
+1.05V[2,4,6,7,8,29,34,36]
+1.05V_VTT
+1.8V[4,7,35]
+3V[2,6,7,8,9,12,13,14,16,21,22,23,24,25,26,27,28,29,34,36,38,40]
+3V_RTC[6,7,29]
+3VS5[6,7,8,9,27,28,29,31,34,35,38,39]
+5V[7,21,22,23,24,26,28,38]
+5VS5[26,27,31,32,33,34,35,36,37,38,39,40]
+3VS5
+3V
+3V
+3VS5
+3VS5
+3V
+1.05V
+1.05V
+1.05V
+3V_RTC
+3VS5
+1.05V
+1.5V_CPU
+VCCA_DAC_1_2
+3V
+3V
+1.05V
+3V
+1.8V
+1.05V
+1.05V
+3V
+3V
+1.05V
+1.05V
+1.05V
+1.05V
+3VS5
+3V
+1.8V+VCC_TX_LVDS
+1.05V
+1.05V
+1.05V
+5V
+5V
+3V
+5VS5
+1.05V
+1.5V_CPU
+1.05V
+1.05V
+3VS5
+1.5V_CPU
+1.05V
+1.05V
+1.5V_CPU
+1.05V
Size Document Number Rev
Date: Sheet of
4XDQWD&RPSXWHU,QF
352-(&7/*0X[OHVV80$
1%
PCH 5/6 (POWER)
2A
Custom
10 42Wednesday, March 07, 2012
Size Document Number Rev
Date: Sheet of
4XDQWD&RPSXWHU,QF
352-(&7/*0X[OHVV80$
1%
PCH 5/6 (POWER)
2A
Custom
10 42Wednesday, March 07, 2012
Size Document Number Rev
Date: Sheet of
4XDQWD&RPSXWHU,QF
352-(&7/*0X[OHVV80$
1%
PCH 5/6 (POWER)
2A
Custom
10 42Wednesday, March 07, 2012
Cougar Point-M (POWER)
3mA (10mils)
65mA (10mils)
8mA (10mils)
55mA (10mils)
95mA (10mils)
VCCRTC<1mA
(10mils)
10mA (10mils)
160mA (15mils)
266mA (20mils)
119mA (15mils)
119mA (20mils)
(Mobile 1.5V)
Muxless : Ra
20mA (10mils)
190 mA (15mils)
42mA (10mils)
1mA (10mils)
COUGAR POINT (POWER)
V_PROC_IO=1mA
(10mils)
160mA (20mils)
1.01A (60mils)
1.01A (60mils)
VCC5REFSUS=1mA
20mA (10mils)
60mA (10mils)
1mA (10mils)
65mA (10mils)
8mA (10mils)
1.3 A (60mils)
2.925 A (140mils)
UMA & Muxless Only, If
have power noise issue
then stuff it.
UMA : Ra
DIS : Rb
V5REF= 1mA
Near PCH
C325
1U/6.3V_4
C325
1U/6.3V_4
C278
0.1U/10V_4
C278
0.1U/10V_4
C415 1U/6.3V_4C415 1U/6.3V_4
C348
0.1U/10V_4
C348
0.1U/10V_4
C256 4.7U/6.3V_6C256 4.7U/6.3V_6
C417 0.01U/25V_4C417 0.01U/25V_4
L27
*FCI1608F-1R5K /25mA_6
L27
*FCI1608F-1R5K /25mA_6
TP28TP28
C347
*1U/6.3V_4
C347
*1U/6.3V_4
C428
0.1U/10V_4
C428
0.1U/10V_4
C301
22U/6.3VS_8
C301
22U/6.3VS_8
C395
0.1U/10V_4
C395
0.1U/10V_4
D2 RB500V-40D2 RB500V-40
C364
1U/6.3V_4
C364
1U/6.3V_4
C324
0.1U/10V_4
C324
0.1U/10V_4
C340
1U/6.3V_4
C340
1U/6.3V_4
C467
1U/6.3V_4
C467
1U/6.3V_4
C258 0.1U/10V_4C258 0.1U/10V_4
C279
0.1U/10V_4
C279
0.1U/10V_4
C423 10U/6.3VS_6C423 10U/6.3VS_6
C268
4.7U/6.3V_6
C268
4.7U/6.3V_6
TP20TP20
R316 0_6R316 0_6
C302
22U/6.3VS_8
C302
22U/6.3VS_8
C296
1U/6.3V_4
C296
1U/6.3V_4
C271
1U/6.3V_4
C271
1U/6.3V_4
R317 *0_6R317 *0_6
C263
1U/6.3V_4
C263
1U/6.3V_4
C357
0.1U/10V_4
C357
0.1U/10V_4
C365
1U/6.3V_4
C365
1U/6.3V_4
C327
0.1U/10V_4
C327
0.1U/10V_4
L26
10uH/100mA_8
L26
10uH/100mA_8
C412 22U/6.3VS_8C412 22U/6.3VS_8
C416 0.01U/25V_4C416 0.01U/25V_4
C346
0.1U/10V_4
C346
0.1U/10V_4
C337
0.1U/10V_4
C337
0.1U/10V_4
C321
1U/6.3V_4
C321
1U/6.3V_4
C322
1U/6.3V_4
C322
1U/6.3V_4
C326
0.1U/10V_4
C326
0.1U/10V_4
C257
0.1U/10V_4
C257
0.1U/10V_4
C329
22U/6.3VS_8
C329
22U/6.3VS_8
L23
0.1uH/250mA_8
L23
0.1uH/250mA_8
C298
1U/6.3V_4
C298
1U/6.3V_4
C339 1U/6.3V_4C339 1U/6.3V_4
C407 0.1U/10V_4C407 0.1U/10V_4
C343 0.01U/25V_4C343 0.01U/25V_4
C320
1U/6.3V_4
C320
1U/6.3V_4
L25
10uH/100MA_8
L25
10uH/100MA_8
C361
*10U/6.3VS_6
C361
*10U/6.3VS_6
C399 10U/6.3VS_6C399 10U/6.3VS_6
SATA USB
Clock and Miscellaneous
HDA
CPURTC
PCI/GPIO/LPCMISC
U4J
CougarPoint_Rev_0p7
fcbga989-intel-cougarpoint
AJ0QPRG0T09
IC CTRL(989P)COUGARPOINT QMVY (FCBGA)
SATA USB
Clock and Miscellaneous
HDA
CPURTC
PCI/GPIO/LPCMISC
U4J
CougarPoint_Rev_0p7
fcbga989-intel-cougarpoint
AJ0QPRG0T09
IC CTRL(989P)COUGARPOINT QMVY (FCBGA)
DCPSUSBYP
V12
VCCASW[1]
AA19
VCCASW[2]
AA21
VCCASW[3]
AA24
VCCASW[5]
AA27
VCCASW[6]
AA29
VCCSUSHDA P32
VCCSUS3_3[6] P24
VCCIO[34] T26
VCCIO[4] AD17
VCCASW[7]
AA31
VCCASW[8]
AC26
VCCASW[9]
AC27
VCCASW[10]
AC29
VCCASW[11]
AC31
VCCASW[12]
AD29
V5REF P34
VCC3_3[4] T34
VCCRTC
A22
VCCSUS3_3[10] V24
VCCSUS3_3[9] V23
VCCSUS3_3[8] T24
VCCSUS3_3[7] T23
VCCIO[2] AC16
VCCADPLLB
BF47
VCCDIFFCLKN[1]
AF33
V5REF_SUS M26
VCCIO[3] AC17
DCPSUS[1]
T17
VCCSSC
AG33
VCCADPLLA
BD47
VCCVRM[4]
Y49
VCCACLK
AD49
DCPRTC
N16
VCCASW[4]
AA26
VCCDIFFCLKN[2]
AF34
VCCIO[7]
AF17
DCPSST
V16
VCCIO[5] AF13
VCCASW[22] T21
VCCASW[23] V21
VCCASW[21] T19
VCC3_3[1] AA16
VCC3_3[8] W16
VCCSUS3_3[2] N20
VCCSUS3_3[3] N22
VCCSUS3_3[4] P20
VCCSUS3_3[5] P22
VCCIO[29] N26
VCCIO[30] P26
VCCIO[31] P28
VCCIO[32] T27
V_PROC_IO
BJ8
VCCIO[33] T29
VCCDIFFCLKN[3]
AG34
VCCASW[13]
AD31
VCCASW[14]
W21
VCCASW[15]
W23
VCCASW[16]
W24
VCCASW[17]
W26
VCCASW[18]
W29
VCCASW[19]
W31
VCCASW[20]
W33
VCCIO[6] AF14
VCCVRM[1] AF11
VCCIO[12] AH13
VCCIO[13] AH14
VCC3_3[2] AJ2
VCCAPLLSATA AK1
DCPSUS[3]
AL24
VCCIO[14]
AL29
DCPSUS[4] AN23
VCCSUS3_3[1] AN24
VCCAPLLDMI2
BH23
DCPSUS[2]
V19
VCCDSW3_3
T16
VCC3_3[5]
T38
VCC CORE
DMI
VCCIO
CRTLVDS
FDI
NAND / SPI HVCMOS
U4G
CougarPoint_Rev_0p7
fcbga989-intel-cougarpoint
AJ0QPRG0T09
IC CTRL(989P)COUGARPOINT QMVY (FCBGA)
VCC CORE
DMI
VCCIO
CRTLVDS
FDI
NAND / SPI HVCMOS
U4G
CougarPoint_Rev_0p7
fcbga989-intel-cougarpoint
AJ0QPRG0T09
IC CTRL(989P)COUGARPOINT QMVY (FCBGA)
VCCADAC U48
VSSADAC U47
VCCALVDS AK36
VSSALVDS AK37
VCCTX_LVDS[1] AM37
VCCTX_LVDS[2] AM38
VCCTX_LVDS[3] AP36
VCCTX_LVDS[4] AP37
VCCCORE[1]
AA23
VCCCORE[2]
AC23
VCCCORE[3]
AD21
VCCCORE[4]
AD23
VCCCORE[5]
AF21
VCCCORE[6]
AF23
VCCCORE[7]
AG21
VCCCORE[8]
AG23
VCCCORE[9]
AG24
VCCCORE[10]
AG26
VCCCORE[11]
AG27
VCCCORE[12]
AG29
VCCCORE[13]
AJ23
VCCCORE[14]
AJ26
VCCCORE[15]
AJ27
VCCCORE[16]
AJ29
VCCCORE[17]
AJ31
VCC3_3[6] V33
VCC3_3[7] V34
VCCVRM[3] AT16
VCCDMI[1] AT20
VCCCLKDMI AB36
VCCPNAND[1] AG16
VCCPNAND[2] AG17
VCCPNAND[3] AJ16
VCCPNAND[4] AJ17
VCCSPI V1
VCCVRM[2]
AP16
VccAFDIPLL
BG6
VCCIO[27]
AP17
VCCIO[28]
AN19
VCCAPLLEXP
BJ22
VCCIO[15]
AN16
VCCIO[16]
AN17
VCCIO[17]
AN21
VCCIO[18]
AN26
VCCIO[19]
AN27
VCCIO[20]
AP21
VCCIO[21]
AP23
VCCIO[22]
AP24
VCCIO[23]
AP26
VCCIO[24]
AT24
VCCIO[25]
AN33
VCCIO[26]
AN34
VCC3_3[3]
BH29
VCCDMI[2]
AU20
C290
1U/6.3V_4
C290
1U/6.3V_4
C370
*1U/6.3V_4
C370
*1U/6.3V_4
C403 0.01U/25V_4C403 0.01U/25V_4
C259 0.1U/10V_4C259 0.1U/10V_4
C362
10U/6.3VS_6
C362
10U/6.3VS_6
R328 10_4R328 10_4
C354 1U/6.3V_4C354 1U/6.3V_4
C451
1U/6.3V_4
C451
1U/6.3V_4
C345
0.1U/10V_4
C345
0.1U/10V_4
C328
22U/6.3VS_8
C328
22U/6.3VS_8
D5 RB500V-40D5 RB500V-40
C2620.1U/10V_4 C2620.1U/10V_4
C261
0.1U/10V_4
C261
0.1U/10V_4
C266
1U/6.3V_4
C266
1U/6.3V_4
C319
1U/6.3V_4
C319
1U/6.3V_4
C297
1U/6.3V_4
C297
1U/6.3V_4
C368 *1U/6.3V_4C368 *1U/6.3V_4
C344
1U/6.3V_4
C344
1U/6.3V_4
C397 1U/6.3V_4C397 1U/6.3V_4
C277
0.1U/10V_4
C277
0.1U/10V_4
R213 10_4R213 10_4
C265
0.1U/10V_4
C265
0.1U/10V_4
C295
1U/6.3V_4
C295
1U/6.3V_4
C366
1U/6.3V_4
C366
1U/6.3V_4
C398 1U/6.3V_4C398 1U/6.3V_4
C338
1U/6.3V_4
C338
1U/6.3V_4
U7
G9191-330T1U
U7
G9191-330T1U
Vout
5
NC
4
GND
2EN 3
Vin 1
C260
0.1U/10V_4
C260
0.1U/10V_4
C267
10U/6.3VS_6
C267
10U/6.3VS_6
L24
10uH/100MA_8
L24
10uH/100MA_8
C413 0.1U/10V_4C413 0.1U/10V_4

5
5
4
4
3
3
2
2
1
1
D D
C C
B B
A A
Size Document Number Rev
Date: Sheet of
4XDQWD&RPSXWHU,QF
352-(&7/*0X[OHVV80$
1%
PCH 6/6 (GND)
2A
Custom
11 42Wednesday, March 07, 2012
Size Document Number Rev
Date: Sheet of
4XDQWD&RPSXWHU,QF
352-(&7/*0X[OHVV80$
1%
PCH 6/6 (GND)
2A
Custom
11 42Wednesday, March 07, 2012
Size Document Number Rev
Date: Sheet of
4XDQWD&RPSXWHU,QF
352-(&7/*0X[OHVV80$
1%
PCH 6/6 (GND)
2A
Custom
11 42Wednesday, March 07, 2012
IBEX PEAK-M (GND)
IBEX PEAK-M (GND)
U4I
CougarPoint_Rev_0p7
U4I
CougarPoint_Rev_0p7
VSS[159]
AY4
VSS[160]
AY42
VSS[161]
AY46
VSS[162]
AY8
VSS[163]
B11
VSS[164]
B15
VSS[165]
B19
VSS[166]
B23
VSS[167]
B27
VSS[168]
B31
VSS[169]
B35
VSS[170]
B39
VSS[171]
B7
VSS[173]
BB12
VSS[174]
BB16
VSS[175]
BB20
VSS[176]
BB22
VSS[177]
BB24
VSS[178]
BB28
VSS[179]
BB30
VSS[180]
BB38
VSS[181]
BB4
VSS[182]
BB46
VSS[183]
BC14
VSS[184]
BC18
VSS[185]
BC2
VSS[186]
BC22
VSS[187]
BC26
VSS[188]
BC32
VSS[189]
BC34
VSS[190]
BC36
VSS[191]
BC40
VSS[192]
BC42
VSS[193]
BC48
VSS[194]
BD46
VSS[195]
BD5
VSS[196]
BE22
VSS[197]
BE26
VSS[198]
BE40
VSS[199]
BF10
VSS[200]
BF12
VSS[201]
BF16
VSS[202]
BF20
VSS[203]
BF22
VSS[204]
BF24
VSS[205]
BF26
VSS[206]
BF28
VSS[207]
BD3
VSS[208]
BF30
VSS[209]
BF38
VSS[210]
BF40
VSS[211]
BF8
VSS[212]
BG17
VSS[213]
BG21
VSS[214]
BG33
VSS[215]
BG44
VSS[216]
BG8
VSS[217]
BH11
VSS[218]
BH15
VSS[219]
BH17
VSS[220]
BH19
VSS[222]
BH27
VSS[223]
BH31
VSS[224]
BH33
VSS[225]
BH35
VSS[226]
BH39
VSS[227]
BH43
VSS[228]
BH7
VSS[229]
D3
VSS[230]
D12
VSS[231]
D16
VSS[232]
D18
VSS[233]
D22
VSS[234]
D24
VSS[235]
D26
VSS[236]
D30
VSS[237]
D32
VSS[264] K7
VSS[265] L18
VSS[266] L2
VSS[267] L20
VSS[268] L26
VSS[269] L28
VSS[270] L36
VSS[271] L48
VSS[272] M12
VSS[273] P16
VSS[274] M18
VSS[275] M22
VSS[276] M24
VSS[277] M30
VSS[278] M32
VSS[279] M34
VSS[280] M38
VSS[281] M4
VSS[282] M42
VSS[283] M46
VSS[284] M8
VSS[285] N18
VSS[286] P30
VSS[288] P11
VSS[289] P18
VSS[290] T33
VSS[291] P40
VSS[292] P43
VSS[293] P47
VSS[294] P7
VSS[295] R2
VSS[296] R48
VSS[297] T12
VSS[298] T31
VSS[299] T37
VSS[300] T4
VSS[301] W34
VSS[302] T46
VSS[303] T47
VSS[304] T8
VSS[305] V11
VSS[306] V17
VSS[307] V26
VSS[308] V27
VSS[309] V29
VSS[310] V31
VSS[311] V36
VSS[312] V39
VSS[313] V43
VSS[314] V7
VSS[315] W17
VSS[316] W19
VSS[238]
D34
VSS[239]
D38
VSS[240]
D42
VSS[241]
D8
VSS[242]
E18
VSS[243]
E26
VSS[244]
G18
VSS[245]
G20
VSS[246]
G26
VSS[247]
G28
VSS[248]
G36
VSS[249]
G48
VSS[250]
H12
VSS[251]
H18
VSS[317] W2
VSS[318] W27
VSS[319] W48
VSS[320] Y12
VSS[321] Y38
VSS[322] Y4
VSS[323] Y42
VSS[324] Y46
VSS[325] Y8
VSS[328] BG29
VSS[329] N24
VSS[330] AJ3
VSS[287] N47
VSS[252]
H22
VSS[253]
H24
VSS[254]
H26
VSS[255]
H30
VSS[256]
H32
VSS[257]
H34
VSS[258]
F3
VSS[262] K39
VSS[263] K46
VSS[259] H46
VSS[260] K18
VSS[261] K26
VSS[331] AD47
VSS[333] B43
VSS[334] BE10
VSS[335] BG41
VSS[337] G14
VSS[338] H16
VSS[340] T36
VSS[342] BG22
VSS[343] BG24
VSS[344] C22
VSS[345] AP13
VSS[172]
F45
VSS[221]
H10
VSS[346] M14
VSS[347] AP3
VSS[348] AP1
VSS[349] BE16
VSS[350] BC16
VSS[351] BG28
VSS[352] BJ28
U4H
CougarPoint_Rev_0p7
U4H
CougarPoint_Rev_0p7
VSS[1]
AA17
VSS[2]
AA2
VSS[3]
AA3
VSS[5]
AA34
VSS[6]
AB11
VSS[7]
AB14
VSS[8]
AB39
VSS[9]
AB4
VSS[10]
AB43
VSS[11]
AB5
VSS[12]
AB7
VSS[13]
AC19
VSS[14]
AC2
VSS[15]
AC21
VSS[16]
AC24
VSS[17]
AC33
VSS[18]
AC34
VSS[19]
AC48
VSS[20]
AD10
VSS[21]
AD11
VSS[22]
AD12
VSS[23]
AD13
VSS[24]
AD19
VSS[25]
AD24
VSS[26]
AD26
VSS[27]
AD27
VSS[28]
AD33
VSS[29]
AD34
VSS[30]
AD36
VSS[31]
AD37
VSS[33]
AD39
VSS[34]
AD4
VSS[35]
AD40
VSS[36]
AD42
VSS[37]
AD43
VSS[38]
AD45
VSS[39]
AD46
VSS[43]
AF10
VSS[44]
AF12
VSS[46]
AD16
VSS[47]
AF16
VSS[48]
AF19
VSS[49]
AF24
VSS[50]
AF26
VSS[51]
AF27
VSS[52]
AF29
VSS[53]
AF31
VSS[54]
AF38
VSS[55]
AF4
VSS[56]
AF42
VSS[57]
AF46
VSS[59]
AF7
VSS[60]
AF8
VSS[61]
AG19
VSS[62]
AG2
VSS[63]
AG31
VSS[64]
AG48
VSS[65]
AH11
VSS[66]
AH3
VSS[67]
AH36
VSS[68]
AH39
VSS[69]
AH40
VSS[70]
AH42
VSS[71]
AH46
VSS[72]
AH7
VSS[73]
AJ19
VSS[76]
AJ33
VSS[77]
AJ34
VSS[78]
AK12
VSS[79]
AK3
VSS[80] AK38
VSS[81] AK4
VSS[82] AK42
VSS[83] AK46
VSS[84] AK8
VSS[85] AL16
VSS[86] AL17
VSS[87] AL19
VSS[88] AL2
VSS[89] AL21
VSS[90] AL23
VSS[91] AL26
VSS[92] AL27
VSS[93] AL31
VSS[96] AL48
VSS[97] AM11
VSS[98] AM14
VSS[99] AM36
VSS[100] AM39
VSS[102] AM45
VSS[103] AM46
VSS[104] AM7
VSS[105] AN2
VSS[106] AN29
VSS[107] AN3
VSS[108] AN31
VSS[109] AP12
VSS[110] AP19
VSS[111] AP28
VSS[112] AP30
VSS[113] AP32
VSS[114] AP38
VSS[116] AP42
VSS[117] AP46
VSS[118] AP8
VSS[119] AR2
VSS[120] AR48
VSS[121] AT11
VSS[122] AT13
VSS[123] AT18
VSS[124] AT22
VSS[125] AT26
VSS[126] AT28
VSS[127] AT30
VSS[128] AT32
VSS[131] AT42
VSS[132] AT46
VSS[133] AT7
VSS[134] AU24
VSS[135] AU30
VSS[136] AV16
VSS[137] AV20
VSS[138] AV24
VSS[139] AV30
VSS[140] AV38
VSS[141] AV4
VSS[142] AV43
VSS[143] AV8
VSS[144] AW14
VSS[145] AW18
VSS[146] AW2
VSS[147] AW22
VSS[148] AW26
VSS[149] AW28
VSS[150] AW32
VSS[151] AW34
VSS[152] AW36
VSS[153] AW40
VSS[154] AW48
VSS[155] AV11
VSS[156] AY12
VSS[157] AY22
VSS[158] AY28
VSS[40]
AD8
VSS[42]
AE3
VSS[45]
AD14
VSS[115] AP4
VSS[0]
H5
VSS[58]
AF5
VSS[32]
AD38
VSS[4]
AA33
VSS[74]
AJ21
VSS[75]
AJ24
VSS[41]
AE2
VSS[129] AT34
VSS[130] AT39
VSS[101] AM43
VSS[95] AL34
VSS[94] AL33

5
5
4
4
3
3
2
2
1
1
D D
C C
B B
A A
M_A_A0
M_A_A15
M_A_A14
M_A_A13
M_A_A12
M_A_A11
M_A_A10
M_A_A9
M_A_A8
M_A_A7
M_A_A6
M_A_A5
M_A_A4
M_A_A2
M_A_A3
M_A_A1
SMB_RUN_CLK
SMB_RUN_DAT
M_A_DM1
M_A_DM2
M_A_DQSP0
M_A_DQSP1
M_A_DQSP2
M_A_DQSP3
M_A_DQSP4
M_A_DQSP5
M_A_DQSP6
M_A_DQSP7
M_A_DQSN0
M_A_DQSN1
M_A_DQSN2
M_A_DQSN3
M_A_DQSN4
M_A_DQSN5
M_A_DQSN6
M_A_DQSN7
M_A_DQ4
M_A_DQ5
M_A_DQ7
M_A_DQ6
M_A_DQ1
M_A_DQ0
M_A_DQ3
M_A_DQ2
M_A_DQ9
M_A_DQ8
M_A_DQ21
M_A_DQ16
M_A_DQ19
M_A_DQ18
M_A_DQ15
M_A_DQ10
M_A_DQ12
M_A_DQ13
M_A_DQ24
M_A_DQ30
M_A_DQ26
M_A_DQ28
M_A_DQ29
M_A_DQ38
M_A_DQ32
M_A_DQ33
M_A_DQ35
M_A_DQ39
M_A_DQ31
M_A_DQ27
M_A_DQ36
M_A_DQ37
M_A_DQ34
M_A_DQ20
M_A_DQ17
M_A_DQ25
M_A_DQ44
M_A_DQ42
M_A_DQ43
M_A_DQ49
M_A_DQ48
M_A_DQ61
M_A_DQ60
M_A_DQ62
M_A_DQ63
M_A_DQ54
M_A_DQ55
M_A_DQ53
M_A_DQ52
M_A_DQ41
M_A_DQ45
M_A_DQ47
M_A_DQ46
M_A_DQ40
M_A_DQ56
M_A_DQ57
M_A_DQ59
M_A_DQ58
DIMM0_SA0
DIMM0_SA1
+SMDDR_VREF_DIMM
PM_EXTTS#0
+SMDDR_VREF_DQ0SMDDR_VREF_DQ0_M1
SMDDR_VREF_DQ0_M3
+SMDDR_VREF_DIMM
DDR_VTTREF SMDDR_VREF_DQ0_M1
M_A_DQ11
M_A_DQ14
M_A_DQ22
M_A_DQ23
M_A_DQ51
M_A_DQ50
SMDDR_VREF_DQ0_M3
M_A_A[15:0][3]
M_A_BS#0[3]
M_A_BS#1[3]
M_A_BS#2[3]
M_A_CS#0[3]
M_A_CS#1[3]
M_A_CLKP0[3]
M_A_CLKN0[3]
M_A_CLKP1[3]
M_A_CLKN1[3]
M_A_CKE0[3]
M_A_CKE1[3]
M_A_CAS#[3]
M_A_RAS#[3]
M_A_WE#[3]
M_A_DQSP[7:0][3]
M_A_DQSN[7:0][3]
M_A_ODT0[3]
M_A_ODT1[3]
M_A_DQ[63:0] [3]
SMB_RUN_CLK[8,13]
SMB_RUN_DAT[8,13]
DDR3_DRAMRST#[2,13]
SMDDR_VREF_DQ0_M3[5]
DDR_VTTREF[4,13,32]
PM_EXTTS#0[13]
+3V[2,6,7,8,9,10,13,14,16,21,22,23,24,25,26,27,28,29,34,36,38,40]
+1.5VSUS[2,4,13,27,32,39]
+0.75V_DDR_VTT[13,32,38]
DRAMRST_CNTRL_PCH[2,8,13]
+1.5VSUS
+3V
+0.75V_DDR_VTT
+3V
+1.5VSUS
+1.5VSUS
+SMDDR_VREF_DIMM
+3V
+1.5VSUS +0.75V_DDR_VTT
+SMDDR_VREF_DQ0
Size Document Number Rev
Date: Sheet of
4XDQWD&RPSXWHU,QF
352-(&7/*0X[OHVV80$
1%
DDR3 DIMM0-RVS (5.2H)
2A
Custom
12 42Wednesday, March 07, 2012
Size Document Number Rev
Date: Sheet of
4XDQWD&RPSXWHU,QF
352-(&7/*0X[OHVV80$
1%
DDR3 DIMM0-RVS (5.2H)
2A
Custom
12 42Wednesday, March 07, 2012
Size Document Number Rev
Date: Sheet of
4XDQWD&RPSXWHU,QF
352-(&7/*0X[OHVV80$
1%
DDR3 DIMM0-RVS (5.2H)
2A
Custom
12 42Wednesday, March 07, 2012
2.48A
VREF DQ0 M1 SolutionPlace these Caps near So-Dimm0.
M1,M3 are implemented
concurrently for Intel DG
C431 10U/6.3VS_6C431 10U/6.3VS_6
Q21
AP2302GN
Q21
AP2302GN
3
2
1
R371
10K_4
R371
10K_4
C538 10U/6.3V_8C538 10U/6.3V_8
R384 *0_6R384 *0_6
C540 10U/6.3VS_6C540 10U/6.3VS_6
C432 10U/6.3VS_6C432 10U/6.3VS_6
C488 1U/6.3V_4C488 1U/6.3V_4
C482 2.2U/6.3V_6C482 2.2U/6.3V_6
C524 0.1U/10V_4C524 0.1U/10V_4
C541 1U/6.3V_4C541 1U/6.3V_4
C543 10U/6.3VS_6C543 10U/6.3VS_6
C501 1U/6.3V_4C501 1U/6.3V_4
PC2100 DDR3 SDRAM SO-DIMM
(204P)
JDIM2B
DDR3-DIMM0_H=5.2_RVS
DDR-78279-001-RVS-204P
DGMK4000028
IC SOCKET DDRIII SO-DIMM(204P,H5.2,RVS)
PC2100 DDR3 SDRAM SO-DIMM
(204P)
JDIM2B
DDR3-DIMM0_H=5.2_RVS
DDR-78279-001-RVS-204P
DGMK4000028
IC SOCKET DDRIII SO-DIMM(204P,H5.2,RVS)
VDD1
75
VDD2
76
VDD3
81
VDD4
82
VDD5
87
VDD6
88
VDD7
93
VDD8
94
VDD9
99
VDD10
100
VDD11
105
VDD12
106
VDD13
111
VDD14
112
VDD15
117
VDD16
118
VDD17
123
VDD18
124
VDDSPD
199
NC1
77
NC2
122
NCTEST
125
EVENT#
198
RESET#
30
VREF_DQ
1
VREF_CA
126
VSS1
2
VSS2
3
VSS3
8
VSS4
9
VSS5
13
VSS6
14
VSS7
19
VSS8
20
VSS9
25
VSS10
26
VSS11
31
VSS12
32
VSS13
37
VSS14
38
VSS15
43
VSS16 44
VSS17 48
VSS18 49
VSS19 54
VSS20 55
VSS21 60
VSS22 61
VSS23 65
VSS24 66
VSS25 71
VSS26 72
VSS27 127
VSS28 128
VSS29 133
VSS30 134
VSS31 138
VSS32 139
VSS33 144
VSS34 145
VSS35 150
VSS36 151
VSS37 155
VSS38 156
VSS39 161
VSS40 162
VSS41 167
VSS42 168
VSS43 172
VSS44 173
VSS45 178
VSS46 179
VSS47 184
VSS48 185
VSS49 189
VSS50 190
VSS51 195
VSS52 196
VTT1 203
VTT2 204
GND 205
GND 206
C489 1U/6.3V_4C489 1U/6.3V_4
R364 *0_6R364 *0_6
C429 10U/6.3V_8C429 10U/6.3V_8
R385 *10K_4R385 *10K_4
C506 2.2U/6.3V_6C506 2.2U/6.3V_6
C777 1U/6.3V_4C777 1U/6.3V_4
R390 *0_6/SR390 *0_6/S
C521 0.1U/10V_4C521 0.1U/10V_4
C542 10U/6.3VS_6C542 10U/6.3VS_6
C492 1U/6.3V_4C492 1U/6.3V_4
C490
470P/50V_4
C490
470P/50V_4
R403
1K/F_4
R403
1K/F_4
R378 10K_4R378 10K_4
R373
10K_4
R373
10K_4
R398 *0_6R398 *0_6
R379 10K_4R379 10K_4
PC2100 DDR3 SDRAM SO-DIMM
(204P)
JDIM2A
DDR3-DIMM0_H=5.2_RVS
DDR-78279-001-RVS-204P
DGMK4000028
IC SOCKET DDRIII SO-DIMM(204P,H5.2,RVS)
PC2100 DDR3 SDRAM SO-DIMM
(204P)
JDIM2A
DDR3-DIMM0_H=5.2_RVS
DDR-78279-001-RVS-204P
DGMK4000028
IC SOCKET DDRIII SO-DIMM(204P,H5.2,RVS)
A0
98
A1
97
A2
96
A3
95
A4
92
A5
91
A6
90
A7
86
A8
89
A9
85
A10/AP
107
A11
84
A12/BC#
83
A13
119
A14
80
A15
78
BA0
109
BA1
108
BA2
79
S0#
114
S1#
121
CK0
101
CK0#
103
CK1
102
CK1#
104
CKE0
73
CKE1
74
CAS#
115
RAS#
110
WE#
113
SA0
197
SA1
201
SCL
202
SDA
200
ODT0
116
ODT1
120
DM0
11
DM1
28
DM2
46
DM3
63
DM4
136
DM5
153
DM6
170
DM7
187
DQS0
12
DQS1
29
DQS2
47
DQS3
64
DQS4
137
DQS5
154
DQS6
171
DQS7
188
DQS#0
10
DQS#1
27
DQS#2
45
DQS#3
62
DQS#4
135
DQS#5
152
DQS#6
169
DQS#7
186
DQ0 5
DQ1 7
DQ2 15
DQ3 17
DQ4 4
DQ5 6
DQ6 16
DQ7 18
DQ8 21
DQ9 23
DQ10 33
DQ11 35
DQ12 22
DQ13 24
DQ14 34
DQ15 36
DQ16 39
DQ17 41
DQ18 51
DQ19 53
DQ20 40
DQ21 42
DQ22 50
DQ23 52
DQ24 57
DQ25 59
DQ26 67
DQ27 69
DQ28 56
DQ29 58
DQ30 68
DQ31 70
DQ32 129
DQ33 131
DQ34 141
DQ35 143
DQ36 130
DQ37 132
DQ38 140
DQ39 142
DQ40 147
DQ41 149
DQ42 157
DQ43 159
DQ44 146
DQ45 148
DQ46 158
DQ47 160
DQ48 163
DQ49 165
DQ50 175
DQ51 177
DQ52 164
DQ53 166
DQ54 174
DQ55 176
DQ56 181
DQ57 183
DQ58 191
DQ59 193
DQ60 180
DQ61 182
DQ62 192
DQ63 194
C430 1U/6.3V_4C430 1U/6.3V_4 R402
1K/F_4
R402
1K/F_4
C463 10U/6.3VS_6C463 10U/6.3VS_6
C539 10U/6.3VS_6C539 10U/6.3VS_6
C493 1U/6.3V_4C493 1U/6.3V_4
C477 10U/6.3VS_6C477 10U/6.3VS_6
C533 2.2U/6.3V_6C533 2.2U/6.3V_6
C487 0.1U/10V_4C487 0.1U/10V_4
C544 10U/6.3VS_6C544 10U/6.3VS_6

5
5
4
4
3
3
2
2
1
1
D D
C C
B B
A A
M_B_A0
M_B_A15
M_B_A14
M_B_A13
M_B_A12
M_B_A11
M_B_A10
M_B_A9
M_B_A8
M_B_A7
M_B_A6
M_B_A5
M_B_A4
M_B_A2
M_B_A3
M_B_A1
M_B_DM1
M_B_DM2
M_B_DQSP0
M_B_DQSP1
M_B_DQSP2
M_B_DQSP3
M_B_DQSP4
M_B_DQSP5
M_B_DQSP6
M_B_DQSP7
M_B_DQSN0
M_B_DQSN1
M_B_DQSN2
M_B_DQSN3
M_B_DQSN4
M_B_DQSN5
M_B_DQSN6
M_B_DQSN7
M_B_DQ5
M_B_DQ4
M_B_DQ3
M_B_DQ2
M_B_DQ0
M_B_DQ1
M_B_DQ6
M_B_DQ7
M_B_DQ12
M_B_DQ13
M_B_DQ15
M_B_DQ20
M_B_DQ21
M_B_DQ18
M_B_DQ22
M_B_DQ14
M_B_DQ10
M_B_DQ8
M_B_DQ9
M_B_DQ11
M_B_DQ29
M_B_DQ27
M_B_DQ26
M_B_DQ28
M_B_DQ24
M_B_DQ34
M_B_DQ33
M_B_DQ32
M_B_DQ39
M_B_DQ38
M_B_DQ31
M_B_DQ30
M_B_DQ36
M_B_DQ37
M_B_DQ35
M_B_DQ17
M_B_DQ16
M_B_DQ19
M_B_DQ23
M_B_DQ25
M_B_DQ41
M_B_DQ46
M_B_DQ47
M_B_DQ49
M_B_DQ48
M_B_DQ61
M_B_DQ62
M_B_DQ63
M_B_DQ54
M_B_DQ55
M_B_DQ52
M_B_DQ53
M_B_DQ44
M_B_DQ40
M_B_DQ42
M_B_DQ43
M_B_DQ45
M_B_DQ57
M_B_DQ59
M_B_DQ58
DIMM1_SA0
DIMM1_SA1
+SMDDR_VREF_DIMM1
PM_EXTTS#0
+SMDDR_VREF_DQ1
SMDDR_VREF_DQ1_M1
SMDDR_VREF_DQ1_M3
SMDDR_VREF_DQ1_M1
M_B_DQ50
M_B_DQ51
M_B_DQ60
M_B_DQ56
DDR_THERMDA
MBCLK2
MBDATA2
PM_EXTTS#0
DDR_THERMDC
SMDDR_VREF_DQ1_M3
+SMDDR_VREF_DIMM1
M_B_A[15:0][3]
M_B_BS#0[3]
M_B_BS#1[3]
M_B_BS#2[3]
M_B_CS#0[3]
M_B_CS#1[3]
M_B_CLKP0[3]
M_B_CLKN0[3]
M_B_CLKP1[3]
M_B_CLKN1[3]
M_B_CKE0[3]
M_B_CKE1[3]
M_B_CAS#[3]
M_B_RAS#[3]
M_B_WE#[3]
M_B_DQSP[7:0][3]
M_B_DQSN[7:0][3]
M_B_ODT0[3]
M_B_ODT1[3]
M_B_DQ[63:0] [3]
DDR3_DRAMRST#[2,12]
SMB_RUN_CLK[8,12]
SMB_RUN_DAT[8,12]
SMDDR_VREF_DQ1_M3[5]
DDR_VTTREF[4,12,32]
MBDATA2[8,17,26,28,29]
PM_EXTTS#0[12]
MBCLK2[8,17,26,28,29]
+3V[2,6,7,8,9,10,12,14,16,21,22,23,24,25,26,27,28,29,34,36,38,40]
+1.5VSUS[2,4,12,27,32,39]
+0.75V_DDR_VTT[12,32,38]
DRAMRST_CNTRL_PCH[2,8,12]
DDR_VTTREF[4,12,32]
+1.5VSUS
+3V
+0.75V_DDR_VTT
+3V
+3V
+SMDDR_VREF_DIMM1
+SMDDR_VREF_DQ1
+1.5VSUS
+3V
+3V
+3V
+1.5VSUS +0.75V_DDR_VTT
+1.5VSUS
Size Document Number Rev
Date: Sheet of
4XDQWD&RPSXWHU,QF
352-(&7/*0X[OHVV80$
1%
DDR3 DIMM1-RVS (9.2H)
2A
Custom
13 42Wednesday, March 07, 2012
Size Document Number Rev
Date: Sheet of
4XDQWD&RPSXWHU,QF
352-(&7/*0X[OHVV80$
1%
DDR3 DIMM1-RVS (9.2H)
2A
Custom
13 42Wednesday, March 07, 2012
Size Document Number Rev
Date: Sheet of
4XDQWD&RPSXWHU,QF
352-(&7/*0X[OHVV80$
1%
DDR3 DIMM1-RVS (9.2H)
2A
Custom
13 42Wednesday, March 07, 2012
Place these Caps near So-Dimm1.
2.48A
VREF DQ1 M1 Solution
DDR3 Thermal Sensor
M1,M3 are implemented
concurrently for Intel DG
R548 *0_6R548 *0_6
R363 10K_4R363 10K_4
C536 10U/6.3V_8C536 10U/6.3V_8
R383 10K_4R383 10K_4
C537 10U/6.3V_8C537 10U/6.3V_8
C532 *0.01U/25V_4C532 *0.01U/25V_4
C486 1U/6.3V_4C486 1U/6.3V_4
Q31
AP2302GN
Q31
AP2302GN
3
2
1
C495 10U/6.3VS_6C495 10U/6.3VS_6
C503 10U/6.3VS_6C503 10U/6.3VS_6
R337
1K/F_4
R337
1K/F_4
C504 10U/6.3VS_6C504 10U/6.3VS_6
C481 10U/6.3VS_6C481 10U/6.3VS_6
R389 *10K_4R389 *10K_4
R547 *0_6/SR547 *0_6/S
C502 10U/6.3VS_6C502 10U/6.3VS_6
C780 2.2U/6.3V_6C780 2.2U/6.3V_6
R543 *0_6R543 *0_6
C505 10U/6.3VS_6C505 10U/6.3VS_6
C531
*2200P/50V_4
C531
*2200P/50V_4
C509 1U/6.3V_4C509 1U/6.3V_4
C783 2.2U/6.3V_6C783 2.2U/6.3V_6
C498 1U/6.3V_4C498 1U/6.3V_4
C461 0.1U/10V_4C461 0.1U/10V_4
C475 10U/6.3VS_6C475 10U/6.3VS_6
R330
1K/F_4
R330
1K/F_4
C460 1U/6.3V_4C460 1U/6.3V_4
C469 1U/6.3V_4C469 1U/6.3V_4
C784 0.1U/10V_4C784 0.1U/10V_4
C446
470P/50V_4
C446
470P/50V_4
C496 10U/6.3VS_6C496 10U/6.3VS_6
R360 10K_4R360 10K_4
C494 1U/6.3V_4C494 1U/6.3V_4
Q20
*MMBT3904-7-F
Q20
*MMBT3904-7-F
2
1 3
C497 1U/6.3V_4C497 1U/6.3V_4
U13
*G780P81U
U13
*G780P81U
VCC 1
DXP 2
DXN 3
GND 5
SCLK
8
SDA
7
ALERT#
6
OVERT#
4
C458 2.2U/6.3V_6C458 2.2U/6.3V_6
R545
1K/F_4
R545
1K/F_4
PC2100 DDR3 SDRAM SO-DIMM
(204P)
JDIM1B
DDR3-DIMM1_H=9.2_RVS
DDR-AS0A626-UARN-7F-204P
DGMK4000029
IC SOCKET DDRIII SO-DIMM(204P,H9.2,RVS)
PC2100 DDR3 SDRAM SO-DIMM
(204P)
JDIM1B
DDR3-DIMM1_H=9.2_RVS
DDR-AS0A626-UARN-7F-204P
DGMK4000029
IC SOCKET DDRIII SO-DIMM(204P,H9.2,RVS)
VDD1
75
VDD2
76
VDD3
81
VDD4
82
VDD5
87
VDD6
88
VDD7
93
VDD8
94
VDD9
99
VDD10
100
VDD11
105
VDD12
106
VDD13
111
VDD14
112
VDD15
117
VDD16
118
VDD17
123
VDD18
124
VDDSPD
199
NC1
77
NC2
122
NCTEST
125
EVENT#
198
RESET#
30
VREF_DQ
1
VREF_CA
126
VSS1
2
VSS2
3
VSS3
8
VSS4
9
VSS5
13
VSS6
14
VSS7
19
VSS8
20
VSS9
25
VSS10
26
VSS11
31
VSS12
32
VSS13
37
VSS14
38
VSS15
43
VSS16 44
VSS17 48
VSS18 49
VSS19 54
VSS20 55
VSS21 60
VSS22 61
VSS23 65
VSS24 66
VSS25 71
VSS26 72
VSS27 127
VSS28 128
VSS29 133
VSS30 134
VSS31 138
VSS32 139
VSS33 144
VSS34 145
VSS35 150
VSS36 151
VSS37 155
VSS38 156
VSS39 161
VSS40 162
VSS41 167
VSS42 168
VSS43 172
VSS44 173
VSS45 178
VSS46 179
VSS47 184
VSS48 185
VSS49 189
VSS50 190
VSS51 195
VSS52 196
VTT1 203
VTT2 204
GND 205
GND 206
PC2100 DDR3 SDRAM SO-DIMM
(204P)
JDIM1A
DDR3-DIMM1_H=9.2_RVS
DDR-AS0A626-UARN-7F-204P
DGMK4000029
IC SOCKET DDRIII SO-DIMM(204P,H9.2,RVS)
PC2100 DDR3 SDRAM SO-DIMM
(204P)
JDIM1A
DDR3-DIMM1_H=9.2_RVS
DDR-AS0A626-UARN-7F-204P
DGMK4000029
IC SOCKET DDRIII SO-DIMM(204P,H9.2,RVS)
A0
98
A1
97
A2
96
A3
95
A4
92
A5
91
A6
90
A7
86
A8
89
A9
85
A10/AP
107
A11
84
A12/BC#
83
A13
119
A14
80
A15
78
BA0
109
BA1
108
BA2
79
S0#
114
S1#
121
CK0
101
CK0#
103
CK1
102
CK1#
104
CKE0
73
CKE1
74
CAS#
115
RAS#
110
WE#
113
SA0
197
SA1
201
SCL
202
SDA
200
ODT0
116
ODT1
120
DM0
11
DM1
28
DM2
46
DM3
63
DM4
136
DM5
153
DM6
170
DM7
187
DQS0
12
DQS1
29
DQS2
47
DQS3
64
DQS4
137
DQS5
154
DQS6
171
DQS7
188
DQS#0
10
DQS#1
27
DQS#2
45
DQS#3
62
DQS#4
135
DQS#5
152
DQS#6
169
DQS#7
186
DQ0 5
DQ1 7
DQ2 15
DQ3 17
DQ4 4
DQ5 6
DQ6 16
DQ7 18
DQ8 21
DQ9 23
DQ10 33
DQ11 35
DQ12 22
DQ13 24
DQ14 34
DQ15 36
DQ16 39
DQ17 41
DQ18 51
DQ19 53
DQ20 40
DQ21 42
DQ22 50
DQ23 52
DQ24 57
DQ25 59
DQ26 67
DQ27 69
DQ28 56
DQ29 58
DQ30 68
DQ31 70
DQ32 129
DQ33 131
DQ34 141
DQ35 143
DQ36 130
DQ37 132
DQ38 140
DQ39 142
DQ40 147
DQ41 149
DQ42 157
DQ43 159
DQ44 146
DQ45 148
DQ46 158
DQ47 160
DQ48 163
DQ49 165
DQ50 175
DQ51 177
DQ52 164
DQ53 166
DQ54 174
DQ55 176
DQ56 181
DQ57 183
DQ58 191
DQ59 193
DQ60 180
DQ61 182
DQ62 192
DQ63 194
C499 10U/6.3VS_6C499 10U/6.3VS_6
R340 *0_6R340 *0_6C507 1U/6.3V_4C507 1U/6.3V_4
R546
1K/F_4
R546
1K/F_4
C781 0.1U/10V_4C781 0.1U/10V_4

5
5
4
4
3
3
2
2
1
1
D D
C C
B B
A A
+1.8V_DPB_PVDD
+1.8V_DPE_PVDD
DPAB_CALR
+1.8V_DPB_PVDD
+1.8V_DPC_VDD18
+1.0V_DPA_VDD10+1.0V_DPC_VDD10
+1.0V_DPC_VDD10
DPEF_CALR
DPCD_CALR
+1.0V_DPE_VDD10
+1.0V_DPE_VDD10
+1.8V_DPC_VDD18
+1.8V_DPC_VDD18
+1.8V_DPB_PVDD
PCIE_CALRNPWRGOOD_BUF
CLK_PCIE_VGA
CLK_PCIE_VGA#
VGA_RST#
+1.0V_DPE_VDD10
DGPU_HIN_RST#
PEGX_RST#
PEGX_RST#
+1.0V_DPC_VDD10
+1.8V_DPE_PVDD
+1.8V_DPE_PVDD
PCIE_CALRP
PEG_TX6
PEG_TX#6
PEG_TX#1
PEG_TX1
PEG_TX0
PEG_TX#0
PEG_TX#2
PEG_TX#3
PEG_TX2
PEG_TX3
PEG_TX4
PEG_TX#4
PEG_TX5
PEG_TX#5
PEG_TX7
PEG_TX#7
C_PEG_RXN2
C_PEG_RXP2
C_PEG_RXN3
C_PEG_RXP3
C_PEG_RXP0
C_PEG_RXN0
C_PEG_RXP1
C_PEG_RXN1
C_PEG_RXN6
C_PEG_RXP6
C_PEG_RXN7
C_PEG_RXP7
C_PEG_RXN5
C_PEG_RXP5
C_PEG_RXN4
C_PEG_RXP4
CLK_PCIE_VGA[8]
CLK_PCIE_VGA#[8]
PLTRST#[2,8,22,23,25,28,29]
DGPU_HOLD_RST#[9]
+1.0V_VGA[16,18,39]
+1.8V_VGA[16,18,39]
+3V[2,6,7,8,9,10,12,13,16,21,22,23,24,25,26,27,28,29,34,36,38,40]
PEG_TX1[2]
PEG_TX#1[2]
PEG_TX0[2]
PEG_TX#0[2]
PEG_TX2[2]
PEG_TX#2[2]
PEG_TX3[2]
PEG_TX#3[2]
PEG_TX4[2]
PEG_TX5[2]
PEG_TX#4[2]
PEG_TX#5[2]
PEG_TX7[2]
PEG_TX#7[2]
PEG_TX6[2]
PEG_TX#6[2]
PEG_RX0 [2]
PEG_RX1 [2]
PEG_RX#0 [2]
PEG_RX#1 [2]
PEG_RX2 [2]
PEG_RX3 [2]
PEG_RX#2 [2]
PEG_RX#3 [2]
PEG_RX6 [2]
PEG_RX7 [2]
PEG_RX#6 [2]
PEG_RX#7 [2]
PEG_RX4 [2]
PEG_RX5 [2]
PEG_RX#4 [2]
PEG_RX#5 [2]
+1.8V_VGA
+1.0V_VGA
+1.0V_VGA
+1.8V_VGA
+1.0V_VGA
+3V
+1.0V_VGA
+1.8V_VGA
+1.0V_VGA
Size Document Number Rev
Date: Sheet of
4XDQWD&RPSXWHU,QF
352-(&7/*0X[OHVV80$
1%
AMD Thames/Seymoyr (MEM)1/5
2A
Custom
14 42Wednesday, March 07, 2012
Size Document Number Rev
Date: Sheet of
4XDQWD&RPSXWHU,QF
352-(&7/*0X[OHVV80$
1%
AMD Thames/Seymoyr (MEM)1/5
2A
Custom
14 42Wednesday, March 07, 2012
Size Document Number Rev
Date: Sheet of
4XDQWD&RPSXWHU,QF
352-(&7/*0X[OHVV80$
1%
AMD Thames/Seymoyr (MEM)1/5
2A
Custom
14 42Wednesday, March 07, 2012
( DPC/D_PVDD:1.8V@20mA+20mA)
( DPE/F_PVDD1.8V@20mA+20mA)
( DPA/B_PVDD : 1.8V@20mA+20mA)
( DPA/B_VDD10 : 1.0V@115mA+115mA)
( DPE/F_VDD10 : 1.0V@115mA+115mA )
( DPC/D_VDD10 : 1.0V@115mA+115mA)
FOR DIS/Muxless ONLY
( DPA/B_VDD18 : 1.8V@200mA+200mA)
Ra
Rb
Rc
Chelsea Thames/Seymour
1.69K n/a
n/a 1.27K
1K 2K
Chelsea Only
Do not install For Thames/Seymour
Ra
Rb
Rc
Thames INSTALL, do not install for Chelsea
PS_0 should be tied to GND on Thames
C713
0.1U/10V_4
C713
0.1U/10V_4
C233 0.1U/10V_4C233 0.1U/10V_4
PCI EXPRESS INTERFACE
CLOCK
CALIBRATION
Thames Pro/Seymour XT_M2
U17A
PCI EXPRESS INTERFACE
CLOCK
CALIBRATION
Thames Pro/Seymour XT_M2
U17A
NC#1
AJ21
NC#2
AK21
PWRGOOD
AH16 PCIE_CALRN Y29
PCIE_CALRP Y30
PCIE_REFCLKN
AA36 PCIE_REFCLKP
AB35
PCIE_RX0N
Y37 PCIE_RX0P
AA38
PCIE_RX10N
K37 PCIE_RX10P
L38
PCIE_RX11N
J36 PCIE_RX11P
K35
PCIE_RX12N
H37 PCIE_RX12P
J38
PCIE_RX13N
G36 PCIE_RX13P
H35
PCIE_RX14N
F37 PCIE_RX14P
G38
PCIE_RX15N
E37 PCIE_RX15P
F35
PCIE_RX1N
W36 PCIE_RX1P
Y35
PCIE_RX2N
V37 PCIE_RX2P
W38
PCIE_RX3N
U36 PCIE_RX3P
V35
PCIE_RX4N
T37 PCIE_RX4P
U38
PCIE_RX5N
R36 PCIE_RX5P
T35
PCIE_RX6N
P37 PCIE_RX6P
R38
PCIE_RX7N
N36 PCIE_RX7P
P35
PCIE_RX8N
M37 PCIE_RX8P
N38
PCIE_RX9N
L36 PCIE_RX9P
M35
PERSTB
AA30
PCIE_TX0N Y32
PCIE_TX0P Y33
PCIE_TX10N L32
PCIE_TX10P L33
PCIE_TX11N L29
PCIE_TX11P L30
PCIE_TX12N K32
PCIE_TX12P K33
PCIE_TX13N J32
PCIE_TX13P J33
PCIE_TX14N K29
PCIE_TX14P K30
PCIE_TX15N H32
PCIE_TX15P H33
PCIE_TX1N W32
PCIE_TX1P W33
PCIE_TX2N U32
PCIE_TX2P U33
PCIE_TX3N U29
PCIE_TX3P U30
PCIE_TX4N T32
PCIE_TX4P T33
PCIE_TX5N T29
PCIE_TX5P T30
PCIE_TX6N P32
PCIE_TX6P P33
PCIE_TX7N P29
PCIE_TX7P P30
PCIE_TX8N N32
PCIE_TX8P N33
PCIE_TX9N N29
PCIE_TX9P N30
C701
0.1U/10V_4
C701
0.1U/10V_4
C203
1U/6.3V_4
C203
1U/6.3V_4
C714
1U/6.3V_4
C714
1U/6.3V_4
C730
1U/6.3V_4
C730
1U/6.3V_4
C237 0.1U/10V_4C237 0.1U/10V_4
C255
10U/6.3V_8
C255
10U/6.3V_8
C703
10U/6.3V_8
C703
10U/6.3V_8
C235 0.1U/10V_4C235 0.1U/10V_4
C702
0.1U/10V_4
C702
0.1U/10V_4
DP PLL POWER
DP A/B POWERDP C/D POWER
DP E/F POWER
Thames Pro/Seymour XT_M2
U17H
DP PLL POWER
DP A/B POWERDP C/D POWER
DP E/F POWER
Thames Pro/Seymour XT_M2
U17H
DPA_PVDD AU28
DPA_PVSS AV27
DPA_VDD10#1 AP31
DPA_VDD10#2 AP32
DPA_VDD18#1 AN24
DPA_VDD18#2 AP24
DPA_VSSR#1 AN27
DPA_VSSR#2 AP27
DPA_VSSR#3 AP28
DPA_VSSR#4 AW24
DPA_VSSR#5 AW26
DPAB_CALR AW28
DPB_PVDD AV29
DPB_PVSS AR28
DPB_VDD10#1 AN33
DPB_VDD10#2 AP33
DPB_VDD18#1 AP25
DPB_VDD18#2 AP26
DPB_VSSR#1 AN29
DPB_VSSR#2 AP29
DPB_VSSR#3 AP30
DPB_VSSR#4 AW30
DPB_VSSR#5 AW32
DPC_PVDD AU18
DPC_PVSS AV17
DPC_VDD10#1
AP13
DPC_VDD10#2
AT13
DPC_VDD18#1
AP20
DPC_VDD18#2
AP21
DPC_VSSR#1
AN17
DPC_VSSR#2
AP16
DPC_VSSR#3
AP17
DPC_VSSR#4
AW14
DPC_VSSR#5
AW16
DPCD_CALR
AW18
DPD_PVDD AV19
DPD_PVSS AR18
DPD_VDD10#1
AP14
DPD_VDD10#2
AP15
DPD_VDD18#1
AP22
DPD_VDD18#2
AP23
DPD_VSSR#1
AN19
DPD_VSSR#2
AP18
DPD_VSSR#3
AP19
DPD_VSSR#4
AW20
DPD_VSSR#5
AW22
DPE_PVDD AM37
DPE_PVSS AN38
DPE_VDD10#1
AL33
DPE_VDD10#2
AM33
DPE_VDD18#1
AH34
DPE_VDD18#2
AJ34
DPE_VSSR#1
AN34
DPE_VSSR#2
AP39
DPE_VSSR#3
AR39
DPE_VSSR#4
AU37
DPEF_CALR
AM39
NC_DPF_PVDD AL38
NC_DPF_PVSS AM35
DPF_VDD10#1
AK33
DPF_VDD10#2
AK34
DPF_VDD18#1
AF34
DPF_VDD18#2
AG34
DPF_VSSR#1
AF39
DPF_VSSR#2
AH39
DPF_VSSR#3
AK39
DPF_VSSR#4
AL34
DPF_VSSR#5
AM34
C220 0.1U/10V_4C220 0.1U/10V_4
C218 0.1U/10V_4C218 0.1U/10V_4
C245 0.1U/10V_4C245 0.1U/10V_4
C52
0.1U/10V_4
C52
0.1U/10V_4
C722
0.1U/10V_4
C722
0.1U/10V_4
L47
HCB1608KF-181T15/1.5A_6
L47
HCB1608KF-181T15/1.5A_6
R47 1.27K/F_4R47 1.27K/F_4
C55 0.1U/10V_4C55 0.1U/10V_4
R486 150/F_4R486 150/F_4
C234 0.1U/10V_4C234 0.1U/10V_4
C239 0.1U/10V_4C239 0.1U/10V_4
C64
0.1U/10V_4
C64
0.1U/10V_4
L20
HCB1608KF-181T15/1.5A_6
L20
HCB1608KF-181T15/1.5A_6
R41 2K/F_4R41 2K/F_4
C253
0.1U/10V_4
C253
0.1U/10V_4
R73 10K/F_4R73 10K/F_4
C238 0.1U/10V_4C238 0.1U/10V_4 C704
10U/6.3V_8
C704
10U/6.3V_8
L42
HCB1608KF-181T15/1.5A_6
L42
HCB1608KF-181T15/1.5A_6
C254
1U/6.3V_4
C254
1U/6.3V_4
U3
MC74VHC1G08DFT2G
U3
MC74VHC1G08DFT2G
2
1
4
3 5
C231 0.1U/10V_4C231 0.1U/10V_4
L41
HCB1608KF-181T15/1.5A_6
L41
HCB1608KF-181T15/1.5A_6
R487 150/F_4R487 150/F_4
R37
100K/F_4
R37
100K/F_4
C198
0.1U/10V_4
C198
0.1U/10V_4
C246 0.1U/10V_4C246 0.1U/10V_4
C709
10U/6.3V_8
C709
10U/6.3V_8
C236 0.1U/10V_4C236 0.1U/10V_4
C230 0.1U/10V_4C230 0.1U/10V_4
C716
0.1U/10V_4
C716
0.1U/10V_4
C232 0.1U/10V_4C232 0.1U/10V_4
R494 150/F_4R494 150/F_4
R38 *0_4/SR38 *0_4/S
R33 330_4R33 330_4
C717
1U/6.3V_4
C717
1U/6.3V_4
C209
10U/6.3V_8
C209
10U/6.3V_8
C221 0.1U/10V_4C221 0.1U/10V_4
L43
HCB1608KF-181T15/1.5A_6
L43
HCB1608KF-181T15/1.5A_6
L14
HCB1608KF-181T15/1.5A_6
L14
HCB1608KF-181T15/1.5A_6
C734
10U/6.3V_8
C734
10U/6.3V_8
R46 *1.69K/F_4R46 *1.69K/F_4
R485*0_4/S R485*0_4/S
C219 0.1U/10V_4C219 0.1U/10V_4

5
5
4
4
3
3
2
2
1
1
D D
C C
B B
A A
MVREFDA
MVREFDB
MVREFSB
MVREFSA
TEST_YCLK
TEST_MCLK
TESTEN
VM_RST_1 VM_RST_2
VMA_RDQS0
VMA_RDQS1
VMA_RDQS2
VMA_RDQS3
VMA_RDQS4
VMA_RDQS5
VMA_RDQS6
VMA_RDQS7
VMA_WDQS0
VMA_WDQS1
VMA_WDQS2
VMA_WDQS3
VMA_WDQS4
VMA_WDQS5
VMA_WDQS6
VMA_WDQS7
VMA_DM0
VMA_DM1
VMA_DM2
VMA_DM3
VMA_DM4
VMA_DM5
VMA_DM6
VMA_DM7
VMA_DQ0
VMA_DQ1
VMA_DQ2
VMA_DQ3
VMA_DQ4
VMA_DQ5
VMA_DQ6
VMA_DQ7
VMA_DQ8
VMA_DQ9
VMA_DQ10
VMA_DQ11
VMA_DQ12
VMA_DQ13
VMA_DQ14
VMA_DQ15
VMA_DQ16
VMA_DQ17
VMA_DQ18
VMA_DQ19
VMA_DQ20
VMA_DQ21
VMA_DQ22
VMA_DQ23
VMA_DQ24
VMA_DQ25
VMA_DQ26
VMA_DQ27
VMA_DQ28
VMA_DQ29
VMA_DQ30
VMA_DQ31
VMA_DQ32
VMA_DQ33
VMA_DQ34
VMA_DQ35
VMA_DQ36
VMA_DQ37
VMA_DQ38
VMA_DQ39
VMA_DQ40
VMA_DQ41
VMA_DQ42
VMA_DQ43
VMA_DQ44
VMA_DQ45
VMA_DQ46
VMA_DQ47
VMA_DQ48
VMA_DQ49
VMA_DQ50
VMA_DQ51
VMA_DQ52
VMA_DQ53
VMA_DQ54
VMA_DQ55
VMA_DQ56
VMA_DQ57
VMA_DQ58
VMA_DQ59
VMA_DQ60
VMA_DQ61
VMA_DQ62
VMA_DQ63
VMB_DQ3
VMB_DQ7
VMB_DQ4
VMB_DQ5
VMB_DQ6
VMB_DQ11
VMB_DQ15
VMB_DQ12
VMB_DQ13
VMB_DQ14
VMB_DQ8
VMB_DQ9
VMB_DQ10
VMB_DQ19
VMB_DQ23
VMB_DQ20
VMB_DQ21
VMB_DQ22
VMB_DQ27
VMB_DQ31
VMB_DQ28
VMB_DQ29
VMB_DQ30
VMB_DQ24
VMB_DQ25
VMB_DQ26
VMB_DQ16
VMB_DQ17
VMB_DQ18
VMB_DQ0
VMB_DQ35
VMB_DQ39
VMB_DQ36
VMB_DQ37
VMB_DQ38
VMB_DQ43
VMB_DQ47
VMB_DQ44
VMB_DQ45
VMB_DQ46
VMB_DQ40
VMB_DQ41
VMB_DQ42
VMB_DQ51
VMB_DQ55
VMB_DQ52
VMB_DQ53
VMB_DQ54
VMB_DQ59
VMB_DQ63
VMB_DQ60
VMB_DQ61
VMB_DQ62
VMB_DQ56
VMB_DQ57
VMB_DQ58
VMB_DQ48
VMB_DQ49
VMB_DQ50
VMB_DQ32
VMB_DQ33
VMB_DQ34
VMB_DQ1
VMB_DQ2
VMB_RDQS6
VMB_WDQS6
VMB_RDQS5
VMB_WDQS7
VMB_RDQS1
VMB_DM2
VMB_DM0
VMB_RDQS7
VMB_DM1
VMB_WDQS0
VMB_DM5
VMB_WDQS1
VMB_DM4
VMB_RDQS2
VMB_RDQS0
VMB_DM3
VMB_DM6
VMB_WDQS3
VMB_RDQS3
VMB_WDQS2
VMB_WDQS5
VMB_DM7
VMB_WDQS4
VMB_RDQS4
+1.5V_VGA[18,19,20,27,39]
VM_RST# [19,20]
VMA_MA1 [19]
VMA_MA2 [19]
VMA_MA3 [19]
VMA_MA4 [19]
VMA_MA5 [19]
VMA_MA6 [19]
VMA_MA7 [19]
VMA_MA8 [19]
VMA_MA9 [19]
VMA_MA10 [19]
VMA_MA11 [19]
VMA_MA12 [19]
VMA_MA0 [19]
VMA_BA0 [19]
VMA_BA1 [19]
VMA_BA2 [19]
VMA_CLK1 [19]
VMA_CLK1# [19]
VMA_CLK0# [19]
VMA_CLK0 [19]
VMA_ODT0 [19]
VMA_ODT1 [19]
VMA_RAS1# [19]
VMA_RAS0# [19]
VMA_CAS0# [19]
VMA_CAS1# [19]
VMA_CS0# [19]
VMA_CS1# [19]
VMA_CKE0 [19]
VMA_CKE1 [19]
VMA_WE0# [19]
VMA_WE1# [19]
VMA_MA13 [19]
VMA_DQ[63..0][19]
VMA_DM[7..0][19]
VMA_WDQS[7..0][19]
VMA_RDQS[7..0][19] VMB_RDQS[7..0][20]
VMB_WDQS[7..0][20]
VMB_DM[7..0][20]
VMB_DQ[63..0][20]
VMB_CLK0# [20]
VMB_CLK1 [20]
VMB_MA1 [20]
VMB_BA1 [20]
VMB_BA0 [20]
VMB_MA0 [20]
VMB_CLK1# [20]
VMB_CLK0 [20]
VMB_MA6 [20]
VMB_MA5 [20]
VMB_MA4 [20]
VMB_MA3 [20]
VMB_MA2 [20]
VMB_MA11 [20]
VMB_MA10 [20]
VMB_MA9 [20]
VMB_MA8 [20]
VMB_MA7 [20]
VMB_WE0# [20]
VMB_CKE1 [20]
VMB_ODT1 [20]
VMB_ODT0 [20]
VMB_BA2 [20]
VMB_MA12 [20]
VMB_CAS0# [20]
VMB_CKE0 [20]
VMB_CS1# [20]
VMB_WE1# [20]
VMB_CS0# [20]
VMB_RAS0# [20]
VMB_RAS1# [20]
VMB_CAS1# [20]
VMB_MA13 [20]
+1.5V_VGA
+1.5V_VGA
+1.5V_VGA +1.5V_VGA
+1.5V_VGA
+3V_VGA
Size Document Number Rev
Date: Sheet of
4XDQWD&RPSXWHU,QF
352-(&7/*0X[OHVV80$
1%
AMD Thames/Seymoyr (MEM)2/5
2A
Custom
15 42Wednesday, March 07, 2012
Size Document Number Rev
Date: Sheet of
4XDQWD&RPSXWHU,QF
352-(&7/*0X[OHVV80$
1%
AMD Thames/Seymoyr (MEM)2/5
2A
Custom
15 42Wednesday, March 07, 2012
Size Document Number Rev
Date: Sheet of
4XDQWD&RPSXWHU,QF
352-(&7/*0X[OHVV80$
1%
AMD Thames/Seymoyr (MEM)2/5
2A
Custom
15 42Wednesday, March 07, 2012
Ra
Ra
Rb
Rb
DDR3/GDDR3 Memory Stuff Option
Rb
Ra
+1.5V_VGA
GDDR5
1.5V
DDR3
40.2R
100R
1.5V
100R
40.2R
R_MEM_2
Ra
Rb
Ra
Rb
For Seymour
MEM_CALRNP0
MEM_CALRNP1
MEM_CALRNP2
NC
Seymour Use Channel B Memory Interface Only
C_MEM
R_MEM_3
R_MEM_1
120pF
10R
51R
5KR_MEM_1
R_MEM_2
R_MEM_3
C_MEM
Designator
25mm (max)
From GPU
5mm (max) 25mm (max)
**
**
**
**
NC
For Thames
stuff
stuff
stuff stuff
MVREFDA
MVREFSA
stuff
stuff
NC
NC
TEST_MCLK/TEST_YCLK
route 50ohms single-ended/100ohms diff
and keep short
Debug only, for clock observation, if not needed, DNI
Rd
Thames
5.11k
Rd
Seymour
1k
C87
*0.1U/10V_4
C87
*0.1U/10V_4
R27*240/F_4 R27*240/F_4
R80
*51/F_4
R80
*51/F_4
R114 51_4R114 51_4
R61
5.11K/F_4
R61
5.11K/F_4
R473
100/F_4
R473
100/F_4
MEMORY INTERFACE A
DDR2
GDDR3/GDDR5
DDR3
GDDR5/DDR2/GDDR3
DDR2
GDDR5/GDDR3
DDR3
GDDR5
Thames Pro/Seymour XT_M2
U17C
MEMORY INTERFACE A
DDR2
GDDR3/GDDR5
DDR3
GDDR5/DDR2/GDDR3
DDR2
GDDR5/GDDR3
DDR3
GDDR5
Thames Pro/Seymour XT_M2
U17C
DQA0_0/DQA_0
C37
DQA0_1/DQA_1
C35
DQA0_10/DQA_10
C30
DQA0_11/DQA_11
A30
DQA0_12/DQA_12
F28
DQA0_13/DQA_13
C28
DQA0_14/DQA_14
A28
DQA0_15/DQA_15
E28
DQA0_16/DQA_16
D27
DQA0_17/DQA_17
F26
DQA0_18/DQA_18
C26
DQA0_19/DQA_19
A26
DQA0_2/DQA_2
A35
DQA0_20/DQA_20
F24
DQA0_21/DQA_21
C24
DQA0_22/DQA_22
A24
DQA0_23/DQA_23
E24
DQA0_24/DQA_24
C22
DQA0_25/DQA_25
A22
DQA0_26/DQA_26
F22
DQA0_27/DQA_27
D21
DQA0_28/DQA_28
A20
DQA0_29/DQA_29
F20
DQA0_3/DQA_3
E34
DQA0_30/DQA_30
D19
DQA0_31/DQA_31
E18
DQA1_0/DQA_32
C18
DQA1_1/DQA_33
A18
DQA1_2/DQA_34
F18
DQA1_3/DQA_35
D17
DQA1_4/DQA_36
A16
DQA1_5/DQA_37
F16
DQA1_6/DQA_38
D15
DQA1_7/DQA_39
E14
DQA0_4/DQA_4
G32
DQA1_8/DQA_40
F14
DQA1_9/DQA_41
D13
DQA1_10/DQA_42
F12
DQA1_11/DQA_43
A12
DQA1_12/DQA_44
D11
DQA1_13/DQA_45
F10
DQA1_14/DQA_46
A10
DQA1_15/DQA_47
C10
DQA1_16/DQA_48
G13
DQA1_17/DQA_49
H13
DQA0_5/DQA_5
D33
DQA1_18/DQA_50
J13
DQA1_19/DQA_51
H11
DQA1_20/DQA_52
G10
DQA1_21/DQA_53
G8
DQA1_22/DQA_54
K9
DQA1_23/DQA_55
K10
DQA1_24/DQA_56
G9
DQA1_25/DQA_57
A8
DQA1_26/DQA_58
C8
DQA1_27/DQA_59
E8
DQA0_6/DQA_6
F32
DQA1_28/DQA_60
A6
DQA1_29/DQA_61
C6
DQA1_30/DQA_62
E6
DQA1_31/DQA_63
A5
DQA0_7/DQA_7
E32
DQA0_8/DQA_8
D31
DQA0_9/DQA_9
F30
MEM_CALRP1
M12
MVREFDA
L18
MVREFSA
L20
MEM_CALRN0
L27
MEM_CALRN1
N12
MEM_CALRN2
AG12
MEM_CALRP0
M27
MEM_CALRP2
AH12
CASA0B K20
CASA1B K17
CKEA0 K21
CKEA1 J20
CLKA0 H27
CLKA0B G27
CLKA1 J14
CLKA1B H14
CSA0B_0 K24
CSA0B_1 K27
CSA1B_0 M13
CSA1B_1 K16
WCKA0_0/DQMA_0 A32
WCKA0B_0/DQMA_1 C32
WCKA0_1/DQMA_2 D23
WCKA0B_1/DQMA_3 E22
WCKA1_0/DQMA_4 C14
WCKA1B_0/DQMA_5 A14
WCKA1_1/DQMA_6 E10
WCKA1B_1/DQMA_7 D9
MAA0_0/MAA_0 G24
MAA0_1/MAA_1 J23
MAA1_2/MAA_10 L13
MAA1_3/MAA_11 G16
MAA1_4/MAA_12 J16
MAA1_5/MAA_13_BA2 H16
MAA1_6/MAA_14_BA0 J17
MAA1_7/MAA_A15_BA1 H17
MAA0_2/MAA_2 H24
MAA0_3/MAA_3 J24
MAA0_4/MAA_4 H26
MAA0_5/MAA_5 J26
MAA0_6/MAA_6 H21
MAA0_7/MAA_7 G21
MAA1_0/MAA_8 H19
MAA1_1/MAA_9 H20
ADBIA0/ODTA0 J21
ADBIA1/ODTA1 G19
RASA0B K23
RASA1B K19
EDCA0_0/QSA_0/RDQSA_0 C34
EDCA0_1/QSA_1/RDQSA_1 D29
EDCA0_2/QSA_2/RDQSA_2 D25
EDCA0_3/QSA_3/RDQSA_3 E20
EDCA1_0/QSA_4/RDQSA_4 E16
EDCA1_1/QSA_5/RDQSA_5 E12
EDCA1_2/QSA_6/RDQSA_6 J10
EDCA1_3/QSA_7/RDQSA_7 D7
RSVD
AL31
MAA0_8 H23
MAA1_8 J19
DDBIA0_0/QSA_0B/WDQSA_0 A34
DDBIA0_1/QSA_1B/WDQSA_1 E30
DDBIA0_2/QSA_2B/WDQSA_2 E26
DDBIA0_3/QSA_3B/WDQSA_3 C20
DDBIA1_0/QSA_4B/WDQSA_4 C16
DDBIA1_1/QSA_5B/WDQSA_5 C12
DDBIA1_2/QSA_6B/WDQSA_6 J11
DDBIA1_3/QSA_7B/WDQSA_7 F8
WEA0B K26
WEA1B L15
R472
40.2/F_4
R472
40.2/F_4
C684
0.1U/10V_4
C684
0.1U/10V_4
R28*240/F_4 R28*240/F_4
C206
*0.1U/10V_4
C206
*0.1U/10V_4
R79*240/F_4 R79*240/F_4
R105
10_4
R105
10_4
C692
0.1U/10V_4
C692
0.1U/10V_4
R77*240/F_4 R77*240/F_4
R40
*40.2/F_4
R40
*40.2/F_4
MEMORY INTERFACE B
DDR2
GDDR5/GDDR3
DDR3
DDR2
GDDR3/GDDR5
DDR3
GDDR5
GDDR5/DDR2/GDDR3
Thames Pro/Seymour XT_M2
U17D
MEMORY INTERFACE B
DDR2
GDDR5/GDDR3
DDR3
DDR2
GDDR3/GDDR5
DDR3
GDDR5
GDDR5/DDR2/GDDR3
Thames Pro/Seymour XT_M2
U17D
DQB0_0/DQB_0
C5
DQB0_1/DQB_1
C3
DQB0_10/DQB_10
J4
DQB0_11/DQB_11
K6
DQB0_12/DQB_12
K5
DQB0_13/DQB_13
L4
DQB0_14/DQB_14
M6
DQB0_15/DQB_15
M1
DQB0_16/DQB_16
M3
DQB0_17/DQB_17
M5
DQB0_18/DQB_18
N4
DQB0_19/DQB_19
P6
DQB0_2/DQB_2
E3
DQB0_20/DQB_20
P5
DQB0_21/DQB_21
R4
DQB0_22/DQB_22
T6
DQB0_23/DQB_23
T1
DQB0_24/DQB_24
U4
DQB0_25/DQB_25
V6
DQB0_26/DQB_26
V1
DQB0_27/DQB_27
V3
DQB0_28/DQB_28
Y6
DQB0_29/DQB_29
Y1
DQB0_3/DQB_3
E1
DQB0_30/DQB_30
Y3
DQB0_31/DQB_31
Y5
DQB1_0/DQB_32
AA4
DQB1_1/DQB_33
AB6
DQB1_2/DQB_34
AB1
DQB1_3/DQB_35
AB3
DQB1_4/DQB_36
AD6
DQB1_5/DQB_37
AD1
DQB1_6/DQB_38
AD3
DQB1_7/DQB_39
AD5
DQB0_4/DQB_4
F1
DQB1_8/DQB_40
AF1
DQB1_9/DQB_41
AF3
DQB1_10/DQB_42
AF6
DQB1_11/DQB_43
AG4
DQB1_12/DQB_44
AH5
DQB1_13/DQB_45
AH6
DQB1_14/DQB_46
AJ4
DQB1_15/DQB_47
AK3
DQB1_16/DQB_48
AF8
DQB1_17/DQB_49
AF9
DQB0_5/DQB_5
F3
DQB1_18/DQB_50
AG8
DQB1_19/DQB_51
AG7
DQB1_20/DQB_52
AK9
DQB1_21/DQB_53
AL7
DQB1_22/DQB_54
AM8
DQB1_23/DQB_55
AM7
DQB1_24/DQB_56
AK1
DQB1_25/DQB_57
AL4
DQB1_26/DQB_58
AM6
DQB1_27/DQB_59
AM1
DQB0_6/DQB_6
F5
DQB1_28/DQB_60
AN4
DQB1_29/DQB_61
AP3
DQB1_30/DQB_62
AP1
DQB1_31/DQB_63
AP5
DQB0_7/DQB_7
G4
DQB0_8/DQB_8
H5
DQB0_9/DQB_9
H6
MVREFDB
Y12
MVREFSB
AA12
TESTEN
AD28
CASB0B W10
CASB1B AA10
CKEB0 U10
CKEB1 AA11
CLKB0 L9
CLKB0B L8
CLKB1 AD8
CLKB1B AD7
CLKTESTA
AK10
CLKTESTB
AL10
CSB0B_0 P10
CSB0B_1 L10
CSB1B_0 AD10
CSB1B_1 AC10
WCKB0_0/DQMB_0 H3
WCKB0B_0/DQMB_1 H1
WCKB0_1/DQMB_2 T3
WCKB0B_1/DQMB_3 T5
WCKB1_0/DQMB_4 AE4
WCKB1B_0/DQMB_5 AF5
WCKB1_1/DQMB_6 AK6
WCKB1B_1/DQMB_7 AK5
DRAM_RST AH11
MAB0_0/MAB_0 P8
MAB0_1/MAB_1 T9
MAB1_2/MAB_10 AC8
MAB1_3/MAB_11 AC9
MAB1_4/MAB_12 AA7
MAB1_5/BA2 AA8
MAB1_6/BA0 Y8
MAB1_7/BA1 AA9
MAB0_2/MAB_2 P9
MAB0_3/MAB_3 N7
MAB0_4/MAB_4 N8
MAB0_5/MAB_5 N9
MAB0_6/MAB_6 U9
MAB0_7/MAB_7 U8
MAB1_0/MAB_8 Y9
MAB1_1/MAB_9 W9
ADBIB0/ODTB0 T7
ADBIB1/ODTB1 W7
RASB0B T10
RASB1B Y10
EDCB0_0/QSB_0/RDQSB_0 F6
EDCB0_1/QSB_1/RDQSB_1 K3
EDCB0_2/QSB_2/RDQSB_2 P3
EDCB0_3/QSB_3/RDQSB_3 V5
EDCB1_0/QSB_4/RDQSB_4 AB5
EDCB1_1/QSB_5/RDQSB_5 AH1
EDCB1_2/QSB_6/RDQSB_6 AJ9
EDCB1_3/QSB_7/RDQSB_7 AM5
DDBIB0_0/QSB_0B/WDQSB_0 G7
DDBIB0_1/QSB_1B/WDQSB_1 K1
DDBIB0_2/QSB_2B/WDQSB_2 P1
DDBIB0_3/QSB_3B/WDQSB_3 W4
DDBIB1_0/QSB_4B/WDQSB_4 AC4
DDBIB1_1/QSB_5B/WDQSB_5 AH3
DDBIB1_2/QSB_6B/WDQSB_6 AJ8
DDBIB1_3/QSB_7B/WDQSB_7 AM3
WEB0B N10
WEB1B AB11
MAB0_8 T8
MAB1_8 W8
R45240/F_4 R45240/F_4
R39
*100/F_4
R39
*100/F_4
R111
*51/F_4
R111
*51/F_4
C194
*0.1U/10V_4
C194
*0.1U/10V_4
R469
100/F_4
R469
100/F_4
R44240/F_4 R44240/F_4
C83
*0.1U/10V_4
C83
*0.1U/10V_4
R106
5K/F_4
R106
5K/F_4
R468
40.2/F_4
R468
40.2/F_4
C222
120P/50V_4
C222
120P/50V_4
R43
*40.2/F_4
R43
*40.2/F_4
R60
*10K/F_4
R60
*10K/F_4
R42
*100/F_4
R42
*100/F_4

5
5
4
4
3
3
2
2
1
1
D D
C C
B B
A A
DAC1_RSET
DAC2_RSET
GPIO5_PROCHOT#
VGA_GPIO8
VGA_GPIO9
VGA_GPIO11
+VGA_VREFG
+1.0VDPLL_VDDC
+1.8VDPLL_PVDD
+1.8V_TSVDD
GPIO27_TMS
GPIO25_TDI
GPIO28_TDO
GPIO26_TCK
GPIO24_TRSTB
+VDD1D
VGA_GPIO21
GPU_DDCCLK
GPU_DDCDATA
MEM_ID2
MEM_ID3
MEM_ID0
MEM_ID1
+VDD1D
VGA_GPIO10
XTALIN
XTALOUT
+1.8V_TSVDD
+1.8VDPLL_PVDD
+1.0VDPLL_VDDC
VGA_CLKRQ
GPU_VSYNC
GPU_HSYNC
VGA_CLKRQ
GPIO27_TMS
GPIO24_TRSTB
GPIO25_TDI
GPIO26_TCK
GPIO28
TEMP_ FA IL
TEMP_ FA IL
XTALIN
XTALOUT
GPIO5_PROCHOT#
GPIO5_PROCHOT#
GPU_CRT_B
GPU_CRT_R
GPU_CRT_G
HSYNC_DAC2 [17]
VSYNC_DAC2 [17]
VGA_GPIO0[17]
VGA_GPIO1[17]
VGA_GPIO2[17]
VGA_GPIO8[17]
VGA_GPIO9[17]
VGA_GPIO11[17]
VGA_GPIO12[17]
VGA_GPIO13[17]
GFX_CORE_CNTRL0[17,40]
GFX_CORE_CNTRL1[17,40]
GENERICC[17]
VGA_GPIO22[17]
+1.8V_VGA[14,18,39]
+3V_VGA[15,17,18,39,40]
+1.0V_VGA[14,18,39]
GPU_LVDS_BLON[17]
G_SMBDAT[17]
G_SMBCLK[17]
VGA_GPIO10[17]
GPU_HSYNC [17]
GPU_VSYNC [17]
VGA_CLK_REQ#[8]
GPIO28[17]
VGA_GPIO21[17]
GPU_PROCHOT#[29]
+1.8V_AVDD
+1.8V_AVDD
+1.8V_VGA
+1.8V_VGA
+1.8V_VGA
+1.8V_VGA
+3V_VGA
+1.8V_VGA
+1.0V_VGA
+1.8V_VGA
+3V_VGA
+3V_VGA
+3V_VGA
+3V
+3V_VGA
Size Document Number Rev
Date: Sheet of
4XDQWD&RPSXWHU,QF
352-(&7/*0X[OHVV80$
1%
AMD Thames/Seymoyr DISPLAY3/5
2A
Custom
16 42Wednesday, March 07, 2012
Size Document Number Rev
Date: Sheet of
4XDQWD&RPSXWHU,QF
352-(&7/*0X[OHVV80$
1%
AMD Thames/Seymoyr DISPLAY3/5
2A
Custom
16 42Wednesday, March 07, 2012
Size Document Number Rev
Date: Sheet of
4XDQWD&RPSXWHU,QF
352-(&7/*0X[OHVV80$
1%
AMD Thames/Seymoyr DISPLAY3/5
2A
Custom
16 42Wednesday, March 07, 2012
PLACE VREFG DIVIDER AND CAP
CLOSE TO ASIC
VGA STRAPS
VGA STRAPS
(DAC1_AVDD: 1.8V@70mA+42mA)
GND Option If XO_IN/XO_IN2 not used
For M97, XO_IN and XO_IN2 should be grounded
(DAC1_VDD1DI:1.8V@100mA)
[SFV
6L]H''57\SH
0(0,' &RQILJXUDWLRQ
6DPVXQJ.:*&+&
*
*
GPIO0: option to control PSI in future products - not currently qualified
For FL/GL support on Seymour/Thames only
Seymour/Whistler: GENCLK_VSYNC
(1.8V@20mA TSVDD)
(1.8V@150mA DPLL_PVDD)
(1.0V@300mA DPLL_VDDC)
+\QL[+74*')5&
6DQVXQJ.:**%&
+\QL[+74*')5&
[SFV *
[SFV
[SFV *
*
[SFV
[SFV *
*ELWV
*ELWV
*ELWV
*ELWV
[SFV
[SFV 0
0
4XDQWD31$.'0*:7
4XDQWD31$.'0*:7:
4XDQWD31$.'(**7
4XDQWD31$.'/=:7:
0(0B,'
0(0B,'
0(0B,'
0(0B,'
3XOO+LJK
3XOO+LJK
3XOO+LJK
3XOO+LJK
9
GHIDXOW
9
9
&175/
*3,2
6H\PRXU
5D!.RKP
&175/
GHIDXOW
*3,2
5E!.RKP
9
9
9
9
&175/
*3,2
7KDPHV &175/
*3,2
9
Thames INSTALL, do not install for Chelsea
PS_0 should be tied to GND on Thames
sϮ͘͘͘ĞůĞƚĞ><ͺϮϳDͺs'ͺϮ&ZKD>K</͕ZϰϵϬ
DV2...Add GPU CRT test point for debug
Q9
*2N7002E
Q9
*2N7002E
3
2
1
R82 10K/F_4R82 10K/F_4
R570 *0_4R570 *0_4
TP1TP1
R71 10K_4R71 10K_4
R492 *10K/F_4R492 *10K/F_4
C172
10U/6.3V_8
C172
10U/6.3V_8
R481
499/F_4
R481
499/F_4
TP63TP63
R502 *10K/F_4R502 *10K/F_4
R72 4.7K_4R72 4.7K_4
L9 HCB1608KF-181T15/1.5A_6L9 HCB1608KF-181T15/1.5A_6
R139
499/F_4
R139
499/F_4
R65*4.7K/F_4 R65*4.7K/F_4
R49 *0_4/SR49 *0_4/S
R87 10K/F_4R87 10K/F_4
C720
1U/6.3V_4
C720
1U/6.3V_4
C719
0.1U/10V_4
C719
0.1U/10V_4
R488 1M/F_4R488 1M/F_4
TP8TP8
C708
10U/6.3VS_6
C708
10U/6.3VS_6
C715
10U/6.3V_8
C715
10U/6.3V_8
TP62TP62
C732
27P/50V_4
C732
27P/50V_4
R489 10K/F_4R489 10K/F_4
R81 4.7K_4R81 4.7K_4
TP5TP5
C705
0.1U/10V_4
C705
0.1U/10V_4
C173
1U/6.3V_4
C173
1U/6.3V_4
L45 HCB1608KF-181T15/1.5A_6L45 HCB1608KF-181T15/1.5A_6
R571 *10K/F_4R571 *10K/F_4
DPA
DPB
DPC
DPD
MUTI GFX
I2C
GENERAL PURPOSE I/O
DAC1
DAC2
DDC/AUX
THERMAL
PLL/CLOCK
Thames Pro/Seymour XT_M2
U17B
DPA
DPB
DPC
DPD
MUTI GFX
I2C
GENERAL PURPOSE I/O
DAC1
DAC2
DDC/AUX
THERMAL
PLL/CLOCK
Thames Pro/Seymour XT_M2
U17B
DMINUS
AG29
DPLL_PVDD
AM32
DPLL_PVSS
AN32
DPLL_VDDC
AN31
DPLUS
AF29
DVPCLK
AR1
DVPCNTL_0
AP8
DVPCNTL_1
AW8
DVPCNTL_2
AR3
DVPCNTL_MVP_0
AR8
DVPCNTL_MVP_1
AU8
DVPDATA_0
AU1
DVPDATA_1
AU3
DVPDATA_10
AV7
DVPDATA_11
AN7
DVPDATA_12
AV9
DVPDATA_13
AT9
DVPDATA_14
AR10
DVPDATA_15
AW10
DVPDATA_16
AU10
DVPDATA_17
AP10
DVPDATA_18
AV11
DVPDATA_19
AT11
DVPDATA_2
AW3
DVPDATA_20
AR12
DVPDATA_21
AW12
DVPDATA_22
AU12
DVPDATA_23
AP12
DVPDATA_3
AP6
DVPDATA_4
AW5
DVPDATA_5
AU5
DVPDATA_6
AR6
DVPDATA_7
AW6
DVPDATA_8
AU6
DVPDATA_9
AT7
GENERICA
AJ19
GENERICB
AK19
GENERICC
AJ20
GENERICD
AK20
GENERICE_HPD4
AJ24
GENERICF
AH26
GENERICG
AH24
GPIO_0
AH20
GPIO_1
AH18
GPIO_10_ROMSCK
AJ16
GPIO_11
AK16
GPIO_12
AL16
GPIO_13
AM16
GPIO_14_HPD2
AM14
GPIO_15_PWRCNTL_0
AM13
GPIO_16_SSIN
AK14
GPIO_17_THERMAL_INT
AG30
GPIO_18_HPD3
AN14
GPIO_19_CTF
AM17
GPIO_2
AN16
GPIO_20_PWRCNTL_1
AL13
GPIO_21_BB_EN
AJ14
GPIO_22_ROMCSB
AK13
GPIO_23_CLKREQB
AN13
GPIO_3_SMBDATA
AH23
GPIO_4_SMBCLK
AJ23
GPIO_5_AC_BATT
AH17
GPIO_6
AJ17
GPIO_7_BLON
AK17
GPIO_8_ROMSO
AJ13
GPIO_9_ROMSI
AH15
H2SYNC AD29
HPD1
AK24
HSYNC AC36
JTAG_TCK
AK23 JTAG_TDI
AN23
JTAG_TDO
AM24 JTAG_TMS
AL24
JTAG_TRSTB
AM23
NC_DDCDATA_AUX7N AK29
NC_DDCCLK_AUX7P AK30
TS_FDO
AK32
TSVDD
AJ32
TSVSS
AJ33
VREFG
AH13
VSS1DI AC34
VSS2DI AG32
XTALIN
AV33
XTALOUT
AU34
A2VDD AG33
A2VDDQ AD33
A2VSSQ AF33
AUX1N AL27
AUX1P AM27
AUX2N AM20
AUX2P AN20
AVDD AD34
AVSSQ AE34
BAF37
B2 AF30
B2B AF31
BB AE38
CAC32
COMP AF32
DDC1CLK AM26
DDC1DATA AN26
DDC2CLK AM19
DDC2DATA AL19
DDC6CLK AJ30
DDC6DATA AJ31
DDCDATA_AUX3N AM30
DDCCLK_AUX3P AL30
DDCDATA_AUX4N AM29
DDCCLK_AUX4P AL29
DDCDATA_AUX5N AM21
DDCCLK_AUX5P AN21
GAE36
G2 AD30
G2B AD31
GB AD35
RAD39
R2 AC30
R2B AC31
R2SET AA29
RB AD37
RSET AB34
SCL
AK26
SDA
AJ26
TX0M_DPA2N AR24
TX0M_DPC2N AR14
TX0P_DPA2P AT25
TX0P_DPC2P AT15
TX1M_DPA1N AV25
TX1M_DPC1N AV15
TX1P_DPA1P AU26
TX1P_DPC1P AU16
TX2M_DPA0N AR26
TX2M_DPC0N AR16
TX2P_DPA0P AT27
TX2P_DPC0P AT17
TX3M_DPB2N AU30
TX3M_DPD2N AR20
TX3P_DPB2P AV31
TX3P_DPD2P AT21
TX4M_DPB1N AT31
TX4M_DPD1N AV21
TX4P_DPB1P AR32
TX4P_DPD1P AU22
TX5M_DPB0N AU32
TX5M_DPD0N AR22
TX5P_DPB0P AT33
TX5P_DPD0P AT23
TXCAM_DPA3N AV23
TXCAP_DPA3P AU24
TXCBM_DPB3N AT29
TXCBP_DPB3P AR30
TXCCM_DPC3N AV13
TXCCP_DPC3P AU14
TXCDM_DPD3N AT19
TXCDP_DPD3P AU20
V2SYNC AC29
VDD1DI AC33
VDD2DI AG31
VSYNC AC38
YAD32
XO_IN
AW34
XO_IN2
AW35
TP3TP3
L44
HCB1608KF-181T15/1.5A_6
L44
HCB1608KF-181T15/1.5A_6
TP6TP6
TP7TP7
R138
249/F_4
R138
249/F_4
TP61TP61
R95 10K/F_4R95 10K/F_4
R63*4.7K/F_4 R63*4.7K/F_4
C199
10U/6.3V_8
C199
10U/6.3V_8
R64 *10K_4R64 *10K_4
R501 10K/F_4R501 10K/F_4
L13 HCB1608KF-181T15/1.5A_6L13 HCB1608KF-181T15/1.5A_6
C205
1U/6.3V_4
C205
1U/6.3V_4
R572 *10K/F_4R572 *10K/F_4
R491 *10K/F_4R491 *10K/F_4
LVTMDP
LVDS CONTROL
Thames Pro/Seymour XT_M2
U17G
LVTMDP
LVDS CONTROL
Thames Pro/Seymour XT_M2
U17G
DIGON AJ27
TXCLK_LN_DPE3N AR34
TXCLK_LP_DPE3P AP34
TXCLK_UN_DPF3N AL36
TXCLK_UP_DPF3P AK35
TXOUT_L0N_DPE2N AU35
TXOUT_L0P_DPE2P AW37
TXOUT_L1N_DPE1N AU39
TXOUT_L1P_DPE1P AR37
TXOUT_L2N_DPE0N AR35
TXOUT_L2P_DPE0P AP35
TXOUT_L3N AP37
TXOUT_L3P AN36
TXOUT_U0N_DPF2N AK37
TXOUT_U0P_DPF2P AJ38
TXOUT_U1N_DPF1N AJ36
TXOUT_U1P_DPF1P AH35
TXOUT_U2N_DPF0N AH37
TXOUT_U2P_DPF0P AG38
TXOUT_U3N AG36
TXOUT_U3P AF35
VARY_BL AK27
Y6 27MHZY6 27MHZ
2 1
TP9TP9
R83 10K/F_4R83 10K/F_4
C202
0.1U/10V_4
C202
0.1U/10V_4
L40
HCB1608KF-181T15/1.5A_6
L40
HCB1608KF-181T15/1.5A_6
C731
27P/50V_4
C731
27P/50V_4
C706
1U/6.3V_4
C706
1U/6.3V_4
R110
*4.7K_4
R110
*4.7K_4
TP46TP46
TP2TP2
R70 10K_4R70 10K_4
C247
0.1U/10V_4
C247
0.1U/10V_4
C217
*0.1U/10V_4
C217
*0.1U/10V_4

5
5
4
4
3
3
2
2
1
1
D D
C C
B B
A A
G_SMBCLK
G_SMBDAT
+3V_VGA[15,16,18,39,40]
GENERICC[16]
VGA_GPIO2[16]
VGA_GPIO1[16]
VGA_GPIO0[16]
VGA_GPIO12[16]
VGA_GPIO11[16]
VGA_GPIO9[16]
VGA_GPIO8[16]
VGA_GPIO13[16]
GPU_HSYNC[16]
GPU_VSYNC[16]
HSYNC_DAC2[16]
VSYNC_DAC2[16]
VGA_GPIO22[16]
VGA_GPIO10[16]
GFX_CORE_CNTRL0[16,40]
GFX_CORE_CNTRL1[16,40]
G_SMBDAT[16]
G_SMBCLK[16] MBCLK2 [8,13,26,28,29]
MBDATA2 [8,13,26,28,29]
GPU_LVDS_BLON[16]
GPIO28[16]
VGA_GPIO21[16]
+3V_VGA
+3V_VGA
Size Document Number Rev
Date: Sheet of
4XDQWD&RPSXWHU,QF
352-(&7/*0X[OHVV80$
1%
AMD Thames/Seymoyr(GD&Str)4/5
2A
Custom
17 42Wednesday, March 07, 2012
Size Document Number Rev
Date: Sheet of
4XDQWD&RPSXWHU,QF
352-(&7/*0X[OHVV80$
1%
AMD Thames/Seymoyr(GD&Str)4/5
2A
Custom
17 42Wednesday, March 07, 2012
Size Document Number Rev
Date: Sheet of
4XDQWD&RPSXWHU,QF
352-(&7/*0X[OHVV80$
1%
AMD Thames/Seymoyr(GD&Str)4/5
2A
Custom
17 42Wednesday, March 07, 2012
STRAPS
Re
Rf Rg
Rh
'&dž^DƵƐ/ƐŽůĂƚŝŽŶ
0
64M
512M
0
1
Memory Aperture size
GPIO9 GPIO13 GPIO12 GPIO11
ROMIDCFG0ROMIDCFG1ROMIDCFG2
0
2G
11
11
110
128M
0
111
0
0
0
0
0
32M
1G
4G
0
BIOSROM
256M
0
0
0
0
100
00
1
0
GPIO28
VDDC
VDDCI
+VGA_CORE
VDD_CT
VDDR4
VDDR3
VDDR1+1.5V_VGA
+1.8V_VGA
+3.3V_Delay
20ms20ms
+VGA_CORE
Power Up/Down Sequence
+1.8V_VGA
RESERVED
RESERVED
RESERVED
RESERVED
CEC_DIS
AUD[0]
AUD[1]
BIOS_ROM_EN
ROMIDCFG[2:0]
BIF_GEN3_EN_A
TX_PWRS_ENB
AUD_PORT_CONN_PINSTRAP[2]
AUD_PORT_CONN_PINSTRAP[1]
AUD_PORT_CONN_PINSTRAP[0]
TX_DEEMPH_EN
BIF_VGA DIS
PS_0[4]
GENLK_CLK
GENLK_VSYNC
GPIO21
PS_3[5]
PS_3[4]
PS_0[5]
NA
GPIO8
PS_1[3]
PS_1[2]
NA
NA
NA
GENERICC
NA
001 = 6 usable endpoints
011 = 4 usable endpoints
100 = 3 usable endpoints
000 = all endpoints are usable
010 = 5 usable endpoints
101 = 2 usable endpoints
Reserved
Reserved
0: Disabled
1: Enabled
Reserved
111 = 0 usable endpoints
110 = 1 usable endpoints
GPIO[13:11]
GPIO2
PS_2[4]
PS_2[3]
PS_1[4]
GPIO1
GPIO9
HSYNC
PS_1[1]
PS_1[5]
VSYNC
GPIO0
PS_0[3..1]
GPIO22
NA
NA
11 - Audio for both DP and HDMI
01 - Audio for DP only
00 - No audio function
support this feature.
Enable external BIOS ROM device
0: Disabled
1: Enabled
If GPIO22 = 1, defines ROM type
0: 50% Tx output swing
1: Full Tx output swing
Transmitter Power Savings Enable
0: VGA controller capacity enabled
VGA Control
1: GEN3 supported at power-on
0: GEN3 not supported at power-on
1: Tx de-emphasis enabled
0: Tx de-emphasis disabled
101 - 8Mbit M25P80 (ST)
10 - Audio for DP and HDMI if dongle is detected
HDMI must only be enabled on systems that are legally entitled. It is the
responsibility of the system designer to ensure that the system is entitled to
Enable CEC function. Reserved for Thames/Whistler/Seymour
Reserved (for Thames/Whistler/Seymour only)
IF THESE GPIOS ARE USEED, THEY MUST KEEP LOW AND NOT CONFLICT DURING RESET
STRAPS TO INDICATE THE NUMBER OF AUDIO CAPABLE DISPLAY OUTPUTS
NOTE: ALLOW FOR PULLUP PADS FOR THE RESERVED STRAPS BUT DO NOT INSTALL RESISTOR
101 - 4Mbit M25P40 (ST)
100 - 512Kbit Pm25LV512 (Chingis)
101 - 1Mbit Pm25LV010 (Chingis)
PCIE Transmitter De-emphasis Enable
Serial ROM type or Memory Aperture Size Select
If GPIO22 = 0, defines memory aperture size
100 - 512Kbit M25P05A (ST)
101 - 1Mbit M25P10A (ST)
101 - 2Mbit M25P20 (ST)
1: VGA controller capacity disabled (for multi-GPU)
PCIE Gen3 Enable (NOTE: RESERVED for Thames/Whistler/Seymour)
XXX
X
0
0
0
0
XXX
X
XX
0
1
X
X
1: Disable MLPS, enable GPIO PINSTRAP
STRAPS
ALLOW FOR PULLUP PADS FOR THESE STRAPS AND IF THESE GPIOS ARE USED,
MLPS_DISABLE
THEY MUST NOT CONFLICT DURING RESET
CONFIGURATION STRAPS -- SEE EACH DATABOOK FOR STRAP DETAILS
NA
MLPS
GPIO PIN
GPIO_28_FDO 0: Enable MLPS, disable GPIO PINSTRAP
DESCRIPTION OF DEFAULT SETTINGS
Enable MLPS, NA for Thames/Whistler/Seymour
X
Default Setting
R84 *10K/F_4R84 *10K/F_4
R93 *10K/F_4R93 *10K/F_4
R104 *10K/F_4R104 *10K/F_4
R137 *3K/F_4R137 *3K/F_4
R68 10K_4R68 10K_4
R85 *10K/F_4R85 *10K/F_4
R75 10K/F_4R75 10K/F_4
R92 *10K/F_4R92 *10K/F_4
R78 *3K/F_4R78 *3K/F_4
Q7
2N7002DW
Q7
2N7002DW
6
2
1
5
4 3
R74 *10K/F_4R74 *10K/F_4
GND
Thames Pro/Seymour XT_M2
U17F
GND
Thames Pro/Seymour XT_M2
U17F
PCIE_VSS#1
AB39
PCIE_VSS#10
J31
PCIE_VSS#11
J34
PCIE_VSS#12
K31
PCIE_VSS#13
K34
PCIE_VSS#14
K39
PCIE_VSS#15
L31
PCIE_VSS#16
L34
PCIE_VSS#17
M34
PCIE_VSS#18
M39
PCIE_VSS#19
N31
PCIE_VSS#2
E39
PCIE_VSS#20
N34
PCIE_VSS#21
P31
PCIE_VSS#22
P34
PCIE_VSS#23
P39
PCIE_VSS#24
R34
PCIE_VSS#25
T31
PCIE_VSS#26
T34
PCIE_VSS#27
T39
PCIE_VSS#28
U31
PCIE_VSS#29
U34
PCIE_VSS#3
F34
PCIE_VSS#30
V34
PCIE_VSS#31
V39
PCIE_VSS#32
W31
PCIE_VSS#33
W34
PCIE_VSS#34
Y34
PCIE_VSS#35
Y39
PCIE_VSS#4
F39
PCIE_VSS#5
G33
PCIE_VSS#6
G34
PCIE_VSS#7
H31
PCIE_VSS#8
H34
PCIE_VSS#9
H39
VSS_MECH#1 A39
VSS_MECH#2 AW1
VSS_MECH#3 AW39
GND#1 A3
GND#10 AA6
GND#99 F13
GND#100
F15
GND#101
F17
GND#102
F19
GND#103
F21
GND#104
F23
GND#105
F25
GND#106
F27
GND#107
F29
GND#108
F31
GND#11 AB12
GND#109
F33
GND#110
F7
GND#111
F9
GND#112
G2
GND#113
G6
GND#114
H9
GND#115
J2
GND#116
J27
GND#117
J6
GND#118
J8
GND#12 AB15
GND#119
K14
GND#120
K7
GND#121
L11
GND#122
L17
GND#123
L2
GND#124
L22
GND#125
L24
GND#126
L6
GND#127
M17
GND#128
M22
GND#13 AB17
GND#129
M24
GND#130
N16
GND#131
N18
GND#132
N2
GND#133
N21
GND#134
N23
GND#135
N26
GND#136
N6
GND#137
R15
GND#138
R17
GND#14 AB20
GND#139
R2
GND#140
R20
GND#141
R22
GND#142
R24
GND#143
R27
GND#144
R6
GND#145
T11
GND#146
T13
GND#147
T16
GND#148
T18
GND#15 AB22
GND#149
T21
GND#150
T23
GND#151
T26
GND#153
U15
GND#154
U17
GND#155
U2
GND#156
U20
GND#157
U22
GND#158
U24
GND#159
U27
GND#16 AB24
GND#160
U6
GND#161
V11
GND#163
V16
GND#164
V18
GND#165
V21
GND#166
V23
GND#167
V26
GND#168
W2
GND#169
W6
GND#170
Y15
GND#17 AB27
GND#171
Y17
GND#172
Y20
GND#173
Y22
GND#174
Y24
GND#175
Y27
GND#18 AC11
GND#19 AC13
GND#2 A37
GND#20 AC16
GND#21 AC18
GND#22 AC2
GND#23 AC21
GND#24 AC23
GND#25 AC26
GND#26 AC28
GND#27 AC6
GND#28 AD15
GND#29 AD17
GND#3 AA16
GND#30 AD20
GND#31 AD22
GND#32 AD24
GND#33 AD27
GND#34 AD9
GND#35 AE2
GND#36 AE6
GND#37 AF10
GND#38 AF16
GND#39 AF18
GND#4 AA18
GND#40 AF21
GND#41 AG17
GND#42 AG2
GND#43 AG20
GND#44 AG22
GND#45 AG6
GND#46 AG9
GND#47 AH21
GND#48 AJ10
GND#5 AA2
GND#49 AJ11
GND#50 AJ2
GND#51 AJ28
GND#52 AJ6
GND#53 AK11
GND#54 AK31
GND#55 AK7
GND#56 AL11
GND#57 AL14
GND#58 AL17
GND#6 AA21
GND#59 AL2
GND#60 AL20
GND/PX_EN#61 AL21
GND#62 AL23
GND#63 AL26
GND#64 AL32
GND#65 AL6
GND#66 AL8
GND#67 AM11
GND#68 AM31
GND#7 AA23
GND#69 AM9
GND#70 AN11
GND#71 AN2
GND#72 AN30
GND#73 AN6
GND#74 AN8
GND#75 AP11
GND#76 AP7
GND#77 AP9
GND#78 AR5
GND#8 AA26
GND#80 B11
GND#81 B13
GND#82 B15
GND#83 B17
GND#84 B19
GND#85 B21
GND#86 B23
GND#87 B25
GND#88 B27
GND#9 AA28
GND#89 B29
GND#90 B31
GND#91 B33
GND#92 B7
GND#93 B9
GND#94 C1
GND#95 C39
GND#96 E35
GND#97 E5
GND#98 F11
GND#152
U13
GND#162
V13
R103 10K/F_4R103 10K/F_4
R89 *10K/F_4R89 *10K/F_4
R476 10K/F_4R476 10K/F_4
R58 *10K/F_4R58 *10K/F_4
R477 *10K/F_4R477 *10K/F_4
R96 4.7K_4R96 4.7K_4
R97 4.7K_4R97 4.7K_4
R480 *10K/F_4R480 *10K/F_4
R86 *10K/F_4R86 *10K/F_4
R107 *10K/F_4R107 *10K/F_4
R91 *10K/F_4R91 *10K/F_4
R90 *10K/F_4R90 *10K/F_4
R94 10K/F_4R94 10K/F_4
R479 10K/F_4R479 10K/F_4
R493 0_4R493 0_4
R88 *10K/F_4R88 *10K/F_4
R76 10K/F_4R76 10K/F_4
R102 *10K/F_4R102 *10K/F_4
R57 *10K/F_4R57 *10K/F_4

5
5
4
4
3
3
2
2
1
1
D D
C C
B B
A A
+PCIE_PVDD
+SPV10
+1.8V_PCIE_VDDR
+1.8V_VGA[14,16,39]
+VGACORE[40]
+1.5V_VGA[15,19,20,27,39]
+1.0V_VGA[14,16,39]
+3V_VGA[15,16,17,39,40]
+5V[7,10,21,22,23,24,26,28,38]
+3V[2,6,7,8,9,10,12,13,14,16,21,22,23,24,25,26,27,28,29,34,36,38,40]
VGACORESENSE[40]
+1.8V_VGA
+1.0V_VGA
+1.8V_VGA
+1.8V_VDDC_CT
+VDDR4
+3V_VGA
+1.0V_VGA
+VDDR4
+VDDR4
+1.5V_VGA
+MPV18
+SPV18
+VGACORE
+MPV18
+SPV18
+VGACORE
Size Document Number Rev
Date: Sheet of
4XDQWD&RPSXWHU,QF
352-(&7/*0X[OHVV80$
1%
AMD Thames/Seymoyr(POWER) 5/5
2A
Custom
18 42Wednesday, March 07, 2012
Size Document Number Rev
Date: Sheet of
4XDQWD&RPSXWHU,QF
352-(&7/*0X[OHVV80$
1%
AMD Thames/Seymoyr(POWER) 5/5
2A
Custom
18 42Wednesday, March 07, 2012
Size Document Number Rev
Date: Sheet of
4XDQWD&RPSXWHU,QF
352-(&7/*0X[OHVV80$
1%
AMD Thames/Seymoyr(POWER) 5/5
2A
Custom
18 42Wednesday, March 07, 2012
(1.8V@500mA PCIE_VDDR)
(1.0V@2000mA PCIE_VDDC)
(VDDR4_5 : 1.8V@20/170mA)
(1.8V@136mA VDD_CT)
(1.8V@40mA PCIE_PVDD)
VDDR4 for DVPDATA[12..23]
VDDR5 for DVPDATA[0..11]
(3.3V@60mA VDDR3)
(SPV10 :1.0V@120mA)
(VDDR1: 1.5V@9.1A )
DV2...Change Footprint to 1206
L8
HCB1608KF-181T15/1.5A_6
L8
HCB1608KF-181T15/1.5A_6
C39
1U/6.3V_4
C39
1U/6.3V_4
C94
1U/6.3V_4
C94
1U/6.3V_4
C683
1U/6.3V_4
C683
1U/6.3V_4
C223
0.1U/10V_4
C223
0.1U/10V_4
C25
10U/6.3V_8
C25
10U/6.3V_8
C627
1U/6.3V_4
C627
1U/6.3V_4
C145
1U/6.3V_4
C145
1U/6.3V_4
C621
2.2U/6.3V_4
C621
2.2U/6.3V_4
C849
100u_6.3V_1206
C849
100u_6.3V_1206
C251
1U/6.3V_4
C251
1U/6.3V_4
C86
1U/6.3V_4
C86
1U/6.3V_4
C151
10U/6.3VS_6
C151
10U/6.3VS_6
C150
2.2U/6.3V_4
C150
2.2U/6.3V_4
C250
1U/6.3V_4
C250
1U/6.3V_4
C690
2.2U/6.3V_4
C690
2.2U/6.3V_4
C164
10U/6.3VS_6
C164
10U/6.3VS_6
C163
10U/6.3VS_6
C163
10U/6.3VS_6
C196
0.1U/10V_4
C196
0.1U/10V_4
POWER
PLL
PCIE
CORE
MEM I/O
I/O
LEVEL
TRANSLATION
ISOLATED
CORE I/O
VOLTAGE
SENESE
Thames Pro/Seymour XT_M2
U17E
POWER
PLL
PCIE
CORE
MEM I/O
I/O
LEVEL
TRANSLATION
ISOLATED
CORE I/O
VOLTAGE
SENESE
Thames Pro/Seymour XT_M2
U17E
PCIE_PVDD
AB37
MPV18#1
H7
MPV18#2
H8
SPV18
AM10
PCIE_VDDC#1 G30
PCIE_VDDC#10 R28
PCIE_VDDC#11 T28
PCIE_VDDC#12 U28
PCIE_VDDC#2 G31
PCIE_VDDC#3 H29
PCIE_VDDC#4 H30
PCIE_VDDC#5 J29
PCIE_VDDC#6 J30
PCIE_VDDC#7 L28
PCIE_VDDC#8 M28
PCIE_VDDC#9 N28
PCIE_VDDR#1 AA31
PCIE_VDDR#2 AA32
PCIE_VDDR#3 AA33
PCIE_VDDR#4 AA34
PCIE_VDDR#5 V28
PCIE_VDDR#6 W29
PCIE_VDDR#7 W30
PCIE_VDDR#8 Y31
SPV10
AN9
SPVSS
AN10
VDDR1#1
AC7
VDDR1#10
G17
VDDR1#11
G20
VDDR1#12
G23
VDDR1#13
G26
VDDR1#14
G29
VDDR1#15
H10
VDDR1#16
J7
VDDR1#17
J9
VDDR1#18
K11
VDDR1#19
K13
VDDR1#2
AD11
VDDR1#20
K8
VDDR1#21
L12
VDDR1#22
L16
VDDR1#23
L21
VDDR1#24
L23
VDDR1#25
L26
VDDR1#26
L7
VDDR1#27
M11
VDDR1#28
N11
VDDR1#29
P7
VDDR1#3
AF7
VDDR1#30
R11
VDDR1#31
U11
VDDR1#32
U7
VDDR1#33
Y11
VDDR1#34
Y7
VDDR1#4
AG10
VDDR1#5
AJ7
VDDR1#6
AK8
VDDR1#7
AL9
VDDR1#8
G11
VDDR1#9
G14
VDDR3#1
AF23
VDDR3#2
AF24
VDDR3#3
AG23
VDDR3#4
AG24
VDDR4#4
AF13
VDDR4#5
AF15
VDDR4#7
AG13
VDDR4#8
AG15
VDDR4#1
AD12
VDDR4#2
AF11
VDDR4#3
AF12
VDDR4#6
AG11
NC_VDDRHA
M20
NC_VDDRHB
V12
NC_VSSRHA
M21
NC_VSSRHB
U12
VDD_CT#1
AF26
VDD_CT#2
AF27
VDD_CT#3
AG26
VDD_CT#4
AG27
VDDC#1 AA15
VDDC#9 AB21
VDDC#10 AB23
VDDC#11 AB26
VDDC#12 AB28
VDDCI#3 AC12
VDDCI#4 AC15
VDDC#13 AC17
VDDC#14 AC20
VDDC#15 AC22
VDDC#16 AC24
VDDC#2 AA17
VDDC#17 AC27
VDDCI#5 AD13
VDDCI#6 AD16
VDDC#18 AD18
VDDC#19 AD21
VDDC#20 AD23
VDDC#21 AD26
VDDC#22 AF17
VDDC#23 AF20
VDDC#24 AF22
VDDC#3 AA20
VDDC#25 AG16
VDDC#26 AG18
VDDC#27 AG21
VDDC#28 AH22
VDDCI#8 M16
VDDCI#9 M18
VDDCI#10 M23
VDDC#31 M26
VDDCI#12 N15
VDDCI#13 N17
VDDC#4 AA22
VDDCI#14 N20
VDDCI#15 N22
VDDC#32 N24
VDDC#33 N27
VDDCI#17 R13
VDDCI#18 R16
VDDC#34 R18
VDDC#35 R21
VDDC#36 R23
VDDC#37 R26
VDDC#5 AA24
VDDCI#20 T15
VDDC#38 T17
VDDC#39 T20
VDDC#40 T22
VDDC#41 T24
VDDC#42 T27
VDDC#43 U16
VDDC#44 U18
VDDC#45 U21
VDDC#46 U23
VDDC#6 AA27
VDDC#47 U26
VDDCI#21 V15
VDDC#48 V17
VDDC#49 V20
VDDC#50 V22
VDDC#51 V24
VDDC#52 V27
VDDC#53 Y16
VDDC#54 Y18
VDDC#55 Y21
VDDCI#2 AB13
VDDC#56 Y23
VDDC#57 Y26
VDDC#58 Y28
VDDC#7 AB16
VDDC#8 AB18
VDDCI#7 M15
VDDCI#11 N13
VDDCI#16 R12
VDDCI#19 T12
VDDCI#1 AA13
VDDCI#22 Y13
VDDC#29 AH27
VDDC#30 AH28
FB_VDDC
AF28
FB_VDDCI
AG28
FB_GND
AH29
C137
1U/6.3V_4
C137
1U/6.3V_4
C133
10U/6.3V_8
C133
10U/6.3V_8
C131
22U/6.3VS_8
C131
22U/6.3VS_8
C96
2.2U/6.3V_4
C96
2.2U/6.3V_4
C106
1U/6.3V_4
C106
1U/6.3V_4
C694
2.2U/6.3V_4
C694
2.2U/6.3V_4
C134
2.2U/6.3V_4
C134
2.2U/6.3V_4
L1 HCB1608KF-181T15/1.5A_6L1 HCB1608KF-181T15/1.5A_6
C111
1U/6.3V_4
C111
1U/6.3V_4
C671
2.2U/6.3V_4
C671
2.2U/6.3V_4
C210
2.2U/6.3V_4
C210
2.2U/6.3V_4
C1
2.2U/6.3V_4
C1
2.2U/6.3V_4
C642
2.2U/6.3V_4
C642
2.2U/6.3V_4
C681
0.1U/10V_4
C681
0.1U/10V_4
C138
1U/6.3V_4
C138
1U/6.3V_4
C77
2.2U/6.3V_4
C77
2.2U/6.3V_4
C624
2.2U/6.3V_4
C624
2.2U/6.3V_4
C126
2.2U/6.3V_4
C126
2.2U/6.3V_4
C108
10U/6.3VS_6
C108
10U/6.3VS_6
C207
10U/6.3VS_6
C207
10U/6.3VS_6
C120
2.2U/6.3V_4
C120
2.2U/6.3V_4
C686
2.2U/6.3V_4
C686
2.2U/6.3V_4
C153
0.1U/10V_4
C153
0.1U/10V_4
C23
1U/6.3V_4
C23
1U/6.3V_4
C95
0.1U/10V_4
C95
0.1U/10V_4
L17 HCB1608KF-181T15/1.5A_6L17 HCB1608KF-181T15/1.5A_6
C91
2.2U/6.3V_4
C91
2.2U/6.3V_4
C140
1U/6.3V_4
C140
1U/6.3V_4
C129
10U/6.3VS_6
C129
10U/6.3VS_6
C141
10U/6.3VS_6
C141
10U/6.3VS_6
C166
1U/6.3V_4
C166
1U/6.3V_4
C252
10U/6.3V_8
C252
10U/6.3V_8
C159
0.1U/10V_4
C159
0.1U/10V_4
C240
1U/6.3V_4
C240
1U/6.3V_4
C729
10U/6.3V_8
C729
10U/6.3V_8
C105
1U/6.3V_4
C105
1U/6.3V_4
C121
1U/6.3V_4
C121
1U/6.3V_4
L16 HCB1608KF-181T15/1.5A_6L16 HCB1608KF-181T15/1.5A_6
C622
2.2U/6.3V_4
C622
2.2U/6.3V_4
C113
0.1U/10V_4
C113
0.1U/10V_4
C97
1U/6.3V_4
C97
1U/6.3V_4
C20
10U/6.3V_8
C20
10U/6.3V_8
C149
22U/6.3VS_8
C149
22U/6.3VS_8
C104
1U/6.3V_4
C104
1U/6.3V_4
+
C119
100u_6.3V_1206
+
C119
100u_6.3V_1206
12
C191
1U/6.3V_4
C191
1U/6.3V_4
C721
1U/6.3V_4
C721
1U/6.3V_4
C144
22U/6.3VS_8
C144
22U/6.3VS_8
C16
10U/6.3VS_6
C16
10U/6.3VS_6
C195
0.1U/10V_4
C195
0.1U/10V_4
C646
22U/6.3VS_8
C646
22U/6.3VS_8
C201
10U/6.3V_8
C201
10U/6.3V_8
C625
2.2U/6.3V_4
C625
2.2U/6.3V_4
C143
22U/6.3VS_8
C143
22U/6.3VS_8
C117
1U/6.3V_4
C117
1U/6.3V_4
C18
0.1U/10V_4
C18
0.1U/10V_4
C204
10U/6.3V_8
C204
10U/6.3V_8
C158
1U/6.3V_4
C158
1U/6.3V_4
C146
1U/6.3V_4
C146
1U/6.3V_4
C13
1U/6.3V_4
C13
1U/6.3V_4
C850
100u_6.3V_1206
C850
100u_6.3V_1206
C80
0.1U/6.3V_4
C80
0.1U/6.3V_4
C132
2.2U/6.3V_4
C132
2.2U/6.3V_4
R69
*0_4
R69
*0_4
C2
10U/6.3V_8
C2
10U/6.3V_8
C88
1U/6.3V_4
C88
1U/6.3V_4
C678
10U/6.3V_8
C678
10U/6.3V_8
C669
0.1U/10V_4
C669
0.1U/10V_4
C127
10U/6.3VS_6
C127
10U/6.3VS_6
C124
1U/6.3V_4
C124
1U/6.3V_4
C17
1U/6.3V_4
C17
1U/6.3V_4
C78
1U/6.3V_4
C78
1U/6.3V_4
C168
1U/6.3V_4
C168
1U/6.3V_4
C668
22U/6.3VS_8
C668
22U/6.3VS_8
C687
1U/6.3V_4
C687
1U/6.3V_4
C70
1U/6.3V_4
C70
1U/6.3V_4
C152
10U/6.3VS_6
C152
10U/6.3VS_6
C229
10U/6.3V_8
C229
10U/6.3V_8
C733
0.1U/10V_4
C733
0.1U/10V_4L15 HCB1608KF-181T15/1.5A_6L15 HCB1608KF-181T15/1.5A_6
C74
1U/6.3V_4
C74
1U/6.3V_4
C116
2.2U/6.3V_4
C116
2.2U/6.3V_4
L46 HCB1608KF-181T15/1.5A_6L46 HCB1608KF-181T15/1.5A_6
L39 HCB1608KF-181T15/1.5A_6L39 HCB1608KF-181T15/1.5A_6
C629
2.2U/6.3V_4
C629
2.2U/6.3V_4
C139
0.1U/10V_4
C139
0.1U/10V_4
C165
1U/6.3V_4
C165
1U/6.3V_4
C110
1U/6.3V_4
C110
1U/6.3V_4
C192
1U/6.3V_4
C192
1U/6.3V_4

5
5
4
4
3
3
2
2
1
1
D D
C C
B B
A A
VREFC_VMA4 VREFD_VMA4VREFC_VMA2 VREFD_VMA2
VMA_ZQ1
VREFC_VMA1 VREFD_VMA1 VREFC_VMA3 VREFD_VMA3
VMA_CLK0_COMM
VMA_CLK0
VMA_CLK0#
VMA_ZQ2 VMA_ZQ3 VMA_ZQ4
VREFC_VMA1
VREFD_VMA1
VMA_ODT0
VMA_DM2
VMA_DM0
VMA_RDQS2
VMA_RDQS0
VMA_WDQS2
VMA_WDQS0 VMA_WDQS1
VMA_BA0
VMA_BA1
VMA_BA2
VMA_CKE0
VMA_WE0#
VMA_ODT0
VMA_CLK0
VMA_CLK0#
VMA_CS0#
VM_RST#
VMA_DM3
VMA_DM1
VMA_MA11
VMA_MA9
VMA_MA10
VMA_MA8
VMA_MA7
VMA_MA6
VMA_MA3
VMA_MA4
VMA_MA5
VMA_MA1
VMA_MA2
VMA_MA0
VREFC_VMA2
VREFD_VMA2
VMA_MA12
VMA_CAS0#
VMA_RAS0#
VMA_RDQS3
VMA_RDQS1
VMA_WDQS3
VM_RST#
VMA_MA11
VMA_MA9
VMA_MA10
VMA_MA8
VMA_MA7
VMA_MA6
VMA_MA3
VMA_MA4
VMA_MA5
VMA_MA1
VMA_MA2
VMA_MA0
VMA_MA12
VREFC_VMA3
VREFD_VMA3
VMA_ODT1
VMA_DM5
VMA_DM4
VMA_BA0
VMA_BA1
VMA_BA2
VMA_RDQS5
VMA_RDQS4
VMA_WDQS5
VMA_WDQS4
VM_RST#
VMA_ODT1
VMA_CLK1
VMA_CLK1#
VREFC_VMA4
VREFD_VMA4
VMA_CKE1
VMA_WE1#
VMA_CS1#
VMA_CAS1#
VMA_RAS1#
VMA_DM6
VMA_DM7
VMA_MA11
VMA_MA9
VMA_MA10
VMA_MA8
VMA_MA7
VMA_MA6
VMA_MA3
VMA_MA4
VMA_MA5
VMA_MA1
VMA_MA2
VMA_MA0
VMA_MA12
VMA_BA0
VMA_BA1
VMA_BA2
VMA_RDQS6
VMA_RDQS7
VMA_WDQS6
VMA_WDQS7
VMA_DQ53
VMA_DQ50
VMA_MA13 VMA_MA13 VMA_MA13
VMA_DQ0
VMA_DQ1
VMA_DQ2
VMA_DQ3
VMA_DQ4
VMA_DQ5
VMA_DQ8
VMA_DQ9
VMA_DQ10
VMA_DQ12
VMA_DQ15
VMA_DQ36
VMA_DQ39
VMA_DQ40
VMA_DQ41
VMA_DQ42
VMA_DQ43
VMA_DQ44
VMA_DQ48
VMA_DQ51
VMA_DQ52
VMA_DQ54
VMA_DQ55
VMA_DQ57
VMA_DQ30
VMA_DQ31
VMA_DQ23
VMA_DQ17
VMA_DQ22
VMA_DQ18
VMA_DQ21
VMA_DQ19
VMA_DQ20
VMA_DQ16
VMA_DQ7
VMA_DQ6
VMA_DQ25
VMA_DQ26
VMA_DQ29
VMA_DQ27
VMA_DQ28
VMA_DQ24
VMA_DQ13
VMA_DQ14
VMA_DQ11
VMA_DQ34
VMA_DQ35
VMA_DQ37
VMA_DQ32
VMA_DQ33
VMA_DQ38
VMA_DQ46
VMA_DQ47
VMA_DQ45
VMA_DQ63
VMA_DQ56
VMA_DQ62
VMA_DQ59
VMA_DQ60
VMA_DQ58
VMA_DQ61
VMA_DQ49
VMA_CLK1_COMM
VMA_CLK1#
VMA_CLK1
VMA_MA2[15]
VMA_MA12[15]
VMA_MA3[15]
VMA_MA0[15]
VMA_MA4[15]
VMA_MA5[15]
VMA_MA6[15]
VMA_MA7[15]
VMA_MA8[15]
VMA_MA9[15]
VMA_MA10[15]
VMA_MA1[15]
VMA_MA11[15]
VMA_WE0#[15]
VMA_CS0#[15]
VMA_CLK0#[15]
VMA_CLK0[15]
VMA_CKE0[15]
VMA_BA0[15]
VMA_BA1[15]
VMA_BA2[15]
VMA_CAS0#[15]
VMA_RAS0#[15]
VM_RST#[15,20]
VMA_DQ[63..0][15]
VMA_DM[7..0][15]
VMA_WDQS[7..0][15]
VMA_RDQS[7..0][15]
VMA_WE1#[15]
VMA_CS1#[15]
VMA_CLK1[15]
VMA_CLK1#[15]
VMA_CKE1[15]
VMA_CAS1#[15]
VMA_RAS1#[15]
VMA_MA13[15]
+1.5V_VGA[15,18,20,27,39]
VMA_ODT0[15] VMA_ODT1[15]
+1.5V_VGA+1.5V_VGA+1.5V_VGA
+1.5V_VGA
+1.5V_VGA
+1.5V_VGA
+1.5V_VGA
+1.5V_VGA
+1.5V_VGA +1.5V_VGA
+1.5V_VGA+1.5V_VGA +1.5V_VGA +1.5V_VGA
+1.5V_VGA
+1.5V_VGA
+1.5V_VGA
+1.5V_VGA
+1.5V_VGA
+1.5V_VGA
+1.5V_VGA
+1.5V_VGA
+1.5V_VGA
Size Document Number Rev
Date: Sheet of
4XDQWD&RPSXWHU,QF
352-(&7/*0X[OHVV80$
1%
VRAM-A (DDR3 BGA96)
2A
Custom
19 42Wednesday, March 07, 2012
Size Document Number Rev
Date: Sheet of
4XDQWD&RPSXWHU,QF
352-(&7/*0X[OHVV80$
1%
VRAM-A (DDR3 BGA96)
2A
Custom
19 42Wednesday, March 07, 2012
Size Document Number Rev
Date: Sheet of
4XDQWD&RPSXWHU,QF
352-(&7/*0X[OHVV80$
1%
VRAM-A (DDR3 BGA96)
2A
Custom
19 42Wednesday, March 07, 2012
Should be 240
Ohms +-1%
CHANNEL A: 256MB/512MB DDR3
Should be 240
Ohms +-1%
Should be 240
Ohms +-1%
Should be 240
Ohms +-1%
sϮ͘͘͘нϭ͘ϱsͺs'W
C636
*.1U/10V_4
C636
*.1U/10V_4
C623
*1U/6.3V_4
C623
*1U/6.3V_4
R453
*4.99K/F_4
R453
*4.99K/F_4
C628
*1U/6.3V_4
C628
*1U/6.3V_4
C824
*1U/6.3V_4
C824
*1U/6.3V_4
C638
*1U/6.3V_4
C638
*1U/6.3V_4
C643
*.1U/10V_4
C643
*.1U/10V_4
R9
*4.99K/F_4
R9
*4.99K/F_4
C637
*1U/6.3V_4
C637
*1U/6.3V_4
C22
*10U/6.3V_6S
C22
*10U/6.3V_6S
C822
*1U/6.3V_4
C822
*1U/6.3V_4
R451
*243/F_4
R451
*243/F_4
C651
*1U/6.3V_4
C651
*1U/6.3V_4
C645
*1U/6.3V_4
C645
*1U/6.3V_4
C12
*.1U/10V_4
C12
*.1U/10V_4
C615
*1U/6.3V_4
C615
*1U/6.3V_4
R443
*4.99K/F_4
R443
*4.99K/F_4
C11
*.01U/16V_4
C11
*.01U/16V_4
C820
*1U/6.3V_4
C820
*1U/6.3V_4
R454
*4.99K/F_4
R454
*4.99K/F_4
C99
*.1U/10V_4
C99
*.1U/10V_4
C665
*1U/6.3V_4
C665
*1U/6.3V_4
C613
*1U/6.3V_4
C613
*1U/6.3V_4
C641
*1U/6.3V_4
C641
*1U/6.3V_4
C33
*1U/6.3V_4
C33
*1U/6.3V_4
R445
*4.99K/F_4
R445
*4.99K/F_4
C632
*1U/6.3V_4
C632
*1U/6.3V_4
100-BALL
SDRAM DDR3
VRAM2
*K4W1G1646E-HC12
100-BALL
SDRAM DDR3
VRAM2
*K4W1G1646E-HC12
WE
L4
RAS
J4
CAS
K4
CS /CS0
L3
CKE/CKE0
K10
CK
J8
CK
K8
DQSU
B8
BA0
M3
BA1
N9
A2
P4
A3
N3
A4
P9
A5
P3
A6
R9
A7
R3
A8
T9
A9
R4
A10/AP
L8
A11
R8
DQL0 E4
DQL1 F8
DQL2 F3
DQL3 F9
DQL4 H4
DQL5 H9
DQL6 G3
DQL7 H8
VSSQ#D2 D2
VSS#A10 A10
VSS#E2 E2
VSS#B4 B4
NC/ODT1
J2
VDD#B3 B3
VDD#D10 D10
VDDQ#A2 A2
VDDQ#A9 A9
VDDQ#C2 C2
VDDQ#C10 C10
NC/CS1
L2
NC/CE1
J10
VDDQ#E10 E10
ZQ/ZQ0
L9
RESET
T3
DQSL
F4
DMU
D4 DML
E8
VSSQ#B2 B2
VSSQ#B10 B10
VSSQ#D9 D9
VSSQ#E3 E3
DQSU
C8
VSSQ#E9 E9
DQSL
G4
VDDQ#F2 F2
VSSQ#F10 F10
VSSQ#G2 G2
VDDQ#H3 H3
VDDQ#H10 H10
VSSQ#G10 G10
VREFCA
M9
VSS#G9 G9
VDD#G8 G8
ODT/ODT0
K2
A0
N4
A1
P8
VDD#K3 K3
A12/BC
N8
VSS#J3 J3
VDD#K9 K9
DQU1 C4
DQU2 C9
DQU3 C3
DQU4 A8
DQU5 A3
DQU6 B9
DQU7 A4
DQU0 D8
A13
T4
A14
T8
A15/BA3
M8
BA2
M4
VREFDQ
H2
NC/ZQ1
L10
VDD#N2 N2
VDD#N10 N10
VDD#R2 R2
VDD#R10 R10
VSS#J9 J9
VSS#M2 M2
VSS#M10 M10
VSS#P2 P2
VSS#P10 P10
VSS#T2 T2
VSS#T10 T10
VDDQ#D3 D3
NC
A1
NC
T1
NC
A11
NC
T11
C3
*10U/6.3V_6S
C3
*10U/6.3V_6S
C648
*1U/6.3V_4
C648
*1U/6.3V_4
R1
*4.99K/F_4
R1
*4.99K/F_4
R3
*40.2/F_4
R3
*40.2/F_4
R456
*4.99K/F_4
R456
*4.99K/F_4
R5
*40.2/F_4
R5
*40.2/F_4
C44
*10U/6.3V_6S
C44
*10U/6.3V_6S
R6
*40.2/F_4
R6
*40.2/F_4
C644
*.1U/10V_4
C644
*.1U/10V_4
C827
*1U/6.3V_4
C827
*1U/6.3V_4
C650
*1U/6.3V_4
C650
*1U/6.3V_4
C14
*10U/6.3V_6S
C14
*10U/6.3V_6S
C619
*1U/6.3V_4
C619
*1U/6.3V_4
R449
*243/F_4
R449
*243/F_4
C639
*1U/6.3V_4
C639
*1U/6.3V_4
R447
*4.99K/F_4
R447
*4.99K/F_4
C825
*1U/6.3V_4
C825
*1U/6.3V_4
C5
*1U/6.3V_4
C5
*1U/6.3V_4
R457
*4.99K/F_4
R457
*4.99K/F_4
C612
*1U/6.3V_4
C612
*1U/6.3V_4
C657
*10U/6.3V_6S
C657
*10U/6.3V_6S
C620
*1U/6.3V_4
C620
*1U/6.3V_4
C633
*.1U/10V_4
C633
*.1U/10V_4
C823
*.1U/10V_4
C823
*.1U/10V_4
C611
*1U/6.3V_4
C611
*1U/6.3V_4
C618
*1U/6.3V_4
C618
*1U/6.3V_4
C19
*10U/6.3V_6S
C19
*10U/6.3V_6S
C647
*1U/6.3V_4
C647
*1U/6.3V_4
R7
*4.99K/F_4
R7
*4.99K/F_4
C616
*1U/6.3V_4
C616
*1U/6.3V_4
100-BALL
SDRAM DDR3
VRAM5
*K4W1G1646E-HC12
100-BALL
SDRAM DDR3
VRAM5
*K4W1G1646E-HC12
WE
L4
RAS
J4
CAS
K4
CS /CS0
L3
CKE/CKE0
K10
CK
J8
CK
K8
DQSU
B8
BA0
M3
BA1
N9
A2
P4
A3
N3
A4
P9
A5
P3
A6
R9
A7
R3
A8
T9
A9
R4
A10/AP
L8
A11
R8
DQL0 E4
DQL1 F8
DQL2 F3
DQL3 F9
DQL4 H4
DQL5 H9
DQL6 G3
DQL7 H8
VSSQ#D2 D2
VSS#A10 A10
VSS#E2 E2
VSS#B4 B4
NC/ODT1
J2
VDD#B3 B3
VDD#D10 D10
VDDQ#A2 A2
VDDQ#A9 A9
VDDQ#C2 C2
VDDQ#C10 C10
NC/CS1
L2
NC/CE1
J10
VDDQ#E10 E10
ZQ/ZQ0
L9
RESET
T3
DQSL
F4
DMU
D4 DML
E8
VSSQ#B2 B2
VSSQ#B10 B10
VSSQ#D9 D9
VSSQ#E3 E3
DQSU
C8
VSSQ#E9 E9
DQSL
G4
VDDQ#F2 F2
VSSQ#F10 F10
VSSQ#G2 G2
VDDQ#H3 H3
VDDQ#H10 H10
VSSQ#G10 G10
VREFCA
M9
VSS#G9 G9
VDD#G8 G8
ODT/ODT0
K2
A0
N4
A1
P8
VDD#K3 K3
A12/BC
N8
VSS#J3 J3
VDD#K9 K9
DQU1 C4
DQU2 C9
DQU3 C3
DQU4 A8
DQU5 A3
DQU6 B9
DQU7 A4
DQU0 D8
A13
T4
A14
T8
A15/BA3
M8
BA2
M4
VREFDQ
H2
NC/ZQ1
L10
VDD#N2 N2
VDD#N10 N10
VDD#R2 R2
VDD#R10 R10
VSS#J9 J9
VSS#M2 M2
VSS#M10 M10
VSS#P2 P2
VSS#P10 P10
VSS#T2 T2
VSS#T10 T10
VDDQ#D3 D3
NC
A1
NC
T1
NC
A11
NC
T11
C821
*1U/6.3V_4
C821
*1U/6.3V_4
C610
*1U/6.3V_4
C610
*1U/6.3V_4
C634
*.1U/10V_4
C634
*.1U/10V_4
C631
*1U/6.3V_4
C631
*1U/6.3V_4
C699
*10U/6.3V_6S
C699
*10U/6.3V_6S
C635
*.1U/10V_4
C635
*.1U/10V_4
C4
10U/6.3V_6S
C4
10U/6.3V_6S
C640
*1U/6.3V_4
C640
*1U/6.3V_4
R8
*4.99K/F_4
R8
*4.99K/F_4
C27
*10U/6.3V_6S
C27
*10U/6.3V_6S
100-BALL
SDRAM DDR3
VRAM1
*K4W1G1646E-HC12
100-BALL
SDRAM DDR3
VRAM1
*K4W1G1646E-HC12
WE
L4
RAS
J4
CAS
K4
CS /CS0
L3
CKE/CKE0
K10
CK
J8
CK
K8
DQSU
B8
BA0
M3
BA1
N9
A2
P4
A3
N3
A4
P9
A5
P3
A6
R9
A7
R3
A8
T9
A9
R4
A10/AP
L8
A11
R8
DQL0 E4
DQL1 F8
DQL2 F3
DQL3 F9
DQL4 H4
DQL5 H9
DQL6 G3
DQL7 H8
VSSQ#D2 D2
VSS#A10 A10
VSS#E2 E2
VSS#B4 B4
NC/ODT1
J2
VDD#B3 B3
VDD#D10 D10
VDDQ#A2 A2
VDDQ#A9 A9
VDDQ#C2 C2
VDDQ#C10 C10
NC/CS1
L2
NC/CE1
J10
VDDQ#E10 E10
ZQ/ZQ0
L9
RESET
T3
DQSL
F4
DMU
D4 DML
E8
VSSQ#B2 B2
VSSQ#B10 B10
VSSQ#D9 D9
VSSQ#E3 E3
DQSU
C8
VSSQ#E9 E9
DQSL
G4
VDDQ#F2 F2
VSSQ#F10 F10
VSSQ#G2 G2
VDDQ#H3 H3
VDDQ#H10 H10
VSSQ#G10 G10
VREFCA
M9
VSS#G9 G9
VDD#G8 G8
ODT/ODT0
K2
A0
N4
A1
P8
VDD#K3 K3
A12/BC
N8
VSS#J3 J3
VDD#K9 K9
DQU1 C4
DQU2 C9
DQU3 C3
DQU4 A8
DQU5 A3
DQU6 B9
DQU7 A4
DQU0 D8
A13
T4
A14
T8
A15/BA3
M8
BA2
M4
VREFDQ
H2
NC/ZQ1
L10
VDD#N2 N2
VDD#N10 N10
VDD#R2 R2
VDD#R10 R10
VSS#J9 J9
VSS#M2 M2
VSS#M10 M10
VSS#P2 P2
VSS#P10 P10
VSS#T2 T2
VSS#T10 T10
VDDQ#D3 D3
NC
A1
NC
T1
NC
A11
NC
T11
C6
*1U/6.3V_4
C6
*1U/6.3V_4
R446
*4.99K/F_4
R446
*4.99K/F_4
R452
*4.99K/F_4
R452
*4.99K/F_4
R2
*243/F_4
R2
*243/F_4
R444
*4.99K/F_4
R444
*4.99K/F_4
R450
*243/F_4
R450
*243/F_4
C8
*.01U/16V_4
C8
*.01U/16V_4
R448
*4.99K/F_4
R448
*4.99K/F_4
100-BALL
SDRAM DDR3
VRAM6
*K4W1G1646E-HC12
100-BALL
SDRAM DDR3
VRAM6
*K4W1G1646E-HC12
WE
L4
RAS
J4
CAS
K4
CS /CS0
L3
CKE/CKE0
K10
CK
J8
CK
K8
DQSU
B8
BA0
M3
BA1
N9
A2
P4
A3
N3
A4
P9
A5
P3
A6
R9
A7
R3
A8
T9
A9
R4
A10/AP
L8
A11
R8
DQL0 E4
DQL1 F8
DQL2 F3
DQL3 F9
DQL4 H4
DQL5 H9
DQL6 G3
DQL7 H8
VSSQ#D2 D2
VSS#A10 A10
VSS#E2 E2
VSS#B4 B4
NC/ODT1
J2
VDD#B3 B3
VDD#D10 D10
VDDQ#A2 A2
VDDQ#A9 A9
VDDQ#C2 C2
VDDQ#C10 C10
NC/CS1
L2
NC/CE1
J10
VDDQ#E10 E10
ZQ/ZQ0
L9
RESET
T3
DQSL
F4
DMU
D4 DML
E8
VSSQ#B2 B2
VSSQ#B10 B10
VSSQ#D9 D9
VSSQ#E3 E3
DQSU
C8
VSSQ#E9 E9
DQSL
G4
VDDQ#F2 F2
VSSQ#F10 F10
VSSQ#G2 G2
VDDQ#H3 H3
VDDQ#H10 H10
VSSQ#G10 G10
VREFCA
M9
VSS#G9 G9
VDD#G8 G8
ODT/ODT0
K2
A0
N4
A1
P8
VDD#K3 K3
A12/BC
N8
VSS#J3 J3
VDD#K9 K9
DQU1 C4
DQU2 C9
DQU3 C3
DQU4 A8
DQU5 A3
DQU6 B9
DQU7 A4
DQU0 D8
A13
T4
A14
T8
A15/BA3
M8
BA2
M4
VREFDQ
H2
NC/ZQ1
L10
VDD#N2 N2
VDD#N10 N10
VDD#R2 R2
VDD#R10 R10
VSS#J9 J9
VSS#M2 M2
VSS#M10 M10
VSS#P2 P2
VSS#P10 P10
VSS#T2 T2
VSS#T10 T10
VDDQ#D3 D3
NC
A1
NC
T1
NC
A11
NC
T11
C630
*1U/6.3V_4
C630
*1U/6.3V_4
C614
*1U/6.3V_4
C614
*1U/6.3V_4
C626
*1U/6.3V_4
C626
*1U/6.3V_4
C617
*1U/6.3V_4
C617
*1U/6.3V_4
R4
*40.2/F_4
R4
*40.2/F_4
C100
10U/6.3V_6S
C100
10U/6.3V_6S
C826
*1U/6.3V_4
C826
*1U/6.3V_4
R455
*4.99K/F_4
R455
*4.99K/F_4
C24
*.1U/10V_4
C24
*.1U/10V_4

5
5
4
4
3
3
2
2
1
1
D D
C C
B B
A A
VM_RST# VM_RST#
VREFC_VMB4 VREFD_VMB4VREFC_VMB2 VREFD_VMB2
VMB_BA0
VMB_BA1
VMB_BA2
VMB_ODT1
VMB_CLK1
VMB_CLK1#
VREFC_VMB4
VREFD_VMB4
VMB_CKE1
VMB_WE1#
VMB_CS1#
VMB_CAS1#
VMB_RAS1#
VMB_ODT0
VMB_CKE0
VMB_WE0#
VREFC_VMB1
VREFD_VMB1
VMB_ODT0
VMB_CLK0
VMB_CLK0#
VMB_CS0#
VM_RST#
VREFC_VMB3
VREFD_VMB3
VMB_ODT1
VMB_DM3 VMB_DM5
VMB_DM6
VMB_MA11
VMB_MA9
VMB_MA10
VMB_MA8
VMB_MA7
VMB_MA6
VMB_MA3
VMB_MA4
VMB_MA5
VMB_MA1
VMB_MA2
VMB_MA0
VREFC_VMB2
VREFD_VMB2
VMB_MA12
VMB_ZQ1
VMB_CAS0#
VMB_RAS0#
VMB_CLK1_COMM
VMB_CLK1
VMB_CLK1#
VMB_RDQS3
VREFC_VMB1 VREFD_VMB1 VREFC_VMB3 VREFD_VMB3
VMB_CLK0_COMM
VMB_CLK0
VMB_CLK0#
VMB_ZQ2 VMB_ZQ3
VMB_WDQS3
VMB_RDQS5
VMB_RDQS6
VMB_WDQS5
VMB_WDQS6
VMB_ZQ4
VMB_MA11
VMB_MA9
VMB_MA10
VMB_MA8
VMB_MA7
VMB_MA6
VMB_MA3
VMB_MA4
VMB_MA5
VMB_MA1
VMB_MA2
VMB_MA0
VMB_MA12
VMB_BA0
VMB_BA1
VMB_BA2
VMB_MA11
VMB_MA9
VMB_MA10
VMB_MA8
VMB_MA7
VMB_MA6
VMB_MA3
VMB_MA4
VMB_MA5
VMB_MA1
VMB_MA2
VMB_MA0
VMB_MA12
VMB_BA0
VMB_BA1
VMB_BA2
VMB_DM0
VMB_WDQS0
VMB_RDQS0
VMB_MA13 VMB_MA13 VMB_MA13
VMB_DQ48
VMB_DQ49
VMB_DQ52
VMB_DQ53
VMB_DQ54
VMB_DQ55
VMB_DQ39
VMB_DQ33
VMB_DQ36
VMB_DQ35
VMB_RDQS4
VMB_RDQS7
VMB_WDQS4
VMB_DM4
VMB_DM7
VMB_WDQS7
VMB_DQ45
VMB_DQ47
VMB_DQ42
VMB_DQ41
VMB_DQ40
VMB_DQ46
VMB_DQ44
VMB_DQ43
VMB_DQ63
VMB_DQ56
VMB_DQ60
VMB_DQ58
VMB_DQ62
VMB_DQ57
VMB_DQ61
VMB_DQ59
VMB_DQ50
VMB_DQ51
VMB_DQ30
VMB_DQ27
VMB_DQ29
VMB_DQ31
VMB_DQ26
VMB_DQ28
VMB_DQ16
VMB_DQ17
VMB_DQ23
VMB_DQ18
VMB_DQ21
VMB_DQ19
VMB_DQ22
VMB_DQ20
VMB_DM2
VMB_RDQS1
VMB_DM1
VMB_WDQS1
VMB_RDQS2
VMB_WDQS2
VMB_DQ15
VMB_DQ10
VMB_DQ14
VMB_DQ8
VMB_DQ12
VMB_DQ9
VMB_DQ13
VMB_DQ11
VMB_DQ4
VMB_DQ1
VMB_DQ7
VMB_DQ5
VMB_DQ0
VMB_DQ6
VMB_DQ2
VMB_DQ3
VMB_DQ25
VMB_DQ24
VMB_DQ37
VMB_DQ34
VMB_DQ38
VMB_DQ32
VMB_DQ[63..0][15]
VMB_DM[7..0][15]
VMB_WDQS[7..0][15]
VMB_RDQS[7..0][15]
VMB_CKE1[15]
VM_RST#[15,19]
VMB_CAS0#[15] VMB_CAS1#[15]
VMB_RAS1#[15]VMB_RAS0#[15]
VMB_WE0#[15]
VMB_CS0#[15]
VMB_WE1#[15]
VMB_CS1#[15]
VMB_CLK1[15]
VMB_CLK1#[15]VMB_CLK0#[15]
VMB_CLK0[15]
VMB_CKE0[15]
VMB_BA1[15]
VMB_MA1[15]
VMB_MA2[15]
VMB_MA3[15]
VMB_MA4[15]
VMB_MA0[15]
VMB_MA5[15]
VMB_MA6[15]
VMB_MA7[15]
VMB_MA8[15]
VMB_MA9[15]
VMB_MA10[15]
VMB_MA11[15]
VMB_MA12[15]
VMB_BA2[15]
VMB_BA0[15]
VMB_MA13[15]
+1.5V_VGA[15,18,19,27,39]
VMB_ODT0[15] VMB_ODT1[15]
+1.5V_VGA
+1.5V_VGA
+1.5V_VGA
+1.5V_VGA
+1.5V_VGA
+1.5V_VGA
+1.5V_VGA
+1.5V_VGA
+1.5V_VGA +1.5V_VGA +1.5V_VGA +1.5V_VGA +1.5V_VGA
+1.5V_VGA
+1.5V_VGA
+1.5V_VGA +1.5V_VGA
+1.5V_VGA +1.5V_VGA
+1.5V_VGA
+1.5V_VGA
+1.5V_VGA
Size Document Number Rev
Date: Sheet of
4XDQWD&RPSXWHU,QF
352-(&7/*0X[OHVV80$
1%
VRAM-B (DDR3 BGA96)
2A
Custom
20 42Wednesday, March 07, 2012
Size Document Number Rev
Date: Sheet of
4XDQWD&RPSXWHU,QF
352-(&7/*0X[OHVV80$
1%
VRAM-B (DDR3 BGA96)
2A
Custom
20 42Wednesday, March 07, 2012
Size Document Number Rev
Date: Sheet of
4XDQWD&RPSXWHU,QF
352-(&7/*0X[OHVV80$
1%
VRAM-B (DDR3 BGA96)
2A
Custom
20 42Wednesday, March 07, 2012
Should be 240
Ohms +-1%
CHANNEL B: 256MB/512MB DDR3
Should be 240
Ohms +-1%
Should be 240
Ohms +-1%
Should be 240
Ohms +-1%
C53
10U/6.3V_6S
C53
10U/6.3V_6S
C682
1U/6.3V_4
C682
1U/6.3V_4
R496
4.99K/F_4
R496
4.99K/F_4
R98
4.99K/F_4
R98
4.99K/F_4
C679
1U/6.3V_4
C679
1U/6.3V_4
C84
1U/6.3V_4
C84
1U/6.3V_4
100-BALL
SDRAM DDR3
VRAM8
K4W1G1646E-HC12
100-BALL
SDRAM DDR3
VRAM8
K4W1G1646E-HC12
WE
L4
RAS
J4
CAS
K4
CS /CS0
L3
CKE/CKE0
K10
CK
J8
CK
K8
DQSU
B8
BA0
M3
BA1
N9
A2
P4
A3
N3
A4
P9
A5
P3
A6
R9
A7
R3
A8
T9
A9
R4
A10/AP
L8
A11
R8
DQL0 E4
DQL1 F8
DQL2 F3
DQL3 F9
DQL4 H4
DQL5 H9
DQL6 G3
DQL7 H8
VSSQ#D2 D2
VSS#A10 A10
VSS#E2 E2
VSS#B4 B4
NC/ODT1
J2
VDD#B3 B3
VDD#D10 D10
VDDQ#A2 A2
VDDQ#A9 A9
VDDQ#C2 C2
VDDQ#C10 C10
NC/CS1
L2
NC/CE1
J10
VDDQ#E10 E10
ZQ/ZQ0
L9
RESET
T3
DQSL
F4
DMU
D4 DML
E8
VSSQ#B2 B2
VSSQ#B10 B10
VSSQ#D9 D9
VSSQ#E3 E3
DQSU
C8
VSSQ#E9 E9
DQSL
G4
VDDQ#F2 F2
VSSQ#F10 F10
VSSQ#G2 G2
VDDQ#H3 H3
VDDQ#H10 H10
VSSQ#G10 G10
VREFCA
M9
VSS#G9 G9
VDD#G8 G8
ODT/ODT0
K2
A0
N4
A1
P8
VDD#K3 K3
A12/BC
N8
VSS#J3 J3
VDD#K9 K9
DQU1 C4
DQU2 C9
DQU3 C3
DQU4 A8
DQU5 A3
DQU6 B9
DQU7 A4
DQU0 D8
A13
T4
A14
T8
A15/BA3
M8
BA2
M4
VREFDQ
H2
NC/ZQ1
L10
VDD#N2 N2
VDD#N10 N10
VDD#R2 R2
VDD#R10 R10
VSS#J9 J9
VSS#M2 M2
VSS#M10 M10
VSS#P2 P2
VSS#P10 P10
VSS#T2 T2
VSS#T10 T10
VDDQ#D3 D3
NC
A1
NC
T1
NC
A11
NC
T11
R66
4.99K/F_4
R66
4.99K/F_4
C718
1U/6.3V_4
C718
1U/6.3V_4
R497
243/F_4
R497
243/F_4
C661
1U/6.3V_4
C661
1U/6.3V_4
C135
10U/6.3V_6S
C135
10U/6.3V_6S
R21
40.2/F_4
R21
40.2/F_4
R483
4.99K/F_4
R483
4.99K/F_4
C46
1U/6.3V_4
C46
1U/6.3V_4
C147
10U/6.3V_6S
C147
10U/6.3V_6S
R465
4.99K/F_4
R465
4.99K/F_4
R495
4.99K/F_4
R495
4.99K/F_4
R59
4.99K/F_4
R59
4.99K/F_4
C213
.01U/16V_4
C213
.01U/16V_4
C725
1U/6.3V_4
C725
1U/6.3V_4
R48
4.99K/F_4
R48
4.99K/F_4
C727
1U/6.3V_4
C727
1U/6.3V_4
C101
1U/6.3V_4
C101
1U/6.3V_4
R463
4.99K/F_4
R463
4.99K/F_4
R24
4.99K/F_4
R24
4.99K/F_4
C663
1U/6.3V_4
C663
1U/6.3V_4 C659
1U/6.3V_4
C659
1U/6.3V_4
100-BALL
SDRAM DDR3
VRAM3
K4W1G1646E-HC12
100-BALL
SDRAM DDR3
VRAM3
K4W1G1646E-HC12
WE
L4
RAS
J4
CAS
K4
CS /CS0
L3
CKE/CKE0
K10
CK
J8
CK
K8
DQSU
B8
BA0
M3
BA1
N9
A2
P4
A3
N3
A4
P9
A5
P3
A6
R9
A7
R3
A8
T9
A9
R4
A10/AP
L8
A11
R8
DQL0 E4
DQL1 F8
DQL2 F3
DQL3 F9
DQL4 H4
DQL5 H9
DQL6 G3
DQL7 H8
VSSQ#D2 D2
VSS#A10 A10
VSS#E2 E2
VSS#B4 B4
NC/ODT1
J2
VDD#B3 B3
VDD#D10 D10
VDDQ#A2 A2
VDDQ#A9 A9
VDDQ#C2 C2
VDDQ#C10 C10
NC/CS1
L2
NC/CE1
J10
VDDQ#E10 E10
ZQ/ZQ0
L9
RESET
T3
DQSL
F4
DMU
D4 DML
E8
VSSQ#B2 B2
VSSQ#B10 B10
VSSQ#D9 D9
VSSQ#E3 E3
DQSU
C8
VSSQ#E9 E9
DQSL
G4
VDDQ#F2 F2
VSSQ#F10 F10
VSSQ#G2 G2
VDDQ#H3 H3
VDDQ#H10 H10
VSSQ#G10 G10
VREFCA
M9
VSS#G9 G9
VDD#G8 G8
ODT/ODT0
K2
A0
N4
A1
P8
VDD#K3 K3
A12/BC
N8
VSS#J3 J3
VDD#K9 K9
DQU1 C4
DQU2 C9
DQU3 C3
DQU4 A8
DQU5 A3
DQU6 B9
DQU7 A4
DQU0 D8
A13
T4
A14
T8
A15/BA3
M8
BA2
M4
VREFDQ
H2
NC/ZQ1
L10
VDD#N2 N2
VDD#N10 N10
VDD#R2 R2
VDD#R10 R10
VSS#J9 J9
VSS#M2 M2
VSS#M10 M10
VSS#P2 P2
VSS#P10 P10
VSS#T2 T2
VSS#T10 T10
VDDQ#D3 D3
NC
A1
NC
T1
NC
A11
NC
T11
R56
243/F_4
R56
243/F_4
C114
.1U/10V_4
C114
.1U/10V_4
C215
1U/6.3V_4
C215
1U/6.3V_4
C660
1U/6.3V_4
C660
1U/6.3V_4
C711
1U/6.3V_4
C711
1U/6.3V_4
R23
4.99K/F_4
R23
4.99K/F_4
C676
.1U/10V_4
C676
.1U/10V_4
R484
4.99K/F_4
R484
4.99K/F_4
C680
1U/6.3V_4
C680
1U/6.3V_4
R99
4.99K/F_4
R99
4.99K/F_4
R467
243/F_4
R467
243/F_4
C47
1U/6.3V_4
C47
1U/6.3V_4
C48
.01U/16V_4
C48
.01U/16V_4
C92
1U/6.3V_4
C92
1U/6.3V_4
C183
10U/6.3V_6S
C183
10U/6.3V_6S
C49
.1U/10V_4
C49
.1U/10V_4
C667
1U/6.3V_4
C667
1U/6.3V_4
R101
40.2/F_4
R101
40.2/F_4
C45
10U/6.3V_6S
C45
10U/6.3V_6S
C156
10U/6.3V_6S
C156
10U/6.3V_6S
C212
.1U/10V_4
C212
.1U/10V_4
C662
1U/6.3V_4
C662
1U/6.3V_4
C724
1U/6.3V_4
C724
1U/6.3V_4
C216
1U/6.3V_4
C216
1U/6.3V_4
C700
.1U/10V_4
C700
.1U/10V_4
C664
1U/6.3V_4
C664
1U/6.3V_4
C177
.1U/10V_4
C177
.1U/10V_4
C71
10U/6.3V_6S
C71
10U/6.3V_6S
R20
40.2/F_4
R20
40.2/F_4
R22
243/F_4
R22
243/F_4
C723
.1U/10V_4
C723
.1U/10V_4
C50
1U/6.3V_4
C50
1U/6.3V_4
C214
1U/6.3V_4
C214
1U/6.3V_4
C187
10U/6.3V_6S
C187
10U/6.3V_6S
C658
1U/6.3V_4
C658
1U/6.3V_4
C728
1U/6.3V_4
C728
1U/6.3V_4
C189
10U/6.3V_6S
C189
10U/6.3V_6S
R466
4.99K/F_4
R466
4.99K/F_4
R464
4.99K/F_4
R464
4.99K/F_4
C211
1U/6.3V_4
C211
1U/6.3V_4
R100
40.2/F_4
R100
40.2/F_4
C712
1U/6.3V_4
C712
1U/6.3V_4
C666
.1U/10V_4
C666
.1U/10V_4
C51
1U/6.3V_4
C51
1U/6.3V_4
C726
1U/6.3V_4
C726
1U/6.3V_4
R50
4.99K/F_4
R50
4.99K/F_4
C66
1U/6.3V_4
C66
1U/6.3V_4
100-BALL
SDRAM DDR3
VRAM4
K4W1G1646E-HC12
100-BALL
SDRAM DDR3
VRAM4
K4W1G1646E-HC12
WE
L4
RAS
J4
CAS
K4
CS /CS0
L3
CKE/CKE0
K10
CK
J8
CK
K8
DQSU
B8
BA0
M3
BA1
N9
A2
P4
A3
N3
A4
P9
A5
P3
A6
R9
A7
R3
A8
T9
A9
R4
A10/AP
L8
A11
R8
DQL0 E4
DQL1 F8
DQL2 F3
DQL3 F9
DQL4 H4
DQL5 H9
DQL6 G3
DQL7 H8
VSSQ#D2 D2
VSS#A10 A10
VSS#E2 E2
VSS#B4 B4
NC/ODT1
J2
VDD#B3 B3
VDD#D10 D10
VDDQ#A2 A2
VDDQ#A9 A9
VDDQ#C2 C2
VDDQ#C10 C10
NC/CS1
L2
NC/CE1
J10
VDDQ#E10 E10
ZQ/ZQ0
L9
RESET
T3
DQSL
F4
DMU
D4 DML
E8
VSSQ#B2 B2
VSSQ#B10 B10
VSSQ#D9 D9
VSSQ#E3 E3
DQSU
C8
VSSQ#E9 E9
DQSL
G4
VDDQ#F2 F2
VSSQ#F10 F10
VSSQ#G2 G2
VDDQ#H3 H3
VDDQ#H10 H10
VSSQ#G10 G10
VREFCA
M9
VSS#G9 G9
VDD#G8 G8
ODT/ODT0
K2
A0
N4
A1
P8
VDD#K3 K3
A12/BC
N8
VSS#J3 J3
VDD#K9 K9
DQU1 C4
DQU2 C9
DQU3 C3
DQU4 A8
DQU5 A3
DQU6 B9
DQU7 A4
DQU0 D8
A13
T4
A14
T8
A15/BA3
M8
BA2
M4
VREFDQ
H2
NC/ZQ1
L10
VDD#N2 N2
VDD#N10 N10
VDD#R2 R2
VDD#R10 R10
VSS#J9 J9
VSS#M2 M2
VSS#M10 M10
VSS#P2 P2
VSS#P10 P10
VSS#T2 T2
VSS#T10 T10
VDDQ#D3 D3
NC
A1
NC
T1
NC
A11
NC
T11
C707
1U/6.3V_4
C707
1U/6.3V_4
C56
10U/6.3V_6S
C56
10U/6.3V_6S
100-BALL
SDRAM DDR3
VRAM7
K4W1G1646E-HC12
100-BALL
SDRAM DDR3
VRAM7
K4W1G1646E-HC12
WE
L4
RAS
J4
CAS
K4
CS /CS0
L3
CKE/CKE0
K10
CK
J8
CK
K8
DQSU
B8
BA0
M3
BA1
N9
A2
P4
A3
N3
A4
P9
A5
P3
A6
R9
A7
R3
A8
T9
A9
R4
A10/AP
L8
A11
R8
DQL0 E4
DQL1 F8
DQL2 F3
DQL3 F9
DQL4 H4
DQL5 H9
DQL6 G3
DQL7 H8
VSSQ#D2 D2
VSS#A10 A10
VSS#E2 E2
VSS#B4 B4
NC/ODT1
J2
VDD#B3 B3
VDD#D10 D10
VDDQ#A2 A2
VDDQ#A9 A9
VDDQ#C2 C2
VDDQ#C10 C10
NC/CS1
L2
NC/CE1
J10
VDDQ#E10 E10
ZQ/ZQ0
L9
RESET
T3
DQSL
F4
DMU
D4 DML
E8
VSSQ#B2 B2
VSSQ#B10 B10
VSSQ#D9 D9
VSSQ#E3 E3
DQSU
C8
VSSQ#E9 E9
DQSL
G4
VDDQ#F2 F2
VSSQ#F10 F10
VSSQ#G2 G2
VDDQ#H3 H3
VDDQ#H10 H10
VSSQ#G10 G10
VREFCA
M9
VSS#G9 G9
VDD#G8 G8
ODT/ODT0
K2
A0
N4
A1
P8
VDD#K3 K3
A12/BC
N8
VSS#J3 J3
VDD#K9 K9
DQU1 C4
DQU2 C9
DQU3 C3
DQU4 A8
DQU5 A3
DQU6 B9
DQU7 A4
DQU0 D8
A13
T4
A14
T8
A15/BA3
M8
BA2
M4
VREFDQ
H2
NC/ZQ1
L10
VDD#N2 N2
VDD#N10 N10
VDD#R2 R2
VDD#R10 R10
VSS#J9 J9
VSS#M2 M2
VSS#M10 M10
VSS#P2 P2
VSS#P10 P10
VSS#T2 T2
VSS#T10 T10
VDDQ#D3 D3
NC
A1
NC
T1
NC
A11
NC
T11

A
A
B
B
C
C
D
D
E
E
4 4
3 3
2 2
1 1
HI_PW5VD
+5V_HDMVCC
HDMI_SCLK_R
C_TXC_HDMI-
C_TX2_HDMI-
C_TX2_HDMI+
C_TXC_HDMI+
C_TX0_HDMI-
C_TX0_HDMI+
C_TX1_HDMI-
HI_PW5VC
C_TX1_HDMI+
HDMI_SDATA_R
HDMI_DET_CHDMI_DET_NHDMI_DET_P HDMI_HPD
HDMI_HPD_3V
+3V_HDMI1
C_TX0_HDMI+
C_TX2_HDMI-
C_TXC_HDMI-
C_TX2_HDMI+
C_TX1_HDMI-
C_TX1_HDMI+
C_TX0_HDMI-
C_TXC_HDMI+
C_TXC_HDMI-
C_TXC_HDMI+
C_TX0_HDMI-
C_TX0_HDMI+
C_TX1_HDMI-
C_TX1_HDMI+
C_TX2_HDMI-
C_TX2_HDMI+
HDMI_HPD_3V
HDMI_SDA_R
HDMI_HPD_CON
SDVO_DATA
SDVO_CLK HDMI_SCL_R
DISP_ON
PN_BLON BLON_CON
+VIN_BLIGHT
DPST_PWM
BLON_CON
DIGITAL_CLK_L
USBP5-_L
DIGITAL_D1_CN
DIGITAL_CLK_L
DIGITAL_D1
PCH_EDIDDATA
PCH_EDIDCLK
HDMI_SCLK HDMI_SCLK_R
HDMI_SDA_R
HDMI_SCL_R
HDMI_SDATA HDMI_SDATA_R
C_TX0_HDMI-
C_TXC_HDMI-
C_TX1_HDMI-
C_TX2_HDMI-C_TX2_HDMI+
C_TXC_HDMI+
C_TX1_HDMI+
C_TX0_HDMI+
USBP5+_L
PCH_LB_DATAP0
PCH_LB_DATAP1
PCH_LB_DATAP2
PCH_LA_DATAP2
PCH_LA_DATAP1
PCH_LA_DATAP0
PCH_LA_CLK
PCH_LB_CLK#
PCH_LB_CLK
PCH_LB_DATAN0
PCH_LB_DATAN1
PCH_LB_DATAN2
PCH_LA_DATAN0
PCH_LA_DATAN2
PCH_LA_CLK#
PCH_LA_DATAN1
+5V[7,10,22,23,24,26,28,38]
+3V[2,6,7,8,9,10,12,13,14,16,22,23,24,25,26,27,28,29,34,36,38,40]
+5VCRT
HDMI_HPD_CON[6]
SDVO_DATA[6]
SDVO_CLK[6]
IN_D0#[6]
IN_D0[6]
IN_D1[6]
IN_D1#[6]
IN_D2#[6]
IN_D2[6]
IN_CLK#[6]
IN_CLK[6]
PCH_DISP_ON[6]
PCH_LVDS_BLON[6] LID_EC# [28,29]
LCD_BK[8]
LID_CONTROL[29]
PCH_DPST_PWM[6]
USBP5-[8]
USBP5+[8]
DIGITAL_CLK[24]
DIGITAL_D1[24]
PCH_LA_CLK[6]
PCH_LB_DATAP1[6]
PCH_LB_DATAP0[6]
PCH_LA_DATAP1[6]
PCH_LA_DATAP0[6]
PCH_LB_DATAP2[6]
PCH_LA_DATAP2[6]
PCH_LB_CLK#[6]
PCH_LB_CLK[6]
PCH_LB_DATAN1[6]
PCH_LA_CLK#[6]
PCH_LB_DATAN0[6]
PCH_LB_DATAN2[6]
PCH_LA_DATAN0[6]
PCH_LA_DATAN1[6]
PCH_LA_DATAN2[6]
PCH_EDIDCLK[6]
PCH_EDIDDATA[6]
+5V
+5V_HDMVCC
+3V
+3V
+3V
+LCDVCC+3V
+3VLCD_CON
+3VPCU
+VIN
+3V
+3VLCD_CON
+3V
+3V
+3VPCU
+3V
+3V
+3V
+5V_HDMVCC
Size Document Number Rev
Date: Sheet of
4XDQWD&RPSXWHU,QF
352-(&7/*0X[OHVV80$
1%
HDMI and LVDS
2A
Custom
21 42Wednesday, March 07, 2012
Size Document Number Rev
Date: Sheet of
4XDQWD&RPSXWHU,QF
352-(&7/*0X[OHVV80$
1%
HDMI and LVDS
2A
Custom
21 42Wednesday, March 07, 2012
Size Document Number Rev
Date: Sheet of
4XDQWD&RPSXWHU,QF
352-(&7/*0X[OHVV80$
1%
HDMI and LVDS
2A
Custom
21 42Wednesday, March 07, 2012
Close connector < 50 mil
For Muxless/UMA HDMI function
Webcam
LVDS HDMI
Close connector < 50 mil
EMI
sϮ͘͘͘ϰϭ͕ϯϱĐŚĂŶŐĞƉŽǁĞƌƐŽƵƌĐĞƚŽнϯsĨƌŽŵнϱǀ
sϮ͘͘͘ŚĂŶŐĞ>s^ϭWŝŶϯϮƚŽнϯǀĨƌŽŵнϱǀ sϮ͘͘͘ŚĂŶŐĞƚŽϭϬϬŽŚŵĨŽƌ,D/ĞLJĞͲĚŝĂŐƌĂŵ
sϮ͘͘͘ŚĂŶŐĞƚŽϱϭϬŽŚŵĨŽƌ,D/ĞLJĞͲĚŝĂŐƌĂŵ
sϮ͘͘͘ĚĚϬ͘ϭhWĂƚнϱsͺ,DsĨŽƌD/
PV...Add R7019
R535 510/F_4R535 510/F_4
R458 47K_4R458 47K_4
D17 CH501H-40PTD17 CH501H-40PT
2 1
C21
1U/6.3V_4
C21
1U/6.3V_4
R245 100/F_4R245 100/F_4
C373 0.1U/10V_4C373 0.1U/10V_4
R536 510/F_4R536 510/F_4
R541
100K_4
R541
100K_4
L6 UPB201209T-330Y-NL6 UPB201209T-330Y-N
C41
10U/6.3V_8
C41
10U/6.3V_8
R305 *0_4/SR305 *0_4/S
C652 1000P/50V_4C652 1000P/50V_4
R528 510/F_4R528 510/F_4
R293
2.2K_4
R293
2.2K_4
R298
*100K_4
R298
*100K_4
1 2
R529 510/F_4R529 510/F_4
D3
*BAV99W
D3
*BAV99W
3
2
1
C31
*0.01U/25V_4
C31
*0.01U/25V_4
R544 *0_4/SR544 *0_4/S
C433
*0.1U/16V_4
C433
*0.1U/16V_4
C30
0.1U/10V_4
C30
0.1U/10V_4
C40 10P/50V_4C40 10P/50V_4
C376 0.1U/10V_4C376 0.1U/10V_4
R461 1K/F_4R461 1K/F_4
D14 RB501V-40D14 RB501V-40
C382 0.1U/10V_4C382 0.1U/10V_4
C387 0.1U/10V_4C387 0.1U/10V_4
C389 0.1U/10V_4C389 0.1U/10V_4
C29 10P/50V_4C29 10P/50V_4
C655
.1U/50V_6
C655
.1U/50V_6
C28 22P/50V_4C28 22P/50V_4
R292 *0_4/SR292 *0_4/S
C653 22P/50V_4C653 22P/50V_4
C378 0.1U/10V_4C378 0.1U/10V_4
R332 150K/F_4R332 150K/F_4
12
R538 2.2K_4R538 2.2K_4
R525 510/F_4R525 510/F_4
C654
*.1U/50V_6
C654
*.1U/50V_6
R462 100K/F_4R462 100K/F_4
C34
10U/6.3V_8
C34
10U/6.3V_8
C468
0.1U/10V_4
C468
0.1U/10V_4
C26
.01U/25V_4
C26
.01U/25V_4
12
L50 BLM18BA470SN1DL50 BLM18BA470SN1D
L7 UPB201209T-330Y-NL7 UPB201209T-330Y-N
R526 510/F_4R526 510/F_4
U1
IC(5P) G5243AT11U
U1
IC(5P) G5243AT11U
OUT 1
GND 2
ON/OFF
3
IN
4
IN
5
R255 100/F_4R255 100/F_4
Q14
2N7002DW
Q14
2N7002DW
6
2
1
5
4 3
R542 10K_4R542 10K_4
R527 510/F_4R527 510/F_4
R539 *0_4/SR539 *0_4/S
Q27
*DTC144EUA
Q27
*DTC144EUA
1 3
2
D15 *RB501V-40D15 *RB501V-40
R10
100K/F_4
R10
100K/F_4
C32
.1U/50V_6
C32
.1U/50V_6
F1 FUSE1A6V_POLYF1 FUSE1A6V_POLY
12
L3 HCB2012KF-600T30/3A_8L3 HCB2012KF-600T30/3A_8
R460 *0_4/SR460 *0_4/S
C381 0.1U/10V_4C381 0.1U/10V_4
L5
WCM2012-90
L5
WCM2012-90
1
4 3
2
R12 2.2K_4R12 2.2K_4
HDMI1
HDMI CONN_4 pin GND
HDMI1
HDMI CONN_4 pin GND
D2+
1
D2-
3
D1 Shield
5
D0+
7
D0-
9
CK Shield
11
CE Remote
13
DDC CLK
15
GND
17
HP DET
19
D2 Shield
2
D1+
4
D1-
6
D0 Shield
8
CK+
10
CK-
12
NC
14
DDC DATA
16
+5V
18
SHELL1 20
SHELL2 21
SHELL3 22
SHELL4 23
C35
0.01U/16V_4
C35
0.01U/16V_4
R7019 1K/F_4R7019 1K/F_4
C391 0.1U/10V_4C391 0.1U/10V_4
R530 510/F_4R530 510/F_4
R537 *0_4/SR537 *0_4/S
R540 2.2K_4R540 2.2K_4
L4 SBK160808T-601Y-NL4 SBK160808T-601Y-N
R11 2.2K_4R11 2.2K_4
R262 100/F_4R262 100/F_4
Q29
2N7002K
Q29
2N7002K
3
2
1
C774
220P/50V_4
C774
220P/50V_4
R459 100K/F_4R459 100K/F_4
R306
2.2K_4
R306
2.2K_4
R331
*348K/F_4
R331
*348K/F_4
12
C649
0.1U/10V_4
C649
0.1U/10V_4
R549
10K_4
R549
10K_4
L2 SBK160808T-601Y-NL2 SBK160808T-601Y-N
D18 CH501H-40PTD18 CH501H-40PT
2 1
R250 100/F_4R250 100/F_4
LVDS1
GS12401-1011-9F
LVDS1
GS12401-1011-9F
1
3
5
7
9
11
13
15
17
19
21
23
25
27
29
2
4
6
8
10
12
14
16
18
20
22
24
26
28
30
41
42
43
44
31
32
33
34
35
36
37
38
39
40
45
46
R550 *0_4/SR550 *0_4/S
C385 0.1U/10V_4C385 0.1U/10V_4
Q30 MMBT3904-7-FQ30 MMBT3904-7-F
2
1 3

A
A
B
B
C
C
D
D
E
E
4 4
3 3
2 2
1 1
PCH_CRT_R
+5V_HDMVCC
CRT_G1
CRT_B1
+5V_HDMVCC
PCH_CRT_G
PCH_CRT_B
CRTHSYNC_2
CRTVSYNC_2
+5V_CRT2
CRT_R1
DDCCLK3
DDCDAT3DDCDAT2
DDCCLK2
CRTHSYNC_1
CRTVSYNC_1
CRTHSYNC_2
CRTVSYNC_2
PCH_HSYNC
PCH_VSYNC
CRTVSYNC_1
CRTHSYNC_1
DDCCLK2
DDCDAT2
+5V_CRT2
PCH_DDCDATA
PCH_DDCCLK
CRT_BYP
CRT_B1
CRT_R1
CRT_G1
PCH_DDCCLK
PCH_DDCDATA
RF_OFF#_D
INT_BT_OFF#
CLK_33M_DEBUG
CLK_33M_DEBUG
WLAN_LED#
LFRAME#
LAD0
LAD1
LAD3
LAD2
CLK_PCIE_WLAN
CLK_PCIE_WLAN#
REQ_WLAN#
BT_OFF#_1
PLTRST#
WLANE_PLTRST#
PCIE_TXN1
PCIE_RXN1
PCIE_RXP1
PCIE_TXP1
EC_DEBUG1
MPCIEP_OC
RF_PWR_OFF#
INT_BT_OFF#
INT_BT_COMBO_EN#
PCIE_CLKREQ_WLAN#REQ_WLAN#
BT_COMBO_EN#
BT_OFF#_1
RF_LINK#WLAN_LED#
PLTRST#
WLANE_PLTRST# WLAN_RST_OUT
PLTRST#
+3V[2,6,7,8,9,10,12,13,14,16,21,23,24,25,26,27,28,29,34,36,38,40]
+5V[7,10,21,23,24,26,28,38]
+5VCRT
PCH_CRT_G[6]
PCH_CRT_R[6]
PCH_CRT_B[6]
PCH_VSYNC [6]
PCH_HSYNC [6]
PCH_DDCCLK [6]
PCH_DDCDATA [6]
RF_OFF# [9]
PCIE_RXN1[8]
PCIE_RXP1[8]
PCIE_TXP1[8]
PCIE_TXN1[8]
BT_COMBO_EN#[8]
PCIE_CLKREQ_WLAN#[8]
EC_DEBUG1[29]
CLK_PCIE_WLANN[8] LAD0 [7,28,29]
CLK_PCIE_WLANP[8]
LAD1 [7,28,29]
LAD2 [7,28,29]
USBP10+ [8]
USBP10- [8]
LFRAME# [7,28,29]
LAD3 [7,28,29]
RF_LINK# [29]
CLK_33M_DEBUG[8]
RF_PWR_OFF#[9]
INT_BT_COMBO_EN#[8]
PLTRST# [2,8,14,23,25,28,29]
+5V_HDMVCC
+5V+3V
+3V
+5V
+3V
+3V_WLAN_P
+3V_WLAN_P
+3V_WLAN_P
+5V
+1.5V_CPU
+3V
+3V_WLAN_P
+1.5V_CPU
+3V_WLAN_P
+3V_WLAN_P
+3V_WLAN_P
+3V_WLAN_P
+3V_WLAN_P
+3V
Size Document Number Rev
Date: Sheet of
4XDQWD&RPSXWHU,QF
352-(&7/*0X[OHVV80$
1%
CRT/WLAN/WiMAX
2A
Custom
22 42Wednesday, March 07, 2012
Size Document Number Rev
Date: Sheet of
4XDQWD&RPSXWHU,QF
352-(&7/*0X[OHVV80$
1%
CRT/WLAN/WiMAX
2A
Custom
22 42Wednesday, March 07, 2012
Size Document Number Rev
Date: Sheet of
4XDQWD&RPSXWHU,QF
352-(&7/*0X[OHVV80$
1%
CRT/WLAN/WiMAX
2A
Custom
22 42Wednesday, March 07, 2012
40 MIL
&573257
for EMI request
EC debug pin
PIN7
PIN5
Radio-OFF
Power-ON
Radio-ON
+3V_WLAN_PBluetoothWLAN
Radio-OFF
Power-ON
Radio-ON
Radio-OFF
Radio-ON
Power-OFF
Power-ON
LGE mini-pcie power status
Radio-OFF
Radio-ON
Avoid leakage issue
PIN44
&57
:/$1:L0$;
sϮ͘͘͘ĐŚĂŶŐĞĐĂƉƚŽϰ͘ϳƉĨŽƌŵĞĞƚZdZŝƐĞƚŝŵĞƐƉĞĐ
Q4
DTC144EUA
Q4
DTC144EUA
1 3
2
C184
4.7P/16V_4
C184
4.7P/16V_4
R32 *0_8R32 *0_8
C691 0.22U/25V_6C691 0.22U/25V_6
C37
*33P/50V_4
C37
*33P/50V_4
CRT1
CRT CONN
CRT1
CRT CONN
15
14
13
12
111
2
3
4
5
6
7
8
9
10
1617
C125
47P/50V_4
C125
47P/50V_4
R475 22_4R475 22_4
R36 4.7K_4R36 4.7K_4
R35
*100K/F_4
R35
*100K/F_4
C710
0.22U/6.3V_4
C710
0.22U/6.3V_4
L11 BLM18BA470SN1(0.3A,47)_6L11 BLM18BA470SN1(0.3A,47)_6
U18
IP4772
U18
IP4772
VCC_SYNC
1
VCC_VIDEO
2
VIDEO_1
3
VIDEO_2
4
VCC_DDC
7
GND
6
BYP
8
VIDEO_3
5
SYNC_OUT2 16
SYNC_OUT1 14
SYNC_IN2 15
SYNC_IN1 13
DDC_IN1 10
DDC_IN2 11
DDC_OUT1 9
DDC_OUT2 12
R17 *0_4R17 *0_4
R34 10K/F_4R34 10K/F_4
R4824.7K/F_4 R4824.7K/F_4
C685
47P/50V_4
C685
47P/50V_4
R62
150/F_4
R62
150/F_4
Q3
DTC144EUA
Q3
DTC144EUA
1 3
2
R4784.7K/F_4 R4784.7K/F_4
R52
2.2K_4
R52
2.2K_4
R54
2.2K_4
R54
2.2K_4
R55
150/F_4
R55
150/F_4
R474 22_4R474 22_4
C693
47P/50V_4
C693
47P/50V_4
R30
4.7K/F_4
R30
4.7K/F_4
C154 0.1U/10V_4C154 0.1U/10V_4
R18
*0_4
R18
*0_4
R53 22_4R53 22_4
D1 RB500V-40D1 RB500V-40
C54
0.1U/10V_4
C54
0.1U/10V_4
Q5
ME2303T1
Q5
ME2303T1
3
2
1
R26 *0_4R26 *0_4
R67
150/F_4
R67
150/F_4
Q2
*DTC144EUA
Q2
*DTC144EUA
1 3
2
Q1 2N7002Q1 2N7002
3
2
1
C58
0.1U/10V_4
C58
0.1U/10V_4
C181
4.7P/16V_4
C181
4.7P/16V_4
C61
0.1U/10V_4
C61
0.1U/10V_4
C38
0.1U/10V_4
C38
0.1U/10V_4
R51 22_4R51 22_4
C59
*0.1U/10V_4
C59
*0.1U/10V_4
C167
4.7P/16V_4
C167
4.7P/16V_4
C176
4.7P/16V_4
C176
4.7P/16V_4
R13 *0_4R13 *0_4
R25 *0_6R25 *0_6
L12 BLM18BA470SN1(0.3A,47)_6L12 BLM18BA470SN1(0.3A,47)_6
C142
47P/50V_4
C142
47P/50V_4
R15 10K/F_4R15 10K/F_4
C60
0.01U/16V_4
C60
0.01U/16V_4
R471 22_4R471 22_4
R16 *0_4R16 *0_4
C157
4.7P/16V_4
C157
4.7P/16V_4
R29 *0_4R29 *0_4
R14
*10K/F_4
R14
*10K/F_4
C57
4.7U/6.3V_6
C57
4.7U/6.3V_6
R470 22_4R470 22_4
C169
0.1U/10V_4
C169
0.1U/10V_4
R19
10K/F_4
R19
10K/F_4
MPCIE1
MINI PCIE H=9.0
DFHD52MS154
mipci-800055fb052gx00pl-52p-smt
MPCIE1
MINI PCIE H=9.0
DFHD52MS154
mipci-800055fb052gx00pl-52p-smt
Reserved
51
Reserved
49
Reserved
47
Reserved
45
Reserved
43
Reserved 41
Reserved 39
Reserved
37
GND
35
PETp0
33
PETn0
31
GND
29
GND
27
PERp0
25
PERn0
23
GND
21
Reserved
19
Reserved
17
GND
15
REFCLK+
13
REFCLK-
11
GND 9
CLKREQ#
7
BT_CHCLK
5
+3.3V 52
GND 50
+1.5V
48
LED_WPAN# 46
LED_WLAN# 44
LED_WWAN# 42
GND 40
USB_D+ 38
USB_D- 36
GND 34
SMB_DATA 32
SMB_CLK 30
+1.5V
28
GND 26
+3.3Vaux 24
PERST# 22
W_DISABLE# 20
GND 18
Reserved 16
+1.5V
6
BT_DATA
3
WAKE#
1
Reserved 14
Reserved 12
Reserved 10
Reserved 8
GND 4
+3.3V 2
C174
4.7P/16V_4
C174
4.7P/16V_4
Q6 2N7002Q6 2N7002
3
2
1
D16 RB501V-40D16 RB501V-40
2 1
C178
0.1U/10V_4
C178
0.1U/10V_4
C36
4.7U/6.3V_6
C36
4.7U/6.3V_6
R31 100/F_4R31 100/F_4
U2 MC74VHC1G08DFT2GU2 MC74VHC1G08DFT2G
2
1
4
3 5
L10 BLM18BA470SN1(0.3A,47)_6L10 BLM18BA470SN1(0.3A,47)_6

A
A
B
B
C
C
D
D
E
E
4 4
3 3
2 2
1 1
SD_D7
SD_D6
SD_D5
SD_D4
XD_CLE
SD_D1
SD_D2
SD_D3
SD_CMD
SD_D0
SD_CD#
SD_WP
XD_D2
XD_D3
XD_D6
XD_D5
XD_D4
XD_D7
XD_D0
XD_D1
XD_CD#
XD_ALE
XD_WE#
XD_CE#
XD_RE#
XD_RDY
XD_WP#
MS_D0
MS_D1
MS_D3
MS_BS
MS_INS#
MS_D2
MS_CLK
AV12 DV12
PCIE_CLKREQ_CR#
PLTRST#
SD_D2
SD_D3
SD_CMD
SD_D1
SD_D0
SD_CLK
SD_CD#
SP15
DV12
AV12
Card_REF
DV33_18
DV12_S
SD_CLK
SP2
SP13
SP9
SP3
SP14
SP10
SP6
SP4
SP11
SP7
SP5
SP1
SP12
SP8
XD_CD#
MS_INS#
CLK_PCIE_CRP
CLK_PCIE_CRN
PCIE_TXP3_CR
PCIE_RXN3_CR_R
PCIE_RXP3_CR_R
PCIE_RXN3_CR
PCIE_RXP3_CR
PCIE_TXN3_CR
XD_D6
SP15 XD_D7SD_WP
SP1 SD_D7 XD_RDY
SP2 SD_D6 XD_RE#
SP3 SD_D5 XD_CE#
SP4 SD_D4 XD_WE#
SP5 XD_CLEMS_BS
SP6 MS_D5 XD_ALE
SP7 XD_WP#MS_D1
SP8 MS_D4 XD_D0
SP9 MS_D0 XD_D1
SP10 MS_D2 XD_D2
SP14 XD_D6
MS_CLK
SP11 MS_D6 XD_D3
SP12 MS_D3 XD_D4
SP13 MS_D7 XD_D5
SD_D1 SD_D3SD_CMD SD_CLKSD_D2SD_D0
SATA_TXP0_C
SATA_RXP0_C
SATA_TXN0_C
SATA_RXN0_C
SATA_TXP1_C_OD1
SATA_RXN1_C_OD1
SATA_RXP1_C_OD1
SATA_TXN1_C_OD1
SATA_TXP1_C_OD2
SATA_RXN1_C_OD2
SATA_RXP1_C_OD2
SATA_TXN1_C_OD2
SATA_TXP1_C_OD2
SATA_TXN1_C_OD2
SATA_RXP1_C_OD2
SATA_RXN1_C_OD2
SATA_RXP2_OD1
SATA_RXN2_OD1
SATA_TXP2_OD1
SATA_TXN2_OD1
SATA_TXP1_C_OD1
SATA_TXN1_C_OD1
SATA_RXP1_C_OD1
SATA_RXN1_C_OD1
PCIE_CLKREQ_CR#[8]
PLTRST#[2,8,14,22,25,28,29]
CLK_PCIE_CRP[8]
CLK_PCIE_CRN[8]
PCIE_TXP3_CR[8]
PCIE_TXN3_CR[8]
PCIE_RXP3_CR[8]
PCIE_RXN3_CR[8]
SATA_RXN0 [7]
SATA_RXP0 [7]
SATA_TXP0 [7]
SATA_TXN0 [7]
EJECT#[29]
SATA_TXN1[7]
SATA_RXN1[7]
SATA_RXP1[7]
SATA_TXP1[7]
SATA_RXN1[7]
SATA_RXP1[7]
SATA_TXP1[7]
SATA_TXN1[7]
+3V[2,6,7,8,9,10,12,13,14,16,21,22,24,25,26,27,28,29,34,36,38,40]
+3V
+3VCARD
+3VCARD
+3VCARD
+3VCARD
+3V+3VCARD
+5V
+5V
+5V
+5V
+5V
Size Document Number Rev
Date: Sheet of
4XDQWD&RPSXWHU,QF
352-(&7/*0X[OHVV80$
1%
Card reder/ODD/HDD
2A
Custom
23 42Wednesday, March 07, 2012
Size Document Number Rev
Date: Sheet of
4XDQWD&RPSXWHU,QF
352-(&7/*0X[OHVV80$
1%
Card reder/ODD/HDD
2A
Custom
23 42Wednesday, March 07, 2012
Size Document Number Rev
Date: Sheet of
4XDQWD&RPSXWHU,QF
352-(&7/*0X[OHVV80$
1%
Card reder/ODD/HDD
2A
Custom
23 42Wednesday, March 07, 2012
Close to IC
Close to IC
Reserved
7-in-1
flash media
slot(SD / SDHC / SDXC(UHS 104) / MS/MMC/ XD/ MSP)
Reserved
Share Pin
EMI Solution
Please help to close to connector
MAIN SATA HDD
DC Current rating: 0.5 A
120 mils
Main HDD
For 14" place
SATA CD-ROM
2.5A >100mils
For 15" place
RbRb
Ra
Rb FOR 14"
Ra FOR 15"
14" RES and 15" Cap need close placement
ϭϮϬŵŝůƐ
Rb
Ra
C688
4.7U/6.3V_6
C688
4.7U/6.3V_6
S1
S7
P1
P6
ODD2
*SATA ODD
S1
S7
P1
P6
ODD2
*SATA ODD
GND1
1
GND2
4
GND3
7
TXP
2
TXN
3
RXN
5
RXP
6
DP
8
+5V
9
+5V
10
MD
11
GND
12
GND
13
14 14
15 15
16 16
17 17
R412 33_4R412 33_4
C689
0.1U/10V_4
C689
0.1U/10V_4
C526 0.1U/10V_4C526 0.1U/10V_4
R299*0_4 R299*0_4
C535
*5.6P/16V_4
C535
*5.6P/16V_4
C511
0.1U/10V_4
C511
0.1U/10V_4
C523 10U/6.3VS_6C523 10U/6.3VS_6
C589 .1U/10V_4C589 .1U/10V_4
C576*0.01U/25V_4 C576*0.01U/25V_4
C569 0.1U/10V_4C569 0.1U/10V_4
R414 33_4R414 33_4
C675 0.01U/25V_4C675 0.01U/25V_4
C528 0.1U/10V_4C528 0.1U/10V_4
C570 *4.7U/6.3V_6C570 *4.7U/6.3V_6
C674 0.01U/25V_4C674 0.01U/25V_4
C817 0.1U/10V_4C817 0.1U/10V_4
C530
*5.6P/16V_4
C530
*5.6P/16V_4
C578 *0.1U/10V_4C578 *0.1U/10V_4
C525
*5.6P/16V_4
C525
*5.6P/16V_4
C600 *4.7P/50V_4C600 *4.7P/50V_4
C568 5.6P/16V_4C568 5.6P/16V_4
R415 33_4R415 33_4
R302*0_4 R302*0_4
19
1
HD1
SATA HDD(1ST)
19
1
HD1
SATA HDD(1ST)
19
18
17
16
15
14
13
12
11
10
9
8
7
6
5
4
3
2
1
C677 0.01U/25V_4C677 0.01U/25V_4
C4200.01U/25V_4 C4200.01U/25V_4
C510 *.1U/10V_4C510 *.1U/10V_4
R411 33_4R411 33_4
C588 .1U/10V_4C588 .1U/10V_4
R428 *0_4/SR428 *0_4/S
C789
10U/6.3VS_6
C789
10U/6.3VS_6
C586 *0.1U/10V_4C586 *0.1U/10V_4
CN3
R013-P13-HM
CN3
R013-P13-HM
SD-CD-SW
1
SD-WP-SW
2
SD-DAT1
3
SD-DAT0
4
MMC-DATA7
5
MS-GND1
6
SD-GND1
7
MMC-DATA6
8
MS-BS
9
SD-CLK
10
MS-DATA1
11
MS-DATA0
12
SD-VCC
13
MS-DATA2
14
SD-GND2
15
MS-INS
16
MMC-DATA5
17
MS-DATA3
18
SD-CMD
19
MS-SCLK
20
MMC-DATA4
21
MS-VCC
22
SD-DATA3
23
MS-GND2
24
SD-DAT2
25
SD-WP-GND
26
SD-CD-GND
27
XD-CD 30
XD-R/B 31
XD-RE 32
XD-CE 33
XD-CLE 34
XD-ALE 35
XD-WE 36
XD-WP 37
XD-GND1 38
XD-D0 39
XD-D1 40
XD-D2 41
XD-D3 42
XD-D4 43
XD-D5 44
XD-D6 45
XD-D7 46
XD-VCC 47
XD-GND2 48
SD-GND3 28
SD-GND4 29
C512
0.1U/10V_4
C512
0.1U/10V_4
C580 4.7U/6.3V_6C580 4.7U/6.3V_6
C787
0.1U/10V_4
C787
0.1U/10V_4
R413 33_4R413 33_4
C697
*10U/6.3V_8
C697
*10U/6.3V_8
C4190.01U/25V_4 C4190.01U/25V_4
C567 *10U/6.3VS_6C567 *10U/6.3VS_6
C529
*5.6P/16V_4
C529
*5.6P/16V_4
C790 4.7U/6.3V_6C790 4.7U/6.3V_6
R300*0_4 R300*0_4
C581 .1U/10V_4C581 .1U/10V_4
C698
10U/6.3V_8
C698
10U/6.3V_8
C673 0.01U/25V_4C673 0.01U/25V_4
C591 .1U/10V_4C591 .1U/10V_4
C4180.01U/25V_4 C4180.01U/25V_4
R416 33_4R416 33_4
C577 *0.1U/10V_4C577 *0.1U/10V_4
C4210.01U/25V_4 C4210.01U/25V_4
R301*0_4 R301*0_4
ODD1
ODD BTB FFC CONN
ODD1
ODD BTB FFC CONN
1
2
3
4
5
6
7
8
9
10
11
12
13
14
C573*0.01U/25V_4 C573*0.01U/25V_4
C579 *10U/6.3VS_6C579 *10U/6.3VS_6
R430 6.2k/F_4R430 6.2k/F_4
C575*0.01U/25V_4 C575*0.01U/25V_4
RTS5209
U15
RTS5209
RTS5209
U15
RTS5209
SD_D2 25
SP5 28
SP6 29
SP7 30
SP8 31
SP9 32
SP10 33
SP11 34
SP12 35
SP13 36
GND
26
DV12_S
27
HSIP
1
HSIN
2
REFCLKP
3
REFCLKN
4
AV12
5
HSOP
6
HSON
7
GND
8
DV12
9
Card1_3V3 10
3V3_IN 11
Card2_3V3 12
XD_CD# 13
DV33_18
14
GND
15
SP1 16
SP2 17
SP3 18
SP4 19
SD_D1 20
SD_D0 21
SD_CLK 22
SD_CMD 23
SD_D3 24
SP14 37
SP15 38
SD_CD# 39
MS_INS# 40
GPIO/EEDI
41 EESK
42 EECS
43 EEDO
44
PERST#
45
CLK_REQ#
46
3V3_IN 47
RREF
48
R555 *0_4R555 *0_4
R408 *1K/F_4R408 *1K/F_4
1 2
C520
4.7U/6.3V_6
C520
4.7U/6.3V_6
C574*0.01U/25V_4 C574*0.01U/25V_4
C796
0.1U/10V_4
C796
0.1U/10V_4 C527
*5.6P/16V_4
C527
*5.6P/16V_4
C534
*5.6P/16V_4
C534
*5.6P/16V_4

A
A
B
B
C
C
D
D
E
E
4 4
3 3
2 2
1 1
AMP_BEEPHDA_BEEP2
R_SPK+_R
L_SPK-_R
R_SPK+
R_SPK-
L_SPK-
L_SPK+
R_SPK-_R
L_SPK+_R
SENSE_A
MIC_R
MIC_L
L_SPK-
L_SPK+
R_SPK+
R_SPK-
ADC_EAPD#
AMP_BEEP
ACZ_RST#_AUDIO
ALC269_CPVEE
HD_APD#_P4
ALC269_CBP
ALC269_CBN
DMIC_CLK_R
HPOUT_R
HPOUT_L
VREFOUT_AL
VREFOUT_AR
ACZ_SDOUT_AUDIO
ACZ_SYNC_AUDIO
HD_SDIN0
ALC269_VREF
+5V_AVDD
+5V_AMP_PWR46
+5V_AMP_PWR39
ACZ_RST#_AUDIO
HD_APD#_P4
HDA_BEEP1
HPOUT_L2
HPOUT_R2
HPOUT_L
SENSE_PHONE
HPOUT_R HPOUT_R1
SENSE_A
HPOUT_L1
VREFOUT_AR
MIC_R1
MIC_L
MIC_R
MIC_L1
VREFOUT_AL
MIC_L1_RC
MIC_R1_RC
MIC_IN_L
MIC_IN_R
SENSE_A SENSE_MIC
MIC_IN_R
MIC_IN_L
SENSE_MIC SENSE_PHONE
HPOUT_R2
HPOUT_L2
SENSE_A
ACZ_RST#_AUDIO[7]
DIGITAL_CLK[21]
DIGITAL_D1[21]
ACZ_SDOUT_AUDIO[7]
BIT_CLK_AUDIO[7]
ACZ_SYNC_AUDIO[7]
ACZ_SDIN0[7]
VOLMUTE#[29]
HP_VOLMUTE
SPKR[7]
+3V[2,6,7,8,9,10,12,13,14,16,21,22,23,25,26,27,28,29,34,36,38,40]
+5V[7,10,21,22,23,26,28,38]
SENSE_A
AGND
AGND
AGND
+3V
+5V_AVDD+5V_AMP_PWR39
AGND
+5V_AMP_PWR46
+3V
+5V_AVDD
AGND
AGND
+5V
+5V
+5V_AVDD
+5V_AMP_PWR39
+5V_AMP_PWR46
+5V
+5V
AGND
AGND
AGND
AGND
AGND
AGND
AGND
AGND
AGND AGND
AGND
AGND
AGND Size Document Number Rev
Date: Sheet of
4XDQWD&RPSXWHU,QF
352-(&7/*0X[OHVV80$
1%
HDA Azalia ALC269/Audio Jack
2A
Custom
24 42Wednesday, March 07, 2012
Size Document Number Rev
Date: Sheet of
4XDQWD&RPSXWHU,QF
352-(&7/*0X[OHVV80$
1%
HDA Azalia ALC269/Audio Jack
2A
Custom
24 42Wednesday, March 07, 2012
Size Document Number Rev
Date: Sheet of
4XDQWD&RPSXWHU,QF
352-(&7/*0X[OHVV80$
1%
HDA Azalia ALC269/Audio Jack
2A
Custom
24 42Wednesday, March 07, 2012
INT. SPEAKER
Close TO IC PIN25
Close TO IC PIN46
Close TO IC PIN39
DigitalAnalog
Normal Open Jack
AGND SHIELD
AGND SHIELD
AGND SHIELD
Line out
MIC
Normal Open Jack
sϮ͘͘͘ĚĚZϱϳϯĨŽƌD/ƌĞƋƵĞƐƚ
sϮ^ƉĞĂŬĞƌŶŽŝƐĞ͕ĐŚĂŶŐĞƚŽ^ϬϬϬϬϯ:ϵϱϭ
L53
HCB1608K-181T15
L53
HCB1608K-181T15
C795 *0.47U/10V_4C795 *0.47U/10V_4
R424 75_4R424 75_4
SPK1
INT SPEAKER CONN
SPK1
INT SPEAKER CONN
1
2
3
4
CD1
Clamp-Diode
CD1
Clamp-Diode
12
C802
4.7U/6.3V_6
C802
4.7U/6.3V_6
C807
10U/6.3V_8
C807
10U/6.3V_8
C593
150P/50V_4
C593
150P/50V_4
C814 0.1U/10V_4C814 0.1U/10V_4
R560 100/F_4R560 100/F_4
C809 10P/50V_4C809 10P/50V_4
C793 0.1U/10V_4C793 0.1U/10V_4
L36 UPB201209T-330Y-NL36 UPB201209T-330Y-N
C572
*150P/50V_4
C572
*150P/50V_4
R569
4.7K/F_4
R569
4.7K/F_4
C788 10U/6.3V_8C788 10U/6.3V_8
R558 *0_4/SR558 *0_4/S
C801
0.1U/10V_4
C801
0.1U/10V_4
C800
4.7U/6.3V_6
C800
4.7U/6.3V_6
R439
4.7K/F_4
R439
4.7K/F_4
C808
10U/6.3V_8
C808
10U/6.3V_8
C602
1000P/50V_4
C602
1000P/50V_4
CD3
Clamp-Diode
CD3
Clamp-Diode
12
C803
0.1U/10V_4
C803
0.1U/10V_4
HPO1
AEC_311105-2
HPO1
AEC_311105-2
1
2
6
3
4
5
7
8
9
10
R440
100K_4
R440
100K_4
R56320K/F_4 R56320K/F_4
R556
39.2K/F_4
R556
39.2K/F_4
R425 75_4R425 75_4
R562 *0_4/SR562 *0_4/S
C608 100P/50V_4C608 100P/50V_4
Q33
2N7002E
Q33
2N7002E
3
2
1
ALC269Q-VC2-GR
Digital
Analog
U21
ALC269Q-VB6-GR
ALC269Q-VC2-GR
Digital
Analog
U21
ALC269Q-VB6-GR
DVDD1 1
GPIO0/DMIC-DATA
2
GPIO1/DMIC-CLK
3
PD#
4
SDATA-OUT
5
BIT-CLK
6
DVSS2
7
SDATA-IN
8
DVDD-IO 9
SYNC
10
RESET#
11
PCBEEP
12 Sense A 13
LINE2-L 14
LINE2-R 15
MIC2-L 16
MIC2-R 17
Sense B 18
JDREF
19
MONO-OUT 20
MIC1-L 21
MIC1-R 22
LINE1-L 23
LINE1-R 24
AVDD1 25
AVSS1
26
VREF 27
LDO_CAP
28
MIC2-VREFO 29
MIC1-VREFO-R 30
MIC1_VREF_L 31
HP-OUT-L 32
HP-OUT-R 33
CPVEE
34
CBN 35
CBP 36
AVSS2
37 AVDD2 38
PVDD1 39
SPK-L+
40
SPK-L-
41
PVSS2
43
SPK-R-
44
SPK-R+
45
PVDD2 46
SPDIFO2/EAPD
47
SPDIFO
48
PGND
49
PVSS1
42
R404 *0_4/SR404 *0_4/S
L37 UPB201209T-330Y-NL37 UPB201209T-330Y-N
C798
0.1U/10V_4
C798
0.1U/10V_4
C595
4.7U/6.3V_6
C595
4.7U/6.3V_6
C597
1U/10V_4
C597
1U/10V_4
C805
10U/6.3V_8
C805
10U/6.3V_8
C609 0.1U/10V_4C609 0.1U/10V_4
L34 UPB201209T-330Y-NL34 UPB201209T-330Y-N
C599 100P/50V_4C599 100P/50V_4
Q34
2N7002E
Q34
2N7002E
3
2
1
C811 *10P/50V_4C811 *10P/50V_4
C813 *10P/50V_4C813 *10P/50V_4
R568 22_4R568 22_4
C804
*1U/10V_4
C804
*1U/10V_4
Q26
2N7002E
Q26
2N7002E
3
2
1
R432
4.7K/F_4
R432
4.7K/F_4
C592
150P/50V_4
C592
150P/50V_4
C598
1000P/50V_4
C598
1000P/50V_4
R442 *0_4/SR442 *0_4/S
C794 2.2U/10V_6C794 2.2U/10V_6
C819 *10P/50V_4C819 *10P/50V_4
C792 2.2U/10V_6C792 2.2U/10V_6
1 2
L38 SBK160808T-301Y-NL38 SBK160808T-301Y-N
MIC1
AEC_311105-2
MIC1
AEC_311105-2
1
2
6
3
4
5
7
8
9
10
L32 SBK160808T-301Y-NL32 SBK160808T-301Y-N
R431
1K/F_4
R431
1K/F_4
C590
*150P/50V_4
C590
*150P/50V_4
C810 10P/50V_4C810 10P/50V_4
R441 10K/F_4R441 10K/F_4
L35 SBK160808T-301Y-NL35 SBK160808T-301Y-N
CD2
Clamp-Diode
CD2
Clamp-Diode
12
CD4
Clamp-Diode
CD4
Clamp-Diode
12
TP60TP60
R438
1K/F_4
R438
1K/F_4
R437 *0_4/SR437 *0_4/S
R573 0_4R573 0_4
L33 UPB201209T-330Y-NL33 UPB201209T-330Y-N
CD6
Clamp-Diode
CD6
Clamp-Diode
12
C797
1U/10V_4
C797
1U/10V_4
C603
1000P/50V_4
C603
1000P/50V_4
C601
*0.1U/10V_4
C601
*0.1U/10V_4
R567
1K/J_4
R567
1K/J_4
C594
1000P/50V_4
C594
1000P/50V_4
R561
*4.7K_4
R561
*4.7K_4
CD5
Clamp-Diode
CD5
Clamp-Diode
12
C799
4.7U/6.3V_6
C799
4.7U/6.3V_6
1 2
L31 SBK160808T-301Y-NL31 SBK160808T-301Y-N
R557 *0_4/SR557 *0_4/S
C607
*1U/10V_4
C607
*1U/10V_4
R554 *0_4/SR554 *0_4/S
C791 2.2U/10V_6C791 2.2U/10V_6
C812
0.1U/10V_4
C812
0.1U/10V_4
R559 20K/F_4R559 20K/F_4
L54
HCB1608K-181T15
L54
HCB1608K-181T15
R423 *0_4/SR423 *0_4/S
L52 HCB1608K-181T15L52 HCB1608K-181T15
C806
4.7U/6.3V_6
C806
4.7U/6.3V_6

5
5
4
4
3
3
2
2
1
1
D D
C C
B B
A A
TRA_V_DAC
MDI3+
MDI1-
MDI2-
TRA_V_DAC
TRA_V_DAC
MDI0-
TRA_V_DAC
MDI0+
MDI3-
MDI1+
MDI2+ LAN_MX2+
LAN_MX1+
LAN_MX3-
LAN_MX3+
LAN_MX1-
LAN_MX2-
LAN_MX0+
LAN_MX0-
AVDDL
AVDDL
DVDDL
PCIE_RXP2_LAN_L
PCIE_RXN2_LAN_L
LAN_XTAL1
LAN_XTAL2
MDI3+
MDI1-
MDI2-
MDI0-
MDI0+
MDI3-
MDI1+
MDI2+
LX
AVDDL
AVDDL
AVDDL
DVDDL
AVDDH
AVDDH
LANRSET
LAN_CLKRQ
LAN_CLKRQ
LAN_MX3+
LAN_MX1-
LAN_MX0+
LAN_MX0-
LAN_MX1+
LAN_MX3-
LAN_MX2+
LAN_MX2-
LAN_GLINK100#
LAN_GLINK100#
LAN_TX#
DVDDLAVDDLAVDDVCO
AVDDVCO
ISOLAT#
PPS
LAN_MCTG
LAN_MCTG3
LAN_MCTG1
LAN_MCTG2
LAN_MCTG0
LAN_XTAL1
LAN_XTAL2
PCIE_TXP2_LAN[8]
PCIE_TXN2_LAN[8]
PCIE_RXP2_LAN[8]
PCIE_RXN2_LAN[8]
CLK_PCIE_LANP[8]
CLK_PCIE_LANN[8]
PCIE_CLKREQ_LAN#[8]
PLTRST#[2,8,14,22,23,28,29]
PCIE_WAKE#[6]
+3V[2,6,7,8,9,10,12,13,14,16,21,22,23,24,26,27,28,29,34,36,38,40]
+3VLANVCC[7,38]
LAN_XTAL25_IN[7]
+3VLANVCC
+3VLANVCC
+3V
+3VLANVCC
+3V
+3VLANVCC
LAN_AGND
LAN_AGND
LAN_AGND
LAN_AGND
Size Document Number Rev
Date: Sheet of
4XDQWD&RPSXWHU,QF
352-(&7/*0X[OHVV80$
1%
LAN AR8151/RJ45
2A
Custom
25 42Wednesday, March 07, 2012
Size Document Number Rev
Date: Sheet of
4XDQWD&RPSXWHU,QF
352-(&7/*0X[OHVV80$
1%
LAN AR8151/RJ45
2A
Custom
25 42Wednesday, March 07, 2012
Size Document Number Rev
Date: Sheet of
4XDQWD&RPSXWHU,QF
352-(&7/*0X[OHVV80$
1%
LAN AR8151/RJ45
2A
Custom
25 42Wednesday, March 07, 2012
7
5
$
1
6
)
2
5
0
(
5
7
5
$
1
6
)
2
5
0
(
5
7
5
$
1
6
)
2
5
0
(
5
7
5
$
1
6
)
2
5
0
(
5
PLACE NEAR LAN IC PIN6
Atheros Lan
3
/
7
5
6
7
placed 0.1U within 200 mil
close to AR8151
placed VDD33 CAP within 400 mil
close to AR8151
PV...Change C474 to 0 ohm FOR EMI
PV...ADD RES from GND to LAN_AGND for EMI
R225 75/F_8R225 75/F_8
Q32
2N7002E
Q32
2N7002E
3
2
1
R7022 0_4R7022 0_4
0.1U/10V_4C401 0.1U/10V_4C401
L51
*PBY160808T-601Y-N_1A
L51
*PBY160808T-601Y-N_1A
0.1U/10V_4C303 0.1U/10V_4C303
C736 0.1U/10V_4C736 0.1U/10V_4
C427 *4.7U/6.3V_6C427 *4.7U/6.3V_6
0.1U/10V_4C445 0.1U/10V_4C445
R318 4.7K_4R318 4.7K_4
0.1U/10V_4C314 0.1U/10V_4C314
0.1U/10V_4C771 0.1U/10V_4C771
0.1U/10V_4C764 0.1U/10V_4C764
R229 75/F_8R229 75/F_8
Y4
*25MHZ
Y4
*25MHZ
21
R7020 0_4R7020 0_4
C772 1U/6.3V_4C772 1U/6.3V_4
C450
0.1U/10V_4
C450
0.1U/10V_4
L49
*4.7uh_C_1A
L49
*4.7uh_C_1A
R339
4.7K_4
R339
4.7K_4
0.1U/10V_4C400 0.1U/10V_4C400
C775 10U/6.3V_8C775 10U/6.3V_8
R7023 0_4R7023 0_4
0.1U/10V_4C349 0.1U/10V_4C349
C761 1U/6.3V_4C761 1U/6.3V_4
C766 *1000P/50V_4C766 *1000P/50V_4
*33P/50V_4
C473
*33P/50V_4
C473
C310 *1000P/50V_4C310 *1000P/50V_4
C447 1U/6.3V_4C447 1U/6.3V_4
AR8161-A
$WKHURV
U6
AR8161-AL3A-R
AR8161-A
$WKHURV
U6
AR8161-AL3A-R
WAKEn
3
RBIAS
10
GND1 41
XTLI
8
XTLO
7
TRXP3 20
TRXP2 17
TRXN2 18
TRXN1 15
TRXP1 14
TRXN0 12
TRXP0 11
VDD33 1
LX 40
LED1 39
LED0 38
DVDDL_REG
37
RX_N
36 RX_P
35
REFCLKP
33
REFCLKN
32
AVDDL 31
TX_P
30
TX_N
29
NC 28
TESTMODE 27
SMDATA
26 SMCLK
25
PPS
24
LED2 23
AVDDH
22
TRXN3 21
PERSTn
2
CLKREQn
4
ISOLATn 5
AVDDL_REG 6
AVDDH_REG
9
AVDDL 34
AVDDL 13
AVDD33
16
AVDDL 19
GND
42
GND
43
GND
44
GND
45
GND
46
GND
47
GND
48
GND
49
GND
50
C363 *1000P/50V_4C363 *1000P/50V_4
C441
*0.1U/10V_4
C441
*0.1U/10V_4
0.1U/10V_4C369 0.1U/10V_4C369
C323 *1000P/50V_4C323 *1000P/50V_4
0.1U/10V_4C402 0.1U/10V_4C402
R329 30K/F_4R329 30K/F_4
0.1U/10V_4C422 0.1U/10V_4C422
R315 *4.7K_4R315 *4.7K_4
0.1U/10V_4C765 0.1U/10V_4C765
*0.1U/10V_4C762 *0.1U/10V_4C762
C770
0.1U/10V_4
C770
0.1U/10V_4
C737 1U/10V_4C737 1U/10V_4
C778 10U/6.3V_8C778 10U/6.3V_8
R353 *0_4R353 *0_4
R7021 0_4R7021 0_4
C739
10P/3KV_1808
C739
10P/3KV_1808
C294 *0.01U/100V_06C294 *0.01U/100V_06
C336 *1000P/50V_4C336 *1000P/50V_4
TP33TP33
C367 *0.01U/100V_06C367 *0.01U/100V_06
C767 *10U/6.3V_8C767 *10U/6.3V_8
*33P/50V_4
C462
*33P/50V_4
C462
R235 75/F_8R235 75/F_8
U20
NS892405
U20
NS892405
TCT1
1
TD1+
2
TD1-
3
TD2+
5
TD2-
6
TCT2
4MCT1 24
MX1+ 23
MX1- 22
MCT2 21
MX2+ 20
MX2- 19
TCT3
7
TD3+
8
TD3-
9
TCT4
10
TD4+
11
TD4-
12 MX4- 13
MX4+ 14
MCT4 15
MX3- 16
MX3+ 17
MCT3 18
C768
1U/6.3V_4
C768
1U/6.3V_4
L48
PBY160808T-601Y-N_1A
L48
PBY160808T-601Y-N_1A
TP32TP32
C773 1U/6.3V_4C773 1U/6.3V_4
R321 2.37K/F_4R321 2.37K/F_4
R326 4.7K_4R326 4.7K_4
C457 1000P/50V_4C457 1000P/50V_4
0.1U/10V_4C442 0.1U/10V_4C442
C474 0_4C474 0_4
R325 *4.7K_4R325 *4.7K_4
C372 *0.01U/100V_06C372 *0.01U/100V_06
C444 1U/6.3V_4C444 1U/6.3V_4
RJ45C1
RJ45
RJ45C1
RJ45
1
1
2
2
3
3
4
4
5
5
6
6
7
7
8
8
G1 9
G2 10
C335 *0.01U/100V_06C335 *0.01U/100V_06
R220 75/F_8R220 75/F_8
0.1U/10V_4C763 0.1U/10V_4C763
*0.1U/10V_4C443 *0.1U/10V_4C443
0.1U/10V_4C769 0.1U/10V_4C769

5
5
4
4
3
3
2
2
1
1
D D
C C
B B
A A
USB30_TX4-_CUSB30_RX4-
USB30_TX4+_CUSB30_RX4+
USBP3-_C
USB30_TX4+_C
USB30_TX4-_C
USBP3+_C
USBP3-_C
+5VCPU_USBP0
USBP3+_C
G_INT2#
MBCLK2
MBDATA2
INTH#
USBP9+_L
USBP9-_L
USBP0+_L
USBP0-_L
NBSWON1#
USB_ENABLE#
+3VPCU
+5V
USB30_TX3-_CUSB30_RX3+
USB30_TX3+_CUSB30_RX3-
USB30_TX3+_C
USB30_TX3-_C
USBP2+_C
USBP2-_C
+5VSUS_USBP1
USB_ENABLE#
+5VSUS_USBP1
USB_CHR_C1
USB_CHR_C3
+5VCPU_USBP0
USBP3-_C
USBP3+_C
USBP3+_IC
USBP3-_IC
USBP2+_C
USBP2-_C
INTH#[8]
MBDATA2[8,13,17,28,29]
MBCLK2[8,13,17,28,29]
G_INT2#
USBP9-[8]
USBP9+[8]
USB_ENABLE#[29]
USBP0-[8]
USBP0+[8]
USB_ENABLE#[29]
Charger_ON[29]
USB_CHR_C1[29]
USB_CHR_C3[29]
USB30_TX4-[8]
USB30_TX4+[8]
USB30_RX4-[8]
USB30_RX4+[8]
USBP3-[8]
USBP3+[8]
USB30_TX3-[8]
USB30_TX3+[8]
USB30_RX3-[8]
USB30_RX3+[8]
USBP2-[8]
USBP2+[8]
NBSWON1#[29]
+3V
+3V
+5VS5
+5VS5
+5VS5 +5VS5
+5VCPU_USBP0
+5VS5
+3VPCU
+5V
Size Document Number Rev
Date: Sheet of
4XDQWD&RPSXWHU,QF
352-(&7/*0X[OHVV80$
1%
G-SENSOR/USB3/USB2/Charge
2A
Custom
26 42Wednesday, March 07, 2012
Size Document Number Rev
Date: Sheet of
4XDQWD&RPSXWHU,QF
352-(&7/*0X[OHVV80$
1%
G-SENSOR/USB3/USB2/Charge
2A
Custom
26 42Wednesday, March 07, 2012
Size Document Number Rev
Date: Sheet of
4XDQWD&RPSXWHU,QF
352-(&7/*0X[OHVV80$
1%
G-SENSOR/USB3/USB2/Charge
2A
Custom
26 42Wednesday, March 07, 2012
USB3.0/USB2.0 x1 COMBO/Charger Port
Accelerometer Sensor
USB / Power LED & SW for
14"/15"To USB Board
USB3.0/USB2.0 x1 COMBO
150 mils (Iout=3.5A)
Rc
Charger USB
To Host
high active
Ios = 48000/RILIM0
80 mils (Iout=2A)
default: Auto-detect
ϮϬϬŵŝůůƐ
ůǁĂLJƐͲŽŶ
ŚĂƌŐĞ
^ϰͬ^ϱ
DŽĚĞ DŽĚĞ
ŶĂďůĞ
ŝƐĂďůĞĚ
ŶĂďůĞ
ŝƐĂďůĞĚ K&& K&&
W
K&& K&&
W W
K&&
ƵƌƌĞŶƚĂƚƚĞƌLJ
ĂƉĂĐŝƚLJ
х>ŽǁďĂƚƚĞƌLJůĞǀĞů
фс>ŽǁďĂƚƚĞƌLJůĞǀĞů
^ϯ
W WŶĂďůĞ
^WŝƐĂďůĞĚ
&ĂƐƚŚĂƌŐĞ
^W
^Ϭ
ĞƚĞĐƚĚĞǀŝĐĞƚŽŚĂƌŐĞ͗hdKĞƚĞĐƚ
ϭ
dW^ϮϱϰϬŽŶƚƌŽůdƌƵƚŚdĂďůĞ
KƵƚŝƐĐŚĂƌŐĞ͕WŽǁĞƌƐǁŝƚĐŚK&&
ĞĚŝĐĂƚĞĚĐŚĂƌŐŝŶŐƉŽƌƚ͕ĂƵƚŽͲĚĞƚĞĐƚ;WͿ
^ƚĂŶĚĂƌĚĚŽǁŶƐƚƌĞĂŵƉŽƌƚ͕h^Ϯ͘ϬDŽĚĞ͘;^WͿ
ŚĂƌŐŝŶŐĚŽǁŶƐƚƌĞĂŵƉŽƌƚ͕ϭ͘Ϯ;ĚƌĂĨƚͿ͘;WͿ
ϬϬϬ
Ϭ
Ϭ
ϭ
ϭ
ϭϭ
y
y
d>ϭ d>Ϯ d>ϯ sϮ͘͘͘ĚĚϱϭϴ͕ϱϭϳ&KZD/
PV...DELETE RP6
PV...DELETE R351,R352
R382 *0_4/SR382 *0_4/S C785 4.7U/6.3V_6C785 4.7U/6.3V_6
C786 0.1U/10V_4C786 0.1U/10V_4
D12
SP3010-04UTG
D12
SP3010-04UTG
1
2
3
4
5
6
79
10
C483
1U/6.3V_4
C483
1U/6.3V_4
C517 220P/50V_4C517 220P/50V_4
C42 220P/50V_4C42 220P/50V_4
C455
470P/50V_4
C455
470P/50V_4
R409 *0_4/SR409 *0_4/S
C515
Clamp-Diode
C515
Clamp-Diode
1 2
U12
*LIS3DHTR
AL0LIS3DA00
U12
*LIS3DHTR
AL0LIS3DA00
SCL
4GND 5
CS
8
INT2
9RESERVED 13
Vdd_IO
1
VDD
14
SDO
7
SDA
6
NC 2
INT1
11 RESERVED 10
NC 3
GND 12
RESERVED 15
RESERVED 16
C566 0.1U/10V_4C566 0.1U/10V_4
C43 0.1U/10V_4C43 0.1U/10V_4
C545
*0.1U/10V_4
C545
*0.1U/10V_4
C10 0.1U/10V_4C10 0.1U/10V_4
U11
TPS2540A
U11
TPS2540A
IN 1
ILIM0 16
OUT 12
GND 14
ILIM1 15
DM_IN
11
CTL2
7
CTL3
8
CTL1
6EN/DSC
5
PADGND 17
ILIM_SEL 4
/FAULT 13
DP_IN
10
DP_OUT
3DM_OUT
2
NC 9
RP1
WCM2012F2SF-900T04
RP1
WCM2012F2SF-900T04
1
4 3
2
C518 220P/50V_4C518 220P/50V_4
R553*4.7K/F_4 R553*4.7K/F_4
+
C779
100U 16V(+-20%,6.3*5.8)
+
C779
100U 16V(+-20%,6.3*5.8)
12
C562 *33P/50V_4C562 *33P/50V_4
C456
470P/50V_4
C456
470P/50V_4
C565 *33P/50V_4C565 *33P/50V_4
R552 0_4R552 0_4
RP2
WCM2012F2SF-900T04
RP2
WCM2012F2SF-900T04
1
4 3
2
U9
G547E2P81U
U9
G547E2P81U
GND
1EN
4
VIN1
2
VIN2
3
OC 5
OUT1 6
OUT3 8
OUT2 7
VBUS
D-
D+
GND
SSRX-
SSRX+
GND
SSTX-
SSTX+
CN7
USB3.0 CONN
VBUS
D-
D+
GND
SSRX-
SSRX+
GND
SSTX-
SSTX+
CN7
USB3.0 CONN
1
1
3
32
2
4
4
5
5
6
6
7
7
8
8
9
9
11
11
10
10
13
13
12
12
R405 *0_4/SR405 *0_4/S
C485 0.1U/10V_4C485 0.1U/10V_4
R399 *0_4R399 *0_4
R381*4.7K/F_4 R381*4.7K/F_4
C776
0.1U/10V_4
C776
0.1U/10V_4
C571 0.1U/10V_4C571 0.1U/10V_4
R401 *0_4/SR401 *0_4/S
USB1
USB FFC CONN
USB1
USB FFC CONN
1
2
3
4
5
6
7
8
9
10
11
12
13
14
15
16
C516
Clamp-Diode
C516
Clamp-Diode
1 2
C563
*22P/50V_4
C563
*22P/50V_4
D6
SP3010-04UTG
D6
SP3010-04UTG
1
2
3
4
5
6
79
10
C484 0.1U/10V_4C484 0.1U/10V_4
C554
*0.1U/10V_4
C554
*0.1U/10V_4
C454
Clamp-Diode
C454
Clamp-Diode
1 2
C514
470P/50V_4
C514
470P/50V_4
C15 220P/50V_4C15 220P/50V_4
R400
17.8K/F_4
R400
17.8K/F_4
C466
Clamp-Diode
C466
Clamp-Diode
1 2
RP5
WCM2012-90
RP5
WCM2012-90
1
4 3
2
R406 *0_4/SR406 *0_4/S
C9 220P/50V_4C9 220P/50V_4
+
C782
100U 16V(+-20%,6.3*5.8)
+
C782
100U 16V(+-20%,6.3*5.8)
12
VBUS
D-
D+
GND
SSRX-
SSRX+
GND
SSTX-
SSTX+
CN6
USB3.0 CONN
VBUS
D-
D+
GND
SSRX-
SSRX+
GND
SSTX-
SSTX+
CN6
USB3.0 CONN
1
1
3
32
2
4
4
5
5
6
6
7
7
8
8
9
9
11
11
10
10
13
13
12
12

A
A
B
B
C
C
D
D
E
E
4 4
3 3
2 2
1 1
+3V[2,6,7,8,9,10,12,13,14,16,21,22,23,24,25,26,28,29,34,36,38,40]
+5V[7,10,21,22,23,24,26,28,38]
+12VALW[38,39]
+VIN +VIN +VIN +VIN +VIN
+VIN +VIN +VIN +VIN +VIN
+3VS5
+5VS5
+3VS5 +3VS5 +3VS5 +3VS5
+3VS5
+1.5VSUS
+3VS5
+1.5VSUS
+3VS5
+1.5VSUS
+3VS5
+1.5VSUS +1.5VSUS+1.5VSUS +1.5VSUS +1.5VSUS
+3V +3V +3V +3V
+1.5VSUS +1.5VSUS
+1.5V_VGA +1.5V_VGA
+5VS5 +5VS5 +5VS5 +5VS5
+VIN +VAJ1-1 +1.5VSUS +1.5VSUS +1.5VSUS
Size Document Number Rev
Date: Sheet of
4XDQWD&RPSXWHU,QF
352-(&7/*0X[OHVV80$
1%
USB 3.0 Controller (VIA_VL801)
2A
Custom
27 42Wednesday, March 07, 2012
Size Document Number Rev
Date: Sheet of
4XDQWD&RPSXWHU,QF
352-(&7/*0X[OHVV80$
1%
USB 3.0 Controller (VIA_VL801)
2A
Custom
27 42Wednesday, March 07, 2012
Size Document Number Rev
Date: Sheet of
4XDQWD&RPSXWHU,QF
352-(&7/*0X[OHVV80$
1%
USB 3.0 Controller (VIA_VL801)
2A
Custom
27 42Wednesday, March 07, 2012
CPU BKT
+ROH
(0,&$3
sϮ͘͘͘ĚĚƐƚŝƚĐŚĐĂƉďĞƚǁĞĞŶƉŽǁĞƌƉůĂŶĞĨŽƌD/ZĞƋƵĞƐƚ͘
Ws͘͘͘ĚĚWĨŽƌD/ZĞƋƵĞƐƚ͘
C200
0.1U/25V_4
C200
0.1U/25V_4
H10
*SPAD-C157
H10
*SPAD-C157
1
C840
0.1U/10V_4
C840
0.1U/10V_4
H33
*spad-re787x59np
H33
*spad-re787x59np
1
C249
0.1U/25V_4
C249
0.1U/25V_4
H5
*SPAD-C236
H5
*SPAD-C236
1
H2
*O-LG3-2
H2
*O-LG3-2
1
C842
0.1U/10V_4
C842
0.1U/10V_4
H28
*h-te469x315bc315d118p2
H28
*h-te469x315bc315d118p2
1
C834
0.1U/10V_4
C834
0.1U/10V_4
C833
0.1U/10V_4
C833
0.1U/10V_4
H27
*SPAD-C157
H27
*SPAD-C157
1
H32
*SPAD-C236
H32
*SPAD-C236
1
C839
0.1U/10V_4
C839
0.1U/10V_4
C264
0.1U/25V_4
C264
0.1U/25V_4
H31
*SPAD-C236
H31
*SPAD-C236
1
H19
h-tc276bc256ic106d106p2
H19
h-tc276bc256ic106d106p2
1
H20
*H-TC315I118BC276D118P2
H20
*H-TC315I118BC276D118P2
1
C656
0.1U/25V_4
C656
0.1U/25V_4
H16
h-tc276bc256d106p2
H16
h-tc276bc256d106p2
1
C193
0.1U/25V_4
C193
0.1U/25V_4
H7
*SPAD-C236
H7
*SPAD-C236
1
PC255
10U/25V_8
PC255
10U/25V_8
C838
0.1U/10V_4
C838
0.1U/10V_4
H6
*h-tc315bc220d150p2
H6
*h-tc315bc220d150p2
1
H3
*h-c315d118p2
H3
*h-c315d118p2
1
H4
*SPAD-C236
H4
*SPAD-C236
1
H30
*O-LG35-1
H30
*O-LG35-1
1
H8
*SPAD-C157
H8
*SPAD-C157
1
C854
0.1U/10V_4
C854
0.1U/10V_4
H25
*SPAD-C157
H25
*SPAD-C157
1
H15
*SPAD-C236
H15
*SPAD-C236
1
H18
*H-TR394X354I118BC315D118P2
H18
*H-TR394X354I118BC315D118P2
1
C832
0.1U/10V_4
C832
0.1U/10V_4
H17
*intel-cpu-bkt2
H17
*intel-cpu-bkt2
2
3
4
1
C830
0.1U/10V_4
C830
0.1U/10V_4
C853
0.1U/10V_4
C853
0.1U/10V_4
H29
*h-tsbsd118p2
H29
*h-tsbsd118p2
1
H34
*SPAD-RE787X40NP
H34
*SPAD-RE787X40NP
1
C837
0.1U/10V_4
C837
0.1U/10V_4
C836
0.1U/10V_4
C836
0.1U/10V_4
C7
0.1U/25V_4
C7
0.1U/25V_4
C852
0.1U/10V_4
C852
0.1U/10V_4
C371
0.1U/25V_4
C371
0.1U/25V_4
C829
0.1U/10V_4
C829
0.1U/10V_4
C831
0.1U/10V_4
C831
0.1U/10V_4
H9
*h-c315d118p2
H9
*h-c315d118p2
1
PC256
10U/25V_8
PC256
10U/25V_8
H22
*SPAD-C157
H22
*SPAD-C157
1
C464
0.1U/25V_4
C464
0.1U/25V_4
H11
*h-tc315bc220d150p2
H11
*h-tc315bc220d150p2
1
H14
*SPAD-C236
H14
*SPAD-C236
1
C835
0.1U/10V_4
C835
0.1U/10V_4
C738
0.1U/25V_4
C738
0.1U/25V_4
H26
*SPAD-C157
H26
*SPAD-C157
1
C452
0.1U/25V_4
C452
0.1U/25V_4
H21
*H-TC315I118BC354D118P2
H21
*H-TC315I118BC354D118P2
1
H12
*O-LG3-3
H12
*O-LG3-3
1
2
H24
*SPAD-C157
H24
*SPAD-C157
1
H23
*SPAD-C157
H23
*SPAD-C157
1
H13
*hg-tr272x315bsd118p2
H13
*hg-tr272x315bsd118p2
1
2
3
4
5
6
7
8
C843
0.1U/10V_4
C843
0.1U/10V_4
H1
*H-C315I118D118P2
H1
*H-C315I118D118P2
1
C841
0.1U/10V_4
C841
0.1U/10V_4
PC257
10U/25V_8
PC257
10U/25V_8

A
A
B
B
C
C
D
D
E
E
4 4
3 3
2 2
1 1
MY1
MY[0..15]
MX[0..7]
MY12
MY11
MY0
MY15
MX7
MY5
MY6
MY9
MX2
MY11
MX4
MY4
MY10
MY14
MY2
MY8
MY3
MX0
MX6
MX3
MX5
MY12
MX1
MY7
MY1
MX6
MY5
MY11
MX5
MX3
MY2
MX1
MY12
MY14
MY13
MY10
MX4
MY2
MY7
MY9
MY4
MX7
MY0
MY6
MX0
MY1
MY15
MY8
MX2
MY3
MY7
MY3
MY5
MY9
MY6
MY4
MY0
MY8
MY2
MY14
MY15
MY13
MY10
USBP11+
USBP11- TP_L
TPCLK
TPDATA
TP_R
MY13
BAT_R_LED2
PWR_R_LED1
SATA_R_LED3
BATLOW#
SATA_LED#
TP_L
TP_R
TPDATA
TPCLK
TPDATA-1
TPCLK-1
+3VPCU
Network_Manager
Smart_share
3D_SRSl#
PWR_LED#
LID_EC#
+BTV
BT_OFF#_R
PWR_LED#
SATA_LED#
BATLOW#
FAN_PWM
FAN1SIG
PLTRST#
LAD0
LFRAME#
LAD3
LPCPD#_TPM
CLK_PCI_TPM
LAD1
LAD2
CLKRUN#
SERIRQ
TPM_XOUT
TPM_XIN
LPCPD#_TPM
LPCPD#_TPM
MBCLK2
MBDATA2
BT_OFF#_R
MX[0..7][29]
MY[0..15][29]
USBP11-[8]
USBP11+[8]
LID_EC#[21,29]
+5V[7,10,21,22,23,24,26,38]
+3V[2,6,7,8,9,10,12,13,14,16,21,22,23,24,25,26,27,29,34,36,38,40]
+3VPCU[7,21,26,29,30,31]
+5VS5[10,26,27,31,32,33,34,35,36,37,38,39,40]
BATLOW#[29]
SATA_LED#[7]
TPDATA[29]
TPCLK[29]
PWR_LED#[29]
BT_OFF#[9]
USBP8+[8]
USBP8-[8]
FAN1SIG[29]
FAN_PWM[29]
PLTRST#[2,8,14,22,23,25,29]
LFRAME#[7,22,29]
LAD0[7,22,29]
LAD1[7,22,29]
CLKRUN#[6,29]
LAD3[7,22,29]
SERIRQ[7,29]
LAD2[7,22,29]
CLK_PCI_TPM[8]
SLP_S5[6,29]
SUS_STAT#[6]
MBDATA2[8,13,17,26,29]
MBCLK2[8,13,17,26,29]
3D_SRSl#[29]
Smart_share[29]
Network_Manager[29]
INT_BT_COMBO_EN#[8]
+3VPCU
+3VPCU
+3VPCU
+3V
+3V
+5V
+5V
+3V
+3VPCU
+3VPCU
+3V
+3VPCU
+5V
+3VS5 +3VS5
+BTV
+BTV
+5V
+3VS5
+3V +3V
+3V
+3V
Size Document Number Rev
Date: Sheet of
4XDQWD&RPSXWHU,QF
352-(&7/*0X[OHVV80$
1%
BT/FR/LED/TP/TPM
2A
Custom
28 42Wednesday, March 07, 2012
Size Document Number Rev
Date: Sheet of
4XDQWD&RPSXWHU,QF
352-(&7/*0X[OHVV80$
1%
BT/FR/LED/TP/TPM
2A
Custom
28 42Wednesday, March 07, 2012
Size Document Number Rev
Date: Sheet of
4XDQWD&RPSXWHU,QF
352-(&7/*0X[OHVV80$
1%
BT/FR/LED/TP/TPM
2A
Custom
28 42Wednesday, March 07, 2012
To LID Function Board
To Touch Pad
LED
10 mils (250mA)
To Click Board & FP
TOUCH PAD CONNECTOR
TP Button CONNECTOR
.(<%2$5'38//83
KEYBOARD Con.
25 mils
24mil
24mil
BLUETOOTH
CPU FAN
TPM (1.2)
C185 220P/50V_4C185 220P/50V_4
R419
*4.7K
R419
*4.7K
C552
*0.1U
C552
*0.1U
C182 220P/50V_4C182 220P/50V_4
C75 220P/50V_4C75 220P/50V_4
C171 220P/50V_4C171 220P/50V_4
TPB1
TB CONN
DFFC08FR016
TPB1
TB CONN
DFFC08FR016
1
2
3
4
5
6
7
8
L21 BLM18BA470SN1L21 BLM18BA470SN1
C179 220P/50V_4C179 220P/50V_4
U14
*SLB9635
U14
*SLB9635
GPIO2 2
NC
3
GPIO 6
PP 7
TESTI 8
TEST/BADD
9
GND 4
VDD 10
GND 18
VDD 24
VDD 19
VSB 5
GND 11
GND 25
LFRAME#
22
LCLK
21
LRESET#
16
LAD3
17
XTALI/32K IN 13
SERIRQ
27
LAD0
26
LAD2
20 LAD1
23
NC
1
NC
12 XTALO 14
CLKRUN#
15
LPCPD#
28
C136 220P/50V_4C136 220P/50V_4
LED1
3P WHITE LED
LED1
3P WHITE LED
21
RP3
10P8R-8.2K
RP3
10P8R-8.2K
10
9
8
7 4
3
2
1
56
C188
Clamp-Diode
C188
Clamp-Diode
1 2
C299
10P/50V_4
C299
10P/50V_4
C162 220P/50V_4C162 220P/50V_4
KB1
6906-25
KB1
6906-25
24
22
21
20
19
18
17
16
15
14
13
12
11
10
9
8
7
6
5
4
3
2
1
25
2627
23
L19 *BLM18BA470SN1L19 *BLM18BA470SN1
R392 *0R392 *0
C818 220P/50V_4C818 220P/50V_4
C695 *220P/50V_4C695 *220P/50V_4
R566 200/F_6R566 200/F_6
1 2
RP4
10P8R-8.2K
RP4
10P8R-8.2K
10
9
8
7 4
3
2
1
56
C585
*0.1U
C585
*0.1U
C670 0.1U/10V_4C670 0.1U/10V_4
C582
*18P
C582
*18P
C292
*Clamp-Diode
C292
*Clamp-Diode
1 2
C313 0.1U/10V_4C313 0.1U/10V_4
C815 220P/50V_4C815 220P/50V_4
BTH1
BLUE TOOTH CONN
87213-0600-6P-L
BTH1
BLUE TOOTH CONN
87213-0600-6P-L
1
2
3
4
5
6
LED3
3P WHITE LED
LED3
3P WHITE LED
21
R341 *0_4/SR341 *0_4/S
C93 220P/50V_4C93 220P/50V_4
C175 220P/50V_4C175 220P/50V_4
L22 BLM18BA470SN1L22 BLM18BA470SN1
R410
*4.7K
R410
*4.7K
R422
*4.7K
R422
*4.7K
C596
0.1U/10V_4
C596
0.1U/10V_4
R426
4.7K_4
R426
4.7K_4
C103 220P/50V_4C103 220P/50V_4
C109 220P/50V_4C109 220P/50V_4
Q25
ME2303T1
Q25
ME2303T1
3
2
1
R396 *0R396 *0
C155 220P/50V_4C155 220P/50V_4
C115 220P/50V_4C115 220P/50V_4
Q24
*PDTC144EU
Q24
*PDTC144EU
1 3
2
LED2
3P WHITE LED
LED2
3P WHITE LED
21
C85 220P/50V_4C85 220P/50V_4
C197
Clamp-Diode
C197
Clamp-Diode
1 2
C300
10P/50V_4
C300
10P/50V_4
C293
0.1U/10V_4
C293
0.1U/10V_4
R421 *4.7KR421 *4.7K
LEDC1
LED Board CONN
LEDC1
LED Board CONN
1
2
3
4
5
6
C553
*0.1U
C553
*0.1U
C186 220P/50V_4C186 220P/50V_4
C583
*18P
C583
*18P
R420 *0/4R420 *0/4
C606
0.1U/10V_4
C606
0.1U/10V_4
Y5
*32.768KHZ
Y5
*32.768KHZ
14
23
C148 220P/50V_4C148 220P/50V_4
C816 220P/50V_4C816 220P/50V_4
C81 220P/50V_4C81 220P/50V_4
C291 *Clamp-DiodeC291 *Clamp-Diode
1 2
FAN1
FAN CONN
FAN1
FAN CONN
1
2
3
4
C130 220P/50V_4C130 220P/50V_4
C72 220P/50V_4C72 220P/50V_4
R407
*4.7K
R407
*4.7K
R215 4.7K/F_4R215 4.7K/F_4
C63 220P/50V_4C63 220P/50V_4
R210 4.7K/F_4R210 4.7K/F_4
C311 0.1U/10V_4C311 0.1U/10V_4
C190
Clamp-Diode
C190
Clamp-Diode
1 2
R394 *4.7K/F_4R394 *4.7K/F_4
C123 220P/50V_4C123 220P/50V_4
R564 200/F_6R564 200/F_6
1 2
C180 0.1U/10V_4C180 0.1U/10V_4
L18 *BLM18BA470SN1L18 *BLM18BA470SN1
C672 4.7U/6.3V_6C672 4.7U/6.3V_6
R565 200/F_6R565 200/F_6
1 2
C584*0.1U C584*0.1U
C587
0.1U/10V_4
C587
0.1U/10V_4
C170 220P/50V_4C170 220P/50V_4
C696 *220P/50V_4C696 *220P/50V_4
C161 220P/50V_4C161 220P/50V_4
C62 220P/50V_4C62 220P/50V_4
TPC1
TOUCH PAD CONN
TPC1
TOUCH PAD CONN
1
2
3
4
5
6
7
8
9
10
11
12
C67 220P/50V_4C67 220P/50V_4

5
5
4
4
3
3
2
2
1
1
D D
C C
B B
A A
PWR_LED
NBSWON1#
MX6
MX7
MX5
MX4
MX1
MX2
MX0
MX3
TPCLK
TPDATA
CB_ID
GPIO33_E_R
EC_GPXA6
CB/LG
H_PROCHOT#_EC
EC_SO
EC_SI
EC_CE#
+3v_STBY
MY11
MY9
MY10
MY1
MY14
MY12
MY13
MY4
MY5
MY3
MY0
MY7
MY2
MY15
MY8
MY6
H_SI
H_SO
H_CLK
BATLOW
H_SCE#
EC_PECI_R
MBDATA2
MBCLK
MBDATA
MBCLK2
MBCLK
MBDATA
TPCLK
TPDATA
MBCLK2
MBDATA2
H_PROCHOT#_EC
H_PROCHOT#_Q
EC_WRST
EC_CT_UP
EC_SCK_R
EC_SO EC_SO_R
EC_SI_REC_SI
EC_SCK
EC_CE#
BATLOW
PWR_LED
NBSWON1#
EC_WRST
EC_WRST
+3V_ECACC
MBATLED0
LAD3
LAD0
PLTRST#
LAD1
LAD2
EC_SCK_R
Num LK
AC_PRESENT
USB_CHR_C2
Network_Manager
3D_SRSl#
CAP_INT
FAN1SIG
Setvpro
Setvpro
VFAN
PM_SLP_A#
PM_SLP_LAN#
CB/LG
CB_ID
Smart_share
SATA5GP_EC
GPU_PROCHOT#_R
M_POWEROK
EC_SCK EC_SCK_L
EC_CE#
EC_SI_R
EC_SO
DGPU_PWROK
USB_CHR_C3[26]
NBSWON1# [26]
ACIN [30]
SUSB# [6]
LID_EC# [21,28]
RSMRST#[6]
D/C#[30]
MY[0..15][28]
TPCLK[28]
TPDATA[28]
LAD1[7,22,28]
LFRAME#[7,22,28]
LAD2[7,22,28]
CLK_33M_KBC[8]
LAD3[7,22,28]
LAD0[7,22,28]
PLTRST#[2,8,14,22,23,25,28]
SLP_S5[6,28]
AD_AIR [30]
SYS_I [30]
TEMP_MBAT [30]
SUSC# [6]
3VS5_ON [31]
ACZ_SDOUT[7]
EC_DEBUG1[22]
HWPG[31,32,33,34,35]
LID_CONTROL[21]
DNBSWON# [6]
PCH_SPI_CLK [7]
PCH_SPI_SI [7]
PCH_SPI_SO [7]
CLKRUN# [6,28]
MAINON [30,32,34,35,38]
SUSON [32]
VRON [36]
EC_PWROK [6]
RF_LINK# [22]
MX[0..7][28]
EC_PECI [2]
MBDATA [30]
MBCLK [30]
MBCLK2 [8,13,17,26,28]
MBDATA2 [8,13,17,26,28]
H_PROCHOT# [2,36]
PM_THRMTRIP# [2,9]
BATLOW# [28]
PWR_LED# [28]
EC_A20GATE[9]
SIO_EXT_SCI#[9]
EC_RCIN#[9]
SERIRQ[7,28]
SIO_EXT_SMI#[9]
+3V[2,6,7,8,9,10,12,13,14,16,21,22,23,24,25,26,27,28,34,36,38,40]
+3VPCU[7,21,26,28,30,31]
+3VS5[6,7,8,9,10,27,28,31,34,35,38,39]
+3V_RTC[6,7,10]
5VS5_ON [31]
FAN1SIG [28]
USB_CHR_C1 [26]
USB_ENABLE#[26]
EJECT#[23]
DGPU_PWROK [8,9,39,40]
Charger_ON[26]
SUS_PWR_ACK [6]
VOLMUTE# [24]
LAN_POWER [38]
FAN_PWM [28]
Network_Manager [28]
3D_SRSl# [28]
PCH_SPI_CS1# [7]
PCH_SPI_CS0# [7]
Smart_share [28]
GPU_PROCHOT#[16]
+3VPCU+3V
+3VS5
IT8502_AGND
+3VPCU
+3VPCU
+3VPCU
+3V
+1.05V
+3VPCU
+3VPCU
IT8502_AGND
+3VPCU
+VCC_RTC
+3V_RTC
+3VPCU
+VCC_RTC
+3VPCU
IT8502_AGND IT8502_AGND
+3VPCU
+3VPCU
+3VPCU
Size Document Number Rev
Date: Sheet of
4XDQWD&RPSXWHU,QF
352-(&7/*0X[OHVV80$
1%
IT8515/HX/FLASH
2A
Custom
29 42Wednesday, March 07, 2012
Size Document Number Rev
Date: Sheet of
4XDQWD&RPSXWHU,QF
352-(&7/*0X[OHVV80$
1%
IT8515/HX/FLASH
2A
Custom
29 42Wednesday, March 07, 2012
Size Document Number Rev
Date: Sheet of
4XDQWD&RPSXWHU,QF
352-(&7/*0X[OHVV80$
1%
IT8515/HX/FLASH
2A
Custom
29 42Wednesday, March 07, 2012
For Battery charge/charge
For PCH SMB/DDR Thermal IC/VGA/G-SENSOR
thermal shutdown circuit
PV Change
Layout Note:
Place all capacitors close to IT8502N.
12 MILS
D5 need to close PCH.
Vpro Select
Rf
Re
Vpro
Non-Vpro
RfRe
Vpro Select Pin
Select
Ra
Rb
LG
CB
RaRb
LG/CB Select Pin
ADC
0V
Platform
LG3/LG5
Select
Rg
Board ID Select Pin
U16 Placement TOP side
EON
Vender
4MB
Size
Socket
AMIC
P/N
DFHS08FS023
AKE39ZN0Q02 (EN25Q32B-104HIP)
4MB AKE39F-0800 (A25LQ32AM-F/Q )
sϮ͘͘͘'WhͺWZK,Kdη͕'W/KϱͺWZK,KdηƚŽ'WhĂŶĚZϯϲϱ
Rg
Add C845,C844,C828 for EMI request
Add L8042 for EMI request
Rh
Rg
ADC
0V
Platform
LG3/LG5
Select
DV2 ...DGPU_PWROK Pull down to
disable GPU Thermal for UMA M/B
DV2...Stuff C560,C548,C559,C547 for EMI request
R418 15/J_4R418 15/J_4
Q17
2N7002E
Q17
2N7002E
3
2
1
D9 RB501V-40D9 RB501V-40
C556
0.1U/10V_4
C556
0.1U/10V_4
C844 22PC844 22P
T5T5
C604 *22PC604 *22P
L29 BK1608HS121-TL29 BK1608HS121-T
C500
22P_50v
C500
22P_50v
C550
0.1U/10V_4
C550
0.1U/10V_4
C548 22PC548 22P
TP42TP42
D4 RB501V-40D4 RB501V-40
R380 *0_4/SR380 *0_4/S
C508
0.1U/10V_4
C508
0.1U/10V_4
R335 *10K_4R335 *10K_4
L28 BK1608HS220-TL28 BK1608HS220-T
R376 10K/J_4R376 10K/J_4
R342 10K_4R342 10K_4
R387
*0_4/S
R387
*0_4/S
R338 10K/F_4R338 10K/F_4
R375 10K/J_4R375 10K/J_4
C559 22PC559 22P
R350
100K/J_4
R350
100K/J_4
C828 22PC828 22P
D7
RB501V-40
D7
RB501V-40
21
C557
0.1U/10V_4
C557
0.1U/10V_4
L8042SBY100505T-121Y-N L8042SBY100505T-121Y-N
TP43TP43
R357 *0_4/SR357 *0_4/S
R436 10K/J_4R436 10K/J_4
D8 RB501V-40D8 RB501V-40
R344 10K_4R344 10K_4
C845 22PC845 22P
C564 220P/50V_4C564 220P/50V_4
C551 0.1U/10V_4C551 0.1U/10V_4
R374 10K/J_4R374 10K/J_4
R435 47/J_4R435 47/J_4
R336 10K/J_4R336 10K/J_4
R346 *10K_4R346 *10K_4
TP44TP44
R355 *0_4R355 *0_4
R391
*0_4
R391
*0_4
12
C546
0.1U/10V_4
C546
0.1U/10V_4
R348 *10K/J_4R348 *10K/J_4
TP45TP45
R7018 *10K/J_4R7018 *10K/J_4
R327 10K/F_4R327 10K/F_4
C549 0.1U/10V_4C549 0.1U/10V_4
T3T3
R343 10K/F_4R343 10K/F_4
D11 RB501V-40D11 RB501V-40
R365*0_4 R365*0_4
TP38TP38
C522
0.1U/10V_4
C522
0.1U/10V_4
C555 *22PC555 *22P
C470
0.1U/10V_4
C470
0.1U/10V_4
R372 10K/F_4R372 10K/F_4
C471
1U/6.3V_4
C471
1U/6.3V_4
R358 *0_4/SR358 *0_4/S
R397 *0/short_4R397 *0/short_4
R388
10K/J_4
R388
10K/J_4
C547 22PC547 22P
U16
SPI Flash Socket
U16
SPI Flash Socket
CE#
1
SCK
6
SI
5
SO
2
WP#
3
VDD 8
VSS 4
HOLD# 7
Q18
2N7002E
Q18
2N7002E
3
2
1
R345 *10K_4R345 *10K_4
C560 22PC560 22P
C491
0.1U/10V_4
C491
0.1U/10V_4
R349 *10K/J_4R349 *10K/J_4
T4T4
R377 10K/J_4R377 10K/J_4
R359 *0_4/SR359 *0_4/S
C558
0.1U/10V_4
C558
0.1U/10V_4
Q22
2N7002E
Q22
2N7002E
3
2
1
R433 47/J_4R433 47/J_4
Q23 *MMBT3904-7-FQ23 *MMBT3904-7-F
2
13
R417 10K/J_4R417 10K/J_4
T2T2
C605
0.1U/10V_4
C605
0.1U/10V_4
R434 *47_4R434 *47_4
TP40TP40
R362 *0_4/SR362 *0_4/S
C561
0.1U/10V_4
C561
0.1U/10V_4
R395
470K/J_4
R395
470K/J_4
C465
1000P/50V_4
C465
1000P/50V_4
R333 *0_4/SR333 *0_4/S
C519
0.1U/10V_4
C519
0.1U/10V_4
R347 10K_4R347 10K_4
TP39TP39
KBMX
FLASH
WAKE UP
UART
A/D D/A
CLOCK
IT8518/HX
LPC
PS/2
PWM
SM_BUS
GPIO
U10
IT8518E
KBMX
FLASH
WAKE UP
UART
A/D D/A
CLOCK
IT8518/HX
LPC
PS/2
PWM
SM_BUS
GPIO
U10
IT8518E
WRST#
14
LPCCLK
13
LAD0
10
LAD1
9
LAD2
8
LAD3
7
LFRAME#
6
LPCPD#/WUI6/GPE6
17
SERIRQ
5
ECSMI#/GPD4
15
ECSCI#/GPD3
23
GA20/GPB5
126
KBRST#/GPB6
4
GPG0
106
FSCK
105
DSR0#/GPG6
104
FMISO
103
FMOSI
102
FSCE#
101
SSCE0#/GPG2
100
KSI0/STB#
58
KSI1/AFD#
59
KSI2/INIT#
60
KSI3/SLIN#
61
KSI4
62
KSI5
63
KSI6
64
KSI7
65
KSO0/PD0
36
KSO1/PD1
37
KSO2/PD2
38
KSO3/PD3
39
KSO4/PD4
40
KSO5/PD5
41
KSO6/PD6
42
KSO7/PD7
43
KSO8/ACK#
44
KSO9/BUSY
45
KSO10/PE
46
KSO11/ERR#
51
KSO12/SLCT
52
KSO13
53
KSO14
54
KSO15
55
VCC 11
VSTBY 26
VSTBY 50
VSTBY 92
VSTBY 114
VSTBY 127
VSTBY 121
VBAT 3
AVCC 74
SMCLK0/GPB3 110
SMCLK1/GPC1 115
SMDAT0/GPB4 111
SMDAT1/GPC2 116
PS2CLK0/TMB0/GPF0
85 PS2DAT0/TMB1/GPF1
86
PS2CLK1/DTR0#/GPF2
87
TMR0/WUI2/GPC4 120
TMR1/WUI3/GPC6 124
LPCRST#/WUI4/GPD2
22
WUI5/GPE5 35
PWRSW/GPE4 125
RI1#/WUI0/GPD0 18
RI2#/WUI1/GPD1 21
RING#/PWRFAIL#/CK32KOUT/LPCRST#/GPB7 112
TXD/SOUT0/GPB1
109 RXD/SIN0/GPB0
108
TMA0/GPB2
123
PS2DAT1/RTS0#/GPF3
88
PS2CLK2/WUI20/GPF4
89 PS2DAT2/WUI21/GPF5
90
SMCLK2/WUI22/GPF6/PECI 117
SMDAT2/WUI23/GPF7 118
TACH0/GPD6 47
TACH1/TMA1/GPD7 48
PWM0/GPA0 24
PWM1/GPA1 25
PWM2/GPA2 28
PWM3/GPA3 29
PWM4/GPA4 30
PWM5/GPA5 31
PWM6/SSCK/GPA6 32
PWM7/GPA7 34
ADC0/GPI0 66
ADC1/GPI1 67
ADC2/GPI2 68
ADC3/GPI3 69
ADC4/WUI28/GPI4 70
ADC5/WUI29/GPI5 71
ADC6/WUI30/GPI6 72
ADC7/WUI31/GPI7 73
VSS
1
VCORE
12
VSS
27
VSS
49
VSS
122 VSS
113
AVSS
75
CK32KE
2CK32K
128
DAC3/GPJ3 79
DAC2/GPJ2 78
DAC1/GPJ1 77
DAC0/GPJ0 76
EGCS#/WUI26/GPE2 83
EGCLK/WUI27/GPE3 84
EGAD/WUI25/GPE1 82
GINT/CTS0#/GPD5
33
L80LLAT/WUI7/GPE7 20
L80HLAT/BAO/WUI24/GPE0 19
HMISO/GPH5/ID5 98
HMOSIGPH6/ID6 99
HSCE#/WUI19/GPH3/ID3 96
HSCK/GPH4/ID4 97
CRX1/WUI17/GPH1/SMCLK3/ID1 94
CTX1/WUI18/GPH2/SMDAT3/ID2 95
CLKRUN#/WUI16/GPH0/ID0 93
VSS
91
DAC5/RIG0#/GPJ5
81
DAC4/DCD0#/GPJ4
80
PWUREQ#/BBO/GPC7
16
GPC0
119
SBUSY/GPG1/ID7 107
KSO17/SMISO/GPC5 57
KSO16/SMOSI/GPC3 56
TP41TP41
D10 RB501V-40D10 RB501V-40
L30 BK1608HS121-TL30 BK1608HS121-T
R393
*4.7K/F_4
R393
*4.7K/F_4

5
5
4
4
3
3
2
2
1
1
D D
C C
B B
A A
IACP
+VAD_1
MBDATA
CSIP
CSIN
BATDIS_G
8681LR
8681IAC
IACM
SMC
SMD
B_TEMP_MBAT
8681_ACAV
ACOK_IN
SCL
DCIN
ACOK_IN
SDL
8682LDR
8682BST
8682LX
8682COMP
8682HDR
8681ICHP
8681ICHM
8681_ACAV
D/C#_S6A
ACOK_IN
ACIN_1
MBCLK
8681_VDDA
ACIN_PG
ACOK#
ACIN_PG
ACAVD
+VAD_2
IDEA_G
BATDIS_G
BATT+
ACIN_PG
ACIN_PG
ACOK#
J1-1
SYS_I [29]
AD_AIR[29]
MAINON[29,32,34,35,38]
D/C# [29]
MBDATA[29]
MBCLK[29]
TEMP_MBAT [29]
ACIN_PG[38]
+VAD_1[38]
+VH28[38]
ACIN[29]
+BATCHG
+VA
+VA
+VIN
+PRWSRC
+VH28
+VA +VAD_1
+VAD
8681_VDDA
8681_VDDP
8681_VDDP
+VAD
+VIN_CHG
+VAD
+VA
+VAD
+VIN
+3VPCU
+PRWSRC
+3VPCU
+VAD
+BATCHG
+BATCHG
J1-1
Size Document Number Rev
Date: Sheet of
4XDQWD&RPSXWHU,QF
352-(&7/*[08;/(66
1%
Charger (OZ8681)
2A
Custom
30 42Wednesday, March 07, 2012
Size Document Number Rev
Date: Sheet of
4XDQWD&RPSXWHU,QF
352-(&7/*[08;/(66
1%
Charger (OZ8681)
2A
Custom
30 42Wednesday, March 07, 2012
Size Document Number Rev
Date: Sheet of
4XDQWD&RPSXWHU,QF
352-(&7/*[08;/(66
1%
Charger (OZ8681)
2A
Custom
30 42Wednesday, March 07, 2012
Place this cap
close to EC
3ODFHWKLVFDS
FORVHWR(&
'R1RWDGGWHVWSRLQWRQ%$7',6B*VLJQDO
723'&B-$&.
::4&
3ODFHWKLV=96FORVHWR
)DU)DUDZD\9,1
3ODFHWKLV=96FORVHWR
LGHDGLRGH
D/^ƵŐŐĞƐƚŝŽŶ
XSGDWHG
sϮͲdĞƐƚĐŚĂŶŐĞ
sϮͲdĞƐƚĐŚĂŶŐĞ
WsͲdĞƐƚĐŚĂŶŐĞ
WsͲdĞƐƚĐŚĂŶŐĞ
WsͲdĞƐƚĐŚĂŶŐĞ
PR138
220K_4
PR138
220K_4
PR16
100/F_4
PR16
100/F_4
PC40
1U/10V_4
PC40
1U/10V_4
PC27
*2.2U/10V_6
PC27
*2.2U/10V_6
PR15
150K/F_4
PR15
150K/F_4
PC175
10U/25V_8
PC175
10U/25V_8
PD1
PDZ5.6B
PD1
PDZ5.6B
2 1
PC8
*10U/25V_8
PC8
*10U/25V_8
PC39
*1U/10V_4
PC39
*1U/10V_4
PQ33
ME4411-G
PQ33
ME4411-G
8
7
6
54
3
2
1
PR17
*100K/F_4
PR17
*100K/F_4
PR8
*0_4
PR8
*0_4
PQ5
ME2N7002D
PQ5
ME2N7002D
3
2
1
PR9
*0_4
PR9
*0_4
PC46
0.1U/10V_4
PC46
0.1U/10V_4
PC15
1U/10V_4
PC15
1U/10V_4
PD2
PDZ5.6B
PD2
PDZ5.6B
2 1
PD8
1N4448WS
PD8
1N4448WS
2 1
PL10
80/5A
PL10
80/5A
PR29
10_8
PR29
10_8
PC131
0.01U/25V_4
PC131
0.01U/25V_4
PR43
*0_4/S
PR43
*0_4/S
PD6
1N4448WS
PD6
1N4448WS
2 1
PR62
100K/F_4
PR62
100K/F_4
PC24
0.1U/50V_6
PC24
0.1U/50V_6 PQ40
QM3002N3
PQ40
QM3002N3
3
52
4
1
PQ39
QM3002N3
PQ39
QM3002N3
3
52
4
1
PC41
0.01U/50V_4
PC41
0.01U/50V_4
PQ2
ME2N7002D
PQ2
ME2N7002D
3
2
1
PR34
75K/F_4
PR34
75K/F_4
PR155
*0_2/S
PR155
*0_2/S
PC47
0.47U/10V_4
PC47
0.47U/10V_4
PU2
OZ8682
PU2
OZ8682
SCL
10
IAC
7
IACP 2
IACM 3
VDDP 15
ICHM 4
ICHP 5
COMP
8
SDL
11
LDR 16
ACAV
9
GND
17
VAC
1
VDDA 6
HDR 13
LX 14
BST 12
PR47
*0_4/S
PR47
*0_4/S
PD5
RB501V-40
PD5
RB501V-40
21
PC178
1500P/50V_4
PC178
1500P/50V_4
PC9
*10U/6.3V_8
PC9
*10U/6.3V_8
PQ6
IMD2
PQ6
IMD2
3
2
16
5
4
PC169
4.7U/25V_8
PC169
4.7U/25V_8
PC2
*68P/50V_4
PC2
*68P/50V_4
CN5
HS3404F
CN5
HS3404F
1
2
3
4
PC5
*10U/25V_8
PC5
*10U/25V_8
PC167
0.1U/25V_4
PC167
0.1U/25V_4
PR14
*100/F_4
PR14
*100/F_4
PR10
1M_4
PR10
1M_4
PR44
*0_4/S
PR44
*0_4/S
PR59
*0_4/S
PR59
*0_4/S
PD10
1N4448WS
PD10
1N4448WS
2 1
PR19
100K/F_4
PR19
100K/F_4
PC16
2200P/50V_4
PC16
2200P/50V_4
PR5
1M_4
PR5
1M_4
PR154
RL1206-R010
PR154
RL1206-R010
1 2
PR140
220K_4
PR140
220K_4
PQ32
QM3016D
PQ32
QM3016D
1
4 3
PC155
0.1U/25V_4
PC155
0.1U/25V_4
PD3
*1N4448WS
PD3
*1N4448WS
21
PR31
100/F_4
PR31
100/F_4
PC11
*4.7U/25V_8
PC11
*4.7U/25V_8
PR145
*0_2/S
PR145
*0_2/S
PC132
0.01U/50V_4
PC132
0.01U/50V_4
PD7
1N4448WS
PD7
1N4448WS
2 1
PR53
100K/F_4
PR53
100K/F_4
PC162
0.1U/25V_4
PC162
0.1U/25V_4
PC6
*10U/25V_8
PC6
*10U/25V_8
PR68
10/F_4
PR68
10/F_4
PR136
1M_4
PR136
1M_4
PR153
*0_2/S
PR153
*0_2/S
PR143
*0_2/S
PR143
*0_2/S
PR35
2_6
PR35
2_6
PR37
*0_4/S
PR37
*0_4/S
PD17
RB501V-40
PD17
RB501V-40
2 1
PR4
330_4
PR4
330_4
PD11
P4SMAJ20A
PD11
P4SMAJ20A
2 1
PL8
*0_8/S
PL8
*0_8/S
PC160
0.1U/25V_4
PC160
0.1U/25V_4
PC23
1U/10V_4
PC23
1U/10V_4
CN4
BP02081-BAA1B3-7H
CN4
BP02081-BAA1B3-7H
1
1
3
34
45
56
6
7
7
2
2
99
10 10
8
8
PC171
0.1U/25V_4
PC171
0.1U/25V_4
PR11
1M_4
PR11
1M_4
PL13
80/5A
PL13
80/5A
PL9
80/5A
PL9
80/5A
PL12
80/5A
PL12
80/5A
PC3
*68P/50V_4
PC3
*68P/50V_4
PC26
1U/25V_8
PC26
1U/25V_8
PR1
1K/F_4
PR1
1K/F_4
PQ4
METR3904-G
PQ4
METR3904-G
2
1 3
PR2
200K/F_4
PR2
200K/F_4
PR3
330_4
PR3
330_4
PQ3
ME2N7002D
PQ3
ME2N7002D
3
2
1
PR7
*0_4/S
PR7
*0_4/S
PR144
RL1206-R010
PR144
RL1206-R010
1 2
PC7
*10U/25V_8
PC7
*10U/25V_8
PQ1
PDTC144EU
PQ1
PDTC144EU
1 3
2
Q1 Q2
PQ31
MMDT2907A
Q1 Q2
PQ31
MMDT2907A
3
21
6 5
4
PC1
0.01U/25V_4
PC1
0.01U/25V_4
PR147
1K_6
PR147
1K_6
PC157
0.1U/25V_4
PC157
0.1U/25V_4
PQ34
QM3005N3
PQ34
QM3005N3
5
4
3
2
1
PL14
EM-68AM05V06
PL14
EM-68AM05V06
PR13
2.2_8
PR13
2.2_8
PD4
1N4448WS
PD4
1N4448WS
2 1
PC153
0.1U/25V_4
PC153
0.1U/25V_4
PR146
1M_4
PR146
1M_4
PR18
100K/F_4
PR18
100K/F_4
PC164
0.1U/25V_4
PC164
0.1U/25V_4
PD16
P4SMAJ20A
PD16
P4SMAJ20A
2 1
PC34
*0.01U/50V_4
PC34
*0.01U/50V_4
PR33
12.4K/F_4
PR33
12.4K/F_4
PC159
1000P/50V_4
PC159
1000P/50V_4
PC4
0.22U/25V_8
PC4
0.22U/25V_8
PC177
10U/25V_8
PC177
10U/25V_8
PR12
*0_4/S
PR12
*0_4/S
PR6
100K_4
PR6
100K_4

5
5
4
4
3
3
2
2
1
1
D D
C C
B B
A A
5V_LGATE1
5V_FB1
3V_FB2
3V_UGATE2
3V_BST
5V_PHASE1
3V_FB
5N_FB
3V_LGATE2
3V_BST2
TONSEL
ENTRIP2
8205EN
5V_BST1
8223_VIN
5V_UGATE1
8223EN
PGOOD
+3VPCU
ENTRIP1
3V_PHASE2
HWPG[29,32,33,34,35]
+5VPCU
5VS5_ON[29]
3VS5_ON[29]
+5VPCU
+2VREF
+VIN +3VPCU
+5VPCU
+VIN_3VS5
+VIN +VIN
+VIN_5VS5
+VIN
+3VS5+5VS5
+3VS5
+3VPCU
+3VPCU
Size Document Number Rev
Date: Sheet of
4XDQWD&RPSXWHU,QF
352-(&7/*[08;/(66
1%
3/5VS5 (RT8223M)
2A
Custom
31 42Wednesday, March 07, 2012
Size Document Number Rev
Date: Sheet of
4XDQWD&RPSXWHU,QF
352-(&7/*[08;/(66
1%
3/5VS5 (RT8223M)
2A
Custom
31 42Wednesday, March 07, 2012
Size Document Number Rev
Date: Sheet of
4XDQWD&RPSXWHU,QF
352-(&7/*[08;/(66
1%
3/5VS5 (RT8223M)
2A
Custom
31 42Wednesday, March 07, 2012
DC/DC +3V_ALW/+5V_ALW/+5V_ALW2 /+15V_ALW
+3.3 Volt +/- 5%
Peak current:6A
Countinue current:4A
OCP minimum:7.5A
3ODFHWKHVH&$3V
FORVHWR)(7V
+5V +/- 5%
3ODFHWKHVH&$3V
FORVHWR)(7V
5GVRQPRKP
Peak current:6A
Countinue current:4A
OCP minimum:7.5A
5GVRQPRKP
)RU86%FKDUJHIXQFWLRQ
)RU86%FKDUJHIXQFWLRQ
XSGDWH
/*B',6RQO\
sϮͲdĞƐƚĐŚĂŶŐĞsϮͲdĞƐƚĐŚĂŶŐĞ
WsͲdĞƐƚĐŚĂŶŐĞ
WsͲdĞƐƚĐŚĂŶŐĞ
PC12
4.7U/25V_8
PC12
4.7U/25V_8
PC158
0.1U/25V_4
PC158
0.1U/25V_4 PC173
0.1U/25V_4
PC173
0.1U/25V_4
PR132
10K/F_4
PR132
10K/F_4
PC13
4.7U/25V_8
PC13
4.7U/25V_8
PC181
0.1U/10V_4
PC181
0.1U/10V_4
PQ29
PDTC144EU
PQ29
PDTC144EU
1 3
2
PR127
*0_4/S
PR127
*0_4/S
PQ38
QM3002N3
PQ38
QM3002N3
3
52
4
1
PC174
4.7U/6.3V_6
PC174
4.7U/6.3V_6
PC172
*0.1U/10V_4
PC172
*0.1U/10V_4
PR131
10K/F_4
PR131
10K/F_4
PR148
10_8
PR148
10_8
PR142
2_6
PR142
2_6
PR157
*0_2/S
PR157
*0_2/S
PQ35
AON7702A
PQ35
AON7702A
3
52
4
1
PC18
0.1U/25V_4
PC18
0.1U/25V_4
PR21
*2.2_8
PR21
*2.2_8
PR134
137K/F_4
PR134
137K/F_4
PR139*0_4/S PR139*0_4/S
1 2
PR149
*0_4/S
PR149
*0_4/S
PC19
*2200P/50V_4
PC19
*2200P/50V_4
PR137
10K_4
PR137
10K_4
+
PC179
330U/6.3V_6X5.8
+
PC179
330U/6.3V_6X5.8
12
PQ28
ME2N7002D
PQ28
ME2N7002D
3
2
1
PC161
2200P/50V_4
PC161
2200P/50V_4
PC176
0.1U/10V_4
PC176
0.1U/10V_4
PR130
6.8K/F_4
PR130
6.8K/F_4
PR135
100K_4
PR135
100K_4
PL15
EM-22AM05V04
PL15
EM-22AM05V04
PR152
*0_4/S
PR152
*0_4/S
1 2
PC10
0.1U/25V_4
PC10
0.1U/25V_4
PQ37
AON7702A
PQ37
AON7702A
3
52
4
1
PC166
0.1U/25V_4
PC166
0.1U/25V_4
PR150
*665K/F_4
PR150
*665K/F_4
PL11
*0_8/S
PL11
*0_8/S
PR133
15.4K/F_4
PR133
15.4K/F_4
PC156
4.7U/6.3V_6
PC156
4.7U/6.3V_6
PC17
*2200P/50V_4
PC17
*2200P/50V_4
PC152
1U/6.3V_4
PC152
1U/6.3V_4
PR129
137K/F_4
PR129
137K/F_4
PL1
*0_8/S
PL1
*0_8/S
PQ30
PDTC144EU
PQ30
PDTC144EU
1 3
2
+
PC180
330U/6.3V_6X5.8
+
PC180
330U/6.3V_6X5.8
12
PR141
2_6
PR141
2_6
PR20
*2.2_8
PR20
*2.2_8
PC170
4.7U/25V_8
PC170
4.7U/25V_8
PQ27
ME2N7002D
PQ27
ME2N7002D
3
2
1
PC165
0.1U/25V_4
PC165
0.1U/25V_4
PC168
4.7U/25V_8
PC168
4.7U/25V_8
PC163
2200P/50V_4
PC163
2200P/50V_4
PQ36
QM3002N3
PQ36
QM3002N3
3
52
4
1
PR128
*0_4
PR128
*0_4
PR156
*0_2/S
PR156
*0_2/S
PL16
EM-22AM05V04
PL16
EM-22AM05V04
PC14
0.1U/25V_4
PC14
0.1U/25V_4
PR151
*330K/F_4
PR151
*330K/F_4
PR126
100K_4
PR126
100K_4
PU9
573
PU9
573
REF 3
TONSEL 4
VREG5 17
EN
13
VREG3 8
VIN 16
FB1
2
PGOOD
23
ENTRIP1
1
UGATE1
21
PHASE1
20
BOOT1
22
LGATE1
19
ENC
18
GND
15
LGATE2 12
BOOT2 9
PHASE2 11
UGATE2 10
ENTRIP2
6
SKIPSEL
14
FB2 5
OUT2 7
GND
25
VOUT1
24

1
1
2
2
3
3
4
4
5
5
A A
B B
C C
D D
DDRPG
8207S5
8207BSTR
8207LX
8207TON
8207DRVL
V5FILT
8207S3
V5FILT
8207BST
8207DRVH
8207CS
8207MOD
1.5VSUS_FB
8207FB
SUSON[29]
DDR_VTTREF[4,12,13]
HWPG [29,31,33,34,35]
MAINON [29,30,34,35,38]
+5VS5[10,26,27,31,33,34,35,36,37,38,39,40]
+1.5VSUS[2,4,12,13,27,39]
+0.75V_DDR_VTT[12,13,38]
+VIN[21,27,30,31,34,37,38,39,40]
+VIN
+1.5VSUS
+5VS5
+1.5VSUS
+VIN_DDR
+VIN_DDR
+1.5VSUS
+0.75V_DDR_VTT
+VIN_DDR +1.5VSUS
Size Document Number Rev
Date: Sheet of
4XDQWD&RPSXWHU,QF
352-(&7/*[08;/(66
1%
DDR3 (RT8207)
2A
Custom
32 42Wednesday, March 07, 2012
Size Document Number Rev
Date: Sheet of
4XDQWD&RPSXWHU,QF
352-(&7/*[08;/(66
1%
DDR3 (RT8207)
2A
Custom
32 42Wednesday, March 07, 2012
Size Document Number Rev
Date: Sheet of
4XDQWD&RPSXWHU,QF
352-(&7/*[08;/(66
1%
DDR3 (RT8207)
2A
Custom
32 42Wednesday, March 07, 2012
P$
3HDNFXUUHQW$
&RXQWLQXHFXUUHQW$
2&3PLQLPXP$
9686
5,/,0 ,/,0[5'621X$
5'6RQ PRKP
3ODFHWKLV)%SDUWVFORVHWR,&
977$
5)VROXWLRQUHVHUYH
sϮͲdĞƐƚĐŚĂŶŐĞWsͲdĞƐƚĐŚĂŶŐĞ
PQ50
QM3002N3
PQ50
QM3002N3
3
52
4
1
PC130
0.1U/25V_4
PC130
0.1U/25V_4
PC141
10U/6.3V_8
PC141
10U/6.3V_8
PD15
RB501V-40
PD15
RB501V-40
2 1
PR111
10_6
PR111
10_6
PC144
10U/6.3V_8
PC144
10U/6.3V_8
PC142
0.033U/10V_4
PC142
0.033U/10V_4
PR114
*0_4/S
PR114
*0_4/S
1 2
PC254
4.7U/25V_8
PC254
4.7U/25V_8
PC127
2200P/50V_4
PC127
2200P/50V_4
PC124
*4.7P/50V_4
PC124
*4.7P/50V_4
PR119
10K/F_4
PR119
10K/F_4
PC136
0.1U/10V_4
PC136
0.1U/10V_4
PC122
*2200P/50V_4
PC122
*2200P/50V_4
PC138
*0.1U/50V_6
PC138
*0.1U/50V_6
PR242
*0_2/S
PR242
*0_2/S
PL26
*0_8/S
PL26
*0_8/S
PR120
10K/F_4
PR120
10K/F_4
PC126
*4.7P/50V_4
PC126
*4.7P/50V_4
PC134
1U/6.3V_4
PC134
1U/6.3V_4
PU7
57/*4:
PU7
57/*4:
VBST 22
DRVL 19
V5FILT 14
CS_GND 17
V5IN 15
CS 16
PGND 18
NC
12
S3
10
VDDQSET
9
MODE
4
LL 20
VTTSNS
2
VTTGND
1
COMP
6
VTTREF
5
NC
7
VDDQSNS
8
DRVH 21
PGOOD 13
GND
3
S5
11
VTT 24
VLDOIN 23
GND 25
PR118
2_6
PR118
2_6
+
PC253
390U/2.5V_6X5.8ESR10
+
PC253
390U/2.5V_6X5.8ESR10
12
PR110
*0_4/S
PR110
*0_4/S
1 2
PC252
0.1U/10V_4
PC252
0.1U/10V_4
PC135
0.1U/25V_4
PC135
0.1U/25V_4
PL25
EM-82BM05V04
PL25
EM-82BM05V04
PR122
*0_4
PR122
*0_4
PC133
1U/6.3V_4
PC133
1U/6.3V_4
PC128
0.1U/25V_4
PC128
0.1U/25V_4
D
S
G
PQ49
TPCA8A11-H
D
S
G
PQ49
TPCA8A11-H
4
2
1
3
5
PC129
4.7U/25V_8
PC129
4.7U/25V_8
PR121
*0_4/S
PR121
*0_4/S
PR100
*2.2_8
PR100
*2.2_8
PR115
100K/F_4
PR115
100K/F_4
PR113
619K/F_4
PR113
619K/F_4
PR112
6.98K/F_4
PR112
6.98K/F_4

5
5
4
4
3
3
2
2
1
1
D D
C C
B B
A A
8037LX
8037FB8037SVIN
VCCSA_FB
8037VOUT
8037PVIN
8037EN
8037PG
1.05V_VTT_PWRGD [34]
VCCSA_SEL0[4]
VCCSA_SEL[4]
VCCUSA_SENSE [4]
HWPG[29,31,32,34,35]
+VCCSA
+5VS5
Size Document Number Rev
Date: Sheet of
4XDQWD&RPSXWHU,QF
352-(&7/*[08;/(66
1%
VCCSA (RT8241A)
2A
B
33 42Wednesday, March 07, 2012
Size Document Number Rev
Date: Sheet of
4XDQWD&RPSXWHU,QF
352-(&7/*[08;/(66
1%
VCCSA (RT8241A)
2A
B
33 42Wednesday, March 07, 2012
Size Document Number Rev
Date: Sheet of
4XDQWD&RPSXWHU,QF
352-(&7/*[08;/(66
1%
VCCSA (RT8241A)
2A
B
33 42Wednesday, March 07, 2012
OCP minimum:7A
+VCCSA Volt +/- 5%
Peak current:6A
Countinue current:4A
9&&6$9,'9,'
&38V\VWHPDJHQW
YROWDJHVOHZUDWHRIP9NjV
9
9
9
9
sϮͲdĞƐƚĐŚĂŶŐĞ
WsͲdĞƐƚĐŚĂŶŐĞ
WsͲdĞƐƚĐŚĂŶŐĞ
WsͲdĞƐƚĐŚĂŶŐĞ
PR238
0_4
PR238
0_4
PC244
*0.01U/50V_4
PC244
*0.01U/50V_4
PC245
68P/50V_4
PC245
68P/50V_4
PR237
*0_4/S
PR237
*0_4/S
PC249
22U/6.3V_8
PC249
22U/6.3V_8
PR236
*0_4/S
PR236
*0_4/S
PC241
22U/6.3V_8
PC241
22U/6.3V_8
PC246
1U/6.3V_4
PC246
1U/6.3V_4
PU13
6<%
PU13
6<%
PVIN
12
PVIN
11
SVIN
10
LX 1
LX 2
LX 3
VID1
6
PG
4
EN 5
VID0
7
GND
13
FB 9
VOUT 8
PC242
22U/6.3V_8
PC242
22U/6.3V_8
PC239
0.1U/10V_4
PC239
0.1U/10V_4
PC243
22U/6.3V_8
PC243
22U/6.3V_8
PR94
*0_2/S
PR94
*0_2/S
PR239
100_4
PR239
100_4 PC240
22U/6.3V_8
PC240
22U/6.3V_8
PC250
0.01U/50V_4
PC250
0.01U/50V_4 PR240
10_6
PR240
10_6 PR234
*0_4/S
PR234
*0_4/S
PR235
*0_4/S
PR235
*0_4/S
PL23
EM-47BM05V05
PL23
EM-47BM05V05

5
5
4
4
3
3
2
2
1
1
D D
C C
B B
A A
RT8240DH
RT8240BST_1
RT8240EN
RT8240DL
RT8240BST
RT8240VCC
RT8240ILIM
RT8240_PG
RT8240RGND
RT8240FB
1.05VTT_FB
RT8240LX
MAINON[29,30,32,35,38]
1.05V_VTT_PWRGD[33]
HWPG[29,31,32,33,35]
VCCP_SENSE [4]
VSSP_SENSE [4]
+5VS5
+VIN
+VIN_1.05V_VTT+3VS5
+3V
+1.05V
Size Document Number Rev
Date: Sheet of
4XDQWD&RPSXWHU,QF
352-(&7/*[08;/(66
1%
+1.05V(RT8240B)
2A
Custom
34 42Wednesday, March 07, 2012
Size Document Number Rev
Date: Sheet of
4XDQWD&RPSXWHU,QF
352-(&7/*[08;/(66
1%
+1.05V(RT8240B)
2A
Custom
34 42Wednesday, March 07, 2012
Size Document Number Rev
Date: Sheet of
4XDQWD&RPSXWHU,QF
352-(&7/*[08;/(66
1%
+1.05V(RT8240B)
2A
Custom
34 42Wednesday, March 07, 2012
600 mils
/*B',6RQO\
5'6RQ PRKP
Peak current: 12A
+1.05V_VTT +/- 5%
OCP minimum: 14.5A
Countinue current:10A
sϮͲdĞƐƚĐŚĂŶŐĞ
WsͲdĞƐƚĐŚĂŶŐĞ
PC121
0.1U/25V_4
PC121
0.1U/25V_4
PR97
*2.2_8
PR97
*2.2_8
PC120
*2200P/50V_4
PC120
*2200P/50V_4
PL24
EM-82BM05V04
PL24
EM-82BM05V04
PC116
2200P/50V_4
PC116
2200P/50V_4
PR108
*0_4/S
PR108
*0_4/S
PR103
100K_4
PR103
100K_4
PR109
0_4
PR109
0_4
PC125
*0.1U/10V_4
PC125
*0.1U/10V_4
D
S
G
PQ24
TPCA8A11-H
D
S
G
PQ24
TPCA8A11-H
4
2
1
3
5
PR98
2_6
PR98
2_6
PQ23
QM3002N3
PQ23
QM3002N3
3
52
4
1
PR241
*0_2/S
PR241
*0_2/S
PR99
10K/F_4
PR99
10K/F_4
PD14
1N4448WS
PD14
1N4448WS
2 1
PL7
*0_8/S
PL7
*0_8/S
PC119
*4.7U/25V_8
PC119
*4.7U/25V_8
PR106
*100/F_4
PR106
*100/F_4
PC123
1U/6.3V_4
PC123
1U/6.3V_4
PU6
57%=
PU6
57%=
GND
12
VOUT
6
PGOOD
9
RGND
7
LGATE 1
VCC 5
CS
10
PHASE 2
UGATE 3
BOOST 4
EN
8
G0 11
PAD
13
PC117
0.1U/25V_4
PC117
0.1U/25V_4
PR105
0_4
PR105
0_4
PC114
4.7U/25V_8
PC114
4.7U/25V_8
PR101
61.9K/F_4
PR101
61.9K/F_4
PC115
0.1U/10V_4
PC115
0.1U/10V_4
PC118
0.1U/25V_4
PC118
0.1U/25V_4
PR102
10_6
PR102
10_6
+
PC251
390U/2.5V_6X5.8ESR10
+
PC251
390U/2.5V_6X5.8ESR10
12
PR104
*100/F_4
PR104
*100/F_4
PR107
*0_4/S
PR107
*0_4/S

5
5
4
4
3
3
2
2
1
1
D D
C C
B B
A A
1.8VADJ
HWPG[29,31,32,33,34]
MAINON[29,30,32,34,38]
+3VS5
+5VS5
+1.8V
Size Document Number Rev
Date: Sheet of
4XDQWD&RPSXWHU,QF
352-(&7/*[08;/(66
1%
+1.8V (G9661)
2A
B
35 42Wednesday, March 07, 2012
Size Document Number Rev
Date: Sheet of
4XDQWD&RPSXWHU,QF
352-(&7/*[08;/(66
1%
+1.8V (G9661)
2A
B
35 42Wednesday, March 07, 2012
Size Document Number Rev
Date: Sheet of
4XDQWD&RPSXWHU,QF
352-(&7/*[08;/(66
1%
+1.8V (G9661)
2A
B
35 42Wednesday, March 07, 2012
5
5
92 555
5.RKP
Countinue current:1.2A
Peak current:2A
+1.8V +/- 5%
PC140
10U/6.3V_8
PC140
10U/6.3V_8
PR117
127K/F_4
PR117
127K/F_4
PR124
*0_4/S
PR124
*0_4/S
1 2
PC143
1U/6.3V_4
PC143
1U/6.3V_4
PC139
10U/6.3V_8
PC139
10U/6.3V_8
PC146
10U/6.3V_8
PC146
10U/6.3V_8
PC137
0.1U/10V_4
PC137
0.1U/10V_4
PU8
*
PU8
*
EN
2
VOUT 6
NC 5
VDD
4GND 8
PGOOD
1
VIN
3
ADJ
7
GND1 9
PC145
*0.33U/6.3V_4
PC145
*0.33U/6.3V_4
PR125
10K/F_4
PR125
10K/F_4
PR116
100K/F_4
PR116
100K/F_4
PC147
0.1U/10V_4
PC147
0.1U/10V_4

5
5
4
4
3
3
2
2
1
1
D D
C C
B B
A A
SWN3
H_PROCHOT#
CSSUMA
LG2
SWN2
SWN2
CSREF
BST1
VSPA
CSSUM
CSREF
LG1
SW2
SDIO
SWN3
SWN1
6132_PWMA
CSP1A
6132VRMP
IMONA
FBA
DIFF
DROOPA
CSREF
CSP1A
ROSC
TSENSE
GFX_HWPG
VSP
BST2
CSP1
CSSUM
CSP2
CSCOMPA
COMP
SW1
IMVP_PWRGD
TSENSE CSP2A
ILIMA
BSTA
DIFFA
CSREFA
VR_SVID_ALERT#
CSP3
SCLK
VSNA
DRVEN
CSREFA
6132EN
CSP3
SWN1
LG1A
VSN
CSP2A
TSENSEA
VBOOT
SW1A
FB
COMPA
ILIM
IMON
DROOP
CSCOMP
TRBST#
TRBST#
DROOP
DROOPA CSREFA
TRBSTA#
TRBSTA#
CSREF
CSREF
GFX_HWPG
SDIO
VR_SVID_ALERT#
SCLK
CSP1
CSP3
CSP2
SWN1A
IMONA
VCC
HG1A
HG2
HG1
6132_PWM
SWN2A
CSREFA
CSP1A
CSP2A
CSCOMP
CSCOMPA
TSENSEA
VCC_AXG_SENSE[4]
VSS_AXG_SENSE[4]
VCC_SENSE[4]
VSS_SENSE[4]
GFX_HWPG
H_PROCHOT#[2,29] IMVP_PWRGD[6]
VR_SVID_DATA[4]
VR_SVID_CLK[4]
VR_SVID_ALERT#[4]
VRON[29]
6132_PWM [37]
DRVEN [37]
SWN1 [37]
SWN2 [37]
SWN3 [37]
CSREF [37]
SWN1A [37]
CSREFA [37]
6132_PWMA [37]
LG2 [37]
HG2 [37]
SW2 [37]
SW1 [37]
HG1 [37]
LG1 [37]
SW1A [37]
HG1A [37]
LG1A [37]
SWN2A [37]
+5VS5
+5VS5
6132AGND
6132AGND
6132AGND
6132AGND
6132AGND
6132AGND 6132AGND
6132AGND
6132AGND
6132AGND
6132AGND
+3V+3V
+1.05V
+5VS5
+1.05V
+VIN_VCC_CORE
6132AGND
+5VS5
+5VS5
Size Document Number Rev
Date: Sheet of
4XDQWD&RPSXWHU,QF
352-(&7/*[08;/(66
1%
CPU Core1 (NCP81018B)QC
2A
Custom
36 42Wednesday, March 07, 2012
Size Document Number Rev
Date: Sheet of
4XDQWD&RPSXWHU,QF
352-(&7/*[08;/(66
1%
CPU Core1 (NCP81018B)QC
2A
Custom
36 42Wednesday, March 07, 2012
Size Document Number Rev
Date: Sheet of
4XDQWD&RPSXWHU,QF
352-(&7/*[08;/(66
1%
CPU Core1 (NCP81018B)QC
2A
Custom
36 42Wednesday, March 07, 2012
3ODFHFORVHZLWK9&25(
3KDVH,QGXFWRU
3ODFHFORVHZLWK*7
,QGXFWRU
5F
5G
3235G
IRU*7SKDVHRSHUDWLRQ
3235FIRU
SKDVH&38
3ODFHFORVHZLWK
9B*7KRWVSRW
3ODFHFORVHZLWK9&25(
+276327
45W 21K
PR170
35W 11.5K
CPU
45W 23.7K
PR65
35W 22.6K
CPU
45W 73.2K
PR67
35W 41.2K
CPU
)RU:
'XPP\3&
)RU:
'XPP\35DQG3&
)RU:
'XPP\35
'XPP\&D5E
)RU*7SKDVH
RSHUDWLRQ
&D
5E
45W 35.7K
PR72
35W 25.5K
CPU
'XPP\5D
)RU*7SKDVHRSHUDWLRQ
45W 23.7K
PR218
35W 21.5K
CPU
45W 21.5K
PR207
35W 14K
CPU
sϮͲdĞƐƚĐŚĂŶŐĞ
sϮͲdĞƐƚĐŚĂŶŐĞ
sϮͲdĞƐƚĐŚĂŶŐĞ
sϮͲdĞƐƚĐŚĂŶŐĞ
WsͲdĞƐƚĐŚĂŶŐĞ
WsͲdĞƐƚĐŚĂŶŐĞ
PC49
0.1U/10V_4
PC49
0.1U/10V_4
PR200
8.25K/F_4
PR200
8.25K/F_4
PR205
0_4
PR205
0_4
PC36
100P/50V_4
PC36
100P/50V_4
PC185
4700P/25V_4
PC185
4700P/25V_4
PR246
*11K/F_4
PR246
*11K/F_4
PR79
*0_4
PR79
*0_4
PR64
1K/F_4
PR64
1K/F_4
PR231
100K_4 NTC
PR231
100K_4 NTC
12
PR180
54.9/F_4
PR180
54.9/F_4
PR192
10K/F_4
PR192
10K/F_4
PC38
*47n/10V_4
PC38
*47n/10V_4
PR67
41.2K/F_4
PR67
41.2K/F_4
PR163
100K_4 NTC
PR163
100K_4 NTC
12
PR168
10/F_4
PR168
10/F_4
PR71 95.3K/F_4PR71 95.3K/F_4
PR167
1.21K/F_4
PR167
1.21K/F_4
PR181 *0_4/SPR181 *0_4/S
1 2
PR46
*6.98K/F_4
PR46
*6.98K/F_4
PR70
1K/F_4
PR70
1K/F_4
PC220
*47n/10V_4
PC220
*47n/10V_4
PR170
11.5K/F_4
PR170
11.5K/F_4
PC212
1200P/50V_4
PC212
1200P/50V_4
PR209
*0_4
PR209
*0_4
PC217
47n/10V_4
PC217
47n/10V_4
PC229
*100P/50V_4
PC229
*100P/50V_4
PC186
680P/50V_4
PC186
680P/50V_4
PC206
2.2U/6.3V_6
PC206
2.2U/6.3V_6
PR58
6.98K/F_4
PR58
6.98K/F_4
PR72
25.5K/F_4
PR72
25.5K/F_4
PR210
1K/F_4
PR210
1K/F_4
PR207
14K/F_4
PR207
14K/F_4
PR206
0_4
PR206
0_4
PR162
220K_6 NTC
PR162
220K_6 NTC
12
PC28
3300P/50V_4
PC28
3300P/50V_4
PC43
1000P/50V_4
PC43
1000P/50V_4
PC37 1200P/50V_4PC37 1200P/50V_4
PR66
10K/F_4
PR66
10K/F_4
PC201
0.22U/25V_6
PC201
0.22U/25V_6
PC42
0.1U/10V_4
PC42
0.1U/10V_4
PR65
22.6K/F_4
PR65
22.6K/F_4 PR164
130K/F_6
PR164
130K/F_6
PC228
33P/50V_4
PC228
33P/50V_4
PC48
0.01U/50V_4
PC48
0.01U/50V_4
PR196
*0_4/S
PR196
*0_4/S
PR208
6.98K/F_4
PR208
6.98K/F_4
PC205
*0.22U/25V_6
PC205
*0.22U/25V_6
PR165
6.98K/F_4
PR165
6.98K/F_4
PR182
*0_4/S
PR182
*0_4/S
1 2
PR243
*11K/F_4
PR243
*11K/F_4
PC195
33P/50V_4
PC195
33P/50V_4
PC221
0.1U/10V_4
PC221
0.1U/10V_4
PC219
3300P/50V_4
PC219
3300P/50V_4
PR219
0_4
PR219
0_4
PC194
47n/10V_4
PC194
47n/10V_4
PR244
*11K/F_4
PR244
*11K/F_4
PR57
4.3K/F_4
PR57
4.3K/F_4
PR75 10K/F_4PR75 10K/F_4
PR161
*0_4
PR161
*0_4
PR166
24.9K/F_4
PR166
24.9K/F_4
PC215
1000P/50V_4
PC215
1000P/50V_4
PR245
*11K/F_4
PR245
*11K/F_4
PR169
*4.7K/F_4
PR169
*4.7K/F_4
PR215
51K/F_4
PR215
51K/F_4
PR214
165K/F_4
PR214
165K/F_4
PR49
0_4
PR49
0_4
PR184
130/F_4
PR184
130/F_4
PR230
220K_6 NTC
PR230
220K_6 NTC
12
PR218
21.5K/F_4
PR218
21.5K/F_4
PR216
10/F_4
PR216
10/F_4
PR158
*1K/F_4
PR158
*1K/F_4
PR56
49.9/F_4
PR56
49.9/F_4
PR177
0_4
PR177
0_4
PC30 470P/50V_4PC30 470P/50V_4
PR191 *0_4/SPR191 *0_4/S
PR171
130K/F_6
PR171
130K/F_6
PC216
470P/50V_4
PC216
470P/50V_4
PR220
*1K/F_4
PR220
*1K/F_4
PR212
64.9K_6
PR212
64.9K_6
PR69
*75/F_4
PR69
*75/F_4
PC35
47n/10V_4
PC35
47n/10V_4
PR203
4.3K/F_4
PR203
4.3K/F_4
PC199
1000P/50V_4
PC199
1000P/50V_4
PR204
*0_4/S
PR204
*0_4/S
PC50
2.2U/6.3V_6
PC50
2.2U/6.3V_6
PR159
*130K/F_6
PR159
*130K/F_6
PR45
75K/F_4
PR45
75K/F_4
PR183
*75/F_4
PR183
*75/F_4
PR211
*64.9K_6
PR211
*64.9K_6
PC44
0.1U/10V_4
PC44
0.1U/10V_4
PC197
0.22U/25V_6
PC197
0.22U/25V_6
PC214
1000P/50V_4
PC214
1000P/50V_4
PR52
8.25K/F_4
PR52
8.25K/F_4
PR247
*11K/F_4
PR247
*11K/F_4
PR80
*4.7K/F_4
PR80
*4.7K/F_4
PR172
0_4
PR172
0_4
PU10
NCP6132B
PU10
NCP6132B
TSNSA 46
IOUTA 54
EN
4
VRHOT#
11
SDIO
5
ALERT#
6
ROSC
9
SCLK
7
VRDYA
3
CSCOMP
22
CSP3
25 CSREF
24 CSSUM
23
LGA 41
TRBSTA# 57
PVCC 36
BST2 40
HG2 39
SW2 38
LG2 37
PGND 35
COMP
18
VSP
14
DROOP
21
FB
17
DIFF
15
CSP1
27
SWA 42
HGA 43
VSPA 59
DIFFA 58
DROOPA 52
FBA 56
COMPA 55
CSREFA 49
CSSUMA 50
CSP2A 48
VRMP
10
VRDY
12
DRVEN
29
VSN
13 LG1 34
SW1 33
VSNA 60
ILIMA 53
EPAD 61
VCC
1
IOUT
19
HG1 32
CSP2
26 CSCOMPA 51
TSNS
28
ILIM
20
TRBST#
16
PWM
30
BST1 31
BSTA 44
CSP1A 47
PWMA 45
VDDBP
2
VBOOT
8
PR50
165K/F_4
PR50
165K/F_4
PR217
*6.98K/F_4
PR217
*6.98K/F_4
PC190
*820P/50V_4
PC190
*820P/50V_4
PC213
10P/50V_4
PC213
10P/50V_4
PR160
0_4
PR160
0_4
PC210
0.1U/10V_4
PC210
0.1U/10V_4
PR78
0_4
PR78
0_4
PC51
*1000P/50V_4
PC51
*1000P/50V_4
PC188
*1000P/50V_4
PC188
*1000P/50V_4
PR197 2_6PR197 2_6

5
5
4
4
3
3
2
2
1
1
D D
C C
B B
A A
CSREF
CSREF
CSREF
VGTA_BST1
LGTA
HGTA
SWGTA
VGT_BST1
SW2A
LG2A
HG2A
SWN1 [36]
CSREF [36]
SWN3 [36]
SWN2 [36]
CSREFA [36]
SWN1A [36]
HG2[36]
SW2[36]
LG2[36]
HG1[36]
SW1[36]
LG1[36]
6132_PWMA[36]
HG1A[36]
SW1A[36]
LG1A[36]
DRVEN[36]
CSREFA [36]
SWN2A [36]
6132_PWM[36]
DRVEN[36]
+VIN_VCC_CORE +VIN
+VIN_VCC_CORE
+VIN_VCC_CORE
+VIN_VCC_GT +VIN
+VCC_GFX
+VCC_CORE+VCC_CORE
+5VS5
+VCC_CORE
+VIN_VCC_GT
+VCC_GFX
+5VS5
+VIN_VCC_GT +VIN
+VIN_VCC_CORE
Size Document Number Rev
Date: Sheet of
4XDQWD&RPSXWHU,QF
352-(&7/*[08;/(66
1%
CPU Core2 (NCP5911)QC
2A
C
37 42Wednesday, March 07, 2012
Size Document Number Rev
Date: Sheet of
4XDQWD&RPSXWHU,QF
352-(&7/*[08;/(66
1%
CPU Core2 (NCP5911)QC
2A
C
37 42Wednesday, March 07, 2012
Size Document Number Rev
Date: Sheet of
4XDQWD&RPSXWHU,QF
352-(&7/*[08;/(66
1%
CPU Core2 (NCP5911)QC
2A
C
37 42Wednesday, March 07, 2012
4&:&38
9,' 9
,FF0D[ $
,FFB7'& $
5B// PRKP
2&3a$
Load Line : -3.9mV/A
Peak current: 26A
Countinue current:14A
+VCC_GFX
'XPP\WKLVEORFNVFKHPDWLF
IRU:&38
5)VROXWLRQUHVHUYH
5)VROXWLRQUHVHUYH
sϮͲdĞƐƚĐŚĂŶŐĞ sϮͲdĞƐƚĐŚĂŶŐĞ
sϮͲdĞƐƚĐŚĂŶŐĞ
sϮͲdĞƐƚĐŚĂŶŐĞ
PL2
*0_8/S
PL2
*0_8/S
PR77
*1_6
PR77
*1_6
D
S
G
PQ22
FDMS0308S
D
S
G
PQ22
FDMS0308S
4
2
1
3
5
PR87
*2.2_8
PR87
*2.2_8
+
PC227
390U/2.5V_6X5.8ESR10
+
PC227
390U/2.5V_6X5.8ESR10
12
PR232
*0_2/S
PR232
*0_2/S
PR201
*10/F_4
PR201
*10/F_4
PC75
4.7U/25V_8
PC75
4.7U/25V_8
D
S
G
PQ18
*FDMS0308S
D
S
G
PQ18
*FDMS0308S
4
2
1
3
5
PC56
0.1U/25V_4
PC56
0.1U/25V_4
PC236
*0.22U/25V_6
PC236
*0.22U/25V_6
PR73
1_6
PR73
1_6
PR63
2.2_8
PR63
2.2_8
PR229
*0_2/S
PR229
*0_2/S
PC65
*4.7P/50V_4
PC65
*4.7P/50V_4
PR190
*0_2/S
PR190
*0_2/S
PC57
2200P/50V_4
PC57
2200P/50V_4
PC71
*4.7U/25V_8
PC71
*4.7U/25V_8
PC85
0.1U/25V_4
PC85
0.1U/25V_4
PR95
1_6
PR95
1_6
PR54
10/F_4
PR54
10/F_4
D
S
G
PQ13
*FDMS7698
D
S
G
PQ13
*FDMS7698
4
2
1
3
5
HG
SW
GND
PAD
LGVCC
EN
PWM
BST
1
2
3
45
6
7
8
9
NCP5911
PU5
HG
SW
GND
PAD
LGVCC
EN
PWM
BST
1
2
3
45
6
7
8
9
NCP5911
PU5
PC89
*4.7U/25V_8
PC89
*4.7U/25V_8
PL5
*0_8/S
PL5
*0_8/S
+
PC222
390U/2.5V_6X5.8ESR10
+
PC222
390U/2.5V_6X5.8ESR10
12
PC96
*2200P/50V_4
PC96
*2200P/50V_4
PC54
0.1U/25V_4
PC54
0.1U/25V_4
PR189
*0_2/S
PR189
*0_2/S
PR60
*2.2_8
PR60
*2.2_8
D
S
G
PQ21
FDMS7698
D
S
G
PQ21
FDMS7698
4
2
1
3
5
PC58
0.1U/25V_4
PC58
0.1U/25V_4
PR48
*10/F_4
PR48
*10/F_4
+
PC105
330U_2.5V_7343
+
PC105
330U_2.5V_7343
12
PL6
*0_8/S
PL6
*0_8/S
HG
SW
GND
PAD
LGVCC
EN
PWM
BST
1
2
3
45
6
7
8
9
*NCP5911
PU12
HG
SW
GND
PAD
LGVCC
EN
PWM
BST
1
2
3
45
6
7
8
9
*NCP5911
PU12
D
S
G
PQ10
FDMS0308S
D
S
G
PQ10
FDMS0308S
4
2
1
3
5
PC59
2200P/50V_4
PC59
2200P/50V_4
PC53
2200P/50V_4
PC53
2200P/50V_4
PC234
*4.7U/25V_8
PC234
*4.7U/25V_8
PR233
*0_2/S
PR233
*0_2/S
PR202
10/F_4
PR202
10/F_4
+
PC112
330U_2.5V_7343
+
PC112
330U_2.5V_7343
12
PC83
0.1U/25V_4
PC83
0.1U/25V_4
PR175
*0_2/S
PR175
*0_2/S
+
PC113
*330U_2.5V_7343
+
PC113
*330U_2.5V_7343
12
PR173
*0_2/S
PR173
*0_2/S
+
PC248
330U_2.5V_7343
+
PC248
330U_2.5V_7343
12
PL3
*0_8/S
PL3
*0_8/S
PC87
*4.7P/50V_4
PC87
*4.7P/50V_4
D
S
G
PQ9
*FDMS0308S
D
S
G
PQ9
*FDMS0308S
4
2
1
3
5
PC70
*4.7U/25V_8
PC70
*4.7U/25V_8
PC106
2200P/50V_4
PC106
2200P/50V_4
PR228
*0_2/S
PR228
*0_2/S
PC108
4.7U/25V_8
PC108
4.7U/25V_8
PC73
*4.7U/25V_8
PC73
*4.7U/25V_8
PR174
*0_2/S
PR174
*0_2/S
PL22
0.36UH/30A
PL22
0.36UH/30A
D
S
G
PQ19
*FDMS7698
D
S
G
PQ19
*FDMS7698
4
2
1
3
5
+
PC154
470U/25V_EC_10H
+
PC154
470U/25V_EC_10H
12
PC55
*4.7P/50V_4
PC55
*4.7P/50V_4
PC111
0.22U/25V_6
PC111
0.22U/25V_6
+
PC247
330U_2.5V_7343
+
PC247
330U_2.5V_7343
12
PL18
0.36UH/30A
PL18
0.36UH/30A
PC84
*4.7U/25V_8
PC84
*4.7U/25V_8
+
PC226
*390U/2.5V_6X5.8ESR10
+
PC226
*390U/2.5V_6X5.8ESR10
12
PL20
*0.36UH/30A
PL20
*0.36UH/30A
PC69
4.7U/25V_8
PC69
4.7U/25V_8
PR74
1_6
PR74
1_6
PC74
4.7U/25V_8
PC74
4.7U/25V_8
PR227
*1_6
PR227
*1_6
PC79
4.7U/25V_8
PC79
4.7U/25V_8
PC66
0.1U/25V_4
PC66
0.1U/25V_4
+
PC224
390U/2.5V_6X5.8ESR10
+
PC224
390U/2.5V_6X5.8ESR10
12
PC107
4.7U/25V_8
PC107
4.7U/25V_8
PC110
2.2U/6.3V_6
PC110
2.2U/6.3V_6
PL19
0.36UH/30A
PL19
0.36UH/30A
PC32
2200P/50V_4
PC32
2200P/50V_4
PC109
4.7U/25V_8
PC109
4.7U/25V_8
PR188
*0_2/S
PR188
*0_2/S
PR93
2.2_8
PR93
2.2_8
PC77
*4.7U/25V_8
PC77
*4.7U/25V_8
PL21
*0.36UH/30A
PL21
*0.36UH/30A
PC33
2200P/50V_4
PC33
2200P/50V_4
PC88
*4.7U/25V_8
PC88
*4.7U/25V_8
PR61
2.2_8
PR61
2.2_8
+
PC223
390U/2.5V_6X5.8ESR10
+
PC223
390U/2.5V_6X5.8ESR10
12
PC86
2200P/50V_4
PC86
2200P/50V_4
D
S
G
PQ14
FDMS7698
D
S
G
PQ14
FDMS7698
4
2
1
3
5
PC82
0.1U/25V_4
PC82
0.1U/25V_4
12
PC81
2200P/50V_4
PC81
2200P/50V_4
+
PC225
*390U/2.5V_6X5.8ESR10
+
PC225
*390U/2.5V_6X5.8ESR10
12
PC80
4.7U/25V_8
PC80
4.7U/25V_8
PC31
*2200P/50V_4
PC31
*2200P/50V_4
PC233
*2.2U/6.3V_6
PC233
*2.2U/6.3V_6
PR51
10/F_4
PR51
10/F_4
PC78
*4.7U/25V_8
PC78
*4.7U/25V_8
D
S
G
PQ15
FDMS7698
D
S
G
PQ15
FDMS7698
4
2
1
3
5
PC230
*4.7U/25V_8
PC230
*4.7U/25V_8
PC72
*4.7U/25V_8
PC72
*4.7U/25V_8
PR222
*2.74K/F_4
PR222
*2.74K/F_4
PR96
2.74K/F_4
PR96
2.74K/F_4
D
S
G
PQ11
FDMS0308S
D
S
G
PQ11
FDMS0308S
4
2
1
3
5
PC76
4.7U/25V_8
PC76
4.7U/25V_8

5
5
4
4
3
3
2
2
1
1
D D
C C
B B
A A
G5934DISC1
G5934VSENSE
G5934DISC4
G5934DISC2
G5934VIN
MAIND_G
MAIND3.3V
G5934CN
G5934CP
LAN_ON
G5934VOUT
G5934PG
MAINON
DCAP
MAIND
LAN_POWER[29]
MAINON[29,30,32,34,35]
ACIN_PG [30]
+VA[30]
+BATCHG[30]
+VAD_1[30]
+12VALW[39]
+1.5VSUS[2,4,12,13,27,32,39]
+VIN[21,27,30,31,32,34,37,39,40]
+5V[7,10,21,22,23,24,26,28]
+5VS5[10,26,27,31,32,33,34,35,36,37,39,40]
+3VLANVCC[7,25]
+3VS5[6,7,8,9,10,27,28,29,31,34,35,39]
+1.8V[4,7,10,35]
+VH28[30]
+0.75V_DDR_VTT[12,13,32]
MAIN_ONG [2,4]
MAIND [4]
+3V
+12VALW
+5V
+5VS5
+3VLANVCC +5V
+3V
+3VS5
+VIN
+3VLANVCC
+VH28
+VAD
+0.75V_DDR_VTT
+3VS5
+VAD_1
Size Document Number Rev
Date: Sheet of
4XDQWD&RPSXWHU,QF
352-(&7/*[08;/(66
1%
Dis-charge IC (G5934)
2A
Custom
38 42Wednesday, March 07, 2012
Size Document Number Rev
Date: Sheet of
4XDQWD&RPSXWHU,QF
352-(&7/*[08;/(66
1%
Dis-charge IC (G5934)
2A
Custom
38 42Wednesday, March 07, 2012
Size Document Number Rev
Date: Sheet of
4XDQWD&RPSXWHU,QF
352-(&7/*[08;/(66
1%
Dis-charge IC (G5934)
2A
Custom
38 42Wednesday, March 07, 2012
$
$
$
PR179
*0_4/S
PR179
*0_4/S
12
PC150
*10U/6.3V_8
PC150
*10U/6.3V_8
PC200
1U/16V_4
PC200
1U/16V_4
PR123
*22_8
PR123
*22_8
PR193
*0_4/S
PR193
*0_4/S
12
PR176
750K/F_4
PR176
750K/F_4
PC198
*10U/6.3V_8
PC198
*10U/6.3V_8
PC149
0.1U/10V_4
PC149
0.1U/10V_4
PQ25
*ME2N7002D
PQ25
*ME2N7002D
3
2
1
PC202
0.47U/25V_6
PC202
0.47U/25V_6
PC183
0.1U/10V_4
PC183
0.1U/10V_4 PQ42
QM3002N3
PQ42
QM3002N3
3
52
4
1
PR194
*0_4/S
PR194
*0_4/S
1 2
PC151
0.1U/10V_4
PC151
0.1U/10V_4
PR187
*0_4/S
PR187
*0_4/S
1 2
PQ26
QM3002V
PQ26
QM3002V
3
6
5
2
4
1
PR199
*0_4/S
PR199
*0_4/S
12
PC148
2200P/50V_4
PC148
2200P/50V_4
PC196
0.1U/10V_4
PC196
0.1U/10V_4
PC187
*10U/6.3V_8
PC187
*10U/6.3V_8
PR178
100K/F_4
PR178
100K/F_4
PC209
0.1U/25V_4
PC209
0.1U/25V_4
PQ41
QM3002N3
PQ41
QM3002N3
3
52
4
1
PC192
2200P/50V_4
PC192
2200P/50V_4
PC189
2200P/50V_4
PC189
2200P/50V_4
PC203
1U/35V_6
PC203
1U/35V_6
PR198
22_6
PR198
22_6
PC182
0.1U/10V_4
PC182
0.1U/10V_4
PQ43
ME2N7002D
PQ43
ME2N7002D
3
2
1
PC204
0.1U/25V_4
PC204
0.1U/25V_4
12
PR186
1M_4
PR186
1M_4
38
6/*975
38
6/*975
ON2
2
DISC1
5
DRIVER4
12
CN 19
D_CAP 16
ON4
4
ON3
3
CP 18
DISC3 7
VSENSE 14
DISC2 6
DRIVER1
9
DISC4
8
REG 13
DRIVER3
11
VIN 20
ON1
1
VOUT 17
DRIVER2
10
PG 15
GND
21
PC191
0.1U/10V_4
PC191
0.1U/10V_4
PR185
1M_4
PR185
1M_4

1
1
2
2
3
3
4
4
5
5
6
6
7
7
8
8
A A
B B
C C
D D
3VGFX_OND
DGPU_PR_EN_G
1.5VGFX_OND
DGPU_VC_EN_G
DGPU_PWR_EN
DGPU_PWR_EN
DGPU_PWR_EN
DGPU_PWROK
DGPU_PWR_EN[9,40]
+1.5V_VGA[15,18,19,20,27]
+12VALW[38]
+3V_VGA[15,16,17,18,40]
+1.5VSUS[2,4,12,13,27,32]
+3VS5[6,7,8,9,10,27,28,29,31,34,35,38]
+VIN[21,27,30,31,32,34,37,38,40]
+1.8V_VGA[14,16,18]
DGPU_PWROK[8,9,29,40]
+3V_VGA
+3V_VGA
+3VS5
+VIN
+12VALW
+1.8V_VGA
+3VS5
+5VS5
+1.5VSUS
+1.5V_VGA
+12VALW
+VIN
+1.5V_VGA
+1.0V_VGA
+5VS5
+1.5VSUS
Size Document Number Rev
Date: Sheet of
4XDQWD&RPSXWHU,QF
352-(&7/*[08;/(66
1%
+VGA POWER
2A
B
39 42Wednesday, March 07, 2012
Size Document Number Rev
Date: Sheet of
4XDQWD&RPSXWHU,QF
352-(&7/*[08;/(66
1%
+VGA POWER
2A
B
39 42Wednesday, March 07, 2012
Size Document Number Rev
Date: Sheet of
4XDQWD&RPSXWHU,QF
352-(&7/*[08;/(66
1%
+VGA POWER
2A
B
39 42Wednesday, March 07, 2012
$
VGA Core
5
5
92 555
5.RKP
Countinue current:1.5A
+1.8V +/- 5%
Peak current:3A
$
5
5
92 555
5.RKP
+1.0V +/- 5%
Countinue current:2.1A
Peak current:3A
sϮͲdĞƐƚĐŚĂŶŐĞ
WsͲdĞƐƚĐŚĂŶŐĞ
PR85
100K/F_4
PR85
100K/F_4
PR84
1M_4
PR84
1M_4
PC95
0.22U/6.3V_4
PC95
0.22U/6.3V_4
PR225
1M_4
PR225
1M_4
PC90
*1U/10V_4
PC90
*1U/10V_4
PC238
2200P/50V_4
PC238
2200P/50V_4
PC207
2200P/50V_4
PC207
2200P/50V_4
PR92
*0_4/S
PR92
*0_4/S
1 2
PR224
1M_4
PR224
1M_4
PC45
10U/6.3V_8
PC45
10U/6.3V_8
PC94
1U/6.3V_4
PC94
1U/6.3V_4
12
PR88
47K/F_4
PR88
47K/F_4
PQ17
ME2N7002D
PQ17
ME2N7002D
3
2
1
PC102
10U/6.3V_8
PC102
10U/6.3V_8
PC101
0.1U/10V_4
PC101
0.1U/10V_4
PR221
1M_4
PR221
1M_4
PC211
0.1U/10V_4
PC211
0.1U/10V_4
PR82
1M_4
PR82
1M_4
PR81
127K/F_4
PR81
127K/F_4
PR83
100K/F_4
PR83
100K/F_4
PR195
1M_4
PR195
1M_4
PQ20
PDTC144EU
PQ20
PDTC144EU
1 3
2
PQ47
ME2N7002D
PQ47
ME2N7002D
3
2
1
PR226
22_8
PR226
22_8
PD12
*1N4448WS
PD12
*1N4448WS
21
PD13
1N4448WS
PD13
1N4448WS
21
PC208
0.1U/10V_4
PC208
0.1U/10V_4
PU4
*
PU4
*
EN
2
VOUT 6
NC 5
VDD
4GND 8
PGOOD
1
VIN
3
ADJ
7
GND1 9
PC100
0.1U/10V_4
PC100
0.1U/10V_4
PR89
25.5K/F_4
PR89
25.5K/F_4
PC97
1U/6.3V_4
PC97
1U/6.3V_4
PR91
*0_4/S
PR91
*0_4/S
D
S
G
PQ45
FDMS7670
D
S
G
PQ45
FDMS7670
4
2
1
3
5
PC231
0.22U/6.3V_4
PC231
0.22U/6.3V_4
1 2
PQ46
PDTC144EU
PQ46
PDTC144EU
1 3
2
PR86
0_4
PR86
0_4
PC99
10U/6.3V_8
PC99
10U/6.3V_8
PC98
10U/6.3V_8
PC98
10U/6.3V_8
PC237
0.1U/10V_4
PC237
0.1U/10V_4
PR90
100K/F_4
PR90
100K/F_4
1 2
PC218
*10U/6.3V_8
PC218
*10U/6.3V_8
PR223
47K/F_4
PR223
47K/F_4
PC92
10U/6.3V_8
PC92
10U/6.3V_8
PU3
*
PU3
*
EN
2
VOUT 6
NC 5
VDD
4GND 8
PGOOD
1
VIN
3
ADJ
7
GND1 9
PC103
0.22U/6.3V_4
PC103
0.22U/6.3V_4
PQ16
ME2N7002D
PQ16
ME2N7002D
3
2
1
PC104
0.1U/10V_4
PC104
0.1U/10V_4
PQ48
QM3002V
PQ48
QM3002V
3
6
5
2
4
1
PC235
*10U/6.3V_8
PC235
*10U/6.3V_8
PC91
0.1U/10V_4
PC91
0.1U/10V_4
PR213
22_8
PR213
22_8
PQ44
ME2N7002D
PQ44
ME2N7002D
3
2
1
PC232
0.1U/10V_4
PC232
0.1U/10V_4
PC93
10U/6.3V_8
PC93
10U/6.3V_8
PD19
*1N4448WS
PD19
*1N4448WS
21

1
1
2
2
3
3
4
4
5
5
6
6
7
7
8
8
A A
B B
C C
D D
8208CS1
8208TON1
8208RTDH1
8208VOUT1
8208BST1_1
8208RTD11
8208RTBST1
8208RTEN1
8208RTPG1
8208RTVDD1
8208RTDL1
8208RTD10
8208RTLX2
8208RTFB1
DGPU_PWR_EN[9,39]
+5VS5[10,26,27,31,32,33,34,35,36,37,38,39]
+3V[2,6,7,8,9,10,12,13,14,16,21,22,23,24,25,26,27,28,29,34,36,38]
+VGACORE[18]
+VIN[21,27,30,31,32,34,37,38,39]
+3V_GFX
GFX_CORE_CNTRL1[16,17]
GFX_CORE_CNTRL0[16,17]
VGACORESENSE [18]
DGPU_PWROK[8,9,29,39]
+VIN_VGA
+3V
+5VS5
+VGACORE
+VIN
+3V_VGA
+3V_VGA
Size Document Number Rev
Date: Sheet of
4XDQWD&RPSXWHU,QF
352-(&7/*[08;/(66
1%
+VGACORE (RT8208)
2A
Custom
40 42Wednesday, March 07, 2012
Size Document Number Rev
Date: Sheet of
4XDQWD&RPSXWHU,QF
352-(&7/*[08;/(66
1%
+VGACORE (RT8208)
2A
Custom
40 42Wednesday, March 07, 2012
Size Document Number Rev
Date: Sheet of
4XDQWD&RPSXWHU,QF
352-(&7/*[08;/(66
1%
+VGACORE (RT8208)
2A
Custom
40 42Wednesday, March 07, 2012
VGA Core
9R 555
5'6RQ PRKP
5D
5E
.RKP
89
5E
.RKP
5F
7KDPHV
.RKP
/D
5D
89B
)'066
;
8$8$
.RKP
6H\PRXU
&D
34D
.RKP
&E
;
.RKP
GHIDXOW
9
9
&175/
*3,2
&175/
*3,2
9
9
&175/
*3,2
6H\PRXU7KDPHV
9
5D!.RKP
&175/
GHIDXOW
*3,2
5E!.RKP
9
5
5
OCP minimum 27A
Countinue current:16.5A
Peak current:23A
+VGACORE +/- 5%
6H\PRXU;7ELW
,UPV $
,SHDN $
7KDPHV
,UPV $
,SHDN $
2&3
&E
/D
&D
5F
89
34D
WsͲdĞƐƚĐŚĂŶŐĞ
PC184
0.1U/10V_4
PC184
0.1U/10V_4
D
S
G
PQ7
FDMS0308S
D
S
G
PQ7
FDMS0308S
4
2
1
3
5
PR28
4.7K/F_4
PR28
4.7K/F_4
PR32
10_6
PR32
10_6
PC21
*100P/50V_4
PC21
*100P/50V_4
PC67
*4.7U/25V_8
PC67
*4.7U/25V_8
PC68
0.1U/25V_4
PC68
0.1U/25V_4
PR38
47K/F_4
PR38
47K/F_4
PR22
*10K/F_4
PR22
*10K/F_4
D
S
G
PQ12
FDMS7698
D
S
G
PQ12
FDMS7698
4
2
1
3
5
PU1
57$
PU1
57$
VOUT
1
VDD 2
FB
3
PGOOD
4
D1 5
D0
6
G0
7
DL 8
VDDP 9
CS
10
PHASE 11
DH 12
BST 13
G1
14
EN/DEM
15 TON 16
PAD
17
PC20
1U/6.3V_4
PC20
1U/6.3V_4
PL4
*0_8/S
PL4
*0_8/S
PC25
0.1U/25V_4
PC25
0.1U/25V_4
PC29
0.1U/25V_4
PC29
0.1U/25V_4
PC22
1U/6.3V_4
PC22
1U/6.3V_4
D
S
G
PQ8
FDMS0308S
D
S
G
PQ8
FDMS0308S
4
2
1
3
5
PR36
2_6
PR36
2_6
PC52
4.7U/25V_8
PC52
4.7U/25V_8
PR41
*0_4
PR41
*0_4
PR26
10K/F_4
PR26
10K/F_4
PR55
*0_2/S
PR55
*0_2/S
PC60
*2200P/50V_4
PC60
*2200P/50V_4
PC63
2200P/50V_4
PC63
2200P/50V_4
PD9
1N4448WS
PD9
1N4448WS
21
PR24
15K/F_4
PR24
15K/F_4
PR25
60.4K/F_4
PR25
60.4K/F_4
PC62
4.7U/25V_8
PC62
4.7U/25V_8
PD18
RB501V-40
PD18
RB501V-40
2 1
PL17
PCMB104T-R45MN
PL17
PCMB104T-R45MN
PR30
2K/F_4
PR30
2K/F_4
PR40
*0_4/S
PR40
*0_4/S
PR27
11.8K/F_4
PR27
11.8K/F_4
PR23
*0_4/S
PR23
*0_4/S
12
+
PC193
560U_2.5V_7343
+
PC193
560U_2.5V_7343
12
PR42
10K/F_4
PR42
10K/F_4
PC61
4.7U/25V_8
PC61
4.7U/25V_8
PR76
*2.2_8
PR76
*2.2_8
PC64
0.1U/25V_4
PC64
0.1U/25V_4
PR39
232K/F_4
PR39
232K/F_4
