RIVAGE PM7 Block Diagram [1.6MB] Blockdiagram A0
User Manual: [1.6MB] Manual Library - Yamaha - United States
Open the PDF directly: View PDF
.
Page Count: 11

Block Diagram

RIVAGE PM7 Block Diagram 3
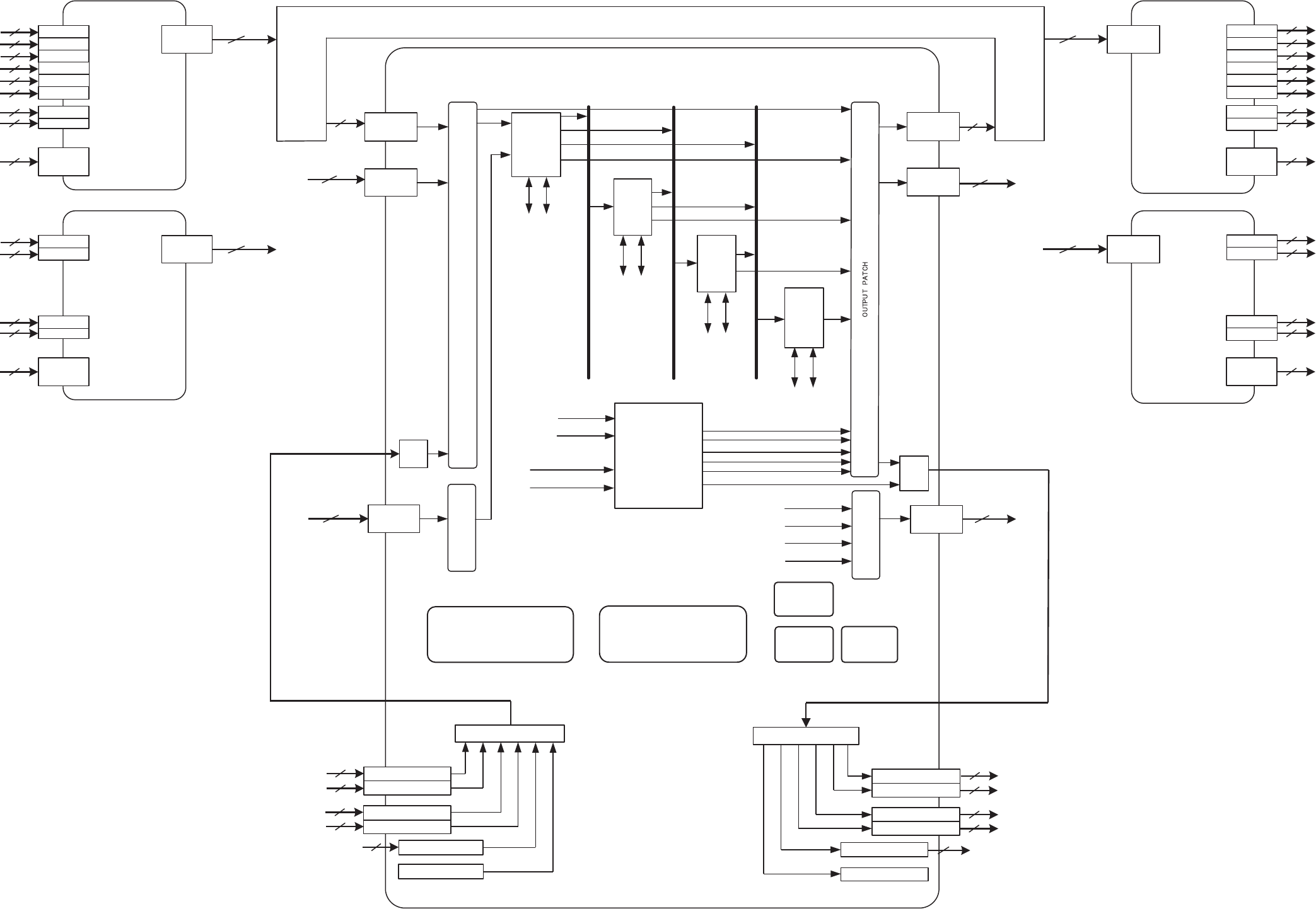
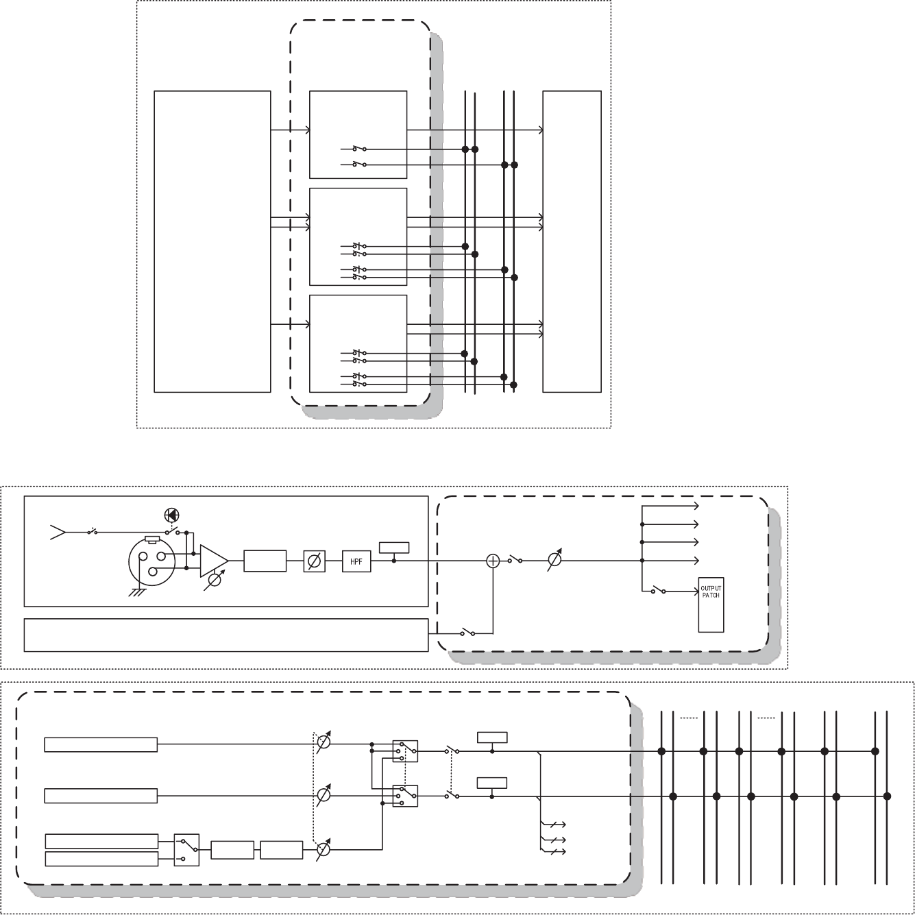
Block Diagram System Overview
DIGITAL MIXING CONSOLE (CSD-R7)
256
HY1
(HY 256 - TL )
HY2
HY3
INPUT PATCH
CH
1- 120
MIX 1- 60 STEREO A / B MATRIX 1- 24
1- 24
MIX
1- 60
A/ B
DIRECT OUT
PHONES OUTS
I/O Rack(RPio622)
Inputs HY1
(HY 256 - TL )
HY2
(HY 144 - D)
RY1
RY2
RY3
RY4
RY5
RY6
MY1
MY2
I/O Rack(RPio622)
Outputs
HY1
(HY 256 - TL )
HY2
(HY 144 - D)
RY1
RY2
RY3
RY4
RY5
RY6
MY1
MY2
CUE A / B
MONITOR A / B
PHONES A / B
SURROUND CUE
SURROUND MONITOR
CUE A / B
CUE OUTS
MONITOR OUTS
MONITOR A / B
INSERT 1
INSERT 2
INSERT 1
INSERT 2
INSERT 1
INSERT 2
INSERT 1
INSERT 2
OSCILLATOR
TALKBACK
8x OMNI IN
4x AES / EBU
MY1
MY2
RECORDING
PATCH
(PLAYBACK IN )
RECORDING
PATCH
(REC OUT )
16
MATRIX
STEREO
8x OMNI OUT
4x AES / EBU
4x PHONES
MY1
MY2
16
16
16
16
16
16
16
128
256
8
8
16
16
8
8
8
16
16
1
256 256
256 256
256 256
16
16
16
16
16
16
16
16
128
MIX OUT
STEREO OUT
MATRIX OUT
CH REC OUT
RTA
2trk USB RECORDER
TWINLANe Network (400ch)
HY1
(HY 256 - TL )
HY2
HY3
2trk USB PLAYBACK
TALKBACK
I/ O Net wor k
Cons ole N et work Console N et wor k
I/ O Net work
I/O Rack(RPio222)
Inputs HY1
(HY 256 - TL )
HY2
(HY 144 - D)
RY1
RY2
MY1
MY2
16
16
16
16
128
256 256
I/O Rack(RPio222)
Outputs
HY1
(HY 256 - TL )
HY2
(HY 144 - D)
RY1
RY2
MY1
MY2
16
16
16
16
128
SURROUND CUE
SURROUND MONITOR
SURROUND CUE OUTS
SURROUND MONITOR OUTS
SURROUND MONITOR METER OUTS
PORT TO PORT
(for Inserts) (for Inserts / Send-Return)
GEQ/PEQ
48x 31bandGEQ
(96x Flex15GEQ)
(96x 8bandPEQ)
(1x 32Ch Automixer)
(1x 64Ch Automixer)
PLUG-INS
PLUGIN RACK
Max. 384 instances

RIVAGE PM7 Block Diagram 4
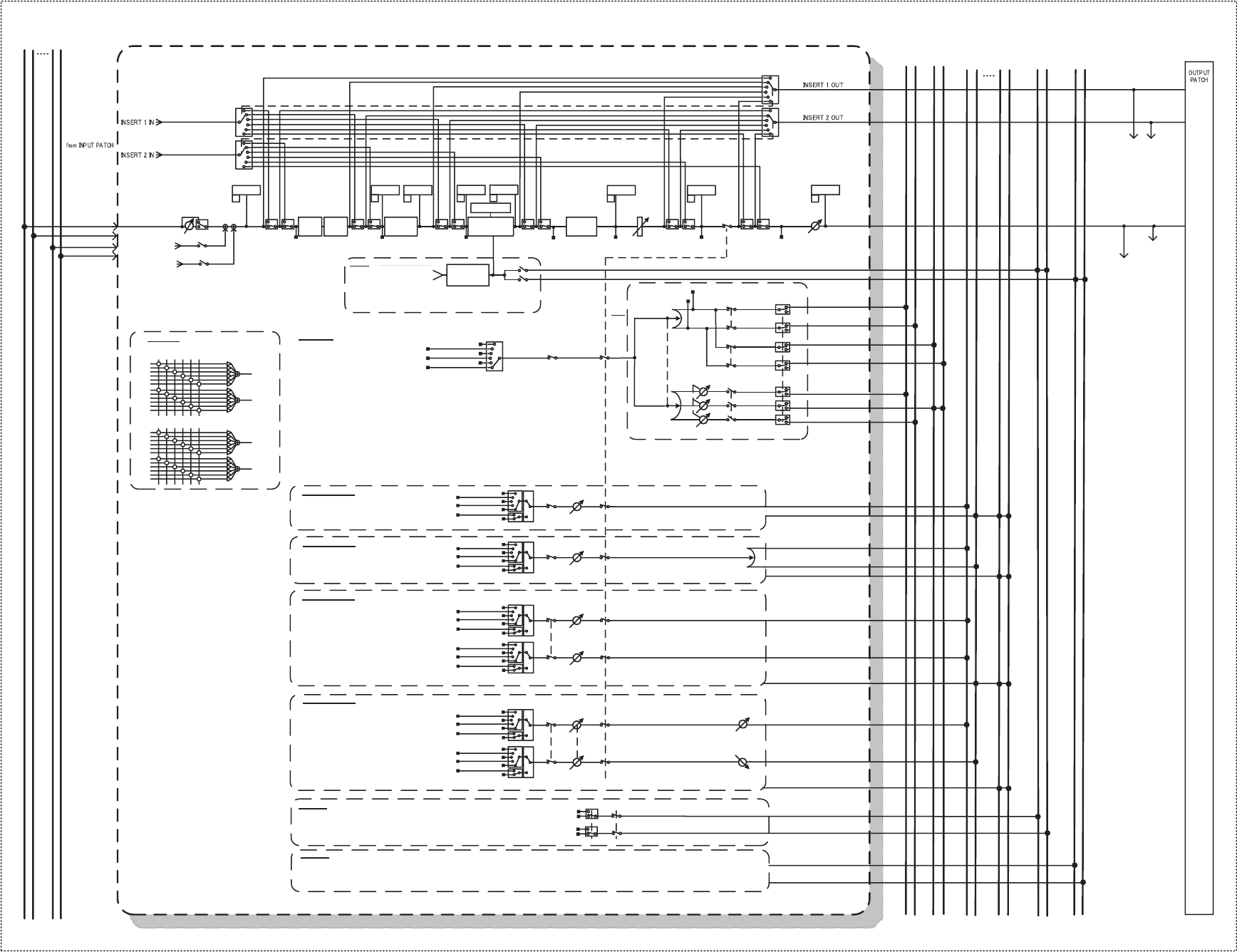
DIGITAL MIXING CONSOLE • I/O Rack
8
METER
DIGITAL MIXING CONSOLE (CSD-R7)
AES/EBU IN[1-8]
SRC
2trk USB PLAYBACK
GAIN
METER
CUE A/B
PLAYBACK 2
TRIM
METER
8
SRC
1
METER
+48V ON
+48V MASTER
ON
+
-
ANALOG INPUT GAIN
1
2
3
Silk
OMNI IN[1-8]
AD
1
2
3
TALKBACK
ON
AD
+
-
ANALOG INPUT GAIN
1
2
3
+48V
OMNI OUT[1-8]
DA 1
2
3
12
3
+
-
AES/EBU OUT[1-8]
8
2trk USB RECORDER
GAIN
METER
CUE A/B
1
2
3
12
3
RECORDER
SRC
SRC
METER
GAIN
DELAY
METER
GAIN
DELAY
TRIM
TRIM
PHONES A
PHONES B
[PHONES OUT B]
PHONES LEVEL B
Tip
Ring
Sleeve
DA
[PHONES OUT A]
DA
PHONES LEVEL A
Tip
Ring
Sleeve
2
2
METER
HY slot 1
(HY256-TL)
256
METER
HY slot 1
(HY256-TL) 256
METER
HY slot 2
256
METER
HY slot 2
256
METER
HY slot 3
256
METER
HY slot 3
256
I/O Network
I/O Network
MY slot 1/2
METER
HY slot 2
METER
METER
I/O Rack(RPio622/[RPio222])
16
HY slot 2
(Input Splitting
/ Patchable Outputs)
128
RY slot 1-6[1-2]
METER
GAIN
COMPENSATION
ON
OFF
METER
TRIM
METER
16
+48V ON
ON
+48V
+
-
ANALOG INPUT GAIN
SIGNAL
PEAK
1
2
3
AD Silk
16
1
2
3SRC
RY slot 1-6[1-2]
1
2
3
12
3
1
2
3
12
3
METER
DELAY
GAIN TRIM
DA +
-
METER
DELAY
GAIN TRIM
SRC
RY16-ML-SILK
RY16-AE
RY16-DA
RY16-AE
+48V MASTER
HY slot 1
(HY256-TL)
128
HY slot 1
(HY256-TL)
256 256
I/O Network
METER
GAIN TRIM
DELAY MY slot 1/2
INPUT SPLITTING
CH 1- 16 : RY slot 1
CH 17- 32 : RY slot 2
CH 33- 48 : RY slot 3
CH 49- 64 : RY slot 4
CH 65- 80 : RY slot 5
CH 81- 96 : RY slot 6
CH 97- 112 : MY slot 1
CH113 - 128 : MY slot 2
16
16
16
ROUTING
MODE
16
METER
MY slot 1/2
16
METER
GAIN TRIM
DELAY
MY slot 1/2
Signal Processing

RIVAGE PM7 Block Diagram 5
CH 1-120
MIX1- 60
(MATRIX 1- 24)
60
CUEB
LR
ST A
LR
ST B
LR
CUEA
LR
592
1
CCHH 11--112200
CH 1(L)
ST B Cch
ST A Rch
INSERT POINT
PAN LINK
METER
PRE
FILTER
HPF LPF 4BAND
PEQ
METER
PRE EQ
METER
EQ OUT
PRE DYN 1
METER
PRE
DYN1
METER
DYN1
OUT
PRE DYN 2
METER
PRE
DYN2
METER
DYN2
OUT
DYNAMICS
1DYNAMICS
2
GR METER GR METER
METER
PRE
FADER
LEVEL /
DCA1- 24
METER
POST
FADER
ON
METER
POST
ON
CSR
LCR
TO LCR
POST ON
Same as the DYNAMICS 1
POST
FADER
CUE A Lch
CUE A Rch
to CUE A
PFL (PRE FADER )
PFL (PRE FILTER ) ON
AFL (POST PAN L )
AFL (POST FADER )
AFL (POST PAN R )
FOLLOW PAN
CUE POINT
ST A Lch
DIGITAL
GAIN
CH 2(R) to CH 2(R)
L/ R PATH
(Only STEREO CH)
POST PAN R
TO ST A
POST PAN L
PAN
ST A Rch
ST A Lch
PAN / BAL
A
B
∑ ∑ ∑ ∑ ∑ ∑ ∑ ∑ ∑
PRE FADER
∑
DELAY
PRE FADER (default )
PRE
FILTER PRE EQ
Rec
A
B
Rec
OSCILLATOR
CH REC OUT
SSAME AS AB OVE
to CUE B CUE B Lch
CUE B Rch
to MIX 3- 60(MATRIX 3- 24)
(same as above )
to MIX 2(MATRIX 2)
to MIX 1(MATRIX 1)
L CH ON
R CH
PAN
/ BAL
to MIX 2(MATRIX 2)
to MIX 1(MATRIX 1)
to MIX 3- 60(MATRIX 3- 24)
(same as above )
ON PAN
to MIX / MATRIX (VARI )
MONO to MONO ON to MIX 1(MATRIX 1)
to MIX 2- 60(MATRIX 2- 24)
(same as above )
to MIX 1
ON
to MIX 2- 60
(same as above )
POST ON
to MIX / MATRIX (VARI )
to MIX / MATRIX (VARI )
MONO to STEREO
STEREO to STEREO
to MIX (FIXED / MIXMINUS )
MONO to MONO
LEVEL
LEVEL
LEVEL
to MIX 1
to MIX 2
ON
to MIX 3- 60
(same as above )
POST PAN L
to MIX (FIXED / MIXMINUS )
MONO to STEREO
POST PAN L
POST PAN R to MIX 3- 60
(same as above )
to MIX 1
to MIX 2
ON
to MIX (FIXED / MIXMINUS )
STEREO to STEREO
L CH ON
R CH
to MIX / MATRIX (VARI )
STEREO to MONO LEVEL
to MIX 2- 60(MATRIX 2- 24)
(same as above )
to MIX 1(MATRIX 1)
to MIX 1(MATRIX 1)
DIRECT
OUT
ON LEVEL
POST FADER
PRE FILTER
PRE EQ PRE DYN 1
POST ON
PRE FADER
PRE DYN 2
KEYIN CUE
ON
[KEYIN SOURCE ]
SELF PRE EQ /
SELF POST EQ /
INPUT 1- 120 PRE EQ /
MIX 1- 60 PRE EQ /
MATRIX 1- 24 PRE EQ /
STEREO A ,B PRE EQ /
DIRECT INPUT
KEYIN KEYIN
FILTER
POST PAN R
ST / LCR
TO ST B
ST B Rch
ST B Lch
POST ON
POST ON to MIX 2- 60
(same as above )
to MIX 1
to MIX 1
ON
to MIX (FIXED / MIXMINUS )
STEREO to MONO
to PLUG - INS
to GEQ / PEQ
from PLUG - INS
from GEQ / PEQ
PRE FADER
PRE FILTER
PRE EQ PRE DYN 1
POST FADER POST ON
PRE DYN 2
PRE FADER
PRE FILTER
PRE EQ PRE DYN 1
POST FADER POST ON
PRE DYN 2
PRE FADER
PRE FILTER
PRE EQ PRE DYN 1
POST FADER POST ON
PRE DYN 2
PRE FADER
PRE FILTER
PRE EQ PRE DYN 1
POST FADER POST ON
PRE DYN 2
PRE FADER
PRE FILTER
PRE EQ PRE DYN 1
POST FADER POST ON
PRE DYN 2
PRE FADER
PRE FILTER
PRE EQ PRE DYN 1
POST FADER POST ON
PRE DYN 2
CH FADER
FOLLOW
FADER
CH ON
FOLLOW
ON
CH DCA 1- 24
FOLLOW
DCA
CH FADER
FOLLOW
FADER
CH ON
FOLLOW
ON
CH DCA 1- 24
FOLLOW
DCA
CH FADER
FOLLOW
FADER
CH ON
FOLLOW
ON
CH DCA 1- 24
FOLLOW
DCA
CH FADERCH ON CH DCA 1- 24
FOLLOW
FADER
FOLLOW
ON FOLLOW
DCA
CH FADERCH ON CH DCA 1- 24
FOLLOW
FADER
FOLLOW
ON FOLLOW
DCA
ON
POST ON
SURROUND PAN to SURROUND A
to SURROUND B
PAN
LFE
* MATRIX 1-4 act as DOWNMIX of SURROUND A/B during SURROUND MODE.
Therefore ST to MATRIX 1-4 are cut.
ON
to SURROUND CUE
L
R
C
Ls
Rs
LFE
MIX 7 8 9 101112
MIX 123456
SURROUND CUE 123456

RIVAGE PM7 Block Diagram 6
MIX1-60
MIX
60
CUEB
LR
ST A
LR
ST B
LR
CUEA
LR
59
2
1
MMIIXX11--6600
PRE FILTER PRE EQ
HPF LPF 8BAND
PEQ
METER
PRE EQ
METER
EQ OUT
PRE DYN
METER
PRE
DYN
METER
DYN
OUT
DYNAMICS
GR METER
DELAY
LEVEL /
DCA 1- 24
PRE FADER
METER
POST FADER
POST FADER
METER
PRE FILTER
ON
to MONITOR
POST ON
METER
BALANCE
(Only ST )
to PLUG - INS
to GEQ / PEQ
from TALKBACK 1
∑∑∑
∑
∑
∑
ASSIGN
METER
∑
PRE FADER
MATRIX
242321
PRE DELAY
to PLUG - INS
from TALKBACK 2 ASSIGN
POST ON
tto CU E B
∑
DIMMER
for TALKBACK
CUE B Lch
CUE B Rch
PFL (PRE FADER )
AFL (POST ON )
PFL (PRE FADER )
AFL (POST ON )
ON
to CU E A CUE A Lch
CUE A Rch
SAME AS AB OVE
ST B Cch
ST A Rch
CSR
LCR TO LCR
ST A Lch
TO ST A
ST A Rch
ST A Lch
PAN/ BAL
ST / LCR
CH ON
PRE FADER
PRE FILTER
PRE EQ PRE DYN
POST FADER
PRE DELAY
POST PAN L
POST PAN R
to STEREO
MONO to STEREO
STEREO to STEREO
to MATRIX 3- 24
(same as above )
to MATRIX 1
to MATRIX 2
L CH ON
R CH
L CH
R CH
to MATRIX(VARI)
STEREO to STEREO LEVEL
CH ON
ON
KEYIN CUE
ON
[KEYIN SOURCE ]
SELF PRE EQ /
SELF POST EQ /
INPUT 1- 120 PRE EQ/
MIX 1- 60 PRE EQ /
MATRIX 1- 24 PRE EQ /
STEREO A ,B PRE EQ /
DIRECT INPUT
KEYIN KEYIN
FILTER
TO ST B
ST B Rch
ST B Lch
to MATRIX 2
to MATRIX 1
to MATRIX 3- 24
(same as above )
ON PANto MATRIX(VAR I)
MONO to STEREO
LEVEL
to MATRIX 2- 24
(same as above )
to MATRIX 1
to MATRIX 1
L CH
ON
R CH
L CH
R CH
to MATRIX(VARI)
STEREO to MONO LEVEL
to MATRIX(VAR I)
MONO to MONO ON to MATRIX 1
to MATRIX 2- 24
(same as above )
LEVEL
from PLUG - INS
from GEQ / PEQ
PAN
PRE FADER
PRE FILTER
PRE EQ PRE DYN
POST FADER POST ON
PRE DELAY
PRE FADER
PRE FILTER
PRE EQ PRE DYN
POST FADER POST ON
PRE DELAY
PRE FADER
PRE FILTER
PRE EQ PRE DYN
POST FADER POST ON
PRE DELAY
PRE FADER
PRE FILTER
PRE EQ PRE DYN
POST FADER POST ON
PRE DELAY
PRE FADER
PRE FILTER
PRE EQ PRE DYN
POST FADER POST ON
PRE DELAY
PRE FADER
PRE FILTER
PRE EQ PRE DYN
POST FADER POST ON
PRE DELAY
* MATRIX 1-4 act as DOWNMIX of SURROUND A/B during SURROUND MODE.
Therefore ST to MATRIX 1-4 are cut.
PAN
/ BAL
POST ON
23456
MIX
1
MATRIX
1
2
3
4
MIX
7 8 9 101112
DOWNMIX

RIVAGE PM7 Block Diagram 7
STEREO A/B
CUEB
LR
ST A / B
LR
CUEA
L R
S
STEREO A/ B
PRE FILTER PRE EQ
HPF LPF 8BAND
PEQ
METER
PRE EQ
METER
EQ OUT
PRE DYN
METER
PRE
DYN
METER
DYN
OUT
DYNAMICS
GR METER
DELAY
LEVEL /
DCA 1- 24
PRE FADER
METER
POST FADER
POST FADER
METER
PRE FILTER
ON
to MONITOR
POST ON
METER
BALANCE
(Only ST )
to PLUG - INS
to GEQ / PEQ
from TALKBACK 1
∑
∑
∑
∑
∑
∑
ASSIGN
METER
∑
PRE FADER
MATRIX
24
23
21
PRE DELAY
from TALKBACK 2
ASSIGN
POST ON
to CU E B
∑
DIMMER
for TALKBACK
CUE B Lch
CUE B Rch
MONO
-6dB
to R
PFL (PRE FADER )
AFL (POST ON )
PFL(PRE FADER )
AFL (POST ON )
ON
to CU E A
CUE A Lch
CUE A Rch
SAME AS AB OVE
to MATRIX 3- 24
(same as above )
to MATRIX 1
to MATRIX 2
L CH
ON
R CH
BALANCE
L CH
R CH
to MATRIX(VAR I)
STEREO to STEREO LEVEL
CH ON
KEYIN CUE
ON
[KEYIN SOURCE ]
SELF PRE EQ /
SELF POST EQ /
INPUT 1- 120 PRE EQ /
MIX 1- 60 PRE EQ /
MATRIX 1- 24 PRE EQ /
STEREO A ,B PRE EQ /
DIRECT INPUT
KEYIN
KEYIN FILTER
MONO
(STEREO B Only )
to MATRIX(VAR I)
STEREO to MONO ON to MATRIX 1
LEVEL
to MATRIX 1
to MATRIX 2- 24
(same as above )
from PLUG - INS
from GEQ / PEQ
to PLUG - INS
PRE FADER
PRE FILTER
PRE EQ PRE DYN
POST FADER POST ON
PRE DELAY
PRE FADER
PRE FILTER
PRE EQ PRE DYN
POST FADER POST ON
PRE DELAY
PRE FADER
PRE FILTER
PRE EQ PRE DYN
POST FADER POST ON
PRE DELAY
PRE FADER
PRE FILTER
PRE EQ PRE DYN
POST FADER POST ON
PRE DELAY
* MATRIX 1-4 act as DOWNMIX of SURROUND A/B during SURROUND MODE.
Therefore ST to MATRIX 1-4 are cut.

RIVAGE PM7 Block Diagram 8
MATRIX1-24
MATRIX
24
CUEB
LR
CUEA
LR
23
2
1
MMAATTRRIIXX11--2244
PRE FILTER PRE EQ
HPF LPF 8BAND
PEQ
METER
PRE EQ
METER
EQ OUT
PRE DYN
METER
PRE
DYN
METER
DYN
OUT
DYNAMICS
GR METER
DELAY
LEVEL /
DCA 1- 24
PRE FADER
METER
POST FADER
POST FADER
METER
PRE FILTER
ON
to MONITOR
POST ON
METER
BALANCE
(Only ST )
to PLUG - INS
to GEQ / PEQ
from TALKBACK 1
∑
∑∑∑∑∑
ASSIGN
METER
∑
PRE FADER
PRE DELAY
to PLUG - INS
from TALKBACK 2
ASSIGN
POST ON
ON
t
to CUE B
∑
DIMMER
for TALKBACK
CUE B Lch
CUE B Rch
PFL (PRE FADER )
AFL (POST ON )
PFL (PRE FADER )
AFL (POST ON )
to CU E A
CUE A Lch
CUE A Rch
SAME AS AB OVE
KEYIN CUE
ON
[KEYIN SOURCE ]
SELF PRE EQ /
SELF POST EQ /
INPUT 1- 120 PRE EQ /
MIX 1- 60 PRE EQ /
MATRIX 1- 24 PRE EQ /
STEREO A ,B PRE EQ /
DIRECT INPUT
KEYIN
KEYIN FILTER
from PLUG - INS
from GEQ / PEQ

RIVAGE PM7 Block Diagram 9
CUE/MONITOR/MISC.
CUE
MONI
MONI
CUE
MONI
C
R
L
CUE/ SOLO
LOGIC
CUE B
LR
CUE A
LR
C
CUE A / MONITO R A / PHONES A
L
R
C
ON
LEVEL
MONITOR A OUT L
MONITOR A OUT R
MONITOR A OUT C
C
R
L
PRE EQ
METER
POST EQ
METER
CUE TRIM
(INPUT (PFL)/OUTP UT (PFL)/DCA)
L
R
CUE A OUT L
CUE A OUT R
CUE A
CUE A
ON
LEVEL
POST EQ
METER
to PHONES A OUT L
to PHONES A OUT R
PHONES
LEVEL LINK
PHONES POINT
(MONITOR )
PHONES POINT
(CUE)
PRE DELAY
POST DELAY
PRE DELAY
POST DELAY
PRE DELAY
POST DELAY
PRE DELAY
POST DELAY
PRE DELAY
POST DELAY
from MIX 1- 60
16
from TALKBACK
1
from STEREO A - B
from MATRIX 1- 24
24
from DIRECT OUT 1- 120
120
CUE
MONITO R
PHO NES
CUE
MONI
CUE/ SOLO
LOGIC
METER
METER
To RTA
METER
METER
METER
METER
METER
CUE METER
CUE
MODULE
METER
MONITOR
MODULE
METER
C
R
L
DIMMER ON
CUE DIMMER/
DIMMER ON
TALKBACK
8Band
PEQ
8Band
PEQ
MONITOR PEQ
CUE PEQ
R
L
DELAY
DELAY
DELAY
DELAY
DELAY
PRE
DELAY POST DELAY
PRE
DELAY POST DELAY
POST DELAY
PRE
DELAY
INSERT
INSERT
INSERT
DIMMER ON TALK
BACK
LR+C DOWNMIX
0dB
-3dB
8Band
PEQ
8Band
PEQ
MONITOR OUT MODE
MONO
-3dB
MONO
-3dB
-3dB
CUE OUT MODE
8Band
PEQ
CENTER CHANNEL ON
CENTER CHANNEL ON
CUE B / MONITOR B / PHO NES B
SA ME A S A BO V E
CUE B OUT L
CUE B OUT R
MONITOR B OUT L
MONITOR B OUT R
MONITOR B OUT C
to PHONES B OUT L
to PHONES B OUT R
-3dB
MONITOR
SELECT
MONITOR
SOURCE
DEFINE
1- 8
0dB
-3dB
0dB
0dB
OSCILLATOR
from PLUG - INS
from GEQ / PEQ
to PLUG - INS
to GEQ / PEQ
from PLUG - INS
from GEQ / PEQ
to PLUG - INS
to GEQ / PEQ
from PLUG - INS
from GEQ / PEQ
to PLUG - INS
to GEQ / PEQ
(INSERT IN )
(INSERT OUT )
(INSERT IN )
(INSERT IN )
(INSERT OUT )
(INSERT OUT )
PRE
DELAY
PRE
DELAY POST DELAY
POST DELAY
PRE EQ
METER
PRE EQ
METER
POST EQ
METER
POST EQ
METER
POST EQ
METER
PRE EQ
METER
PRE EQ
METER
SURROUND CUE
ON
SURROUND
MONITOR
FADER
DIMMER/
DIMMER ON TALKBACK
SURROUND CUE OUT L
SURROUND MONITO R
CUE
LOGIC
SURROUND
MONITOR
MODULE
METER
DELAY
8
SURROUND A OUT (MIX 1- 6)
SURROUND B OUT (MIX7- 12)
Ext 5.1 (1- 4)
Ext ST (1- 4)
6x4
2x4
SURROUND MONITOR METER OUT L
SPEAKER
MUTE
DIMMER ON
CUE
DOWN MIX A OUT (MATRIX 1- 2)
DOWN MIX B OUT (MATRIX 3- 4)
6
6
From CUE B
MONITOR
LEVEL
B
2
2
to PHONES B
SURROUND
CUE
MODULE
METER
SURROUND
CUE
METER
from MIX 1- 60
16
from TALKBACK
1
from STEREO A - B
from MATRIX 1- 24
24
from DIRECT OUT 1- 120
120
MONITOR
SOURCE
DEFINE
1- 8
SURRO UND CUE
from PLUG - INS
from GEQ / PEQ
(INSERT IN )
METER
METER
METER
METER
METER
METER
SURROUND
MONITOR
DOWNMIX
CUE
MONI
CUE
MONI
DELAY
DELAY
DELAY
DELAY
DELAY
OSCILLATOR
METER
METER
METER
METER
METER
METER
DELAY
DELAY
DELAY
DELAY
DELAY
DELAY
METER
METER
METER
METER
METER
METER
To SURROUND
MONITOR
(CUE B ONLY )
MONITOR
SELECT
L
R
C
LFE
Ls
Rs
L
R
C
LFE
Ls
Rs
SURROUND CUE OUT R
SURROUND CUE OUT C
SURROUND CUE OUT LFE
SURROUND CUE OUT Ls
SURROUND CUE OUT Rs
SURROUND MONITOR OUT L
SURROUND MONITOR OUT R
SURROUND MONITOR OUT C
SURROUND MONITOR OUT LFE
SURROUND MONITOR OUT Ls
SURROUND MONITOR OUT Rs
SURROUND MONITOR METER OUT R
SURROUND MONITOR METER OUT C
SURROUND MONITOR METER OUT LFE
SURROUND MONITOR METER OUT Ls
SURROUND MONITOR METER OUT Rs
to PLUG - INS
to GEQ / PEQ
(INSERT OUT )
123456
INSERT
ON
(PHONES B ONLY )
USE PHONES B
FOR SURROUND
SURROUND
MONITOR
FADER
USE PHONES B
FOR SURROUND
(PHONES B ONLY )
SURROUND CUE/ SURRO UND MONITO R

RIVAGE PM7 Block Diagram 10
CUEB
LR
CUEA
LR
PLUG-INS
(mono)
MIX 1- 60 OUT
MATRIX 1- 24 OUT
STEREO A / B OUT
CUEA ON
P
PLUGIN RA CK
CUEB ON
PLUG-INS
(stereo)
CUEA ON Lch
Rch
CUEB ON Lch
Rch
PLUG-INS
(1in/2out)
CUEA ON Lch
Rch
CUEB ON Lch
Rch
CH 1- 120
LEVEL
ON TALKBACK OUT
MONITOR SELECT
MIX1- 60
MATRIX 1- 24
STEREO A / B
TA LK BACK
INPUT PATCH
TALKBACK(Control Surface)
+48V
ON
+48V
+
-
ANALOG INPUT GAIN
1
2
3
AD
ON
METER
ON
+48V MASTER
O SCILL AT OR
PINK NOISE
BURST NOISE
HPF LPF
LEVEL
SINE WAVE
Sine Wave:
FREQUENCY 20Hz – 20kHz
SINE WAVE 2CH
LEVEL
LEVEL
ON
METER
MIX
60
ST A
LR
ST B
LR
59
21
MATRIX
2423
21
2
2
to MONITOR
to INPUT CH
METER
TALKBACK OUT ON
1
to SURROUND
MONITOR

RIVAGE PM7 Block Diagram 11
Level Diagram
DA
Max. DSP Noise Floor
AD
Max. Output
[0dBu = 0.775Vrms]
Digital
Analog Digital Analog
dBu
Analog
+20
+10
0
-10
-20
-30
-40
-50
-60
-70
-80
-90
-100
-110
-120
-130
-140
-150
-160
+24
+4
-170
-180
-190
Nominal Output
[+24dBu]
[+4dBu]
+30
Max.Input[+30dBu]
DELAY
TWINLANe
TRIM
INPUT PATCH
LEVEL/DCA
BUS Adder
ON
4PEQ
DIGITAL GAIN
HPF/LPF
DYNAMICS 1
INSERT
Digital Clipping Level
CASCADE OUT
CASCADE IN
dBu
Analog
+20
+10
0
-10
-20
-30
-40
-50
-60
-70
-80
-90
-100
-110
-120
-130
-140
-150
-160
-170
-180
-190
+30
GAIN MIN.
PAD
[18dB] HA ATT TRIM
Max.Input[-42dBu]
GAIN MAX.
Max.Input[-30dBu]
Nominal Input[+10dBu]
GAIN MIN.
Nominal Input[-62dBu]
GAIN MAX.
Nominal Input[-50dBu]
GAIN MAX.(TALKBACK)
GAIN MAX.(TALKBACK)
0
1
2
3
4
5
6
7
8
9
10
11
12
13
14
15
16
17
18
19
20
21
22
23
24
25
26
27
28
29
30
31
32
33
Digital
Bit
34
35
36
0
-10
-20
-30
-40
-50
-60
-70
-80
-90
-100
-110
-120
-130
-140
-150
-160
-170
-190
-200
-210
dBFS
-180
SILK
TWINLANe
DELAY
LEVEL
OUTPUT PATCH
INSERT
INSERT
INSERT
DYNAMICS 2
INSERT
INSERT
INSERT
BALANCE
ON
INSERT
LEVEL/DCA
DELAY
INSERT
DYNAMICS
INSERT
8PEQ
INSERT
HPF/LPF
INSERT
INSERT IN
INSERT OUT
[0dBFS = Full Scale]
MY/RY CARD IN
MY/RY CARD OUT
HY3,4 CARD OUT
HY3,4 CARD IN

Published 01/2018 IPCP*.*-**A0
© 2018 Yamaha Corporation
Manual Development Department
ZZ82050
Yamaha Downloads
http://download.yamaha.com/
Yamaha Pro Audio global website
http://www.yamaha.com/proaudio/