RT8243A, RT8243B, RT8243C Datasheet. Www.s Manuals.com. R07 Richtek
User Manual: Marking of electronic components, SMD Codes 7A, 7A **, 7A-, 7A5, 7AW, 7Ap, 7At. Datasheets MMBT3904, PZM7.5NB2A, RT8243BZQW, SMZ2513.
Open the PDF directly: View PDF
.
Page Count: 25

RT8243A/B/C
®
DS8243A/B/C-07 November 2014 www.richtek.com
1
©
Copyright 2014 Richtek Technology Corporation. All rights reserved. is a registered trademark of Richtek Technology Corporation.
Ordering Information
Note :
Richtek products are :
RoHS compliant and compatible with the current require-
ments of IPC/JEDEC J-STD-020.
Suitable for use in SnPb or Pb-free soldering processes.
High Efficiency, Main Power Supply Controller
for Notebook Computers
General Description
The RT8243A/B/C is a dual step down, Switch Mode Power
Supply (SMPS) controller which generates logic supply
voltages for battery powered systems. It includes two
Pulse Width Modulation (PWM) controllers adjustable
from 2V to 5.5V and also two fixed 5V/3.3V linear
regulators. One of the controllers (LDO5) provides
automatic switch over to the BYP1 input connected to
the main SMPS1 output for maximized efficiency. An
optional external charge pump can be monitored through
SECFB (RT8243B/C). Other features include on board
power up sequencing, a power good output, internal soft-
start, and a soft discharge output that prevents negative
voltage during shutdown.
A constant on-time PWM control scheme operates without
sense resistors and assures fast load transient response
while maintaining nearly constant switching frequency. To
eliminate noise in audio applications, an ultrasonic mode
is included, which maintains the switching frequency
above 25kHz. Moreover, a diode emulation mode
maximizes efficiency for light load applications. The
SMPS1/SMPS2 switching frequency can be adjustable
from 200kHz/233kHz to 400kHz/466kHz respectively.
The RT8243A/B/C is available in a WQFN-20L 3x3
package, and operates over an extended temperature range
from −40°C to 85°C.
Features
--
--
-5.5V to 25V Input Voltage Range
--
--
-2V to 5.5V Output Voltage Range
--
--
-No Current Sense Resistor Needed
--
--
-5V/3.3V Linear Regulators
--
--
-4700ppm/°°
°°
°C RDS(ON) Current Sensing
--
--
-Internal Current Limit Soft-Start and Soft Discharge
Output
--
--
-Built In OVP/UVP/OCP
--
--
-Selectable Operation Mode with Switcher Enable
Control (RT8243A)
--
--
-SECFB Input Maintains Charge Pump Voltage
(RT8243B/C)
--
--
-Power Good Indicator (RT8243B/C includes SECFB)
--
--
-RoHS Compliant and Halogen Free
Applications
-Notebook computers
-System Power Supplies
-3- and 4- Cell Li+ Battery-Powered Device
RT8243A/B/C
Package Type
QW : WQFN-20L 3x3 (W-Type)
Lead Plating System
Z : ECO (Ecological Element with
Halogen Free and Pb free)
Pin Function With
A : ENM
B : SECFB
C : SECFB, Ultrasonic Mode

RT8243A/B/C
2
DS8243A/B/C-07 November 2014www.richtek.com
©
Copyright 2014 Richtek Technology Corporation. All rights reserved. is a registered trademark of Richtek Technology Corporation.
Pin Configurations
(TOP VIEW)
RT8243B/CRT8243A
WQFN-20L 3x3
BYP1
BOOT1
ENTRIP2
TON
FB1
ENTRIP1
LDO3
LDO5
ENLDO
ENM
PGOOD
BOOT2
PHASE2 PHASE1
UGATE1
LGATE1
FB2 VIN
LGATE2
UGATE2
15
14
13
12
17181920
1
2
3
4
9876
GND
21
115
16
10
LDO3
LDO5
ENTRIP2
TON
FB1
ENTRIP1
ENLDO
SECFB
PGOOD
BOOT2
PHASE2
BYP1
BOOT1
PHASE1
UGATE1
LGATE1
FB2 VIN
LGATE2
UGATE2
15
14
13
12
17181920
1
2
3
4
9876
GND
21
115
16
10
Marking Information
8A : Product Code
YMDNN : Date Code
RT8243AZQW
7A : Product Code
YMDNN : Date Code
RT8243BZQW
0B : Product Code
YMDNN : Date Code
RT8243CZQW
8A YM
DNN
7A YM
DNN
0B YM
DNN

RT8243A/B/C
3
DS8243A/B/C-07 November 2014 www.richtek.com
©
Copyright 2014 Richtek Technology Corporation. All rights reserved. is a registered trademark of Richtek Technology Corporation.
Typical Application Circuit
Figure 1. RT8243A NB Main Supply Typical Application Circuit
C8
3.3V
RT8243A
PHASE1
LGATE1
BOOT1
UGATE1
VIN
11
16
19
17
18
PHASE2
LGATE2
BOOT2
UGATE2
FB2
VIN
10µF
8
9
7
10
5
C6
R1
C2
0.1µF
5.5V to 25V
21 (Exposed Pad) GND
N3
L2
C7
0.1µF
R5
N4
R6
6.5k
+
N1
L1C4
C3
5V
0.1µF
R2
N2
R3
15k
+
R4
10k
R7
10k
FB1
1
BYP1
20
10µF
C1
ENLDO
12
R8
100k
R9
100k
ENTRIP2 4
ENTRIP1 2
LDO3 15
C9
4.7µF
LDO5 14
PGOOD 6
R10
100k
C10
5V Always On
TON
3
RTON
ENM
13
C5
Optional
Chip Enable
3.3V Always On
VOUT2
VOUT1
4.7µF

RT8243A/B/C
4
DS8243A/B/C-07 November 2014www.richtek.com
©
Copyright 2014 Richtek Technology Corporation. All rights reserved. is a registered trademark of Richtek Technology Corporation.
Figure 2. RT8243B/C NB Main Supply Typical Application Circuit
RT8243B/C
PHASE1
LGATE1
BOOT1
UGATE1
VIN
11
16
19
17
18
PHASE2
LGATE2
BOOT2
UGATE2
FB2
VIN
10µF
8
9
7
10
5
C6
R1
C2
0.1µF
5.5V to 25V
21 (Exposed Pad)
GND
N3
L2
C7
C8
3.3V
0.1µF
R5
N4
R6
6.5k
+
N1
L1C4
C3
5V
0.1µF
R2
N2
R3
15k
+
R4
10k
R7
10k
FB1
1
BYP1
20
10µF
C1
ENLDO
12
R8
100k
R9
100k
ENTRIP2 4
ENTRIP1 2
Off
On
LDO3 15
C9
4.7µF
LDO5 14
PGOOD 6
R10
100k
C10
5V Always On
TON
3
RTON
C11
0.1µF
C12
0.1µF
SECFB
13
R11
200k
R12
39k
VCP
C13
0.1µF
C14
0.1µF
C5
Optional
C15
3.3V Always On
VOUT1
VOUT2
4.7µF

RT8243A/B/C
5
DS8243A/B/C-07 November 2014 www.richtek.com
©
Copyright 2014 Richtek Technology Corporation. All rights reserved. is a registered trademark of Richtek Technology Corporation.
Pin No. Pin Name Pin Function
1 FB1 SMPS1 Feedback Input. Connect FB1 to a resistive voltage divider from SMPS1
output to GND for adjustable output from 2V to 5.5V.
2 ENTRIP1
Channel 1 Enable and Current Limit Setting Input. Connect resistor to GND to set
the threshold for Channel 1 synchronous RDS(ON) sense. The GND-PHASE1
current limit threshold is 1/10th the voltage seen at ENTRIP1 over a 0.5V to 3V
range. There is an internal 10A current source from LDO5 to ENTRIP1. Leave
ENTRIP1 floating or drive it above 4.5V to shut down channel 1.
3 TON ON-Time/Frequency Adjustment Input. Connect to GND with 56k to 100k.
4 ENTRIP2
Channel 2 Enable and Current Limit Setting Input. Connect resistor to GND to set
the threshold for Channel 2 synchronous RDS(ON) sense. The GND-PHASE2
current limit threshold is 1/10th the voltage seen at ENTRIP2 over a 0.5V to 3V
range. There is an internal 10A current source from LDO5 to ENTRIP2. Leave
ENTRIP2 floating or drive it above 4.5V to shut down channel 2.
5 FB2 SMPS2 Feedback Input. Connect FB2 to a resistive voltage divider from SMPS2
output to GND for adjustable output from 2V to 5.5V.
6 PGOOD
Power Good Output for Channel 1 and Channel 2 (RT8243A).
Power Good Output for Channel 1, Channel 2 and SECFB (RT8243B/C).
7 BOOT2
Boost Flying Capacitor Connection for SMPS2. Connect to an external capacitor
according to the typical application circuits.
8 UGATE2
Upper Gate Driver Output for SMPS2. UGATE2 swings between PHASE2 and
BOOT2.
9 PHASE2
Switch Node for SMPS2. PHASE2 is the internal lower supply rail for the UGATE2
high side gate driver. PHASE2 is also the current sense input for the SMPS2.
10 LGATE2 Lower Gate Drive Output for SMSP2. LGATE2 swings between GND and LDO5.
11 VIN Supply Input for LDO5.
12 ENLDO
Master Enable Input. LDO5/LDO3 is enabled if it is within logic high level and
disabled if it is less than the logic low level. Leave ENLDO floating to default
enable LDO5/LDO3.
13
ENM
(RT8243A)
Mode Selection with Enable Input. Pull up to LDO5 (Ultrasonic mode) or LDO3
(DEM) to turn on both switch Channels. Short to GND for shutdown.
SECFB
(RT8243B/C)
Change Pump Feedback Pin. The SECFB is used to monitor the optional external
charge pump. Connect a resistive divider from the change pump output to GND to
detect the output. If SECFB drops below its feedback threshold, an ultrasonic
pulse occurs to refresh the charge pump driven by LGATE1 or LGATE2.
If SECFB drops below its UV threshold, the switcher channels stop working and
enter into discharge-mode. Pull up to LDO5 or LDO3 to disable SECFB UVP
function.
14 LDO5
5V Linear Regulator Output. LDO5 is the supply voltage for the low side MOSFET
driver and also the analog supply voltage for the device. Bypass a minimum 4.7F
ceramic capacitor to GND
15 LDO3 3.3V Linear Regulator Output. Bypass a minimum 4.7F ceramic capacitor to
GND.
Functional Pin Description

RT8243A/B/C
6
DS8243A/B/C-07 November 2014www.richtek.com
©
Copyright 2014 Richtek Technology Corporation. All rights reserved. is a registered trademark of Richtek Technology Corporation.
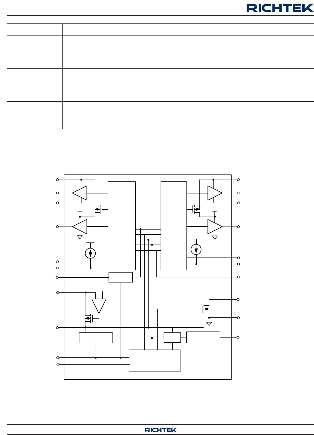
Function Block Diagram
Pin No. Pin Name Pin Function
16 LGATE1
Lower Gate Driver Output for SMPS1. LGATE1 swings between GND and
LDO5.
17 PHASE1
Switch Node SMPS1. PHASE1 is the internal lower supply rail for the UGATE1
high side gate driver. PHASE1 is also the current sense input for the SMPS1.
18 UGATE1
Upper Gate Driver Output for SMPS1. UGATE1 swings between PHASE1 and
BOOT 1.
19 BOOT1
Boost Flying Capacitor Connection for SMPS1. Connect to an external
capacitor according to the typical application circuits.
20 BYP1 Switch Over Source Voltage Input for LDO5.
21 (Exposed Pad) GND Analog Ground and Power Ground. The exposed pad must be soldered to a
large PCB and connected to GND for maximum power dissipation.
ENM (RT8243A)
SECFB (RT8243B/C)
SMPS2
PWM
Buck
Controller
BOOT2
UGATE2
PHASE2
LGATE2
GND
LDO5
FB2
ENTRIP2
PGOOD
SMPS1
PWM
Buck
Controller
BOOT1
UGATE1
PHASE1
LGATE1
LDO5
FB1
ENTRIP1
LDO5 REF
Switch Over Threshold
VIN
LDO5
On Time
TON
LDO3 LDO3
BYP1
Power On
Sequence
Clear Fault Latch
ENLDO
+
-
LDO5
10µA
LDO5
10µA

RT8243A/B/C
7
DS8243A/B/C-07 November 2014 www.richtek.com
©
Copyright 2014 Richtek Technology Corporation. All rights reserved. is a registered trademark of Richtek Technology Corporation.
Recommended Operating Conditions (Note 4)
-Supply Input Voltage, VIN ----------------------------------------------------------------------------------------------- 5.5V to 25V
-Junction Temperature Range -------------------------------------------------------------------------------------------- −40°C to 125°C
-Ambient Temperature Range -------------------------------------------------------------------------------------------- −40°C to 85°C
Absolute Maximum Ratings (Note 1)
-VIN, ENLDO to GND ------------------------------------------------------------------------------------------------------ −0.3V to 30V
-BOOTx to PHASEx
DC ----------------------------------------------------------------------------------------------------------------------------- −0.3V to 6V
< 20ns ----------------------------------------------------------------------------------------------------------------------- −2.5V to 6.3V
-ENTRIPx, FBx, TON, BYP1, PGOOD, LDO5, LDO3, ENM/SECFB to GND ------------------------------- −0.3V to 6V
-PHASEx to GND
DC ----------------------------------------------------------------------------------------------------------------------------- −0.3V to 30V
< 20ns ----------------------------------------------------------------------------------------------------------------------- −8V to 38V
-UGATEx to PHASEx
DC ----------------------------------------------------------------------------------------------------------------------------- −0.3V to 6V
< 20ns ----------------------------------------------------------------------------------------------------------------------- −5V to 7.5V
-LGATEx to GND
DC ----------------------------------------------------------------------------------------------------------------------------- −0.3V to 6V
< 20ns ----------------------------------------------------------------------------------------------------------------------- −2.5V to 7.5V
- Power Dissipation, PD @ TA = 25°C
WQFN-20L 3x3 ------------------------------------------------------------------------------------------------------------ 3.33W
-Package Thermal Resistance (Note 2)
WQFN-20L 3x3, θJA ------------------------------------------------------------------------------------------------------- 30°C/W
WQFN-20L 3x3, θJC ------------------------------------------------------------------------------------------------------ 7.5°C/W
-Lead Temperature (Soldering, 10 sec.) ------------------------------------------------------------------------------- 260°C
-Junction Temperature ----------------------------------------------------------------------------------------------------- 150°C
-Storage Temperature Range -------------------------------------------------------------------------------------------- −65°C to 150°C
-ESD Susceptibility (Note 3)
HBM (Human Body Model) ---------------------------------------------------------------------------------------------- 2kV

RT8243A/B/C
8
DS8243A/B/C-07 November 2014www.richtek.com
©
Copyright 2014 Richtek Technology Corporation. All rights reserved. is a registered trademark of Richtek Technology Corporation.
Parameter Symbol Test Conditions Min Typ Max Unit
Input Supply
VIN Power On Reset Rising Threshold -- 5.1 5.5 V
Falling Threshold 3.5 -- 4.5
VIN Shutdown Current IVIN_SHDN V
ENLDO = GND -- 20 40
A
VIN Standby Supply
Current IVIN_SBY Both SMPS Off -- 250 350
Quiescent Power
Consumption IQ Both SMPSs on, FBx = 2.1V,
BYP1 = 5V, ENM = 3.3V (RT8243A) -- 5 7 mW
SMPS Output and FB Voltage
FBx Regulation Voltage VFBx
FBx, CCM Operation -- 2 -- V
FBx, DEM Operation 1.98 2.006 2.03
Output Voltage
Adjustable Range SMPS1, SMPS2 2 -- 5.5
V
SECFB Voltage VSECFB RT8243B 1.92 2 2.08
On Time
ON-Time Pulse Width tUGATEx VIN = 20V
RTON = 56k
VPHASE1 = 2V -- 256 -- ns
VPHASE2 = 2V -- 220 --
Minimum Off-Time tLGATEx V
FBx = 1.8V -- -- 400 ns
Frequency Range fSMPS1 SMPS1 Operating Frequency 200 -- 400 kHz
fSMPS2 SMPS2 Operating Frequency 233 -- 466
Ultrasonic Mode
Frequency fASM RT8243C, VPHASEx = 50mV 25 -- -- kHz
Soft-Start
Soft-Start Time tSSx Zero to 200mV Current Limit Threshold
from ENTRIPx Enable -- 2 -- ms
Current Sense
Current Limit Current
Source IENTRIPx V
ENTRIPx = 0.9V 9.4 10 10.6
A
Temperature Coefficient
of IENTRIPx On The Basis of 25C -- 4700 --
ppm/C
Current Limit Adjustment
Range VENTRIPx = IENTRIPx x RENTRIPx 0.5 -- 2.7 V
Current Limit Threshold VENTRIPx GND PHASEx, VENTRIPx = 2V 180 200 225 mV
Zero-Current Threshold VZC GND PHASEx, FBx = 2.1V -- 3 -- mV
Internal Regulator and Reference
LDO5 Output Voltage VLDO5
VBYP1 = 0V, ILDO5 < 100mA 4.9 5 5.1
V
VBYP1 = 0V, ILDO5 < 100mA ,
6.5V < VIN < 25V 4.75 -- 5.25
VBYP1 = 0V, ILDO5 < 50mA,
5.5V < VIN < 25V 4.75 -- 5.25
(VIN = 12V, VENLDO = 5V, VENTRIPx = 2V, VBYP1 = 5V, No Load on LDO5, LDO3, TA = 25°C, unless otherwise specified)
Electrical Characteristics

RT8243A/B/C
9
DS8243A/B/C-07 November 2014 www.richtek.com
©
Copyright 2014 Richtek Technology Corporation. All rights reserved. is a registered trademark of Richtek Technology Corporation.
Parameter Symbol Test Conditions Min Typ Max Unit
LDO5 Output Current ISHORT5 V
BYP1 = 0V, VLDO5 = 4.5V 150 225 300 mA
5V Switchover Threshold VBYP1TH Falling Edge, Rising Edge with FB1
Regulation Point 4.53 4.66 4.79 V
5V Switch RDS(ON) R
BYPSW V
BYP1 = 5V, ILDO5 = 50mA -- 1.5 3
LDO3 Output Voltage VLDO3 VBYP1 = 0V, ILDO3 < 100mA 3.234 3.3 3.366 V
VBYP1 = 5V, ILDO3 < 100mA 3.2 3.3 3.46
LDO3 Output Current ISHORT3 V
BYP1 = 0V, VLDO3 = 2.9V 80 150 260 mA
UVLO
LDO5 UVLO Threshold VUVLO5 Rising Edge -- 4.35 4.5
V
Falling Edge 3.9 4.05 4.2
LDO3 UVLO Threshold VUVLO3 Both SMPS Off 1.9 2.2 2.5
Power Good
PGOOD Threshold VPGOOD PGOOD Detect, Rising edge with
soft-start delay time. Hysteresis = 2.5% 14 10 6 %
PGOOD Propagation
Delay tPD_PGOOD Falling Edge -- 5 -- s
PGOOD Leakage Current ILK_PGOOD High State, Forced to 5.5V -- -- 1 A
PGOOD Output Low
Voltage VSINK_PGOOD I
SINK = 4mA -- -- 0.4 V
SECFB Power Good
Threshold VSFB_PGOOD SECFB with Respect to 2V
(RT8243B/C) 40 50 60 %
Fault Detection
Over Voltage Protection
Trip Threshold VOVP OVP Detect, FBx Rising Edge 108 112 116 %
Over Voltage Protection
Propagation Delay tDLY_OVP Rising Edge -- 5 -- s
Under Voltage Protection
Trip Threshold
VUVP UVP Detect, FBx Falling Edge. 53 58 63 %
VSFB_UVP UVP Detect, SECFB Falling Edge. 0.8 -- 1.2 V
Under Voltage Protection
Shutdown Blanking Time tSSHx From ENTRIPx or ENM Enable -- 5 -- ms
Thermal Shutdown
Thermal Shutdown TSD -- 150 -- °C
Thermal Shutdown
Hysteresis TSD -- 10 -- °C
Logic Input
ENTRIPx Input Voltage VENTRIPx Clear Fault Level/SMPSx Off Level 4.5 -- -- V
ENLDO Input Voltage VENLDO
Rising Edge Threshold 1.2 1.6 2
V
Falling Edge Threshold 0.9 0.95 1
When ENLDO is Floating (Default
Enable) 2.1 -- --
ENM Input Voltage
(RT8243A) VENM
Clear Fault Level/SMPSs Off Level -- -- 0.8
V
SMPSs On, DEM Operation 2.3 -- 3.6
SMPSs On, Ultrasonic Mode Operation 4.5 -- --

RT8243A/B/C
10
DS8243A/B/C-07 November 2014www.richtek.com
©
Copyright 2014 Richtek Technology Corporation. All rights reserved. is a registered trademark of Richtek Technology Corporation.
Note 1. Stresses beyond those listed “Absolute Maximum Ratings” may cause permanent damage to the device. These are
stress ratings only, and functional operation of the device at these or any other conditions beyond those indicated in
the operational sections of the specifications is not implied. Exposure to absolute maximum rating conditions may
affect device reliability.
Note 2. θJA is measured at TA = 25°C on a high effective thermal conductivity four-layer test board per JEDEC 51-7. θJC is
measured at the exposed pad of the package.
Note 3. Devices are ESD sensitive. Handling precaution is recommended.
Note 4. The device is not guaranteed to function outside its operating conditions.
Parameter Symbol Test Conditions Min Typ Max Unit
IFBx V
FBx = 0V or 5V 1 -- 1
IP13 ENM/SECFB = 0V or 5V 1 -- 1
Input Leakage Current
IEN LDO ENLDO = 0V or 5V 1 -- 3
A
Internal BOOT Switch
Internal Boost Charging
Switch On-Resistance RBOOTx LDO5 to BOOTx, 10mA -- -- 90
Power MOSFET Drivers
RUGATEsr Source, VBOOTx VUGATEx = 0.1V -- 5 8
UGATEx On-Resistance RUGATEsk Sink, VUGATEx VPHASEx = 0.1V -- 2 4
RLGATEsr Source, VLDO5 VLGATEx
= 0.1V -- 5 8
LGATEx On-Resistance RLGATEsk Sink, VLGATEx = 0.1V -- 1.5 3
tLGATERx UGATEx Off to LGATEx On -- 30 --
Dead Time
tUGATERx LGATEx Off to UGATEx On -- 40 -- ns

RT8243A/B/C
11
DS8243A/B/C-07 November 2014 www.richtek.com
©
Copyright 2014 Richtek Technology Corporation. All rights reserved. is a registered trademark of Richtek Technology Corporation.
Typical Operating Characteristics
VOUT1 Efficiency vs. Load Current
0
10
20
30
40
50
60
70
80
90
100
0.001 0.01 0.1 1 10
Load Current (A)
Efficiency (%)
VIN = 8V, RTON = 100kΩ, VENTRIP1 = 1.5V
VENTRIP2 = 5V, ENLDO = 5V
DEM
ASM
VOUT1 Efficiency vs. Load Current
0
10
20
30
40
50
60
70
80
90
100
0.001 0.01 0.1 1 10
Load Current (A)
Efficiency (%)
VIN = 12V, RTON = 100kΩ, VENTRIP1 = 1.5V
VENTRIP2 = 5V, ENLDO = 5V
DEM
ASM
VOUT2 Efficiency vs. Load Current
0
10
20
30
40
50
60
70
80
90
100
0.001 0.01 0.1 1 10
Load Current (A)
Efficiency (%)
VIN = 8V, RTON = 100kΩ, VENTRIP1 = 5V,
VENTRIP2 = 1.5V, ENLDO = 5V
DEM
ASM
VOUT1 Efficiency vs. Load Current
0
10
20
30
40
50
60
70
80
90
100
0.001 0.01 0.1 1 10
Load Current (A)
Efficiency (%)
VIN = 20V, RTON = 100kΩ, VENTRIP1 = 1.5V
VENTRIP2 = 5V, ENLDO = 5V
DEM
ASM
VOUT2 Efficiency vs. Load Current
0
10
20
30
40
50
60
70
80
90
100
0.001 0.01 0.1 1 10
Load Current (A)
Efficiency (%)
VIN = 12V, RTON = 100kΩ, VENTRIP1 = 5V,
VENTRIP2 = 1.5V, ENLDO = 5V
DEM
ASM
VOUT2 Efficiency vs. Load Current
0
10
20
30
40
50
60
70
80
90
100
0.001 0.01 0.1 1 10
Load Current (A)
Efficiency (%)
VIN = 20V, RTON = 100kΩ, VENTRIP1 = 5V,
VENTRIP2 = 1.5V, ENLDO = 5V
DEM
ASM

RT8243A/B/C
12
DS8243A/B/C-07 November 2014www.richtek.com
©
Copyright 2014 Richtek Technology Corporation. All rights reserved. is a registered trademark of Richtek Technology Corporation.
VOUT1 Switching Frequency vs. Load Current
0
20
40
60
80
100
120
140
160
180
200
220
240
0.001 0.01 0.1 1 10
Load Current (A)
Switching Frequency (kHz) 1
VIN = 8V, RTON = 100kΩ,
ENLDO = VIN, VENTRIP1 = 1.5V,
VENTRIP2 = 5V
ASM
DEM
VOUT1 Switching Frequency vs. Load Current
0
20
40
60
80
100
120
140
160
180
200
220
240
260
0.001 0.01 0.1 1 10
Load Current (A)
Switch Frequency (kHz) 1
VIN = 12V, RTON = 100kΩ,
ENLDO = VIN, VENTRIP1 = 1.5V,
VENTRIP2 = 5V
ASM
DEM
VOUT1 Switching Frequency vs. Load Current
0
20
40
60
80
100
120
140
160
180
200
220
240
260
0.001 0.01 0.1 1 10
Load Current (A)
Switching Frequency (kHz) 1
VIN = 20V, RTON = 100kΩ,
ENLDO = VIN, VENTRIP1 = 1.5V,
VENTRIP2 = 5V
ASM
DEM
VOUT2 Switching Frequency vs. Load Current
0
20
40
60
80
100
120
140
160
180
200
220
240
260
280
300
0.001 0.01 0.1 1 10
Load Current (A)
Switching Frequency (kHz) 1
VIN = 12V, RTON = 100kΩ,
ENLDO = VIN, VENTRIP1 = 5V,
VENTRIP2 = 1.5V
ASM
DEM
VOUT2 Switching Frequency vs. Load Current
0
20
40
60
80
100
120
140
160
180
200
220
240
260
280
300
0.001 0.01 0.1 1 10
Load Current (A)
Switching Frequency (kHz) 1
VIN = 20V, RTON = 100kΩ,
ENLDO = VIN, VENTRIP1 = 5V,
VENTRIP2 = 1.5V
ASM
DEM
VOUT2 Switching Frequency vs. Load Current
0
20
40
60
80
100
120
140
160
180
200
220
240
260
280
0.001 0.01 0.1 1 10
Load Current (A)
Switching Frequency (kHz) 1
VIN = 8V, RTON = 100kΩ,
ENLDO = VIN, VENTRIP1 = 5V,
VENTRIP2 = 1.5V
ASM
DEM

RT8243A/B/C
13
DS8243A/B/C-07 November 2014 www.richtek.com
©
Copyright 2014 Richtek Technology Corporation. All rights reserved. is a registered trademark of Richtek Technology Corporation.
VOUT2 Output Voltage vs. Load Current
3.372
3.378
3.384
3.390
3.396
3.402
3.408
3.414
3.420
0.001 0.01 0.1 1 10
Load Current (A)
Output Voltage (V)
VIN = 12V, RTON = 100kΩ, ENLDO = VIN,
VENTRIP1 = 5V, VENTRIP2 = 1.5V
ASM
DEM
VOUT1 Output Voltage vs. Load Current
5.010
5.013
5.016
5.019
5.022
5.025
5.028
5.031
5.034
0.001 0.01 0.1 1 10
Load Current (A)
Output Voltage (V)
VIN = 12V, RTON = 100kΩ, ENLDO = VIN,
VENTRIP1 = 1.5V, VENTRIP2 = 5V
ASM
DEM
Standby Input Current vs. Input Voltage
226
228
230
232
234
236
238
240
6 8 10 12 14 16 18 20 22 24 26
Input Voltage (V)
Standby Input Current (μA) 1
VENTRIP1 = VENTRIP2 = 5V, ENLDO = VIN, No Load
LDO5 Output Voltage vs. Output Current
5.048
5.052
5.056
5.060
5.064
5.068
5.072
0 102030405060708090100
Output Current (mA)
Output Voltage (V)
VIN = 12V, VENTRIP1 = VENTRIP2 = 5V, ENLDO = VIN
LDO3 Output Voltage vs. Output Current
3.334
3.336
3.338
3.340
3.342
3.344
3.346
3.348
3.350
3.352
3.354
0 102030405060708090100
Output Current (mA)
Output Voltage (V)
VIN = 12V, VENTRIP1 = VENTRIP2 = 5V, ENLDO = VIN
No Load Battery Current vs. Input Voltage
0.1
1
10
100
6 7 8 9 10111213141516171819202122232425
Input Voltage (V)
Battery Current (mA
)
RTON = 100kΩ, VENTRIP1 = VENTRIP2 =1.5V,
EVLDO = VIN
ASM
DEM

RT8243A/B/C
14
DS8243A/B/C-07 November 2014www.richtek.com
©
Copyright 2014 Richtek Technology Corporation. All rights reserved. is a registered trademark of Richtek Technology Corporation.
Power On from ENLDO
Time (2ms/Div)
VIN = 12V, VENTRIP1 = VENTRIP2 = 1.5V
LDO5
(2V/Div)
LDO3
(2V/Div)
ENLDO
(10V/Div)
CP
(10V/Div)
ENLDO = VIN, RTON = 100kΩ, No Load
Shutdown Input Current vs. Input Voltage
10
11
12
13
14
15
16
17
18
19
20
21
22
6 8 10 12 14 16 18 20 22 24 26
Input Voltage (V)
Shutdown Input Current (μA) 1
VENTRIP1 = VENTRIP2 = 5V, ENLDO = GND, No Load
Power Off from ENTRIP1
Time (4ms/Div)
RT8243B/C
VIN = 12V, VENTRIP1 = VENTRIP2 = 1.5V,
ENLDO = VIN, RTON = 100kΩ, No Load
VIN = 12V, VENTRIP1 = VENTRIP2 = 1.5V,
ENLDO = VIN, RTON = 100kΩ, No Load
VOUT1
(2V/Div)
PGOOD
(5V/Div)
ENTRIP1
(5V/Div)
RT8243B/C
Power On from ENTRIP1
Time (1ms/Div)
VIN = 12V, VENTRIP1 = VENTRIP2 = 1.5V,
ENLDO = VIN, RTON = 100kΩ, No Load
VOUT1
(2V/Div)
PGOOD
(5V/Div)
ENTRIP1
(5V/Div)
RT8243B/C
Power Off from ENM
Time (10ms/Div)
VOUT1
(5V/Div)
PGOOD
(5V/Div)
ENM
(5V/Div)
VOUT2
(5V/Div)
RT8243A VIN = 12V, VENM = 5V, RTON = 100kΩ,
VENTRIP1 = VENTRIP2 = 1.5V,
ENLDO = VIN, No Load
Power On from ENM
Time (1ms/Div)
VOUT1
(2V/Div)
PGOOD
(5V/Div)
ENM
(5V/Div)
RT8243A
VOUT2
(2V/Div)
VENTRIP1 = VENTRIP2 = 1.5V, ENLDO = VIN, No Load
VIN = 12V, VENM = 5V, RTON = 100kΩ

RT8243A/B/C
15
DS8243A/B/C-07 November 2014 www.richtek.com
©
Copyright 2014 Richtek Technology Corporation. All rights reserved. is a registered trademark of Richtek Technology Corporation.
OVP
Time (10ms/Div)
VIN = 12V, RTON = 100kΩ, ENLDO = VIN, No Load
VOUT1
(2V/Div)
PGOOD
(5V/Div)
VOUT2
(2V/Div)
UVP
Time (100μs/Div)
VIN = 12V, RTON = 100kΩ, ENLDO = VIN
VOUT1
(2V/Div)
LGATE1
(10V/Div)
UGATE1
(50V/Div)
PGOOD
(5V/Div)
VOUT2 DEM-MODE Load Transient Response
Time (20μs/Div)
ENLDO = VIN, IOUT2 =1A to 8A
VOUT2_AC
(50mV/Div)
Inductor
Current
(5A/Div)
UGATE2
(20V/Div)
LGATE2
(5V/Div)
VIN = 12V, RTON = 100kΩ,
Power Off from ENTRIP2
Time (20ms/Div)
VIN = 12V, VENTRIP1 = VENTRIP2 = 1.5V,
ENLDO = VIN, RTON = 100kΩ, No Load
VOUT2
(1V/Div)
PGOOD
(10V/Div)
ENTRIP2
(5V/Div)
RT8243B/C
VOUT1 DEM-MODE Load Transient Response
Time (20μs/Div)
VIN = 12V, RTON = 100kΩ,
ENLDO = VIN, IOUT1 =1A to 8A
VOUT1_AC
(50mV/Div)
Inductor
Current
(5A/Div)
UGATE1
(20V/Div)
LGATE1
(5V/Div)
Power On from ENTRIP2
Time (1ms/Div)
VIN = 12V, VENTRIP1 = VENTRIP2 = 1.5V,
ENLDO = VIN, RTON = 100kΩ, No Load
VOUT2
(1V/Div)
PGOOD
(5V/Div)
ENTRIP2
(5V/Div)
RT8243B/C

RT8243A/B/C
16
DS8243A/B/C-07 November 2014www.richtek.com
©
Copyright 2014 Richtek Technology Corporation. All rights reserved. is a registered trademark of Richtek Technology Corporation.
Application Information
The RT8243A/B/C is a dual, Mach ResponseTM
DRVTM
mode synchronous buck controller targeted for notebook
system power supply solutions. Richtek's Mach
ResponseTM technology provides fast response to load
steps. The topology circumvents the poor load transient
timing problems of fixed frequency current mode PWMs
while avoiding the problems caused by widely varying
switching frequency in conventional constant on-time and
constant off-time PWM schemes. A special adaptive on-
time control trades off the performance and efficiency over
wide input voltage range. The RT8243A/B/C includes 5V
(LDO5) and 3.3V (LDO3) linear regulators. The LDO5 linear
regulator steps down the battery voltage to supply both
internal circuitry and gate drivers. The synchronous switch
gate drivers are directly powered by LDO5. When VOUT1
rises above 4.66V, an automatic circuit disconnects the
linear regulator and allows the device to be powered by
VOUT1 via the BYP1 pin.
PWM Operation
The Mach ResponseTM DRVTM mode controller relies on
the output filter capacitor's Effective Series Resistance
(ESR) to act as a current sense resistor, so that the output
ripple voltage provides the PWM ramp signal. Referring to
the RT8243A/B/C's Function Block Diagram, the
synchronous high side MOSFET will be turned on at the
beginning of each cycle. After the internal one-shot timer
expires, the MOSFET will be turned off. The pulse width
of this one-shot is determined by the converter's input
voltage and the output voltage to keep the frequency fairly
constant over the entire input voltage range. Another one-
shot sets a minimum off-time (400ns typ.). The on-time
one-shot will be triggered if the error comparator is high,
the low side switch current is below the current limit
threshold, and the minimum off-time one-shot has timed
out.
PWM Frequency and On-time Control
For each specific input voltage range, the Mach
ResponseTM control architecture runs with pseudo constant
frequency by feed forwarding the input and output voltage
into the on-time one-shot timer. The high side switch
on-time is inversely proportional to the input voltage as
measured by VIN and proportional to the output voltage.
There are two benefits of a constant switching frequency.
First, the frequency can be selected to avoid noise
sensitive regions such as the 455kHz IF band. Second,
the inductor ripple current operating point remains
relatively constant, resulting in easy design methodology
and predictable output voltage ripple. The frequency for
3V SMPS is set higher than the frequency for 5V SMPS.
This is done to prevent audio frequency “beating” between
the two sides, which switch asynchronously for each side.
The TON pin is connected to GND through the external
resistor, RTON, to set the switching frequency.
The RT8243A/B/C adaptively changes the operation
frequency according to the input voltage. Higher input
voltage usually comes from an external adapter, so the
RT8243A/B/C operates with higher frequency to have
better performance. Lower input voltage usually comes
from a battery, so the RT8243A/B/C operates with lower
switching frequency for lower switching losses. For a
specific input voltage range, the switching cycle period is
given by :
For 5.5V < VIN < 6.5V :
tS1 = 61.28p x RTON
tS2 = 44.43p x RTON
For 6.5V < VIN < 12V :
tS1 = 51.85p x RTON
tS2 = 44.43p x RTON
For 12V < VIN < 25V :
tS1 = 45.75p x RTON
tS2 = 39.2p x RTON
The on-time guaranteed in the Electrical Characteristics
table is influenced by switching delays in the external
high side power MOSFET. Two external factors that
influence switching frequency accuracy are resistive drops
in the two conduction loops (including inductor and PC
board resistance) and the dead time effect. These effects
are the largest contributors to the change of frequency
with changing load current. The dead time effect increases

RT8243A/B/C
17
DS8243A/B/C-07 November 2014 www.richtek.com
©
Copyright 2014 Richtek Technology Corporation. All rights reserved. is a registered trademark of Richtek Technology Corporation.
OUT DROP1 ON IN DROP1 DROP2
f = (V V ) / (t x (V V V ))
where VDROP1 is the sum of the parasitic voltage drops in
the inductor discharge path, including synchronous
rectifier, inductor, and PC board resistances; VDROP2 is
the sum of the resistances in the charging path; and tON
is the on-time calculated by the RT8243A/B/C.
Operation Mode Selection
The RT8243A/B supports two operation modes : Diode
Emulation Mode and Ultrasonic Mode. The RT8243C only
supports Ultrasonic Mode. The operation mode can be
set via the ENM pin for RT8243A or SECFB pin for
RT8243B.
the effective on-time by reducing the switching frequency
as one or both dead times. It occurs only in PWM mode
when the inductor current reverses at light or negative
load currents. With reversed inductor current, the
inductor's EMF causes PHASEx to go high earlier than
normal, hence extending the on-time by a period equal to
the low to high dead time. For loads above the critical
conduction point, the actual switching frequency is :
Diode Emulation Mode
In Diode Emulation Mode, the RT8243A/B automatically
reduces switching frequency at light load conditions to
maintain high efficiency. This reduction of frequency is
achieved smoothly. As the output current decreases from
heavy-load condition, the inductor current is also reduced,
and eventually comes to the point that its current valley
touches zero, which is the boundary between continuous
conduction and discontinuous conduction modes. By
emulating the behavior of diodes, the low side MOSFET
allows only partial negative current to flow when the
inductor free wheeling current becomes negative. As the
Part Number RT8243A RT8243B RT8243C
Pin Name ENM SECFB SECFB
Pin-13
Voltage Range Mode State
4.5V to 5V ASM ASM ASM
2.3V to 3.6V DEM DEM ASM
1.2V to 1.8V ASM ASM ASM
Below 0.8V Shutdown UVP UVP
Table 1. Operation Mode Setting
IL
t
0tON
Slope = (VIN-VOUT)/L
IPEAK
ILOAD = IPEAK/2
Figure 3. Boundary condition of CCM/DEM
IN OUT
LOAD(SKIP) ON
(V V )
It
2L
where tON is the on-time.
The switching waveforms may appear noisy and
asynchronous when light loading causes diode emulation
operation. This is normal and results in high efficiency.
Trade offs in PFM noise vs. light load efficiency is made
by varying the inductor value. Generally, low inductor values
produce a broader efficiency vs. load curve, while higher
values result in higher full load efficiency (assuming that
the coil resistance remains fixed) and less output voltage
ripple. Penalties for using higher inductor values include
larger physical size and degraded load transient response
(especially at low input voltage levels).
Ultrasonic Mode
The RT8243A/B/C activates a unique type of Diode
Emulation Mode with a minimum switching frequency of
25kHz, called Ultrasonic Mode. This mode eliminates
audio-frequency modulation that would otherwise be
present when a lightly loaded controller automatically
skips pulses. In Ultrasonic Mode, the low side switch gate
driver signal is “OR”ed with an internal oscillator
(>25kHz). Once the internal oscillator is triggered, the
ultrasonic controller pulls LGATEx high and turns on the
load current is further decreased, it takes longer and longer
time to discharge the output capacitor to the level that
requires the next “ON” cycle. The on-time is kept the
same as that in the heavy load condition. In reverse, when
the output current increases from light load to heavy load,
the switching frequency increases to the preset value as
the inductor current reaches the continuous conduction.
The transition load point to the light load operation is shown
in Figure 3. and can be calculated as follows :

RT8243A/B/C
18
DS8243A/B/C-07 November 2014www.richtek.com
©
Copyright 2014 Richtek Technology Corporation. All rights reserved. is a registered trademark of Richtek Technology Corporation.
low side MOSFET to induce a negative inductor current.
After the output voltage falls below the reference voltage,
the controller turns off the low side MOSFET (LGATEx
pulled low) and triggers a constant on-time (UGATEx driven
high). When the on-time has expired, the controller re-
enables the low side MOSFET until the controller detects
that the inductor current dropped below the zero crossing
threshold.
Linear Regulators (LDOx)
The RT8243A/B/C includes 5V (LDO5) and 3.3V (LDO3)
linear regulators. The regulators can supply up to 100mA
for external loads. Bypass LDOx with a minimum 4.7μF
ceramic capacitor. When VOUT1 is higher than the switch
over threshold (4.66V), an internal 1.5Ω P-MOSFET switch
connects BYP1 to the LDO5 pin while simultaneously
disconnects the internal linear regulator.
Current Limit Setting (ENTRIPx)
The RT8243A/B/C has cycle-by-cycle current limit control.
The current limit circuit employs a unique “valley” current
sensing algorithm. If the magnitude of the current sense
signal at PHASEx is above the current limit threshold,
the PWM is not allowed to initiate a new cycle (Figure 4).
The actual peak current is greater than the current limit
threshold by an amount equal to the inductor ripple current.
Therefore, the exact current limit characteristic and
maximum load capability are a function of the sense
resistance, inductor value, and battery and output voltage.
IL
t
IPEAK
ILOAD
ILIMIT
Figure 4. “Valley” Current Limit
The RT8243A/B/C uses the on resistance of the
synchronous rectifier as the current sense element and
supports temperature compensated MOSFET RDS(ON)
sensing. The RILIM resistor between the ENTRIPx pin and
GND sets the current limit threshold. The resistor, RILIM,
is connected to a current source from ENTRIPx which is
10μA (typ.) at room temperature. The current source has
a 4700ppm/°C temperature slope to compensate the
temperature dependency of the RDS(ON). When the voltage
drop across the sense resistor or low side MOSFET
equals 1/10 the voltage across the RILIM resistor, positive
current limit will be activated. The high side MOSFET will
not be turned on until the voltage drop across the MOSFET
falls below 1/10 the voltage across the RILIM resistor.
Choose a current limit resistor according to the following
equation :
VILIM = (RILIM x 10μA) / 10 = IILIM x RDS(ON)
RILIM = (IILIM x RDS(ON)) x 10 / 10μA
Carefully observe the PC board layout guidelines to ensure
that noise and DC errors do not corrupt the current sense
signal at PHASEx and GND. Mount or place the IC close
to the low side MOSFET.
Charge Pump (SECFB)
The external 14V charge pump is driven by LGATEx. When
LGATEx is low, C1 will be charged by VOUT1 through D1.
C1 voltage is equal to VOUT1 minus the diode drop. When
LGATEx becomes high, C1 transfers the charge to C2
through D2 and charges C2 voltage to VLGATEX plus C1
voltage. As LGATEx transitions low on the next cycle, C3
is charged to C2 voltage minus a diode drop through D3.
Finally, C3 charges C4 through D4 when LGATEx switches
high. Thus, the total charge pump voltage, VCP, is :
VCP = VOUT1 + 2 x VLGATEx − 4 x VD
where VLGATEx is the peak voltage of the LGATEx driver
which is equal to LDO5 and VD is the forward voltage
dropped across the Schottky diode.
The SECFB pin in the RT8243B/C is used to monitor the
charge pump via a resistive voltage divider to generate
approximately 14V DC voltage and the clock driver uses
VOUT1 as its power supply. In the event where SECFB
drops below its feedback threshold, an ultrasonic pulse
will occur to refresh the charge pump driven by LGATEx.
If there's an overload on the charge pump in which SECFB
can not reach more than its feedback threshold, the
controller will enter Ultrasonic Mode. Special care should
be taken to ensure that enough normal ripple voltage is
present on each cycle to prevent charge pump shutdown.

RT8243A/B/C
19
DS8243A/B/C-07 November 2014 www.richtek.com
©
Copyright 2014 Richtek Technology Corporation. All rights reserved. is a registered trademark of Richtek Technology Corporation.
Figure 5. Charge pump circuit connected to SECFB
MOSFET Gate Driver (UGATEx, LGATEx)
The high side driver is designed to drive high current, low
RDS(ON) N-MOSFET(s). When configured as a floating driver,
5V bias voltage is delivered from the LDO5 supply. The
average drive current is also calculated by the gate charge
at VGS = 5V times switching frequency. The instantaneous
drive current is supplied by the flying capacitor between
BOOTx and PHASEx pins. A dead time to prevent shoot
through is internally generated from high side MOSFET
off to low side MOSFET on and low side MOSFET off to
high side MOSFET on.
The low side driver is designed to drive high current low
RDS(ON) N-MOSFET(s). The internal pull down transistor
that drives LGATEx low is robust, with a 1.5Ω typical on-
resistance. A 5V bias voltage is delivered from the LDO5
supply. The instantaneous drive current is supplied by an
input capacitor connected between LDO5 and GND.
For high current applications, some combinations of high
and low side MOSFETs may cause excessive gate drain
coupling, which leads to efficiency killing, EMI producing,
shoot through currents. This is often remedied by adding
a resistor in series with BOOTx, which increases the turn
on time of the high side MOSFET without degrading the
turn-off time. See Figure 6.
Figure 6. Increasing the UGATEx Rise Time
Soft-Start
The RT8243A/B/C provides an internal soft-start function
to prevent large inrush current and output voltage overshoot
when the converter starts up. The soft-start (SS)
automatically begins once the chip is enabled. During soft-
start, the internal current limit circuit gradually ramps up
the inductor current from zero. The maximum current limit
value is set externally as described in previous section.
The soft-start time is determined by the current limit level
and output capacitor value. The current limit threshold ramp
up time is typically 2ms from zero to 200mV after
ENTRIPx is enabled. A unique PWM duty limit control
that prevents output over voltage during soft-start period
is designed specifically for FBx floating.
UVLO Protection
The RT8243A/B/C has LDO5 under voltage lock out
protection (UVLO). When the LDO5 voltage is lower than
4.05V (typ.) and the LDO3 voltage is lower than 2.2V (typ.),
both switch power supplies are shut off. This is a non-
latch protection.
Power Good Output (PGOOD)
PGOOD is an open-drain type output and requires a pull
up resistor. PGOOD is actively held low in soft-start,
standby, and shutdown. It is released when both output
voltages are above 90% of the nominal regulation point
for RT8243A. For RT8243B/C, besides requiring both
output voltages to be above 90% of nominal regulation
point, the SECFB threshold must also be above 50% of
nominal regulation point in order for PGOOD to be released.
The PGOOD signal goes low if either output turns off or is
10% below its nominal regulation point.
Output Over Voltage Protection (OVP)
The output voltage can be continuously monitored for over
voltage. If the output voltage exceeds 12% of its set voltage
threshold, the over voltage protection is triggered and the
LGATEx low side gate drivers are forced high. This
activates the low side MOSFET switch, which rapidly
discharges the output capacitor and pulls the input voltage
downward.
SECFB
LGATE1
VOUT1
D1 D2 D3
C3
D4
C1
C2
CFRCP1
C4
RCP2
Charge Pump
BOOTx
RBOOT
UGATEx
VIN
PHASEx
The robustness of the charge pump can be increased by
reducing the charge pump decoupling capacitor and placing
a small ceramic capacitor, CF (47pF to 220pF), in parallel
with the upper leg of the SECFB resistor feedback network,
RCP1, as shown below in Figure 5.

RT8243A/B/C
20
DS8243A/B/C-07 November 2014www.richtek.com
©
Copyright 2014 Richtek Technology Corporation. All rights reserved. is a registered trademark of Richtek Technology Corporation.
The RT8243A/B/C is latched once OVP is triggered and
can only be released by either toggling ENLDO, ENTRIPx
or cycling VIN. There is a 5μs delay built into the over
voltage protection circuit to prevent false transition.
Note that latching LGATEx high will cause the output
voltage to dip slightly negative due to previously stored
energy in the LC tank circuit. For loads that cannot tolerate
a negative voltage, place a power Schottky diode across
the output to act as a reverse polarity clamp.
If the over voltage condition is caused by a short in high
side switch, turning the low side MOSFET on 100% will
create an electrical short between the battery and GND,
hence blowing the fuse and disconnecting the battery from
the output.
Output Under voltage Protection (UVP)
The output voltage can be continuously monitored for under
voltage. If the output is less than 58% of its set voltage
threshold, the under voltage protection will be triggered
and then both UGATEx and LGATEx gate drivers will be
forced low. The UVP is ignored for at least 5ms (typ.)
after a start up or a rising edge on ENTRIPx. Toggle
ENTRIPx or cycle VIN to reset the UVP fault latch and
restart the controller.
Thermal Protection
The RT8243A/B/C features thermal shutdown to prevent
damage from excessive heat dissipation. Thermal
shutdown occurs when the die temperature exceeds
150°C. All internal circuitry is inactive during thermal
shutdown. The RT8243A/B/C triggers thermal shutdown
if LDOx is not supplied from VOUTx, while input voltage on
VIN and drawing current from LDOx are too high.
Nevertheless, even if LDOx is supplied from VOUTx,
overloading LDOx can cause large power dissipation on
automatic switches, which may still result in thermal
shutdown.
Discharge Mode (Soft Discharge)
When ENTRIPx is low and a transition to standby or
shutdown mode occurs, or the output under voltage fault
latch is set, the output discharge mode will be triggered.
During discharge mode, an internal switch creates a path
for discharging the output capacitors' residual charge to
GND.
Shutdown Mode
SMPS1, SMPS2, LDO3 and LDO5 all have independent
enabling control. Drive ENLDO, ENTRIP1 and ENTRIP2
below the precise input falling edge trip level to place the
RT8243A/B/C in its low power shutdown state. The
RT8243A/B/C consumes only 20μA of input current while
in shutdown. When shutdown mode is activated, the
reference turns off. The accurate 0.95V falling edge
threshold on ENLDO can be used to detect a specific
analog voltage level and to shutdown the device. Once in
shutdown, the 1.6V rising edge threshold activates,
providing sufficient hysteresis for most applications.
Power Up Sequencing and On/Off Controls
(ENTRIPx, ENM)
ENTRIP1 and ENTRIP2 control SMPS power up
sequencing. When the RT8243A/B/C is applied in the
single channel mode, ENTRIPx disables the respective
output when ENTRIPx voltage rises above 4.5V.
Furthermore, when the RT8243A is applied in the dual
channel mode, the outputs are enabled when ENM voltage
rises above 2.3V.

RT8243A/B/C
21
DS8243A/B/C-07 November 2014 www.richtek.com
©
Copyright 2014 Richtek Technology Corporation. All rights reserved. is a registered trademark of Richtek Technology Corporation.
Table1. Operation Mode Truth Table
Mode Condition Comment
Power Up LDOx < UVLO threshold
Transitions to discharge mode after VIN POR and
after REF becomes valid. LDO5 and LDO3 remain
active.
Run ENLDO = high, VOUT 1 or VOUT2 are
enabled Normal Operation.
Over Voltage
Protection Either output >112% of the nominal level.
LGATEx is forced high. LDO3 and LDO5 are active.
Exit by VIN POR or by toggling ENLDO, ENTRIPx,
and ENM.
Under Voltage
Protection
Either output < 58% of the nominal level
after 3ms time-out expires and output is
enabled
Both UGATEx and LGATEx are forced low and
enter discharge mode. LDO3 and LDO5 are active.
Exit by VIN POR or by toggling ENLDO, ENTRIPx,
and ENM.
Discharge Either output is still high in standby mode
or shutdown mode
During discharge mode, there is one path to
discharge the output capacitors’ residual charge to
GND via an internal switch.
Standby ENTRIPx or ENM < startup threshold,
ENLDO = high. LDO3 and LDO5 are active.
Shutdown ENLDO = low All circuitry are off.
Thermal
Shutdown TJ > 150°C All circuitry are off. Exit by VIN POR or by toggling
ENLDO, ENTRIPx, and ENM.
Table 2. Power Up Sequencing (RT8243A)
ENLDO (V) ENM (V) ENTRIP1
(V) ENTRIP2
(V) LDO5 LDO3 SMPS1 SMPS2
Low Low X X Off Off Off Off
“>1.6V”
=> High Low X X On On Off Off
“>1.6V”
=> High
“>2.3V”
=> High Off Off On On Off Off
“>1.6V”
=> High
“>2.3V”
=> High Off On On On Off On
“>1.6V”
=> High
“>2.3V”
=> High On On On On On On
“>1.6V”
=> High
“>2.3V”
=> High On Off On On On Off

RT8243A/B/C
22
DS8243A/B/C-07 November 2014www.richtek.com
©
Copyright 2014 Richtek Technology Corporation. All rights reserved. is a registered trademark of Richtek Technology Corporation.
Output Voltage Setting (FBx)
Connect a resistive voltage divider at the FBx pin between
VOUTx and GND to adjust the output voltage between 2V
and 5.5V (Figure 7). Choose R2 to be approximately 10kΩ,
and solve for R1 using the equation :
OUT FBx
R1
VV x 1
R2
where VFBx is 2V (typ.).
UGATEx
PHASEx
LGATEx
PGND
FBx
GND
R1
R2
VOUTx
VIN
Figure 7. Setting VOUTx with a resistive voltage divider
Output Inductor Selection
The switching frequency (on-time) and operating point (%
ripple or LIR) determine the inductor value as shown
below :
ON IN OUTx
LOAD(MAX)
t x (V V )
LLIR x I
where LIR is the ratio of the peak-to-peak ripple current to
the average inductor current.
Find a low-loss inductor having the lowest possible DC
resistance that fits in the allotted dimensions. Ferrite cores
are often the best choice, although powdered iron is
inexpensive and can work well at 200kHz. The core must
be large enough not to saturate at the peak inductor
current, IPEAK :
IPEAK = ILOAD(MAX) + [ (LIR / 2) x ILOAD(MAX) ]
The calculation above shall serve as a general reference.
To further improve transient response, the output
inductance can be further reduced. Of course, besides
the inductor, the output capacitor should also be
considered when improving transient response.
Output Capacitor Selection
The capacitor value and ESR determine the amount of
output voltage ripple and load transient response. Thus,
the capacitor value must be greater than the largest value
calculated from below equations.
2
LOAD ON OFF(MIN)
SAG
OUT IN ON OUTx ON OFF(MIN)
(I ) L (t t )
V2 x C V t V (t + t )
()
2
LOAD
SOAR
OUT OUTx
IL
V2C V
P P LOAD(MAX)
OUT
1
V LIR x I ESR + 8 x C f
where VSAG and VSOAR are the allowable amount of
undershoot and overshoot voltage during load transient,
Vp-p is the output ripple voltage, and tOFF(MIN) is the
minimum off-time.
Thermal Considerations
For continuous operation, do not exceed absolute
maximum junction temperature. The maximum power
dissipation depends on the thermal resistance of the IC
package, PCB layout, rate of surrounding airflow, and
difference between junction and ambient temperature. The
maximum power dissipation can be calculated by the
following formula :
PD(MAX) = (TJ(MAX) − TA) / θJA
where TJ(MAX) is the maximum junction temperature, TA is
the ambient temperature, and θJA is the junction to ambient
thermal resistance.
For recommended operating condition specifications, the
maximum junction temperature is 125°C. The junction to
ambient thermal resistance, θJA, is layout dependent. For
WQFN-20L 3x3 package, the thermal resistance, θJA, is
30°C/W on a standard JEDEC 51-7 four-layer thermal test
board. The maximum power dissipation at TA = 25°C can
be calculated by the following formula :
PD(MAX) = (125°C − 25°C) / (30°C/W) = 3.33W for
WQFN-20L 3x3 package

RT8243A/B/C
23
DS8243A/B/C-07 November 2014 www.richtek.com
©
Copyright 2014 Richtek Technology Corporation. All rights reserved. is a registered trademark of Richtek Technology Corporation.
The maximum power dissipation depends on the operating
ambient temperature for fixed TJ(MAX) and thermal
resistance, θJA. The derating curve in Figure 8 allows the
designer to see the effect of rising ambient temperature
on the maximum power dissipation.
Figure 8. Derating Curve of Maximum Power Dissipation
Layout Considerations
Layout is very important in high frequency switching
converter design. Improper PCB layout can radiate
excessive noise and contribute to the converter’s
instability. Certain points must be considered before
starting a layout with the RT8243A/B/C.
Place the filter capacitor close to the IC, within 12mm
(0.5 inch) if possible.
Keep current limit setting network as close as possible
to the IC. Routing of the network should avoid coupling
to high-voltage switching node.
Connections from the drivers to the respective gate of
the high side or the low side MOSFET should be as
short as possible to reduce stray inductance. Use
0.65mm (25 mils) or wider trace.
All sensitive analog traces and components such as
FBx, ENTRIPx, PGOOD, and TON should be placed
away from high voltage switching nodes such as
PHASEx, LGATEx, UGATEx, or BOOTx nodes to avoid
coupling. Use internal layer(s) as ground plane(s) and
shield the feedback trace from power traces and
components.
Place ground terminal of VIN capacitor(s), VOUTx
capacitor(s), and source of low side MOSFETs as close
to each other as possible. The PCB trace of PHASEx
node, which connects to source of high side MOSFET,
drain of low side MOSFET and high voltage side of the
inductor, should be as short and wide as possible.
0.0
0.6
1.2
1.8
2.4
3.0
3.6
0 25 50 75 100 125
Ambient Temperature (°C)
Maximum Power Dissipation (W) 1
Four-Layer PCB

RT8243A/B/C
24
DS8243A/B/C-07 November 2014www.richtek.com
Richtek Technology Corporation
14F, No. 8, Tai Yuen 1st Street, Chupei City
Hsinchu, Taiwan, R.O.C.
Tel: (8863)5526789
Richtek products are sold by description only. Richtek reserves the right to change the circuitry and/or specifications without notice at any time. Customers should
obtain the latest relevant information and data sheets before placing orders and should verify that such information is current and complete. Richtek cannot
assume responsibility for use of any circuitry other than circuitry entirely embodied in a Richtek product. Information furnished by Richtek is believed to be
accurate and reliable. However, no responsibility is assumed by Richtek or its subsidiaries for its use; nor for any infringements of patents or other rights of third
parties which may result from its use. No license is granted by implication or otherwise under any patent or patent rights of Richtek or its subsidiaries.
Outline Dimension
Dimensions In Millimeters Dimensions In Inches
Symbol Min Max Min Max
A 0.700 0.800 0.028 0.031
A1 0.000 0.050 0.000 0.002
A3 0.175 0.250 0.007 0.010
b 0.150 0.250 0.006 0.010
D 2.900 3.100 0.114 0.122
D2 1.650 1.750 0.065 0.069
E 2.900 3.100 0.114 0.122
E2 1.650 1.750 0.065 0.069
e 0.400 0.016
L 0.350 0.450
0.014 0.018
W-Type 20L QFN 3x3 Package
Note : The configuration of the Pin #1 identifier is optional,
but must be located within the zone indicated.
DETAIL A
Pin #1 ID and Tie Bar Mark Options
1
1
22
