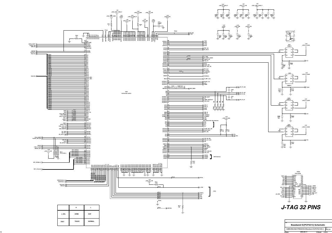
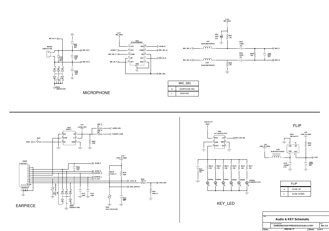
Samsung SGH D600 Schematics. Www.s Manuals.com. Schematics R2.6
User Manual: Phone Samsung SGH-D600 - Service manuals and Schematics, Disassembly / Assembly. Free.
Open the PDF directly: View PDF
.
Page Count: 11











User Manual: Phone Samsung SGH-D600 - Service manuals and Schematics, Disassembly / Assembly. Free.
Open the PDF directly: View PDF
.
Page Count: 11










