Samsung SGH E250D Service Manual. Www.s Manuals.com. Manual R1.0
User Manual: Phone Samsung SGH-E250D - Service manuals and Schematics, Disassembly / Assembly. Free.
Open the PDF directly: View PDF
.
Page Count: 61

GSM TELEPHONE
SGH-E250D
GSM TELEPHONE CONTENTS
1. Safety Precautions
2. Specification
3. Product Function
4. Array course control
5. Exploded View and Parts List
6. MAIN Electrical Parts List
7. Block Diagrams
8. PCB Diagrams
9. Flow Chart of Troubleshooting
10. Reference data
11. Disassembly and Assembly
Instructions

This Service Manual is a property of Samsung Electronics Co.,Ltd.
Any unauthorized use of Manual can be punished under applicable
International and/or domestic law.
Samsung Electronics Co.,Ltd.
2007. 9. Rev.1.0
ⓒ
Country Web Site
North America service.samsungportal.com
Latin America latin.samsungportal.com
CIS cis.samsungportal.com
Europe europe.samsungportal.com
China china.samsungportal.com
Asia asia.samsungportal.com
Mideast & Africa mea.samsungportal.com
GSPN (Global Service Partner Network)

2. Specification
2-1
2-1. GSM General Specification
GSM900
Phase 1 EGSM 900
Phase 2 DCS1800
Phase 1 PCS1900
Freq.
Band[MHz]
Uplink/Downlink
890~915
935~960
880~915
925~960
1710~1785
1805~1880
1850~1910
1930~1990
ARFCN range 1~124 0~124 &
975~1023 512~885 512~810
Tx/Rx spacing 45MHz 45MHz 95MHz 80MHz
Mod. Bit rate/
Bit Period
270.833kbps
3.692us
270.833kbps
3.692us
270.833kbps
3.692us
270.833kbps
3.692us
Time Slot
Period/Frame
Period
576.9us
4.615ms
576.9us
4.615ms
576.9us
4.615ms
576.9us
4.615ms
Modulation 0.3GMSK 0.3GMSK 0.3GMSK 0.3GMSK
MS Power 33dBm~5dBm 33dBm~5dBm 30dBm~0dBm 30dBm~0dBm
Power Class 5pcl ~ 19pcl 5pcl ~ 19pcl 0pcl ~ 15pcl 0pcl ~ 15pcl
Sensitivity -102dBm -102dBm -100dBm -100dBm
TDMA Mux 8 8 8 8
Cell Radius 35Km 35Km 2Km -

Speclflcation
2-2
TX Power
control level GSM900
533±2dBm
631±2dBm
729±2dBm
827±2dBm
925±2dBm
10 23±2 dBm
11 21±2 dBm
12 19±2 dBm
13 17±2 dBm
14 15±2 dBm
15 13±2 dBm
16 11±3 dBm
17 9±3dBm
18 7±3 dBm
19 5±3 dBm
TX Power
control level DCS1800
030±3dBm
128±3dBm
226±3dBm
324±3dBm
422±3dBm
520±3dBm
618±3dBm
716±3dBm
814±3dBm
912±4dBm
10 10±4 dBm
11 8±4dBm
12 6±4 dBm
13 4±4 dBm
14 2±5 dBm
15 0±5 dBm
TX Power
control level PCS1800
030±3dBm
128±3dBm
226±3dBm
324±3dBm
422±3dBm
520±3dBm
618±3dBm
716±3dBm
814±3dBm
912±4dBm
10 10±4 dBm
11 8±4dBm
12 6±4 dBm
13 4±4 dBm
14 2±5 dBm
15 0±5 dBm
2-2. GSM Tx Power Class

SAMSUNG Proprietary-Contents may change without notice
5. Exploded View and Parts List
5-1
This Document can not be used without Samsung's authorization
5-1. Cellular phone Exploded View
QFU01
QKP02
QKP01
QMW01
QME03
QME02
QFR01
QCW01
QCA05
QCR17
QSC05
QSC06
QSP01
QMO01
QLC01
QCA01
QSD01
QHI01
QIF01
QFL01
QFR02
QME01
QBR04
QMI03
QMI01
QAN02
QMP01
QRE01
QSC13
QRF01
QBA00
QCR03
QBA01
QVO01
QCR03
QME11

SAMSUNG Proprietary-Contents may change without notice
Exploded View and Parts List
5-2
This Document can not be used without Samsung's authorization
Design LOC Description SEC CODE
QAN02 INTENNA-SGH E250 GH42-00985A
QBA00 ASSY CASE-BATTERY GH98-03586E
QBA01 INNER BATTERY PACK-750MAH,BLK, GH43-02483A
QBR04 ASSY BRACKET-KEYPAD GH98-05531A
QCA01 CAMERA MODULE GH59-03619A
QCA05 PMO-DECO MIRROR GH72-34243A
QCR03 SCREW-MACHINE 6001-001811
QCR03 SCREW-MACHINE 6001-001811
QCR17 SCREW-MACHINE 6001-001460
QCW01 PCT-COVER WINDOW CAMERA GH72-34247E
QFL01 ASSY CASE-SLIDE LOWER GH98-02260E
QFR01 ASSY CASE-F/C+S/L GH98-02261E
QFR02 ASSY CASE-FRONT GH98-03548E
QFU01 ASSY CASE-SLIDE UPPER GH98-02259E
QHI01 ASSY HINGE-PUSH ROD GH98-03165A
QIF01 PMO-COVER IF GH72-34244E
QKP01 ASSY KEYPAD-MAIN(EU/PNK) GH98-02264E
QKP02 ASSY KEYPAD-SUB(EU/PNK) GH98-02263E
QLC01 ELA ETC-E250LCD MODULE GH96-02628B
QME01 KEY FPCB-MAIN KEY PBA GH59-04760A
QME02 DOME SHEET-10KEY(SUB) GH59-05007A
QME03 MEA-SLIDER FPCB KIT(E250D) GH97-08172A
QME11 ASSY ETC-LCD SUB PBA GH59-04854A
QMI01 MICROPHONE-ASSY GH30-00309A
QMI03 RMO-RUBBER MIC GH73-08308A
QMO01 MOTOR DC-SGHZV30 GH31-00177A
QMP01 PBA MAIN-SGHE250D GH92-03956A
QMW01 ASSY COVER-WINDOW MAIN GH98-02619E
QRE01 ASSY CASE-REAR GH98-05532E
QRF01 MPR-TAPE RF SHEET GH74-27453E
QSC05 RMO-RUBBER SCREW SLIDE L GH73-08309E
QSC06 RMO-RUBBER SCREW SLIDE R GH73-08310E
QSC13 RMO-RUBBER SCREW REAR GH73-08311E
QSD01 PMO-COVER M SD GH72-34245E
QSP01 SPEAKER 3001-002213
QVO01 ASSY KEY-VOLUME GH98-03940E
5-2. Cellular phone Parts List

SAMSUNG Proprietary-Contents may change without notice
Exploded View and Parts List
5-3
This Document can not be used without Samsung's authorization
Description SEC CODE
ADAPTOR-SGHE690,SIL,EU,A_TYPE GH44-01361B
EARPHONE-20P,EARPHONE,SIL,B-TY GH59-03848B
LABEL(R)-WATER SOAK GH68-09361A
RMO-RUBBER SIM GH73-08686A
ICT SHIELD-COVER RF GH70-02506A
MPR-INSU TAPE GH74-27455A
MPR-INSU TAPE GH74-27456A
MPR-TAPE LABEL GH74-28874E
MPR-SPONGE GH74-29496A
MPR-VINYL BOHO MAIN GH74-30340A
MPR-VINYL BOHO SUB KEYPAD GH74-31218A
TAPE-S-UPPER GH74-34678A
MPR-ELEC TAPE GH74-27495A
MPR-GASK TAPE GH74-28782A
MPR-REMOVE TAPE LCD GH74-13804A
MPR-TAPE GH74-27509A
MPR-ELEC TAPE GH74-27457A
TAPE GASK GH74-18462A
PMO CASE-REAR GH72-43214E
LABEL(R)-WATER SOAK GH68-09361A
BAG PE 6902-000634
LABEL(P)-UNIT SEAL GH68-00518B
LABEL(P)-OPEN MP3 GH68-11246A
LABEL(R)-MAIN(FRAN) GH68-12733D
BOX-UNIT(EU) GH69-04558A
CUSHION-CASE(EU) GH69-04565A
MANUAL USERS-XEF FRENCH GH68-12418A

SAMSUNG Proprietary-Contents may change without notice
11. Disassembly and Assembly Instructions
11-1
This Document can not be used without Samsung's authorization
1) Be careful of body damage and scretch
2) Be careful of transforming the rear cover
1) Be careful of body damage and scretch
1) Be careful of damaging F-PCB 1) Be careful of damaging components
1) Remove the RF Sheet,SCREW Cover of rear
2) Unscrew 5 screws
11) Remove the volumn Key
2) Disassemble the connector
2
31) Open the T-Flash, power cover
2) Lift main board
3) Detach the LCD Connector after slide down
41) Separate board from the set
11-1. Disassembly Instructions

SAMSUNG Proprietary-Contents may change without notice
Disassembly and Assembly Instructions
11-2
This Document can not be used without Samsung's authorization
1) Be careful of damaging FPCB detaching Volumn Key
Fpcb
2) Be careful of body damage and scretch
1) Be careful of body damage and scretch
5 6
7 8
1) Remove the EMI tape 1) Detach the Volumn Key Fpcb
2) Disassemble key-can from the point of
the picture
1) Disassemble the key-pad 1) Unscrew 2 screws

SAMSUNG Proprietary-Contents may change without notice
Disassembly and Assembly Instructions
11-3
This Document can not be used without Samsung's authorization
1) Be careful of body damage and scretch 1) Be careful of cutting wire
2) Be careful of body damage and scretch
1) Be careful of body damage and scretch
2) Be careful of damaging F-PCB
1) Be careful of body damage and scretch
2) Be careful of damaging camera F-PCB
9 10
11 12
1) Unscrew 4 screws
2) Disassemble the upper with a couple of
thumbs pressing the point of picture
1) Match the hole of LOWER and FRONT
holding up the slide
2) Draw out the FPCB from the hole
1) Remove the tape covering FPCB Connector
2) Disassemble FPCB after lifting Connector
1) Disassemble Speaker, Motor
2) Remove the tape on the Camera Connector
3) Disassemble the Camera taking down the
top of the camera

SAMSUNG Proprietary-Contents may change without notice
Disassembly and Assembly Instructions
11-4
This Document can not be used without Samsung's authorization
1) Be careful of body damage and scretch
2) Be careful of sticking between two sides tape and
LCD
13 1) Disassemble from upper after lifting
lightly the upside of the Sub PBA
2) Disassemble SPK, MOT, CAMERA
1) Disassemble Sub Key Pad
15

SAMSUNG Proprietary-Contents may change without notice
Disassembly and Assembly Instructions
11-5
This Document can not be used without Samsung's authorization
1) Be careful of damaging CAMERA FPCB
1) Be careful of body damage and scretch
2) Be careful of damaging F-PCB 1) Be careful of damaging F-PCB
1 2
3 4
1) Joint the Sub Key Pad 1) Assemble Sub PBA inserting the bottom of
the board
2) Assemble CAMERA, SPK, MOT after
inserting camera FPCB
1) Insert FPCB(CON TO CON)
2) Attach conserving TAPE
1) Match the hole pulling down lightly the
SLIDE ASSY like picture
2) Insert FPCB
11-2. Assembly Instructions

SAMSUNG Proprietary-Contents may change without notice
Disassembly and Assembly Instructions
11-6
This Document can not be used without Samsung's authorization
1) Be careful of body damage and scretch 1) Be careful of body damage and scretch
1) Be careful of body damage and scretch 1) Check up the fitting between key pad and REAR
7 8
1) Insert both screw caps in each
direction
1) Assemble the key pad in FRONT
7 8
1) Assemble SLIDE ASSY part
2) Assemble from the bottom side
1) Screw down 4 screws

SAMSUNG Proprietary-Contents may change without notice
Disassembly and Assembly Instructions
11-7
This Document can not be used without Samsung's authorization
1) Be careful of damaging F-PCB 1) Check up whether tape color is same with SET color
or not
1) Be careful of damaging BGA components 1) Be careful of body damage and scretch
10
91) Attach the EMI tape
1) Assemble the key can
2) Check up the attaching FPCB in Volumn
Key side
11 12
1) Assemble the FPCB with main board 1) Open the T-Flash, Power Cover
2) Assemble the main board

SAMSUNG Proprietary-Contents may change without notice
Disassembly and Assembly Instructions
11-8
This Document can not be used without Samsung's authorization
1) Be careful of damaging BGA components 1) Be careful of body damage and scretch
13 1) Insert the Volumn Key
2) Assemble the Key Connector
1) Screw down 5screws
2) Attach RF Sheet,SCREW Cover of rear
14

SAMSUNG Proprietary-Contents may change without notice
9. Flow Chart of Troubleshooting
This Document can not be used without Samsung's authorization
9-1
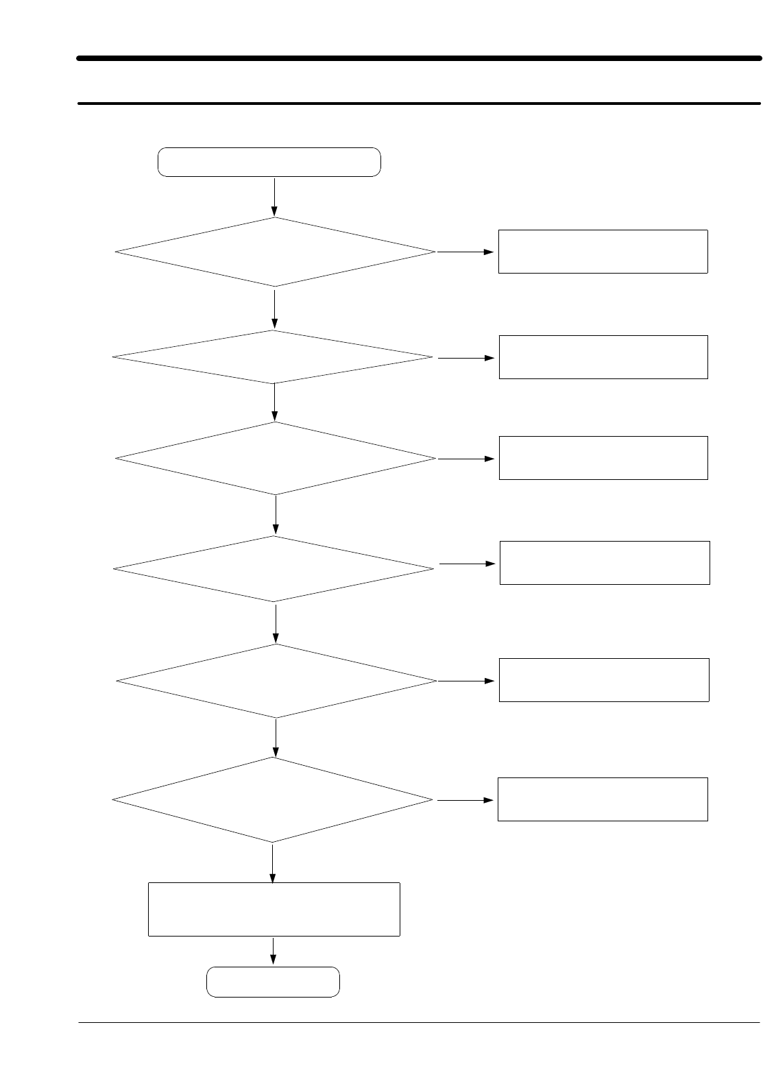
9-1. Power On
Check the Battery Voltage
is more than 3.4V
' Power On ' does not work
Change the Battery
END
No
Yes
C420(VISA) = 2.7V? Check the PMU related to VINT
No
Yes
Check the Clock at
C416=32KHZ
Resolder OSC400
No
Yes
C400(VDD_IO_LOW_1.8V) &
C405(VDD_IO_HIGH_2.9V) =
"H"?
Check the related circuit
No
Yes
L400(VDD_GSM_CORE_1.2V)
=1.8V?
Check the VDD_GSM_CORE_1.2V
circuit
No
Yes
Check for the clock at C110
=26MHz
Check the clock generation circuit
(related to U106)
No
Yes
Check the initial operation
Yes
Yes

SAMSUNG Proprietary-Contents may change without notice
This Document can not be used without Samsung's authorization
Flow Chart of Troubleshooting
9-2

SAMSUNG Proprietary-Contents may change without notice
Flow Chart of Troubleshooting
This Document can not be used without Samsung's authorization
9-3
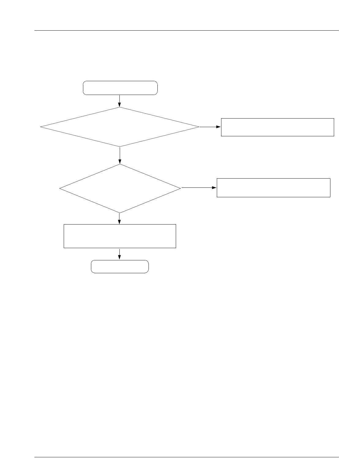
9-2. Initial
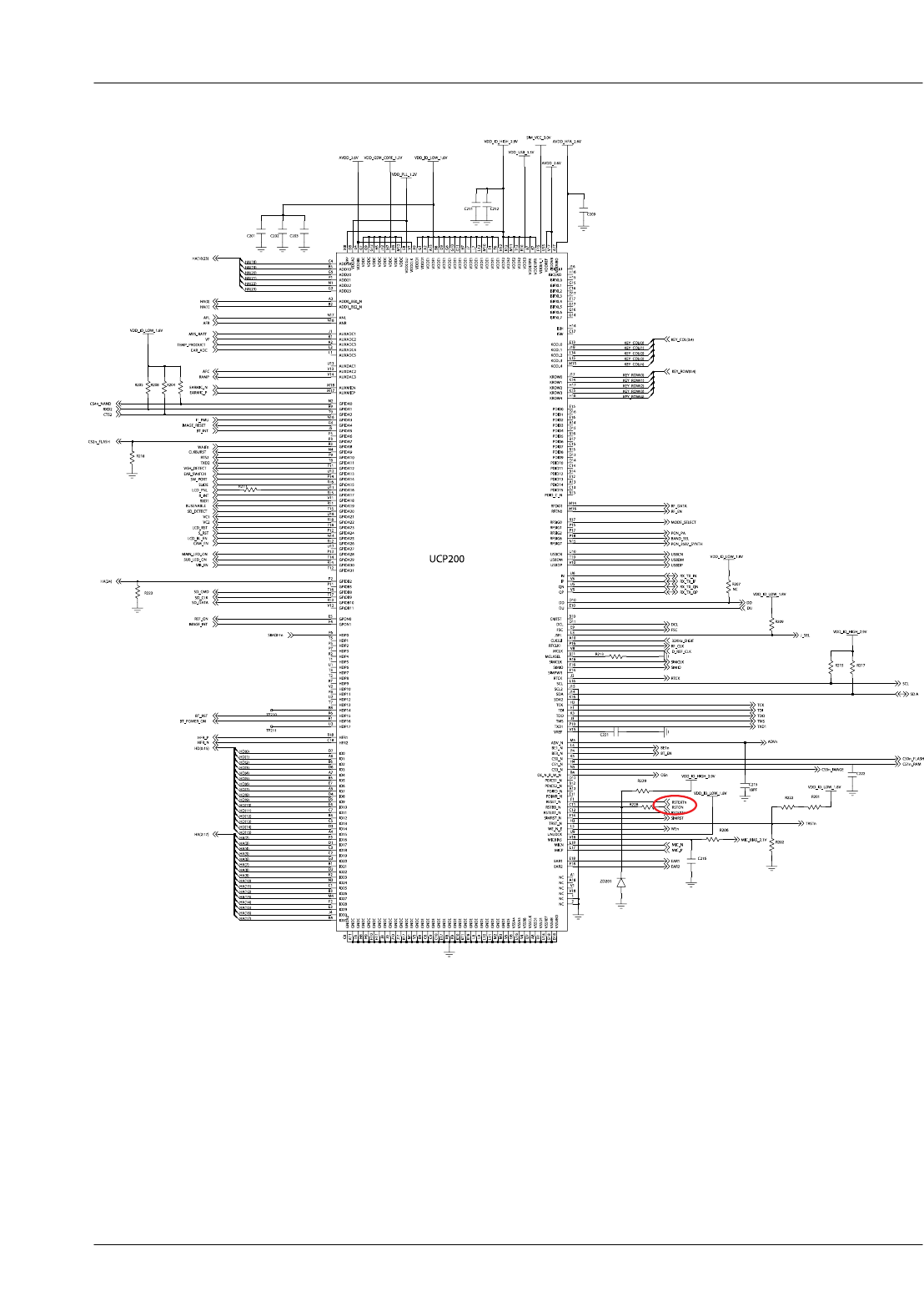
UCP200 pin C11 (RSTON) ="H"?
Initial Failure
Check the circuit related to reset
END
No
Yes
UCP200 pin F1
(RSTEXTn) ="H"?
OK?
Yes
Yes
No
change UCP200
Check the 16bit data signal
&memoryCE
Yes

SAMSUNG Proprietary-Contents may change without notice
This Document can not be used without Samsung's authorization
Flow Chart of Troubleshooting
9-4

SAMSUNG Proprietary-Contents may change without notice
Flow Chart of Troubleshooting
This Document can not be used without Samsung's authorization
9-5
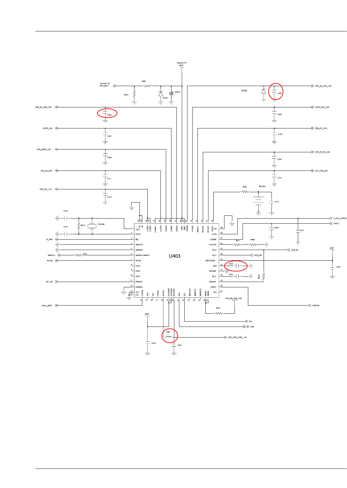
9-3. Charging Part
Check the U403 pin 38
>4.9V
Abnormal charging part
END
No
Yes
U403 pin 34(AUX_ON)
="L"?
No
Yes
Check the U403 pin 46
≒1.4V
No
Yes
Check the circuit related to
V_EXT_CHARGE
Check the circuit related to
AUX_ON signal
Resolder or replace U403
Yes

SAMSUNG Proprietary-Contents may change without notice
This Document can not be used without Samsung's authorization
Flow Chart of Troubleshooting
9-6

SAMSUNG Proprietary-Contents may change without notice
Flow Chart of Troubleshooting
This Document can not be used without Samsung's authorization
9-7
9-4. Sim Part
SIM400 pin 4,5 = "H"?
Phone can't access SIM Card
Resolder or replace U403
Check the SIM Card
END
No
Yes
Yes
Yes
No
Check the Clock
After Power ON,
Check SIMCLK Signal on
pin3 of SIM400 in a few second
Yes
No
Replace PBA
After SIM card insert,
SIM400 pin 2 = "H(SIMRST)"?
Yes

SAMSUNG Proprietary-Contents may change without notice
This Document can not be used without Samsung's authorization
Flow Chart of Troubleshooting
9-8

SAMSUNG Proprietary-Contents may change without notice
Flow Chart of Troubleshooting
This Document can not be used without Samsung's authorization
9-9
9-5. Microphone Part
Check the connection
from MIC
Check the circuit
from UCP200 to MIC
Resolder MIC
Resolder the C514, C520, R516, R519
END
No
Yes
Yes
Yes
Yes
No
Check F500 PIN 8
='H'?
No
Check the JACK_IN signal
Microphone does not work
Yes
Check the MIC No Replace the MIC

SAMSUNG Proprietary-Contents may change without notice
This Document can not be used without Samsung's authorization
Flow Chart of Troubleshooting
9-10

SAMSUNG Proprietary-Contents may change without notice
Flow Chart of Troubleshooting
This Document can not be used without Samsung's authorization
9-11
9-6. Speaker Part(Melody)
U500 pin 7 = 2.9V?
Speaker does not work
Check the Clock signal at
Pin 3 of U106 (26MHz)
Check the clock generation circuit
(related to U106 and U103)
No
Yes
No
Resolder or replace U500
Yes
U500 pin 15,17 ≒ 1.8V?
(When U500 operate) Resolder U500
No
Yes
No
END
Is Speaker working? Change the Speaker
Yes
Yes
HDC600 pin 2,3 ≒ 1.8V?
(When U500 operate)
Resolder HDC600
No
Yes

SAMSUNG Proprietary-Contents may change without notice
This Document can not be used without Samsung's authorization
Flow Chart of Troubleshooting
9-12

SAMSUNG Proprietary-Contents may change without notice
Flow Chart of Troubleshooting
This Document can not be used without Samsung's authorization
9-13
9-7. Key Data Input
When one of the keys is
pushed,
is it displayed on LCD?
Check the Dome sheet & Key Pad
END
No
Yes
Yes
Check Initial Operation
When one of the keys is
pushed,
KBIO signal is OK?
Replace the PBA
No
Yes

SAMSUNG Proprietary-Contents may change without notice
This Document can not be used without Samsung's authorization
Flow Chart of Troubleshooting
9-14
9-8. Receiver Part
Is Receiver working? Resolder UCP200 or Change PBA
END
No
Yes
Yes
Receiver does not work
No
Replace the Receiver
Yes
Is Receiver working?

SAMSUNG Proprietary-Contents may change without notice
Flow Chart of Troubleshooting
This Document can not be used without Samsung's authorization
9-15
9-9. Back Light (for Color Main LCD)
Is LCD Contrast set on high
level in the Menu?
Set LCD Contrast on high level
END
No
Yes
Yes
Backlight does not work
HDC600 PIN 23 = H ? Resolder HDC600 or change PBA
No
Yes

SAMSUNG Proprietary-Contents may change without notice
This Document can not be used without Samsung's authorization
Flow Chart of Troubleshooting
9-16
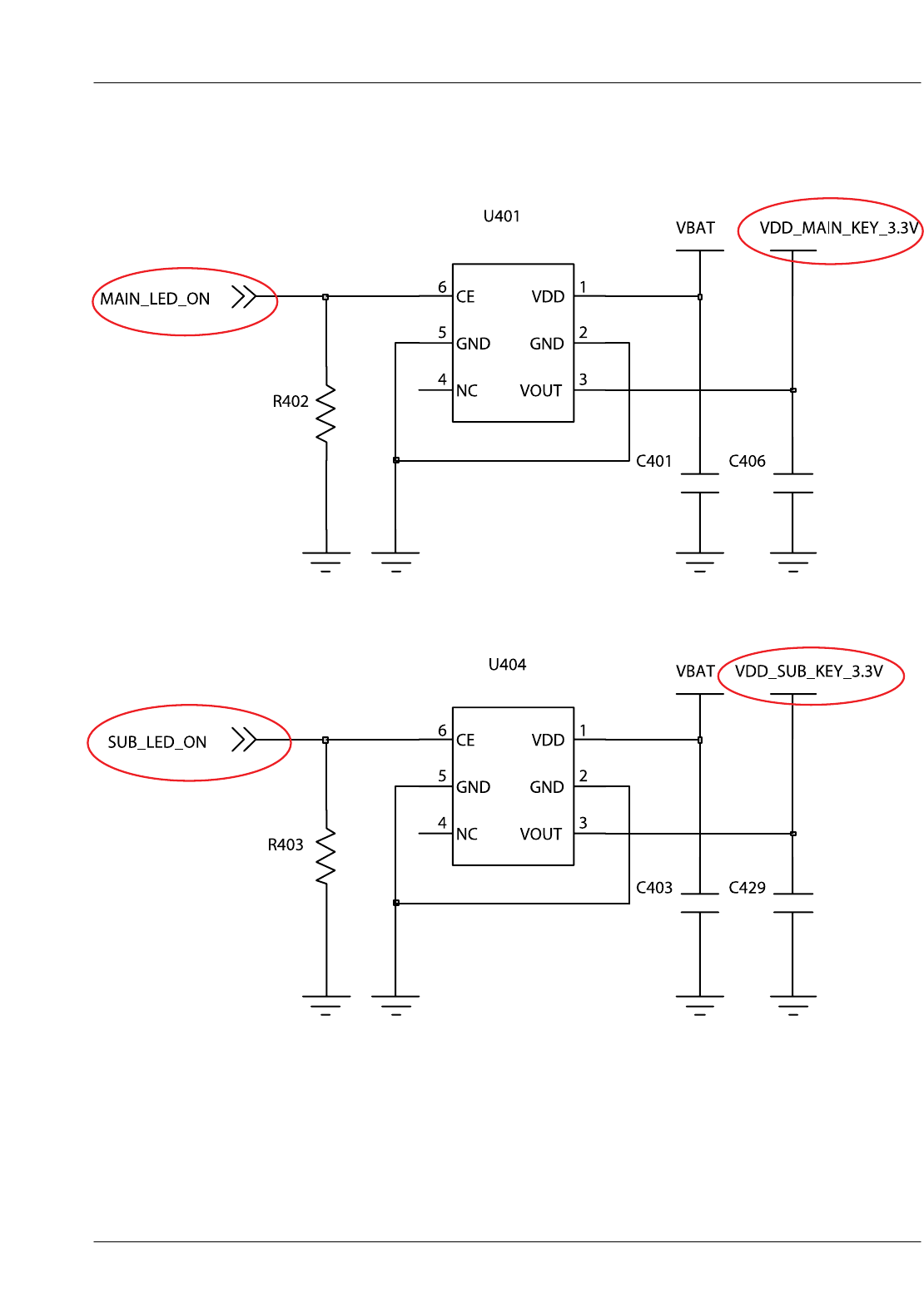
9-10. Key Back Light
U401, U404 pin6 = "H"?
Check the U401, U404 related to
"VDD_KEY"
END
No
Yes
Yes
Main Key LED does not work
U401, U404 pin3 = 3.3V ? Change U401, U404

SAMSUNG Proprietary-Contents may change without notice
Flow Chart of Troubleshooting
This Document can not be used without Samsung's authorization
9-17

SAMSUNG Proprietary-Contents may change without notice
This Document can not be used without Samsung's authorization
Flow Chart of Troubleshooting
9-18
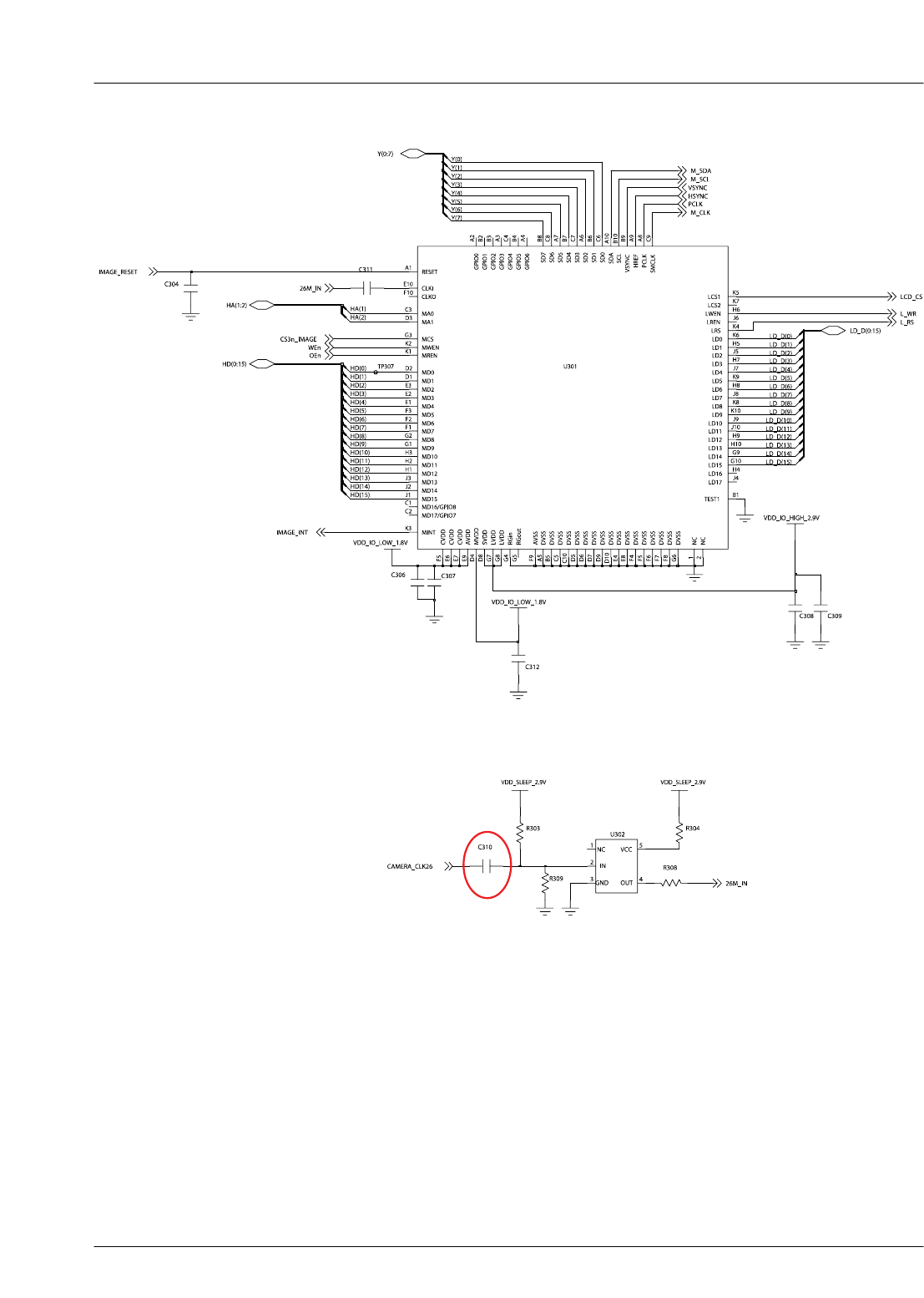
9-11. Camera part
"Camera" function does not work
Yes
No
Reconnect the camera module
Check the Camera
connector on LCD module
Yes
HDC600 Pin21 = H?
No
Resolder HDC600 or change PBA
Yes
C310 = 26MHz
No Check U106(pin8) related to
26MHz and U603
Yes
Is there another problem?
END
Replace the camera
module
Yes

SAMSUNG Proprietary-Contents may change without notice
Flow Chart of Troubleshooting
This Document can not be used without Samsung's authorization
9-19

SAMSUNG Proprietary-Contents may change without notice
This Document can not be used without Samsung's authorization
Flow Chart of Troubleshooting
9-20
9-12. GSM Receiver
RX ON
RF input : CH center freq : +67.7kHz
Amp : -50dBm
Yes
F100 Pin13
>= -65dBm
No
Resolder CN101, C103, L102
Yes
Check ANT Switch
control circuit
F100 1,2
>= -68dBm Check F100
pin9,pin11 = L
No
No
Yes
Yes Resolder F100
No
Resolder C108, C109, L105
U106
pin 24 >= -70dBm
pin 25 >= -70dBm
Yes
No
U106 pin 16,17,29
32,36>=2.8V
U106 pin 4,5,6,7
>= 0.2Vp-p
No Check & Resolder
C117,C123,C126
RF26MHz, RF PSU Part
YesYes
Resolder U106
Check UCP200
END

SAMSUNG Proprietary-Contents may change without notice
Flow Chart of Troubleshooting
This Document can not be used without Samsung's authorization
9-21
9-13. GSM Transmitter
Yes
No
No
No
No
No
Yes
No
Yes
Yes
Yes
Yes
Check +VBAT or PAM
control signal
Resolder or Change U103
Check U103pin 2,3,
5,6,8+Vbatt
pin4,OK?
Yes
U106 pin 16,17,29,
32,36
>=2.8Vpin10>=1.8
Yes Resolder U106
Check UCP200
END
No
Yes
Yes
Check
U106,C117,C126,L123
U106 pin 4,5,6,7
>= 0.2Vp-p
Resolder or Change L101
Check ANT Switch
control circuit
Change or Resolder F100
U103 pin7
<= -4dBm
U103 pin12
>= 30dBm
F100 pin10
>= 30dBm
Check F100
pin11 = H (2.6V),
Pin9 = L
TX ON (5Level)
Resolder CN101,C103,L102
F100 Pin13
>= 30dBm

SAMSUNG Proprietary-Contents may change without notice
This Document can not be used without Samsung's authorization
Flow Chart of Troubleshooting
9-22
9-14. DCS Receiver
Check F100
pin9,pin11 = L
Check UCP200
No
No
No
No
No
Yes
YesYes
Yes
Yes
Yes
Resolder U106
Check & Resolder
U102,C117,C123,C126
RF26MHz, RF PSU Part
U106 pin
16,17,29,32,36>=2.8V
pin10>=1.8V
Resolder C104,C122,L104
Resolder F100
Check ANT Switch
control circuit
U106
pin 35 >= -70dBm
pin 36 >= -70dBm
U106 pin 4,5,6,7
>= 0.2Vp-p
F100 3,4
>= -68dBm
RX ON
RF input : CH center freq : +67.7kHz
Amp : -50dBm
Yes
No
END
Resolder CN101,C103,L102
F100 Pin13
>= -65dBm

SAMSUNG Proprietary-Contents may change without notice
Flow Chart of Troubleshooting
This Document can not be used without Samsung's authorization
9-23
9-15. DCS Transmitter
U106 pin 4,5,6,7
>= 0.2Vp-p
U103 pin1
<= -4dBm
U103 pin18
>= 25dBm
F100 pin8
>= 25dBm
TX ON (5Level)
No
No
No
No
No
No
Yes
Yes
Yes
Yes
Yes
Check +VBAT or PAM
control signal
Resolder or Change U103
Check
U103pin2,3,5,6,8+
Vbatt pin4,OK?
Yes
U106 pin 16,17,29,
32,36
>=2.8Vpin10>=1.8
Yes Resolder U106
Check UCP200
END
No
No
Yes
Yes
Check & Resolder
U106,C117,L123,C126
Resolder or Change U103
Check ANT Switch
control circuit
Change or Resolder F100
Check F100
pin9= H (2.6V),
pin 11 = L
Resolder RFS100,C101
F100 Pin13
>= 25dBm

SAMSUNG Proprietary-Contents may change without notice
This Document can not be used without Samsung's authorization
Flow Chart of Troubleshooting
9-24
9-16. PCS Receiver
RX ON
RF input : CH center freq : +67.7kHz
Amp : -50dBm
Yes
F100 Pin13
>= -65dBm
No
Resolder CN101,C103,L102
Yes
F100 5,6
>= -68dBm Check F100
pin10,pin12 = L
No
No
Check ANT Switch
control circuit
Yes
Yes
Resolder F100
U106
pin 20 >= -70dBm
pin 21 >= -70dBm
No
Resolder C112, C120, L105
Yes
U106 pin
16,17,29,32,36
>=2.8Vpin10>=1.8
U106 pin 4,5,6,7
>= 0.2Vp-p
No
No
Check & Resolder
U102,C117,C123,C126
YesYes
Resolder U106
Check UCP200
END

SAMSUNG Proprietary-Contents may change without notice
Flow Chart of Troubleshooting
This Document can not be used without Samsung's authorization
9-25
9-17. PCS Transmitter
U106 pin 4,5,6,7
>= 0.2Vp-p
U103 pin1
<= -4dBm
U103 pin18
>= 25dBm
F100 pin8
>= 25dBm
TX ON (5Level)
No
No
No
No
No
No
Yes
Yes
Yes
Yes
Yes
Check +VBAT or PAM
control signal
Resolder or Change U103
Check
U103pin2,3,5,6,8+
Vbatt pin4,OK?
Yes
U106 pin 16,17,29,
32,36
>=2.8Vpin10>=1.8
Yes Resolder U106
Check UCP200
END
No
No
Yes
Yes
Check & Resolder
U106,C117,L123,C126
Resolder or Change U103
Check ANT Switch
control circuit
Change or Resolder F100
Check F100
pin9= H (2.6V),
pin 11 = L
Resolder RFS100,C101
F100 Pin13
>= 25dBm

SAMSUNG Proprietary-Contents may change without notice
This Document can not be used without Samsung's authorization
Flow Chart of Troubleshooting
9-26

SAMSUNG Proprietary-Contents may change without notice
4. Array course control
4-1
This Document can not be used without Samsung's authorization
Software Adjustments
Power Supply Cable
Serial Cable(CSA LL64151-A)
Test Jig (GH80-03306A) Test Cable (GH39-00499A)

SAMSUNG Proprietary-Contents may change without notice
Array course control
4-2
This Document can not be used without Samsung's authorization
Software Downloading
4-1. Pre-requsite for Downloading
• Downloader Program(OneNAND Downloder V1.0 Lite For PNX5230.exe)
• E250 Mobile Phone
• Data Cable
• Binary file, TFS file
4-2. S/W Downloader Program
■Load the binary download program by executing the
“OneNAND Downloder V1.0 Lite For PNX5230.exe”
1. Select the connected serial port and the rate of speed
2. Select the check box, the mode you want to download.
- if the binary file wanted, check only 'BIN'
- if the tfs file wanted, check only 'TFS'
- if all the files wanted, check 'BIN+TFS'
1
2

SAMSUNG Proprietary-Contents may change without notice
Array course control
4-3
This Document can not be used without Samsung's authorization
3. Select the file(s) what you want to download

SAMSUNG Proprietary-Contents may change without notice
This Document can not be used without Samsung's authorization
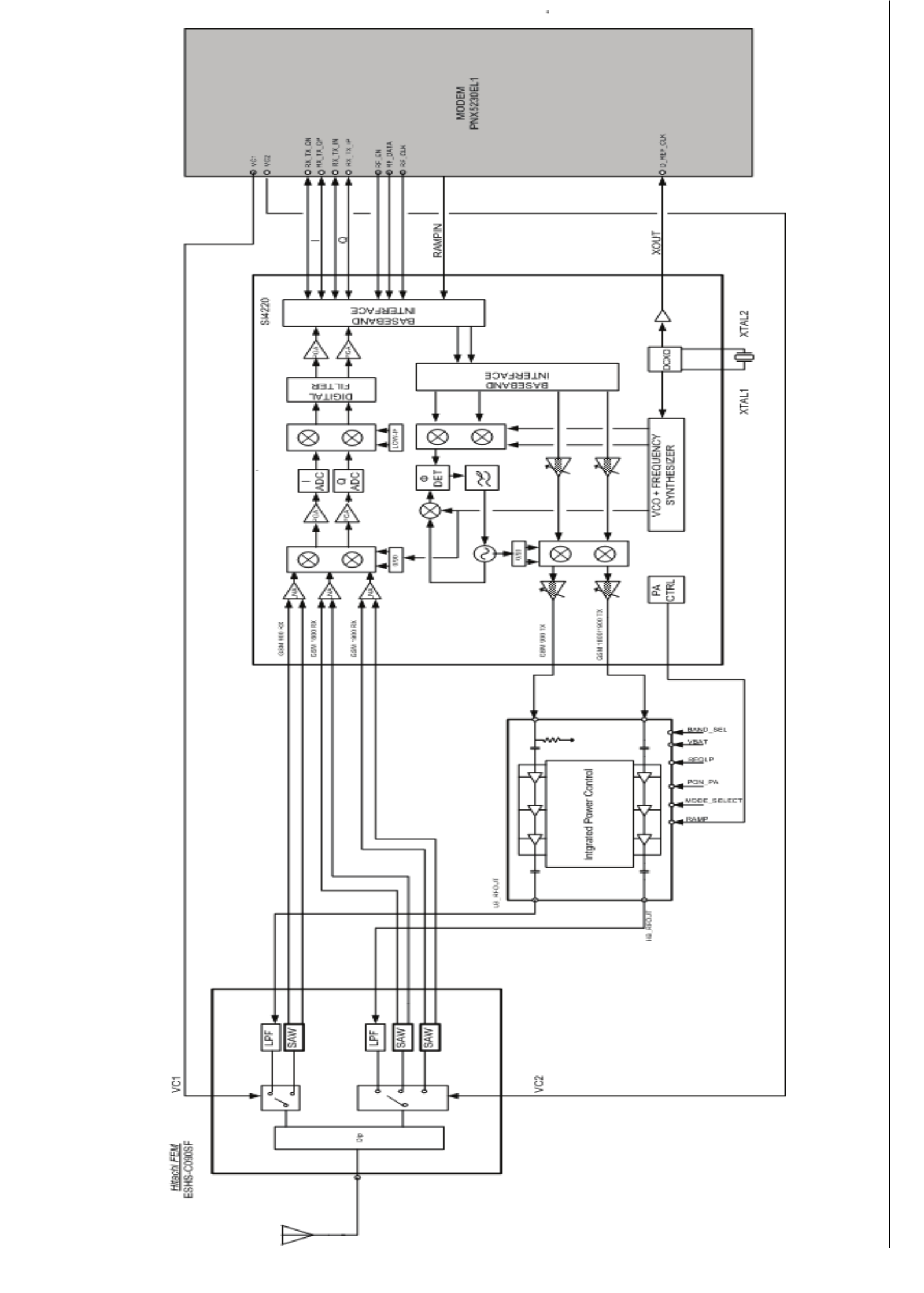
7. Block Diagrams
7-1
7-1. Base Band Block Diagram
Modem
(PNX5230-1)
PHONE
POWER
(PCF50611HN/
N1)
RF Block
SPK
RF
S/W
SIM_VCC
SIM_VCC
VDD_IO_LOW
+VDD_IO_HIGH
+VDD_GSM_CORE
VDD_IO_LOW
VBAT 3.7V
VBAT
AVDD
AVDD_HFA
+VCC_SYN
VDD_RX_TX
VDD_SD
VDD_SD
VDD_SLEEP
MIC_BIAS
Earphone
EARMIC
MIC
MIC_P
MIC_N
EARMIC_P
EARMIC_N
RX_TX_IP / RX_TX_IN
RX_TX_QP / RX_TX_QN
RF_DATA / RF_EN
RF_CLK
SIMIO
SIMRST
SIMCLK
USBDM / USBDP
USBCN
USBDM / USBDP
LDO
(R1114D331D)
VDD_USB
VBUS
SIM
Socket
USB Filter
(PACUSBU3)
Bluetooth
(BGB204-1)
LDO
(BH33PB1WHFV)
VBAT
VDD_BT
DCL / FSC
DU / DD
BT_INT
Audio
APM
(LM4946SQ)
VBAT
HFR_P
HFR_N
EAR1
EAR2
SPK_P
SPK_N
EARSPK_R
EARSPK_COM
EARSPK_L
MOTOR
Hall IC
(HED52A1U11)
+VDD_IO_HIGH
SLIDE
CAM_D(0:7) / VSYNC / HSYNC / PCLK
CAM_EN
C
LDO
(XC6401FF20)
VBAT
V_CAM18
V_CAM28
MCLK / S_RST
SUB
VBAT M
LDO
(R1114D331D)
VIB_EN
VDD_VIB
+VDD_IO_LOW
+VDD_IO_HIGH LCD
(2.0'’QQVGA)
LD_D(0:15) / L_RS / LCD_CS / LCD_WR
LCD_RST
CLKBURST PHONE MEMORY
(KAP29VG00M-D444)
oneNAND
256Mb
UtRAM
128Mb
+VDD_IO_LOW
NOR
256Mb
HA(2:17),HA(24) / HD(0:15)
HA(2:15) / HD(0:15)
HA(2:17) / HD(0:15)
HA(0:1),HA(18:23)
HA(0:1)
HA(0:1) ,HA(18:22)
CS0n_FLASH / OEn / WEn
CS4n_NAND / OEn / WEn
CS1n_RAM/ OEn / WEn
RSTEXTn
SD_CLK
T-
FLASH
INVERTER
(TC7SH04FU)
SD_DATA / SD_CMD
SD_DETECT
VDD_KEY
C
KEYPAD C
MAIN
LDO
(XC6401FF38)
VBAT
KEY_ROW((0:4)
KEY_COL((0:4)
LED_ON

SAMSUNG Proprietary-Contents may change without notice
Block Diagrams
7-2
This Document can not be used without Samsung's authorization
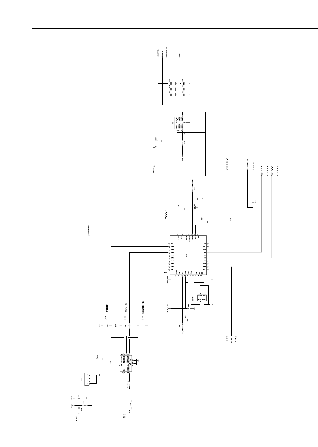
7-2. RF Block Diagram

SAMSUNG Proprietary-Contents may change without notice
8. PCB Diagrams
8-1
This Document can not be used without Samsung's authorization
-Top

SAMSUNG Proprietary-Contents may change without notice
PCB Diagrams
8-2
This Document can not be used without Samsung's authorization
-Bottom

SAMSUNG Proprietary-Contents may change without notice
6. MAIN Electrical Parts List
6-1
This Document can not be used without Samsung's authorization
Design LOC Description SEC Code STATUS
ANT100 ANTENNA-CHIP 4202-001373 SA
BAT400 BATTERY-LI(2ND) 4302-001180 SA
BTC600 HEADER-BATTERY 3711-006217 SA
C100 C-CER,CHIP 2203-006838 SA
C101 C-CER,CHIP 2203-005288 SA
C102 C-CER,CHIP 2203-006838 SA
C103 C-CER,CHIP 2203-006838 SA
C104 C-CER,CHIP 2203-005050 SA
C105 C-CER,CHIP 2203-000278 SA
C106 C-CER,CHIP 2203-000233 SA
C107 C-CER,CHIP 2203-000233 SA
C108 C-CER,CHIP 2203-005288 SA
C109 C-CER,CHIP 2203-005288 SA
C110 C-CER,CHIP 2203-000278 SA
C111 C-CER,CHIP 2203-006842 SA
C112 INDUCTOR-SMD 2703-001749 SA
C113 C-CER,CHIP 2203-000278 SA
C114 C-CER,CHIP 2203-000233 SA
C115 C-CER,CHIP 2203-000233 SA
C116 C-CER,CHIP 2203-000233 SA
C117 C-CER,CHIP 2203-000278 SA
C118 C-CER,CHIP 2203-005482 SA
C119 C-CER,CHIP 2203-000812 SA
C120 C-CER,CHIP 2203-005288 SA
C122 C-CER,CHIP 2203-005050 SA
C123 C-CER,CHIP 2203-002709 SA
C125 C-CER,CHIP 2203-000233 SA
C126 C-CER,CHIP 2203-002709 SA
C127 C-CER,CHIP 2203-005482 SA
C128 C-CER,CHIP 2203-000233 SA
C129 C-CER,CHIP 2203-000233 SA
C130 C-CER,CHIP 2203-006048 SA
C131 C-CER,CHIP 2203-006824 SA
C132 C-CER,CHIP 2203-001239 SA
C134 C-CER,CHIP 2203-005482 SA
C135 C-CER,CHIP 2203-002709 SA
C201 C-CER,CHIP 2203-005482 SA
C202 C-CER,CHIP 2203-000812 SA
C203 C-CER,CHIP 2203-005482 SA
C204 C-CER,CHIP 2203-005482 SA
C205 C-CER,CHIP 2203-005482 SA
C206 C-CER,CHIP 2203-005482 SA
C208 C-CER,CHIP 2203-005482 SA
C209 C-CER,CHIP 2203-005482 SA
C210 C-CER,CHIP 2203-006562 SA
C211 C-CER,CHIP 2203-000254 SA
C212 C-CER,CHIP 2203-005482 SA
C213 C-CER,CHIP 2203-000812 SA
C214 C-CER,CHIP 2203-005482 SA
C215 C-CER,CHIP 2203-000425 SA
C216 C-CER,CHIP 2203-006208 SA
C221 C-CER,CHIP 2203-005482 SA
C222 C-CER,CHIP 2203-000425 SA

SAMSUNG Proprietary-Contents may change without notice
Main Electrical Parts List
6-2
This Document can not be used without Samsung's authorization
Design LOC Description SEC Code STATUS
C301 C-CER,CHIP 2203-006423 SA
C302 C-CER,CHIP 2203-006423 SA
C303 C-CER,CHIP 2203-006562 SA
C304 C-CER,CHIP 2203-006208 SA
C305 C-CER,CHIP 2203-006423 SA
C306 C-CER,CHIP 2203-006562 SA
C307 C-CER,CHIP 2203-005482 SA
C308 C-CER,CHIP 2203-006562 SA
C309 C-CER,CHIP 2203-005482 SA
C310 C-CER,CHIP 2203-000233 SA
C311 C-CER,CHIP 2203-000233 SA
C312 C-CER,CHIP 2203-005482 SA
C400 C-CER,CHIP 2203-006257 SA
C401 C-CER,CHIP 2203-006562 SA
C402 C-CER,CHIP 2203-006562 SA
C403 C-CER,CHIP 2203-006562 SA
C404 C-CER,CHIP 2203-006208 SA
C405 C-CER,CHIP 2203-006257 SA
C406 C-CER,CHIP 2203-006562 SA
C407 C-CER,CHIP 2203-006257 SA
C408 C-CER,CHIP 2203-006257 SA
C409 C-CER,CHIP 2203-006208 SA
C410 C-CER,CHIP 2203-006208 SA
C411 C-CER,CHIP 2203-006257 SA
C412 C-CER,CHIP 2203-005736 SA
C413 C-CER,CHIP 2203-006257 SA
C414 C-CER,CHIP 2203-006562 SA
C415 C-CER,CHIP 2203-006562 SA
C416 C-CER,CHIP 2203-000425 SA
C417 C-CER,CHIP 2203-000425 SA
C420 C-CER,CHIP 2203-006257 SA
C421 C-CER,CHIP 2203-006324 SA
C422 C-CER,CHIP 2203-006423 SA
C424 C-CER,CHIP 2203-006562 SA
C425 C-CER,CHIP 2203-006361 SA
C426 C-CER,CHIP 2203-006361 SA
C427 C-CER,CHIP 2203-006208 SA
C428 C-CER,CHIP 2203-005482 SA
C429 C-CER,CHIP 2203-006562 SA
C430 C-CER,CHIP 2203-006562 SA
C431 C-CER,CHIP 2203-006901 SA
C432 C-CER,CHIP 2203-006825 SA
C501 C-CER,CHIP 2203-000254 SA
C502 C-CER,CHIP 2203-005483 SA
C503 C-CER,CHIP 2203-006260 SA
C504 C-CER,CHIP 2203-006562 SA
C505 C-CER,CHIP 2203-006260 SA
C506 C-CER,CHIP 2203-006562 SA
C507 C-CER,CHIP 2203-005444 SA
C508 C-CER,CHIP 2203-000386 SA
C509 C-CER,CHIP 2203-005050 SA
C511 C-CER,CHIP 2203-005395 SA
C512 C-CER,CHIP 2203-005395 SA

SAMSUNG Proprietary-Contents may change without notice
Main Electrical Parts List
6-3
This Document can not be used without Samsung's authorization
Design LOC Description SEC Code STATUS
C513 C-CER,CHIP 2203-005482 SA
C514 C-CER,CHIP 2203-005482 SA
C515 C-CER,CHIP 2203-000679 SA
C516 C-CER,CHIP 2203-000679 SA
C517 C-CER,CHIP 2203-000330 SA
C518 C-CER,CHIP 2203-000330 SA
C519 C-CER,CHIP 2203-005482 SA
C520 C-CER,CHIP 2203-005482 SA
C521 C-CER,CHIP 2203-005395 SA
C522 C-CER,CHIP 2203-005395 SA
C531 C-CER,CHIP 2203-005482 SA
C532 C-CER,CHIP 2203-000254 SA
C533 C-CER,CHIP 2203-006423 SA
C534 C-CER,CHIP 2203-006260 SA
C535 C-CER,CHIP 2203-006260 SA
C536 C-CER,CHIP 2203-006048 SA
C537 C-CER,CHIP 2203-000628 SA
C538 C-CER,CHIP 2203-000679 SA
C539 C-CER,CHIP 2203-002443 SA
C540 C-CER,CHIP 2203-000278 SA
C541 C-CER,CHIP 2203-000386 SA
C542 C-CER,CHIP 2203-000386 SA
C543 C-CER,CHIP 2203-003054 SA
C544 C-CER,CHIP 2203-000278 SA
C545 C-CER,CHIP 2203-005444 SA
C546 C-CER,CHIP 2203-000278 SA
C547 C-CER,CHIP 2203-005393 SA
C548 C-CER,CHIP 2203-001259 SA
C549 C-CER,CHIP 2203-005050 SA
C550 C-CER,CHIP 2203-005393 SA
C551 C-CER,CHIP 2203-000278 SA
C602 C-CER,CHIP 2203-002709 SA
C603 C-CER,CHIP 2203-006423 SA
C604 C-CER,CHIP 2203-000812 SA
C605 C-CER,CHIP 2203-000425 SA
C606 C-CER,CHIP 2203-006562 SA
C612 C-CER,CHIP 2203-005717 SA
C613 C-CER,CHIP 2203-005717 SA
C614 C-CER,CHIP 2203-006208 SA
C615 R-CHIP 2007-000162 SA
CD600 CONNECTOR-CARD EDGE 3709-001344 SA
CN101 CONNECTOR-COAXIAL 3705-001358 SA
F100 DUPLEXER-FEM 2911-000093 SA
F500 FILTER-EMI/ESD 2901-001376 SA
F602 FILTER-EMI/ESD 2901-001370 SA
F603 FILTER-EMI/ESD 2901-001370 SA
F604 FILTER-EMI/ESD 2901-001376 SA
HDC600 HEADER-BOARD TO BOARD 3711-005747 SA
HEA300 HEADER-BOARD TO BOARD 3711-005578 SA
IFC500 SOCKET-INTERFACE 3710-002465 SA
L100 R-CHIP 2007-000171 SA
L101 INDUCTOR-SMD 2703-002208 SA
L102 INDUCTOR-SMD 2703-002314 SA

SAMSUNG Proprietary-Contents may change without notice
Main Electrical Parts List
6-4
This Document can not be used without Samsung's authorization
Design LOC Description SEC Code STATUS
L103 INDUCTOR-SMD 2703-002608 SA
L104 INDUCTOR-SMD 2703-002608 SA
L105 INDUCTOR-SMD 2703-001726 SA
L106 INDUCTOR-SMD 2703-002208 SA
L107 C-CER,CHIP 2203-005395 SA
L108 C-CER,CHIP 2203-002668 SA
L110 INDUCTOR-SMD 2703-001749 SA
L111 BEAD-SMD 3301-001659 SA
L400 INDUCTOR-SMD 2703-003113 SA
L500 BEAD-SMD 3301-001729 SA
L501 BEAD-SMD 3301-001729 SA
L504 INDUCTOR-SMD 2703-001231 SNA
L505 INDUCTOR-SMD 2703-001285 SA
L506 INDUCTOR-SMD 2703-001673 SA
L507 BEAD-SMD 3301-001729 SA
L508 BEAD-SMD 3301-001729 SA
L509 BEAD-SMD 3301-001729 SA
OSC100 CRYSTAL-SMD 2801-004589 SA
OSC400 CRYSTAL-SMD 2801-004339 SA
R101 R-CHIP 2007-000148 SA
R103 R-CHIP 2007-000140 SA
R104 R-CHIP 2007-000170 SA
R105 R-CHIP 2007-007489 SA
R110 R-CHIP 2007-000143 SA
R201 R-CHIP 2007-000143 SA
R202 R-CHIP 2007-000171 SA
R204 R-CHIP 2007-000148 SA
R205 R-CHIP 2007-000148 SA
R206 R-CHIP 2007-002796 SA
R208 R-CHIP 2007-000148 SA
R209 R-CHIP 2007-000140 SA
R212 R-CHIP 2007-000170 SA
R213 R-CHIP 2007-000148 SA
R214 R-CHIP 2007-000170 SA
R215 R-CHIP 2007-001319 SA
R217 R-CHIP 2007-001319 SA
R218 R-CHIP 2007-000758 SA
R223 R-CHIP 2007-000758 SA
R228 R-CHIP 2007-000171 SA
R301 R-CHIP 2007-000162 SA
R302 R-CHIP 2007-008055 SA
R303 R-CHIP 2007-007014 SA
R304 R-CHIP 2007-000171 SA
R308 R-CHIP 2007-001303 SA
R309 R-CHIP 2007-007014 SA
R400 R-CHIP 2007-007573 SA
R401 R-CHIP 2007-008354 SA
R402 R-CHIP 2007-001333 SA
R403 R-CHIP 2007-001333 SA
R407 R-CHIP 2007-009157 SA
R408 R-CHIP 2007-007318 SA
R409 R-CHIP 2007-008542 SA
R411 R-CHIP 2007-008137 SA

SAMSUNG Proprietary-Contents may change without notice
Main Electrical Parts List
6-5
This Document can not be used without Samsung's authorization
Design LOC Description SEC Code STATUS
R413 R-CHIP 2007-007317 SA
R415 R-CHIP 2007-007142 SA
R416 R-CHIP 2007-000758 SA
R418 R-CHIP 2007-007107 SA
R419 R-CHIP 2007-007142 SA
R501 R-CHIP 2007-001333 SA
R502 R-CHIP 2007-007334 SA
R503 R-CHIP 2007-001339 SA
R505 R-CHIP 2007-007142 SA
R506 R-CHIP 2007-000172 SA
R507 R-CHIP 2007-002796 SA
R508 R-CHIP 2007-002796 SA
R509 R-CHIP 2007-000172 SA
R511 R-CHIP 2007-001292 SA
R512 R-CHIP 2007-001292 SA
R513 R-CHIP 2007-007528 SA
R514 R-CHIP 2007-001333 SA
R516 R-CHIP 2007-007528 SA
R518 R-CHIP 2007-007528 SA
R519 R-CHIP 2007-007528 SA
R523 R-CHIP 2007-000162 SA
R524 R-CHIP 2007-003001 SA
R525 R-CHIP 2007-000148 SA
R529 R-CHIP 2007-001333 SA
R601 R-CHIP 2007-008516 SA
R602 R-CHIP 2007-007107 SA
R603 R-CHIP 2007-000152 SA
R604 R-CHIP 2007-008055 SA
R605 R-CHIP 2007-009168 SA
R606 R-CHIP 2007-008055 SA
R607 R-CHIP 2007-009212 SA
R608 R-CHIP 2007-000758 SA
R610 R-CHIP 2007-000162 SA
R611 R-CHIP 2007-000162 SA
R612 R-CHIP 2007-000162 SA
R613 R-CHIP 2007-007142 SA
SIM400 CONNECTOR-CARD EDGE 3709-001400 SA
TA100 C-TA,CHIP 2404-001496 SA
TA400 C-TA,CHIP 2404-001430 SA
TA500 C-TA,CHIP 2404-001377 SA
TA501 C-TA,CHIP 2404-001377 SA
TA502 C-TA,CHIP 2404-001381 SA
TA503 C-TA,CHIP 2404-001226 SA
TA504 C-TA,CHIP 2404-001496 SA
U101 CRYSTAL-SMD 2801-004587 SA
U102 IC-TRANSCEIVER 1205-002942 SA
U103 IC-POWER AMP 1201-002576 SA
U104 ICT SHIELD-FRAME RF GH70-02505A SA
U106 IC-TRANSCEIVER 1205-003283 SA
U107 FILTER-LC 2909-001299 SA
U202 FILTER-EMI SMD 2901-001316 SA
U301 IC ASIC-SGHC420 GH13-00057A SA
U302 IC-CMOS LOGIC 0801-002237 SA

SAMSUNG Proprietary-Contents may change without notice
Main Electrical Parts List
6-6
This Document can not be used without Samsung's authorization
Design LOC Description SEC Code STATUS
U401 IC-POSI.FIXED REG. 1203-003737 SA
U402 IC-POSI.FIXED REG. 1203-003737 SA
U403 IC-POWER SUPERVISOR 1203-004382 SA
U404 IC-POSI.FIXED REG. 1203-003737 SA
U405 IC-POSI.FIXED REG. 1203-003737 SA
U500 IC-AUDIO AMP 1201-002492 SA
U501 IC-DEMODULATOR 1204-002688 SA
U600 IC-CMOS LOGIC 0801-003185 SA
U601 IC-CMOS LOGIC 0801-002237 SA
U603 C-CER,CHIP 2203-000233 SA
UCP200 IC-COMM. CONTROLLER 1205-003082 SA
UME301 IC-MCP 1108-000080 SA
VR600 THERMISTOR-NTC 1404-001221 SA
ZD201 DIODE-TVS 0406-001235 SA
ZD301 DIODE-TVS 0406-001190 SA
ZD302 DIODE-TVS 0406-001190 SA
ZD401 DIODE-ZENER 0403-001547 SA
ZD402 DIODE-TVS 0406-001254 SA
ZD500 DIODE-TVS 0406-001208 SA
ZD501 DIODE-TVS 0406-001254 SA
ZD502 DIODE-TVS 0406-001254 SA
ZD505 DIODE-TVS 0406-001254 SA
ZD506 DIODE-TVS 0406-001254 SA
ZD600 DIODE-TVS 0406-001201 SA
ZD601 DIODE-TVS 0406-001240 SA
ZD602 DIODE-TVS 0406-001254 SA
ZD603 DIODE-TVS 0406-001254 SA
Please consult the GSPN website (Samsung Portal) for the most recent version of the product's
part list.

SAMSUNG Proprietary-Contents may change without notice
3. Product Function
3-1
This Document can not be used without Samsung's authorization
Main Function
-SlimSlide Design Intenna
-VGA Camera
-Bluetooth V.2.0
-Stereo Bluetooth Headset
-Mobile Tracker & SOS Messaging
-Large 2.0" 65K Color TFT Display
-SMS/MMS/E-Mail
-WAP 2.0 / Java MIDP 2.0
-MP3,AAC,MP4,3GPPDecoding
-Video Recording and Messaging
-GSM/GPRS Class 10
-Triple Band(GSM900/DCS,PCS)
-64 Poly
-Speaker Phone
-Voice Clarity

SAMSUNG Proprietary-Contents may change without notice
Product Function
3-2
This Document can not be used without Samsung's authorization

SAMSUNG Proprietary-Contents may change without notice
10. Reference data
10-1
This Document can not be used without Samsung's authorization
Reference Abbreviate
―AAC: Advanced Audio Coding.
―AVC : Advanced Video Coding.
―BER : Bit Error Rate
―BPSK: Binary Phase Shift Keying
―CA : Conditional Access
―CDM : Code Division Multiplexing
―C/I : Carrier to Interference
―DMB : Digital Multimedia Broadcasting
―EN : European Standard
―ES : Elementary Stream
―ETSI: European Telecommunications Standards Institute
―MPEG: Moving Picture Experts Group
―PN : Pseudo-random Noise
―PS :PilotSymbol
―QPSK: Quadrature Phase Shift Keying
―RS : Reed-Solomon
―SI : Service Information
―TDM : Time Division Multiplexing
―TS : Transport Stream

SAMSUNG Proprietary-Contents may change without notice
Reference data
10-2
This Document can not be used without Samsung's authorization

SAMSUNG Proprietary-Contents may change without notice
1. Safety Precautions
1-1
This Document can not be used without Samsung's authorization
1-1. Repair Precaution
-Repair in Shield Box, during detailed tuning. Take specially care of tuning or test,
because specificity of cellular phone is sensitive for surrounding interference(RF noise).
-Be careful to use a kind of magnetic object or tool, because performance of parts is damaged by
the influence of magnetic force.
-Surely use a standard screwdriver when you disassemble this product, otherwise screw will be worn
away.
-Use a thicken twisted wire when you measure level.
A thicken twisted wire has low resistance, therefore error of measurement is few.
-Repair after separate Test Pack and Set because for short danger (for example an
overcurrent and furious flames of parts etc) when you repair board in condition of
connecting Test Pack and tuning on.
-Take specially care of soldering, because Land of PCB is small and weak in heat.
-Surely tune on/off while using AC power plug, because a repair of battery charger is dangerous
when tuning ON/OFF PBA and Connector after disassembling charger.
-Don't use as you pleases after change other material than replacement registered on SEC System.
Otherwise engineer in charge isn't charged with problem that you don't keep this rules.

SAMSUNG Proprietary-Contents may change without notice
Safety Precautions
1-2
This Document can not be used without Samsung's authorization
1-2. ESD(Electrostatically Sensitive Devices) Precaution
Several semiconductor may be damaged easily by static electricity. Such parts are called by ESD
(Electrostatically Sensitive Devices), for example IC,BGA chip etc. Read Precaution below.
You can prevent from ESD damage by static electricity.
-Remove static electricity remained your body before you touch semiconductor or parts with
semiconductor. There are ways that you touch an earthed place or wear static electricity
prevention string on wrist.
-Use earthed soldering steel when you connect or disconnect ESD.
-Use soldering removing tool to break static electricity. , otherwise ESD will be damaged by
static electricity.
-Don't unpack until you set up ESD on product. Because most of ESD are packed by box and
aluminum plate to have conductive power,they are prevented from static electricity.
-You must maintain electric contact between ESD and place due to be set up until ESD is
connected completely to the proper place or a circuit board.
