Multi Standard CC2650 SensorTag Design Guide User
User Manual:
Open the PDF directly: View PDF
.
Page Count: 40
- Multi-Standard CC2650 SensorTag Design Guide
- 1 System Description
- 2 Highlighted Products
- 3 System Design Theory
- 4 Getting Started
- 5 Test Setup
- 6 Test Data
- 7 Design Files
- 8 References
- 9 About the Author
- Important Notice

TI Designs
Multi-Standard CC2650 SensorTag Design Guide
TI Designs Design Features
TI Designs provide the foundation that you need • Offers Cloud Connectivity Out of Box
including methodology, testing and design files to – Access and Control Your SensorTag From
quickly evaluate and customize the system. TI Designs Anywhere and Explore a Seamless Integration
help you accelerate your time to market. With Mobile Applications and Web Pages
Through Javascript and MQTT
Design Resources • Supports Multi-Standard Wireless MCU
http://www.ti.com/tool/TID –Bluetooth®Smart
Tool Folder Containing Design Files
C-CC2650STK- – ZigBee®
SENSORTAG – IPv6 over low-power wireless personal area
http://www.ti.com/product Product Folder
/cc2650 networks (6LoWPAN)
http://www.ti.com/product • Offers Low Power
Product Folder
/opt3001 • Supports 10 Low-Power Sensors
http://www.ti.com/product Product Folder
/tmp007 – Ambient Light
http://www.ti.com/product Product Folder – Infrared Temperature
/hdc1000 – Ambient Temperature
http://www.ti.com/tool/cc2 Tools Folder
650stk – Accelerometer
http://www.ti.com/tool/ccs Tools Folder – Gyroscope
tudio
– Magnetometer
– Pressure
ASK Our E2E Experts – Humidity
WEBENCH® Calculator Tools
– Microphone
– Magnetic Sensor
• Based on the Extremely Low-Power and High-
Performance ARM®Cortex®-M3 CC2650 Wireless
MCU
• Can Use DevPacks to Expand the Functionality of
the SensorTag to Fit Your Design Ideas
– The Emulator Debug DevPack With a Free
Code Composer Studio™ IDE License,
Provides a Complete Development System.
Featured Applications
• Handsets for Smart Phones
• Home Automation
• Sensor Nodes
• Smart Watches
• Weather Stations
Code Composer Studio, SimpleLink are trademarks of Texas Instruments.
Cortex is a registered trademark of ARM Limited.
ARM is a registered trademark of ARM Physical IP Inc.
iOS, iBeacon, Apple App Store are trademarks of Apple Inc.
Bluetooth is a registered trademark of Bluetooth SIG.
Android, Google Play are trademarks of Google Inc.
ZigBee is a registered trademark of Zigbee Alliance.
All other trademarks are the property of their respective owners.
1
TIDU862–March 2015 Multi-Standard CC2650 SensorTag Design Guide
Submit Documentation Feedback Copyright © 2015, Texas Instruments Incorporated

Coin Cell/
2x AAA
Buzzer
2x Push
Buttons
LED
Reed Relay
MK24
CC3200
(WiFi)
CC2650
(BLE/ZigBee)
9-axis Motion
MPU-9250
Altimeter
BMP280
Light Sensor
OPT3001 Humidity/Temp
HDC1000
IR Temp
Sensor
TMP007
Microphone
SPK0833
JTAG
Interface
DevPack
Interface
I2C
PDM
www.ti.com
An IMPORTANT NOTICE at the end of this TI reference design addresses authorized use, intellectual property matters and other
important disclaimers and information.
2Multi-Standard CC2650 SensorTag Design Guide TIDU862–March 2015
Submit Documentation Feedback
Copyright © 2015, Texas Instruments Incorporated

Coin Cell/
2x AAA
Buzzer
2x Push
Buttons
LED
Reed Relay
MK24
CC3200
(WiFi)
CC2650
(BLE/ZigBee)
9-axis Motion
MPU-9250
Altimeter
BMP280
Light Sensor
OPT3001 Humidity/Temp
HDC1000
IR Temp
Sensor
TMP007
Microphone
SPK0833
JTAG
Interface
DevPack
Interface
I2C
PDM
www.ti.com
System Description
1 System Description
1.1 Multi-Standard CC2650 SensorTag
The SensorTag kit invites you to realize your cloud-connected product idea. The new SensorTag includes
10 low-power MEMS sensors in a small package and is expandable with DevPacks that make adding your
own sensors or actuators easy.
Connect to the cloud with Bluetooth Smart and get your sensor data online in three minutes. The
SensorTag is ready to use right out the box with an iOS™ and Android™ application and require no
programming experience to get started.
The SensorTag is based on the low-power and high-performance CC2650 wireless MCU, which offers
75% lower power consumption than previous Bluetooth Smart products. This rate of power consumption
lets the SensorTag use battery power and offers years of battery life from a single coin cell battery.
The Bluetooth Smart SensorTag includes iBeacon™ technology. This technology allows your phone to
launch applications and customize content based on SensorTag data and your physical location.
The SensorTag can be enabled with ZigBee / 6LoWPAN technology.
Visit www.ti.com/SensorTag for more information on SensorTag technology.
1.1.1 Block Diagram
Figure 1. Block Diagram
3
TIDU862–March 2015 Multi-Standard CC2650 SensorTag Design Guide
Submit Documentation Feedback Copyright © 2015, Texas Instruments Incorporated

Highlighted Products
www.ti.com
2 Highlighted Products
The design features the following devices:
• CC2650
• OPT3001
• TMP007
• HDC1000
For more information on these devices, see the product folders at www.TI.com.
2.1 CC2650 – Wireless MCU
The CC2650 device is a wireless MCU targeting Bluetooth Smart, ZigBee and 6LoWPAN, and ZigBee
RF4CE remote control applications.
The device is a member of the CC26xx family of cost-effective, ultra-low power, 2.4-GHz RF devices. The
ability to consume very low active RF and MCU currents and low-power mode currents provides excellent
battery life for the device. This ability also lets the device operate on small coin cell batteries and in
energy-harvesting applications.
Figure 2. CC2650 Functional Block Diagram
4Multi-Standard CC2650 SensorTag Design Guide TIDU862–March 2015
Submit Documentation Feedback
Copyright © 2015, Texas Instruments Incorporated

SCL
SDA
ADDR
VDD
OPT3001
INT
Ambient
Light
GND
I2C
Interface
VDD
ADC
Optical
Filter
www.ti.com
Highlighted Products
2.2 OPT30001 – Ambient Light Sensor
The OPT3001 sensor measures the intensity of visible light. The spectral response of the sensor closely
matches the photopic response of the human eye and includes infrared rejection.
Figure 3. OPT3001 Functional Block Diagram
5
TIDU862–March 2015 Multi-Standard CC2650 SensorTag Design Guide
Submit Documentation Feedback Copyright © 2015, Texas Instruments Incorporated

GND
MCU
I2C
Peripheral
3.3 V
ADC
TEMPERATURE
RH
I2C
Registers
+
Logic
HDC1000
SDA
SCL
DRDYn
ADR0
OTP
Calibration Coefficients
ADR1
VDD
GND
3.3 V
VDD
GPIO
3.3 V
16-Bit
ADC
Gain
Local
Temperature
IR
Thermopile
Sensor Voltage
Reference
Digital
Control
and
Math Engine
I C and
2
SMBus
Compatible
Digital
Interface
ALERT
ADR0
ADR1
SCL
SDA
V+
TMP007
AGND DGND
EEPROM
Highlighted Products
www.ti.com
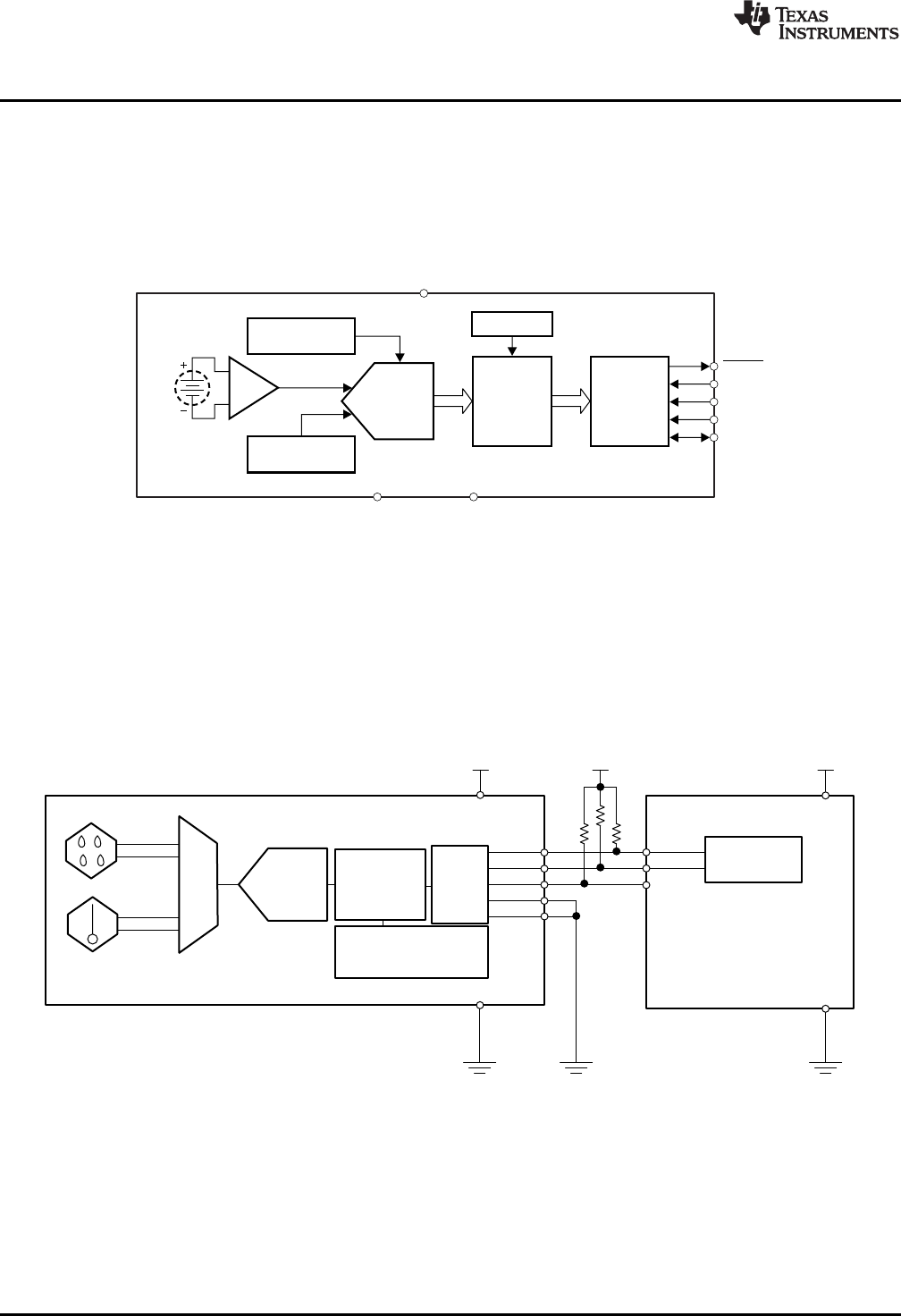
2.3 TMP007 – Infrared Thermopile Temperature Sensor
The TMP007 sensor is an IR thermopile sensor that measures the temperature of an object without direct
contact with it. The integrated thermopile absorbs the infrared energy from the object in the field of view of
the sensor. The device digitizes the thermopile voltage and then provides it and the die temperature as
inputs to the integrated math engine. The math engine then computes the temperature of the
corresponding object.
Figure 4. TMP007 Functional Block Diagram
2.4 HDC1000 – Humidity Sensor With Integrated Temperature Sensor
The HDC1000 sensor is a factory-calibrated digital humidity sensor with an integrated temperature sensor
that provide accurate measurements at very low power. The HDC1000 sensor measures humidity based
on a novel capacitive sensor and functions within thetemperature range of –40°C to 125°C. The innovative
WLCSP (wafer-level chip scale package) simplifies board design with an ultra compact package and the
sensing element on the bottom of the HDC1000 device protects against dirt, dust, and other contaminants.
Figure 5. HDC1000 Functional Block Diagram
6Multi-Standard CC2650 SensorTag Design Guide TIDU862–March 2015
Submit Documentation Feedback
Copyright © 2015, Texas Instruments Incorporated

www.ti.com
System Design Theory
3 System Design Theory
The SensorTag is a complete development kit that requires no knowledge of embedded software to get
started testing with the kit. Connect the SensorTag to your smart phone using Bluetooth Smart; then use
your phone to connect to the cloud and access your latest workout data online in a matter of minutes.
iBeacon lets your phone launch applications and customize content based on SensorTag data and your
physical location.
Get started quickly using your applications, the supporting iOS and Android applications, or the SensorTag
to develop your own product using the low-power sensors.
3.1 Application and Web Development
Access data from your SensorTag through cloud providers or use JavaScript and jQuery examples to
access data directly. Use Android and iOS mobile applications as starting points for your own Internet of
Things (IoT) projects or write HTML5 platform-independent code based on the source code from sample
web application projects.
3.2 Embedded Software Development
The SensorTag offers open hardware and software reference design for low-power IoT nodes at a low
cost. The SensorTag with the Debug DevPack provide the most affordable platform for developing
hardware. Port the SensorTag application between radio standards to quickly evaluate which wireless
technology is right for your application.
3.3 Hardware Development
Use the SensorTag hardware as the development platform for your IoT project. The open hardware
demonstrates how to use 10 low-power sensors. The DevPack interface makes it easy to develop and test
your own sensors and actuators on the IoT cloud.
7
TIDU862–March 2015 Multi-Standard CC2650 SensorTag Design Guide
Submit Documentation Feedback Copyright © 2015, Texas Instruments Incorporated

Getting Started
www.ti.com
4 Getting Started
4.1 Hardware
The SensorTag kit includes everything needed to get started. Download the free SensorTag application
from the Apple App Store™ or Google Play™ and get started with your IoT development.
4.2 Firmware
4.2.1 The Bluetooth Low Energy Stack (BLE-STACK-2): includes download links for the SensorTag Bluetooth
Low Energy firmware.
4.2.2 SensorTag ZigBee Firmware
The ZigBee stack (Z-STACK-HOME) includes download links for the SensorTag ZigBee firmware.
4.2.3 SensorTag 6LowPAN Firmware
The Contiki stack includes download links for the SensorTag 6LowPAN firmware.
5 Test Setup
We measured the antenna radiation pattern in a 3-m long RF shielded room (an anechoic chamber). The
device under test (DUT) was set in transmit mode and rotated around to create a 360° antenna radiation
pattern. The measurement antenna was placed in the opposite side of the chamber. The DUT transmitted
a continuous wave (CW) at 2440 MHz and the antenna measured the wave with 15° steps in azimuth and
elevation. Figure 6,Figure 7, and Figure 8 show the test set up.
8Multi-Standard CC2650 SensorTag Design Guide TIDU862–March 2015
Submit Documentation Feedback
Copyright © 2015, Texas Instruments Incorporated

VDD VDD
JTAG_TCK
JTAG_TMS
BUTTON1
BUTTON2
LED1
VDD
SDA
SCL
SDA HP
SCL HP
SCL
SDA
SCL HP
SDA HP
MPU INT
REED
nRESET
MIC PWR
AUDIO DI
BUZZER
DP_ID
SCL
SDA
DP6/AUDIO DO
DP7/AUDIO CLK
DP0
DP1
DP2
DP3
DP4/UART_RX
DP5/UART_TX
DP8/SCLK/TDI
DP9/MISO
DP10/MOSI
DP11/CSN
DP12/AUDIO FS/TDO
MPU INT
REED
DP_ID
DP6/AUDIO DO
DP7/AUDIO CLK
DP0
DP1
DP2
DP3
DP4/UART_RX
DP5/UART_TX
DP8/SCLK/TDI
DP9/MISO
DP10/MOSI
DP11/CSN
DP12/AUDIO FS/TDO
MPU PWR
MPU PWR
FLASH_CS
FLASH_CS
LED2
TMP RDY
nRESET
AUDIO DI
MIC PWR
BUZZER
TMP RDY
DP7/AUDIO CLK
DP12/AUDIO FS/TDO
N1
Sensors
VDD
SCL
SDA
MIC PWR
SDA HP
SCL HP
MPU PWR
MPU INT
AUDIO DI
REED
DP7/AUDIO CLK
TMP RDY
DP12/AUDIO FS/TDO
H1
CC2650
VDD
SCL
SDA
SDA HP
SCL HP
MIC PWR
JTAG_TCK
JTAG_TMS
nRESET
FLASH_CS
BUTTON1
BUTTON2
LED1
LED2
DP0
DP4/UART_RX
DP1
DP2
DP3
DP12/AUDIO FS/TDO
DP6/AUDIO DO
DP11/CSN
DP9/MISO
DP5/UART_TX
DP8/SCLK/TDI
DP10/MOSI
DP7/AUDIO CLK
AUDIO DI
REED
MPU INT
TMP RDY
BUZZER
MPU PWR
DP_ID
K1
Peripheral and Power
BUTTON1
VDD
JTAG_TCK
JTAG_TMS
BUTTON2
nRESET
SCL
SDA
FLASH_CS
LED1
LED2
DP4/UART_RX
DP0
DP1
DP2
DP3
DP10/MOSI
DP6/AUDIO DO
DP12/AUDIO FS/TDO
DP11/CSN
DP9/MISO
DP5/UART_TX
DP8/SCLK/TDI
DP7/AUDIO CLK
BUZZER
DP_ID
Design Files
www.ti.com
7 Design Files
7.1 Schematics
To download the schematics for each board, see the design files at SWRR134.
Figure 15. CC2650STK Schematics
18 Multi-Standard CC2650 SensorTag Design Guide TIDU862–March 2015
Submit Documentation Feedback
Copyright © 2015, Texas Instruments Incorporated

VDDS Decoupling Capacitors
Pin 22
Pin 13 Pin 34
Pin 44 Pin 48Pin 45
VDDR Decoupling Capacitors
Coaxial
switch
DCDC_SW
DCDC_SW
VDD
DP4/UART_RX
LED1
SCL HP
MPU INT
SDA HP
DP9/MISO
DP10/MOSI
MIC PWR
DP11/CSN
DP_ID
DP2
DP1
DP0
DP3
DP8/SCLK/TDI
DP6/AUDIO DO
DP12/AUDIO FS/TDO
DP7/AUDIO CLK
SDA
JTAG_TMS
JTAG_TCK
nRESET
VDD
BUTTON2
BUTTON1
LED2
BUZZER
DP5/UART_TX
FLASH_CS
SCL
AUDIO DI
MPU PWR
REED
TMP RDY
VDD
VDDS
VDDS VDDR
VDDR
VDDS
MPU PWR
VDD
U1A
CC26xx-7x7
JTAG_TMSC
24
JTAG_TCKC
25
RESET_N
35
DCDC_SW
33
X32K_Q1
3
X32K_Q2
4
DCOUPL
23
VSS
49
VDDS2 13
VDDS3 22
VDDS 44
VDDS_DCDC 34
VDDR 45
VDDR 48
RF_P 1
RF_N 2
X24M_N 46
X24M_P 47
C1
DNM
ANT2
DNM
FL1
BLM18HE152SN1
12
A1
2.4GHz
32
1
L3
2.4nH
1 2
C4
100nF
L2
2.4nH
1
2
C7
10uF
Y1
32.768kHz
J1
MS-156HF
12
34
C9
100nF
C13
1pF
L1
10uH
1 2
C17
DNM_0402
C8
100nF
C11
1pF
C16
1uF
CC26xx-7x7
U1B
DIO_0
5
DIO_1
6
DIO_2
7
DIO_3
8
DIO_4
9
DIO_5
10
DIO_6
11
DIO_7
12
DIO_8
14
DIO_9
15
DIO_10
16
DIO_11
17
DIO_12
18
DIO_13
19
DIO_14
20
DIO_15
21
DIO_16 26
DIO_17 27
DIO_18 28
DIO_19 29
DIO_20 30
DIO_21 31
DIO_22 32
DIO_23 36
DIO_24 37
DIO_25 38
DIO_26 39
DIO_27 40
DIO_28 41
DIO_29 42
DIO_30 43
ANT5
0
C3
100nF
R6
200k
ANT6
0.5pF
C14
12pF
C18
DNM_0402
C5
22uF
C15
12pF
R3
10k
R2
10k
C31
DNM
R5
10k
ANT4
2nH
1 2
R4
10k
C2
100nF
R1
100k
ANT1
2nH
1 2
Y2
24MHz
1
2 4
3
C33 15pF
C6
100nF
ANT3
1pF
C12
100nF
C32 15pF
www.ti.com
Design Files
Figure 16. CC2650STK Schematics
19
TIDU862–March 2015 Multi-Standard CC2650 SensorTag Design Guide
Submit Documentation Feedback Copyright © 2015, Texas Instruments Incorporated

LEDs and Buttons
Buzzer
Debug / JTAG interface
SKIN Connector
Battery interface
External storage
POWER GOOD
VDD_BATT
DevPack->VDD
LED1
JTAG_TCK
JTAG_TMS VDD
nRESET
BUZZER
VDD
DP12/AUDIO FS/TDO
DP_ID
DP11/CSN
DP9/MISO
DP10/MOSI
DP8/SCLK/TDI
SDASCL
VDD
VDD
DP8/SCLK/TDI
DP12/AUDIO FS/TDO
DP10/MOSI
FLASH_CS
DP9/MISO
VDD
VDD
BUTTON1
BUTTON2
LED2
DP5/UART_TX
DP7/AUDIO CLK
DP0
DP2
DP1
DP3
DP4/UART_RX
DP6/AUDIO DO
DP8/SCLK/TDI
R17
10k
U10
W25X20CLUXIG
GND
4
VCC 8
nCS
1CLK
6DI/IO0
5
DO/IO1 2
nWP
3
nHOLD
7
EGP
9
R10
680
R27
150
R21
270
R16
2.2k
+
+-
BT1
BAT-HLD-001
1
2
3
U2
TS5A3159AYZPR
IN A2
GND B1
NO
A1 COM C2
NC
C1
V+
B2
R22
270
CR3
LPL296-J2L2-25
2 1
R26
0
R8
5.1
CR1
LS L296-P2Q2-1
2 1
R12
0
R7
10k
R9
2Meg
MTA2-WNC
SW2 12
J2
LSS-110-01-F-DV-A-TR
1
3
5
7
9
11
13
15
17
19
2
4
6
8
10
12
14
16
18
20
Q1
BC846B
1
3
2
R23
DNM
MTA2-WNC
SW1 12
-
BAT-
C28
100nF
+
BAT+
P1
BB02-BS101-KA8-025B00
2
4
6
8
10
1
3
5
7
9
R18
10k
+
-
BZ1
HCS0503B
2
1
3
Design Files
www.ti.com
Figure 17. CC2650STK Schematics
20 Multi-Standard CC2650 SensorTag Design Guide TIDU862–March 2015
Submit Documentation Feedback
Copyright © 2015, Texas Instruments Incorporated

Reed Relay Pressure Sensor
Gyroscope and accelerometer
Infrared Thermopile Sensor
Humidity
Light Sensor
Digital Microphone
VDD
VDD
SCL HP
SDA HP
MPU INT
VDD REED
SCL
SDA
VDD
SCL
SDA
VDDSCL
SDA
SCL
SDA
VDD
MPU PWR
VDD
TMP RDY
VDD
MPU PWR
MIC PWR
AUDIO DI
DP7/AUDIO CLK
MPU PWR
VDD
SW3
MK24-A
21
R50
2.2k
R32
0
C20
100nF
R31
0
C26
10nF
MPU-9250
U8
NC_6 6
AUX_DA
21
AUX_CL
7
VDDIO 8
AD0/SDO
9
REGOUT 10
FSYNC
11
INT
12 VDD 13
GND
18
RESV_19
19
RESV_1 1
RESV_20
20
nCS
22
SCL/SCLK
23 SDA/SDI
24
EGP
25
NC_14 14
NC_15 15
NC_16 16
NC_17 17
NC_2 2
NC_3 3
NC_4 4
NC_5 5
C22
100nF
U9
HDC1000YPA
GND
B2
SDA
A2
SCL
A1
VDD B1
ADR0 C1
ADR1 D1
nDRDY D2
DNC C2
TMP007
U4
nALERT C2
SDA
C3
DGND
A1
AGND
A2
V+ A3
ADR1
B1
SCL
B3
ADR0
C1
C21
100nF
OPT3001
U7
nINT 5
ADDR
2
VDD 1
GND
3
EGP/GND
7
nCLK
4
DATA 6
U3
BMP280
GND
1
CSB
2
VDDIO 6
GND
7
SDI
3
SCK
4
SDO
5VDD 8
C23
100nF
C25
100nF
U6
SPH0641LU4H
VDD 5
SELECT
2
CLOCK
4
DATA 1
GND
3
C19
100nF
C27
100nF
R11
0
C24
100nF
www.ti.com
Design Files
Figure 18. CC2650STK Schematics
21
TIDU862–March 2015 Multi-Standard CC2650 SensorTag Design Guide
Submit Documentation Feedback Copyright © 2015, Texas Instruments Incorporated

Design Files
www.ti.com
7.2 Bill of Materials
To download the bill of materials (BOM), see the design files at SWRR135.
Table 1. BOM
ITEM PART QUANTITY VALUE DESCRIPTION MPN MANUFACTURER
NUMBER REFERENCE
1 A1 1 DNM Mechanic, 2.4-GHz inverted F antenna, SMD DN007 TI
2 ANT1, ANT4 2 2 nH Inductor, Chip, 2 nH, –0.3 nH / +0.3 nH, 0.3 A, LQG15HS2N0S02D Murata
–55°C / 125°C,
0402, SMD
3 ANT2, C17, C18, C31 4 DNM Capacitor, Ceramic, N/A value, –55°C / 125°C, CAPACITOR_0402_DNM_N/A_M Manufacturer
0402, SMD Selection
4 ANT3, C11, C13 3 1 pF Capacitor, Ceramic C0G / NP0, 1 pF, GRM1555C1H1R0CA01D Murata
50 V, –0.25 pF / 0.25 pF,
–55°C / 125 °C, 0402, SMD
5 ANT5, R12, R26 3 0 Resistor, Thick Film, 0, – 5% / 5%, 0.063 W, RESISTOR_0402_0_ Manufacturer
50 V, –55°C / 155°C, 0402, SMD ±5%_50V_0.063W_M_±200PPM Selection
6 ANT6 1 0.5 pF Capacitor, Ceramic C0G / NP0, 0.5 pF, 50 V, GRM1555C1HR50BA01D Murata
–0.1 pF / 0.1 pF,
–55°C / 125°C, 0402, SMD
7 BAT+ 1 DNM Noncomponent, Battery + Pad, SMD
8 BAT– 1 DNM Noncomponent, Battery – Pad, SMD
9 BT1 1 BAT-HLD-001 Battery, BAT-HLD-001 Linx
Holder for CR2032 and CR2025 batteries, SMD
10 BZ1 1 HCS0503B Acoustic, Buzzer, 3 V, –40°C / 85°C, SMD HCS0503B Changzhou
Tianyin
11 C1 1 DNM Capacitor, Ceramic X5R, 2.2 µF, 10 V, GRM188R61A225ME34D Murata
–20% / 20%, –55°C / 85°C, 0603, SMD
12 C2, C3, C4, C6, C8, C9, 7 100 nF Capacitor, Ceramic X7R, 100 nF, 6.3 V, GRM155R70J104KA01D Murata
C12 –10% / 10%, –55°C / 125°C, 0402, SMD
13 C5 1 22 µF Capacitor, Ceramic X5R, 22 µF, 4 V, GRM188R60G226MEA0D Murata
–20% / 20%, –55°C / 85°C, 0603, SMD
14 C7 1 10 µF Capacitor, Ceramic X5R, 10 µF, 6.3 V, GRM188R60J106ME47D Murata
–20% / 20%, –55°C / 85°C, 0603, SMD
15 C14, C15 2 12 pF Capacitor, Ceramic C0G / NP0, 12 pF, GRM1555C1H120JA01D Murata
50 V, –5% / +5%, –55 DEGC / +125 DEGC,
0402, SMD
16 C16 1 1 µF Capacitor, Ceramic X5R, 1 µF, 10 V, GRM155R61A105KE15D Murata
–10% / 10%, –55°C / 85°C, 0402, SMD
17 C19, C20, C21, C22, C23, 9 100 nF Capacitor, Ceramic X5R, 100 nF, 10 V, CAPACITOR_0201_100nF_ Manufacturer
C24, C25, C27, C28 –10% / 10%, –55°C / 85°C, 0201, SMD X5R_I_±10%_10V Selection
22 Multi-Standard CC2650 SensorTag Design Guide TIDU862–March 2015
Submit Documentation Feedback
Copyright © 2015, Texas Instruments Incorporated

www.ti.com
Design Files
Table 1. BOM (continued)
ITEM PART QUANTITY VALUE DESCRIPTION MPN MANUFACTURER
NUMBER REFERENCE
18 C26 1 10 nF Capacitor, Ceramic X5R, 10 nF, 10 V, GRM033R71A103KA01D Murata
–10% / 10%, –55°C / 125°C, 0201, SMD
19 C29 1 DNM
20 C32, C33 2 15 pF Capacitor, Ceramic, 15 pF, 50 V, GRM0332C1H150JA01D Murata
–5% / 5%, –55°C / 125°C, 0201, SMD
21 CR1 1 LS L296-P2Q2-1 Opto, LED, Super Red Color, 630 nm, LS L296-P2Q2-1-Z Osram
1.8 V TO 2.3 V, 0.06 A, 0603, SMD
22 CR3 1 LPL296-J2L2-25 Opto, LED, Green Color, 562 nm, LP L296-J2L2-25 Osram
0.02 A, 0.08 W, 0603, SMD
23 FIDU1, FIDU2, FIDU3, 6 DNM Fiducial Mark, Round 1.27 mm
FIDU4, FIDU5, FIDU6
24 FL1 1 BLM18HE152SN1 Filter, EMI, 1500 @ 100 MHz, BLM18HE152SN1D Murata
–55°C / 125°C, 0603, SMD
25 J1 1 MS-156HF Connector Coax RF, Straight, Female, SMD MS-156HF Hirose
26 J2 1 LSS-110-01-F-DV-A- Connector, Header, Hi-speed Socket, Female, LSS-110-01-F-DV-A-TR Samtec
TR Straight, 2 Rows,
20 Pins, Pitch 0.635 mm, SMD
27 L1 1 10 µH Inductor, Chip, 10 µH, –20% / 20%, CKS2125100M-T Taiyo Yuden
0.11 A, –40°C / 85°C, 0805, SMD
28 L2, L3 2 2.4 nH Inductor, Chip, 2.4 nH, –0.3 nH / 0.3 nH, LQG15HS2N4S02D Murata
0.3 A, –55°C / 125°C, 0402, SMD
29 P1 1 BB02-BS101-KA8- Connector, Header, Male, 2 Rows, BB02-BS101-KA8-025B00 Gradconn
025B00 10 Pins, Pitch 1.27 mm, SMD
30 Q1 1 BC846B Transistor, Bipolar NPN, BC846B,215 NXP
65 V, 0.1 A, 0.25 W, SOT –23, SMD
31 R1 1 100 k Resistor, Thick Film, 100 k, –5% / 5%, RESISTOR_0402_100k_ Manufacturer
0.063 W, 50 V, -55°C / 155°C, 0402, SMD +/-5%_50V_0.063W_M_±200PPM Selection
32 R2, R3, R4, R5, R7, R17, 7 10 k Resistor, Thick Film, 10 K, –5% / 5%, RESISTOR_0201_10k_ Manufacturer
R18 0.05 W, 30 V, –55°C / 125°C, 0201, SMD ±5%_30V_0.05W_M_±200ppm Selection
33 R6 1 200 k Resistor, Thick Film, 200 K, –1% / 1%, CRCW0201200KFKED Vishay Dale
0.05 W, 30 V, –55°C / 125°C, 0201, SMD
34 R8 1 5.1 Resistor, Thick Film, 5R1, –5% / 5%, RMC1/205R1JPA Kamaya
0.05 W, 25 V, –55°C / 125°C, 0201, SMD
35 R9 1 2 MΩResistor, Thick Film, 2M, –1% / 1%, RC0402FR-072ML Yageo
0.063 W, 50 V, –55°C / 155°C, 0402, SMD
36 R10 1 680 Resistor, Thick Film, 680, –5% / 5%, RESISTOR_0402_680_±5%_50V_ Manufacturer
0.063 W, 50 V, –55°C / 155°C, 0402, SMD 0.063W_M_±200PPM Selection
37 R11, R31, R32 3 0 Resistor, Thick Film, 0, –1% / 1%, RESISTOR_0201_0_±1%_30V_ Manufacturer
0.05 W, 30 V, –55°C / 155°C, 0201, SMD 0.05W_M_±100PPM Selection
23
TIDU862–March 2015 Multi-Standard CC2650 SensorTag Design Guide
Submit Documentation Feedback
Copyright © 2015, Texas Instruments Incorporated

Design Files
www.ti.com
Table 1. BOM (continued)
ITEM PART QUANTITY VALUE DESCRIPTION MPN MANUFACTURER
NUMBER REFERENCE
38 R16, R50 2 2.2 k Resistor, Thick Film, 2K2, –5% / 5%, CRCW02012K20JNED Vishay
0.05 W, 30 V, –55°C / 125°C, 0201, SMD
39 R21, R22 2 270 Resistor, Thin Film, 270, –5% / +5%, RESISTOR_0402_270_±1%_50V_ Manufacturer
0.0625 W, 50 V, –55 DEGC / +125 DEGCC, 0.063W_M_ ±200PPM Selection
0402, SMD
40 R23 1 DNM Resistor, Do Not Mount, 0402, SMD DNM Do Not Mount
41 R27 1 150 Resistor, Thick Film, 150, –5% / +5%, RESISTOR_0402_150_±5%_50V_ Manufacturer
0.063 W, 50 V, –55 DEGC / +155 DEGC, 0402, 0.063W_M_±200PPM Selection
SMD
42 SW1, SW2 2 MTA2-WNC Switch, Tact Switch, Right Angle, 0.05 A @ 12 MTA2-WNC-V-T/R Diptronics
VDC, SMD
43 SW3 1 MK24-A Switch, Other, Reed Sensor, MK24-A-3 Meder
SPST-NO, Pull-in: 23 AT to 50 AT,
0.3 A @ 60 V, 0.3 A, 60 V, SMD
44 U1 1 CC26xx-7x7 IC, Digital, TI Custom 26xx, QFN48, SMD CC26xx_7x7_QFN48 TI
45 U2 1 TS5A3159AYZPR IC, Analog, SPDT Switch Single-channel 2:1 TS5A3159AYZPR TI
Multiplexer / Demultiplexer,
4.5 V to 5.5 V, DSBGA6, SMD
46 U3 1 BMP280 IC, Transducer Pressure, 300 hPa to 110 hPa, BMP280 Bosch
1.71 V to 3.6 V, LGA8, SMD
47 U4 1 TMP007 IC, Transducer, TMP007AIYZFR TI
Infrared Thermopile Sensor,
2.5 V to 5.5 V, DSBGA8, SMD
48 U6 1 SPH0641LU4H IC, Digital, Microphone with Multiple SPH0641LU4H Knowles
Performance Mode,
1.62 V to 3.6 V, SMD
49 U7 1 OPT3001 IC, Analog, OPT3001, SON6, SMD OPT3001 TI
50 U8 1 MPU-9250 IC, Transducer, 3-AXIS Accelerometer, 3-AXIS MPU-9250 Invensense
Gyroscope, 2.4 V to 3.6 V, QFN24, SMD
51 U9 1 HDC1000YPA IC, Transducer, Low-power, High-accuracy HDC1000YPAR TI
Digital Humidity Sensor with Integrated
Temperature Sensor,
2.7 V TO 5.5 V, DSBGA8, SMD
52 U10 1 W25X40CLUXIG IC, Memory, 4 M-bit of Serial Flash Memory, W25X40CLUXIG Winbond
2.3 V to 3.6 V, USON8, SMD
53 U11 1 DNM
54 Y1 1 32.768 kHz Crystal, Resonator, 32.768 kHz, FC-135 32.7680KA-AG0 Epson
–20 PPM / 20 PPM, –40°C / 85°C, SMD
24 Multi-Standard CC2650 SensorTag Design Guide TIDU862–March 2015
Submit Documentation Feedback
Copyright © 2015, Texas Instruments Incorporated

www.ti.com
Design Files
Table 1. BOM (continued)
ITEM PART QUANTITY VALUE DESCRIPTION MPN MANUFACTURER
NUMBER REFERENCE
55 Y2 1 24 MHz Crystal, Crystal Oscillator, TSX-3225 24.0000MF15X-AC3 Epson
24 MHz, –15 PPM / °C / 15 PPM / °C,
–40°C / 85°C, SMD
25
TIDU862–March 2015 Multi-Standard CC2650 SensorTag Design Guide
Submit Documentation Feedback
Copyright © 2015, Texas Instruments Incorporated

Design Files
www.ti.com
7.3 PCB Layout Recommendations
7.3.1 Layout Considerations for CC2650 – Wireless MCU
Ensure the following layout considerations:
• Ensure that the layout of the RF components follows the reference designs.
• Ensure that RF components connected to the ground have multiple ground vias close to their ground
pads to minimize ground impedance.
• Ensure that an uninterrupted and solid ground plane exists under all the RF components (from the
antenna and to the ground vias in the exposed ground pad).
• Place the balun and/or RF filter as close to the CC2650 device as possible to ensure no traces are
under the RF path.
• Place the antenna matching components as close to the antenna as possible.
• Place the decoupling capacitors as close to their VDD pins as possible.
• Ensure that the ground return path from the decoupling capacitors to the EGP is as short and direct as
possible.
• Place the DCDC components (L1 and C7) close to the DCDC_SW pin.
• Ensure that the ground connection of the DCDC-capacitor is as short and direct as possible to avoid
ground-switching noise.
• Position the humidity and IR temperature sensors away from hot points on the board like the battery,
display, or microcontroller because they are dependent on temperature.
• Use the slots around the device to reduce the thermal mass for a quicker response to environmental
changes.
Figure 19. RF Layout Considerations
26 Multi-Standard CC2650 SensorTag Design Guide TIDU862–March 2015
Submit Documentation Feedback
Copyright © 2015, Texas Instruments Incorporated

www.ti.com
Design Files
Figure 22. HDC1000
7.3.3 Layout Considerations for the IR Temperature Sensor – TMP007
For layout assembly considerations for the TMP007, see SBOU143.
7.3.4 Layout Prints
To download the layout prints for each board, see the design files at SWRC304
29
TIDU862–March 2015 Multi-Standard CC2650 SensorTag Design Guide
Submit Documentation Feedback Copyright © 2015, Texas Instruments Incorporated

www.ti.com
Design Files
7.6 Gerber Files
To download the Gerber files, see the design files at SWRC304.
Figure 34. CC2650STK Mechanical Drawing
7.7 Assembly Drawings
To download the assembly drawings for each board, see the design files at SWRC304.
Figure 35. Assembly Drawing (Top) Figure 36. Assembly Drawing 2 (Bottom Side Mirrored)
7.8 Software Files
For information regarding software, see Section 4.2.
37
TIDU862–March 2015 Multi-Standard CC2650 SensorTag Design Guide
Submit Documentation Feedback Copyright © 2015, Texas Instruments Incorporated

References
www.ti.com
8 References
1. TI Technical Reference Manual, CC26xx SimpleLink™ Wireless MCU,SWCU117
2. TI Application Note, SimpleLink™ Bluetooth Low Energy CC2640 Software Developer’s Guide,
SWRU393
3. TI Application Note, OPT3001: Ambient Light Sensor Application Guide,SBEA002
4. TI Application Note, TMP007 Layout and Assembly User Guide,SBOU143
5. TI Application Note, Humidity Sensor,SNAA216
38 Multi-Standard CC2650 SensorTag Design Guide TIDU862–March 2015
Submit Documentation Feedback
Copyright © 2015, Texas Instruments Incorporated

www.ti.com
About the Author
9 About the Author
ESPEN SLETTE is a systems application engineer at TI, where he develops reference design solutions
for wireless connectivity (that is, Wi-Fi, Bluetooth Smart, RF4CE, ZigBee / 6LoWPAN, and sub-1GHz).
Espen Slette has experience in application support for wireless products and RF design. Espen Slette
earned his Master of Science in Electrical Engineering (MSEE) from NTNU in Trondheim, Norway.
39
TIDU862–March 2015 Multi-Standard CC2650 SensorTag Design Guide
Submit Documentation Feedback Copyright © 2015, Texas Instruments Incorporated

IMPORTANT NOTICE FOR TI REFERENCE DESIGNS
Texas Instruments Incorporated ("TI") reference designs are solely intended to assist designers (“Buyers”) who are developing systems that
incorporate TI semiconductor products (also referred to herein as “components”). Buyer understands and agrees that Buyer remains
responsible for using its independent analysis, evaluation and judgment in designing Buyer’s systems and products.
TI reference designs have been created using standard laboratory conditions and engineering practices. TI has not conducted any
testing other than that specifically described in the published documentation for a particular reference design. TI may make
corrections, enhancements, improvements and other changes to its reference designs.
Buyers are authorized to use TI reference designs with the TI component(s) identified in each particular reference design and to modify the
reference design in the development of their end products. HOWEVER, NO OTHER LICENSE, EXPRESS OR IMPLIED, BY ESTOPPEL
OR OTHERWISE TO ANY OTHER TI INTELLECTUAL PROPERTY RIGHT, AND NO LICENSE TO ANY THIRD PARTY TECHNOLOGY
OR INTELLECTUAL PROPERTY RIGHT, IS GRANTED HEREIN, including but not limited to any patent right, copyright, mask work right,
or other intellectual property right relating to any combination, machine, or process in which TI components or services are used.
Information published by TI regarding third-party products or services does not constitute a license to use such products or services, or a
warranty or endorsement thereof. Use of such information may require a license from a third party under the patents or other intellectual
property of the third party, or a license from TI under the patents or other intellectual property of TI.
TI REFERENCE DESIGNS ARE PROVIDED "AS IS". TI MAKES NO WARRANTIES OR REPRESENTATIONS WITH REGARD TO THE
REFERENCE DESIGNS OR USE OF THE REFERENCE DESIGNS, EXPRESS, IMPLIED OR STATUTORY, INCLUDING ACCURACY OR
COMPLETENESS. TI DISCLAIMS ANY WARRANTY OF TITLE AND ANY IMPLIED WARRANTIES OF MERCHANTABILITY, FITNESS
FOR A PARTICULAR PURPOSE, QUIET ENJOYMENT, QUIET POSSESSION, AND NON-INFRINGEMENT OF ANY THIRD PARTY
INTELLECTUAL PROPERTY RIGHTS WITH REGARD TO TI REFERENCE DESIGNS OR USE THEREOF. TI SHALL NOT BE LIABLE
FOR AND SHALL NOT DEFEND OR INDEMNIFY BUYERS AGAINST ANY THIRD PARTY INFRINGEMENT CLAIM THAT RELATES TO
OR IS BASED ON A COMBINATION OF COMPONENTS PROVIDED IN A TI REFERENCE DESIGN. IN NO EVENT SHALL TI BE
LIABLE FOR ANY ACTUAL, SPECIAL, INCIDENTAL, CONSEQUENTIAL OR INDIRECT DAMAGES, HOWEVER CAUSED, ON ANY
THEORY OF LIABILITY AND WHETHER OR NOT TI HAS BEEN ADVISED OF THE POSSIBILITY OF SUCH DAMAGES, ARISING IN
ANY WAY OUT OF TI REFERENCE DESIGNS OR BUYER’S USE OF TI REFERENCE DESIGNS.
TI reserves the right to make corrections, enhancements, improvements and other changes to its semiconductor products and services per
JESD46, latest issue, and to discontinue any product or service per JESD48, latest issue. Buyers should obtain the latest relevant
information before placing orders and should verify that such information is current and complete. All semiconductor products are sold
subject to TI’s terms and conditions of sale supplied at the time of order acknowledgment.
TI warrants performance of its components to the specifications applicable at the time of sale, in accordance with the warranty in TI’s terms
and conditions of sale of semiconductor products. Testing and other quality control techniques for TI components are used to the extent TI
deems necessary to support this warranty. Except where mandated by applicable law, testing of all parameters of each component is not
necessarily performed.
TI assumes no liability for applications assistance or the design of Buyers’ products. Buyers are responsible for their products and
applications using TI components. To minimize the risks associated with Buyers’ products and applications, Buyers should provide
adequate design and operating safeguards.
Reproduction of significant portions of TI information in TI data books, data sheets or reference designs is permissible only if reproduction is
without alteration and is accompanied by all associated warranties, conditions, limitations, and notices. TI is not responsible or liable for
such altered documentation. Information of third parties may be subject to additional restrictions.
Buyer acknowledges and agrees that it is solely responsible for compliance with all legal, regulatory and safety-related requirements
concerning its products, and any use of TI components in its applications, notwithstanding any applications-related information or support
that may be provided by TI. Buyer represents and agrees that it has all the necessary expertise to create and implement safeguards that
anticipate dangerous failures, monitor failures and their consequences, lessen the likelihood of dangerous failures and take appropriate
remedial actions. Buyer will fully indemnify TI and its representatives against any damages arising out of the use of any TI components in
Buyer’s safety-critical applications.
In some cases, TI components may be promoted specifically to facilitate safety-related applications. With such components, TI’s goal is to
help enable customers to design and create their own end-product solutions that meet applicable functional safety standards and
requirements. Nonetheless, such components are subject to these terms.
No TI components are authorized for use in FDA Class III (or similar life-critical medical equipment) unless authorized officers of the parties
have executed an agreement specifically governing such use.
Only those TI components that TI has specifically designated as military grade or “enhanced plastic” are designed and intended for use in
military/aerospace applications or environments. Buyer acknowledges and agrees that any military or aerospace use of TI components that
have not been so designated is solely at Buyer's risk, and Buyer is solely responsible for compliance with all legal and regulatory
requirements in connection with such use.
TI has specifically designated certain components as meeting ISO/TS16949 requirements, mainly for automotive use. In any case of use of
non-designated products, TI will not be responsible for any failure to meet ISO/TS16949.IMPORTANT NOTICE
Mailing Address: Texas Instruments, Post Office Box 655303, Dallas, Texas 75265
Copyright © 2015, Texas Instruments Incorporated

















