Sharp 29LF 92E Service Manual. Www.s Manuals.com. Ak 45 Manual
User Manual: TV Sharp 29LF-92E, AK-45 Chassis - Service manuals and Schematics. Free.
Open the PDF directly: View PDF
.
Page Count: 80

1
29LF-92E
SERVICE MANUAL
This document has been published to
be used for after sales service only.
AK- 45 CHASSIS
In the interests of user safety (required by safety
regulations in some countries) the set should be re-
stored to its original condition and only parts identi-
cal to those specified should be used.
CONTENTS
ELECTRICAL SPECIFICATIONS ........................................................................................ 3
IMPORTANT SERVICING NOTES ...................................................................................... 4
CONTROLS & TERMINALS ................................................................................................ 5
PRINTED WIRING BOARD LAYOUT ................................................................................. 7
PARTS LISTING ................................................................................................................... 8
HOW TO UPDATE THE TECHNICAL INFORMATION ...................................................... 15
SHARP CORPORATION
PAL B/G / SECAM L/L’, B/G, D/K SYSTEM COLOUR TELEVISION
MODEL 29LF-92EC/IT
SE0029LF92E00
Issued: 28th July 2004
In order to service the model 29LF-92E, refer to
the AK-45 Chassis Service Manual
(SE00AK45CHA00).

2
29LF-92E
Use this page to keep any special servicing information as Technical Report (Bulletin), Technical Information, etc.
If only part number changes are required, just change part number directly the part number in the Parts Listing Section.
If you need more information, please refer to the Technical Report (Bulletin).
SERVICE MANUAL UPDATE LOG SHEET
Part No.
Technical Report No.
Technical Bulletin No. Cause / Solution Page No. Application
Data /Serial No.

3
29LF-92E
ELECTRICAL SPECIFICATIONS
WARNING
The chassis in this receiver is partially hot. Use an isolation transformer between the line cord plug
and power receptacle, when servicing this chassis.
To prevent electric shock, do not remove cover. No user-serviceable parts inside. Refer servicing to
qualified service personnel.
Specifications are subject to change without prior notice.
MODEL DESTINATION (Operation Manual Languages)
28LF-92EC: Czech, English, Hungarian, Polish, Romanian, Russian, Slovakian
28LF-92EIT: Italiano.
•Picture Intermediate frequency
L’ ................................................ 33.9MHz
L, B/G, D/K .............................. 38.9MHz
•Sound Carrier Trap
L’ ................................................ 40.4MHz
L, D/K ......................................... 32.4MHz
B/G ............................................ 33.4MHz
•Adjacent Sound Carrier Trap
L’ ................................................ 32.4MHz
L, D/K, B/G ................................ 40.4MHz
•Adjacent Picture Carrier Trap
L’ ................................................ 41.9MHz
L, D/K ...................................... 30.9MHz
B/G ............................................ 31.9MHz
•Aerial Input Impedance
VHF/UHF ................. 75 ohm Unbalanced
•Tuning Ranges ..... 45.75MHz thru 855.25 MHz
VHF: S1 - S41 CH (Hiperband)
E2 - E12 CH / F2 - F10
UHF: E21 - E69 CH
AREA 29”
A0.4
BC 1.0
DE 1.0
FGHJ 1.5
KLMN 1.3
F’G’H’J’ 1.3
STUV 1.0
mm
•Power Input .................... 220V-240 Volts AC 50 Hz
•Power Consumption
Normal Operation (Method IEC60107) ............... 83 W
Stand-by Operation .......................................... < 4 W
•Audio Power Output Rating (MPO) / Impedance
Internal Left Speaker ................................. 10 W, 7 Ω
Internal Right Speaker ............................... 10 W, 7 Ω
•Speakers
Full range (2 pcs) ................................... 60 x 120 mm
•Convergence (Maximum Misconvergence)
•White Level
Apply the rated voltage at the rated frequency to the TV set, while it is receiving full white pattern RF signal of 60
dB/µV from its RF input via the pattern generator.
Turn all picture controls to maximum value. Measure the colour temperatures at the center of the screen by
using the colour analyzer.
29LF94EC: X=0.304 ± 0.015 Y=0.306 ± 0.015
29LF94EIT: X=0.290 ± 0.015 Y=0.300 ± 0.015

4
29LF-92E
IMPORTANT SERVICING NOTES
Only qualified service personnel are allowed to carry out maintenance and repair of this receiver.
Servicing of High Voltage System and CRT
It is important that the static charge is removed from the high voltage system when carrying out work on the
receiver. This can be achieved by connecting a 10K resistor (with a suitably insulated lead) from the CRT
cavity connector to the CRT ground tag. This must be carried out with the AC supply disconnected from the
receiver.
Note the following:
• The CRT in this receiver employs Integral Implosion Protection.
• If the CRT has to be changed it MUST be replaced with the correct type for continued safe working.
• DO NOT lift the CRT by its neck.
• When handing the CRT, ensure that shatterproof goggles are worn.
• Ensure that the CRT is discharge before handling.
X-Ray
This receiver is designed to keep any x-ray emission to an absolute minimum. Some fault conditions and
servicing procedures may produce potentially hazardous x-ray radiation levels. This is a problem when in
close proximity to the receiver for long periods of time. To reduce any risks associated with this, please
observe the following precautions:
1. When undertaking any servicing on this chassis, DO NOT increase the EHT to more than 33 KV, (at a
instantaneous beam current of 1800 µA).
2. Ensure that during normal operation the EHT does not exceed 29.55 KV (at a beam current of 1800 µA).
This level has been preset in the factory. Always check that this level has not been exceeded after
carrying out any repair on the receiver.
3. DO NOT replace the CRT with any other type than that specified in the parts listing as this may cause
excessive x-ray radiation.
Before returning the receiver to the customer
In addition to the above checks, the following should also be carried out before returning the receiver to the
customer.
1. Inspect all the leads to ensure that they are dressed correctly and that they are not obstructed or pinched
by any other parts.
2. Ensure that all protective devices are in good condition. These will include nonmetallic control knobs,
insulating fish papers, cabinets backs, compartment covers or shields, mechanical insulators, etc.

5
29LF-92E
CONTROLS & TERMINALS
FRONT PANEL
Speakers (left + right)
= Power On / Off
= Volume -/+
CH = Program -/+
= Headphone 3,6 mm Ø
S-VIDEO
VIDEO
AUDIO (L/S/G/I) = Audio left
AUDIO (R/D/D/D) = Audio right
Speaker Covers
Remote Control Indicator
Sound Indicator
Power Indicator
REAR TV
RF Input
1. Aerial terminal
21-pin In/Out
2. 21-pin Audio/Video (RGB) (EXT.1) With
PAL/SECAM/NTSC Video Input
3. 21-pin Audio/Video (EXT.2) With
PAL/SECAM/NTSC Video Input

6
29LF-92E
REMOTE CONTROL
= Stand By
= Cursor Up
= Cursor Right
OK = OK
= Info (Program Menu)
0 - 9 = Direct Program
-/-- = Double Digit
= Wide mode button
P/CH+ = Program +
+ = Volume +
= TV / Quit Menu
= EXT button
(EXT-1, RGB, EXT-2, F-AV, S-VHS)
Yellow = Feature Menu
Blue = Installation Menu
= Hold
= Update
= Index Page
= Reveal
= Expand
= Mix
= Teletext
= Time
Red = Sound Menu
Green = Picture Menu
= Mute
I-II = Mono/Stereo - Dual I-II
- = - Volume
- P/CH = -Program
= Flash back button
M = Menu
= Cursor Down
= Cursor Left

7
29LF-92E
CHASSIS LAYOUT
Mother Unit
CRT Unit Front AV Unit Keyboard Unit
TABLE OF CONTENTS
1.INTRODUCTION ........................................................................................................................ 1
2.TUNER.......................................................................................................................................... 1
3.IF PART (TDA9885/86)............................................................................................................. 1
4.VIDEO SWITCH TEA6415....................................................................................................... 2
5.MULTI STANDARD SOUND PROCESSOR....................................................................... 2
6.SOUND OUTPUT STAGE WITH TDA7269A...................................................................... 2
7.BERTICAL OUTPUT STAGE WITH STV9379FA.............................................................. 2
8.VIDEO OUTPUT AMPLIFIER TDA6108 .............................................................................. 2
9.POWER SUPPLY (SMPS)....................................................................................................... 3
10.MICROCONTROLLER SDA55XX....................................................................................... 3
10.1.General Features .................................................................................................................... 3
10.2.External Crystal and Programmable Clock Speed................................................................ 3
10.3.Microcontroller Features........................................................................................................ 3
10.4.Memory ................................................................................................................................... 3
10.5.Display Features..................................................................................................................... 3
10.6.Acquisition Features .............................................................................................................. 4
10.7.Ports........................................................................................................................................ 4
11.CLASS AB STEREO HEADPHONE DRIVER TDA1308............................................... 4
12.SAW FILTERS.......................................................................................................................... 4
13.IC DESCRIPTIONS ................................................................................................................. 5
13.1.LM317T................................................................................................................................ 5
13.1.1.Description....................................................................................................................... 5
13.1.2.Features............................................................................................................................ 5
13.2.TDA1308T........................................................................................................................... 5
13.2.1.General Description ......................................................................................................... 5
13.2.2.Features............................................................................................................................ 5
13.2.3.Pinning ............................................................................................................................. 6
13.3.MSP34X0G (MSP3410G)................................................................................................ 6
13.3.1.Description....................................................................................................................... 6
13.3.2.Features............................................................................................................................ 7
13.3.3.Pin connections ............................................................................................................... 7
13.4.VDP313xY .......................................................................................................................... 8
13.4.1.Introduction...................................................................................................................... 8
13.4.2.Features............................................................................................................................ 9
13.4.3.Pin Connections and short descriptions ........................................................................ 9
13.5.TEA6415C .........................................................................................................................10
13.5.1.General Description ........................................................................................................10
13.5.2.Features...........................................................................................................................10
13.5.3.Pinning
................................
................................
................................
............................
11
13.10.SDA5555..........................................................................................................................13
13.10.1.General definition..........................................................................................................13
13.10.2.Features.........................................................................................................................13
13.11.MC44608..........................................................................................................................14
13.11.1.Description....................................................................................................................14
13.11.2.General Features...........................................................................................................15
13.11.3.Pin Connections............................................................................................................15
13.12.TCET1102G....................................................................................................................16
13.12.1.Description....................................................................................................................16
13.12.2.Applications ..................................................................................................................16
13.12.3.Features.........................................................................................................................16
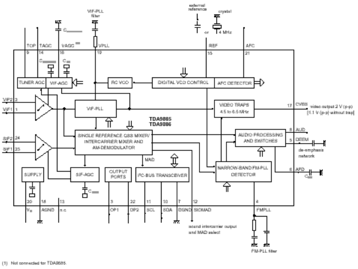
13.13.TDA9885T.......................................................................................................................16
13.13.1.General Description ......................................................................................................16
13.13.2.Features.........................................................................................................................16
13.13.3.Pinning...........................................................................................................................17
13.14.PI5V330............................................................................................................................17
13.14.1.General Description ......................................................................................................17
14.AK45 CHASSIS PRODUCTION SERVICE MODE ADJUSTMENTS........................18
14.1.SERVICE MENU.....................................................................................................................18
14.2.ADJUST MENU ......................................................................................................................18
14.3.OPTIONS MENU.....................................................................................................................30
Option 0. Video Processor Crystal Indication ..........................................................................30
Option 1. (0x01) Video Processor Decoder Mode Register......................................................30
Option 2. (0x18) Video Processor Blanking Control ................................................................30
Option 3. (0x19) Video Processor Cathode Drive Level...........................................................31
Option 4......................................................................................................................................31
Option 5. CTI Avaliable, Mono AVL...........................................................................................31
Option 6......................................................................................................................................31
Option 7. OPTIONHOTELACTIVE, PLL_VST, PIP Zoom Mode, PIP Position...........................31
Option 8. IF Frequency ..............................................................................................................32
Option 9. Standard Available.....................................................................................................32
Option 10. Scart, Combfilter, Teletext, Language.....................................................................33
Option 11. PLL Tuner Control 1 Byte........................................................................................33
Option 12. PLL Tuner Control 2 Low Byte................................................................................33
Option 13. PLL Tuner Control 2 Mid Byte.................................................................................34
Option 14. PLL Tuner Control 2 High Byte ...............................................................................34
Option 15. PLL Tuner VHF LOW – VHF HIGH Crossover Low Byte.........................................34
Option 16. PLL Tuner VHF LOW – VHF HIGH Crossover High Byte........................................34
Option 17. PLL Tuner VHF HIGH – UHF Crossover Low Byte..................................................34
Option 18. PLL Tuner VHF HIGH – UHF Crossover High Byte.................................................34
Option 19. PIP PLL Tuner Control 1 Byte .................................................................................35
Option 20. PIP PLL Tuner Control 2 Low Byte..........................................................................35
Option 21. PIP PLL Tuner Control 2 Mid Byte ..........................................................................35
Option 22. PIP PLL Tuner Control 2 High Byte.........................................................................35
Option 23. PIP PLL Tuner VHF LOW
–
VHF HIGH Crossover Low Byte
................................
..
35
Option 39. Personal Preferance Equalizer Band 1 ...................................................................39
Option 40. Personal Preferance Equalizer Band 2 ...................................................................39
Option 41. Personal Preferance Equalizer Band 3 ...................................................................39
Option 42. Personal Preferance Equalizer Band 4 ...................................................................39
Option 43. Personal Preferance Equalizer Band 5 ...................................................................39
Option 44. Sound Efect (Standard; Music; Speech; Jazz; Pp).................................................39
Option 45. Volume Offset Left...................................................................................................39
Option 46. Volume Offset Right ................................................................................................39
Option 47. Volume Offset Center ..............................................................................................40
Option 48. Volume Offset Rear..................................................................................................40
Option 49. Surround Delay........................................................................................................40
Option 50. FM Prescale..............................................................................................................40
Option 51. NICAM Prescale .......................................................................................................40
Option 52. Scart Input Prescale ................................................................................................40
Option 53. I2S Prescale .............................................................................................................40
Option 54. Scart Output Prescale..............................................................................................40
Option 55. Speaker Setup..........................................................................................................41
Option 56. Audio Options Available Or Not..............................................................................41
Option 57. Stereo Threshold .....................................................................................................41
Option 58. MSP Audio Flags......................................................................................................42
Option 59. NICAM Threshold.....................................................................................................42
Option 60. Power Delay Time....................................................................................................42
14.4.OPTION TABLE RECOMMENDED VALUES..........................................................................45
14.5.SCREEN ADJUSTMENT (FBT SCREEN)...............................................................................47
14.6.GEOMETRY ADJUSTMENT...................................................................................................48
4:3 FORMATS.............................................................................................................................48
16:9 FORMATS...........................................................................................................................49
16.BLOCK DIAGRAM.................................................................................................................57
1.INTRODUCTION
11AK45 is a 50Hz colour television capable of driving 24” + CRT sizes( beginning from 24” 16:9 up to
33”).
The chassis is capable of operation in PAL, SECAM, NTSC (playback) colour standards and multiple
transmission standards as B/G, D/K, I/I’, and L/L´.
Sound system output is supplying 2x10W (10%THD) for left and right outputs of 8ohm speakers.
TV supports FASTTEXT. It is possible to decode transmissions including high graphical data.
The chassis is equipped with three full EuroScarts, only one of them supports RGB input, one
headphone output, one FAV input, one SVHS input (via SCART)
2.TUNER
The hardware and software of the TV is suitable for tuners, supplied by different companies, which are
selected from the Service Menu. These tuners can be combined VHF, UHF tuners suitable for CCIR
systems B/G, H, L, L´, I/I´, and D/K. The tuning is available through the digitally controlled I2C bus
(PLL). Below you will find info on one of the Tuners in use.
General description of UV1316:
The UV1316 tuner belongs to the UV 1300 family of tuners, which are designed to meet a wide range of
applications. It is a combined VHF, UHF tuner suitable for CCIR systems B/G, H, L, L’, I and I’. The low
IF output impedance has been designed for direct drive of a wide variety of SAW filters with sufficient
suppression of triple transient.
Features of UV1316:
1. Member of the UV1300 family small sized UHF/VHF tuners
2. Systems CCIR: B/G, H, L, L’, I and I’; OIRT: D/K
3. Digitally controlled (PLL) tuning via I2C-bus
4. Off-air channels, S-cable channels and Hyperband
5. World standardized mechanical dimensions and world standard pinning
6. Compact size
7. Complies to “CENELEC EN55020” and “EN55013”
Pinning:
1. Gain control voltage (AGC) : 4.0V, Max: 4.5V
2. Tuning voltage
3. I²C-bus address select : Max: 5.5V
4. I²C-bus serial clock : Min:-0.3V, Max: 5.5V
5. I²C-bus serial data : Min:-0.3V, Max: 5.5V
6. Not connected
7. PLL supply voltage : 5.0V, Min: 4.75V, Max: 5.5V
8. ADC input
9. Tuner supply voltage : 33V, Min: 30V, Max: 35V
10. Symmetrical IF output 1
11. Symmetrical IF output 2
3.IF PART (TDA9885/86)

4.VIDEO SWITCH TEA6415
In case of three or more external sources are used, the video switch IC TEA6415 is used. The main
function of this device is to switch 8 video-input sources on the 6 outputs.
Each output can be switched on only one of each input. On each input an alignment of the lowest level
of the signal is made (bottom of sync. top for CVBS or black level for RGB signals).
Each nominal gain between any input and output is 6.5dB.For D2MAC or Chroma signal the alignment
is switched off by forcing, with an external resistor bridge, 5VDC on the input. Each input can be used
as a normal input or as a MAC or Chroma input (with external Resistor Bridge). All the switching
possibilities are changed through the BUS. Driving 75ohm load needs an external resistor. It is possible
to have the same input connected to several outputs.
5.MULTI STANDARD SOUND PROCESSOR
The MSP 34x10G family of single-chip Multi-standard Sound Processors covers the sound processing
of all analog TV-Standards worldwide, as well as the NICAM digital sound standards. The full TV sound
processing, starting with analog sound IF signal-in, down to processed analog AF-out, is performed on
a single chip.
The DBX noise reduction, or alternatively, MICRONAS Noise Reduction (MNR) is performed alignment
free. Other processed standards are the Japanese FM-FM multiplex standard (EIA-J) and the FM
Stereo Radio standard.
6.SOUND OUTPUT STAGE WITH TDA7269A
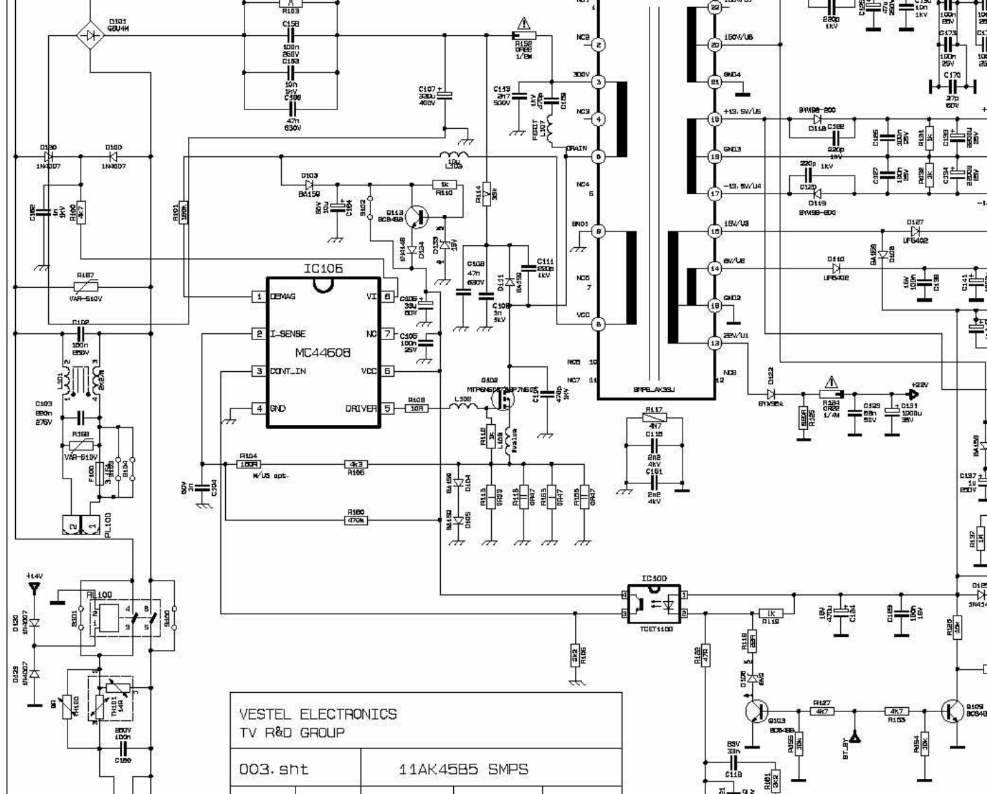
9.POWER SUPPLY (SMPS)
The DC voltages required at various parts of the chassis are provided by an SMPS transformer
controlled by the IC MC44608, which is designed for driving, controlling and protecting switching
transistor of SMPS. The transformer generates 145V for FBT input, +/-14V for audio amplifier, 5V and
3.3V stand by voltage and 8V, 12V and 5V supplies for other different parts of the chassis.
An optocoupler is used to control the regulation of line voltage and stand-by power consumption. There
is a regulation circuit in secondary side. This circuit produces a control voltage according to the
changes in 145V DC voltage, via an optocoupler (TCET1102G) to pin3 of the IC.
During the switch on period of the transistor, energy is stored in the transformer. During the switch off
period energy is fed to the load via secondary winding. By varying switch-on time of the power
transistor, it controls each portion of energy transferred to the second side such that the output voltage
remains nearly independent of load variations.
10.MICROCONTROLLER SDA55XX
10.1.General Features
• Feature selection via special function register
• Simultaneous reception of TTX, VPS, PDC, and WSS (line 23)
• Supply Voltage 2.5 and 3.3 V
• ROM version package PSDIP52-2, PMQFP64-1
• Romless version package PMQFP100-2, PLCC84-2
10.2.External Crystal and Programmable Clock Speed
• Single external 6MHz crystal, all necessary clocks are generated internally
• CPU clock speed selectable via special function registers.
• Normal Mode 33.33 MHz CPU clock, Power Save mode 8.33 MHz
10.3.Microcontroller Features
• 8bit 8051 instruction set compatible CPU.
• 33.33-MHz internal clock (max.)
• 0.360 ms (min.) instruction cycle
• Two 16-bit timers
• Watchdog timer
• Capture compare timer for infrared remote control decoding
• Pulse width modulation unit (2 channels 14 bit, 6 channels 8 bit)
• ADC (4 channels, 8 bit)
• UART (rxd, txd)
10.4.Memory
• Non-multiplexed 8-bit data and 16 … 20-bit address bus (ROMless Version)
• Memory banking up to 1Mbyte (Romless version)
• Up to 128 Kilobyte on Chip Program ROM
• Eight 16-bit data pointer registers (DPTR)
• 256-bytes on-chip Processor Internal RAM (IRAM)
• 128bytes extended stack memory.
• Display RAM and TXT/VPS/PDC/WSS-Acquisition-Buffer directly accessible via MOVX
• Up to 16 Colours per DRCS Character
• One out of Eight Colours for Foreground and Background Colours for 1-bit DRCS and ROM
Characters
• Shadowing
• Contrast Reduction
• Pixel by Pixel Shiftable Cursor With up to 4 Different Colours
• Support of Progressive Scan and 100 Hz.
• 3 X 4Bits RGB-DACs On-Chip
• Free Programmable Pixel Clock from 10 MHz to 32MHz
• Pixel Clock Independent from CPU Clock
• Multinorm H/V-Display Synchronization in Master or Slave Mode
10.6.Acquisition Features
• Multi-standard Digital Data Slicer
• Parallel Multi-norm Slicing (TTX, VPS, WSS, CC, G+)
• Four Different Framing Codes Available
• Data Caption only limited by available Memory
• Programmable VBI-buffer
• Full Channel Data Slicing Supported
• Fully Digital Signal Processing
• Noise Measurement and Controlled Noise Compensation
• Attenuation Measurement and Compensation
• Group Delay Measurement and Compensation
• Exact Decoding of Echo Disturbed Signals
10.7.Ports
• One 8-bit I/O-port with open drain output and optional I2C Bus emulation support (Port0)
• Two 8-bit multifunction I/O-ports (Port1, Port3)
• One 4-bit port working as digital or analogue inputs for the ADC (Port2)
• One 2-bit I/O port with secondary function (P4.2, 4.3, 4.7)
• One 4-bit I/O-port with secondary function (P4.0, 4.1, 4.4) (Not available in P-SDIP 52)
11.CLASS AB STEREO HEADPHONE DRIVER TDA1308
The TDA1308 is an integrated class AB stereo headphone driver contained in a DIP8 plastic package.
The device is fabricated in a 1 mm CMOS process and has been primarily developed for portable digital
audio applications.
12.SAW FILTERS
K3953M:
Standard
B/G, D/K, I, L/L’
Features
TV IF filter with Nyquist slopes at 33,90 MHz and 38,90 MHz
Constant group delay
Suitable for CENELEC EN 55020
Terminals
K9356M:
Standard
B/G, D/K, I, L
Features
TV IF audio filter with pass band for sound carriers at 32,40 MHz (D/K, L), 32,90 MHz (I) and 33,40 MHz
(B/G)
Terminal and Pin configuration are the same with K3953M
K9656M:
Standard
B/G, D/K, I, L/L’
Features
TV IF audio filter with two channels
Channel 1 (L’) with one pass band for sound carriers at 40,40 MHz (L’) and 39,75 MHz (L’- NICAM)
Channel 2 (B/G, D/K, L, I) with one pass band for sound carriers between 32,35 MHz and 33,40 MHz
Terminal and Pin configuration are the same with K3953M
13.IC DESCRIPTIONS
LM317T TDA1308T
MSP3410G VDP3130Y
TEA6415 STV9379FA
TDA7269A LM7805/LM7808
24C08 SDA55XX
MC44608 TCET1102G
TDA9885T
13.1.LM317T
13.1.1.Description
The LM317T is an adjustable 3 terminal positive voltage regulator capable of supplying in excess of 1.5
amps over an output range of 1.25 to 37 volts. This voltage regulator is exceptionally easy to use and
requires only two external resistors to set the output voltage. Further, it employs internal current limiting,
thermal shutdown and safe area compensation, making it essentially blow–out proof. The LM317
serves a wide variety of applications including local, on card regulation. This device can also be used to
make a programmable output regulator, or by connecting a fixed resistor between the adjustment and
output, the LM317 can be used as a precision current regulator.
13.1.2.Features
• Output Current in Excess of 1.5 A
• Output Adjustable between 1.2 V and 37 V
• Internal Thermal Overload Protection
• Internal Short Circuit Current Limiting Constant with Temperature
• Output Transistor Safe–Area Compensation
• Floating Operation for High Voltage Applications
• Available in Surface Mount D2PAK, and Standard 3–Lead Transistor Package

• Low power consumption
• Short-circuit resistant
• High performance
• high signal-to-noise ratio
• High slew rate
• Low distortion
• Large output voltage swing.
13.2.3.Pinning
SYMBOL PIN DESCRIPTION
OUTA 1 Output A
INA(neg) 2 Inverting input A
INA(pos) 3 Non-inverting input A
VSS 4 Negative supply
INB(pos) 5 Non-inverting input B
INB(neg) 6 Inverting input B
OUTB 7 Output B
VDD 8 Positive supply
13.3.MSP34X0G (MSP3410G)
13.3.1.Description
The MSP 34x0G family of single-chip Multi standard Sound Processors covers the sound processing of
all analog TV-Standards worldwide, as well as the NICAM digital sound standards. The full TV sound
processing, starting with analog sound IF signal-in, down to processed analog AF-out, is performed on
a single chip. Figure shows a simplified functional block diagram of the MSP 34x0G.

13.3.2.Features
Standard Selection with single I2C transmission
Automatic Standard Detection of terrestrial TV standards
Automatic Sound Selection (mono/stereo/bilingual), new registers MODUS, STATUS
Two selectable sound IF (SIF) inputs
Automatic Carrier Mute function
Interrupt output programmable (indicating status change)
Loudspeaker / Headphone channel with volume, balance, bass, treble, loudness
AVC: Automatic Volume Correction
Subwoofer output with programmable low-pass and complementary high-pass filter
5-band graphic equalizer for loudspeaker channel
Spatial effect for loudspeaker channel
Four Stereo SCART (line) inputs, one Mono input; two Stereo SCART outputs
Complete SCART in/out switching matrix
Two I2S inputs; one I2S output
Dolby Pro Logic with DPL 351xA coprocessor
All analog FM-Stereo A2 and satellite standards; AM-SECAM L standard
Simultaneous demodulation of (very) high-deviation FM-Mono and NICAM
Adaptive deemphasis for satellite (Wegener-Panda, acc. to ASTRA specification)
ASTRA Digital Radio (ADR) together with DRP 3510A
All NICAM standards
Korean FM-Stereo A2 standard
13.3.3.Pin connections
NC = not connected; leave vacant
LV = if not used, leave vacant
X = obligatory; connect as described in circuit diagram
DVSS: if not used, connect to DVSS
AHVSS: connect to AHVSS
Pin No. Pin Name Type Connection
(if not used) Short Description
PLCC
68-pin PSDIP
64-pin PSDIP
52-pin PQFP
80-pin PLQFP
64-pin
1 16 14 9 8 ADR_WS OUT LV ADR word strobe
2 - - - - NC LV Not connected
3 15 13 8 7 ADR_DA OUT LV ADR Data Output
4 14 12 7 6 I2S_DA_IN1 IN LV I2S1 data input
5 13 11 6 5 I2S_DA_OUT OUT LV I2S data output
6 12 10 5 4 I2S_WS IN/OUT LV I2S word strobe
7 11 9 4 3 I2S_CL IN/OUT LV I2S clock
8 10 8 3 2 I2C_DA IN/OUT X I2C data
9 9 7 2 1 I2C_CL IN/OUT X I2C data
10 8 - 1 64 NC LV Not connected
11 7 6 80 63 STANDBYQ IN X Stand-by (low-active)
12 6 5 79 62 ADR_SEL IN X I2C bus address select
13
5
4
78
61
D_CTR_I/O_0
IN/OUT
LV
D_CTR_I/O_0

- - - 64 - NC LV Not connected
- - - 63 - NC LV Not connected
27 56 45 62 48 AVSS X Analog ground
- - - 61 - AVSS X Analog ground
28 55 44 60 47 MONO_IN IN LV Mono input
- - - 59 - NC LV Not connected
29 54 43 58 46 VREFTOP X Reference voltage IF A/D
converter
30 53 42 57 45 SC1_IN_R IN LV SCART 1 input, right
31 52 41 56 44 SC1_IN_L IN LV SCART 1 input, left
32 51 - 55 43 ASG1 AHVSS Analog Shield Ground 1
33 50 40 54 42 SC2_IN_R IN LV SCART 2 input, right
34 49 39 53 41 SC2_IN_L IN LV SCART 2 input, left
35 48 - 52 40 ASG2 AHVSS Analog Shield Ground 2
36 47 38 51 39 SC3_IN_R IN LV SCART 3 input, right
37 46 37 50 38 SC3_IN_L IN LV SCART 3 input, left
38 45 - 49 37 ASG4 AHVSS Analog Shield Ground 4
39 44 - 48 36 SC4_IN_R IN LV SCART 4 input, right
40 43 - 47 35 SC4_IN_L IN LV SCART 4 input, left
41 - - 46 - NC LV or AHVSS Not connected
42 42 36 45 34 AGNDC X Analog reference voltage
43 41 35 44 33 AHVSS X Analog ground
- - - 43 - AHVSS X Analog ground
- - - 42 - NC LV Not connected
- - - 41 - NC LV Not connected
44 40 34 40 32 CAPL_M X Volume capacitor MAIN
45 39 33 39 31 AHVSUP X Analog power supply 8V
46 38 32 38 30 CAPL_A X Volume capacitor AUX
47 37 31 37 29 SC1_OUT_L OUT LV SCART output 1, left
48 36 30 36 28 SC1_OUT_R OUT LV SCART output 1, right
49 35 29 35 27 VREF1 X Reference ground 1
50 34 28 34 26 SC2_OUT_L OUT LV SCART output 2, left
51 33 27 33 25 SC2_OUT_R OUT LV SCART output 2, right
52 - - 32 - NC LV Not connected
53 32 - 31 24 NC LV Not connected
54 31 26 30 23 DACM_SUB OUT LV Subwoofer output
55 30 - 29 22 NC LV Not connected
56 29 25 28 21 DACM_L OUT LV Loudspeaker out, left
57 28 24 27 20 DACM_R OUT LV Loudspeaker out, right
58 27 23 26 19 VREF2 X Reference ground 2
59 26 22 25 18 DACA_L OUT LV Headphone out, left
60 25 21 24 17 DACA_R OUT LV Headphone out, right
- - - 23 - NC LV Not connected
- - - 22 - NC LV Not connected
61 24 20 21 16 RESETQ IN X Power-on-reset
62 23 - 20 15 NC LV Not connected
63 22 - 19 14 NC LV Not connected
64 21 19 18 13 NC LV Not connected
65 20 18 17 12 I2S_DA_IN2 IN LV I2S2-data input
66 19 17 16 11 DVSS X Digital ground
- - - 15 - DVSS X Digital ground
- - - 14 - DVSS X Digital ground
67 18 16 13 10 DVSUP X Digital power supply 5V
-
-
-
12
-
DVSUP
X
Digital power supply 5V

13.4.2.Features
Video Decoding and Processing
– four CVBS, one S-VHS input, one YC R C B component input
– integrated high-quality A/D converters and associated clamp and AGC circuits
– adaptive 2H comb filter Y/C separator
– multistandard colour decoder PAL/NTSC/SECAM including all substandards
– multistandard sync decoder
– automatic standard recognition
– black-line detector
– linear horizontal scaling (0.25...4), as well as nonlinear horizontal scaling “Panoramavision”
– black-level expander
– dynamic peaking
– soft limiter (gamma correction)
– colour transient improvement
RGB Processing and Deflection
– programmable RGB matrix
– two analog RGB / Fastblank inputs
– half-contrast switch
– picture frame generator
– scan velocity modulation output
– high-performance H/V deflection
– separate ADC for tube measurements
– EHT compensation
– angle and bow correction
– one 20.25 MHz crystal, few external components
–I2C-Bus Interface
– 64-pin PSDIP package
13.4.3.Pin Connections and short descriptions
NC = not connected LV = if not used, leave vacant
X = obligatory; connect as described in circuit diagram IN = Input
OUT = Output SUPPLY = Supply Pin
Pin no
PSDIP 64-pin Pin name Type Connection
(if not used) Short description
1 TEST IN GNDD Test Input
2 RESQ IN X Reset Input
3 SCL IN/OUT X I2C Bus Clock
4 SDA IN/OUT X I2C Bus Data
5 GNDD SUPPLY X Digital Ground
6 HCS IN LV Half Contrast Switch Input
7 FSY OUT LV Front Sync Output
8
CSY
OUT
LV
Composite Sync Output

25 GNDD SUPPLY X Digital Ground
26 RSW2 OUT GNDAB Range Switch 2 for Measurement ADC
27 RSW1 OUT GNDAB Range Switch 1 for Measurement ADC
28 SENSE IN GNDAB Sense ADC Input
29 GNDM SUPPLY X Ground, MADC ýnput
30 VERTQ OUT LV Inverted Vertical Sawtooth Output
31 VERT OUT LV Vertical Sawtooth Output
32 E/w OUT LV Vertical Parabola Output
33 XREF IN X Reference Input for RGB DACs
34 SVMOUT OUT VSUPAB Analog Scan Velocity Modulation Output
35 GNDAB SUPPLY X Analog Ground Backend
36 VSUPAB SUPPLY X Analog Supply Voltage (5.0V) Backend
37 ROUT OUT VSUPAB Analog Red Output
38 GOUT OUT VSUPAB Analog Green Output
39 BOUT OUT VSUPAB Analog Blue Output
40 VRD IN X DAC Reference
41 RIN IN GNDAB Analog Red Input
42 GIN IN GNDAB Analog Green Input
43 BIN IN GNDAB Analog Blue Input
44 FBLIN IN GNDAB Fast Blank Input
45 RIN2 IN GNDAB Analog Red Input2
46 GIN2 IN GNDAB Analog Green Input2
47 BIN2 IN GNDAB Analog Blue Input2
48 FBLIN2 IN GNDAB Fast Blank Input2
49 CLK20 OUT LV 20.25 MHz System Clock Output
50 HOUT OUT X Horizontal Drive Output
51 XTAL 1 IN X Analog Crystal Input
52 XTAL 2 OUT X Analog Crystal Output
53 CIN 2/CRIN LV Analog Chroma 2/Component CR Input
54 CBIN IN LV Component CB Input
55 GNDAF SUPPLY X Analog Ground Frontend
56 SGND IN GNDAF Signal Ground for Analog Input
57 VRT IN X Reference Voltage Top, Video ADC
58 VSUPAF SUPPLY X Analog Supply Voltage (5.0V) Frontend
59 VOUT OUT LV Analog Video Output
60 CIN1 IN VRT Analog Chroma 1 Input
61 VIN1 IN VRT Analog Video 1 Input
62 VIN2 IN VRT Analog Video 2 Input
63 VIN3 IN VRT Analog Video 3 Input
64 VIN4 IN VRT Analog Video 4 Input
13.5.TEA6415C
13.5.1.General Description
The main function of the IC is to switch 8 video input sources on 6 outputs. Each output can be
switched on only one of each input. On each input an alignment of the lowest level of the signal is made
(bottom of synch. top for CVBS or black level for RGB signals). Each nominal gain between any input
and output is 6.5dB. For D2MAC or Chroma signal the alignment is switched
off by forcing, with an
• 6.5dB gain between any input and output
• 55dB crosstalk at 5mHz
• Fully ESD protected
13.5.3.Pinning
1. Input : Max : 2Vpp, Input Current: 1mA, Max : 3mA
2. Data : Low level : -0.3V Max: 1.5V,
High level : 3.0V Max : Vcc+0.5V
3. Input : Max : 2Vpp, Input Current: 1mA, Max : 3mA
4. Clock : Low level : -0.3V Max: 1.5V,
High level : 3.0V Max : Vcc+0.5V
5. Input : Max : 2Vpp, Input Current: 1mA, Max : 3mA
6. Input : Max : 2Vpp, Input Current: 1mA, Max : 3mA
7. Prog
8. Input : Max : 2Vpp, Input Current: 1mA, Max: 3mA
9. Vcc : 12V
10. Input : Max : 2Vpp, Input Current: 1mA, Max : 3mA
11. Input : Max : 2Vpp, Input Current: 1mA, Max : 3mA
12. Ground
13. Output : 5.5Vpp, Min : 4.5Vpp
14. Output : 5.5Vpp, Min : 4.5Vpp
15. Output : 5.5Vpp, Min : 4.5Vpp
16. Output : 5.5Vpp, Min : 4.5Vpp
17. Output : 5.5Vpp, Min : 4.5Vpp
18. Output : 5.5Vpp, Min : 4.5Vpp
19. Ground
20. Input : Max : 2Vpp, Input Current : 1mA, Max : 3mA
13.6.STV9379FA
13.6.1.Description
Designed for monitors and high performance TVs, the STV9379FA vertical deflection booster can
handle flyback voltage up to 90V. Further to this, it is possible to have a flyback voltage, which is more
than the double of the supply (Pin 2). This allows to decrease the power consumption, or to decrease
the flyback time for a given supply voltage. The STV9379FA operates with supplies up to 42V and
provides up to 2.6APP output current to drive the yoke. The STV9379FA is offered in HEPTAWATT
package.
13.6.2.Features
Power Amplifier
Thermal Protection
Output Current Up To 2.6APP
Flyback Voltage Up To 90V (on Pin 5)
Suitable For DC Coupling Application
External Flyback Supply
13.7.TDA7269A
13.7.1.Description
The TDA7269A is class AB dual Audio power amplifier assembled in the Multiwatt package, specially
designed for high quality sound application as Hi-Fi music centers and stereo TV sets.
13.7.2.Features
Wide Supply Voltage Range Up To ±20V
Split Supply
High Output Power
14 + 14W @THD =10%, RL =8?,VS= +16V
No Pop at Turn-On/Off
Mute (Pop Free)
Stand-By Feature (Low Iq)
Short Circuit Protection To Gnd
Thermal Overload Protection
13.8.LM7800 (LM7805/LM7808)
13.8.1.Description
The L7800 series of three-terminal positive regulators is available in TO-220 TO-220FP TO-3 and D 2
PAK packages and several fixed output voltages, making it useful in a wide range of applications.
These regulators can provide local on-card regulation, eliminating the distribution problems associated
with single point regulation. Each type employs internal current limiting, thermal shutdown and safe
area protection, making it essentially indestructible. If adequate heat sinking is provided, they can
deliver over 1A output current. Although designed primarily as fixed voltage regulators, these devices
can be used with external components to obtain adjustable voltages and currents.
13.8.2.Features
Output Current Up To 1.5 A
Output Voltages of 5; 5.2; 6; 8; 8.5; 9; 12; 15; 18; 24V
Thermal Over load protection
Short Circuit Protection
Output Transition SOA Protection
13.9.AT24C08
13.9.1.Description
The AT24C01A/02/04/08/16 provides 1024/2048/4096/8192/16384 bits of serial electrically erasable
and programmable read-only memory (EEPROM) organized as 128/256/512/1024/2048 words of 8 bits
each. The device is optimized for use in many industrial and commercial applications where low-power
and low-voltage operation are essential. The AT24C01A/02/04/08/16 is available in space-saving 8-pin
PDIP, (AT24C01A/02/04/08/16), 8-lead TSSOP (AT24C01A/02/04/08/16) and 8-lead JEDEC SOIC
(AT24C01A/02/04/08/16) packages and is accessed via a 2
-
wire serial interface. In addition, the entire

• 8-byte Page (1K, 2K), 16-byte Page (4K, 8K, 16K) Write Modes
• Partial Page Writes are Allowed
• Self-timed Write Cycle (10 ms max)
• High-reliability
– Endurance: 1 Million Write Cycles
– Data Retention: 100 Years
• Automotive Grade and Extended Temperature Devices Available
• 8-lead JEDEC SOIC, 8-pin PDIP and 8-lead TSSOP Packages
13.9.3.Pin Configurations
Pin name Function
A0-A2 Address Inputs
SDA Serial Data
SCL Serial Clock Input
WP Write Protect
NC No Connect
13.10.SDA5555
13.10.1.General definition
The SDA55XX is a single chip teletext decoder for decoding World System Teletext data as well as
Video Programming System (VPS), Program Delivery Control (PDC), and Wide Screen Signalling
(WSS) data used for PAL plus transmissions (Line 23). The device also supports Closed caption
acquisition and decoding. The device provides an integrated general-purpose, fully 8051-compatible
Microcontroller with television specific hardware features. Microcontroller has been enhanced to provide
powerful features such as memory banking, data pointers, and additional interrupts etc. The on-chip
display unit for displaying Level 1.5 teletext data can also be used for customer defined on screen
displays. Internal XRAM consists of up to 16 Kbytes. Device has an internal ROM of up to 128 KBytes.
ROMless versions can access up to 1 MByte of external RAM and ROM. The SDA 55XX supports a
wide range of standards including PAL, NTSC and contains a digital slicer for VPS, WSS, PDC, TTX
and Closed Caption, an accelerating acquisition hardware module, a display generator for Level 1.5
TTX data and powerful On screen Display capabilities based on parallel attributes, and Pixel oriented
characters (DRCS).
13.10.2.Features
General
• Feature selection via special function register
• Simultaneous reception of TTX, VPS, PDC, and WSS (line 23)
• Supply Voltage 2.5 and 3.3 V
• ROM version package PSDIP52-2, PMQFP64-1
• Romless version package PMQFP100-2, PLCC84-2
External Crystal and Programmable Clock Speed
• Single external 6MHz crystal, all necessary clocks are generated internally
• CPU clock speed selectable via special function registers.
Memory
• Non-multiplexed 8-bit data and 16 … 20-bit address bus (ROMless Version)
• Memory banking up to 1Mbyte (Romless version)
• Up to 128 Kilobyte on Chip Program ROM
• Eight 16-bit data pointer registers (DPTR)
• 256-bytes on-chip Processor Internal RAM (IRAM)
• 128bytes extended stack memory.
• Display RAM and TXT/VPS/PDC/WSS-Acquisition-Buffer directly accessible via MOVX
• UP to 16KByte on Chip Extended RAM (XRAM) consisting of;
- 1 Kilobyte on-chip ACQ-buffer-RAM (access via MOVX)
- 1 Kilobyte on-chip extended-RAM (XRAM, access via MOVX) for user software
- 3 Kilobyte Display Memory
Display Features
• ROM Character Set Supports all East and West European Languages in single device
• Mosaic Graphic Character Set
• Parallel Display Attributes
• Single/Double Width/Height of Characters
• Variable Flash Rate
• Programmable Screen Size (25 Rows x 33...64 Columns)
• Flexible Character Matrixes (HxV) 12 x 9...16
• Up to 256 Dynamical Redefinable Characters in standard mode; 1024 Dynamical Redefinable
Characters in Enhanced Mode
• CLUT with up to 4096 colour combinations
• Up to 16 Colours per DRCS Character
• One out of Eight Colours for Foreground and Background Colours for 1-bit DRCS and ROM
Characters
• Shadowing
• Contrast Reduction
• Pixel by Pixel Shiftable Cursor With up to 4 Different Colours
• Support of Progressive Scan and 100 Hz.
• 3 X 4Bits RGB-DACs On-Chip
• Free Programmable Pixel Clock from 10 MHz to 32MHz
• Pixel Clock Independent from CPU Clock
• Multinorm H/V-Display Synchronization in Master or Slave Mode
Acquisition Features
• Multistandard Digital Data Slicer
• Parallel Multi-norm Slicing (TTX, VPS, WSS, CC, G+)
• Four Different Framing Codes Available
• Data Caption only Limited by available Memory
• Programmable VBI-buffer
• Full Channel Data Slicing Supported
• Fully Digital Signal Processing
• Noise Measurement and Controlled Noise Compensation
• Attenuation Measurement and Compensation

external components while offering a high flexibility and reliability. The device also features a very high
efficiency stand–by management consisting of an effective Pulsed Mode operation. This technique
enables the reduction of the stand–by power consumption to approximately 1W while delivering 300mW
in a 150W SMPS.
• Integrated Start–Up Current Source
• Lossless Off–Line Start–Up
• Direct Off–Line Operation
• Fast Start–Up
13.11.2.General Features
• Flexibility
• Duty Cycle Control
• Under voltage Lockout with Hysteresis
• On Chip Oscillator Switching Frequency 40, or 75kHz
• Secondary Control with Few External Components
Protections
• Maximum Duty Cycle Limitation
• Cycle by Cycle Current Limitation
• Demagnetization (Zero Current Detection) Protection
• “Over VCC Protection” Against Open Loop
• Programmable Low Inertia Over Voltage Protection Against Open Loop
• Internal Thermal Protection
GreenLineTM Controller
• Pulsed Mode Techniques for a Very High Efficiency Low Power Mode
• Lossless Startup
• Low dV/dT for Low EMI Radiations
13.11.3.Pin Connections
13.11.4.Pin Function description
Pin Name Description
1 Demag The Demag pin offers 3 different functions: Zero voltage crossing detection (50mV), 24mA current
detection and 120mA current detection. The 24mA level is used to detect the secondary
reconfiguration status and the 120mA level to detect an Over Voltage status called Quick OVP.
2 ISENSE The Current Sense pin senses the voltage developed on the series resistor inserted in the source
of the power MOSFET. When I sense reaches 1V, the Driver output (pin 5) is disabled. This is
13.12.TCET1102G
13.12.1.Description
The TCET110/ TCET2100/ TCET4100 consists of a phototransistor optically coupled to a gallium
arsenide infrared-emitting diode in a 4-lead up to 16-lead plastic dual inline package. The elements are
mounted on one lead frame using a coplanar technique, providing a fixed distance between input and
output for highest safety requirements.
13.12.2.Applications
Circuits for safe protective separation against electrical shock according to safety class II (reinforced
isolation):
For appl. class I – IV at mains voltage ?300 V
For appl. class I – III at mains voltage ?600 V
According to VDE 0884, table 2, suitable for: Switch-mode power supplies, line receiver, computer
peripheral interface, microprocessor system interface.
13.12.3.Features
VDE 0884 related features:
Rated impulse voltage (transient overvoltage) V IOTM = 8 kV peak
Isolation test voltage (partial discharge test voltage) V pd = 1.6 kV
Rated isolation voltage (RMS includes DC) V IOWM = 600 V RMS (848 V peak)
Rated recurring peak voltage (repetitive) V IORM = 600 V RMS
General features:
CTR offered in 9 groups
Isolation materials according to UL94-VO
Pollution degree 2 (DIN/VDE 0110 / resp. IEC 664)
Climatic classification 55/100/21 (IEC 68 part 1)
Special construction: Therefore, extra low coupling capacity of typical 0.2pF, high Common Mode
Rejection
Low temperature coefficient of CTR
G = Leadform 10.16 mm; provides creepage distance > 8 mm, for TCET2100/ TCET4100 optional;
suffix letter ‘G’ is not marked on the optocoupler
Coupling System U
13.13.TDA9885T
13.13.1.General Description
The TDA9885 is an alignment-free single standard (without positive modulation) vision and sound IF signal
PLL.
13.13.2.Features
• 5 V supply voltage
•
Gain controlled wide
-
band Vision Intermediate Frequency (VIF) amplifier (AC
-
coupled)

• SIF AGC for gain controlled SIF amplifier; single reference QSS mixer able to operate in high performance
single reference QSS mode and in intercarrier mode, switchable via I2C-bus
• AM demodulator without extra reference circuit
• Alignment-free selective FM-PLL demodulator with high linearity and low noise
• I2C-bus control for all functions
• I2C-bus transceiver with pin programmable Module Address (MAD).
13.13.3.Pinning
SYMBOL PIN DESCRIPTION
VIF1 1 VIF differential input 1
VIF2 2 VIF differential input 2
OP1 3 output 1 (open-collector)
FMPLL 4 FM-PLL for loop filter
DEEM 5 de-emphasis output for capacitor
AFD 6 AF decoupling input for capacitor
DGND 7 digital ground
AUD 8 audio output
TOP 9 tuner AGC TakeOver Point (TOP)
SDA 10 I2C-bus data input/output
SCL 11 I2C-bus clock input
SIOMA 12 sound intercarrier output and MAD select
n.c. 13 not connected
TAGC 14 tuner AGC output
REF 15 4 MHz crystal or reference input
VAGC 16 VIF-AGC for capacitor; note 1
CVBS 17 video output
AGND 18 analog ground
VPLL 19 VIF-PLL for loop filter
VP 20 supply voltage (+5 V)
AFC 21 AFC output
OP2 22 output 2 (open-collector)
SIF1 23 SIF differential input 1
SIF2 24 SIF differential input 2
13.14.PI5V330
13.14.1.General Description
The PI5V330 is well suited for video applications when switching composite or RGB analog. A picture-
in-picture application will be described in this brief. The pixel-rate creates video overlays so two or more
pictures can be viewed at the same time. An inexpensive NTSC titler can be implemented by
superimposing the output of a character generator on a standard composite video background.

14.AK45 CHASSIS PRODUCTION SERVICE MODE ADJUSTMENTS
14.1.SERVICE MENU
All system, geometry and white balance alignments are performed in production service mode. Before
starting the production mode alignments, make sure that all manual adjustments are done correctly. To
start production mode alignments enter the MAIN MENU and then press the digits 4, 7, 2 and 5
respectively or press MUTE and INFO buttons at the same time. The following first menu appears on
the screen.
You can select Adjust or Options items by pressing Up/Down buttons. Selected parameter will be
highlighted. Inorder to enter the selected parameter, press Left or Right button. To exit the service
menu press MENU button. Entire service menu parameters of AK45 CHASSIS are listed below.
14.2.ADJUST MENU
Select the parameter by pressing up/down buttons. Adjust the parameter by pressing Left/Right
buttons. In ADJUST menu, changed values are stored automatically.
White Point Red, White Point Green, White Point Blue:
Not used.
AGC
Apply PAL BG signal, VHF-3 Channel-12 and 60dBµV signal level. Adjust AGC (Automatic Gain
Control) item by pressing Left/Right buttons till the voltage at AGC point (pin1 of the tuner) becomes 3.0
000 255
001 036
002 019
003 020
004 030
005 026
006 003
007 004
008 005
009 005
ADJUST...
ADJUST...
OPTIONS...
AK45JA0XX
AK45JA0XX
SERVICE
Y-Delay SECAM
Enter a SECAM B/G colour and black-white bar test pattern via RF. Adjust Y-Delay SECAM till the
colour transients on the colour bar of the pattern become as sharper and colours between transients do
not mix with each other as possible.
Y-Delay NTSC
Enter an NTSC colour and black-white bar test pattern via RF. Adjust Y-Delay NTSC till the colour
transients on the colour bar of the pattern become as sharper and colours between transients do not
mix with each other as possible.
Y-Delay other
Not used.
Vertical Pozition Offset
This value is fixed (127)
Vertical Pozition Offset
This value is fixed (127)
Horizontal Pozition Offset
This value is fixed (127)
Horizontal Pozition Offset
This value is fixed (127)
Vertical Blank Start
This register will be used only at 4:3 tube for 16:9 mode adjustment. It adjusts the vertical blank start
position.
Vertical Blank Stop
This register will be used only at 4:3 tube for 16:9 mode adjustment. It adjusts the vertical blank stop
position.
Angle
Change Angle by pressing Left/Right buttons till the vertical lines of the crosshatch pattern become
completely perpendicular to horizontal lines without any angle of vertical deviation. Check and readjust
ANGLE item if the adjustment becomes improper after some other geometric adjustments are done.
Bow
Change Bow by pressing Left/Right buttons till the vertical lines especially ones close to the left and
right sides will of equal and symmetrical bending, i.e. they together will neither be towards left side nor
right side. Check and readjust BOW item if the adjustment becomes improper after some other
geometric adjustments are done.
4:3 Horizontal Blank Start
This register will be used only at 16:9 tube for 4:3 mode adjustment. It adjusts the horizontal blank start
WDR
The amplitude of R of RGB output can be adjusted with the drive parameter WDR.
WDG
The amplitude of G of RGB output can be adjusted with the drive parameter WDG.
WDB
The amplitude of B of RGB output can be adjusted with the drive parameter WDB.
CR
The DC offset values of R of RGB output can be adjusted with the cutoff parameter CR.
CG
The DC offset values of G of RGB output can be adjusted with the cutoff parameter CG.
CB
The DC offset values of B of RGB output can be adjusted with the cutoff parameter CB.
COR coring level
The amplitude of the correction signal is adjustable. Small noise amplitudes in the correction signal are
suppressed by an adjustable coring circuit.
REGULAR VERT_POS (Regular mode Vertical Position)
Enter a PAL B/G circle test pattern via RF. Change Vertical Position till the test pattern is vertically
centered. Horizontal line at the center pattern is in equal distance both to upper and lower side of the
picture tube. Check and readjust Vertical Position item if the adjustment becomes improper after some
other geometric adjustments are done.
It’s used to adjust the vertical position of regular mode.
REGULAR VERT_AMPL (Regular mode Vertical Amplitude)
It’s used to adjust the vertical amplitude of regular mode.
REGULAR VERT_SCOR (Regular mode Vertical S-Correction)
It’s used to adjust the vertical s-correction of regular mode.
REGULAR VERT_SSYM(Regular mode Vertical S Symmetry)
It’s used to adjust the vertical s-symetry of regular mode.
REGULAR TRAPEZE (Regular mode Trapeze)
Change Trapezium by pressing Left/Right buttons till vertical lines, especially lines at the sides of the
picture frame became parallel to the both sides of picture tube as close as possible. Check and readjust
TRPEZ item if the adjustment becomes improper after some other geometric adjustments are done.
It’s used to adjust the trapeze of regular mode.
REGULAR CUSHION (Regular mode Cushion)
It’s used to adjust t
he cushion of regular mode.
PANORAMIC VERT_POS (Panoramic mode Vertical Position)
It’s used to adjust the vertical position of panoramic mode.
PANORAMIC VERT_AMPL (Panoramic mode Vertical Amplitude)
It’s used to adjust the vertical amplitude of panoramic mode.
PANORAMIC VERT_SCOR (Panoramic mode Vertical S-Correction)
It’s used to adjust the vertical s-correction of panoramic mode.
PANORAMIC VERT_SSYM (Panoramic mode Vertical S-Symmetry)
It’s used to adjust the vertical s-symmetry of panoramic mode.
PANORAMIC TRAPEZE (Panoramic mode Trapeze)
It’s used to adjust the trapeze of panoramic mode.
PANORAMIC CUSHION (Panoramic mode Cushion)
It’s used to adjust the cushion of panoramic mode.
PANORAMIC HOR_COR_SYM (Panoramic mode Horizontal corner symmetry)
It’s used to adjust the horizontal corners symmetry of panoramic mode.
PANORAMIC HOR_CORNER (Panoramic mode Horizontal corner)
It’s used to adjust the horizontal corners of panoramic mode.
PANORAMIC HORZ_POS (Panoramic mode Horizontal position)
It’s used to adjust the horizontal position of panoramic mode.
PANORAMIC HORZ_AMPL (Panoramic mode Horizontal amplitude)
It’s used to adjust the horizontal amplitude of panoramic mode.
14:9 ZOOM VERT_POS (14:9 Zoom mode Vertical Position)
It’s used to adjust the vertical position of 14:9 zoom mode.
14:9 ZOOM VERT_AMPL (14:9 Zoom mode Vertical Amplitude)
It’s used to adjust the vertical amplitude of 14:9 zoom mode.
14:9 ZOOM VERT_SCOR (14:9 Zoom mode Vertical S-Correction)
It’s used to adjust the vertical s-correction of 14:9 zoom mode.
14:9 ZOOM VERT_SSYM (14:9 Zoom mode Vertical Symmetry)
It’s used to adjust the vertical s-symmetry of 14:9 zoom mode.
14:9 ZOOM TRAPEZE (14:9 Zoom mode Trapeze)
It’s used to adjust the trapeze of 14:9 zoom mode.
14:9 ZOOM CUSHION (14:9 Zoom mode Cushion)
16:9 ZOOM VERT_POS (16:9 Zoom mode Vertical Position)
It’s used to adjust the vertical position of 16:9 zoom mode.
16:9 ZOOM VERT_AMPL (16:9 Zoom mode Vertical Amplitude)
It’s used to adjust the vertical amplitude of 16:9 zoom mode.
16:9 ZOOM VERT_SCOR (16:9 Zoom mode Vertical S-Correction)
It’s used to adjust the vertical s-correction of 16:9 zoom mode.
16:9 ZOOM VERT_SSYM (16:9 Zoom mode Vertical S-Symmetry)
It’s used to adjust the vertical s-symmetry of 16:9 zoom mode.
16:9 ZOOM TRAPEZE (16:9 Zoom mode Trapeze)
It’s used to adjust the trapeze of 16:9 zoom mode.
16:9 ZOOM CUSHION (16:9 Zoom mode Cushion)
It’s used to adjust the cushion of 16:9 zoom mode.
16:9 ZOOM HOR_COR_SYM (16:9 Zoom mode Horizontal corner symmetry)
It’s used to adjust the horizontal corners symmetry of 16:9 zoom mode.
16:9 ZOOM HOR_CORNER (16:9 Zoom mode Horizontal corner)
It’s used to adjust the horizontal corners of 16:9 zoom mode.
16:9 ZOOM HORZ_POS (16:9 Zoom mode Horizontal position)
It’s used to adjust the horizontal position of 16:9 zoom mode.
16:9 ZOOM HORZ_AMPL (16:9 Zoom mode Horizontal amplitude)
It’s used to adjust the horizontal amplitude of 16:9 zoom mode.
16:9 ZOOM SUBTITLE VERT_POS (16:9 Zoom Subtitle mode Vertical position)
It’s used to adjust the vertical position of 16:9 zoom subtitle mode.
16:9 ZOOM SUBTITLE VERT_AMPL (16:9 Zoom Subtitle mode Vertical amplitude)
It’s used to adjust the vertical amplitude of 16:9 zoom subtitle mode.
16:9 ZOOM SUBTITLE VERT_SCOR (16:9 Zoom Subtitle mode Vertical S-Correction)
It’s used to adjust the vertical s-correction of 16:9 zoom subtitle mode.
16:9 ZOOM SUBTITLE VERT_SSYM (16:9 Zoom Subtitle mode Vertical Symmetry)
It’s used to adjust the vertical s-symmetry of 16:9 zoom subtitle mode.
16:9 ZOOM SUBTITLE TRAPEZE (16:9 Zoom Subtitle mode Trapeze)
It’s used to adjust the trapeze of 16:9 zoom subtitle mode.
16:9 ZOOM SUBTITLE CUSHION (16:9 Zoom Subtitle mode Cushion)
OSD Position
It’s used to adjust the horizontal position of the OSD.
BCLTHR
Beam current threshold
BCLG
Beam current loop gain
ROTATION (TILT)
This adjustment only works when the TV has rotation option. Change TILT by pressing Left/Right
buttons to rotate the complete raster clock-wise and counter clock-wise depending on the CRT. Check
and readjust TRPEZ item if the adjustment becomes improper after some other geometric adjustments
are done.
LSLSA, LSLSB, LSL2, LSLTA, LSLTB (Luma soft limiter)
LSLSA: Luma soft limiter slope A (fixed)
LSLSB: Luma soft limiter slope B (fixed)
LSL2: Luma soft limiter absolute limit (fixed)
LSLTA: Luma soft limiter segment A tilt point (fixed)
LSLTB: Luma soft limiter segment A tilt point (fixed)
REFERENCE WDR RED (NORMAL)
The amplitude of R of RGB output can be adjusted with the drive parameter WDR for the colour
temperature of normal mode.
REFERENCE WDR GREEN (NORMAL)
The amplitude of G of RGB output can be adjusted with the drive parameter WDR for the colour
temperature of normal mode.
REFERENCE WDR BLUE (NORMAL)
The amplitude of B of RGB output can be adjusted with the drive parameter WDR for the colour
temperature of normal mode.
REFERENCE CUTOFF RED
It’s fixed.
REFERENCE CUTOFF GREEN
It’s fixed.
REFERENCE CUTOFF BLUE
It’s fixed.
IBRM
Internal Brightness, the brightness for measurement can be set to measure at higher cutoff current. The
measurement brightness is independent of the drive values. It’s used to ad
just the maximum brightness
POFS2 (RGB HORIZONTAL SHIFT)
It’s used to adjust the horizontal position of RGB signal.
REFERENCE WDR RED COOL
The amplitude of R of RGB output can be adjusted with the drive parameter WDR for the colour temp of
cool mode.
REFERENCE WDR GREEN COOL
The amplitude of G of RGB output can be adjusted with the drive parameter WDR for the colour temp of
cool mode.
REFERENCE WDR BLUE COOL
The amplitude of B of RGB output can be adjusted with the drive parameter WDR for the colour temp of
cool mode.
REFERENCE WDR RED WARM
The amplitude of R of RGB output can be adjusted with the drive parameter WDR for the colour temp of
warm mode.
REFERENCE WDR GREEN WARM
The amplitude of G of RGB output can be adjusted with the drive parameter WDR for the colour temp of
cool mode.
REFERENCE WDR BLUE WARM
The amplitude of B of RGB output can be adjusted with the drive parameter WDR for the colour temp of
cool mode.
STANDARD MODE BRIGHTNESS
It’s used to adjust the brightness value of standard mode.
STANDARD MODE COLOUR
It’s used to adjust the colour value of standard mode.
STANDARD MODE CONTRAST
It’s used to adjust the contrast value of standard mode.
FULL VERT_POS (16:9 MODE)
It’s used to adjust the vertical position of 16:9 mode (full mode).
FULL VERT_AMPL
It’s used to adjust the vertical amplitude of 16:9 mode (full mode).
FULL VERT_SCOR
It’s used to adjust the vertical s-correction of 16:9 mode (full mode).
FULL VERT_SSYM
FULL HORZ_POS
It’s used to adjust the horizontal position of 16:9 mode (full mode).
FULL HORZ_AMPL
It’s used to adjust the horizontal amplitude of 16:9 mode (full mode).
BRIGHT MODE BRIGHTNESS
It’s used to adjust the brightness value of bright mode.
BRIGHT MODE COLOUR
It’s used to adjust the colour value of bright mode.
BRIGHT MODE CONTRAST
It’s used to adjust the contrast value of bright mode.
SOFT MODE BRIGHTNESS
It’s used to adjust the brightness value of soft mode.
SOFT MODE COLOUR
It’s used to adjust the colour value of soft mode.
SOFT MODE CONTRAST
It’s used to adjust the contrast value of soft mode.
PERSONAL MODE FACTORY SETTING BRIGHTNESS
It’s fixed.
PERSONAL MODE FACTORY SETTING COLOUR
It’s fixed.
PERSONAL MODE FACTORY SETTING CONTRAST
It’s fixed.
SCINC FOR PANAROMIC MODE
scaler1 coefficient, this scaler is compressing the signal.
SCINC1 FOR PANAROMIC MODE
scaler2 coefficient, this scaler is expanding the signal.
VOLUME AFTER APS
It’s used to adjust the volume level after APS.
VERTICAL SCROLL
It’s used to adjust the step width for scroll function.
14:9 HORIZANTAL START
14:9 RGB CUSHION
It’s used to adjust the cushion in 14:9 mode for RGB signals.
PANAROMIC RGB HORIZONTAL AMPLITUDE
It’s used to adjust the horizontal amplitude in panoramic mode for RGB signals.
16:9 RGB HORIZANTOL AMPLITUDE
It’s used to adjust the horizontal amplitude in 16:9 mode for RGB signals.
16:9 SUBTITLE RGB HORIZONTAL AMPLITUDE
It’s used to adjust the horizontal amplitude in 16:9 subtitle mode for RGB signals.
FULL RGB HORIZONTAL AMPLITUDE
It’s used to adjust the horizontal amplitude in full mode for RGB signals.
TELETEXT HORZ_POS
It’s used to adjust the horizontal position of teletext signal.

2835 2835W ADJUST
EXPLANATION MULTI MULTI - PAL I
000 White Point RED 255 255
001 White Point GREEN 126 036
002 Whit Point BLUE 127 019
003 AGC (Automatic Gain Control) 20
It will be adjusted to
below 1V of Max. AGC
for each TV.
004 IF-PLL Negative 030 030
005 IF-PLL Positive 026 026
006 Y-Delay 003 002
007 Y-Delay SECAM 004 003
008 Y-Delay NTSC 005 005
009 Y-Delay OTHER 005 005
010 Vertical Position Offset 127 127
011 Vertical Amplitude Offset 127 127
012 Horizontal Position Offset 127 127
013 Horizontal Amplitude Offset 127 127
014 Vertical Blank Start (It will be used only at 4:3 tube for 16:9
mode adjustment) 149 119
015 Vertical Blank Stop (It will be used only at 4:3 tube for 16:9
mode adjustment) 013 034
016 Angle 132 132
017 Bow 126 131
018 4:3 Horz. Blank Start (It will be used only at 16:9 tube for 4:3
mode adjustment) 021 042
019 4:3 Horz. Blank Stop (It will be used only at 16:9 tube for 4:3
mode adjustment) 140 175
020 EHTV compensation 054 066
021 EHTTM compensation 004 001
022 EHTEW compensation 219 160
023 WDR
024 WDG
025 WDB
026 CR
027 CG
028 CB
VIDEO PROCESSOR
ADJUSTS ITSELF.
029 COR coring level 015 031
030 REGULAR VERT_POS (Vertical Position) 128 129
031 REGULAR VERT_AMPL (Vertical Amplitude) 081 055
032 REGULAR VERT_SCOR (Vertical S Correction) 131 129
033
REGULAR VERT_SSYM (Ve
rtical S Symmetry)
139
136

049 PANORAMIC HORZ_AMPL - 013
050 14:9 ZOOM VERT_POS - 129
051 14:9 ZOOM VERT_AMPL - 043
052 14:9 ZOOM VERT_SCOR - 129
053 14:9 ZOOM VERT_SSYM - 140
054 14:9 ZOOM TRAPEZE - 125
055 14:9 ZOOM CUSHION - 159
056 14:9 ZOOM HOR_COR_SYM - 141
057 14:9 ZOOM HOR_CORNER - 110
058 14:9 ZOOM HORZ_POS - 053
059 14:9 ZOOM HORZ_AMPL - 032
060 16:9 ZOOM VERT_POS - 129
061 16:9 ZOOM VERT_AMPL - 035
062 16:9 ZOOM VERT_SCOR - 129
063 16:9 ZOOM VERT_SSYM - 148
064 16:9 ZOOM TRAPEZE - 125
065 16:9 ZOOM CUSHION - 164
066 16:9 ZOOM HOR_COR_SYM - 138
067 16:9 ZOOM HOR_CORNER - 104
068 16:9 ZOOM HORZ_POS - 036
069 16:9 ZOOM HORZ_AMPL - 020
070 16:9 ZOOM SUBTITLE VERT_POS - 137
071 16:9 ZOOM SUBTITLE VERT_AMPL - 039
072 16:9 ZOOM SUBTITLE VERT_SCOR - 124
073 16:9 ZOOM SUBTITLE VERT_SSYM - 146
074 16:9 ZOOM SUBTITLE TRAPEZE - 119
075 16:9 ZOOM SUBTITLE CUSHION - 164
076 16:9 ZOOM SUBTITLE HOR_COR_SYM - 162
077 16:9 ZOOM SUBTITLE HOR_CORNER - 081
078 16:9 ZOOM SUBTITLE HORZ_POS - 035
079 16:9 ZOOM SUBTITLE HORZ_AMPL - 021
080 OSD Position 217 205
081 BCLTHR Beam current threshold 050 060
082 BCLG Beam current loop gain 008 007
083 ROTATION (TILT) 000 000
084 LSLSA Luma soft limiter 000 003
085 LSLSB Luma soft limiter 000 000
086 LSL2 Luma soft limiter 255 255
087 LSLTA Luma soft limiter 000 000
088 LSLTB Luma soft limiter 000 001
089 REFERENCE WDR RED (NORMAL) 088 092
090 REFERENCE WDR GREEN (NORMAL) 074 083
091 REFERENCE WDR BLUE (NORMAL) 075 082
092
REFERENCE CUTOFF RED
065
055

108 STANDARD MODE COLOUR 050 047
109 STANDARD MODE CONTRAST 022 029
110 FULL VERT_POS (16:9 MODE) 128 129
111 FULL VERT_AMPL 093 055
112 FULL VERT_SCOR 131 129
113 FULL VERT_SSYM 133 136
114 FULL TRAPEZE 127 126
115 FULL CUSHION 148 153
116 FULL HOR_COR_SYM 137 136
117 FULL HOR_CORNER 109 109
118 FULL HORZ_POS 055 035
119 FULL HORZ_AMPL 057 020
120 BRIGHT MODE BRIGHTNESS 027 043
121 BRIGHT MODE COLOUR 050 050
122 BRIGHT MODE CONTRAST 030 032
123 SOFT MODE BRIGHTNESS 027 043
124 SOFT MODE COLOUR 050 058
125 SOFT MODE CONTRAST 017 020
126 PERSONAL MODE FACTORY SETTING BRIGHTNESS 027 043
127 PERSONAL MODE FACTORY SETTING COLOUR 050 050
128 PERSONAL MODE FACTORY SETTING CONTRAST 030 032
129 SCINC FOR PANORAMIC MODE 032 056
130 SCINC1 FOR PANORAMIC MODE 032 125
131 VOLUME AFTER APS 005
132 VERTICAL SCROLL 005 008
133 14:9 HORIZONTAL START (It will be used only at 16:9 tube
for 14:9 mode adjustment) - 031
134 14:9 HORIZONTAL STOP (It will be used only at 16:9 tube
for 14:9 mode adjustment) - 185
135 4:3 RGB HORIZONTAL AMPLITUDE 055 074
136 4:3 RGB CUSHION 163 150
137 14:9 RGB HORIZONTAL AMPLITUDE - 055
138 14:9 RGB CUSHION - 158
139 PANAROMIC RGB HORIZONTAL AMPLITUDE - 031
140 16:9 RGB HORIZONTAL AMPLITUDE - 027
141 16:9 SUBTITLE RGB HORIZONTAL AMPLITUDE - 027
142 FULL RGB HORIZONTAL AMPLITUDE 054 027
143 TELETEXT HORIZONTAL POSITION 101 095

14.3.OPTIONS MENU
Select the parameter by pressing up/down buttons. Adjust the parameter by pressing Left/Right
buttons. . In OPTIONS menu, some of the changed parameters are not stored automatically. To store
the adjusted parameters, you should turn off and on TV.
Option 0. Video Processor Crystal Indication
B7: x = x
B6: x = x
B5: x = x
B4: x = x
B3: x = x
B2: x = x
B1: Xa = note1 (Crystal indication)
B0: Xb = note1 (Crystal indication)
note 1:
Xa,Xb
0,1 : Pal M, Pal N, NTSC M
Pin 34 : 3.58 (1, 2 or 3 crystals)
Pin 35 : No crystal
1,0 : Pal BG, Pal DK, Pal I/I+, Secam BG, Secam DK, Secam L/L’, Secam K1
Pin 34 : No crystal
Pin 35 : 4.43 (1 crystal)
1,1 : Pal BG, Pal DK, Pal I/I+, Secam BG, Secam DK, Secam L/L’, Secam K1, Pal M, Pal N, Ntsc M
Pin 34 : 3.58 (1, 2 or 3 crystals)
Pin 35 : 4.43 (1 crystal)
Option 1. (0x01) Video Processor Decoder Mode Register
000 02
001 00
002 22
003 08
004 00
005 10
006 00
007 56
008 39
009 0F
OPTIONS...
00000010
00000000
00100010
00001000
00000000
00010000
00000000
01010110
00111001
00001111
B4: x = x
B3: x = x
B2: x = x
B1: LUMA = 1 Luma Soft Limiter Enabled
B0: BB = 1 Blue Background Option
Option 3. (0x19) Video Processor Cathode Drive Level
B7: x = x
B6: x = x
B5: x = x
B4: x = x
B3: x = x
B2: x = x
B1: x = x
B0: country = note 0
Note 0: choice for others country option
1 : BG
0 : DK
Option 4.
B7: x = x
B6: x = x
B5: x = x
B4: x = x
B3: x = x
B2: x = x
B1: x = x
B0: x = x
Option 5. CTI Avaliable, Mono AVL
B7: x = x
B6: x = x
B5: x = x
B4: x = x
B3: x = x
B2: x = x
B1: x = x
B0: x = x
Option 6.
B7: = TEXT LANGUAGE 3
B6: = TEXT LANGUAGE 2
B5: = TEXT LANGUAGE 1
B4:
x
=
x
note 1:
F :Frequency Mode
1: = Frequency Menu Item available
0: = Frequency Menu Item not available
Option 8. IF Frequency
B7: x = x
B6: x = x
B5: IfI = 0 note 3
B4: IfD = 0 note 4
B3: IfM = note 5
B2: Aps = note 6
B1: Hp = note 7
B0: Hue = note 8
note 3:
IfI
1 = IF I 39.5 MHz Great Britain I , Only UHF Tuner
0 = IF I 38.9 MHz Ireland I+ , Standard Tuner
note 4:
IfD
1 = IF DK 38.0 MHz
0 = IF DK 38.9 MHz
note 5:
IfM
1 = IF M,N 45.75 MHz S&N American Models , Tuner UV1336 (Only Pal M/N, Ntsc M)
0 = IF M,N 38.9 MHz Euro M,N Models , Standard Tuner
Note 6:
Aps ( Only for PLL )
0 = A.P.S. done
1 = A.P.S. set
note 7:
Hp : Headphone available
0 = No headphone
1 = Headphone available
note 8:
Hue : Hue Available
0 = No Hue
1 = Hue available
Option 9. Standard Available
Option 10. Scart, Combfilter, Teletext, Language
B7: x = x
B6: RGB = note 2
B5: FAV =
B4: AV2S =
B3: FSVHS = note 3
B2: BAV = note 4
B1: Sc2 = note 5
B0: BSVHS = note 6
note 2 :
RGB = RGB Menu Item active/inactive
0 = RGB Menu Item inactive
1 = RGB Menu Item active
note 3:
0 = Front S-VHS not supported
1 = Front S-VHS available
note 4:
0 = Back AV (AV-3) not supported
1 = Back AV (AV-3) available
note 5:
0 = Scart 2 not supported
1 = Scart 2 available
note 6:
0 = Back SVHS not supported
1 = Back SVHS available
Option 11. PLL Tuner Control 1 Byte
Pll tuner control 1 byte
b7 b6 b5 b4 b3 b2 b1 b0
Philips UV1316T MK3 1 0 0 0 1 1 1 0
Philips UV1316MK2 1 0 0 0 1 1 1 0
Alps TELE9X062A 1 0 0 0 1 1 1 0
Samsung TEXX2949PG28A 1 0 0 0 1 1 1 0
Siel PT060 1 0 0 0 1 1 1 0
Temic 5001PH5-3X0003 1 0 0 0 1 1 1 0
Thomson CTT5020 1 0 0 0 1 1 1 0
Option 12. PLL Tuner Control 2 Low Byte
Pll tuner control 2 low byte
Option 13. PLL Tuner Control 2 Mid Byte
b7 b6 b5 b4 b3 b2 b1 b0
Philips UV1316T MK3 0 0 0 0 0 0 1 0
Philips UV1316MK2 1 0 0 1 0 0 1 0
Alps TELE9X062A 0 0 0 0 0 0 1 0
Samsung TEXX2949PG28A 0 0 0 0 0 0 1 0
Siel PT060 1 1 0 1 0 0 0 0
Temic 5001PH5-3X0003 0 0 0 0 0 1 0 0
Thomson CTT5020 0 0 0 0 0 1 1 0
Option 14. PLL Tuner Control 2 High Byte
b7 b6 b5 b4 b3 b2 b1 b0
Philips UV1316T MK3 0 0 0 0 0 1 0 0
Philips UV1316MK2 0 0 1 1 0 1 0 0
Alps TELE9X062A 0 0 0 0 1 0 0 0
Samsung TEXX2949PG28A 0 0 0 0 1 0 0 0
Siel PT060 0 0 1 1 0 0 0 0
Temic 5001PH5-3X0003 0 0 0 0 0 0 0 1
Thomson CTT5020 1 0 0 0 0 1 0 1
Option 15. PLL Tuner VHF LOW – VHF HIGH Crossover Low Byte
b7 b6 b5 b4 b3 b2 b1 b0
Philips UV1316T MK3 0 0 1 0 0 0 0 0
Philips UV1316MK2 0 0 0 0 1 0 1 0 (0A hex)
Alps TELE9X062A 0 0 0 0 0 0 0 0
Samsung TEXX2949PG28A 0 0 0 0 1 0 0 0
Siel PT060 0 0 0 0 1 0 1 0
Temic 5001PH5-3X0003 0 0 0 0 0 0 0 0
Thomson CTT5020 1 0 1 0 1 0 1 0 (AA hex)
Option 16. PLL Tuner VHF LOW – VHF HIGH Crossover High Byte
Pll tuner VHF LOW - VHF HIGH crossover high byte
b7 b6 b5 b4 b3 b2 b1 b0
Philips UV1316T MK3 0 0 0 0 1 1 0 0
Philips UV1316MK2 0 0 0 0 1 1 0 0 (0C hex)
Alps TELE9X062A 0 0 0 0 0 0 0 0
Samsung TEXX2949PG28A 0 0 0 0 1 1 0 1
Siel PT060 0 0 0 0 1 1 0 1
Temic 5001PH5-3X0003 0 0 0 0 0 0 0 0
Thomson CTT5020 0 0 0 0 1 0 0 1 (09 hex)
Option 17. PLL Tuner VHF HIGH – UHF Crossover Low Byte
b7 b6 b5 b4 b3 b2 b1 b0
Temic 5001PH5-3X0003 0 0 0 0 0 0 0 0
Thomson CTT5020 0 0 0 1 1 0 1 1 (1B hex)
Option 19. PIP PLL Tuner Control 1 Byte
b7 b6 b5 b4 b3 b2 b1 b0
Philips UV1316MK2 1 0 0 0 1 1 1 0
Alps TELE9X062A 1 0 0 0 1 1 1 0
Samsung TEXX2949PG28A 1 0 0 0 1 1 1 0
Siel PT060 1 0 0 0 1 1 1 0
Temic 5001PH5-3X0003 1 0 0 0 1 1 1 0
Thomson CTT5020 1 0 0 0 1 1 1 0
Option 20. PIP PLL Tuner Control 2 Low Byte
b7 b6 b5 b4 b3 b2 b1 b0
Philips UV1316MK2 1 0 1 0 0 0 0 1
Alps TELE9X062A 0 0 0 0 0 0 0 1
Samsung TEXX2949PG28A 0 0 0 0 0 0 0 1
Siel PT060 0 1 1 0 0 0 0 0
Temic 5001PH5-3X0003 0 0 0 0 0 0 1 0
Thomson CTT5020 0 0 0 0 0 0 1 1
Option 21. PIP PLL Tuner Control 2 Mid Byte
b7 b6 b5 b4 b3 b2 b1 b0
Philips UV1316MK2 1 0 0 1 0 0 1 0
Alps TELE9X062A 0 0 0 0 0 0 1 0
Samsung TEXX2949PG28A 0 0 0 0 0 0 1 0
Siel PT060 1 1 0 1 0 0 0 0
Temic 5001PH5-3X0003 0 0 0 0 0 1 0 0
Thomson CTT5020 0 0 0 0 0 1 1 0
Option 22. PIP PLL Tuner Control 2 High Byte
b7 b6 b5 b4 b3 b2 b1 b0
Philips UV1316MK2 0 0 1 1 0 1 0 0
Alps TELE9X062A 0 0 0 0 1 0 0 0
Samsung TEXX2949PG28A 0 0 0 0 1 0 0 0
Siel PT060 0 0 1 1 0 0 0 0
Temic 5001PH5-3X0003 0 0 0 0 0 0 0 1
Thomson CTT5020 1 0 0 0 0 1 0 1
Option 23. PIP PLL Tuner VHF LOW – VHF HIGH Crossover Low Byte
b7 b6 b5 b4 b3 b2 b1 b0
Philips UV1316MK2 0 0 0 0 1 0 1 0 (0A hex)
Alps TELE9X062A 0 0 0 0 0 0 0 0
Samsung
TEXX2949PG28A
0 0 0 0 1 0 0 0
Option 25. PIP PLL Tuner VHF HIGH – UHF Crossover Low Byte
b7 b6 b5 b4 b3 b2 b1 b0
Philips UV1316MK2 1 1 1 0 0 0 1 0 (E2 hex)
Alps TELE9X062A 0 0 0 0 0 0 0 0
Samsung TEXX2949PG28A 1 0 1 0 0 0 1 0
Siel PT060 1 0 1 0 0 1 0 0
Temic 5001PH5-3X0003 0 0 0 0 0 0 0 0
Thomson CTT5020 1 0 1 0 0 0 1 0 (A2 hex)
Option 26. PIP PLL Tuner VHF HIGH – UHF Crossover High Byte
b7 b6 b5 b4 b3 b2 b1 b0
Philips UV1316MK2 0 0 0 1 1 1 1 0 (1D hex)
Alps TELE9X062A 0 0 0 0 0 0 0 0
Samsung TEXX2949PG28A 0 0 0 1 1 1 1 0
Siel PT060 0 0 0 1 1 1 1 0
Temic 5001PH5-3X0003 0 0 0 0 0 0 0 0
Thomson CTT5020 0 0 0 1 1 0 1 1 (1B hex)
Option 27. Language Available 1
B7: L7 = DANISH
B6: L6 = SWEDISH
B5: L5 = ITALIAN
B4: L4 = PORTUGUESE
B3: L3 = SPANISH
B2: L2 = FRENCH
B1: L1 = GERMAN
B0: L0 = ENGLISH
1: Language available
0: Language not available
Option 28. Language Available 2
B7: L15 = CROATIC
B6: L14 = POLISH
B5: L13 = SLOVAK
B4: L12 = CZECH
B3: L11 = HUNGARY
B2: L10 = GREEK
B1: L9 = TURKEY
B0: L8 = NORWEGIAN
1: Language available
0: Language not available
Option 29. Language Available 3 and Zoom Mode Available
note 2:
Tub : Tube size
0 = 16:9 Tube size
1 = 4:3 Tube size
note 3:
Z.Def : Zoom Default Mode
0 = 16:9 mode default
1 = 4:3 mode default
Option 30. Country
B7: C4 = note 1
B6: C3 = note 1
B5: C2 = note 1
B4: C1 = note 1
B3: C0 = note 1
B2: x = x
B1: x = x
B0: x = x
note 1:
C5,C4,C3,C2,C1,C0 = Country
0, 0, 0,0,0 = OTHER, Not allowed
0, 0, 0,0,1 = D, Germany
0, 0, 0,1,0 = A,
0, 0, 0,1,1 = CH,
0, 0, 1,0,0 = I,
0, 0, 1,0,1 = F,
0, 0, 1,1,0 = RSM,
0, 0, 1,1,1 = B,
0, 1, 0,0,0 = DK,
0, 1, 0,0,1 = S,
0, 1, 0,1,0 = N,
0, 1,0,1,1 = FIN,
0, 1,1,0,0 = GB,
0, 1,1,0,1 = IRL,
0, 1,1,1,0 = IS,
0, 1,1,1,1 = NL,
1, 0,0,0,0 = E,
1, 0,0,0,1 = P,
1, 0,0,1,0 = PL,
1, 0,0,1,1 = CZ,
1, 0,1,0,0
=
H,
b7 b6 b5 b4 b3 b2 b1 b0
prescaler MSP NICAM (AVL = OFF) 0 0 0 1 1 1 1 1 (if virtual dolby option is available)
Option 33. Prescaler MSP SCART (AVL=OFF)
b7 b6 b5 b4 b3 b2 b1 b0
prescaler MSP SCART (AVL = OFF) 0 0 0 0 1 1 0 0
b7 b6 b5 b4 b3 b2 b1 b0
prescaler MSP SCART (AVL = OFF) 0 0 0 1 1 0 0 1 (if virtual dolby option is available)
Option 34. Prescaler MSP I2S (AVL=OFF)
b7 b6 b5 b4 b3 b2 b1 b0
prescaler MSP I2S (AVL = OFF) not defined yet
(if virtual dolby option is available)
Option 35. Not used
B7: x = note 7
B6: x = note 6
B5: x = note 5
B4: x = note 4
B3: AV2S = Scart2 SVHS
B2: Macro = Macrovision
B1: DP = Dolby Prologic
B0: VD = Virtual Dolby
Option 36. Not used
B7: x = note 7
B6: TAT = 1 Tilt and trapez enabled
B5: SWF = 1 Subwoofer enabled
B4: VLO = 1 Variable line out
B3: VBUS = 1 Vestelbus enabled
B2: x = x
B1: DVD = 1 DVD enabled
B0: DVB = 1 DVB enabled
Option 37. Reserved for USA
Option 38. TV Teletext Mode Selection, Child Lock, Equalizer Country
B7: VCR = note 7
B6: C = note 6
B5: LM = note 5
B4: EQ = note 4
B3:
x
=
x
note 3 :
RGB = RGB Menu Item active/inactive
0 = RGB Menu Item inactive
1 = RGB Menu Item active
note 4 :
EQ = Equalizer available
0 = Equalizer not available
1 = Equalizer available
note 5 :
LM = List Mode available
0 = List Mode not available
1 = List Mode available
note 6 :
C = Country Line available / Aps available or not
0 = Country Line not available / Aps not available
1 = Country Line available / Aps available
note 7 :
VCR = VCR Menu Item available / not available
0 = VCR Menu Item not available
1 = VCR Menu Item available
Option 39. Personal Preferance Equalizer Band 1
b7 b6 b5 b4 b3 b2 b1 b0
EQUALIZER BAND 1 0 0 0 0 0 1 1 0
Option 40. Personal Preferance Equalizer Band 2
b7 b6 b5 b4 b3 b2 b1 b0
EQUALIZER BAND 2 0 0 0 0 0 1 1 0
Option 41. Personal Preferance Equalizer Band 3
b7 b6 b5 b4 b3 b2 b1 b0
EQUALIZER BAND 3 0 0 0 0 0 1 1 0
Option 42. Personal Preferance Equalizer Band 4
b7 b6 b5 b4 b3 b2 b1 b0
EQUALIZER BAND 4 0 0 0 0 0 1 1 0
Option 43. Personal Preferance Equalizer Band 5
b7 b6 b5 b4 b3 b2 b1 b0
EQUALIZER BAND 5
0 0 0 0 0 1 1 0
Option 47. Volume Offset Center
b7 b6 b5 b4 b3 b2 b1 b0
VOLUME OFFSET CENTER 0 0 0 0 0 1 1 0
Option 48. Volume Offset Rear
b7 b6 b5 b4 b3 b2 b1 b0
VOLUME OFFSET REAR 0 0 0 0 0 1 1 0
Option 49. Surround Delay
b7 b6 b5 b4 b3 b2 b1 b0
SURROUND DELAY 0 0 0 0 0 0 0 1
Option 50. FM Prescale
b7 b6 b5 b4 b3 b2 b1 b0
FM PRESCALE for Stereo 0 0 0 0 1 1 0 0
b7 b6 b5 b4 b3 b2 b1 b0
FM PRESCALE for Dolby 0 0 0 0 1 0 0 1
Note: if virtual dolby is available, this option is not used.
Option 51. NICAM Prescale
b7 b6 b5 b4 b3 b2 b1 b0
NICAM Prescale for Stereo 0 0 1 0 1 1 0 1
b7 b6 b5 b4 b3 b2 b1 b0
3D Panorama 0 0 0 0 1 0 1 1
b7 b6 b5 b4 b3 b2 b1 b0
NICAM Prescale for Dolby 0 0 0 0 1 1 1 0
Note: if virtual dolby is available, this option is not used.
Option 52. Scart Input Prescale
b7 b6 b5 b4 b3 b2 b1 b0
Scart Input Prescale for Stereo 0 0 0 0 1 0 0 0
b7 b6 b5 b4 b3 b2 b1 b0
Scart Input Prescale for Dolby 0 0 0 0 1 1 1 1
b7 b6 b5 b4 b3 b2 b1 b0
prescaler MSP Scart (AVL = OFF) 0 0 0 1 1 0 0 1 (if virtual dolby option is available)
Option 55. Speaker Setup
b7 b6 b5 b4 b3 b2 b1 b0
Speaker Setup (L/R, L/C/R, L/R/S, L/C/R/S) 0 0 0 0 0 0 0 0
Option 56. Audio Options Available Or Not
Attention: All bits on the Option 56 must be the “0” for MONO TV SETS
B7: nicam = note 7
B6: ASD = note 6
B5: VRS = note 5
B4: CRM = note 4
B3: … = x
B2: LBE = note 2
B1: Spa = note 1
B0: Avl = note 0
note 7 :
nicam = nicam available
0 = nicam not available
1 = nicam available
note 6 :
ASD = Auto Sound Detection available/not available
0 = Auto Sound Detection not available
1 = Auto Sound Detection available
note 5 :
VRS = Virtual Surround
0 = VRS not available
1 = VRS available
note 4 :
CRM = CARRIER MUTE OFF/ON
0 = Sound carrier mute is ON in the Stereo Sound IC
1 = Sound carrier mute is OFF in the Stereo Sound IC (i.e. option available)
note 2 :
LBE = LBE (Dynamic Bass)
0 = LBE not available
1 = LBE available
note 1 :
Spa = Spatial Efect available
0 = Spatial Efect not available
1
=
Spatial Efect available

note 1 : b7 b6 b5 b4 b3 b2 b1 b0
MSP Stereo/Mono Threshold 0 0 0 1 1 0 0 1
Option 58. MSP Audio Flags
B7: b7 = x
B6: b6 = x
B5: b5 = x
B4: Trs = note 1
B3: Trb = note 1
B2: Bbe = note 1
B1: Spa = note 1
B0: Avl = note 1
note 1 :
Defines whether the feature is toggled ON or OFF in the menu and stored.
0 : OFF
1 : ON
Option 59. NICAM Threshold
b7 b6 b5 b4 b3 b2 b1 b0
MSP NICAM Threshold 0 1 1 0 0 1 0 0
Option 60. Power Delay Time
B7: NZ = x
B6: HM = x
B5: L5 = note 3
B4: L4 = note 3
B3: L3 = note 3
B2: L2 = note 3
B1: L1 = note 3
B0: L0 = note 3
note 3:
L7 L6 L5 L4 L3 L2 L1 L0
Default Value : x x 1 1 0 0 0 0
1000 MSEC = 1SN
Number
L7L6L5L4L3L2L1L0
Delay
Number
L7L6L5L4L3L2L1L0
Delay
0 00000000
=
4
sec
32 00100000
=
12
sec
1 00000001
=
4,25
sec
33 00100001
=
12,25
sec
2 00000010
=
4,5
sec
34 00100010
=
12,5
sec
3 00000011
=
4,75
sec
35 00100011
=
12,75
sec
4 00000100
=
5
Sec
36 00100100
=
13
sec
5 00000101
=
5,25
Sec
37 00100101
=
13,25
sec
6
00000110
=
5,5
Sec
38
00100110
=
13,5
sec

20 00010100
=
9
sec
52 00110100
=
17
sec
21 00010101
=
9,25
sec
53 00110101
=
17,25
sec
22 00010110
=
9,5
sec
54 00110110
=
17,5
sec
23 00010111
=
9,75
sec
55 00110111
=
17,75
sec
24 00011000
=
10
sec
56 00111000
=
18
sec
25 00011001
=
10,25
sec
57 00111001
=
18,25
sec
26 00011010
=
10,5
sec
58 00111010
=
18,5
sec
27 00011011
=
10,75
sec
59 00111011
=
18,75
sec
28 00011100
=
12
sec
60 00111100
=
19
sec
29 00011101
=
12,25
sec
61 00111101
=
19,25
sec
30 00011110
=
12,5
sec
62 00111110
=
19,5
sec
31 00011111
=
12,75
sec
63 00111111
=
19,75
sec

76543210
Bit Positions
76543210
0
00000000
32
00100000
1
00000001
33
00100001
2
00000010
34
00100010
3
00000011
35
00100011
4
00000100
36
00100100
5
00000101
37
00100101
6
00000110
38
00100110
7
00000111
39
00100111
8
00001000
40
00101000
9
00001001
41
00101001
10
00001010
42
00101010
11
00001011
43
00101011
12
00001100
44
00101100
13
00001101
45
00101101
14
00001110
46
00101110
15
00001111
47
00101111
16
00010000
48
00110000
17
00010001
49
00110001
18
00010010
50
00110010
19
00010011
51
00110011
20
00010100
52
00110100
21
00010101
53
00110101
22
00010110
54
00110110
23
00010111
55
00110111
24
00011000
56
00111000
25
00011001
57
00111001
26
00011010
58
00111010
27
00011011
59
00111011
28
00011100
60
00111100
29
00011101
61
00111101
30
00011110
62
00111110
31
00011111
Colour Code
63
00111111

14.4.OPTION TABLE RECOMMENDED VALUES
X listed in the option can be 0 or 1
OPTION
2835 MULTI 2835W MULTI 2835W PAL I
000 X2 XXXXXX10 X2 XXXXXX10 X2 XXXXXX10
001 XX XXXXXXXX XX XXXXXXXX XX XXXXXXXX
002 23 001XXX11 23 001XXX11 23 001XXX11
003 XX XXXXXXX0 XX XXXXXXX0 XX XXXXXXX0
004 XX XXXXXXXX XX XXXXXXXX XX XXXXXXXX
005 XX XXXXXXXX XX XXXXXXXX XX XXXXXXXX
006 XX XXXXXXXX XX XXXXXXXX XX XXXXXXXX
007 XX XX0XXX1X XX XX0XXX1X XX XX0XXX1X
008 A1 11000001 01 00000001 01 00000001
009 0B 00001111 0B 00001111 04 00001111
010 X2 XXXXX011 X7 XXXXX111 X7 XXXXX111
011 8E 10001110 8E 10001110 8E 10001110
012 03 00000011 03 00000011 03 00000011
013 06 00000110 06 00000110 06 00000110
014 15 10000101 15 10000101 15 10000101
015 AA 10101010 AA 10101010 AA 10101010
016 09 00001001 09 00001001 09 00001001
017 A2 10100010 A2 10100010 A2 10100010
018 1B 00011011 1B 00011011 1B 00011011
019 XX XXXXXXXX XX XXXXXXXX XX XXXXXXXX
020 XX XXXXXXXX XX XXXXXXXX XX XXXXXXXX
021 XX XXXXXXXX XX XXXXXXXX XX XXXXXXXX
022 XX XXXXXXXX XX XXXXXXXX XX XXXXXXXX
023 XX XXXXXXXX XX XXXXXXXX XX XXXXXXXX
024 XX XXXXXXXX XX XXXXXXXX XX XXXXXXXX
025 XX XXXXXXXX XX XXXXXXXX XX XXXXXXXX
026 XX XXXXXXXX XX XXXXXXXX XX XXXXXXXX
027 FF 11111111 FF 11111111 FF 11111111
028 FF 11111111 FF 11111111 FF 11111111
029 FF 11111111 EF 11101111 EF 11101111
030 XX XXXXXXX XX XXXXXXX XX XXXXXXX
031 0F 00001111 0F 00001111 0F 00001111
032 23 00100011 23 00100011 23 00100011
033 0E 00001110 0E 00001110 0E 00001110
034 XX XXXXXXXX XX XXXXXXXX XX XXXXXXXX
035 XX XXXXXXXX XX XXXXXXXX XX XXXXXXXX
036 X4 XXXXX1XX X4 XXXXX1XX X4 XXXXX1XX
037 XX XXXXXXXX XX XXXXXXXX XX XXXXXXXX
038
AF
11001111
AF
11001111
AF
11001111

054 75 01110101 75 01110101 75 01110101
055 00 00000000 00 00000000 00 00000000
056 DE 11011110 DE 11011110 DE 11011110
057 19 00011001 19 00011001 19 00011001
058 00 00000000 00 00000000 00 00000000
059 64 01100100 64 01100100 64 01100100
060 10 00010000 10 00010000 10 00010000

14.5.SCREEN ADJUSTMENT (FBT SCREEN)
From the option list change option 2 bit 6 from 0 to 1 for disabling vertical scan. Adjust horizontal line
via screen adjust pot. as thin as possible. Then press 0 to leave service menu.
SCREEN
ADJUST
POT

14.6.GEOMETRY ADJUSTMENT
4:3 FORMATS
4:3 MODE
16:9 MODE

16:9 FORMATS
AUTO MODE

REGULAR MODE

ZOOM 14:9 MODE

ZOOM 16:9 MODE

SUBTITLE ZOOM MODE

FULL MODE

PANOROMIC MODE

57
JVC AK45 Service Manual 19/09/2003
16.BLOCK DIAGRAM
TU200
38.9MHz-TV TUNER
K3958M
EPCOS
SAW
Filter
GENERAL BLOCK DIAGRAM OF CHASSIS 11 AK 45
K9656M
EPCOS
SAW
Filter
Video
Sound
TDA9885T
VDP313XY
TEA615C
VIDEO SW
PI5V330-SOIC
RGB SW
SDA
SCL
SC1
SC2
IF
SVHS-Y
EXT_CVBS/Y
SC2_V_OUT
TO_PIP
SC1_RGB
SC2_RGB/DVD/DVB
PIP
R
G
B
FB
CVBS
R
G
B
FB
SCL
SDA
SYNC
SC3
R
G
B
Horizontal
Vertical Stage
STV9379FA
Yoke
CRT
RGB AMPLIFIER
TDA 6107
(PHILIPS)
R
G
B
QSS
MSP34XXG
SCL
SDA
SC1
SC2
FRONT/SC3
TDA1308
L
RHeadphone
TDA7269A
AUDIO
AMPLIFIER
L
R
8 ohm
12W
8 ohm
12W
SDA5555
(MicroController)
24CO8
(E2PROM)
SDA
SCL
TV_LINK
CVBS_TEXT
OSD_R
OSD_G
OSD_B
OSD_FBL
DVD/DVB/BAV
SC1_V_OUT
SC3_V_OUT

11AK45B5-1

11AK45B5-2


8
29LF-92E
PARTS LISTING
REPLACEMENT PARTS
Replacement parts which have special safety characteristics are identified in
this manual. Electrical components having such features are identified by
in the Replacement Parts Listing.
The use of a substitute replacement part which does not have the same safety
characteristics as the factory recommended is not permitted.
Replacement parts not shown in this service manual may create shock fire, or
other hazards.
HOW TO ORDER REPLACEMENT PARTS
To have your order completed promptly and correctly please supply the follow-
ing information.
1. MODEL NUMBER 2. REF. NO.
3. PART NO. (*) 4. DESCRIPTION
5. CODE 6. QUANTITY
(*) When ordering any part, a “V” should be added before the Part No.
(*)
REF No. PARTS DESCRIPTION SN CODE EX CODE
. 30014433 29" CPT TUBE SAFE 50HZ REALFLAT CR DP
. 30032257 29 DEG COIL&EARTH CB. SF FL W/UL(SHARP) AL AX
TUNER
TU200 30009637 TUNER WSP (PLL) CTF5510A AR BC
INTEGRATED CIRCUITS
IC100 30001669 PREAMPLIFIER TFMS1380 AD AM
IC100 30015087 IC SAFE OPTOCOUPLER TCET1102G AA AE
IC101 30001622 IC 7805 (1A) AB AF
IC102 30001668 IC LM317T AC AH
IC103 30001668 IC LM317T AC AH
IC104 30001500 IC LM7808 AC AH
IC106 30011968 IC SMPS MC44608 DIP8 AF AQ
IC116 30001506 IC TL431 AC AH
IC200 30019492 IC VDP3134Y AP BA
IC201 30001619 IC VIDEO SWITCH TEA6415C DIP20 AM AY
IC206 30021083 IC TDA9886T/V3-SO24 AL AX
IC301 30016113 IC AAMP TDA7269A 2*14W MULTIWATT11 AH AV
IC500 20170875 PR.IC.45-AK45_SHARP 3.3.106-L.1 (29LF92EIT) AS BD
IC500 20170876 PR.IC.45-AK45_SHARP 3.3.106-L.2 (29LF92EC) AS BD
IC502 20155581 IC 24C16 V116M5314B00040100712 (29LF92EC) AB AF
IC502 20155582 IC 24C16 V117L5314A00040100712 (29LF92EIT) AB AF
IC600 30007793 IC STV9379FA AK AW
IC601 30001506 IC TL431 AC AH
IC700 30013658 IC MSP3410G SDIP64 AS BD
IC704 30001518 IC TDA1308 AE AP
IC900 30018768 IC TDA6109 AK AW
IC901 30014346 IC 78L05 TO-92 (100mA) AA AE
IC902 30014346 IC 78L05 TO-92 (100mA) AA AE
TRANSISTORS
Q1 30001455 TR BC558B AA AC
Q102 30001386 TR MTP6N60E (PLASTIC) AE AP
Q103 30001454 TR BC548B AA AC
Q106 30001454 TR BC548B AA AC
Q107 30001428 TR BF423 AA AC
Q108 30001457 TR BC848B SMD AA AC
Q109 30001457 TR BC848B SMD AA AC
Q110 30001384 TR MCR22-6 AB AG
Q112 30001458 TR BC858B SMD AA AB
Q113 30001457 TR BC848B SMD AA AC
Q114 30001457 TR BC848B SMD AA AC
Q200 30001457 TR BC848B SMD AA AC
Q201 30001457 TR BC848B SMD AA AC
Q202 30001457 TR BC848B SMD AA AC
Q203 30001457 TR BC848B SMD AA AC
Q208 30001457 TR BC848B SMD AA AC
PICTURE TUBE
!
!
!
REF No. PARTS DESCRIPTION SN CODE EX CODE
Q216 30001457 TR BC848B SMD AA AC
Q218 30001458 TR BC858B SMD AA AB
Q220 30001457 TR BC848B SMD AA AC
Q221 30001457 TR BC848B SMD AA AC
Q222 30001457 TR BC848B SMD AA AC
Q223 30001457 TR BC848B SMD AA AC
Q500 30001457 TR BC848B SMD AA AC
Q501 30001457 TR BC848B SMD AA AC
Q502 30001457 TR BC848B SMD AA AC
Q503 30001457 TR BC848B SMD AA AC
Q504 30001457 TR BC848B SMD AA AC
Q505 30001458 TR BC858B SMD AA AB
Q508 30001457 TR BC848B SMD AA AC
Q511 30001457 TR BC848B SMD AA AC
Q513 30001458 TR BC858B SMD AA AB
Q600 30001429 TR E/W N-CH TMOS 200V AD AM
Q601 30001435 TR NBJT BC639 1A/100V TO92 AA AB
Q602 30001441 TR BU2508AF AE AP
Q603 30001458 TR BC858B SMD AA AB
Q605 30001458 TR BC858B SMD AA AB
Q606 30001458 TR BC858B SMD AA AB
Q700 30001458 TR BC858B SMD AA AB
Q703 30001458 TR BC858B SMD AA AB
Q704 30001457 TR BC848B SMD AA AC
Q900 30001427 TR BF422 AA AE
Q901 30001458 TR BC858B SMD AA AB
Q902 30001458 TR BC858B SMD AA AB
Q903 30001458 TR BC858B SMD AA AB
Q904 30001458 TR BC858B SMD AA AB
Q905 30001458 TR BC858B SMD AA AB
Q906 30001452 TR BC327 AA AC
DIODES
D100 20060150 BRACKET LED 20 AA AD
D100 30001274 LED RED AA AB
D100 30001329 DIODE 1N4007 1A/1000V 30A AA AB
D101 20060150 BRACKET LED 20 AA AD
D101 30029696 LED YELLOW ORANGE 5MM ULTRA BRIGHT AA AE
D101 30001371 DIODE ZENER 5.1V ZPD AA AB
D101 20108354 DIODE BRIDGE GBU4M 4A/1000V 150A(FORMLU) AB AE
D102 20060150 BRACKET LED 20 AA AD
D102 30019677 LED GREEN 5MM AA AC
D102 30001371 DIODE ZENER 5.1V ZPD AA AB
D103 30001371 DIODE ZENER 5.1V ZPD AA AB
D103 30001318 DIODE BA159 1A/800V 20A AA AB
D104 30001371 DIODE ZENER 5.1V ZPD AA AB
D104 30001318 DIODE BA159 1A/800V 20A AA AB
D105 30001371 DIODE ZENER 5.1V ZPD AA AB
D105 30001318 DIODE BA159 1A/800V 20A AA AB
D106 30001344 DIODE ZENER 6.2V 1/2W AA AB
D108 30001315 DIODE BYD33D 1A/200V 20A AA AE
D110 30001288 DIODE BYV27-200 2A/200V 50A AA AD
D111 30001323 DIODE BY299 2A/800V 70A AA AD
D112 30025773 DIODE ZENER SMD BZT55B5V1 AA AA
D113 30003720 DIODE ZENER BZT55C5V6 5.6V SMD AA AB
D114 30001285 DIODE 1N4148 SMD AA AB
D118 30009366 DIODE UF5402 3A/200V 150A AB AF
D119 30009366 DIODE UF5402 3A/200V 150A AB AF
D121 30007681 DIODE UF5407 3A/800V 150A AB AF
D121+ 30001964 FERRITE BAR 5*8 AA AD
D125 30001285 DIODE 1N4148 SMD AA AB
D127 30001315 DIODE BYD33D 1A/200V 20A AA AE
D129 30001285 DIODE 1N4148 SMD AA AB
D130 30001329 DIODE 1N4007 1A/1000V 30A AA AB
D131 30001318 DIODE BA159 1A/800V 20A AA AB
D132 30001285 DIODE 1N4148 SMD AA AB
D133 30003722 DIODE ZENER ZPD15V AA AA

9
29LF-92E
REF No. PARTS DESCRIPTION SN CODE EX CODE
D134 30001285 DIODE 1N4148 SMD AA AB
D200 30001285 DIODE 1N4148 SMD AA AB
D204 30001285 DIODE 1N4148 SMD AA AB
D205 30025773 DIODE ZENER SMD BZT55B5V1 AA AA
D206 30018735 DIODE ZENER BZT55C15 15V SMD AA AB
D207 30018735 DIODE ZENER BZT55C15 15V SMD AA AB
D208 30018735 DIODE ZENER BZT55C15 15V SMD AA AB
D209 30018735 DIODE ZENER BZT55C15 15V SMD AA AB
D212 30001285 DIODE 1N4148 SMD AA AB
D213 30012411 DIODE BA782 SMD AA AD
D214 30025773 DIODE ZENER SMD BZT55B5V1 AA AA
D215 30025773 DIODE ZENER SMD BZT55B5V1 AA AA
D216 30025773 DIODE ZENER SMD BZT55B5V1 AA AA
D217 30025773 DIODE ZENER SMD BZT55B5V1 AA AA
D218 30025773 DIODE ZENER SMD BZT55B5V1 AA AA
D219 30025773 DIODE ZENER SMD BZT55B5V1 AA AA
D220 30025773 DIODE ZENER SMD BZT55B5V1 AA AA
D221Y 30025773 DIODE ZENER SMD BZT55B5V1 AA AA
D222Y 30025773 DIODE ZENER SMD BZT55B5V1 AA AA
D506 30012412 DIODE ZENER 2.4V SMD AA AB
D601 30001377 DIODE ZENER 33V UZT 33B AB AF
D602 30001318 DIODE BA159 1A/800V 20A AA AB
D603 30001299 DIODE UF5404 3A/400V 150A AA AD
D604 30001299 DIODE UF5404 3A/400V 150A AA AD
D609 30001318 DIODE BA159 1A/800V 20A AA AB
D610 30001318 DIODE BA159 1A/800V 20A AA AB
D611 30007681 DIODE UF5407 3A/800V 150A AB AF
D612 30001285 DIODE 1N4148 SMD AA AB
D613 30001291 DIODE HER107 1A/800V 30A AA AB
D614 30025773 DIODE ZENER SMD BZT55B5V1 AA AA
D615 30001318 DIODE BA159 1A/800V 20A AA AB
D617 30025773 DIODE ZENER SMD BZT55B5V1 AA AA
D622 30001285 DIODE 1N4148 SMD AA AB
D623 30001285 DIODE 1N4148 SMD AA AB
D624 30001285 DIODE 1N4148 SMD AA AB
D625 30001320 DIODE GUC BY228 AB AF
D627 30001284 DIODE 1N4148 0.15A/100V 0.5A AA AB
D628 30001285 DIODE 1N4148 SMD AA AB
D701 30007761 DIODE ZENER SMD BZT55C3V6 AA AB
D702 30001285 DIODE 1N4148 SMD AA AB
D706 30001285 DIODE 1N4148 SMD AA AB
D902 30001318 DIODE BA159 1A/800V 20A AA AB
D903 30001284 DIODE 1N4148 0.15A/100V 0.5A AA AB
D904 30001318 DIODE BA159 1A/800V 20A AA AB
D905 30001318 DIODE BA159 1A/800V 20A AA AB
D907 30001318 DIODE BA159 1A/800V 20A AA AB
D908 30014353 DIODE BAT85 AA AC
D909 30001285 DIODE 1N4148 SMD AA AB
D910 30001285 DIODE 1N4148 SMD AA AB
PACKAGED CIRCUITS
X200 30002851 XTAL 4MHZ L.C=30PF AC AH
X201 30008778 XTAL 20.25MHZ AB AF
X500 30006662 XTAL 6MHZ AC AH
X700 30001756 XTAL 18.432MHZ AE AP
COILS
L100 30001979 FIXED COIL 1UH Q45 M-A AA AB
L101 30001979 FIXED COIL 1UH Q45 M-A AA AB
L101 30018866 LINE FILTER SAFE 2X22MH 10mmX12.5mm AC AH
L102 30001971 FERRITE BEAT (805) BLM21A601S AA AD
L103 30001992 FIXED COIL 10UH Q65 K-A AA AB
L107(NOT2) 30007308 CAP CER 220PF 1KV K (PULSE) AA AD
L203 30001996 FIXED COIL 22UH Q40 K AA AB
L206 30001979 FIXED COIL 1UH Q45 M-A AA AB
L207 30001979 FIXED COIL 1UH Q45 M-A AA AB
L212 30001971 FERRITE BEAT (805) BLM21A601S AA AD
!
REF No. PARTS DESCRIPTION SN CODE EX CODE
L213 30001971 FERRITE BEAT (805) BLM21A601S AA AD
L214 30001971 FERRITE BEAT (805) BLM21A601S AA AD
L215 30001971 FERRITE BEAT (805) BLM21A601S AA AD
L216 30001971 FERRITE BEAT (805) BLM21A601S AA AD
L217 30001971 FERRITE BEAT (805) BLM21A601S AA AD
L218 30001971 FERRITE BEAT (805) BLM21A601S AA AD
L220 30001971 FERRITE BEAT (805) BLM21A601S AA AD
L227 30001971 FERRITE BEAT (805) BLM21A601S AA AD
L232 30001971 FERRITE BEAT (805) BLM21A601S AA AD
L236 30001971 FERRITE BEAT (805) BLM21A601S AA AD
L239 30001971 FERRITE BEAT (805) BLM21A601S AA AD
L247 30001971 FERRITE BEAT (805) BLM21A601S AA AD
L251 30001971 FERRITE BEAT (805) BLM21A601S AA AD
L252 30001971 FERRITE BEAT (805) BLM21A601S AA AD
L263 30001979 FIXED COIL 1UH Q45 M-A AA AB
L264 30001979 FIXED COIL 1UH Q45 M-A AA AB
L265 30001979 FIXED COIL 1UH Q45 M-A AA AB
L266 30001987 FIXED COIL 4.7UH Q70 K-A AA AB
L500 30001992 FIXED COIL 10UH Q65 K-A AA AB
L501 30001992 FIXED COIL 10UH Q65 K-A AA AB
L502 30001992 FIXED COIL 10UH Q65 K-A AA AB
L503 30001992 FIXED COIL 10UH Q65 K-A AA AB
L504 30001992 FIXED COIL 10UH Q65 K-A AA AB
L505 30001992 FIXED COIL 10UH Q65 K-A AA AB
L506 30006770 FIXED COIL 0.22UH AA AB
L601 30002031 FIXED COIL INJECTION 15MH AD AL
L602 30017085 LINEARITY COIL 20UH AD AM
L603 30002829 FIXED COIL BRIDGE 1.5MH AD AL
L700 30001996 FIXED COIL 22UH Q40 K AA AB
L701 30001996 FIXED COIL 22UH Q40 K AA AB
L702 30001996 FIXED COIL 22UH Q40 K AA AB
L703 30001996 FIXED COIL 22UH Q40 K AA AB
L711 30001996 FIXED COIL 22UH Q40 K AA AB
L714 30001971 FERRITE BEAT (805) BLM21A601S AA AD
L715 30001971 FERRITE BEAT (805) BLM21A601S AA AD
L717 30001979 FIXED COIL 1UH Q45 M-A AA AB
L719 30001968 FERRITE BEAD (0805) BLM21B201S AA AE
CERAMIC FILTERS
Z200 30014261 FILTER SAW K3958M AF AR
Z201 30012545 FILTER SAW K9656M AG AR
TRANSFORMERS
TR100 30019432 TRF SMPS SAFE AK45 110° (170-270V) AG AS
TR600 30021290 TRF FBT SAFE 110° 50HZ LAYER AS BC
TR601 30002090 LINE DRIVER NEW TYPE AD AM
. 30015614 TRF PFC SAFE 0,9A 42 MH EP AL AX
CAPACITORS
C100 30000371 CAP EL 22UF 50V M AA AB
C100 30000190 CAP CER 100PF 50V J CH AA AB
C101 30000190 CAP CER 100PF 50V J CH AA AB
C102 30000190 CAP CER 100PF 50V J CH AA AB
C102 30000084 CAP MKT SAFE 150NF 275V M AC P=15 AC AG
C103 30000190 CAP CER 100PF 50V J CH AA AB
C103 30000094 CAP MKT SAFE 220NF 275V M AC AA AB
C105 30012603 CAP SMD 100NF 25V K R (0603) AA AB
C106 30000290 CAP CER 10NF 50V Z F AA AB
C106 30000371 CAP EL 22UF 50V M AA AB
C107 30000290 CAP CER 10NF 50V Z F AA AB
C107 30000421 CAP EL 220UF 400V M (FOR 28'') AG AS
C108 30000161 CAP MKP SAFE 47NF 630V J AB AE
C111 30007308 CAP CER 220PF 1KV K (PULSE) AA AD
C113 30006940 CAP CER 2.7NF 1KV K B AA AB
C114 30007308 CAP CER 220PF 1KV K (PULSE) AA AD
C115 30000440 CAP CER SAFE 2.2NF 4KV M AA AC
C118 30007308 CAP CER 220PF 1KV K (PULSE) AA AD
!
!
!
!
!
!
!

10
29LF-92E
REF No. PARTS DESCRIPTION SN CODE EX CODE
C119 30000090 CAP MKT 22NF 100V J AA AB
C120 30007308 CAP CER 220PF 1KV K (PULSE) AA AD
C121 30012560 CAP SMD 100PF 50V J (0603) AA AB
C122 30007308 CAP CER 220PF 1KV K (PULSE) AA AD
C124 30000376 CAP EL 220UF 25V M AA AB
C125 30028072 CAP EL 100UF 200V M (HR) AE AQ
C126 30012603 CAP SMD 100NF 25V K R (0603) AA AB
C127 30012603 CAP SMD 100NF 25V K R (0603) AA AB
C129 30012603 CAP SMD 100NF 25V K R (0603) AA AB
C130 30000436 CAP CER 10NF 1KV ZE AA AC
C133 30018259 CAP EL 4700UF 25V M AC AG
C134 30018259 CAP EL 4700UF 25V M AC AG
C135 30018259 CAP EL 4700UF 25V M AC AG
C137 30000367 CAP EL 1UF 250V M AA AB
C138 30016654 CAP SMD 100NF 16V K R (0603) AA AB
C140 30000393 CAP EL 3.3UF 50V M AA AB
C141 30000359 CAP EL 1000UF 16V M AA AC
C142 30000387 CAP EL 33UF 50V M AA AB
C145 30000375 CAP EL 220UF 16V M AA AB
C146 30012603 CAP SMD 100NF 25V K R (0603) AA AB
C147 30016654 CAP SMD 100NF 16V K R (0603) AA AB
C148 30000360 CAP EL 1000UF 25V M AA AE
C149 30012581 CAP SMD 1NF 50V K R (0603) AA AB
C150 30016654 CAP SMD 100NF 16V K R (0603) AA AB
C152 30000375 CAP EL 220UF 16V M AA AB
C154 30000375 CAP EL 220UF 16V M AA AB
C155 30000375 CAP EL 220UF 16V M AA AB
C156 30016654 CAP SMD 100NF 16V K R (0603) AA AB
C157 30016654 CAP SMD 100NF 16V K R (0603) AA AB
C160 30000076 CAP MKT SAFE 100NF 275V M AC AB AE
C161 30000440 CAP CER SAFE 2.2NF 4KV M AA AC
C162 30007708 CAP CER 1NF 1KV K (PULSE) AA AD
C164 30000362 CAP EL 1UF 50V M AA AB
C165 30000362 CAP EL 1UF 50V M AA AB
C166 30000225 CAP CER 220PF 50V J SL AA AB
C168 30000161 CAP MKP SAFE 47NF 630V J AB AE
C170 30012566 CAP SMD 22PF 50V J (0603) AA AB
C171 30012590 CAP SMD 47NF 50V K (0603) AA AA
C172 30000313 CAP CER 22NF 50V Z F AA AB
C173 30012603 CAP SMD 100NF 25V K R (0603) AA AB
C174 30012603 CAP SMD 100NF 25V K R (0603) AA AB
C175 30012603 CAP SMD 100NF 25V K R (0603) AA AB
C176 30012603 CAP SMD 100NF 25V K R (0603) AA AB
C202 30012643 RES SMD 1/16W 120R J (0603) AA AA
C208 30016126 CAP SMD 220NF 16V K R (0603) AA AB
C209 30016126 CAP SMD 220NF 16V K R (0603) AA AB
C210 30016126 CAP SMD 220NF 16V K R (0603) AA AB
C212 30000352 CAP EL 100UF 16V M AA AB
C213 30012609 CAP SMD 68NF 50V K (0603) AA AB
C214 30016126 CAP SMD 220NF 16V K R (0603) AA AB
C215 30016126 CAP SMD 220NF 16V K R (0603) AA AB
C217 30016126 CAP SMD 220NF 16V K R (0603) AA AB
C218 30012610 CAP SMD 10NF 50V J (0603) AA AB
C222 30016126 CAP SMD 220NF 16V K R (0603) AA AB
C225 30000109 CAP MKT 470NF 63V J AA AD
C226 30000352 CAP EL 100UF 16V M AA AB
C227 30016654 CAP SMD 100NF 16V K R (0603) AA AB
C229 30000345 CAP EL 10UF 50V M AA AB
C231 30016654 CAP SMD 100NF 16V K R (0603) AA AB
C233 30016654 CAP SMD 100NF 16V K R (0603) AA AB
C234 30016126 CAP SMD 220NF 16V K R (0603) AA AB
C235 30012610 CAP SMD 10NF 50V J (0603) AA AB
C237 30012583 CAP SMD 1.5NF 50V K (0603) AA AA
C238 30012610 CAP SMD 10NF 50V J (0603) AA AB
C240 30012559 CAP SMD 10PF 50V D COG (0603) AA AA
C242 30012560 CAP SMD 100PF 50V J (0603) AA AB
!
!
REF No. PARTS DESCRIPTION SN CODE EX CODE
C246 30012586 CAP SMD 22NF 50V K (0603) AA AB
C248 30012586 CAP SMD 22NF 50V K (0603) AA AB
C249 30012610 CAP SMD 10NF 50V J (0603) AA AB
C252 30000387 CAP EL 33UF 50V M AA AB
C253 30000345 CAP EL 10UF 50V M AA AB
C255 30016126 CAP SMD 220NF 16V K R (0603) AA AB
C258 30012581 CAP SMD 1NF 50V K R (0603) AA AB
C259 30000345 CAP EL 10UF 50V M AA AB
C260 30012585 CAP SMD 2.2NF 50V K R (0603) AA AB
C261 30012588 CAP SMD 33NF 50V K (0603) AA AA
C262 30012610 CAP SMD 10NF 50V J (0603) AA AB
C263 30012588 CAP SMD 33NF 50V K (0603) AA AA
C264 30012603 CAP SMD 100NF 25V K R (0603) AA AB
C265 30000109 CAP MKT 470NF 63V J AA AD
C266 30000109 CAP MKT 470NF 63V J AA AD
C267 30012581 CAP SMD 1NF 50V K R (0603) AA AB
C268 30012590 CAP SMD 47NF 50V K (0603) AA AA
C269 30016654 CAP SMD 100NF 16V K R (0603) AA AB
C270 30016654 CAP SMD 100NF 16V K R (0603) AA AB
C271 30016654 CAP SMD 100NF 16V K R (0603) AA AB
C273 30012590 CAP SMD 47NF 50V K (0603) AA AA
C274 30016654 CAP SMD 100NF 16V K R (0603) AA AB
C275 30016654 CAP SMD 100NF 16V K R (0603) AA AB
C276 30016654 CAP SMD 100NF 16V K R (0603) AA AB
C277 30000345 CAP EL 10UF 50V M AA AB
C278 30012559 CAP SMD 10PF 50V D COG (0603) AA AA
C279 30012559 CAP SMD 10PF 50V D COG (0603) AA AA
C280 30000345 CAP EL 10UF 50V M AA AB
C282 30012585 CAP SMD 2.2NF 50V K R (0603) AA AB
C283 30000345 CAP EL 10UF 50V M AA AB
C284 30012585 CAP SMD 2.2NF 50V K R (0603) AA AB
C286 30000345 CAP EL 10UF 50V M AA AB
C287 30012607 CAP SMD 150PF 50V J (0603) AA AA
C288 30012589 CAP SMD 4.7NF 50V K (0603) AA AB
C289 30012589 CAP SMD 4.7NF 50V K (0603) AA AB
C290 30012581 CAP SMD 1NF 50V K R (0603) AA AB
C292 30012589 CAP SMD 4.7NF 50V K (0603) AA AB
C293 30012607 CAP SMD 150PF 50V J (0603) AA AA
C296 30012589 CAP SMD 4.7NF 50V K (0603) AA AB
C300 30012589 CAP SMD 4.7NF 50V K (0603) AA AB
C301 30012607 CAP SMD 150PF 50V J (0603) AA AA
C302 30012581 CAP SMD 1NF 50V K R (0603) AA AB
C304 30012607 CAP SMD 150PF 50V J (0603) AA AA
C308 30012589 CAP SMD 4.7NF 50V K (0603) AA AB
C327 30000109 CAP MKT 470NF 63V J AA AD
C331 30012572 CAP SMD 390PF 50V J (0603) AA AA
C333 30012579 CAP SMD 82PF 50V J (0603) AA AB
C348 30000109 CAP MKT 470NF 63V J AA AD
C349 30012581 CAP SMD 1NF 50V K R (0603) AA AB
C350 30016654 CAP SMD 100NF 16V K R (0603) AA AB
C351 30000345 CAP EL 10UF 50V M AA AB
C352 30016654 CAP SMD 100NF 16V K R (0603) AA AB
C353 30012581 CAP SMD 1NF 50V K R (0603) AA AB
C355 30012603 CAP SMD 100NF 25V K R (0603) AA AB
C356 30000109 CAP MKT 470NF 63V J AA AD
C357 30000345 CAP EL 10UF 50V M AA AB
C358 30000345 CAP EL 10UF 50V M AA AB
C359 30012581 CAP SMD 1NF 50V K R (0603) AA AB
C360 30012581 CAP SMD 1NF 50V K R (0603) AA AB
C361 30012603 CAP SMD 100NF 25V K R (0603) AA AB
C362 30012603 CAP SMD 100NF 25V K R (0603) AA AB
C506 30000345 CAP EL 10UF 50V M AA AB
C507 30000393 CAP EL 3.3UF 50V M AA AB
C508 30000345 CAP EL 10UF 50V M AA AB
C509 30016654 CAP SMD 100NF 16V K R (0603) AA AB
C510 30016654 CAP SMD 100NF 16V K R (0603) AA AB

11
29LF-92E
REF No. PARTS DESCRIPTION SN CODE EX CODE
C511 30016654 CAP SMD 100NF 16V K R (0603) AA AB
C514 30016654 CAP SMD 100NF 16V K R (0603) AA AB
C515 30016654 CAP SMD 100NF 16V K R (0603) AA AB
C516 30016654 CAP SMD 100NF 16V K R (0603) AA AB
C517 30016654 CAP SMD 100NF 16V K R (0603) AA AB
C518 30016654 CAP SMD 100NF 16V K R (0603) AA AB
C519 30016654 CAP SMD 100NF 16V K R (0603) AA AB
C520 30012573 CAP SMD 47PF 50V J (0603) AA AB
C521 30012573 CAP SMD 47PF 50V J (0603) AA AB
C522 30000345 CAP EL 10UF 50V M AA AB
C523 30000345 CAP EL 10UF 50V M AA AB
C524 30000345 CAP EL 10UF 50V M AA AB
C525 30000345 CAP EL 10UF 50V M AA AB
C527 30016654 CAP SMD 100NF 16V K R (0603) AA AB
C530 30000375 CAP EL 220UF 16V M AA AB
C537 30016654 CAP SMD 100NF 16V K R (0603) AA AB
C601 30000351 CAP EL 10UF 350V M AA AE
C603 30000402 CAP EL 47UF 100V M AA AB
C604 30000075 CAP MKT 100NF 250V K (DC) AA AD
C605 30028072 CAP EL 100UF 200V M (HR) AE AQ
C607 30012610 CAP SMD 10NF 50V J (0603) AA AB
C608 30000409 CAP EL 470UF 25V M AA AD
C609 30000082 CAP MKT 15NF 63V J AA AB
C610 30000286 CAP CER 1NF 500V K B AA AB
C612 30000348 CAP EL 10UF 160V M AA AB
C613 30000360 CAP EL 1000UF 25V M AA AE
C614 30000360 CAP EL 1000UF 25V M AA AE
C616 30000151 CAP MKP 3.3NF 2KV %3.5 AB AF
C617 30000161 CAP MKP SAFE 47NF 630V J AB AE
C618 30000444 CAP CER 470PF 1KV KB AA AB
C619 30000367 CAP EL 1UF 250V M AA AB
C620 30000177 CAP MKP SAFE 820NF 250V J AC AK
C621 30000136 CAP MKP SAFE 12NF 2000V %3.5 AC AG
C622 30000137 CAP MKP 15NF 630V J AC AG
C623 30000156 CAP MKP SAFE 430NF 250V J AB AF
C624 30013003 CAP MKP SAFE 1UF 250V J P=15 AC AG
C628 30016126 CAP SMD 220NF 16V K R (0603) AA AB
C630 30012603 CAP SMD 100NF 25V K R (0603) AA AB
C631 30000296 CAP CER 100NF 100V Z F AA AB
C632 30000074 CAP MKT 100NF 63V J AA AC
C633 30012603 CAP SMD 100NF 25V K R (0603) AA AB
C635 30012584 CAP SMD 1.8NF 50V K R (0603) AA AA
C636 30009208 CAP CER 470PF 1KV K (PULSE) AA AC
C637 30000332 CAP SMD 4.7NF 50V K (0805) AA AB
C638 30000092 CAP MKT 220NF 63V J AA AD
C643 30000092 CAP MKT 220NF 63V J AA AD
C644 30012591 CAP SMD 5.6NF 50V K (0603) AA AA
C645 30012591 CAP SMD 5.6NF 50V K (0603) AA AA
C646 30000296 CAP CER 100NF 100V Z F AA AB
C648 30000069 CAP MKT 1NF 100V J AA AC
C700 30000352 CAP EL 100UF 16V M AA AB
C701 30000345 CAP EL 10UF 50V M AA AB
C702 30012583 CAP SMD 1.5NF 50V K (0603) AA AA
C706 30012581 CAP SMD 1NF 50V K R (0603) AA AB
C707 30016654 CAP SMD 100NF 16V K R (0603) AA AB
C708 30000407 CAP EL 470UF 16V M AA AC
C712 30012581 CAP SMD 1NF 50V K R (0603) AA AB
C713 30012581 CAP SMD 1NF 50V K R (0603) AA AB
C715 30012581 CAP SMD 1NF 50V K R (0603) AA AB
C716 30016654 CAP SMD 100NF 16V K R (0603) AA AB
C717 30000092 CAP MKT 220NF 63V J AA AD
C718 30000092 CAP MKT 220NF 63V J AA AD
C719 30016126 CAP SMD 220NF 16V K R (0603) AA AB
C720 30000345 CAP EL 10UF 50V M AA AB
C721 30012576 CAP SMD 56PF 50V J CH (0603) AA AA
C722 30012576 CAP SMD 56PF 50V J CH (0603) AA AA
!
!
!
!
REF No. PARTS DESCRIPTION SN CODE EX CODE
C724 30000345 CAP EL 10UF 50V M AA AB
C725 30016654 CAP SMD 100NF 16V K R (0603) AA AB
C728 30012581 CAP SMD 1NF 50V K R (0603) AA AB
C729 30016126 CAP SMD 220NF 16V K R (0603) AA AB
C730 30016126 CAP SMD 220NF 16V K R (0603) AA AB
C731 30012583 CAP SMD 1.5NF 50V K (0603) AA AA
C732 30012581 CAP SMD 1NF 50V K R (0603) AA AB
C733 30016126 CAP SMD 220NF 16V K R (0603) AA AB
C734 30016654 CAP SMD 100NF 16V K R (0603) AA AB
C735 30000393 CAP EL 3.3UF 50V M AA AB
C736 30000345 CAP EL 10UF 50V M AA AB
C737 30000345 CAP EL 10UF 50V M AA AB
C738 30012576 CAP SMD 56PF 50V J CH (0603) AA AA
C739 30000345 CAP EL 10UF 50V M AA AB
C740 30012581 CAP SMD 1NF 50V K R (0603) AA AB
C741 30012581 CAP SMD 1NF 50V K R (0603) AA AB
C742 30012565 CAP SMD 1.8PF 50V J CH (0603) AA AA
C743 30012565 CAP SMD 1.8PF 50V J CH (0603) AA AA
C744 30000345 CAP EL 10UF 50V M AA AB
C745 30012581 CAP SMD 1NF 50V K R (0603) AA AB
C746 30012581 CAP SMD 1NF 50V K R (0603) AA AB
C747 30012581 CAP SMD 1NF 50V K R (0603) AA AB
C748 30012583 CAP SMD 1.5NF 50V K (0603) AA AA
C749 30012581 CAP SMD 1NF 50V K R (0603) AA AB
C750 30012581 CAP SMD 1NF 50V K R (0603) AA AB
C751 30012581 CAP SMD 1NF 50V K R (0603) AA AB
C754 30000352 CAP EL 100UF 16V M AA AB
C763 30016126 CAP SMD 220NF 16V K R (0603) AA AB
C764 30012567 CAP SMD 220PF 50V J (0603) AA AB
C765 30016654 CAP SMD 100NF 16V K R (0603) AA AB
C767 30016126 CAP SMD 220NF 16V K R (0603) AA AB
C769 30000345 CAP EL 10UF 50V M AA AB
C771 30000345 CAP EL 10UF 50V M AA AB
C772 30000345 CAP EL 10UF 50V M AA AB
C774 30012567 CAP SMD 220PF 50V J (0603) AA AB
C775 30012585 CAP SMD 2.2NF 50V K R (0603) AA AB
C776 30000352 CAP EL 100UF 16V M AA AB
C779 30012581 CAP SMD 1NF 50V K R (0603) AA AB
C781 30012590 CAP SMD 47NF 50V K (0603) AA AA
C782 30000352 CAP EL 100UF 16V M AA AB
C783 30012590 CAP SMD 47NF 50V K (0603) AA AA
C784 30000362 CAP EL 1UF 50V M AA AB
C785 30012585 CAP SMD 2.2NF 50V K R (0603) AA AB
C786 30012581 CAP SMD 1NF 50V K R (0603) AA AB
C789 30000362 CAP EL 1UF 50V M AA AB
C791 30000362 CAP EL 1UF 50V M AA AB
C793 30012581 CAP SMD 1NF 50V K R (0603) AA AB
C794 30012581 CAP SMD 1NF 50V K R (0603) AA AB
C795 30012585 CAP SMD 2.2NF 50V K R (0603) AA AB
C796 30012585 CAP SMD 2.2NF 50V K R (0603) AA AB
C803 30012573 CAP SMD 47PF 50V J (0603) AA AB
C808 30000345 CAP EL 10UF 50V M AA AB
C809 30000409 CAP EL 470UF 25V M AA AD
C810 30012574 CAP SMD 470PF 50V J (0603) AA AA
C811 30012574 CAP SMD 470PF 50V J (0603) AA AA
C900 30000075 CAP MKT 100NF 250V K (DC) AA AD
C902 30000415 CAP EL 4.7UF 250V M AA AC
C904 30000287 CAP CER 10NF 50V K B AA AA
C905 30000350 CAP EL 10UF 250V M AA AD
C906 30000075 CAP MKT 100NF 250V K (DC) AA AD
C908 30000438 CAP CER 2.2NF 2KV AA AD
C909 30000359 CAP EL 1000UF 16V M AA AC
C910 30000294 CAP SMD 100NF 50V K (0805) AA AB
C913 30000294 CAP SMD 100NF 50V K (0805) AA AB
C914 30012577 CAP SMD 560PF 50V J (0603) AA AA
C915 30000407 CAP EL 470UF 16V M AA AC

12
29LF-92E
REF No. PARTS DESCRIPTION SN CODE EX CODE
C916 30000352 CAP EL 100UF 16V M AA AB
C918 30012577 CAP SMD 560PF 50V J (0603) AA AA
C919 30012577 CAP SMD 560PF 50V J (0603) AA AA
C920 30012577 CAP SMD 560PF 50V J (0603) AA AA
C921 30000294 CAP SMD 100NF 50V K (0805) AA AB
C931 30000075 CAP MKT 100NF 250V K (DC) AA AD
C932 30000367 CAP EL 1UF 250V M AA AB
C934 30012603 CAP SMD 100NF 25V K R (0603) AA AB
RESISTORS
R100 30000689 RES CF 1/4W 3.9K J AA AB
R100 30000594 RES CF 1/4W 22K J AA AB
R100 30000718 RES CF 1/4W 4.7K J AA AB
R101 30000526 RES CF 1/4W 1.5K J AA AB
R101 30000712 RES CF 1/4W 470R J AA AB
R101 30000896 RES MF 1/4W 160K G AA AA
R102 30000770 RES CF 1/4W 680R J AA AB
R102 30000594 RES CF 1/4W 22K J AA AB
R103 30000712 RES CF 1/4W 470R J AA AB
R103 30000712 RES CF 1/4W 470R J AA AB
R104 30000580 RES CF 1/4W 22R J AA AB
R104 30000650 RES CF 1/4W 33R J AA AB
R105 30000580 RES CF 1/4W 22R J AA AB
R105 30000650 RES CF 1/4W 33R J AA AB
R105 30000982 RES MF 1/4W 4.7K J AA AA
R106 30000471 RES CF 1/4W 10K J AA AB
R106 30000471 RES CF 1/4W 10K J AA AB
R106 30000593 RES SMD 1/10W 2.2K J (0805) AA AB
R107 30000580 RES CF 1/4W 22R J AA AB
R107 30000551 RES CF 1/4W 18R J AA AB
R108 30000471 RES CF 1/4W 10K J AA AB
R108 30000452 RES CF 1/4W 10R J AA AB
R109 30000551 RES CF 1/4W 18R J AA AB
R110 30012657 RES SMD 1/16W 1K J (0603) AA AB
R112 30012657 RES SMD 1/16W 1K J (0603) AA AB
R116 30001173 RES MO 1W 0.47R J AA AB
R117 30001257 RES MG SAFE 1/2W 4.7M J AA AD
R118 30000580 RES CF 1/4W 22R J AA AB
R119 30012641 RES SMD 1/16W 10K J (0603) AA AB
R122 30014022 RES SMD 1/16W 47R J (0603) AA AA
R126 30012641 RES SMD 1/16W 10K J (0603) AA AB
R127 30012692 RES SMD 1/16W 4.7K J (0603) AA AB
R129 30012692 RES SMD 1/16W 4.7K J (0603) AA AB
R130 30012641 RES SMD 1/16W 10K J (0603) AA AB
R131 30000886 RES MF 1/4W 1.5K F AA AB
R132 30000886 RES MF 1/4W 1.5K F AA AB
R133 30000880 RES MF 1/4W 130K F AA AA
R134 30000575 RES SMD 1/10W 2K J AA AB
R137 30000481 RES CF 1/4W 1M J AA AB
R138 30000660 RES CF 1/4W 3.3K J AA AB
R139 30000593 RES SMD 1/10W 2.2K J (0805) AA AB
R140 30001174 RES MO 2W 0.47R J AA AB
R141 30012641 RES SMD 1/16W 10K J (0603) AA AB
R142 30012657 RES SMD 1/16W 1K J (0603) AA AB
R143 30020455 RES SMD 1/16W 1.5K F (0603) AA AA
R144 30000480 RES SMD 1/10W 100K J (0805) AA AB
R145 30020457 RES SMD 1/16W 910R F (0603) AA AA
R146 30012697 RES SMD 1/16W 5.1K J (0603) AA AA
R147 30020455 RES SMD 1/16W 1.5K F (0603) AA AA
R148 30020457 RES SMD 1/16W 910R F (0603) AA AA
R149 30012657 RES SMD 1/16W 1K J (0603) AA AB
R150 30000466 RES CF 1/4W 1K J AA AB
R151 30012641 RES SMD 1/16W 10K J (0603) AA AB
R153 30012692 RES SMD 1/16W 4.7K J (0603) AA AB
R154 30012641 RES SMD 1/16W 10K J (0603) AA AB
R155 30012641 RES SMD 1/16W 10K J (0603) AA AB
R156 30012641 RES SMD 1/16W 10K J (0603) AA AB
!
REF No. PARTS DESCRIPTION SN CODE EX CODE
R157 30012641 RES SMD 1/16W 10K J (0603) AA AB
R158 30012657 RES SMD 1/16W 1K J (0603) AA AB
R161 30012657 RES SMD 1/16W 1K J (0603) AA AB
R162 30000494 RES SMD 1/10W 120R J (0805) AA AB
R164 30000593 RES SMD 1/10W 2.2K J (0805) AA AB
R165 30001159 RES MO 1W 0.33R J AA AB
R166 30012641 RES SMD 1/16W 10K J (0603) AA AB
R167 30018085 CAP VAR SAFE 510V K MFCN14D511 AA AD
R168 30018085 CAP VAR SAFE 510V K MFCN14D511 AA AD
R200 30012713 RES SMD 1/16W 75R J (0603) AA AB
R201 30012713 RES SMD 1/16W 75R J (0603) AA AB
R202 30012713 RES SMD 1/16W 75R J (0603) AA AB
R203 30012713 RES SMD 1/16W 75R J (0603) AA AB
R204 30012713 RES SMD 1/16W 75R J (0603) AA AB
R205 30012713 RES SMD 1/16W 75R J (0603) AA AB
R206 30000459 RES CF 1/4W 100R J AA AB
R207 30000459 RES CF 1/4W 100R J AA AB
R208 30012510 RES SMD 1/16W 100R J (0603) AA AB
R209 30012510 RES SMD 1/16W 100R J (0603) AA AB
R210 30012662 RES SMD 1/16W 2.7K J (0603) AA AB
R211 30012692 RES SMD 1/16W 4.7K J (0603) AA AB
R215 30012713 RES SMD 1/16W 75R J (0603) AA AB
R217 30012641 RES SMD 1/16W 10K J (0603) AA AB
R219 30000792 RES CF 1/4W 75R J AA AB
R220 30012641 RES SMD 1/16W 10K J (0603) AA AB
R221 30000792 RES CF 1/4W 75R J AA AB
R222 30012641 RES SMD 1/16W 10K J (0603) AA AB
R230 30012641 RES SMD 1/16W 10K J (0603) AA AB
R231 30000792 RES CF 1/4W 75R J AA AB
R232 30012713 RES SMD 1/16W 75R J (0603) AA AB
R233 30012657 RES SMD 1/16W 1K J (0603) AA AB
R234 30012702 RES SMD 1/16W 560R J (0603) AA AA
R235 30000655 RES CF 1/4W 330R J AA AB
R236 30012713 RES SMD 1/16W 75R J (0603) AA AB
R237 30012641 RES SMD 1/16W 10K J (0603) AA AB
R238 30012641 RES SMD 1/16W 10K J (0603) AA AB
R239 30012713 RES SMD 1/16W 75R J (0603) AA AB
R241 30012510 RES SMD 1/16W 100R J (0603) AA AB
R242 30012696 RES SMD 1/16W 47K J (0603) AA AB
R247 30000500 RES CF 1/4W 12K J AA AB
R248 30012641 RES SMD 1/16W 10K J (0603) AA AB
R254 30012657 RES SMD 1/16W 1K J (0603) AA AB
R256 30012655 RES SMD 1/16W 180R J (0603) AA AA
R259 30000593 RES SMD 1/10W 2.2K J (0805) AA AB
R260 30012669 RES SMD 1/16W 22K J (0603) AA AB
R261 30012677 RES SMD 1/16W 3.3K J (0603) AA AA
R265 30000459 RES CF 1/4W 100R J AA AB
R266 30000459 RES CF 1/4W 100R J AA AB
R267 30012657 RES SMD 1/16W 1K J (0603) AA AB
R268 30012641 RES SMD 1/16W 10K J (0603) AA AB
R269 30012641 RES SMD 1/16W 10K J (0603) AA AB
R270 30012641 RES SMD 1/16W 10K J (0603) AA AB
R272 30012713 RES SMD 1/16W 75R J (0603) AA AB
R274 30012702 RES SMD 1/16W 560R J (0603) AA AA
R276 30000593 RES SMD 1/10W 2.2K J (0805) AA AB
R277 30012679 RES SMD 1/16W 3.9K J (0603) AA AB
R278 30012713 RES SMD 1/16W 75R J (0603) AA AB
R279 30012713 RES SMD 1/16W 75R J (0603) AA AB
R280 30012713 RES SMD 1/16W 75R J (0603) AA AB
R281 30012673 RES SMD 1/16W 270R J (0603) AA AB
R282 30012668 RES SMD 1/16W 220R J (0603) AA AA
R283 30012707 RES SMD 1/16W 680R J (0603) AA AB
R284 30012684 RES SMD 1/16W 330R J (0603) AA AA
R285 30012707 RES SMD 1/16W 680R J (0603) AA AB
R286 30012707 RES SMD 1/16W 680R J (0603) AA AB
R288 30000770 RES CF 1/4W 680R J AA AB
!
!

13
29LF-92E
REF No. PARTS DESCRIPTION SN CODE EX CODE
R289 30012707 RES SMD 1/16W 680R J (0603) AA AB
R299 30012510 RES SMD 1/16W 100R J (0603) AA AB
R308 30012641 RES SMD 1/16W 10K J (0603) AA AB
R310 30012713 RES SMD 1/16W 75R J (0603) AA AB
R316 30012641 RES SMD 1/16W 10K J (0603) AA AB
R317 30000792 RES CF 1/4W 75R J AA AB
R318 30012657 RES SMD 1/16W 1K J (0603) AA AB
R326 30000815 RES CF 1/4W 8.2K J AA AB
R327 30000480 RES SMD 1/10W 100K J (0805) AA AB
R330 30012657 RES SMD 1/16W 1K J (0603) AA AB
R334 30012713 RES SMD 1/16W 75R J (0603) AA AB
R336 30000466 RES CF 1/4W 1K J AA AB
R337 30000466 RES CF 1/4W 1K J AA AB
R338 30000466 RES CF 1/4W 1K J AA AB
R342 30012657 RES SMD 1/16W 1K J (0603) AA AB
R343 30012692 RES SMD 1/16W 4.7K J (0603) AA AB
R349 30012641 RES SMD 1/16W 10K J (0603) AA AB
R350 30012510 RES SMD 1/16W 100R J (0603) AA AB
R351 30012510 RES SMD 1/16W 100R J (0603) AA AB
R352 30012698 RES SMD 1/16W 5.6K J (0603) AA AB
R353 30012685 RES SMD 1/16W 33K J (0603) AA AA
R354 30012677 RES SMD 1/16W 3.3K J (0603) AA AA
R355 30012643 RES SMD 1/16W 120R J (0603) AA AA
R356 30012707 RES SMD 1/16W 680R J (0603) AA AB
R357 30012644 RES SMD 1/16W 12K J (0603) AA AB
R358 30012655 RES SMD 1/16W 180R J (0603) AA AA
R359 30012669 RES SMD 1/16W 22K J (0603) AA AB
R400 30012669 RES SMD 1/16W 22K J (0603) AA AB
R404 30012692 RES SMD 1/16W 4.7K J (0603) AA AB
R406 30012650 RES SMD 1/16W 15K J (0603) AA AB
R409 30012713 RES SMD 1/16W 75R J (0603) AA AB
R411 30012657 RES SMD 1/16W 1K J (0603) AA AB
R412 30012657 RES SMD 1/16W 1K J (0603) AA AB
R413 30012713 RES SMD 1/16W 75R J (0603) AA AB
R414 30012713 RES SMD 1/16W 75R J (0603) AA AB
R415 30012679 RES SMD 1/16W 3.9K J (0603) AA AB
R416 30012695 RES SMD 1/16W 470R J (0603) AA AB
R417 30012695 RES SMD 1/16W 470R J (0603) AA AB
R418 30012695 RES SMD 1/16W 470R J (0603) AA AB
R419 30012695 RES SMD 1/16W 470R J (0603) AA AB
R420 30012695 RES SMD 1/16W 470R J (0603) AA AB
R421 30012695 RES SMD 1/16W 470R J (0603) AA AB
R422 30012695 RES SMD 1/16W 470R J (0603) AA AB
R423 30012695 RES SMD 1/16W 470R J (0603) AA AB
R424 30012695 RES SMD 1/16W 470R J (0603) AA AB
R425 30012695 RES SMD 1/16W 470R J (0603) AA AB
R426 30012695 RES SMD 1/16W 470R J (0603) AA AB
R427 30012661 RES SMD 1/16W 2.4K J (0603) AA AA
R428 30012510 RES SMD 1/16W 100R J (0603) AA AB
R429 30012510 RES SMD 1/16W 100R J (0603) AA AB
R430 30012510 RES SMD 1/16W 100R J (0603) AA AB
R503 30012510 RES SMD 1/16W 100R J (0603) AA AB
R504 30012510 RES SMD 1/16W 100R J (0603) AA AB
R505 30000471 RES CF 1/4W 10K J AA AB
R506 30000471 RES CF 1/4W 10K J AA AB
R507 30012696 RES SMD 1/16W 47K J (0603) AA AB
R508 30012696 RES SMD 1/16W 47K J (0603) AA AB
R509 30012696 RES SMD 1/16W 47K J (0603) AA AB
R510 30012696 RES SMD 1/16W 47K J (0603) AA AB
R512 30012668 RES SMD 1/16W 220R J (0603) AA AA
R513 30012662 RES SMD 1/16W 2.7K J (0603) AA AB
R516 30012692 RES SMD 1/16W 4.7K J (0603) AA AB
R518 30012662 RES SMD 1/16W 2.7K J (0603) AA AB
R519 30000466 RES CF 1/4W 1K J AA AB
R520 30012650 RES SMD 1/16W 15K J (0603) AA AB
R521 30012679 RES SMD 1/16W 3.9K J (0603) AA AB
REF No. PARTS DESCRIPTION SN CODE EX CODE
R522 30012692 RES SMD 1/16W 4.7K J (0603) AA AB
R523 30012712 RES SMD 1/16W 8.2K J (0603) AA AB
R524 30012679 RES SMD 1/16W 3.9K J (0603) AA AB
R526 30012679 RES SMD 1/16W 3.9K J (0603) AA AB
R527 30012679 RES SMD 1/16W 3.9K J (0603) AA AB
R528 30012650 RES SMD 1/16W 15K J (0603) AA AB
R533 30012685 RES SMD 1/16W 33K J (0603) AA AA
R535 30012641 RES SMD 1/16W 10K J (0603) AA AB
R537 30000466 RES CF 1/4W 1K J AA AB
R538 30012508 RES SMD 1/16W 1.8K J (0603) AA AB
R539 30012508 RES SMD 1/16W 1.8K J (0603) AA AB
R540 30012508 RES SMD 1/16W 1.8K J (0603) AA AB
R541 30012662 RES SMD 1/16W 2.7K J (0603) AA AB
R548 30012641 RES SMD 1/16W 10K J (0603) AA AB
R549 30012657 RES SMD 1/16W 1K J (0603) AA AB
R550 30012679 RES SMD 1/16W 3.9K J (0603) AA AB
R553 30012695 RES SMD 1/16W 470R J (0603) AA AB
R554 30012692 RES SMD 1/16W 4.7K J (0603) AA AB
R555 30012506 RES SMD 1/16W 1.5K J (0603) AA AB
R561 30012510 RES SMD 1/16W 100R J (0603) AA AB
R564 30012692 RES SMD 1/16W 4.7K J (0603) AA AB
R565 30012510 RES SMD 1/16W 100R J (0603) AA AB
R566 30012641 RES SMD 1/16W 10K J (0603) AA AB
R567 30000459 RES CF 1/4W 100R J AA AB
R568 30000459 RES CF 1/4W 100R J AA AB
R571 30012657 RES SMD 1/16W 1K J (0603) AA AB
R582 30012641 RES SMD 1/16W 10K J (0603) AA AB
R585 30012641 RES SMD 1/16W 10K J (0603) AA AB
R586 30012641 RES SMD 1/16W 10K J (0603) AA AB
R587 30012641 RES SMD 1/16W 10K J (0603) AA AB
R588 30012641 RES SMD 1/16W 10K J (0603) AA AB
R589 30012641 RES SMD 1/16W 10K J (0603) AA AB
R590 30012679 RES SMD 1/16W 3.9K J (0603) AA AB
R591 30012711 RES SMD 1/16W 75K J (0603) AA AA
R600 30012510 RES SMD 1/16W 100R J (0603) AA AB
R601 30000470 RES CF 1/2W 10K J AA AA
R603 30001242 RES FUSE 1/4W 47R J AA AB
R603+ 30006712 FERRITE BEAD 3.5X4.7X0.8 AA AB
R604 30001244 RES FUSE SAFE 1/2W 0.47R J AA AB
R605 30000927 RES MF 1/4W 220K J AA AB
R607 30012695 RES SMD 1/16W 470R J (0603) AA AB
R608 30001100 RES MO 1W 150R J AA AB
R611 30001244 RES FUSE SAFE 1/2W 0.47R J AA AB
R612 30000471 RES CF 1/4W 10K J AA AB
R613 30001234 RES FUSE 2W 33R J AA AC
R614 30001244 RES FUSE SAFE 1/2W 0.47R J AA AB
R616 30018904 RES MO 5W 4.7k J AA AD
R618 30001233 RES FUSE SAFE 1W 2.7R J AA AB
R621 30012696 RES SMD 1/16W 47K J (0603) AA AB
R622 30012696 RES SMD 1/16W 47K J (0603) AA AB
R623 30012641 RES SMD 1/16W 10K J (0603) AA AB
R624 30012692 RES SMD 1/16W 4.7K J (0603) AA AB
R625 30000480 RES SMD 1/10W 100K J (0805) AA AB
R626 30012692 RES SMD 1/16W 4.7K J (0603) AA AB
R627 30000480 RES SMD 1/10W 100K J (0805) AA AB
R628 30012657 RES SMD 1/16W 1K J (0603) AA AB
R629 30012674 RES SMD 1/16W 27K J (0603) AA AB
R630 30000872 RES MF 1/4W 120K F AA AA
R631 30000872 RES MF 1/4W 120K F AA AA
R632 30014465 RES SMD 1/16W 2.7K F (603) AA AA
R636 30012641 RES SMD 1/16W 10K J (0603) AA AB
R637 30012657 RES SMD 1/16W 1K J (0603) AA AB
R638 30012674 RES SMD 1/16W 27K J (0603) AA AB
R639 30001162 RES MO 1W 390R J AA AB
R640 30001134 RES MO 2W 2.2R J AA AB
R641 30000965 RES MF 1/2W 0.33R J AA AA
!
!
!
!
!
!

14
29LF-92E
REF No. PARTS DESCRIPTION SN CODE EX CODE
R644 30000649 RES CF 1/2W 33R J AA AB
R645 30000580 RES CF 1/4W 22R J AA AB
R646 30012654 RES SMD 1/16W 180K J (0603) AG AS
R647 30012650 RES SMD 1/16W 15K J (0603) AA AB
R648 30012658 RES SMD 1/16W 1M J (0603) AA AA
R649 30001228 RES FUSE SAFE 1/2W 2.2R J AA AB
R650 30001082 RES MO 1/2W 1K J AA AB
R652 30000848 RES MF 1/4W 1K F AA AB
R653 30012509 RES SMD 1/16W 100K J (0603) AA AB
R654 30012708 RES SMD 1/16W 68K J (0603) AA AA
R655 30012674 RES SMD 1/16W 27K J (0603) AA AB
R656 30012641 RES SMD 1/16W 10K J (0603) AA AB
R657 30000466 RES CF 1/4W 1K J AA AB
R658 30000466 RES CF 1/4W 1K J AA AB
R700 30012695 RES SMD 1/16W 470R J (0603) AA AB
R701 30012695 RES SMD 1/16W 470R J (0603) AA AB
R702 30012657 RES SMD 1/16W 1K J (0603) AA AB
R703 30012510 RES SMD 1/16W 100R J (0603) AA AB
R704 30012510 RES SMD 1/16W 100R J (0603) AA AB
R705 30012510 RES SMD 1/16W 100R J (0603) AA AB
R710 30012657 RES SMD 1/16W 1K J (0603) AA AB
R713 30012510 RES SMD 1/16W 100R J (0603) AA AB
R714 30012510 RES SMD 1/16W 100R J (0603) AA AB
R715 30012657 RES SMD 1/16W 1K J (0603) AA AB
R718 30012657 RES SMD 1/16W 1K J (0603) AA AB
R719 30012657 RES SMD 1/16W 1K J (0603) AA AB
R723 30000459 RES CF 1/4W 100R J AA AB
R724 30012510 RES SMD 1/16W 100R J (0603) AA AB
R725 30012657 RES SMD 1/16W 1K J (0603) AA AB
R726 30012657 RES SMD 1/16W 1K J (0603) AA AB
R742 30012692 RES SMD 1/16W 4.7K J (0603) AA AB
R746 30012692 RES SMD 1/16W 4.7K J (0603) AA AB
R747 30012641 RES SMD 1/16W 10K J (0603) AA AB
R749 30012709 RES SMD 1/16W 7.5K J (0603) AA AA
R753 30014076 RES SMD 1/16W 4.7R J (0603) AA AA
R754 30012709 RES SMD 1/16W 7.5K J (0603) AA AA
R755 30014076 RES SMD 1/16W 4.7R J (0603) AA AA
R756 30012641 RES SMD 1/16W 10K J (0603) AA AB
R759 30012712 RES SMD 1/16W 8.2K J (0603) AA AB
R760 30012702 RES SMD 1/16W 560R J (0603) AA AA
R762 30012712 RES SMD 1/16W 8.2K J (0603) AA AB
R763 30012702 RES SMD 1/16W 560R J (0603) AA AA
R765 30012669 RES SMD 1/16W 22K J (0603) AA AB
R766 30012669 RES SMD 1/16W 22K J (0603) AA AB
R793 30012657 RES SMD 1/16W 1K J (0603) AA AB
R794 30012657 RES SMD 1/16W 1K J (0603) AA AB
R815 30012644 RES SMD 1/16W 12K J (0603) AA AB
R817 30012641 RES SMD 1/16W 10K J (0603) AA AB
R818 30000723 RES CF 1/4W 47K J AA AB
R819 30012679 RES SMD 1/16W 3.9K J (0603) AA AB
R820 30012696 RES SMD 1/16W 47K J (0603) AA AB
R900 30000788 RES CF 1/4W 6.8M J AA AB
R901 30000459 RES CF 1/4W 100R J AA AB
R902 30000459 RES CF 1/4W 100R J AA AB
R903 30000459 RES CF 1/4W 100R J AA AB
R904 30000535 RES CF 1/2W 150K J AA AB
R905 30000477 RES CF 1/4W 100K J AA AB
R906 30000477 RES CF 1/4W 100K J AA AB
R907 30023197 RES CC 1W 1.5K K AA AD
R908 30023197 RES CC 1W 1.5K K AA AD
R909 30000477 RES CF 1/4W 100K J AA AB
R910 30023197 RES CC 1W 1.5K K AA AD
R911 30000466 RES CF 1/4W 1K J AA AB
R912 30000458 RES CF 1/2W 100R J AA AB
R913 30021483 RES CC 1W 2.2K K AA AD
R914 30000459 RES CF 1/4W 100R J AA AB
!
REF No. PARTS DESCRIPTION SN CODE EX CODE
R915 30012649 RES SMD 1/16W 150R J (0603) AA AB
R916 30014128 RES SMD 1/16W 33R J (0603) AA AB
R917 30000583 RES CF 1/4W 220R J AA AB
R919 30012644 RES SMD 1/16W 12K J (0603) AA AB
R920 30012698 RES SMD 1/16W 5.6K J (0603) AA AB
R921 30012649 RES SMD 1/16W 150R J (0603) AA AB
R922 30014128 RES SMD 1/16W 33R J (0603) AA AB
R923 30000583 RES CF 1/4W 220R J AA AB
R925 30012649 RES SMD 1/16W 150R J (0603) AA AB
R926 30014128 RES SMD 1/16W 33R J (0603) AA AB
R927 30000583 RES CF 1/4W 220R J AA AB
R928 30012510 RES SMD 1/16W 100R J (0603) AA AB
R930 30000477 RES CF 1/4W 100K J AA AB
R931 30012667 RES SMD 1/16W 220K J (0603) AA AB
R932 30012707 RES SMD 1/16W 680R J (0603) AA AB
R933 30012707 RES SMD 1/16W 680R J (0603) AA AB
PRINTED WIRING BOARD MODULES
. 20155578 CHS.ASSY.45-317D22514121121C1125L (29LF92EC Mother Unit) BP CE
. 20155579 CHS.ASSY.45-317C21514121121C1125L (29LF92EIT Mother Unit) BP CE
. 20160076 CRT B.ASSY.TP45B-5-SI.FOC.(AK45)SHARP(RF (CRT Unit) AR BB
. 20154617 MD.ASY.FAV107-2962 STR. (AK45) (Front AV Unit) AM AY
. 20153523 MD.ASY.SB119-3 LED+TK 2962 (AK45) (Front SW Unit) AM AY
OWNERS MANUAL
. 50053219 I/B SHARP 29LF92EC P/AK45/1548/EPMÇSRR AG AT
. 50053294 I/B SHARP 29LF92E(IT) P/AK45/1548/ITA AB AF
29LF92EC MISCELLANEOUS PARTS
. 20168548 LBL.CART.BOX SHARP 29LF92EC "45" AA AC
. 20168550 LBL.BCK.CVR.SHA.EL.SHARP 29LF92EC"45"ENG AA AC
29LF92EIT MISCELLANEOUS PARTS
. 50053310 WARRANTY APPROVAL SHARP 29LF92E(IT) AA AA
. 50053312 FREQU./CHAN.TABLE SHARP 29LF92E(IT)(AK45 AA AB
. 20168627 LBL.CART.BOX SHARP 29LF92E(IT) "45" AA AC
. 50053313 LABEL APPROVAL SHARP 29LF92E(IT)AK45 AA AC
. 20168629 LBL.BCK.CVR.SHA.EL.SHARP 29LF92E"45" AA AC
COMMON MISCELLANEOUS PARTS
. 30001862 SOCKET IC 52P (SHRINK) (IC500) AF AQ
. 20146961 BACK CVR.2962 EKO2GRAY (I) AT BE
. 30028208 POWER CORD SAFE EURO 2.2M SHARP W/FILTER AG AT
. 20152919 SNOW BOX ASSY 2962 AH AV
. 20146958 SNOW BOX TOP 2962 AE AP
. 20146959 SNOW BOX BOTTOM 2962 AE AP
. 20152921 BUTTON ASSY 2962 (M88/P) AD AM
. 20155351 BUTTON FUNCTION 2962 (M88/P) AB AF
. 35000013 SPRING ON/OFF SWITCH AA AB
. 40017674 LED LENS PRE-AMP XX64W (I) AA AD
. 20108124 BACK DOOR AK45/52 (I) AC AH
. 35000212 SCREW S C ZNSY YSMB 2.9*13 AA AB
. 35000217 SCREW S C SYF YFMB 3.5*9.5 AA AB
. 35005051 SCREW P C ZN RYSM 4x16 (HITACHI) (R:16) AA AB
. 35005084 SCREW C ZN RYAKB 6x30 AA AB
. 35005418 SCREW P C ZN YSB 3.5x10 (KN1031 T35X10) AA AA
. 35008089 SCREW P C ZN YSMB 4*10 AA AA
. 35008191 SCREW P C ZN YSMB 3*12 AA AA
. 35009300 SCREW P C ZN FYSB 4X16 (D:11) AA AB
. 35010702 SCREW P C ZN YSB 4x20 (BEYAZ) AA AA
. 40000026 EJECTOR CLIP-CLAP AC AH
. 30013905 CNAS 2P/900 DIS W/BLKC+FER UL2547 AWG24 AB AG
. 30027382 SPEAKER 7R 12W F/R 60x120MM-28&32" SHARP AE AP
. 40016872 SPEAKER BRACKET 286XW AA AE
. 35000136 FUSE HOLDER TK79-A (GRAY) AA AD
. 20155349 FRONT 2962 W/H SLV285S/M88(P)(PW/2U/S) AT BE
!
!
!

15
29LF-92E
How to update the Technical Information
appeared on this Service Manual
1. Web site: https://www.vestelservice.com
2. Select: Technical Support
3. Login: 101278
4. Password: SHPII278
By this access you can consult the latest schematic dia-
gram or request the Parts Listing of a concrete Produc-
tion Date / Serial Number.
By this way it can be also consulted the issued Techni-
cal Reports (Service Bulletins).
REF No. PARTS DESCRIPTION SN CODE EX CODE
. 20155352 CONTROL PANEL DOOR 2962 (M88/P) AC AH
. 20147023 BRACKET BF 2962 (I) AA AA
. 35008850 METAL WASHER XX6XW (SHARP) AA AB
. 35008850 METAL WASHER XX6XW (SHARP) AA AB
. 35009382 METAL WASHER (1.5x20) (SHARP) AA AA
. 35009471 METAL BRACKET_2962 AC AK
. 40006731 ISOLATION COTTON (9x25000mm) AA AC
. 40016134 SPONGE SPEAKER BRACKET(2'') AA AC
. 40017363 CABLE HOLDER 2162_SF SHARP AA AC
. 40018111 CABLE HOLDER(WIRE CLIP TA10-3) AA AC
. 40018612 RUBBER HOLDER_3.6 X 10 X 8.5 AA AD
. 70000331 ADHESIVE TAPE 75MM/660M (4125) AA AB
. 30018087 CNAS 2P/350 TRFPFC DIS W/C AA AE
. 35000217 SCREW S C SYF YFMB 3.5*9.5 AA AB
. 30000225 CAP CER 220PF 50V J SL AA AB
. 20140466 BRACKET CHS XX62-64W (I) V.0 AD AM
. 30000285 CAP CER 1NF 100V KB AA AA
. 30007728 CABLE 1P R2.6 50 W/CLIPS AA AC
. 30000285 CAP CER 1NF 100V KB AA AA
. 30017312 CABL 1P/450 DIS UL1672AWG22 AA AB
. 30000225 CAP CER 220PF 50V J SL AA AB
. 30009833 CABL 1P/100 SIS AA AB
. 40006432 MOUNTING BUTTON (MB-10) AA AB
. 30009005 IC 24C16 AF AQ
. 20143026 R/C 1548 SHARP (EKO2GRAY/I) (GRAY/S) AM AY
. 50043776 LABEL LOT W/BARCODE (100X280) SHARP AA AC
. 20013018 LBL.BCK.CVR.ASSY (TV) (WO/UL) AA AB
. 50023173 LABEL LOT W/BARCODE (77X256) AA AC
. 40011046 WIRE SADDLE (PINGOOD CHF-8) AA AB
. 40017676 SPEAKER GRILL ASSEMBLY (R)_2962 AM AY
. 40018356 LOGO SHARP (D.C.-SILVER) 29" RF AD AL
. 40018611 SPEAKER GRILL ASSEMBLY (L)_2962 AM AY
B-B 30009834 CABL 1P/60 SIS AA AB
F100 30001731 FUSE SAFE 2.5A 250V 5*20MM AA AC
J344 30001996 FIXED COIL 22UH Q40 K AA AB
J388 30001971 FERRITE BEAT (805) BLM21A601S AA AD
JK100 30026584 TV JACK BOARD JXTI046 AG AS
JK101 30001902 JACK HEADPHONE STEREO WO/SW AC AH
NOT 30011742 CABL 1P/25 SIS AA AB
PL100 30029258 CNAS 6P/150 TB FLT W/C UL2468AWG24 AA AD
PL100 30001792 CONN HEADER 2P 7.5MM TOP WHT AA AC
PL101 30001838 CONN HEADER 3P 2.5MM TOP YELLOW SD AA AC
PL101 30001795 CONN HEADER 3P 5/7.5MM TOP WHT AA AC
PL101 30020137 CNAS 600 FAV SVHS W/DC+FER AF AQ
PL102 30020137 CNAS 600 FAV SVHS W/DC+FER AF AQ
PL102 30001830 CONN HEADER 2P 2.5MM TOP BLUE SD AA AB
PL102 30001792 CONN HEADER 2P 7.5MM TOP WHT AA AC
PL103 30020137 CNAS 600 FAV SVHS W/DC+FER AF AQ
PL103 30001792 CONN HEADER 2P 7.5MM TOP WHT AA AC
PL103 30001839 CONN HEADER 3P 2.5MM TOP GREEN SD AA AC
PL104 30001792 CONN HEADER 2P 7.5MM TOP WHT AA AC
PL104 30009317 CNAS 3P/700 FLT W/BLK C+FER UL2468AWG24 AC AG
PL204 30010921 DOUBLE-DECK SCART SOCKET AD AM
PL206 30010039 CONN HEADER 8P 2.5MM TOP WHT AA AB
PL207 30001830 CONN HEADER 2P 2.5MM TOP BLUE SD AA AB
PL500 30001783 CONN HEADER 5P 2.5MM TOP BD AA AC
PL502 30001784 CONN HEADER 6P 2.5MM TOP BD AA AC
PL602 30001792 CONN HEADER 2P 7.5MM TOP WHT AA AC
PL602 30016483 CNAS 2P/600 HRZ DIS W/C UL1672AWG24 AA AE
PL603 30001829 CONN HEADER 2P 2.5MM TOP WHT SD AA AB
PL603 30019083 CNAS 2P/600 SIS W/C+FER UL1007AWG24 AB AF
PL604 30001850 CONN HEADER 6P 2.5MM TOP WHT SD AA AC
PL703 30001839 CONN HEADER 3P 2.5MM TOP GREEN SD AA AC
PL708 30001762 CONN HEADER 2P 2.5MM(9.7MM) TOP AA AC
PL709 30001764 CONN HEADER 2P 2.5MM(9.7MM) TOP BLACK AA AC
PL711 30001836 CONN HEADER 3P 2.5MM TOP BLACK SD AA AB
!
!
REF No. PARTS DESCRIPTION SN CODE EX CODE
PL901 30028447 SOCKET CRT SAFE NARROWNECK W/GND INCHANG AA AE
PL902 30010039 CONN HEADER 8P 2.5MM TOP WHT AA AB
PL902 30027546 CNAS 5P/350 SHL+3P/350 SIS RGB W/DC+FER AD AM
PL903 30001850 CONN HEADER 6P 2.5MM TOP WHT SD AA AC
PL903 30030432 CNAS 6P-4P/500+1P/850 SIS W/3C+FR UL1007 AA AC
PL904 35000176 EYELET BR 2*3MM AA AB
PL905 35000176 EYELET BR 2*3MM AA AB
PL905 35000135 TEST PIN 1.1MM AA AB
PL909 35000176 EYELET BR 2*3MM AA AB
PL909 35000135 TEST PIN 1.1MM AA AB
S224 30000792 RES CF 1/4W 75R J AA AB
S225 30012713 RES SMD 1/16W 75R J (0603) AA AB
S226 30012713 RES SMD 1/16W 75R J (0603) AA AB
S227 30012713 RES SMD 1/16W 75R J (0603) AA AB
SG901 30000428 SPARK GAP 300V AB AG
SG902 30000428 SPARK GAP 300V AB AG
SG903 30000428 SPARK GAP 300V AB AG
SG904 30000428 SPARK GAP 300V AB AG
SG905 30021532 SPARK GAP 1500V AC AG
SW100 30002181 SWITCH TACT(4) AA AC
SW101 30002181 SWITCH TACT(4) AA AC
SW102 30002181 SWITCH TACT(4) AA AC
SW103 30002181 SWITCH TACT(4) AA AC
SW104 30017848 SWITCH SAFE ON/OFF 4A/128A JVC(PANASONI) AC AH
SW104 40018112 BRACKET POWER SWITCH (PINGOOD HS-5) AA AC
TH101 30001268 THERMISTOR 3P AD AM
!
!
!

16
29LF-92E
PRINTED BY: ON:
No part of this publication may be reproduced,
stored in a retrieval system, or transmitted in any
form or by any means, electronic, mechanical,
photocopying, recording, or otherwise, without
prior written permission of the publisher.
Technical information and Production:
Vestel Electronik AS
Technical information re-issued:
SHARP ELECTRONICA ESPAÑA S.A.
Service Manual Group
Engineering Dept.
Polígono Industrial Can Sant Joan
08190 Sant Cugat del Vallès
Barcelona
Spain
Think Ecology, please use
RECYCLED PAPER
