MANUALE SM 120 180 SC.LARGO 2006 ING NO CE !! Sm120 Sm180 Finish Mower Manual 2007
Preview ! sm120-sm180_finish_mower_manual_2007 Ford Lawn Mower Manuals - Lawn Mower Manuals – The Best Lawn Mower Manuals Collection
User Manual: !! Ford Lawn Mower Manuals - Lawn Mower Manuals – The Best Lawn Mower Manuals Collection
Open the PDF directly: View PDF
.
Page Count: 62

ASSEMBLY, USE AND MAINTENANCE
SPARE PARTS LIST
FINISHING MOWERS
SM 120 -150 -180

1
TABLE OF CONTENT
CHAPTER 1 GENERAL INTRODUCTION - WARRANTY ......................................................................2
1.1 INTRODUCTION___________________________________________________________________________________3
1.2 WARRANTEE _____________________________________________________________________________________3
CHAPTER 2 GUIDE TO THE SIGNS AND SYMBOLS USED IN THIS MANUAL AND THEIR
LOCATION ON THE MACHINE..........................................................................................4
2.1 SIGNS AND SYMBOLS _____________________________________________________________________________5
2.2 WARNING SIGNS__________________________________________________________________________________5
2.3 DANGER SIGNS___________________________________________________________________________________6
2.4 INDICATION SIGNS ________________________________________________________________________________8
2.5 LOCATION OF SIGNS AND SYMBOLS ON THE MACHINE_________________________________________________9
CHAPTER 3 GENERAL SUMMARY OF SAFETY AND ACCIDENT - PREVENTION INSTRUCTIONS
...........................................................................................................................................10
3.1 GENERAL SUMMARY OF SAFETY AND ACCIDENT-PREVENTION INSTRUCTIONS __________________________11
CHAPTER 4 PRODUCT IDENTIFICATION ...........................................................................................14
4.1 TECHNICAL DATA ________________________________________________________________________________15
4.2 MAIN MACHINE PARTS____________________________________________________________________________15
CHAPTER 5 DELIVERY AND ASSEMBLY ...........................................................................................16
5.1 CHECKING THE MACHINE ON DELIVERY ____________________________________________________________17
5.2 ASSEMBLY SEQUENCE ___________________________________________________________________________21
5.3 SPECIAL MODELS ________________________________________________________________________________29
CHAPTER 6 ADJUSTMENT, PREPARATION AND USE.....................................................................31
6.1 INTRODUCTION__________________________________________________________________________________32
6.2 MOUNTING TO THE TRACTOR _____________________________________________________________________32
6.3 CONNECTING THE CARDAN SHAFT _________________________________________________________________33
6.4 TRANSPORT BY ROAD ____________________________________________________________________________34
6.5 GENERAL INSTRUCTIONS FOR FIELD USE ___________________________________________________________34
6.6 GENERAL INSTRUCTIONS FOR USE ________________________________________________________________35
CHAPTER 7 MAINTENANCE ................................................................................................................42
7.1 MAINTENANCE DIRECTIONS _______________________________________________________________________43
7.2 REPAIR INSTRUCTIONS ___________________________________________________________________________44
7.3 LAYING UP FOR EXTENDED PERIODS_______________________________________________________________44
7.4 MAINTENANCE AND TESTING ______________________________________________________________________45
7.5 MAINTENANCE POINTS ___________________________________________________________________________46
7.6 CARDAN SHAFT MAINTENANCE ____________________________________________________________________47
7.7 NOISE AND VIBRATION ___________________________________________________________________________48
7.8 SCRAPPING THE MACHINE ________________________________________________________________________48
CHAPTER 8 SPARE PARTS LIST ........................................................................................................49
8.1 REAR DISCHARGE FINISHING MOWER ______________________________________________________________50
8.2 LATERAL DISCHARGE FINISHING MOWER ___________________________________________________________52
8.3 MULTIPLIER GEARBOX ___________________________________________________________________________54
8.4 SPECIAL MODELS ________________________________________________________________________________55
8.5 COMPLETE WHEEL_______________________________________________________________________________56
8.6 CARDAN SHAFT (E2 090 E) ________________________________________________________________________57
8.7 CARDAN SHAFT (B2 090 B) ________________________________________________________________________58
8.8 ANTI-SCALPING ROLLER KIT (OPTIONAL) ____________________________________________________________59
8.9 REAR DISCHARGE MULCHING KIT (OPTIONAL) ___________________________ Errore. Il segnalibro non è definito.
8.10 LATERAL DISCHARGE MULCHING KIT (OPTIONAL) ________________________ Errore. Il segnalibro non è definito.

GENERAL INTRODUCTION - WARRANTY
2
CHAPTER 1
GENERAL INTRODUCTION - WARRANTY

GENERAL INTRODUCTION - WARRANTY
3
1.1 INTRODUCTION
The user of the lawn mower (later referred to as the "machine") is responsible for his
own safety as well as that of the people in proximity of it.
It is therefore crucial that the user has detailed information on the use and maintenance of the machine and
on how to connect it correctly to a tractor.
This machine can operate only through a Cardan shaft attached to the power takeoff of an agricultural tractor
equipped with a lifting unit and 3-point universal linkage. This manual is intended both for the operator and
those responsible for maintenance. Essential instructions and procedures to follow during use and mainte-
nance of the machine are conveyed through drawings and text.
The user is responsible for ensuring that the machine is connected to the tractor and is operated in compli-
ance with current legal provisions.
The machine must only be operated and maintained by persons who have read this manual. The manual
should always be kept to hand. It is particularly important to read CHAPTER 3 on general safety instructions.
These instructions must always be heeded.
If you are in any doubt, contact the Assistance Center or your nearest dealer.
1.2 WARRANTEE
On delivery, check that the machine has not been damaged during transport and that all the attachments are
present. Claims must be made in writing to the agent within 8 days of receipt.
The manufacturer warrants new machinery at the time of delivery to the original purchaser to be free from
defects in material and workmanship if properly set up and operated in accordance with this Operator's Man-
ual.
The manufacturer undertakes to repair or replace free of charge any defective part which should be returned
by the purchaser (freight prepaid) and found to be defective by inspection authorized by The manufacturer
during the warranty period.
This warranty will be valid for 12 (twelve) months from the delivery of goods to the original purchaser.
In case the customer is not in a position to return the defective part to the manufacturer, the manufacturer
cannot be held responsible for any cost due for repair or replacement of any part of the machine, he will only
supply the part(s) required for the repair and/or replacement.
The warranty is null and void when it is evident that the machine has been improperly used or repaired or
however repaired without authorization.
The manufacturer undertakes no responsibility for any obligation or agreement reached by any employers,
agents or dealers, which are not in compliance with the above warranty. The manufacturer cannot be held
responsible for the consequent damages. This warranty substitutes any other warranty, express or implied,
and any other manufacturer's obligation.

GUIDE TO THE SIGNS AND SYMBOLS USED IN THIS MANUAL AND THEIR LOCATION ON THE MACHINE
4
CHAPTER 2
GUIDE TO THE SIGNS AND SYMBOLS USED IN THIS MANUAL
AND THEIR LOCATION ON THE MACHINE

GUIDE TO THE SIGNS AND SYMBOLS USED IN THIS MANUAL AND THEIR LOCATION ON THE MACHINE
5
2.1 SIGNS AND SYMBOLS
These signs and symbols give information to the operator on how to make the best use of the machine so as
to prolong life, avoid damage, optimize work and, above all, to avoid injury to the operator and anyone within
range of the machine.
2.2 WARNING SIGNS
1. Before beginning operations, read the in-
struction manual carefully.
2. Prior to any maintenance work, adjust-
ments or repairs, stop the machine, set it
on the ground, turn off tractor and apply
parking brake. Remove key from ignition
and consult the instructions and mainte-
nance manual.
3. This is a warning to use proper accident
protection when carrying out mainte-
nance and repairs
2
.
1
2
.
2
2
.
3

GUIDE TO THE SIGNS AND SYMBOLS USED IN THIS MANUAL AND THEIR LOCATION ON THE MACHINE
6
4. Warns the danger of cutting blade
5. This sign is a reminder to check the oil
level.
2.3 DANGER SIGNS
6. Indicates an impending dangerous situa-
tion which, if not avoided, will cause
death or severe personal injury.
7. General danger
2
.
4
2
.
5
2
.
6
2
.
7

GUIDE TO THE SIGNS AND SYMBOLS USED IN THIS MANUAL AND THEIR LOCATION ON THE MACHINE
7
8. This indicates a potential danger which, if
not avoided, could cause serious per-
sonal injury. It also indicates danger
when removing protective guards.
9. Indicates a potentially dangerous situa-
tion which, if not avoided, can provoke
less severe or minor injuries.
10. Risk of possible ejection of blunt objects.
Keep a safe distance from the machine.
11. This indicates the risk of cutting one's
foot. Keep at a safe distance.
12. This indicates the risk of cutting one's
hand. Keep at a safe distance.
2
.
8
2
.
9
2
.
10
2
.
11
2
.
12

GUIDE TO THE SIGNS AND SYMBOLS USED IN THIS MANUAL AND THEIR LOCATION ON THE MACHINE
8
13. Indicates that it is dangerous to touch the
Cardan shaft. For all other information
regarding the Cardan shaft, see the use-
and-maintenance booklet specifically for
the Cardan shaft which, together with this
manual, makes up the documentation on
safety, use and maintenance of the ma-
chine.
2.4 INDICATION SIGNS
14. This indicates the oil level
15. Indicates a greasing point.
16. Shows the direction of rotation of the
power takeoff and the maximum number
of revolutions.
NOTE: All the signs and symbols so far shown
appear in the manual. Some of these are also
on the machine: for their location, the diagram
on page 9.
2
.
13
2
.
14
2
.
15
2
.
16

GUIDE TO THE SIGNS AND SYMBOLS USED IN THIS MANUAL AND THEIR LOCATION ON THE MACHINE
9
2.5 LOCATION OF SIGNS AND SYMBOLS ON THE MACHINE
2
.
17
1) Serial number plate
2) See point 1 page 5
3) See point 2 page 5
4) See point 11 page 7
5) See point 12 page 7
6) See point 7 page 6
7) See point 10 page 7
8) See point 15 page 8
9) See point 14 page 8
10) See point 5 page 6
11) See point 16 page 8
12) Manufacturer decal
13) See point 4 page 6
14) Decal with model of machine

GENERAL SUMMARY OF SAFETY AND ACCIDENT - PREVENTION INSTRUCTIONS
10
CHAPTER 3
GENERAL SUMMARY OF SAFETY AND ACCIDENT -
PREVENTION INSTRUCTIONS

GENERAL SUMMARY OF SAFETY AND ACCIDENT - PREVENTION INSTRUCTIONS
11
3.1 GENERAL SUMMARY OF SAFETY AND ACCIDENT-PREVENTION
INSTRUCTIONS
Read all the directions carefully before using the machine. When in doubt, seek advice from the manufactur-
ers.
The manufacturing company declines all responsibility for non-compliance with the following safety and acci-
dent-prevention instructions.
1- Pay attention to the danger signs and symbols in this manual and on the machine.
2- Do not touch moving parts.
3- All work on the machine (including adjustments) must always be carried out with the tractor immobilized
and the engine switched off.
4- On no account may persons or animals be carried on the machine.
5- Driving the tractor with the machine connected is absolutely forbidden to persons lacking suitable ex-
perience, or who are in poor health, or who do not have a suitable driving license.
6- All accident-prevention measures recommended in this manual should be scrupulously observed.
7- Connecting the machine to the tractor creates a different weight distribution on the axles and so it is es-
sential to ensure that the tractor-machine combination is stable in all anticipated working conditions. It is
therefore necessary to have exact instructions from the tractor manufacturers. If such instructions are not
available, suitable tests should be conducted in safe conditions in order to assess stability.
8- Once the machine is connected, it can only be controlled through a Cardan shaft complete with the re-
quired overload protection and guard secured with the appropriate small chains. Be aware of the rota-
tional direction of the Cardan shaft.
9- Before operating the tractor and machine, check that all transport and operational safety devices are
complete and working.
10- When driving on public roads, you should comply with the Highway Code regulations for the country
concerned.
11- Do not exceed the tractor axle maximum weight and the total mobile weight. Heed transport regulations.
12- Before starting work, familiarize yourself with the control devices and how they work.
13- Wear suitable clothes. Do not wear clothing which is loose or which could become entangled in rotating
or moving parts.
14- Connect the machine to a suitably powerful tractor by using an appropriate lifting unit and in accordance
with instructions.
15- Take maximum care when connecting and disconnecting the machine to and from the tractor.
16- The machine and any road transport attachments must bear the appropriate signs and symbols and
have suitable protection.
17- Never leave the driving seat when the tractor is running.
18- It is extremely important to appreciate that road holding, steering and braking may be significantly af-
fected with the machine attached.
19- When turning corners with the machine attached, be aware of the fact that the centrifugal force will alter
due to the change in the center of gravity.
20- Before engaging the power takeoff check the preset revolution speed. Do not change speed from 540
rpm to 1000 rpm.
21- Under no circumstances should anybody stand near the machine or any moving parts. It is the duty of
the operator to ensure that this requirement is respected.

GENERAL SUMMARY OF SAFETY AND ACCIDENT - PREVENTION INSTRUCTIONS
12
22- Before leaving the tractor, lower the machine with the lifting unit, stop the engine, apply the parking
brake and remove the ignition key from the instrument panel.
23- Under no circumstances should anybody go between the tractor and the machine (Fig. 3.1) when the
engine is running and the Cardan shaft is engaged, especially without first having applied the parking
brake and placed chocks against the wheels.
24- Before connecting or disconnecting the machine to or from the 3-point linkage, put the lifting unit lever
into the locked position.
25- The connection pins on the machine must match the connection sockets on the lifting unit.
26- During transport, secure the lateral lifting arms with the appropriate chains and tighteners.
27- When the machine is raised during road transport, put the tractor's hydraulic lifter lever into the locked
position.
28- Only use the Cardan shaft provided by the manufacturer and, in case of replacement, substitute it with
one having the same characteristics.
29- Regularly check all protection on the Cardan shaft. This should always be in excellent condition and se-
curely fixed.
30- It is important to ensure that the protection on the Cardan shaft is complete.
31- Connection and disconnection of the Cardan shaft must be carried out with the engine switched off.
32- Pay particular attention to the correct connection and safety of the Cardan shaft and the power takeoffs
on the machine and the tractor.
33- Prevent the cardan shaft protection from rotating using the chains supplied.
34- Before engaging the power takeoff, make sure that there are no people or animals in the vicinity and that
the selected engine speed corresponds to that permitted. Never go above the maximum permitted.
35- Do not engage the power takeoff when the engine is not running.
36- Always disengage the power takeoff when the Cardan shaft is at too wide an angle (it should never be
more than 35° Fig. 3.2) and when it is not in use.
37- Only clean and grease the Cardan shaft when the power takeoff is disengaged, the engine is off, the
parking brake is applied and the ignition key is removed.
3
.
1

GENERAL SUMMARY OF SAFETY AND ACCIDENT - PREVENTION INSTRUCTIONS
13
38- On disconnecting the Cardan shaft, replace the protective hood on the power takeoff shaft.
39- Prolonged use of the machine can cause the drive boxes to become hot. To avoid any risk of getting
burnt, avoid touching these areas both during
use and some time afterwards.
40- Periodically check screws and nuts for tight-
ness and grip. Tighten if necessary.
41- When carrying out maintenance work or
replacing the blades, raise the machine and
rest on adequate supports.
42- Use the quantities of grease and oil advised.
43- Spare parts must meet the requirements as
defined by the manufacturer. Use only original
spare parts.
44- Safety decals must always be clearly visible.
They must be kept clean and replaced if they
become too illegible (they can be ordered from
the agent if necessary).
45- The instruction booklet must be available for
the lifetime of the machine.
3
.
2

PRODUCT IDENTIFICATION
14
CHAPTER 4
PRODUCT IDENTIFICATION

PRODUCT IDENTIFICATION
15
4.1 TECHNICAL DATA
Cutting height
Model
RPM
of gearbox
Blade
RPM
Blade tip
speed
m/s
No.
Blades
mm inches
Power
required
HP/kW
SM/120 540* 3250 70. 1 3 20 - 100 3/4" - 4" 20/15
SM/150 540* 2630 70. 5 3 20 - 100 3/4" - 4" 30/22
SM/180 540* 2230 70. 5 3 20 - 100 3/4" - 4" 40/30
*Standard supply (gearboxes with P. T. O. shaft of 1000 r. p. m. and 2000 r. p. m. are supplied on re-
quest). The manufacturer reserves the right to alter the technical data without notification.
4.2 MAIN MACHINE PARTS
ITEM Description ITEM Description
1Machine casing 9 3-point hitch
2Gearbox support 10 Axles
3Gearbox 11 Wheel unit
4Protective cap 12 Pin lever
5Protective guard 13 Cardan shaft
6Protective chain 14 Name plate
7Tie rod 15 Side ejector piece
8Front bracket
4
.
1

DELIVERY AND ASSEMBLY
16
CHAPTER 5
DELIVERY AND ASSEMBLY

DELIVERY AND ASSEMBLY
17
5.1 CHECKING THE MACHINE ON DELIVERY
All parts carefully checked before dispatch or de-
livery.
On receiving the machine, ensure that it not been
damaged during transport. If damage has
occurred, contact the dealer concerned.
How the machine is lifted will depend on the model
and the type of packing. Details are given below.
The packing can vary from country to country de-
pending on transport requirements.
Lift the machine using a forklift truck, crane or
other suitable equipment of sufficient capacity after
first checking the weight of the configurations in the
table given below.
Check the stability and positioning of the load on
the forklift truck forks or crane hook.
Keep the load as low as possible during movement
for maximum stability and to ensure that the opera-
tor has maximum visibility.
If a forklift truck is used, ensure that the forks are
positioned as wide apart as possible.
The manufacturer packages the machines accord-
ing to the following models:
Fig. 5.1: represents the standard packaging for
the lawn mower with rear grass ejector.
Fig. 5.2: represents the standard packaging for
the lawn mower with side grass ejector.
Fig. 5.3: represents the packaging for both the
lawn mower with rear grass ejector and
lawn mower with side grass ejector.
Fig. 5.4: represents the packaging for both machine types using nylon film (in this case a varying number
of machines may be packed together, depending on the quantity ordered by the client and the
space available on the transport means).
MACHINE WEIGHT KG-LBS
PACKAGING TYPE
120 Rear 120 Side 150 Rear 150 Side 180 Rear 180 Side
Fig. 5.1 * 178-390 -- 208-455 -- 239-525 --
Fig. 5.2 * -- 168-370 -- 202-445 -- 227-500
Fig. 5.2 * 200-440 186-410 229-505 221-485 266-585 256-565
Fig. 5.4 ** 173-380 164 -360 202-445 194-425 231-475 221 -485
*Weight of crated machine
** Net weight of one machine each model
5
.
1
5
.
2

DELIVERY AND ASSEMBLY
18
Notes:
1) Slightly different packaging from those represented may occasionally be
used, depending on the methods of transport or handling.
2) The packing consists mainly of wood, which should be disposed of ac-
cording to the laws in force in the country where the machine is used.
The plastic film should also be disposed of according to the laws in force in the country
where the machine is used.
3) When storing, it is permissible to stack 2-3 crates on top of each other. Make sure that they
are perfectly aligned vertically.
4) In the case of further transportation, make sure the machine is well secure on the transport
means.
5
.
3
5
.
4

DELIVERY AND ASSEMBLY
19
The unpacked machine is composed of the following parts:
Machine with rear grass ejector Machine with side grass ejector
ITEM Description Q.ty ITEM Description Q.ty
1) Machine casing 1 1) Machine casing 1
2) Wheel axle 2 2) Wheel axle 2
3) Wheel unit 4 3) Wheel unit 4
4) Front bracket 1 4) Front bracket 1
5) Tie rod 2 5) Tie rod 2
6) Protective cap 1 6) Protective cap 1
7) Cardan shaft 1 7) Cardan shaft 1
8) Bag of nuts and bolts 18) Bag of nuts and bolts 1
9) Bag of accessories 1 9) Bag of accessories 1
10) Side ejector piece 1
N.B. In the packaging type on Fig. 5.4, the axles 2 are already attached to the main casing 1.
5
.
5

DELIVERY AND ASSEMBLY
20
The contents of item 8 (bag) are as follows:
Machine with rear grass ejector Machine with side grass ejector
Description Q.ty Description Q.ty
Shim D 25/35 x 2 4 Shim D 25/35 x 2 4
Shim D 25/35 x 6 4 Shim D 25/35 x 6 4
Shim D 25/35 x 12 4 Shim D 25/35 x 12 4
Shim D 25/35 x 25 4 Shim D 25/35 x 25 4
Shim D 25/35 x 32 4 Shim D 25/35 x 32 4
Screw M12x35 4 Screw M12x35 4
Screw M12x90 1 Screw M12x90 1
Screw M10x80 4 Screw M10x80 4
Screw M8x16 2 Screw M8x20 3
Self-locking nut M12 5 Screw M8x16 2
Flat washer D 10.5 4 Self-locking nut M12 5
Flat washer D 8.5 2 Nut M8 3
Notched washer D 10.5 4 Flat washer D 10.5 4
Grease nipple M6 4 Flat washer D 8.5 5
Split pin BS 8 4 Notched washer D 10.5 2
Split pin BC 3 2 Notched washer D 8.5 3
Pin 2 Grease nipple M6 4
3-point bush 2 Split pin BS 8 4
Pin D 19 2 Split pin BC 3 2
Pin 2
3-point bush 2
Pin D 19 2
Bag item 9 is the same for both machine types and contains:
3-point hitch Q.ty 1
Lower hitch Q.ty 2

DELIVERY AND ASSEMBLY
21
5.2 ASSEMBLY SEQUENCE
Assembly is highly dangerous and must be carried out in strict accordance with the following instructions. We
recommend that qualified personnel perform assembly. We also recommend that assembly be carried out in
aflat, open area with no people (particularly children) nearby who could be severely injured if they were to
touch or move any parts of the machine.
5.2.1
Keep the main casing 1
approx. 300/500 mm
above the ground, resting
it on suitable supports or
on the forks of a forklift.
5
.
6

DELIVERY AND ASSEMBLY
22
5.2.2
Fit the protective cap 2 to
the correct mounting on
the gearbox 1 using the
flat washers 3 and the
screws 4.
For this step you will use:
Item 2: n° 2 - flat washers
D8.5 (D 21/64)
Item 3: n° 2- screws
M8x16 (5/16x5/8)
5.2.3
Fit the axles 2 to the
main casing 1. To do this
you must initially remove
the central screws 6 and
the washers 4 & 5, which
attach the protective,
guard 3 to the main cas-
ing 1. Then fix the axles
2to their correct mount-
ings on the main casing 1
using the flat washers 4,
the notched washers 5
and the screws 6. For
this step you will use:
Item 4: n° 6 - flat washers
D10.5 (D 27/64)
Item 5: n° 6 - notched
washers D 10.5 (27/64)
Item 6: n° 6 - screws
M10x80
(D 25/64x3"3/16)
5
.
8
5
.
7

DELIVERY AND ASSEMBLY
23
5.2.4
Fit the wheel units 2 to their correct mountings on the axles 1. Connect the shim 3 (D 25/35x12 - D
1"x1"3/8x1/2") to the axle on wheel unit 2. The shim is selected according to the required cutting height (see
page 36), therefore what we are describing is an example.
Next, the wheel unit 2, onto which the shim 3 has been secured, must be connected to the correct seat on
the axles 1. Now fasten onto the axle of the wheel unit 2 the shims:
item 4 (D 25/35x32 - D 1"x1"3/8x1”1/4)
item 5 (D 25/35x25 -D 1"x1"3/8x1")
item 6 (D 25/35x6 - D 1"x1"3/8x1/4)
item 7 (D 25/35x2 - D 1"x1"3/8x5/64).
At this stage secure eve-
rything with the split pins
8. Fit the grease nipples
9to the correct positions
on the axles 1.
For this step you will use:
Item 8: n° 4 - split pins
D 8 (5/16)
Item 9: n° 4 - grease nip-
ples M6 (15/64)
5
.
9

DELIVERY AND ASSEMBLY
24
5.2.5
Fix the front bracket 2 to the correct mountings on the main casing 1 using the screws 3 and the nuts 4. Do
not tighten the nuts 4. For this step you will use:
Item 3: n° 2 - screws M12x35 (15/32x1"3/8)
Item 4: n° 2 - nuts M12 (15/32)
5
.
10

DELIVERY AND ASSEMBLY
25
5.2.6
Fit the tie rods 3 to the correct seats of the main casing 1 and the front bracket 2 using the screws 4 and the
nuts 5. Do not fully tighten nuts 5.
For this step you will use:
Item 4: n° 2 - screws M12x35 (15/32x1"3/8)
Item 5: n° 2 - nuts M12 (15/32)
5
.
11

DELIVERY AND ASSEMBLY
26
5.2.7
First fix the bushes 4 onto the 3-point hitch 1. The lug of the bush must be positioned on the inside of the 3-
point hitch 1. The 3-point hitch 1 with secured bushes 4 must be fixed to the front bracket 2 and tie rods 3 us-
ing screw 5 and nut 6. Now fully tighten the nuts in points (A) and (B).
For this step you will need:
Item 5: n° 1 - screw M12x90 (15/32x3"3/4)
Item 6: n° 1 - nut M12 (15/32)
5
.
12

DELIVERY AND ASSEMBLY
27
5.2.8 Only for ma-
chines with side
grass ejector
Attach the side ejector
piece 2 to the main cas-
ing 1 using the screws 3,
the flat washers 4, the
notched washers 5 and
the nuts 6. For this step
you will need:
Item 3: n° 3- screws
M8x20 (5/16x3/4)
Item 4: n° 3 - flat washers
D8.5 (D 21/64)
Item 5: n° 3- notched
washers D 8.5 (D 21/64)
Item 6: 3 nuts M8 (5/16)
5.2.9
Fit the lever 2 to the
correct seat on the main
casing 1 and secure it
with the pin 3 and split
pin 4. Fix pin 5 on to the
lever 2 and lock it with
the Grower washer 6 and
the nut 7.
N. B. There are two
holes at one end of
lever 2 in order to at-
tach it to the machine.
To choose which holes
should be used, see
page 37
5
.
13
5
.
14

DELIVERY AND ASSEMBLY
28
5.2.10
Now the machine is completely assembled and ready for use.
5
.
15

DELIVERY AND ASSEMBLY
29
5.3 SPECIAL MODELS
Lawn mowers that can be attached to the front of tractors are also available. They are used and maintained
in the same way as the other models. We will briefly illustrate where it is necessary to follow a slightly differ-
ent procedure.
5.3.1 ASSEMBLY
The front bracket 1 should be attached to brackets "A" in the same way as the standard models. The tie rods
2should be attached to
brackets "B" and to the
correct mounting on the
front bracket 1, again us-
ing the same procedure
as in the standard mod-
els. The 3-point hitch 3
should also be fitted in
the same way. See point
5.2.1-5.2.10 page 21-27
5
.
16

DELIVERY AND ASSEMBLY
30
5.3.2 MOUNTING TO THE TRACTOR
All the instructions for the standard models are valid. Bear in mind that hooking the machine up to the tractor
is not an easy task, as the tractor could obstruct one from getting close enough to the machine. In order to
do this you must attach the tractor's transport arms 1 to the brackets 3 using the pins 4 and split pins 5. Then
attach the tractor's 3-point hitch 2 to the machine's 3-point hitch 6.
Carry out all the necessary adjustments described in points 6.3-6.6 on pages 33-41.
N.B.- The brackets 3 can be shifted by adjusting the screws, which secure them to the frame of the
machine, so as to accommodate the tractor's transport arms 1.
These machines are
supplied with 1000 or
2000 r. p. m. gearboxes
and with clockwise or an-
ticlockwise direction of
rotation. Make sure that
the machine is compati-
ble with the tractor.
5
.
17

ADJUSTMENT, PREPARATION AND USE
31
CHAPTER 6
ADJUSTMENT, PREPARATION AND USE

ADJUSTMENT, PREPARATION AND USE
32
6.1 INTRODUCTION
1) Connection to the tractor is highly dangerous. Take great care and carry out
the entire operation in strict compliance with the following instructions.
2) Nobody should go near the area between the tractor and the machine.
3) Check that all warning and danger signs are in place and legible.
4) Check that the tractor is in good running order.
5) Check the engine oil, gearbox oil, brake fluid and cooling water levels as well as the tire pressures.
6) Refer to the tractor operator's manual.
6.2 MOUNTING TO THE TRACTOR
Bring the tractor close in reverse and check that the transport arms of the tractor 1 are aligned with the pins
2. Turn off the tractor,
apply the parking brake
and remove the key from
the ignition.
Fit the joints at the tips of
the arms 1 on to the pins
2and secure them with
the split pins 3.
Connect the tractor's 3-
point hitch 4 to the ma-
chine's 3-point hitch 5 us-
ing pin 6 and split pin 7.
Adjust the tie rods 8 so
that lateral oscillation of
the machine is limited: it
is advisable to maintain a
lateral oscillation of about
50 mm (2").
By adjusting the arms 9,
level the machine with
the ground.
6
.
1

ADJUSTMENT, PREPARATION AND USE
33
6.3 CONNECTING THE CARDAN SHAFT
More detailed information may be found in the Cardan shaft manual which, together with this manual, is an
essential part of the accident-prevention documentation.
It is your responsibility to read and comply with this documentation. If information given in this manual should
conflict with that given in the Cardan shaft manual, you should follow the instructions given by the Cardan
shaft manufacturer.
Fit the Cardan shaft and check that the shaft is connected correctly both at the tractor end and at the ma-
chine end. For more details, see the descriptions on the following pages.
If a safety system is provided, this should be fitted
to the machine end, not to the tractor end.
During both transport and use, avoid conditions
where the Cardan transmission shaft is extended
to the maximum. In all working conditions, the tele-
scopic tubes must overlap by at least 1/3 of their
length (Fig.6.2).
Conversely, when the Cardan shaft is contracted to
the maximum, there should still be a gap of ap-
proximately 50 mm (2") (Fig.6.3).
Take particular care when connecting the two Car-
dan shaft end forks and make sure that they are
fully secured. This is achieved by inserting the
safety pins and bolts (1) (Fig.6.4.) in the special
slots (2) on the power takeoff shafts on both the
tractor and machine ends.
Aloose shaft could come apart and cause consid-
erable mechanical damage and serious injury to
persons.
6
.
3
6
.
4
6
.
2

ADJUSTMENT, PREPARATION AND USE
34
6.4 TRANSPORT BY ROAD
After the machine has been attached to the tractor as previously described and before
transporting it to or from fields or any other workplace, the following instructions should
be heeded:
Before setting off with the machine attached to the tractor, check the local road transport regulations. During
transport keep the machine fully raised with the power takeoff disengaged and the lifting unit immobilized.
Check that all guards, safety protection and locking split pins are in place, functioning and correctly fitted.
Ensure that nobody leans against, or climbs on to, the machine during transport. The machine is an agricul-
tural machine NOT designed for transporting persons or goods.Consult the tractor maintenance and-use
manual where necessary. Maintain constant control over the vehicle and ensure that you know how to stop
the tractor quickly and switch off the engine.
When on a public road, observe all Highway Code regulations. Drive near the edge of the road and try not to
obstruct traffic.
Do not park the tractor and/or the machine where it might obstruct, or be a danger to, any public right of way.
Avoid going onto a public road if the tractor or machine is very dirty - you could leave a trail of soil, grass and
other matter which could dirty the road and obstruct normal traffic.
6.5 GENERAL INSTRUCTIONS FOR FIELD USE
Before starting work, familiarize yourself with the following general instructions:
Before using the machine ensure that all safety precautions are taken.
Check that all safety protection and guards are in place and working.
Inspect the work site in order to familiarize yourself with the terrain.
Do not start the tractor before being properly seated in the driving position.
Do not start the machine if it is damaged (or even if you only suspect it is damaged) and inform your nearest
dealer of the problem and ask for assistance.
Do not allow yourself to become distracted when working: give your full attention to the job in hand.
Maintain constant control over the tractor and ensure that you know how to stop quickly and switch off the
engine.
Caution when working on inclines. It is better to work from the bottom to the top of an incline (or from the top
to the bottom), rather than across an incline where there is a risk of overturning. Check and heed the instruc-
tions supplied by the tractor manufacturer, especially those concerning the maximum incline on which it is
possible to work.
It is advisable to reduce speed when working and maneuvering on inclines and only to change speed and
direction gradually. Do not make sudden stops or starts.
Do not work on wet or slippery grass or terrain, or anywhere where grip is poor. If this is unavoidable, work at
aslow speed so as to ensure operator safety.
Always switch off the tractor engine, apply the parking brake and remove the ignition key whenever you have
to attend to the machine to make adjustments or to remove grass and other objects which might be entan-
gled in the machine.
Before leaving the tractor, disengage the power takeoff, lower the machine until its wheels are on the ground
and put the hydraulic directional control lever into the locked position.
Never go near the rotors until they have completely stopped moving.
Never attempt to make adjustments to the machine while it is running. Always stop the machine before carry-
ing out any such work. Do not oil the machine when it is running or is connected to the power takeoff.
Do not use the control levers as handholds since they can move and do not give a secure grip. Furthermore,
any involuntary movement of a control lever can cause unintentional movement of the tractor or machine.

ADJUSTMENT, PREPARATION AND USE
35
6.6 GENERAL INSTRUCTIONS FOR USE
In addition to the instructions given above, each time you have to make adjustments before and during work,
we recommend moving the tractor and machine to a firm, flat open area.
Before getting off the tractor to make adjustments, follow this procedure exactly:
1) Lower the machine until its wheels touch the ground (this is recommended every time the tractor is
stopped for any reason).
2) Put the hydraulic directional control lever on the tractor into the locked position.
3) Switch off the engine, leaving the tractor in gear.
4) Apply the parking brake.
5) Remove the ignition key from the instrument panel.
Now prepare the machine for field use as indicated below.
6.6.1 PRELIMINARY CHECK
Ensure that:
1) The power takeoff speed is 540 r.p.m. (for special machines made on request, gearboxes are fitted
and preset for power takeoff with a speed of 1000/2000 r.p.m.).
2) The direction of rotation of the tractor's power takeoff corresponds with that of the gearbox, because
the cutting blades "A" must rotate in the direction indicated by the arrows.
3) The machine is assembled correctly and in good operating condition by following the instructions of
this manual and therefore guaranteeing maximum safety.
6
.
5

ADJUSTMENT, PREPARATION AND USE
36
6.6.2 ADJUSTING THE CUTTING HEIGHT
The cutting height is determined by the shims 1-2-3-4-5, which are inserted between the wheel unit 6 and the
axle 7 in various combinations.
These determine the different cutting positions ranging from a minimum of 15 mm (5/8") to a maximum of 92
mm (3" 7/8).
To carry out this operation you should keep the machine raised.
Remove the split pin 8 which secures the wheel
unit 6 to the axle 7.
Then select the position of the shims which allows
you to obtain the desired cutting height. Re-lock
wheel unit 6 with the split pin 8.
6
.
6
6
.
7

ADJUSTMENT, PREPARATION AND USE
37
6.6.3 ADJUSTING THE MACHINE'S 3-POINT HITCH AND THE TRACTOR'S TRANSPORT
ARM
Now lower the machine until the wheels are firmly resting on a solid level surface. By adjusting the various
hoist controls of the tractor, position the machine parallel to the ground both longitudinally and transversely.
Adjusting the tractor's 3-point hitch 1, make sure that the machine's hitch 2 can move back and forth freely
when the machine is level on the ground.
The transport arm 3 should also move up and down freely. Furthermore, the transport arm 3 has two holes
"A" and "B" opposite the pin, which enable the operator to attach the machine to any kind of lift.
6
.
8

ADJUSTMENT, PREPARATION AND USE
38
6.6.4 ADJUSTING THE BELT TENSION
The machine belts are tightened by the manufacturer, but after the running-in phase or whenever the cutting
blades appear not to be functioning properly, it is necessary to re-tighten the belts to the correct tension. To
do this one should carry out the following steps:
a) Remove the screws 1 & 2 and take off the protective guard 3.
b) Loosen the nuts 4 which secure the slide reduction unit 5.
c) Loosen the lock nut 6,
d) Adjust the screw 7 so that the slide reduction unit 5 can move in direction "A" until the belt 8 has a
flexure in section "C" equivalent to the flexure "E" indicated in the table.
e) Now re-tighten the screw 7 with the lock nut 6 and re-secure the slide reduction unit 5 with the nuts
4.
f) Re-fit the protective guard and secure it with the screws 1 & 2.
6
.
9

ADJUSTMENT, PREPARATION AND USE
39
6.6.5 GENERAL RULE FOR CALCULATING THE TIGHTNESS OF BELT TYPES
SPB / 5V / 15N / XPB / 5VX
For better understanding of general rule for calculating the tightness of belt see Fig.6.9.
100
CK
E
•
E = Flexure (mm) of a section of belt (C) subjected to a force (F) equivalent to 75 N (~7.5 kg)
applied to the center of the section (C/2).
K = Flexure (mm) of a 100 mm (4") section of belt subjected to a force of 75 N (~7.5 kg) applied
to the center of the section.
Diameter of the smallest belt pulley (mm) Values of K (mm)
80<160 3
160<224 2.55
224<355 2.22
>355 2.1
C = Longer section of belt of transmission (mm).
C/2 = The middle of the longer belt of transmission where the force (F) must be applied (mm).
F = Force applied to check the tension of the belts, equivalent to 75 N (~7.5 kg).
The table below reports the right values for the finishing mowers:
Values of general rule parameters (mm)
Machine Model
Parameters
SM 120 SM 150 SM 180
K 3 3 3
C422 522 622
E12.5 15.5 18.5

ADJUSTMENT, PREPARATION AND USE
40
6.6.6 REPLACING THE BLADES
If possible, carry out this operation in a workshop after having detached the machine from the tractor and
raised it with a suitable hoist (see page 21). If there is no choice but to carry out the operation on the field,
choose a firm, level spot.
a) Raise the machine to the tractor hoist's maximum height and apply the parking brake.
b) Disconnect the power takeoff, turn off the tractor and remove the key from the ignition.
c) Insert a support between the machine and the ground to prevent it from falling.
d) At this point tighten the hub pin 2 with the wrench 1 and unscrew the nut 4 with the wrench 3.
e) Then remove the blade 5 and replace it with a new one.
f) Now re-tighten the nut 4.
6
.
10

ADJUSTMENT, PREPARATION AND USE
41
6.6.7 TEMPORARY PARKING
If the machine has to be temporarily parked (for extended periods see page 44) proceed as follows, bearing
in mind the instructions in CHAPTER 3.
Before getting off the tractor, follow this procedure exactly:
1- Choose a flat, hard open space, away from frequented areas if possible.
2- Lower, the machine until its wheels touch the ground (this is recommended every time the tractor is
stopped for any reason).
3- Put the hydraulic directional control lever on the tractor into the locked position.
4- Switch off the engine, leaving the tractor in gear.
5- Apply the parking brake.
6- Remove the ignition key.
7- Repeat the operations described on point 6.2 page 32, but in reverse.

MAINTENANCE
42
CHAPTER 7
MAINTENANCE

MAINTENANCE
43
7.1 MAINTENANCE DIRECTIONS
All cleaning, lubrication and maintenance operations must be carried out with the machine disconnected from
the tractor. In an emergency with the machine still connected to the tractor, switch off the engine, apply the
parking brake, disengage the power takeoff and remove the ignition key from the instrument panel.
Regular, correct maintenance and proper operation are the basic prerequisites for the long-term efficiency
and safe operation of the machine.
Pay special attention to all instructions given on signs located on the machine.
All maintenance should be carried out in an area having the proper equipment readily available and in good
condition. This area must always be kept clean and dry and must, have enough surrounding space to facili-
tate operations.
Any work must be carried out by trained personnel. Contact the dealer nearest to you.
Respect the warnings and procedures for maintenance and technical assistance given in this manual.
Do not use petrol, solvents or other flammable liquids as deterrents.
Use commercial non-flammable and non-toxic solvents, authorized by competent bodies.
Do not use compressed air or water at high pressure to clean the machine. If this is unavoidable, then wear
goggles with side protection and limit the pressure as much as possible. When the work is finished, and with
the machine disconnected from the tractor, inspect and check the machine completely.

MAINTENANCE
44
7.2 REPAIR INSTRUCTIONS
Any repair work must be carried out with the machine at rest and disconnected from the tractor.
Do not carry out welding without authorization and instructions from the manufacturers.
Disconnect the machine from the tractor before any welding work in order not to damage the battery.
Always use a protective mask, goggles and gloves when welding, sanding or grinding or when using a ham-
mer or drill.
Always work on the machine out of doors. If you have to operate the machine when connected to the tractor
in an enclosed area (for example when testing after repair and/or maintenance), ensure that there is suffi-
cient ventilation so as to prevent noxious exhaust gases accumulating.
In order to acquire the necessary control and to operate in safety, practise various manoeuvres by simulating
those required in the workplace with the help of an experienced person.
If you activate the machine while it is raised from the ground, make sure there is nobody standing nearby or
in a dangerous position.
7.3 LAYING UP FOR EXTENDED PERIODS
At the end of the season, or when an extended period of inactivity is envisaged, it is advisable to:
a) Clean the machine following instructions and allow it to dry.
b) Check it carefully and replace any damaged or worn parts.
c) Thoroughly tighten all screws and bolts.
d) Grease the machine thoroughly and then cover it completely and lay it up in a dry place.
It is to the user's advantage to carry out these operations carefully. In this way, he will have a machine in
perfect condition when work is restarted.
On recommencing work, repeat all the proper checks so as to be certain of working in conditions of maxi-
mum safety.

MAINTENANCE
45
7.4 MAINTENANCE AND TESTING
To effect the lubrication of the blade hubs 1 and the testing of the belt tension 5, it is necessary to remove
the protective guard "A" (see point 6.6.4 page 38).
Once these operations have been completed, re-attach the protective guard "A" properly.
To change (or top up) the oil, remove the caps B & C from the gearbox 3.
Pour the oil into the hole of cap B until it comes out of the hole of cap C, and then put back both caps.
The quantity of oil needed for a complete change is 0.5 litres.
The type of oil used must be in accordance with regulation ISO 320 VG.
The maintenance table specifies how often the oil should be changed.
7
.
1

MAINTENANCE
46
7.5 MAINTENANCE POINTS
No. Qty. Description Operation Every x hours Product
to use
1 3 Blade hubs Lubricate 8 Grease *
2 4 Wheel supports Lubricate 25 Grease *
3 1 Gearbox Top up or oil change XOil **
4 1 P. T. O. Shaft Clean Y —
5 2 Belts Check tension 50 See page 39
6 —
General checking of bolts, security pins and split pins to be carried out initially after
the first 8 hours of use. Subsequently every 50 hours and whenever the machine is
laid up for extended periods.
Note:
*Grease type: NLGI2
** Oil type: ISO 320 VG (SAE 80W/90 EP)
X= First time after 50 hours. Then every 500/800 hours. It is advisable anyhow to replace oil at
least once a year. Check oil every 50 hours.
Y= Each time the Cardan shaft is disconnected and whenever the machine is stopped, we recom-
mended that you clean the power takeoff shaft and replace the protective cover.

MAINTENANCE
47
7.6 CARDAN SHAFT MAINTENANCE
More detailed information may be found in the Cardan shaft manual, which, together with this manual, forms
an essential part of the accident-prevention documentation. It is your responsibility to read and comply with
this documentation.
If information given in this manual conflicts with that given in the Cardan shaft manual, you should follow the
instructions given by the Cardan shaft manufacturer.
7.6.1 MAINTENANCE OF SLIDING PARTS
DISMANTLING
Turn the two eccentric
pins on the ferrule until
the protective cone comes
free.
Withdraw the shaft protec-
tive guard.
Cheek the condition of the
ferrule and all protective
parts.
ASSEMBLY
Lubricate the supporting
ferrule seating.
Refit the supporting fer-
rule.
Reattach the protective
guard to the Cardan shaft
by turning the eccentric
pins on the supporting fer-
rule.
7
.
2
7
.
3
7
.
4
7
.
6
7
.
5
7
.
7
7
.
8
7
.
9

MAINTENANCE
48
7.7 NOISE AND VIBRATION
Noise affecting the tractor driver (from the machine only) is less than 70 dB.
Vibration from the machine affecting the upper body and limbs of the driver is insignificant and is lower than
the values given in Point 3.6.3 of Enclosure 1 of the Machine Directives (89/392/EEC, 91/386/EEC).
7.8 SCRAPPING THE MACHINE
The machine consists mainly of ferrous material which must be disposed of according to the regulations in
force in the country concerned.
There is also a small amount of plastic, which must be disposed of according to the regulations in force in the
country concerned.
There is a very small amount of residual grease which must be disposed of according to the regulations in
force in the country concerned.

SPARE PARTS LIST
49
CHAPTER 8
SPARE PARTS LIST

SPARE PARTS LIST
50
8.1 REAR DISCHARGE FINISHING MOWER
TABLE NO. 920.049

SPARE PARTS LIST
51
TABLE NO.910.049
Item SM/120 P SM/150 P SM/180 P
Pos. Part No.
Code
Qty
Part No.
Code
Qty
Part No.
Code
Qty DESCRIPTION DESCRIPTION
1
110.059
1
110.060
1
110.061
1
COMPLETE HOOD
COFFRE COMPLET
2
110.068
2
110.069
2
100.699
2
WHEEL AXLE
ESSIEU ROUE
3
100.020
4
100.020
4
100.020
4
WHEEL SUPPORT
SUPPORT DE ROUE
4
100.044
4
100.044
4
100.044
4
DIST.WASHER 12mm 1/2"
EPAISSEUR 12mm 1/2"
5
100.042
4
100.042
4
100.042
4
DIST.WASHER 2mm 1/16"
EPAISSEUR 2mm 1/16"
6
100.043
4
100.043
4
100.043
4
DIST.WASHER 6mm 1/4"
EPAISSEUR 6mm 1/4"
7
100.045
4
100.045
4
100.045
4
DIST.WASHER 25mm 1"
EPAISSEUR 25mm 1"
8
100.046
4
100.046
4
100.046
4
DIST.WASHER 32mm 1"1/4
EPAISSEUR 32mm 1"1/4
9
600.116
4
600.116
4
600.116
4
SPRING PIN
GOUPILLE
10
600.124
4
600.124
4
600.124
4
GREASE NIPPLE M6
GRAISSEUR
11
100.006
8
100.006
8
100.006
8
SPACER
ENTRETOISE
12
100.008
4
100.008
4
100.008
4
BUSHING
HAPPE
13
600.165
4
600.165
4
600.165
4
WHEEL
ROUE
14
600.156
4
600.156
4
600.156
4
SCREW M12 X110 DIN 931 8.8
VIS
15
600.077
9
600.077
9
600.077
9
NUT M12 DIN 980
ECROU
16
100.047
3
100.047
3
100.047
3
COMPLETE HUB
MOYEU
17
100.064
3
100.065
3
100.066
3
BLADE
LAME
18
600.006
18
600.006
18
600.006
18
SCREW M10 X 25 DIN 933 8.8
VIS
19
600.746
3
600.746
3
600.746
3
NUT M18 X1,5 DIN 980
ECROU
20
600.123
3
600.123
3
600.123
3
LATCH B 8 X 7 X 35 DIN 6888
CLAVETTE
21
600.122
3
600.122
3
600.122
3
SELF LOCK.RING NUT
FRETTE
22
100.060
2
100.058
2
100.058
2
PULLEY
POULIE SIMPLE
23
600.010
17
600.010
17
600.010
17
NUT M10 DIN 934 - 8
ECROU
24
600.102
28
600.102
28
600.102
28
WASHER D 10,5
RONDELLE
25
100.059
1
100.057
1
100.057
1
DOUBLE PULLEY
POULIE DOUBLE
26
100.056
1
100.054
1
100.055
1
DOUBLE PULLEY
POULIE DOUBLE
27
600.181
1
600.181
1
600.181
1
LATCH B10 X 8 X 40 DIN 6888
CLAVETTE
28
600.702
6
600.702
8
600.702
9
SCREW DIN 931 8.8
VIS
29
600.160
1
600.160
1
600.160
1
SCREW M10 X 80 DIN 933 8.8
VIS
30
600.322
11
600.322
11
600.322
11
WASHER D 10,5 DIN 125A
RONDELLE
31
600.141
2
600.139
2
600.140
2
VBELT
COURROIE TRAPEZOID.
32
100.124
1
100.131
1
100.131
1
MULTIPLIER SUPPORT
SUPPORT MULTIPLICAT.
33
100.558
1
100.561
1
100.572
1
BELT COVER, R.H.
Carter de Protection,droite
33A
100.559
1
100.562
1
100.573
1
BELT COVER, L.H.
Carter de Protection,gauche
34
100.040
2
100.040
2
100.040
2
PIN
PIVOT
35
600.061
6
600.061
6
600.061
6
SCREW M 8 X 16 DIN 933 8.8
VIS
36
600.100
8
600.100
9
600.100
10
WASHER D 8,4
RONDELLE
37
100.022
1
100.021
1
100.021
1
MULT.GEAR SKID HOLDER
GLISSIERE PORTE MULTIP.
38
100.273
1
100.273
1
100.273
1
COMPLETE MULTIPLIER
MULTIPLICAT. COMPLETE
39
600.171
1
600.171
1
600.171
1
CAP L.110
COIFFE L.110
40
600.075
4
600.075
4
600.075
4
NUT M14 DIN 980
ECROU
41
600.104
4
600.104
4
600.104
4
WASHER D 15
RONDELLE
42
600.158
4
600.158
4
600.158
4
SCREW M14 X 40 DIN 7991 10.9
VIS
43
100.039
2
100.039
2
100.039
2
SUPPORT
SUPPORT
44
600.162
6
600.162
6
600.162
6
SCREW M10 X 80 DIN 931 8.8
VIS
45
600.019
2
600.019
2
600.019
2
PIN
GOUPILLE
46
600.616
4
600.616
4
600.616
4
SCREW M12 X 35 DIN 933 8.8
VIS
47
100.116
2
100.117
2
100.118
2
TIE ROD
TIRANT
48
100.062
2
100.062
2
100.062
2
SPACER
ENTRETOISE
49
100.115
1
100.115
1
100.115
1
HITCH
ATTELLAGE
50
600.152
1
600.152
1
600.152
1
SCREW M12 X 90 DIN 931 8.8
VIS
51
100.119
1
100.120
1
100.120
1
THREE POINT HITCH
ATTELLAGE 3EME POINT
52
105.091
2
105.091
2
105.091
2
PIN
AXE
53
600.214
2
600.214
2
600.214
2
WASHER D 23 DIN 127B
RONDELLE
54
600.249
2
600.249
2
600.249
2
NUT M22 X1,5 DIN 934 - 8
ECROU
55
600.115
10
600.115
11
600.115
12
WASHER D 8,4 DIN 125A
RONDELLE
56
110.063
1
110.064
1
110.065
1
PROTECTION CHAIN
PROTECTION
57
600.037
6
600.037
8
600.037
9
NUT
ECROU
58
600.117
6
600.117
6
600.117
6
BEARING 6205 Z
PALIER
59
100.048
3
100.048
3
100.048
3
SPACER
ENTRETOISE
60
100.049
3
100.049
3
100.049
3
HUB BODY
MOYEU
61
100.052
3
100.052
3
100.052
3
BEARING COVER
COUVRE PALIER
62
100.051
3
100.051
3
100.051
3
PIN
PIVOT
63
100.050
6
100.050
6
100.050
6
WASHER
RONDELLE
64
100.010
2
100.010
2
100.010
2
PIN
PIVOT COMPLETE
65
600.172
1
600.172
1
600.172
1
PROTECTION
PROTECTION
66
600.335
1
600.335
1
600.335
1
WASHER D 25 DIN 125A
RONDELLE
67
600.296
1
600.296
1
600.296
1
NUT M24X2 - 6
ECROU
68
600.347
1
600.347
1
600.347
1
SPLIT PIN D 5 X 50 DIN 94 3.6
GOUPILLE
69
600.818
1
600.818
1
600.818
1
CAP L.190
COIFFE L.190
70
100.577
1
100.577
1
100.577
1
GREASE FITTING
ATTELLAGE GRAISSEUR
71
100.125
2
100.125
2
100.125
2
GREASE FITTING
ATTELLAGE GRAISSEUR
72
600.034
3
600.034
3
600.034
3
GREASE NIPPLE M8
GRAISSEUR

SPARE PARTS LIST
52
8.2 LATERAL DISCHARGE FINISHING MOWER
TABLE NO. 920.020

SPARE PARTS LIST
53
TABLE NO.910.020
Item
SM/120 L
SM/150 L
SM/180 L
Pos.
Part No.
Code
Qty
Part No.
Code
Qty
Part No.
Code
Qty DESCRIPTION DESCRIPTION
1
100.121
1
100.122
1
100.123
1
COMPLETE HOOD
COFFRE COMPLET
2
100.207
2
100.208
2
100.209
2
WHEEL AXLE
ESSIEU ROUE
3
100.020
4
100.020
4
100.020
4
WHEEL SUPPORT
SUPPORT DE ROUE
4
100.044
4
100.044
4
100.044
4
DIST.WASHER 12mm 1/2"
EPAISSEUR 12mm 1/2"
5
100.042
4
100.042
4
100.042
4
DIST.WASHER 2mm 1/16"
EPAISSEUR 2mm 1/16"
6
100.043
4
100.043
4
100.043
4
DIST.WASHER 6mm 1/4"
EPAISSEUR 6mm 1/4"
7
100.045
4
100.045
4
100.045
4
DIST.WASHER 25mm 1"
EPAISSEUR 25mm 1"
8
100.046
4
100.046
4
100.046
4
DIST.WASHER 32mm 1"1/4
EPAISSEUR 32mm 1"1/4
9
600.116
4
600.116
4
600.116
4
SPRING PIN
GOUPILLE
10
600.124
3
600.124
3
600.124
3
GREASE NIPPLE M6
GRAISSEUR
11
100.006
8
100.006
8
100.006
8
SPACER
ENTRETOISE
12
100.008
4
100.008
4
100.008
4
BUSHING
HAPPE
13
600.165
4
600.165
4
600.165
4
WHEEL
ROUE
14
600.156
4
600.156
4
600.156
4
SCREW M12 X110 DIN 931 8.8
VIS
15
600.077
9
600.077
9
600.077
9
NUT M12 DIN 980
ECROU
16
100.047
3
100.047
3
100.047
3
COMPLETE HUB
MOYEU
17
100.064
3
100.065
3
100.066
3
BLADE
LAME
18
600.006
18
600.006
18
600.006
18
SCREW M10 X 25 DIN 933 8.8
VIS
19
600.746
3
600.746
3
600.746
3
NUT M18 X1,5 DIN 980
ECROU
20
600.123
3
600.123
3
600.123
3
LATCH B 8 X 7 X 35 DIN 6888
CLAVETTE
21
600.122
3
600.122
3
600.122
3
SELF LOCK.RING NUT
FRETTE
22
100.060
2
100.058
2
100.058
2
PULLEY
POULIE SIMPLE
23
600.010
17
600.010
17
600.010
17
NUT M10 DIN 934 - 8
ECROU
24
600.102
28
600.102
28
600.102
28
WASHER D 10,5
RONDELLE
25
100.059
1
100.057
1
100.057
1
DOUBLE PULLEY
POULIE DOUBLE
26
100.056
1
100.054
1
100.055
1
DOUBLE PULLEY
POULIE DOUBLE
27
600.181
1
600.181
1
600.181
1
LATCH B10 X 8 X 40 DIN 6888
CLAVETTE
28
600.223
3
600.223
3
600.223
3
SCREW M 8 X 20 DIN 933 8.8
VIS
29
600.160
1
600.160
1
600.160
1
SCREW M10 X 80 DIN 933 8.8
VIS
30
600.322
11
600.322
11
600.322
11
WASHER D 10,5 DIN 125A
RONDELLE
31
600.141
2
600.139
2
600.140
2
VBELT
COURROIE TRAPEZOID.
32
100.124
1
100.131
1
100.131
1
MULTIPLIER SUPPORT
SUPPORT MULTIPLICAT.
33
100.558
1
100.561
1
100.572
1
BELT COVER, R.H.
Carter de Protection,droite
33A
100.559
1
100.562
1
100.573
1
BELT COVER, L.H.
Carter de Protection,gauche
34
100.040
2
100.040
2
100.040
2
PIN
PIVOT
35
600.061
6
600.061
6
600.061
6
SCREW M 8 X 16 DIN 933 8.8
VIS
36
600.100
7
600.100
7
600.100
7
WASHER D 8,4
RONDELLE
37
100.022
1
100.021
1
100.021
1
MULT.GEAR SKID HOL.
GLISSIERE PORTE MULT.
38
100.273
1
100.273
1
100.273
1
COMPLETE MULTIPL.
MULTIPLICAT. COMPL.
39
600.171
1
600.171
1
600.171
1
CAP L.110
COIFFE L.110
40
600.075
4
600.075
4
600.075
4
NUT M14 DIN 980
ECROU
41
600.104
4
600.104
4
600.104
4
WASHER D 15
RONDELLE
42
600.158
4
600.158
4
600.158
4
SCREW M14 X 40 DIN 7991 10.9
VIS
43
100.039
2
100.039
2
100.039
2
SUPPORT
SUPPORT
44
600.162
6
600.162
6
600.162
6
SCREW M10 X 80 DIN 931 8.8
VIS
45
600.019
2
600.019
2
600.019
2
PIN
GOUPILLE
46
600.616
4
600.616
4
600.616
4
SCREW M12 X 35 DIN 933 8.8
VIS
47
100.116
2
100.117
2
100.118
2
TIE ROD
TIRANT
48
100.062
2
100.062
2
100.062
2
SPACER
ENTRETOISE
49
100.115
1
100.115
1
100.115
1
HITCH
ATTELLAGE
50
600.152
1
600.152
1
600.152
1
SCREW M12 X 90 DIN 931 8.8
VIS
51
100.119
1
100.120
1
100.120
1
THREE POINT HITCH
ATTELLAGE 3EME POINT
52
105.091
2
105.091
2
105.091
2
PIN
AXE
53
600.214
2
600.214
2
600.214
2
WASHER D 23 DIN 127B
RONDELLE
54
600.249
2
600.249
2
600.249
2
NUT M22 X1,5 DIN 934 - 8
ECROU
55
600.115
8
600.115
8
600.115
8
WASHER D 8,4 DIN 125A
RONDELLE
56
100.029
1
100.028
1
100.027
1
LATERAL CONVEYOR
CONVOYEUR LATERAL
57
600.037
3
600.037
3
600.037
3
NUT M 8 DIN 934 - 8
ECROU
58
600.117
6
600.117
6
600.117
6
BEARING 6205 Z
PALIER
59
100.048
3
100.048
3
100.048
3
SPACER
ENTRETOISE
60
100.049
3
100.049
3
100.049
3
HUB BODY
MOYEU
61
100.052
3
100.052
3
100.052
3
BEARING COVER
COUVRE PALIER
62
100.051
3
100.051
3
100.051
3
PIN
PIVOT
63
100.050
6
100.050
6
100.050
6
WASHER
RONDELLE
64
100.010
2
100.010
2
100.010
2
PIN
PIVOT COMPLETE
65
600.172
1
600.172
1
600.172
1
PROTECTION
PROTECTION
66
600.335
1
600.335
1
600.335
1
WASHER D 25 DIN 125A
RONDELLE
67
600.296
1
600.296
1
600.296
1
NUT M24X2 - 6
ECROU
68
600.347
1
600.347
1
600.347
1
SPLIT PIN D 5 X 50 DIN 94 3.6
GOUPILLE
69
600.818
1
600.818
1
600.818
1
CAP L.190
COIFFE L.190
70
100.577
1
100.577
1
100.577
1
GREASE FITTING
ATTELLAGE GRAISSEUR
71
100.125
2
100.125
2
100.125
2
GREASE FITTING
ATTELLAGE GRAISSEUR
72
600.034
3
600.034
3
600.034
3
GREASE NIPPLE M8
GRAISSEUR

SPARE PARTS LIST
54
8.3 MULTIPLIER GEARBOX
PART NO
./CODE
100.273
MULTIPLIER/MOLTIPLICATER R.P.M.540 Anti-Clockwise Part No./Code 100.273
Item
Part No.
Pos. Code Q.ty DESCRIPTION DESCRIPTION NOTE
1
600.054
4
SCREW
VIS
2
600.346
1
RING
SEGMENT
3
100.272
1
COVER
BOUCHON
4
600.345
1
OR GASKET
JOINT
5
600.342
1
BEARING
PALIER
6
100.268
1
P.TO SHAFT
ARBRE
7
600.325
1
LATCH
CLAVETTE
8
100.269
1
RING BEVEL GEAR
COURONNE CONIQUE
9
200.274
3
SHIM
EPAISSEUR
10
200.490
2
SHIM
EPAISSEUR
11
600.327
3
BEARING
PALIER
12
600.341
2
PLUG
BOUCHON
13
600.328
1
CAP
CAPSULE
14
100.267
2
GEARBOX
BOITE
15
100.271
1
PINION
PIGNON
16
600.347
1
SPLIT PIN
GOUPILLE
17
100.270
1
SPACER
ENTRETOISE
18
600.332
1
SNAP RING
SEGMENT ARRET
19
600.333
1
SNAP RING
SEGMENT ARRET
20
600.338
1
RING
SEGMENT
21
600.337
1
RING
SEGMENT
22
600.335
1
WASHER
RONDELLE
23
600.296
1
NUT
ECROU

SPARE PARTS LIST
55
8.4 SPECIAL MODELS
TABLE NO.910.040
TABLE NO. 910.040
Item
Part No.
Pos. Code Q.ty DESCRIPTION DESCRIPTION NOTE
1
110.117
1
COMPLETE HOOD
COFFRE COMPLET
120/P
1
110.116
1
COMPLETE HOOD
COFFRE COMPLET
150/P
1
110.115
1
COMPLETE HOOD
COFFRE COMPLET
180/P
1
110.114
1
COMPLETE HOOD
COFFRE COMPLET
230/P
2
100.084
1
COMPLETE HOOD
COFFRE COMPLET
120/L
2
100.085
1
COMPLETE HOOD
COFFRE COMPLET
150/L
2
100.086
1
COMPLETE HOOD
COFFRE COMPLET
180/L
3
100.079
2
HITCH
ATTELAGE
120/150/180
3
100.317
2
HITCH
ATTELAGE
230/P
4
100.080
2
COUNTER PLATE
CONTRE-PLATE
120/150/180
4
100.330
2
COUNTER PLATE
CONTRE-PLATE
230/P
5
600.210
4
SCREW
VIS
120/150/180
5
600.390
4
SCREW
VIS
230/P
6
600.077
4
NUT
ECROU
7
100.102
2
PIN
PIVOT
8
600.017
4
PIN
GOUPILLE
9
105.113
2
BUSH
HAPPE
NOTE:
ITEMS FOR THE FRONT MOUNT MOWER
FOR THE OTHER ITEMS SEE TABLES NOS.910.002/910.020/910.021
PIECE POUR LA VERSION FRONTALE
POUR LES AUTRES PIECES VOIR TABLES 910.002/910.020/910.021

SPARE PARTS LIST
56
8.5 COMPLETE WHEEL
PART NO
./CODE
600.165
COMPLET WHEEL/ROUE COMPLETE PART NO./CODE 600.165
Item
Part No.
Pos. Code Q.ty DESCRIPTION DESCRIPTION NOTE
1
600.165
1
COMPLET WHEEL
ROUE COMPLETE
2
600.766
5
SCREW
VIS
3
600.124
1
GREASE NIPPLE
GRAISSEUR
4
600.764
1
HALF RIM
DEMI-CIRCLE
5
600.117
2
BEARING
PALIER
6
100.129
1
BUSH
HAPPE
7
600.763
1
WHEEL
ROUE
8
100.128
1
SPACER
ENTRETOISE
9
600.765
1
HALF RIM
DEMI-CIRCLE
10
600.046
5
NUT
ECROU

SPARE PARTS LIST
57
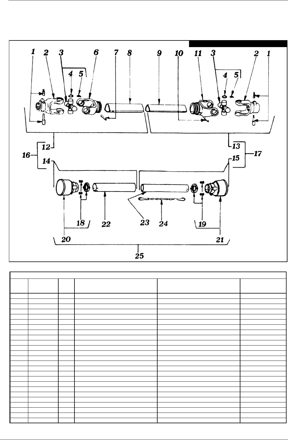
8.6 CARDAN SHAFT (E2 090 E)
PART NO./CODE 600.120
CARDAN SHAFT/ARBRE A CARDAN Part No. 600.120
Item
Part No.
Pos. Code Q.ty DESCRIPTION DESCRIPTION NOTE
1
610.051
2
YOKE
FOURCHE
2
610.052
2
CROSS JOURNAL ASS.
CROISILLION COMPLET
3
610.053
1
YOKE WITH OUTER TUBE
FOURCHE AVEC TUYAU EXT.
4
610.054
1
YOKE WITH INNER TUBE
FOURCHE AVEC TUYAU INT.
5
610.055
1
RING FOR OUTER TUBE
BAGUE EXT.
6
610.056
1
RING FOR INNER TUBE
BAGUE INT.
7
610.057
2
COMPLETE PUSH BUTTON
POUSSOIR COMPLET
8
610.058
1
HALF SHAFT-WITHOUT GUARD
MOITIE ARBRE EXT.SANS PROT.
9
610.059
1
HALF SHAFT-WITHOUT GUARD
MOITIE ARBRE INT.SANS PROT.
10
610.060
1
OUTER BEARING
FRETTE EXT.
11
610.061
1
INNER BEARING
FRETTE INT.
12
610.062
1
OUTER BASIC CONE
COIFFE COMPLETE EXT.
13
610.063
1
INNER BASIC CONE
COIFFE COMPLETE INT.
14
610.064
1
OUTER HALF GUARD
MOITIE PROTECTION EXT.
15
610.065
1
INNER HALF GUARD
MOITIE PROTECTION INT.
16
610.066
1
OUTER HALF SHAFT-WITH GUARD
MOITIE ARBRE EXT.AVEC PROT.
17
610.067
1
INNER HALF SHAFT- WITH GUARD
MOITIE ARBRE INT. AVEC PROT.
18
610.068
1
CHAIN
CHAINE
19
610.069
1
COMPLETE GUARD
PROTECTION

SPARE PARTS LIST
58
8.7 CARDAN SHAFT (B2 090 B)
PART NO
./CODE
600.859
CARDAN SHAFT/ARBRE A CARDAN Part No. 600.859
Item
Part No.
Pos. Code Q.ty DESCRIPTION DESCRIPTION NOTE
1
610.057
2
COMPLETE PUSH BUTTON
POUSSOIR COMPLET
2
610.051
2
YOKE
FOURCHE
3
610.052
2
CROSS JOURNAL ASS.
CROISILLION COMPLET
4
610.248
8
CIRCLIP
BAGUE
5
610.206
2
GREASE NIPPLE
GRAISSEUR
6
610.249
1
OUTER TUBE YOKE
FOURCHE TUYAU EXT.
7
610.211
1
FLEXIBLE PIN
GOUPILLE
8
610.210
1
CM. CARDAN TUBE
TUYAU CARDAN
9
610.123
1
CM. CARDAN TUBE
TUYAU CARDAN
10
600.027
1
FLEXIBLE PIN
GOUPILLE
11
610.250
1
INNER TUBE YOKE
FOURCHE TUYAU INTERIEUR
12
610.404
1
HALF SHAFT (WITHOUT GUARD)
MOITIE ARBRE EXT.SANS PROT.
13
610.405
1
HALF SHAFT (WITHOUT GUARD)
MOITIE ARBRE INT.SANS PROT.
14
610.406
1
HALF SAFETY GUARD
MOITIE PROTECTION EXT.
15
610.407
1
HALF SAFETY GUARD
MOITIE PROTECTION INT.
16
610.408
1
HALF SHAFT (WITH GUARD)
MOITIE ARBRE EXT.AVEC PROT.
17
610.409
1
HALF SHAFT (WITH GUARD)
MOITIE ARBRE INT.AVEC PROT.
18
610.398
1
O. BEARING
FRETTE
19
610.399
1
I. BEARING
FRETTE
20
610.400
1
O. BASIC CONE
COIFFE COMPLETE EXT.
21
610.401
1
I. BASIC CONE
COIFFE COMPLETE INT.
22
610.402
1
CM. SAFETY TUBE
TUYAU PROTECTION EXT.
23
610.403
1
CM. SAFETY TUBE
TUYAU PROTECTION INT.
24
610.068
2
CHAIN
CHAINE
25
610.410
1
SAFETY GUARD
PROTECTION

SPARE PARTS LIST
59
8.8 ANTI-SCALPING ROLLER KIT (OPTIONAL)
ANTI-SCALPING ROLLER KIT (OPTIONAL)
Item
Part No.
Pos. Code Q.ty DESCRIPTION DESCRIPTION NOTE
1
100.258
1
SUPPORT
SUPPORT
SM/120-150-180
1
100.263
1
SUPPORT
SUPPORT
SM/230
2
100.259
1
SPACER
ENTRETOISE
SM/120-150-180
2
100.504
1
SPACER
ENTRETOISE
SM/230
3
100.260
1
ROLLER
ROULEAU
SM/120-150-180
3
100.505
1
ROLLER
ROULEAU
SM/230
4
600.807
1
SCREW M12x160 UNI 5737
VIS M12x 160 UNI 5737
SM/120-150-180
4
610.676
1
SCREW M12x220 UNI 5737
VIS M12x220 UNI 5737
SM/230
5
600.077
1
NUT M12 DIN 980 KL 8
ECROU M12 DIN 980 KL 8
6
600.006
2
SREW M10x25 UNI 5739 8.8
VIS M10x25 UNI 5739 8.8
7
600.322
2
WASHER D.10.5 UNI 6592 ZN
RONDELLE D.10.5 UN I 6592 ZN
8
600.029
2
NUT M10 DIN 980 KL 8 ZN
ECROU M10 DIN 980 KL 8 ZN
SM/120-150-180
*
100.364
1
ANT I SCALPING K I T , COMPLETE
GROUPE ROULEAU FRONTALE
SM/120-150-180
*
100.503
1
ANT I SCALPING K I T , COMPLETE
GROUPE ROULEAU FRONTALE
SM/230
OPTIONAL

Zona Industriale-Viale Grecia, 8
06018 TRESTINA-(Perugia)-ITALY
Tel. +39.075.8540021-Telefax +39.075.8540523
e-mail: sitrex@sitrex.it www.sitrex.com