TDA6108JF Datasheet. Www.s Manuals.com. Philips
User Manual: Datasheets TDA6108JF.
Open the PDF directly: View PDF
.
Page Count: 17
- Features
- Ordering information
- Limiting values
- Thermal protection
- Characteristics
- Note s
- 1. See also Fig.5 for the typical DC-to-DC transfer of VitoVo(c).
- 2. The ratio of the change in supply voltage to the change in input voltage when there is no chan...
- Fig.5 Typical DC-to-DC transfer of VitoVo(c).
- Fig.6 Output voltage (pins7,8and9) rising edge as a function of the AC input signal.
- Fig.7 Output voltage (pins7,8and9) falling edge as a function of the AC input signal.
- Note s
- External flashover protection
- Test and application information
- Internal circuitry
- Package outline
- NOTES

DATA SHEET
Product specification
Supersedes data of 1998 Jun 22
File under Integrated Circuits, IC02
1999 Oct 29
INTEGRATED CIRCUITS
TDA6108JF
Triple video output amplifier

1999 Oct 29 2
Philips Semiconductors Product specification
Triple video output amplifier TDA6108JF
FEATURES
•Typical bandwidth of 9.0 MHz for an output signal of
60 V (p-p)
•High slew rate of 1850 V/µs
•No external components required
•Very simple application
•Single supply voltage of 200 V
•Internal reference voltage of 2.5 V
•Fixed gain of 51
•Black-Current Stabilization (BCS) circuit
•Thermal protection.
GENERAL DESCRIPTION
The TDA6108JF includes three video output amplifiers in
one plastic DIL-bent-SIL 9-pin medium power (DBS9MPF)
package (SOT111-1), using high-voltage DMOS
technology, and is intended to drive the three cathodes of
a colour CRT directly. To obtain maximum performance,
the amplifier should be used with black-current control.
ORDERING INFORMATION
BLOCK DIAGRAM
TYPE
NUMBER
PACKAGE
NAME DESCRIPTION VERSION
TDA6108JF DBS9MPF plastic DIL-bent-SIL medium power package with fin; 9 leads SOT111-1
handbook, full pagewidth
MGL318
TDA6108JF
VDD
6
1, 2, 3
4
9, 8, 7 Voc(3),
Voc(2),
Voc(1)
5Io(m)
Rf
MIRROR 5
DIFFERENTIAL
STAGE
VIP
REFERENCE
CURRENT
SOURCE
Ri
Vi(1),
Vi(2),
Vi(3)
Ra
3×
3×
CASCODE 1
CASCODE 2
MIRROR 2
1×
MIRROR 4
MIRROR 3
MIRROR 1
THERMAL
PROTECTION
CIRCUIT
1×
Fig.1 Block diagram (one amplifier shown).

1999 Oct 29 3
Philips Semiconductors Product specification
Triple video output amplifier TDA6108JF
PINNING
SYMBOL PIN DESCRIPTION
Vi(1) 1 inverting input 1
Vi(2) 2 inverting input 2
Vi(3) 3 inverting input 3
GND 4 ground (fin)
Iom 5 black current measurement output
VDD 6 supply voltage
Voc(3) 7 cathode output 3
Voc(2) 8 cathode output 2
Voc(1) 9 cathode output 1
handbook, halfpage
Vi(1)
Vi(2)
Vi(3)
GND
Iom
VDD
Voc(3)
Voc(2)
Voc(1)
1
2
3
4
5
6
7
8
9
TDA6108JF
MGL319
Fig.2 Pin configuration.
LIMITING VALUES
In accordance with the Absolute Maximum Rating System (IEC 134); voltages measured with respect to pin 4 (ground);
currents as specified in Fig.1; unless otherwise specified.
HANDLING
Inputs and outputs are protected against electrostatic discharge in normal handling. However, to be totally safe, it is
desirable to take normal precautions appropriate to handling MOS devices (see
“Handling MOS Devices”
).
QUALITY SPECIFICATION
Quality specification
“SNW-FQ-611 part D”
is applicable.
SYMBOL PARAMETER MIN. MAX. UNIT
VDD supply voltage 0 250 V
Viinput voltage 0 12 V
Vom measurement output voltage 06V
Voc cathode output voltage 0 VDD V
Tstg storage temperature −55 +150 °C
Tjjunction temperature −20 +150 °C
Ves electrostatic handling
human body model (HBM) −2000 V
machine model (MM) −300 V

1999 Oct 29 4
Philips Semiconductors Product specification
Triple video output amplifier TDA6108JF
THERMAL CHARACTERISTICS
Note
1. An external heatsink is necessary.
SYMBOL PARAMETER CONDITIONS VALUE UNIT
Rth(j-a) thermal resistance from junction to ambient 56 K/W
Rth(j-fin) thermal resistance from junction to fin note 1 11 K/W
Rth(h-a) thermal resistance from heatsink to ambient 10 K/W
Thermal protection
The internal thermal protection circuit gives a decrease of
the slew rate at high temperatures: 10% decrease at
130 °C and 30% decrease at 145 °C (typical values on the
spot of the thermal protection circuit).
handbook, halfpage
−20 20
(1)
(2)
Ptot
(W)
180
Tamb (°C)
8
6
2
0
4
60 100 140
MGL322
Fig.3 Power derating curves.
(1) Infinite heatsink.
(2) No heatsink.
handbook, halfpage
MGK279
5 K/W
outputs
fin
thermal protection circuit
6 K/W
Fig.4 Equivalent thermal resistance network.

1999 Oct 29 5
Philips Semiconductors Product specification
Triple video output amplifier TDA6108JF
CHARACTERISTICS
Operating range: Tj=−20 to +150 °C; VDD = 180 to 210 V. Test conditions: Tamb =25°C; VDD = 200 V;
Vo(c1) =V
o(c2) =V
o(c3) =1⁄2VDD; CL= 10 pF (CL consists of parasitic and cathode capacitance); Rth(h-a) = 18 K/W
(measured in test circuit of Fig.8); unless otherwise specified.
SYMBOL PARAMETER CONDITIONS MIN. TYP. MAX. UNIT
Iqquiescent supply current 8.8 10.3 11.7 mA
Vref(int) internal reference voltage
(input stage)
−2.5 −V
Riinput resistance −3.2 −kΩ
G gain of amplifier 47.5 51.0 55.0
∆G gain difference −2.5 0 +2.5
VO(c) nominal output voltage at
pins 7, 8 and 9 (DC value)
Ii=0µA 116 129 142 V
∆VO(c)(offset) differential nominal output
offset voltage between
pins 7 and 8, 8 and 9 and
9 and 7 (DC value)
Ii=0µA−05V
∆Vo(c)(T) output voltage temperature
drift at pins 7, 8 and 9
−−10 −mV/K
∆Vo(c)(T)(offset) differential output offset
voltage temperature drift
between pins 7 and 8,
8 and 9 and 7 and 9
−0−mV/K
Io(m)(offset) offset current of measurement
output (for 3 channels)
Io(c) =0µA;
1.5 V < Vi< 5.5 V;
3V<V
o(m) <6V
−50 −+50 µA
∆Io(m)/∆Io(c) linearity of current transfer −100 µA<I
o(c) < 100 µA;
1.5 V < Vi< 5.5 V;
3V<V
o(m) <6V
0.9 1.0 1.1
Io(c)(max) maximum peak output current
(pins 7, 8 and 9)
50V<V
o(c) <V
DD −50 V −28 −mA
Vo(c)(min) minimum output voltage
(pins 7, 8 and 9)
Vi= 7.0 V; note 1 −−10 V
Vo(c)(max) maximum output voltage
(pins 7, 8 and 9)
Vi= 1.0 V; note 1 VDD −15 −−V
BSsmall signal bandwidth
(pins 7, 8 and 9)
Vo(c) = 60 V (p-p) −9.0 −MHz
BLlarge signal bandwidth
(pins 7, 8 and 9)
Vo(c) = 100 V (p-p) −8.0 −MHz
tPco cathode output propagation
time 50% input to 50% output
(pins 7, 8 and 9)
Vo(c) = 100 V (p-p)
square wave; f <1 MHz;
tr=t
f=40ns
(pins 1, 2 and 3);
see Figs 6 and 7
−32 −ns

1999 Oct 29 6
Philips Semiconductors Product specification
Triple video output amplifier TDA6108JF
Notes
1. See also Fig.5 for the typical DC-to-DC transfer of Vito Vo(c).
2. The ratio of the change in supply voltage to the change in input voltage when there is no change in output voltage.
∆tPco difference in cathode output
propagation time 50% input to
50% output (pins 7 and 8,
7 and 9 and 8 and 9)
Vo(c) = 100 V (p-p)
square wave; f < 1 MHz;
tr=t
f=40ns
(pins 1, 2 and 3)
−10 0 +10 ns
to(r) cathode output rise time
10% output to 90% output
(pins 7, 8 and 9)
Vo(c) = 50 to 150 V square
wave; f < 1 MHz; tf=40ns
(pins 1, 2 and 3); see Fig.6
35 50 65 ns
to(f) cathode output fall time
90% output to 10% output
(pins 7, 8 and 9)
Vo(c) = 150 to 50 V square
wave; f < 1 MHz; tr=40ns
(pins 1, 2 and 3); see Fig.7
35 50 65 ns
tst settling time 50% input to
99% < output < 101%
(pins 7, 8 and 9)
Vo(c) = 100 V (p-p)
square wave; f < 1 MHz;
tr=t
f=40ns
(pins 1, 2 and 3);
see Figs 6 and 7
−−350 ns
SR slew rate between
50Vto(V
DD −50 V)
(pins 7, 8 and 9)
Vi= 4 V (p-p) square wave;
f < 1 MHz; tr=t
f=40ns
(pins 1, 2 and 3)
−1850 −V/µs
Ovcathode output voltage
overshoot (pins 7, 8 and 9)
Vo(c) = 100 V (p-p)
square wave; f < 1 MHz;
tr=t
f=40ns
(pins 1, 2 and 3);
see Figs 6 and 7
−10 −%
PSRR power supply rejection ratio f < 50 kHz; note 2 −65 −dB
αct(DC) DC crosstalk between
channels
−50 −dB
SYMBOL PARAMETER CONDITIONS MIN. TYP. MAX. UNIT

1999 Oct 29 7
Philips Semiconductors Product specification
Triple video output amplifier TDA6108JF
handbook, halfpage
0
Vo(c)
(V)
22.5 46
Vi (V)
200
0
160
120
129
80
40
MGL371
Fig.5 Typical DC-to-DC transfer of Vito Vo(c).

1999 Oct 29 8
Philips Semiconductors Product specification
Triple video output amplifier TDA6108JF
150
140
100
60
50
151
149
tst
Ov (in %)
t
t
3.09
4.18
2.00
to(r)
tPco
Vo(c)
(V)
Vi
(V)
MGL369
Fig.6 Output voltage (pins 7, 8 and 9) rising edge as a function of the AC input signal.

1999 Oct 29 9
Philips Semiconductors Product specification
Triple video output amplifier TDA6108JF
51
49
Ov (in %)
t
t
MGL370
150
140
100
60
50
3.09
4.18
2.00
Vo(c)
(V)
Vi
(V)
tst
to(f)
tPco
Fig.7 Output voltage (pins 7, 8 and 9) falling edge as a function of the AC input signal.

1999 Oct 29 10
Philips Semiconductors Product specification
Triple video output amplifier TDA6108JF
External flashover protection
For sufficient flashover protection it is necessary to apply
an external diode and 100 Ω resistor for each channel.
See application note
“Application and Product description
of TDA6107Q/N1”
(report number AN96072).
To limit the diode current an external 1 kΩ carbon
high-voltage resistor in series with the external diode and
a 2 kV spark gap are needed (for this resistor value, the
CRT has to be connected to the main PCB).
VDD must be decoupled to GND:
1. With a capacitor >20 nF with good HF behaviour
(e.g. foil); this capacitor must be placed as close as
possible to pins 6 and 4, but definitely within 5 mm.
2. With a capacitor >3.3 µF on the picture tube base
print.
Switch-off behaviour
The switch-off behaviour of the TDA6108JF is controllable.
This is due to the fact that the output pins of the
TDA6108JF are still under control of the input pins for low
power supply voltages (approximately 30 V and higher).
Bandwidth
The addition of the flash resistor produces a decreased
bandwidth and increases rise and fall times. For further
information, see Application note of the TDA6108JF.
Dissipation
Regarding dissipation, distinction must first be made
between static dissipation (independent of frequency) and
dynamic dissipation (proportional to frequency).
The static dissipation of the TDA6108JF is due to voltage
supply currents and load currents in the feedback network
and CRT.
The static dissipation Pstat equals:
Where:
VDD = supply voltage
IDD = supply current
VO(c) = DC value of cathode voltage
IO(c) = DC value of cathode current.
The dynamic dissipation Pdyn equals:
Where:
CL= load capacitance
Cint = internal load capacitance (≈4 pF)
fi= input frequency
Vo(c)(p-p) = output voltage (peak-to-peak value)
δ= non-blanking duty cycle.
The IC must be mounted on the picture tube base print to
minimize the load capacitance CL.
Pstat VDD IDD 3V
O(c) IO(c)
××+×=
Pdyn 3V
DD CLCint
+()fiVo(c)(p-p) δ×××××=

1999 Oct 29 11
Philips Semiconductors Product specification
Triple video output amplifier TDA6108JF
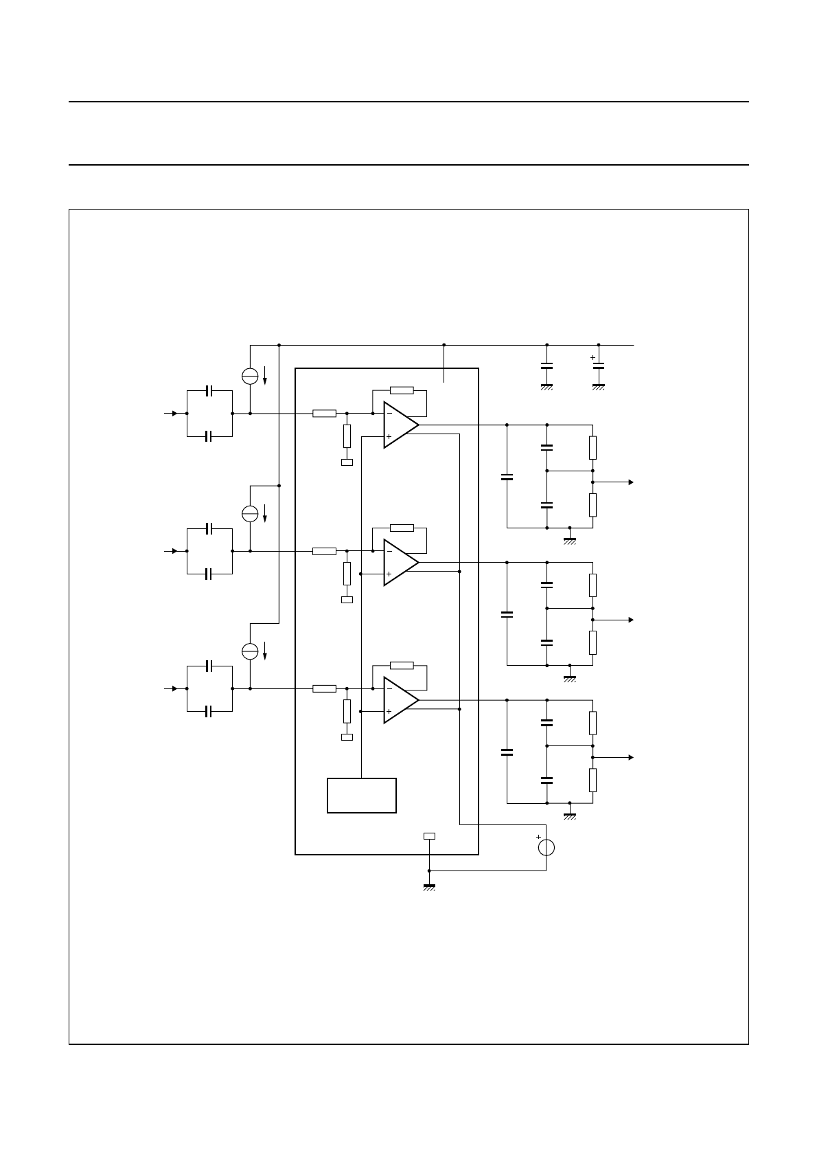
TEST AND APPLICATION INFORMATION
handbook, full pagewidth
MGL321
2 MΩ
C1
19
1
J1
22 µF
22 nF
C2
4
probe 1
R1
100 kΩ
R2
6.8 pF
C10
20 nF
C7 10 µF
C8
3.2 pF
C9
136 pF
C11
VIP
REFERENCE
Vi(1) Vof
Iom
Voc(1)
VDD
Ri
Rf
Ra
2 MΩ
C3
2
6
8
2
J2
22 µF
22 nF
C4
probe 2
R3
100 kΩ
R4
6.8 pF
C13
3.2 pF
C12
136 pF
C14
Vi(2) Vof
Iom
Voc(2)
Ri
Rf
Ra
2 MΩ
C5
TDA6108JF
37
5
3
J3
22 µF
22 nF
C6
probe 3
R5
100 kΩ
R6
4 V
6.8 pF
C16
3.2 pF
C15
136 pF
C17
Vi(3) Vof
Iom
Vo(m)
Voc(3)
Ri
Rf
Ra
Fig.8 Test circuit.
Current sources J1, J2 and J3 are to be tuned so that Vo(c) of pins 9, 8 and 7 is set to 100 V.

1999 Oct 29 12
Philips Semiconductors Product specification
Triple video output amplifier TDA6108JF
INTERNAL CIRCUITRY
handbook, full pagewidth
7, 8, 9
MGL320
esd
6.8 Vesd
esd
GND VDD
esd
from
input
circuit
from
input
circuit
from
control
circuit
from
control
circuit
to black current
measurement circuit
to black current
measurement circuit
to black current
measurement circuit
to black current
measurement circuit
esd
TDA6108JF
(1)
esd
flash
to cascode
stage
1, 2, 3
46
5
Vbias
(1) All pins have an energy protection for positive or negative overstress situations.
Fig.0 Internal pin configuration.

1999 Oct 29 13
Philips Semiconductors Product specification
Triple video output amplifier TDA6108JF
PACKAGE OUTLINE
UNIT A A3b1D12
b2
bcD
(1) E(1) Z(1)
eLPP
1q1q2
q
REFERENCES
OUTLINE
VERSION EUROPEAN
PROJECTION ISSUE DATE
IEC JEDEC EIAJ
mm 18.5
17.8 8.7
8.0
A4
15.5
15.1 1.40
1.14 0.67
0.50 1.40
1.14 0.48
0.38 21.8
21.4 21.4
20.7 6.48
6.20 3.4
3.2
2.54
e
2.54 1.0 65
55
5.9
5.7
4.4
4.2
3.9
3.4 15.1
14.9
Q
1.75
1.55
DIMENSIONS (mm are the original dimensions)
Note
1. Plastic or metal protrusions of 0.25 mm maximum per side are not included.
2.75
2.50
SOT111-1 92-11-17
95-03-11
0 5 10 mm
scale
0.25
w
D
E
A
A
c
A2
3
A4
q1
q2
L
e2
Q
wM
b
b1
b2
D1
P
q
1
Ze
19
P
seating plane
pin 1 index
θ
θ
o
o
DBS9MPF: plastic DIL-bent-SIL medium power package with fin; 9 leads SOT111-1
A
max. max.
2
3.7

1999 Oct 29 14
Philips Semiconductors Product specification
Triple video output amplifier TDA6108JF
SOLDERING
Introduction to soldering through-hole mount
packages
This text gives a brief insight to wave, dip and manual
soldering. A more in-depth account of soldering ICs can be
found in our
“Data Handbook IC26; Integrated Circuit
Packages”
(document order number 9398 652 90011).
Wave soldering is the preferred method for mounting of
through-hole mount IC packages on a printed-circuit
board.
Soldering by dipping or by solder wave
The maximum permissible temperature of the solder is
260 °C; solder at this temperature must not be in contact
with the joints for more than 5 seconds.
The total contact time of successive solder waves must not
exceed 5 seconds.
The device may be mounted up to the seating plane, but
the temperature of the plastic body must not exceed the
specified maximum storage temperature (Tstg(max)). If the
printed-circuit board has been pre-heated, forced cooling
may be necessary immediately after soldering to keep the
temperature within the permissible limit.
Manual soldering
Apply the soldering iron (24 V or less) to the lead(s) of the
package, either below the seating plane or not more than
2 mm above it. If the temperature of the soldering iron bit
is less than 300 °C it may remain in contact for up to
10 seconds. If the bit temperature is between
300 and 400 °C, contact may be up to 5 seconds.
Suitability of through-hole mount IC packages for dipping and wave soldering methods
Note
1. For SDIP packages, the longitudinal axis must be parallel to the transport direction of the printed-circuit board.
DEFINITIONS
LIFE SUPPORT APPLICATIONS
These products are not designed for use in life support appliances, devices, or systems where malfunction of these
products can reasonably be expected to result in personal injury. Philips customers using or selling these products for
use in such applications do so at their own risk and agree to fully indemnify Philips for any damages resulting from such
improper use or sale.
PACKAGE SOLDERING METHOD
DIPPING WAVE
DBS, DIP, HDIP, SDIP, SIL suitable suitable(1)
Data sheet status
Objective specification This data sheet contains target or goal specifications for product development.
Preliminary specification This data sheet contains preliminary data; supplementary data may be published later.
Product specification This data sheet contains final product specifications.
Limiting values
Limiting values given are in accordance with the Absolute Maximum Rating System (IEC 134). Stress above one or
more of the limiting values may cause permanent damage to the device. These are stress ratings only and operation
of the device at these or at any other conditions above those given in the Characteristics sections of the specification
is not implied. Exposure to limiting values for extended periods may affect device reliability.
Application information
Where application information is given, it is advisory and does not form part of the specification.

1999 Oct 29 15
Philips Semiconductors Product specification
Triple video output amplifier TDA6108JF
NOTES

© Philips Electronics N.V. SCA
All rights are reserved. Reproduction in whole or in part is prohibited without the prior written consent of the copyright owner.
The information presented in this document does not form part of any quotation or contract, is believed to be accurate and reliable and may be changed
without notice. No liability will be accepted by the publisher for any consequence of its use. Publication thereof does not convey nor imply any license
under patent- or other industrial or intellectual property rights.
Internet: http://www.semiconductors.philips.com
1999 68
Philips Semiconductors – a worldwide company
For all other countries apply to: Philips Semiconductors,
International Marketing & Sales Communications, Building BE-p, P.O. Box 218,
5600 MD EINDHOVEN, The Netherlands, Fax. +31 40 27 24825
Argentina: see South America
Australia: 3 Figtree Drive, HOMEBUSH, NSW 2140,
Tel. +61 2 9704 8141, Fax. +61 2 9704 8139
Austria: Computerstr. 6, A-1101 WIEN, P.O. Box 213,
Tel. +43 1 60 101 1248, Fax. +43 1 60 101 1210
Belarus: Hotel Minsk Business Center, Bld. 3, r. 1211, Volodarski Str. 6,
220050 MINSK, Tel. +375 172 20 0733, Fax. +375 172 20 0773
Belgium: see The Netherlands
Brazil: see South America
Bulgaria: Philips Bulgaria Ltd., Energoproject, 15th floor,
51 James Bourchier Blvd., 1407 SOFIA,
Tel. +359 2 68 9211, Fax. +359 2 68 9102
Canada: PHILIPS SEMICONDUCTORS/COMPONENTS,
Tel. +1 800 234 7381, Fax. +1 800 943 0087
China/Hong Kong: 501 Hong Kong Industrial Technology Centre,
72 Tat Chee Avenue, Kowloon Tong, HONG KONG,
Tel. +852 2319 7888, Fax. +852 2319 7700
Colombia: see South America
Czech Republic: see Austria
Denmark: Sydhavnsgade 23, 1780 COPENHAGEN V,
Tel. +45 33 29 3333, Fax. +45 33 29 3905
Finland: Sinikalliontie 3, FIN-02630 ESPOO,
Tel. +358 9 615 800, Fax. +358 9 6158 0920
France: 51 Rue Carnot, BP317, 92156 SURESNES Cedex,
Tel. +33 1 4099 6161, Fax. +33 1 4099 6427
Germany: Hammerbrookstraße 69, D-20097 HAMBURG,
Tel. +49 40 2353 60, Fax. +49 40 2353 6300
Hungary: see Austria
India: Philips INDIA Ltd, Band Box Building, 2nd floor,
254-D, Dr. Annie Besant Road, Worli, MUMBAI 400 025,
Tel. +91 22 493 8541, Fax. +91 22 493 0966
Indonesia: PT Philips Development Corporation, Semiconductors Division,
Gedung Philips, Jl. Buncit Raya Kav.99-100, JAKARTA 12510,
Tel. +62 21 794 0040 ext. 2501, Fax. +62 21 794 0080
Ireland: Newstead, Clonskeagh, DUBLIN 14,
Tel. +353 1 7640 000, Fax. +353 1 7640 200
Israel: RAPAC Electronics, 7 Kehilat Saloniki St, PO Box 18053,
TEL AVIV 61180, Tel. +972 3 645 0444, Fax. +972 3 649 1007
Italy: PHILIPS SEMICONDUCTORS, Via Casati, 23 - 20052 MONZA (MI),
Tel. +39 039 203 6838, Fax +39 039 203 6800
Japan: Philips Bldg 13-37, Kohnan 2-chome, Minato-ku,
TOKYO 108-8507, Tel. +81 3 3740 5130, Fax. +81 3 3740 5057
Korea: Philips House, 260-199 Itaewon-dong, Yongsan-ku, SEOUL,
Tel. +82 2 709 1412, Fax. +82 2 709 1415
Malaysia: No. 76 Jalan Universiti, 46200 PETALING JAYA, SELANGOR,
Tel. +60 3 750 5214, Fax. +60 3 757 4880
Mexico: 5900 Gateway East, Suite 200, EL PASO, TEXAS 79905,
Tel. +9-5 800 234 7381, Fax +9-5 800 943 0087
Middle East: see Italy
Netherlands: Postbus 90050, 5600 PB EINDHOVEN, Bldg. VB,
Tel. +31 40 27 82785, Fax. +31 40 27 88399
New Zealand: 2 Wagener Place, C.P.O. Box 1041, AUCKLAND,
Tel. +64 9 849 4160, Fax. +64 9 849 7811
Norway: Box 1, Manglerud 0612, OSLO,
Tel. +47 22 74 8000, Fax. +47 22 74 8341
Pakistan: see Singapore
Philippines: Philips Semiconductors Philippines Inc.,
106 Valero St. Salcedo Village, P.O. Box 2108 MCC, MAKATI,
Metro MANILA, Tel. +63 2 816 6380, Fax. +63 2 817 3474
Poland: Al.Jerozolimskie 195 B, 02-222 WARSAW,
Tel. +48 22 5710 000, Fax. +48 22 5710 001
Portugal: see Spain
Romania: see Italy
Russia: Philips Russia, Ul. Usatcheva 35A, 119048 MOSCOW,
Tel. +7 095 755 6918, Fax. +7 095 755 6919
Singapore: Lorong 1, Toa Payoh, SINGAPORE 319762,
Tel. +65 350 2538, Fax. +65 251 6500
Slovakia: see Austria
Slovenia: see Italy
South Africa: S.A. PHILIPS Pty Ltd., 195-215 Main Road Martindale,
2092 JOHANNESBURG, P.O. Box 58088 Newville 2114,
Tel. +27 11 471 5401, Fax. +27 11 471 5398
South America: Al. Vicente Pinzon, 173, 6th floor,
04547-130 SÃO PAULO, SP, Brazil,
Tel. +55 11 821 2333, Fax. +55 11 821 2382
Spain: Balmes 22, 08007 BARCELONA,
Tel. +34 93 301 6312, Fax. +34 93 301 4107
Sweden: Kottbygatan 7, Akalla, S-16485 STOCKHOLM,
Tel. +46 8 5985 2000, Fax. +46 8 5985 2745
Switzerland: Allmendstrasse 140, CH-8027 ZÜRICH,
Tel. +41 1 488 2741 Fax. +41 1 488 3263
Taiwan: Philips Semiconductors, 6F, No. 96, Chien Kuo N. Rd., Sec. 1,
TAIPEI, Taiwan Tel. +886 2 2134 2886, Fax. +886 2 2134 2874
Thailand: PHILIPS ELECTRONICS (THAILAND) Ltd.,
209/2 Sanpavuth-Bangna Road Prakanong, BANGKOK 10260,
Tel. +66 2 745 4090, Fax. +66 2 398 0793
Turkey: Yukari Dudullu, Org. San. Blg., 2.Cad. Nr. 28 81260 Umraniye,
ISTANBUL, Tel. +90 216 522 1500, Fax. +90 216 522 1813
Ukraine: PHILIPS UKRAINE, 4 Patrice Lumumba str., Building B, Floor 7,
252042 KIEV, Tel. +380 44 264 2776, Fax. +380 44 268 0461
United Kingdom: Philips Semiconductors Ltd., 276 Bath Road, Hayes,
MIDDLESEX UB3 5BX, Tel. +44 208 730 5000, Fax. +44 208 754 8421
United States: 811 East Arques Avenue, SUNNYVALE, CA 94088-3409,
Tel. +1 800 234 7381, Fax. +1 800 943 0087
Uruguay: see South America
Vietnam: see Singapore
Yugoslavia: PHILIPS, Trg N. Pasica 5/v, 11000 BEOGRAD,
Tel. +381 11 62 5344, Fax.+381 11 63 5777
Printed in The Netherlands 545004/200/03/pp16 Date of release: 1999 Oct 29 Document order number: 9397 750 06486
