U PD372_Floppy_Disk_Controller_Addendum_Apr77 PD372 Floppy Disk Controller Addendum Apr77
User Manual: uPD372_Floppy_Disk_Controller_Addendum_Apr77
Open the PDF directly: View PDF
.
Page Count: 45

~EC
IlcrOcOlputers,
Inc.
ADDENDUM
TO
FLOPPY DISK CONTROLLER
USERS' MANUAL
FOR
MINIFLOPPyTM
APPLICATIONS
TM
-Shugart Associates
Five
Militia
Drive/Lexington,
Massachusetts
02173
Telephone (617) 862-6410
}LPD372
Telex 92-3434

TABLE
OF
CONTENTS
INTRODUCTION
MINIFLOPPY INTERFACE SIGNALS
RECORDING
FORMAT
DATA
CONDITIONER
SAMPLE
CONTROLLER
DESIGN
Hardware
Software
1
2
3
6
9
11
11
13

INTRODUCTION
The
discussion
and
design
shown
in
this
Addendum
is
dedicated
to
the
MinifloppyTM
Diskette
Storage
Drive.
This
drive
is
somewhat
different,
both
electrically
and
mechanically,
from
the
standard
floppy
disk
drives
found
throughout
the
industry.
The
Minifloppy
is
smaller,
less
expensive,
and
is
based
upon
the
same
floppy
disk
drive
technology
as
the
standard
floppy.
However,
its
data
transfer
rate
is
half
as
fast
and
its
total
data
storage
capacity
is
approximately
one-third.
This
design
uses
a
single
uPD372
Floppy
Disk
Controller
to
control
a
pair
of
Minifloppies.
The
interface
to
the
floppies
has
been
configured
so
as
to
allow
overlap-seeks
to
be
programmed.
If
only
a
single
drive
is
used
or
if
overlap-seeks
are
not
required,
then
two
or
three
logic
Ie's
may
be
removed
from
this
design.
The
controller's
architecture
remains
the
same
as
in
the
standard
floppy
design
shown
in
the
uPD372
Users'
Manual.
Before
proceeding
into
the
design
of
this
controller,
the
uPD372
Users'
Manual
should
be
read.
All
the
basic
concepts
and
characteristics
of
the
uPD372
are
explained
in
this
document,
and
it
will
be
assumed
that
the
reader
is
familiar
with
them.
For
clarity
in
this
document
the
uPD372
Users'
Manual
will
be
referred
to
as
Users'
Manual
and
this
document
referred
to
as
the
Addendum.
TM
--
Shugart
Associates
2

MINIFLOPPY INTERFACE SIGNALS
There
are
several
signals
which
have
been
deleted
in
the
Minifloppy
as
well
as
several
new
signals.
These
are
summarized
below:
Deleted
Signals
New
Signals
(Used
only
on
Standard
Floppy)
Head
Load
Index/Sector
write
Fault
Drive
Select
I
write
Fault
Reset
Drive
Select
2
Low
Current
Drive
Select
3
Sector
Motor
ON
Index
Ready
The
Head
Load
signal
has
been
deleted
in
the
Minifloppy.
The
head
is
loaded
concurrently
with
the
Motor
ON
signal.
write
Fault
and
Write
Fault
Reset
which
were
tests
of
the
Floppy's
status
prior
to
attempting
to
write
a
diskette,
have
both
been
eliminated.
Many
standard
floppies
(IBM
compatible)
have
a Low
Current
signal
which
allows
the
write
current
in
the
recording
head
to
be
decreased
on
tracks
44-76
--
this
signal
has
been
eliminated.
If
a
hard
sector
recording
format
is
used,
the
standard
floppies
provided
separate
signal
outputs
for
both
Sector
and
Index.
The
Minifloppy
requires
that
the
user
separate
these
signals
(this
is
usually
done
with
a
one-shot
circuit).
The
READY
command
in
the
standard
floppy
indicated
to
the
controller
that
a
diskette
had
been
inserted,
the
door
was
closed,
and
that
the
diskette
was
spinning;
this
signal
has
also
been
eliminated.
Three
separate
device
select
lines
are
provided
on
the
Minifloppy
and
the
appropriate
one
is
selected
by
the
use
of
hardware
straps
in
the
drive.
This
allows
a maximum
of
three
drives
to
be
selected
without
additional
decoding
hardware.
The
Minifloppy
uses
a
dc
motor
for
rotating
the
diskette,
a
separate
signal
called
MOTOR
ON
is
used
for
turning
the
motor
on.
In
order
to
increase
the
longevity
of
the
motor,
software
has
been
incorporated
in
the
controller
so
that
two
seconds
after
the
last
program
instruction,
the
motor
is
shut
off.
The
following
figure
shows
a
typical
interface
connection
between
the
controller
and
the
Minifloppy.
3

CONTROLLER
7
9 8
II
10
13
12
15
14
17 16
19
18
21
2C
23
22
25
2A
27
2'::
29
28
3'"
'W
POWER
SUPPLY
...L
-
ITI77
ACGND
FLAT
RIBBON
OR
TWISTED PAIR
MAX
10 FEET
INDEX/SECTOR
DRIVE SELECT 1
DRIVE SELECT 2
DRIVE SELECT 3
MOTOR
ON
DIRECTION SELECT
STEP
WRITE
DATA
WRITE GATE
TRACK 00
WR
ITE PROTECT
READ
DATA
'"
+5
VDC
X
+5
RETURN
;:: +12 VDC
I +12 RETURN
--
b TWISTED 'PAIR
MINI
FLOPPY
Jl
7-
8
9~
10
11~
12
13~
14
15~
16
17~
18
19-·
20
21-~
22
23_
24
25_
26
27_
28 29
----4
30
J2
4 3
----4
1 2
----4
~
-
nfn
FRAME GND
Figure
1
--
Controller/Minifloppy
Interface
From
the
detail
schematic
(Figure
6)
it
can
be
seen
that
the
functions
of
the
following
signals
corning
out
of
the
uPD372
have
been
changed
to
execute
the
new commands.
Standard
Floppy
Command
372
Pin
Number
Minifloppy
Command
(WFR)
write
Fault
Reset
23
Motor
ON
(Device
#1)
(LCT)
Low
Current
22 MQtor
ON
(Device
#2)
4

The
functional
performance
of
these
signals
is
changed
in
software
and
requires
no
change
to
the
uPD372
hardware.
The
uPD372
has
two
pairs
of
device
select
lines,
an
A
pair
and
a B
pair.
In
this
application
these
lines
have
been
configured
to
control
Qnly
two
Minifloppies.
The
A
pair
(UA0
and
UAl)
are
used
as
follows:
UA0
-
Select
Read/Write
Electronics
in
Drive
#1
UAI -
Select
Read/Write
Electronics
in
Drive
#2
The
B
pair
(UB0
and
UBI)
are
used
as
follows:
UB0
-
Select
Motion
Control
Electronics
in
Drive
#1
UBI -
Select
Motion
Control
Electronics
in
Drive
#2
Software
constraints
have
been
incorporated
so
that:
•
Only
one
Drive
may
be
Reading
or
Writing
at
a
time.
•
Only
one
Drive
may
be
Stepping
IN
or
OUT
at
a
time.
However,
it
is
possible
to
Read
or
Write
on
one
Drive
while
stepping
on
the
other.
This
is
done
by
selecting
UA0
• UBI
or
UAI • UB0.
When
two
Minifloppies
are
used,
connector
Jl
on
the
controller
should
be
connected
to
Drive
#1
and
J2
to
Drive
#2,
(Radial
busing
to
the
Drives).
This
should
be
done
in
order
to
keep
the
hardware
decoding
on
IC's
U50,
U5l,
U53
and
U17
the
same
as
the
software
listing.
5

RECORDING
FORMAT
The
software
listing
shown
at
the
end
of
this
Addendum
and
the
discussion
which
follows
is
for
a
Soft
Sectored
format.
However,
if
the
user
wishes
to
use
Hard
Sectoring,
he
may
do
so
by
simply
changing
the
software
(the
uPD372
is
not
a
limiting
factor
to
hard
sectoring).
Soft
Sectoring
has
35
Tracks
per
diskette
and
18
Sectors
per
Track.
All
35
Tracks
are
formatted
in
exactly
the
same
manner
and
follow
the
standard
IBM
format
fairly
closely.
Figure
3
shows
the
recording
format
which
will
be
used
in
this
Minifloppy
Addendum.
Data
which
is
recorded
on
the
diskette
is
done
so
by
using
frequency
encoding.
This
technique
requires
that
each
data
bit
recorded
on
the
diskette
has
an
associated
clock
bit
recorded
with
it.
Data
which
is
written
or
read
back
from
the
diskette
has
the
form
shown
in
Figure
2.
CDC'
CDC
--1l
n~
__
~n~
_________
n~
__
~n
rL--
I I I
I I I
~4111~
I
I
t~M
I
1~14_-
8U1
--~~
I
I
t800..
l I
.........-
BIT
CELL-----
....
'.--
liT
CELL-----t
.......
t---
liT
CELL----
NO.
1
NO.
I
NO.
I
FIGURE
2
FREQUENCY
ENCODED
DATA
The
encoded
bit
pattern
shown
in
Figure
2
is
binary
101.
Refer
to
Figures
7
and
8
(Page
27)
of
the
Users'
Manual
and
note
that
the
bit
cell
times
shown
are
exactly
1/2
as
long
as
those
shown
in
this
Addendum.
Flip-flop
U58(A)
has
been
added
in
series
with
the
Write
Clock
Signal
on
the
uPD372
(pin
13)
in
order
to
divide
the
clock
rate
in
half,
making
it
compatible
with
the
Minifloppy
requirements.
Three
special
identification
marks
(Address
Marks),
are
used
in
the
Minifloppy,
(four
Address
Marks
are
used
in
the
Standard
Floppy)
.
MINIFLOPPY
ADDRESS
MARKS
ID
Address
Mark
Data
Address
Mark
Deleted
Data
Address
Mark
When
the
Deleted
Data
Address
Mark
is
written
at
the
beginning
of
a
data
field,
then
the
entire
contents
of
the
data
field
will
be
ignored.
Figure
4
shows
the
recording
format
for
these
special
codes.
6

Ie
INOE~
I
I
I
,
,
\ \ \ ,
\
SECTOR
01
\
,
\ \ \ \ \
,
\
I
I
;
c
SECTOR
02
---
---
---
N
d i
•
~
i
~
200ms
--------------------------------------------------~~.
SECTOR
03
-----------
~~
~I
SECTOR
17
--
--------
IIIIYTES
DATA
--
SECTOR
18
I
I
'
....
.........
,
SECTOR
01
~tOS
InEI
>,
",,"
.
I I
N
a..--'
.•
II.
~
i
----
__
i
---
---
-,
~
l
I I I I
I I I J
I.--
INOIl
.»---iMM
...... -
10
RECORD
----...
...
-0..
'IELI
.....
~
.....
--------
DATA
FIELD
---------II
..
lIoIe..._-
POST
DATA
,
.....
IIP.____et
I I I
UP
I 1 I
I I I J I I
t--
I.al..
...
..
O.UtIII
...
0.641
..
_
......
11-
___________
'.SlMI
----------
............
---
1.144.
•
I I
I I
~~~---------------------------------------
10.~..
-----------------------------------------~
FIGURE
3
MI
N I
FLOPPY
RECORDING
FORMAT

BINARY
~:"IESENTATION
CLOCK8ITS
HEXADECIMAL
QATA 81TS
:~~RESENT
A
TlON
BINARY
REPRESENTATION
Of
HEXADECIMAL
~~PRESENTATION
BINARY
REPRESENTATION
'Of:
HExADECIMAL
:~RESENTATION
CLOCK BITS
CLOCK
81TS
OATA81TS
CLOCK
81TS
ID
ADDRESS
M"RK
8YTE
10
ADDRESS MARK
DATA
AODflE
SSMARK
8YTE
DATA ADDRESS MARK
DELETED OAT 7
A ADDRESS MARK
FIGURE
ADDRESS
4
MARKS
8

DATA
CONDITIONER
The
uPD372
contains
the
electronic
circuitry
for
separating
the
Data
and
Clock
pulses
out
of
the
Read
Data
signal.
However,
the
uPD372
does
require
some
external
circuitry
so
that
its
internal
registers
which
are
clocked
on
the
trailing
ed~e
of
02
will
be
presented
the
proper
data.
The
external
circuitry
for
accomplishing
this
is
called
a
"Data
Conditioner".
The
floppy
disk's
Read
Signal
is
asynchronous
with
the
microprocessors'
clocks.
The
Data
Conditioner
function
is
to
stretch
the
narrow
Read
Signal
pulses
from
the
floppy
so
that
they
will
overlap
the
microprocessor's
clock
interval,
allowing
them
to
be
strobed
into
the
uPD372.
The
Data
Conditioner
required
for
the
Minifloppy
is
much
simpler
than
that
required
for
the
Standard
floppies.
The
reason
being
that
the
bit
cell
time
is
twice
as
long,
namely
8us
vs.
4us;
thereby
eliminating
the
need
for
double
buffering
of
the
data.
The
conditions
and
requirements
mentioned
on
Pages
26,
27
and
28
of
the
Users'
Manual
are
still
applicable.
Figure
5
shows
the
schematic
and
timing
diagram
for
a
Minifloppy
Data
Conditioner.
The
Read
Data
signal
corning
from
the
Minifloppy
consists
of
a
string
of
pulses
representing
flux
reversals
on
the
diskette.
U55A
is
a
retriggerable
one-shot
which
times
out
after
5.8us,
detecting
the
absence
of
either
a
data
or
clock
pulse
in
the
Read
Data.
The
Q
output
of
U55A
is
used
as
the
Read
Data
input
to
the
uPD372
(RD).
The
"AND"
gate
(7408)
and
the
associated
RC
network
on
one
of
its
inputs,
detects
negative
going
transitions
at
the
output
of
the
RD
one-shot.
The
pulses
at
point'A
indicate
missing
clock
or
data
information
during
each
data
cell.
These
pulses
are
"OR'd"
with
the
Read
Data
(7432)
producing
a
pulse
stream
which
contains
two
pulses
per
data
cell,
point
B.
U55B
converts
this
pulse
stream
into
pulses
whose
widths
are
uniform
(750ns
wide),
which
may
then
be
sent
to
the
Read
Clock
input
of
the
uPD372
(RCK).
It
should
be
noted
that
two
(2)
RCK
pulses
are
always
generated
per
data
cell,
even
when
clock
or
data
pulses
are
missing.
The
02
clock
pulses
(which
drive
both
the
microprocessor
and
uPD372)
occur
at
a
500ns
rat~,
thereby,
dictating
that
the
RCK
pulses
should
be
750ns
wide
for
an
optimum
sampling
rate
of
once
per
02
pulse.
Once
a
positive
transition
of
RCK
is
sensed
by
02,
the
following
02
pulse,
clocks
the
logic
level
of
RD
into
the
uPD372's
internal
shift
register.
When
the
user
implements
either
this
or
his
own
Data
Conditioner
circuit,
it
is
important
that
he
follow
the
timing
constraints
outlined
in
this
section
of
the
manual.
9

READ
DATA
RD
RCK
0
0
+5V
+5V
220.n.
UPl
RCK
0 74123
750n.
READ
DATA------~----~~~_;C:::::::::::::::::~
______________________________
__
:tIOOn.
RD
~
CELL
DATA
---.,
I I
IC D
IC
--1l n n
I I I
I I I
I I I
I I
I I
I
--.J
: I
J I
I I I
I I
I.-
5.8us
I I I
I I
I I
I
I I I I I
I I I I
..
"'750ns
I I I
I
I I I I
I I I I
I
I I
I I
I
I I
I I
I I I
J n n
C D J
n n
r1
I I
, ,
LJ
I
-.:
I
I
I
I
d
--'
14-~
lOOn.
II
II
I
n
II
II
II
II
II
"--Il n
FIGURE
5
MINI-FLOPPY
DATA
CONDITIONER
J MISSING
CLOCK
PULSES
0 D
n n
n
,.,
I I
, ,
I
I
LJ LJ
I
I
I
I
I
I:
II
II
II
II
II
II
II
n n
II
II
II
II
II
fLJl "--Il n
~
rl

SAMPLE
CONTROLLER
DESIGN
Hardware
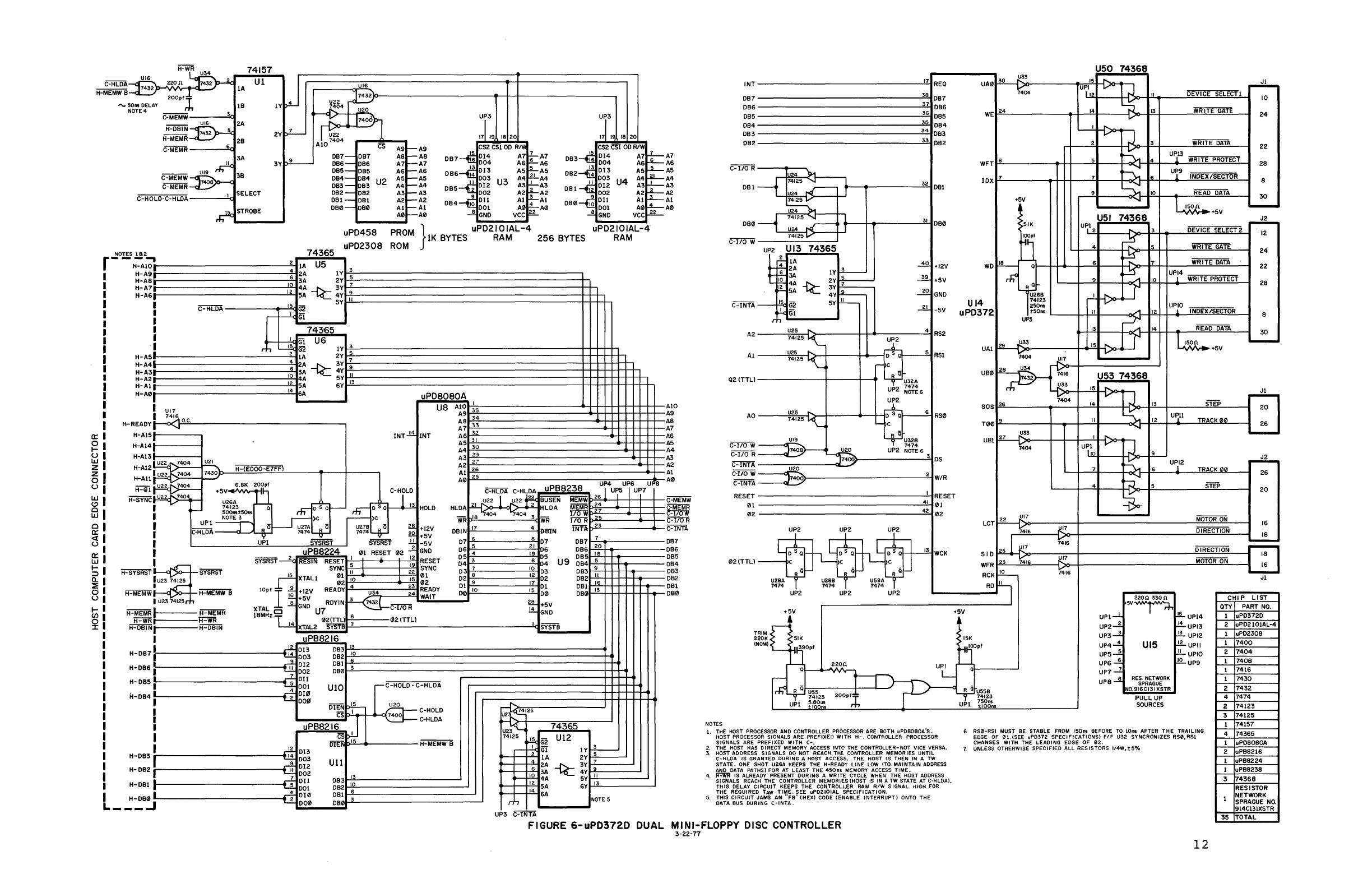
A
Controller
design
is
shown
in
Figure
6.
The
Controller
is
architectured
in
exactly
the
same
manner
as
shown
in
the
Users'
Manual
(reference
Pages
31-39).
The
connections
to
the
Minifloppies
are
done
through
connectors
Jl
and
J2
on
the
right-hand
side
of
the
schematic.
This
design
handles
only
two
drives.
However,
four
drives
could
be
accommodated
by
simply
decoding
the
UA0
and
UAI
as
well
as
the
UB0
and
UBI
lines
into
two
sets
of
four
lines.
The
figure
below
shows
how
this
may
be
achieved.
UAe
-------1
UAl
U
••
Ul1
2
TO
4
LINE
DECODER
2
TO
4
LINE
DECODER
t-------A1
....
------A2
t------
A3
.....
-----A4
1--------
11
1--------
82
1--------
83
1--------14
Figure
7
--
Multiple
Drive
Decoding
READ/WRITE
SELECT LINES
MOTION
CONTROL
SELECT
LI
NES
The
program
for
this
Controller
is
contained
in
a
single
lK
x 8
bit
electrically
erasable
PROM
(Part
Number
uPD458).
However,
once
the
user
is
confident
of
his
program,
a
custom·ROM
(uPD2308)
could
be
made,
reducing
the
parts'
costs.
The
ROM
contains
the
Drives'
Reading,
Writing,
Formatting
and
Disk
Handling
Routines.
11

a::
o
r-
u
w
z
z
o
u
w
t!)
a
w
a
a::
<t
u
a::
w
r-
;:)
a..
:!:
o
u
r-
oo
o
:z::
UP3 UP3
17 19
A9
A9
DB7 DB7
A8 A8
DB7
A7
7
A7
DB3
DB6 DB6
A7 A7
A6·
6 A6
DB5 DB5
A6 A6
DB6
A5
5
A5
DB2
DB4 DB4
U2
A5
A5
U3
A4
21
A4
U4
DB3 DB3
A4
A4
A3
I
A3
082
082
A3
A3
DB5
A2
2
A2
OBI
OBI
OBI
A2 A2
DB4
Al
3
Al
DB0
DB0 DB0
At
Al
A0
4
A0
A0
A0
VCC 22
uPD458 } uPD2101AL-4 uPD2101AL-4
PROM
lK
BYTES
RAM
256
BYTES
RAM
uPD2308
ROM
74365
NOTES
ta2
r----..
H-AIO.---------------------------~~
2
H-A9~--------------------------~
H-A8~--------------------------~~
H-A7~--------------------------~LI
H-A6.---------------------------~~
4
6
10
12
lA
U5
2A
IY
3A
2Y
4A
--ct=
3Y
5A
4Y
5Y
IS
G2
C-HLDA----------~~~
r-
r---J..cGi
I
Gl
"'"
~
G2
2
lA
H-A5.---------------------------~~
H-A4l---------------------------~~
4
2A
6
10
H-A3.-----------------------------~
H-A2~--------------------------~~
12
H-AI.---------------------------~
H-A0.---------------------------~
14
I
UI7
I
741~
H-READY
r:<l-0'C'
H-AI5
t---------,
H-AI41------~
H-AI3
t---------i
U22
7404
U21
3A
4A
5A
6A
743~5
U6
lY
2Y
3Y
--ct=
4Y
5Y
6Y
3
5
7
9
II
3
5
7
9
II
13
H-A12.:;;Of:::!404
7430}b-~H.:..-..!.(E::::O~0::..:0::..-..::E:..:.7.:..FF:...;1:...._
______
f_--__f----....,
H-Al1~
iHYNC~~~
U26A
I 74123
.r
Q
DSQ
DSQ
C-HOLO
13
HOLD
H-0Ie~
+5V
6.8K
2~0:Pf
I
"""""'
~g~~50nsl
)C
)C
I
UP1
I]
Q
U27A
Q
U27B
Q ?8 +12V
C-HLDA
-'"
R
7474
7474 =
I
Y.
~
+5V
I
UPI
SVSRST
SYSRST
1
-5V
I uPB8224
01
RESET
02
-=-
GND
I SYSRST
~
RrnN RESET !
::
RESET
H-SYSRST
~
-SYSRST
SYNC
II
1 I
22
'SYNC
IU237412S
r
XTALl
01
2
10
1
15
01
;
~
::!:..2.
0 4 23
02
H-MEMW -
ii=MEMWB
10pf I
-':<"1
9
6 +
12V
READY U34
24
READY
=
5V
WAIT
I
U23
7412Sr'l
8 + RDYIN
1-1---643;d
.
I XTAL
-"-
GND
U7
I
'--.l--C-IIO
R
H-MEMR
H-MEMR
18MI-!
CJ
H-WR
I
H-WR
.Z
T
02{TTLl
6
021TTLI
H-DBINI
H-DBIN
L-li~X~T.~AL~2~~S~Y~St~B~7------------------------------------~~~!.
____
.J
I uPB8216
I
r.!L
013
DB3
13
H-DB7~1------------------------__.~
003
DB2~10~--------------------------------------------------~
i
~
D81~£-6--------------------------------------------~rt
H-DB6
II
012
DB0 3
i
l
~D02
~----------------------------------------------~_r~
H-DB5
~
011
i
l
~
DOl
H-DB4.
~
~~~
OlEN
pJf-
U20
UIO
I
I
I
I
[
C-HOLDOC-HLDA
,.,.
I C-HOLD
L_
....
__
..
~.,:;r-I
.....
~7400
C-HLOA
uPB8216
CS
I
DIENIp-"IS"--
....
---------
H-MEMvi"B
I
~
DI3
H-oB3
r--------------------------
..
~
003
H-
oB2
r-------------------------
.....
rt
012
't....!!..
002
H-DBI
t--------------------------
..
~
011
~
001
H-
DB0
L-
________________________
.....
~
0 I 0
L
___
..J
L..::..
000
U11
DB3~13~--------------------~
DB2~10~----------------------~
081~6:....-----------------------~
DB0~3--------------------------~
~12S
~
U23
74125
~
G2
r---+lIT
4
lA
6
2A
~JQ.
~~
12
5A
14
6A
74365
U12
lyrL---
2Y
5
3Y :
~~I-!'-II----------....I
6Y
13
,
NOTE
5
n
__
.....
__
_
UP3
C-INTA
A7
A6
A5
A4
A3
A2
Al
A0
INT
DB7
OB6
DB5
DB4
OB3
DB2
OBI
DB0
A2
Al
Q2
(TTL)
AO
C-J10
W
C-I/O
R
C-lNTA
C-1I0 W
C-INTA
RESET
01
02
021TTL)
17
REQ
3B
DB7
37 DB6
36 DB5
35
DB4
34
DB3
33 DB2
U24
~
74125~
32
_[U24
~
J OBI
74125
~
74125~~
31
DB0
~r
74125
CO~lc
~~3
74365
~
ri-
2A
lY
rL---
+12V
r!-3A
2Y S
~
~
4A
+5V
~
5A
~
3Y 7 22-
4Y
~
GNO
A 5Y ..!L--.
-
G2
....ll
~
Gi
-5V
rn
U25
4
RS2
74125
"'--
~
U25
"
74125
~
RS1
C
R II
U32A
UP2 7474
NOTE
6
\t
U25
" RS0
74125
~
R Q
~
U32B
_=:J740~~
7474
UP2
NOTE
6
-
7~
3
OS
~
:J740~
2 W/R
I RESET
41
01
42
02
U~2 U~2
U~2
~WCK
)C
)C
C
RQ
RQ
RQ
UZ8A
U28B
U58A
7474 7474 7474
UP2 UP2 UP2
UA0
30
~3
~04
WE
24
WFT 8
lOX
7
+5V
~
:
5.1K
~
WD
r1q
U26B
UI4
74123
250.,
uPD372
:50
..
UP3
UAI
29
~33
r=--1?404
28
U34
UB0
7432
SOS
26
T00
9
27
~3
UBI
';;04
LCT 22
~7
~16
2s1
~7
SID
WFR
[23 "10:;
RCK
rL2-
RO~
U50
74368
15
-t>o-n
~
U~112
II DEVICE SELECT!
~
10
14 13
wRlf~
GATt:
24
~1.
----!.
2 3 WRITE
DATA
22
5
~
4
U'{3
WRITE PROTECT
28
7
~
6
Ui
9
INDEX/SECTOR
8
~
READ
DATA
9
10
30
I
150.11.
-
y +5V
USI
74368
~
U~12
""
3 DEVICE
SELECT2
12
4 " 5 WRITE GATE
24
~
6 7
WRITE
DATA
~A
22
UPI4
1 WRITE PROTECT
9
10
28
~J
,..1.
UPIO
II
A
12
1 INDEX ISECTOR S
G
13
14
READ
DATA
30
~
IS
~
--
+5V
~7
~16
U5374368
/;!!3
15
~
.....:!l....
1'::04
14
13
STEP
20
~
U'(I
II
12
TRACK
00
26
--
I
-J>o-.j
UPI
LIO
9
~
~
U7
2
7 6 TRACK
00
26
4
~
5 STEP
20
~
MOTOR
ON
16
~7
DIRECTION
18
7416
-
DIRECTION
18
~7
MOTOR
ON
I
16
7416
Jl
2200
330 0
CHIP
LIST
QTY PART
NO.
+5V
+5V
UPI-L
5V~
r!L
UPI4
1
uP0372D
""fj
~
UP2...1.
~UPI3
UP3...l.
r!L
UPI2
20K •
511<
15K
UP4....!.
UI5
r!L
UPII
UP5 2
rll-
UPIO
NOMI
tloPf tlPf
220n.
UP6
-2. flL UP9
~
rO
'"
'"
UP7.2
T "-
UPS.....§.
RES.
NETWORK
J
RQU~B
SPRAGUE
R Q
U55
200
P
fi
NO.916CI3IXSTR
74123
74123
PULL
UP
UPl
~'I~~'!
750""
UPl
!IOOns
SOURCES
NOTES
1.
THE
HOST
PROCESSOR
AND
CONTROLLER
PROCESSOR
ARE
BOTH
uPD8080A'S.
HOST
PROCESSOR
SIGNALS
ARE
PREFiXED
WITH
H-.
CONTROLLER
PROCESSOR
SIGNALS
ARE
PREFIXED
WITH
C-.
2.
THE
HOST
HAS
DIRECT
MEMORY
ACCESS
INTC
THE
CONTROLLER-NOT
VICE
VERSA.
3.
HOST
ADDRESS
SIGNALS
DO
NOT
REACH
THE.
CONTROLLER
MEMOR
IES
UNTIL
C-HLDA
IS
GRANTED
DURING
A
HOST
ACCESS.
THE
HOST
IS
THEN
IN
A
TW
STATE.
ONE
SHOT
U26A
KEEPS
THE
H-READY
LINE
LOW
(TO
MAINTAIN
ADDRESS
AND
DATA
PATHS)
FOR
AT
LEAST
THE
450n5
MEMORY
ACCESS
TIME.
4.
H-WR
IS
ALREADY
PRESENT
DURING
A
WRITE
CYCLE
WHEN
THE
HOST
ADDRESS
SIGNALS
REACH
THE
CONTROLLER
MEMORIES
(HOST
IS
IN
A
TW
STATE
AT
C-HLDAI.
THIS
DELAY
CIRCUIT
KEEPS
THE
CONTROLLER
RAM
R/W
SIGNAL
HIGH
FOR
THE
REQUIRED
TAW
TIME.
SEE
uPD210lAL
SPECIFICATION.
S.
THIS
CIRCUIT
JAMS
AN
"FB"
(HEX)
CODE
(ENABLE
INTERRUPT)
ONTO
THE
DATA
BUS
DURING
C-INTA.
6. RS0-RSI
MUST
BE
STABLE
FROM
150
..
BEFORE
TO
IOns
AFTER
THE
TRAILING
EDGE
OF
01.1SEE
uPD372
SPECIFICATIONSI
flF
U32
SYNCRONIZES
RS0,RSI
CHANGES
WITH
THE
LEADING
EDGE
OF
02.
7.
UNLESS
OTHERWISE
SPECIFIED
ALL
RESISTORS
114W,!5%
2
uPD21OIAL-4
1
uP02308
1
7400
2
7404
1
7408
1
7416
1
7430
2
7432
4
7474
2
74123
3
74125
1
74157
4
74365
uP080S0A
2
uPB8216
1
uPB8224
1
uPB8238
3
74368
RESISTOR
NETWORK
SPRAGUE
NO.
914C131XSTR
35
TOTAL
FIGURE
6-uPD372D
DUAL MINI-FLOPPY DISC CONTROLLER
3-22-71
12

Software
The
program
listing
at
the
end
of
this
Addendum
is
intended
to
be
a
superset
of
the
program
in
the
Users'
Manual.
The
source
program
contains
all
instructions
necessary
for
both
the
Minifloppy
and
the
Standard
floppy,
all
the
instructions
for
both
Read/Write
and
Formatting,
and
all
the
instructions
for
both
Single
and
Multi
unit
systems.
For
any
specific
case,
only
selected
portions
of
the
source
program
should
be
assembled.
This
is
accomplished
by
setting
the
symbols
STD,
MINI:
RDWR,
FMT:
MU,
NU
to
the
appropriate
values.
All
but
the
either
a
true
or
a
false
value.
A
true
one
bits
which
is
FFFF
in
hexadecimal.
as
16
zero
bits,
or
0000
hexadecimal.
set
to
the
number
of
units
(drives)
in
symbol
NU
are
set
to
value
is
defined
as
16
A
false
value
is
defined
The
last
symbol,
NU,
is
the
system.
The
attached
assembly
listing
is
assembled
for
a
Minifloppy,
with
Read/Write
and
Format
routines,
for
a
Multi-Unit
system
with
two
units.
Therefore,
the
symbolic
values
are
as
follows:
STD
EQU
FALSE
(Standard
=
False)
MINI
EQU
TRUE
(Minifloppy
=
True)
RDWR
EQU
TRUE
(Read/Write
=
True)
FMT
EQU
TRUE
(Format
=
True)
MU
EQU
TRUE
(Multi-Unit
=
True)
NU
EQU
2
(No.
Units
=
2)
Note:
For
more
than
2
units,
both
hardware
and
software
require
some
minor
modifications.
13

The memory
map
for
the
controller
program
is
as
follows:
IK X 8
PROM
or
ROM
25Sx8
SHARED
RAM
0000
CONTROLLER
PROGRAM
--
0100
--
0200
--.
0300
0
COMMAND
a
PARAMETERS
3FF
0400
STACK
DATA
BUFFER
Figure
8
--
Memory
Map
14
0
0
0
47F
480
4FF

The
logic
flow
for
the
controller
program
is
simple
and
is
shown
as
follows:
START
SET
MASTER
ERROR
FLAG
SIGNAL
COMMAND
COMPLETION TO HOST .......
-~
(CUND=0)
UNLOAD HEAD
AND/OR
TURN
MOTOR
OFF
EXECUTE
COMMAND
Figure
9
--
Program
Logic
Flow
Note:
•
Standard
Floppy
-
Unload
Head
Only
•
Minifloppy
-
Unload
Head
and
Turn
Motor
Off
In
the
attached
assembly
listing,
the
source
that
was
used
produces
assembled
code
(numbers)
in
the
two
left-hand
columns.
Those
portions
of
the
source
that
were
skipped
because
of
the
values
of
MINI,
STD,
etc.,
produce
no
code
in
the
two
left-hand
columns.
Therefore,
when
reading
through
the
assembly
listing,
if
the
two
left-hand
columns
are
blank,
ignore
the
source
statements
to
the
right.
After
the
basic
program
is
understood,
these
skipped
portions
will
show
the
differences
between
the
Mini
and
the
Standard,
and
the
differences
between
a
Single
and
Multi-Unit
system.
15

NEC
FLOPPY DISK DRIVE
CONTROLLER
PROGRAM
04-05-77
1700
(GCY)
CALLING
SEQUENCE
IN
ANY
SEQUENCE
SET
THE
VALUES
FOR
THE
PARAMETERS:
UNIT (0
TO
(NU-l)
)
TRACK
(0
TO
(NTRKS-1) )
SECTR
(1
TO
NSCTR)
i SCTSZ (4
TO
NBSCT) -OPTIONAL: DEFAULT=128
THE
LAST
THING
TO
DO
IS
TO
SET
THE
COMMAND.
CMND
=1 FOR
READ
=2 FOR WRITE
=3 FOR SEEK
=4 FOR
INIT
(INITIALIZE)
=5
FOR
FRMAT
(FORMAT)
=6
FOR
RST0 (RESET)
THE
CONTROLLER
SIGNALS COMPLETION
BY
ZEROING
THE
i
COMMAND
LOCATION. THEREFORE
WAIT
FOR
CMND=0.
i
ASSEMBLY
SWITCHES
0000
FALSE
EQU
0
FFFF
TRUE
EQU
NOT
FALSE
0000
STD
EQU
FALSE
iSTANDARD
FLOPPY
FFFF MINI
EQU
TRUE
iMINIFLOPPY
FFFF
RDWR
EQU
TRUE
iREAD/WRITE
SWITCH
FFFF
FMT
EQU
TRUE
iFORMAT
SWITCH
FFFF
MU
EQU
TRUE
iMULTIPLE UNITS
0002
NU
EQU
2
iNUMBER
OF
FLOPPY DISK DRIVE UNITS
0000
0080
0040
0008
0004
0002
0001
0080
0038
0010
0000
0004
0003
0002
0003
0080
0040
0020
0010
0008
i
i *****
EQUATES
FOR
USE
WITH
UPD372 *****
i
W0
W0RST
W0MBL
W0HLD
W0LCT
W0WFR
i
WI
WICBS
WICBN
WICBI
WICBD
WIUAS
WIUAA
i
W2
i
W3
W3RCS
W3WCS
W3STT
W3WES
W3IXS
EQU
0
EQU
80H
EQU
40H
EQU
08H
EQU
04H
EQU
02H
EQU
1
EQU
80H
EQU
38H
EQU
10H
EQU
00H
EQU
04H
EQU
03H
EQU
2
EQU
3
EQU
80H
EQU
40H
EQU
20H
EQU
10H
EQU
08H
iWRITE REGISTER
ZERO
iRESET
iMUST
BE
LOW
iHEAD
LOAD(NOT
USED
FOR
MINI)
iLOW
CURRENT
(MOTOR
ON
FOR
MINI
#2)
iWRITE
FAULT
RESET
(MOTOR
ON
FOR
MINI
iWRITE REGISTER
ONE
iCLOCK
BIT
STROBE
iCLOCK
BITS
FOR
NORMAL
DATA
iCLOCK
BITS
FOR
INDEX
ADDRESS
MARK
iCLOCK
BITS
FOR
ID,
DATA,
iOR DELETED
DATA
ADDRESS
MARK
iUNIT
A STROBE
iUNIT
A
ADDRESS
MASK
iWRITE
DATA
REGISTER
iWRITE REGISTER
THREE
iREAD
CLOCK
SET
iWRITE
CLOCK
SET
iSTART READ/WRITE OPERATION
iWRITE
ENABLE
SET
iINDEX START
16
#1)

0004
0002
0001
0004
0080
0040
0020
0004
0003
0006
0004
0002
0001
0000
0080
0040
0030
0008
0004
0002
0001
0001
0080
0040
0020
0010
0008
0004
0003
0002
0003
0023
0012
0080
07D0
0028
000A
0008
0006
000F
0006
0011
W3WER
W3CCG
W3CCW
.
,
W4
W4STS
W4SID
W4S0S
W4UBS
W4UBA
i
W6
W6TRR
W6IRR
W6DRR
i
R0
R0ALH
R0RYB
R0UBA
R0ERR
R0TRQ
R0IRQ
R0DRQ
i
Rl
RIWRT
RIT00
RIDER
RICOR
RIRYA
RIWFT
RIUAA
i
R2
i
NTRYS
NTRKS
NSCTR
NBSCT
TMLIM
TTACS
STLNG
RSKIP
WSKIP
NFPOI
NFGP2
NFGP3
EQU
04H iWRITE
ENABLE
RESET
EQU
02H iCYCLIC
CHECK
GENERATE
EQU
01H iREAD/WRITE CYCLIC
CHECK
WORDS
EQU
4 iWRITE REGISTER
FOUR
EQU
80H,
iSTEP
STROBE
EQU
40H
iSTEP
IN
OR
DIRECTION
EQU
20H
iSTEP
OUT
OR
STEP
EQU
04H
iUNIT
B STROBE
EQU
03H
iUNIT
B
ADDRESS
MASK
EQU
6 iWRITE REGISTER
SIX
EQU
04H iTIMER
REQUEST
RESET
EQU
02H iINDEX
REQUEST
RESET
EQU
01H
iDATA
REQUEST
RESET(DONE
BY
HARDWARE)
EQU
0
EQU
80H
EQU
40H
EQU
30H
EQU
08H
EQU
04H
EQU
02H
EQU
01H
EQU
1
EQU
80H
EQU
40H
EQU
20H
EQU
10H
EQU
08H
EQU
04H
EQU
03H
EQU
2
iREAD REGISTER
ZERO
iALWAYS
HIGH
iREADY
B(NOT
USED
WITH
MINI)
iUNIT
B
ADDRESS
MASK
iERROR
iTIMER
REQUEST
i
(NO
INTERRUPT
GENERATED)
iINDEX
REQUEST
i (INTERRUPT
CLEARED
BY
SOFTWARE)
iDATA
REQUEST
i (INTERRUPT
CLEARED
BY
HARDWARE)
iREAD REGISTER
ONE
iWRITE
MODE
iTRACK
00
iDATA
ERROR
(CRC)
iCOMMAND
OVERRUN
iREADY
A(NOT
USED
WITH
MINI)
iWRITE FAULT(NOT
USED
WITH
MINI)
iUNIT
A
ADDRESS
MASK
iREAD
DATA
REGISTER
EQU
3
iNUMBER
OF
READ
RETRYS
IF
MINI
EQU
35
iNO.
OF
TRACKS/DISK
EQU
18
iNO.
OF
SECTORS/TRACK
EQU
128
iNO.
OF
BYTES/SECTOR
EQU
2000
iIDLE
TIME
LIMIT
IN
MS
EQU
40
iTRACK
TO
TRACK
ACCESS
IN
MS
EQU
10
iHEAD
SETTLING TIME
IN
MS
EQU
8 iNO.
OF
GAP
BYTES
TO
SKIP
IN
READ
EQU
6 iNO.
OF
GAP
BYTES
TO
SKIP
IN
WRITE
EQU
16-1
iNO.
OF
FF'S
IN
POST INDEX
GAP
EQU
6 iNO.
OF
FF'S
IN
GAP
2
EQU
17
iNO.
OF
FF'S
IN
GAP
3
ENDIF
17

0480
0000
0000
F3
0001
3E80
0003
D300
0005
318004
0008
210004
000B
061A
000D
AF
000E
77
000F
23
0010
05
0011
C20E00
0014
3E80
0016
320404
0019
010100
001C
CD2600
001F
0D
0020
F21C00
0023
C34E00
0026
NTRKS
NSCTR
NBSCT
LHCTK
TMLIM
TTACS
RSKIP
WSKIP
NFPRI
NFPOI
NFGP2
NFGP3
STACK
IF
STD
EQU
77
iNO.
OF
TRACKS/DISK
EQU
26
iNO.
OF
SECTORS/TRACK
EQU
128
iNO.
OF
BYTES/SECTOR
EQU
43
iLAST
HIGH
CURRENT
TRACK
EQU
667
iIDLE
TIME
LIMIT
IN
MS
EQU
10
iTRACK
TO
TRACK
ACCESS
IN
MS
EQU
13
iNO.
OF
GAP
BYTES
TO
SKIP
IN
READ
EQU
11
iNO.
OF
GAP
BYTES
TO
SKIP
IN WRITE
EQU
40-1
iNO.
OF
FF'S
IN
PRE
INDEX
GAP
EQU
26
iNO.
OF
FF'S
IN
POST INDEX
GAP
EQU
11
iNO.
OF
FF'S
IN
GAP
2
EQU
27 iNO.
OF
FF'S
IN
GAP
3
ENDIF
EQU
0480H
ORG
0
i ***** RESET *****
RST0:
DI
iRESET
MVI
A,W0RST
OUT
W0
iRESET
372,
CLEAR
WRITE
ENABLE
LXI SP,STACK
iINITIALIZE
DATA
AREA
TO
ZERO
RS020:
LXI
H,CMND
iHL=ADR(DATA
AREA)
MVI
B,NB iB=NO.
OF
BYTES
XRA
A
RS030:
MOV
M,A
iM=0
INX H
DCR
B
iDONE?
JNZ
RS030
iNO
INITIALIZE
SECTOR
SIZE
MVI
A,NBSCT
STA SCTSZ
INITIALIZE
ALL
UNITS
IF
MU
LXI
B,NU-l
iSTART
WITH
UNIT
(NU-l)
ENDIF
RS010:
CALL
INIT
IF
MU
DCR
C iLAST UNIT?
JP
RS010
iNO,
GO
DO
NEXT
UNIT
ENDIF
JMP RT010
*****
INITIALIZE
DISK UNIT SUBROUTINE *****
i INPUT: BC=UNIT#
REGISTERS:
AF,DE,HL
i
STACK
PAIRS:
2
INIT
EQU
$
IF
NOT
MU
CALL
UASLC
18

0~26
CDDF02
0~29
CDBB~2
0~2C
lE22
0~2E
DB01
0~30
E640
0~32
C23C00
0~35
CD8302
0038
ID
0~39
C22E00
003C
211204
003F
09
0040
70
0041
C9
0042
F3
0~43
CA4B00
0~46
3E01
0~48
320504
004B CDD200
0~4E
3E03
0050
321004
0~53
AF
0054
320004
0057
DB00
0~59
E604
005B
CA8800
005E
D306
0060
010100
0063
211404
0066
CDF702
0069
C5
006A
01D007
006D
5E
006E
23
006F
56
0070
13
ENDIF
IF
MU
CALL
UBSLC
ENDIF
IF
MINI
CALL
MTOFF
;TURN
MOTOR
OFF
AND
UNLOAD
HEAD
ENDIF
IF
STD
CALL
UNLQ
;UNLOAD
HEAD
ENDIF
;
MOVE
HEAD
TO
TRACK
ZERO
MVI
E,NTRKS-l
;E=LOOP LIMIT
IN010:
IN
Rl
;READ
STATUS
ANI
RIT00
;TRACK
0?
JNZ
IN020
;YES,
DONE
CALL
STO
;NO, STEP
OUT
DCR
E
;LIMIT
REACHED?
JNZ
IN010
;NO,
CHECK
AGAIN
IN020:
LXI H,TKPTR
IF
MU
DAD
B
;ADD
UNIT#
TO
HL
ENDIF
MOV
M,B
;TKPTR=0
RET
;
RETURN
FROM
COMMAND
RETRN: DI
JZ RT005
MVI
A,l
STA
MERF
RT005:
CALL
TRSET
;WAS
THERE
AN
ERROR?
;YES,
SET
THE
;MASTER
ERROR
FLAG
;RESET IDLE
TIME
RT010:
MVI
A,NTRYS
STA
RRTRY
;RESET
NO.
OF
READ
RETRYS
XRA
A
STA
CMND
;RESET
COMMAND
TO
ZERO
IDLE
LOOP
-
CHECK
FOR
A
COMMAND
;
CHECK
IDL10:
IDL20:
IDLE
IN
ANI
JZ
OUT
LXI
LXI
IF
MU
CALL
ENDIF
PUSH
LXI
MOV
INX
MOV
INX
TIME
R0
R0TRQ
IDL40
W6
B,NU-l
H,ITIME
DINDX
;INPUT
CLOCK
STATUS
;DID
CLOCK
TICK?
;NO,
GO
CHECK
FOR
COMMAND
;YES,
RESET
CLOCK,
UPDATE
IDLE
TIME
;BC=UNIT# .
B ;SAVE
BC
B,TMLIM ;BC=TIME LIMIT
E,M
H
D,M
;DE=ELAPSED IDLE TIME
D ;INCREMENT IDLE
TIME
19

0071
72
MOV
M,D
0072
2B
DCX
H
0073
73
MOV
M,E iUPDATE IDLE TIME
0074
7A
MOV
A,D
iTEST
MSB
0075
B8
CMP
B iD=B?
0076
C28300
JNZ
IDL30
iNO, CONTINUE
0079
7B
MOV
A,E
007A
B9
CMP
C iE=C?
007B
C28300
JNZ
IDL30
iNO, CONTINUE
007E
C1
POP
B iRESTORE
BC
007F
C5
PUSH
B iMAINTAIN
STACK
POSITION
IF
MINI
0080
CDBB02
CALL
MTOFF
iYES,
TIME
LIMIT
REACHED,
iTURN OFF
MOTOR,
UNLOAD
HEAD
ENDIF
IF
STD
CALL
UNLD
iYES,
TIME
LIMIT
REACHED,
iUNLOAD
HEAD
ENDIF
0083
C1
IDL30:
POP
B iRESTORE
STACK
POSITION
IF
MU
0084
0D
DCR
C iLAST UNIT?
0085
F26300
JP
IDL20
iNO, KEEP
CHECKING
ENDIF
i
CHECK
FOR
COMMAND
0088
3A0004
IDL40:
LDA
CMND
008B
B7
ORA
A
iIS
THERE
A
COMMAND?
008C
CA5700
JZ
IDL10
iNO,
STAY
IN
IDLE
LOOP
EXECUTE
COMMAND
i A=COMMAND(l-NCMDS)
008F
4F EXEC:
MOV
C,A
iSAVE
COMMAND
IN C
0090
110504
LXI D,MERF i
ZERO
FLAGS
0093
060B
MVI
B,NF
0095
AF
XRA
A
0096
12
EX005:
STAX
D
0097
13
INX D
0098
05
DCR
B
0099
C29600
JNZ EX005
009C
3E06
MVI
A,NCMDS
009E
B9
CMP
C
iIS
CMND
OK?
009F
D2A800 JNC EX010 iYES
00A2
320604
STA
CMDER
iNO, SET
FLAG
00A5
C3E700
JMP
ERROR
.
CHECK
ALL
PARAMETERS
,
00A8
110104
EX010:
LXI
D,UNIT
iDE=ADR(PARAMETERS)
00AB
21F000
LXI H,LMTBL iHL=ADR(LIMIT TABLE)
00AE
0604
MVI
B,NP
iB=NO.
OF
PARAMETERS
00B0
1A
EX020:
LDAX
D iA=PARAMETER
00B1
BE
CMP
M
iLOWER
LIMIT
OK?
008'2 DAE200
JC
EX040
iNO,
ERROR
00B5
23 INX H iYES
00B6
BE
CMP
M iUPPER
LIMIT
OK?
00B7
D2E200
JNC EX040 iNO,
ERROR
00BA
23
INX H iYES
20

00BB
13
00BC
05
00BD C2B000
00C0 79
00C1
21F800
00C4
3D
00C5
07
00C6 5F
00C7
1600
00C9
19
00CA 5E
00CB
23
00CC
56
00CD
214200
00D0 E5
00D1
D5
00D2
3A0104
00D5 4F
00D6
0600
00D8
211404
00DB CDF702
f2J0DE
70
00DF
23
00E0
70
00E1
C9
00E2
3E01
00E4
320704
00E7
320504
00EA
318004
00ED
C34E00
00F0
0002
00F2
0023
00F4
0113
00F6
0481
00F8
8F01
00FA 0C02
00FC
0401
00FE
2600
0100
FF02
0102
0000
0006
INX
D
DCR
B iDONE?
JNZ EX020
iNO
i
COMMAND
AND
PARAMETERS
OK
MOV
A,C
iYES,
A=COMMAND
LXI H,CTBL
DCR
A
iA=(0-(N-1»
RLC
iA=2*A
MOV
E,A
MVI
D,0
DAD
D iHL=ADR(ADR)
MOV
E,M
INX
H
MOV
D,M
iDE=ADR
LXI H,RETRN
PUSH
H i(SP)=RETURN
ADDRESS
PUSH
D iSAVE
ROUTINE
ADDRESS
iIDLE
TIME
RESET
TRSET:
LDA
UNIT
MOV
C,A
iC=UNIT #
MVI
B,0
iBC=UNIT#
LXI
H,ITIME
IF
MU
CALL
DINDX
ENDIF
MOV
M,B
iSET IDLE TIME
TO
ZERO
INX
H
MOV
M,B
RET
iVECTOR
TO
ROUTINE,
OR
RETURN
TO
CALLER
i
EX040:
MVI
A,l
.
,
STA
PRMER
ERROR:
STA
MERF
iSET
PARAMETER
FLAG
iSET
MASTER
ERROR
FLAG
iRESET SP
LXI SP,STACK
JMP
RT010
iLIMIT
TABLE
(UPPER
AND
LOWER
FOR
PARAMETERS)
LMTBL:
DB
0,NU iUNIT
DB
0,NTRKS
iTRACK
DB
1,NSCTR+1 iSECTR
DB
4,NBSCT+1 ;SCTSZ
;
COMMAND
TABLE
CTBL:
DW
READ
;1
DW
WRITE
i2
DW
SEEK
i3
DW
INIT
i4
DW
FRMAT
i 5
DW
RST0
;6
NCMDS
EQU
($-CTBL)/2
21

i ***** SEEK
TRACK
ROUTINE *****
INPUT:
BC=UNIT#
REGISTERS:
AF,D,HL
SUBROUTINES:
UASLC,UBSLC,STI,STO
i
0104
SEEK
EQU
$
IF
MU
0104
CDDF02
CALL
UBSLC
ENDIF
IF
NOT
MU
CALL
UASLC
ENDIF
0107
211204
LXI H,TKPTR
IF
MU
010A
09
DAD
B
iADD
UNIT#
TO
HL
ENDIF
010B
3A0204
LDA
TRACK
iA=TRACK DESIRED
010E
BE
CMP
M
010F
C8
RZ
iTRACK=TKPTR
IF
MINI
0110
E5
PUSH
H iSAVE ADR(TKPTR)
ENDIF
0111
DAIA01 JC
SK010
iTKPTR)TRACK
0114
CD7C02
CALL
STI
iTKPTR<TRACK
IF
STD
JMP
SEEK
ENDIF
IF
MINI
0117
C31D01
JMP
SK020
ENDIF
011A
CD8302
SK010:
CALL
STO
iTKPTR)TRACK
IF
STD
JMP
SEEK
ENDIF
IF
MINI
011D
El
SK020:
POP
H i
HL=ADR
(TKPTR)
011E
3A0204
LDA
TRACK
0121
BE
CMP
M iTRACK=TKPTR?
0122
C20401
JNZ
SEEK
iNO, KEEP SEEKING
0125
060A
MVI
B,STLNG
iYES,
ALLOW
HEAD
TIME
TO
SETTLE
0127
CDE602
CALL
DELAY
012A
C9
RET
ENDIF
IF
RDWR
READ
ID
RECORD
ROUTINE
i
iREGISTERS:
A,F,B,C,DE,HL
i
012B
CD0401
RID:
CALL
SEEK
iPOSITION
HEAD
IF
MU
.
012E
CDD802
CALL
UASLC
iSELECT UNIT
WITH
A LINES
ENDIF
22

el131 CD9Eel2
0134
0E04
el136
210204
0139
lle1Ael4
el13C
AF
013D
47
013E
D303
0140
3EA0
0142
D303
0144
FB
el145 76
0146
DB02
0148
EEFE
014A
C27801
014D
76
014E
DB02
0150
AE
0151
12
0152
13
0153
23
0154
76
i
RIA:
i
IF
MINI
CALL
r1TRON
ENDIF
IF
STD
CALL
RDYA
CALL
HDLD
ENDIF
MVI
C,4
LXI H,TRACK
LXI
D,WTRK
XRA
A
MOV
B,A
OUT
W3
iTURN
ON
MOTOR
AND
LOAD
HEAD
iCHECK
FOR
UNIT
READY
iLOAD
HEAD
iSTORE
LIMIT
OF
REVOLUTIONS
OF
iDISK
WITHOUT
FINDING
CORRECT
ID
iRECORD.
USE
4
TO
GUARANTEE
iTHREE
COMPLETE
REVOLUTIONS.
iINITIALIZE
TRACK/SECTR POINTER
iINITIALIZE
FLAG
POINTER
iSET
B=0
iRESET STT (FOR
RETRY)
i
MVI
A,W3RCS+W3STT
iRCS=l,
STT=l
OUT
W3
iGO
TO
READ
CLOCK. SET STT
TO
AUTO-
iMATICALLY START
READ
OPERATION
WHEN
iADDRESS
MARK
IS
READ.
EI
HLT
iENABLE INTERRUPT
AND
WAIT
FOR
iADDRESS
MARK
TO
BE
READ.
iINTERRUPT(ADDRESS
MARK)
i
(EI)
IN
XRI
JNZ
HLT
R2
0FEH ·
RIM
iREAD
DATA
iIS
IT
AN
I.D.
ADDRESS
MARK?
iNO:
JUMP
TO
RIM
iYES:
WAIT
FOR
NEXT
INTERRUPT.
iINTERRUPT(TRACK ADDRESS)
.
,
(EI)
IN
R2
XRA
M
STAX
D
INX D
INX H
HLT
IF
STD
;READ
TRACK
ADDRESS
BYTE.
iCOMPARE
WITH
DESIRED
TRACK
iWTRK
=0
FOR
OK, =NON-ZERO
FOR
ERROR
iDE POINTS
TO
NEXT
FLAG
iHL POINTS
TO
SECTR
iWAIT
FOR
NEXT
INTERRUPT
iINTERRUPT(FIRST
ZERO
BYTE)
(EI)
IN
R2
STAX
D
INX D
HLT
23
iREAD
ZERO
BYTE
iZEROl
=0
FOR
OK, =NON-ZERO
FOR
ERROR
iDE POINTS
TO
ZER02
iWAIT
FOR
NEXT
INTERRUPT

0155
DB02
0157
AE
0158
47
0159
3E21
015B
D303
015D
76
015E
3E20
0160
D303
0162
76
0'163 DB01
0165
E620
ENDIF
i
iINTERRUPT(SECTOR ADDRESS)
(EI)
IN
R2
iREAD SECTOR
ADDRESS
BYTE
XRA
M
iCOMPARE
WITH
DESIRED SECTOR
MOV
B,A
iB
=0
FOR
OK,
=NON-ZERO
FOR
ERROR
MVI
A,W3STT+W3CCW
OUT
W3
iSEND
COMMAND
TO
W3.
HLT
iTHIS
COMMAND
SETS
CCW.
(STT
iBIT
MUST
ALSO
BE
A
ONE
TO
AVOID
iRESETTING
STT.)
THE
BIT
RING PULSE
i (BRP)
FOLLOWING
THE
SETTING
OF
CCW
iWILL START A
BIT
BY
BIT
COMPARISON
iOF
THE
DATA
READ
FROM
THE
DISK
WITH
iTHE
DATA
READ
FROM
THE
CRC
REGISTER.
i
(ALTHOUGH
THE
CPU
WILL
HAVE
READ
iA
COMPLETED
BYTE
AT
THE
NEXT
iBRP,
THE
DISK DRIVE
HEAD
WILL BEGIN
iREADING
THE
1ST
CRC
BYTE.)
i
iWAIT FOR
NEXT
INTERRUPT.
IF
STD
iINTERRUPT(SECOND
ZERO
BYTE)
(EI)
IN
R2
STAX
D
INX
D
HLT
ENDIF
i
iINTERRUPT(CRC
BYTE
1)
(EI)
MVI
A,W3STT
OUT
W3
HLT
i
iINTERRUPT(CRC
BYTE
2)
(EI)
IN
Rl
ANI RIDER
iREAD
2ND
ZERO
BYTE
i
iZER02
=0
FOR
OK, =NON-ZERO
FOR
ERROR
iDE
POINTS
TO
CRCID
iWAIT FOR
NEXT
INTERRUPT.
iTURN OFF
CCW
i
iSEND
COMMAND
TO
W3
iSTT=I,
CCW=0.
CCW
IS
RESET.
iAT
NEXT
BRP
BIT-BY-BIT
CRC
iCOMPARISON WILL END.
i
iWAIT
FOR.
NEXT
INTERRUPT.
iINTERRUPT
CAUSED
BY
2ND
CRC
BYTE
i
iWAS
THERE
A
CRC
ERROR?
24

0167
12
0168
78
0169
B7
016A
C27801
016D
76
016E
EB
016F
B6
0170
76
0171
2B
0172
B6
0173
C27801
0176
76
0177
C9
0178
DB00
017A
E602
017C
CA3601
017F
D306
0181
0D
0182
C23601
0185
AF
0186
D303
0188
3E01
018A
320904
018D
87
018E
C9
i
STAX
D
MOV
A,B
ORA
A
JNZ
RIM
HLT
iCRCID =0 FOR OK, =NON-ZERO
FOR
ERROR
iSECTOR
OK?
iNO,
TRY
AGAIN
iYES
iINTERRUPT
(FIRST
GAP
BYTE)
.
,
(EI)
XCHG
ORA
M
IF
STD
DCX
H
ORA
M
DCX
H
ORA
M
ENDIF
HLT
iHL POINTS
TO
CRCID, A=0
iTEST
CRCID
iTEST
ZER02
iTEST
ZEROI
iINTERRUPT (2ND
GAP
BYTE)
i
(EI)
DCX
H
ORA
M
JNZ
RIM
HLT
iTEST
WTRK.
(IS
TRACK
ADDRESS
iREAD
EQUAL
TO
SOFTWARE
TRACK
; POINTER?)
iONE
OF THE
ABOVE
IN
ERROR,
TRY
AGAIN.
iINTERRUPT (3RD
GAP
BYTE)
i
i
ERROR
i
RIM:
(EI)
RET
IN
R0
ANI R0IRQ
JZ
RIA
OUT
W6
DCR
C
JNZ RIA
XRA
A
OUT
W3
MVI
A,l
STA
NOGO
ORA
A
RET
iNORMAL
RETURN,
ZERO
FLAG=l
iREAD STATUS
iWAS
INTERRUPT
AN
INDEX REQUEST?
iNO:
WAIT
FOR
NEXT
MARK
i YES, IRQ RESET
iDECREMENT
LIMIT
iWAIT
FOR
NEXT
MARK
IF
NOT
3RD
COMPLETE
iREVOLUTION
OF
DISK
WITHQUT
SUCCESS
iQUIT
iRESET STT
iCOULD
NOT
FIND
REQUESTED
ID
iCLEAR
ZERO
FLAG
i
ERROR
RETURN
*****
READ
DATA
RECORD
ROUTINE *****
25

018F
CD2B01
0192
C0
0193
3E60
0195
D303
0197
0604
0199
76
019A
05
019B
C29901
019E
76
019F
3E40
01Al
D303
01A3
218004
01A6
1621
01AS 0EFB
01AA
3A0404
01AD
D603
01AF
47
01B0
3EA0
01B2
D303
01B4
76
01B5
DB02
01B7
B9
01B8
C2EB01
i
iREGISTERS:
A,F,B,C,DE,HL
.
,
CALL
READ
ID
RECORD
FIRST
i
READ:
CALL
RID iREAD ID
RNZ
iERROR
IN
RID,
RETURN
i(3
GAP
B~TES
HAVE
BEEN
READ,
HEAD
IS
READING
4TH)
MVI
A,W3WCS+W3STT
OUT
W3
iSET
WRITE CLOCK,
LEAVE
STT SET
MVI
B,RSKIP-4
iPASS
GAP
BYTES 4
THRU
(RSKIP-l)
RGAP:
HLT
i
iINTERRUPT
(GAP
BYTE
4
THRU
(RSKIP-l))
i
.
,
(EI)
DCR
JNZ
HLT
B
RGAP
iWAIT FOR
GAP
BYTE
#RSKIP.
HEAD
HAS
iNOW
PASSED
AREA
IN
GAP
THAT
CONTAINS
iUNKNOWN
INFORMATION
GENERATED
WHEN
iWRITE
CURRENT
WAS
TURNED
ON
TO
WRITE
iDATA
RECORD
•
iINTERRUPT
(GAP
BYTE
#RSKIP)
i
(EI)
MVI
A,W3WCS
iRESET
STT,
SET WRITE
CLOCK
TO
OUT
W3
iPREVENT INTERRUPTS UNTIL
FOLLOWING
iIS
DONE.
i
LXI H,BUFFR
iSET
HL
TO
1ST
ADDRESS
OF
iSTORAGE BUFFER.
i
MVI
D,W3STT+W3CCW
iSTORE
COMMAND
TO
SET
CCW
IN
iD
REGISTER.
i
MVI
C,0FBH
iSTORE
DATA
ADDRESS
MARK
CODE
iIN
C.
i
LDA
SCTSZ
iSET
SECTOR
SIZE
SUI 3
MOV
B,A
iSAVE
COUNT
IN
B
i
MVI
A,W3RCS+W3STT
iSET
READ
CLOCK, SET
STT.
OUT
W3
HLT
iWAIT FOR
ADDRESS
MARK.
i
iINTERRUPT
(ADDRESS
MARK)
i
(EI)
IN
R2
CMP
C
JNZ
MARK
iREAD
BYTE
iIS
IT
A
DATA
ADDRESS
MARK?
iNO:
JUMP
TO
MARK
26

01BB
76
01BC DB02
01BE
77
01BF
23
01C0
76
01Cl
DB02
01C3
77
01C4
05
01C5
C2BF01
01C8
23
01C9
76
01CA DB02
01CC
77
01CD
7A
01CE
D303
01D0
76
01Dl
23
01D2 DB02
01D4
77
01D5
76
01D6
3E20
01D8
D303
01DA
76
01DB DB01
01DD
47
01DE
AF
HLT
i
iINTERRUPT
(DATA
BYTE
1)
(EI)
IN
R2
MOV
i
READ
LOOP
RLOOP: INX
HLT
i
M,A
H
iWAIT
FOR
FIRST
DATA
BYTE
iYES:
READ
FIRST
DATA
BYTE
iSTORE
FIRST
DATA
BYTE
iINCREMENT BUFFER POINTER
iINTERRUPT
(DATA
BYTES
2
THRU
(SCTSZ-2)
)
i
(EI)
IN
R2
MOV
DCR
JNZ
INX
HLT
M,A
B
RLOOP
H
iSTORE
DATA
BYTE
IN
BUFFER
iDONE?
iNO,
READ
NEXT
BYTE
iINCREMENT BUFFER POINTER
iINTERRUPT
(DATA
BYTE
#
(SCTSZ-l)
)
i
(EI)
IN
R2
MOV
M,A
MOV
A,D
OUT
W3
HLT
iREAD
AND
STORE
NEXT
TO
iLAST
DATA
BYTE
i
iSET
CCW
iINTERRUPT
(DATA
BYTE
#SCTSZ)
.
,
(EI)
INX H
IN
R2
f\10V
HLT
;READ
AND
STORE
LAST
DATA
BYTE
M,A
iINTERRUPT
(FIRST
CRC
BYTE)
i
i
(EI)
MVI
A,W3STT
OUT
W3
HLT
iR.ESET
CCW
iINTERRUPT (2ND
CRC
BYTE)
(EI)
IN
Rl
MOV
B,A
XRA
A
27
iREAD
STATUS
iSAVE STATUS

01DF
D303
01El
78
01E2
E620
01E4
320C04
01E7
C8
01E8
C30002
01EB
AF
01EC
D303
01EE DB02
01F0
D6F8
01F2
320D04
01F5
C2FC01
01F8
3C
01F9
C3FD01
01FC
AF
01FD
320E04
0200
211004
0203
35
0204
C28F01
0207
AF
0208
D303
020A
3C
020B
C9
020C
CD2B01
020F
C0
0210
0601
0212
76
0213
05
0214
C21202
0217
3EB8
0219
D301
MARK:
MK010:
MK020:
MK030:
OUT
W3
MOV
A,B
ANI RIDER
STA
CRCDR
RZ
JMP
MK030
XRA
A
OUT
W3
IN
R2
SUI 0F8H
STA
ILLMK
JNZ MK010
INR A
JMP
MK020
XRA
A
STA
DELMK
LXI H,RRTRY
DCR
M
JNZ
READ
XRA
A
OUT
W3
INR A
RET
iRESET
STT.
(372
GOES
TO
WRITE
iCLOCK AUTOMATICALLY.)
.
,
iRECALL STATUS
i
iIS
THERE
A
CRC
ERROR?
iSET
CRC
DATA
RECORD
FLAG
iNO,
NORMAL
RETURN
i
iREAD
RECORD
BUT
FOUND
iCRC
ERROR
i
iRESET STT
iREAD
MARK
AGAIN
iIS
IT
A "DELETED
DATA
MARK"?
iSET
ILLEGAL
MARK
FLAG
iILLEGAL
MARK
iDELETED
DATA
MARK
i I
LLEGAL
MARK
iSET
DELETED
DATA
MARK
FLAG
iCHECK
FOR
RETRY
iTRY AGAIN
iRESET STT
iCLEAR
ZERO
FLAG
TO
iINDICATE
AN
ERROR
CONDITION
***** WRITE
DATA
RECORD
ROUTINE *****
i _
iREGISTERS:
A,F,B,C,DE,HL
CALL
READ
ID
RECORD
ROUTINE
FIRST
i
WRITE:
CALL
RID iREAD
ID
RNZ
iERROR
IN
RID,
RETURN
i
(3
GAP
BYTES
HAVE
BEEN
MVI
B,WSKIP-5
WGAP:
HLT
READ,
HEAD
IS
READING
4TH)
iCOUNT
INTERRUPTS
FROM
ID
iRECORD.
(HEAD
WILL
THEN
BE
.
,
iINTERRUPT
(EI)
DCR
JNZ B
WGAP
iREADING
(WSKIP-l)
BYTE)
i
MVI
A,WICBS+WICBN
iSET
CLOCK
BITS
AND
STROBE
OUT
WI
iSET
WRITE
CLOCK
LOGIC
TO
WRITE
~ALL
CLOCK
BITS
("FF"
CLOCK
BITS)
iFOR
DATA
28

021B
AF
021C
D302
021E
76
021F
3E70
0221
D303
0223
DB01
0225
E604
0227
CA3202
022A
3E01
022C
320F04
022F
C3E700
0232
76
0233
76
0234
218004
0237
76
i
XRA
A
OUT
W2
HLT
i INTERRUPT
(EI)
i
iSET
WRITE
DATA
REGISTER
TO
00.
iWAIT
FOR
INTERRUPT
iHEAD
IS
READING
GAP
BYTE
#WSKIP.
i
MVI
OUT
A,W3WCS+W3STT+W3WES
iWCS,
STT,
WES
= 1
CLOCK
W3
iWRITE
CURRENT
AND
WRITE
IN
R1
ANI
R1WFT
JZ
WR010
IF
STD
MVI·
A,W0WFR
CALL
SETW0
MVI
A,W0WFR
CALL
CLRW0
ENDIF
MVI
A,l
STA WRITF
JMP
ERROR
WR010:
HLT
i
iINTERRUPT
(EI)
HLT
IF
STD
i
iINTERRUPT
(EI)
HLT
i
iINTERRUPT
.
,
(EI)
HLT
ENDIF
iINTERRUPT
(EI)
LXI H,BUFFR
HLT
29
iWILL START
AT
NEXT
BRP
iREAD STATUS
;WRITE FAULT?
iNO, CONTINUE
iWRITE
FAULT
RESET
iCLEAR RESET
BIT
iYES,
SET WRITE
FAULT
FLAG
iWAIT FOR INTERRUPT
iLAST FF
GAP
BYTE
READ,
372
iSWITCHES
TO
WRITE
MODS.
iHEAD
BEGINS WRITING A
00
iIN
GAP
BYTE
#(WSKIP+l).
iHEAD
STARTS WRITING
00
iIN
BYTE
#(NO.
OF
GAP
BYTES
-
4).
iHEAD
STARTS WRITING
00
iIN
BYTE
#(NO.
OF
GAP
BYTES
-
3).
iSET
B,L
TO
START
OF
WRITE
BUFFER
iHEAD
STARTS WRITING
00
IN

0238
06FB
023A
0E22
023C
16B8
023E
lE20
0240
3E80
0242
76
0243
D301
0245
78
0246
D302
0248
79
0249
D303
024B
7A
024C
76
024D
D301
024F
7B
0250
D303
0252
7E
0253
D302
0255
76
iBYTE
i(NO.
OF
GAP
BYTES
-
2).
i
iINTERRUPT
.
,
(EI)
MVI
B,0FBH
iLOAD
DATA
MARK
IN
B
iHEAD STARTS WRITING
00
IN
iNEXT
TO
LAST
GAP
BYTE.
i
MVI
C,W3STT+W3CCG iSTORE SET
CCG
COMMAND
IN C
i
MVI
D,WICBS+WICBN iSTORE
"FF"
CLOCK
PATTERN
iCOMMAND
IN
D
MVI
E,W3STT iSTORE RESET
CCG
COMMAND
IN E
i
MVI
A,WICBS+WICBD iSTORE
"C7"
DATA
MARK
CLOCK
iPATTERN
COMMAND
IN A
i
HLT
iWAIT FOR INTERRUPT
iINTERRUPT
(EI)
OUT
WI
MOV
A,B
OUT
W2
MOV
A,C
OUT
W3
MOV
A,D
HLT
i
iINTERRUPT
(EI)
OUT
WI
MOV
A,E
OUT
W3
MOV
A,M
OUT
W2
HLT
i SET
"C7"
DATA
MARK
CLOCK
PAT'I'ERN.
iHEAD
STARTS WRITING
00
IN
iLAST
GAP
BYTE.
i
iSET
"FB"
DATA
BITS
FOR
iDATA
MARK
i
iSET
CCG. THIS
CAUSES
CRC
iCALCULATION
TO
BEGIN
AT
NEXT
BRP.
i
iGET
"FF"
DATA
BIT
CLOCK
iPATTERN
IN
A
.
,
iWAIT
FOR
INTERRUPT.
iSET
"FF"
DATA
BIT
CLOCK
PATTERN
iFOR
NEXT
BYTE.
HEAD
NOW
BEGINS
iWR.ITING
DATA
MARK
i
iRESET CCG.
(CCG
MUST
BE
RESET
iBEFORE
NEXT
BRP
OR
CRC
CALCULATION
iWOULD
BEGIN AGAIN.)
i
iLOAD
FIRST
DATA
BYTE
IN
iWAIT
FOR
INTERRUPT
30

0256
3A0404
0259
3D
025A
47
025B
23
025C 7E
025D
0302
025F
76
0260
05
0261
C25B02
0264
3E21
0266
0303
0268
76
0269
76
026A 3EFF
026C D302
026E
3E20
0270
D303
0272
76
0273
3E24
0275
D303
i
iINTERRUPT
(EI)
LDA
SCTSZ
DCR
A
MOV
B,A
i
WRITE
LOOP
WLOOP:
INX H
MOV
A,M
OUT
W2
HLT
i
iINTERRUPT
(EI)
DCR
JNZ B
WLOOP
iDATA
MARK
WRITTEN,
HEAD
iSTARTS WRITING
DATA
BYTE
#1.
iSET
SECTOR
SIZE
iSAVE
COUNT
IN
B.
HEAD
iBEGINS WRITING
FIRST
DATA
BYTE.
iWRITE
DATA
BYTES
2
THRU
NBSCT
.
,
MVI
A,W3STT+W3CCW
iSET
CCW.
IN
WRITE
MODE
THE
372
OUT
W3
iWILL BEGIN WRITING
BITS
FROM
THE
iCRC REGISTER
AT
THE
NEXT
BRP
iFOLLOWING
THE
SETTING
OF
CCW.
HLT
i
iINTERRUPT
(EI)
HLT
i
iINTERRUPT
(EI)
MVI
A,0FFH
OUT
W2
MVI
A,W3STT
OUT
W3
HLT
i
iINTERRUPT
i
(HEAD
IS
WRITING
LAST
DATA
BYTE)
.
,
iWAIT
FOR
INTERRUPT
iLAST
DATA
BYTE
WRITTEN.
iHEAO
STARTS WRITING
FIRST
CRC
BYTE
iFIRST
CRC
BYTE
WRITTEN.
iLOAD
FF
GAP
BYTE
IN
WRITE
DATA
iREGISTER
(HEAD
BEGINS WRITING
i
2ND
CRC
BYTE.)
i
iRESET
CCW
COMMAND.
CRC
BIT
iWRITING WILL STOP
AT
NEXT
BRP.
i
iWAIT
FOR
INTERRUPT.
(EI)
i2ND
CRC
BYTE
WRITTEN,
HEAD
iSTARTS WRITING FF
GAP
BYTE.
MVI
A,W3STT+W3WER
iWRITE
ENABLE
RESET.
WRITE
OUT
W3
iCURRENT
WILL STOP
AT
NEXT
iBRP.
(HEAD
BEGINS WRITING 1ST
31

0277
76
0278
AF
0279
D303
027B
C9
027C
16C0
027E
3E01
0280
C38702
0283
1680
0285
3EFF
0287
211204
028A
09
028B
86
028C
77
HLT
i
iINTERRUPT
(EI)
XRA
A
OUT
W3
RET
ENDIF
; STEP IN
INPUT: BC=UNIT #
i REGISTERS:
AF,D,HL
STACK
PAIRS:
1
iGAP BYTE.)
i
iWAIT
FOR
INTERRUPT
iFF
GAP
BYTE
WRITTEN, WRITE
iCURRENT
TURNS
OFF.
iTURN
OFF
372
BY
RESETTING
STT.
i
iDATA
RECORD
IS
WRITTEN.
i SUBROUTINES: DELAY,SETW0
STI:
MVI
D,W4STS+W4SID iD=STROBE+"IN" DIRECTION
MVI
A,l
iINCREMENT TKPTR
JMP
ST010
STEP
OUT
INPUT: BC=UNIT #
REGISTERS:
AF,D,HL
i SUBROUTINES:
DELAY,CLRW0
STO:
MVI
D,W4STS iD=STROBE+"OUT" DIRECTION
MVI
A,-l
iDECREMENT
TKPTR
i
ST010:
LXI H,TKPTR
IF
MU
DAD
B
ENDIF
ADD
M
MOV
M,A
IF
STD
MVI
A,LHCTK
CMP
M
MVI
A,W0LCT
JM
ST020
CALL
CLRW0
XRA
A
JMP
ST030
ST020:
CALL
SETW0
MVI
A,l
iADD
UNIT#
TO
HL
iINC/DEC TKPTR
;CHECK
FOR
WRITE
CURRENT
CHANGE
iA=LHCTK-TKPTR
;TRACK)LHCTK
;TRACK(OR=LHCTK,
;TURN OFF
LOW
CURRENT
;TRACK)LHCTK,
iTURN
ON
LOW
CURRENT
ST030:
LXI
IF
MU
DAD
ENDIF
H,LCRNT ;UPDATE
LOW
CURRENT
B
;ADD
UNIT#
TO
HL
32

028D
7A
028E
D304
0290
F620
0292
D304
0294
E6DF
0296
D304
0298
1628
029A
CDE602
029D
C9
MOV
M,A
ENDIF
MOV
A,D
OUT
W4
ORI W4S0S
OUT
W4
ANI
NOT
W4S0S
OUT
W4
DELAY
TTACS
MSEC
MVI
D,TTACS
CALL
DELAY
RET
IF
STD
HEAD
LOAD
SUBROUTINE
INPUT:
BC=UNIT#
REGISTERS:
AF,D,HL
STACK
PAIRS:
1
;STORE
LOW
CURRENT
STATUS
iSET
DIRECTION
iTURN
ON
SOS
iOUTPUT
RISING
EDGE
OF
SOS
iTURN
OFF SOS
iOUTPUT TRAILING
EDGE
OF
SOS
; SUBROUTINES: UASLC,DELAY,SETW0
HDLD:
LXI H,HEAD ;CHECK
HEAD
STATUS
IF
MU
DAD
ENDIF
MOV
A,M
ORA
A
RNZ
B
MVI
A,W0HLD
CALL
SETW0
MVI
D,40
CALL
DELAY
MVI
A,l
JMP UL010
UNLOAD
HEAD
SUBROUTINE
INPUT:
BC=UNIT#
REGISTERS: AF,HL
iADD
UNIT#
TO
HL
iA=HEAD STATUS
;IS
HEAD
LOADED
ALREADY?
iYES
iNO
iLOAD
HEAD
iWAIT
40
MSEC
iSET
HEAD
STATUS
STACK
PAIRS:
1
SUBROUTINES: UASLC,CLRW0
UNLD:
CALL
UASLC
MVI
A,W0HLD
CALL
CLRW0
iUNLOAD
HEAD
XRA
A
UL010:
LXI H,HEAD iUPDATE
HEAD
STATUS
IF
MU
DAD
B
iADD
UNIT#
TO
HL
ENDIF
MOV
M,A
RET
ENDIF
IF
MINI
MOTOR
ON
SUBROUTINE
33
;STORE
NEW
HEAD
STATUS

INPUT:
BC=UNIT#
REGISTERS:
AF,D,HL
STACK
PAIRS:
1
. SUBROUTINES: SETW0,DELAY
,
029E
211804
MTRON:
LXI
H,MOTOR
IF
MU
02A1
09
DAD
B
;ADD
UNIT#
TO
HL
ENDIF
02A2 7E
MOV
A,M
02A3 B7
ORA
A ;
IS
MOTOR
ON
ALREADY?
02A4 C0
RNZ
;YES,
RETURN
02A5
79
MOV
A,C
iA=UNIT #
02A6
3C
INR A
02A7
07
RLC
02A8 CDD002
CALL
SETW0
;TURN
ON
MOTOR
02AB
2604
MVI
H,4
;DELAY 1
SECOND
02AD
16FA
MN010:
MVI
D,250
02AF CDE602
CALL
DELAY
02B2
25
DCR
H ;DONE?
02B3
C2AD02 JNZ
MN010
;NO
02B6
3E01
MVI
A,l
;YES
02B8
C3C202
JMP
MF010
MOTOR
OFF
SUBROUTINE
INPUT:
BC=UNIT#
REGISTERS: AF,HL
STACK
PAIRS:
1
; SUBROUTINES:
CLRW0
02BB
79
MTOFF:
MOV
A,C
;A=UNIT #
02BC
3C
INR A
02BD
07
RLC
02BE CDC802
CALL
CLRW0
;TURN OFF
MOTOR,
UNLOAD
HEAD
02C1
AF
XRA
A
02C2
211804
MF010:
LXI
H,MOTOR
IF
MU
02C5
09
DAD
B
;ADD
UNIT#
TO
HL
ENDIF
02C6
77
MOV
M,A ;UPDATE
MOTOR
STATUS
02C7
C9
RET
ENDIF
;
;WR0
MANAGER
A=BITS
TO
BE
CLEARED/SET
; REGISTERS:
AF,HL
;
STACK
PAIRS:
0
02C8
211104
CLRW0: LXI H,WR0
02CB
2F
CMA
02CC
A6
ANA
M ;CLEAR
02CD
C3D402
JMP
CR010
02D0
211104
SETW0: LXI H,WR0
02D3 B6
ORA
M
;SET
02D4 D300
CR010:
OUT
W0
02D6
77
MOV
M,A ;
SAVE
A COpy
OF
W0
02D7 C9
RET
34

02D8
02D8
79
02D9
3C
02DA
F604
02DC
D301
02DE C9
02DF
79
02E0
3C
02El
F604
02E3
D304
o 2E5 C9
02E6
3E04
02E8
D306
02EA DB00
02EC
E604
02EE CAEA02
02Fl
15
02F2
15
02F3
C2E602
UNIT A SELECT SUBROUTINE
INPUT:
BC=UNIT#
REGISTERS:
AF
i
STACK
PAIRS:
0
UASLC
EQU
$
RDYA:
IF
NOT
MU
LXI
B,0
ENDIF
MOV
INR
ORI
OUT
RET
A,C
A
WIUAS
WI
IF
STD
IN
Rl
ANI RIRYA
RNZ
CMA
STA SLCTF
JMP
ERROR
ENDIF
IF
MU
iSET
UNIT#=0
iA=UNIT#
iTURN
ON
STROBE
iSELECT UNIT
iCHECK
FOR
READY
iREADY?
iYES
iNO,
ERROR
iSET
SELECT
FAULT
FLAG
UNIT B SELECT SUBROUTINE
INPUT: C=UNIT#
REGISTERS:
AF
STACK
PAIRS:
0
i
UBSLC:
MOV
INR
ORI
OUT
W4
RET
ENDIF
A,C
A
W4UBS
DELAY
SUBROUTINE
iTURN
ON
STROBE
iSELECT UNIT
D=
#
OF
MSEC
(MAX=256
WITH
B=0)
REGISTERS:
AF,D
i
DELAY:
MVI
A,W6TRR
OUT
W6
i
WAIT
FOR
TRQ
RST
D010:
IN
R0
ANI
R0TRQ
JZ
D010
IF
MINI
DCR
D
ENDIF
DCR
D
JNZ
DELAY
iTURN
ON
TRR
iRESET TIMER
REQUEST
STATUS
iREAD STATUS
iCHECK
FOR
TRQ
iWAIT
FOR
1
MSEC
iMINI
CLOCK
IS
HALF
FAST
iDONE?
iNO
35

02F6
C9
o 2F7
79
02F8
07
02F9
85
02FA 6F
02FB
78
02FC
8C
02FD
67
02FE
C9
02FF
CD2600
0302
CDD802
0305
CD9E02
0308
210100
030B
3EB8
030D D301
030F
3EFF
0311
D302
0313
3E78
0315
D303
0317
FB
0318
76
.
,
RET
iYES
IF
MU
DOUBLE
INDEX
ADRESSING SUBROUTINE
INPUT:
HL=BASE
BC=UNIT#
OUTPUT: HL=HL+2*(UNIT#)
REGISTERS: AF,HL
STACK
PAIRS: 0
DINDX:
MOV
A,C iA=UNIT#
RLC
iA=2*(UNIT#)
ADD
L
MOV
L,A
iL=L+2*(UNIT#)
MOV
A,B
ADC
H
MOV
H,A iH=H+B+CARRY
RET
iHL=HL+2*(UNIT#)
ENDIF
IF
FMT
*****
DISK
FORMATTING
ROUTINE
*****
;
FRMAT:
CALL
INIT
IF
MU
iINITIALIZE
DISK UNIT
CALL
UASLC
ENDIF
IF
MINI
CALL
MTRON
ENDIF
IF
STD
CALL
RDYA
CALL
HDLD
ENDIF
INITIALIZE
ADDRESS
LXI
H,l
i SET
UP
COMMANDS
iTURN
ON
MOTOR"LOAD
HEAD
iCHECK
READY
STATUS
iLOAD
HEAD
POINTERS
iH=00=TRACK
ADDRESS
iL=01=SECTOR
ADDRESS
FM030:
MVI
A,WICBS+WICBN
OUT
WI
iSET
CLOCK
BITS
MVI
A,0FFH
OUT
W2
iSET
WRITE
DATA=0FFH
MVI
A,W3WCS+W3STT+W3WES+W3IXS
OUT
W3
iSET
372
TO
START
WRITING
iAT
INDEX
HOLE
EI
iENABLE INTERRUPTS
AND
HLT
iWAIT
FOR
INDEX
INTERRUPT (INDEX START)
(EI)
HEAD
IS
WRITING
FIRST
GAP
BYTE
36

0319
3E02
031B
D306
031D
060F
031F
76
0320
05
0321
C21F03
0324
AF
MVI
A,W6IRR
OUT
W6
IF
STD
iRESET
INDEX
REQUEST
i WRITE PRE-INDEX
GAP
MVI
B,NFPRI
FM040:
HLT
i
B=NUMBER
OF
0FFH
GAP
BYTES
iWAIT
FOR
BRP
INTERRUPT
INTERRUPT
(DATA
REQUEST)
(EI)
DCR
B
HEAD
WRITES
GAP
BYTES
2-40
iDONE?
i
NO,
REPEAT
iYES,
CHANGE
GAP
iBYTE
TO
00H
iB=BYTE
COUNT
FM050:
JNZ FM040
XRA
A
OUT
W2
MVI
B,5
HLT
INTERRUPT
(EI)
DCR
B
JNZ FM050
HLT
INTERRUPT
HEAD
WRITES
GAP
BYTES
41-45
iDONE?
i
NO,
REPEAT
iYES
(EI)
HEAD
IS
WRITING
GAP
BYTE
46
WRITE
INDEX
ADDRESS
MARK
MVI
A,WICBS+WICBI
OUT
WI
iCHANGE
CLOCK
BITS
MVI
A,0FCH
OUT
W2
iSET
WRITE
DATA=0FCH
HLT
iWRITE
MARK
INTERRUPT
(EI)
HEAD
IS
WRITING
INDEX
ADDRESS
MARK
WRITE
POST-INDEX
GAP
MVI
A,WICBS+WICBN
OUT
WI
iSET
CLOCK
BITS
MVI
A,0FFH
OUT
W2
iSET
WRITE DATA=0FFH
ENDIF
MVI
B,NFPOI
FM060:
HLT
i
B=BYTE
COUNT
iWRITE
GAP
BYTE
INTERRUPT
(EI)
HEAD
WRITES
GAP
BYTES
1
THRU
NFPOI
OCR
B iDONE?
JNZ FM060 i
NO,
REPEAT
i
FM070:
XRA
A iBEGINNING
OF
SECTOR
WRITE
LOOP
37

0325
D302
0327
76
0328
76
0329
76
032A
06FE
032C
0E22
032E
16B8
0330
lE20
0332
3E80
0334
76
0335
D301
0337
78
0338
D302
033A
79
033B
D303
033D
7A
0J3E
76
OUT
W2
HLT
i-EXECUTED
NSCTR
TIMES
iSET
WRITE DATA=00H
INTERRUPT
(EI)
HLT
INTERRUPT
(EI)
HLT
HEAD
IS
WRITING
1ST
00
BYTE
2ND
IF
STD
INTERRUPT
(EI)
3RD
OF
6
HLT
INTERRUPT
(EI)
HLT
ENDIF
4TH
OF
6
INTERRUPT
(EI)
MVI
MVI
MVI
MVI
MVI
HLT
INTERRUPT
(EI)
HEAD
IS
WRITING
NEXT
TO
LAST
iFF
GAP
BYTE.
B,0FEH
i
LOAD
ID
MARK
IN
B
C,W3STT+W3CCG i
STORE
SET
CCG
COMMAND
IN C
i (ALSO RESETS
IXS)
D,WICBS+WICBN i STORE
"FF"
CLOCK
PATTERN
iCOMMAND
IN D
E,W3STT i STORE RESET
CCG
COMMAND
IN
E
A,WICBS+WICBD i STORE
"C7"
DATA
MARK
CLOCK
iPATTERN
COMMAND
IN A
HEAD
IS
WRITING
LAST
OO
GAP
BYTE
OUT
WI
iSET
"C7"
DATA
MARK
CLOCK
PATTERN.
MOV
A,B
iSET
"FE"
DATA
BITS
FOR
OUT
W2
i
ID
MARK
MOV
A,C
iSET
CCG.
THIS
CAUSES
CRC
OUT
W3
iCALCULATION
TO
BEGIN
AT
NEXT
BRP.
MOV
A,D
iGET
"FF"
DATA
CLOCK
BIT
iPATTERN IN A
HLT
INTERRUPT
38

033F
D301
0341
7B
0342
D303
0344
7C
0345
D302
0347
76
0348
7D
0349
D302
034B
76
034C
3E21
034E
D303
0350
76
0351
76
j
(EI)
OUT
WI
MOV
A,E
OUT
W3
MOV
A,H
OUT
W2
HLT
INTERRUPT
(EI)
IF
STD
XRA
A
OUT
W2
HLT
INTERRUPT
(EI)
ENDIF
MOV
A,L
OUT
W2
HLT
INTERRUPT
(EI)
IF
STD
XRA
A
OUT
W2
HLT
INTERRUPT
(EI)
ENDIF
HEAD
IS
WRITING ID
ADDRESS
MARK
:SET
"FF"
DATA
CLOCK
BIT
PATTERN
iFOR
NEXT
BYTE.
HEAD
NOW
BEGINS
jWRITING
ID
MARK
:RESET CCG.
(CCG
MUST
BE
RESET
:BEFORE
NEXT
BRP
OR
CRC
CALCULATION
:WOULD
BEGIN AGAIN.)
jLOAD
TRACK
ADDRESS
:WAIT
FOR
INTERRUPT
HEAD
IS
WRITING
TRACK
ADDRESS
iSET
DATA
BYTE=00H
HEAD
IS
WRITING
FIRST
ZERO
BYTE
jSET
DATA
BYTE=SECTOR
ADDRESS
HEAD
IS
WRITING SECTOR
ADDRESS
jSET
DATA
BYTE=00H
HEAD
IS
WRITING
2ND
ZERO
BYTE
MVI
A,W3STT+W3CCW j SET
CCW.
IN
WRITE
MODE
THE
372
OUT
W3
jWILL BEGIN WRITING
BITS
FROM
THE
JCRC REGISTERS
AT
THE
NEXT
BRP
jFOLLOWING
THE
SETTING
OF
CCW.
HLT
iWAIT FOR INTERRUPT
INTERRUPT
(EI)
HLT
HEAD
IS
WRITING
FIRST
CRC
BYTE
39

0352
3EFF
0354
D302
0356
3E20
0358
D303
035A
0606
035C
76
035D
05
035E
C25C03
0361
AF
0362
D302
0364
76
0365
76
0366
76
0367
06FB
0369
3E80
036B
76
036C
D301
036E
78
036F
D302
0371
79
0372
D303
0374
7A
0375
76
0376
D301
.
, INTERRUPT
(EI)
HEAD
MVI
A,0FFH
OUT
W2
MVI
A,W3STT
OUT
W3
IS
WRITING
2ND
CRC
BYTE
;
LOAD
FF
GAP
BYTE
IN
WRITE
DATA
iREGISTER
; RESET
CCW
COMMAND.
CRC
BIT
iWRITING WILL STOP
AT
NEXT
BRP.
; B=BYTE
COUNT
FM080:
MVI
B,NFGP2
HLT
INTERRUPT
(EI)
HEAD
WRITES
GAP
BYTES 1
THRU
NFGP2
DCR
B
iDONE?
JNZ
Ft<1080
i NO, REPEAT
XRA
A
iYES,
CHANGE
GAP
BYTE
OUT
W2
iTO 00H
HLT
(EI)
1ST
00
HLT
(EI)
2ND
00
HLT
IF
STD
(EI)
NEXT
00
HLT
(EI)
NEXT
00
HLT
ENDIF
INTERRUPT
(EI)
HEAD
IS
WRITING
NEXT
TO
LAST
GAP
BYTE
MVI
B,0FBH
i
LOAD
DATA
MARK
IN
B
MVI
A,WICBS+WICBD i STORE
"C7"
DATA
MARK
CLOCK
iPATTERN
COMMAND
IN A
HLT
iWAIT
FOR
INTERRUPT
INTERRUPT
(EI)
OUT
WI
MOV
A,B
OUT
W2
MOV
A,C
OUT
~v3
MOV
A,D
HLT
INTERRUPT
(EI)
OUT
WI
HEAD
IS
WRITING
LAST
GAP
BYTE
iSET
"C7"
DATA
MARK
CLOCK
PATTERN.
iSET
"FB"
DATA
BITS
FOR
iDATA
MARK
iSET
CCG. THIS
CAUSES
CRC
iCALCULATION
TO
BEGIN
AT
NEXT
BRP.
iGET
"FF"
DATA
BIT
CLOCK
iPATTERN
IN
A
iWAIT
FOR
INTERRUPT.
HEAD
IS
WRITING
DATA
ADDRESS
MARK
iSET
"FF"
DATA
BIT
CLOCK
PATTERN
40

0378
7B
0379
0303
037B
3EE5
0370 0302
037F
76
0380
067F
0382
76
0383
05
0384
C28203
0387
3E21
0389
0303
038B
76
038C
76
0380
3EFF
038F
0302
0391
3E20
0393
0303
0395
0611
0397
76
0398
05
0399
C29703
039C
2C
039D
3E12
039F
BD
03A0
022403
MOV
A,E
OUT
W3
MVI
A,0E5H
OUT
W2
HLT
INTERRUPT
iFOR
NEXT
BYTE.
iRESET CCG.
(CCG
MUST
BE
RESET
iBEFORE
NEXT
BRP
OR
CRC
CALCULATION
iWOULD
BEGIN AGAIN.)
iLOAD
DATA
(EI)
DATA
BYTE
1
MVI
B,NBSCT-1
FM100:
HLT
i INTERRUPT
i
(EI)
HEAD
WRITES
DATA
BYTES
2-NBSCT
OCR
B
JNZ FM100
MVI
A,W3STT+W3CCW
iSET
CCW.
IN
WRITE
MODE
THE
372
OUT
W3
iWILL BEGIN WRITING
BITS
FROM
THE
iCRC
REGISTERS
AT
THE
NEXT
BRP
iFOLLOWING
THE
NEXT
SETTING
OF
CCW.
HLT
i INTERRUPT
i
(EI)
HLT
HEAD
IS
WRITING
FIRST
CRC
BYTE
INTERRUPT
(EI)
HEAD
MVI
A,0FFH
OUT
W2
MVI
A,W3STT
OUT
W3
IS
WRITING
2ND
CRC
BYTE
iLOAD
FF
GAP
BYTE
IN
WRITE
DATA
iREGISTER
iRESET
CCW
COMMAND.
CRC
BIT
WRITING
iENDS
iB=BYTE
COUNT
FMl10:
MVI
B,NFGP3
HLT
.
,
INTERRUPT
(EI)
HEAD
WRITES
GAP
BYTES
1
THRU
NFGP3
OCR
B iDONE?
JNZ FMl10 i
NO,
REPEAT
INR L iINCREMENT SECTOR
ADDRESS
MVI
A,NSCTR
CMP
L iLAST SECTOR?
JNC FM070 i
NO,
WRITE
ANOTHER
SECTOR
WRITE
FF'S
TO
END
OF
TRACK
41

03A3
76
FM120:
HLT
INTERRUPT
(EI)
HEAD
03A4
D800
IN
R0
03A6
E602
ANI R0IRQ
03A8 CAA303
JZ
FM120
END
OF
TRACK
03AB
F3
DI
03AC
3E04
MVI
A,W3WER
03AE
D303
OUT
W3
03B0
3E22
MVI
A,NTRKS-1
03B2
BC
CMP
H
03B3
C8
RZ
03B4
2E01
MVI
L,l
03B6
24 INR H
03B7
E5
PUSH
H
03B8
1602
MVI
D,02
03BA CDE602
CALL
DELAY
03BD
3A0104
LDA
UNIT
03C0
4F
MOV
C,A
03C1
0600
MVI
B,0
03C3
CD7C02
CALL
STI
IF
MINI
03C6
160A
MVI
D,STLNG
03C8
CDE602
CALL
DELAY
ENDIF
03CB E1
POP
H
03CC
C30B03
JMP
FM030
ENDIF
*****
RAM
AREA
*****
03CF
ORG
0400H
0400
0401
0402
0403
0404
0004
0405
0406
0407
0408
iCOMMAND
CMND:
DS
1
i
i
PARAMETERS
UNIT:
OS
1
TRACK:
OS
1
SECTR:
OS
1
SCTSZ:
DS
1
NP
EQU
$-UNIT
i
i
FLAGS
MERF:
CMDER:
PRl-1ER:
SLCTF:
OS
1
DS
1
OS
1
OS
1
WRITES
GAP
BYTES
iREAD STATUS
i INDEX REQUEST?
i NO, CONTINUE
iWRITE
ENABLE
AND
STT RESET.
iINDEX REQUEST
IS
AUTOMATICALLY
iBY
STT RESET.
iLAST TRACK?
i
YES,
FORMATTING
COMPLETE
i NO, RESET SECTOR
ADDRESS
iINCREMENT
TRACK
ADDRESS
iSAVE
HL
iWAIT FOR
TUNNEL
ERASE
HEAD
iTO
REACH
END
OF
TRACK
BEFORE
iBC=UNIT#
iSTEPPING
HEAD.
iHEAD SETTLING
DELAY
iRESTORE
HL
i CONTINUE
iCOMMAND(l-NCMDS)
iFDD
UNIT BEING
COMMANDED
iTRACK DESIRED
iSECTOR DESIRED
iSECTOR
SIZE
iNO.
OF
PARAMETERS
iMASTER
ERROR
iCOMMAND
ERROR
iPARAMETER
ERROR
RESET
iSELECT FAULT(NOT
USED
WITH
MINI)
42

0409
040A
040B
040C
040D
040E
040F
000B
0410
0411
0412
0414
0418
001A
041A
0480
NOGO:
WTRK:
ZER01:
ZER02:
CRCID:
CRCDR:
ILLMK:
DELMK:
WRITF:
NF
·
,
DS
1
DS
1
IF
STD
DS
1
DS
1
ENDIF
DS
1
DS
1
DS
1
DS
1
DS
1
EQU
$-MERF
jFAILED
TO
FIND SECTOR
iWRONG
TRACK
JZERO
BYTE
1
NOT
ZERO
iZERO
BYTE
2
NOT
ZERO
iCRC
ERROR
IN
ID
JCRC
ERROR
IN
DATA
READ
iILLEGAL
DATA
MARK
iDELETED
DATA
MARK
iWRITE
FAULT
jNUMBER
OF
FLAGS
jCOUNTERS, POINTERS, STATUSES
RRTRY:
DS
1 jREAD
RETRY
COUNTER
WR0:
DS
1 jCOPY
OF
LATEST
W0
TKPTR:
DS
NU
jTRACK POINTER
FOR
EACH
ITIME:
DS
NU*2 jELAPSED IDLE TIME
IF
STD
UNIT
HEAD:
DS
NU
LCRNT:
DS
NU
ENDIF
IF
MINI
jHEAD
STATUS {l=LOADED,
0=UNLOADED)
iLOW
CURRENT{1=YES,0=NO)
MOTOR:
DS
NU
ENDIF
NB
j
jSTACK
EQU
$-CMND
ORG
480H
DATA
BUFFER
BUFFR:
DS
NBSCT
END
jMOTOR
STATUS
(0=OFF,1=ON)
(MINI
ONLY)
iNO.
OF
BYTES
IN
DATA
AREA
43

PRINTED IN
U.S.A.
NEe
Ilcrocomputers,
Inc.
Five
Militia
Drive
Lexington, Massachusetts 02173
Telephone
(617)
862-6410
372AD-4-77-2.5K
$5