Spartan 6 FPGA Configuration User Guide (UG380) Ug380 Spartan6
User Manual:
Open the PDF directly: View PDF
.
Page Count: 174 [warning: Documents this large are best viewed by clicking the View PDF Link!]
- Spartan-6 FPGA Configuration
- Revision History
- Table of Contents
- About This Guide
- Ch. 1: Configuration Overview
- Overview
- Design Considerations
- FPGA Configuration Data Source
- Master Modes
- Slave Modes
- JTAG Connection
- The Basic Configuration Solution
- The Low-Cost Priority Solution
- The High-Speed Priority Option
- Conforming to PCI Link Activation Requirements
- Single and Multiple Configuration Images
- MultiBoot /Safe Update
- Required I/O Voltages
- Nonvolatile Data Storage
- FPGA Density Migration
- Production Lifetime
- Protecting the FPGA Bitstream against Unauthorized Duplication
- Loading Multiple FPGAs with the Same Configuration Bitstream
- Configuration Factors
- Ch. 2: Configuration Interface Basics
- Ch. 3: Boundary-Scan and JTAG Configuration
- Ch. 4: User Primitives
- Ch. 5: Configuration Details
- Configuration Pins
- Configuration Data File Formats
- Bitstream Overview
- Generating PROM Files
- Configuration Sequence
- Bitstream Encryption
- eFUSE
- Configuration Memory Frames
- Configuration Packets
- Packet Types
- Configuration Registers
- CRC Register
- FAR_MAJ Register
- FAR_MIN Register
- FDRI Register
- FDRO Register
- MASK Register
- EYE_MASK Register
- LOUT Register
- CBC_REG Register
- IDCODE Register
- CSBO Register
- Command Register (CMD)
- Control Register 0 (CTL)
- Status Register (STAT)
- Configuration Options Register (COR1 and COR2)
- Suspend Register (PWRDN_REG)
- Frame Length Register
- Multi-Frame Write Register
- Configuration Watchdog Timer Register
- HC_OPT_REG Register
- GENERAL Registers 1, 2, 3, 4, and 5
- MODE Register
- CCLK_FREQ Register
- PU_GWE Register
- PU_GTS Register
- Boot History Status Register (BOOTSTS)
- SEU_OPT Register
- Bitstream Composition
- Default Initial Configuration Process
- Spartan-6 FPGA Unique Device Identifier (Device DNA)
- Bitstream Compression
- Ch. 6: Readback and Configuration Verification
- Preparing a Design for Readback
- Readback Command Sequences
- Verifying Readback Data
- Ch. 7: Reconfiguration and MultiBoot
- Ch. 8: Readback CRC
- Ch. 9: Advanced Configuration Interfaces
- Ch. 10: Advanced JTAG Configurations

Spartan-6 FPGA
Configuration
User Guide
UG380 (v2.9) August 11, 2016

Spartan-6 FPGA Configuration User Guide www.xilinx.com UG380 (v2.9) August 11, 2016
Notice of Disclaimer
The information disclosed to you hereunder (the “Materials”) is provided solely for the selection and use of Xilinx products. To the maximum
extent permitted by applicable law: (1) Materials are made available "AS IS" and with all faults, Xilinx hereby DISCLAIMS ALL
WARRANTIES AND CONDITIONS, EXPRESS, IMPLIED, OR STATUTORY, INCLUDING BUT NOT LIMITED TO WARRANTIES OF
MERCHANTABILITY, NON-INFRINGEMENT, OR FITNESS FOR ANY PARTICULAR PURPOSE; and (2) Xilinx shall not be liable (whether
in contract or tort, including negligence, or under any other theory of liability) for any loss or damage of any kind or nature related to, arising
under, or in connection with, the Materials (including your use of the Materials), including for any direct, indirect, special, incidental, or
consequential loss or damage (including loss of data, profits, goodwill, or any type of loss or damage suffered as a result of any action
brought by a third party) even if such damage or loss was reasonably foreseeable or Xilinx had been advised of the possibility of the same.
Xilinx assumes no obligation to correct any errors contained in the Materials or to notify you of updates to the Materials or to product
specifications. You may not reproduce, modify, distribute, or publicly display the Materials without prior written consent. Certain products are
subject to the terms and conditions of Xilinx’s limited warranty, please refer to Xilinx’s Terms of Sale which can be viewed at
www.xilinx.com/legal.htm#tos; IP cores may be subject to warranty and support terms contained in a license issued to you by Xilinx. Xilinx
products are not designed or intended to be fail-safe or for use in any application requiring fail-safe performance; you assume sole risk and
liability for use of Xilinx products in such critical applications, please refer to Xilinx’s Terms of Sale which can be viewed at
www.xilinx.com/legal.htm#tos.
AUTOMOTIVE APPLICATIONS DISCLAIMER
AUTOMOTIVE PRODUCTS (IDENTIFIED AS "XA" IN THE PART NUMBER) ARE NOT WARRANTED FOR USE IN THE DEPLOYMENT
OF AIRBAGS OR FOR USE IN APPLICATIONS THAT AFFECT CONTROL OF A VEHICLE ("SAFETY APPLICATION") UNLESS THERE
IS A SAFETY CONCEPT OR REDUNDANCY FEATURE CONSISTENT WITH THE ISO 26262 AUTOMOTIVE SAFETY STANDARD
("SAFETY DESIGN"). CUSTOMER SHALL, PRIOR TO USING OR DISTRIBUTING ANY SYSTEMS THAT INCORPORATE PRODUCTS,
THOROUGHLY TEST SUCH SYSTEMS FOR SAFETY PURPOSES. USE OF PRODUCTS IN A SAFETY APPLICATION WITHOUT A
SAFETY DESIGN IS FULLY AT THE RISK OF CUSTOMER, SUBJECT ONLY TO APPLICABLE LAWS AND REGULATIONS GOVERNING
LIMITATIONS ON PRODUCT LIABILITY.
© Copyright 2009–2016 Xilinx, Inc. Xilinx, the Xilinx logo, Artix, ISE, Kintex, Spartan, Virtex, Zynq, and other designated brands included
herein are trademarks of Xilinx in the United States and other countries. PCI, PCI Express, PCIe, and PCI-X are trademarks of PCI-SIG. All
other trademarks are the property of their respective owners.

UG380 (v2.9) August 11, 2016 www.xilinx.com Spartan-6 FPGA Configuration User Guide
Revision History
The following table shows the revision history for this document.
Date Version Revision
06/24/2009 1.0 Initial Xilinx release.
02/17/2010 2.0 Changed REBOOT command to IPROG command throughout the document.
Chapter 1: In The High-Speed Priority Option, changed the configuration data size to 3.6 Mb (XC6SLX16). In FPGA
Density Migration on page 21, changed the required configuration memory size to 2.6 Mb (XC6SLX9) and 3.6 Mb
(XC6SLX16). In Protecting the FPGA Bitstream against Unauthorized Duplication, clarified which Spartan-6
devices have AES decryption logic.
Chapter 2: Removed the caution statement following Table 2-1. In Figure 2-2, Figure 2-3, Figure 2-6, Figure 2-7,
Figure 2-12, and Figure 2-20, changed VCCO_2 resistor to 2.4 kΩ.; added VFS and VBATT ports, added the
SUSPEND pin, and added four notes to the end of the Notes section following each figure. In Figure 2-2 and
Figure 2-6, removed “either 2.5V or 3.3V” from note about Spartan-6 FPGA VCCO_2 and the Platform Flash PROM
VCCO supply inputs. In Note 12 under Figure 2-12 and Note 10 under Figure 2-20, included PLL lock wait. In
Figure 2-2, changed PROGRAM_B pull-up power to VCCO_2. Removed Slave DIN from Figure 2-4. Added
sentence about SelectMAP unavailability to the first paragraph of SelectMAP Configuration Interface. Added
sentence about toggling to the BUSY description in Table 2-3. In Figure 2-6, added a 4.7 kΩ pull-up to
PROGRAM_B. Added BUSY to Note 14 under Figure 2-6. Added “configuration and” to Note 2 under Figure 2-7.
Moved placement of Table 2-6 and Table 2-7. Removed mention of Winbond’s SPI flash from Table 2-6. Changed
the first paragraph of CSI_B. Revised the RDWR_B section. In Note 1 under Figure 2-9, indicated that CSI_B cannot
be deasserted during the sync word. In Figure 2-12, changed 3.3V to VCCO_2. In Master BPI Configuration
Interface, updated the devices and packages that do not support the BPI interface; indicated A22 and A23 are not
in the CSG225 package; and added “top boot” to parallel NOR flash. In Table 2-7, removed the reference to the
BYTE# port in the HDC and LDC descriptions. In Figure 2-20, connected VCCO_1 and BYTE# to VCCO_1 and
added pull-up resistors to FCS_B, FOE_B, and FWE_B. Added Note 5 and 6 after Figure 2-20. Removed note about
CCLK being free from reflections to avoid double clocking in Board Layout for Configuration Clock (CCLK).
Chapter 4: Changed the last sentence in the first paragraph of ICAP_SPARTAN6. In the first paragraph of
STARTUP_SPARTAN6, changed EOS to configuration.
Chapter 5: Throughout this chapter, included waiting for PLLs to lock along with DCMs. In Table 5-1, added rows
for VFS, VBATT, and RFUSE; added Note 4; and changed pin name CMP_CS_B to CMPCS_B and updated its
description. Transferred FPGA I/O Pin Settings During Configuration from Chapter 1 and Reserving
Dual-Purpose Configuration Pins (Persist) from Chapter 2. In FPGA I/O Pin Settings During Configuration,
indicated that all user I/Os have optional pull-ups. Added Note 3 to Table 5-2. In Table 5-3, added Note 1 and
revised Note 2. In Table 5-5, changed the values in the “Total Number of Configuration Bits” column. In Device
Power-Up (Step 1), changed the second and third paragraphs and added -4 to the fourth paragraph. In Table 5-11,
added VFS and VCCO_5; changed VFS and VBATT descriptions; deleted “Value” and “Units” columns; added Notes
1, 4, and 5; and updated Note 2 to add VFS. Changed the second paragraph following Figure 5-4. Changed the last
paragraph in Check Device ID (Step 5). Added clocking specifics for the sequential state machine in the first
paragraph of Startup (Step 8). In Table 5-17, revised the DCM_LOCK description and moved Note 3 text to Startup
(Step 8). Added new paragraph after Table 5-17. In Loading the Encryption Key, clarified the type of programming
cable and rephrased the last sentence in the last paragraph. Changed the fourth and fifth paragraphs of Loading
Encrypted Bitstreams. Added the eFUSE section. In Table 5-22, changed the values under the “Total Bits” column.
Revised the GENERAL2 and GENERAL4 descriptions in Table 5-30. In Boot History Status Register (BOOTSTS),
changed the description of how this register is reset. In Table 5-48, changed bits 2 and 8 to “Reserved.” In
Figure 5-16, added a buffer between DOUT and DIN. Added sentence prior to Figure 5-16 about the new buffer.
Added the Bitstream Compression section.
Chapter 6: Changed the first paragraph. In Table 6-1, changed the “Configuration Data [15:0]” values for Steps 6
and 12. Changed the step numbers in the first sentence under Table 6-1. Added a sentence on SelectMAP data
ordering to the paragraph preceding Figure 6-2. In Figure 6-2, changed the timing diagram.
Chapter 7: In MultiBoot Overview, changed the last paragraph and removed the caution statement. Made
numerous changes to Fallback Behavior. In Reboot Using ICAP_SPARTAN6, changed “next bitstream” to
“MultiBoot bitstream” in the first paragraph and changed step 2 in the sequence of commands. In Table 7-1,
swapped the values of the Sync words, made changes in the “Explanation” column, and added Note 1 and Note
2. In Watchdog Timer, changed the first sentence in the first three paragraphs.
Chapter 8: On page 142, changed slice to frame in the first bullet, revised the fourth bullet, and removed the bullet
about transceiver DRPs not being masked.
Chapter 9: Changed Table 9-1.

Spartan-6 FPGA Configuration User Guide www.xilinx.com UG380 (v2.9) August 11, 2016
02/22/2010 2.1 Changed the supported encryption data widths to x1 and x8 in the Bitstream Encryption section.
In the third paragraph of Loading Encrypted Bitstreams, clarified that the configuration
bitstream can be delivered in an x1 or x8 data width configuration mode, and indicated that SPI
x2 and x4, BPI x16, and SelectMAP x16 bus widths are not supported for encrypted bitstreams.
07/30/2010 2.2 Changed the value of pull-up resistors connected between DONE and VCCO_2 from 2.4 kΩ to
330Ω in Figure 2-2, Figure 2-3, Figure 2-6, Figure 2-7, Figure 2-12, and Figure 2-20. Changed the
value of the pull-up the resistor connected between INIT_B and VCCO_2 from 2.4 kΩ to 4.7 kΩ
in Figure 2-3 and Figure 2-6. Added ports RDWR_B and CSI_B to FPGA (tied to ground) in
Figure 2-6. Added second and third paragraphs about configuration clock frequency to Master
Modes. Added introductory sentence and two bullets about SelectMAP considerations to
SelectMAP Configuration Interface section. Added sentence about VREF to description of
RDWR_B in Table 2-3. Added sentence to first paragraph of CSI_B section indicating that CSI_B
should not be deasserted in the middle of a sync word. Reformatted the first paragraph in Master
BPI Configuration Interface into one paragraph followed by bullets, and added the bullet
indicating the removal of the BPI configuration interface from the XC6SLX25/T devices.
Changed “VCCO_0” to “VCCO_2” in Figure 2-22, Figure 2-23, and Figure 2-24. Changed second
paragraph in Providing Power section. Added “if Suspend feature is not used” and Note 4 to
Table 5-2. Changed table reference from Table 5-4 to Table 5-3 in first paragraph of Configuration
Pins section. Added “Dual-Purpose” to Table 5-3 title. Changed “LVCMOS25 8 mA SLOW” to
“LVCMOS 8 mA SLOW” in second paragraph of Device Power-Up (Step 1). Changed CCLK
Output Delay symbol in Table 5-12 from “TICCK” to “TBPIICCK or TSPIICCK” and added Note 2.
Changed “VPOR” to “the recommended operating voltage” in the paragraph following
Figure 5-4. Added fourth paragraph about startup waiting for DCMs and PLLs by assigning
the LCK_CYCLE option to Startup (Step 8). Removed “DSP” from title in Figure 5-13. Added
third bullet to Bitstream Compression section under overall benefits on page 116. Changed
“warm boot” to “MultiBoot” in first paragraph of Fallback Behavior section. Added sentence
indicating how to generate the bitstream automatically to fourth paragraph of Fallback Behavior
section. Added last sentence to Note 2 in Table 7-1. Changed “DCM_WAIT” to “LCK_Cycle” in
Additional Memory Space Required for LCK_Cycle section title and text. Removed “66” from
the possible values listed in the description for the POST_CRC_FREQ constraint. Removed NCF
syntax examples from the Syntax Examples section. Changed “BPI UP” to “BPI” in Figure 9-4.
Changed “BPI UP, or BPI Down” to “or BPI“ in Note 7 (Notes relevant to Figure 9-4).
07/06/2011 2.3 Updated description of INIT_B in Table 2-2 and Table 2-3. Added VCCO_2 of 3.3V to Note 16 on
page 27, Note 9 on page 29, Note 18 on page 33, and Note 12 on page 35. Added a sentence about
deasserting the CSI_B signal to Non-Continuous SelectMAP Data Loading. Updated After
Configuration entries for CSO_B and INIT_B in Table 2-6. Updated Notes 11 and 16 on page 43.
Updated description of INIT_B in Table 2-7. Updated Note 2 on page 52, and Notes 11 and 18 on
page 53. Updated External Configuration Clock for Master Modes. Updated guideline about
configuration in master mode in Board Layout for Configuration Clock (CCLK).
Updated Note 2 after Table 5-3. In Table 5-5, updated Total Number of Configuration Bits
column and added Note 2. Removed -4 speed grade from paragraph before Table 5-11. Added
paragraph about external master clock pin after Table 5-17. Updated first paragraph of Bitstream
Encryption. Updated RFUSE Pin. Changed bitstream length from 32 to 16 and added list of three
types of configuration frames to Configuration Memory Frames. Removed Total Bits column
from Table 5-22. Updated Type 2 Packet. Changed direction of RDBK_SIGN in Table 5-30 from
R/W to W. Updated description of CRC_EXTSTAT_DISABLE in Table 5-34. Replaced type3
(PCFG) with type2 (IOB) in Frame Length Register. Added new paragraph before Table 5-41.
Updated Boot History Status Register (BOOTSTS) and Bitstream Compression.
Added readback limitations to Preparing a Design for Readback. Updated steps 7 and 8 in
Table 6-2. Removed AES encryption from MultiBoot Overview. Added Note 3 to Table 7-4.
Updated first sentence in second paragraph of page 141. Updated first paragraph of
POST_CRC_INIT_FLAG.
Updated Startup Sequencing (GTS).
Date Version Revision

UG380 (v2.9) August 11, 2016 www.xilinx.com Spartan-6 FPGA Configuration User Guide
06/27/2012 2.4 Updated bullet about VBATT being tied to VCCAUX or ground in notes 8, 17, 11, 15, and 17 after
Figure 2-3, Figure 2-6, Figure 2-7, Figure 2-12, and Figure 2-20 respectively. Updated notes after
Figure 2-13. Updated references in SPI Configuration Interface. Updated Master SPI Dual (x2)
and Quad (x4) Read Commands. In Master BPI Configuration Interface, updated support of
Spartan-6 FPGAs for parallel NOR flash from 512 Mb to 1 Gb and for iMPACT software to
program bottom boot parallel NOR flash. Updated note 2 after Figure 2-20. Replaced LVCMOS25
with LVCMOS in External Configuration Clock for Master Modes. Updated Board Layout for
Configuration Clock (CCLK).
Updated last paragraph of Providing Power.
Updated note 1 after Table 5-1. Updated descriptions of VBATT and VFS in Table 5-11. Added note
2 to Figure 5-4. Removed sentence about ID error from Check Device ID (Step 5). Updated
description of GTS startup setting after Table 5-16. Added note 3 to Table 5-17. Added SPI x1 to
Loading Encrypted Bitstreams. Updated first row of Table 5-21. Updated FAR_MAJ Register and
Boot History Status Register (BOOTSTS).
Updated first paragraph of Configuration Memory Read Procedure (SelectMAP).
Updated first paragraph of Status Register for Fallback and IPROG Reconfiguration.
Added CRC Masking. Added POST_CRC_SOURCE to Post_CRC Constraints.
Added paragraph about using SPI in a serial daisy-chain configuration to Serial Daisy-Chains.
Updated SelectMAP Reconfiguration.
01/23/2013 2.5 Updated first bullet in sixth paragraph in Overview. Added Vccaux Level. Removed “XC” from
some device references throughout the user guide. Updated Figure 2-2, Figure 2-6, Figure 2-21,
Figure 5-15, Figure 8-2, Figure 9-1, Figure 9-2, Figure 9-4, and Figure 9-5. Updated second
paragraph in SelectMAP Configuration Interface. Updated second paragraph in
Non-Continuous SelectMAP Data Loading. Updated sixth paragraph in Master BPI
Configuration Interface. Updated Table 2-7, Table 4-3, Table 5-2, Table 5-19, Table 5-50, Table 6-2,
Table 6-5, Table 6-6, and Table 10-4. Added Determining the Maximum Configuration Clock
Frequency. Updated first paragraph after Table 2-8. Updated third paragraph in Board Layout
for Configuration Clock (CCLK). Updated first paragraph in FPGA I/O Pin Settings During
Configuration. Updated pin GCLK0 in Table 5-3. Updated second paragraph in Device
Power-Up (Step 1). Updated first paragraph in Cyclic Redundancy Check (Step 7). Updated first
paragraph in Startup (Step 8). Updated first and second paragraphs and Table 5-22 in
Configuration Memory Frames. Updated third paragraph in Frame Length Register. Updated
first paragraph in Identifier Memory Specifications. Updated Steps 3 and 6 in Configuration
Register Read Procedure (SelectMAP). Updated Step 13 in Configuration Memory Read
Procedure (SelectMAP). Updated first and sixth paragraphs following Figure 7-1. Updated first
paragraph and Table 7-4 in Status Register for Fallback and IPROG Reconfiguration. Added
Caution after first paragraph in Chapter 8, Readback CRC. Updated first and third bullet and
note in CRC Masking. Changed “dynamic” to “distributed” in CLB with LUT Configured as
Distributed RAM or Shift Register and in CLBs Near Top or Bottom IOI DRP with LUTs
Configured as Distributed RAM. Added second paragraph to Bit Sequence Boundary-Scan
Register.
06/20/2014 2.6 Updated first paragraph of CSI_B. Updated Figure 2-20. Updated explanation of O[15:0] in
Table 4-2. Updated SUSPEND pin in Table 5-2. Added Caution statement for Bit 16 in Table 5-19.
Added paragraph to the end of FPGA I/O Pin Settings During Configuration. Updated first
paragraph of Bitstream Overview. Updated Device Power-Up (Step 1). Updated second
paragraph of Bitstream Encryption. Updated second paragraph of Loading the Encryption Key.
Updated numbered procedure in Configuration Memory Read Procedure (SelectMAP). Added
explanation on how to carry out testing when the IOB is configured with an invertor in TAP
Controller and Architecture.
10/29/2014 2.7 Updated Steps 5 and 12 in Configuration Memory Read Procedure (SelectMAP). Updated Step
12 in Table 6-2. Minor update to Figure 10-3.
Date Version Revision

Spartan-6 FPGA Configuration User Guide www.xilinx.com UG380 (v2.9) August 11, 2016
11/03/2015 2.8 Updated links to UG615, UG626, and UG628 throughout. Updated links for Platform Cable USB
II in JTAG Connection. Updated The Basic Configuration Solution, Configuring through
Boundary-Scan, and Fallback Behavior. Added note 20 to Figure 2-6. Added paragraph to
Reboot Using ICAP_SPARTAN6 in Chapter 7.
08/11/2016 2.9 Replaced PROM with flash memory where applicable. Revised note in Figure 1-1. Updated
Figure 2-22 and Figure 9-2. Revised Device Power-Up (Step 1).
Date Version Revision

Spartan-6 FPGA Configuration User Guide www.xilinx.com 7
UG380 (v2.9) August 11, 2016
Revision History . . . . . . . . . . . . . . . . . . . . . . . . . . . . . . . . . . . . . . . . . . . . . . . . . . . . . . . . . . . . . 3
Preface: About This Guide
Guide Contents . . . . . . . . . . . . . . . . . . . . . . . . . . . . . . . . . . . . . . . . . . . . . . . . . . . . . . . . . . . . . 13
Additional Documentation . . . . . . . . . . . . . . . . . . . . . . . . . . . . . . . . . . . . . . . . . . . . . . . . . . 13
Additional Resources . . . . . . . . . . . . . . . . . . . . . . . . . . . . . . . . . . . . . . . . . . . . . . . . . . . . . . . 14
Chapter 1: Configuration Overview
Overview . . . . . . . . . . . . . . . . . . . . . . . . . . . . . . . . . . . . . . . . . . . . . . . . . . . . . . . . . . . . . . . . . . . 15
Design Considerations . . . . . . . . . . . . . . . . . . . . . . . . . . . . . . . . . . . . . . . . . . . . . . . . . . . . . . 16
FPGA Configuration Data Source . . . . . . . . . . . . . . . . . . . . . . . . . . . . . . . . . . . . . . . . . . . 16
Master Modes . . . . . . . . . . . . . . . . . . . . . . . . . . . . . . . . . . . . . . . . . . . . . . . . . . . . . . . . . . . . 17
Slave Modes . . . . . . . . . . . . . . . . . . . . . . . . . . . . . . . . . . . . . . . . . . . . . . . . . . . . . . . . . . . . . 18
JTAG Connection . . . . . . . . . . . . . . . . . . . . . . . . . . . . . . . . . . . . . . . . . . . . . . . . . . . . . . . . . 18
The Basic Configuration Solution . . . . . . . . . . . . . . . . . . . . . . . . . . . . . . . . . . . . . . . . . . . 19
The Low-Cost Priority Solution . . . . . . . . . . . . . . . . . . . . . . . . . . . . . . . . . . . . . . . . . . . . . 19
The High-Speed Priority Option . . . . . . . . . . . . . . . . . . . . . . . . . . . . . . . . . . . . . . . . . . . . 19
Conforming to PCI Link Activation Requirements . . . . . . . . . . . . . . . . . . . . . . . . . . . . 20
Single and Multiple Configuration Images . . . . . . . . . . . . . . . . . . . . . . . . . . . . . . . . . . . 20
MultiBoot /Safe Update . . . . . . . . . . . . . . . . . . . . . . . . . . . . . . . . . . . . . . . . . . . . . . . . . . . 20
Required I/O Voltages . . . . . . . . . . . . . . . . . . . . . . . . . . . . . . . . . . . . . . . . . . . . . . . . . . . . 20
Vccaux Level. . . . . . . . . . . . . . . . . . . . . . . . . . . . . . . . . . . . . . . . . . . . . . . . . . . . . . . . . . 20
Nonvolatile Data Storage . . . . . . . . . . . . . . . . . . . . . . . . . . . . . . . . . . . . . . . . . . . . . . . . . . 20
FPGA Density Migration . . . . . . . . . . . . . . . . . . . . . . . . . . . . . . . . . . . . . . . . . . . . . . . . . . 21
Production Lifetime . . . . . . . . . . . . . . . . . . . . . . . . . . . . . . . . . . . . . . . . . . . . . . . . . . . . . . . 21
Protecting the FPGA Bitstream against Unauthorized Duplication. . . . . . . . . . . . . . . 21
Loading Multiple FPGAs with the Same Configuration Bitstream . . . . . . . . . . . . . . . 22
Configuration Factors . . . . . . . . . . . . . . . . . . . . . . . . . . . . . . . . . . . . . . . . . . . . . . . . . . . . . . . 22
Chapter 2: Configuration Interface Basics
JTAG Interface . . . . . . . . . . . . . . . . . . . . . . . . . . . . . . . . . . . . . . . . . . . . . . . . . . . . . . . . . . . . . . 23
Serial Configuration Interface . . . . . . . . . . . . . . . . . . . . . . . . . . . . . . . . . . . . . . . . . . . . . . . 23
Master Serial . . . . . . . . . . . . . . . . . . . . . . . . . . . . . . . . . . . . . . . . . . . . . . . . . . . . . . . . . . . . . 26
Slave Serial Configuration . . . . . . . . . . . . . . . . . . . . . . . . . . . . . . . . . . . . . . . . . . . . . . . . . 27
Serial Configuration Data Timing . . . . . . . . . . . . . . . . . . . . . . . . . . . . . . . . . . . . . . . . . . . 29
SelectMAP Configuration Interface. . . . . . . . . . . . . . . . . . . . . . . . . . . . . . . . . . . . . . . . . . 30
Single Device SelectMAP Configuration . . . . . . . . . . . . . . . . . . . . . . . . . . . . . . . . . . . . . 31
Platform Flash PROM SelectMAP Configuration . . . . . . . . . . . . . . . . . . . . . . . . . . . . . . 32
Microprocessor-Driven SelectMAP Configuration . . . . . . . . . . . . . . . . . . . . . . . . . . . . . 34
SelectMAP Data Loading . . . . . . . . . . . . . . . . . . . . . . . . . . . . . . . . . . . . . . . . . . . . . . . . . . 35
CSI_B . . . . . . . . . . . . . . . . . . . . . . . . . . . . . . . . . . . . . . . . . . . . . . . . . . . . . . . . . . . . . . . 35
RDWR_B. . . . . . . . . . . . . . . . . . . . . . . . . . . . . . . . . . . . . . . . . . . . . . . . . . . . . . . . . . . . . 36
CCLK . . . . . . . . . . . . . . . . . . . . . . . . . . . . . . . . . . . . . . . . . . . . . . . . . . . . . . . . . . . . . . . 36
Continuous SelectMAP Data Loading . . . . . . . . . . . . . . . . . . . . . . . . . . . . . . . . . . . . . . 36
Non-Continuous SelectMAP Data Loading . . . . . . . . . . . . . . . . . . . . . . . . . . . . . . . . . . 37
Table of Contents

8www.xilinx.com Spartan-6 FPGA Configuration User Guide
UG380 (v2.9) August 11, 2016
SelectMAP Data Ordering . . . . . . . . . . . . . . . . . . . . . . . . . . . . . . . . . . . . . . . . . . . . . . . . . 39
SPI Configuration Interface . . . . . . . . . . . . . . . . . . . . . . . . . . . . . . . . . . . . . . . . . . . . . . . . . 40
Master SPI Vendor Auto-Detection and Error Handling. . . . . . . . . . . . . . . . . . . . . . . . 45
Master SPI Timing Waveform . . . . . . . . . . . . . . . . . . . . . . . . . . . . . . . . . . . . . . . . . . . . . . 46
Master SPI Dual (x2) and Quad (x4) Read Commands . . . . . . . . . . . . . . . . . . . . . . . . . 47
Power-On Sequence Precautions . . . . . . . . . . . . . . . . . . . . . . . . . . . . . . . . . . . . . . . . . . . . 48
SPI Serial Daisy-Chain. . . . . . . . . . . . . . . . . . . . . . . . . . . . . . . . . . . . . . . . . . . . . . . . . . . . . 48
Master BPI Configuration Interface. . . . . . . . . . . . . . . . . . . . . . . . . . . . . . . . . . . . . . . . . . 49
Determining the Maximum Configuration Clock Frequency . . . . . . . . . . . . . . . . . . . . 55
Power-On Sequence Precautions . . . . . . . . . . . . . . . . . . . . . . . . . . . . . . . . . . . . . . . . . . . . 55
External Configuration Clock for Master Modes . . . . . . . . . . . . . . . . . . . . . . . . . . . . . 56
Board Layout for Configuration Clock (CCLK). . . . . . . . . . . . . . . . . . . . . . . . . . . . . . . 56
Chapter 3: Boundary-Scan and JTAG Configuration
Introduction . . . . . . . . . . . . . . . . . . . . . . . . . . . . . . . . . . . . . . . . . . . . . . . . . . . . . . . . . . . . . . . . 61
Boundary-Scan for Spartan-6 Devices Using IEEE Std 1149.1 . . . . . . . . . . . . . . . . . 61
Test Access Port (TAP) . . . . . . . . . . . . . . . . . . . . . . . . . . . . . . . . . . . . . . . . . . . . . . . . . . . . 61
Boundary-Scan Timing Parameters. . . . . . . . . . . . . . . . . . . . . . . . . . . . . . . . . . . . . . . . . . 62
Using Boundary-Scan in Spartan-6 Devices . . . . . . . . . . . . . . . . . . . . . . . . . . . . . . . . . . 63
Design Considerations . . . . . . . . . . . . . . . . . . . . . . . . . . . . . . . . . . . . . . . . . . . . . . . . . . . . . . 64
JTAG Signal Routing . . . . . . . . . . . . . . . . . . . . . . . . . . . . . . . . . . . . . . . . . . . . . . . . . . . . . . 64
Providing Power . . . . . . . . . . . . . . . . . . . . . . . . . . . . . . . . . . . . . . . . . . . . . . . . . . . . . . . . . 64
Configuring through Boundary-Scan . . . . . . . . . . . . . . . . . . . . . . . . . . . . . . . . . . . . . . . . 65
Chapter 4: User Primitives
BSCAN_SPARTAN6 . . . . . . . . . . . . . . . . . . . . . . . . . . . . . . . . . . . . . . . . . . . . . . . . . . . . . . . . 67
ICAP_SPARTAN6 . . . . . . . . . . . . . . . . . . . . . . . . . . . . . . . . . . . . . . . . . . . . . . . . . . . . . . . . . . 68
STARTUP_SPARTAN6 . . . . . . . . . . . . . . . . . . . . . . . . . . . . . . . . . . . . . . . . . . . . . . . . . . . . . 69
DNA_PORT . . . . . . . . . . . . . . . . . . . . . . . . . . . . . . . . . . . . . . . . . . . . . . . . . . . . . . . . . . . . . . . . 69
SUSPEND_SYNC . . . . . . . . . . . . . . . . . . . . . . . . . . . . . . . . . . . . . . . . . . . . . . . . . . . . . . . . . . . 70
POST_CRC_INTERNAL . . . . . . . . . . . . . . . . . . . . . . . . . . . . . . . . . . . . . . . . . . . . . . . . . . . . 71
Chapter 5: Configuration Details
Configuration Pins . . . . . . . . . . . . . . . . . . . . . . . . . . . . . . . . . . . . . . . . . . . . . . . . . . . . . . . . . . 73
FPGA I/O Pin Settings During Configuration . . . . . . . . . . . . . . . . . . . . . . . . . . . . . . . . 74
Reserving Dual-Purpose Configuration Pins (Persist) . . . . . . . . . . . . . . . . . . . . . . . . . . 76
Configuration Data File Formats. . . . . . . . . . . . . . . . . . . . . . . . . . . . . . . . . . . . . . . . . . . . . 77
Bitstream Overview . . . . . . . . . . . . . . . . . . . . . . . . . . . . . . . . . . . . . . . . . . . . . . . . . . . . . . . . . 77
Sync Word/Bus Width Auto Detection . . . . . . . . . . . . . . . . . . . . . . . . . . . . . . . . . . . . . . 78
Generating PROM Files . . . . . . . . . . . . . . . . . . . . . . . . . . . . . . . . . . . . . . . . . . . . . . . . . . . . . 79
PROM Files for Serial Daisy-Chains . . . . . . . . . . . . . . . . . . . . . . . . . . . . . . . . . . . . . . . . . 79
PROM Files for SelectMAP Configuration . . . . . . . . . . . . . . . . . . . . . . . . . . . . . . . . . . . . 79
PROM Files for SPI/BPI Configuration . . . . . . . . . . . . . . . . . . . . . . . . . . . . . . . . . . . . . . 79
Bit Swapping. . . . . . . . . . . . . . . . . . . . . . . . . . . . . . . . . . . . . . . . . . . . . . . . . . . . . . . . . . . . . 80
Parallel Bus Bit Order . . . . . . . . . . . . . . . . . . . . . . . . . . . . . . . . . . . . . . . . . . . . . . . . . . . . . 81
Delaying Configuration . . . . . . . . . . . . . . . . . . . . . . . . . . . . . . . . . . . . . . . . . . . . . . . . . 81
Configuration Sequence. . . . . . . . . . . . . . . . . . . . . . . . . . . . . . . . . . . . . . . . . . . . . . . . . . . . . 82

Spartan-6 FPGA Configuration User Guide www.xilinx.com 9
UG380 (v2.9) August 11, 2016
Setup (Steps 1-3) . . . . . . . . . . . . . . . . . . . . . . . . . . . . . . . . . . . . . . . . . . . . . . . . . . . . . . . . . . 82
Device Power-Up (Step 1). . . . . . . . . . . . . . . . . . . . . . . . . . . . . . . . . . . . . . . . . . . . . . . . 82
Clear Configuration Memory (Step 2, Initialization) . . . . . . . . . . . . . . . . . . . . . . . . . . . 85
Sample Mode Pins (Step 3) . . . . . . . . . . . . . . . . . . . . . . . . . . . . . . . . . . . . . . . . . . . . . . . 85
Bitstream Loading (Steps 4-7) . . . . . . . . . . . . . . . . . . . . . . . . . . . . . . . . . . . . . . . . . . . . . . 85
Synchronization (Step 4) . . . . . . . . . . . . . . . . . . . . . . . . . . . . . . . . . . . . . . . . . . . . . . . . . 86
Check Device ID (Step 5) . . . . . . . . . . . . . . . . . . . . . . . . . . . . . . . . . . . . . . . . . . . . . . . . 86
Load Configuration Data Frames (Step 6). . . . . . . . . . . . . . . . . . . . . . . . . . . . . . . . . . . . 88
Cyclic Redundancy Check (Step 7) . . . . . . . . . . . . . . . . . . . . . . . . . . . . . . . . . . . . . . . . . 88
Startup (Step 8) . . . . . . . . . . . . . . . . . . . . . . . . . . . . . . . . . . . . . . . . . . . . . . . . . . . . . . . . 89
Bitstream Encryption . . . . . . . . . . . . . . . . . . . . . . . . . . . . . . . . . . . . . . . . . . . . . . . . . . . . . . . . 91
Advanced Encryption Standard Overview . . . . . . . . . . . . . . . . . . . . . . . . . . . . . . . . . . . 92
Creating an Encrypted Bitstream . . . . . . . . . . . . . . . . . . . . . . . . . . . . . . . . . . . . . . . . . . . 92
Loading the Encryption Key . . . . . . . . . . . . . . . . . . . . . . . . . . . . . . . . . . . . . . . . . . . . . . . 92
Loading Encrypted Bitstreams. . . . . . . . . . . . . . . . . . . . . . . . . . . . . . . . . . . . . . . . . . . . . . 92
Bitstream Encryption and Internal Configuration Access Port (ICAP) . . . . . . . . . . . . 93
VBATT . . . . . . . . . . . . . . . . . . . . . . . . . . . . . . . . . . . . . . . . . . . . . . . . . . . . . . . . . . . . . . . . . . . 93
eFUSE . . . . . . . . . . . . . . . . . . . . . . . . . . . . . . . . . . . . . . . . . . . . . . . . . . . . . . . . . . . . . . . . . . . . . . 93
eFUSE Registers . . . . . . . . . . . . . . . . . . . . . . . . . . . . . . . . . . . . . . . . . . . . . . . . . . . . . . . . . . 94
eFUSE Control Register (FUSE_CNTL). . . . . . . . . . . . . . . . . . . . . . . . . . . . . . . . . . . . . . 94
JTAG Instructions . . . . . . . . . . . . . . . . . . . . . . . . . . . . . . . . . . . . . . . . . . . . . . . . . . . . . . . . 96
VFS Pin . . . . . . . . . . . . . . . . . . . . . . . . . . . . . . . . . . . . . . . . . . . . . . . . . . . . . . . . . . . . . . . . . 96
RFUSE Pin . . . . . . . . . . . . . . . . . . . . . . . . . . . . . . . . . . . . . . . . . . . . . . . . . . . . . . . . . . . . . . . 96
VCCAUX Pin . . . . . . . . . . . . . . . . . . . . . . . . . . . . . . . . . . . . . . . . . . . . . . . . . . . . . . . . . . . . 96
Configuration Memory Frames . . . . . . . . . . . . . . . . . . . . . . . . . . . . . . . . . . . . . . . . . . . . . . 97
Configuration Packets. . . . . . . . . . . . . . . . . . . . . . . . . . . . . . . . . . . . . . . . . . . . . . . . . . . . . . . 98
Packet Types . . . . . . . . . . . . . . . . . . . . . . . . . . . . . . . . . . . . . . . . . . . . . . . . . . . . . . . . . . . . . 98
Type 1 Packet . . . . . . . . . . . . . . . . . . . . . . . . . . . . . . . . . . . . . . . . . . . . . . . . . . . . . . . . . 98
Type 2 Packet . . . . . . . . . . . . . . . . . . . . . . . . . . . . . . . . . . . . . . . . . . . . . . . . . . . . . . . . . 99
Configuration Registers . . . . . . . . . . . . . . . . . . . . . . . . . . . . . . . . . . . . . . . . . . . . . . . . . . 100
CRC Register. . . . . . . . . . . . . . . . . . . . . . . . . . . . . . . . . . . . . . . . . . . . . . . . . . . . . . . . . 101
FAR_MAJ Register . . . . . . . . . . . . . . . . . . . . . . . . . . . . . . . . . . . . . . . . . . . . . . . . . . . . 101
FAR_MIN Register . . . . . . . . . . . . . . . . . . . . . . . . . . . . . . . . . . . . . . . . . . . . . . . . . . . . 101
FDRI Register . . . . . . . . . . . . . . . . . . . . . . . . . . . . . . . . . . . . . . . . . . . . . . . . . . . . . . . . 101
FDRO Register . . . . . . . . . . . . . . . . . . . . . . . . . . . . . . . . . . . . . . . . . . . . . . . . . . . . . . . 102
MASK Register . . . . . . . . . . . . . . . . . . . . . . . . . . . . . . . . . . . . . . . . . . . . . . . . . . . . . . . 102
EYE_MASK Register. . . . . . . . . . . . . . . . . . . . . . . . . . . . . . . . . . . . . . . . . . . . . . . . . . . 102
LOUT Register . . . . . . . . . . . . . . . . . . . . . . . . . . . . . . . . . . . . . . . . . . . . . . . . . . . . . . . 102
CBC_REG Register . . . . . . . . . . . . . . . . . . . . . . . . . . . . . . . . . . . . . . . . . . . . . . . . . . . . 102
IDCODE Register . . . . . . . . . . . . . . . . . . . . . . . . . . . . . . . . . . . . . . . . . . . . . . . . . . . . . 102
CSBO Register. . . . . . . . . . . . . . . . . . . . . . . . . . . . . . . . . . . . . . . . . . . . . . . . . . . . . . . . 102
Command Register (CMD) . . . . . . . . . . . . . . . . . . . . . . . . . . . . . . . . . . . . . . . . . . . . . . 102
Control Register 0 (CTL) . . . . . . . . . . . . . . . . . . . . . . . . . . . . . . . . . . . . . . . . . . . . . . . . 104
Status Register (STAT) . . . . . . . . . . . . . . . . . . . . . . . . . . . . . . . . . . . . . . . . . . . . . . . . . 105
Configuration Options Register (COR1 and COR2) . . . . . . . . . . . . . . . . . . . . . . . . . . . 106
Suspend Register (PWRDN_REG) . . . . . . . . . . . . . . . . . . . . . . . . . . . . . . . . . . . . . . . . 107
Frame Length Register . . . . . . . . . . . . . . . . . . . . . . . . . . . . . . . . . . . . . . . . . . . . . . . . . 107
Multi-Frame Write Register . . . . . . . . . . . . . . . . . . . . . . . . . . . . . . . . . . . . . . . . . . . . . 107
Configuration Watchdog Timer Register . . . . . . . . . . . . . . . . . . . . . . . . . . . . . . . . . . . 108
HC_OPT_REG Register . . . . . . . . . . . . . . . . . . . . . . . . . . . . . . . . . . . . . . . . . . . . . . . . 108
GENERAL Registers 1, 2, 3, 4, and 5 . . . . . . . . . . . . . . . . . . . . . . . . . . . . . . . . . . . . . . . 108
MODE Register . . . . . . . . . . . . . . . . . . . . . . . . . . . . . . . . . . . . . . . . . . . . . . . . . . . . . . . 109
CCLK_FREQ Register . . . . . . . . . . . . . . . . . . . . . . . . . . . . . . . . . . . . . . . . . . . . . . . . . . 110

10 www.xilinx.com Spartan-6 FPGA Configuration User Guide
UG380 (v2.9) August 11, 2016
PU_GWE Register. . . . . . . . . . . . . . . . . . . . . . . . . . . . . . . . . . . . . . . . . . . . . . . . . . . . . 110
PU_GTS Register. . . . . . . . . . . . . . . . . . . . . . . . . . . . . . . . . . . . . . . . . . . . . . . . . . . . . . 110
Boot History Status Register (BOOTSTS) . . . . . . . . . . . . . . . . . . . . . . . . . . . . . . . . . . . 110
SEU_OPT Register . . . . . . . . . . . . . . . . . . . . . . . . . . . . . . . . . . . . . . . . . . . . . . . . . . . . 111
Bitstream Composition . . . . . . . . . . . . . . . . . . . . . . . . . . . . . . . . . . . . . . . . . . . . . . . . . . . . . 112
Default Initial Configuration Process . . . . . . . . . . . . . . . . . . . . . . . . . . . . . . . . . . . . . . . 112
Spartan-6 FPGA Unique Device Identifier (Device DNA) . . . . . . . . . . . . . . . . . . . 113
Identifier Value. . . . . . . . . . . . . . . . . . . . . . . . . . . . . . . . . . . . . . . . . . . . . . . . . . . . . . . . . . 113
Operation. . . . . . . . . . . . . . . . . . . . . . . . . . . . . . . . . . . . . . . . . . . . . . . . . . . . . . . . . . . . . . . 113
Identifier Memory Specifications. . . . . . . . . . . . . . . . . . . . . . . . . . . . . . . . . . . . . . . . . . . 114
Extending Identifier Length . . . . . . . . . . . . . . . . . . . . . . . . . . . . . . . . . . . . . . . . . . . . . . . 114
JTAG Access to Device Identifier. . . . . . . . . . . . . . . . . . . . . . . . . . . . . . . . . . . . . . . . . . . 115
iMPACT Access to Device Identifier. . . . . . . . . . . . . . . . . . . . . . . . . . . . . . . . . . . . . . . . 116
Bitstream Compression. . . . . . . . . . . . . . . . . . . . . . . . . . . . . . . . . . . . . . . . . . . . . . . . . . . . . 116
Chapter 6: Readback and Configuration Verification
Preparing a Design for Readback . . . . . . . . . . . . . . . . . . . . . . . . . . . . . . . . . . . . . . . . . . . 117
Readback Command Sequences . . . . . . . . . . . . . . . . . . . . . . . . . . . . . . . . . . . . . . . . . . . . 118
Accessing Configuration Registers through the SelectMAP Interface . . . . . . . . . . . . 118
Configuration Register Read Procedure (SelectMAP) . . . . . . . . . . . . . . . . . . . . . . . . . 119
Configuration Memory Read Procedure (SelectMAP) . . . . . . . . . . . . . . . . . . . . . . . . . 120
Accessing Configuration Registers through the JTAG Interface . . . . . . . . . . . . . . . . 123
Configuration Register Read Procedure (JTAG) . . . . . . . . . . . . . . . . . . . . . . . . . . . . . . 123
Configuration Memory Read Procedure (IEEE Std 1149.1 JTAG). . . . . . . . . . . . . . . . . 125
Verifying Readback Data. . . . . . . . . . . . . . . . . . . . . . . . . . . . . . . . . . . . . . . . . . . . . . . . . . . 129
Chapter 7: Reconfiguration and MultiBoot
MultiBoot Overview . . . . . . . . . . . . . . . . . . . . . . . . . . . . . . . . . . . . . . . . . . . . . . . . . . . . . . . 133
Fallback MultiBoot. . . . . . . . . . . . . . . . . . . . . . . . . . . . . . . . . . . . . . . . . . . . . . . . . . . . . . . . . 134
Fallback Behavior . . . . . . . . . . . . . . . . . . . . . . . . . . . . . . . . . . . . . . . . . . . . . . . . . . . . . . . . 134
IPROG Reconfiguration. . . . . . . . . . . . . . . . . . . . . . . . . . . . . . . . . . . . . . . . . . . . . . . . . . . . 136
Reboot Using ICAP_SPARTAN6. . . . . . . . . . . . . . . . . . . . . . . . . . . . . . . . . . . . . . . . . . . 136
Status Register for Fallback and IPROG Reconfiguration . . . . . . . . . . . . . . . . . . . 137
Watchdog Timer . . . . . . . . . . . . . . . . . . . . . . . . . . . . . . . . . . . . . . . . . . . . . . . . . . . . . . . . . . . 138
Required Data Spacing between MultiBoot Images . . . . . . . . . . . . . . . . . . . . . . . . . 138
Flash Sector, Block, or Page Boundaries . . . . . . . . . . . . . . . . . . . . . . . . . . . . . . . . . . . . . 138
Additional Memory Space Required for LCK_Cycle . . . . . . . . . . . . . . . . . . . . . . . . . . 138
Chapter 8: Readback CRC
CRC Masking . . . . . . . . . . . . . . . . . . . . . . . . . . . . . . . . . . . . . . . . . . . . . . . . . . . . . . . . . . . . . . 142
CLB with LUT Configured as Distributed RAM or Shift Register . . . . . . . . . . . . . . . 143
CLBs Near Top or Bottom IOI Using DRP . . . . . . . . . . . . . . . . . . . . . . . . . . . . . . . . . . . 144
CLBs Near Top or Bottom IOI DRP with LUTs Configured as Distributed RAM . . 145
Post_CRC Constraints . . . . . . . . . . . . . . . . . . . . . . . . . . . . . . . . . . . . . . . . . . . . . . . . . . . . . . 146
POST_CRC . . . . . . . . . . . . . . . . . . . . . . . . . . . . . . . . . . . . . . . . . . . . . . . . . . . . . . . . . . . . . 146
POST_CRC_INIT_FLAG . . . . . . . . . . . . . . . . . . . . . . . . . . . . . . . . . . . . . . . . . . . . . . . . . . 146
POST_CRC_SOURCE . . . . . . . . . . . . . . . . . . . . . . . . . . . . . . . . . . . . . . . . . . . . . . . . . . . . 147
POST_CRC_ACTION . . . . . . . . . . . . . . . . . . . . . . . . . . . . . . . . . . . . . . . . . . . . . . . . . . . . 147

Spartan-6 FPGA Configuration User Guide www.xilinx.com 11
UG380 (v2.9) August 11, 2016
POST_CRC_FREQ . . . . . . . . . . . . . . . . . . . . . . . . . . . . . . . . . . . . . . . . . . . . . . . . . . . . . . . 147
Syntax Examples . . . . . . . . . . . . . . . . . . . . . . . . . . . . . . . . . . . . . . . . . . . . . . . . . . . . . . . . 147
POST_CRC . . . . . . . . . . . . . . . . . . . . . . . . . . . . . . . . . . . . . . . . . . . . . . . . . . . . . . . . . . 147
POST_CRC_INIT_FLAG. . . . . . . . . . . . . . . . . . . . . . . . . . . . . . . . . . . . . . . . . . . . . . . . 147
POST_CRC_SOURCE . . . . . . . . . . . . . . . . . . . . . . . . . . . . . . . . . . . . . . . . . . . . . . . . . . 148
POST_CRC_ACTION . . . . . . . . . . . . . . . . . . . . . . . . . . . . . . . . . . . . . . . . . . . . . . . . . . 148
POST_CRC_FREQ . . . . . . . . . . . . . . . . . . . . . . . . . . . . . . . . . . . . . . . . . . . . . . . . . . . . 148
Chapter 9: Advanced Configuration Interfaces
Serial Daisy-Chains . . . . . . . . . . . . . . . . . . . . . . . . . . . . . . . . . . . . . . . . . . . . . . . . . . . . . . . . 149
Mixed Serial Daisy-Chains . . . . . . . . . . . . . . . . . . . . . . . . . . . . . . . . . . . . . . . . . . . . . . . . . 150
Guidelines and Design Considerations for Serial Daisy-Chains . . . . . . . . . . . . . . . . 151
Startup Sequencing (GTS). . . . . . . . . . . . . . . . . . . . . . . . . . . . . . . . . . . . . . . . . . . . . . . 151
Active DONE Driver. . . . . . . . . . . . . . . . . . . . . . . . . . . . . . . . . . . . . . . . . . . . . . . . . . . 151
Connect All DONE Pins . . . . . . . . . . . . . . . . . . . . . . . . . . . . . . . . . . . . . . . . . . . . . . . . 151
DONE Pin Rise Time . . . . . . . . . . . . . . . . . . . . . . . . . . . . . . . . . . . . . . . . . . . . . . . . . . 151
Bitstream Formatting . . . . . . . . . . . . . . . . . . . . . . . . . . . . . . . . . . . . . . . . . . . . . . . . . . 152
Ganged Serial Configuration . . . . . . . . . . . . . . . . . . . . . . . . . . . . . . . . . . . . . . . . . . . . . . . 152
Multiple Device SelectMAP Configuration . . . . . . . . . . . . . . . . . . . . . . . . . . . . . . . . . 154
Parallel Daisy-Chain . . . . . . . . . . . . . . . . . . . . . . . . . . . . . . . . . . . . . . . . . . . . . . . . . . . . . . . 155
Ganged SelectMAP . . . . . . . . . . . . . . . . . . . . . . . . . . . . . . . . . . . . . . . . . . . . . . . . . . . . . . . . 156
SelectMAP ABORT . . . . . . . . . . . . . . . . . . . . . . . . . . . . . . . . . . . . . . . . . . . . . . . . . . . . . . . . 157
Configuration Abort Sequence Description . . . . . . . . . . . . . . . . . . . . . . . . . . . . . . . . . . 157
Readback Abort Sequence Description. . . . . . . . . . . . . . . . . . . . . . . . . . . . . . . . . . . . . . 158
ABORT Status Word . . . . . . . . . . . . . . . . . . . . . . . . . . . . . . . . . . . . . . . . . . . . . . . . . . . . . 159
Resuming Configuration or Readback After an Abort. . . . . . . . . . . . . . . . . . . . . . . . . 159
SelectMAP Reconfiguration . . . . . . . . . . . . . . . . . . . . . . . . . . . . . . . . . . . . . . . . . . . . . . . . 160
Chapter 10: Advanced JTAG Configurations
Introduction . . . . . . . . . . . . . . . . . . . . . . . . . . . . . . . . . . . . . . . . . . . . . . . . . . . . . . . . . . . . . . . 161
JTAG Configuration/Readback . . . . . . . . . . . . . . . . . . . . . . . . . . . . . . . . . . . . . . . . . . . . . 162
TAP Controller and Architecture . . . . . . . . . . . . . . . . . . . . . . . . . . . . . . . . . . . . . . . . . . 162
Boundary-Scan Architecture . . . . . . . . . . . . . . . . . . . . . . . . . . . . . . . . . . . . . . . . . . . . . . 165
Boundary-Scan Register . . . . . . . . . . . . . . . . . . . . . . . . . . . . . . . . . . . . . . . . . . . . . . . . 165
Instruction Register. . . . . . . . . . . . . . . . . . . . . . . . . . . . . . . . . . . . . . . . . . . . . . . . . . . . 167
BYPASS Register. . . . . . . . . . . . . . . . . . . . . . . . . . . . . . . . . . . . . . . . . . . . . . . . . . . . . . 168
Identification (IDCODE) Register . . . . . . . . . . . . . . . . . . . . . . . . . . . . . . . . . . . . . . . . . 168
JTAG Configuration Register . . . . . . . . . . . . . . . . . . . . . . . . . . . . . . . . . . . . . . . . . . . . 168
USERCODE Register. . . . . . . . . . . . . . . . . . . . . . . . . . . . . . . . . . . . . . . . . . . . . . . . . . . 168
USER1, USER2, USER3, and USER4 Registers . . . . . . . . . . . . . . . . . . . . . . . . . . . . . . . 169
Using Boundary-Scan in Spartan-6 Devices . . . . . . . . . . . . . . . . . . . . . . . . . . . . . . . . . 169
Configuring through Boundary-Scan . . . . . . . . . . . . . . . . . . . . . . . . . . . . . . . . . . . . . . 169
Clocking Startup and Shutdown Sequences (JTAG) . . . . . . . . . . . . . . . . . . . . . . . . . . 172

Spartan-6 FPGA Configuration User Guide www.xilinx.com 13
UG380 (v2.9) August 11, 2016
Preface
About This Guide
This document describes Spartan®-6 FPGA configuration. Complete and up-to-date
documentation of the Spartan-6 family of FPGAs is available on the Xilinx website at
http://www.xilinx.com/support/documentation/spartan-6.htm.
Guide Contents
This manual contains the following chapters:
•Chapter 1, Configuration Overview
•Chapter 2, Configuration Interface Basics
•Chapter 3, Boundary-Scan and JTAG Configuration
•Chapter 4, User Primitives
•Chapter 5, Configuration Details
•Chapter 6, Readback and Configuration Verification
•Chapter 7, Reconfiguration and MultiBoot
•Chapter 8, Readback CRC
•Chapter 9, Advanced Configuration Interfaces
•Chapter 10, Advanced JTAG Configurations
Additional Documentation
The following documents are also available for download at:
http://www.xilinx.com/support/documentation/spartan-6.htm.
• Spartan-6 Family Overview
This overview outlines the features and product selection of the Spartan-6 family.
• Spartan-6 FPGA Data Sheet: DC and Switching Characteristics
This data sheet contains the DC and Switching Characteristic specifications for the
Spartan-6 family.
• Spartan-6 FPGA Packaging and Pinout Specifications
This specification includes the tables for device/package combinations and maximum
I/Os, pin definitions, pinout tables, pinout diagrams, mechanical drawings, and
thermal specifications.
• Spartan-6 FPGA SelectIO Resources User Guide
This guide describes the SelectIO™ resources available in all Spartan-6 devices.

14 www.xilinx.com Spartan-6 FPGA Configuration User Guide
UG380 (v2.9) August 11, 2016
Preface: About This Guide
•Spartan-6 FPGA Clocking Resources User Guide
This guide describes the clocking resources available in all Spartan-6 devices,
including the DCMs and the PLLs.
• Spartan-6 FPGA Block RAM Resources User Guide
This guide describes the Spartan-6 device block RAM capabilities.
• Spartan-6 FPGA Configurable Logic Blocks User Guide
This guide describes the capabilities of the configurable logic blocks (CLBs) available
in all Spartan-6 devices.
• Spartan-6 FPGA Memory Controller User Guide
This guide describes the Spartan-6 FPGA memory controller block, a dedicated,
embedded multi-port memory controller that greatly simplifies interfacing Spartan-6
FPGAs to the most popular memory standards.
• Spartan-6 FPGA GTP Transceivers User Guide
This guide describes the GTP transceivers available in Spartan-6 LXT FPGAs.
• Spartan-6 FPGA DSP48A1 Slice User Guide
This guide describes the architecture of the DSP48A1 slice in Spartan-6 FPGAs and
provides configuration examples.
• Spartan-6 FPGA PCB and Pin Planning Design Guide
This guide provides information on PCB design for Spartan-6 devices, with a focus on
strategies for making design decisions at the PCB and interface level.
• Spartan-6 FPGA Power Management User Guide
This guide provides information on the various hardware methods of power
management in Spartan-6 devices, primarily focusing on the suspend mode.
Additional Resources
To find additional documentation, see the Xilinx website at:
http://www.xilinx.com/support/documentation/index.htm.
To search the Answer Database of silicon, software, and IP questions and answers, or to
create a technical support WebCase, see the Xilinx website at:
http://www.xilinx.com/support.

Spartan-6 FPGA Configuration User Guide www.xilinx.com 15
UG380 (v2.9) August 11, 2016
Chapter 1
Configuration Overview
Overview
Spartan®-6 FPGAs are configured by loading application-specific configuration data—a
bitstream—into internal memory. Spartan-6 FPGAs can load themselves from an external
nonvolatile memory device or they can be configured by an external smart source, such as
a microprocessor, DSP processor, microcontroller, PC, or board tester. In any case, there are
two general configuration datapaths. The first is the serial datapath that is used to
minimize the device pin requirements. The second datapath is the 8- or 16-bit datapath
used for higher performance or access (or link) to industry-standard interfaces, ideal for
external data sources like processors, or x8- or x16-parallel flash memory.
Like processors and processor peripherals, Xilinx® FPGAs can be reprogrammed, in
system, on demand, an unlimited number of times.
Because Xilinx FPGA configuration data is stored in CMOS configuration latches (CCLs), it
must be reconfigured after it is powered down. The bitstream is loaded each time into the
device through special configuration pins. These configuration pins serve as the interface
for a number of different configuration modes:
• JTAG configuration mode
• Master Serial/SPI configuration mode (x1, x2, and x4)
• Slave Serial configuration mode
• Master SelectMAP/BPI configuration mode (x8 and x16)
• Slave SelectMAP configuration mode (x8 and x16)
The configuration modes are explained in detail in Chapter 2, Configuration Interface
Basics.
The specific configuration mode is selected by setting the appropriate level on the mode
input pins M[1:0]. The M1 and M0 mode pins should be set at a constant DC voltage level,
either through pull-up or pull-down resistors (2.4 kΩ), or tied directly to ground or
VCCO_2. The mode pins should not be toggled during or before configuration but can be
toggled after. See Chapter 2, Configuration Interface Basics, for the mode pin setting
options.
The terms Master and Slave refer to the direction of the configuration clock (CCLK):
• In Master configuration modes, the Spartan-6 device drives CCLK from an internal
oscillator by default or optional external master clock source GCLK0/USERCCLK. To
select the desired frequency, the BitGen -g ConfigRate option is used for the
internal oscillator. The default is 2 MHz. The CCLK output frequency varies with
process, voltage, and temperature. The data sheet FMCCKTOL specification defines the
frequency tolerance. A frequency tolerance of ±50% means that a ConfigRate setting
of 10 could generate a CCLK rate of between 5 MHz and 15 MHz.The BitGen section

16 www.xilinx.com Spartan-6 FPGA Configuration User Guide
UG380 (v2.9) August 11, 2016
Chapter 1: Configuration Overview
of UG628, Command Line Tools User Guide provides more information. After
configuration, the oscillator is turned OFF unless one of these conditions is met:
• SEU detection is used.
• CFGMCLK in STARTUP primitive is connected.
• The internal clock source is selected in SUSPEND mode (the oscillator is on only
during the WAKEUP sequence).
• Encryption is enabled.
CCLK is a dual-purpose pin. Before configuration, there is no on-chip pull-up. After
configuration, it is a user pin unless PERSIST is used.
• In Slave configuration modes, CCLK is an input.
The JTAG/boundary-scan configuration interface is always available, regardless of the
mode pin settings.
Design Considerations
To make an efficient system, it is important to consider which FPGA configuration mode
best matches the system’s requirements. Each configuration mode dedicates certain FPGA
pins and can temporarily use other pins during configuration only. These non-dedicated
pins are then released for general use when configuration is completed. See Chapter 5,
Configuration Details.
Similarly, the configuration mode can place voltage restrictions on some FPGA I/O banks.
Several different configuration options are available, and while the options are flexible,
there is often an optimal solution for each system. Several topics must be considered when
choosing the best configuration option: overall setup, speed, cost, and complexity.
FPGA Configuration Data Source
Spartan-6 FPGAs are designed for maximum flexibility. The FPGA either automatically
loads itself with configuration data from a flash memory, or another external intelligent
device like a processor or microcontroller can download the configuration data to the
FPGA.

Spartan-6 FPGA Configuration User Guide www.xilinx.com 17
UG380 (v2.9) August 11, 2016
Design Considerations
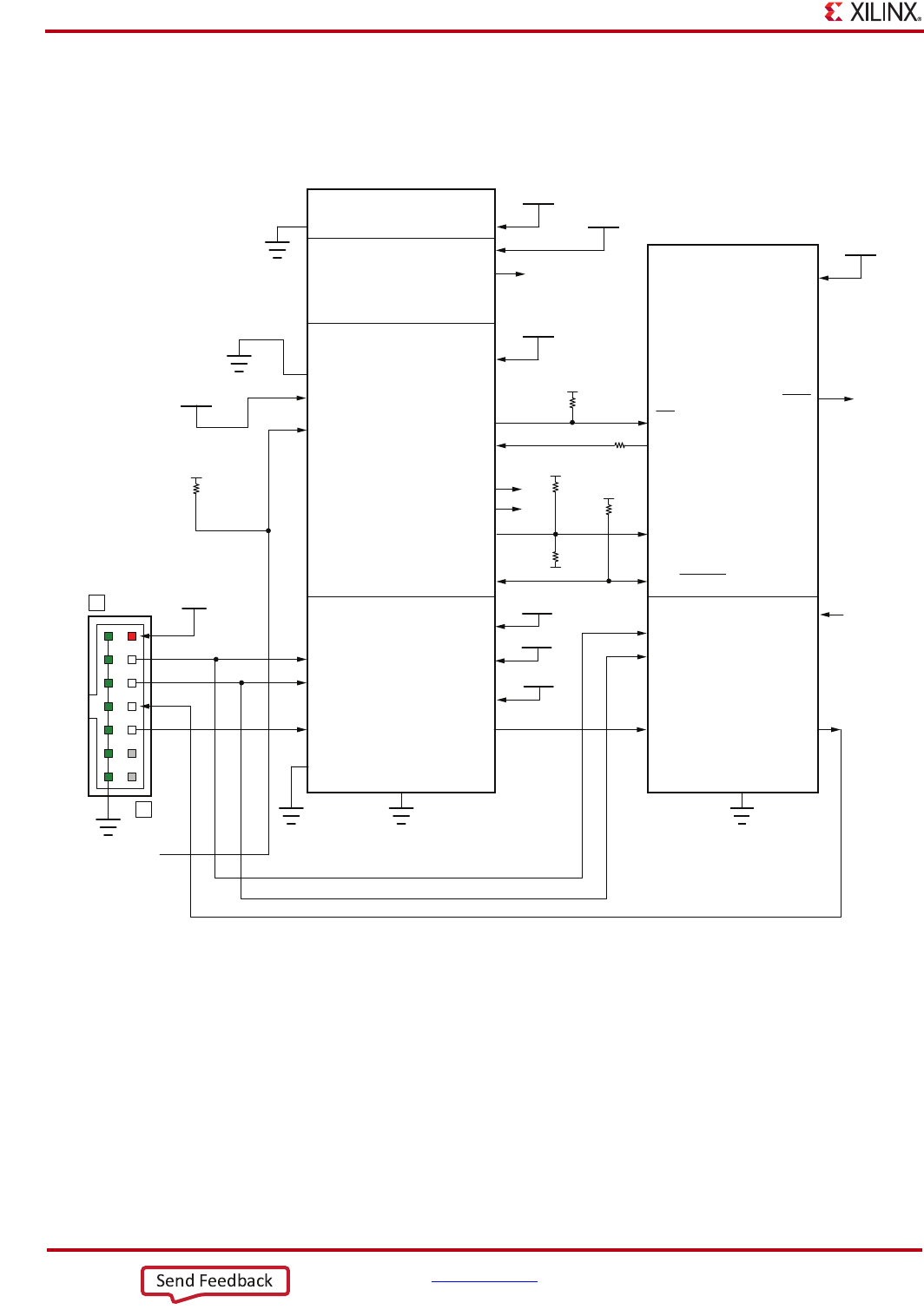
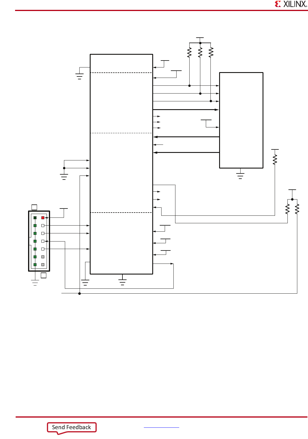
Master Modes
The self-loading FPGA configuration modes, generically called Master modes, as shown in
Figure 1-1. The Master modes leverage various types of nonvolatile memories to store the
FPGA configuration information. In Master mode, the FPGA configuration bitstream
typically resides in nonvolatile memory on the same board, generally external to the
FPGA. The FPGA provides a configuration clock signal called CCLK (the source is from
either an internal oscillator or an optional external master clock source
GCLK0/USERCCLK), and the FPGA controls the configuration process.
The configuration clock frequency is user controllable in Master modes, using the BitGen
-g ConfigRate option. The default is 2 MHz.
Regardless of what option the user selects, the configuration clock in Master mode initially
starts at 1 MHz. As the FPGA clocks in the bitstream, it reads in the configuration rate
setting and then changes accordingly.
X-Ref Target - Figure 1-1
Figure 1-1: Master Configuration Modes
DATA[7:0]D[7:0]
FCS_B
Parallel NOR
Flash
D0
CLK
DIN
CCLK
Spartan-6 FPGA
DATA_IN
DATA_OUT
MOSI
CSO_B
SPI Serial
Flash
Xilinx
Platform Flash
PROM
SELECT
CLOCK
DIN
CCLK
ADDR[n:0]
CE#
A[n:0]
OE#
WE#
FOE_B
D[7:0]
CLK
D[7:0]
CCLK
Spartan-6 FPGA(1)
Xilinx XCFxxP
Platform Flash
PROM
8
8/16
(a) Master Serial/SPI Mode
(b) Master Serial/SPI Mode with SPI Flash
(c) Master SelectMAP/BPI Mode
with Parallel NOR Flash
(d) Master SelectMAP/BPI Mode
n+1
UG380_c1_01_062716
XCFxxS
XCFxxP
XCFxxP
DATA[15:8]D[15:8]
Serial Byte-Wide
BYTE#LDC
Spartan-6 FPGA
Spartan-6 FPGA
FWE_B
Note: The Spartan-6 FPGAs support XCFxxP Platform Flash PROMs via Master SelectMAP mode.
The master serial and the master SPI configuration modes are combined and use the same mode selection.
The master SelectMAP and the master BPI configuration modes are combined and use the same mode selection.

18 www.xilinx.com Spartan-6 FPGA Configuration User Guide
UG380 (v2.9) August 11, 2016
Chapter 1: Configuration Overview
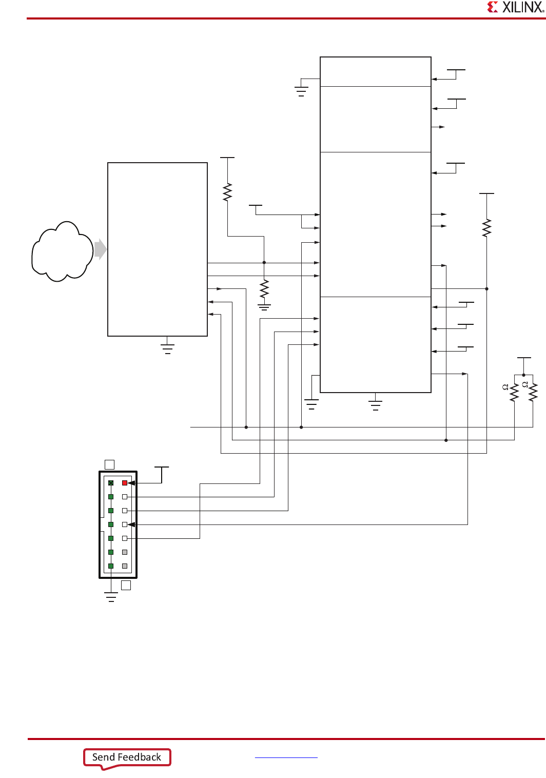
Slave Modes
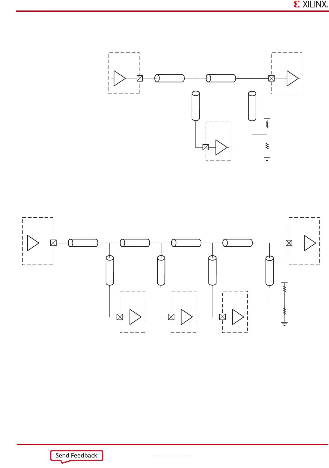
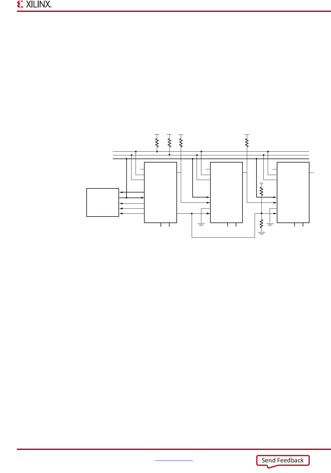
The externally controlled loading FPGA configuration modes, generically called Slave
modes, are also available with either a serial or byte-wide datapath. In Slave mode, an
external “intelligent agent” such as a processor, microcontroller, DSP processor, or tester
downloads the configuration image into the FPGA, as shown in Figure 1-2. The advantage
of the Slave configuration modes is that the FPGA bitstream can reside almost anywhere in
the overall system. The bitstream can reside in flash, onboard, along with the host
processor's code. It can reside on a hard disk. It can originate somewhere over a network
connection or another type of bridge connection.
The Slave SelectMAP mode is a simple x8- or x16-bit-wide processor peripheral interface,
including a chip-select input and a read/write control input. The Slave Serial mode is
extremely simple, consisting only of a clock and serial data input.
JTAG Connection
The four-wire JTAG interface is common on board testers and debugging hardware. In fact,
the Xilinx programming cables for Spartan-6 FPGAs, listed here, use the JTAG interface for
prototype download and debugging. Regardless of the configuration mode ultimately
used in the application, it is best to also include a JTAG configuration path for easy design
development. Also see Chapter 3, Boundary-Scan and JTAG Configuration.
Information on Platform Cable USB II can be found at:
www.xilinx.com/products/boards-and-kits/hw-usb-ii-g.html
X-Ref Target - Figure 1-2
Figure 1-2: Slave Configuration Modes
DIN
CCLK
SERIAL_DATA
CLOCK
Spartan-6 FPGA
Processor,
Microcontroller
TDI
TMS
DATA_OUT
CLOCK
Spartan-6 FPGA
JTAG Tester,
Processor,
Microcontroller
TCK
TDO
MODE_SELECT
DATA_IN
D[7:0]
RDWR_B
CCLK
CSI_B
DATA[7:0]
SELECT
READ/WRITE
CLOCK
Spartan-6
FPGA
Processor,
Microcontroller
(c) Slave SelectMAP Mode
(a) Slave Serial Mode
(b) JTAG
UG380_c1_02_051109
SerialSelectMAP
8,16 D[15:8]DATA[15:8]

Spartan-6 FPGA Configuration User Guide www.xilinx.com 19
UG380 (v2.9) August 11, 2016
Design Considerations
The Basic Configuration Solution
A basic option is Master Serial mode using a third-party SPI flash. This solution uses the
fewest FPGA pins, has flexible I/O voltage support, and select SPI flash memories are
supported by iMPACT, the Xilinx JTAG-based programming software.
The Low-Cost Priority Solution
The option with the lowest cost varies depending on the specific application.
• If there is spare nonvolatile memory already available in the system, the bitstream
image can be stored in system memory. It can even be stored on a hard drive or
downloaded remotely over a network connection. If so, one of the downloaded
modes should be considered: Slave SelectMAP Mode, Slave Serial Mode, or JTAG.
• If nonvolatile memory is already required for an application, it is possible to
consolidate the memory. For example, the FPGA configuration bitstream(s) can be
stored with any processor code for the board. If the processor is a MicroBlaze™
embedded processor in the FPGA, the FPGA configuration data and the MicroBlaze
processor code can share the same nonvolatile memory device.
• Spartan-6 FPGAs can configure directly from commodity SPI serial flash and parallel
NOR flash memories. See Chapter 2, Configuration Interface Basics. Also see
XAPP973, Indirect Programming of BPI PROMs with Virtex-5 FPGAs, and XAPP974,
Indirect Programming of SPI Serial Flash PROMs with Spartan-3A FPGAs.
The High-Speed Priority Option
Some applications require the logic to be operational within a short time. Certain FPGA
configuration modes and methods are faster than others. The configuration time includes
the initialization time plus the configuration time. Configuration time depends on the size
of the device and speed of the configuration logic. For example, configuring at 33 MHz
with a 4-bit data bus, a Spartan-6 XC6SLX16 FPGA requires ~28 ms to receive its 3.6 Mb of
configuration data.
• At the same clock frequency, parallel configuration modes are inherently faster than
the serial modes because they program multiple bits at a time.
• Configuring a single FPGA is inherently faster than configuring multiple FPGAs in a
daisy-chain. In a multi-FPGA design where configuration speed is a concern, each
FPGA should be configured separately and in parallel.
• In Master modes, the FPGA internally generates the CCLK configuration clock signal.
By default, the CCLK frequency starts out low but can be increased using the
ConfigRate bitstream option. The maximum supported CCLK frequency setting
depends on the read specifications for the attached nonvolatile memory. A faster
memory enables faster configuration. The FPGA's CCLK output frequency varies
with process, voltage, and temperature. The fastest guaranteed configuration rate
depends on the slowest guaranteed CCLK frequency, as shown in the Spartan-6 FPGA
data sheet. If an external clock is available on the board, it is also possible to configure
the FPGA in Slave mode while using Xilinx Platform Flash.
• If an external clock is available on the board, the FPGA supports the ability to connect
and use an external clock source during Master mode configuration. It is also possible
to use an external clock source to configure the FPGA in a slave mode while using
Xilinx Platform Flash. The external clock source during configuration enables
predictable configuration times to be achieved in Master modes as well as Slave
modes.

20 www.xilinx.com Spartan-6 FPGA Configuration User Guide
UG380 (v2.9) August 11, 2016
Chapter 1: Configuration Overview
Conforming to PCI Link Activation Requirements
The PCI™ Local Bus Specification, Revision 3.0 (“the PCI specification”) defines a number
of power and reset requirements. These requirements, when considered in an FPGA
implementation, create several challenges that must be addressed for long term reliability
and broad interoperability. It is important to consider the link activation time in the PCI
application and ensure the FPGA can complete configuration during the specified time.
Many third-party flash vendors do not meet these specific time constraints.
Single and Multiple Configuration Images
In most FPGA applications, the FPGA is loaded only when the system is powered on.
However, some applications reload the FPGA multiple times while the system is
operating, with different FPGA bitstreams for different functions. For example, the FPGA
can be loaded with one bitstream to implement a power-on self-test, followed by a second
bitstream with the final application. In many test equipment applications, the FPGA is
loaded with different bitstreams to execute hardware-assisted tests. In this way, one
smaller FPGA can implement the equivalent functionality of a larger ASIC or gate array
device.
See Chapter 7, Reconfiguration and MultiBoot, for more information.
MultiBoot /Safe Update
In advanced applications, multiple bitstream images can be stored. One of the images can
be upgraded by the user application, and real-time system upgrades can occur. The system
can also recover from any failure booting from the initial image.
Required I/O Voltages
The chosen FPGA configuration mode places some constraints on the FPGA application,
specifically the I/O voltage allowed on the FPGA's configuration banks.
For example, the SPI or BPI modes leverage third-party flash memory components that are
usually 3.3V-only devices (but tolerant to lower voltages). This requires that the I/O
voltage on the bank or banks attached to the memory must comply with the input voltage.
Vccaux Level
The Vccaux level is programmable as either 2.5V (default) or 3.3V. The user specifies the
value in the tools with the CONFIG VCCAUX=2.5 or CONFIG VCCAUX=3.3 constraint.
Nonvolatile Data Storage
Some FPGA applications store data in external nonvolatile memory. Spartan-6 FPGAs
provide useful enhancements for these applications.
• Spartan-6 FPGAs can configure directly from external commodity serial (SPI) or
parallel flash (BPI).
• The flash address, data, and control pins are only borrowed by the FPGA during
configuration. After configuration, the FPGA has full read/write control over these
pins.
• The FPGA configuration bitstreams and the application’s nonvolatile data can share
the same flash memory, reducing overall system cost.

Spartan-6 FPGA Configuration User Guide www.xilinx.com 21
UG380 (v2.9) August 11, 2016
Design Considerations
FPGA Density Migration
The package footprint and pinouts for Spartan-6 FPGAs are designed to allow migration
between different densities within a specific family.
Likewise, an FPGA application can store other nonvolatile data in the flash memory,
requiring a larger storage device.
To support design migration between device densities, sufficient configuration memory
must be allowed to cover the largest device in the targeted package. For example, if using
the Spartan-6 XC6SLX9 device, enough configuration memory to accommodate 2.6 Mb is
required. To allow for migration to the Spartan-6 XC6SLX16 device, 3.6 Mb of
configuration memory is required.
In downloaded applications, enough space in the memory must be reserved for the largest
anticipated, uncompressed FPGA bitstream.
In self-loaded applications, a memory footprint and the associated FPGA configuration
mode should be used to facilitate easy migration. For example, Xilinx Platform Flash
provides excellent migration between 1 to 4 Mb using the XCFxxS serial family and
between 8 to 32 Mb using the XCFxxP parallel family. If an application spans between the
two, two separate footprints should be used, one for each Platform Flash subfamily. The
XCFxxP Flash family requires a 1.8V core supply voltage input while the XCFxxS requires
3.3V. Both families provide 3.3V I/O.
The SPI serial flash vendors offer a wider migration range but do require a multi-package
footprint. For example, the Atmel DataFlash SPI serial flash family spans the range of
1to64Mb, using a single footprint that accommodates the JEDEC and EIAJ versions of the
8-pin SOIC package along with the 8-connector CASON package. The Numonyx SPI serial
flash has uses a different footprint that uses a combined 8-pin and 16-pin SOIC footprint
and is also compatible with devices from multiple SPI flash vendors.
Similarly, parallel flash supports a wide density range in a common, multi-vendor package
footprint. This overview is provided as an example; flash vendors should be consulted for
specific details.
Production Lifetime
An application’s production lifetime should be considered. Commodity memories
generally have a shorter production lifetime than the proprietary Xilinx Platform Flash
PROMs. For example, if an industrial application is built that will be manufactured for five
years or more, Xilinx Platform Flash PROMs provide better long-term availability.
Products with shorter production lifetimes can benefit from the multi-vendor pricing and
multi-sourcing of commodity memories.
Protecting the FPGA Bitstream against Unauthorized Duplication
Like processor code, the bitstream that defines the FPGA’s functionality loads into the
FPGA during power-on. Consequently, this means that an unscrupulous company can
capture the bitstream and create an unauthorized copy of the design.
Like processors, there are multiple techniques to protect the FPGA bitstream and any
intellectual property (IP) cores embedded in the FPGA. One of the most powerful
techniques is called authentication, which uses unique device “DNA,” and is described in
more detail in Chapter 5, Configuration Details. In addition, the 6SLX75/T, 6SLX100/T,
and 6SLX150/T devices also have on-chip Advanced Encryption Standard (AES)
decryption logic to provide a high degree of design security.

22 www.xilinx.com Spartan-6 FPGA Configuration User Guide
UG380 (v2.9) August 11, 2016
Chapter 1: Configuration Overview
Loading Multiple FPGAs with the Same Configuration Bitstream
Generally, there is one configuration bitstream image per FPGA in a system. Multiple,
different FPGA bitstream images can share a single configuration flash by leveraging a
configuration daisy-chain. However, if all the FPGAs in the application have the same part
number and use the same bitstream, only a single bitstream image is required. An
alternative solution, called a ganged configuration, loads multiple, identical FPGAs with
the same bitstream.
Configuration Factors
Many factors determine which configuration solution is optimal for a system and many
details need to be considered. Proper configuration mitigates problems later in the design
cycle.
Designers need to understand the difference between dedicated configuration pins and
reusable post configuration pins. Details can be found in the configuration details section.
Other issues that need to be considered are Data File formats and bitstream sizes. The size
of the bitstream is directly affected by the device size and there are several formats in
which the bitstream can be created.
The FPGA goes through certain sequences during the configuration process, from clearing
internal memory to activating the I/Os. This process is called the configuration sequence.
Designers should be aware of this sequence and its subsequences to understand the timing
from power-on to completed FPGA configuration and start-up.
The Spartan-6 LX75, LX75T, LX100, LX100T, LX150, and LX150T FPGAs also have
enhanced security features such as AES encryption. This feature is very useful in
protecting bitstream theft.
More details can be found in Chapter 5, Configuration Details.

Spartan-6 FPGA Configuration User Guide www.xilinx.com 23
UG380 (v2.9) August 11, 2016
Chapter 2
Configuration Interface Basics
This chapter provides quick access to the most commonly used configuration solutions for
Spartan®-6 FPGA devices. It includes several different methods and gives the appropriate
connections, terminations, signal definitions, and basic timing descriptions. Additional
detail is included in Chapter 9, Advanced Configuration Interfaces, which covers more
advanced arrangements as well as more detail on error recovery and further explanation of
some of the ideas initially summarized here.
Spartan-6 devices support all the configuration modes supported by the Extended
Spartan-3A family. However, the difference is Spartan-6 devices only expose two mode
pins M[1:0], which define the configuration modes, instead of three mode pins M[2:0] used
by the Extended Spartan-3A family. The mode pins are described in Table 2-1. Detailed
interface timing information is located in DS162, Spartan-6 FPGA Data Sheet: DC and
Switching Characteristics.
JTAG Interface
While there is no specific mode for JTAG, the JTAG interface is available as a configuration
interface any time the device is powered. For more information, refer to Chapter 3,
Boundary-Scan and JTAG Configuration.
Serial Configuration Interface
In serial configuration modes, the FPGA is configured by loading one configuration bit per
CCLK cycle:
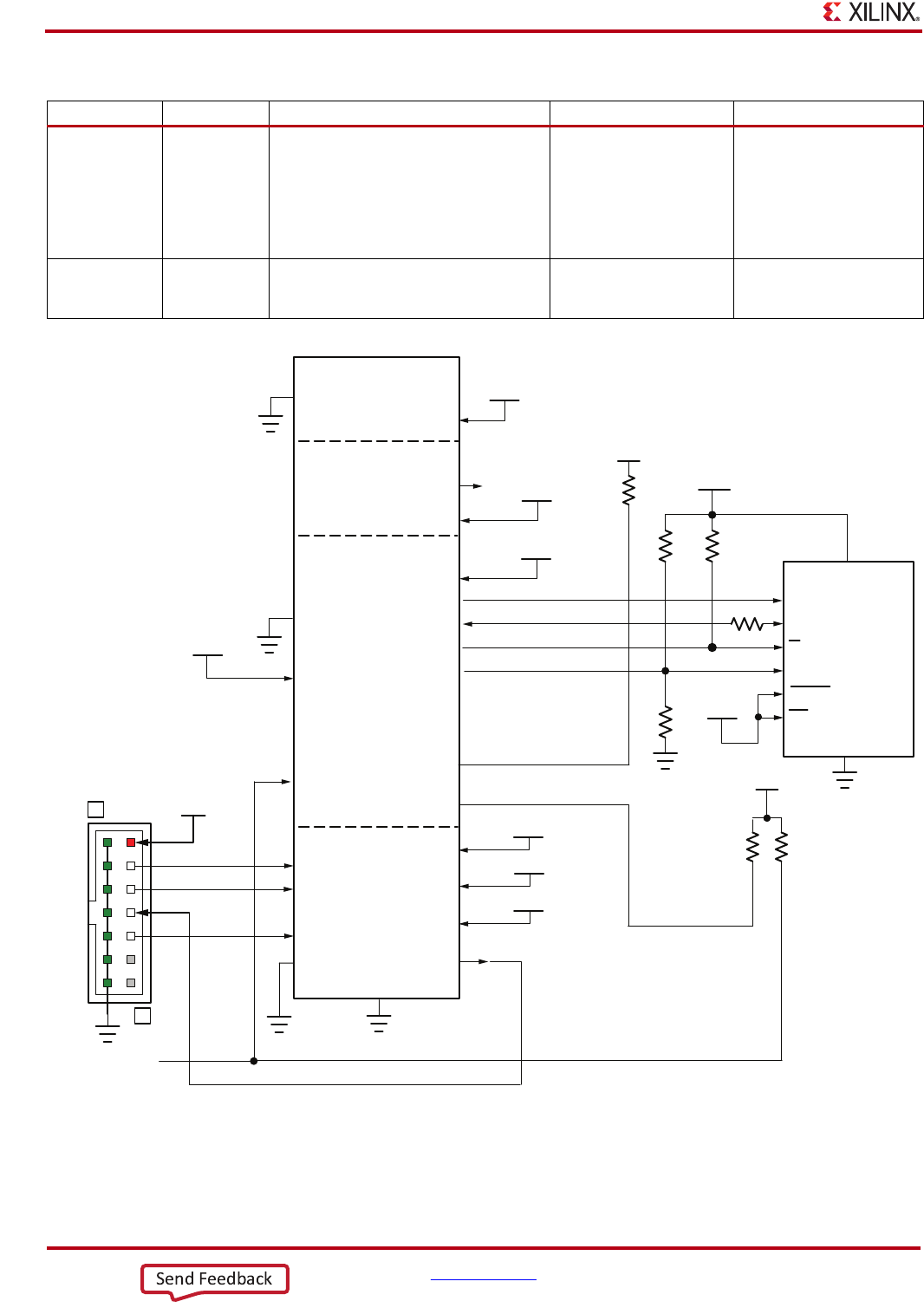
Table 2-1: Spartan-6 FPGA Configuration Modes
Configuration Mode M[1:0] Bus Width CCLK Direction
Master Serial/SPI 01 1, 2, 4(1) Output
Master SelectMAP/BPI(2) 00 8, 16 Output
JTAG(3) xx 1 Input (TCK)
Slave SelectMAP(2) 10 8, 16 Input
Slave Serial(4) 11 1 Input
Notes:
1. Utilizing dual and quad SPI modes.
2. Parallel configuration mode bus is auto-detected by the configuration logic.
3. Spartan-6 devices also have a dedicated four-wire JTAG (IEEE Std 1149.1) port that is always available
to the FPGA regardless of the mode pin settings.
4. Default setting due to internal pull-up termination on Mode pins.

24 www.xilinx.com Spartan-6 FPGA Configuration User Guide
UG380 (v2.9) August 11, 2016
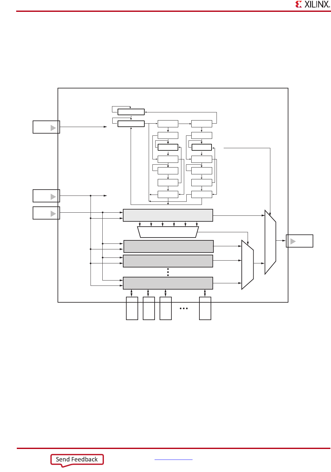
Chapter 2: Configuration Interface Basics
• In Master Serial mode, CCLK is an output.
• In Slave Serial mode, CCLK is an input.
A simulation model for serial configuration is available. For more information, consult
UG626, Synthesis and Simulation Guide.
Figure 2-1 shows the basic Spartan-6 FPGA serial configuration interface.
There are four methods of configuring an FPGA in serial mode:
• Master Serial configuration:
• Typical setup includes a memory such as the Platform Flash XCFxxS.
• Slave Serial configuration
• Typical setup includes a processor providing data and clock.
• Serial daisy-chain configuration
• Multiple FPGAs are configured in series with different images from a memory or
processor (see Chapter 9, Advanced Configuration Interfaces).
• Ganged Serial configuration
• Multiple FPGAs are configured in parallel with the same image from a memory or
processor (see Chapter 9, Advanced Configuration Interfaces).
Master and Slave Serial configuration are described in this chapter, daisy-chain and
ganged configuration methods are discussed in Chapter 9, Advanced Configuration
Interfaces.
X-Ref Target - Figure 2-1
Figure 2-1: Spartan-6 FPGA Serial Configuration Interface
DOUT
DONE
CCLK
PROGRAM_B
INIT_B
DIN
M[1:0]
UG380_c2_01_042909

Spartan-6 FPGA Configuration User Guide www.xilinx.com 25
UG380 (v2.9) August 11, 2016
Serial Configuration Interface
Table 2-2 describes the serial configuration interface.
Table 2-2: Spartan-6 FPGA Serial Configuration Interface Pins
Pin Name Type
Dedicated
or Dual-
Purpose
Description
M[1:0] Input Dual-
Purpose
Mode Pins – determine configuration mode (see
Table 2-1).
CCLK Input or
Output
Dual-
Purpose
Configuration clock source for all configuration
modes except JTAG (see Design Considerations,
page 64).
DIN Input Dual-
Purpose
Serial configuration data input, synchronous to
rising CCLK edge.
DOUT Output Dual-
Purpose
Serial data output for downstream daisy-chained
devices. Data provided on the falling edge of
CCLK.
DONE Bidirectional,
Open-Drain,
or Active
Dedicated Active-High signal indicating configuration is
complete:
0 = FPGA not configured
1 = FPGA configured
Refer to the BitGen section of UG628, Command
Line Tools User Guide for software settings.
INIT_B Input or
Output,
Open-Drain
Dual-
Purpose
Before the Mode pins are sampled, INIT_B is an
input that can be held Low to delay configuration.
After the Mode pins are sampled, INIT_B is an
open-drain active-Low output indicating whether
a CRC error occurred during configuration:
0 = CRC error
1 = No CRC error
When the SEU detection function is enabled,
INIT_B is reserved and cannot be used as user
I/O.
PROGRAM_B Input Dedicated Active-Low asynchronous full-chip reset.

26 www.xilinx.com Spartan-6 FPGA Configuration User Guide
UG380 (v2.9) August 11, 2016
Chapter 2: Configuration Interface Basics
Master Serial
The Master Serial configuration is designed so that the FPGA can be configured from a
Xilinx® Platform Flash PROM, as shown in Figure 2-2.
Notes relevant to Figure 2-2:
1. See Table 5-2, page 74 for internal pin terminations and pins affected by HSWAPEN.
2. DOUT should be connected to the DIN of the downstream FPGA for daisy-chained
configuration modes.
3. The CCLK net requires Thevenin parallel termination. For details, refer to Board
Layout for Configuration Clock (CCLK), page 56.
4. Master Serial and Master SPI are both enabled from the same mode pins. Therefore, the
SPI control pins, CSO_B and MOSI, toggle during configuration.
X-Ref Target - Figure 2-2
Figure 2-2: Master Serial Mode Configuration
Platform Flash
XCFxxS
UG380_c2_02_011513
VCCINT
DIN D0
VCCINT
GND
MOSI
CSO_B
DOUT
CCLK
HSWAPEN VCCO_0
VCCO_1
INIT_B
CLK
TMS
TCK
TDI
CE
OE/RESET
VCCO
VCCO_2
M1
M0
TMS
TDO
TCK
TDI
PROGRAM_B DONE
GND
VCCJ
CEO
TDO
PROGRAM_B
VREF
TMS
TCK
TDO
TDI
N.C.
N.C.
1
14
(JTAG Interface)
Xilinx Cable Header
Spartan-6
FPGA
VCCO_2
VCCO_2
4.7 kΩ
VCCO_2
VCCO_2
VCCAUX
VCCO_2
VCCAUX
VCCO_2
4.7 kΩ
VCCO_0
VCCO_1
VCCO_2
330Ω
Refer to the Notes following this figure for related information.
VCCAUX
VCCAUX
VFS
VBATT
VFS
VBATT
SUSPEND

Spartan-6 FPGA Configuration User Guide www.xilinx.com 27
UG380 (v2.9) August 11, 2016
Serial Configuration Interface
5. The Spartan-6 FPGA VCCO_2 supply input and the Platform Flash PROM VCCO
supply input must be the same voltage.
6. The DONE pin is by default an open-drain output with an internal pull-up. An
additional external pull-up is recommended. The DONE pin has a programmable
active driver that can be enabled via the BitGen option -g DriveDone.
7. The INIT_B pin is a bidirectional, open-drain pin. An external pull-up resistor is
recommended.
8. The BitGen startup clock setting must be set for CCLK for serial configuration, which
is done by default in the software. See UG628, Command Line Tools User Guide for
details.
9. The PROM in this diagram represents one or more Xilinx PROMs. Multiple Xilinx
PROMs can be cascaded to increase the overall configuration storage capacity, further
described in UG161, Platform Flash PROM User Guide.
10. The BIT file must be reformatted into a PROM file before it can be stored on the Xilinx
PROM. Refer to the Generating PROM Files, page 79, which outlines how to use
iMPACT software to generate the required files.
11. On some Xilinx PROMs, the reset polarity is programmable. RESET should be
configured as active Low when using this setup.
12. Master Serial mode configuration is specific to the Platform Flash XCFS and XCFP
PROM only.
13. Unused configuration pins such as CSI_B and RDWR_B can be left floating or tied to
GND because they are not connected to any configuration logic in this mode. CSI_B
and RDWR_B are dual-purpose pins.
14. VFS is present in 6SLX75/T, 6SLX100/T, and 6SLX150/T devices, and is used for
eFUSE programming. See eFUSE, page 93 for more details.
15. VBATT is present in 6SLX75/T, 6SLX100/T, and 6SLX150/T devices, and is the power
source for AES key storage. If AES encryption is unused, VBATT can be tied to either
VCCAUX or ground, or can be left unconnected.
16. If VCCO_2 is 1.8V, VCCAUX must be 2.5V. If VCCO_2 is 2.5V or 3.3V, VCCAUX can be
either 2.5V or 3.3V.
17. The SUSPEND pin should be Low during power up and configuration. If the Suspend
feature is not used, the SUSPEND pin must be connected to ground.
Slave Serial Configuration
Slave Serial configuration is typically used for devices in a serial daisy-chain or when
configuring a single device from an external microprocessor or CPLD (see Figure 2-3).
Design considerations are similar to Master Serial configuration except for the direction of
CCLK. CCLK must be driven from an external clock source, which also provides data (see
Serial Configuration Data Timing, page 29).

28 www.xilinx.com Spartan-6 FPGA Configuration User Guide
UG380 (v2.9) August 11, 2016
Chapter 2: Configuration Interface Basics
Notes relevant to Figure 2-3:
1. See Table 5-2, page 74 for internal pin terminations and pins affected by HSWAPEN.
X-Ref Target - Figure 2-3
Figure 2-3: Slave Serial Mode Configuration
TDI
TDO
TMS
TCK
PROGRAM_B
VCCINT
VCCAUX
VCCO_2
VCCO_1
INIT_B
DONE
GND
HSWAPEN VCCO_0
VCCO_0
4.7 k
M1
M0
DOUT
330
DIN
CCLK
4.7 kΩ
CLOCK
SERIAL_OUT
PROGRAM_B
PROGRAM_B
INIT_B
DONE
VCC
GND
Configuration
Memory
Source
UG380_c2_03_071910
Spartan-6
FPGA
VCCO_2
VCCO_2
VCCO_1
VCCO_2
VCCAUX
VFS
VBATT
VCCO_2
VCCO_2
Microprocessor
or CPLD
1
14
Xilinx Cable Header
(JTAG Interface)
VREF
TMS
TCK
TDO
TDI
N.C.
N.C.
VCCAUX
Refer to the Notes following this figure for related information.
MOSI
CSO_B
VFS
VBATT
SUSPEND

Spartan-6 FPGA Configuration User Guide www.xilinx.com 29
UG380 (v2.9) August 11, 2016
Serial Configuration Interface
2. DOUT should be connected to the DIN of the downstream FPGA for daisy-chained
configuration modes.
3. The CCLK net requires Thevenin parallel termination. For more details, see Board
Layout for Configuration Clock (CCLK), page 56.
4. The DONE pin is by default an open-drain output with an internal pull-up. An
additional external pull-up is recommended. The DONE pin has a programmable
active driver that can be enabled via the BitGen option -g DriveDone.
5. The INIT_B pin is a bidirectional, open-drain pin. An external pull-up resistor is
recommended.
6. The SPI control pins, CSO_B and MOSI, toggle during serial configuration.
7. VFS is present in 6SLX75/T, 6SLX100/T, and 6SLX150/T devices, and is used for
eFUSE programming. See eFUSE, page 93 for more details.
8. VBATT is present in 6SLX75/T, 6SLX100/T, and 6SLX150/T devices, and is the power
source for AES key storage. If AES encryption is unused, VBATT can be tied to either
VCCAUX or ground, or left unconnected.
9. If VCCO_2 is 1.8V, VCCAUX must be 2.5V. If VCCO_2 is 2.5V or 3.3V, VCCAUX can be
either 2.5V or 3.3V.
10. The SUSPEND pin should be Low during power up and configuration. If the Suspend
feature is not used, the SUSPEND pin must be connected to ground.
Serial Configuration Data Timing
Figure 2-4 shows how configuration data is clocked into Spartan-6 devices in Slave Serial
and Master Serial modes.
Notes relevant to Figure 2-4:
1. Bit 0 represents the MSB of the first byte. For example, if the first byte is 0xAA
(1010_1010), bit 0 = 1, bit 1 = 0, bit 2 = 1, etc.
2. For Master configuration mode, CCLK does not transition until after the Mode pins are
sampled, as indicated by the arrow.
3. CCLK can be free-running in Slave Serial mode.
X-Ref Target - Figure 2-4
Figure 2-4: Serial Configuration Clocking Sequence
PROGRAM_B
INIT_B
CCLK
DONE
Master DIN
Master CLK begins here
Data bits clocked out on falling edge of CCLK
UG380_c2_04_0121012
BIT 0 BIT 1 BIT n BIT n+1
Master DOUT

30 www.xilinx.com Spartan-6 FPGA Configuration User Guide
UG380 (v2.9) August 11, 2016
Chapter 2: Configuration Interface Basics
SelectMAP Configuration Interface
The SelectMAP configuration interface (Figure 2-5) provides an 8-bit or 16-bit bidirectional
data bus interface to the Spartan-6 device configuration logic that can be used for both
configuration and readback. (For details, refer to Chapter 6, Readback and Configuration
Verification.) The bus width of SelectMAP is automatically detected (see Sync Word/Bus
Width Auto Detection, page 78). A simulation model for SelectMAP configuration is
available. For more information, consult UG626, Synthesis and Simulation Guide.
CCLK is an output in Master SelectMAP mode, sourced by the internal oscillator or by the
GCLK0/USERCCLK pin. In Slave SelectMAP mode, CCLK is an input. One or more
Spartan-6 devices can be configured through the SelectMAP bus, in series or parallel.
There are multiple methods of configuring an FPGA in SelectMAP mode:
• Single-device Master SelectMAP
• Single-device Slave SelectMAP
• Typical setup includes a processor, providing data and clock.
•Multiple-device daisy-chain SelectMAP bus
• Multiple FPGAs are configured in series with different images from a memory or
processor (see Chapter 9, Advanced Configuration Interfaces).
•Multiple-device ganged SelectMAP
• Multiple FPGAs are configured in parallel with the same image from a memory or
processor (see Chapter 9, Advanced Configuration Interfaces).
Some SelectMAP considerations are:
• RDWR_B is a dual-function pin that can be a VREF pin in bank 2, but it cannot be
utilized as VREF when the SelectMAP configuration mode is used.
Master SelectMAP and Slave SelectMAP are described in this chapter; daisy-chain and
ganged configuration methods are described in Chapter 9, Advanced Configuration
Interfaces.
X-Ref Target - Figure 2-5
Figure 2-5: Spartan-6 FPGA SelectMAP Configuration Interface
DONE
CCLK
PROGRAM_B
INIT_B
D[15:0]
M[1:0]
CSI_B
RDWR_B
CSO_B
UG380_c2_05_042909

Spartan-6 FPGA Configuration User Guide www.xilinx.com 31
UG380 (v2.9) August 11, 2016
SelectMAP Configuration Interface
Table 2-3 describes the SelectMAP configuration interface.
Single Device SelectMAP Configuration
This section describes how to configure a single device in SelectMAP mode, where the
FPGA connects either to a Platform Flash PROM or to a microprocessor or CPLD.
Table 2-3: Spartan-6 FPGA SelectMAP Configuration Interface Pins
Pin Name Type
Dedicated
or Dual-
Purpose
Description
M[1:0] Input Dual-
Purpose
Mode pins - determine configuration mode.
See Table 2-1, page 23.
CCLK Input and
Output
Dual-
Purpose
Configuration clock source for all configuration
modes except JTAG. See Board Layout for
Configuration Clock (CCLK), page 56.
D[15:0] 3-State
Bidirectional
Dual-
Purpose
Configuration and readback data bus, clocked on
the rising edge of CCLK. See Parallel Bus Bit Order,
page 81.
DONE Bidirectional,
Open-Drain
or Active
Dedicated Active-High signal indicating configuration is
complete:
0 = FPGA not configured
1 = FPGA configured
INIT_B Input or
Output,
Open-Drain
Dual-
Purpose
Before the Mode pins are sampled, INIT_B is an
input that can be held Low to delay configuration.
After the Mode pins are sampled, INIT_B is an
open-drain, active-Low output indicating whether
a CRC error occurred during configuration:
0 = CRC error
1 = No CRC error
When the SEU detection function is enabled,
INIT_B is reserved and cannot be used as user I/O.
PROGRAM_B Input Dedicated Active-Low asynchronous full-chip reset.
CSI_B Input Dual-
Purpose
Active-Low chip select to enable the SelectMAP
data bus (see SelectMAP Data Loading, page 35):
0 = SelectMAP data bus enabled
1 = SelectMAP data bus disabled
RDWR_B Input Dual-
Purpose
Determines the direction of the D[x:0] data bus (see
SelectMAP Data Loading, page 35):
0 = inputs
1 = outputs
RDWR_B input can only be changed while CSI_B is
deasserted, otherwise an ABORT occurs (see
SelectMAP ABORT, page 157). RDWR_B can be
used as a VREF pin, but doing so prevents use of the
SelectMAP configuration mode.
CSO_B Output Dual-
Purpose
Parallel daisy-chain active-Low chip select output.
Not used in single FPGA applications.
BUSY Output Dual-
Purpose
This output pin is used during readback. This pin
can toggle during configuration.

32 www.xilinx.com Spartan-6 FPGA Configuration User Guide
UG380 (v2.9) August 11, 2016
Chapter 2: Configuration Interface Basics
Platform Flash PROM SelectMAP Configuration
The simplest way to configure a single device in SelectMAP mode is to connect it directly
to a configuration PROM, as shown in Figure 2-6. In this arrangement, the device is set for
Master SelectMAP mode, and the RDWR_B and CSI_B pins are tied to ground for
continuous data loading (see SelectMAP Data Loading, page 35).
Notes relevant to Figure 2-6:
1. See Table 5-2, page 74 for internal pin terminations and pins affected by HSWAPEN.
X-Ref Target - Figure 2-6
Figure 2-6: Single-Device Master SelectMAP Configuration
Platform Flash
XCFxxP
UG380_c2_06_011513
VCCINT
D[7:0] D[7:0]
VCCAUX
VCCINT
GND
DOUT/BUSY
CSO_B
CCLK
HSWAPEN VCCO_0
VCCO_1
INIT_B
FCS_B
FWE_B
FOE_B
LDC
A24
A25
REV_SEL0
REV_SEL1
A[23:0]
CLK
TMS
TCK
TDI
CE
OE/RESET
VCCO
VCCO_2
M1
M0
TMS
TDO
TCK
TDI
VCCAUX
PROGRAM_B
DONE
GND
VCCJ
CLKOUT
TDO
PROGRAM_B
VREF
TMS
TCK
TDO
TDI
N.C.
N.C.
1
14
(JTAG Interface)
Xilinx Cable Header
Spartan-6
FPGA
CEO
EN_EXT_SEL
VCCO_0
VCCO_1
VCCO_2
VCCO_2
330Ω
VCCO_2
4.7 kΩ
VCCO_2
4.7 kΩ
VCCAUX
VFS
VBATT
VCCO_2
VCCAUX
BUSY
Refer to the Notes following this figure for related information.
VFS
VBATT
SUSPEND
RDWR_B
CSI_B
VCCO_2
4.7 kΩ
CF

Spartan-6 FPGA Configuration User Guide www.xilinx.com 33
UG380 (v2.9) August 11, 2016
SelectMAP Configuration Interface
2. The CCLK net requires Thevenin parallel termination. For more details, see Board
Layout for Configuration Clock (CCLK), page 56.
3. The DONE pin is by default an open-drain output with an internal pull-up. An
additional external pull-up is recommended. The DONE pin has a programmable
active driver that can be enabled via the BitGen option -g DriveDone.
4. A series resistor should be considered for the datapath from the flash to the FPGA to
minimize overshoot. The proper resistor value can be determined from simulation.
5. The INIT_B pin is a bidirectional, open-drain pin. An external pull-up resistor is
recommended.
6. The BitGen startup clock setting must be set for CCLK for SelectMAP configuration.
7. The PROM in this diagram represents one or more Xilinx PROMs. Multiple PROMs
can be cascaded to increase the overall configuration storage capacity.
8. The BIT file must be reformatted into a PROM file before it can be stored on the
PROM. Refer to the Generating PROM Files, page 79.
9. On some Xilinx PROMs, the reset polarity is programmable. RESET should be
configured as active Low when using this setup.
10. The Xilinx PROM must be set for parallel mode. This mode is not available for all
devices.
11. When configuring a Spartan-6 device in SelectMAP mode from a Xilinx configuration
PROM, the RDWR_B and CSI_B signals can be tied Low (see SelectMAP Data Loading,
page 35).
12. The D bus can be x8 or x16 for Master SelectMAP configuration. The maximum data
width for XCFxxP is x8.
13. Platform Flash PROM SelectMAP configuration is specific to the Platform Flash XCFP
PROM only. The Platform Flash XCFS PROM only supports serial configuration
modes.
14. The address bus A[25:0] along with the BUSY, FOE_B, FCS_B, and FWE_B pins toggle
during configuration. The system should be able to handle activity on these dual-
purpose pins during the configuration process.
15. The Spartan-6 FPGA VCCO_2 supply input and the Platform Flash PROM VCCO
supply input must be the same voltage.
16. VFS is present in 6SLX75/T, 6SLX100/T, and 6SLX150/T devices, and is used for
eFUSE programming. See eFUSE, page 93 for more details.
17. VBATT is present in 6SLX75/T, 6SLX100/T, and 6SLX150/T devices, and is the power
source for AES key storage. If AES encryption is unused, VBATT can be tied to either
VCCAUX or ground, or left unconnected.
18. If VCCO_2 is 1.8V, VCCAUX must be 2.5V. If VCCO_2 is 2.5V or 3.3V, VCCAUX can be
either 2.5V or 3.3V.
19. The SUSPEND pin should be Low during power up and configuration. If the Suspend
feature is not used, the SUSPEND pin must be connected to ground.
20. The XCFxxP CF pin is an open-drain bidirectional pin that can be tied to the FPGA
PROGRAM_B pin. A JTAG CONFIG instruction to the XCFxxP asserts the CF output.
Note: The Spartan-6 FPGA PROGRAM_B input might require a longer pulse width than that
supplied by the XCFxxP CF output.

34 www.xilinx.com Spartan-6 FPGA Configuration User Guide
UG380 (v2.9) August 11, 2016
Chapter 2: Configuration Interface Basics
Microprocessor-Driven SelectMAP Configuration
For custom applications where a microprocessor or CPLD is used to configure a single
Spartan-6 device, either Master SelectMAP mode (use CCLK from the FPGA) or Slave
SelectMAP mode can be used (Figure 2-7). Slave SelectMAP mode is preferred. See
XAPP502, Using a Microprocessor to Configure Xilinx FPGAs via Slave Serial or SelectMAP
Mode, for information on configuration from a microprocessor).
Notes relevant to Figure 2-7:
1. See Table 5-2, page 74 for internal pin terminations and pins affected by HSWAPEN.
2. DOUT/BUSY is an output that can drive during configuration and readback
operations.
X-Ref Target - Figure 2-7
Figure 2-7: Single-Device Slave SelectMAP Configuration from Microprocessor and CPLD
PROGRAM_B
SELECT
CLOCK
PROGRAM_B
INIT_B
DONE
VCCINT
VCCAUX
CSO_B
INIT _B
CSI_B
PROGRAM_B DONE
GND
VCCO _2
M1
M0
HSWAPEN VCCO _0
CCLK
D[15:0]
VCCO _0
RDWR _B
VCCO_2
.
VCC VCCO_2
VCCO_2
GND
Configuration
Memory
Source
TMS
TDO
TCK
TDI
VREF
TMS
TCK
TDO
TDI
N.C.
N.C.
14
1
Xilinx Cable Header
(JTAG Interface)
4.7 kΩ
UG380_c2_07_062910
Spartan-6
FPGA
Microprocessor
or CPLD
D[15:0]
READ/WRITE
VCCO_2
VCCO_2
BUSY
4.7 kΩ
330Ω
VCCAUX
VCCAUX
Refer to the Notes following this figure for related information.
VFS
VBATT
VFS
VBATT
SUSPEND

Spartan-6 FPGA Configuration User Guide www.xilinx.com 35
UG380 (v2.9) August 11, 2016
SelectMAP Configuration Interface
3. For more details on CCLK termination, see Board Layout for Configuration Clock
(CCLK), page 56.
4. This schematic is from XAPP502, Using a Microprocessor to Configure Xilinx FPGAs via
Slave Serial or SelectMAP Mode. It is one of many possible implementations.
5. The DONE pin is by default an open-drain output with an internal pull-up. An
additional external pull-up is recommended. The DONE pin has a programmable
active driver that can be enabled via the BitGen option -g DriveDone.
6. The INIT_B pin is a bidirectional, open-drain pin. An external pull-up resistor is
recommended.
7. The BitGen startup clock setting must be set for CCLK for SelectMAP configuration.
8. The CSI_B and RDWR_B signals can be tied to ground if only one FPGA is going to be
configured and readback is not needed.
9. The D[0:n] bus can be x8 or x16 for Slave SelectMAP configuration.
10. VFS is present in 6SLX75/T, 6SLX100/T, and 6SLX150/T devices, and is used for
eFUSE programming. See eFUSE, page 93 for more details.
11. VBATT is present in 6SLX75/T, 6SLX100/T, and 6SLX150/T devices, and is the power
source for AES key storage. If AES encryption is unused, VBATT can be tied to either
VCCAUX or ground, or left unconnected.
12. If VCCO_2 is 1.8V, VCCAUX must be 2.5V. If VCCO_2 is 2.5V or 3.3V, VCCAUX can be
either 2.5V or 3.3V.
13. The SUSPEND pin should be Low during power up and configuration. If the Suspend
feature is not used, the SUSPEND pin must be connected to ground.
SelectMAP Data Loading
The SelectMAP interface allows for either continuous or non-continuous data loading.
Data loading is controlled by the CSI_B, RDWR_B, and CCLK signals.
CSI_B
The Chip Select input (CSI_B) enables the SelectMAP bus. CSI_B should not be deasserted
in the middle of a sync word. When CSI_B is High, the Spartan-6 device ignores the
SelectMAP interface, neither registering any inputs nor driving any outputs. D[0:n] is
placed in a High-Z state, and RDWR_B is ignored.
•If CSI_B = 0, the device's SelectMAP interface is enabled.
•If CSI_B = 1, the device's SelectMAP interface is disabled.
For a multiple device SelectMAP configuration, refer to Chapter 9, Advanced
Configuration Interfaces.
If only one device is being configured through the SelectMAP interface and readback is not
required, or if ganged SelectMAP configuration is used, the CSI_B signal can be tied to
ground, as illustrated in Chapter 9, Advanced Configuration Interfaces.

36 www.xilinx.com Spartan-6 FPGA Configuration User Guide
UG380 (v2.9) August 11, 2016
Chapter 2: Configuration Interface Basics
RDWR_B
RDWR_B is an input to the Spartan-6 device that controls whether the data pins are inputs
or outputs:
•If RDWR_B = 0, the data pins are inputs (writing to the FPGA).
•If RDWR_B = 1, the data pins are outputs (reading from the FPGA).
For configuration, RDWR_B must be set for write control (RDWR_B = 0). For readback,
RDWR_B must be set for read control (RDWR_B = 1) while CSI_B is deasserted. (For
details, refer to Chapter 6, Readback and Configuration Verification.) If readback is not
needed, RDWR_B can be tied to ground or used for debugging with SelectMAP ABORT.
The RDWR_B signal is ignored while CSI_B is deasserted. Read/write control of the
3-stating of the data pins is asynchronous. The FPGA actively drives SelectMAP data
without regard to CCLK if RDWR_B is set for read control (RDWR_B = 1, Readback) while
CSI_B is asserted. If RDWR_B is changed while CSI_B is still asserted, the FPGA
asynchronously detects the violation and drives the BUSY signal, indicating an ABORT.
The status register is not updated until the next rising CCLK edge (see SelectMAP ABORT,
page 157).
CCLK
All activity on the SelectMAP data bus is synchronous to CCLK. When RDWR_B is set for
write control (RDWR_B = 0, Configuration), the FPGA samples the SelectMAP data pins
on rising CCLK edges. When RDWR_B is set for read control (RDWR_B = 1, Readback),
the FPGA updates the SelectMAP data pins on rising CCLK edges.
In Slave SelectMAP mode, configuration can be paused by stopping CCLK (see Non-
Continuous SelectMAP Data Loading, page 37).
Continuous SelectMAP Data Loading
Continuous data loading is used in applications where the configuration controller can
provide an uninterrupted stream of configuration data. After power-up, the configuration
controller sets the RDWR_B signal for write control (RDWR_B = 0) and asserts the CSI_B
signal (CSI_B = 0), causing the device to drive BUSY Low (this transition is asynchronous).
RDWR_B must be driven Low before CSI_B is asserted, otherwise an ABORT occurs, see
SelectMAP ABORT, page 157.
On the next rising CCLK edge, the device begins sampling the data pins. Pins D[0:15] are
sampled by Configuration until the bus width is determined. See Sync Word/Bus Width
Auto Detection, page 78 for details. After bus width is determined, the proper width of the
data bus is sampled for the synchronization word search. Configuration begins after the
synchronization word is clocked into the device.
After the configuration bitstream is loaded, the device enters the startup sequence. The
device asserts its DONE signal High in the phase of the startup sequence that is specified
by the bitstream (see Startup (Step 8) in Chapter 5). The configuration controller should
continue sending CCLK pulses until after the startup sequence has finished. (This can
require several CCLK pulses after DONE goes High. See Startup (Step 8) in Chapter 5 for
details).
After configuration, the CSI_B and RDWR_B signals can be deasserted, or they can remain
asserted. Because the SelectMAP port is inactive, toggling RDWR_B at this time does not
cause an abort. Figure 2-8 summarizes the timing of SelectMAP configuration with
continuous data loading.

Spartan-6 FPGA Configuration User Guide www.xilinx.com 37
UG380 (v2.9) August 11, 2016
SelectMAP Configuration Interface
Notes relevant to Figure 2-8:
1. CSI_B signal can be tied Low if there is only one device on the SelectMAP bus. If CSI_B
is not tied Low, it can be asserted at any time.
2. RDWR_B can be tied Low if readback is not needed. RDWR_B should not be toggled
after CSI_B has been asserted because this triggers an ABORT. See SelectMAP ABORT,
page 157.
3. The Mode pins are sampled when INIT_B goes High.
4. RDWR_B should be asserted before CSI_B to avoid causing an abort.
5. CSI_B is asserted, enabling the SelectMAP interface.
6. The first byte is loaded on the first rising CCLK edge after CSI_B is asserted.
7. The configuration bitstream is loaded one byte per rising CCLK edge.
8. After the startup command is loaded, the device enters the startup sequence.
9. The startup sequence lasts a minimum of eight CCLK cycles (see Startup (Step 8) in
Chapter 5).
10. The DONE pin goes High during the startup sequence. Additional CCLKs can be
required to complete the startup sequence. (See Startup (Step 8) in Chapter 5.)
11. After configuration has finished, the CSI_B signal can be deasserted.
12. After the CSI_B signal is deasserted, RDWR_B can be deasserted.
13. The data bus can be x8 or x16.
Non-Continuous SelectMAP Data Loading
Non-continuous data loading is used in applications where the configuration controller
cannot provide an uninterrupted stream of configuration data—for example, if the
controller pauses configuration while it fetches additional data.
Configuration can be paused in two ways: by deasserting the CSI_B signal (Free-Running
CCLK method, Figure 2-9) or by halting CCLK (Controlled CCLK method, Figure 2-10).
The only time that the CSI_B signal must NOT be deasserted is during the loading of the
sync word or within two CCLK cycles after the loading of the sync word.
X-Ref Target - Figure 2-8
Figure 2-8: Continuous x8 or x16 SelectMAP Data Loading
PROGRAM_B
INIT_B
CCLK
CSI_B
RDWR_B
D[0:n]
UG380_c2_08_042909
Byte 0 Byte 1 Byte n
DONE
(1)
(2)
(3)
(4)
(5)
(6) (7) (8) (9)
(10)
(11)
(12)

38 www.xilinx.com Spartan-6 FPGA Configuration User Guide
UG380 (v2.9) August 11, 2016
Chapter 2: Configuration Interface Basics
Notes relevant to Figure 2-9:
1. RDWR_B is driven Low by the user, setting the D[0:n] pins as inputs for configuration.
RDWR_B can be tied Low if readback is not needed. RDWR_B should not be toggled
after CSI_B has been asserted because this triggers an ABORT. See SelectMAP ABORT,
page 157. CSI_B cannot be deasserted during the sync word.
2. The device is ready for configuration after INIT_B toggles High.
3. The user asserts CSI_B Low, enabling the SelectMAP data bus. CSI_B signal can be tied
Low if there is only one device on the SelectMAP bus. If CSI_B is not tied Low, it can be
asserted at any time.
4. A byte is loaded on the rising CCLK edge. The data bus can be x8 or x16 wide.
5. A byte is loaded on the rising CCLK edge.
6. The user deasserts CSI_B, and the byte is ignored.
7. The user deasserts CSI_B, and the byte is ignored.
8. A byte is loaded on the rising CCLK edge.
9. A byte is loaded on the rising CCLK edge.
10. The user deasserts CSI_B, and the byte is ignored.
11. A byte is loaded on the rising CCLK edge.
12. A byte is loaded on the rising CCLK edge.
13. A byte is loaded on the rising CCLK edge.
X-Ref Target - Figure 2-9
Figure 2-9: Non-Continuous SelectMAP Data Loading with Free-Running CCLK
PROGRAM_B
INIT_B
CCLK
CSI_B
RDWR_B
DATA[0:n]
UG380_c2_09_042909
(2)
(4) (5) (6) (7) (8) (9) (10) (11) (12) (13)
(1)
(3)

Spartan-6 FPGA Configuration User Guide www.xilinx.com 39
UG380 (v2.9) August 11, 2016
SelectMAP Configuration Interface
Notes relevant to Figure 2-10:
1. The Data pins are in the High-Z state while CSI_B is deasserted. The data bus can be x8
or x16.
2. RDWR_B has no effect on the device while CSI_B is deasserted.
3. CSI_B is asserted by the user. The device begins loading configuration data on rising
CCLK edges.
4. A byte is loaded on the rising CCLK edge.
5. A byte is loaded on the rising CCLK edge.
6. A byte is loaded on the rising CCLK edge.
SelectMAP Data Ordering
In many cases, SelectMAP configuration is driven by a user application residing on a
microprocessor, CPLD, or in some cases another FPGA. In these applications, it is
important to understand how the data ordering in the configuration data file corresponds
to the data ordering expected by the FPGA.
In SelectMAP x8 mode, configuration data is loaded at one byte per CCLK, with the MSB
of each byte presented to the D0 pin. This convention (D0 = MSB, D7 = LSB) differs from
many other devices. For x16 modes, see Parallel Bus Bit Order, page 81. This convention
can be a source of confusion when designing custom configuration solutions. Table 2-4
shows how to load the hexadecimal value 0xABCD into the SelectMAP data bus.
Some applications can accommodate the non-conventional data ordering without
difficulty. For other applications, it can be more convenient for the source configuration
data file to be bit swapped, meaning that the bits in each byte of the data stream are reversed.
For these applications, the Xilinx PROM file generation software can generate bit-swapped
PROM files (see Configuration Data File Formats, page 77).
X-Ref Target - Figure 2-10
Figure 2-10: Non-Continuous SelectMAP Data Loading with Controlled CCLK
CCLK
CSI_B
RDWR_B
DATA[0:n]
UG380_c2_10_042909
Byte 0 Byte 1 Byte n
(1)
(2)
(3)
(4) (5) (6)
Table 2-4: Bit Ordering for SelectMAP 8-Bit Mode
CCLK Cycle Hex Equivalent D0 D1 D2 D3 D4 D5 D6 D7
10xAB 1 0 1 0 1 0 1 1
20xCD 1 1 0 0 1 1 0 1
Notes:
1. D[0:7] represent the SelectMAP DATA pins.

40 www.xilinx.com Spartan-6 FPGA Configuration User Guide
UG380 (v2.9) August 11, 2016
Chapter 2: Configuration Interface Basics
Table 2-5 shows the bit ordering for x8 and x16 modes.
SPI Configuration Interface
The Master Serial Peripheral Interface (SPI) (Figure 2-11) allows a SPI serial flash to be used
to store configuration data. The Spartan-6 FPGA configures itself from a directly attached
industry-standard SPI serial flash memory. Although SPI is a standard four-wire interface,
various available SPI flash memories use different read commands and protocol.
Figure 2-12 shows the connections for an SPI configuration with a data width of x1 or x2.
These connections are the same because the x2 flash devices use the D pin as a dual
purpose Data In/Out pin. Connections for the SPI x4 option are shown in Figure 2-13,
page 44; two additional data pins provide a 4-bit data interface. Daisy-chained
configuration mode is only available in SPI x1 mode. The FPGA pin connections to the SPI
flash involved in the Master SPI mode are listed in Table 2-5.
The iMPACT programming software provides the ability to program an SPI serial flash
using an indirect programming method. This downloads a new FPGA design that
provides a connection from the iMPACT software through the Spartan-6 device to the SPI
flash. Previous FPGA memory contents are lost. For a list of supported SPI flash devices in
the latest version of software, see the software help documentation.
For more details see XAPP586: Using SPI Flash with 7 Series FPGAs.
Table 2-5: Spartan-6 FPGA Bit Ordering
Mode Pins
1514131211109876543210
x16 8 9 1
0
1
1
1
2
1
3
1
4
1
501234567
x8 01234567
X-Ref Target - Figure 2-1 1
Figure 2-11: Spartan-6 FPGA SPI Configuration Interface
DONE
CCLK
PROGRAM_B
INIT_B
DIN
M[1:0]
UG380_c2_11_051909
MOSI
CSO_B

Spartan-6 FPGA Configuration User Guide www.xilinx.com 41
UG380 (v2.9) August 11, 2016
SPI Configuration Interface
Table 2-6 describes the SPI configuration interface pins.
Table 2-6: Spartan-6 FPGA SPI Configuration Interface Pins
Pin Name FPGA Direction Description During Configuration After Configuration
HSWAPEN Input User I/O Pull-Up Control.
When Low during configuration, enables
pull-up resistors in all I/O pins to respective
I/O bank VCCO input.
0: Pull-ups during configuration
1: No pull-ups
Drive at valid level
throughout configuration.
User I/O
M[1:0] Input Mode Select.
Selects the FPGA configuration mode.
M[1:0] = 2'b01
Sampled when INIT_B goes
High.
User I/O
MOSI/
MISO[0]/
CSI_B
Output/Input Master FPGA Serial Data Output and
Master FPGA Serial Data Input.
Connect to the SPI Flash Slave Data Input
pin.
FPGA sends SPI flash
memory read commands
and starting address to the
flash’s serial data input.
User I/O
DIN/D0/
MISO/
MISO[1]
Input Master FPGA Serial Data Input and Slave
SPI flash output. Connect to the SPI flash
Slave Data Output pin.
FPGA receives serial data
from the flash’s serial data
output.
User I/O
CSO_B Output Master SPI Chip Select Output.
Active Low. Connect to the SPI flash Slave
Select input.
If HSWAPEN_B = 1,
connect this signal to VCCO
through pull-up resistor
externally.
User I/O. Drive CSO_B High
after configuration to disable
the SPI flash and reclaim
MOSI, DIN, and CCLK pins.
Optionally reuse this pin,
MOSI, DIN, and CCLK to
continue communicating
with SPI flash.
CCLK Output Configuration Clock.
Generated by FPGA internal oscillator.
Connect to the SPI flash Slave Clock input.
Drive flash’s clock input. User I/O. Drive High or Low
if not used.
DOUT Output Serial Data Output.
Used in multi-FPGA daisy-chain
configurations.
Not used in single-FPGA
designs; DOUT is pulled up
and is not actively driving.
In a daisy-chain
configuration, this pin
connects to the DIN input of
the next FPGA in the chain.
User I/O
INIT_B Open-Drain
Bidirectional
I/O
Initialization indicator.
Active Low. Goes Low at start of
configuration during initialization memory
clearing process. Released at the end of
memory clearing, where mode pins are
sampled.
Active during
configuration. If SPI flash
requires more than 2 ms to
awake after powering on,
hold INIT_B Low until flash
is ready.
User I/O if POST_CRC is not
enabled. Use a pull-up
resistor on INIT_B.
DONE Open-Drain
Bidirectional
I/O
FPGA Configuration Done.
Low during configuration. Goes High when
the FPGA successfully completes
configuration.
Low indicates that the
FPGA is not yet configured.
Dedicated. Pulled High via
external pull-up. When
High, indicates that the
FPGA is successfully
configured.

42 www.xilinx.com Spartan-6 FPGA Configuration User Guide
UG380 (v2.9) August 11, 2016
Chapter 2: Configuration Interface Basics
PROGRAM_B Input Program FPGA.
Active Low. When asserted Low for 500 ns
or longer, forces the FPGA to restart its
configuration process by clearing
configuration memory and resetting the
DONE and INIT_B pins after PROGRAM_B
returns High.
Must be High to allow
configuration to start.
Drive PROGRAM_B Low
and release to reprogram
FPGA. Hold PROGRAM_B
to force the FPGA I/O pins
into High-Z, allowing direct
programming access to SPI
flash pins.
MISO[3:2] Input Master FPGA Serial Data Input and Slave
SPI data output.
Used only when using the
fast-read quad output
command.
User I/O
X-Ref Target - Figure 2-12
Figure 2-12: Spartan-6 FPGA SPI Configuration Interface
Table 2-6: Spartan-6 FPGA SPI Configuration Interface Pins (Cont’d)
Pin Name FPGA Direction Description During Configuration After Configuration
UG380_c2_12_062510
VCCINT
CSO_B
VCCO_2
INIT_B
DIN
MOSID
S
VCC
Q
C
GND
HSWAPEN
VCCO_0
CCLK
VCCO_1
Numonyx
M25Pxx
SPI Flash
HOLD
M1
M0
DOUT
W
TMS
TDO
TCK
TDI
VCCAUX
Spartan-6
FPGA
DONE
GND
PROGRAM_B
VREF
TMS
TCK
TDO
TDI
N.C.
N.C.
1
14
Xilinx Cable Header
(JTAG Interface)
PROGRAM_B
VCCO_2
2.4 kΩ
4.7 kΩ
330Ω
4.7 kΩ
VCCO_0
VCCO_1
VCCO_2
VCCO_2
VCCO_2
VCCO_2
VCCO_2
Refer to the Notes following this figure for related information.
VCCAUX
VCCAUX
VFS
VBATT
VFS
VBATT
SUSPEND

Spartan-6 FPGA Configuration User Guide www.xilinx.com 43
UG380 (v2.9) August 11, 2016
SPI Configuration Interface
Notes relevant to Figure 2-12:
1. See Table 5-2, page 74 for internal pin terminations and pins affected by HSWAPEN.
2. DOUT should be connected to the DIN of the downstream FPGA for daisy-chained
configuration modes.
3. For more details on CCLK termination, see Board Layout for Configuration Clock
(CCLK), page 56.
4. A series resistor should be considered for the datapath from the flash to the FPGA to
minimize overshoot. The proper resistor value can be determined from simulation.
5. The Spartan-6 FPGA VCCO_2 supply must be the same voltage as VCC of the SPI
device.
6. CSO_B and MOSI are clocked by the CCLK falling edge.
7. DIN is clocked on the rising edge of the CCLK.
8. There are additional pins on the SPI flash side, such as Write Protect and Hold. These
pins are not used in FPGA configuration (read only). But they should be tied off
appropriately according to the SPI vendor’s specification.
9. If HSWAPEN is left unconnected or tied High, a pull-up resistor is required for CSO_B.
10. The CCLK frequency is adjusted by using the BitGen option ConfigRate if the source
is the internal oscillator. If an external source is used, see External Configuration Clock
for Master Modes, page 56 for more details.
11. The DONE pin is by default an open-drain output with an internal pull-up. An
additional external pull-up is recommended in general, but required when using the
indirect programming method using iMPACT. The DONE pin has a programmable
active driver that can be enabled via the BitGen option -g DriveDone.
12. When the digital clock manager (DCM) or PLL lock wait is enabled before the DONE
release cycle during startup, the FPGA continues to clock in data until the startup wait
condition is met and DONE is released. See Required Data Spacing between MultiBoot
Images, page 138 for considerations specific to MultiBoot Configuration.
13. Figure 2-12 shows a Numonyx SPI flash device. Refer to the ISE software overview at
http://www.xilinx.com/support/documentation/sw_manuals/xilinx14_7/isehelp_start.htm
and navigate to the iMPACT help documentation (“Introduction to Indirect
Programming”) to see which devices are supported for indirect SPI configuration
using iMPACT.
14. VFS is present in 6SLX75/T, 6SLX100/T, and 6SLX150/T devices, and is used for
eFUSE programming. See eFUSE, page 93 for more details.
15. VBATT is present in 6SLX75/T, 6SLX100/T, and 6SLX150/T devices, and is the power
source for AES key storage. If AES encryption is unused, VBATT can be tied to either
VCCAUX or ground, or left unconnected.
16. If VCCO_2 is 1.8V, VCCAUX must be 2.5V. If VCCO_2 is 2.5V or 3.3V, VCCAUX can be
either 2.5V or 3.3V.
17. The SUSPEND pin should be Low during power up and configuration. If the Suspend
feature is not used, the SUSPEND pin must be connected to ground.

44 www.xilinx.com Spartan-6 FPGA Configuration User Guide
UG380 (v2.9) August 11, 2016
Chapter 2: Configuration Interface Basics
Spartan-6 FPGAs also support x4 configuration with SPI flash in Master Serial Mode. See
Figure 2-13.
Notes relevant to Figure 2-13:
1. The connection shown in Figure 2-13 uses the Winbond W25Q SPI series flash
memory. Other SPI devices are supported, including devices from Spansion and
Micron. For a complete list, see the URL for the ISE software overview at the beginning
of SPI Configuration Interface, page 40.
2. Software support for x4 requires the x4 capability enabled in BitGen
(-g: spi_buswidth:4).
3. The SPI device needs to be programmed with a specific register setting, which is done
in iMPACT software, to enable x4 output.
4. Figure 2-12 is used as a basis for the connections for x4 data width mode. The only
differences are the MISO[2] and MISO[3] connections. These two pins also require
pull-ups to VCCO_2.
X-Ref Target - Figure 2-1 3
Figure 2-13: Master Serial Quad-Bit SPI Configuration
UG380_c2_13_052009
CLKCCLK
CS
DO (bit1)
WP (bit2)
HOLD (bit3)
MOSI/MISO[0]
CSO_B
DIN/D0/MISO/MISO[1]
MISO[2]
MISO[3]
Winbond
W25Q SPI
Spartan-6
Device
DI (bit0)

Spartan-6 FPGA Configuration User Guide www.xilinx.com 45
UG380 (v2.9) August 11, 2016
SPI Configuration Interface
Master SPI Vendor Auto-Detection and Error Handling
The SPI read command is automatically selected, using a read-command looping
mechanism for the initial device configuration. This looping algorithm is outlined in
Figure 2-14. SPI x2 and x4 applications use this sequence for an initial data load. After the
first set of commands are issued to the FPGA, the read command changes in the Mode_Reg
and configuration changes to x2 or x4 mode using the IPROG command. To enable these
modes, the BitGen spi_buswidth option needs to have the SPI x2 or x4 command set.
MultiBoot applications require a manual setting of the read command to be used along
with other MultiBoot settings contained in the Mode_Reg, General 2, and General 4
registers.
X-Ref Target - Figure 2-1 4
Figure 2-14: Read-Command Looping Mechanism during Initial Configuration
Master Serial Mode
Set Error Count = 0
Initiate SPI with
OPCODE 0x03,
Address = 0
Sync Word in 512 Cycles?
CRC Error?
Config Passes,
Startup Sequence
Configure Device
Initiate SPI with
OPCODE 0xE8
Address = 0
No
Ye s
Ye s
Ye s
Ye s
No
No
No
Sync Word in 512 Cycles?
Increment Error
Count
Error Count
< 3?
Fail Configuration,
Init = 0
UG380_c2_14_011310

46 www.xilinx.com Spartan-6 FPGA Configuration User Guide
UG380 (v2.9) August 11, 2016
Chapter 2: Configuration Interface Basics
Master SPI Timing Waveform
Figure 2-15 shows SPI Read (opcode = 03H), which is the first read command issued by the
device. If this read command fails to return a sync word, the next read command of E8h is
issued to the device (see Figure 2-16).
X-Ref Target - Figure 2-1 5
Figure 2-15: Master SPI Timing Diagram (opcode = 03h)
X-Ref Target - Figure 2-1 6
Figure 2-16: Master Serial SPI Timing Diagram (opcode = E8h)
MOSI
DIN
CCLK
OPCODE 03H
102 7 12 29 3947
3031
Address Bits A23-A0
Data Byte 2Data Byte 1 Data Byte 3
UG380_c2_15_052009
CSO_B
CSO_B
MOSI
DIN
CCLK
OPCODE E8H
12 7 12 29 6371
3031
Address Bits A23-A0 32 Dummy Cycles
Data Byte 1 Data Byte 2
UG380_c2_16_052009

Spartan-6 FPGA Configuration User Guide www.xilinx.com 47
UG380 (v2.9) August 11, 2016
SPI Configuration Interface
Master SPI Dual (x2) and Quad (x4) Read Commands
The Master SPI configuration mode in Spartan-6 FPGAs supports the SPI flash memory
dual (x2) and quad bit (x4) memory fast output read commands. To enable this
configuration method in software, the BitGen spi_buswidth option is used to create a
.bit file for SPI x2 or x4. The FPGA still initially boots in x1 mode and then switches to x2
or x4 mode.
In x2 mode, the Fast-Read Dual Output (3Bh) instruction is issued and is similar to the
standard Fast Read (0Bh) instruction except that data is output on two pins, DO and DIO
(MOSI), instead of just DO. This allows data to be transferred from the dual output at twice
the rate of standard SPI devices. The timing diagram of the Master Serial SPI configuration
mode using an SPI flash with dual read-bit command (3Bh) is shown in Figure 2-17.
In x4 mode, the Fast-Read Quad Output (6Bh) instruction is issued and is similar to the
standard Fast Read (0Bh) instruction except that data is output on four data pins, instead
of just DO. This allows data to be transferred from the quad output at four times the rate of
standard SPI devices. The timing diagram of the Master Serial SPI configuration mode
using an SPI flash with quad read bit command (6Bh) is shown in Figure 2-18.
X-Ref Target - Figure 2-1 7
Figure 2-17: Timing Diagram of Winbond SPI Dual-Read Bit Command (3Bh)
X-Ref Target - Figure 2-1 8
Figure 2-18: Timing Diagram of Winbond SPI Quad-Read Bit Command (6Bh)
CSO_B
CCLK
Read Command 24-Bit Address Dummy
Byte (8 Bits)
MOSI/
MISO[0]
DIN/
MISO[1]
UG380_c2_17_052009
D6 D4 D2 D0
D7 D5 D3D1
Data Byte 1
CSO_B
Read Command 24-Bit Address D4 D0 D4 D0
D5 D1 D5 D1
D6 D2 D6 D2
D7 D3D7 D3
Dummy
Byte (8 Bits)
CCLK
MOSI/
MISO[0]
DIN/
MISO[1]
MISO[2]
MISO[3]
UG380_c2_18_052009
D0–D7 Data Byte 1 This corresponds with the first two columns of data.
Next D0–D7 Data Byte 2 This corresponds with the last two columns of data.

48 www.xilinx.com Spartan-6 FPGA Configuration User Guide
UG380 (v2.9) August 11, 2016
Chapter 2: Configuration Interface Basics
Power-On Sequence Precautions
At power-on, the FPGA automatically starts its configuration procedure. When the FPGA
is in Master Serial SPI configuration mode, the FPGA asserts CSO_B Low to select the SPI
flash and drives a read command to the SPI flash. The SPI flash must be awake and ready
to receive commands before the FPGA drives CSO_B Low and sends the read command.
Because different power rails can supply the FPGA and SPI flash or because the FPGA and
SPI flash can respond at different times along the ramp of a shared power supply, special
attention to the FPGA and SPI flash power-on sequence or power-on ramps is essential.
The power-on sequence or power supply ramps can cause the FPGA to awake, or start,
before the SPI flash or vice versa. In addition, some SPI flash devices specify a minimum
time period, which can be several milliseconds from power-on, during which the device
must not be selected. For many systems with near-simultaneous power supply ramps, the
FPGA power-on reset time (TPOR) can sufficiently delay the start of the FPGA
configuration procedure such that the SPI flash becomes ready before the start of the FPGA
configuration procedure. In general, the system design must consider the effect of the
power sequence, the power ramps, FPGA power-on reset timing, and SPI flash power-up
timing on the timing relationship between the start of FPGA configuration and the
readiness of the SPI flash. Check DS162, Spartan-6 FPGA Data Sheet: DC and Switching
Characteristics, for Spartan-6 FPGA power supply requirements and timing. Check the SPI
flash data sheet for the SPI flash power-up timing requirements.
One of the following system design approaches can ensure that the SPI flash is ready to
receive commands before the FPGA starts its configuration procedure:
• Control the sequence of the power supplies such that the SPI flash is certain to be
powered and ready for asynchronous reads before the FPGA begins its configuration
procedure.
• Hold the FPGA PROGRAM_B pin Low from power-up to delay the start of the FPGA
configuration procedure and release the PROGRAM_B pin to High after the SPI flash
is fully powered and is able to receive commands.
• Hold the FPGA INIT_B pin Low from power-up to delay the start of the FPGA
configuration procedure and release the INIT_B pin to High after the SPI flash
becomes ready to receive commands.
For more information on how to configure FPGAs with SPI flash and how to use iMPACT
software perform in-system SPI programming, see XAPP951, Configuring Xilinx FPGAs
with SPI Serial Flash.
SPI Serial Daisy-Chain
In a serial daisy-chain application, the leading device can be in SPI mode and all
downstream devices in Slave Serial mode. In this case, all configuration bitstreams can be
stored inside one SPI device. The bitstream format for Master and Slave Serial daisy-chains
is exactly the same. See Serial Daisy-Chains, page 149 for details.

Spartan-6 FPGA Configuration User Guide www.xilinx.com 49
UG380 (v2.9) August 11, 2016
Master BPI Configuration Interface
Master BPI Configuration Interface
In the Master Byte-wide Peripheral Interface (BPI) shown in Figure 2-19, the Spartan-6
FPGA can configure itself from an industry-standard parallel NOR flash, as illustrated in
Figure 2-20. Spartan-6 FPGAs support up to 1 Gb parallel NOR flash, which can be
accessed with up to 26 address signals. Refer to the specific Spartan-6 device and package
to determine the number of address signals that limit the maximum flash density for
configuration.
Some BPI considerations are:
• The memory controller block in bank 1 (MCB-M1) cannot be used when the Master
BPI configuration interface is targeted. The design can either use the dual-purpose
pins for the MCB or for the BPI configuration interface but not both.
• 6SLX25/T devices do not support the BPI interface.
• 6SLX4 devices and Spartan-6 FPGAs in TQG144 and CPG196 packages do not
support the BPI interface.
• In the CSG225 package, address configuration pins A22 and A23 are not available.
The iMPACT programming software provides the ability to program top or bottom boot
parallel NOR flash using an indirect programming method. A small piece of IP is required
to be added to the FPGA design that provides a connection from the iMPACT software
through the Spartan-6 device to the flash device. For a list of supported BPI devices, refer
to the ISE software overview at
http://www.xilinx.com/support/documentation/sw_manuals/xilinx14_7/isehelp_start.htm and
navigate to the iMPACT help section “Introduction to Indirect Programming – SPI or BPI
Flash Memory.”
For more details see XAPP973, Indirect Programming of BPI PROMs with Virtex-5 FPGAs.
The FPGA drives up to 26 address lines to access the attached parallel flash. For
configuration, only async read mode is used, where the FPGA drives the address bus, and
the flash drives back the bitstream data. Bus widths of x8 and x16 are supported. If the
parallel NOR flash supports both x8 and x16 data widths, it is necessary to tie the BYTE#
signal to the appropriate level for the desired width. Bus widths are auto detected, as
described in Sync Word/Bus Width Auto Detection, page 78.
In Master BPI mode when using a parallel NOR flash device, the CCLK output is not
connected to the parallel NOR flash device. However, flash data is still sampled on the
rising edge of CCLK. The address output is generated on the falling edge of CCLK. See
Board Layout for Configuration Clock (CCLK), page 56. The timing parameters related to
BPI use CCLK as a reference.
In Master BPI mode, the address starts at 0 and increments by 1 until the DONE pin is
asserted. If the address reaches the maximum value (26’h3FFFFFF) and configuration is
not done (DONE is not asserted), the counter wraps around and starts again from 0.

50 www.xilinx.com Spartan-6 FPGA Configuration User Guide
UG380 (v2.9) August 11, 2016
Chapter 2: Configuration Interface Basics
Table 2-7 defines the BPI configuration interface pins.
If the FPGA is subject to reprogramming during configuration from the parallel NOR flash,
then the INIT pin can be connected to the BPI reset to set the BPI into a known state.
X-Ref Target - Figure 2-1 9
Figure 2-19: Spartan-6 FPGA BPI Configuration Interface
UG380_c2_25_121109
HSWAPEN
INIT_B
D[15:0]
M[1:0]
PROGRAM_B
CCLK
A[25:0]
CSO_B
DONE
FWE_B
FCS_B
FOE_B
Table 2-7: Spartan-6 FPGA BPI Configuration Interface Pins
Pin Name Type
Dedicated
or Dual-
Purpose
Description
M[1:0] Input Dual-
Purpose
The Mode pins are set to 00 for Master BPI mode when configuring
with parallel NOR flash:
00 = Master BPI mode
HSWAPEN Input Dual-
Purpose
Controls I/O pull-up resistors during configuration. This pin has a
built-in weak pull-up resistor.
0 = Pull-up during configuration
1 = 3-state during configuration
DONE Bidirectional,
Open-Drain,
or Active
Dedicated Active-High signal indicating configuration is complete:
0 = FPGA not configured
1 = FPGA configured
INIT_B Input or
Output,
Open-Drain
Dual-
Purpose
Before the Mode pins are sampled, INIT_B is an input that can be held
Low to delay configuration. After the Mode pins are sampled, INIT_B
is an open-drain, active-Low output indicating whether a CRC error
occurred during configuration:
0 = CRC error
1 = No CRC error
When the SEU detection function is enabled, INIT_B is reserved and
cannot be used as user I/O.
PROGRAM_B Input Dedicated Active-Low asynchronous full-chip reset
CCLK Output Dual-
Purpose
Configuration clock output. CCLK does not directly connect to parallel
NOR flash but is used internally to generate the address and sample
read data.
FCS_B Output Dual-
Purpose
Active-Low flash chip select output. This output is actively driven Low
during configuration and 3-stated after configuration. It has a weak
pull-up resistor during configuration. By default, this signal has a weak
pull-down resistor after configuration.

Spartan-6 FPGA Configuration User Guide www.xilinx.com 51
UG380 (v2.9) August 11, 2016
Master BPI Configuration Interface
FOE_B Output Dual-
Purpose
Active-Low flash output enable. This output is actively driven Low
during configuration and 3-stated after configuration. It has a weak
pull-up resistor during configuration. By default, this signal has a weak
pull-down resistor after configuration.
FWE_B Output Dual-
Purpose
Active-Low flash write enable. This output is actively driven High
during configuration and 3-stated after configuration. It has a weak
pull-up resistor during configuration. By default, this signal has a weak
pull-down resistor after configuration.
A[25:0] Output Dual-
Purpose
Address output, generated on the falling edge of CCLK.
D[15:0] Input Dual-
Purpose
Data input, sampled by the rising edge of the FPGA CCLK.
CSO_B Output Dual-
Purpose
Parallel daisy-chain active-Low chip select output. Not used in single
FPGA applications.
HDC Output Dual-
Purpose
High During Configuration (HDC) is High and can be connected to the
flash device to control byte-wide output versus 16-bit output.
LDC Output Dual-
Purpose
Low During Configuration (LDC) is Low and can be connected to the
flash device to control byte-wide output versus 16-bit output.
Table 2-7: Spartan-6 FPGA BPI Configuration Interface Pins (Cont’d)
Pin Name Type
Dedicated
or Dual-
Purpose
Description

52 www.xilinx.com Spartan-6 FPGA Configuration User Guide
UG380 (v2.9) August 11, 2016
Chapter 2: Configuration Interface Basics
Notes relevant to Figure 2-20:
1. See Table 5-2, page 74 for internal pin terminations and pins affected by HSWAPEN.
2. The CCLK net is not used in this configuration mode and can be unconnected or
externally terminated.
3. M[1:0] = 00 for Master BPI mode.
4. Figure 2-20 shows the x16 BPI interface. For x8 BPI interfaces, only D[7:0] are used. See
Sync Word/Bus Width Auto Detection, page 78.
X-Ref Target - Figure 2-20
Figure 2-20: Spartan-6 FPGA Master BPI Configuration Interface
UG380_c2_19_052914
TMS
TDO
TCK
TDI
VCCINT
VCCAUX
FWE_B
CCLK
CSO_B
INIT_B
FOE_B
FCS_B
PROGRAM_B
DONE
VCCO_2
CE#
WE#
VCCO
OE#
M1
M0
VCCO_0
VCCO_1
VCCO_0
VCCO_1
x8/x16
Parallel NOR
Flash
DOUT/BUSY
HDC
LDC
VCCO_2
GND
GND
A[25:0]
D[15:8]
BYTE#
D [15:8]
PROGRAM_B
1
14
Xilinx Cable Header
(JTAG Interface)
VREF
TMS
TCK
TDO
TDI
N.C.
N.C.
A[n:0]
D[7:0]D[7:0]
Spartan-6 FPGA
HSWAPEN
VCCAUX
VCCO_1
VCCO_2
VCCO_2
VCCAUX
VCCO_1
4.7 kΩ
4.7 kΩ
4.7 kΩ
4.7 kΩ
330Ω
4.7 kΩ
Refer to the Notes following this figure for related information.
VFS
VBATT
VFS
VBATT
SUSPEND

Spartan-6 FPGA Configuration User Guide www.xilinx.com 53
UG380 (v2.9) August 11, 2016
Master BPI Configuration Interface
5. VCCO_1 and VCCO_2 should be the same because they both communicate with the
flash device.
6. A24 and A25 can be in I/O bank 5, depending on the device. Consult the pinout for
your selected device.
7. Sending a bitstream to the data pin follows the same bit-swapping rule as in
SelectMAP mode. See Parallel Bus Bit Order, page 81.
8. If flash programming is not required, FCS_B, FOE_B, and FWE_B can be tied off; that
is, DONE is connected to FCS_B, FOE_B is tied Low, and FWE_B is tied High.
9. The CCLK outputs are not used to connect to flash but are used to sample flash read
data during configuration. All timings are referenced to CCLK. The CCLK pin must
not be driven or tied High or Low.
10. If HSWAPEN is left unconnected or tied High, a pull-up resistor is required for FCS_B.
11. The DONE pin is by default an open-drain output with an internal pull-up. An
additional external pull-up is recommended in general, but required when using the
indirect programming method using iMPACT. The DONE pin has a programmable
active driver that can be enabled via the BitGen option -g DriveDone.
12. Required Data Spacing between MultiBoot Images, page 138 provides information on
when the DCM or PLL lock wait is turned on.
13. For details on how to daisy-chain FPGAs in BPI mode, see Chapter 9, Advanced
Configuration Interfaces.
14. The parallel NOR flash vendor data sheet should be referred to for details on the
specific flash signal connectivity. To prevent address misalignment, close attention
should be paid to the flash family address LSB for the byte/word mode used. Not all
flash families use the A0 as the address LSB.
15. The CCLK frequency is adjusted by using the BitGen option ConfigRate if the source
is the internal oscillator. If an external clock source is used, see External Configuration
Clock for Master Modes, page 56.
16. VFS is present in 6SLX75/T, 6SLX100/T, and 6SLX150/T devices, and is used for
eFUSE programming. See eFUSE, page 93 for more details.
17. VBATT is present in 6SLX75/T, 6SLX100/T, and 6SLX150/T devices, and is the power
source for AES key storage. If AES encryption is unused, VBATT can be tied to either
VCCAUX or ground, or left unconnected.
18. If VCCO_2 is 1.8V, VCCAUX must be 2.5V. If VCCO_2 is 2.5V or 3.3V, VCCAUX can be
either 2.5V or 3.3V.
19. The SUSPEND pin should be Low during power up and configuration. If the Suspend
feature is not used, the SUSPEND pin must be connected to ground.

54 www.xilinx.com Spartan-6 FPGA Configuration User Guide
UG380 (v2.9) August 11, 2016
Chapter 2: Configuration Interface Basics
Figure 2-21 shows the BPI configuration waveforms.
Notes related to Figure 2-21:
1. CCLK is output in BPI modes. The parallel NOR flash does not require CCLK, but the
Spartan-6 FPGA uses the rising edge of CCLK to sample D[n:0] pins. The falling edge
of CCLK is used to generate the address outputs.
2. The Spartan-6 FPGA stops loading the bitstream after the DONE pin goes High.
3. Dual-purpose configuration I/O switches to User mode after the GTS_cycle. By
default, this is one cycle after DONE goes High.
4. In D[n:0], n can be 7 or 15. For A[n:0], n can be a value up to 25.
5. FCS_B, FOE_B, and FWE_B should have weak pull-ups after configuration through
either I/O constraints or external pull-up resistors.
6. The first address 0 for Master BPI is extended for multiple cycles due to the initial
latency.
X-Ref Target - Figure 2-2 1
Figure 2-21: Spartan-6 FPGA BPI Configuration Waveforms
10
CCLK
INIT_B
FCS_B
FOE_B
FWE_B
A[n:0]
D[n:0]
DONE
23n
DnD3D2D1D0
UG380_c2_20_052109

Spartan-6 FPGA Configuration User Guide www.xilinx.com 55
UG380 (v2.9) August 11, 2016
Master BPI Configuration Interface
Determining the Maximum Configuration Clock Frequency
In Master BPI mode, the FPGA delivers the configuration clock. The master configuration
clock frequency of the FPGA is set through the BitGen -g ConfigRate option. The
BitGen -g ConfigRate option sets the nominal configuration clock frequency. The
default BitGen ConfigRate setting of 2 is recommended. This default value sets the
nominal master CCLK frequency to 2 MHz, which satisfies timing requirements for the
leading BPI flash families. If the timing requirements discussed in this section are satisfied,
the BitGen ConfigRate setting can be increased for a faster configuration time. When
determining a valid ConfigRate setting, these timing parameters must be considered:
• FPGA nominal master CCLK frequency (BitGen ConfigRate)
• FPGA Master CCLK frequency tolerance (FMCCKTOL)
• A[25:0] outputs valid after CCLK falling edge (TBPICCO)
• BPI flash address to output valid (access) time (TACC)
• FPGA data setup time to CCLK rising edge (TBPIDCC)
The master configuration clock of the FPGA has a tolerance of FMCCKTOL. Due to the
master configuration clock tolerance (FMCCKTOL), the BitGen -g ConfigRate option
must be checked so that half the period for the worst-case (fastest) master CCLK frequency
is greater than the sum of the FPGA address valid time, BPI flash access time, and FPGA
set up time, as shown in Equation 2-1.
Equation 2-1
Power-On Sequence Precautions
At power-on, the FPGA automatically starts its configuration procedure. When the FPGA
is in a Master-BPI configuration mode, the FPGA asserts FCS_B Low and drives a sequence
of addresses to read the bitstream from a parallel NOR flash. The parallel NOR flash must
be ready for asynchronous reads before the FPGA drives FCS_B Low and outputs the first
address to ensure the parallel NOR flash can output the stored bitstream.
Because different power rails can supply the FPGA and parallel NOR flash or because the
FPGA and parallel NOR flash can respond at different times along the ramp of a shared
power supply, special attention to the FPGA and parallel NOR flash power-on sequence or
power-on ramps is essential. The power-on sequence or power supply ramps can cause the
FPGA to awake before the parallel NOR flash or vice versa. For many systems with near-
simultaneous power supply ramps, the FPGA power-on reset time (TPOR) can sufficiently
delay the start of the FPGA configuration procedure such that the parallel NOR flash
becomes ready before the start of the FPGA configuration procedure. In general, the
system design must consider the effect of the power sequence, the power ramps, FPGA
power-on reset time, and parallel NOR flash power-on reset time on the timing relation
between the start of FPGA configuration and the readiness of the parallel NOR flash for
asynchronous reads. Check DS162, Spartan-6 FPGA Data Sheet: DC and Switching
Characteristics, for Spartan-6 FPGA power supply requirements and timing.
One of the following system design approaches can ensure that the parallel NOR flash is
ready for asynchronous reads before the FPGA starts its configuration procedure:
• Control the sequence of the power supplies such that the parallel NOR flash is certain
to be powered and ready for asynchronous reads before the FPGA begins its
configuration procedure.
1
2ConfigRate×FMCCKTOLMAX×
------------------------------------------------------------------------------------------------ TBPICCO TACC TBPIDCC++≥

56 www.xilinx.com Spartan-6 FPGA Configuration User Guide
UG380 (v2.9) August 11, 2016
Chapter 2: Configuration Interface Basics
• Hold the FPGA PROGRAM_B pin Low from power-up to delay the start of the FPGA
configuration procedure and release the PROGRAM_B pin to High after the parallel
NOR flash is fully powered and is able to perform asynchronous reads.
• Hold the FPGA INIT_B pin Low from power-up to delay the start of the FPGA
configuration procedure and release the INIT_B pin to High after the parallel NOR
flash becomes ready for asynchronous reads.
External Configuration Clock for Master Modes
By default, Spartan-6 FPGAs perform master mode configuration using an internally
generated clock source. However, Spartan-6 FPGAs support the ability to dynamically
switch to an external clock source during master mode configuration. The external clock
source is effective for an application where faster and stable configuration times are
needed.
USERCCLK is a dual-purpose pin that can be used by the application as GCLK0 after the
configuration. To enable the external clock source during master mode configuration, the
ExtMasterCclk_en option in BitGen must be enabled. The USERCCLK frequency can be
divided down using the ExtMasterCclk_divide BitGen option. The allowable values
are 1 (default) and all even numbers between 2 and 1022. The I/O standard for the
USERCCLK is LVCMOS 8 mA slow slew rate. The configuration begins with the CCLK
generated by the FPGA internal oscillator. When the configuration clock register setting is
reached in the bitstream, the FPGA switches from the internal oscillator to the clock found
on USERCCLK (or divided down, as set by the BitGen option ExtMasterCclk_divide).
The clock multiplexer is designed to generate a glitchless output clock during the
transition. Care must be exercised when also using this clock output as an input to the
design. When the end of startup (EOS) completes, the I/O standard for this pin as specified
by the design is enabled. At this time, the input of this pin might glitch as the I/O changes
from the default I/O standard to the user-specified I/O standard.
Board Layout for Configuration Clock (CCLK)
The Spartan-6 FPGA configuration I/Os use the LVCMOS slow slew rate 8 mA I/O
standard. This requires more attention to PCB trace routing and termination for proper
signal integrity.
These basic guidelines must be followed:
• Route the CCLK net as a 50Ω controlled impedance transmission line.
• Always route the CCLK net without any branching; do not use a star topology
(Figure 2-25).
• Stubs, if necessary, must be shorter than 8 mm (0.3 inches).
Table 2-8: Spartan-6 FPGA External Configuration Clock Interface Pin
Pin Name Type Dedicated or
Dual-Purpose Description
USERCCLK Input Dual-purpose External
configuration clock
source for all master
configuration modes

Spartan-6 FPGA Configuration User Guide www.xilinx.com 57
UG380 (v2.9) August 11, 2016
Board Layout for Configuration Clock (CCLK)
• Terminate the end of the CCLK transmission line with a parallel termination of 100Ω
to VCCO and 100Ω to GND (the Thevenin equivalent of VCCO/2, and assuming a trace
characteristic impedance of 50Ω).
• After configuration in master mode, the CCLK pin is not driven unless it is used in the
user design. If unused in the design, it is recommended to drive this pin to a logic
level to prevent the pin from floating after configuration has completed.
Familiarity with the advantages and disadvantages of available termination techniques
helps the designer choose the best option for the target application. Refer to UG393,
Spartan-6 FPGA PCB Design and Pin Planning Guide, for detailed guidelines to determine
the appropriate topology for the intended application and detailed trade-offs. Figure 2-22
through Figure 2-24 show a few possible topologies for CCLK distribution. Because the
Master CCLK goes to high impedance at the end of the configuration sequence, the
examples using parallel termination can be less desirable than other termination options
because more power is dissipated. This trade-off must be weighed against other factors to
determine the optimal termination topography for an interface.
Figure 2-22 through Figure 2-25 show the recommended topologies for CCLK distribution.
Figure 2-22 shows the basic point-to-point topology for one CCLK driver (FPGA master)
and one CCLK receiver (flash or FPGA slave).
X-Ref Target - Figure 2-2 2
Figure 2-22: Point-to-Point: One CCLK Output, One CCLK Input
CCLK Output = Master FPGA
CCLK Input = Flash or Slave FPGA
CCLK
Output
UG380_c2_21_070716
Z0 (50Ω)
CCLK
Input
Z0 (50Ω)
2 x Z0 (100Ω)
2 x Z0 (100Ω)
VCCO_2

58 www.xilinx.com Spartan-6 FPGA Configuration User Guide
UG380 (v2.9) August 11, 2016
Chapter 2: Configuration Interface Basics
Figure 2-23 shows the basic multi-drop flyby topology for one CCLK driver and two CCLK
receivers. The stub at CCLK input 1 has a length constraint.
Figure 2-24 shows the multi-drop flyby topology for one CCLK driver and more than two
CCLK receivers (four in this example). All CCLK inputs except input 4 have length
constraints.
X-Ref Target - Figure 2-2 3
Figure 2-23: Multi-Drop: One CCLK Output, Two CCLK Inputs
CCLK
Output
Z
0
(50Ω)
CCLK
Input 2
Z
0
(50Ω)
CCLK
Input 1
Z
0
(50Ω)
2 x Z
0
(100Ω)
2 x Z
0
(100Ω)
VCCO_2
Z
0
(50Ω)
Length < 8 mm
UG380_c2_22_062510
X-Ref Target - Figure 2-24
Figure 2-24: Multi-Drop: One CCLK Output, More Than Two CCLK Inputs
CCLK
Output
Z0 (50Ω)
CCLK
Input 4
Z0 (50Ω)
2 x Z0 (100Ω)
2 x Z0 (100Ω)
VCCO_2
Z0 (50Ω)
Z0 (50Ω)
CCLK
Input 2
length < 8 mm
Z0 (50Ω)
Z0 (50Ω)
CCLK
Input 3
length < 8 mm
Z0 (50Ω)
Z0 (50Ω)
CCLK
Input 1
Length < 8 mm
UG380_c2_23_062510

Spartan-6 FPGA Configuration User Guide www.xilinx.com 59
UG380 (v2.9) August 11, 2016
Board Layout for Configuration Clock (CCLK)
Figure 2-25 shows a star topology where the transmission line branches to the multiple
CCLK inputs. The branch point creates a significant impedance discontinuity. This
arrangement is Not Recommended.
X-Ref Target - Figure 2-2 5
Figure 2-25: Not Recommended
Star Topology: One CCLK Output, Two CCLK Input
CCLK
Output
UG380_c2_24_042909
Z0
Impedance
Discontinuity
Z0
CCLK
Input 1
Z0
CCLK
Input 2

Spartan-6 FPGA Configuration User Guide www.xilinx.com 61
UG380 (v2.9) August 11, 2016
Chapter 3
Boundary-Scan and JTAG Configuration
Introduction
Spartan®-6 devices support IEEE Std 1149.1, defining Test Access Port (TAP) and
boundary-scan architecture. These standards ensure the board-level integrity of individual
components and the interconnections between them. In addition to connectivity testing,
boundary-scan architecture offers flexibility for vendor-specific instructions, such as
configure and verify, which add the capability of loading configuration data directly to
FPGAs and compliant memories. TAP and boundary-scan architecture is commonly
referred to collectively as JTAG.
Boundary-Scan for Spartan-6 Devices Using IEEE Std 1149.1
The Spartan-6 family is fully compliant with the IEEE Std 1149.1 (TAP and boundary-scan
architecture). The architecture includes all mandatory elements defined in IEEE Std 1149.1.
These elements include the TAP, the TAP controller, the Instruction register, the instruction
decoder, the boundary-scan register, and the BYPASS register. The Spartan-6 family also
supports a 32-bit Identification register in full compliance with the standard. Outlined in
the following sections are the details of the JTAG architecture for Spartan-6 devices. More
details about the JTAG architecture for Spartan-6 devices can be found in Chapter 10,
Advanced JTAG Configurations.
Test Access Port (TAP)
The Spartan-6 FPGA TAP contains four mandatory dedicated pins as specified by the
protocol in Spartan-6 devices and in typical JTAG architecture (see Figure 10-1, page 162).
Three input pins and one output pin control the IEEE Std 1149.1 boundary-scan TAP
controller. Optional control pins, such as Test Reset (TRST), and enable pins might be
found on devices from other manufacturers. It is important to be aware of these optional
signals when interfacing Xilinx devices with parts from different vendors because they
might need to be driven.
The IEEE Std 1149.1 boundary-scan TAP controller is a state machine (16 states), shown in
Chapter 10, Advanced JTAG Configurations.

62 www.xilinx.com Spartan-6 FPGA Configuration User Guide
UG380 (v2.9) August 11, 2016
Chapter 3: Boundary-Scan and JTAG Configuration
The four mandatory TAP pins are outlined in Table 3-1.
Boundary-Scan Timing Parameters
Characterization data for some of the most commonly requested timing parameters,
shown in Figure 3-1, are listed in the “Configuration Switching Characteristics” table of
DS162, Spartan-6 FPGA Data Sheet: DC and Switching Characteristics. For more information
on the configuration flow details, refer to Chapter 10, Advanced JTAG Configurations.
Table 3-1: Spartan-6 FPGA TAP Controller Pins
Pin Direction Pre-Configuration
Internal Pull Resistor Description
TDI IN Pull-up(1) Test Data In. This pin is the serial input to all JTAG instruction and data
registers.
The state of the TAP controller and the current instruction determine the
register that is fed by the TDI pin for a specific operation. TDI has an
internal resistive pull-up to provide a logic High to the system if the pin
is not driven. TDI is applied into the JTAG registers on the rising edge of
TCK.
TDO Out Pull-up(1) Test Data Out. This pin is the serial output for all JTAG instruction and
data registers.
The state of the TAP controller and the current instruction determine the
register (instruction or data) that feeds TDO for a specific operation. TDO
changes state on the falling edge of TCK and is only active during the
shifting of instructions or data through the device. TDO is an active
driver output.
TMS In Pull-up(1) Test Mode Select. This pin determines the sequence of states through the
TAP controller on the rising edge of TCK.
TMS has an internal resistive pull-up to provide a logic High if the pin is
not driven.
TCK In Pull-up(1) Test Clock. This pin is the JTAG Test Clock.
TCK sequences the TAP controller and the JTAG registers in the
Spartan-6 devices.
Notes:
1. All JTAG pins have internal pull-up resistors to VCCAUX before configuration. These internal pull-up resistors are active, regardless
of the mode selected. BitGen can be used to enable the pull-ups after configuration for all four mandatory pins. See UG628,
Command Line Tools User Guide for more information.
X-Ref Target - Figure 3-1
Figure 3-1: Spartan-6 FPGA Boundary-Scan Port Timing Waveforms
UG380_c3_01_042909
TDO
TCK
TDI
TMS
Data Valid
T
TCKTDO
T
TAPTCK
T
TCKTAP

Spartan-6 FPGA Configuration User Guide www.xilinx.com 63
UG380 (v2.9) August 11, 2016
Boundary-Scan for Spartan-6 Devices Using IEEE Std 1149.1
Using Boundary-Scan in Spartan-6 Devices
For single-device configuration, the TAP controller commands are issued automatically if
the part is being configured with Xilinx® iMPACT software. The download cable must be
attached to the appropriate four JTAG pins (TMS, TCK, TDI, and TDO) to deliver the
bitstream automatically from the computer port to the Spartan-6 FPGA. The iMPACT
software automatically checks for proper connections and drives the commands to deliver
and/or verify that the configuration bits are properly managed.
Figure 3-2 shows a typical JTAG setup with the simple connection required to attach a
single device to a JTAG signal header, which can be driven from a processor or a Xilinx
programming cable under control of iMPACT software. TCK is the clock used for
boundary-scan operations. The TDO-TDI connections create a serial datapath for shifting
data through the JTAG chain. TMS controls the transition between states in the TAP
controller; see Chapter 10, Advanced JTAG Configurations. Proper physical connections of
all of these signals are essential to JTAG functionality.
Multiple Device Configuration
It is possible to configure multiple Spartan-6 devices in a chain. (See Figure 3-3.)
If JTAG is the only configuration mode, then PROGRAM_B, INIT_B, and DONE can be
tied High to a 330Ω resistor.
X-Ref Target - Figure 3-2
Figure 3-2: Single-Device JTAG Programming Connections
X-Ref Target - Figure 3-3
Figure 3-3: Boundary-Scan Chain of Devices
TDO
TCK
TMS
TDI
TDO
TCK
TMS
TDI
Spartan-6
FPGA
Device
JTAG Header
UG380_c3_02_042909
JTAG Header
UG380_c3_03_042909
Spartan-6
FPGA
TDOTDI
TMS
TCK
Spartan-6
FPGA
PROGRAM_B
TDI
TMS
TCK
PROGRAM_B
TDO
Spartan-6
FPGA
TDI
TMS
TCK
PROGRAM_B
TDO
Device 0 Device 1 Device 2
TDO
TMS
TDI
TCK

64 www.xilinx.com Spartan-6 FPGA Configuration User Guide
UG380 (v2.9) August 11, 2016
Chapter 3: Boundary-Scan and JTAG Configuration
The devices in the JTAG chain are configured one at a time. The multiple device
configuration steps can be applied to any size chain as long as an excellent signal integrity
is maintained. The iMPACT software automatically discovers the devices in the chain,
starting from the one nearest to TDI coming from the JTAG header and the iMPACT
software.
JTAG inputs use the VCCAUX supply for JTAG operations.
Chapter 10, Advanced JTAG Configurations provides a detailed description of the various
TAP controller states, the JTAG instructions, and the architecture of the boundary-scan
chain.
For details on the boundary-scan instructions EXTEST, INTEST, and BYPASS, refer to the
IEEE Std 1149.1 and Chapter 10, Advanced JTAG Configurations.
For further information on the startup sequence, bitstream, and internal configuration
registers referenced here, refer to Chapter 5, Configuration Details and Chapter 10,
Advanced JTAG Configurations.
Design Considerations
JTAG Signal Routing
The TCK and TMS signals go to all devices in the chain; consequently, their signal quality
is important. For example, TCK should transition monotonically at all receivers to ensure
proper JTAG functionality and must be properly terminated. The quality of TCK can limit
the maximum frequency for reliable JTAG configuration.
Additionally, if the chain is large (three devices or more), TMS and TCK should be buffered
to ensure that they have sufficient drive strength at all receivers, and the voltage at logic
High must be compatible with all devices in the chain.
When interfacing to devices from other manufacturers, optional JTAG signals can be
present (such as TRST and enables) and might need to be driven.
Providing Power
To ensure proper power-on behavior, the guidelines in the Spartan-6 FPGA Data Sheet: DC
and Switching Characteristics must be followed. The power supplies should ramp
monotonically within the power supply ramp time range specified. All supply voltages
should be within the recommended operating ranges; any dips in VCCINT below VDRINT or
VCCAUX below VDRAUX can result in loss of configuration data.
VCCO_2 and sometimes VCCO_1 determine the I/O voltage for the configuration
interface (SPI, Serial, BPI, and SelectMAP). VCCAUX determines the I/O voltage for the
JTAG configuration pins. The voltage provided must be compatible with all configuration
interfaces that will be used
Unused serial transceivers have no effect on boundary-scan functionality and need not be
powered.

Spartan-6 FPGA Configuration User Guide www.xilinx.com 65
UG380 (v2.9) August 11, 2016
Design Considerations
Configuring through Boundary-Scan
If the Spartan-6 device is configured via JTAG on power-up, any activity on the JTAG
signals will override the current configuration mode setting.
The configuration flow for Spartan-6 device configuration with JTAG is discussed in the
Chapter 10, Advanced JTAG Configurations. This chapter includes details about the
command sequences used for configuring a Spartan-6 device as a single device through
boundary-scan or as part of a multiple-device boundary-scan chain. A configured device
can be reconfigured by toggling the TAP and entering a CFG_IN instruction after pulsing
the PROGRAM_B pin or issuing the shut-down sequence. See Chapter 10, Advanced JTAG
Configurations.
Xilinx has proprietary programming cables (USB) and boundary-scan programming
software (iMPACT) for prototyping purposes. These are not intended for production
environments but can be highly useful for verifying FPGA implementations and JTAG
chain integrity.
When trying to access other devices in the JTAG chain, it is important to know the size of
the instruction register length in order to shift in the correct number of leading 1s or 0s to
ensure each device receives the correct instructions. This information can be found in the
BSDL file for the device, provided in the ISE® software.
One of the most common boundary-scan vendor-specific instructions is the configure
instruction. If the Spartan-6 device is configured via JTAG, the configuration instructions
occur independent from the mode pins. Chapter 10, Advanced JTAG Configurations,
details device configuration through JTAG. The Spartan-6 FPGA JTAG configuration
algorithm uses the SVF-based flow, provided in XAPP058, Xilinx In-System Programming
Using an Embedded Microcontroller.

Spartan-6 FPGA Configuration User Guide www.xilinx.com 67
UG380 (v2.9) August 11, 2016
Chapter 4
User Primitives
The configuration primitives described in this chapter are provided for users to access
FPGA configuration resources during or after FPGA configuration. For additional
information and instantiation templates, refer to UG615, Spartan-6 Libraries Guide for HDL
Designs.
BSCAN_SPARTAN6
JTAG is a standard four-pin interface: TCK, TMS, TDI, and TDO. Many applications are
built around this interface. The JTAG TAP controller is a dedicated state machine inside the
configuration logic. BSCAN_SPARTAN6 provides access between the JTAG TAP controller
and user logic in fabric. There are up to four instances of BSCAN_SPARTAN6 for each
device. Each instance of this design element can handle one JTAG USER instruction
(USER1 through USER4) as set with the JTAG_CHAIN attribute. To handle all four USER
instructions, four of these elements can be instantiated, and the JTAG_CHAIN attribute
must be set appropriately. Table 4-1 lists the BSCAN_SPARTAN6 port descriptions.
Table 4-1: BSCAN_SPARTAN6 Port Descriptions
Signal Name Type Function
SEL Output Active-High interface selection output. SEL = 1 when the JTAG
instruction register holds the corresponding (USER1, USER2,
USER3, or USER4) instruction. Change in Update_IR state. SEL
changes on the falling edge of TCK in the UPDATE_IR state of
the TAP controller.
RESET Output Active-High reset output. RESET = 1 during the
TEST-LOGIC-RESET state, PROGRAM_B, or during
power-up. This signal is deasserted on the falling edge of TCK.
TDI Output Fed through directly from the FPGA TDI pin.
DRCK Output DRCK is the same as TCK in the Capture_DR and Shift_DR
states. If the interface is not selected by the instruction register,
DRCK remains High.
CAPTURE Output Active-High pulse indicating the Capture_DR state. This signal
is asserted on the falling edge of TCK.
UPDATE Output Active-High pulse indicating the Update_DR state. This signal
is asserted on the falling edge of TCK.
SHIFT Output Active-High pulse indicating the Shift_DR state. This signal is
asserted on the falling edge of TCK.
RUNTEST Output Indicates JTAG is in Run Test/Idle state.

68 www.xilinx.com Spartan-6 FPGA Configuration User Guide
UG380 (v2.9) August 11, 2016
Chapter 4: User Primitives
ICAP_SPARTAN6
The ICAP_SPARTAN6 primitive works similarly to the SelectMAP configuration interface
except it is on the fabric side, and ICAP has a separate read/write bus, as opposed to the
bidirectional bus in SelectMAP. ICAP also only supports x16 data width. The general
SelectMAP timing diagrams and the SelectMAP bitstream ordering information, as
described in SelectMAP Configuration Interface, page 30, are also applicable to ICAP. It
allows the user to access configuration registers and readback configuration data after
configuration is done.
ICAP data width is 16 bits for both input and output.
TCK Output The value of the TCK input pin to the FPGA.
TMS Output The value of the TMS input pin to the FPGA.
TDO Input TDO input driven from the user fabric logic. This signal is
internally sampled on the falling edge before being driven out
to the FPGA TDO pin.
Table 4-1: BSCAN_SPARTAN6 Port Descriptions (Cont’d)
Signal Name Type Function
Table 4-2: ICAP_SPARTAN6 Port Descriptions
Signal Type Function
CLK Input ICAP interface clock.
CE Input Active-Low ICAP interface select. Equivalent to CSI_B in the
SelectMAP interface.
WRITE Input Read/Write control input. 0 = WRITE, 1 = READ. Equivalent to
the RDWR_B signal in the SelectMAP interface.
I[15:0] Input 16-bit-wide ICAP write data bus. The bit ordering is identical to
the SelectMAP interface. See SelectMAP Data Ordering, page 39.
O[15:0] Output 16-bit-wide ICAP read data bus. The bit ordering is identical to the
SelectMAP interface. See SelectMAP Data Ordering in SelectMAP
Data Ordering, page 39. The ICAP output should be captured in a
device register.
The packet buffer must be cleared for read data from a command
to be presented on the O[15:0] bus. See Configuration Register
Read Procedure (SelectMAP) and Configuration Memory Read
Procedure (SelectMAP) for the correct procedure.
BUSY Output Active-High busy status. Only used in read operations. BUSY
remains Low during writes.

Spartan-6 FPGA Configuration User Guide www.xilinx.com 69
UG380 (v2.9) August 11, 2016
STARTUP_SPARTAN6
STARTUP_SPARTAN6
The STARTUP_SPARTAN6 primitive provides a fabric interface to allow users to control
some of global signals after configuration.
DNA_PORT
The DNA_PORT provides access to a dedicated shift register, which can be loaded with the
Device DNA data bits (unique ID) for a given Spartan®-6 device. In addition to shifting
out the DNA data bits, this component allows for the inclusion of supplemental data bits
for additional user data or allow for the DNA data to rollover (repeat DNA data after
initial data has been shifted out). This component is primarily used in conjunction with
other circuitry to build anti-cloning protection for the FPGA bitstream from possible theft.
The DNA_PORT component must be instantiated to be used in a design. The instantiation
template is found within the ISE® software. Project Navigator HDL templates. The
instance declaration must be placed within the code. All inputs and outputs must be
connected to the design to ensure proper operation.
To access the Device DNA data, the shift register must first be loaded by setting the
active-High READ signal for one clock cycle. After the shift register is loaded, the data can
be synchronously shifted out by enabling the active-High SHIFT input and capturing the
data from the DOUT output port. If desired, additional data can be appended to the end of
the 57-bit shift register by connecting the appropriate logic to the DIN port. If DNA data
Table 4-3: STARTUP_SPARTAN6 Port Description
Signal Name Type Function
EOS Output Active-High. Absolute end of startup.
CLK Input User startup clock.
GSR Input Active-High global set/reset signal. When this
input is asserted, all flip-flops are restored to their
initial value in the bitstream.
KEYCLEARB Input Clear the battery-backed RAM key when it is set.
This signal needs to stay Low for 200 ns (four clock
cycles) to enable KEYCLEAR function.
GTS Input Active-High global 3-state signal. When this input is
asserted, all user I/Os are 3-stated.
CFGMCLK Output Configuration internal oscillator clock output of
approximately 50 MHz that can be used as a generic
clock source instead of a ring oscillator in the FPGA
logic. If this port is not connected in the design, the
oscillator is disabled.
CFGCLK Output Configuration logic main clock output. This signal
outputs the clock associated with the current
configuration mode. If the FPGA is in a Slave
configuration mode, the clock source is CCLK. If the
FPGA is in a Master configuration mode, the clock
source is the internal oscillator frequency (as
defined by the BitGen option -g ConfigRate).
Use the BitGen Persist option to maintain this
signal after configuration.

70 www.xilinx.com Spartan-6 FPGA Configuration User Guide
UG380 (v2.9) August 11, 2016
Chapter 4: User Primitives
rollover is desired, the DOUT port can be connected directly to the DIN port to allow for
the same data to be shifted out after completing the 57-bit shift operation. If no additional
data is necessary, the DIN port can be tied to a logic zero. The attribute SIM_DNA_VALUE
can optionally be set to allow for simulation of a possible DNA data sequence. By default,
the Device DNA data bits are all zeros in the simulation model.
SUSPEND_SYNC
The SUSPEND primitive extends the capabilities of the user to synchronize the design for
applications using the suspend mode. It uses a three-pin interface to allow synchronization
of the trigger to start the suspend mode, even when there are several clock domains
requiring synchronization. The three signals are: SREQ, SACK, and CLK.
SREQ outputs a request to the fabric to begin a suspend mode. SACK acknowledges that
the fabric is ready to start the suspend mode. The SACK pin is synchronous to the CLK pin.
Table 4-4: DNA_PORT Port Descriptions
Signal Name Direction Function
DOUT Output Serial-shifted output data.
DIN Input User data input to the shift register.
READ Input Synchronous load of the shift register
with the Device DNA data. A READ
operation overrides a SHIFT
operation.
SHIFT Input Active-High shift enable input.
CLK Input Input clock to the shift register.
Table 4-5: DNA_PORT Attribute
Attribute Type Allowed Values Default Description
SIM_DNA_VALUE 57-bit vector 57'b0, any 57-bit
value
All zeros Specifies a DNA value for
simulation purposes (the actual
value is specific to the particular
device used).
Table 4-6: SUSPEND Port Description
Signal Name Direction Function
CLK Input User clock.
SACK Input SUSPEND Acknowledgement; synchronous to CLK.
SREQ Output Suspend request from SUSPEND pin.

Spartan-6 FPGA Configuration User Guide www.xilinx.com 71
UG380 (v2.9) August 11, 2016
POST_CRC_INTERNAL
POST_CRC_INTERNAL
POST_CRC_INTERNAL provides fabric access to the post-CRC error.
Table 4-7: POST_CRC_INTERNAL Port Description
Signal Name Direction Function
CRCERROR Output Post-configuration error. High when an error is
detected.

Spartan-6 FPGA Configuration User Guide www.xilinx.com 73
UG380 (v2.9) August 11, 2016
Chapter 5
Configuration Details
Configuration Pins
Certain pins are dedicated to configuration (Table 5-1), while others are dual-purpose
(Table 5-3). Dual-purpose pins serve both as configuration pins and as user I/Os after
configuration. Dedicated configuration pins retain their function after configuration.
Configuration constraints can be selected when generating the Spartan®-6 device
bitstream. Certain configuration operations can be affected by these constraints. For a
description of the available constraints, see the software constraints guide.
Table 5-1: Spartan-6 FPGA Dedicated Configuration Pins
Pin Name Type(1) Description
DONE Bidirectional,
Open-Drain,
or Active
Active High signal with programmable pull-up indicating configuration is complete.
0 = FPGA not configured
1 = FPGA configured
Refer to the BitGen section of UG628, Command Line Tools User Guide,
for software settings
.
PROGRAM_B(2, 3) Input Active Low signal with programmable pull-up, asynchronous full-chip reset.
TDI Input Test Data In. This pin is the serial input to all JTAG instruction and data registers.
The state of the TAP controller and the current instruction determine the register that
is fed by the TDI pin for a specific operation. TDI has an internal resistive pull-up to
provide a logic High to the system if the pin is not driven. TDI is applied into the
JTAG registers on the rising edge of TCK.
TDO Output Test Data Out. This pin is the serial output for all JTAG instruction and data registers.
The state of the TAP controller and the current instruction determine the register
(instruction or data) that feeds TDO for a specific operation. TDO changes state on
the falling edge of TCK and is only active during the shifting of instructions or data
through the device. TDO is an active driver output.
TMS Input Test Mode Select. This pin determines the sequence of states through the JTAG TAP
controller on the rising edge of TCK. TMS has an internal resistive pull-up to provide
a logic High if the pin is not driven.
TCK Input Test Clock. This pin is the JTAG Test Clock. TCK sequences the TAP controller and
the JTAG registers.
SUSPEND(3) Input Suspend Mode. Used to put the FPGA into suspend mode.
The SUSPEND pin should be Low during power up and configuration. If the
Suspend feature is not used, the SUSPEND pin must be connected to ground.
VFS Input Voltage source for eFUSE programming.(4)
VBATT Input Battery supply voltage for AES encryption key storage in SRAM.(4)

74 www.xilinx.com Spartan-6 FPGA Configuration User Guide
UG380 (v2.9) August 11, 2016
Chapter 5: Configuration Details
FPGA I/O Pin Settings During Configuration
Some of the FPGA pins used during configuration have dedicated pull-up resistors during
configuration. However, all user I/O pins have optional pull-up resistors that can be
enabled during the configuration process (initializing and programming). During
configuration, a single control line determines whether the pull-up resistors are enabled or
disabled. The pin name is HSWAPEN (see Table 5-2).
RFUSE Input Pulldown for eFUSE programming.(4)
CMPCS_B Reserved Leave unconnected or pull up.
Notes:
1. The Bidirectional type describes a pin that is bidirectional under all conditions. If the pin is an input for some configuration modes or an
output for others, it is listed as an Input or Output type. For termination settings of configuration pins, see Table 5-2.
2. Pulsing PROGRAM_B does not reset the JTAG TAP state machine.
3. All JTAG pins and the SUSPEND pin are powered by VCCAUX; DONE and PROGRAM_B are powered by VCCO_2 supplies.
4. Only available in 6SLX75, 6SLX75T, 6SLX100, 6SLX100T, 6SLX150, and 6SLX150T devices. For more information on eFUSE
programming, refer to eFUSE, page 93.
Table 5-1: Spartan-6 FPGA Dedicated Configuration Pins (Cont’d)
Pin Name Type(1) Description
Table 5-2: Spartan-6 FPGA Configuration Pin Termination
Pin
Pre-Configuration
Post-Configuration
HSWAPEN = 0
(enabled)
HSWAPEN = 1
(disabled)
CCLK Pull-up to VCCO_2 No termination User I/O
D15-D0 Pull-up to VCCO_2 No termination User I/O
CSO_B Pull-up to VCCO_2 No termination User I/O
A25-A0(1) Pull-up to VCCO_1 No termination User I/O
SCP7-SCP0 Pull-up to VCCO_0 No termination User I/O
DOUT/BUSY Pull-up to VCCO_1 No termination User I/O
HSWAPEN Pull-up to VCCO_0 Pull-up to VCCO_0 User I/O
PROGRAM_B Pull-up to VCCO_2 Pull-up to VCCO_2 BitGen -g ProgPin(2)
DONE Pull-up to VCCO_2 Pull-up to VCCO_2 BitGen -g DonePin(2) -g DriveDone
INIT_B Pull-up to VCCO_2 Pull-up to VCCO_2 User I/O
TDI Pull-up to VCCAUX Pull-up to VCCAUX BitGen -g TdiPin(2)
TMS Pull-up to VCCAUX Pull-up to VCCAUX BitGen -g TmsPin(2)
TCK Pull-up to VCCAUX Pull-up to VCCAUX BitGen -g TckPin(2)
TDO Pull-up to VCCAUX Pull-up to VCCAUX BitGen -g TdoPin(2)
M1, M0 Pull-up to VCCO_2 Pull-up to VCCO_2 User I/O
FCS_B Pull-up to VCCO_1 No termination User I/O
FOE_B Pull-up to VCCO_1 No termination User I/O

Spartan-6 FPGA Configuration User Guide www.xilinx.com 75
UG380 (v2.9) August 11, 2016
Configuration Pins
Floating signal levels are problematic in CMOS logic systems. Other logic components in
the system can require a valid input level from the FPGA. The internal pull-up resistors
generate a logic High level on each pin. Generally, a device driving signals into the FPGA
can overcome the pull-up resistor. Similarly, an individual pin can be pulled down using
an appropriately sized external pull-down resistor.
In hot-swap or hot-insertion applications, the pull-up resistors provide a potential current
path to the I/O power rail. Turning off the pull-up resistors disables this potential path.
However, then external pull-up or pull-down resistors can be required on each individual
I/O pin.
During power-up or at reconfiguration following PROG_B assertion, the I/O pull-ups may
be enabled until the device begins configuration.
FWE_B Pull-up to VCCO_1 No termination User I/O
MOSI/CSI_B Pull-up to VCCO_2 No termination User I/O
RDWR_B Pull-up to VCCO_2 No termination User I/O
AWAKE Pull-up to VCCO_1 No termination User I/O if Suspend feature is not used(4)
SUSPEND No termination No termination SUSPEND pin(3)(4)
HDC Pull-up to VCCO_1 No termination User I/O
LDC Pull-up to VCCO_1 No termination User I/O
USERCCLK Pull-up to VCCO_2 No termination User I/O
Other I/O
(not used during
configuration)
Pull-up to VCCO No termination User I/O
Notes:
1. A24/A25 are in bank 5 in the 6SLX75/T devices and larger densities and in FG676 and larger packages. Then the pull-up is to
VCCO_5.
2. Setting the BitGen options configures the termination on the respective pin. Not setting an option defaults to Pull-up. Refer to the
BitGen section of UG628, Command Line Tools User Guide, for software settings.
3. The SUSPEND pin must be Low during power-up. Connection of an external pull-down resistor ensures this condition.
4. For more details on the Suspend feature, refer to UG394, Spartan-6 FPGA Power Management User Guide.
Table 5-2: Spartan-6 FPGA Configuration Pin Termination (Cont’d)
Pin
Pre-Configuration
Post-Configuration
HSWAPEN = 0
(enabled)
HSWAPEN = 1
(disabled)

76 www.xilinx.com Spartan-6 FPGA Configuration User Guide
UG380 (v2.9) August 11, 2016
Chapter 5: Configuration Details
Reserving Dual-Purpose Configuration Pins (Persist)
Dual-purpose pins serve as configuration pins and user I/Os after configuration. The
BitGen option -g Persist is used to reserve these pins as configuration pins (see
Table 5-3 for the settings).
Table 5-3: Dual-Purpose Configuration Pin Settings
Pin Name Bank SelectMAP BPI SPI/Serial
DIN/D0/MISO/MISO[1] 2 Persist No Persist
D1/MISO2 2 Persist No No
D2/MISO3 2 Persist No No
D[15:3] 2 Persist(1) No No
DOUT 1 Persist No Persist
INIT_B(2) 2 Persist(2) No(2) Persist(2)
RDWR_B 2 Persist No No
M0 2 NoNoNo
M1 2 NoNoNo
HSWAPEN 0 No No No
CCLK 2 Persist No Persist
GCLK0/USERCCLK 2 No No No
CSO_B 2 No No No
MOSI/MISO0/CSI_B 2 Persist No No
AWAKE(3) 1 NoNoNo
A[25:0](4) 1 NoNoNo
SCP[7:0](3) 0 NoNoNo
FCS_B 1 No No No
FOE_B 1 No No No
FWE_B 1 No No No
HDC 1 No No No
LDC 1 No No No
Notes:
1. All 16 data pins are persisted regardless of whether the SelectMAP data width is x8 or x16.
2. INIT_B is persisted if readback CRC is enabled, regardless of the POST_CRC_INIT_FLAG setting.
3. AWAKE and SCP[7:0] are activated based on the suspend setting.
4. A24 and A25 are in bank 5 in larger devices with 6 or more I/O banks.

Spartan-6 FPGA Configuration User Guide www.xilinx.com 77
UG380 (v2.9) August 11, 2016
Configuration Data File Formats
Configuration Data File Formats
Xilinx design tools can generate configuration data files in a number of different formats,
as described in Table 5-4. BitGen converts the post-PAR NCD file into a configuration file or
a bitstream. PROMGen, the PROM file generator, converts one or more bitstream files into
a PROM file. PROM files can be generated in a number of different file formats and does
not need to be used with a PROM. They can be stored anywhere and delivered by any
means.
Bitstream Overview
The Spartan-6 FPGA bitstream contains commands to the FPGA configuration logic as
well as configuration data. Table 5-5 gives a typical default bitstream length for each of the
Spartan-6 devices. Compression can provide a smaller bitstream.
Table 5-4: Configuration File Formats
File
Extension Bit Swapping(1) Xilinx Software
Tool(2) Description
BIT Not
Bit Swapped
BitGen (generated by
default)
Binary configuration data file containing header information
that does not need to be downloaded to the FPGA. Used to
program devices from iMPACT software with a programming
cable.
RBT Not
Bit Swapped
BitGen (generated if
-b option is set)
ASCII equivalent of the BIT file containing a text header and
ASCII 1s and 0s. (Eight bits per configuration bit.)
BIN Not
Bit Swapped
BitGen (generated if
-g Binary:yes
option is set) or
PROMGen
Binary configuration data file with no header information.
Similar to BIT file. Can be used for custom configuration
solutions (for example, microprocessors), or in some cases to
program third-party devices.
MCS
EXO Bit Swapped PROMGen or
iMPACT software
ASCII PROM file formats containing address and checksum
information in addition to configuration data. Used mainly for
device programmers and iMPACT software.
HEX Determined
by User
PROMGen or
iMPACT software
ASCII PROM file format containing only configuration data.
Used mainly in custom configuration solutions.
CFI N/A PROMGen or
iMPACT software
Data file used by iMPACT software to determine PROM
options to set such as x2 and x4 data width or version control.
Notes:
1. Bit swapping is discussed in the Bit Swapping section.
2. For complete BitGen and PROMGen syntax, refer to UG628, Command Line Tools User Guide.
Table 5-5: Spartan-6 FPGA Bitstream Length
Device Total Number of Configuration Bits(1)
6SLX4 2,731,488
6SLX9 2,742,528
6SLX16 3,731,264
6SLX25 6,440,432
6SLX25T 6,440,432

78 www.xilinx.com Spartan-6 FPGA Configuration User Guide
UG380 (v2.9) August 11, 2016
Chapter 5: Configuration Details
A Spartan-6 FPGA bitstream consists of two sections:
•Sync Word/Bus Width Auto Detection
• FPGA configuration
Sync Word/Bus Width Auto Detection
For parallel configuration modes, the bus width is auto-detected by the configuration
logic. A bus-width detection pattern uses the sync word. The configuration logic checks
the data received on the parallel bus. Depending on the byte sequence received, the
configuration logic can automatically switch to the appropriate external bus width.
Table 5-6 shows an example bitstream in x16 mode. When observing the pattern on the
FPGA data pin, the bits are bit swapped, as described in Parallel Bus Bit Order, page 81.
Bus-width auto detection is transparent to most users.
For the x8 bus, the configuration bus-width detection logic first finds 0xAA on the D[0:7]
pins, followed by 0x99. The logic then finds 0x55, and if 0x66 is found the next cycle,
then the device will continue in x8 mode. For the x16 bus, the configuration bus-width
detection logic checks the first byte to find 0x99 on D[0:7], followed by 0x66 the next clock
cycle because the rest of the sync word is on the upper bits. The device then continues on
6SLX45 11,939,296
6SLX45T 11,939,296
6SLX75 19,719,712
6SLX75T 19,719,712
6SLX100 26,691,232
6SLX100T 26,691,232
6SLX150 33,909,664
6SLX150T 33,909,664
Notes:
1. The bitstream length represents the typical default cases. Certain BitGen options can vary the bitstream
length, such as Compress. The x2 and x4 SPI configuration modes require additional commands and
will increase the bitstream length.
2. Bitstream lengths might appear to increase after the ISE tools, version 13.2. This is due to a software
change that affects designs containing 9K block RAMs. For more information on this change, refer to
the Block RAM Initialization section of UG383, Spartan-6 FPGA Block RAM User Guide.
Table 5-5: Spartan-6 FPGA Bitstream Length (Cont’d)
Device Total Number of Configuration Bits(1)
Table 5-6: Bus-Width Detection Pattern for x16 Data
D[8:15] D[0:7] Comments
0xFF 0xFF Pad word
0xFF 0xFF Pad word
0xAA 0x99 Sync word
0x55 0x66 Sync word
………

Spartan-6 FPGA Configuration User Guide www.xilinx.com 79
UG380 (v2.9) August 11, 2016
Generating PROM Files
in x16 mode. The FPGA now knows on which bus width to receive the rest of the data. No
packet processed by the FPGA until the Sync word is found. See Table 5-7.
Generating PROM Files
PROM files are generated from bitstream files with the PROMGen utility. Users can access
PROMGen directly from the command line or indirectly through the iMPACT File
Generation Mode. For PROMGen syntax, refer to UG628, Command Line Tools User Guide.
For information on iMPACT software, refer to the ISE® software documentation. PROM
files serve to reformat bitstream files for PROM programming and combine bitstream files
for serial daisy-chains (see PROM Files for Serial Daisy-Chains).
PROM Files for Serial Daisy-Chains
Configuration data for serial daisy-chains requires special formatting because separate
BIT files cannot simply be concatenated together to program the daisy-chain. The special
formatting is performed by PROMGen (or iMPACT software) when generating a PROM
file from multiple bitstreams. To generate the PROM file, specify multiple bitstreams using
the PROMGen -n, -u, and -d options or the iMPACT Software File Generation Wizard.
Refer to ISE software documentation for details.
PROMGen reformats the configuration bitstreams by nesting downstream configuration
data into configuration packets for upstream devices. Attempting to program the chain by
sending multiple bitstreams to the first device causes the first device to configure and then
ignore the subsequent data.
PROM Files for SelectMAP Configuration
The MCS file format is most commonly used to program Xilinx® configuration PROMs
that in turn program a single FPGA in SelectMAP mode. For custom configuration
solutions, the BIN and HEX files are the easiest PROM file formats to use due to their raw
data format. In some cases, additional formatting is required; refer to XAPP502, Using a
Microprocessor to Configure Xilinx FPGAs via Slave Serial or SelectMAP Mode for details.
If multiple configuration bitstreams for a SelectMAP configuration reside on a single
memory device, the bitstreams must not be combined into a serial daisy-chain PROM file.
Instead, the target memory device should be programmed with multiple BIN or HEX files.
If a single PROM file with multiple, separate data streams is needed, one can be generated
in iMPACT software by targeting a Parallel PROM, then selecting the appropriate number
of data streams. This can also be accomplished through the PROMGen command line.
Refer to PROMGen software documentation for details.
PROM Files for SPI/BPI Configuration
The -d, -u, -spi, -s, and -data_width options in PROMGen or the iMPACT Software
File Generation Wizard are used to create PROM files for third-party flash devices. The
output format supported by the third-party programmer is important. Some BPI devices
require endian-swapping to be enabled when programming the PROM file. Refer to the
flash vendor's documentation.
Table 5-7: Sync Word
31:24 23:16 15:8 7:0
0xAA 0x99 0x55 0x66

80 www.xilinx.com Spartan-6 FPGA Configuration User Guide
UG380 (v2.9) August 11, 2016
Chapter 5: Configuration Details
Bit Swapping
Bit swapping is the swapping of the bits within a byte. The MCS, EXO, and TEK PROM file
formats are always bit swapped. The HEX file format can be bit swapped or not bit
swapped, depending on user options. The bitstream files (BIT, RBT, and BIN) are never bit
swapped.
The HEX file format contains only configuration data. The other PROM file formats
include address and checksum information that should not be sent to the FPGA. The
address and checksum information is used by some third-party device programmers, but
it is not programmed into the memory.
Figure 5-1 shows how two bytes of data (0xABCD) are bit swapped.
The MSB of each byte goes to the D0 pin regardless of the orientation of the data:
• In the bit-swapped version of the data, the bit that goes to D0 is the right-most bit.
• In the non-bit-swapped data, the bit that goes to D0 is the left-most bit.
Whether or not data must be bit swapped is entirely application-dependent. Bit swapping
is applicable for Master Serial, Master SelectMAP, or BPI files.
X-Ref Target - Figure 5-1
Figure 5-1: Bit Swapping Example
UG380_c5_01_042909
Hex:
Binary:
Bit-
Swapped
Binary:
Bit-
Swapped
Hex:
SelectMAP
Data Pin: D0 D1 D2 D3 D4 D5 D6 D7 D0 D1 D2 D3 D4 D5 D6 D7
1 0 1 0 1 0 1 1 1 1 0 0 1 1 0 1
A B C D
1 1 0 1 0 1 0 1 1 0 1 1 0 0 1 1
D7 D6 D5 D4 D3 D2 D1 D0 D7 D6 D5 D4 D3 D2 D1 D0
D 5 B 3
SelectMAP
Data Pin:

Spartan-6 FPGA Configuration User Guide www.xilinx.com 81
UG380 (v2.9) August 11, 2016
Generating PROM Files
Parallel Bus Bit Order
Traditionally, in SelectMAP x8 mode, configuration data is loaded one byte per CCLK,
with the most-significant bit (MSB) of each byte presented to the D0 pin. Although this
convention (D0 = MSB, D7 = LSB) differs from many other devices, it is consistent across all
Xilinx FPGAs. The bit-swap rule also applies to Spartan-6 FPGA BPI x8 modes (see Bit
Swapping, page 80).
In Spartan-6 devices, the bit-swap rule is extended to x16 bus widths; the data is bit
swapped within each byte.
Table 5-8 and Table 5-9 show examples of a sync word inside a bitstream. These examples
illustrate what is expected at the FPGA data pins when using parallel configuration
modes, such as Slave SelectMAP and Master SelectMAP (BPI) modes.
Delaying Configuration
There are two ways to delay configuration for Spartan-6 devices:
• Hold the INIT_B pin Low during initialization. When INIT_B has gone High,
configuration cannot be delayed by subsequently pulling INIT_B Low.
• Hold the PROGRAM_B pin Low. The signals relating to initialization and delaying
configuration are defined in Table 5-10.
Table 5-8: Sync Word Bit Swap Example
Sync Word [31:24](1) [23:16] [15:8] [7:0]
Bitstream Format 0xAA 0x99 0x55 0x66
Bit Swapped 0x55 0x99 0xAA 0x66
Notes:
1. [31:24] changes from 0xAA to 0x55 after bit swapping.
Table 5-9: Sync Word Data Sequence Example for x8 and x16 Modes
CCLK Cycle 1 2 3 4
D[7:0] pins for x8 0x55 0x99 0xAA 0x66
D[15:0] pins for x16 0x5599 0xAA66
Table 5-10: Signals Relating to Initialization and Delaying Configuration
Signal Name Type Access(1) Description
PROGRAM_B Input Externally accessible via the
PROGRAM_B pin.
Global asynchronous chip reset. Can be held Low to delay
configuration.
INIT_B Input,
Output,
or Open
Drain
Externally accessible via the
INIT_B pin.
Before the Mode pins are sampled, INIT_B is an input that
can be held Low to delay configuration.
After the Mode pins are sampled, INIT_B is an open-
drain, active-Low output that indicates whether a CRC
error occurred during configuration or a readback CRC
error occurred after configuration (when enabled):
0 = CRC error
1 = No CRC error (needs an external pull-up)

82 www.xilinx.com Spartan-6 FPGA Configuration User Guide
UG380 (v2.9) August 11, 2016
Chapter 5: Configuration Details
Configuration Sequence
While each of the configuration interfaces is different, the basic steps for configuring a
Spartan-6 device are the same for all modes. Figure 5-2 shows the Spartan-6 FPGA
configuration process. The following subsections describe each step in detail, where the
current step is highlighted in gray at the beginning of each subsection.
The Spartan-6 device is initialized and the configuration mode is determined by sampling
the mode pins in three setup steps.
Setup (Steps 1-3)
The setup process is similar for all configuration modes (see Figure 5-3).
The setup steps are critical for proper device configuration. The steps include Device
Power-Up, Clear Configuration Memory, and Sample Mode Pins.
Device Power-Up (Step 1)
For configuration, Spartan-6 devices require power at least on the VCCO_2, VCCAUX, and
VCCINT pins, plus any other VCCO banks used during configuration. There are no power-
MODE_STATUS[1:0] Status Internal signals, accessible
through the Spartan-6 FPGA
status register.
Reflects the direct pin value of the Mode pins.
Notes:
1. Information on the Spartan-6 FPGA status register is available in Table 5-38, page 107. Information on accessing the device status
register via JTAG is available in Table 6-5, page 124. Information on accessing the device status register via SelectMAP is available in
Table 6-1.
2. The Status type is an internal status signal without a corresponding pin.
Table 5-10: Signals Relating to Initialization and Delaying Configuration (Cont’d)
Signal Name Type Access(1) Description
X-Ref Target - Figure 5-2
Figure 5-2: Spartan-6 FPGA Configuration Process
Device
Power-Up
Sample Mode
PinsSynchronization Device ID
Check CRC Check
Clear
Configuration
Memory
Startup
Sequence
Load
Configuration
Data
Start Finish
UG380_c5_02_042909
Bitstream
Loading
Steps
12345678
Setup
X-Ref Target - Figure 5-3
Figure 5-3: Device Power-Up (Step 1)
Device
Power-Up
Sample Mode
PinsSynchronization Device ID
Check CRC Check
Clear
Configuration
Memory
Startup
Sequence
Load
Configuration
Data
Start Finish
UG380_c5_03_042909
Bitstream
Loading
Steps
12345678
Setup

Spartan-6 FPGA Configuration User Guide www.xilinx.com 83
UG380 (v2.9) August 11, 2016
Configuration Sequence
supply sequencing requirements. Power VCCO last after VCCINT and VCCAUX to ensure
that the outputs stay disabled until configuration begins.
All JTAG and serial configuration pins are located in VCCAUX and VCCO_2 supply banks.
The dual-purpose pins are located in Banks 0, 1, and 2 (one exception is A24 and A25 are in
bank 5 for larger devices with 6 I/O banks). The DONE and PROGRAM_B dedicated
inputs operate at the VCCO_2 LVCMOS level, and the JTAG input pins (TCK, TMS, and
TDI) and the SUSPEND pin operate at the VCCAUX LVCMOS level. The DONE pin
operates at the VCCO_2 voltage level with the output standard set to LVCMOS 8 mA
SLOW. TDO drives at the voltage level provided on VCCAUX at 8 mA SLOW.
For all modes that use dual-purpose I/O, the associated VCCO_X must be connected to the
appropriate voltage to match the I/O standard of the configuration device. HSWAPEN
requires that VCCO_0 be supplied, and DOUT requires that VCCO_1 be supplied. The
pins are also LVCMOS18, LVCMOS25, or LVCMOS33 8 mA SLOW during configuration,
depending on the VCCO_X level.
For power-up, the VCCINT power pins must be supplied with 1.2V for -2/-3 speed grades
and 1.0V for -1L sources. VCCO_2 must be supplied. Table 5-11 shows the power supplies
required for configuration. Table 5-12 shows the timing for power-up.
Table 5-11: Power Supplies Required for Configuration
Pin Name(1) Description
VCCINT Internal core voltage.
VBATT(2) Encryption Key battery supply. If there is no encryption key
being stored in the volatile memory, VBATT should be
connected to VCCAUX or GND, or left unconnected.
VFS Encryption Key eFUSE programming voltage. If eFUSE
programming is not needed, connect VFS to VCC or GND
(recommended).
VCCAUX(3) Auxiliary power input for configuration logic and other FPGA
functions.
VCCO_0
VCCO_1
VCCO_2(4)
VCCO_5(5)
Dual-purpose configuration pin output supply voltage.
VCCO_2 cannot be 1.2V or 1.5V during configuration.
Notes:
1. For recommended operating values, refer to DS162, Spartan-6 FPGA Data Sheet: DC and Switching
Characteristics.
2. VBATT or VFS are required only when using bitstream encryption and are only supported in Spartan-6
LX75, LX75T, LX100, LX100T, LX150, and LX150T devices.
3. VCCAUX must be greater than or equal to VFS during eFUSE programming. This requirement is not
necessary for configuration.
4. If VCCO_2 is 1.8V, VCCAUX must be 2.5V. If VCCO_2 is 2.5V or 3.3V, VCCAUX can be either 2.5V or 3.3V.
5. VCCO_5 might be needed if BPI configuration mode is used and A24 and A25 are in I/O Bank 5.

84 www.xilinx.com Spartan-6 FPGA Configuration User Guide
UG380 (v2.9) August 11, 2016
Chapter 5: Configuration Details
Figure 5-4 shows the power-up waveforms.
Notes relevant to Figure 5-4:
1. M0, M1 can be either 0 or 1, but must not toggle during and after the INIT rising edge.
2. TICCK is either TSPIICCK or TBPIICCK depending on whether the master SPI or BPI
configuration modes is used. In slave configuration modes, this is an input pin.
VCCINT, VCCO_2, and VCCAUX should rise monotonically within the specified ramp rate.
If this is not possible, configuration must be delayed by holding the INIT_B pin or the
PROGRAM_B pin Low (see Delaying Configuration, page 81) while the system power
reaches the recommended operating voltage.
VCCO_2, VCCAUX, and VCCINT are inputs to Power On Reset (POR). If either VCCAUX or
VCCINT dips below the operating minimum, POR might trigger again.
Table 5-12: Power-Up Timing
Description Symbol
Program Latency TPL
Power-on Reset (POR) TPOR
CCLK Output Delay TBPIICCK or TSPIICCK(2)
Program Pulse Width TPROGRAM
Notes:
1. See Configuration Switching Characteristics in DS162, Spartan-6 FPGA Data Sheet: DC and Switching
Characteristics, for power-up timing characteristics.
2. Use TBPIICCK for the Master Select MAP and BPI configuration interfaces, and TSPIICCK for Master
Serial and SPI configuration interfaces.
X-Ref Target - Figure 5-4
Figure 5-4: Device Power-Up Timing
UG380_c5_04_050812
VCCINT, VCCO_2, VCCAUX TPOR
TPL
TICCK
PROGRAM_B
INIT_B
CCLK Output or Input
VALID
M0, M1
(1)
(Required)
(2)

Spartan-6 FPGA Configuration User Guide www.xilinx.com 85
UG380 (v2.9) August 11, 2016
Configuration Sequence
Clear Configuration Memory (Step 2, Initialization)
Configuration memory is cleared sequentially any time the device is powered up, after the
PROGRAM_B pin is pulsed Low, after the JTAG JPROGRAM instruction or the IPROG
command is used, or during a fallback retry configuration sequence. During this time,
I/Os are placed in a High-Z state except for the dedicated configuration and JTAG pins.
INIT_B is internally driven Low during initialization, then released after TPOR (Figure 5-4)
for the power-up case, and TPL for other cases. If the INIT_B pin is held Low externally, the
device waits at this point in the initialization process until the pin is released.
The minimum Low pulse time for PROGRAM_B is defined by the TPROGRAM timing
parameter. The PROGRAM_B pin can be held active (Low) for as long as necessary, and the
device clears the configuration memory twice after PROGRAM_B is released.
Sample Mode Pins (Step 3)
When the INIT_B pin transitions to High, the device samples the M[1:0] and begins driving
CCLK if in the Master modes. The device begins sampling the configuration data input
pins on the rising edge of the configuration clock.
Bitstream Loading (Steps 4-7)
The bitstream loading process is similar for all configuration modes; the primary
difference between modes is the interface to the configuration logic. Details on the different
configuration interfaces are provided in Chapter 2, Configuration Interface Basics.
X-Ref Target - Figure 5-5
Figure 5-5: Initialization (Step 2)
Device
Power-Up
Sample Mode
PinsSynchronization Device ID
Check CRC Check
Clear
Configuration
Memory
Startup
Sequence
Load
Configuration
Data
Start Finish
UG380_c5_05_042909
Bitstream
Loading
Steps
12345678
Setup
X-Ref Target - Figure 5-6
Figure 5-6: Sample Mode Pins (Step 3)
Device
Power-Up
Sample Mode
PinsSynchronization Device ID
Check CRC Check
Clear
Configuration
Memory
Startup
Sequence
Load
Configuration
Data
Start Finish
UG380_c5_06_042909
Bitstream
Loading
Steps
12345678
Setup

86 www.xilinx.com Spartan-6 FPGA Configuration User Guide
UG380 (v2.9) August 11, 2016
Chapter 5: Configuration Details
Synchronization (Step 4)
The synchronization word alerts the device to upcoming configuration data and aligns the
configuration data with the internal configuration logic. Any data on the configuration
input pins prior to synchronization is ignored.
Synchronization is transparent to most users because all configuration bitstreams (BIT
files) generated by the BitGen software include both the bus width detection
pattern/synchronization word.
Check Device ID (Step 5)
After the device is synchronized, a device ID check must pass before the configuration data
frames can be loaded. This prevents a configuration with a bitstream that is formatted for
a different device. For example, the device ID check should prevent an XC6SLX4 from
being configured with an XC6SLX9 bitstream.
The device ID check is built into the bitstream, making this step transparent to most
designers. Table 5-14 shows the signals relating to the device ID check. The device ID check
is performed through commands in the bitstream to the configuration logic, not through
the JTAG IDCODE register in this case.
X-Ref Target - Figure 5-7
Figure 5-7: Synchronization (Step 4)
Device
Power-Up
Sample Mode
PinsSynchronization Device ID
Check CRC Check
Clear
Configuration
Memory
Startup
Sequence
Load
Configuration
Data
Start Finish
UG380_c5_07_042909
Bitstream
Loading
Steps
12345678
X-Ref Target - Figure 5-8
Figure 5-8: Check Device ID (Step 5)
Device
Power-Up
Sample Mode
PinsSynchronization Device ID
Check CRC Check
Clear
Configuration
Memory
Startup
Sequence
Load
Configuration
Data
Start Finish
UG380_c5_08_042909
Bitstream
Loading
Steps
12345678

Spartan-6 FPGA Configuration User Guide www.xilinx.com 87
UG380 (v2.9) August 11, 2016
Configuration Sequence
The Spartan-6 FPGA JTAG IDCODE register has the following format:
vvvv:fffffff:aaaaaaaaa:ccccccccccc1
where
v = revision
f = 7-bit family code
a = 9-bit array code (4-bit subfamily and 5-bit device identifier)
c = 11-bit company code
Table 5-13: ID Codes
Device ID Code (Hex)
6SLX4 0xX4000093
6SLX9 0xX4001093
6SLX16 0xX4002093
6SLX25 0xX4004093
6SLX25T 0xX4024093
6SLX45 0xX4008093
6SLX45T 0xX4028093
6SLX75 0xX400E093
6SLX75T 0xX402E093
6SLX100 0xX4011093
6SLX100T 0xX4031093
6SLX150 0xX401D093
6SLX150T 0xX403D093
Notes:
1. The X digit in the ID code corresponding to the four binary revision
bits are not used by the programming tools when performing
IDCODE verification.
Table 5-14: Signals Relating to the Device ID Check
Signal Name Type Access(1) Description
ID_Error Status Internal signal. Accessed only
through the Spartan-6 FPGA
status register.
Indicates a mismatch between the
device ID specified in the bitstream
and the actual device ID.
Notes:
1. Information on the Spartan-6 FPGA status register is available in Table 5-35. Information on accessing
the device status register via JTAG is available in Table 6-5. Information on accessing the device status
register via SelectMAP is available in Table 6-1.

88 www.xilinx.com Spartan-6 FPGA Configuration User Guide
UG380 (v2.9) August 11, 2016
Chapter 5: Configuration Details
Load Configuration Data Frames (Step 6)
After the synchronization word is loaded and the device ID has been checked, the
configuration data frames are loaded. This process is transparent to most users.
Cyclic Redundancy Check (Step 7)
As the configuration data frames are loaded and after synchronization, the device
calculates a Cyclic Redundancy Check (CRC) value from the configuration data packets.
After the configuration data frames are loaded and before the DESYNC word, the
configuration bitstream can issue a Check CRC instruction to the device, followed by an
expected CRC value. If the CRC value calculated by the device does not match the
expected CRC value in the bitstream, the device pulls INIT_B Low and aborts
configuration. The CRC check is included in the configuration bitstream by default,
although the designer can disable it if desired. (Refer to the BitGen section of UG628,
Command Line Tools User Guide.) If the CRC check is disabled, there is a risk of loading
incorrect configuration data frames, causing incorrect design behavior or damage to the
device.
If a CRC error occurs during configuration from a mode where the FPGA is the
configuration master, the device can attempt to do a fallback reconfiguration (see Fallback
MultiBoot, page 134).
X-Ref Target - Figure 5-9
Figure 5-9: Load Configuration Data Frames (Step 6)
Device
Power-Up
Sample Mode
PinsSynchronization Device ID
Check CRC Check
Clear
Configuration
Memory
Startup
Sequence
Load
Configuration
Data
Start Finish
UG380_c5_09_042909
Bitstream
Loading
Steps
12345678
X-Ref Target - Figure 5-1 0
Figure 5-10: Cyclic Redundancy Check (Step 7)
Device
Power-Up
Sample Mode
PinsSynchronization Device ID
Check CRC Check
Clear
Configuration
Memory
Startup
Sequence
Load
Configuration
Data
Start Finish
UG380_c5_10_042909
Bitstream
Loading
Steps
12345678

Spartan-6 FPGA Configuration User Guide www.xilinx.com 89
UG380 (v2.9) August 11, 2016
Configuration Sequence
Startup (Step 8)
After the configuration frames are loaded, the bitstream asserts the DESYNC command,
and then the START command instructs the device to enter the startup sequence. The
startup sequence is controlled by an eight-phase (phases 0–7) sequential state machine that
is clocked by the JTAG clock or any user clock defined by the BitGen -g StartupCLK
option. The startup sequencer performs the tasks outlined in Table 5-15.
The specific order of startup events (except for EOS assertion) is user-programmable
through BitGen options (refer to UG628, Command Line Tools User Guide). Table 5-15 shows
the general sequence of events, although the specific phase for each of these startup events
is user-programmable (EOS is always asserted in the last phase). Refer to Chapter 2,
Configuration Interface Basics, for important startup option guidelines. By default, startup
events occur as shown in Table 5-16.
The startup sequence can be forced to wait for the DCMs and PLLs to lock with the
appropriate BitGen options. These options are typically set to prevent DONE and GWE
from being asserted (preventing device operation) before the DCMs and PLLs have locked.
Startup can wait for DCMs and PLLs by assigning the LCK_CYCLE option to a startup
phase. If this is not done, startup does not wait for any DCMs or PLLs. When the
LCK_CYCLE is set to a startup phase, the FPGA waits for all DCMs and PLLs to lock prior
to moving to the next phase of startup. To only wait for specific DCMs to lock, assign the
STARTUP_WAIT attribute to those instances. There is no corresponding attribute for PLLs.
When waiting for DCM and PLL lock, the GTS startup setting must be enabled on a phase
before LCK_CYCLE. Failing to do so results in the FPGA waiting for the clock components
X-Ref Target - Figure 5-1 1
Figure 5-11: Startup Sequence (Step 8)
Table 5-15: User-Selectable Cycle of Startup Events
Phase Event
1–6Wait for DCMs and PLLs to lock (optional)
1–6Assert Global Write Enable (GWE), allowing RAMs and flip-flops to change state
1–6Negate Global 3-State (GTS), activating I/O
1–6Release DONE pin
7 Assert End Of Startup (EOS)
Table 5-16: Default BitGen Sequence of Startup Events
Phase Event
4 Release DONE pin
5 Negate GTS, activating I/O
6 Assert GWE, allowing RAMs and flip-flops to change state
7Assert EOS
Device
Power-Up
Sample Mode
PinsSynchronization Device ID
Check CRC Check
Clear
Configuration
Memory
Startup
Sequence
Load
Configuration
Data
Start Finish
UG380_c5_11_042909
Bitstream
Loading
Steps
12345678

90 www.xilinx.com Spartan-6 FPGA Configuration User Guide
UG380 (v2.9) August 11, 2016
Chapter 5: Configuration Details
indefinitely and never completing startup. For additional information on using the
LCK_CYCLE feature in master configuration modes, see Required Data Spacing between
MultiBoot Images, page 138.
The DONE signal is released by the startup sequencer on the cycle indicated by the user,
but the startup sequencer does not proceed until the DONE pin actually sees a logic High.
The DONE pin is an open-drain bidirectional signal with an internal pull-up by default. By
releasing the DONE pin, the device simply stops driving a logic Low and the pin is weakly
pulled High. Table 5-17 shows signals relating to the startup sequencer. Figure 5-12 shows
the waveforms relating to the startup sequencer.
In a Slave configuration mode, additional clocks are needed after DONE goes High to
complete the startup events. In Master configuration mode, the FPGA provides these
clocks. The number of clocks necessary varies depending on the settings selected for the
startup events. A general rule is to apply eight clocks (with DIN all 1’s) after DONE has
gone High. More clocks are necessary if the startup is configured to wait for the DCM and
PLLs to lock (LCK_CYCLE).
When using the external master clock (USERCCLK) pin, I/O standard becomes enabled at
the EOS phase. As I/O standard changes from the default pre-configuration value to the
user specified value, a glitch might appear. It is recommended to use clock enables or a
reset to prevent glitches from affecting the design.
Table 5-17: Signals Relating to the Startup Sequencer
Signal Name Type Access(1) Description
DONE Bidirectional(2) DONE pin or
Spartan-6 FPGA
Status Register
Indicates configuration is complete. Can be held Low externally to
synchronize startup with other FPGAs.
GWE
Status Spartan-6 FPGA
Status Register
Global Write Enable (GWE). When deasserted, GWE disables the CLB and
the IOB flip-flops as well as other synchronous elements on the FPGA.
GTS Global 3-State (GTS). When asserted, GTS disables all the I/O drivers
except for the configuration pins.
DCM_LOCK DCM_LOCK indicates when all DCMs and PLLs have locked. This signal
is asserted by default. It is active if the STARTUP_WAIT option is used on
a DCM and the LCK_CYCLE option is used when the bitstream is
generated.
Notes:
1. Information on the Spartan-6 FPGA status register is available in Table 5-35, page 105. Information on accessing the device status
register via JTAG is available in Table 6-5, page 124. Information on accessing the device status register via SelectMAP is available in
Table 6-1, page 119.
2. Open-drain output with internal pull-up by default; the optional driver is enabled using the BitGen DriveDone option.
3. GWE is asserted synchronously to the configuration clock (CCLK) and has a significant skew across the part. Therefore, sequential
elements might not be released synchronously to the system clock and timing violations can occur during startup. It is
recommended to reset the design after startup and/or apply some other synchronization technique.

Spartan-6 FPGA Configuration User Guide www.xilinx.com 91
UG380 (v2.9) August 11, 2016
Bitstream Encryption
Bitstream Encryption
The Spartan-6 6SLX75/T, 6SLX100/T, and 6SLX150/T devices have on-chip AES
decryption logic to provide a high degree of design security. Without knowledge of the
encryption key, potential pirates cannot analyze an externally intercepted bitstream to
understand or clone the design. Encrypted Spartan-6 FPGA designs cannot be copied or
reverse-engineered. Encryption is permitted in configuration modes of x1 and x8 data
widths (including JTAG). Encryption cannot be used in conjunction with bitstream
compression.
The Spartan-6 FPGA AES system consists of software-based bitstream encryption and
on-chip bitstream decryption with dedicated memory for storing the encryption key.
Using the ISE software, the user generates the encryption key and the encrypted bitstream.
Spartan-6 devices store the encryption key internally in either dedicated RAM, backed up
by a small externally connected battery, or the eFUSE. The encryption key can only be
programmed onto the device through the JTAG interface; once programmed and secured
with the Key Security bits, it is not possible to read the encryption key out of the device
through JTAG or any other means.
During configuration, the Spartan-6 device performs the reverse operation, decrypting the
incoming bitstream. The Spartan-6 FPGA AES encryption logic uses a 256-bit encryption
key.
The on-chip AES decryption logic cannot be used for any purpose other than bitstream
decryption; i.e., the AES decryption logic is not available to the user design and cannot be
used to decrypt any data other than the configuration bitstream.
X-Ref Target - Figure 5-1 2
Figure 5-12: Configuration Signal Sequencing (Default Startup Settings)
POR
INIT_B
DONE
GWE
GTS
EOS
CCLK
Initialization Configuration Startup
End of Bitstream
UG380_c5_12_042909

92 www.xilinx.com Spartan-6 FPGA Configuration User Guide
UG380 (v2.9) August 11, 2016
Chapter 5: Configuration Details
Advanced Encryption Standard Overview
The Spartan-6 FPGA encryption system uses the AES encryption algorithm. AES is an
official standard supported by the National Institute of Standards and Technology (NIST)
and the U.S. Department of Commerce
(http://csrc.nist.gov/publications/fips/fips197/fips-197.pdf).
The Spartan-6 FPGA AES encryption system uses a 256-bit encryption key (the alternate
key lengths of 128 and 192 bits described by NIST are not implemented) to encrypt or
decrypt blocks of 128 bits of data at a time. According to NIST, there are 1.1 x 1077 possible
key combinations for a 256-bit key.
Symmetric encryption algorithms such as AES use the same key for encryption and
decryption. The security of the data is therefore dependent on the secrecy of the key.
Creating an Encrypted Bitstream
BitGen, provided with the ISE software, can generate encrypted as well as non-encrypted
bitstreams. For AES bitstream encryption, the user specifies a 256-bit key as an input to
BitGen. BitGen in turn generates an encrypted bitstream file (BIT) and an encryption key
file (NKY).
For specific BitGen commands and syntax, refer to UG628, Command Line Tools User Guide.
Loading the Encryption Key
The encryption key can only be loaded onto a
Spartan-6
device through the JTAG interface.
The iMPACT tool, provided with ISE software, can accept the NKY file as an input and
program the device with the key through JTAG, using a Xilinx USB-II programming cable
.
To program the key, the device enters a special key-access mode using the
ISC_PROGRAM_KEY instruction. In this instruction, all FPGA memory, including the
encryption key and configuration memory, is cleared. After the key is programmed and
the key-access mode is exited and the Key Security bits are programmed, the key cannot be
read out of the device by any means, and it cannot be reprogrammed without clearing the
entire device. After programming the key into the eFUSE, the key cannot be
reprogrammed later.
Loading Encrypted Bitstreams
Once the device has been programmed with the correct encryption key, the device can be
configured with an encrypted bitstream. After configuration with an encrypted bitstream,
it is not possible to read the configuration memory through JTAG or SelectMAP readback,
regardless of the BitGen security setting.
While the device holds an encryption key, a non-encrypted bitstream can be used to
configure the device; in this case the key is ignored. After configuring with a non-
encrypted bitstream, readback is possible (if allowed by the BitGen security setting). The
encryption key still cannot be read out of the device, preventing the use of Trojan Horse
bitstreams to defeat the Spartan-6 FPGA encryption scheme.
The method of configuration is not affected by encryption. The configuration bitstream can
be delivered in any x1 or x8 data width configuration mode (Serial, SPI x1, JTAG, BPI,
SelectMAP). The SPI x2, SPI x4, BPI x16, and SelectMAP x16 bus widths are not supported
for encrypted bitstreams. Configuration timing and signaling are also unaffected by
encryption.

Spartan-6 FPGA Configuration User Guide www.xilinx.com 93
UG380 (v2.9) August 11, 2016
eFUSE
After configuration, the device cannot be reconfigured without toggling the PROGRAM_B
pin, cycling power, or issuing the JPROGRAM instruction. Fallback reconfiguration and
IPROG reconfiguration (see Fallback MultiBoot, page 134) are disabled after encryption is
turned on. Readback is available through the ICAP primitive (see Bitstream Encryption
and Internal Configuration Access Port (ICAP)). None of these events resets the key if
VBATT or VCCAUX is maintained.
A mismatch between the key used to generate the encrypted bitstream and the key stored
in the device causes configuration to fail with the INIT_B pin going Low and the DONE
pin remaining Low.
Bitstream Encryption and Internal Configuration Access Port (ICAP)
The Internal Configuration Access Port (ICAP) primitive provides the user logic with
access to the Spartan-6 FPGA configuration interface. The ICAP interface is similar to the
SelectMAP interface, although the restrictions on readback for the SelectMAP interface do
not apply to the ICAP interface after configuration. Users can perform readback through
the ICAP interface even if bitstream encryption is used. Unless the designer wires the ICAP
interface to user I/O, this interface does not offer attackers a method for defeating the
Spartan-6 FPGA AES encryption scheme.
Users concerned about the security of their design should not:
• Wire the ICAP interface to user I/O
-or-
• Instantiate the ICAP primitive.
Like the other configuration interfaces, the ICAP interface does not provide access to the
key register.
VBATT
The encryption key memory cells are volatile and must receive continuous power to retain
their contents. During normal operation, these memory cells are powered by the auxiliary
voltage input (VCCAUX), although a separate VBATT power input is provided for retaining
the key when VCCAUX is removed. Because VBATT draws very little current (on the order of
nanoamperes), a small watch battery is suitable for this supply. (To estimate the battery life,
refer to VBATT DC Characteristics in the Spartan-6 FPGA Data Sheet: DC and Switching
Characteristics and the battery specifications.) At less than a 150 nA load, the endurance of
the battery should be limited only by its shelf life.
VBATT does not draw any current and can be removed while VCCAUX is applied. VBATT
cannot be used for any purpose other than retaining the encryption keys when VCCAUX is
removed.
eFUSE
The fuse link is programmed by flowing a large current for a specific amount of time. Fuse
programming current is provided by a fixed external voltage supply (VFS pin). The
maximum level is controlled by an internally generated supply. eFUSEs are one-time
programmable.
The resistance of a programmed fuse link is typically a few orders of magnitude higher
than that of a pristine one. A programmed fuse is assigned a logic value of 1 and a pristine
fuse 0.

94 www.xilinx.com Spartan-6 FPGA Configuration User Guide
UG380 (v2.9) August 11, 2016
Chapter 5: Configuration Details
Each logical bit of the FUSE_KEY and FUSE_CNTL registers consists of two eFUSE cells
(primary and redundant), a flip-flop, and common logic elements for data multiplexing.
eFUSE Registers
A Spartan-6 FPGA has a total of three eFUSE registers. Table 5-18 lists the eFUSE registers
in Spartan-6 devices with their sizes and usage. The eFUSE bits are addressed so that the
LSB is shifted in/out first and MSB is last.
eFUSE Control Register (FUSE_CNTL)
This register contains six user programmable bits. These bits are used to select AES key
usage and set the read/write protection for eFUSE registers, as detailed in Table 5-19. Bit 0
is shifted in or out first.
The eFUSE bits are one-time programmable (OTP). Once programmed, they cannot be
unprogrammed. For example, if access to a register is disabled, it cannot be re-enabled.
Table 5-18: eFUSE Registers
Register Name Size
(Bits) Contents Description
FUSE_KEY(1) 256 Bitstream encryption key
[0:255]
(bit 255 shifted first)
Stores key for use by AES bitstream decryptor. The eFUSE key
can be used instead of the key stored in battery-backed SRAM.
The AES key is used by the Spartan-6 FPGA decryption engine
to load encrypted bitstreams. Depending on the read/write
access bits in the CNTL register, the AES key can be
programmed and read through the JTAG port.
FUSE_ID 57 Device DNA
[0:56]
(bit 56 shifted first)
Stores device DNA, a read-only register that is accessed
through the JTAG port or the DNA_PORT primitive.
FUSE_CNTL(1) 32 Control Bits
CNTL [31:0]
(bit 0 shifted first)
Controls key use and read/write access to eFUSE registers.
This register can be programmed and read through the JTAG
port.
Notes:
1. FUSE_KEY and FUSE_CNTL are only available on 6SLX75/T, 6SLX100/T, and 6SLX150/T devices.
Table 5-19: eFUSE CNTL Register Bits
Bit # Name Description Comments
0:7 - - Reserved
8 CNTL Security Disable read and write of
the CNTL registers.
Redundant with
CNTL[12].
The user must program this bit after
programming and verifying AES and
CNTL registers to prevent any
manipulation or readback of these
registers.
9-- Reserved
10 Key Security Disables read and write of
KEY register. Redundant
with CNTL[14].
The user must program this bit after
programming and verifying AES
registers to prevent manipulation or
readback of these registers.
11 - - Reserved

Spartan-6 FPGA Configuration User Guide www.xilinx.com 95
UG380 (v2.9) August 11, 2016
eFUSE
If CNTL[17] is NOT programmed:
• Encryption can be enabled or disabled via the BitGen options.
• The AES key stored in eFUSE or battery-backed SRAM can be selected via the BitGen
options.
Once CNTL[17] is programmed, only bitstreams encrypted with the eFUSE key can be
used to configure the FPGA.
Configuration memory is blocked after initial configuration if CNTL[16] is programmed.
The only way to reconfigure the device is to issue a JTAG JPROG instruction, cycle power,
or pulse the PROGRAM_B pin.
12 CNTL Security Disable read and write of
the CNTL registers.
Redundant with
CNTL[8].
The user must program this bit after
programming and verifying AES and
CNTL registers to prevent
manipulation or readback of these
registers.
13 - - Reserved
14 Key Security Disables read and write of
KEY register. Redundant
with CNTL[10].
The user must program this bit after
programming and verifying AES
registers to prevent manipulation or
readback of these registers.
15 - - Reserved
16 aes_exclusive Disables partial
reconfiguration.
This bit requires the FPGA contents to
be cleared prior to reconfiguration by
issuing a JPROG JTAG instruction,
pulsing the PROGRAM_B pin, or
cycling power to the FPGA.
Caution! If this bit is programmed,
Return Material Authorization
(RMA) device analysis and debug is
limited. An alternative that does not
limit RMA analysis is Security
Level3.
17 cfg_aes_only The FPGA can only be
configured using the AES
key stored in the eFUSE
KEY register after this bit
is programmed.
The FPGA can only be configured by a
bitstream that was encrypted with the
AES key stored in the eFUSE AES
register.
Caution! If this bit is programmed,
the device cannot be used unless
the AES key is known. Return
Material Authorization (RMA)
returns cannot be accepted if this bit
is programmed.
18:31 - - Reserved
Table 5-19: eFUSE CNTL Register Bits (Cont’d)
Bit # Name Description Comments

96 www.xilinx.com Spartan-6 FPGA Configuration User Guide
UG380 (v2.9) August 11, 2016
Chapter 5: Configuration Details
JTAG Instructions
eFUSE registers can be read through JTAG ports. eFUSE programming can be done only
via JTAG. Table 5-20 lists eFUSE-related JTAG instructions. Refer to Chapter 10, Advanced
JTAG Configurations, for general JTAG communication protocol. These instructions are
not sufficient to program eFUSEs. A precise algorithm is used and not provided. The only
supported method of programming eFUSEs is by using the iMPACT software.
VFS Pin
In Spartan-6 devices, the VFS pin is one of two pins dedicated to eFUSE operation. The VFS
pin should be treated as a power supply pin for testing purposes, such as power-up ramp
and ESD stress.
The voltage specification for the VFS pin during programming is 3.3V nominal. The supply
must be able to provide up to 40 mA of current during programming. For read mode, the
VFS pin only needs to be lower than the VCCAUX maximum operating condition. See
Table 5-21 for VFS bias conditions. For the full specification, see DS162, Spartan-6 FPGA
Data Sheet: DC and Switching Characteristics.
RFUSE Pin
The RFUSE pin is the second dedicated pin for eFUSE operation. If programming the
eFUSE is required, connect a 1,140Ω resistor to ground. If a 1,140Ω resistor is difficult to
acquire, it can be replaced with an 1,130Ω resistor in series with a 10Ω resistor. Resistor
tolerance can be found in DS162, Spartan-6 FPGA Data Sheet: DC and Switching
Characteristics. When not programming or using eFUSE, it is recommended to connect
RFUSE to VCCAUX or GND, or RFUSE can float.
VCCAUX Pin
The VCCAUX must be equal to or greater than VFS when programming the eFUSE. VCCAUX
can be any of the other recommended operating values allowed in DS162, Spartan-6 FPGA
Data Sheet: DC and Switching Characteristics, when reading or configuring from the eFUSE.
Table 5-20: eFUSE-Related JTAG Instructions
JTAG Instruction Code Action
FUSE_KEY 6'h3B Selects the 256-bit FUSE_KEY register.
FUSE_OPTION 6'h3C Selects the 16-bit FUSE_OPTION register for data
and commands for interfacing with eFUSE.
ISC_FUSE_READ 6'h30 Selects the DNA eFUSE registers. Must be preceded
by ISC_ENABLE and followed by ISC_DISABLE.
FUSE_UPDATE 6'h3A Updates the FPGA with the values from the AES
and CNTL eFUSEs.
FUSE_CNTL 6'h34 Selects the 32-bit FUSE_CNTL register.
Table 5-21: VFS Pin Bias Conditions
eFUSE Mode VFS Pin Bias
Read or Unused VCC or GND (recommended)
Program 3.3V

Spartan-6 FPGA Configuration User Guide www.xilinx.com 97
UG380 (v2.9) August 11, 2016
Configuration Memory Frames
Configuration Memory Frames
Spartan-6 FPGA configuration memory is arranged in frames that are tiled about the
device. Because these frames are the smallest addressable segments of the Spartan-6 FPGA
configuration memory space, all operations must act upon whole configuration frames.
Most frames are 65 words of 16 bits. Spartan-6 FPGA frame counts are shown in Table 5-22.
Depending on BitGen options, additional overhead exists in the configuration bitstream.
The exact bitstream length is available in the rawbits file (.rbt) created by using the -b
option with BitGen or selecting Create ASCII Configuration File in the Generate
Programming File options popup in ISE software. Bitstream length (words) are roughly
equal to the configuration array size (words) plus configuration overhead (words).
Bitstream length (bits) are roughly equal to the bitstream length in words times 16.
There are three types of configuration frames. These frame types contain data for specific
segments of the FPGA:
• Type 0: Core: CLB, DSP, input/output interconnect (IOI), clocking
•Type 1: BlockRAM
• Type 2: IOB
Table 5-22: Frame Counts
Device Number of Type 0
Frames for Core
Block RAM
Columns
Number of Type 1
Frames for Block RAM
Number of
I/Os(1)
Length of Type 2
Frames for IOB
6SLX4 2028 1 37,440 132 897
6SLX9 2028 2 37,440 200 897
6SLX16 2976 2 37,440 232 1,073
6SLX25 5065 3 70,200 266 1,153
6SLX25T 5065 3 70,200 266 1,153
6SLX45 9088 4 149,760 358 1,577
6SLX45T 9088 4 149,760 370 1,577
6SLX75 15384 4 224,640 426 1,801
6SLX75T 15384 4 224,640 426 1,801
6SLX100 20304 6 336,960 498 2,089
6SLX100T 20304 6 336,960 498 2,089
6SLX150 27240 6 336,960 576 2,401
6SLX150T 27240 6 336,960 576 2,401
Notes:
1. I/O count can be greater than in available packages due to unbonded I/O.

98 www.xilinx.com Spartan-6 FPGA Configuration User Guide
UG380 (v2.9) August 11, 2016
Chapter 5: Configuration Details
Configuration Packets
All Spartan-6 FPGA bitstream commands are executed by reading or writing to the
configuration registers. Configuration data is organized as 16-bit words. Some data can
occupy multiple words. There are three major commands that the configuration data can
contain: NOP, READ, and WRITE, shown in Table 5-23.
A configuration command is executed when the configuration command is read or written
to the appropriate command register.
Packet Types
All data (register writes and frame data) is encapsulated into two kinds of packets:
• Type 1 packet: contains two sections: Header and Data.
• Type 2 packet: contains three sections: Header, Word Count, and Data.
Type 1 Packet
A Type 1 packet is used for a register write with six address bits for a short block. The
Header section is always a 16-bit word. See Table 5-24.
The Type 1 data section follows the Type 1 packet header and contains the number of 16-bit
words specified by the word count portion of the header. See Table 5-25.
Table 5-23: Opcode Format
OP CODE
NOP 00
READ 01
WRITE 10
Table 5-24: Type 1 Header Packet
Header Type Operation Register
Address Word Count
Bits [15:13] [12:11] [10:5] [4:0]
Type 1 001 xx xxxxxx xxxxx
Table 5-25: Type 1 Data Section
Data [15:0]
Word xxxxxxxxxxxxxxxx

Spartan-6 FPGA Configuration User Guide www.xilinx.com 99
UG380 (v2.9) August 11, 2016
Configuration Packets
Type 2 Packet
The Type 2 packet, which must follow a Type 1 packet, is used to write long blocks. The
header section is always a 16-bit word.
Following the Type 2 packet header is the Type 2 data section, which contains the number
of 16-bit words specified by the word count portion of the header.
The Type 2 word count follows the Type 2 packet header and contains two 16-bit words,
with MSB in the first word.
Following the Type 2 word count section is the Type 2 data section; it contains the number
of 16-bit words that the word count portion of the header specifies.
Word Count = (Total Number of Frames + 1 Dummy Frame) x Actual Frame Length
Table 5-26: Type 2 Packet Header
Header Type Operation Register
Address (Not Used)
Bits [15:13] [12:11] [10:5] [4:0]
Type 2 010 xx xxxxxx 00000
Table 5-27: Type 2 Packet Word Count Data 2
WC1 [31:16]
Data 0000xxxxxxxxxxxx
Table 5-28: Type 2 Packet Word Count Data 1
WC2 [15:0]
Data xxxxxxxxxxxxxxxx
Table 5-29: Type 2 Packet Data Section
Data [15:0]
Word [1] xxxxxxxxxxxxxxxx
… xxxxxxxxxxxxxxxx
Word [wc] xxxxxxxxxxxxxxxx

100 www.xilinx.com Spartan-6 FPGA Configuration User Guide
UG380 (v2.9) August 11, 2016
Chapter 5: Configuration Details
Configuration Registers
Table 5-30 summarizes the configuration registers. A detailed explanation of selected
registers follows.
Table 5-30: Configuration Registers
Register Name R/W Address Description
CRC W 6'h00 Cyclic Redundancy Check.
FAR_MAJ W 6'h01 Frame Address Register Block and Major.
FAR_MIN W 6'h02 Frame Address Register Minor.
FDRI W 6'h03 Frame Data Input.
FDRO R 6'h04 Frame Data Output.
CMD R/W 6'h05 Command.
CTL R/W 6'h06 Control.
MASK R/W 6'h07 Control Mask.
STAT R 6'h08 Status.
LOUT W 6'h09 Legacy output for serial daisy-chain.
COR1 R/W 6'h0a Configuration Option 1.
COR2 R/W 6'h0b Configuration Option 2.
PWRDN_REG R/W 6'h0c Power-down Option register.
FLR W 6'h0d Frame Length register.
IDCODE R/W 6'h0e Product IDCODE.
CWDT R/W 6'h0f Configuration Watchdog Timer.
HC_OPT_REG R/W 6'h10 House Clean Option register.
CSBO W 6'h12 CSB output for parallel daisy-chaining.
GENERAL1 R/W 6'h13 Power-up self test or loadable program
address.
GENERAL2 R/W 6'h14 Power-up self test or loadable program
address and new SPI opcode.
GENERAL3 R/W 6'h15 Golden bitstream address.
GENERAL4 R/W 6'h16 Golden bitstream address and new SPI
opcode.
GENERAL5 R/W 6'h17 User-defined register for fail-safe scheme.
MODE_REG R/W 6'h18 Reboot mode.
PU_GWE W 6'h19 GWE cycle during wake-up from suspend.
PU_GTS W 6'h1a GTS cycle during wake-up from suspend.
MFWR W 6'h1b Multi-frame write register.
CCLK_FREQ W 6'h1c CCLK frequency select for master mode.

Spartan-6 FPGA Configuration User Guide www.xilinx.com 101
UG380 (v2.9) August 11, 2016
Configuration Packets
CRC Register
The Cyclic Redundancy Check register utilizes a standard 32-bit CRC checksum algorithm
to verify bitstream integrity during configuration. If the value written matches the current
calculated CRC, the CRC_ERROR flag is cleared and startup is allowed.
FAR_MAJ Register
Frame Address Register sets the starting block and column address for the next
configuration data input. See Table 5-31.
FAR_MIN Register
.
There are three types of write to FAR:
• Write one word to FAR_MAJ: only updates the FAR_MAJ.
• Write one word to FAR_MIN: only updates the FAR_MIN.
• Write two words to FAR_MAJ: updates both FAR_MAJ and FAR_MIN; the data for
FAR_MAJ will come first.
FDRI Register
Configuration data is written to the device by loading the command register with the
WCFG command and then loading the Frame Data Input Register.
SEU_OPT R/W 6'h1d SEU frequency, enable and status.
EXP_SIGN R/W 6'h1e Expected readback signature for SEU
detection.
RDBK_SIGN W6'h1f Readback signature for readback command
and SEU.
BOOTSTS R 6'h20 Boot History Register.
EYE_MASK R/W 6'h21 Mask pins for Multi-Pin Wake-Up.
CBC_REG W 6'h22 Initial CBC Value Register.
Table 5-30: Configuration Registers (Cont’d)
Register Name R/W Address Description
Table 5-31: Frame Address Register (MAJOR)
BLK ROW MAJOR
Bits [15:12] [11:8] [7:0]
0xxx xxxx xxxxxxxx
Table 5-32: Frame Address Register (MINOR)
Block RAM (Reserved) MINOR
Bits [15:14] [13:10] [9:0]
xx 0000 xxxxxxxxxx

102 www.xilinx.com Spartan-6 FPGA Configuration User Guide
UG380 (v2.9) August 11, 2016
Chapter 5: Configuration Details
FDRO Register
The FDRO is for reading configuration data or captured data from the device. Loading the
command register with the RCFG command, and then addressing the FDRO with a read
command perform a readback.
MASK Register
MASK register performs writes to the CTL register. A 1 in bit N of the mask allows that bit
position to be written in the CTL register. The default value of the mask is 0.
EYE_MASK Register
The EYE_MASK register stores the mask for the SCP pins for the Multi-Pin Wake-Up
feature. It is 16 bits, with the lower 8 representing the mask. The upper 8 bits are reserved.
The lower 8 bits are set from the -g wakeup_mask BitGen option.
LOUT Register
The Legacy Output Register (LOUT) is used for daisy-chaining the configuration bit
stream to other Xilinx devices. Data written to the LOUT is serialized and appears on the
DOUT pin.
CBC_REG Register
This register is used by the bitstream compression option to hold the Initial Vector (IV) for
AES decryption.
IDCODE Register
Any writes to the FDRI register must be preceded by a write to this register. The provided
IDCODE must match the device’s IDCODE. See Configuration Sequence, page 82.
A read of this register returns the device IDCODE.
CSBO Register
The CSBO register is designed to assert the CSB_O signal and then ignore any incoming
data for a specified word count. It works much the same way as the LOUT register except
that it only outputs a Low on CSB_O and no data is passed through. Like the LOUT
register, multiple calls can be nested for different devices in support of daisy-chaining.
Command Register (CMD)
The Command Register is used to instruct the configuration control logic to strobe global
signals and perform other configuration functions. The command present in the CMD
register is executed each time the FAR is loaded with a new value. Table 5-33 lists the
Command Register commands and codes.
Table 5-33: Command Register Codes
Command Code Description
NULL 00000 Null Command
WCFG 00001 Writes Configuration Data: Used prior to writing configuration
data to the FDRI.

Spartan-6 FPGA Configuration User Guide www.xilinx.com 103
UG380 (v2.9) August 11, 2016
Configuration Packets
MFW 00010 Multiple Frame Write: Used to perform a write of a single frame
data to multiple frame addresses.
LFRM 00011 Last Frame: Deasserts the GHIGH_B signal, activating all
interconnects. The GHIGH_B signal is asserted with the AGHIGH
command.
RCFG 00100 Reads Configuration Data: Used prior to reading configuration
data from the FDRO.
START 00101 Begins the Startup Sequence: Initiates the startup sequence. The
startup sequence begins after a successful CRC check and a
DESYNC command are performed.
RCRC 00111 Resets CRC: Resets the CRC register.
AGHIGH 01000 Asserts the GHIGH_B signal: Places all interconnect in a high-Z
state to prevent contention when writing new configuration data.
This command is only used in shutdown reconfiguration.
Interconnect is reactivated with the LFRM command.
GRESTORE 01010 Pulses the GRESTORE signal: Sets/resets (depending on user
configuration) IOB and CLB flip-flops.
SHUTDOWN 01011 Begins the shutdown sequence: Initiates the shutdown sequence,
disabling the device when finished. Shutdown activates on the next
successful CRC check or RCRC instruction (typically, an RCRC
instruction).
DESYNC 01101 Resets the DALIGN Signal: Used at the end of configuration to
desynchronize the device. After desynchronization, all values on
the configuration data pins are ignored.
IPROG 01110 Generates reboot_rst to reconfigure from the address specified in
the general register.
Table 5-33: Command Register Codes (Cont’d)
Command Code Description

104 www.xilinx.com Spartan-6 FPGA Configuration User Guide
UG380 (v2.9) August 11, 2016
Chapter 5: Configuration Details
Control Register 0 (CTL)
The CTL register is used to configure the Spartan-6 device. Writes to the CTL register are
masked by the value in the MASK register. The name of each bit position in the CTL0
register is given in Table 5-34.
Caution! PERSIST and ICAP cannot be set at the same time. PERSIST has higher priority.
Table 5-34: Control Register 0 (CTL0) Description
Name Bit Index Description BitGen Default
DEC 6 Decryption
0: No decryption
1: Decryption used (automatically set SBITS to Level1 or up
and mc_enc=1)
Once set to 1, the DEC cannot be altered except by hard
reboot (PROGRAM_B or JPROGRAM).
0
SBITS 5:4 Security level:
Level0: SBITS=00: R/W OK (default)
Level1: SBITS=01: Permits only ICAP readback
Level2: SBITS=10: All readback disabled;
(en_vrb_b =1 => Vrd=0)
Level3: SBITS=11: Readback disabled, Writing disabled
except CRC,CMD; (mc_vrd=1 => Vrd=0)
Once set to 1, the SBITS cannot be altered except by soft
reboot (PROGRAM_B, JPROGRAM, IPROG command,
error reboot, or fallback reboot).
00
PERSIST 3 Configuration interface remains after configuration
0: No (default)
1: Yes
0
USE_EFUSE_KEY 2 Use eFUSE key as decryption key
0: Use battery-backed RAM key (default)
1: Use eFUSE key
0
CRC_EXTSTAT_DISABLE 1 External CRC status pin (INIT_B) pulled Low when using
POST CRC.
The first configuration always has the CRC indicator on
INIT_B.
0: CRC indicator enabled
1: CRC indicator disabled
0
RESERVED 0 Reserved. 1

Spartan-6 FPGA Configuration User Guide www.xilinx.com 105
UG380 (v2.9) August 11, 2016
Configuration Packets
Status Register (STAT)
The Status Register indicates the value of numerous global signals. The register can be read
through the SelectMAP or JTAG interfaces. Table 5-35 gives the name of each bit position in
the STAT register; a detailed explanation of each bit position is given in Table 5-35.
Table 5-35: Status Register Description
Name Bits Description
SWWD_strikeout
(SyncWordWatchDog)
15 Indicates error to configure for reasons of failure to find
the sync word within the Configuration WatchDog timer
(CWDT) count, invalid IDCODE, or CRC error. See the
BOOTSTS register for the specific cause of failure. INIT
is pulled Low and SWWD_strikeout goes High.
IN_PWRDN 14 SUSPEND status.
DONE 13 DONEIN input from DONE pin.
INIT_B 12 Value of INIT_B.
MODE 11:9 Value of MODE pins (0, M1,M0).
HSWAPEN 8 HSWAPEN status.
PART_SECURED 7 0: Decryption security not set.
1: Decryption security set.
DEC_ERROR 6 FDRI write attempted before or after decryption
operation:
0: No DEC_ERROR.
1: DEC_ERROR.
GHIGH_B 5 Status of GHIGH.
GWE 4 Status of Global Write Enable.
GTS_CFG_B 3 Status of Global 3-State.
DCM_LOCK 2 DCMs and PLLs are locked.
ID_ERROR 1 IDCODE not validated while trying to write FDRI.
CRC_ERROR 0 CRC error.

106 www.xilinx.com Spartan-6 FPGA Configuration User Guide
UG380 (v2.9) August 11, 2016
Chapter 5: Configuration Details
Configuration Options Register (COR1 and COR2)
The Configuration Options Register is used to set certain configuration options for the
device. The name of each bit position in COR1 and COR2 is given in Table 5-36.
Table 5-36: Configuration Options (COR1 and COR2) Descriptions
Register Field Bit Index Description BitGen Default
COR1 DRIVE_AWAKE 15 0: Does not drive the awake pin (open drain).
1: Actively drives the awake pin. 0
RESERVED 14:5 Reserved. 0110111000
CRC_BYPASS 4 Does not check against the updated CRC value. 0
DONE_PIPE 3 0: No pipeline stage for DONEIN.
1: Add pipeline stage to DONEIN. 0
DRIVE_DONE 2 0: DONE pin is open drain.
1: DONE pin is actively driven High. 0
SSCLKSRC 1:0 Startup sequence clock.
00: CCLK.
01: UserClk.
1x: TCK.
00
COR2 RESET_ON_ERROR 15 Option to fallback when a crc_error occurs.
0: Disable reset on error.
1: Enable reset on error.
0
RESERVED 14:12 Reserved 000
DONE_CYCLE 11:9 Startup phase in which DONE pin is released.
(001,010,011,100,101,110)
100
LCK_CYCLE 8:6 Stall in this startup phase until DCM or PLL lock is
asserted. (001,010,011,100,101,110,111<No
wait>)
111 (No wait)
GTS_CYCLE 5:3 Startup phase in which I/Os switch from 3-state to user
design.
(000<Keep>, 001,010,011,100,101,110,
111<Done>)
101
GWE_CYCLE 2:0 Startup phase in which the global write enable is asserted.
(000<Keep>, 001,010,011,100,101,110,
111<Done>)
110

Spartan-6 FPGA Configuration User Guide www.xilinx.com 107
UG380 (v2.9) August 11, 2016
Configuration Packets
Suspend Register (PWRDN_REG)
Frame Length Register
Frame Length Register (FLR) is written with the length of a frame, as measured in 16-bit
words, near the beginning of the configuration bitstream. FLR must be written before any
FDR operation will work. It is not necessary to set the FLR more than once.
The actual value written to FLR = Actual Frame Length.
Based on the segmentation scheme in Spartan-6 devices, the frame length for type0 (CLB,
IOI, and special blocks) and type1 (block RAM) are fixed. The only block that needs a
specified frame length is IOB.
Multi-Frame Write Register
The Spartan-6 FPGA supports Multi-Frame Write (MFWR) for first-time configuration but
does not support it during reconfiguration. The FPGA has to go through one power cycle
or use PROGRAM_B to reset the chip before MFWR can be used.
Table 5-37: Power-Down Register Description
Field Bit Index Description BitGen Default
RESERVED 15 Reserved.
EN_EYES 14 Enable Multi-Pin Wake-Up.
0: Disable Multi-Pin Wake-Up.
1: Enable Multi-Pin Wake-Up.
0
RESERVED 13:6 Reserved. 0010_0010
FILTER_B 5 0: Suspend filter (300 ns) on.
1: Filter off.
0
EN_PGSR 4 0: No GSR pulse during return from Suspend.
1: Generate GSR pulse during return from
Suspend.
0
RESERVED 3 Reserved.
EN_PWRDN 2 0: Suspend is disabled.
1: Suspend is enabled.
0
KEEP_SCLK 0 0: Use MCCLK for startup sequence initiated
by power-up.
1: Use SSCLKSRC for startup sequence
initiated by power-up.
1
Table 5-38: Frame Length Register
Bits FLR
[15:0] xxxxxxxxxxxxxxxx

108 www.xilinx.com Spartan-6 FPGA Configuration User Guide
UG380 (v2.9) August 11, 2016
Chapter 5: Configuration Details
Configuration Watchdog Timer Register
The configuration watchdog timer (CWDT) register stores the value of the number of clock
cycles that the FPGA will wait before the watchdog time-out (in which SYNCWORD is not
received). The default is 64k clock cycles. The minimum value is 16h'0201.
HC_OPT_REG Register
The HC_OPT_REG register can only be reset to default by por_b.
GENERAL Registers 1, 2, 3, 4, and 5
GENERAL1 and GENERAL2 registers are used to store loadable multiple configuration
addresses for SPI and BPI.
GENERAL3 and GENERAL4 registers have a similar function as GENERAL1 and
GENERAL2, except that GENERAL3 and GENERAL4 store the golden bitstream address
instead of the MultiBoot address.
The GENERAL5 register is a 16-bit register that allows users to store and access any extra
information desired for the fail-safe scheme. These register contents are untouched during
a soft reboot.
These registers are set by the bitstream. BitGen can be instructed not to write to these
registers using the -g next_config_register_write:Disable command. This allows the ability
to store user data in the FPGA between re-configuration attempts.
If the second configuration needs a previously unknown SPI vendor command, the new
vendor command has already been loaded in GENERAL2 from the bitstream by this point.
Table 5-39: CWDT Register
Bits Value
[15:0] 16h'ffff
Table 5-40: HC_OPT_REG Description
Name Bits Description Default
INIT_SKIP 6 0: Do not skip initialization.
1: Skip initialization.
0
RESERVED 5:0 Reserved. 011111
Table 5-41: General Registers
Name Bits Description
GENERAL1 [15:0] The lower half of the multiple boot address.
GENERAL2 [15:0] 15:8 – SPI opcode.
7:0 – Higher half of the boot address.
GENERAL3 [15:0] The lower half of the golden bitstream address.
GENERAL4 [15:0] 15:8 – SPI opcode.
7:0 – Higher half of the golden boot address.
GENERAL5 [15:0] The user-defined scratchpad register.

Spartan-6 FPGA Configuration User Guide www.xilinx.com 109
UG380 (v2.9) August 11, 2016
Configuration Packets
If it is a known-vendor command, the SPI read command needs to be loaded to
GENERAL2.
In case of SPI, the general register contains an 8-bit command plus a 24-bit address. See
Table 5-42.
BPI has a 26-bit address (there are 6 don’t care bits). See Table 5-43.
MODE Register
The MODE register contains the mode setting (two bits for bus width, three bits for mode,
and eight bits for vsel), which can be used for the reboot. The default is the original pin
setting.
This register is cleared in the same way as General registers, that is they can only be cleared
by bus_reset0 but NOT by reboot_rst (bus_reset = bus_reset || reboot_rst). See
Table 5-44.
Table 5-42: SPI General Register Example
gen2[15:0] gen1[15:0]
rd_cmd[7:0], addr[23:16] addr[15:0]
Table 5-43: BPI General Register Example
gen2[15:0] gen1[15:0]
xxxxxx, address[25:16] addr[15:0]
Table 5-44: MODE Registers Description
Name Bits Description Default
RESERVED 15 Reserved. 0
RESERVED 14 Reserved. 0
NEW_MODE 13 0: Physical mode, ignore bit[10:0] (default).
1: Bitstream mode, use bit[10:0], required for
MultiBoot and Fallback.
0
BUSWIDTH 12:11 The buswidth setting to reboot.
SPI:
00: by 1
01: by 2
10: by 4
00 (SPI by1)
BOOTMODE 10:8 Mode setting required for MultiBoot and
Fallback. Enabled by NEW_MODE.
bit [10]: Reserved
bit [9]: BOOTMODE <1>
bit [8]: BOOTMODE <0>
001
BOOTVSEL 7:0 The vsel setting to reboot. Read only.

110 www.xilinx.com Spartan-6 FPGA Configuration User Guide
UG380 (v2.9) August 11, 2016
Chapter 5: Configuration Details
CCLK_FREQ Register
PU_GWE Register
This 10-bit register stores the wake-up GWE sequence from suspend. See Table 5-46.
PU_GTS Register
This 10-bit register stores the wake-up GTS sequence from suspend. See Table 5-47.
Boot History Status Register (BOOTSTS)
This register is reset by POR or asserting PROGRAM_B. It is not reset by an IPROG
command, because the purpose of this register is to store the potential errors of a MultiBoot
operation. At EOS or an error condition, status (_0) is updated with the current status. If
fallback or MultiBoot occurs, status (_1) is updated at EOS or an error condition. BOOTSTS
is not updated after a successful IPROG command. The name of each bit position in the
BOOTSTS register is given in Table 5-48.
Table 5-45: Master Mode CCLK Frequency Select Description
Name Bits Description Default
EXT_MCLK 14 Select external master clock.
0: Select internal master clock.
1: Select external master clock.
0
MCLK_FREQ 9:0 CCLK frequency select. This register is a shared use
register with the ExtMCCLK_Divide signal, which
divides the external clock.
10x1BE
Table 5-46: Wake-Up 10-Bit Register Default
Bits [9:0]
Default Value 10h'006
Table 5-47: 10-Bit Wake-Up Register Default
Bits [9:0]
Default Value 10h'005
Table 5-48: BOOTSTS Register Description
Name Bits Description
STRIKE_CNT 15:12 Strike count.
CRC_ERROR_1 11 CRC error.
ID_ERROR_1 10 IDCODE not validated while trying to write FDRI.
WTO_ERROR_1 9 Watchdog time-out error.
RESERVED 8 Reserved.
FALLBACK_1 7 1: Fallback to 00 address.
0: Normal configuration.
VALID_1 6 Status Valid.

Spartan-6 FPGA Configuration User Guide www.xilinx.com 111
UG380 (v2.9) August 11, 2016
Configuration Packets
SEU_OPT Register
This register enables SEU detection and contains the status and frequency at which the
FPGA should run during SEU detection. Each bit position of the SEU_OPT register is
described in Table 5-49.
CRC_ERROR_0 5 CRC error.
ID_ERROR_0 4 IDCODE not validated while trying to write FDRI.
WTO_ERROR_0 3 Watchdog time-out error.
RESERVED 2 Reserved
FALLBACK_0 1 1: Fallback to golden bit stream address.
0: Normal configuration.
VALID_0 0 Status Valid.
Table 5-48: BOOTSTS Register Description (Cont’d)
Name Bits Description
Table 5-49: Soft Error Upset Option Register
Name Bits Description Default
RESERVED 15 Reserved. 1
RESERVED 14 Reserved. 0
SEU_FREQ 13:4 Bus_clk frequency during SEU
detection.
10x1be
SEU_RUN_ON_ERR 3 If SEU_ERR is detected, keep
running?
0: Halt.
1: Keep running.
0
GLUT_MASK 1 Mask out LUTRAM/SRL readback.
0: Unmask.
1: Mask out LUTRAM/SRL.
Also controlled by the BitGen
option -g glutmask.
1
SEU_ENABLE 0 Enable SEU Detection.
0: Disable.
1: Enable.
0

112 www.xilinx.com Spartan-6 FPGA Configuration User Guide
UG380 (v2.9) August 11, 2016
Chapter 5: Configuration Details
Bitstream Composition
Configuration can begin after the device is powered and initialization has finished, as
indicated by the INIT_B pin being released. After initialization, the packet processor
ignores all data presented on the configuration interface until it receives the
synchronization word. After synchronization, the packet processor waits for a valid packet
header to begin the configuration process. A bitstream for regular configuration has the
structure as shown in Table 5-50.
Default Initial Configuration Process
Initial configuration using a default bitstream (a bitstream generated using the default
BitGen settings) begins by pulsing the PROGRAM_B pin for SelectMAP and Serial
configuration modes or by issuing the JPROGRAM instruction for JTAG configuration
mode.
Table 5-50: Spartan-6 FPGA Bitstream Structure
Section Description Example
DUMMYWORD Sixteen dummy words for BPI address shift cycle. 0xFFFF
SYNC WORD Two word (32-bit) pattern for synchronization. 0xAA99
0x5566
HEADER Configuration register setup.
CFG BODY Starting address
R/W command
FDRI/FDRO
Configuration memory contents
AUTO CRC word
HEADER2 Configuration register setup (for daisy-chain and
features available after configuration).
CTL
DESYNC WORD One word (16-bit) pattern signifying the end of the
bitstream.
0x000D
Notes:
1. Configuration CRC calculation begins immediately after the SYNC WORD and the final check occurs
before the DESYNC WORD.

Spartan-6 FPGA Configuration User Guide www.xilinx.com 113
UG380 (v2.9) August 11, 2016
Spartan-6 FPGA Unique Device Identifier (Device DNA)
Spartan-6 FPGA Unique Device Identifier (Device DNA)
Spartan-6 FPGAs contain an embedded, unique device identifier (device DNA). The
identifier is nonvolatile, permanently programmed into the FPGA, and is unchangeable,
making it tamper resistant.
The FPGA application accesses the identifier value using the Device DNA Access Port
(DNA_PORT) design primitive, shown in Figure 5-13.
Identifier Value
As shown in Figure 5-14, the device DNA value is 57 bits long. The two most-significant
bits are always 1 and 0. The remaining 55 bits are unique to a specific Spartan-6 FPGA.
Operation
Figure 5-14 shows the general functionality of the DNA_PORT design primitive. An FPGA
application must first instantiate the DNA_PORT primitive, shown in Figure 5-13, within a
design.
To read the device DNA, the FPGA application must first transfer the identifier value into
the DNA_PORT output shift register. The READ input must be asserted during a rising
edge of CLK, as shown in Table 5-51. This action parallel loads the output shift register
with all 57 bits of the identifier. Because bit 56 of the identifier is always 1, the DOUT
output is also 1. The READ operation overrides a SHIFT operation.
To continue reading the identifier values, SHIFT must be asserted, followed by a rising
edge of CLK, as shown in Table 5-51. This action causes the output shift register to shift its
contents toward the DOUT output. The value on the DIN input is shifted into the shift
register.
X-Ref Target - Figure 5-1 3
Figure 5-13: Spartan-6 FPGA DNA_PORT Design Primitive
UG380_c5_13_052009
DIN DOUT
READ
CLK
DNA_PORT
SHIFT
X-Ref Target - Figure 5-1 4
Figure 5-14: DNA_PORT Operation
5655540
01
55-Bit Unique Device Identifier (Device DNA)
Factory Programmed, Unchangeable
560
DIN DOUT
57-Bit Bit Loadable Shift Register
READ = 1
SHIFT=1
UG380_c5_14_052009
CLK
Read = 0

114 www.xilinx.com Spartan-6 FPGA Configuration User Guide
UG380 (v2.9) August 11, 2016
Chapter 5: Configuration Details
A Low-to-High transition on SHIFT should be avoided when CLK is High because this
causes a spurious initial clock edge. Ideally, SHIFT should only be asserted when CLK is
Low or on a falling edge of CLK.
If both READ and SHIFT are Low, the output shift register holds its value and DOUT
remains unchanged.
Identifier Memory Specifications
The unique FPGA identifier value is retained for a minimum of ten years of continuous
usage under worst-case recommended operating conditions. The identifier can be read,
using the READ operation defined in Table 5-51, a minimum of 30 million cycles, which
roughly correlates to one read operation every 11 seconds for the operating lifetime of the
Spartan-6 FPGA.
Extending Identifier Length
As shown in Figure 5-15, most applications that use the DNA_PORT primitive tie the DIN
data input to a static value.
Table 5-51: DNA_PORT Operations
Operation DIN READ SHIFT CLK Shift Register DOUT
HOLD X00X Hold previous value Hold previous value
READ X1X↑Parallel load with 57-bit ID Bit 56 of identifier,
which is always 1
SHIFT DIN 0 1 ↑Shift DIN into bit 0, shift contents of Shift
Register toward DOUT Bit 56 of Shift Register
Notes:
X = Don’t care
↑= Rising clock edge
X-Ref Target - Figure 5-1 5
Figure 5-15: Shift in Constant
DIN DOUT
DNA_PORT
READ
SHIFT
CLK
UG380_c5_15_121112

Spartan-6 FPGA Configuration User Guide www.xilinx.com 115
UG380 (v2.9) August 11, 2016
Spartan-6 FPGA Unique Device Identifier (Device DNA)
As shown in Figure 5-16, the length of the identifier can be extended by feeding the DOUT
serial output port back into the DIN serial input port. This way, the identifier can be
extended to any possible length. However, there are still only 55 unique bits, with a 57-bit
repeating pattern. A buffer is included in Figure 5-16 to demonstrate a user inserting logic
for the user’s DNA logic extension or delay for the loopback to meet hold time
requirements.
It is also possible to add additional bits to the identifier using FPGA logic resources. As
shown in Figure 5-17, the FPGA application can insert additional bits via the DNA_PORT
DIN serial input. The additional bits provided by the logic resources could take the form of
an additional fixed value or a variable computed from the device DNA.
JTAG Access to Device Identifier
The FPGA's internal device identifier, plus any values shifted in on the DIN input, can be
read via the JTAG port using the private ISC_DNA command. This requires the
ISC_ENABLE to be loaded before the ISC_DNA command is issued.
Bit 56 of the identifier, shown in Figure 5-14, appears on the TDO JTAG output following
the ISC_DNA command when the device enters the Shift-DR state. The remaining Device
DNA bits and any data on the input to the register are shifted out sequentially while the
JTAG controller is left in the Shift-DR state. When this operation is complete, the
ISC_DISABLE command should be issued.
X-Ref Target - Figure 5-1 6
Figure 5-16: Circular Shift
X-Ref Target - Figure 5-1 7
Figure 5-17: Bitstream Specific Code
DIN DOUT
DNA_PORT
READ
SHIFT
CLK
UG380_c5_16_021010
UG380_c5_17_052009
DIN DOUT
DNA_PORT
READ
SHIFT
CLK
Application Code
DIN DOUT
READ
SHIFT
CLK
READ
SHIFT
CLK

116 www.xilinx.com Spartan-6 FPGA Configuration User Guide
UG380 (v2.9) August 11, 2016
Chapter 5: Configuration Details
iMPACT Access to Device Identifier
The iMPACT software in ISE 10.1 (and later) tools can also read the device DNA value.
readDna -p <position> is the batch command that reads the device DNA from the
FPGA.
Bitstream Compression
By default, FPGA bitstreams are uncompressed. However, Spartan-6 FPGAs support basic
bitstream compression. The compression is fairly simple, yet effective for some
applications. The ISE bitstream generator software examines the FPGA bitstream for any
duplicate configuration data frames. These duplicates occur often in these situations:
• FPGA designs with unused block RAM or hardware multipliers.
• FPGA designs with low logic utilization, such as when most of the FPGA array is
empty.
The ISE software can then generate a compressed FPGA bitstream. As the FPGA
configures, the internal configuration controller copies the redundant data frame to
multiple locations. Compression is not supported for encrypted bitstreams.
The amount of compression is non-deterministic. Changes to the source FPGA design can
cause the size of the compressed bitstream to grow. Sparse, mostly empty FPGA designs
have the greatest overall compression factor. Similarly, FPGA designs with an empty
column of block RAM have a high compression factor.
The overall benefits of a compressed bitstream are:
• Smaller memory footprint.
• Faster programming time for nonvolatile memory.
• Faster configuration time.
Compression is enabled using the BitGen option -g compress.
Parallel Platform Flash PROMs offer their own compression mechanisms. For more details,
see the “XCFxxP Decompression and Clock Options” chapter in UG161, Platform Flash
PROM User Guide.

Spartan-6 FPGA Configuration User Guide www.xilinx.com 117
UG380 (v2.9) August 11, 2016
Chapter 6
Readback and Configuration
Verification
Spartan®-6 devices allow users to read configuration memory through the SelectMAP,
ICAP, and JTAG interfaces. During readback, the user reads all configuration memory
cells, including the current values on all user memory elements (LUT RAM, SRL16, and
block RAM).
To read configuration memory, users must send a sequence of commands to the device to
initiate the readback procedure. Once initiated, the device dumps the contents of its
configuration memory to the SelectMAP or JTAG interface. The Accessing Configuration
Registers through the SelectMAP Interface section and IEEE Std 1149.1 JTAG describe the
steps for reading configuration memory.
Users can send the readback command sequence from a custom microprocessor, CPLD, or
FPGA-based system, or use iMPACT to perform JTAG-based readback verify. iMPACT, the
device programming software provided with the ISE® software by Xilinx, can perform all
readback and comparison functions for Spartan-6 devices and report to the user whether
there were any configuration errors.
Once configuration memory is read from the device, the next step is to determine if there
are any errors by comparing the readback bitstream to the configuration bitstream. The
Verifying Readback Data section explains how this is done.
Preparing a Design for Readback
There are two mandatory bitstream settings for readback using JTAG or SelectMAP: the
BitGen security setting must not prohibit readback (-g Security:none), and bitstream
encryption must not be used. Additionally, if readback is to be performed through the
SelectMAP interface, the port must be set to retain its function after configuration by
setting the persist option in BitGen (-g Persist:Yes), otherwise the SelectMAP data pins
revert to user I/O, precluding further configuration operations. Beyond these security and
encryption requirements, no special considerations are necessary to enable readback
through the boundary-scan port. Also, these requirements are not necessary when using
readback via the ICAP. Limitations for readback are:
• Performing a readback while the design is in operation (without providing a
shutdown command) results in reading back invalid block RAM data. The actual
contents of the block RAM are unaffected.
• Performing a readback (with or without a shutdown command) corrupts the contents
of block RAMs configured in 9K mode.

118 www.xilinx.com Spartan-6 FPGA Configuration User Guide
UG380 (v2.9) August 11, 2016
Chapter 6: Readback and Configuration Verification
Readback Command Sequences
Spartan-6 FPGA configuration memory is read from the FDRO (Frame Data Register -
Output) configuration register and can be accessed from the JTAG, SelectMAP, and ICAP
interfaces. For the JTAG and SelectMAP interfaces, readback is possible while the FPGA
design is active or in a shutdown state, although block RAMs cannot be accessed by the
user design while they are being accessed by the configuration logic.
Accessing Configuration Registers through the SelectMAP Interface
To read configuration memory through the SelectMAP interface, users must set the
interface for write control to send commands to the FPGA, and then switch the interface to
read control to read data from the device. Write and read control for the SelectMAP
interface is determined by the RDWR_B input: the SelectMAP data pins are inputs when
the interface is set for Write control (RDWR_B = 0); they are outputs when the interface is
set for Read control (RDWR_B = 1).
The CSI_B signal must be deasserted (CSI_B =1) before toggling the RDWR_B signal,
otherwise the user causes an abort (refer to SelectMAP ABORT, page 157 for details).
The procedure for changing the SelectMAP interface from Write to Read Control, or vice
versa, is:
1. Deassert CSI_B.
2. Toggle RDWR_B.
RDWR_B = 0: Write control
RDWR_B = 1: Read control
3. Assert CSI_B.
4. CSI_B is synchronous to CCLK.
5. This procedure is illustrated in Figure 6-1.
X-Ref Target - Figure 6-1
Figure 6-1: Changing the SelectMAP Port from Write to Read Control
CSI_B
RDWR_B
DATA[0:7]
UG380_c6_01_042909
WRITE
Byte nByte nByte 0
CCLK
Byte 0
READ

Spartan-6 FPGA Configuration User Guide www.xilinx.com 119
UG380 (v2.9) August 11, 2016
Readback Command Sequences
Configuration Register Read Procedure (SelectMAP)
The simplest read operation targets a configuration register such as the COR0 or STAT
register. Any configuration register with read access can be read through the SelectMAP
interface, although not all registers offer read access. The procedure for reading the STAT
register through the SelectMAP interface follows:
1. Write a dummy word and a synchronization word to the device followed by at least
one no operation command (NOOP).
2. Write the read STAT register packet header to the device.
3. Write four NOOPs to the device to flush the packet buffer.
4. Read one word from the SelectMAP interface; this is the Status register value.
5. Write the DESYNC command to the device.
6. Write two NOOPs to the device to flush the packet buffer.
Table 6-1: Status Register Readback Command Sequence (16-Bit SelectMAP)
Step SelectMAP
Port Direction
Configuration
Data [15:0] Explanation
1Write FFFF Dummy Word
2Write FFFF Dummy Word
3Write AA99 Sync Word
4Write 5566 Sync Word
5Write 2000 NOOP
6Write 2901 Write Type1 packet header to read STAT register
7Write 2000 NOOP
8Write 2000 NOOP
9Write 2000 NOOP
10 Write 2000 NOOP
11 Read SSSS Read one word from the STAT register to the
configuration interface
12 Write 30A1 Type 1 Write 1 Word to CMD
13 Write 000D DESYNC Command
14 Write 2000 NOOP
15 Write 2000 NOOP

120 www.xilinx.com Spartan-6 FPGA Configuration User Guide
UG380 (v2.9) August 11, 2016
Chapter 6: Readback and Configuration Verification
The user must change the SelectMAP interface from write to read control between steps 10
and 11, and back to write control after step 11, as illustrated in Figure 6-2. The SelectMAP
16-bit data ordering applies to the ICAP interface as shown in Table 2-4, page 39 and
Table 2-5, page 40.
To read registers other than STAT, the address specified in the Type-1 packet header in
step 2 of Table 6-1 should be modified and the word count changed if necessary. Reading
from the FDRO register is a special case that is described in Configuration Memory Read
Procedure (SelectMAP).
Configuration Memory Read Procedure (SelectMAP)
The process for reading configuration memory from the FDRO register is similar to the
process for reading from other registers. Additional steps are needed to accommodate the
configuration logic. Configuration data coming from the FDRO register passes through the
frame buffer. The first frame of readback data should be discarded. After changing the FAR
or beginning to read a different frame type, it is necessary to send the DESYNC command
and a new synchronization word prior to starting another read operation.
1. Write the dummy and synchronization words to the device.
2. Write one NOOP command.
3. Write the Shutdown command, and write NOOP commands.
4. Write the RCRC command, and write one NOOP command.
5. Write the AGHIGH command to disable the interconnect, and write one NOOP
command.
6. Set the frame length register.
7. Write the Starting Frame Address to the FAR (typically 0x00000000).
8. Write the RCFG command to the CMD register.
9. Write the read FDRO register packet header to the device. The FDRO read length is
given by:
FDRO Read Length = (words per frame) x (frames to read + 1) + 1
One extra frame is read to account for the frame buffer. Users should strobe readback
data while DOUT_BUSY is Low. The frame buffer produces one dummy frame at the
beginning of the read. Also, one extra word is read in SelectMap8 mode.
10. Write to the device to flush the packet buffer.
X-Ref Target - Figure 6-2
Figure 6-2: 8-Bit SelectMAP Status Register Read
CSI_B
RDWR_B
DATA[0:7]
WRITE
CCLK
AA 99 55 66 2800 E0 0 0
READ WRITE
XX 30
UG380_c6_02_011110
XX

Spartan-6 FPGA Configuration User Guide www.xilinx.com 121
UG380 (v2.9) August 11, 2016
Readback Command Sequences
11. Read the FDRO register from the SelectMAP interface. The FDRO read length is the
same as in step 9 above.
12. Write the LFRM command to enable the interconnect, and write one NOOP command.
13. Write the START command, and write NOOP commands.
14. Write the RCRC command, and write one NOOP command.
15. Write the DESYNC command.
16. Write at least 64 bits of NOOP commands to flush the packet buffer. Continue sending
CCLK pulses until DONE goes High.
Table 6-2 shows the readback command sequence.
Table 6-2: Shutdown Readback Command Sequence (SelectMAP)
Step SelectMAP Port Direction Configuration Data Explanation
1Write
FFFF Dummy Word
FFFF Dummy Word
FFFF Dummy Word
FFFF Dummy Word
AA99 Sync Word
5566 Sync Word
2Write 2000 Type 1 NOOP Word 0
3Write
30A1 Type 1 Write 1 Word to CMD
000B SHUTDOWN Command
2000 Type 1 NOOP Word 0
REPEAT for 16 cycles.
4Write
30A1 Type 1 Write 1 Word to CMD
0007 RCRC Command
2000 Type 1 NOOP Word 0
5Write
30A1 Type 1 Write 1 Word to CMD
0008 AGHIGH Command
2000 Type 1 NOOP Word 0
6Write 31a1 Type 1 Write 1 Word to FLR
XXXX Framelength
7Write
3022 Type 1 Write 2 Words to FAR
0000 FAR_MAJ = 0000
0000 FAR_MIN = 0000
8Write 30A1 Type 1 Write 1 Word to CMD
0004 RCFG Command
9Write 4880 Type 2 Read 0 Words from FDRO
XXXX Type 2 Read XXXX Words from FDRO
10 Write 2000 Type 1 NOOP Word 0
... Type 1 65 More NOOPs Word 0

122 www.xilinx.com Spartan-6 FPGA Configuration User Guide
UG380 (v2.9) August 11, 2016
Chapter 6: Readback and Configuration Verification
User logic should strobe readback data while DOUT_BUSY is Low after switching from a
write to a read (both CSI_B and RDWR_B are Low). DOUT_BUSY must be monitored to
determine when the readback data is valid.
When readback is initiated, and after BUSY is deasserted, a number of dummy words
depending on the SelectMAP bus width are read prior to valid data behind present.
Table 6-3 lists the dummy readback cycles for the two SelectMAP widths.
11 Read
0000 Packet Data Read FDRO Word 0
...
0000 Packet Data Read FDRO Last Word
12 Write
30A1 Type 1 Write 1 Word to CMD
0003 LFRM Command
2000 Type 1 NOOP Word 0
13 Write
30A1 Type 1 Write 1 Word to CMD
0005 START Command
2000 Type 1 NOOP Word 0
2000 Type 1 NOOP Word 0
2000 Type 1 NOOP Word 0
2000 Type 1 NOOP Word 0
14 Write
30A1 Type 1 Write 1 Word to CMD
0007 RCRC Command
2000 Type 1 NOOP Word 0
15 Write 30A1 Type 1 Write 1 Word to CMD
000D DESYNC Command
16 Write 2000 Type 1 NOOP Word 0
REPEAT for at least 16 cycles.
Table 6-2: Shutdown Readback Command Sequence (SelectMAP) (Cont’d)
Step SelectMAP Port Direction Configuration Data Explanation
Table 6-3: Readback Latency (SelectMAP)
x8 x16
CSI_B to Readback Latency 3 clocks 2 clocks
Notes:
1. These latencies assume CSI_B and RDWR_B are deasserted for one cycle between write and read. If
the deassertion lasts more than one cycle, then the latency is less. It is best to monitor the BUSY signal
for valid readback data.

Spartan-6 FPGA Configuration User Guide www.xilinx.com 123
UG380 (v2.9) August 11, 2016
Readback Command Sequences
Accessing Configuration Registers through the JTAG Interface
JTAG access to the Spartan-6 FPGA configuration logic is provided through the JTAG
CFG_IN and CFG_OUT registers. The CFG_IN and CFG_OUT registers are not
configuration registers, rather they are JTAG registers like BYPASS and
BOUNDARY_SCAN. Data shifted into the CFG_IN register goes to the configuration
packet processor, where it is processed in the same way commands from the SelectMAP
interface are processed.
Readback commands are written to the configuration logic by going through the CFG_IN
register; configuration memory is read through the CFG_OUT register. The JTAG state
transitions for accessing the CFG_IN and CFG_OUT registers are described in Table 6-4.
Configuration Register Read Procedure (JTAG)
The simplest read operation targets a configuration register such as the COR0 or STAT
register. Any configuration register with read access can be read through the JTAG
interface, although not all registers offer read access. The procedure for reading the STAT
register through the JTAG interface follows:
1. Reset the TAP controller.
2. Shift the CFG_IN instruction into the JTAG Instruction Register through the Shift-IR
state. The LSB of the CFG_IN instruction is shifted first; the MSB is shifted while
moving the TAP controller out of the SHIFT-IR state.
3. Shift packet write commands into the CFG_IN register through the Shift-DR state:
a. Write the synchronization word to the device.
b. Write the read STAT register packet header to the device.
c. Write two dummy words to the device to flush the packet buffer.
Table 6-4: Shifting in the JTAG CFG_IN and CFG_OUT Instructions
Step Description Set and Hold # of Clocks
(TCK)
TDI TMS
1Clock five 1s on TMS to bring the device to the TLR state X15
2 Move into the RTI state X 0 1
3 Move into the Select-IR state X 1 2
4 Move into the Shift-IR state X 0 2
5Shift the first five bits of the CFG_IN or CFG_OUT instruction, LSB
first
000101
(CFG_IN) 05
000100
(CFG_OUT)
6Shift the MSB of the CFG_IN or CFG_OUT instruction while
exiting SHIFT-IR 011
7 Move into the SELECT-DR state X 1 2
8 Move into the SHIFT-DR state X 0 2
9Shift data into the CFG_IN register or out of the CFG_OUT register
while in SHIFT_DR, MSB first X0X
10 Shift the LSB while exiting SHIFT-DR X 1 1
11 Reset the TAP by clocking five 1s on TMS X 1 5

124 www.xilinx.com Spartan-6 FPGA Configuration User Guide
UG380 (v2.9) August 11, 2016
Chapter 6: Readback and Configuration Verification
The MSB of all configuration packets sent through the CFG_IN register must be sent
first. The LSB is shifted while moving the TAP controller out of the SHIFT-DR state.
4. Shift the CFG_OUT instruction into the JTAG Instruction Register through the Shift-IR
state. The LSB of the CFG_OUT instruction is shifted first; the MSB is shifted while
moving the TAP controller out of the SHIFT-IR state.
5. Shift 32 bits out of the Status register through the Shift-DR state.
6. Reset the TAP controller.
Table 6-5: Status Register Readback Command Sequence (JTAG)
Step Description
Set and Hold # of
Clocks
(TCK)
TDI TMS
1
Clock five 1s on TMS to bring the device to the TLR state. X15
Move into the RTI state. X 0 1
Move into the Select-IR state. X 1 2
Move into the Shift-IR state. X 0 2
2
Shift the first five bits of the CFG_IN instruction, LSB
first.
00101
(CFG_IN) 05
Shift the MSB of the CFG_IN instruction while exiting
SHIFT-IR. 011
Move into the SELECT-DR state. X 1 2
Move into the SHIFT-DR state. X 0 2
3
Shift configuration packets into the CFG_IN data
register, MSB first.
a: 0xAA99
a: 0x5566
b: 0x2901
c: 0x2000
c: 0x2000
d: 0x2000
d: 0x2000
0 111
Shift the LSB of the last configuration packet while
exiting SHIFT-DR. 011
Move into the SELECT-IR state. X 1 3
Move into the SHIFT-IR state. X 0 2
4
Shift the first five bits of the CFG_OUT instruction, LSB
first.
00100
(CFG_OUT) 05
Shift the MSB of the CFG_OUT instruction while exiting
Shift-IR. 011
Move into the SELECT-DR state. X 1 2
Move into the SHIFT-DR state. X 0 2

Spartan-6 FPGA Configuration User Guide www.xilinx.com 125
UG380 (v2.9) August 11, 2016
Readback Command Sequences
The packets shifted in to the JTAG CFG_IN register are identical to the packets shifted in
through the SelectMAP interface when reading the STAT register through SelectMAP.
Configuration Memory Read Procedure (IEEE Std 1149.1 JTAG)
The process for reading configuration memory from the FDRO register through the JTAG
interface is similar to the process for reading from other registers. However, additional
steps are needed to accommodate frame logic. Configuration data coming from the FDRO
register pass through the frame buffer, therefore the first frame of readback data is dummy
data and should be discarded (refer to the FDRI and FDRO register description). The
IEEE Std 1149.1 JTAG readback flow is recommended for most users.
1. Reset the TAP controller.
2. Shift the CFG_IN instruction into the JTAG Instruction Register. The LSB of the
CFG_IN instruction is shifted first; the MSB is shifted while moving the TAP controller
out of the SHIFT-IR state.
3. Shift packet write commands into the CFG_IN register through the Shift-DR state:
a. Write a dummy word to the device.
b. Write the synchronization word to the device.
c. Write 1 word to CMD register header.
d. Specify the length of the data frame to be read back.
e. Write the starting frame address to the FAR registers.
4. Shift the JSHUTDOWN instruction into the JTAG Instruction Register.
5. Move into the RTI state; remain there for 24 TCK cycles to complete the Shutdown
sequence. The DONE pin goes Low during the Shutdown sequence.
6. Shift the CFG_IN instruction into the JTAG Instruction Register.
7. Move to the Shift-DR state and shift packet write commands into the CFG_IN register:
a. Write a dummy word to the device.
b. Write the synchronization word to the device.
c. Write 1 word to CMD register header.
d. Specify the length of the data frame to be read back.
e. Write the starting frame address to the FAR registers.
f. Write the RCFG command to the device.
g. Write the read FDRO register Type-1 packet header to the device.
5
Shift the contents of the STAT register out of the
CFG_OUT data register. 0xSSSS 015
Shift the last bit of the STAT register out of the CFG_OUT
data register while exiting SHIFT-DR. S11
Move into the Select-IR state. X 1 3
Move into the Shift-IR State. X 0 2
6 Reset the TAP Controller. X 1 5
Table 6-5: Status Register Readback Command Sequence (JTAG) (Cont’d)
Step Description
Set and Hold # of
Clocks
(TCK)
TDI TMS

126 www.xilinx.com Spartan-6 FPGA Configuration User Guide
UG380 (v2.9) August 11, 2016
Chapter 6: Readback and Configuration Verification
h. Write two dummy words to the device to flush the packet buffer.
The MSB of all configuration packets sent through the CFG_IN register must be sent
first. The LSB is shifted while moving the TAP controller out of the SHIFT-DR state.
8. Shift the CFG_OUT instruction into the JTAG Instruction Register through the
Shift-DR state. The LSB of the CFG_OUT instruction is shifted first; the MSB is shifted
while moving the TAP controller out of the SHIFT-IR state.
9. Shift frame data from the FDRO register through the Shift-DR state.
10. Reset the TAP controller.
Table 6-6: Shutdown Readback Command Sequence (JTAG)
Step Description Set and Hold # of Clocks
(TCK)
TDI TMS
1
Clock five 1s on TMS to bring the device to the TLR
state. X15
Move into the RTI state. X 0 1
Move into the Select-IR state. X 1 2
Move into the Shift-IR state. X 0 2
2
Shift the first five bits of the CFG_IN instruction,
LSB first. 00101 05
Shift the MSB of the CFG_IN instruction while
exiting Shift-IR. 011
Move into the SELECT-DR state. X 1 2
Move into the SHIFT-DR state. X 0 2
3
Shift configuration packets into the CFG_IN data
register, MSB first.
a: 0xFFFF
b: 0xAA99
b: 0x5566
c: 0x30A1
d: 0x0007
e: 0x2000
f: 0x2000
0 111
Shift the LSB of the last configuration packet while
exiting SHIFT-DR. 011
Move into the SELECT-IR state. X 1 3
Move into the SHIFT-IR state. X 0 2
4
Shift the first five bits of the JSHUTDOWN
instruction, LSB first. 01101 05
Shift the MSB of the JSHUTDOWN instruction
while exiting SHIFT-IR. 011
5
Move into the RTI state; remain there for 24 TCK
cycles. X024
Move into the Select-IR state. X 1 2
Move into the Shift-IR state. X 0 2

Spartan-6 FPGA Configuration User Guide www.xilinx.com 127
UG380 (v2.9) August 11, 2016
Readback Command Sequences
6
Shift the first five bits of the CFG_IN instruction,
LSB first. 00101 05
Shift the MSB of the CFG_IN instruction while
exiting SHIFT-IR. 011
Move into the SELECT-DR state. X 1 2
Move into the SHIFT-DR state. X 0 2
7
Shift configuration packets into the CFG_IN data
register, MSB first.
a: 0xFFFF
b: 0xAA99
b: 0x5566
c: 0x30A1
c: 0x0008
d: 0x31A1
d: 0xXXXX
e: 0x3022
e: 0x0000
e: 0x0000
f: 0x30A1
f: 0x0004
g: 0x4880
g: 0x0000
g: 0x0000
h: 0x2000
h: 0x2000
0 271
Shift the LSB of the last configuration packet while
exiting SHIFT-DR. 011
Move into the SELECT-IR state. X 1 3
Move into the SHIFT-IR state. X 0 2
8
Shift the first five bits of the CFG_OUT instruction,
LSB first.
00100
(CFG_OUT) 05
Shift the MSB of the CFG_OUT instruction while
exiting Shift-IR. 011
Move into the SELECT-DR state. X 1 2
Move into the SHIFT-DR state. X 0 2
9
Shift the contents of the FDRO register out of the
CFG_OUT data register. …0
number of
readback
bits – 1
Shift the last bit of the FDRO register out of the
CFG_OUT data register while exiting SHIFT-DR. X11
Move into the Select-IR state. X 1 3
Move into the Shift-IR state. X 0 2
10 End by placing the TAP controller in the TLR state. X 1 3
Table 6-6: Shutdown Readback Command Sequence (JTAG) (Cont’d)
Step Description Set and Hold # of Clocks
(TCK)
TDI TMS

128 www.xilinx.com Spartan-6 FPGA Configuration User Guide
UG380 (v2.9) August 11, 2016
Chapter 6: Readback and Configuration Verification
Table 6-7 lists the readback files.
The design.rba and design.rbb files combine readback commands with expected
readback data and the RBD file contains only expected readback data. Systems that use an
RBD file for readback must store readback commands elsewhere. The actual readback data
must be masked against an MSK or MSD mask file, as certain bits in the expected readback
stream in the RBA, RBB, and RBD files should be ignored.
The readback command set files do not indicate when users must change the SelectMAP or
JTAG interface from write to read control; the user must handle this based on the Readback
Command Sequences described above.
Table 6-7: Readback Files
File
Extension
File
Type
BitGen
Setting Description
RBA ASCII -b and -g
Readback
An ASCII file that contains readback commands, rather than
configuration commands, and expected readback data where
the configuration data normally is. This file must be used with
the MSK file
RBB Binary -g
Readback
Binary version of the RBA file. This file must be used with the
MSK file.
RBD ASCII -g
Readback
An ASCII file that contains only expected readback data,
including the initial pad frame. No commands are included.
This file must be used with the MSD file.
MSK Binary -m
A binary file that contains the same configuration commands
as a BIT file, but replaces the contents of the FDRI write packet
with mask data that indicate whether the corresponding bits in
the BIT file should be compared. If a mask bit is 0, the
corresponding bits in the readback data stream should be
compared. If a mask bit is 1, the corresponding bit in the
readback data stream should be ignored.
MSD ASCII -g
readback
An ASCII file that contains only mask bits. The first bit in the
MSD file corresponds to the first bit in the RBD file. Pad data in
the actual readback stream are accounted for in the MSD and
RBD files. If a mask bit is 0, that bit should be verified against
the bitstream data. If a mask bit is 1, that bit should not be
verified.
LL ASCII -l
An ASCII file that contains information on each of the nodes in
the design that can be captured for readback. The file contains
the absolute bit position in the readback stream, frame address,
frame offset, logic resource used, and name of the component
in the design.

Spartan-6 FPGA Configuration User Guide www.xilinx.com 129
UG380 (v2.9) August 11, 2016
Verifying Readback Data
Verifying Readback Data
The readback data stream contains configuration frame data that are preceded by one
frame of pad data, as described in the Configuration Memory Read Procedure
(SelectMAP). The readback stream does not contain any of the commands or packet
information found in the configuration bitstream and no CRC calculation is performed
during readback. The readback data stream is shown in Figure 6-3.
The readback data stream is verified by comparing it to the original configuration frame
data that were programmed into the device. Certain bits within the readback data stream
must not be compared, because these can correspond to user memory or null memory
locations. The location of don't care bits in the readback data stream is given by the mask
files (MSK and MSD). These files have different formats although both convey essentially the
same information. Once readback data have been obtained from the device, either of the
following comparison procedures can be used:
1. Compare readback data to the RBD golden readback file. Mask by using the MSD file (see
Figure 6-4).
The simplest way to verify the readback data stream is to compare it to the RBD golden
readback file, masking readback bits with the MSD file. This approach is simple because
there is a 1:1 correspondence between the start of the readback data stream and the
start of the RBD and MSD files, making the task of aligning readback, mask, and
expected data easier.
X-Ref Target - Figure 6-3
Figure 6-3: Readback Data Stream
Pad Frame
Type 2 -
IOB Frame Data
Pad Frame
(1 16-Bit Word)
(65 16-Bit Words)
(65 16-Bit Words)
Type 0 -
CLB Frame Data
To t al
Number of
Device
Frames
1 Frame
Readback Data
UG380_c6_03_062911
Type 1 -
Block RAM
Frame Data
Pad Frame

130 www.xilinx.com Spartan-6 FPGA Configuration User Guide
UG380 (v2.9) August 11, 2016
Chapter 6: Readback and Configuration Verification
The RBD and MSD files contain an ASCII representation of the readback and mask data
along with a file header that lists the file name, etc. This header information should be
ignored or deleted. The ASCII 1s and 0s in the RBD and MSD files correspond to the
binary readback data from the device. Take care to interpret these files as text, not
binary sources. Users can convert the RBD and MSD files to a binary format using a
script or text editor, to simplify the verify procedure for some systems and to reduce
the size of the files by a factor of eight.
The drawback to this approach is that in addition to storing the initial configuration
bitstream and the MSD file, the golden RBD file must be stored somewhere, increasing
the overall storage requirement.
2. Compare readback data to the configuration BIT file, mask using the MSK file (see
Figure 6-5).
Another approach for verifying readback data is to compare the readback data stream
to the frame data within the FDRI write in the original configuration bitstream,
masking readback bits with the MSK file.
After sending readback commands to the device, comparison begins by aligning the
beginning of the readback frame data to the beginning of the FDRI write in the BIT
and MSK files. The comparison ends when the end of the FDRI write is reached.
This approach requires the least in-system storage space, because only the BIT, MSK,
and readback commands must be stored.
X-Ref Target - Figure 6-4
Figure 6-4: Comparing Readback Data Using the MSD and RBD Files
Pad Frame
Frame Data
Pad Frame
File Header
Frame Data
Mask
To t al
Number of
Device
Frames
1 Frame
Readback
Data Stream
UG380_c6_04_042909
MSD
File
Pad Frame
File Header
Frame Data
RBD
File

Spartan-6 FPGA Configuration User Guide www.xilinx.com 131
UG380 (v2.9) August 11, 2016
Verifying Readback Data
The RBA and RBB files contain expected readback data along with readback command
sets. They are intended for use with the MSK file, although they are better suited to
readback for Virtex® devices than for Spartan-6 devices (see XAPP138, Virtex FPGA
Series Configuration and Readback).
X-Ref Target - Figure 6-5
Figure 6-5: Comparing Readback Data Using the MSK and BIT Files
Pad Frame
Frame Data
File Header
Frame Data
Mask
To t al
Number of
Device
Frames
1 Frame
Readback
Data Stream
UG380_c6_05_042909
MSK
File
CommandsCommands
CommandsCommands
Pad Frame Pad Frame
File Header
Frame Data
BIT
File

Spartan-6 FPGA Configuration User Guide www.xilinx.com 133
UG380 (v2.9) August 11, 2016
Chapter 7
Reconfiguration and MultiBoot
MultiBoot Overview
Because Spartan®-6 FPGAs are reprogrammable in the system, some applications reload
the FPGA with one or more bitstream images during normal operation. In this way, a
single smaller FPGA, reprogrammed multiple times, replaces a much larger and more
expensive ASIC or FPGA programmed just once.
A variety of methods can be used to reprogram the FPGA during normal operation. The
downloaded configuration modes inherently provide this capability. Via an external
“intelligent agent,” such as a processor, microcontroller, computer, or tester, an FPGA can
be reprogrammed numerous times. The downloaded modes are available on all
Spartan-6 FPGA families.
Spartan-6 FPGAs include a capability called MultiBoot that allows the FPGA to selectively
reprogram and reload its bitstream from an attached external memory. The MultiBoot
feature allows the FPGA application to load two or more FPGA bitstreams under the
control of the FPGA application. The FPGA application triggers a MultiBoot operation,
causing the FPGA to reconfigure from a different configuration bitstream. After a
MultiBoot operation is triggered, the FPGA restarts its configuration process as usual. The
INIT_B pin pulses Low while the FPGA clears its configuration memory, and the DONE
output remains Low until the MultiBoot operation successfully completes.
MultiBoot is supported in SPI x1, x2, x4, and BPI configuration modes.

134 www.xilinx.com Spartan-6 FPGA Configuration User Guide
UG380 (v2.9) August 11, 2016
Chapter 7: Reconfiguration and MultiBoot
Fallback MultiBoot
Fallback Behavior
Spartan-6 FPGAs have dedicated MultiBoot logic, which is used for both fallback and
MultiBoot (IPROG) reconfiguration. When fallback or IPROG happens, an internally
generated pulse resets the entire configuration logic, except for the dedicated MultiBoot
logic and the BOOTSTS, MODE, and GENERAL1.5 registers. See Figure 7-1. This reset
pulse pulls INIT_B and DONE Low, and restarts the configuration process by clearing
configuration memory.
During configuration, a CRC error or a watchdog timer time-out error can trigger fallback.
The watchdog timer is only active in master configuration modes. The time-out value is
user configurable using the BitGen -g TIMER_CFG switch. The switch is followed by a
16-bit value (greater than 16h'0201) indicating the number of configuration clocks
allowed before detection of the Sync word times out.
During fallback reconfiguration, the FPGA increments the strike count, stored in the
BOOTSTS register, and continues reconfiguration if the strike count is less than the limit
permitted for that image. If the limit is not reached, the FPGA checks the NEW_MODE bit
in the MODE register. If this value is 0, the device uses the configuration mode defined by
the mode pins. If the value is 1, the device uses the configuration mode defined in the
BOOTMODE bits in the MODE register. The NEW_MODE register is set by the BitGen
option -g Next_Config_New_Mode:Yes. The BOOTMODE bits are set by the BitGen
option -g Next_Config_Boot_Mode.
X-Ref Target - Figure 7-1
Figure 7-1: MultiBoot Logic
UG380_c7_01_051009
Strike 0..2
0xFFFFFF
0x000000
MultiBoot
Bitstream
Golden
Header 1st Image
2nd Image
3rd Image
Strike 3..5
Strike 6..8

Spartan-6 FPGA Configuration User Guide www.xilinx.com 135
UG380 (v2.9) August 11, 2016
Fallback MultiBoot
There are three images for MultiBoot configuration. The first image is the Header. This
small bitstream contains the sync word, sets the addresses for the next bitstream as well as
the fallback or golden bitstream, and ends with an IPROG command. To generate this
bitstream automatically, add the BitGen option -g next_config_addr when creating
the programming file for the golden bitstream.
The second image is the MultiBoot bitstream. This is the bitstream that the user plans to
configure first. The location of this bitstream is defined by the values of GENERAL1,2. The
upper eight bits of the GENERAL 2 register are reserved for the opcode for the non-volatile
device. See Chapter 5, Configuration Details, for more information.
The third image is the fallback or golden bitstream. This bitstream is known to be “safe”
should an error occur consistently during configuration. The location of this bitstream is
defined by the values of GENERAL3,4. As with GENERAL1,2, the upper eight bits of
GENERAL4 are reserved for the opcode of the non-volatile device.
If the configuration fallback occurs and the golden bitstream is reached, the only way to
boot back into the MultiBoot bitstream (located at GENERAL1,2) is to toggle the
PROGRAM_B pin, power cycle the device, or use IPROG reconfiguration (see IPROG
Reconfiguration, page 136)
For designs that use more than two bitstreams, the GENERAL1,2 values must be set to the
location of the next bitstream then an IPROG command needs to be issued. GENERAL3,4
values should be reserved for the fallback bitstream.
The header image must start at address 0. This image has three “strikes” allotted to it. If a
CRC error is detected, the strike count increments and configuration restarts if the register
setting RESET_ON_ERROR is 1 (located in the register COR2, and can be set from BitGen
setting -g Reset_on_err) and the strike count is less than 3. The same behavior occurs
if the watchdog timer times out, but it does not depend on RESET_ON_ERROR. The strike
counter is found in the BOOTSTS registers. If the count is 3, configuration halts with INIT
and DONE driven Low. To clear the strike count, perform a hard reboot (pulse the
PROGRAM_B pin) or cycle power.
The MultiBoot image can reside at any address specified in GENERAL1,2. This image has
three “strikes” allotted to it. If an error is detected, the strike count increments and
configuration will restart at the address specified in GENERAL1,2 if the count is less than
3 and RESET_ON_ERROR is 1. If the count hits 3, configuration moves to the fallback
bitstream located at GENERAL3,4. There are two ways to clear the strike count: power
cycle the FPGA or pulse the PROGRAM_B pin.
The fallback (or golden) image can reside at any address specified in GENERAL3,4. This
image has 3 strikes allotted to it. If an error is detected, the strike count increments and
configuration will restart at the address specified in GENERAL3,4 if the count is less than
6. The value is 6 because it shares the strike counter with the MultiBoot image. If the count
reaches 6, configuration boots back to zero, where the header image is located. When this
occurs, configuration will attempt both the MultiBoot image and the fallback image three
more times before halting configuration. This results in a strike count of 9.
After successful fallback reconfiguration, the user design should readback the STATUS or
BOOTSTS registers to verify the fallback was successful. Successful fallback configuration
maintains the strike count register, and a subsequent soft reboot uses the address stored in
GENERAL3,4 (the golden image). There are two ways to clear the strike count: perform a
hard reboot (pulse the PROGRAM_B pin) or cycle power.
If fallback reconfiguration exhausts all three strikes out, configuration stops and both
INIT_B and DONE are held Low.
Fallback is disabled if AES is enabled and for Slave configuration mode.

136 www.xilinx.com Spartan-6 FPGA Configuration User Guide
UG380 (v2.9) August 11, 2016
Chapter 7: Reconfiguration and MultiBoot
IPROG Reconfiguration
The IPROG (internal PROGRAM_B) command has similar effect as a pulsing
PROGRAM_B pin, except IPROG does not reset the dedicated reconfiguration logic. The
start address set in GENERAL1,2 is used during reconfiguration instead of the default
address (zero). The fallback (golden) bitstream address is set in GENERAL3,4. The IPROG
command can be sent through ICAP_SPARTAN6 or the bitstream.
Reboot Using ICAP_SPARTAN6
The IPROG command can also be sent using the ICAP_SPARTAN6 primitive. After a
successful configuration, the user design determines the start address of the MultiBoot
bitstream, and sets the GENERAL1,2 registers, and then issues an IPROG command using
ICAP.
The sequence of commands is:
1. Send the Sync word.
2. Program the GENERAL1,2 registers for the next bitstream start address and the non-
volatile device opcode for a read operation. Also program the GENERAL3,4 registers
for the fallback (golden) bitstream start address and the opcode for the non-volatile
device for a read operation.
3. Send the IPROG command.
Table 7-1 shows an example bitstream for the IPROG command using ICAP.
Table 7-1: Example Bitstream for IPROG through ICAP
Configuration
Data (hex)(1) Explanation
FFFF Dummy Word
AA99 Sync Word
5566 Sync Word
3261 Type 1 Write 1 Words to GENERAL_1
XXXX MultiBoot Start Address [15:0]
3281 Type 1 Write 1 Word to GENERAL2(2)
XXXX Opcode and MultiBoot Start Address [23:16]
32A1 Type 1 Write 1 Word to GENERAL3
XXXX Fallback Start Address [15:0]
32C1 Type 1 Write 1 Word to GENERAL4(2)
XXXX Opcode and Fallback Start Address [23:16]
30A1 Type 1 Write 1 Word to CMD
000E IPROG Command
2000 Type 1 NO OP
Notes:
1. SelectMAP 16-bit data ordering applies to the ICAP data bus. See Table 2-5, page 40 for proper bit
ordering.
2. The eight most significant bits of GENERAL2 and GENERAL4 registers represent the opcode for the
read instruction for the non-volatile storage device. Consult the data sheet of the storage device for the
proper opcode. Common codes are 0x0B, 0x3B, and 0x6B for Fast Read, Dual Fast Read, and Quad
Fast Read, respectively.

Spartan-6 FPGA Configuration User Guide www.xilinx.com 137
UG380 (v2.9) August 11, 2016
Status Register for Fallback and IPROG Reconfiguration
After the configuration logic receives the IPROG command, the FPGA resets everything
except the dedicated reconfiguration logic, and the INIT_B and DONE pins go Low. After
the FPGA clears all configuration memory, INIT_B goes High again. Then the value in
GENERAL1,2 is used for the bitstream starting address.
IPROG does not reset the strike count. MultiBoot applications that use IPROG through
ICAP_SPARTAN6 should pulse PROGRAM_B or implement a power cycle after a
configuration error that increments the strike count. Otherwise, verify that external
memory is properly updated to avoid configuration errors that would increment the strike
count.
Status Register for Fallback and IPROG Reconfiguration
Spartan-6 devices contain a BOOTSTS that stores configuration history. At EOS or an error
condition, Status_0 is updated with the current status. If fallback or MultiBoot occurs,
Status_1 is updated at EOS or an error condition. The Valid_0 bit indicates if the rest of
Status_0 is valid or not. The BOOTSTS register is written either at an End Of Startup (EOS)
event or a fallback event. The EOS event happens after the first configuration attempt. A
successful MultiBoot operation via the IPROG command does not result in the BOOTSTS
register being updated. See Boot History Status Register (BOOTSTS), page 110.
Table 7-2 through Table 7-4 show the BOOTSTS values in some common situations.
Table 7-2: Status after First Bitstream Configuration without Error
CRC_ERROR ID_ERROR WTO_ERROR IPROG FALLBACK VALID
Status_1 0 0 0 0 0 0
Status_0 0 0 0 0 0 1
Table 7-3: First Configuration followed by IPROG
CRC_ERROR ID_ERROR WTO_ERROR IPROG FALLBACK VALID
Status_1 0 0 0 0 0 1
Status_0 0 0 0 1 0 1
Table 7-4: IPROG Embedded in First Bitstream, Second Bitstream CRC Error, and
Fallback Successfully
CRC_ERROR(1) ID_ERROR WTO_ERROR IPROG FALLBACK VALID
Status_1(2) 000111
Status_0(3) 100101
Notes:
1. CRC_Error only registers CRC errors detected during initial configuration. CRC_Error is not updated
if CRC errors are found from the Readback CRC (POST_CRC) function.
2. Status_1 shows a fallback bitstream was loaded successfully. The IPROG bit was also set in this case,
because the fallback bitstream contains an IPROG command. Although the IPROG command is
ignored during fallback, the status still records this occurrence.
3. Status_0 shows IPROG was attempted, and a CRC_ERROR was detected for that bitstream.

138 www.xilinx.com Spartan-6 FPGA Configuration User Guide
UG380 (v2.9) August 11, 2016
Chapter 7: Reconfiguration and MultiBoot
Watchdog Timer
The Spartan-6 FPGA watchdog timer is used to monitor detection of the sync word. When
the watchdog timer times out, the configuration logic increments the strike count and
attempts to reconfigure if the BitGen option -g Reset_On_Err is Yes and the maximum
strike limit has not been reached. The Fallback MultiBoot section provides more details.
The watchdog timer uses the same clock source as the configuration clock. The watchdog
counter limit is configurable by setting the Configuration WatchDog Timer (CWDT)
register or setting the BitGen option TIMER_CFG. The default is 64k clock cycles, and the
minimum value is 16h'0201.
The watchdog timer cannot be disabled by the user. The watchdog timer is disabled during
and after fallback reconfiguration.
Required Data Spacing between MultiBoot Images
Spartan-6 FPGA MultiBoot addressing is flexible enough to allow a bitstream to begin at
any byte boundary. However, there are a few practical limitations, based on specific
application requirements.
Flash Sector, Block, or Page Boundaries
Spartan-6 FPGAs load MultiBoot configuration images from an external flash. All flash
memories have an internal memory architecture that arranges the memory into sectors,
blocks, or pages. Nearly all have multiple sectors. Some architectures provide additional
granularity, splitting a sector into smaller blocks, or even smaller still, pages.
Ideally, a Spartan-6 FPGA MultiBoot configuration image should be aligned to a sector,
block, or page boundary. The specific requirement depends on the flash architecture. If the
smallest erasable element in the flash is a sector, then the FPGA bitstream must be aligned
to a sector boundary. This way, one FPGA bitstream can be updated without affecting
others in the flash.
Additional Memory Space Required for LCK_Cycle
A Spartan-6 FPGA application can contain one or more digital clock managers (DCMs) or
phase-locked loops (PLLs). The LCK_Cycle BitGen setting determines if, during
configuration, the FPGA waits for all of the clock elements to acquire and lock to their
respective input clock frequency before allowing the FPGA to finish the configuration
process. The lock time, which is specified in DS162, Spartan-6 FPGA Data Sheet: DC and
Switching Characteristics, depends on the DCM or PLL mode, and the input clock frequency.
Even if the FPGA is waiting for one or more clock elements to lock before completing
configuration, the FPGA’s configuration controller continues searching for the next
synchronization word. If two adjacent MultiBoot images are placed with one immediately
following the other and the first FPGA bitstream contains a DCM or PLL with the
LCK_Cycle option set, then potential configuration problems can occur. If the controller
sees the synchronization word in the second FPGA bitstream before completing the
current configuration, it starts interpreting data from the second bitstream. However, the
FPGA’s configuration logic can complete the current configuration even though the FPGA
has read data from the second bitstream. If this condition applies to a design, sufficient
spacing must exist between bitstreams.

Spartan-6 FPGA Configuration User Guide www.xilinx.com 141
UG380 (v2.9) August 11, 2016
Chapter 8
Readback CRC
Spartan®-6 devices include a feature to perform continuous readback of configuration
data in the background of a user design. This feature is aimed at simplifying detection of
single event upsets (SEUs) that cause a configuration memory bit to flip. Detected failures
appear either on a device pin (INIT_B) and/or on an internally accessible component,
POST_CRC_INTERNAL. The clock source of the readback can be external or internally
generated.
Caution! Continuous readback of configuration data using the built-in post-configuration CRC
checking (POST_CRC) or configuration frame read operations using ICAP can increase jitter on
SelectIO or GTP I/O. Increased jitter lowers the link margin and can cause bit errors. This issue
is limited to Spartan-6 devices. The Soft Error Mitigation IP core includes a workaround for this
issue.
The expected “golden” CRC value is calculated by the software and written into the FPGA
for later comparison. The subsequent scans of Readback CRC value are compared against
the golden value. When a CRC mismatch is found, the CRCERROR pin of the
POST_CRC_INTERNAL primitive is driven High, the INIT_B pin is driven Low, and the
DONE pin remains High. The CONFIG user primitive attribute POST_CRC_INIT_FLAG
can be optionally set to DISABLE to disable INIT_B as a Readback CRC flag. The error flag
remains High until cleared.
Readback CRC is halted and the error flag cleared when:
• SYNC or DESYNC word is detected.
• JTAG TAP controller is reset.
• Abort is triggered through Slave SelectMAP or ICAP access.
• IPROG (internal program) command is received.
• Suspend mode is enabled.
• The device is in shutdown mode, such as readback shutdown, JSHUTDOWN, or
ISC_ENABLE.
The Readback CRC automatically stops without affecting the user configuration access,
and the error flag is cleared. When the user exits the condition that halted the readback, the
golden value CRC is recalculated and automatically resumes if POST_CRC is set to
ENABLE.
Readback CRC logic runs under these conditions:
• The FPGA has started up successfully, as indicated by the DONE pin going High.
• Any configuration operation must finish with a DESYNC command to release the
configuration logic. If a DESYNC command is not issued, the readback CRC logic
cannot access the configuration logic and cannot run.

142 www.xilinx.com Spartan-6 FPGA Configuration User Guide
UG380 (v2.9) August 11, 2016
Chapter 8: Readback CRC
• In addition, the JTAG instruction register (IR) must not contain any configuration
instructions (CFG_IN, CFG_OUT, or ISC_ENABLE). When these instructions are
present, at any time, the readback CRC logic can not access the configuration logic
and cannot run. Any configuration operation performed via the JTAG interface
should finish by loading the IR with a value other than these three configuration
instructions.
These dynamically changeable memory locations are masked during background
readback:
• Look-up tables (LUTs) configured as distributed RAM or shift registers are not
checked. In Spartan-6 FPGAs, only SLICEMs can be configured as these memory
elements. Due to the granularity of the LUT masking, any LUTs in the same vertical
alignment as a LUTRAM or SRL16 in a given frame are not checked. To ensure
maximum coverage of the readback CRC, these LUTs used as memories must be kept
in separate frames from the LUTs used for logic.
• Block RAM content is dynamic, so it is not expected to be the same as the initial
configuration; therefore, these elements are not checked.
• Use of the PLL DRP is not masked; therefore, any change to the PLL results in a CRC
error.
• The I/O interface DRP at the top and bottom can be masked; however, LUTs for CLBs
in the same frame are also masked. Similarly, masking LUTs in the top or bottom
frame will also mask the I/O interface.
CRC Masking
Configuration data is organized into frames. Each frame of data configures portions of
multiple configurable logic blocks (CLBs), and multiple frames are needed to configure a
single CLB. The granularity of masking for the Spartan-6 FPGA is at a single frame that
spans several CLBs. To understand the coverage of the CRC, it is necessary to understand
the masking details. Three masking scenarios are presented:
• CLBs containing LUTs configured as distributed RAM
• CLBs near top or bottom IOI DRP
• CLBs near top or bottom IOI DRP with LUT configured as distributed RAM
Note: Distributed RAM is a LUT configured as a distributed RAM or a shift register.

Spartan-6 FPGA Configuration User Guide www.xilinx.com 143
UG380 (v2.9) August 11, 2016
CRC Masking
CLB with LUT Configured as Distributed RAM or Shift Register
Only the SLICEM contains LUTs capable of being configured as distributed RAM. The
architecture of Spartan-6 FPGAs pairs a SLICEM with a SLICEX in a CLB alternating with
a CLB comprised of a SLICEL with a SLICEX. For more information on CLB composition,
see UG384, Spartan-6 FPGA Configurable Logic Block User Guide. A frame of data spans
16 CLBs, which includes 64 LUTs. For simplification, LUT6 (created using two LUT5
components) are shown in Figure 8-1 to demonstrate the frame data association with the
CLB.
There are two types of CLBs, those containing SLICEM, which are able to configure as
distributed RAM, and those containing SLICEL, which cannot. SLICEM CLBs are the only
type that are masked in this scenario.
When a single LUT is configured as a distributed RAM, the 15 adjacent CLBs sharing the
same frame must be masked. Consequently, to maximize coverage of the CRC, it is
recommended to constrain LUTs configured as distributed RAM to frame boundaries. This
limits the amount of masking performed by BitGen and therefore increases the CRC
coverage.
X-Ref Target - Figure 8-1
Figure 8-1: CLB Frame Masking with Distributed RAM
Segments of four frames shown passing through
the LUTs of the two SLICEMs within a CLB
SLICEM FramesSLICEX Frames
CLB CLB
16 CLBs
LUT6
LUT6
LUT6
LUT6LUT6
LUT6
LUT6LUT6
UG380_c8_01_052412
SLICEM
SLICEL
SLICEX

144 www.xilinx.com Spartan-6 FPGA Configuration User Guide
UG380 (v2.9) August 11, 2016
Chapter 8: Readback CRC
CLBs Near Top or Bottom IOI Using DRP
Using IOI with DRP requires additional masking because the IOI configuration data is
now reconfigurable during user operation. The organization of the IOI data in frames also
encompasses the 14 adjacent CLBs shown in Figure 8-2.
X-Ref Target - Figure 8-2
Figure 8-2: CLB Masking with IOI DRP Enabled
Top IOI
With
DRP
SLICEM
SLICEL
SLICEX
14 CLBs
Associated with
Top and Bottom IOI
14 CLBs
Associated with
Top and Bottom IOI
DRP Masking Impacts
Frames Containing:
SLICEM and SLICEX (shown left), or
SLICEL and SLICEX (shown right)
SLICEM FramesSLICEX Frames
LUT6
LUT6
LUT6
LUT6LUT6
LUT6
LUT6LUT6
Top IOI
With
DRP
Top IOI
With
DRP
Top IOI
With
DRP
UG380_c8_02_121212

Spartan-6 FPGA Configuration User Guide www.xilinx.com 145
UG380 (v2.9) August 11, 2016
CRC Masking
CLBs Near Top or Bottom IOI DRP with LUTs Configured as
Distributed RAM
Using IOI with DRP in addition to LUTs configured as distributed RAM results in masking
that is a combination of the two scenarios above and results in five frames being masked,
as shown in Figure 8-3.
Readback CRC runs on different clock sources in different modes as indicated in Table 8-1.
X-Ref Target - Figure 8-3
Figure 8-3: CLB Masking with Both Distributed RAM and IOI DRP Enabled
SLICEM FramesSLICEX Frames
CLB CLB
14 CLBs
LUT6
LUT6
LUT6
LUT6LUT6
LUT6
LUT6LUT6
UG380_c8_03_052412
SLICEM
SLICEL
SLICEX
Top IOI
With
DRP
Top IOI
With
DRP
Table 8-1: Readback CRC Clock Sources
ICAP Primitive Master Modes Slave Modes JTAG Mode Clock Source
Instantiated x x x CLK input of the ICAP primitive
Not Instantiated Yes No No Internal oscillator with frequency constrained by
configuration constraint POST_CRC_FREQ
Not Instantiated No Yes No CCLK pin input
Not Instantiated No No Yes Internal oscillator with frequency constrained by
configuration constraint POST_CRC_FREQ

146 www.xilinx.com Spartan-6 FPGA Configuration User Guide
UG380 (v2.9) August 11, 2016
Chapter 8: Readback CRC
Because JTAG has the highest priority in the configuration mode, it takes over the
configuration bus whenever it needs to. The JTAG Instruction Register must not be parked
at the CFG_IN, CFG_OUT, or ISC_ENABLE instructions.
Post_CRC Constraints
There are several Spartan-6 FPGA constraints used for signaling SEU events. All
constraints have the same propagation rule. They are placed as an attribute on the
CONFIG block, then propagated to the physical design object.
POST_CRC
POST_CRC enables the readback CRC feature in the FPGA. It uses the
POST_CRC_INTERNAL primitive's CRCERROR pin for signaling SEU events. By default,
INIT is reserved as an SEU CRC error indicator but can be disabled by setting the
POST_CRC_INIT_FLAG constraint.
The POST_CRC constraint is the best way to convey this information. It attaches to the
CONFIG constraint. POST_CRC can be used by PAR and BitGen to reserve the INIT pin by
not programming the IOB to drive the INIT pin.
POST_CRC can take two values:
•ENABLE
SEU detection is enabled.
• DISABLE
SEU detection is disabled.
POST_CRC_INIT_FLAG
POST_CRC_INIT_FLAG determines whether the Spartan-6 FPGA INIT_B pin is a source
of the SEU error signal. Whether or not the INIT_B pin is used as the error signal, it cannot
be used as user I/O when POST_CRC is enabled.
During configuration, the INIT pin operates normally. After configuration, if SEU analysis
is enabled and INIT is reserved, the INIT pin (default) serves as an SEU status pin. An SEU
is detected when a comparison of the real-time computed CRC differs from the pre-
computed CRC, the CRCERROR pin is driven High, and the INIT pin is driven Low.
POST_CRC_INIT_FLAG is used to disable the INIT_B pin from acting as the readback
CRC error status output pin. The error condition is still available from the
POST_CRC_INTERNAL site.
POST_CRC_INIT_FLAG can take two values:
•ENABLE
The INIT_B pin is used as an indicator of the SEU error signal (default).
• DISABLE
INIT_B is not used as an indicator of the SEU error signal. The error condition is only
available via POST_CRC_INTERNAL primitive.

Spartan-6 FPGA Configuration User Guide www.xilinx.com 147
UG380 (v2.9) August 11, 2016
Post_CRC Constraints
POST_CRC_SOURCE
POST_CRC_SOURCE determines the source of the golden CRC value.
POST_CRC_SOURCE can take two values:
• PRE_COMPUTED
BitGen calculates the CRC value and stores it in the FPGA. All CRC checks are
compared against this value (default).
•FIRST_READBACK
After successful configuration, the CRC logic runs in the FPGA and stores the first
calculated CRC value. All subsequent CRC checks are compared against this value.
POST_CRC_ACTION
POST_CRC_ACTION determines the behavior of the Readback CRC feature after a CRC
error is detected.
POST_CRC_ACTION can take two values:
•HALT
Once a CRC error is detected, do not perform any further readback CRC testing. After
the error is cleared, the CRC testing resumes (default).
•CONTINUE
Once a CRC error is detected, issue the error flag but continue to perform testing.
POST_CRC_FREQ
POST_CRC_FREQ determines the frequency of the internally generated clock to the
Readback CRC logic.
POST_CRC_FREQ can take these values: 2, 4, 6, 10, 12, 16, 22, 26, 33, 40, and 50.
These values do not directly represent a specific frequency. See the Spartan-6 FPGA Data
Sheet: DC and Switching Characteristics for the approximate frequency associated with each
of these values.
Syntax Examples
This section lists the supported syntax examples for each constraint.
POST_CRC
UCF Syntax Example
CONFIG POST_CRC = [ENABLE|DISABLE]
POST_CRC_INIT_FLAG
UCF Syntax Example
CONFIG POST_CRC_INIT_FLAG = [ENABLE|DISABLE]

148 www.xilinx.com Spartan-6 FPGA Configuration User Guide
UG380 (v2.9) August 11, 2016
Chapter 8: Readback CRC
POST_CRC_SOURCE
UCF Syntax Example
CONFIG POST_CRC_SOURCE = [PRE_COMPUTED|FIRST_READBACK]
POST_CRC_ACTION
UCF Syntax Example
CONFIG POST_CRC_ACTION = [HALT|CONTINUE]
POST_CRC_FREQ
UCF Syntax Example
CONFIG POST_CRC_FREQ = [2|4|6|10|12|16|22|26|33|40|50]

Spartan-6 FPGA Configuration User Guide www.xilinx.com 149
UG380 (v2.9) August 11, 2016
Chapter 9
Advanced Configuration Interfaces
Serial Daisy-Chains
Multiple Spartan®-6 devices can be configured from a single configuration source by
arranging the devices in a serial daisy-chain. In a serial daisy-chain, devices receive their
configuration data through their DIN pin, passing configuration data along to
downstream devices through their DOUT pin. The device closest to the configuration data
source is considered the most upstream device, while the device furthest from the
configuration data source is considered the most downstream device.
In a serial daisy-chain, the configuration clock is typically provided by the most upstream
device in Master Serial mode. All other devices are set for Slave Serial mode. Figure 9-1
illustrates this configuration.
Another alternative is to use SPI mode for the first device. The daisy-chain data is still sent
out through DOUT in SPI mode.
Notes relevant to Figure 9-1:
1. The DONE pin is by default an open-drain output requiring an external pull-up
resistor. For all devices except the first, the active driver on DONE must be disabled.
For the first device in the chain, the active driver on DONE can be enabled. See
Guidelines and Design Considerations for Serial Daisy-Chains.
X-Ref Target - Figure 9-1
Figure 9-1: Master/Slave Serial Mode Daisy-Chain Configuration
Spartan-6 FPGA
Master
Serial
D0 DOUT
INIT_B
DIN
CCLK
PROGRAM_B
DONE
M0 M1
CLK
CE
RESET/OE
PROGRAM
Spartan-6 FPGA
Slave
Serial
DOUT
INIT_B
DIN
CCLK
PROGRAM_B
DONE
M0 M1
UG380_c9_01_011513
4.7 kΩ330Ω
Xilinx
Platform Flash PROM

150 www.xilinx.com Spartan-6 FPGA Configuration User Guide
UG380 (v2.9) August 11, 2016
Chapter 9: Advanced Configuration Interfaces
2. The INIT_B pin is a bidirectional, open-drain pin. An external pull-up resistor is
required.
3. The BitGen startup clock setting must be set for CCLK for serial configuration.
4. The PROM in this diagram represents one or more Xilinx® PROMs. Multiple Xilinx
PROMs can be cascaded to increase the overall configuration storage capacity.
5. The BIT file must be reformatted into a PROM file before it can be stored on the Xilinx
PROM.
6. The CCLK net requires Thevenin parallel termination. See Board Layout for
Configuration Clock (CCLK), page 56.
7. Serial daisy-chains are specific to the Platform Flash (XCFxxS and XCFxxP) PROMs
and SPI serial flash only.
The first device in a serial daisy-chain is the last to be configured. CRC checks only include
the data for the current device, not for any others in the chain.
After the last device in the chain finishes configuration and passes its CRC check, it enters
the Startup sequence. At the Release DONE pin phase in the Startup sequence, the device
places its DONE pin in a High-Z state while the next to the last device in the chain is
configured. After all devices release their DONE pins, the common DONE signal is either
pulled High externally or driven High by the first device in the chain. On the next rising
CCLK edge, all devices move out of the Release DONE pin phase and complete their startup
sequences.
It is important that all DONE pins in a Slave Serial daisy-chain be connected. Only the first
device in the serial daisy-chain should have the DONE active pull-up driver enabled.
Enabling the DONE driver on downstream devices causes contention on the DONE signal.
If using SPI in a serial daisy-chain configuration, the slave FPGAs must be configured with
a design prior to attempting to indirectly program the SPI flash through the master FPGA.
Not doing so causes indirect programming to fail.
Mixed Serial Daisy-Chains
Spartan-6 devices can be daisy-chained with the Spartan-3, Virtex®-4, and Virtex-5
families. There are three important design considerations when designing a mixed serial
daisy-chain:
• Many older FPGA devices cannot accept as fast a CCLK frequency as a
Spartan-6 device can generate. Select a configuration CCLK speed supported by all
devices in the chain.
• Spartan-6 devices should always be at the beginning of the serial daisy-chain, with
older family devices located at the end of the chain.
• These device families have similar BitGen options. The guidelines provided for
Spartan-6 FPGA BitGen options should be applied to all devices in a serial daisy-
chain.
• The number of configuration bits that a device can pass through its DOUT pin is
limited. This limit varies for different families (Table 9-1). The sum of the bitstream
lengths for all downstream devices must not exceed the number in Table 9-1 for each
family.

Spartan-6 FPGA Configuration User Guide www.xilinx.com 151
UG380 (v2.9) August 11, 2016
Mixed Serial Daisy-Chains
Guidelines and Design Considerations for Serial Daisy-Chains
There are a number of important considerations for serial daisy-chains:
Startup Sequencing (GTS)
GTS should be released before DONE or during the same cycle as DONE to ensure the
Spartan-6 device is operational when all DONE pins have been released.
Active DONE Driver
All devices except the first should disable the driver on the DONE pin (refer to the BitGen
section of UG628, Command Line Tools User Guide for software settings). The first device in
a chain is programmed last:
• DriveDone is disabled (all devices except the first)
• DriveDone is enabled (first device)
Alternatively, the driver can be disabled for all DONE pins and an external pull-up resistor
can be added to pull the signal High after all devices have released it.
Connect All DONE Pins
It is important to connect the DONE pins for all devices in a serial daisy-chain. Failing to
connect the DONE pins can cause configuration to fail. For debugging purposes, it is often
helpful to have a way of disconnecting individual DONE pins from the common DONE
signal, so that devices can be individually configured through the serial or JTAG interface.
DONE Pin Rise Time
After all DONE pins are released, the DONE pin should rise from logic 0 to logic 1 in one
CCLK cycle. External pull-up resistors are required. If additional time is required for the
DONE signal to rise, the BitGen DonePipe option can be set for all devices in the serial
daisy-chain. (Refer to the BitGen section of UG628, Command Line Tools User Guide for
software settings.)
Table 9-1: Maximum Number of Configuration Bits, Various Device Families
Architecture Maximum DOUT Bits
Spartan-6, Spartan-3, Virtex-6, Virtex-5, Virtex-4,
Virtex-II Pro, and Virtex-II Devices 32 x (227 – 1) = 4,294,967,264
Virtex, Virtex-E, Spartan-II, and Spartan-IIE Devices 32 x (220 – 1) = 33,554,216

152 www.xilinx.com Spartan-6 FPGA Configuration User Guide
UG380 (v2.9) August 11, 2016
Chapter 9: Advanced Configuration Interfaces
Bitstream Formatting
Bitstreams must be customized to inform the FPGAs that more than one bitstream is being
delivered and to cascade information to downstream devices. This must be done by using
PROMGen, a PROM file formatting tool located within the iMPACT programming tool.
Ganged Serial Configuration
More than one device can be configured simultaneously from the same bitstream using a
ganged serial configuration setup (Figure 9-2). In this arrangement, the serial configuration
pins are tied together such that each device sees the same signal transitions. One device is
typically set for Master Serial mode (to drive CCLK) while the others are set for Slave Serial
mode. For ganged serial configuration, all devices must be identical. Configuration can be
driven from a configuration memory or from an external configuration controller.
Notes relevant to Figure 9-2:
1. For ganged serial configuration, the optional DONE driver must be disabled for all
devices if one device is set for Master mode because each device might not start up on
exactly the same CCLK cycle. An external pull-up resistor is required in this case.
2. The INIT_B pin is a bidirectional, open-drain pin. An external pull-up resistor is
required.
3. The BitGen startup clock setting must be set for CCLK for serial configuration.
4. The PROM in this diagram represents one or more Xilinx PROMs. Multiple PROMs
can be cascaded to increase the overall configuration storage capacity.
X-Ref Target - Figure 9-2
Figure 9-2: Ganged Serial Configuration
D0
PROGRAM
CLK
DOUTDIN
M1M0
M1M0
CCLK
PROGRAM_B
DONE
DIN
CCLK
PROGRAM_B
DONE
INIT_B
DOUT
INIT_B
CE
RESET/OE
UG380_c9_02_070716
Xilinx
Platform Flash PROM
Spartan-6
FPGA
Master
Serial
Spartan-6
FPGA
Slave
Serial

Spartan-6 FPGA Configuration User Guide www.xilinx.com 153
UG380 (v2.9) August 11, 2016
Ganged Serial Configuration
5. The BIT file must be reformatted into a PROM file before it can be stored on the
PROM. Refer to the Generating PROM Files, page 79 section.
6. On some Xilinx PROMs, the reset polarity is programmable. RESET should be
configured as active Low when using this setup.
7. For ganged serial configuration, all devices must be identical (same IDCODE) and
must be configured with the same bitstream.
8. The CCLK net requires Thevenin parallel termination. See Board Layout for
Configuration Clock (CCLK), page 56.
9. Ganged serial configuration is specific to the Platform Flash (XCFxxS and XCFxxP)
PROMs and SPI serial flash only.
10. Fallback MultiBoot is not supported in this configuration.
There are a number of important considerations for ganged serial configuration:
•Startup sequencing (GTS)
GTS should be released before DONE or during the same cycle as DONE to ensure all
devices are operational when all DONE pins have been released.
• Disable the active DONE driver for all devices
For ganged serial configuration, the active DONE driver must be disabled for all
devices if the DONE pins are tied together, because there can be variations in the
startup sequencing of each device. A pull-up resistor is therefore required on the
common DONE signal.
-g DriveDone:no (BitGen option, all devices)
• Connect all DONE pins if using a Master device
It is important to connect the DONE pins for all devices in ganged serial configuration
if one FPGA is used as the Master device. Failing to connect the DONE pins can cause
configuration to fail for individual devices in this case. If all devices are set for Slave
Serial mode, the DONE pins can be disconnected (if the external CCLK source
continues toggling until all DONE pins go High).
For debugging purposes, it is often helpful to have a way of disconnecting individual
DONE pins from the common DONE signal.
•DONE pin rise time
After all DONE pins are released, the DONE pin should rise from logic 0 to logic 1 in
one CCLK cycle. If additional time is required for the DONE signal to rise, the BitGen
-g DonePipe option can be set for all devices in the serial daisy-chain.
• Configuration Clock (CCLK) as the clock signal for board layout
The CCLK signal is relatively slow, but the edge rates on the Spartan-6 FPGA input
buffers are very fast. Even minor signal integrity problems on the CCLK signal can
cause the configuration to fail. (Typical failure mode: DONE Low and INIT_B High.)
Therefore, design practices that focus on signal integrity, including signal integrity
simulation with IBIS, are recommended.
•Signal fanout
Designers must focus on good signal integrity when using ganged serial
configuration. Signal integrity simulation is recommended.
• PROM files for ganged serial configuration
PROM files for ganged serial configuration are identical to the PROM files used to
configure single devices. There are no special PROM file considerations.

154 www.xilinx.com Spartan-6 FPGA Configuration User Guide
UG380 (v2.9) August 11, 2016
Chapter 9: Advanced Configuration Interfaces
Multiple Device SelectMAP Configuration
Multiple Spartan-6 devices in Slave SelectMAP mode can be connected on a common
SelectMAP bus (Figure 9-3). In a SelectMAP bus, the D, CCLK, RDWR_B, BUSY,
PROGRAM_B, DONE, and INIT_B pins share a common connection between all of the
devices. To allow each device to be accessed individually, the CSI_B (Chip Select) inputs
must not be tied together. External control of the CSI_B signal is required and is usually
provided by a microprocessor or CPLD.
If Readback is going to be performed on the device after configuration, the RDWR_B and
BUSY signals must be handled appropriately. (For details, refer to Chapter 6, Readback
and Configuration Verification.)
Otherwise, RDWR_B can be tied Low and BUSY can be ignored. The BUSY signal never
needs to be monitored when configuring Spartan-6 devices. Refer to Bitstream Loading
(Steps 4-7), page 85 and to Chapter 6, Readback and Configuration Verification.
Notes relevant to Figure 9-3:
1. The DONE pin is by default an open-drain output requiring an external pull-up
resistor. In this arrangement, the active DONE driver must be disabled.
2. The INIT_B pin is a bidirectional, open-drain pin. An external pull-up resistor is
required.
3. The BitGen startup clock setting must be set for CCLK for SelectMAP configuration.
4. The BUSY signals can be left unconnected if readback is not needed.
5. An external controller such as a microprocessor or CPLD is needed to control
configuration.
X-Ref Target - Figure 9-3
Figure 9-3: Multiple Slave Device Configuration on an 8-Bit SelectMAP Bus
PROGRAM
INIT
DONE
Spartan-6
FPGA
Slave
SelectMAP
INIT_B
D[7:0]
CCLK
RDWR_B
BUSY
CSI_B
PROGRAM_B
DONE
M1 M0
CS(1)
UG380_c9_03_052009
Spartan-6
FPGA
Slave
SelectMAP
INIT_B
D[7:0]
CCLK
RDWR_B
BUSY
CSI_B
DATA[7:0]
CCLK
WRITE
BUSY
PROGRAM_B
DONE
M1 M0
CS(0)
4.7 kΩ
330Ω330Ω

Spartan-6 FPGA Configuration User Guide www.xilinx.com 155
UG380 (v2.9) August 11, 2016
Parallel Daisy-Chain
6. The CCLK net requires Thevenin parallel termination. See Board Layout for
Configuration Clock (CCLK), page 56.
7. The data bus can be x8 or x16.
Parallel Daisy-Chain
Spartan-6 FPGA configuration supports parallel daisy-chains. Figure 9-4 shows an
example schematic of the leading device in Master BPI configuration mode. The leading
device can also be in Master or Slave SelectMAP modes. The D[15:0], CCLK, RDWR_B,
PROGRAM_B, DONE, and INIT_B pins share a common connection between all of the
devices. The CSI_B pins are daisy-chained, gating the configuration data to each device in
sequence.
Notes relevant to Figure 9-4:
1. The DONE pin is by default an open-drain output requiring an external pull-up
resistor. In this arrangement, the active DONE driver must be disabled.
2. The INIT_B pin is a bidirectional, open-drain pin. An external pull-up is required.
3. The BitGen startup clock setting must be set for CCLK for SelectMAP configuration.
4. The BUSY signals can be left unconnected if readback is not needed.
5. The CCLK net requires Thevenin parallel termination. See Board Layout for
Configuration Clock (CCLK).
6. The FCS_B, FWE_B, FOE_B, CSO_B weak pull-up resistors should be enabled,
otherwise external pull-up resistors are required for each pin. By default, all dual-
mode I/Os have weak pull-downs after configuration.
7. The first device in the chain can be Master SelectMAP, Slave SelectMAP, or BPI.
8. Readback in the parallel daisy-chain scheme is not supported.
9. AES decryption is not available in x16 mode, only in x8 mode.
10. Fallback MultiBoot is not supported in this configuration.
X-Ref Target - Figure 9-4
Figure 9-4: Parallel Daisy-Chain
UG380_c9_04_071910
Flash
A[25:0]
D[15:0]
FCS_B
FOE_B
FWE_B
Spartan-6
FPGA
A[25:0]
D[15:0]
FCS_B
FOE_B
FWE_B
BUSY
INIT_B
DONE
CSO_B
CCLK
M1 M0
Spartan-6
FPGA
D[15:0]
CSI_B
RDWR_B
CCLK
BUSY
INIT_B
DONE
CSO_B
M1 M0
Spartan-6
FPGA
D[15:0]
CSI_B
RDWR_B
CCLK
BUSY
INIT_B
DONE
CSO_B No
Connect
M[1:0]=Slave SelectMAP
M1 M0
M[1:0]=Slave SelectMAP
BPI
0 0 1 0 1 0
330Ω
330Ω
330Ω
4.7 kΩ

156 www.xilinx.com Spartan-6 FPGA Configuration User Guide
UG380 (v2.9) August 11, 2016
Chapter 9: Advanced Configuration Interfaces
Ganged SelectMAP
It is also possible to configure simultaneously multiple devices with the same
configuration bitstream by using a ganged SelectMAP configuration. In a ganged
SelectMAP arrangement, the CSI_B pins of two or more devices are connected together (or
tied to ground), causing all devices to recognize data presented on the D pins.
All devices can be set for Slave SelectMAP mode if an external oscillator is available, or one
device can be designated as the Master device, as illustrated in Figure 9-5.
Notes relevant to Figure 9-5:
1. The DONE pin is by default an open-drain output requiring an external pull-up
resistor. In this arrangement, the active DONE driver must be disabled for both
devices.
2. The INIT_B pin is a bidirectional, open-drain pin. An external pull-up resistor is
required.
3. The BitGen startup clock setting must be set for CCLK for SelectMAP configuration.
4. The BUSY signal is not used for ganged SelectMAP configuration.
5. The PROM in this diagram represents one or more Xilinx PROMs. Multiple Xilinx
PROMs can be cascaded to increase the overall configurations storage capacity.
6. The BIT file must be reformatted into a PROM file before it can be stored on the Xilinx
PROM. Refer to the Generating PROM Files, page 79.
X-Ref Target - Figure 9-5
Figure 9-5: Ganged x8 SelectMAP Configuration
D[0:7]
CCLK
D[0:7]
CCLK
PROGRAM_B
D[0:7]
CCLK
PROGRAM_B
DONE
DONE
BUSY
BUSY
INIT_B
INIT_B
CE
RESET/OE
UG380_c9_05_011513
Xilinx
Platform Flash
PROM
Spartan-6 FPGA
SelectMAP
Master
Spartan-6 FPGA
SelectMAP
Slave
M1 M0
4.7 kΩ
330Ω
M1 M0
PROGRAM_B

Spartan-6 FPGA Configuration User Guide www.xilinx.com 157
UG380 (v2.9) August 11, 2016
SelectMAP ABORT
7. The Xilinx PROM must be set for parallel mode. This mode is available on the XCFxxP
devices.
8. When configuring a Spartan-6 device in SelectMAP mode from a Xilinx configuration
PROM, the RDWR_B and CSI_B signals can be tied Low (see SelectMAP Data Loading,
page 35).
9. Ganged SelectMAP configuration is specific to the Platform Flash XCFxxP PROM.
10. The CCLK net requires Thevenin parallel termination. See Board Layout for
Configuration Clock (CCLK), page 56.
If one device is designated as the Master, the DONE pins of all devices must be connected
with the active DONE drivers disabled. An external pull-up resistor is required on the
common DONE signal. Designers must carefully focus on signal integrity due to the
increased fanout of the outputs from the flash. Signal integrity simulation is
recommended.
Readback is not possible if the CSI_B signals are tied together, because all devices
simultaneously attempt to drive the D signals.
SelectMAP ABORT
An ABORT is an interruption in the SelectMAP configuration or readback sequence
occurring when the state of RDWR_B changes while CSI_B is asserted. During a
configuration ABORT, internal status is driven onto the D[7:4] pins over the next four
CCLK cycles. The other D pins are always High. After the ABORT sequence finishes, the
user can resynchronize the configuration logic and resume configuration. For applications
that must deassert RDWR_B between bytes, see Accessing Configuration Registers
through the SelectMAP Interface, page 118.
Configuration Abort Sequence Description
An ABORT is signaled during configuration as follows:
1. The configuration sequence begins normally.
2. The user pulls the RDWR_B pin High while the device is selected (CSI_B asserted
Low).
3. BUSY goes High if CSI_B remains asserted (Low). The FPGA drives the status word
onto the data pins if RDWR_B remains set for read control (logic High).
4. The ABORT lasts for four clock cycles, and Status is updated.

158 www.xilinx.com Spartan-6 FPGA Configuration User Guide
UG380 (v2.9) August 11, 2016
Chapter 9: Advanced Configuration Interfaces
Readback Abort Sequence Description
An ABORT is signaled during readback as follows:
1. The readback sequence begins normally.
2. The user pulls the RDWR_B pin Low while the device is selected (CSI_B asserted
Low).
3. BUSY goes High if CSI_B remains asserted (Low).
4. The ABORT ends when CSI_B is deasserted.
ABORTs during readback are not followed by a status word because the RDWR_B signal is
set for write control (FPGA D[x:0] pins are inputs).
X-Ref Target - Figure 9-6
Figure 9-6: Configuration Abort Sequence for SelectMAP Modes
D[0:7]
BUSY
CCLK
STAT U S
ABORT
UG380_c9_06_021710
CSI_B
RDWR_B
X-Ref Target - Figure 9-7
Figure 9-7: Readback Abort Sequence
D[0:7]
BUSY
CCLK
FPGA
ABORT UG380_c9_07_052009
CSI_B
RDWR_B

Spartan-6 FPGA Configuration User Guide www.xilinx.com 159
UG380 (v2.9) August 11, 2016
SelectMAP ABORT
ABORT Status Word
During the configuration ABORT sequence, the device drives a status word onto the D[7:0]
pins. The status bits do not bit swap. The other data pins are always High. The key for that
status word is given in Table 9-2.
The ABORT sequence lasts four CCLK cycles. During those cycles, the status word changes
to reflect data alignment and ABORT status. A typical sequence might be:
11011111 => DALIGN = 1, IN_ABORT_B = 1
11001111 => DALIGN = 1, IN_ABORT_B = 0
10001111 => DALIGN = 0, IN_ABORT_B = 0
10011111 => DALIGN = 0, IN_ABORT_B = 1
After the last cycle, the synchronization word can be reloaded to establish data alignment.
Resuming Configuration or Readback After an Abort
There are two ways to resume configuration or readback after an ABORT:
• The device can be resynchronized after the ABORT completes.
• The device can be reset by pulsing PROGRAM_B Low at any time.
To resynchronize the device, CSI_B must be deasserted then reasserted. Configuration or
readback can be resumed by sending the last configuration or readback packet that was in
progress when the ABORT occurred. Alternatively, configuration or readback can be
restarted from the beginning.
Table 9-2: ABORT Status Word
Bit Number Status Bit Name Meaning
D7 CFGERR_B
Configuration error (active Low)
0 = A configuration error has occurred.
1 = No configuration error.
D6 DALIGN
Sync word received (active High)
0 = No sync word received.
1 = Sync word received by interface logic.
D5 RIP
Readback in progress (active High)
0 = No readback in progress.
1 = A readback is in progress.
D4 IN_ABORT_B
ABORT in progress (active Low)
0 = Abort is in progress.
1 = No abort in progress.
D3-D0 1111 Fixed to ones.

160 www.xilinx.com Spartan-6 FPGA Configuration User Guide
UG380 (v2.9) August 11, 2016
Chapter 9: Advanced Configuration Interfaces
SelectMAP Reconfiguration
The term reconfiguration refers to reprogramming an FPGA after its DONE pin has gone
High. Reconfiguration can be initiated by pulsing the PROGRAM_B pin (this method is
identical to configuration) or by resynchronizing the device and sending configuration
data.
To reconfigure a device in SelectMAP mode without pulsing PROGRAM_B, the BitGen
-g Persist option must be set—otherwise, the DATA pins become user I/O after
configuration. Reconfiguration must be enabled in BitGen. See Table 5-3 for a list of pins
affected by Persist in the SelectMAP configuration mode.

Spartan-6 FPGA Configuration User Guide www.xilinx.com 161
UG380 (v2.9) August 11, 2016
Chapter 10
Advanced JTAG Configurations
Introduction
Spartan®-6 devices support IEEE Std 1149.1. The Joint Test Action Group (JTAG) is the
technical subcommittee responsible for developing IEEE Std 1149.1. This standard ensures
the board-level integrity of individual components and the interconnections between
them. The IEEE Std 1149.1 TAP and boundary-scan architecture is commonly referred to as
JTAG. With multi-layer PC boards becoming increasingly dense and with more
sophisticated surface mounting techniques in use, boundary-scan testing is becoming
widely used as an important debugging tool.
Devices containing boundary-scan logic can send data out on I/O pins to test connections
between devices at the board level. The circuitry can also be used to send signals internally
to test the device-specific behavior. These tests are commonly used to detect opens and
shorts at both the board and device level.
In addition to testing, boundary-scan offers the flexibility for a device to have its own set of
user-defined instructions. The added, common, vendor-specific instructions, such as
configure and verify, have increased the popularity of boundary-scan testing and
functionality.

162 www.xilinx.com Spartan-6 FPGA Configuration User Guide
UG380 (v2.9) August 11, 2016
Chapter 10: Advanced JTAG Configurations
JTAG Configuration/Readback
TAP Controller and Architecture
The Spartan-6 FPGA TAP contains four mandatory dedicated pins as specified by the
protocol given in Table 3-1 and illustrated in Figure 10-1, a typical JTAG architecture.
Figure 10-1 diagrams a 16-state finite state machine. The four TAP pins control how data is
scanned into the various registers. The state of the TMS pin at the rising edge of TCK
determines the sequence of state transitions. There are two main sequences, one for
shifting data into the data register and the other for shifting an instruction into the
instruction register.
A transition between the states only occurs on the rising edge of TCK, and each state has a
different name. The two vertical columns with seven states each represent the Instruction
Path and the Datapath. The data registers operate in the states whose names end with
"DR," and the instruction register operates in the states whose names end in "IR." The states
are otherwise identical.
X-Ref Target - Figure 10-1
Figure 10-1: Typical JTAG Architecture
IEEE Standard 1149.1 Compliant Device
TMS
Instruction Register
Instruction Decoder
Bypass[1] Register
IDCODE[32] Register
Boundary-Scan[N] Register
Select Data
Register
Shift-IR/Shift-DR
Select Next State
TAP State Machine
TCK
TDI
TDO
I/O I/O I/O I/O
Te st-Logic-Reset
Run-Test/Idle Select-DR
Capture-DR
Shift-DR
Exit1-DR
Pause-DR
Exit2-DR
Update-DR
0
0
0
0
0
0
0
0
1
1
1
1
1
1
1
Select-IR
Capture-IR
Shift-IR
Exit1-IR
Pause-IR
Exit2-IR
Update-IR
0
0
0
0
0
0
1
1
1
1
1
1
0
0
11
UG380_c10_01_042909

Spartan-6 FPGA Configuration User Guide www.xilinx.com 163
UG380 (v2.9) August 11, 2016
JTAG Configuration/Readback
The operation of each state is described here:
Test-Logic-Reset:
All test logic is disabled in this controller state, enabling the normal operation of the IC.
The TAP controller state machine is designed so that regardless of the initial state of the
controller, the Test-Logic-Reset state can be entered by holding TMS High and pulsing
TCK five times. Consequently, the Test Reset (TRST) pin is optional and not found on
Xilinx® devices.
Run-Test-Idle:
In this controller state, the test logic in the IC is active only if certain instructions are
present. For example, if an instruction activates the self test, then it is executed when the
controller enters this state. The test logic in the IC is idle otherwise.
Select-DR-Scan:
This controller state controls whether to enter the Datapath or the Select-IR-Scan state.
Select-IR-Scan:
This controller state controls whether or not to enter the Instruction Path. The controller
can return to the Test-Logic-Reset state otherwise.
Capture-IR:
In this controller state, the shift register bank in the Instruction Register parallel loads a
pattern of fixed values on the rising edge of TCK. The last two significant bits must always
be 01.
Shift-IR:
In this controller state, the instruction register gets connected between TDI and TDO, and
the captured pattern gets shifted on each rising edge of TCK. The instruction available on
the TDI pin is also shifted in to the instruction register.
Exit1-IR:
This controller state controls whether to enter the Pause-IR state or Update-IR state.
Pause-IR:
This state allows the shifting of the instruction register to be temporarily halted.
Exit2-DR:
This controller state controls whether to enter either the Shift-IR state or Update-IR state.
Update-IR:
In this controller state, the instruction in the instruction register is latched to the latch bank
of the Instruction Register on every falling edge of TCK. This instruction becomes the
current instruction after it is latched.
Capture-DR:
In this controller state, the data is parallel-loaded into the data registers selected by the
current instruction on the rising edge of TCK.
Shift-Dr, Exit1-DR, Pause-DR, Exit2-DR, and Update-DR:
These controller states are similar to the Shift-IR, Exit1-IR, Pause-IR, Exit2-IR, and
Update-IR states in the Instruction path.

164 www.xilinx.com Spartan-6 FPGA Configuration User Guide
UG380 (v2.9) August 11, 2016
Chapter 10: Advanced JTAG Configurations
Spartan-6 devices support the mandatory IEEE Std 1149.1 commands as well as several
Xilinx vendor-specific commands. The EXTEST, INTEST, SAMPLE, BYPASS, IDCODE,
USERCODE, and HIGHZ instructions are all included. The TAP also supports internal
user-defined registers (USER1, USER2, USER3, and USER4) and configuration/readback
of the device.
The Spartan-6 FPGA boundary-scan operations are independent of mode selection. The
boundary-scan mode in Spartan-6 devices overrides other mode selections. For this
reason, boundary-scan instructions using the boundary-scan register
(SAMPLE/PRELOAD, INTEST, and EXTEST) must not be performed during
configuration. All instructions except the user-defined instructions are available before a
Spartan-6 device is configured. After configuration, all instructions are available.
When boundary-scan testing is carried out on a configured Spartan-6 device, and the IOB
is configured to include an inverter, incorrect values can be driven by EXTEST and read on
the SAMPLE instructions. When the IOB is configured to include an inverter, this inverter
is included on the path from the pad to the boundary-scan cell. This results in unexpected
values being driven and/or sampled by the cell. The SAMPLE, PRELOAD, EXTEST, and
INTEST JTAG instructions can all be affected.
There are a number of alternatives that can be employed.
1. Prevent FPGA configuration. This can be achieved by holding the INIT_B pin Low, or
alternatively changing the Mode pin values if configuring from flash.
2. Clear prior configuration using PROGRAM_B pin or a power cycle and prevent
reconfiguration.
X-Ref Target - Figure 10-2
Figure 10-2: Boundary-Scan TAP Controller
1
UG380_c10_02_051109
TEST-LOGIC-RESET
0RUN-TEST/IDLE 1
SELECT-DR-SCAN
0
1
0
CAPTURE-DR CAPTURE-IR
0
1
0
0
SHIFT-DR SHIFT-IR
1
0
1
0
EXIT1-DR EXIT1-IR
0
1
0
PAU SE-DR PAU SE-IR
1
0
1
EXIT2-DR
1
EXIT2-IR
1
UPDATE-DR
1
UPDATE-IR
1SELECT-IR-SCAN
01 0
00
1
1
0
Note: The value shown adjacent to each state transition represents the signal
present at TMS at the time of a rising edge at TCK.

Spartan-6 FPGA Configuration User Guide www.xilinx.com 165
UG380 (v2.9) August 11, 2016
JTAG Configuration/Readback
3. Overwrite the FPGA configuration with a design that does not use inversion at the
inputs.
4. Modify the original design to avoid the IOB invert path.
JSTART and JSHUTDOWN are instructions specific to the Spartan-6 architecture and
configuration flow. In Spartan-6 devices, the TAP controller is not reset by the
PROGRAM_B pin and can only be reset by bringing the controller to the TLR state. The
TAP controller is reset on power up.
For details on the standard boundary-scan instructions EXTEST, INTEST, and BYPASS,
refer to IEEE Std 1149.1.
Boundary-Scan Architecture
Spartan-6 device registers include all registers required by IEEE Std 1149.1. In addition to
the standard registers, the family contains optional registers for simplified testing and
verification (Table 10-1).
Boundary-Scan Register
The test primary data register is the boundary-scan register. Boundary-scan operation is
independent of individual IOB configuration. Each IOB, bonded or unbonded, starts as
bidirectional with 3-state control. Later, it can be configured to be an input, output, or
3-state only. Therefore, three data register bits are provided per IOB (Figure 10-1).
When conducting a data register (DR) operation, the DR captures data in a parallel fashion
during the CAPTURE-DR state. The data is then shifted out and replaced by new data
during the SHIFT-DR state. For each bit of the DR, an update latch is used to hold the input
data stable during the next SHIFT-DR state. The data is then latched during the
UPDATE-DR state when TCK is Low.
The update latch is opened each time the TAP controller enters the UPDATE-DR state. Care
is necessary when exercising an INTEST or EXTEST to ensure that the proper data has been
latched before exercising the command. This is typically accomplished by using the
SAMPLE instruction.
Table 10-1: Spartan-6 FPGA JTAG Registers
Register Name Register Length Description
Boundary-Scan Register 3 bits per I/O Controls and observes input, output,
and output enable
Instruction Register 6 bits Holds current instruction opcode and
captures internal device status
BYPASS Register 1 bit Bypasses the device
Identification Register 32 bits Captures the Device ID
JTAG Configuration Register 16 bits
Allows access to the configuration bus
when using the CFG_IN or CFG_OUT
instructions
USERCODE Register 32 bits Captures the user-programmable code
User-Defined Registers (USER1,
USER2, USER3, and USER4) Design specific Design specific

166 www.xilinx.com Spartan-6 FPGA Configuration User Guide
UG380 (v2.9) August 11, 2016
Chapter 10: Advanced JTAG Configurations
Internal pull-up and pull-down resistors should be considered when test vectors are being
developed for testing opens and shorts. The HSWAPEN pin determines whether the IOB
has a pull-up resistor. Figure 10-3 is a representation of Spartan-6 FPGA boundary-scan
architecture.
Bit Sequence Boundary-Scan Register
The order of each non-TAP IOB is described in this section. The input is first, then the
output, and finally the 3-state IOB control. The 3-state IOB control is closest to the TDO.
The input-only pins contribute only the input bit to the boundary-scan I/O data register.
The bit sequence of the device is obtainable from the Boundary-Scan Description Language
Files (BSDL files) for the Spartan-6 family. (These files can be obtained from the Xilinx
software download area.) The bit sequence always has the same bit order and the same
number of bits and is independent of the design.
For boundary-scan testing with a configured FPGA, the Xilinx BSDLAnno utility can be
used to automatically modify the BSDL file for post-configuration interconnect testing.
The BSDLAnno utility obtains the necessary FPGA design information from the routed
NCD file, and generates a BSDL file that reflects the post-configuration boundary-scan
architecture of the device. For more information, see the BSDLAnno chapter in UG628,
Command Line Tools User Guide.
X-Ref Target - Figure 10-3
Figure 10-3: Spartan-6 FPGA Boundary-Scan Logic
D Q
1
0
1x
01
00
1x
01
00
1x
01
00
D Q
D Q
1
0
1
0
DQ
LE
sd
sd
LE
DQ
sd
LE
DQ
TDI
IOB.I
INTEST
IOB.O
IOB.T
EXTEST
SHIFT CLOCK DATA
REGISTER
TDO UPDATE INTEST is OR'd with EXTEST
UG380_c10_03_102014

Spartan-6 FPGA Configuration User Guide www.xilinx.com 167
UG380 (v2.9) August 11, 2016
JTAG Configuration/Readback
Instruction Register
The Instruction Register (IR) for the Spartan-6 device is connected between TDI and TDO
during an instruction scan sequence. In preparation for an instruction scan sequence, the
instruction register is parallel-loaded with a fixed instruction capture pattern. This pattern
is shifted out onto TDO (LSB first), while an instruction is shifted into the instruction
register from TDI.
To invoke an operation, the desired opcode must be loaded into the Instruction Register
(IR). The length of the instruction register varies by device type. However, the IR is
6 bits wide for all Spartan-6 FPGAs.
Table 10-2: Spartan-6 FPGA Boundary-Scan Instructions
Boundary-Scan
Command Instruction Description
EXTEST 001111 Enables boundary-scan EXTEST operation.
SAMPLE 000001 Enables boundary-scan SAMPLE operation.
USER1 000010 Access user-defined register 1.
USER2 000011 Access user-defined register 2.
USER3 011010 User code that allows fabric access to/from the TAP
controller from JTAG primitive instance 3.
USER4 011011 User code that allows fabric access to/from the TAP
controller from JTAG primitive instance 4.
CFG_OUT 000100 Access the configuration bus for readback.
CFG_IN 000101 Access the configuration bus for configuration.
INTEST 000111 Enables boundary-scan INTEST operation.
USERCODE 001000 Enables shifting out user code.
IDCODE 001001 Enables shifting out of ID code.
HIGHZ 001010 3-state output pins while enabling BYPASS Register.
JPROGRAM 001011 Equivalent to and has the same effect as PROGRAM.
JSTART 001100 Clocks the startup sequence when Startup clock source
is TCK (StartupClk:JtagClk).
JSHUTDOWN 001101 Clocks the shutdown sequence.
ISC_ENABLE 010000 Marks the beginning of ISC configuration. Full
shutdown is executed.
ISC_PROGRAM 010001 Enables in-system programming.
ISC_NOOP 010100 No operation.
ISC_READ 010101 Used to read back battery-backed RAM.
ISC_DISABLE 010110 Completes ISC configuration. Startup sequence is
executed.
ISC_DNA
(ISC_FUSE_READ)
110000 Read Device DNA.

168 www.xilinx.com Spartan-6 FPGA Configuration User Guide
UG380 (v2.9) August 11, 2016
Chapter 10: Advanced JTAG Configurations
Table 10-3 shows the instruction capture values loaded into the IR as part of an instruction
scan sequence.
BYPASS Register
The other standard data register is the single flip-flop BYPASS register. It passes data
serially from the TDI pin to the TDO pin during a bypass instruction. This register is
initialized to zero when the TAP controller is in the CAPTURE-DR state.
Identification (IDCODE) Register
Spartan-6 devices have a 32-bit identification register called the IDCODE register. The
IDCODE is based on IEEE Std 1149.1 and is a fixed, vendor-assigned value that is used to
identify electrically the manufacturer and the type of device that is being addressed. This
register allows easy identification of the part being tested or programmed by
boundary-scan, and it can be shifted out for examination by using the IDCODE
instruction.
The last bit of the IDCODE is always 1 (based on JTAG IEEE 1149.1). The last three hex
digits appear as 0x093. IDCODEs assigned to Spartan-6 FPGAs are shown in Table 5-13.
JTAG Configuration Register
The JTAG Configuration register is a 16-bit register. This register allows access to the
configuration bus and readback operations.
USERCODE Register
The USERCODE instruction is supported in the Spartan-6 family. This register allows a
user to specify a design-specific identification code. The USERCODE can be programmed
into the device and can be read back for verification later. The USERCODE is embedded
into the bitstream during bitstream generation (BitGen -g UserID option) and is valid
only after configuration. If the device is blank or the USERCODE was not programmed,
the USERCODE register contains 0xFFFFFFFF.
BYPASS 111111 Enables BYPASS.
RESERVED All other
codes
Xilinx reserved instructions.
Table 10-3: Instruction Capture Values
TDI → IR[5] IR[4] IR[3] IR[2] IR[1:0] →TDO
DONE INIT(1) ISC_ENABLED ISC_DONE 0 1
Table 10-2: Spartan-6 FPGA Boundary-Scan Instructions (Cont’d)
Boundary-Scan
Command Instruction Description

Spartan-6 FPGA Configuration User Guide www.xilinx.com 169
UG380 (v2.9) August 11, 2016
JTAG Configuration/Readback
USER1, USER2, USER3, and USER4 Registers
The USER1, USER2, USER3, and USER4 registers are only available after configuration.
These four registers must be defined by the user within the design. These registers can be
accessed after they are defined by the TAP pins.
The BSCAN_Spartan6 library macro is required when creating these registers. This symbol
is only required for driving internal scan chains (USER1, USER2, USER3, and USER4).
A common input pin (TDI) and shared output pins represent the state of the TAP controller
(RESET, SHIFT, and UPDATE). Spartan-6 FPGA TAP pins are dedicated and do not require
the BSCAN_Spartan6 macro for normal boundary-scan instructions or operations. For
HDL, the BSCAN_Spartan6 macro must be instantiated in the design.
Using Boundary-Scan in Spartan-6 Devices
Characterization data for some of the most commonly requested timing parameters shown
in Figure 10-4 is listed in the Spartan-6 FPGA Data Sheet: DC and Switching Characteristics in
the Configuration Switching Characteristics table.
For further information on the startup sequence, bitstream, and internal configuration
registers referenced here, refer to Configuration Sequence in Chapter 5.
Configuring through Boundary-Scan
One of the most common boundary-scan vendor-specific instructions is the configure
instruction.
The configuration flow for Spartan-6 device configuration with JTAG is shown in
Figure 10-5. The sections that follow describe how the Spartan-6 device can be configured
as a single device through the boundary-scan or as part of a multiple-device scan chain.
A configured device can be reconfigured by toggling the TAP and entering a CFG_IN
instruction after pulsing the PROGRAM_B pin or issuing the shut-down sequence. (See
Figure 10-5.)
Designers who wish to implement the Spartan-6 FPGA JTAG configuration algorithm are
encouraged to use the SVF-based flow provided in XAPP058, Xilinx In-System
Programming Using an Embedded Microcontroller and XAPP424, Embedded JTAG ACE Player.
X-Ref Target - Figure 10-4
Figure 10-4: Spartan-6 FPGA Boundary-Scan Port Timing Waveforms
UG380_c10_04_042909
Data to be captured
Data to be driven out
TDO
TCK
TDI
TMS
Data Valid
Data Valid
T
TCKTDO
T
TAPTCK
T
TCKTAP

170 www.xilinx.com Spartan-6 FPGA Configuration User Guide
UG380 (v2.9) August 11, 2016
Chapter 10: Advanced JTAG Configurations
X-Ref Target - Figure 10-5
Figure 10-5: Device Configuration Flow Diagram
Sample
Mode PinsJTAG Available
Keep Clearing
Configuration
Memory
No
No
Ye s
Ye s
Ye s
Ye s
No
Ye s
Clear Configuration
Memory Once More
Power-Up
VCCINT > .75V
CRC
Correct?
Load CFG_IN
Instruction
Load
Bitstream
Abort Startup
Shutdown
Sequence
Reconfigure?
Load JSTA R T
Instruction
Startup
Sequence
Operational
INIT_B = High?
PROGRAM_B
Low?
UG380_c10_05_042909
Load
JSHUTDOWN
Instruction
No

Spartan-6 FPGA Configuration User Guide www.xilinx.com 171
UG380 (v2.9) August 11, 2016
JTAG Configuration/Readback
Single Device Configuration
Table 10-4 describes the TAP controller commands required to configure a Spartan-6
device. Refer to Figure 10-2 for TAP controller states. These TAP controller commands are
issued automatically if configuring the part with the iMPACT software.
Table 10-4: Single Device Configuration Sequence
TAP Controller Step and Description
Set and Hold # of Clocks
TDI TMS TCK
1. On power-up, place a logic 1 on the TMS, and clock the TCK five
times. This ensures starting in the TLR (Test-Logic-Reset) state. X15
2. Move into the RTI state. X01
3. Move into the SELECT-IR state. X12
4. Enter the SHIFT-IR state. X02
5. Start loading the CFG_IN instruction, LSB first: 000101 0 5
6. Load the MSB of CFG_IN instruction when exiting SHIFT-IR, as
defined in the IEEE standard. 011
7. Enter the SELECT-DR state. X12
8. Enter the SHIFT-DR state. X02
9. Shift in the Spartan-6 FPGA bitstream. Bitn (MSB) is the first bit in
the bitstream(1).bit1... bitn0(bits in bitstream)-1
10. Shift in the last bit of the bitstream. Bit0 (LSB) shifts on the
transition to EXIT1-DR. bit011
11. Enter the UPDATE-DR state. X11
12. Move into the RTI state. X 01
13. Enter the SELECT-IR state. X12
14. Move to the SHIFT-IR state. X02
15. Start loading the JSTART instruction. The JSTART instruction
initializes the startup sequence. 001100 0 5
16. Load the last bit of the JSTART instruction. 011
17. Move to the UPDATE-IR state. X11
18. Move to the RTI state and clock the startup sequence by applying
a minimum of 16 clock cycles to the TCK. X016
19. Move to the TLR state. The device is now functional. X13
Notes:
1. In the Configuration Register, data is shifted in from the right (TDI) to the left (TDO), MSB first. (Shifts into the Configuration
Register are different from shifts into the other registers in that they are MSB first.)

172 www.xilinx.com Spartan-6 FPGA Configuration User Guide
UG380 (v2.9) August 11, 2016
Chapter 10: Advanced JTAG Configurations
Multiple Device Configuration
It is possible to configure multiple Spartan-6 devices in a chain. (See Figure 10-6.) The
devices in the JTAG chain are configured one at a time. The multiple device configuration
steps can be applied to any size chain.
Refer to the state diagram in Figure 10-1 for the following TAP controller steps:
1. On power-up, place a logic 1 on the TMS and clock the TCK five times. This ensures
starting in the TLR (Test-Logic-Reset) state.
2. Load the CFG_IN instruction into the target device (and BYPASS in all other devices).
Go through the RTI state (RUN-TEST/IDLE).
3. Load in the configuration bitstream per step 7 through step 11 in Table 10-4.
4. Repeat step 2 and step 3 for each device.
5. Load the JSTART command into all devices.
6. Go to the RTI state and clock TCK 16 times.
All devices are active at this point.
Clocking Startup and Shutdown Sequences (JTAG)
There are three clock sources for startup and shutdown sequence: CCLK, UserCLK, and
JTAGCLK. Clock selection is set by BitGen. The startup sequence is executed in the
ISC_Accessed state. When it is clocked by JTAGCLK, the startup sequence receives the
JTAGCLK in TAP Run/Test Idle state while ISC_DISABLE is the current JTAG instruction.
The number of clock cycles in Run/Test Idle state for successful completion of
ISC_DISABLE is determined by the number of clock cycles needed to complete the startup
sequence.
When UserCLK or CCLK is used to clock the startup sequence, the user should know how
many JTAGCLK cycles should be spent in Run/Test Idle to complete the startup sequence
successfully.
The shutdown sequence is executed when the device transitions from the Operational to
the ISC_Accessed state. Shutdown is done while executing the ISC_ENABLE instruction.
When the shutdown sequence is clocked using JTAGCLK, the clock is supplied in the
Run/Test Idle state of the ISC_ENABLE instruction. The number of clock cycles in
Run/Test Idle is determined by the number of clock cycles needed to complete the
shutdown sequence.
X-Ref Target - Figure 10-6
Figure 10-6: Boundary-Scan Chain of Devices
JTAG Header
UG380_c10_06_042909
TDOTDI
TMS
TCK
PROGRAM_B
TDI
TMS
TCK
PROGRAM_B
TDO
Spartan-6
FPGA
Spartan-6
FPGA
Spartan-6
FPGA
TDI
TMS
TCK
PROGRAM_B
TDO
Device 0 Device 1 Device 2
TDO
TMS
TDI
TCK

Spartan-6 FPGA Configuration User Guide www.xilinx.com 173
UG380 (v2.9) August 11, 2016
JTAG Configuration/Readback
When the shutdown sequence is clocked by CCLK or UserCLK, the user is responsible for
knowing how many JTAGCLK cycles in Run/Test Idle are needed to complete the
shutdown sequence. The shutdown sequence is the startup sequence in reverse order.
Note: When configuring the device through JTAG, the startup and shutdown clock should come
from TCK, regardless of the selection in BitGen.







