Snocross Manual 10_23_12_as_comments Winter X Games Video Service Raw Thrills
User Manual: winter-x-games-snocross-video-games-service-manual-raw-thrills
Open the PDF directly: View PDF
.
Page Count: 43
- 13_SnoMotion Fairing Assembly_AGS-Explode_SHT13.PDF
- 12_SnoMotion Tailglow Assembly_AGS-Explode_SHT12.PDF
- 11_SnoMotion Track Light Assembly_AGS-Explode_SHT11.PDF
- 10_Radiator & Puck Light & Exhaust Tip Assembly_AGS-Explode_SHT10.PDF
- 9_SnoMotion Snowmobile Assembly_AGS-Explode_SHT9.PDF
- 8_SnoMotion Snowmobile Assembly_AGS-Explode_SHT8.PDF
- 7_SnoBike T-Base Assembly_AGS-Explode_SHT7.PDF
- 6_SnoMotion LCD Assembly_AGS-Explode_SHT6.PDF
- 5_SnoMotion Dash Assembly_AGS-Explode_SHT5.PDF
- 4_Blower & RIO Assembly_AGS-Explode_SHT4.PDF
- 3_SnoMotion LCD Cabinet Assembly_AGS-Explode_SHT3.PDF
- 2_SnoMotion LCD Cabinet Assembly_AGS-Explode_SHT2.PDF
- 1_SnoCross Motion Final Assembly_AGS-Explode_SHT1.PDF
- SX42 Marquee Assembly_AGS-Explode_SHT15.PDF
- SX42 Marquee Assembly_AGS-Explode_SHT14.PDF
- 2_SnoMotion LCD Cabinet Assembly_AGS-Explode_SHT2.PDF
- 3_SnoMotion LCD Cabinet Assembly_AGS-Explode_SHT3.PDF
- 4_Blower & RIO Assembly_AGS-Explode_SHT4.PDF
- 5_SnoMotion Dash Assembly_AGS-Explode_SHT5.PDF
- 6_SnoMotion LCD Assembly_AGS-Explode_SHT6.PDF
- 7_SnoBike T-Base Assembly_AGS-Explode_SHT7.PDF
- 8_SnoMotion Snowmobile Assembly_AGS-Explode_SHT8.PDF
- 9_SnoMotion Snowmobile Assembly_AGS-Explode_SHT9.PDF
- 10_Radiator & Puck Light & Exhaust Tip Assembly_AGS-Explode_SHT10.PDF
- 11_SnoMotion Track Light Assembly_AGS-Explode_SHT11.PDF
- 12_SnoMotion Tailglow Assembly_AGS-Explode_SHT12.PDF
- 13_SnoMotion Fairing Assembly_AGS-Explode_SHT13.PDF
- SX42 Marquee Assembly_AGS-Explode_SHT14.PDF
- SX42 Marquee Assembly_AGS-Explode_SHT15.PDF
- 1_SnoCross Motion Final Assembly_AGS-Explode_SHT1.PDF
- 2_SnoMotion LCD Cabinet Assembly_AGS-Explode_SHT2.PDF
- 3_SnoMotion LCD Cabinet Assembly_AGS-Explode_SHT3.PDF
- 4_Blower & RIO Assembly_AGS-Explode_SHT4.PDF
- 5_SnoMotion Dash Assembly_AGS-Explode_SHT5.PDF
- 6_SnoMotion LCD Assembly_AGS-Explode_SHT6.PDF
- 7_SnoBike T-Base Assembly_AGS-Explode_SHT7.PDF
- 8_SnoMotion Snowmobile Assembly_AGS-Explode_SHT8.PDF
- 9_SnoMotion Snowmobile Assembly_AGS-Explode_SHT9.PDF
- 10_Radiator & Puck Light & Exhaust Tip Assembly_AGS-Explode_SHT10.PDF
- 11_SnoMotion Track Light Assembly_AGS-Explode_SHT11.PDF
- 12_SnoMotion Tailglow Assembly_AGS-Explode_SHT12.PDF
- 13_SnoMotion Fairing Assembly_AGS-Explode_SHT13.PDF
- 14_SX42 Marquee Assembly_AGS-Explode_SHT14.PDF
- 15_SX42 Marquee Assembly_AGS-Explode_SHT15.PDF
- 1_SnoCross Motion Final Assembly_AGS-Explode_SHT1.PDF

040-00032-01
OPERATOR’SMANUAL
You can get this game at www.magic-play.eu
You can get this game at www.magic-play.eu

SNOCROSSMOTIONOPERATOR’SMANUAL
SnocrossTM©2012RawThrills,Inc.AllRightsReserved.XGames:©2012ESPN,Inc..AllrightsReserved.XGames,theXGameslogo,ESPNand
theESPNlogoareallregisteredtrademarksforESPN,Inc
Page2
Safety
OPERATION
Beforeoperatinggame,readthismanual.Failuretoproperlyinstallandoperatethisgamecouldresultin
malfunctionoraccident.Operatethegameinaccordancewiththemanual.
TRANSPORTING
Thecabinetisveryheavy.Becausethemonitorishigh,thecabinetisalsoverytop‐heavy.Useappropriatecare
whenmovingortransportingcabinet.Itcontainsfragileglassandelectroniccomponents.Avoidroughhandling.
HANDLINGCOMPONENTS
Manycomponentsareextremelysensitivetohandling,environmentalandElectrostaticDischarge(ESD)events—
especiallythecomputer.Donothandleitroughly.Beforeservicing,callyourdistributorandinquireaboutthePC
warranty.UseproperESDprocedureswhenservicing.Protectcomponentsfromharmfulenvironmental
conditions,suchasextremetemperatures,excessivemoistureorotherdamagingeffects.
DISCONNECTPOWER
Alwaysturnthepoweroffandunplugtheunitbeforeservicingormakingadjustmentsunlessotherwiseinstructed.
Installingorrepairingcomponentswhilepowerisoncandamagethecomponentsandvoidthewarranty.
GROUNDING
Avoidelectricalshock.DonotpluginACpoweruntilyouhaveinspectedandproperlygroundedtheunit.Onlyplug
intoagrounded,three‐wireoutlet.Donotusea“cheater”plugorcutoffthegroundpinonthelinecord.
ELECTRICALSHOCKS
Thereisnoisolationtransformerinthecabinet.DisconnectACpowerbeforeservicing.However,beawarethat
lethalvoltagescanremainintheelectroniccomponentsevenwhenACpowerisdisconnected.Useextreme
cautionwhenservicing.Verifythatthereisaworkinggroundconnection.Iftheunitsustainswaterdamage,cease
usingitimmediatelyandunplugACpower.
MONITOR
Themonitorcontainsnouserserviceableparts.Donotattempttoservicethemonitor.
POWERSELECTOR
Beforeinstallinggame,ensurethevoltageonthePCissetproperly.Thereisa115/230VACselectorswitchthat
mustbesetforthecorrectvoltageforyoursite.Verifythefluorescentlamprating.Theratingmustmatchtheline
voltageattheinstallationsite.
POWERCORD
Ifthepowercordisdamagedorlost,replaceitwithanidenticalcordassuppliedbythemanufactureroran
authorizedserviceagent.
SURGESUPRESSOR
Itisrecommendedthatyouplugyourgame’spowercordintoasurgesuppressortohelpprotectfrompower
surgesthatmaydamagesensitiveelectroniccomponents.
You can get this game at www.magic-play.eu
You can get this game at www.magic-play.eu

SNOCROSSMOTIONOPERATOR’SMANUAL
SnocrossTM©2012RawThrills,Inc.AllRightsReserved.XGames:©2012ESPN,Inc..AllrightsReserved.XGames,theXGameslogo,ESPNand
theESPNlogoareallregisteredtrademarksforESPN,Inc
Page3
ServiceManual
CONNECTORS
Whenservicingmachine,ensureallconnectorsmateproperly.Ifconnectorsdonotslipineasily,donotforce
them.Connectorsareoftenkeyedandonlyconnectoneway.Checkforcorrectorientation.
COMPUTER
Thecomputercontainssensitivecomponents,includingaharddrive.Donothandleitroughly.Callyourdistributor
beforeservicingitsinternalcomponents.AskaboutwarrantyinformationasitrelatestothePC.
DonotturnthePCpowerswitchonoroff.ItshouldremainpermanentlyintheONposition.
CycleACpoweronoroffwiththecabinetpowerswitch.
AdonglehasbeeninsertedintooneoftheUSBports.Thisisrequiredforgameplay.
Donotremovethedongleexceptfortroubleshootingpurposes.
FLUORESCENTLAMP
Adroppedfluorescentlamptubemaybreakandimplode.Shatteredglassfromtheimplosioncantravellong
distancesandcausebodilyinjury.Useproperprocedureswhenhandlingbrokenmaterials,astheseitemscan
containhazardousmaterialsuchasmercuryorlead.
HAZARDTOEPILEPTICS
Asmallportionofthepopulationhasanepilepticconditionthatmaycauseseizures.Affectedpersonsexperience
seizurewhilewatchingsometelevisionpicturesorplayingcertainvideogames.Peoplewhohavenothadseizures
maystillhaveanundetectedepilepticcondition.Ifanyoneinyourfamilyhasexperiencedepilepsysymptoms
(seizuresorlossofawareness),consultyourphysicalbeforeusingvideogames.Whilechildrenplayvideogames,a
parentshouldobserve.Bealerttothefollowingsymptoms:dizziness,alteredvision,eyeormuscletwitching,
involuntarymovements,lossofawareness,disorientationorconvulsions.Ifyouoryourchildexperiencesthese
symptoms,discontinueuseimmediatelyandconsultyourphysician.
MANUAL
Keepthismanualavailableandreadyforuse.Ifthegamefailstofunctionproperly,turnoffthemachineand
unplugtheAClinecord.Contactyourlocaldistributor.Yourwarranty,whenapplicable,lasts60daysfromyour
purchasedate.Youmaynotreproducethisdocumentoranyofitscontentswithoutwrittenauthorizationfrom
RawThrills,Inc..
SPECIFICATIONS
Forreasonssuchasperformance,thisproduct’sspecificationsmaychangewithoutnotice.Federalpatent,
copyrightandotherintellectualpropertylawsprotectthecontent,devicesanddesignofthegameandits
equipment.
You can get this game at www.magic-play.eu
You can get this game at www.magic-play.eu

SNOCROSSMOTIONOPERATOR’SMANUAL
SnocrossTM©2012RawThrills,Inc.AllRightsReserved.XGames:©2012ESPN,Inc..AllrightsReserved.XGames,theXGameslogo,ESPNand
theESPNlogoareallregisteredtrademarksforESPN,Inc
Page4
ProductSpecifications
Electrical Power
UnitedStates,InternationalandJapan
InrushACCurrent:7Amps
OperatingACCurrent:5Amps
Voltage:115VAC
Temperature
50°Fto104°F
(10°Cto40°C)
Humidity
Mustnotexceed95%relativehumidity
Dimensions
Height:81”(2.06meters)
Width:39”(.99meters)
Depth:55”(1.39meters)
Carton Weight
405lbs.(184kg)
You can get this game at www.magic-play.eu
You can get this game at www.magic-play.eu

SNOCROSSMOTIONOPERATOR’SMANUAL
SnocrossTM©2012RawThrills,Inc.AllRightsReserved.XGames:©2012ESPN,Inc..AllrightsReserved.XGames,theXGameslogo,ESPNand
theESPNlogoareallregisteredtrademarksforESPN,Inc
Page5
Setup
Unpack Materials
1. Placetheshippingcratesonaflat,stablesurface.
2. Cutthebandingstrapsandremovethecardboardlids.
3. Liftoffthelargecardboardcontainerssurroundingthefrontpedestalandmonitorassemblies
andremoveanyshippingcleats.
4. Removethecoindoorkeyfromthecoinreturnslot.
5. Openthetopcoindoor.
6. Locatethekeysforthebackdoorandthecashboxdoor.
7. Openthecashboxdoorandremovethecashbox.
8. Checkforshippingdamagetothefollowing:
SnoCrossplayeraccessibleareassuchasthesled,controlpanelanddash.
Marqueeandmonitor
Cabinetdecals
9. ChecktheAClinecordforvisiblesignsofdamage.
Payparticularattentiontotheplugandlinecordinsulation.
Check Electrical Settings
1. VerifythevoltageinthenearestACoutlet.
2. VerifytheACoutletgroundconnectionispresentandworking.
3. Openthebackdoorofthemonitorassembly.
4. NeartheACpowertransformer,verifythevoltageselectorswitchissettocorrectACvoltage.
5. RoutethelinecordsothattheplugisneartheACoutlet.
6. Replacethebackdoorofthemonitorassembly.
Game Power Up
1. PluginlinecordtoACoutlet.
2. TurnthepowerswitchtoON.
3. Checkthatnocomponentisexcessivelyhotoremittingfoulodors.
Ifnot,turnoffACpoweranddisconnectlinecord.Refertothediagnosticsectionofthismanual.
4. Oncesoftwareloads,youwillbeaskedtocalibratethecontrols.
Ifnot,entertheservicemenubypressingtheTESTbuttonlocatedonthebracketinsidethetop
coindoor.
You can get this game at www.magic-play.eu
You can get this game at www.magic-play.eu

SNOCROSSMOTIONOPERATOR’SMANUAL
Snocross
TM
©2012RawThrills,Inc.AllRightsReserved.XGames:©2012ESPN,Inc..AllrightsReserved.XGames,theXGameslogo,ESPNand
theESPNlogoareallregisteredtrademarksforESPN,Inc
Page6
Diagnostics and Adjustments
TheServiceButtonPanelhasfourbuttons,threeofwhichcannavigatethemenusystem.
ButitiseasiesttonavigatewithaStart,View&Snoballbutton
ServicePanelTESTentersdiagnosticsystem.
EitherServicePanelTESTbuttonor
Startbutton selectsthehighlightedoption.
ServicePanelVOLDOWNbuttonor
SnoBallbuttonmovesdownthroughmenuorsettingchoices.
ServicePanelVOLUPbuttonor
pressingViewmovesupthroughmenuorsettingchoices.
HighlightandselectExittoreturntopreviousscreen.
Anon‐screenmessageacknowledgeschangesorwhenyouexitaselectionwithoutmakingachange.
Atthebottomofeachscreenthereisabriefdescriptionofthemenuoption’sfunction.Acomplete
descriptionisavailablehereforallmenufunctions.
Instructionsforcompletingyourfirstcalibrationstartonthenextpage.
TEST
SERVICE
Volume
UP
Volume
DOWN
You can get this game at www.magic-play.eu
You can get this game at www.magic-play.eu

SNOCROSSMOTIONOPERATOR’SMANUAL
SnocrossTM©2012RawThrills,Inc.AllRightsReserved.XGames:©2012ESPN,Inc..AllrightsReserved.XGames,theXGameslogo,ESPNand
theESPNlogoareallregisteredtrademarksforESPN,Inc
Page7
INITIALGAMESETUP
GAME CONTROLS CALIBRATION
1. Ifthecalibrationscreenisnotvisible,presstheTESTbuttontoentertheDiagnosticSystem.
2. FromtheMainMenu,useVolume+/‐tohighlightCalibration.
3. PressaStartbuttontoentercalibration.
4. Followon‐screeninstructions.Re‐tryifcalibrationdataisnotvalid.
5. GamewillproceedtoLocationandVenueNameentry.
6. EnterinformationtobedisplayedwhenplayerscanstheQRCode.
7. GamewillenterAttractMode.Allgamesettingswillbedefaultvaluesifnochangesaremadeat
thistime.
GAME CONTROLS AND INTERFACE INSPECTION
Other Tests
SeetheDiagnosticSectionforfurtherinformation.
1. EntertheSwitchTestmenuandverifyallswitchesfunction.
2. EntertheScreenTestmenuandverifythatvideoisacceptable.
3. EntertheSoundTestmenuandverifytheaudioworksandisnotdistorted.
4. EntertheCoinMeterTestmenuandverifytheoperationofthecoinmeter.
5. EntertheCabinetLampsTestmenuandverifythatallcabinetlightsworkcorrectly.
6. EntertheWatchdogTestmenu,whichrebootsthegame.
7. Uponasuccessfulreboot,youarereadytomakeadjustmentstopricing,volumeandother
functionsfoundintheAdjustments,AuditsandDiagnosticssection.
You can get this game at www.magic-play.eu
You can get this game at www.magic-play.eu

SNOCROSSMOTIONOPERATOR’SMANUAL
SnocrossTM©2012RawThrills,Inc.AllRightsReserved.XGames:©2012ESPN,Inc..AllrightsReserved.XGames,theXGameslogo,ESPNand
theESPNlogoareallregisteredtrademarksforESPN,Inc
Page8
8. Adjustments,AuditsandDiagnostics
MainMenu
Test Main Menu
Diagnostics
Game Audits
Pricing Adjustments
System Adjustments
Game Adjustments
Utilities
Calibration
Volume
Attract Volume
Exit
MenuOptionDescription
DiagnosticsVerifyallgamefunctionality.Allowsactivationofallinputsand
outputs,includinglinkingandwatchdogtest.
GameAuditsViewgameearningsandgameplaystatistics.
PricingAdjustmentsSettingforcoinageunit,denominationandgamepricing.
SystemAdjustmentsSystemrelatedchangessuchasnetworking,language,attractvolume,
Wheelpower,blowerandshakerforceetc.
GameAdjustmentsGamespecificadjustmentssuchasdifficulty,bonustime,gameentry.
UtilitiesClearCredits,Auditsandresetplayer/gamestatistics.Checksystem
softwareerrorsanddownloaddatatoUSBexternalstoragedevice.
You can get this game at www.magic-play.eu
You can get this game at www.magic-play.eu

SNOCROSSMOTIONOPERATOR’SMANUAL
SnocrossTM©2012RawThrills,Inc.AllRightsReserved.XGames:©2012ESPN,Inc..AllrightsReserved.XGames,theXGameslogo,ESPNand
theESPNlogoareallregisteredtrademarksforESPN,Inc
Page9
CalibrationCalibratecontrolsformaximumplayercontrolandgameexperience.
VolumeSetvolumeduringgameonly.Attractvolumeisadjusted
independently.
AttractVolumeSetattract/standbymodevolumeonly.
MainMenu
Diagnostics
SwitchTest
Fortroubleshootingpurposes,thismenugivesyouvisualfeedbackofallswitchfunctions.
You can get this game at www.magic-play.eu
You can get this game at www.magic-play.eu

SNOCROSSMOTIONOPERATOR’SMANUAL
SnocrossTM©2012RawThrills,Inc.AllRightsReserved.XGames:©2012ESPN,Inc..AllrightsReserved.XGames,theXGameslogo,ESPNand
theESPNlogoareallregisteredtrademarksforESPN,Inc
Page10
MainMenu
Diagnostics
SoundTest
Fortroubleshootingpurposes,thismenugivesgamesoundfeedback.
MainMenu
Diagnostics
WheelTest
Fortroubleshootingpurposes,thismenuallowsthewheelforcefeedbacktobeactivatedinleftand
rightdirection.
MenuOptionDescription
ChangeMusicChangecurrentmusic.
ChangeEffectChangesoundcurrentsoundeffect.
Play100Hzor1kHzPlaylowandhighfrequencytostimulatebassorfullrangespeaker
response.
PanCenter,Left,
RightIsolatesoundintoseparatechanneltoverifycorrectspeakerfunction.
You can get this game at www.magic-play.eu
You can get this game at www.magic-play.eu

SNOCROSSMOTIONOPERATOR’SMANUAL
SnocrossTM©2012RawThrills,Inc.AllRightsReserved.XGames:©2012ESPN,Inc..AllrightsReserved.XGames,theXGameslogo,ESPNand
theESPNlogoareallregisteredtrademarksforESPN,Inc
Page11
MainMenu
Diagnostics
MonitorTest
Fortroubleshootingpurposes,thismenuallowsthediagnosisofthedisplaytodetectcolororlinearity
issues.
MainMenu
Diagnostics
LightTest
Fortroubleshootingpurposes,thismenuallowsthediagnosisofthegame’scontrolledlightingfeatures.
You can get this game at www.magic-play.eu
You can get this game at www.magic-play.eu

SNOCROSS MOTION OPERATOR’S MANUAL
Snocross
TM
©2012 Raw Thrills, Inc. All Rights Reserved. X Games: ©2012 ESPN, Inc.. All rights Reserved. X Games, the X Games logo, ESPN and
the ESPN logo are all registered trademarks for ESPN, Inc
Page 12
Main Menu
Diagnostics
Coin Meter Test
For troubleshooting purposes, this menu allows the activation of coin meter. Press Start or Test to
advance coin meter.
Main Menu
Diagnostics
Watchdog Test
This menu allows the activation of the watchdog/reset system. Press Start or Test to start test. The
game’s watchdog system allows the machine to recover automatically from a crash or a failure to boot.
The watchdog system is always active.
Main Menu
Diagnostics
Link System Test
This allows the operator to view and reset the link status of two or more games connected to a single
network. Linking three or more games requires a network hub and must be purchased separately.
You can get this game at www.magic-play.eu
You can get this game at www.magic-play.eu

SNOCROSSMOTIONOPERATOR’SMANUAL
SnocrossTM©2012RawThrills,Inc.AllRightsReserved.XGames:©2012ESPN,Inc..AllrightsReserved.XGames,theXGameslogo,ESPNand
theESPNlogoareallregisteredtrademarksforESPN,Inc
Page13
MainMenu
Diagnostics
BlowerTest
Testtheblowerfunctionatdifferentspeeds.Thiscanalsobeusedtodeterminedesiredblower
instensity.
MainMenu
Diagnostics
ShakerTest
Testtheseatshakerfunctionatdifferentlevels.Thiscanalsobeusedtodeterminedesiredshaker
intensityformaximumplayerexperience.
MainMenu
GameAudits
GeneralAudits1
Viewgeneralgamestatistics.
You can get this game at www.magic-play.eu
You can get this game at www.magic-play.eu

SNOCROSSMOTIONOPERATOR’SMANUAL
SnocrossTM©2012RawThrills,Inc.AllRightsReserved.XGames:©2012ESPN,Inc..AllrightsReserved.XGames,theXGameslogo,ESPNand
theESPNlogoareallregisteredtrademarksforESPN,Inc
Page14
MainMenu
GameAudits
GeneralAudits2
MainMenu
GameAudits
Courses
You can get this game at www.magic-play.eu
You can get this game at www.magic-play.eu

SNOCROSSMOTIONOPERATOR’SMANUAL
SnocrossTM©2012RawThrills,Inc.AllRightsReserved.XGames:©2012ESPN,Inc..AllrightsReserved.XGames,theXGameslogo,ESPNand
theESPNlogoareallregisteredtrademarksforESPN,Inc
Page15
MainMenu
GameAudits
CoursesWins
MainMenu
GameAudits
Placing
You can get this game at www.magic-play.eu
You can get this game at www.magic-play.eu

SNOCROSSMOTIONOPERATOR’SMANUAL
SnocrossTM©2012RawThrills,Inc.AllRightsReserved.XGames:©2012ESPN,Inc..AllrightsReserved.XGames,theXGameslogo,ESPNand
theESPNlogoareallregisteredtrademarksforESPN,Inc
Page16
MainMenu
GameAudits
Vehicles
MainMenu
GameAudits
Upgrades
You can get this game at www.magic-play.eu
You can get this game at www.magic-play.eu

SNOCROSSMOTIONOPERATOR’SMANUAL
SnocrossTM©2012RawThrills,Inc.AllRightsReserved.XGames:©2012ESPN,Inc..AllrightsReserved.XGames,theXGameslogo,ESPNand
theESPNlogoareallregisteredtrademarksforESPN,Inc
Page17
MainMenu
GameAudits
Music
MainMenu
GameAudits
Stunts
You can get this game at www.magic-play.eu
You can get this game at www.magic-play.eu

SNOCROSSMOTIONOPERATOR’SMANUAL
SnocrossTM©2012RawThrills,Inc.AllRightsReserved.XGames:©2012ESPN,Inc..AllrightsReserved.XGames,theXGameslogo,ESPNand
theESPNlogoareallregisteredtrademarksforESPN,Inc
Page18
MainMenu
PricingAdjustments
Settings,DefaultsandChoices
SettingDefaultChoices
FreeplayNoYes/No
MoneyUnitUSDCardSwipes,USD,AUD,CAD,EUR,
GBP,DEM,FRF,JPY,NLG,ITL,CHF,DKK,MXN,RUR,KRW,CNY
CoinValue0.250.01,0.05,0.10,0.25,0.50,1.00,2.00,5.00,10.00,20.00,50.00,
100.00,500.00,1000.00,10000.00
CoinsperBillPulse11,2,3,4,5,10,20,25,50,100
CoinsPerCredit41‐10
CreditsToStart11‐10
CreditsToContinue11‐10
BonusCredits0Options:0‐10
CreditsForBonus51‐20
MaxCredits3010,15,20,25,30,35,40,45,50
FirstPlaceFreeRaceYesYes/No
MultiplayWinFreeRaceNoYes/No
You can get this game at www.magic-play.eu
You can get this game at www.magic-play.eu

SNOCROSSMOTIONOPERATOR’SMANUAL
SnocrossTM©2012RawThrills,Inc.AllRightsReserved.XGames:©2012ESPN,Inc..AllrightsReserved.XGames,theXGameslogo,ESPNand
theESPNlogoareallregisteredtrademarksforESPN,Inc
Page19
MainMenu
SystemAdjustments
Settings,DefaultsandChoices
SettingDefaultChoices
MotionSeatYesYes,No
CheckpointTimeBonusNoYes,No
MaxNameLength73,4,5,6,7
WheelPower1000‐100
BlowerPower1000‐100
SeatShaker600‐100
AutomaticVolumeSyncYesYes,No
AllowAutoCalibrationYesYes,No
AllowWheelEffectsYesYes,No
NetworkEnabledNoYes,No
LanguageEnglishEnglish,Russian,Chinese,Japanese
QRCodesOnOn,Off
GameVenueNoneEnterVenueNametobedisplayed.
GameLocationNoneEnterLocationNametobedisplayed.
You can get this game at www.magic-play.eu
You can get this game at www.magic-play.eu

SNOCROSSMOTIONOPERATOR’SMANUAL
SnocrossTM©2012RawThrills,Inc.AllRightsReserved.XGames:©2012ESPN,Inc..AllrightsReserved.XGames,theXGameslogo,ESPNand
theESPNlogoareallregisteredtrademarksforESPN,Inc
Page20
MainMenu
GameAdjustments
Settings,DefaultsandChoices
SettingDefaultChoices
StartTimeBonus8030‐120
CheckpointTimeBonus3010‐100
GameDifficulty51‐10
SpeedMeasurementsMPHMPH,KPH
PlaysForScoreReset100001000‐20000
AutopilotAvailableYesYes,No
Girls(Racer/Crowds)YesYes,No
NameEntryOnOn,Off
You can get this game at www.magic-play.eu
You can get this game at www.magic-play.eu

SNOCROSSMOTIONOPERATOR’SMANUAL
SnocrossTM©2012RawThrills,Inc.AllRightsReserved.XGames:©2012ESPN,Inc..AllrightsReserved.XGames,theXGameslogo,ESPNand
theESPNlogoareallregisteredtrademarksforESPN,Inc
Page21
MainMenu
Utilities
MainMenu
Calibration
You can get this game at www.magic-play.eu
You can get this game at www.magic-play.eu

SNOCROSSMOTIONOPERATOR’SMANUAL
SnocrossTM©2012RawThrills,Inc.AllRightsReserved.XGames:©2012ESPN,Inc..AllrightsReserved.XGames,theXGameslogo,ESPNand
theESPNlogoareallregisteredtrademarksforESPN,Inc
Page22
MainMenu
GameVolume
Adjustgamevolumeduringplaymodeonly.Attractvolumeisadjustedseparately.AutomaticVolume
Synchallowsforalllinkedunitstobeadjustedsimultaneously.
MainMenu
AttractVolume
Adjustattractorstandbyvolumeonly.
You can get this game at www.magic-play.eu
You can get this game at www.magic-play.eu

SNOCROSSMOTIONOPERATOR’SMANUAL
SnocrossTM©2012RawThrills,Inc.AllRightsReserved.XGames:©2012ESPN,Inc..AllrightsReserved.XGames,theXGameslogo,ESPNand
theESPNlogoareallregisteredtrademarksforESPN,Inc
Page23
Maintenance
Hard Drive Recovery
Symptomsrequiringharddriverecoveryinclude
FileTestreportsbadormissingfiles.
Gamefailstofinishloadingduringstartup.
AfterresettingtheACpower,anerrorisreported.
YouarepromptedtoinsertabootDVD.
ErraticGameorAttractMode.
Garbledcharacters
Badauditfiles
Toidentifycorruptfiles,pressTest,chooseSystemTestMenuandruntheCRCCheck.
Theonlywaytorepaircorruptfilesistorecovertheharddrive,asdetailedbelow.
COMPUTER
Thecomputercontainssensitivecomponents,includingaharddrive.Donothandleroughly.Callyourdistributor
beforeservicingitsinternalcomponents.AskaboutwarrantyinformationasitrelatestothePC.
DonotusethePCon/offswitch.TurnACpoweronoroffwiththecabinetpowerswitch.
1. WithgameandPCon,verifythattheRIOboardhaspower.Ifnot,seeTroubleshooting.
2. OpentheCoindoor.
3. OpenthePCDVD‐ROMtraybyreachingbacktothePCandpressingtheOpen/Closebuttonon
thedrivebay.
4. InsertthefirstoftworestoreDVDs(labeledDisc1)intothetray.
5. ClosethetraybypressingtheOpen/Closebuttonagain.
6. TurncabinetpowerswitchtoOFF.Wait30seconds.
7. TurncabinetpowerswitchtoON.
8. RecoverybeginsautomaticallywhenPCbootsup.
9. Ifrecoverydoesnotbegin,checktoensurediscisinsertedcorrectlyandisnotdamaged.
10. Initialsoftwareloadingmaytakeseveralminutes.Checkprogressperiodically.
Donotinterruptpowerorresetthegameduringrecovery.
11. Whensoftwarehasbeenloaded,amessageindicatesthatrestoreiscomplete.Wheninstructed
toremovedisc,openDVD‐ROMdrivetrayandremovedisc.
12. Turncabinetpowerswitchoff.
13. After30seconds,turncabinetpowerswitchon.
14. Gamewillrebootandentercalibrationmode.
15. Re‐calibratecontrols.
You can get this game at www.magic-play.eu
You can get this game at www.magic-play.eu

SNOCROSSMOTIONOPERATOR’SMANUAL
SnocrossTM©2012RawThrills,Inc.AllRightsReserved.XGames:©2012ESPN,Inc..AllrightsReserved.XGames,theXGameslogo,ESPNand
theESPNlogoareallregisteredtrademarksforESPN,Inc
Page24
BIOS Settings/Power Management
NOTICE
ThePCshipswithcorrectBIOSsettings.MakingchangestotheBIOSdifferentfromthedescriptionbelowmay
adverselyaffectgamefunctions.
ThisBIOSsettingletsthePCautomaticallypowerup.Withthesettingenabled,thePCrebootswhenit
detectsACpower.ThiseliminatestheneedtomanuallyturnthePCbackonafterpowerdisruption.
DonotusethePCon/offswitch.TurnACpoweronoroffwiththecabinetpowerswitch.
1. Turncabinetpowerswitchoff.
2. Openrearofcabinet.
3. ConnectaUSBkeyboardtothePC.
4. WhileholdingtheF10keyonthekeyboarddown,turncabinetpowerswitchon.
5. WhentheBIOSmenuscreenappears,makethefollowingadjustments.
(SETTINGSBELOWARESPECIFICTOHP6005PC.PLEASECHECKRAWTHRILLS.COMFORLATEST
INFORMATIONONBIOSSETTINGSANDOTHERTECHNICALUPDATES)
STORAGE => Storage Options => SATA Emulation : "Native Mode IDE"
ADVANCED => Power On Options => After Power Loss : "On"
6. Followinstructionsonscreentosaveandexit.
7. PCwillresetandloadthegame.
You can get this game at www.magic-play.eu
You can get this game at www.magic-play.eu

SNOCROSSMOTIONOPERATOR’SMANUAL
SnocrossTM©2012RawThrills,Inc.AllRightsReserved.XGames:©2012ESPN,Inc..AllrightsReserved.XGames,theXGameslogo,ESPNand
theESPNlogoareallregisteredtrademarksforESPN,Inc
Page25
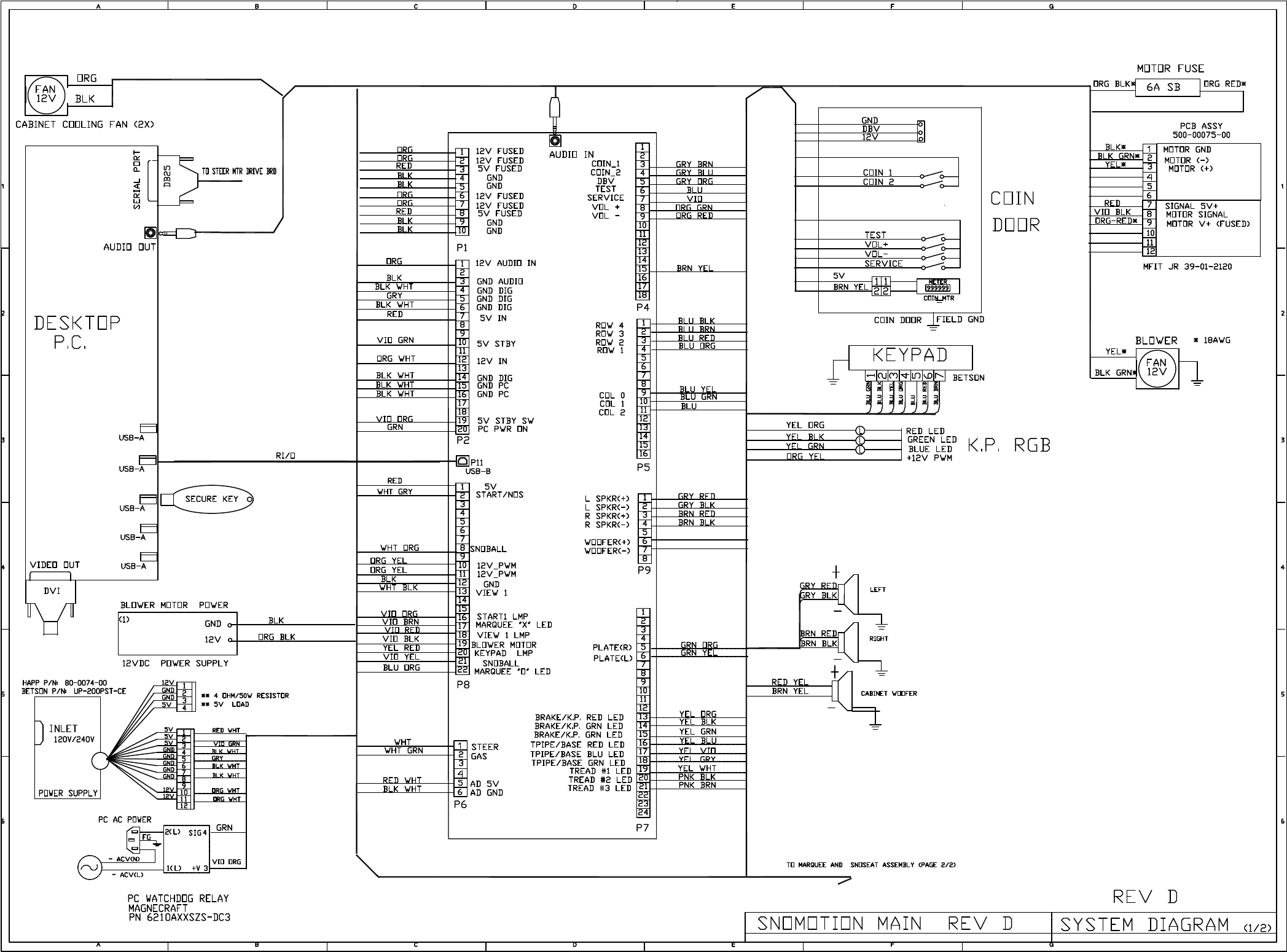
MECHANICALILLUSTRATIONS
AND
ELECTRICALSYSTEMDIAGRAM
You can get this game at www.magic-play.eu
You can get this game at www.magic-play.eu

1
2
3
4
5
6
7
10
9
8
SnoCross Motion Final Assembly
Not Shown:
(1) 600-00982-01 - Rubber Swivel Guard
(10) TP Torx Button Head Machine Screws (10-32 x 1.25"), Black
(10) Flat Washers, #10 Screw, Black
ITEM
NO.
PART NUMBER
DESCRIPTION
QTY.
1
SnoMotion LCD
Cabinet
Assembly
SnoMotion LCD Cabinet
Assembly
1
2
SnoBike T-Base
Assembly
SnoBike T-Base Assembly
1
3
SnoMotion
Snowmobile
Assembly
SnoMotion Snowmobile
Assembly
1
4
SX42 Marquee
Assembly
SX 42" Marquee Assembly
1
5
96075A223
(McMaster-Carr)
Alloy STL Pin-in-Torx Button
Socket Cap Screw 1/4"-20
Thread, 1" Length, Black
8
6
LW (.25 in)
Split Lock Washer, 1/4" Screw
8
7
FW (.25 in)
Flat Washer, 1/4" Screw,
Black
8
8
96075A195
(McMaster-Carr)
Alloy STL Pin-in-Torx Button
Socket Cap Screw 10-32
Thread, 1" Length, Black
2
9
LW (.190 in)
Split Lock Washer, #10 Screw
2
10
FW (.190 in)
Flat Washer, #10 Screw,
Black
2
You can get this game at www.magic-play.eu
You can get this game at www.magic-play.eu

1
24
23 13
10
2
3
4
56 7
8
9
11 12
14
15
16
17
18
19
20
21
22
26
28
29
30
31
32
33
34 353637 38
39
40
41
27
42
43
4445
25
SnoMotion LCD Cabinet Assembly
(BOM on next page)
You can get this game at www.magic-play.eu
You can get this game at www.magic-play.eu

SnoMotion LCD Cabinet Assembly BOM
ITEM NO.
PART NUMBER
DESCRIPTION
QTY.
1
601-00590-01
SX Motion - 42" LCD Cabinet
1
2
820-00012-00
Cooling Fan(standard size): 12VDC, 3W, 80CFM
1
3
800-00001-00
120mm Wire Fan Guard
2
4
91772A206 (McMaster-Carr)
18-8 SS Pan Head Phillips Machine Screw 8-32 Thread, 2-1/4" Length
4
5
90631A009 (McMaster-Carr)
Znc-Pltd Grade 2 STL Nylon-Insert Hex Locknut 8-32 Thread Size, 11/32" Width, 15/64"
Height
4
6
600-00500-01
SB2 - Inner Tunnel Support Bracket
1
7
92865A542 (McMaster-Carr)
Grade 5 Zinc-Plated Steel Hex Head Cap Screw 1/4"-20 Thread, 1" Long, Fully
Threaded
16
8
LW (.25 in)
Split Lock Washer, 1/4" Screw, Black
8
9
FW (.25 in)
Flat Washer, 1/4" Screw, Black
23
10
600-00963-01
Mounting Shelf - Blower Assembly
1
11
93548A544 (McMaster-Carr)
Grade 2 Round Head Square Neck Bolt Zinc-Plated Steel, 1/4"-20 Thread, 1-1/4"
Length, Black
3
12
90675A029 (McMaster-Carr)
Znc-Pltd Stl Machine Screw Nut W/Tooth Washer 1/4"-20 Thrd Sz, 7/16" Nut Width,
3/16" Nut Height
7
13
Blower Mounting Assembly Blower Mounting Assembly
1
14
600-00254-01
Blind Mate Bracket - Female
1
15
213974-1
Blind Mate Housing (Female): 5mm (.197") Centerline, 600 V, 14 A max. (AMP)
1
16
90316A194 (McMaster-Carr)
18-8 SS Hex Washer Head Slotted Machine Screw 8-32 Thread, 1/2" Length
2
17
90675A009 (McMaster-Carr)
Znc-Pltd Stl Machine Screw Nut W/Tooth Washer 8-32 Thread Sz, 11/32" Nut Width,
1/8" Nut Height
2
18
2-1-10-00-00-000
Full Range Speaker: 5.25", 8 Ohm
2
19
90316A197 (McMaster-Carr)
18-8 SS Hex Washer Head Slotted Machine Screw 8-32 Thread, 3/4" Length
6
20
600-00961-01
Mounting Bracket - Bottom Dash
2
21
600-00957-01
Mounting Channel - Dash
1
22
96075A219 (McMaster-Carr)
Alloy STL Pin-in-Torx Button Socket Cap Screw 1/4"-20 Thread, 3/4" Length
11
23
SnoMotion Dash Assembly SnoMotion Dash Assembly
1
24
SnoMotion LCD Assembly SnoMotion LCD Assembly
1
25
BB142045UHD (Stafast)
Joint Connector Bolt: 1/4"-20 Thread, 1-3/4" Length, Hex Drive 4 mm, Black
4
26
800-00005-01
Mid-Width Coin Door Vault (Happ)
1
27
810-00053-01
Test Service Button Assembly
1
28
RIO Hardware Assembly RIO Hardware Assembly
1
29
90054A197 (McMaster-Carr)
Znc-Pltd STL Hex Washer Head Sheet Mtl Screw Slotted, NO. 8 Size, 3/4" Length
25
30
2-1-02-00-00-021
U-San UP-52 Power Supply: 12V/9A
1
31
600-00121-01
Bracket - Power Supply Mounting
1
32
HP6005
(or approved equivalent PC)
1
33
600-00901-01
Bracket - PC Strap Mounting
2
34
601-00580-01
PC Wood Cleat
1
35
91675A333 (McMaster-Carr)
Hex Washer Head Screw for Sheet Metal 410 Stainless Steel, NO. 8 Size, 1-1/4"
Length
2
36
87425K76 (McMaster-Carr)
PC Mounting Nylon Strip: 0.075" Thick, 1" Width, Black (56" Length)
2
37
29705T86 (McMaster-Carr) - female
Plastic Buckle for Webbing NO Sew Squeeze-Release for 1" Wide Webbing
(Female)
2
38
29705T86 (McMaster-Carr) - male
Plastic Buckle for Webbing NO Sew Squeeze-Release for 1" Wide Webbing (Male)
2
39
2-1-02-00-00-017
APS Power Supply (90-AP-188)
1
40
96075A123 (McMaster-Carr)
Alloy STL Pin-in-Torx Button Socket Cap Screw 6-32 Thread, 1" Length, Black
4
41
FW (.138 in)
Flat Washer, #6 Screw, Black
4
42
600-00043-01
Lock Retainer
2
43
150-00001-00
Standard Door Lock
2
44
Hex Nut for Standard Lock Assembly
Hex Nut for 7/8" L Standard Lock
2
45
96075A203 (McMaster-Carr)
Alloy STL Pin-in-Torx Button Socket Cap Screw 10-32 Thread, 1-1/2" Length, Black
8
You can get this game at www.magic-play.eu
You can get this game at www.magic-play.eu

4
5
2
3
1
6
RIO Hardware Assembly
2
1
3
5
4
Blower Mounting Assembly
ITEM NO.
PART NUMBER
DESCRIPTION
QTY.
1
600-00719-01
SX - Blower Bracket
1
2
604-00022-01
Johnson Blower
1
3
90316A194 (McMaster-
Carr)
18-8 SS Hex Washer Head Slotted Machine
Screw 8-32 Thread, 1/2" Length
4
4
603-00591-01
SX - Blow Tube
1
5
600-00975-01
Foam Filter Bag
1
6
800-00038-01
3 inch hose clamp
2
ITEM NO.
PART NUMBER
DESCRIPTION
QTY.
1
600-00513-01
RIO - Mounting Plate Chassis
1
2
500-00040-01
RIO PCB
1
3
90316A192
18-8 SS Hex Washer Head Slotted Machine
Screw 8-32 Thread, 3/8" Length
6
4
7572K16 (McMaster-Carr)
Cable Clamp 3/4", Screw Mount
4
5
91831A009
18-8 Stainless Steel Nylon-Insert Hex Locknut
8-32 Thread Size, 11/32" Width, 15/64" Height
4
You can get this game at www.magic-play.eu
You can get this game at www.magic-play.eu

78
9
432
11
12
6
5
1
10
SnoMotion Keypad Assy
1
3
4
6
5
2
SnoMotion Dash Assembly
ITEM NO.
PART NUMBER
DESCRIPTION
QTY.
1
603-00590-01
Control Panel Dash Plastic
1
2
SnoMotion
Keypad Assy
SnoMotion Keypad Assy
1
3
96075A139
(McMaster-Carr)
Alloy STL Pin-in-Torx Button Socket Cap
Screw 8-32 Thread, 1/2" Length, Black
3
4
600-00912-01
SX - Dash Speaker Grille (2)
2
5
95638A194
Tamper-Resistant Screw for Sheet Metal Pin-
in-Torx, 18-8 SS, Button Head, NO.8 Size, 1/2"
L, Black
10
6
600-00717-01
SX - Hood Scoop Grille
1
7
500-00116-01
SX - 36CM ROB LED "Great Wall" Rope
2
8
600-00633-01
LED Clip (Short)
4
9
600-00570-01
LED Clip
4
10
96075A115
(McMaster-Carr)
Alloy STL Pin-in-Torx Button Socket Cap
Screw 6-32 Thread, 1/2" Length, Black
8
11
606-00756-01
Control Panel Center Decal
1
12
606-00757-01
Control Panel Side Decal
1
ITEM NO.
PART NUMBER
DESCRIPTION
QTY.
1
600-00948-01
Keypad Mounting Bracket
1
2
500-00074-01
SX - 45CM RGB LED Weatherproof Strip Tape
1
3
2-1-14-00-00-000
Keypad (pay phone style)
1
4
91771A108
(McMaster-Carr)
18-8 SS Flat Head Phillips Machine Screw 4-
40 Thread, 3/8" Length
4
5
603-00557-01
SX - Keypad Glow
1
6
91772A151
(McMaster-Carr)
18-8 SS Pan Head Phillips Machine Screw 6-
32 Thread, 3/4" Length
2
You can get this game at www.magic-play.eu
You can get this game at www.magic-play.eu

4
3
21
5
SnoMotion LCD Assembly
ITEM NO.
PART NUMBER
DESCRIPTION
QTY.
1
601-00037-01
42" LCD Frame Assy
1
2
Foam Tape
Black: 1/4"W x 1/8"T x 2"L
2
3
600-00073-01
42" LCD Display Glass (Tempered)
1
4
809-00004-01
42" HD Monitor
1
5
90631A411
(McMaster-Carr)
Znc-Pltd Grade 2 STL Nylon-Insert Hex
Locknut 10-32 Thread Size, 3/8" Width,
15/64" Height
6
You can get this game at www.magic-play.eu
You can get this game at www.magic-play.eu

7
10
9
18
16
15
2
5
20 19
22
1
14
6
811
13
173
4
21
12
SnoBike T-Base Assembly
ITEM NO.
PART NUMBER
DESCRIPTION
QTY.
1
608-00157-01
SX Motion - T-Base Welded Platform
1
2
Faultless-127-2 12R
Faultless Swivel Plate Caster (Series 100) -
2.5" Wheel Diameter, 1 1/8" Tread Width,
Plain Bearing
3
3
LW (.25 in)
Split Lock Washer, 1/4" Screw
12
4
92865A540
Grade 5 Zinc-Plated Steel Hex Head Cap
Screw 1/4"-20 Thread, 3/4" Long, Fully
Threaded
12
5
49-3043-00 (Happ)
Leg Leveler #1/2-13 Thread, 4"Long, Fully
Threaded
4
6
50-2664-22 (Happ)
SX Pivot Assy
1
7
LW (.50)
Split Lock Washer, 1/2" Screw
4
8
92865A712
Grade 5 Zinc-Plated Steel Hex Head Cap
Screw 1/2"-13 Thread, 1" Long, Fully
Threaded
4
9
600-00253-01
Blind Mate Bracket - Male
1
10
213973-1
Blind Mate Housing (Male): 5mm (.197")
Centerline, 600 V, 14 A max. (AMP)
1
11
213283-2
Pin & Socket Hardware Kit, High Durability
Drawer Connector, M4 Thread (AMP)
2
12
93825A120
Class 6 Znc-Pltd Steel Hex Nut W/Tooth
Washer M4 Screw Sz, .7mm Pitch, 7mm
Width, 3.2mm Height
2
13
90675A029
(McMaster-Carr)
Znc-Pltd Stl Machine Screw Nut W/Tooth
Washer 1/4"-20 Thrd Sz, 7/16" Nut Width,
3/16" Nut Height
2
14
603-00019-01
T-Base Corner Guard
4
15
600-01007-01
SX Motion - T-Base Edge Bracket Long
2
16
600-01006-01
SX Motion - T-Base Edge Bracket Short
4
17
96075A139
(McMaster-Carr)
Alloy STL Pin-in-Torx Button Socket Cap
Screw 8-32 Thread, 1/2" Length, Black
28
18
600-00984-01
Tread Plate - Platform
2
19
820-00005-00
Pedestal Seat Lamp
2
20
600-00020-01
T-Base Plexi
1
21
90316A194
(McMaster-Carr)
18-8 SS Hex Washer Head Slotted Machine
Screw 8-32 Thread, 1/2" Length
9
22
606-00783-01
T-Base Caution Decal (small)
4
You can get this game at www.magic-play.eu
You can get this game at www.magic-play.eu

9
10
25
26
28 27
29
24
4
21
22
17
14
1
31
32
2
16
6
7
8
13
12
11
5
15
18
19
20
2330
33
SnoMotion Snowmobile Assembly
(BOM on next page)
You can get this game at www.magic-play.eu
You can get this game at www.magic-play.eu

SnoMotion Snowmobile Assembly BOM
ITEM NO.
PART NUMBER
DESCRIPTION
QTY.
1
603-00602-01
Rotomolded Snowmobile
1
2
602-00002-00
Bike Mounting Bracket - Right
1
3
602-00001-00
Bike Mounting Bracket - Left
1
4
SnoMotion Puck Light
Assembly
SnoMotion Puck Light Assembly
2
5
600-00942-01
Front Vacform Bracket
1
6
92865A583 (McMaster-Carr)
Grade 5 Zinc-Plated Steel Hex Head Cap Screw 5/16"-18 Thread,
1" Long, Fully Threaded
18
7
LW (.313 in)
Split Lock Washer, 5/16" Screw
18
8
FW (.313 in)
Flat Washer, 5/16" Screw
18
9
96-1301-00
SnoMotion Handlebar Assembly
1
10
SnoMotion Fairing Assembly SnoMotion Fairing Assembly
1
11
96075A223 (McMaster-Carr)
Alloy STL Pin-in-Torx Button Socket Cap Screw 1/4"-20 Thread, 1"
Length, Black
32
12
LW (.25 in)
Split Lock Washer, 1/4" Screw
38
13
FW (.25 in)
Flat Washer, 1/4" Screw, Black
38
14
SnoMotion Track Light
Assembly
SnoMotion Track Light Assembly
1
15
92865A542 (McMaster-Carr)
Grade 5 Zinc-Plated Steel Hex Head Cap Screw 1/4"-20 Thread, 1"
Long, Fully Threaded
6
16
SnoMotion Radiator Woofer
Assembly
SnoMotion Radiator Woofer Assembly
1
17
SnoMotion Tailglow Assembly SnoMotion Tailglow Assembly
1
18
96075A139 (McMaster-Carr)
Alloy STL Pin-in-Torx Button Socket Cap Screw 8-32 Thread, 1/2"
Length, Black
4
19
FW (.164)
Flat Washer, #8 Screw, Black
6
20 TP-Torx-SMS-8x.50
Tamper-Resistant Screw for Sheet Metal Pin-in-Torx, 18-8 SS, Button
Head, NO.8 Size, 1/2" L, Black
6
21
608-00154-01
SnoMotion Tailpipe
2
22
Exhaust Tip Assembly Exhaust Tip Assembly
2
23
TP-Torx-FH-MS-6-32x.375
18-8 SS Tamper-Resist Flat Head Machine Screw Pin-in-Torx, 6-32
Thread, 3/8" Length, Black
4
24
603-00587-01
SnoMotion Cover Skirt Plastic - Right
1
25
600-00941-01
Side Skirt Grille
2
26
606-00764-01
Shock Decal
2
27
606-00765-01
Right Mech Decal
1
28
606-00762-01
Right Accent Decal
1
29
606-00760-01
Right Frame Decal
1
30
603-00588-01
SnoMotion Cover Skirt Plastic - Left
1
31
606-00766-01
Left Mech Decal
1
32
606-00763-01
Left Accent Decal
1
33
606-00761-01
Left Frame Decal
1
You can get this game at www.magic-play.eu
You can get this game at www.magic-play.eu

1
2
3
4
5
SnoMotion Puck Light Assembly
1
2
3
4
Exhaust Tip Assembly
1
23
4
5
SnoMotion Radiator Woofer Assembly
ITEM NO.
PART NUMBER
DESCRIPTION
QTY.
1
600-00958-01
Radiator - 8" Woofer
1
2
601-00592-01
8" Woofer Panel - Spacer
1
3
96075A139 (McMaster-
Carr)
Alloy STL Pin-in-Torx Button Socket Cap
Screw 8-32 Thread, 1/2" Length, Black
4
4
2-1-18-00-00-000
8” Woofer, 4 Ohm, Poly-Mica Cone
1
5
90316A196 (McMaster-
Carr)
18-8 SS Hex Washer Head Slotted Machine
Screw 8-32 Thread, 5/8" Length
4
ITEM NO.
PART NUMBER
DESCRIPTION
QTY.
1
600-00939-01
Puck Light Bracket
1
2
500-00084-02
Blue LED Spotlight PCB
1
3
90272A191 (McMaster-
Carr)
Zinc-Pltd STL Pan Head Phillips Machine
Screw 8-32 Thread, 5/16" Length
2
4
90631A009 (McMaster-
Carr)
Znc-Pltd Grade 2 STL Nylon-Insert Hex
Locknut 8-32 Thread Size, 11/32" Width,
15/64" Height
2
ITEM NO.
PART NUMBER
DESCRIPTION
QTY.
1
603-00005-01
Tail Pipe Cap
1
2
500-00111-01
SX - 21CM ROB LED "Great Wall" Rope
1
3
600-00951-01
Exhaust Cap Bracket
1
4
90316A165 (McMaster-
Carr)
18-8 SS Hex Washer Head Slotted Machine
Screw 6-32 Thread, 3/8" Length
2
5
606-00773-01
Tail Cap Decal
1
You can get this game at www.magic-play.eu
You can get this game at www.magic-play.eu

9
4
2
6
3
111
10
8
7
5
SnoMotion Track Light Assembly
ITEM NO.
PART NUMBER
DESCRIPTION
QTY.
1
600-00937-01
SnoMotion Track Plate
1
2
603-00543-01
5-Hole Tread Plastic
3
3
603-00544-01
4-Hole Tread Plastic
3
4
500-00071-01
SX - 24CM Blue LED "Great Wall" Rope
6
5
96075A139 (McMaster-
Carr)
Alloy STL Pin-in-Torx Button Socket Cap
Screw 8-32 Thread, 1/2" Length, Black
12
6
601-00595-01
SnoMotion - Tread Light Mount Panel
1
7
TP-Torx-MS-.25-20x1.75
Alloy STL Pin-in-Torx Button Socket Cap
Screw 1/4"-20 Thread, 1.75" Length, Black
6
8
LW (.25 in)
Split Lock Washer, 1/4" Screw
8
9
600-00936-01
Track Frame Weldment
1
10
606-00614-01
Track Plate Decal
1
11
96075A219 (McMaster-
Carr)
Alloy STL Pin-in-Torx Button Socket Cap
Screw 1/4"-20 Thread, 3/4" Length
2
You can get this game at www.magic-play.eu
You can get this game at www.magic-play.eu

7
6
5
1
8
4
32
9
SnoMotion Tailglow Assembly
ITEM NO.
PART NUMBER
DESCRIPTION
QTY.
1
600-00943-01
SnoMotion - Tail Light Bracket
1
2
500-00113-01
15CM RGB LED Weatherproof Strip Tape
1
3
603-00594-01
SnoMotion - Taillight Top/Bottom Plate
2
4
603-00595-01
SnoMotion - Taillight Middle Plate
1
5
603-00589-01
Tailglow Housing Plastic
1
6
96075A139 (McMaster-
Carr)
Alloy STL Pin-in-Torx Button Socket Cap
Screw 8-32 Thread, 1/2" Length, Black
2
7
FW (.164)
Flat Washer, #8 Screw, Black
4
8
96075A155 (McMaster-
Carr)
Alloy STL Pin-in-Torx Button Socket Cap
Screw 8-32 Thread, 1-1/2" Length, Black
2
9
606-00767-01
Tail Light Cover Decal
1
You can get this game at www.magic-play.eu
You can get this game at www.magic-play.eu

4
8
6
5
7
3
1
2
SnoMotion Fairing Assembly
ITEM NO.
PART NUMBER
DESCRIPTION
QTY.
1
603-00605-01
SnoMotion Fairing
1
2
702-00036-00
Blue X-Button/Gold sw/6V LED
1
3
702-00040-00
Small Oval Button/White w "VIEW"/Gold
sw/6V LED
1
4
702-00039-00
Small Oval Button/Red w "SnoBall"/Gold
sw/6V LED
1
5
606-00758-01
Fairing Speedo Decal
1
6
606-00759-01
Fairing Button Decal
1
7
606-00772-01
Fairing Right Decal
1
8
606-00771-01
Fairing Left Decal
1
You can get this game at www.magic-play.eu
You can get this game at www.magic-play.eu

12
10
11
2
1
23
7
3
4
14
15
1821
22
20
17
16
5
6
9
8
13
19
25
24
SX 42" Marquee Assembly
(BOM on next page)
You can get this game at www.magic-play.eu
You can get this game at www.magic-play.eu

SX 42" Marquee Assembly BOM
ITEM NO.
PART NUMBER
DESCRIPTION
QTY.
1
601-00601-01
SX - 42" Marquee Back Board
1
2
500-00093-01
10CM White LED Strip Tape
8
3
500-00115-01
20CM White LED Weatherproof Strip Tape
5
4
500-00112-01
30CM White LED Weatherproof Strip Tape
2
5
500-00064-01
White LED PCB - Black Face
1
6
90316A829 (McMaster-Carr)
18-8 SS Hex Washer Head Slotted Machine Screw 10-32 Thread,
1/2" Length
2
7
600-00950-01
SX-42 Marquee Board Bracket
1
8
96075A219 (McMaster-Carr)
Alloy STL Pin-in-Torx Button Socket Cap Screw 1/4"-20 Thread, 3/4"
Length
12
9
LW (.25 in)
Split Lock Washer, 1/4" Screw
12
10
FW (.25 in)
Flat Washer, 1/4" Screw, Black
12
11
500-00091-01
130CM Blue LED Strip Tape
1
12
603-00581-01
SX - Marquee Acrylic "X"
1
13
600-00997-01
0.75" SLEEVE
12
14
606-00744-01
SX - Marquee Center PETG
1
15
BH-Socket-MS-10-32x1.75
18-8 SS Button Head Socket Cap Screw 10-32 Thread, 1-3/4"
Length, Black
12
16
600-00954-01
2" SLEEVE
6
17
606-00746-01
SX - Snowmobile Left PETG
1
18
606-00747-01
SX - Snowmobile Right PETG
1
19
BH-Socket-MS-10-32x2.50
18-8 SS Button Head Socket Cap Screw 10-32 Thread, 2-1/2"
Length, Black
6
20
600-01001-01
2.50" SLEEVE
6
21
606-00745-01
SX - Marquee Snocross PETG
1
22
BH-Socket-MS-10-32x3
18-8 SS Button Head Socket Cap Screw 10-32 Thread, 3" Length,
Black
6
23
603-00598-01
SX - Marquee Back Cover
1
24
96075A187 (McMaster-Carr)
Alloy STL Pin-in-Torx Button Socket Cap Screw 10-32 Thread, 1/2"
Length, Black
7
25
96075A191 (McMaster-Carr)
Alloy STL Pin-in-Torx Button Socket Cap Screw 10-32 Thread, 3/4"
Length, Black
2
You can get this game at www.magic-play.eu
You can get this game at www.magic-play.eu

You can get this game at www.magic-play.eu
You can get this game at www.magic-play.eu

You can get this game at www.magic-play.eu
You can get this game at www.magic-play.eu

For Parts or Service contact your local Distributor or:
Betson Enterprises
303 Paterson Plank Road
Carlstadt, New Jersey
Main Phone: (201) 438-1300
Toll Free Phone: (800) 524-2343
Part Phone: (800) 828-2048
CAUTION:
The specifications of this product are subject to change without notice for reasons such
as performance.
The content of this game, its main devices and design are protected under each federal
law concerning patent, copyright and other intellectual properties.
Unauthorized reproduction of this document or any of its contents is strictly forbidden.
Visit www.Rawthrills.com for the latest technical information.
You can get this game at www.magic-play.eu
You can get this game at www.magic-play.eu