ENTERMEDIA ED11KRM Digital 2.4 GHz Data Transmitter User Manual USER Manual

ENTERTECH CO., LTD. Digital 2.4 GHz Data Transmitter USER Manual

Users Manual

   USER Manual  of  2.4 GHz Transceiver Module (ED11K-RM)                 ENTER TECH CO., LTD.
  FCC Operation Guide      This device complies with part 15 of the FCC Rules.  Operation  is subject to the following two conditions:    (1) This device may not cause harmful interference, and    (2) This device must accept any interference received,    including interference that may cause undesired operation.     FCC Compliance Statement    This equipment has been tested and found to comply with the limits for  a Class B digital device, pursuant to part 15 of the FCC Rules.   These limits are designed to provide reasonable protection against harmful interference in a residential installation. This equipment generates, uses and can radiate radio frequency energy and, if not installed and used in accordance with the instructions, may cause harmful interference to radio communications. However, there is no guarantee that interference will not occur in a particular installation.   If this equipment does cause harmful interference to radio or television reception, which can be determined by turning the equipment off and on, the user is encouraged to try to correct the interference by one or more of the following measures:   - Reorient or relocate the receiving antenna.  - Increase the separation between the equipment and receiver.  - Connect the equipment into an outlet on a circuit different from that to which the receiver is connected.  - Consult the dealer or an experienced radio/TV technician for help.    RF exposure statement  The antenna(s) used for this transmitter must be installed to provide a separation distance of at least 20 cm from all persons and must not be co-located or operating in conjunction with any other antenna or transmitter.     Any changes or modifications to the equipment not  expressly approved by the party responsible for compliance could void user’s authority to operate the equipment.
  End Product Labeling This transmitter module is authorized only for use in devices where the antenna may be installed such that 20 cm may be maintained between the antenna and users. The final end product must be labeled in visible area with the following: "Contains TX FCC ID: PBNED11KRM "   End Product Manual Information The user manual for end users must include the following information in a prominent location:    "IMPORTANT NOTE: To comply with FCC RF exposure compliance requirements, the antenna used for this transmitter must be installed to provide a separation distance of at least 20cm from all persons and must not be co-located or operating in conjunction with any other antenna or transmitter."   IMPORTANT NOTE: FCC Radiation Exposure Statement: This equipment complies with FCC radiation exposure limits set forth for an uncontrolled environment.   End users must follow the specific operating instructions for satisfying RF exposure compliance.   This device is intended only form OEM integrators under the following conditions: 1. The antenna must be installed such that 20cm is maintained between the antenna and users, and 2. The transmitter module may not be co-located with any other transmitter or antenna.   IMPORTANT NOTE: In the event that these conditions can not be met (for example certain portable configurations or co-location with another transmitter), then the FCC authorization is no longer considered valid and the FCC ID can not be used on the final product. In these circumstances, the OEM integrator will be responsible for re-evaluating the end product (including the transmitter) and obtaining a separate FCC authorization.
  1. General Description  The ED11K-RM joined to the Test-Jig is a transceiver module.     It transmits   analog audio signal input by RF modem with an integrated A/D Converter supports  16 bits and 24 kHz sampling rates. This module contains RF modem supports 2.4GHz ISM BAND. This module can select one channel out of 79 channels with pairing address so that it distinguishes one from another.  This channel must be equal to pairing address of the ED11K-TM, a receiver module.  Be sure to use this module with ED11K-TM together for normal mode operation. The main usage of this module is for CLP(Cordless Phone), Wireless MIC, Wireless  Serial Port and so on.  2. Module Block Diagram U3Stereo D/A converter(CS4340)RF Transceiver Module(RX)ANTCE /CSCLK / DATAU22.4G Transciever(nRF-2401)U1Wireless ModemCPU(Retaw-04)XTAL12.288MHzXTAL16MHz DA DATADATAOUTCLKLink CH1Link CH2UARTInterfaceTX RXUartDATA T/RModeU4DropRegulator(NJM2882)
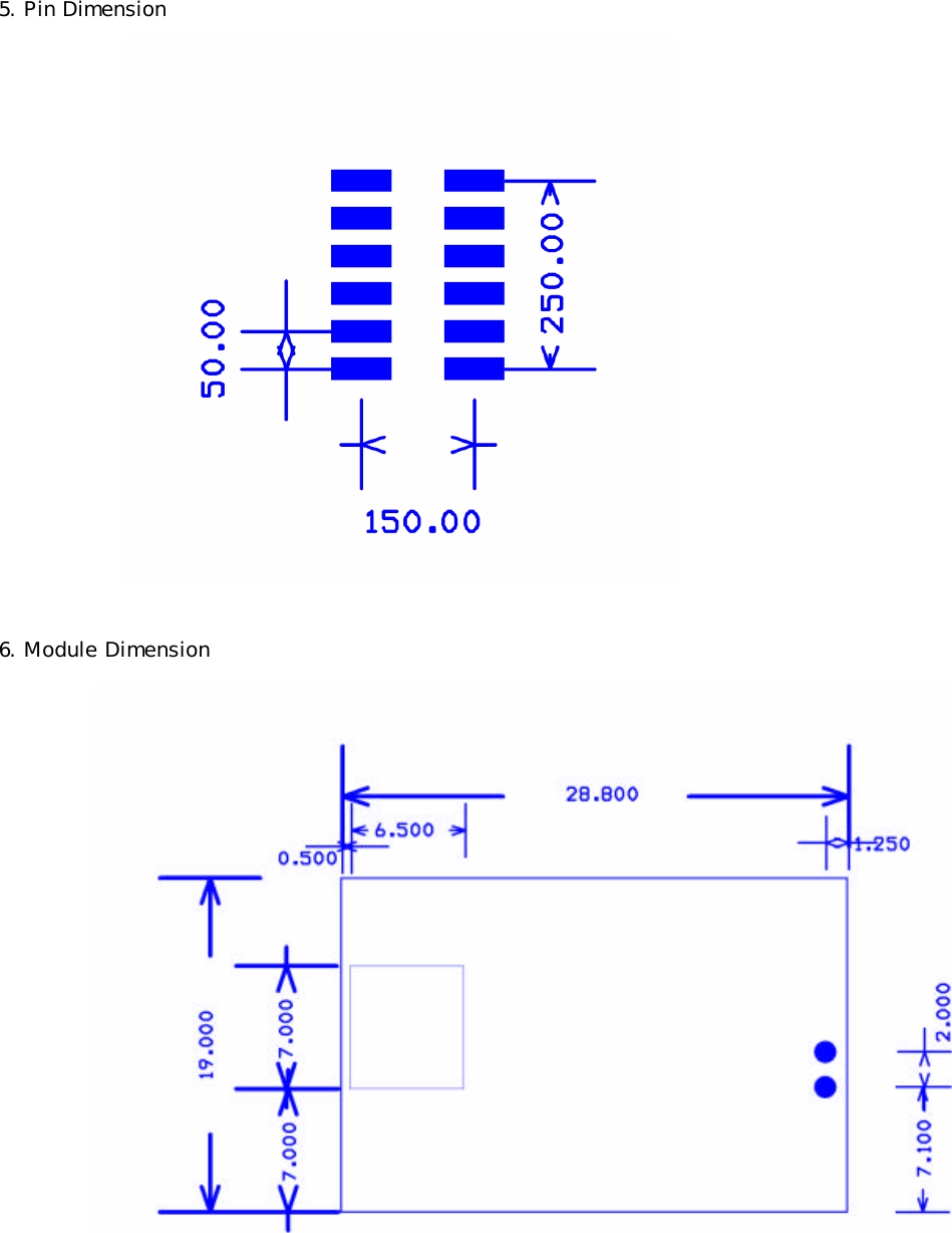
 3. Pin Assign    4. Pin Description   PIN Pin Function Description 1 UART Main Digital Data OUT 2 T/R Mode Not used 3 DN RXD Program Download 4 Audio OUT Left Analog Audio out (stereo Left) 5 Link Channel 1 Channel1 Link Out(used LED) 6 Link Channel 2 Channel2 Link Out(used LED) 7 VCC DC3.3V 8 GND GND 9 Audio OUT Right Analog Audio out (stereo Left) 10 GND GND 11 GND GND 12 BOOT Low : Program Download Mode  High : Not Program Download Mode     1      12 2      11 3      10  4       9  5       8 6       7
 5. Pin Dimension   6. Module Dimension

Navigation menu