ENTERMEDIA ED11KRM Digital 2.4 GHz Data Transmitter User Manual USER Manual
ENTERTECH CO., LTD. Digital 2.4 GHz Data Transmitter USER Manual
Users Manual

USER Manual
of
2.4 GHz Transceiver Module (ED11K-RM)
ENTER TECH CO., LTD.

FCC Operation Guide
This device complies with part 15 of the FCC Rules. Operation
is subject to the following two conditions:
(1) This device may not cause harmful interference, and
(2) This device must accept any interference received,
including interference that may cause undesired operation.
FCC Compliance Statement
This equipment has been tested and found to comply with the limits for a Class B digital
device, pursuant to part 15 of the FCC Rules. These limits are designed to provide
reasonable protection against harmful interference in a residential installation.
This equipment generates, uses and can radiate radio frequency energy and, if not installed and
used in accordance with the instructions, may cause harmful interference to radio
communications. However, there is no guarantee that interference will not occur in a particular
installation. If this equipment does cause harmful interference to radio or television reception,
which can be determined by turning the equipment off and on, the user is encouraged to try to
correct the interference by one or more of the following measures:
- Reorient or relocate the receiving antenna.
- Increase the separation between the equipment and receiver.
- Connect the equipment into an outlet on a circuit different from that to which the receiver is
connected.
- Consult the dealer or an experienced radio/TV technician for help.
RF exposure statement
The antenna(s) used for this transmitter must be installed to provide a separation distance of
at least 20 cm from all persons and must not be co-located or operating in conjunction with any
other antenna or transmitter.
Any changes or modifications to the equipment not
expressly approved by the party responsible for compliance
could void user’s authority to operate the equipment.
End Product Labeling
This transmitter module is authorized only for use in devices where the antenna may be
installed such that 20 cm may be maintained between the antenna and users. The final end
product must be labeled in visible area with the following:
"Contains TX FCC ID: PBNED11KRM "
End Product Manual Information
The user manual for end users must include the following information in a prominent location:
"IMPORTANT NOTE:
To comply with FCC RF exposure compliance requirements, the antenna used for this
transmitter must be installed to provide a separation distance of at least 20cm from all persons
and must not be co-located or operating in conjunction with any other antenna or transmitter."
IMPORTANT NOTE:
FCC Radiation Exposure Statement:
This equipment complies with FCC radiation exposure limits set forth for an uncontrolled
environment. End users must follow the specific operating instructions for satisfying RF
exposure compliance.
This device is intended only form OEM integrators under the following conditions:
1. The antenna must be installed such that 20cm is maintained between the antenna and users,
and
2. The transmitter module may not be co-located with any other transmitter or antenna.
IMPORTANT NOTE: In the event that these conditions can not be met (for example
certain portable configurations or co-location with another transmitter), then the FCC
authorization is no longer considered valid and the FCC ID can not be used on the final product.
In these circumstances, the OEM integrator will be responsible for re-evaluating the
end product (including the transmitter) and obtaining a separate FCC authorization.

1. General Description
The ED11K-RM joined to the Test-Jig is a transceiver module. It transmits
analog audio signal input by RF modem with an integrated A/D Converter supports
16 bits and 24 kHz sampling rates.
This module contains RF modem supports 2.4GHz ISM BAND.
This module can select one channel out of 79 channels with pairing address so that it
distinguishes one from another. This channel must be equal to pairing address of the
ED11K-TM, a receiver module. Be sure to use this module with ED11K-TM together for
normal mode operation.
The main usage of this module is for CLP(Cordless Phone), Wireless MIC, Wireless
Serial Port and so on.
2. Module Block Diagram
U3
Stereo
D/A converter
(CS4340)
RF Transceiver Module(RX)
ANT
CE /CS
CLK / DATA
U2
2.4G Transciever
(nRF-2401)
U1
Wireless Modem
CPU
(Retaw-04)
XTAL
12.288MHz
XTAL
16MHz DA
DATA
DATA
OUT
CLK
Link CH1
Link CH2
UART
Interface
TX RX
Uart
DATA T/R
Mode
U4
Drop
Regulator
(NJM2882)

3. Pin Assign
4. Pin Description
PIN Pin Function Description
1 UART Main Digital Data OUT
2 T/R Mode Not used
3 DN RXD Program Download
4 Audio OUT Left Analog Audio out (stereo Left)
5 Link Channel 1 Channel1 Link Out(used LED)
6 Link Channel 2 Channel2 Link Out(used LED)
7 VCC DC3.3V
8 GND GND
9 Audio OUT Right Analog Audio out (stereo Left)
10 GND GND
11 GND GND
12 BOOT Low : Program Download Mode
High : Not Program Download Mode
1 12
2 11
3 10
4 9
5 8
6 7

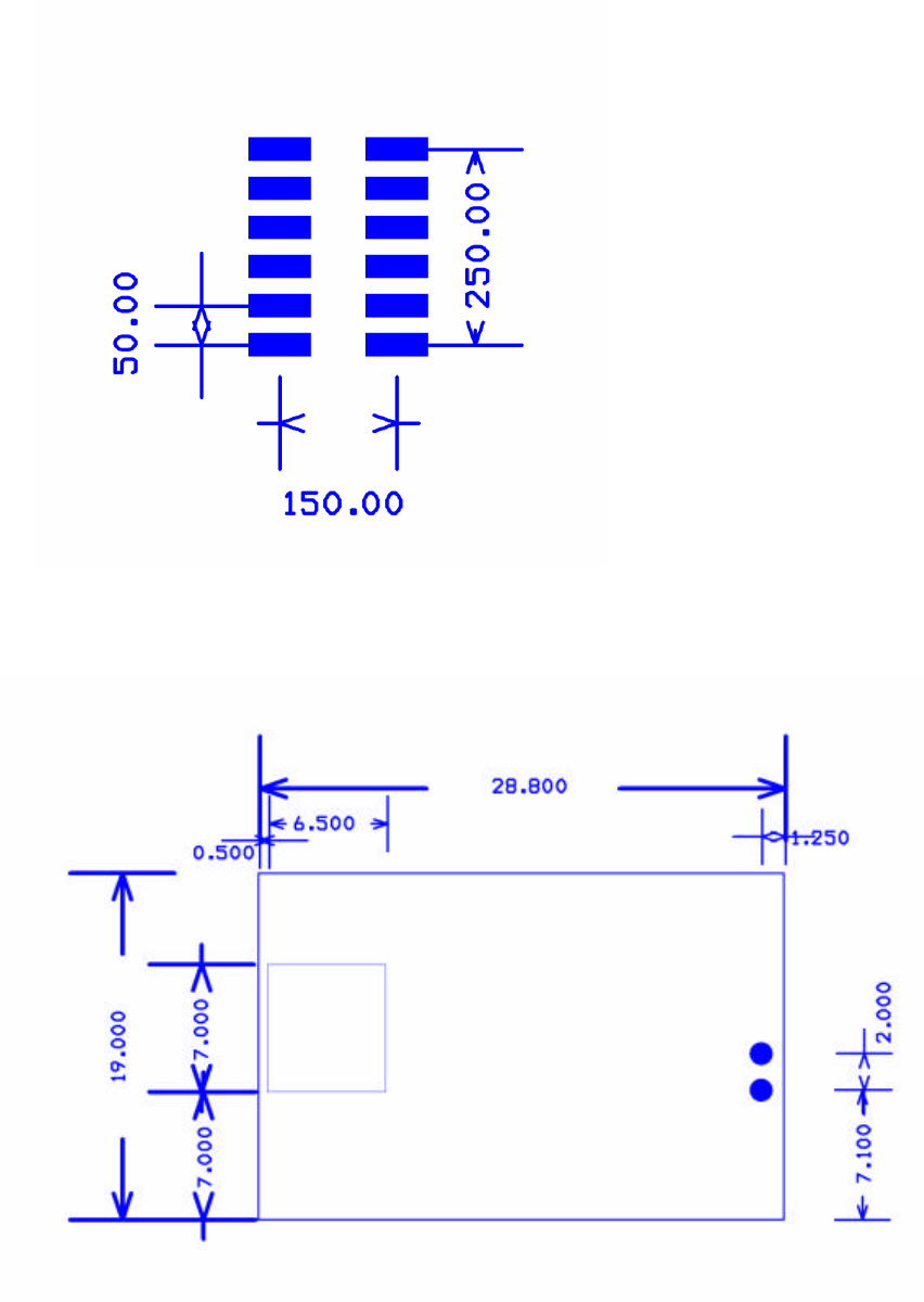
5. Pin Dimension
6. Module Dimension