EUROTECH MRG101003 REGATE 10-10-XX User Manual ReliaGATE 10 10

EUROTECH SpA REGATE 10-10-XX ReliaGATE 10 10

User Manual

   ReliaGATE 10-10  Mini Gateway USER MANUAL Rev 1.5 – 2 April 2014 – REGATE-10-10_UsrMan_EN_1.5
 © 2014 Eurotech  Trademarks All trademarks both marked and unmarked appearing in this document are the property of their respective owners.     Revision history  Revision Description Date 1.5  First release  2 April 2014
ReliaGATE 10-10 User Manual Table of contents   3 REGATE-10-10_UsrMan_EN_1.5  Table of contents Trademarks .................................................................................................................................................................. 2 Revision history ........................................................................................................................................................... 2 Table of contents .......................................................................................................................................................... 3 Important user information .......................................................................................................................................... 5 Alerts that can be found throughout this manual ......................................................................................................... 5 Safety notices and warnings ........................................................................................................................................ 6 Do not operate in an explosive atmosphere .......................................................................................................... 6 Antistatic precautions ............................................................................................................................................. 6 Connection to power supply or other devices ........................................................................................................ 6 Installation .............................................................................................................................................................. 7 Ventilation............................................................................................................................................................... 7 Maintenance ........................................................................................................................................................... 7 Cleaning ................................................................................................................................................................. 7 Life support policy ........................................................................................................................................................ 8 Warranty ...................................................................................................................................................................... 8 CE and R&TTE compliance ......................................................................................................................................... 8 FCC information and compliance ................................................................................................................................ 9 WEEE .......................................................................................................................................................................... 9 REACH ........................................................................................................................................................................ 9 Technical assistance ................................................................................................................................................. 10 Transportation ...................................................................................................................................................... 10 Label location .............................................................................................................................................................. 11 Product overview ........................................................................................................................................................ 12 Product interfaces ....................................................................................................................................................... 13 Product specifications ................................................................................................................................................ 14 Make the connections ................................................................................................................................................. 15 Screw-type connector pinout ............................................................................................................................... 15 Perform the Boot Sequence ....................................................................................................................................... 16 Logging in .................................................................................................................................................................... 16 Hardware features ....................................................................................................................................................... 17 ReliaGATE 10-10 block diagram ............................................................................................................................... 17 AM335x processor ..................................................................................................................................................... 18 Real time clock .......................................................................................................................................................... 18 Watchdog timer.......................................................................................................................................................... 19 Memory ...................................................................................................................................................................... 19 Telit HE910-EUD ....................................................................................................................................................... 20 Telit HE910-NAD ....................................................................................................................................................... 20 SIMcom SIM900 ........................................................................................................................................................ 20 USB ........................................................................................................................................................................... 21 Ethernet ..................................................................................................................................................................... 21 Wi-Fi .......................................................................................................................................................................... 21 CAN Bus .................................................................................................................................................................... 21 Serial COM ports ....................................................................................................................................................... 22 General purpose I/O .................................................................................................................................................. 22 Relays .................................................................................................................................................................. 22
Table of contents ReliaGATE 10-10 User Manual   4 REGATE-10-10_UsrMan_EN_1.5  Optoinsulated inputs ............................................................................................................................................ 22 Bluetooth .................................................................................................................................................................... 23 Example of connections ............................................................................................................................................. 24 LED indicators ............................................................................................................................................................. 25 Embedded Linux ......................................................................................................................................................... 26 Developing applications ............................................................................................................................................. 26 Installing the downloaded toolchain archive .............................................................................................................. 26 Appendix A - Reference information ......................................................................................................................... 27 Product information ................................................................................................................................................... 27 SDIO card information ............................................................................................................................................... 27 USB information......................................................................................................................................................... 27 Texas Instruments ..................................................................................................................................................... 27 Notes ............................................................................................................................................................................ 29
ReliaGATE 10-10 User Manual Important user information   5 REGATE-10-10_UsrMan_EN_1.5  Important user information Carefully read and understand the instructions in this manual before using this device. Whenever you have any doubt regarding the operation of this device, consult this manual or contact your local Eurotech Technical Support Team (see the last page of this manual for details). Keep this manual for future reference.  To lower the risk of personal injury, electric shock, fire or damage to equipment, observe the following precautions, as well as using good technical judgment, whenever installing or using the device.  Eurotech has made every effort to ensure the accuracy of this document; however, Eurotech assumes no liability resulting from any error/omission in this document, or from the use of the information contained herein. Eurotech reserves the right to revise this document or to make changes to its content at any time without any obligation to notify any person of such revision or changes. Alerts that can be found throughout this manual  SYMBOL MEANING   DANGER! Information highlighting potential electrical shock hazards: • Personal injury or death could occur. • Damage to the system, connected peripheral devices, or software could occur.  Always use appropriate safety precautions. Also ensure that the installation meets all the requirements as set out for the environment that the equipment will be deployed in.    WARNING! Information highlighting potential hazards: • Personal injury or death could occur. • Damage to the system, connected peripheral devices, or software could occur.  Always use appropriate safety precautions. Also ensure that the installation meets all the requirements as set out for the environment that the equipment will be deployed in.     NOTE These will highlight important features or instructions.
Important user information ReliaGATE 10-10 User Manual   6 REGATE-10-10_UsrMan_EN_1.5  Safety notices and warnings Observe the following safety precautions during all phases of operation, service, and repair of the device. Failure to comply with these precautions or with specific warnings elsewhere in this manual violates safety standards of design, manufacture, and intended use of the device.  Eurotech assumes no liability for the customer’s failure to comply with these requirements. The safety precautions listed below represent warnings of certain dangers of which Eurotech is aware. You, as the user of the device, should follow these warnings and all other safety precautions necessary for the safe operation of the device in your operating environment.  Do not operate in an explosive atmosphere    WARNING! Do not operate the equipment in the presence of flammable gases or fumes. Operation of any electrical equipment in such an environment constitutes a definite safety hazard.   Antistatic precautions    WARNING! To avoid ESD (Electro Static Discharge) damage, always use appropriate antistatic precautions when handing any electronic equipment.  Connection to power supply or other devices     DANGER! Before applying power to the system, thoroughly review all installation, operation, and safety instructions. Failure to install the system power supply correctly or to follow all operating instructions correctly may create an electrical shock hazard, which can result in personal injury or loss of life, and/or damage to equipment or other property   • To avoid injuries, always disconnect power and discharge circuits before touching them. • Only start the device with a power supply that meets the requirements stated on the voltage label. In case of uncertainties about the required power supply, please contact the Eurotech Technical Support Team or the electricity authority • Before connecting other equipment carefully read any supplied instructions • Always disconnect the power before connecting or disconnecting cables • Do not perform connections with wet hands • Check any power cords for damage before use • Use certified power cables. The power cable must meet the requirements (voltage and current) of the device. • Position cables with care. Avoid positioning cables in places where they may be trampled on or compressed by objects placed on them. Take particular care of the plug, power-point and outlet of power cable • Avoid overcharging any power outlets • Only apply power to the device or connected equipment after checking that all the above conditions have been met
ReliaGATE 10-10 User Manual Important user information   7 REGATE-10-10_UsrMan_EN_1.5  Installation  WARNING! • Verify that the mounting location can withstand the added loads caused by the addition of the device, it should be firmly secured so that it will not cause any potentially hazardous situations (e.g. falling down due to vibration or shock) • Do not operate the device near heat sources or flames.    NOTE: If the device must be moved from one place to another with different ambient temperatures, ensure sufficient time for the temperature of the device to stabilize before repowering.   Ventilation  WARNING! Ensure adequate ventilation to avoid overheating, Eurotech suggests the following steps: • When installing the device within a cabinet, rack or other enclosed space, be sure to leave sufficient space to allow adequate air circulation • Do not block any ventilation openings   Maintenance     DANGER! • Never open, dismantle or repair the device! • For your maintenance or repair requirement please contact a qualified Eurotech engineer.  If the device does not function correctly and you are unable to find a solution, feel free to contact the Eurotech Technical Support Team.    If the equipment does not work properly, especially if it smells unusual, unplug it immediately and contact the Eurotech Technical Support Team (see last page of this manual for further details).   Cleaning  WARNING! When cleaning the device, remember to: • Ensure sufficient ESD protection during the cleaning process • Remove any power from the device • When cleaning an enclosed system or peripheral use a dry cloth on the external casing • With single boards, use only a low power air brush or soft bristled paintbrush  • Do not use detergents, aerosol sprays, solvents or abrasive sponges
Important user information ReliaGATE 10-10 User Manual   8 REGATE-10-10_UsrMan_EN_1.5  Life support policy     WARNING! Do not use Eurotech products as critical components of life support devices or systems without the express written approval of Eurotech Spa. Warranty Please contact your local Eurotech Sales Office for detailed warranty terms and conditions. See the last page of this manual for further details. CE and R&TTE compliance This product is CE marked. The CE mark on the product indicates that it conforms to the essential requirements of the applicable EC directives. Eurotech is not responsible for the use of its products together with equipment (e.g. power supplies, personal computers, etc...) that are not CE marked and compliant with technical requirements specified in this manual.    This product also meets the essential requirements and other relevant provisions of Directive 1999/5/EC. This product is designed to work in the following Member States and other countries using the R&TTE Directive: Austria, Belgium, Bulgaria, Cyprus, Czech Republic, Denmark, Estonia, Finland, France, Germany, Greece, Hungary, Iceland, Ireland, Italy, Latvia, Lithuania, Luxembourg, Malta, Netherlands, Norway, Poland, Portugal, Romania, Slovakia, Slovenia, Spain, Sweden, Switzerland, Turkey and the United Kingdom.  Laws may change over time. Eurotech advises to check with local authorities for changes / updates.     WARNING! if you are not sure of your national regulations, please see: • http://ec.europa.eu/enterprise/sectors/rtte/index_en.htm
ReliaGATE 10-10 User Manual Important user information   9 REGATE-10-10_UsrMan_EN_1.5  FCC information and compliance This  equipment complies with part 15 of the FCC Rules. Operation is subject to the following two conditions: (1) This device may not cause harmful interference, and (2) this device must accept any interference received, including interference that may cause undesired operation.  This device complies with part 15.21 of FCC  Rules. Therefore any modifications of the device are not authorized.  The ReliaGATE 10-10 is available in several versions identified by the code REGATE-10-10-xx, where the “xx” suffix specifies the version (for further information refer to Product specifications on page 14).  The FCC ID of the REGATE-10-10-xx is: UKM MRG101003.  In the REGATE-10-10-xx: • If xx = 03  REGATE-10-10-03 contains:  3G US module having FCCID: RI7HE910NA  Wi-Fi module; • If xx = 01  REGATE-10-10-01 contains:  Wi-Fi module;  WEEE The information below complies with the regulations set out in the 2002/96/EC directive, subsequently superseded by 2003/108/EC. It refers electrical and electronic equipment and the waste management of such products. When disposing of a device, including all of its components, subassemblies and materials that are an integral part of the product, you should consider the WEEE directive. The use of the following symbol, attached to the equipment, packaging, instruction literature, or the guarantee sheet, states that the device has been marketed after August 13th 2005, and implies that you must separate all of its components when possible, and dispose of them in accordance with local waste disposal legislations:  • Because of the substances present in the equipment, improper use or disposal of the refuse can cause damage to human health and the environment. • With reference to WEEE, it is compulsory not to dispose of the equipment with normal urban refuse; an arrangement for separate collection and disposal is essential. • To avoid any possible legal implications contact your local waste collection body for full recycling information. REACH This device is compliant with the regulation (EC) No 1907/2006 of the European parliament and of the Council of 18 December 2006 concerning the Registration, Evaluation, Authorisation and Restriction of Chemicals (REACH).
Important user information ReliaGATE 10-10 User Manual   10 REGATE-10-10_UsrMan_EN_1.5  Technical assistance For any technical questions, or if you cannot isolate a problem with your device, or for any enquiry about repair and returns policies, feel free to contact your local Eurotech Technical Support Team (see the last page of this manual for details). Transportation When transporting any module or system, for any reason, it should be packed using anti-static material and placed in a sturdy box with enough packing material to adequately cushion it.   Warning: Any product returned to Eurotech that is damaged due to inappropriate packaging will not be covered by the warranty!
ReliaGATE 10-10 User Manual Label location   11 REGATE-10-10_UsrMan_EN_1.5  Label location The product labels are placed on the bottom of the device.                           Ethernet and USB ports REGATE-10-10-xx LABEL FCC Disclaimer  LABEL
Product overview ReliaGATE 10-10 User Manual   12 REGATE-10-10_UsrMan_EN_1.5  Product overview The ReliaGATE 10-10 is a compact size gateway designed to support M2M (Machine to Machine) applications where low cost and low power are key factors.  It is based on a powerful ARM Cortex A8 microprocessor, high speed 512MB DDR3 RAM, 512 MB Flash Memory, and offers 3G/GPRS and Wi-Fi 802.11 b/g/n connectivity. It can be used as an access point, allowing wireless devices to connect to a wired network.  Standard interfaces are: two Fast Ethernet, two USB 2.0, two CAN BUS, three RS232/485, two Optoisolated Digital Inputs and two Relay Outputs.  The ReliaGATE 10-10 comes with a preinstalled Yocto Linux distribution and is equipped with the Eurotech Everyware Software Framework (ESF). It can be fully managed through the Everyware Device Cloud (EDC) platform.  ESF is a programming environment that wraps the complexity of low level device management with high level constructs. This allows for simpler and faster programming, and transparent portability across a variety of hardware platforms.   EDC is a complete and scalable infrastructure that enables Eurotech devices to send and receive data to the cloud, that can then be accessed by user-designed components and applications. The combination of Eurotech ESF software framework and Everyware Device Cloud eliminates the need of wired and wireless infrastructures, data management and data storage, allowing for a fast system integration.
ReliaGATE 10-10 User Manual Product interfaces   13 REGATE-10-10_UsrMan_EN_1.5  Product interfaces    * Antennas can be external or internal according to product versions
Product specifications ReliaGATE 10-10 User Manual   14 REGATE-10-10_UsrMan_EN_1.5  Product specifications The ReliaGATE 10-10 is available in several versions identified by the code REGATE-10-10-xx, where the “xx” suffix specifies the version, according to the following table: SPECIFICATIONS REGATE-10-10-xx 00 01 02 03 04 10 11 12 13 14 PROCESSOR ARM Cortex A8 MEMORY • SDRAM: 512MB DDR3 • FLASH: 512 MB SD INTERFACE 1x Micro SD card receptacle SIM INTERFACE 1x Micro SIM card receptacle WIRELESS INTERFACES • 3G EU(1) • Wi-Fi • Wi-Fi - • 3G US(2) • Wi-Fi • GPRS(3) • 3G EU(1) • Wi-Fi • Wi-Fi - • 3G US(2) • Wi-Fi • GPRS(3) ANTENNAS Internal External WIRED INTERFACES • 2x 10/100 Ethernet on RJ45 connectors • 2x USB 2.0 • 2x CAN BUS; Supports CAN Version 2 Parts A and B • 3x RS232/RS485 • 2x Optoisolated Digital Inputs • 2x Relay Outputs (NO) REAL TIME CLOCK Real-Time Date POWER SUPPLY Nominal 24 VDC (9 to 36 VDC) POWER CONSUMPTION 2.5 W  DIMENSIONS (mm) 140 x 80 x 32 (W x D x H) ENCLOSURE ABS Plastic WEIGHT 160 g OPERATING TEMPERATURE -20°C to +60°C STORAGE TEMPERATURE -40°C to +85°C HUMIDITY 0 to 90% non-condensing IP RATE IP40 COOLING  Fanless cooling system with no moving parts STANDARDS • CE •  E24 • CE •  E24 • FCC • CE •  E24 • FCC • FCC • CE •  E24 • CE •  E24 • CE •  E24 • FCC • CE •  E24 • FCC • FCC • CE •  E24 SW FEATURES • Linux Yocto Operating system • M2M Device Software Framework v 2.0 • Fully manageable through Eurotech M2M Platform • ESF ready • EDC ready  (1) Telit HE910-EUD module   (2) Telit HE910-NAD module   (3) Simcom SIM900 module
ReliaGATE 10-10 User Manual Make the connections   15 REGATE-10-10_UsrMan_EN_1.5  Make the connections To get started with your ReliaGATE 10-10 you can use the screw-type connector on the rear side and connect: • Power supply PIN# SIGNAL 1 Input Voltage 2 GND  • Serial console PIN# SIGNAL 32 RS232 TX 33 RS232 RX 34 GND   Screw-type connector pinout PIN# LABEL SIGNAL POLARITY NOTE 1 VIN+ Input Voltage Positive Power supply 2 GNDE GND Negative 3 CAN0 VIN+ Insulated CAN0 Input Voltage Positive CAN 0 Power supply 5V DC 4 CAN0 GND Insulated CAN0 GND Negative 5 CAN1 VIN+ Insulated CAN1 Input Voltage Positive CAN 1 Power supply 5V DC 6 CAN1 GND Insulated CAN1 GND Negative 7 CAN0 H CAN0 H Positive CAN 0 Signals 8 CAN0 L CAN0 L Negative 9 CAN1 H CAN1 H Positive CAN 1 Signals 10 CAN1 L CAN1 L Negative 11 R1 COM Relay Output 1 Common Common Relay 1 Output 2A 30V DC 12 R1 SIGNAL Relay Output 1 Contact (normally open) Signal 13 R2 COM Relay Output 2 Common Common Relay 2 Output 2A 30V DC 14 R2 SIGNAL Relay Output 2 Contact (normally open) Signal 15 GND GND Negative  16 +5VOUT 5V Output Voltage Positive 5V Output 17 DIN1 Optoinsulated Anode 1 Positive Digital Input 1 18 DIN1 COM Optoinsulated Cathode 1 Negative 19 DIN2 Optoinsulated Anode 2 Positive Digital Input 2 20 DIN2 COM Optoinsulated Cathode 2 Negative 21 GND GND Negative  22 4 RX/D+ RS232 RX / RS485 D+ Positive Serial Port 4 23 4 TX/D- RS232 TX / RS485 D- Negative 24 4 TX/D- RS232 TX / RS485 D- Negative 25 4 485 TER 120 Ohm Termination  26 GND GND Negative  27 3 RX/D+ RS232 RX / RS485 D+ Positive Serial Port 3 28 3 TX/D- RS232 TX / RS485 D- Negative 29 3 TX/D- RS232 TX / RS485 D- Negative 30 3 485 TER 120 Ohm Termination  31 GND GND Negative  32 0 TX RS232 TX  Debug UART 33 0 RX RS232 RX  34 GND GND Negative
Perform the Boot Sequence ReliaGATE 10-10 User Manual   16 REGATE-10-10_UsrMan_EN_1.5  Perform the Boot Sequence 1. Give power. The boot sequence begins 2.  The CPUs initial program loader starts 3.  The secondary program loader (SPL) is loaded from the first block on the NAND flash. The purpose of the SPL is to bootstrap the system such that Uboot can be loaded and executed 4. Uboot loads the Linux kernel and launches it 5. The output from Uboot and Linux is directed to the RS232-0 serial port (/dev/ttyO0) and appears at 115200 baud, 8 bits, No parity, and 1 stop bit.   Boot procedure takes about 40 seconds to complete. Logging in You can log in the unit over Ethernet without knowing the IP address or connecting the serial console.   The ReliaGATE 10-10 runs “zeroconf” which broadcast its presence to “zeroconf” listeners.  To use this, power up the board and connect a network cable to ETH1 (this is the connector nearest to the corner of the board). By default, ETH1 runs in DHCP client mode.  When the boot is completed, on a host Linux system, run the command  $ avahi-discover   You can now log in with either: • the IP address:  $ ssh root@ReliaGATE 10-10.local • the board name: $ ssh root@10.2.39.81  The root password is: • IsiTech
ReliaGATE 10-10 User Manual Hardware features   17 REGATE-10-10_UsrMan_EN_1.5  Hardware features ReliaGATE 10-10 block diagram
Hardware features ReliaGATE 10-10 User Manual   18 REGATE-10-10_UsrMan_EN_1.5  AM335x processor The ReliaGATE 10-10 is based on the TI OMAP AM3352 processor: http://www.ti.com/lit/ds/symlink/am3359.pdf  The processor is an integrated system-on-a-chip microprocessor for high performance, low-power portable handheld and handset devices. It incorporates on-the-fly voltage and frequency scaling and sophisticated power management.  The AM335x processor complies with the ARM Architecture Cortex A8 instruction set  • TI AM335X,  720-MHz Clock, ARM® CortexTM-A8 32-Bit RISC Microprocessor • NEON SIMD Coprocessor, 32KB/32KB of L1 Instruction/Data Cache with Single-Error Detection (parity), 256KB of L2 Cache with Error Correcting Code (ECC)  • Programmable Real-Time Unit Subsystem • Real-Time Clock (RTC),  • 10/100 Ethernet Switch Supporting Up to Two Ports • Two Controller Area Network Ports (CAN),  • Six UARTs,  • Two McASPs,  • Two McSPI,   • Three I2C Ports,  • Up to Three 32-Bit Enhanced Capture Modules (eCAP),  • Up to Three Enhanced High- Resolution PWM Modules (eHRPWM),    Real time clock The  ReliaGATE 10-10 uses an internal real time clock (RTC) to store the date and time and provide power management events.  The real-time-clock is mapped into the Linux operating system and can be read or written using standard Linux utilities.  NOTE: The RTC is not battery backed.
ReliaGATE 10-10 User Manual Hardware features   19 REGATE-10-10_UsrMan_EN_1.5  Watchdog timer The  ReliaGATE 10-10 uses an internal watchdog timer from the AM335x CPU, which can be used to protect against erroneous software.  The watchdog is mapped to the /dev/watchdog device under Linux. The timeout is pre-programmed to 48seconds approximately.  Example of code #!/bin/bash #  printf "\nTesting watchdog ...\n"  c=0  echo 1 > /dev/watchdog  while [ 1 ]  do   printf "\r%02d" $c  let "c+=1"  sleep  1  done;   Memory The ReliaGATE 10-10 has two types of memory fitted: • Up to 512MB resident NAND FLASH disk containing: o Boot loader: Uboot to boot embedded Linux o Embedded Linux  o Application images  • Up to 512MB of DDR3 SDRAM for system memory.  Additionally the unit can support a microSD and various USB storage devices.
Hardware features ReliaGATE 10-10 User Manual   20 REGATE-10-10_UsrMan_EN_1.5  Telit HE910-EUD FEATURE DESCRIPTION Market EMEA/APAC/Latin America Supported Frequencies • GSM / GPRS / EDGE: 850, 900, 1800, 1900 • UMTS / HSPA: 800/850*, 900, 2100 MHz  * Bands B6 and B19 (800 MHz) are a subset of B5 (850 MHz) and supported as well Data HSPA+ data up to:  • Data downlink transfer : 21.0 Mbps • Data uplink transfer: 5.76 Mbps Transmitting power • Class 4 (2W) at GSM 850 /  900 • Class 1 (1W) at GSM 1800 / 1900 • Class 3 (0.25W) at UMTS • Class E2 (0.5W) at EDGEG 850 / 900 • Class E2 (0.4W) at EDGEG 1800 / 1900 SIM interface Support SIM card: 1.8 V, 3 V Telit HE910-NAD FEATURE DESCRIPTION Market North America Supported Frequencies • GSM / GPRS / EDGE: 850, 900, 1800, 1900 • UMTS / HSPA: 800/850*, AWS1700, 1900 MHz  * Bands B6 and B19 (800 MHz) are a subset of B5 (850 MHz) and supported as well Data HSPA+ data up to:  • Data downlink transfer : 21.0 Mbps • Data uplink transfer: 5.76 Mbps Transmitting power • Class 4 (2W) at GSM 850 /  900 • Class 1 (1W) at GSM 1800 / 1900 • Class 3 (0.25W) at UMTS • Class E2 (0.5W) at EDGEG 850 / 900 • Class E2 (0.4W) at EDGEG 1800 / 1900 SIM interface Support SIM card: 1.8 V, 3 V SIMcom SIM900 FEATURE DESCRIPTION Market Global Supported Frequencies • Quad-Band: GSM 850, EGSM 900, DCS 1800, PDC 1900 • Compliant to GSM Phase 2/2+ Data • Data downlink transfer: max 85.6 kbps • Data uplink transfer: max 42.8 kbps • Coding scheme: CS-1, CS-2, CS-3, CS-4 • Integrate the TCP/IP protocol • Support Packet Broadcast Control Channel (PBCCH)  Transmitting power • Class 4 (2W) at GSM 850 / 900 • Class 1 (1W) at DCS 1800 and PCS 1900 GPRS connectivity • GPRS multi-slot class 10 (default) • GPRS multi-slot class 8 (option) SIM interface Support SIM card: 1.8 V, 3 V
ReliaGATE 10-10 User Manual Hardware features   21 REGATE-10-10_UsrMan_EN_1.5  USB The ReliaGATE 10-10 provides 3 USB host interfaces. These comply with the Universal Serial Bus Specification Rev. 2.0, supporting data transfer at high-speed (480Mbps), full-speed (12Mbps) and low-speed (1.5Mbps). Ethernet The  ReliaGATE 10-10 provides two 10/100-BaseTX interfaces  with MAC and complies with both the IEEE802.3u 10/100-BaseTX and the IEEE 802.3x full-duplex flow control specifications.  Wi-Fi The ReliaGATE 10-10 provides a Wi-Fi interface supporting Access Point and Station Modes. In Access Point Mode the device can only support up to 5 connected users.  • Under Linux, Station mode is supported using wpa_supplicant. wpa_supplicant howto • Under Linux, Access Point mode is supported using hostapd.  By default Wi-Fi is not enabled (unless you are running ESF). http://esf.eurotech.com/doc/ESFDevGuide/latest/1.01-Product-Overview.asp    MAIN FEATURES • IEEE 802.11 2.4 GHz b/g/n •  Radio spectrum/bandwidth: 40 MHz • Typical WLAN Transmit power: o +20 dBm , 11 Mbps, CCK (b) o +14.5 dBm , 54 Mbps, OFDM (g) o +12.5 dBm, 65 Mbps, OFDM (n) • Typical WLAN Receiver sensitivity: o  -89 dBm , 11 Mbps o  -76 dBm , 54 Mbps o  -73 dBm, 65 Mbps • WLAN RF Operation frequency ranges: Version Frequency range REGATE-10-10-01 REGATE-10-10-02 REGATE-10-10-03 REGATE-10-10-11 REGATE-10-10-12 REGATE-10-10-13 2412 MHz up to 2462 MHz (up to WLAN channel 11 included) REGATE-10-10-00 REGATE-10-10-04 REGATE-10-10-10 REGATE-10-10-14 2412 MHz up to 2472 MHz (up to WLAN channel 13 included) • FCC regulation compliant (allowed channels and TX power vary according to country regulations) CAN Bus The ReliaGATE 10-10 provides a two CAN interfaces which are supported by socketcan under Linux. http://processors.wiki.ti.com/index.php/AM335X_DCAN_Driver_Guide
Hardware features ReliaGATE 10-10 User Manual   22 REGATE-10-10_UsrMan_EN_1.5  Serial COM ports The AM335x processor provides 6 high-speed, fully functionally compatible 16550 serial UARTs on the ReliaGATE 10-10. Four of these channels can be used as follows:  Port Address IRQ Function ttyO0 0x44e09000 72 Console  ttyO1 0x48022000 73 Not used ttyO2 0x48024000 74 Not used ttyO3 0x481a6000 44 RS232 or RS485 ttyO4 0x481a8000 45 RS232 or RS485 ttyO5 0x481aa000 46 Mapped to optional TELIT Modem  General purpose I/O The following General purpose I/O, provided by the AM335x processor, are available on the screw terminal block. Relays • Relay 1 uses GPIO64 • Relay 2 uses GPIO97 Optoinsulated inputs • OPTO 1 uses GPIO103 • OPTO 2 uses GPIO104  A simple Linux BASH script called am335x_gpio simplifies the access to GPIO.
ReliaGATE 10-10 User Manual Hardware features   23 REGATE-10-10_UsrMan_EN_1.5  Bluetooth The ReliaGATE 10-10 can provide a Bluetooth v2.1 interface. Example of code:  BLUETOOTH() { print_title " BLUETOOTH TEST "  Running=`ps aux | grep uim -c` if [ "$Running" -eq 1 ]; then      uim &     print_timeout 5 "Starting UIM Bluetooth manager ..."     echo "Loading btwilink module ..."     modprobe btwilink     sleep 2 else     echo "UIM Bluetooth manager is already running" fi  hciconfig hci0 up printf "\nScanning..." bt_found=`hcitool scan`  bt_count=$(echo "$bt_found" | grep  -c ":")  echo "$bt_found" echo "If there are active Bluetooth devices in the area, they should be reported above" echo ""  if [ "$bt_count" -gt 0 ]; then     print_pass "$bt_count Bluetooth networks found" else     print_fail "No Bluetooth networks found"     return fi  echo "" press_any_key }
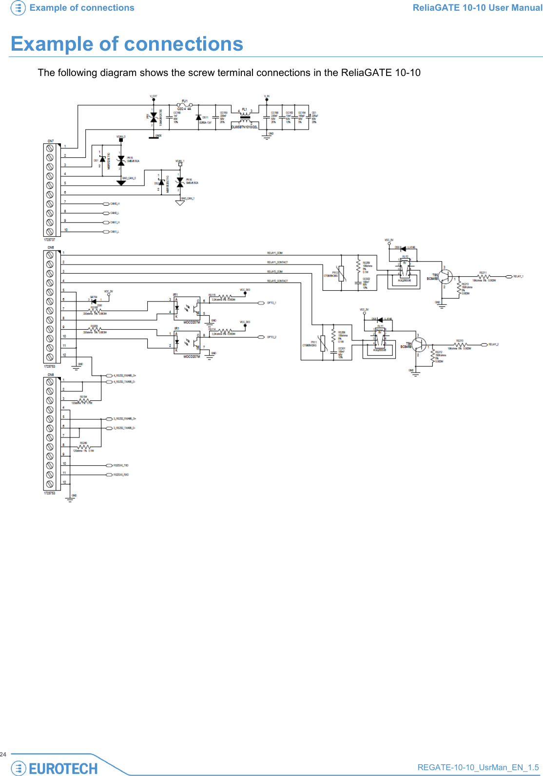
Example of connections ReliaGATE 10-10 User Manual   24 REGATE-10-10_UsrMan_EN_1.5  Example of connections The following diagram shows the screw terminal connections in the ReliaGATE 10-10
ReliaGATE 10-10 User Manual LED indicators   25 REGATE-10-10_UsrMan_EN_1.5  LED indicators There are 3 user LED indicators on the ReliaGATE 10-10, accessible via an I2C GPIO expander IC at address 0x41. Example BASH script I2C_LEDS() {     printf "I2C LEDS TEST "      echo "Setting up the I2C GPIO expander for output"     i2c-regs -d /dev/i2c-2  0x41 3 0      echo "Observe the LEDS connected to D0 - D2"     echo "All OFF"     i2c-regs -d /dev/i2c-2  0x41 1 0     sleep 1     echo "All ON"     i2c-regs -d /dev/i2c-2  0x41 1 7     sleep 1     echo "Walking one"      for loop in {1..3}     do       echo "loop $loop"       for pattern in 0 1 2 4       do         i2c-regs -d /dev/i2c-2  0x41 1 $pattern         sleep 1       done     done     sleep 1     echo "All OFF"     i2c-regs -d /dev/i2c-2  0x41 1 0     sleep 1 }
Embedded Linux ReliaGATE 10-10 User Manual   26 REGATE-10-10_UsrMan_EN_1.5  Embedded Linux  The version of Linux running on the ReliaGATE 10-10 is based on POKY Linux which is part of the Yocto Project.  https://www.yoctoproject.org/  Developing applications Learning how to create Yocto BSPs and using them effectively can be a time-consuming and complex process.  It is possible and often desirable therefore to build projects outside of the main poky build system. To do this you need to download a pre-built toolchain.   Currently we are using yocto-1.3 toolchains which you will find here: http://downloads.yoctoproject.org/releases/yocto/yocto-1.3/toolchain/   Select the version that suits your host system.  e.g.: If you are running Ubuntu 12.04 LTS 64bit, select x86_64.   In this folder you will find toolchains for different target architectures. For the ReliaGATE 10-10 select the 'arm' toolchain. e.g.: poky-eglibc-x86_64-arm-toolchain-gmae-1.3.sh  Installing the downloaded toolchain archive Execute the script:   $ sudo sh poky-eglibc-i686-arm-toolchain-gmae-1.3.sh   Enter target directory for SDK (default: /opt/poky/1.3):  You are about to install the SDK to "/opt/poky/1.3". Proceed[Y/n]?  This will put the toolchain into /opt/poky/1.3/   Finally set up the environment to use the toolchain:   $ source /opt/poky/1.3/environment-setup-armv5te-poky-linux-gnueabi   Note you will need to setup this environment each time you want to use this toolchain.   You can now build C example code as follows:  $ arm-poky-linux-gnueabi-gcc hello.c –o hello
ReliaGATE 10-10 User Manual Appendix A - Reference information   27 REGATE-10-10_UsrMan_EN_1.5  Appendix A - Reference information Product information Product notices, updated drivers, support material, 24hr-online ordering: www.eurotech.com  SDIO card information SD Card Association and product information: www.sdcard.org   www.sdcard.com   USB information Universal Serial Bus (USB) specification and product information: www.usb.org   Texas Instruments TI OMAP AM335x processor documentation: http://www.ti.com/lit/ds/symlink/am3359.pdf   TI I2C 9536 4bit GPIO expander: http://www.ti.com/lit/ds/symlink/pca9536.pdf
(This page has been intentionally left blank)
ReliaGATE 10-10 User Manual Notes   29 REGATE-10-10_UsrMan_EN_1.5  Notes
              EUROPE  ITALY  EUROTECH Tel:  +39 0433.485.411 Fax: +39 0433.485.499 E-mail: sales.it@eurotech.com E-mail: support.it@eurotech.com Web: www.eurotech.com    UNITED KINGDOM  EUROTECH Tel: +44 (0) 1223.403410  Fax: +44 (0) 1223.410457  E-mail: sales.uk@eurotech.com E-mail: support.uk@eurotech.com Web: www.eurotech.com    FRANCE  EUROTECH Tel:  +33 04.72.89.00.90 Fax: +33 04.78.70.08.24  E-mail: sales.fr@eurotech.com E-mail: support.fr@eurotech.com Web: www.eurotech.com    AMERICAS  USA  EUROTECH Toll free: +1 888.941.2224 Tel:  +1 301.490.4007 Fax: +1 301.490.4582 E-mail: sales.us@eurotech.com E-mail: support.us@eurotech.com Web: www.eurotech-inc.com     ASIA  JAPAN  ADVANET Tel: +81 86.245.2861 Fax: +81 86.245.2860 E-mail: sales@advanet.jp E-mail: tsupport@advanet.jp Web: www.advanet.co.jp    INDIA  EUROTECH Tel: +91 80.43.35.71.17 E-mail: sales.in@eurotech.com E-mail: support.in@eurotech.com Web: www.eurotech.com WORLD SUPPORT  HEADQUARTERS   EUROTECH Via Fratelli Solari, 3/a 33020 Amaro (UD) – Italy Tel: +39 0433.485.411 Fax: +39 0433.485.499 E-mail: support.it@eurotech.com Web: www.eurotech.com For your local contact please refer to: www.eurotech.com/contacts  Specifications and features are subject to change without notice. All trademarks and trade names are the property of their respective owners.

Navigation menu