EUROTECH MRG101003 REGATE 10-10-XX User Manual ReliaGATE 10 10
EUROTECH SpA REGATE 10-10-XX ReliaGATE 10 10
EUROTECH >
User Manual

Re
liaGATE
10-10
Mini Gateway
USER MANUAL
Rev 1.5 – 2 April 2014 – REGATE-10-10_UsrMan_EN_1.5

© 2014 Eurotech
Trademarks
All trademarks both marked and unmarked appearing in this document are the property of their respective
owners.
Revision history
Revision
Description
Date
1.5 First release 2 April 2014

ReliaGATE 10-10 User Manual Table of contents
3
REGATE-10-10_UsrMan_EN_1.5
Table of contents
Trademarks .................................................................................................................................................................. 2
Revision history ........................................................................................................................................................... 2
Table of contents .......................................................................................................................................................... 3
Important user information .......................................................................................................................................... 5
Alerts that can be found throughout this manual ......................................................................................................... 5
Safety notices and warnings ........................................................................................................................................ 6
Do not operate in an explosive atmosphere .......................................................................................................... 6
Antistatic precautions ............................................................................................................................................. 6
Connection to power supply or other devices ........................................................................................................ 6
Installation .............................................................................................................................................................. 7
Ventilation............................................................................................................................................................... 7
Maintenance ........................................................................................................................................................... 7
Cleaning ................................................................................................................................................................. 7
Life support policy ........................................................................................................................................................ 8
Warranty ...................................................................................................................................................................... 8
CE and R&TTE compliance ......................................................................................................................................... 8
FCC information and compliance ................................................................................................................................ 9
WEEE .......................................................................................................................................................................... 9
REACH ........................................................................................................................................................................ 9
Technical assistance ................................................................................................................................................. 10
Transportation ...................................................................................................................................................... 10
Label location .............................................................................................................................................................. 11
Product overview ........................................................................................................................................................ 12
Product interfaces ....................................................................................................................................................... 13
Product specifications ................................................................................................................................................ 14
Make the connections ................................................................................................................................................. 15
Screw-type connector pinout ............................................................................................................................... 15
Perform the Boot Sequence ....................................................................................................................................... 16
Logging in .................................................................................................................................................................... 16
Hardware features ....................................................................................................................................................... 17
ReliaGATE 10-10 block diagram ............................................................................................................................... 17
AM335x processor ..................................................................................................................................................... 18
Real time clock .......................................................................................................................................................... 18
Watchdog timer.......................................................................................................................................................... 19
Memory ...................................................................................................................................................................... 19
Telit HE910-EUD ....................................................................................................................................................... 20
Telit HE910-NAD ....................................................................................................................................................... 20
SIMcom SIM900 ........................................................................................................................................................ 20
USB ........................................................................................................................................................................... 21
Ethernet ..................................................................................................................................................................... 21
Wi-Fi .......................................................................................................................................................................... 21
CAN Bus .................................................................................................................................................................... 21
Serial COM ports ....................................................................................................................................................... 22
General purpose I/O .................................................................................................................................................. 22
Relays .................................................................................................................................................................. 22

Table of contents ReliaGATE 10-10 User Manual
4
REGATE-10-10_UsrMan_EN_1.5
Optoinsulated inputs ............................................................................................................................................ 22
Bluetooth .................................................................................................................................................................... 23
Example of connections ............................................................................................................................................. 24
LED indicators ............................................................................................................................................................. 25
Embedded Linux ......................................................................................................................................................... 26
Developing applications ............................................................................................................................................. 26
Installing the downloaded toolchain archive .............................................................................................................. 26
Appendix A - Reference information ......................................................................................................................... 27
Product information ................................................................................................................................................... 27
SDIO card information ............................................................................................................................................... 27
USB information......................................................................................................................................................... 27
Texas Instruments ..................................................................................................................................................... 27
Notes ............................................................................................................................................................................ 29

ReliaGATE 10-10 User Manual Important user information
5
REGATE-10-10_UsrMan_EN_1.5
Important user information
Carefully read and understand the instructions in this manual before using this device.
Whenever you have any doubt regarding the operation of this device, consult this manual or contact your local
Eurotech Technical Support Team (see the last page of this manual for details).
Keep this manual for future reference.
To lower the risk of personal injury, electric shock, fire or damage to equipment, observe the following
precautions, as well as using good technical judgment, whenever installing or using the device.
Eurotech has made every effort to ensure the accuracy of this document; however, Eurotech assumes no
liability resulting from any error/omission in this document, or from the use of the information contained herein.
Eurotech reserves the right to revise this document or to make changes to its content at any time without any
obligation to notify any person of such revision or changes.
Alerts that can be found throughout this manual
SYMBOL
MEANING
DANGER!
Information highlighting potential electrical shock hazards:
• Personal injury or death could occur.
• Damage to the system, connected peripheral devices, or software could occur.
Always use appropriate safety precautions. Also ensure that the installation meets all the requirements as
set out for the environment that the equipment will be deployed in.
WARNING!
Information highlighting potential hazards:
• Personal injury or death could occur.
• Damage to the system, connected peripheral devices, or software could occur.
Always use appropriate safety precautions. Also ensure that the installation meets all the requirements as
set out for the environment that the equipment will be deployed in.
NOTE
These will highlight important features or instructions.

Important user information ReliaGATE 10-10 User Manual
6
REGATE-10-10_UsrMan_EN_1.5
Safety notices and warnings
Observe the following safety precautions during all phases of operation, service, and repair of the device.
Failure to comply with these precautions or with specific warnings elsewhere in this manual violates safety
standards of design, manufacture, and intended use of the device.
Eurotech assumes no liability for the customer’s failure to comply with these requirements.
The safety precautions listed below represent warnings of certain dangers of which Eurotech is aware. You, as
the user of the device, should follow these warnings and all other safety precautions necessary for the safe
operation of the device in your operating environment.
Do not operate in an explosive atmosphere
WARNING!
Do not operate the equipment in the presence of flammable gases or fumes. Operation of any
electrical equipment in such an environment constitutes a definite safety hazard.
Antistatic precautions
WARNING!
To avoid ESD (Electro Static Discharge) damage, always use appropriate antistatic precautions
when handing any electronic equipment.
Connection to power supply or other devices
DANGER!
Before applying power to the system, thoroughly review all installation, operation, and safety
instructions.
Failure to install the system power supply correctly or to follow all operating instructions correctly
may create an electrical shock hazard, which can result in personal injury or loss of life, and/or
damage to equipment or other property
• To avoid injuries, always disconnect power and discharge circuits before touching them.
• Only start the device with a power supply that meets the requirements stated on the voltage label. In
case of uncertainties about the required power supply, please contact the Eurotech Technical Support
Team or the electricity authority
• Before connecting other equipment carefully read any supplied instructions
• Always disconnect the power before connecting or disconnecting cables
• Do not perform connections with wet hands
• Check any power cords for damage before use
• Use certified power cables. The power cable must meet the requirements (voltage and current) of the
device.
• Position cables with care. Avoid positioning cables in places where they may be trampled on or
compressed by objects placed on them. Take particular care of the plug, power-point and outlet of
power cable
• Avoid overcharging any power outlets
• Only apply power to the device or connected equipment after checking that all the above conditions
have been met

ReliaGATE 10-10 User Manual Important user information
7
REGATE-10-10_UsrMan_EN_1.5
Installation
WARNING!
• Verify that the mounting location can withstand the added loads caused by the addition of the
device, it should be firmly secured so that it will not cause any potentially hazardous situations
(e.g. falling down due to vibration or shock)
•
Do not operate the device near heat sources or flames.
NOTE:
If the device must be moved from one place to another with different ambient temperatures, ensure sufficient
time for the temperature of the device to stabilize before repowering.
Ventilation
WARNING!
Ensure adequate ventilation to avoid overheating, Eurotech suggests the following steps:
• When installing the device within a cabinet, rack or other enclosed space, be sure to leave
sufficient space to allow adequate air circulation
• Do not block any ventilation openings
Maintenance
DANGER!
• Never open, dismantle or repair the device!
• For your maintenance or repair requirement please contact a qualified Eurotech engineer.
If the device does not function correctly and you are unable to find a solution, feel free to contact
the Eurotech Technical Support Team.
If the equipment does not work properly, especially if it smells unusual, unplug it immediately and contact the
Eurotech Technical Support Team (see last page of this manual for further details).
Cleaning
WARNING!
When cleaning the device, remember to:
• Ensure sufficient ESD protection during the cleaning process
• Remove any power from the device
• When cleaning an enclosed system or peripheral use a dry cloth on the external casing
• With single boards, use only a low power air brush or soft bristled paintbrush
•
Do not use detergents, aerosol sprays, solvents or abrasive sponges

Important user information ReliaGATE 10-10 User Manual
8
REGATE-10-10_UsrMan_EN_1.5
Life support policy
WARNING!
Do not use Eurotech products as critical components of life support devices or systems without the
express written approval of Eurotech Spa.
Warranty
Please contact your local Eurotech Sales Office for detailed warranty terms and conditions.
See the last page of this manual for further details.
CE and R&TTE compliance
This product is CE marked.
The CE mark on the product indicates that it conforms to the essential requirements of
the applicable EC directives.
Eurotech is not responsible for the use of its products together with equipment (e.g.
power supplies, personal computers, etc...) that are not CE marked and compliant with
technical requirements specified in this manual.
This product also meets the essential requirements and other relevant provisions of
Directive 1999/5/EC.
This product is designed to work in the following Member States and other countries
using the R&TTE Directive: Austria, Belgium, Bulgaria, Cyprus, Czech Republic,
Denmark, Estonia, Finland, France, Germany, Greece, Hungary, Iceland, Ireland, Italy,
Latvia, Lithuania, Luxembourg, Malta, Netherlands, Norway, Poland, Portugal, Romania,
Slovakia, Slovenia, Spain, Sweden, Switzerland, Turkey and the United Kingdom.
Laws may change over time. Eurotech advises to check with local authorities for
changes / updates.
WARNING!
if you are not sure of your national regulations, please see:
• http://ec.europa.eu/enterprise/sectors/rtte/index_en.htm

ReliaGATE 10-10 User Manual Important user information
9
REGATE-10-10_UsrMan_EN_1.5
FCC information and compliance
This equipment complies with part 15 of the FCC Rules. Operation is subject to the following two conditions:
(1) This device may not cause harmful interference, and (2) this device must accept any interference received,
including interference that may cause undesired operation.
This device complies with part 15.21 of FCC Rules. Therefore any modifications of the device are not
authorized.
The ReliaGATE 10-10 is available in several versions identified by the code REGATE-10-10-xx, where the “xx”
suffix specifies the version (for further information refer to Product specifications on page 14).
The FCC ID of the REGATE-10-10-xx is: UKM MRG101003.
In the REGATE-10-10-xx:
• If xx = 03 REGATE-10-10-03 contains:
3G US module having FCCID: RI7HE910NA
Wi-Fi module;
• If xx = 01 REGATE-10-10-01 contains:
Wi-Fi module;
WEEE
The information below complies with the regulations set out in the 2002/96/EC directive, subsequently
superseded by 2003/108/EC. It refers electrical and electronic equipment and the waste management of such
products.
When disposing of a device, including all of its components, subassemblies and materials that are an integral
part of the product, you should consider the WEEE directive.
The use of the following symbol, attached to the equipment, packaging, instruction
literature, or the guarantee sheet, states that the device has been marketed after August
13th 2005, and implies that you must separate all of its components when possible, and
dispose of them in accordance with local waste disposal legislations:
• Because of the substances present in the equipment, improper use or disposal of the refuse can cause
damage to human health and the environment.
• With reference to WEEE, it is compulsory not to dispose of the equipment with normal urban refuse; an
arrangement for separate collection and disposal is essential.
• To avoid any possible legal implications contact your local waste collection body for full recycling information.
REACH
This device is compliant with the regulation (EC) No 1907/2006 of the European parliament and of the Council
of 18 December 2006 concerning the Registration, Evaluation, Authorisation and Restriction of Chemicals
(REACH).

Important user information ReliaGATE 10-10 User Manual
10
REGATE-10-10_UsrMan_EN_1.5
Technical assistance
For any technical questions, or if you cannot isolate a problem with your device, or for any enquiry about repair
and returns policies, feel free to contact your local Eurotech Technical Support Team (see the last page of this
manual for details).
Transportation
When transporting any module or system, for any reason, it should be packed using anti-static material and
placed in a sturdy box with enough packing material to adequately cushion it.
Warning:
Any product returned to Eurotech that is damaged due to inappropriate packaging will not be
covered by the warranty!

Product overview ReliaGATE 10-10 User Manual
12
REGATE-10-10_UsrMan_EN_1.5
Product overview
The ReliaGATE 10-10 is a compact size gateway designed to support M2M (Machine to Machine) applications
where low cost and low power are key factors.
It is based on a powerful ARM Cortex A8 microprocessor, high speed 512MB DDR3 RAM, 512 MB Flash
Memory, and offers 3G/GPRS and Wi-Fi 802.11 b/g/n connectivity. It can be used as an access point, allowing
wireless devices to connect to a wired network.
Standard interfaces are: two Fast Ethernet, two USB 2.0, two CAN BUS, three RS232/485, two Optoisolated
Digital Inputs and two Relay Outputs.
The ReliaGATE 10-10 comes with a preinstalled Yocto Linux distribution and is equipped with the Eurotech
Everyware Software Framework (ESF). It can be fully managed through the Everyware Device Cloud (EDC)
platform.
ESF is a programming environment that wraps the complexity of low level device management with high level
constructs. This allows for simpler and faster programming, and transparent portability across a variety of
hardware platforms.
EDC is a complete and scalable infrastructure that enables Eurotech devices to send and receive data to the
cloud, that can then be accessed by user-designed components and applications.
The combination of Eurotech ESF software framework and Everyware Device Cloud eliminates the need of
wired and wireless infrastructures, data management and data storage, allowing for a fast system integration.

Product specifications ReliaGATE 10-10 User Manual
14
REGATE-10-10_UsrMan_EN_1.5
Product specifications
The ReliaGATE 10-10 is available in several versions identified by the code REGATE-10-10-xx, where the “xx”
suffix specifies the version, according to the following table:
SPECIFICATIONS
REGATE-10-10-xx
00
01
02
03
04
10
11
12
13
14
PROCESSOR
ARM Cortex A8
MEMORY • SDRAM: 512MB DDR3
• FLASH: 512 MB
SD INTERFACE
1x Micro SD card receptacle
SIM INTERFACE
1x Micro SIM card receptacle
WIRELESS INTERFACES
• 3G EU
(1)
• Wi-Fi
• Wi-Fi
-
• 3G US(2)
•
Wi-Fi
• GPRS(3)
• 3G EU(1)
•
Wi-Fi
• Wi-Fi
-
• 3G US(2)
•
Wi-Fi
• GPRS(3)
ANTENNAS
Internal
External
WIRED INTERFACES • 2x 10/100 Ethernet on RJ45 connectors
• 2x USB 2.0
• 2x CAN BUS; Supports CAN Version 2 Parts A and B
• 3x RS232/RS485
• 2x Optoisolated Digital Inputs
• 2x Relay Outputs (NO)
REAL TIME CLOCK
Real-Time Date
POWER SUPPLY
Nominal 24 VDC (9 to 36 VDC)
POWER CONSUMPTION
2.5 W
DIMENSIONS (mm)
140 x 80 x 32 (W x D x H)
ENCLOSURE
ABS Plastic
WEIGHT
160 g
OPERATING TEMPERATURE
-20°C to +60°C
STORAGE TEMPERATURE
-40°C to +85°C
HUMIDITY
0 to 90% non-condensing
IP RATE
IP40
COOLING
Fanless cooling system with no moving parts
STANDARDS • CE
• E24
• CE
• E24
• FCC
• CE
• E24
• FCC
• FCC
• CE
• E24
• CE
• E24
• CE
• E24
• FCC
• CE
• E24
• FCC
• FCC
• CE
• E24
SW FEATURES
• Linux Yocto Operating system
• M2M Device Software Framework v 2.0
• Fully manageable through Eurotech M2M Platform
• ESF ready
•
EDC ready
(1) Telit HE910-EUD module
(2) Telit HE910-NAD module
(3) Simcom SIM900 module

ReliaGATE 10-10 User Manual Make the connections
15
REGATE-10-10_UsrMan_EN_1.5
Make the connections
To get started with your ReliaGATE 10-10 you can use the screw-type connector on the rear side and connect:
• Power supply
PIN#
SIGNAL
1
Input Voltage
2
GND
• Serial console
PIN#
SIGNAL
32
RS232 TX
33
RS232 RX
34
GND
Screw-type connector pinout
PIN#
LABEL
SIGNAL
POLARITY
NOTE
1
VIN+
Input Voltage
Positive
Power supply
2
GNDE
GND
Negative
3
CAN0 VIN+
Insulated CAN0 Input Voltage
Positive
CAN 0 Power supply
5V DC
4
CAN0 GND
Insulated CAN0 GND
Negative
5
CAN1 VIN+
Insulated CAN1 Input Voltage
Positive
CAN 1 Power supply
5V DC
6
CAN1 GND
Insulated CAN1 GND
Negative
7
CAN0 H
CAN0 H
Positive
CAN 0 Signals
8
CAN0 L
CAN0 L
Negative
9
CAN1 H
CAN1 H
Positive
CAN 1 Signals
10
CAN1 L
CAN1 L
Negative
11
R1 COM
Relay Output 1 Common
Common
Relay 1 Output
2A 30V DC
12
R1 SIGNAL
Relay Output 1 Contact (normally open)
Signal
13
R2 COM
Relay Output 2 Common
Common
Relay 2 Output
2A 30V DC
14
R2 SIGNAL
Relay Output 2 Contact (normally open)
Signal
15
GND
GND
Negative
16
+5VOUT
5V Output Voltage
Positive
5V Output
17
DIN1
Optoinsulated Anode 1
Positive
Digital Input 1
18
DIN1 COM
Optoinsulated Cathode 1
Negative
19
DIN2
Optoinsulated Anode 2
Positive
Digital Input 2
20
DIN2 COM
Optoinsulated Cathode 2
Negative
21
GND
GND
Negative
22
4 RX/D+
RS232 RX / RS485 D+
Positive
Serial Port 4
23
4 TX/D-
RS232 TX / RS485 D-
Negative
24
4 TX/D-
RS232 TX / RS485 D-
Negative
25
4 485 TER
120 Ohm Termination
26
GND
GND
Negative
27
3 RX/D+
RS232 RX / RS485 D+
Positive
Serial Port 3
28
3 TX/D-
RS232 TX / RS485 D-
Negative
29
3 TX/D-
RS232 TX / RS485 D-
Negative
30
3 485 TER
120 Ohm Termination
31
GND
GND
Negative
32
0 TX
RS232 TX
Debug UART
33
0 RX
RS232 RX
34
GND
GND
Negative

Perform the Boot Sequence ReliaGATE 10-10 User Manual
16
REGATE-10-10_UsrMan_EN_1.5
Perform the Boot Sequence
1. Give power. The boot sequence begins
2. The CPUs initial program loader starts
3. The secondary program loader (SPL) is loaded from the first block on the NAND flash. The purpose of the
SPL is to bootstrap the system such that Uboot can be loaded and executed
4. Uboot loads the Linux kernel and launches it
5. The output from Uboot and Linux is directed to the RS232-0 serial port (/dev/ttyO0) and appears at 115200
baud, 8 bits, No parity, and 1 stop bit.
Boot procedure takes about 40 seconds to complete.
Logging in
You can log in the unit over Ethernet without knowing the IP address or connecting the serial console.
The ReliaGATE 10-10 runs “zeroconf” which broadcast its presence to “zeroconf” listeners.
To use this, power up the board and connect a network cable to ETH1 (this is the connector nearest to the
corner of the board). By default, ETH1 runs in DHCP client mode.
When the boot is completed, on a host Linux system, run the command
$ avahi-discover
You can now log in with either:
• the IP address: $ ssh root@ReliaGATE 10-10.local
• the board name: $ ssh root@10.2.39.81
The root password is:
• IsiTech

Hardware features ReliaGATE 10-10 User Manual
18
REGATE-10-10_UsrMan_EN_1.5
AM335x processor
The ReliaGATE 10-10 is based on the TI OMAP AM3352 processor:
http://www.ti.com/lit/ds/symlink/am3359.pdf
The processor is an integrated system-on-a-chip microprocessor for high performance, low-power portable
handheld and handset devices. It incorporates on-the-fly voltage and frequency scaling and sophisticated power
management.
The AM335x processor complies with the ARM Architecture Cortex A8 instruction set
• TI AM335X, 720-MHz Clock, ARM® CortexTM-A8 32-Bit RISC Microprocessor
• NEON SIMD Coprocessor, 32KB/32KB of L1 Instruction/Data Cache with Single-Error Detection
(parity), 256KB of L2 Cache with Error Correcting Code (ECC)
• Programmable Real-Time Unit Subsystem
• Real-Time Clock (RTC),
• 10/100 Ethernet Switch Supporting Up to Two Ports
• Two Controller Area Network Ports (CAN),
• Six UARTs,
• Two McASPs,
• Two McSPI,
• Three I2C Ports,
• Up to Three 32-Bit Enhanced Capture Modules (eCAP),
• Up to Three Enhanced High- Resolution PWM Modules (eHRPWM),
Real time clock
The ReliaGATE 10-10 uses an internal real time clock (RTC) to store the date and time and provide power
management events.
The real-time-clock is mapped into the Linux operating system and can be read or written using standard Linux
utilities.
NOTE: The RTC is not battery backed.

ReliaGATE 10-10 User Manual Hardware features
19
REGATE-10-10_UsrMan_EN_1.5
Watchdog timer
The ReliaGATE 10-10 uses an internal watchdog timer from the AM335x CPU, which can be used to protect
against erroneous software.
The watchdog is mapped to the /dev/watchdog device under Linux. The timeout is pre-programmed to
48seconds approximately.
Example of code
#!/bin/bash
#
printf "\nTesting watchdog ...\n"
c=0
echo 1 > /dev/watchdog
while [ 1 ]
do
printf "\r%02d" $c
let "c+=1"
sleep 1
done;
Memory
The ReliaGATE 10-10 has two types of memory fitted:
• Up to 512MB resident NAND FLASH disk containing:
o Boot loader: Uboot to boot embedded Linux
o Embedded Linux
o Application images
• Up to 512MB of DDR3 SDRAM for system memory.
Additionally the unit can support a microSD and various USB storage devices.

Hardware features ReliaGATE 10-10 User Manual
20
REGATE-10-10_UsrMan_EN_1.5
Telit HE910-EUD
FEATURE
DESCRIPTION
Market
EMEA/APAC/Latin America
Supported
Frequencies
• GSM / GPRS / EDGE: 850, 900, 1800, 1900
• UMTS / HSPA: 800/850*, 900, 2100 MHz
* Bands B6 and B19 (800 MHz) are a subset of B5 (850 MHz) and supported as well
Data
HSPA+ data up to:
• Data downlink transfer : 21.0 Mbps
• Data uplink transfer: 5.76 Mbps
Transmitting power
• Class 4 (2W) at GSM 850 / 900
• Class 1 (1W) at GSM 1800 / 1900
• Class 3 (0.25W) at UMTS
• Class E2 (0.5W) at EDGEG 850 / 900
•
Class E2 (0.4W) at EDGEG 1800 / 1900
SIM interface
Support SIM card: 1.8 V, 3 V
Telit HE910-NAD
FEATURE
DESCRIPTION
Market
North America
Supported
Frequencies
• GSM / GPRS / EDGE: 850, 900, 1800, 1900
• UMTS / HSPA: 800/850*, AWS1700, 1900 MHz
* Bands B6 and B19 (800 MHz) are a subset of B5 (850 MHz) and supported as well
Data
HSPA+ data up to:
• Data downlink transfer : 21.0 Mbps
• Data uplink transfer: 5.76 Mbps
Transmitting power
• Class 4 (2W) at GSM 850 / 900
• Class 1 (1W) at GSM 1800 / 1900
• Class 3 (0.25W) at UMTS
• Class E2 (0.5W) at EDGEG 850 / 900
•
Class E2 (0.4W) at EDGEG 1800 / 1900
SIM interface
Support SIM card: 1.8 V, 3 V
SIMcom SIM900
FEATURE
DESCRIPTION
Market
Global
Supported
Frequencies
• Quad-Band: GSM 850, EGSM 900, DCS 1800, PDC 1900
•
Compliant to GSM Phase 2/2+
Data
• Data downlink transfer: max 85.6 kbps
• Data uplink transfer: max 42.8 kbps
• Coding scheme: CS-1, CS-2, CS-3, CS-4
• Integrate the TCP/IP protocol
• Support Packet Broadcast Control Channel (PBCCH)
Transmitting power
• Class 4 (2W) at GSM 850 / 900
•
Class 1 (1W) at DCS 1800 and PCS 1900
GPRS connectivity • GPRS multi-slot class 10 (default)
•
GPRS multi-slot class 8 (option)
SIM interface
Support SIM card: 1.8 V, 3 V

ReliaGATE 10-10 User Manual Hardware features
21
REGATE-10-10_UsrMan_EN_1.5
USB
The ReliaGATE 10-10 provides 3 USB host interfaces. These comply with the Universal Serial Bus Specification
Rev. 2.0, supporting data transfer at high-speed (480Mbps), full-speed (12Mbps) and low-speed (1.5Mbps).
Ethernet
The ReliaGATE 10-10 provides two 10/100-BaseTX interfaces with MAC and complies with both the
IEEE802.3u 10/100-BaseTX and the IEEE 802.3x full-duplex flow control specifications.
Wi-Fi
The ReliaGATE 10-10 provides a Wi-Fi interface supporting Access Point and Station Modes. In Access Point
Mode the device can only support up to 5 connected users.
• Under Linux, Station mode is supported using wpa_supplicant. wpa_supplicant howto
• Under Linux, Access Point mode is supported using hostapd.
By default Wi-Fi is not enabled (unless you are running ESF).
http://esf.eurotech.com/doc/ESFDevGuide/latest/1.01-Product-Overview.asp
MAIN FEATURES
• IEEE 802.11 2.4 GHz b/g/n
• Radio spectrum/bandwidth: 40 MHz
• Typical WLAN Transmit power:
o +20 dBm , 11 Mbps, CCK (b)
o +14.5 dBm , 54 Mbps, OFDM (g)
o +12.5 dBm, 65 Mbps, OFDM (n)
• Typical WLAN Receiver sensitivity:
o -89 dBm , 11 Mbps
o -76 dBm , 54 Mbps
o -73 dBm, 65 Mbps
• WLAN RF Operation frequency ranges:
Version
Frequency range
REGATE-10-10-01
REGATE-10-10-02
REGATE-10-10-03
REGATE-10-10-11
REGATE-10-10-12
REGATE-10-10-13
2412 MHz up to 2462 MHz
(up to WLAN channel 11 included)
REGATE-10-10-00
REGATE-10-10-04
REGATE-10-10-10
REGATE-10-10-14
2412 MHz up to 2472 MHz
(up to WLAN channel 13 included)
• FCC regulation compliant (allowed channels and TX power vary according to country regulations)
CAN Bus
The ReliaGATE 10-10 provides a two CAN interfaces which are supported by socketcan under Linux.
http://processors.wiki.ti.com/index.php/AM335X_DCAN_Driver_Guide

Hardware features ReliaGATE 10-10 User Manual
22
REGATE-10-10_UsrMan_EN_1.5
Serial COM ports
The AM335x processor provides 6 high-speed, fully functionally compatible 16550 serial UARTs on the
ReliaGATE 10-10. Four of these channels can be used as follows:
Port
Address
IRQ
Function
ttyO0
0x44e09000
72
Console
ttyO1
0x48022000
73
Not used
ttyO2
0x48024000
74
Not used
ttyO3
0x481a6000
44
RS232 or RS485
ttyO4
0x481a8000
45
RS232 or RS485
ttyO5
0x481aa000
46
Mapped to optional TELIT Modem
General purpose I/O
The following General purpose I/O, provided by the AM335x processor, are available on the screw terminal
block.
Relays
• Relay 1 uses GPIO64
• Relay 2 uses GPIO97
Optoinsulated inputs
• OPTO 1 uses GPIO103
• OPTO 2 uses GPIO104
A simple Linux BASH script called am335x_gpio simplifies the access to GPIO.

ReliaGATE 10-10 User Manual Hardware features
23
REGATE-10-10_UsrMan_EN_1.5
Bluetooth
The ReliaGATE 10-10 can provide a Bluetooth v2.1 interface.
Example of code:
BLUETOOTH()
{
print_title " BLUETOOTH TEST "
Running=`ps aux | grep uim -c`
if [ "$Running" -eq 1 ]; then
uim &
print_timeout 5 "Starting UIM Bluetooth manager ..."
echo "Loading btwilink module ..."
modprobe btwilink
sleep 2
else
echo "UIM Bluetooth manager is already running"
fi
hciconfig hci0 up
printf "\nScanning..."
bt_found=`hcitool scan`
bt_count=$(echo "$bt_found" | grep -c ":")
echo "$bt_found"
echo "If there are active Bluetooth devices in the area, they should be
reported above"
echo ""
if [ "$bt_count" -gt 0 ]; then
print_pass "$bt_count Bluetooth networks found"
else
print_fail "No Bluetooth networks found"
return
fi
echo ""
press_any_key
}

Example of connections ReliaGATE 10-10 User Manual
24
REGATE-10-10_UsrMan_EN_1.5
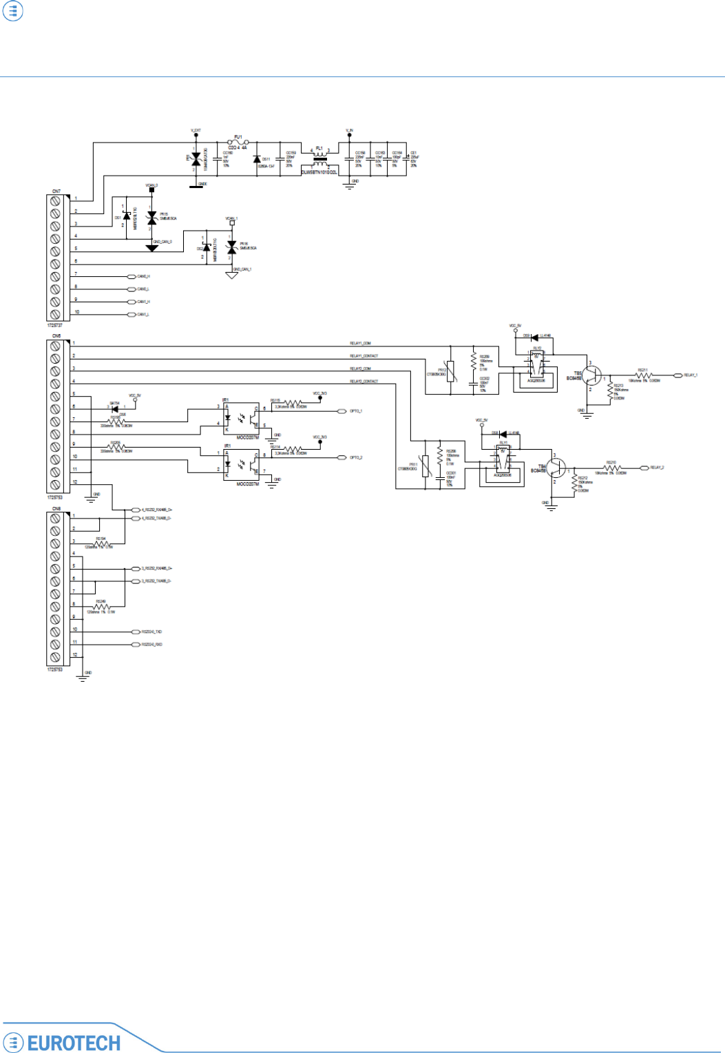
Example of connections
The following diagram shows the screw terminal connections in the ReliaGATE 10-10

ReliaGATE 10-10 User Manual LED indicators
25
REGATE-10-10_UsrMan_EN_1.5
LED indicators
There are 3 user LED indicators on the ReliaGATE 10-10, accessible via an I2C GPIO expander IC at address
0x41.
Example BASH script
I2C_LEDS()
{
printf "I2C LEDS TEST "
echo "Setting up the I2C GPIO expander for output"
i2c-regs -d /dev/i2c-2 0x41 3 0
echo "Observe the LEDS connected to D0 - D2"
echo "All OFF"
i2c-regs -d /dev/i2c-2 0x41 1 0
sleep 1
echo "All ON"
i2c-regs -d /dev/i2c-2 0x41 1 7
sleep 1
echo "Walking one"
for loop in {1..3}
do
echo "loop $loop"
for pattern in 0 1 2 4
do
i2c-regs -d /dev/i2c-2 0x41 1 $pattern
sleep 1
done
done
sleep 1
echo "All OFF"
i2c-regs -d /dev/i2c-2 0x41 1 0
sleep 1
}

Embedded Linux ReliaGATE 10-10 User Manual
26
REGATE-10-10_UsrMan_EN_1.5
Embedded Linux
The version of Linux running on the ReliaGATE 10-10 is based on POKY Linux which is part of the Yocto
Project.
https://www.yoctoproject.org/
Developing applications
Learning how to create Yocto BSPs and using them effectively can be a time-consuming and complex process.
It is possible and often desirable therefore to build projects outside of the main poky build system. To do this
you need to download a pre-built toolchain.
Currently we are using yocto-1.3 toolchains which you will find here:
http://downloads.yoctoproject.org/releases/yocto/yocto-1.3/toolchain/
Select the version that suits your host system.
e.g.: If you are running Ubuntu 12.04 LTS 64bit, select x86_64.
In this folder you will find toolchains for different target architectures.
For the ReliaGATE 10-10 select the 'arm' toolchain.
e.g.: poky-eglibc-x86_64-arm-toolchain-gmae-1.3.sh
Installing the downloaded toolchain archive
Execute the script:
$ sudo sh poky-eglibc-i686-arm-toolchain-gmae-1.3.sh
Enter target directory for SDK (default: /opt/poky/1.3):
You are about to install the SDK to "/opt/poky/1.3". Proceed[Y/n]?
This will put the toolchain into /opt/poky/1.3/
Finally set up the environment to use the toolchain:
$ source /opt/poky/1.3/environment-setup-armv5te-poky-linux-gnueabi
Note you will need to setup this environment each time you want to use this toolchain.
You can now build C example code as follows:
$ arm-poky-linux-gnueabi-gcc hello.c –o hello

ReliaGATE 10-10 User Manual Appendix A - Reference information
27
REGATE-10-10_UsrMan_EN_1.5
Appendix A - Reference information
Product information
Product notices, updated drivers, support material, 24hr-online ordering: www.eurotech.com
SDIO card information
SD Card Association and product information: www.sdcard.org
www.sdcard.com
USB information
Universal Serial Bus (USB) specification and product information: www.usb.org
Texas Instruments
TI OMAP AM335x processor documentation: http://www.ti.com/lit/ds/symlink/am3359.pdf
TI I2C 9536 4bit GPIO expander: http://www.ti.com/lit/ds/symlink/pca9536.pdf
(This page has been intentionally left blank)

EUROPE
ITA
LY
EUROTECH
Tel
: +39 0433.485.411
Fax
: +39 0433.485.499
E
-mail: sales.it@eurotech.com
E
-mail: support.it@eurotech.com
Web:
www.eurotech.com
UNITED KINGDOM
EUROTECH
Tel:
+44 (0) 1223.403410
Fax
: +44 (0) 1223.410457
E
-mail: sales.uk@eurotech.com
E
-mail: support.uk@eurotech.com
Web:
www.eurotech.com
FRANCE
EUROTECH
Tel
: +33 04.72.89.00.90
Fax
: +33 04.78.70.08.24
E
-mail: sales.fr@eurotech.com
E
-mail: support.fr@eurotech.com
Web:
www.eurotech.com
AMERICAS
USA
EUROTECH
Toll free
: +1 888.941.2224
Tel
: +1 301.490.4007
Fax
: +1 301.490.4582
E
-mail: sales.us@eurotech.com
E
-mail: support.us@eurotech.com
Web:
www.eurotech-inc.com
ASIA
JAPAN
ADVANET
Tel:
+81 86.245.2861
Fax
: +81 86.245.2860
E
-mail: sales@advanet.jp
E
-mail: tsupport@advanet.jp
Web:
www.advanet.co.jp
INDIA
EUROTECH
Tel:
+91 80.43.35.71.17
E
-mail: sales.in@eurotech.com
E
-mail: support.in@eurotech.com
Web:
www.eurotech.com
WORLD SUPPORT
HEADQUARTERS
EUROTECH
Via Fratelli Solari, 3/a
33020 Amaro (UD)
– Italy
Tel:
+39 0433.485.411
Fax
: +39 0433.485.499
E
-mail: support.it@eurotech.com
Web:
www.eurotech.com
For your local contact please refer to: www.eurotech.com/contacts
Specifications and features are subject to change without notice. All trademarks and trade names are the property of their respective owners.



