Emerson Csb400 Series Pressure Reducing Regulators Instruction Manual
2015-03-30
: Emerson Emerson-Csb400-Series-Pressure-Reducing-Regulators-Instruction-Manual-681190 emerson-csb400-series-pressure-reducing-regulators-instruction-manual-681190 emerson pdf
Open the PDF directly: View PDF
.
Page Count: 28

D103123X012
CSB400 Series
Instruction Manual
Form 5836
June 2014
www.fisherregulators.com
CSB400 Series Commercial / Industrial
Pressure Reducing Regulators
Table of Contents
Introduction .....................................................................1
Speci cations .................................................................2
Principle of Operation ..................................................... 8
Installation and Overpressure Protection ..................... 11
Commissioning .............................................................15
Adjustment....................................................................15
Shutdown......................................................................17
Maintenance and Inspection.........................................19
Parts Ordering ..............................................................20
Parts List.......................................................................21
Introduction
Scope of the Manual
This Instruction Manual provides installation, maintenance
and parts ordering information for the CSB400 Series
regulators. Instructions and parts lists for other
equipment mentioned in this instruction manual are
found in separate manuals.
Figure 1. Typical CSB400 Series Pressure Reducing Regulators
P1424
P1426 P1425
TYPICAL TYPE CSB400 REGULATOR
TYPICAL TYPE CSB403 REGULATOR WITH
INTEGRAL TRUE-MONITOR™ REGULATOR TYPICAL TYPE CSB404 REGULATOR WITH
INTEGRAL TYPE VSX4 SLAM-SHUT MODULE

CSB400 Series
2
Specications
The Specications section lists the specications for the CSB400 Series Regulators. The following information is stamped
on the nameplate of CSB400 Series: Type and Class, Maximum Outlet Pressure and Spring Range.
Pressure Registration
Internal, External or Dual (Internal and External)
Operating Temperature (TS)(1)(2)
According to PED Standards:
All Types: -20 to 66°C / -4 to 150°F
Non-PED with standard construction:
Types CSB400/CSB404, CSB420/CSB424:
-20 to 66°C / -4 to 150°F
Types CSB450/CSB454(3):
-30 to 66°C / -20 to 150°F
Non-PED with low temperature construction:
Types CSB400F/CSB404F(3), CSB420F/CB424F(3):
-30 to 66°C / -20 to 150°F
Approximate Weights
With Threaded body
Type CSB400: 4.1 kg / 9 pounds
Type CSB403: 9.1 kg / 20 pounds
Type CSB404: 5.0 kg / 11 pounds
With Flanged Body:
Add 4.1 kg / 9 pounds to threaded weights
listed above
PED Conformity Statement and Information
The CSB400 Product Series is in conformity with the
Pressure Equipment Directive PED 97/23/EC. The
exceptions to this previous statement are the
Types CSB403 and CSB423. Both of these types are
not yet certied to conform with the PED Directive.
Pressure regulator does not require any
supplementary upstream safety accessory for
protection against overpressure compared with
its design pressure PS, when upstream reducing
station is sized for a max downstream incidental
MIPd <= 1.1 PS.
PED Related Information
See Table 2
Available Congurations
See Table 1
Regulator Type: Differential Strength (DS)
Accuracy Class: Up to AC5
(depending on Outlet Pressure)
Lock-up Class: Up to SG10
(depending on Outlet Pressure)
Failure Mode: Fail Open (FO)
Body Sizes and End Connection Styles
See Table 5
Integral Strength (IS) Pressure Ratings(1)
See Table 3
Differential Strength (DS) Pressure Ratings and
Flow and Sizing Coefcients(1)
See Table 4
Operating Pressure Ranges(1)
Regulator: See Table 6
Integral True-Monitor™ Module: See Table 7
Slam-Shut Module: See Table 8
Maximum Outlet Pressures(1)
Emergency: 4.0 bar / 58 psig
To Avoid Internal Parts Damage:
Type CSB450: 1 bar / 14.5 psig above outlet
pressure setting
All other Types: 0.34 bar / 5 psig above outlet
pressure setting
Operating: 3.0 bar / 43.5 psig
Spring Case Vent Connection
1 NPT
Orice Size
17.5 mm / 11/16 inch
1. The pressure/temperature limits in this Instruction Manual or any applicable standard limitation should not be exceeded.
2. Standard token relief set values listed in Table 8 are based on -20 to 60°C / -4 to 140°F.
3. Product has passed Emerson Process Management Regulator Technologies, Inc. (Regulator Technologies) testing for lockup, relief start-to-discharge and reseal down to -40°.

CSB400 Series
3
TYPE NUMBER OPTIONS
C S B 4
PRESSURE CONSTRUCTION AND UPSTREAM MONITOR APPLICATIONS
0Low Pressure Applications (Outlet Pressure: 17 to 100 mbar / 7 to 40 inches w.c.)
1Low Pressure, Upstream Monitoring Applications(1)(3) (Outlet Pressure: 17 to 100 mbar / 7 to 40 inches w.c.)
2Medium Pressure Applications (Outlet Pressure: 100 to 517 mbar / 40 to 208 inches w.c.)
3Medium Pressure, Upstream Monitoring Applications(1)(3) (Outlet Pressure: 100 to 517 mbar / 40 to 208 inches w.c.)
5High Pressure Applications(2) (Outlet Pressure: 0.50 to 3.0 bar / 7 to 43.5 psig)
OVERPRESSURE PROTECTION
0Without Overpressure Protection Module
0F Low Temperature Capability, Without Overpressure Protection Module
3With Integral True-Monitor™ Module(4)
3F Low Temperature Capability, With Integral True-Monitor Module(4)
4With Type VSX4 Slam-shut Module(5)
4F Low Temperature Capability, With Type VSX4 Slam-shut Module(5)
PRESSURE REGISTRATION
DDual Registration (Best solution for quick changing loads)
EExternal Registration
IInternal Registration
RELIEF
NNo Relief
TInternal Token Relief
Example: Type number CSB424DT: Type CSB400 regulator constructed for medium pressure applications, with Type VSX4 slam-shut module,
Dual pressure registration and Internal Token relief.
1. Not available with Integral True-Monitor option.
2. Not available with Integral True-Monitor or Token Relief option.
3. Available with External Pressure Registration only.
4. Reference Instruction Manual D103126X012 for information regarding the Type TM600 Integral True-Monitor module.
5. Reference Instruction Manual D103127X012 for information regarding the Type VSX4 Slam-Shut module.
Table 1. Available Congurations
!
WARNING
Failure to follow these instructions or
to properly install and maintain this
equipment could result in an explosion
and/or re causing property damage and
personal injury or death.
Fisher® regulators must be installed,
operated, and maintained in accordance
with federal, state, and local codes,
rules and regulations and
Regulator Technologies instructions.
If the regulator vents gas or a leak
develops in the system, service to the unit
may be required. Failure to correct trouble
could result in a hazardous condition.
Call a gas service person to service the
unit. Only a qualied person must install
or service the regulator.
Description
CSB400 Series regulators are typically installed on
industrial and commercial applications. See Table 1 for
Available Congurations. Low, Medium and High outlet
pressure constructions are available via Types CSB400,
CSB420 and CSB450, respectively, that provide outlet
setpoints ranging from 17 mbar to 3.0 bar / 7 inches w.c.
to 43.5 psig. Also available are upstream monitoring
congurations such as Types CSB410 and CSB430,
which are installed upstream of the primary regulator to
provide overpressure protection.
Types that include an “F” refer to the cold temperature
construction of the base Type number. For example, the
Type CSB404F provides a cold temperature construction
of the Type CSB404. Refer to the Operating Temperature
section found on the following page for additional
information regarding temperature capabilities and refer
to Table 7 for inlet pressure limitations. For types that
include an “F”, refer to the base type number for general
information such as Principles of Operation, Maintenance
instructions, Warnings and Cautionary notes.

CSB400 Series
4
TYPE
MAXIMUM ALLOWABLE PRESSURE(1) /
MAXIMUM EMERGENCY INLET PRESSURE MAXIMUM OPERATING INLET PRESSURE(1)
PSPumax
bar psig bar psig
CSB400, CSB400F, CSB404 and CSB404F
4.0 58 4.0 58
CSB420, CSB420F, CSB424 and CSB424F
CSB450 and CSB454
CSB410 and CSB414
CSB403, CSB403F, CSB423 and CSB423F
CSB403 and CSB423
1. For the Integral Strength (IS) version, the maximum value of PS and Pumax should be similar to the PSD used for the Differential Strength (DS) version.
Table 3. Integral Strength (IS) Pressure Ratings
Table 4. Differential Strength (DS) Pressure Ratings and Flow and Sizing Coefcients
TYPE
SPECIFIC MAXIMUM
ALLOWABLE
PRESSURE / MAXIMUM
EMERGENCY OUTLET
PRESSURE
MAXIMUM
OPERATING INLET
PRESSURE
MAXIMUM
EMERGENCY
INLET PRESSURE(1) ORIFICE
SIZE
FLOW
COEFFICIENTS
WIDE OPEN
IEC SIZING
COEFFICIENTS
PSD Pumax PS
bar psig bar psig bar psig mm Inch CgCvC1XTFDFL
CSB400F and CSB404F
4.0 58
6.0 87 12.0 174
17.5 11/16 428 11 43 1.16 0.84 0.90
CSB403F and CSB423F 6.0 87 10.0 145
CSB403 and CSB423
10.0 145 10.0 145CSB410 and CSB414
CSB430 and CSB434
CSB400 and CSB404 10.0 145 12.0 174
CSB420F and CSB424F
CSB420 and CSB424 16.0 232 20.0 290
CSB450 and CSB454
1. If ordered with a PN 16 anged connection, PS rating is a maximum of 16.0 bar / 232 psig. PS rating may be lower than 16.0 bar / 232 psig as indicated by this table.
Figure 2. CSB400 Series Regulator, Slam-shut and Integral True-Monitor™ Nameplates and Labels
PATENT
PENDING TS
REGULATOR SLAM SHUT SERIAL NO.
TEMP CLASS DOM
PS FLUID GROUP CAT LOC
Std: EN334
TYPE PSD
Pumax Pmax
Matl
Wds Case
Failure Mode
REGULATOR
Std: EN14382
SLAM SHUT
RELAIS Pu Max
RELAY Max IN
TYPE PSD CLASS
Wdso Wdsu
OP range UP range
MATL P max
CASE Max OUT
DN SEAT BODY
TYPE NO.
PATENT PENDING DOM
LOC
MAX EMER
OUT OUT
MAX OP
MAX IN ORIFICE SPG RANGE
RELIEF
SERIAL NO.
PN MATL
0062
PED mfg: Chartres,
France
PED mfg: Chartres,
France
REGULATOR NAMEPLATES
SLAM-SHUT NAMEPLATE INTEGRAL TRUE-MONITOR NAMEPLATE
PATENT
PENDING TS
REGULATOR SLAM SHUT SERIAL NO.
TEMP CLASS DOM
PS FLUID GROUP CAT LOC
Std: EN334
TYPE PSD
Pumax Pmax
Matl
Wds Case
Failure Mode
REGULATOR
Std: EN14382
SLAM SHUT
RELAIS Pu Max
RELAY Max IN
TYPE PSD CLASS
Wdso Wdsu
OP range UP range
MATL P max
CASE Max OUT
DN SEAT BODY
TYPE NO.
PATENT PENDING DOM
LOC
MAX EMER
OUT OUT
MAX OP
MAX IN ORIFICE SPG RANGE
RELIEF
SERIAL NO.
PN MATL
0062
PED mfg: Chartres,
France
PED mfg: Chartres,
France
Table 2. PED Information
TYPE DESCRIPTION PED CATEGORY FLUID GROUP
CSB400, CSB400F, CSB410, CSB420,
CSB420F, CSB430 and CSB450 Base regulator IGroups 1 and 2 according to PED 97/23/EC, 1st
and 2nd family gas according to EN 437 or other
gases (compressed air, nitrogen).
The gas must be non-corrosive, clean
(ltration on inlet side necessary) and dry.
CSB404, CSB404F, CSB414, CSB424,
CSB424F, CSB434 and CSB454 Regulator with Slam-Shut Module IV
European EN Reference Standards EN 334, EN 14382

CSB400 Series
5
Table 6. CSB400 Series Primary Regulator Outlet Pressure Ranges
Table 7. Primary Regulator and Integral True-Monitor™ Outlet Pressure Ranges
TYPE
OPERATING PRESSURE
RANGES, Wd
PART
NUMBER
SPRING
COLOR
SPRING WIRE
DIAMETER SPRING FREE LENGTH
mbar Inch w.c. mm Inch mm Inch
CSB400, CSB400F,
CSB403, CSB403F,
CSB404, CSB404F,
CSB410 and CSB414
17 to 24 6.8 to 9.6 GE30191X012 Pink 2.03 0.080 152 6.00
24 to 35 9.6 to 14 GE43955X012 Orange Stripe 2.19 0.086 110 4.35
35 to 60 14 to 24.1 GE30201X012 Dark Green 3.23 0.127 110 4.35
54 to 100 21.7 to 40 GE30202X012 Tan 2.85 0.112 127 5.00
CSB420, CSB420F,
CSB423, CSB423F,
CSB424, CSB424F,
CSB430 and CSB434
100 to 160 1.45 to 2.3 psig GE35081X012 Purple Stripe 3.86 0.152 124 4.90
138 to 300 2.0 to 4.4 psig GE30192X012 Dark Blue 4.27 0.168 118 4.65
276 to 517 4 to 7.5 psig GE33121X012 Red 4.93 0.194 118 4.65
CSB450 and CSB454 500 mbar to 1 bar 7.3 to 14.5 psig GE30203X012 Light Blue 5.59 0.220 102 4.00
1 to 3 bar 14.5 to 43.5 psig GE30204X012 Light Green 6.73 0.265 100 3.95
TYPE
PRIMARY REGULATOR INTEGRAL TRUE-MONITOR
Factory Setpoint Set Pressure Range
Color P/N
Factory Token Relief Set(1) Factory Setpoint(1) Spring Range
Color P/N
mbar psig mbar psig % of
REG. Set mbar psig mbar psig mbar psig
CSB403
and
CB403F
20 8 in w.c. 17 to 24 6.8 to
9.6 in w.c. Pink GE30191X012
No Token Relief 37 15 in w.c. 30 to 52 12 to
21 in w.c. Blue GE30189X012
170% 35 14 in w.c.
52 21 in w.c. 45 to 75 18 to
30 in w.c. Green GE30196X012
30 12 in w.c. 24 to 35 9.6 to
14 in w.c.
Orange
Stripe GE43955X012
No Token Relief
150% 45 18 in w.c.
70 165 to 99 26 to
40 in w.c. Orange GE30225X012
50 20 in w.c. 35 to 60 14 to
24 in w.c.
Dark
Green GE30201X012
No Token Relief
140% 70 1
103 1.5 97 to 200
1.4 to 2.9 Black GE30190X01269 154 to 100 0.78 to
1.45 Tan GE30202X012
No Token Relief
130% 90 1.3 138 297 to 200
CSB423
and
CB423F
138 2100 to 160 1.45 to 2.3 Purple
Stripe GE35081X012
No Token Relief 172 2.5 97 to 200
130% 180 2.6 241 3.5 197 to 255 2.6 to 3.7 Purple GE35081X012
207 3 138 to 300 2.0 to 4.4 Dark
Blue GE30192X012
No Token Relief 276 4
248 to 414 3.6 to 6 Dark
Blue GE30192X012
125% 260 3.8 345 5
345 5276 to 517 4 to 7.5 Red GE33121X012
No Token Relief 414 6
352 to 517 5.1 to 7.5 Red GE33121X012
125% 430 6.25 448 6.5
1. Recommended minimum Integral True-Monitor setpoints shown.
Table 5. Body Sizes, Material, End Connections and Pressure Ratings
BODY MATERIAL INLET SIZE, NPS OUTLET SIZE, NPS END CONNECTION FACE-TO-FACE DIMENSION BODY PRESSURE RATING
mm Inch bar psig
Ductile Iron
1 1
NPT
100 4
20.0 290
1-1/4 1-1/4 114 4.5
1-1/2 1-1/2 114 4.5
2 2 127 5
1 1
Rp
100 4
11-1/4 114 4.5
1-1/4 1-1/4 114 4.5
1-1/2 1-1/2 114 4.5
2 2 127 5
DN 50 / 2 DN 50 / 2 CL150 FF 254 10
PN 10/16 254 10 16.0 232
DN 40 / 1-1/2(1) DN 40 / 1-1/2(1) PN 16 Slip-On 184 7.24
12-1/4 Rp x GAZ 105 4.1
20.0 290
WCC Steel
1 1
NPT
100 4
1-1/4 1-1/4 114 4.5
1-1/2 1-1/2 114 4.5
1 1
Rp
100 4
1-1/4 1-1/4 114 4.5
1-1/2 1-1/2 114 4.5
1. Uses Rp 1-1/2 x 1-1/2 threaded body with PN 16 slip-on anges.

CSB400 Series
6
Table 8. Regulator and Slam-shut OPSO and UPSO Pressure Ranges
Example: If a non-standard setpoint is needed, see the following example for the proper use of Table 8.
Non-standard setpoint = 140 mbar / 2 psig, using the value presented above, the factory set of the token relief will be
1.3 x 140 = 182 mbar / 2.6 psig. The factory OPSO and UPSO set pressures are 165% and 50% of the non-standard
setpoint, respectively. The resulting settings are: OPSO = 231 mbar / 3.4 psig and UPSO = 70 mbar / 1 psig.
TYPE
REGULATOR SLAM-SHUT MODULE
Set Pressure
Range
Standard
Setpoints
Token Relief
Set(1)(2)
Available
Token Relief
Range Shown
as a % of
Regulator
Setpoint
Overpressure Shutoff (OPSO) Underpressure Shutoff (UPSO)
Minimum
Required
Difference
between Token
Relief and
OPSO Set
Standard
OPSO Set
Values(1) Pdso
OPSO Set
Range as a %
of Regulator
Setpoint
Standard
UPSO Set
Values(1) Pdsu
UPSO Set
Range as a %
of Regulator
Setpoint
mbar psig mbar psig mbar psig Min(2) Max mbar psig mbar psig Min Max mbar psig Min Max
CSB404,
CSB404F
and
CSB414
17 to
24
0.25 to
0.35
20 0.29 34 0.49
170% 215% 8 0.12
43 0.62
215% 270%
10 0.15
50% 56%
21 0.30 36 0.52 45 0.65 11 0.16
24 to
35
0.35 to
0.51
27 0.39 41 0.59
150% 160% 10 0.14
51 0.74
190% 200%
14 0.20
50% 60%
30 0.44 45 0.65 57 0.83 15 0.22
35 0.50 53 0.76 67 0.96 18 0.26
35 to
60
0.51 to
0.87
50 0.70 70 1.0
140% 158% 16 0.23
90 1.3
180% 200%
25 0.36
50% 70%
60 0.87 84 1.2 108 1.57 30 0.44
54 to
100
0.8 to
1.5
75 1.10 98 1.4
130% 140% 20 0.29
128 1.85
170% 190%
38 0.54
50% 70%
100 1.5 130 1.9 170 2.47 50 0.73
CSB424,
CSB424F
and
CSB434
100 to
160
1.5 to
2.3
150 2.2 195 2.8
130% 140% 40 0.58
248 3.59
165% 175%
75 1.1
50% 70%
160 2.3 208 3.0 264 3.83 80 1.2
138 to
300
2.0 to
4.4 300 4.4 375 5.4 125% 140% 50 0.73 450 6.53 150% 165% 150 2.2 50% 70%
276 to
517
4.0 to
7.5 500 7.3 625 9.1 125% 140% 60 0.87 700 10.2 140% 180% 250 3.6 50% 70%
CSB454(3)
500 to
1000
7.3 to
14.5 1000 14.5 - - - - - - - - - - - - - - - - - - - - - - - - 1320 19.2 112% 140% 500 7.3 50% 70%
1000 to
3000
14.5 to
43.5
1200 17.4 - - - - - - - - - - - - - - - - - - - - - - - - 1600 23.2 112% 133% 600 8.7
50% 70%
1500 21.6 - - - - - - - - - - - - - - - - - - - - - - - - 1900 27.6 112% 127% 750 10.9
2000 29.0 - - - - - - - - - - - - - - - - - - - - - - - - 2400 34.8 112% 120% 1000 14.5
3000 43.5 - - - - - - - - - - - - - - - - - - - - - - - - 3400 49.3 112% 113% 1500 21.8
1. Standard factory set shown. Factory set is at the Minimum value of the range indicated. Range indicated is a percentage of Setpoint. Percentage indicated is based on the Set Pressure Range
in which that setpoint resides. If non-standard sets are required, adherence must be made to constraints shown in Table 7, including Token Relief Set Range, OPSO and UPSO set range and
Minimum Required difference between Token Relief and OPSO Set.
2. Minimum Token Relief values apply to -20 to 60°C / -4 to 140°F service temperatures. For service below -20°C / -4°F, add 8 mbar / 0.12 psig to the minimum Token Relief value listed.
3. Token Relief is not available for the Type CSB454.

CSB400 Series
7
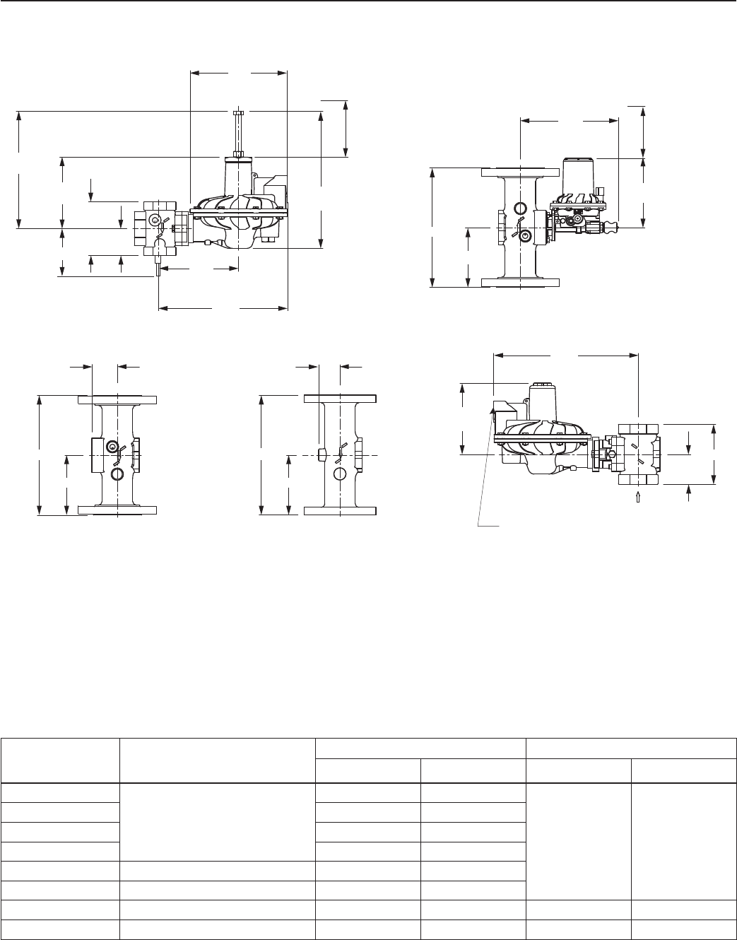
Table 9. CSB400 Series Dimensions
BODY SIZE, NPS BODY END
CONNECTION STYLE
FACE-TO-FACE DIAMETER (A) PITOT TUBE (B)
mm Inch mm Inch
1
NPT or Rp
100 4
97 3.8
1-1/4 114 4.5
1-1/2 114 4.5
2 127 5
DN 50 / 2 CL150 FF or PN 10/16 254 10
1 x 1-1/4 Rp 114 4.5
1 x 2-1/4 Rp x GAZ 105 4.1 20 0.8
DN 40 / 1-1/2 PN 16 Slip-On 184 7.2 97 3.8
Figure 3. CSB400 Series Dimensions
1. MAXIMUM SPRING REMOVAL CLEARANCE FOR BOTH THE PRIMARY REGULATOR AND INTEGRAL TRUE-MONITOR IS 158 mm / 6.2 inches.
2. MAXIMUM SPRING REMOVAL CLEARANCE FOR THE SLAM SHUT IS 80 mm / 3.1 inches.
BSLAM-SHUT
MODULE
TRUE-MONITOR™
MODULE
249 /
9.81
171 /
6.72
275 /
10.81
291 /
11.46
205 /
8.09
208 /
8.18
146 /
5.77
54 /
2.13
45 /
1.79
307 /
12.08
SPRING
REMOVAL(2)
151 /
5.95
A/2
A
SPRING
REMOVAL(1)
A
A/2
A
A/2 A/2
AA
A/2
1 NPT
SCREENED
VENT
mm / INCH
GE34270
152 /
5.97

CSB400 Series
8
Figure 4. Type CSB400DT Dual Registered Regulator Operational Schematic
Principle of Operation
Type CSB400 Base Regulator Operation
Refer to Figure 4. When downstream demand
decreases, the pressure under the regulator diaphragm
increases. This pressure overcomes the regulator
setting (which is set by the regulator control spring).
Through the action of the pusher post assembly, lever
and valve stem, the valve disk moves closer to the
orice and reduces gas ow. If demand downstream
increases, pressure under the regulator diaphragm
decreases. Spring force pushes the pusher post
assembly downward, the valve disk moves away from
the orice, and the gas ow increases downstream
as the regulator opens in response to the decreased
pressure underneath the regulator diaphragm.
Type numbers with a “T”, for example, Type CSB400IT,
provide a token or low-capacity relief. The Token relief
provides relief from minor overpressure caused by nicks
or dents on the orice or by thermal expansion of gas in
the downstream line. Token relief also provides a token or
signal, in the form of odor, that an overpressure situation
is occurring.
Additional overpressure protection options include
Types CSB403 and CSB423, which offer True-Monitor™
protection provided by an integral monitor module installed
on the inlet side of the valve body. This Integral True-Monitor
assumes control of the pressure to the downstream
system should the primary regulator fail to regulate. The
Types CSB404, CSB424 and CSB454 are examples of
CSB400 Series congurations that offer a slam-shut module
that shuts off the ow of gas to the downstream system in
the event of outlet pressure rising above or falling below the
predened levels due to a failure.
Optional token relief is available, which acts as a low-
capacity internal relief valve to relieve minor overpressure
situations due to nicks or other minor damage to the
orice or disk, or due to thermal expansion of the
downstream system.
Internal, external or dual outlet pressure registration is
available. Constructions with dual or external registration
require an external control line / sense line. For quick
changing loads, dual sense is recommended as it
provides the quickest response time.
TOKEN RELIEF SPRING
EXTERNAL CONTROL LINE
(SENSE LINE)
PUSHER POST
REGULATOR
CONTROL SPRING
LEVER
VALVE STEM
BALANCED PORT
ASSEMBLY
REGULATOR
ORIFICE
REGULATOR
DISK
REGULATOR
ADJUSTING SCREW
M1143
INLET PRESSURE
OUTLET PRESSURE
ATMOSPHERIC PRESSURE

CSB400 Series
9
Figure 6. Type CSB404ET Externally Registered Regulator and Slam-shut Operational Schematic
INLET PRESSURE
OUTLET PRESSURE
ATMOSPHERIC PRESSURE
M1146
Figure 5. Type CSB403IT Internally Registered Primary Regulator with Externally Registered Integral True-Monitor™ Operational Schematic
M1145
INLET PRESSURE
OUTLET PRESSURE
ATMOSPHERIC PRESSURE
WIDE-OPEN INTEGRAL TRUE-MONITOR REGULATOR PRIMARY REGULATOR
TYPE VSX4 SLAM-SHUT MODULE PRIMARY REGULATOR
EXTERNAL CONTROL
LINE (SENSE LINE)
PRESSURE RETAINING
PLUG (DO NOT
REMOVE WHILE UNIT
IS PRESSURIZED)
MONITOR ADJUSTING SCREW
REGULATOR ORIFICE
REGULATOR
ADJUSTING SCREW
REGULATOR
CONTROL SPRING
MONITOR CONTROL SPRING
MONITOR DISK
MONITOR
LEVER
MONITOR
VALVE STEM
MONITOR
OPENING SPRING
BALANCED PORT
ASSEMBLY
REGULATOR
VALVE STEM REGULATOR
LEVER REGULATOR
PUSHER POST
TOKEN RELIEF
SPRING
MONITOR ORIFICE
OPSO ADJUSTING SCREW
UPSO ADJUSTING SCREW
UPSO SPRING
SENSE BLOCKING
SCREW
SLAM-SHUT
ORIFICE
OPSO SET SPRING
RESET KNOB
SLAM-SHUT DISK
VENT
REGULATOR
CONTROL SPRING
REGULATOR
ADJUSTING SCREW
REGULATOR ORIFICE
VALVE STEM
LEVER
EXTERNAL CONTROL
LINE (SENSE LINE)
TOKEN RELIEF
SPRING
PROXIMITY
SWITCH PLUG

CSB400 Series
10
Figure 7. CSB400 Series Regulator Installed with the Vent Pointed Downward and with a
Type 289H Relief Valve for High Capacity Relief
Type CSB403 Integral
True-Monitor™ Operation
Type CSB403 combines the operation of a conventional
two-regulator wide-open monitor set into one body, see
Figure 5. The Integral True-Monitor is installed on the
inlet side of the body and serves to throttle ow and
maintain an acceptable downstream pressure in the
case where the primary regulator ceases to regulate
downstream pressure. During normal operation the
Integral True-Monitor is in a wide-open state as its
setpoint is set higher than the primary regulator. See
Table 7 for guidance regarding the setpoints of the
regulator and associated Integral True-Monitor sets.
If the downstream pressure should rise to the setpoint of
the Internal Monitor due to a loss of pressure control by
the primary regulator, the Integral True-Monitor
will assume control and regulate the ow to the
downstream system. If token relief is present, it will
relieve a small amount of gas to the atmosphere as an
indication that the Integral True-Monitor is controlling the
downstream pressure.
The Type CSB403 provides the option of internal or
external downstream pressure registration. External
registration requires a downstream sensing line. See
Figure 9 for guidance regarding installation of the
downstream control line. Refer to the Type TM600
Instruction Manual for additional details of Integral
True-Monitor operation.
Type CSB404 Slam-shut Operation
The Type VSX4 slam-shut module on the Type CSB404
regulator is a fast acting shut-off device that provides
overpressure (OPSO) or over and underpressure
(OPSO / UPSO) protection by completely shutting off the
ow of gas to the downstream system. See Table 8 for
guidance regarding the typical setpoints of the regulator
and associated slam-shut OPSO and also the combined
OPSO and UPSO setpoints. The Type VSX4’s actions
are independent of the Type CSB404 regulator and of
variations to the inlet pressure. The Type VSX4 comes
standard with external downstream pressure registration,
with the option for internal registration only on the Rp 1
x 2-1/4 GAZ body. External registration requires a
downstream sensing line. See Figure 10 for guidance
regarding installation of the downstream control line.
The Type VSX4 shut-off disk is normally in the open
(reset) position, see Figure 6. If the downstream
pressure below the slam-shut diaphragm increases (or
decreases) until it reaches the slam-shut setpoint, this
diaphragm moves upward (or downward) to release
the trip mechanism which allows the spring force on
the stem to push the disk against the seat, shutting off
all gas ow. To reset the slam shut after gas has been
shut off, refer to the Type VSX4 Instruction Manual for
additional details.
CSB400 SERIES
REGULATOR
REGULATOR VENT
POINTED DOWNWARD
PROTECT VENT PIPE
WITH RAIN CAP
NPS 2 TYPE 289H
RELIEF VALVE
GE27692

CSB400 Series
11
In order for the Underpressure Shutoff (UPSO) of any
slam shut to be triggered, the downstream pipe pressure
must drop below the UPSO setpoint. In the case of a
downstream line break, numerous factors can prevent
the downstream pipe pressure from decreasing below
the slam-shut UPSO setpoint. These factors include the
distance of pipe to the break, the diameter of the pipe,
size of the break and the number of restrictions, such as
valves, elbows and bends, downstream of the regulator
and/or slam-shut device. Due to these factors additional
protections should be installed to stop ow in the event
of a line break.
Installation and Overpressure Protection
Install in accordance with provisions of EN 12186 /
EN 12279.
!
WARNING
Personal injury or system damage may
result if this regulator is installed, without
appropriate overpressure protection, where
service conditions could exceed the limits
given in the Specications section and/
or regulator nameplate. Regulator and
equipment installation should be adequately
protected from physical damage.
All vents should be kept open to permit
free ow of gas to the atmosphere. Protect
openings against entrance of rain, snow,
insects or any other foreign material that
may plug the vent or vent line. On outdoor
installations, point the spring case vent
downward to allow condensate to drain,
see Figures 7 through 10. This minimizes
the possibility of freezing and of water or
other foreign materials entering the vent
and interfering with proper operation.
For the Type CSB403 with Integral
True-Monitor™ or the Type CSB404 with
Slam shut, point the vents of both the
primary regulator and Integral
True-Monitor or slam shut downward
to allow condensate to drain. From the
factory, the Integral True-Monitor or
slam shut will always point in the same
direction as that of the primary regulator.
Under enclosed conditions or indoors,
escaping gas may accumulate and be an
explosion hazard. In these cases, the vent
should be piped away from the regulator
to the outdoors.
In case of complete disassembly of
the equipment (body included) from
the pipeline, care must be taken not to
bend, hit or otherwise damage the pitot
tube (key 83 Figure 15) that protrudes
beyond the body outlet. Damage to the
pitot tube could result in inaccurate
internal pressure registration and loss of
regulation quality.
CAUTION
CSB400 Series regulators have an
outlet pressure rating lower than their
inlet pressure rating. If actual inlet
pressure can exceed the outlet pressure
rating, outlet overpressure protection
is necessary. However, overpressuring
any portion of the regulators beyond the
limits in the Specications section may
cause leakage, damage to regulator parts
or personal injury due to bursting of
pressure-containing parts.
Some type of external overpressure
protection should be provided to the
CSB400 Series if inlet pressure will be
high enough to damage downstream
equipment. Common methods of external
overpressure protection include relief
valves, monitoring regulators, shut-off
devices, and series regulation.
If the regulator is exposed to an
overpressure condition, it should be
inspected for any damage that may have
occurred. Regulator operation below the
limits specied in the Specications section
and regulator nameplate does not preclude
the possibility of damage from external
sources or from debris in the pipeline.

CSB400 Series
12
Figure 8. Type CSB400 “Series Monitor” Regulator Downstream Control Line Installation
Before installing the regulator, check for
damage which might have occurred in
shipment. Also check for dirt or foreign
matter which may have accumulated in
the regulator body or in the pipeline. Apply
pipe compound to the external threads of
the pipeline and install the regulator so that
ow is in the direction of the arrow cast on
the body. The diaphragm casing assembly
can be rotated to any position relative to the
body. Loosen the two cap screws (key 71,
Figure 11) in order to rotate the diaphragm
casing assembly.
General Installation Instructions
Before installing the regulator,
• Check for damage, which might have occurred
during shipment.
• Check for and remove any dirt or foreign material, which
may have accumulated in the regulator body.
• Blow out any debris, dirt or copper sulfate in the copper
tubing and the pipeline.
• Apply pipe compound to the external threads of the pipe
before installing the regulator.
• Make sure gas ow through the regulator is in the same
direction as the arrow on the body. “Inlet” and “Outlet”
connections are clearly marked.
• Verify that:
- Equipment limits of utilization (PS, TS) corresponds
to the desired operating conditions.
- The inlet is protected by an appropriate device(s) to
avoid exceeding the allowable limits (PS, TS).
• When designing a pressure reducing station using
a CSB regulator, make an analysis if it is necessary
to take into account the effects of wind, snow
and temperature to avoid unnecessary load and
movement to the anges of the equipment.
• If needed, a support may be used under the piping
and regulator/slam-shut body to avoid excessive
pressure force on the regulator/slam shut.
WIDE-OPEN MONITORING REGULATOR PRIMARY WORKING REGULATOR
INLET PRESSURE
OUTLET PRESSURE
ATMOSPHERIC PRESSURE
INTERMEDIATE PRESSURE
Type CSB400ET with External Pressure Registration and
Token Relief Wide-Open Upstream Monitor Regulator
INLET PRESSURE
OUTLET PRESSURE
UPSTREAM
BLOCK VALVE DOWNSTREAM
BLOCK VALVE
MINIMUM OF 4 X OUTLET
PIPING DIAMETER

CSB400 Series
13
Figure 10. Type CSB404 Downstream Control Line Installation
Figure 9. Type CSB403 Downstream Control Line Installation
SLAM SHUT
PRIMARY REGULATOR
INTEGRAL TRUE-MONITOR™
UPSTREAM
BLOCK VALVE
DOWNSTREAM
BLOCK VALVE
MINIMUM OF 4 X OUTLET
PIPING DIAMETER
M1062
PRIMARY REGULATOR
UPSTREAM
BLOCK VALVE
DOWNSTREAM
BLOCK VALVE
MINIMUM OF 4 X OUTLET
PIPING DIAMETER
M1063
INLET PRESSURE
OUTLET PRESSURE
ATMOSPHERIC PRESSURE

CSB400 Series
14
Installation Location
• The installed regulator should be adequately
protected from vehicular trafc and damage from
other external sources.
• Install the regulator with the vent pointed vertically
down, see Figures 7 through 10. If the vent cannot
be installed in a vertically down position, the regulator
must be installed under a separate protective cover.
Installing the regulator with the vent down allows
condensation to drain, minimizes the entry of water
or other debris from entering the vent, and minimizes
vent blockage from freezing precipitation.
• Do not install the regulator in a location where there
can be excessive water accumulation or ice formation,
such as directly beneath a downspout, gutter or roof
line of building. Even a protective hood may not
provide adequate protection in these instances.
• Install the regulator so that any gas discharge
through the vent or vent assembly is over 0.91 m /
3 feet away from any building opening.
Regulators Subjected to Heavy
Snow Conditions
Some installations, such as in areas with heavy snowfall,
may require a hood or enclosure to protect the regulator
from snow load and vent freeze over.
Downstream Control Line Installation
!
WARNING
Failure to install a downstream control
line could result in a hazardous condition.
Install downstream control line(s) to the
slam-shut device when construction uses
external pressure registration.
The regulator and slam-shut device
will not control pressure or shutoff if a
downstream control line is not installed
on those constructions where external
pressure registration is required.
CSB400 Series regulators with an “ET” or “EN” in the
type number use external pressure registration. To
communicate the downstream pressure to the regulator,
connect a downstream control line tubing to the 3/4 NPT
control line tapping in the lower diaphragm casing and
connect the other end of the tubing downstream of the
regulator outlet with a minimum distance of 4 times the
outlet pipe diameter.
For Types CSB400 and CSB404 with external control
lines, use tubing with an outer diameter of 9.5 mm /
0.375 inch or larger. For Types CSB420, CSB424,
CSB450 and CSB454 with external control lines, use
tubing with an outer diameter of 13 mm / 0.5 inch or larger.
The Types CSB410, CSB414, CSB430 and CSB434
are dedicated wide-open monitoring regulators and are
installed upstream of a primary working regulator. Refer
to Figure 8 for installation of the downstream control
line. To communicate the downstream pressure to the
wide-open monitor regulator, connect a downstream
control line tubing to the 3/4 NPT control line tapping in
the lower diaphragm casing of the monitor regulator and
connect the other end of the tubing downstream of the
regulator outlet with a minimum distance of 4 times the
outlet pipe diameter.
For Types CSB410 and CSB414, use tubing with an
outer diameter of 9.5 mm / 0.375 inch or larger.
For Types CSB430 and CSB434, use tubing with an
outer diameter of 13 mm / 0.5 inch or larger.
Downstream Control Line Installation with
Integral True-Monitor™
Refer to Figure 9. When installing the Types CSB403
and CSB423 regulators, connect downstream control
line tubing to the lower casing of the primary regulator,
and run the tubing downstream of the regulator outlet
with a minimum distance of 4 times the outlet pipe
diameter. Connect a second, separate downstream
control line tubing to the lower casing of the Integral
True-Monitor, and run the tubing downstream of the
regulator outlet with a minimum distance of 4 times the
outlet pipe diameter.
For Type CSB403 with external control lines, use tubing
with an outer diameter of 9.5 mm / 0.375 inch or larger
for both the primary regulator and Integral True-Monitor.

CSB400 Series
15
For Type CSB423 with external control lines, use tubing
with an outer diameter of 13 mm / 0.5 inch or larger for
both the primary regulator and Integral True-Monitor™.
Downstream Control Line Installation
with Slam shut
Refer to Figure 10. When installing the Types CS404ET,
CS404EN, CSB424ET, CSB424EN and CSB454EN
regulators, connect downstream control line tubing to
the lower casing of the regulator and run the tubing
downstream of the regulator outlet with a minimum
distance of 4 times the outlet pipe diameter. Connect
a second, separate downstream control line tubing to
the lower casing of the slam shut and run the tubing
downstream of the regulator outlet a minimum distance
of 4 times the outlet pipe diameter.
For Type CSB404 with external control lines, use tubing
with an outer diameter of 9.5 mm / 0.375 inch or larger
for the primary regulator and 6.4 mm / 0.25 inch or larger
for the slam shut.
For Types CSB424 and CSB454 with external control lines,
use tubing with an outer diameter of 13 mm / 0.5 inch or
larger for the primary regulator and 6.4 mm / 0.25 inch or
larger for the slam shut.
Installation with External
Overpressure Protection
If the regulator is used in conjunction with a Type 289H
relief valve, it should be installed as shown in Figure 7.
The outside end of the vent line should be protected
with a rainproof assembly. The Type 289H is typically set
25 mbar / 10 inches w.c. higher than the outlet pressure
setting of the regulator, up to 75 mbar / 30 inches w.c.
outlet pressure. For pressure greater than this, set the
Type 289H 0.05 bar / 0.75 psi higher than the outlet
pressure setting of the regulator.
Vent Line Installation
The CSB400 Series regulators have a 1 NPT screened
vent opening in the spring case. If necessary to vent
escaping gas away from the regulator, install a remote
vent line in the spring case tapping. Vent piping should
be as short and direct as possible with a minimum
number of bends and elbows. The remote vent line
should have the largest practical diameter. Vent piping
on regulators with token relief must be large enough
to vent all relief valve discharge to atmosphere without
excessive backpressure and resulting excessive
pressure in the regulator.
For types with optional Token relief, this low capacity
relief is located in the spring case of the primary
regulator. If necessary to vent escaping gas away, install
a remote vent line in the spring case tapping of the
primary regulator as described above. Periodically check
all vent openings to be sure that they are not plugged
or obstructed.
CSB400 Series outlet pressure ranges are shown in
Table 6. Outlet pressure higher than 0.34 bar / 5 psig
above the setpoint may damage internal parts such as
the diaphragm head and valve disk. The maximum
emergency (casing) outlet pressure is 4.0 bar / 58 psig.
Commissioning
CAUTION
Pressure gauges must always be used to
monitor downstream pressure during Startup.
With the downstream system depressurized, use the
following procedure to start up the regulator.
1. Check to see that all appliances are turned off.
2. Slowly open the upstream shut-off valve.
3. Check inlet and outlet pressure for correct values.
4. Check all connections for leaks.
5. Turn on utilization equipment and recheck
the pressures.
Adjustment
Note
For types that include the Integral
True-Monitor module, refer to the
Instruction Manual for Type TM600
Integral True-Monitor for adjustment and
maintenance of the Integral True-Monitor.
For the types that include the slam-shut
module, refer to the Instruction Manual for
Type VSX4 slam shut for adjustment and
maintenance of the slam shut.

CSB400 Series
16
The range of allowable pressure settings
for the primary regulator is stamped on
the nameplate. If the required setting
is not within this range, substitute the
correct spring (as shown in Table 6). If the
spring is changed, re-stamp the nameplate
to indicate the new pressure range.
A pressure gauge must always be used
to monitor downstream pressure while
adjustments are being made.
For Types CSB400 and CSB420
1. Remove the closing cap (key 60, Figure 16).
2. To increase the outlet setting, turn the adjusting
screw (key 65) clockwise. To decrease the outlet
setting, turn the adjusting screw counterclockwise.
3. Replace the closing cap.
For Type CSB450
1. Loosen the hex nut (key 58, Figure 16).
2. To increase the outlet setting, turn the adjusting screw
(key 65, Figure 16) clockwise. To decrease the outlet
setting, turn the adjusting screw counterclockwise.
3. Tighten the hex nut.
CSB400 Series with Integral True-Monitor™
When adjusting the primary regulator and Integral
True-Monitor for operation, ensure that the pressure
differences between the primary regulator and the
integral monitor shown in Table 7 are observed. For
example, if the primary regulator setpoint is set at
20 mbar / 8 inches w.c., then the Integral True-Monitor
should be set at a minimum of 35 mbar / 14 inches w.c.
or higher.
To test the Integral True-Monitor operation, the primary
regulator setpoint must be adjusted above the Integral
True-Monitor’s setpoint to simulate a failure of the
primary regulator. If the spring range of the primary
regulator is sufciently high, it can simply be adjusted
above the Integral True-Monitor’s setpoint by following
step 2 above. Otherwise, a different spring with a
setpoint higher than the Integral True-Monitor’s setpoint
must be installed to check the operation of the
Integral True-Monitor.
CSB400 Series with Slam shut
When adjusting the primary regulator and slam shut for
operation, refer to Table 8 for the OPSO setpoints and
also the combined OPSO and UPSO setpoints of the
slam shut for a given regulator spring ranges.
CAUTION
Equipment installed downstream the
Type VSX slam shut device can be
damaged if the following procedure for
resetting the Type VSX slam shut device
is not followed. This equipment
includes the integral Type VSX or
regulator configurations.
Step 1:
• To properly reset the Type VSX slam shut after it
has been tripped to the closed position, a at-head
screwdriver must be inserted into the position shown
in Figure 8 on the backside of the reset button (refer
to Type VSX4 Instruction Manual, key 30, Figure 8).
Step 2:
• The screwdriver should be slowly rotated to gradually
pull the reset button (refer to Type VSX4 Instruction
Manual, key 30) away from the Type VSX device. This
slow movement allows for a slow bleed of the pressure
across the Type VSX slam shut’s disk and seat area.
The operator should be able to hear the pressure
bleeding through the system.
Step 3:
• When the pressure has equalized and the air
bleeding sound has dissipated, the reset button (refer
to Type VSX4 Instruction Manual, key 30) should be
pulled completely away from the Type VSX slam shut
device by hand until the internal shut-off mechanism
has been re-latched.
Step 4:
• Once the operator feels the click of the re-latch
occurring, the reset button (refer to Type VSX4
Instruction Manual, key 30) should be pushed
completely back into its original position.

CSB400 Series
17
!
WARNING
In the case of a downstream line break,
numerous factors affect the capability to
evacuate gas from the pipeline. These
factors include the distance of pipe to the
break, the diameter of the pipe, size of the
break and the number of restrictions, such
as valves, elbows and bends, downstream
of the regulator and/or slam-shut device.
Due to these factors additional protections
should be installed to stop ow in the
event of a line break.
Shutdown
Installation arrangements may vary, but in any
installation it is important that the valves be opened
or closed slowly and that the outlet pressure be vented
before venting inlet pressure to prevent damage caused
by reverse pressurization of the regulator. The following
steps apply to the typical installation as indicated.
1. Open valves downstream of the regulator.
2. Slowly close the upstream shut-off valve.
3. Inlet pressure should automatically be released
downstream as the regulator opens in response to
the lowered pressure underside of the diaphragm.
4. Close outlet shut-off valve.
Dow Corning® is a mark owned by Dow Corning Corporation.
Figure 11. CSB400 Series Regulator Assembly
APPLY LUBRICANTS (L) / SEALANT (S)(1):
L1 = DOW CORNING® 33 OR COMPARABLE EXTREME LOW TEMPERATURE LUBRICANT
L2 = ANTI-SEIZE LUBRICANT
S1 = MULTI-PURPOSE POLYTETRAFLUOROETHYLENE (PTFE) THREAD SEALANT
1. Lubricants and sealant must be selected such that they meet the temperature requirements.
ERAA04154
S1
L1
L1 22
L1
21
L1 27
35
74
L2 25
L1 75
L1 77
L1 19
20
19 55
10
14
13
18 11
L2
96
100
L2
65
L2
60
L1
62
L2
L2
38
95
51
8
7
5
6
4
TORQUE:
1.7 TO 3.4 N•m /
15 TO 30 INCH-POUNDS
TORQUE:
1.7 TO 3.4 N•m /
15 TO 30 INCH-POUNDS
TORQUE:
1.7 TO 3.4 N•m /
15 TO 30 INCH-POUNDS
TORQUE:
47 TO 61 N•m /
35 TO 45 FOOT-POUNDS

CSB400 Series
18
Figure 11. CSB400 Series Regulator Assembly (continued)
TORQUE:
14 TO 18 N•m /
10 TO 13 FOOT-POUNDS
TORQUE:
14 TO 18 N•m /
10 TO 13 FOOT-POUNDS
TORQUE:
7.1 TO 10.1 N•m /
63 TO 90 INCH-POUNDS
ERAA04154
APPLY SEALANT (S)(1):
S1 = MULTI-PURPOSE POLYTETRAFLUOROETHYLENE (PTFE) THREAD SEALANT
1. Sealant must be selected such that it meets the temperature requirements.
2. The torque range as specied is initial assembly torque. Due to elastomeric compression, the torque values indicated may decrease. Minimum inspection torque is 4 N•m / 35 inch-pounds.
2
16
15
3
1
9
80
72
76
70
71
17
S1

CSB400 Series
19
Maintenance and Inspection
!
WARNING
To avoid personal injury or equipment
damage, do not attempt any maintenance
or disassembly without rst isolating
the regulator from system pressure and
relieving all internal pressure as described
in “Shutdown”.
Regulators that have been disassembled
for repair must be tested for proper
operation before being returned to
service. Only parts manufactured by
Regulator Technologies should be used
for repairing Fisher® regulators. Restart
gas utilization equipment according to
normal startup procedures.
Due to normal wear or damage that
may occur from external sources, this
regulator should be inspected and
maintained periodically. The frequency
of inspection and replacement depends
on the severity of service conditions,
test results found during the annual
test, and on applicable codes and
regulations. In accordance with applicable
National or Industry codes, standards
and regulations/recommendations, all
hazards covered by specic tests after
nal assembly, before applying the CE
marking, shall also be covered after every
subsequent reassembly at installation site
in order to ensure that the equipment will
be safe throughout its intended life.
Periodic inspection must be performed
on the CSB400 Series that include the
Integral True-Monitor™ or slam-shut
overpressure protection modules to
ensure that they protect the downstream
system in the event the primary regulator
losses pressure control. This inspection
must test that the Integral True-Monitor or
slam-shut functions as intended.
Note
For adjusting setpoints above 100 mbar /
1.5 psig, use a 13 mm / 1/2-inch hex driver,
a 13 mm / 1/2-inch socket or a 27 mm /
1-1/16-inch socket to turn the adjusting
screw (key 65).
Disassembly to Replace the Regulator
Main Diaphragm
1. Remove the closing cap (key 60, Figure 11) or loosen
hex locknut (key 58, Figure 16). Turn the adjusting
screw (key 65) or nut (key 58) counterclockwise to
ease spring (key 38) compression.
2. Remove the adjusting screw (key 65) and spring
(key 38).
3. Remove hex nuts (key 16, Figure 11) and cap screws
(key 15, Figure 11). Separate the upper spring case
(key 1) from the lower casing assembly (key 9).
Note
When disassembling a CSB400 Series
regulator, lift the upper spring case (key 1)
straight up in order to avoid hitting the
stem (key 44).
4. Slide the diaphragm assembly (key 55) away
from the body (key 70) to unhook the pusher
post (key 51) from the lever (key 10). Lift off the
diaphragm assembly (key 55).
5. a. For none relieving units such as the
Types CSB400IN and CSB400EN, unscrew the
cap (key 45), see Figure 12, high-pressure Non-
Relief and low-pressure Non-Relief assemblies.
The cap fastens the R.V. spring seat (key 43)
to the pusher post (key 51). Unscrew the cap to
separate the R.V. spring seat (key 43), diaphragm
assembly (key 55) and pusher post (key 51).
b. For units with internal token relief such as
Type CSB400IT, refer to Figure 12, unscrew the
adjusting upper seat (key 47). This will allow for
removal of the relief spring (key 41), R.V. spring
seat (key 43), diaphragm assembly (key 55) and
pusher post (key 51).

CSB400 Series
20
6. Reassemble the spring case (key 1) unit in the
reverse order of the above steps. Before tightening
the cap screws (key 15) or stem (key 44) into the
pusher post (key 51), place the loosely-assembled
diaphragm assembly (key 55) into position in the
lower casing (key 9), being sure that the pusher post
(key 51) is hooked on the lever (key 10). Rotate the
diaphragm (key 55A) so that the diaphragm and
lower casing (key 9) holes are aligned. Tighten the
stem (key 44) or diaphragm retainer (key 45) for HP
and LP non-relief assemblies.
Disassembly to Replace Valve Disk,
Balanced Port Assembly Diaphragm and
Regulator Orice
1. Remove the bolts (key 71, Figure 11) which hold
the lower spring casing (key 9) to the body (key 70).
Separate the lower spring casing (key 9) from the
body (key 70).
2. Check the body O-ring (key 21) for wear.
3. Remove the balanced port assembly (key 35,
Figures 11 and 13) from the body, make sure to
rotate the assembly toward the outlet of the body
as it is being removed to clear the sense tube
from the body.
4. Examine the valve disk (key 35K) for nicks, cuts
and other damage. If damage is present, it is
recommended to replace both the disk and also the
balanced port diaphragm (key 35F) and associated
diaphragm O-ring (key 35M), that comes into direct
contact with the inner ange of the balanced port
diaphragm. Start the process of replacing the disk
by disassembling the balanced port assembly.
Remove the four cap screws (key 35R) and then the
cap (key 35G).
5. Grasp the spring retainer (key 35C) and slide
the brazed housing (key 35A) away to expose
the diaphragm (key 35F) and disk (key 35K). Still
grasping the spring retainer (key 35C) insert a
5 mm Allen wrench into the disk screw (key 35E)
and unscrew.
6. Remove the disk (key 35K) and discard if damaged
Slide the diaphragm O-ring (key 35M) off the stem
(key 35B) along with the diaphragm (key 35F).
Slide the new diaphragm over the stem in the same
manner that it was removed, make sure that it
completely contacts the surface of the inner retainer
(key 35J).
7. Reassemble the Balanced Port assembly in reverse
order of the above. Ensure Dow Corning® 33 or
comparable extreme low temperature lubricant
completely coats the O-ring (key 35M), stem
(key 35B) and the center bore of the outer retainer
(key 35H).
8. Examine the seating edge of the orice (key 25). If
it is nicked or rough, replace the orice and O-ring
(key 27). If a slam shut or monitor is installed on
the backside of the body, refer to the applicable
Instruction Manual for inspection and removal of the
overpressure protection orice (key 26) and O-ring
(key 27).
9. Reassemble the regulator in reverse order of the
above steps.
Regulator Reassembly
As indicated by the square callouts in Figures 11 to 17, it
is recommended that a good quality pipe thread sealant
be applied to pressure connections and ttings and a
good quality extreme low temperature lubricant, such
as Dow Corning® 33, be applied to O-rings. Also apply
an anti-seize compound to the adjusting screw threads,
orice threads and other noted areas as needed.
Parts Ordering
The type number, orice size, spring range and date of
manufacture are stamped on the nameplate. Always
provide this information in any correspondence with
your local Sales Ofce regarding replacement parts or
technical assistance.
When ordering replacement parts, reference the key
number of each needed part as found in the following
parts list. Separate kit containing all recommended
spare parts is available.
Dow Corning® is a mark owned by Dow Corning Corporation.

CSB400 Series
21
*Recommended spare part.
Parts List
Key Description Part Number
Spare Parts (Repair Parts Kit include keys 12, 19,
21, 27, 35K, 55, 62, 75 and 77)
Type CSB400 RCSB400X012
Type CSB403 RCSB403X012
Type CSB404 RCSB404X012
1 Spring Case, Aluminum GE24555X012
2 Vent Screen, 18-8 Stainless steel T1121338982
3 Retaining Ring, Steel T1120925072
4 Stabilizer Guide, 304 Stainless steel GE27061X012
5 Stabilizer, Acrylonitrile Butadiene Styrene (ABS) GE27063X012
6 Stabilizer Spring, Stainless steel GE35010X012
7 Retainer Ring, Zinc-plated steel GE27024X012
8 Stabilizer Screw, Zinc-plated steel (3 required) GE29724X012
9 Lower Casing, Aluminum GE24289X012
10 Lever, Steel
Types CSB400, CSB403, CSB404,
CSB410 and CSB414 GE28773X012
Types CSB420, CSB423, CSB424,
CSB430, CSB434, CSB450 and CSB454 GE28772X012
11 Valve Stem, Aluminum GE27812X012
12* O-ring, Nitrile (NBR)
External Registration Only 1E472706992
13 Lever Pin, 18-8 Stainless steel
Types CSB400, CSB403, CSB404,
CSB410 and CSB414 T14397T0012
Types CSB420, CSB423, CSB424, CSB430,
CSB434, CSB450 and CSB454 (2 required) T14397T0012
14 Lever Screw, Steel
Types CSB400, CSB403, CSB404,
CSB410 and CSB414 (2 required) GE34243X012
Types CSB420, CSB423, CSB424, CSB430,
CSB434, CSB450 and CSB454 (4 required) GE34243X012
15 Cap Screw, Steel (8 required) GE32059X012
16 Nut, Steel (8 required) GE32060X012
17 Union Ring, Aluminum GE26590X012
18 Snap Ring, 302 Stainless steel T1120637022
19* O-ring, Nitrile (NBR) (2 required) 1K594906562
20 Stem Guide, Aluminum GE26027X012
21* O-ring, Nitrile (NBR) GE45216X012
22 Pipe plug, 3/4 NPT, Steel
Internal Registration Only GE34199X012
23 Screw (For external registration only),
Steel (2 required) 1E175828982
24* O-ring (For external registration only),
Nitrile (NBR) (2 required) 17A0960X012
25 Orice
Types CSB400F and CSB404F, Aluminum GG08494X012
All other Types, Brass GE31321X012
26 OPP Orice 18 mm / 0.69 inch
With Integral True-Monitor™ Orice, Aluminum GE30003X012
With Slam-shut Orice, Brass GE28684X012
27* O-ring, Nitrile (NBR)
Type CSB400 (1 required) 10A3802X022
Type CSB403 (2 required) 10A3802X022
Type CSB404 (2 required) 10A3802X022
35 Balanced Port Assembly for all bodies except GAZ
Standard GE31196X012
Low temperature “F” version GE31196X022
35A Brazed Housing GE31261X012
35B Stem, Stainless steel GE31191X012
35C Spring Retainer, Zinc-plated steel GE31189X012
35D Spring, Stainless steel GE30193X012
35E Disk Screw, Zinc-plated steel GE31190X012
35F* Diaphragm, Nitrile (NBR) / Fabric GE30439X012
35G Cap, Brass GE31195X012
Key Description Part Number
35H Outer Retainer, Brass GE31187X012
35J Inner Retainer, Brass GE31186X012
35K* Disk Assembly, Brass / Nitrile (NBR)
Standard version ERSA00457A0
Low Temperature “F” version GE31185X012
35M O-ring, Nitrile (NBR) (2 required) 1E472706992
35N* O-ring, Nitrile (NBR) 1U879006562
35R Screw, Steel (4 required) GE25968X012
35S Pin, Zinc-plated steel GE31232X012
35 Balanced port assembly for Rp 1 x 2-1/4, GAZ Body
Standard GE33822X012
Low temperature “F” version GE33822X022
35A Brazed Housing GE32505X012
35B Stem, Stainless steel GE31191X012
35C Spring Retainer, Zinc-plated steel GE31189X012
35D Spring, Stainless steel GE30193X012
35E Disk Screw, Zinc-plated steel GE31190X012
35F* Diaphragm, Nitrile (NBR) / Fabric GE30439X012
35G Cap, Brass GE31195X012
3 5 H O u t e r R e t a i n e r , B r a s s G E 3 1 1 8 7 X 0 1 2
35J Inner Retainer, Brass GE31186X012
35K* Disk Assembly, Brass / Nitrile (NBR)
Standard version ERSA00457A0
Low-temperature “F” version GE31185X012
35M O-ring, Nitrile (NBR) (2 required) 1E472706992
35N* O-ring, Nitrile (NBR) 1U879006562
35R Screw, Cap, Hex Socket, Steel (4 required) GE25968X012
38 Spring
17 to 24 mbar / 6.8 to 9.6 inches w.c., Pink GE30191X012
24 to 35 mbar / 9.6 to 14 inches w.c., Orange Stripe GE43955X012
35 to 60 mbar / 14 to 24 inches w.c., Dark Green GE30201X012
54 to 100 mbar / 0.78 to 1.5 psig, Tan GE30202X012
100 to 160 mbar / 1.45 to 2.3 psig, Purple Stripe GE35081X012
138 to 300 mbar / 2.0 to 4.4 psig, Dark Blue GE 3 0 192X012
276 to 517 mbar / 4 to 7.5 psig, Red GE33121X012
500 mbar to 1 bar / 7.3 to 14.5 psig, Light Blue GE30203X012
1 to 3 bar / 14.5 to 43.5 psig, Light Green GE30204X012
40 Upper Spring Seat, Steel
High Pressure, Zinc-plated steel GE32501X012
41 Relief Valve Spring, 302 Stainless steel
Types CSB400, CSB403 and CSB404, Token GE30194X012
Types CSB420, CSB423 and CSB424, Token GE42225X012
43 Relief Valve Spring Seat, Zinc-plated steel
Types CSB400 and CSB420, Non-Relief GE27327X012
Type CSB450, Non-Relief GE31677X012
Types CSB400 and CSB420, Token GE28947X012
44 Stem, Aluminum
Types CSB400 and CSB420, Token GE30895X012
45 Diaphragm Retainer, Zinc-plated steel
Types CSB400 and CSB420, Non-Relief GE30887X012
Type CSB450, Non-Relief GE33850X012
47 Upper Spring Seat, Aluminum
Types CSB400 and CSB420, Token GE33332X012
48 Restrictor Plate, Zinc-plated steel
Token GE28948X012
51 Pusher Post, Aluminum
Token ERAA00876A0
Non-Relief ERAA00875A0
53 Solid Rivet, 18-8 Stainless steel GE29761X012
54 Roller Pin, Brass GE27060X012
55* Diaphragm Assembly, Steel / Nitrile (NBR)
Without Diaphragm Head Limiter GE31248X012
With Diaphragm Head Limiter GE32140X012
55A Diaphragm - - - - - - - - - - -
55B Diaphragm Head - - - - - - - - - - -

CSB400 Series
22
Figure 12. CSB400 Series Diaphragm and Relief Assemblies
ERAA04154
APPLY ADHESIVE (A)(1):
A = ADHESIVE
NOTE: APPLY ADHESIVE ON THE FLAT SURFACE OF THE DIAPHRAGM PLATE THAT CONTACTS THE DIAPHRAGM, TOWARD THE OUTER PERIMETER,
AND AWAY FROM THE CENTER HOLE.
43
43
51
53
54
54
56
56
47 45
45
41
43
53
54
51
44
48
56
56
53
51
55B
55A 107
108
109
A
55B
55A
55A
A
55B
A
TORQUE:
6 TO 8 N•m /
50 TO 70 INCH-POUNDS
HIGH-PRESSURE NON-RELIEF
TORQUE:
6 TO 8 N•m /
50 TO 70 INCH-POUNDS
LOW-PRESSURE NON-RELIEF
TOKEN RELIEF
TORQUE:
6 TO 8 N•m /
50 TO 70 INCH-POUNDS
NOTE DIRECTION
OF RETAINER RING
INSTALLATION
NOTE DIRECTION
OF RETAINER RING
INSTALLATION
NOTE DIRECTION
OF RETAINER RING
INSTALLATION
NOTE DIRECTION
OF RETAINER RING
INSTALLATION
1. Adhesive must be selected such that it meets the temperature requirements.

CSB400 Series
23
35S 35N 35H 35M 35B
S2
35C
35D
35R
35G
35A
L1 L1
35F 35J
35M
L1
35E
35K
L1
35M
35E
35K
35A 35G
35R
35D
35C
S2
35B
35M
L1L1
35N
35J
35F 35H
Figure 13. Balance Trim Assemblies
STANDARD BALANCED PORT ASSEMBLY
BALANCED PORT ASSEMBLY FOR Rp 1 X 2-1/4 GAZ BODY
ERAA04154
APPLY LUBRICANT (L) / SEALANT (S)(1):
L1 = DOW CORNING® 33 OR COMPARABLE EXTREME LOW TEMPERATURE LUBRICANT
S2 = PERMANENT THREAD SEALANT
TORQUE:
2.3 TO 2.8 N•m /
20 TO 25 INCH-POUNDS
TORQUE:
2.3 TO 2.8 N•m /
20 TO 25 INCH-POUNDS
TORQUE:
0.9 TO 1.4 N•m /
8 TO 12 INCH-POUNDS
TORQUE:
2.3 TO 2.8 N•m /
20 TO 25 INCH-POUNDS
TORQUE:
2.3 TO 2.8 N•m /
20 TO 25 INCH-POUNDS
TORQUE:
0.9 TO 1.4 N•m /
8 TO 12 INCH-POUNDS
Dow Corning® is a mark owned by Dow Corning Corporation.
1. Lubricant and sealant must be selected such that they meet the temperature requirements.

CSB400 Series
24
20 11
B
B
23
24 L1
L1
L1
L1
L1
L1
L1
12
11
20
L1
Figure 14. CSB400 Series Stem Guides
GE27692
APPLY LUBRICANT (L)(1):
L1 = DOW CORNING® 33 OR COMPARABLE EXTREME LOW TEMPERATURE LUBRICANT
Dow Corning® is a mark owned by Dow Corning Corporation.
1. Lubricant must be selected such that it meets the temperature requirements.
INTERNAL OR DUAL REGISTRATION
(NO SCREWS)
EXTERNAL REGISTRATION
REF
HOLES “B”
TORQUE:
1.7 TO 3.4 N•m /
15 TO 30 INCH-POUNDS
INSTALL IN “B” HOLES
(THROUGH HOLES)

CSB400 Series
25
80
74
76 77 75 101 70
L1
L1
75
77
80
74
76
S2 83 82 81
L1 L1
Figure 15. Standard Body Assembly and Rp 1 x 2-1/4 GAZ Body Assembly
ERAA04154
APPLY LUBRICANT (L) / SEALANT (S)(1):
L1 = DOW CORNING® 33 OR COMPARABLE EXTREME LOW TEMPERATURE LUBRICANT
S2 = PERMANENT THREAD SEALANT
DUCTILE / STEEL BODY GAZ BODY
TORQUE:
14 TO 18 N•m /
10 TO 13 FOOT-POUNDS
TORQUE:
14 TO 18 N•m /
10 TO 13 FOOT-POUNDS
TORQUE:
1.7 TO 3.4 N•m /
15 TO 30 INCH-POUNDS
Figure 16. CSB400 Series Control Spring Adjustment Assemblies
CSB450 SERIES HIGH PRESSURE
ERAA04154
APPLY LUBRICANT (L)(1):
L1 = DOW CORNING® 33 OR COMPARABLE EXTREME LOW TEMPERATURE LUBRICANT
L2 = ANTI-SEIZE LUBRICANT
CSB400 / CSB420 SERIES STANDARD
Dow Corning® is a mark owned by Dow Corning Corporation.
1. Lubricant and sealant must be selected such that they meet the temperature requirements.
1. Lubricant and sealant must be selected such that they meet the temperature requirements.
65 62 38 60 100
38 40 62 58 65 61 57
L2
L2 L1
L1
L2 L2
96

CSB400 Series
26
L2 L2
26
L1 L1
70 27 25 101
L2 27
L1
2770 25 101
L2
L1
26
27
L2 L2
26
L1 L1
70 27 25 101
L2 27
L1
2770 25 101
L2
L1
26
27
Figure 17. CSB400 Series Slam-shut and Integral True-Monitor Modules
ERAA04154
APPLY LUBRICANTS (L)(1):
L1 = DOW CORNING® 33 OR COMPARABLE EXTREME LOW TEMPERATURE LUBRICANT
L2 = ANTI-SEIZE LUBRICANT
INTEGRAL TRUE-MONITOR™ ASSEMBLY
SLAM-SHUT ASSEMBLY
TORQUE:
47 TO 61 N•m /
35 TO 45 FOOT-POUNDS
TORQUE:
47 TO 61 N•m /
35 TO 45 FOOT-POUNDS
TORQUE:
14 TO 18 N•m /
10 TO 13 FOOT-POUNDS
TORQUE:
47 TO 61 N•m /
35 TO 45 FOOT-POUNDS
TORQUE:
14 TO 18 N•m /
10 TO 13 FOOT-POUNDS
TORQUE:
47 TO 61 N•m /
35 TO 45 FOOT-POUNDS
Dow Corning® is a mark owned by Dow Corning Corporation.
1. Lubricants must be selected such that they meet the temperature requirements.

CSB400 Series
27
56 Retaining Ring, Pusher Post Pin GE33772X012
57 Bearing ball GE33131X012
58 Hex Nut, High-Pressure,
(CSB450 Series only) Steel GE33132X012
60 Closing Cap, Low-Pressure, Aluminum GE29244X012
61 Bonnet, High-Pressure,
(CSB450 Series only) Zinc-plated steel GE32499X012
62* O-ring, Nitrile (NBR) T10275X0012
65 Adjust Screw
Low-Pressure, Aluminum GE27828X012
High-Pressure, Steel GE32500X012
70 Body
Ductile Cast Iron
NPT:
1 GE26463X012
1-1/4 GE26465X012
1-1/2 GE26466X012
2 GE26467X012
Rp:
Rp 1 GE26468X012
Rp 1-1/4 GE26469X012
Rp 1-1/2 GE26470X012
Rp 1 x 1-1/4 GE42505X012
Rp 1 x 2-1/4, GAZ GE26482X012
Rp 2 GE26471X012
Flange:
DN 50 / NPS 2, CL150 FF GE26480X012
DN 40 / NPS 1-1/2, PN 10/16 Slip-Flange GE44902X012
DN 50 / NPS 2, PN 10/16 GE26481X012
WCC Steel
NPT:
1 GE26463X022
1-1/4 GE26465X022
1-1/2 GE26466X022
Rp
Rp 1 GE26468X022
Rp 1-1/4 GE26469X022
Rp 1-1/2 GE26470X022
71 Bolt, Steel (2 required) GE32061X012
72 Pipe Plug, 1/4 NPT
Steel 1C333528992
316 Stainless steel 1C3335X0012
74 Blanking Plug, Aluminum GE31255X012
75* O-ring, Metric, Nitrile (NBR) GF03442X012
76 Half Flange, Steel (2 required) GF01942X012
77* Metric O-ring, Nitrile (NBR) GF03443X012
80 Cap Screw, Steel (4 required) GE38176X012
81 Slotted Spring Pin GE32503X012
82 Tube Gasket, Nitrile (NBR) GE32502X012
83 Pitot Tube, Aluminum GE31988X012
90 Nameplate - - - - - - - - - - -
91 Warning Label - - - - - - - - - - -
93 Information Label - - - - - - - - - - -
94 Overlay Label - - - - - - - - - - -
95 Grommet, Nitrile (NBR) GE35358X012
96 Slip Disk, Stainless steel GG05787X012
100 Wire and Seal T14088T0012
101 Spring Pin, Steel GE32724X012
104 Hub, Zinc-plated steel (2 required) not shown GG02505X012
105 Flange Slip, Zinc-plated steel (2 required) not shown GG02508X012
106 O-ring, Nitrile (NBR) (2 required) not shown GE41121X012
107 Diaphragm Head Limiter, Zinc-plated steel GE28761X012
108 Diaphragm Protector, Zinc-plated steel GE42747X012
109 Pad, (CSB450 Series only) T13830T0012
Parts List (continued)
Key Description Part Number Key Description Part Number

CSB400 Series
©Emerson Process Management Regulator Technologies, Inc., 2009, 2014; All Rights Reserved
Industrial Regulators
Emerson Process Management
Regulator Technologies, Inc.
USA - Headquarters
McKinney, Texas 75070 USA
Tel: +1 800 558 5853
Outside U.S. +1 972 548 3574
Asia-Paci c
Shanghai 201206, China
Tel: +86 21 2892 9000
Europe
Bologna 40013, Italy
Tel: +39 051 419 0611
Middle East and Africa
Dubai, United Arab Emirates
Tel: +011 971 4811 8100
Natural Gas Technologies
Emerson Process Management
Regulator Technologies, Inc.
USA - Headquarters
McKinney, Texas 75070 USA
Tel: +1 800 558 5853
Outside U.S. +1 972 548 3574
Asia-Paci c
Singapore 128461, Singapore
Tel: +65 6770 8337
Europe
Bologna 40013, Italy
Tel: +39 051 419 0611
Chartres 28008, France
Tel: +33 2 37 33 47 00
Middle East and Africa
Dubai, United Arab Emirates
Tel: +011 971 4811 8100
TESCOM
Emerson Process Management
Tescom Corporation
USA - Headquarters
Elk River, Minnesota 55330-2445, USA
Tels: +1 763 241 3238
+1 800 447 1250
Europe
Selmsdorf 23923, Germany
Tel: +49 38823 31 287
Asia-Paci c
Shanghai 201206, China
Tel: +86 21 2892 9499
The Emerson logo is a trademark and service mark of Emerson Electric Co. All other marks are the property of their prospective owners. Fisher is a mark owned by Fisher Controls International LLC,
a business of Emerson Process Management.
The contents of this publication are presented for informational purposes only, and while every effort has been made to ensure their accuracy, they are not to be construed as warranties or guarantees,
express or implied, regarding the products or services described herein or their use or applicability. We reserve the right to modify or improve the designs or speci cations of such products at any
time without notice.
Emerson Process Management Regulator Technologies, Inc. does not assume responsibility for the selection, use or maintenance of any product. Responsibility for proper selection, use and
maintenance of any Emerson Process Management Regulator Technologies, Inc. product remains solely with the purchaser.
For further information visit www.emersonprocess.com/regulators
The distinctive swirl pattern cast into every actuator
casing uniquely identi es the regulator as part of the
Fisher® brand Commercial Service Regulator family
and assures you of the highest-quality engineering,
performance, and support traditionally associated
with Fisher®, Francel™ and Tartarini™ regulators.
Visit www.fishercommercialservice.com to access
interactive applications.