User Manual

Pushbutton Transmitter Device
PTM 200
User Manual V1.1
March 2005

Revision History
The following major modifications and improvements have been made to the first version of
this document (User Manual PTM 200, V1.0):
No Major Changes
V1.1
- Note added, that simultaneously operating of 2 buttons can be differentiated, but
not of 3 or 4 buttons (Chapter 2.2)
- No. of packets defined to 3-5 depending on residual energy (chapter 1.3 and 2.3)
- FCC/IC Approval Requirements added (chapter 3.6)
Published by EnOcean GmbH, Kolpingring 18a, 82041 Oberhaching, Germany
www.enocean.com, info@enocean.com, phone ++49 (89) 6734 6890
© EnOcean GmbH
All Rights Reserved
Important!
This information describes the type of component and shall not be considered as assured characteristics. No
responsibility is assumed for possible omissions or inaccuracies. Circuitry and specifications are subject to change
without notice. For the latest product specifications, refer to the EnOcean website: http://www.enocean.com.
As far as patents or other rights of third parties are concerned, liability is only assumed for devices, not for the
described applications, processes and circuits.
EnOcean does not assume responsibility for use of devices described and limits its liability to the replacement of
devices determined to be defective due to workmanship. Devices or systems containing RF components must meet the
essential requirements of the local legal authorities.
The devices must not be used in any relation with equipment that supports, directly or indirectly, human health or life
or with applications that can result in danger for people, animals or real value.
Components of the devices are considered and should be disposed of as hazardous waste. Local government
regulations are to be observed.
Packing: Please use the recycling operators known to you. By agreement we will take packing material back if it is
sorted. You must bear the costs of transport. For packing material that is returned to us unsorted or that we are not
obliged to accept, we shall have to invoice you for any costs incurred.
©EnOcean GmbH, A. Anders
Page 2 of 22
PTM 200 User Manual V1.1

Table of Contents
Revision History _________________________________________________________________________ 2
Table of Contents________________________________________________________________________ 3
1. GENERAL DESCRIPTION________________________________________________________________ 4
1.1 Functional Principle_________________________________________________________________ 4
1.2 Typical Applications_________________________________________________________________ 5
1.3 Features Overview __________________________________________________________________ 5
1.4 Mechanical Interface________________________________________________________________ 6
1.5 Environmental Conditions __________________________________________________________ 9
1.6 Ordering Information ______________________________________________________________ 10
2. FUNCTIONAL DESCRIPTION __________________________________________________________ 11
2.1 Block Diagram______________________________________________________________________ 11
2.2 Contact Nipples Designation_______________________________________________________ 12
2.3 PTM 200 Radio Telegram __________________________________________________________ 13
2.4 PTM 200 Serial Data Communication via Receiver Device RCM 120_____________ 15
2.5 Basic Switching Features via Receiver Devices RCM 110 and RCM 120_________ 15
2.6 Learning of PTM 200 to RCM 110/120 Receivers_________________________________ 16
3. APPLICATIONS INFORMATION _______________________________________________________ 17
3.1 Rocker Model _______________________________________________________________________ 17
3.2 Construction of Suitable Switch Rockers _________________________________________ 18
3.3 Device Mounting ___________________________________________________________________ 18
3.4 Transmission Range _______________________________________________________________ 18
3.5 CE Approval Requirements ________________________________________________________ 19
3.6 FCC/IC Approval Requirements ___________________________________________________ 19
4. DEVELOPMENT TOOLS_________________________________________________________________ 21
4.1 Evaluation Kit EVA 100 ____________________________________________________________ 21
4.2 Field Intensity Meter EPM 100 ____________________________________________________ 21
5. DECLARATION OF CONFORMITY______________________________________________________ 22
©EnOcean GmbH, A. Anders
Page 3 of 22
PTM 200 User Manual V1.1

1. GENERAL DESCRIPTION
The radio transmitter device PTM 200 from EnOcean enables the implementation of
wireless remote controls without batteries. Power is provided by a built-in electro-
dynamic power generator.
The PTM 200 device serves the 868 MHz air interface protocol of EnOcean. Together with the
receiver devices RCM 110 or RCM 120, this device can be easily integrated in operation and
control units for the implementation of different application-specific system solutions.
(2) Contact nipples
for switch rocker
identification
(1) Energy bow
on both device sides
Rotation axis for
pushbuttons or
switch rocker
Figure 1: Piezo-radio transmitter device PTM 200
1.1 Functional Principle
A common electro-dynamic energy transducer is actuated by a bow (1), which can be pushed
from outside the device on the left or right by an appropriate pushbutton or switch rocker.
When the energy bow is pushed down, electrical energy is created and an RF telegram is
transmitted including a 32-bit device ID. Releasing the energy bow generates different
telegram data, so every PTM telegram contains the information that the bow was pressed or
released.
“Long” or “Short” pushbutton operation (the time between pushing and releasing
the pushbutton) can be easily detected by the receiver. By doing that, applications
such as dimming control or jalousie control including slat action are simple to
implement.
In addition, the PTM telegram transmits the operating status of the contact nipples (2) when
activating the bow. This enables the identification of up to 2 appropriate switch rockers or up
to 4 pushbuttons.
©EnOcean GmbH, A. Anders
Page 4 of 22
PTM 200 User Manual V1.1

1.2 Typical Applications
• Building installation
• Industrial automation
• Consumer electronics
Key applications are wall-mounted flat rocker switches with 1 or 2 rockers (with medial
position), as well as handheld remote controls with up to 4 single pushbuttons.
The PTM 200 device is part of a powerful RF system solution from EnOcean for operation and
control applications. Because the RF transmitters are self-powered (no batteries),
maintenance-free RF systems are possible. The RCM devices operate together with the
following additional EnOcean components: RCM (general-purpose radio receivers), STM (solar-
powered wireless sensors), CTM (remote control) and TCM (bi-directional IT interface and
repeater).
1.3 Features Overview
Power supply: .........................................................power generation by rocker pressing
(Electro-dynamic Power Generator)
Frequency:...................................................................................................868.3 MHz
Transmission power:.................................................................................max. 10 mW
Modulation type:...................................................................................................ASK
Data rate: ......................................................................................................120 kbps
Channel bandwidth:........................................................................................ 280 kHz
Antenna:...................................................................................................... integrated
Transmission range: ................................................................approx. 300 m free field
Telegram packet length (sub-telegram):................................................ 0.9 ms +/-5%
No. of (redundant) packets:....................................................... 3 within approx. 40 ms
Number of channels:................................................ 2 channels with 4 action states each
(upper/lower contact nipple is pressed/released)
Telegram type: ........................................................................................RPS of type 2
(allows interpretation of operating two buttons simultaneously)
Device identifier: ............................................ individual 32-bit ID (factory programmed)
©EnOcean GmbH, A. Anders
Page 5 of 22
PTM 200 User Manual V1.1

1.4 Mechanical Interface
Device dimensions: ................................................................... 40.0 x 40.0 x 11.2 mm
Device weight: .....................................................................................................tbd.
Energy bow travel / operating force: .................................... 1.5 mm / 5.0 N ± 20% *)
Tapping rod travel / operating force: ...............................................................tbd. *)
*) at room temperature
Number of operations: ........ > 50.000 actuations tested according to VDE 0632 / EN 60669
Cover material:.................................................................................. Hostaform (POM)
Energy bow material:........................................................................................... tbd.
Color of device:............................................................................ RAL 9002 (light gray)
Figure 2: PTM 200, tilted view (including rocker catwalks)
©EnOcean GmbH, A. Anders
Page 6 of 22
PTM 200 User Manual V1.1

1) Catwalks are not needed when using one rocker only
Figure 3: PTM 200, top view (note cut A, B and C marking)
©EnOcean GmbH, A. Anders
Page 7 of 22
PTM 200 User Manual V1.1

Figure 4: PTM 200, cut A
Figure 5: PTM 100, cut B and C
Labeling area
©EnOcean GmbH, A. Anders
Page 8 of 22
PTM 200 User Manual V1.1

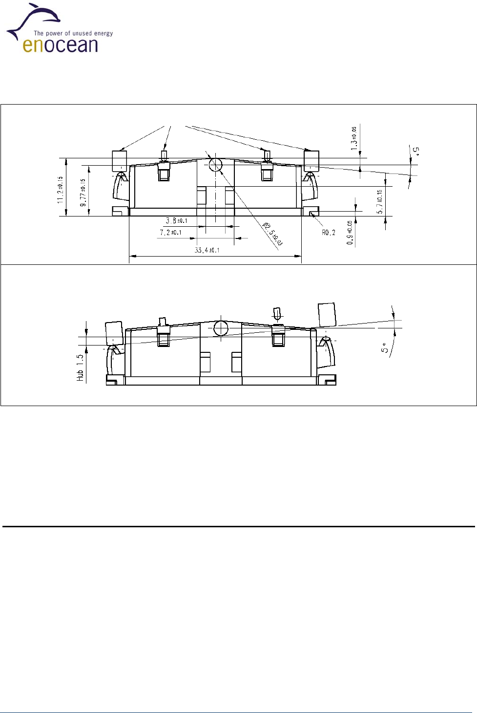
Figure 6: PTM 200, rear view
Catwalks of suited switch rocker
Rocker tilted to 5 degrees (corresponds to 1.5 mm energy bow travel):
Figure 7 and 8: PTM 200, side view
1.5 Environmental Conditions
Operating temperature: ..................................................................... -25 up to +65 °C
Storage temperature: ...........................-40 up to +85 °C, +85 up to +100 °C for 1h max.
Humidity:............................................................................................0 % to 95 % r.h.
©EnOcean GmbH, A. Anders
Page 9 of 22
PTM 200 User Manual V1.1

1.6 Ordering Information
Type Ordering Information
PTM 200 Pushbutton
Transmitter Device
EnOcean Ordering Code: S3001-A200
PTM 200 Rocker Model
(Development Tool)
Please send an Email to info@enocean.com
IGS Data of PTM 200 Rocker
Model (see Chapter 3.1)
Free Download from www.enocean.com
IGS Data of PTM 200 device
case (see Chapter 3.2)
Free Download from www.enocean.com
©EnOcean GmbH, A. Anders
Page 10 of 22
PTM 200 User Manual V1.1

2. FUNCTIONAL DESCRIPTION
2.1 Block Diagram
Processor
HF
Contact Nipples
Energy
Bow Power
Converter
Data
DC Power
Pushed/Released
Ant
NS
Processor
HF
Contact Nipples
Energy
Bow Power
Converter
Data
DC Power
Pushed/Released
Ant
NS
NS
Figure 9: Block diagram of PTM 200
Energy Bow / Power Generator
Converts pressure on the energy bow into electrical energy.
Power Converter
Electronic converter unit for generating the device DC power supply
Processor
Converts the contact nipples’ status and pushed/released data from the power generator into a
reliable and energy-efficient serial telegram structure.
HF transmitter
Sends the data in the form of a series of short radio signals.
©EnOcean GmbH, A. Anders
Page 11 of 22
PTM 200 User Manual V1.1

2.2 Contact Nipples Designation
With 4 contact nipples, the PTM 200 offers 2 channels with 4 action states each (upper/lower
nipple is pressed/released when activating the energy bow). The nipples’ designation is as
follows:
O
I
BA
CHANNEL
STATE
O
I
BA
CHANNEL
STATE
Figure 10: Contact nipple designation
Radio signals of the PTM 200 device are event-controlled (energy bow is pressed/released)
with contact nipple code (channel/state) and unique device identification (fixed 32-bit ID).
When operating more than one nipple at the same time, note that PTM 200 sends multiple-
button code combinations (switch device of Type 2, unlike PTM 100):
• N-message: One or two contact nipples have been pressed when activating the
energy generator Æ Message with nipple code and pressed/released event status of the
energy bow is sent.
• U-message: No contact nipple was pressed when activating the energy generator,
or 3 or 4 nipples have been pressed Æ Message with pressed/released event status
of the energy bow is sent and the information if either none or more than two nipples
have been pressed. Note that it can’t be differentiated if 3 or if 4 nipples have been
pressed.
Note: Due to the mechanical hysteresis of the energy bow, in most rocker switch
device implementations, pressing the rocker sends an N-message and releasing the
rocker sends a U-message!
©EnOcean GmbH, A. Anders
Page 12 of 22
PTM 200 User Manual V1.1

2.3 PTM 200 Radio Telegram
For the transmission of the telemetric signals, EnOcean has defined a new dynamic radio data
telegram that is adapted to the individual application. It is optimized to the essential features
of energy autarkic radio sensors:
• Minimal energy demand
• Possibility of operating hundred of senders within the same radio cell
• Maximum transmission reliability
• Wide transmission range
• Easy extensibility
• Suitable for uni- and bi-directional communication
• Flexibility for adaptation of different data structures and data quantities
• Data encryption option
2.3.1 Frequency range
The EnOcean technology operates the 868.3 MHz radio channel (868.0 – 868.6 MHz), which is
exclusively released for short-time data transmission in Europe. Timing conditions can be
found in chapter 3.5 of this paper.
Because of the very low radiated field strength on average, the 868.3 MHz EnOcean radio
technology can be approved in the USA and in Canada. Timing conditions can be found in
chapter 3.6 of this paper.
2.3.2 Modulation process
As modulation process, EnOcean uses incoherent amplitude modulation (ASK). Digital
amplitude modulation enables the implementation of very efficient energy-saving transmitters
because only the “1”-bits are transferred. At the same interference signal level, the
transmission security of the alternative FSK method is identical to that of the ASK method
(Reference: Pehl, Digitale und analoge Nachrichtenübertragung, Hüthig 2001).
2.3.3 Transmission timing
The transmission timing of the radio device PTM 200 has been developed to avoid possible
collisions with data packages of other EnOcean transmitters as well as disturbances from the
environment.
With each transmission cycle, at least three identical subtelegrams are transmitted. The
transmission of a subtelegram lasts approximately 0.7 ms. To optimize data security, each
telegram is repeated twice within about 20 ms, whereas the delay between the second and the
third transmission burst is effected at random. If some residual energy is available after
transmission of three subtelegrams, up to 2 further subtelegrams are sent.
©EnOcean GmbH, A. Anders
Page 13 of 22
PTM 200 User Manual V1.1

Nominal values: 10 ms 5 ms 0...7,5ms
at random
t
Figure 11: PTM 200 radio timing
2.3.4 Reliable radio transmission within systems operating many sensors
The very short telegrams of EnOcean transmitters enable the operating of a large number of
senders within the same radio cell; the error rate caused by telegram collisions remains
extremely low. Statistically viewed, the transmission reliability is still greater than 99.99% in
the case of 100 radio sensors that transmit once every minute. This means that even large
office buildings and also huge industrial facilities can be equipped with a large number of
sensors of this kind of radio technology.
Figure 12: Probability of transmission failure caused by radio data collision
for EnOcean light switch transmitter PTM 100
©EnOcean GmbH, A. Anders
Page 14 of 22
PTM 200 User Manual V1.1

2.4 PTM 200 Serial Data Communication via Receiver Device RCM 120
The RCM 120 Receiver Device of EnOcean enables standard asynchronous communication to
a microcontroller or personal computer with a decompressed and simple data structure (9600
bps, 1 start bit, 8-bit data byte with LSB first, 1 stop bit).
When the RCM 120 receiver is set to Mode 0 “Serial Interface”, it transfers out data blocks of
information from all received EnOcean radio telegrams (from PTM-, STM-, TCM- and CTM-radio
devices). For a complete transmitter message, a telegram of 14 data bytes is transferred via
the serial link.
The data block format is explained in detail in the RCM 110/120 User Manual.
Figure 13: Receiver devices RCM 110 and RCM 120
2.5 Basic Switching Features via Receiver Devices RCM 110 and RCM 120
The multifunctional RCM 110 and RCM 120 Radio Receiver Devices are used to receive
and process PTM-telegrams generated and transmitted by EnOcean radio transmitters. Via
functional control outputs (“open collector”), these devices can be easily integrated into
control and switching units for the implementation of different application-specific system
solutions.
RCM 110 output switching functionalities (controlled by PTM radio signals)
• Basic signal output functions “switching” (On/Off): 1, 2 or 4 channels
• Basic signal output function “dimming”: On/Off (pushbutton operated quickly) and PWM
50 kHz (pushbutton pressed for a longer time) with switch-off value memory
• Scene selection control: ALL On/Off, 6 scene memories
• Learning procedure for EnOcean transmitters, easy to operate
RCM 120 output switching functionalities (controlled by PTM radio signals)
• Basic signal output function “pushbutton”: 1 channel
• Basic signal output function “tubular motor control” (UP/DOWN with slat action):
1 or 2 channel
©EnOcean GmbH, A. Anders
Page 15 of 22
PTM 200 User Manual V1.1

• Learning procedure for EnOcean transmitters, easy to operate
Any further switching functions can be simply and flexibly implemented using the
serial interface output of the RCM 120 that is connected to a low-priced
microcontroller. The required output control logic can be easily programmed by the
user.
2.6 Learning of PTM 200 to RCM 110/120 Receivers
The PTM 200 can be easily made known to the receiver RCM 110 or RCM 120 that has been
set into learn mode through triggering a PTM 200 radio signal by operating the energy bow
when pressing either the O-rod or the I-rod of the desired channel A or B.
If the RCM 120 receiver is operated in mode 0 “Serial Interface”, telegrams from learned PTM
transmitters are signed (see RCM 110/120 User Manual).
©EnOcean GmbH, A. Anders
Page 16 of 22
PTM 200 User Manual V1.1

3. APPLICATIONS INFORMATION
3.1 Rocker Model
For evaluating the PTM 200, a neutral model of a double-rocker is available from EnOcean that
can be easily snapped onto the PTM 200 device case:
Figure 14: Rocker Model for PTM 200
Figure 15: Rocker model snapped onto the device
Please note that pressing the rocker sends a N-message, and releasing the rocker sends a U-
message.
©EnOcean GmbH, A. Anders
Page 17 of 22
PTM 200 User Manual V1.1

3.2 Construction of Suitable Switch Rockers
For CAD system development support, 3D construction data of the rocker model of
Chapter 3.1 are available from EnOcean (IGS data).
Using this data, the mechanical interface is fixed, and the shape and surface of the rocker(s)
can be changed according to requirements. Recommendation for suitable rocker material is
Ultradur B 4520 with a surface roughness of min. Ra 1.0 ym.
3.3 Device Mounting
For mounting the PTM 200 device into an application-specific case, the package outline
drawings of the device are roughly dimensioned in 1.4 Mechanical Interface.
If more detailed dimensioning data of the PTM 200 device case is necessary, 3D
construction data is available from EnOcean (IGS data).
3.4 Transmission Range
The main factors that influence the system transmission range are type and location of the
antennas of the receiver and the transmitter, type of terrain and degree of obstruction of the
link path, sources of interference affecting the receiver, and “dead” spots caused by signal
reflections from nearby conductive objects. Since the expected transmission range strongly
depends on these system conditions, range tests should categorically be performed before
notification of a particular range that will be attainable by a particular application.
The following figures for expected transmission range are considered by using the PTM 100
radio transmitter device and the RCM 110 or RCM 120 radio receiver device with the
preinstalled whip antennas and may be used as a rough guide only:
• 30 m for obstructed environment (e.g., through two brick walls inside a building)
• 300 m for unobstructed environment (“free field”)
Further notes to determine the transmission range within buildings are available as download
from www.enocean.comT.
©EnOcean GmbH, A. Anders
Page 18 of 22
PTM 200 User Manual V1.1

3.5 CE Approval Requirements
The devices bear the EC conformity marking CE and conform to the R&TTE EU-directive on
radio equipment. The assembly conforms to the European and national requirements of
electromagnetic compatibility. The conformity has been proven and the corresponding
documentation has been deposited at EnOcean. The devices can be operated without
notification and free of charge in the area of the European Union, in Switzerland, in Croatia, in
Cyprus, in Czech, in Estonia, in Hungary, in Latvia, in Lithuania, in Malta, in Poland, in
Romania and in Slovenia. The following provisos apply:
• EnOcean RF devices must not be modified or used outside their specification
limits.
• EnOcean RF devices may only be used to transfer digital or digitized data. Analog
speech and/or music are not permitted.
• The final product incorporating EnOcean RF devices must itself meet the essential
requirement of the R&TTE Directive and a CE marking must be affixed on the final
product and on the sales packaging each. Operating instructions containing a
Declaration of Conformity has to be attached.
• If transmitters are used according to the regulations of the 868.3 MHz band, a
so-called “Duty Cycle” of 1% per hour for each transmitter must not be
exceeded. Permanent transmitters such as radio earphones are not allowed. For
conventional applications, it must be ensured that the PTM 200 radio device is
not operated more than 6000 times within one hour (one operation: energy
bow is pressed and released). Within this calculation, the extraordinary short
telegram length is considered including three subtelegrams (see Chapter 2.3.3).
Also a tolerance of 5% in the telegram length is included.
3.6 FCC/IC Approval Requirements
This device complies with Part 15 of the FCC Rules and with RSS-210 of Industry Canada. If
this device is operated in compliance with the following requirements it can be operated
without notification and free of charge in the area of the United States of America and in
Canada. Operation is subject to the following two conditions:
(1) this device my not cause harmful interference, and
(2) this device must accept any interference received, including interference that
may cause undesired operation.
Trade Name: PTM 200
Model No: PTM 200
This device complies with Part 15 of the FCC Rules and with RSS-210 of Industry
Canada. Operation is subject to the following two conditions. (1) this device my not
cause harmful interference, and (2) this device must accept any interference
received, including interference that may cause undesired operation.
FCC ID: SZV-PTM200
IC: 5713A-PTM200
©EnOcean GmbH, A. Anders
Page 19 of 22
PTM 200 User Manual V1.1

Warning: Changes or modifications made to this equipment not expressly approved by
EnOcean may void the FCC authorization to operate this equipment.
This equipment has been tested and found to comply with the limits for a Class B digital
device, pursuant to Part 15 of the FCC Rules. These limits are designed to provide reasonable
protection against harmful interference in a residential installation.
This equipment generates, uses and can radiate radio frequency energy and, if not installed
and used in accordance with the instructions, may cause harmful interference to radio
communications.
However, there is no guarantee that interference will not occur in a particular installation. If
this equipment does cause harmful interference to radio or television reception, which can be
determined by turning the equipment off and on, the user is encouraged to try to correct the
interference by one or more of the following measures:
• Reorient or relocate the receiving antenna.
• Increase the separation between the equipment and receiver.
• Connect the equipment into an outlet on a circuit different from that to which the
receiver is connected.
• Consult the dealer or an experienced radio/TV technician for help.
Due to FCC 15.231 operational and timing requirements the PTM 200 switch device must not
be operated more than 1088 times per hour (pushed or released as one operation each):
• Total duration of transmissions must not exceed more than two seconds per hour
• STM250 packet length is 0.7 ms, max. 5 redundant packets, tolerance of 5% in packet
length, 50% on average packet Ton/Toff ratio
©EnOcean GmbH, A. Anders
Page 20 of 22
PTM 200 User Manual V1.1

4. DEVELOPMENT TOOLS
4.1 Evaluation Kit EVA 100
EVA 100 is an evaluation kit to support a simple setting-up
operation of the receiver side when the EnOcean transmitter
device PTM 200 is evaluated. EVA 100 supports a quick
evaluation of all RCM 110 and RCM 120 receiver operation
modes and supports the fast development of applications.
Type EnOcean Ordering Code Scope of supply
EVA 100
H3004-G100 • Evaluation board EVA-PCB
• EnOcean radio devices STM 100, PTM
100, RCM 110 and RCM 120
• CD with RS232 PC-link monitor software
and detailed kit documentation
• Wall power supply for EVA-PCB
• Convenient equipment case
4.2 Field Intensity Meter EPM 100
The EPM100 is a mobile field-intensity meter that helps the engineer to find the best
installation positions for sensor and receiver. It can also be used to check disturbances in links
to already installed equipment. The EPM100 displays the field intensity of received radio
telegrams and interfering radio signals in the 868MHz range.
The simplest procedure for determining
the best installation positions for the
radio sensor/receiver:
• Person 1 operates the radio
sensor and generates pushbutton
radio telegrams.
• Person 2 checks the received field
intensity on the meter display to
find the optimal installation
position.
©EnOcean GmbH, A. Anders
Page 21 of 22
PTM 200 User Manual V1.1

5. DECLARATION OF CONFORMITY
Will be available with PTM 200 series release
©EnOcean GmbH, A. Anders
Page 22 of 22
PTM 200 User Manual V1.1