Entrematic HA9 Installation Manual 1019956 1.0 Ditec Low Energy Swing Operator Instruction Install V2 0
User Manual: Entrematic Ditec HA9 Low Energy Swing Operator Installation Instruction Installation Instructions
Open the PDF directly: View PDF
.
Page Count: 58

info.ditec.ca@entrematic.com
www.ditecentrematic.ca
info.ditec.us@entrematic.com
www.ditecentrematic.us
HA9 Manual V. 2.0
1019956
DITEC HA9 LOW ENERGY
SWING OPERATOR
Installation & Instruction Manual
READ AND FOLLOW ALL INSTALLATION INSTRUCTIONS CAREFULLY!
FAILURE TO DO SO MAY RESULT IN PERSONAL INJURY OR PROPERTY DAMAGE!
• This product is to be installed on the interior side of the door.
• Install only on a properly operating and balanced door. A door that is operating improperly could cause severe
Injury. Before installing the operator, have qualified service personnel make repairs to cables, and other hardware.
• Before installing the operator, remove or make inoperative, all locks (unless mechanically and/or electrically
interlocked to the power unit), all activation units and accessories that may be connected to the door.
• A commercial/industrial door operator that has exposed moving parts capable of causing injury to persons or
employs a motor deemed indirectly accessible by virtue of its location above the floor shall include:
- Install the door operator at least 2.4m (8ft) or more above the floor, and/or
- If the operator must be installed less than 2.4m (8ft) above the floor, then exposed moving parts must be
Protected by covers or guarding provided by the operator manufacturer.
• The control unit MUST be located: (1) within the sight of the door, and (2) at a minimum height of 1.5m (5ft) above
the floors, landings, steps, or any other adjacent walking surface and (3) away from all moving parts of the door.
• Install the Entrapment Warning Placard next to the control station in a prominent location if applicable.
• To reduce the risk of injury to persons - Use this system only with pedestrian doors.
• Do not connect the operator to a power supply until instructed to do so. Connection of the high voltage supply
Should be done by a qualified professional and within the guidelines of the enforced local electrical codes.
• HIGH VOLTAGE (INCOMING 115 VAC) WIRES AND LOW VOLTAGE WIRES CANNOT SHARE THE SAME
ACCESS HOLE. HIGH VOLTAGE WIRES MUST BE ROUTED AND SECURED AWAY FROM ALL LOW
VOLTAGE WIRES.
Entrematic Canada Inc. Entrematic USA Inc.
Toll Free: 1-877-348-6837 Toll Free: 1-866-901-4284

Entrematic Canada Inc.
Toll Free: 1-877-348-6837
info.ditec.ca@entrematic.com
www.ditecentrematic.ca
Entrematic USA Inc.
Toll Free: 1-866-901-4284
info.ditec.us@entrematic.com
www.ditecentrematic.us
Pg. 3
HA9 Manual V. 2.0
1019956
Table of Contents
1.1 Typical Installation Flow Chart
1.2 Completed/Typical Automatic Door Installation
1.3 Replacement Parts
1.4 Important Information
1.5 Compliance Codes and Standards
1.6 Technical Specification
1.7 How HA9 Works
1.8 Controller Unit HA9 Functions
1.9 Extension Unit EXU-SI Functions
1.10 Extension Unit EXU-SA Functions
1.11 Consideration Of Surroundings
1.12 Before Installation
1.13 Operator Type And Handing
2.1 Pre-Mounting Header Box Instructions
2.2 Push Header Installation
2.3 Pull Header Installation
2.4 Double Egress Header
2.5 Electrical Connection
2.6 Change Configuration
2.7 Motor/Gearbox Reinstallation
3.1 Push Arm Components and Configurations
3.2 Push Arm Installation
3.3 Pull Arm Installation
4.1 HA9 Control
4.2 Extension Units
4.3 Extension Units EXU-SI
4.4 Extension Units EXU-SA
5.1 Back Check and Latch Adjustment (Door Stop)
5.2 Micro Switch
5.3 Sync Cable for Double Doors
5.4 Auto-Learn (Back Check and Latch Check)
5.5 One/Two Push LRN Button Function
5.6 LRN Button for Double Doors
5.7 LRN with Advanced Settings
5.8 Revert To Default Values “Back and Check”
5.9 General Adjustment
5.10 Reducing/Increasing “Spring Pre-Tension” (SPTE)
6.1 Connection of Activation Units and Accessories
6.2 Adjusting Parameters
7.1 Overhead Presence Detection (OPD)
7.2 Lock Kick
7.3 Lock Unlock
8.1 Additional Sensors/Knowing Act Devices
8.2 Header Cover Installation
8.3 Safety Decals
8.4 Safety Sticker Placement Example
9.1 Common Faults
9.2 Error Indication
10.1 Service/Maintenance
11.1 Manufacturer Information
1.0 GENERAL INFORMATION 4
2.0 OPERATOR INSTALLATION 17
3.0 ARM INSTALLATION 26
4.0 CONTROL UNITS 33
5.0 OPERATOR TUNING 37
6.0 ACTIVATION UNITS & ACC 45
7.0 ADVANCED SETTINGS 47
8.0 INSTALLATION WRAP UP 49
9.0 TROUBLESHOOTING 52
10.0 SERVICE/MAINTENANCE 54
11.0 MANUFACTURER 55
1.0 GENERAL INFORMATION 4

Entrematic Canada Inc.
Toll Free: 1-877-348-6837
info.ditec.ca@entrematic.com
www.ditecentrematic.ca
Entrematic USA Inc.
Toll Free: 1-866-901-4284
info.ditec.us@entrematic.com
www.ditecentrematic.us
Pg. 5
HA9 Manual V. 2.0
1019956
1.2 Completed/Typical Automatic Door Installation
1.0 GENERAL INFORMATION
Backing Material
(Reinforcement)
Header Cover
Arm
Motor/Gearbox
Header Body
Control Board
ANSI Stickers
Knowing Act
Device
Swing Door
Strike Style
Frame
Hinge Style

Entrematic Canada Inc.
Toll Free: 1-877-348-6837
info.ditec.ca@entrematic.com
www.ditecentrematic.ca
Entrematic USA Inc.
Toll Free: 1-866-901-4284
info.ditec.us@entrematic.com
www.ditecentrematic.us
Pg. 6
HA9 Manual V. 2.0
1019956
1.3 Replacement Parts
Replacement Parts
Replacement Parts
Item
Category
Part No.
Description
Item
Category
Part No.
Description
1
Push Arm
W7-200
Complete Push Arm-Clear
6
Spindle Extension
W8-865
Spindle Extension
(with 17.5” rod)
W7-205
Complete Push Arm-
Bronze
7
Rocker Switch
W8-804
ON/ OFF/ HOLD OPEN
3 position switch
(with 17.5” rod)
W5-502C
Cast portion - Clear
8
Motor/Gearbox
W8-801
Motor/Gearbox Kit
W5-502B
Cast portion - Bronze
9
Controls
W8-802
HA9 Controller
W5-500C
Extended Rod 22"- Clear
10
Conduit
W8-803
Conduit Bracket Kit
W5-500B
Extended Rod 22"- Bronze
11
Shaft Adaptor
W8-805
Shaft Adaptor
2
Pull Arm Track -
Long
W5-551
Pull Track Assembly Long -
Clear
12
Sync Cable
W8-850
Sync Cable
13
Program Selector
W8-856
Surface Mount Box
W5-556
Pull Track Assembly Long -
Bronze
14
W8-857
2 Position PSK-2
15
W8-858
Spare Key PSK/PS-4C
3
1-9/16” x 2-3/8”
Reveal Spacer
Extrusion
W8-862-
BLK
Spacer Assy. - Black
16
W8-859
4 Position w/Key PS-4C
W8-862-SI
Spacer Assy. - Silver
17
Extension Units
W8-860
EXU-SA
4
Pull Arm
W5-512C
Pull Arm - Clear
18
W8-861
EXU-SI
W5-512B
Pull Arm - Bronze
19
Stop Arm Kit
W8-851
Stop Arm Kit
5
Micro Switch Kit
W8-852
Lock Kick Switch, Cam &
Cable (not supplied with
unit)
20
Lock Spacer Kit
W8-853
Lock Spacer Kit
21
Allen Key Head
Nut Kit
W8-854
Allen Key Head Nut Kit
1.0 GENERAL INFORMATION
6
1
10
9
11
16
15
14
13
17
18
12
3
2
4
5
8
21
20
19
7

Entrematic Canada Inc.
Toll Free: 1-877-348-6837
info.ditec.ca@entrematic.com
www.ditecentrematic.ca
Entrematic USA Inc.
Toll Free: 1-866-901-4284
info.ditec.us@entrematic.com
www.ditecentrematic.us
Pg. 7
HA9 Manual V. 2.0
1019956
1.4 Important Information
Intended Use
The door is designed to offer continuous use, a high degree of safety and maximum lifetime.
The Entrematic HA9 is an automatic swing door operator developed to facilitate entrances to buildings and within buildings
through swing doors. The HA9 is a low-energy operator using a DC motor and a gear-reduction system to drive an arm
system, which opens the door. It is to be installed indoors where it is suitable for almost all types of external and
internal swing doors. This widely used operator can be found on applications ranging from handicapped-access in private
homes to high-traffic retail operations.
The motor and gear system are combined into a compact unit mounted alongside the control unit within the cover. The
operator is connected to the door leaf with different arm systems.
Safety Precautions
• Do not climb on door parts.
• Do not let children play with the door or the fixed controls.
Be sure to complete a risk assessment according to "Guide for Installers of Powered Pedestrian Swing Doors" (PRA-
0006) and fill in the "Site Acceptance Test" (PRA-0007) before taking the door into operation.
To avoid bodily injury, material damage and malfunction of the product, the instructions contained in this manual must be
strictly observed during installation, adjustment, repairs etc. Factory authorized training is required to carry out these tasks
safely. Only Ditec Entrematic -trained technicians should be allowed to carry out these operations.
Electronic Equipment Interference
The equipment complies with the European EMC directive (US market FCC Part 15), provided installed according to
Installation and Service manual.
The equipment may generate and use radio frequency energy and if not installed and used properly, it may cause
interference to radio, television reception or other radio frequency type systems.
If other equipment does not fully comply with immunity requirements interference may occur.
There is no guarantee that interference will not occur in a particular installation. If this equipment does cause interference
to radio or television reception, which can be determined by turning the equipment off and on, the user is encouraged to
try to correct the interference by one or more of the following measures:
• Re-orient the receiving antenna.
• Relocate the receiver with respect to the equipment.
• Move the receiver away from the equipment.
• Plug the receiver into a different outlet so that equipment and receiver are on different branch circuits.
• Check that protective earth (PE) is connected.
If necessary, the user should consult the dealer or an experienced radio/television technician for additional suggestions.
Environmental Requirements
Ditec Entrematic products are equipped with electronics and may be equipped with batteries containing materials, which
are hazardous to the environment. Disconnect power before removing electronics and make sure it is disposed of properly
according to local regulations (how and where) as was done with the packaging material.
Glazing Materials
The glazing material for swing doors shall comply with ANSI Z97.1.
1.0 GENERAL INFORMATION

Entrematic Canada Inc.
Toll Free: 1-877-348-6837
info.ditec.ca@entrematic.com
www.ditecentrematic.ca
Entrematic USA Inc.
Toll Free: 1-866-901-4284
info.ditec.us@entrematic.com
www.ditecentrematic.us
Pg. 8
HA9 Manual V. 2.0
1019956
1.5 Compliance Codes and Standards
The operator complies with the following codes and standards:
• UL STD.325 & ANSI/BHMA STD. A156.19; Fire rated UL STD. 10 (b); UL STD. 10(c); NFPA STD. 252
• CAN/CSA STD. C22.2 NO. 247 & CAN/ULC STD. S104
• Under No Circumstances shall the Certification Label of the HA9 operator be tampered, modified
Or removed!
• It is the responsibility of the final installer and/or installation company, to certify that the final
completed operator is installed in accordance with local building codes and applicable laws.
1.6 Technical Specifications
Manufacturer:
Ditec Entrematic
Type:
HA9
Power supply:
120 V AC +10/-15%, 50/60 Hz
Power consumption:
Max. 75 W (AVG. 25 W)
Auxiliary voltage:
24 V DC, max. 400 mA
Internal control fuse:
2 x T 6,3 AH 250 V
Max. weight/width:
Push arm: 200 lbs./48" (94.3kg/1219mm)
Note: Refer to the appropriate standard (ANSI A156.10 or ANSI
A156.19) for door forces and speeds as related to door weight
and width.
Door width:
Electro-mechanical locking device:
36-48” (914-1219 mm)
Selectable: 12V DC, max. 500 mA / 24 V DC, max. 250 mA
Door weight:
100-200 lb. (45-90 kg)
Door opening angle:
Push arm:80° - 110°, with reveal 0 - 14" (0 - 356 mm)
Pull arm: 80° - 110°, with reveal 0 - 2 ⅜” (0 - 60mm)
Opening time (0° - 80°):
variable between 3 - 6 seconds
Closing time (90° - 10°):
variable between 3 - 6 seconds
HOLD open time:
1,5-30 seconds
Ambient temperature:
-4 °F to +113 °F (-20 °C to +45 °C)
Degree of protection:
IP20
Degree of protection, control actuators:
IP54
Relative humidity (non-condensing):
Max. 85%
Standards:
The HA9 complies with UL STD.325 & ANSI/BHMA STD. A156.19; Fire
rated UL STD. 10 (b); UL STD. 10(c); NFPA STD. 252
1.0 GENERAL INFORMATION

Entrematic Canada Inc.
Toll Free: 1-877-348-6837
info.ditec.ca@entrematic.com
www.ditecentrematic.ca
Entrematic USA Inc.
Toll Free: 1-866-901-4284
info.ditec.us@entrematic.com
www.ditecentrematic.us
Pg. 9
HA9 Manual V. 2.0
1019956
1.7 How HA9 Works
The low energy swing door operator HA9 uses a motor and a gear-reduction system to drive an arm system, which opens
the door. Closing power is provided by a motor and a clock spring. An electronic control unit uses a motor encoder and a
microprocessor to control the door’s movement.
Opening
When an opening signal is received by the control unit, the door is opened at the operator-adjusted opening speed. Before
the door is fully open at back check, it slows automatically to low speed. The motor stops when the selected door-opening
angle has been reached. The open position is held by the motor. If the door is obstructed while opening, it will either stall or
stop which can be selected with a DIP switch (SOS).
• When stalling - the door will continue to try to open during the hold open time.
• When stopping - the door will, even if hold open time has not expired, close after 2 seconds.
Closing
When the hold open time has elapsed, the operator will close the door automatically, using spring force and motor. The door
will slow to low speed at latch check before it reaches the fully closed position. The door is kept closed by spring power or
extended closing force by the motor.
Note: Doorstop is for learning only, not a physical doorstop.
1.0 GENERAL INFORMATION

Entrematic Canada Inc.
Toll Free: 1-877-348-6837
info.ditec.ca@entrematic.com
www.ditecentrematic.ca
Entrematic USA Inc.
Toll Free: 1-866-901-4284
info.ditec.us@entrematic.com
www.ditecentrematic.us
Pg. 10
HA9 Manual V. 2.0
1019956
1.8 Control Unit HA9 Functions
Power failure
During power failure, the operator acts as a door closer with controlled closing speed.
Spring force
The operator is delivered with spring pre-tension factory set to the maximum recommended value of 210°. If necessary,
the spring tension can be electronically adjusted with a potentiometer to required closing force. The arm must also be
relocated on the spindle.
Extended closing force/torque (CLTQ)
If the potentiometer CLTQ is set to 0°, the door will close with normal spring power. If the potentiometer is turned clockwise,
the motor will increase the closing force/torque.
Power assist (POAS)
If the potentiometer POAS is set to 0°, the door gives no power assist. If the potentiometer is turned clockwise, the motor will
give/increase power assist when the door is opened manually.
Push and go (PAG)
DIP-switch to select PUSH and GO, ON or OFF. PUSH and GO is available from any door position. PUSH and GO is not
Active in program selector setting OFF.
Note: Power Assist or Push and Go functions will not work at the same time (one or the other only).
Sensor & Knowing Act Devices, frame mounted
When a sensor is mounted on the frame or operator cover just above the swing side of the door, it will–when activated–keep
the door either open or closed. The sensor is not active during opening and closing. Lockout signal must be connected for
proper function.
• A closed door will not open, if the sensor detects activity in the field.
• An open door will not close, if the sensor detects activity in the field.
• During opening, the door will continue to open, even if the sensor detects activity in the field.
• During closing, the door will continue to close, even if the sensor detects activity in the field.
• The sensor is not active in program mode OFF or manually opened door.
Mat
Mat safety means that:
• A closed door will not open, if someone steps on the mat.
• An open door will not close, if someone steps on the mat.
• During opening, the door will continue to open, even if someone steps on the mat.
• During closing, the door will continue to close, even if someone steps on the mat.
• Opening impulses are prevented during closing, if someone steps on the mat.
• The mat is not active in program mode OFF or manually opened door.
1.0 GENERAL INFORMATION

Entrematic Canada Inc.
Toll Free: 1-877-348-6837
info.ditec.ca@entrematic.com
www.ditecentrematic.ca
Entrematic USA Inc.
Toll Free: 1-866-901-4284
info.ditec.us@entrematic.com
www.ditecentrematic.us
Pg. 11
HA9 Manual V. 2.0
1019956
1.9 Extension Unit EXU-SI Functions (Standard)
KlLL Function
• If KILL circuit is closed, the control will ignore all signals and close door(s) at normal speed.
• When KILL is no longer active, operator will resume normal operation.
• If KILL function must have manual reset, jumper must be removed and reset button connected to terminal No. 8
and Ground.
• The lock will lock when KILL is active regardless of program selector setting.
• The function of the lock can be changed during KILL Section Changing group of parameters (Level 2)
In the event that the KILL circuit is activated, all Safety Functions of the door will be overridden
causing the door to close even though an object or person may be in the door's path of travel,
and therefore may be subject to injury. This mode of operation is most generally used to isolate
an area in the event of a fire. KILL can be changed from NO to NC by changing group of
parameter level 2.
Function of locks
• The lock output only works when the function switch is in OFF or EXIT. If no function switch is used OFF or EXIT must be
connected to GND (0 VDC).
• The control has an available output of DC for external locks
• DIP-switches to select 12 or 24 V DC, locked with or without power
• DIP-switch for lock release and potentiometer for opening delay
• DIP-switch for lock kick if door is not fully closed, to overcome binding in the locking device during closing
• Input to unlock signal from lock. Potentiometer for opening delay is to be set to max. As soon as unlock signal is received
the door will start to open. The output signal shall be active low.
Program selector
• Input for OPEN, EXIT and OFF (if no program selector, AUTO is default).
Activation Signal
• Input for OUTER signal, KEY and OPEN/CLOSE activation signal.
OPEN/CLOSE Activation Signal
The signal will open the door and the door will stay open until a new signal is given.
If no signal is given, the door will close after 15 minutes. This can be made infinite
by changing group of parameters Section Changing group of parameters.
OPEN/CLOSE signal works only in program selection ON.
1.0 GENERAL INFORMATION
EXU-SI
(for security functions)
P/N: W8-861

Entrematic Canada Inc.
Toll Free: 1-877-348-6837
info.ditec.ca@entrematic.com
www.ditecentrematic.ca
Entrematic USA Inc.
Toll Free: 1-866-901-4284
info.ditec.us@entrematic.com
www.ditecentrematic.us
Pg. 12
HA9 Manual V. 2.0
1019956
1.10 Extension Unit EXU-SA Functions (Optional)
Presence signal approach, door mounted
The presence impulse is active during fully open and closing. The sensor is mounted to the approach side of the door.
Once the door is closed, the sensor is ignored and will not be active until the next impulse is received.
When installed as a pair of doors, the presence impulse signal will re-open both doors.
The sensor is not active in program mode OFF, manually opened door (Power Failure
Mode), Kill Mode.
Presence detection swing path, door mounted
When a sensor that is mounted on the swing side of a door detects an object, it will send a command to the control unit to
stall the door. If the control unit has received a short signal from the sensor and there is still hold open time left on the
control unit, the door will continue on its way open if the object has cleared. The inhibit/blanking potentiometer can be
Adjusted so that the sensor will avoid detecting a wall or object near the full open position. Presence detection has a higher
priority than presence signal.
When installed as a pair of doors the presence detection signal will stop both doors, except
for double egress doors. The behavior for double egress doors can be changed. The sensor
is not active in program mode OFF, manually opened door.
Monitored safety sensors
Both presence impulse and presence detection can be monitored. If a sensor
becomes defective, the operator will not accept any impulses and will then work as a
manual door closer.
Open door indication
A relay output is used to indicate an opening cycle or a specific position of the door.
The indication position is set by adjusting the inhibit/blanking potentiometer.
Error indication
A potential free contact COM/NO/NC for external error indication.
1.0 GENERAL INFORMATION
EXU-SA
(for safety functions)
P/N: W8-860

Entrematic Canada Inc.
Toll Free: 1-877-348-6837
info.ditec.ca@entrematic.com
www.ditecentrematic.ca
Entrematic USA Inc.
Toll Free: 1-866-901-4284
info.ditec.us@entrematic.com
www.ditecentrematic.us
Pg. 13
HA9 Manual V. 2.0
1019956
1.11 Before Installation
• All wiring must conform to standard wiring practice in accordance with national and local wiring codes.
• An incorrectly installed or improperly adjusted door operator can cause property damage or personal injury.
These instructions should be followed to avoid the possibility of misapplication or maladjustment.
• All dimensions are given in inches (millimeters), unless otherwise noted.
Door/Frame Preparation
• Before installation, verify doorframe is properly reinforced and is well anchored in the wall.
• Concealed electrical conduit and concealed switch or sensor wires should be pulled to the frame before proceeding.
Suggested Fasteners for Frame
• #14 x 2-3/4" (70mm) long sheet metal screws.
Suggested Fasteners for Door
• #12, #14, Wood screws, Sheet Metal screws, Self-tapping screws of varying lengths depending on applications.
The fastener components listed above are merely suggestions. A technician should use their best
discretion to determine what components they will need to complete the job.
Do Not use Drywall Screws or Hollow Wall Anchors to mount the backer plate. The header
must be strong enough to support 200lbs.
Shipping inspection
Verify that the order was shipped complete and correct, including model number, door handing, color, and header width.
• If any of the above items are not correct, do not attempt to install until all conditions are correct
• Report any incorrect items to the general contractor immediately.
NO CLAIMS FOR SHORTAGES WILL BE ALLOWED UNLESS
REPORTED WITHIN 24 HOURS OF RECEIPT OF SHIPMENT.
1.0 GENERAL INFORMATION

Entrematic Canada Inc.
Toll Free: 1-877-348-6837
info.ditec.ca@entrematic.com
www.ditecentrematic.ca
Entrematic USA Inc.
Toll Free: 1-866-901-4284
info.ditec.us@entrematic.com
www.ditecentrematic.us
Pg. 14
HA9 Manual V. 2.0
1019956
Door/ General Tips/ Safety concerns
• If there are sharp edges after drilling the cable outlets, chamfer the edges to avoid damage to the cables.
• For enhanced security and vandalism protection, always mount the operator access in the interior of a
building whenever possible.
• Make sure the ambient temperature is in the range specified in section Technical specification.
• Make sure that the power is off before installing.
• Make sure that the door leaf and the wall are properly reinforced at the installation points.
• Unpack the operator and make sure that all parts are delivered in accordance with the packing note and that
the operator is in good mechanical condition.
• Ensure proper material is being used for the door leaves and that there are no sharp edges. Projecting parts shall
not create any potential hazards. If glass is used bare glass edges shall not come in contact with other glass.
Toughened or laminated glass are suitable glasses.
• Ensure that entrapment between the driven part and the surrounding fixed parts due to the opening
movement of the driven part is avoided. The following distances are considered sufficient to avoid
entrapments for the parts of the body identified;
• For fingers, a distance greater than 1” (25mm) or less than 5/16” (8mm).
• For heads, a distance greater than 8” (200mm).
• For feet, a distance greater than 2” (50mm).
• For the whole body, a distance greater than 20” (500mm).
• Danger points shall be safe guarded up to a height of 8’ (2.5 m) from the floor level.
• The operator shall not be used with a door set incorporating a wicket door.
1.0 GENERAL INFORMATION

Entrematic Canada Inc.
Toll Free: 1-877-348-6837
info.ditec.ca@entrematic.com
www.ditecentrematic.ca
Entrematic USA Inc.
Toll Free: 1-866-901-4284
info.ditec.us@entrematic.com
www.ditecentrematic.us
Pg. 15
HA9 Manual V. 2.0
1019956
1.12 Consideration of Surroundings
Floor Space Requirements for Wheel Chair Maneuvering - Americans with Disabilities Act (ADA)
The owner may request the activation device location; however, the press switch must be in view of the door and not directly
on the door or frame. Please refer to ANSI 117.1 Safety Code for further guidelines on switch requirements.
Position# 1
Minimum 2' (610mm)
Activation switches shall be at minimum height of
36" (914.4mm) and maximum height of 48"
(1219mm) from finished floors or as specified by
a local Authority Having Jurisdiction.
Individual who uses wheelchair needs a minimum
of 48” clearance to the door swing for doors in
sequence application.
From door latch
Position# 2
Minimum 5' (3048mm)
from door face
External and Internal Factors
Door Condition
Door must move easily open and close (latch) without excessive force; weather stripping and
Threshold must not interfere with door movement.
Reveal
For out swing (Push) doors, the reveal must be within the range of 0" to 14" (356mm). For in
swing (Pull) doors, 0" to 2 ⅜” (60mm) for special reveals is allowed
-
for all others consult
factory.
Wind
When installing on a door in a strong wind condition area, special adjustments should be made
to the doorstop position and controller adjustments.
Power/Control Wires
Check that the electrical feed, all conduits, and electrical junction boxes (for push plates or
other activation devices, if required) are correctly located in accordance with final approved
shop drawings and within the guidelines of the enforced local electrical codes.
Required Tools for Installation:
• Torx, T10
• Allen Wrench Set
• Nut Driver, 5mm
• Screwdrivers: Flat, Philip, 5/16" Hex. Nut
• Power Drill and Drill Bits
• Additional Fasteners Depending Surface
• Level
• Shims
• Center Punch
• Tape Measure
• Silicone Sealant
• Hand Saw/ Power Saw
• Wire Stripper
1.0 GENERAL INFORMATION

Entrematic Canada Inc.
Toll Free: 1-877-348-6837
info.ditec.ca@entrematic.com
www.ditecentrematic.ca
Entrematic USA Inc.
Toll Free: 1-866-901-4284
info.ditec.us@entrematic.com
www.ditecentrematic.us
Pg. 16
HA9 Manual V. 2.0
1019956
1.13 Operater Type and Handing
The system is either a Push or Pull type configured for left or right door handing. Door handing is determined by standing
with your back to the hinges. The side to which the door normally opens (right or left) is the handing of the door. The
diagram below shows a right-handed door.
Push
Pull
1.0 GENERAL INFORMATION

Entrematic Canada Inc.
Toll Free: 1-877-348-6837
info.ditec.ca@entrematic.com
www.ditecentrematic.ca
Entrematic USA Inc.
Toll Free: 1-866-901-4284
info.ditec.us@entrematic.com
www.ditecentrematic.us
Pg. 17
HA9 Manual V. 2.0
1019956
2.1 Pre-Mounting Header Box Instructions
Disassemble parts for installation
Remove the cover from the assembly by gently prying with a screwdriver. Once the snaps are clear, pull the cover outwards
with minimal effort. Carefully set the cover in a location where it will not be damaged.
Mark spindle center on the bottom edge of header and remove the motor/gearbox from the back plate by loosening 4
motor/gearbox nuts.
The spindle center must be marked prior to removing the motor/gearbox to locate back plate to door
frame and reinstallation.
2.0 OPERATOR INSTALLATION
4
1 (captured in unit)
3
2

Entrematic Canada Inc.
Toll Free: 1-877-348-6837
info.ditec.ca@entrematic.com
www.ditecentrematic.ca
Entrematic USA Inc.
Toll Free: 1-866-901-4284
info.ditec.us@entrematic.com
www.ditecentrematic.us
Pg. 18
HA9 Manual V. 2.0
1019956
2.2 Push Header Installation
The Header Box on push installations is mounted flush to the bottom of the door frame. It may require solid backing
material to compensate for the thickness of the door frame.
Holes can be made anywhere in header to secure. All holes MUST be drilled into substantial
support (studs, blocks, framing, etc.). This diagram may not reflect your installation.
Do Not use Drywall Screws or Hollow Wall Anchors to mount the back plate / header.
Before fastening header box to the door frame, dry fit header by positioning the backer plate flush to the bottom of the
door jamb and the previously marked spindle center line is 8¼“ (210mm) from the door hinge/pivot.
1. Mark locations to drill frame to match the predrilled access holes for high and low voltage wires and mounting holes. If
the holes are not at a convenient location, you can drill the backer plate to suit.
2. Anchor the back plate to the wall with minimum of six (6) - #14 x 1" Pan Quad Type A screws (provided). You may
need to provide other screws if your installation requires it. The locations of the screws on the header are application
dependent but (2) of the screws must fasten the back plate directly to the door’s vertical jambs on the hinge or pivot
side.
3. Add additional screws to fasten the header back plate to the door frame approximately 12" to 16" (305mm to
406mm) apart. The header must be strong enough to support 200 lbs. (90kg).
For most applications, the header is equal to door opening plus 3" (76mm). This allows for a 1½"
(38mm) space on either side of the Header Box. However, it MUST be installed 1½" (38mm) from hinge
side for all Push installations, regardless if header is sized appropriately to anchor the header box
properly to the frame.
2.0 OPERATOR INSTALLATION
Backing Material
Flush
5/64" – 43/64" (2-17mm)

Entrematic Canada Inc.
Toll Free: 1-877-348-6837
info.ditec.ca@entrematic.com
www.ditecentrematic.ca
Entrematic USA Inc.
Toll Free: 1-866-901-4284
info.ditec.us@entrematic.com
www.ditecentrematic.us
Pg. 19
HA9 Manual V. 2.0
1019956
Push Header Backer Plate Positioning
4. Complete high voltage and control board connections (see section 2.5).
5. Reinstall motor/gearbox (see section 2.6).
6. Install arm (see section 3.1).
2.0 OPERATOR INSTALLATION
Hinge
Side
Predrilled Electrical Holes (2)
Motor/Gearbox Mounts
Predrilled Mounting Holes (4)
Strike
Side
Spindle Center
8¼” (210mm)
1½” (38mm)
Door Opening Width + 3” (76mm)
Hinge Center

Entrematic Canada Inc.
Toll Free: 1-877-348-6837
info.ditec.ca@entrematic.com
www.ditecentrematic.ca
Entrematic USA Inc.
Toll Free: 1-866-901-4284
info.ditec.us@entrematic.com
www.ditecentrematic.us
Pg. 20
HA9 Manual V. 2.0
1019956
2.3 Pull Header Installation
The Header Box on pull installations is mounted 1 ⅛” (28.57mm) above the bottom of the door frame. It may require solid
backing material to compensate for the thickness of the door frame.
Holes can be made anywhere in header to secure. All holes MUST be drilled into substantial
support (studs, blocks, framing, etc.). This diagram may not reflect your installation.
Do Not use Drywall Screws or Hollow Wall Anchors to mount the back plate / header.
1. Before fastening header box to the door frame, dry fit header by positioning the backer plate flush to the bottom of
the door jamb and the previously marked spindle center line is 8¼“ (210mm) from the door hinge/pivot.
2. Mark locations to drill frame to match the predrilled access holes for high and low voltage wires and mounting
holes. If the holes are not at a convenient location, you can drill the backer plate to suit.
3. Anchor the back plate to the wall with minimum of six (6) - #14 x 1" Pan Quad Type A screws (provided). You may
need to provide other screws if your installation requires it. The locations of the screws on the header are
application dependent but (2) of the screws must fasten the back plate directly to the door’s vertical jambs on the
hinge side.
4. Add additional screws to fasten the header back plate to the door frame approximately 12" to 16" (305mm
to 406mm) apart. The header must be strong enough to support 200 lbs. (90kg).
For most applications, the header is equal to door opening plus 3" (76mm). This allows for a 1½"
(38mm) space on either side of the Header Box. However, it MUST be installed 1½" (38mm) from hinge
side for all Push installations, regardless if header is sized appropriately to anchor the header box
properly to the frame.
2.0 OPERATOR INSTALLATION
Backing Material
1 ⅛” (28.57mm)

Entrematic Canada Inc.
Toll Free: 1-877-348-6837
info.ditec.ca@entrematic.com
www.ditecentrematic.ca
Entrematic USA Inc.
Toll Free: 1-866-901-4284
info.ditec.us@entrematic.com
www.ditecentrematic.us
Pg. 21
HA9 Manual V. 2.0
1019956
Pull Header Backer Plate Positioning
5. Complete high voltage and control board connections (see section 2.5).
6. Change configuration from push to pull (see section 2.6).
7. Reinstall motor/gearbox (see section 2.7).
8. Install arm (see section 3.1).
2.0 OPERATOR INSTALLATION
Hinge
Side
Predrilled Electrical Holes (2)
Motor/Gearbox Mounts
Predrilled Mounting Holes (4)
Strike
Side
Spindle Center
8¼“ (210mm)
1½” (38mm)
1 ⅜”
(35mm)
Door Opening Width + 3” (76mm)
Hinge Center

Entrematic Canada Inc.
Toll Free: 1-877-348-6837
info.ditec.ca@entrematic.com
www.ditecentrematic.ca
Entrematic USA Inc.
Toll Free: 1-866-901-4284
info.ditec.us@entrematic.com
www.ditecentrematic.us
Pg. 22
HA9 Manual V. 2.0
1019956
2.4 Double Egress Header
Double Egress Operators have a PULL type and PUSH type operator in the same housing, the header must be mounted
using the same process as the single Pull type locating 1 ⅛” (29mm) above the door frame and the spindle center 8¼“
(210mm) from the door hinge/pivot. For PUSH type operator, arm clearance issues may arise. To ensure the arm clears
any existing doorstops, use Option 2 Alternate Configuration to mount the arm as shown in the diagram below.
Note: For this configuration the spindle extension W8-865 is available and comes with 5 ¼" (133.35mm) long bolt.
See Section 3.1 to change the Push arm configuration to Option 2.
Horizontal Section
Vertical Section
Push Pull
2.0 OPERATOR INSTALLATION
Door Opening Width + 3” (76mm)
8¼“
(210mm)
1 ⅜” (35mm)
1 ⅛” (28.57mm)
Option 2
0-2 ⅜” (0-60mm) Reveal
8¼“
(210mm)

Entrematic Canada Inc.
Toll Free: 1-877-348-6837
info.ditec.ca@entrematic.com
www.ditecentrematic.ca
Entrematic USA Inc.
Toll Free: 1-866-901-4284
info.ditec.us@entrematic.com
www.ditecentrematic.us
Pg. 23
HA9 Manual V. 2.0
1019956
2.5 Electrical Connection
The incoming mains, which is a single phase 50/60 Hz AC voltage between 100 V -10% and 240 V+10% fuse 10 AT, is
connected in the mains connection unit.
1. Remove the protective lid (2).
2. Connect the incoming mains power (4) through the strain relief (3) to the connection block (1) as shown in the
illustration below.
3. Put the protective lid (2) back in place.
Installer must properly ground door package! Improper grounding can lead to risk of personal
injury.
1
Mains connection block
2
Protective lid
3
Strain relief
4
Incoming mains power
5
Mains connection
6
HA9 control board
The mains connection (5) must remain
isolated until the wiring is completed. Then
connect to the HA9 Control board (6).
The control board settings have been pre-set prior to shipment. It will be necessary for the door operator to be functional
while adjustments and settings are made. Power up the unit, push an activating device and check to make sure that the
spline pinion drive rotates in the correct direction. Keep all wires away from moving parts and sharp edges that may cut into
the outer casing of the wires.
THE GROUND WIRE FOR THE INCOMING HIGH VOLTAGE POWER AND THE SYSTEM GROUND WIRE
CANNOT SHARE THE SAME GROUNDING STUD. GROUND THE INCOMING HIGH VOLTAGE
ACCORDINGLY.
• Installation of any extra wiring for controls or accessories into the header unit shall be secured and away
From any moving parts.
• If the motor is not plugged into the circuit board, there is no resistance against the spring when manually
opening the door. The door or arm will close very quickly if opened.
• If an electrical access hole is added or knocked-out of the end plates, code approved electrical transfers
must be used. Hole cannot be knocked out and unfilled.
2.0 OPERATOR INSTALLATION
N
L
3
1
2
4
5
6

Entrematic Canada Inc.
Toll Free: 1-877-348-6837
info.ditec.ca@entrematic.com
www.ditecentrematic.ca
Entrematic USA Inc.
Toll Free: 1-866-901-4284
info.ditec.us@entrematic.com
www.ditecentrematic.us
Pg. 24
HA9 Manual V. 2.0
1019956
2.6 Change Unit Configuration
2.0 OPERATOR INSTALLATION
Shaft Adaptor W8-805
Socket Head Cap Screw
5/16-18 x 3 ½”L
SS Button Head Hex Drive
#10-32 x 3/8”L
SS Washer
¼”ID x 1 ¼ ” OD
Note:
Shaft Adaptor can be removed and the
motor/gearbox rotated 180 degrees
(flipped) for switching from Push to Pull
Requirements.

Entrematic Canada Inc.
Toll Free: 1-877-348-6837
info.ditec.ca@entrematic.com
www.ditecentrematic.ca
Entrematic USA Inc.
Toll Free: 1-866-901-4284
info.ditec.us@entrematic.com
www.ditecentrematic.us
Pg. 25
HA9 Manual V. 2.0
1019956
Place arm on unit at center line of unit. Then rotate the arm -5° (while holding the unit) so you can
remove the two screws that hold the Lock Kick / Stop Block Assembly. The Arm is under spring load
so do not release. After removing Lock Kick / Stop Block Assembly allow the arm to gently rotate to
remove the spring load.
Reinstall the Lock Kick / Stop Block Assembly in the alternate location (180° from its original position).
2.0 OPERATOR INSTALLATION
-5°

Entrematic Canada Inc.
Toll Free: 1-877-348-6837
info.ditec.ca@entrematic.com
www.ditecentrematic.ca
Entrematic USA Inc.
Toll Free: 1-866-901-4284
info.ditec.us@entrematic.com
www.ditecentrematic.us
Pg. 26
HA9 Manual V. 2.0
1019956
Rotate arm 180° (while holding the unit) so you can reload the spring tension and reposition stop arm.
While holding the arm in position, gently lift the lock kick cam and the door stop arm, rotate the door
stop arm so it is against the stop block and press it down so it locks into the splines. When you
release your grip on the arm the stop block should keep it from rotating. Now position the lock kick
cam so it locks into the splines.
2.0 OPERATOR INSTALLATION
Arm not
shown for
clarity.

Entrematic Canada Inc.
Toll Free: 1-877-348-6837
info.ditec.ca@entrematic.com
www.ditecentrematic.ca
Entrematic USA Inc.
Toll Free: 1-866-901-4284
info.ditec.us@entrematic.com
www.ditecentrematic.us
Pg. 27
HA9 Manual V. 2.0
1019956
2.7 Motor/Gearbox Reinstallation
1. Place motor/gearbox back on mounting studs. Verify power wire length allows for flat, unbound and not stretched when
reinstalling motor/gearbox (as shown in diagram below).
2. Position motor/gearbox so that the spindle is in line with the previously marked spindle center location. Tighten
motor/gearbox nuts starting with the top center nut first then the rest in a clockwise pattern.
Verify that the spindle center is 8¼” (210mm) from the door hinge/pivot.
3. Reconnect motor/gearbox control wires.
2.0 OPERATOR INSTALLATION
Top Center Nut
8¼” (210mm)
Hinge
Side
Strike
Side
Hinge Center
Power Wire

Entrematic Canada Inc.
Toll Free: 1-877-348-6837
info.ditec.ca@entrematic.com
www.ditecentrematic.ca
Entrematic USA Inc.
Toll Free: 1-866-901-4284
info.ditec.us@entrematic.com
www.ditecentrematic.us
Pg. 28
HA9 Manual V. 2.0
1019956
3.1 Push Arm Components & Configurations
The main arm components will consist of the Main Handle, Sleeve, Adjustable Rod (cut to length), and Door Shoe,
As shown below.
There are two (2) configurations available depends on situation and/or applications
Option 1- Standard Configuration
This is the standard configuration for the push arm, the Sleeve and Rod are above the Main Handle. Use this configuration
when there is no issue with clearance between the Rod/Door Shoe and top jamb of the door frame. The Rod and Sleeve
are flexible at the ends where they are bolted (semi-ball joint) which will provide additional flexibility during install.
WARNING!
Please ensure Shoe Bolts at these joints are tightened after installation of arm is complete.
3.0 ARM INSTALLATION
2.6in [ 66mm ]
2 7/8in [ 73mm ]
5in [ 128mm ]

Entrematic Canada Inc.
Toll Free: 1-877-348-6837
info.ditec.ca@entrematic.com
www.ditecentrematic.ca
Entrematic USA Inc.
Toll Free: 1-866-901-4284
info.ditec.us@entrematic.com
www.ditecentrematic.us
Pg. 29
HA9 Manual V. 2.0
1019956
Option 2 - Alternate Configuration
For this option, Sleeve and Rod are below the Main Handle. Use this configuration when the clearance between the Rod/
Door Shoe and the top jamb (or any other obstruction in the swing path) prevents Option 1 from being properly installed.
With this option, an approximate 1 inch in vertical space is gained. This configuration also uses on Double Egress
Headers, where there is a pull arm and a push arm installed. The Rod and Sleeve are flexible at the ends where they are
bolted (semi-ball joint) which will provide additional flexibility during install.
Note that the Rod is above the door shoe when installed, so that if the bolt ever loosens it will not fall
down via gravity. Should the door rail you are attaching to have a thinner horizontal top rail, the door
shoe can be reversed to be above the rod end if space permits.
Used when clearance is an issue, an extra inch or more is added for installation.
5in 128mm
OPTION 2 PROVIDES AN
EXTRA INCH OR SO FOR
INSTALLATIONS WHERE
CLEARANCE IS AN ISSUE
FLEXIBLE PUSH
ROD JOINT
3 7/8in 98mm
GUIDELINE DIMENSION
SLEEVE AND ROD
BELOW MAIN HANDLE
2.6in 66mm
FLUSH
(BOTTOM OF HEADER
AND DOOR JAMB)
FLEXIBLE PUSH ROD JOINT
WARNING!
Please ensure Shoe Bolts at these joints are tightened after installation of arm is complete.
3.0 ARM INSTALLATION
4in 104mm

Entrematic Canada Inc.
Toll Free: 1-877-348-6837
info.ditec.ca@entrematic.com
www.ditecentrematic.ca
Entrematic USA Inc.
Toll Free: 1-866-901-4284
info.ditec.us@entrematic.com
www.ditecentrematic.us
Pg. 30
HA9 Manual V. 2.0
1019956
3.2 Push Arm Installation
STEP 1
Keep the door in close position,
Install Door Shoe 9 ⅜” (238mm) to first hole from
hinge/pivot side, the second hole 2 ½” (64mm) from the
first. For push arm configuration option 1 both the holes
are located at 2 ⅞” (73mm) from the bottom of header
and 3 ⅞” (98mm) for option 2.
Open door manually and insert rod fully into
sleeve. Tighten set screw. Fit Main Handle and
Sleeve on drive shaft (spindle) at 80 degrees to the
door latch.
STEP 2
Line up Rod with Sleeve and mark 1” (25mm) past 2nd
set screw and cut
Remove Main Handle from drive shaft (spindle),
and insert Rod fully into Sleeve. Tighten set screws.
WARNING!
Please ensure Shoe Bolts at these joints are tightened after installation of arm is complete.
3.0 ARM INSTALLATION
90º
hinge/pivot
hinge/pivot

Entrematic Canada Inc.
Toll Free: 1-877-348-6837
info.ditec.ca@entrematic.com
www.ditecentrematic.ca
Entrematic USA Inc.
Toll Free: 1-866-901-4284
info.ditec.us@entrematic.com
www.ditecentrematic.us
Pg. 31
HA9 Manual V. 2.0
1019956
3.3 Pull Arm for Pull Application
Pull Arm is used as Pull arm, allowing flexibility
to mount the HA9 in either handing configuration.
HEADER ON PULL SIDE
3.0 ARM INSTALLATION
1 ⅛” (28.57mm)
Reveal 0 - 2 ⅜” (60mm)
Reveal Spacer used for reveals greater than 0
Door

Entrematic Canada Inc.
Toll Free: 1-877-348-6837
info.ditec.ca@entrematic.com
www.ditecentrematic.ca
Entrematic USA Inc.
Toll Free: 1-866-901-4284
info.ditec.us@entrematic.com
www.ditecentrematic.us
Pg. 32
HA9 Manual V. 2.0
1019956
STEP 1 - Mark minimum position
• Close the door fully and fit the pull arm to the drive shaft (spindle), so that the arm is parallel with the door and the roller
is contacting the door.
• In this closed position, mark the spot at the roller edge (directly beside the roller on the strike side of the door).
STEP 2 - Mark maximum position
• Fit the pull arm to the drive shaft (spindle) at full open position (switch to Hold Open (II)), but do not tighten the
#1/4"-20 x 7/8" socket cap screw all the way. This is to allow the arm some freedom/flexibility. The pull arm must
be positioned such that it is just in front of the door as shown.
• Mark the spot at the roller edge (directly beside the roller on the hinge side of the door) in the open position.
3.0 ARM INSTALLATION
Mark on door
strike side edge of roller
(Closed position)
Pull Arm
Door
Minimum position mark
Hinge
Side
Strike
Side
Spindle
Arm/roller oriented
outside door
Mark on door, beside the
roller on the hinge side (full
open/maximum position)
Do not tighten socket cap
screw on pull arm

Entrematic Canada Inc.
Toll Free: 1-877-348-6837
info.ditec.ca@entrematic.com
www.ditecentrematic.ca
Entrematic USA Inc.
Toll Free: 1-866-901-4284
info.ditec.us@entrematic.com
www.ditecentrematic.us
Pg. 33
HA9 Manual V. 2.0
1019956
STEP 3 - Determine pull track position
• These two marks (minimum and maximum) illustrate the travel of the roller during the door swing, and thus must be
within the pull track after mounting. For reference, a pull (with door opening 90 degrees), these two marks
approximately 2 ½” (64mm) apart. For door openings larger than 90 degrees, this distance will be larger.
STEP 4 - Fitting Pull Track
• Remove the two ends caps and fit the extended pull track to cover the 1st and 2nd mark.
• Fix to the door, using fasteners best suited for your door type. You may center the roller track in the door for visual
aesthetics if the door width allows, but ensure the track covers the open and close marks for correct operation.
For positive reveal installations the positive reveal spacer must be used. For reveals greater than
0 up to 1 9/16” (40mm) mount spacer on the 2 ⅜” (60mm) side and on the 1 9/16” (40mm) side for
reveals greater than 1 9/16” (40mm) up to 2 ⅜” (60mm). Spacer fastener holes to be drilled on site
and longer track fasteners required.
• Re-attach the two end caps to hide the screws.
3.0 ARM INSTALLATION
Marks on door
(minimum position)
2 ½” (64mm)
approximate distance between marks
(for a 90 open swing door)
Minimum. position mark
Maximum
position mark
Pull Arm
Roller track must
cover these marks
Screw track into door &
reattach end caps
minimum
position
mark
maximum
position
mark
Reveal spacer mounted on
1 9/16” (40mm) side
Reveal spacer mounted on
2 ⅜” (60mm) side

Entrematic Canada Inc.
Toll Free: 1-877-348-6837
info.ditec.ca@entrematic.com
www.ditecentrematic.ca
Entrematic USA Inc.
Toll Free: 1-866-901-4284
info.ditec.us@entrematic.com
www.ditecentrematic.us
Pg. 34
HA9 Manual V. 2.0
1019956
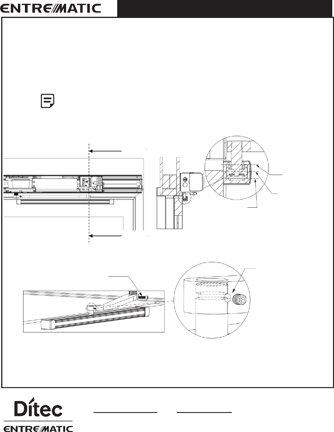
STEP 5 - Attaching Pull Arm
• Attach the roller shaft to the arm as shown, making sure the set screw is tightened into the groove on the roller shaft.
This will ensure that the arm and shaft do not dislocate during operation. For optimal performance, the roller should be
in-between the track limits as indicated.
• Tighten the ¼"-20 x 7/8"L socket cap screw for the male and female splines to grip correctly.
Make sure Pull Track is installed level with the header. This is to ensure the roller stays
inside the track during opening and closing, prolonging the life of the roller.
TRACK
LOWER LIMIT
TRACK
UPPER LIMIT
ROLLER
CENTERED
BETWEEN LIMITS
AS SHOWN
3.0 ARM INSTALLATION
TIGHTEN SOCKET CAP
SCREW INTO ARM
SET SCREW
DETAIL
ROLLER TRACK
CROSS SECTION
POINTED TIP SET
SCREW MUST BE
TIGHTENED INTO
SHAFT GROOVE

Entrematic Canada Inc.
Toll Free: 1-877-348-6837
info.ditec.ca@entrematic.com
www.ditecentrematic.ca
Entrematic USA Inc.
Toll Free: 1-866-901-4284
info.ditec.us@entrematic.com
www.ditecentrematic.us
Pg. 35
HA9 Manual V. 2.0
1019956
4.1 HA9 Control
1 The HA9 can be equipped with the standard extension unit EXU-SI and/or the optional EXU-SA, depending on the
functions required. See page 11 or 12
2 Arm system selection.
3 Factory set arm configuration is PUSH, if PULL is required:
• Switch power OFF
• Select arm configuration
• Switch power ON
4.0 CONTROL UNITS
Lock Kick (comes with jumper wire installed)
GND (-) 0 VDC Ground

Entrematic Canada Inc.
Toll Free: 1-877-348-6837
info.ditec.ca@entrematic.com
www.ditecentrematic.ca
Entrematic USA Inc.
Toll Free: 1-866-901-4284
info.ditec.us@entrematic.com
www.ditecentrematic.us
Pg. 36
HA9 Manual V. 2.0
1019956
4.2 Extension units EXU-SI / EXU-SA
Installation
To extend the functions, install the extension units to the control unit HA9.
The extension units can be mounted on top of the
control unit HA9, separately or combined.
4.0 CONTROL UNITS
HA9

Entrematic Canada Inc.
Toll Free: 1-877-348-6837
info.ditec.ca@entrematic.com
www.ditecentrematic.ca
Entrematic USA Inc.
Toll Free: 1-866-901-4284
info.ditec.us@entrematic.com
www.ditecentrematic.us
Pg. 37
HA9 Manual V. 2.0
1019956
4.3 Extension unit EXU-SI (Standard)
Functions
This extension unit has inputs for electro-mechanical lock, program selector, KILL function, OPEN/CLOSE, KEY
opening and outer impulse.
1) Independent of switch position (ON /OFF), the “latch check” complies with the ANSI A156.19 requirements. Position
OFF: Smooth closing, to be used on doors without lock. Position ON: More powerful closing, to be used on doors with
lock, to overcome binding in the locking device.
After changing any system selection a new LEARN must be carried out.
With selection “Locked without power” is the lock energized from 0 to 10 degrees at opening.
If a program selector is not used, a jumper is required from position 3 to position 11.
4.0 CONTROL UNITS
Lock only functions when Program Selector is in OFF or EXIT.
KILL reset (see jumper below
Unlocked Signal from lock
KILL impulse
KEY impulse (5 S)
OPEN / CLOSE impulse (latching relay)
Outer impulse

Entrematic Canada Inc.
Toll Free: 1-877-348-6837
info.ditec.ca@entrematic.com
www.ditecentrematic.ca
Entrematic USA Inc.
Toll Free: 1-866-901-4284
info.ditec.us@entrematic.com
www.ditecentrematic.us
Pg. 38
HA9 Manual V. 2.0
1019956
4.4 Extension unit EXU-SA (Optional)
Functions
This extension unit has inputs for door mounted sensors, which can give presence impulse on approach side and/or
presence detection on swing path side. Relay output for error indication, KILL output, Lock output or door indication is
also integrated. When the jumper for the relay is set to ‘Open door indication’, its activation will follow the Blanking LED.
QTST = Sensor monitoring
PDET = Presence detection (NC)/DMPS.SS 1)
PIMP = Presence impulse (NC)/DMPS.NS 1)
1) If not used strap to “Ground”.
2) Remove strapping from terminals 2 and/or 3.
4.0 CONTROL UNITS

Entrematic Canada Inc.
Toll Free: 1-877-348-6837
info.ditec.ca@entrematic.com
www.ditecentrematic.ca
Entrematic USA Inc.
Toll Free: 1-866-901-4284
info.ditec.us@entrematic.com
www.ditecentrematic.us
Pg. 39
HA9 Manual V. 2.0
1019956
5.1 Back Check and Latch Adjustment (door stop)
Note: If you are using the stop cam, it is strictly for set-up and interior applications only. For exterior
applications, do not use as a physical stop.
STEP 1
Close the door
Impulses are not accepted if SPTE is more than 0°.
STEP 2
Turn the potentiometer SPTE to 0° (if not already on 0°)
STEP 3
Switch on the mains power (the operator will find its closed position)
STEP 4
Open the door to required open position, plus approx. 5/8" (15 mm), by turning the potentiometer
SPTE on the HA9, clockwise.
5.0 OPERATOR TUNING

Entrematic Canada Inc.
Toll Free: 1-877-348-6837
info.ditec.ca@entrematic.com
www.ditecentrematic.ca
Entrematic USA Inc.
Toll Free: 1-866-901-4284
info.ditec.us@entrematic.com
www.ditecentrematic.us
Pg. 40
HA9 Manual V. 2.0
1019956
STEP 5
Lift the lock kick cam and the door stop arm up, mount the stop arm on the splines, as close as possible to the stop block 1).
Fine-adjust if necessary with the screw on the stop block 2).
1) 2)
STEP 6
Close the door by turning the potentiometer SPTE to 0° and let the door close.
5.0 OPERATOR TUNING

Entrematic Canada Inc.
Toll Free: 1-877-348-6837
info.ditec.ca@entrematic.com
www.ditecentrematic.ca
Entrematic USA Inc.
Toll Free: 1-866-901-4284
info.ditec.us@entrematic.com
www.ditecentrematic.us
Pg. 41
HA9 Manual V. 2.0
1019956
5.2 Micro Switch (Optional)
Control the lock kick by turning the lock kick cam (2) when power is off. This lock kick gives a lock kick at power
failure for the last 3-10 degrees of closing to make sure that the door will fully close and latch.
1
Micro switch
2
Lock kick cam
3
Stop block
4
Fine-adjustment screw
5
Door stop arm
5.0 OPERATOR TUNING
5
2
4
3
1
This lock kick cam MUST be set-up correctly to ensure safe operation!

Entrematic Canada Inc.
Toll Free: 1-877-348-6837
info.ditec.ca@entrematic.com
www.ditecentrematic.ca
Entrematic USA Inc.
Toll Free: 1-866-901-4284
info.ditec.us@entrematic.com
www.ditecentrematic.us
Pg. 42
HA9 Manual V. 2.0
1019956
5.3 Sync cable for double doors (synchronizing of 2 operators)
1.
Connect a cable between Primary HA9 and Secondary HA9.
PRIMARY SECONDARY
Black Red
The connection/marking of the sync cable determines which of the operators is the
PRIMARY and SECONDARY.
For a Rebated door the
Primary door
must
open
before the
Secondary door
and
the
Secondary
door
must
close
before the
Primary door
2.
Cut the jumper for double doors per the following table
Function
Door design
Cut the jumper with color
Opening
Closing
Rebated
Jamming
PRIMARY
side
SECONDARY
side
Synchronous
Synchronous
No
No
No cutting
No cutting
Synchronous
Asynchronous
Yes
No
Cut black
No cutting
Asynchronous
Asynchronous
Yes
Yes
No cutting
Cut red
Double egress
—
—
Cut black
Cut red
Rebated Jamming No jamming
5.0 OPERATOR TUNING
PRIMAR
Y
SECO
NDAR
Y

Entrematic Canada Inc.
Toll Free: 1-877-348-6837
info.ditec.ca@entrematic.com
www.ditecentrematic.ca
Entrematic USA Inc.
Toll Free: 1-866-901-4284
info.ditec.us@entrematic.com
www.ditecentrematic.us
Pg. 43
HA9 Manual V. 2.0
1019956
Settings for double doors
* For “Double egress doors” these functions must be set separately for PRIMARY
and SECONDARY as the arm systems as well as the air pressure may be
different.
Locks on the PRIMARY and SECONDARY doors must be connected to the control unit (HA9) on
the corresponding operator.
Inner and outer impulses can be connected to either PRIMARY or SECONDARY HA9 or both.
The OPD is to be connected to the PRIMARY HA9 except for “Double egress”, where each
OPD must be connected to corresponding HA9.
Door leaf mounted sensors must always be connected to corresponding HA9.
Function
Settings on the
PRIMARY
SECON
DARY
Common
Program selection
X
Opening time
X
Closing time
X
Hold open time
X
Close / Continue to open when the door is obstructed
X
PAG On/Off
X
Level of Power assist
X
(X)*
Extended closing force
X
(X)*
OPD Impulse or Mat Logic Impulse
X
Selection of operating mode during operation on battery
power
X
Individual
Lock/Unlock signal voltage
X
X
Locked without/with power
X
X
Lock release Enable/Disable
X
X
Open Delay Time
X
X
Lock kick Enable/Disable
X
X
5.0 OPERATOR TUNING

Entrematic Canada Inc.
Toll Free: 1-877-348-6837
info.ditec.ca@entrematic.com
www.ditecentrematic.ca
Entrematic USA Inc.
Toll Free: 1-866-901-4284
info.ditec.us@entrematic.com
www.ditecentrematic.us
Pg. 44
HA9 Manual V. 2.0
1019956
5.4 Auto-learn – automatically sets back and latch check
(recommended)
This learning is performed by pushing the Learn button (LRN).
Back-check
10°/1 s
Latch-check
10°
1.5 s
• Before the learning procedure starts, make sure that the door has been properly closed i.e., not by force.
• If any of the parameters "Spring pre-tension", "Closing torque" (CLTQ) and "Lock release"
DIP-switch No. 3 on EXU-SI) are changed after performing a learn, a new learn
must be carried out.
• Learn can be carried out with activation units and locks connected.
• The back-check will be automatically adjusted to 10° and 1 second before open position. The latch-check
will be automatically adjusted to 10° and 1.5 seconds before closed position.
5.5 One push / two pushes on the Learn button (LRN)
Remain clear of swing path of door, as door may close rapidly.
The door has no safety during auto-learn cycle.
One push (delayed opening)
Push the button once. The door will open after 2 seconds and adjust the back-check and latch-check automatically.
Two pushes (direct opening)
Push the button twice. As above, but the door starts to move directly.
LRN
HA9
5.0 OPERATOR TUNING

Entrematic Canada Inc.
Toll Free: 1-877-348-6837
info.ditec.ca@entrematic.com
www.ditecentrematic.ca
Entrematic USA Inc.
Toll Free: 1-866-901-4284
info.ditec.us@entrematic.com
www.ditecentrematic.us
Pg. 45
HA9 Manual V. 2.0
1019956
5.6 LRN Learn button for Double doors
For double doors, the Primary door must be learned first and thereafter the Secondary door. When the Secondary door is
learned,
the Primary door will open up to fully open position during the learning phase of the Secondary door.
The doors can also be learned separately before connecting the sync cable. In case of astragal doors and separate
learning, the Primary door must be held open before the Secondary door learn is carried out.
5.7 Learn with advanced setting of “back- and latch-check”
See the prerequisites for performing a "learn" under the heading "Auto-learn
-
automatically sets back and latch check.
(recommended)" on section 4.2
1 Push the button once or twice as for auto-setting.
2 Stop the door at required back-check.
3 The door reverts towards closed position.
4 Remove the stop.
5 Stop the door at required latch-check.
6 The door reverts to learn the fully open position.
7 Remove the stop.
8 The door reverts to closed position.
5.8 Revert to default values for “back- and latch-check”
See the prerequisites for performing a "learn" under the heading "Auto-learn
-
automatically sets back and latch check.
(recommended)" on section 5.4
1 Disconnect the mains contact.
2 Press the "Learn button" and keep it depressed.
3 Connect the mains contact.
4 Watch the "Error LED" lighted for 3 seconds.
5 Release the "Learn button" after 3 seconds (LED is out).
6 The "Back check", "Latch check" and "Open position" have now reverted to default values.
7 Disconnect the mains contact.
8 Next time the mains is connected, the operator will use the default values.
5.0 OPERATOR TUNING

Entrematic Canada Inc.
Toll Free: 1-877-348-6837
info.ditec.ca@entrematic.com
www.ditecentrematic.ca
Entrematic USA Inc.
Toll Free: 1-866-901-4284
info.ditec.us@entrematic.com
www.ditecentrematic.us
Pg. 46
HA9 Manual V. 2.0
1019956
5.9 General adjustment
1 Set the hold open time with the potentiometer on the control unit.
2 Adjust the opening speed (OPSP) to comply with ANSI A156.19. Turning clockwise increases the speed.
3 Adjust the closing speed (CLSP) to comply with ANSI A156.19. Turning counterclockwise decreases the speed
4 Connect the required activation units.
5 Check that the installation complies with AHJ (Authority Having Jurisdiction).
5.10 Reducing / Increasing the “Spring pre-tension” (SPTE)
The spring pre-tension is factory set to 210° and is normally not necessary to adjust. If adjustment has to be carried out
see below.
1 Loosen the door stop arm. Remove if fitted on the topside, slide down if fitted on the bottom.
2 Turn the potentiometer for spring pre-tension (SPTE) clockwise until the door opens to 45°.
3 Loosen the drive arm fixing screw.
4 Moving the door towards open position, reduces the tension, or,
moving the door towards closed position, increases the tension.
5 Tighten the drive arm.
6 Turn the potentiometer SPTE to 0°.
7 Open the door to required open position, plus approx. 5/8" [15 mm], by turning the potentiometer SPTE clockwise.
8 Mount the door stop arm as close as possible to the open door stop block, fine adjust with the screw if necessary.
9 Turn the potentiometer SPTE to 0°.
10 Push the learn button.
11 Let the door do the learn cycle without touching it.
Max. allowable spring pre-tension is 210°. Over-tension
may damage the spring or overheat the motor.
5.0 OPERATOR TUNING

Entrematic Canada Inc.
Toll Free: 1-877-348-6837
info.ditec.ca@entrematic.com
www.ditecentrematic.ca
Entrematic USA Inc.
Toll Free: 1-866-901-4284
info.ditec.us@entrematic.com
www.ditecentrematic.us
Pg. 47
HA9 Manual V. 2.0
1019956
6.1 Connection of Activation Units and Accessories
6.0 ACTIVATION UNITS & ACCESSORIES
Note:
If Activation Sensor is used the
door will not comply with
ANSI/BHMA A156.19.

Entrematic Canada Inc.
Toll Free: 1-877-348-6837
info.ditec.ca@entrematic.com
www.ditecentrematic.ca
Entrematic USA Inc.
Toll Free: 1-866-901-4284
info.ditec.us@entrematic.com
www.ditecentrematic.us
Pg. 48
HA9 Manual V. 2.0
1019956
6.2 Adjusting parameters
1 Disconnect batteries if any.
2 Disconnect the mains contact.
3 Press the "Learn button (LRN)" and keep it depressed.
4 Connect the mains contact.
5 Watch the "Error LED" flash 2 times for 3 seconds.
6 Release the "Learn Button" after the 3 seconds (LED is out). The "Error LED" flashes a number of short flashes
that corresponds to the parameter group number (see table). After a short pause the LED will repeat the group
number, and so on.
7 Pushing the "Learn button" once, increases the parameter group number. When the highest parameter group number
is reached it will start with number 1 (default) again.
8 Push the button until you get the requested parameter group.
9 Disconnect the mains contact.
10 Next time the mains is connected, the operator will use the new group of parameters.
Parameter/
Group
1
(default)
2
3
4
5
6
7
8
9
10
OPEN/CLOSE
HOLD OPEN
TIME
15 minutes
Infinite
15 minutes
15 minutes
15 minutes
15 minutes
15 minutes
15 minutes
15 minutes
15 minutes
BATTERY mode
(FUTURE USE)
Power Save
Power Save
Convenience
Power Save
Power Save
Power Save
Power Save
Power Save
Power Save
Convenience
KILL mode
Locked
during KILL
Locked
during KILL
Locked during
KILL
Lock follows
program se-
lector during
KILL
Locked during
KILL
Locked
during KILL
Locked
during KILL
Locked
during KILL
Lock follows
program
selector during
KILL
Locked during
KILL
OBSTRUCTION
mode1)
Door closer
Door closer
Door closer
Door closer
Reverses
when
obstructed
Door closer
Door closer
Door closer
Door closer
Reverses
when
obstructed
DOUBLE
EGRESS
mode
Separate
presence
detection
Separate
presence
detection
Separate
presence
detection
Separate
presence
detection
Separate
presence
detection
Common
presence
detection
Separate
presence
detection
Separate
presence
detection
Separate
presence
detection
Separate
presence
detection
LOCK RETRY
On
On
On
On
On
On
Off
On
On
On
OPEN/CLOSE
im
pulse
In AUTO
mode
In AUTO
mode
In AUTO
mode
In AUTO
mode
In AUTO
mode
In AUTO
mode
In AUTO
mode
In OFF, EXIT
and AUTO
mode
In AUTO
mode
In AUTO
mode
KILL Impulse
Configuration
Normally
Open
Normally
Open
Normally
Open
Normally
Open
Normally
Open
Normally
Open
Normally
Open
Normally
Open
Normally
Closed
Normally
Open
If set to "Reverses when obstructed", the operator re-opens when obstructed, similar to a presence impulse.
As default the operator tries to close two times extra in automatic operation, Off or Exit mode and one time in
manual operation, Off or Exit mode if there is a problem with binding striking plates. This function can be
switched off (see "Lock retry" above).
When changing group of parameters, normally only the Primary control must be
configured in a double door application. When changing from or to group seven, both
PRIMARY and SECONDARY must be configured.
6.0 ACTIVATION UNITS & ACCESSORIES

Entrematic Canada Inc.
Toll Free: 1-877-348-6837
info.ditec.ca@entrematic.com
www.ditecentrematic.ca
Entrematic USA Inc.
Toll Free: 1-866-901-4284
info.ditec.us@entrematic.com
www.ditecentrematic.us
Pg. 49
HA9 Manual V. 2.0
1019956
7.1 Overhead Presence Detection (OPD) Monitoring
1 Disconnect the mains.
2 Press the LEARN BUTTON (LRN) and keep it depressed.
3 Connect the mains.
4 Watch the ERROR LED, flash 4 times for 3 seconds each.
5 Release the LEARN BUTTON after 4 flashes (LED is out).
6 Identify the current monitoring
The ERROR LED flashes an amount of short flashes that correspond to the status number after a short pause the
LED will repeat the status number and so on.
7 Changing the status
8 If you push the LEARN BUTTON once, the status number will increase. When you have reached the highest status
number it will start at number one again.
• Push the button until you get the requested monitoring status, 1 = OFF (default), 2 = ON
• Disconnect the mains
Next time you connect the mains the operator will use the new status setting.
9 Recommended settings for sensor SP34-M
Sensor dip switch settings Dip 1 = ON
Dip 2-8 = OFF
Interface dip switch settings Dip 1, 4 and 7 = OFF
Dip 2, 3, 5, 6 and 8 = ON
7.0 ADVANCED SETTINGS
Sensor
Interface
HA9

Entrematic Canada Inc.
Toll Free: 1-877-348-6837
info.ditec.ca@entrematic.com
www.ditecentrematic.ca
Entrematic USA Inc.
Toll Free: 1-866-901-4284
info.ditec.us@entrematic.com
www.ditecentrematic.us
Pg. 50
HA9 Manual V. 2.0
1019956
7.2 Lock Kick
1 Disconnect the mains.
2 Press the LEARN BUTTON (LRN) and keep it depressed.
3 Connect the mains.
4 Watch the ERROR LED, flash 5 times for 3 seconds each.
5 Release the LEARN BUTTON after 5 flashes (LED is out).
6 Identify the lock kick status
The ERROR LED flashes an amount of short flashes that correspond to the status number after a short pause the
LED will repeat the status number and so on.
7 Changing the status
8 If you push the LEARN BUTTON once, the status number will increase. When you have reached the highest status
number it will start at number one again.
• Push the button until you get the requested lock kick status, 1 = Basic (default), 2 = Enhanced
• Disconnect the mains
Next time you connect the mains the operator will use the new status setting.
7.3 Lock Unlock
1 Disconnect the mains.
2 Press the LEARN BUTTON (LRN) and keep it depressed.
3 Connect the mains.
4 Watch the ERROR LED, flash 6 times for 3 seconds each.
5 Release the LEARN BUTTON after 6 flashes (LED is out).
6 Identify the current lock unlocked status.
The ERROR LED flashes an amount of short flashes that correspond to the status number after a short pause the
LED will repeat the status number and so on.
7 Changing the status.
8 If you push the LEARN BUTTON once, the status number will increase. When you have reached the highest status
number it will start at number one again.
• Push the button until you get the requested status, Lock is unlocked at
1= Lock is unlocked when door is not closed.
2= Lock is unlocked when door is 0-10 degrees from closed position, during opening.
• Disconnect the mains. Next time you connect the mains the operator will use the new status setting.
7.0 ADVANCED SETTINGS

Entrematic Canada Inc.
Toll Free: 1-877-348-6837
info.ditec.ca@entrematic.com
www.ditecentrematic.ca
Entrematic USA Inc.
Toll Free: 1-866-901-4284
info.ditec.us@entrematic.com
www.ditecentrematic.us
Pg. 51
HA9 Manual V. 2.0
1019956
8.1 Additional Components: Sensor(s) / Knowing Act Devices
Safety Sensors
The control board can accommodate overhead and door mounted safety sensors. To permit safe passage through, the
closing door will reverse (if equipped with door mounted safety sensor) to full open position, if an obstruction is encountered
during the closing phase. If equipped with door monitor sensor, the operator will then resume its standard closing cycle and
repeat when the obstruction remains.
• If equipped, the safety sensor on the closing side of the door will activate while the door is closing. The door will reverse
to open.
• If equipped, the safety sensor on the opening side of the door is activated by another pedestrian while the door is
opening, the door will stall until that pedestrian has left the opening area.
• If the door is equipped with an overhead safety sensor, the door will not open when there is an obstruction or pedestrian
in the swing path.
• If the door is equipped with an overhead presence sensor in the closed position, the door will not open when there is an
obstruction or pedestrian in the swing path.
• Superscans and Door Mounted Sensors can be directly plugged in and used.
Jamb mounted switches
It can be used but are not practical for individuals using a wheelchair because of their range of motion (positioning their
wheelchair to clear the door opening). (See Section 1.5) In a vestibule entrance a switch must be installed in the vestibule
space to prevent entrapment and the doors can be sequenced to ease the traffic flow and limit the time of both doors
being open to outside weather conditions.
Push Plate or Knowing Act Devices
• Test the knowing act device. The door should swing smoothly to the open position and stop without impact. After a time
delay (normally 1s to 5s) the door should close smoothly.
• Repeat on the other side of the opening if the door has two-way operation.
• If there is more than one push plate or Knowing Act Device on each side of the door, each should be tested.
8.0 INSTALLATION WRAP UP

Entrematic Canada Inc.
Toll Free: 1-877-348-6837
info.ditec.ca@entrematic.com
www.ditecentrematic.ca
Entrematic USA Inc.
Toll Free: 1-866-901-4284
info.ditec.us@entrematic.com
www.ditecentrematic.us
Pg. 52
HA9 Manual V. 2.0
1019956
8.2 Header Cover Installation
After all adjustments have been finished, the face cover (Cover Sticker must be covering the top machining) must be
installed to the header box. Align cover over header back plate. Make sure side caps on the cover are aligned with in
caps on header back plate, then push on. The cover will snap in place. Check for gaps all around to make sure cover is
fully seated. To secure cover to back plate, use a #8 x ½” L Phillips-Tapping Screw on both the top and bottom sides of
the cover located ½” (13mm) from the back edge, at center of the unit, see below.
Bottom View
8.3 Safety Decals
Install all safety, traffic control, and instruction decals to the door as required. This is very important. Failure to do this
leaves the installer LIABLE for any accident that might occur. This must be done!
A summary of the ANSI standard A156.19 requirements for safety decals is as follows:
Each decal shall be mounted on the door at a height of 50 ± 12" (1270 ± 305 mm) from the floor to the center line of
the sign. The sign chosen will depend on the classification of the door operator.
Clean the area well before applying the decal. Remove the upper portion of the backing and roll the decal onto the door in
a slow motion. Check to confirm the decal is straight. Use a fat edged soft spreader to smooth out the decal. Remove the
lower backing from the decal and smooth out any air pockets.
After all adjustments have been finished, the face cover must be installed to the back plate by snapping cover into position.
WARNING
!
Before leaving the job site,
•
Clean up the work area
•
Make sure all bolts are tight
•
Clean glass
•
Install safety decals
8.0 INSTALLATION WRAP UP
Phillips-Tapping Screw
#8 x ½” L

Entrematic Canada Inc.
Toll Free: 1-877-348-6837
info.ditec.ca@entrematic.com
www.ditecentrematic.ca
Entrematic USA Inc.
Toll Free: 1-866-901-4284
info.ditec.us@entrematic.com
www.ditecentrematic.us
Pg. 53
HA9 Manual V. 2.0
1019956
8.4 Safety Sticker Placement Example
The center of the sticker height should located at 50 ± 12" (1270 ± 305 mm), above the finished floor. See
ANSI standard A156.19 requirements for additional safety decal information. The center of the push plate
height should be between 34" [864 mm] and 48" [1219 mm], above the finished floor.
8.0 INSTALLATION WRAP UP
34 in [864mm]-48 in [1,219mm]
LOW ENERGY STICKERS
(ON BOTH INGRESS
& EGRESS SIDES)
50 ± 12" (1270 ± 305 mm)

Entrematic Canada Inc.
Toll Free: 1-877-348-6837
info.ditec.ca@entrematic.com
www.ditecentrematic.ca
Entrematic USA Inc.
Toll Free: 1-866-901-4284
info.ditec.us@entrematic.com
www.ditecentrematic.us
Pg. 54
HA9 Manual V. 2.0
1019956
9.1 Common Faults
Fault
Possible reasons why
Remedies/Explanations
The door does not open
The motor does not start
Control switch is set to OFF
Change the setting of the control switch
Mains are missing
Check the mains switch
Activation unit does not function
Strap impulse inputs
Presence detection is activated
Check that there are no objects in the detection
zone
KILL activated
Deactivate KILL
Potentiometer SPTE not turned to 0°
Turn SPTE to 0°
The motor starts
Mechanical lock is locked
Unlock the lock
Something jammed beneath the door
Remove object
Electric striking plate is binding
Select lock release
Adjust striking
Arm system has come loose
Turn potentiometer SPTE until the door-stop hits
the stop-block. Put the door in required open
position. Tighten the arm system. Turn SPTE to 0°
The door does not close
Control switch is set to HOLD
Change the setting of the control switch
Presence impulse is activated
Remove objects in the detection zone
Something jammed beneath the door
Remove object
The operator has un-
known spring pretension
Too many adjustments carried out
a Turn up the potentiometer SPTE until it is
possible to loosen the door stop
b Remove the door stop and the arm system c
Unplug the mains and let spring close
d
Unplug the motor plug
e
Mount the drive arm from the arm system and
find the o-pre-tension by moving back and forth
f
Loosen the arm
g
Connect the motor plug h Connect the mains
i
Turn the SPTE pot to 210° and wait until the
spindle stops turning
j
Mount the door stop against the closing stop
block
k
Turn down SPTE to 0º - operator is now factory
set
l
Turn to section 5.1 to adjust open stop position
9.0 TROUBLESHOOTING

Entrematic Canada Inc.
Toll Free: 1-877-348-6837
info.ditec.ca@entrematic.com
www.ditecentrematic.ca
Entrematic USA Inc.
Toll Free: 1-866-901-4284
info.ditec.us@entrematic.com
www.ditecentrematic.us
Pg. 55
HA9 Manual V. 2.0
1019956
9.2 Error Indication
1 During normal operation the ERROR LED on the control unit is illuminated.
2 An extinguished LED indicates that there is no mains.
3 A flashing light on the LED indicates that the operator is out of function (see table below).
4 An audible warning signal can be achieved by using the accessory board AIU. It is connected to the 24 VDC and
plugged into the EXU-SA relay output terminal.
LED flash frequency
Reason
Remedy
One 0.3 s flash, pause etc.
+ 24 V DC external error or
sensor monitoring error
Check for short circuit or broken monitored sensor
Three 0.3 s flashes, pause etc.
Control unit defective
Replace control unit
Four 0.3 s flashes, pause etc.
Encoder error
Check the encoder cable.
Open and close the door manually and thereafter
check the automatic function. If the operator is still
out of function replace the drive unit.
Five 0.3 s flashes, pause etc.
Locking device defective
Check for e.g. short circuit in the locking device
Replace locking device
EXU-SI board defective
Replace EXU-SI board
Six 0.3 s flashes, pause etc.
Sync cable not connected or
defective (double door only)
Connect the sync cable
Replace the sync cable
Seven 0.3 s flashes, pause etc.
SECONDARY control unit defective
(double door only)
Check the flash frequency on the SECONDARY LED
and take necessary measures in accordance with
this table.
Eight 0.3 s flashes, pause etc.
Motor overheated
Wait for the motor to cool down
Nine 0.3 s flashes, pause etc.
Blocked door and constant impulse
Toggle impulse
9.0 TROUBLESHOOTING

Entrematic Canada Inc.
Toll Free: 1-877-348-6837
info.ditec.ca@entrematic.com
www.ditecentrematic.ca
Entrematic USA Inc.
Toll Free: 1-866-901-4284
info.ditec.us@entrematic.com
www.ditecentrematic.us
Pg. 56
HA9 Manual V. 2.0
1019956
10.1 Service/Maintenance
Regular inspections shall be made according to national regulations and product documentation by a Ditec Entrematic -
trained and qualified technician. Regular scheduled maintenance should be in accordance with national requirements and
product documentation. This is especially important when the installation concerns a fire-approved door or a door with an
emergency opening function.
As with all other electro-mechanical products, an automatic door requires regular maintenance and service. It is essential
to know the importance of regularly scheduled maintenance to have a reliable and safe product.
Regular service and adjustments will ensure a safe and proper operation of an automatic door unit.
The “Service Log Book” shall be used together with the “Site Acceptance Test and Risk Assessment” document (PRA-
0007) provided. Keep both documents available for maintenance and service records.
10.0 SERVICE/MAINTENANCE

Entrematic Canada Inc.
Toll Free: 1-877-348-6837
info.ditec.ca@entrematic.com
www.ditecentrematic.ca
Entrematic USA Inc.
Toll Free: 1-866-901-4284
info.ditec.us@entrematic.com
www.ditecentrematic.us
Pg. 57
HA9 Manual V. 2.0
1019956
11.1 Manufacturer and Shipping Address
Entrematic Canada Inc.
221A Racco Parkway
Vaughan, ON
L4J8X9
Toll Free: 1-877-348-6837
Local: 905-886-8160
Fax: 905-886-7656
Email: info.ditec.ca@entrematic.com
Entrematic USA Inc.
1900 Airport Road
Monroe, NC 28110 USA
Toll Free: 1-866-901-4284
Local: 704-290-0980
Fax: 704-919-5014
Email: info.ditec.us@entrematic.com
Entrematic Technical Service Department
Toll Free: 1-833-921-1337
Series Model: HA9
HA9 Installation Manual Part# 1019956
Code & Standard
The operator complies with the following codes and standards:
• UL STD.325 & ANSI/BHMA STD. A156.19; Fire rated UL STD. 10 (b); UL STD. 10(c); NFPA STD. 252
• CAN/CSA STD. C22.2 NO. 247 & CAN/ULC STD. S104
All the rights concerning this material are the exclusive property of Entrematic Group AB.
Although the contents of this publication have been drawn up with the greatest care, Entrematic Group AB cannot be held responsible in
any way for any damage caused by mistakes or omissions. We reserve the right to make changes without prior notice.
Copying, scanning or changing in any way is expressly forbidden unless authorized in writing by Entrematic Group AB.
11.0 MANUFACTURER


