Erchonia Medical MSM1-RF MSM1-RF User Manual HP3 TX working 70103
Erchonia Medical MSM1-RF HP3 TX working 70103
Contents
- 1. Transmitter design guide
- 2. Operation and maintenance manual
Transmitter design guide

HP SERIES-3 TRANSMITTER DESIGN GUIDE
DE S C R IP TION:
The HP-3 R F transmitter module is the third generation of the popular HP series and
offers complete compatibility and numerous enhancements over previous
generations. Like its predecess ors, the HP -3 is designed for the cost-effective, high-
performance wireless transfer of analog or digital information in the popular
902-928MHz band. All HP -3 s eries parts continue to feature eight parallel selectable
channels, but versions are also available which add s erial selection of 100 channels.
T o ens ure reliable performance, the trans mitter employs F M/F S K modulation and a
microproces s or-controlled synthes ized architecture. The transmitter is pin- and
footprint-compatible with all previous generations but its overall physical size has
been reduced. B oth S MD and pinned packages are now available. W hen paired with
an HP -3 receiver, a reliable link is created for transferring analog and digital
information up to 1000 ft. (under optimal conditions). Like all Linx modules, the
HP -3 requires no tuning or additional R F components (except an antenna), making
integration straightforward, even for engineers without prior R F experience.
H
IGH
-P
ERFORMANCE
RF MODULE
TXM-900-HP3
R evised 7/2/03
FEATURES:
€ 8 parallel, 100 serial (P S Versions )
User-S electable C hannels
€P recision F requency S ynthesized
Architecture
€F M/F S K Modulation F or Outs tanding
P erformance and Noise Immunity
€ Transparent Analog/Digital Interface
€High Data R ate (up to 56k)
€Wide-R ange Analog C apability Including
Audio (50Hz-28kHz)
€P ower-Down and C TS F unctions
€C ost-E ffective
€P inned or S MD P ackaging
€Wide S upply R ange (2.8-13V DC )
€E xtended Temperature R ange
(-30°C to +85°C )
€No P roduction Tuning or E xternal R F
C omponents R equired (E xcept Antenna)
€C ompatible With P revious HP S eries
Modules
P A R T # DE S C R IP TION
TXM-900-HP 3-P P O HP -3 Transmitter (P INNE D 8 C H only)
TXM-900-HP 3-P P S HP -3 Transmitter (P INNE D 8p /100s C H)
TXM-900-HP 3-S P O HP -3 Transmitter (S MD 8 C H only)
TXM-900-HP 3-S P S HP -3 Transmitter (S MD 8p /100s C H)
MDE V-900-HP 3-P P S Development K it 900MHz (P inned P kg.)
MDE V-900-HP 3-S P S Development K it 900MHz (S MD P kg.)
ORDERING INFORMATION
APPLICATIONS INCLUDE:
€G eneral Wire E limination
€Wireless Data Transfer
€Wireless Analog / Audio
€Home / Industrial Automation
€Wireless Networks
€R emote C ontrol
€R emote Acces s
€R emote Monitoring / Telemetry
€Alarm / S ecurity S ystems
€Long-R ange R FID
€ MIDI Links
€ Voice/Mus ic / Intercom Links

Figure 1: Performance Data Table
Page 2
1. Over entire operating voltage range
2. PDN pin low
3. Serial Mode
4. 100 Serial channels on PS versions only
5. Does not change over 3-13 VDC supply
6. Into 50 Ohms
7. Receiver will not reliably hold a DC level. See RX manual for minimum transition rate.
8. Voltage specified is modulation pin voltage
9. See page 15.
Notes:
TRANSMITTER SPECIFICATIONS
ABOUT THESE MEASUREMENTS
The performance parameters listed below are based on module operation at
25°C from a 5V DC supply unless otherwise noted.
Parameter Designation Min. Typical Max. Units Notes
POWER SUPPLY
Input Voltage VCC 2.8 – 13.0 VDC –
Supply Current ICC –1417mA1
Power-Down Current IPDN ––15
µ
A2
TRANSMIT SECTION
Transmit Frequency Range FC902.62 – 927.62 MHz 3
Center Frequency Accuracy -50 +50 kHz –
Available Channels 8 (Par.) – 100 (Ser.) 4
Channel Spacing – 250 – kHz –
Occupied Bandwidth – 115 140 kHz –
Output Power -3 0 +3 dBm 5
Spurious Emissions – -45 – dBm 6
Harmonic Emissions – -60 -47 dBm 6
Data Bandwidth 100 – 56,000 bps 7
Analog/Audio Bandwidth 50 – 28,000 Hz 7
Data input:
Logic low GND – 0.5 VDC –
Logic high 2.8 – 5.2 VDC –
Data Input Impedance – 200 – kOhms –
Frequency Deviation @ 3VDC 60 70 110 kHz 8
Frequency Deviation @ 5VDC 90 115 140 kHz 8
ANTENNA PORT
RF input impedance RIN –50–Ohms –
TIMING
Transmitter Turn-on Time T1–710mSec 9
Max Channel-Change Time T2–11.5mSec 9
ENVIRONMENTAL
Operational Temperature -30 +85 °C –

Page 3
Figure 2: Maximum Ratings Table
Absolute Maximum Ratings:
Supply voltage Vcc, using pin 7 -0.3 to +18 VDC
Operating temperature -30°C to +85°C
Storage temperature -45°C to +85°C
Soldering temperature +260°C for 10 sec.
Any input or output pin -0.3 to Vcc
*NOTE* Exceeding any of the limits of this section may lead to permanent
damage of the device. Furthermore, extended operation at these maximum
ratings may reduce the life or affect the function of this device.
*CAUTION*
This product incorporates numerous static-sensitive components.
Always wear an ESD wrist strap and observe proper ESD handling
procedures when working with this device. Failure to observe this
precaution may result in module damage or failure.
Figure 5: TX Powerup to Valid RX Analog
Figure 3: Power-Up To CTS
TYPICAL PERFORMANCE GRAPHS
Figure 8: Square-Wave Modulation
Linearity
Figure 6: Sine-Wave Modulation Linearity
Figure 4: TX Powerup to Valid RX Data
Figure 7: Triangle-Wave Modulation
Linearity
IN
OUT
IN
TX VCC/PDN High
TX VCC/PDN High
RX Data
Demodulated Analog Data
(RX)
TX CTS
TX VCC/PDN High
OUT
IN
OUT

PIN Name Equivalent CTK Description
PIN #
Ground
50 Ohm RF Output
Channel Select 0
CS0
Channel Select 1/Serial Select Clock
CS1
Channel Select 2 /Serial Select Data
Clear-to-Send
Output
Ground/Mode
Voltage Input 2.8-16V
Power Down
(Active Low)
Digital/Analog Input
See text "Inputting Digital Data"
CS2
Mode
CTS
Out
GND
RF/ANT Out
CS0
CS1/SS CLOCK
CS2/SS DATA
PDN
CTS
GND/MODE
Analog In/Data In
VCC
1
3
13
20
2
5
6
7
9
8
11
12
4
14-19
21-24
10
1
2
3
4
5
7
6
9
10
8
25K
25K
25K
100K 160K
510K 20pF
50
RF
Out
PDN
430K
VIN
SMD
Pinned
N/C SMD (Only) No Connection
25K
Page 4
PIN DESCRIPTION
Figure 9: Pin Functions and Equivalent Circuits

Page 5
The transmitter is available in two package styles. The pinned SIP style is
designed for through-hole application and has 10 pins spaced at 0.1" intervals.
Pin 1 is on the far left of the board when viewed from the front. The package may
be inserted at right angles or bent to lie down (with the cover facing up) on the
PCB. Avoid repeated bending of the pins as they may weaken and break.
The surface-mount version is housed in a 24 pad hybrid SMD package which
has been designed to facilitate both hand and automated assembly. Pin one is
on the lower left when viewed as shown above. Castellation grooves have been
provided for ease of hand soldering and inspection.
PHYSICAL PACKAGING
RECOMMENDED PAD LAYOUT
The following drawings illustrate the recommended circuit-board footprints for
the HP-3 series transmitter modules. Be sure to also review the physical layout
and the antenna recommendations contained elsewhere in this guide.
0.628"
0.070"
0.100"
0.060"
.060"
.3"
.10"
.060"
.030" Dia. Finished
Figure 11: Suggested PCB Footprint
Surface-Mount TransmitterPinned Transmitter
Figure 10: Transmitter Physical Package
ENCAPSULATION NOTICE
In some applications the designer may wish to encapsulate the product's circuit
board. Among the common reasons for doing so are environmental protection
and security. The dielectric constant of encapsulation and potting materials
varies and can adversely affect transmitter performance. For this reason, Linx
does not recommend the encapsulation of our products. Doing so will void all
product warranties. It should be noted, however, that customers have reported
success with a variety of encapsulation materials and techniques. Should you
choose to encapsulate your product, careful testing should be conducted to
determine the suitability of the chosen material.
0.178"
1.290"
0.680"
LOT 10000
1
HP SERIES RF TRANSMITTER
TXM-900-HP3-PP*
0.125"
0.628"
1.260"
LOT 10000
1
HP SERIES RF TRANSMITTER
TXM-900-HP3-SP*

Page 6
PRODUCTION GUIDELINES
Pinned Transmitter Hand Assembly
The SIP module pins may be hand or wave-soldered. The module should not be
subjected to reflow. Linx recommends wash-free manufacturing techniques. The
modules are wash-resistant, but are not hermetically sealed. If a wash is used,
a drying time, sufficient to allow the evaporation of any moisture which may have
migrated into the module, must be allowed prior to applying electrical power. If
the wash contains contaminants, transmitter performance may be adversely
affected even after drying.
SMD Transmitter Hand Assembly
The SMD version is housed in a hybrid
SMD package which has been designed
to support hand or automated reflow
techniques. The package’s primary
mounting surface is the pads located on
the bottom of the module. Since these
pads are inaccessible during mounting,
plated castellations run up the sides of the
module to facilitate solder wicking. This
allows for very quick and efficient hand
soldering for prototyping and small
volume production.
If the recommended pad placement has been followed, the pad on the board will
extend slightly past the edge of the module. Touch both the PCB pad and the
module castellation with a fine soldering tip. Tack one module corner first, then
work around the remaining attachment points being careful not to exceed the
solder times listed below.
Care should be taken, especially when hand-soldering, not to use excessive
amounts of flux as it will wick under the module and potentially impair its function.
In many cases, no-clean solder is the best choice. The modules are wash-
resistant, but are not hermetically sealed. Linx recommends wash-free
manufacturing techniques. If a wash is used, a drying time, sufficient to allow any
moisture which may have migrated into the module to evaporate, must be
allowed prior to applying electrical power. If the wash contains contaminants,
transmitter performance may be adversely affected even after drying.
Castellations
PCB Pads
Soldering Iron
Tip
Solder
Figure 12: Soldering Technique
Absolute Maximum Solder Times
Hand-Solder Temp. TX +225°C for 10 Sec.
Hand-Solder Temp. RX +225°C for 10 Sec.
Recommended Solder Melting Point +180°C
Reflow Oven: +220° Max. (See adjoining diagram)

Page 7
SMD TRANSMITTER AUTOMATED ASSEMBLY GUIDELINES
For high-volume assembly, most users will want to auto-place the modules. SMD
versions of the modules have been designed to maintain compatibility with most
pick-and-place equipment, however, due to the module's hybrid nature certain
aspects of the automated assembly process are far more critical than for other
component types.
Following are brief discussions of the three primary areas where caution must be
observed.
Reflow Temperature Profile
The single most critical stage in the automated assembly process is the reflow
process. The reflow profile below should not be exceeded since excessive
temperatures or transport times during reflow will irreparably damage the
modules. Assembly personnel will need to pay careful attention to the oven's
profile to ensure that it meets the requirements necessary to successfully reflow
all components while remaining within the limits mandated by the modules
themselves.
Shock During Reflow Transport
Since some internal module components may reflow along with the components
placed on the board being assembled, it is imperative that the module not be
subjected to shock or vibration during the time solder is liquidus.
Washability
The modules are wash-resistant, but are not hermetically sealed. Linx
recommends wash-free manufacturing techniques, however, the modules can
be subjected to a wash cycle provided that a drying time is allowed prior to
applying electrical power to the parts. The drying time should be sufficient to
allow any moisture which may have migrated into the module to evaporate, thus
eliminating the potential for shorting damage during power-up or testing. If the
wash cycle contains contaminants, transmitter performance may be adversely
affected, even after drying.
Figure 13: Maximum Reflow Profile
125°C
600
0
50
100
150
200
250
300
°C
120 180 240 300
30 90 150 210 270 330 360
180°C
210°C
220°C
Temperature
Time (Seconds)
Ideal Curve
Limit Curve
Forced Air Reflow Profile
1-1.5 Minutes
2-2.3 Minutes
Ramp-up
Preheat Zone
Cooling
Soak Zone
Reflow Zone
20-40 Sec.
2 Minutes Max.

Page 8
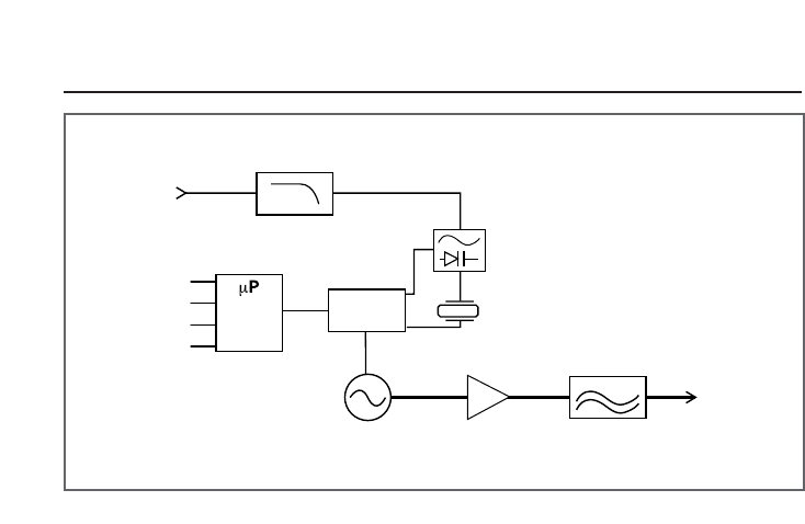
Amplifier
VCO RF Out
Band Pass
Filter
28kHz Low Pass
Filter
Data
In
PLL
4MHz
Int. Osc.
MODE
CS0
CS1
CS2
12MHz
Crystal
Modulator
Figure 14: HP-3 Series Transmitter Block Diagram
THEORY OF OPERATION
The TXM-HP3 is a high-performance, multi-channel RF transmitter capable of
transmitting both analog (FM) and digital (FSK) information. FM/FSK modulation
offers significant advantages over AM or OOK modulation methods including
increased noise immunity and the receiver's ability to "capture" in the presence of
multiple signals. This is especially helpful in crowded bands like those in which the
HP-3 operates.
Let's take a brief look at each transmitter section. A precision 12.00MHz Voltage-
Controlled Crystal Oscillator (VCXO) serves as the frequency reference for the
transmitter. Incoming signals are filtered to limit their bandwidth and then used to
directly modulate this reference. Direct reference modulation inside the loop
bandwidth allows a fast startup while allowing a wide modulation bandwidth and
near DC modulation capability. This results in accurate reproduction of analog
and digital content and eliminates the need for code balancing.
The modulated 12.00MHz reference frequency is applied to the Phase-Locked
Loop (PLL). The PLL, combined with a 902-928MHz VCO, forms a stable
frequency synthesizer that can be programmed to oscillate at the desired
transmit frequency. An on-board micro-controller manages the PLL programming
functions and greatly simplifies user interface. The micro-controller reads the
channel-selection lines and programs the on-board synthesizer. This frees the
designer from complex programming requirements and allows for manual or
software channel selection. The micro-controller also monitors the status of the
PLL and indicates when the transmitter is stable and ready to transmit data by
raising the CTS line high.
The PLL locked carrier is amplified and buffered to isolate the VCO from the
antenna and to increase the output power of the transmitter. The output of the
buffer amplifier is connected to a filter network which suppresses harmonic
emissions. Finally, the signal reaches the single-ended antenna port, which is
matched to 50 ohms to support commonly available antennas, such as those
manufactured by Linx.

BOARD LAYOUT GUIDELINES
If you are familiar with RF you may be concerned about specialized layout
requirements. Fortunately, by carefully adhering to a few basic design and
layout rules transmitter integration is generally very straightforward.
Page 5 shows the suggested PCB footprint
for the HP-3 transmitter. A groundplane (as
large as possible) should be placed on a
lower layer of your PC board opposite the
transmitter. This groundplane can also be
critical to the performance of your antenna
which will be discussed later in the
manual.
The transmitter should be kept away from other components on your PCB,
especially high-frequency noise sources such as an oscillator or switching supply.
To mount a pinned version of the transmitter parallel to the PC board, bend it
over so that the plastic cover faces away from the board.
Do not route PCB traces directly under SMD packaged versions. The underside
of the module has numerous signal-bearing traces and vias which could short or
couple to traces on the product's circuit board.
The trace from the transmitter to the antenna should be kept as short as
possible. For runs greater than 1/4 inch use 50-ohm coax or a 50-ohm microstrip
transmission line as shown below. Handy software for calculating microstrip
lines is available on the Linx website (www.linxtechnologies.com).
The typical output power of the HP-3 transmitter is
right at Part-15 limits. Sometimes, it is necessary
to slightly attenuate the output to compensate for
antenna gain. This is accomplished using a three-
resistor attenuation network as shown. While this
network is often referred to as a “T” pad the actual
resistor orientation is usually not critical. Use only
surface-mount type resistors grouped closely. The
series pads may be bridged if the network is not needed. Further details can be
found in application note #00150 - "Use and Design of T-Attenuation Pads".
Page 9
Full groundplane on inner or lower board layer
Microstrip
Figure 15: Groundplane Treatment
Figure 16: Microstrip Formulas (Er = Dielectric constant of pc board material)
TYPICAL LAYOUT
MICROSTRIPS
GROUND
RF IN
ANT.
R1R1
R2
GROUNDPLANE
ON LOWER LAYER
Figure 17: T-pad Layout
Effective
Dielectric Width/Height Dielectric Characteristic
Constant (W/d) Constant Impedance
4.8 1.8 3.59 50.0
423.07 51.0
2.55 3 2.12 48.0

POWER SUPPLY GUIDELINES
The user must provide a clean source of
power to the transmitter to ensure proper
operation. The HP-3 incorporates a precision
low-dropout regulator on-board which allows
operation over an input voltage range of 2.8 to
13 VDC. Figure 18 shows a typical supply
filter. This filter should be placed close to the
module's supply lines. Its actual values will
depend on the type and frequency of noise
present in the user's product.
The HP-3 can be put into an ultra-low-current (<15µA) power-down mode by
holding the PDN pin low. If the PDN pin is left open or held high, the transmitter
will turn on. In power-down mode, the transmitter is completely shut down.
Page 10
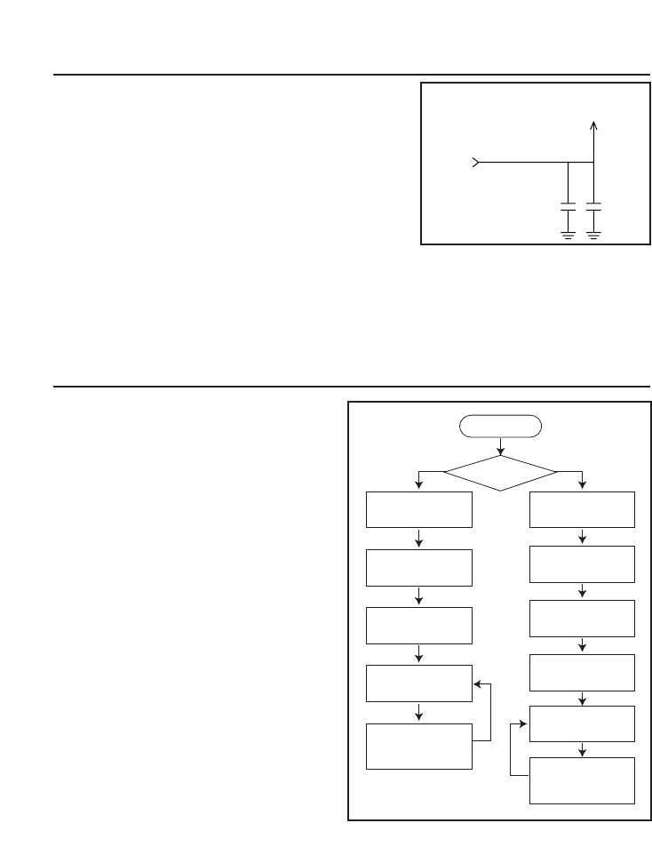
POWER-UP SEQUENCE
The HP-3 transmitter is controlled
by an on-board microprocessor.
When power is applied, a start-up
sequence is executed. At the end
of the start-up sequence, the
transmitter is ready to transmit data.
Figure 19 shows the start-up
sequence. This sequence is
executed when power is applied to
the VCC pin or when the PDN pin is
cycled from low to high.
On power-up, the on-board micro-
processor reads the external
channel-selection lines (parallel
mode) or serial channel input (serial
mode) and sets the frequency
synthesizer to the appropriate
channel. Figure 3 on page 3 shows
the typical turn-on response time for
an HP-3 transmitter. When the
frequency synthesizer has locked
on to the proper channel frequency, the circuit is ready to accept data. This is
acknowledged by the CTS line transitioning high. The module will then transmit
analog or digital data from the user's circuit.
The module can be put into an ultra-low-current (<15µA) power-down mode by
holding the PDN pin low. This removes all power from the transmitter's circuitry.
If PDN is left floating or held high, the transmitter will wake up and begin normal
operation. No transmitter functions work when PDN is low.
POWER ON
Determine Mode
Read Channel-
Selection Inputs
Program Freq. Synth
To Default CH. 50
Program Frequency
Synthesizer
Crystal Oscillator
Begins to Operate
Crystal Oscillator
Begins to Work
Ready for
Serial Data Input
Program Frequency
Synthesizer
Determine State of
CTS Output Pin
Cycle Here Until More
Data Input, Mode Change
or PLL Loses Lock
Determine State of
CTS Output Pin
Cycle Here Until
Channel
or Mode Change
Serial ModeParallel Mode
Figure 18: Typical Supply Filter
Figure 19: Start-up Sequence
.1µF>22µF
Vcc IN
Vcc to
module

Page 11
CHANNEL SELECTION
Parallel Selection
All HP-3 transmitter models feature
eight parallel selectable channels.
Parallel mode is selected by
grounding the mode pin. In this mode,
channel selection is determined by
the logic states of pins CS0-CS2 as
shown in Figure 20. In this table a "0"
represents ground and a "1" the positive supply. The on-board microprocessor
performs all PLL loading functions, eliminating external programming and
allowing channel selection via DIP switches or a product's processor.
Serial Selection
In addition to the parallel mode, PS versions of the HP-3 also feature 100 serially
selectable channels. The serial mode is entered when the mode pin is left open
or held high. In this condition CS1 and CS2 become a synchronous serial port
with CS1 serving as the clock line and CS2 as the data line. The module is easily
programmed by sending and latching the binary number (0-100) of the desired
channel (see page 22 for channel selection table). With no additional effort the
module's on-board microprocessor handles the complex PLL loading functions.
The serial mode is
straightforward, however,
minimum timings and bit
order must be followed.
Loading is initiated by
taking the clock line high
and the data line low as
shown. The eight-bit
channel number is then
clocked in one bit at a time
with the LSB first.
Figure 20: Parallel Channel Select Table
Variable Data
Note 3
Note 2
Note 1
12345678
T1
25µs
T2
5µs
T3
8µsT4
5µs
Data
Clock T0
1ms
(T0) Minimum time between packets or prior to data startup...................................1mS min.
(T1) Data-LO/Clock-HI to Data-LO/Clock-LO..............................................................25
µ
S min.
(T2) Clock-LO to Clock-HI..............................................................................................5
µ
S min.
(T3) Clock-HI to Clock-LO..............................................................................................8
µ
S min.
(T4) Data-HI/Clock-HI......................................................................................................5
µ
S min.
Total Packet Time ..........................................................................................................157
µ
S min.
1) Loading begins when clock line is high and data line is taken low.
2) Ensure that the edge is fully risen prior to the high-clock transition.
3) Both lines high - triggers automatic latch
Figure 21: PLL Serial Programming Timing Table
There is no maximum time for this process, only the minimum times which must be
observed. After the eighth bit both the clock and data lines should be taken high to
trigger the automatic data latch. A typical software routine can complete the loading
sequence in under 200µS. A sample routine is available on the Linx website.
NOTE: When the module is powered up in the serial mode it will default to channel 50 until
programmed by user software. This allows testing apart from external programming and
prevents out-of-band operation. When programmed properly, the dwell time on this default
channel can be less than 200µS. Channel 50 is not counted as a usable channel since
transmitters defaulting to the channel might interfere with a transmitter intentionally
occupying the channel. If a loading error occurs, such as a channel number >100 or a
timing problem, the receiver will default to serial channel 0. This is useful for debugging as
it verifies serial port activity.
CS2 CS1 CS0 Channel Frequency
000 0 903.37
001 1 906.37
010 2 907.87
011 3 909.37
100 4 912.37
101 5 915.37
110 6 919.87
111 7 921.37

Page 12
INPUTTING ANALOG SIGNALS
The HP-3 series transmitter is capable of sending a wide range of analog signals
including audio. The ability of the HP-3 to send combinations of audio and data
also opens new areas of opportunity for creative design.
Simple or complex analog signals within the specified analog bandwidth and
input levels may be connected directly to the transmitter’s DATA pin. The
transmitter input is high impedance (200k) and can be directly driven by a wide
variety of sources ranging from a single frequency to complex content such as
voice or music. Analog signals at the data input pin may range from 50 Hz to
28kHz. The Typical Performance Graphs on page 3 of this manual illustrate the
modulation linearity for a variety of simple waveforms.
The HP3 is a single supply device
and as such is not capable of
operating in the negative voltage
range, therefore analog sources
should typically provide a 0V to
3V, but not more than 5V P-P,
maximum waveform and should,
in most cases, be AC-coupled into
the DATA pin to achieve the best
performance. The size of the
coupling capacitor should be large
enough to ensure the passage of
all desired frequencies and, at the
same time, small enough to allow
the start-up time desired. After the AC signal passes into the modulation circuit
it will be automatically adjusted to the optimum DC offset by an internal voltage
divider. Since the modulation voltage applied to the DATA pin determines the
carrier deviation, distortion can occur if the DATA pin is over-driven. The actual
level of the input waveform should be adjusted to achieve optimum in-circuit
results for your application.
The illustration above shows the simplicity of transmitting audio with the HP-3
transmitter. In applications where higher audio quality is required, an external
compandor such as a Phillips SA576, may be employed to increase dynamic
range and reduce noise. The HP-3 is capable of providing audio quality
comparable to a radio or intercom. When true high-fidelity audio is required, the
HP will probably not be the best choice, as it has been optimized for data. A
device designed specifically for high quality audio should be utilized instead.
GND
ANT
CHS 0
CHS 1 SS CLOCK
CHS 2 SS DATA
CTS
POWER DOWN
VCC
GND/MODE
DATA IN
VCC
Channel
Select
TX1
S1
3-Position
DIP Switch
Audio In From
Headphone Or Speaker Jack
Of Amplifier/Tape Player, etc.
Figure 22: Typical Voice Transmitter
CTS OUTPUT
The Clear-To-Send (CTS) output goes high to indicate the transmitter PLL is
locked and the module is ready to accept data. In a typical application, a micro-
controller will raise the PDN line high (powering-up the transmitter) and begin to
monitor the CTS line. When the line goes high, the micro-controller would start
sending data. It is not necessary to use the CTS output. In applications where
CTS is not used, the user's circuit should wait a minimum of 10mSec after raising
the PDN pin high before transmitting data. If data is being sent redundantly, there
is generally no need to monitor the CTS pin or to wait a fixed time.

Page 13
INPUTTING DIGITAL DATA
The data input pin may be directly connected to virtually any digital peripheral
including microcontrollers, encoders, and UART’s. The data input has an
impedance of 200kΩ and can be used with any data that transitions from 0V to
a 3V-5V peak amplitude within the specified bandwidth of the module. While it is
possible to send data at rates higher than specified, the internal data filter will
cause severe roll off and attenuation.
Many RF products require a fixed data transition rate or place tight constraints
on the mark/space ratio of the data being sent. Thankfully, the HP-3 transmitter
architecture eliminates such considerations and allows virtually any signal,
including PWM, Manchester and NRZ data to be sent at rates from 100bps to
56kbps. This is accomplished by directly modulating the PLL’s frequency
reference within the loop filter bandwidth. By doing so, the loop filter can be
optimized for rapid startup while allowing near DC modulation.
Unlike a radio modem the HP-3 does not encode or packetize the data in any
manner. This transparency gives the designer great freedom in software and
protocol development. A designer may also find creative ways to utilize the ability
of the transmitter to accept both digital and analog signals. For example, an
application might transmit voice in analog then send out a digital control
command. Such mixed mode systems, which combine analog signals and data
can greatly enhance the function and versatility of many products without a
significant increase in implementation cost.
It is always important to think of an RF link as a total system taking into account
both the transmitter and receiver characteristics. The incoming data must not
only be compatible with the transmitter but also within the capability of the
receiver to reproduce it. For example, if the transmitter were sending a 255 (0FF
hex) continuously the receiver would view the stream of high bits as a DC level.
The receiver would hold that level until a transition was required to meet its
minimum transition frequency requirement. If no transition occurred, data
integrity could not be guaranteed. The HP-3 transmitter has been designed for
compatibility with all generations of HP receivers. While it can potentially be used
with receivers from other manufacturers we do not recommend it. The easiest
application and field reliability will be obtained when HP family components are
used for the entire link.
PROXIMITY OPERATION
Multiple transmitters may be active on separate channels so long as an adjacent
channel's signal does not enter the receiver at a level exceeding the rejection
capability of the receiver. In serial mode the channels are closely spaced and will
not all be useable in proximity. The large number of channels is not meant to imply
that all can be successfully used in close proximity. The high channel count is
provided to accommodate hopping, allow compatibility with a broad range of
receiver frequencies, and allow agility in avoiding other interference sources. In
cases where the modules are combined to form a transceiver they should be
operated in half-duplex, meaning that only the transmitter or receiver is active at
any time. Full-duplex operation is possible but will result in reduced range due to
receiver desensing from the closely adjacent transmitter..

Page 14
DATA CONSIDERATIONS
Once an RF link has been established, the challenge becomes how to effectively
transfer information across it. For simple control or status signals, such as button
presses or switch closures, consider using an encoder and decoder IC set.
These chips are available from several manufacturers including Linx, Microchip,
Holtek, and Motorola. These chips take care of all encoding, error checking, and
decoding functions. They generally provide a number of inputs to which switches
can be directly connected, and address or security bits to prevent unintentional
activation. These IC's are an excellent way to avoid protocol development and
bring basic remote control/status products quickly and inexpensively to market.
In most applications the modules will be interfaced to a microprocessor. A UART
may be employed or an output pin of the microprocessor "bit-banged" to create
a data stream. While many RF solutions impose complex formatting and
balancing requirements, the HP-3 series was designed to be as transparent as
possible. The HP-3 does not encode or packetize the data in any manner. This
transparency gives the designer tremendous flexibility in the structure of a
protocol. Of course the performance and reliability of the link are dependent on
the quality of external software and hardware. To properly apply the transmitter,
it is critical to understand the differences between a wired and a wireless
environment. At each point in the system there are timing and data-corruption
issues that should be understood and accounted for. The following section
provides a brief overview of these issues. You may also wish to read Application
note 161 (Considerations for Sending Data Using the HP-3 Series) prior to
beginning code development.
GND
ANT
CHS 0
CHS 1 SS CLOCK
CHS 2 SS DATA
CTS
POWER DOWN
VCC
GND/MODE
DATA IN
VCC VCC
VCC
Channel
Select
TX1
S1
3-Position
DIP Switch
R1
2.2K
3
16
+
+
+
+
C1
4.7 uF
C2
4.7 uF
C3
4.7 uF
12
1
3
4
5
6
15
8
J1
DB-9F
Serial
Connector
5
C4
4.7 uF
U1
Max 232
2
13
14
Figure 24: Typical Application: RS-232 Interface
GND
ANT
CHS 0
CHS 1 SS CLOCK
CHS 2 SS DATA
CTS
POWER DOWN
VCC
GND/MODE
DATA IN
D0
D1
D2
D3
DOUT
TE
OSC1
OSC2
GND
VCC
A7
A6
A5
A4
A3
A2
A1
A0
VCC
Channel
Select
TX1
S1
3-Position
DIP Switch
R1
390K
S3
S4
D1
IN914
D2
S2
8-Position
DIP Switch
Address Select
Holtek
HT680
Figure 23: Typical Application: Remote-Control Transmitter

Page 15
PROTOCOL CONSIDERATIONS
As previously indicated, the module's transparency allows for virtually unlimited
protocol types and techniques.This section is meant only to illustrate general
issues a designer should address to ensure product reliability in the field. Your
application may call for or benefit from an entirely different protocol structure.
It is a good idea to structure the data being sent into small packets so that errors
can be managed without affecting large amounts of data. Packets should be
transmitted without space between bytes. When using a UART the following
packet format is often followed:
[ uart sync byte ] [ start byte ] [ data packet ]
The UART sync-byte is used to ensure that the start-bit for the start-byte will be
correctly detected. It is a single byte with a value of 255 (0FF hex). A start-byte
often follows the sync-byte to intelligently qualify the data-packet which will
follow. Detection of the start-byte would be performed by the computer or
microcontroller connected to the receiver.
TIMING CONSIDERATIONS
Timing plays a key role in link reliability especially when the modules are being
rapidly turned on and off or hopping channels. Unlike a wire, allowance must be
made for the programming and settling times of both the transmitter and receiver
otherwise portions of the signal being sent will be lost. There are two major
timing considerations the engineer must be aware of when designing with the
HP-3 Series transmitter. These are shown in the table below. Remember the
stated timing parameters assume a stable supply of 2.8 volts or greater. They do
not include the charging times of external capacitance on the module's supply
lines, the overhead of external software execution, or power supply rise times.
Parameter Description Max.
T1Transmitter Turn-on Time 10mSec
T2Max Channel-Change Time 1.5mSec
(Time to Valid Data)
T1is the maximum time required for the transmitter to power-up and lock on-
channel. This time is measured from the application of VCC to the CTS output
transitioning high.
T2is the worst-case time needed for a powered-up module to switch between
channels from a valid channel selection. This time does not include external
overhead for loading a desired channel in the serial channel-selection mode.
Normally, the transmitter will be turned off after each transmission. This is
courteous use of the airwaves and reduces power consumption. The transmitter
may be shutdown by switching its supply or the PDN pin. In power-down the
module is completely shut down. When the transmitter is again powered up
allowance must be made for the requirements above.
In many cases the transmitter will lock more quickly than the times indicated. In
instances where turn-around time or power consumption are critical the CTS pin
should be monitored so data can be sent immediately upon transmitter
readiness.

Page 16
PROTOCOL CONSIDERATIONS (CONT.)
The procedure here is protocol-dependent, but to illustrate let's consider the
packet format outlined on the preceding page being sent to a UART. A UART
interprets the start-bit of a byte as a 1-0 transition. When the incoming data is
101010, or hash, it is hard actually to find the start bit. This problem is solved by
the UART sync-byte. The purpose of the sync-byte is to create a high marking
period of at least a byte-length so that the start bit of the following start-byte can
be correctly recognized.
The start-byte is used by the receiving computer or microcontroller to intelligently
identify the beginning of a data packet. The start-byte value should be chosen so
that it does not appear in the data stream. Otherwise, a microntroller may "wake
up" in the middle of a packet and interpret data in the packet as a valid start-byte.
There are many other ways to organize protocol if this proves impractical.
There is always a possibility of bursting errors from interference or changing
signal conditions causing corruption of the data packet, so some form of error
checking should be employed. A simple checksum or CRC could be used. Once
an error is detected the protocol designer may wish to simply discard the corrupt
data or develop a scheme for correcting it or requesting its retransmission.
INTERFERENCE CONSIDERATIONS
It must be recognized that many bands, such as those in which the HP-3
operates, are widely used, and the potential for conflict with other unwanted
sources of RF is very real. All RF products are at risk from interference but its
effects can be minimized by better understanding its characteristics.
Interference can manifest itself in many ways. Low-level interference will
produce noise and hashing on the output and reduce the link's overall range.
Thanks to the capture properties of an FM system, the receiver will still function
when an intended signal is present at a higher level than the interference.
Another type of interference can be caused by higher-powered devices such as
hopping spread-spectrum devices. Since these devices move rapidly from
frequency to frequency they will usually cause short, intense losses of
information. Such errors are referred to as bursting errors and will generally be
dealt with through protocol.
High-level interference is caused by products sharing the same frequency or
from near-band high-power devices. Fortunately, this type of interference is less
common than those mentioned previously, but in severe cases can prevent all
useful function of the affected device. It is in these cases that the frequency
agility offered by the HP-3 is especially useful.
Although technically it is not interference, multipath is also a factor to be
understood. Multipath is a term used to refer to the signal cancellation effects
that occur when RF waves arrive at the receiver in different phase relationships.
This is particularly a factor in interior environments where objects provide many
different reflection paths. Multipath results in lowered transmitter signal levels at
the receiver and thus shorter useful distances for the link.
The receiver's Received Signal Strength Indicator (RSSI) output can be used to
qualify the presence and strength of interference and identify the best channels
for use in a given environment. Refer to the HP-3 receiver guide for more details.

Page 17
GENERAL ANTENNA RULES
The following general rules should help in maximizing antenna performance:
1. Proximity to objects such as a user's hand or body, or metal objects will cause
an antenna to detune. For this reason the antenna shaft and tip should be
positioned as far away from such objects as possible.
2. Optimum performance will be obtained from a 1/4- or 1/2-wave straight whip
mounted at a right angle to the groundplane. In many cases, this isn't desirable
for practical or ergonomic reasons; thus, an alternative antenna style such as
a helical, loop, patch, or base-loaded whip may be utilized and the
corresponding sacrifice in performance accepted.
3. If an internal antenna is used, keep it away from other metal components,
particularly large items like transformers, batteries, and PCB tracks and
groundplanes. In many cases, the space around the antenna is as important
as the antenna itself.
4. In many antenna designs, particularly 1/4-wave whips,
the groundplane acts as a counterpoise, forming, in
essence, a 1/2-wave dipole. For this reason adequate
groundplane area is essential. The groundplane can be a
metal case or ground-fill on the circuit board. Ideally, the
groundplane to be used as counterpoise should have a
surface area ≥ the overall length of the 1/4-wave
radiating element and be oriented at a 90° angle. Such
an orientation is often not practical due to size and
configuration constraints. In these
instances a designer must make the
best use of the area available to create
as much groundplane in proximity to the
base of the antenna as possible. In
instances where the antenna is
remotely located or the antenna is not in
close proximity to a circuit board plane
or grounded metal case, a small metal
plate may be fabricated to maximize
antenna performance.
5. Remove the antenna as far as possible
from potential interference sources such as switching power supplies,
oscillators, motors and relays. Remember, the single best weapon against
such problems is attention to placement and layout. Filter the module's power
supply with a high-frequency bypass capacitor. Place adequate groundplane
under all potential sources of noise. Shield noisy board areas whenever
practical.
6. In some applications it is advantageous to place the receiver and its antenna
away from the main equipment. This avoids interference problems and allows
the antenna to be oriented for optimum RF performance. Always use 50Ω
coax, such as RG-174, for the remote feed.
I
EDIPOLE
ELEMENT
GROUND
PLANE
VIRTUAL λ/4
DIPOLE λ/4
λ/4
VERTICAL λ/4 GROUNDED
ANTENNA (MARCONI)
OPTIMUM
USEABLE NOT RECOMMENDED
NUT GROUNDPLANE
(MAY BE NEEDED)
CASE
Figure 25: Antenna Orientations

ANTENNA CONSIDERATIONS
The choice of antennas is one of the
most critical and often overlooked
design considerations. The range,
performance, and legality of the
transmitter is critically dependent on
the antenna utilized. While adequate
antenna performance can often be
obtained by trial and error methods,
professionally designed antennas,
such as those offered by Linx, can
provide superior performance,
repeatability and legal compliance.
For complete details on the Linx antenna line, visit the Linx website at
www.linxtechnologies.com, or call (800)736-6677
The following sections look at some of the basic considerations involved in the design and
selection of antennas. For a more comprehensive discussion please refer to Linx
applications note #00500 "Antennas: Design, Application, Performance".
Page 18
CONNECTOR OPTIONS
The FCC requires that antennas
designed for use on Part 15
products be either permanently
attached, or utilize a unique and
proprietary connector not available
to the general public. In cases
where the antenna needs to be
removable, Linx offers a full line of
connectors designed to comply with
these requirements.
Figure 26: Linx Antennas
Figure 27: Linx Connectors
ANTENNA SHARING
In cases where a transmitter and receiver
module are combined to form a transceiver
it is often advantageous to share a single
antenna. To accomplish this an antenna
switch must be used to provide isolation
between the modules. There is a wide
variety of antenna switches available
which are cost-effective and straight-
forward to use. Among the most popular
are switches from Alpha and NEC. Look
for an antenna switch that has high
isolation and low loss at the desired
frequency of operation. Generally, the TX or RX status of a switch will be
controlled by a product's microprocessor, but selection may also be made
manually by the user. In some cases where the characteristics of the TX and RX
antennas need to be different or switch losses are unacceptable it may be more
appropriate to utilize two discrete antennas.
Antenna
Transmitter
Module
Receiver
Module
0.1µF
0.1µF
0.1µF
0.1µF
0.1µF
GND
GND
VDD
Select
Figure 28: Typical Antenna Switch

Page 19
Specialty Styles
Whip Style
Loop Style
1/4-wave wire length
frequencies:
433MHz = 6.5"
868MHz = 3.24"
902-928MHz = 3.06"
Awhip-style monopole antenna provides outstanding overall
performance and stability. A low-cost whip can be easily fabricated from
wire or rod, but most product designers opt for the consistent
performance and cosmetic appeal of a professionally made model. To
meet this need, Linx offers a wide variety of straight and reduced-height
whip-style antennas in permanent and connectorized mounting styles.
The wavelength of the operational frequency determines an antenna's
overall length. Since a full wavelength is often quite long, a partial 1/4-
wave antenna is normally employed. Its size and natural radiation
resistance make it well-matched to Linx modules. The approximate
length for a straight 1/4-wave antenna can be easily found using the
formula below. It is also possible to reduce the overall height of the
antenna by using a helical winding; therefore, the physical appearance
is not always an indicator of the antenna's frequency.
Linx offers a wide variety of specialized antenna styles and variations.
Many of these styles utilize helical elements to reduce the overall
antenna size while maintaining excellent performance characteristics. A
helical antenna's bandwidth is often quite narrow and the antenna can
detune in proximity to other objects, so care must be exercised in layout
and placement.
Aloop- or trace-style antenna is normally printed directly on a product's
PCB. This makes it the most cost-effective of antenna styles. The
element can be made self-resonant or externally resonated with
discrete components but its actual layout is usually product-specific.
Despite its cost advantages, PCB antenna styles are generally
inefficient and useful only for short-range applications. Loop-style
antennas are also very sensitive to changes in layout or substrate
dielectric which can introduce consistency issues into the production
process. In addition, printed styles initially are difficult to engineer,
requiring the use of expensive equipment including a network analyzer.
An improperly designed loop will have a high SWR at the desired
frequency which can introduce instability in the RF stages.
Linx offers low-cost planar and chip antennas which mount directly to a
product's PCB. These tiny antennas do not require testing and provide
excellent performance in light of their compact size. They are an
excellent alternative to the often problematic "printed" antenna.
L =
234
F
MHz
234 = .255
.255 x 12" = 3.06"
916MHz
Where:
L=length in feet of quarter-wavelength
F=operating frequency in megahertz
COMMON ANTENNA STYLES
The antenna is a critical and often overlooked component which has a significant
effect on the overall range, performance and legality of an RF link. There are
hundreds of antenna styles that can be employed with the HP-3 Series. Following
is a brief discussion of styles commonly utilized in compact RF designs.

Page 20
LEGAL CONSIDERATIONS
When working with RF, a clear distinction must be made between what is technically
possible and what is legally acceptable in the country where operation is intended.
Many manufacturers have avoided incorporating RF into their products as a result of
uncertainty and even fear of the approval and certification process. Here at Linx our
desire is not only to expedite the design process, but also to assist you in achieving
a clear idea of what is involved in obtaining the necessary approvals to legally market
your completed product.
In the United States the approval process is actually quite straightforward. The
regulations governing RF devices and the enforcement of them are the responsibility
of the Federal Communications Commission (FCC). The regulations are contained in
the Code of Federal Regulations (CFR), Title 47. Title 47 is made up of numerous
volumes; however, all regulations applicable to this module are contained in volume
0-19. It is strongly recommended that a copy be obtained from the Government
Printing Office in Washington, or from your local government book store. Excerpts of
applicable sections are included with Linx evaluation kits or may be obtained from the
Linx Technologies web site (www.linxtechnologies.com). In brief, these rules require
that any device which intentionally radiates RF energy be approved, that is, tested,
for compliance and issued a unique identification number. This is a relatively painless
process. Linx offers full EMC pre-compliance testing in our HP/Emco-equipped test
center. Final compliance testing is then performed by one of the many independent
testing laboratories across the country. Many labs can also provide other certifications
the product may require at the same time, such as UL, CLASS A/B, etc. Once your
completed product has passed, you will be issued an ID number which is then clearly
placed on each product manufactured.
Questions regarding interpretations of the Part 2 and Part-15 rules or measurement
procedures used to test intentional radiators, such as the HP-3 modules, for
compliance with the Part-15 technical standards, should be addressed to:
Federal Communications Commission
Equipment Authorization Division
Customer Service Branch, MS 1300F2
7435 Oakland Mills Road
Columbia, MD 21046
Tel: (301) 725-1585 / Fax: (301) 344-2050 E-Mail: labinfo@fcc.gov
International approvals are slightly more complex, although many modules are
designed to allow all international standards to be met. If you are considering the
export of your product abroad, you should contact Linx Technologies to determine the
specific suitability of the module to your application.
All Linx modules are designed with the approval process in mind and thus much of
the frustration that is typically experienced with a discrete design is eliminated.
Approval is still dependent on factors such as the choice of antennas, correct use of
the frequency selected, and physical layout. While some extra cost and design effort
are required to address these issues, the additional usefulness and profitability added
to a product by RF makes the effort more than worthwhile.
NOTE: HP-3 Series modules are intended to allow for full Part-15 compliance;
however, they are not approved by the FCC or any other agency worldwide. This
is because the module's performance and legality may be affected by external
factors specific to a user's application. The purchaser understands that testing
and approvals of a finished product may be required prior to the sale or operation
of the device, and agrees to utilize the component in keeping with all laws
governing their use in the country of operation.

Page 21
00100 RF 101: Information for the RF challenged
00126 Considerations for operation in the 902Mhz to 928Mhz band
00130 Modulation techniques for low-cost RF data links
00140 The FCC Road: Part 15 from concept to approval
00150 Use and design of T-attenuation pads
00155 Serial loading techniques for the HP-3 Series (PS Versions)
00161 Considerations for sending data with the HP-3 Series
00500 Antennas: Design, Application, Performance
NOTE # LINX APPLICATION NOTE TITLE
SURVIVING AN RF IMPLEMENTATION
The addition of wireless capabilities brings an exciting
new dimension to any product. It also means that
additional effort and commitment will be needed to bring
the product successfully to market. By utilizing an RF
module, such as the HP-3, the design and approval
process will be greatly simplified. It is still important,
however, to have an objective view of the steps
necessary to ensure a successful RF integration. Since
the capabilities of each customer vary widely it is difficult
to recommend one particular design path, but most
projects follow steps similar to those shown at the right.
In reviewing this sample design path you may notice
that Linx offers a variety of services, such as
antenna design, and FCC prequalification, that are
unusual for a high-volume component manufacturer.
These services, along with an exceptional level of
technical support, are offered because we recognize
that RF is a complex science requiring the highest
caliber of products and support. "Wireless Made
Simple" is more than just a motto, it's our
commitment. By choosing Linx as your RF partner
and taking advantage of the resources we offer, you
will not only survive implementing RF, but you may
even find the process enjoyable.
HELPFUL APPLICATION NOTES FROM LINX
It is not the intention of this manual to address in depth many of the issues that
should be considered to ensure that the modules function correctly and deliver
the maximum possible performance. As you proceed with your design you may
wish to obtain one or more of the following application notes, which address in
depth key areas of RF design and application of Linx products. These
applications notes are available on-line at www.linxtechnologies.com or by
contacting the Linx literature department.
DECISION TO UTILIZE RF IS MADE
RESEARCH RF OPTIONS
LINX MODULE IS CHOSEN
ORDER EVALUATION KIT(S)
TEST MODULE(S) WITH
BASIC HOOKUP
INTERFACE TO CHOSEN
CIRCUIT AND DEBUG
CONSULT LINX REGARDING
ANTENNA OPTIONS AND DESIGN
LAY OUT BOARD
SEND PRODUCTION-READY
PROTOTYPE TO LINX
FOR EMC PRESCREENING
OPTIMIZE USING RF SUMMARY
GENERATED BY LINX
SEND TO PART 15
TEST FACILITY
RECEIVE FCC ID #
COMMENCE SELLING PRODUCT
TYPICAL STEPS FOR
IMPLEMENTING RF

Page 22
SERIAL CHANNEL SELECTION TABLE
CHANNEL TX FREQUENCY RX LO CHANNEL TX FREQUENCY RX LO
0 902.62 867.92 51 915.37 880.67
1 902.87 868.17 52 915.62 880.92
2 903.12 868.42 53 915.87 881.17
3 903.37 868.67 54 916.12 881.42
4 903.62 868.92 55 916.37 881.67
5 903.87 869.17 56 916.62 881.92
6 904.12 869.42 57 916.87 882.17
7 904.37 869.67 58 917.12 882.42
8 904.62 869.92 59 917.37 882.67
9 904.87 870.17 60 917.62 882.92
10 905.12 870.42 61 917.87 883.17
11 905.37 870.67 62 918.12 883.42
12 905.62 870.92 63 918.37 883.67
13 905.87 871.17 64 918.62 883.92
14 906.12 871.42 65 918.87 884.17
15 906.37 871.67 66 919.12 884.42
16 906.62 871.92 67 919.37 884.67
17 906.87 872.17 68 919.62 884.92
18 907.12 872.42 69 919.87 885.17
19 907.37 872.67 70 920.12 885.42
20 907.62 872.92 71 920.37 885.67
21 907.87 873.17 72 920.62 885.92
22 908.12 873.42 73 920.87 886.17
23 908.37 873.67 74 921.12 886.42
24 908.62 873.92 75 921.37 886.67
25 908.87 874.17 76 921.62 886.92
26 909.12 874.42 77 921.87 887.17
27 909.37 874.67 78 922.12 887.42
28 909.62 874.92 79 922.37 887.67
29 909.87 875.17 80 922.62 887.92
30 910.12 875.42 81 922.87 888.17
31 910.37 875.67 82 923.12 888.42
32 910.62 875.92 83 923.37 888.67
33 910.87 876.17 84 923.62 888.92
34 911.12 876.42 85 923.87 889.17
35 911.37 876.67 86 924.12 889.42
36 911.62 876.92 87 924.37 889.67
37 911.87 877.17 88 924.62 889.92
38 912.12 877.42 89 924.87 890.17
39 912.37 877.67 90 925.12 890.42
40 912.62 877.92 91 925.37 890.67
41 912.87 878.17 92 925.62 890.92
42 913.12 878.42 93 925.87 891.17
43 913.37 878.67 94 926.12 891.42
44 913.62 878.92 95 926.37 891.67
45 913.87 879.17 96 926.62 891.92
46 914.12 879.42 97 926.87 892.17
47 914.37 879.67 98 927.12 892.42
48 914.62 879.92 99 927.37 892.67
49 914.87 880.17 100 927.62 892.92
50* 915.12 880.42
*This channel is not counted as it is the Serial Mode default channel (see page 11)

Page 23
VSWR Insertion Power Power
Loss Transmitted Reflected
(dB) (%) (%)
17.391 -6.87 20.57% 79.43%
11.610 -5.35 29.21% 70.79%
8.724 -4.33 36.90% 63.10%
6.997 -3.59 43.77% 56.23%
5.848 -3.02 49.88% 50.12%
5.030 -2.57 55.33% 44.67%
4.419 -2.20 60.19% 39.81%
3.946 -1.90 64.52% 35.48%
3.570 -1.65 68.38% 31.62%
3.010 -1.26 74.88% 25.12%
2.615 -0.97 80.05% 19.95%
2.323 -0.75 84.15% 15.85%
2.100 -0.58 87.41% 12.59%
1.925 -0.46 90.00% 10.00%
1.433 -0.14 96.84% 3.16%
1.222 -0.04 99.00% 1.00%
1.119 -0.01 99.68% 0.32%
1.065 0.00 99.90% 0.10%
1.034 0.00 99.97% 0.03%
1.020 0.00 99.99% 0.01%
MISMATCH CONVERSION TABLE
NOTES:

Page 24
LINX TECHNOLOGIES, INC.
575 S.E. ASHLEY PLACE
GRANTS PASS, OR 97526
Phone: (541) 471-6256
FAX: (541) 471-6251
http://www.linxtechnologies.com
U.S. CORPORATE HEADQUARTERS:
Linx Technologies is continually striving to improve the quality and function of its products; for
this reason, we reserve the right to make changes without notice. The information contained in
this Data Sheet is believed to be accurate as of the time of publication. Specifications are based
on representative lot samples. Values may vary from lot to lot and are not guaranteed. Linx
Technologies makes no guarantee, warranty, or representation regarding the suitability of any
product for use in a specific application. None of these devices is intended for use in
applications of a critical nature where the safety of life or property is at risk. The user assumes
full liability for the use of product in such applications. Under no conditions will Linx Technologies
be responsible for losses arising from the use or failure of the device in any application, other
than the repair, replacement, or refund limited to the original product purchase price. Some
devices described in this publication are patented. Under no circumstances shall any user be
conveyed any license or right to the use or ownership of these patents.
Disclaimer
©2003 by Linx Technologies, Inc. The stylized
Linx logo, Linx, and "Wireless Made Simple"
are the trademarks of Linx Technologies, Inc.
Printed in U.S.A.