Exmark Lazer Z 103 0656 Parts Manual ManualsLib Makes It Easy To Find Manuals Online!
2014-12-12
: Exmark Exmark-Lazer-Z-103-0656-Parts-Manual-119846 exmark-lazer-z-103-0656-parts-manual-119846 exmark pdf
Open the PDF directly: View PDF
.
Page Count: 40


1
EXMARK PARTS PLUS
PROGRAM
EFFECTIVE DATE: September 1, 1995
Program
If your Exmark dealer does not have the Exmark part in stock,
Exmark will get the parts to the dealer the next business day or the
part will be FREE* Guaranteed!!
How the Program Works
1. If dealer does not have part in stock for a "down" unit at
the time of request by customer, the dealer contacts his
distributor by 1:00 p.m., local time, and requests Exmark
Parts Plus
shipment of six (6) line items or less.
2. Distributor ships part(s) to dealer or customer, as
requested by dealer, same day, overnight UPS Distributor
bills dealer for part and freight charges where applicable.
3. If distributor does not have the part(s) in stock to satisfy
Exmark Parts Plus
order, he contacts Exmark by 3:00
p.m., central time, with an Exmark Parts Plus
order of six (6) line items or less.
4. If order is received by 3:00 p.m. central time, Exmark ships part(s) direct to dealer or customer, as requested by
distributor, same day, overnight UPS. Exmark bills the distributor for parts and shipping charges, where applicable.
5. The customer pays for the part and freight if it is shipped under the Exmark Parts Plus
and if it arrives in accordance to
the program.
6. Who pays for the part and freight if it fails to arrive overnight in accordance to the program?
A. Under any circumstance the customer does not pay.
B. If the part does not arrive overnight due to:
1. The dealer not submitting the Exmark Parts Plus
order to his Exmark distributor by 1:00 p.m., the dealer
pays for the part and freight.
2. The Distributor being unable to ship the part the same day or not submitting the Exmark Parts Plus
order to Exmark by 3:00 p.m., central time, the Distributor pays for the part and freight.
3. Exmark being unable to ship the part and the Exmark parts order is received by 3:00 p.m., central time,
Exmark pays for the part and freight.
4. If the part does not arrive overnight due to the shipper (UPS), the shipper pays for the freight and
Exmark pays for the part.
The following restrictions apply -- The Exmark Parts Plus
Program is available only through participating Exmark
Dealers and applies only to orders submitted on this program Monday through Thursday. Parts Plus service is available only in
the 48 contiguous United States. UPS has initiated a Saturday delivery program to many areas of the continental United States
and can be requested for an overnight shipment on Friday to be delivered Saturday. The next day air charge, plus the Saturday
delivery fee will be the responsibility of the purchaser. Exmark Mfg. will assume no responsibility for Saturday delivery shipments.
To qualify, all Exmark Parts Plus
orders must be received by Exmark by 3:00 p.m., central time. Orders must be six (6) line items
or less. Exclusions from the Exmark Parts Plus
Program are: Any wholegood or accessory in its entirety, engines and engine
replacement parts, 5-speed Peerless transmissions and 5-speed transaxles, hydraulic or hydrostatic wheel motors, cutter decks
and engine decks or any item exceeding United Parcel Service size and weight restrictions.
Due to UPS restrictions, aerosol spray paint is considered a hazardous material and cannot be shipped via UPS next day or
Second Day Air.
Exmark Manufacturing stocks a limited supply of parts for transaxles, pumps and wheel motors. These parts can be ordered for
Next Day Air shipment but will not be guaranteed per the Parts Plus Program.

2
READ OPERATOR’S MANUAL BEFORE
OPERATING OR SERVICING EXMARK EQUIPMENT.
TABLE OF CONTENTS
Description Page
Decal Group...................................................................27-28
Electrical Diagram..........................................................34-38
Electrical Group..............................................................29-33
Engine Deck Group........................................................18-24
Front Frame Group...........................................................9-10
Fuel Group .....................................................................12-14
Hydraulics Group............................................................25-26
Main Frame Group ..............................................................11
Motion Control Levers .........................................................17
Park Brake Group ..........................................................15-16
Parts Plus Program ...............................................................1
52” Deck Group..................................................................3-4
60” Deck Group..................................................................5-6
72” Deck Group..................................................................7-8

3
52” DECK GROUP
Ref.
No. Qty.
Part No. Description Req'd. Ref.
No. Qty.
Part No. Description Req'd.
1 103-0332-01 Deck wldmt, 52"....................... 1 48 ✫1-803022 Setscrew,5/16-18x5/8sqhdcp ....2
103-0675 Deck wldmt, 52" w/decals........ 1 49✫1-807264 Key, 1/4 sq x 2 5/8 .....................1
2 3256-24 Washer, 3/8 SAE..................... 3 50✫1-633012 Jackshaft, deck drive .................1
3✫1-323533 Spacer, shv/brg ....................... 3 51∗103-1140 Cutter housing complete............3
1-323533 Spacer, shv/brg ....................... 4 52 323-20 Screw, 3/8-16 x 3 1/4 .................1
4✫1-513208 Washer, disc spring................. 3 53✫1-633014-01 Bracket, jackshaft ......................1
1-513208 Washer, disc spring................. 4 54✫3230-1 Bolt, 5/16-18 x 3/4 Carr.............6
5 1-303334 Washer, 5/16 disc spring......... 1 55✫1-513013 Housing, flange..........................4
6 32128-20 Nut, 5/16-18 whizloc................ 14 56✫1-513012 Bearing w/lock collar & ss..........2
7 1-602913-01 Baffle wldmt, discharge ........... 1 57✫1-633573 Guard, Brg bottom ..................... 3
8 322-2 Screw, 5/16-18 x 5/8................ 5 1-633573 Guard, Brg bottom .....................4
9 1-603299 Roller, antiscalp....................... 6 58✫3231-22 Bolt, 3/8-16 x 1 carr....................4
10✫3290-357 Nut, 3/8-16 whizlock ................ 12 59 103-1072-01 Strut wldmt, deck ....................... 2
3290-357 Nut, 3/8-16 whizlock ................ 8 60 1-634619 Housing w/ring, spacer, & brg....3
11 1-373034 Washer, pivot .......................... 8 61 1-633029 Spherical rod end.......................2
12 1-603602 Bushing, roller ......................... 6 62 ✫1-803050 Setscrew, 5/16-18 x .75sqhd .....1
13✫98-5975 Washer, 3/8 disc spring........... 10 63 327-11 Screw, 5/8-11 x 5 .......................2
98-5975 Washer, 3/8 disc spring........... 14 64 3253-8 Lockwasher, 5/8 reg.spring........2
14 98-5961 Screw, 3/8-16 x 4 gr 8 ............ 6 65 302-19 Zerk, 1/4-28 straight...................4
15 103-0345-01 Chute, discharge 52”............... 1 66 1-632199-01 Pin wldmt, deck strut..................2
16 322-5 Screw, 5/16-18 x 1................... 3 67✫3219-6 Nut, 5/8-18 hex ..........................5
17 3296-29 Nut, 5/16-18 nyloc ................... 4 3219-6 Nut, 5/8-18 hex ..........................6
18 1-633357-01 Shield, belt 52” ........................ 2 68 3257-32 Key, # 61 Woodruff....................3
19 1-323385 Knob, belt shield...................... 6 69Ω1-633701 Sheave, blade drive ...................3
20 1-322110 Belt guide wldmt ...................... 1 70Ω1-513016 Bearing ......................................6
21 103-0862 Screw, 5/8-11x2 3/4 gr 8 ......... 3 1-513016 Bearing ......................................8
22 323-11 Screw, 3/8-16 x 2 1/4............... 2 71 1-323532 Housing ,bearing........................ 3
23 1-303537 Stud, belt shield....................... 2 72 1-323528 Spacer, bearing .........................3
24 3256-3 Washer 5/16 std flat ................ 4 1-323528 Spacer, bearing .........................4
25 1-323417 Washer, rubber........................ 2 73 323-7 Screw, Hex cap 3/8x1 1/4……...18
26 1-633151 Spring, extension..................... 1 74✫32120-8 Snap Ring..................................3
27 1-632119-03 Arm wldmt, deck idler .............. 1 32120-8 Snap Ring..................................4
28 1-513034 Bearing, pivot........................... 2 75 103-0584 Spindle.......................................3
29 1-634244 Arm wldmt/brg sub-assy.......... 1 76 1-633482 Blade, notched air foil. ...............3
30 1-603044 Bushing, idler pivot .................. 1 1-613251 Blade, solid air foil......................3
31 302-40 Zerk, 1/4-20 90°....................... 1 1-633485 Blade, low lift..............................3
32 3256-4 Washer, 3/8 std flat ................. 3 ✦1-633484 Blade, mulching .........................3
33 3296-39 Nut, 3/8-16 nylock.................... 20 103-1578 Blade, bahia...............................3
34 323-13 Screw, 3/8-16 x 2 3/4............... 1 77✫1-634546 Jackshaft S/A.............................1
35 1-633109 Idler pulley 6.00 dia flat ........... 2 78 ✫103-1081 Strut wldmt S/A ..........................2
36 3234-11 Bolt, 3/8-16 x 1 whizlock.......... 1 103-1106 Strut wldmt S/A ..........................2
37 1-633456 Bushing, Idler .......................... 2 79 1-643393 Jackshaft....................................1
38 3217-11 Nut, 5/8-11 hex........................ 2 80 103-0135 Sheave, Jackshaft .....................1
39 32128-37 Nut, 7/16-14 whizlock .............. 16 103-0185 Sheave, Jackshaft .....................1
40 1-603805 Idler pulley 5.06 O.D V ............ 1 81 103-0280 Housing, Jackshaft ....................1
41 1-633366 Belt, blade drive 52” Deck....... 1 82 103-0698 Jackshaft S/A............................. 1
42 1-633447 Chain....................................... 4 103-0699 Jackshaft S/A.............................1
43 1-800811 Screw, 7/16-14 x 1-1/2 ............ 8 83 103-0678 Complete deck asy (LZ25KC524) 1
44 322-3 Screw, 5/16-18 x 3/4 ........................... 2 103-0679 Complete deck asy (LZ23LKA524)1
45Ω✫1-403087 Sheave, blade drive 6.75 OD .. 1 84 323-6 Screw, 3/8-16 x 1 ......................4
46Ω✫1-633010 Pulley, split sheave 6.30 OD ... 1 85 103-1192 Asm,Jackshaft housing w/brgs…1
47 30-1710 Setscrew, 5/16-18 x 1sqhdcp .. 1 86 103-0865 Washer,disc spring....................3
Use Pro-lock Nut Type (P/N 1-840022 .5 ml. tube) on setscrews. Ω Use antiseize on bore of sheaves and bearings.
∗Cutter housing complete includes sheave, washer, and nut. Exmark red touch up spray paint - P/N 1-850337
✦Requires installation of Micro-Mulch accessory for proper mulching. Mulch kit P/N MK524
Strut subassemblies have same components, they are assembled to different lengths from center to center.
PN 103-1081=15.31”;PN 103-1106=15.00”
Reference the picture on the next page to determine if your unit uses Jackshaft Type A or B:
✫A component used with Jackshaft Type A on LZ25KC524 & LZ23LKA524 units.
A component used with Jackshaft Type B on LZ25KC524 units.
A component used with Jackshaft Type B on LZ23LKA524 units

4
52” DECK GROUP

5
60” DECK GROUP
Ref.
No. Qty.
Part No. Description Req'd. Ref.
No. Qty.
Part No. Description Req'd.
1 103-0422-01 Deck wldmt, 60....................... 1 50✫❖ 1-633012 Jackshaft, deck drive ...............1
103-0676 Deck wldmt, 60 w/decals........ 1 51 3217-11 Nut, 5/8-11 hex ........................2
2 1-634619 Housing w/ring, spacer, brg.... 3 52 323-20 Screw, 3/8-16 x 3 ¼.................1
3 3256-24 Washer, 3/8 SAE.................... 3 53✫❖ 1-633014-01 Bracket, jackshaft.....................1
4✫❖ 1-513208 Washer, disc Spring............... 3 54✫❖ 3230-1 Bolt, 5/16-18 x 3/4 Carr...........6
1-513208 Washer, disc Spring............... 4 55✫❖ 1-513013 Housing, flange........................4
5 1-303334 Washer, 5/16 disc spring ....... 1 56✫❖ 1-513012 Bearing w/lock collar & ss........2
6 32128-20 Nut, 5/16-18 whizlock............. 2 57∗103-1140 Cutter housing complete..........3
✫❖ 32128-20 Nut, 5/16-18 whizlock............. 14 58✫❖ 3231-22 Bolt, 3/8-16 x 1 carr .................4
7 1-602913-01 Baffle wldmt, discharge .......... 1 59 103-1072-01 Strut wldmt, deck .....................2
8 322-2 Screw, 5/16-18 x 5/8 .............. 5 60✫❖ 1-323533 Spacer shv/brg.........................3
9 1-603299 Roller, antiscalp...................... 6 1-323533 Spacer shv/brg.........................4
10 3290-357 Nut, 3/8-16 whizlock............... 6 61 1-633029 Spherical rod end.....................2
✫❖ 3290-357 Nut, 3/8-16 whizlock............... 10 62 ✫❖ 1-803050 Setscrew, 5/16 x 3/4sqhdcp.....1
11 1-373034 Washer, pivot ......................... 8 63 327-11 Screw, 5/8-11 x 5.....................2
12 1-603602 Bushing, roller ........................ 6 64 3253-8 Lockwasher, 5/8 reg.spring......2
13 98-5975 Washer, 3/8 disc spring ......... 10 65 302-19 Zerk, 1/4-28 straight.................4
14 98-5961 Screw, 3/8-16 x 4 gr 8 .......... 6 66 1-632199-01 Pin wldmt, deck strut ................2
15 1-632939-01 Chute, discharge 60”.............. 1 67✫❖ 3219-6 Nut, 5/8-18 hex ........................5
16 322-5 Screw, 5/16-18 x 1 ................. 2 3219-6 Nut, 5/8-18 hex ........................6
17 3296-29 Nut, 5/16-18 nylock ................ 4 68 3257-32 Key, # 61 Woodruff..................3
18 1-633084-01 Shield, belt 60” ....................... 2 69★1-633701 Sheave, Blade drive.................3
19 1-323385 Knob, belt shield..................... 6 70★✫❖ 1-513016 Bearing ....................................6
20 1-322110 Belt guide wldmt..................... 1 ★1-513016 Bearing ....................................8
21 103-0862 Screw, 5/8-11 x 2 ¾ gr 8 ........ 3 71 1-323532 Housing, bearing......................3
22 323-11 Screw, 3/8-16 x 2 1/4 ............. 2 72✫❖ 1-323528 Spacer, bearing .......................3
23 1-303537 Stud, belt shield...................... 2 1-323528 Spacer, bearing .......................4
24 3256-3 Washer 5/16 std flat ............... 6 73✫❖ 1-633573 Guard, brg bottom....................3
25 1-323417 Washer, rubber ...................... 2 1-633573 Guard, brg bottom....................4
26 1-633151 Spring, extension.................... 1 74✫❖ 32120-8 Snap Ring................................3
27 1-632119-03 Arm wldmt, deck idler............. 1 32120-8 Snap Ring................................4
28 1-513034 Bearing, pivot ......................... 2 75 103-0584 Spindle.....................................3
29 1-634244 Arm wldmt/brg sub-assy......... 1 76 1-633483 Blade, notched air foil ..............3
30 1-603044 Bushing, idler pivot................. 1 1-613250 Blade, solid air foil....................3
31 302-40 Zerk, 1/4-20 90°. .................... 1 1-613111 Blade, low lift............................3
32 3256-4 Washer, 3/8 std flat ................ 3 ✦1-613112 Blade, mulching .......................3
33 3296-39 Nut, 3/8-16 nylock .................. 20 103-1580 Blade, bahia.............................3
34 323-13 Screw, 3/8-16 x 2 3/4 ............. 1 77✫❖ 1-634546 Jackshaft S/A...........................1
35 1-633109 Idler pulley 6.00 dia flat .......... 2 78∇✫103-1081 Strut wldmt S/A .......................2
36 3234-11 Bolt, 3/8-16 x 1 whizlock......... 1 ∇❖103-1106 Strut wldmt S/A .......................2
37 1-633456 Bushing, Idler ......................... 2 79 103-0280 Housing, Jackshaft .................1
38 323-8 Screw, 3/8-16 x 1 ½ ............... 18 80 103-0136 Sheave, Jackshaft Double.......1
39 32128-37 Nut, 7/16-14 whizlock............. 16 103-0137 Sheave, Jackshaft Double ......1
40 1-603805 Idler pulley 5.06 O.D. V .......... 1 81✫❖ 1-643393 Jackshaft .................................1
41 1-633127 Belt, blade drive 60” deck....... 1 82 103-0700 Jackshaft Assy.........................1
42 1-633447 Chain...................................... 4 103-0701 Jackshaft Assy.........................1
43 1-800811 Screw, 7/16-14 x 1 ½ .............. 8 83 103-0680 Complete Deck Assy
44 322-3 Screw, 5/16-18 x ¾ ................ 2 (Air-cooled except 26HP Koh EFi) 1
45★✫ 1-303498 Sheave, 6.13 OD..................... 1 103-0681 Complete Deck Assy
★❖ 1-643292 Pulley, split 6.71 OD................ 1 (23 & 27 HP Kaw liq-cooled & 26 HP Koh EFI ) 1
46★✫ 1-633010 Pulley, split 6.30 OD………….. 1 84 322-6 Screw. 5/16-18 x 1 ¼...............1
★❖ 1-643292 Pulley, split 6.71 OD................ 1 85 323-6 Screw. 3/8-16 x 1.....................4
47 ✫❖ 30-1710 Setscrew, 5/16-18 x 1sqhdcp.. 1 86 103-1192 Asm,Jackshaft housing w/brgs 1
48 ✫❖ 1-803022 Setscrew,5/16-18x5/8sqhdcp . 2 87 103-0865 Washer,disc spring..................3
49✫❖ 1-807264 Key, 1/4 sq x 2 5/8 .................. 1
★ Use antiseize on bore of sheaves and bearings. Exmark red touch up spray paint - P/N 1-850337
∗ Cutter housing complete includes sheave, washer, & nut. Use Pro-lock Nut Type (P/N 1-840022) on setscrews.
✦ Requires installation of Micro-Mulch accessory for proper mulching. Mulch kit P/N MK604
∇Strut subassemblies have same components, they are assembled to different lengths from center to center. PN 103-1081 = 15.31”; PN 103-1106 =
15.00”
Reference the picture on the next page to determine if your unit uses Jackshaft Type A or B:
✫ A component used with Jackshaft Type A on all air-cooled units except 26 HP Kohler EFI.
❖ A component used with Jackshaft Type A on 23 & 27HP Kawasaki liquid-cooled units and 26HP Kohler EFI air cooled.
A component used with Jackshaft Type B on all air-cooled units except 26 HP Kohler. Reference picture on next page.
A component used with Jackshaft Type B on 23 & 27 HP Kawasaki liquid-cooled units and 26 HP Kohler EFI air-cooled.

6
60” DECK GROUP

7
72” DECK GROUP
Ref.
No. Qty.
Part No. Description Req'd. Ref.
No. Qty.
Part No. Description Req'd.
1 1-643052 Belt, Blade drive 72” ............. 1 45 1-323417 Washer, rubber ..................... 2
2 1-323385 Knob, belt shield................... 6 46 3256-3 Washer 5/16 std flat.............. 4
3 1-643076-01 Shield, belt 72” RH................ 1 47 1-303537 Stud, belt shield..................... 2
* 1-643075-01 Shield, belt 72” LH................ 1 48 103-0588-01Deck weldment, 72”............... 1
4 3234-11 Bolt, 3/8-16 x 1 whizlock....... 1 1-644149 Deck weldment, 72” w/decals 1
5 3256-24 Washer, 3/8 SAE.................. 3 4991-513016 Bearing.................................. 6
6 1-633109 Idler pulley 6.00 dia flat......... 2 1-513016 Bearing.................................. 8
7 1-633151 Spring, extension.................. 1 50 1-323532 Housing, bearing ................... 3
8 3290-357 Nut, 3/8-16 whizlock ............. 13 51✫1-323528 Spacer, bearing..................... 3
9 1-633456 Bushing, Idler........................ 2 1-323528 Spacer, bearing..................... 4
10 3256-4 Washer, 3/8 std flat .............. 3 52✫32120-8 Snap Ring ............................. 3
11 1-373034 Washer, pivot ....................... 8 32120-8 Snap Ring ............................. 4
12 3296-39 Nut, 3/8-16 nyloc .................. 20 53✫1-323533 Spacer shv/brg ...................... 3
13 1-513034 Bearing, pivot........................ 2 1-323533 Spacer shv/brg ...................... 4
14 1-632119-03 Arm wldmt, deck idler ........... 1 54✫1-633573 Guard, brg bottom ................. 3
15 1-603044 Bushing, idler pivot ............... 1 1-633573 Guard, brg bottom ................. 4
16 323-20 Screw, 3/8-16 x 3 1/4............ 1 55 103-0584 Spindle .................................. 3
17✫3219-6 Nut, 5/8-18 hex ..................... 5 56 3257-32 Key, # 61 Woodruff ............... 3
3219-6 Nut, 5/8-18 hex ..................... 6 57 1-643006 Blade, notched air foil............ 3
18✫1-513208 Washer, disc spring.............. 3 ♦1-643097 Blade, mulching..................... 3
1-513208 Washer, disc spring.............. 4 1-643428 Blade, low lift......................... 3
1991-643269 Sheave, Blade drive. ............ 3 1-643429 Blade, solid air foil................. 3
20 1-643292 Pulley, split 6.71 ................... 2 103-1581 Blade, bahia .......................... 3
21 1-303334 Washer, 5/16 disc spring...... 1 58 103-0862 Screw, 5/8-11 x 1 gr 8 ........... 3
22✫1-633012 Jackshaft, deck drive............ 1 59 323-11 Screw, 3/8-16 x 2 1/4 ............ 2
23✫1-807264 Key, 1/4 sq x 2 5/8................ 1 60 323-13 Screw, 3/8-16 x 2 3/4 ............ 1
24 1-322110 Belt guide wldmt ................... 1 61 1-602913-01Baffle wldmt, discharge......... 1
25 1-634244 Arm wldmt/brg sub-assy ....... 1 62 322-2 Screw, 5/16-18 x 5/8 ............. 5
26 ✫1-803022 Setscrew,5/16-18x5/8shcp .. 4 63 98-5961 Screw, 3/8-16 x 4 gr8 ............ 6
27✫32128-20 Nut, 5/16-18 whizlock ........... 15 64 1-603602 Bushing, roller ....................... 6
28✫3231-22 Bolt, 3/8-16 x 1 carr .............. 4 65 1-603299 Roller, anti-scalp ................... 6
29✫3230-1 Bolt, 5/16-18 x 3/4 Carr. ....... 6 66 322-5 Screw, 5/16-18 x 1 ................ 5
30✫1-633014-01 Bracket, jackshaft ................. 1 67 1-642071-01Chute, discharge 72”............. 1
31✫1-513013 Housing, flange..................... 4 68 329-29 Nut, 5/16-18 nyloc ................. 4
32✫1-513012 Bearing w/lock collar & ss..... 2 69 302-40 Zerk, 1/4-20 90°. ................... 1
33✫98-5975 Washer, 3/8 disc spring........ 10 70 1-603805 Idler pulley 5.06 O.D. V ......... 1
98-5975 Washer, 3/8 disc spring........ 14 71 1-634619 Housing w/ring, spacer, brg .. 3
34 32128-37 Nut, 7/16-14 whizlock ........... 16 72∗1-644092 Cutter housing complete ....... 3
35 1-800811 Screw, 7/16-14 x 1-1/2 ......... 8 73 103-1082 Strut wldmt S/A ..................... 2
36 1-633447 Chain .................................... 4 74 1-634546 Jackshaft S/A ........................ 1
37 3217-11 Nut, 5/8-11 hex ..................... 2 75 103-0701 Jackshaft Assy ...................... 1
38 3253-8 Lockwasher, 5/8 reg.spring .. 2 76 1-643393 Jackshaft............................... 1
39 1-633029 Spherical rod end ................. 2 77 103-0137 Sheave, double ..................... 1
40 327-11 Screw, 5/8-11 x 5.................. 2 78 103-0280 Housing, Jackshaft................ 1
41 103-1073-01 Strut wldmt, deck .................. 2 79 103-0683 Complete deck assembly ...... 1
42 1-632199-01 Pin wldmt, deck strut ............ 2 80 323-6 Screw, .3/8-16 x 1 ................. 4
43 302-19 Zerk, 1/4-28 straight ............. 4 81 103-1192 Asm,Jackshaft housing w/brgs 1
44 323-8 Screw, 3/8-16 x 1 ½ .............. 18 82 103-0865 Washer,disc spring ............... 3
♦ Requires installation of Micro-Mulch accessory for proper mulching. Mulch kit P/N MK724.
9 Use antiseize on bore of sheaves and bearings.
Use Pro-lock Nut Type (P/N 1-840022 .5 ml. tube) on setscrews.
Exmark red touch up spray paint - P/N 1-850337
∗ Cutter housing complete includes sheave, washer, and nut.
Reference the picture on the next page to determine if your unit uses Jackshaft Type A or B:
✫A component used with Jackshaft Type A.
A component used with Jackshaft Type B.

8
72” DECK GROUP

9
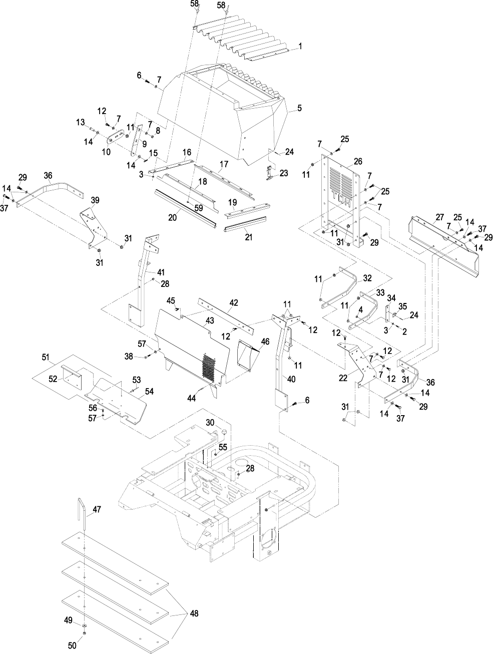
FRONT FRAME GROUP
Exmark red touch up spray paint - P/N 850337
∇ Components are standard on Kohler 26 HP EFI units & all 72” decks, they are an optional kit for other models
PN 103-0149.
Ref.
No. Qty.
Part No. Description Req'd. Ref.
No. Qty.
Part No. Description Req'd.
1 1-632518-01 Frame wldmt, front 52” ....... 1 29 3217-11 Nut, 5/8-11 regular............. 8
1-632513-01 Frame wldmt, front 60”....... 1 30 1-633441 Swivel, deck mount...............4
1-642046-01 Frame wldmt, front 72”....... 1 31 3256-7 Washer, 5/8 std flat ........... 4
2302-19 Zerk, 1/4-28 straight........... 5 32 1-633064 Spring, deck support (52” &60”)2
3103-1490-01 Floorpan ............................ 1 1-643015 Spring, deck support (72”).. 2
41-633553 Pad, anti skid...................... 3 33 3218-6 Jam nut, 5/8-11.................. 4
51-634312 Lever w/grip....................... 1 34 1-543513 Cap, grease ........................ 2
1-632324-03 Lever wldmt, lift ................. 1 35 1-543509 Bearing cone, tapered roller 4
61-633295 Grip, lift lever ...................... 1 1-543508 Bearing cup, tapered roller . 4
7103-1500-03 Arm wldmt, deck lift............ 1 36 1-543511 Seal, grease........................ 2
81-633325 Spring, compression .......... 1 37 1-642111-01 Caster wldmt........................ 2
93256-24 Washer, 3/8 SAE flat.......... 1 38 3296-51 Nut, 3/4-10 nylock................ 2
10 3296-39 Nut, nylock 3/8-16 .............. 5 39 1-633508 Washer, spring disk............. 6
11 32151-103 E-ring.................................. 5 40 325-24 Screw, ½-13x9 .....................2
12 1-633068 Arm, deck lift ...................... 2 41 1-811010 Plug ..................................... 2
13 3272-10 Cotter pin, 1/8 x 3/4............ 2 42 103-0069 Caster wheel assy ............... 2
14 1-808284 Clevis pin, 3/8 x 1............... 2 43 3296-45 Nut, 1/2-13 nylock (light thin) .. 2
15 1-633889-01 Plate, deck lift..................... 1 44 1-633959 Spacer, front caster ............. 2
16 1-632899-01 Plate wldmt, deck lift .......... 1 45 103-0063 Seal, bearing........................ 4
17 1-633082 Bushing, lift lever ................ 1 46 1-633585 Bearing cone........................ 4
18 1-633080 Bushing, lift lever ................ 1 47 1-633581 Spacer, bearing.. ................. 4
19 323-13 Screw, 3/8-16 x 2 3/4 ......... 1 48 103-0065 Wheel & tire assy ................ 2
20 1-633097 Hitch pin w/lanyard ............. 1 1-523009 Tire, 13x6.5-6 4 ply ............. 2
21 1-806005 Hairpin cotter (serv only) .... 1 103-0071 Wheel .................................. 2
22 323-9 Screw, 3/8-16 x 1 3/4 ......... 2 1-633584 Bearing cup.......................... 4
23 98-5975 Washer, 3/8 disc spring......12 49∇32128-20 Nut, whizlock 5/16-18……… 2
24 3290-357 Nut, whizlock 3/8-16 ..........15 50∇1-543161 Pad, pedal............................ 2
25 323-6 Screw, 3/8-16 x 1 ............... 3 51∇103-0147-01 Lever wldmt, deck lift ........... 1
26 323-7 Screw, 3/8-16X1 1/4...........12 52∇1-643220 Strap .................................... 1
27 3256-29 Washer, 7/8 SAE flat.......... 4 53∇322-7 Screw, 5/16-18x1 1/2 ........... 2
28 1-633096 Rod, deck lift....................... 2

10
FRONT FRAME GROUP

11
MAIN FRAME GROUP
Ref.
No. Qty.
Part No. Description Req'd. Ref.
No. Qty.
Part No. Description Req'd.
1 1-643255 Track, seat (4” adjustable) ... 1 23 32128-20 Nut, whizlock 5/16-18 ........... 4
2 103-0287 Seat (All units except 26hp Koh) 1 24 1-513762 Clip, loom (.50) ..................... 1
3 1-543401 Spacer, seat track................ 2 25 1-303335 Plastic tie (lrg)....................... 1
4 322-3 Screw, 5/16-18 x 3/4............ 6 26 1-513592 Ball, (red) throttle cable ........ 1
5 103-0290 Cushion, seat....................... 1 27 321-6 Screw, 1/4-20 x 1.0............... 1
6 103-0289 Cushion, backrest ................ 1 28 32128-33 Nut, whizlock 1/4-20 ............. 1
7 103-0292 Cushion, armrest (RH)......... 1 29 1-513658 Bumper ................................. 2
8∗103-0291 Cushion armrest (LH).......... 1 30 3256-23 Washer, 5/16 SAE flat.......... 8
9 1-633696 Cable, throttle....................... 1 31 1-633859 Seat Frame........................... 1
10 1-603336 Cable, choke........................ 1 32 323-6 Screw, 3/8-16 x 1.................. 2
11 1-642324-03 Frame, engine deck ............. 1 33 1-633964-03 Stop, Park Brake .................. 1
12 1-633970 Wheel/tire assy. (60” & 72”). 2 34♦1-633872-03 Stop/Spacer
1-633993 Tire, 24x12-12 4 ply (60” & 72”) 2 (26 HP Kohl & 23 & 27 HP Kaw liq-cooled ) 2
1-633992 Wheel (60” & 72”) ................ 2 35 103-0284 Tab, Armrest Adjustment...... 2
1-653010 Wheel/tire assy. (52”)........... 2 36 322-7 Screw, 5/16-18 x 1 1/2.......... 2
1-653160 Tire, 23x9.5-12 4 ply (52”).... 2 37 1-633349 Spring, Compression ............ 2
1-653158 Wheel (52”).......................... 2 38∇1-633821 Seat, Suspension (26hp Koh ) 1
13 1-633965-03 Front, Console ..................... 1 1-631845 Kit, Pan w/seat & back ......... 1
14 1-632187-03 Frame, seat mount............... 1 1-631844 Kit, Armrest Assy .................. 1
15 242-50 Nut, wheel 1/2-20 ................ 8 1-631843 Kit, Boot, upper&lower wire .. 1
16 1-633293 Rod, seat hold-up................. 1 1-631842 Kit, ArmrestPad w/hardwre... 1
17 322-5 Screw, 5/16-18 x 1............... 1 1-631846 Kit, Damper w/hardware ....... 1
18 323-39 Screw, 3/8-16 x 5................. 2 1-631847 Kit, Rollers, bumpers&hrdwre 1
19 3296-2 Nut, nyloc #10-24................. 2 1-631848 Kit, Spring,Cable & hardware 1
20 3296-29 Nut, nyloc 5/16-18................ 3 1-631849 Kit, Knob,Shaft & hardware .. 1
21 3296-39 Nut, nyloc 3/8-16.................. 2 1-643281 Switch, Seat ......................... 1
22 1-807513 Screw, #10-24 x 1/2............. 2 39 3290-357 Nut, whizlock 3/8-16 ............. 1
∗ Not Illustrated
∇The suspension seat is standard on the Kohler 26 HP EFI units, it is an optional kit on other units PN MSSLZ.
♦The stop/spacer is installed with the slotted holes to the rear on 26HP Kohler units and the slotted holes to the front on Kawasaki
liquid-cooled units. NOTE: If a Suspension Seat is installed on a Kawasaki liquid-cooled unit the stop/spacer must be turned
around and re-installed with the slotted holes to the rear.
Exmark black touch up spray paint - gloss black

12
23 HP KAWASAKI and 23 & 25 HP KOHLER AIR-COOLED FUEL GROUP
Ref.
No. Qty.
Part No. Description Req'd. Ref.
No. Qty.
Part No. Description Req'd.
1 303077 Clamp, fuel line ...................... 6 11 633968 Tank, fuel (RH) ...................... 1
2Kohler Part No. 2405002 Fuel Filter.. 1 12 633347 Valve, fuel .............................. 1
Kawasaki Part No. 49019-7001 Fuel Filter 1 13 633348 Fuel line ................................. 1
3513762 Clip, loom .50 ......................... 2 14 633349 Spring, fuel tank..................... 6
4303335 Plastic tie (large) .................... 1 15 321-3 Screw, 1/4-20 x 5/8................ 2
5513508 Cap, fuel tank......................... 2 16 322-3 Screw, 5/16-18 x 3/4.............. 4
6513645 Bushing .................................. 2 17 3296-47 Nut, thin nylock 5/16-18 ......... 6
7543277 Elbow, strainer ....................... 2 18 805004 Washer, lock 1/4.................... 2
8543456 Fuel line.................................. 2 19 805005 Washer, lock 5/16.................. 4
9633023 Stud, fuel tank ........................ 6 20 3256-23 Washer, 5/16 SAE................. 10
10∗633967 Tank, fuel (LH) ....................... 1
Use Prolock, Retaining type (Part No. 1-840023), .5cc tube on stud threads going into the tank.
∗Not Illustrated.
Refer to Engine Owner’s Manual (Fuel Filter Must be 15 Micron or smaller).

13
KAWASAKI LIQUID-COOLED FUEL GROUP
Ref.
No. Qty.
Part No. Description Req'd. Ref.
No. Qty.
Part No. Description Req'd.
1 1-513508 Cap, fuel tank..................... 2 16∇3290-500 Screw, Machine 10-24x5/8... 4
21-643017 Tank, fuel (RH)................... 1 17 1-802002 Screw, thread cut 10-32x1/2 3
31-633967 Tank, fuel (LH) ................... 1 18 1-643013 Cover, gauge........................ 1
4103-1335 Fuel, line (27 HP only) ....... 4 19 3296-47 Nut, thin nyloc 5/16-18 ......... 6
51-543456 Fuel line (23 HP) ............... 3 20 1-633349 Spring, fuel tank ................... 6
1-543456 Fuel line (27 HP) ............... 2 21 3256-23 Washer, 5/16 SAE................ 10
61-303077 Clamp, fuel line .................. 10 221-633023 Stud, fuel tank ...................... 6
7Kawasaki P/N 49040-2065 Fuel Pump.. 1 23 321-3 Screw, 1/4-20 x 5/8 .............. 1
81-643270 Fuel line ............................. 1 24 1-805004 Washer, lock 1/4 .................. 1
9Kawasaki P/N 49019-1055 Fuel Filter ... 1 25 1-513762 Clip, loom .50 ....................... 1
10 1-303426 Fuel line ............................. 1 26 321-4 Screw, Cap 1/4-20x3/4......... 2
11 1-633347 Valve, fuel .......................... 1 27 3256-22 Washer, flat SAE 1/4............ 2
12 1-543277 Elbow, strainer ................... 2 28 32128-33 Nut, whizlock 1/4-20............. 2
13 1-513645 Bushing .............................. 2 29 1-805005 Washer, lock 5/16 ................ 4
14 1-643014-03Bracket, gauge mount........ 1 30 322-3 Screw, 5/16-18 x 3/4 ............ 4
15 1-303435 Washer, disc spring 1/4 ..... 4
Use Prolock, Retaining type (Part No. 1-840023), .5cc tube on stud threads going into the tank.
Refer to Engine Owner’s Manual (Fuel Filter Must be 40 Micron or smaller).
∇ Snug fit only on slotted holes, Do Not Overtighten, tank must be able to expand.

14
KOHLER 26 HP EFI FUEL GROUP
Ref.
No. Qty.
Part No. Description Req'd. Ref.
No. Qty.
Part No. Description Req'd.
1 1-643244 Tank, EFI Fuel (RH) ............ 1 20 1-643172 Elbow, 90°............................ 2
21-643243 Tank, EFI Fuel (LH)............. 1 21 1-513645 Bushing, Fuel Valve ............. 4
31-643238 Fuel line, .31 x 24” .............. 3 22 103-0373 Clip, Loom ............................ 2
4▲1-643277 Clamp, .31 I.D. Fuel Hose ... 10 23 1-633348 Fuel Line............................... 2
5321-4 Screw, Cap 1/4 –20 x 3/4 .... 1 24 1-543456 Fuel Line............................... 2
61-603727 Clip, Loom .56...................... 2 25 1-513762 Clip, loom .50 ....................... 2
732128-33 Nut, Whizlock 1/4-20 ........... 4 26 1-543277 Elbow, 90° w/strainer............ 2
8321-3 Screw, Cap 1/4 –20 x 5/8 .... 3 27 1-805004 Washer, lock 1/4 .................. 2
91-643241 Clip, Loom 2.13 ................... 1 28 3256-23 Washer, flat SAE 5/16..........10
10Kohler P/N 24 050 03 Fuel Filter (large) . 1 29 1-805005 Washer, lock 5/16 hvy.......... 4
11Kohler P/N 24 393 20 Fuel Pump ........... 1 30 322-3 Screw, 5/16-18 x 3/4 ............ 4
12 3290-500 Screw, Machine #10-24x5/8 6 31 1-513508 Cap, Fuel Tank..................... 2
13 3296-2 Nut, Nyloc #10-24................ 6 321-633023 Stud, Fuel Tank.................... 6
14 1-643236 Fuel Line, .31 x 9 ................. 1 33 1-633349 Spring, Fuel Tank................. 6
15Kohler P/N 24 403 12 Fuel Regulator..... 1 34 3296-47 Nut, Thin Nyloc 5/16-18........ 6
16▲1-643293 Clamp, .25” ......................... 10 35 1-643234 Valve, Fuel Dual Flow .......... 1
17 1-643312 Clip, loom............................. 2 36 1-303287 Plastic Tie (small.................. 1
18 1-643235 Fuel line, .25 x 40”. .............. 1 37 1-643239 Fuel line, .31 x 28.0.............. 1
19 99-9403 Fuel Filter............................. 1 38 321-6 Screw, Cap 1/4-20 x 1.......... 1
Use Prolock, Retaining type (Part No. 1-840023), .5cc tube on stud threads going into the tank.
Refer to Engine Owner’s Manual (Fuel Filter Must be 40 Micron or smaller).
▲ Clamps require special pliers P/N 1-643394 (Oetiker P/N 14100118 or Kohler P/N 2445505) for installation.

15
PARK BRAKE GROUP
Ref.
No. Qty.
.Part No. Description Req'd. Ref.
No. Qty.
Part No. Description Req'd.
1 1-513140 Bushing............................... 2 19 1-808285 Pin, clevis 3/8 x 1 1/8 ......... 4
21-633454 Spring, brake rod ................ 2 20 325-17 Screw, 1/2-13 x 4 (52”&60”) 8
31-633477 Rod, brake.......................... 3 1-800334 Screw, 1/2-13 x 6 (72”)....... 8
41-634500 Lever w/grip ........................ 1 21 1481 Zerk, 1/4-28 45° (52”&60”) 2
1-632489-03Lever, brake........................ 1 302-19 Zerk, 1/4-28 straight (72”) . 2
51-632217-03Shaft, brake ........................ 1 22 103-0131 Nut, sq reg 1/2-13 UNC-2B 8
6❖1-632714-03Bracket,brake (LH)(52”&60”) 1 23 3219-3 Nut, 3/8-24.......................... 8
❖1-632712-03Bracket, brake (LH) (72”).... 1 24 3290-357 Nut, whizlock 3/8-16........... 4
7♦❖1-632715-03Bracket,brake (RH)(52”&60”) 1 25 3253-7 Washer, lock 1/2 ................ 8
❖1-632713-03Bracket, brake (RH)(72”) .... 1 26 3256-4 Washer, 3/8 std.................. 4
81-809036 Nut, slotted 1.00-20 ............ 2 27❖3272-10 Pin, cotter 1/8 x 3/4 ............ 9
9❖1-633693 Band, brake ........................ 2 28 1-806800 Pin, cotter 9/64 x 1 1/2 ....... 2
10 1-633380 Spacer (short)(52”&60”)...... 4 29❖1-808283 Pin, clevis 3/8 x 2 ............... 2
1-633060 Spacer (short) (72”) ............ 4 30❖3256-28 Washer, 3/4 SAE ............... 2
11 1-633382 Spacer (long)(52”&60”)....... 4 31❖32151-48 E-Ring, retaining................. 2
1-633062 Spacer (long)(72”) .............. 4 32 1-523157 Washer, spacer.................. 2
12 1-633102 Bearing, flange.................... 2 33✫103-0352-03Bracket, brake (52”& 60”)... 2
13 1-633131 Yoke.................................... 4 ✫103-0354-03Bracket, brake (72”) ........... 2
14 1-633144 Pin, trunion.......................... 2 34✫103-0384 Spacer................................ 6
15❖1-634927 Hub & drum w/studs, wheel 2 35✫103-0355 Band, Brake........................ 2
♦1-633926 Studs, wheel ....................... 8 36✫103-0374 Retainer, Brake Band......... 2
16 1-807020 Woodruff key, 5/16X1............ 2 37✫322-9 Screw, HH .312-18x1.75 .... 6
17 1-633268 Grip, brake lever .................... 1 38✫103-0590 Hub & drum w/studs, wheel 2
18 323-4 Screw, 3/8-16 x 3/4............. 4 ♦1-633926 Studs, wheel....................... 8
♦Not Illustrated
Reference the picture on the next page to determine if your unit uses Park Brake Type A or B:
❖A Component used with Park Brake Type A.
✫A Component used with Park Brake Type B.
Exmark black touch up spray paint - gloss black

16
PARK BRAKE GROUP

17
MOTION CONTROL LEVERS
Ref.
No. Qty.
Part No. Description Req'd. Ref.
No. Qty.
Part No. Description Req'd.
1 1-303105 Yoke................................... 2 16 1-633102 Bearing, flanged................. 4
298-5975 Washer, disc spring 3/8 ..... 4 17 1-633152 Ball joint (LH) ..................... 2
31-523027 Damper .............................. 2 18ϕ103-0407 Arm, control shaft............... 2
41-543017 Ball joint (RH) ..................... 2 1-633177 Arm, control shaft............... 2
51-603735 Bushing,nylon (reverse ind) 2 19 1-633257 Grip, motion control handle 2
61-603737 Bolt, (neutral return) ........... 2 20 322-6 Screw, 5/16-18 x 1 1/4....... 4
71-603807 Spring, (neutral return)....... 2 21 323-4 Screw, 3/8-16 x 3/4............ 8
81-403180 Screw, 5/16-18x1 3/8 special 4 22 323-7 Screw, 3/8-16 x 1............... 4
9 32128-20 Nut, whizlock 5/16-18......... 12 23 323-9 Screw, 3/8-16 x 1 3/4......... 6
10∗ϕ103-0631 Handle w/grip (LH) ............. 1 24 1-803022 Set screw, 5/16 x 5/8 ......... 2
1-634258 Handle w/grip (LH) ............. 1 25 3296-39 Nut, nyloc 3/8-16................ 6
ϕ103-0409-03Handle, motion control (LH) 1 26 3219-2 Nut, 5/16-24 ....................... 10
1-632191-03Handle, motion control (LH) 1 27 1-804524 Nut, 5/16-24 (LH) ............... 2
11ϕ103-0632 Handle w/grip (RH)............. 1 28 3220-2 Nut, jam 5/16-24 ................ 2
1-634259 Handle w/grip (RH)............. 1 29 3256-2 Washer, 1/4 ....................... 2
ϕ103-0410-03Handle, motion control (RH) 1 30 3256-3 Washer, 5/16 std ............... 4
1-632193-03Handle, motion control (RH) 1 31 3290-357 Nut, whizlock 3/8-16........... 8
12 1-632208-03Arm, pump control.............. 2 32 3272-5 Pin, cotter 3/32 x 1/2.......... 2
13 1-642319 Bracket, motion control (LH) 1 33 1-808280 Pin, clevis 5/16 x 1............. 2
14 1-642320 Bracket, motion control (RH) 1 34 3296-29 Nut, nyloc 5/16-18.............. 4
15 1-633153 Link, pump control.............. 2
∗Not Illustrated. Exmark black touch up spray paint - gloss black
Use Pro-Lock, Nut Type (P/N 1-840022, .5ml tube) on setscrews
Components required for units with older motion control assemblies (Identified by 2 holes in upper portion of
motion control shaft (item 18)
ϕ Components required for units with newer motion control assemblies (Identified by 3 holes in upper portion of
motion control shaft (item 18)

18
COMMON ENGINE DECK GROUP
Exmark black touch up spray paint - gloss black
Ref.
No. Qty.
.Part No. Description Req'd. Ref.
No. Qty.
Part No. Description Req'd.
1 98-5975 Washer, spring disc 3/8...... 5 12 1-633166 Pulley, idler.......................... 1
2302-40 Zerk, 1/4-20 (90º)................ 1 13 1-633173 Belt, mule drive ................... 1
31-513034 Bearing................................ 2 14 1-632469 Arm, idler w/bushings.......... 1
41-603401 Spacer, spring..................... 1 15 323-11 Screw, 3/8-16 x 2 1/4.......... 2
53256-4 Washer, 3/8 ........................ 3 16 323-9 Screw, 3/8-16 x 1 3/4 (Koh) 5
61-603050 Spacer ................................ 1 323-9 Screw, 3/8-16 x 1 3/4 (Kaw) 1
71-603384 Bushing, idler pivot.............. 1 17 323-13 Screw, 3/8-16 x 2 3/4 ......... 1
81-603402 Spring, mule idler................ 1 18 1-800805 Screw, 3/8-16 x 3 1/2.......... 1
91-603496 Bushing, idler ...................... 2 19 3296-39 Nut, nyloc 3/8 ...................... 1
10 1-603805 Pulley, idler ......................... 1 20 3256-24 Washer, 3/8 sae.................. 3
11 1-632468-03Arm, idler ............................ 1 21 3290-357 Nut, whizlock 3/8-16............ 10

19
AIR-COOLED ENGINE DECK GROUP
Ref.
No. Qty.
Part No. Description Req'd. Ref.
No. Qty.
Part No. Description Req'd.
11-643315 Baffle, Engine Cooler............. 1 33 32128-33 Nut, whizlock 1/4-20 ............. 5
21-303335 Plastic tie ............................. 1 34 1-633396 Clip, loom .56........................ 1
31-523420 Bumper, rubber .................... 2 35 1-809076 Screw, M6-1.0 x 45mm
4322-6 Screw, Cap 5/16x1 ¼ (Warner) 1 (23 hp & 25 hp Koh) .................. 2
51-633630 Grommet (all clutches) ........... 2 32144-57 Screw, 5/16-18x1.75
61-603610 Wshr, spring disc (all clutches). 2 (23 hp Kaw & 26 hp Koh) .......... 2
71-633615-03 Guard, rear engine ............... 1 36 1-323235 Washer, disc spring
81-633543-03 Strap, clutch (all clutches) ....... 1 (23 hp & 25 hp Koh only)........... 2
9103-0662 Clutch w/tie (23HP) ................ 1 37 1-323236 Spacer ................................... 2
103-0665 Clutch w/tie (25&26HP)........... 1 38 1-633545 Spacer, Grommet (all clutches) . 2
10 1-633453 Spacer (23 HP) ..................... 1 39 1-633988 Spacer, clutch anchor (Warner).1
1-633179 Spacer (25 & 26 HP) ............... 1 40 3296-29 Nut, nyloc 5/16-18 (Warner) .... 1
11 1-634308 Shield, lift – subassy (Koh) .... 1 3296-29 Nut, nyloc 5/16-18 (Ogura) ...... 2
103-1301 Shield, lift – subassy (Kaw).... 1 41 3256-63 Washer, 3/16 std. .................. 6
12 103-1308 Shield, engine ...................... 1 42∇1-543232 Nipple, pipe 3/8 NPT (Koh) .... 1
13 1-633300-03 Shield, lift (Koh) ..................... 1 43∇1-303428 Elbow, 3/8 NPT (Koh) ............ 1
103-1304-03 Shield, lift (Kaw)..................... 1 44 322-14 Screw, 5/16-18 x 3.0 (Ogura) .. 1
14 1-634796 Shield (LH) - subassy (Koh) ... 1 45 1-633082 Spacer, clutch anchor (Ogura)… 1
103-0241 Shield (LH) - subassy (Kaw) .. 1 46 322-7 Screw, 5/16-18 ½ (Ogura) ....... 1
15 1-633301 Shield, heat (Koh).................. 2 47 1-643179 Spacer, clutch (Ogura) ............ 1
103-0243 Shield, heat (Kaw) ................. 2 48 1-641212 Clutch w/tie (Ogura)................. 1
16 1-633795-03 Baffle, engine (LH) ............... 1 49 1-643180 Keeper, clutch (Ogura) ............ 1
17 1-643313-03 Shield, muffler ..................... 1 50 1-807261 Key, ¼ x ¼ x 2.0 (Ogura) ........ 1
18 1-644316 Shield (RH) - subassy (Koh)…. 1 51* 103-1594 Muffler,kit 26hp EFI Kohler ... 1
103-0242 Shield (RH) - subassy (Kaw)… 1103-1595 Muffler,kit 23hp Kaw ............. 1
19 1-523285 Clip, shield (Koh) ................... 2 52 9266934 Screw, 5/16-18x.5
1-523285 Clip, shield (Kaw)................... 4 (23 hp Kaw & 26 hp Koh) .......... 2
20 1-633794-03 Baffle, engine (RH)............... 1 53 324-2 Screw, 7/16-14x.75 g5
21 322-19 Screw, 5/16-18x4 (Warner) .... 1 (23 hp Kaw & 26 hp Koh) .......... 2
22 321-4 Screw, 1/4-20 x ¾ ................ 10 54 3253-6 Washer, Lock 7/16
23 1-613235 Washer (Warner) ................... 4 (23 hp Kaw & 26 hp Koh) .......... 2
1-613235 Washer (25 hp Ogura) ............ 5 55 33014-00 Nut, Hex M8 1.25
24 323-6 Screw, 3/8-16 x 1 ................. 8 (23 hp Kaw & 26 hp Koh) .......... 4
323-6 Screw, 3/8-16 x 1 (26hp Koh)… 956 1-805005 Washer, Lock 5/16hvy
25³3212-10 Screw, 7/16-20x2 ½(all clutches)1 (23 hp Kaw & 26 hp Koh) .......... 4
26 1-803035 Rivet, 3/16 x ¼ (Koh) ............. 11 579103-0152 Keeper, Clutch ..................... 1
1-803035 Rivet, 3/16 x ¼ (Kaw) ............ 13 58 1-653291 Gasket (Koh) ......................... 2
27 3296-42 Nut, nyloc 1/4-20 .................. 6 1-653313 Gasket (Kaw) .......................... 2
28 1-643264-03 Bracket, guard top................ 2 59 103-1513 Arrester,Spark (1.25) ............ 1
29 3256-2 Washer, 1/4 std.................... 4 (26 hp Koh EFI & 23 hp Kaw)
30 3256-3 Washer, 5/16 std (all clutches). ... 1 60 103-1514 Clamp,Muffler (1.38) ............. 1
31 32128-20 Nut,whzlck 5/16-18 (Warner)… 1 (26 hp Koh EFI & 23 hp Kaw)
32 3290-357 Nut, whzlck 3/8-16 ................ 8
3290-357 Nut, whzlck 3/8-16 (26hp Koh)… 9
∇Use a Teflon Pipe Sealant or equivalent on threads.
Use Pro-Lock, Nut Type (P/N 840022, .5ml tube) on clutch bolt.
* The muffler for 23 & 25 HP Kohler units comes with the engine.
9 For 23 HP Kawasaki air-cooled units only
Exmark black touch up spray paint - gloss black
Kohler Replacement Parts List Kawasaki Replacement Parts List
(Refer to Engine Owner’s Manual) (Refer to Engine Owner’s Manual)
Description Kohler Part No. Description Kawasaki Part No.
Engine Oil Filter 5205002 Engine Oil Filter 49065-2078
Air Precleaner (23hp Engine) 2408302 Air Filter 11029-7002
(For 25hp Engine) 2408305 .........
Air Filter (For 23hp Engine) 4708303
(For 25hp Engine) 2408303
(For 26hp EFI Engine) 2508301
Safety Filter (For 26hp EFI Engine) 2508304

20
AIR-COOLED ENGINE DECK GROUP

21
KAWASAKI LIQUID-COOLED ENGINE DECK GROUP
Ref
No. Qty.
Part No. Description Req'd. Ref.
No. Qty.
Part No. Description Req'd.
1 1-633902-03 Plate, Radiator Trim Face. 1 46 1-513645 Bushing, Fuel Valve........... 1
2 1-643161 Cap, Radiator.................... 1 47 1-643024-03Bracket, Bottle.................... 1
3 1-633829 Radiator, Horiz. Mount(23 hp)1 48 321-2 Screw, Cap Hex 1/4-20x1/2 2
103-1046 Radiator, horiz. Mount(27 hp) 1 49 1-303287 Plastic Tie 5.5x.044x.1 ...... 3
4 322-1 5/16-18x1/2 HHC Screw... 12 50 1-643129 Hose, .31 ID x 27.00"......... 1
5 3256-23 Washer, Flat SAE 5/16..... 14 51 1-633851 Extension, Crankshaft........ 1
6 1-633888-03 Plate, Radiator/Fan Mnt.... 1 52 1-805005 Washer, Lock 5/16............. 3
7 1-803067 Scrw,12-24x1.0HSWHMach4 53 33014-00 Nut, Hex M8....................... 3
8 3256-16 Washer, Flat Std #12........ 8 54 1-633869 Fan, Pump Cooling ............ 1
9 1-804254 Nut, Nyloc HH #12-24....... 4 55 3256-22 Washer, Flat SAE 1/4 ........ 3
10 1-633831 Fan Assy, 12" Hi Profile.... 1 56 1-809095 Screw,HexScket 1/4-20x1/2 3
11 1-633989 Clamp,Hose-worm .75-1.50 4 57 103-0098 Shroud, Hydraulic Fan(...... 1
12 1-633894 Hose, Radiator Inlet (23 hp) 1 58 3296-2 Nut, Nyloc #10-24 ............. 6
103-0074 Hose, Radiator Inlet (27 hp) 1 59 3256-14 Washer, Flat Std #10......... 12
13 1-633895 Hose, Rad. Outlet (23 hp)... 1 60 3290-500 Screw, Mach #10-24x5/8 ... 6
103-0075 Hose, Rad. Outlet (27 hp) ... 1 61 103-0895-03Shield, LH Liquid ............... 1
14 103-1553 Muffler,kit (23 hp)................ 1 62 1-633794-03Shield, RH Eng Shield........ 1
103-1557 Muffler,kit (27 hp)................ 1 63 321-4 Screw, Cap HH 1/4-20x5/8 6
15♦33114-025 Screw, M8-1.25x25mm….. 4 64 32128-33 Nut, Whizlock 1/4-20.......... 6
16 1-303334 Wshr, Disc Sprg 5/16(23 hp) 7 65 3314-016 Screw, M8-1.25x16mm(23hp) 2
1-303334 Wshr, Disc Sprg 5/16(27 hp) 2 33115-020 Screw, M10-1.5x20mm(27hp) 2
17 33013-00 Nut, Hex M6 ..................... 4 66 103-1364 Clutch w/tie ........................ 1
18 1-805004 Washer, Lock 1/4 Hvy ...... 4 67∇♦1-303428 Elbow, 90° ......................... 1
19 93-2195 Element, filter Primary ...... 1 68∇♦1-643167 Nipple, 3/8 npt x 4.5........... 1
20 95-5806 Bracket, air cleaner mount 1 69 1-303335 Tie, plastic.......................... 1
21 322-6 Screw, Cap 5/16-18x1-1/4 3 70 3256-3 Washer, 5/16 std................ 1
22 3296-29 Nut, Nyloc 5/16-18 ............ 3 71 1-613235 Washer .............................. 4
23 3256-3 Washer, Flat Std 5/16....... 4 72 1-633543-03Strap, Clutch/Brake............ 1
24 95-5805 Cleaner, remote air w/filter 1 73 1-633545 Spacer, Grommet .............. 2
25 1-643009 Clamp, Hose 1.31-2.25..... 3 74 1-633630 Grommet............................ 2
26♦1-643083 Hose, Air cleaner .............. 1 75∇♦1-403124 Elbow, Street ..................... 1
27 1-643084 Hose, Air inlet ................... 1 76 322-38 Screw, Cap HH 5/16-18x4.5 1
28♦1-633853 Belt, Alternator.................. 1 77 1-643008 Spacer, Clutch Anchor....... 1
29♦1-633841 Sheave w/hub................... 1 78♦1-643007-03Spacer, Engine .................. 2
30 1-807259 Key, Mach 1/4x1/4x1 ........ 1 79 32114-030 Screw, M8-1.25x30mm(23hp) 4
31♦1-633881 Alternator .......................... 1 32115-025 Screw, M10-1.5x25mm(27hp) 4
♦1-643158 Regulator, Alternator......... 1 80 1-603610 Washer, disc spring 7/16 ... 2
♦1-643159 Brushes, Alternator........... 1 81 48-7570 Screw, Cap M10x1.5x65mm 1
♦1-643160 Bearing, Alternator............ 1 82 94-3652 Cover w/latch ..................... 1
32♦1-633882 Sheave, Alternator............ 1 83 1-643283 Latch, Air cleaner............... 2
33♦1-807004 Key.................................... 1 84 87-9400 Vacuator Valve................... 1
34♦322-3 Screw, CapHH5/16-18x3/4 1 85 1-633179 Spacer, Clutch (23 hp) ......... 1
35♦1-632835 Bracket, Alternator ............ 1 103-0114 Spacer, Clutch (27 hp) ......... 1
36♦1-633838 Arm, Alternator tension. .... 1 86 103-0152 Keeper, Clutch (27 hp) ......... 1
37 32128-20 Nut, Whzlck 5/16-18 (23 hp) 287∇103-0161 Valve, Oil Drain (27 hp only).. 1
32128-20 Nut, Whzlck 5/16-18 (27 hp) 1 88 1-303334 Wshr, Disc Sprg 5/16(23 hp) 4
38♦3256-26 Washer, flat SAE 1/2 ........ 2 98-5975 Wshr, Disc Sprg 3/8(27 hp) . 4
39♦1-633839 Spacer .............................. 1 89 103-1563 Gasket, Exhaust (22/23 hp) .. 2
40♦325-17 Screw, Cap HH 1/2-13x4.. 1 103-1564 Gasket, Exhaust (27 hp) ...... 2
41♦3296-23 Nut, Nyloc ½-13................ 1 90 103-1513 Arrester, Spark (22/23 hp) (1.25) 1
42 1-643164 Cap, Overflow Tank ........... 1 103-1511 Arrester, Spark (27 hp) (1.50) 1
43 1-643163 Tank, Overflow (2.0 pts) .... 1 91 103-1514 Clamp, Muffler (22/23 hp) (1.38) . 1
44 1-643131 Hose, .25 ID x 22.00"......... 1 103-1512 Clamp, Muffler (27 hp) (1.63).1
45 1-643259 Elbow, 90deg .................... 1 92 103-0113 Clip,loom ........................... 1
Replacement Engine Oil Filter - Kawasaki Part No. 49065-2078 ∇ Use a Teflon Pipe Sealant or equivalent on threads.
Exmark black touch up spray paint – gloss black ♦ For 23 hp Kawasaki Liquid-Cooled units only

22
KAWASAKI LIQUID-COOLED ENGINE DECK GROUP

23
KAWASAKI LIQUID-COOLED ENGINE DECK GROUP (cont.)
Ref.
No. Qty.
.Part No. Description Req'd. Ref.
No. Qty.
Part No. Description Req'd.
1 1-633864-03 Screen, Radiator Intake .... 1 33 1-633898-03 Rib, Bottom ...................... 2
21-803069 Screw,10-24X.75 BHSCap 4 34 1-633877-03 Bar, Latch Hook................ 2
33256-14 Washer, Flat Std #10 ........ 16 35 1-643189 Keeper, Rubber Latch ...... 2
4 3296-2 Nut, Nyloc #10-24 ............. 4 36 1-633896-03 Bar, Rad. Mnt. Frame....... 2
51-633857 Hood, Engine Gray........... 1 37 323-7 Screw,Cap HH 3/8-16x1-1/44
✫103-1044 Hood, w/decals ................ 1 38 323-9 Screw,Cap HH 1/4-20x1 1/22
6322-4 Screw,Cap HH 5/16-18x7/8 8 39 103-0897-03 Plate, Side Rad. Mnt. RH . 1
73256-23 Washer, Flat SAE 5/16 ..... 21 40 1-632984-03 Brace, Radiator-LH (23 hp).1
8 3296-29 Nut, Nyloc 5/16-18 ............ 4 103-0107-03 Brace, Radiator-LH (27 hp).1
91-633885-03 Plate, Hood Hinge............. 2 41 1-632985-03 Brace, Radiator-RH .......... 1
10 1-632986-03 Hinge, Shackle wld ........... 2 42 1-633878-03 Crossbar........................... 1
11 32128-20 Nut, Whizlock 5/16-18 ...... 37 43 1-643087-03 Deflector, Air..................... 1
12 322-3 Screw,Cap 5/16-18x3/4 ... 24 44 3269-3 Pop Rivet- Stl 3/16x.250... 4
13 1-808285 Pin, Clevis 3/8x1 1/8 ......... 2 45 49-2040 Screw, Tapping1/4-20x.75 2
14 3256-24 Washer, Flat SAE 3/8 ....... 12 46 1-643096-03 Plenum, Air intake (23 hp) .. 1
15 1-806003 Pin, Hair Cotter .080 #2 .... 2 103-0110-03 Plenum, Air intake (27 hp) .. 1
16 1-643106-03 Angle, Rad. Trim Side RH. 1 47 103-0221 U-bolt (72” deck, 27 hp) ......... 2
17 1-643108-03 Angle, Rad. Trim Bottom .. 1 1-643147 U-bolt (all except 72”deck, 27hp) 2
18 1-643107-03 Angle, Rad. Trim Top........ 1 48 1-643150-01 Weight Bar (52” deck, 23 hp).4
19 1-643105-03 Angle, Rad. Trim Side LH . 1 103-0217-01 Weight Bar (60” deck, 23 hp).2
20 1-643187 Seal, Trim - 20" Length. .... 2 103-0217-01 Weight Bar (60” deck, 27 hp).3
21 1-643186 Seal, Trim - 14" Length ..... 2 103-0885-01 Weight Bar (72” deck, 27 hp).1
22 103-0896-03 Plate, Side Rad. Mnt. LH .. 1 49 3256-4 Washer, flat Std 3/8.......... 4
23 1-643188 Latch, EPDM Rubber........ 2 50 3296-39 Nut, Nyloc 3/8-16.............. 4
24 923786 Pop Rivet. ......................... 8 51 1-634308 Shield, lift - subassembly.. 1
25 322-5 Screw, Cap 5/16-18x1 ...... 9 52 1-633300-03 Shield, lift .......................... 1
26 1-632873-03 Radiator Mount weld-rear . 1 53 1-803035 Rivet, Alum. 3/16x1/4 ....... 3
27 1-633886-03 Bumper, Rear.................... 1 54 103-1308 Shield, engine................... 1
28 3296-42 Nut, Nyloc 1/4-20 .............. 6 55 32128-33 Nut, Whizlock 1/4-20 ........ 2
29 323-6 Screw, Cap Hex 3/8-16x1. 6 56 321-4 Screw, 1/4-20x3/4............. 4
30 1-523420 Bumper, rubber................. 2 57 3256-2 Washer, 1/4 std ................ 6
31 3290-357 Nut, Whizlock 3/8-16......... 10 58 1-803072 Rivet, Bulbex .19 x1.07 .... 17
32 1-633897-03 Rib, Top ............................ 2 59 1-303435 Washer, Spring Disc .25 .. 5
Exmark black touch up spray paint – gloss black
✫ Hood only comes with black logo decal, side decals need to be ordered separately.

24
KAWASAKI LIQUID-COOLED ENGINE DECK GROUP (cont.)

25
HYDRAULIC GROUP
Ref.
No. Qty.
Part No. Description Req'd. Ref.
No. Qty.
Part No. Description Req'd.
1 1-403102 Hose, Lower 52” & 60”........ 2 26 1-632285 Hose, low pressure (11 ¼”) 1
2∇1-512166-03 Tank, hydraulic reservoir ... 1 27 1-632286 Hose, low pressure (4”) ..... 1
3∇1-513006 Head, filter.......................... 1 28 1-633568 Sheave, pump ................... 2
41-513034 Bearing, pivot ..................... 2 29 1-633567 Sheave, engine.................. 1
51-513167 Cap, hydraulic tank ............ 1 30 1-633569 Belt, pump drive................. 1
61-513211 Element, hydraulic oil filter . 1 31 1-633167 Pulley, idler w/bushing ....... 1
♦1-523541 Element,hyd oil filter(winter) 1 32 1-633335 Hose, low pressure (14 ½”) 2
7 1-513840 Elbow, 90° w/O-ring ........... 2 33 1-634277 Arm, w/bearing .................. 1
1-603921 O-Ring................................ 1 34 321-4 Screw, 1/4-20 x 3/4............ 2
81-522217 Hose, low pressure (7”)...... 1 35 323-8 Screw, 3/8-16 x 1 1/2......... 1
91-523103 Gasket, tank cap................ 1 36 323-9 Screw, 3/8-16 x 1 3/4......... 1
10 1-633774 Hose, upper (52”&60”) ....... 2 37 1-800805 Screw, 3/8-16 x 3 1/2......... 1
1-633776 Hose, upper (72”)............... 2 38 323-7 Screw, 3/8-16 x 1............... 4
11 1-523328 Motor, wheel drive.............. 2 39 1-803022 Setscrew, 5/16-18 x 5/8..... 2
1-000099 Kit, seal .............................. 1 40 30-1710 Setscrew, 5/16-18 x 1........ 2
1-000139 Kit, bearing......................... 1 41 1-803050 Setscrew, 5/16-18 x 3/4..... 2
12 1-603384 Bushing, idler pivot............. 1 42 1-805004 Lockwasher, 1/4 ................ 2
13 1-603413 Spring, pump drive idler ..... 1 43 3256-3 Washer, 5/16 std ............... 1
14 1-603721 Fitting, tee (3/8” i.d. hose) .. 1 44 3256-4 Washer, 3/8 std ................. 1
15 1-603722 Fitting, tee (1/4” i.d. hose) .. 1 45 13-2840 Key, 1/4 x 1/4 x 1 1/4......... 1
16 1-603826 Clamp, hose (1/2”) ............. 3 46 1-807272 Key, 5mm x 5mm x 25mm . 2
17 1-603827 Clamp, hose (5/8”) ............. 5 47 3290-357 Nut, 3/8-16 whizlock .......... 8
18 1-603987 Elbow,90° 7/16-JICx1/4-NPT1 48 32128-33 Nut, whizlock 1/4-20 .......... 2
19 1-603988 Elbow,90° 9/16-JICx1/4-NPT1 49 302-40 Zerk, 90° 1/4-28................. 1
20 1-603989 Elbow, 90° (w/O-ring)......... 2 50 321-3 Screw, 1/4-20 x 5/8 ........... 2
1-603923 O-Ring (SAE #4) ................ 1 51 1-603841 Pump, hydro ...................... 2
21 1-603990 Connector,strght (w/o-rings) 4 2513018 Kit, overhaul seal ............... 1
1-603920 O-Ring (SAE #8) ................ 1 52 1-633786 Elbow,90°(w/o-rings)(52&60) 4
1-603992 O-Ring (37° flare #8).......... 1 1-633605 Elbow,90°(w/o-rings)(72) ..... 1
22 1-613034 Hose, high pressure 60”..... 2 1-603919 O-Ring (SAE #10).............. 1
1-403102 Hose, high pressure 52"..... 2 1-603992 O-Ring (37° flare #8) ......... 1
23 1-632201-03 Arm, pump idler ................. 1 53 1-633775 Hose, lower (52”&60”) ....... 2
24 1-632281 Hose, low pressure (12”).... 1 1-633777 Hose, lower (72”)............... 2
25 1-632282 Hose,low pressure(20 1/2”) 1
Use Pro-Lock, Nut Type (P/N 1-840022, 5 ml tube) on setscrews.
∇ Use Teflon pipe sealant on pipe threads in reservoir & filter head.
Exmark black touch up spray paint - gloss black
♦ Use only for operation below 32°F (0°C)

26
HYDRAULIC GROUP

27
DECAL GROUP
Ref.
No. Qty.
Part No. Description Req'd. Ref.
No. Qty.
Part No. Description Req'd.
1 103-0166 Decal, Console 1 .................. 1 22 1-633827 Decal, Park Brake Warning.. 1
2103-0210 Decal, Console 2 .................. 1 23 1-643339 Decal, Pump Belt Rtg ........... 1
31-633706 Decal, Deck Height .............. 1 24 103-1143 Decal, Hood 23 L.C. RH....... 1
41-633702 Decal, Check Service ........... 1 25 103-1141 Decal, Hood 27 L.C. RH....... 1
51-633462 Decal, Important ................... 1 26 103-1144 Decal, Hood 23 L.C. LH ....... 1
61-403005 Decal, Danger....................... 2 27 103-1142 Decal, Hood 27 L.C. LH ....... 1
71-323540 Decal, Roller Mounting ......... 1 28•1-643288 Decal, Fuse/Relay................ 1
8ϕ1-643103 Decal, Exmark logo .............. 1 29 103-1077 Decal, Bolt Torque................ 1
∇1-643386 Decal, Exmark logo .............. 1 30ϕ1-643253 Decal, Radiator Fan ............. 1
9 1-303293 Decal, 2 Minute Cool ............ 2 31 1-633313 Decal, Warning..................... 1
10 1-643401 Decal, Mercury Switch.......... 1 32 1-523552 Decal, Hyd Tank/Hot Surface 1
11 1-643222 Decal, Belt Routing............... 1 33•103-0261 Decal, Fuel Valve ................. 1
12 103-1146 Decal, Ultracut 60................. 1 34 1-513748 Decal, Guard ........................ 1
13♦103-0262 Decal, Fuel Valve.................. 1 35 103-0368 Decal, Rotating Devices ....... 1
14•1-643397 Decal, EPS ........................... 1 36ϕ1-643104 Decal, L.C. Lazer Swash...... 1
15 1-513742 Decal, No Step ..................... 2 37 103-0245 Decal, Top Console.............. 1
16 103-1145 Decal, Ultracut 52................. 1 38ϕ103-0223 Decal, Havoline Coolant (60”) 1
17 1-633922 Decal, Anti-Scalp .................. 1 39ϕ65-2690 Decal, Hot Surface ............... 2
18** 1-633350 Decal, Lazer Swash.............. 1 40 1-633345 Decal, Deck Height............... 1
19 103-1147 Decal, Ultracut 72................. 1 103-0371 Decal Kit-Air-Cooled (including EFI)
20 103-1027 Decal, Relay ........................ 1 103-0370 Decal Kit-Kaw Liquid-Cooled
21 1-303508 Decal, Discharge Warning ... 1
** Decal for Air-Cooled units only.
♦ Decal for all units except 26 HP EFI Kohler.
•Decals for 26 HP EFI Kohler units only.
∇ Decal for all units except Kawasaki Liquid-Cooled.
ϕ Decal for Kawasaki Liquid-Cooled units only.
Decal for 27 HP Kawasaki Liquid-Cooled units only.

28
DECAL GROUP

29
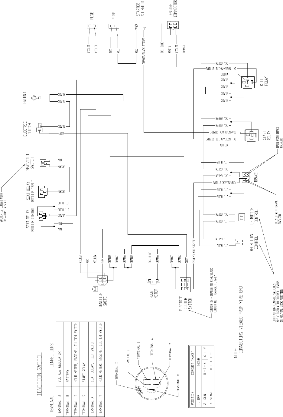
KOHLER 23 & 25 HP AIR-COOLED ELECTRICAL GROUP
Ref.
No. Qty.
Part No. Description Req'd. Ref.
No. Qty.
Part No. Description Req'd.
1 1-633652 Hold down-battery .............. 1 19 1-633111 Switch-brake N.O/N.C ....... 1
2 103-0293 Battery-12V ........................ 1 20 1-513051 Switch-drive lever N.O. ..... 2
3 1-543792 Wingnut, nyloc.................... 2 21 1-303287 Plastic tie (small)................ 5
4 1-633307 Cable-battery (-) 40”........... 1 22 100-6186 Module-seat delay.............. 1
5 1-543391 Insulator-battery ................. 1 23 103-0206 Switch-ignition w/ keys....... 1
6 1-800282 Screw, 5/16-18x7 ............... 1 24 1-513374 Meter-engine hours............ 1
7 3256-2 Washer, 1/4 flat.................. 2 25 1-633673 Switch ................................ 1
8 32128-20 Nut, 5/16-18 whizlock......... 2 26 1-633396 Clip-Loom .69 .................... 3
9 1-523415 Spring-seat switch.............. 1 27 103-0294 Harness-wiring................... 1
10 1-522424 Spring mount wldmt ........... 1 28 1-303335 Plastic tie (large) ................ 2
11 321-4 Screw, 1/4-20x3/4 .............. 6 29 1-523281 Cable-battery (+) 30”.......... 1
12 32128-33 Nut, 1/4-20 whizlock........... 6 30 1-543393 Insulator, solenoid (+) ........ 1
13 1-603511 Keys, ignition...................... 1 31 1-633651 Bolt, battery hold down ...... 2
14 1-513152 Switch- seat N.C. ............... 1 32 1-633782 Switch, tilt........................... 1
15 1-513180 Actuator, seat switch.......... 1 33 3296-2 Nut, #10-24 Hex Nyloc....... 6
16 3290-500 Screw, #10-24x5/8 ............. 14 34 1-643275 Relay, 12V ......................... 2
17 1-633181 Plate, tapped ...................... 4 35 103-0498 Nut, Ignition........................ 1
18 1-816001 Fuse-20 amp...................... 2 36 103-0499 Seal, Ignition ...................... 1
37 3256-22 Washer, ¼ SAE ................. 1
à Use dielectric grease on all wiring harness connectors.

30
KAWASAKI 23 HP AIR-COOLED ELECTRICAL GROUP
Ref.
No. Qty.
Part No. Description Req'd. Ref.
No. Qty.
Part No. Description Req'd.
1 1-633652 Hold down-battery .............. 1 21 1-303287 Plastic tie (small)................ 5
2 103-0293 Battery-12V ........................ 1 22 100-6186 Module-seat delay.............. 1
3 1-543792 Wingnut, nyloc.................... 2 23 103-0206 Switch-ignition w/ keys....... 1
4 1-633307 Cable-battery (-) 40”........... 1 24 1-513374 Meter-engine hours............ 1
5 1-543391 Insulator-battery ................. 1 25 1-633673 Switch ................................ 1
6 1-800282 Screw, 5/16-18x7 ............... 1 26 1-633396 Clip-Loom .69 .................... 3
7 3256-2 Washer, 1/4 flat.................. 2 27à 103-0732 Harness-wiring................... 1
8 32128-20 Nut, 5/16-18 whizlock......... 2 28 1-303335 Plastic tie (large) ................ 2
9 1-523415 Spring-seat switch.............. 1 29 1-523281 Cable-battery (+) 30”.......... 1
10 1-522424 Spring mount wldmt ........... 1 30 1-543393 Insulator, solenoid (+) ........ 3
11 321-4 Screw, 1/4-20x3/4 .............. 8 31 1-633651 Bolt, battery hold down ...... 2
12 32128-33 Nut, 1/4-20 whizlock........... 9 32 1-633782 Switch, tilt........................... 1
13 1-603511 Keys, ignition...................... 1 33 3296-2 Nut, #10-24 Hex Nyloc....... 6
14 1-513152 Switch- seat N.C. ............... 1 34 1-643275 Relay, 12V ......................... 2
15 1-513180 Actuator, seat switch.......... 1 35 103-0498 Nut, Ignition........................ 1
16 3290-500 Screw, #10-24x5/8 ............. 14 36 103-0499 Seal, Ignition ...................... 1
17 1-633181 Plate, tapped ...................... 4 37 1-633306 Wire, starter solenoid......... 1
18 1-816001 Fuse-20 amp...................... 2 38 1-513075 Switch, 12V solenoid.......... 1
19 1-633111 Switch-brake N.O./N.C. ..... 1 39 3256-22 Washer, ¼ SAE ................. 1
20 1-513051 Switch-drive lever N.O. ...... 2
à Use dielectric grease on all wiring harness connectors.

31
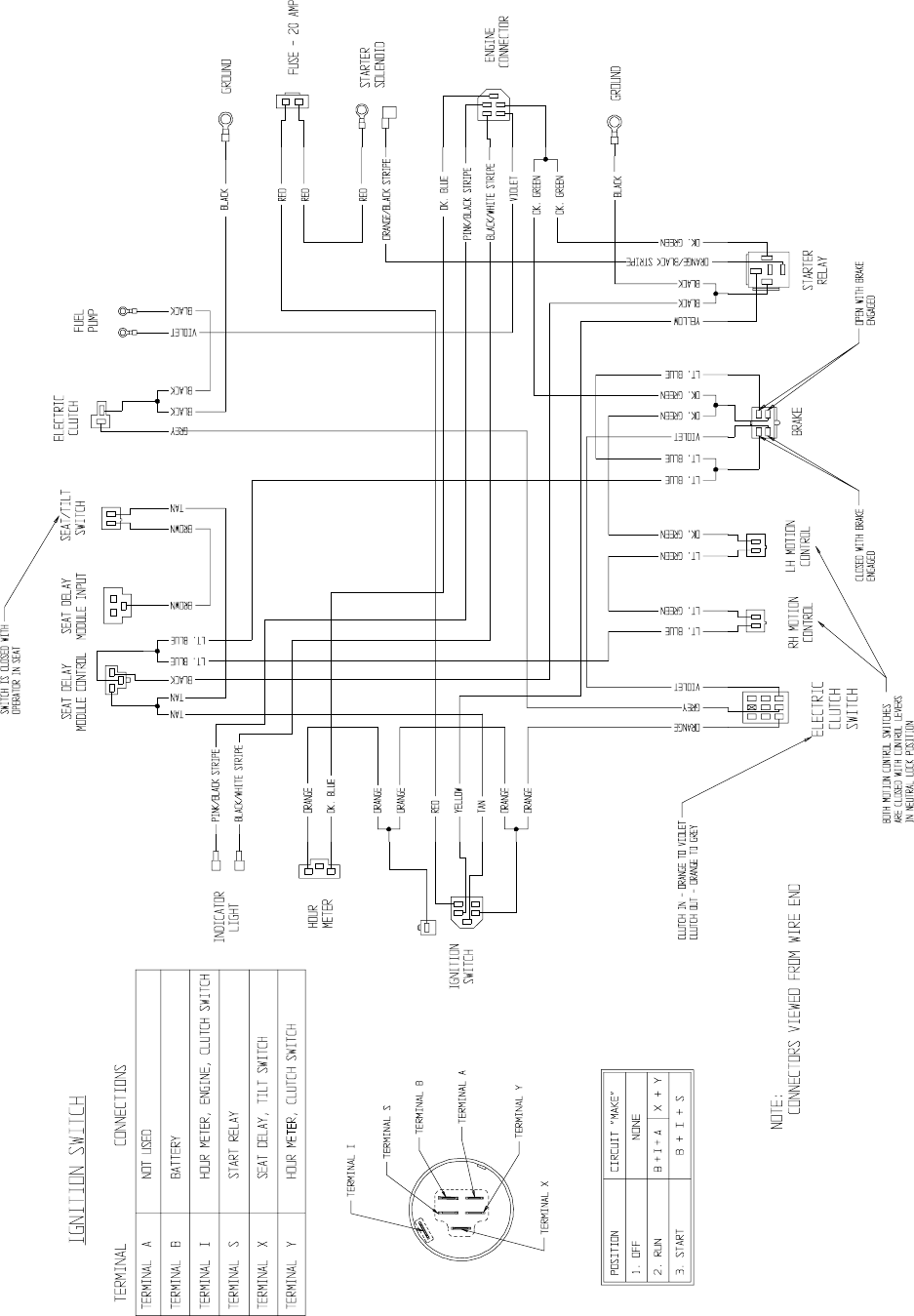
KAWASAKI 27 HP LIQUID-COOLED ELECTRICAL GROUP
Ref.
No. Qty.
Part No. Description Req'd. Ref.
No. Qty.
Part No. Description Req'd.
1à 103-0883 Harness-wiring..................... 1 26 1-633652 Holdown-battery .................. 1
2 1-816001 Fuse-20 amp ....................... 1 27 1-543792 Wingnut, nyloc..................... 2
3 1-816003 Fuse-30 amp ....................... 1 28 1-633651 Bolt, battery holddown ......... 2
4 1-643275 Relay, 12V .......................... 3 29 3290-500 Screw, #10-24x5/8 ..............12
5 1-803071 Screw, machine #10-24x1/2 2 30 1-513152 Switch- seat N.C.................. 1
6 3296-2 Nut, nyloc #10-24 ................ 6 31 1-633181 Plate- tapped....................... 4
7 1-543393 Insulator, solenoid + ........... 1 32 1-522424 Spring mount wldmt............. 1
8 321-4 Screw, 1/4-20x3/4................ 7 33 1-633111 Switch-brake N.O./N.O........ 1
9 1-633396 Clip- loom .69....................... 3 34 1-513762 Clip-loom .50 ....................... 1
10 32128-33 Nut, 1/4-20 whizlock ............ 7 35 1-633673 Switch.................................. 1
11 33014-00 Nut, hex M8-1.25 ................ 1 36 103-0206 Switch-ignition w/ keys ........ 1
12 3256-23 Washer, 5/16 SAE .............. 1 37 1-513374 Meter- engine hours ............ 1
13 1-523415 Spring- seat switch .............. 1 38 100-6186 Module, seat delay .............. 1
14 33114-016 Screw, hex M8-1.25x16 ...... 1 39 1-643115 Plastic tie (large) ................. 1
15 1-800282 Screw, 5/16-18x7................. 1 40 1-513180 Actuator, seat switch ........... 1
16 1-643145 Tab, #10stud .25 Spade 45°141 1-603511 Keys, ignition ....................... 1
17 103-0283 Sender Unit, Temp .............. 1 42 32128-20 Nut, 5/16-18 whizlock.......... 2
18 1-643153 Washer, Alum. Sender gskt. 1 43 1-643037 Gauge, Voltmeter ................ 1
19 1-523279 Cable- battery (+)................. 1 44 1-643021 Gauge, Temperature........... 1
20 1-633307 Cable-battery (-)................... 1 45 1-633782 Switch, tilt ............................ 1
21 1-543391 Insulator-battery................... 1 46 103-0498 Nut, Ignition ......................... 1
22 1-303335 Plastic tie (medium) ............ 7 47 103-0499 Seal, Ignition........................ 1
23 3256-2 Washer, 1/4 flat ................... 2 48 1-513051 Switch, drive lever N.O........ 2
24 103-0293 Battery-12V.......................... 1 49 3256-23 Washer, 5/16 SAE............... 1
25 1-303287 Plastic tie (small) ................. 3
à Use dielectric grease on all wiring harness connectors.

32
KAWASAKI 23 HP LIQUID-COOLED ELECTRICAL GROUP
Ref.
No. Qty.
Part No. Description Req'd. Ref.
No. Qty.
Part No. Description Req'd.
1à 1-643095 Harness-wiring ..................... 1 27 1-543792 Wingnut, nyloc .................... 2
2 1-633833 Switch, fan-thermal .............. 1 28 1-633651 Bolt, battery holddown......... 2
3 1-816003 Fuse-30 amp........................ 2 29 3290-500 Screw, #10-24x5/8.............. 12
4 1-643275 Relay, 12V ........................... 2 30 1-513152 Switch- seat N.C. ................ 1
5 1-803071 Screw, machine #10-24x1/2 3 31 1-633181 Plate- tapped....................... 4
6 3296-2 Nut, nyloc #10-24 ................ 7 32 1-633110 Switch- brake N.O./N.O. ..... 1
7 1-543393 Insulator, solenoid + ............ 1 33 1-633111 Switch-drive lever N.O./N.C. 2
8 321-4 Screw, 1/4-20x3/4 ................ 11 34 1-513762 Clip-loom .50....................... 2
9 1-633396 Clip- loom .69....................... 5 35 1-633673 Switch ................................. 1
10 32128-33 Nut, 1/4-20 whizlock............. 11 36 1-543070 Switch-ignition w/ keys........ 1
11 33014-00 Nut, hex M8-1.25 ................. 1 37 1-513374 Meter- engine hours............ 1
12 1-805005 Washer, lock 5/16 ............... 1 38 1-633856 Module, ignition interlock .... 1
13 1-643178 Insulator, alternator (+) red .. 1 39 1-643115 Plastic tie (large) ................ 5
14 33114-016 Screw, hex M8-1.25x16 ...... 1 40 1-513180 Actuator, seat switch........... 1
15 1-800282 Screw, 5/16-18x7 ................. 1 41 1-603511 Keys, ignition....................... 1
16 1-643145 Tab, #10stud .25 Spade 45°142 1-816001 Fuse-20 amp....................... 1
17 1-643036 Sender Unit, Temp............... 1 43 1-643037 Gauge, Voltmeter................ 1
18 1-643153 Washer, Alum Sender gskt. . 1 44 1-643021 Gauge, Temperature .......... 1
19 1-523279 Cable- battery (+) ................. 1 45 1-523415 Spring- seat switch.............. 1
20 1-633307 Cable-battery (-) ................... 1 46 1-522424 Spring mount wldmt............ 1
21 1-543391 Insulator-battery ................... 1 47 32128-20 Nut, 5/16-18 whizlock.......... 2
22 1-303335 Plastic tie (medium) ............. 4 48 1-633782 Switch, tilt............................ 1
23 3256-2 Washer, 1/4 flat.................... 2 49 103-0498 Nut, Ignition......................... 1
24 103-0293 Battery-12V .......................... 1 50 103-0499 Seal, Ignition ....................... 1
25 1-303287 Plastic tie (small).................. 5 51 3256-23 Washer, 5/16 SAE .............. 1
26 1-633652 Holdown-battery ................... 1 52 98-7249 Relay................................... 1
Use dielectric grease on all wiring harness connectors.

33
KOHLER 26 HP EFI ELECTRICAL GROUP
Ref.
No. Qty.
Part No. Description Req'd. Ref.
No. Qty.
Part No. Description Req'd.
1à103-0263 Harness-wiring..................... 1 24 1-513762 Clip-loom .50........................ 2
2 1-633307 Cable-battery (-)................... 1 25 1-816001 Fuse-20 amp ....................... 2
3 1-523279 Cable- battery (+)................. 1 26 1-633396 Clip- loom .69....................... 2
4 3296-2 Nut, nyloc #10-24 ................ 14 27 103-0293 Battery-12V............................. 1
5 1-803071 Screw, machine #10-24x1/2 6 28 1-543391 Insulator-battery................... 1
6 1-643275 Relay, 12V ........................... 1 29 1-633652 Holdown-battery................... 1
7 1-643257 Panel, fuses/relay ................ 1 30 1-543792 Wingnut, nyloc ..................... 2
8 1-643246 Trim-lok, 3/16” x 9.75........... 1 31 1-633651 Bolt, battery holddown ......... 2
9 321-4 Screw, 1/4-20x3/4 ................ 6 32 1-633840 Wiring Harness, seat .......... 1
10 32128-33 Nut, 1/4-20 whizlock............. 6 33 1-633673 Switch .................................. 1
11 1-805518 Washer, fender #10 x 1.0 .... 4 34 1-303287 Plastic tie (small) ................. 1
12 1-643325 Ring Mount, Vibration .......... 4 35 1-303335 Plastic tie (medium) ............ 5
13 1-643326 Bushing Mount, Vibration .... 4 36 1-643115 Plastic tie (large) ................. 2
14 1-805519 Washer, Fender 1/4 x 1.0 ... 4 37 1-323229 Clip, loom 3/8 ...................... 1
15 1-803074 Screw, Shoulder .25 x .75 ... 4 38 1-816002 Fuse, 10 amp ...................... 1
16 3290-500 Screw, #10-24x5/8 ............... 8 39 1-543393 Insulator, solenoid + ........... 1
17 1-633111 Switch, N.O./N.O.................. 1 40 1-633782 Switch, tilt ............................ 1
18 1-633181 Plate- tapped........................ 3 41 3256-2 Washer, 1/4 flat .................. 2
19 1-513051 Switch, N.O./N.C.................. 2 42 103-0498 Nut, Ignition ......................... 1
20 103-0206 Switch-ignition w/ keys......... 1 43 103-0499 Seal, Ignition ....................... 1
21 1-603511 Keys, ignition........................ 1 44 33114-016 Screw, M8-1.25 x 16mm ..... 2
22 1-513374 Meter- engine hours............. 1 45 3256-23 Washer, 5/16 SAE .............. 2
23 100-6186 Module, seat delay .............. 1 46 1-643267 Indicator, Red LED ............. 1
à Use dielectric grease on all wiring harness connectors.

34
KOHLER 23, & 25 HP AIR-COOLED ELECTRICAL DIAGRAM

35
KAWASAKI 23 HP AIR-COOLED ELECTRICAL DIAGRAM

36
KAWASAKI 27 HP LIQUID-COOLED ELECTRICAL DIAGRAM

37
KAWASAKI 23 HP LIQUID-COOLED ELECTRICAL DIAGRAM

38
KOHLER 26 HP EFI ELECTRICAL DIAGRAM

®
M
FG. CO. INC.
SEE EXMARK’S COMPLETE
LINE OF PRODUCTS FOR TURF CARE
LAZER Z®
LAZER Z® HP
LAZER Z® XP
TURF RANGER®
TURF TRACER®
TURF TRACER® HP
VIKING HYDRO
METRO®
METRO® HP
SELF STEERING SULKY
ULTRA VAC™
GRASS CATCHER
MICRO-MULCH ™ ACCESSORY
©1997,1998,1999, 2000, 2001 PART NO. 103-0656 Rev C.
EXMARK MFG. CO. INC. (402) 223-6300
INDUSTRIAL PARK BOX 808 FAX (402) 223-5489
BEATRICE, NE 68310
ALL RIGHTS RESERVED PRINTED IN U.S.A.