Exmark Lazer Z Advantage Series Users Manual 4500 303
Advantage Series to the manual ac0d3076-32f8-4764-bce6-032f6c5440d3
2015-02-04
: Exmark Exmark-Lazer-Z-Advantage-Series-Users-Manual-366929 exmark-lazer-z-advantage-series-users-manual-366929 exmark pdf
Open the PDF directly: View PDF
.
Page Count: 32

Date Purchased
Engine Model No. and Spec. No.
Engine Serial No. (E/No)
Model No.
Serial No.
The Serial No. plate is located on the right side of the console.
For ease of ordering and reference, we suggest that you record
the information requested.
Place Model No. And Serial No.
Label Here (Included in Literature
Pack) or Fill in Below
®
For Serial Nos.
720,000 & Higher
Part No. 4500-303 Rev. A

-1-
EXMARK PARTS PLUS® PROGRAM
EFFECTIVE DATE: September 1, 1995
Program
If your Exmark dealer does not have the Exmark part in stock,
Exmark will get the parts to the dealer the next business day or
the part will be FREE* Guaranteed!!
How the Program Works
1. If dealer does not have part in stock for a "down" unit at
the time of request by customer, the dealer contacts his
distributor by 1:00 p.m., local time, and requests Exmark
Parts Plus® shipment of six (6) line items or less.
2. Distributor ships part(s) to dealer or customer, as requested by dealer, same day, overnight UPS Distributor bills
dealer for part and freight charges where applicable.
3. If distributor does not have the part(s) in stock to satisfy Exmark Parts Plus® order, he contacts Exmark by 3:00 p.m.,
central time, with an Exmark Parts Plus® order of six (6) line items or less.
4. If order is received by 3:00 p.m. central time, Exmark ships part(s) direct to dealer or customer, as requested by
distributor, same day, overnight UPS. Exmark bills the distributor for parts and shipping charges, where applicable.
5. The customer pays for the part and freight if it is shipped under the Exmark Parts Plus® and if it arrives in accordance
to the program.
6. Who pays for the part and freight if it fails to arrive overnight in accordance to the program?
A. Under any circumstance the customer does not pay.
B. If the part does not arrive overnight due to:
1. The dealer not submitting the Exmark Parts Plus® order to his Exmark distributor by 1:00 p.m., the dealer
pays for the part and freight.
2. The Distributor being unable to ship the part the same day or not submitting the Exmark Parts Plus® order
to Exmark by 3:00 p.m., central time, the Distributor pays for the part and freight.
3. Exmark being unable to ship the part and the Exmark parts order is received by 3:00 p.m., central time,
Exmark pays for the part and freight.
4. If the part does not arrive overnight due to the shipper (UPS), the shipper pays for the freight and Exmark
pays for the part.
The following restrictions apply -- The Exmark Parts Plus® Program is available only through participating Exmark
Dealers and applies only to orders submitted on this program Monday through Thursday. Parts Plus service is available only
in the 48 contiguous United States. UPS has initiated a Saturday delivery program to many areas of the continental United
States and can be requested for an overnight shipment on Friday to be delivered Saturday. The next day air charge, plus the
Saturday delivery fee will be the responsibility of the purchaser. Exmark Mfg. will assume no responsibility for Saturday
delivery shipments. To qualify, all Exmark Parts Plus® orders must be received by Exmark by 3:00 p.m., central time. Orders
must be six (6) line items or less. Exclusions from the Exmark Parts Plus® Program are: Any wholegood or accessory in its
entirety, engines and engine replacement parts, 5-speed Peerless transmissions and 5-speed transaxles, hydraulic or
hydrostatic wheel motors, cutter decks and engine decks or any item exceeding United Parcel Service size and weight
restrictions.
Due to UPS restrictions, aerosol spray paint is considered a hazardous material and cannot be shipped via UPS next day or
Second Day Air.
Exmark Manufacturing stocks a limited supply of parts for transaxles, pumps and wheel motors. These parts can be ordered
for Next Day Air shipment but will not be guaranteed per the Parts Plus Program.

-2-
READ OPERATOR’S MANUAL BEFORE
OPERATING OR SERVICING EXMARK EQUIPMENT.
TABLE OF CONTENTS
Description Page
Decal Group................................................................... 21-22
Electrical Diagrams ........................................................ 25-26
Electrical Groups............................................................ 23-24
Electrical Logic Schematics............................................ 27-28
Engine Deck Group........................................................ 16-18
Front Frame Group .......................................................... 9-10
Fuel Group.......................................................................... 13
Hydraulics Group ........................................................... 19-20
Main Frame Group ......................................................... 11-12
Motion Control Group.......................................................... 15
Park Brake Group ............................................................... 14
Deck Groups ......................................................................3-8

52” DECK GROUP
-3-
Item
Part No.
Description
Qty.
1 103-3183 Asm, Deck (109-5775-01) W/Decals ......1
2 3256-24 Washer, 3/8 SAE ...................................3
3 103-2794 Sheave, Blade Drive ..............................3
4 1-513208 Washer, Spring Disk .............................. 1
5 1-303334 Washer, 5/16 Spring Disk.......................1
6 32128-20 Nut, 5/16-18 Whizlock ............................8
7 1-602913-01 Baffle Wldmt, Discharge.........................1
8 322-2 Screw, 5/16-18 x 5/8 ..............................5
9 1-603299 Roller, Antiscalp..................................... 6
10 3290-357 Nut, 3/8-16 Whizlock ..............................12
11 109-6658 Nut, Nyloc 3/8-16 Flg .............................6
12 99-2842 Spacer ................................................... 6
13 98-5975 Washer, 3/8 Spring Disk.........................13
14 103-8280 Housing W/Bearings .............................. 3
15 109-2738 Chute, Discharge 52” .............................1
16 322-5 Screw, 5/16-18 x 1 .................................5
17 3296-29 Nut, 5/16-18 Nyloc .................................7
18 1-633357-01 Shield, Belt 52”....................................... 2
19 1-323385 Knob, Belt Shield ...................................6
20 1-322110 Belt Guide Wldmt ...................................1
21 109-5958 Screw, Hex Flange 1/2-20......................3
22 323-12 Screw, 3/8-16 x 2 1/2 ............................. 2
23 1-303537 Stud, Belt Shield ....................................2
24 3256-3 Washer 5/16 Std Flat .............................4
25 1-323417 Washer, Rubber.....................................2
26 103-3330 Spring, Extension................................... 1
27 1-373034 Washer ..................................................2
28 103-5677 Spacer ................................................... 1
29
103-5693
Kit, Idler Arm (103-6528-01)
W/Bearings ............................................
1
30 106-7159 O-ring.....................................................2
31 302-40 Zerk, 1/4-20 90° .....................................1
32 3256-4 Washer, 3/8 Std Flat .............................. 2
33 3296-39 Nut, 3/8-16 Nyloc ...................................19
34 103-3504 Bearing, Spherical..................................2
35 109-2796 Pulley, Idler ............................................2
36 3234-11 Bolt, 3/8-16 x 1 Whizlock........................ 1
37 1-633456 Bushing, Idler.........................................2
38 3217-11 Nut, 5/8-11 Hex......................................2
39 32128-37 Nut, 7/16-14 Whizlock ............................16
40 1-603805 Idler Pulley 5.06 O.D V...........................1
41 1-633366 Belt, Blade Drive 52” Deck ..................... 1
Item
Part No.
Description
Qty.
42 1-633447 Chain..................................................... 4
43 103-1898 Screw, 7/16-14 x 1 5/8 Sp...................... 8
44 103-3505 Seal, Double Lip .................................... 1
45 103-9076 Cutter Housing Complete....................... 3
46103-3182 Sheave, Jackshaft ................................. 1
47 103-2535 Spacer, Guard Bottom ........................... 4
48 323-6 Screw, 3/8-16 x 1................................... 4
49 109-1181 Strut Wldmt, Deck.................................. 2
50S 103-9086 Kit, Spindle ............................................ 3
51 1-633029 Spherical Rod End................................. 2
52 327-11 Screw, 5/8-11 x 5................................... 2
53 3253-8 Lockwasher, 5/8 Reg.Spring.................. 2
54 302-19 Zerk, 1/4-28 Straight .............................. 4
55 1-632199-01 Pin Wldmt, Deck Strut............................ 2
56 3219-6 Nut, 5/8-18 Hex...................................... 3
57 3217-46 Nut, HH 3/4-16 Heavy............................ 3
58 103-2982 Key, 1/4 x 3/16 x 3/4 .............................. 3
591-643393 Jackshaft ............................................... 1
60 103-1081 Asm, Strut Long ..................................... 2
61103-1330 Guard, Bearing Top ............................... 3
62 323-7 Screw, Hex Cap 3/8 x 1 1/4 ................... 18
63103-9746 Asm, Jackshaft Housing W/Brgs............ 1
64 103-2802 Washer, Spring Disk 3/4 ........................ 3
65 103-6402 Blade, Notched. ..................................... 3
103-6387 Blade, Low Lift ....................................... 3
X 103-6392 Blade, Mulching ..................................... 3
103-6382 Blade, Solid ........................................... 3
103-6397 Blade, Extreme ...................................... 3
66 103-3248 Asm, Jackshaft 52 ................................. 1
67V103-3257 Asm, Deck Complete ............................. 1
68 103-2916 Guard, Top ............................................ 1
69 98-5961 Screw, 3/8-16 x 4 Gr 8........................... 1
70 103-3506 Seal, Single Lip...................................... 1
71 32120-10 Ring, Retaining ...................................... 2
72 103-3037 Bushing, Splined.................................... 3
73 109-2148 Asm, Discharge Chute........................... 1
74 3256-82 Washer .................................................. 3
75 3230-22 Bolt, Carriage 5/16-18 x1 ....................... 3
76 109-0938-01 Hinge, Grass Discharge......................... 1
77 103-9817 Asm, Chain Deck................................... 2
78 103-9792 Asm, Chain Deck................................... 2
79 103-4051 Kit, Anti-scalp......................................... 6
Exmark red touch up paint (spray paint - P/N 1-850337 - .6 oz liquid bottle - P/N 103-9140).
X Requires installation of Micro-Mulch accessory for proper mulching. Mulch kit P/N MK524Q.
Apply Mobil HTS grease (P/N 103-5217 1.5 oz packet) (or a food-grade antisieze) between the jackshaft and
bearings, jackshaft and sheaves, spindles and bearings, spindles and sheaves, and under top bearing guard. DO
NOT use a copper or nickel based antisieze.
V Complete deck assembly excludes items #39, #42, #43, and #60 and includes mule drive belt from page 16.
Kit also includes items #13 & #33.
S Kit includes items #21, #57, #58, #64 & #72.

52” DECK GROUP
-4-

60” DECK GROUP
-5-
Item
Part No.
Description
Qty.
1 103-3184 Asm, Deck (109-4081-01) W/Decals ...... 1
2 3217-46 Nut, Hex 3/4-16 Heavy...........................3
3 3256-24 Washer, 3/8 SAE ...................................3
4 1-513208 Washer, Spring Disk .............................. 1
5 1-303334 Washer, 5/16 Spring Disk.......................1
6 32128-20 Nut, 5/16-18 Whizlock ............................8
7 1-602913-01 Baffle Wldmt, Discharge.........................1
8 322-2 Screw, 5/16-18 x 5/8 .............................. 5
9 1-603299 Roller, Antiscalp..................................... 6
10 3290-357 Nut, 3/8-16 Whizlock ..............................12
11 109-6658 Nut, Nyloc 3/8-16 Flg .............................6
12 99-2842 Spacer ................................................... 6
13 98-5975 Washer, 3/8 Spring Disk.........................13
14 103-9746 Asm, Jackshaft Housing W/Brgs ............ 1
15 109-2738 Chute, Discharge ...................................1
16 322-5 Screw, 5/16-18 x 1 .................................4
17 3296-29 Nut, 5/16-18 Nyloc .................................7
18 1-633084-01 Shield, Belt 60”....................................... 2
19 1-323385 Knob, Belt Shield ...................................6
20 1-322110 Belt Guide Wldmt ...................................1
21 109-5958 Screw, Hex Flange 1/2-20......................3
22 323-12 Screw, 3/8-16 x 2 1/2 .............................2
23 1-303537 Stud, Belt Shield ....................................2
24 3256-3 Washer 5/16 Std Flat .............................6
25 1-323417 Washer, Rubber.....................................2
26 103-3330 Spring, Extension................................... 1
27 322-6 Screw, 5/16-18 x 1 1/4 ...........................1
28 103-5677 Spacer ................................................... 1
29
103-5693
Kit, Idler Arm (103-6528-01)
W/Bearings ............................................
1
30 106-7159 O-ring.....................................................2
31 302-40 Zerk, 1/4-20 90°. ....................................1
32 3256-4 Washer, 3/8 Std Flat .............................. 2
33 3296-39 Nut, 3/8-16 Nyloc ...................................19
34 103-3504 Bearing, Spherical..................................2
35 109-2796 Pulley, Idler ........................................... 2
36 3234-11 Bolt, 3/8-16 x 1 Whizlock........................ 1
37 1-633456 Bushing, Idler.........................................2
38 323-8 Screw, 3/8-16 x 1 1/2 .............................18
39 32128-37 Nut, 7/16-14 Whizlock ............................16
40 1-603805 Idler Pulley 5.06 O.D. V..........................1
41 1-633127 Belt, Blade Drive Deck ..........................1
Item
Part No.
Description
Qty.
42 1-633447 Chain..................................................... 4
43 103-1898 Screw, 7/16-14 x 1 5/8 Sp...................... 8
44 103-3505 Seal, Double Lip .................................... 1
45 3217-11 Nut, 5/8-11 Hex...................................... 2
46 103-2802 Washer, Spring Disk .............................. 3
47 103-9076 Cutter Housing Complete....................... 3
48 323-6 Screw. 3/8-16 x 1................................... 4
49 109-1181 Strut Wldmt, Deck.................................. 2
50103-2794 Sheave, Blade Drive .............................. 3
51 1-633029 Spherical Rod End................................. 2
52 327-11 Screw, 5/8-11 x 5................................... 2
53 3253-8 Lockwasher,5/8 Reg.Spring................... 2
54 302-19 Zerk, 1/4-28 Straight .............................. 4
55 1-632199-01 Pin Wldmt, Deck Strut............................ 2
56 3219-6 Nut, 5/8-18 Hex...................................... 3
57S 103-9086 Kit, Spindle ............................................ 3
58103-3046 Sheave, Jackshaft Double ..................... 1
59 103-2982 Key, 1/4 x 3/16 x 3/4 .............................. 3
601-643393 Jackshaft ............................................... 1
61103-1330 Guard, Bearing Top ............................... 3
62103-8280 Housing W/Bearings .............................. 3
63 1-373034 Washer .................................................. 2
64 103-2535 Spacer, Guard Bottom ........................... 4
65 103-6403 Blade, Notched ...................................... 3
103-6388 Blade, Low Lift ....................................... 3
) 103-6393 Blade, Mulching ..................................... 3
103-6383 Blade, Solid ........................................... 3
103-6398 Blade, Extreme ...................................... 3
66 103-1081 Asm, Strut Long ..................................... 2
67 103-3249 Jackshaft Assy....................................... 1
68V103-3258 Complete Deck Assy.............................. 1
69 103-2916 Guard, Top ............................................ 1
70 98-5961 Screw, 3/8-16 x 4 Gr 8........................... 1
71 103-3506 Seal, Single Lip...................................... 1
72 32120-10 Ring, Retaining ...................................... 2
73 103-3037 Bushing, Splined.................................... 3
74 109-2148 Asm, Discharge Chute........................... 1
75 3256-82 Washer .................................................. 3
76 3230-22 Bolt, Carriage 5/16-18 x1 ....................... 3
77 109-0938-01 Hinge, Grass Discharge......................... 1
78 103-9792 Asm, Chain Deck................................... 4
79 103-4051 Kit, Anti-scalp......................................... 6
Exmark red touch up paint (spray paint - P/N 1-850337 - .6 oz liquid bottle - P/N 103-9140).
) Requires installation of Micro-Mulch accessory for proper mulching. Mulch kit P/N MK604Q.
Apply Mobil HTS grease (P/N 103-5217 1.5 oz packet) (or a food-grade antisieze) between the jackshaft and
bearings, jackshaft and sheaves, spindles and bearings, spindles and sheaves, and under top bearing guard. DO
NOT use a copper or nickel based antisieze.
V Complete deck assembly excludes items #39, #42, #43, and #66 and includes mule drive belt from page 16.
Kit also includes items #13 & #33.
S Kit includes items #2, #21, #46, #59 & #73.

60” DECK GROUP
-6-

72” DECK GROUP
-7-
Item
Part No.
Description
Qty.
1 1-643052 Belt, Blade Drive 72” ..............................1
2 1-323385 Knob, Belt Shield ................................... 6
3 1-643076-01 Shield, Belt 72” RH (Shown) ..................1
1-643075-01 Shield, Belt 72” LH .................................1
4 3234-11 Bolt, 3/8-16 x 1 Whizlock........................ 1
5 3256-24 Washer, 3/8 SAE ...................................3
6 109-2796 Pulley, Idler ............................................2
7 103-3330 Spring, Extension...................................1
8 3290-357 Nut, 3/8-16 Whizlock .............................. 12
9 1-633456 Bushing, Idler.........................................2
10 3256-4 Washer, 3/8 Std Flat .............................. 2
11 109-6658 Nut, Nyloc 3/8-16 Flg .............................6
12 3296-39 Nut, 3/8-16 Nyloc ...................................19
13 103-9792 Asm, Chain Deck ...................................4
14 1-513208 Washer, Spring, Disk .............................1
15 302-40 Zerk .......................................................1
16 103-2802 Washer, Spring, Disk 3/4........................3
17 3219-6 Nut, 5/8-18 Hex......................................3
18 103-9746 Asm, Jackshaft Housing W/Brgs ............ 1
19 103-2795 Sheave, Blade Drive ..............................3
20 1-303334 Washer, 5/16 Spring, Disk......................1
21 1-322110 Belt Guide Wldmt ...................................1
22
103-5693
Kit, Idler Arm (103-6528-01)
W/Bearings ............................................
1
23 32128-20 Nut, 5/16-18 Whizlock ............................9
24 323-6 Screw, .3/8-16 x 1 ..................................4
25 98-5975 Washer, 3/8 Spring, Disk........................13
26 32128-37 Nut, 7/16-14 Whizlock ............................16
27 103-1898 Screw, 7/16-14 x 1-5/8 ...........................8
28 1-633447 Chain .....................................................4
29 3217-11 Nut, 5/8-11 Hex......................................2
30 3253-8 Lockwasher, 5/8 Reg.Spring ..................2
31 1-633029 Spherical Rod End .................................2
32 327-11 Screw, 5/8-11 x 5 ................................... 2
33 109-1182 Strut Wldmt, Deck .................................. 2
34 1-632199-01 Pin Wldmt, Deck Strut ............................2
35 302-19 Zerk, 1/4-28 Straight ..............................4
36 323-8 Screw, 3/8-16 x 1 1/2 .............................18
37 1-323417 Washer, Rubber.....................................2
38 3256-3 Washer 5/16 Std Flat .............................4
39 1-303537 Stud, Belt Shield ....................................2
40 109-7477 Asm, Deck (109-5855-01) W/Decals ......1
Item
Part No.
Description
Qty.
41 3217-46 Nut, HH 3/4-16 Heavy............................ 3
42 1-373034 Washer .................................................. 2
43 103-2982 Key, 1/4x3/16x3/4 .................................. 3
44103-3046 Sheave, Double ..................................... 1
451-643393 Jackshaft ............................................... 1
46 103-2535 Spacer, Guard Bottom ........................... 4
47103-1330 Guard, Bearing Top ............................... 3
48103-8280 Housing W/Bearings .............................. 3
49 103-6404 Blade, Notched ...................................... 3
X 103-6394 Blade, Mulching ..................................... 3
103-6389 Blade, Low Lift ....................................... 3
103-6384 Blade, Solid ........................................... 3
103-6399 Blade, Extreme ...................................... 3
50 109-5958 Screw, Hex Flange 1/2-20...................... 3
51 323-12 Screw, HH 3/8-16 x 2 1/2....................... 2
52 103-4051 Kit, Anti-scalp......................................... 6
53 1-602913-01 Baffle Wldmt, Discharge ........................ 1
54 322-2 Screw, 5/16-18 x 5/8.............................. 5
55 98-5961 Screw, 3/8-16 x 4 Gr8............................ 1
56 109-2148 Asm, Discharge Chute........................... 1
57 1-603299 Roller, Anti-Scalp................................... 6
58 322-5 Screw, 5/16-18 x 1................................. 5
59 109-2738 Chute, Discharge................................... 1
60 3296-29 Nut, 5/16-18 Nyloc ................................. 7
61 3230-22 Bolt, Carriage 5/16-18 x1 ....................... 3
62 1-603805 Idler Pulley 5.06 O.D. V ......................... 1
63S 103-9086 Kit, Spindle ............................................ 3
64 103-9074 Cutter Housing Complete....................... 3
65 103-1083 Asm, Strut 72” Long............................... 2
66 103-3249 Jackshaft Asm ....................................... 1
67V103-3259 Complete Deck Asm .............................. 1
68 103-3505 Seal, Double, Lip ................................... 1
69 103-2916 Guard, Top ............................................ 1
70 103-5677 Spacer ................................................... 1
71 103-3506 Seal, Single Lip...................................... 1
72 32120-10 Ring, Retaining ...................................... 2
73 103-3504 Bearing, Spherical ................................. 2
74 106-7159 O-ring .................................................... 2
75 3256-82 Washer .................................................. 3
76 109-0938-01 Hinge, Grass Discharge......................... 1
77 103-3037 Bushing, Splined.................................... 3
78 99-2842 Spacer ................................................... 6
Exmark red touch up spray paint - P/N 1-850337.
X Requires installation of Micro-Mulch accessory for proper mulching. Mulch kit P/N MK724.
Apply Mobil HTS grease (P/N 103-5217 1.5 oz packet) (or a food-grade antisieze) between the jackshaft and
bearings, jackshaft and sheaves, spindles and bearings, spindles and sheaves, and under top bearing guard. DO
NOT use a copper or nickel based antisieze.
V Complete deck assembly excludes items #26, #27, #28, and #65 and includes mule drive belt from page 16.
Kit includes items #12 and #25.
S Kit includes items #16, #41, #43, #50 & #77.

72” DECK GROUP
-8-

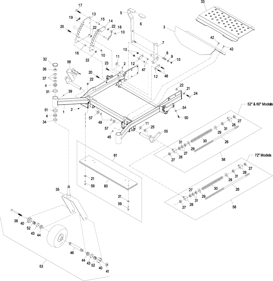
FRONT FRAME GROUP
-9-
Item
Part No.
Description
Qty.
1V 103-5473 Asm, Front Frame, 52” ........................... 1
V 103-5474 Asm, Front Frame, 60” ........................... 1
V 103-5475 Asm, Front Frame, 72” ........................... 1
2 302-19 Zerk, 1/4-28 Straight .............................. 5
3 109-1903 Asm, Front Floorpan W/Decals ..............1
4 1-543509 Cone, Bearing Tapered Roller................4
5 103-2084 Asm, Lever(103-2083-03)W/Grip ........... 1
6 1-633295 Grip, Lift Lever ....................................... 1
7 103-2064-03 Arm Wldmt, Deck Lift ............................1
8 1-633325 Spring, Compression..............................1
9 3256-24 Washer, 3/8 SAE Flat............................. 1
10 3296-39 Nut, Nyloc 3/8-16 ...................................5
11 32151-103 E-Ring.................................................... 5
12 1-633068 Arm, Deck Lift ........................................2
13 1-633889-01 Plate, Deck Lift....................................... 1
14 109-1900 Plate Wldmt, Deck Lift............................ 1
15 1-633082 Bushing, Lift Lever ................................. 1
16 1-633080 Bushing, Lift Lever ................................. 1
17 323-13 Screw, 3/8-16 x 2 3/4 .............................1
18 1-633097 Hitch Pin W/Lanyard ..............................1
19 1-806005 Hairpin Cotter.........................................1
20 323-9 Screw, 3/8-16 x 1 3/4 .............................2
21 98-5975 Washer, 3/8 Disc Spring (60” & 72”).......12
98-5975 Washer, 3/8 Disc Spring (52”) ................ 16
22 3290-357 Nut, Whizlock 3/8-16 (60” & 72”) ............15
3290-357 Nut, Whizlock 3/8-16 (52”)......................19
23 323-5 Screw, HH 3/8-16 X 7/8..........................1
24 323-7 Screw, 3/8-16x1 1/4 ............................... 12
25 3256-29 Washer, 7/8 SAE Flat.............................4
26 1-633096 Rod, Deck Lift ........................................2
27 3217-11 Nut, 5/8-11 Regular................................8
28 1-633441 Swivel, Deck Mount................................4
29 3256-7 Washer, 5/8 Std Flat .............................. 4
30 1-633064 Spring, Deck Support............................. 2
31 3218-6 Jam Nut, 5/8-11 .....................................4
32 103-4882 Cap, Grease ..........................................2
33 109-1902 Asm, Liftout Floorpan W/Decals .............1
34 1-543511 Seal, Grease..........................................2
Item
Part No.
Description
Qty.
35 1-632511-01 Caster Wldmt (52” & 60”) ....................... 2
103-1474-01 Caster Wldmt (72”) ................................ 2
36 3296-51 Nut, 3/4-10 Nyloc ................................... 2
37 1-633508 Washer, Spring Disk .............................. 6
38 325-36 Screw, 1/2-13 x 7 1/2 (52” & 60”) ........... 2
325-39 Screw, 1/2-13 x 9 1/2 (72”)..................... 2
39 1-811010 Plug ....................................................... 2
40 103-2768 Guard, Seal ........................................... 4
41 3296-23 Nut, 1/2-13 Nyloc ................................... 2
42 3230-1 Bolt, Carriage 5/16-18 x 3/4 ................... 4
43 103-0063 Seal, Bearing ......................................... 4
44 1-633585 Bearing Cone......................................... 4
45 32128-20 Nut, Whizlock 5/16-18............................ 4
46 103-3155 Axle, Caster ........................................... 2
47 103-1918 Bushing ................................................. 2
48 323-29 Screw, 3/8-16 x 1 3/8............................. 2
49 32151-29 Ring, Retaining ...................................... 2
50 3274-18 Screw, Socket HD5/16-18x1 1/4 ............ 2
51 1-543508 Bearing Cup, Tapered Roller ................. 4
52103-3051 Spacer, Nut............................................ 4
53 103-5189 Asm, Caster Wheel (Pneumatic)
(52” & 60”) ............................................. 2
1-633002 Tire, 13 x 5.0-6 4 Ply (Pneumatic)
(52” & 60”) ............................................. 2
103-5188 Asm, Caster Wheel (Pneumatic) (72”) 2
1-523009 Tire,13 x 6.50-6 4 Ply (Pneumatic) (72”) 2
103-3785 Asm, Caster Wheel (Semi-Pneumatic)
(52” & 60”) ............................................. 2
103-3799 Asm, Caster Wheel (Semi-Pneumatic)
(72”)....................................................... 2
54 3218-2 Jam Nut, 5/16-18 ................................... 2
55 103-1955-01 Weldmt, Front Lift Shaft (LH) ................. 1
56 103-2013-01 Weldmt, Front Lift Shaft (RH)................. 1
57 1-523157 Washer, Spacer..................................... 2
58 1-634439 Asm, Deck Lift Spring (52” & 60”)........... 2
103-2047 Asm, Deck Lift Spring (72”) .................... 2
59 323-8 Screw, HH 3/8-16 x 1 1/2 (52”)............... 4
60 103-2099-01 Weight (52”)........................................... 1
61●□ 103-8303 Kit, Front Weight (52”)............................ 1
Exmark red touch up paint (spray paint - P/N 1-850337 - .6 oz liquid bottle - P/N 103-9140).
Use Pro-Lock, Nut Type (P/N 1-840022, .5ml tube) on spacer nut, Item #52.
V Includes frame weldment plus items #2, #32, #34, #39, #49, #51, #55, #56, and #57.
● Includes item #22 (4).
□ For units with Serial Numbers 722,173 & Higher.

FRONT FRAME GROUP
-10-

MAINFRAME GROUP
-11-
Item
Part No.
Description
Qty.
1 1-643255 Track, Seat (4” Adjustable).....................1
103-8386 Spring, Seat Rail ....................................1
2O 103-3524 Seat .......................................................1
3 1-543401 Spacer, Seat Track ................................2
4 322-3 Screw, 5/16-18 x 3/4 .............................. 6
5 103-3521 Cushion, Seat ........................................1
6 103-3520 Cushion, Backrest ..................................1
7 103-0292 Cushion, Armrest (RH)...........................1
86 103-0291 Cushion Armrest (LH) ........................... 1
9 1-633859 Seat Frame ............................................1
10 3256-3 Washer, 5/16 Std Flat ............................2
11 109-6672 Asm, Frame (109-6128-03) W/Decals ....1
12 1-653010 Wheel/Tire Asm (52”)............................. 2
1-653160 Tire, 23x9.50-12 4 Ply (52”)...................2
1-653158 Wheel (52”) ............................................2
109-8972 Wheel/Tire Asm (60” & 72”)....................2
1-633993 Tire, 24x12-12 4 Ply (60” & 72”) ............2
109-3156 Wheel (60” & 72”)................................... 2
13 109-4325 Asm, Console (109-8139-03) W/Decals .1
14 103-4423 Asm, Seat Frame ................................... 1
15 242-50 Nut, Wheel 1/2-20 ..................................8
16 1-633293 Rod, Seat Hold-Up .................................1
17 322-5 Screw, 5/16-18 x 1 .................................1
18 323-39 Screw, 3/8-16 x 5 ................................... 2
19 3296-2 Nut, Nyloc #10-24 ..................................2
20 3296-29 Nut, Nyloc 5/16-18 .................................3
21 3296-39 Nut, Nyloc 3/8-16 ...................................3
22 3290-357 Nut, Whizlock 3/8-16 ..............................10
23 32128-20 Nut, Whizlock 5/16-18 ............................8
24 323-20 Screw, 3/8-16 x 3-1/4 .............................1
25 3256-24 Washer, 3/8 SAE Flat.............................1
Item
Part No.
Description
Qty.
26 110-0883 Kit, Seat Belt.......................................... 1
27 107-3083 Latch, Seat ............................................ 1
28 322-4 Screw, 5/16-18 x 7/8.............................. 2
29 1-513658 Bumper.................................................. 2
30 3256-23 Washer, 5/16 SAE Flat .......................... 6
31 103-4434 Grip ....................................................... 1
32 323-6 Screw, 3/8-16 x 1................................... 2
33 1-633964-03 Stop, Park Brake.................................... 1
34 109-8140 Cable, Throttle ....................................... 1
35 103-8383 Bolt, Seat Cushion ................................. 11
36 1-513762 Clip, Loom ............................................. 1
37 32128-33 Nut, Whizlock 1/4-20.............................. 1
38 3212-4 Screw, 7/16-20 x 1.00 ............................ 2
39 3296-7 Nut, Nyloc 7/16-20 ................................. 2
40X103-8436 Kit, ROPS LZ ......................................... 1
41 107-0075 Bushing ................................................. 1
42 107-0076 Spring.................................................... 1
43 107-3058 Catch, Seat Latch .................................. 1
44 110-5720 Cable, Choke......................................... 1
45 107-3155 Cotter, Hair Pin Double Loop ................ 2
46 32128-23 Nut, Hex Flange Side Lock 1/2-13 ......... 2
47 3296-73 Nut, Nyloc 1/4-20 (black) ....................... 2
48 1-807513 Screw, #10-24 x 1/2............................... 2
49Q103-4553 Asm, ROPS Fold Pin ............................. 2
50 323-6 Screw, Hex Cap 3/8 x 1 ......................... 8
51 109-2365 Bumper.................................................. 2
52 98-5975 Washer, Spring Disk 3/8 ........................ 8
53 321-6 Screw, 1/4-20 x 1................................... 1
54 1-303335 Plastic Tie (Large).................................. 1
55 325-13 Screw, 1/2-13 x 3 1/4............................. 2
Exmark black touch up spray paint - gloss black.
O Includes armrests and seat back decal. Does not include seat belt or tracks.
6 Not illustrated.
Q Includes ROPS fold pin plus hairpin, item #45.
X Rollover protection frame is serviced as a complete assembly only. Includes complete ROPS frame, mounting
hardware, fold pivot and locking hardware, seat frame assembly item #14, catch item #43, and seat belt assembly
item #26.

MAINFRAME GROUP
-12-

FUEL GROUP
-13-
Item
Part No.
Description
Qty.
1 1-303077 Clamp, Fuel Line....................................12
2 Kohler Part No. 2405010 Fuel Filter ..................1
Kawasaki Part No. 49019-7001 Fuel Filter .............1
3 103-0304 Hose, Fuel Line 2 1/2”............................2
4 1-303335 Plastic Tie (Large).................................. 5
5 109-0346 Cap, Fuel Tank ......................................2
6O 103-2605 Fitting, Fuel Blkhd W/Screen ..................2
103-2784 O-Ring ...................................................2
7 3256-23 Washer, 5/16 SAE..................................10
8 108-4582 Hose, Fuel Line 21"................................2
9X 1-633023 Stud, Fuel Tank......................................6
10U7 103-2132 Asm, Tank Fuel (LH) ..............................1
Item
Part No.
Description
Qty.
117103-2133 Asm, Tank Fuel (RH) ............................. 1
12 1-603770 Valve, Fuel............................................. 1
13 109-0660 Hose, Fuel Line 3 1/2" (Kohler).............. 1
109-0293 Hose, Fuel Line 8 1/2” (Kawasaki) ......... 1
14 1-633349 Spring, Fuel Tank .................................. 6
15 109-0281 Hose, Fuel Line 26” ............................... 1
16 322-3 Screw, 5/16-18 x 3/4.............................. 4
17 3296-47 Nut, Thin Nyloc 5/16-18 ......................... 6
18 1-805005 Washer, Lock 5/16................................. 4
19 99-5000 Valve, Fuel Check.................................. 2
20 99-5005 Fitting, Barbed Tee ................................ 1
Refer to Engine Owner’s Manual (Fuel Filter Must be 15 Micron or smaller).
O Use Pro-lock, Nut type (Part No. 1-840022), .5ml tube on fuel fitting threads.
X Use Pro-lock, Retaining Type (Part No. 1-840023), .5cc tube on stud threads going into the tank.
7 Includes tank, cap, fitting & studs.
T Not illustrated.

PARK BRAKE GROUP
-14-
Item
Part No.
Description
Qty.
1 1-513140 Bushing..................................................2
2 1-633454 Spring, Brake Rod..................................2
3 1-633477 Rod, Brake............................................. 3
4 1-634500 Lever (1-632489-03)W/Grip ................... 1
5 1-632217-03 Shaft, Brake ...........................................1
6 103-0352-03 Bracket, Brake (52” & 60”)...................... 2
103-0354-03 Bracket, Brake (72”) ............................... 2
7 1-523157 Washer, Spacer ..................................... 2
8 1-809036 Nut, Slotted 1.00-20 ............................... 2
9 103-9761 Band, Brake ...........................................2
10 1-633380 Spacer (Short) (52” & 60”)......................4
109-5011 Spacer (Short) (72”) ...............................4
11 1-633382 Spacer (Long) (52” & 60”) ......................4
109-5012 Spacer (Long) (72”)................................ 4
12 1-633102 Bearing, Flange......................................2
13 1-633131 Yoke ......................................................4
14 1-633144 Pin, Trunion ........................................... 2
15 103-0590 Hub & Drum W/Studs, Wheel.................2
6 1-633926 Studs, Wheel .........................................8
Item
Part No.
Description
Qty.
16 3257-42 Key, Woodruff 5/16 x 1 .......................... 2
17 1-633268 Grip, Brake Lever................................... 1
18 323-4 Screw, 3/8-16 x 3/4................................ 4
19 103-2399 Pin, Clevis Spring 3/8............................. 3
20 325-17 Screw, 1/2-13 x 4 (52” & 60”) ................. 8
325-20 Screw, 1/2-13 x 6 (72”) 8
21 1-603991 Zerk, 1/4-28 Straight .............................. 2
22 32128-49 Nut, Whizlock 1/2-13 UNC-2B................ 8
23 3219-3 Nut, 3/8-24............................................. 8
24 3290-357 Nut, Whizlock 3/8-16.............................. 4
25 1-808285 Pin, Clevis 3/8 x 1 1/4 ............................ 1
26 3256-4 Washer, 3/8 Std ..................................... 4
27 3272-10 Pin, Cotter 1/8 x 3/4 ............................... 2
28 1-806800 Pin, Cotter 9/64 x 1 1/2 .......................... 2
29 322-9 Screw, 5/16-18 x 1 3/4........................... 6
30 103-0384 Spacer ................................................... 6
31 103-0374 Retainer, Brake Band............................. 2
Exmark black touch up spray paint - gloss black.
7 Not Illustrated.

MOTION CONTROL GROUP
-15-
Item
Part No.
Description
Qty.
1 1-303105 Yoke ......................................................2
2 98-5975 Washer, Disc Spring 3/8......................... 4
3 109-2339 Damper..................................................2
4 1-543017 Ball Joint (RH)........................................2
5 109-3769 Bushing, Nylon (Reverse Ind).................2
6 1-603737 Bolt, (Neutral Return) .............................2
7 1-603807 Spring, (Neutral Return) .........................2
8 1-403180 Screw, 5/16-18x1 3/8 Sp........................4
9 32128-20 Nut, Whizlock 5/16-18 ............................6
106 103-3457 Handle (103-3326-03) W/Grip (LH) ........1
11 103-3458 Handle (103-3327-03) W/Grip (RH)........ 1
12 1-632208 Arm, Pump Control.................................2
13 109-3902 Bracket, Motion Control (LH)..................1
14 109-3901 Bracket, Motion Control (RH) ................. 1
15 103-3064 Link, Tracking Rod .................................2
16 1-633102 Bearing, Flanged....................................4
17 1-633152 Ball Joint (LH) ........................................2
18 103-0407 Arm, Control Shaft..................................2
19 103-3456 Grip, Motion Control Handle ...................2
20 322-6 Screw, 5/16-18 x 1 1/4 ...........................3
21 323-4 Screw, 3/8-16 x 3/4 ................................8
Item
Part No.
Description
Qty.
22 323-7 Screw, 3/8-16 x 1 1/4 ............................. 4
23 323-9 Screw, 3/8-16 x 1 3/4 ............................. 6
241-803022 Set Screw, 5/16 x 5/8............................. 2
25 3296-39 Nut, Nyloc 3/8-16................................... 6
26 3219-2 Nut, 5/16-24........................................... 12
27 1-804524 Nut, 5/16-24 (LH) ................................... 2
28 322-12 Screw, HH 5/16-18 x 2 1/2..................... 1
29 3256-2 Washer, 1/4 ........................................... 2
30 3256-3 Washer, 5/16 Std ................................... 4
31 3290-357 Nut, Whizlock 3/8-16.............................. 8
32 3272-5 Pin, Cotter 3/32 x 1/2 ............................. 2
33 1-808280 Pin, Clevis 5/16 x 1 ................................ 2
34 3296-29 Nut, Nyloc 5/16-18 ................................. 10
35 103-0384 Spacer ................................................... 1
36 109-6058-03 Bracket, Damper Mount ......................... 1
37 3230-2 Bolt, Carriage 5/16-18 x 1 ...................... 2
38 103-4331 Asm, Tracking Rod ................................ 2
39 3217-6 Nut, Hex 5/16-18.................................... 4
40 3230-23 Bolt, Carriage 5/16-18 x 3/4, short neck 2
41 109-3908 Tab, Adjustment..................................... 2
Exmark black touch up spray paint - gloss black.
7 Not Illustrated.
Use Pro-lock, Nut type (Part No. 1-840022), .5ml tube on setscrews.

ENGINE DECK GROUP – ALL UNITS
-16-
Item
Part No.
Description
Qty.
1 98-5975 Washer, Spring Disc 3/8.........................1
2 302-40 Zerk, 1/4-20 (90º) ................................... 1
3 103-5677 Spacer ................................................... 1
4 103-8599 Spring ....................................................1
5 109-3141 Spacer, Spring Mount ............................1
6 103-2627 Bushing, Idler.........................................1
7 106-7159 O-ring.....................................................2
8Q 109-3766 Kit, Mule Idler Spring.............................. 1
9 1-603496 Bushing, Idler.........................................1
10 1-603805 Pulley, Idler ............................................1
11 3290-357 Nut, Whizlock 3/8-16 ..............................4
12 1-633166 Pulley, Idler ............................................1
13 103-4014 Belt, Mule Drive......................................1
14 103-5695 Kit, Idler Arm (103-4593-03) W/Brgs ......1
15 323-10 Screw, 3/8-16 x 2 .................................. 1
16 323-9 Screw, 3/8-16 x 1 3/4 ............................. 1
17 323-13 Screw, 3/8-16 x 2 3/4 ............................1
18 1-800805 Screw, 3/8-16 x 3 1/2 Gr8 ......................2
19 3296-39 Nut, Nyloc 3/8 ........................................ 1
20 3256-24 Washer, 3/8 SAE ................................... 5
21 103-2916 Guard, Top.............................................2
22 103-3506 Seal, Single Lip...................................... 2
23 32120-10 Ring, Retaining ......................................2
Item
Part No.
Description
Qty.
24 103-3504 Bearing, Spherical ................................. 2
25 1-633456 Bushing, Idler......................................... 1
26 1-803035 Rivet, 3/16 x 1/4 .................................... 5
27 321-4 Screw, 1/4-20 x 3/4 (Kohler) .................. 2
321-4 Screw, 1/4-20 x 3/4 (Kawasaki).............. 6
28 103-6619-03 Support, Front Cover RH (Kohler).......... 1
29 321-6 Screw 1/4-20 x 1.................................... 4
30 109-2365 Bumper, Rubber .................................... 2
31 3256-2 Washer, 1/4 STD ................................... 4
32 1-633396 Clip, Loom .56 ....................................... 1
33 32128-33 Nut, Whizlock 1/4-20 (Kohler) ................ 4
32128-33 Nut, Whizlock 1/4-20 (Kawasaki) ........... 8
34 3296-42 Nut, Nyloc 1/4-20................................... 6
35 1-644276 Asm, Shield W/Decals (Kohler).............. 1
103-3341 Asm, Shield W/Decals (Kawasaki) ......... 1
36 103-1308 Shield, Engine ....................................... 1
37 103-6620-03 Support, Front Cover (LH) (Kohler) ........ 1
38 323-9 Screw, HH 3/8-16 x 1 3/4....................... 4
39 3290-357 Nut, Whizlock 3/8-16.............................. 4
40 98-5975 Washer, Spring Disc 3/8 ........................ 4
41 1-633794-03 Baffle, Engine Shield RH (Kawasaki) ..... 1
42 1-633795-03 Baffle, Engine Shield LH (Kawasaki)...... 1
Exmark black touch up spray paint - gloss black.
Kit also includes item #19.
Q Kit includes items shown and (2) whizlock nuts item #11

ENGINE DECK GROUP – (cont.)
-17-
Item
Part No.
Description
Qty.
1 1-603610 Washer, 7/16 Spring Disc.......................2
2 109-7712-03 Guard, Clutch.........................................1
3 109-7665 Kit Clutch (Kohler).................................. 1
4 1-303334 Washer, 5/16 Spring Disc.......................1
5 322-5 Screw, 5/16-18 x 1 ................................. 1
6 109-7083-03 Anchor, Clutch .......................................1
7 109-7666 Kit Clutch (Kawasaki) .............................1
8V 3212-6 Screw, 7/16-20 x 1 1/2 ...........................1
9 322-3 Screw, HH 5/16-18 x 3/4 ........................4
10 103-0152 Keeper, Clutch (Kawasaki).................... 1
11 109-7713-03 Guard, Muffler (Kawasaki)......................1
12 1-633179 Spacer ................................................... 1
13 3290-357 Nut, Whizlock 3/8-16 ..............................4
14 323-6 Screw, HH 3/8-16 x 1 .............................4
15 32128-20 Nut, Whizlock 5/16-18 (Kohler)...............1
32128-20 Nut, Whizlock 5/16-18 (Kawasaki)..........5
Item
Part No.
Description
Qty.
16109-2987 Asm, Oil Drain Tube W/Plug (Kohler)..... 1
17 109-1012 Plug, Oil Drain ....................................... 1
18 321-4 Screw, 1/4-20x 3/4................................. 1
19 32128-33 Nut, Whizlock 1/4-20.............................. 1
20 103-3535 Kit, Cable Heat Shield (Kohler) .............. 1
21 109-4490 Asm, Oil Drain Tube W/Plug (Kawasaki) .. 1
22 109-8119-03 Guard, Muffler (Kohler) .......................... 1
23 1-653291 Gasket (Kohler)...................................... 2
24 1-805005 Washer, Lock 5/16 Hvy.......................... 4
25 33014-00 Nut, Hex M8 1.25................................... 4
26 3253-6 Washer, Lock 7/16................................. 2
27 324-2 Screw, 7/16-14x.75 G5 .......................... 2
28103-7480 Kit, Muffler (Kohler)................................ 1
29▲3212-10 Screw, HH 7/16-20 x 2 1/2..................... 1
Exmark black touch up spray paint - gloss black.
Use a Teflon Pipe Sealant or equivalent on threads.
V Use Pro-Lock, Nut Type (P/N 1-840022, .5ml tube) on clutch bolt.
Includes items #20 & #23.
Kawasaki Replacement Parts List
(Refer to Engine Owner’s Manual)
Description Kawasaki Part
Engine Oil Filter ......................... 49065-2078
Engine Air Filter ......................... 11013-7020
Safety Filter................................ 11013-7019
Kohler Replacement Parts List
(Refer to Engine Owner’s Manual)
Description Kohler Part
Engine Oil Filter .........................
.
5205002
Engine Air Filter .........................
.
2508301
Safet
y
Filte
r
................................
.
2508304

ENGINE DECK GROUP (cont.)
-18-

HYDRAULIC GROUP
-19-
Item
Part No.
Description
Qty.
1 103-1947 Asm, Reservoir W/Decal ........................1
2 103-7615 Asm Cap W/Gasket................................1
3 103-1949 Gasket, Reservoir Cap...........................1
4 104-7836 Head, Filter ............................................ 1
5 109-4180 Element, Hydraulic Oil Filter...................1
V 1-523541 Element, Hydraulic Filter (Winter)...........1
6 103-1988 Clamp, Hose .......................................... 1
7 105-7699 Strip, Vinyl Seal...................................... 1
8 109-6273 Asm, Hose Hydraulic..............................1
1-603921 Boss O-Ring .......................................... 1
9 32120-10 Ring, Retaining ......................................2
10 109-7689 Hose, Hydraulic......................................1
1-603921 O-Ring, SAE #6 .....................................1
11 103-1806 Asm, Hose Hydraulic.............................. 1
12 103-1716 Clamp, Hose ..........................................3
13 103-3506 Seal, Single Lip...................................... 2
14 103-1807 Fitting, 45°..............................................1
1-603921 Boss O-Ring .......................................... 1
15 103-1801 Adapter, Straight ....................................1
1-603921 Boss O-Ring .......................................... 1
16 103-1799 Elbow,90°...............................................2
1-603921 Boss O-Ring .......................................... 1
17 321-3 Screw,1/4-20 x 5/8 ................................. 2
18 1-805004 Lockwasher, 1/4..................................... 2
19 103-2156 Adapter, Straight ...................................2
1-603921 Boss O-Ring .......................................... 1
103-1020 O-Ring (37° Flare #6).............................1
20 109-6130 Pump, Hydraulic..................................... 1
103-7441 Kit, Input Bearing ...................................1
103-8448 Kit, Thrust Bearing .................................1
103-7443 Kit, Cylinder Block.................................. 1
105-6184 Kit, Overhaul Seal ..................................1
103-7488 Fan ........................................................1
103-7489 Guard, Fan.............................................1
103-2672 Kit, Shock Valve (200 Bar, no orifice) .....1
112-4155 Kit, Shock Valve (200 Bar, .031 orifice) ..1
21 1-603990 Connector, Straight ................................4
1-603920 O-Ring (SAE #8) ....................................1
1-603992 O-Ring (37° Flare #8).............................1
22 103-5333 Motor, Wheel Drive ................................2
109-5966 Kit, Seal .................................................1
Item
Part No.
Description
Qty.
23 103-3733 Hose, Upper LH..................................... 1
24 103-3735 Hose, Lower LH..................................... 1
25 103-3736 Hose, Upper RH .................................... 1
26 103-3737 Hose, Lower RH .................................... 1
27 109-6046 Sheave, Pump ....................................... 2
281-803050 Setscrew, Sq Hd 5/16-18 x 3/4............... 2
2930-1710 Setscrew, Sq Hd Cup 5/16-18 x 1 .......... 4
30 1-603050 Spacer ................................................... 1
31 5-1077 Key, Machine 3/16 SQ x 1 ..................... 2
32 1-603991 Adapter, Straight ................................... 4
1-603919 Boss O-Ring .......................................... 1
1-603992 O-Ring (37° Flare #8)............................. 1
33 109-4076 Idler Flat W/Hub..................................... 1
34
103-5694
Kit, Idler Arm (103-4595-03)
W/Bearings............................................
1
35 323-11 Screw, HH 3/8-16 x 2 1/4....................... 1
36 3256-4 Washer, Flat Std 3/8 .............................. 1
37 3290-357 Nut, Whizlock 3/8-16.............................. 8
38 103-5677 Spacer ................................................... 1
39 32128-33 Nut, Whizlock 1/4-20.............................. 2
40 109-7738 Sheave, Engine ..................................... 1
41 109-6112 Belt, Pump Drive.................................... 1
42 323-8 Screw,3/8-16 x 1 1/2 .............................. 1
43 1-800805 Screw,3/8-16 x 3 1/2 Gr8 ....................... 1
44 323-7 Screw,3/8-16 x 1 1/4 .............................. 4
45 106-7159 O-ring .................................................... 2
46 13-2840 Key, 1/4 x 1/4 x 1 1/4 ............................ 1
47 302-40 Zerk,90° 1/4-28...................................... 1
48 103-3504 Bearing, Spherical ................................. 2
49 103-3330 Spring, Extension................................... 1
50 321-6 Screw, HH 1/4-20 x 1............................. 2
51 3256-22 Washer, SAE 1/4 ................................... 2
52 103-2916 Guard, Top ............................................ 2
53 103-7262 Pump, Hydraulic .................................... 1
103-7441 Kit, Input Bearing ................................... 1
94-6922 Kit, Thrust Bearing ................................. 1
103-7443 Kit, Cylinder Block.................................. 1
105-6184 Kit, Overhaul Seal.................................. 1
103-2741 Kit, Shock Valve 10A/10L....................... 1
Exmark black touch up spray paint - gloss black.
Use Pro-Lock, Nut Type (P/N 1-840022, 5 ml tube) on setscrews.
V Use only for operation below 32°F (0°C).

HYDRAULIC GROUP
-20-

DECAL GROUP
-21-
Item
Part No.
Description
Qty.
1 109-8482 Decal, Console.......................................1
2 107-2112 Decal, Warning Slope ............................1
3 103-6319 Decal, Check Service............................. 1
4 1-643222 Decal, Belt Routing ................................1
5 1-633706 Decal, Deck Height ................................ 1
6 1-643339 Decal, Pump Belt Rtg............................. 1
7 103-3270 Decal, 3750 RPM...................................1
8 103-3999 Decal, Exmark Logo (Console)...............1
9 1-513742 Decal, No Step....................................... 2
10 1-303508 Decal, Discharge Warning......................1
11 1-513748 Decal, Guard..........................................1
12 98-5954 Decal, Missing Cover .............................2
13 109-3148 Decal, Bolt Torque .................................1
14 109-0737 Decal, Console....................................... 1
Item
Part No.
Description
Qty.
15 103-3113 Decal, Lazer Model................................ 1
16 109-7949 Decal, Wheel Hub.................................. 2
17 1-633462 Decal, Important .................................... 1
18 103-1146 Decal, Ultracut 60 .................................. 1
19 103-5881 Decal, Rotating Devices......................... 1
20 103-9256 Decal, Console Top ............................... 1
21 1-523552 Decal, Hyd Tank/Hot Surface................. 1
22 107-2102 Decal, Rops Folding............................... 1
23 1-633922 Decal, Anti-Scalp ................................... 1
24 103-2882 Decal, Exmark Logo............................... 1
25 1-403005 Decal, Danger........................................ 2
26 103-1145 Decal, Ultracut 52 .................................. 1
27 103-1147 Decal, Ultracut 72 .................................. 1
103-5472 Decal Kit

DECAL GROUP
-22-

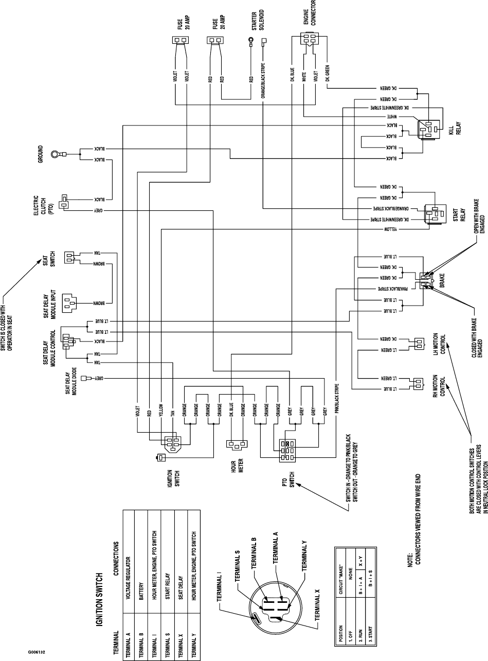
KOHLER ELECTRICAL GROUP
-23-
Item
Part No.
Description
Qty.
1 107-9277-03 Hold Down, Battery ................................ 1
2 3296-29 Nut, 5/16-18 Nyloc ................................. 1
3 1-543792 Wingnut, Nyloc.......................................2
4 1-633307 Cable, Battery (-) 40”..............................1
5 109-2407 Insulator, Battery....................................1
6 1-800282 Screw, 5/16-18 x 7 .................................1
7 3256-2 Washer, 1/4 Flat.....................................2
8 3217-6 Nut, Hex 5/16-18 ...................................1
9 1-523415 Spring, Seat Switch................................1
10 1-522424-03 Wldmt, Spring Mount..............................1
11 321-4 Screw, 1/4-20 x 3/4 ................................7
12 32128-33 Nut, 1/4-20 Whizlock ..............................8
13 103-2106 Key, Exmark Logo..................................1
1-603511 Key, Ignition ........................................... 1
14 1-513152 Switch, Seat N.C....................................1
15 1-513180 Actuator, Seat Switch............................. 1
16 3290-500 Screw, #10-24 x 5/8 ............................... 12
17 1-633181 Plate, Tapped.........................................4
18 1-816001 Fuse-20 Amp .........................................2
19 1-633111 Switch, Brake N.O./N.C..........................1
Item
Part No.
Description
Qty.
20 1-513051 Switch, Drive Lever N.O......................... 2
21 1-303287 Plastic Tie (Small).................................. 5
22 103-5218 Module, Seat Delay ............................... 1
23 109-4736 Asm, Switch W/Nut ................................ 1
24 1-513374 Meter, Engine Hours.............................. 1
25 103-5221 Switch, PTO........................................... 1
26 1-633396 Clip, Loom .69 ....................................... 3
27V109-0480 Harness, Wiring ..................................... 1
28 1-303335 Plastic Tie (Large).................................. 3
29 109-7630 Cable, Battery (+)................................... 1
30 1-543393 Insulator, Solenoid (+)............................ 1
31 1-633651 Bolt, Battery Hold Down......................... 2
32 103-5652 Asm, Seat Switch Actuator..................... 1
33 3296-2 Nut, #10-24 Hex Nyloc........................... 4
34 1-643275 Relay, 12V ............................................. 2
35 103-0498 Nut, Ignition ........................................... 1
36 321-2 Screw, 1/4-20 x 1/2................................ 1
37 3256-22 Washer, 1/4 SAE ................................... 1
38 109-7679-03 Mount, Relay ......................................... 1
V Use dielectric grease on all wiring harness connectors.

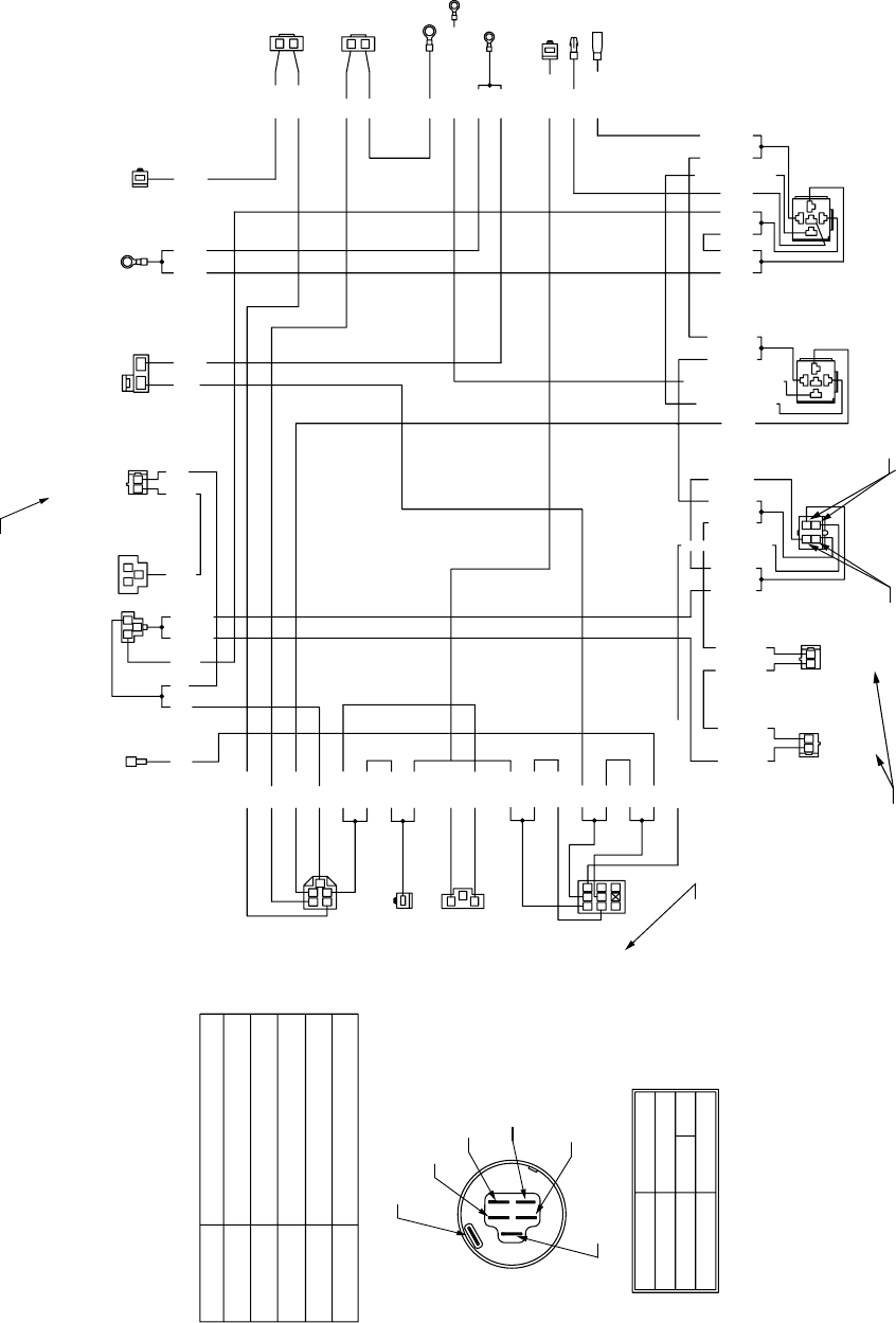
KAWASAKI ELECTRICAL GROUP
-24-
Item
Part No.
Description
Qty.
1 107-9277-03 Hold Down, Battery ................................ 1
2 3296-29 Nut, 5/16-18 Nyloc ................................. 1
3 1-543792 Wingnut, Nyloc.......................................2
4 1-633307 Cable, Battery (-) 40”..............................1
5 109-2407 Insulator, Battery....................................1
6 1-800282 Screw, 5/16-18 x 7 .................................1
7 3256-2 Washer, 1/4 Flat.....................................2
8 3217-6 Nut, Hex 5/16-18 ...................................1
9 1-523415 Spring, Seat Switch................................1
10 1-522424-03 Wldmt, Spring Mount..............................1
11 321-4 Screw, 1/4-20 x 3/4 ................................7
12 32128-33 Nut, 1/4-20 Whizlock ..............................8
13 103-2106 Key, Exmark Logo..................................1
1-603511 Key, Ignition ........................................... 1
14 1-513152 Switch, Seat N.C....................................1
15 1-513180 Actuator, Seat Switch............................. 1
16 3290-500 Screw, #10-24 x 5/8 ............................... 12
17 1-633181 Plate, Tapped.........................................4
18 1-816001 Fuse-20 Amp .........................................2
19 1-633111 Switch, Brake N.O./N.C..........................1
20 1-513051 Switch, Drive Lever N.O. ........................2
Item
Part No.
Description
Qty.
21 1-303287 Plastic Tie (Small).................................. 5
22 103-5218 Module, Seat Delay ............................... 1
23 109-4736 Asm, Switch W/Nut ................................ 1
24 1-513374 Meter, Engine Hours.............................. 1
25 103-5221 Switch, PTO........................................... 1
26 1-633396 Clip, Loom .69 ....................................... 3
27V109-5804 Harness, Wiring ..................................... 1
28 1-303335 Plastic Tie (Large).................................. 2
29 109-7630 Cable, Battery (+)................................... 1
30 1-543393 Insulator, Solenoid (+)............................ 3
31 1-633651 Bolt, Battery Hold Down......................... 2
32 321-2 Screw, 1/4-20 x 1/2................................ 1
33 3296-2 Nut, #10-24 Hex Nyloc........................... 4
34 1-643275 Relay, 12V ............................................. 2
35 103-0498 Nut, Ignition ........................................... 1
36 3256-22 Washer, 1/4 SAE ................................... 1
37 1-633306 Wire, Starter Solenoid............................ 1
38 1-513075 Switch, 12V Solenoid............................. 1
39 3217-5 Nut, Hex 1/4-20...................................... 1
40 1-805004 Washer, Lock 1/4 Heavy........................ 1
V Use dielectric grease on all wiring harness connectors.

KOHLER ELECTRICAL DIAGRAM
-25-

KAWASAKI ELECTRICAL DIAGRAM
-26-
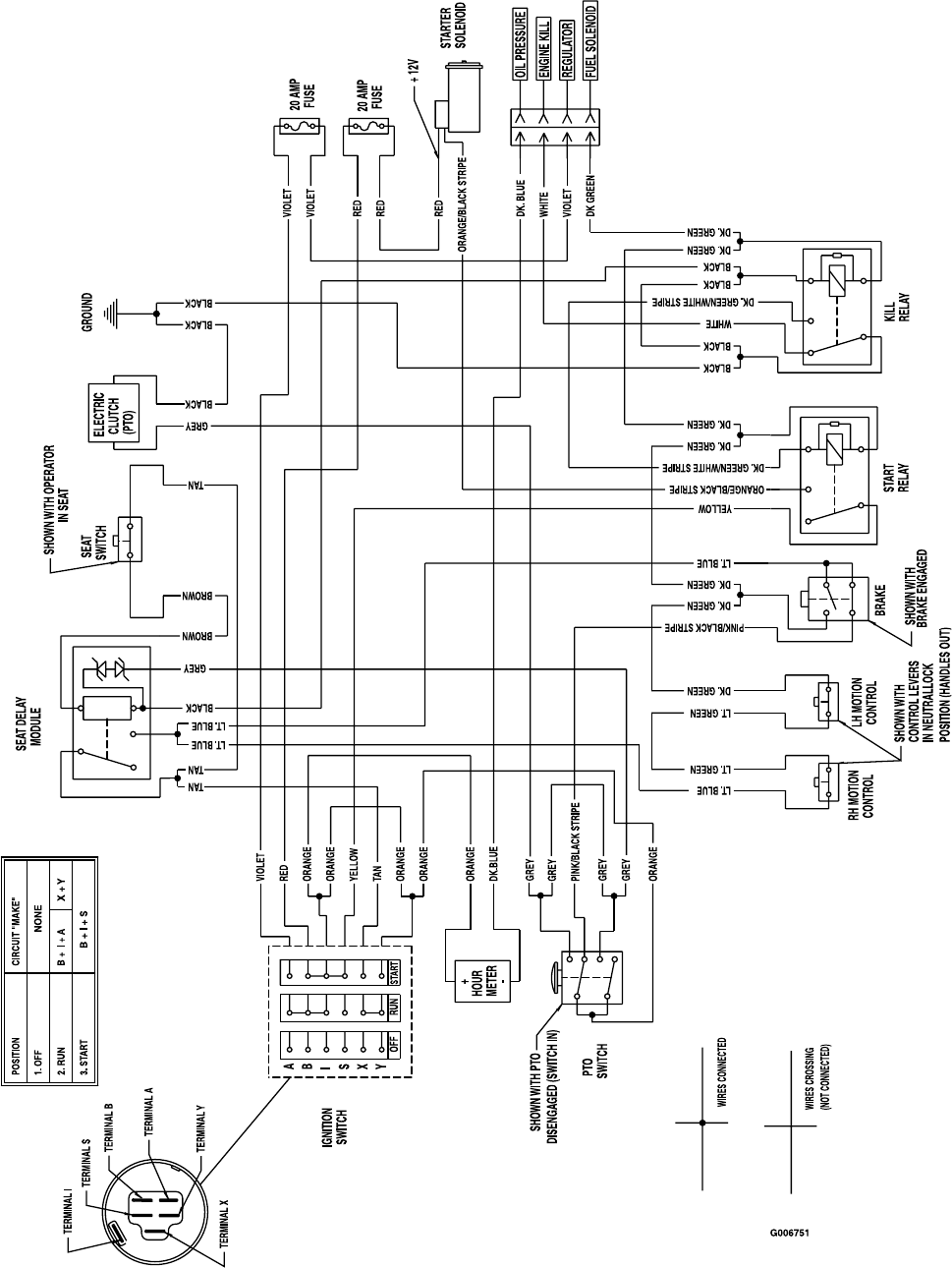
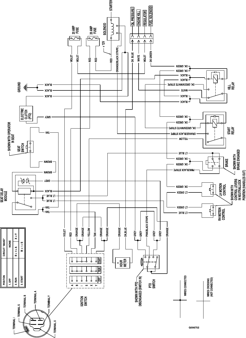
B + I + A
NONE
X + Y
CIRCUIT "MAKE"
B + I + S
2. RUN
1. OFF
POSITION
3. START
TERMINAL I
TERMINAL X
TERMINAL Y
TERMINAL A
TERMINAL B
TERMINAL S
TERMINAL A VOLTAGE REGULATOR
TERMINAL B BATTERY
TERMINAL I HOUR METER, ENGINE, PTO SWITCH
TERMINAL S START RELAY
TERMINAL X SEAT DELAY
TERMINAL Y HOUR METER, ENGINE, PTO SWITCH
TERMINAL CONNECTIONS
IGNITION SWITCH
START
RELAY
KILL
RELAY
VIOLET
VIOLET
RED
RED
RED
ORANGE/BLACK STRIPE
BLACK
BLACK
DK. BLUE
WHITE
DK. GREEN
20 AMP FUSE
20 AMP FUSE
STARTER
SOLENOID
ENGINE KILL
FUEL SOLENOID
OIL PRESSURE
LT. BLUE
DK. GREEN
DK. GREEN
PINK/BLACK STRIPE
LT. BLUE
LT. BLUE
DK. GREEN
LT. GREEN
LT. GREEN
LT. BLUE
YELLOW
DK. GREEN/WHITE
ORANGE/BLACK STRIPE
DK. GREEN
DK. GREEN
BLACK
BLACK
BLACK
BLACK
WHITE
DK. GREEN/WHITE
DK. GREEN
DK. GREEN
NOTE:
LH MOTION
CONTROL
RH MOTION
CONTROL
BRAKE
MOTION CONTROL SWITCHES ARE
CLOSED WITH CONTROL LEVERS
IN NEUTRAL LOCK POSITION
CLOSED WITH
BRAKE ENGAGED
OPEN WITH
BRAKE ENGAGED
CONNECTORS VIEWED FROM WIRE END
SWITCH IN - ORANGE TO PINK/BLACK
SWITCH OUT - ORANGE TO GREY
IGNITION
SWITCH
HOUR
METER
ELECTRIC
CLUTCH
SWITCH
VIOLET
RED
YELLOW
TAN
ORANGE
ORANGE
ORANGE
ORANGE
DK. BLUE
ORANGE
ORANGE
ORANGE
ORANGE
GRAY
GRAY
GRAY
GRAY
PINK/BLACK STRIPE
TAN
LT. BLUE
LT. BLUE
BLACK
TAN
BROWN
TAN
BROWN
GRAY
BLACK
VIOLET
BLACK
BLACK
GRAY
SEAT DELAY
MODULE DIODE
SEAT DELAY
MODULE CONTROL
SEAT
SWITCH
ELECTRIC
CLUTCH GROUND
SEAT DELAY
MODULE INPUT
RECTIFIER/
REGULATOR
SWITCH IS CLOSED
WITH OPERATOR IN SEAT
G006133

KOHLER LOGIC SCHEMATIC
-27-

KAWASAKI LOGIC SCHEMATIC
-28-
-29-
NOTES

-30-
SERVICE RECORD
Date Description of Work Done Service Done By

See Exmark’s Complete
Line of Accessories
Riding Accessories
Custom Ride Seat Suspension System
Deck Lift Assist Kit
Hitch Kit
Light Kit
Micro-mulch System
Roll Over Protection System (ROPS)
Snow Blade
Sun Shade
Trash Container
Turf Striper
Ultra Vac Collection System
Ultra Vac Quick Disposal System
Walk Behind Accessories
Grass Catcher
Micro-mulch System
Steerable Sulky
Sulky Hitch Kit
Turf Striper
Standon
Check Us Out On The Web:
www.exmark.com
©
1997
–
2008 Exmark Mfg. Co., Inc. Part No. 4500-303 Rev.
A
Industrial Park Box 808 (402) 223-6300
Beatrice, NE 68310 Fax (402) 223-5489
All Rights Reserved Printed In USA.