Ezurio PH45N 802.11a/b/g/n module User Manual

Laird Technologies 802.11a/b/g/n module Users Manual

Users Manual

     Datasheet PH45N Version 1.0
PH45N Datasheet Embedded Wireless Solutions Support Center: http://ews-support.lairdtech.com www.lairdtech.com/wireless 2 © Copyright 2018 Laird. All Rights Reserved Americas: +1-800-492-2320 Europe: +44-1628-858-940 Hong Kong: +852 2923 0610  REVISION HISTORY Version Date Notes Approver 1.0 01 Feb 2018 Initial Release Andrew Chen
PH45N Datasheet Embedded Wireless Solutions Support Center: http://ews-support.lairdtech.com www.lairdtech.com/wireless 3 © Copyright 2018 Laird. All Rights Reserved Americas: +1-800-492-2320 Europe: +44-1628-858-940 Hong Kong: +852 2923 0610  CONTENTS 1 Scope .................................................................................................................................................................. 4 2 Operational Description ..................................................................................................................................... 4 3 Block Diagram ..................................................................................................................................................... 5 4 Specifications...................................................................................................................................................... 5 5 Recommended Operating Conditions and DC Electrical Characteristics ........................................................... 9 5.1 SDIO Timing Requirements ........................................................................................................................ 9 6 Pin Definitions .................................................................................................................................................. 11 7 Integration Considerations ............................................................................................................................... 12 8 Mechanical Specifications ................................................................................................................................ 13 9 RF Layout Design Guidelines ............................................................................................................................ 13 10 Regulatory .................................................................................................................................................... 14 10.1 Certified Antennas.................................................................................................................................... 14 10.2 FCC and Industry Canada ......................................................................................................................... 14 10.2.1 FCC .................................................................................................................................................... 14 10.2.2 Industry Canada ............................................................................................................................... 16 10.3 European Union........................................................................................................................................ 18 10.3.1 EU Declarations of Conformity ......................................................................................................... 18 11 Appendix A: Schematic ................................................................................................................................. 22
PH45N Datasheet Embedded Wireless Solutions Support Center: http://ews-support.lairdtech.com www.lairdtech.com/wireless 4 © Copyright 2018 Laird. All Rights Reserved Americas: +1-800-492-2320 Europe: +44-1628-858-940 Hong Kong: +852 2923 0610  1 SCOPE This document describes key hardware aspects of the Laird PH45N radio module. This document is intended to assist device manufacturers and related parties with the integration of this radio into their host devices. Data in this document is drawn from a number of sources and includes information found in the Qualcomm Atheros (QCA) AR6003 data sheet issued in January 2010, along with other documents provided from Qualcomm Atheros. The information in this document is subject to change. Please contact Laird Technologies or visit http://www.lairdtech.com/wireless to obtain the most recent version of this document. 2 OPERATIONAL DESCRIPTION This device is a Laird PH45N radio module which supports IEEE 802.11a/b/g/n standards via an SDIO (Secure Digital Input/Output) interface. The radio operates in unlicensed portions of the 2.4 GHz and 5 GHz radio frequency spectrum. The device is compliant with IEEE 802.11a, 802.11b, 802.11g, and 802.11n standards using Direct Sequence Spread Spectrum (DSSS) and Orthogonal Frequency Division Multiplexing (OFDM). The device supports all 802.11a, 802.11b, 802.11g, and 802.11n data rates and automatically adjusts data rates and operational modes based on various environmental factors. When operating on channels in the UNII-2 and UNII-2 Extended bands that are in the 5GHz portion of the frequency spectrum and are subject to Dynamic Frequency Selection requirements, the PH45N fully conforms to applicable regulatory requirements. If specified types of radar are detected by the network infrastructure, the PH45N fully conforms to commands from the infrastructure for radar avoidance.  The PH45N interfaces to host devices via a 20-pin connector. The device is based on the Qualcomm Atheros AR6003 chip which is an integrated device providing a Media Access Controller (MAC), a Physical Layer Controller (baseband or BB processor), and fully integrated dual-band radio transceiver. To maximize operational range, the PH45N incorporates external 2.4 and 5 GHz power amplifiers (PA) to increase transmit power. The frequency stability for both 2.4 GHz (802.11b and 802.11g) and 5 GHz (802.11a) operation is +/- 20 ppm. The PH45N has its own RF shielding and does not require shielding provided by the host device into which it is installed in order to maintain compliance with applicable regulatory standards. As such, the device may be tested in a standalone configuration via an extender card.  The device buffers all data inputs so that it will comply with all applicable regulations even in the presence of over-modulated input from the host device. Similarly, the PH45N incorporates power regulation to comply with all applicable regulations even when receiving excess power from the host device.  The PH45N combines the 2.4 and 5 GHz signal path to signal U.FL type antenna connectors to support dual band transmission and receive. An antenna diversity function is NOT supported in this product. Supported host device antenna types include dipole and monopole antennas. Regulatory operational requirements are included with this document and may be incorporated into the operating manual of any device into which the PH45N is installed. The PH45N is designed for installation into mobile devices such as vehicle mount data terminals (which typically operate at distances greater than 20 cm from the human body) and portable devices such as handheld data terminals (which typically operate at distances less than 20 cm from the human body). See “Documentation Requirements” for more information.
PH45N Datasheet Embedded Wireless Solutions Support Center: http://ews-support.lairdtech.com www.lairdtech.com/wireless 5 © Copyright 2018 Laird. All Rights Reserved Americas: +1-800-492-2320 Europe: +44-1628-858-940 Hong Kong: +852 2923 0610  3 BLOCK DIAGRAM  Figure 1: PH45N Block Diagram Note:   Transmitter frequencies for Wi-Fi are 2412-2462 MHz and 5180-5805 MHz. 4 SPECIFICATIONS Table 1: Specifications Feature Description Physical Interface 20-pin female pin header Wi-Fi Interface 1-bit or 4-bit Secure Digital I/O  Note:   Can support 1.8 V or 3.3 V depending on the supply voltage on VDDIO (pin-21). Antenna Interface 1 Hirose U.FL connector  Main Chip Qualcomm Atheros AR6003 single-chip client  Input Voltage Requirements 3.3 VDC ± 5% (core) I/O Signalling Voltage 3.3 VDC ± 5%
PH45N Datasheet Embedded Wireless Solutions Support Center: http://ews-support.lairdtech.com www.lairdtech.com/wireless 6 © Copyright 2018 Laird. All Rights Reserved Americas: +1-800-492-2320 Europe: +44-1628-858-940 Hong Kong: +852 2923 0610  Feature Description Average Current Consumption (At maximum transmit power setting)  Note: Standby refers to the radio operating in PM1 powersave mode.   Mode 3.3 V Avg. Current (mA) Max. Current (mA)  802.11a Transmit 496 500  Receive 0.2 -  Standby TBD TBD 802.11b Transmit 380 420  Receive 0.2 -  Standby TBD TBD 802.11g Transmit 355 410  Receive 0.2 -  Standby TBD TBD 802.11n  (2.4 GHz) Transmit 342 420  Receive 0.2 -  Standby TBD TBD 802.11n  (5 GHz) Transmit 422 500  Receive 0.2 -  Standby TBD TBD Sleep N/A TBD TBD  Operating Temperature -20° to 70°C (-4° to 158°F)  Operating Humidity 10 to 90% (non-condensing) Storage Temperature -40° to 85°C (-40° to 185°F) Storage Humidity 10 to 90% (non-condensing) Maximum Electrostatic Discharge Maximum Contact Discharge (CD): 4 kV Maximum Air Discharge (AD): 8 kV Length 41 mm (1.614 in.) Width 36 mm (1.417 in.) Thickness 3.9 mm (0.153 in.) Weight 6 g (0.21 oz.) Mounting 20-pin connector, two grounded mounting holes Wi-Fi Media Direct Sequence-Spread Spectrum (DSSS)  Complementary Code Keying (CCK) Orthogonal Frequency Divisional Multiplexing (OFDM) Wi-Fi Media Access Protocol Carrier sense multiple access with collision avoidance (CSMA/CA) Network Architecture Types Infrastructure and ad hoc Wi-Fi Standards IEEE 802.11a, 802.11b, 802.11d, 802.11e, 802.11g, 802.11h, 802.11i, 802.11n Wi-Fi Data Rates Supported 802.11a (OFDM): 6, 9, 12, 18, 24, 36, 48, 54 Mbps 802.11b (DSSS, CCK): 1, 2, 5.5, 11 Mbps 802.11g (OFDM): 6, 9, 12, 18, 24, 36, 48, 54 Mbps 802.11n (OFDM,HT20,MCS 0-7): 6.5,13,19.5, 26, 39,52, 58.5, 72.2 Mbps
PH45N Datasheet Embedded Wireless Solutions Support Center: http://ews-support.lairdtech.com www.lairdtech.com/wireless 7 © Copyright 2018 Laird. All Rights Reserved Americas: +1-800-492-2320 Europe: +44-1628-858-940 Hong Kong: +852 2923 0610  Feature Description   7.2,14.4, 21.7, 28.9,43.3, 57.8, 65 Mbps Wi-Fi Modulation BPSK @ 1, 6, 6.5, 7.2 and 9 Mbps QPSK @ 2, 5.5, 11, 12, 13, 14.4,18, 19.5 and 21.7 Mbps 16-QAM @ 24, 26, 28.9, 36, 39 and 43.3 Mbps 64-QAM @ 48, 52, 54, 57.8, 58.5, 65, and 72.2 Mbps 802.11n Spatial Streams 1x1 SISO (Single Input, Single Output) Regulatory Domain Support FCC (Americas, Parts of Asia, and Middle East) ETSI (Europe, Middle East, Africa, and Parts of Asia) IC (Canada) 2.4 GHz Frequency Bands ETSI: 2.4 GHz to 2.483 GHz FCC/IC: 2.4 GHz to 2.483 GHz 2.4 GHz Operating Channels ETSI:13 (3 non-overlapping) FCC/IC:11 (3 non-overlapping)   5 GHz Frequency Bands ETSI 5.15 GHz to 5.35 GHz (Ch 36/40/44/48/52/56/60/64) 5.47 GHz to 5.725 GHz (Ch 100/104/108/112/116/120/124/128/132/136/140) FCC/IC 5.15 GHz to 5.35 GHz (Ch 36/40/44/48/52/56/60/64) 5.47 GHz to 5.725 GHz (Ch 100/104/108/112/116/120/124/128/ 132/136/140) 5.725 GHz to 5.85 GHz (Ch 149/153/157/161/165) 5 GHz Operating Channels ETSI:19 non-overlapping) FCC/IC: 24 non-overlapping  Transmit Power  Note:   Transmit power varies according to individual country regulations. All values nominal, +/-2 dBm.  Note:  Laird 45 series radios support a single spatial stream and 20 MHz wide channels for N rates. 802.11a:  6 Mbps  15 dBm (32 mW)               54 Mbps  12 dBm (16 mW) 802.11b:  1 Mbps  16 dBm (40 mW)               11 Mbps  16 dBm (40 mW) 802.11g:  6 Mbps  16 dBm (40 mW)               54 Mbps  12 dBm (16 mW) 802.11n (2.4 GHz):  6.5 Mbps (MCS0)  16 dBm (40 mW)   65 Mbps (MCS7)  12 dBm (16 mW) 802.11n (5 GHz):  6.5 Mbps (MCS0)  15 dBm (32 mW)   65 Mbps (MCS7)  12 dBm (16 mW) Typical Receiver Sensitivity  Note: All values nominal, +/-3 dBm. 802.11a:  6 Mbps  -90 dBm              54 Mbps  -73 dBm (PER <=10%) 802.11b:  1 Mbps  -89 dBm              11 Mbps  -82 dBm (PER <=10%) 802.11g:  6 Mbps  -85 dBm              54 Mbps  -68 dBm (PER <=10%) 802.11n (2.4 GHz):  MCS0 Mbps  -86 dBm                              MCS7 Mbps  -65 dBm 802.11n (5 GHz):  MCS0 Mbps  -90 dBm                            MCS7 Mbps  -70 dBm
PH45N Datasheet Embedded Wireless Solutions Support Center: http://ews-support.lairdtech.com www.lairdtech.com/wireless 8 © Copyright 2018 Laird. All Rights Reserved Americas: +1-800-492-2320 Europe: +44-1628-858-940 Hong Kong: +852 2923 0610  Feature Description Operating Systems Supported Android, Linux Security Standards Wireless Equivalent Privacy (WEP) Wi-Fi Protected Access (WPA) IEEE 802.11i (WPA2) Note: Support for Federal Information Processing Standards (FIPS) is pending. Encryption Wireless Equivalent Privacy (WEP, RC4 Algorithm) Temporal Key Integrity Protocol (TKIP, RC4 Algorithm) Advanced Encryption Standard (AES, Rijndael Algorithm) Encryption Key Provisioning Static (40-bit and 128-bit lengths) Pre-Shared (PSK) Dynamic  802.1X Extensible Authentication Protocol Types EAP-FAST EAP-TLS EAP-TTLS PEAP-GTC PEAP-MSCHAPv2 PEAP-TLS LEAP  Compliance     ETSI Regulatory Domain EN 300 328  EN 301 489-1 EN 301 489-17 EN 301 893 EN 60950-1 EN 62311 2011/65/EU (RoHS) FCC Regulatory Domain FCC 15.247 DTS – 802.11b/g (Wi-Fi) – 2.4 GHz & 5.8 GHz FCC 15.407 UNII – 802.11a (Wi-Fi) – 2.4 GHz & 5.4 GHz Industry Canada RSS-210 – 802.11a/b/g/n (Wi-Fi) – 2.4 GHz, 5.8 GHz, 5.2 GHz, and 5.4 GHz Certifications Note: CCX is pending.  Wi-Fi Alliance 802.11a, 802.11b, 802.11g , 802.11n WPA Enterprise  WPA2 Enterprise  Cisco Compatible Extensions (Version 4) Warranty Limited Lifetime All specifications are subject to change without notice
PH45N Datasheet Embedded Wireless Solutions Support Center: http://ews-support.lairdtech.com www.lairdtech.com/wireless 9 © Copyright 2018 Laird. All Rights Reserved Americas: +1-800-492-2320 Europe: +44-1628-858-940 Hong Kong: +852 2923 0610  5 RECOMMENDED OPERATING CONDITIONS AND DC ELECTRICAL CHARACTERISTICS Table 2: Absolute Maximum Ratings Symbol Parameter Min. Typ. Max. Unit VCC3_3 Power supply voltage with respect to ground  -0.3 - 4.0 V VDD_IO Power supply voltage with respect to ground  -0.3 - 4.0 V Voltage Ripple +/-2%, 10KHz~100KHz Max. values not exceeding Operating voltage  - - 2 % RFin Maximum RF input (reference to 50 ohm)  - - +10 dBm Table 3: Recommended Operating Conditions Symbol Parameter Min. Typ. Max. Unit VCC3_3 Power supply voltage with respect to ground  3.14 3.3 3.46 V VDD_IO Power supply voltage with respect to ground  3.14 3.3 3.46 V Note:   VDD_IO is a voltage from the host platform to configure the I/O signal level. It fixed to 3.3 V. 5.1 SDIO Timing Requirements The following figure and table display SDIO default mode timing. Note:  The SDIO bus should not exceed a 25 MHz clock rate.  Figure 2: SDIO Default Mode Timing Note: Timing is based on CL ≤ 40 pF load on CMD and Data.
PH45N Datasheet Embedded Wireless Solutions Support Center: http://ews-support.lairdtech.com www.lairdtech.com/wireless 10 © Copyright 2018 Laird. All Rights Reserved Americas: +1-800-492-2320 Europe: +44-1628-858-940 Hong Kong: +852 2923 0610  Table 4: SDIO Timing Requirements Symbol Parameter Min. Typ. Max. Unit fPP Frequency – Data Transfer mode 0 - 50 MHz tWL Clock low time 7 - - ns tWH Clock high time 7 - - ns tTLH Clock rise time - - 10 ns tTHL Clock low time - - 10 ns Inputs: CMD, DAT (referenced to CLK) tISU Input setup time 6 - - ns tIH Input hold time 2 - - ns Outputs: CMD, DAT (referenced to CLK) tODLY Output delay time – Data Transfer mode 0 - 14 ns
PH45N Datasheet Embedded Wireless Solutions Support Center: http://ews-support.lairdtech.com www.lairdtech.com/wireless 11 © Copyright 2018 Laird. All Rights Reserved Americas: +1-800-492-2320 Europe: +44-1628-858-940 Hong Kong: +852 2923 0610  6 PIN DEFINITIONS Table 5: Pin Definitions Pin # Name I/O Default State Ref. Description If Unused 1 SDIO_CLK I Hi-Z VDD_IO SDIO Clock (25 MHz max)  2 SDIO_CMD I/O Pull-H VDD_IO SDIO Command  3 SDIO_DATA_0 I/O Pull-H VDD_IO SDIO Data 0  4 No Connect -  - No internal connection. Leave it open Leave open 5 CHIP_PWD_L I Pull-H VDD_IO Input signal to power down the module. Active low See Note 1. See Note Regarding CHIP_PWD_L.   6 GND -   Ground Must be connected to GND 7 No Connect -  - No internal connection. Leave it open Leave open 8 No Connect -  - No internal connection. Leave it open Leave open 9 GND -   Ground Must be connected to GND 10 No Connect -  - No internal connection. Leave it open Leave open 11 No Connect -  - No internal connection. Leave it open Leave open 12 VCC3_3 -   3.3 V Module Power VCC3_3 13 SDIO_DATA_1 I/O Pull-H VDD_IO SDIO Data 1  14 SDIO_DATA_3 I/O Pull-H VDD_IO SDIO Data 3  15 TBD -   TBD Must be connected to GND through 1K Ohm resistor 16 SDIO_DATA_2 I/O Pull-H VDD_IO SDIO Data2 Note:   See “Integration Considerations” for additional integration information. SDIO_DATA_2 17 VCC3_3 -   3.3 V Module Power VCC3_3 18 VCC3_3 -   3.3 V Module Power VCC3_3 19 GND -   Ground Must be connected to GND 20 GND -   Ground Must be connected to GND  Note 1:   If the following lines are available on the radio you are integrating into your system, you must connect and control them with the host device.  CHIP_PWD_L    SYS_RST_L   BT_RST_L      VDDIO_DR If the radio stays powered up and the host goes down or is reset, communications cannot be re-established with the radio. The host SDIO controller must re-establish communication with the radio by reloading the radio firmware after a power-on or a reset.
PH45N Datasheet Embedded Wireless Solutions Support Center: http://ews-support.lairdtech.com www.lairdtech.com/wireless 12 © Copyright 2018 Laird. All Rights Reserved Americas: +1-800-492-2320 Europe: +44-1628-858-940 Hong Kong: +852 2923 0610  Note Regarding CHIP_PWD_L: During power on/down period, the CHIP_PWD_L must be held in low state longer than 5 µsec (TA and TB) after the VCC3_3 reaches its high state. See Figure 3. To reset the PH45N, set the CHIP_PWD_L in low state longer than 5 µsec (TC). See Figure 4.  Figure 3: Power on/down timing  Figure 4: Reset timing 7 INTEGRATION CONSIDERATIONS The following Wi-Fi information should be taken into consideration when integrating the PH45N. Series resistors are recommended in all six SDIO lines (27-56 ohms typically): ▪ SDIO_CLK  ▪ SDIO_CMD ▪ SDIO_DATA_0 ▪ SDIO_DATA_1 ▪ SDIO_DATA_2 ▪ SDIO_DATA_3  Note:   Although these values may vary with the properties of your host interface and the PCB, they are a reasonable starting point. Note:   The series resistors in the SDIO bus provide several design benefits:   If a host controller has too high of a drive strength, then bus ringing may result. Series resistors can reduce this ringing on the I/O lines.    Adding 27-56 ohms of series resistance on the SDIO bus will reduce sharp transitional edges, which may reduce EMI.   Having the series resistors in the PCB layout allows for design flexibility; if they are later found to be unnecessary, zero (0) ohm jumpers may be used in their place.
PH45N Datasheet Embedded Wireless Solutions Support Center: http://ews-support.lairdtech.com www.lairdtech.com/wireless 13 © Copyright 2018 Laird. All Rights Reserved Americas: +1-800-492-2320 Europe: +44-1628-858-940 Hong Kong: +852 2923 0610  Also note the following: ▪ Route the SDIO bus as short and as similar in length as possible. ▪ Keep the clock trace separate from other signal traces.  8 MECHANICAL SPECIFICATIONS  Figure 5: Mechanical Drawing 9 RF LAYOUT DESIGN GUIDELINES The following is a list of RF layout design guidelines and recommendation when installing a Laird radio into your device.  ▪ Do not run antenna cables directly above or directly below the radio. ▪ Do not place any parts or run any high speed digital lines below the radio. ▪ If there are other radios or transmitters located on the device (such as a Bluetooth radio), place the devices as far apart from each other as possible. ▪ Ensure that there is the maximum allowable spacing separating the antenna connectors on the Laird radio from the antenna. In addition, do not place antennas directly above or directly below the radio. ▪ Laird recommends the use of a double shielded cable for the connection between the radio and the antenna elements. Notes:   No pull-up is required on the CLK line.   Make sure to apply the proper voltage on the VDD_IO input to the SiP to match the signalling voltage of the SDIO host interface (1.8V or 3.3V typically, but it can be anything in between these values).   The SDIO host must wait a minimum of 5 µsec before initiating access to the PH45N after VCC3_3 ramps up and settles
PH45N Datasheet Embedded Wireless Solutions Support Center: http://ews-support.lairdtech.com www.lairdtech.com/wireless 14 © Copyright 2018 Laird. All Rights Reserved Americas: +1-800-492-2320 Europe: +44-1628-858-940 Hong Kong: +852 2923 0610  ▪ Laird has provided three plated mounting holes that can be used for grounding. When additional ground plane is required, you may use some or all of these grounded mounting holes. ▪ Use proper electro-static-discharge (ESD) procedures when installing the Laird radio module.  10 REGULATORY 10.1 Certified Antennas The PH45N will be tested to the regulatory standards defined in the “Certifications” section of the Specifications table above. Laird Technologies plans to conduct these tests with the following antennas: Model Type  Connector Maximum Gain Laird NanoBlade-IP04 PCB Dipole IPEX MHF 2.4-2.5 GHz: 2 dBi 5.15-5.35 GHz: 3.9 dBi 5.6 GHz: 4 dBi Antennas of differing types and higher gains may be integrated as well. If necessary, with the Laird Manufacturing Utility software utility, OEMs may reduce the transmit power of the PH45N to account for higher antenna gain. In some cases, OEMs may be able to reduce certification efforts by using antennas that are of like type and equal or lesser gain to the above listed antennas.  10.2 FCC and Industry Canada In order to maintain regulatory compliance, when integrating the Laird PH45N into a host device and leveraging Laird’s grants and certifications, it is necessary to meet the documentation requirements set forth by the applicable regulatory agencies. The following sections (FCC, Industry Canada, and European Union) outline the information that may be included in the user’s guide and external labels for the host devices into which the PH45N is integrated.  10.2.1 FCC Note:   You must place “Contains FCC ID: SQG-PH45N” on the host product in such a location that it can be seen by an operator at the time of purchase.  10.2.1.1 User’s Guide Requirements When integrating the PH45N into a host device, the integrator must include specific information in the user’s guide for the device into which the PH45N is integrated. The integrator must not provide information to the end user regarding how to install or remove this RF module in the user’s manual of the device into which the PH45N is integrated. The following FCC statements must be added in their entirety and without modification into a prominent place in the user’s guide for the device into which the PH45N is integrated:   Federal Communication Commission Interference Statement  This equipment has been tested and found to comply with the limits for a Class B digital device, pursuant to Part 15 of the FCC Rules. These limits are designed to provide reasonable protection against harmful interference in a residential installation. This equipment generates, uses, and can radiate radio frequency energy and, if not installed and used in accordance with the instructions, may cause harmful interference to radio communications. However, there is no guarantee that interference will not occur in a particular
PH45N Datasheet Embedded Wireless Solutions Support Center: http://ews-support.lairdtech.com www.lairdtech.com/wireless 15 © Copyright 2018 Laird. All Rights Reserved Americas: +1-800-492-2320 Europe: +44-1628-858-940 Hong Kong: +852 2923 0610  installation. If this equipment does cause harmful interference to radio or television reception, which can be determined by turning the equipment off and on, the user is encouraged to try to correct the interference by one of the following measures:  1. Reorient or relocate the receiving antenna. 2. Increase the separation between the equipment and receiver. 3. Connect the equipment into an outlet on a circuit different from that to which the receiver is connected. 4. Consult the dealer or an experienced radio/TV technician for help.  FCC Caution:   Any changes or modifications not expressly approved by the party responsible for compliance could void the user's authority to operate this equipment.  This device complies with Part 15 of the FCC Rules. Operation is subject to the following two conditions: (1) This device may not cause harmful interference, and (2) this device must accept any interference received, including interference that may cause undesired operation. This device is restricted to indoor use when operated in the 5.15 to 5.25 GHz frequency range. FCC requires this product to be used indoors for the frequency range 5.15 to 5.25 GHz to reduce the potential for harmful interference to co-channel Mobile Satellite systems. This device does not permit operations on channels 116-128 (5580 – 5640 MHz) for 11na and 120-128 (5600-5640 MHz) for 11a which overlap the 5600 -5650 MHz band. IMPORTANT NOTE: FCC Radiation Exposure Statement:    This equipment complies with FCC radiation exposure limits set forth for an uncontrolled environment. This equipment should be installed and operated with minimum distance 20cm between the radiator & your body.  This device is intended only for OEM integrators under the following conditions: ▪ The antenna must be installed such that 20 cm is maintained between the antenna and users, and  ▪ The transmitter module may not be co-located with any other transmitter or antenna,  ▪ For all products marketed in the United States, the OEM must limit the operation channels from CH1 to CH11 for 2.4 GHz band by the supplied firmware programming tool. The OEM shall not supply any tool or information to the end-user regarding Regulatory Domain change. As long as the three conditions above are met, further transmitter testing is not required. However, the OEM integrator is still responsible for testing their end-product for any additional compliance requirements required with this module installed. IMPORTANT NOTE:     In the event that these conditions cannot be met (for example, certain laptop configurations or co-location with another transmitter), then the FCC authorization is no longer considered valid and the FCC ID cannot be used on the final product. In these circumstances, the OEM integrator is responsible for re-evaluating the end product (including the transmitter) and obtaining a separate FCC authorization.
PH45N Datasheet Embedded Wireless Solutions Support Center: http://ews-support.lairdtech.com www.lairdtech.com/wireless 16 © Copyright 2018 Laird. All Rights Reserved Americas: +1-800-492-2320 Europe: +44-1628-858-940 Hong Kong: +852 2923 0610  10.2.1.2 End Product Labeling This transmitter module is authorized only for use in device where the antenna is installed such that 20 cm is maintained between the antenna and users. The final end product must be labeled in a visible area with the following: “Contains FCC ID: SQG-PH45N”. 10.2.1.3 Manual Information to the End User The OEM integrator may NOT provide information to the end user regarding how to install or remove this RF module in the user’s manual of the end product which integrates this module. The end user manual shall include all required regulatory information/warnings as show in this Hardware Integration Guide. 10.2.2 Industry Canada  Note:   You must place “Contains IC ID: 3147A-PH45N” on the host product in such a location that it can be seen by an operator at the time of purchase.  10.2.2.1 User’s Guide Requirements (for Model # PH45N) RF Radiation Hazard Warning  To ensure compliance with FCC and Industry Canada RF exposure requirements, this device must be installed in a location where the antennas of the device will have a minimum distance of at least 20 cm from all persons. Using higher gain antennas and types of antennas not certified for use with this product is not allowed. The device shall not be co-located with another transmitter. Installez l'appareil en veillant à conserver une distance d'au moins 20 cm entre les éléments rayonnants et les personnes. Cet avertissement de sécurité est conforme aux limites d'exposition définies par la norme CNR-102 at relative aux fréquences radio. Maximum Antenna Gain – If the integrator configures the device such that the antenna is detectable from the host product. This radio transmitter (identify the device by certification number, or model number if Category II) has been approved by Industry Canada to operate with the antenna types listed below with the maximum permissible gain and required antenna impedance for each antenna type indicated. Antenna types not included in this list, having a gain greater than the maximum gain indicated for that type, are strictly prohibited for use with this device. Antenna list refer to Certified Antennas. Le présent émetteur radio (IC: 3147A-PH45N) a été approuvé par Industrie Canada pour fonctionner avec les types d'antenne énumérés ci-dessous et ayant un gain admissible maximal et l'impédance requise pour chaque type d'antenne. Les types d'antenne non inclus dans cette liste, ou dont le gain est supérieur au gain maximal indiqué, sont strictement interdits pour l'exploitation de l'émetteur. Le présent appareil est conforme aux CNR d'Industrie Canada applicables aux appareils radio exempts de licence. L'exploitation est autorisée aux deux conditions suivantes : (1) l'appareil ne doit pas produire de brouillage, et (2) l'utilisateur de l'appareil doit accepter tout brouillage radioélectrique subi, même si le brouillage est susceptible d'en compromettre le fonctionnement. This device is intended only for OEM integrators under the following conditions:
PH45N Datasheet Embedded Wireless Solutions Support Center: http://ews-support.lairdtech.com www.lairdtech.com/wireless 17 © Copyright 2018 Laird. All Rights Reserved Americas: +1-800-492-2320 Europe: +44-1628-858-940 Hong Kong: +852 2923 0610  ▪ The antenna must be installed such that 20 cm is maintained between the antenna and users, and  ▪ The transmitter module may not be co-located with any other transmitter or antenna. As long as 2 conditions above are met, further transmitter test will not be required. However, the OEM integrator is still responsible for testing their end-product for any additional compliance requirements required with this module installed. Cet appareil est conçu uniquement pour les intégrateurs OEM dans les conditions suivantes: ▪ L'antenne doit être installée de telle sorte qu'une distance de 20 cm est respectée entre l'antenne et les utilisateurs, et ▪ Le module émetteur peut ne pas être coïmplanté avec un autre émetteur ou antenne. Tant que les 2 conditions ci-dessus sont remplies, des essais supplémentaires sur l'émetteur ne seront pas nécessaires. Toutefois, l'intégrateur OEM est toujours responsable des essais sur son produit final pour toutes exigences de conformité supplémentaires requis pour ce module installé. IMPORTANT NOTE: In the event that these conditions cannot be met (for example certain laptop configurations or co-location with another transmitter), then the Canada authorization is no longer considered valid and the IC ID can not be used on the final product. In these circumstances, the OEM integrator will be responsible for re-evaluating the end product (including the transmitter) and obtaining a separate Canada authorization. NOTE IMPORTANTE:   Dans le cas où ces conditions ne peuvent être satisfaites (par exemple pour certaines configurations d'ordinateur portable ou de certaines co-localisation avec un autre émetteur), l'autorisation du Canada n'est plus considéré comme valide et l'ID IC ne peut pas être utilisé sur le produit final. Dans ces circonstances, l'intégrateur OEM sera chargé de réévaluer le produit final (y compris l'émetteur) et l'obtention d'une autorisation distincte au Canada. End Product Labeling This transmitter module is authorized only for use in device where the antenna may be installed such that 20 cm may be maintained between the antenna and users. The final end product must be labeled in a visible area with the following: “Contains IC: 3147A-PH45N”.  Plaque signalétique du produit final Ce module émetteur est autorisé uniquement pour une utilisation dans un dispositif où l'antenne peut être installée de telle sorte qu'une distance de 20cm peut être maintenue entre l'antenne et les utilisateurs. Le produit final doit être étiqueté dans un endroit visible avec l'inscription suivante: "Contient des IC: 3147A-PH45N ". Manual Information to the End User The OEM integrator has to be aware not to provide information to the end user regarding how to install or remove this RF module in the user’s manual of the end product which integrates this module. The end user manual shall include all required regulatory information/warning as show in this manual. Manuel d'information à l'utilisateur final
PH45N Datasheet Embedded Wireless Solutions Support Center: http://ews-support.lairdtech.com www.lairdtech.com/wireless 18 © Copyright 2018 Laird. All Rights Reserved Americas: +1-800-492-2320 Europe: +44-1628-858-940 Hong Kong: +852 2923 0610  L'intégrateur OEM doit être conscient de ne pas fournir des informations à l'utilisateur final quant à la façon d'installer ou de supprimer ce module RF dans le manuel de l'utilisateur du produit final qui intègre ce module. Le manuel de l'utilisateur final doit inclure toutes les informations réglementaires requises et avertissements comme indiqué dans ce manuel. 10.3 European Union 10.3.1 EU Declarations of Conformity Manufacturer Laird   Products PH45N Product Description 802.11 a/b/g/n Enterprise Wi-Fi module EU Directives 2014/53/EU – Radio Equipment Directive (RED) Reference standards used for presumption of conformity:  Article Number Requirement Reference standard(s) 3.1a Low voltage equipment safety EN 60950-1:2006 +A11:2009 +A1:2010 +A12:2011 RF Exposure EN 62311:2008 EN 50385:2002 3.1b Protection requirements with respect to electromagnetic compatibility EN 301 489-1 v2.2.0 (2017-03) EN 301 489-17 v3.2.0 (2017-03) 3.2 Protection requirements –  Electromagnetic compatibility EN 300 328 v2.1.1 (2016-11) EN 301 893 v2.1.1 (2017-05) Declaration: We, Laird, declare under our sole responsibility that the essential radio test suites have been carried out and that the above product to which this declaration relates is in conformity with all the applicable essential requirements of Article 3 of the EU Directive 2014/53/EU, when used for its intended purpose. Place of Issue: Laird  W66N220 Commerce Court, Cedarburg, WI 53012   USA tel: +1-262-375-4400  fax: +1-262-364-2649 Date of Issue: June 2017 Name of Authorized Person: Thomas T Smith, Director of EMC Compliance Signature of Authorized Person:
PH45N Datasheet Embedded Wireless Solutions Support Center: http://ews-support.lairdtech.com www.lairdtech.com/wireless 19 © Copyright 2018 Laird. All Rights Reserved Americas: +1-800-492-2320 Europe: +44-1628-858-940 Hong Kong: +852 2923 0610  10.3.1.1 User’s Guide Requirements The integrator must include specific information in the user’s guide for the device into which the PH45N is integrated. In addition to the required FCC and IC statements outlined above, the following Radio Equipment Directive (RED) statements must be added in their entirety and without modification into a prominent place in the user’s guide for the device into which the PH45N is integrated:  This device complies with the essential requirements of the Radio Equipment Directive: 2014/53/EU. The following test methods have been applied in order to prove presumption of conformity with the essential requirements of this directive: ▪ EN 60950-1:2006+A11+A1:2010+A12:2011 Safety of Information Technology Equipment ▪ EN 300 328 v2.1.1 Electromagnetic compatibility and Radio spectrum Matters (ERM); Wideband Transmission systems; Data transmission equipment operating in the 2.4 GHz ISM band and using spread spectrum modulation 2014/53/EU.  ▪ EN 301 489-1 v2.2.0 Electromagnetic compatibility and Radio Spectrum Matters (ERM); ElectroMagnetic Compatibility (EMC) standard for radio equipment and services; Part 1: Common technical requirements ▪ EN 301 489-17 3.2.0 Electromagnetic compatibility and Radio spectrum Matters (ERM); ElectroMagnetic Compatibility (EMC) standard for radio equipment and services; Part 17: Specific conditions for 2,4 GHz wideband transmission systems and 5 GHz high performance RLAN equipment ▪ EN 301 893 v2.1.1 Electromagnetic compatibility and Radio spectrum Matters (ERM); Broadband Radio Access Networks (BRAN); Specific conditions for 5 GHz high performance RLAN equipment ▪ EU 2011/65/EU (RoHS)  Declaration of Compliance – EU Directive 2011/65/EU; Reduction of Hazardous Substances (RoHS) This device is a 2.4 GHz wideband transmission system (transceiver), intended for use in all EU member states and EFTA countries, except in France and Italy where restrictive use applies. In Italy the end-user should apply for a license at the national spectrum authorities in order to obtain authorization to use the device for setting up outdoor radio links and/or for supplying public access to telecommunications and/or network services. This device may not be used for setting up outdoor radio links in France and in some areas the RF output power may be limited to 10 mW EIRP in the frequency range of 2454 – 2483.5 MHz. For detailed information the end-user should contact the national spectrum authority in France. The minimum distance between the user and/or any bystander and the radiating structure of the transmitter  is 20 cm.  Maximum Output Power for Each Frequency  20.00 dBm, 2.4G: 2.412 GHZ~2.472GHZ 22.20 dBm, 5.15-5.25GHz 22.10 dBm, 5.47-5.725GHz  Software Version for Testing SW version: 23.3.3.5
PH45N Datasheet Embedded Wireless Solutions Support Center: http://ews-support.lairdtech.com www.lairdtech.com/wireless 20 © Copyright 2018 Laird. All Rights Reserved Americas: +1-800-492-2320 Europe: +44-1628-858-940 Hong Kong: +852 2923 0610  5150 ~ 5350 MHz is limited to indoor used in the following countries:   BE DK IE FR CY LU NL PT SK UK NO BG DE EL HR LV HU AT RO FI LI TR CZ EE ES IT LT MT PL SI SE IS CH    Česky [Czech] [Jméno výrobce] tímto prohlašuje, že tento [typ zařízení] je ve shodě se základními požadavky a dalšími příslušnými ustanoveními směrnice 2014/53/EU. Dansk [Danish] Undertegnede [fabrikantens navn] erklærer herved, at følgende udstyr [udstyrets typebetegnelse] overholder de væsentlige krav og øvrige relevante krav i direktiv 2014/53/EU. Deutsch [German] Hiermit erklärt [Name des Herstellers], dass sich das Gerät [Gerätetyp] in Übereinstimmung mit den grundlegenden Anforderungen und den übrigen einschlägigen Bestimmungen der Richtlinie 2014/53/EU befindet. Eesti [Estonian] Käesolevaga kinnitab [tootja nimi = name of manufacturer] seadme [seadme tüüp = type of equipment] vastavust direktiivi 2014/53/EU põhinõuetele ja nimetatud direktiivist tulenevatele teistele asjakohastele sätetele. English Hereby, [name of manufacturer], declares that this [type of equipment] is in compliance with the essential requirements and other relevant provisions of Directive 2014/53/EU. Español [Spanish] Por medio de la presente [nombre del fabricante] declara que el [clase de equipo] cumple con los requisitos esenciales y cualesquiera otras disposiciones aplicables o exigibles de la Directiva 2014/53/EU. Ελληνική [Greek] ΜΕ ΤΗΝ ΠΑΡΟΥΣΑ [name of manufacturer] ΔΗΛΩΝΕΙ ΟΤΙ [type of equipment] ΣΥΜΜΟΡΦΩΝΕΤΑΙ ΠΡΟΣ ΤΙΣ ΟΥΣΙΩΔΕΙΣ ΑΠΑΙΤΗΣΕΙΣ ΚΑΙ ΤΙΣ ΛΟΙΠΕΣ ΣΧΕΤΙΚΕΣ ΔΙΑΤΑΞΕΙΣ ΤΗΣ ΟΔΗΓΙΑΣ 2014/53/EU. Français [French] Par la présente [nom du fabricant] déclare que l'appareil [type d'appareil] est conforme aux exigences essentielles et aux autres dispositions pertinentes de la directive 2014/53/EU. Italiano [Italian] Con la presente [nome del costruttore] dichiara che questo [tipo di apparecchio] è conforme ai requisiti essenziali ed alle altre disposizioni pertinenti stabilite dalla direttiva 2014/53/EU. Latviski [Latvian] Aršo[name of manufacturer /izgatavotājanosaukums] deklarē, ka[type of equipment / iekārtas tips]atbilstDirektīvas 2014/53/EU būtiskajāmprasībām un citiemar to saistītajiemnoteikumiem. Lietuvių [Lithuanian]  Šiuo [manufacturer name] deklaruoja, kad šis [equipment type] atitinka esminius reikalavimus ir kitas 2014/53/EU Direktyvos nuostatas. Nederlands [Dutch] Hierbij verklaart [naam van de fabrikant] dat het toestel [type van toestel] in overeenstemming is met de essentiële eisen en de andere relevante bepalingen van richtlijn 2014/53/EU. Malti [Maltese] Hawnhekk, [isem tal-manifattur], jiddikjara li dan [il-mudel tal-prodott] jikkonforma mal-ħtiġijiet essenzjali u ma provvedimenti oħrajn relevanti li hemm fid-Dirrettiva 2014/53/EU . Magyar [Hungarian] Alulírott, [gyártó neve] nyilatkozom, hogy a [... típus]megfelel a vonatkozó alapvetõ követelményeknek és az 2014/53/EU  irányelv egyéb elõírásainak. Polski [Polish] Niniejszym [nazwa producenta] oświadcza, że [nazwa wyrobu] jest zgodny z zasadniczymi wymogami oraz pozostałymi stosownymi postanowieniami Dyrektywy 2014/53/EU .
PH45N Datasheet Embedded Wireless Solutions Support Center: http://ews-support.lairdtech.com www.lairdtech.com/wireless 21 © Copyright 2018 Laird. All Rights Reserved Americas: +1-800-492-2320 Europe: +44-1628-858-940 Hong Kong: +852 2923 0610  Português [Portuguese] [Nome do fabricante] declara que este [tipo de equipamento] está conforme com os requisitos essenciais e outras disposições da Directiva 2014/53/EU. Slovensko [Slovenian] [Ime proizvajalca] izjavlja, da je ta [tip opreme] v skladu z bistvenimi zahtevami in ostalimi relevantnimi določili direktive 2014/53/EU. Slovensky [Slovak] [Menovýrobcu]týmtovyhlasuje, že[typzariadenia]spĺňazákladnépožiadavky a všetkypríslušnéustanoveniaSmernice 2014/53/EU. Suomi [Finnish] [Valmistaja = manufacturer] vakuuttaa täten että [type of equipment = laitteen tyyppimerkintä] tyyppinen laite on direktiivin 2014/53/EU oleellisten vaatimusten ja sitä koskevien direktiivin muiden ehtojen mukainen. Svenska [Swedish] Härmed intygar [företag] att denna [utrustningstyp] står I överensstämmelse med de väsentliga egenskapskrav och övriga relevanta bestämmelser som framgår av direktiv 2014/53/EU.
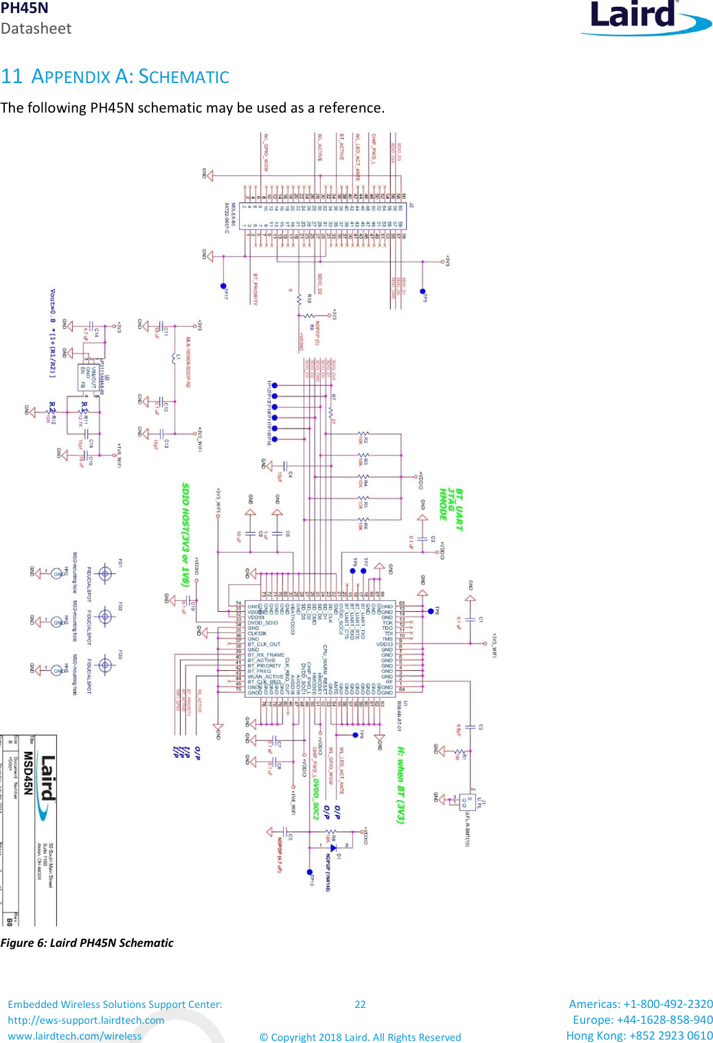
PH45N Datasheet Embedded Wireless Solutions Support Center: http://ews-support.lairdtech.com www.lairdtech.com/wireless 22 © Copyright 2018 Laird. All Rights Reserved Americas: +1-800-492-2320 Europe: +44-1628-858-940 Hong Kong: +852 2923 0610  11 APPENDIX A: SCHEMATIC The following PH45N schematic may be used as a reference.  Figure 6: Laird PH45N Schematic

Navigation menu