Ezurio PH45N 802.11a/b/g/n module User Manual
Laird Technologies 802.11a/b/g/n module Users Manual
Ezurio >
Users Manual

Datasheet
PH45N
Version 1.0

PH45N
Datasheet
Embedded Wireless Solutions Support Center:
http://ews-support.lairdtech.com
www.lairdtech.com/wireless
2
© Copyright 2018 Laird. All Rights Reserved
Americas: +1-800-492-2320
Europe: +44-1628-858-940
Hong Kong: +852 2923 0610
REVISION HISTORY
Version
Date
Notes
Approver
1.0
01 Feb 2018
Initial Release
Andrew Chen

PH45N
Datasheet
Embedded Wireless Solutions Support Center:
http://ews-support.lairdtech.com
www.lairdtech.com/wireless
3
© Copyright 2018 Laird. All Rights Reserved
Americas: +1-800-492-2320
Europe: +44-1628-858-940
Hong Kong: +852 2923 0610
CONTENTS
1 Scope .................................................................................................................................................................. 4
2 Operational Description ..................................................................................................................................... 4
3 Block Diagram ..................................................................................................................................................... 5
4 Specifications...................................................................................................................................................... 5
5 Recommended Operating Conditions and DC Electrical Characteristics ........................................................... 9
5.1 SDIO Timing Requirements ........................................................................................................................ 9
6 Pin Definitions .................................................................................................................................................. 11
7 Integration Considerations ............................................................................................................................... 12
8 Mechanical Specifications ................................................................................................................................ 13
9 RF Layout Design Guidelines ............................................................................................................................ 13
10 Regulatory .................................................................................................................................................... 14
10.1 Certified Antennas.................................................................................................................................... 14
10.2 FCC and Industry Canada ......................................................................................................................... 14
10.2.1 FCC .................................................................................................................................................... 14
10.2.2 Industry Canada ............................................................................................................................... 16
10.3 European Union........................................................................................................................................ 18
10.3.1 EU Declarations of Conformity ......................................................................................................... 18
11 Appendix A: Schematic ................................................................................................................................. 22

PH45N
Datasheet
Embedded Wireless Solutions Support Center:
http://ews-support.lairdtech.com
www.lairdtech.com/wireless
4
© Copyright 2018 Laird. All Rights Reserved
Americas: +1-800-492-2320
Europe: +44-1628-858-940
Hong Kong: +852 2923 0610
1 SCOPE
This document describes key hardware aspects of the Laird PH45N radio module. This document is intended to
assist device manufacturers and related parties with the integration of this radio into their host devices. Data in
this document is drawn from a number of sources and includes information found in the Qualcomm Atheros
(QCA) AR6003 data sheet issued in January 2010, along with other documents provided from Qualcomm
Atheros.
The information in this document is subject to change. Please contact Laird Technologies or visit
http://www.lairdtech.com/wireless to obtain the most recent version of this document.
2 OPERATIONAL DESCRIPTION
This device is a Laird PH45N radio module which supports IEEE 802.11a/b/g/n
standards via an SDIO (Secure Digital Input/Output) interface. The radio operates in
unlicensed portions of the 2.4 GHz and 5 GHz radio frequency spectrum. The device
is compliant with IEEE 802.11a, 802.11b, 802.11g, and 802.11n standards using Direct
Sequence Spread Spectrum (DSSS) and Orthogonal Frequency Division Multiplexing
(OFDM). The device supports all 802.11a, 802.11b, 802.11g, and 802.11n data rates
and automatically adjusts data rates and operational modes based on various
environmental factors.
When operating on channels in the UNII-2 and UNII-2 Extended bands that are in the 5GHz portion of the
frequency spectrum and are subject to Dynamic Frequency Selection requirements, the PH45N fully conforms to
applicable regulatory requirements. If specified types of radar are detected by the network infrastructure, the
PH45N fully conforms to commands from the infrastructure for radar avoidance.
The PH45N interfaces to host devices via a 20-pin connector. The device is based on the Qualcomm Atheros
AR6003 chip which is an integrated device providing a Media Access Controller (MAC), a Physical Layer
Controller (baseband or BB processor), and fully integrated dual-band radio transceiver. To maximize
operational range, the PH45N incorporates external 2.4 and 5 GHz power amplifiers (PA) to increase transmit
power. The frequency stability for both 2.4 GHz (802.11b and 802.11g) and 5 GHz (802.11a) operation is +/- 20
ppm.
The PH45N has its own RF shielding and does not require shielding provided by the host device into which it is
installed in order to maintain compliance with applicable regulatory standards. As such, the device may be
tested in a standalone configuration via an extender card.
The device buffers all data inputs so that it will comply with all applicable regulations even in the presence of
over-modulated input from the host device. Similarly, the PH45N incorporates power regulation to comply with
all applicable regulations even when receiving excess power from the host device.
The PH45N combines the 2.4 and 5 GHz signal path to signal U.FL type antenna connectors to support dual band
transmission and receive. An antenna diversity function is NOT supported in this product. Supported host device
antenna types include dipole and monopole antennas.
Regulatory operational requirements are included with this document and may be incorporated into the
operating manual of any device into which the PH45N is installed. The PH45N is designed for installation into
mobile devices such as vehicle mount data terminals (which typically operate at distances greater than 20 cm
from the human body) and portable devices such as handheld data terminals (which typically operate at
distances less than 20 cm from the human body). See “Documentation Requirements” for more information.

PH45N
Datasheet
Embedded Wireless Solutions Support Center:
http://ews-support.lairdtech.com
www.lairdtech.com/wireless
5
© Copyright 2018 Laird. All Rights Reserved
Americas: +1-800-492-2320
Europe: +44-1628-858-940
Hong Kong: +852 2923 0610
3 BLOCK DIAGRAM
Figure 1: PH45N Block Diagram
Note: Transmitter frequencies for Wi-Fi are 2412-2462 MHz and 5180-5805 MHz.
4 SPECIFICATIONS
Table 1: Specifications
Feature
Description
Physical Interface
20-pin female pin header
Wi-Fi Interface
1-bit or 4-bit Secure Digital I/O
Note: Can support 1.8 V or 3.3 V depending on the supply voltage on VDDIO
(pin-21).
Antenna Interface
1 Hirose U.FL connector
Main Chip
Qualcomm Atheros AR6003 single-chip client
Input Voltage
Requirements
3.3 VDC ± 5% (core)
I/O Signalling Voltage
3.3 VDC ± 5%

PH45N
Datasheet
Embedded Wireless Solutions Support Center:
http://ews-support.lairdtech.com
www.lairdtech.com/wireless
6
© Copyright 2018 Laird. All Rights Reserved
Americas: +1-800-492-2320
Europe: +44-1628-858-940
Hong Kong: +852 2923 0610
Feature
Description
Average Current
Consumption
(At maximum transmit
power setting)
Note: Standby refers to
the radio operating in
PM1 powersave mode.
Mode
3.3 V
Avg.
Current
(mA)
Max.
Current
(mA)
802.11a
Transmit
496
500
Receive
0.2
-
Standby
TBD
TBD
802.11b
Transmit
380
420
Receive
0.2
-
Standby
TBD
TBD
802.11g
Transmit
355
410
Receive
0.2
-
Standby
TBD
TBD
802.11n
(2.4 GHz)
Transmit
342
420
Receive
0.2
-
Standby
TBD
TBD
802.11n
(5 GHz)
Transmit
422
500
Receive
0.2
-
Standby
TBD
TBD
Sleep
N/A
TBD
TBD
Operating Temperature
-20° to 70°C (-4° to 158°F)
Operating Humidity
10 to 90% (non-condensing)
Storage Temperature
-40° to 85°C (-40° to 185°F)
Storage Humidity
10 to 90% (non-condensing)
Maximum Electrostatic
Discharge
Maximum Contact Discharge (CD): 4 kV
Maximum Air Discharge (AD): 8 kV
Length
41 mm (1.614 in.)
Width
36 mm (1.417 in.)
Thickness
3.9 mm (0.153 in.)
Weight
6 g (0.21 oz.)
Mounting
20-pin connector, two grounded mounting holes
Wi-Fi Media
Direct Sequence-Spread Spectrum (DSSS)
Complementary Code Keying (CCK)
Orthogonal Frequency Divisional Multiplexing (OFDM)
Wi-Fi Media Access
Protocol
Carrier sense multiple access with collision avoidance (CSMA/CA)
Network Architecture
Types
Infrastructure and ad hoc
Wi-Fi Standards
IEEE 802.11a, 802.11b, 802.11d, 802.11e, 802.11g, 802.11h, 802.11i, 802.11n
Wi-Fi Data Rates
Supported
802.11a (OFDM): 6, 9, 12, 18, 24, 36, 48, 54 Mbps
802.11b (DSSS, CCK): 1, 2, 5.5, 11 Mbps
802.11g (OFDM): 6, 9, 12, 18, 24, 36, 48, 54 Mbps
802.11n (OFDM,HT20,MCS 0-7): 6.5,13,19.5, 26, 39,52, 58.5, 72.2 Mbps

PH45N
Datasheet
Embedded Wireless Solutions Support Center:
http://ews-support.lairdtech.com
www.lairdtech.com/wireless
7
© Copyright 2018 Laird. All Rights Reserved
Americas: +1-800-492-2320
Europe: +44-1628-858-940
Hong Kong: +852 2923 0610
Feature
Description
7.2,14.4, 21.7, 28.9,43.3, 57.8, 65 Mbps
Wi-Fi Modulation
BPSK @ 1, 6, 6.5, 7.2 and 9 Mbps
QPSK @ 2, 5.5, 11, 12, 13, 14.4,18, 19.5 and 21.7 Mbps
16-QAM @ 24, 26, 28.9, 36, 39 and 43.3 Mbps
64-QAM @ 48, 52, 54, 57.8, 58.5, 65, and 72.2 Mbps
802.11n Spatial Streams
1x1 SISO (Single Input, Single Output)
Regulatory Domain
Support
FCC (Americas, Parts of Asia, and Middle East)
ETSI (Europe, Middle East, Africa, and Parts of Asia)
IC (Canada)
2.4 GHz Frequency
Bands
ETSI: 2.4 GHz to 2.483 GHz
FCC/IC: 2.4 GHz to 2.483 GHz
2.4 GHz Operating
Channels
ETSI:13 (3 non-overlapping)
FCC/IC:11 (3 non-overlapping)
5 GHz Frequency Bands
ETSI
5.15 GHz to 5.35 GHz (Ch 36/40/44/48/52/56/60/64)
5.47 GHz to 5.725 GHz (Ch 100/104/108/112/116/120/124/128/132/136/140)
FCC/IC
5.15 GHz to 5.35 GHz (Ch 36/40/44/48/52/56/60/64)
5.47 GHz to 5.725 GHz (Ch 100/104/108/112/116/120/124/128/ 132/136/140)
5.725 GHz to 5.85 GHz (Ch 149/153/157/161/165)
5 GHz Operating
Channels
ETSI:19 non-overlapping)
FCC/IC: 24 non-overlapping
Transmit Power
Note: Transmit power
varies according to
individual country
regulations. All values
nominal, +/-2 dBm.
Note: Laird 45 series
radios support a single
spatial stream and 20
MHz wide channels for N
rates.
802.11a: 6 Mbps 15 dBm (32 mW)
54 Mbps 12 dBm (16 mW)
802.11b: 1 Mbps 16 dBm (40 mW)
11 Mbps 16 dBm (40 mW)
802.11g: 6 Mbps 16 dBm (40 mW)
54 Mbps 12 dBm (16 mW)
802.11n (2.4 GHz): 6.5 Mbps (MCS0) 16 dBm (40 mW)
65 Mbps (MCS7) 12 dBm (16 mW)
802.11n (5 GHz): 6.5 Mbps (MCS0) 15 dBm (32 mW)
65 Mbps (MCS7) 12 dBm (16 mW)
Typical Receiver
Sensitivity
Note: All values nominal,
+/-3 dBm.
802.11a: 6 Mbps -90 dBm
54 Mbps -73 dBm (PER <=10%)
802.11b: 1 Mbps -89 dBm
11 Mbps -82 dBm (PER <=10%)
802.11g: 6 Mbps -85 dBm
54 Mbps -68 dBm (PER <=10%)
802.11n (2.4 GHz): MCS0 Mbps -86 dBm
MCS7 Mbps -65 dBm
802.11n (5 GHz): MCS0 Mbps -90 dBm
MCS7 Mbps -70 dBm

PH45N
Datasheet
Embedded Wireless Solutions Support Center:
http://ews-support.lairdtech.com
www.lairdtech.com/wireless
8
© Copyright 2018 Laird. All Rights Reserved
Americas: +1-800-492-2320
Europe: +44-1628-858-940
Hong Kong: +852 2923 0610
Feature
Description
Operating Systems
Supported
Android, Linux
Security
Standards
Wireless Equivalent Privacy (WEP)
Wi-Fi Protected Access (WPA)
IEEE 802.11i (WPA2)
Note: Support for Federal Information Processing Standards (FIPS) is
pending.
Encryption
Wireless Equivalent Privacy (WEP, RC4 Algorithm)
Temporal Key Integrity Protocol (TKIP, RC4 Algorithm)
Advanced Encryption Standard (AES, Rijndael Algorithm)
Encryption Key Provisioning
Static (40-bit and 128-bit lengths)
Pre-Shared (PSK)
Dynamic
802.1X Extensible Authentication Protocol Types
EAP-FAST
EAP-TLS
EAP-TTLS
PEAP-GTC
PEAP-MSCHAPv2
PEAP-TLS
LEAP
Compliance
ETSI Regulatory Domain
EN 300 328
EN 301 489-1
EN 301 489-17
EN 301 893
EN 60950-1
EN 62311
2011/65/EU (RoHS)
FCC Regulatory Domain
FCC 15.247 DTS – 802.11b/g (Wi-Fi) – 2.4 GHz & 5.8 GHz
FCC 15.407 UNII – 802.11a (Wi-Fi) – 2.4 GHz & 5.4 GHz
Industry Canada
RSS-210 – 802.11a/b/g/n (Wi-Fi) – 2.4 GHz, 5.8 GHz, 5.2 GHz, and 5.4 GHz
Certifications
Note: CCX is pending.
Wi-Fi Alliance
802.11a, 802.11b, 802.11g , 802.11n
WPA Enterprise
WPA2 Enterprise
Cisco Compatible Extensions (Version 4)
Warranty
Limited Lifetime
All specifications are subject to change without notice

PH45N
Datasheet
Embedded Wireless Solutions Support Center:
http://ews-support.lairdtech.com
www.lairdtech.com/wireless
9
© Copyright 2018 Laird. All Rights Reserved
Americas: +1-800-492-2320
Europe: +44-1628-858-940
Hong Kong: +852 2923 0610
5 RECOMMENDED OPERATING CONDITIONS AND DC ELECTRICAL CHARACTERISTICS
Table 2: Absolute Maximum Ratings
Symbol
Parameter
Min.
Typ.
Max.
Unit
VCC3_3
Power supply voltage with respect to ground
-0.3
-
4.0
V
VDD_IO
Power supply voltage with respect to ground
-0.3
-
4.0
V
Voltage Ripple
+/-2%, 10KHz~100KHz
Max. values not exceeding Operating voltage
-
-
2
%
RFin
Maximum RF input (reference to 50 ohm)
-
-
+10
dBm
Table 3: Recommended Operating Conditions
Symbol
Parameter
Min.
Typ.
Max.
Unit
VCC3_3
Power supply voltage with respect to ground
3.14
3.3
3.46
V
VDD_IO
Power supply voltage with respect to ground
3.14
3.3
3.46
V
Note: VDD_IO is a voltage from the host platform to configure the I/O signal level. It fixed to 3.3 V.
5.1 SDIO Timing Requirements
The following figure and table display SDIO default mode timing.
Note: The SDIO bus should not exceed a 25 MHz clock rate.
Figure 2: SDIO Default Mode Timing
Note: Timing is based on CL ≤ 40 pF load on CMD and Data.

PH45N
Datasheet
Embedded Wireless Solutions Support Center:
http://ews-support.lairdtech.com
www.lairdtech.com/wireless
10
© Copyright 2018 Laird. All Rights Reserved
Americas: +1-800-492-2320
Europe: +44-1628-858-940
Hong Kong: +852 2923 0610
Table 4: SDIO Timing Requirements
Symbol
Parameter
Min.
Typ.
Max.
Unit
fPP
Frequency – Data Transfer mode
0
-
50
MHz
tWL
Clock low time
7
-
-
ns
tWH
Clock high time
7
-
-
ns
tTLH
Clock rise time
-
-
10
ns
tTHL
Clock low time
-
-
10
ns
Inputs: CMD, DAT (referenced to CLK)
tISU
Input setup time
6
-
-
ns
tIH
Input hold time
2
-
-
ns
Outputs: CMD, DAT (referenced to CLK)
tODLY
Output delay time – Data Transfer mode
0
-
14
ns

PH45N
Datasheet
Embedded Wireless Solutions Support Center:
http://ews-support.lairdtech.com
www.lairdtech.com/wireless
11
© Copyright 2018 Laird. All Rights Reserved
Americas: +1-800-492-2320
Europe: +44-1628-858-940
Hong Kong: +852 2923 0610
6 PIN DEFINITIONS
Table 5: Pin Definitions
Pin #
Name
I/O
Default
State
Ref.
Description
If Unused
1
SDIO_CLK
I
Hi-Z
VDD_IO
SDIO Clock (25 MHz max)
2
SDIO_CMD
I/O
Pull-H
VDD_IO
SDIO Command
3
SDIO_DATA_0
I/O
Pull-H
VDD_IO
SDIO Data 0
4
No Connect
-
-
No internal connection. Leave it open
Leave open
5
CHIP_PWD_L
I
Pull-H
VDD_IO
Input signal to power down the module.
Active low
See Note 1.
See Note Regarding CHIP_PWD_L.
6
GND
-
Ground
Must be
connected to
GND
7
No Connect
-
-
No internal connection. Leave it open
Leave open
8
No Connect
-
-
No internal connection. Leave it open
Leave open
9
GND
-
Ground
Must be
connected to
GND
10
No Connect
-
-
No internal connection. Leave it open
Leave open
11
No Connect
-
-
No internal connection. Leave it open
Leave open
12
VCC3_3
-
3.3 V Module Power
VCC3_3
13
SDIO_DATA_1
I/O
Pull-H
VDD_IO
SDIO Data 1
14
SDIO_DATA_3
I/O
Pull-H
VDD_IO
SDIO Data 3
15
TBD
-
TBD
Must be
connected to
GND through 1K
Ohm resistor
16
SDIO_DATA_2
I/O
Pull-H
VDD_IO
SDIO Data2
Note: See “Integration Considerations” for
additional integration information.
SDIO_DATA_2
17
VCC3_3
-
3.3 V Module Power
VCC3_3
18
VCC3_3
-
3.3 V Module Power
VCC3_3
19
GND
-
Ground
Must be
connected to
GND
20
GND
-
Ground
Must be
connected to
GND
Note 1: If the following lines are available on the radio you are integrating into your system, you must
connect and control them with the host device.
CHIP_PWD_L SYS_RST_L
BT_RST_L VDDIO_DR
If the radio stays powered up and the host goes down or is reset, communications cannot be re-
established with the radio. The host SDIO controller must re-establish communication with the
radio by reloading the radio firmware after a power-on or a reset.

PH45N
Datasheet
Embedded Wireless Solutions Support Center:
http://ews-support.lairdtech.com
www.lairdtech.com/wireless
12
© Copyright 2018 Laird. All Rights Reserved
Americas: +1-800-492-2320
Europe: +44-1628-858-940
Hong Kong: +852 2923 0610
Note Regarding CHIP_PWD_L: During power on/down period, the CHIP_PWD_L must be held in low state longer
than 5 µsec (TA and TB) after the VCC3_3 reaches its high state. See Figure 3.
To reset the PH45N, set the CHIP_PWD_L in low state longer than 5 µsec (TC). See Figure 4.
Figure 3: Power on/down timing
Figure 4: Reset timing
7 INTEGRATION CONSIDERATIONS
The following Wi-Fi information should be taken into consideration when integrating the PH45N.
Series resistors are recommended in all six SDIO lines (27-56 ohms typically):
▪ SDIO_CLK
▪ SDIO_CMD
▪ SDIO_DATA_0
▪ SDIO_DATA_1
▪ SDIO_DATA_2
▪ SDIO_DATA_3
Note: Although these values may vary with the properties of your host interface and the
PCB, they are a reasonable starting point.
Note: The series resistors in the SDIO bus provide several design benefits:
If a host controller has too high of a drive strength, then bus ringing may result.
Series resistors can reduce this ringing on the I/O lines.
Adding 27-56 ohms of series resistance on the SDIO bus will reduce sharp
transitional edges, which may reduce EMI.
Having the series resistors in the PCB layout allows for design flexibility; if they are
later found to be unnecessary, zero (0) ohm jumpers may be used in their place.

PH45N
Datasheet
Embedded Wireless Solutions Support Center:
http://ews-support.lairdtech.com
www.lairdtech.com/wireless
13
© Copyright 2018 Laird. All Rights Reserved
Americas: +1-800-492-2320
Europe: +44-1628-858-940
Hong Kong: +852 2923 0610
Also note the following:
▪ Route the SDIO bus as short and as similar in length as possible.
▪ Keep the clock trace separate from other signal traces.
8 MECHANICAL SPECIFICATIONS
Figure 5: Mechanical Drawing
9 RF LAYOUT DESIGN GUIDELINES
The following is a list of RF layout design guidelines and recommendation when installing a Laird radio into your
device.
▪ Do not run antenna cables directly above or directly below the radio.
▪ Do not place any parts or run any high speed digital lines below the radio.
▪ If there are other radios or transmitters located on the device (such as a Bluetooth radio), place the devices
as far apart from each other as possible.
▪ Ensure that there is the maximum allowable spacing separating the antenna connectors on the Laird radio
from the antenna. In addition, do not place antennas directly above or directly below the radio.
▪ Laird recommends the use of a double shielded cable for the connection between the radio and the antenna
elements.
Notes: No pull-up is required on the CLK line.
Make sure to apply the proper voltage on the VDD_IO input to the SiP to match
the signalling voltage of the SDIO host interface (1.8V or 3.3V typically, but it
can be anything in between these values).
The SDIO host must wait a minimum of 5 µsec before initiating access to the
PH45N after VCC3_3 ramps up and settles

PH45N
Datasheet
Embedded Wireless Solutions Support Center:
http://ews-support.lairdtech.com
www.lairdtech.com/wireless
14
© Copyright 2018 Laird. All Rights Reserved
Americas: +1-800-492-2320
Europe: +44-1628-858-940
Hong Kong: +852 2923 0610
▪ Laird has provided three plated mounting holes that can be used for grounding. When additional ground
plane is required, you may use some or all of these grounded mounting holes.
▪ Use proper electro-static-discharge (ESD) procedures when installing the Laird radio module.
10 REGULATORY
10.1 Certified Antennas
The PH45N will be tested to the regulatory standards defined in the “Certifications” section of the Specifications
table above. Laird Technologies plans to conduct these tests with the following antennas:
Model
Type
Connector
Maximum Gain
Laird NanoBlade-IP04
PCB Dipole
IPEX MHF
2.4-2.5 GHz: 2 dBi
5.15-5.35 GHz: 3.9 dBi
5.6 GHz: 4 dBi
Antennas of differing types and higher gains may be integrated as well. If necessary, with the Laird
Manufacturing Utility software utility, OEMs may reduce the transmit power of the PH45N to account for higher
antenna gain. In some cases, OEMs may be able to reduce certification efforts by using antennas that are of like
type and equal or lesser gain to the above listed antennas.
10.2 FCC and Industry Canada
In order to maintain regulatory compliance, when integrating the Laird PH45N into a host device and leveraging
Laird’s grants and certifications, it is necessary to meet the documentation requirements set forth by the
applicable regulatory agencies. The following sections (FCC, Industry Canada, and European Union) outline the
information that may be included in the user’s guide and external labels for the host devices into which the
PH45N is integrated.
10.2.1 FCC
Note: You must place “Contains FCC ID: SQG-PH45N” on the host product in such a location that it can be
seen by an operator at the time of purchase.
10.2.1.1 User’s Guide Requirements
When integrating the PH45N into a host device, the integrator must include specific information in the user’s
guide for the device into which the PH45N is integrated. The integrator must not provide information to the end
user regarding how to install or remove this RF module in the user’s manual of the device into which the PH45N
is integrated. The following FCC statements must be added in their entirety and without modification into a
prominent place in the user’s guide for the device into which the PH45N is integrated:
Federal Communication Commission Interference Statement
This equipment has been tested and found to comply with the limits for a Class B digital device, pursuant to
Part 15 of the FCC Rules. These limits are designed to provide reasonable protection against harmful
interference in a residential installation. This equipment generates, uses, and can radiate radio frequency
energy and, if not installed and used in accordance with the instructions, may cause harmful interference to
radio communications. However, there is no guarantee that interference will not occur in a particular

PH45N
Datasheet
Embedded Wireless Solutions Support Center:
http://ews-support.lairdtech.com
www.lairdtech.com/wireless
15
© Copyright 2018 Laird. All Rights Reserved
Americas: +1-800-492-2320
Europe: +44-1628-858-940
Hong Kong: +852 2923 0610
installation. If this equipment does cause harmful interference to radio or television reception, which can be
determined by turning the equipment off and on, the user is encouraged to try to correct the interference
by one of the following measures:
1. Reorient or relocate the receiving antenna.
2. Increase the separation between the equipment and receiver.
3. Connect the equipment into an outlet on a circuit different from that to which the receiver is connected.
4. Consult the dealer or an experienced radio/TV technician for help.
FCC Caution: Any changes or modifications not expressly approved by the party responsible for compliance
could void the user's authority to operate this equipment.
This device complies with Part 15 of the FCC Rules. Operation is subject to the following two conditions: (1)
This device may not cause harmful interference, and (2) this device must accept any interference received,
including interference that may cause undesired operation.
This device is restricted to indoor use when operated in the 5.15 to 5.25 GHz frequency range.
FCC requires this product to be used indoors for the frequency range 5.15 to 5.25 GHz to reduce the
potential for harmful interference to co-channel Mobile Satellite systems.
This device does not permit operations on channels 116-128 (5580 – 5640 MHz) for 11na and 120-128
(5600-5640 MHz) for 11a which overlap the 5600 -5650 MHz band.
IMPORTANT NOTE: FCC Radiation Exposure Statement:
This equipment complies with FCC radiation exposure limits set forth for an uncontrolled
environment. This equipment should be installed and operated with minimum distance 20cm
between the radiator & your body.
This device is intended only for OEM integrators under the following conditions:
▪ The antenna must be installed such that 20 cm is maintained between the antenna and users, and
▪ The transmitter module may not be co-located with any other transmitter or antenna,
▪ For all products marketed in the United States, the OEM must limit the operation channels from CH1 to
CH11 for 2.4 GHz band by the supplied firmware programming tool. The OEM shall not supply any tool or
information to the end-user regarding Regulatory Domain change.
As long as the three conditions above are met, further transmitter testing is not required. However, the
OEM integrator is still responsible for testing their end-product for any additional compliance requirements
required with this module installed.
IMPORTANT NOTE: In the event that these conditions cannot be met (for example, certain laptop
configurations or co-location with another transmitter), then the FCC authorization is no
longer considered valid and the FCC ID cannot be used on the final product. In these
circumstances, the OEM integrator is responsible for re-evaluating the end product
(including the transmitter) and obtaining a separate FCC authorization.

PH45N
Datasheet
Embedded Wireless Solutions Support Center:
http://ews-support.lairdtech.com
www.lairdtech.com/wireless
16
© Copyright 2018 Laird. All Rights Reserved
Americas: +1-800-492-2320
Europe: +44-1628-858-940
Hong Kong: +852 2923 0610
10.2.1.2 End Product Labeling
This transmitter module is authorized only for use in device where the antenna is installed such that 20 cm is
maintained between the antenna and users. The final end product must be labeled in a visible area with the
following: “Contains FCC ID: SQG-PH45N”.
10.2.1.3 Manual Information to the End User
The OEM integrator may NOT provide information to the end user regarding how to install or remove this RF
module in the user’s manual of the end product which integrates this module.
The end user manual shall include all required regulatory information/warnings as show in this Hardware
Integration Guide.
10.2.2 Industry Canada
Note: You must place “Contains IC ID: 3147A-PH45N” on the host product in such a location that it can be
seen by an operator at the time of purchase.
10.2.2.1 User’s Guide Requirements (for Model # PH45N)
RF Radiation Hazard Warning
To ensure compliance with FCC and Industry Canada RF exposure requirements, this device must be installed in
a location where the antennas of the device will have a minimum distance of at least 20 cm from all persons.
Using higher gain antennas and types of antennas not certified for use with this product is not allowed. The
device shall not be co-located with another transmitter.
Installez l'appareil en veillant à conserver une distance d'au moins 20 cm entre les éléments rayonnants et les
personnes. Cet avertissement de sécurité est conforme aux limites d'exposition définies par la norme CNR-102
at relative aux fréquences radio.
Maximum Antenna Gain – If the integrator configures the device such that the antenna is detectable from the
host product.
This radio transmitter (identify the device by certification number, or model number if Category II) has been
approved by Industry Canada to operate with the antenna types listed below with the maximum permissible
gain and required antenna impedance for each antenna type indicated. Antenna types not included in this list,
having a gain greater than the maximum gain indicated for that type, are strictly prohibited for use with this
device.
Antenna list refer to Certified Antennas.
Le présent émetteur radio (IC: 3147A-PH45N) a été approuvé par Industrie Canada pour fonctionner avec les
types d'antenne énumérés ci-dessous et ayant un gain admissible maximal et l'impédance requise pour chaque
type d'antenne. Les types d'antenne non inclus dans cette liste, ou dont le gain est supérieur au gain maximal
indiqué, sont strictement interdits pour l'exploitation de l'émetteur.
Le présent appareil est conforme aux CNR d'Industrie Canada applicables aux appareils radio exempts de
licence. L'exploitation est autorisée aux deux conditions suivantes : (1) l'appareil ne doit pas produire de
brouillage, et (2) l'utilisateur de l'appareil doit accepter tout brouillage radioélectrique subi, même si le
brouillage est susceptible d'en compromettre le fonctionnement.
This device is intended only for OEM integrators under the following conditions:

PH45N
Datasheet
Embedded Wireless Solutions Support Center:
http://ews-support.lairdtech.com
www.lairdtech.com/wireless
17
© Copyright 2018 Laird. All Rights Reserved
Americas: +1-800-492-2320
Europe: +44-1628-858-940
Hong Kong: +852 2923 0610
▪ The antenna must be installed such that 20 cm is maintained between the antenna and users, and
▪ The transmitter module may not be co-located with any other transmitter or antenna.
As long as 2 conditions above are met, further transmitter test will not be required. However, the OEM
integrator is still responsible for testing their end-product for any additional compliance requirements required
with this module installed.
Cet appareil est conçu uniquement pour les intégrateurs OEM dans les conditions suivantes:
▪ L'antenne doit être installée de telle sorte qu'une distance de 20 cm est respectée entre l'antenne et les
utilisateurs, et
▪ Le module émetteur peut ne pas être coïmplanté avec un autre émetteur ou antenne.
Tant que les 2 conditions ci-dessus sont remplies, des essais supplémentaires sur l'émetteur ne seront pas
nécessaires. Toutefois, l'intégrateur OEM est toujours responsable des essais sur son produit final pour toutes
exigences de conformité supplémentaires requis pour ce module installé.
IMPORTANT NOTE:
In the event that these conditions cannot be met (for example certain laptop configurations or co-
location with another transmitter), then the Canada authorization is no longer considered valid and
the IC ID can not be used on the final product. In these circumstances, the OEM integrator will be
responsible for re-evaluating the end product (including the transmitter) and obtaining a separate
Canada authorization.
NOTE IMPORTANTE:
Dans le cas où ces conditions ne peuvent être satisfaites (par exemple pour certaines
configurations d'ordinateur portable ou de certaines co-localisation avec un autre émetteur),
l'autorisation du Canada n'est plus considéré comme valide et l'ID IC ne peut pas être utilisé sur le
produit final. Dans ces circonstances, l'intégrateur OEM sera chargé de réévaluer le produit final (y
compris l'émetteur) et l'obtention d'une autorisation distincte au Canada.
End Product Labeling
This transmitter module is authorized only for use in device where the antenna may be installed such that 20 cm
may be maintained between the antenna and users. The final end product must be labeled in a visible area with
the following: “Contains IC: 3147A-PH45N”.
Plaque signalétique du produit final
Ce module émetteur est autorisé uniquement pour une utilisation dans un dispositif où l'antenne peut être
installée de telle sorte qu'une distance de 20cm peut être maintenue entre l'antenne et les utilisateurs. Le
produit final doit être étiqueté dans un endroit visible avec l'inscription suivante: "Contient des IC: 3147A-PH45N
".
Manual Information to the End User
The OEM integrator has to be aware not to provide information to the end user regarding how to install or
remove this RF module in the user’s manual of the end product which integrates this module.
The end user manual shall include all required regulatory information/warning as show in this manual.
Manuel d'information à l'utilisateur final

PH45N
Datasheet
Embedded Wireless Solutions Support Center:
http://ews-support.lairdtech.com
www.lairdtech.com/wireless
18
© Copyright 2018 Laird. All Rights Reserved
Americas: +1-800-492-2320
Europe: +44-1628-858-940
Hong Kong: +852 2923 0610
L'intégrateur OEM doit être conscient de ne pas fournir des informations à l'utilisateur final quant à la façon
d'installer ou de supprimer ce module RF dans le manuel de l'utilisateur du produit final qui intègre ce module.
Le manuel de l'utilisateur final doit inclure toutes les informations réglementaires requises et avertissements
comme indiqué dans ce manuel.
10.3 European Union
10.3.1 EU Declarations of Conformity
Manufacturer
Laird
Products
PH45N
Product
Description
802.11 a/b/g/n Enterprise Wi-Fi module
EU Directives
2014/53/EU – Radio Equipment Directive (RED)
Reference standards used for presumption of conformity:
Article Number
Requirement
Reference standard(s)
3.1a
Low voltage equipment safety
EN 60950-1:2006 +A11:2009 +A1:2010
+A12:2011
RF Exposure
EN 62311:2008
EN 50385:2002
3.1b
Protection requirements with respect to
electromagnetic compatibility
EN 301 489-1 v2.2.0 (2017-03)
EN 301 489-17 v3.2.0 (2017-03)
3.2
Protection requirements – Electromagnetic
compatibility
EN 300 328 v2.1.1 (2016-11)
EN 301 893 v2.1.1 (2017-05)
Declaration:
We, Laird, declare under our sole responsibility that the essential radio test suites have been carried out and
that the above product to which this declaration relates is in conformity with all the applicable essential
requirements of Article 3 of the EU Directive 2014/53/EU, when used for its intended purpose.
Place of Issue:
Laird
W66N220 Commerce Court, Cedarburg, WI 53012 USA
tel: +1-262-375-4400 fax: +1-262-364-2649
Date of Issue:
June 2017
Name of Authorized Person:
Thomas T Smith, Director of EMC Compliance
Signature of Authorized Person:

PH45N
Datasheet
Embedded Wireless Solutions Support Center:
http://ews-support.lairdtech.com
www.lairdtech.com/wireless
19
© Copyright 2018 Laird. All Rights Reserved
Americas: +1-800-492-2320
Europe: +44-1628-858-940
Hong Kong: +852 2923 0610
10.3.1.1 User’s Guide Requirements
The integrator must include specific information in the user’s guide for the device into which the PH45N is
integrated. In addition to the required FCC and IC statements outlined above, the following Radio Equipment
Directive (RED) statements must be added in their entirety and without modification into a prominent place in
the user’s guide for the device into which the PH45N is integrated:
This device complies with the essential requirements of the Radio Equipment Directive: 2014/53/EU. The
following test methods have been applied in order to prove presumption of conformity with the essential
requirements of this directive:
▪ EN 60950-1:2006+A11+A1:2010+A12:2011
Safety of Information Technology Equipment
▪ EN 300 328 v2.1.1
Electromagnetic compatibility and Radio spectrum Matters (ERM); Wideband Transmission systems;
Data transmission equipment operating in the 2.4 GHz ISM band and using spread spectrum modulation
2014/53/EU.
▪ EN 301 489-1 v2.2.0
Electromagnetic compatibility and Radio Spectrum Matters (ERM); ElectroMagnetic Compatibility (EMC)
standard for radio equipment and services; Part 1: Common technical requirements
▪ EN 301 489-17 3.2.0
Electromagnetic compatibility and Radio spectrum Matters (ERM); ElectroMagnetic Compatibility (EMC)
standard for radio equipment and services; Part 17: Specific conditions for 2,4 GHz wideband
transmission systems and 5 GHz high performance RLAN equipment
▪ EN 301 893 v2.1.1
Electromagnetic compatibility and Radio spectrum Matters (ERM); Broadband Radio Access Networks
(BRAN); Specific conditions for 5 GHz high performance RLAN equipment
▪ EU 2011/65/EU (RoHS)
Declaration of Compliance – EU Directive 2011/65/EU; Reduction of Hazardous Substances (RoHS)
This device is a 2.4 GHz wideband transmission system (transceiver), intended for use in all EU member
states and EFTA countries, except in France and Italy where restrictive use applies.
In Italy the end-user should apply for a license at the national spectrum authorities in order to obtain
authorization to use the device for setting up outdoor radio links and/or for supplying public access to
telecommunications and/or network services.
This device may not be used for setting up outdoor radio links in France and in some areas the RF output
power may be limited to 10 mW EIRP in the frequency range of 2454 – 2483.5 MHz. For detailed information
the end-user should contact the national spectrum authority in France.
The minimum distance between the user and/or any bystander and the radiating structure of the transmitter
is 20 cm.
Maximum Output Power for Each Frequency
20.00 dBm, 2.4G: 2.412 GHZ~2.472GHZ
22.20 dBm, 5.15-5.25GHz
22.10 dBm, 5.47-5.725GHz
Software Version for Testing
SW version: 23.3.3.5

PH45N
Datasheet
Embedded Wireless Solutions Support Center:
http://ews-support.lairdtech.com
www.lairdtech.com/wireless
20
© Copyright 2018 Laird. All Rights Reserved
Americas: +1-800-492-2320
Europe: +44-1628-858-940
Hong Kong: +852 2923 0610
5150 ~ 5350 MHz is limited to indoor used in the following countries:
BE
DK
IE
FR
CY
LU
NL
PT
SK
UK
NO
BG
DE
EL
HR
LV
HU
AT
RO
FI
LI
TR
CZ
EE
ES
IT
LT
MT
PL
SI
SE
IS
CH
Česky
[Czech]
[Jméno výrobce] tímto prohlašuje, že tento [typ zařízení] je ve shodě se základními požadavky a
dalšími příslušnými ustanoveními směrnice 2014/53/EU.
Dansk
[Danish]
Undertegnede [fabrikantens navn] erklærer herved, at følgende udstyr [udstyrets typebetegnelse]
overholder de væsentlige krav og øvrige relevante krav i direktiv 2014/53/EU.
Deutsch
[German]
Hiermit erklärt [Name des Herstellers], dass sich das Gerät [Gerätetyp] in Übereinstimmung mit den
grundlegenden Anforderungen und den übrigen einschlägigen Bestimmungen der Richtlinie
2014/53/EU befindet.
Eesti
[Estonian]
Käesolevaga kinnitab [tootja nimi = name of manufacturer] seadme [seadme tüüp = type of
equipment] vastavust direktiivi 2014/53/EU põhinõuetele ja nimetatud direktiivist tulenevatele
teistele asjakohastele sätetele.
English
Hereby, [name of manufacturer], declares that this [type of equipment] is in compliance with the
essential requirements and other relevant provisions of Directive 2014/53/EU.
Español
[Spanish]
Por medio de la presente [nombre del fabricante] declara que el [clase de equipo] cumple con los
requisitos esenciales y cualesquiera otras disposiciones aplicables o exigibles de la Directiva
2014/53/EU.
Ελληνική
[Greek]
ΜΕ ΤΗΝ ΠΑΡΟΥΣΑ [name of manufacturer] ΔΗΛΩΝΕΙ ΟΤΙ [type of equipment] ΣΥΜΜΟΡΦΩΝΕΤΑΙ
ΠΡΟΣ ΤΙΣ ΟΥΣΙΩΔΕΙΣ ΑΠΑΙΤΗΣΕΙΣ ΚΑΙ ΤΙΣ ΛΟΙΠΕΣ ΣΧΕΤΙΚΕΣ ΔΙΑΤΑΞΕΙΣ ΤΗΣ ΟΔΗΓΙΑΣ 2014/53/EU.
Français
[French]
Par la présente [nom du fabricant] déclare que l'appareil [type d'appareil] est conforme aux
exigences essentielles et aux autres dispositions pertinentes de la directive 2014/53/EU.
Italiano
[Italian]
Con la presente [nome del costruttore] dichiara che questo [tipo di apparecchio] è conforme ai
requisiti essenziali ed alle altre disposizioni pertinenti stabilite dalla direttiva 2014/53/EU.
Latviski
[Latvian]
Aršo[name of manufacturer /izgatavotājanosaukums] deklarē, ka[type of equipment / iekārtas
tips]atbilstDirektīvas 2014/53/EU būtiskajāmprasībām un citiemar to saistītajiemnoteikumiem.
Lietuvių
[Lithuanian]
Šiuo [manufacturer name] deklaruoja, kad šis [equipment type] atitinka esminius reikalavimus ir
kitas 2014/53/EU Direktyvos nuostatas.
Nederlands
[Dutch]
Hierbij verklaart [naam van de fabrikant] dat het toestel [type van toestel] in overeenstemming is
met de essentiële eisen en de andere relevante bepalingen van richtlijn 2014/53/EU.
Malti
[Maltese]
Hawnhekk, [isem tal-manifattur], jiddikjara li dan [il-mudel tal-prodott] jikkonforma mal-ħtiġijiet
essenzjali u ma provvedimenti oħrajn relevanti li hemm fid-Dirrettiva 2014/53/EU .
Magyar
[Hungarian]
Alulírott, [gyártó neve] nyilatkozom, hogy a [... típus]megfelel a vonatkozó alapvetõ
követelményeknek és az 2014/53/EU irányelv egyéb elõírásainak.
Polski
[Polish]
Niniejszym [nazwa producenta] oświadcza, że [nazwa wyrobu] jest zgodny z zasadniczymi
wymogami oraz pozostałymi stosownymi postanowieniami Dyrektywy 2014/53/EU .

PH45N
Datasheet
Embedded Wireless Solutions Support Center:
http://ews-support.lairdtech.com
www.lairdtech.com/wireless
21
© Copyright 2018 Laird. All Rights Reserved
Americas: +1-800-492-2320
Europe: +44-1628-858-940
Hong Kong: +852 2923 0610
Português
[Portuguese]
[Nome do fabricante] declara que este [tipo de equipamento] está conforme com os requisitos
essenciais e outras disposições da Directiva 2014/53/EU.
Slovensko
[Slovenian]
[Ime proizvajalca] izjavlja, da je ta [tip opreme] v skladu z bistvenimi zahtevami in ostalimi
relevantnimi določili direktive 2014/53/EU.
Slovensky
[Slovak]
[Menovýrobcu]týmtovyhlasuje, že[typzariadenia]spĺňazákladnépožiadavky a
všetkypríslušnéustanoveniaSmernice 2014/53/EU.
Suomi
[Finnish]
[Valmistaja = manufacturer] vakuuttaa täten että [type of equipment = laitteen tyyppimerkintä]
tyyppinen laite on direktiivin 2014/53/EU oleellisten vaatimusten ja sitä koskevien direktiivin
muiden ehtojen mukainen.
Svenska
[Swedish]
Härmed intygar [företag] att denna [utrustningstyp] står I överensstämmelse med de väsentliga
egenskapskrav och övriga relevanta bestämmelser som framgår av direktiv 2014/53/EU.

PH45N
Datasheet
Embedded Wireless Solutions Support Center:
http://ews-support.lairdtech.com
www.lairdtech.com/wireless
22
© Copyright 2018 Laird. All Rights Reserved
Americas: +1-800-492-2320
Europe: +44-1628-858-940
Hong Kong: +852 2923 0610
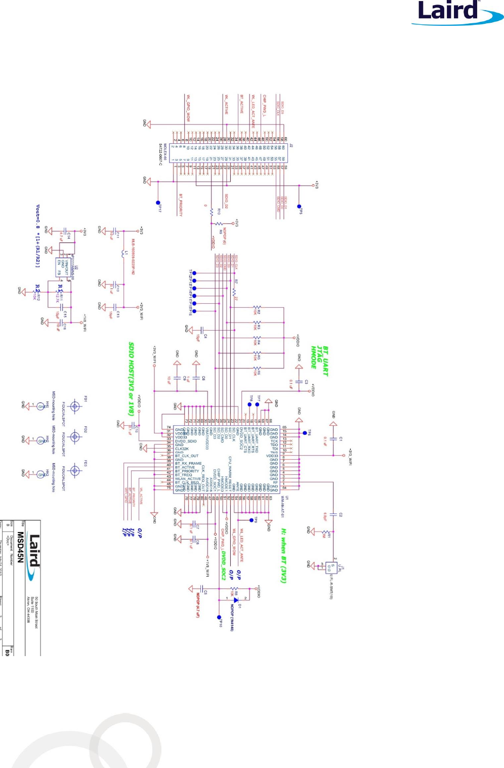
11 APPENDIX A: SCHEMATIC
The following PH45N schematic may be used as a reference.
Figure 6: Laird PH45N Schematic