Ezurio SSD45N Radio Module User Manual MSD40NBT Hardware Integration Guide v 02

Laird Technologies Radio Module MSD40NBT Hardware Integration Guide v 02

User manual

       LAIRD SSD45N Hardware Integration Guide Version 0.01 (Preliminary)                Americas: +1-800-492-2320 Option 2 Europe: +44-1628-858-940 Asia: +852-2923-0610 www.lairdtech.com/wireless
Laird SSD45N Hardware Integration Guide, version 0.01     Americas: +1-800-492-2320 Option 2 Europe: +44-1628-858-940 Hong Kong: +852-2268-6567 x026 www.lairdtech.com/wireless 2 Laird Technologies
Laird SSD45N Hardware Integration Guide, version 0.01 REVISION HISTORY  Version Revision Date Change Description 0.01  Preliminary Release                                          Americas: +1-800-492-2320 Option 2 Europe: +44-1628-858-940 Hong Kong: +852-2268-6567 x026 www.lairdtech.com/wireless 3 Laird Technologies
Laird SSD45N Hardware Integration Guide, version 0.01 CONTENTS Laird SSD45N .............................................................................................................................. 1 Revision History .......................................................................................................................... 3 Contents ..................................................................................................................................... 4 SCOPE ........................................................................................................................................... 6 Operational Description .............................................................................................................. 6 Block Diagram ............................................................................................................................. 7 Specifications .............................................................................................................................. 7 Recommended Operating Conditions and DC Electrical Characteristics ..................................... 11 SDIO Timing Requirements .................................................................................................................... 12 Pin Definitions ........................................................................................................................... 15 SSD40NBT and SSD45N Pin Comparison Table ...................................................................................... 18 Mechanical Specifications .......................................................................................................... 20 Mounting   ............................................................................................................... 錯誤! 尚未定義書籤。 Recommendations: ............................................................................................................................... 22 RF Layout Design Guidelines ..................................................................................................... 23 Regulatory ................................................................................................................................. 24 Certified Antennas ..................................................................................................................................... 27 Documentation Requirements ................................................................................................................ 27 FCC   ........................................................................................................................................... 27 Industry Canada .................................................................................................................................... 29 European Union ...................................................................................................................................... 31                       Americas: +1-800-492-2320 Option 2 Europe: +44-1628-858-940 Hong Kong: +852-2268-6567 x026 www.lairdtech.com/wireless 4 Laird Technologies
Laird SSD45N Hardware Integration Guide, version 0.01    Americas: +1-800-492-2320 Option 2 Europe: +44-1628-858-940 Hong Kong: +852-2268-6567 x026 www.lairdtech.com/wireless 5 Laird Technologies
Laird SSD45N Hardware Integration Guide, version 0.01 SCOPE This document describes key hardware aspects of the Laird SSD45N radio module. This document is intended to assist device manufacturers and related parties with the integration of this radio into their host devices. Data in this document is drawn from a number of sources and includes information found in the Qualcomm Atheros (QCA) AR6003X data sheet issued in January 2010, along with other documents provided from Qualcomm Atheros. The Laird SSD45N is currently in pre-production and this document is preliminary. The information in this document is subject to change. Please contact Laird Technologies or visit http://www.lairdtech.com/wireless to obtain the most recent version of this document. OPERATIONAL DESCRIPTION This device is a Laird SSD45N radio module which supports IEEE 802.11a/b/g/n standards via an SDIO (Secure Digital Input/Output) interface. The radio operates in unlicensed portions of the 2.4 GHz and 5 GHz radio frequency spectrum. The device is compliant with IEEE 802.11a, 802.11b, 802.11g, and 802.11n standards using Direct Sequence Spread Spectrum (DSSS) and Orthogonal Frequency Division Multiplexing (OFDM). The device supports all 802.11a, 802.11b, 802.11g, and 802.11n data rates and automatically adjusts data rates and operational modes based on various environmental factors. When operating on channels in the UNII-2 and UNII-2 Extended bands that are in the 5GHz portion of the frequency spectrum and are subject to Dynamic Frequency Selection requirements, the SSD45N fully conforms to applicable regulatory requirements. In the event that specified types of radar are detected by the network infrastructure, the SSD45N fully conforms to commands from the infrastructure for radar avoidance.  The SSD45N is a System in Package (SiP) Quad Flat pack, No leads (QFN) module. The device is based on the Qualcomm Atheros AR6003X chip which is an integrated device providing a Media Access Controller (MAC), a Physical Layer Controller (baseband or BB processor), and fully integrated dual-band radio transceiver. To maximize operational range, the SSD45N incorporates external 2.4 and 5 GHz power amplifiers (PA) to increase transmit power. The frequency stability for both 2.4 GHz (802.11b and 802.11g) and 5 GHz (802.11a) operation is +/- 20 ppm. The SSD45N has its own RF shielding and does not require shielding provided by the host device into which it is installed in order to maintain compliance with applicable regulatory standards. As such, the device may be tested in a standalone configuration via an extender card.  The device buffers all data inputs so that it will comply with all applicable regulations even in the presence of over-modulated input from the host device. Similarly, the SSD45N incorporates power regulation to comply with all applicable regulations even when receiving excess power from the host device.  The SSD45N combines the 2.4 and 5 GHz signal path to signal U.FL type antenna connectors to support dual band transmission and receive. An antenna diversity function is NOT supported in this product. Supported host device antenna types include dipole and monopole antennas. Regulatory operational requirements are included with this document and may be incorporated into the operating manual of any device into which the SSD45N is installed. The SSD45N is designed for installation into mobile devices such as vehicle mount data terminals (which typically operate at distances greater than 20 cm from the human body) and portable devices such as handheld data terminals (which typically operate at distances less than 20 cm from the human body). See “Documentation Requirements” for more information.   Americas: +1-800-492-2320 Option 2 Europe: +44-1628-858-940 Hong Kong: +852-2268-6567 x026 www.lairdtech.com/wireless 6 Laird Technologies
Laird SSD45N Hardware Integration Guide, version 0.01 BLOCK DIAGRAM    Note: Transmitter frequencies for Wi-Fi are 2412-2462 MHz and 5180-5805 MHz.  SPECIFICATIONS Table 1: Specifications Feature Description Physical Interface QFN package Wi-Fi Interface 1-bit or 4-bit Secure Digital I/O  Note:  Can support 1.8 V or 3.3 V depending on the supply voltage on DVDD_SDIO. Antenna Interface 50 ohm RF impedance  Main Chip Qualcomm Atheros AR6003X single-chip client  Input Voltage Requirements 3.3 VDC ± 10% (core) I/O Signalling Voltage 3.3 VDC ± 5% 1.8 VDC ± 5%  Americas: +1-800-492-2320 Option 2 Europe: +44-1628-858-940 Hong Kong: +852-2268-6567 x026 www.lairdtech.com/wireless 7 Laird Technologies
Laird SSD45N Hardware Integration Guide, version 0.01 Feature Description Average Current Consumption (At maximum transmit power setting)  Note: Standby refers to the radio operating in PM1 powersave mode.   Mode 1.8 V 3.3 V Avg. Current Max. Current Avg. Current Max. Current 802.11a Transmit 0.11 0.11 496 500  Receive 0.11 - 0.2 -  Standby TBD TBD TBD TBD 802.11b Transmit 0.11 0.11 380 420  Receive 0.11 - 0.2 -  Standby TBD TBD TBD TBD 802.11g Transmit 0.11 0.11 355 410  Receive 0.11 - 0.2 -  Standby TBD TBD TBD TBD 802.11n (2.4 GHz) Transmit 0.11 0.11 342 420  Receive 0.11 - 0.2 -  Standby TBD TBD TBD TBD 802.11n (5 GHz) Transmit 0.11 0.11 422 500  Receive 0.11 - 0.2 -  Standby TBD TBD TBD TBD Sleep N/A TBD TBD TBD TBD  Operating Temperature -20° to 70°C (-4° to 158°F)  Operating Humidity 10 to 95% (non-condensing) Storage Temperature -40° to 85°C (-40° to 185°F) Storage Humidity 10 to 95% (non-condensing) Maximum Electrostatic Discharge Maximum Contact Discharge (CD): 4 kV Maximum Air Discharge (AD): 8 kV Length/Width/Thickness 11.0 mm x 11.0 mm x 1.3 mm (with shield) with a tolerance of 0.1 mm at each axis. Weight  Mounting See the “Mounting” section for more information. Wi-Fi Media Direct Sequence-Spread Spectrum (DSSS)  Complementary Code Keying (CCK) Orthogonal Frequency Divisional Multiplexing (OFDM) Wi-Fi Media Access Protocol Carrier sense multiple access with collision avoidance (CSMA/CA) Network Architecture Types Infrastructure and ad hoc Wi-Fi Standards IEEE 802.11a, 802.11b, 802.11d, 802.11e, 802.11g, 802.11h, 802.11i, 802.11n Wi-Fi Data Rates Supported 802.11a (OFDM): 6, 9, 12, 18, 24, 36, 48, 54 Mbps 802.11b (DSSS, CCK): 1, 2, 5.5, 11 Mbps 802.11g (OFDM): 6, 9, 12, 18, 24, 36, 48, 54 Mbps 802.11n (OFDM,HT20,MCS 0-7): 6.5,13,19.5, 26, 39,52, 58.5, 72.2 Mbps  7.2,14.4, 21.7, 28.9,43.3, 57.8, 65 Mbps Wi-Fi Modulation BPSK @ 1, 6, 6.5, 7.2 and 9 Mbps QPSK @ 2, 5.5, 11, 12, 13, 14.4,18, 19.5 and 21.7 Mbps 16-QAM @ 24, 26, 28.9, 36, 39 and 43.3 Mbps 64-QAM @ 48, 52, 54, 57.8, 58.5, 65, and 72.2 Mbps 802.11n Spatial Streams 1x1 SISO (Single Input, Single Output)  Americas: +1-800-492-2320 Option 2 Europe: +44-1628-858-940 Hong Kong: +852-2268-6567 x026 www.lairdtech.com/wireless 8 Laird Technologies
Laird SSD45N Hardware Integration Guide, version 0.01 Feature Description Regulatory Domain Support FCC (Americas, Parts of Asia, and Middle East) ETSI (Europe, Middle East, Africa, and Parts of Asia) MIC (Japan) (formerly TELEC) KC (Korea) (formerly KCC) 2.4 GHz Frequency Bands ETSI: 2.4 GHz to 2.483 GHz FCC: 2.4 GHz to 2.483 GHz MIC (Japan): 2.4 GHz to 2.495 GHz KC: 2.4 GHz to 2.483 GHz 2.4 GHz Operating Channels ETSI:13 (3 non-overlapping) FCC:11 (3 non-overlapping) MIC (Japan):14 (4 non-overlapping) KCC:13 (3 non-overlapping)  5 GHz Frequency Bands ETSI  5.15 GHz to 5.35 GHz  5.47 GHz to 5.725 GHz FCC  5.15 GHz to 5.35 GHz  5.725 GHz to 5.82 GHz  MIC  5.15 GHz to 5.35 GHz KC  5.15 GHz to 5.35 GHz  5.47 GHz to 5.725 GHz  5.725 GHz to 5.82 GHz  5 GHz Operating Channels ETSI:19 non-overlapping) FCC: 23 non-overlapping MIC: 8 non-overlapping KC: 8 non-overlapping  Transmit Power  Note:   Transmit power varies according to individual country regulations. All values nominal, +/-2 dBm.  Note: Laird 45 series radios support a single spatial stream and 20 MHz channels only. 802.11a:   6 Mbps    15 dBm (32 mW)     54 Mbps    15 dBm (32 mW) 802.11b:   1 Mbps    16 dBm (40 mW)     11 Mbps    16 dBm (40 mW) 802.11g:   6 Mbps    16 dBm (40 mW)     54 Mbps    14 dBm (25 mW) 802.11n (2.4 GHz): 6.5 Mbps (MCS0) 16 dBm (40 mW)       65 Mbps (MCS7) 12 dBm (16 mW) 802.11n (5 GHz): 6.5 Mbps (MCS0) 15 dBm (32 mW)     65 Mbps (MCS7) 12 dBm (16 mW) Typical Receiver Sensitivity  Note: All values nominal, +/-3 dBm. 802.11a:   6 Mbps  -91 dBm  54 Mbps  -73 dBm (PER <=10%) 802.11b:   1 Mbps  -92 dBm  11 Mbps  -84 dBm (PER <=10%) 802.11g:   6 Mbps  -91 dBm  54 Mbps  -74 dBm (PER <=10%) 802.11n (2.4 GHz): MCS0 Mbps  -89 dBm  MCS7 Mbps  -71 dBm 802.11n (5 GHz):  MCS0 Mbps  -89 dBm  MCS7 Mbps  -71 dBm Operating Systems Supported Linux  Note: Support for Android is pending. Security Standards Wireless Equivalent Privacy (WEP) Wi-Fi Protected Access (WPA)  Americas: +1-800-492-2320 Option 2 Europe: +44-1628-858-940 Hong Kong: +852-2268-6567 x026 www.lairdtech.com/wireless 9 Laird Technologies
Laird SSD45N Hardware Integration Guide, version 0.01 Feature Description IEEE 802.11i (WPA2) Note: Support for Federal Information Processing Standards (FIPS) is pending. Encryption Wireless Equivalent Privacy (WEP, RC4 Algorithm) Temporal Key Integrity Protocol (TKIP, RC4 Algorithm) Advanced Encryption Standard (AES, Rijndael Algorithm) Encryption Key Provisioning Static (40-bit and 128-bit lengths) Pre-Shared (PSK) Dynamic  802.1X Extensible Authentication Protocol Types EAP-FAST EAP-TLS EAP-TTLS PEAP-GTC PEAP-MSCHAPv2 PEAP-TLS LEAP  Compliance Note: All certifications are pending.       Note: Whether or not MIC (formerly TELEC) is pursued is TBD. ETSI Regulatory Domain EN 300 328  EN 301 489-1 EN 301 489-17 EN 301 893 EN 60950-1 EN 62311 EU 2002/95/EC (RoHS) FCC Regulatory Domain FCC 15.247 DTS – 802.11b/g (Wi-Fi) – 2.4 GHz & 5.8 GHz FCC 15.407 UNII – 802.11a (Wi-Fi) – 2.4 GHz & 5.4 GHz Industry Canada RSS-210 – 802.11a/b/g/n (Wi-Fi) – 2.4 GHz, 5.8 GHz, 5.2 GHz, and 5.4 GHz MIC (Japan) Regulatory Domain (formerly TELEC) Article 2 Item 19, Category WW (2.4GHz Channels 1-13) Article 2 Item 19-2, Category GZ (2.4GHz Channel 14) Article 2 Item 19-3 Category XW (5150-5250 W52 & 5250-5350 W53)  Certifications Note: These certifications are pending.  Wi-Fi Alliance 802.11a, 802.11b, 802.11g , 802.11n WPA Enterprise  WPA2 Enterprise  Cisco Compatible Extensions (Version 4) Warranty Limited Lifetime This is a PRELMINARY document. All specifications are subject to change without notice      Americas: +1-800-492-2320 Option 2 Europe: +44-1628-858-940 Hong Kong: +852-2268-6567 x026 www.lairdtech.com/wireless 10 Laird Technologies
Laird SSD45N Hardware Integration Guide, version 0.01 RECOMMENDED OPERATING CONDITIONS AND DC ELECTRICAL CHARACTERISTICS Table 2: Absolute Maximum Ratings Symbol Parameter Min. Typ. Max. Unit VDD3_3 Power supply voltage with respect to ground -0.3  -  4.0  V VDD1_8 Power supply voltage with respect to ground -0.3  -  2.5  V DVDD_SDIO Power supply voltage with respect to ground -0.3  -  4.0  V DVDD_SOC1  Power supply voltage with respect to ground -0.3  -  4.0  V DVDD_SOC2 Power supply voltage with respect to ground -0.3  -  4.0  V Voltage Ripple ±2%, 10 KHz~100KHz, maximum values not exceeding operating voltage -  -  2  % RFin Maximum RF input (references to 50 ohm) -  -  +10  dBm Storage Temperature  -40° to +85°C  -40  25  85  C Humidity Range Maximum 95% Non-condensing, relative humidity Table 3: Recommended Operating Conditions Symbol Parameter Min. Typ. Max. Unit VDD3_3 Power supply voltage with respect to ground 3.14 3.3 3.46  V VDD1_8 Power supply voltage with respect to ground 1.71 1.8 1.89  V DVDD_SDIO  Power supply voltage with respect to ground 1.71  -  3.46  V DVDD_SOC1 Power supply voltage with respect to ground 1.71  -  3.46  V DVDD_SOC2  Power supply voltage with respect to ground 1.71  -  3.46  V Ambient Temperature -20° to 70° C Note:  VDD_IO is a voltage from the host platform to configure the I/O signal level. It can be set 1.8 V or  3.3 V.     Americas: +1-800-492-2320 Option 2 Europe: +44-1628-858-940 Hong Kong: +852-2268-6567 x026 www.lairdtech.com/wireless 11 Laird Technologies
Laird SSD45N Hardware Integration Guide, version 0.01 DC ELECTRICAL CHARACTERISTICS  General DC Electrical Characteristics (3.3V & 1.8V I/O operation) Table 4 and Table 5 list the general DC electrical characteristics over recommended operating conditions (unless otherwise specified). Table 4 General DC Electrical Characteristics (For 3.3 V I/O Operation) Symbol Parameter Conditions Min. Typ.  Max. Unit VIH High Level Input Voltage  -  0.7 x VDD -  TBD  V VIL Low Level Input Voltage - TBD - 0.3 x VDD V IIL Input Leakage Current Without pull-up or pull-down 0 V < VIN < VDD 0 V < VOUT < VDD 0  -  -3  nA With pull-up 0 V < VIN < VDD 0 V < VOUT < VDD 16  -  48  µA With pull-down 0 V < VIN < VDD 0 V < VOUT < VDD -14  -  -47  µA VOH High Level Output Voltage IOH = -4 mA  0.9 x VDD -  -  V IOH = -12 mA 0.9 x VDD -  -  V VOL Low Level Output Voltage IOH = 4 mA - - 0.1 x VDD V IOH = 12 mA - - 0.1 x VDD V  Table 5 General DC Electrical Characteristics (For 1.8 V I/O Operation) Symbol Parameter Conditions Min. Typ. Max. Unit VIH High Level Input Voltage  - 0.7 x VDD -  TBD  V VIL Low Level Input Voltage  -  TBD  -  0.3 x VDD  V IIL Input Leakage Current Without pull-up or pull-down 0 V < VIN < VDD 0 V < VOUT < VDD 0  -  -3  nA With pull-up 0 V < VIN < VDD 0 V < VOUT < VDD 3.5  -  13  µA With pull-down 0 V < VIN < VDD 0 V < VOUT < -6.2  -  -23  µA  Americas: +1-800-492-2320 Option 2 Europe: +44-1628-858-940 Hong Kong: +852-2268-6567 x026 www.lairdtech.com/wireless 12 Laird Technologies
Laird SSD45N Hardware Integration Guide, version 0.01 Symbol Parameter Conditions Min. Typ. Max. Unit VDD VOH High Level Output Voltage IOH = -4 mA 0.9 x VDD -  -  V IOH = -12 mA 0.9 x VDD -  -  V VOL Low Level Output Voltage IOH = 4 mA - - 0.1 x VDD V IOH = 12 mA  -  -  0.1 x VDD  V           SDIO Timing Requirements The following figure (Figure 1) and table display SDIO default mode timing.  Figure 1: SDIO Default Mode Timing Note: Timing is based on CL ≤ 40 pF load on CMD and Data. Table 4: SDIO Timing Requirements Symbol Parameter Min.  Typ.  Max.  Unit fPP Frequency – Data Transfer mode 0 - 50 MHz tWL Clock low time  7  -  -  ns  Americas: +1-800-492-2320 Option 2 Europe: +44-1628-858-940 Hong Kong: +852-2268-6567 x026 www.lairdtech.com/wireless 13 Laird Technologies
Laird SSD45N Hardware Integration Guide, version 0.01 Symbol Parameter Min.  Typ.  Max.  Unit tWH Clock high time 7 - - ns tTLH Clock rise time  -  -  10  ns tTHL Clock low time - - 10 ns Inputs: CMD, DAT (referenced to CLK) tISU Input setup time 6 - - ns tIH Input hold time 2 - - ns Outputs: CMD, DAT (referenced to CLK) tODLY Output delay time – Data Transfer mode 0  -  14  ns        Americas: +1-800-492-2320 Option 2 Europe: +44-1628-858-940 Hong Kong: +852-2268-6567 x026 www.lairdtech.com/wireless 14 Laird Technologies
Laird SSD45N Hardware Integration Guide, version 0.01 PIN DEFINITIONS Table 6: Pin Definitions Pin # Pin Name Source or Destination Type Description I/O Power 1 GND - Power Ground Ground 2  RF_IN-OUT Antenna RF input /output RF signal for transmission and receiving VDD33 3 GND - Power Ground Ground 4 GND - Power Ground Ground 5 GND - Power Ground Ground 6 GND - Power Ground Ground 7  GND  -  Power Ground Ground 8 GND - Power Ground Ground 9  VDD33  -  Power 3.3V power supply - 10 TMS - IH JTAG TMS input DVDD_SOC2 11 TDI - IH JTAG TDI input DVDD_SOC2 12  TDO/WLAN_ UART_TXD -  OH JTAG TDO output DVDD_SOC2 13 TCK - IH JTAG TCK input DVDD_SOC2 14 GND - Power Ground Ground 15 GND - Power Ground Ground 16 BT_HCI_UART_TXD - O BT UART_TXD DVDD_SOC2 17 BT_HCI_UART_RTS - O BT UART_RTS DVDD_SOC2 18 BT_HCI_UART_RXD - I BT UART_RXD DVDD_SOC2 19 BT_HCI_UART_CTS - I BT UART_CTS DVDD_SOC2 20 DVDD_SOC2 - Power GPIO 1.8V-3.3V 21 GND - Power Ground Ground 22 SD_CLK - I SDIO clock DVDD_SDIO 23  SD_D1  -  I/OH SDIO data pin bit 1  DVDD_SDIO 24  SD_D0  -  I/OH SDIO data pin bit 0 DVDD_SDIO 25 SD_CMD - I/OH SDIO command DVDD_SDIO 26  SD_D2  -  I/OH SDIO data pin bit 2 DVDD_SDIO 27  SD_D3  -  I/OH SDIO data pin bit 3 DVDD_SDIO 28 GND - Power Ground Ground 29  VBAT/VDD33  -  Power 3.3V power supply - 30 GND - Power Ground Ground 31  VDD33  -  Power 3.3V power supply -  Americas: +1-800-492-2320 Option 2 Europe: +44-1628-858-940 Hong Kong: +852-2268-6567 x026 www.lairdtech.com/wireless 15 Laird Technologies
Laird SSD45N Hardware Integration Guide, version 0.01 Pin # Pin Name Source or Destination Type Description I/O Power 32  VDD33  -  Power 3.3V power supply - 33  DVDD_SDIO  -  Power 3.3V or 1.8V power supply Host interface I/O supply 34 GND - Power Ground Ground 35  CLK32K  -  I Optional External 32kHz clock input DVDD_SOC2 36 GND - Power Ground Ground 37  BT_CLK_OUT  -  O  Reference clock output to to BT chip DVDD12 38 GND - Power Ground Ground 39  BT_RX_FRAME  -  I Optional software GPIO DVDD_SOC1 40  BT_ACTIVE  -  I  BT_ACTIVE for Bluetooth coexistence DVDD_SOC1 41  BT_PRIORITY  -  I  BT_PRIORITY for Bluetooth coexistence DVDD_SOC1 42  BT_FREQ  -  I  BT FREQUENCY signal from BT chip DVDD_SOC1 43  WLAN_ACTIVE  -  O WLAN_ACTIVE for Bluetooth coexistence DVDD_SOC1 44  BT_CLK_REQ  -  I Clock request signal from BT chip DVDD_SOC1 45 GND - Power Ground Ground 46  CLK_REQ_OUT  -  O CLK_REQ signal indicating when a reference clock is needed. DVDD_SOC1 47  AVDD18  -  Power 1.8V power supply - 48  AVDD18  -  Power 1.8V power supply - 49 DVDD_SOC1 - Power GPIO 1.8V-3.3V 50  CHIP_PWD_L  -  IL Chip power down input DVDD_SDIO 51  HMODE0  -  I  Select the host interface SDIO: DVDD_SOC2  Americas: +1-800-492-2320 Option 2 Europe: +44-1628-858-940 Hong Kong: +852-2268-6567 x026 www.lairdtech.com/wireless 16 Laird Technologies
Laird SSD45N Hardware Integration Guide, version 0.01 Pin # Pin Name Source or Destination Type Description I/O Power 52  HMODE1  I  I HM0=High HM1=high GSPI: HM0=Low HM1=High  53  CPU_WARM_RESET  -  O  Optional Wake On Wireless output DVDD_SOC2 54 GND - Power Ground Ground 55  ANTE Antenna  O  Control signal for RF front end component VDD33_ANT 56 GND - Power Ground Ground 57 GND - Power Ground Ground 58 GND - Power Ground Ground 59 GND - Power Ground Ground 60 GND - Power Ground Ground 61 GND - Power Ground Ground Signal Names and Signal Types  Type Symbol Description Signal Name NC No connection should be made to this pin _L At the end of the signal name, indicates active low signals P  At the end of the signal name, indicates the positive side of a differential signal N  At the end of the signal name indicates the negative side of a differential signal Signal Types I/OH A digital bidirectional signal, with a weak internal pull-up I/OL A digital bidirectional signal, with a weak internal pull-down OA An analog output signal O  A digital output signal P  A power or ground signal    Americas: +1-800-492-2320 Option 2 Europe: +44-1628-858-940 Hong Kong: +852-2268-6567 x026 www.lairdtech.com/wireless 17 Laird Technologies
Laird SSD45N Hardware Integration Guide, version 0.01  Figure 2: Power on/down timing  Figure 3: Reset timing  Description Minimum (µsec) Ta Time between VBAT, VDD33, and I/O supplies valid and 1.8 V supply valid1 0 Tb Time between 1.8 V supply valid and CHIP_PWD_L deassertion  5 Tc Time between CHIP_PWD_L assertion and 1.8 V supply invalid  0 Td Time between 1.8 V supply invalid and VBAT, VDD33, and I/O supplies invalid N/A2 Te Length of CHIP_PWDP_L pulse  5  [1] Supply valid represents the voltage level has reached 90% level. [2] No strict requirements. This parameter can also be negative. SSD40NBT and SSD45N Pin Comparison Table Pin # Pin Name Pin Name Pin # Pin Name Pin Name SSD40NBT SSD45N SSD40NBT SSD45N 1 GND GND  31 RSVD VDD33  2 GND RF_IN-OUT  32 VDDIO VDD33  3 GND GND  33 WL_LED_ACT DVDD_SDIO  4 GND GND  34 WL_GPIO_1 GND  5 ANT_2 GND  35 SYS_RST_L CLK32K  6 GND GND  36 CHIP_PWD_L GND  7 GND GND  37 RSVD BT_CLK_OUT   Americas: +1-800-492-2320 Option 2 Europe: +44-1628-858-940 Hong Kong: +852-2268-6567 x026 www.lairdtech.com/wireless 18 Laird Technologies
Laird SSD45N Hardware Integration Guide, version 0.01 8 GND GND  38 SDIO_DATA_0 GND  9 GND VDD33  39 GND BT_RX_FRAME  10 ANT_1 TMS  40 SDIO_CLK BT_ACTIVE  11 GND TDI  41 GND BT_PRIORITY  12  GND TDO/WLAN_  UART_TXD  42  SDIO_DATA_1 BT_FREQ  13 GND TCK  43 SDIO_DATA_3 WLAN_ACTIVE  14 GND GND  44 SDIO_DATA_2 BT_CLK_REQ  15 GND GND  45 SDIO_CMD GND  16 GND BT_HCI_UART_TXD  46 GND CLK_REQ_OUT  17 GND BT_HCI_UART_RTS  47 RSVD AVDD18  18 GND BT_HCI_UART_RXD  48 SDIO_SEL AVDD18  19 BT_PCM_OUT BT_HCI_UART_CTS  49 WLAN_ACTIVE DVDD_SOC1  20 RSVD DVDD_SOC2  50  BT_PRIORITY CHIP_PWD_L  21 BT_HOST_WAKE_B GND  51  BT_FREQ HMODE0  22 RSVD SD_CLK  52 BT_ACTIVE HMODE1  23 VDD3_3 SD_D1  53 RSVD CPU_WARM_RESET  24 GND SD_D0  54 RSVD GND  25 BT_UART_CTS_N SD_CMD  55 RSVD ANTE  26 BT_UART_RTS_N SD_D2  56 RSVD GND  27 BT_UART_TXD SD_D3  57 - GND  28 BT_UART_RXD GND  58 - GND  29 RSVD VBAT/VDD33  59 - GND  30 RSVD GND  60 - GND      Americas: +1-800-492-2320 Option 2 Europe: +44-1628-858-940 Hong Kong: +852-2268-6567 x026 www.lairdtech.com/wireless 19 Laird Technologies
Laird SSD45N Hardware Integration Guide, version 0.01 MECHANICAL SPECIFICATIONS  Figure 4: Mechanical Drawing   Note:  The following information results from Laird’s experience in producing the SDC-SSD45N. Laird provides these data for informational purposes only and provides no warranties or claims with regard to the applicability of this information to a particular design.      Units are millimeters  Americas: +1-800-492-2320 Option 2 Europe: +44-1628-858-940 Hong Kong: +852-2268-6567 x026 www.lairdtech.com/wireless 20 Laird Technologies
Laird SSD45N Hardware Integration Guide, version 0.01  Recommend footprint (TOP view)  Solder Stencil Opening for Pads (56 signal pads): 1:1 to 1:0.9 (dependent on solder type) Solder Stencil Opening for Thermal Pads (9 “window pane” pads): 1:0.5 to 1:0.75 (dependent on solder type)  Note: The ground vias that are in the thermal pad (6x6 pattern of 12 mil holes) are open; they are not tented by the solder mask on the bottom side. This allows excess paste to escape from the bottom side to help ensure a flat SIP installation. Solder Paste Type: No-Clean as the soldered part to board clearance will not allow for adequate post solder cleaning.  Americas: +1-800-492-2320 Option 2 Europe: +44-1628-858-940 Hong Kong: +852-2268-6567 x026 www.lairdtech.com/wireless 21 Laird Technologies
Laird SSD45N Hardware Integration Guide, version 0.01 Rework is technically challenging due to parts on the SIP reflowing at the same temperature needed for rework. The SDC-SSD45N cannot be lifted by the shield during rework. As such, removal of part for rework is not recommended. Reflow without removal has been successfully used to clear shorts found during x-ray inspection.  Reflow: The SDC-SSD45N is RoHS compliant and as such is sensitive to heat. The below graphic details a typical profile for such and device and is provided for reference purposes.  Recommendations: If the SSD45N has been removed from the moisture-protective packaging for more than 24 hours, bake at 125 degrees Celsius for 24 hours (per Jedec-STD-033). This is a preparatory step prior to reflow to ensure that the SIPs are sufficiently dehydrated. Reflow should occur immediately following baking to prevent rehydration.    • It is recommended that the peak temperature at the solder joint be within 240°C ~ 250°C and the maximum component temperature should not exceed 250°C.   • It is recommended that time above 220°C for the solder joints is between 60-80s, and with a minimum of 50s.   • Excessive ramp/cooling rates (>3°C/s) should be avoided.   To develop the reflow profile, it is recommended that the user place thermocouples at various locations on the assembly to confirm that all locations meet the profile requirements. The critical locations are the solder joints of SiP Module.  When developing the reflow profile, it is recommended that the actual fully loaded assembly be used to make sure that the total thermal mass is accounted for.  Americas: +1-800-492-2320 Option 2 Europe: +44-1628-858-940 Hong Kong: +852-2268-6567 x026 www.lairdtech.com/wireless 22 Laird Technologies
Laird SSD45N Hardware Integration Guide, version 0.01  RF LAYOUT DESIGN GUIDELINES The following is a list of RF layout design guidelines and recommendation when installing a Laird radio into your device.   Do not run antenna cables directly above or directly below the radio.  Do not place any parts or run any high speed digital lines below the radio.  If there are other radios or transmitters located on the device (such as a Bluetooth radio), place the devices as far apart from each other as possible.  Ensure that there is the maximum allowable spacing separating the antenna connectors on the Laird radio from the antenna. In addition, do not place antennas directly above or directly below the radio.  Laird recommends the use of a double shielded cable for the connection between the radio and the antenna elements.  Laird has provided three plated mounting holes that can be used for grounding. When additional ground plane is required, you may use some or all of these grounded mounting holes.  Use proper electro-static-discharge (ESD) procedures when installing the Laird radio module.  For system schematic relative module, please don’t put via on module’s pad. To avoid void occupy on solder paste pad.              Americas: +1-800-492-2320 Option 2 Europe: +44-1628-858-940 Hong Kong: +852-2268-6567 x026 www.lairdtech.com/wireless 23 Laird Technologies
Laird SSD45N Hardware Integration Guide, version 0.01    Need to place enough ground via under the SSD45NBT.    Important: The landing pad of the U.FL connector will cause induced capacitor when the distance to the reference ground plan is less than 10 mils. This will decrease the RF performance on 5GHz. It is must to remove the ground plan in the inner layer.  Be sure to make the reference ground continuous.                             TOP Layer                                                                 Inner Layer (Layer-2)        Americas: +1-800-492-2320 Option 2 Europe: +44-1628-858-940 Hong Kong: +852-2268-6567 x026 www.lairdtech.com/wireless 24 Laird Technologies
Laird SSD45N Hardware Integration Guide, version 0.01      Location of the decoupling capacitor. As Shown on below, the bypass capacitor should place as recommended.     Americas: +1-800-492-2320 Option 2 Europe: +44-1628-858-940 Hong Kong: +852-2268-6567 x026 www.lairdtech.com/wireless 25 Laird Technologies
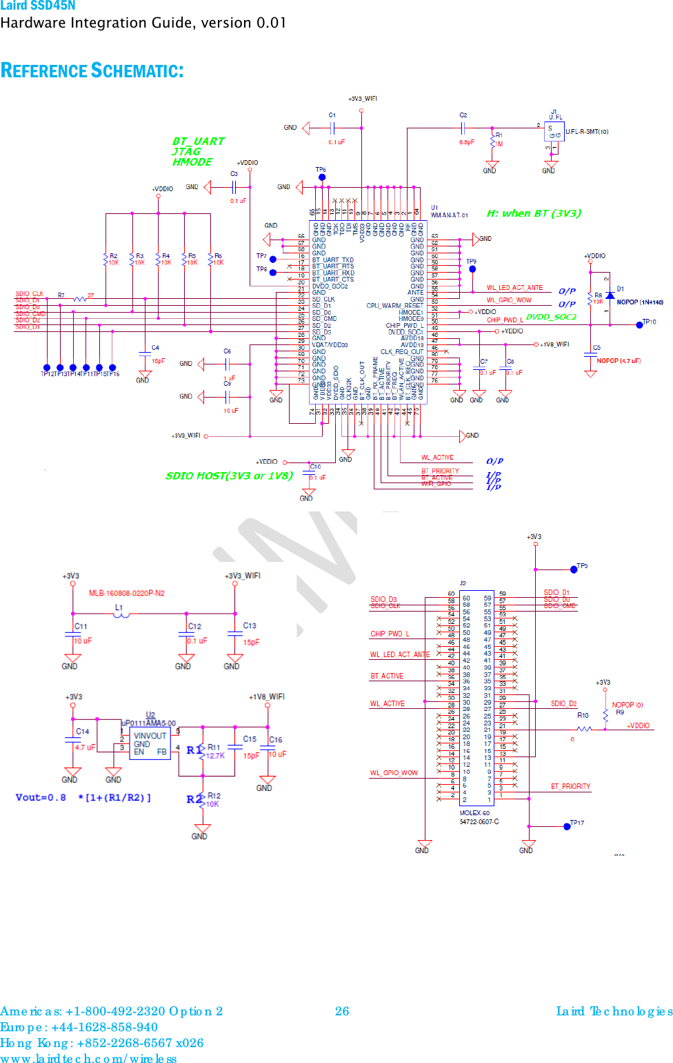
Laird SSD45N Hardware Integration Guide, version 0.01 REFERENCE SCHEMATIC:                     Americas: +1-800-492-2320 Option 2 Europe: +44-1628-858-940 Hong Kong: +852-2268-6567 x026 www.lairdtech.com/wireless 26 Laird Technologies
Laird SSD45N Hardware Integration Guide, version 0.01 REGULATORY Certified Antennas Laird has the specific regulatory approvals for the SSD45N, such as ETSI, FCC, and Industry Canada SSD45N tests were conducted with the following antennas: Model Type  Connector Maximum Gain MAG.LAYERS EDA-1513-25GR2-B2-CY Dipole SMA  Jack Reverse  2 dBi MAG.LAYERS PCA-4606-2G4C1-A13-CY PCB Dipole  TNOV 2.2 dBi Laird NanoBlade-IP04 PCB Dipole IPEX MHF 2.4-2.5 GHz: 2 dBi 5.15-5.35 GHz: 3.9 dBi 5.6 GHz: 4 dBi Laird MAF95310 Mini NanoBlade Flex PCB Dipole IPEX MHF  2.4 GHz: 2.79 dBi 5 GHz: 3.38 dBi Laird NanoBlue-IP04 PCB Dipole IPEX MHF  2.5 GHz only: 2 dBi Ethertronics WLAN_1000146   Magnetic  Dipole IPEX MHF 2.4-2.5 GHz: 2 dBi 4.9-5.1 GHz: 3.5 dBi 5.15-5.35 GHz: 3.5 dBi 5.7-5.9 GHz: 3.5 dBi Antennas of differing types and higher gains may be integrated as well. If necessary, with the Laird Manufacturing Utility software utility, OEMs may reduce the transmit power of the SSD45N to account for higher antenna gain. In some cases, OEMs may be able to reduce certification efforts by using antennas that are of like type and equal or lesser gain to the above listed antennas.  Documentation Requirements In order to maintain regulatory compliance, when integrating the Laird SSD45N into a host device and leveraging Laird’s grants and certifications, it is necessary to meet the documentation requirements set forth by the applicable regulatory agencies. The following sections (FCC, Industry Canada, and European Union) outline the information that may be included in the user’s guide and external labels for the host devices into which the SSD45N is integrated.  FCC Note:   You must place “Contains FCC ID: SQG-SSD45N” on the host product in such a location that it can be seen by an operator at the time of purchase.  User’s Guide Requirements When integrating the SSD45N into a host device, the integrator must include specific information in the user’s guide for the device into which the SSD45N is integrated. The integrator must not  Americas: +1-800-492-2320 Option 2 Europe: +44-1628-858-940 Hong Kong: +852-2268-6567 x026 www.lairdtech.com/wireless 27 Laird Technologies
Laird SSD45N Hardware Integration Guide, version 0.01 provide information to the end user regarding how to install or remove this RF module in the user’s manual of the device into which the SSD45N is integrated. The following FCC statements must be added in their entirety and without modification into a prominent place in the user’s guide for the device into which the SSD45N is integrated:   Federal Communication Commission Interference Statement  This equipment has been tested and found to comply with the limits for a Class B digital device, pursuant to Part 15 of the FCC Rules. These limits are designed to provide reasonable protection against harmful interference in a residential installation. This equipment generates, uses, and can radiate radio frequency energy and, if not installed and used in accordance with the instructions, may cause harmful interference to radio communications. However, there is no guarantee that interference will not occur in a particular installation. If this equipment does cause harmful interference to radio or television reception, which can be determined by turning the equipment off and on, the user is encouraged to try to correct the interference by one of the following measures:  1. Reorient or relocate the receiving antenna. 2. Increase the separation between the equipment and receiver. 3. Connect the equipment into an outlet on a circuit different from that to which the receiver is connected. 4. Consult the dealer or an experienced radio/TV technician for help.  FCC Caution:  Any changes or modifications not expressly approved by the party responsible for compliance could void the user's authority to operate this equipment.  This device complies with Part 15 of the FCC Rules. Operation is subject to the following two conditions: (1) This device may not cause harmful interference, and (2) this device must accept any interference received, including interference that may cause undesired operation. This device is restricted to indoor use when operated in the 5.15 to 5.25 GHz frequency range. FCC requires this product to be used indoors for the frequency range 5.15 to 5.25 GHz to reduce the potential for harmful interference to co-channel Mobile Satellite systems. This device does not permit operations on channels 116-128 (5580 – 5640 MHz) for 11na and 120-128 (5600-5640 MHz) for 11a which overlap the 5600 -5650 MHz band.  IMPORTANT NOTE: FCC Radiation Exposure Statement:   This equipment complies with FCC radiation exposure limits set forth for an uncontrolled environment. This equipment should be installed and operated with minimum distance 20cm between the radiator & your body.  This device is intended only for OEM integrators under the following conditions:  Americas: +1-800-492-2320 Option 2 Europe: +44-1628-858-940 Hong Kong: +852-2268-6567 x026 www.lairdtech.com/wireless 28 Laird Technologies
Laird SSD45N Hardware Integration Guide, version 0.01  The antenna must be installed such that 20 cm is maintained between the antenna and users, and   The transmitter module may not be co-located with any other transmitter or antenna,   For all products marketed in the United States, the OEM must limit the operation channels from CH1 to CH11 for 2.4 GHz band by the supplied firmware programming tool. The OEM shall not supply any tool or information to the end-user regarding Regulatory Domain change. As long as the three conditions above are met, further transmitter testing is not required. However, the OEM integrator is still responsible for testing their end-product for any additional compliance requirements required with this module installed. IMPORTANT NOTE:    In the event that these conditions cannot be met (for example, certain laptop configurations or co-location with another transmitter), then the FCC authorization is no longer considered valid and the FCC ID cannot be used on the final product. In these circumstances, the OEM integrator is responsible for re-evaluating the end product (including the transmitter) and obtaining a separate FCC authorization. End Product Labeling This transmitter module is authorized only for use in device where the antenna is installed such that 20 cm is maintained between the antenna and users. The final end product must be labeled in a visible area with the following: “Contains FCC ID: SQG-SSD45N”. Manual Information to the End User The OEM integrator may NOT provide information to the end user regarding how to install or remove this RF module in the user’s manual of the end product which integrates this module. The end user manual shall include all required regulatory information/warnings as show in this Hardware Integration Guide. Industry Canada  Note:   You must place “Contains IC ID: 3147A-SSD45N” on the host product in such a location that it can be seen by an operator at the time of purchase.  User’s Guide Requirements (for Model # SSD45N) RF Radiation Hazard Warning  To ensure compliance with FCC and Industry Canada RF exposure requirements, this device must be installed in a location where the antennas of the device will have a minimum distance of at least 20 cm from all persons. Using higher gain antennas and types of antennas not certified for use with this product is not allowed. The device shall not be co-located with another transmitter. Installez l'appareil en veillant à conserver une distance d'au moins 20 cm entre les éléments rayonnants et les personnes. Cet avertissement de sécurité est conforme aux limites d'exposition définies par la norme CNR-102 at relative aux fréquences radio. Maximum Antenna Gain – If the integrator configures the device such that the antenna is detectable from the host product.  Americas: +1-800-492-2320 Option 2 Europe: +44-1628-858-940 Hong Kong: +852-2268-6567 x026 www.lairdtech.com/wireless 29 Laird Technologies
Laird SSD45N Hardware Integration Guide, version 0.01 This radio transmitter (identify the device by certification number, or model number if Category II) has been approved by Industry Canada to operate with the antenna types listed below with the maximum permissible gain and required antenna impedance for each antenna type indicated. Antenna types not included in this list, having a gain greater than the maximum gain indicated for that type, are strictly prohibited for use with this device. Antenna list refer to Certified Antennas. Le présent émetteur radio (IC: XXXXX-XXXXXXXXX) a été approuvé par Industrie Canada pour fonctionner avec les types d'antenne énumérés ci-dessous et ayant un gain admissible maximal et l'impédance requise pour chaque type d'antenne. Les types d'antenne non inclus dans cette liste, ou dont le gain est supérieur au gain maximal indiqué, sont strictement interdits pour l'exploitation de l'émetteur. Le présent appareil est conforme aux CNR d'Industrie Canada applicables aux appareils radio exempts de licence. L'exploitation est autorisée aux deux conditions suivantes : (1) l'appareil ne doit pas produire de brouillage, et (2) l'utilisateur de l'appareil doit accepter tout brouillage radioélectrique subi, même si le brouillage est susceptible d'en compromettre le fonctionnement. This device is intended only for OEM integrators under the following conditions:   The antenna must be installed such that 20 cm is maintained between the antenna and users, and   The transmitter module may not be co-located with any other transmitter or antenna. As long as 2 conditions above are met, further transmitter test will not be required. However, the OEM integrator is still responsible for testing their end-product for any additional compliance requirements required with this module installed. Cet appareil est conçu uniquement pour les intégrateurs OEM dans les conditions suivantes:  L'antenne doit être installée de telle sorte qu'une distance de 20 cm est respectée entre l'antenne et les utilisateurs, et  Le module émetteur peut ne pas être coïmplanté avec un autre émetteur ou antenne. Tant que les 2 conditions ci-dessus sont remplies, des essais supplémentaires sur l'émetteur ne seront pas nécessaires. Toutefois, l'intégrateur OEM est toujours responsable des essais sur son produit final pour toutes exigences de conformité supplémentaires requis pour ce module installé. IMPORTANT NOTE: In the event that these conditions cannot be met (for example certain laptop configurations or co-location with another transmitter), then the Canada authorization is no longer considered valid and the IC ID can not be used on the final product. In these circumstances, the OEM integrator will be responsible for re-evaluating the end product (including the transmitter) and obtaining a separate Canada authorization. NOTE IMPORTANTE:  Dans le cas où ces conditions ne peuvent être satisfaites (par exemple pour certaines configurations d'ordinateur portable ou de certaines co-localisation avec un autre émetteur), l'autorisation du Canada n'est plus considéré comme valide et l'ID IC ne peut pas être utilisé sur le produit final. Dans ces circonstances, l'intégrateur OEM sera chargé de réévaluer le produit final (y compris l'émetteur) et l'obtention d'une autorisation distincte au Canada.  Americas: +1-800-492-2320 Option 2 Europe: +44-1628-858-940 Hong Kong: +852-2268-6567 x026 www.lairdtech.com/wireless 30 Laird Technologies
Laird SSD45N Hardware Integration Guide, version 0.01 End Product Labeling This transmitter module is authorized only for use in device where the antenna may be installed such that 20 cm may be maintained between the antenna and users. The final end product must be labeled in a visible area with the following: “Contains IC: 3147A-SSD45N”.  Plaque signalétique du produit final Ce module émetteur est autorisé uniquement pour une utilisation dans un dispositif où l'antenne peut être installée de telle sorte qu'une distance de 20cm peut être maintenue entre l'antenne et les utilisateurs. Le produit final doit être étiqueté dans un endroit visible avec l'inscription suivante: "Contient des IC: 3147A-SSD45N". Manual Information To the End User The OEM integrator has to be aware not to provide information to the end user regarding how to install or remove this RF module in the user’s manual of the end product which integrates this module. The end user manual shall include all required regulatory information/warning as show in this manual.  Manuel d'information à l'utilisateur final L'intégrateur OEM doit être conscient de ne pas fournir des informations à l'utilisateur final quant à la façon d'installer ou de supprimer ce module RF dans le manuel de l'utilisateur du produit final qui intègre ce module. Le manuel de l'utilisateur final doit inclure toutes les informations réglementaires requises et avertissements comme indiqué dans ce manuel. European Union User’s Guide Requirements The integrator must include specific information in the user’s guide for the device into which the SSD45N is integrated. In addition to the required FCC and IC statements outlined above, the following R&TTE statements must be added in their entirety and without modification into a prominent place in the user’s guide for the device into which the SSD45N is integrated:  This device complies with the essential requirements of the R&TTE Directive 1999/5/EC. The following test methods have been applied in order to prove presumption of conformity with the essential requirements of the R&TTE Directive 1999/5/EC:  EN60950-1:2006+A11+A1+A12:2011 Safety of Information Technology Equipment  EN 62311: 2008 / Article 3(1)(a) and Article 2 2006/95/EC) Assessment of electronic and electrical equipment related to human exposure restrictions for electromagnetic fields (0 Hz-300 GHz)   EN 300 328 V1.8.1: 2012-06 Electromagnetic compatibility and Radio spectrum Matters (ERM);  Wideband transmission systems;  Data transmission equipment operating using wide band modulation techniques;  Harmonized EN covering the essential requirements of article 3.2 of the R&TTE Directive  EN 301 893 V1.7.1: 2012-06 Broadband Radio Access Networks (BRAN); 5 GHz high performance RLAN; Harmonized EN covering the essential requirements of article 3.2 of the R&TTE Directive  Americas: +1-800-492-2320 Option 2 Europe: +44-1628-858-940 Hong Kong: +852-2268-6567 x026 www.lairdtech.com/wireless 31 Laird Technologies
Laird SSD45N Hardware Integration Guide, version 0.01  EN 301 489-1 V1.9.2: 2011 Electromagnetic compatibility and Radio spectrum Matters (ERM);  ElectroMagnetic Compatibility (EMC) standard for radio equipment and services; Part 1: Common technical requirements   EN 301 489-17 V2.2.1 2012 Electromagnetic compatibility and Radio spectrum Matters (ERM); ElectroMagnetic Compatibility (EMC) standard for radio equipment; Part 17: Specific conditions for Broadband Data Transmission Systems  This device is a 2.4 GHz wideband transmission system (transceiver), intended for use in all EU member states and EFTA countries, except in France and Italy where restrictive use applies. In Italy the end-user should apply for a license at the national spectrum authorities in order to obtain authorization to use the device for setting up outdoor radio links and/or for supplying public access to telecommunications and/or network services. This device may not be used for setting up outdoor radio links in France and in some areas the RF output power may be limited to 10 mW EIRP in the frequency range of 2454 – 2483.5 MHz. For detailed information the end-user should contact the national spectrum authority in France. Česky [Czech] [Jméno výrobce] tímto prohlašuje, že tento [typ zařízení] je ve shodě se základními požadavky a dalšími příslušnými ustanoveními směrnice 1999/5/ES. Dansk [Danish] Undertegnede [fabrikantens navn] erklærer herved, at følgende udstyr [udstyrets typebetegnelse] overholder de væsentlige krav og øvrige relevante krav i direktiv 1999/5/EF. Deutsch [German] Hiermit erklärt [Name des Herstellers], dass sich das Gerät [Gerätetyp] in Übereinstimmung mit den grundlegenden Anforderungen und den übrigen einschlägigen Bestimmungen der Richtlinie 1999/5/EG befindet. Eesti [Estonian] Käesolevaga kinnitab [tootja nimi = name of manufacturer] seadme [seadme tüüp = type of equipment] vastavust direktiivi 1999/5/EÜ põhinõuetele ja nimetatud direktiivist tulenevatele teistele asjakohastele sätetele. English Hereby, [name of manufacturer], declares that this [type of equipment] is in compliance with the essential requirements and other relevant provisions of Directive 1999/5/EC. Español [Spanish] Por medio de la presente [nombre del fabricante] declara que el [clase de equipo] cumple con los requisitos esenciales y cualesquiera otras disposiciones aplicables o exigibles de la Directiva 1999/5/CE. Ελληνική [Greek] ΜΕ ΤΗΝ ΠΑΡΟΥΣΑ [name of manufacturer] ΔΗΛΩΝΕΙ ΟΤΙ [type of equipment] ΣΥΜΜΟΡΦΩΝΕΤΑΙ ΠΡΟΣ ΤΙΣ ΟΥΣΙΩΔΕΙΣ ΑΠΑΙΤΗΣΕΙΣ ΚΑΙ ΤΙΣ ΛΟΙΠΕΣ ΣΧΕΤΙΚΕΣ ΔΙΑΤΑΞΕΙΣ ΤΗΣ ΟΔΗΓΙΑΣ 1999/5/ΕΚ. Français [French] Par la présente [nom du fabricant] déclare que l'appareil [type d'appareil] est conforme aux exigences essentielles et aux autres dispositions pertinentes de la directive 1999/5/CE. Italiano [Italian] Con la presente [nome del costruttore] dichiara che questo [tipo di apparecchio] è conforme ai requisiti essenziali ed alle altre disposizioni pertinenti stabilite dalla direttiva 1999/5/CE.  Americas: +1-800-492-2320 Option 2 Europe: +44-1628-858-940 Hong Kong: +852-2268-6567 x026 www.lairdtech.com/wireless 32 Laird Technologies
Laird SSD45N Hardware Integration Guide, version 0.01 Latviski [Latvian] Aršo[name of manufacturer /izgatavotājanosaukums] deklarē, ka[type of equipment / iekārtas tips]atbilstDirektīvas 1999/5/EK būtiskajāmprasībām un citiemar to saistītajiemnoteikumiem. Lietuvių [Lithuanian]  Šiuo [manufacturer name] deklaruoja, kad šis [equipment type] atitinka esminius reikalavimus ir kitas 1999/5/EB Direktyvos nuostatas. Nederlands [Dutch] Hierbij verklaart [naam van de fabrikant] dat het toestel [type van toestel] in overeenstemming is met de essentiële eisen en de andere relevante bepalingen van richtlijn 1999/5/EG. Malti [Maltese] Hawnhekk, [isem tal-manifattur], jiddikjara li dan [il-mudel tal-prodott] jikkonforma mal-ħtiġijiet essenzjali u ma provvedimenti oħrajn relevanti li hemm fid-Dirrettiva 1999/5/EC. Magyar [Hungarian] Alulírott, [gyártó neve] nyilatkozom, hogy a [... típus]megfelel a vonatkozó alapvetõ követelményeknek és az 1999/5/EC irányelv egyéb elõírásainak. Polski [Polish] Niniejszym [nazwa producenta] oświadcza, że [nazwa wyrobu] jest zgodny z zasadniczymi wymogami oraz pozostałymi stosownymi postanowieniami Dyrektywy 1999/5/EC. Português [Portuguese] [Nome do fabricante] declara que este [tipo de equipamento] está conforme com os requisitos essenciais e outras disposições da Directiva 1999/5/CE. Slovensko [Slovenian] [Ime proizvajalca] izjavlja, da je ta [tip opreme] v skladu z bistvenimi zahtevami in ostalimi relevantnimi določili direktive 1999/5/ES. Slovensky [Slovak] [Menovýrobcu]týmtovyhlasuje, že[typzariadenia]spĺňazákladnépožiadavky a všetkypríslušnéustanoveniaSmernice 1999/5/ES. Suomi [Finnish] [Valmistaja = manufacturer] vakuuttaa täten että [type of equipment = laitteen tyyppimerkintä] tyyppinen laite on direktiivin 1999/5/EY oleellisten vaatimusten ja sitä koskevien direktiivin muiden ehtojen mukainen. Svenska [Swedish] Härmed intygar [företag] att denna [utrustningstyp] står I överensstämmelse med de väsentliga egenskapskrav och övriga relevanta bestämmelser som framgår av direktiv 1999/5/EG. Labeling Requirements The final end product must be labeled in a visible area with the following notice:    Americas: +1-800-492-2320 Option 2 Europe: +44-1628-858-940 Hong Kong: +852-2268-6567 x026 www.lairdtech.com/wireless 33 Laird Technologies

Navigation menu