Ezurio SSD45N Radio Module User Manual MSD40NBT Hardware Integration Guide v 02
Laird Technologies Radio Module MSD40NBT Hardware Integration Guide v 02
Ezurio >
User manual

LAIRD SSD45N
Hardware Integration Guide
Version 0.01 (Preliminary)
Americas: +1-800-492-2320 Option 2
Europe: +44-1628-858-940
Asia: +852-2923-0610
www.lairdtech.com/wireless

Laird SSD45N
Hardware Integration Guide, version 0.01
Americas: +1-800-492-2320 Option 2
Europe: +44-1628-858-940
Hong Kong: +852-2268-6567 x026
www.lairdtech.com/wireless
2 Laird Technologies

Laird SSD45N
Hardware Integration Guide, version 0.01
REVISION HISTORY
Version Revision Date Change Description
0.01
Preliminary Release
Americas: +1-800-492-2320 Option 2
Europe: +44-1628-858-940
Hong Kong: +852-2268-6567 x026
www.lairdtech.com/wireless
3 Laird Technologies

Laird SSD45N
Hardware Integration Guide, version 0.01
CONTENTS
Laird SSD45N .............................................................................................................................. 1
Revision History .......................................................................................................................... 3
Contents ..................................................................................................................................... 4
SCOPE ........................................................................................................................................... 6
Operational Description .............................................................................................................. 6
Block Diagram ............................................................................................................................. 7
Specifications .............................................................................................................................. 7
Recommended Operating Conditions and DC Electrical Characteristics ..................................... 11
SDIO Timing Requirements .................................................................................................................... 12
Pin Definitions ........................................................................................................................... 15
SSD40NBT and SSD45N Pin Comparison Table ...................................................................................... 18
Mechanical Specifications .......................................................................................................... 20
Mounting ...............................................................................................................
錯誤
!
尚未定義書籤。
Recommendations: ............................................................................................................................... 22
RF Layout Design Guidelines ..................................................................................................... 23
Regulatory ................................................................................................................................. 24
Certified Antennas ..................................................................................................................................... 27
Documentation Requirements ................................................................................................................ 27
FCC ........................................................................................................................................... 27
Industry Canada .................................................................................................................................... 29
European Union ...................................................................................................................................... 31
Americas: +1-800-492-2320 Option 2
Europe: +44-1628-858-940
Hong Kong: +852-2268-6567 x026
www.lairdtech.com/wireless
4 Laird Technologies

Laird SSD45N
Hardware Integration Guide, version 0.01
Americas: +1-800-492-2320 Option 2
Europe: +44-1628-858-940
Hong Kong: +852-2268-6567 x026
www.lairdtech.com/wireless
5 Laird Technologies

Laird SSD45N
Hardware Integration Guide, version 0.01
SCOPE
This document describes key hardware aspects of the Laird SSD45N radio module. This
document is intended to assist device manufacturers and related parties with the integration of
this radio into their host devices. Data in this document is drawn from a number of sources and
includes information found in the Qualcomm Atheros (QCA) AR6003X data sheet issued in
January 2010, along with other documents provided from Qualcomm Atheros.
The Laird SSD45N is currently in pre-production and this document is preliminary. The information
in this document is subject to change. Please contact Laird Technologies or visit
http://www.lairdtech.com/wireless to obtain the most recent version of this document.
OPERATIONAL DESCRIPTION
This device is a Laird SSD45N radio module which supports IEEE 802.11a/b/g/n standards via an
SDIO (Secure Digital Input/Output) interface. The radio operates in unlicensed portions of the 2.4
GHz and 5 GHz radio frequency spectrum. The device is compliant with IEEE 802.11a, 802.11b,
802.11g, and 802.11n standards using Direct Sequence Spread Spectrum (DSSS) and Orthogonal
Frequency Division Multiplexing (OFDM). The device supports all 802.11a, 802.11b, 802.11g, and
802.11n data rates and automatically adjusts data rates and operational modes based on
various environmental factors.
When operating on channels in the UNII-2 and UNII-2 Extended bands that are in the 5GHz
portion of the frequency spectrum and are subject to Dynamic Frequency Selection
requirements, the SSD45N fully conforms to applicable regulatory requirements. In the event that
specified types of radar are detected by the network infrastructure, the SSD45N fully conforms to
commands from the infrastructure for radar avoidance.
The SSD45N is a System in Package (SiP) Quad Flat pack, No leads (QFN) module. The device is
based on the Qualcomm Atheros AR6003X chip which is an integrated device providing a
Media Access Controller (MAC), a Physical Layer Controller (baseband or BB processor), and
fully integrated dual-band radio transceiver. To maximize operational range, the SSD45N
incorporates external 2.4 and 5 GHz power amplifiers (PA) to increase transmit power. The
frequency stability for both 2.4 GHz (802.11b and 802.11g) and 5 GHz (802.11a) operation is +/-
20 ppm.
The SSD45N has its own RF shielding and does not require shielding provided by the host device
into which it is installed in order to maintain compliance with applicable regulatory standards. As
such, the device may be tested in a standalone configuration via an extender card.
The device buffers all data inputs so that it will comply with all applicable regulations even in the
presence of over-modulated input from the host device. Similarly, the SSD45N incorporates
power regulation to comply with all applicable regulations even when receiving excess power
from the host device.
The SSD45N combines the 2.4 and 5 GHz signal path to signal U.FL type antenna connectors to
support dual band transmission and receive. An antenna diversity function is NOT supported in
this product. Supported host device antenna types include dipole and monopole antennas.
Regulatory operational requirements are included with this document and may be incorporated
into the operating manual of any device into which the SSD45N is installed. The SSD45N is
designed for installation into mobile devices such as vehicle mount data terminals (which
typically operate at distances greater than 20 cm from the human body) and portable devices
such as handheld data terminals (which typically operate at distances less than 20 cm from the
human body). See “Documentation Requirements” for more information.
Americas: +1-800-492-2320 Option 2
Europe: +44-1628-858-940
Hong Kong: +852-2268-6567 x026
www.lairdtech.com/wireless
6 Laird Technologies

Laird SSD45N
Hardware Integration Guide, version 0.01
BLOCK DIAGRAM
Note: Transmitter frequencies for Wi-Fi are 2412-2462 MHz and 5180-5805 MHz.
SPECIFICATIONS
Table 1: Specifications
Feature Description
Physical Interface QFN package
Wi-Fi Interface
1-bit or 4-bit Secure Digital I/O
Note: Can support 1.8 V or 3.3 V depending on the supply voltage on
DVDD_SDIO.
Antenna Interface
50 ohm RF impedance
Main Chip Qualcomm Atheros AR6003X single-chip client
Input Voltage
Requirements 3.3 VDC ± 10% (core)
I/O Signalling Voltage 3.3 VDC ± 5%
1.8 VDC ± 5%
Americas: +1-800-492-2320 Option 2
Europe: +44-1628-858-940
Hong Kong: +852-2268-6567 x026
www.lairdtech.com/wireless
7 Laird Technologies

Laird SSD45N
Hardware Integration Guide, version 0.01
Feature Description
Average Current
Consumption
(At maximum transmit
power setting)
Note: Standby refers to
the radio operating in
PM1 powersave mode.
Mode
1.8 V
3.3 V
Avg.
Current
Max.
Current
Avg.
Current
Max.
Current
802.11a
Transmit
0.11
0.11
496
500
Receive
0.11
-
0.2
-
Standby
TBD
TBD
TBD
TBD
802.11b
Transmit
0.11
0.11
380
420
Receive
0.11
-
0.2
-
Standby
TBD
TBD
TBD
TBD
802.11g
Transmit
0.11
0.11
355
410
Receive
0.11
-
0.2
-
Standby
TBD
TBD
TBD
TBD
802.11n (2.4 GHz)
Transmit
0.11
0.11
342
420
Receive
0.11
-
0.2
-
Standby
TBD
TBD
TBD
TBD
802.11n (5 GHz)
Transmit
0.11
0.11
422
500
Receive
0.11
-
0.2
-
Standby
TBD
TBD
TBD
TBD
Sleep
N/A
TBD
TBD
TBD
TBD
Operating Temperature
-20° to 70°C (-4° to 158°F)
Operating Humidity 10 to 95% (non-condensing)
Storage Temperature
-40° to 85°C (-40° to 185°F)
Storage Humidity 10 to 95% (non-condensing)
Maximum Electrostatic
Discharge Maximum Contact Discharge (CD): 4 kV
Maximum Air Discharge (AD): 8 kV
Length/Width/Thickness
11.0 mm x 11.0 mm x 1.3 mm (with shield) with a tolerance of 0.1 mm at
each axis.
Weight
Mounting
See the “Mounting” section for more information.
Wi-Fi Media Direct Sequence-Spread Spectrum (DSSS)
Complementary Code Keying (CCK)
Orthogonal Frequency Divisional Multiplexing (OFDM)
Wi-Fi Media Access
Protocol Carrier sense multiple access with collision avoidance (CSMA/CA)
Network Architecture
Types Infrastructure and ad hoc
Wi-Fi Standards
IEEE 802.11a, 802.11b, 802.11d, 802.11e, 802.11g, 802.11h, 802.11i, 802.11n
Wi-Fi Data Rates
Supported 802.11a (OFDM): 6, 9, 12, 18, 24, 36, 48, 54 Mbps
802.11b (DSSS, CCK): 1, 2, 5.5, 11 Mbps
802.11g (OFDM): 6, 9, 12, 18, 24, 36, 48, 54 Mbps
802.11n (OFDM,HT20,MCS 0-7): 6.5,13,19.5, 26, 39,52, 58.5, 72.2 Mbps
7.2,14.4, 21.7, 28.9,43.3, 57.8, 65 Mbps
Wi-Fi Modulation
BPSK @ 1, 6, 6.5, 7.2 and 9 Mbps
QPSK @ 2, 5.5, 11, 12, 13, 14.4,18, 19.5 and 21.7 Mbps
16-QAM @ 24, 26, 28.9, 36, 39 and 43.3 Mbps
64-QAM @ 48, 52, 54, 57.8, 58.5, 65, and 72.2 Mbps
802.11n Spatial Streams
1x1 SISO (Single Input, Single Output)
Americas: +1-800-492-2320 Option 2
Europe: +44-1628-858-940
Hong Kong: +852-2268-6567 x026
www.lairdtech.com/wireless
8 Laird Technologies

Laird SSD45N
Hardware Integration Guide, version 0.01
Feature Description
Regulatory Domain
Support FCC (Americas, Parts of Asia, and Middle East)
ETSI (Europe, Middle East, Africa, and Parts of Asia)
MIC (Japan) (formerly TELEC)
KC (Korea) (formerly KCC)
2.4 GHz Frequency
Bands ETSI: 2.4 GHz to 2.483 GHz
FCC: 2.4 GHz to 2.483 GHz
MIC (Japan): 2.4 GHz to 2.495 GHz
KC: 2.4 GHz to 2.483 GHz
2.4 GHz Operating
Channels
ETSI:13 (3 non-overlapping)
FCC:11 (3 non
-overlapping)
MIC (Japan):14 (4 non-
overlapping)
KCC:13 (3 non-overlapping)
5 GHz Frequency Bands
ETSI 5.15 GHz to 5.35 GHz
5.47 GHz to 5.725 GHz
FCC
5.15 GHz to 5.35 GHz
5.725 GHz to 5.82 GHz
MIC 5.15 GHz to 5.35 GHz
KC 5.15 GHz to 5.35 GHz
5.47 GHz to 5.725 GHz
5.725 GHz to 5.82 GHz
5 GHz Operating
Channels
ETSI:19 non-overlapping)
FCC: 23 non-overlapping
MIC: 8 non-overlapping
KC: 8 non-overlapping
Transmit Power
Note: Transmit power
varies according to
individual country
regulations. All
values nominal, +/-
2 dBm.
Note: Laird 45 series
radios support a
single spatial
stream and 20 MHz
channels only.
802.11a: 6 Mbps 15 dBm (32 mW)
54 Mbps 15 dBm (32 mW)
802.11b: 1 Mbps 16 dBm (40 mW)
11 Mbps 16 dBm (40 mW)
802.11g: 6 Mbps 16 dBm (40 mW)
54 Mbps 14 dBm (25 mW)
802.11n (2.4 GHz): 6.5 Mbps (MCS0) 16 dBm (40 mW)
65 Mbps (MCS7) 12 dBm (16 mW)
802.11n (5 GHz): 6.5 Mbps (MCS0) 15 dBm (32 mW)
65 Mbps (MCS7) 12 dBm (16 mW)
Typical Receiver
Sensitivity
Note: All values nominal,
+/-3 dBm.
802.11a: 6 Mbps -91 dBm
54 Mbps -73 dBm (PER <=10%)
802.11b: 1 Mbps -92 dBm
11 Mbps -84 dBm (PER <=10%)
802.11g: 6 Mbps -91 dBm
54 Mbps -74 dBm (PER <=10%)
802.11n (2.4 GHz): MCS0 Mbps -89 dBm
MCS7 Mbps -71 dBm
802.11n (5 GHz): MCS0 Mbps -89 dBm
MCS7 Mbps -71 dBm
Operating Systems
Supported Linux
Note: Support for Android is pending.
Security
Standards
Wireless Equivalent Privacy (WEP)
Wi-Fi Protected Access (WPA)
Americas: +1-800-492-2320 Option 2
Europe: +44-1628-858-940
Hong Kong: +852-2268-6567 x026
www.lairdtech.com/wireless
9 Laird Technologies

Laird SSD45N
Hardware Integration Guide, version 0.01
Feature Description
IEEE 802.11i (WPA2)
Note: Support for Federal Information Processing Standards (FIPS) is
pending.
Encryption
Wireless Equivalent Privacy (WEP, RC4 Algorithm)
Temporal Key Integrity Protocol (TKIP, RC4 Algorithm)
Advanced Encryption Standard (AES, Rijndael Algorithm)
Encryption Key Provisioning
Static (40-bit and 128-bit lengths)
Pre-Shared (PSK)
Dynamic
802.1X Extensible Authentication Protocol Types
EAP-FAST
EAP
-TLS
EAP
-TTLS
PEAP-GTC
PEAP-MSCHAPv2
PEAP-TLS
LEAP
Compliance
Note: All certifications
are pending.
Note: Whether or not
MIC (formerly
TELEC) is pursued is
TBD.
ETSI Regulatory Domain
EN 300 328
EN 301 489-1
EN 301 489-17
EN 301 893
EN 60950-1
EN 62311
EU 2002/95/EC (RoHS)
FCC Regulatory Domain
FCC 15.247 DTS – 802.11b/g (Wi-Fi) – 2.4 GHz & 5.8 GHz
FCC 15.407 UNII – 802.11a (Wi-Fi) – 2.4 GHz & 5.4 GHz
Industry Canada
RSS-210 – 802.11a/b/g/n (Wi-Fi) – 2.4 GHz, 5.8 GHz, 5.2 GHz, and 5.4 GHz
MIC (Japan) Regulatory Domain (formerly TELEC)
Article 2 Item 19, Category WW (2.4GHz Channels 1-13)
Article 2 Item 19-2, Category GZ (2.4GHz Channel 14)
Article 2 Item 19-3 Category XW (5150-5250 W52 & 5250-5350 W53)
Certifications
Note: These certifications
are pending.
Wi-Fi Alliance
802.11a, 802.11b, 802.11g , 802.11n
WPA Enterprise
WPA2 Enterprise
Cisco Compatible Extensions (Version 4)
Warranty
Limited Lifetime
This is a PRELMINARY document.
All specifications are subject to change without notice
Americas: +1-800-492-2320 Option 2
Europe: +44-1628-858-940
Hong Kong: +852-2268-6567 x026
www.lairdtech.com/wireless
10 Laird Technologies

Laird SSD45N
Hardware Integration Guide, version 0.01
RECOMMENDED OPERATING CONDITIONS AND DC ELECTRICAL CHARACTERISTICS
Table 2: Absolute Maximum Ratings
Symbol Parameter Min. Typ. Max. Unit
VDD3_3
Power supply voltage with respect to
ground -0.3 - 4.0 V
VDD1_8 Power supply voltage with respect to
ground -0.3 - 2.5 V
DVDD_SDI
O
Power supply voltage with respect to
ground -0.3 - 4.0 V
DVDD_SOC
1 Power supply voltage with respect to
ground -0.3 - 4.0 V
DVDD_SOC
2
Power supply voltage with respect to
ground -0.3 - 4.0 V
Voltage
Ripple ±2%, 10 KHz~100KHz, maximum values not
exceeding operating voltage - - 2 %
RFin
Maximum RF input (references to 50
ohm) - - +10 dBm
Storage
Temperatur
e -40° to +85°C -40 25 85 C
Humidity
Range Maximum 95%
Non-condensing, relative
humidity
Table 3: Recommended Operating Conditions
Symbol Parameter Min. Typ. Max. Unit
VDD3_3 Power supply voltage with respect to
ground 3.14 3.3 3.46 V
VDD1_8
Power supply voltage with respect to
ground 1.71 1.8 1.89 V
DVDD_SDI
O Power supply voltage with respect to
ground 1.71 - 3.46 V
DVDD_SOC
1
Power supply voltage with respect to
ground 1.71 - 3.46 V
DVDD_SOC
2 Power supply voltage with respect to
ground 1.71 - 3.46 V
Ambient Temperature
-20° to 70°
C
Note: VDD_IO is a voltage from the host platform to configure the I/O signal level. It can be set
1.8 V or
3.3 V.
Americas: +1-800-492-2320 Option 2
Europe: +44-1628-858-940
Hong Kong: +852-2268-6567 x026
www.lairdtech.com/wireless
11 Laird Technologies

Laird SSD45N
Hardware Integration Guide, version 0.01
DC ELECTRICAL CHARACTERISTICS
General DC Electrical Characteristics (3.3V & 1.8V I/O operation)
Table 4 and Table 5 list the general DC electrical characteristics over recommended operating
conditions (unless otherwise specified).
Table 4 General DC Electrical Characteristics (For 3.3 V I/O Operation)
Symbol Parameter Conditions Min. Typ. Max. Unit
VIH High Level Input Voltage - 0.7 x
V
DD
- TBD V
VIL
Low Level Input Voltage
-
TBD
-
0.3 x VDD
V
IIL
Input
Leakag
e
Current
Without pull-up
or pull-down
0 V < VIN <
VDD
0 V < VOUT <
V
DD
0 - -3 nA
With pull-up
0 V < VIN <
VDD
0 V < VOUT <
V
DD
16 - 48 µA
With pull-down
0 V < VIN <
VDD
0 V < VOUT <
V
DD
-14 - -47 µA
VOH High Level Output Voltage IOH = -4 mA 0.9 x
VDD
- - V
IOH = -12 mA
0.9 x
V
DD
- - V
VOL Low Level Output Voltage
IOH = 4 mA
-
-
0.1 x VDD
V
IOH = 12 mA
-
-
0.1 x VDD
V
Table 5 General DC Electrical Characteristics (For 1.8 V I/O Operation)
Symbol Parameter Conditions Min. Typ. Max. Unit
VIH High Level Input Voltage -
0.7 x
V
DD
- TBD V
V
IL
Low Level Input Voltage - TBD - 0.3 x V
DD
V
IIL
Input
Leakag
e
Current
Without pull-up
or pull-down
0 V < V
IN
<
VDD
0 V < VOUT <
V
DD
0 - -3 nA
With pull-up
0 V < V
IN
<
VDD
0 V < VOUT <
V
DD
3.5 - 13 µA
With pull-down
0 V < V
IN
<
VDD
0 V < VOUT <
-6.2 - -23 µA
Americas: +1-800-492-2320 Option 2
Europe: +44-1628-858-940
Hong Kong: +852-2268-6567 x026
www.lairdtech.com/wireless
12 Laird Technologies

Laird SSD45N
Hardware Integration Guide, version 0.01
Symbol Parameter Conditions Min. Typ. Max. Unit
VDD
VOH High Level Output Voltage IOH = -4 mA
0.9 x
V
DD
- - V
IOH = -12 mA
0.9 x
V
DD
- - V
VOL Low Level Output Voltage
IOH = 4 mA
-
-
0.1 x VDD
V
I
OH
= 12 mA - - 0.1 x V
DD
V
SDIO Timing Requirements
The following figure (Figure 1) and table display SDIO default mode timing.
Figure 1: SDIO Default Mode Timing
Note: Timing is based on CL ≤ 40 pF load on CMD and Data.
Table 4: SDIO Timing Requirements
Symbol Parameter Min. Typ. Max. Unit
fPP
Frequency – Data Transfer mode
0
-
50
MHz
tWL Clock low time 7 - - ns
Americas: +1-800-492-2320 Option 2
Europe: +44-1628-858-940
Hong Kong: +852-2268-6567 x026
www.lairdtech.com/wireless
13 Laird Technologies

Laird SSD45N
Hardware Integration Guide, version 0.01
Symbol Parameter Min. Typ. Max. Unit
tWH
Clock high time
7
-
-
ns
tTLH Clock rise time - - 10 ns
tTHL
Clock low time
-
-
10
ns
Inputs: CMD, DAT (referenced to CLK)
tISU
Input setup time
6
-
-
ns
tIH
Input hold time
2
-
-
ns
Outputs: CMD, DAT (referenced to CLK)
tODLY Output delay time – Data Transfer
mode 0 - 14 ns
Americas: +1-800-492-2320 Option 2
Europe: +44-1628-858-940
Hong Kong: +852-2268-6567 x026
www.lairdtech.com/wireless
14 Laird Technologies

Laird SSD45N
Hardware Integration Guide, version 0.01
PIN DEFINITIONS
Table 6: Pin Definitions
Pin # Pin Name
Source or
Destination
Type Description I/O Power
1
GND
-
Power
Ground
Ground
2 RF_IN-OUT Antenna RF input
/output
RF signal for
transmission and
receiving
VDD33
3
GND
-
Power
Ground
Ground
4
GND
-
Power
Ground
Ground
5
GND
-
Power
Ground
Ground
6
GND
-
Power
Ground
Ground
7 GND - Power Ground Ground
8
GND
-
Power
Ground
Ground
9 VDD33 - Power 3.3V power
supply
-
10
TMS
-
IH
JTAG TMS input
DVDD_SOC2
11
TDI
-
IH
JTAG TDI input
DVDD_SOC2
12 TDO/WLAN_
UART_TXD
- OH JTAG TDO output DVDD_SOC2
13
TCK
-
IH
JTAG TCK input
DVDD_SOC2
14
GND
-
Power
Ground
Ground
15
GND
-
Power
Ground
Ground
16
BT_HCI_UART_TXD
-
O
BT UART_TXD
DVDD_SOC2
17
BT_HCI_UART_RTS
-
O
BT UART_RTS
DVDD_SOC2
18
BT_HCI_UART_RXD
-
I
BT UART_RXD
DVDD_SOC2
19
BT_HCI_UART_CTS
-
I
BT UART_CTS
DVDD_SOC2
20
DVDD_SOC2
-
Power
GPIO
1.8V-3.3V
21
GND
-
Power
Ground
Ground
22
SD_CLK
-
I
SDIO clock
DVDD_SDIO
23 SD_D1 - I/OH SDIO data pin bit
1 DVDD_SDIO
24 SD_D0 - I/OH
SDIO data pin bit
0
DVDD_SDIO
25
SD_CMD
-
I/OH
SDIO command
DVDD_SDIO
26 SD_D2 - I/OH SDIO data pin bit
2
DVDD_SDIO
27 SD_D3 - I/OH
SDIO data pin bit
3
DVDD_SDIO
28
GND
-
Power
Ground
Ground
29 VBAT/VDD33 - Power 3.3V power
supply
-
30
GND
-
Power
Ground
Ground
31 VDD33 - Power 3.3V power
supply
-
Americas: +1-800-492-2320 Option 2
Europe: +44-1628-858-940
Hong Kong: +852-2268-6567 x026
www.lairdtech.com/wireless
15 Laird Technologies

Laird SSD45N
Hardware Integration Guide, version 0.01
Pin # Pin Name
Source or
Destination
Type Description I/O Power
32 VDD33 - Power
3.3V power
supply
-
33 DVDD_SDIO - Power 3.3V or 1.8V
power supply
Host
interface I/O
supply
34
GND
-
Power
Ground
Ground
35 CLK32K - I
Optional External
32kHz clock input
DVDD_SOC2
36
GND
-
Power
Ground
Ground
37 BT_CLK_OUT - O Reference clock
output to to BT
chip
DVDD12
38
GND
-
Power
Ground
Ground
39 BT_RX_FRAME - I
Optional software
GPIO
DVDD_SOC1
40 BT_ACTIVE - I BT_ACTIVE for
Bluetooth
coexistence
DVDD_SOC1
41 BT_PRIORITY - I BT_PRIORITY for
Bluetooth
coexistence
DVDD_SOC1
42 BT_FREQ - I BT FREQUENCY
signal from BT
chip
DVDD_SOC1
43 WLAN_ACTIVE - O
WLAN_ACTIVE for
Bluetooth
coexistence
DVDD_SOC1
44 BT_CLK_REQ - I
Clock request
signal from BT
chip
DVDD_SOC1
45
GND
-
Power
Ground
Ground
46 CLK_REQ_OUT - O
CLK_REQ signal
indicating when a
reference clock is
needed.
DVDD_SOC1
47 AVDD18 - Power 1.8V power
supply
-
48 AVDD18 - Power 1.8V power
supply
-
49
DVDD_SOC1
-
Power
GPIO
1.8V-3.3V
50 CHIP_PWD_L - IL
Chip power down
input
DVDD_SDIO
51 HMODE0 - I Select the host
interface
SDIO: DVDD_SOC2
Americas: +1-800-492-2320 Option 2
Europe: +44-1628-858-940
Hong Kong: +852-2268-6567 x026
www.lairdtech.com/wireless
16 Laird Technologies

Laird SSD45N
Hardware Integration Guide, version 0.01
Pin # Pin Name
Source or
Destination
Type Description I/O Power
52 HMODE1 I I
HM0=High
HM1=high
GSPI:
HM0=Low
HM1=High
53 CPU_WARM_RESET - O Optional Wake
On Wireless
output
DVDD_SOC2
54
GND
-
Power
Ground
Ground
55 ANTE Antenna O Control signal
for RF front end
component
VDD33_ANT
56
GND
-
Power
Ground
Ground
57
GND
-
Power
Ground
Ground
58
GND
-
Power
Ground
Ground
59
GND
-
Power
Ground
Ground
60
GND
-
Power
Ground
Ground
61
GND
-
Power
Ground
Ground
Signal Names and Signal Types
Type Symbol Description
Signal
Name
NC No connection should be made to this pin
_L At the end of the signal name, indicates active low signals
P At the end of the signal name, indicates the positive side of a
differential signal
N At the end of the signal name indicates the negative side of a
differential signal
Signal Types
I/OH A digital bidirectional signal, with a weak internal pull-up
I/OL A digital bidirectional signal, with a weak internal pull-down
OA An analog output signal
O A digital output signal
P A power or ground signal
Americas: +1-800-492-2320 Option 2
Europe: +44-1628-858-940
Hong Kong: +852-2268-6567 x026
www.lairdtech.com/wireless
17 Laird Technologies

Laird SSD45N
Hardware Integration Guide, version 0.01
Figure 2: Power on/down timing
Figure 3: Reset timing
Description Minimum (µsec)
Ta Time between VBAT, VDD33, and I/O supplies valid and 1.8 V supply
valid1 0
Tb Time between 1.8 V supply valid and CHIP_PWD_L deassertion 5
Tc Time between CHIP_PWD_L assertion and 1.8 V supply invalid 0
Td Time between 1.8 V supply invalid and VBAT, VDD33, and I/O supplies
invalid N/A2
Te Length of CHIP_PWDP_L pulse 5
[1] Supply valid represents the voltage level has reached 90% level.
[2] No strict requirements. This parameter can also be negative.
SSD40NBT and SSD45N Pin Comparison Table
Pin
#
Pin Name
Pin Name
Pin
#
Pin Name
Pin Name
SSD40NBT
SSD45N
SSD40NBT
SSD45N
1
GND
GND
31
RSVD
VDD33
2
GND
RF_IN-OUT
32
VDDIO
VDD33
3
GND
GND
33
WL_LED_ACT
DVDD_SDIO
4
GND
GND
34
WL_GPIO_1
GND
5
ANT_2
GND
35
SYS_RST_L
CLK32K
6
GND
GND
36
CHIP_PWD_L
GND
7
GND
GND
37
RSVD
BT_CLK_OUT
Americas: +1-800-492-2320 Option 2
Europe: +44-1628-858-940
Hong Kong: +852-2268-6567 x026
www.lairdtech.com/wireless
18 Laird Technologies

Laird SSD45N
Hardware Integration Guide, version 0.01
8
GND
GND
38
SDIO_DATA_0
GND
9
GND
VDD33
39
GND
BT_RX_FRAME
10
ANT_1
TMS
40
SDIO_CLK
BT_ACTIVE
11
GND
TDI
41
GND
BT_PRIORITY
12 GND
TDO/WLAN_
UART_TXD
42 SDIO_DATA_1
BT_FREQ
13
GND
TCK
43
SDIO_DATA_3
WLAN_ACTIVE
14
GND
GND
44
SDIO_DATA_2
BT_CLK_REQ
15
GND
GND
45
SDIO_CMD
GND
16
GND
BT_HCI_UART_TXD
46
GND
CLK_REQ_OUT
17
GND
BT_HCI_UART_RTS
47
RSVD
AVDD18
18
GND
BT_HCI_UART_RXD
48
SDIO_SEL
AVDD18
19
BT_PCM_OUT
BT_HCI_UART_CTS
49
WLAN_ACTIVE
DVDD_SOC1
20
RSVD
DVDD_SOC2
50
BT_PRIORITY
CHIP_PWD_L
21
BT_HOST_WAKE_B
GND
51
BT_FREQ
HMODE0
22
RSVD
SD_CLK
52
BT_ACTIVE
HMODE1
23
VDD3_3
SD_D1
53
RSVD
CPU_WARM_RESET
24
GND
SD_D0
54
RSVD
GND
25
BT_UART_CTS_N
SD_CMD
55
RSVD
ANTE
26
BT_UART_RTS_N
SD_D2
56
RSVD
GND
27
BT_UART_TXD
SD_D3
57
-
GND
28
BT_UART_RXD
GND
58
-
GND
29
RSVD
VBAT/VDD33
59
-
GND
30
RSVD
GND
60
-
GND
Americas: +1-800-492-2320 Option 2
Europe: +44-1628-858-940
Hong Kong: +852-2268-6567 x026
www.lairdtech.com/wireless
19 Laird Technologies

Laird SSD45N
Hardware Integration Guide, version 0.01
MECHANICAL SPECIFICATIONS
Figure 4: Mechanical Drawing
Note: The following information results from Laird’s experience in producing the SDC-SSD45N.
Laird provides these data for informational purposes only and provides no warranties or
claims with regard to the applicability of this information to a particular design.
Units are
millimeters
Americas: +1-800-492-2320 Option 2
Europe: +44-1628-858-940
Hong Kong: +852-2268-6567 x026
www.lairdtech.com/wireless
20 Laird Technologies

Laird SSD45N
Hardware Integration Guide, version 0.01
Recommend footprint (TOP view)
Solder Stencil Opening for Pads (56 signal pads): 1:1 to 1:0.9 (dependent on solder type)
Solder Stencil Opening for Thermal Pads (9 “window pane” pads): 1:0.5 to 1:0.75 (dependent on
solder type)
Note: The ground vias that are in the thermal pad (6x6 pattern of 12 mil holes) are open; they
are not tented by the solder mask on the bottom side. This allows excess paste to
escape from the bottom side to help ensure a flat SIP installation.
Solder Paste Type: No-Clean as the soldered part to board clearance will not allow for
adequate post solder cleaning.
Americas: +1-800-492-2320 Option 2
Europe: +44-1628-858-940
Hong Kong: +852-2268-6567 x026
www.lairdtech.com/wireless
21 Laird Technologies

Laird SSD45N
Hardware Integration Guide, version 0.01
Rework is technically challenging due to parts on the SIP reflowing at the same temperature
needed for rework. The SDC-SSD45N cannot be lifted by the shield during rework. As such,
removal of part for rework is not recommended. Reflow without removal has been successfully
used to clear shorts found during x-ray inspection.
Reflow: The SDC-SSD45N is RoHS compliant and as such is sensitive to heat. The below graphic
details a typical profile for such and device and is provided for reference purposes.
Recommendations:
If the SSD45N has been removed from the moisture-protective packaging for more than 24 hours,
bake at 125 degrees Celsius for 24 hours (per Jedec-STD-033). This is a preparatory step prior to
reflow to ensure that the SIPs are sufficiently dehydrated. Reflow should occur immediately
following baking to prevent rehydration.
• It is recommended that the peak temperature at the solder joint be within 240°C ~ 250°C and the
maximum component temperature should not exceed 250°C.
• It is recommended that time above 220°C for the solder joints is between 60-80s, and with a
minimum of 50s.
• Excessive ramp/cooling rates (>3°C/s) should be avoided.
To develop the reflow profile, it is recommended that the user place thermocouples at various locations
on the assembly to confirm that all locations meet the profile requirements. The critical locations are the
solder joints of SiP Module.
When developing the reflow profile, it is recommended that the actual fully loaded assembly be used to
make sure that the total thermal mass is accounted for.
Americas: +1-800-492-2320 Option 2
Europe: +44-1628-858-940
Hong Kong: +852-2268-6567 x026
www.lairdtech.com/wireless
22 Laird Technologies

Laird SSD45N
Hardware Integration Guide, version 0.01
RF LAYOUT DESIGN GUIDELINES
The following is a list of RF layout design guidelines and recommendation when installing a Laird
radio into your device.
Do not run antenna cables directly above or directly below the radio.
Do not place any parts or run any high speed digital lines below the radio.
If there are other radios or transmitters located on the device (such as a Bluetooth radio),
place the devices as far apart from each other as possible.
Ensure that there is the maximum allowable spacing separating the antenna connectors on
the Laird radio from the antenna. In addition, do not place antennas directly above or
directly below the radio.
Laird recommends the use of a double shielded cable for the connection between the radio
and the antenna elements.
Laird has provided three plated mounting holes that can be used for grounding. When
additional ground plane is required, you may use some or all of these grounded mounting
holes.
Use proper electro-static-discharge (ESD) procedures when installing the Laird radio module.
For system schematic relative module, please don’t put via on module’s pad. To avoid void
occupy on solder paste pad.
Americas: +1-800-492-2320 Option 2
Europe: +44-1628-858-940
Hong Kong: +852-2268-6567 x026
www.lairdtech.com/wireless
23 Laird Technologies

Laird SSD45N
Hardware Integration Guide, version 0.01
Need to place enough ground via under the SSD45NBT.
Important:
The landing pad of the U.FL connector will cause induced capacitor when the distance to
the reference ground plan is less than 10 mils. This will decrease the RF performance on 5GHz.
It is must to remove the ground plan in the inner layer.
Be sure to make the reference ground continuous.
TOP Layer Inner Layer (Layer-2)
Americas: +1-800-492-2320 Option 2
Europe: +44-1628-858-940
Hong Kong: +852-2268-6567 x026
www.lairdtech.com/wireless
24 Laird Technologies

Laird SSD45N
Hardware Integration Guide, version 0.01
Location of the decoupling capacitor. As Shown on below, the bypass capacitor should
place as recommended.
Americas: +1-800-492-2320 Option 2
Europe: +44-1628-858-940
Hong Kong: +852-2268-6567 x026
www.lairdtech.com/wireless
25 Laird Technologies

Laird SSD45N
Hardware Integration Guide, version 0.01
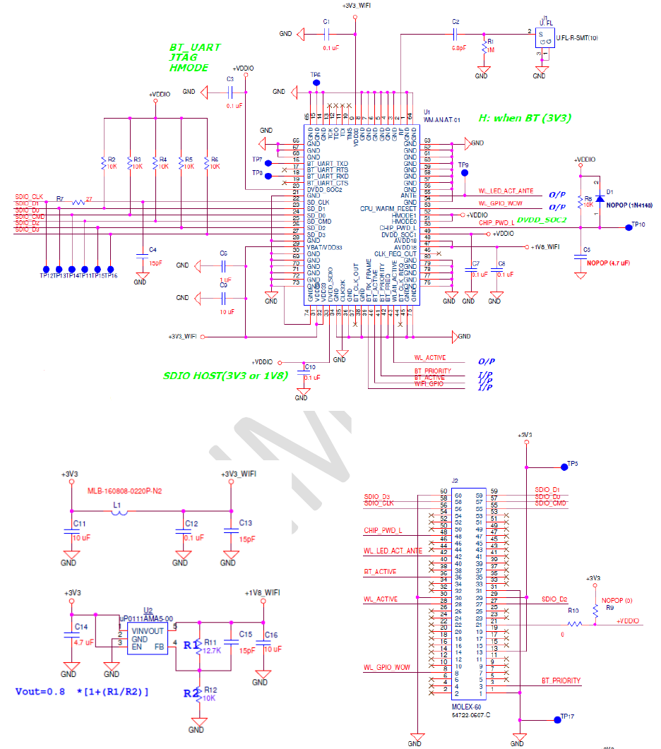
REFERENCE SCHEMATIC:
Americas: +1-800-492-2320 Option 2
Europe: +44-1628-858-940
Hong Kong: +852-2268-6567 x026
www.lairdtech.com/wireless
26 Laird Technologies

Laird SSD45N
Hardware Integration Guide, version 0.01
REGULATORY
Certified Antennas
Laird has the specific regulatory approvals for the SSD45N, such as ETSI, FCC, and Industry
Canada SSD45N tests were conducted with the following antennas:
Model Type Connector Maximum Gain
MAG.LAYERS EDA-1513-25GR2-B2-CY Dipole SMA
Jack Reverse 2 dBi
MAG.LAYERS PCA-4606-2G4C1-A13-CY PCB Dipole TNOV 2.2 dBi
Laird NanoBlade-IP04 PCB Dipole IPEX MHF
2.4-2.5 GHz: 2 dBi
5.15-5.35 GHz: 3.9
dBi
5.6 GHz: 4 dBi
Laird MAF95310 Mini NanoBlade Flex PCB Dipole IPEX MHF 2.4 GHz: 2.79 dBi
5 GHz: 3.38 dBi
Laird NanoBlue-IP04 PCB Dipole IPEX MHF 2.5 GHz only: 2 dBi
Ethertronics WLAN_1000146 Magnetic
Dipole IPEX MHF
2.4-2.5 GHz: 2 dBi
4.9-5.1 GHz: 3.5 dBi
5.15-5.35 GHz: 3.5
dBi
5.7-5.9 GHz: 3.5 dBi
Antennas of differing types and higher gains may be integrated as well. If necessary, with the
Laird Manufacturing Utility software utility, OEMs may reduce the transmit power of the SSD45N
to account for higher antenna gain. In some cases, OEMs may be able to reduce certification
efforts by using antennas that are of like type and equal or lesser gain to the above listed
antennas.
Documentation Requirements
In order to maintain regulatory compliance, when integrating the Laird SSD45N into a host
device and leveraging Laird’s grants and certifications, it is necessary to meet the
documentation requirements set forth by the applicable regulatory agencies. The following
sections (FCC, Industry Canada, and European Union) outline the information that may be
included in the user’s guide and external labels for the host devices into which the SSD45N is
integrated.
FCC
Note: You must place “Contains FCC ID: SQG-SSD45N” on the host product in such a location
that it can be seen by an operator at the time of purchase.
User’s Guide Requirements
When integrating the SSD45N into a host device, the integrator must include specific information
in the user’s guide for the device into which the SSD45N is integrated. The integrator must not
Americas: +1-800-492-2320 Option 2
Europe: +44-1628-858-940
Hong Kong: +852-2268-6567 x026
www.lairdtech.com/wireless
27 Laird Technologies

Laird SSD45N
Hardware Integration Guide, version 0.01
provide information to the end user regarding how to install or remove this RF module in the
user’s manual of the device into which the SSD45N is integrated. The following FCC statements
must be added in their entirety and without modification into a prominent place in the user’s
guide for the device into which the SSD45N is integrated:
Federal Communication Commission Interference Statement
This equipment has been tested and found to comply with the limits for a Class B digital
device, pursuant to Part 15 of the FCC Rules. These limits are designed to provide reasonable
protection against harmful interference in a residential installation. This equipment generates,
uses, and can radiate radio frequency energy and, if not installed and used in accordance
with the instructions, may cause harmful interference to radio communications. However,
there is no guarantee that interference will not occur in a particular installation. If this
equipment does cause harmful interference to radio or television reception, which can be
determined by turning the equipment off and on, the user is encouraged to try to correct
the interference by one of the following measures:
1. Reorient or relocate the receiving antenna.
2. Increase the separation between the equipment and receiver.
3. Connect the equipment into an outlet on a circuit different from that to which the
receiver is connected.
4. Consult the dealer or an experienced radio/TV technician for help.
FCC Caution: Any changes or modifications not expressly approved by the party responsible
for compliance could void the user's authority to operate this equipment.
This device complies with Part 15 of the FCC Rules. Operation is subject to the following two
conditions: (1) This device may not cause harmful interference, and (2) this device must
accept any interference received, including interference that may cause undesired
operation.
This device is restricted to indoor use when operated in the 5.15 to 5.25 GHz frequency range.
FCC requires this product to be used indoors for the frequency range 5.15 to 5.25 GHz to
reduce the potential for harmful interference to co-channel Mobile Satellite systems.
This device does not permit operations on channels 116-128 (5580 – 5640 MHz) for 11na and
120-128 (5600-5640 MHz) for 11a which overlap the 5600 -5650 MHz band.
IMPORTANT NOTE: FCC Radiation Exposure Statement:
This equipment complies with FCC radiation exposure limits set forth for an uncontrolled
environment. This equipment should be installed and operated with minimum distance
20cm between the radiator & your body.
This device is intended only for OEM integrators under the following conditions:
Americas: +1-800-492-2320 Option 2
Europe: +44-1628-858-940
Hong Kong: +852-2268-6567 x026
www.lairdtech.com/wireless
28 Laird Technologies

Laird SSD45N
Hardware Integration Guide, version 0.01
The antenna must be installed such that 20 cm is maintained between the antenna
and users, and
The transmitter module may not be co-located with any other transmitter or antenna,
For all products marketed in the United States, the OEM must limit the operation
channels from CH1 to CH11 for 2.4 GHz band by the supplied firmware programming
tool. The OEM shall not supply any tool or information to the end-user regarding
Regulatory Domain change.
As long as the three conditions above are met, further transmitter testing is not required.
However, the OEM integrator is still responsible for testing their end-product for any additional
compliance requirements required with this module installed.
IMPORTANT NOTE: In the event that these conditions cannot be met (for example, certain
laptop configurations or co-location with another transmitter), then the
FCC authorization is no longer considered valid and the FCC ID cannot
be used on the final product. In these circumstances, the OEM integrator
is responsible for re-evaluating the end product (including the transmitter)
and obtaining a separate FCC authorization.
End Product Labeling
This transmitter module is authorized only for use in device where the antenna is installed such
that 20 cm is maintained between the antenna and users. The final end product must be
labeled in a visible area with the following: “Contains FCC ID: SQG-SSD45N”.
Manual Information to the End User
The OEM integrator may NOT provide information to the end user regarding how to install or
remove this RF module in the user’s manual of the end product which integrates this module.
The end user manual shall include all required regulatory information/warnings as show in this
Hardware Integration Guide.
Industry Canada
Note: You must place “Contains IC ID: 3147A-SSD45N” on the host product in such a location
that it can be seen by an operator at the time of purchase.
User’s Guide Requirements (for Model # SSD45N)
RF Radiation Hazard Warning
To ensure compliance with FCC and Industry Canada RF exposure requirements, this device
must be installed in a location where the antennas of the device will have a minimum distance
of at least 20 cm from all persons. Using higher gain antennas and types of antennas not
certified for use with this product is not allowed. The device shall not be co-located with another
transmitter.
Installez l'appareil en veillant à conserver une distance d'au moins 20 cm entre les éléments
rayonnants et les personnes. Cet avertissement de sécurité est conforme aux limites d'exposition
définies par la norme CNR-102 at relative aux fréquences radio.
Maximum Antenna Gain – If the integrator configures the device such that the antenna is
detectable from the host product.
Americas: +1-800-492-2320 Option 2
Europe: +44-1628-858-940
Hong Kong: +852-2268-6567 x026
www.lairdtech.com/wireless
29 Laird Technologies

Laird SSD45N
Hardware Integration Guide, version 0.01
This radio transmitter (identify the device by certification number, or model number if Category II)
has been approved by Industry Canada to operate with the antenna types listed below with the
maximum permissible gain and required antenna impedance for each antenna type indicated.
Antenna types not included in this list, having a gain greater than the maximum gain indicated
for that type, are strictly prohibited for use with this device.
Antenna list refer to Certified Antennas.
Le présent émetteur radio (IC: XXXXX-XXXXXXXXX) a été approuvé par Industrie Canada pour
fonctionner avec les types d'antenne énumérés ci-dessous et ayant un gain admissible maximal
et l'impédance requise pour chaque type d'antenne. Les types d'antenne non inclus dans cette
liste, ou dont le gain est supérieur au gain maximal indiqué, sont strictement interdits pour
l'exploitation de l'émetteur.
Le présent appareil est conforme aux CNR d'Industrie Canada applicables aux appareils radio
exempts de licence. L'exploitation est autorisée aux deux conditions suivantes : (1) l'appareil ne
doit pas produire de brouillage, et (2) l'utilisateur de l'appareil doit accepter tout brouillage
radioélectrique subi, même si le brouillage est susceptible d'en compromettre le
fonctionnement.
This device is intended only for OEM integrators under the following conditions:
The antenna must be installed such that 20 cm is maintained between the antenna and
users, and
The transmitter module may not be co-located with any other transmitter or antenna.
As long as 2 conditions above are met, further transmitter test will not be required. However, the
OEM integrator is still responsible for testing their end-product for any additional compliance
requirements required with this module installed.
Cet appareil est conçu uniquement pour les intégrateurs OEM dans les conditions suivantes:
L'antenne doit être installée de telle sorte qu'une distance de 20 cm est respectée entre
l'antenne et les utilisateurs, et
Le module émetteur peut ne pas être coïmplanté avec un autre émetteur ou antenne.
Tant que les 2 conditions ci-dessus sont remplies, des essais supplémentaires sur l'émetteur ne
seront pas nécessaires. Toutefois, l'intégrateur OEM est toujours responsable des essais sur son
produit final pour toutes exigences de conformité supplémentaires requis pour ce module
installé.
IMPORTANT NOTE:
In the event that these conditions cannot be met (for example certain laptop
configurations or co-location with another transmitter), then the Canada authorization
is no longer considered valid and the IC ID can not be used on the final product. In
these circumstances, the OEM integrator will be responsible for re-evaluating the end
product (including the transmitter) and obtaining a separate Canada authorization.
NOTE IMPORTANTE:
Dans le cas où ces conditions ne peuvent être satisfaites (par exemple pour certaines
configurations d'ordinateur portable ou de certaines co-localisation avec un autre
émetteur), l'autorisation du Canada n'est plus considéré comme valide et l'ID IC ne
peut pas être utilisé sur le produit final. Dans ces circonstances, l'intégrateur OEM sera
chargé de réévaluer le produit final (y compris l'émetteur) et l'obtention d'une
autorisation distincte au Canada.
Americas: +1-800-492-2320 Option 2
Europe: +44-1628-858-940
Hong Kong: +852-2268-6567 x026
www.lairdtech.com/wireless
30 Laird Technologies

Laird SSD45N
Hardware Integration Guide, version 0.01
End Product Labeling
This transmitter module is authorized only for use in device where the antenna may be installed
such that 20 cm may be maintained between the antenna and users. The final end product
must be labeled in a visible area with the following: “Contains IC: 3147A-SSD45N”.
Plaque signalétique du produit final
Ce module émetteur est autorisé uniquement pour une utilisation dans un dispositif où l'antenne
peut être installée de telle sorte qu'une distance de 20cm peut être maintenue entre l'antenne
et les utilisateurs. Le produit final doit être étiqueté dans un endroit visible avec l'inscription
suivante: "Contient des IC: 3147A-SSD45N".
Manual Information To the End User
The OEM integrator has to be aware not to provide information to the end user regarding how to
install or remove this RF module in the user’s manual of the end product which integrates this
module.
The end user manual shall include all required regulatory information/warning as show in this
manual.
Manuel d'information à l'utilisateur final
L'intégrateur OEM doit être conscient de ne pas fournir des informations à l'utilisateur final quant
à la façon d'installer ou de supprimer ce module RF dans le manuel de l'utilisateur du produit
final qui intègre ce module.
Le manuel de l'utilisateur final doit inclure toutes les informations réglementaires requises et
avertissements comme indiqué dans ce manuel.
European Union
User’s Guide Requirements
The integrator must include specific information in the user’s guide for the device into which the
SSD45N is integrated. In addition to the required FCC and IC statements outlined above, the
following R&TTE statements must be added in their entirety and without modification into a
prominent place in the user’s guide for the device into which the SSD45N is integrated:
This device complies with the essential requirements of the R&TTE Directive 1999/5/EC. The
following test methods have been applied in order to prove presumption of conformity with the
essential requirements of the R&TTE Directive 1999/5/EC:
EN60950-1:2006+A11+A1+A12:2011
Safety of Information Technology Equipment
EN 62311: 2008 / Article 3(1)(a) and Article 2 2006/95/EC)
Assessment of electronic and electrical equipment related to human exposure restrictions
for electromagnetic fields (0 Hz-300 GHz)
EN 300 328 V1.8.1: 2012-06
Electromagnetic compatibility and Radio spectrum Matters (ERM); Wideband transmission
systems; Data transmission equipment operating using wide band modulation techniques;
Harmonized EN covering the essential requirements of article 3.2 of the R&TTE Directive
EN 301 893 V1.7.1: 2012-06
Broadband Radio Access Networks (BRAN); 5 GHz high performance RLAN; Harmonized EN
covering the essential requirements of article 3.2 of the R&TTE Directive
Americas: +1-800-492-2320 Option 2
Europe: +44-1628-858-940
Hong Kong: +852-2268-6567 x026
www.lairdtech.com/wireless
31 Laird Technologies

Laird SSD45N
Hardware Integration Guide, version 0.01
EN 301 489-1 V1.9.2: 2011
Electromagnetic compatibility and Radio spectrum Matters (ERM); ElectroMagnetic
Compatibility (EMC) standard for radio equipment and services; Part 1: Common technical
requirements
EN 301 489-17 V2.2.1 2012
Electromagnetic compatibility and Radio spectrum Matters (ERM); ElectroMagnetic
Compatibility (EMC) standard for radio equipment; Part 17: Specific conditions for
Broadband Data Transmission Systems
This device is a 2.4 GHz wideband transmission system (transceiver), intended for use in all EU
member states and EFTA countries, except in France and Italy where restrictive use applies.
In Italy the end-user should apply for a license at the national spectrum authorities in order to
obtain authorization to use the device for setting up outdoor radio links and/or for supplying
public access to telecommunications and/or network services.
This device may not be used for setting up outdoor radio links in France and in some areas the RF
output power may be limited to 10 mW EIRP in the frequency range of 2454 – 2483.5 MHz. For
detailed information the end-user should contact the national spectrum authority in France.
Česky
[Czech]
[Jméno výrobce] tímto prohlašuje, že tento [typ za
ř
ízení] je ve shod
ě
se
základními požadavky a dalšími příslušnými ustanoveními směrnice
1999/5/ES.
Dansk
[Danish]
Undertegnede [fabrikantens navn] erklærer herved, at følgende udstyr
[udstyrets typebetegnelse] overholder de væsentlige krav og øvrige
relevante krav i direktiv 1999/5/EF.
Deutsch
[German]
Hiermit erklärt [Name des Herstellers], dass sich das Gerät [Gerätetyp] in
Übereinstimmung mit den grundlegenden Anforderungen und den übrigen
einschlägigen Bestimmungen der Richtlinie 1999/5/EG befindet.
Eesti
[Estonian]
Käesolevaga kinnitab [tootja nimi = name of manufacturer] seadme
[seadme tüüp = type of equipment] vastavust direktiivi 1999/5/EÜ
põhinõuetele ja nimetatud direktiivist tulenevatele teistele asjakohastele
sätetele.
English
Hereby, [name of manufacturer], declares that this [type of equipment] is
in compliance with the essential requirements and other relevant provisions
of Directive 1999/5/EC.
Español
[Spanish]
Por medio de la presente [nombre del fabricante] declara que el [clase
de equipo] cumple con los requisitos esenciales y cualesquiera otras
disposiciones aplicables o exigibles de la Directiva 1999/5/CE.
Ελληνική
[Greek] ΜΕ
ΤΗΝ
ΠΑΡΟΥΣΑ
[name of manufacturer]
ΔΗΛΩΝΕΙ
ΟΤΙ
[type of
equipment] ΣΥΜΜΟΡΦΩΝΕΤΑΙ ΠΡΟΣ ΤΙΣ ΟΥΣΙΩΔΕΙΣ ΑΠΑΙΤΗΣΕΙΣ ΚΑΙ ΤΙΣ
ΛΟΙΠΕΣ ΣΧΕΤΙΚΕΣ ΔΙΑΤΑΞΕΙΣ ΤΗΣ ΟΔΗΓΙΑΣ 1999/5/ΕΚ.
Français
[French]
Par la présente [nom du fabricant] déclare que l'appareil [type d'appareil]
est conforme aux exigences essentielles et aux autres dispositions
pertinentes de la directive 1999/5/CE.
Italiano
[Italian]
Con la presente [nome del costruttore] dichiara che questo [tipo di
apparecchio] è conforme ai requisiti essenziali ed alle altre disposizioni
pertinenti stabilite dalla direttiva 1999/5/CE.
Americas: +1-800-492-2320 Option 2
Europe: +44-1628-858-940
Hong Kong: +852-2268-6567 x026
www.lairdtech.com/wireless
32 Laird Technologies

Laird SSD45N
Hardware Integration Guide, version 0.01
Latviski
[Latvian] Aršo[name of manufacturer /izgatavotājanosaukums] deklarē, ka[type of
equipment / iekārtas tips]atbilstDirektīvas 1999/5/EK būtiskajāmprasībām un
citiemar to saistītajiemnoteikumiem.
Lietuvių
[Lithuanian]
Šiuo [manufacturer name] deklaruoja, kad šis [equipment type] atitinka
esminius reikalavimus ir kitas 1999/5/EB Direktyvos nuostatas.
Nederlands
[Dutch]
Hierbij verklaart [naam van de fabrikant] dat het toestel [type van toestel]
in overeenstemming is met de essentiële eisen en de andere relevante
bepalingen van richtlijn 1999/5/EG.
Malti
[Maltese]
Hawnhekk, [isem tal-manifattur], jiddikjara li dan [il-mudel tal-prodott]
jikkonforma mal-ħtiġijiet essenzjali u ma provvedimenti oħrajn relevanti li
hemm fid-Dirrettiva 1999/5/EC.
Magyar
[Hungarian]
Alulírott, [gyártó neve] nyilatkozom, hogy a [... típus]megfelel a vonatkozó
alapvetõ követelményeknek és az 1999/5/EC irányelv egyéb elõírásainak.
Polski
[Polish]
Niniejszym [nazwa producenta] o
ś
wiadcza,
ż
e [nazwa wyrobu] jest zgodny
z zasadniczymi wymogami oraz pozostałymi stosownymi postanowieniami
Dyrektywy 1999/5/EC.
Português
[Portuguese]
[Nome do fabricante] declara que este [tipo de equipamento] está
conforme com os requisitos essenciais e outras disposições da Directiva
1999/5/CE.
Slovensko
[Slovenian]
[Ime proizvajalca] izjavlja, da je ta [tip opreme] v skladu z bistvenimi
zahtevami in ostalimi relevantnimi določili direktive 1999/5/ES.
Slovensky
[Slovak]
[Menovýrobcu]týmtovyhlasuje, že[typzariadenia]sp
ĺň
azákladnépožiadavky
a všetkypríslušnéustanoveniaSmernice 1999/5/ES.
Suomi
[Finnish]
[Valmistaja = manufacturer] vakuuttaa täten että [type of equipment =
laitteen tyyppimerkintä] tyyppinen laite on direktiivin 1999/5/EY oleellisten
vaatimusten ja sitä koskevien direktiivin muiden ehtojen mukainen.
Svenska
[Swedish]
Härmed intygar [företag] att denna [utrustningstyp] står I
överensstämmelse med de väsentliga egenskapskrav och övriga relevanta
bestämmelser som framgår av direktiv 1999/5/EG.
Labeling Requirements
The final end product must be labeled in a visible area with the following notice:
Americas: +1-800-492-2320 Option 2
Europe: +44-1628-858-940
Hong Kong: +852-2268-6567 x026
www.lairdtech.com/wireless
33 Laird Technologies