FLYTECH TECHNOLOGY K938C48 Bedside Terminal Hardware System User Manual K938 V1 4 avin
FLYTECH TECHNOLOGY CO., LTD Bedside Terminal Hardware System K938 V1 4 avin
user manual

Revision v1.4 September 2011
Bedside Terminal
Hardware System
User Manual
i
Copyright 2011
All Rights Reserved
Manual Version 1.4
Part Number: 3LMKK9380114
The information contained in this document is subject to change without notice.
We make no warranty of any kind with regard to this material, including, but not
limited to, the implied warranties of merchantability and fitness for a particular
purpose. We shall not be liable for errors contained herein or for incidental or
consequential damages in connection with the furnishing, performance, or use
of this material.
This document contains proprietary information that is protected by copyright.
All rights are reserved. No part of this document may be photocopied,
reproduced or translated to another language without the prior written consent
of the manufacturer.
TRADEMARK
Intel®, Pentium® and MMX are registered trademarks of Intel® Corporation.
Microsoft® and Windows® are registered trademarks of Microsoft Corporation.
Other trademarks mentioned herein are the property of their respective owners.

ii
Safety
IMPORTANT SAFETY INSTRUCTIONS
1. To disconnect the machine from the electrical Power Supply, turn off the
power switch and remove the power cord plug from the wall socket. The wall
socket must be easily accessible and in close proximity to the machine.
2. Read these instructions carefully. Save these instructions for future reference.
3. Follow all warnings and instructions marked on the product.
4. Do not use this product near water.
5. Do not place this product on an unstable cart, stand, or table. The product
may fall, causing serious damage to the product.
6. Slots and openings in the cabinet and the back or bottom are provided for
ventilation; to ensure reliable operation of the product and to protect it from
overheating. These openings must not be blocked or covered. The openings
should never be blocked by placing the product on a bed, sofa, rug, or other
similar surface. This product should never be placed near or over a radiator or
heat register, or in a built-in installation unless proper ventilation is provided.
7. This product should be operated from the type of power indicated on the
marking label. If you are not sure of the type of power available, consult your
dealer or local power company.
8. Do not allow anything to rest on the power cord. Do not locate this product
where persons will walk on the cord.
9. Never push objects of any kind into this product through cabinet slots as they
may touch dangerous voltage points or short out parts that could result in a
fire or electric shock. Never spill liquid of any kind on the product.
CE MARK
This device complies with the requirements of the EEC directive 2004/108/EC
with regard to “Electromagnetic compatibility” and 2006/95/EC “Low Voltage
Directive”
FCC
This device complies with part 15 of the FCC rules. Operation is subject to the
following two conditions:
(1) This device may not cause harmful interference.
(2) This device must accept any interference received, including interference that
may cause undesired operation

iii
This equipment has been tested and found to comply with the limits for a Class
B digital device, pursuant to part 15 of the FCC Rules. These limits are designed to provide
reasonable protection against harmful interference in a residential installation.
This equipment generates, uses and can radiate radio frequency energy and, if not
installed
and used in accordance with the instructions, may cause harmful interference
to radio communications. However, there is no guarantee that interference will not occur
in a particular installation. If this equipment does cause harmful interference to
radio or television reception, which can be determined by turning the equipment off and
on, the user is encouraged to try to correct the interference by one or more of the following
measures:
—Reorient or relocate the receiving antenna.
—Increase the separation between the equipment and receiver.
—Connect the equipment into an outlet on a circuit different from that to which the receiver
is connected.
—Consult the dealer or an experienced radio/TV technician for help
UL
CAUTION ON LITHIUM BATTERIES
There is a danger of explosion if the battery is replaced incorrectly. Replace only
with the same or equivalent type recommended by the manufacturer. Discard
used batteries according to the manufacturer’s instructions.
Battery Caution
Risk of explosion if battery is replaced by an incorrectly type.
Dispose of used battery according to the local disposal instructions.
Safety Caution
Note: To comply with IEC60950-1 Clause 2.5 (limited power sources, L.P.S)
related legislation, peripherals shall be 4.7.3.2 "Materials for fire enclosure"

iv
compliant.
4.7.3.2 Materials for fire enclosures
For MOVABLE EQUIPMENT having a total mass not exceeding
18kg.the material of a FIRE ENCLOSURE, in the thinnest significant
wall thickness used, shall be of V-1 CLASS MATERIAL or shall pass
the test of Clause A.2.
For MOVABLE EQUIPMENT having a total mass exceeding 18kg
and for all STATIONARY EQUIPMENT, the material of a FIRE
ENCLOSURE, in the thinnest significant wall thickness used, shall
be of 5VB CLASS MATERIAL or shall pass the test of Clause A.1
LEGISLATION AND WEEE SYMBOL
2002/96/EC Waste Electrical and Electronic Equipment Directive on the treatment,
collection, recycling and disposal of electric and electronic devices and their
components.
The crossed dustbin symbol on the device means that it should not be disposed
of with other household wastes at the end of its working life. Instead, the device
should be taken to the waste collection centers for activation of the treatment,
collection, recycling and disposal procedure.
To prevent possible harm to the environment or human health from uncontrolled
waste disposal, please separate this from other types of wastes and recycle it
responsibly to promote the sustainable reuse of material resources.
Household users should contact either the retailer where they purchased this
product, or their local government office, for details of where and how they can
take this item for environmentally safe recycling.
Business users should contact their supplier and check the terms and
conditions of the purchase contract.
This product should not be mixed with other commercial wastes for disposal.

v
Revision History
Changes to the original user manual are listed below:
Version Date Description
1.0 2009 July Initial release
1.1 2009 Sep Add Arm installation
1.2 2009 Sep Add Arm application condition
Modified connector wording
1.3 2010 May B68 motherboard added
Jumper Setting updated
1.4 2011 September C48 motherboard added
vi
Table Contents
1 Item Checklist....................................1
1-1 Standard Items ..........................................................1
2 System View ......................................2
2-1 Front View .................................................................2
2-2 Rear View..................................................................3
2-3 Side View...................................................................4
2-4 I/O View.....................................................................5
3 Peripheral Installation.......................6
3-1 Phone Set Installation................................................6
3-2 Arm Installation..........................................................7
4 Specification......................................8
5 Jumper Settings ..............................10
5-1 B98 Motherboard.....................................................10
5-2 B68 Motherboard.....................................................16
5-3 C48 Motherboard.....................................................20
6 Appendix..........................................30

1
1 Item Checklist
Take the system unit out of the carton. Remove the unit from the carton by
holding it by the foam inserts. The following contents should be found in the
carton:
1-1 Standard Items
Driver Bank User Manual
Power Adapter
Power Cable
System Phone Module

2
2 System View
2-1 Front View
Number Description
1 Camera
2 TV key pad (Power, volume and channel button)
3 Smart card reader slot
4 Phone set holder
①
②
③
④

3
2-2 Rear View
Number Description
1 Ventilation
2 VESA holes
3 Rear I/O (USBx2, DC-IN, RJ48 , LAN connector)
4 Phone set holder
5 RFID sensor
6 Smart card reader slot
7 MSR slot (optional)
8 Speakers
①
②
③
④
⑤
⑦
⑥
⑧ ⑧

4
2-3 Side View
Number Description
1 Smart card reader slot
2 MSR slot (optional)
①
②

5
2-4 I/O View
Number Description
1 USB x 2
2 SCSI connector
3 USB x 1
4 Phone jack (RJ11)
5 Audio line-out
6 Audio MIC-in
7 Built-in MIC
8 Smart card reader slot
① ② ③ ④
⑤ ⑥ ⑧
⑦

6
3 Peripheral Installation
3-1 Phone Set Installation
a. Slide the phone module into the phone set holder as the arrow shown in the
picture.
b. Connect the phone cable to the connector on the phone module.
c. Connect the other end of the phone cable to the connector on the system.

7
3-2 Arm Installation
a. Connect the cables to the system
b. Fasten the screws(x4).
Note: Only use concrete walls to fix the Arm (and wall box) to.

8
4 Specification
Model Name K938
Motherboard B98 B68 C48
CPU Supports
Intel Core Duo(L2400)
1.66G/2MB/667MHz 65nm
Micro-FCBGA
Intel Atom N270 1.6G Intel Pineview dual core
D525 1.8G
Chipset Intel 945GME + ICH7M Intel 945GSE + ICH7M Intel Pineview CPU
processor + ICH8M
System Memory 2 x DDR2 SO-DIMM slot,
up to 4 GB
2 x DDR2 SO-DIMM slot,
up to 2 GB
2 x DDR3 SO-DIMM slot, up
to 4GB
LCD / Touch Panel
Display Size 18.5" TFT LCD
Brightness 300nits
Resolution 1366x 768
Touch Screen Type Resistive touch
Storage
HDD 2.5" Slim HDD bay, SATA HDD
Expansion
mini-PCI 1
Bottom I / O
USB 2.0 3
Audio Jack 1 x Mic-in, 1 x Line-out
Handset Jack 1 x RJ-11
Remote control 1 x SCSI 26pin
Video/ Audio in 1x Composite Video in + 2 x left & right audio in
Reset button 1 x Reset button
Vertical I / O
Nurse call system 1
LAN 1
USB 2.0 2
Power 90W DC Jack
Membrane
Power button 1xPower button
Channel adjustment 1xChannel up, 1xChanngel down
Volume 1xVolume up, 1xVolume down

9
Motherboard B98 B68 C48
Certificate
EMC & Safety FCC Class B, CE, LVD
UL UL 60601 UL 60950 -
Dust & Water Proof IP 54 (including front bezel / web cam)
Environment
Operating Temperature 0°C ~ 35°C (32°F ~ 104°F)
Storage Temperature -20° ~ 60°C (-4°F ~ 140°F)
Operating Humidity 5% - 95% RH non-condensing
Storage Humidity 5% - 95% RH non-condensing
Communication &
peripherals
Speaker 2 x 3W Speaker
Handset & Cradle 1
Magnetic stripe card
reader(Optional) optional
Camera ( Built-in) optional
Smart card reader in front
bezel (Build-in ) optional
Video/ Audio in optional
RFID - optional
Scanner optional
Dimension (W x D x H) 462 .5x 336 x 75 (mm) (Without handset)
Mounting 75mm x 75mm Standard VESA Mounting
Weight 6.8 kg including telephone cradle and handset (max)
OS Support Windows-XP / Linux

10
5 Jumper Settings
5-1 B98 Motherboard
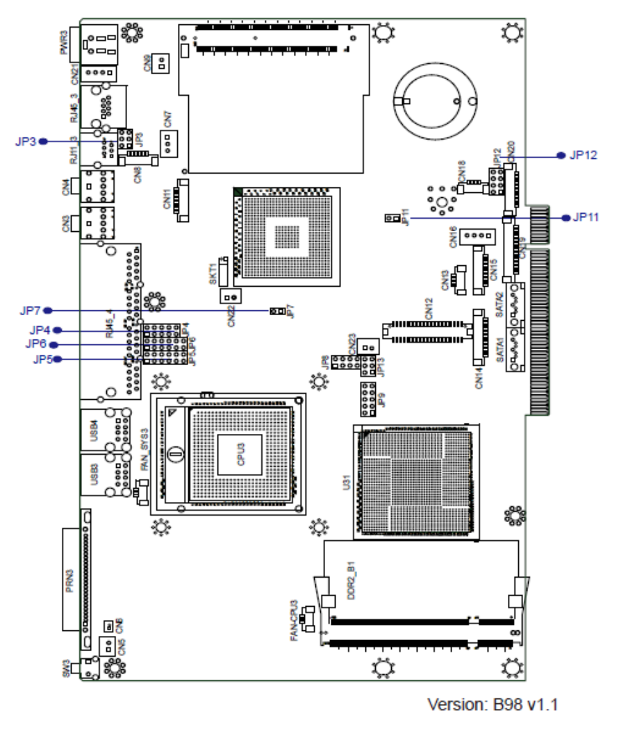
5-1-1 Motherboard Layout

11
5-1-2 Connectors & Functions
Connector Function
CN3 Audio Line Out
CN4 MIC In
CN5 / SW3 Power On Button
CN6 Power LED
CN7 +24V/+19V
CN8 Speaker & MIC Connector
CN9 LAN LED
CN11 CD-IN Connector
CN12 LVDS
CN13 IrDA
CN14 Inverter
CN15 COM5 Touch
CN16 SATA Power
CN18 USB
CN19 Card Reader
CN20 FT Status
CN21 / PWR3 DJ-Jack
CN22 Hardware Reset
CN23 for Beside (+12V_CRT)
DDR_B1 DDR2 DIMM
PRN3 Printer Port
RJ11_3 Cash Drawer
RJ45_3 LAN
RJ45_4 COM Port
U31 NB
JP3 Cash Drawer Power Setting
JP4 / JP6 COM2 RS232/422/485 Setting
JP5 COM Port Power
JP7 CMOS Operation Mode
JP8 LCD ID
JP9 2nd Display
JP11 AT/ ATX Setting
JP12 FT System Indicator
JP13 VGA Power

12
5-1-3 Jumper Setting
COM2 RS232/485/422 Setting
Function JP6
(1-2) (3-4) (5-6) (7-8) (9-10) (11-12)
JP4
(1-2) (3-4) (4-6) (5-7) (7-8) (9-10)
▲RS232
RS485
RS422
Cash Drawer Power Setting
Function JP3
(1-2) (3-4) 5-6)
+12V
▲+19V
Power Mode Setting
Function JP11 (1-2)
▲ATX Power
AT Power

13
COM3 & COM4 Power Setting
Function JP5
(1-2) (3-4) (5-6) (7-8) (9-10) (11-12)
▲RI
+5V
COM3 Pin10
+12V
▲RI
+5V
COM4 Pin10
+12V
CMOS Operation Mode
Function JP7 (1-2)
▲CMOS Normal
CMOS Reset

14
System Indicator
Function JP12
(1-2) (3-4) 5-6) (7-8)
Disable
▲Enable
LCD ID Setting
LVDS
Panel # Resolution Bits Channel
Output
Interface
JP8
(1-2) (3-4) (5-6) (7-8)
1 1366 x 768 24 Single LVDS
2 1440 x 900 24 Dual LVDS
4 1920 x 1080 24 Dual LVDS
5 1024 x 768 24 Single LVDS
6 1280 x 1024 24 Dual LVDS
7 800 x 600 24 Single LVDS
9 1024 x 768 18 Single LVDS
11 800 x 600 18 Single LVDS

15
12 800 x 600 18 Single LVDS
CRT
Remark: Panel ID #12 is only applied for Sharp 12” LQ121S1LG41 /
LQ121S1LG42 panel.
Note:
OPEN SHORT

16
5-2 B68 Motherboard
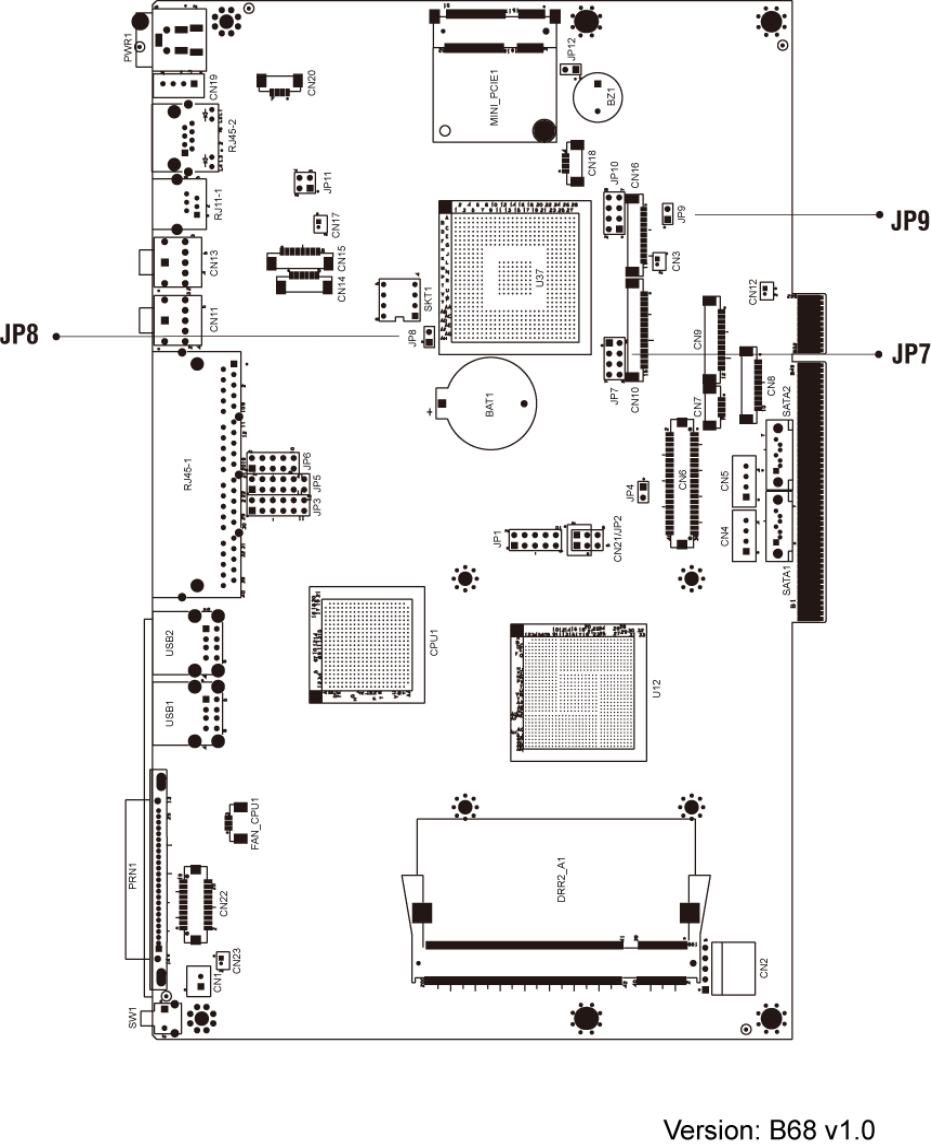
5-2-1 Motherboard Layout

17
5-2-2 Connectors & Functions
Connecto
r
Function
BAT1 CMOS Batter
y
Base
(
Use CR2023
)
CN1 Power On Button
CN2 Touch Senso
r
CN3 Power LED
CN4 SATA1 HDD Power Connecto
r
CN5 SATA2 HDD Power Connecto
r
CN6 LCD Interface Connecto
r
CN7 IrDA Connecto
r
CN8 For External Touch Connecto
r
CN9 Inverter Connecto
r
CN10 Card Reader Connecto
r
CN11 Line Out
CN12 LED Powe
r
CN13 MIC In
CN14 S
p
eaker & MIC CONN
CN15 CD-IN CONN
CN17 LAN LED
CN18 USB5
CN19 DC-JACK
CN20 PS2 KEYBOARD
CN21 For Beside Terminal
CN22 LPT Interface for Touch
CN23 For LPT Touch Reset
DDR2
_
A1 DDR2 SO-DIMM1
DDR2
_
A2 DDR2 SO-DIMM2
PRN1 Parallel Port
PWR1 +19V Power Ada
p
to
r
RJ11
_
1 Cash Drawer Connecto
r
RJ45
_
1 COM1, COM2, COM3, COM4
SATA1 SATA Connecto
r
SATA2 SATA Connecto
r
USB1 USB1, USB2
USB2 USB3, USB4
SW1 Power On Bottom
JP1 CRT Connecto
r
JP2 CRT Power/I2C Connecto
r
JP7 LCD ID Settin
g
JP8 RTC Reset
JP9 AT Function
JP12 Ha
r
dware Reset

18
5-2-3 Jumper Setting
Power Mode Setting
Function JP9 (1-2)
ATX Power
▲AT Power
CMOS Operation Mode
Function JP8 (1-2)
▲CMOS Normal
CMOS Reset
LCD ID Setting
LVDS
Panel # Resolution Bits Channel
Output
Interface
JP7
(1-2) (3-4)
(5-6) (7-8)
▲1 1366 x 768 24 Single LVDS
Panel
2 1440 x 900 24 Dual LVDS
Panel
4 1920 x 1080 24 Dual LVDS
Panel
5 1024 x 768 24 Single LVDS
Panel

19
6 1280 x 1024 24 Dual LVDS
Panel
7 800 x 600 24 Single LVDS
Panel
9 1024 x 768 18 Single LVDS
Panel
11 800 x 600 18 Single LVDS
Panel
12 800 x 600 18 Single LVDS
Panel
CRT
Remark: Panel ID#12 is specialized for Sharp 12.1” LQ121S1LG41/ LQ121S1LG42 panel.
▲ = Manufacturer Default Setting OPEN SHORT

20
5-3 C48 Motherboard
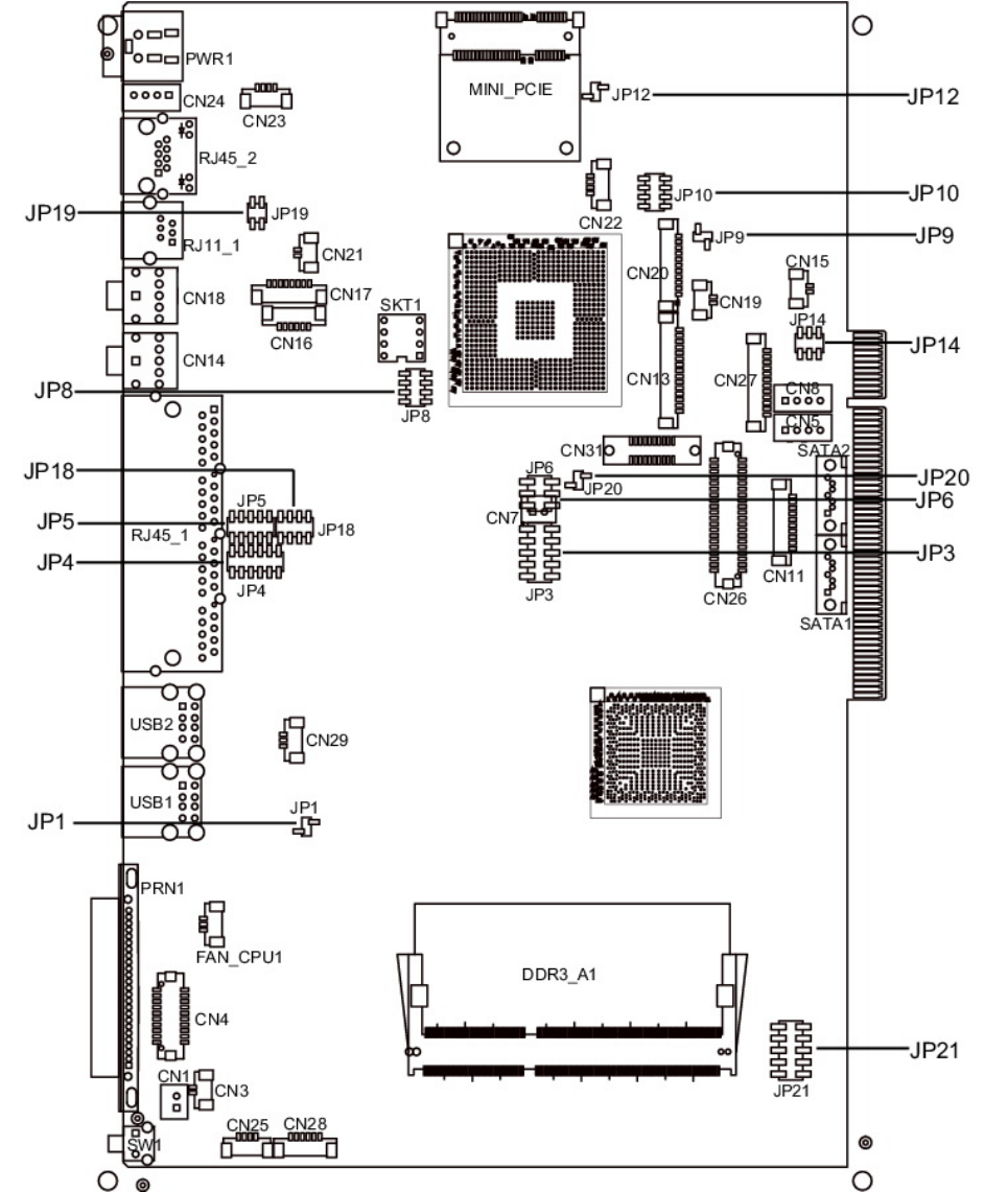
5-3-1 Motherboard Layout

21

22
5-3-2 Connectors & Functions
Connector Function
CN1 Power Button Connector
CN3 Printer Port Reset
CN4 Printer Port
CN5/8 HDD Power
CN11 COM5 For Touch
CN13 Card Reader Connector
CN14 Line out
CN15 HDD LED
CN16 Speaker & MIC
CN18 MIC IN
CN20/JP10 System Indicator
CN22 USB Port
CN23 PS2 KEYBOARD
CN26 LVDS
CN27 Inverter Connector
CN29 System Fan
DDR3_A1 DDR3 SO-DIMM1
DDR3_A2 DDR3 SO-DIMM2
PRN1 Parallel Port
PWR1 +19V DC Jack
RJ11_1 Cash Drawer Connector
RJ45_1 COM1, COM2, COM3, COM4
RJ45_2 LAN
SATA1 SATA Connector
SATA2 SATA Connector
USB1 USB1, USB2
USB2 USB3, USB4
SW1 Power Button
JP1 CMOS Operation Mode
JP3/6 VGA Port
JP4/5 COM2 RS232/485/422 Setting
JP8 LCD ID Setting
JP9 Power Mode Setting
JP12 System Reset
JP14 Inverter Selection
JP18 COM3/4 Power Setting
JP19 Cash Drawer Power Setting

23
5-3-3 Jumper Setting
COM2 RS232/485/422 Setting
Cash Drawer Power Setting
Function JP19
+19V
▲+12V
Power Mode Setting
Function JP9
▲ATX Power
AT Power
Function JP5 JP4
▲RS232
RS485
RS422

24
System Reset
Function JP12
▲System Normal
System Reset
System Indicator
Function JP10
▲Disable
Enable
Inverter Selection
Function JP14
▲CCFL
LED

25
CMOS Operation Mode
CMOS Reset
To clear the CMOS,
1. Remove the power cable from the system.
2. Open the system, and set the ‘CMOS Operation jumper’ from ‘CMOS Normal’
to ‘CMOS Reset’. (refer to the jumper shown below)
3. Connect the power cable to the system, and power on the system:
in ATX mode: press the power button and it will fail power on
in AT mode: turn on system power
4. Remove the power cable from the system.
5. Return the "CMOS Operation mode" jumper setting from "CMOS Reset" to
"CMOS normal".
6. Connect the power cable and power on the system.
CMOS Operation Mode
Function JP1
▲CMOS Normal
CMOS Reset
▲ = Manufacturer Default Setting OPEN SHORT

26
COM3 & COM4 Power Setting
COM3 and COM4 can be set to provide power to your serial device.
The voltage can be set to +5V or 12V by setting jumper JP18 on the
motherboard.
When enabled, the power is available on pin 10 of the RJ45 serial connector.
If you use the serial RJ45 to DB9 adapter cable, the power is on pin 9 of the DB9
connector.
By default, the power option is disabled in the BIOS.
Enable COM3/COM4 power in BIOS
1. Power on the system, and
press the <DEL> key when the
system is booting up to enter
the BIOS Setup utility.
2. Select the Advanced tab
3. Select Power Configuration
COM/VGA Ports and press
<Enter> to go to display the
available options.
4. To enable the power, select
COM3 Power Setting or
COM4 Power setting and
press <Enter>. Select Power
and press <Enter>.
Save the change by pressing
F10.

27
COM3/COM4 Power Setting
Function JP18
▲+5V
COM3
+12V
+5V
COM4
▲+12V
LCD ID Setting
Several configurations are applied to different sizes of panel. Please refer to the
followings to complete relevant settings.
LVDS
Resolution Bits Channel Output Interface JP8
800 X 600 24 Single
1024 x 768 24 Single
1366 x 768 24 Single
800 x 600 18 Single
*800 x 600 18 Single
1st: LCD Panel
2nd: VGA Port

28
1024 x 768 18 Single
1280 X 1024 24 Dual
*Note: specialized for Sharp 12.1” LQ121S1LG41/LQ121S1LG42 panel.
LCD Brightness Control Setting
Please note Brightness Control can only be set by setting jumper JP14 for CCFL
on the motherboard C48 V2.1. By default, the inverter is CCFL on the
motherboard jumper setting.
1. Power on the system, and press the
<DEL> key when the system is
booting up to enter the BIOS Setup
utility.
2. Select the Advanced tab
3. Select "Power Configuration
COM/VGA Ports" and press <Enter>
to go to display the available options.
4. To change the brightness, select
“Brightness Control” and press
<Enter>. Choose the desired
brightness level (0~7) press <Enter>.
Save the change by pressing F10.
NOTE: the new brightness will take
effect after the system has restarted.

29
2nd VGA Power Setting
VGA port power must be on through BIOS/Utility for default is “No Power“
1. Power on the system, and press the
<DEL> key when the system is
booting up to enter the BIOS Setup
utility.
2. Select the Advanced tab
3. Select "Power Configuration
COM/VGA Ports" and press <Enter>
to go to display the available options.
4. To switch on the power, select
"+12V" press <Enter>. Please
Save the change by pressing
F10
30
6 Appendix
Drivers Installation:
The shipping package includes a Driver CD. You can find every individual driver
and utility that enables you to install the drivers in the Driver CD.
Please insert the Driver CD into the drive and double click on the “index.htm” to
pick up the models. You can refer to the drivers installation guide for each driver
in the “Driver/Manual List”.