Fisher And Paykel 517735 Users Manual A Smartdrive Serv_Man Ph1 5 230v
517735 to the manual 175feee0-0d2b-46a7-a48c-b44cb1c30768
2015-02-02
: Fisher-And-Paykel Fisher-And-Paykel-517735-Users-Manual-406366 fisher-and-paykel-517735-users-manual-406366 fisher-and-paykel pdf
Open the PDF directly: View PDF
.
Page Count: 92
- SMART DRIVEELECTRONIC WASHING MACHINEPHASE 1 to 5 – 230v
- TABLE OF CONTENTS
- 1.0 INTRODUCTION
- 2.0 SPECIFICATIONS
- 3.0 INSTALLATION
- 5.0 SMARTDRIVE INFORMATION
- 6.0 SMARTDRIVE PROBLEMS
- 7.0 OPTION ADJUSTMENT MODE
- 9.0 SIZE SETTING MODE – Phase 4 and 5 only
- 10.0 USER WARNINGS
- 10.1 Insufficient Hot Water (Hot Water LED flashing)
- 10.2 Insufficient Cold Water (Cold Water LED flashing)
- 10.3 No Water (Both Hot and Cold Water LEDs flashing)
- 10.4 Overloaded Product (High Water LED flashing)
- 10.5 Out of Balance (First Rinse or Final Spin and Current Spin Speed LED is flashing)
- 10.6 Suds (First Rinse LED is flashing or Final Spin LED is flashing)
- 10.7 Restart and Recycle (Wash Progress LEDs flashing)
- 10.8 Demonstration Mode (All LEDs flashing in patterns)
- 11.0 FAULT CODES
- 12.0 MECHANICAL SERVICE SECTION
- Appendix A: Binary Decoding Chart – 8 Bits (0-255)
- Appendix B: Technical Bulletins
- WM011 ALTERNATIVE SPARE PARTS FOR PHASE 1 MOTOR CONTROLLER – June 1999 – Phase 1 only
- WM013 PUMP HOOD KIT – January 2000 – Phases 2 to 5
- WM51 DIAGNOSTIC FLOW CHART – Sept 1992– Phase 1 only
- WM65 BIB DEFLECTOR – April 1994– Phase 1 only
- WM70 PREMATURE OUT OF BALANCE – February 1995 – Phase 2 only
- WM80 CONDENSATION KIT – May 1996 – Phase 2 & 3 only
- WM81 PUMP SHIELD 5KG SMARTDRIVE – September 1996 - Phases 1 to 4
- Appendix C: Smarttool
- Appendix D: Tools for Servicing Smartdrive
- Appendix E: IW SMARTDRIVE SERVICING

SMART DRIVE
ELECTRONIC WASHING MACHINE
PHASE 1 to 5 – 230v
This service manual supersedes all previous Smartdrive 230v service manuals. This manual incorporates all
technical bulletins for Smartdrive up to January 2000. Information on IW and IWECO is available in
Appendix E.
Fisher & Paykel Ltd, Laundry Division.
78 Springs Road, East Tamaki, PO Box 58-732, Greenmount, Auckland. NZ
Phone 0064 9 273 0640, Fax 0064 9 273 0649.
Fisher & Paykel Customer Services Pty Ltd.
ACN. 003 3335 171, 19 Enterprise St, Cleveland, PO Box 798,
Cleveland, QLD 4163, Australia.
Phone 0061 7 3826 9100, Fax 0061 7 3826 9164.
Fisher & Paykel Singapore PTE Ltd.
150 Ubi Avenue 4, Sunlight Building #02-00, Singapore.
Phone 0065 547 0100, Fax 0065 547 0123.
Fisher & Paykel Appliances Ltd.
42 Clarendon St, Leamington Spa, Warks, CV32 4PG, UK.
Phone 0044 1 926 88 2220, Fax 0044 1 926 88 3330.
Try www.fisherpaykel.com/Service
517735
Issue A - October 2000
COPYRIGHT © FISHER & PAYKEL LTD 2000

PHASE 1 PHASE 2 PHASE 3 PHASE 4 PHASE 5
PHASE 1 GW Model ‘xx0’
PHASE 2 GW Model ‘xx1’
PHASE 3 GW
Green & yellow
PHASE 4 GW
Blue & yellow.
PHASE 5 (early) GW
MW, LW & AW are different colours.
PHASE 5 (late) GW
MW, LW & AW are different colours.
PHASE 5 IW
Bottom right button is ‘Specials’
PHASE 5 IWECO
Size 6 & 7 have recirculation fitted.
Bottom right button is ‘LifeCycles’

WHAT PHASE, SIZE & MODEL IS YOUR SMARTDRIVE?
PHASE YEAR FRONT PANEL
COLOURS MODEL NUMBERS MOTOR CONTROLLER COMPONENTS MODEL
TYPES
PHASE 1 1991-93 Grey Background GW500, GW600, GW700,
MW050, MW060, GW650,
MW070
Blue. (A few white)
Pressure Transducer in
display. Water cooled.
PHASE 1 spare has phase 4
fault codes. **
12v water valves. 15 ohms. Stator 2.6
ohms phase to phase. Mechanical lid
switch. Selni (33 ohms) & Compreci
(26 ohms) pump.
MW, GW
PHASE 2 1993-95 Grey Background GW501, GW601, GW701,
MW051, MW061, MW071,
LW015
Blue. Water cooled. 12v water valves. 15 ohms. Stator 12.2
ohms phase to phase. Mechanical lid
switch (mostly). Compreci (26 ohms) or
Selni (33 ohms) pump.
LW, MW,
GW
PHASE 3 1995-96 White Background
with yellow and
green buttons
GW503, GW603, GW703,
MW053,LW035 Green. Water cooled. 12v water valves. 15 ohms. Stator 12.2
ohms phase to phase. Reed switch for
lid. Selni pump. 33 ohms.
LW, MW,
GW
PHASE 4
(Series 8) 1996-98 White Background
with yellow and
blue buttons
GW508, GW608, GW708,
MW058, LW085, AW085 Yellow. Water cooled.. 12v water valves. 15 ohms. Stator 12.2
ohms phase to phase. Reed switch for
lid. Selni pump. 33 ohms.
AW, LW,
MW, GW
PHASE 5
(Series 9
& Series
10)
1998-2001 Various colours. GW509, GW609, GW709,
MW059, LW095, AW095,
IW509, IW609, IW709,
IWL10, IWM10, IWC09,
IW710, IW810
Grey. Air cooled. GW & IW
have thermistor in mixing
chamber. AW, LW, MW no
thermistor.
24v water valves. 64 ohms. Stator 32
ohms phase to phase. Reed switch for
lid. Selni pump. 33 ohms.
AW, LW,
MW, GW, IW,
IWECO
(recirc)
DISPLAY TYPE * IDENTIFIER SIZE CAPACITY DIMENSIONS
AW, LW No cycle buttons Compact 5kg + 560x560x920h
MW 4 cycle buttons. Medium 6kg + 600x600x920h
GW Favourite button. Large 7kg + 650x650x920h
IW LCD Display
* The front panel label names “Fisher & Paykel”, “Frigidaire”, “Kelvinator”, “Shacklock” etc are identical
** A simple test to see if module is phase 1 (spare) enter Diagnostic mode (Press WASH TEMP & POWER). Press ADVANCE if it beeps then the motor
controller is a PHASE 1 spare p.n. 426418. Size setting and all fault codes are as phase 4.
TABLE OF CONTENTS
SMART DRIVE ELECTRONIC WASHING MACHINE PHASE 1 to 5 – 230v ..................................1
WHAT PHASE, SIZE & MODEL IS YOUR SMARTDRIVE? .........................................................3
TABLE OF CONTENTS .........................................................................................................................1
1.0 INTRODUCTION.............................................................................................................................1
1.1 HOW TO SERVICE SMARTDRIVE...........................................................................................1
1.2 SMARTDRIVE SERVICING – Quick Reference Guide!............................................................2
2.0 SPECIFICATIONS............................................................................................................................3
3.0 INSTALLATION ...............................................................................................................................4
4.0 SMARTDRIVE COMPONENTS.....................................................................................................6
4.1 Electronics Systems......................................................................................................................7
4.2 Motor............................................................................................................................................9
4.3 Motor Controller Module ...........................................................................................................10
4.4 Display Module ..........................................................................................................................11
4.5 Water Valves ..............................................................................................................................12
4.6 Rotor Position Sensor.................................................................................................................13
4.7 Pump...........................................................................................................................................14
4.8 Inner and Outer Bowls................................................................................................................15
4.9 Lid Switch and Out of Balance Switch ......................................................................................17
4.10 Water Temperature Sensing ...................................................................................................18
5.0 SMARTDRIVE INFORMATION ...................................................................................................19
5.1 Favourite cycle (GW only) – All Phases ....................................................................................19
5.2 Customising Wash Cycles (GW only) – Phase 3 to 5 only........................................................19
5.3 Delay Start (GW only) – Phase 2 to 5 only ................................................................................20
5.4 Auto Water Level (GW only) – Phase 3 to 5 only.....................................................................20
5.5 Water Saver (GW only) – Phase 3 to 5 only ..............................................................................20
5.6 Fabric Softener Dispenser – All Phases .....................................................................................21
5.7 Wash Performance Information – All Phases.............................................................................22
6.0 SMARTDRIVE PROBLEMS........................................................................................................23
6.1 If Smartdrive Appears To Have No Power.................................................................................23
6.2 If Smartdrive Powers Off mid cycle...........................................................................................23
6.3 Flooding......................................................................................................................................24
6.4 Leaking.......................................................................................................................................24
6.5 Noisy...........................................................................................................................................24
6.6 Continuous Spinning or Slow Spinning.....................................................................................25
6.7 Poor Wash Performance.............................................................................................................25
6.8 Siphoning....................................................................................................................................26
6.9 Radio Frequency Interference (RFI)...........................................................................................26
6.10 Earth Leakage.........................................................................................................................26
6.11 It Appears Smartdrive is doing nothing..................................................................................26
7.0 OPTION ADJUSTMENT MODE .................................................................................................27
7.1 Wash Water Temperature – All Phases......................................................................................27
7.2 Rinse Options – All Phases ........................................................................................................28
7.3 End of Cycle Warning Beeps (GW Only) – All Phases .............................................................29
7.4 Adjusting the Volume of Water Used in the Water Saver Option (GW only) – Phase 3 to 5....30
7.5 Auto Water Fill Level Adjustment (GW only) Phase 3-5.........................................................30
7.6 Out Of Balance Recovery Adjustment (GW and MW only) Phase 3-5 ....................................30
8.0 DIAGNOSTIC MODE...................................................................................................................31
8.1 WHAT WAS THE LAST FAULT?...........................................................................................31
8.2 TEST LID, OUT OF BALANCE, & SIZE SWITCHES............................................................32
8.3 TO TEST PUMP & WATER VALVES ....................................................................................32
8.4 RESTART ..................................................................................................................................33
8.5 RECYCLE..................................................................................................................................33
9.0 SIZE SETTING MODE – Phase 4 and 5 only...............................................................................35
10.0 USER WARNINGS ..................................................................................................................36
10.1 Insufficient Hot Water (Hot Water LED flashing).................................................................36
10.2 Insufficient Cold Water (Cold Water LED flashing) .............................................................36
10.3 No Water (Both Hot and Cold Water LEDs flashing)............................................................37
10.4 Overloaded Product (High Water LED flashing)...................................................................37
10.5 Out of Balance (First Rinse or Final Spin and Current Spin Speed LED is flashing)............37
10.6 Suds (First Rinse LED is flashing or Final Spin LED is flashing).........................................38
10.7 Restart and Recycle (Wash Progress LEDs flashing).............................................................38
10.8 Demonstration Mode (All LEDs flashing in patterns) ...........................................................39
11.0 FAULT CODES ...........................................................................................................................40
SMARTDRIVE PHASES 1 to 5 FAULT DESCRIPTIONS ............................................................41
12.0 MECHANICAL SERVICE SECTION....................................................................................62
12.1 COMPLETE DISASSEMBLY ..............................................................................................62
12.2 ASSEMBLY GUIDELINES ..................................................................................................66
12.3 MOTOR ASSEMBLY & DISASSEMBLY...........................................................................67
12.4 PUMP BLOCKAGE ..............................................................................................................68
12.5 SHAFT & BEARING REMOVAL........................................................................................69
12.6 SHAFT & BEARING ASSEMBLY ......................................................................................70
Appendix A: Binary Decoding Chart – 8 Bits (0-255).........................................................................72
Appendix B: Technical Bulletins.........................................................................................................73
WM011 ALTERNATIVE SPARE PARTS FOR PHASE 1 MOTOR CONTROLLER – June 1999
– Phase 1 only.....................................................................................................................................73
WM013 PUMP HOOD KIT – January 2000 – Phases 2 to 5...........................................................74
WM51 DIAGNOSTIC FLOW CHART – Sept 1992– Phase 1 only..............................................75
WM65 BIB DEFLECTOR – April 1994– Phase 1 only.................................................................76
WM70 PREMATURE OUT OF BALANCE – February 1995 – Phase 2 only.............................76
WM80 CONDENSATION KIT – May 1996 – Phase 2 & 3 only..................................................77
WM81 PUMP SHIELD 5KG SMARTDRIVE – September 1996 - Phases 1 to 4........................77
Appendix C: Smarttool ........................................................................................................................78
Appendix D: Tools for Servicing Smartdrive ......................................................................................79
Appendix E: IW SMARTDRIVE SERVICING..................................................................................80
E.1 IW Quick Reference Guide ........................................................................................................80
E.2 Specifications for IW..................................................................................................................80
E.3 INTRODUCTION to IW............................................................................................................81
E.4 OPTION ADJUSTMENT MODE for IW..................................................................................83
E.5 DIAGNOSTIC MODE for IW ...................................................................................................85
E.6 SIZE SETTING MODE for IW..................................................................................................87

- 1 -
1.0 INTRODUCTION
1.1 HOW TO SERVICE SMARTDRIVE
IF SMARTDRIVE HAS NO POWER - SEE SECTION 6.1
Power off at the mains socket. Wait 2 minutes. Power on.
IF SMARTDRIVE IS DISPLAYING A FAULT - SEE SECTION 11.0
This may be identifiable by an unusual combination of LEDs displayed on the
wash progress LEDs. Smartdrive will be making a continuous sound of
beeping repeating once every second and will be PAUSED. Phase 1-3 Only
press spin buttons until the SPIN HOLD and SPIN SLOW LEDs are on. The
wash progress LEDs correspond to the 8 bit binary fault code with the spin
LED representing the least significant bit. On LW or AW leftmost LED may
be obscured by the front panel overlay, this is the most significant bit. (NB.
The LEDs will not be flashing).
IF SMARTDRIVE IS DISPLAYING A USER WARNING
– SEE SECTION 10.0
This may be identifiable by an unusual combination of LEDs flashing and / or
Smartdrive may be making a rippling sound of 5 beeps repeating every 6 seconds.
IF SMARTDRIVE APPEARS TO HAVE NO FAULT
Find the last fault. It may be accessed from Diagnostic Mode.
Diagnostic mode is accessed by pressing ‘Wash Temp Down’
and ‘Power’ buttons together, Smartdrive will give 2 quick
beeps in acknowledgement. (Phase 1 & 2 Only press
ADVANCE key once). Go to level 3 by pressing the Spin
buttons until the SPIN HOLD and SPIN SLOW LEDs are on.
The wash progress LEDs correspond to the 8 bit binary fault
code with the spin LED representing the least significant bit.
This fault would have occurred within the last 8 cycles. If all the wash progress LEDs are off, there is no fault.
Do not change Motor Controller. If there is no fault, (above) and the product will not start check that the lid
switch is operating correctly. This may also be done from Diagnostic Mode, see SECTION 8.2.
Set Restart OFF, (activate the Low Water LED while in Diagnostic mode). This will allow Smartdrive to detect
faults quicker, it will not retry. Exit Diagnostic mode.
Test Smartdrive by filling (using both valves), draining and spinning to 1000RPM. Open lid when at
1000RPM. Check the size and the operation of the Out of Balance lever.
IF SMARTDRIVE WILL NOT START it could be that the lid
switch indicates that the lid is open.
IF SMARTDRIVE IS LEAKING – SEE SECTION 6.4
IF SMARTDRIVE IS NOISY – SEE SECTION 6.5
IF SMARTDRIVE HAS OTHER FAULTS
– SEE SECTION 6.0
If you have Smarttool, it will identify the last four faults and the last user
warning. It will provide appropriate servicing instructions.

- 2 -
1.2 SMARTDRIVE SERVICING – Quick Reference Guide!
• Smartdrive is not isolated. Even low voltage (5v and 15v) are live!
• During normal operation only one LED should be flashing. This is the leftmost wash progress LED when Smartdrive is Paused.
• The product has a diagnostic mode which allows the fault information to be displayed.
• Diagnostic mode level 3, indicates last fault. If there are no wash progress LED’s ON it would be most unlikely that the Motor Controllers has failed
• Motor Controllers and displays of different phases are different colours. Both motor controller and display must be of the same colour to be compatible.
• Phase 1 to 4 motor controllers used water to cool the electronics. The water temperature is regulated by a thermistor within the motor controller.
• Phase 5 motor controllers use the pump to generate the low voltage power supply. If the pump is disconnected Smartdrive will appear ‘dead’.
• Phase 1 (spare), 4 & 5. When replacing Motor Controllers the size must be set, otherwise fault code 9 will occur when the product is started.
• When reconnecting the internal pressure hose ensure the product is empty of water.
• Water inlet flow problems are normally indicated by HOT &/or COLD LED’s flashing, this could mean the taps are off or the filters blocked.
• Inlet hose filters should be fitted with the dome pointing into the flow of the water on the tap end of the inlet hose.
• If the drain hose is pushed too far down into the standpipe Smartdrive could siphon during rinse.
• The motor has a direct drive and has no gears. There have been 3 different stators and 2 different rotors since introducing Smartdrive.
• The inner bowl floats when the product is full of water.
• The inner bowl has balance rings which have sealed compartments full of water. These self balance the bowl during spinning.
• The pump has a thermal cut out which can take up to 15 minutes to reset. This can occur during a pump block, fault code 37.
• When servicing the pump consider fitting a pump hood kit to Phase 2-5. See WM013 in Appendix B.
• When servicing a 5kg Smartdrive pump consider fitting or a pump shield p.n. 426292. Phase 1-4. See WM81 in Appendix B.
• When servicing Phase 2-3 Smartdrive consider fitting a condensation kit to the console area. See WM80 In Appendix B.
• Option Adjustment Mode. Press START/PAUSE and hold POWER.
• Diagnostic Mode. Press WASH TEMP DOWN and hold POWER.
• Size Setting Mode. Press WASH TEMP UP and hold POWER.
• Warranty does not cover problems caused by the user, for example ‘user warnings’. Pump blocks are not covered by warranty.
• Between 1995 and 2000 50% of Motor Controllers and Display Modules returned to Fisher & Paykel were not faulty.
Service information is available on the internet at the following web address www.fisherpaykel.com/Service Get appropriate usernames and passwords from your ASC’s.
Smarttool is used to diagnose fault information and may be downloaded from this web address. This is available as a PC application or on a palmtop. The data is optically
transferred from Smartdrive, ActiveSmart(Fridge), and DishDrawer(dishwasher) using a light pen from a front panel LED.
Safety testing should be carried out in accordance with standard electrical testing procedures. The resistance from the earth contact
on the mains lead to the wrapper should not exceed 0.5 ohms. The insulation resistance should also be measured at 500 volts DC
between phase & neutral to earth. The maximum resistance should not exceed 1Mohm.

- 3 -
2.0 SPECIFICATIONS
Dimensions Compact (5kg) Medium (6kg) Large(7kg)
Height to closed Lid 900mm-930mm 900mm-930mm 900mm-930mm
Height to open Lid 1280m-1310mm 1305mm-1335mm 1350mm-1380mm
Width 560mm 600mm 650mm
Depth 560mm 600mm 650mm
Inlet hose length 1100mm 1100mm 1100mm
Dry weight Packed 48Kg 52Kg 58Kg
Dry weight unpacked 43Kg 46Kg 51Kg
Wash Load AS2040 5.0-5.5Kg 6.0-6.5Kg 7.0-7.5Kg
High Water Capacity 63-68L 76-82L 89-94L
Finish
Cabinet Prepaint (Polyester)
Inner Bowl Stainless Steel grade 430T
Lid, Console, Outer Bowl, Agitator Polypropylene
Touch Panel Polycarbonate
Water fill temp (Default settings)
Hot 60oC
Hot / Warm 50oC
Warm 40oC
Warm / Cold 35oC
Cold as per supply temperature.
Inlet hot water temperature is best
at 65oC and should not exceed
75oC.
Motor. See Section 4.2 for specifications on the stator and rotor.
Pump. See Section 4.7 for specifications.
Water Valves. See Section 4.5 for specifications.
Inlet Water Flow Rate 3 litres per minute minimum.
Standpipe height from floor Min 850mm Max 1200mm.
Thermistor
Phase 5. NTC-type temperature sensor Resistance 10k ohms @ 25oC. 12.5k ohms @ 20oC
In Phase 1-4 this part is not serviceable and mounted within the Motor Controller.
Inner Bowl Speed
Fast Spin 1,000 RPM
Medium Spin 700 RPM
Slow 300 RPM
Stir Speed 25 RPM
Fabric Softener Dosage 75cc
Electric Supply 220/240V AC 50Hz
Max Current 2.8 amps
CAUTION
ALL TERMINALS
AND INTERNAL
PARTS SHOULD
BE TREATED
AS LIVE.
Acceptable weights for the Inner Bowl
Small (5kg) 10.9-11.5kg
Medium (6kg) 8.9-9.4kg
Compact (7kg) 7.0-7.5kg

- 4 -
3.0 INSTALLATION
REMOVING BOWL PACKER AND ACCESSORIES
Remove the outer packaging. Leave Smartdrive standing upright.
Lift the lid and remove the bowl packer. Remove hoses and accessories.
REMOVING TRANSIT RESTRAINT
Rotate the agitator anti-clockwise for 3 revolutions. (This unscrews the
transit restraint from the base of Smartdrive.) The wash bowl will then
be free to move from side to side.
Remove the bottom cardboard packer. Tilt Smartdrive and check that
the red transit restraint has come away with the packer.
Keep the transit restraint and packers for future use.
Please make sure the transit reestraint has ben removed before operating Smartdrive
INSTALLATION
In Smartdrive there is a bag with:-
• 4 rubber inserts for the levelling feet
• 4 sealing washers (2 with filters)
• 1 hose guide
INLET HOSES
Place filtered sealing washers into the straight ends of the white inlet
hoses and connect to taps. (Dome end of washer towards tap.)
Place sealing washers into elbow ends of the white inlet hoses and
connect to inlet valves. Inlet valves are marked on the back of
Smartdrive.
H = Hot C = Cold.
NB. The new inlet hoses have the filters and washers fitted.
Cold Supply Only
If you only have a cold water supply, an inlet valve cap (blanking cap)
MUST be connected to the hot inlet valve. The cap prevents water
leaking out the hot valve. The cap is Part No. 388491.
DRAIN HOSE
Pull the black drain hose out from the back of Smartdrive by pulling the
exposed part of the hose downwards and outwards. The hose guide
guides the drain hose over the tub or standpipe. It MUST be fitted to the
drain hose.
To prevent siphoning:
The drain hose should not extend more than 20 mm from the end of the
guide.
The height of the standpipe or tub should be between 850-1200mm.
The drain hose can be trimmed to length.
Place the drain hose in the tub or standpipe.

- 5 -
LEVELLING SMARTDRIVE
It is IMPORTANT to level Smartdrive to ensure even spin performance.
Fit the 4 rubber inserts into the feet on the base of Smartdrive.
Move Smartdrive to its final position. (a minimum clearance of 20mm
each side of Smartdrive for ease of installation.)
Adjust the feet so that Smartdrive is level and cannot rock.
To check if Smartdrive is level
look into Smartdrive bowl and make sure it
sits slightly forward of centre.
FINALLY
Turn on the water and check all hose connections for leaks. Make sure
there are no kinks in the hoses.
Uncoil power cord and plug into wall socket. If using an extension cord
ensure that it is positioned so that it does not come into contact with
water or moisture.
INSTALLATION ENVIRONMENT
WATER SUPPLY TEMPERATURES
For best operation the hot water should be
approximately 65ºC. The cold water should not exceed
35ºC or the hot water should not exceed 75ºC.
Temperatures above this may cause a fault or cause
damage to Smartdrive. If there is an uncontrolled
water heating source (e.g. a wet back or solar heating
system) fit a Hot ‘n’ Safe Valve. This will ensure the
hot water temperature remains within safe limits.
Hot ‘n’ Safe Valves available are:-
RMC TVA 75HF (3/4 inch pipe)
RMC TVA 50HF (1/2 inch pipe)
Adjustable between 35ºC - 65ºC
RMC TVA 50HP (1/2 inch pipe)
For instantaneous gas hot water supply.
LOW INLET WATER PRESSURE
A slow flow rate (less than 5 litres per minute) into Smartdrive will be improved by fitting large bore inlet
hoses p.n.426123.
DRAINING
Check that the standpipe or tub are free from lint and other obstructions.
Draining must comply with local by-laws.
SAFETY
Smartdrive is not intended for use by young children or infirm persons without supervision. Never reach
into Smartdrive if the wash bowl or agitator is moving. Press START/ PAUSE and wait until Smartdrive
has completely stopped before opening the lid.
ACCESSORIES AND SPARE PARTS
Inlet Valve Cap. Used when no hot water inlet hose connected. Part No. 388491
Hose Inlet Long (2m) Part No. 422680
Hose Inlet Large Bore - For water low pressure Part No. 426123
Drain Hose Extension (1.1m) Part No. 425627p

- 6 -
4.0 SMARTDRIVE COMPONENTS

- 7 -
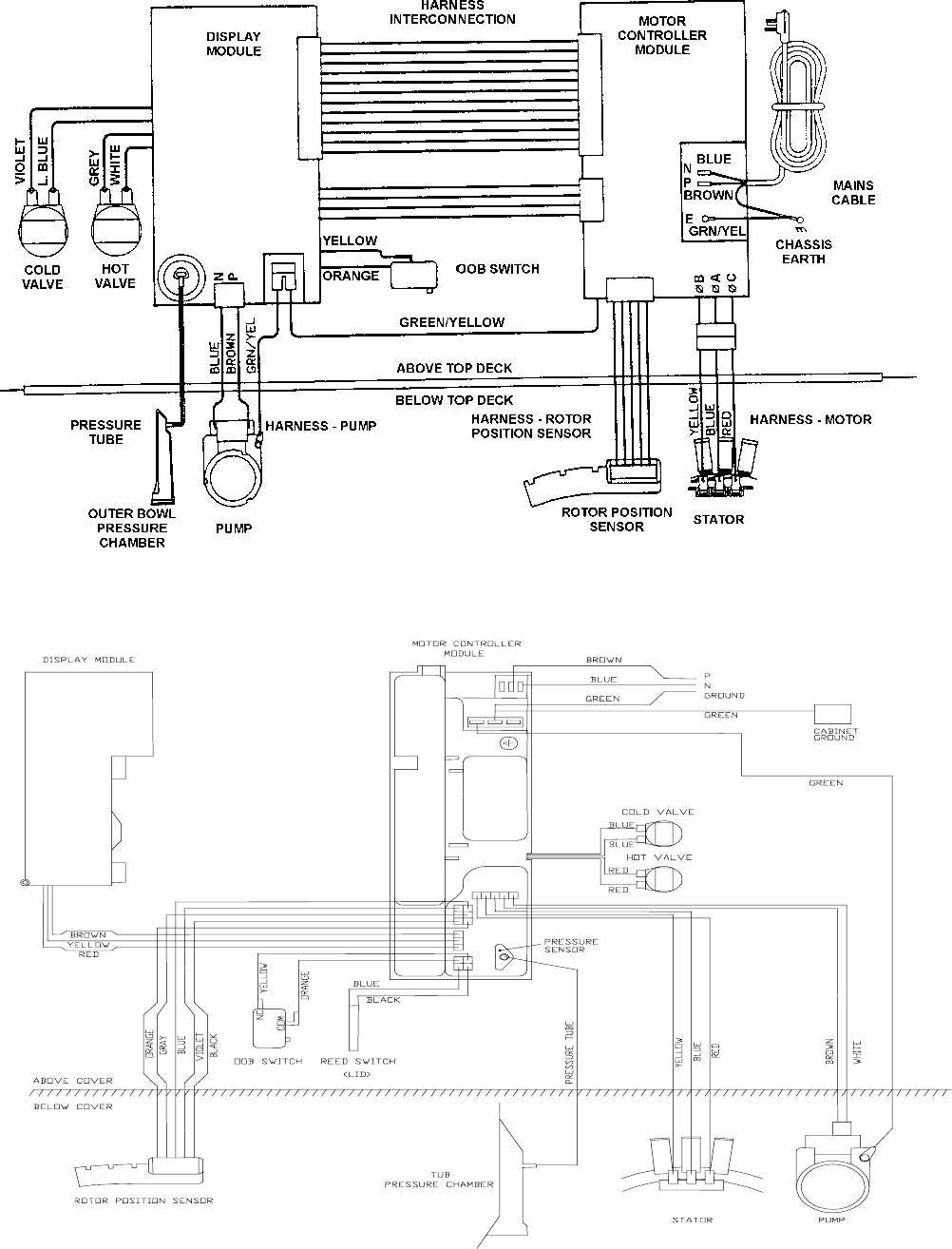
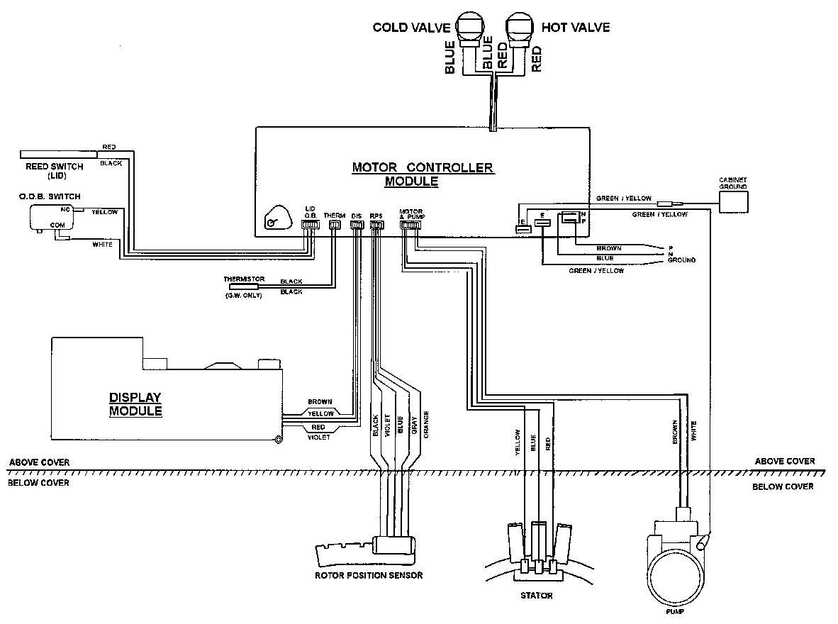
4.1 Electronics Systems
Smartdrive electronics consists of 4 mains parts: - a) Motor, (b) Motor Controller Module, (c) Display
Module and (d) Rotor Position Sensor. The interconnections are shown in the block diagrams below:-
Wiring diagram for Phase 1. NB. Phase 1 (spare) uses a motor controller similar to Phase 2-4.
Wiring diagram for Phase 2-4. NB. Most of phase 2 did not have a reed switch, a white wire loop
was connected in place of the blue & black wire.

- 8 -
PHASE 5
WIRING DIAGRAM

- 9 -
4.2 Motor
The motor is a 3 phase, 42 pole, DC brushless motor, commutation is achieved electronically. The Motor
consists of a STATOR (stationary part) and ROTOR (rotating part). The Rotor Position Sensor controls
the speed and position of the motor. The STATOR has a 'star point' connection, and motor terminals. The
Star point connects the 3 windings to a common point. The DIRECT DRIVE motor has eliminated the
need for gearboxes, pulleys and belts. The Rotor is connected via a single shaft to the agitator. The single
shaft design also eliminates the need for extra seals which are needed in conventional multi shaft designs.
Connect the 3 stator
connectors the correct way
round, otherwise the motor
will not run and give fault
code 136. The stator is
marked “R B Y”.
Resistance measured at the
Motor Controller is twice
resistance per winding eg
between red and blue is:
Specifications
Stator Resistance per winding
Phase 1 R=1.3 ohms @ 20oC
Phase 2 to 4 R=6.1 ohms @ 20oC
Phase 5 R=16 ohms @ 20oC
Stator. 3 different types. Phase 1, Phase 2-4 and Phase 5. The
contact sizes for the Phase 1 and 2-4 stators are the same. Phase
5 stator has smaller contacts.
Rotor has 2 different types Phase 1 and Phase 2-5.
Fault Codes 130,131,132,133,134,136 are directly
associated with the Motor. Always check the
resistance of the stator. Ensure that the rotor
is stationary when measurements are made.
If the resistance is low always replace the stator. Remember if
the stator is hot the resistances can increase by as much as 30%.
Check the brass star point is not cracked or intermittent.
Phase 1 1.3 + 1.3 = 2.6 ohms
Phase 2 to 4 6.1 + 6.1 = 12.2 ohms
Phase 5 16 + 16 = 32 ohms
Replace if broken (425104). Rotor may be tested with RPS Tester. A complete rotation will test all the
magnets. A rotor with cracked or chipped magnets will work fine. A rotor should only be replaced if it
has been run over by a bus, (especially phase 1). However, some early phase 5 rotors may cause noise on
wash and a replacement may rectify this.
Two clamp plates are used to secure the stator, one on each side. The four bolts are tightened to a torque
of 5 Nm. NB: Early Smartdrives had a clamp plate that was riveted, these should not be mixed with the
later clamp plates which are ‘lanced’. The plastic nut for securing the rotor requires a 16mm socket and
should be tightened to 16 Nm. If the nut is broken use puller p/n 502034.
- 10 -
4.3 Motor Controller Module
This module contains the circuitry needed to control the water valves, pump and the motor. It also
recieves signals from the rotor position sensor, pressure sensor and the display module.
The Motor Controller Module and Display Module are continuously communicating. The Motor
Controller Module supplies the Display Module with 15v (11v min 17v max). The two Modules are
connected together with a 3 way harness, (Phase 1-4), or a 4 way harness, (phase 5).
The electronics in the Motor Controller Module, (Phase 1-4 only) are cooled by water, Phase 5 is air
cooled. The inlet chamber is a separate part to the Motor Controller Module. The inlet chamber serves
two purposes: -
• Phase 1 to 4. Water cooled. During filling, water is flowing through the chamber continuously and
cooling the electronics. During spin cycles, if the electronics becomes too hot, the cold valve will
purge. A small quantity of water may be discharged into the bowl during the cycle.
• Mixing the incoming hot and cold water is part of the automatic wash water temperature system. A
thermistor measures water temperature and enables the water temperature to be controlled.
The Motor Controller Module contains an EEPROM which stores information on Smartdrive operation
such as faults and diagnostic information. Information on the last fault is retained in the memory. This
memory is also used to store Favourite Cycle data, Optional Adjustments Mode data (see later) as well as
special data stored during manufacture. All this memory will be retained when Smartdrive is powered off.
• If Motor Controller has No Power. See Section 6.1.
• Phase 1. Original Motor Controllers have a replaceable fuse. 6A 32mm slow blow. For diagnostics
see WM51 in Appendix B.
• Phase 1 (spare) these are essentially Phase 4 functionality. See WM011 in Appendix B.
• Phase 1, 425775. These modules stirred at 30 RPM because Smartdrive was noisy. Replace
suspension rods is a better solution. 425775 is now obselete.
• Phase 2-4 check that a blade divider (p.n. 425842) exists within the heatsink.
• Phase 4-5. When replacing Motor Controllers ensure that size setting mode is entered to set size.
• Phase 1-3. When replacing Motor Controllers enter option adjustment mode to set size.
• The colour of the Motor Controller identifies the phase and must match that of the display. Blue (or
white) is Phase 1, Blue is Phase 2. Green is Phase 3. Yellow is Phase 4 and grey is Phase 5.
• Pressure pipe must only be reconnected when the bowl is empty of water, otherwise the bowl will
flood. Blow down pipe to release any water droplets before reconnecting.
• Smartdrive is not isolated. Even 15v will be live.
• Phase 1-4 use water cooling. Dry out topdeck area before refitting.
• Phase 5 has a standby mode. The 15v will power off at the end of the cycle or after 15 minutes
without use. The power button must be used to wake up Smartdrive.
• Phase 5 uses the pump as part of the power supply. If the pump blocks Smartdrive could power off!
Water Level Measurement - Pressure Sensor
Smartdrive is fitted with a pressure sensor which can fill to any water level. The pressure sensor is
incorporated within the Motor Controller and cannot be removed. The pressure pipe connects from the
Motor controller to the air bell at the bottom of the outer bowl. It is part of the harness assembly. On
Phase 1 the pressure sensor is on the Display Module.

- 11 -
4.4 Display Module
• The Display Module contains a microprocessor whose function is to take the inputs from the front
panel and send the appropriate command to the Motor Controller Module. It also controls the output
to the display LEDs and beeper.
• Test the Display LEDs. Power on
at the wall. This illuminates all
LEDs for 2 seconds. Check the
operation of all the switches and
check the appropriate LED
lights.
• If not all LEDs illuminate check
that the LEDs are not bent. Open
up housing, (with power off) and
reposition the LED.
• Replace if there is any sign of
corrosion on the Display
Module. This is one of the most
likely causes in older
Smartdrives.
• The display has up to 4 hidden
modes where the function of the
buttons is different. Option
adjustment mode, Diagnostic
mode, Size Setting mode and
Demonstration mode.
• On Phase 1 and early Phase 2
the Display Module was fitted
with the lid switch. Check it
activates correctly onto the
plastic ‘button’ in the console.
• Phase 1-3 were fitted with a size switch. This was a two pronged switch which was activated by the
console. This determined the size of the product and is located at the bottom in the middle. The size
must be set in EEPROM by accessing Option Adjust mode.
• Phase 4-5. When replacing these displays & Phase 1(spare). Size Setting Mode see section 9.0.
• 3 different display modules, LW, MW and GW. The AW is fitted with an LW display.
• Phase 3-5 GW has ‘Auto Water Level’. Phase 2-5 GW has ‘Delay Start’.
• Colour of the display identifies the phase. Blue (or white) is Phase 1 and 2. Green is Phase 3. Yellow
is Phase 4 and grey is Phase 5. The phase and colour of the display must match that of the Motor
Controller.
• Phase 1 (spare). See WM011 in Appendix B.
• Pressure sensor and EEPROM on Phase 1 is in display, (not phase 1 spare).
• Condensation kit may be fitted to phase 2-3 Smartdrives see WM80 in Appendix B.

- 12 -
4.5 Water Valves
The electronics control the water valves so that a constant water temperature is achieved in the bowl
irrespective of the temperatures and pressures of the household hot and cold water systems. To achieve
accurate water temperatures a proportional water valve is used on the cold water inlet. Unlike
conventional water valves which are either fully on or fully off, the proportional water valve can be
controlled so that it can turn on at any water flow rate between fully on and fully off.
Proportional Valve Standard Valve
Filter colour White or Blue Red or Yellow
Shape of water valve
plunger Has no stand offs within
outlet nozzle Has four stand offs visible within
outlet nozzle
Difference between a
Proportional and
Standard Water Valve
Specifications
Phase 1 to 4 - 12 Volts DC Posilock contacts.
Hot Valve Digital Valve Resistance 15 ohms @ 20oC
Cold Valve Proportional Valve Resistance 15 ohms @ 20oC
Proportional valve fitted to cold on all models. Standard Valve on hot.
Phase 5 - 24 Volts DC with RAST 2.5 Connector.
Hot/Cold Digital Valve Resistance 64 ohms @ 20oC
Cold Valve Proportional Valve Resistance 64 ohms @ 20oC
Proportional valve fitted only to cold on GW and IW models.
Standard Valv Flow Rate 10 L per minute max
Proportional Valve Flow Rate 16 L per minute max
Operating pressure Max 1Mpa (150PSI) Min 20 kpa (3 PSI)
Always check the resistances when replacing the Motor Controller. If the resistance is low always replace
the water valve. Remember if the valve is hot the resistances can increase by as much as 50%. The fault
numbers associated with the water valves are 33, 48, 49 and 50. If inlet water is 5 litres a minute flow or
less, flow restricting washers may be removed from water valves. Large bore inlet hoses p.n. 426123
should be used in these circumstances.
The water valves may be manually turned on from Diagnostic
Mode. Press ‘Wash Temp Down’ and ‘Power’ buttons
together. Phase 3 Only press ADVANCE key once. The ‘Wash
Temp Down’ button turns the cold water valve on or off. The
‘Cold Water’ LED will turn on. The ‘Wash Temp Up’ button
turns the hot water valve on or off. The ‘Hot Water’ LED will
turn on. NB. Phase 2 it is possible to latch water valves on in
this mode. Power off at the wall to resolve.

- 13 -
4.6 Rotor Position Sensor
One of the inputs that the Motor Controller Module needs in order to determine which switches to turn
on, is the position of the Rotor. This information is supplied by the Rotor Position Sensor (RPS).
On the RPS there are three Hall Sensors. These detect the magnetic field of the individual magnets in the
Rotor. As the motor turns, the position of a group of magnets is detected. There are 5 wires on the RPS,
2 for power supply and 3 signal wires. Data on the position of the Rotor is supplied to the microprocessor
in the Motor Controller Module via the three signal wires.
• A single RPS p.n. 426221P may be used on all phases of Smartdrive.
• The RPS is static sensitive. ESD precautions must be taken when handling this device.
• Do not remove the printed circuit board from the plastic housing.
• Do not use a multi-meter to check the resistance of the sensors. This may result in damage.
• To test the RPS use a RPS tester p.n. 502105 and manually rotate the agitator. This tester requires
adapters, see Appendix D. It requires a 9v battery to operate. The tester has 3 LEDs. A pass is when 1
or 2 LEDs are illuminated at a time. 0 or 3 LEDs illuminated indicates a fail. Any flickering of the fail
LED will indicate that the RPS or rotor is faulty. A faulty rotor would give a fail at certain points of
rotation. This tester does not test all the functionality of the RPS. It tests the 3 outputs but cannot
indicate all faults, for example if a capacitor on the RPS is cracked.
• Conformal coating has caused contact problems on the edge connector. Pushing the plug on and off a
few times should clean the contacts.
Fault codes 53, 130,131,132,133,134,136 are directly associated with the RPS. Test with a RPS tester.
Check the strain relief for the harness. If there is any sign of corrosion replace RPS. If there is an
indication of a ‘flash over’ from the RPS to the stator there will be a black mark on the RPS. The Motor
Controller will have blown up.
Installation
Refer Section 12.3 for advice on motor removal and installation.
Unclip the RPS module from the stator and slide it out.
When refitting, line up the arrows on the RPS and Stator. Slide the RPS into the Stator poles until the clip
locks into the notch on the other side of the Stator.
Refit RPS harness into strain relieving labyrinth. NB. Early Smartdrive models did not have this strain
relief. If this is the case, secure harness carefully using a cable tie or replace RPS.

- 14 -
4.7 Pump
The drain pump motor is coupled directly to the base of the outer bowl. This eliminates bowl to pump
hoses and the accompanying seals, clips etc. The pump housing is an integral part of the outer bowl. The
pump is accessible by removing the inspection hatch on the front of Smartdrive, (Phase 1 to 4 only). It is
also accessible from the top by removing the agitator and inner bowl. Phase 5 uses the pump as part of
the power supply. If it is not connected, (or thermally tripped) Smartdrive will not power up. A fan is
mounted on the underside of the pump. This is necessary to keep the pump cool. The impeller, on the top
of the pump, pumps the water. Phase 5 pumps the water with a 10 second on, 1 second off timing, this
helps clear the pump of lint. Pump Motor Specifications
230V AC 50Hz
Thermal cut-out fitted.
Flow Rate 24 L a minute @ 1m Head
Pump motor resistance
Phase 1 & 2 (SELNI) 33 ±3 ohms@ 20oC
Phase 1 & 2 (COMPRECCI) 26 ±3 ohms @ 20oC
Phase 3 to 5 (SELNI) 33 ±3 ohms @ 20oC
Pump block, fault code 37 is the most common, see
section 12.4 for more information. Always clear the
pump from inside the inner bowl when this fault is
reported.
Older pumps may leak along the shaft. If there is any sign of leakage the pump should be replaced.
Always check the resistance of the pump windings. If the resistance is low always replace the pump. If the
pump is hot the resistances can increase by as much as 30% before the pumps thermal cut out trips at
110 oC. This can take 15 minutes to reset. The cut-out should only trip if there is a blocked pump. Ensure
there is a plastic fan on the underside of the pump. Burnt out pumps can be a result of a leak in the pump
seal to the outer bowl. Check for signs of leaks in the pump area. Other fault codes are 12, 13, 14, 44 and
62.
The pump may be manually turned on from Diagnostic
Mode. Diagnostic mode is accessed by pressing ‘Wash
Temp Down’ and ‘Power’ buttons together. Phase 3 Only
press ADVANCE key once. The ‘Regular’ cycle button
turns the drain pump on or off. The ‘Regular’ LED will light
when the pump is on. Use to drain the bowl.
When removing the pump up to a litre of water may leak from the pump cavity. When replacing pump
lubricate the top section of seal diaphragm. If servicing a pump block, a Pump Hood kit, (see WM013 in
Appendix B), should be fitted to all Smartdrives since late phase 2. This is an enhancement and will
reduce further pump blocks, it includes a VORTEX impleller, see above diagram. The screw securing the
pump hood to the inside of the outer bowl must be secured tightly. A pump shield (p.n .426292) should be
fitted to all 5kg Smartdrives that are not fitted with one, (typically phase 1 to 3). A Comprecci pump is
now replaced by a Selni pump. If replacing a Comprecci pump with a Selni pump an insulating divider
p.n. 425890 is required to be fitted between the terminals of the pump. The pump bracket may also be
different. The pump must be earthed.

- 15 -
4.8 Inner and Outer Bowls
The outer bowl is the assembly to which all the motor, pump system, suspension rods, etc are mounted.
Within the outer bowl is the inner bowl and the agitator. During spin, the agitator and inner bowl have to
be coupled together and turn as a single unit. In agitate the agitator and inner bowl are free to rotate
independently.
In Smartdrive the inner bowl is free to move in a vertical direction. The position of the inner bowl is
determined by the water level. At the base of the inner bowl is a flotation chamber consisting of a number
of individual cells. When Smartdrive is filling with water the pressure on the air in these cells increases
as the water level rises until eventually the inner bowl floats upwards and disengages the driven spline
from the drive spline. This action frees the agitator from the inner bowl and allows it to move freely in
both directions.
When the water is draining from Smartdrive the pressure on the air trapped in the cells of the flotation
chamber decreases allowing the inner bowl to settle back down onto the drive spline and re-engage the
driven spline thus allowing the agitator and inner bowl to turn as one unit. The floating bowl is also used
to detect if the user has selected the correct water level for the size of the clothes load in Smartdrive.
The point at which the bowl starts to float is determined by the water level and the size of the load. The
greater the load, the more water is needed before the inner bowl will float. By detecting the point at
which the bowl floats, Smartdrive can determine whether the correct water level for the particular clothes
load has been chosen by the operator. If the operator has chosen a level that is too low for the load,
Smartdrive will override that choice and fill to the correct level. This is to ensure optimum wash
performance and minimal clothes wear. If the user has selected a level that is higher than necessary,
Smartdrive will still fill to the users selected level.
Diagram showing the Floating Bowl
- 16 -
Detection Of Inner Bowl Float Off Point – Bowl Check
During fill the inner bowl will rotate to ensure that the clothes are evenly saturated with water. When the
chosen water level is reached, and before the agitate cycle is started, Smartdrive will carry out inner bowl
float checks, (bowl check). The inner bowl will stop and commence a number of small agitate type
actions. During this action Smartdrive determines if the inner bowl has floated. If it has, Smartdrive will
determine the required water level and check if the operator has selected the correct level. If the inner
bowl has not floated off, Smartdrive will continue filling and check again later. The water level at which
the inner bowl floats off is not necessarily the same as the final water level.
Detection of Inner Bowl Re-Engagement – Bowl Check
After Smartdrive has pumped out the water, the inner bowl will sink down and re-engage onto the drive
spline. To ensure the inner bowl has re-engaged correctly, Smartdrive will carry out a bowl re-engage test
sequence, (bowl check). Bowl check consists of a series of short agitate type actions before the spin cycle
starts. A sound may be heard as the inner bowl re-engages. The following fault codes are associated with
bowl check 40, 47, 56 and 160.
Balance Rings
The inner bowl has 2 balance rings, one at the top, and one at the bottom. These are sealed compartments
half full of water. This water allows the bowl to balance. If these rings are empty the inner bowl must be
replaced.
Lint Removal System
The self-cleaning lint removal system works by continuous water circulation, resulting in the separation of
lint from the wash water. As a result of the agitator action, lint and wash water are sucked into the agitator
stem and down to the base, where they are directed into the cavity between the inner and outer bowls.
The extruded holes of the inner bowl are shaped to allow the wash water to flow back into the bowl, but
prevent the lint from following.
The lint then floats to the surface of the water, between the inner and outer bowls and remains there until
it is flushed out the drain at the end of the wash cycle. In the spin mode, water spun from the clothes
through the small holes in the bowl flushes the lint off the outer bowl and down the drain. The self-
cleaning lint removal system has proved to be effective and efficient and should require no maintenance.

- 17 -
4.9 Lid Switch and Out of Balance Switch
Lid Switch
If the lid is raised, the lid switch operates and stops the cycle when Smartdrive is stirring during fill or
Smartdrive is spinning, (braking). The motor should stop within 10 seconds, all the energy from the motor
is dumped into the brake resistor (Phase 1-4) or the pump (phase 5). It is important to understand that it
can be a worthwhile test to open the lid at 1000 RPM, this will exercise the braking circuitry in the Motor
Controller. If Smartdrive appears not to start it could be that the lid switch indicates that the lid is
open.
• The user may lift the lid during agitate to add clothes or watch the wash action. However, the motor
will stop if this is tried during spray rinse or final spin, or stop during fill.
• Smartdrive should pause when the lid is opened 50mm and restart at less than 12mm.
• Phase 1 and 2 (most) used a mechanical lid switch located on the Display Module.
• Phase 2 (Late) to 5 .The lid switch is controlled by a reed switch located under the top deck on the
right hand side towards the front. The reed switch is activated by a magnet which is moulded into the
lid assembly. This switch is closed when the lid is closed. Use a multimeter to check operation. The
resistance should be less than 2 ohms. Ensure that the wiring to the reed switch does not get trapped in
the top deck when reassembling.
• A ‘recently manufactured one piece lid’ is not designed for use with Phase 1 & 2 lid mechanical
switches. There is a hole at the back which does not push the lid switch lever.
Out of Balance Switch
When the Smart Drive is spinning it can sense when the wash load is out of balance and will stop and
retry spinning. If Smartdrive still senses an unbalanced load it will stop, give a short burst of beeps every
five seconds and the RINSE or SPIN light will flash. The load must be redistributed more evenly .
However, GW and MW models have the option where Smartdrive tries to automatically correct out of
balance loads. If it detects an unbalanced load, it will fill with water and agitate to redistribute the load
before trying to spin up again. Smartdrive has this option turned off to conserve water, it may be turned on
in OPTION ADJUSTMENT MODE.
• This switch is normally closed, (phase 2-5) normally open, (Phase 1). Some Phase 1 Smartdrive were
fitted with 3 terminal switches, make sure these are connected to the normally open position.
• Check operation using a multimeter. The resistance should be less than 2 ohms when closed.
• Fault code 43 indicates that this switch is permanently activated.
• Replace switch if there is any sign of corrosion.
• Phase 2. Technical bulletin WM70. Changing the OOB lever to an improved design can improve the
operation of this switch.
Out of Balance and Lid Switch Test
The status of the switches may be monitored in Diagnostic
Mode. Diagnostic mode is accessed by pressing ‘Wash Temp
Down’ and ‘Power’ buttons together. See section 8.2.
- 18 -
4.10 Water Temperature Sensing
• Phase 1-4 uses a thermistor for sensing the water temperature. It is located within the Motor
Controller. User can adjust the warm temperature by going into the Option Adjustment Mode.
• Phase 5 GW uses a thermistor for sensing the water temperature. It is located in the mixing chamber.
This is a replaceable item and has a resistance of 10k ohms @ 25oC. 12.5k ohms @ 20oC.
• Phase 5 MW is not fitted with a thermistor. Cold water temperature is the same as the cold water
supply. Hot water temperature is the same as the hot water supply. The warm water temperature is
achieved by pulsing hot or cold valves. User can adjust the warm temperature by going into the Option
Adjustment Mode.
• Phase 5 LW & AW is not fitted with a thermistor. Cold water temperature is the same as the cold
water supply. Hot water temperature is the same as the hot water supply. The warm water temperature
is achieved by turning both hot or cold valves on. User can adjust the warm temperature by adjusting
flow of taps.
Fault code 11 will result if the resistance of the Thermistor is outside the normal limits, the fault is
probably due to an open circuit in the Sensor line. For more information on water temperature adjustment
see section 7.1. If the required temperature cannot be attained a Smartdrive will give a user warning, see
section 10.0 NB: Poor temperature accuracy will result if a digital water valve is used in place of a
proportional valve or if the water valves have no flow control washers when used with high flow.

- 19 -
5.0 SMARTDRIVE INFORMATION
This information is provided to the user in the ‘Use and Care Manual’. It is included here for
completeness. The user warning information and some information on Option Adjustment mode is also in
this manual.
5.1 Favourite cycle (GW only) – All Phases
The user may have a particular combination of
wash cycle settings that are frequently used, i.e.
Nappy wash, small load of Gym gear, cold water
wash etc. It is possible to programme this favourite
setting into the memory.
1. Press and hold the FAVOURITE button until
beeps are heard and the FAVOURITE LED
starts to flash.
2. Select the preferred wash cycle and other options using buttons as normal.
3. When the desired options are selected, press the FAVOURITE button again. The FAVOURITE LED
will stop flashing.
4. The FAVOURITE CYCLE programme will be retained in memory even if the mains power is
switched off.
5.2 Customising Wash Cycles (GW only) – Phase 3 to 5 only
All the wash cycles can be mini favourite cycles. The Smart Drive can be programmed to automatically
set the wash options and agitation time, when each wash cycle is selected. For instance, the user may
wish to set the Regular cycle to cold wash or set Heavy Duty to include a soak. Once the wash cycles are
programmed, Smartdrive will remember them, even when switched off at the wall.
TO CUSTOMISE THE WASH CYCLES
Press the wash cycle you wish to customise and hold down for 2 seconds. Smartdrive will give two quick
beeps. The wash cycle light will flash telling you that you are in the programming mode.
Select your wash options.
If you would like to decrease the agitation time, press ADVANCE until the required number of green
lights remain. (Each green light in the wash progress represents 3 minutes of agitation.) To increase the
agitation time keep pressing ADVANCE until all the green lights are displayed again.
NB: On Heavy Duty and Wool you can only decrease the wash time
Press the wash cycle again to store your customised cycle. To change your customised wash cycle repeat
these steps. NB. The customised wash cycles cannot be set to start at the rinse or spin stage or utilise
DELAY START.
- 20 -
5.3 Delay Start (GW only) – Phase 2 to 5 only
Select your wash cycle and options to suit the clothes load, by pressing the appropriate buttons then press
the DELAY START button: -
• Once for 1 hour
• Twice for 6 hours (phase 2-4) 3 hours (phase 5).
• Three times for 9 hour delay
• Four times to cancel and return Smartdrive to normal operation.
Smartdrive will now automatically start after the appropriate delay time. The flashing of the wash
progress LED will stop when the DELAY START is selected.
5.4 Auto Water Level (GW only) – Phase 3 to 5 only
Smartdrive automatically selects the appropriate water level for the load when AUTO Water Level is
selected. During fill Smartdrive pauses occasionally to sense the water level. Smartdrive checks if the
water level is correct by using a series of 2 different agitate strokes. A slow stroke to sense the load and
an agitate stroke to mix the load. If the lid is lifted during fill Smartdrive will pause. If Smartdrive detects
that that water level is too low it will fill with more water and check the level again.
• When washing an unusual load e.g. large bulky garments, pillows, it is recommend that the water
level is manually selected .
• Manually select the water level if there is already water in the bowl.
• If Smartdrive does not fill to the correct level, the water level that Smartdrive selects can be modified
using Option Adjustment Mode.
MANUAL WATER LEVEL SELECTION
The agitator has 5 levels marked on its stem that can be used to help the user select the correct water level.
Select the correct water level by using the mark nearest to the top of the clothes.
• The levels marked on the agitator are a guide for the clothes and do not correspond exactly to the
water level.
• Smartdrive may occasionally add water during agitation. This is to maintain the water level due to the
release of air trapped in the garments.
5.5 Water Saver (GW only) – Phase 3 to 5 only
The WATER SAVER option is used to minimise the amount of water used during a Regular or Heavy
Duty wash cycle. When Water Saver, is selected Smartdrive alters the rinse to a give a shower rinse. A
shower rinse alternately showers the clothes with water and spins them to remove the sudsy water.
• The Water Saver option is not designed to be used with fabric softener. The shower rinse does not use
a deep rinse so it cannot dispense fabric softener correctly.
• There are some wash loads that may not suit being washed using the Water Saver option. For
example, loads that have a lot of sand or sawdust etc in them, or garments where the colour still runs
from them.
• Smartdrive will spin slightly longer.

- 21 -
AMOUNT OF WATER USED IN THE WATER SAVER RINSE
MODEL SHOWER RINSE SPRAY & DEEP RINSE
Large 60 litres 115 litres
Medium 50 litres 105 litres
Compact 40 litres 90 litres
Please note, these are approximate figures for high water level.
The Time Saver or Soak option can be used with the Water Saver option, push the wash options button
until both options have been selected.
NB. Water Saver is only available on the Regular and Heavy Duty cycles. If Water Saver is selected on
the Wool, Delicate or Permanent Press cycle Smartdrive will skip this option.
5.6 Fabric Softener Dispenser – All Phases
The fabric softener goes into the dispenser on the top of the agitator. The dispenser is designed to
automatically deliver softener into the final rinse.
Here's how it works on the Heavy Duty, Regular
and Wool Cycles.
1. Fabric softener remains in the dispenser cup
during the fill, agitate and drain phase of the
wash programme.
2. During the first phase of the spray rinse it is
centrifuged out of the cup into the body of the
dispenser.
3. The fabric softener is held hard up against the
sides of the dispenser body by centrifugal force
throughout the spray rinse.
4. At the end of spray rinse the softener drains out
of the dispenser, down the centre of the agitator
where it is dissolved in the incoming deep rinse
water.
For the Delicate and Permanent Press cycles the fabric softener remains in the dispenser cup throughout
the wash and first deep rinse. Smartdrive then spins to release the fabric softener, delivering it down the
agitator stem as Smartdrive fills for the final rinse.
Scrud
If fabric softener is used regularly it will eventually cause a build up within the outer bowl. This can result
in black flakes present in the wash load. If this is a problem it is recommended that Smartdrive is
periodically filled with hot water, add dishwasher powder and left to soak .
- 22 -
5.7 Wash Performance Information – All Phases
Creasing
Creasing can be caused by Over loading Smartdrive or the dryer. Permanent Press or Delicate cycles have
been designed to minimise creasing, they use a lower spin speed. Do not leave wet clothes to sit in the
washer or laundry basket.
Soiling
Soiling is the result of insufficient detergent for the load. White clothes are better washed separately.
Separate light and heavily soiled items, as clothes can pick up soil from dirty wash water. Cold water
wash is too cold, Cold water below 20oC does not wash effectively. Select the wash temperature
according to soil type. For example, blood and mud are better washed in cold water, while sweat and oil
based soil wash better in warmer water. Over loading Smartdrive. Loads made up of articles of varying
sizes will wash better (e.g. full loads of sheets may not wash that well). Hard water requires more
detergent than soft water.
Linting
Wash lint givers e.g. towels, flannelette sheets, separately from lint collectors e.g. synthetic fabrics. Over
loading Smartdrive can increase the likelihood of linting. Not enough detergent to hold the lint in
suspension. Over drying synthetic fabrics in a dryer can cause a build-up of static electricity and result in
the fabrics attracting lint.
Detergent residue
Over loading Smartdrive can result in detergent residue being caught in the creases. If this occurs,
decrease the load size. Some detergents need to be pre-dissolved, check the instructions for the detergent.
Cold ambient temperatures, cold washes or short agitation times may not let the detergent dissolve
properly. In these cases pre-dissolve the detergent. Overdosing of detergent can also cause residue when
foam breaks down to give white specs. Poor quality detergents can result in residue.
Black marks on clothes
A build up caused by the interaction of fabric softener and detergent, (scrud) can flake off and mark
clothes. Do not use too much fabric softener, maximum 75cc. If this is a problem it is recommended that
Smartdrive is periodically filled with hot water, plus 1-2 cups of dishwasher powder and left to soak.
Grey marks on clothes
Not enough detergent for the amount of soil on the clothes, can result in grey marks on clothes. If this is a
problem it is recommended that Smartdrive is periodically filled with hot water, plus detergent and left to
soak.
Dye transfer
Wash and dry non-colourfast clothes separately. Non colourfast clothes left sitting in a washer or laundry
basket can transfer dye to other clothes.
Tangling
Washing with too much water (i.e. under loading) can cause the clothes to tangle around each another. Do
not load Smartdrive by wrapping clothes around the agitator.

- 23 -
6.0 SMARTDRIVE PROBLEMS
6.1 If Smartdrive Appears To Have No Power
If the module appears to be dead / no power then check the
following:-
• Is the external mains plug switched on and live?
• Are all plugs connected into the Motor Controller?
• Phase 4 Only. Check that the product is not "asleep". There is a mode in the motor controller where it
can shut down in the event of a transient on the mains. This can be caused by the thermal trip on the
pump, i.e. pump block. If this occurs the module will not restart unless the power is turned off at the
wall for at least 90 seconds. The module is not damaged and there is no need to replace the motor
controller.
• Phase 5 Only. The pump is used as part of the power supply if it
is not connected Smartdrive will appear dead. Check the pump
resistance is 33 ohms. If the pump is open circuit, has the thermal
cut out tripped? This should reset within 15 minutes after tripping
once the pump has cooled down. If the thermal cut out has
tripped, check for a blocked pump.
• Check the resistance from Phase & Neutral to Earth. This will
identify if either the motor wiring harness or the lid switch
harness is shorting to the wrapper.
• Check that the resistance of each of the water valves is 15 ohms
(phase 1-4), 64 ohms (Phase 5).
• Phase 2-4 Only. Check the 15v supply is 11v min, 17v max.
• Phase 1 Only. If fitted with an original Phase 1 Motor Controller
with a fuse, see WM51.
Replace the Motor Controller, if none of the above faults are found.
NB. Ensure product is empty of water when pressure tube is
reconnected. If the product is phase 1 to 4, ensure that the console
area is dried out before fitting replacement motor controller. Always
check the pump resistance before fitting a new Motor Controller.
6.2 If Smartdrive Powers Off mid cycle
• If there is a power interruption while Smartdrive is performing a wash cycle, Smartdrive will continue
when power returns. There are two exceptions.
• Phase 4 Only. Check that the product is not "asleep". There is a mode in the motor controller where
it can shut down in the event of a transient on the mains. This can be caused by the thermal trip on the
pump, i.e. pump block. If this occurs the module will not restart unless the power is turned off at the
wall for at least 90 seconds. The module is not damaged and there is no need to replace the motor
controller.
• Phase 5 Only. The pump is used as part of the power supply, if the thermal trip goes on the pump the
product will power off and the cycle will not restart. The thermal cut-out will normally only trip on the
pump if there is a pump block.

- 24 -
6.3 Flooding
• Check inlet hoses are not leaking.
• Check drain hose is inserted correctly, and that the drain is not blocked.
• Check water valves are not jammed on, or dripping when off.
• Has the pressure pipe been connected when the bowl contained water? The pressure pipe must be
connected when the bowl is empty, otherwise flooding may occur on the next cycle. Alternatively
Smartdrive may get Fault Code 11.
• Often caused by Smartdrive leaking or over sudsing. See section 6.4.
• The pressure transducer in the Motor Controller is faulty, but only if showing a fault code.
6.4 Leaking
• Check for obvious signs of leaks from taps, inlet hoses, inlet washers, water valves and mixing
chamber. There should be no signs of water within the topdeck area.
• Check for obvious signs of leaks in the standpipe, drain hose, pump, and air bell. The pump can leak if
the pump bracket is not secured properly.
• Check size setting of Smartdrive is correct.
• Check that the high water level is acceptable. Acceptable
limits are 10-110mm from the top of the agitator to the
water. If it is less than 10mm, then splashing may be a
problem. Empty bowl, remove then refit pressure pipe to
Motor Controller, then retest. If water level is outside
these limits, replace Motor Controller.
• If all these fail the best way to check leaks is to fill the
bowl with water and detergent and identify the leak
point. If there is no service hatch, the feet may be fully
extended.
• Otherwise it could be that Smartdrive was overloaded or
in a humid environment. Too much detergent could have
been used.
• Phase 1-3. A new neck ring for the outer bowl will
reduce ‘phantom’ suds leaks. Changing the impellor on
the pump should also reduce the incidence of these
leaks.
• Phase 1. See WM65 in the Appendix B. Water can leak
onto the floor during spin.
6.5 Noisy
If the user is complaining about noise it may be in a number of different areas. Is the noise during spin? Is
it a banging sound, this would typically be the drain hose, inlet hoses, mains lead or harness. If it is an out
of balance noise check level, bias spring and balance rings. If it is a ‘clunk’ that occurs up to 3 times per
cycle, this would be a bowl check. It occurs when Smartdrive is draining and ¾ empty. This is a ‘feature’
and a noise that cannot be reduced.
• Is Smartdrive level and on all four feet equally.
• Check the mains lead, inlet hoses and drain hose outside the wrapper, behind Smartdrive.
• Check the harness and drain hose inside is not banging on the wrapper during spin.
• Check bias spring is fitted correctly.
- 25 -
• Check the 2 balance rings in the inner bowl contain water. Check weights.
• Check for noisy suspension rods. Phase 1 was noisy during Stir.
• If the inner bowl or agitator is noisy check for obstruction. Check the spline drive is clean. If there is a
grating sound check the single stainless steel washer beneath the spline drive.
• If the motor is abnormally noisy. Some early phase 5 rotors were noisy and replacement may rectify
this. Chipped or cracked rotor magnets are unlikely to affect the noise.
• If the pump is noisy. Check for obstruction. Change parts as necessary.
The Motor Controller or Display will not be faulty.
6.6 Continuous Spinning or Slow Spinning
There have been some reports of ‘continuous spinning’. This statement is a bit misleading as Smartdrive
will always ensure that the motor will not spin continuously. However, it could be one of the following:-
The most likely cause of slow or continuous spinning is ‘Out of Balance’. To correct this see section 10.5.
Normally the Out of Balance correction is to slow down or stop and retry to spin. Smartdrive will
typically retry this 3 times before giving an out of balance user warning. If the out of balance recovery is
set to enabled, see section 7.6 (Phase 3-5). Smartdrive will refill the bowl with water to redistribute the
load. Smartdrive will only try this once before sounding a user warning.
Intermittent Lid switch. Check resistance and operation of the lid switch.
Spray Spin & suds. Too much detergent can cause final spin to stop and respin 4 times. This is due to
suds build up between the bowls. Normally get a suds user warning.
A less likely cause of slow spinning is the ‘hot bowl flag’. Smartdrive activates this flag after a Hot or
Warm Hot fill. Smartdrive will only spin to 700RPM. The outer bowl plastic will not withstand a
1000RPM spin if it is hot. This flag may be cleared in Diagnostic mode. Phase 1 can inadvertently set the
‘hot bowl flag’, if the warm or hot fill cycle is interrupted. This will restrict the maximum spin speed to
700 RPM.
The Motor Controller or Display will not be faulty.
6.7 Poor Wash Performance
Linting. There are no serviceable parts or filters associated with linting.
Wash Performance. Check the following: -
• Ensure the user selects the correct water level for the wash load.
• Check the size is set correctly, see section 9.0.
• Check the High Water level is within limits as defined in section 6.4. If the water level is outside these
limits then replace the motor controller.
• If auto water level is being used and not selecting the correct water level, this may be modified, see
section 7.5.
• If fabric softener is used this can build up within the outer bowl. This can result in black flakes present
in the wash load. If this is a problem it is recommended that Smartdrive is periodically filled with hot
water, plus one to two cups of dishwashing powder and left to soak.
• See section 5.7 for user information on improved wash performance.
If the water levels are correct the Motor Controller or Display will not be faulty.
- 26 -
6.8 Siphoning
Typically this occurs when the Standpipe height is too low. The minimum is 850mm from the floor, this
is 90mm ABOVE the drain hose outlet on Smartdrive. With a very low standpipe and a very high water
level this could result in water pouring down the standpipe prior to Smartdrive completing fill and
resulting in no water in bowl during agitate. This could result in fault code 36 or 38.
If the drain hose is pushed too far into the standpipe or drain, Smartdrive will siphon during rinse, which
could result in a ‘No Taps’ user warning.
Siphoning can result from a restricted drain hose or partial pump block.
The Motor Controller or Display will not be faulty.
6.9 Radio Frequency Interference (RFI)
Smartdrive complies with international standard CISPR 14.2. Check the earthing of the wrapper.
Otherwise if the user is having poor TV reception it is most likely to be that the TV aerial or reception is
inadequate. Recommend an improved aerial or an amplifier for TV aerial.
6.10 Earth Leakage
• If the resistance from earth to Phase/Neutral is low, below 1M ohm, check the following:-
• Is the main motor harness shorting to earth?
• Phase 3 to 5. Is the lid switch harness shorting to the wrapper?
• Are there any other connections to earth?
• If the earth leakage resistance is OK and the earth leakage breaker trips check that this breaker is not
of an older type. Earth leakage protection devices are designed to trip when the earth leakage current
is 15-30mA. The older designs tripped in less than 30ms, while more modern designs are up to
100ms. Consequently older devices are more susceptible to false tripping than modern ones.
Smartdrive complies with all the international requirements regarding earth leakage.
6.11 It Appears Smartdrive is doing nothing
The user may have stopped Smartdrive before detecting a user warning or fault.
• Check that the lid switch is working.
• Check that the water is connected and taps on.
• If Delay start is ON then the ‘Start/Pause’ button will do nothing.
• If Smartdrive is bowl checking continuously: Check for oversudsing or a foreign object preventing the
clutch from re-engaging.
• If Auto Water Level is being used: NB. Smartdrive resenses Auto Water Level every time the lid is
opened.
• If the water valves are pulsing: This is an indication that Smartdrive is attempting to restart but is
identifying a fault condition. Go to next step.
• Turn Restart OFF and let Smartdrive diagnose the fault. See section 8.4.

- 27 -
7.0 OPTION ADJUSTMENT MODE
Smartdrive can be adjusted to operate under a number of different conditions
OPTION ADJUSTMENT MODE may be used to customise Smartdrive.
Some of this information is available to the user in the ‘Use and Care
Manual’. For IW see Appendix E. The features that can be adjusted in this
mode are:-
a) Water Temperature
b) Rinse Options
c) Number of End of Cycle Warning Beeps GW (only)
d) Auto out of Balance Recovery – GW and MW (only)
e) Auto Water Level Adjustment - GW (only)
f) Water saver Rinse Volume Adjustment - GW (only)
NB. Phase 1-3. Entering Option Adjustment mode sets the size of Smartdrive into EEPROM
To Select the OPTION ADJUSTMENT MODE
1. With Smartdrive powered on at the wall and with the LEDs off, press and hold the START / PAUSE
button. Then press the POWER button. Two quick beeps will sound and the LEDs on the front panel
will change. The controls and LEDs on the front panel will now serve different functions from the
normal wash functions.
2. Smartdrive can now be adjusted to suit the owners preference.
3. To return Smartdrive to Normal operation, press the POWER button.
7.1 Wash Water Temperature – All Phases
It is possible to adjust the water temperature of each of the wash temperature settings, i.e. Cold,
Cold/Warm, Warm, Warm/Hot, Hot. Phase 5 MW can only adjust warm. Phase 5 LW & AW are not
adjustable.
• Do not use the household water taps or water heater controls to vary the wash temperature. The
automatic water temperature control system fitted will compensate for variations in household water
temperature and pressure. Adjusting the water pressure or water flow with the household taps, or
adjusting the water heater temperature, WILL NOT alter the wash temperature. The method described
below is the only method by which the water temperature can be altered.
• If Smartdrive is used in an installation where only a cold water supply is available, then the cold
temperature range must be selected and the "cold water only" setting must be chosen in the option
adjustment mode. If the temperature is set at any other level, Smartdrive will expect hot water when
filling Smartdrive. As it will not detect any hot water, it will eventually display USER WARNING
that there is no hot water, but it will not pause.
• It is recommend that the hot water temperature setting on the household water heater does not exceed
65oC, for personal safety and product reliability. This is especially important for Phase 5 MW, LW &
AW where the ‘Hot’ setting corresponds to hot water only.

- 28 -
Method of Setting the Wash Temperature
1. Select the OPTION ADJUSTMENT MODE by pressing and holding the START/PAUSE button, then
pressing the POWER button.
2. Use WASH TEMPERATURE buttons and LEDs to select the temperature
setting to be adjusted, i.e. Cold, Cold/Warm, Warm, Warm/Hot, Hot.
3. Use the ADVANCE button and WASH PROGRESS LEDs to increase or
decrease the temperature. Each time the ADVANCE button is pressed, the
WASH PROGRESS LEDs will advance one position to the right. This
increases the temperature by approximately 1oC. When the spin LED is on
and the ADVANCE button is pressed, the spin LED will go off and the left
hand (long wash) LED will turn on. This is the coldest setting. The setting can
then be advanced through again to achieve the required temperature.
4. Select the next temperature range to be changed with the WASH
TEMPERATURE button. Repeat Step 3. Each Temperature range can be
adjusted using this method.
5. To return the machine to Normal operation, press the POWER button.
Approximate
Temperature
Range
15 min
Long
Wash
LED on
12 min
Wash
LED on
9 min
Wash
LED on
6 min
Wash
LED on
3 min
Short
Wash
LED on
Rinse
LED on
Final
Rinse
LED on
Spin
LED on
Hot 555657585960 61 62
Warm/Hot 46 47 48 49 50 51 52 53
Warm 36 37 38 39 40 41 42 43
Cold/Warm 31 32 33 34 35 36 37 38
Cold *C 20 21 22 23 24 25 26
Water Temperature Settings
*C Cold water only. Underlined figures are the default settings
All temperatures are expressed in oC. Phase 1 and 2 temperatures are lower.
NB. If the temperature of the cold water supply is above the setting, a cold water user warning will
sound because the machine will be unable to control the water temperature down to the required
temperature. Readjust cold temperature to cold only or a temperature that is above the cold water supply.
7.2 Rinse Options – All Phases
Smartdrive may be used in a large number of different installations where the water supplies can vary. In
some areas the water may be contaminated, in others areas the water supply may be limited. Also the user
may have particular preferences as to the type of rinse they use. To cater for these variations the Rinse
type can be changed.
FIRST RINSE OPTION (1) First Rinse is Spray Rinse. Default setting. Gives the best
performance in suds removal and water usage. In areas where the
water supply contains solid contaminates, i.e. bores, the spray rinse
action can result in these contaminates being deposited on the
fabrics. In this case it would be better to use Option (2) or (3).

- 29 -
FIRST RINSE OPTION (2) Spin only. Does not give as good a suds removal as Option (1) but
uses less water than Option (3)
FIRST RINSE OPTION (3) Deep Rinse. Gives better suds
removal but increases water usage.
The first rinse is always followed by a final deep rinse and spin. Method of
selecting RINSE OPTIONS
1. Select the OPTION ADJUSTMENT MODE by pressing and holding
the START/PAUSE button, then pressing the POWER button.
2. Press the SPIN SPEED buttons to select Rinse options. Hold LED ON
OPTION (1). Slow LED ON OPTION (2). Med LED ON OPTION (3).
3. To return Smartdrive to Normal operation, press the POWER button.
7.3 End of Cycle Warning Beeps (GW Only) – All Phases
Smartdrive finishes each cycle by sounding a series of warning beeps.
These beeps are designed to be noticeable. In some circumstances, e.g. shift
workers, new baby in the house, etc, the user may wish to increase the
number of beeps or eliminate them altogether. They may be adjusted as
follows:-
Select the OPTION ADJUSTMENT MODE by pressing and holding the
START/PAUSE button, then pressing the POWER button. Use the WASH
OPTIONS button and LEDs to select the required option. Pressing the WASH
OPTIONS button will cause the LEDs to change.
Phase 3-5 Time Saver LED on (Top) 15 beeps
Soak LED on (Middle) 5 beeps (default)
Water Saver LED on (Bottom) 0 beeps
Phase 1-2 Wash & Soak LED on (Top) 15 beeps
Time Saver LED on (Bottom) 5 beeps (default)
No LEDs on 0 beeps
To return Smartdrive to Normal operation, press the POWER button.

- 30 -
7.4 Adjusting the Volume of Water Used in the Water Saver
Option (GW only) – Phase 3 to 5
You can increase or decrease the volume of water added during the shower rinse on the Water Saver
option. Enter the Option Adjustment Mode. Use the WATER LEVEL buttons to select the volume of
water you wish to be used in the shower rinse
HIGH WATER LED ON more water
MED WATER LED ON Default set water volume
LOW WATER LED ON less water
Press POWER to return to normal mode.
7.5 Auto Water Fill Level Adjustment (GW only) Phase 3-5
If the user is not satisfied with the level that Smartdrive fills to on auto water level, they can increase or
decrease the fill level that auto will select.
NB. If there is not enough water for the load, we recommend you check by pausing Smartdrive and
pushing the clothes down to see how much spare water is at the bottom of the bowl. Clothes often float
and Smartdrive can sense the water under the clothes.
Enter the Option Adjustment Mode. Use the cycle buttons to increase or decrease the amount of water
selected.
FAVOURITE LED on less water
PERM. PRESS LED on default set level
WOOL LED on more water +
DELICATE LED on more water ++
REGULAR LED on more water +++
7.6 Out Of Balance Recovery Adjustment (GW and MW only)
Phase 3-5
When Smartdrive is spinning it senses if the wash load is out of balance. It stops and retries to spin. If
Smartdrive still senses an unbalanced load it will stop, give a short burst of beeps every five seconds and
the RINSE or SPIN light will flash. The load must be redistributed more evenly. However, GW and MW
models have an option where Smartdrive will try to automatically correct the out of balance load. If it
detects an unbalanced load, it will fill with water and agitate to redistribute the load before trying to spin
up again.
Smartdrive has this option turned off to conserve water. To programme Smartdrive to automatically try
and correct out of balance loads follow the instructions below.
1. Enter the Option Adjustment Mode as explained in section 7.0.
2. Use the HEAVY DUTY button to select the Out of Balance recovery option you prefer.
HEAVY DUTY light on = automatic
HEAVY DUTY light off = stops
3. Press POWER to return to normal mode.

- 31 -
8.0 DIAGNOSTIC MODE
Allows the following status information to be
determined: -
Last Fault.
Lid switch status.
Out of Balance switch status.
Size.
Additional information
Allows control of the following:-
Pump
Hot Water Valve
Cold Water Valve
Restart
Recycle
Hot Bowl Flag
For IW information see Appendix E.
8.1 WHAT WAS THE LAST FAULT?
To enter Diagnostic Mode turn the power on at the power
point and off at the console. Press and hold the WASH
TEMPERATURE DOWN then press the POWER button.
Smartdrive will give 2 short beeps. Phase 1 & 2 Only press
ADVANCE button once.
From Diagnostic mode press the SPIN buttons until the
HOLD and SLOW SPIN LEDs are on, (Diagnostic mode
level 3). The WASH PROGRESS LEDs will now display the
fault code.
Advance
short
wash
rinse spin
1248163264128
Wash progress LED's Binary Code
Fault Code: 32+16+1 = 49
Note
This window for the LED is not
there on some LW & AW models.
The LED will still be visible under
the panel for diagnostic purposes.
Note
The spin LED is used for
optical download. When
downloading it may be
flickering. It will not
necessarily be part of the
fault code.
Power
start
pause
Advance
short
wash rinse spin
fast
med
slow
hold
spin
speed
delay
start
1
2
4
8
Spin LED's Showing
Diagnostic Mode level
3.
(Last Fault code)
LED on
LED off
Note: The fault code will only be displayed for 8
cycles after the fault has been rectified. If there has
been no fault within the last 8 cycles all the wash
progress LEDs will be off. In this case it is most
unlikely that the Motor Controller will be faulty.

- 32 -
8.2 TEST LID, OUT OF BALANCE, & SIZE SWITCHES
To enter Diagnostic Mode turn the power on at the power
point and off at the console. Press and hold the WASH
TEMPERATURE DOWN then press the POWER button.
Smartdrive will give 2 short beeps.
Phase 3 Only press ADVANCE button once.
Phase 4 & 5 Only press the SPIN SPEED UP button until the
MEDIUM SPIN LED is on, (Diagnostic mode level 4).
The state of the lid is determined by the 12 minute (Phase 2-5)
or 9 minute (Phase 1-2) wash LED.
FIRST RINSE LED = 5- 5.5kg size
FINAL RINSE LED = 6-6.5kg size
SPIN LED = 7-7.5kg size
Activating the Out of Balance lever
under the top deck will cause the 6
minute LED to turn on. The Out of
Balance lever can be activated by moving
the inner bowl towards the right hand
rear corner of the wrapper. It takes 1
second for the LED to respond after the
Out of Balance has been activated.
In this mode the two rinse LEDs and the
spin LED will display the SIZE SWITCH
setting. Phase 1-3, if the Display Module
is not correctly fitted in the console, the
switch is not activated
and the 3 minute wash LED is illuminated. Ensure display is fitted securely.
8.3 TO TEST PUMP & WATER VALVES
To enter Diagnostic Mode turn the power on at the power
point and off at the console. Press and hold the WASH
TEMPERATURE DOWN then press the POWER button.
Smartdrive will give 2 short beeps. Phase 3 Only press
ADVANCE button once.
The REGULAR CYCLE button turns the pump on or off.
The REGULAR LED is on when the pump is on. Use this
feature to drain Smartdrive.
The WASH TEMPERATURE DOWN button turns the Cold Water Valve on. The Cold Water LED
will also turn on.
The WASH TEMPERATURE UP button turns the Hot Water Valve on. The Hot Water LED will also
turn on.

- 33 -
8.4 RESTART
If a problem occurs in Smartdrive, it will try to correct the problem and retry. Smartdrive will rectify any
problems of a temporary nature. If there is a continuous problem Smartdrive will retry several times. This
process may take up to 10 minutes depending on the type of problem. If Smartdrive still cannot resolve
the problem, the fault code is displayed and Smartdrive will beep continuously. RESTART ON is the
default state. This forces Smartdrive to retry when a problem occurs. While servicing Smartdrive turn
RESTART OFF. This will allow any fault in the system to show up immediately.
To enter Diagnostic Mode turn the power on at the power
point and off at the console. Press and hold the WASH
TEMPERATURE DOWN button then press the POWER
button. Smartdrive will give 2 short beeps. Phase 3 Only
press ADVANCE button once. From Diagnostic mode use the
WATER LEVEL DOWN button to turn the RESTART on
or off.
LOW WATER LEVEL LED OFF = RESTART OFF.
LOW WATER LEVEL LED ON = RESTART ON. (Default)
RESTART status can be easily identified when Smartdrive is first turned on -
• If none of the 5 leftmost green wash progress LEDs are on, the RESTART is on.
• If the 5 leftmost green wash progress LEDs are flashing, the RESTART is off.
NB. RESTART is a service aid only and should be left ON in the customer’s home. To return to normal
operation, and to reset the RESTART feature to the default setting, power off Smartdrive.
8.5 RECYCLE
After servicing, Smartdrive may require an extended test where Smartdrive can be left to complete a
number of wash cycles. By turning on RECYCLE Smartdrive will continuously repeat the selected wash
cycle until RECYCLE is turned off.
Enter Diagnostic mode as described above (RESTART). Use the WATER LEVEL UP button to turn
RECYCLE on or off.
MEDIUM WATER LEVEL LED ON = RE-CYCLE ON.
MEDIUM WATER LEVEL LED OFF = RE-CYCLE OFF. (Default setting).
RECYCLE status can be easily identified when Smartdrive is first turned on: -
• If the 3 rightmost rinse and spin progress LEDs are on, recycle is off.
• If the 3 rightmost rinse and spin LED’s flash, recycle is on.
NB. Recycle is designed as a service aid only and should be OFF in the customer’s home. To return to
normal operation, and to return recycle to the default setting, power off Smartdrive.

- 34 -

- 35 -
9.0 SIZE SETTING MODE – Phase 4 and 5 only
Phase 1-3 sizes are determined by 2 switches on the display and protrusions on the console. When
replacing Display or Motor Controller enter Option Adjustment mode to set these sizes in EEPROM. To
check the size setting on Phase 1-3 use DIAGNOSTIC mode. See section 8.2. Size setting mode is
required for Phase 1 spare (426518 Motor Controller and 426433 Display). For IW see service manual
Appendix E..
It is important to set the size switch setting into the Motor Controller’s memory whenever a replacement
Motor Controller or Display Module is fitted to Smartdrive. Failure to do this will result in Smartdrive
faulting with fault code 9.
Accessing size setting mode is the best way to check the size for Phase 4 & 5 and Phase 1 spare. The size
setting of Smartdrive may be checked in Diagnostic mode for all phases.
To set the size switch turn the power on at the power point and off at the console. Press and hold the
TEMPERATURE UP button then press the POWER button. Smartdrive will give 4 short beeps and the
pattern of LEDs will change.
• Press TEMPERATURE UP button, the COLD LED is on for 5-5.5kg (560mm wide).
• Press WATER LEVEL UP button, the LOW WATER LED is on for 6-6.5kg (600mm wide).
• Press SPIN SPEED UP button, the SPIN HOLD LED is on for 7-7.5kg (650mm wide).
• Press POWER to exit this mode.
MACHINE SIZE SET UP
EACH KEY SELECTS A SIZE & THE LED
ABOVE THE KEY INDICATES THE SIZE SELECTED
WASH
TEMP
DELAY
START
START
PAUSE
WATER
LEVEL SPIN
SPEED
O O O
O O O
O O O
OFAST
MED
SLOW
HOLD
HIGH
MED
LOW
HOT
WARM
COLD
A
DVANCE
POWER
SPINRINSE FINAL
RINSE
SIZE SWITCH SET UP
MODE
PRESS TEMP UP &
POWER TO ENTER
THIS MODE
5.kg
5.5kg 6.5kg 7.5kg
SIZE SIZESIZE
5- 5.5kg 6.5kg 7.5kg
LED on
LED off
If the size is set incorrectly Smartdrive will have the following settings incorrect: -
• The Auto Water Levels chosen by Smartdrive may be wrong.
• The High Water Level may be wrong by as much as 40mm.
• The flow rate for inlet water, normally 3 litres per minute, may be set incorrectly.
• The wash profile controls the strength of the agitator. This could result in poor wash performance or
splashing.
• Water saver settings.

- 36 -
10.0 USER WARNINGS
There are a number of warnings which are generally caused by the user or poor installation. These
warnings should be corrected by the user. Smartdrive signals user warnings by flashing LEDs and a
rippling set of 5 beeps repeated every 6 seconds. This is the same tone that is heard when Smartdrive is
first plugged into the mains power. Some warnings are indicated by the wash progress LEDs flashing and
no user warning tone, (Restart or Recycle mode). Most of this information is available to the user in the
‘Use and Care Manual’
10.1 Insufficient Hot Water (Hot Water LED flashing)
This warning is indicated by the hot water LED flashing. Smartdrive will also be
making a rippling set of 5 beeps repeated every 6 seconds. The hot water is not
connected or the water temperature is too low. NB. This warning mode does not
cause the product to PAUSE.
1. Check that the hot water is connected and that the tap is turned on. If your product
is set for 'controlled cold' hot water may still be required for a cold wash.
2. Check that the water temperature is not too low. The water temperature may need
to be 60oC for a hot wash.
3. Check that the hot water inlet is not connected to the cold water supply.
4. Check that the filter on the hot inlet hose is not blocked.
5. Motor Controller.(Phase 1 to 4). Thermistor (Phase 5). The temperature sensor has failed. Replace
motor controller.(Phase 1 to 4) Check the resistance of the thermistor. Resistance is 12.5k ohms at
20oC. Replace if faulty. (Phase 5).
6. Check the size is set correctly.
NB. It is possible to get this warning when washing with cold water if the cold wash temperature is set at
20oC or more. Wash temperatures may be adjusted, see section 7.1.
10.2 Insufficient Cold Water (Cold Water LED flashing)
This warning is indicated by the cold water LED flashing. Smartdrive will also be
making a rippling set of 5 beeps repeated every 6 seconds and the product will be
paused. The cold water is not connected or the flow rate is too low.
1. Check that the cold water is connected and that the tap is turned on.
2. Check that the flow rate is not too low. The product requires a minimum flow rate
of 3 litres per minute. Check that the filter on the cold inlet hose is not blocked. If
the installation has a flow rate below 5 litres per minute the flow may be improved
by using large bore inlet hoses p.n. 426123.
3. Taps may be connected the wrong way round.
4. Cold water temperature exceeds 35oC. NB. Phase 2-4. If cold water temperature
exceeds 40oC high purge motor controllers are available. Contact your ASC’s.
5. Phase 1-4. Motor Controller. The temperature sensor has failed. Replace motor controller.
6. Phase 5. Thermistor. Check the resistance of the thermistor. Resistance is 12.5k ohms at 20oC.
Replace if faulty.
7. Check the size is set correctly.

- 37 -
10.3 No Water (Both Hot and Cold Water LEDs flashing)
This warning is indicated by the cold and hot water LEDs flashing. Smartdrive will
also be making a rippling set of 5 beeps repeated every 6 seconds and the product will
be paused.
1. Check that the taps are turned on.
2. Check that the inlet hoses are connected.
3. Check that the flow rate is not too low. The product requires a minimum flow rate
of 3 litres per minute. Check that the filters on the inlet hose are not blocked. If
the flow rate is always low then fit large bore inlet hoses.
4. Check that the hot water is connected and that the tap is turned on. If your product
is set for 'controlled cold' hot water may still be required for a cold wash.
5. Siphoning. Check the drain hose is not installed too low and is siphoning.
6. Check the size is set correctly.
10.4 Overloaded Product (High Water LED flashing)
This warning is indicated by the high water LED flashing. Smartdrive will also
be making a rippling set of 5 beeps repeated every 6 seconds and the product
will be paused. The product is overloaded.
1. Check that the product is not overloaded. This is more likely on a smaller
size product. Also it may be that the user has selected the wrong water level
this is more likely to be a LW or MW which only has 3 water levels.
2. Check that the rotating bowl assembly is not jammed to the agitator with
any foreign object that may be caught under the agitator skirt.
3. Check that the clutch teeth are not locked together with dirt, detergent or
lint. Check that the teeth are not broken.
10.5 Out of Balance (First Rinse or Final Spin and Current
Spin Speed LED is flashing)
This warning is indicated by a rinse or spin LED and the current spin speed LED flashing. Smartdrive will
also be making a rippling set of 5 beeps repeated every 6 seconds and the product will be paused.
1. Generally this can be caused by a large load. Smartdrive will normally manage to redistribute the load
and spin. Under exceptional circumstances the user may need to redistribute the wash load manually
once the bowl is stationary.
2. Check that Smartdrive is correctly installed, is level and does not wobble.
3. Check the bias spring is fitted between the wrapper and the outer bowl.
4. Check the OOB lever, switch and bracket.
5. Check the switch operates correctly with a multimeter. Resistance should be less than 2 ohms.
6. Check the suspension is not catching or bouncy.
7. Check both balance rings on the inner bowl contain water.
8. The Motor Controller, (Display for Phase 1) should only be replaced if fault code 43.
- 38 -
10.6 Suds (First Rinse LED is flashing or Final Spin LED is
flashing)
This warning is indicated by a rinse or spin LED flashing. Smartdrive will also be making a 'rippling
sound of 5 beeps repeating every 6 seconds' and the product will be paused. Too much Detergent has been
used and Smartdrive has a suds build up.
1. This is generally caused by too much detergent. Wait for suds to dissolve then rinse clothes using a
deep rinse.
2. Check that the pump is not partially blocked, or that the drain hose is not kinked.
10.7 Restart and Recycle (Wash Progress LEDs flashing)
During normal operation restart is on and recycle is off. If either of these are in the wrong state the wash
progress lights will flash when the power button is off, (but not in standby). It may indicate that the user
has inadvertently set the product into the wrong mode. In this mode there are no beeping sounds.
If restart is OFF the 5 leftmost wash progress LEDs are flashing. There should be no noticeable effect
of this on Smartdrive, except that it is more likely to fault. Set Restart back to ON.
If recycle is ON the 3 rightmost wash progress LEDs are flashing. In this mode Smartdrive will be
continuously doing cycles! Set recycle to OFF.
This can normally be resolved by powering off Smartdrive.
If this does not resolve the problem, RESTART or RECYCLE are set in the EEPROM memory. To reset,
a similar keypress sequence similar to Diagnostic mode is required as follows: -
Phase 4 & 5
• Enter Diagnostic Mode. Turn the power on at the power point and off at the console. Press and hold
the WASH TEMPERATURE DOWN button then press the POWER button. Smartdrive will give 2
short beeps.
• From Diagnostic mode use the WATER LEVEL DOWN button to turn RESTART on. The LOW
WATER LEVEL LED on indicates RESTART ON. Use the WATER LEVEL UP button to turn
RECYCLE off. The MEDIUM WATER LEVEL LED off indicates RECYCLE OFF. To set these
modes in EEPROM the Advance button must be held while selecting Restart or Recycle. Power
off Smartdrive.
Phase 1 to 3
• Turn the power on at the power point. Press the Power button to power up Smartdrive. Press and hold
the REGULAR button then press the ADVANCE button.
• Use the WATER LEVEL DOWN button to turn RESTART on. The LOW WATER LEVEL LED on
indicates RESTART ON. Use the WATER LEVEL UP button to turn RECYCLE off. The
MEDIUM WATER LEVEL LED off indicates RECYCLE OFF. Power off Smartdrive.
- 39 -
10.8 Demonstration Mode (All LEDs flashing in patterns)
This feature is designed for in store demonstration purposes. Smartdrive can draw attention to itself with a
selection of flashing LEDs. In this mode Smartdrive cannot be started. To Select DEMONSTRATION
MODE press and hold the ADVANCE button, then press the POWER button.
During the DEMONSTRATION display the LEDs will alternate between all on, LEDs flashing, and all
LEDs off. To return Smartdrive to normal operation, the mains supply must be switched off. Some Phase
1-3 displays may inadvertently go into this mode if affected by condensation.

- 40 -
11.0 FAULT CODES
FAULT CODES
FOR ALL SMARTDRIVE
MODELS
Phase 1 GW500 GW600 GW700 GW050 GW060 GW070 GW650
Phase 2 GW701 GW601 GW501 MW051 LW015 MW061 MW071
Phase 3 GW703 GW603 GW503 MW053 LW035
Phase 4 GW708 GW608 GW508 MW058 LW085 AW085
GWC08 GWM08 GWL08 THC08 THM08 THL08
Phase 5 GW709 GW609 GW509 MW059 LW095 AW095
GWC09 GWM09 GWL09
Phase 5 IW IW509 IW609 IW709 IWL10 IWM10 IWC09 IW710 IW810
IWM09 IWL09
The format for fault description in this booklet follows the Primary, Secondary and Tertiary fault source
system. These sources have mostly been arranged in order of most likely source of fault, but in some
cases the sequence has been modified to aid the servicing procedure.
It should be noted that the fault source Pump System includes the pump and drain hose assembly.
Fault code shows the last recorded fault. Always confirm fault.
- 41 -
SMARTDRIVE PHASES 1 to 5 FAULT DESCRIPTIONS
When Smartdrive detects a fault it stops. Smartdrive beeps continuously, once per second, and displays a
fault code in binary using the 8 wash progress LEDs. The possible fault codes are listed in numeric order
with their associated service procedure. The fault code binary value as represented by the Wash progress
light condition is shown in brackets, e.g. Fault code 9 (00001001) “Size setting Error”. The rightmost
binary character corresponds to the SPIN LED on the wash progress LEDs.
1. (00000001) Phase 1 - Display Module Fault
Phase 2 to 5 - Motor Controller Fault
The Motor Controller (Display for Phase 1) has encountered an error when writing to an
EEPROM address.
Primary Source - Motor Controller (Display Module for Phase 1)
Action - Replace Motor Controller (Display Module for Phase 1).
2. (00000010) Phase 1 - Display Module Fault
Phase 2 to 4 - Motor Controller Fault
An error has been encountered when trying to read the pressure sensor.
Primary Source - Motor Controller (Display Module for Phase 1).
Action - Replace Motor Controller (Display Module for Phase 1).
3. (00000011) Phase 1 to 5 - Motor Controller Fault
The Motor Controller has found a RAM error during it's initialisation procedures.
Primary Source - Motor Controller
Action - Turn off at the wall and on again after 5 seconds and try again. If still faulty then
replace Motor Controller
4. (00000100) Phase 1 - Communications Fault
The Motor Controller has had difficulty communicating with the Display Module.
Primary Source - Motor Controller
Action –
1. Turn off at the wall and on again after 5 seconds and try again.
2. If still faulty, Replace Motor Controller
3. Replace Display Module. If the new Display Module corrects the fault, then re-fit the
original Motor Controller.
- 42 -
5. (00000101) Phase 1 – Communications Fault
The Display Module has had difficulty communicating with the Motor Controller.
Primary Source - Display Module
Action –
Turn off at the wall and on again after 5 seconds and try again.
If still faulty, then:
1. Check connections of the 12 way harness for bad contacts , corrosion etc
2. Check for moisture in the console area. Dry out if necessary
3. If still faulty, then replace Display Module
4. If still faulty, then replace Motor Controller. If the new Motor Controller corrects the fault
then re-fit the original Motor Controller.
6. (00000110) Phase 1 - Display Module Fault
Phase 2 to 4 Motor Controller Fault
The Motor Controller (Display Module for Phase 1) has received an incorrect signal from the
pressure sensor.
Primary Source - Motor Controller (Display Module for Phase 1)
Action - Replace Motor Controller (Display Module for Phase 1).
7. (00000111) Phase 1 to 5 - Display Module Fault
The Display micro has found a RAM error while testing RAM .
Primary Source - Display Module
Action - Replace Display Module.
8. (00001000) Phase 1 - Display Module Fault
The Display micro has not been able to start-up correctly.
Primary Source - Display Module
Action - Turn off at the wall and on again after 5 seconds and try again. If still faulty replace
Display Module
9. (00001001) Phase 1 to 5 - Size Error
Phase 1 to 3
Primary Source - Display Module
Action - The Display Module has not been correctly located in the console. This will not
activate the size switches. Or the size switch may have been affected by condensation.
If the Display module has just been inserted into a console housing check that the two size
switch plungers accurately locate onto the console housing. If this fault has appeared during
normal operation of Smartdrive check the size switch or replace the Display module.
If the Motor Controller has been changed from one size machine, to another then the size switch
settings in the memory will have to be reset. Entering and exiting the Option Adjustment mode
can do this. Push and hold START/PAUSE then push POWER button to enter Option
Adjustment Mode. This sets the size into EEPROM.
- 43 -
Phase 4 to 5
The Display size switch setting does not match that stored in memory.
Action - Reselect the size of Smartdrive by using the SIZE SETTING MODE. Push and hold
the water temp up button, then press the power button to enter SIZE SETTING MODE. Three
LEDs are used to identify size. The cold water temperature LED identifies 5kg. The low water
level LED identifies 6kg. The hold spin speed LED identifies 7kg. If the product has not been
setup before all 3 LEDs will be on. To set the size for 5kg push the wash temp up button then
the power button. To set the size for 6kg push the water level up button then the power button.
To set the size for 7kg push the spin speed up button then the power button. This locks the size
into memory. To check the size is set, start a cycle.
NB. If the product is an IW. To access SIZE SETTING MODE. Push and hold the 'Fabric Care'
button, then press the power button to enter SIZE SETTING MODE. Select the correct size on
the display. Press the power button to turn the product off. This has locked the size into
memory. To check the size is set, start a cycle.
10. (00001010) Phase 1 to 5 - Thermistor Error
The resistance of the Thermistor is outside the normal limits, the fault is probably due to an
open circuit.
Primary Source - Thermistor (Phase 5), Motor Controller (Phase 1 to 4)
Action
Phase 1
1. Check connections of the 12 way harness
2. Check for moisture in the console area
3. Replace Display Module
4. Replace Motor Controller. If new Motor Controller corrects fault then re-fit original Display
Module.
Phase 2 to 4
Change Motor Controller.
Phase 5
1. Check the connection of the thermistor to the Motor Controller.
2. Check resistance of temperature sensor. The resistance of a good temperature sensor is
12.5k ohms at 20C. Replace if faulty.
3. Replace Motor Controller.
- 44 -
11. (00001011) Phase 1 to 5 - Pressure Sensor Fault
While measuring the water level the Motor Controller has detected a negative pressure.
Reconnecting the pressure tube to the pressure sensor while the bowl contains water can cause
this.
Primary Source – Pressure Tube.
Action - Check bowl is fully pumped out. Remove pressure tube from pressure sensor, clear
pressure tube of any water and reconnect tube.
Secondary Source - Motor Controller. (Display Module Phase 1).
Action - Replace the Motor Controller. (Display Module Phase 1).
12. (00001100) Phase 1 to 5 - Flood Protection Error
The Motor Controller has found the water level to be above the flood level and tried to pump
the excess water out. Either the water valves are stuck on and are letting water in at a flow rate
that is higher than the pump can handle or the pump is blocked and can't remove the excess
water.
Primary Source - Water Valves
Action - If the water valves are on continuously, check that the water valves turn off
mechanically ( remove power from Smartdrive ).
Secondary Source - Pump System
Action - Check pump for blockage and hose for correct height and kinking.
Tertiary Source - Motor Controller. (Display Module Phase 1).
Action - If water valves are being driven on electrically, replace Motor Controller. (Display
Module Phase 1).
13. (00001101) Phase 1 – Pump Fault
The Display Module has detected that the pump is on when it should be off.
Action
1. The pump is fitted with a thermal cut out device. Check if this device has been activated. If
it has wait until pump cools down before restarting. Check for any pump blockage and
check condition of pump i.e. pump seizure.
2. Check for open circuit pump windings. Check the resistance of the pump.
3. Check the pump harness or the connectors for an open circuit.
4. Replace Display Module.
- 45 -
14. (00001110) Phase 1 - Pump Connection Fault
The Display Module has detected that the pump is not on when it should be.
Primary Source - Pump
Action
1. The pump is fitted with a thermal cut out device. Check if this device has been activated. If
the device is activated wait until pump cools down before restarting. Check for any pump
blockage and check condition of pump (pump seizure).
2. Check for open circuit pump windings. Check the resistance of the pump.
3. Check the pump harness or the connectors for an open circuit.
4. Replace Display Module.
15. (00001111) Phase 1 - Display Module Fault
The Display Module has read an incorrect voltage on the pump circuit.
Primary Source - Display Module
Action - Replace Display Module. NB. If Smartdrive is running at well below it's rated supply
voltage and the pump has operated for more than 4 seconds at this voltage this fault will also
appear.
17 – 20. (00010xxx) Phase 1 - Display / Motor Controller Out of Sequence
22 - 23. (000101xx) Phase 1 - Display / Motor Controller Out of Sequence
The Display Module and Motor Controller are running out of sequence.
Primary Source
Action
Turn off Smartdrive at the wall and back on again after 5 seconds. Re-start.
If fault persists disable auto restart feature and retest. A new fault code will appear. Carry out
action of new fault details.
25. (00011001) Phase 5 IW – LCD Initialisation Error
The intuitive display has detected a problem with the LCD.
Primary Source – IW Display Module
Action - Replace IW Display Module
28 – 30. (000111xx) Phase 1 - Display / Motor Controller out of Sequence
Refer to fault code 17
- 46 -
32. (00100000) Phase 1 - Pump Circuit Error
The Display Module has detected that the pump is on when it is off.
Primary Source - Display Module
Action
1. Check for moisture in the console area.
2. Replace the Display Module.
33. (00100001) Phase 1 - Water Valve Fault
The Module has detected a water valve fault.
Primary Source - Water Valve connection
Action - Check that both valves are connected up properly.
Secondary Source - Water Valve coil faulty
Action
1. Check the valve coils are not open circuit.
2. Replace Display Module if valve coils are not faulty.
34. (00100010) Phase 1 - Brake Resistor Fault
The circuit that controls the braking of the motor is faulty.
Primary Source - Motor Controller
Action - Replace the Motor Controller
Secondary Source - Display Module
Action - Replace the Display Module.
If the Display Module corrects the fault, then re-fit the original Motor Controller.
35. (00100011) Phase 1 - MC Reset Error
The Display Module has sent a false signal to the Motor Controller.
Primary Source - 12 way Harness Connection.
Action - Check the 12 way harness connection between the Display Module and the Motor
Controller.
Secondary Source - Display Module
Action - Replace the Display Module.
- 47 -
36. (00100100) Phase 1 to 5 - Water Leak Fault
The Motor Controller has needed to top up the water level more than 4 times during agitate.
This is excessive as normally only one or two top ups are required to replace the air that has
escaped from a full load during agitate. The most likely cause is that Smartdrive is siphoning.
The other alternative is that Smartdrive has developed a leak.
Primary Source - Pump System
Action - Check the height of the drain hose outlet. 850mm min. 1200mm max.
Secondary Source - Mechanical
Action
1. Check pressure tube connection on outer bowl and Motor Controller.
2. Check that the drive shaft seals and the pump house seals have not developed a leak, by
looking through the front inspection cover.
Tertiary Source - Motor Controller. (Display Module Phase 1).
Action - Replace Motor Controller. (Display Module Phase 1).
37. (00100101) Phase 1 to 5 - Pump Block Error
While draining, the water level reading from the pressure transducer has not changed for over
3 minutes. There are four likely reasons for this fault. One is that the drain hose has been
squashed or kinked and the pump out rate has been dramatically reduced. The second
possibility is that the pump is partially or fully blocked. The third is that the pump is not
operating due to Motor Controller, wiring, or pump failure or thermal overload cut out. The
fourth is that the Motor Controller is not reading the water level correctly. This fault could also
appear if Smartdrive is pumping to an unusually high head of drain hose or into an extended
length of drain hose.
Primary Source - Pump Blocked
Action
1. Run pump and check flow rate from drain hose. This will identify whether the pump is fully
or partially blocked or is functioning OK.
2. Drain the product and inspect pump from the top of Smartdrive by removing the top deck
and inner bowl. Clear blockages if found. Check the pump hood is secured tightly. If this is
loose this can give poor pump performance.
3. Visually check that the drain hose has not been kinked. Check length of drain hose and try
to reduce length if excessively long.
4. Check for correct resistance of the pump. (NB. Pumps are fitted with a thermal cut-out
which will reset on cooling). If resistance is low replace pump. Check Pump Harness is
connected correctly to pump.
Secondary Source – Pressure Tube
Action - Check the pressure tube is not kinked and clear of water droplets. Clear tube and
reconnect when bowl is empty.
Tertiary Source - Motor Controller
Action - Replace Motor Controller.
NB. Consider fitting Pump Hood Kit (WM013). If 5kg Smartdrive fit splash guard to pump.
38. (00100110) Phase 1 to 5 - Pressure Sensor Fault
- 48 -
The Motor Controller has recorded a water level of empty while it is agitating. The water level
must have been greater than empty for Smartdrive the enter the agitate mode initially. The most
likely cause of this fault is that the pressure transducer hose has been severed or fallen
off during agitate. Alternatively the pressure transducer may be faulty.
Primary Source - Mechanical
Action - Check that the pressure tube is intact and has not been cut.
Secondary Source - Motor Controller. (Display Module Phase 1).
Action - Replace the Motor Controller. (Display Module Phase 1).
39. (00100111) Phase 1 to 5 – Tap or Pressure Sensor Tube Fault
During fill, the Display module has not registered a change in the water level reading for a
certain length of time. It has then carried out a bowl check and found that the bowl is floating
although the water level reading is below bowl float level . The probable cause of this fault is
that the pressure tube has become blocked or kinked or has fallen off completely.
Alternatively the pressure transducer may be faulty.
Primary Source - Mechanical
Action - Check that the pressure tube is intact and not blocked with water, dirt or kinked.
Secondary Source - Motor Controller. (Display Module Phase 1).
Action - Replace Motor Controller. (Display Module Phase 1).
40. (00101000) Phase 1 to 5 - Bowl Dis-Engaged Fault
While carrying out a bowl check, the Display module has found that the bowl is not engaged
even though the pressure sensor indicates that the bowl is empty. The Motor Controller
continues to check for 2 minutes after which time the display this fault. If restart is on this
fault can take up to 4 hours to diagnose. The first two areas to check are the clutch and the
pressure tube. If these two appear correct, then the fault could be in the pressure transducer in
the Motor Controller.
Primary Source - Suds
Action - Too many suds, too much detergent has been used. Restart product when suds have
disappeared, or select a deep rinse option.
Secondary Source - Mechanical
Action
1. Check that there are no clothes or other foreign objects preventing the clutch from re-
engaging.
2. Next check that the pressure tube has not come off and that it is not kinked.
Tertiary Source - Motor Controller. (Display Module Phase 1).
Action - Replace Motor Controller (Display Module Phase 1), if the above check out without
fault.
- 49 -
41. (00101001) Phase 1 to 5 - Temperature Sensor Fault
The resistance of the Thermistor is outside the normal limits, the fault is probably due to a
short circuit in the Sensor line.
Primary Source - Thermistor (Phase 5), Motor Controller (Phase 1 to 4)
Action
Phase 1
1. Check connections of the 12 way harness
2. Check for moisture in the console area
3. Replace Display Module
4. Replace Display Module. If new Display corrects fault then re-fit original Motor Controller.
Phase 2 to 4
Change Motor Controller.
Phase 5
1. Check the connection from the thermistor to the Motor Controller.
2. Check resistance of temperature sensor. The resistance of a good temperature sensor is
12.5k ohms at 20C. Replace if faulty.
3. Replace Motor Controller.
42. (00101010) Phase 1 - Rotor Fault
Primary Source
Action - Turn off Smartdrive at the wall and back on again after 5 seconds. Re-start.
43. (00101011) Phase 1 to 5 - OOB Switch Fault
The Motor Controller has found that the signal returning from the out of balance switch
indicates that the switch is permanently on or the harness to it is disconnected.
Primary Source - Mechanical
Action
1. Check Smartdrive is level and that the bowl is not contacting the out of balance lever.
2. Check that the bias spring is correctly located between the wrapper and the outer bowl.
3. Check that the out of balance switch is free to move. Check switch operates correctly when
activated. Replace switch if suspect. If the out of balance switch shows signs of corrosion
replace the switch. Check the harness to the switch is connected correctly. If the harness
terminals show signs of corrosion, then fit a new harness.
4. Check the suspension is not catching.
Secondary Source - Motor Controller. (Display Module Phase 1).
Action - Replace Motor Controller. (Display Module Phase 1).
- 50 -
44. (00101100) Phase 2 to 5 - Water in Bowl During Spin
The Display has sensed a water level in the bowl during spin. This may be caused by a slow
pump out rate due to pump hose or pump partial blockage.
Primary Source - Pump System
Action
1. Check that the pump hose is not squashed or kinked.
2. Check the length of the drain hose and try to reduce the length if excessively long. A 1
metre extension hose of the same diameter fitted to the existing hose is the maximum
allowable length.
3. If the bowl is empty of water, remove the pump from the pump housing and check that it is
not blocked. Also check that the drain hose is not blocked.
4. If the bowl contains water, then service the pump from the top of Smartdrive by removing
the top deck and inner bowl. Bail out the water, remove the pump cap and hood and clear
the pump of any obstruction.
5. Check that the water is not siphoning back into Smartdrive when the pump turns off when
the spin speed reaches 600 rpm.
Secondary Source - Motor Controller
Action - Replace Motor Controller.
45. (00101101) Phase 5 - Display Fault
On power up the display module has tested its ROM is corrupt.
Primary Source - Display module
Action - Replace Display module
46. (00101110) Phase 5 IW - Display EEPROM Check
The Intuitive display has detected a problem with its internal EEPROM.
Primary Source – IW Display module
Action - Replace IW Display module
- 51 -
47. (00101111) Phase 2 to 3 - Bowl Dis-engaged Fault
While carrying out a bowl check, the Motor Controller has found that the bowl is not engaged
even though the pressure sensor indicates that the bowl is empty. The Motor Controller
continues to check for 2 minutes. During this time the module has not been able to determine a
valid bowl status and so displays this fault. This fault differs from fault 40 in that a valid bowl
status could not be determined. The first two areas to check are the clutch and the pressure
tube. If these two appear correct, then the fault could be with the pressure sensor in the Motor
Controller.
Primary Source - Mechanical
Action
1. Check that there are no clothes or other foreign objects preventing the clutch from re-
engaging.
2. Next check that the pressure tube has not come off and that it is not kinked.
Secondary Source - Motor Controller.
Action - Replace Motor Controller, if the above checks out without fault.
48. (00110000) Phase 2 to 5 - Hot and Cold Valve Fault
The Motor Controller has measured voltages from the valve diagnostic circuit that indicate both
the hot and cold valve are faulty. The most likely cause is that the valve harnesses have not been
connected correctly.
Primary Source - Wiring
Action - Check valve harnesses are correctly fastened to valves.
Secondary Source - Water Valves
Action - Check valve coils are not faulty ( open circuit ).
Tertiary Source - Motor Controller
Action - The valve drivers or valve diagnostic circuit may be at fault. If the primary and
secondary checks pass inspection then replace the Motor Controller.
49. (00110001) Phase 2 to 5 - Cold Valve Fault
The Motor Controller has measured a voltage from the valve diagnostic circuit that indicates the
cold valve is faulty. The most likely cause is that the valve harness has not been connected
correctly. See fault 48. for service procedure.
- 52 -
50. (00110010) Phase 2 to 5 - Hot Valve Fault
The Motor Controller has measured a voltage from the valve diagnostic circuit that indicates
that the hot valve is faulty. The most likely cause is that the valve harness has not been
connected correctly.
Primary Source - Wiring
Action - Check valve harnesses are correctly fastened to valves.
Secondary Source - Water Valves
Action - Check valve coils are not faulty ( open circuit ). If either of these valves are low
impedance it is likely that the Motor Control output has also failed, in which case replace Motor
Controller and valve(s).
NB. Phase 5 can give fault code 50 when Smartdrive powers off while spinning. In this case
there will be no fault.
51. (00110011) Phase 5 ECO – Recirculation Fault
The product has detected that it is losing water during recirculation.
Primary Source – Diverter Valve Wiring
Action - Check diverter valve harness is correctly fastened to diverter valve. Check flying lead
in motor controller, and connection to valve next to drain pump.
Secondary Source – Diverter Valve
Action - Check diverter valve resistance. If open circuit (nominal is 1500 ohms) replace
diverter valve. During recirculation, check that water is being recirculated back into the bowl,
and that no water is coming out of drain hose. If there is some water coming from the drain
hose, then the diverter valve could be faulty, or it could be jammed with a foreign object.
Replace diverter valve.
Tertiary Source - Motor Controller
Action - The diverter valve drive circuit may be at fault. If the primary and secondary checks
pass inspection then replace the Motor Controller.
52. (00110100) Phase 5 ECO – Recirculation Fault
See fault code 51.
- 53 -
53. (00110011) Phase 2 to 5 - Rotor Position Sensor Fault
The Motor Controller has attempted a motor step test and has found that the motor has not
stepped to the correct position. It has detected that the motor is connected and that the Motor
Controller drive is operational. The Rotor Position Sensor signal sensing system is at fault.
Primary Source - Wiring
Action - Check the Rotor Position Sensor harness for continuity and that the connectors are
correctly applied to the Rotor Position Sensor and to the Motor Controller.
Secondary Source - Rotor Position Sensor
Action - Check Rotor Position Sensor with RPS Tester or Replace Rotor Position Sensor.
Tertiary Source - Motor Controller
Action - The Motor Controller motor sensing circuitry may be faulty. Replace Motor
Controller.
54. (00110110) Phase 2 to 5 - Motor / Motor Control Step Fail
The Motor Controller has attempted a motor step test and has found that the motor has not
stepped to the correct position. The Motor Controller has detected that there is no motor current.
This indicates that either the motor is not connected or the Motor Controller motor drive is
faulty.
Primary Source - Wiring
Action - Check the continuity of the motor harness and that the connectors are correctly applied
to the stator and to the Motor Controller.
Secondary Source - Motor
Action - Check resistance of motor phases. Check the brass bridge terminal on the stator is not
open circuit or burnt. Otherwise replace stator.
Tertiary Source - Motor Controller
Action - Replace Motor Controller.
55. (00110111) Phase 3 to 5 - System Step Fail
Primary Source - Rotor Position Sensor
Action
1. Check Motor & Rotor Position Sensor wiring
2. Check Rotor Position Sensor with RPS tester
- 54 -
56. (00111000) Phase 4 to 5 - Bowl Check Fault
While carrying out a bowl check Smartdrive has not been able to determine a valid bowl status
and so the Display flags this fault. This fault differs from fault 40 in that a valid bowl status
could not be determined. The first two areas to check are the clutch and the pressure tube.
Primary Source - Mechanical
Action
1. Check that there are no clothes or other foreign objects preventing the clutch from re-
engaging.
2. Check that the pressure tube has not come off and that it is not kinked.
Secondary Source - Motor Controller (Phase 4). Rotor Position Sensor (Phase 5)
Action - Replace Motor Controller(Phase 4). Rotor Position Sensor (Phase 5).
57. (00111001) Phase 4 to 5 – Motor Controller Fault
The Display module has requested the Motor Controller to perform an EEPROM write. Prior to
writing the Motor Controller has tested the 15 Volt supply and found that it is below a safe level
for writing EEPROM and has reported this to the display. This may be due to mains transients
at the time of write or due to a faulty Motor Controller.
Primary Source - Motor Controller
Action - Replace Motor Controller
58. (00111010) Phase 4 to 5 – Pressure Transducer Fault
The Pressure Transducer is outside normal limits.
Primary Source - Motor Controller
Action - Replace Motor Controller
59. (00111011) Phase 4 to 5 - Display Module Fault
The Display module checked its physical ID on the display PCB and found it was out of range.
Primary Source - Display module
Action - Replace Display module
60. (00111100) Phase 4 to 5 - Motor Controller Fault
On power up the Motor Controller has tested its ROM against a known reference and found
differences.
Primary Source - Motor Controller
Action - Replace Motor Controller
- 55 -
61. (00111101) Phase 4 - Motor Controller Fault
The Motor Controller has been attempting to perform an internal EEPROM write. Prior to
writing the Motor Controller has tested the 15 Volt supply and found that it is below the safety
level for writing EEPROM and has reported this to the display. This may be due to mains
transients at the time of write or due to a faulty Motor Controller.
Primary Source - Motor Controller
Action - Replace Motor Controller
62. (00111110) Phase 5 - Pump Fault
The Motor Controller has detected an excessive pump current.
Primary Source- Pump
Action - Replace Pump. NB. Just checking the resistance of the pump (approx. 33 ohms cold to
40 ohms hot) is NOT reliable as the pump inductance is also important.
Secondary Source - Motor Controller
Action - Replace Motor Controller.
63. (00111111) Phase 5 – Motor Controller Fault
The Motor Controller has detected an internal communications problem between its main
control system and the pump control system.
Primary Source - Motor Controller
Action - Replace Motor Controller.
64. (01000000) Phase 5 – Pressure Transducer Out of Range Error
Refer to Fault code 66 for action.
65. (01000001) Phase 5 – Pressure Transducer Out of Range Error
Refer to Fault code 66 for action.
66. (01000010) Phase 5 – Pressure Transducer Out of Range Error
The Motor Controller has received signals from the Pressure Transducer outside normal values.
Primary Source - Motor Controller
Action - Replace Motor Controller
81 – 89. (010xxxx) Phase 2 to 3 - Display / Motor Controller Comms. Error
Refer to Fault code 106 for action.
- 56 -
104. (01101000) Phase 2 to 5 - Comms. Error
Refer to Fault code 105 for action.
105. (01101001) Phase 2 to 5 - Comms. Error Time-out
These faults are reported when the Display module detects an error in the communications
between the Display module and the Motor Controller.
NB. If the product is an IW, check that the motor controller is not 426520. If it is replace with a
compatible part. This is incompatible and will give a fault code 105 at the start of agitate. Not
before! If it is a 426520 replace motor controller with a compatible part.
Primary Source - Display module
Action - Replace Display module.
Secondary Source - Motor Controller
Action - Replace Motor Controller
Tertiary Source – Rotor Position Sensor (Phase 5 Only)
Action - Replace Rotor Position Sensor. If the new Rotor Position Sensor corrects the fault refit
the original display module and motor controller.
106. (01101010) Phase 2 to 3 - Display / Motor Controller Comms. Error
These faults are reported when the Display module detects an error in the communications
between the Display module and the Motor Controller.
Primary Source - Display module
Action - Replace Display module.
Secondary Source - Motor Controller
Action - Replace Motor Controller
107. (01101011) Phase 2 to 5 - Motor Controller Fault
The Display Module has detected that the Motor Controller has reset. This can be due to a
Motor Controller supply disturbance, oscillator malfunction or micro crash.
Primary source - Motor Controller
Action - Replace Motor Controller.
127. (01111111) Phase 5 – Machine Setup Error
The display module is a ‘Phase 5’ (grey housing) spare part, and has not been setup or
configured correctly. Not all Phase 5 displays can be used as a universal spare part. They work
correctly with phase 4 or 5 motor controllers. The modules need to have the correct size, model
and phase set correctly. An incompatible setup will continue to give an error, e.g. a “Phase 1
LW Eco”.
Action - Correctly set up the size model and phase of the display in machine setup mode.
Set size to 5, 6 or 7kg rating. Enter SIZE SETTING MODE. Push and hold the water temp up
button, then press the power button to enter SIZE SETTING MODE. Three LEDs are used to
- 57 -
identify size, cold water temperature LED identifies 5kg, the low water level LED identifies
6kg, the hold spin speed LED identifies 7kg. If the product has not been setup before all 3 LEDs
will be on. To set the size for 5kg push the wash temp up button. To set the size for 6kg push
the water level up button. To set the size for 7kg push the spin speed up button.
Set Model to LW, MW or GW. The model setting of Smartdrive is determined by the hot
water temperature LED, high water level LED and Medium spin LED. If all 3 LEDs are on the
model has never been set before. To select the correct model press the following buttons. The
Wash temperature down button turns only the hot water temperature LED on, this indicates LW.
The Water Level down button turns only the high water level LED on, this indicates MW. The
spin speed down button turns only the medium spin speed LED on, this indicates GW.
Set Phase to Phase 1 to 5. The phase setting of Smartdrive is determined by the last 4 wash
progress LEDs. If all 4 are on the phase has never been set before. The phase may be selected by
pressing the advance button, this will allow the 4 options to be selected. From right to left. The
spin LED indicates that phase 5 has been selected. The display must be connected to a phase 5
motor controller. The rinse2 LED indicates that Phase 3 or 4 has been selected. The display
must be connected to a phase 4 motor controller. The rinse1 LED indicates that Phase 2.5 has
been selected, this is Phase 2 but the product has a reed switch fitted. The display must be
connected to a phase 4 motor controller. The wash5 LED indicates that Phase 1 or 2 has been
selected. This option is for a mechanical lid switch fitted on the display. The display must be
connected to a phase 4 motor controller in Phase 2 or a Phase1.4 motor controller in Phase 1.
Press power to lock the settings into memory. To check the settings, start a cycle.
Incompatible settings will cause the error to recur. If this happens check that the correct model
numbers are fitted.
130. (10000010) Phase 1 to 5 - Single Rotor Position Sensor Error
The Motor Controller has found an error in the pattern received from the Rotor Position Sensor.
The error is an instantaneous error only and is not a permanent fault condition. Likely causes
of this fault are a bad connection on the harness between the Rotor Position Sensor and the
Motor Controller, or a faulty Rotor Position Sensor.
Primary Source - Wiring
Action
1. Check the Rotor Position Sensor with an RPS tester. Or set RESTART off and spin product
to 1000 RPM and lift lid to recreate fault. Replace the Rotor Position Sensor if faulty.
2. Check for corrosion on the edge connector of the Rotor Position Sensor. If faulty replace
sensor or harness.
3. Check the contacts on the Rotor Position Sensor end of the Rotor Position Sensor harness
to see if any have been damaged. (each set of contacts in the socket has two wipers. If the
distance between these wipers varies between different contacts, replace the Rotor Position
Sensor harness).
4. If the Rotor Position Sensor is an old type ensure it is cable tied.
- 58 -
Secondary Source - Rotor Position Sensor
Action - If the harness seems to be correct, check the Rotor Position Sensor for loose,
damaged, or faulty components.
Tertiary Source - Motor Controller
Action - The Motor Controller motor sensing circuitry may be faulty. Replace Motor
Controller.
131. (10000011) Phase 1 to 5 - Repetitive Rotor Position Sensor Error
The Motor Controller has found an error in the pattern received from the Rotor Position Sensor.
This fault is similar to fault number 130 above but differs in that it is a continuous condition.
See fault 130 for service procedure.
132. (10000100) Phase 1 to 4 - Single Current Trip
The Motor Controller has detected excess current in the motor or power switches. Likely
causes for a current trip are a short in the motor harness, a short in the motor windings,
incorrect Rotor Position Sensor positioning which does not cause a Rotor Position Sensor error
but produces incorrect sensor position sequences.
Primary Source – Wiring
Action – Check the wiring connections from the Motor Controller to the stator and the Rotor
Position Sensor.
Secondary Source - Motor
Action
1. Check the resistance measurement between phases of the motor harness at the Motor
Controller.
2. Check the Rotor Position Sensor, stator brass bridge terminal point and associated harness
for water or mechanical damage or corrosion. Check the harness has not rubbed on the rotor.
Tertiary Source - Motor Controller
Action - If all the above show no signs of fault then replace the Motor Controller. Also check
for water leaks from the mixing chamber or valves that could possibly come in contact with the
Motor Controller and fix the leak before replacing with new Motor Controller.
133. (10000101) Phase 1 to 4 - Repetitive Current Trip
The Motor Controller has detected a current trip. This fault is a more severe occurrence than
Fault Number 132 but has identical fault sources and fault service procedure.
134. (10000110) Phase 4 - Single Current Trip & Rotor Position Sensor Error
The Motor Controller has detected an excessive motor current AND a Rotor Position Sensor
error simultaneously.
See fault code 130 for service procedure.
- 59 -
136. (10001000) Phase 1 to 5 - Motor Stall
The Motor Controller has been unable to start the motor rotating and signals the Display
module with motor stall error. Possible causes of this fault are: Faulty motor harness, faulty
or jammed motor, seized bearings or seals, faulty Motor Controller, faulty Rotor Position
Sensor or harness.
Primary Source - Wiring
Action - Measure/check the motor harness, connectors and motor for discontinuity. Take a
resistance measurement between phases of the motor harness at the Motor Controller. Check
that the three stator wires are connected correctly.
Secondary Source - Motor
Action
1. Check free rotation of the agitator and bowl by rotating by hand. Bearings and seals may be
seized.
2. Check the stator resistances. Check that the star point is located correctly.
3. Check the Rotor Position Sensor and associated harness for water, mechanical damage and
corrosion.
Tertiary Source - Motor Controller
Action - If the primary and secondary checks pass inspection then replace the Motor Controller.
144. (10010000) Phase 1 - Motor Controller Software Trap
The Motor Controller has developed a fault.
Primary Source - Motor Controller
Action
1. Power off for 5 seconds & try again
2. Check connections between the Display Module & the Motor Controller
3. Replace Motor Controller
- 60 -
160. (10100000) Phase 1 to 5 - Bowl Engaged During Agitate
The bowl has re-engaged itself during agitate. Possible causes for this are a leak in the air bell,
bowl is over-loaded with clothes, the clutch has jammed or is fouled with a foreign object.
Primary Source - Mechanical
Action
1. Make sure the bowl is not overloaded with too many clothes.
2. Check that the rotating bowl assembly is not jammed to the agitator with any foreign object
that may be caught under the agitator skirt.
3. Check that the clutch teeth are not locked together with dirt, lint, etc.
4. If none of the above appear to be at fault, then check the air bell at the bottom of the inner
bowl for leaks.
Secondary Source - Motor Controller (Phase 1 to 4 Only).
Action - If Smartdrive is empty of water when faulting it is possible that the pump circuit is
faulty and has caused a pump out during wash. This would cause the bowl to re-engage during
agitate and the Motor Controller to display this fault. Replace Motor Controller.
161. (10100001) Phase 2 to 5 – Motor Controller Fault
The Motor Controller checks the voltage configuration (i.e. 110v or 230V) against its EEPROM
on power up. Should there be a mismatch, this error is flagged.
Primary Source - Motor Controller
Action - Replace Motor Controller.
162. (10100010) Phase 3 to 5 Brake Deceleration Time-out Fault
During the brake mode the Motor Controller has detected that the bowl has not come to a stop
in the permitted time once dropping below 100 RPM. This fault has been installed for software
testing only.
163. (10100011) Phase 4 to 5 - Motor Controller Fault
The Motor Controller has internally sensed a connection is open circuit. The cold valve cannot
be operated with this condition.
Primary Source - Motor Controller.
Action - Replace Motor Controller.
- 61 -
164. (10100100) Phase 4 to 5 - Brake Function Time-out Fault
This fault indicates that the Motor Controller has been attempting to brake for 20 seconds. All
spin loads should come to rest within 10 seconds something must have gone wrong during the
brake to prevent the bowl stopping in time.
Primary Source - Wiring
Action - Measure/check the motor harness, connectors and motor for discontinuity. This can
be done by taking a resistance measurement between phases of the motor harness at the Motor
Controller.
Secondary Source - Motor Controller (Phase 4). Rotor Position Sensor (Phase 5)
Action - Replace Motor Controller (Phase 4). Rotor Position Sensor (Phase 5)
192. (11000000) Phase 4 to 5 – Motor Controller Fault
The Motor Controller has internally sensed a connection is open circuit. The motor cannot be
operated with this condition.
Primary Source - Motor Controller
Action - Replace Motor Controller.

- 62 -
12.0 MECHANICAL SERVICE SECTION
12.1 COMPLETE DISASSEMBLY
CAUTION: Ensure power and water supplies are disconnected before servicing. There is still
mains power within the console when on/off switch in the `off' position.
1. Isolate from the power supply.
2. To remove the lid, open it to the upright position and lift it clear.
An anti-static wrist strap must be used when handling electronic modules. Clip the strap to the earth
terminal at the rear of the top deck. Modules removed from Smartdrive for return must be protected from
possible electrostatic damage while in transit by the use of the specialised packaging in which they were
received.
3. Remove the 2 screws from the rear of the top console, disconnect the earth lead. The console can
now be raised for access to the Motor Controller Module, Display Module and associated wiring.
PHASE 5 TOPDECK SHOWING WIRING CONNECTIONS

- 63 -
PHASE 2 TOPDECK SHOWING WIRING CONNECTIONS
4. Disconnect the pressure tube from the pressure sensor.
5. Disconnect display module plug, the motor/pump harness plug and Rotor Position Sensor plug.
Remove the pump earth lead and mains cable earth lead from the Motor Controller Module.
Remove the plugs from the back of the mains cable clamp, undo the 2 screws holding the clamp
and remove the clamp from the console feed the mains cable earth wire through the cable clamp
opening.
NB: DON’T REMOVE THE EARTH CONNECTION FROM THE WRAPPER
6. Remove the two rubber buffers and screws from the front of the top deck. Release the retaining
clips at rear of cabinet using a flat bladed screwdriver. Lift the top deck clear, feeding wiring
through hole in top deck corner of the cabinet.
NB: The top deck cannot be hinged back without first releasing the rear clips from the cabinet and lifting
at the same time.

- 64 -
7. Unclip the bias spring from the front left suspension
rod. Unclip the neck ring from the top of the outer
bowl.
8. Remove the fabric softener dispenser, unscrew the
agitator retaining nut and remove the agitator.
9. The inner bowl may now be lifted clear. (If the inner
bowl is not easy to lift clear, then remove the three
spline retaining screws and remove the driven spline.
Then pull the drive spline off the shaft and lift out the
inner bowl).
If not already removed, the clutch can be
disassembled at this stage by removing
the three screws from the driven spline.
10. Remove the screw from the drain hose outlet bracket on the rear of the wrapper.
11. Unclip the harness duct from the right hand rear suspension and remove the suspension assembly
by lifting the corner bracket upwards, and free the suspension assembly from the outer bowl.
12. Feed the drain hose inside the wrapper. Clip the drain hose fixture over the outer bowl with the
attached hook.
13. Remove the remaining three suspension rod assemblies.

- 65 -
14. Lay the cabinet on its back, on protective material, and slide the outer bowl assembly out, but note
that approximately 1 litre of water must be removed from the pump sump before laying the cabinet
on its back.
15. To remove the pump, release the locking
tab. Turn the pump anti-clockwise, lift it
clear and remove the electrical connections.
16. Remove the two screws securing the wiring
duct to the outer bowl base.
17. Remove the drain hose clamp. Twist the
drain hose in an anti-clockwise direction to
release the bayonet fitting. If changing the
outer bowl, the pump securing plate can be
removed at this stage by unscrewing the 4 x
3/8" securing bolts.
18. Remove the clamp from the pressure tube
and pull the tube off the spigot on the
pressure chamber.
19. Unclip the pump harness and then remove
the complete assembly.

- 66 -
12.2 ASSEMBLY GUIDELINES
Assembly is the reverse of disassembly. The following
points are worth noting.
Drain Hose Outlet Elbow. Refit to the base. NB: Ensure
the lugs on the elbow are located underneath the pump
bracket. Clamp into position.
Pump. Turn the pump clockwise when refitting it into the
bayonet fixture. Check that the locking tab has clicked
into place.
Wiring. Fit the wiring harness into all the securing clips.
Check that the harness assembly is secured to the
suspension rod, (photo).
Drain Hose. Unclip the drain hose fixture from the lip of the outer bowl and screw into position on the
cabinet. Ensure the drain hose grommet is correctly fitted, (photo).
Topdeck. Before refitting topdeck ensure that reed switch harness (phase 2-5) is tightly secured, (photo).
When refitting top deck ensure that OOB lever does not catch or sit on neck ring.
Base panel. (Phase 1-4) Ensure locating tags are straight before refitting.
Pressure Hose. CHECK THAT THE LOOM AND PRESSURE TUBE ARE NOT KINKED or close to
wrapper before refitting the top deck. Blow down the pressure tube to check if it is clear of water
droplets. Ensure that the nylon cord in the pressure tube does not obstruct when reconnecting tube.
Mixing Chamber. Phase 5 only. Ensure that thermistor or plug is
correctly located.
Safety testing should be carried out in accordance with standard
electrical testing procedures. The resistance from the earth contact on
the mains lead to the wrapper should not exceed 0.5 ohms. The
insulation resistance should also be measured at 500 volts DC between
phase & neutral to earth. The maximum resistance should not exceed
1Mohm.
Test Smartdrive by filling
(using both valves), draining
and spinning to 1000 RPM.
Open lid when at 1000 RPM.
Check the size and the
operation of the Out of
Balance lever.

- 67 -
12.3 MOTOR ASSEMBLY & DISASSEMBLY
1. Remove the rotor by using a 16mm or 5/8" socket. Lift
the rotor clear, and place in a plastic bag. The rotor has
strong magnets and can attract metal objects. If any
foreign objects are caught in the rotor area these may
cause the magnets to wear and create a fine black
powder which will permeate through the whole
appliance.
2. Unscrew the 4 bolts securing the stator to the outer
bowl using a 3/8" socket.
3. Lift the stator clear of the shaft, turn over.
NB: When placing the stator on a work bench, ensure the
RPS connectors are facing upwards or damage can result. Do not place the stator inside the rotor.
ASSEMBLY
1. Wire up stator before locating stator into position.
CHECK Red Blue & yellow wiring is correct.
2. Grease the stator side of the clamp plates and the
inside section of the stator that fits over the bearing.
Fit the clamp plate and spacer assembly to the back of
the stator. Locate the stator into position. It will only
fit in one position.
3. Refit the clamp plate onto the stator and tighten the
four 3/8" bolts to a torque of 5 Nm.
NB: The stator should have a slight radial movement of approximately 0.5 - 1mm when correctly
tightened and should have maximum axial play (rocking movement) of 0.5mm
4. Fit the wiring harness into the securing clips.
5. Fit the rotor onto the shaft and locate on the spline. Using a 16mm socket, tighten the plastic nut
to a torque of 16 Nm. Hold the rotor stationary until it is secured.

- 68 -
12.4 PUMP BLOCKAGE
Pump Block error is fault code 37. This is one of
the most likely problems encountered in
Smartdrive. See section 11.0 for more information
on fault code 37.
Drain the Bowl. This can either be done using the
pump or emptying the bowl manually.
If there is a service hatch (Phase 1-4). Remove the
front inspection panel by inserting a screw driver
into the slot and turn anticlockwise 1/8 of a turn.
Pull outwards and remove.
Flick Starting the pump. Advance to SPIN and
attempt to flick start the fan on the pump motor.
This may alleviate the need to drain manually.
Draining Manually. Disassemble top deck, neck
ring, agitator and inner bowl. Use a container to
empty the bowl.
Check for foreign object by inspecting from
above. Removing pump hood, cap and impeller.
Check for obstructed drain hose.
Other Checks.
• Check pump hood, cap and impeller are the
latest type. See WM013 in Appendix B.
• If the product is 5kg size check that a rain
shield is fitted to the pump p.n. 426292.
• Check that the four bolts securing the pump
bracket are tight, torque 3 Nm.
• If the screw locating the pump hood is loose,
torque 3 Nm, this can cause pump block error.
To remove the pump, turn it towards the front of Smartdrive
until the locking tab prevents further turning, then release the
locking tab by pulling it away from the pump. Continue to turn,
the pump will disengage. When refitting the pump, making sure
that the bayonet fixture is located correctly. Twist the pump
away from the front of Smartdrive until the locking tab clicks
into place.
NB: Approximately 1 litre of water remains in the pump sump
after pump out and can spill out when the pump is removed.
However by tilting Smartdrive past 45 degrees and blowing
down the drain hose this can be alleviated.
There is 230V AC at the pump terminals the whole time
Smartdrive is switched on at the power point.

- 69 -
12.5 SHAFT & BEARING REMOVAL
1. Fit the spline tool over the shaft. Remove the 1 1/4"AF shaft retaining nut securing the shaft.
2. Lay the outer bowl on its side before removal of the shaft. This ensures that the shaft does not fall
directly onto the floor.
NB: The shaft can only be removed towards the inside of the outer bowl. Remove the shaft. If the shaft
is difficult to remove, use a puller and a mandrel. Refit the thick stator motor clamp plate onto the
outer bowl and secure with the four stator mounting bolts. The stator clamp plate may be used to
hold the legs of the puller in place.
WARNING: Make sure the stator clamp plate is flat before using. If in doubt, replace.
3. Remove the outer bearing using the bearing removal
tool.
WARNING: Do not remove the bearings with a hammer and
drift as serious damage to the bearing housing or outer bowl
may result. Use the bearing removal tool as illustrated .
4. Remove the seal with the aid of a screwdriver handle
levering from side to side.
5. Remove inner bearing using the bearing removal tool.
Insert the threaded rod and extractor washer up from
the bottom of the outer bowl. Place the collar and
large locating spigot on the threaded rod and extract
the bearing.

- 70 -
12.6 SHAFT & BEARING ASSEMBLY
1. The bearings must be inserted separately with the inner bearing fitted first and pulled down with the
bearing tool onto the shoulder in the bearing housing. IMPORTANT: There must be no gap
between the bearing outer race and the shoulder of the aluminium extrusion. Remove the insertion
tool at this point and check that the inner bearing is fully home.
2. Fit the bearing spacer and press in the outer bearing using the bearing tool. Check the spacer has no
end float but has slight sideways movement to allow for shaft insertion.

- 71 -
3. Ease the shaft through the bearings from inside the outer bowl. Take care the shaft is fitted with
the threaded retaining nut section facing downwards in the direction of the base.
4. Fit the shaft retention nut. Use the spline tool and spanner to tighten the shaft retention nut.
5. Invert the outer bowl. Take care not to damage the shaft or flooring. Fit the assembly thimble
sleeve onto the shaft before fitting the seal. Lubricate the seal outside diameter with liquid
detergent and then slide into position by pressing down on both sides of the seal.
NB: The seal should be flush with the lip on the base of the outer bowl.
NB: The outer bearing will be proud of
the housing by approximately 3mm.

- 72 -
Appendix A: Binary Decoding Chart – 8 Bits (0-255)
short
wash
rinse spin
1248163264128
ΟΟΟ
ΟΟΟΟΟΟ
ΟΟΟ ΟΟ
ΟΟΟΟ
ΟΟ✹
✹✹
✹Ο
ΟΟ
Ο✹
✹✹
✹Ο
ΟΟ
ΟΟ
ΟΟ
Ο✹✹
✹✹✹✹
✹✹ ✹
✹✹
✹ΟΟ
ΟΟΟΟ
ΟΟ ✹
✹✹
✹Ο
ΟΟ
Ο✹
✹✹
✹✹✹
✹✹✹✹
✹✹Ο
ΟΟ
Ο✹✹✹
✹✹✹✹✹✹
✹✹✹
ΟΟΟΟΟ
ΟΟΟΟΟΟΟΟΟΟ
ΟΟΟΟΟ 01234567
ΟΟΟΟ
ΟΟΟΟΟΟΟΟ
ΟΟΟΟ✹
✹✹
✹8 9 10 11 12 13 14 15
ΟΟΟ
ΟΟΟΟΟΟ
ΟΟΟ✹
✹✹
✹Ο
ΟΟ
Ο16 17 18 19 20 21 22 23
ΟΟΟ
ΟΟΟΟΟΟ
ΟΟΟ✹✹
✹✹✹✹
✹✹ 24 25 26 27 28 29 30 31
ΟΟ
ΟΟΟΟ
ΟΟ✹
✹✹
✹ΟΟ
ΟΟΟΟ
ΟΟ 32 33 34 35 36 37 38 39
ΟΟ
ΟΟΟΟ
ΟΟ✹
✹✹
✹Ο
ΟΟ
Ο✹
✹✹
✹40 41 42 43 44 45 46 47
ΟΟ
ΟΟΟΟ
ΟΟ✹✹
✹✹✹✹
✹✹Ο
ΟΟ
Ο48 49 50 51 52 53 54 55
ΟΟ
ΟΟΟΟ
ΟΟ✹✹✹
✹✹✹✹✹✹
✹✹✹ 56 57 58 59 60 61 62 63
Ο
ΟΟ
Ο✹
✹✹
✹ΟΟΟ
ΟΟΟΟΟΟ
ΟΟΟ 64 65 66 67 68 69 70 71
Ο
ΟΟ
Ο✹
✹✹
✹ΟΟ
ΟΟΟΟ
ΟΟ✹
✹✹
✹72 73 74 75 76 77 78 79
Ο
ΟΟ
Ο✹
✹✹
✹Ο
ΟΟ
Ο✹
✹✹
✹Ο
ΟΟ
Ο80 81 82 83 84 85 86 87
Ο
ΟΟ
Ο✹
✹✹
✹Ο
ΟΟ
Ο✹✹
✹✹✹✹
✹✹ 88 89 90 91 92 93 94 95
Ο
ΟΟ
Ο✹✹
✹✹✹✹
✹✹ΟΟ
ΟΟΟΟ
ΟΟ 96 97 98 99 100 101 102 103
Ο
ΟΟ
Ο✹✹
✹✹✹✹
✹✹Ο
ΟΟ
Ο✹
✹✹
✹104 105 106 107 108 109 110 111
Ο
ΟΟ
Ο✹✹✹
✹✹✹✹✹✹
✹✹✹Ο
ΟΟ
Ο112 113 114 115 116 117 118 119
Ο
ΟΟ
Ο✹✹✹✹
✹✹✹✹✹✹✹✹
✹✹✹✹ 120 121 122 123 124 125 126 127
✹
✹✹
✹ΟΟΟΟ
ΟΟΟΟΟΟΟΟ
ΟΟΟΟ 128 129 130 131 132 133 134 135
✹
✹✹
✹ΟΟΟ
ΟΟΟΟΟΟ
ΟΟΟ✹
✹✹
✹136 137 138 139 140 141 142 143
✹
✹✹
✹ΟΟ
ΟΟΟΟ
ΟΟ✹
✹✹
✹Ο
ΟΟ
Ο144 145 146 147 148 149 150 151
✹
✹✹
✹ΟΟ
ΟΟΟΟ
ΟΟ✹✹
✹✹✹✹
✹✹ 152 153 154 155 156 157 158 159
✹
✹✹
✹Ο
ΟΟ
Ο✹
✹✹
✹ΟΟ
ΟΟΟΟ
ΟΟ 160 161 162 163 164 165 166 167
✹
✹✹
✹Ο
ΟΟ
Ο✹
✹✹
✹Ο
ΟΟ
Ο✹
✹✹
✹168 169 170 171 172 173 174 175
✹
✹✹
✹Ο
ΟΟ
Ο✹✹
✹✹✹✹
✹✹Ο
ΟΟ
Ο176 177 178 179 180 181 182 183
✹
✹✹
✹Ο
ΟΟ
Ο✹✹✹
✹✹✹✹✹✹
✹✹✹ 184 185 186 187 188 189 190 191
✹✹
✹✹✹✹
✹✹ΟΟΟ
ΟΟΟΟΟΟ
ΟΟΟ 192 193 194 195 196 197 198 199
✹✹
✹✹✹✹
✹✹ΟΟ
ΟΟΟΟ
ΟΟ✹
✹✹
✹200 201 202 203 204 205 206 207
✹✹
✹✹✹✹
✹✹Ο
ΟΟ
Ο✹
✹✹
✹Ο
ΟΟ
Ο208 209 210 211 212 213 214 215
✹✹
✹✹✹✹
✹✹Ο
ΟΟ
Ο✹✹
✹✹✹✹
✹✹ 216 217 218 219 220 221 222 223
✹✹✹
✹✹✹✹✹✹
✹✹✹ΟΟ
ΟΟΟΟ
ΟΟ 224 225 226 227 228 229 230 231
✹✹✹
✹✹✹✹✹✹
✹✹✹Ο
ΟΟ
Ο✹
✹✹
✹232 233 234 235 236 237 238 239
✹✹✹✹
✹✹✹✹✹✹✹✹
✹✹✹✹Ο
ΟΟ
Ο240 241 242 243 244 245 246 247
✹✹✹✹✹
✹✹✹✹✹✹✹✹✹✹
✹✹✹✹✹ 248 249 250 251 252 253 254 255
The above chart shows the 8 wash progress LEDs with the SPIN LED corresponding to the leftmost.
8 bit binary calculations: LSB is the SPIN LED. If it is on this has a value of 1. The MSB is the first wash
LED, this has a value of 128 if it is on. The intermediate LEDs have values of 64, 32, 16, 8,4 and 2. By
adding up the value of all the LEDs that are illuminated the 8 bit binary value may be calculated. NB. If
Spin LED is optically downloading it will be ‘flickering’, this does not necessarily count as part of the
8 bit value.
To calculate a 16 bit value (e.g. number of cycles) TOTAL = (high byte x256) + (low byte).
8 WASH PROGRESS LEDs
- 73 -
Appendix B: Technical Bulletins
These are extracts from previous technical bulletins.
WM011 ALTERNATIVE SPARE PARTS FOR PHASE 1
MOTOR CONTROLLER – June 1999 – Phase 1 only
Fisher &Paykel is no longer able to obtain some electronic components to continue the manufacture of the
current Motor Controllers, part number 425243P. We have therefore introduced a redesigned Motor
Controller Module and Display Module.
The new replacement Motor Controller Module fits into the original housing and the wiring is fitted as per
the diagram below. The Display Module electronics uses the same housing as the Phase 2 to 4 display
boards. This display board screws into the console as before.
These modules must be fitted as a pair and are not interchangeable with any other modules.
The new modules are labelled as follows:
426418P Motor Controller Module
426433P Display Module
The older Phase 1 Display modules, part number 425300P will still be available.
SIZE SETTING
It is important that the size setting is set into the module’s memory whenever a replacement module is
fitted. The procedure for setting the size for the new Motor Controller Module is the same procedure used
for Phase 4-5, as follows:
Press and hold the Wash Temperature Up button then press the Power button. Smartdrive will give
4 short beeps and the pattern of the LED’s will change.
• Press the Wash Temperature Up button for 5kg product, press the Water Level Up button for 6kg
product, or press the Spin Speed Up button for 7kg product.
• Press the Power button to exit.
FAULT FINDING / FAULT CODES
Fault finding with these modules, the fault codes for Phase 4 should be used.
IMPORTANT NOTE
When fitting the Display Module to a MW, tape over the Favourite LED, Permanent Press LED and the
Wash Option LED with black insulation tape. This is so the extra LED’s for the GW model will not show
through and cause confusion.
Full fitting instructions will be included in the kit. Please follow these instructions closely, as there are
alterations to the console and pressure tube to be carried out.

- 74 -
WIRING CONNECTIONS
DISPLAY
PUMP
ROTOR POSITION
SENSOR
PRESSURE SENSOR
MOTOR
WATER VALVES
OOB
HARNESS
PUMP EARTH
End view of 426418P Motor Controller Module wiring connections.
WM013 PUMP HOOD KIT – January 2000 – Phases 2 to 5
Changes have been made to the pump
hood, cap and the impeller to decrease the
possibility of small pieces of grit and lint
blocking the pump.
When servicing a blocked pump on
Smartdrive, the new pump hood kit, Part
Number 479188P, should be fitted. This
kit cannot be fitted to Phase 1 or early
Phase 2 Smartdrive. It is not required on
Phase 5 Smartdrive built after July 2000.
Pump Hood Kit - Part Number 479188P

- 75 -
WM51 DIAGNOSTIC FLOW CHART – Sept 1992– Phase 1 only
This is a flow chart for original Phase 1 Smartdrive Motor Controllers and Displays. These are fitted with
a slow blow 32mm 6A fuse. Use this flow chart when there is no power to the display module and
Smartdrive is powered on.

- 76 -
WM65 BIB DEFLECTOR – April 1994– Phase 1 only
Fisher & Paykel have introduced a new bib deflector with 3 vertical fins to replace the early Phase 1
deflector part number 425768. It is recommended that whenever a phase 1 Smartdrive is serviced the new
bib part number 425968 be fitted.
This replacement deflector is designed to drain the water from the inlet nozzle prior to Smartdrive
entering the last spin. In some cases with an out of balance load, the residual water in the nozzle can be
sucked out during the high speed spin and results in water leaking onto the floor.
When installing the new bib, push the bib backwards so that the 2 outer fins come in contact with the
nozzle. This will leave a small gap between the center fin and nozzle and create a capillary effect which
will drain the residual water from the nozzle.
WM70 PREMATURE OUT OF BALANCE – February 1995 –
Phase 2 only
Kit Lever Out of Balance & Bracket Phase 2 - Part Number 502220
Fisher & Paykel have made changes to the out of balance lever and bracket to eliminate premature
tripping to the micro switch.
The lever now has a small leaf spring moulded into the back top section which rests on a raised section on
the underside of the bracket, preventing the lever from being accidentally activated by vibration. A kit part
number 502220 lever out of Balance and Bracket Phase 2. It is important that both parts are used as the
new lever is ineffective in the old bracket. Smartdrive manufactured since late Phase 2 have the new out
of balance lever and bracket fitted.

- 77 -
WM80 CONDENSATION KIT – May 1996 – Phase 2 & 3 only
A condensation kit is available to reduce build up in the console area and around the electronics is
available as part number 472976.
This kit must be fitted to all Phase 2 & 3 Smartdrive where the display module has failed due to
condensation or there is condensation present in the console area.
Common symptoms caused by condensation in the display module are:-
1. Start/Pause button hard to push or not working.
2. Smartdrive enters Option Adjustment Mode as soon as Power button is pressed.
3. Smartdrive enters Demonstration Mode as soon as Power button is pressed.
4. No response from the Power button.
5. The customer can only operate Smartdrive by using Delay Start.
WM81 PUMP SHIELD 5KG SMARTDRIVE – September 1996 -
Phases 1 to 4
Under some conditions, especially with over sudsing or splash over, water
can run down the side of the 5kg Smartdrive outer bowl and drip directly
onto the pump bracket causing the pump to corrode or burn out.
A shield has been designed that can clip into place above the pump bracket
to protect the pump from water damage.
When servicing any 5kg Smartdrive, without a shield, for pump related problems a shield should be fitted.
The shield is available under p.n. 426292.
To fit the shield remove the inspection hatch, make sure the legs of the drain hose clamp are facing
towards the centre of Smartdrive, apply a small amount of silicone sealant to the shield where it clips onto
the outer bowl, hook the shield onto the back pillar above the pump bracket then clip the shield into place
by pushing the front clip section onto the front pillar above the pump bracket.

- 78 -
Appendix C: Smarttool
Smarttool is an Application which is run on a PC or a
Casiopea Palm-Top. This application may be used with the
following Fisher & Paykel products :-
• Smartdrive. Phase 1-5. Washing Machine.
• ActiveSmart. Refrigerator.
• DishDrawer. Dishwasher.
The fault information is downloaded from the products
front panel LEDs via a light pen. For a PC this is part no.
425930D The PC connection is made to a serial port via a
DB9 connector. The Casiopea, part no. 813140 is available
as a complete product including the light pen.
Smarttool is considered an essential tool for servicing the
ActiveSmart refrigerator, however it is less essential with
Smartdrive and DishDrawer, but will easily provide all the
service information.
The information displayed on Smartdrive includes
• Product Description and phase
• Fault Information (up to the last 4 faults).
• Fault codes 81-106 are ‘Comms’ faults. Smarttool may
not always be able to diagnose these faults.
• Service Information
From Diagnostic Mode press the START
button to begin a download. The optical
download is performed on the Spin LED. If
the download is not received first time hold
the light pen at a different angle or distance.
The Smarttool software may be downloaded from the Fisher and Paykel web site.
NB. The first version of Smarttool used the Palm Pilot. Smarttool no longer supports this product.

- 79 -
Appendix D: Tools for Servicing Smartdrive
SERVICE TOOL KIT
PART NUMBER 502009
502009 Bearing Puller Kit. This kit is shown above and is used for insertion and extraction of
bearings. The extraction washer is available separately.
502034 Rotor Puller Adapter. This tool is used to extract the rotor when the plastic nut is broken.
502105 Rotor Position Sensor. This will connect directly to the RPS or Phase 1 Motor Controller.
It requires a 9 volt battery to operate.
502180 Rotor Position Sensor edge connector. Required to connect to all Motor Controllers.
Rotor Position Sensor interconnection lead for Phase 2-4 Motor Controller.
Rotor Position Sensor interconnection lead for Phase 5 Motor Controller.

- 80 -
Appendix E: IW SMARTDRIVE SERVICING
E.1 IW Quick Reference Guide
• The Intuitive Washer can display the most recent user warning and fault.
• The Intuitive Washer uses the motor to detect the fabric type.
• The Intuitive Washer uses the same motor, bowl and wrapper as Phase 5 Smartdrive.
• Two types, Intuitive Washer (IW) without recirculation and Intuitive Eco (IWECO) with recirculation.
The display clearly identifies this at power up.
• IW ECO. Hot water is only used during recirculation. This results in greater energy efficiency.
• IW ECO. Due to the reduced amount of water used during recirculation, extra care must be taken not
to use too much detergent. This could result in over sudsing.
• IW ECO. The time to turn the diverter valve on is 1 minute, and 3 minutes to turn it off. So there
could be a delay before draining starts.
• The button ‘Specials’ in IW has been renamed ’LifeCycles’ in IWECO.
• If LEDs are flashing Restart may be off or Recycle may be on. These are not the default states.
• Option Adjustment Mode. Hold the ‘Options’ button down for 4 seconds.
• Diagnostic Mode. Hold down the ‘Specials’/’LifeCycles’ button and press Power. Use the ‘Specials’
/’LifeCycles’ button and buttons on the right of the LCD to toggle product status. Or use the
‘Options’ button to turn restart & recycle ON or OFF.
• Size Setting Mode. Hold down the ‘Fabric Care’ button and press Power.
• Display, 426961 not for IWECO. Motor Controller, 426520 not for any IW.
• Smarttool may be used to extract more service information. To download data use the ‘Start/Pause’
button from fault mode or diagnostic mode.
IW Models IW509, IW609, IW709
IWECO Models IWC09, IWM10, IW710, IWL10, IW810
E.2 Specifications for IW
Models Size Width Wash Load Capacity
Compact 5 560mm IW509 IWC09 5.5kg
Medium 6 600mm IW609 IWM10 IW710 6.5 / 7kg
Large 7 650mm IW709 IWL10 IW810 7.5 / 8kg
Water consumption per fill with clothes load
Compact Medium Large
High 65 litres 82 litres 90 litres
Medium high 58 litres 65 litres 76 litres
Medium 47 litres 52 litres 61 litres
Medium low 33 litres 38 litres 47 litres
Low 22 litres 25 litres 32 litres
Recirculating Valve: 1.5Kohms @ 20 oC Only fitted to IWM10 IW710 IWL10 IW810
Pump, Water Valves, Stator, Rotor, RPS, all as Phase 5 Smartdrive.

- 81 -
E.3 INTRODUCTION to IW
This Service Supplement contains specifications,
size setting and diagnostic mode.
The first Intuitive Washer(IW) was introduced in
Phase 5 Smartdrive in 1999. Three models were
released, IW509, IW609 and IW709. These
products were upgraded in 2000 to include
recirculation, these products are called Intuitive
ECO. These products were IWC09 (non recirc),
IWM10, IW710, IWL10 and IW810.
PERFORMANCE CHANGES
The Eco Active wash with Recirculation - Only IWM10 IW710 IWL10 IW810
The Eco Active wash of the Intuitive / Eco is a 2 step wash process that combines top loader and front
loader washing technologies.
Wash 1: DETERGENT ACTIVATING WASH (Front loader type wash)
Smartdrive fills the bowl with just enough water, at the selected wash temperature, so that the clothes are
100% saturated. Smartdrive stops filling and the water in the bowl is pumped up through the recirculating
hose and back into the bowl onto the clothes, with a fan-like spray pattern. As the water recirculates, the
bowl stirs, pausing every 16 seconds. Short top-ups may occur as garments absorb water, keeping the
water level constant. This recirculating wash action thoroughly dissolves and activates the detergent. The
concentrated solution of detergent and water rapidly targets stains and soils at the fibre level, boosting soil
removal and accelerating the wash process.
Wash 2: AGITATION WASH (Top loader type wash)
After re-circulating the sudsy water through the clothes for 2 to 5 minutes, Smartdrive fills with just
enough cold water to suspend the clothes in solution. Smartdrive then senses the fabric type of the load
and begins the agitation wash.
The are 2 load sensing methods to ensure the right wash action is used for the type and size of wash load;
LSD - Load Sensing Detection is used to continually sense the load and automatically adjust the
agitation profiles to suit the wash load. If additional garments are added during the wash Smartdrive will
adjust accordingly.
MCP – Maximum Capacity Profile is selected immediately when fabric detection selects ‘heavy duty’
at high water level.
ELECTRONICS
The electronics are similar to Smartdrive Phase 5. Electronic Modules are not inter-changeable between
models. The different modules for the different models can be identified by their colour. Phase 2
modules are blue, Phase 3 modules are green, Phase 4 modules are yellow and the latest Phase 5 and IW
modules are grey. IMPORTANT: Motor Controller part no. 426520 should not be used with IW. It will
appear to function correctly but will give fault code 105 at the start of Agitate. Display Module 426961
should not be used on products with recirculation, the product will appear to work satisfactorily but the

- 82 -
recirculation will not work. It is important not to mix the different coloured modules as they are not
compatible and Smartdrive will not work. It will normally display a fault code and beep if the modules
have been mismatched. Delay start is 1 to 9 hours, (IW) or 18 hours (IWECO) in increments of 1 hour.
WATER TEMPERATURE SENSING
The thermistor for sensing the water temperature in Smartdrive is located in the inlet chamber and is
available as a separate spare part, part number 479164P. Hot water is only used at the start of the cycle
when Smartdrive is recirculating. Some hot water may be used in the first fill if the inlet water
temperature is low, below 18oC.
WATER VALVES
The water valves are the same as Phase 5 GW Smartdrive. A proportional valve is fitted on the cold and a
digital valve on the hot. Resistance 64 ohms.
STATOR & ROTOR
The stator & rotor are the same as Phase 5. Stator resistance is 16 ohms per
winding, (32 ohms phase to phase).
RECIRCULATING VALVE - Only fitted to IWM10 IW710 IWL10
IW810
The Recirculating valve is situated at the bottom of the bowl beside the pump. If the valve requires
service, remove the hose clips connecting the hoses to the valve, and remove the screwed clamp around
the inlet hose to the valve. The valve now can remove for cleaning or checking. This is best achieved by
working from underneath Smartdrive. The valve relies on element heating to open. The picture below
shows the connector for the Recirculating valve in the motor controller module. The valve can be tested in
the DIAGNOSTIC mode within the Machine Status screen. NB: The valve takes approx. 1 minute to
activate and approx. 3 minutes to cool down and return to it normal position. It will make no sound
during activation.

- 83 -
RECIRCULATING VALVE
PUMP
The pump is the same as Phase 5. The pump forms part of the power supply. If it not connected
Smartdrive will appear to have no power. The pump resistance is 33 ohms.
E.4 OPTION ADJUSTMENT MODE for IW
In Option Adjustment Mode the following adjustments may be made: -
The fill level selected by Auto Water Level.
The type of rinse.
The temperature of the wash.
The spin speed for Creasables.
The recovery routine selected when a load goes out of balance.
The number of beeps at the end of the cycle.
Adjust Options Menu
auto water temp
auto rinse other
With Smartdrive powered on push the OPTIONS button and hold down for 4 seconds. The Adjust
Options Menu will be displayed. Push the small button next to the option to be adjusted. The display will
change to the choices available for that option. To set the option push the small button next to it. The
display screen will highlight the selection before returning to the main screen.

- 84 -
AUTO WATER - Auto Water Level Adjustment
The water level that Smartdrive fills to on auto water level may be
adjusted. Select AUTO WATER. Use the MORE or LESS buttons to
decrease or increase the fill level. NB: If there is not enough water for the
load, check by pausing Smartdrive and pushing the clothes down to see
how much spare water is at the bottom of the bowl. Clothes often float and
Smartdrive can sensethe water under the clothes.
Auto Water Adjust
less ß
ßß
ß--*--à
àà
àmore
cancel OK
TEMP - Wash Water Temperature Adjustment
The wash temperatures can be adjusted. Select TEMP. Use the
DOWN or UP buttons to decrease or increase the wash temperature.
Select OK to save the new temperature settings. Each move up or
down is approximately 1oC.
Water Temp Adjust
dnß
ßß
ß-----*-----à
àà
àup
cancel OK
AUTO RINSE - Rinse Default Options
This menu changes the rinse option to which Smartdrive defaults.
(Spray and deep is the standard rinse default). It may be desirable to
change the type of rinse selected for a number of reasons. If there is
problem with impurities in the water supply a better wash may be
attained by changing the rinse option to 2 deep rinses. To conserve
water select a single deep rinse or a shower rinse.
Rinse Defaults
single spray&deep
double shower
Single - Short spin followed by 1 deep rinse.
Double - 2 deep rinses.
Spray & Deep - Spray rinse followed by 1 deep rinse.
Shower - Shower rinse.
Shower rinse alternately showers the clothes with water and spins them to remove the sudsy water. It is
not designed to be used with fabric softener as a shower rinse does not use a deep rinse so it cannot
dispense fabric softener correctly.
OTHER OPTIONS
Creasable Spin Speed
The Creasables fabric care option defaults to a slow spin speed
(300rpm). However, a medium spin speed (700rpm) may be selected.
Select OTHER. Select CREASABLE SPIN. Select MEDIUM.
Other Defaults
Creasable Spin
OOB Beeps
OUT OF BALANCE Recovery
While Smartdrive is spinning, if it senses the wash load is out of balance it stops. It retries spinning up to
three times. If an unbalanced load is detected there are two recovery options.
Automatic Recovery Option. Smartdrive tries to automatically correct the out of balance load. It fills
with water and agitates to redistribute the load before trying to spin up again. ‘OOB’ on the LCD is
highlighted.
Machine Stops Option (default). Smartdrive will stop, give a short burst of beeps every five seconds,
and display a message to let you know to redistribute the load more evenly. Use this option to conserve
water.
End of Cycle BEEPS
The number of beeps at the end of the cycle can be set to zero, five (default) or fifteen. Use the DOWN
and UP buttons to decrease or increase the number of beeps. The LCD will display the number of beeps
selected.

- 85 -
E.5 DIAGNOSTIC MODE for IW
DIAGNOSTIC MODE incorporates tests for the pump, diverter valve, water valves, and also the data
display mode. To enter DIAGNOSTIC MODE, turn the power on at the power point and off at the
console. Press and hold the ‘SPECIALs’ / ’LifeCycles’ button and then the POWER button.
Smartdrive will give 2 short beeps and the LCD screen will go blank.
NB: Make sure that the buttons are released after the beeps, or Smartdrive will take itself out of
diagnostic mode.
STATUS DISPLAY
To display the status push the ‘SPECIALs’ / ’LifeCycles’ button again. This will display the status of
the lid switch and the out of balance switch.. It will display the last fault and last User Warning. One of 3
displays will appear in the LCD. Use the buttons to the right of the LCD to toggle these display
options.
WARNING STATUS
The Warning Status screen will display the last “USER WARNING” which occurred. It states how many
cycles ago and the wash state. This is a fault that the Customer may have caused. Other “USER
WARNINGS” which may appear in the LCD are:-
Out of balance
No hot water
No cold water
No water
Warning Status
Out of Balance
3 cycles ago
at progress SPIN
Overloaded
Too many suds
Service information for user warnings is in Section 10.
MACHINE STATUS
The Machine Status screen displays the status of the lid switch and the out of balance switch. It also
displays the Size setting of Smartdrive and the water temperature measured by the thermistor. The state of
the Diverter may be changed in IWECO.
When the lid is opened, the screen display will change from reading
“closed” to “open”. Similarly, for the out of balance switch test. If
hot water is passed through the water chamber, the temperature read
out in the screen will change accordingly as measured by the
thermistor.
Machine Status
DIVERTER: Off
Size:650 OOB:off
T:22degC Lid:closed
On the IWM10 IW710 IWL10 IW810 the ‘DIVERTER’ option will also appear. When changing the
diverter from OFF to ON the display will say ‘HEATING’ for approximately 1 minute. This is the length
of time the diverter takes to change from the OFF state to the ON state. When changing the diverter from
ON to OFF the display will say ‘COOLING’ for approximately 3 minutes. A number adjacent to the
diverter state gives an indication of the time to go, maximum 180.

- 86 -
FAULT STATUS
The Fault Status screen will display the fault code for the current or
last fault that has occurred in Smartdrive. It will also display how
many cycles ago the fault occurred and at what part of the cycle. The
fault code can be checked in Section 11 to identify the repairs that
may be necessary.
Fault Status
Fault code: 130
5 cycles ago
at progress SPIN
DRAIN PUMP TEST
When in diagnostic mode, the FABRIC CARE button turns the drain pump on or off. This can be
helpful if the bowl is still full of water. The pump is run at 50Hz for this test. When in the 50Hz mode,
the pump will not turn on and off every 10 seconds. When running this test the state of the diverter valve
should be known. This is the best method for checking the recirculation system. Always check that there
is no water pumped to drain when the product is recirculating and vice versa.
WATER VALVE TEST
When in diagnostic mode, pressing the HOW DIRTY down button will turn the Cold Water Valve on.
Pressing the HOW DIRTY up button will turn the Hot Water Valve on. The buttons must be held on to
keep the valves on.
RESTART
When in diagnostic mode, pressing the OPTION button will bring
up the Control Option screen.
Control Options
restart recycle
hot bowl clear
Smartdrive defaults to RESTART ON. This is indicated on the screen by the word RESTART
highlighted. To turn RESTART OFF, push the button alongside the word. This will remove the highlight
from the word RESTART. When Smartdrive is being serviced it is more convenient to turn RESTART
OFF. This will allow any fault in the system to show up immediately.
With RESTART ON:
If a fault occurs in Smartdrive, the diagnostic system will detect it. However, instead of displaying a fault
code immediately, Smartdrive will retry several times.
If the fault was only of temporary nature, Smartdrive will finish the cycle.
If there is a continuous fault Smartdrive will retry a number of times. This process could take up to 8
minutes depending on the type of fault. After this, if Smartdrive still cannot restart, the fault code is
displayed and will beep continuously.
The status of RESTART is indicated during normal use of Smartdrive as follows: -
If none of the 5 green “HOW DIRTY” LED’s are on, RESTART is on.
If the 5 green “HOW DIRTY” LED’s are flashing, RESTART is off.
NB: RESTART is designed as a service aid only and should be left ON in the customer’s home. To
return to normal operation, and to reset RESTART to the default setting, switch Smartdrive off at the
wall. If this does not reset the state then RESTART and RECYCLE must be reset in EEPROM. To set
these states hold down the button adjacent to the LCD for 2 seconds, Smartdrive will beep once.

- 87 -
RECYCLE
In the Control Option mode, similar to setting the RESTART. Push the button beside the word
RECYCLE to toggle on and off Recycle. At the end of servicing, Smartdrive may require an extended
test where it can be left to complete a number of wash cycles. By turning on RECYCLE Smartdrive will
continuously repeat the selected wash cycle until RECYCLE is turned off.
The status of RECYCLE is indicated during normal use when Smartdrive is first turned on:
If none of the FABRIC CARE LED’s are on, recycle is off.
If all of the FABRIC CARE LED’s are flashing, recycle is on.
NB: Recycle is designed as a service aid only and should be OFF in the customer’s home. To return to
normal operation, and to return recycle to the default setting, switch Smartdrive off at the wall. If this does
not reset the state then RESTART and RECYCLE must be reset in EEPROM. To set these states hold
down the button adjacent to the LCD for 2 seconds, Smartdrive will beep once.
HOT BOWL FLAG
If Smartdrive has been filled with hot water and has not had a cold rinse, Smartdrive will not spin up to its
full speed of 1000 RPM, its maximum speed will be reduced to 700 RPM. To remove this flag, enter the
Control Option mode and push the button beside the words HOT BOWL CLEAR, or put Smartdrive
through a complete final rinse.
NB: The drain pump test, water valve test, restart, recycle and hot bowl flag can be accessed from any
level in the diagnostic mode.
E.6 SIZE SETTING MODE for IW
It is important to set the size of Smartdrive into the Motor Controller’s EEPROM whenever a replacement
Motor Controller or Display Module is fitted to Smartdrive. Failure to do so will result in fault code 9.
To set the size, turn the power on at the power point and off at the console. Press and hold the FABRIC
CARE button, then press the POWER button. This will give either of the following options in the LCD
screen.
IW509, IW609, IW709
‘size’ is determined in the conventional
way, with sizes 5, 6 & 7.
MACHINE SIZE SETUP
57
6 no size
IWC09, IWM10, IW710,
IWL10, IW810
‘size’ is determined by product width in mm.
MACHINE SIZE SETUP
560 650
600 no size
The LCD screen has a number of options. Pushing the button alongside the appropriate machine size, or
product width will select and highlight the size. Pushing the POWER button will set the “size” into the
module’s memory.