Flir BelgiumBA RAY260 Fixed Mount VHF marine radio User Manual
Raymarine UK Ltd. Fixed Mount VHF marine radio
User manual

Ray260
Installation and operation
instructions
English
Date: 04-2013
Document number: 81343-1-EN
© 2013 Raymarine UK Limited
Ray260


Trademarkandpatentsnotice
Autohelm,hsb2,RayTechNavigator,SailPilot,SeaT alk,SeaT alkNG,SeaTalkHSandSportpilotareregisteredtrademarksof
RaymarineUKLimited.RayTalk,Seahawk,Smartpilot,PathnderandRaymarineareregisteredtrademarksofRaymarine
HoldingsLimited.
FLIRisaregisteredtrademarkofFLIRSystems,Inc.and/oritssubsidiaries.
Allothertrademarks,tradenames,orcompanynamesreferencedhereinareusedforidenticationonlyandaretheproperty
oftheirrespectiveowners.
Thisproductisprotectedbypatents,designpatents,patentspending,ordesignpatentspending.
FairUseStatement
Youmayprintnomorethanthreecopiesofthismanualforyourownuse.Youmaynotmakeanyfurthercopiesordistributeoruse
themanualinanyotherwayincludingwithoutlimitationexploitingthemanualcommerciallyorgivingorsellingcopiestothirdparties.
Softwareupdates
Checkthewebsitewww.raymarine.comforthelatestsoftwarereleasesforyourproduct.
Producthandbooks
ThelatestversionsofallEnglishandtranslatedhandbooksareavailabletodownloadinPDFformatfromthewebsitewww.raymarine.com.
Pleasecheckthewebsitetoensureyouhavethelatesthandbooks.
Copyright©2013RaymarineUKLtd.Allrightsreserved.
ENGLISH
Documentnumber:81343-1
Date:04-2013

Contents
Chapter1Importantinformation........................7
Makingadistresscall.................................................7
MakingaMaydaycall................................................7
Safetynotices............................................................7
GeneralInformation...................................................8
Chapter2Handbookandproduct
information...........................................................11
2.1Handbookinformation..........................................12
2.2Productinformation..............................................12
Chapter3Planningtheinstallation...................13
3.1Systemintegration...............................................14
3.2Typicalsystems...................................................15
3.3Installationchecklist.............................................16
3.4Schematicdiagram..............................................16
3.5Systemprotocols.................................................17
3.6Partssupplied......................................................17
Chapter4Cablesandconnections....................19
4.1Generalcablingguidance.....................................20
4.2Connectionsoverview..........................................20
4.3Powerconnection................................................21
4.4NMEA0183connection........................................22
4.5Loudhailerconnection.........................................22
4.6Handsetconnection.............................................23
4.7Passivespeakerconnection.................................23
4.8Activespeakerconnection....................................24
4.9SeaT alkngconnection...........................................24
Chapter5Locationandmounting.....................25
5.1Generallocationrequirements..............................26
5.2Basestationdimensions.......................................26
5.3Basestationmounting..........................................27
5.4Speakermounting................................................28
5.5Handsetmounting................................................28
Chapter6Gettingstarted...................................31
6.1Controls...............................................................32
6.2Switchingtheradioon..........................................32
6.3Switchingtheradiooff..........................................33
6.4Voltagedetection.................................................33
6.5HandsetdisplayLCDoverview..............................34
6.6EnteringyourMMSInumber.................................35
6.7EnteringyourATISID...........................................36
6.8SelectingNMEA0183orSeaT alkng
connection................................................................37
6.9Regionalprogramming.........................................37
6.10AdjustingtheLCDbacklightlevel........................38
6.11AdjustingtheLCDcontrast..................................38
6.12Changingthetransmitpower..............................39
6.13GPSsetup.........................................................39
6.14Handsetstationpriority.......................................40
Chapter7Digitalselectivecalling(DSC)...........41
7.1DigitalSelectiveCalling(DSC)..............................42
7.2Distresscalls.......................................................43
7.3Urgencycalls.......................................................45
7.4Safetycalls..........................................................46
7.5Routinecalls........................................................46
7.6Groupcalls..........................................................47
7.7Positionrequests.................................................48
7.8Positiontracking..................................................48
7.9T estcalls.............................................................49
7.10Voicemail..........................................................49
7.11Receivedcalllogs..............................................50
7.12Phonebook........................................................50
7.13Grouplist...........................................................51
7.14DSCoptions......................................................51
Chapter8VHFoperations..................................53
8.1Scanmode..........................................................54
8.2Watchmodes.......................................................54
8.3Prioritychannels..................................................55
8.4Favoritechannels.................................................55
8.5Sensitivity............................................................56
8.6Privatechannels..................................................56
8.7AutomaticTransmitterIdenticationSystem
(ATIS)andMarcom-Cmode.......................................57
8.8AIS......................................................................58
8.9Voicerecorder.....................................................58
8.10Systemconguration..........................................59
Chapter9Hailer,Foghorn,andIntercom...........61
9.1Hailer..................................................................62
9.2Foghorn..............................................................62
9.3Handsetintercom.................................................63
Chapter10Maintenance.....................................65
10.1Maintenance......................................................66
10.2Routinechecks..................................................66
10.3Cleaning............................................................67
10.4Unitcleaninginstructions....................................67
Chapter11Troubleshooting...............................69
11.1Troubleshooting..................................................70
11.2VHFRadiotroubleshooting.................................71
Chapter12Technicalsupport............................73
12.1Raymarinecustomersupport..............................74
Chapter13Technicalspecication....................75
13.1T echnicalspecication........................................76
Chapter14Sparesandaccessories..................77
14.1Ray260Spares&Accessories............................78
14.2SeaT alkngcablesandaccessories.......................78
AppendixANMEA0183sentences...................81
5

Chapter1:Importantinformation
Makingadistresscall
Inanemergencyyoucanuseyourproducttomakeanautomatic
DSCdistresscall.
0
0
0
0
0
0
0
0
0
D12810-1
OK
RX HI
DIS TRESS
UNDESI GNATED
...3
COUNTI NG DOWN
OK
RX HI
DIS TRESS
UNDESI GNATED
...2
COUNTI NG DOWN
OK
RX HI
DIS TRESS
UNDESI GNATED
...1
COUNTI NG DOWN
OK
RX HI
DIS TRESS
UNDESI GNATED
TRANSMITTING ...
CANCELPAUSE
RX HI
DIS TRESS
AWAITI NG ACK...
REMAIN ING TI ME
TO RESEND..04'20
OK PAUSE P1/3
RX HI
DIS TRESS 00'01
ACKNOWLEDGED
FROM:0012345 6 7
ORI G:mY SHIP
10
15
20
25
30
35
40
45
50
55 60 5
INTCM
1.Openthespringloadeddoorontherearofthehandset.
2.PressandholdtheDISTRESSbuttonfor3seconds.
OncetheDISTRESSbuttonispresseda3secondcount
downwillbegin,whenthecountdownreacheszerothe
distresscallistransmitted.
3.Waitforanacknowledgementofyourdistresscall.
Thedistresscallisrepeatedautomaticallyuntilitis
acknowledged.
4.PressandholdthePTTbutton.
5.Slowlyandclearlyspeakthedetailsofthedistress:
MAYDAY ,MAYDAY ,MAYDAY
Thisis<statenameofvessel3times>
MAYDAY<statenameofvessel1time>
Mypositionis<statelatitudeandlongitude,ortruebearing
anddistancefromaknownpoint.>
Iam<statenatureofdistresse.g.sinking,onreetc.>
Ihave<statenumberofpersonsonboardandanyother
information—drifting,aresredetc.>
IREQUIREIMMEDIATEASSISTANCE
OVER
6.ReleasethePTTbutton.
MakingaMaydaycall
InanemergencyyoucanuseyourproducttomakeaMayday
call.
1.Pressthe16/9or16PLUSbutton.
2.PressandholdthePTTbutton.
3.Slowlyandclearlyspeakthedetailsofthedistress:
MAYDAY ,MAYDAY ,MAYDAY
Thisis<statenameofvessel3times>
MAYDAY<statenameofvessel1time>
Mypositionis<statelatitudeandlongitude,ortruebearing
anddistancefromaknownpoint.>
Iam<statenatureofdistresse.g.sinking,onreetc.>
Ihave<statenumberofpersonsonboardandanyother
information—drifting,aresredetc.>
IREQUIREIMMEDIATEASSISTANCE
OVER
4.ReleasethePTTbutton.
5.Ifanacknowledgementisnotreceivedthenrepeatsteps
2to4above.
Safetynotices
Warning:Productinstallationand
operation
Thisproductmustbeinstalledandoperatedin
accordancewiththeinstructionsprovided.Failure
todosocouldresultinpersonalinjury,damageto
yourvesseland/orpoorproductperformance.
Warning:Potentialignitionsource
ThisproductisNOTapprovedforusein
hazardous/ammableatmospheres.DoNOTinstall
inahazardous/ammableatmosphere(suchasin
anengineroomornearfueltanks).
Warning:Positivegroundsystems
Donotconnectthisunittoasystemwhichhas
positivegrounding.
Warning:Switchoffpowersupply
Ensurethevessel’spowersupplyisswitchedOFF
beforestartingtoinstallthisproduct.DoNOT
connectordisconnectequipmentwiththepower
switchedon,unlessinstructedinthisdocument.
Warning:Chassisgrounding
DoNOTgroundthisproductusingthechassis
groundterminal.
Groundingthisproducttoavessel’sRFground
maycausegalvaniccorrosion.
Warning:Antennaisolation
Topreventgalvaniccorrosionyourantennamust
beisolatedfromanyvesselmetalworkusinga
suitableinsulatede.g.plastic,mountingbracket.
Warning:FCCWarning(Part15.21)
Changesormodicationstothisequipmentnot
expresslyapprovedinwritingbyRaymarine
IncorporatedcouldviolatecompliancewithFCC
rulesandvoidtheuser’sauthoritytooperatethe
equipment.
Warning:MaximumPermissible
Exposure
Failuretoobservetheseguidelinesmayexpose
thosewithinthemaximumpermissibleexposure
(MPE)radiustoRFradiationabsorptionthat
exceedstheFCCMPElimit.Itistheradio
operator’sresponsibilitytoensurethatnoone
comeswithinthisradius.
Foroptimalradioperformanceandminimalhuman
exposuretoradiofrequencyelectromagnetic
energy,makesuretheantennais:
•connectedtotheradiobeforetransmitting
•locatedwhereitwillbeawayfrompeople
•locatedatleast1.5meters(5feet)fromthe
radio’smainunit
Caution:Powersupplyprotection
Wheninstallingthisproductensurethepower
sourceisadequatelyprotectedbymeansofa
suitably-ratedfuseorautomaticcircuitbreaker.
Importantinformation7

Caution:Performregularradio
checks
Performregularradiocheckswhenusingyour
vessel,asrecommendedinradiotrainingand
certicationschemesandradioequipmentrules
ofuse.
Caution:Ensureproperradiouse
UndernocircumstancesshouldaDSCdistress
alertbesentfromyourradiofortestpurposes.
Suchactionisaviolationofrulesofuseforradio
equipment,andcanresultinheavynes.
Caution:Cleaning
Whencleaningthisproduct:
•DoNOTwipethedisplayscreenwithadrycloth,
asthiscouldscratchthescreencoating.
•DoNOTuseabrasive,oracidorammoniabased
products.
•DoNOTuseajetwash.
GeneralInformation
Wateringress
Wateringressdisclaimer
Althoughthewaterproofratingcapacityofthisproductmeets
thestandardsshowninthetablebelow,waterintrusionand
subsequentequipmentfailuremayoccur,iftheproductis
subjectedtocommercialhigh-pressurewashing.Raymarinewill
notwarrantproductssubjectedtohigh-pressurewashing.
BaseStationIPX6
HandsetIPX7
Active/passivespeakerIPX7
Disclaimer
Raymarinedoesnotwarrantthatthisproductiserror-freeorthat
itiscompatiblewithproductsmanufacturedbyanypersonor
entityotherthanRaymarine.
Raymarineisnotresponsiblefordamagesorinjuriescausedby
youruseorinabilitytousetheproduct,bytheinteractionofthe
productwithproductsmanufacturedbyothers,orbyerrorsin
informationutilizedbytheproductsuppliedbythirdparties.
FCC
ComplianceStatement(Part15.19)
ThisdevicecomplieswithPart15oftheFCCRules.Operation
issubjecttothefollowingtwoconditions:
1.Thisdevicemaynotcauseharmfulinterference.
2.Thisdevicemustacceptanyinterferencereceived,including
interferencethatmaycauseundesiredoperation.
FCCInterferenceStatement(Part15.105(b))
Thisequipmenthasbeentestedandfoundtocomplywiththe
limitsforaClassBdigitaldevice,pursuanttoPart15oftheFCC
Rules.
Theselimitsaredesignedtoprovidereasonableprotection
againstharmfulinterferenceinaresidentialinstallation.This
equipmentgenerates,uses,andcanradiateradiofrequency
energyand,ifnotinstalledandusedinaccordancewith
theinstructions,maycauseharmfulinterferencetoradio
communications.However,thereisnoguaranteethat
interferencewillnotoccurinaparticularinstallation.Ifthis
equipmentdoescauseharmfulinterferencetoradioortelevision
reception,whichcanbedeterminedbyturningtheequipmentoff
andon,theuserisencouragedtotrytocorrecttheinterference
byoneofthefollowingmeasures:
1.Reorientorrelocatethereceivingantenna.
2.Increasetheseparationbetweentheequipmentand
receiver.
3.Connecttheequipmentintoanoutletonacircuitdifferent
fromthattowhichthereceiverisconnected.
4.Consultthedealeroranexperiencedradio/TVtechnician
forhelp.
IndustryCanada
ThisdevicecomplieswithIndustryCanadaLicense-exempt
RSSstandard(s).
Operationissubjecttothefollowingtwoconditions:
1.Thisdevicemaynotcauseinterference;and
2.Thisdevicemustacceptanyinterference,including
interferencethatmaycauseundesiredoperationofthe
device.
ThisClassBdigitalapparatuscomplieswithCanadian
ICES-003.
Licensing
Priortousingthisproductpleasecheckyournational
requirementsforbothoperatorsandequipmentlicensing.
StationLicence
FCCstationlicenserequirement
AnFCCShipRadioStationLicenseandCallSignarenot
requiredformostrecreationalvesselstravellinginUSwaters.
However,youmustobtainalicenseifyourvesseltravelsto
foreignports.
ShipsthatuseMF/HFsingleside-bandradio,satellite
communications,ortelegraphymustbelicensedbytheFCC.
YoucanobtainaStationLicensebylingFCCForm605,which
isavailablefromtheFCCwebsitelistedabove.
IndustryCanada
IndustryCanadalicenserequirement
Youdonotneedalicensetooperatethisproductwithin
sovereignwatersofCanadaortheUS.Youwillneedalicense
tooperatethisradiooutsideofCanadaortheUS.Toobtain
IndustryCanadalicensinginformation,contactthenearesteld
orregionalofce,orwrite:
IndustryCanadaRadioRegulatoryBranch
Attention:DOSP
300SlaterStreet
Ottawa,Ontario
Canada,KIAOC8
Europeanlicensingrequirements
RegulationsinsomeareasrequirethatanOperator’slicenseis
obtainedbeforeoperatingaVHFradio.Itisyourresponsibility
todeterminewhetheralicenseisrequiredinyourareabefore
operatingthisequipment.
Additionalinformation
Thefollowingadditionalinformationisrequiredforcompletinga
licenseapplicationinCanadaandtheUS.
IndustryCanada
certicationnumber
4069B-RAY260D
FCCIDPJ5–RAY260
FCCTypeacceptedParts2,15and80
Outputpower1watt(low)and25watt(high)
ModulationFM
Frequencyrange155.000MHzto165.000MHz
8Ray260

MaritimeMobileServiceIdentity(MMSI)
Thisproductisaclass“D”DigitalSelectiveCalling(DSC)device.
A9digitMMSInumberisrequiredtooperateDSCequipment.
Insomeareas,aradiooperatorlicenseisrequiredbeforean
MMSInumbercanbeissued.
Note:YoucanrequestanMMSInumberfromthesame
agencythatissuesradioorshipradiolicensesinyourarea.
Onceobtained,youcanprogramtheMMSInumberintoyour
productbyfollowingtheinstructionsuppliedwiththeproduct.
Onceobtained,youcanprogramtheMMSInumberintoyour
productusingtheinstructionsprovidedinthishandbook.
Ifregulationsinyourareadonotpermityoutoprogramthe
MMSInumberyourself,yourRaymarinedealercanprogram
thenumberforyou.
ObtaininganMMSInumberintheUnitedStates
YoucanrequestanMMSInumberfromtheFCCwhenyou
applyforaStationLicense.Ifyourvesseldoesnotrequire
alicense,youmayobtainanMMSIbycontactingBoatUS
www.boatus.com.
ObtaininganMMSInumberinCanada
YoucanobtainanMMSInumberfromyournearestIndustry
CanadaOfce.
ObtaininganMMSInumberinEuropeandrestofworld
AmMMSInumbershouldberequestedfromthesameagency
thatissuesradiooperatorlicensesinyourarea.
AutomaticTransmitterIdenticationSystem
(ATIS)
YourproductincludesATISfunctionalityforuseontheinland
waterwaysofcontractinggovernmentsofthe“Regional
ArrangementConcerningtheRadiotelephoneServiceonInland
Waterways”—alsoknownasthe“BaselAgreement”.
ATISaddsdataattheendofradiotransmissionsthatidenties
yourstation.ATISoperationcanbeturnedonoroffasneeded
viatheradio’smenu.
AnATISnumbercanbeobtainedfromthesameagencythat
issuesradiooperatorlicensesinyourarea.
YourATISIDnumberisderivedfromyourvessel’scallsign.
Ifyourcallsignissuitable,yourauthorizedRaymarinedealer
canassistyouindecodingyourATISIDnumber,whichyoucan
thenprogramintoyourproductusingtheinstructionsprovided
inthishandbook.
Note:TheBaselAgreementincludes:Germany,Austria,
Belgium,Bulgaria,Croatia,France,Hungary,Luxembourg,
Moldova,theNetherlands,Poland,Romania,Russian
Federation,theSlovakRepublic,Switzerland,theCzech
Republic,UkraineandtheFederalRepublicofYugoslavia.
Note:WhenATISisenabled,certainprogrammingsteps
havebeenimplementedtoprotecttheintegrityoftheBasel
agreement,includingtheblockingofDSCfunctionswhen
ATISisactive.
EMCinstallationguidelines
Raymarineequipmentandaccessoriesconformtothe
appropriateElectromagneticCompatibility(EMC)regulations,
tominimizeelectromagneticinterferencebetweenequipment
andminimizetheeffectsuchinterferencecouldhaveonthe
performanceofyoursystem
CorrectinstallationisrequiredtoensurethatEMCperformance
isnotcompromised.
ForoptimumEMCperformancewerecommendthatwherever
possible:
•Raymarineequipmentandcablesconnectedtoitare:
–Atleast1m(3ft)fromanyequipmenttransmittingor
cablescarryingradiosignalse.g.VHFradios,cablesand
antennas.InthecaseofSSBradios,thedistanceshould
beincreasedto7ft(2m).
–Morethan2m(7ft)fromthepathofaradarbeam.A
radarbeamcannormallybeassumedtospread20degrees
aboveandbelowtheradiatingelement.
•Theproductissuppliedfromaseparatebatteryfromthatused
forenginestart.Thisisimportanttopreventerraticbehavior
anddatalosswhichcanoccuriftheenginestartdoesnot
haveaseparatebattery.
•Raymarinespeciedcablesareused.
•Cablesarenotcutorextended,unlessdoingsoisdetailedin
theinstallationmanual.
Note:Whereconstraintsontheinstallationprevent
anyoftheaboverecommendations,alwaysensurethe
maximumpossibleseparationbetweendifferentitemsof
electricalequipment,toprovidethebestconditionsforEMC
performancethroughouttheinstallation
AntennamountingandEMEexposure
Ensurethattheantennaisconnectedtotheradiobefore
transmission.
RaymarinedeclaresaMaximumPermissibleExposure(MPE)
radiusof1.5metres(4.9ft)(perOETBulletin65)forthissystem,
assuming25wattsoutputtoanomnidirectionalantennaof3dBi
gainorless.
Forwatercraftwithsuitablestructures,theantennabasemust
beatleast3.5metres(11.5ft)abovethemaindecktomeet
theMPEforpersonsupto2metres(6.6ft)tall.Forwatercraft
withoutsuchstructures,theantennamustbemountedsothat
itsbaseisaminimumof1.5metres(4.9ft)verticallyfromheads
ofallpersons.
Theantennamustbeisolatedfromthevessel’smetalworkusing
aninsulated(e.g.plastic)mountingbracket.
Connectionstootherequipment
Requirementforferritesonnon-Raymarinecables
IfyourRaymarineequipmentistobeconnectedtoother
equipmentusingacablenotsuppliedbyRaymarine,a
suppressionferriteMUSTalwaysbeattachedtothecablenear
theRaymarineunit.
Declarationofconformity
RaymarineUKLtd.declaresthatthisproductiscompliantwith
theessentialrequirementsofR&TTEdirective1999/5/EC.
TheoriginalDeclarationofConformitycerticatemaybeviewed
ontherelevantproductpageatwww.raymarine.com.
Productdisposal
DisposeofthisproductinaccordancewiththeWEEEDirective.
TheWasteElectricalandElectronicEquipment(WEEE)
Directiverequirestherecyclingofwasteelectricalandelectronic
equipment.WhilsttheWEEEDirectivedoesnotapplytosome
Raymarineproducts,wesupportitspolicyandaskyoutobe
awareofhowtodisposeofthisproduct.
Warrantyregistration
ToregisteryourRaymarineproductownership,pleasevisit
www.raymarine.comandregisteronline.
Itisimportantthatyouregisteryourproducttoreceivefull
warrantybenets.Yourunitpackageincludesabarcodelabel
indicatingtheserialnumberoftheunit.Youwillneedthisserial
numberwhenregisteringyourproductonline.Youshouldretain
thelabelforfuturereference.
IMOandSOLAS
Theequipmentdescribedwithinthisdocumentisintendedfor
useonleisuremarineboatsandworkboatsnotcoveredby
InternationalMaritimeOrganization(IMO)andSafetyofLifeat
Sea(SOLAS)CarriageRegulations.
Importantinformation9

Technicalaccuracy
Tothebestofourknowledge,theinformationinthisdocument
wascorrectatthetimeitwasproduced.However,Raymarine
cannotacceptliabilityforanyinaccuraciesoromissionsit
maycontain.Inaddition,ourpolicyofcontinuousproduct
improvementmaychangespecicationswithoutnotice.Asa
result,Raymarinecannotacceptliabilityforanydifferences
betweentheproductandthisdocument.Pleasecheckthe
Raymarinewebsite(www.raymarine.com)toensureyouhave
themostup-to-dateversion(s)ofthedocumentationforyour
product.
10Ray260

2.1Handbookinformation
Thishandbookcontainsimportantinformationregardingyour
DSCVHFRadio.
Ray260handbooks
ThefollowinghandbooksareapplicabletoyourRay260:
Alldocumentsareavailabletodownloadinpdfformatfromthe
Raymarinewebsitewww.raymarine.com.
Handbooks
DescriptionPartnumber
Mountingandgettingstarted88014
Installationandoperation
instructions
81343
Ray260mountingtemplate87167
Speakermountingtemplate87168
SeaTalknghandbooks
DescriptionPartnumber
SeaTalkngreferencemanual
Planningandconnectionofsystemsbasedaroundthe
SeaTalkngnetwork.
81300
SeaTalk–SeaTalkngconverterhandbook
InstallationandconnectionoftheSeaTalk-SeaTalkng
converter.
87121
UsermanualsPrintShop
RaymarineprovidesaPrintShopservice,enablingyouto
purchaseahigh-quality,professionally-printedmanualforyour
Raymarineproduct.
Printedmanualsareidealforkeepingonboardyourvessel,asa
usefulsourceofreferencewheneveryouneedassistancewith
yourRaymarineproduct.
Visithttp://www.raymarine.co.uk/view/?id=5175toordera
printedmanual,delivereddirectlytoyourdoor.
ForfurtherinformationaboutthePrintShop,pleasevisitthePrint
ShopFAQpages:http://www.raymarine.co.uk/view/?id=5751.
Note:
•Acceptedmethodsofpaymentforprintedmanualsare
creditcardsandPayPal.
•Printedmanualscanbeshippedworldwide.
•FurthermanualswillbeaddedtothePrintShopoverthe
comingmonthsforbothnewandlegacyproducts.
•Raymarineusermanualsarealsoavailabletodownload
free-of-chargefromtheRaymarinewebsite,inthepopular
PDFformat.ThesePDFlescanbeviewedonaPC/
laptop,tablet,smartphone,oronthelatestgenerationof
Raymarinemultifunctiondisplays.
2.2Productinformation
TheRay260isaClassDDigitalSelectiveCalling(DSC)VHF
radio.DSCenablesyoutomakeaselectivecalltoaspecic
radio,andtotransmitandreceivepositioninformationtoand
fromtheselectedradio.DSCalsoallowstransmissionof
adistressalerttoallradioswithinrangeatthetouchofa
button.OnceaDSCrequestissentandacknowledgedvoice
communicationiscarriedoutonthechannelchosenbythe
caller.TheradiocantransmitandreceiveonallavailableUS,
CanadianandinternationalandprivatemarineVHFchannels.
Additionalhandsets,active,andpassivespeakerscanbeadded
tothestandardRay260givingupto3fullyfunctionalstations
thatincludeanintercomfunction.
Withanoptionalloudhailerconnectedtheradiocanalsobe
usedasafoghornorloudspeakersystem.
TheRay260isavailableinthefollowingvariants:
VariantDescriptionPartnumber
Ray260US/CanadianvariantE70087
Ray260AISUS/Canadianvariantwith
builtinAISreceiver
E70088
Ray260EEuropeanvariantE70089
Ray260EAISEuropeanvariantwithbuiltin
AISreceiver
E70090
12Ray260

3.1Systemintegration
YourVHFradiocanbeconnectedtothefollowingmarineelectronicsdevices.
0
0
12
56
34
D12 611-1
0
0
ItemDevicetypeMaximumquantitySuitabledevicesConnections
1Ray260handset3(1supplied)Ray260handset1perbasestationhandsetconnection
2ActiveSpeaker3Ray260activespeaker1perhandset
3Passivespeaker3(1supplied)Ray260passivespeaker1perhandset
4Loudhailer1•30WattLoudhailer
•30WattLoudhailerwithlisten-back
power/datacable
5Raymarinemultifunction
display
6TheRay260iscompatiblewiththefollowing
Raymarinemultifunctiondisplays:
•NewaSeries
•NewcSeries
•NeweSeries
•CSeriesWidescreen(NMEA0183DSC
messagesonly)
•ESeriesWidescreen(NMEA0183DSC
messagesonly)
•GSeriessystem(NMEA0183DSC
messagesonly)
SeaTalkngorNMEA0183
6GPSReceiver1•RS130
•RS125
•Raymarinemultifunctiondisplayequipped
withinternalGPS
SeaTalkngorNMEA0183withan
NMEA0183toNMEA2000converter.
Note:TheRay260doesnotsupportconnectiontoNMEA0183andSeaT alkngatthesametime.
14Ray260

3.2Typicalsystems
TheRay260canbeinstalledasastandaloneradiowith
peripheralsoraspartofamarineelectronicsnetwork.
StandaloneDSCVHFradiosystem
0
D12614-2
4
3
12
1.Ray260basestation
2.Handset
3.Handsetextensioncable
4.Passivespeaker
Planningtheinstallation15

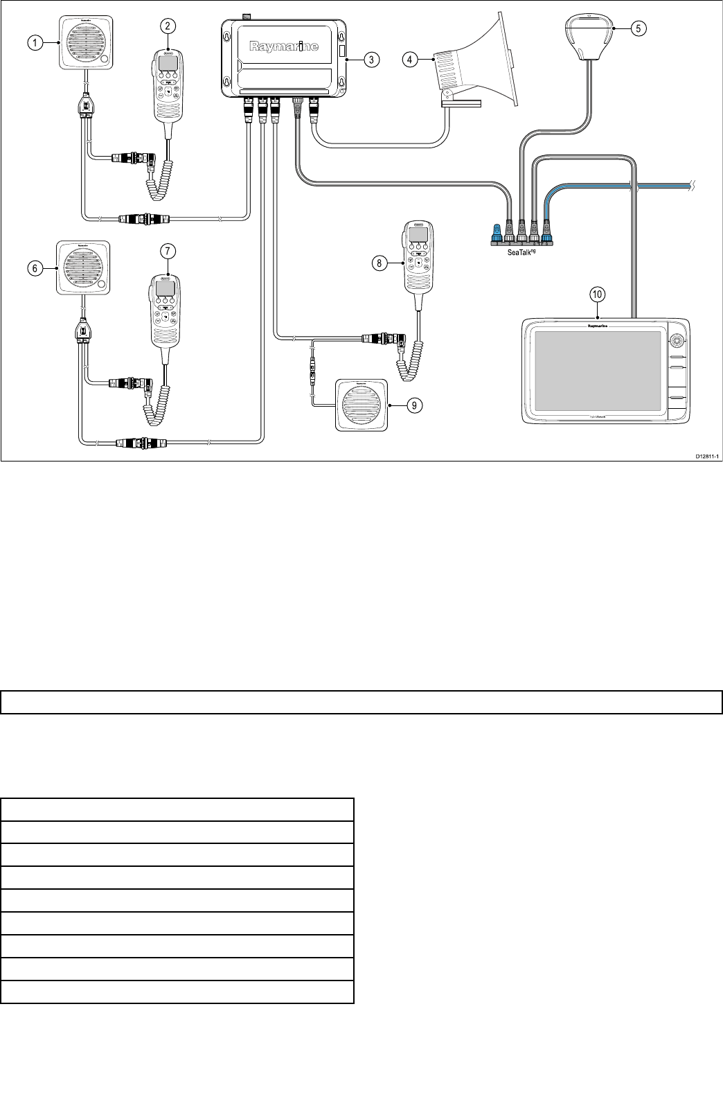
Extendedsystem
0
00
00
SeaTalk
ng
INTCM
INTCM
INTCM
1
6
3
9
5
2
7
10
D1281 1-1
4
8
1.Station1activespeaker
2.Station1handset
3.Ray260basestation
4.Loudhailer
5.GPSreceiver
6.Station2activespeaker
7.Station2handset
8.Station3handset
9.Station3passivespeaker
10.Multifunctiondisplay
Note:Eachhandsetstationcaninclude1passiveand1activespeaker.
3.3Installationchecklist
Installationincludesthefollowingactivities:
InstallationTask
1Planyoursystem.
2Obtainallrequiredequipmentandtools.
3Siteallequipment.
4Routeallcables.
5Drillcableandmountingholes.
6Makeallconnectionsintoequipment.
7Secureallequipmentinplace.
8Poweronandtestthesystem.
3.4Schematicdiagram
Aschematicdiagramisanessentialpartofplanningany
installation.Itisalsousefulforanyfutureadditionsor
maintenanceofthesystem.Thediagramshouldinclude:
•Locationofallcomponents.
•Connectors,cabletypes,routesandlengths.
16Ray260

3.5Systemprotocols
Yourproductcansendandreceivepositioninformation,e.g.
latitudeandlongitudeusinganyofthefollowingprotocols:
•SeaT alkng
•NMEA2000
•NMEA0183
Usingtheseprotocolsenablesyourradiotosendposition
informationtootherdevicesinyoursystemwheneveritreceives:
•aresponsetoaDSCpositionrequest.
•aDSCdistresscall
Note:Y oumayndthatyourproductorsystemdoesnotuse
alloftheprotocolsdescribedinthissection.
Seatalkng
SeaTalkng(NextGeneration)isanenhancedprotocolfor
connectionofcompatiblemarineinstrumentsandequipment.It
replacestheolderSeaT alkandSeaT alk2protocols.
SeaTalkngutilizesasinglebackbonetowhichcompatible
instrumentsconnectusingaspur.Dataandpowerarecarried
withinthebackbone.Devicesthathavealowdrawcanbe
poweredfromthenetwork,althoughhighcurrentequipmentwill
needtohaveaseparatepowerconnection.
SeaTalkngisaproprietaryextensiontoNMEA2000andthe
provenCANbustechnology.CompatibleNMEA2000and
SeaTalk/SeaT alk2devicescanalsobeconnectedusingthe
appropriateinterfacesoradaptorcablesasrequired.
NMEA2000
NMEA2000offerssignicantimprovementsoverNMEA0183,
mostnotablyinspeedandconnectivity.Upto50unitscan
simultaneouslytransmitandreceiveonasinglephysicalbusat
anyonetime,witheachnodebeingphysicallyaddressable.The
standardwasspecicallyintendedtoallowforawholenetwork
ofmarineelectronicsfromanymanufacturertocommunicateon
acommonbusviastandardizedmessagetypesandformats.
NMEA0183
TheNMEA0183DataInterfaceStandardwasdevelopedby
theNationalMarineElectronicsAssociationofAmerica.Itisan
internationalstandardtoenableequipmentfrommanydifferent
manufacturerstobeconnectedtogetherandshareinformation.
TheNMEA0183standardcarriessimilarinformationtoSeaT alk.
Howeverithastheimportantdifferencethatonecablewillonly
carryinformationinonedirection.ForthisreasonNMEA0183
isgenerallyusedtoconnectadatareceiverandatransmitter
together,e.g.acompasssensortransmittingheadingtoaradar
display.Thisinformationispassedin‘sentences’,eachofwhich
hasathreelettersentenceidentier.Itisthereforeimportant
whencheckingcompatibilitybetweenitemsthatthesame
sentenceidentiersareusedsomeexamplesofwhichare:
•VTG-carriesCourseandSpeedOverGrounddata.
•GLL-carrieslatitudeandlongitude.
•DBT-carrieswaterdepth.
•MWV-carriesrelativewindangleandwindspeeddata.
NMEABaudrates
TheNMEA0183standardoperatesatanumberofdifferent
speeds,dependingupontheparticularrequirementorequipment
capabilities.Typicalexamplesare:
•4800baudrate.Usedforgeneralpurposecommunications,
includingFastHeadingdata.
•38400baudrate.UsedforAISandotherhighspeed
applications.
3.6Partssupplied
ThepartssuppliedwithyourRay260areshownbelow.
00
1
5
9
13
678
2
11
3
4
10
12
D12624-2
1Ray260Basestation
2Ray260Handset
3Ray260Passivespeakerwith1.5m(4.9ft.)speakercable
attached
4Speakergasket
54xscrewsforbasestationmounting
62xScrewsforhandsetmounting
7SeaTalkngblankingplug
82xhandsetstationblankingplugs
9Handsetextensionkit
104xThumbnutandstudsforspeakermounting
11Handsetmountingclip
12Documentationpack
13Power/Datacable1m(3.3ft.)
Handsetextensionkitcontents
Thehandsetextensionkitincludesthepartsshownbelow.
1
45
67
3
2
D12649-1
1Splash-proofcap
2Nut
3Extensioncable10m(32.8ft.)
4Washer
53xMountingscrews
6Gasket
7Mountingplate
Planningtheinstallation17

18Ray260

Chapter4:Cablesandconnections
Chaptercontents
•4.1Generalcablingguidanceonpage20
•4.2Connectionsoverviewonpage20
•4.3Powerconnectiononpage21
•4.4NMEA0183connectiononpage22
•4.5Loudhailerconnectiononpage22
•4.6Handsetconnectiononpage23
•4.7Passivespeakerconnectiononpage23
•4.8Activespeakerconnectiononpage24
•4.9SeaTalkngconnectiononpage24
Cablesandconnections19

4.1Generalcablingguidance
Cabletypesandlength
Itisimportanttousecablesoftheappropriatetypeandlength
•Unlessotherwisestateduseonlystandardcablesofthe
correcttype,suppliedbyRaymarine.
•Ensurethatanynon-Raymarinecablesareofthecorrect
qualityandgauge.Forexample,longerpowercablerunsmay
requirelargerwiregaugestominimizevoltagedropalongthe
run.
Routingcables
Cablesmustberoutedcorrectly,tomaximizeperformanceand
prolongcablelife.
•DoNOTbendcablesexcessively.Whereverpossible,ensure
aminimumbenddiameterof200mm(8in)/minimumbend
radiusof100mm(4in).
100 mm (4 in)
200 mm (8 in)
•Protectallcablesfromphysicaldamageandexposuretoheat.
Usetrunkingorconduitwherepossible.DoNOTruncables
throughbilgesordoorways,orclosetomovingorhotobjects.
•Securecablesinplaceusingtie-wrapsorlacingtwine.Coil
anyextracableandtieitoutoftheway.
•Whereacablepassesthroughanexposedbulkheador
deckhead,useasuitablewatertightfeed-through.
•DoNOTruncablesneartoenginesoruorescentlights.
Alwaysroutedatacablesasfarawayaspossiblefrom:
•otherequipmentandcables,
•highcurrentcarryingacanddcpowerlines,
•antennae.
Strainrelief
Ensureadequatestrainreliefisprovided.Protectconnectors
fromstrainandensuretheywillnotpulloutunderextremesea
conditions.
Circuitisolation
Appropriatecircuitisolationisrequiredforinstallationsusing
bothACandDCcurrent:
•Alwaysuseisolatingtransformersoraseparatepower-inverter
torunPC’s,processors,displaysandothersensitiveelectronic
instrumentsordevices.
•AlwaysuseanisolatingtransformerwithWeatherFAXaudio
cables.
•Alwaysuseanisolatedpowersupplywhenusinga3rdparty
audioamplier.
•AlwaysuseanRS232/NMEAconverterwithopticalisolation
onthesignallines.
•AlwaysmakesurethatPC’sorothersensitiveelectronic
deviceshaveadedicatedpowercircuit.
Cableshielding
Ensurethatalldatacablesareproperlyshieldedthatthe
cableshieldingisintact(e.g.hasn’tbeenscrapedoffbybeing
squeezedthroughatightarea).
Blankingplugs
Connectorsnotinuseshouldbeprotectedusingblankingplugs.
Connectorsontheproductoraccompanyingcables,thatare
notinuse(notconnected),shouldbecoveredusingblanking
plugsifsupplied.
4.2Connectionsoverview
TheconnectionsshownbelowareavailableontheRay260
Basestation.
23456
1
D12812-1
1Antennaconnection
2HS1—Station1port
3HS2—Station2port
4HS3—Station3port
5SeaTalkngconnection
6Power/NMEA0183/Loudhailerconnection
20Ray260

4.3Powerconnection
Thepowerconnectionsrequiredareshownbelow.
D12 61 2-1
7
8
1
5
34
2
6
1.Ray260basestation.
2.Powercable.
3.Redpositivewire.
4.In-line10Afuse.
5.Blacknegativewire.
6.In-line10Afuse.
7.NMEA0183wires.
8.Loudhailerwires
Warning:Chassisgrounding
DoNOTgroundthisproductusingthechassis
groundterminal.
Groundingthisproducttoavessel’sRFground
maycausegalvaniccorrosion.
Grounding
Thisproductisgroundedthroughthe0Vdcnegativewireon
thepowercableanddoesnotrequireadrain(shield)tobe
connectedtothebasestation’sgroundterminal.
Warning:Positivegroundsystems
Donotconnectthisunittoasystemwhichhas
positivegrounding.
Breakers,fusesandcircuitprotection
Thepowercableincludesanin-linefuse.Itisrecommendedthat
youtanadditionalthermalbreakerorfuseatthedistribution
panel.
In-linefuseratingThermalbreakerrating
10Ain-lineslow-blowfusetted
withinpowercable
7A(ifonly1deviceisconnected)
Note:Thesuitablefuseratingforthethermalbreakeris
dependentonthenumberofdevicesyouareconnecting.Ifin
doubtconsultanauthorizedRaymarinedealer.
Sharingabreaker
Wheremorethan1pieceofequipmentsharesabreakeryou
mustprovideprotectionfortheindividualcircuits.E.g.by
connectinganin-linefuseforeachpowercircuit.
D116 37-2
2
4 4
1
3
+-
1Positive(+)bar
2Negative(-)bar
3Circuitbreaker
4Fuse
Wherepossible,connectindividualitemsofequipmentto
individualcircuitbreakers.Wherethisisnotpossible,use
individualin-linefusestoprovidethenecessaryprotection.
Cablesandconnections21

4.4NMEA0183connection
TheNMEA0183wiresonthepower/datacablecanbeusedto
connecttheradiotoaGPSreceiveroraRaymarinemultifunction
display.
Note:ConnectionscannotbemadeusingSeaT alkngand
NMEA0183atthesametime.
D12 61 3-1
3
4
5
6
12
1.Ray260basestation.
2.Power/datacable.
3.Yellow–Receivepositive(+)wire.
4.Green–Receivenegative(-)wire.
5.White–Transmitpositive(+)wire.
6.Brown–Transmitnegative(-)wire.
TheNMEAwiresontheproduct’spower/datacableshould
beconnectedtoacompatibleNMEA0183devicesasshown
inthetablebelow:
Ray260NMEA0183device
Yellow–Receivepositive(+)toTransmitpositive(+)
Green–Receivenegative(-)toTransmitnegative(-)
White–Transmitpositive(+)toReceivepositive(+)
Brown–Transmitnegative(-)toReceivenegative(-)
ConnectingNMEA0183wires
NMEA0183wiresshouldbeconnectedsecurelyandcoveredto
preventcorrosion.
4.5Loudhailerconnection
Asingle30wattloudhailercanbeconnectedtothebasestation
viatheloudhailerwiresonthepower/datacable.
2
1
D12813-1
1(+)Hailerwire(Purple)
2(-)Hailerwire(Gray)
Connectingloudhailerwires
Loudhailerwiresshouldbeconnectedsecurelyandcoveredto
preventcorrosion.
22Ray260

4.6Handsetconnection
Upto3stationscanbeconnectedtothebasestation.Astation
mustincludeofahandsetandcanincludeapassiveand/or
activespeaker.Ahandsetmustbeconnectedtothestation
1port(HS1),thishandsethaspriorityoverotherconnected
handsets.
00
0
INTCM
3
1
5
6
2
4
D12814-1
1Activespeaker
2Handset
3Basestation
4Passivespeaker
510m(32.8ft.)Handsetextensioncable
610m(32.8ft.)Handsetextensioncablewithpassive
speakerconnector
Optionalextensioncablescanalsobeusedtoincreasethe
distanceofthehandsetfromthebasestation,ortoadda
passivespeaker.
Note:Themaximumextendedcablelengthfrombasestation
tohandsetis50metres(164ft).
Connectinghandsetsandcables
Followthestepsbelowtoconnecthandsetsandextension
cablestogether.
1.Ensurethecableconnectorsarecorrectlyorientated.
2.Ensureconnectorsarefullyinserted.
3.TightenlockingcollarsbyRotatingclockwise.
4.7Passivespeakerconnection
Apassivespeakercanbeconnectedtoeachhandsetextension
cableusingtheexternalspeakerwires.
0
D12614-2
4
3
12
1.Ray260basestation.
2.Handset.
3.Handsetextensioncable.
4.Passivespeaker.
Connectingpassivespeakers
Passivespeakersmustbeconnectedtothesystemasdescribed
below.
1.Connectthepassivespeakerconnectionofthehandset
extensioncabletothespeakerconnectoronthepassive
speakercable.
Cablesandconnections23

4.8Activespeakerconnection
Anoptionalactivespeakercanbeconnectedtoeachofhandset.
D12647-1
00
1
4
2
3
1Basestation
2Activespeaker
3Handset
4Handsetextensioncable
Activespeakersconnectinlinewiththehandset
Connectingactivespeakers
Activespeakersmustbeconnectedtothesystemasdescribed
below.
00
D12648-1
1
2
1Connector(1)mustbeconnectedeitherdirectlytothe
handsetortothehandsetviaanextensioncable
2Connector(2)mustbeconnectedeitherdirectlytothebase
stationortothebasestationviaanextensioncable
1.Ensurethecableconnectorsarecorrectlyorientated.
2.Ensureconnectorsarefullyinserted.
3.TightenlockingcollarsbyRotatingclockwise.
4.9SeaTalkngconnection
TheRay260caninterfacewithRaymarineGPSreceiversand
RaymarinemultifunctiondisplaysusingtheSeaT alkngconnector.
ARaymarineSeaT alkngGPSreceivercannotbeconnected
directlytotheBasestationasGPSreceiversarepoweredvia
theSeaT alkngbackbone.
Note:ConnectionscannotbemadeusingSeaT alkngand
NMEA0183atthesametime.
ConnectingSeaTalkng
TheRay260caninterfacewithRaymarineGPSreceivers
andRaymarinemultifunctiondisplaysthroughtheSeaT alkng
connector.
BeforeconnectingtoSeaTalkng,refertotheSeaTalkng
ReferenceManual,toensurethatthemaximumpermittedLoad
EquivalenceNumber(LEN),fortheSeaT alkngsystemisnot
exceededoncethisproductisconnected.
D12615-1
1.RotatetheSeaTalkngconnector’slockingcollaranti
clockwise,totheunlockposition.
2.Ensurethespurcableconnectoriscorrectlyorientated.
3.FullyinsertthespurcableconnectorintotheSeaT alkng
connectorontheunit.
4.Rotatethelockingcollarclockwise2clicks,tothelocked
position.
24Ray260

5.1Generallocationrequirements
Whenselectingalocationfortheunititisimportanttoconsidera
numberoffactors.
AntennamountingandEMEexposure
Ensurethattheantennaisconnectedtotheradiobefore
transmission.
RaymarinedeclaresaMaximumPermissibleExposure(MPE)
radiusof1.5metres(4.9ft)(perOETBulletin65)forthissystem,
assuming25wattsoutputtoanomnidirectionalantennaof3dBi
gainorless.
Forwatercraftwithsuitablestructures,theantennabasemust
beatleast3.5metres(11.5ft)abovethemaindecktomeet
theMPEforpersonsupto2metres(6.6ft)tall.Forwatercraft
withoutsuchstructures,theantennamustbemountedsothat
itsbaseisaminimumof1.5metres(4.9ft)verticallyfromheads
ofallpersons.
Theantennamustbeisolatedfromthevessel’smetalworkusing
aninsulated(e.g.plastic)mountingbracket.
Compasssafedistance
Topreventpotentialinterferencewiththevessel'smagnetic
compasses,ensureanadequatedistanceismaintainedfrom
theproduct.
Whenchoosingasuitablelocationfortheproductyoushould
aimtomaintainaminimumdistanceof1m(3.28ft)between
anypartoftheradio(i.e.transceiver,handsetorspeaker)and
anycompasses.
Ventilationrequirements
Toprovideadequateairow:
•Ensurethatequipmentismountedinacompartmentof
suitablesize.
•Ensurethatventilationholesarenotobstructed.
•Ensureadequateseparationofequipment.
Mountingsurfacerequirements
Ensureunitsareadequatelysupportedonasecuresurface.Do
NOTmountunitsorcutholesinplaceswhichmaydamagethe
structureofthevessel.
Cableroutingrequirements
Ensuretheunitismountedinalocationwhichallowsproper
routingandconnectionofcables:
•Minimumcablebendradiusof100mm(3.94in)isrequired
unlessotherwisestated.
•Usecablesupportstopreventstressonconnectors.
Wateringress
Basestation
AlthoughthebasestationiswaterprooftoIPX6standard,itis
recommendedthatthebasestationbemountedbelowdecks,
inanareaprotectedfromprolongedanddirectexposuretorain
andsaltspray.
Handsetandspeakers
Thehandsets,passivespeakers,andactivespeakersare
waterprooftoIPX7andcanbemountedaboveorbelowdecks.
Althoughtheunitiswaterproof,itisgoodpracticetolocateitin
anareaprotectedfromprolongedanddirectexposuretorain
andsaltspray.
Electricalinterference
Selectalocationthatisfarenoughawayfromdevicesthat
maycauseinterference,suchasmotors,generatorsandradio
transmitters/receivers.
Powersupply
Selectalocationthatisascloseaspossibletothevessel’sDC
powersupply.Thiswillhelptokeepcablerunstoaminimum.
5.2Basestationdimensions
ThedimensionsoftheRay260basestationareshownbelow.
C
D12606-1
A
B
D
A269.5mm(10.6in)
B168mm(6.6in)
C66.12mm(2.6in)
D80.0mm(3.15in)
Handsetdimensions
Thedimensionsofthehandsetareshownbelow.
0
0
0
INTCM
ADC
B
D12609-2
A65.4mm(2.57in)
B154.4mm(6.07in)
C7mm(0.275in)
D38.5mm(1.5in)
Speakerdimensions
ThedimensionsoftheRay260passive/activespeakerare
shownbelow.
Note:Thepassivespeakerdoesnothaveavolumecontrol
knob.
26Ray260

0
A
G
B
CD E F
D12607-1
A112mm(4.4in)
B112mm(4.4in)
C20.3mm(0.799in)
D15.55mm(0.61in)
E25mm(0.98in)
F30mm(1.18in)
G91.5mm(3.6in)
5.3Basestationmounting
InordertomounttheRay260basestationfollowthestepsbelow.
Note:Raymarinerecommendsmountingtheunitvertically.
123
D12 24 2-1
1.Checktheselectedlocationfortheunit,aclearatarea
withsuitableclearanceforairventilationaroundtheunitis
required.
2.SecuretheBasestationmountingtemplateinthechosen
locationusingadhesivetape.
3.Drills4holesatthemarkedlocationonthetemplate.
4.Removethemountingtemplate.
5.Screwinthesuppliedxingscrewsapproximatelyhalfway
intotheholes.
6.Placetheunitontothexingscrews.
7.Pushtheunitdowntoengagethekeyslotsintheunit.
8.Tightenthescrews.
Note:Drillbit,tapsizeandtighteningtorqueisdependenton
thethicknessandtypeofmaterialtheunitistobemountedon.
Locationandmounting27

5.4Speakermounting
Inordertomountapassiveoractivespeakerfollowthesteps
below.
D12608-1
0
Thespeakerisdesignedtobeushmounted.
1.Checktheselectedlocationfortheunit,aclearatareais
required.
2.Cutouttheidentiedshadedarea(s)fromthemounting
template
3.Fixthespeakermountingtemplate(supplied)totheselected
location,usingadhesivetape.
4.Drillouttherequiredmountingholes,asindicatedonthe
mountingtemplate.
5.Ifpossibleuseanappropriatesizeholecuttingsawandcut
outthecenterhole,or
6.Usingasuitableholecuttingsaw,makepilotholesineach
cornerofthecutoutareaandusingajigsawcutalongthe
insideedgeofthecutoutline.
7.Removethemountingtemplate.
8.Ensurethattheunittsintotheremovedareaandthenle
aroundthecutedgesuntilsmooth.
9.Feedthespeakercablethroughthecutoutholeand
connecttheoppositeendofthespeakerwiretotherelevant
connector.
10.Attachthe4xmountingstudstotherearofthespeaker.
11.Holdthespeakerintoplaceandsecurebytighteningthe
providedthumbnutsontothemountingstuds.
5.5Handsetmounting
Inordertomountthehandsetclipfollowthestepsbelow.
0
0
0
00
0
0
0
0
0
0
0
0
0
0
0
0
0
0
0
0
0
0
0
0
0
D12 61 0-1
0
0
0
0
0
0
1.Checktheselectedlocationforthehandsetclip,aclearat
areaisrequired,withsufcientspacearoundittoplaceand
removethehandset.
2.Usingapencil,offerupthehandsetcliptothedesired
locationandmarkthelocationofthescrewholesonthe
mountingsurface.
3.Drillthemountingholesusingasuitablesizedrillbit.
4.Holdtheclipinplaceandsecureusingthescrewsprovided.
Note:Drillbit,tapsizeandtighteningtorqueisdependenton
thethicknessandtypeofmaterialtheunitistobemountedon.
Pass-throughpanelplatemounting
Wheninstallingthehandsetusethesupplied,handsetextension
cablekittopassthecablethroughapanel(e.g.bulkhead).
D12192-1
1
5
2
6
7
3
4
1Splash-proofcap
2Mountingscrewsx3
3Mountingplate
4Gasket
5Nut
6Washer
7Extensioncableconnector
1.Checktheselectedlocationforthemountingofthehandset
cableextensionmountingplate,aclearatareaisrequired.
2.Usingapencil,offerupthemountingplatetothedesired
locationandmarkthelocationofthescrewholesandthe
centerholeonthemountingsurface.
3.Drillthemountingholesusingasuitablesizedrillbit.
4.Drillthecenterholeusinga25mm(1in.)holecuttingsaw.
5.Holdtheclipinplaceandsecureusingthescrewsprovided.
28Ray260

6.Pulltheconnectorendofthecablethroughtheholeinthe
mountingpanel.
Note:Thehandsetextensioncableincludesaspeakercable.
Ifyouarenotconnectinganexternalpassivespeakerthen
coverthespeakercablewithwaterprooftapeorsealantto
preventcorrosion.
7.Insertthewasher(labelled6inthediagrambelow)overthe
endoftheconnector.
8.Insertthegasket(labelled4inthediagramabove)overthe
endoftheconnector.
9.Insertthemountingplate(labelled3inthediagramabove)
overtheendoftheconnector,ensuringthatthescrewholes
arealignedwiththerespectiveholesinthegasketandthe
mountingpanel.
10.Placethenut(labelled5inthediagramabove)overthe
connectorandtightenclockwiseusinga13/16in.(21mm)
socketwrench.
11.Alignthesmallendofthesplash-proofcap(labelled1inthe
diagramabove)withoneofthescrewholesonthegasket.
12.Securethemountingplatetothemountingsurfaceusingthe
suppliedscrews.
13.Attachthehandsetormicrophonetothecableconnectorand
rotateclockwisetosecure.
14.Connecttheoppositeendofthecabletotherequired
connectoreitheronthebasestationortoanother
pass-throughpanelplateconnector.
Note:Drillbit,tapsizeandtighteningtorqueisdependenton
thethicknessandtypeofmaterialtheunitistobemountedon.
Locationandmounting29

30Ray260

Chapter6:Gettingstarted
Chaptercontents
•6.1Controlsonpage32
•6.2Switchingtheradioononpage32
•6.3Switchingtheradiooffonpage33
•6.4Voltagedetectiononpage33
•6.5HandsetdisplayLCDoverviewonpage34
•6.6EnteringyourMMSInumberonpage35
•6.7EnteringyourATISIDonpage36
•6.8SelectingNMEA0183orSeaT alkngconnectiononpage37
•6.9Regionalprogrammingonpage37
•6.10AdjustingtheLCDbacklightlevelonpage38
•6.11AdjustingtheLCDcontrastonpage38
•6.12Changingthetransmitpoweronpage39
•6.13GPSsetuponpage39
•6.14Handsetstationpriorityonpage40
Gettingstarted31

6.1Controls
Youcanaccessallfunctions,withtheexceptionofadjustingthe
activespeakervolume,fromthehandset.
INTCM
1
2
5
6
7
8
3
4
1
2
5
6
7
8
3
4
Ray260 / Ray260 AIS Ray260E / Ray260E AIS
D12616-2
INTCM
1.PTT(Pushtotalk)
Pressandholdtosendavoicemessage.Releasetoreturn
toreceivemode.
Note:Themaximumtransmittimeislimitedto5minutes
topreventun-intentionaltransmissionsfromoccupying
theVHFchannel.
2.VOL/SQ
•Adjustsvolumeupanddown.
•Pressandreleasethecenterbuttontoactivatethe
squelchthresholdadjustment.
•Withsquelchactivatedusetheupanddownbuttonsto
increaseanddecreasethesquelchlevel.
3.CLEAR/WXorCLEAR
•Pressandreleasetoterminateafunctionandreturnto
thelastusedchannel.
•Pressandholdfor3secondstoselecttheweathermode
(NorthAmericaandCanadaonly).
4.16/9or16PLUS
•Presstopoweruptheradio.
•Pressandholdfor5secondstopoweroff.
•Whenpoweredonpresstocyclebetweenpriority
channelsandlastusedchannel.
5.Softbuttons
Thesoftbutton’sfunctionschangeaccordingtocontext,
suchasnavigatethroughmenusortomakeamenu
selection.Presstoselectthecorrespondingfunctionsas
identiedbytheon-screenlabel.
6.MENU/DSC
•Pressandreleasetoaccesstheradiomenu.
•Pressandholdfor3secondstoaccesstheDSCmenu.
7.OK/INTCM
•Pressandreleaseonmenuoptionstoconrmaselection
orvalue.
•Pressandholdfor3secondstoopentheintercommenu.
8.ChannelUpandDown
•Movestheselectedchannelupordown.
•Scrollsupordownthroughmenuitems.
9.DISTRESS
TheDistressbuttonislocatedonthebackofthehandset.
Pushupthespringloadedcoverandpressthisbuttonto
makeaDSCdistresscall.
6.2Switchingtheradioon
Topowertheradioonusinganyconnectedhandsetfollowthe
stepsbelow.
Withthepoweroff:
1.Pressthered16/9/16PLUSbutton.
TheradiowillpowerupandtheradiosMMSInumberis
displayedon-screenforapproximately3secondsbefore
displayingthemainscreen.
RAY2 6 0 E V2 . 0 0 A
MY MMSI I S
1 2 3 4 5 6 7 8 9
RAY2 6 0 E V2 . 0 0 A
INPUT MMSI
TO ACTI VATE DSC
PRESS CLEAR
TO CONTI NUE
12
D12617-1
1StartupscreenwithMMSIregistered(autodismissesafter3
seconds).
2StartupscreenwithnoMMSIregistered(PressCLEARto
dismiss).
Note:IfnoMMSInumberhasbeenprogrammedthenan
alarmissoundedandawarningmessageisdisplayed
INPUTMMSITOACTIVATEDSC—PRESSCLEARTO
CONTINUE.DSCfunctionswillnotbeavailableuntilanMMSI
numberhasbeenentered.
32Ray260

6.3Switchingtheradiooff
Toswitchtheradioofffollowthestepsbelow.
Withtheradioswitchedon:
1.Pressandholdthe16/9buttonfor5seconds.
6.4Voltagedetection
Theradiodetectsthepowersupplyvoltageandawarningis
displayedifthesupplyvoltageisunderoroverrecommended
power.
Anovervoltagewarningisdisplayediftheradio’ssupplyvoltage
isbetween15.7Vdcand16.0Vdc.Theradiowillautomatically
powerdownifthesupplyvoltageexceeds16.5Vdc,thewarning
willbecancelledwhentheradiospowersupplyvoltagefails
below15.6Vdc.
Anundervoltagealarmisdisplayediftheradio’ssupplyvoltage
is10.5Vdcorless.Theradiowillbeunabletooperatereliably
below10.5Vdc.
Gettingstarted33

6.5HandsetdisplayLCDoverview
Theinformationbelowdescribestheon-screencharactersand
iconswhichtheradiodisplaysonthemainscreenandwhat
theymean.
0016
0001A 0028A 0088A
CHANNEL NAME
INT DUP
RX TX HI LO ATI S SAVED LOCAL FAV1 2 3
A
DL WATCH
0 0 0 9
M8 2 ° 3 4 .5 N
1 2 3 ° 4 5 .6 W
AM0 1 :2 3 UT
3
4
6
7
8
5
21
D12618-1
1.Duplex
•DUP—Indicatesthecurrentchannelisduplex.
2.Channelsufx
•A—IndicatesthatthecurrentlyselectedUSorCanadian
channelissimplex,althoughitsInternationalequivalent
issemi-duplex(05A,forexample).Thischanneluses
thetransmitfrequencyoftheInternationalchannelfor
transmittingandreceiving.Ifachannelissimplexinall3
channelsets(US,CanadianandInternational—channel
6forexample),thedoesnotrequiretheAsufx.
Note:Simplexmeansthattheradiotransmitsand
receivedonthesamefrequencyforthischannel.
Semi-duplexchannelsuseseparatefrequenciesto
transmitandreceive.
•B—Indicatesthatyoucannottransmitonthecurrently
selectedchannelasitisreceiveonly.UsedwithCanadian
channelsonly.
3.ICONS
Theicondenitionsarelistedbelow:
•RX(Receiving)—Indicatesthattheradioisreceivinga
radiosignal.
•TX(Transmitting)—IndicatesthePTTbuttonisbeing
pressedandtheradioistransmitting.
•HI(Highpower)—Indicatesthatthetransmitterspower
issettohigh(25watts).
•LO(Lowpower)—Indicatesthatthetransmitterspower
issettolow(1watt).
•ATIS(ATISactive)—IndicatesATIStransmissionis
enabled.OnlyavailableinEuropeancountriesusingthe
internationalchannelset.
•SAVED(Memorymode)—Indicatesthecurrentchannel
hasbeensavedinmemory.Appearsduringsavedscan
andprioritysavedscanmodes.
•LOCAL(Local/distantmode)—Indicatestheradioisin
localreceptionmode,whichdecreasesreceiversensitivity
inhightrafcareastodecreaseunwantedreception.
•FAV123(Favoritechannel)—Indicateswhichofthe
3favoritechannelbanksiscurrentlyselected.Each
bankdisplaysadifferentfavoritechannelthatyouhave
assignedforeachofthe3softbuttonlabelsatthebottom
ofthescreen.Thisgivesyouatotalof9favoritechannels
thatyoucanswitchtoatthepressofabutton.
•(Telephoneicon)—Indicatesthattheradiohas
receivedavoicemail.
•(Automaticchannelchangingblockedicon)—
Indicatesthatyourradiowillnotautomaticallyswitchto
thechannelrequestedbyanincomingDSCcallbutwill
promptyoutomanuallyacceptordeclinethechannel
changerequest.AppliestoDistressandAllshipsUrgency
callsonly.
•(Satelliteicon)—Indicatesthatpositionaldatais
availablefromyourGPS.
•(Envelopeicon)—Whenashing,indicatesthatthe
radiohasreceivedaDSCcall.Detailsofthecallcanbe
viewedintheDSCreceivedcallslog.
•(Cloudicon)—Indicatesthattheradioismonitoring
forweatheralertbroadcasts.USandCanadaonly.
4.Frequencygroup
Indicateswhichchannelsetisselected:
•USA—UnitedStatesofAmerica.
•INT—International.
•CAN—Canada.
•WX—Weather
Note:SpeciallicensingisrequiredtoreceiveUSAand
Canadianchannelsets.
5.Information
•Indicatesradiofunctions,GPSpositiondataorspecial
conditions,dependingonthesituation.Thescreenis
differentwhentransmitting/receivingaDSCcallorsetting
upamenuitem.
6.Channel
Indicatesthecurrentlyselectedchannel.
7.Channelname
Indicatesthechannelname.
8.Softbuttonlegends
Indicatesthecurrentfunctionoftheassociatedsoftbuttons.
DSCCallscreenoverview
WhentransmittingorreceivingaDSCcall,speciccall
informationisshownon-screen.
OK PAUSE P1 / 4
RX HI
DI STRESS 0 0 ' 0 1
ALERT
FROM:123456789
EVENT:UNDESI G
234
1
5
D12619-1
1.DSCcallinformation
TheDSCcallinformationdetails.
2.Leftsoftbuttonfunction
Inthisexamplepressingtheleftsoftbuttonwillacceptthe
incomingdistresscall.
3.Centersoftbuttonfunction
Inthisexamplepressingthecentersoftbuttonwillpause
thecurrentDSCcall.
4.Rightsoftbuttonfunction
Inthisexampletherightsoftbuttonisindicatingthatthe
DSCinformationbeingshownispage1of4pageof
information,pressingtherightsoftbuttonwilldisplaythe
nextpageofinformation.
5.Calltime
Thetimethecurrentcallhasbeenactive.
34Ray260

Menuscreenoverview
Theradio’smenuoptionscanbeviewedon-screen.
OK
HI
- - - MAI N MENU- - - -
HAI L/ I NTRCOM/ FOG
GPS SETUP
CONNECTI ON
2
1
6
543
D12620-1
1.Selectionarrow
Indicatesthecurrentlyhighlightedmenuitem.
2.Menuitems
Thisisalistoftheavailablemenuitems.
3.OK
SelectingOKwillopenthehighlightedmenuoption
4.Uparrow
Indicatesthattherearemoremenuoptionsabove,which
canbeaccessedbypressingtherightsoftbutton.
5.Downarrow
Indicatesthattherearemoremenuoptionsbelow,which
canbeaccessedbypressingthecentersoftbutton.
6.Menuname
Indicatesthemenucurrentlydisplayed.
6.6EnteringyourMMSInumber
ToprogramyourradiowithyourMMSInumberfollowthesteps
below.
OK
HI
- - - - DSC MENU- - - -
RECEI VED CALLS
MY MMSI
PHONEBOOK
BACK
HI
- MY MMSI - - - - - - - -
ENTER MY MMSI
MMSI :- --------
BACK
HI
- MY MMSI - - - - - - - -
ENTER AGAI N
MMSI :- --------
BACK
HI
- MY MMSI - - - - - - - -
ENTER MY MMSI
MMSI :1 2 3 4-----
BACK OK
HI
- MY MMSI - - - - - - - -
ENTER MY MMSI
MMSI :123456789
PRESS [OK
]
BACK OK
HI
- MY MMSI - - - - - - - -
ENTER AGAI N
MMSI :123456789
PRESS [OK
]
NO YES
HI
- MY MMSI - - - - - - - -
CONFI RMED
MMSI :1 2 3 4 5 6 7 8 9
REGI STER
?
BACK
HI
- MY MMSI - - - - - - - -
MMSI :123456789
D12 62 1-1
1.PressandholdtheMENU/DSCbuttontodisplaytheDSC
menu.
2.SelectMYMMSIfromtheDSCmenu.
•IfNOMMSIIDCONTACTDEALERisdisplayedon-screen
thenyoumustcontactyourlocalRaymarinedealerand
requestthemtoinputtheMMSInumberforyou.
•IfENTERMYMMSIisdisplayedthenyoucanmanually
enteryourMMSI.TherstcharacteroftheblankMMSI
numberwillbehighlighted.
Note:If‘0’isenteredastherstdigitthentheseconddigitwill
automaticallybechangedtoa‘0’.MMSInumbersbeginning
with‘0’areonlyforusebytheCoastGuard.
3.UsetheChannelUpandDownbuttonstocyclethrough
availablenumbers.
4.SelectOktomovetothenextcharacter.
5.Repeatsteps3and4aboveuntilthefull9digitMMSInumber
isdisplayedon-screen.
6.YoucanalsousetheRightarrowandLeftarrowsoft
buttonstochangewhichcharacterishighlighted.
7.WhennishedselectOktoconrmtheMMSInumber.
YouwillberequestedconrmtheMMSInumberbyrepeating
theentry.
8.WithENTERAGAINdisplayedon-screenfollowsteps3to6
abovetoentertheMMSInumberagain.
9.SelectOktoconrm.
10.IfNOTCONFIRMEDisdisplayedthenselectBackandrepeat
steps2to9above.
11.IfCONFIRMEDisdisplayedthenselectYestoconrmand
savetheMMSInumber.
ThesavedMMSInumberisdisplayedon-screen(e.g.
MMSI:123456789).
12.SelectBacktogobacktotheDSCmenu.
Note:YoucanonlyentertheMMSInumberonce,ifyouhave
storedanincorrectMMSInumberinyourproduct,theproduct
willhavetoberesetbyanauthorizedRaymarinedealer.
Gettingstarted35

6.7EnteringyourATISID
ToprogramyourradiowithyourATISIDfollowthestepsbelow.
OK
HI
---MAIN MENU----
gGPS SETUP
ATIS OPERATION
CONNECTION
BACK
HI
-ATIS OPERATION-
MY ATIS ID
ATIS FUNCTION
[BACK
]
BACK
HI
-MY ATIS ID-----
ENTER MY ATIS ID
ID : - --------
BACK
HI
- MY ATI S I D- - - - -
ENTER AGAI N
I D :- --------
BACK OK
HI
-MY ATIS ID-----
ENTER MY ATIS I D
ID:12 3456 789
PRESS [OK
]
BACK OK
HI
- MY ATI S I D- - - - -
ENTER AGAI N
I D :123456789
PRESS [OK
]
NO YES
HI
- MY ATI S I D- - - - -
CONFI RMED
I D :1 2 3 4 5 6 7 8 9
REGI STER
?
BACK
HI
- MY ATI S I D- - - - -
I D :1 2 3 4 5 6 7 8 9
D12622-2
1.PressandreleasetheMENU/DSCbuttontodisplaythe
mainmenu.
2.SelectATISOPERATIONfromthemainmenuoptions.
•IfNOATISIDCONTACTDEALERisdisplayedon-screen
thenyoumustcontactyourlocalRaymarinedealerand
requestthemtoinputtheATISIDforyou.
•IfENTERMYATISIDisdisplayedthenyoucanmanually
enteryourATISID.AllATISIDsbeginwitha9,thisisset
automaticallyandnotshownonthedisplay.
3.UsetheChannelUpandDownbuttonstocyclethrough
availablenumbers.
4.SelectOktomovetothenextcharacter.
5.Repeatsteps3and4aboveuntilthefullATISIDisdisplayed
on-screen.
6.YoucanalsousetheRightarrowandLeftarrowsoft
buttonstochangewhichcharacterishighlighted.
7.WhennishedselectOktoconrmtheATISID.
YouwillberequestedconrmtheATISIDbyrepeatingthe
entry.
8.WithENTERAGAINdisplayedon-screenfollowsteps3to6
abovetoentertheATISIDagain.
9.SelectOktoconrm.
10.IfNOTCONFIRMEDisdisplayedthenselectBackandrepeat
steps2to9above.
11.IfCONFIRMEDisdisplayedthenselectYestoconrmand
registertheATISID.
ThesavedATISIDisdisplayedon-screen(e.g.ID:
123456789).
12.SelectBacktogobacktotheATISOperationmenu.
Note:YoucanonlyentertheATISIDnumberonce,ifyou
havestoredanincorrectATISIDnumberinyourproduct,the
productwillhavetoberesetbyanauthorizedRaymarine
dealer.
Enabling/DisablingtheATISfunction
WiththeATISIDprogrammedyoucannowenableordisable
theATISfunctionasrequiredbyfollowingthestepsbelow.
Note:IfyourradiohasbeenconguredtouseMarcom-C
modethenATISwillbepermanentlyenabledandyouwillnot
beabletodisableATISoperation.Marcom-Cmodeissetby
thedealeratpointofsale.Ifyouwishtoenableordisable
Marcom-C,pleasecontactyourRaymarinedealer.
HI
- ATI S FUNCTI ON- -
ON
OFF
[BACK
]
OK
HI
- ATI S FUNCTI ON- -
ON
OFF
[BACK
]
OK
HI
- ATI S FUNCTI ON- -
ATI S ON
THEN DSC OFF
PRESS [OK
]
OKBACK
HI
- ATI S FUNCTI ON- -
ATI S OFF
THEN DSC ON
PRESS [OK
]
OKBACK
OK
HI
- ATI S OPERATI ON-
MY ATI S I D
ATI S FUNCTI ON
[BACK
]
D12623-1
FromtheATISoperationmenu:
1.SelectATISFunction.
2.SelectONtoenabletheATISfunction,or
ThemessageATISONTHENDSCOFFisdisplayed
on-screentowarnthatwhenATISisenabledthenDSC
functionsarenotavailable.
3.SelectOFFtodisabletheATISfunction.
ThemessageATISOFFTHENDSCONisdisplayed
on-screentowarnthatwhenATISisdisabledthenDSC
functionsareavailableagain.
IfnoATISIDhasbeenprogrammedthenthemessagePLEASE
INPUTATISIDFIRSTisdisplayed.
Note:WiththeATISfunctionenabledthefollowingfunctions
willbedisabled:
•DSCfunctions.
•Scanfunctions.
•Multiplewatchfunctions.
36Ray260

6.8SelectingNMEA0183orSeaTalkng
connection
Thetypeofconnectioninusemustbeselected(i.e.SeaT alkng
orNMEA0183).
1.PressandreleasetheDSCMenubutton.
Themainmenuisdisplayed.
2.SelectConnection.
3.SelectInterface.
4.Selecttherequiredconnection:
i.SelectNMEA2000ifyouareconnectedtoanetworkor
deviceusingtheSeaT alkngconnector,or
ii.SelectNMEA0183ifyouareconnectedtoadeviceusing
theNMEA0183connection.
5.ForNMEA0183connectiononaradiothathasabuiltinAIS
receiver,selecttherequiredbaudrate,eitherSTDSpeed
orHighSpeed.
6.9Regionalprogramming
Thefrequencybandoftheproductcanbechangedandmustbe
settotheregiontheproductwillbeusedin.
Theregionsavailableare:
•USA
•International
•Canada
Changingthefrequencyband
BeforeusingtheproducttomakeDSCorothercallsyoumust
setthefrequencybandtotherelevantregion.
OK
HI
- - - MAI N MENU- - - -
VHF OPERATIONv
HAIL/INTRCOM/FOG
GPS SETUP
OK
HI
- VHF OPERATI ON- -
WATCH MODEv
FREQUENCY BAND
CHANNEL NAME
OK
HI
- FREQUENCY BAND-
USA
INTERNATIONAL
CANADA
D12815-1
FromtheMainmenu:
1.SelectVHFOPERATION.
2.SelectFREQUENCYBAND.
Thelistofavailableregionsisdisplayed:
•USA
•International
•Canada
3.Selecttherelevantregion.
Theselectedregioniconwillbedisplayedonthetopleftof
theLCDscreen.
•USA=USA
•INT=International
•CAN=Canada
Gettingstarted37

6.10AdjustingtheLCDbacklightlevel
TheLCD’sbacklightlevelcanbeadjustedbyfollowingthesteps
below.
1.PressandreleasetheMENU/DSCbuttontodisplaythe
mainmenu.
2.SelectSYSTEMCONFIG.
3.SelectBACKLIGHT.
Thebacklightlevelisdisplayed.
4.UsetheChannelUpandChannelDownbuttonsortheLeft
ArrowandRightArrowsoftbuttonstoadjustthebacklight
totherequiredlevel.
5.SelectOktoconrmthenewbacklightlevel.
6.11AdjustingtheLCDcontrast
TheLCD’scontrastlevelcanbeadjustedbyfollowingthesteps
below.
1.PressandreleasetheMENU/DSCbuttontodisplaythe
mainmenu.
2.SelectSYSTEMCONFIG.
3.SelectCONTRAST.
Thecontrastlevelisdisplayed.
4.UsetheChannelUpandChannelDownbuttonsortheLeft
ArrowandRightArrowsoftbuttonstoadjustthecontrastto
therequiredlevel.
5.SelectOktoconrmthenewcontrastlevel.
38Ray260

6.12Changingthetransmitpower
Youcanchangethepowerlevelatwhichtheradiotransmitsat
byfollowingthestepsbelow.
1.PressandreleasetheMENU/DSCbuttontodisplaythe
mainmenu.
2.SelectVHFOPERATION.
3.SelectHI/LOPOWER.
4.SelecttheHI/LOsoftbuttontoswitchbetweenhighandlow
power.
6.13GPSsetup
WhenconnectedtoaGPSreceiveroverNMEA0183or
SeaTalkng,theradiocandisplayrelevantGPSinformation.
Theinformationthatcanbedisplayedisasfollows:
•latitude
•longitude
•UTCtime
•COGandSOG
WhenGPSdataisavailabletheGPSsatelliteiconisdisplayed
on-screen.
IfnoGPSdataisavailablethenthelatitude,longitudeandtime
canbeenteredmanuallysothatitcanbeincludedinDSC
distresstransmissions.
Positiondatareceivedfromothervesselscanbesenttoand
displayedonaconnectedRaymarinemultifunctiondisplay.
NoGPSposition
IfnoGPSdataisavailable,after10minutesofnodatathe
GPSiconashes,NOPOSDATAandNOGPSisdisplayedon
screenandanaudiblewarningissounded.
OncethewarninghasbeenacknowledgedtheGPSiconwill
continuetoashandNOGPSwillremainonscreen.The
warningwillberepeatedevery4hoursaslongaspositiondata
isstillunavailableorhasnotbeenenteredmanually.
Ifpositiondatahasbeenenteredmanuallybuthasnotbeen
updatedduringtheprevious4hourstheGPSiconashes,POS
DATAOLDisdisplayedonscreenandanaudiblewarningis
sounded.Thiswarningwillberepeatedevery4hoursuntil
positionismanuallyupdatedorGPSpositiondatabecomes
available.
Wherenopositiondataisavailableorhasnotbeenmanually
updatedfor23.5hoursthenpositiondatawillchangeto‘9’sand
timedatawillchangeto‘8’s.
Enteringpositiondetailsmanually
IfnoGPSreceiverispresentyoucanmanuallyenteryour
positiondetails.
Fromthemainmenu:
1.SelectGPSSETUP.
2.SelectMANUALPOS.
TheManualpositionscreenrequiresyoutoinputlatitude,
longitudeandUTCtime.
3.UsetheChannelUpandChannelDownbuttonstocycle
throughtheavailablecharacters.
4.SelectOKtomovetothenextcharacter.
5.UsetheRightArrowandLeftArrowsoftbuttonstohighlight
thenextorpreviouscharacter.
6.Whentherelevantinformationhasbeenenteredselect
DONEtoconrmthedetails.
SelectingGPSinformationtodisplay
on-screen
YoucanselectwhichGPSinformationisdisplayedon-screen.
FromtheGPSsetupmenu(Mainmenu>GPSSETUP):
1.SelectSETTING.
ThelistofGPSinformationisdisplayed:
•LAT/LONDISPLAY
•TIMEDISPLAY
•TIMEOFFSET
•TIMEFORMAT
•COG/SOG
2.Selecttherelevantoption.
3.SelectONtodisplaythisinformationon-screenandOFFto
hidetheinformation
Gettingstarted39

Settingtimeformatandoffset
Youcanselectthetimeformatandwhetheranoffsetisapplied
tothetime.
FromtheGPSsetupmenu(Mainmenu>GPSSETUP):
1.SelectSETTING.
2.SelectTIMEOFFSETorTIMEFORMATasrequired.
3.UsetheChannelUpandChannelDownbuttonstocycle
throughtheavailablevalues.
4.SelectOKtoconrm.
Selectingstationstodisplay
Youcanselectwhichcontactsfromyourphonebookyouwant
incomingpositiondatatobedisplayedonthemultifunction
display.
FromtheGPSsetupmenu(Mainmenu>GPSSETUP):
1.SelectNMEAOUTPUT.
2.SelectALLSTATIONtodisplayallincomingpositiondataon
yourmultifunctiondisplay,or
3.SelectLISTEDSTATIONtoselectacontactfromyour
phonebook.
An(!)exclamationmarkisplacednexttotheselected
station.
6.14Handsetstationpriority
Thehandsetconnectedtostation1(HS1)isgivenpriorityover
handsetsconnectedtostations2(HS2)and3(HS3).
Stations2and3aregiventhesamepriority,withtherststation
inusegivenpriority.Whenastationismakingadistresscallthat
stationisgivenpriorityuntilthedistresscallhasbeencompleted.
Station1caninterruptstation2and3andtakepriorityby
pressingthePTTbutton.
Whenstation1isinusestations2and3willdisplaySTATION
1INUSE.Ifstation2or3isinusethenstation1willshowthe
normaldisplayandtheotherstationwilldisplaySTATION2IN
USEorSTATION3INUSE.
Station1Station2Station3
Station1
inuse
0 0 1 6
0001A 0028A 0088A
CHANNEL NAME
INT DUP
TX LO FA V1
A
M8 2 ° 3 4 .5 N
1 2 3 ° 4 5 .6 W
AM0 1 : 2 3 UT
STATION1 IN USE
STATION1 IN USE
Station2
inuse
0 0 1 6
0001A 0028A 0088A
CHANNEL NAME
INT DUP
TX LO FA V1
A
M8 2 ° 3 4 .5 N
1 2 3 ° 4 5 .6 W
AM0 1 : 2 3 UT
0 0 1 6
0001A 0028A 0088A
CHANNEL NAME
INT DUP
TX LO FA V1
A
M8 2 ° 3 4 .5 N
1 2 3 ° 4 5 . 6 W
AM0 1 :2 3 UT
STATION2 IN USE
Station3
inuse
0 0 1 6
0001A 0028A 0088A
CHANNEL NAME
INT DUP
TX LO FA V1
A
M8 2 ° 3 4 .5 N
1 2 3 ° 4 5 .6 W
AM0 1 : 2 3 UT
STATION3 IN USE
0 0 1 6
0001A 0028A 0088A
CHANNEL NAME
INT DUP
TX LO FA V1
A
M8 2 ° 3 4 .5 N
1 2 3 ° 4 5 .6 W
AM0 1 : 2 3 UT
40Ray260

Chapter7:Digitalselectivecalling(DSC)
Chaptercontents
•7.1DigitalSelectiveCalling(DSC)onpage42
•7.2Distresscallsonpage43
•7.3Urgencycallsonpage45
•7.4Safetycallsonpage46
•7.5Routinecallsonpage46
•7.6Groupcallsonpage47
•7.7Positionrequestsonpage48
•7.8Positiontrackingonpage48
•7.9Testcallsonpage49
•7.10Voicemailonpage49
•7.11Receivedcalllogsonpage50
•7.12Phonebookonpage50
•7.13Grouplistonpage51
•7.14DSCoptionsonpage51
Digitalselectivecalling(DSC)41

7.1DigitalSelectiveCalling(DSC)
TraditionalVHFradiosystemsrequireuserstolistenuntil
someonespeaks,andthendeterminewhetherthecallisfor
them.DSCensuresthatcallsarereceivedbyalertingor
announcingtheintendedrecipient(s)rstsotheyarereadyto
listentothesubsequentmessageontherelevantchannel.
DSCispartoftheGlobalMaritimeDistressandSafetySystem
(GMDSS),amaritimecommunicationssystemforemergency
anddistressmessagesandalltypesofroutinecommunications
suchasship-to-shiporship-to-shore.
DSCisadigitalsignallingsystem,whichoperatesonVHF
channel70.DSCcallsincludeotherdatasuchasyourvessel’s
identicationnumber,purposeofthecall,yourpositionandthe
channelyouwanttospeakon.
DSCcallscanbedividedinto4categoriesandareprioritized
asshownbelow:
1.Distress
2.Urgency
3.Safety
4.Routine
Distress
ADistresscallshouldonlybeusedwhenthereisimminent
dangertoavehicleorpersonthatrequiresimmediateassistance.
Whenmakingadistresscallthefollowinginformationis
transmittedtoallstationswithinrange:
•VesselMMSInumber.
•Vesselposition(mustbeinputmanuallyifnoGPSposition
dataisavailable).
•Localtime(mustbeinputmanuallyifnoGPSpositiondata
isavailable).
•Natureofthedistress(whendesignated).
•Transmissionfrequency.
Thecallisautomaticallyrepeatedatapproximately4minute
intervalsuntilitisacknowledgedeitherbyacoastradiostation
(CRS)oravesselwithinradiorange.Distresscallsmustbe
followedbyaMAYDAYcallonprioritychannel16.
Urgency
Anurgencycallshouldbeusedwhenthereisdangertoavehicle
orpersonthatdoesnotrequireimmediateassistance.
Whenmakinganurgencycallthefollowinginformationis
transmittedtoallstationswithinrange:
•VesselMMSInumber.
•Vesselposition(mustbeinputmanuallyifnoGPSposition
dataisavailable).
•Localtime(mustbeinputmanuallyifnoGPSpositiondata
isavailable).
•Transmissionfrequency.
OnceanurgencycallissentitmustbefollowedwithaPANPAN
voicemessageonchannel16andincludethenecessarydetails.
Safety
Asafetycallshouldbeusedwhenthereisanimportant
navigationalwarningormeteorologicalforecast/broadcast.
Safetyalertscanalsousedforcommunicationsduringsearch
andrescueoperations.
Whenmakingasafetycallthefollowinginformationis
transmittedtoallstationswithinrange:
•VesselMMSInumber.
•Vesselposition(mustbeinputmanuallyifnoGPSposition
dataisavailable).
•Localtime(mustbeinputmanuallyifnoGPSpositiondata
isavailable).
•Transmissionfrequency.
OnceasafetycallissentitmustbefollowedwithaSECURITE
voicemessageonchannel16andincludethenecessarydetails.
Routinecalls
Routinecallsareusedforcontactingothervessels,marinas,
orshorestations.
Routinecallsaremadeonchannel70usingthededicated
MaritimeMobileServiceIdentity(MMSI)numberofthestation
tobecontacted,selectingaVHFworkingchannelandsending
thecall.Bothradiosautomaticallyswitchtothechosenchannel
forconversation.
Routinecallscanalsobemadetogroups—Whengroupsof
shipsneedthesameinformation(yachtraces,clubralliesetc.)
aspecialgroup-callidentitycanbeusedtoenablerestricted
broadcastcalls.
Note:Totransmitprecisepositions,theradiomustbe
interfacedtoaGPSreceiver.Otherwise,regularmanual
positionupdatingisrequired.
42Ray260

7.2Distresscalls
Makingadesignateddistresscall
Whenmakingadistresscallyoucanspecifythenatureofthe
distressandifyoudonothaveavalidGPSpositionavailable
youcanspecifycoordinates.
OK
HI
- - - - DSC MENU- - - -
I NDI VI DUAL
DI S TRESS
ALL SHI P
OK
HI
- - - - DI STRESS- - - -
EVENT SETUP
POSI TI ON SETUP
[BACK
]
OK
HI
- DI S TRESS EVENT-
UNDESI GNATED
FI RE
FLOODI NG
OK
HI
DI STRESS POS
LAT: 12
O
34. 5678 N
LOT: 1 2 3
O
45. 678 9 W
UTC: 1 2 :34
OK
HI
FI RE
LAT: 1 2
O
34.5678N
LOT: 1 2 3
O
4 5 .6 7 8 9 W
UTC: 1 2 :34
BACK
HI
SEND DI STRESS
HOLDI NG DOWN
DI STRESS BUTTON
BACK
D12816-1
1.PressandholdtheMenu/DSCbuttonfor2seconds.
TheDSCmenuisdisplayed.
2.SelectDISTRESS.
TheDistresseventlistisdisplayed.
3.Selectadistresseventfromthelist.
•UNDESIGNATED
•FIRE
•FLOODING
•COLLISION
•GROUNDING
•LISTING
•SINKING
•ADRIFT
•ABANDONING
•PIRACY
•MANOVERBOARD
4.Selecttherelevantdistressevent.
•IfyourradioisreceivingavalidGPSpositionthenthe
distresstypeandcoordinatesaredisplayedon-screen,
otherwiseyouwillbepromptedtoenteryourposition
coordinates.
5.Ifpromptedenteryourpositioncoordinatesandlocaltime
usingtheLeftArrowandRightArrowsoftbuttonstomove
thecursorandtheNumerickeypadtoentertherelevant
digits.
6.SelectDONE.
7.SelectOKtoconrmdistressdetails.
8.Followthestepsformakingadistresscalltotransmitthe
distressalert.
Makingadistresscall
Inanemergencyyoucanuseyourproducttomakeanautomatic
DSCdistresscall.
0
0
0
0
0
0
0
0
0
D12810-1
OK
RX HI
DIS TRESS
UNDESI GNATED
...3
COUNTI NG DOWN
OK
RX HI
DIS TRESS
UNDESI GNATED
...2
COUNTI NG DOWN
OK
RX HI
DIS TRESS
UNDESI GNATED
...1
COUNTI NG DOWN
OK
RX HI
DIS TRESS
UNDESI GNATED
TRANSMITTING ...
CANCELPAUSE
RX HI
DIS TRESS
AWAITI NG ACK...
REMAIN ING TI ME
TO RESEND..04'20
OK PAUSE P1/3
RX HI
DIS TRESS 00'01
ACKNOWLEDGED
FROM:0012345 6 7
ORI G:mY SHIP
10
15
20
25
30
35
40
45
50
55 60 5
INTCM
1.Openthespringloadeddoorontherearofthehandset.
2.PressandholdtheDISTRESSbuttonfor3seconds.
OncetheDISTRESSbuttonispresseda3secondcount
downwillbegin,whenthecountdownreacheszerothe
distresscallistransmitted.
3.Waitforanacknowledgementofyourdistresscall.
Thedistresscallisrepeatedautomaticallyuntilitis
acknowledged.
4.PressandholdthePTTbutton.
5.Slowlyandclearlyspeakthedetailsofthedistress:
MAYDAY ,MAYDAY ,MAYDAY
Thisis<statenameofvessel3times>
MAYDAY<statenameofvessel1time>
Mypositionis<statelatitudeandlongitude,ortruebearing
anddistancefromaknownpoint.>
Iam<statenatureofdistresse.g.sinking,onreetc.>
Ihave<statenumberofpersonsonboardandanyother
information—drifting,aresredetc.>
IREQUIREIMMEDIATEASSISTANCE
OVER
6.ReleasethePTTbutton.
MakingaMaydaycall
InanemergencyyoucanuseyourproducttomakeaMayday
call.
1.Pressthe16/9or16PLUSbutton.
2.PressandholdthePTTbutton.
3.Slowlyandclearlyspeakthedetailsofthedistress:
MAYDAY ,MAYDAY ,MAYDAY
Thisis<statenameofvessel3times>
MAYDAY<statenameofvessel1time>
Mypositionis<statelatitudeandlongitude,ortruebearing
anddistancefromaknownpoint.>
Iam<statenatureofdistresse.g.sinking,onreetc.>
Ihave<statenumberofpersonsonboardandanyother
information—drifting,aresredetc.>
IREQUIREIMMEDIATEASSISTANCE
OVER
4.ReleasethePTTbutton.
5.Ifanacknowledgementisnotreceivedthenrepeatsteps
2to4above.
Cancellingadistresscallbeforetransmission
Tocanceladistresscallbeforeitistransmittedfollowthesteps
below:
1.ReleasetheDISTRESSbuttonbeforethecountdowntimer
completes.
Whenthebuttonisreleasedyouwillbereturnedtonormal
operation.
Cancellingadistresscallaftertransmission
Tocanceladistresscallafterithasbeentransmittedfollowthe
stepsbelow:
Digitalselectivecalling(DSC)43

1.PresstheCancelsoftkey.
Awarningisdisplayedtoinformtheuserthattheyareabout
tosenda‘Distresscancelcall’.
2.PresstheSendsoftkey.
The‘Distresscancelcall’issent.
3.PresstheOKsoftkey.
4.Makeabroadcasttoallstationsgivingyourvessel’sname,
callsignandMMSInumberandcancelthefalsedistressalert
Example:“All,Stations,AllStations,AllStations.Thisis
<NAME>,<CALLSIGN>,<MMSIID>,<POSITION>.Cancel
mydistressalertof<DATE>,<TIME>,<NAME>,<CALL
SIGN>”.
5.Repeatthebroadcastdescribedinstep4.
6.PressEndtorevertbacktonormaloperation.
Receivingadistresscall
ItisexpectedthatonlyaCoastRadioStation(CRS)will
acknowledgeDSCdistresscallsandwillactasthecoordinator
fortherescueoperation.
Whenadistresscallisreceivedanalarmissoundedatfull
volumeandtheLCDdisplaysinformationpagesrelatingtothe
distress.Thisincludes:
•MMSIorNameofvessel(Nameofdistressedvesselisonly
displayedifitisacontactsavedinthephonebook).
•Natureofdistress.
•Latitudeandlongitudeofdistressedvessel.
•Timeofdistresscall.
OKPAUSE P1/4
HI
DISTRESS] 00'01
ALERT
FROM: 1234 56789
FIRE
OKPAUSE P2/4
HI
DISTRESS] 00'02
ALERT
LAT: 12
O
34.5678N
LON: 123
O
45.6789W
OKPAUSE P3/4
HI
DISTRESS] 00'03
ALERT
UTC: 12:34
OKPAUSE P4/4
HI
DISTRESS] 00'11
ALERT
AUTO TUNING
IS OPERATE D
OKPAUSE P4/4
HI
DISTRESS] 00'11
ALERT
CH REQ:001 6
PRESS [OK]
D12817-1
12
1.Sequencewhenautochannelchangeisturnedon.
2.Sequencewhenautochannelchangeisturnedoff.
IftheAutochannelchangefunctionisenabled10secondsafter
receiptofadistresscalltheradiowillautomaticallyre-tuneto
channel16.Otherwisetheuserispromptedtochangechannel
manually.
Thedetailsofthedistresscallarerecordedinthedistresslog
andtheenvelopeiconwillashon-screentoletyouknowa
messagehasbeenreceived.WhenconnectedtoaRaymarine
multifunctiondisplaythepositiondatafromadistresscallcan
alsobedisplayinthechartapplication.
WhenthereceiveddistresscallisacknowledgedbytheCRSor
anotherstationthentheradiowillresumenormaloperation.
Acceptingadistresscall
Toacceptthedistresscallfollowthestepsbelow.
Withanactivedistresscalldisplayed.
1.WithAutochannelchangeturnedon–SelectOK.
Thealarmismuted,theenvelopeiconisturnedoffandthe
radiowillswitchtochannel16.
2.WithAutochannelchangeturnedoff–SelectOKtomutethe
alarmandturnofftheenvelopeicon.SelectOKagainto
acceptthechannelchangetochannel16.
Mutingadistresscall
Youcanignoreadistresscallbymutingthealarmandcancelling
thedistresscallscreen.
Withanactivedistresscalldisplayed.
1.PresstheClearbuttontomutethealarm.
2.PresstheClearbuttonagaintocancelthedistresscall
screen.
Theenvelopeiconwillbeturnedoffandnormaloperationis
resumed.
Acknowledgingadistresscall
Distresscallsmustonlybeacknowledgedifthecallcontinues
withoutacknowledgementfromaCRS,youarecloseenough
tothedistressedvesseltobeofassistanceandareprepared
torelaythedistresstoaCRSbyanymeanspossible.ClassD
DSCradiosareforbiddenfromautomaticallyacknowledging
distresscalls.Acknowledgementmustonlybemadebyvoice
messageonchannel16.
Afterreceivingadistresscallthathasgoneunanswered:
1.Switchtochannel16tolistenforthedistressvoicemessage.
2.WaitfortheCRStoacknowledgethecall.
3.Ifthedistresscallisnotacknowledgedbyanotherstation
thenacknowledgethecallasfollows:
MAYDAY
(MMSIofthevesselindistress)
Nameofvesselindistress<repeated3times>
Callsignofthevesselindistress
Thisis<MMSIofyourvessel>,<nameofyourvessel
repeated3times><callsignofyourvessel>
RECEIVEDMAYDAY
4.YouMUSTthennotifytheshoreauthoritiesbyanymeans
possibletorelaythedistresscall.
Manuallyrelayingadistresscall
Adistressrelayshouldonlybesentif:thepersonorvehiclein
distressisunabletotransmitthedistresscallitself,forexample
redaressightedatnightorthepersonorvehicleindistress
isoutofrangeofaCRSandyouhavealreadyacknowledged
thedistressbyvoicemessage.Youcanalsorelayareceived
distressrelayalertmanuallyifitgoesunanswered.
1.Switchtochannel16
2.Slowlyandclearlyspeakthedetailsofthedistress:
MAYDAYRELAY,MAYDAYRELAY,MAYDAYRELAY
Thisis<MMSIofyourvessel,nameofyourvesselrepeated
3timesandyourcallsign>
ReceivedthefollowingMAYDAYfrom<MMSIofvesselin
distress,nameofvesselindistress,callsignofvesselin
distress>
Messagebegins
Messagereceivedfromvesselindistressordetailsof
thedistress
Messageends
OVER
Distressrelayssentbyotherstations
WhenaCoastStationoranothervessel,hasreceived,and
acknowledgedaDSCdistressalertitmaytransmitadistress
alertrelaytoothervesselsintheimmediatearea.
Distressrelayssentfromotherstationscanbereceivedbythe
radio.
Theradiocannotre-sendadistressrelayautomatically.If
requiredyoucanrelayadistressrelaymessagemanually.
Ifadistressrelayissentspecicallytotheradiothenitcanbe
acknowledged,otherwiseacknowledgementisnotrequired.
44Ray260

Acknowledgingadistressrelaysenttoyourvessel
Ifadistressrelayisspecicallysenttoyourvesselthiswillbe
becausethesenderdeemsyoutobeinapositiontoassistinthe
rescue.Thedistressrelayinformationisdisplayedon-screen.
1
3
2
4
OKPAUSE P1/5
HI
DISTRESS] 00'01
RELAY
FROM: 1234 56789
ORIG: 1122 33445
OKPAUSE P2/5
HI
DISTRESS] 00'02
RELAY
UNDESIGNATED
LAT: 12
O
34.5678N
OKPAUSE P3/5
HI
DISTRESS] 00'03
RELAY
LON: 123
O
45.6789W
UTC: 12:34
OKPAUSE P4/5
HI
DISTRESS] 00'04
RELAY
AUTO TUNING
AFTER 10 S EC
OKPAUSE P4/5
HI
DISTRESS] 00'11
RELAY
AUTO TUNING
IS OPERATE D
OKPAUSE P5/5
HI
DISTRESS] 00'05
RELAY
ACK IS
REQUIRED
OK
HI
SEND ACK
DISTRESS R ELAY
WAS SENT
OK
HI
SEND ACK
DISTRESS R ELAY
WAS SENT
AUTOMATICALLY
SEND
HI
SEND ACK] 00'06
DISTRESS R ELAY
TO: 123456 789
PRESS [SEND
]
HI
SEND ACK]
CALLING...
OKPAUSE P4/5
HI
DISTRESS] 00'04
RELAY
CH REQ:001 6
PRESS [OK]
D12818-1
1.Sequencewhenautochannelchangeisturnedon.
2.Sequencewhenautochannelchangeisturnedoff.
3.Sequencewhenindividualreplyisturnedoff.
4.Sequencewhenindividualreplyisturnedon.
Whenadistressrelayisreceived:
1.SelecttheRIGHTsoftbuttontocyclethroughtheinformation
pages.
2.IfthedistressrelaywassentindividuallytoyouselectOKat
anytimetoacknowledgethedistressrelay.
3.Ensuretheradioistunedtochannel16.
Note:Distressrelaycallscanonlybeacknowledged
automaticallywhensentindividuallytoyou.
7.3Urgencycalls
Makinganurgencycall
Anurgencycallshouldbeusedwhenthereisdangertoa
vehicleorpersonthatdoesnotrequireimmediateassistance.
Urgencycallsaretransmittedtoallstations.
OK
HI
- - - - DSC MENU- - - -
INDIVIDUAL
DISTRESS
ALL SHIP
OK
HI
ALL SHIP
SAFETY
URGENCY
[BACK
]
BACK OK
HI
ALL SHIP
URGENCY
SELECT CHA NNEL
CH: 0016
BACK SEND
HI
ALL SHIP
URGENCY
SELECT CHA NNEL
CH: 0016
BACK SEND
HI
ALL SHIP
URGENCY
NOT DEFAULT CH
CH: 0072
HI
ALL SHIP
URGENCY
CALLING...
HI
ALL SHIP
URGENCY
TX COMPLETE
CH CHG TO: 0016
BACK BACK
D12819-1
OK
00 1 6
0001A 0028A 0088A
CHANNEL NAME
INT
HI
82° 34.5N
123° 45.6W
AM01:23UT
FromtheDSCmenu:
1.SelectALLSHIP.
2.SelectURGENCY.
3.IfrequiredusetheChannelUpandChannelDownbuttons
toselecttherelevantchannelforsubsequentcommunication.
Thedefaultchannelis16.
4.SelectOKtoconrmthechannel.
5.SelectSENDtosendtheDSCurgencyannouncement.
6.WaitfortheTXCOMPLETEmessagetobedisplayed
on-screenandthenselectOK.
Thechannelisnowchangedtothechosenchannel.
7.PressandholdthePTTbuttonandspeakthefollowing
message:
PANPAN,PANPAN,PANPAN
ALLSTATIONS,ALLSTATIONS,ALLSTATIONS
Thisis<MMSIofyourvessel,nameofyourvesselrepeated
3times,callsignofyourvessel>
Position<Yourvessel’sposition>
Reasonforcall<Statethereasonforthecallandincludeall
informationwhichwillassistintherescue.
OVER
Receivinganurgencycall
Ifyoureceiveanurgencycallfromanotherstationthedetails
aredisplayedon-screen.
Whenanurgencycallisreceived:
1.PresstheRIGHTsoftbuttontocyclethroughtheinformation
pages.
2.SelectOKatanytimetoaccepttheurgencycall.
Ifautochannelchangeisturnedonthenthechannelwill
automaticallychangeafter10seconds.
Theradioisre-tunedtochannel16.
3.Listenonchannel16fortheurgencymessage.
Digitalselectivecalling(DSC)45

7.4Safetycalls
Makingasafetycall
Asafetycallshouldbeusedwhenthereisanimportant
navigationalwarningormeteorologicalforecast/broadcast.
Safetyalertscanalsousedforcommunicationsduringsearch
andrescueoperations.
OK
HI
- - - - DSC MENU- - - -
INDIVIDUAL
DISTRESS
ALL SHIP
OK
HI
ALL SHIP
SAFETY
URGENCY
[BACK
]
BACK OK
HI
ALL SHIP
SAFETY
SELECT CHA NNEL
CH: 0016
BACK SEND
HI
ALL SHIP
SAFETY
SELECT CHA NNEL
CH: 0016
BACK SEND
HI
ALL SHIP
SAFETY
NOT DEFAULT CH
CH: 0072
HI
ALL SHIP
SAFETY
CALLING...
HI
ALL SHIP
SAFETY
TX COMPLETE
CH CHG TO: 0016
BACK BACK
D12820-1
OK
00 1 6
0001A 0028A 0088A
CHANNEL NAME
INT
HI
82° 34.5N
123° 45.6W
AM01:23UT
FromtheDSCmenu:
1.SelectALLSHIP.
2.SelectSAFETY.
3.IfrequiredusetheChannelUpandChannelDownbuttons
toselecttherelevantchannelforsubsequentcommunication.
Thedefaultchannelis16.
4.SelectOKtoconrmthechannel.
5.SelectSENDtosendtheDSCsafetycall.
6.WaitfortheTXCOMPLETEmessagetobedisplayed
on-screenandthenselectOK.
Thechannelisnowchangedtothechosenchannel.
7.PressandholdthePTTbuttonandspeakthefollowing
message:
SECURITE,SECURITE,SECURITE
ALLSTATIONS,ALLSTATIONS,ALLSTATIONS
Thisis<MMSIofyourvessel,nameofyourvesselrepeated
3times,callsignofyourvessel>
Position<Yourvessel’sposition>
Reasonforcall<statethereasonforthesafetycall>
OUT
Receivingasafetycall
Ifyoureceiveasafetycallfromanotherstationthedetailsare
displayedon-screen.
Whenasafetycallisreceived:
1.PresstheRIGHTsoftbuttontocyclethroughtheinformation
pages.
2.SelectOKatanytimetoacceptthesafetycall.
Ifautochannelchangeisturnedonthenthechannelwill
automaticallychangeafter10seconds.
Theradioisre-tunedtochannel16.
3.Listenonchannel16forthesafetymessage.
7.5Routinecalls
Individualcallscanbemadetoshipsandcoaststationcontact
savedinyourphonebookortoanystationbymanuallyentering
thestationsMMSInumber.
OK
HI
- - - - DSC MENU- - - -
INDIVIDUAL
DISTRESS
ALL SHIP
D12821-1
OK
HI
INDIVIDUAL
MANUAL
sSHIP- 001
COASTGUARD- 01
BACK OK
HI
INDIVIDUAL
ROUTINE
SELECT CHA NNEL
CH: 0072
OK
HI
INDIVIDUAL
MANUAL
sSHIP- 001
COASTGUARD- 01
OK
HI
INDIVIDUAL
MANUAL
sSHIP- 001
COASTGUARD- 01
HI
INDIVIDUAL
ROUTINE
MMSI:- --------
OK
BACK SEND
HI
INDIVIDUAL
ROUTINE
sSHIP- 001
CH: 0072
END
HI
INDIVIDUAL
ROUTINE
CALLING...
END
HI
INDIVIDUAL 00'01
ROUTINE
AWAITING ACK...
OK PAUSE pP1/2
HI
INDIVIDUAL 00'05
ACKNOWLEDGE
FROM: SHIP - 0 0 1
ACCEPTED
BACK
HI
INDIVIDUAL
ROUTINE
COASTGUARD- 01
CH: UNSPECIFIED
SEND
2
13
1.IndividualroutinecallusingmanualMMSIentry.
2.Individualroutinecalltoavesselsavedasacontact.
3.Individualroutinecalltoacoaststationsavedasacontact.
RefertothePhonebooksectionfordetailsonaddingcontactsto
yourphonebook.
Note:Whencallingacoaststationthereisnoneedtoselect
achannelforcommunication.
Ifacallcannotbeacceptedthenareasoncodewillbedisplayed
on-screen.
100NOREASONNoreasongiven
101CONGESTIONCongestionatmaritimeswitchingcentre
102BUSYStationBusy
103QUEUEQueueindication
104BARREDStationbarred
105NOOPERATORNooperatoravailable
106UNAVAILABLEOperatortemporarilyunavailable
107DISABLEEquipmentdisabled
108UNABLECHUnabletouseproposedchannel
109UNABLEMODEUnabletouseproposedmode
46Ray260

MakingaroutineDSCcall
YoucanuseyourproducttomakearoutineDSCcalltocontact
savedinthephonebook.
1.PressandholdtheMenuDSCbuttonfor3seconds.
TheDSCmenuisdisplayed.
2.SelectIndividual.
TheManualoptionandthephonebooklistisdisplayed.
3.SelectaphonebookentrytomakeaDSCcalltothatcontact,
or
4.SelectMANUALtomanuallyenteranMMSInumber.
5.UsetheChannelUpandChannelDownbuttonstoselecta
channeltotransmiton.
6.SelectOK.
7.SelectSEND.
Theradionowwaitsforanacknowledgementtobereceived.
8.Ifanacknowledgementisreceived,pressandholdthePTT
button.
9.Speakyourmessage.
10.ReleasethePTTbuttonwhenyouhavecompletedyour
message.
Receivingaroutineindividualcall
Whenyoureceiveanindividualroutinecallthedetailsare
displayedon-screen.
Whenanindividualroutinecallisreceived.
1.PresstheRIGHTsoftbuttontocyclethroughtheinformation
pages.
2.IfyouwanttoacceptthecallselectOKatanytime.
Ifautochannelchangeisturnedontheradiowillautomatically
changetotherequestchannelin10seconds.
3.SelectACCEPTtoacceptthecall,or
4.SelectNOTACCEPTtorejectthecall.
i.Ifyoudonotacceptthecallyoucanselectareasonfrom
thelistbyselectingOP:
•NOREASON
•CONGESTION
•BUSY
•QUEUE
•BARRED
•NOOPERATOR
•UNAVAILABLE
•DISABLE
•UNABLECH
•UNABLEMODE
ii.SelectOKtoconrmthereason.
5.SelectSENDtosendtheacceptanceorrejectionofthecall.
Conrmationoftheacceptanceorrejectionofthecallis
displayedon-screen.Ifyouhaveacceptedthecallthentheradio
willre-tunetotherequestedchannel.
7.6Groupcalls
Routinegroupcallscanbemadetogroupsofvesselssharing
thesameGroupMMSInumbers.
Routinegroupcallsaremadebyselectingagroupfromthe
Groupmenu,groupcallsareonlyreceivedbystationssharing
theselectedgroupMMSInumber.
RefertotheGrouplistsectionfordetailsonaddinggroupsto
yourradio.
Makingagrouproutinecall
Tomakearoutinecalltoagroupofstationsusethegroupmenu.
OK
HI
- - - - DSC MENU- - - -
ALL SHIP
GROUP
POS REQUES T
OK
HI
GROUP
CALL
MY GROUP I D
[EXIT ]
BACK OK
HI
GROUP
ROUTINE
SELECT CHA NNEL
CH:0072
OK
HI
GROUP
ROUTINE
TX COMPLETE
CH CHG TO: 0072
BACK SEND
HI
GROUP
ROUTINE
SELECT CHA NNEL
CH:0072
OK
HI
GROUP
GROUP- A
GROUP- B
[EMPTY-0 3 ]
OK
HI
GROUP
ROUTINE
CALLING...
0072
0001A 0028A 0088A
CHANNEL NAME
INT
HI
82° 34.5N
123° 45.6W
AM01:23UT
D12822-1
1.PressandholdtheDSCMenubuttonfor3seconds.
TheDSCmenuisdisplayed.
2.SelectGROUP.
3.SelectCALL.
Thegrouplistisdisplayed.
4.Selectagroupyouwanttomakeacallto.
5.UsetheChannelUpandChannelDownbuttonstoselecta
channelyouwanttouseforthecommunication.
6.SelectOK.
7.SelectSEND.
Theradionowwillnowcalltheselectedgroup.
8.WhenTXCOMPLETEisdisplayedon-screenselectOK.
9.PressandholdthePTTbutton.
10.Speakyourmessage.
11.ReleasethePTTbuttonwhenyouhavecompletedyour
message.
Receivingagroupcall
Ifyoureceiveagroupcallthedetailsaredisplayedon-screen.
1.PresstheRIGHTsoftbuttontocyclethroughtheinformation
pages.
2.SelectOKatanytimetoacceptthegroupcall,or
3.SelectCANCELrejectthecallandresumenormaloperation.
4.Ifthecallerhasrequestedanacknowledgementthenselect
SENDtosendtheacknowledgement.
Withautochannelchangeturnedontheradiowillautomatically
changetotherequestedchannelafter10seconds,otherwise
youwillberequesttoconrmthechangeofchannel.
Digitalselectivecalling(DSC)47

7.7Positionrequests
Theradiocanrequestpositioninformationfromanystation
capableofrespondingtotherequest.
Positionrequestscanbesenttoanycontactstoredinthephone
bookorbymanuallyinputtingtheMMSInumberofthestation.
WhenconnectedtoaRaymarinemultifunctiondisplaythe
positiondatafromtherequestcanalsobedisplayinthechart
application.
Makingapositionrequest
Youcanmakeapositionrequestfollowingthestepsbelow.
FromtheDSCmenu.
1.SelectPOSREQUEST.
2.Youcanselectacontactfromyourphonebookdirectlyfrom
thePOSREQUESTmenu,or
3.TorequestthepositionofastationthatyouknowtheMMSI
numberofselectMANUAL.
4.UsetheChannelUpandChannelDownbuttonstoselect
therequirednumbers.
5.WhenyouhavecompletedtheMMSInumberselectOKto
conrm.
6.SelectSENDtosendthepositionrequest.
7.Waitforanacknowledgement.
8.WhentheacknowledgementisreceivedusetheRIGHTsoft
buttontocyclethroughthereceivedpositionreportpages.
Respondingtoapositionrequest
Ifyoureceiveapositionrequestfromanotherstationfollowthe
stepsbelow.
Whenapositionrequestisreceived:
1.SelecttheRIGHTsoftbuttontocyclethroughtheavailable
informationpages.
2.SelectOK.
Ifthepositionreplyoptionissettoautothepositionreport
issentautomatically.
3.IfthepositionreplyissettomanualthenselectSENDto
sendthepositionreport.
4.SelectOKtoresumenormaloperation.
7.8Positiontracking
Thepositiontrackingfunctionenablesregularpositionrequests
tobesenttoselectedtargetstations.Thepositiondatawillbe
availableonaRaymarinemultifunctiondisplayconnectedover
NMEA0183orSeaTalkng.
Upto3phonebookcontactscanbeaddedtotheposition
trackingselectionmenu.Theselectedcontactswillthenbe
availabletobetracked.Thepositionrequestsaresentoutevery
5minutesandwheremorethan1vesselisbeingtrackedthe
positionrequestswillalternatebetweenselectedstations.
TimeTracking
started
5minutes10minutes15minutes
Tracked
station
Vessel1Vessel2Vessel3Vessel1
Settingupregularpositiontracking
Toenablepositiontrackingyouneedtotrackselectedstations.
FromtheDSCmenu:
1.SelectPOSTRACKING.
2.SelectSELECTSTATION.
3.Selectanemptyslot.
Thephonebookisdisplayed.
4.Selecttherelevantcontactfromthephonebook.
5.Repeatsteps3and4forupto3contacts.
Theselectedcontactsarenowavailabletobetracked.
6.SelectBACKtogobacktothepositiontrackingmenu.
7.SelectTARGETSTATION.
Alistofthecontactsselectedinsteps3and4isdisplayed.
8.Selectupto3contactsthatyouwanttotrack.
9.FromthePositionTrackingmenuselectSTARTTRACKING.
Theselectedvesselswillnowbetracked.
10.SelectENDatanytimetocancelthepositiontrackingand
returntonormaloperation.
48Ray260

7.9Testcalls
ATestCallfeatureisavailableforthepurposesoftestingyour
DSCVHFradioforcorrectoperation.
Thereare2typesoftestcall:
•T estcalltotheUSCoastGuardautomatedresponsetestcall
service(MMSI:003669999).Thistypeoftestcallwillreceive
anautomatedresponse(acknowledgement).
•T estcalltoanothervesselthathasaradiothatsupports
thetestcallfeature.IfthereceivingradioisaRaymarine
radio,thistypeoftestcallrequiresamanualresponse
(acknowledgement)fromthecallrecipient.Somethird-party
radiosarecapableofprovidinganautomatedresponseto
testcalls.
ForradiosthatdoNOTsupportthetestcallfeature,correctradio
operationcanbetestedbymakinganindividualcallonchannel
70toanotherDSCVHFradio.
Raymarinerecommendsthatonceyou'vesuccessfullyplaceda
testcallyouaddthetestcallMMSItoyourradio'sphonebook
foreasyretrievalforfuturetestcalls.Forinformationonhow
toaddanMMSItoyourradio'sphonebook,refertotheradio's
userdocumentation.
Note:Individualcalls(thatis,NOTatestcall)totheUSCoast
Guard003669999MMSIwillNOTreceiveanautomated
response.
Note:TheUSCoastGuardautomatedresponsetestcall
serviceisonlyavailableintheUnitedStatesanditscoastal
waters.
Makingatestcall
Withtheradiosettoanychannel:
1.SelectandholdtheDSCMenubutton.
TheDSCmenuisdisplayed.
2.SelectTESTCALL.
3.SelectMANUALtoentertheMMSInumber.Alternatively,a
contactcanbeselectedfromtheradio'sphonebook.
4.EntertheT estCallMMSI(forexample,003669999forUS
CoastGuardautomatedresponsetestcallservice).
5.SelectOK.
6.SelectSENDtoinitiatethetestcall.
7.IfyoucalledtheUSCoastGuardautomatedresponsetest
callMMSI,waitforanacknowledgement.Ifyoumadea
testcalltoanothervesselwithatestcallcapableradio,a
responseisrequiredfromthereceivingradio.
Whenanacknowledgementisreceived,anaudiblealarmis
soundedandthemessage(envelope)iconashes.
8.Selectanykeytomutethealarm.
9.SelectOKtoexitthetestcallandresumenormaloperation.
Receivingatestcall
Yourradiowillautomaticallyacknowledgereceivedtestcallfrom
otherstations
Whenatestcallisreceivedanoticationisdisplayedon-screen
toalertyouthatatestcallhasbeenreceivedandautomatically
acknowledged.
7.10Voicemail
Theradioincludesavoicemailfunction.
Avoicemessageupto15secondslongcanberecorded,stored
ontheradioandthensenttocontactsstoredintheradio’s
phonebook.
Receivingavoicemailfollowsthesamestepsasreceivinga
routineindividualcall.
Recordingavoicemailmessage
Youcanrecordavoicemessagebyfollowingthestepsbelow.
Recordingavoicemailmessagewilloverwritetheexisting
message.
FromtheDSCmenu.
1.SelectVOICEMAIL.
2.SelectRECORDER.
3.PressandholdthePTTbutton.
Recordingwillstart.
4.SpeakyourmessageandreleasethePTTbuttonwhenyour
messageiscomplete.
Themessageissaved.
5.SelectPLAYtolistentoyourrecording.
Deletingavoicemailmessage
Ifyouwanttodeleteyourvoicemailmessagefollowthesteps
below.
FromtheDSCmenu.
1.SelectVOICEMAIL.
2.SelectRECORDER.
3.SelectDELETE.
4.SelectDELETEagaintoconrm.
Thevoicemailisdeleted.
Sendingavoicemailmessage
Tosendthevoicemailmessagefollowthestepsbelow.
FromtheDSCmenu.
1.SelectVOICEMAIL.
2.SelectSTARTVOICEMAIL
IfnomessagehasbeenrecordedthentheMESSAGEIS
NOTRECORDEDnoticationisdisplayed.
3.Selectthecontactfromthelist.
4.Selectthechannelyouwanttosendthevoicemailon.
5.SelectOK.
6.SelectSEND.
Digitalselectivecalling(DSC)49

7.11Receivedcalllogs
AllDSCcallsreceivedareloggedinreceivedcalllogs.
Thefollowingcalltypesarerecordedinthereceivedcalllogs:
•distress
•distressrelay
•distressacknowledgements
•sentpositionrequests
•receivedpositionrequests
•groupcalls
•allshipcalls
•individualroutinecalls
Thedetailsbelowarerecordedforeachcall:
•stationID
•typeofcall
•dateofcall
•latitudeandlongitude(ifsentwiththecall)
•natureofdistress(specieddistresscallsonly)
Ifthecallwasreceivedfromacontactinthephonebookthen
thecontactnameisdisplayed,otherwisetheMMSInumberis
displayed.
Accessingthereceivedcalllogs
Followthestepsbelowtoaccessthereceivedcalllogs.
FromtheDSCmenu:
1.SelectRECEIVEDCALLS.
Thefollowinglogsareavailable:
•unreadlog
•distresslog
•calllog
•positionlog
2.Selectthelogyouwanttoview.
Alistofloggedcallsisdisplayed.
3.Selectacalltoviewdetails.
i.SelectCALLBACKtoreturnthecall.
ii.SelectDELETEtoremovetheentryfromthelog.
iii.SelectSAVEtosavethesenderofthecalltoyour
phonebook.
iv.SelectACKSENDtosendanacknowledgementtothe
sender.
7.12Phonebook
Thephonebookcanbeusedtosaveupto200contacts.
Youcanadd,editanddeletecontactsstoredinthephonebook.
Addinganentry
YoucansavecontactsinthephonebookbyenteringtheirMMSI
andassigninganametothecontact.
FromtheDSCmenu:
1.SelectPHONEBOOK.
2.SelectNEW.
3.ToentertheMMSInumberusetheChannelUpand
ChannelDownbuttonstoselectthenumberyouwantthen
selectOKtoconrmandmovetothenextdigit.
Whenall9digitsoftheMMSIhavebeenenteredyoucan
assignanameforthegroup.
4.ToenteranameforthecontactusetheChannelUpand
ChannelDownbuttonstoselectthecharactersyouwant
thenselectOKtoconrmandmovetothenextcharacter.
Themaximumlengthofcontactnamesis10characters.
5.WhenyouhaveenteredanameforthecontactselectOKto
savetheentryinyourphonebook.
YouwillbereturnedtothePhonebook.
6.YoucanusetheLeftArrowandRightArrowsoftbuttonsat
anytimetomoveforwardorbackwardstocorrectanyerrors.
Editinganentry
YoucanedittheMMSInumberandnameofcontactsinyour
phonebook.
FromtheDSCMenu:
1.SelectPHONEBOOK.
2.Selectthecontactyouwanttoedit.
Thecontact’sdetailsaredisplayed.
3.SelectEDIT.
4.UsetheLeftArrowandRightArrowsoftbuttonstohighlight
thecharacteryouwanttochange.
5.UsetheChannelUpandChannelDownbuttonstoselect
thecharactersyouwantthenselectOKtoconrmandmove
tothenextcharacter.
6.WhenyouhavecompletedyourchangesselectOKtosave
thechanges.
Youarereturnedtoyourphonebook.
Deletinganentry
Youcandeletecontactsstoredinyourphonebook.
FromtheDSCmenu:
1.SelectPHONEBOOK.
2.Selectthecontactyouwanttodelete.
3.SelectDELETE.
4.SelectDELETEagaintoconrmanddeletethecontact.
Thephonebookisdisplayedandthecontactisnowdeleted.
50Ray260

7.13Grouplist
GroupscanbecreatedtotheMYGROUPIDlisttoenable
groupcalling.
Existinggroupscanbeeditedanddeletedasrequired.
AddingaGroupMMSI
TomakeagrouproutinecallyouneedtoaddagroupMMSI
numbertoyourgrouplist.Youcanstoreupto20groupMMSI
numbersonyourradio.
FromtheDSCMenu:
1.SelectMYGROUPID.
2.Selectanemptyentrye.g.[EMPTY01].
3.UsetheChannelUpandChannelDownbuttonstoselect
thenumberyouwantthenselectOKtoconrmandmove
tothenextdigit.
Whenall9digitsoftheMMSIhavebeenenteredyoucan
assignanameforthegroup.
4.UsetheChannelUpandChannelDownbuttonstoselect
thecharactersyouwantthenselectOKtoconrmandmove
tothenextcharacter.
Themaximumlengthofgroupnamesis10characters.
5.WhenyouhaveenteredanameforthegroupselectOKto
savetheentryinyourgrouplist.
Youwillbereturnedtothegrouplist.
6.YoucanusetheLeftArrowandRightArrowsoftbuttonsat
anytimetomoveforwardorbackwardstocorrectanyerrors.
Editingagroup
YoucanedittheMMSInumberandnameofgroupsstoredon
yourradio.
FromtheDSCMenu:
1.SelectMYGROUPID.
2.SelecttheGroupyouwanttoedit.
Thegroup’sdetailsaredisplayed.
3.SelectEDIT.
4.UsetheLeftArrowandRightArrowsoftbuttonstohighlight
thecharacteryouwanttochange.
5.UsetheChannelUpandChannelDownbuttonstoselect
thecharactersyouwantthenselectOKtoconrmandmove
tothenextcharacter.
6.WhenyouhavecompletedyourchangesselectOKtosave
thechanges.
Youarereturnedtoyourgrouplist.
Deletingagroup
YoucandeletegroupMMSIdetails.
FromtheDSCmenu:
1.SelectMYGROUPID.
2.Selectthegroupyouwanttodelete.
3.SelectDELETE.
4.SelectDELETEagaintoconrmanddeletethegroup.
Thegrouplistisdisplayedandthegroupisnowdeleted.
7.14DSCoptions
DSCoptionscanbesetfromtheDSCoptionsmenu.
AUTOCH
CHANGE
Whenautomaticchannel
changeisturnedonthe
radiowillautomatically
re-tuneafter10secondsto
therequestedchannelwhen
DSCcallsarereceived.
Theautomaticchannel
changingblockedicon
isdisplayedwhenthe
settingisswitchedoff.
•ON
•OFF(default)
INDIVIDUAL
REPLY
Whenindividualreplyis
settoautotheradiowill
automaticallyacknowledge
individualcallsanddistress
relaycallswhenreceived.
•MANUAL(default)
•AUTO
AUTOENDWhensettoatime
intervaltheradiowill
automaticallyendcallssent
orreceivedwhichhave
goneunacknowledgedfor
thespeciedtimeinterval.
Thetimercanbesetat10
secondincrementsfrom10
secondsupto15minutes.
Thedefaulttimeintervalis
30seconds.
Note:Thisdoesnot
applytodistresscalls.
•30SECONDS
•SETTIMER
•DISABLE
POSITION
REPLY
Withpositionreplyset
toautotheradiowill
automaticallysendout
positiondetailswhena
positionrequestisreceived.
•MANUAL(default)
•AUTO
AccessingtheDSCoptionsmenu
ToaccesstheDSCoptionsmenufollowthestepsbelow:
1.PressandholdtheDSCMenubutton.
TheDSCmenuisdisplayed.
2.SelectDSCOPTIONS.
TheDSCoptionsmenuisdisplayed.
Digitalselectivecalling(DSC)51

52Ray260

Chapter8:VHFoperations
Chaptercontents
•8.1Scanmodeonpage54
•8.2Watchmodesonpage54
•8.3Prioritychannelsonpage55
•8.4Favoritechannelsonpage55
•8.5Sensitivityonpage56
•8.6Privatechannelsonpage56
•8.7AutomaticTransmitterIdenticationSystem(ATIS)andMarcom-Cmodeonpage57
•8.8AISonpage58
•8.9Voicerecorderonpage58
•8.10Systemcongurationonpage59
VHFoperations53

8.1Scanmode
Scanmodeenablesautomaticsearchingforchannelsthatare
currentlybroadcasting.
Scanmodewillsearchchannelsandstopwhenitndsa
channelthatisbroadcasting.Ifthebroadcaststopsorislostfor
morethan5secondsthenthescanwillresume.
Channelscanbetemporarilyremovedfromanactivescan,
andthedirectionofscancanalsobechanged.Whenthescan
reachesthelastchannelinthebandthescancycleisrepeated.
Thefollowingscansoptionsareavailable:
•ALLSCAN—Allchannelsinthefrequencybandtheradiois
settoarescannedinsequence.
•ALLSCAN+16—Allchannelsinthefrequencybandthe
radioissettoarescanned,aftereachchannelisscanned
prioritychannel16isscanned.
•SAVEDSCAN—Onlychannelssavedtotheradio’smemory
arescannedinsequence.
•SAVEDSCAN+16—Onlychannelssavedtotheradio’s
memoryarescanned,aftereachchannelisscannedpriority
channel16isscanned.
Note:OntheRay260andRay260AIS,iftheweatheralert
functionisactivatedtheweatheralertchannelisincludedin
thescan.
Performingascan
Scanmodeisstartedfromthemainmenu.
FromtheVHFoperationmenu(Mainmenu>VHFOPERATION
):
1.SelectSCANMODE.
2.Selecteither:
•ALLSCAN
•ALLSCAN+16
•SAVEDSCAN
•SAVEDSCAN+16
Onceselectedthescanwillstart.
3.Youcanexcludeachannelfromthecurrentscanbyselecting
XCLUDEwhenthescanstopsonthatchannel.
4.YoucanstopthecurrentscanatanytimebyselectingEND.
Savingachannel
Youcanaddchannelstotheradio’smemorysothattheyare
includedinthescansaveandscansave+16scanmodes.
FromtheVHFoperationmenu(Mainmenu>VHFOPERATION
):
1.SelectSAVECHANNEL.
2.UsetheChannelUpandChannelDownbuttonstoselect
therelevantchannel.
3.SelectSAVEtosavethechannel.
4.ToremoveasavedchannelselectCLEAR.
TheSAVEDiconappearson-screenwhenyouaretunedtoa
savedchannel.
8.2Watchmodes
Thewatchmodesmonitorprioritychannelsandthecurrently
selectedchannel.
Thereare2typeofwatchmode;DualwatchandTriwatch.
•Dualwatchmodemonitorsprioritychannel16andthe
currentlyselectedchannel.
•Triwatchmodemonitorsprioritychannel16,thesecond
prioritychannelandthecurrentlyselectedchannel.
Thewatchmodeendswhenabroadcastisdetectedononeof
thewatchedchannels.
Usingwatchmodes
FromtheVHFoperationmenu(Mainmenu>VHFOPERATION
):
1.SelectWATCHMODE.
2.SelecteitherDUALWATCHorTRIWATCHtostartthe
watchmode.
3.SelectENDatanytimetostopthewatchmodeandresume
normaloperation.
54Ray260

8.3Prioritychannels
Channel16isthededicatedprioritychannel.
Thedefaultsecondaryprioritychannelischannel09,however
thiscanbechangedifrequired.
Switchingbetweenprioritychannels
1.PressthePrioritybuttontoswitchbetweenthepriority
channelsandthelastusedchannel.
Settingasecondprioritychannel
Youcanselectwhichchannelyouwanttouseasthesecond
prioritychannel.
FromtheVHFoperationmenu(Mainmenu>VHFOPERATION
):
1.Select2NDPRIORITY.
2.UsetheChannelUpandChannelDownbuttonstoselect
therequiredchannel.
3.SelectOKtoconrm.
8.4Favoritechannels
Favoritechannelscanbesavedtomemoryandassignedtothe
softbuttonsduringnormaloperation.
Atotalof9channelscanbesavedasfavorites,Favorite
channelsareassignedto1of3banksoffavoritechannels.A
bankoffavoritechannelsisassignedtothesoftbuttons.The
bankthatisdisplayedcanbechangedandchannelscanbe
addedandremovedasrequired.
TheLCDdisplayswhichbankoffavoriteshasbeenselected
i.e.FAV1,FAV2,orFAV3.
Addingfavoritechannels
Followthestepsbelowtoaddchannelstothe3favoritechannel
banks.
FromtheVHFoperationmenu(Mainmenu>VHFOPERATION
):
1.SelectFAVORITECH.
2.SelecteitherFAVCHBANK-1,FAVCHBANK-2,orFAV
CHBANK-3.
3.SelectEDITBANK.
4.UsetheUpArrowandDownArrowsoftbuttonstoselect
eitherLEFT,CENTER,orRIGHTasrequired.
5.UsetheChannelUpandChannelDownbuttonstochange
theassignedchannel.
6.SelectOKtoconrmchannelassignment.
7.Repeatthestepsaboveforeachfavoritebank.
Selectingafavoritechannelbank
Youcanchangewhichfavoritechannelbankisassignedtothe
softbuttons.
FromtheFavoritechannelmenu(Mainmenu>VHF
OPERATION>FAVORITECH):
1.SelecteitherFAVCHBANK-1,FAVCHBANK-2,orFAV
CHBANK-3.
2.SelectSELECTBANK.
3.SelectOKtoconrm.
Thechosenbankisnowassignedtothesoftbuttonsandare
displayedduringnormaloperation.
VHFoperations55

8.5Sensitivity
Thesensitivityleveloftheradiocanbesettolocalmodeor
distantmode.
Localmodedecreasesthereceiversensitivityinhightrafc
areastodecreaseunwantedreception.Wheninlocalmode
LOCALisdisplayedon-screen.
Distantmodesetsthereceiversensitivitytofull.Whenindistant
modetheLOCALiconisremovedfromthedisplay.
Switchingsensitivitymodes
Youcanswitchbetweenlocalanddistantmodesatanytime.
FromtheVHFoperationmenu(Mainmenu>VHFOPERATION
):
1.SelectSENSITIVITY.
2.SelecttheD/Lsoftbutton.
SelectingtheD/Lsoftbuttonswitchesbetweenlocaland
distantmodes.InlocalmodeLOCALisdisplayedon-screen
3.SelectBACKorpresstheClearbuttontoreturntothe
previousmenu.
8.6Privatechannels
Theradiomaybeabletoreceiveadditionalprivatechannels
dependingonthecountryitisusedinandwhetherthe
appropriatelicensesareheld.
AlistofprivatechannelcanbefoundinAppendix1.
Note:PrivatechannelsareonlyavailableontheRay260E
andRay260EAIS.
Selectingprivatechannels
Youcanselectthesetofprivatechannelsyouwanttouse.
FromtheVHFoperationmenu(Mainmenu>VHFOPERATION
):
1.SelectPRIVATECH.
Thelistofprivatechannelsetsisdisplayed:
•NONE
•BELGIUM
•DENMARKPLEA.
•DENMARKFISH.
•FINLANDPLEA.
•FINLANDFISH.
•HOLLAND(Netherlands)
•NORWAYPLEA.
•NORWAYFISH.
•SWEDENPLEA.
•SWEDENFISH.
•UK
2.Selecttherequiredprivatechannelset.
56Ray260

8.7AutomaticTransmitter
IdenticationSystem(ATIS)and
Marcom-Cmode
ATISisaEuropeansystemusedonsomeinlandwaterways.
VHFradiosoperatinginanATISregionmustbeprogrammed
withauniqueATISnumber;thiscanbeobtainedfromthe
relevantlicensingauthority.TheATISnumberisattachedasa
digitalsignalattheendofeachtransmissionandidentiesyou
totherelevantauthoritieswhomonitorthesystem.
WhenoperatinginATISmode,someoftheproductsfeatures
arenotavailable:
•UseofDSCisnotpermittedinATISregions.Youwillbe
unabletomakeDSCdistressandothertypesofdigital
selectivecall.
•Dual/TriWatchoperationisnotpermittedinATISregions.
Youwillbeunabletousethesefeatures.
•ChannelscanningisnotpermittedinATISregions.Youwillbe
unabletousethescanfeatures.
•ATISregulationsrestrictthetransmitpowerto1wattforthe
followingchannels:6,8,10,11,12,13,14,71,72,74and77.
Youwillbeunabletochangethepoweronaffectedchannels.
YoucanenableordisableATISusingthemenus(excepton
Marcom-Cconguredunits).
Marcom-Cmode
Marcom-CmodeisarestrictedRay260congurationforVHF
operatorswithaMarcom-Clicense.Thisisapplicabletoradios
operatedexclusivelyinEuropeaninlandwaterwaysusingthe
ATISsystem.
AMarcom-CVHFradiohastheATISpermanentlyenabled.You
willnotbeabletodisableATISoperation.Marcom-Coperationis
setbythedealeratpointofsale.Ifyouwishtoenableordisable
Marcom-Cmode,youmustcontactyourRaymarinedealer.
ForfurtherinformationpleasecontactRaymarinetechnical
support.
Enabling/DisablingtheATISfunction
WiththeATISIDprogrammedyoucannowenableordisable
theATISfunctionasrequiredbyfollowingthestepsbelow.
Note:IfyourradiohasbeenconguredtouseMarcom-C
modethenATISwillbepermanentlyenabledandyouwillnot
beabletodisableATISoperation.Marcom-Cmodeissetby
thedealeratpointofsale.Ifyouwishtoenableordisable
Marcom-C,pleasecontactyourRaymarinedealer.
HI
- ATI S FUNCTI ON- -
ON
OFF
[BACK
]
OK
HI
- ATI S FUNCTI ON- -
ON
OFF
[BACK
]
OK
HI
- ATI S FUNCTI ON- -
ATI S ON
THEN DSC OFF
PRESS [OK
]
OKBACK
HI
- ATI S FUNCTI ON- -
ATI S OFF
THEN DSC ON
PRESS [OK
]
OKBACK
OK
HI
- ATI S OPERATI ON-
MY ATI S I D
ATI S FUNCTI ON
[BACK
]
D12623-1
FromtheATISoperationmenu:
1.SelectATISFunction.
2.SelectONtoenabletheATISfunction,or
ThemessageATISONTHENDSCOFFisdisplayed
on-screentowarnthatwhenATISisenabledthenDSC
functionsarenotavailable.
3.SelectOFFtodisabletheATISfunction.
ThemessageATISOFFTHENDSCONisdisplayed
on-screentowarnthatwhenATISisdisabledthenDSC
functionsareavailableagain.
IfnoATISIDhasbeenprogrammedthenthemessagePLEASE
INPUTATISIDFIRSTisdisplayed.
Note:WiththeATISfunctionenabledthefollowingfunctions
willbedisabled:
•DSCfunctions.
•Scanfunctions.
•Multiplewatchfunctions.
VHFoperations57

8.8AIS
TheRay260AISandRay260EAIShaveabuiltinAISreceiver.
Withthebuilt-inAISreceiverswitchedonAISinformationcanbe
senttoaconnectedRaymarinemultifunctiondisplayusingeither
theNMEA0183orSeaT alkngconnections.
Note:Ifusingthebuilt-inAISreceiverandoutputtingover
NMEA0183,ensurethatthebaudrateissettohighspeed:
Menu>Connection>Interface>NMEA0183>HIGH.
SwitchingtheAISfunctiononandoff
TheAISfunctionontheRay260AISandRay260EAIScanbe
switchedonoroff.
Fromthemainmenu:
1.SelectCONNECTION.
2.SelectAIS.
3.SelectONorOFFasrequired.
8.9Voicerecorder
Theradioincludesavoicerecorderfunction.
Thevoicerecorderenablesautomaticrecordingofupto90
secondsofareceivedtransmission.Fortransmissionsover90
secondslong,onlytherst90secondsisrecorded.
Only1recordingcanbesavedatatime,whenanew
transmissionisreceivedanysavedvoicerecordingis
automaticallydeleted.
Transmissionsarenotrecordedwhenascanmodeorawatch
modeisactive.
Recordingtransmissions
Toenableautomaticrecordingoftransmissionstherecord
functionmustbeswitchedon.
Fromthemainmenu:
1.SelectVOICERECORDER.
2.SelectRECORD.
3.SelectONtoturnonautomaticrecordingor,
4.SelectOFFtoturnoffautomaticrecording.
Playingbackarecordedtransmission
Youcanplaybackthelastrecordedtransmission.
Fromthemainmenu:
1.SelectVOICERECORDER.
2.SelectREPLAY.
Detailsoftherecordedtransmissionaredisplayed.
3.SelectPLAY.
Playbackstarts.
4.SelectSTOPatanytimetostoptherecording.
Deletingarecording
Youcandeleteasavedrecording.
Fromthemainmenu:
1.SelectVOICERECORDER.
2.SelectDELETEfromthemenu.
3.SelecttheDELETEsoftbuttontoconrmanddeletethe
recording.
58Ray260

8.10Systemconguration
Theoptionsavailablefromthesystemcongurationmenuare
shownbelow.
BACKLIGHTAllowsadjustment
totheLCD’s
backlightlevel.
•OFFtoHIGHin10increments.
CONTRASTAllowsadjustment
totheLCD’s
contrastlevel.
•LOWtoHIGHin10increments.
KEYBEEPAllowsadjustment
ofthebeepheard
whenpressing
handsetbuttons.
•QUIET
•LOUD
•OFF
BEARING
MODE
Allowsselectionof
bearingmode.
•TRUE
•MAGNETIC
SPEEDUNITAllowsselecting
ofpreferredspeed
units.
•KNOTS
•MPH
•KPH
FOGFREQThefrequencyof
thefoghorncanbe
set.
•50Hzto850Hzin50Hz
increments
LANGUAGEAllowsselection
ofuserinterface
language.
•ENGLISH
•SPANISH
•FRENCH
•GERMAN
•ITALIAN
SYSTEMTESTTheSystem
testfunction
performstestto
ensureequipment
isconnected
andwhere
applicablethe
radioisreceiving
appropriatedata.
•GPS
•Hailer
•Battery
•DSC
VERSION
NUMBER
Identiescurrent
hardwareand
softwareversions.
RESETPerformsareset
torestoredataand
settingstofactory
defaultvalues.
Note:The
resetfunction
willnotreset
MMSIandATIS
IDnumbers.
VHFoperations59

60Ray260

9.1Hailer
Thehailerfunctionrequiresanoptionalloudhailertobe
connected.
Thehailerisanauxiliaryfunction.Whenthehailerisactivecalls
cannotbesentorreceived.
Inhailermodeanythingspokenintothehandsetisamplied
andbroadcastfromthehailer,themessageisnottransmitted
overtheradio.
Usingthehailer
Fromthemainmenu:
1.SelectHAILER/FOG/IC.
2.SelectHAILER.
3.PressandholdthePTTbutton.
4.Speakyourvoicemessage.
5.ReleasethePTTbuttonwhenvoicemessageiscomplete.
6.SelectENDtoexithailermode.
Adjustinghailervolume
Youcanadjustthevolumeofthehailerfunction.
Duringanactivehailercall:
1.UsetheUpArrowsoftbuttontoincreasethehailervolume.
2.UsetheDownArrowsoftbuttontodecreasethehailer
volume.
9.2Foghorn
Thefoghornfunctionrequiresanoptionalloudhailertobe
connected.
Thefoghornfunctioncanbesettomanualortoapredened
automaticmode
Thepredenedautomaticmodesconsistofasequenceoftones
whicharethenrepeated.
FogmodeDescriptionPattern
UNDERWAYVesselunderway1longtone
UNDER-
WAY/STOPPED
Vesselnot
underway
2longtones
SAIL-
ING/FISHING
sailingvesselor
anyvesselshing
butnottrolling
1longtoneand2shorttones
RE-
STRICT/TOW
Restrictedinability
tomaneuveror
towinganother
vessel
1longtoneand2shorttones
UNDERTOWThisvesselisbeing
towed
1longtoneand3shorttones
PILOT
VESSEL
Thisvesselisa
pilotvessel
4shorttones
ATANCHORVesselisatanchor12consecutiverings
AGROUNDVesselisaground3shortrings,12consecutive
rings,3shortrings
Inmanualmodeacontinuoustoneissoundedforaslongasthe
PTTbuttonispressed.
Note:Radiocallscanonlybemadebetweenautomaticfog
hornsoundings.
Settingthefoghornmode
Thefoghorncanbesettomanualortoapredenedautomatic
mode.
Fromthemainmenu:
1.SelectHAILER/FOG/IC.
2.SelectFOG.
3.SelectAUTOFOGorMANUALFOG.
4.Ifautofogisselectedthenselecttherequiredautofogmode.
5.SelectENDtoexitfoghornmodeandresumenormal
operation.
Usingthefoghorninmanualmode
Withthefoghornsettomanual:
1.PressandholdthePTTbutton.
AcontinuoustoneissoundedaslongasthePTTbuttonis
pressed.
2.SelectENDtoexitfoghornmodeandresumenormal
operation.
Adjustingthefoghornvolume
Youcanadjustthevolumeofthefoghornfunction.
Duringmanualorautofoghornmode:
1.UsetheUpArrowsoftbuttontoincreasethehailervolume.
2.UsetheDownArrowsoftbuttontodecreasethehailer
volume.
62Ray260

9.3Handsetintercom
Installationsthatcontainmorethan1handsetcanusethe
intercomfeature.
Theintercomfeatureallowsvoicecommunicationbetween
connectedhandsets.Theintercomcallcanbeinitiatedfrom
anyhandset.
Usingtheintercom
Fromthemainmenu:
1.SelectHAILER/FOG/IC.
2.SelectINTERCOM.
Alistofconnectedhandsetsisdisplayed.
3.Selectthehandsetyouwanttocall.
4.Waitforthehandsetstationtoacknowledgethecall.
5.PressandholdthePTTbuttonandspeakyourmessage.
Respondingtotheintercom
1.PressthePTTbuttonandacknowledgethecallandto
respondtosubsequentvoicemessages.
Hailer,Foghorn,andIntercom63

64Ray260

10.1Maintenance
TheRay260hasnouserserviceablepartsoradjustments.
Neverremovethecoverorattempttoservicetheproduct,doing
somayinvalidateyourproductwarranty.
Tofollowingpreventivemeasuresshouldbefollowed:
•Althoughtheproductiswaterproof,keeptheunitasdryas
possible.
•Ifyouremoveahandsetconnectionensurethedustcapis
ttedtotheconnector.
10.2Routinechecks
Thisproductisasealedunit.Maintenanceproceduresare
thereforelimitedtothefollowingperiodicchecks:
•Examinecablesforsignsofdamage,suchaschang,cutsor
nicks.
•Checkthatthecableconnectorsarermlyattached
Note:Cableschecksshouldbecarriedoutwiththepower
supplyswitchedoff.
66Ray260

10.3Cleaning
Bestcleaningpractices.
Whencleaningthisproduct:
•DoNOTwipethedisplayscreenwithadrycloth,asthiscould
scratchthescreencoating.
•DoNOTuseabrasive,oracidorammoniabasedproducts.
•DoNOTuseajetwash.
10.4Unitcleaninginstructions
Theunitdoesnotrequireregularcleaning.However,ifyound
itnecessarytocleantheunit,pleasefollowthestepsbelow:
1.Ensurepowerisswitchedoff.
2.Wipeunitcleanwithadampcloth.
3.Ifnecessary,useamilddetergentsolutiontoremovegrease
marks.
Maintenance67

68Ray260

11.1Troubleshooting
Thetroubleshootinginformationprovidespossiblecausesand
correctiveactionrequiredforcommonproblemsassociatedwith
marineelectronicsinstallations.
AllRaymarineproductsare,priortopackingandshipping,
subjectedtocomprehensivetestandqualityassurance
programs.However,ifyouexperienceproblemswiththe
operationofyourproductthissectionwillhelpyoutodiagnose
andcorrectproblemsinordertorestorenormaloperation.
Ifafterreferringtothissectionyouarestillhavingproblems
withyourunit,pleasecontactRaymarineT echnicalSupportfor
furtheradvice.
70Ray260

11.2VHFRadiotroubleshooting
ProblemswithyourVHFradioandtheirpossiblecausesandsolutionsaredescribedbelow:
Loosewiringconnection.Checkallcableconnections.
Radiowillnotpowerup.
Blownfuse.Checkfuseandreplaceifnecessary.
MMSInumbernotprogrammed.CheckMMSInumberhasbeenenteredcorrectly. DSCfunctionsarenotworking.
RadioissettoATISmode.UseofDSCisnotpermittedinATISregions.Youwillbeunable
tomakeDSCdistressandothertypesofdigitalselectivecall.
Positiondataisnotshown.InformationnotbeingreceivedfromGPS•CheckGPSisswitchedonandconnectedtotheradio.
•CheckcorrectinterfaceisselectedNMEA0183orNMEA2000.
•Powercycletheradio.
Troubleshooting71

72Ray260

12.1Raymarinecustomersupport
Raymarineprovidesacomprehensivecustomersupportservice.
YoucancontactcustomersupportthroughtheRaymarine
website,telephoneande-mail.Ifyouareunabletoresolvea
problem,pleaseuseanyofthesefacilitiestoobtainadditional
help.
Websupport
Pleasevisitthecustomersupportareaofourwebsiteat:
www.raymarine.com
ThiscontainsFrequentlyAskedQuestions,servicinginformation,
e-mailaccesstotheRaymarineT echnicalSupportDepartment
anddetailsofworldwideRaymarineagents.
Telephoneande-mailsupport
IntheUSA:
•Tel:+16033247900
•TollFree:+18005395539
•E-mail:support@raymarine.com
IntheUK,Europe,andtheMiddleEast:
•Tel:+44(0)1329246777
•E-mail:ukproduct.support@raymarine.com
InSoutheastAsiaandAustralia:
•Tel:+61(0)294794800
•E-mail:aus.support@raymarine.com
Productinformation
Ifyouneedtorequestservice,pleasehavethefollowing
informationtohand:
•Productname.
•Productidentity.
•Serialnumber.
•Softwareapplicationversion.
•Systemdiagrams.
Youcanobtainthisproductinformationusingthemenuswithin
yourproduct.
74Ray260

13.1Technicalspecication
Environmentalspecication
Operatingtemperature-20ºCto+60ºC
Storagetemperature-25ºCto+70ºC
Relativehumidity95%
Waterproong•Transceiverunit—IPX6
•Handsets—IPX7
•Loudspeakers—IPX7
Connections•1xPower/NMEA/Audio
•3xHandset/Activespeaker
•1xSeaTalkng
Powerspecication
Nominalsupplyvoltage12Vdc
Operatingvoltagerange10.8Vdcto15.6Vdc
Currentconsumption6AMaxathighpower
LEN(LoadEquivalency
Number)
1
Transmitter
ChannelsAllavailableUS,InternationalandCanadian
VHFmarineband
FrequencyRange156.025MHzto157.425MHz
155.500MHzto163.275MHz(Private
channels)
Frequencystability+/-5ppm
ChannelSpacing25kHz
PowerOutput•Lowpowersetting—1W
•Highpowersetting—25W
Dutycycle5%transmit,5%receive,90%standby
ModulationFrequencymodulation
SpuriousemissionsBetterthan–36dBmat25W
Maximumdeviation+/-5KHz
Antennaimpedance50Ohms(typical)
Receiver
ReceivertypeDoubleconversionsuperheterodyne
ChannelsAllavailableUS,InternationalandCanadian
VHFmarineband
Frequencyrange156.025MHzto157.425MHz
155.500MHzto163.275MHz(Private
channels)
Sensitivity(12dB)SINADLessthan0.35µV
AdjacentchannelselectivityBetterthan80dB
SpuriousnoiserejectionBetterthan–80dB
Intermodulationrejection80dB(typical)
Audiooutput(active
speaker)
5W
AudiodistortionLessthan10%
HumandnoiseinaudioBetterthan–40dB
Handset
Audiooutputpower3.5W(typical)
Hailer
Audiooutputpower30W(typical)
Hailerimpedance4Ohms
Speakers
Passivespeakerimpedance8Ohms
Conformance
USA:FCCCFR47parts2,15and80
IndustryCanada:RSS182
EU:R&TTEdirective1999/5/EC
China:CCSIACS—E10
AustraliaandNewZealand—C-Tickmark:AS-NZS4415.1—2003+Amd
1:2004
International:IEC62238andITU-rM.493–13
Radiousage
Theradiocanbeusedworldwide,includingthefollowing
Europeancountries:
ATCZFIIELUPLSK
BEDEFRISLVPTTR
BGDKGBITMTRO
CHEEGRLINLSE
CYESHULTNOSI
76Ray260

14.1Ray260Spares&Accessories
Thefollowingsparesandaccessoriesareavailableforthe
Ray260VHFradio.
DescriptionPartNumber
Ray260handsetUSversionwith10m
(32.8ft.)adaptorcable
A80196
Ray260handsetUSversionwith20m
(65.6ft.)adaptorcable
A80249
Ray260handsetEUversionwith10m
(32.8ft.)adaptorcable
A80197
Ray260handsetEUversionwith20m
(65.6ft.)adaptorcable
A80250
Passivespeakerwith1.5m(4.9ft.)
cableattached
A80198
Activespeakerwith1.5m(4.9ft.)
cableattached
A80199
Ray260handsetextensioncable5m
(16.4ft)
A80200
Ray260handsetextensioncable10
m(32.8ft)
A80201
Ray260handsetextensioncable15
m(49.2ft)
A80202
Ray260handsetadaptorcable10m
(32.8ft)
R70166
Ray260handsetadaptorcable20m
(65.6ft.
R70167
Power/Datacable1m(3.3ft.)A80205
14.2SeaTalkngcablesandaccessories
SeaTalkngcablesandaccessoriesforusewithcompatible
products.
DescriptionPartNoNotes
SeaTalkngstarterkitT70134Includes:
•1x5Wayconnector(A06064)
•2xBackboneterminator
(A06031)
•1x3m(9.8ft)spurcable
(A06040)
•1xPowercable(A06049)
SeaTalkngBackboneKitA25062Includes:
•2x5m(16.4ft)Backbone
cable(A06036)
•1x20m(65.6ft)Backbone
cable(A06037)
•4xT-piece(A06028)
•2xBackboneterminator
(A06031)
•1xPowercable(A06049)
SeaTalkng0.4m(1.3ft)
spur
A06038
SeaTalkng1m(3.3ft)
spur
A06039
SeaTalkng3m(9.8ft)
spur
A06040
SeaTalkng5m(16.4ft)
spur
A06041
SeaTalkng0.4m(1.3ft)
elbowspur
A06042
SeaTalkng0.4m(1.3ft)
backbone
A06033
SeaTalkng1m(3.3ft)
backbone
A06034
SeaTalkng3m(9.8ft)
backbone
A06035
SeaTalkng5m(16.4ft)
backbone
A06036
SeaTalkng9m(29.5ft)
backbone
A06068
SeaTalkng20m(65.6ft)
backbone
A06037
SeaTalkngtobareends
1m(3.3ft)spur
A06043
SeaTalkngtobareends
3m(9.8ft)spur
A06044
SeaTalkngPowercableA06049
SeaTalkngTerminatorA06031
SeaTalkngT-pieceA06028Provides1xspurconnection
SeaTalkng5–way
connector
A06064Provides3xspurconnections
SeaTalkngbackbone
extender
A06030
SeaTalktoSeaTalkng
converterkit
E22158AllowstheconnectionofSeaTalk
devicestoaSeaTalkngsystem.
78Ray260

DescriptionPartNoNotes
SeaTalkngInline
terminator
A80001Providesdirectconnectionof
aspurcabletotheendofa
backbonecable.NoT-piece
required.
SeaTalkngBlankingplugA06032
ACU/SPXSeaTalkng
spurcable0.3m(1.0ft)
R12112ConnectsanSPXcourse
computeroranACUtoa
SeaTalkngbackbone.
SeaTalk(3pin)to
SeaTalkngadaptorcable
0.4m(1.3ft)
A06047
SeaTalktoSeaTalkng
spur1m(3.3ft)spur
A22164
SeaTalk2(5pin)to
SeaTalkngadaptorcable
0.4m(1.3ft)
A06048
DeviceNetadaptor
cable(Female)
A06045AllowstheconnectionofNMEA
2000devicestoaSeaTalkng
system.
DeviceNetadaptor
cable(Male)
A06046AllowstheconnectionofNMEA
2000devicestoaSeaTalkng
system.
DeviceNetadaptor
cable(Female)tobare
ends.
E05026AllowstheconnectionofNMEA
2000devicestoaSeaTalkng
system.
DeviceNetadaptor
cable(Male)tobare
ends.
E05027AllowstheconnectionofNMEA
2000devicestoaSeaTalkng
system.
Sparesandaccessories79

80Ray260

AppendixANMEA0183sentences
TheradiosupportsthefollowingNMEA0183sentences.
Ray260/Ray260ERay260AIS/Ray260EAIS
SentenceDescriptionReceiveTransmitReceiveTransmit
DSCDigitalSelectiveCalling●●
DSEExpandedDigitalSelectiveCalling●●
VDMAISVHFDataLinkMessage●
GGAGlobalPositioningSystemFixData●●
GLLGeographicPosition—Lat/Long●●
GNSGNSSFixData●●
RMARecommendedMinimumSpecicLoran-CData●●
RMCRecommendedMinimumSpecicGNSSData●●
NMEA0183sentences81

AppendixBNMEA2000sentences
TheradiosupportsthefollowingNMEA2000sentences.TheseareapplicabletoNMEA2000andSeaT alkngprotocols.
Ray260/Ray260ERay260AIS/Ray260EAIS
SentenceDescriptionReceiveTransmitReceiveTransmit
59904ISOAcknowledgement●●●●
59392ISORequest●●
60928ISOAddressClaim●●●●
65240ISOCommandedAddress●●
126208NMEA—GroupFunction●●●●
126464PGNList●●
126996ProductInformation●●
126026COG/SOGRapidUpdate●●
126029GNSSPositionData●●
129038AISClassAPositionreport●
129039AISClassBPositionReport●
129040AISClassBExtendedPosition●
129040AISSARAircraftPositionReport●●
129040RadioFrequency/Mode/Power●●
129808DSCCallInformation●●
129809AISClassB“CS”StaticDataReport,PartA●
129810AISClassB“CS”StaticDataReport,PartB●
129793AISUTCDateandTimeReport●
129801AISSafetyRelatedBroadcastAddressed●
129041AISAidstoNavigation●
129044Datum●●
82Ray260

AppendixCVHFChannels
USMarineVHFChannelsandFrequencies
CHNo.TXFreqRXFreqSingleFreqUse
01A156.050156.050xPortoperationsandcommercial,VTS.
AvailableonlyinNewOrleans/LowerMississippiarea.
03A156.150156.150xUSGovernmentonly.
05A156.250156.250xPortoperationsorVTSintheHouston,NewOrleansandSeattleareas.
06156.300156.300xIntershipSafety.
07A156.350156.350xCommercial.
08156.400156.400xCommercial(Intershiponly).
09156.450156.450xBoatercalling.
CommercialandNon-commercial.
10156.500156.500xCommercial.
11156.550156.550xCommercial.
VTSinselectedareas.
12156.600156.600xPortoperations.
VTSinselectedareas.
13156.650156.650xIntershipnavigationsafety(Bridge-to-bridge).
Ships>20metresinlengthmaintainalisteningwatchonthischannelinUSwaters.
14156.700156.700xPortoperations.
VTSinselectedareas.
15-156.750xEnvironmental(Receiveonly).
UsedbyClass‘C’EPIRBs.
16156.800156.800xInternationalDistress,SafetyandCalling.
Shipsrequiredtocarryradio,USCG,andmostcoaststationsmaintainalisteningwatch
onthischannel.
17156.850156.850xStateControl.
18A156.900156.900xCommercial.
19A156.950156.950xCommercial.
20157.000161.600Portoperations(duplex).
20A157.000157.000xPortoperations.
21A157.050157.050xUSCoastGuardonly.
22A157.100157.100xCoastGuardLiaisonandMaritimeSafetyInformationBroadcasts.
Broadcastsannouncedonchannel16.
23A157.150157.150xUSCoastGuardonly.
24157.200161.800Publiccorrespondence(Marineoperator).
25157.250161.850Publiccorrespondence(Marineoperator).
26157.300161.900Publiccorrespondence(Marineoperator).
27157.350161.950Publiccorrespondence(Marineoperator).
28157.400162.000Publiccorrespondence(Marineoperator).
61A156.075156.075xUSGovernmentonly.
63A156.175156.175xPortoperationsandcommercialVTS,AvailableonlyinNewOrleans/LowerMississippi
area.
64A156.225156.225xUSCoastGuardonly.
65A156.275156.275xPortoperations.
66A156.325156.325xPortoperations.
67156.375156.375xCommercial.
Usedforbridge-to-bridgecommunicationsinlowerMississippiriver(Intershiponly).
68156.425156.425xNon-commercial.
69156.475156.475xNon-commercial.
71156.575156.575xNon-commercial.
72156.625156.625xNon-commercial(Intershiponly).
VHFChannels83

CHNo.TXFreqRXFreqSingleFreqUse
73156.675156.675xPortoperations.
74156.725156.725xPortoperations.
77156.875156.875xPortoperations(Intershiponly).
78A156.925156.925xNon-commercial.
79A156.975156.975xCommercial.
Non-commercialinGreatLakesonly).
80A157.025157.025xCommercial.
Non-commercialinGreatLakesonly).
81A157.075157.075xUSGovernmentonly—Environmentalprotectionoperations.
82A157.125157.125xUSGovernmentonly.
83A157.175157.175xUSGovernmentonly.
84157.225161.825Publiccorrespondence(Marineoperator).
85157.275161.875Publiccorrespondence(Marineoperator).
86157.325161.925Publiccorrespondence(Marineoperator).
87157.375161.975Publiccorrespondence(Marineoperator).
88157.425162.025PubliccorrespondenceonlyneartheCanadianborder
88A157.425157.425xCommercial,Intershiponly.
Pleasebeawarethat:
•RecreationalboatersnormallyusechannelslistedasNon-commercial:68,69,71,7278A.
•Channel70isusedexclusivelyforDSCandisnotavailableforregularvoicecommunications.
•Channels75and76arereservedasguardsbandsforchannel16andarenotavailableforregularvoicecommunications.
Note:
1.Theletter‘A’followingachannelnumberindicatessimplexuseoftheshipstationtransmitsideofaninternationalsemi-duplex
channel.Operationsaredifferentfromthatofinternationaloperationsonthatchannel.
2.Channel13shouldbeusedtocontactashipwhenthereisdangerofcollision.Allshipsoflength20metresorgreaterare
requiredtoguardVHFchannel13,inadditiontoVHFchannel16,whenoperatingwithinUSterritorialwaters.
3.Channel15isreceiveonly.
4.Channel16isusedforcallingotherstationsorfordistresscalls.
5.Channel17andchannel77haveaxedpoweroutputof1watt.
6.Channel13andchannel67haveaninitialpoweroutputof1watt.Usercantemporarilyoverridethisrestrictionstotransmitat
highpower.
CanadianMarineVHFChannelsandFrequencies
CHNo.TXFreqRXFreq
Areaof
operationUse
01156.050160.650PCPubliccorrespondence.
02156.100160.700PCPubliccorrespondence.
03156.150160.750PCPubliccorrespondence.
04A156.200156.200PCIntership,ship/shoreandsafety:
CanadianCoastGuardsearchandrescue.
04A156.200156.200ECIntership,ship/shoreandcommercial:
Commercialshingonly.
05A156.250156.250Shipmovement.
06156.300156.300AllareasIntership,commercial,non-commercialandsafety:
Maybeusedforsearchandrescuecommunicationsbetweenshipsandaircraft.
07A156.350156.350AllareasIntership,ship/shore,commercial.
08156.400156.400WC,ECIntership,commercialandsafety.
AlsoassignedforoperationsintheLakeWinnipegarea.
84Ray260

CHNo.TXFreqRXFreq
Areaof
operationUse
09156.450156.450ACIntership,ship/shore,commercial,non-commercialandshipmovement.
Maybeusedtocommunicatewithaircraftandhelicoptersinpredominantlymaritime
supportoperations.
10156.500156.500AC,GLIntership,ship/shore,commercial,non-commercial,safetyandshipmovement.
Mayalsobeusedforcommunicationswithaircraftengagedincoordinatedsearchand
rescueandantipollutionoperations.
11156.550156.550PC,AC,GLIntership,ship/shore,commercial,non-commercialandshipmovement.
Alsousedforpilotagepurposes.
12156.600156.600WC,AC,GLIntership,ship/shore,commercial,non-commercialandshipmovement.
Portoperationsandpilotinformationandmessages.
13156.650156.650AllareasIntership,commercial,non-commercialandshipmovement.
Exclusivelyforbridge-to-bridgenavigationaltrafc.Limitedto1wattmaximumpower.
14156.700156.700AC,GLIntership,ship/shore,commercial,non-commercialandshipmovement.
Portoperationsandpilotinformationandmessages.
1556.75056.750AllareasIntership,ship/shore,commercial,non-commercialandshipmovement.
Alloperationslimitedto1wattmaximumpower.Mayalsobeusedforon-board
communications.
16156.800156.800AllareasInternationaldistress,safetyandcalling.
17156.850156.850AllareasIntership,ship/shore,commercial,non-commercialandshipmovement.
Alloperationslimitedto1wattmaximumpower.Mayalsobeusedforon-board
communications.
18A156.900156.900AllareasIntership,ship/shore,commercial.
TowingonthePaciccoast.
19A156.950156.950Allareas
exceptPC
Intership,ship/shore.
CanadianCoastGuardonly
19A156.950156.950PCIntership,ship/shore.
Variousgovernmentdepartments.
20157.00161.600AllareasShip/shore,safetyandshipmovement.
Portoperationslimitedto1wattmaximumpower.
21A157.050157.050AllareasIntershipandship/shore.
CanadianCoastGuardonly.
21B-161.650AllareasSafety:ContinuousMarineBroadcast(CMB)service.
22A157.100157.100AllareasIntership,ship/shore,commercialandnon-commercial.
ForcommunicationsbetweenCanadianCoastGuardandnon-CanadianCoastGuard
stationsonly.
23157.150161.750PCShip/shoreandpubliccorrespondence.
AlsointheinlandwatersofBritishColumbia
24157.200161.800AllareasShip/shoreandpubliccorrespondence.
25157.250161.850PCShip/shoreandpubliccorrespondence.
AlsoassignedforoperationsintheLakeWinnipegarea.
25B-161.850ACSafety:ContinuousMarineBroadcast(CMB)service.
26157.300161.900AllareasShip/shore,safetyandpubliccorrespondence.
27157.350161.950AC,GL,PCShip/shoreandpubliccorrespondence.
28157.400162.00PCShip/shore,safetyandpubliccorrespondence.
28B-162.000ACSafety:ContinuousMarineBroadcast(CMB)service.
60156.025160.625PCShip/shoreandpubliccorrespondence.
61A156.075156.075PCIntershipandship/shore
CanadianCoastGuardonly.
61A156.075156.075ECIntership,ship/shoreandcommercial
Commercialshingonly.
62A156.125156.125PCIntershipandship/shore
CanadianCoastGuardonly.
62A156.125156.125ECIntership,ship/shoreandcommercial
Commercialshingonly.
64156.225160.825PCShip/shoreandpubliccorrespondence.
VHFChannels85

CHNo.TXFreqRXFreq
Areaof
operationUse
64A156.225156.225ECIntership,ship/shoreandcommercial
Commercialshingonly.
65A156.275156.275Intership,ship/shore,commercial,non-commercialandsafety.
SearchandrescueandantipollutionoperationsontheGreatLakes.
TowingonthePaciccoast.
PortoperationsonlyintheSt.Lawrenceriverarealimitedto1wattmaximumpower.
PleasurecraftintheinlandwatersofAlberta,SaskatchewanandManitobs(excluding
LakeWinnipegandtheRedRiver.
66A156.325156.325Intership,ship/shore,commercial,non-commercial,safetyandshipmovement.
PortoperationsonlyintheSt.Lawrenceriver/GreatLakesareaslimitedto1watt
maximumpower.
67156.375156.375ECIntershipship/shoreandcommercial.
Commercialshingonly.
67156.375156.375Allareas
exceptEC
Intership,ship/shore,commercial,non-commercial,safety.
Mayalsobeusedforcommunicationswithaircraftengagedincoordinatedsearchand
rescueandantipollutionoperations.
68156.425156.425AllareasIntership,ship/shoreandnon-commercial.
Formarinasandyachtclubs.
69156.475156.475Allareas
exceptEC
Intership,ship/shore,commercialandnon-commercial.
69156.475156.475ECIntership,ship/shoreandcommercial.
Commercialshingonly.
71156.575156.575PCIntership,ship/shore,commercial,non-commercial,safetyandshipmovement.
71156.575156.575Intership,ship/shoreandnon-commercial.
FormarinasandyachtclubsontheeastcoastandonLakeWinnipeg.
72156.625156.625EC,PCIntership,commercialandnon-commercial
Maybeusedtocommunicatewithaircraftandhelicoptersinpredominantlymaritime
supportoperations.
73156.675156.675ECIntership,ship/shoreandcommercial.
Commercialshingonly.
73156.675156.675Allareas
exceptEC
Intership,ship/shore,commercial,non-commercialandsafety.
Mayalsobeusedforcommunicationswithaircraftengagedincoordinatedsearchand
rescueandantipollutionoperations.
74156.725156.725EC,PCIntership,ship/shore,commercial,non-commercialandshipmovement.
77156.875156.875Intership,ship/shore,safetyandshipmovement.
PilotageonPaciccoast.
PortoperationsonlyintheSt.Lawrenceriver/GreatLakesareaslimitedto1watt
maximumpower.
78A156.925156.925EC,PCIntership,ship/shoreandcommercial.
79A156.975156.975EC,PCIntership,ship/shoreandcommercial.
80A157.025157.025EC,PCIntership,ship/shoreandcommercial.
81A157.075157.075Intership,ship/shore.
CanadianCoastGuarduseonlyintheSt.Lawrenceriver/GreatLakesareas.
81A157.075157.075PCIntership,ship/shoreandsafety.
CanadianCoastGuardantipollution.
82A157.125157.125PCIntership,ship/shoreandsafety.
CanadianCoastGuarduseonly.
82A157.125157.1258Intershipandship/shore.
CanadianCoastGuarduseonlyintheSt.Lawrenceriver/GreatLakesareas.
83157.175161.775PCShip/shoreandsafety.
CanadianCoastGuarduseonly.
83A157.175157.175ECIntershipandship/shore
CanadianCoastGuardandothergovernmentagencies.
83B-161.775AC,GLSafety:ContinuousMarineBroadcast(CMB)service.
84157.225161.825PCShip/shoreandpubliccorrespondence.
85157.275161.875AC,GL,NLShip/shoreandpubliccorrespondence.
86157.325161.925PCShip/shoreandpubliccorrespondence.
86Ray260

CHNo.TXFreqRXFreq
Areaof
operationUse
87157.375161.975AC,GL,NLShip/shoreandpubliccorrespondence.
88157.425162.025AC,GL,NLShip/shoreandpubliccorrespondence.
Areaofoperation
•AC—AtlanticCoast,GulfandSt.LawrenceRiveruptoandincludingMontreal.
•EC—EastCoast:includesNL,AC,GLandEasternArcticareas.
•GL—GreatLakes:includesSt.LawrenceaboveMontreal.
•NL—NewfoundlandandLabrador.
•PC—PacicCoast.
•WC—WestCoast:includesPC,WesternArcticandAthabasca-MackenzieWatershedareas.
•Allareas—IncludesEastandWestCoastareas.
Note:
1.An‘A’followingachannelnumberindicatessimplexuseoftheshipstationtransmitsideofaninternationalduplexchannel.
Operationsaredifferentfromthatofinternationaloperationsonthatchannel.
2.Channel16isusedforcallingotherstationsorfordistresscalls.
3.A‘B’followingachannelnumberindicatessimplexuseofthecoaststationtransmitsideofaninternationalduplexchannel.
Thechannelisreceiveonly
4.Channel70isusedexclusivelyforDigitalSelectiveCallingandisnotavailableforregularvoicecommunications.
5.Channel75andchannel76arereservedasguardbandsforchannel16andarenotavailableforregularvoice
communications.
InternationalMarineVHFChannelsandFrequencies
CHNo.TXFreqRXFreqSingleFreqUse
01156.050160.650Publiccorrespondence,PortoperationsandShipmovement.
02156.100160.700Publiccorrespondence,PortoperationsandShipmovement.
03156.150160.750Publiccorrespondence,PortoperationsandShipmovement.
04156.200160.800Publiccorrespondence,PortoperationsandShipmovement.
05156.250160.850Publiccorrespondence,PortoperationsandShipmovement.
06156.300156.300xIntership.
07156.350160.950Publiccorrespondence,PortoperationsandShipmovement.
08156.400156.400xIntership.
09156.450156.450xIntership,PortoperationsandShipmovement.
10156.500156.500xIntership,PortoperationsandShipmovement.
11156.550156.550xPortoperationsandShipmovement.
12156.600156.600xPortoperationsandShipmovement.
13156.650156.650xIntership,Safety,PortoperationsandShipmovement.
14156.700156.700xPortoperationsandShipmovement.
15156.750156.750xIntership,on-boardcommunicationslimitedto1wattmaximumpower.
16156.800156.800xDistress,SafetyandCalling
17156.850156.850xIntership,on-boardcommunicationslimitedto1wattmaximumpower.
18156.900161.500Publiccorrespondence,PortoperationsandShipmovement.
19156.950161.550Publiccorrespondence,PortoperationsandShipmovement.
20157.000161.600Publiccorrespondence,PortoperationsandShipmovement.
21157.050161.650Publiccorrespondence,PortoperationsandShipmovement.
22157.100161.700Publiccorrespondence,PortoperationsandShipmovement.
23157.150161.750Publiccorrespondence,PortoperationsandShipmovement.
24157.200161.800Publiccorrespondence,PortoperationsandShipmovement.
25157.250161.850Publiccorrespondence,PortoperationsandShipmovement.
26157.300161.900Publiccorrespondence,PortoperationsandShipmovement.
27157.350161.950Publiccorrespondence,PortoperationsandShipmovement.
VHFChannels87

CHNo.TXFreqRXFreqSingleFreqUse
28157.400162.000Publiccorrespondence,PortoperationsandShipmovement.
60156.025160.625Publiccorrespondence,PortoperationsandShipmovement.
61156.075160.675Publiccorrespondence,PortoperationsandShipmovement.
62156.125160.725Publiccorrespondence,PortoperationsandShipmovement.
63156.175160.775Publiccorrespondence,PortoperationsandShipmovement.
64156.225160.825Publiccorrespondence,PortoperationsandShipmovement.
65156.275160.875Publiccorrespondence,PortoperationsandShipmovement.
66156.325160.925Publiccorrespondence,PortoperationsandShipmovement.
67156.375156.375xIntership,PortoperationsandShipmovement.
68156.425156.425xPortoperationsandShipmovement.
69156.475156.475xIntership,PortoperationsandShipmovement.
71156.575156.575xPortoperationsandShipmovement.
72156.625156.625xIntership.
73156.675156.675xIntership.
74156.725156.725xPortoperationsandShipmovement.
75156.775156.775xSeeNote5.
76156.825156.825xSeeNote5.
77156.875156.875xIntership.
78156.925161.525Publiccorrespondence,PortoperationsandShipmovement.
79156.975161.575Publiccorrespondence,PortoperationsandShipmovement.
80157.025161.625Publiccorrespondence,PortoperationsandShipmovement.
81157.075161.675Publiccorrespondence,PortoperationsandShipmovement.
82157.125161.725Publiccorrespondence,PortoperationsandShipmovement.
83157.175161.775Publiccorrespondence,PortoperationsandShipmovement.
84157.225161.825Publiccorrespondence,PortoperationsandShipmovement.
85157.275161.875Publiccorrespondence,PortoperationsandShipmovement.
86157.325161.925Publiccorrespondence,PortoperationsandShipmovement.
87157.375157.375xPortoperationsandShipmovement.
88157.425157.425xPortoperationsandShipmovement.
Pleasebeawarethat:
•Intershipchannelsareforcommunicationsbetweenshipstations.Intershipcommunicationsshouldberestrictedtochannels6,8,
72and77.Ifthesearenotavailable,theotherchannelsmarkedforIntershipmaybeused.
•Channel70isusedexclusivelyforDigitalSelectiveCalling(DSC)andisnotavailableforregularvoicecommunications.
Note:
1.Channel06mayalsobeusedforcommunicationsbetweenshipstationsandaircraftengagedincoordinatedsearchand
rescueoperations.Shipstationsshouldavoidharmfulinterferencetosuchcommunicationsonchannel06aswellasto
communicationsbetweenaircraftstations,icebreakersandassistedshipsduringiceseasons.
2.WithintheEuropeanMaritimeAreaandinCanada,channels10,67and73mayalsobeusedbytheindividualadministrations
concernedforcommunicationbetweenshipstations,aircraftstationsandparticipatinglandstationsengagedincoordinated
searchandrescueandanti-pollutionoperationsinlocalareas.Channel10or73(dependingonlocation)arealsousedfor
thebroadcastofMarineSafetyInformationbytheMaritimeandCoastGuardAgencyintheUKonly.
3.Channel13isdesignatedforuseonaworldwidebasisasanavigationsafetycommunicationchannel,primarilyforintership
navigationsafetycommunications.
4.Channels15and17mayalsobeusedforon-boardcommunicationsprovidedtheeffectiveradiatedpowerdoesnotexceed
1Watt.
5.Theuseofchannels75and76shouldberestrictedtonavigationrelatedcommunicationsonlyandallprecautionsshouldbe
takentoavoidharmfulinterferencetochannel16.Transmitpowerislimitedto1Watt.
88Ray260

PrivateChannels(Europeonly)
Country
Channel
Designa-
tionsTXFreqRXFreqChannelUse
Belgium96162.425162.425Marina
L1155.500155.500Pleasure Denmark
L2155.525155.525Pleasure
L1155.500155.500Pleasure
L2155.525155.525Pleasure
Finland,
Norway&
Sweden
L3155.650155.650Pleasure
31157.550162.150Marina Holland
(Nether-
lands)37157.850157.850Leisure
F1155.625155.625Fishing
F2155.725155.725Fishing
Denmark,
Finland,
Norway&
SwedenF3155.825155.825Fishing
M1157.850157.850Marina United
KingdomM2161.425161.425Marina
Thenationalchannelslistedabovehavebeenallocatedforthespecicusewithinthecountrieslisted.Tousethesechannelsyou
musthavetheappropriatelicense.
WXChannels(NorthAmericaonly)
Weather
ChannelFrequencyinMHz
WX1162.550
WX2162.400
WX3162.475
WX4162.425
WX5162.450
WX6162.500
WX7162.525
WX8161.650
WX9161.775
WX10163.275
VHFChannels89

AppendixDPhoneticalphabet
Tohelpmakecalllettersmoreclearlyunderstood,andtoassistinspellingoutsimilarsoundingorunfamiliarword,radiotelephone
usersemploytheinternationalphoneticalphabet.
AALPHANNOVEMBER
BBRAVOOOSCAR
CCHARLIEPPAPA
DDELTAQQUEBEC
EECHORROMEO
FFOXTROTSSIERRA
GGOLFTTANGO
HHOTELUUNIFORM
IINDIAVVICTOR
JJULIETWWHISKEY
KKILOXX-RAY
LLIMAYYANKEE
MMIKEZZULU
90Ray260

AppendixEProwords
Prowordscanbeusedtosimplifyandspeedupradio
communications.
ProwordMeaning
ACKNOWLEDGEHaveyoureceivedandunderstood?
CONFIRMIsthatcorrect?
CORRECTIONAnerrorhasbeenmade?
ISAYAGAINIrepeat(e.g.importantinformation).
ISPELLPhoneticallyspellingoftheword.
OUTEndofcommunication.
OVERIhavecompletedthispartofthe
messageandaminvitingyouto
reply.
RECEIVEDReceiptacknowledgement.
SAYAGAINRepeatyourmessage.
STATIONCALLINGUsedwhenastationisuncertain
oftheidentityofastationwhichis
calling.
Prowords91

92Ray260

www.ra ym a rin e .c o m









