Fluke Esa612 Users Manual
ESA612 to the manual 5e8e148e-f8d0-4af7-bbc2-efebf25d11db
2015-02-02
: Fluke Fluke-Esa612-Users-Manual-427943 fluke-esa612-users-manual-427943 fluke pdf
Open the PDF directly: View PDF
.
Page Count: 78
- ESA612 Users Manual
- Introduction
- Safety Information
- Intended Use
- Unpacking the Analyzer
- Instrument Familiarization
- Connecting to Line Power
- Connecting a DUT to the Analyzer
- Turning the Analyzer On
- Accessing the Analyzer’s Functions
- Setting Up the Analyzer
- Performing Electrical Safety Tests
- Setting the Test Standard
- Performing Mains Voltage Testing
- Performing a Ground Wire (Protective Earth) Resistance Test
- Performing an Insulation Resistance Test
- Performing a Current Consumption Test
- Performing Leakage Current Tests
- Performing a Lead Isolation (Mains on Applied Part) Leakage Test
- Performing an Alternative Equipment Leakage Test
- Performing an Alternative Applied Part Leakage Test
- Performing a Direct Equipment Leakage Test
- Performing a Direct Applied Part Leakage Test
- Performing a Differential Leakage Current Test
- Using the 1210 Adapter
- Making Point-To-Point Measurements
- Simulating ECG Waveforms
- Using Memory
- Controlling the Analyzer Remotely
- Maintenance
- Testing and Replacing the Fuses
- Cleaning the Analyzer
- Replaceable Parts
- Accessories
- Specifications
- Detailed Specifications

March 2009, Rev. 1
© 2009 Fluke Corporation. All rights reserved. Specifications are subject to change without notice.
All product names are trademarks of their respective companies.
ESA612
Electrical Safety Analyzer
Users Manual
Warranty and Product Support
Fluke Biomedical warrants this instrument against defects in materials and workmanship for one year from the date of
original purchase. During the warranty period, we will repair or at our option replace, at no charge, a product that proves to
be defective, provided you return the product, shipping prepaid, to Fluke Biomedical. This warranty covers the original
purchaser only and is not transferable. The warranty does not apply if the product has been damaged by accident or misuse
or has been serviced or modified by anyone other than an authorized Fluke Biomedical service facility. NO OTHER
WARRANTIES, SUCH AS FITNESS FOR A PARTICULAR PURPOSE, ARE EXPRESSED OR IMPLIED. FLUKE SHALL
NOT BE LIABLE FOR ANY SPECIAL, INDIRECT, INCIDENTAL OR CONSEQUENTIAL DAMAGES OR LOSSES,
INCLUDING LOSS OF DATA, ARISING FROM ANY CAUSE OR THEORY.
This warranty covers only serialized products and their accessory items that bear a distinct serial number tag. Recalibration
of instruments is not covered under the warranty.
This warranty gives you specific legal rights and you may also have other rights that vary in different jurisdictions. Since
some jurisdictions do not allow the exclusion or limitation of an implied warranty or of incidental or consequential damages,
this limitation of liability may not apply to you. If any provision of this warranty is held invalid or unenforceable by a court or
other decision-maker of competent jurisdiction, such holding will not affect the validity or enforceability of any other provision.
7/07

Contents (continued)
Notices
All Rights Reserved
© Copyright 2008, Fluke Biomedical. No part of this publication may be reproduced, transmitted, transcribed, stored in a retrieval system, or
translated into any language without the written permission of Fluke Biomedical.
Copyright Release
Fluke Biomedical agrees to a limited copyright release that allows you to reproduce manuals and other printed materials for use in service
training programs and other technical publications. If you would like other reproductions or distributions, submit a written request to Fluke
Biomedical.
Unpacking and Inspection
Follow standard receiving practices upon receipt of the instrument. Check the shipping carton for damage. If damage is found, stop unpacking
the instrument. Notify the carrier and ask for an agent to be present while the instrument is unpacked. There are no special unpacking
instructions, but be careful not to damage the instrument when unpacking it. Inspect the instrument for physical damage such as bent or
broken parts, dents, or scratches.
Technical Support
For application support or answers to technical questions, either email techservices@flukebiomedical.com or call 1-800- 648-7952 or 1-425-
446-6945.
Claims
Our routine method of shipment is via common carrier, FOB origin. Upon delivery, if physical damage is found, retain all packing materials in
their original condition and contact the carrier immediately to file a claim. If the instrument is delivered in good physical condition but does not
operate within specifications, or if there are any other problems not caused by shipping damage, please contact Fluke Biomedical or your local
sales representative.

Standard Terms and Conditions
Refunds and Credits
Please note that only serialized products and their accessory items (i.e., products and items bearing a distinct serial number tag) are
eligible for partial refund and/or credit. Nonserialized parts and accessory items (e.g., cables, carrying cases, auxiliary modules, etc.)
are not eligible for return or refund. Only products returned within 90 days from the date of original purchase are eligible for refund/credit. In
order to receive a partial refund/credit of a product purchase price on a serialized product, the product must not have been damaged by the
customer or by the carrier chosen by the customer to return the goods, and the product must be returned complete (meaning with all manuals,
cables, accessories, etc.) and in “as new” and resalable condition. Products not returned within 90 days of purchase, or products which are not
in “as new” and resalable condition, are not eligible for credit return and will be returned to the customer. The Return Procedure (see below)
must be followed to assure prompt refund/credit.
Restocking Charges
Products returned within 30 days of original purchase are subject to a minimum restocking fee of 15 %. Products returned in excess
of 30 days after purchase, but prior to 90 days, are subject to a minimum restocking fee of 20 %. Additional charges for damage and/or
missing parts and accessories will be applied to all returns.
Return Procedure
All items being returned (including all warranty-claim shipments) must be sent freight-prepaid to our factory location. When you return an
instrument to Fluke Biomedical, we recommend using United Parcel Service, Federal Express, or Air Parcel Post. We also recommend that
you insure your shipment for its actual replacement cost. Fluke Biomedical will not be responsible for lost shipments or instruments that are
received in damaged condition due to improper packaging or handling.
Use the original carton and packaging material for shipment. If they are not available, we recommend the following guide for repackaging:
Use a double–walled carton of sufficient strength for the weight being shipped.
Use heavy paper or cardboard to protect all instrument surfaces. Use nonabrasive material around all projecting parts.
Use at least four inches of tightly packed, industry-approved, shock-absorbent material around the instrument.

Contents (continued)
Returns for partial refund/credit:
Every product returned for refund/credit must be accompanied by a Return Material Authorization (RMA) number, obtained from our Order
Entry Group at 1-800-648-7952 or 1-425-446-6945.
Repair and calibration:
To find the nearest service center, go to www.flukebiomedical.com/service or
In the U.S.A.:
Cleveland Calibration Lab
Tel: 1-800-850-4606
Email: globalcal@flukebiomedical.com
Everett Calibration Lab
Tel: 1-888-99 FLUKE (1-888-993-5853)
Email: service.status@fluke.com
In Europe, Middle East, and Africa:
Eindhoven Calibration Lab
Tel: +31-402-675300
Email: ServiceDesk@fluke.com
In Asia:
Everett Calibration Lab
Tel: +425-446-6945
Email: service.international@fluke.com
Certification
This instrument was thoroughly tested and inspected. It was found to meet Fluke Biomedical’s manufacturing specifications when it was
shipped from the factory. Calibration measurements are traceable to the National Institute of Standards and Technology (NIST). Devices for
which there are no NIST calibration standards are measured against in-house performance standards using accepted test procedures.
WARNING
Unauthorized user modifications or application beyond the published specifications may result in electrical shock hazards or improper
operation. Fluke Biomedical will not be responsible for any injuries sustained due to unauthorized equipment modifications.

Restrictions and Liabilities
Information in this document is subject to change and does not represent a commitment by Fluke Biomedical. Changes made to the
information in this document will be incorporated in new editions of the publication. No responsibility is assumed by Fluke Biomedical
for the use or reliability of software or equipment that is not supplied by Fluke Biomedical, or by its affiliated dealers.
Manufacturing Location
The ESA612 Electrical Safety Analyzer is manufactured at Fluke Biomedical, 6920 Seaway Blvd., Everett, WA, U.S.A.
i
Table of Contents
Title Page
Introduction .................................................................................................................... 1
Safety Information .......................................................................................................... 2
Intended Use.................................................................................................................. 3
Unpacking the Analyzer ................................................................................................. 4
Instrument Familiarization .............................................................................................. 4
Connecting to Line Power .............................................................................................. 8
Connecting a DUT to the Analyzer ................................................................................. 8
Turning the Analyzer On ................................................................................................ 8
Accessing the Analyzer’s Functions ............................................................................... 10
Setting Up the Analyzer.................................................................................................. 11
Setting Polarity Switching Delay................................................................................ 11
Setting the Display Contrast ...................................................................................... 11
Setting up the Beeper................................................................................................ 12
Viewing Instrument Information ................................................................................. 12
Viewing Memory........................................................................................................ 12

ESA612
Users Manual
ii
Setting the GFCI Limit............................................................................................... 12
Performing Electrical Safety Tests................................................................................. 12
Setting the Test Standard ......................................................................................... 13
Performing Mains Voltage Testing ............................................................................ 13
Performing a Ground Wire (Protective Earth) Resistance Test................................. 13
Performing an Insulation Resistance Test ................................................................ 19
Performing a Current Consumption Test .................................................................. 25
Performing Leakage Current Tests ........................................................................... 25
Measuring Earth Leakage Current ....................................................................... 26
Performing a Chassis (Enclosure) Leakage Test ................................................. 29
Performing a Lead-to-Ground (Patient) Leakage Test ......................................... 31
Performing Lead-to-Lead (Patient Auxiliary) Leakage Tests................................ 33
Performing a Lead Isolation (Mains on Applied Part) Leakage Test ......................... 35
Performing an Alternative Equipment Leakage Test................................................. 37
Performing an Alternative Applied Part Leakage Test .............................................. 37
Performing a Direct Equipment Leakage Test .......................................................... 39
Performing a Direct Applied Part Leakage Test ........................................................ 41
Performing a Differential Leakage Current Test........................................................ 44
Using the 1210 Adapter ................................................................................................. 46
Making Point-To-Point Measurements........................................................................... 50
Measuring Voltage .................................................................................................... 50
Measuring Resistance .............................................................................................. 50
Measuring Current .................................................................................................... 51
Simulating ECG Waveforms .......................................................................................... 51
Using Memory ............................................................................................................... 54
Storing Data into Memory ......................................................................................... 54
Viewing Memory Data............................................................................................... 55
Deleting Data from Memory ...................................................................................... 55
Controlling the Analyzer Remotely................................................................................. 55

Contents (continued)
iii
Maintenance................................................................................................................... 56
Testing and Replacing the Fuses ................................................................................... 56
Cleaning the Analyzer .................................................................................................... 57
Replaceable Parts.......................................................................................................... 58
Accessories.................................................................................................................... 60
Specifications ................................................................................................................. 61
Detailed Specifications ................................................................................................... 62

ESA612
Users Manual
iv
v
List of Tables
Table Title Page
1. Symbols................................................................................................................................. 2
2. Top-Panel Controls and Connections.................................................................................... 5
3. Side and Top-Panel Connections.......................................................................................... 7
4. Schematic Abbreviations ....................................................................................................... 17
5. Test Names Based on Selected Standard............................................................................. 25
6. Replaceable Parts ................................................................................................................. 58
7. Accessories ........................................................................................................................... 60

ESA612
Users Manual
vi
vii
List of Figures
Figure Title Page
1. Front-Panel Controls and Connections ................................................................................. 4
2. Side and Top-Panel Connections.......................................................................................... 6
3. Analyzer Ready for Operation ............................................................................................... 8
4. DUT Connections to the Analyzer ......................................................................................... 9
5. Leakage Current Menu.......................................................................................................... 10
6. Setup Menu ........................................................................................................................... 11
7. Mains Voltage Test Menu...................................................................................................... 13
8. DUT Ground Resistance Measurement................................................................................. 14
9. Ground Wire (Protective Earth) Resistance Measurement Connections............................... 16
10. Ground Wire (Protective Earth) Resistance Measurement Schematic .................................. 18
11. Insulation Resistance Measurement ..................................................................................... 19
12. Mains to Protective-Earth Insulation Resistance Test Schematic.......................................... 20
13. Applied Parts to Protective-Earth Insulation Test Schematic................................................. 21
14. Mains to Applied Parts Insulation Test Schematic................................................................. 22
15. Mains to Non-Earth Accessible Conductive Points Schematic .............................................. 23

ESA612
Users Manual
viii
16. Applied Parts to Non-Earth Conductive Points Schematic.................................................... 24
17. Leakage Current Main Menu ................................................................................................ 26
18. Earth Leakage Current Test Schematic ................................................................................ 28
19. Enclosure Leakage Current Test Schematic......................................................................... 30
20. Lead-to-Ground (Patient) Leakage Current Test Schematic................................................. 32
21. Applied Parts Connection Posts Display............................................................................... 33
22. Lead-to-Lead (Patient Auxiliary) Leakage Current Test Schematic ...................................... 34
23. Lead Isolation (Mains On Applied Parts) Leakage Test Schematic ...................................... 36
24. Alternative Equipment Leakage Current Test Schematic...................................................... 38
25. Alternative Applied Part Leakage Test Schematic ................................................................ 40
26. Direct Equipment Leakage Test Schematic .......................................................................... 42
27. Direct Applied Parts Leakage Current Test Schematic ......................................................... 43
28. Differential Leakage Current Test Schematic ....................................................................... 45
29. 1210 Adapter Connections ................................................................................................... 47
30. EGC Lead Connection with 1210 Adapter ............................................................................ 49
31. Point-To-Point Function Menu .............................................................................................. 50
32. ECG Waveform Simulation Menu ......................................................................................... 51
33. ECG Monitor Connections .................................................................................................... 53
34. Test Record ID Entry Screen ................................................................................................ 54
35. Fuse Access ......................................................................................................................... 57
1
Electrical Safety Analyzer
Introduction
The Fluke Biomedical ESA612 Electrical Safety Analyzer
(hereafter the Analyzer) is a full-featured, compact,
portable analyzer, designed to verify the electrical safety
of medical devices. The Analyzer tests to domestic
(ANSI/AAMI ES1, NFPA 99) and international (IEC62353,
AN/NZS 3551, and parts of IEC 60601-1) electrical-safety
standards. The integrated ANSI/AAMI ES1 and
IEC60601-1 patient loads are easily selectable.
The Analyzer performs the following tests:
• Line (Mains) voltage
• Ground Wire (or Protective Earth) Resistance
• Equipment current
• Insulation resistance
• Ground (Earth) leakage
• Chassis (Enclosure) leakage
• Lead to Ground (Patient) and Lead to Lead (Patient
Auxiliary) leakage
• Lead isolation (Mains on applied parts leakage)
• Differential leakage
• Direct equipment leakage
• Direct applied part leakage
• Alternative equipment leakage
• Alternative applied part patient leakage
• Point to point leakage, voltage, and resistance
• ECG simulation and performance waveforms

ESA612
Users Manual
2
Table 1. Symbols
Symbol Description
W Important information; refer to manual.
X Hazardous voltage
) Conforms to relevant Canadian and US
standards
; Conforms to relevant Australian EMC
requirements
P Conforms to European Union directives
~ Do not dispose of this product as
unsorted municipal waste. Go to Fluke’s
website for recycling information.
CAT II
IEC Measurement Category II – CAT II
equipment designed to protect against
transients from energy-consuming
equipment supplied from fixed
installations.
˜ Accessible Functional Earth Terminal
Safety Information
In this manual, a Warning identifies hazardous conditions
and actions that could cause bodily harm or death. A
Caution identifies conditions and actions that could
damage the Analyzer, the equipment under test, or cause
permanent loss of data.
XW Warning
To avoid possible electrical shock or
personal injury, follow these guidelines:
• Use this Analyzer only in the manner
specified by the manufacturer or the
protection provided may be impaired.
• Read the Users Manual before operating
the Analyzer.
• Do not connect the Analyzer to a patient or
equipment connected to a patient. The
Analyzer is intended for equipment
evaluation only and should never be used
in diagnostics, treatment or in any other
capacity where the Analyzer would come
in contact with a patient.
• Do not use the product in wet or damp
locations, around explosive gases or dust.

Electrical Safety Analyzer
Intended Use
3
• Inspect the Analyzer before using it. Do
not use the Analyzer if abnormal
conditions of any sort are noted (such as a
faulty display, broken case, etc.)
• Inspect the test leads for damaged
insulation or exposed metal. Check test
lead continuity. Replace damaged leads
before using the Analyzer.
• When testing, always be sure to keep your
fingers behind the safety barriers on the
test leads.
• Never open the Analyzer's case.
Dangerous voltages are present. There are
no user replaceable parts in the Analyzer.
• Have the Analyzer serviced only by
qualified personnel.
• The Analyzer must be properly earthed.
Only use a supply socket that has a
protective earth contact. If there is any
doubt as to the effectiveness of the supply
socket earth, do not connect the Analyzer.
Do not use a two-conductor adapter or
extension cord; this will break the
protective ground connection.
• Do not use the 15-20 A adapter to power
devices rated in excess of 15 A. Doing so
may overload the installation.
• Use extreme caution when working with
voltages above 30 V.
• Use the proper terminals, functions and
ranges for the test being performed.
• Do not touch metal parts of the device
under test (DUT) during analysis. The DUT
should be considered an electrical shock
hazard when connected to the Analyzer as
some tests involve high voltages, high
currents, and/or the removal of DUT earth
bond.
Intended Use
The Analyzer is intended for use by trained service
technicians to perform periodic inspections on a wide
range of medical equipment. The testing procedures are
menu-driven, and simple to operate.

ESA612
Users Manual
4
Unpacking the Analyzer
Carefully unpack all items from the box and check that
you have the following items:
• ESA612
• Getting Started Manual
• Users Manual CD
• Carrying case
• Power cord
• 15 – 20 A Adapter (USA only)
• ESA USA Accessory Kit (USA, Australia, and Israel
only)
• ESA EUR Accessory Kit
• Ansur demo CD
• Null Post Adapter
• 5-to-5 Banana to ECG Adapter (BJ2ECG)
• Transfer cable
Instrument Familiarization
Figure 1 and Table 2 describes the front-panel controls
and connections of the Analyzer.
TEST
2
3
7
8
9
1
4
5
6
fis116.eps
Figure 1. Front-Panel Controls and Connections

Electrical Safety Analyzer
Instrument Familiarization
5
Table 2. Top-Panel Controls and Connections
Item Name Description
1
Equipment Outlet
Configuration
Buttons
Controls the configuration of
the equipment outlet. Opens
and closes the neutral and
ground connection and
reverses the polarity of the
neutral and hot connection.
2 High Voltage
Indicator
Indicates when high voltage
is applied to the
ECG/Applied Parts posts or
L1 and L2 of the Test
Receptacle.
3 Test Function
Buttons
Selects the various Analyzer
test functions.
4 Navigation Buttons Cursor control buttons for
navigating menus and lists.
5 Test Button Initiates selected tests.
6 Save Button Saves the measurement or
ECG waveform to memory.
7 Input Jacks Test lead connectors.
Item Name Description
8 Nulling Jack Connection for zeroing test
lead resistance.
9 Function Softkeys
Keys F1 through F4 are used
to select from a number of
selections that appear in the
LCD display above each
function softkey.

ESA612
Users Manual
6
Figure 2 and Table 3 describe the side and top-panel connections of the Analyzer.
TEST
RA LL LA RL V1
RFLN
C1
2
7
8
1
6
5
3
4
fis110.eps
Figure 2. Side and Top-Panel Connections

Electrical Safety Analyzer
Instrument Familiarization
7
Table 3. Side and Top-Panel Connections
Item Name Description
1 Equipment Outlet Equipment outlet, specific to the version of the Analyzer, which provides a DUT
connection.
2 USB Device Port
(B-style connector)
Digital connection for controlling the Analyzer from a PC or instrument
controller.
3 Fuse Access Door Covers the equipment outlet fuses.
4 Tilt Stand Support for holding the Analyzer in a tilted position.
5 AC Power Switch Turns ac power on and off.
6 Power Input Connector A grounded male three-prong (IEC 60320 C19) connector that accepts the
line-power cord.
7 ECG/Applied Parts Jacks
Connection posts for Device Under Test (DUT) applied parts, such as ECG
leads. Used to test for leakage current through leads and to supply ECG
signals and performance waveforms to a DUT.
8 Banana Jack to ECG Adapter Adapter for connecting ECG snap leads to the Analyzer.

ESA612
Users Manual
8
Connecting to Line Power
XWWarning
To avoid shock hazard and for proper
Analyzer operation, connect the factory
supplied three-conductor line power cord to
a properly grounded power outlet. Do not
use a two-conductor adapter or extension
cord; this will break the protective ground
connection.
Connect the Analyzer to a properly grounded three-prong
outlet. The Analyzer will not properly test a DUT when the
ground lead is open.
The Analyzer is intended for use with single-phase,
grounded power. It is not intended for dual, split-phase or
three-phase power configurations. But it can be used with
any power system that supplies the correct voltages for
single-phase and is grounded, or is an isolated power
system.
Connecting a DUT to the Analyzer
A Device Under Test (DUT) can be connected in a
number of different ways depending on the device and
the number of connections needed for a full electrical
safety test. Figure 4 shows a DUT connected to the test
receptacle, applied parts posts, and a separate
connection to the DUT’s enclosure or protective earth
ground.
Turning the Analyzer On
Note
To ensure the high voltage indicator is working,
look for it to illuminate during the power-up self
test.
Press the power switch on the left-side panel so the “I”
side of the ac power switch is depressed. The Analyzer
will perform a series of self tests and then display the
message shown in Figure 3 when the self test has
completed successfully.
fis101.jpg
Figure 3. Analyzer Ready for Operation

Electrical Safety Analyzer
Turning the Analyzer On
9
TEST
RA LL LA RL V1
RFLNC1
To protective earth or any exposed
conductive surface on the enclosure
fis113.eps
Figure 4. DUT Connections to the Analyzer

ESA612
Users Manual
10
During the self-test, the Analyzer checks its ac mains
input for proper polarity, ground integrity and voltage
level. The high voltage indicator illuminates briefly during
the self test. If the polarity is reversed, the Analyzer
indicates this condition and allows the polarity to be
reversed internally. If the ground is open, the Analyzer
displays this fault. If the mains voltage is too high or too
low, the Analyzer displays this fault and does not continue
until the supply voltage is corrected and the Analyzer
power cycled off and then on again.
Accessing the Analyzer’s Functions
For each test and setup function, the Analyzer uses a
series of menus to access various Analyzer test and
setup variables. As shown in Figure 5, the Analyzer
indicates various leakage current tests along the bottom
of the display. An Exit selection is also indicated as a way
of backing out of the leakage current tests. Pressing a
softkey (F1 through F4) under a specific test will cause
the analyzer to setup for or perform the selected test.
In addition to the function softkeys, the Analyzer test
functions may require using the navigation buttons to
select parameters as well. In the example above, the
leakage selection has K next to it. This icon indicates the
selection is controlled by pressing G or H. In this
example, the leakage current measurement is switched
between AC+DC, AC only, or DC only. The applied parts
indicator has W on the left end and X on the right end.
These icons indicate the use of E and F to select an
applied part.
fis102.jpg
Figure 5. Leakage Current Menu
The three buttons along the right side of the display
(PND) control the wiring of the Analyzer’s
test receptacle for some electrical tests. The present state
of these three buttons is displayed along the right edge of
the display whenever these controls are active.
Figure 5 shows polarity is settable between normal,
reversed, and off. Neutral is also settable to closed or
open. Earth condition is not displayed, which indicates it
can not be changed. However, earth is internally opened
during this test.

Electrical Safety Analyzer
Setting Up the Analyzer
11
Setting Up the Analyzer
There are a number of Analyzer parameters that are
adjusted through a setup function as well as the ability to
save a record by ID and date. To access the first Setup
menu shown in Figure 6, press Q.
fis114.bmp
Figure 6. Setup Menu
Note
See the Using Memory section later in this
manual for a description of how to enter a test
record ID.
The setup parameters have been grouped into six
categories: Instrument, Display, Sound, Instrument Info,
Calibration, and Diagnostics.
Setting Polarity Switching Delay
When switching the polarity of the Analyzer’s test
receptacle, a delay can be set to control the actual switch
time. To set the polarity delay:
1. From the setup menu, press the softkey labeled
More to reveal additional menu selections.
2. Press the softkey labeled Instrument to reveal the
instrument setup selections.
3. Press the softkey labeled Polarity Delay to open the
scroll box above the softkey label.
4. Press G or H to adjust the delay from 0 to 5
seconds in 1 second steps.
5. Press the softkey labeled Done to exit the switching
polarity delay setup function.
Setting the Display Contrast
There are two methods for setting the display contrast.
From the Select a Test…. menu or through the setup
menu.
Whenever the Analyzer displays its start-up menu (Select
a test…), pressing G or H will increase or decrease the
display’s contrast respectively. Press the softkey labeled
Done to exit contrast setup.
Another way to adjust the contrast is through the
Analyzer’s setup menu.

ESA612
Users Manual
12
1. From the setup menu, press the softkey labeled
More twice to set F1 to the display contrast function.
2. Press the softkey labeled Display Contrast.
3. Press G or H to increase or decrease the display’s
contrast respectively.
4. Press the softkey labeled Done to exit contrast
setup.
Setting up the Beeper
To enable or disable the beeper:
1. From the setup menu, press the softkey labeled
More twice to set F2 to the beeper on/off function.
2. Press the softkey labeled Beeper to switch the
beeper on and off.
3. Press the softkey labeled Done to go back to the
setup menu.
Viewing Instrument Information
To view information about the Analyzer:
1. From the setup menu, press the softkey labeled
More twice to set F3 to the instrument information
function.
2. Press the softkey labeled Instrument Information.
3. After viewing the displayed information, press the
softkey labeled Done to exit the information screen.
Viewing Memory
Refer to the Using Memory section later in the manual to
learn about viewing memory and how to store data in the
Analyzer.
Setting the GFCI Limit
To set the GFCI current limit:
1. From the setup menu, press the softkey labeled
More to reveal additional menu selections.
2. Press the softkey labeled Instrument to reveal the
instrument setup selections.
3. Press the softkey labeled GFCI Limit to open the
scroll box above the softkey label.
4. Press G or H to adjust the current limit from 5 to
25 mA.
5. Press the softkey labeled Done to exit the GFCI Limit
setup function.
Performing Electrical Safety Tests
The Analyzer is designed to perform a number of different
electrical and performance tests on biomedical
equipment. The following sections describe the various
tests and how to perform them using the Analyzer.

Electrical Safety Analyzer
Performing Electrical Safety Tests
13
Setting the Test Standard
The Analyzer is designed to perform electrical safety
testing based on a number of different safety standards:
AAMI ES1/NFPA99, IEC62353, IEC60601-1, and
AN/NZS 3551. AAMI is the Analyzer’s default standard.
To select another standard:
1. Press Q.
2. From the setup menu, press the softkey labeled
More to reveal additional menu selections.
3. Press the softkey labeled Instrument to reveal the
instrument setup selections.
4. Press the softkey labeled Standard to open the
scroll box above the softkey label.
5. Press G or H to scroll through the standard
selections.
6. When the desired standard is displayed, press the
softkey labeled Done.
Some electrical tests may not be applicable for a specific
standard. In these cases, the Analyzer’s menu will not
display the excluded test as a selection.
Performing Mains Voltage Testing
The Mains Voltage test measures the voltage on the
mains input through three separate measurements. To
access the Mains Voltage test, press V. The Mains
Voltage test menu is shown in Figure 7.
fis104.jpg
Figure 7. Mains Voltage Test Menu
Press each function softkey to perform each of the three
measurements: Live to neutral, neutral to earth, and live
to earth.
Note
Power to the test receptacle is off during the
Mains Voltage test.
Performing a Ground Wire (Protective Earth)
Resistance Test
The Ground Wire (Protective-Earth) Resistance test
measures the impedance between the Analyzer’s test
receptacle’s PE terminal and the exposed conductive
parts of the DUT that are connected to the DUT’s
Protective Earth.

ESA612
Users Manual
14
Prior to conducting any leakage tests with the Analyzer, it
is best to test the integrity of the ground connection
between the Analyzer’s test receptacle ground and the
DUT’s Protective earth ground or enclosure with this test.
To access the Ground Wire (Protective Earth) ∅/Null
Resistance Test menu press O.
Note
The DUT is powered off for this test.
To perform a ground wire resistance test:
1. Ensure the power cord from the DUT is plugged into
the Analyzer’s test receptacle.
2. Press O to reveal the resistance function menu.
3. Connect one end of a test lead to the V/Ω/A jack as
shown in Figure 9.
4. If using an accessories probe, connect it to the other
end of the test lead and place the probe tip into the
∅/Null jack. If using an alligator clip accessory,
connect it to the other end of the test lead, place the
null post adapter in the ∅/Null jack, and clamp the
alligator clip to the null post adapter.
5. Connect the other end of the test lead to ∅/Null jack.
6. Press the softkey labeled Zero Leads. The Analyzer
zeroes out the measurement to cancel the test lead
resistance.
7. Connect the test lead coming from the ∅/Null jack to
the DUT enclosure or protective earth connection.
8. The measured resistance is displayed as shown in
Figure 8 after the DUT connection(s) is/are made.
fis105.jpg
Figure 8. DUT Ground Resistance Measurement
WX Warning
To avoid electric shock, remove the null post
adapter from the ∅/Null jack after a test lead
zero is performed. The ∅/Null jack becomes
potentially hazardous during some of the test
conditions.
A low resistance reading is required to confirm a good
ground connection through the power cord. Refer to the
appropriate electrical safety standard for the specific limit
value to be followed.

Electrical Safety Analyzer
Performing Electrical Safety Tests
15
Figure 9 shows the electrical connections between the
Analyzer and the DUT. Table 4 lists the abbreviations
used in the schematics and their descriptions.

ESA612
Users Manual
16
TEST
RA LL LA RL V1
RFLNC1
To protective earth or any exposed
conductive surface on the enclosure
fis112.eps
Figure 9. Ground Wire (Protective Earth) Resistance Measurement Connections

Electrical Safety Analyzer
Performing Electrical Safety Tests
17
Table 4. Schematic Abbreviations
Abbreviation Meaning
MD Measuring Device (ESA612 Analyzer)
FE Functional Earth
PE Protective Earth
Mains Mains Voltage Supply
L1 Live Conductor
L2 Neutral Conductor
DUT Device Under Test
DUT_L1 Device Under Test Live conductor
DUT_L2 Device Under Test neutral conductor
DUT_PE Device Under Test protective earth
REV POL Reversed mains supply polarity
LEAD GND Lead to ground, used in Patient leakage test
MAP Mains on Applied Part
MAP REV Reverse mains on applied part source voltage
PE Open Open protective earth
Test Voltage

ESA612
Users Manual
18
MD
TEST LEAD
CONDUCTIVE PART
DUT_PE FE
PE
DUT_L2
DUT_L1
DEVICE UNDER TEST
APPLIED
PART
EARTH
OPEN
faw26.eps
Figure 10. Ground Wire (Protective Earth) Resistance Measurement Schematic

Electrical Safety Analyzer
Performing Electrical Safety Tests
19
Performing an Insulation Resistance Test
The five insulation resistance tests take measurements on
mains (L1 & L2) to Protective earth, applied parts to
Protective earth, mains to applied parts, mains to non-
earthed accessible conductive points, and applied parts to
non-earthed accessible conductive points.
To access the Insulation Resistance Test menu,
press M.
All Insulation Resistance Tests can be performed using
500 or 250 volts dc. To change the test voltage from the
Insulation Resistance Test menu, press the softkey
labeled More. Pressing the softkey labeled Change
Voltage will cause the test voltage to toggle between 250
and 500 volts dc.
Note
Exiting and re-entering the Insulation Resistance
Test menu causes the test voltage to return to its
default value of 500 volts dc.
As shown in Figure 11, three of the five tests are shown
over function soft keys F1 through F3. To access the other
two tests or test voltage selection, press the softkey
labeled More. The softkey labeled Back will move the
menu back up to the top-level insulation resistance test
menu.
fis106.jpg
Figure 11. Insulation Resistance Measurement
After selecting one of the tests by pressing the appropriate
softkey, press T to apply the selected voltage to the
DUT and take the resistance measurement.
Figures 12 through 16 shows the electrical connections
between the Analyzer and DUT for the five insulation
resistance tests.
Note
The DUT is powered off for this test.

ESA612
Users Manual
20
MD
CONDUCTIVE PART
DUT_PE
DUT_L2
DUT_L1
FE
DEVICE UNDER TEST
APPLIED
PART
faw17.eps
Figure 12. Mains to Protective-Earth Insulation Resistance Test Schematic

Electrical Safety Analyzer
Performing Electrical Safety Tests
21
MD
CONDUCTIVE PART
DUT_PE
DUT_L2
DUT_L1
FE
DEVICE UNDER TEST
APPLIED
PART
faw18.eps
Figure 13. Applied Parts to Protective-Earth Insulation Test Schematic

ESA612
Users Manual
22
MD
CONDUCTIVE PART
DUT_PE
DUT_L2
DUT_L1
FE
DEVICE UNDER TEST
APPLIED
PART
faw19.eps
Figure 14. Mains to Applied Parts Insulation Test Schematic

Electrical Safety Analyzer
Performing Electrical Safety Tests
23
MD
CONDUCTIVE PART
DUT_PE
DUT_L2
DUT_L1
FE
DEVICE UNDER TEST
APPLIED
PART
TEST
LEAD
faw20.eps
Figure 15. Mains to Non-Earth Accessible Conductive Points Schematic

ESA612
Users Manual
24
MD
CONDUCTIVE PART
DUT_PE
DUT_L2
DUT_L1
FE
DEVICE UNDER TEST
APPLIED
PART
TEST
LEAD
faw21.eps
Figure 16. Applied Parts to Non-Earth Conductive Points Schematic

Electrical Safety Analyzer
Performing Electrical Safety Tests
25
Performing a Current Consumption Test
To measure the current consumed by the DUT, press
A. The Analyzer displays the current flowing through
the mains connections of the test receptacle.
Performing Leakage Current Tests
The Analyzer measures leakage current for a number of
different DUT configurations. In addition to the leakage
found on the enclosure and the earth connection, the
Analyzer can measure leakage on each connected applied
part and combinations of connected applied parts.
Which leakage tests are available depends on which
standard is selected. See the Selecting the Test Standard
section earlier in this manual to change the standard the
Analyzer is using.
Table 5 lists six leakage current tests that have different
names based on which standard is selected.
Press B to access the leakage current main menu
shown in Figure 17.
Table 5. Test Names Based on Selected Standard
IEC60601 AAMI/NFPA 99
Protective Earth Resistance Ground Wire Resistance
Earth Leakage Current Ground Wire Leakage Current
Touch or Enclosure Leakage Current Chassis Leakage Current
Patient Leakage Current Lead to Ground Leakage Current
Patient Auxiliary Leakage Current Lead to Lead Leakage Current
Mains on Applied Part (MAP) Leakage Current Isolation Leakage Current

ESA612
Users Manual
26
fis117.jpg
Figure 17. Leakage Current Main Menu
Note
The display shown in Figure 17 is the main
leakage current menu when AAMI is the selected
standard.
All leakage currents, with the exception of Lead Isolation
(Mains on Applied parts), are displayed in one of three
ways: AC+DC, AC Only, or DC only. The initial result is
displayed in the appropriate parameter based on the
standard selected. To change the displayed parameter,
press G or H. The present measurement method is
displayed to the right of the current measurement while
leakage current tests are conducted.
Measuring Earth Leakage Current
Note
The Ground Wire (Earth) Leakage test is
available for AAMI, 60601, and not IEC 62353.
To measure the current flowing in the DUT’s protective
earth circuit, press the softkey labeled Ground Wire
(pending the standard) from the leakage current main
menu. Figure 18 shows the electrical connections between
the Analyzer and the DUT during a Ground Wire Leakage
Current Test.
Within the Ground Wire Leakage Current test there are a
few combination measurements that can be performed.
Pressing P switches the polarity of the mains voltage
applied to the Analyzer’s test receptacle between Normal,
Off, Reverse, and Off. Pressing N opens and closes
the neutral connection to the Analyzer’s test receptacle.
There is no need to open up the test receptacle earth
(ground), since this is done internally during the
measurement.
The following outlet conditions apply when performing this
test:
• Normal Polarity
• Normal Polarity, Open Neutral
• Reversed Polarity
• Reversed Polarity, Open Neutral

Electrical Safety Analyzer
Performing Electrical Safety Tests
27
IEC60601-1 specifies that the applied parts should be
connected for this measurement. Enable this
measurement by pressing E or F which grounds and
ungrounds all applied parts connection posts.

ESA612
Users Manual
28
CONDUCTIVE PART
DUT_PE
APPLIED PART
OPEN
PE
L2
DUT_L2
DUT_L1
MAINS
L1
EARTH
OPEN
L2
OPEN
REV
POL
MAINS
ON
MD
FE
DEVICE UNDER TEST
APPLIED
PART
faw27.eps
Figure 18. Earth Leakage Current Test Schematic
Note
Ground wire leakage is the same schematic without the Applied Parts switch.

Electrical Safety Analyzer
Performing Electrical Safety Tests
29
Performing a Chassis (Enclosure) Leakage Test
Note
The Chassis (Enclosure) Leakage test is only
available for the IEC60601 or ANSI/AAMI ES1
1993 standard selections.
The Chassis (Enclosure) Leakage Test measures the
current flowing between the DUT’s enclosure and
protective earth. Figure 19 shows the electrical
connections between the Analyzer and the DUT.
To perform a Chassis (Enclosure) Leakage Test:
1. Connect a lead between the Analyzer’s V/Ω/A jack
and the DUT’s enclosure.
2. Press the softkey labeled Chassis from the Leakage
Current Test menu.
3. The Analyzer displays the measured current.
The Chassis Leakage test can be performed with a
number of fault conditions on the test receptacle. Press
P to switch the test receptacle between Normal, Off,
Reverse, and Off. Press N to open and close the
neutral connection to the receptacle. Press D to open
and close the receptacle’s earth connection.
The following outlet conditions apply when performing this
test:
• Normal Polarity
• Normal Polarity, Open Earth
• Normal Polarity, Open Neutral
• Reversed Polarity
• Reversed Polarity, Open Earth
• Reversed Polarity, Open Neutral
IEC60601-1 specifies that the applied parts should be
connected for this measurement. Enable this
measurement by pressing E or F which grounds and
ungrounds all applied parts connection posts.

ESA612
Users Manual
30
CONDUCTIVE PART
DUT_PE
APPLIED PART
OPEN
TEST LEAD
PE
L2
DUT_L2
DUT_L1
MAINS
L1
EARTH
OPEN
MAINS
ON
L2
OPEN
MD
FE
DEVICE UNDER TEST
APPLIED
PART
faw28.eps
Figure 19. Enclosure Leakage Current Test Schematic
Note
Chassis leakage is the same schematic without the Applied Parts switch.

Electrical Safety Analyzer
Performing Electrical Safety Tests
31
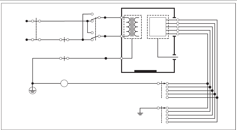
Performing a Lead-to-Ground (Patient) Leakage
Test
Note
The Lead-to-Ground (Patient) Leakage Current
Test is not available for IEC 62353 standard
selections.
The Lead-to-Ground (Patient) Leakage Current test
measures the current flowing between a selected applied
part, selected group of applied parts, or ALL applied parts,
and the Mains PE. Figure 20 shows the electrical
connections between the Analyzer and the DUT.
To perform a Lead-to Ground (Patient) leakage test:
1. Press B.
2. Press the soft key labeled More.
3. Select one of the applied part groupings by pressing
G or H.
Note
Refer to the testing standard when deciding the
type of the applied parts and how they should be
grouped for testing.
4. Press the soft key labeled Select.
5. Press F or E to advance through each applied part
grouping, or the individual applied parts, to ground.
These are selected and measured.
The Lead-to-Ground Leakage test can be performed with
a number of fault conditions on the test receptacle. Press
P to switch the test receptacle between Normal, Off,
Reverse, and Off. Press N to open and close the
neutral connection to the receptacle. Press D to open
and close the receptacle’s earth connection.
The following outlet conditions apply when performing this
test:
• Normal Polarity
• Normal Polarity, Open Neutral
• Normal Polarity, Open Earth
• Reversed Polarity
• Reversed Polarity, Open Neutral
• Reversed Polarity, Open Earth
Note
If there are more than five applied parts to
connect to the Analyzer, see Using the 1210
Adapter later in this manual.

ESA612
Users Manual
32
CONDUCTIVE PART
DUT_PE
PE
L2
DUT_L2
DUT_L1
MAINS
L1
EARTH
OPEN
L2
OPEN
REV
POL
MAINS
ON
MD
LEAD SELECT
LEAD GND
FE
DEVICE UNDER TEST
APPLIED
PART
faw29.eps
Figure 20. Lead-to-Ground (Patient) Leakage Current Test Schematic

Electrical Safety Analyzer
Performing Electrical Safety Tests
33
Performing Lead-to-Lead (Patient Auxiliary) Leakage
Tests
Note
The Lead-to-Lead (Patient Auxiliary) leakage test
is available when the IEC60601 or ANSI/AAMI
ES1-1993 standard is selected.
To measure the leakage current through each applied part
or lead and selected combination of lead connections (all
other or between two), press the softkey labeled Lead to
Lead from the Leakage Test main menu shown in
Figure 17. Figure 22 shows the electrical connections
between the Analyzer and the DUT during a Lead-to-Lead
(Patient Auxiliary) Leakage Current Test.
The Lead-to-Lead (Patient Auxiliary) Leakage test adds a
diagram of the applied parts connection posts to the
display, as shown in Figure 21. In the figure, the applied
parts post RA/R is shown above the other posts. This
indicates that the leakage measurement is being made
from RA/R to all others. To move to the next applied part
post, press F. The first post will appear inline with the
other posts while the LL/F post appears above all others.
This indicates the second leakage measurement is being
made from LL/F to all others. Continue pressing F or E to
move from one connection post to another and noting the
measured current in the display.
After each post is isolated individually, the Lead-to-Lead
(Patient Auxiliary) Leakage test measures current of three
different combinations of posts tied together: RA/R and
LL/F, RA/R and LA/L, or LL/F and LA/L.
fis107.eps
Figure 21. Applied Parts Connection Posts Display
Within the Lead-to-Lead (Patient Auxiliary) Leakage test, a
number of fault measurements can be made. Pressing
P switches the polarity of the mains voltage applied
to the Analyzer’s test receptacle between Normal, Off,
Reverse, and Off. Pressing N opens and closes the
neutral connection to the Analyzer’s test receptacle.
Pressing Dopens and closes the earth or ground
connection to the Analyzer’s test receptacle.
Note
If there are more than five applied parts to
connect to the Analyzer, see Using the 1210
Adapter later in this manual.

ESA612
Users Manual
34
CONDUCTIVE PART
DUT_PE
PE
L2
DUT_L2
DUT_L1
MAINS
L1
EARTH
OPEN
L2
OPEN
MAINS
ON
REV
POL
GROUND LEAD
+ LEAD
- LEAD
FE
DEVICE UNDER TEST
APPLIED
PART
MD
faw30.eps
Figure 22. Lead-to-Lead (Patient Auxiliary) Leakage Current Test Schematic

Electrical Safety Analyzer
Performing Electrical Safety Tests
35
The following outlet conditions apply when performing this
test:
• Normal Polarity
• Normal Polarity, Open Neutral
• Normal Polarity, Open Earth
• Reversed Polarity, Open Neutral
• Reversed Polarity, Open Earth
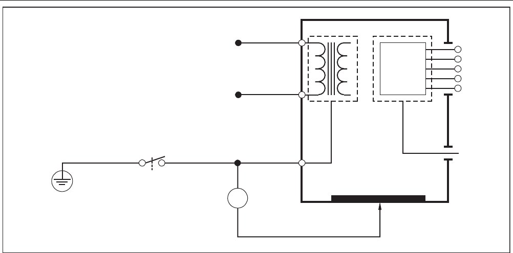
Performing a Lead Isolation (Mains on Applied
Part) Leakage Test
Note
The Lead Isolation (Mains on Applied Part)
leakage test is available when the IEC60601 &
ANSI/AAMI standard is selected.
The Lead Isolation (Mains On Applied Parts) Leakage
Current test measures the current that flows in response
to an isolated AC voltage applied between a selected
applied part, group of applied parts, or ALL applied parts,
and Earth (and any conductive part connected to the RED
terminal). Figure 23 shows the electrical connections
between the Analyzer and the DUT during a Mains on
Applied Part Leakage Current Test.
Note
With 60601 standard selected, the MAP test
voltage is available in both Normal and Reverse
(180 degrees out of phase with mains).
To perform a Lead Isolation (Mains on Applied Part) test:
1. Press B.
2. Press the soft key labeled More.
3. Select the desired applied part groupings using
G and H.
Note
Refer to the testing standard when deciding the
type of the applied parts and how they should be
grouped for testing.
4. Press the soft key labeled Select.
5. Press the soft key labeled Lead Isolation.
6. Press F or E to select the desired applied part
connection.
7. Press T to apply the voltage and read the leakage
current in the display.
Pressing E and F scrolls through the applied part
connections or groupings. Press T for each
connection configuration to thoroughly test the DUT.
The following outlet conditions apply when performing this
test:
• Normal Polarity
• Reverse Polarity
Note
If there are more than five applied parts to
connect to the Analyzer, see Using the 1210
Adapter later in this manual.

ESA612
Users Manual
36
CONDUCTIVE PART
DUT_PE
PE
L2
DUT_L2
DUT_L1
MAINS
L1
EARTH OPEN
L2
OPEN
MAINS
ON
REV
POL
MAP
REV
LEAD SELECT
TEST LEAD
MD
MAP (ISOLATION)
TRANSFORMER
FE
DEVICE UNDER TEST
APPLIED
PART
faw31.eps
Figure 23. Lead Isolation (Mains On Applied Parts) Leakage Test Schematic

Electrical Safety Analyzer
Performing Electrical Safety Tests
37
Performing an Alternative Equipment Leakage
Test
Note
The alternative equipment leakage test is
available when the EN62353 standard is
selected.
During the Alternative Equipment Leakage test, the
voltage source is applied between short-circuited
equipment outlet mains live, neutral, and equipment outlet
earth, the exposed conductive surface on the housing, and
all applied parts short-circuited together. Equipment is
separated from mains during the test. The current which
flows over the insulation of the DUT is measured.
This test is not applicable for equipment with internal
electrical power source. The switches in mains part shall
be closed during measurement.
To perform an alternative equipment leakage test:
1. Press B.
2. Press the softkey labeled Alternative Equipment.
3. Press T to apply the voltage and read the current
in the display.
Figure 24 shows the electrical connections between the
Analyzer and the DUT during an Alternative Equipment
Leakage Test.
The following outlet conditions apply when performing this
test:
• Closed Earth
• Open Earth
Note
If there are more than five applied parts to
connect to the Analyzer, see Using the 1210
Adapter later in this manual.
Performing an Alternative Applied Part Leakage
Test
Note
The Alternative applied part leakage test is
available when the EN62353 standard is
selected.
During the Alternative Applied Part Leakage test, the test
voltage is applied between short-circuited applied parts of
a single function and the short-circuited equipment outlet
mains live, neutral, equipment outlet earth, and exposed
conductive surface on the housing. This test should only
be done for equipment with F-Type applied parts. For
equipment with multiple applied parts, test each group of
applied parts of a single function in turn with all others
floating during the test. All applied parts can be connected
to the Analyzer’s applied parts jacks and the lead selection
will float those not selected.

ESA612
Users Manual
38
CONDUCTIVE PART
DUT_PE
DUT_L2
DUT_L1
FE
DEVICE UNDER TEST
APPLIED
PART
PE
OPEN
TEST
LEAD
MD
faw22.eps
Figure 24. Alternative Equipment Leakage Current Test Schematic

Electrical Safety Analyzer
Performing Electrical Safety Tests
39
To perform an alternative applied part leakage test:
1. Press B.
2. Press the soft key labeled More.
3. Select the desired applied part groupings using
G and H.
4. Press the soft key labeled Select.
5. Press the soft key labeled Alternative A.P..
6. Press T to apply the test voltage and read the
current in the display.
7. Press F or E to advance to the next applied part
group(s) of a single function if applicable. Pressing
T to read leakage current for each group.
Figure 25 shows the electrical connections between the
Analyzer and the DUT during an Alternative Applied Part
Leakage current test.
Note
If there are more than five applied parts to
connect to the Analyzer, see Using the 1210
Adapter later in this manual.
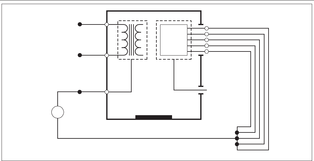
Performing a Direct Equipment Leakage Test
Note
The Direct Equipment Leakage test is available
when the EN62353 standard is selected.
The Direct Equipment Leakage Current test measures the
leakage current between all applied parts and the exposed
conductive surface on the housing, to mains earth.
To perform a direct equipment test:
1. Press B.
The direct equipment test is the default test and should
already be selected.
2. Press T to apply the voltage and read the leakage
current in the display
Figure 26 shows the electrical connections between the
Analyzer and the DUT during a Direct Equipment Leakage
Current Test.
The following outlet conditions apply when performing this
test:
• Normal Polarity, Closed Earth
• Normal Polarity, Open Earth
• Reversed Polarity, Closed Earth
• Reversed Polarity, Open Earth
Note
If there are more than five applied parts to
connect to the Analyzer, see Using the 1210
Adapter later in this manual.

ESA612
Users Manual
40
CONDUCTIVE PART
DUT_PE
DUT_L2
DUT_L1
FE
AP1
AP2
DEVICE UNDER TEST
APPLIED
PART
TEST
LEAD
MD
faw23.eps
Figure 25. Alternative Applied Part Leakage Test Schematic

Electrical Safety Analyzer
Performing Electrical Safety Tests
41
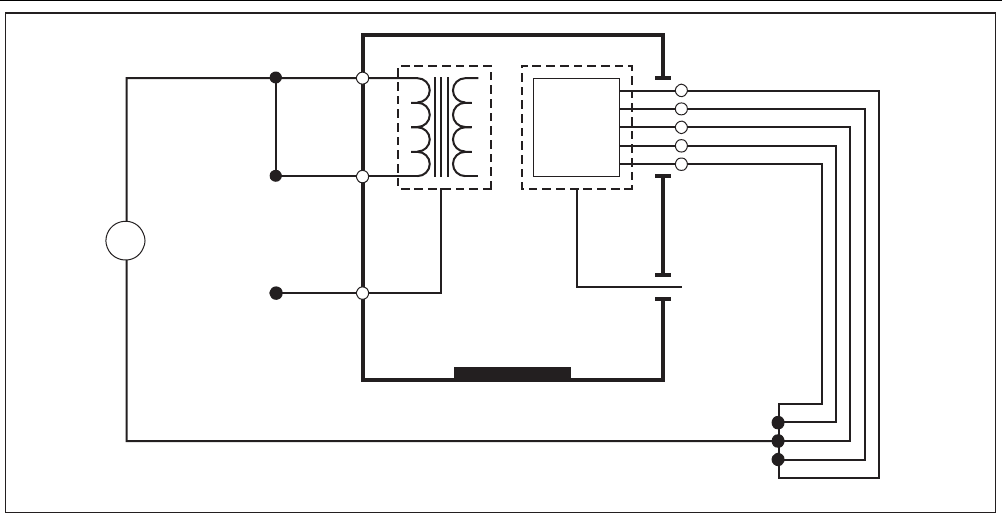
Performing a Direct Applied Part Leakage Test
Note
The Direct Applied Part Leakage test is available
when the EN62353 standard is selected.
The Direct Applied Part Leakage Current test measures
the leakage current between all applied parts of a single
function and the exposed conductive surface on the
housing, to mains earth. For equipment with multiple
applied parts, each group of a single function should be
tested each in turn with all other floating during the test.
This test should only be done for equipment with F-Type
applied parts.
For Type B applied part, see direct equipment leakage
schematic in Figure 26.
To perform a direct applied part leakage test:
1. Press B.
2. Press the soft key labeled More.
3. Select the desired applied part groupings using
G and H.
4. Press the soft key labeled Select. The Direct A.P. test
should already be selected.
5. Press F or E to select the applied part test
configuration.
6. Press T to apply the test voltage and read the
current in the display.
7. Press F or E to advance to the next group of applied
parts, if applicable.
Figure 27 shows the electrical connections between the
Analyzer and the DUT during a Direct Applied Part
Leakage Current Test.
The following outlet conditions apply when performing this
test:
• Normal Polarity
• Reversed Polarity
Note
If there are more than five applied parts to
connect to the Analyzer, see Using the 1210
Adapter later in this manual.

ESA612
Users Manual
42
CONDUCTIVE PART
DUT_PE
L2
DUT_L2
DUT_L1
MAINS
L1
L2
OPEN
MAINS
ON
REV
POL
PE
OPEN
TEST
LEAD
FE
DEVICE UNDER TEST
APPLIED
PART
MD
faw24.eps
Figure 26. Direct Equipment Leakage Test Schematic

Electrical Safety Analyzer
Performing Electrical Safety Tests
43
AP1
AP2
CONDUCTIVE PART
DUT_PE
L2
DUT_L2
DUT_L1
MAINS
L1
L2
OPEN
MAINS
ON
REV
POL
FE
DEVICE UNDER TEST
APPLIED
PART
MD
faw25.eps
Figure 27. Direct Applied Parts Leakage Current Test Schematic

ESA612
Users Manual
44
Performing a Differential Leakage Current Test
Note
The Differential Leakage Current test is available
when the EN62353 standard is selected.
The differential leakage current test measures the
magnitudes of the differential current flowing in the
Equipment Outlet live and neutral, with power applied to
the equipment outlet. All applied parts should be
connected during this test, if equipment has applicable
applied parts.
To perform a differential leakage current test:
1. Press B.
2. Press the soft key labeled Differential.
Figure 28 shows the electrical connections between the
Analyzer and the DUT during a Differential Leakage
Current test.
The following outlet conditions apply when performing this
test:
• Normal Polarity, Closed Earth
• Normal Polarity, Open Earth
• Reversed Polarity, Closed Earth
• Reversed Polarity, Open Earth
Note
If there are more than five applied parts to
connect to the Analyzer, see Using the 1210
Adapter later in this manual.

Electrical Safety Analyzer
Performing Electrical Safety Tests
45
CONDUCTIVE PART
DUT_PE
PE
L2
DUT_L2
DUT_L1
MAINS
L1
EARTH
OPEN
L2
OPEN
TEST
LEAD
MAINS
ON
REV
POL
FE
DEVICE UNDER TEST
APPLIED
PART
MD
faw32.eps
Figure 28. Differential Leakage Current Test Schematic

ESA612
Users Manual
46
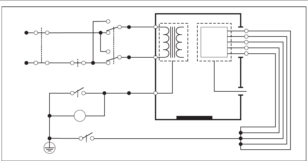
Using the 1210 Adapter
The 1210 Adapter, an optional accessory, is designed to
increase the number of lead or applied parts connections
to the Analyzer from five to 14. The adapter itself ties up to
ten leads together into a single lead that is plugged into
one of the input jacks of the Analyzer. The four remaining
Analyzer input jacks can also be used in conjunction with
the Adapter.
Figure 29 shows one application of the Adapter. The
Defibrillator/Monitor in the example has ten ECG leads,
two pacer leads, and two defibrillator paddles which need
to be tested together, and in groups if single function, for
current leakage per IEC62353. The example shows the
ECG leads to be snap type connectors and two BJ2ECG
adapters are shown plugged into the Adapter. If the ECG
leads did not have snap connectors, then the Universal
Snap to Banana Adapter can be used to make the
connections to the Adapter. The common lead from the
Adapter is plugged into the RA jack (1st jack) of the
Analyzer. Using four sheathed test leads with alligator
clips, connect the two defibrillator paddles into the LL and
LA Analyzer jacks and the two pacer leads into the RL and
V1 jacks. Using the selection that ties all five Analyzer
jacks together will test all fourteen leads for leakage
current. Using the selection of applied part group of 1, 2,
and 2 allows for testing of groups of applied parts of single
function.

Electrical Safety Analyzer
Using the 1210 Adapter
47
OFF
DEFIB
PACER
Defibrillator/Pacer ESA612
1210
fis120.eps
Figure 29. 1210 Adapter Connections

ESA612
Users Manual
48
When performing an applied parts test using the
AAMI/NFPA-99 standard, the normal connections of RA,
LL, LA, and RL are made to their associated Analyzer
input jacks. Four adapters from the Universal Snap to
Banana Adapter set will be required for the first four
connections. The remaining chest leads are connected to
the Adapter and the common lead from the Adapter is
plugged into the V1 jack (5th jack) of the Analyzer. See
Figure. 30. This configuration allows for isolation of the
RA, LL, LA, and RL leads from each other and the
remaining chest leads, which are shorted together, while
performing leakage tests.

Electrical Safety Analyzer
Using the 1210 Adapter
49
ECG Monitor ESA612
1210
fis121.eps
Figure 30. EGC Lead Connection with 1210 Adapter

ESA612
Users Manual
50
Making Point-To-Point Measurements
The Analyzer can make voltage, resistance, and low
current measurements through its Point-to-Point function.
To access the Point-to-Point function menu shown in
Figure 31, press R. Softkeys F1 through F3 are used
to select the measurement function.
fis108.jpg
Figure 31. Point-To-Point Function Menu
Measuring Voltage
To make a voltage measurement:
1. Press the softkey labeled Voltage from the
Point-To-Point menu.
2. Insert test leads in the RED (V/Ω/A ) and BLACK
jacks.
3. Place the probe tips across the unknown voltage and
read the measurement in the Analyzer’s display.
The Analyzer will measure up to 300 volts ac.
Measuring Resistance
To make a resistance measurement:
1. Press the softkey labeled Resistance from the
Point-To-Point menu.
2. Insert test leads in the RED (V/Ω/A ) and BLACK
jacks.
3. Null lead resistance by shorting the leads together
and pressing the softkey labeled Zero Leads.
4. Place the probes across the unknown resistance and
read the measurement in the Analyzer’s display.
The Analyzer will measure resistances up to 2.0 Ω.

Electrical Safety Analyzer
Simulating ECG Waveforms
51
Measuring Current
The Analyzer can make dc only, ac only, and ac+dc
current measurements up to 10 mA. To make a current
measurement:
1. Press the softkey labeled Leakage from the
Point-To-Point menu.
2. Using G or H select between ac only, dc only, or
ac+dc measurement mode.
3. Insert test leads in the RED (V/Ω/A ) and BLACK
jacks.
4. Place the leads on the two points the unknown
current may flow and read the measurement in the
Analyzer’s display.
Simulating ECG Waveforms
The Analyzer is capable of generating various waveforms
on the applied parts connection posts. These signals are
used to test the performance characteristics of ECG
monitors and ECG strip printers. See Figure 33 for proper
connections between the Analyzer and an ECG monitor.
For monitors using the snap style connectors, insert the
BJ2ECG adapter into the connectors at the top of the
Analyzer and connect the monitor leads to the snap
connectors on the adapter.
Note
If the ECG monitor/interpreter has banana posts
instead of snaps, use the optional universal snap
to banana adapter to connect to the Analyzer.
To access the ECG Simulation Waveform menu shown in
Figure 32, press C. From this menu, a number of
different waveforms are selected through F1, and the rate
or frequency of the waveform is selected through F2.
fis109.jpg
Figure 32. ECG Waveform Simulation Menu
To select one of the predefined waveforms, press the
softkey labeled Wave Form. A scroll box with K next to it
appears above the softkey label. Use G or H to scroll
through the different waveforms.
For all waveforms except VFIB and Triangle, the rate or
frequency of the waveform is adjusted through the softkey

ESA612
Users Manual
52
labeled Frequency or Rate. For some waveforms, there
are more than two frequency or rate selections. For those
waveforms, pressing the softkey labeled Frequency or
Rate will open a scroll box above the softkey label with K
next to it. Use G or H to select the frequency or rate. For
those waveforms that have only two frequency or rate
selections, the softkey labeled Frequency or Rate acts as
a toggle, where each press of the softkey switches to the
other value.

Electrical Safety Analyzer
Simulating ECG Waveforms
53
TEST
RA LL LA RL V1
RFL NC1
RA LL LA RL V1
RFLNC1
ECG Monitor
BJ2ECG
Adapter
fis115.eps
Figure 33. ECG Monitor Connections

ESA612
Users Manual
54
Using Memory
The non-volatile memory of the Analyzer will store up to
500 measurements or ECG information for each of 100
different Test Records. Each test record can be recalled to
the display of the Analyzer or exported to a PC. Data
Viewer software, available at
www.flukebiomedical.com/ESA612, is required to upload
memory data to a PC. Installation and operator
instructions are also located on the software web page.
Note
It is recommended that memory data be
uploaded daily or as often as possible to reduce
upload time.
Storing Data into Memory
Each of the six measurement functions allow data storage
within the Analyzer. The ECG function allows storage of
the simulated waveforms only for reference of tests
performed. To store data, a Test Record ID should be
created first. To input a new Test Record ID:
1. Press Q to open the screen shown in Figure 34.
2. Press G or H to set the first character. Available
characters are 0-9, A-Z, and space.
3. Press F to move to the next character position.
4. Fill in up to 15 character positions to identify a test
record.
5. Press (enter save button) to store the Test Record ID.
6. Use G, H, F, and E to enter the date of the Test
Record.
7. Press Y to store the date.
The Test Record ID is displayed in the upper-left
corner of the display.
Note
If no record ID data is entered, a default ID of
0000000000000001 and a date of --/--/-- is
assigned to the record.
fis114.bmp
Figure 34. Test Record ID Entry Screen
8. After selecting a function, push Y to store the
measurement or ECG signal under the Test Record
ID.

Electrical Safety Analyzer
Controlling the Analyzer Remotely
55
After performing and saving all the tests for one Test
Record ID, enter a new Test Record ID to close the
previous record and start a new one.
Note
A previously closed record can not have
measurements or ECG signals added to it. Data
can only be stored under the most recently
opened record.
Viewing Memory Data
Previously stored data for any Test Record is recalled to
the screen through the setup menus. To recall data:
1. Press Q.
2. Press the softkey labeled More to reveal additional
menu selections.
3. Press the softkey labeled View Memory.
4. Select the desired Test Record by pressing G or H
to scroll through the records listed in the display.
5. Press the softkey labeled View to view the data
stored for the selected record.
If the stored data is more than can fit on one screen, press
the softkey labeled Next Page to view the additional data.
Deleting Data from Memory
To delete a Test Record and its associated data from
memory:
1. Press Q.
2. Press the softkey labeled More to reveal additional
menu selections.
3. Press the softkey labeled View Memory.
4. Select the desired Test Record by pressing G or H
to scroll through the records listed in the display.
5. Press the softkey labeled Delete.
Note
All Test Records can be deleted at this point by
pressing the softkey labeled Delete All.
6. When Delete? appears in the display, press the
softkey labeled Delete to remove the record from
memory. Otherwise press the softkey labeled Cancel
to return to the Test Record list and leave the
selected record in memory.
Note
Deleting the last or current record does not open
the previous record for additional data storage.
Only a new Test Record can be opened for data
recording after deleting the last record.
Controlling the Analyzer Remotely
Fluke Biomedical Ansur test automation software allows a
solutions-based approach to complete testing of the
medical device under test (DUT). Ansur helps create
standard work using the test template/sequence (which is

ESA612
Users Manual
56
based on a user written test procedure), and integrates all
test results into a single test report which can be printed or
archived. Ansur allows for automatic comparisons to the
limits of the standard selected, indicating whether results
are passing or failing. Ansur manages test procedures by
allowing both manual and visual automated test
sequences.
The software works hand-in-hand with Fluke Biomedical
analyzers and simulators, creating a seamless integration
for:
• Visual inspections
• Preventive maintenance
• Work procedures
• Performance tests
• Safety tests
Ansur software utilizes plug-in modules to work with a
wide array of Fluke Biomedical instruments. The plug-in
module is a software interface to the Ansur test program.
The plug-in modules are available for purchase as an
optional accessory. Plug-ins provide test elements used
by Ansur. This has the benefit of using the same user
interface for all analyzers and simulators supported by an
Ansur plug-in.
When a new Fluke Biomedical analyzer or simulator is
purchased, simply update your existing Ansur software by
installing a new plug-in. Each plug-in module works only
with the options and capabilities needed for the instrument
being tested.
Maintenance
The Analyzer needs little maintenance or special care.
However, treat it as a calibrated measuring instrument.
Avoid dropping or other mechanical abuse that could
cause a shift in the calibrated settings.
Testing and Replacing the Fuses
XW Warning
To prevent electric shock, remove all power
cords and test leads from the Analyzer before
opening the fuse door.
For electrical protection of the equipment outlet, the
Analyzer uses two fuses, one in the live (L1) line and one
in the neutral (L2) line. To test the fuses, do the following
while referring to Figure 35:
1. Turn the Analyzer so the case bottom is facing up.
2. Flip up the tilt stand.
3. Remove the fuse door from the Analyzer by removing
the screw holding the fuse door with a #2 Phillips
head screwdriver and lifting the fuse door from the
Analyzer.
4. Remove the fuses from the Analyzer.

Electrical Safety Analyzer
Cleaning the Analyzer
57
F1 - F2
fis111.eps
Figure 35. Fuse Access
5. Using a multimeter, measure the continuity of each
fuse.
If one or both fuses do not show continuity, replace
the fuse(s) with fuses that have the same current and
voltage rating. Appropriate fuse ratings are posted on
the case bottom label of the Analyzer. Table 6 lists
available fuses with Fluke Biomedical part numbers.
6. Reinstall the fuse door and secure it with the screw.
Cleaning the Analyzer
XW Warning
To avoid electric shock, do not clean the
Analyzer plugged into mains or attached to a
DUT.
W Caution
Do not pour fluid onto the Analyzer surface;
fluid seepage into the electrical circuitry may
cause the Analyzer to fail.
W Caution
Do not use spray cleaners on the Analyzer;
such action may force cleaning fluid into the
Analyzer and damage electronic components.
Clean the Analyzer occasionally utilizing a damp cloth and
mild detergent. Take care to prevent the entrance of
liquids.
Wipe down the adapter cables with the same care. Inspect
them for damage to and deterioration of the insulation.
Check the connections for integrity before each use.

ESA612
Users Manual
58
Replaceable Parts
Table 6 lists the replaceable parts for the Analyzer.
Table 6. Replaceable Parts
Item Fluke Biomedical Part Number
ESA612 Getting Started Manual 3334511
ESA612 Users Manual CD 3334509
USA 2238680
UK 2238596
Australia 2238603
Europe 2238615
France/Belgium 2238615
Thailand 2238644
Israel 2434122
Power Cord
Switzerland 3379149
Null Post Adapter 3326842
Ansur, CD with demo version 2795488
5-to-5 Banana jack to ECG (BJ2ECG) adapter 3359538

Electrical Safety Analyzer
Replaceable Parts
59
Table 6. Replaceable Parts (cont.)
Item Fluke Biomedical Part Number
Carrying Case 2248650
Data Transfer Cable 1626219
USA WT20A 250V Fuse (Time Lag), 1¼″ x ¼″ 2183691
Australia, Switzerland WT10A 250V Fuse (Time Lag), 1¼″ x ¼″ 109298
Fuse Europe, UK, Thailand,
France/Belgium, Israel WT16A 250V Fuse (Time Lag), 6.3 mm x 32 mm 3321245
15 – 20 A Adapter 2195732
ESA USA/AUS/ISR Accessory Kit:
Test Lead Set
TP1 Test Probe Set
AC285 Alligator Clip Set
3111008
ESA EUR Accessory Kit:
Test Lead Set
TP74 Test Probe Set
AC285 Alligator Clip Set
3111024

ESA612
Users Manual
60
Accessories
Table 7 lists the available accessories for the Analyzer.
Table 7. Accessories
Item Fluke Biomedical Part Number
Test Leads with Retractable Sheath 1903307
Ground Pin Adapters 2242165
1210 - Option 3392119
Universal Snap to Banana Adapter 2462072

Electrical Safety Analyzer
Specifications
61
Specifications
Temperature
Operating ............................................................10 °C to 40 °C (50 °F to 104 °F)
Storage................................................................-20 °C to 60 °C (-4 °F to 140 °F)
Humidity .................................................................10 % to 90 % non-condensing
Altitude
120 V ac mains supply voltage ...........................5000 m
230 V ac mains supply voltage ...........................2000 m
Display....................................................................LCD display
Communications ...................................................USB device port for computer control
Modes of Operation...............................................Manual and remote
Power
120 Volt power outlet ..........................................90 to 132 V ac rms, 47 to 63 Hz, 20 A maximum
230 Volt power outlet ..........................................180 to 264 V ac rms, 47 to 63 Hz, 16 A maximum
Weight ....................................................................1.6 kg (3.5 lb)
Size .........................................................................28.5 cm x 17.6 cm x 8.4 cm (11.2 in x 6.9 in x 3.3 in)
Safety Standards
CE .......................................................................IEC/EN61010-1 2nd Edition; Pollution degree 2
CSA.....................................................................CAN/CSA-C22.2 No 61010-1; UL61010-1
Electromagnetic Compatibility Standards (EMC)
European EMC....................................................EN61326-1

ESA612
Users Manual
62
Detailed Specifications
Test Standard Selections........................................ ANSI/AAMI ES-1, IEC62353, IEC60601-1, and AN/NZS 3551
Voltage
Ranges (Mains voltage)...................................... 90.0 to 132.0 V ac rms
180.0 to 264.0 V ac rms
Range (Point-to-point voltage) ............................ 0.0 to 300.0 V ac rms
Accuracy ............................................................. ±(2 % of reading + 0.2 V)
Earth Resistance
Modes ................................................................. Two terminal
Test Current ........................................................ >200 mA ac
Range ................................................................. 0.000 to 2.000 Ω
Accuracy ............................................................. ±(2 % of reading + 0.015 Ω)
Equipment Current
Range ................................................................. 0.0 to 20.0 A ac rms
Accuracy ............................................................. ±(5 % of reading + (2 counts or 0.2A, whichever is greater))
Duty cycle ........................................................... 15 A to 20 A, 5 min. on/5 min. off
10 A to 15 A, 7 min. on/3 min. off
0 A to 10 A, continuous
Leakage Current
Modes*................................................................ AC+DC (True-rms)
AC only
DC only
* Modes: AC+DC, AC only, and DC only available for all leakages with exception of MAP
that are available in True-rms (shown as AC+DC)
Patient Load Selection........................................ AAMI ES1-1993 Fig. 1
IEC 60601: Fig. 15
Crest factor .........................................................≤3

Electrical Safety Analyzer
Detailed Specifications
63
Ranges................................................................0.0 to 199.9 μA
200 to 1999 μA
2.00 to 10.00 mA
Accuracy
DC to 1 kHz.....................................................±(1 % of reading + (1 μA or 1 LSD, whichever is greater))
1 to 100 kHz ....................................................±(2 % of reading + (1 μA or 1 LSD, whichever is greater))
100 kHz to 1 MHz............................................±(5 % of reading + (1 μA or 1 LSD, whichever is greater))
Mains on applied part test voltage ......................100 % ±5 % of Mains for AAMI, current limited to 1 mA ±25 % per AAMI
100 % ±5 % of Mains for 62353 current limited to 3.5 mA ±25 % per 62353
100 % ±5 % of Mains for 60601 current limited to 7.5 mA ±25 % per 60601
Differential leakage
Ranges................................................................10 to 199 μA
200 to 2000 μA
2.00 to 20.00 mA
Accuracy..............................................................±(10 % of reading + (2 counts or 20 μA, whichever is greater))
Insulation resistance
Ranges................................................................0.5 to 20.0 MΩ
20.0 to 100.0 MΩ
Accuracy
20 MΩ Range..................................................±(2 % of reading + 0.2 MΩ)
100 MΩ Range................................................±(7.5 % of reading + 0.2 MΩ)
Source test voltage .............................................500 V dc (+20 %, -0 %) 1.5 ±0.25 mA short-circuit current or 250 V dc selectable
Maximum load capacitance.................................1 μF

ESA612
Users Manual
64
ECG Performance Waveforms
Accuracy
Frequency ....................................................... ±2 %
Amplitude ........................................................ ±5 % of 2 Hz square wave only, fixed @ 1 mV Lead II configuration
Waveforms
ECG Complex ................................................. 30, 60, 120, 180, and 240 BPM
Ventricular Fibrillation
Square wave (50 % duty cycle) ...................... 0.125 Hz and 2 Hz
Sine wave ....................................................... 10, 40, 50, 60, and 100 Hz
Triangle wave.................................................. 2 Hz
Pulse (63 ms pulse width)............................... 30 BPM and 60 BPM