Fostex Mr 8Hd Users Manual 0
MR-8HD to the manual 0a13d41a-4bf1-410e-bf60-9a8675719bb6
2015-02-02
: Fostex Fostex-Mr-8Hd-Users-Manual-428072 fostex-mr-8hd-users-manual-428072 fostex pdf
Open the PDF directly: View PDF
.
Page Count: 146 [warning: Documents this large are best viewed by clicking the View PDF Link!]

Owner’s Manual
Digital Multitracker
8588062100
(428387)

2
MR-8HD Owner’s Manual (Safety instructions/Contents)
CAUTION: TO REDUCE THE RISK OF ELECTRIC SHOCK,
DO NOT REMOVE COVER (OR BACK).
NO USER - SERVICEABLE PARTS INSIDE.
REFER SERVICING TO QUALIFIED SERVICE PERSONNEL.
CAUTION
RISK OF ELECTRIC SHOCK
DO NOT OPEN
11. Grounding or Polarization - The precautions that should be
taken so that the grounding or polarization means of an
appliance is not defeated.
12. Power Cord Protection - Power supply cords should be
routed so that they are not likely to be walked on or pinched
by items placed upon or against them, paying particular
attention to cords at plugs, convenience receptacles, and
the point where they exit from the appliance.
13. Cleaning - The appliance should be cleaned only as
recommended by the manufacturer.
14. Nonuse Periods - The power cord of the appliance should
be unplugged from the outlet when left unused for a long
period of time.
15. Object and Liquid Entry - Care should be taken so that objects
do not fall and liquids are not spilled into the enclosure through
openings.
16. Damage Requiring Service - The appliance should be
serviced by qualified service personnel when:
A. The power supply cord or the plug has been damaged; or
B. Objects have fallen, or liquid has been spilled into the appliance;
or
C. The appliance has been exposed to rain; or
D. The appliance does not appear to operate normally or
exhibits a marked change in performance; or
E. The appliance has been dropped, or the enclosure damaged.
17. Servicing - The user should not attempt to service the
appliance beyond that described in the operating instructions.
All other servicing should be referred to qualified service
personnel.
18. The appliance should be situated away from drops of water
or spray of water.
19. Objects containing liquid such as vase must not be put on
the appliance.
20. The appliance is not completely isolated from the power
supply even if the power switch is at off position.
21. Apparatus shall not be exposed to dripping or splashing
and no objects filled with liquids, such as vases, shall be
placed on the apparatus.
22. Only use attachments/accessories specified by the
manufacturer.
23. An appliance with a protective earth terminal should be
connected to a mains outlet with a protective earth
connection.
24. An appliance should be placed in a position where an AC
plug / inlet can be easily pulled out by hand.
The lightning flash with arrowhead symbol, within an
equilateral triangle, is intended to alert the user to the
presence of uninsulated "dangerous voltage" within the
product's enclosure that may be of sufficient magnitude to
constitute a risk of electric shock to persons.
The exclamation point within an equilateral triangle is
intended to alert the user to the presence of important
operating and maintenance (servicing) instructions in the
literature accompanying the appliance.
CAUTION:
TO PREVENT ELECTRIC SHOCK, MATCH WIDE BLADE
OF PLUG TO WIDE SLOT, FULLY INSERT.
ATTENTION:
POUR EVITER LES CHOCS ELECTRIQUES,
INTRODUIRE LA LAME LA PLUS LARGE DE LA FICHE
DANS LA BORNE CORRESPONDANTE DE LA PRISE ET
POUSSER JUSQU' AU FOND.
An appliance and cart combination should be moved with
care. Quick stops, excessive force, and uneven surfaces
may cause the appliance and cart combination to overturn.
7. Wall or Ceiling Mounting - The appliance should be mounted
to a wall or ceiling only as recommended by the
manufacturer.
8. Ventilation - The appliance should be situated so that its
location or position dose not interfere with its proper
ventilation. For example, the appliance should not be situated
on a bed, sofa, rug, or similar surface that may block the
ventilation openings; or, placed in a built-in installation, such
as a bookcase or cabinet that may impede the flow of air
through the ventilation openings.
9. Heat - The appliance should be situated away from heat
sources such as radiators, heat registers, stoves, or other
appliances (including amplifiers) that produce heat.
10. Power Sources - The appliance should be connected to a
power supply only of the type described in the operating
instructions or as marked on the appliance.
"WARNING"
"TO REDUCE THE RISK OF FIRE OR ELECTRIC
SHOCK, DO NOT EXPOSE THIS APPLIANCE TO RAIN
OR MOISTURE."
SAFETY INSTRUCTIONS
1. Read Instructions - All the safety and operating instructions
should be read before the appliance is operated.
2. Retain Instructions - The safety and operating instructions
should be retained for future reference.
3. Heed Warnings - All warnings on the appliance and in the
operating instructions should be adhered to.
4. Follow Instructions - All operating and use instructions should
be followed.
5. Water and Moisture - The appliance should not be used
near water - for example, near a bathtub, washbowl, kitchen
sink, laundry tub, in a wet basement, or near a swimming
pool, and the like.
6. Carts and Stands - The appliance should be used only with
a cart or stand that is recommended by the manufacturer.

3
MR-8HD Owner’s Manual (Safety instructions/Contents)
Important Safety Instructions
1) Read these instructions.
2) Keep these instructions.
3) Heed all warnings.
4) Follow all instructions.
5) Do not use this apparatus near water.
6) Clean only with dry cloth.
7) Do not block any ventilation openings.
Install in accordance with the
manufacturer's instructions.
8) Do not install near any heat sources such
as radiators, heat registers, stoves, or
other apparatus (including amplifiers) that
produce heat.
9) Do not defeat the safety purpose of the
polarized or grounding-type plug.
A polarized plug has two blades with one
wider than the other. A grounding type
plug has two blades and a third grounding
prong. The wide blade or the third prong
are provided for your safety.
If the provided plug does not fit into your
outlet, consult an electrician for
replacement of the obsolete outlet.
10) Protect the power cord from being walked
on or pinched particularly at plugs,
convenience receptacles, and the point
where they exit from the apparatus.
11) Only use attachments/accessories
specified by the manufacturer.
12) Use only with the cart, stand, tripod,
bracket, or table specified by the
manufacturer, or sold with the apparatus.
When a cart is used, use caution when
moving the cart/apparatus combination
to avoid injury from tip-over.
13) Unplug this apparatus during lightning
storms or when unused for long periods
of time.
14) Refer all servicing to qualified service
personnel. Servicing is required when the
apparatus has been damaged in any
way, such as power-supply cord or plug
is damaged, liquid has been spilled or
objects have fallen into the apparatus, the
apparatus has been exposed to rain or
moisture, does not operate normally, or
has been dropped.

4
MR-8HD Owner’s Manual (Safety instructions/Contents)
Read this chapter first! .............................................................................................................9
Introduction ..........................................................................................................................10
MR-8HD main features ........................................................................................................10
Precautions before using ...................................................................................................11
About power supply ...................................................................................................11
Precautions upon installing the MR-8HD ...............................................................11
Notes on repair ...........................................................................................................11
About copyrights ........................................................................................................11
About damages ...........................................................................................................11
Note on audio interruption .......................................................................................11
Notes on USB connection with Mac OS ....................................................................11
The basics of the MR-8HD ..................................................................................................12
Recording method ......................................................................................................12
About song ...................................................................................................................13
Remain (recordable space left on the disk) ............................................................13
Time base .....................................................................................................................14
Input and repro monitor ...........................................................................................14
TRIM control ................................................................................................................15
Names and functions .............................................................................................................17
Top panel 1 ............................................................................................................................18
Top panel 2 ............................................................................................................................20
Rear panel .............................................................................................................................22
LCD display ..........................................................................................................................23
Home screen ................................................................................................................23
Selecting a time base mode ......................................................................................24
Adjusting the display contrast .................................................................................24
MENU mode screen ....................................................................................................25
Warning message .......................................................................................................25
Basic operations .....................................................................................................................27
About power .........................................................................................................................28
Power connection .......................................................................................................28
About the standby mode ......................................................................28
Turning on the unit ....................................................................................................28
Listening the demo song ....................................................................................................29
Connecting headphones (or monitor speaker system) ........................................29
Playing back the demo song .....................................................................................30
Creating a song for recording ..........................................................................................31
Safety Instructions .................................................................................................................2
Table of contents

5
MR-8HD Owner’s Manual (Safety instructions/Contents)
Input connection ..................................................................................................................33
Input channel ..............................................................................................................33
INPUT A SEL switch .....................................................................................................33
Recording track combinations and available input channel(s) ..........................34
Recording onto a single track ............................................................................................35
Preparation for recording .........................................................................................35
Starting recording ......................................................................................................36
Playing back the recorded track ...............................................................................36
Undoing recording (undo/redo) .............................................................................36
Overdubbing basics ............................................................................................................37
Preparation for recording .........................................................................................37
Adjusting the recording levels while listening to track 1 .....................................38
Starting recording ......................................................................................................38
Playing back recorded track .....................................................................................38
Undoing recording (undo/redo) .............................................................................38
Recording onto four tracks simultaneously ....................................................................39
Preparation for recording .........................................................................................39
Starting recording ......................................................................................................40
Playing back recorded tracks ....................................................................................40
Undoing recording (undo/redo) .............................................................................40
Basic mixdown .....................................................................................................................41
Mixdown to an analog recorder ...............................................................................41
Mixdown to a digital recorder ..................................................................................42
Advanced playback and locates functions .........................................................................43
3 x cueing ..............................................................................................................................44
Playback between LOCATE A and B points .....................................................................44
Play mode ..............................................................................................................................45
Selecting a play mode ................................................................................................45
Auto play mode ...........................................................................................................46
Auto return mode .......................................................................................................46
Loop mode ...................................................................................................................46
Loop function in auto punch in/out mode ........................................47
Locate function ....................................................................................................................48
Time locate ..................................................................................................................48
Locating to the beginning (ABS ZERO) of a song ...............................48
Locating to the recording end point (REC END) of a song ...............48
Locating to the LOCATE A or LOCATE B point ........................................................49
Setting the LOCATE A or LOCATE B point ..........................................49
Locating ...................................................................................................50
Punch in/out .............................................................................................................................51
Punch in/out using the keys on the top panel ..................................................................52
Punch in/out using the footswitch .....................................................................................53
Auto punch in/out .................................................................................................................54
Setting the punch-in and punch-out points ...........................................................54
Rehearsal for auto punch in/out ..............................................................................55
Actual auto punch in/out ..........................................................................................56

6
MR-8HD Owner’s Manual (Safety instructions/Contents)
Track bouncing .......................................................................................................................63
Preliminary knowledge .......................................................................................................64
Track bouncing example ...........................................................................................64
Signal flow of track bouncing ...................................................................................65
Bouncing tracks 1 through 4 to tracks 5/6 ........................................................................66
Rehearsal of track bouncing .....................................................................................66
Actual track bouncing ...............................................................................................67
Checking the bounced signals on tracks 5/6 .........................................................67
Bouncing tracks 1 through 6 to tracks 7/8 ........................................................................68
Rehearsal of track bouncing .....................................................................................68
Actual track bouncing ...............................................................................................69
Checking the bounced signals on tracks 7/8 .........................................................69
Bouncing tracks 1 through 8 to a new song .....................................................................70
Rehearsal of track bouncing .....................................................................................70
Actual track bouncing ...............................................................................................71
Mixing signals of inputs A through D ................................................................................72
Connecting sound sources to INPUT A through INPUT D ....................................72
[TO STEREO BUSS ON/OFF] key setting ...................................................................72
Panning setting for INPUT A through INPUT D ......................................................73
Bouncing the desired part of a song .................................................................................74
Rhythm guide function ..........................................................................................................75
Using the rhythm guide function .......................................................................................76
Setting the time signature and tempo .....................................................................76
Creating the conductor map ..............................................................................................78
Setting the signature map .........................................................................................78
Editing a time signature event .............................................................80
Deleting an unnecessary time signature event .................................80
Editing the bar offset ..................................................................................................81
Setting the tempo map ...............................................................................................82
Editing a tempo event ...........................................................................84
Deleting an unnecessary tempo event ...............................................84
Using effects ............................................................................................................................57
Using the insert effects .......................................................................................................58
Mic simulation effects ................................................................................................58
Amp simulation effects ..............................................................................................58
Applying external effects ....................................................................................................59
Using the reverb or delay ....................................................................................................60
Selecting an effect type ..............................................................................................60
Selecting a delay type ................................................................................................60
Adjusting the delay/reverb time .............................................................................61
Adjusting the effect send levels ................................................................................61
Using the mastering effects ...............................................................................................62
Selecting the desired effect type ..............................................................................62

7
MR-8HD Owner’s Manual (Safety instructions/Contents)
MIDI synchronization .............................................................................................................85
Synchronization using MTC ...............................................................................................86
Connection ..................................................................................................................86
Settings of the MR-8HD and MIDI sequencer .........................................................86
MIDI sync/MTC frame rate settings .........................................................................86
Synchronization using MIDI clock .....................................................................................87
Connection ..................................................................................................................87
Settings of the MR-8HD and MIDI sequencer .........................................................87
Data export to a personal computer .....................................................................................89
WAV file conversion .............................................................................................................90
Enabling the file conversion .....................................................................................90
Procedure of file conversion .....................................................................................90
Exporting data to a personal computer ............................................................................92
Connection to a personal computer ........................................................................92
Notes on exporting a file ............................................................................................92
Exporting a WAV file to a personal computer ........................................................93
Protecting the hard disk ......................................................................................................94
Archiving a song ..................................................................................................................95
Song management .................................................................................................................97
Selecting the desired song .................................................................................................98
Editing a song name ............................................................................................................99
Deleting an unnecessary song ......................................................................................100
Protecting a song .............................................................................................................101
Track editing ..........................................................................................................................103
Erasing track data ..............................................................................................................104
Copying/pasting track data ..............................................................................................105
Moving track data ...............................................................................................................107
Exchanging whole track data ...........................................................................................108
Part editing .............................................................................................................................111
Playing back the “part” (Between LOCATE A and LOCATE B) to be edited......112
Changing an edit point during editing .................................................................112
Editing the part(s) ..............................................................................................................113
Copying/pasting the part(s)-1 ..........................................................................................114
Copying/pasting the part(s)-2 ..........................................................................................116
Copying to the clipboard ........................................................................................116
Pasting clipboard data .............................................................................................117

8
MR-8HD Owner’s Manual (Safety instructions/Contents)
Trouble for recording .........................................................................................................132
Trouble for playback ..........................................................................................................133
Trouble for effect ................................................................................................................134
Trouble for USB connection .............................................................................................134
Other troubles .....................................................................................................................135
Troubleshooting ...................................................................................................................131
Specifications .....................................................................................................................138
Physical dimensions .........................................................................................................139
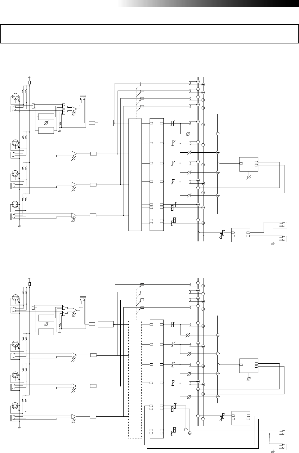
Block diagram ....................................................................................................................140
MIDI implementation chart ...............................................................................................142
Index ....................................................................................................................................143
Declaration of EC Directive ..............................................................................................144
MR-8HD Specifications ........................................................................................................137
Hard disk formatting ..........................................................................................................124
Peak hold time setting .......................................................................................................125
Pre-roll/post-roll time setting ...........................................................................................126
Beat resolution mode on/off .............................................................................................127
Phantom power on/off .......................................................................................................128
Initializing the MR-8HD ......................................................................................................130
Other functions .....................................................................................................................123
Moving the part(s) ............................................................................................................ .119
Exchange the parts ............................................................................................................120

9
MR-8HD Owner’s Manual (Read this chapter first!)
Read this chapter first!
This chapter describes precautions before using, as well as features
and basic knowledge of the MR-8HD.
To understand the MR-8HD features and basic functions, read this chap-
ter before using.

10
MR-8HD Owner’s Manual (Read this chapter first!)
Thank you very much for purchasing the Fostex MR-8HD digital multitracker.
The MR-8HD is a digital multitracker which can record 8-track audio at 44.1 kHz/16 bits on the
internal 3.5-inch hard disk. Up to four tracks can be recorded simultaneously.
The MR-8HD is also equipped with an 8-channel digital mixer, digital effects including the de-
lay/reverb, mastering effects and insert effects (simulation effects). It allows you to carry out all
the process for digital multitrack recording including overdubbing, track bouncing and mixdown
within the digital domain, ensuring no loss of sound quality.
• You can record high quality audio to the
built-in high performance 3.5-inch hard
disk drive (40MB).
You can also edit recorded audio later
without sound deterioration.
Up to 99 songs can be recorded.
• Provides four analog input channels and
up to four tracks can be recorded
simultaneously.
Signals of four input channels ([INPUT A]
through [INPUT D]) can be mixed to the
stereo buss (Pre mastering effects).
• You can bounce all eight tracks to a new
song, which is automatically created in the
bouncing process.
• An ASP digital effect processor (delay/
reverb) with the algorithm newly
developed by Fostex is built in, allowing
effect processing to tracks 1 through 4
during track bouncing.
In addition, the MR-8HD also provides
insert effects for microphone and
amplifier simulation for coloring sounds.
• The dedicated mastering effects are built
in for the stereo buss, allowing you to
process sounds during track bouncing or
final mixdown.
• The adoption of self-illuminated keys
allows intuitive operation.
• Phantom power is built in, allowing direct
connection of condenser microphones.
• The rhythm guide function is provided.
You can make global time signature/tempo
setting for a simple song or create a
conductor map for a more complicate song,
and output the guide click.
• Song data (on mono WAV files on tracks 7
and 8) mastered by the MR-8HD can be
converted to a stereo WAV file easily.
You can export the converted file to a
personal computer and create an audio CD
using the CD burn function of the PC.
• The [DIGITAL OUT] port outputs S/PDIF
format digital signals. You can make
mixdown or digital copy to an external DAT
or MD recorder.
• The whole or a part of track data can be
edited (i.e. copied, pasted, moved,
exported, exchanged and erased).
• The [MIDI OUT] port is provided.
You can synchronize the MR-8HD with
external MIDI devices (MIDI sequencer, etc.)
using MTC or MIDI clock.
Introduction
MR-8HD main features

11
MR-8HD Owner’s Manual (Read this chapter first!)
About power supply
• Be sure to connect the MR-8HD to the power
supply specified in the specifications section
of this owner's manual. Do not use an AC
outlet of any other voltage.
• Do not connect the MR-8HD to the same AC
outlet to which devices that could generate
noise (such as a large motor or dimmer), or
the devices that consume a large amount of
power (such as an air conditioning system or
large electric heater) are connected.
• If you use the MR-8HD in an area with a
different power voltage, first consult your
dealer or the nearest Fostex service station.
• The [POWER] switch cannot turn off the
power completely. When this switch is "up",
the MR-8HD enters standby mode (i.e. the
power does not completely turned off).
Therefore, if you do not use the MR-8HD for
a long time, we recommend unplugging the
power cord from the AC outlet.
• It is very dangerous to use a power cord that
is frayed or damage. In such a case, stop
using the MR-8HD immediately and ask your
dealer to repair the cord.
<Important! >
Model name, power requirement, serial
number and other information for the
MR-8HD are shown at the bottom of the
unit.
Precautions upon installing the MR-8HD
• Do not install the MR-8HD in locations
subject to the following:
* Extremely high or low temperature, or
significant changes in temperature.
* Excessive humidity or dust.
* Excessive changes in power supply
voltage.
* Unstable or significantly vibrating or
shaking surfaces.
* Near a strong magnetic field (such as a
TV or speaker).
Notes on repair
• The MR-8HD does not use any parts that user
can repair easily. Contact your dealer or the
nearest Fostex service station to ask about
repairs.
• Use the original packing carton of the
MR-8HD when you transport or send the
MR-8HD to the dealer or Fostex service
station for repair.
If you have discarded the packing carton,
pack the MR-8HD using shock absorbing
materials. Fostex is not responsible for
malfunction or damage due to incomplete
packaging or caused during transportation.
• Because the MR-8HD is a consumer product,
Fostex does not offer on-site service or
provide a loaner unit while your MR-8HD is
under repair.
About copyrights
• It is prohibited by law to use any part of a CD
recording or video images or audio data for
which copyright is possessed by a third party
for commercial purposes such as contents,
broadcasts, sales, or distribution-any purpose
other than for your personal pleasure.
About damages
• Fostex is not responsible for any "direct
damage" or "indirect damage" caused by
using the MR-8HD.
Notes on audio interruption
• If you make recording or editing to a song
many times, audio may be occasionally
interrupted when the song is played back,
due to data fragmentation. Note that this is
not a malfunction.
Note on USB connection with Mac OS
• Before you connect the MR-8HD to a
Macintosh computer, make sure that the OS
is Mac OS X or higher. The MR-8HD supports
only Mac OS X or higher. If you connect the
MR-8HD to a Macintosh computer with Mac
OS lower than "OS X", song data on the
MR-8HD may be damaged.
MODEL MR-8HD
DIGITAL MULTITRACKER
FOSTEX CO.
100 - 230V ~
SERIAL NO.
MADE IN CHINA
14W 60Hz
Precautions before using

12
MR-8HD Owner’s Manual (Read this chapter first!)
This section describes the basics of the MR-8HD you should know before using the MR-
8HD.
Recording method
The MR-8HD is fitted with a 3.5-inch hard disk drive. Songs are recorded on a hard disk along
with the ABS time (from 00m00s000ms to 99m59s999ms).
The ABS time shows the absolute time on a hard disk and you can start recording from any
desired time within the range between 00m00s000ms and 99m59s999ms ABS time.
As the MR-8HD does not consume the disk space when no audio is recorded, you can record
audio effectively, while the recordable time for a tape recorder depends on the tape length.
MIN MAX
100
LR
100
LR
100
LRRL
MIN MAX LINE MIC LINE MIC LINE MIC LINE MIC
REC SELECT
010
12345/6 MASTER
MAX
MAX
MIN
MIN
7/8
LOCATE REC END
A-B PLAY
LOCATE ABS ZERO
PLAYSTOP
RECORD REWIND F FWD
GUIDE
RHYTHM CONTRAST
1-8 >
SONG
NEW
1-6 > 7/8
1-4 > 5/6 STEREO
WAV FILE
BOUNCE
POWERFUL
MASTERING
B / OUT
A / IN
LOCATE
STOREPLAY MODEAUTO PUNCH
NATURAL BRIGHT
TIME BASE
SELECT
UNDO/REDO
7/8 >
MENU / ENTER
SIMULATION
DYNAMIC CONDENSER TUBE
MIC
PAN
EFFECT
REVERB / DELAY TIME
HALL
ROOM
PLATE DELAY
PHONES VOL
L
STEREO OUT
R
2
PHONES
1
MAXMIN
BAL
BALBAL
TRIM
UNBAL
PEAK
TRIM
UNBAL
PEAK
TRIM
UNBAL
PEAK
PEAK
DISTORTION
GUITAR
/GUITAR
INPUT A SELECT
INSERT
BAL
UNBAL
TRIM
INPUT A INPUT B INPUT C INPUT D
ON/
OFF
POWER
ABC1 DEF2 GHI3
JKL4 MNO5
PQR6 STU7 VWX8 YZ9 +-_0 DELETE
TO STEREO BUSS
EFFECT SEND
DIGITAL MULTITRACKER
ON/
OFF
ON/
OFF
ON/
OFF
60'S COMBO
US METAL
BRIT STACK
AMP SIMULATION
INPUT A
The beginning of a song
0m00s000ms
(ABS ZERO) 05m00s000ms 10m00s000ms 15m00s000ms
(REC END) 99m59s999ms
Recorded area Recorded areaNon-recorded area Non-recorded area
......
You can start recording from any desired time within the range
between 00m00s000ms and 99m59s999ms ABS time.
0m00s000ms 99m59s999ms
Non-recorded area (remain) ......
5-minute recording 5-minute recording
Non recorded area (shown in white)
3.5-inch hard disk drive
Recorded area (shown in gray)
The basics of the MR-8HD

13
MR-8HD Owner’s Manual (Read this chapter first!)
About song
To understand songs, imagine separated rooms as shown below. Each room can be regarded as
a song. With the MR-8HD, you can create up to 99 rooms (songs) on the hard disk (although the
available space may limit the number of songs).
Recorded track data is stored in a song as mono WAV
files, as shown below.
Each song is independent on a disk and you can record, play back or edit a song without affect-
ing other songs.
You can give a desired song name for managing recorded songs (see page 99).
Recorded track data is stored in a song as mono WAV files.
The MR-8HD can convert the two WAV files recorded on tracks 7 and 8 (L and R) to a stereo WAV
file (see page 90).
You can export the converted stereo WAV file to your USB-connected personal computer, and
use the file by a music software application or make an original audio CD using a CD burn
software application (see page 92).
Song01
Track 1 Track 2 Track 8
Song01
Song02
Song03
Song04
Song05
Song99
Song98
Remain (recordable space left on the disk)
"Remain" shows how much time you can further record audio data to the available space left on
the internal hard disk.
As described earlier, the MR-8HD stripes ABS time from 0m00s000ms to 99m59s999ms at maxi-
mum for each song. However, the remaining time (= available recording time left) depends on
the available space on the hard disk in actual use. The remaining time is shown as in the screen
example below during recording or record standby. Note that it shows the remaining time for
recording onto a mono track.
A "mono" track means a single track. Therefore, you can calculate the remaining time for record-
ing to more than one track by dividing the displayed time by the number of tracks. Note that the
remaining time shown on the screen is an approximate time.
Remain value
WAV files

14
MR-8HD Owner’s Manual (Read this chapter first!)
Time base
Input monitor and repro monitor
The term, "time base", is used as the reference of recorder position information.
Using the [TIME BASE SELECT] key, you can select from among two time base modes: ABS time
and bar/beat mode. Each screen example below shows the recorder is located at the beginning of
a song in each time base mode.
<ABS time mode> <Bar/beat mode>
ABS time mode:
ABS time stands for Absolute time, which is "striped" on the disk when creating a song. It starts
from 0m00s000ms (=ABS zero, the beginning of a song) and ends by 99m59s999ms at maxi-
mum.
Bar/beat mode:
The bar/beat/clock information is created according to the internal tempo map.
The ABS zero position is set to "bar -2/beat 1/clk 000" by default (this is called "bar offset").
The MR-8HD determines the bar/beat/clock value in a song in referenced to the bar offset, as
well as the time signature map and tempo map. You can set the bar offset between bar 1 to bar
-8 via the menu mode (see page 81). The figure below shows the relation between two time base
modes.
Each of the MR-8HD tracks has two output modes: repro monitor and input monitor.
In the repro monitor mode, the track playback signal is output. So if you want to listen to the
track playback sound, select the repro monitor mode.
In the input monitor mode, the input signal fed to the track is output. So you can check the level
of the input signal to be recorded.
To enter a MR-8HD track to input monitor mode, press the appropriate [REC SELECT] key to arm
the track (i.e. make the track record-ready), then press only the [RECORD] key to enter the
"RECORD READY" mode or press both the [RECORD] and [PLAY] keys simultaneously to start
recording.
Bar/beat mode
The beginning of a song
0m00s000ms
(ABS ZERO) 0m03s000ms 0m06s000ms
1bar 1 000clk 3bar 1 000clk
-2bar 1 000clk
ABS time mode
Input signals for
recorder tracks Output signals from
recorder tracks
Track 1
Track 5
Track 6
Track 7
Track 8
Playback signal (repro monitor)
Playback signal (repro monitor)
Playback signal (repro monitor)
Playback signal (repro monitor)
Playback signal (repro monitor)
Track 3
READY
Track 4
READY
Input signal (input monitor)
Input signal (input monitor)
Track 2 Playback signal (repro monitor)

15
MR-8HD Owner’s Manual (Read this chapter first!)
[TRIM] control
You must pay great attention to the [TRIM] control adjustment when recording to the MR-8HD.
The analog signal received at each input ([INPUT A] through [INPUT D]) is sent to the TRIM
control, by which the signal level fed to the A/D converter of the MR-8HD is controlled.
You can check this level by the PEAK indicator. If the level is too high, the PEAK indicator lights,
while you may hear the sound distorted or noisy. This distortion (noise) generated at this stage
cannot be eliminated, therefore, adjust the TRIM control properly so that the PEAK indicator
does not light at the loudest part of the input signal.
MIN MAX LINE MIC LINE MIC LINE MIC LINE MIC
BAL
BALBAL
TRIM
UNBAL
PEAK
TRIM
UNBAL
PEAK
TRIM
UNBAL
PEAK
PEAK
DISTORTION
GUITAR
/GUITAR INSERT
BAL
UNBAL
TRIM
INPUT A INPUT B INPUT C INPUT D
ON
OFF
ON
OFF
ON
OFF
ON
OFF
[TRIM] control
PEAK LED
Clipping level
Clipping level
Proper level The level is too high.

16
MR-8HD Owner’s Manual (Read this chapter first!)

17
MR-8HD Owner’s Manual (Names and functions)
Names and functions
This chapter describes the names and functions of the controls,
keys, connectors, etc. on the MR-8HD top panel and rear panel, as
well as details of the display. See this chapter whenever you want to
know the function of a control, key, etc.

18
MR-8HD Owner’s Manual (Names and functions)
1. [INPUT A] input connectors (XLR
connector and phone jack)
MIN MAX
100
LR
100
LR
100
LRRL
MIN MAX LINE MIC LINE MIC LINE MIC LINE MIC
REC SELECT
010
12345/6 MASTER
MAX
MAX
MIN
MIN
7/8
LOCATE REC END
A-B PLAY
LOCATE ABS ZERO
PLAYSTOP
RECORD REWIND F FWD
GUIDE
RHYTHM CONTRAST
1-8 >
SONG
NEW
1-6 > 7/8
1-4 > 5/6 STEREO
WAV FILE
BOUNCE
POWERFUL
MASTERING
B / OUT
A / IN
LOCATE
STOREPLAY MODEAUTO PUNCH
NATURAL BRIGHT
TIME BASE
SELECT
UNDO/REDO
7/8 >
MENU / ENTER
SIMULATION
DYNAMIC CONDENSER TUBE
MIC
PAN
EFFECT
REVERB / DELAY TIME
HALL
ROOM
PLATE DELAY
PHONES VOL
L
STEREO OUT
R
2
PHONES
1
MAXMIN
BAL
BALBAL
TRIM
UNBAL
PEAK
TRIM
UNBAL
PEAK
TRIM
UNBAL
PEAK
PEAK
DISTORTION
GUITAR
/GUITAR
INPUT A SELECT
INSERT
BAL
UNBAL
TRIM
INPUT A INPUT B INPUT C INPUT D
ON/
OFF
POWER
ABC1 DEF2 GHI3
JKL4 MNO5
PQR6 STU7 VWX8 YZ9 +-_0 DELETE
TO STEREO BUSS
EFFECT SEND
DIGITAL MULTITRACKER
ON/
OFF
ON/
OFF
ON/
OFF
60'S COMBO
US METAL
BRIT STACK
AMP SIMULATION
INPUT A
124567
8
9
10
11
1213
14
15
16
17
18
19
20
21
3
3. [INPUT B] input connectors (XLR
connector and phone jack)
TIP: SEND
RING: RETURN
GND
From the effect output.
To the effect input.
You can connect a guitar, microphone, key-
board, etc. to the [INPUT C] input.
Both the [BAL] XLR connector and [UNBAL]
phone jack are provided so you can use the
appropriate connector according to the
sound source.
If you connect sources to both the XLR con-
nector and phone jack, the phone input takes
priority (see page 33).
4. [INPUT C] input connectors (XLR
connector and phone jack)
You can connect a guitar, microphone, key-
board, etc. to the [INPUT B] input.
Both the [BAL] XLR connector and [UNBAL]
phone jack are provided so you can use the
appropriate connector according to the
sound source.
If you connect sources to both the XLR con-
nector and phone jack, the phone input takes
priority (see page 33).
Connects an external effect processor (typi-
cally, a compressor/limiter, etc.).
For connection between the MR-8HD and the
effect processor, use a Y-cable as shown be-
low (see page 59).
2. [INSERT] connector (TRS phone jack)
Both the [BAL] XLR connector and [UNBAL/
GUITAR] phone jack are provided. You can
connect a guitar, microphone, keyboard, etc.
If you connect sources to both the XLR con-
nector and phone jack, the phone input takes
priority. When using the [INPUT A] section,
select the [INPUT A SEL] switch on the rear
panel appropriately according to your us-
age (see page 33).
Top panel 1

19
MR-8HD Owner’s Manual (Names and functions)
<Note>:
This switch cannot turn off the
power completely. When this switch is "up",
the MR-8HD enters standby mode (i.e. the
power does not completely turned off).
Therefore, if you do not use the MR-8HD
for a long time, we recommend unplugging
the power cord from the AC outlet.
5. [INPUT D] input connectors (XLR
connector and phone jack)
10. [REVERB/DELAY TIME] control
14. [REC SELECT] keys
21. [TRIM] controls
Each control adjusts the input gain of the
corresponding input channel (see page 15,
and 35 through 40).
20. [DISTORTION] control
Controls the amount of the distortion effect
for a guitar connected to the [XLR] connec-
tor or [UNBAL/GUITAR] jack (phone type)
on the [INPUT A] channel.
This control is effective only when the [IN-
PUT A SEL] switch is set to "GTR/DIST" (see
pages 35 through 40).
19. [PEAK] indicators
Each indicator lights when the input signal
is overloaded (see page 15). You should ad-
just the input gain using the [TRIM] control
so that the [PEAK] indicator does not light.
18. [TO STEREO BUSS ON/OFF] keys
Each key selects whether or not sending the
corresponding input signal to the stereo L/
R busses (see page 72). Each press of the
key alternates ON and OFF. When ON, the
key illuminates in green. When OFF, it is
unlit. When the corresponding input is as-
signed to a recording track, the key flashes
in green.
A long press of the key enters the input menu
of the MENU mode, in which you can set
phantom power on/off, panning, etc. (see
page 128).
17. Insert effect selection keys
Used to select the insert effect (mic simula-
tion or amp simulation) for the signal from
the [INPUT A] jack.
When setting the [INPUT A SELECT] switch
on the rear panel to "MIC/LINE", you can
use the mic simulation effect. When setting
the switch to "GTR/DIST", you can use the
guitar amp simulation effect (see page 58).
16. [EFFECT SEND] controls
Control the amount of signals from tracks 1
through 4 sent to the internal effect (reverb
or delay) (see page 61).
15. [PAN] controls
Control panning for tracks 1 through 4.
Used to select the recording track(s). You can
record onto up to four tracks simultaneously.
Pressing a key arms or unarms the corre-
sponding track(s).
Tracks 5/6 or 7/8 are armed or unarmed
simultaneously (see pages 35 through 42).
Each fader adjusts the track playback level.
Each of track faders 5/6 and 7/8 controls
the stereo signal (see pages 30 through 39).
13. Track faders
Adjusts the stereo (L and R) buss output level
(see pages 30 through 39).
12. [MASTER] fader
These keys are used to select the effect type.
You can select from three reverb types
(ROOM, HALL and PLATE) and a delay
(DELAY). The selected key is lit (see page 60).
11. [EFFECT] keys
This control adjusts the reverb time or de-
lay time. When you select "ROOM", "HALL"
or "PLATE" for the effect type, it adjusts the
reverb time.When you select "DELAY", it
adjusts the delay time. (See page 61.)
Switches between standby mode and power
on (see page 28). To turn off the power when
the power is on, press and hold down the
[POWER] switch for a few seconds.
9. [POWER] switch
Adjusts the headphone output level (see
page 30).
8. [PHONES VOL] control
Two jacks (1 and 2) are provided. You can
use two pairs of stereo headphones with the
MR-8HD (see page 29).
7. [PHONES] jacks (1, 2)
These jacks output the stereo (L and R) buss
signals. Connect these jacks to the monitor-
ing equipment or master recorder (see pages
29 and 41).
6. [STEREO OUT] jacks (L, R)
You can connect a guitar, microphone, key-
board, etc. to the [INPUT D] input.
Both the [BAL] XLR connector and [UNBAL]
phone jack are provided so you can use the
appropriate connector according to the
sound source. If you connect sources to both
the XLR connector and phone jack, the phone
input takes priority (see page 33).

20
MR-8HD Owner’s Manual (Names and functions)
MIN MAX
100
LR
100
LR
100
LRRL
MIN MAX LINE MIC LINE MIC LINE MIC LINE MIC
REC SELECT
010
12345/6 MASTER
MAX
MAX
MIN
MIN
7/8
LOCATE REC END
A-B PLAY
LOCATE ABS ZERO
PLAYSTOP
RECORD REWIND F FWD
GUIDE
RHYTHM CONTRAST
1-8 >
SONG
NEW
1-6 > 7/8
1-4 > 5/6 STEREO
WAV FILE
BOUNCE
POWERFUL
MASTERING
B / OUT
A / IN
LOCATE
STOREPLAY MODEAUTO PUNCH
NATURAL BRIGHT
TIME BASE
SELECT
UNDO/REDO
7/8 >
MENU / ENTER
SIMULATION
DYNAMIC CONDENSER TUBE
MIC
PAN
EFFECT
REVERB / DELAY TIME
HALL
ROOM
PLATE DELAY
PHONES VOL
L
STEREO OUT
R
2
PHONES
1
MAXMIN
BAL
BALBAL
TRIM
UNBAL
PEAK
TRIM
UNBAL
PEAK
TRIM
UNBAL
PEAK
PEAK
DISTORTION
GUITAR
/GUITAR
INPUT A SELECT
INSERT
BAL
UNBAL
TRIM
INPUT A INPUT B INPUT C INPUT D
ON/
OFF
POWER
ABC1 DEF2 GHI3
JKL4 MNO5
PQR6 STU7 VWX8 YZ9 +-_0 DELETE
TO STEREO BUSS
EFFECT SEND
DIGITAL MULTITRACKER
ON/
OFF
ON/
OFF
ON/
OFF
60'S COMBO
US METAL
BRIT STACK
AMP SIMULATION
INPUT A
22 23 24 25 26 27 28 29
30
31
32
33
34
35
36
37
22. [RHYTHM GUIDE] key
Switches on/off of the rhythm guide func-
tion (see page 76). Each press of the switch
alternates on and off. A long press of the
key enters the rhythm guide menu, in which
you can set the rhythm guide parameters
(see page 76).
23. [BOUNCE 1-4 > 5/6, 1-6 > 7/8] / ABC1 key
Selects the bounce mode (see page 63).
In the menu mode, this key is used for char-
acter entry of A, B, C, a, b, c and 1 (see pages
32 and 99).
24. [TIME BASE SEL] key
Selects the time base shown on the display
(see page 24). Each press of the key switch
between "time" and "bar/beat".
25. [BOUNCE 1-8 > NEW SONG] / DEF2 key
Selects the bounce mode (see page 63).
In the menu mode, this key is used for char-
acter entry of D, E, F, d, e, f and 2 (see pages
32 and 99).
26. [CONTRAST] key
By rotating the [MENU/ENTER] knob while
holding down this key, you can adjust the
display contrast (see page 24).
27. [7/8 > STEREO WAV FILE] /GHI3 key
This key is used when converting a mono
WAV file recorded on tracks 7/8 to a stereo
WAV file (see page 90).
You can export the stereo WAV file to your
personal computer over the USB connection
(see page 92).
In the menu mode, this key is used for char-
acter entry of G, H, I, g, h, i and 3 (see pages
32 and 99).
28. LCD display
This 132 x 64 dot LCD display shows vari-
ous information (see page 23).
29. [MENU/ENTER] rotary/push knob
Pressing this knob enters the menu mode.
In the menu mode, rotating this knob se-
lects the item or numeric value, while press-
ing this knob confirm the setting/selection.
Top panel 2

21
MR-8HD Owner’s Manual (Names and functions)
30. [MASTERING (POWERFUL/NATURAL/
BRIGHT] keys
Used to select the desired mastering effect
during track bounce or mixdown. You can
select from three effect types by pressing an
appropriate key (see page 62).
In the menu mode, the [POWERFUL] key is
used for character entry of J, K, L, j, k, l and
4, while the [NATURAL] key is used for char-
acter entry of M, N, O, m, n, o and 5(see
pages 32 and 99).
31. [UNDO/REDO]/[DELETE] key
Used to undo or redo recording or editing
(see pages 36, 38, 40).
Each press of the key alternates "undo" and
"redo". In the menu mode, this key is used
for deleting a character(see pages 32 and
99).
32. [STORE]/+-_0 key
Stores the current recorder position (time
data) as the LOCATE A/IN or LOCATE B/OUT
point (see pages 49 and 54).
In the menu mode, this key is used for char-
acter entry of +, -, _ and 0 (see pages 32 and
99).
33. [LOCATE B/OUT]/GHI3 key
Pressing this key while holding down the
[STORE] key sets the LOCATE B point (or
punch out point) (see page 49 and 54).
In the menu mode, this key is used for char-
acter entry of G, H, I and 3 (see pages 32
and 99).
34. Transport keys
[PLAY] key
Starts playback of the recorder.
Pressing this key while holding down the
[RECORD] key starts recording of the armed
(record-ready) track(s).
Pressing this key during recording exits re-
cording.
[STOP] key
Stops the recorder.
By pressing the [PLAY], [REWIND] or [F FWD]
key while holding down the [STOP] key, you
can locate to a specific point or repeat play-
back as below.
• [STOP] + [PLAY] (A-B PLAY)
Repeats playback between the LOCATE A and
LOCATE B points (see page 44).
• [STOP] + [REWIND] (LOCATE ABS ZERO)
Locates to the beginning (ABS ZERO) of the
current song (see page 48).
[RECORD] key
Pressing the [PLAY] key while holding down
the [RECORD] key starts recording of the
armed (record-ready) track(s).
By pressing only the [RECORD] key when any
track(s) is armed (in record-ready), the in-
put signal(s) of the armed track(s) can be
monitored (i.e. input monitor mode). (see
pages 35 through 40).
[F FWD] key
Pressing this key fast forwards the recorder.
During playback, pressing this key starts 3 x
cueing (see page 44).
While holding down the [STOP] key, press-
ing this key locates to the recording end of
the current song (REC END) (see page 48).
[REWIND] key
Pressing this key rewinds the recorder.
During playback, pressing this key starts 3 x
reverse cueing (see page 44).
While holding down the [STOP] key, press-
ing this key locates to the beginning (ABS
ZERO) of the current song (see page 48).
This key is also used to go up the menu
screen layer while a menu screen is dis-
played.
35. [LOCATE A/IN]/VWX8 key
Pressing this key while holding down the
[STORE] key sets the LOCATE A point (or
punch in point) (see page 49 and 54).
In the menu mode, this key is used for char-
acter entry of V, W, X, v, w, x and 8 (see pages
32 and 99).
36. [PLAY MODE]/STU7 key
Selects a play mode. You can select from
among normal, auto play, auto return and
loop (see page 45).
In the menu mode, this key is used for char-
acter entry of S, T, U, s, t, u and 7 (see pages
32 and 99).
37. [AUTO PUNCH]/PQR6 entry key
Turns on or off the auto punch mode (see
page 55).
In the menu mode, this key is used for char-
acter entry of P, Q, R, p, q, r and 6 (see pages
32 and 99).
• [STOP] + [F FWD] (LOCATE REC END)
Locates to the recording end of the current
song (REC END) (see page 48).

22
MR-8HD Owner’s Manual (Names and functions)
Either of the [BAL] XLR and
[UNBAL/GUITAR] phone connec-
tors can be used. Set the switch to
this position when the source is an
external microphone or line level
source.
MIC/LINE
GTR DIST
GTR CLEAN
4. [DIGITAL OUT] connector
(Toslink optical connector)
5. [MIDI OUT] jack (DIN 5-pin connector)
If you need to connect the
unit to a digital device which
only provides a coaxial type
digital connector (typically,
an RCA pin jack), use the
Fostex COP-1/96k coaxial-
optical converter (shown
right).
<Note>:
The dust protec-
tion cap is inserted to
the [DIGITAL OUT] con-
nector when the unit is
shipped.
Remove the cap when you use this connec-
tor. If you do not use this connector, attach
the dust protection cap.
3. [FOOT SW] jack (TRS phone jack)
unlatched-type footswitch
Either of the [BAL] XLR and
[UNBAL/GUITAR] phone connec-
tors can be used. You can adjust
the input level and distortion using
the [TRIM] and [DISTORTION]
controls respectively. You can also
use the amp simulation insert ef-
fect.
Either of the [BAL] XLR and
[UNBAL/GUITAR] phone connec-
tors can be used. You can adjust
the input level using the [TRIM]
control. You can also use the amp
simulation insert effect.
Model COP-1/96k
INPUT A SEL
USB USB HOSTAC-IN DIGITAL
OUT FOOT SWMIDI OUT
GTR CLEAN MIC/LINE
GTR DIST
12
34
56
7
Use an optical digital
cable with Toslink plugs
on both ends.
<Caution>:
Do not connect your personal
computer to the [USB HOST] port.
1. [AC IN] connector
Connect the supplied power cord to this con-
nector (see page 28).
2. [INPUT A SELECT] switch
This switch must be set appropriately accord-
ing to the input source of the [INPUT A] chan-
nel (see page 33).
Used to connect with an unlatched-type
footswitch (see page 53).
Used to connect with an external digital de-
vice using an optical cable (see page 42).
Used to connect to a MIDI IN jack of an ex-
ternal MIDI device (such as a MIDI se-
quencer) (see page 86).
6. [USB HOST] connector (USB A type)
Prepared for the future expansion.
7. [USB] port (USB B type)
Used to connect with a personal computer
using a standard USB cable for song file data
transfer between the MR-8HD and the per-
sonal computer (see page 92).
Rear panel

23
MR-8HD Owner’s Manual (Names and functions)
When turning on the MR-8HD, the display shows the startup screen (showing the startup status of the MR-
8HD), followed by the "home" screen, which is similar to the one below. In this condition, the previously
loaded song is loaded and the recorder is located at the beginning of the song.
The home screen provides the following information.
The following describes details about the LCD display, including screen contents and
operation.
1. Time counter display
6. Song number display
4. Stereo buss (L and R) level display
5. Song status display
At least one of the tracks is in the
input monitor mode (see pages
36, 38 and 40).
The auto punch mode is active
(see page 55).
The auto return mode is active
(see page 45).
3. Track level display
The remain time shows how much time you
can further record audio data onto a mono
track using the available space left on the hard
disk.
2. Character display
The loop mode is active (see page
45).
Home screen
The auto play mode is active (see
page 45).
1
2
34
5
6
Time information of the current recorder po-
sition is shown in ABS or bar/beat mode (by
default, bar/beat). Using the [TIME BASE SE-
LECT] key, you can select a desired time base
mode. When the recorder is moving (playing
back, fast forwarding, etc.), the appropriate
icon is also shown. While the hard disk drive is
in access, " ACC " lights up.
Normally, the name of the song currently
loaded is shown (up 16 characters can be
shown at a time).
It also shows following information.
• A name of the operation mode currently
being executed (such as "BOUNCE 1-6->7/8).
• A (not-so-serious) warning message
• The "Remain" time when at least one track is
record-armed (i.e. At least one of the
[REC SELECT] keys is active).
The recording or playback levels of tracks 1
through 8 are shown. When a track is record
armed, the track number indication changes
to the source input channel (any of A, B, C and
D).
During recording or playback, the output lev-
els of the L/R stereo buss are shown.
Lights up the following status icons when the
appropriate modes (functions) are active.
Shows the song number of the song currently
loaded. Also, " " is lit when the phantom power
is on.
LCD display

24
MR-8HD Owner’s Manual (Names and functions)
When the display shows the home screen, pressing the [TIME BASE SELECT] key switches the time base
mode between ABS and bar/beat.
Example of ABS display
Example of bar/beat display
You can adjust the display contrast by rotating the [MENU/ENTER] knob while holding down the [CON-
TRAST] key. Rotating the dial clockwise heightens the contrast, while rotating it counterclockwise lowers
the contrast.
[MENU/ENTER] knob
[CONTRAST] key
GUIDE
RHYTHM CONTRAST
1-8 > SONG
NEW
1-6 > 7/8
1-4 > 5/6 STEREO
WAV FILE
BOUNCE
TIME BASE
SELECT
7/8 >
MENU/ENTER
ABC1 DEF2 GHI3
DIGITAL MULTITRACKER
GUIDE
RHYTHM CONTRAST
1-8 > SONG
NEW
1-6 > 7/8
1-4 > 5/6 STEREO
WAV FILE
BOUNCE
TIME BASE
SELECT
7/8 >
MENU/ENTER
ABC1 DEF2 GHI3
DIGITAL MULTITRACKER
[TIME BASE SELECT] key
High contrast
Low contrast
Selecting a time base mode
Adjusting the display contrast
While pressing down the [CONTRAST] key, the dis-
play shows "CONTRAST -> DIAL".

25
MR-8HD Owner’s Manual (Names and functions)
If a serious problem happens to the MR-8HD during operation, an appropriate warning message is shown
on the display. Most warning messages are being shown until the [MENU/ENTER] knob is pressed. Note
that there are also not-so-serious warning messages besides the following.
Pressing the [MENU/ENTER] knob while the recorder is stopped enters the menu mode and brings up the
menu screen.
In the menu mode, you can make setting or editing via the appropriate screen. The top menu screen has
two pages, in which you can select the desired menu by rotating the [MENU/ENTER] knob.
GUIDE
RHYTHM CONTRAST
1-8 > SONG
NEW
1-6 > 7/8
1-4 > 5/6 STEREO
WAV FILE
BOUNCE
TIME BASE
SELECT
7/8 >
MENU/ENTER
ABC1 DEF2 GHI3
DIGITAL MULTITRACKER
[MENU/ENTER] knob
First page
This message is shown
when you are going to
delete a song which is
protected.
This message is shown
when the hard disk
drive has a problem.
This message is shown
when you are going to
edit a track or part but
there is not enough
space on the hard disk
for executing the undo
function.
During recording, this
message is shown if
there is no more space
left on the hard disk for
recording.
This message is shown
when you are going to
make recording or ed-
iting to a song which is
protected.
This message is shown
when you are going to
create a new song
while 99 songs exist on
the hard disk.
Second page
MENU screen
Warning message

26
MR-8HD Owner’s Manual (Names and functions)

27
MR-8HD Owner’s Manual (Basic operations)
Basic operations
This chapter describes power connection, power on/off, demo song
playback, etc., as well as basic multitrack recording.
If it is the first time for you to use a Multitracker, read this chapter
carefully first so that you are familiar with the MR-8HD basic opera-
tions, then read other sections which describe advanced operations.

28
MR-8HD Owner’s Manual (Basic operations)
The MR-8HD operates by AC power. Before you start using the MR-8HD, you must connect the
supplied power cord.
INPUT A SEL
USB USB HOSTAC-IN DIGITAL
OUT FOOT SWMIDI OUT
GTR CLEAN MIC/LINE
GTR DIST
Connect between the [AC IN] connector on the MR-8HD rear panel and an AC outlet using the sup-
plied power cord. The MR-8HD enters the standby mode when the power cord is connected.
Power connection
AC outlet
Supplied power cord
You can turn on or off the MR-8HD power using the [POWER] switch (pointed by an arrow below).
To turn off the power, press and hold down the [POWER] switch for a few seconds.
Turning on the unit
MIN MAX
100
LR
100
LR
100
LRRL
MIN MAX LINE MIC LINE MIC LINE MIC LINE MIC
REC SELECT
010
12345/6 MASTER
MAX
MAX
MIN
MIN
7/8
LOCATE REC END
A-B PLAY
LOCATE ABS ZERO
PLAYSTOP
RECORD REWIND F FWD
GUIDE
RHYTHM CONTRAST
1-8 >
SONG
NEW
1-6 > 7/8
1-4 > 5/6 STEREO
WAV FILE
BOUNCE
POWERFUL
MASTERING
B / OUT
A / IN
LOCATE
STOREPLAY MODEAUTO PUNCH
NATURAL BRIGHT
TIME BASE
SELECT
UNDO/REDO
7/8 >
MENU / ENTER
SIMULATION
DYNAMIC CONDENSER TUBE
MIC
PAN
EFFECT
REVERB / DELAY TIME
HALL
ROOM
PLATE DELAY
PHONES VOL
L
STEREO OUT
R
2
PHONES
1
MAXMIN
BAL
BALBAL
TRIM
UNBAL
PEAK
TRIM
UNBAL
PEAK
TRIM
UNBAL
PEAK
PEAK
DISTORTION
GUITAR
/GUITAR
INPUT A SELECT
INSERT
BAL
UNBAL
TRIM
INPUT A INPUT B INPUT C INPUT D
ON/
OFF
POWER
ABC1 DEF2 GHI3
JKL4 MNO5
PQR6 STU7 VWX8 YZ9 +-_0 DELETE
TO STEREO BUSS
EFFECT SEND
DIGITAL MULTITRACKER
ON/
OFF
ON/
OFF
ON/
OFF
60'S COMBO
US METAL
BRIT STACK
AMP SIMULATION
INPUT A
[POWER] switch
[AC IN] connector
<Note>:
When you do not operate the MR-8HD for a long period of time, we recommend
disconnecting the power cord.
About the standby mode
The standby mode is the condition when the power cord is connected and the [POWER]
switch is set to OFF. In the standby mode, a small amount of power is consumed and the
indicator of the [POWER] switch flashes slowly.
When you press the [POWER] switch to
turn on the power for the first time, the
MR-8HD starts up and the display shows
the screen as below (note that it takes
some time until the screen as below is
shown).
This screen shows that the demo song is
loaded and stopped at the beginning (ABS
0) of the song named "FOSTEX_FEVER".
Follow the procedure described on the
next page to play back the demo song.
About power

29
MR-8HD Owner’s Manual (Basic operations)
Connect headphones to either of the two [PHONES] jacks of the MR-8HD. Both jacks feed the same
signal so you may connect headphones whichever you like.
If you have a powered monitor speaker, you may connect it to the [STEREO OUT] jacks of the MR-8HD.
Connecting headphones (or a monitor speaker system)
<Note>:
When you connect a powered monitor
speaker to the unit, turn down the volume of the
powered monitor speaker to minimum before you
turn on the MR-8HD and the powered monitor
speaker.
A demo song is pre-recorded on the hard disk of the MR-8HD when shipped.
Before you make recording, let's listen to the demo song via headphones (or a monitor speaker).
MIN MAX
100
LR
100
LR
100
LRRL
MIN MAX LINE MIC LINE MIC LINE MIC LINE MIC
REC SELECT
010
12345/6 MASTER
MAX
MAX
MIN
MIN
7/8
LOCATE REC END
A-B PLAY
LOCATE ABS ZERO
PLAYSTOP
RECORD REWIND F FWD
GUIDE
RHYTHM CONTRAST
1-8 >
SONG
NEW
1-6 > 7/8
1-4 > 5/6 STEREO
WAV FILE
BOUNCE
POWERFUL
MASTERING
B / OUT
A / IN
LOCATE
STOREPLAY MODEAUTO PUNCH
NATURAL BRIGHT
TIME BASE
SELECT
UNDO/REDO
7/8 >
MENU / ENTER
SIMULATION
DYNAMIC CONDENSER TUBE MIC
PAN
EFFECT
REVERB / DELAY TIME
HALL
ROOM
PLATE DELAY
PHONES VOL
L
STEREO OUT
R
2
PHONES
1
MAXMIN
BAL
BALBAL
TRIM
UNBAL
PEAK
TRIM
UNBAL
PEAK
TRIM
UNBAL
PEAK
PEAK
DISTORTION
GUITAR
/GUITAR
INPUT A SELECT
INSERT
BAL
UNBAL
TRIM
INPUT A INPUT B INPUT C INPUT D
ON/
OFF
POWER
ABC1 DEF2 GHI3
JKL4 MNO5
PQR6 STU7 VWX8 YZ9 +-_0 DELETE
TO STEREO BUSS
EFFECT SEND
DIGITAL MULTITRACKER
ON/
OFF
ON/
OFF
ON/
OFF
60'S COMBO
US METAL
BRIT STACK AMP SIMULATION
INPUT A
<Note>:
You can plug a 1/4" phone plug to the
[STEREO OUT] L or R jack.
Powered monitor
speaker
Headphones
Listening the demo song

30
MR-8HD Owner’s Manual (Basic operations)
In the demo song, approximately 1-minute audio is recorded on all eight tracks. Follow the procedure
below for listening to the demo song. In the following procedure, it is assumed that the MR-8HD is
turned on and a pair of headphones (or a monitor speaker system) is connected.
Playing back the demo song
<Hint-2>: To listen to the demo song again:
When the recorder is stopped after listen-
ing to the demo song, press the [REWIND]
key while holding down the [STOP] key. The
recorder instantly moves back to the be-
ginning of the demo song (see page 48).
Then pressing the [PLAY] key starts play-
back from the beginning of the demo song.
<Note>:
The demo song is protected and you can-
not overwrite or erase it. Therefore, you cannot
make recording in this condition.
If you want to make new recording while keep-
ing the demo tape on the hard disk, see "Creat-
ing a song for recording" on the next page.
If you do not keep the demo song, carry out ei-
ther of the following operations.
(1) Release the song protection (see page
101).
Then, start recording (overwrite
recording) from the beginning of the demo
song, or delete the demo song from the
hard disk. If you delete the demo song,
create a new song (see the next page) and
make recording to the new song.
(2) Format the hard disk (see page 124) and
make recording.
Because a new song is automatically
created after formatting the disk, you can
start recording without the need of
creating a new song manually.
1) Raise the [MASTER] fader to the " " position.
Set the track faders at the lowest position.
2) Press the [PLAY] key to start playback.
3) Raise the track faders (1 through 8) gradually to
adjust the playback level and balance.
Also raise the [PHONES VOL] control gradually
to adjust the headphones level. (If you are
using a powered monitor speaker for
monitoring, adjust the level control of the
powered speaker.)
MIN MAX
100
LR
100
LR
100
LRRL
MIN MAX LINE MIC LINE MIC LINE MIC LINE MIC
REC SELECT
010
12345/6 MASTER
MAX
MAX
MIN
MIN
7/8
LOCATE REC END
A-B PLAY
LOCATE ABS ZERO
PLAYSTOP
RECORD REWIND F FWD
GUIDE
RHYTHM CONTRAST
1-8 >
SONG
NEW
1-6 > 7/8
1-4 > 5/6 STEREO
WAV FILE
BOUNCE
POWERFUL
MASTERING
B / OUT
A / IN
LOCATE
STOREPLAY MODEAUTO PUNCH
NATURAL BRIGHT
TIME BASE
SELECT
UNDO/REDO
7/8 >
MENU / ENTER
SIMULATION
DYNAMIC CONDENSER TUBE
MIC
PAN
EFFECT
REVERB / DELAY TIME
HALL
ROOM
PLATE DELAY
PHONES VOL
L
STEREO OUT
R
2
PHONES
1
MAXMIN
BAL
BALBAL
TRIM
UNBAL
PEAK
TRIM
UNBAL
PEAK
TRIM
UNBAL
PEAK
PEAK
DISTORTION
GUITAR
/GUITAR
INPUT A SELECT
INSERT
BAL
UNBAL
TRIM
INPUT A INPUT B INPUT C INPUT D
ON/
OFF
POWER
ABC1 DEF2 GHI3
JKL4 MNO5
PQR6 STU7 VWX8 YZ9 +-_0 DELETE
TO STEREO BUSS
EFFECT SEND
DIGITAL MULTITRACKER
ON/
OFF
ON/
OFF
ON/
OFF
60'S COMBO
US METAL
BRIT STACK
AMP SIMULATION
INPUT A
12
1,3
3
4
Hint-2
Hint-1
4) When the demo song ends, press the [STOP] key
to stop the recorder.
<Hint-1>: While listening to the playback
sound, adjust panning setting of tracks 1
through 4, as well as try to adjust the inter-
nal effects (reverb/delay) (see page 60).

31
MR-8HD Owner’s Manual (Basic operations)
This section describes how to create a new song for recording on the hard disk, while keeping the
demo song. In the following procedure, it is assumed that the MR-8HD is stopped at the begin-
ning (ABS ZERO) of the demo song.
1) While the recorder is stopped, press the
[MENU/ENTER] knob to enter the menu mode.
The display now shows the first page of the
menu selection screen, where "<< Back" is
highlighted initially.
2) Rotate the [MENU/ENTER] knob to select "Song",
and press the [MENU/ENTER] knob.
The display now shows the first page of the
song menu screen, where "<< Back" is
highlighted initially.
3) Rotate the [MENU/ENTER] knob to select
"Select Song", and press the [MENU/ENTER]
knob.
The display now shows the first page of the
song selection screen. You can see the list of
the song numbers/names on the hard disk.
Currently, only the demo song is created, and
"S01: FOSTEX_FEVER" and "---:(New Song)" are
shown.
"---:(New Song)" is used to create a new song.
4) Rotate the [MENU/ENTER] knob to select
"- - -:(New Song)", and press the [MENU/ENTER]
knob.
5) Enter the desired song name.
<Note>:
By selecting "<< Back" and press-
ing the [MENU/ENTER] knob, the display
returns to the previous screen. You can also
return the display to the previous screen
by pressing the [REWIND] key.
<Note>:
You may leave the default song
name as it is. Also, you can edit the song
name after creating a song using the "Re-
name Song" menu item in the song menu
of the menu mode (see page 99).
The display now shows the screen for entering
a new song name. The rightmost character on
the default song name is flashing (in the ex-
ample below, "2" of "Song02" starts flashing).
Use the character entry keys to enter the de-
sired character at the flashing point.
Rotate the [MENU/ENTER] knob to move the
flashing point. Use the [UNDO/REDO/DELETE]
key to delete the character at the flashing point.
Therefore, when the rightmost character is
flashing as in the screen example above, you
can delete all characters by pressing the
[UNDO/REDO/DELETE] key repeatedly. You
can enter up to 16 characters for a song name.
See <How to enter characters> on the next page
for entering the song name as "My_Song".
Creating a song for recording

32
MR-8HD Owner’s Manual (Basic operations)
6) After completing song name entry, press the
[MENU/ENTER] knob.
The cursor moves to “[ENTER]” at the bottom
of the screen.
7) While “[ENTER]” is flashing, press the
[MENU/ENTER] knob.
The display now shows the home screen of the
newly created song (My_Song).
As shown in the lower screen example, the song
name (My_Song) and the song number
(Song02) are shown.
<Note>:
If you want to cancel creating a song,
rotate the [MENU/ENTER] knob to move the
cursor to "[CANCEL]" and press the [MENU/
ENTER] knob.
Now, in addition to the demo song, a new
song on which no audio is recorded is cre-
ated by the procedure above.
It is a good idea to create more than one
song before you start recording.
After creating a song or songs for recording,
connect the sound source to the MR-8HD (see
the next page) and start recording.
<Character entry keys>
Some keys on the MR-8HD top panel
act as character entry keys in the
menu mode. For example, the [PLAY
MODE] key (shown at the left) can
be used for entering S, T, U, s, t, u
and 7. Each press of a character en-
try key switches the character to be
entered among those assigned to
the key.
<Character entry example>
The following procedure example shows how to en-
ter "My_Song" as a song name.
1. Use the [NATURAL] key to enter "M".
2. Use the [LOCATE B/OUT] key to enter "y".
3. Use the [STORE] key to enter "_".
4. Use the [PLAY MODE] key to enter "S".
5. Use the [NATURAL] key to enter "o".
6. Rotate the [MENU/ENTER] knob to move the
cursor right.
7. Use the [NATURAL] key to enter "n".
8. Use the [7/8>STEREO WAV FILE] key to
enter "g".
PLAY MODE
STU7
<Note>:
After creating a new song, by ex-
ecuting procedure steps 1 through 3, the
following song selection screen appears.
This screen is used for loading the desired
song from the list, as well as creating a new
song.
For example, by rotating the [MENU/ENTER]
knob to highlight “S01: FOSTEX_FEVER” and
pressing the [MENU/ENTER] knob, you can
load the demo song.
For details about how to select the desired
song, see "Song management" on page 97.
<How to enter characters>
<Notes on cursor movement>
Pressing a different character entry key automati-
cally moves the cursor right.
If two successive characters are assigned to the
same character entry key, rotate the [MENU/EN-
TER] knob after selecting the first character to
move the cursor right.

33
MR-8HD Owner’s Manual (Basic operations)
The MR-8HD provides four input channels: [INPUT A], [INPUT B], [INPUT C] and [INPUT D]. Each
channel provides both the XLR and 1/4" phone connectors.
INPUT A INPUT B INPUT C INPUT D
INPUT A
INPUT B
INPUT C
INPUT D
• When you use the [INPUT A] channel, set the [INPUT A SEL] switch on the rear panel
appropriately.
• If you use a condenser microphone, use the XLR (balanced) connector. The MR-8HD can
supply the phantom power (see page 128).
Available input connectors Shapes of connectable connector
Input channel
Either of the XLR (balanced) con-
nector or phone (unbalanced) jack
can be used (if both connectors
are plugged, the phone jack is ef-
fective).
Input channel
When you use the [INPUT A] channel, you must set the [INPUT A SEL] switch on the rear panel
appropriately.
INPUT A SEL switch
INPUT A SEL
MIC/LINE
GTR CLEAN
GTR DIST
INPUT A SEL
MIC/LINE
GTR CLEAN
GTR DIST
INPUT A SEL
MIC/LINE
GTR CLEAN
GTR DIST
“MIC/LINE” position
“GTR DIST” position
“GTR CLEAN” position
Both the [BAL] XLR and [UNBAL/GUI-
TAR] phone connectors can be used.
Set the switch to this position when the
source is an external microphone or
line level source.
Both the [BAL] XLR and [UNBAL/GUI-
TAR] phone connectors can be used.
You can adjust the input level and dis-
tortion using the [TRIM] and [DISTOR-
TION] controls respectively. You can
also use the amp simulation insert ef-
fect.
Both the [BAL] XLR and [UNBAL/GUI-
TAR] phone connectors can be used.
You can adjust the input level using the
[TRIM] control. You can also use the
amp simulation insert effect.
XLR-3-12C type PHONE plug
MIN MAX LINE MIC LINE MIC LINE MIC LINE MIC
PHONES VOL
L
STEREO OUT
R
2
PHONES
1
MAXMIN
BAL
BALBAL
TRIM
UNBAL
PEAK
TRIM
UNBAL
PEAK
TRIM
UNBAL
PEAK
PEAK
DISTORTION
GUITAR
/GUITAR
INPUT A SELECT
INSERT
BAL
UNBAL
TRIM
INPUT A INPUT B INPUT C INPUT D
DIGITAL MULTITRACKER
INPUT A SEL
DIGITAL
OUT FOOT SWMIDI OUT
GTR CLEAN MIC/LINE
GTR DIST
[INPUT A SEL] switch
Input connection

34
MR-8HD Owner’s Manual (Basic operations)
The following shows the recording track combinations and available input channel(s) by the number
of tracks simultaneously recorded.
Recording track combinations and available input channel(s)
Recording to a single track
Only [INPUT A] is available.
You can record only the [INPUT A] channel signal to the
selected track. The channels from [INPUT B] to [INPUT
D] are not available.
[INPUT A], [INPUT B] and [INPUT C] are available.
The [INPUT A] channel signal is assigned to the track
with the lowest number, the [INPUT B] signal assigned
to the track with the next lowest number, and the [IN-
PUT C] signal is assigned to the track with the highest
number.
All input channels are available.
The [INPUT A] channel signal is assigned to the track
with the lowest number, the [INPUT B] signal assigned
to the track with the next lowest number, the [INPUT C]
signal is assigned to the track with the second highest
number, and the [INPUT D] signal is assigned to the
track with the highest number.
Recording to two tracks simultaneously
Recording to four tracks simultaneously
Recording to three tracks simultaneously
Track 1
Track 2
Track 3
Track 4
Trk 1, 2 and 3
Trk 1, 2 and 4
Trk 1, 3 and 4
Trk 1, 5 and 6
Trk 1, 7 and 8
Trk 2, 3 and 4
Trk 2, 5 and 6
Trk 2, 7 and 8
Trk 3, 5 and 6
Trk 3, 7 and 8
Trk 4, 5 and 6
Trk 4, 7 and 8
Trk 1 and 2
Trk 3 and 4
Trk 5 and 6
Trk 7 and 8
Trk 1, 2, 3 and 4
Trk 1, 2, 5 and 6
Trk 1, 2, 7 and 8
Trk 3, 4, 5 and 6
Trk 3, 4, 7 and 8
Trk 1, 3, 5 and 6
Trk 1, 3, 7 and 8
Trk 1, 4, 5 and 6
Trk 1, 4, 7 and 8
[INPUT A] and [INPUT B] are available.
The [INPUT A] channel signal is assigned to the track
with the lower number, while the [INPUT B] channel sig-
nal is assigned to the track with the higher number.
Trk 1 and 3
Trk 1 and 4
Trk 2 and 3
Trk 2 and 4
Trk 2, 3, 5 and 6
Trk 2, 3, 7 and 8
Trk 2, 4, 5 and 6
Trk 2, 4, 7 and 8
1
2
3
4
123
124
14
3
1
5/6
1
7/8
2
5/6
2
7/8
3
5/6
3
7/8
4
5/6
4
7/8
4
23
2
1
4
3
5/6
7/8
3
1
4
1
3
2
4
2
4
32
1
2
1
5/6
2
1
7/8
4
3
5/6
4
3
7/8
3
1
5/6
3
1
7/8
4
1
5/6
4
1
7/8
23
7/8
23
5/6
24
5/6
24
7/8
<Example of input assignment to tracks>
If you make recording to tracks 2, 4, 7 and 8, input-to-
track assignment is as follows.
INPUT A -> Track 2
INPUT B -> Track 4
INPUT C -> Track 7
INPUT D -> Track 8

35
MR-8HD Owner’s Manual (Basic operations)
You can record onto any one of tracks 1 through 4. When making recording to a single track, you
can record a signal fed to the [INPUT A] channel.
The following describes the procedure for recording an acoustic guitar onto track 1 via a micro-
phone. We assume that Song02 is loaded and no sound is recorded to Song02. See "Creating a
song for recording" on page 31 for details about how to create a song.
1) Connect a microphone to the [BAL] or
[UNBAL/GUITAR] input connector of the
[INPUT A] channel.
<Note>:
You can apply the mic simulation
as insert effects when the [INPUT A SEL]
switch to "MIC/LINE" (see page 58).
3) Press the [REC SELECT] key for track 1.
Track 1 is record armed and the [REC SELECT]
key for track 1 starts flashing.
On the home screen, the remaining time is
shown, while "1" for the track number changes
to "A".
Preparation for recording
2) Set the [INPUT A SEL] switch to "MIC/LINE".
<Note>:
You can supply the phantom power
to a condenser microphone connected to
the [BAL] XLR connector (see page 128).
Note that you cannot supply the phantom
power via the [GUITAR/UNBAL] phone con-
nector.
MIN MAX
100
LR
100
LR
100
LRRL
MIN MAX LINE MIC LINE MIC LINE MIC LINE MIC
REC SELECT
010
12345/6 MASTER
MAX
MAX
MIN
MIN
7/8
LOCATE REC END
A-B PLAY
LOCATE ABS ZERO
PLAYSTOP
RECORD REWIND F FWD
GUIDE
RHYTHM CONTRAST
1-8 >
SONG
NEW
1-6 > 7/8
1-4 > 5/6 STEREO
WAV FILE
BOUNCE
POWERFUL
MASTERING
B / OUT
A / IN
LOCATE
STOREPLAY MODEAUTO PUNCH
NATURAL BRIGHT
TIME BASE
SELECT
UNDO/REDO
7/8 >
MENU / ENTER
SIMULATION
DYNAMIC CONDENSER TUBE
MIC
PAN
EFFECT
REVERB / DELAY TIME
HALL
ROOM
PLATE DELAY
PHONES VOL
L
STEREO OUT
R
2
PHONES
1
MAXMIN
BAL
BALBAL
TRIM
UNBAL
PEAK
TRIM
UNBAL
PEAK
TRIM
UNBAL
PEAK
PEAK
DISTORTION
GUITAR
/GUITAR
INPUT A SELECT
INSERT
BAL
UNBAL
TRIM
INPUT A INPUT B INPUT C INPUT D
ON/
OFF
POWER
ABC1 DEF2 GHI3
JKL4 MNO5
PQR6 STU7 VWX8 YZ9 +-_0 DELETE
TO STEREO BUSS
EFFECT SEND
DIGITAL MULTITRACKER
ON/
OFF
ON/
OFF
ON/
OFF
60'S COMBO
US METAL
BRIT STACK
AMP SIMULATION
INPUT A
INPUT A SEL
MIC/LINE
GTR CLEAN
GTR DIST
1
445
6
37
8
9
10
6
2
4) Set track fader 1 and [MASTER] fader to the
nominal position (marked by ).
Raising these faders allows you to monitor the
input sound. If these faders are not raised, you
cannot monitor the sound via headphones.
Recording onto a single track

36
MR-8HD Owner’s Manual (Basic operations)
6) While playing the guitar, adjust the recording level
using the [TRIM] control of the [INPUT A]
channel.
Adjust the level appropriately so that the PEAK
indicator does not light.
Turning the [PHONES VOL] control clockwise
raises the headphone monitor level.
The screen shows the input level of track 1, as
well as the stereo L and R output levels.
<Note>:
The fader for track 1 is used to ad-
just the monitor level. To adjust the record-
ing level, use the [TRIM] control of the [IN-
PUT A] channel.
<Note>:
Adjust the [TRIM] control properly
so that the PEAK indicator does not light at
the loudest part of the guitar sound. If the
input level is too high, the PEAK indicator
lights and the sound may be distorted or
noisy.
<Tip>: When receiving a line level signal, set
the [TRIM] control to left ("LINE") to get the
appropriate level. When receiving a micro-
phone signal, set the [TRIM] control to right
("MIC") to get the appropriate level.
7) While holding down the [RECORD] key, press the
[PLAY] key to start recording.
The guitar is recorded.
8) When recording completes, press the [STOP] key
to stop the recorder.
<Note>:
We recommend to press the [REC
SELECT] key for track 1 to unarm track 1.
Starting recording
9) Press the [REWIND] key while holding down the
[STOP] key to locate the recorder to the
beginning of the song.
10) Press the [PLAY] key to start playback.
You can adjust the monitor level using the track
1 fader, as well as the [MASTER] fader and
[PHONES VOL] control.
Playing back the recorded track
If you are not satisfied with the result, use
the undo/redo function to cancel the re-
cording and try again.
Undoing recording (undo/redo)
5) Press the [RECORD] key once (the key indicator
starts flashing).
Track 1 (which is record armed) now enters
the input monitor mode and " " is
shown on the home screen.
If you press the [UNDO/REDO] key after finishing
recording, you can return to the condition before
the recording started (UNDO operation). Therefore,
you can try recording again.
If you press the [UNDO/REDO] key again (after
UNDO), the undo operation is canceled and you
can return to the condition when the recording
finished (REDO operation).
<Notes>:
The undo/redo function is available for
all kind of recordings, however, if you carry out
any of the following operations after making re-
cording, you cannot undo the recording.
• Carrying out new recording.
• Carrying out track or part editing.
• Turning off the power.
• Selecting another song or editing the song name.
END
ZERO
PLAY REWIND F FWD
BOUNCE
MASTERING
B / OUT
LOCATE
STORE UNDO/REDO
MENU / ENTER
YZ9 +-_0 DELETE
[UNDO/REDO] key

37
MR-8HD Owner’s Manual (Basic operations)
Overdubbing is recording something new while listening to the previously recorded track(s). It is
a very important method in multitrack recording. The following describes an example of over-
dubbing for recording a stereo keyboard to tracks 7/8 while listening to the guitar on track 1.
See the procedure previously described in "Recording onto a single track" for details about how
to record a guitar on track 1. In the procedure below, we assume that the song of which the
guitar has been recorded on track 1 is loaded.
Note that you can make overdubbing to another track or other tracks in the same manner as
described below.
1) Connect the L and R outputs of the keyboard to
input connectors of the [INPUT A] and [INPUT B]
channels.
Connect the L and R outputs to the [INPUT A]
and [INPUT B] channels respectively.
2) Set the [INPUT A SEL] switch to "MIC/LINE".
3) Press the [REC SELECT] key for tracks 7/8.
Tracks 7/8 are record armed and the
[REC SELECT] key for tracks 7/8 starts
flashing.
On the home screen, the remaining time is
shown, while "7" and "8" for the track
numbers change to "A" and "B" respectively.
Preparation for recording
4) Set track faders 1 and 7/8 and the [MASTER] fader
to the nominal position (marked by ).
Raising these faders allows you to monitor the
input sound. If these faders are not raised, you
cannot monitor the sound via headphones.
This indicates you can now record the [INPUT
A] and [INPUT B] channel signals to tracks 7
and 8 respectively.
MIN MAX
100
LR
100
LR
100
LRRL
MIN MAX LINE MIC LINE MIC LINE MIC LINE MIC
REC SELECT
010
12345/6 MASTER
MAX
MAX
MIN
MIN
7/8
LOCATE REC END
A-B PLAY
LOCATE ABS ZERO
PLAYSTOP
RECORD REWIND F FWD
GUIDE
RHYTHM CONTRAST
1-8 >
SONG
NEW
1-6 > 7/8
1-4 > 5/6 STEREO
WAV FILE
BOUNCE
POWERFUL
MASTERING
B / OUT
A / IN
LOCATE
STOREPLAY MODEAUTO PUNCH
NATURAL BRIGHT
TIME BASE
SELECT
UNDO/REDO
7/8 >
MENU / ENTER
SIMULATION
DYNAMIC CONDENSER TUBE
MIC
PAN
EFFECT
REVERB / DELAY TIME
HALL
ROOM
PLATE DELAY
PHONES VOL
L
STEREO OUT
R
2
PHONES
1
MAXMIN
BAL
BALBAL
TRIM
UNBAL
PEAK
TRIM
UNBAL
PEAK
TRIM
UNBAL
PEAK
PEAK
DISTORTION
GUITAR
/GUITAR
INPUT A SELECT
INSERT
BAL
UNBAL
TRIM
INPUT A INPUT B INPUT C INPUT D
ON/
OFF
POWER
ABC1 DEF2 GHI3
JKL4 MNO5
PQR6 STU7 VWX8 YZ9 +-_0 DELETE
TO STEREO BUSS
EFFECT SEND
DIGITAL MULTITRACKER
ON/
OFF
ON/
OFF
ON/
OFF
60'S COMBO
US METAL
BRIT STACK
AMP SIMULATION
INPUT A
INPUT A SEL
MIC/LINE
GTR CLEAN
GTR DIST
1
445
7
39
8,10
8,11
1
2
46,12
7
Overdubbing basics

38
MR-8HD Owner’s Manual (Basic operations)
9) While holding down the [RECORD] key, press the
[PLAY] key to start recording.
The recorder records the keyboard while
playing back track 1 (guitar).
10) When recording completes, press the [STOP] key
to stop the recorder.
<Note>:
We recommend to press the [REC
SELECT] key for tracks 7/8 to unarm tracks
7/8.
Starting recording
11) Press the [REWIND] key while holding down the
[STOP] key to locate the recorder to the
beginning of the song.
12) Press the [PLAY] key to start playback.
You can adjust the monitor level using the track
faders, as well as the [MASTER] fader and
[PHONES VOL] control.
Playing back the recorded track
<Note>:
If you are not satisfied with the re-
sult, use the undo/redo function to cancel
the recording and try again.
Undoing recording (undo/redo)
If you press the [UNDO/REDO] key after finishing
recording, you can return to the condition before
the recording started (UNDO operation). Therefore,
you can try recording again.
If you press the [UNDO/REDO] key again (after
UNDO), the undo operation is canceled and you
can return to the condition when the recording
finished (REDO operation).
<Notes>:
The undo/redo function is available for
all kind of recordings, however, if you carry out
any of the following operations after making re-
cording, you cannot undo the recording.
• Carrying out new recording.
• Carrying out track or part editing.
• Turning off the power.
• Selecting another song or editing the song name.
END
ZERO
PLAY REWIND F FWD
BOUNCE
MASTERING
B / OUT
LOCATE
STORE UNDO/REDO
MENU / ENTER
YZ9 +-_0 DELETE
[UNDO/REDO] key
<Note>:
Track 1 and 7/8 faders are used to
adjust the monitor level. To adjust the re-
cording levels, use the [TRIM] controls of
the [INPUT A] and [INPUT B] channels.
<Note>:
Adjust each [TRIM] control prop-
erly so that the corresponding PEAK indi-
cator does not light at the loudest part of
the keyboard sound.
<Tip>: When receiving a line level signal, set
the [TRIM] control to left ("LINE") to get the
appropriate level. When receiving a micro-
phone signal, set the [TRIM] control to right
("MIC") to get the appropriate level.
5) Press the [RECORD] key once (the key indicator
starts flashing).
The armed tracks 7/8 now enter the input
monitor mode, while " " is shown on
the home screen.
Adjusting the recording levels while listening to track 1
6) Press the [PLAY] key to play back the song from
the beginning.
Though tracks 7/8 are in the input monitor
mode, you can hear the track 1 signal by
rotating the [PHONES VOL] control clockwise
(while the meter for track 1 shows the
playback level).
7) While playing the keyboard, adjust the recording
levels using the [TRIM] controls of the [INPUT A]
and [INPUT B] channels.
Adjust the levels appropriately so that the PEAK
indicators for these input channels do not light.
The home screen shows the playback level of
track 1 and the input levels of tracks 7 and 8,
as well as the stereo L and R output levels.
8) After adjusting the recording levels properly,
press the [REWIND] key while holding down the
[STOP] key to locate the recorder to the
beginning of the song.

39
MR-8HD Owner’s Manual (Basic operations)
You can simultaneously record up to four tracks. See page 34 for the available combinations of
four recording tracks. The following describes the procedure for recording different sound sources
simultaneously to tracks 1 through 4. You can make four-track simultaneous recording with any
available track combination in the same manner.
1) Connect the following sound sources to the
[INPUT A] through [INPUT D] channels.
[INPUT A] -> Electric guitar
[INPUT B] -> Electric bass
[INPUT C] -> Microphone (vocal)
[INPUT D] -> Drum machine
Preparation for recording
MIN MAX
100
LR
100
LR
100
LRRL
MIN MAX LINE MIC LINE MIC LINE MIC LINE MIC
REC SELECT
010
12345/6 MASTER
MAX
MAX
MIN
MIN
7/8
LOCATE REC END
A-B PLAY
LOCATE ABS ZERO
PLAYSTOP
RECORD REWIND F FWD
GUIDE
RHYTHM CONTRAST
1-8 >
SONG
NEW
1-6 > 7/8
1-4 > 5/6 STEREO
WAV FILE
BOUNCE
POWERFUL
MASTERING
B / OUT
A / IN
LOCATE
STOREPLAY MODEAUTO PUNCH
NATURAL BRIGHT
TIME BASE
SELECT
UNDO/REDO
7/8 >
MENU / ENTER
SIMULATION
DYNAMIC CONDENSER TUBE
MIC
PAN
EFFECT
REVERB / DELAY TIME
HALL
ROOM
PLATE DELAY
PHONES VOL
L
STEREO OUT
R
2
PHONES
1
MAXMIN
BAL
BALBAL
TRIM
UNBAL
PEAK
TRIM
UNBAL
PEAK
TRIM
UNBAL
PEAK
PEAK
DISTORTION
GUITAR
/GUITAR
INPUT A SELECT
INSERT
BAL
UNBAL
TRIM
INPUT A INPUT B INPUT C INPUT D
ON/
OFF
POWER
ABC1 DEF2 GHI3
JKL4 MNO5
PQR6 STU7 VWX8 YZ9 +-_0 DELETE
TO STEREO BUSS
EFFECT SEND
DIGITAL MULTITRACKER
ON/
OFF
ON/
OFF
ON/
OFF
60'S COMBO
US METAL
BRIT STACK
AMP SIMULATION
INPUT A
INPUT A SEL
MIC/LINE
GTR CLEAN
GTR DIST
1
45
6
37
8
9
1
2
410
1 1 6
<Note>:
You can apply the amp simulation
as insert effects when the [INPUT A SEL]
switch is set to "GUIT DIST" (see page 58).
<Note>:
If you connect a condenser micro-
phone to the [BAL] XLR connector of the [IN-
PUT C] channel, you can supply the phan-
tom power to the microphone (see page
128).
2) Set the [INPUT A SEL] switch to "GUIT DIST".
You can add distortion of the internal effects
to your guitar sound.
3) Press the [REC SELECT] key for tracks 1 through
4.
Tracks 1 through 4 are record armed and the
[REC SELECT] keys for tracks 1 through 4 start
flashing.
On the home screen, track numbers "1"
through "4" changes to "A" through "D"
respectively, showing that each input is
assigned to the appropriate track.
The remaining time of the hard disk is shown.
4) Set the track faders 1 through 4 and [MASTER]
fader to the nominal position (marked by ).
Raising these faders allows you to monitor the
input sound. If these faders are not raised, you
cannot monitor the sound via headphones.
Recording onto four tracks simultaneously

40
MR-8HD Owner’s Manual (Basic operations)
6) While playing the music, adjust the recording
level of each track using the [TRIM] control of
each input channel.
Adjust the level appropriately so that the PEAK
indicator does not light.
Turning the [PHONES VOL] control clockwise
raises the headphone monitor level.
The screen shows the input level of tracks 1
through 4, as well as the stereo L and R output
levels.
<Note>:
Track faders 1 through 4 are used
to adjust the monitor levels. To adjust the
recording level, use the [TRIM] controls for
[INPUT A] through [INPUT D].
<Note>:
Adjust the [TRIM] control of each
input channel properly so that the PEAK
indicator does not light at the loudest part
of the sound.
<Tip>: When receiving a line level signal, set
the [TRIM] control to left ("LINE") to get the
appropriate level. When receiving a micro-
phone signal, set the [TRIM] control to right
("MIC") to get the appropriate level.
7) While holding down the [RECORD] key, press the
[PLAY] key to start recording.
The recorder starts recording.
8) When recording completes, press the [STOP] key
to stop the recorder.
<Note>:
We recommend to press the [REC
SELECT] key for tracks 1 through 4 to un-
arm these tracks.
Starting recording
9) Press the [REWIND] key while holding down the
[STOP] key to locate the recorder to the
beginning of the song.
10) Press the [PLAY] key to start playback.
You can adjust the monitor level using track
faders 1 through 4, as well as the [MASTER]
fader and [PHONES VOL] control.
Playing back the recorded track
<Tip>: If you are not satisfied with the re-
sult, use the undo/redo function to cancel
the recording and try again.
Undoing recording (undo/redo)
5) Press the [RECORD] key once (the key indicator
starts flashing).
Tracks 1 through 4 (which are armed) now
enter the input monitor mode and
"" is shown on the home screen.
If you press the [UNDO/REDO] key after finishing
recording, you can return to the condition before
the recording started (UNDO operation). Therefore,
you can try recording again.
If you press the [UNDO/REDO] key again (after
UNDO), the undo operation is canceled and you
can return to the condition when the recording
finished (REDO operation).
<Notes>:
The undo/redo function is available for
all kind of recordings, however, if you carry out
any of the following operations after making re-
cording, you cannot undo the recording.
• Carrying out new recording.
• Carrying out track or part editing.
• Turning off the power.
• Selecting another song or editing the song name.
[UNDO/REDO] key
END
ZERO
PLAY REWIND F FWD
BOUNCE
MASTERING
B / OUT
LOCATE
STORE UNDO/REDO
MENU / ENTER
YZ9 +-_0 DELETE
<Tip>: You can add distortion to an electric
guitar connected to [INPUT A]. Use the [DIS-
TORTION] control to adjust the distortion
level. When you add distortion, readjust the
[TRIM] control.

41
MR-8HD Owner’s Manual (Basic operations)
<Tip>: By sliding up or down the MR-8HD
[MASTER] fader gradually, you can fade in
or fade out recording.
3) Adjust the recording level of the master recorder
while rehearsing mixdown.
See the manual of the master recorder for
details about how to adjust the recording level.
4) After rehearsing mixdown and adjusting the
recording level, locate the MR-8HD to the
beginning of the song.
5) Start the master recorder recording and then start
the MR-8HD playing back.
6) After finishing recording, stop both recorders.
1) Connect the [STEREO OUT (L, R)] connectors of
the MR-8HD to the input connectors of an
analog master recorder.
2) While playing back the MR-8HD, rehearse mixing
down the recorded sounds by adjusting the level
and panning of each track, applying effects to
tracks 1 through 4 and applying the mastering
effects to the L/R stereo mix, etc.
The output levels from the [STEREO OUT (L,
R)] connectors can be controlled by the
[MASTER] fader.
Adjust the levels appropriately so that the
highest segments of L and R meters do not light.
See "Using effects" on page 57 for details about
the delay/reverb and mastering effects.
You can also mix sound sources connected to
[INPUT A] through [INPUT D] during mixdown.
See page 73 for details.
The following describes how to make mixdown recording to an external analog recorder.
MIN MAX LINE MIC LINE MIC LINE MIC LINE MIC
PHONES VOL
L
STEREO OUT
R
2
PHONES
1
MAXMIN
BAL
BALBAL
TRIM
UNBAL
PEAK
TRIM
UNBAL
PEAK
TRIM
UNBAL
PEAK
PEAK
DISTORTION
GUITAR
/GUITAR
INPUT A SELECT
INSERT
BAL
UNBAL
TRIM
INPUT A INPUT B INPUT C INPUT D
ON/
OFF
POWER
TO STEREO BUSS
DIGITAL MULTITRACKER
ON/
OFF
ON/
OFF
ON/
OFF
Analog master recorder
MR-8HD
This section describes basic mixdown which is the final process of multitrack recording. Mixdown
mixes recorded materials on tracks 1 through 8 down to stereo. The mixdowned material can be
recorded to an external master recorder.
The MR-8HD is equipped with the [DIGITAL OUT] connector, so you can record a mixdowned
signal to a digital master recorder (DAT, MD, etc.) which can accept an S/P DIF digital signal in
digital domain. With the MR-8HD, you can also record a mixdowned signal internally to a new
song of the MR-8HD using the track bouncing function, without the need of an external master
recorder (see "Track bouncing" described later).
Mixdown to an analog recorder
[STEREO OUT L, R]
Track 1 (Playback)
Mastering effects
STEREO OUT (R)
Mixing
STEREO OUT (L)
D/A
DIGITAL OUT
Delay or Reverb
Analog signals
Digital signal
Track 2 (Playback)
Track 3 (Playback)
Track 4 (Playback)
Track 5 (Playback)
Track 6 (Playback)
Track 7 (Playback)
Track 8 (Playback)
Basic mixdown

42
MR-8HD Owner’s Manual (Basic operations)
1) Connect the [DIGITAL OUT] connector of the
MR-8HD to the digital input connector of a digital
master recorder using an optical cable.
<Note>:
The [DIGITAL OUT] connector of
the MR-8HD is the Toslink optical type.
If your digital recorder provides only the
coaxial type connector, use the Fostex COP-
1/96 kHz coaxial-optical converter.
Contact Fostex or our dealer for details
about the Model COP-1/96 kHz.
The following describes how to make mixdown recording to an external digital recorder.
<Tip>: By sliding up or down the MR-8HD
[MASTER] fader gradually, you can fade in
or fade out recording.
INPUT A SEL
USB USB HOSTAC-IN DIGITAL
OUT FOOT SWMIDI OUT
GTR CLEAN MIC/LINE
GTR DIST
Digital master recorder
MR-8HD
Mixdown to a digital recorder
Optical cable
2) Set the master recorder to accept the digital
input.
Make sure that the recorder accepts the digital
signal output from the MR-8HD, which is 44.1-
kHz, 16-bit, S/P DIF signal.
Generally, a digital recorder cannot adjust the
digital input level.
3) While playing back the MR-8HD, rehearse mixing
down the recorded sounds by adjusting the level
and panning of each track, applying effects to
tracks 1 through 4 and applying the mastering
effects to the L/R stereo mix, etc.
See "Using effects" on page 57 for details about
the delay/reverb and mastering effects.
You can also mix sound sources connected to
[INPUT A] through [INPUT D] during mixdown.
See page 72 for details.
4) Use the [MASTER] fader of the MR-8HD to adjust
the output level.
Adjust the level appropriately so that the level
meter of the master recorder shows "0" when
the MR-8HD outputs the biggest signal.
If the level meter exceeds "0", the sound may
be distorted.
5) Start the master recorder recording and then start
the MR-8HD playing back.
6) After finishing recording, stop both recorders.
[DIGITAL OUT]
Model COP-1/96kHz

43
MR-8HD Owner’s Manual (Advanced playback and locate functions)
Advanced playback and locate functions
This chapter describes advanced playback functions including cue-
ing, partial playback (between points A and B), special play modes,
as well as the locate function.

44
MR-8HD Owner’s Manual (Advanced playback and locate functions)
• By holding down the [F FWD] key during play
back, the recorder starts cueing forwards at 3 x
speed.
During forward cueing, ">>" is shown on the
display.
• By holding down the [REWIND] key during play
back, the recorder starts cueing backwards at 3
x speed.
During backward cueing, "<<" is shown on the
display.
When the LOCATE A and LOCATE B points are set, you can playback between these points once.
This function is always available regardless of the play mode setting (see "Play mode" on next
page). This function allows you to check the editing part (between LOCATE A and B points) for
copy/paste, erase, etc. See "Part editing" described later.
By holding down the [F FWD] or [REWIND] key during playback, the recorder enters cueing
mode and you can monitor playback at 3 x speed. It may be useful for searching a specific
position.
• While the recorder is stopped, press the [PLAY]
key while holding down the [STOP] key.
The MR-8HD plays back audio data between
the LOCATE A and LOCATE B points once, then
stops.
<Note>:
If you carry out the operation above when
the LOCATE A point is set ahead of the LOCATE B
point (i.e. LOCATE A > LOCATE B), the MR-8HD
plays back audio data from the LOCATE A point
to the REC END points once, then stops.
<Note>:
Note that this function is available only
when the LOCATE A and B points are set.
See page 49 for details about how to set the LO-
CATE A and B points.
LOCATE A point
Playback
LOCATE B point
During playback, you can monitor playback
audio of the desired track(s) by raising the ap-
propriate track fader(s), the [MASTER] fader
and the [PHONES] control.
While the recorder is playing back between the
LOCATE A and B points, the display shows the
icon as below.
LOCATE REC END
A-B PLAY
LOCATE ABS ZERO
PLAYSTOPRECORD REWIND F FWD
LOCATE REC END
A-B PLAY
LOCATE ABS ZERO
PLAYSTOPRECORD REWIND F FWD
[REWIND] key [F FWD] key
[STOP] key [PLAY] key
3 x cueing
Playback between LOCATE A and B points

45
MR-8HD Owner’s Manual (Advanced playback and locate functions)
While the recorder is stopped, each time you press the [PLAY MODE] key, the play
mode switches among "Off", "Auto Play", "Auto return" and "Loop".
The current mode is shown on the screen as follows (when "Off" is selected, there is
no indication).
The MR-8HD offers special play modes including the auto play, auto return and loop playback
modes in addition to the normal playback mode.
Selecting a play mode
Play mode "off" Auto play mode
Auto return mode
Loop mode
MIN MAX
100
LR
100
LR
100
LRRL
MIN MAX LINE MIC LINE MIC LINE MIC LINE MIC
REC SELECT
010
12345/6 MASTER
MAX
MAX
MIN
MIN
7/8
LOCATE REC END
A-B PLAY
LOCATE ABS ZERO
PLAYSTOP
RECORD REWIND F FWD
GUIDE
RHYTHM CONTRAST
1-8 >
SONG
NEW
1-6 > 7/8
1-4 > 5/6 STEREO
WAV FILE
BOUNCE
POWERFUL
MASTERING
B / OUT
A / IN
LOCATE
STOREPLAY MODEAUTO PUNCH
NATURAL BRIGHT
TIME BASE
SELECT
UNDO/REDO
7/8 >
MENU / ENTER
SIMULATION
DYNAMIC CONDENSER TUBE MIC
PAN
EFFECT
REVERB / DELAY TIME
HALL
ROOM
PLATE DELAY
PHONES VOL
L
STEREO OUT
R
2
PHONES
1
MAXMIN
BAL
BALBAL
TRIM
UNBAL
PEAK
TRIM
UNBAL
PEAK
TRIM
UNBAL
PEAK
PEAK
DISTORTION
GUITAR
/GUITAR
INPUT A SELECT
INSERT
BAL
UNBAL
TRIM
INPUT A INPUT B INPUT C INPUT D
ON/
OFF
POWER
ABC1 DEF2 GHI3
JKL4 MNO5
PQR6 STU7 VWX8 YZ9 +-_0 DELETE
TO STEREO BUSS
EFFECT SEND
DIGITAL MULTITRACKER
ON/
OFF
ON/
OFF
ON/
OFF
60'S COMBO
US METAL
BRIT STACK AMP SIMULATION
INPUT A
PLAY MODE
STU7
While the recorder is stopped,
you can choose the desired
play mode by pressing the
[PLAY MODE] key as many
times as needed.
Lighting Lighting
Lighting
Play mode

46
MR-8HD Owner’s Manual (Advanced playback and locate functions)
In the Auto play mode, when locating to the ABS ZERO, REC END, LOCATE A or LOCATE B point,
the recorder automatically starts playback from the point. The following shows the auto play
function after locating to the LOCATE A point (see page 48 for the locate function).
The auto return mode is active when the LOCATE A and LOCATE B points are set.
In the auto return mode, when reaching at the LOCATE B point during playback, the recorder
automatically locates to the LOCATE A point and stops.
As with the auto return mode, the loop mode is active when the LOCATE A and LOCATE B points
are set. In the loop mode, when reaching at the LOCATE B point during playback, the recorder
automatically locates to the LOCATE A point and starts playback. The recorder repeats this
behavior until you stop the recorder.
You may find it very convenience to use the loop function together with the auto punch in/out
function (see the next page).
Auto play mode
Auto return mode
Loop mode
When locating to the LOCATE A point, the recorder
automatically starts playback.
When reaching at the LOCATE B point during
playback, the recorder automatically locates to
the LOCATE A point.
LOCATE A point
Playback
LOCATE B point
LOCATE A point
playback
LOCATE B point
When reaching at the LOCATE B point during playback,
the recorder automatically locates to the LOCATE A
point and stops.
When locating to the LOCATE A point,
the recorder automatically starts
playback immediately.
LOCATE A point
Playback
The point where you
execute the locate function
The point where you
execute the locate function
Locate Locate

47
MR-8HD Owner’s Manual (Advanced playback and locate functions)
When the loop mode is active (while the auto punch in/out mode is inactive), the LOCATE
A and LOCATE B points are used as the loop start and end points. When the auto punch in/
out mode is active (while the loop mode is inactive), the LOCATE A and LOCATE B points
are used as the punch-in and punch-out points.
When both the auto punch in/out and loop modes are active, the LOCATE A and LOCATE
B points are used as the punch-in and punch-out points, while the loop function starts at
"the LOCATE A point minus the pre-roll time" and ends at "the LOCATE B point plus the
post-roll time, as shown below. The pre-roll time is initially set to four seconds, while the
post-roll time is set to one second.
Using the loop function in the auto punch in/out mode reduces the number of key presses,
allowing you to concentrate on playing.
LOCATE A point LOCATE B point
4 sec. 1 sec.
LOOP START point LOOP END point
LOCATE A point
(Punch in point) LOCATE B point
(Punch out point)
LOOP START point LOOP END point
You can change the pre-roll and post-roll time within the range between 0.1 and 10.0
seconds (in 0.1 second steps) in the menu mode (see page 126).
<Note>: If you set the LOCATE A point to the beginning of a song (ABS ZERO) or set the
LOCATE B point to the recording end point (REC END) of a song, the pre-roll or post-roll
time is ignored.
Loop function in auto punch in/out mode

48
MR-8HD Owner’s Manual (Advanced playback and locate functions)
The following describes the locate functions, which allow you to immediately skip to a specified
point in a song.
Time locate
Regardless of the current recorder position, you can locate to the beginning (ABS ZERO) of the
song or the recording end (REC END) of the song.
• While the recorder is stopped, press the
[REWIND] key while holding down the [STOP] key.
The MR-8HD immediately locates to the
beginning of the song (ABS ZERO) and stops.
REC END
ABS ZERO
Locate
The current position
REC END
ABS ZERO
Locate
The current position
Locating to the beginning (ABS ZERO) of a song
• While the recorder is stopped, press the [F FWD]
key while holding down the [STOP] key.
The MR-8HD immediately locates to the
recording end of the song (REC END) and stops.
Locating to the recording end point (REC END) of a song
MIN MAX
100
LR
100
LR
100
LRRL
MIN MAX LINE MIC LINE MIC LINE MIC LINE MIC
REC SELECT
010
12345/6 MASTER
MAX
MAX
MIN
MIN
7/8
LOCATE REC END
A-B PLAY
LOCATE ABS ZERO
PLAYSTOP
RECORD REWIND F FWD
GUIDE
RHYTHM CONTRAST
1-8 >
SONG
NEW
1-6 > 7/8
1-4 > 5/6 STEREO
WAV FILE
BOUNCE
POWERFUL
MASTERING
B / OUT
A / IN
LOCATE
STOREPLAY MODEAUTO PUNCH
NATURAL BRIGHT
TIME BASE
SELECT
UNDO/REDO
7/8 >
MENU / ENTER
SIMULATION
DYNAMIC CONDENSER TUBE
MIC
PAN
EFFECT
REVERB / DELAY TIME
HALL
ROOM
PLATE DELAY
PHONES VOL
L
STEREO OUT
R
2
PHONES
1
MAXMIN
BAL
BALBAL
TRIM
UNBAL
PEAK
TRIM
UNBAL
PEAK
TRIM
UNBAL
PEAK
PEAK
DISTORTION
GUITAR
/GUITAR
INPUT A SELECT
INSERT
BAL
UNBAL
TRIM
INPUT A INPUT B INPUT C INPUT D
ON/
OFF
POWER
ABC1 DEF2 GHI3
JKL4 MNO5
PQR6 STU7 VWX8 YZ9 +-_0 DELETE
TO STEREO BUSS
EFFECT SEND
DIGITAL MULTITRACKER
ON/
OFF
ON/
OFF
ON/
OFF
60'S COMBO
US METAL
BRIT STACK
AMP SIMULATION
INPUT A
MIN MAX
100
LR
100
LR
100
LRRL
MIN MAX LINE MIC LINE MIC LINE MIC LINE MIC
REC SELECT
010
12345/6 MASTER
MAX
MAX
MIN
MIN
7/8
LOCATE REC END
A-B PLAY
LOCATE ABS ZERO
PLAYSTOP
RECORD REWIND F FWD
GUIDE
RHYTHM CONTRAST
1-8 >
SONG
NEW
1-6 > 7/8
1-4 > 5/6 STEREO
WAV FILE
BOUNCE
POWERFUL
MASTERING
B / OUT
A / IN
LOCATE
STOREPLAY MODEAUTO PUNCH
NATURAL BRIGHT
TIME BASE
SELECT
UNDO/REDO
7/8 >
MENU / ENTER
SIMULATION
DYNAMIC CONDENSER TUBE
MIC
PAN
EFFECT
REVERB / DELAY TIME
HALL
ROOM
PLATE DELAY
PHONES VOL
L
STEREO OUT
R
2
PHONES
1
MAXMIN
BAL
BALBAL
TRIM
UNBAL
PEAK
TRIM
UNBAL
PEAK
TRIM
UNBAL
PEAK
PEAK
DISTORTION
GUITAR
/GUITAR
INPUT A SELECT
INSERT
BAL
UNBAL
TRIM
INPUT A INPUT B INPUT C INPUT D
ON/
OFF
POWER
ABC1 DEF2 GHI3
JKL4 MNO5
PQR6 STU7 VWX8 YZ9 +-_0 DELETE
TO STEREO BUSS
EFFECT SEND
DIGITAL MULTITRACKER
ON/
OFF
ON/
OFF
ON/
OFF
60'S COMBO
US METAL
BRIT STACK
AMP SIMULATION
INPUT A
[STOP] key + [REWIND] key
[STOP] key + [F FWD] key
Locate function

49
MR-8HD Owner’s Manual (Advanced playback and locate functions)
Locating to the LOCATE A or LOCATE B point
You can set the desired point of a song as the LOCATE A or LOCATE B point.
The LOCATE A and B points can be used not only for locating, but also for auto punch in/out,
play modes and part editing, etc.
Setting the LOCATE A or LOCATE B point
You can set the LOCATE A or LOCATE B point while the recorder is running or stops at the
desired point, regardless of time base setting.
<Note>:
The LOCATE A point must be earlier than the LOCATE B point. If not, you cannot carry
out the auto punch in/out or loop function correctly.
<Tip>: While the time base is set to the bar/beat mode, if you set the "Beat resolution" menu
item in the menu mode to "On", you can store the LOCATE A or B point in beat resolution. In
other words, the clock digit of the Bar/Beat/Clk value is automatically rounded down or up, so
that the clock digit is always "000".
See page 127 for details about how to make the beat resolution active or inactive.
<Note>:
You cannot set the LOCATE A or B point for a protected song. If you are going to do so,
the warning message ("This song is protected!") is shown. To set the LOCATE A or B point for a
protected song, release the protection first (see page 101).
• To set the LOCATE B point:
When the recorder is playing back (or stopped), press the [LOCATE B/OUT] key at the desired
point while holding down the [STORE] key.
The display briefly shows "Store LOCATE B", and the point when pressing the
[LOCATE B/OUT] key is stored as the LOCATE B point.
• To set the LOCATE A point:
When the recorder is playing back (or stopped), press the [LOCATE A/IN] key at the desired point
while holding down the [STORE] key.
The display briefly shows "Store LOCATE A", and the point when pressing the [LOCATE A/IN]
key is stored as the LOCATE A point.
MIN MAX
100
LR
100
LR
100
LRRL
MIN MAX LINE MIC LINE MIC LINE MIC LINE MIC
REC SELECT
010
12345/6 MASTER
MAX
MAX
MIN
MIN
7/8
LOCATE REC END
A-B PLAY
LOCATE ABS ZERO
PLAYSTOP
RECORD REWIND F FWD
GUIDE
RHYTHM CONTRAST
1-8 >
SONG
NEW
1-6 > 7/8
1-4 > 5/6 STEREO
WAV FILE
BOUNCE
POWERFUL
MASTERING
B / OUT
A / IN
LOCATE
STOREPLAY MODEAUTO PUNCH
NATURAL BRIGHT
TIME BASE
SELECT
UNDO/REDO
7/8 >
MENU / ENTER
SIMULATION
DYNAMIC CONDENSER TUBE MIC
PAN
EFFECT
REVERB / DELAY TIME
HALL
ROOM
PLATE DELAY
PHONES VOL
L
STEREO OUT
R
2
PHONES
1
MAXMIN
BAL
BALBAL
TRIM
UNBAL
PEAK
TRIM
UNBAL
PEAK
TRIM
UNBAL
PEAK
PEAK
DISTORTION
GUITAR
/GUITAR
INPUT A SELECT
INSERT
BAL
UNBAL
TRIM
INPUT A INPUT B INPUT C INPUT D
ON/
OFF
POWER
ABC1 DEF2 GHI3
JKL4 MNO5
PQR6 STU7 VWX8 YZ9 +-_0 DELETE
TO STEREO BUSS
EFFECT SEND
DIGITAL MULTITRACKER
ON/
OFF
ON/
OFF
ON/
OFF
60'S COMBO
US METAL
BRIT STACK AMP SIMULATION
INPUT A
[STORE] key + [LOCATE B/OUT] key
[STORE] key + [LOCATE A/IN] key

50
MR-8HD Owner’s Manual (Advanced playback and locate functions)
Locating
While the recorder is stopped, press the [LOCATE A/IN] (or [LOCATE B/OUT]) key.
The recorder instantly locates to the appropriate point.
<Tip>: By selecting the play mode to "Auto play", the recorder automatically starts
playback after locating the LOCATE A or LOCATE B point.
The current position LOCATE B point
LOCATE A point
Locate
Locate
The current position LOCATE B point
LOCATE A point
Locate Locate
The current position
LOCATE B point
LOCATE A point
Locate
Locate
• When the current recorder position is between the LOCATE A and LOCATE B points:
• When the current recorder position is before the LOCATE A and LOCATE B points:
• When the current recorder position is after the LOCATE A and LOCATE B points:

51
MR-8HD Owner’s Manual (Punch in/out)
Punch in/out
Using the punch in/out function of the MR-8HD, you can overwrite
the desired part of the recorded track. "Punch in" means switching
from playback to recording, while "punch out" means switching
from recording to playback. The MR-8HD offers three methods for
making punch in/out recording.
1) Manual punch in/out using the top panel keys
2) Punch in/out using a footswitch
3) Auto punch in/out at the specified in/out points
The following description assumes that the song you are going to
make punch in/out recording to is loaded and the preparations for
recording is completed.

MR-8HD Owner’s Manual (Punch in/out)
52
1) Press the [REC SELECT] key for the track you
are going to make punch in/out recording.
The track is record-armed.
2) Locate the recorder to the point before the punch-
in point and press the [PLAY] key to start
playback.
It may be a good idea to play the instrument
along with the playback sound, so that you can
get the tempo and feel.
3) When the recorder reaches at the point you want
to punch in, press the [RECORD] key while holding
down the [PLAY] key (see <Important note> below>).
The armed track is punched in (i.e. starts
recording).
<Note>: The punch in/out operation by yourself using the keys on the top panel sometimes
prevents you from concentrating on playing. In such a case, ask someone to operate the MR-
8HD, or use either of the other two punch in/out methods described later.
You can make punch in/out manually by using the [RECORD] and [PLAY] keys on the MR-8HD
top panel.
4) When the recorder reaches at the point you want
to punch out, press only the [PLAY] key.
The recorder status switches from recording
to playback.
5) Press the [STOP] key to stop the recorder.
6) Rewind the recorder and play back the part you
performed the punch in/out recording to check
the result.
If you are not satisfied with the result, use the
undo function to cancel the punch in/out
recording and try again.
MIN MAX
100
LR
100
LR
100
LRRL
MIN MAX LINE MIC LINE MIC LINE MIC LINE MIC
REC SELECT
010
12345/6 MASTER
MAX
MAX
MIN
MIN
7/8
LOCATE REC END
A-B PLAY
LOCATE ABS ZERO
PLAYSTOP
RECORD REWIND F FWD
GUIDE
RHYTHM CONTRAST
1-8 >
SONG
NEW
1-6 > 7/8
1-4 > 5/6 STEREO
WAV FILE
BOUNCE
POWERFUL
MASTERING
B / OUT
A / IN
LOCATE
STOREPLAY MODEAUTO PUNCH
NATURAL BRIGHT
TIME BASE
SELECT
UNDO/REDO
7/8 >
MENU / ENTER
SIMULATION
DYNAMIC CONDENSER TUBE
MIC
PAN
EFFECT
REVERB / DELAY TIME
HALL
ROOM
PLATE DELAY
PHONES VOL
L
STEREO OUT
R
2
PHONES
1
MAXMIN
BAL
BALBAL
TRIM
UNBAL
PEAK
TRIM
UNBAL
PEAK
TRIM
UNBAL
PEAK
PEAK
DISTORTION
GUITAR
/GUITAR
INPUT A SELECT
INSERT
BAL
UNBAL
TRIM
INPUT A INPUT B INPUT C INPUT D
ON/
OFF
POWER
ABC1 DEF2 GHI3
JKL4 MNO5
PQR6 STU7 VWX8 YZ9 +-_0 DELETE
TO STEREO BUSS
EFFECT SEND
DIGITAL MULTITRACKER
ON/
OFF
ON/
OFF
ON/
OFF
60'S COMBO
US METAL
BRIT STACK
AMP SIMULATION
INPUT A
1
2,4
3
<Important note>
You cannot punch in by only pressing the
[RECORD] key. You need to hold down the
[PLAY] key when pressing the [RECORD] key.
Press the [RECORD] key
while holding down the [PLAY] key.
(Punch in)
Press only the [PLAY] key.
(Punch out)
Playback Recording Playback
Punch in/out using the keys on the top panel

53
MR-8HD Owner’s Manual (Punch in/out)
1) Connect the footswitch to the [FOOT SW] jack
on the MR-8HD rear panel.
2) Press the [REC SELECT] key for the track you
are going to make punch in/out recording.
The track is record-armed.
3) Locate the recorder to the point before the punch-
in point, and press the [PLAY] key to start play
back.
It may be a good idea to play the instrument
along with the playback sound, so that you can
get the tempo and feel.
4) When the recorder reaches at the point you want
to punch in, press the footswitch.
The armed track is punched in (i.e. starts
recording).
5) When the recorder reaches at the point you want
to punch out, press the footswitch again.
The recorder status switches from recording
to playback.
You can make hands-free punch in/out recording using an unlatched-type footswitch.
INPUT A SEL
USB USB HOSTAC-IN DIGITAL
OUT FOOT SWMIDI OUT
GTR CLEAN MIC/LINE
GTR DIST
<Note>:
You cannot perform another punch
in/out recording successively.
To perform punch in/out recording in an-
other part, stop the recorder and perform
the steps above again.
[FOOT SW] jack
Unlatched-type footswitch
6) Press the [STOP] key to stop the recorder.
7) Rewind the recorder and play back the part you
performed the punch in/out recording to check
the result.
If you are not satisfied with the result, use the
undo function to cancel the punch in/out
recording and try again.
Press the footswitch.
(Punch in)
Playback Recording Playback
Press the footswitch.
(Punch out)
Punch in/out using the footswitch

MR-8HD Owner’s Manual (Punch in/out)
54
By setting the punch-in and punch-out points in advance, The recorder automatically makes
punch in/out recording for you. You can rehearse punch in/out recording as many times you
like.
Setting the punch-in and punch-out points
3) When the recorder reaches at the point where
you want to make punching out, press the
[LOCATE B/OUT] key while holding down the
[STORE] key.
The display briefly shows "Store LOCATE B"
and the time data when you press the
[LOCATE B/OUT] key is set as the punch-out
point.
4) Stop the recorder after setting the punch-in and
punch-out points, and rewind the recorder to the
beginning of the song (or to a point before the
point where you want to make punching in).
<Hint>: The punch-in and punch-out
points you set also can be used for the
locate function, playback by the play
mode and part editing (see pages 45 and
111).
<Note>:
If you are not satisfied with the
punch-in or punch-out point you set, sim-
ply redo the operation above. The new time
data overwrites the previous one.
1) Start playback from the beginning of the song
(or from a point before the point where you want
to make punching in) by pressing the [PLAY] key.
2) When the recorder reaches at the point where
you want to make punching in, press the
[LOCATE A/IN] key while holding down the
[STORE] key.
The display briefly shows "Store LOCATE A"
and the time data when you press the
[LOCATE A/IN] key is set as the punch-in point.
<Note>:
You cannot make punch-in/out recording
on a song which is protected. Release the song pro-
tection before making punch-in/out recording.
Punch-in point Punch-out point
Part replaced with a new recording
<Hint>: To rewind the recorder to the be-
ginning of the song after setting the
punch-out point, press the [REWIND] key
while holding down the [STOP] key.
To locate before the punch-in point, carry
out the following.
(1) While the recorder is stopped, press
the [LOCATE A/IN] key.
The recorder immediately locates to
the punch-in point and stops.
(2) Press the [REWIND] key to move back
the recorder and press the [STOP] key
at the desired point.
B / OUTA / IN
LOCATE
STOREPLAY MODEAUTO PUNCH UNDO/REDO
PQR6 STU7 VWX8 YZ9 +-_0 DELETE
B / OUTA / IN
LOCATE
STOREPLAY MODEAUTO PUNCH UNDO/REDO
PQR6 STU7 VWX8 YZ9 +-_0 DELETE
You can set the punch-in and punch-out points on-the-fly while playing back the recorder (as
well as you can set them while the recorder is stopped at the desired position).
Auto punch in/out

55
MR-8HD Owner’s Manual (Punch in/out)
After setting the punch-in and punch-out points appropriately, you can rehearse the auto punch
in/out for checking the punch-in and -out points or practicing punch-in and -out timing.
<Tip>: You can immediately locate to the
punch-in point by pressing the [LOCATE
A/IN] key. Therefore, by pressing the [LO-
CATE A/IN] key, followed by the [RE-
WIND] key then the [STOP] key, you can
easily locate to the point before the
punch-in point.
1) Locate the recorder to the point before the punch-
in point (or the beginning of the song).
4) Press the [PLAY] key.
The recorder starts punch in/out rehearsal. The
"" icon on the display changes to the
"" icon.
2) Press the [REC SELECT] key of the track you are
going to make punch in/out operation to arm the
track.
3) Press the [AUTO PUNCH] key to make the auto
punch mode active.
The " " icon is now shown on the
screen.
Lighting
<Note>:
By using the loop function when
rehearsing the auto punch in/out operation,
you can concentrate on playing without the
need of troublesome operation of the MR-
8HD. See page 45 for details about the loop
function.
5) After the punch-out point is passed, locate the
recorder back to the beginning position.
In the rehearsal mode, the recorder automati-
cally switches the monitor of the armed track
from "repro" to "input" at the punch-in point,
but actual recording is not made (the [RECORD]
key flashes while " " is shown on the
display.
By repeating the operation above, you can prac-
tice auto in/out operation as many times as
you like.
MIN MAX
100
LR
100
LR
100
LRRL
MIN MAX LINE MIC LINE MIC LINE MIC LINE MIC
REC SELECT
010
12345/6 MASTER
MAX
MAX
MIN
MIN
7/8
LOCATE REC END
A-B PLAY
LOCATE ABS ZERO
PLAYSTOP
RECORD REWIND F FWD
GUIDE
RHYTHM CONTRAST
1-8 >
SONG
NEW
1-6 > 7/8
1-4 > 5/6 STEREO
WAV FILE
BOUNCE
POWERFUL
MASTERING
B / OUT
A / IN
LOCATE
STOREPLAY MODEAUTO PUNCH
NATURAL BRIGHT
TIME BASE
SELECT
UNDO/REDO
7/8 >
MENU / ENTER
SIMULATION
DYNAMIC CONDENSER TUBE MIC
PAN
EFFECT
REVERB / DELAY TIME
HALL
ROOM
PLATE DELAY
PHONES VOL
L
STEREO OUT
R
2
PHONES
1
MAXMIN
BAL
BALBAL
TRIM
UNBAL
PEAK
TRIM
UNBAL
PEAK
TRIM
UNBAL
PEAK
PEAK
DISTORTION
GUITAR
/GUITAR
INPUT A SELECT
INSERT
BAL
UNBAL
TRIM
INPUT A INPUT B INPUT C INPUT D
ON/
OFF
POWER
ABC1 DEF2 GHI3
JKL4 MNO5
PQR6 STU7 VWX8 YZ9 +-_0 DELETE
TO STEREO BUSS
EFFECT SEND
DIGITAL MULTITRACKER
ON/
OFF
ON/
OFF
ON/
OFF
60'S COMBO
US METAL
BRIT STACK AMP SIMULATION
INPUT A
AUTO PUNCH
PQR6
<How to make auto punch in/out
mode active>
Rehearsal for auto punch in/out
Pressing the [AUTO PUNCH]
key switches the auto punch
in/out mode on or off.
Each press of the [AUTO
PUNCH] key turns on or off the
indicator.
Punch-in point Punch-out point
Playback
Input monitor
Playback

MR-8HD Owner’s Manual (Punch in/out)
56
After rehearsing the auto punch-in/out operation, it's time for executing actual auto punch in/
out operation.
1) Locate the recorder to the point before the punch-
in point.
2) Make sure that "AUTO PUNCH" is shown on the
screen (i.e. the auto punch mode is active).
If it is not shown, press the [AUTO PUNCH] key.
3) Press the [RECORD] key while holding down the
[PLAY] key.
The recorder starts executing actual punch in/
out operation. The " " icon on the
display changes to the " " icon.
Unlike the rehearsal, the recorder
automatically starts recording when it reaches
the punch-in point, then automatically stops
recording and exits the auto punch mode at
the punch-out point.
<Note>:
You can cancel the auto punch in/
out recording you made by pressing the
[UNDO/REDO] key.
<Note>:
In addition to the punch in/out func-
tion, the MR-8HD allows you to edit the re-
corded material using the following editing
functions.
• Deleting the whole data on the desired
track (using the "Erase Track" menu item).
See page 104.
• Copying all data on a track and pasting it
to another track (using the "Copy Paste
Track" menu item). See page 105.
• Moving the desired track data to the other
track(s) (using the "Move Track" menu
item). See page 107.
• Exchanging all track data between tracks
(using the "Change Track" menu item). See
page 108.
• Deleting the desired part (using the "Erase
Part" menu item). See page 113.
• Pasting the desired part(s) to the other
track(s) (using the "Copy Paste Part" menu
item or the "Copy Part" and "Paste Part"
menu items). See pages 114 and 116.
• Moving the desired part(s) to the other
track(s) (using the "Move Part" menu item).
See page 119.
• Exchanging parts between tracks (using the
"Change Part" menu item). See page 121.
<About "part">
A "part" is defined as audio data between
the "LOCATE A" and "LOCATE B" points.
Therefore, you have to set the "LOCATE
A" and "LOCATE B" points when editing a
"part".
The punch-in and punch-out points set
for the auto punch in/out function also
can be used as the "LOCATE A" and "LO-
CATE B" points.
Actual auto punch in/out
Punch out point
Playback Recording Playback
Punch in point

57
MR-8HD Owner’s Manual (Using effects)
Using effects
The MR-8HD provides the insert effects for recording (microphone
and amplifier simulation effects), the delay/reverb effects for track
bounce or mixdown (for tracks 1 through 4 only), and the master-
ing effects for L/R mix. You can also use an external effect device
connected to the [INSERT] connector.

58
MR-8HD Owner’s Manual (Using effects)
The [INPUT A] channel of the MR-8HD provides two types of insert effects: microphone and
amplifier simulation effects. These effects can be used during recording.
These effects simulate popular microphones and guitar amplifiers. If you use the microphone
simulation effect when you record an acoustic guitar through your microphone, you can make
recording as if you are using a famous microphone. If you use the guitar amplifier simulation
effect when you record an electric guitar directly connected to the MR-8HD, you can make
recording as if you are using a famous guitar amplifier.
Note that you cannot get exactly the same sound as the original microphone/guitar amplifier by
using simulation effects.
You can use mic simulation effects when the [INPUT A SELECT] switch on the rear panel is set to
"MIC/LINE".
By pressing the appropriate key, you can
choose from among three mic simulation ef-
fects: DYNAMIC, CONDENSER and TUBE (the
indicator of the key lights up).
• Details of each mic simulation effect
DYNAMIC
CONDENSER
TUBE
Simulates the sound of a popular dy-
namic microphone.
Simulates the sound of a popular con-
denser microphone for professional use.
Simulates the sound of a popular tube
microphone for professional use.
Set to the "MIC/LINE" position
SIMULATION
DYNAMIC CONDENSER TUBE
MIC
60'S COMBO
US METAL
BRIT STACK
AMP SIMULATION
INPUT A
INPUT A SEL
MIC/LINE
GTR CLEAN
GTR DIST
“DYNAMIC” “CONDENSER” “TUBE”
Mic simulation effects
Amp simulation effects
You can choose from three guitar amp simu-
lation effects: BRIT STACK, US METAL and 60's
COMBO (the selected key lights up).
• Amp simulation effects details
BRIT STACK
US METAL
60’s COMBO
Simulates a popular British 800-series
tube guitar amp head.
Simulates a popular US high gain metal
guitar amplifier.
Simulates a popular tube combo guitar
amplifier.
When the switch is set to
"GTR DIST".
SIMULATION
DYNAMIC CONDENSER TUBE
MIC
60'S COMBO
US METAL
BRIT STACK
AMP SIMULATION
INPUT A
INPUT A SEL
MIC/LINE
GTR CLEAN
GTR DIST
INPUT A SEL
MIC/LINE
GTR CLEAN
GTR DIST
When the switch is set to
"GTR CLEAN".
“BRIT STACK” “US METAL” “60”s COMBO”
You can use mic simulation effects when the [INPUT A SEL] switch on the rear panel is set to "GTR
DIST" or "GTR CLEAN". Only when the switch is set to "GTR DIST", you can also use the distortion
(adjusted by the [DISTORTION] control), as well as the insert effects.
Using the insert effects

59
MR-8HD Owner’s Manual (Using effects)
During recording, you can apply external effects to a sound source connected to an input con-
nector in the [INPUT A] channel.
The [INPUT A] channel has the [INSERT] connector (phone jack). You can connects an external
effect unit (typically, a compressor/limiter) to this connector using a Y-cable, as shown below.
MIN MAX
100
LR
100
LR
100
LRRL
MIN MAX LINE MIC LINE MIC LINE MIC LINE MIC
REC SELECT
010
12345/6 MASTER
MAX
MAX
MIN
MIN
7/8
LOCATE REC END
A-B PLAY
LOCATE ABS ZERO
PLAYSTOP
RECORD REWIND F FWD
GUIDE
RHYTHM CONTRAST
1-8 >
SONG
NEW
1-6 > 7/8
1-4 > 5/6 STEREO
WAV FILE
BOUNCE
POWERFUL
MASTERING
B / OUT
A / IN
LOCATE
STOREPLAY MODEAUTO PUNCH
NATURAL BRIGHT
TIME BASE
SELECT
UNDO/REDO
7/8 >
MENU / ENTER
SIMULATION
DYNAMIC CONDENSER TUBE
MIC
PAN
EFFECT
REVERB / DELAY TIME
HALL
ROOM
PLATE DELAY
PHONES VOL
L
STEREO OUT
R
2
PHONES
1
MAXMIN
BAL
BALBAL
TRIM
UNBAL
PEAK
TRIM
UNBAL
PEAK
TRIM
UNBAL
PEAK
PEAK
DISTORTION
GUITAR
/GUITAR
INPUT A SELECT
INSERT
BAL
UNBAL
TRIM
INPUT A INPUT B INPUT C INPUT D
ON/
OFF
POWER
ABC1 DEF2 GHI3
JKL4 MNO5
PQR6 STU7 VWX8 YZ9 +-_0 DELETE
TO STEREO BUSS
EFFECT SEND
DIGITAL MULTITRACKER
ON/
OFF
ON/
OFF
ON/
OFF
60'S COMBO
US METAL
BRIT STACK
AMP SIMULATION
INPUT A
EFFECTOR (COMP/LIMITER) etc.
Input Output
Sound source
INPUT A
EFFECTOR
Input Output
The source (dry) signal fed to the [INPUT A] channel is sent to the external
effect unit connected to the [INSERT] connector and the wet (effect) signal re-
turns to the [INPUT A] channel. Thus, you can apply effects to the "INPUT A"
signal by connecting an external effect unit.
See the manual of your effect unit for details about how to use it.
A Y-cable is not supplied with the MR-8HD, therefore, purchase an appropriate
Y-cable available in the market.
Sound
source
Dry (original) sound
Wet (effect) sound
Applying external effects

60
MR-8HD Owner’s Manual (Using effects)
Selecting an effect type
The MR-8HD has the original built-in reverb/delay processor featuring the newly-developed
algorithm. You can apply the reverb or delay to playback signals of tracks 1 through 4 during
mixdown and track bouncing.
Details of each effect type
ROOM
HALL
PLATE
DELAY
Simulates reverberation in a medium-sized
room. When you select "ROOM", you can
adjust the reverb time using the [REVERB/
DELAY TIME] control.
Simulates reverberation in a hall with moder-
ate early reflection.
When you select "HALL", you can adjust the
reverb time using the [REVERB/DELAY
TIME] control.
Simulates a plate reverb with a wide fre-
quency range.
When you select "PLATE", you can adjust the
reverb time using the [REVERB/DELAY
TIME] control.
Adds delay effects. You can select the de-
sired delay types using the "Delay Type" item
of the System menu in the menu mode (you
can easily access to the "Delay Type" setting
screen by a long press of the [DELAY] key).
Three delay types are available: Mono, L-R
and Diff. See below for details.
When you select "ROOM", you can adjust
the delay time using the [REVERB/DELAY
TIME] control.
2) Rotate the [MENU/ENTER] knob to select
"System", and press the [MENU/ENTER] knob.
The display now shows the system menu
screen, where "<< Back" is highlighted.
You can select an effect type from among three
reverb options (ROOM, HALL and PLATE) and
a delay (DELAY) by using the keys in the [EF-
FECT] section shown below. 1) While the recorder is stopped, press the
[MENU/ENTER] knob to enter the menu mode.
The display now shows the first page of the
menu selection screen, where "<< Back" is
highlighted initially.
When you use the delay effect, you can select
a delay type.
3) Rotate the [MENU/ENTER] knob to select
"Delay Type" and press the [MENU/ENTER] knob.
The current delay type starts flashing and you
can now select from among three options
shown below ("L-R" is initially selected).
MIN MAX
EFFECT
REVERB / DELAY TIME
HALL
ROOM
PLATE DELAY
HALL
DELAY
ROOM
PLATE
Selecting a delay type
Using the reverb or delay

61
MR-8HD Owner’s Manual (Using effects)
As shown in the signal flowchart below, a track
(playback) signal after the track fader is fed
to the [EFFECT SEND] control and adjusted,
then fed to the effect processor input.
The effect processor's stereo output signals
(wet signals) and stereo (L/R) signals (dry sig-
nals) are merged together and then output
from the [STEREO OUT] jacks.
As you can see in the flowchart below, the
signal sent to the effect processor is affected
by the track fader (i.e. a track fader must be
raised to send track signal to the effect pro-
cessor). The signal which passes through a
fader is generally called a "post fader signal".
[REVERB / DELAY TIME] control
HALL
ROOM
PLATE
DELAY
Adjusts the reverb time within the range between
1.0 s and 6.0 s (center position: 3.0 s)
Adjusts the reverb time within the range between
0.1 s and 2.0 s (center position: 1.0 s)
Adjusts the reverb time within the range between
0.5 s and 4.0 s (center position: 2.0 s)
Adjusts the delay time within the range between
100 ms to 1000 ms (center position: 300 ms)
<Signal flow from a track to the effect processor (only Track 1~ 4)>
Dry sound
Wet sound
Playback
Adjusts the track
playback level
Adjusts the send level to the
effect processor
To apply the effect (reverb or delay) to tracks
1 through 4, adjust the [EFFECT SEND] con-
trol for each track to adjust the level of the
track signal sent to the effect processor.
In the example as illustrated below, tracks 1
and 2 signals are sent to the effect processor.
You can adjust the reverb time or delay time
using the [REVERB/DELAY TIME] control, de-
pending on the selected effect type.
4) Rotate the [MENU/ENTER] knob to select the
desired delay type and press the [MENU/ENTER]
knob.
The selected delay type is set, while the
display returns to the previous screen.
5) Press the [STOP] key to quit the menu mode.
You can choose from among the following three
delay types.
L - R
Mono
Diff
L-R delay (default)
Mono delay
Diffusion delay
MIN MAX
EFFECT
REVERB / DELAY TIME
HALL
ROOM
PLATE DELAY
Track 1
1
010
Delay
or
Reverb
LR
EFFECT SEND
PAN
STEREO BUSS
LR
100100100010
EFFECT SEND
Adjusting the delay/reverb time
Adjusting the effect send levels

62
MR-8HD Owner’s Manual (Using effects)
The MR-8HD provides the dedicated mastering effects for the L/R stereo buss.
You can use the mastering effects when bouncing more than one track to stereo tracks or when
mixing down tracks 1 through 8 to stereo and sent to an external master recorder for recording.
POWERFUL
NATURAL
BRIGHT
<Bouncing tracks 1 through 4 to track 5/6> <Bouncing tracks 1 through 6 to track 7/8>
<Mixing down tracks 1 through 8>
Trk 4
Trk 3
Trk 2
Trk 1
Mastering effects
Trk 5
Trk 6
Mixing
Reverb
or Delay
Playback
bouncing
Playback
Playback
Playback
Playback
Record
Record
INPUT A ~ INPUT D
Trk 4
Trk 3
Trk 2
Trk 1
Mastering effects
Trk 5
Trk 6
Trk 7
Trk 8
Mixing
Reverb
or Delay
bouncing
Playback
Playback
Playback
Playback
Playback
Playback
Record
Record
INPUT A ~ INPUT D
Trk 4
Trk 3
Trk 2
Trk 1
Mastering effects
Trk 5
Trk 6
Trk 7
Trk 8
Mixing
D/A
Reverb
or Delay
Playback
Playback
Playback
Playback
Playback
Playback
Playback
Playback
INPUT A ~ INPUT D
See "Track bounce" on page 63 for details about track
bounce which allows mixing multiple tracks to stereo.
See "Mixdown" on page 41 for details about mixdown.
Mastering effects Mastering effects
Mastering effects
[STEREO OUT L, R]
[DIGITAL OUT]
<Note>:
By activating the mastering effect, the out-
put level raises. Therefore, be careful of the level
change when monitoring via headphones or moni-
tor speakers, as well as when adjusting the record-
ing level of an external recorder.
Trk 4
Trk 3
Trk 2
Trk 1
Mastering effects
Trk 5
Trk 6
Mixing
Reverb
or Delay
bouncing
Trk 7
Trk 8
Playback
STEREO OUT (L, R)
Trk 7
Trk 8
Record
New Song
Record
Playback
Playback
Playback
Playback
Playback
Playback
Playback
INPUT A ~ INPUT D
<Bouncing tracks 1 through 8 to the New song>
Mastering effects
Adds power to the sound. Good for rock.
Slightly adds power to the sound. Good for
acoustic music.
Add brightness to the sound. Good for use
when the mixed sound is dark.
Each effect type has the following character.
Select the appropriate type.
Three mastering effect types are available. You
can select the desired type using the [MAS-
TERING] keys (POWERFUL, NATURAL and
BRIGHT).
POWERFUL
MASTERING
NATURAL BRIGHT
JKL4 MNO5
Selecting the desired effect type
Using the mastering effects

63
MR-8HD Owner’s Manual (Track bouncing)
Track bouncing
This chapter describes track bouncing which is an important
function in the recording process.
The track bouncing mixes several tracks and records onto other
two tracks. By using this function, you can record more sound
materials to the MR-8HD tracks.
Three track bouncing modes are available:
(1) Bouncing tracks 1 through 4 to tracks 5/6.
(2) Bouncing tracks 1 through 6 to tracks 7/8
(3) Bouncing tracks 1 through 8 to tracks 7/8 of a new song.
In any mode, you can apply a reverb (or delay) to tracks 1
through 4 when bouncing to two tracks in stereo. Further-
more, you can apply the mastering effect to the mixed signals.
You can also execute track bouncing while mixing sound
sources from inputs A through D.

64
MR-8HD Owner’s Manual (Track bouncing)
You can record more than eight materials using the track bouncing function as shown in the
following example.
<Step 1>
Make recording to tracks 1 through 6.
<Step 2>
Bounce tracks 1 through 6 to tracks 7/8.
<Step 3>
Delete tracks 1 through 6.
<Step 4>
Overdub new materials to tracks 1
through 4.
<Step 5>
Bounce tracks 1 through 4 to tracks 5/6.
Track 4
Track 3
Track 2
Track 1
Track 5
Track 6
Track 7
Track 8
Track 4
Track 3
Track 2
Track 1
Track 5
Track 6
Track 7
Track 8
Mixing
Track 4
Track 3
Track 2
Track 1
Track 5
Track 6
Track 7
Track 8
Track 4
Track 3
Track 2
Track 1
Track 5
Track 6
Track 7
Track 8
Track 4
Track 3
Track 2
Track 1
Track 5
Track 6
Track 7
Track 8
Mixing
Track 4
Track 3
Track 2
Track 1
Track 5
Track 6
Track 7
Track 8
Track 4
Track 3
Track 2
Track 1
Track 5
Track 6
Track 7
Track 8
<Step 6>
Delete tracks 1 through 4.
<Step 7>
Overdub new materials to tracks 1
through 4.
In this step, you can make track
bouncing while listening to
tracks 7/8 as well.
Before executing track bouncing, read "Track bouncing example" below and "Track bouncing
signal flow" on the next page.
Track bouncing example
Preliminary knowledge

65
MR-8HD Owner’s Manual (Track bouncing)
• "1-6 > 7/8" mode (see page 68)
In the "1-6 > 7/8" mode, tracks 1 through
6 are played back, mixed down to stereo,
and bounced to tracks 7/8.
In this mode, you can apply a reverb (or
delay) to tracks 1 through 4, as well as the
mastering effect to the mixed signals.
You can also mix signals from the [INPUT
A] through [INPUT D] channels during track
bouncing.
From headphones (or monitor speakers),
you can hear the signals bounced to tracks
7/8 (i.e. mixed signals).
• "1-4 > 5/6" mode (see page 66)
In the "1-4 > 5/6" mode, tracks 1 through
4 are played back, mixed down to stereo,
and bounced to tracks 5/6.
You can apply a reverb (or delay) to tracks
1 through 4, as well as the mastering effect
to the mixed signals.
You can also mix signals from the [INPUT
A] through [INPUT D] channels during track
bouncing.
From headphones (or monitor speakers),
you can hear the signals bounced to tracks
5/6 (i.e. mixed signals) as well as playback
signals of tracks 7/8.
• "1-8 > NEW SONG" mode (see page 70)
In the "1-8 > NEW SONG" mode, tracks 1
through 8 are played back, mixed down to
stereo, and bounced to tracks 7/8 of a new
song which is automatically created. So this
bouncing mode allows you to internally
record a stereo master without the need of
an external master recorder.
In this mode, you can apply a reverb (or
delay) to tracks 1 through 4, as well as the
mastering effect to the mixed signals.
You can also mix signals from the [INPUT
A] through [INPUT D] channels during track
bouncing.
From headphones (or monitor speakers),
you can hear the signals bounced to tracks
7/8 of the new song.
Trk 4
Trk 3
Trk 2
Trk 1
Mastering effects
Trk 5
Trk 6
Mixing
Reverb
or Delay
Track bounce
Trk 7
Trk 8
Playback
STEREO OUT (L, R)
Trk 7
Trk 8
Record
New Song
Record
Playback
Playback
Playback
Playback
Playback
Playback
Playback
INPUT A ~ INPUT D
Signal flow of track bouncing
The following shows the signal flow for each of three track bouncing modes.
Trk 4
Trk 3
Trk 2
Trk 1
Trk 7
Trk 8
Playback
Reverb
or
Delay
Track bouncing
Trk 5
Trk 6
STEREO OUT (L, R)
INPUT A ~ INPUT D
Playback
Playback
Playback
Playback
Playback
Record
Record
Mixing
Mastering effects
Trk 4
Trk 3
Trk 2
Trk 1
Trk 5
Trk 6
Trk 7
Trk 8 STEREO OUT (L, R)
INPUT A ~ INPUT D
Playback
Reverb
or
Delay
Track bouncing
Playback
Playback
Playback
Record
Record
Mixing
Mastering effects
Playback
Playback

66
MR-8HD Owner’s Manual (Track bouncing)
Before executing track bouncing, you can rehearse it. While rehearsing track bouncing, you can
control the playback level, panning and reverb (or delay) send setting of each source track, as
well as apply the mastering effect to the mixed L/R signals. We recommend to make rehearsal
thoroughly until you are satisfied with the sound.
The following assumes that the song you are going to execute track bouncing is loaded.
1) Use the [1-4 > 5/6, 1-6 > 7/8] key to select the
"1-4 > 5/6" bounce mode.
Selecting this bounce mode automatically arms
tracks 5/6 and changes the monitoring mode
for these tracks to input monitoring mode.
The display looks like this:
Lighting
Flashing
2) Raise the [5/6] fader and [MASTER] fader to the
"" position. Set all the other track faders down
to the minimum position.
Playback levels of tracks 1 through
4 for bouncing.
Faders
1 through 4
Lighting
Rehearsal of track bouncing
You can bounce tracks 1 through 4 to tracks 5/6.
Before executing track bouncing, you can rehearse track bouncing as many times as you like.
3) Press the [PLAY] key to start playback from the
beginning of the song.
4) While playing back the song, adjust playback
levels of tracks 1 through 4 using the track
faders.
You can also adjust panning for tracks 1
through 4 and apply the reverb or delay to
these tracks, as well as apply the mastering
effect to the mixed sound.
During rehearsal and actual track bouncing,
the track faders and [MASTER] fader control
the following signals.
[MASTER]
fader
Fader 5/6
Recording master level of tracks
5/6.
Monitor levels of tracks 5/6.
MIN MAX
100
LR
100
LR
100
LRRL
MIN MAX LINE MIC LINE MIC LINE MIC LINE MIC
REC SELECT
010
12345/6 MASTER
MAX
MAX
MIN
MIN
7/8
LOCATE REC END
A-B PLAY
LOCATE ABS ZERO
PLAYSTOP
RECORD REWIND F FWD
GUIDE
RHYTHM CONTRAST
1-8 >
SONG
NEW
1-6 > 7/8
1-4 > 5/6 STEREO
WAV FILE
BOUNCE
POWERFUL
MASTERING
B / OUT
A / IN
LOCATE
STOREPLAY MODEAUTO PUNCH
NATURAL BRIGHT
TIME BASE
SELECT
UNDO/REDO
7/8 >
MENU / ENTER
SIMULATION
DYNAMIC CONDENSER TUBE
MIC
PAN
EFFECT
REVERB / DELAY TIME
HALL
ROOM
PLATE DELAY
PHONES VOL
L
STEREO OUT
R
2
PHONES
1
MAXMIN
BAL
BALBAL
TRIM
UNBAL
PEAK
TRIM
UNBAL
PEAK
TRIM
UNBAL
PEAK
PEAK
DISTORTION
GUITAR
/GUITAR
INPUT A SELECT
INSERT
BAL
UNBAL
TRIM
INPUT A INPUT B INPUT C INPUT D
ON/
OFF
POWER
ABC1 DEF2 GHI3
JKL4 MNO5
PQR6 STU7 VWX8 YZ9 +-_0 DELETE
TO STEREO BUSS
EFFECT SEND
DIGITAL MULTITRACKER
ON/
OFF
ON/
OFF
ON/
OFF
60'S COMBO
US METAL
BRIT STACK
AMP SIMULATION
INPUT A
1
2,4 3
4
4
45
4
Bouncing tracks 1 through 4 to tracks 5/6

67
MR-8HD Owner’s Manual (Track bouncing)
5) After finishing rehearsal, press the [STOP] key
to stop the recorder and locate it to the
beginning of the song.
Do not move the controls and faders after
finishing rehearsal.
1) Before carrying out actual track bouncing, make
sure that the bounce mode is selected to
"1-4>5/6".
2) Press the [PLAY] key while holding down the
[RECORD] key.
Track bouncing starts with the effect/level
settings made in the rehearsal mode. The mixed
signals are recorded onto tracks 5/6.
3) After track bouncing completes, press the [STOP]
key to stop the recorder.
Stopping the recorder automatically turns off
the input monitoring mode of tracks 5/6.
1) Press the [REWIND] key while holding down the
[STOP] key to locate the recorder to the
beginning of the song.
2) Make sure that the input monitoring mode is
turned off.
3) Press the [PLAY] key to start playback from the
beginning of the song.
4) Use the [5/6] fader to control the playback level
of the bounced signals.
By playing back the recorder while the bounce
mode ("1-4 > 5/6") is active, only tracks 5/6
can be monitored. In this condition, you
cannot monitor playback signals of tracks 1
through 4 even if you raise their faders.
If you want to redo track bouncing, use the
undo function to go back to the condition
before carrying out track bouncing, and try
again.
After finishing rehearsal, let's carry out ac-
tual track bouncing. Make sure that the re-
corder stops at the beginning of the song.
<Panning control>
You can freely adjust panning for tracks
1 through 4 using the PAN controls.
For example, a guitar to left, a vocal to
center, etc.
By raising the [PHONES VOL] control, you can
hear the signals bounced to tracks 5/6.
Use the [5/6] fader to control the monitor out-
put levels, and use the [MASTER] fader to ad-
just the recording levels of the bounced sig-
nals appropriately while checking meters 5/6.
You can apply the delay/reverb to tracks 1
through 4 and the mastering effects to the ste-
reo L and R signals. See "Using effects" on page
57 for details about the delay/reverb and mas-
tering effects.
Playback levels of tracks 1 through
4.
Meters
1 through 4
You can check the bounced signals while the
bounce mode is active.
Meters
L and R
Meters 5/6
Monitor output levels of STEREO
OUT (L, R).
Recording levels of tracks 5/6.
During rehearsal and actual track bouncing,
level meters on the screen show the following
signal levels.
Actual track bouncing
Checking the bounced signals on tracks 5/6
<Auto punch in/out of track bouncing>
You can bounce only the desired part (between
the IN and OUT points) using the auto punch
in/out function (see page 74).
<Track bouncing while mixing signals from [INPUT
A] through [INPUT D]>
When you bounce tracks 1 through 4 to tracks
5/6, you can also mix signals from [INPUT A]
through [INPUT D] together (see page 72).

68
MR-8HD Owner’s Manual (Track bouncing)
You can bounce tracks 1 through 6 to tracks 7/8.
As described earlier in "Bouncing tracks 1 through 4 to tracks 5/6", you can rehearse track
bouncing as many times as you like before executing actual track bouncing.
Before executing track bouncing, you can rehearse it. While rehearsing track bouncing, you can
control the playback level, panning and reverb (or delay) send setting of each source track, as
well as apply the mastering effect to the mixed L/R signals. We recommend to make rehearsal
thoroughly until you are satisfied with the sound.
The following assumes that the song you are going to execute track bouncing is loaded.
Rehearsal of track bouncing
1) Use the [1-4 > 5/6, 1-6 > 7/8] key to select the
"1-6 > 7/8" bounce mode.
Selecting this bounce mode automatically arms
tracks 7/8 and changes the monitoring mode
for these tracks to input monitoring mode.
The display looks like this:
Lighting
Flashing
2) Raise the [5/6] fader and [MASTER] fader to the
"" position. Set all the other track faders
down to the minimum position.
Lighting
3) Press the [PLAY] key to start playback from the
beginning of the song.
4) While playing back the song, adjust playback levels
of tracks 1 through 6 using the track faders.
You can also adjust panning for tracks 1
through 4 and apply the reverb or delay to
these tracks, as well as apply the mastering
effect to the mixed sound.
During rehearsal and actual track bouncing,
the track faders and [MASTER] fader control
the following signals.
MIN MAX
100
LR
100
LR
100
LRRL
MIN MAX LINE MIC LINE MIC LINE MIC LINE MIC
REC SELECT
010
12345/6 MASTER
MAX
MAX
MIN
MIN
7/8
LOCATE REC END
A-B PLAY
LOCATE ABS ZERO
PLAYSTOP
RECORD REWIND F FWD
GUIDE
RHYTHM CONTRAST
1-8 >
SONG
NEW
1-6 > 7/8
1-4 > 5/6 STEREO
WAV FILE
BOUNCE
POWERFUL
MASTERING
B / OUT
A / IN
LOCATE
STOREPLAY MODEAUTO PUNCH
NATURAL BRIGHT
TIME BASE
SELECT
UNDO/REDO
7/8 >
MENU / ENTER
SIMULATION
DYNAMIC CONDENSER TUBE
MIC
PAN
EFFECT
REVERB / DELAY TIME
HALL
ROOM
PLATE DELAY
PHONES VOL
L
STEREO OUT
R
2
PHONES
1
MAXMIN
BAL
BALBAL
TRIM
UNBAL
PEAK
TRIM
UNBAL
PEAK
TRIM
UNBAL
PEAK
PEAK
DISTORTION
GUITAR
/GUITAR
INPUT A SELECT
INSERT
BAL
UNBAL
TRIM
INPUT A INPUT B INPUT C INPUT D
ON/
OFF
POWER
ABC1 DEF2 GHI3
JKL4 MNO5
PQR6 STU7 VWX8 YZ9 +-_0 DELETE
TO STEREO BUSS
EFFECT SEND
DIGITAL MULTITRACKER
ON/
OFF
ON/
OFF
ON/
OFF
60'S COMBO
US METAL
BRIT STACK
AMP SIMULATION
INPUT A
1
2,4 3
4
4
45
4
Playback levels of tracks 1 through
4 for bouncing.
Faders
1 through 4
[MASTER]
fader
Fader 7/8
Fader 5/6
Recording master level of tracks 7/8.
Monitor levels of tracks 7/8.
Playback levels of tracks 5/6 for
bouncing.
Bouncing tracks 1 through 6 to tracks 7/8

69
MR-8HD Owner’s Manual (Track bouncing)
5) After finishing rehearsal, press the [STOP] key
to stop the recorder and locate it to the
beginning of the song.
Do not move the controls and faders after
finishing rehearsal.
1) Before carrying out actual track bouncing, make
sure that the bounce mode is selected to "1-6>7/8".
2) Press the [PLAY] key while holding down the
[RECORD] key.
Track bouncing starts with the effect/level
settings made in the rehearsal mode. The mixed
signals are recorded onto tracks 7/8.
3) After track bouncing completes, press the [STOP]
key to stop the recorder.
Stopping the recorder automatically turns off
the input monitoring mode of tracks 7/8.
1) Press the [REWIND] key while holding down the
[STOP] key to locate the recorder to the
beginning of the song.
2) Make sure that the input monitoring mode is
turned off.
3) Press the [PLAY] key to start playback from the
beginning of the song.
4) Use the [7/8] fader to control the playback level
of the bounced signals.
By playing back the recorder while the bounce
mode ("1-6 > 7/8") is active, only tracks 7/8
can be monitored. In this condition, you can
not monitor playback signals of tracks 1
through 6 even if you raise their faders.
If you want to redo track bouncing, use the
undo function to go back to the condition
before carrying out track bouncing, and try
again.
After finishing rehearsal, let's carry out ac-
tual track bouncing. Make sure that the re-
corder stops at the beginning of the song.
<Panning control>
You can freely adjust panning for tracks
1 through 4 using the PAN controls. For
example, a guitar to left, a vocal to cen-
ter, etc.
By raising the [PHONES VOL] control, you can
hear the signals bounced to tracks 7/8.
Use the [7/8] fader to control the monitor out-
put levels, and use the [MASTER] fader to ad-
just the recording levels of the bounced sig-
nals appropriately while checking meters 7/8.
You can apply the delay/reverb to tracks 1
through 4 and the mastering effects to the ste-
reo L and R signals. See "Using effects" on page
57 for details about the delay/reverb and mas-
tering effects.
You can check the bounced signals while the
bounce mode is active.
<Track bouncing while mixing signals from [INPUT
A] through [INPUT D]>
When you bounce tracks 1 through 6 to tracks
7/8, you can also mix signals from [INPUT A]
through [INPUT D] together (see page 72).
During rehearsal and actual track bouncing,
the level meters on the screen show the fol-
lowing signal levels.
Actual track bouncing
Checking the bounced signals on tracks 7/8
Playback levels of tracks 1 through 4.
Meters
1 through 4
Meters L
and R
Meters 7/8
Meters 5/6
Monitor output levels of STEREO
OUT (L, R).
Recording levels of tracks 7/8.
Recording levels of tracks 5/6.
<Exporting bounced data to a PC>
Song data bounced to tracks 7/8 can be ex-
ported to a PC.
You can use the exported data as a source when
burning an original audio CD using a CD-RW
drive, or use it with a computer's music soft-
ware.
Before exporting song data on tracks 7/8 to a
PC, you must convert the two mono WAV files
on tracks 7/8 to a stereo WAV file (see page
90).
<Auto punch in/out of track bouncing>
You can bounce only the desired part (between
the IN and OUT points) using the auto punch
in/out function (see page 74).

70
MR-8HD Owner’s Manual (Track bouncing)
You can bounce tracks 1 through 8 to tracks 7/8 of a new song. A new song is automatically
created when executing track bouncing (<Note>: In the “1-8 > NEW SONG” mode, you cannot bounce
the desired part of a song by using the track bouncing and auto punch in/out functions together).
Before executing track bouncing, you can rehearse it. While rehearsing track bouncing, you can
control the playback level, panning and reverb (or delay) send setting of each source track, as
well as apply the mastering effect to the mixed L/R signals. We recommend to make rehearsal
thoroughly until you are satisfied with the sound. The following assumes that the song you are
going to execute track bouncing is loaded.
During rehearsal and actual track bouncing,
the level meters on the screen show the fol-
lowing signal levels.
1) Raise the [MASTER] fader to the " " position.
Set all the track faders down to the minimum
position.
2) Press the [PLAY] key to start playback from the
beginning of the song.
3) While playing back the song, adjust playback
levels of tracks 1 through 8 using the track
faders.
You can also adjust panning for tracks 1
through 4 and apply the reverb or delay to
these tracks, as well as apply the mastering
effect to the mixed sound.
During rehearsal and actual track bouncing,
the track faders and [MASTER] fader control
the following signal levels.
Playback levels of tracks 1 through
8 for bouncing.
Faders
1 through 8
[MASTER]
fader
Recording master levels of bounc-
ing.
Playback levels of tracks 1 through
8.
Meters
1 through 8
Meters
L and R
Output levels of STEREO OUT (=
recording levels of bouncing)
4) After finishing rehearsal, press the [STOP] key
to stop the recorder and locate it to the
beginning of the song.
Do not move the controls and faders after
finishing rehearsal.
By raising the [PHONES VOL] control, you can
hear the bounced signals.
Use the track faders (1 through 8) to control
the track output levels, and use the [MASTER]
fader to adjust the master recording levels of
the bounced signals appropriately while check-
ing meters L/R.
See "Using effects" on page 57 for details about
the delay/reverb and mastering effects.
Rehearsal of track bouncing
MIN MAX
100
LR
100
LR
100
LRRL
MIN MAX LINE MIC LINE MIC LINE MIC LINE MIC
REC SELECT
010
12345/6 MASTER
MAX
MAX
MIN
MIN
7/8
LOCATE REC END
A-B PLAY
LOCATE ABS ZERO
PLAYSTOP
RECORD REWIND F FWD
GUIDE
RHYTHM CONTRAST
1-8 >
SONG
NEW
1-6 > 7/8
1-4 > 5/6 STEREO
WAV FILE
BOUNCE
POWERFUL
MASTERING
B / OUT
A / IN
LOCATE
STOREPLAY MODEAUTO PUNCH
NATURAL BRIGHT
TIME BASE
SELECT
UNDO/REDO
7/8 >
MENU / ENTER
SIMULATION
DYNAMIC CONDENSER TUBE
MIC
PAN
EFFECT
REVERB / DELAY TIME
HALL
ROOM
PLATE DELAY
PHONES VOL
L
STEREO OUT
R
2
PHONES
1
MAXMIN
BAL
BALBAL
TRIM
UNBAL
PEAK
TRIM
UNBAL
PEAK
TRIM
UNBAL
PEAK
PEAK
DISTORTION
GUITAR
/GUITAR
INPUT A SELECT
INSERT
BAL
UNBAL
TRIM
INPUT A INPUT B INPUT C INPUT D
ON/
OFF
POWER
ABC1 DEF2 GHI3
JKL4 MNO5
PQR6 STU7 VWX8 YZ9 +-_0 DELETE
TO STEREO BUSS
EFFECT SEND
DIGITAL MULTITRACKER
ON/
OFF
ON/
OFF
ON/
OFF
60'S COMBO
US METAL
BRIT STACK
AMP SIMULATION
INPUT A
1,3 2
3
3
34
3
4
Bouncing tracks 1 through 8 to a new song

71
MR-8HD Owner’s Manual (Track bouncing)
After finishing rehearsal, let's carry out actual track bouncing.
1) While the recorder is stopped, press the
[1-8 > NEW SONG] key.
The [1-8 > NEW SONG] key lights up and the
display shows the screen below.
If you execute track bouncing, press the
[MENU/ENTER] knob while holding down the
[RECORD] key. If you cancel track bouncing,
press the [STOP] key.
2) Press the [MENU/ENTER] knob while holding
down the [RECORD] key.
Track bouncing starts. The mixed (bounced)
signals are recorded to tracks 7/8 of a new
song. The screen example below shows that
tracks 1 through 8 of Song02 (whose name is
“Moonlit”) is now being bounced to tracks 7/8
of the new song (Song04). Meters 1 through 8
show the playback levels of tracks 1 through
8, while the L and R meters shows the
recording levels of tracks 7/8 of Song04.
Actual track bouncing
MIN MAX
100
LR
100
LR
100
LRRL
MIN MAX LINE MIC LINE MIC LINE MIC LINE MIC
REC SELECT
010
12345/6 MASTER
MAX
MAX
MIN
MIN
7/8
LOCATE REC END
A-B PLAY
LOCATE ABS ZERO
PLAYSTOP
RECORD REWIND F FWD
GUIDE
RHYTHM CONTRAST
1-8 >
SONG
NEW
1-6 > 7/8
1-4 > 5/6 STEREO
WAV FILE
BOUNCE
POWERFUL
MASTERING
B / OUT
A / IN
LOCATE
STOREPLAY MODEAUTO PUNCH
NATURAL BRIGHT
TIME BASE
SELECT
UNDO/REDO
7/8 >
MENU / ENTER
SIMULATION
DYNAMIC CONDENSER TUBE MIC
PAN
EFFECT
REVERB / DELAY TIME
HALL
ROOM
PLATE DELAY
PHONES VOL
L
STEREO OUT
R
2
PHONES
1
MAXMIN
BAL
BALBAL
TRIM
UNBAL
PEAK
TRIM
UNBAL
PEAK
TRIM
UNBAL
PEAK
PEAK
DISTORTION
GUITAR
/GUITAR
INPUT A SELECT
INSERT
BAL
UNBAL
TRIM
INPUT A INPUT B INPUT C INPUT D
ON/
OFF
POWER
ABC1 DEF2 GHI3
JKL4 MNO5
PQR6 STU7 VWX8 YZ9 +-_0 DELETE
TO STEREO BUSS
EFFECT SEND
DIGITAL MULTITRACKER
ON/
OFF
ON/
OFF
ON/
OFF
60'S COMBO
US METAL
BRIT STACK AMP SIMULATION
INPUT A
1
2
2
3
<Note>:
To stop track bouncing, press the
[STOP] key. Pressing the [STOP] key also
turns off the bounce mode. If you stop track
bouncing in the middle, the new song is
automatically deleted.
<Note>:
When you are going to execute track
bouncing, if there is not enough space on
the hard disk or 99 songs already exist on
the disk, a warning message appears and the
operation is canceled.
<Track bouncing while mixing signals from [INPUT
A] through [INPUT D]>
When you bounce tracks 1 through 8 to tracks 7/
8 of the new song, you can also mix signals from
[INPUT A] through [INPUT D] together (see page
72).
<Exporting bounced data to a PC>
Song data bounced to tracks 7/8 of the new song
can be exported to a PC.
You can use the exported data as a source when
burning an original audio CD using a CD-RW drive,
or use it with a computer's music software (see
page 90).
When track bouncing to a new song completes,
the recorder automatically stops and the dis-
play shows the home screen of the new song.
The song name of the new song is given by the
name of the original song with “-**” (** is a
two-digit number).
You can check the result by following the pro-
cedure described in “Checking the bounced
signals on tracks 7/8” on page 69.

72
MR-8HD Owner’s Manual (Track bouncing)
The MR-8HD can mix input signals of [INPUT A] through [INPUT D]. The following diagram
shows an example of mixing signals of INPUT A through INPUT D when bouncing tracks 1 through
6 to tracks 7/8. As you can see, the signals of INPUT A through INPUT D are mixed to the L/R
stereo buss together with the bounced signals.
Before starting track bouncing, connect the
desired sound source(s) to any desired
input(s) between INPUT A and INPUT D.
Connecting sound sources to INPUT A through INPUT D
Adjust the input level of each input using the
[TRIM] control to match the balance with the
bounced track levels.
Also, you can adjust panning of each input
for stereo mix. See the next page for details
about how to set panning.
To mix the input signal of an input channel
(any of INPUT A through INPUT D) to the L/R
stereo buss, turn on the corresponding [TO
STEREO BUSS ON/OFF] switch.
[TO STEREO BUSS ON/OFF] key setting
MIN MAX LINE MIC LINE MIC LINE MIC LINE MIC
BAL
BALBAL
TRIM
UNBAL
PEAK
TRIM
UNBAL
PEAK
TRIM
UNBAL
PEAK
PEAK
DISTORTION
GUITAR
/GUITAR
INPUT A SELECT
INSERT
BAL
UNBAL
TRIM
INPUT A INPUT B INPUT C INPUT D
ON/
OFF
TO STEREO BUSS
ON/
OFF
ON/
OFF
ON/
OFF
[TRIM] control MIN MAX LINE MIC LINE MIC LINE MIC LINE MIC
BAL
BALBAL
TRIM
UNBAL
PEAK
TRIM
UNBAL
PEAK
TRIM
UNBAL
PEAK
PEAK
DISTORTION
GUITAR
/GUITAR
INPUT A SELECT
INSERT
BAL
UNBAL
TRIM
INPUT A INPUT B INPUT C INPUT D
ON/
OFF
TO STEREO BUSS
ON/
OFF
ON/
OFF
ON/
OFF
[TO STEREO BUSS ON/OFF] key
When the [TO STEREO BUSS ON/OFF] key is
turned on, the key illuminates in green. That
is, when the key illuminates, input signal is
sent to recording tracks. (Note that when the
key flashes, the corresponding input is as-
signed to any recording track.)
Trk 4
Trk 3
Trk 2
Trk 1
Mastering Effects
Trk 5
Trk 6
Mixing
Playback
Reverb
or
DElay
Bouncing
Trk 7
Trk 8 STEREO OUT (L, R)
INPUT A
INPUT B
INPUT C
INPUT D
TRIM
Playback
Playback
Playback
Playback
Playback
Record
Record
<Note>:
If you press the [TO STEREO BUSS ON/OFF] key when make recording other than track bouncing, the
key lamp may flash. This shows the input signal is routed to the armed track. That is, the input signal will be
recorded to the armed track, in stead of mixed to the stereo buss.
Mixing signals of inputs A through D

73
MR-8HD Owner’s Manual (Track bouncing)
The default panning settings are as below.
You can set each input to the desired panning
position from L10 (hard left) to R10 (hard
right).
Input A CNT (center position)
Input B CNT (center position)
Input C CNT (center position)
Input D CNT (center position)
3) Rotate the [MENU/ENTER] knob to select the
desired item (any one of "Input A Pan" through
"Input D Pan"), and press the [MENU/ENTER]
knob.
The display shows the screen for making
panning setting of the selected input.
The current setting flashes.
In the screen example below, "Input A Pan" is
selected and the default "CNT" is flashing.
You can select the desired panning value from
among R01 through R10 and L01 through L10,
as well as "CNT" (center).
4) Rotate the [MENU/ENTER] knob to select the
desired value, and press the [MENU/ENTER]
knob.
The panning is set and the display returns to
the previous screen.
In the screen example below, "Input A Pan" is
set to "R10".
You can also make panning setting of another
input in the same manner as above.
5) Press the [STOP] key to exit the menu mode.
By selecting "<< Back" and pressing the [NETER]
key, the display returns to the previous screen.
Therefore, you can also exit the menu mode
by repeating this operation.
<Tip>: You can directly access to the in-
put menu screen by a long press of the
[TO STEREO BUSS ON/OFF] key of the
desired input channel. On the input menu
screen accessed in this way, the panning
setting item for the corresponding input
is highlighted.
For example, a long press of the [TO STE-
REO BUSS ON/OFF] key of [INPUT D] di-
rectly accesses to the screen shown be-
low.
Panning setting for INPUT A through INPUT D
1) While the recorder is stopped, press the
[MENU/ENTER] knob to enter the menu mode.
The display now shows the first page of the
menu selection screen.
2) Rotate the [MENU/ENTER] knob to select "Input"
on the second page, and press the
[MENU/ENTER] knob.
The display now shows the input menu screen.
You can independently set panning for each of INPUT A through INPUT D. Each input signal is
positioned in the mix according to the panning setting here.

74
MR-8HD Owner’s Manual (Track bouncing)
Typically, bouncing is executed from the beginning to the end of a song, as shown in Figure 1
below. However, you can bounce only the desired part by using the track bouncing and punch
in/out functions together. The following assumes that the song you are going to execute track
bouncing is loaded and you finished rehearsal of track bouncing.
The following procedure shows the example of bouncing the desired part of a song in the "Bounce
1-6 > 7/8" mode (<Note>: In the “1-8 > NEW SONG” mode, you cannot bounce the desired part of a song
by using the track bouncing and auto punch in/out functions together).
1) Set the punch-in and punch-out points (see page
54).
By pressing the [PLAY] key while holding down
the [STOP] key, you can play back the part
between the punch-in and punch-out points
(see page 44).
2) Locate the recorder to a position before the
punch-in point.
3) Press the [1-4>5/6, 1-6>7/8] key to set the bounce
mode to "1-6>7/8".
When setting the bounce mode to "1-6>7/8",
tracks 7/8 automatically enter the input
monitor mode and " " lights on the
home screen.
TRK 1
TRK 2
TRK 3
TRK 4
TRK 5
TRK 6
TRK 7
TRK 8
ABS ZERO REC END
Mixing
Punch in point
(=LOCATE A point) Punch out point
(=LOCATE B point)
TRK 1
TRK 2
TRK 3
TRK 4
TRK 5
TRK 6
TRK 7
TRK 8
Mixing
Typical bouncing (Fig. 1) Bouncing the desired part (Fig. 2)
Lighting
4) Press the [AUTO PUNCH] key to activate the auto
punch mode.
When the auto punch mode is active,
"" lights on the home screen.
5) Press the [RECORD] key while holding down the
[PLAY] key.
The " " icon is shown and the recorder
starts playback. It automatically starts
recording (bouncing) when it reaches the
punch-in point.
Punch-in point
(=LOCATE A point) Punch-out point
(=LOCATE B point)
TRK 1
TRK 2
TRK 3
TRK 4
TRK 5
TRK 6
TRK 7
TRK 8
Playback
(Input monitor)
Recording
(track bouncing) Playback
The recorder stops recording (bouncing) at the
punch-out point and returns to playback, while
the auto punch mode exits and " " in
the screen turns off.
6) Press the [STOP] key to stop the recorder.
Check the result by playing back the bounced
tracks, as described earlier.
<Note>:
During playback in the operation
above, you cannot monitor the sound. You
can monitor the sound (bounced sound)
only during recording between punch-in and
punch-out points.
<Note>:
If you are not satisfied with the re-
sult, press the [UNDO/REDO] key to redo the
operation.
Lighting
Flashing
Lighting
Bouncing the desired part of a song

75
MR-8HD Owner’s Manual (Rhythm guide function)
Rhythm guide function
The MR-8HD offers the rhythm guide function, which allows out-
putting the rhythm guide click during recording.
This chapter describes how to output the rhythm guide, set the
time signature/tempo and create the conductor map.

76
MR-8HD Owner’s Manual (Rhythm guide function)
The MR-8HD provides the metronome function which can output the rhythm guide click during
recording. You can easily output the guide click from the [STEREO OUT] jacks by pressing the
[RHYTHM GUIDE] key on the top panel. Two types of the rhythm guide are available: one has the
constant time signature/tempo throughout a song, while the other has the programmed time
signature/tempo map.
MIN MAX
100
LR
100
LR
100
LRRL
MIN MAX LINE MIC LINE MIC LINE MIC LINE MIC
REC SELECT
010
12345/6 MASTER
MAX
MAX
MIN
MIN
7/8
LOCATE REC END
A-B PLAY
LOCATE ABS ZERO
PLAYSTOP
RECORD REWIND F FWD
GUIDE
RHYTHM CONTRAST
1-8 >
SONG
NEW
1-6 > 7/8
1-4 > 5/6 STEREO
WAV FILE
BOUNCE
POWERFUL
MASTERING
B / OUT
A / IN
LOCATE
STOREPLAY MODEAUTO PUNCH
NATURAL BRIGHT
TIME BASE
SELECT
UNDO/REDO
7/8 >
MENU / ENTER
SIMULATION
DYNAMIC CONDENSER TUBE
MIC
PAN
EFFECT
REVERB / DELAY TIME
HALL
ROOM
PLATE DELAY
PHONES VOL
L
STEREO OUT
R
2
PHONES
1
MAXMIN
BAL
BALBAL
TRIM
UNBAL
PEAK
TRIM
UNBAL
PEAK
TRIM
UNBAL
PEAK
PEAK
DISTORTION
GUITAR
/GUITAR
INPUT A SELECT
INSERT
BAL
UNBAL
TRIM
INPUT A INPUT B INPUT C INPUT D
ON/
OFF
POWER
ABC1 DEF2 GHI3
JKL4 MNO5
PQR6 STU7 VWX8 YZ9 +-_0 DELETE
TO STEREO BUSS
EFFECT SEND
DIGITAL MULTITRACKER
ON/
OFF
ON/
OFF
ON/
OFF
60'S COMBO
US METAL
BRIT STACK
AMP SIMULATION
INPUT A
RHYTHM
GUIDE
Setting the time signature and tempo
To output the rhythm guide click,
turn on the [RHYTHM GUIDE]
key. By default, the guide click is
output at time signature=4/4,
tempo=120.
You can output the rhythm guide
click according to the desired
constant time signature and
tempo, as well as the pro-
grammed rhythm guide click
based on the conductor map.
You can set the default rhythm guide (time signature: 4/4, tempo: 120), output level, etc. using
the "Rhythm Guide" menu in the menu mode.
2) Rotate the [MENU/ENTER] knob to select
"Rhythm Guide", and press the [MENU/ENTER]
knob.
The display now shows the screen for setting
the rhythm guide, where "<< Back" is
highlighted.
1) While the recorder is stopped, press the
[MENU/ENTER] knob to enter the menu mode.
The display now shows the first page of the
menu selection screen, where "<< Back" is
highlighted initially (selecting "<< Back"
returns to the previous screen).
Tip!: While the home screen is shown and
the recorder is stopped, long press of the
[RHYTHM GUIDE] key directly brings up the
screen for setting the rhythm guide.
When recording starts, the MR-8HD simultaneously starts feeding the rhythm guide
click from the [STEREO OUT (L, R)] jacks at the selected level (the default is 80). Note
that the rhythm guide click is not output during track bouncing. The output level of
the rhythm guide click is shown on the L and R level meters.
Note that you can monitor the rhythm guide click via headphones or (a) monitor
speaker(s). You cannot record the rhythm guide click to any MR-8HD track(s). If you
do not want to output the rhythm guide click, turn off the [RHYTHM GUIDE] key.
Using the rhythm guide function

77
MR-8HD Owner’s Manual (Rhythm guide function)
Rhythm Guide: Off
Conductor Map: Off
Rhythm guide
No output
Bar/beat
indication
The "Signature"
and "Tempo"
item settings are
effective.
Rhythm Guide: Off
Conductor Map: On
No output The conductor
map is effective.
Rhythm Guide: On
Conductor Map: Off
Output:
The tempo and
time signature
setting on this
screen is effec-
tive.
The "Signature"
and "Tempo"
item settings are
effective.
Rhythm Guide: On
Conductor Map: On
Output:
The conductor
map setting is
effective.
The conductor
map is effective.
On/off conditions
1. Rhythm Guide: On/off selection of the rhythm guide
The setting you make here is reflected to the
[RHYTHM GUIDE] key (the key is lit when ON, while
it is unlit when OFF). Conversely, when you turn
on or off the rhythm guide using the
[RHYTHM GUIDE] key, the status is reflected to
this screen. See the table on the right for details.
2. Conductor Map: On/off selection of the conductor map
This item enables or disables the conductor map
(see "Conductor map" described later).
The default is "Off". See the table on the right for
details.
3. Signature: Time signature setting
The default is "4/4". You can select from among
1/4 through 5/4 and 1/8 through 8/8.
The setting here is effective from the beginning to
the end of the song when the "Conductor Map"
item is set to "Off" (i.e. the same time signature
all through the song). When the "Conductor Map"
item is set to "On", the setting here is ineffective.
See the table on the right for details.
You can make setting for each item similarly.
The rhythm guide setting screen has the following
items.
To exit the menu mode, press the [STOP] key, or se-
lect "<< Back" and press the [MENU/ENTER] knob
repeatedly.
The table below shows how the "Rhythm Guide" and
"Conductor Map" item settings affect the conditions
of rhythm guide output and bar/beat indication.
3) Rotate the [MENU/ENTER] knob to select the
desired item, and press the [MENU/ENTER] knob.
The current setting of the selected item starts
flashing. On the screen examples below, the
"Rhythm Guide" item is highlighted (see the
upper screen) and the [MENU/ENTER] knob is
pressed (see the lower screen).
4) Rotate the [MENU/ENTER] knob to select the
desired option, and press the [MENU/ENTER]
knob.
The selected option (in the example above,
"On" or "Off") is confirmed and the display
returns to the previous screen.
4. Tempo: Tempo setting
The default is "120bpm". You can select between
30 and 250 bpm. The setting here is effective from
the beginning to the end of the song when the
"Conductor Map" item is set to "Off" (i.e. the same
tempo all through the song).
When the "Conductor Map" item is set to "On",
the setting here is ineffective. See the table on the
below for details.
5. Int ClickLevel: Internal click output level
The default is "80". You can set it between 0 and
99.
1
2
3
4
5
See the next page for details about how to set the
conductor map.
<Note>:
When “Conductor Map” is set to “On”,
the “Signature” and “Tempo” fields show “- - -” as
below. This indicates that the signature and tempo
values set on this screen are ineffective, while the
conductor map setting is effective.

78
MR-8HD Owner’s Manual (Rhythm guide function)
2) Rotate the [MENU/ENTER] knob to select "Song",
and press the [MENU/ENTER] knob.
The display now shows the song editing screen,
where "<< Back" is highlighted.
3) Rotate the [MENU/ENTER] knob to select
"Signature Map" on the second page, and press
the [MENU/ENTER] knob.
The display shows the signature map screen
on which the current time signature events are
listed. Each event specifies the bar number and
time signature. By default, "1Bar -> 4/4" and
"---Bar -> ---" are listed. In this condition, the
song is played in 4/4 from the beginning to
the end.
"---Bar -> ---" is used to create a new event.
The procedure example below shows how to
add the following events to the signature map.
1) While the recorder is stopped, press the
[MENU/ENTER] knob to enter the menu mode.
The display now shows the first page of the
menu selection screen, where "<< Back" is high
lighted initially (selecting "<< Back" returns to
the previous screen). You can also return to
the previous screen by pressing the [REWIND]
key.
Setting the signature map
The MR-8HD can output the rhythm guide click which follows the "conductor map" during
recording. It can also output MIDI clock and song position pointer which follows the "conductor
map" from the [MIDI OUT] connector.
The conductor map consists of the time signature map and tempo map. You can add "events" to
each map. Each event specifies the time signature or tempo, as well as the position from which
the specified time signature or tempo is effective. The time signature or tempo specified by each
event is effective until the next event in the map appears.
For example, if the time signature map has two events -- one sets "4/4" at the first bar 1, while
the other sets "2/4" at the third bar --, the song is played in 4/4 from bar 1 to 2, and played in
2/4 from bar 3 to the end.
For another example, if the tempo map has two events -- one sets "120" at the first bar 1/first
beat while the other sets "90" at bar 12/beat 2 --, the song is played at 120 bpm from bar 1 to bar
12/beat 1, while it is played at 90 from bar 12/beat 2 to the end.
4
4
4
3
120 180
90 120
Creating the conductor map

79
MR-8HD Owner’s Manual (Rhythm guide function)
4) Rotate the [MENU/ENTER] knob to select
"---Bar -> ---", and press the [MENU/ENTER] knob.
The display now shows the screen for setting
the new time signature event, where "<< Back"
is highlighted.
Bar 1 through bar 3: 4/4
Bar 4 through bar 7: 3/4
Bar 8 through bar 11: 4/4
Bar 12 through bar 15: 5/8
Bar 16 through the last bar: 3/4
5) Rotate the [MENU/ENTER] knob to select
"Bar = 2Bar", and press the [MENU/ENTER] knob.
"2Bar" starts flashing and you can now set the
bar number.
6) Rotate the [MENU/ENTER] knob to enter the
desired bar number, and press the
[MENU/ENTER] knob.
In this procedure example, enter "4Bar". The
display returns to the previous screen.
7) Rotate the [MENU/ENTER] knob to select
"Sig. = 4/4", and press the [MENU/ENTER] knob.
"4/4" starts flashing and you can now set the
time signature.
8) Rotate the [MENU/ENTER] knob to select the
desired time signature, and press the
[MENU/ENTER] knob.
In this procedure example, enter "3/4".
The display returns to the previous screen.
9) Rotate the [MENU/ENTER] knob to select
"[ENTER]" at the bottom, and press the
[MENU/ENTER] knob.
The new time signature event is set and the
display shows the screen as below.
In this condition, the song is played in 4/4 from
bar 1 to bar 3 and in 3/4 from bar 4.
Repeat steps 5 through 9 until creating all nec-
essary events.

80
MR-8HD Owner’s Manual (Rhythm guide function)
• Deleting an unnecessary time signature event
You can delete an unnecessary time signature
event.
2) Rotate the [MENU/ENTER] knob to select
"[DELETE]" at the bottom, and press the
[MENU/ENTER] knob.
The event is immediately deleted and the
display returns to the signature map screen.
• Editing a time signature event
You can edit a time signature event.
2) To change the bar number, rotate the
[MENU/ENTER] knob to select "Bar = 8Bar", and
press the [MENU/ENTER] knob.
To change the time signature, rotate the
[MENU/ENTER] knob to select "Sig. = 4/4", and
press the [MENU/ENTER] knob.
As with the procedure described on the
previous page, you can now set the bar
number or time signature.
3) Rotate the [MENU/ENTER] knob to edit the value,
and press the [MENU/ENTER] knob.
In this procedure example, enter "10" for the
bar number.
4) Rotate the [MENU/ENTER] knob to select
"[ENTER]" at the bottom, and press the
[MENU/ENTER] knob.
The editing is confirmed and the display
returns to the signature map screen.
<Before editing>
<After editing>
To exit the menu mode, press the [STOP] key,
<Before deleting>
<After deleting>
To exit the menu mode, press the [STOP] key,
1) On the time signature map screen, rotate the
[MENU/ENTER] knob to select the event you want
to edit, and press the [MENU/ENTER] knob.
As with the description on the previous page, the
display now shows the screen for setting the event.
For example, let's select "8Bar -> 4/4".
1) On the time signature map screen, rotate the
[MENU/ENTER] knob to select the event you want
to delete, and press the [MENU/ENTER] knob.
As with the description on the previous page,
the display now shows the screen for setting
the event.
For example, let's select "8Bar -> 4/4".

81
MR-8HD Owner’s Manual (Rhythm guide function)
By default, the bar/beat value at the beginning (ABS ZERO) of the song is set to "bar -2/beat 1".
This offset (the bar/beat value at ABS ZERO) is called "bar offset". You can change the default bar
offset to the desired value.
2) Rotate the [MENU/ENTER] knob to select the
desired offset value, and press the
[MENU/ENTER] knob.
The selected offset value is confirmed, while
the display returns to the previous screen.
Option
-8Bar
-7Bar
-6Bar
-5Bar
-4Bar
-3Bar
-2Bar
-1Bar
0Bar
ABS Zero= bar -8
ABS Zero= bar -7
ABS Zero = bar -6
ABS Zero= bar -5
ABS Zero= bar -4
ABS Zero= bar -3
ABS Zero= bar -2
ABS Zero= bar -1
ABS Zero= bar 1
OptionMeaning Meaning
The table below shows the available offset val-
ues.
To exit the menu mode, press the [STOP] key,
1) On the second page of the song editing menu
screen, highlight "Bar Offset" and press the
[MENU/ENTER] knob.
The current offset value (by default, "-2Bar")
starts flashing.
Editing the bar offset
You can see the bar offset value on the home
screen when the recorder is at the beginning
of the song (ABS 0).
The screen example below shows the home
screen when the bar offset is set to “-4 bars”.
The default home screen (bar offset = -2 bars).
The home screen when the
bar offset is set to “-4 bars”.

82
MR-8HD Owner’s Manual (Rhythm guide function)
Bar 1/beat 1: 120 bpm
Bar 4/beat 2: 180 bpm
Bar 8/beat 3: 90 bpm
Bar 12/beat 1: 120 bpm
Bar 16/beat 4: 250 bpm
After setting the time signature map, you have to create the tempo map by adding the necessary
tempo event(s). Like a time signature event, a tempo event specifies the tempo at the tempo
changing point. Each tempo specified by a tempo event is effective until the next event appears.
For example, you can set the tempo to 120 at the third beat in bar 4, and set to 90 at the second
beat in bar 12, etc.
Setting the tempo map
2) Rotate the [MENU/ENTER] knob to select "Song",
and press the [MENU/ENTER] knob.
The display now shows the song editing screen,
where "<< Back" is highlighted.
1) While the recorder is stopped, press the
[MENU/ENTER] knob to enter the menu mode.
The display now shows the first page of the
menu selection screen, where "<< Back" is
highlighted initially (selecting "<< Back"
returns to the previous screen). You can also
return to the previous screen by pressing the
[REWIND] key.
3) Rotate the [MENU/ENTER] knob to select
"Tempo Map" on the second page, and press the
[MENU/ENTER] knob.
The display shows the tempo map screen on
which the current tempo events are listed.
Each event specifies the bar/beat position and
tempo. By default, "1Bar 1 -> 120 bpm" and
"---Bar - -> ---bpm" are listed. In this
condition, the song starts in 120 bpm and there
is no tempo change. "---Bar - -> ---bpm" is used
to create a new tempo event.
The procedure example below shows how to
add the following tempo events to the tempo
map.
4) Rotate the [MENU/ENTER] knob to select "---Bar -
-> ---bpm", and press the [MENU/ENTER] knob.
The display now shows the screen for setting
the new tempo event, where "<< Back" is
highlighted.
5) Rotate the [MENU/ENTER] knob to select
"Bar = 2Bar", and press the [MENU/ENTER] knob.
"2Bar" starts flashing and you can now set the
bar number. You can enter the bar number
between 1 and 999.

83
MR-8HD Owner’s Manual (Rhythm guide function)
7) Rotate the [MENU/ENTER] knob to select
"Beat = 1 ", and press the [MENU/ENTER] knob.
"1 " starts flashing and you can now set the
beat number. You can enter the beat number
between 1 and 8.
8) Rotate the [MENU/ENTER] knob to enter the
desired beat number, and press the
[MENU/ENTER] knob.
In this procedure example, let's enter "2 ".
The display returns to the previous screen.
11) Rotate the [MENU/ENTER] knob to select
"[ENTER]" at the bottom, and press the
[MENU/ENTER] knob.
The new tempo event is set and the display
shows the screen as below. In this condition,
the song is played in 120 bpm from the
beginning to bar 4/beat 1 and in 180 from bar
4/beat 2 to the end.
Repeat steps 4 through 11 until creating all
necessary tempo events.
"120bpm" starts flashing and you can now set
the tempo. You can enter the tempo between
30 and 250.
10) Rotate the [MENU/ENTER] knob to enter the
desired tempo, and press the [MENU/ENTER]
knob.
In this procedure example, enter "180bpm".
The display returns to the previous screen.
6) Rotate the [MENU/ENTER] knob to enter the
desired bar number, and press the
[MENU/ENTER] knob.
In this procedure example, enter "4Bar".
The display returns to the previous screen.
9) Rotate the [MENU/ENTER] knob to select
"Tempo = 120bpm", and press the
[MENU/ENTER] knob.

84
MR-8HD Owner’s Manual (Rhythm guide function)
• Deleting an unnecessary tempo event
You can delete an unnecessary tempo event.
2) Rotate the [MENU/ENTER] knob to select
"[DELETE]" at the bottom, and press the
[MENU/ENTER] knob.
The event is immediately deleted and the
display returns to the tempo map screen.
• Editing a tempo event
You can edit a tempo event.
2) To change the bar number, rotate the
[MENU/ENTER] knob to select "Bar = 12Bar", and
press the [MENU/ENTER] knob.
To change the beat number, rotate the
[MENU/ENTER] knob to select "Beat = 1 ", and
press the [MENU/ENTER] knob.
To change the tempo, rotate the [MENU/ENTER]
knob to select "Tempo = 120bpm", and press the
[MENU/ENTER] knob.
As with the procedure described on the
previous page, you can now set the bar
number, beat number or tempo.
3) Rotate the [MENU/ENTER] knob to edit the value,
and press the [MENU/ENTER] knob.
In this procedure example, let's enter "10" for
the bar number.
4) Rotate the [MENU/ENTER] knob to select
"[ENTER]" at the bottom, and press the
[MENU/ENTER] knob.
The editing is confirmed and the display
returns to the tempo map screen.
<Before editing>
<After editing>
<After deleting>
To exit the menu mode, press the [STOP] key,
or select "<< Back" and press the [MENU/EN-
TER] knob repeatedly.
1) On the tempo map screen, rotate the
[MENU/ENTER] knob to select the event you want
to edit, and press the [MENU/ENTER] knob.
As with the description on the previous page,
the display now shows the screen for setting
the event.
For example, let's select "12Bar 1 -> 120bpm".
1) On the tempo map screen, rotate the
[MENU/ENTER] knob to select the event you want
to delete, and press the [MENU/ENTER] knob.
As with the description on the previous page,
the display now shows the screen for setting
the event. For example, let's select
"12Bar 1 ->120bpm".
To exit the menu mode, press the [STOP] key,
or select "<< Back" and press the [MENU/EN-
TER] knob repeatedly.

85
MR-8HD Owner’s Manual (MIDI synchronization)
MIDI synchronization
By connecting the external MIDI devices (such as a sequencer, sound
module, computer, etc.) via the [MIDI OUT] connector of the MR-
8HD, you can make powerful recording.
For example, by synchronizing a sequencer with the MR-8HD dur-
ing playback, you can mix down signals (such as a vocal, guitar,
etc.) recorded on the MR-8HD tracks and audio from a sound mod-
ule.
You can synchronize MIDI with the MR-8HD by connecting a MIDI
device to the [MIDI OUT] connector on the MR-8HD and sending
out MTC (MIDI time code) or MIDI clock (with Song Position Pointer)
from the MR-8HD.

86
MR-8HD Owner’s Manual (MIDI synchronization)
The following describes how to synchronize a sequencer to the MR-8HD which supports MTC
(MIDI Time code).
Connect the [MIDI OUT] connector of the MR-8HD to the [MIDI IN] connector of an external MIDI
sequencer using a MIDI cable. (Note that no MIDI cable is supplied with the MR-8HD. Use a
commercially available MIDI cable.)
1) Set the "Midi Sync Out" item in the "System"
menu of the menu mode to "MTC" and the "MTC
Frame Rate" to an appropriate frame rate.
See "MIDI sync/MTC frame rate settings"
described below for details.
2) Enable the external MIDI sequencer to
synchronize to MTC.
See the operation manual of the sequencer for
details.
3) Press the [PLAY] key of the MR-8HD to start
playback.
The sequencer automatically starts playback
while synchronizing to the MR-8HD.
While the MR-8HD is stopped, you can set the
reference of MIDI synchronization to "MTC"
and the MTC frame rate appropriately to
match the sequencer.
2) Rotate the [MENU/ENTER] knob to select
"System", and press the [MENU/ENTER] knob.
The display now shows the first page of the
system menu screen, where "<< BACK" is
highlighted initially.
<MTC start time>
The MTC from the MR-8HD has one hour offset
to the ABS time (the offset value is fixed). There-
fore, when you start the MR-8HD from the be-
ginning of a song (ABS ZERO), the MTC starts
from "01h00m00s00f".
1) While the recorder is stopped, press the
[MENU/ENTER] knob to enter the menu mode.
The display now shows the first page of the
menu selection screen, where "<< Back" is
highlighted initially (selecting "<< Back"
returns to the previous screen).
INPUT A SEL
USB USB HOSTAC-IN DIGITAL
OUT FOOT SWMIDI OUT
GTR CLEAN MIC/LINE
GTR DIST
MIDI IN
MIDI sequencer, etc.
Connection
Settings of the MR-8HD and MIDI sequencer
MIDI sync/MTC frame rate settings
3) Rotate the [MENU/ENTER] knob to select
"Midi Sync Out", and press the [MENU/ENTER]
knob.
Synchronization using MTC

87
MR-8HD Owner’s Manual (MIDI synchronization)
The following describes how to synchronize a sequencer to the MR-8HD using MIDI clock. Use
this method if the sequencer does not support MTC (MIDI Time code)
<Notes>
• To synchronize a sequencer to the MR-8HD
using MIDI clock, you have to make the
signature/tempo map in the MR-8HD. The MIDI
clock is output based on the signature/tempo
map in the MR-8HD.
When you record MIDI sounds, synchronize the
sequencer to the MIDI clock fed from the
MR-8HD.
• Generally, a sequencer supporting MIDI song
position pointer as well as MIDI clock can
synchronize to the MR-8HD when you start
playback of the MR-8HD from the middle of a
song. It locates the current song position and
chases the MR-8HD. However, note that some
sequencer may not synchronize to the MR-8HD.
6) Rotate the [MENU/ENTER] knob to select the
desired frame rate, and press the [MENU/ENTER]
knob.
The selected frame rate is now effective, while
"MTC FrameRate" is highlighted on the screen.
7. Press the [STOP] key to exit the menu mode.
5) Rotate the [MENU/ENTER] knob to select
"MTC FrameRate", and press the [MENU/ENTER]
knob.
The current option (the default is "25") flashes.
You can now select the desired frame rate (the
options are "24", "25", "30nd" and "30df").
1) Set the "Midi Sync Out" item in the "System"
menu of the menu mode to "Clk".
See "MIDI sync/MTC frame rate settings"
described above about how to set.
2) Create the signature/tempo map by setting
"Signature Map" and "Tempo Map" items in the
"Song" menu of the menu mode appropriately.
See "Using the rhythm guide function" on page
76 for details about how to set these items.
3) Enable the external MIDI sequencer to
synchronize to MIDI clock.
See the operation manual of the sequencer for
details.
4) Press the [PLAY] key of the MR-8HD to start
playback.
The sequencer also starts playback in sync with
the MR-8HD.
The current option (the default is "Off")
flashes. You can now select the desired option
(the available options are Off, CLK and MTC).
Off
CLK
MTC
No signal is output from the [MIDI OUT]
connector. This is the default.
MIDI clock with Song Position Pointer is
output from the [MIDI OUT] connector.
MIDI time code is output from the [MIDI
OUT] connector.
4) Rotate the [MENU/ENTER] knob to select "MTC",
and press the [MENU/ENTER] knob.
"Midi Sync Out" is now set to "MTC", while
"Midi Sync Out" is highlighted on the screen.
Connection
As with the connection for MTC synchroniza-
tion, connect the [MIDI OUT] connector of the
MR-8HD to the [MIDI IN] connector of an ex-
ternal MIDI sequencer using a MIDI cable.
Settings of the MR-8HD and MIDI sequencer
Synchronization using MIDI clock

88
MR-8HD Owner’s Manual (MIDI synchronization)

89
MR-8HD Owner’s Manual (Data export to a personal computer)
Data export to a personal computer
This chapter describes how to export song data on tracks 7/8 to a
personal computer.
To export the desired song data to a personal computer, you must
convert the song data to a stereo WAV file.
You can export the converted (WAV) file to the personal computer
and create an audio CD using a CD burning function on the per-
sonal computer.
<Notes on USB connection with Mac OS>
When making USB connection with a Macintosh computer, note that only
Mac OS X or higher is supported. Do not connect to a Macintosh computer
with the earlier version. The song data on the MR-8HD may be damaged.

90
MR-8HD Owner’s Manual (Data export to a personal computer)
By converting track data recorded on tracks 7/8 (which consists of an L/R pair of mono WAV
files) to a stereo WAV file, you can export the data to a personal computer.
The following describes how to convert data on tracks 7/8 (which may be bounced from other
tracks or simply recorded in stereo) to a stereo WAV file. See page 92 for details about how to
export a converted WAV file to a personal computer.
You can enable or disable the WAV file con-
version function by pressing the [7/8 > STE-
REO WAV FILE] key.
1) While the recorder is stopped, press the
[7/8 > STEREO WAV FILE] key to enable the file
conversion function.
The display shows the "7/8 > STEREO WAV
FILE" screen, on which "ABS0-Rec End" is
highlighted.
Each press of the [7/8 > STEREO WAV FILE]
key enables or disables the conversion func-
tion. The key lights when the conversion func-
tion is enabled.
[7/8 > STEREO WAV FILE] key
Track 7
(L ch) Track 8
(R ch) Stereo
(L, R)
Two mono WAV files recorded on tracks 7/8
are converted to a stereo WAV file as shown
below. (Note that only files recorded on tracks
7/8 can be converted to a stereo WAV file.)
You can convert all track data (from ABS ZERO
to REC END) or data of a specified part (be-
tween the LOCATE A and LOCATE B points).
The following assumes that the song whose
track data you want to convert is loaded.
<Note>:
If you want to convert a part of track
data, you have to set the LOCATE A and LO-
CATE B points in advance.
<Note>:
If you are going to make conversion
when no WAV data exists on tracks 7/8, the
error message ("Track 7/8 Empty!") appears
and the operation is canceled.
1-8 > SONG
NEW
1-6 > 7/8
1-4 > 5/6 STEREO
WAV FILE
BOUNCE
7/8 >
ABC1 DEF2 GHI3
To convert all track data, select "ABS0-Rec End".
To convert a specified range, select "LOCATE
A - LOCATE B".
2) Press the [MENU/ENTER] knob.
"ABS0-Rec End" starts flashing, and you can
now select the conversion range between
"ABS0-Rec End" and "LOCATE A - LOCATE B".
3) Rotate the [MENU/ENTER] knob to select the
conversion range and press the [MENU/ENTER]
knob.
The selection is confirmed and the display
returns to the previous screen.
Enabling the file conversion
Procedure of file conversion
"NAME = *********" shows the name for the con-
verted file, and you can enter a desired name.
Initially, it shows the name of the source file,
therefore, if you do not change the name, the
same file name is given.
The following assumes that the file name is not
changed. For details about how to edit a name,
see "Editing a file name" on the next page.
When you convert data in the same song more
than once, you have to give a different name
for each converted file. See the <Note> on the
next page.
WAV file conversion

91
MR-8HD Owner’s Manual (Data export to a personal computer)
5) Press the [MENU/ENTER] knob.
The MR-8HD quits the conversion function and
the display returns to the home screen.
<Editing a file name>
You can edit a file name by the following
procedure.
2) Enter a new name using the character
entry keys.
Pressing a different character entry key
automatically moves the cursor right.
If two successive characters are assigned
to the same character entry key, rotate
the [MENU/ENTER] knob after selecting
the first character to move the cursor
right.
<Note>:
If you convert data with the same name
as previously converted data, the following
screen appears on the display.
This screen warns you that the WAV file with
the same name already exists and asks you to
carry out the conversion by overwriting the ex-
isting file or cancel the conversion.
If you carry out the conversion by overwriting
the existing file, rotate the [MENU/ENTER] knob
to move the cursor to "[YES]", and press the
[MENU/ENTER] knob.
If you do not want to overwrite the existing file,
rotate the [MENU/ENTER] knob to move the cur-
sor to "[NO]", then press the [MENU/ENTER]
knob. The display returns to show the screen
for editing the file name, so you can enter a dif-
ferent file name and then carry out the conver-
sion.
If you want to cancel the conversion when the
screen above is shown, rotate the [MENU/ENTER]
knob to move the cursor to "[NO]" and press the
[MENU/ENTER] knob to show the screen for ed-
iting the file name, and then press the [7-8>STE-
REO WAV FILE] key to quit the conversion func-
tion.
3) After entering a new name, press the
[MENU/ENTER] knob.
Then, by pressing the [MENU/ENTER] knob while
holding down the [RECORD] key to carry out the
WAV file conversion.
While the rightmost character is flash-
ing, pressing the [UNDO/REDO]/[DE-
LETE] key repeatedly deletes the cur-
rent file name.
When the conversion is completed, the display
shows "Completed!".
Flashing
<Note>:
If you cancel the conversion in the
middle, no file (incomplete file) is created.
4) Press the [MENU/ENTER] knob while holding
down the [RECORD] key.
The file conversion starts and the percent
number on the screen counts up as the
conversion progresses.
To cancel the conversion in the middle, press
the [STOP] key. 1) After selecting the range of track data to be
converted, rotate the [MENU/ENTER] knob
to move the cursor to "Name" and press the
[MENU/ENTER] knob.
The rightmost character of the file name
starts flashing.
You can now start editing.

92
MR-8HD Owner’s Manual (Data export to a personal computer)
The MR-8HD is equipped with the USB port for direct connection to a personal computer using a
USB cable.
The USB connection allows you to export the stereo WAV file data, which is converted from a pair
of mono WAV files on tracks 7/8, to your computer. The exported data can be played back or
edited using a computer's music software application, or used as a source when burning an
original audio CD using a CD-R/RW drive. You can also use this exporting capability for backing
up data to a personal computer when the remaining space of a hard disk becomes small.
Connection to a personal computer
Connect the [USB] port of the MR-8HD to the
USB port of a personal computer using a USB
cable, as shown above.
(A USB cable is not supplied with the MR-8HD.)
Windows Me/2000/XP machine supporting USB
connection
USB cable
<Note>:
Only Windows Me, 2000 and XP comput-
ers, as well as Macintosh computers with OS X or
higher, can be used with the MR-8HD. Other com-
puters cannot be used.
Check your computer before making connection.
Notes on exporting a file
<Note on backup>
When exporting song data on the hard disk to a
personal computer for backup, always export the
whole song folder. You cannot export individual
track data. See page 95 for details. See “Archiving
a song” on page 95 for details about song data
backup.
<Notes on USB connection with Mac OS>
When making USB connection with a Macintosh
computer, note that only Mac OS X or higher is
supported. Do not connect to a Macintosh com-
puter with the earlier version. The song data on
the MR-8HD may be damaged.
INPUT A SEL
USB USB HOSTAC-IN DIGITAL
OUT FOOT SWMIDI OUT
GTR CLEAN MIC/LINE
GTR DIST
PC
USB USB HOST
<Caution>:
Use the [USB] port
for connection to a
personal com-
puter. Do not con-
nect the [USB
HOST] port to a
personal com-
puter.
<Note>:
You can export only a stereo WAV file
which is converted from a pair of mono WAV
files on tracks 7/8, as described earlier in "WAV
file conversion". A mono WAV file or undo file
cannot be exported to a personal computer.
See the next page for details about the export-
able files.
<Disk protection>
By default, the “disk protect” function which
is effective in the USB mode is set to “On”.
In this condition, the MR-8HD can export data
to a personal computer but cannot import data
from a computer. This is for protecting the
MR-8HD internal hard disk from importing a
file from a computer inappropriately and de-
stroying the MR-8HD song data.
You can enable or disable this function, how-
ever, we recommend using the MR-8HD by
setting it to “On”.
If you use the MR-8HD by setting the “disk
protect” function to “Off”, read “Archiving a
song” on page 95 before using. See page 94
for details about how to make the “disk pro-
tection” setting.
Exporting data to a personal computer

93
MR-8HD Owner’s Manual (Data export to a personal computer)
3) Highlight "USB" by rotating the [MENU/ENTER]
knob, then press the [MENU/ENTER] knob.
The display shows the USB menu screen.
1) Turn on the power of the personal computer and
the MR-8HD.
2) Press the [MENU/ENTER] knob to enter the menu
mode.
The display now shows the first page of the
menu selection screen, where "<< Back" is
highlighted initially.
<Important note>
Converted stereo WAV
files are located in the "2
MIX" folder in the Song
folder, as shown below. So
you can export only a ste-
reo WAV file in the "2
MIX" folder (indicated by
an arrow).
Note that, if you export a
WAV file which is located
in a folder other than the
"2 MIX" folder, the MR-
8HD may malfunction.
Exporting a WAV file to a personal computer
The following describes the procedure for
exporting a WAV file to a Windows ME com-
puter.
#####001.wav
Song
#####002.wav
#####003.wav
#####008.wav
2 MIX
*********.wav
5) Connect the MR-8HD to a personal computer
using a USB cable.
6) Open "My computer" on the computer screen.
You see the "Removable disk" drive added on
the computer. The first time you connect the
MR-8HD, thedevice driver is installed
automatically.
7) Open the added Removable disk drive, and
select the stereo WAV file in the desired song
folder, then copy to the computer.
When you open the added Removable disk
drive, the contents of the MR-8HD hard disk
are shown, in which you can see all the song
folders.
Open the "2 MIX" folder in the desired song
folder, and select the stereo WAV file, then copy
it to the computer.
While copying data, the [RECORD] key
indicator of the MR-8HD lights (flashes),
showing that the hard disk is being accessed.
When data copy completes, the indicator turns
off.
<Note>:
By default, the disk protect func-
tion is enabled. In this condition, when the
MR-8HD enters the USB mode, “<DISK PRO-
TECTED>” is shown in the USB screen, as
above.
<Note>:
After copying a WAV file in the folder
to a computer, the original file remains. How-
ever, if you execute "move to another
folder",the original file on the disk is lost.
<Note>:
To disconnect the MR-8HD from the
personal computer after completing the data
export, make sure that the [RECORD] key
indicator is not lit, and follow the procedure
for hardware disconnection of Windows.
8) When the data export completes, disconnect the
MR-8HD from the personal computer.
4) Rotate the [MENU/ENTER] knob to move the
cursor to “USB Device Mode”, and press the
[MENU/ENTER] knob.
The MR-8HD enters the USB mode and the
display shows the screen as below. 9) Press the [STOP] key to exit the menu mode.
<Note>:
While the MR-8HD is in the USB
mode, all keys except the [STOP] key are
ineffective. Pressing the [STOP] key exits the
USB mode.

94
MR-8HD Owner’s Manual (Data export to a personal computer)
The MR-8HD internal hard disk is protected by default.
The protection is effective only in the USB mode in which the MR-8HD is used with a personal
computer. You can make the hard disk “read only” (protected) or “read/write enabled”
(unprotected). The default is “read only”.
As mentioned earlier in “Disk protection” on page 92, if you transfer song data from a computer
to the MR-8HD improperly, the data may be damaged. To avoid such an accident, we recommended
enabling hard disk protection. To disabling the disk protection, follow the procedure below.
1) While the recorder is stopped, press the
[MENU/ENTER] knob to enter the menu mode.
The display now shows the first page of the
menu selection screen, where "<< Back" is
highlighted initially.
2) Rotate the [MENU/ENTER] knob to select “USB”
on the second page, and press the
[MENU/ENTER] knob.
The display now shows the USB menu screen,
where “<<Back” is highlighted. Selecting
“<<Back” returns to the previous screen.
You can also return to the previous screen by
pressing the [REWIND] key.
3) Rotate the [MENU/ENTER] knob to highlight “Disk
Protect”, and press the [MENU/ENTER] knob.
The current setting (the default is “On”)
flashes.
4) Rotate the [MENU/ENTER] knob to select “Off”,
and press the [MENU/ENTER] knob.
The selection is confirmed and the display
returns to the previous screen.
5) Press the [STOP] key to exit the menu mode.
Off
The disk is “read/write enabled”
(unprotected). You can transfer data
between the MR-8HD and a computer in
both ways.
On
The disk is “read only” (protected).
You can transfer data only from the MR-
8HD to a computer (default setting).
<Note>:
When you enter the USB mode while the
disk protection is disabled, the screen as below is
shown. In this condition, the hard disk is “read/
write enabled” and you can bi-directionally trans-
fer song data between a computer and the MR-
8HD.
Protecting the hard disk

95
MR-8HD Owner’s Manual (Data export to a personal computer)
You can archive song data recorded by the MR-8HD by using either of the following methods.
(1) Using the WAV Manager supplied by Fostex
The WAV Manager converts each track data to a single mono file. Data is compressed so you
can save the file in small size to a personal computer. This method is useful for exporting data
to a PC software application for multitrack recording.
For details about how to use the WAV Manager, see the owner's manual supplied with the WAV
Manager. You can download the WAV Manager from Fostex web site (http:www.fostex.co.jp).
(2) Using drag & drop technique
You can copy a song folder using drag & drop technique. This method allows saving all data in
the folder (including the history data, etc.).
• Exporting data to a personal computer
1) Connect the MR-8HD to a personal computer via USB, and open the root folder.
You can copy each song folder in the root folder to the personal computer.
2) Copy a desired song folder to the personal computer using drag & drop
technique.
3) After making copy, exit the USB mode.
<Note>:
When drag & drop the folder on your personal computer, use the "copy" func-
tion. If you use the "move" function, not only the song on the MR-8HD is deleted but also
other songs on the MR-8HD may be destroyed.
We recommend to enable the disk protection (the default is "enabled") when executing
data copy.
Using this method, you can also copy the hidden folder which includes hidden files
"deleted" by the MR-8HD song management operation. Copied hidden files can be used
as a normal song files by turning off the hidden attribute by the computer.
<Note>:
If you cannot see the hidden folder, consult the manual of your personal com-
puter.
• Importing data from a personal computer
When importing data from a personal computer to the MR-8HD, there is the danger that the
MR-8HD file system may be destroyed. Especially, deleting or adding files many times may
cause the fragmentation of FAT32, resulting in sound jump caused by performance deteriora-
tion. Therefore, before loading data from a personal computer to the MR-8HD, save all neces-
sary folders to the personal computer and format the MR-8HD hard disk.
1) Format the MR-8HD internal hard disk (see page 124).
2) Disable the disk protection (see page 94).
3) Connect the MR-8HD to a personal computer via USB (see page 93).
4) Copy the desired song folder on the personal computer to the root folder of the
MR-8HD hard disk.
5) Repeat step 4) as many times as required.
6) After making copy of all necessary folders, exit the USB mode.
<Note>:
Do not use "move" operation, as with saving data to a computer.
<Note>:
Usually, the song order follows the copied order. However, it may be dif-
ferent depending on a computer OS.
Archiving a song

96
MR-8HD Owner’s Manual (Data export to a personal computer)

97
MR-8HD Owner’s Manual (Song management)
Song management
This chapter explains the following five operation procedures for
song management.
1) Selecting the desired song.
2) Editing a song name.
3) Deleting an unnecessary song.
4) Protecting a song.
<Notes>
While a menu screen is shown, you can go up the menu screen level
or directly exit the menu mode by the following operations.
(1) Select “<< Back” on a menu screen and press the [MENU/ENTER] knob.
The display returns to the previous (upper level) screen. Repeating
this operation finally exits the menu mode.
(2) Press the [REWIND] key.
The display returns to the previous (upper level) screen.
Repeating this operation finally exits the menu mode.
(3) Press the [STOP] key.
The menu mode exits and the display shows the home screen.

98
MR-8HD Owner’s Manual (Song management)
The following describes how to select the desired song from the disk when more than one song
is created on the disk. You can also create a new song by the similar procedure. See "Basic
operations" (page 31) for details about how to create a new song.
1) While the recorder is stopped, press the
[MENU/ENTER] knob to enter the menu mode.
The display now shows the first page of the
menu selection screen, where "<< Back" is
highlighted initially (selecting "<< Back"
returns to the previous screen).
2) Rotate the [MENU/ENTER] knob to select "Song",
and press the [MENU/ENTER] knob.
The display now shows the song menu screen,
where "<< Back" is highlighted.
3) Rotate the [MENU/ENTER] knob to select
"Select Song >" and press the [MENU/ENTER]
knob.
The display now shows the song list screen.
The screen example above shows that four
songs are currently created on the hard disk.
The song list is shown on a single page.
When more songs are created, the song list
screen has more than one page, and you can
scroll the list by rotating the [MENU/ENTER]
knob.
"- - - :(New Song)" at the bottom of the screen
is used when you create a new song.
4) Rotate the [MENU/ENTER] knob to select the
desired song number/song name, and press the
[MENU/ENTER] knob.
The display returns to the song menu screen,
where "Select Song >" is highlighted.
5) Press the [STOP] key to exit the menu mode.
The display shows the home screen of the
selected song.
Selecting the desired song

99
MR-8HD Owner’s Manual (Song management)
You can edit a current song name save the edited song name. Only the current song can be
edited.
1) Load the desired song of which you are going to
edit the song name.
2) While the recorder is stopped, press the
[MENU/ENTER] knob to enter the menu mode.
The display now shows the first page of the
menu selection screen, where "<< Back" is
highlighted initially (selecting "<< Back"
returns to the previous screen).
6) After entering the name, press the [MENU/ENTER]
knob.
The cursor moves to "[ENTER]" at the bottom
of the screen. To cancel the operation, use the
[MENU/ENTER] knob to highlight “[CANCEL]”
and press the [MENU/ENTER] knob.
<Character entry keys>
Some keys on the MR-8HD
top panel act as character
entry keys in the menu mode.
For example, the [PLAY
MODE] key (shown on the
left) can be used to enter S,
T, U, s, t, u and 7. Each press
of a character entry key switches the character
to be entered from among those assigned to
the key.
<Note>:
If you enter the same name as an
existing song or do not enter a name in step
5 and press the [MENU/ENTER] knob in step
6 below, the display shows "Illegal Song
Name!" and returns to the song name edit-
ing screen.
3) Rotate the [MENU/ENTER] knob to select
"Song >", and press the [MENU/ENTER] knob.
The display now shows the song menu screen,
where "<< Back" is highlighted.
4) Rotate the [MENU/ENTER] knob to select
"Rename Song >", then press the [MENU/ENTER]
knob.
The display now shows the screen for song
name editing of the current song, on which the
rightmost character of song name flashes.
5) Use the character entry keys to enter the desired
character to the flashing point.
You can move the cursor (flashing point) by
rotating the [MENU/ENTER] knob (or by
pressing another character entry key).
PLAY MODE
STU7
<[DELETE] key>
Pressing the [UNDO/REDO -
DELETE] key deletes the
character at the flashing point.
By pressing this key repeat-
edly, you can delete all char-
acters under the flashing
point.
UNDO/REDO
DELETE
7) Press the [MENU/ENTER] knob again.
The edited name is stored and the display
returns to the song menu screen, where
“Rename Song >” is highlighted.
8) Press the [STOP] key to exit the menu mode.
The MR-8HD exits the menu mode and the
display shows the home screen where the
edited song name is displayed.
Editing a song name

100
MR-8HD Owner’s Manual (Song management)
<Notes>
• You cannot delete a song which is protected. To delete such a song, release the protection of
the song first (see the next page).
• A deleted song file still remains as a “hidden file” on the hard disk. So deleting a song file
does not increase the remaining (recordable) space of the hard disk.
• You can export a “hidden file” to your personal computer via USB connection and use it on
the computer (see page 95).
1) While the recorder is stopped, press the
[MENU/ENTER] knob to enter the menu mode.
The display now shows the first page of the
menu selection screen, where "<< Back" is
highlighted initially (selecting "<< Back"
returns to the previous screen).
5) Press the [MENU/ENTER] knob while holding
down the [RECORD] key.
The selected song is deleted, and the display
returns to the song list screen.
You can delete a song created on the hard disk.
2) Rotate the [MENU/ENTER] knob to select "Song",
and press the [MENU/ENTER] knob.
The display now shows the song menu screen,
where "<< Back" is highlighted.
3) Rotate the [MENU/ENTER] knob to select
"Delete Song", and press the [MENU/ENTER] knob.
The display now shows the list of songs
created on the hard disk, from which you
select a song to be deleted. In the screen
example below, five songs are created so the
list has only one page. (If more than five songs
are created, the list has more than one page.)
4) Rotate the [MENU/ENTER] knob to select a song
to be deleted, and press the [MENU/ENTER] knob.
The display shows warning and confirmation
for deleting the song.
Any song number greater than the song num-
ber of the deleted song is moved up.
In the screen example above, after Song 03 is
deleted, ex-Song 04 is moved up to Song 03
and ex-Song 05 is moved up to Song 04.
6) Press the [STOP] key to exit the menu mode.
In the example above, the display now shows
the home screen of new Song 03 (ex-Song 04).
Deleting an unnecessary song

101
MR-8HD Owner’s Manual (Song management)
You can protect a song to prevent an accidental erasure. The protection can be released when-
ever you want. To keep a recorded song safely, we recommend protecting it. You can make
protection setting only for the current song.
5) Rotate the [MENU/ENTER] knob to select "On",
and press the [MENU/ENTER] knob.
The current song is now protected.
The display returns to the previous screen.
To release the protection, carry out the same pro-
cedure above but select "Off" and press the
[MENU/ENTER] knob in step 5.
1) Load the song you want to protect.
2) While the recorder is stopped, press the
[MENU/ENTER] knob to enter the menu mode.
The display now shows the first page of the
menu selection screen, where "<< Back" is
highlighted initially (selecting "<< Back"
returns to the previous screen).
3) Rotate the [MENU/ENTER] knob to select "Song",
and press the [MENU/ENTER] knob.
The display now shows the song menu screen,
where "<< Back" is highlighted.
4) Rotate the [MENU/ENTER] knob to select
"Protect", then press the [MENU/ENTER] knob.
The current option ("On" or "Off") flashes.
The default option is "Off".
If you delete all songs on the hard disk by
repeating the procedure above, ":(New Song")
is shown. Then, create a new song (see page
31).
Protecting a song

102
MR-8HD Owner’s Manual (Song management)
<Note>:
You cannot make recording or
editing to a protected song. If you want to
make recording or editing to a protected
song, you must release the protection first.
<Note>:
When you set the protection to
"On", all the recording-related keys, such
as the [REC SELECT] and [BOUNCE] keys,
are turned off.
6) Press the [STOP] key to exit the menu mode.
<Tips>
When the protected song is loaded, “ ” is shown
in the upper left corner of the Home screen (in-
dicated by the arrow in the screen example be-
low).
When this icon is shown, you cannot make re-
cording or edit the song.

103
MR-8HD Owner’s Manual (Track editing)
Track editing
This chapter describes how to edit whole data of a selected (mono
or stereo) track. Track editing does not consume the hard disk space.
Therefore, the remaining space of the disk does not change by ex-
ecuting track editing.
<Undo/redo of track editing>
By pressing the [UNDO/REDO] key after executing track editing, you
can undo the editing. By pressing the [UNDO/REDO] key after the
undo operation, you can return the track(s) to the condition after
being edited.
UNDO/REDO
DELETE
<Notes>
Also note that, if you carry out any of the following
after editing, you cannot undo the editing anymore.
1. Making new recording
2. Making new editing
3. Turning off the power
4. Loading another song
<Notes>
While a menu screen is shown, you can go up the menu screen level
or directly exit the menu mode by the following operations.
(1) Select “<< Back” on a menu screen and press the [MENU/ENTER] knob.
The display returns to the previous (upper level) screen. Repeating
this operation finally exits the menu mode.
(2) Press the [REWIND] key.
The display returns to the previous (upper level) screen.
Repeating this operation finally exits the menu mode.
(3) Press the [STOP] key.
The menu mode exits and the display shows the home screen.

104
MR-8HD Owner’s Manual (Track editing)
5) Rotate the [MENU/ENTER] knob to select
"Erase Track = *", and press the [MENU/ENTER]
knob.
The currently selected option flashes and you
can now select the desired option by rotating
the [MENU/ENTER] knob. The available options
are:
• 1 through 8 (mono track)
• 1/2, 3/4, 5/6 and 7/8 (stereo tracks)
<Note>:
If you want to cancel the erase op-
eration, move the cursor to "[CANCEL]" on
the screen, and press the [MENU/ENTER]
knob.
6) Rotate the [MENU/ENTER] knob to select the
desired option, and press the [MENU/ENTER]
knob.
“Erase Track = *” is now highlighted on the
screen.
7) Rotate the [MENU/ENTER] knob to move the
cursor to "[ENTER]" on the screen, and press the
[MENU/ENTER] knob.
The display shows "Please Wait", immediately
followed by "Completed" when the MR-8HD
completes erasing.
You can erase whole data (from ABS ZERO to REC END) of the desired track(s) of the song cur-
rently loaded.
1) Load the song you want to edit.
2) While the recorder is stopped, press the
[MENU/ENTER] knob to enter the menu mode.
The display now shows the first page of the
menu selection screen, where "<< Back" is
highlighted initially (selecting "<< Back"
returns to the previous screen).
TRK 1
TRK 2
TRK 3
TRK 4
TRK 5
TRK 6
TRK 7
TRK 8
Silent
ABS ZERO REC END
4) Rotate the [MENU/ENTER] knob to select
"Erase Track >", and press the [MENU/ENTER]
knob.
The display now shows the screen for
selecting the track(s) to be erased.
<Note>:
You cannot erase track data of a song pro-
tected.
3) Rotate the [MENU/ENTER] knob to select
"Track Edit >", and press the [MENU/ENTER]
knob.
The display now shows the track edit menu
screen, where "<< Back" is highlighted.
Erasing track data

105
MR-8HD Owner’s Manual (Track editing)
8) Press the [MENU/ENTER] knob.
The display now returns to the track edit menu
screen, where “Erase Track >” is highlighted.
9) Press the [STOP] key to exit the menu mode.
You can copy whole data (from ABS ZERO to REC END) of the desired track(s) of the song cur-
rently loaded and paste it to the other desired track(s). The data on the source track(s) still
remains after the copy/paste operation. Copy/paste operation can be done within the currently
loaded song.
<Note>:
You cannot copy/paste track data of a song
protected. Release the protection before copying/
pasting track data.
TRK 1
TRK 2
TRK 3
TRK 4
TRK 5
TRK 6
TRK 7
TRK 8
ABS ZERO REC END
<Note>:
If you are not satisfied with the
result, press the [UNDO/REDO] key to undo
the operation (see page 103).
1) Load the song you want to edit.
2) While the recorder is stopped, press the
[MENU/ENTER] knob to enter the menu mode.
The display now shows the first page of the
menu selection screen, where "<< Back" is
highlighted initially (selecting "<< Back"
returns to the previous screen).
3) Rotate the [MENU/ENTER] knob to select
"Track Edit >", and press the [MENU/ENTER]
knob.
The display now shows the track edit menu
screen, where "<< Back" is highlighted.
4) Rotate the [MENU/ENTER] knob to select
"Copy-Paste Track >", and press the
[MENU/ENTER] knob.
The display now shows the screen for
selecting the source track(s) and destination
track(s) of copy/paste operation.
"Source Track" selects the copy source track(s),
while "Dest. Track" selects the paste
destination track(s).
Copying/pasting track data

106
MR-8HD Owner’s Manual (Track editing)
9) Press the [MENU/ENTER] knob.
The display now returns to the track edit menu
screen, where “Copy-Paste Trk >” is highlighted.
10) Press the [STOP] key to exit the menu mode.
<Note>:
If a destination track has recorded
data, pasting the copied data overwrites the
previous data.
<Note>:
If you want to cancel the copy/paste
operation, move the cursor to "[CANCEL]"
on the screen, and press the [MENU/ENTER]
knob.
<Note>:
If you are not satisfied with the re-
sult, press the [UNDO/REDO] key to undo
the operation (see page 103).
5) Rotate the [MENU/ENTER] knob to select
"Source Track = *", and press the [MENU/ENTER]
knob.
You can now select the desired copy source
track(s) by rotating the [MENU/ENTER] knob.
The available options are:
• 1 through 8 (mono track)
• 1/2, 3/4, 5/6 and 7/8 (stereo tracks)
7) Rotate the [MENU/ENTER] knob to select the
destination track(s), and press the [MENU/ENTER]
knob.
“Dest. Track = *” is now highlighted on the
screen.
<Note>:
You cannot select the same track(s)
for the copy source and destination.
8) Rotate the [MENU/ENTER] knob to move the
cursor to "ENTER" at the bottom of the screen,
then press the [MENU/ENTER] knob.
The display shows "Please Wait", immediately
followed by "Completed" when the MR-8HD
completes the copy/paste operation.
You can select the same number of tracks as
the copy source track(s). For example, if you
select a mono track for the source, you can
only select a mono track for the destination.
6) Rotate the [MENU/ENTER] knob to select the
source track(s) to be copied, and press the
[MENU/ENTER] knob.
You can now select the desired copy
destination track(s)

107
MR-8HD Owner’s Manual (Track editing)
TRK 1
TRK 2
TRK 3
TRK 4
TRK 5
TRK 6
TRK 7
TRK 8
ABS ZERO REC END
You can move whole data (from ABS ZERO to REC END) of the desired track(s) to the other
desired track(s). After the data is moved, the original track(s) is(are) silent. You can only move
track data within the current song.
<Note>:
You cannot move track data of a song pro-
tected. Release the protection before moving track
data.
1) Load the song you want to edit.
2) While the recorder is stopped, press the
[MENU/ENTER] knob to enter the menu mode.
The display now shows the first page of the
menu selection screen, where "<< Back" is
highlighted initially (selecting "<< Back"
returns to the previous screen).
3) Rotate the [MENU/ENTER] knob to select
"Track Edit >", and press the [MENU/ENTER] knob.
The display now shows the track edit menu
screen, where "<< Back" is highlighted.
5) Rotate the [MENU/ENTER] knob to select
"Source Track = *", and press the [MENU/ENTER]
knob.
You can now select the desired move source
track(s) by rotating the [MENU/ENTER] knob.
The available options are:
• 1 through 8 (mono track)
• 1/2, 3/4, 5/6 and 7/8 (stereo tracks)
6) Rotate the [MENU/ENTER] knob to select source
track(s), and press the [MENU/ENTER] knob.
You can now select the desired destination
track(s).
4) Rotate the [MENU/ENTER] knob to select
"Move Track >", and press the [MENU/ENTER]
knob.
The display now shows the screen for
selecting the source track(s) and destination
track(s) of the move operation. "Source Track"
selects the move source track(s), while "Dest.
Track" selects the move destination track(s).
Moving track data

108
MR-8HD Owner’s Manual (Track editing)
You can exchange whole data (from ABS ZERO to REC END) between the desired track(s).
<Note>:
You cannot exchange track data of a song
protected. Release the protection before exchang-
ing track data.
TRK 1
TRK 2
TRK 3
TRK 4
TRK 5
TRK 6
TRK 7
TRK 8
ABS ZERO REC END
<Note>:
If you want to cancel the move opera-
tion, move the cursor to "[CANCEL]" on the
screen, and press the [MENU/ENTER] knob.
9) Press the [MENU/ENTER] knob.
The display now returns to the track edit menu
screen, where “Move Track >” is highlighted.
10) Press the [STOP] key to exit the menu mode.
<Note>:
If a destination track has recorded
data, moving data overwrites the previous
data.
<Note>:
If you are not satisfied with the re-
sult, press the [UNDO/REDO] key to undo
the operation (see page 103).
<Note>:
You cannot select the same track(s)
for the move source and destination.
You can select the same number of tracks as
the move source track(s). For example, if you
select a mono track for the move source, you
can only select a mono for the move destina-
tion.
1) Load the song you want to edit.
2) While the recorder is stopped, press the
[MENU/ENTER] knob to enter the menu mode.
The display now shows the first page of the
menu selection screen, where "<< Back" is
highlighted initially (selecting "<< Back"
returns to the previous screen).
3) Rotate the [MENU/ENTER] knob to select
"Track Edit >", and press the [MENU/ENTER] knob.
The display now shows the track edit menu
screen, where "<< Back" is highlighted.
8) Rotate the [MENU/ENTER] knob to move the
cursor to "[ENTER]" on the screen, and press the
[MENU/ENTER] knob.
The display shows "Please Wait", immediately
followed by "Completed" when the MR-8HD
completes the move operation.
7) Rotate the [MENU/ENTER] knob to select
destination track(s), and press the
[MENU/ENTER] knob.
“Dest. Track = *” is now highlighted on the
screen.
Exchanging whole track data

109
MR-8HD Owner’s Manual (Track editing)
4) Rotate the [MENU/ENTER] knob to select
"Change Track >", and press the [MENU/ENTER]
knob.
5) Rotate the [MENU/ENTER] knob to select
"Source Track = *", and press the [MENU/ENTER]
knob.
You can now select the desired exchange source
track(s) by rotating the [MENU/ENTER] knob.
The available options are:
• 1 through 8 (mono track)
• 1/2, 3/4, 5/6 and 7/8 (stereo tracks)
6) Rotate the [MENU/ENTER] knob to select the
source track(s), and press the [MENU/ENTER] knob.
You can now select the desired destination
track(s).
<Note>:
If you want to cancel the exchange
operation, move the cursor to "[CANCEL]"
on the screen, and press the [MENU/ENTER]
knob.
<Note>:
You cannot select the same track(s)
for the exchange source and destination.
8) Rotate the [MENU/ENTER] knob to move the
cursor to "[ENTER]" on the screen, and press the
[MENU/ENTER] knob.
The display shows "Please Wait", immediately
followed by "Completed" when the MR-8HD
completes the exchange operation.
You can select the same number of tracks as
the exchange source track(s). For example, if
you select a mono track for the exchange
source, you can only select a mono track for
the exchange destination.
The display now shows the screen for select-
ing the source track(s) and destination track(s)
of the exchange operation.
"Source Track" selects the exchange source
track(s), while "Dest. Track" selects the ex-
change destination track(s). 7) Rotate the [MENU/ENTER] knob to select the
destination track(s), and press the
[MENU/ENTER] knob.
“Dest. Track = *” is now highlighted on the
screen.

110
MR-8HD Owner’s Manual (Track editing)
9) Press the [MENU/ENTER] knob.
The display now returns to the track edit menu
screen, where “Change Track >” is highlighted.
10) Press the [STOP] key to exit the menu mode.
<Note>:
If you are not satisfied with the re-
sult, press the [UNDO/REDO] key to undo
the operation (see page 103).

111
MR-8HD Owner’s Manual (Part editing)
Part editing
This chapter describes how to edit a "part" (*) of recorded song.
You can edit data of a track or tracks between the "LOCATE A" and
"LOCATE B" points. Part editing does not consume the hard disk
space. Therefore, the remaining space of the disk does not change
by executing part editing.
<Undo/redo of editing>
You can undo part editing. By pressing the [UNDO/REDO] key after executing
part editing, the song returns to the original condition before editing.
By pressing the [UNDO/REDO] key after undoing part editing, you can again
return the song to the condition after being edited.
<Notes>
Also note that if you carry out any of the following after
editing, you cannot undo the editing anymore.
1. Making new recording
2. Making new editing
3. Turning off the power
4. Loading another song
UNDO/REDO
DELETE
[UNDO/REDO] key
<(*) About "part">
A "part" is defined as audio data between the "LOCATE A" and "LOCATE B"
points. You can edit a "part" as described later.
Therefore, before carrying out part editing, the "LOCATE A" and "LOCATE B"
points must be set. See page 49 for details about how to set these points.
You can set these points after entering the part editing mode (see the next
page for details).
<Notes>
While a menu screen is shown, you can go up the menu screen level or di-
rectly exit the menu mode by the following operations.
(1) Select “<< Back” on a menu screen and press the [MENU/ENTER] knob.
The display returns to the previous (upper level) screen. Repeating
this operation finally exits the menu mode.
(2) Press the [REWIND] key.
The display returns to the previous (upper level) screen.
Repeating this operation finally exits the menu mode.
(2) Press the [STOP] key.
The menu mode exits and the display shows the home screen.

112
MR-8HD Owner’s Manual (Part editing)
The time (or bar/beat/clock) value changes
in realtime as the recorder moves (i.e. when
it plays, fastforwards, rewinds, locates, etc.).
When you carry out the locate operation
to the LOCATE A or LOCATE B point and
the current position matches the locate
point, "LocA=" (or "LocB=") is shown to the
left of the current position information, as
shown below. This shows that the recorder
is now at the LOCATE A (or LOCATE B)
point.
1) Move the recorder to the desired point
by using the [PLAY], [REWIND] or [F FWD]
key.
2) While the recorder is at the desired point,
press the [STORE] key and followed by
the [LOCATE A/IN] or [LOCATE B/OUT]
key.
The old editing point is overwritten by
the new point. After setting the new
editing point, "LocA=" (or "LocB=") is
shown to the left of the current position
information, as shown left.
After setting the new editing points, you
can edit (erase, paste, move or exchange)
data of newly specified part.
On the screen for selecting the target
track(s) to be edited, you can see the cur-
rent recorder position information (in ABS
time or bar/beat/clock). The following
screen example shows the screen for select-
ing the track(s) for part erasing.
The LOCATE A or LOCATE B point can be
changed while this screen is shown by fol-
lowing the procedure below.
You can play back audio of the "part" before carrying out edit operation. After setting the
LOCATE A and LOCATE B points, follow the procedure below for checking the part. You can
check the part before entering the menu mode, as well as while the part editing screen is
shown.
1) Press the [PLAY] key while holding down the [STOP] key.
The MR-8HD starts playback between the LOCATE A and LOCATE B points (see also page 44).
2) During playback, raise the appropriate track fader(s) and the [MASTER] fader.
You can monitor only the "part" to be edited, so you can check the editing range.
You can change the LOCATE A and LOCATE B points during the edit operation, as well as
before entering the editing mode (see the following for details).
Playing back the "part" (between LOCATE A and LOCATE B) to be edited
Changing an edit point during editing

113
MR-8HD Owner’s Manual (Part editing)
TRK 1
TRK 2
TRK 3
TRK 4
TRK 5
TRK 6
TRK 7
TRK 8
Silent
LOCATE A
point LOCATE B
point REC END
ABS ZERO
<Note>:
You cannot erase the part(s) of a song
which is protected. Release the song protection
before erasing the part(s).
1) Load the song you want to edit.
2) Set the LOCATE A and LOCATE B points (see
page 49).
You can check the part(s) by playing back the
recorder between the LOCATE A and LOCATE
B points (see page 44).
3) While the recorder is stopped, press the
[MENU/ENTER] knob to enter the menu mode.
The display now shows the first page of the
menu selection screen, where "<< Back" is
highlighted initially (selecting "<< Back"
returns to the previous screen).
4) Rotate the [MENU/ENTER] knob to select
"Part Edit >", and press the [MENU/ENTER] knob.
The display now shows the part edit menu
screen, where "<< Back" is highlighted.
5) Rotate the [MENU/ENTER] knob to select
"Erase Part >", and press the [MENU/ENTER] knob.
The display now shows the screen for
selecting a track or tracks of which you want
to erase the part(s). On the screen, "<< Back"
is initially highlighted.
6) Rotate the [MENU/ENTER] knob to select "Erase
Track = *", and press the [MENU/ENTER] knob.
The current option starts flashing and you can
now select the desired track(s) by rotating the
[MENU/ENTER] knob. The available options
are:
• 1 through 8 (mono track)
• 1/2, 3/4, 5/6 and 7/8 (stereo tracks)
7) Rotate the [MENU/ENTER] knob to select the
desired option, and press the [MENU/ENTER]
knob.
The display returns to the previous screen.
You can erase the part(s) on the selected track(s) of the current song.
Erasing the part(s)

114
MR-8HD Owner’s Manual (Part editing)
You can copy the desired part(s) of the selected track(s) and paste it(them) to the same time
position of the other desired track(s). The copy/paste operation of a part or parts can be made
only within the current song. You can also make the copy/paste operation of a part or parts
using another method described later in "Copying/pasting the desired part(s) (2)".
1) Load the song you want to edit.
2) Set the LOCATE A and LOCATE B points for
specifying the desired part(s) (see page 49).
You can check the part(s) by playing back
between the LOCATE A and LOCATE B points
(see page 44).
TRK 1
TRK 2
TRK 3
TRK 4
TRK 5
TRK 6
TRK 7
TRK 8
LOCATE A
point LOCATE B
point
<Note>:
You cannot copy/paste track data of a song
protected. Release the protection before making
the copy/paste operation.
4) Rotate the [MENU/ENTER] knob to select
"Part Edit >", and press the [MENU/ENTER] knob.
The display now shows the part edit menu
screen, where "<< Back" is highlighted.
<Note>:
If you want to paste the copied part(s) to
the desired time position of other track(s) other
than the position between the LOCATE A and LO-
CATE B points, use the method described later in
"Copying/pasting the desired part(s) (2)".
9) Press the [MENU/ENTER] knob.
The display now returns to the part edit menu
screen, where “Erase Part >” is highlighted.
10) Press the [STOP] key to exit the menu mode.
<Note>:
If you are not satisfied with the re-
sult, press the [UNDO/REDO] key to undo
the operation (see page 111).
8) Rotate the [MENU/ENTER] knob to move the
cursor to "[ENTER]" on the screen, and press the
[MENU/ENTER] knob.
The display shows "Please Wait", immediately
followed by "Completed" when the MR-8HD
completes erasing.
If you want to cancel the part erase operation,
move the cursor to "[CANCEL]" on the screen,
and press the [MENU/ENTER] knob.
3) While the recorder is stopped, press the
[MENU/ENTER] knob to enter the menu mode.
The display now shows the first page of the
menu selection screen, where "<< Back" is
highlighted initially (selecting "<< Back"
returns to the previous screen).
Copying/pasting the part(s)-1

115
MR-8HD Owner’s Manual (Part editing)
10) Press the [MENU/ENTER] knob.
The display now returns to the part edit menu
screen, where “Copy-Paste Part >” is highlighted.
11) Press the [STOP] key to exit the menu mode.
6) Rotate the [MENU/ENTER] knob to select "Source
Track = *", and press the [MENU/ENTER] knob.
The display now shows the screen for
selecting the copy source track(s).
You can select the copy source track(s) by
rotating the [MENU/ENTER] knob.
The available options are:
• 1 through 8 (mono track)
• 1/2, 3/4, 5/6 and 7/8 (stereo tracks)
7) Rotate the [MENU/ENTER] knob to select the
source track(s) to be copied, and press the
[MENU/ENTER] knob.
You can select the destination track(s) by
rotating the [MENU/ENTER] knob.
The available options are:
• 1 through 8 (mono track)
• 1/2, 3/4, 5/6 and 7/8 (stereo tracks)
<Note>:
You cannot select the same track(s)
for the copy source and destination.
<Note>:
If you are not satisfied with the re-
sult, press the [UNDO/REDO] key to undo
the operation (see page 111).
5) Rotate the [MENU/ENTER] knob to select "Copy-
PastePart >", and press the [MENU/ENTER] knob.
The display now shows the screen for
selecting the source track(s) and destination
track(s) of copy/paste. "<<Back" is initially
highlighted.
9) Rotate the [MENU/ENTER] knob to move the
cursor to "[ENTER]" at the bottom of the screen,
then press the [MENU/ENTER] knob.
The display shows "Please Wait", immediately
followed by "Completed" when the MR-8HD
completes the copy/paste operation.
To cancel the copy/paste operation, move the
cursor to "[CANCEL]" at the bottom of the
screen, and press the [MENU/ENTER] knob.
8) Rotate the [MENU/ENTER] knob to select the
destination track(s), and press the
[MENU/ENTER] knob.
The display returns to the previous screen.

116
MR-8HD Owner’s Manual (Part editing)
You can copy the desired part(s) of the selected track(s) and paste it(them) to the other time
position of the desired track(s). Unlike the method described above in "Copying/pasting the
desired part(s) (1)", the part data is copied to the (virtual) clipboard and then pasted to the
specified position of the other specified track(s).
The copy/paste operation of a part or parts can be made only within the current song.
1) Load the song you want to edit.
2) Set the LOCATE A and LOCATE B points (see
page 49).
You can check the edited part(s) by playing
back between the LOCATE A and LOCATE B
points (see page 44).
3) While the recorder is stopped, press the
[MENU/ENTER] knob to enter the menu mode.
The display now shows the first page of the
menu selection screen, where "<< Back" is
highlighted initially (selecting "<< Back"
returns to the previous screen).
<Note>:
You cannot copy/paste track data of a song
protected. Release the protection before making
the copy/paste operation.
<Note>:
If you turn off the MR-8HD after copying
the part data to the clipboard, the data on the
clipboard is lost.
Also note that you cannot undo copying data to
the clipboard.
4) Rotate the [MENU/ENTER] knob to select
"Part Edit >", and press the [MENU/ENTER] knob.
The display now shows the part edit menu
screen, where "<< Back" is highlighted.
<Note>:
If you paste the part(s) to the same time
position of the other track(s), we recommend us-
ing the method described above in "Copying/past-
ing the desired part(s) (1)", because it works faster.
5) Rotate the [MENU/ENTER] knob to select
"Copy Part >", and press the [MENU/ENTER]
knob.
The display now shows the screen for
selecting the source track(s).
"<<Back" is initially highlighted.
Copying to the clipboard
TRK 1
TRK 2
TRK 3
TRK 4
TRK 5
TRK 6
TRK 7
TRK 8
LOCATE A
point LOCATE B
point
Clipboard
(Virtual)
ABS ZERO REC END
TRK 1
TRK 2
TRK 3
TRK 4
TRK 5
TRK 6
TRK 7
TRK 8
LOCATE A
point
Copying/pasting the part(s)-2

117
MR-8HD Owner’s Manual (Part editing)
6) Rotate the [MENU/ENTER] knob to select
"Copy Track >", and press the [MENU/ENTER]
knob.
The display now shows the screen for
selecting the copy source track(s).
You can select the copy source track(s) by
rotating the [MENU/ENTER] knob.
The available options are:
• 1 through 8 (mono track)
• 1/2, 3/4, 5/6 and 7/8 (stereo tracks)
8) Rotate the [MENU/ENTER] knob to move the
cursor to "[ENTER]" at the bottom of the screen,
then press the [MENU/ENTER] knob.
The display shows "Please Wait", immediately
followed by "Completed" when the MR-8HD
completes the part copy operation.
The following procedure is assumed that the
LOCATE A point, the paste destination, is set
Pasting clipboard data
The display now returns to the part edit menu
screen, where “Copy Part >” is highlighted.
The procedure example below shows how to
paste the copied part data on the clipboard to
the LOCATE A point of the selected track.
7) Rotate the [MENU/ENTER] knob to select the
track(s) to be copied, and press the
[MENU/ENTER] knob.
The display returns to the previous screen.
1) Rotate the [MENU/ENTER] knob to select
"Paste Part >", and press the [MENU/ENTER]
knob.
The display now shows the screen for
selecting the paste destination track(s).
"<< Back" is initially highlighted .
2) Rotate the [MENU/ENTER] knob to select
"Paste Track = *", and press the [MENU/ENTER]
knob.
You can now select the desired paste destination
track(s) by rotating the [MENU/ENTER] knob.
The available options are:
• 1 through 8 (mono track)
• 1/2, 3/4, 5/6 and 7/8 (stereo tracks)
To cancel the part copy operation, move the
cursor to "[CANCEL]" at the bottom of the
screen, and press the [MENU/ENTER] knob.

118
MR-8HD Owner’s Manual (Part editing)
5) Press the [MENU/ENTER] knob.
The display now returns to the part edit menu
screen, where “Paste Part >” is highlighted.
6) Press the [STOP] key to exit the menu mode.
<Note>:
If you are going to carry out the
paste operation when no data is pasted on
the clipboard, the error message (“Clip-
board Empty!) is shown on the display and
the MR-8HD does not accept the operation.
Press the [STOP] key to exit the menu mode
and copy the desired data to the clipboard
before carrying out the paste operation.
<Note>:
If you are not satisfied with the re-
sult, press the [UNDO/REDO] key to undo
the operation (see page 111).
3) Rotate the [MENU/ENTER] knob to select the
paste destination track(s), and press the
[MENU/ENTER] knob.
The display returns to the previous screen.
4) Rotate the [MENU/ENTER] knob to move the
cursor to "[ENTER]" on the screen, and press the
[MENU/ENTER] knob.
The display shows "Please Wait", immediately
followed by "Completed" when the MR-8HD
completes the paste operation.
If you want to cancel the part paste operation,
move the cursor to "[CANCEL]" on the screen,
and press the [MENU/ENTER] knob.

119
MR-8HD Owner’s Manual (Part editing)
You can move the desired part(s) of the desired track(s) to the other desired track(s). The part
move operation can be made only within the current song. After the part move operation is
carried out, the source part(s) becomes silent.
<Note>:
You cannot move data of a song protected.
Release the protection before moving data.
TRK 1
TRK 2
TRK 3
TRK 4
TRK 5
TRK 6
TRK 7
TRK 8
LOCATE A
point LOCATE B
point
1) Load the song you want to edit.
2) Set the LOCATE A and LOCATE B points (see
page 49).
You can check the part(s) by playing back
between the LOCATE A and LOCATE B points
(see page 44).
3) While the recorder is stopped, press the
[MENU/ENTER] knob to enter the menu mode.
The display now shows the first page of the
menu selection screen, where "<< Back" is
highlighted initially (selecting "<< Back"
returns to the previous screen).
4) Rotate the [MENU/ENTER] knob to select
"Part Edit >", and press the [MENU/ENTER] knob.
The display now shows the part edit menu
screen, where "<< Back" is highlighted.
5) Rotate the [MENU/ENTER] knob to select
"Move Part >", and press the [MENU/ENTER]
knob.
The display now shows the screen for
selecting the source track(s) and destination
track(s) of the move operation.
Initially, "<<Back" is highlighted.
6) Rotate the [MENU/ENTER] knob to select
"Source Track = *", and press the [MENU/ENTER]
knob.
You can now select the move source track(s)
by rotating the [MENU/ENTER] knob.
The available options are:
• 1 through 8 (mono track)
• 1/2, 3/4, 5/6 and 7/8 (stereo tracks)
7) Rotate the [MENU/ENTER] knob to select the
move source track(s), and press the
[MENU/ENTER] knob.
You can now select the move destination
track(s) by rotating the [MENU/ENTER] knob.
The available options are:
• 1 through 8 (mono track)
• 1/2, 3/4, 5/6 and 7/8 (stereo tracks)
Moving the part(s)

120
MR-8HD Owner’s Manual (Part editing)
9) Rotate the [MENU/ENTER] knob to move the
cursor to "[ENTER]" on the screen, and press the
[MENU/ENTER] knob.
The display shows "Please Wait", immediately
followed by "Completed" when the MR-8HD
completes the move operation.
<Note>:
You cannot select the same track(s)
for the move source and destination.
<Note>:
If you are not satisfied with the re-
sult, press the [UNDO/REDO] key to undo
the operation (see page 111).
10) Press the [MENU/ENTER] knob.
The display now returns to the part edit menu
screen, where “Move Part >” is highlighted.
11) Press the [STOP] key to exit the menu mode.
8) Rotate the [MENU/ENTER] knob to select the
destination track(s), and press the
[MENU/ENTER] knob.
The display returns to the screen where
"Dest. Track = *" is highlighted.
If you want to cancel the move operation, move
the cursor to "[CANCEL]" on the screen, and
press the [MENU/ENTER] knob.

121
MR-8HD Owner’s Manual (Part editing)
5) Rotate the [MENU/ENTER] knob to select
"Change Part >" in the second page, and press
the [MENU/ENTER] knob.
The display now shows the screen for
selecting the source track(s) and destination
track(s) of the exchange operation.
Initially, "<< Back" is highlighted.
6) Rotate the [MENU/ENTER] knob to select
"Source Track=*", and press the [MENU/ENTER]
knob.
You can now select the exchange source track(s)
by rotating the [MENU/ENTER] knob.
The available options are:
• 1 through 8 (mono track)
• 1/2, 3/4, 5/6 and 7/8 (stereo tracks)
7) Rotate the [MENU/ENTER] knob to select the
source track(s) to be exchanged, and press the
[MENU/ENTER] knob.
You can now select the exchange destination
track(s) by rotating the [MENU/ENTER] knob.
The available options are:
• 1 through 8 (mono track)
• 1/2, 3/4, 5/6 and 7/8 (stereo tracks)
1) Load the song you want to edit.
2) Set the LOCATE A and LOCATE B points (see
page 49).
You can check the parts by playing back
between the LOCATE A and LOCATE B points
(see page 44).
3) While the recorder is stopped, press the
[MENU/ENTER] knob to enter the menu mode.
The display now shows the first page of the menu
selection screen, where "<< Back" is highlighted
initially (selecting "<< Back" returns to the
previous screen).
You can exchange the parts between the desired tracks. The part exchange operation can be
made only within the current song.
TRK 1
TRK 2
TRK 3
TRK 4
TRK 5
TRK 6
TRK 7
TRK 8
LOCATE A
point LOCATE B
point
ABS ZERO REC END
<Note>:
You cannot exchange data of a song pro-
tected. Release the protection before exchanging
parts.
4) Rotate the [MENU/ENTER] knob to select
"Part Edit >", and press the [MENU/ENTER] knob.
The display now shows the part edit menu
screen, where "<< Back" is highlighted.
<Note>:
You cannot select the same track(s)
for the exchange source and destination.
Exchange the part(s)

122
MR-8HD Owner’s Manual (Part editing)
10) Press the [MENU/ENTER] knob.
The display now returns to the part edit menu
screen, where “Change Part >” is highlighted.
11) Press the [STOP] key to exit the menu mode.
8) Rotate the [MENU/ENTER] knob to select the
destination track(s), and press the
[MENU/ENTER] knob.
The display shows the screen where
"Dest. Track = **" is highlighted.
<Note>:
If you are not satisfied with the re-
sult, press the [UNDO/REDO] key to undo
the operation (see page 111).
9) Rotate the [MENU/ENTER] knob to move the
cursor to "[ENTER]" on the screen, and press the
[MENU/ENTER] knob.
The display shows "Please Wait", immediately
followed by "Completed" when the MR-8HD
completes the exchange operation.
If you want to cancel the exchange operation,
move the cursor to "[CANCEL]" on the screen,
and press the [MENU/ENTER] knob.

123
MR-8HD Owner’s Manual (Other functions)
Other functions
This chapter describes the following functions which are important
for using the MR-8HD.
(1) Hard disk formatting
(2) Peak hold time setting
(3) Pre-roll/post-roll time setting
(4) Beat resolution mode on/off
(5) Phantom power on/off
(6) Initializing the MR-8HD
<Notes>
While a menu screen is shown, you can go up the menu screen level
or directly exit the menu mode by the following operations.
(1) Select “<< Back” on a menu screen and press the [MENU/ENTER] knob.
The display returns to the previous (upper level) screen. Repeating
this operation finally exits the menu mode.
(2) Press the [REWIND] key.
The display returns to the previous (upper level) screen.
Repeating this operation finally exits the menu mode.
(3) Press the [STOP] key.
The menu mode exits and the display shows the home screen.

124
MR-8HD Owner’s Manual (Other functions)
You can reformat the MR-8HD internal hard disk by using the FAT32 file system. By reformatting
the hard disk, all existing song data on the hard disk is erased, while all setting data including
the menu settings are initialized, and a new song (Song01) is automatically created.
<Note>:
You cannot undo hard disk formatting. Therefore, before executing hard disk format-
ting, make sure that all song data on the hard disk is not necessary.
1) While the recorder is stopped, press the
[MENU/ENTER] knob to enter the menu mode.
The display now shows the first page of the
menu selection screen, where "<< Back" is
highlighted initially.
You can select between "0.1s" and "10s" in 0.1
second steps.
2) Rotate the [MENU/ENTER] knob to select
"System", and press the [MENU/ENTER] knob.
The display now shows the first page of the
system menu screen, where "<< Back" is
highlighted.
3) Rotate the [MENU/ENTER] knob to select
"Disk Format" on the second page and press the
[MENU/ENTER] knob.
The display show the screen where "Are You
Sure?" flashes. As this screen indicates,
formatting the hard disk deletes all songs on
the disk and you cannot undo disk formatting.
To stop formatting, press the [STOP] key to exit
the menu mode.
4) Press the [MENU/ENTER] knob while holding
down the [RECORD] key.
Formatting starts.
When formatting completes, “Completed!” is
shown on the display and the MR-8HD stops
disk access.
6) Press the [MENU/ENTER] knob.
The MR-8HD exits the menu mode.
The display changes to the home screen for
Song01 (song name: Song01) which is
automatically created after formatting.
Hard disk formatting

125
MR-8HD Owner’s Manual (Other functions)
The level meters shown on the display have the peak hold function. When it is enabled, the
meter peak value during recording is held for the specified time.
The default meter peak hold time is three seconds. You can disable the peak hold function or
change the peak hold time.
1) While the recorder is stopped, press the
[MENU/ENTER] knob to enter the menu mode.
The display now shows the first page of the
menu selection screen, where "<< Back" is
highlighted initially.
You can select between "0.1s" and "10s" in 0.1
second steps.
2) Rotate the [MENU/ENTER] knob to select
"System", and press the [MENU/ENTER] knob.
The display now shows the first page of the
system menu screen, where "<< Back" is
highlighted.
3) Rotate the [MENU/ENTER] knob to select
"PeakHold Time" on the second page and press
the [MENU/ENTER] knob.
The currently selected peak hold time (by
default, "3s") flashes.
You can now make the desired peak hold
setting.
4) Rotate the [MENU/ENTER] knob to select the
desired hold time, and press the [MENU/ENTER]
knob.
The peak hold setting is confirmed and the
display returns to the previous screen.
5) Press the [STOP] key to exit the menu mode.
The peak hold setting is effective to all songs.
You can select from "3s" (3 seconds, default),
"1s", "2s", "5s" and "Off".
When "Off" is selected, the peak hold function
is disabled (the peak value is not held).
Peak hold indication
By default, it is held for three
seconds.
Peak hold time setting

126
MR-8HD Owner’s Manual (Other functions)
As described earlier on page 47, when both the auto punch in/out and loop modes are active,
the pre-roll and post-roll are effective in the loop function.
You can set the pre-roll and post-roll time value by the following procedure.
When both the auto punch in/out and loop modes are
active, the loop starts from "the LOCATE A point minus
the pre-roll time" and ends by "the LOCATE B point
plus the post-roll time". The pre-roll time is initially set
to four seconds, while the post-roll time is set to one
second.
In other words, with the default pre-roll and post-roll
time settings, when executing auto punch in/out, the
MR-8HD starts playback four seconds before the
punch-in point, and ends playback one second after
the punch-out point.
1) While the recorder is stopped, press the
[MENU/ENTER] knob to enter the menu mode.
The display now shows the first page of the
menu selection screen, where "<< Back" is
highlighted initially.
You can also return to the previous screen by
pressing the [REWIND] key.
2) Rotate the [MENU/ENTER] knob to select
"System", and press the [MENU/ENTER] knob.
The display now shows the first page of the
system menu screen, where "<< Back" is
highlighted.
3) Rotate the [MENU/ENTER] knob to select
"Pre Roll Time" and press the [MENU/ENTER]
knob.
The currently selected pre-roll time (by default,
"4.0s") flashes. You can now set the desired
pre-roll time.
4) Rotate the [MENU/ENTER] knob to select the
pre-roll hold time, and press the [MENU/ENTER]
knob.
The pre-roll time setting is confirmed and the
display returns to the previous screen. To set
the post-roll time, follow the procedure below.
5) Rotate the [MENU/ENTER] knob to select
"Post Roll Time" and press the [MENU/ENTER]
knob.
The currently selected post-roll time (by
default, "1.0s") flashes. You can now set the
desired post-roll time.
You can select between "0.1s" and "10s" in 0.1
second steps.
6) Rotate the [MENU/ENTER] knob to select the
post-roll hold time, and press the [MENU/ENTER]
knob.
The post-roll time setting is confirmed and the
display returns to the previous screen.
7) Press the [STOP] key to exit the menu mode.
LOCATE A
Point LOCATE B
Point
4 sec. 1 sec.
LOOP START
point LOOP END
point
You can select between "0.1s" and "10s" in 0.1
second steps.
Pre-roll/post-roll time setting

127
MR-8HD Owner’s Manual (Other functions)
While the time base is set to the bar/beat mode, if you set the "Beat resolution" item in the menu
to "On", the LOCATE A and B points are set in beat resolution.
When "Beat resolution" is set to "On", the clock digit in the bar/beat/clock value is automatically
rounded down or up, so that the clock digit is always "000".
Let's see an example when the time base is set to the bar/beat mode and the
"Beat resolution" is set to "On". If you set the LOCATE A point to "Bar 1/1 /clock
468" and the LOCATE B point to "Bar 12/ 4 /clock 485", the rounded values are
stored as below.
"Bar 1 / 1 / clock 468" -> "Bar 1 / 1 / clock 000"
(The clock value "468" is rounded down.)
"Bar 12 / 4 / clock 485" -> "Bar 3 / 1 / clock 000"
(The clock value "485" is rounded up.)
1) While the recorder is stopped, press the
[MENU/ENTER] knob to enter the menu mode.
The display now shows the first page of the
menu selection screen, where "<< Back" is
highlighted initially.
You can also return to the previous screen by
pressing the [REWIND] key.
2) Rotate the [MENU/ENTER] knob to select
"System", and press the [MENU/ENTER] knob.
The display now shows the first page of the
system menu screen, where "<< Back" is
highlighted.
3) Rotate the [MENU/ENTER] knob to select
" Resolution" on the second page and press
the [MENU/ENTER] knob.
The current option (by default, "Off") flashes.
You can now set the desired option.
4) Rotate the [MENU/ENTER] knob to select "On"
or "Off", and press the [MENU/ENTER] knob.
The selection is confirmed and the display
returns to the previous screen.
5) Press the [STOP] key to exit the menu mode.
Beat resolution mode on/off

128
MR-8HD Owner’s Manual (Other functions)
The MR-8HD can supply phantom power (+48 V) to the XLR balanced connectors of [INPUT A]
through [INPUT D].
So you can connect condenser microphones which require phantom power.
You can turn on or off phantom power to the XLR connectors via the menu mode.
<Note>:
The phantom power can be supplied to the XLR balanced connectors of [INPUT A]
through [INPUT D]. Therefore, to connect a sound source which does not require the
phantom power, use any of the unbalanced phone input jacks on [INPUT A] through [IN-
PUT D].
If any plug is inserted to the unbalanced phone input jack, the phantom power is not
supplied to the balanced XLR connector on the same channel.
The phantom power setting returns to "Off" (default) when you turn off the MR-8HD
power.
<Notes on using phantom power>
• Confirm that the connected microphone needs +48 V phantom power.
• Turn on the phantom power after making microphone connection.
• Mute the outputs of the MR-8HD when turning on or off the phantom power or
plugging/unplugging the microphone.
• Do not supply the phantom power to a microphone such as below.
* A microphone whose output is unbalanced
* A high impedance microphone
* A microphone whose pin 1 and pin 2 or pin1 and pin 3 are short-circuited.
* A microphone with the grounded center tapout such as an old-fashioned ribbon
microphone
ON
OFF
ON
OFF
ON
OFF
ON
OFF
[TO STEREO BUSS ON/OFF] key
<Tip>
You can directly access to the input menu screen by a long press of the desired [TO
STEREO BUSS ON/OFF] key. For example, a long press of the [TO STEREO BUSS ON/OFF]
key of [INPUT A] directly accesses to the screen shown below.
Phantom power on/off

129
MR-8HD Owner’s Manual (Other functions)
4) Rotate the [MENU/ENTER] knob to select "On",
and press the [MENU/ENTER] knob.
The screen shows a warning message for few
seconds, and returns to the previous screen.
While the message is shown, all input
channels are muted. When the message is
dismissed, the mute is released.
If you select “Off” from “On”, a warning
message appears and all channels are muted.
5) After making "Phantom Power" setting, press the
[STOP] key to exit the menu mode.
The display returns to the home screen.
When "Phantom Power" is set to "On", " "
lights on the home screen, as below.
3) Rotate the [MENU/ENTER] knob to select
"Phantom Power", and press the [MENU/ENTER]
knob.
The current option (by default, "Off") flashes.
You can now set the desired option.
1) While the recorder is stopped, press the
[MENU/ENTER] knob to enter the menu mode.
The display now shows the first page of the
menu selection screen, where "<< Back" is
highlighted initially.
You can also return to the previous screen by
pressing the [REWIND] key.
2) Rotate the [MENU/ENTER] knob to select "Input"
on the second page, and press the
[MENU/ENTER] knob.
The display now shows the input menu screen.

130
MR-8HD Owner’s Manual (Other functions)
By initializing the MR-8HD, you can initialize all global menu settings common to all songs, as
well as the time base and display contrast level.
1) While the recorder is stopped, press the
[MENU/ENTER] knob to enter the menu mode.
The display now shows the first page of the
menu selection screen, where "<< Back" is
highlighted initially.
You can also return to the previous screen by
pressing the [REWIND] key.
3) Rotate the [MENU/ENTER] knob to select "Inti.
Memory" on the second page, and press the
[MENU/ENTER] knob.
The display now shows the confirmation screen
for initializing.
4) Press the [MENU/ENTER] knob while holding
down the [RECORD] key.
The settings are immediately initialized.
The initialize is confirmed and the display
returns to the previous screen.
To cancel the initialization, press the [STOP]
key.
5) Press the [STOP] key to exit the menu mode.
Initialized item Default setting
Pre-roll time setting
Post-roll time setting
Delay type setting
MIDI sync out setting
MTC frame rate setting
Beat resolution mode setting
Peak hold time setting
Time base (shown when turning on the power)
Display contrast level
4 seconds
1 second
L-R (stereo) delay
Off
25 frames
Off
3 seconds
Bar/Beat
Factory present level
2) Rotate the [MENU/ENTER] knob to select
"System", and press the [MENU/ENTER] knob.
The display now shows the first page of the
system menu screen, where "<< Back" is
highlighted.
Initializing the MR-8HD

131
MR-8HD Owner’s Manual (Troubleshooting)
Troubleshooting
If you encounter any problem while operating the MR-
8HD, check the following for the possible cause of the
problem before contacting our service station or dealer.

132
MR-8HD Owner’s Manual (Troubleshooting)
<Trouble 7>
During overdubbing, I cannot monitor the playback sig-
nal of the recorded track.
• Is the track fader for the playback track
raised?
During overdubbing, raise the faders for both the
playback and recording tracks appropriately.
Otherwise, you cannot make overdubbing while
listening to the recorded track(s).
<Trouble 3>
The input level of the track to which I am going to record
is too low.
• Is the [TRIM] control of the input to which
the sound source is connected adjusted
appropriately?
To set the input level (= recording level)
appropriately, use the [TRIM] control so that the peak
indicator does not light continuously.
<Trouble 1>
I cannot record the sound source connected to
[INPUT B] to track 1.
<Trouble 5>
The meter shows very low level and the recording level
is too low.
• When recording a sound source to a mono
track, you can only use the [INPUT A]
section.
Connect the source to [INPUT A].
• Is the recording track in the input monitor
mode?
Make sure that the [RECORD] key flashes and
" " is shown on the display. If not, press
the [RECORD] key to set the armed track to the
input monitor mode.
• Is the [TRIM] control for the input section
the sound source is connected adjusted
appropriately?
Set the [TRIM] control just below the position where
the [PEAK] indicator in the [INPUT A] section lights
at the loudest part.
<Trouble 6>
The meter shows good level for recording, but no sig-
nal can be monitored via headphones though the
[PHONES VOL] control is raised.
• Are the track fader for the recording track
and the [MASTER] fader raised?
Both of these faders, as well as the [PHONES VOL]
control, have to be raised in order to monitor the
recording signal via headphones.
We recommend to raise both the track fader for the
recording track and the [MASTER] fader to the “ ”
position.
<Trouble 2>
I cannot record the sound sources connected to [IN-
PUT C] and [INPUT D] to tracks 1 and 2.
• When recording two sound sources
simultaneously, you must use [INPUT A] and
[INPUT B]. You cannot use [INPUT C] and
[INPUT D].
Reconnect the sources to [INPUT A] and
[INPUT B].
<Trouble 4>
I cannot hear the input signal via the headphones though
the [REC SELECT] key is active.
• Did you press the [RECORD] key to make
the armed track in the input monitor mode?
Is the [PHONES VOL] control raised?
You cannot hear the input signal unless the assigned
track is in the input monitor mode by pressing the
corresponding [REC SELECT] key to turn on the
indicator. Also, you cannot hear any signal if the
[PHONES VOL] control is set to minimum.
Troubles for recording

133
MR-8HD Owner’s Manual (Troubleshooting)
<Trouble 8>
I cannot execute auto punch in/out.
• Is " " shown on the screen?
If it is not, press the [AUTO PUNCH] key to make
the auto punch in/out function active.
• Are the punch-in and punch-out points set
correctly?
To check each point, press the [LOCATE A/IN] or
[LOCATE B/OUT] key. The recorder locates to the
punch-in or punch-out point, while the screen shows
the appropriate time data.
If the punch-out point is earlier than the punch-in
point, set these points appropriately so that the
punch-in point is earlier than the punch-out point.
<Trouble 1>
During playback, the recorder suddenly executes locat-
ing.
• Is " " or " " shown on the
display?
If so, the play mode is set to the auto return or loop
mode.
Press the [PLAY MODE] key until "Off" is selected.
<Trouble 2>
Cannot monitor the playback sound.
• Are the track fader(s) for the playback
track(s) and the [MASTER] fader brought up
to the appropriate positions?
Raise the fader(s) for the track(s) you want to
monitor, as well as the [MASTER] fader.
If you monitor via headphones, also raise the
[PHONES VOL] control.
<Trouble 9>
I cannot record audio data of a song onto an external
digital recorder.
• Is the connection between the
[DIGITAL OUT] connector on the MR-8HD
and the optical input connector of the
digital recorder made correctly?
Check the connection, as well as the optical cable.
• Is the digital recorder set correctly for
recording the signal fed to the digital input?
See the manual of the digital recorder for details
about the setting.
<Trouble 3>
I press the [PLAY] key while holding down the [STOP]
key, but I cannot execute loop playback.
• Are the LOCATE A and LOCATE B points
set correctly?
By default, both of these points are set to the
beginning of a song (i.e. "0m00s000ms" or "-2bar
1ÅÙ 00clk"). In this condition, you cannot execute
loop playback.
Also, if the LOCATE B point is earlier than the
LOCATE A point, you cannot execute loop playback.
Troubles for playback

134
MR-8HD Owner’s Manual (Troubleshooting)
<Trouble 1>
I cannot apply the effects.
• Are the [EFFECT SEND] control for the track
you want to apply the effect and track fader
raised appropriately?
Raise the [EFFECT SEND] control(s) for the track(s)
(1 through 4) you want to apply the effect to send
signal(s) to the internal digital effects.
Also, make sure that the fader(s) for the track(s)
you want to apply the effect is(are) raised.
<Trouble 1>
Cannot export a WAV file to a personal computer.
• Is the USB cable connected correctly?
Check the connection, as well as the USB cable.
• Is the personal computer meets the
requirement?
The MR-8HD can export a WAV file to a personal
computer which runs on any of the following OS
systems.
Windows Me, 2000 or XP
Macintosh 0S X or higher
100100100010
EFFECT SEND
<Trouble 2>
I cannot apply the mic simulation effects.
• Is the [INPUT A SEL] switch on the rear panel
is set to "MIC/LINE" position?
To apply the mic simulation effects to [INPUT A], the
[INPUT A SEL] switch on the rear panel must be set
to "MIC/LINE" position.
When you set the switch to any other position, you
can use the amp simulation effects for insert effects.
INPUT A SEL
MIC/LINE
GTR CLEAN
GTR DIST
<Trouble 2>
The MR-8HD drive icon is not shown on the personal
computer screen.
• It may take some times for showing a
removable drive depending on a personal
computer.
It may take some times for reading the drive data.
Wait for a while until the drive icon appears.
On a Windows machine, the MR-8HD is shown as
"removable drive". On a Macintosh machine, it is
shown as "MR-8HD".
Troubles for effect
Troubles for USB connection

135
MR-8HD Owner’s Manual (Troubleshooting)
<Trouble 1>
I cannot hear the rhythm guide click.
• Is the [RHYTHM GUIDE] key is illuminated?
When the [RHYTHM GUIDE] key is not illuminated,
the rhythm guide function is not active and you
cannot hear the rhythm guide click.
• Is the "Int Click level" item in the "
Rhythm Guide" menu set correctly?
If the "Int Click level" item is set to "00" or a small
value, you cannot hear the rhythm guide click.
<Trouble 2>
I want to hear the rhythm guide click based on the "Sig-
nature" and "Tempo" settings on the rhythm guide set-
ting screen but the rhythm guide click based on the
conductor map is output.
• Is the "Conductor Map" setting on the
rhythm guide setting screen set to "On"?
As shown on the screen below, if "Conductor Map"
on the rhythm guide setting screen is set to "On",
the rhythm guide click based on the conductor map
is output. In this condition, the "Signature" and
"Tempo" fields on this screen indicate "---" as
below, showing that they are disabled.
Set "Conductor Map" to "Off" (see page 77).
Other troubles

136
MR-8HD Owner’s Manual (Troubleshooting)

137
MR-8HD Owner’s Manual (Specifications)
MR-8HD Specifications

138
MR-8HD Owner’s Manual (Specifications)
[Inputs/Outputs]
0dBu=0.775Vrms, 0dBV=1.0Vrms, Reference level: -12dBfs
Analog input [INPUT A - INPUT D]
Connectors : XLR-3-31 type (#2: hot balanced)
: 1/4-inch, phone type
Input level : -48dBu (MIC) to +4dBu (LINE)
Input impedance : 1.5kΩ or more
: 400kΩ or more (When the INPUT
A SEL switch is set to “GTR”.)
Phantom power : P48V (Phantom power ON/OFF is
selected in the “Input” menu of the
MENU mode.)
Insert [INSERT (input A only)]
Connector : 1/4-inch, TRS phone type
(Tip: output, Ring: input)
Norminal output level : -10dBV
Load impedance : 10kΩ or more
Norminal input level : -10dBV
Input impedance : 10kΩ or more
Stereo analog output [STEREO OUT (L, R)]
Connectors : 1/4-inch, phone type
Norminal output level : -10dBV (unbalanced)
Load impedance : 10kΩ or more
Headphones output [PHONES 1, 2]
Connectors : 1/4-inch, stereo phone type
Max. output power : 30mW or more (at 32Ω load)
Load impedance : 16Ω or more
MIDI output [MIDI OUT]
Connector : DIN 5-pin
Format : Conformed to the MIDI standard
Digital output [DIGITAL OUT]
Connector : Toslink optical type
Format : IEC 60958 (S/P DIF)
Footswitch [FOOT SW]
Connector : 1/4-inch, phone type
Level : TTL level
USB
Connector : B type (standard)
USB HOST
Connector : A type (standard)
1
3
2
[Pin assignment of XLR connectors]
1 GND
2 HOT
3 COLD
[Pin assignment of USB port]
1 VBUS
2D-
3D+
[Pin assignment of USB HOST port]
4 GND
1
2
34
1234
1 VBUS
2D-
3D+
4 GND
Specifications
[General]
Weight (net) : Approx. 3.0 kg
Dimensions : 312 (W) x 264 (D) x 88 (H ) mm
Power supply : 120VAC 60Hz, 230VAC 50/60Hz
Power consumption : 14W
Supplied Accessaries : Power cord, Owner’s Manual
* Changes in specifications and features may be made
without notice or obligation.
[Record / playback]
Recording medium : 3.5-inch hard disk drive
Sampling frequencies: 44.1kHz
Quantization : 16-bits, linear (non expanded)
File format : FAT32
Audio recording type : Conformed to AES-31
The number of tracks : 8
* the number of simultaneously recordable tracks: 4
ADC : 24-bits, delta-sigma
DAC : 24-bits, delta-sigma
Frequency response : 20Hz to 20kHz
Dynamic range : 90dB or more (TYPICAL)
Total harmonic distortion : 0.06% or less (TYPICAL)

139
MR-8HD Owner’s Manual (Specifications)
MIN MAX
100
LR
100
LR
100
LRRL
MIN MAX LINE MIC LINE MIC LINE MIC LINE MIC
REC SELECT
010
12345/6 MASTER
MAX
MAX
MIN
MIN
7/8
LOCATE REC END
A-B PLAY
LOCATE ABS ZERO
PLAYSTOP
RECORD REWIND F FWD
GUIDE
RHYTHM CONTRAST
1-8 >
SONG
NEW
1-6 > 7/8
1-4 > 5/6 STEREO
WAV FILE
BOUNCE
POWERFUL
MASTERING
B / OUT
A / IN
LOCATE
STOREPLAY MODEAUTO PUNCH
NATURAL BRIGHT
TIME BASE
SELECT
UNDO/REDO
7/8 >
MENU / ENTER
SIMULATION
DYNAMIC CONDENSER TUBE
MIC
PAN
EFFECT
REVERB / DELAY TIME
HALL
ROOM
PLATE DELAY
PHONES VOL
L
STEREO OUT
R
2
PHONES
1
MAXMIN
BAL
BALBAL
TRIM
UNBAL
PEAK
TRIM
UNBAL
PEAK
TRIM
UNBAL
PEAK
PEAK
DISTORTION
GUITAR
/GUITAR
INPUT A SELECT
INSERT
BAL
UNBAL
TRIM
INPUT A INPUT B INPUT C INPUT D
ON/
OFF
POWER
ABC1 DEF2 GHI3
JKL4 MNO5
PQR6 STU7 VWX8 YZ9 +-_0 DELETE
TO STEREO BUSS
EFFECT SEND
DIGITAL MULTITRACKER
ON/
OFF
ON/
OFF
ON/
OFF
60'S COMBO
US METAL
BRIT STACK
AMP SIMULATION
INPUT A
INPUT A SEL
USB USB HOSTAC-IN DIGITAL
OUT FOOT SWMIDI OUT
GTR CLEAN MIC/LINE
GTR DIST
312
264 88
Physical dimensions

140
MR-8HD Owner’s Manual (Specifications)
When using the bounce mode (1-4 > 5/6 mode)
When using the normal mode
DISTORTION
CLEAN
INPUT A
INPUT B
INPUT C
INPUT D
TRIM
TRIM
TRIM
TRIM
A/D
A/D
A/D
SIMULATION
FX
A/D
BAL
BAL
BAL
BAL
IN7
IN8
OUT7
OUT8
IN5
IN6
OUT5
OUT6
IN4 OUT4
IN3 OUT3
IN2 OUT2
IN1 OUT1
RECORDER
REC
SELECT TRK 1 FADER
TRK 2 FADER
TRK 3 FADER
TRK 4 FADER
TRK 5/6 FADER
TRK 7/8 FADER
TRK 4 EFF
TRK 3 EFF
TRK 2 EFF
TRK 1 EFF
TRK 1 PAN
TRK 2 PAN
TRK 3 PAN
TRK 4 PAN
PAN
PAN
PAN
PAN
INPUT A
INPUT B
INPUT C
INPUT D
TO STEREO BUSS
TO STEREO BUSS
LR
EFF
REVERB / DELAY
REVERB / DELAY TIME
MASTER
FADER MASTERING FX ST OUT L
ST OUT R
DISTORTION
CLEAN
INPUT A
INPUT B
INPUT C
INPUT D
TRIM
TRIM
TRIM
TRIM
A/D
A/D
A/D
SIMULATION
FX
A/D
BAL
BAL
BAL
BAL
IN7
IN8
OUT7
OUT8
IN5
IN6
OUT5
OUT6
IN4 OUT4
IN3 OUT3
IN2 OUT2
IN1 OUT1
RECORDER
REC
SELECT TRK 1 FADER
TRK 2 FADER
TRK 3 FADER
TRK 4 FADER
TRK 5/6 FADER
TRK 7/8 FADER
TRK 4 EFF
TRK 3 EFF
TRK 2 EFF
TRK 1 EFF
TRK 1 PAN
TRK 2 PAN
TRK 3 PAN
TRK 4 PAN
PAN
PAN
PAN
PAN
INPUT A
INPUT B
INPUT C
INPUT D
TO STEREO BUSS
TO STEREO BUSS
LR
EFF
REVERB / DELAY
REVERB / DELAY TIME
MASTER
FADER MASTERING FX
ST OUT L
ST OUT R
Block diagram

141
MR-8HD Owner’s Manual (Specifications)
When using the bounce mode (1-6 > 7/8 mode)
When using the bounce mode (1-8 > New Song mode)
DISTORTION
CLEAN
INPUT A
INPUT B
INPUT C
INPUT D
TRIM
TRIM
TRIM
TRIM
A/D
A/D
A/D
SIMULATION
FX
A/D
BAL
BAL
BAL
BAL
IN7
IN8
OUT7
OUT8
IN5
IN6
OUT5
OUT6
IN4 OUT4
IN3 OUT3
IN2 OUT2
IN1 OUT1
RECORDER
REC
SELECT TRK 1 FADER
TRK 2 FADER
TRK 3 FADER
TRK 4 FADER
TRK 5/6 FADER
TRK 7/8 FADER
TRK 4 EFF
TRK 3 EFF
TRK 2 EFF
TRK 1 EFF
TRK 1 PAN
TRK 2 PAN
TRK 3 PAN
TRK 4 PAN
PAN
PAN
PAN
PAN
INPUT A
INPUT B
INPUT C
INPUT D
TO STEREO BUSS
TO STEREO BUSS
LR
EFF
REVERB / DELAY
REVERB / DELAY TIME
MASTER
FADER MASTERING FX
ST OUT L
ST OUT R
DISTORTION
CLEAN
INPUT A
INPUT B
INPUT C
INPUT D
TRIM
TRIM
TRIM
TRIM
A/D
A/D
A/D
SIMULATION
FX
A/D
BAL
BAL
BAL
BAL
IN7
IN8
OUT7
OUT8
IN5
IN6
OUT5
OUT6
IN4 OUT4
IN3 OUT3
IN2 OUT2
IN1 OUT1
RECORDER
REC
SELECT TRK 1 FADER
TRK 2 FADER
TRK 3 FADER
TRK 4 FADER
TRK 5/6 FADER
TRK 7/8 FADER
TRK 4 EFF
TRK 3 EFF
TRK 2 EFF
TRK 1 EFF
TRK 1 PAN
TRK 2 PAN
TRK 3 PAN
TRK 4 PAN
PAN
PAN
PAN
PAN
INPUT A
INPUT B
INPUT C
INPUT D
TO STEREO BUSS
TO STEREO BUSS
LR
EFF
REVERB / DELAY
REVERB / DELAY TIME
MASTER
FADER MASTERING FX ST OUT L
ST OUT R
TRK 7
TRK 8
NEW SONG

142
MR-8HD Owner’s Manual (Specifications)
<Digital multitracker>
Transmitted Recognized Remarks
Function............
Basic Default
Channel Changed
Default
Message
Altered
Mode
Note
Number: True Voice
Velocity Note ON
Note OFF
After Key's
Touch Channel's
Pitch Bend
Control
Change
Program
Change: True #
System Exclusive
: Quarter Frame
: Song Position
: Song Select
: Tune
Common
System
Real Time
: Clock
: Commands
: Local ON/OFF
: All Notes OFF
: Active Sense
: Reset
Aux.
Message
Notes
X
X
X
X
X
X
X
X
X
X
X
X
X
X
X
X
*****************************
XX
XX
X
X
X
X
X
X
X
X
X
*****************************
X
X
X
X
*****************************
X
X
X
X
X
X
X
rem.1 : MTC
rem. 2 : START, STOP, CONTINUE
Mode 1: OMNI ON, POLY Mode 2: OMNI ON, MONO
Mode 3: OMNI OFF, POLY Mode 4: OMNI OFF, MONO
: Yes
X : No
rem. 2
X
X
X
X
rem. 1
Date:
Version: V1.00
Model MR-8HD
MIDI Implementation Chart

143
MR-8HD Owner’s Manual (Specifications)
<A>
Amp simulation ...............................................................58
Auto return ......................................................................45
Auto play .........................................................................45
ABS time .........................................................................14
Archiving a song .............................................................95
Analog mixdown .............................................................41
<B>
Bounce ............................................................................63
Bar/Beat .............................................................14, 24,127
Beginning a song .....................................................14, 48
Bar offset .........................................................................81
<C>
Cueing .............................................................................44
Clipboard .......................................................................116
Click level ........................................................................76
Clock ...............................................................................87
Contrast ..........................................................................24
Copy ...........................................................105, 114 to 118
Copyrights .......................................................................11
Conductor map ...............................................................78
Changing track ..............................................................108
Character entry key .................................................32, 99
Creating a song ...............................................................31
<D>
Delay ...............................................................................60
Distortion ...................................................................33, 35
Display ............................................................................23
Demo song ......................................................................29
Digital mixdown ...............................................................42
Delete song ...................................................................100
Damage ...........................................................................11
<E>
Effector ............................................................................57
Effect send ......................................................................61
Erasing track .................................................................104
Erase part ......................................................................113
Event .....................................................................78 to 84
Exchange the track .......................................................108
Exchange the parts .......................................................121
<F>
Format ...........................................................................124
Foot switch ......................................................................53
<G>
Gain .............................................................15, 36, 38, 40
<H>
Hard disk .................................................................12, 124
Hidden file ...............................................................95, 100
<I>Insert effect ......................................................................58
Input A select switch ........................................................33
Input monitor ...............................................14, 36, 38, 40
Insert ...............................................................................59
Input ................................................................................33
Initialize .........................................................................130
<L>
Loop ................................................................................45
Locate .............................................................................48
<M>
Master recorder ....................................................41 to 42
Mastering effect ..............................................................62
Mic simulation .................................................................58
MIDI .................................................................................85
MIDI implementation chart ...........................................142
Mixdown ................................................................41 to 42
Move .....................................................................107, 119
MENU mode ...................................................................25
<O>
Overdubbing ...................................................................37
Offset ...............................................................................81
Optical cable ............................................................22, 42
<P>
Playback .........................................................36 to 42, 43
Power supply ..................................................................28
Power switch ...................................................................28
Personal computer .........................................................89
Part ................................................................................111
Punch in/out ....................................................................51
Punch in/out points .........................................................54
Play mode .......................................................................45
Pre roll .....................................................................47, 126
Peak LED ........................................................................15
Peak hold ......................................................................125
Phantom power ............................................................128
Protect ....................................................................101, 94
Paste ...........................................................105, 114 to 118
Post roll ...................................................................47, 126
<Q>
Quantization ..............................................................138
<R>
Recording ..............................................................35 to 42
Recording level .....................................................35 to 42
Recording track ...............................................................34
Recording method ..........................................................12
Reverb ............................................................................60
Redo ...................................................36, 38, 40, 103, 113
Remain ........................................................13, 35, 37, 39
Rehearsal ....................................................55, 66, 68, 70
Repro monitor .................................................................14
Resolution .....................................................................127
REC END .................................................................12, 48
Rhythm guide ..................................................................75
<S>
Signature ...............................................................75 to 80
Simulation .......................................................................58
Sequencer ......................................................................86
Signature map ......................................................75 to 80
Standby mode .................................................................28
Song ................................................................................13
Select a song ..................................................................98
Index

144
MR-8HD Owner’s Manual (Specifications)
Declaration of EC Directive
This equipment is compatible with the EMC Directive (89/336/EEC) - Directive on approximation of member nation's ordinance
concerning the electromagnetic compatibility and with the Low Voltage Directive (73/23/EEC) - Directive on approximation of
member nation's ordinance concerning electric equipment designed to be used within the specified voltage range.
The Affect of Immunity on This Equipment
FOSTEX DISTRIBUTORS LIST IN EUROPE
* Including non-EU countries (as of January, 2005)
<ITALY>
NAME: Proel S. p. A.
ADD: Zona Via Alla Ruenia, 37/43 64027 - Sant'Omero
(Teramo), Italy
TEL: (+39) 0861-81241, FAX: (+39) 0861-887862
<THE NETHERLANDS>
NAME: IEMKE ROOS AUDIO B. V.
ADD: Kuiperbergweg 20, 1101 AG Amsterdam, The
Netherlands
TEL: (+31) 20-697-2121, FAX: (+31) 20-697-4201
<NORWAY>
NAME: Siv. Ing. Benum AS
ADD: P.O. Box 145, Vinderen, 0319 Oslo, Norway
TEL: (+47) 2213 9900, FAX: (+47) 2214 8529
<PORTUGAL>
NAME: Caius - Tecnologias Audio e Musica, Lda.
ADD: Praca do Bom Sucesso, No 61 Bom Sucesso Trade
Center, Escritorio 701/702, 4150-1460 Porto, Portugal
TEL: (+351) 22-608-06-10, FAX: (+351) 22-608-06-29
<SPAIN>
NAME: Letusa S. A.
ADD: C/Laguna 10, 28923 Alcorcon, Madrid, Spain
TEL: (+34) 91-4862800, 91-4470898
FAX: (+34) 91-6414597
<SWEDEN>
NAME: Sennheiser AB
ADD: John Ericssonsgatan 10, P.O. Box 22035, SE-104 22
Stockholm, Sweden
TEL: (+46) 8 566 16400, FAX: (+46) 8 566 16490
<SWITZERLAND>
NAME: Audio Bauer Pro AG
ADD: Bernerstrasse-Nord 182, CH-8064 Zurich, Switzerland
TEL: (+41) 1-4323230, FAX: (+41) 1-4326558
<UK>
NAME: SCV London
ADD: 40 Chigwell Lane, Oakwood Hill Industrial Estate,
Loughton, Essex IG10 3NY U. K.
TEL: (+44) 20-8418-0778, FAX: (+44) 20-8418-0624
<AUSTRIA>
NAME: ATEC Audio-u. Videogeraete VertriebsgesmbH.
ADD: Im Winkel 5, A-2325 Velm, Austria
TEL: (+43) 2234-74004, FAX: (+43) 2234-74074
<BELGIUM>
NAME: General Audio
ADD: Raymond Pelgrimslaan 101, B-1702 Groot-Bijgaarden,
Belgium
TEL: (+32) 2-4630650, FAX: (+32) 2-4661500
<DENMARK>
NAME: SC Sound ApS
ADD: Malervej 2, DK-2630 Taastrup, Denmark
TEL: (+45) 4399-8877, FAX: (+45) 4399-8077
<FINLAND>
NAME: Noretron Oy Audio
ADD: P. O. Box 22, FIN-02631 Espoo, Finland
TEL: (+358) 9-5259330, FAX: (+358) 9-52593352
<FRANCE>
NAME: Sennheiser France
ADD: 128 bis, avenue Jean-Jaures, 94851 Ivry-sur-Seine
Cedex, France
TEL: (+33) 1 4987 0300, FAX: (+33) 1 4987 0324
<GERMANY>
NAME: Mega Audio GmbH
ADD: Stromberger Str. 32, D-55411 Bingen, Germany
TEL: (+49) 6721-94330, FAX: (+49) 6721-32046
<GREECE>
NAME: Bon Studio S. A.
ADD: 6 Zaimi Street, Exarchia, 106.83 Athens, Greece
TEL: (+30) 210-3809-605, 606, 607, 608
FAX: (+30) 210-3845-755, 210-3827-868
<ICELAND>
NAME: I. D. elrf. electronic Ltd.
ADD: ARMULA 38 108 REYKJAVIK, ICELAND
TEL: (+354) 588 5010, FAX: (+354) 588 5011
In the electrical fast transient/burst requirements, surge, conducted disturbances by radio-frequency fields, power frequency
magnetic field, radiate electromagnetic field requirements and static electricity discharging environment, this could be
affected by generation of noise in some cases.
The affect of the European Specification EN61000-6-1 (coexistence of electromagnetic waves - common immunity
specification) on this equipment are as shown below.
Song name ...............................................................32, 99
Synchronization ..............................................................85
Song protect ..................................................................101
S/P DIF ............................................................................42
<T>
Track ...............................................................................34
Trouble shooting ...........................................................131
Trim .................................................................15, 35 to 40
Track fader ...........................................................35 to 40
Time base ................................................................14, 24
Tempo map .....................................................................82
<U>
Undo ...................................................36, 38, 40, 103, 113
USB .........................................................................92, 138
USB HOST .............................................................22, 138
<W>
WAV file ....................................................................13, 90
WAV file conversion ........................................................90
Warning ...........................................................................25
<Y>
Y cable .....................................................................18, 59

FOSTEX CO.
3-2-35, Musashino, Akishima-shi, Tokyo, Japan, 196-0021
FOSTEX AMERICA
13701 Cimarron Avenue Gardena, CA 90249 U.S.A.
© PRINTED IN CHINA JUNE 2005 8588062100
428387