Friedrich Air Conditioner Sp06A10 Users Manual
2015-02-02
: Friedrich Friedrich-Friedrich-Air-Conditioner-Sp06A10-Users-Manual-428301 friedrich-friedrich-air-conditioner-sp06a10-users-manual-428301 friedrich pdf
Open the PDF directly: View PDF
.
Page Count: 34

SERVICE Manual
CONTENTSAIR CONDITIONER
11. Precautions
12. Product Specifications
13. Installation and Operating
Instructions
14. Disassembly and Reassembly
15. Troubleshooting
16. Exploded Views and Parts List
17. Block Diagram
18. PCB Diagram
19. Wiring Diagram
10. Schematic Diagram
DB98_04511A(2)-CO 2/18/03 4:08 PM Page 3
ROOM AIR CONDITIONER
SP06A10 SP08A10
SP10A10 SP12A10

1. Precautions
FRIEDRICH AIR CONDITIONING CO. 1-1
1. Precautions
1. Warning: Prior to repair, disconnect the
power cord from the circuit breaker.
2. Use proper parts: Use only exact
replacement parts. (Also, we recommend
replacing parts rather than repairing them.)
3. Use the proper tools: Use the proper tools
and test equipment, and know how to use
equipment may cause problems later-
intermittent contact, for example.
4. Power Cord: Prior to repair, check the
power cord and replace it if necessary.
5. Avoid using an extension cord, and avoid
tapping into a power cord. This practice
may result in malfunction or fire.
6. After completing repairs and reassembly,
check the insulation resistance.
Procedure: Prior to applying power, measure
the resistance between the power cord and the
ground terminal. The resistance must be
greater than 30 megaohms.
7. Make sure that the grounds are adequate.
8. Make sure that the installation conditions
are satisfactory.
Relocate the unit if necessary.
9. Keep children away from the unit while it is
being repaired.
10. Be sure to clean the unit and its surrounding
area.
Fig. 1-1 Avoid Dangerous Contact
Fig. 1-2 No Tapping and No Extension Cords
Fig. 1-3 No Kids Nearby!
Fig. 1-4 Clean the Unit
DB98_04511A(2)-1 2/18/03 4:09 PM Page 1-1

2.Product Specifications
2-1 Table
Item Unit of
Measure SP06A10 SP08A10 SP10A10 SP12A10
Type WINDOW
Dimension:
(Width×Height×Depth) mm 520×345×485 600×394×595
Voltage Volt 115
Phase - SINGLE
Frequency Hz 60
Operation Current A 5.4 6.6 9.3 10.5
Power Consumption W 610 740 1000 1170
Refrigerant Type FREON R22
Refrigerant Change g 300 470 450 635
Capacity BTU/h 6500 8000 10800 12600
EER BTU/h.W 10.8 10.8 10.8 10.8
Net Weight Kg 26 29 43 45
Condenser Row 2×15 3×15 2×17 3×17
Condenser Fan Type Propeller Fan
Evaporator Row 2×11 2×11 2×12 2×10
Evaporator Fan Type Blower
Fan Motor MODEL YSLA-40-6-0002 YSLA-40-6-0003 YGN60-6B YGN60-6B
Compressor(Rotary) MODEL 39A062HS1EA 44A076HU1EB 44B098HX1EF 44B117HX1EL
Overload Protect - MRA12146-120
08
MRA12083-120
08
MRA12132-12007 MRA12053-12007
Compressor Capacitor μF/VAC 40/370 35/370 45/370 50/370
Fan Motor Capacitor μF/VAC 8/450 8/450 15/250 15/250
Fan Speed RPM 920/850/800 1050/1010/970 890/850/800 890/860/750
Thermo Control - THERMISTOR
FRIEDRICH AIR CONDITIONING CO. 2-1

MEMO
2-3 FRIEDRICH AIR CONDITIONING CO.
DB98_04511A(2)-1 2/18/03 4:09 PM Page 2-4

2-2 Dimensions
2-2-1 Main Unit
2-2-2 Remote Control
2-2 Dimensions
2-2-1 Main Unit
2-2-2 Remote Control
2-2 Dimensions
2-2-1 Main Unit
2-2-2 Remote Control
2-2 Dimensions
2-2-1 Main Unit
2-2-2 Remote Control
W
H
H
Front view Side view
(Unit : mm)
2-4 FRIEDRICH AIR CONDITIONING CO.
DB98_04551A(3)_1 2/17/12 5:26 PM Page 2-4
Front view Side view
(Unit : mm)
DB98_04551A(3)_1 2/17/12 5:26 PM Page 2-4
Front view Side view
(Unit : mm)
DB98_04551A(3)_1 2/17/12 5:26 PM Page 2-4
Front view Side view
(Unit : mm)
DB98_04551A(3)_1 2/17/12 5:26 PM Page 2-4
D
Operating mode
( Cool, Dry, Fan)
Remote control
transmission indicator Mode selection button
(Cool, Fan, Dry)
Sleep timer setting button
Energy Saving button
Timer setting button
Timer Set/Cancel button
On/Off button
Fan speed adjustment
button
Temperature adjustment
buttons
Temperature setting
Sleep mode
Energy Saving mode
Fan speed
On Timer setting
Off Timer setting
Battery discharge indicator
MODEL W H D
SP06A10
SP08A10
520
345
485
SP10A10
600
394
SP12A10 595

FRIEDRICH AIR CONDITIONING CO. 3-1
3. Installation and Operating Instructions
3-1 Installation
3-1-1 Selecting Area for Installation
1. Make sure that you install the unit in an area
providing good ventilation. The air conditioner
must not be blocked by any obstacle affecting the
air flow near the air inlet and air outlet.
2. Make sure that you install the unit in an area that
allow good air handling. The installation area
must be able to endure vibration from the unit.
3. Make sure that you install the unit away from
heat or vapor.
4. Make sure that you install the unit in an area
which is cool and has adequate space.
5. Make sure that you install the unit in an area
away from TVs, audio units, cordless phones,
fluorescent lighting fixtures and other electrical
appliances (obtain a clearance of at least one
meter).
6. Make sure that you install the unit in an area
which provides easy drainage for condensed
water.
7. Make sure that you install the unit in an area not
exposed to rain or direct sunlight.
(Install a separate sunblind if exposed to direct
sunlight.)
8. Make sure that you install the unit in an area
allowing good air movement. Do not install it in
a space that would cause noise amplification of
noise.
9. Fix the unit firmly if mounted in a high place.
Caution:
Do not use the air conditioner in the following environments : greasy areas (including areas near
machines), or marine areas. Contact your local dealer for advice.
DB98_04511A(2)-1 2/18/03 4:09 PM Page 3-1

3-2 Function Description
3-2-1 Cooling operation mode
The compressor is turned on and off according to the ambient temperature and set temperature.
1) Compressor on and off control
• Compressor on and off control according to the ambient temperature
*The compressor is turned off when "ambient temperature = set temperature
*
The compressor is turned on when "ambient temperature = set temperature +1˚C"
2) Default value after power reset ➔set temperature = 75˚F
Fan speed = High
3) Set temperature indicating (setting) range : 1˚F interval from 64˚F to 86˚F.
3-2-2 Fan operation mode
1) If "Fan operation mode" signal is received from remocon or panel.
➔ the compressor is immediately turned off and only fan motor is operated at set blowing speed.
➔ it changes such as "High ➔Med ➔Low ➔ High"( if Fan speed is selected).
2) The initial Fan motor speed is set to "High".
3) The set temperature can not be indicated and set.
3-2-3 Energy saver operation mode
*If the compressor turn off at the cooling operation, the fan motor turn off after operation during the fixation
time only, and operation that energy saver by turn off the fixation time only, and operation that energy saver
by turn off the motor continuously before the condition of the compressor on.
*The fan motor is not operated at flow wind operation.
*Energy saver operation specification at the cooling operation.
1) Fan motor control in compressor on : operate with setting wind speed
2) Fan motor control in compressor off : After compressor off, the fan motor is operated breeze for 2 minutes
and then it turn off.
3) After the fan motor off, the compressor and fan motor is operated normally when the compressor on.
3-2 FRIEDRICH AIR CONDITIONING CO.
DB98_04511A(2)-1 2/18/03 4:09 PM Page 3-2
Temperature/Timer
settings
Energy Saver indicator
Dry adjustment indicator
Fan speed
adjustment button
Timer indicator
Mode selection button
(Cool, Fan, Dry)
Temperature
adjustment buttons
On/Off button
Remote control
sensor

FRIEDRICH AIR CONDITIONING CO. 3-3
3-2-4 Sleep operation mode
1) Enable to sleep operation only when cooling operation.
2) First, 7-SEG LED DISPLAY "SLEEP" while 15 second, Second, 7-SEG LED DISPLAY "8Hr"
And, automatically SET OFF after operated while 8 Hour
3) If sleep operation, setting Temperature rise 1˚C after 1 Hour
4) ON TIMER operation, not operation, ENERGY SAVER operation, not sleep operation.
3-2-5 Dry operation mode
If the atmosphere in the room is very humid or damp,use this operation mode. It can remove excess humidity
without lowering the room temperature too much.
1) The quantity of air is adjusted automatically.
3-2-6 LED display indication in case of error detection
ERROR OPERATION
ROOM THERMISTOR
(OPEN or SHORT)
7-SEG
LED DISPLAY
E1 displayed
1) Set operation in case of error occurrence.
• Malfunction of each temperature sensor (open, short)
- Error mode display, warning sound.
- The operation status is off.
Installation and Operating Instructions
DB98_04511A(2)-1 2/18/03 4:09 PM Page 1

MEMO
3-4 FRIEDRICH AIR CONDITIONING CO.
DB98_04511A(2)-1 2/18/03 4:09 PM Page 2

FRIEDRICH AIR CONDITIONING CO. 4-1
4. Disassembly and Reassembly
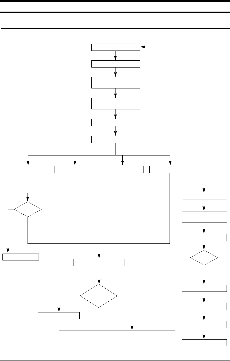
4-1 Compressor Replacement Flow Chart
Locate cause of defect
Release refrigerant
Disconnect electrical wiring
from compressor
Cut refrigerant lines
from compressor
Plug disconnected lines
Replace compressor
Inspect electrical
wiring for defects,
and terminals for
correct and secure
connections
Solder discharge line
Corrective action
Check refrigerant oil level
Add oil as necessary
Solder suction line Use nitrogen gas
Perform soldering function
Fill system with
nitrogen gas
Check for leakage
Pinch and braze filling tube
Recharge system
Evacuate system
Release nitrogen gas?
Low oil level? N
Y
Y
N
N
Y
Leakage?
Problem?
DB98_04511A(2)-1 2/18/03 4:09 PM Page 3

4-2 FRIEDRICH AIR CONDITIONING CO.
4-2 Checking the oil
4-2-1 Oil quality
4-2-2 Replacing and refilling the refrigerant oil
1. Change the compressor - DO NOT recharge the oil as the compressor itself is
already charged.
2. Change the condenser .... add 50cc
3. Change the evaporator .... add 50cc
4. When the refrigerant is replaced .... add 30cc oil.
5. After vacuum is completed, the oil is filled through the high pressure side.
6. In the event of a refrigerant leak, generally it is not necessary to add oil.
(Unless the oil has leaked significantly.)
Fill the transparent container with 10cc of oil, and then conduct the test.
Condition of
Refrigerant Cycle
Normal
Over-heated
Compressor Damage
Color
Straw Yellow
Brown Color
Dark Brown
Odor
No Odor
-
Pungent oil
Remarks
Return with the system
Change the oil
Change the oil
Oil Condition
DB98_04511A(2)-1 2/18/03 4:09 PM Page 4

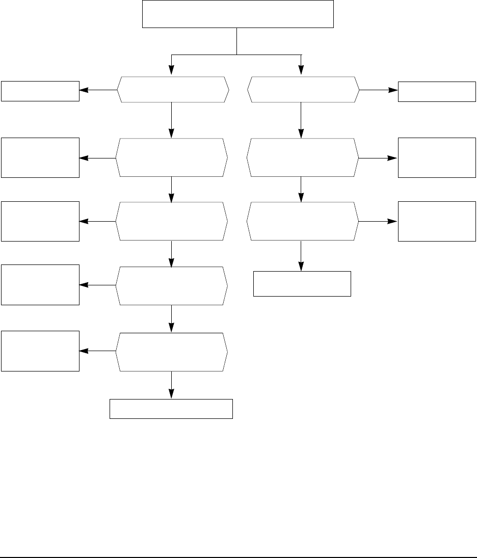
4-3.Disassembly and Reassembly Procedure(SP10A10/SP12A10)
Stop operating the air conditioner, and pull out the power cord before repair.
No. Part Name Procedures Remarks
1 Ass’y Grille
1.Pull the Grille air inlet and Guard air filter out.
2.Remove the screw on the panel front.
3.Hold the lower part of panel with two hands
while pressing down on both sides of the lower
part of the cabinet, pull it forward by about
30mm,and then lift it up carefully for
removal.(Must un-connect the Displayer with
the controller inside.)
2 Ass’y Cabinet
1.Remove 2 screws on the both side of the
cabinet.
2.Pull the front part both side, and remove the
unit from the cabinet.
3 Ass’y Control
1.Remove the earth screw fixed on the cabinet.
2.Remove 3 screws fixed on the partition and
frame up.
3.Remove the screw fixed for the power cord.
4.Un-connect the motor wire and comp lead
wire, then take out the control box upward.
FRIEDRICH AIR CONDITIONING CO. 4-3

Disassembly and Reassembly Procedure(SP10A10/SP12A10)
No. Part Name Procedures Remarks
4 Plate reinf&
Case evap up
1..Remove 4 screws on the partition and case
cond.
2.Remove the plate reinf. (The shape maybe
different depend on models)
3.Remove the seal sticked on the case evap up
carefully.
4.Pull the case evap up upward.
5 Plate evap
casing &
Blower
1.Remove the cover on the evaporator.
2.Remove all screws on the evaporator.
3.Pull the evaporator forward carefully.
4.Remove all screws fixed on plate evap
casing, then pull it out completely.
3.Remove the nut and remove the Blower.
6 Case Cond &
Fan Propeller
& Motor Fan
1.Remove 2 screws on the rear side of the
base pan, and all screws fixed on case cond.
2.Pull up the condenser from the base pan.
3.Remove the nut and remove the Propeller
fan.
4.Remove 4 screw(fixed on the mounter ), then
take out the motor.
4-4 FRIEDRICH AIR CONDITIONING CO.

4-5.Disassembly and Reassembly Procedure(SP06A10/SP08A10)
Stop operating the air conditioner, and pull out the power cord before repair.
No. Part Name Procedures Remarks
1 Ass’y Grille
1.Pull the Grille air inlet and Guard air filter out.
2.Remove the screw on the panel front.
3.Hold the lower part of panel with two hands
while pressing down on both sides of the lower
part of the cabinet, pull it forward by about
30mm,and then lift it up carefully for
removal.(Must un-connect the Displayer with
the controller inside.)
2 Ass’y Cabinet
1.Remove 2 screws on the both side of the
cabinet.
2.Pull the front part both side, and remove the
unit from the cabinet.
3 Ass’y Control
1.Remove the earth screw fixed on the cabinet.
2.Remove 3 screws fixed on the partition and
frame up.
3.Remove the screw fixed for the power cord.
4.Un-connect the motor wire and comp lead
wire, then take out the control box upward.
FRIEDRICH AIR CONDITIONING CO. 4-5

Disassembly and Reassembly Procedure(SP06A10/SP08A10)
No. Part Name Procedures Remarks
4 Frame up
1..Remove 2 screws on the frame up and case
cond.
2.Remove all the screws on the frame up.
3.Pull the frame up upward.
5 Blower
1.Remove 3 screws on the evaporator.
2.Pull the evaporator from frame low carefully.
3.Remove the nut and remove the Blower.
6 Case Cond &
Fan Propeller
& Motor Fan
1.Remove 2 screws on the rear side of the
base pan, and all screws fixed on case cond.
2.Pull up the condenser from the base pan.
3.Remove the nut and remove the Propeller
fan.
4.Remove the earth screw(fix the motor earth
wire), then take out the motor upward.
4-6 FRIEDRICH AIR CONDITIONING CO.

FRIEDRICH AIR CONDITIONING CO. 5-1
5. Troubleshooting
5-1 Basic Checkpoints for Troubleshooting
Check the basic checkpoints first to determine whether it is machine trouble or a problem
in the operation method. When it is not related to the basic checkpoints, perform checking
in accordance with the procedures of troubleshooting by symptom.
1) Is the voltage of the power source appropriate ?
(1) It should be within the rating voltage ±10% range.
(2) The air conditioner may not operate properly when the voltage is out of this range.
2) Is the connection with the fan motor, compressor wire, and starting condenser
appropriately made ?
3) The symptoms listed in the table below are not indicative of machine trouble.
Symptom Cause and check
No operation • Check whether there is power failure or the power plug is pulled out.
• Check whether the unit is stopped as a result of completion
of the sleep time.
• Pull out the power plug for ten seconds, and then insert it again.
Air flows, but • Check whether the Air filter is clogged with dust or is dirty.
no cooling • Check whether the desired temperature is too high. Set the desired
temperature to a lower level than the current temperature.
• Check whether it is in "FAN" mode.
The remocon does • Check whether battery is completely depleted.
not operate • Check whether the battery is properly inserted.
• Check whether the receiving window of the remocon for the assembly
main PCB is blinded.
• Check whether the remocon is affected by jamming due to a neon sign.
No temperature • Check whether the unit is in "FAN" mode.
setting (In "FAN" mode, only the current temperature is displayed, and the
desired temperature is not set.)
❈Checking and Display of Fault Area
ERROR OPERATION
ROOM THERMISTOR (OPEN OR SHORT)
ERROR OPERATION
E1 displayed
DB98_04511A(2)-2 2/18/03 4:12 PM Page 5-1

5-2 FRIEDRICH AIR CONDITIONING CO.
5-2 Troubleshooting by Symptom
5-2-1 No power
1) Check points
(1) Is the voltage of the power source normal ? (the rating voltage ±10% range.)
(2) Is the electric wire in good contact ?(CN 71, RY 71)
(3) Is the output voltage of the IC01(KA7812) normal ?(DC 11.5V ~ DC 12.5V)
(4) Is the output voltage of the IC02(KA7805) normal ?(DC 4.5V ~ DC 5.5V)
Turn off the power, and then turn it on again five
seconds later.
Replace the assembly main PCB.
Dose the buzzer sound, when the power on?
Check whether the "COOLING ICON" LED lamp is
on, and the operation starts when pressing the
ON/OFF button of the remocon.
Is the primary voltage of the transformer normal?
(the rating voltage ±10% range.)
Is the secondary voltage of the transformer normal?
(AC 13V ~ AC 17V)
Is the F701(3.15A) fuse blown?
Is the rectifier diode bridge(BD61) normal?
Are the IC01(KA7812) or IC02(KA7805) normal?
- Is the voltage of DC 17V ~ DC 23V applied at both
ends of the C101 electrolytic condenser?
- Is the voltage of DC 12V applied at both ends of
the C102 electrolytic condenser?
- Is the voltage of DC 5V applied at both ends of
the C103 electrolytic condenser?
Normal operation.
Normal operation.
Replace the fuse.
Check the power cord and electric wire.
Check and replace the trans.
• Check the BD61 for cold
soldering.
• Replace the rectifier diode
• Check both ends of the C101 for
short and cold soldering.
• Check the +12V for a short.
• Check the +5V for a short.
• Check and replace the C101~104.
• Check the IC01 or IC02 for cold
soldering and a short.
• Replace the IC01 or IC02.
Y
N
N
N
Y
Y
Y
Y
Y
Y
Y
N
N
N
N
N
DB98_04511A(2)-2 2/18/03 4:12 PM Page 5-2

FRIEDRICH AIR CONDITIONING CO. 5-3
Troubleshooting
5-2-2 When the Touch Key pad and Led Display
1) Check points
(1) Is the voltage of the power source normal ? (the rating voltage ±10% range.)
(2) Is the electric wire in good contact ?(CN71, RY71)
(3) Is the connection of the assembly main PCB, and TOUCH KEY PAD in good
contact? (SW01-SW05)
Check the micom
(IC05) for a short,
and replace it.
Check the micom
(IC05) for a short,
and replace it.
Check the Q901~
Q905 for a short,
and replace it.
Check the micom
(IC05) for a short,
and replace it.
Normal operation
Check the micom
(IC05) for a short,
and replace it.
Replace the membrane key pad
Replace the membrane
key pad.
Y
N
Normal operation NN
N
NN
N
Y
YY
YY
Y
Y
Turn off the power, and then turn it on again
five seconds later.
When the LED display is
not operated.
When the membrane key is
not operated.
Is the voltage of the micom
(IC05) No.1, 2, 38~43 port a
square wave?
Is the voltage of the
micom (IC05) No.13, 14 port
a square wave?
Is the voltage of the micom
(IC05) No.3, 4, 10, 11, 44 port
a square wave?
Is the voltage of the micom
(IC05) No.3, 4, 10, 11, 44
port a square wave?
Is the voltage of the
Q901 ~ Q905 square wave?
Check the IC06
for a short, and
replace it.
N
Is the voltage of the
IC06 No. 10~16 a square
value?
DB98_04511A(2)-2 2/18/03 4:12 PM Page 5-3

5-4 FRIEDRICH AIR CONDITIONING CO.
Troubleshooting
5-2-3 When the remocon is not operated
1) Check points
(1) Is the voltage of the power source normal ? (the rating voltage ±10% range. )
(2) Is the electric wire in good contact ? (CN71, RY71)
(3) Is the assembly main PCB in good contact with the TOUCH KEY PAD(SW01-SW05)
(4) Is the battery voltage of the remocon above DC 2.7V?
Turn off the power, and then turn it on
again five seconds later.
Replace the assembly main PCB.
Dose the Buzzer sound, when the power on?
Check whether the "COOLING ICON" LED lamp is on
and th operation starts when pressing the
on/off button of the remocon.
Is the battery voltage of the remocon above
DC 2.7V?
Is the collector voltage of the remocon Q1, Q2
a square wave?
Does the X-TAL(RJ 455JB) oscillate normally?
Is the input voltage of the micom(IC05) No.15
pin of the assembly main PCB a aquare wave?
Go to the clause "No power".
The remocon is normally operated.
Replace the battery.
• Check the X-TAL for cold soldering
and a short.
• Replace relevant components.
• Check the micom(ICT1) Q1, and
Q2 for cold soldering and a short.
• Replace relevant components.
• Check the R415 components.
• Check the assembly main PCB
micom(IC05).
N
Y
N
Y
Y
Y
Y
N
N
N
N
Y
DB98_04511A(2)-2 2/18/03 4:12 PM Page 5-4

FRIEDRICH AIR CONDITIONING CO. 5-5
Troubleshooting
5-2-4 When the compressor is not operated
1) Check points
(1) Is the voltage of the power source normal ? (the rating voltage ±10% range. )
(2) Is the desired temperature lower than the indoor temperature in the “COOL” mode?
(Compressor stopped)
(3) Is the starting condenser in good contact?
(4) Is the electric wire in good contact ? (CN71, RY71)
(5) Is the output voltage of the IC01(KA7812) and IC02(KA7805) normal ?
Turn off the power, and then turn it on again five
seconds later.
Replace the compressor.
Dose the Buzzer sound, when the power on?
Check whether the "COOLING ICON" LED lamp is on
and the operation starts when pressing the on/off
button of the remocon.
Is the IC03 output normal?
- When the compressor is on, IC03
No. 13 pin → Low.
Does the relay(RY71) operate normally?
- When the compressor is ON, the RY71 should operate.
Is the compressor normal?
Go to the clause "No power".
• Go to the clause "when he remocon
does not operate".
• Check the IC03 for short and cold
soldering.
• Replace the IC03.
• Check the relay coil resistance.
(resistance : About 150Ω±20Ω)
• Replace the relay.
• Check the operation of the O.L.P,
and replace it if necessary.
• Check the compressor
resistance.(0Ω: short, ∞Ω : open)
N
Y
Y
Y
Y
Y
N
Normal operation.
N
Y
N
N
N
Check whether the compressor is activated in three
minutes after turning on the power with the "CoolING
ICON" LED lamp being switched on when selecting the
cool mode of the remocon.
DB98_04511A(2)-2 2/18/03 4:12 PM Page 5-5

FRIEDRICH AIR CONDITIONING CO. 5-7
Troubleshooting
5-2-5 When the fan motor does not operated
1) Check points
(1) Is the voltage of the power source normal ? (the rating voltage ±10% range. )
(2) Is the electric wire in good contact ?(CN71, RY71)
(3) Is the starting condenser(FAN MOTOR) in good contact?
(4) Is the fan motor connector in good contact?(CN73)
(5) Is the output voltage of the IC01(KA7812) and IC02(KA7805) normal ?
Turn off the power, and then turn it on again five
seconds later.
Replace the fan motor.
Dose the buzzer sound, when the power on?
Check whether the "COOLING ICON" LED lamp is on
and the operation starts when pressing the
on/off button of the remocon.
Is the IC03 output normal?
- When the fan motor is High, IC03 No. 12 pin → Low.
- When the fan motor is Med, IC03 NO. 14 pin →LOW.
- When the fan motor is Low, IC03 No. 15 pin →Low.
Does the relay(RY 72, 73,74) operate normally?
- When the fan motor is High, RY74 should operate.
- When the fan motor is Med, RY73 should operate.
- When the fan motor is Low, RY72 should operate.
Go to the clause "No power".
• Go to the clause of "when the
remocon does not operated".
• Check the IC03 for a short and cold
soldering.
• Replace the IC03.
• Check the relay coil resistance.
(Normal: About 400Ω)
• Replace the relay.
N
Y
Y
Y
Is the fan motor normal?
Y
Y
N
N
N
• Check the fan motor resistance.
(0Ω: short, ∞Ω : open)
• Check the fan motor thermal fuse?
N
DB98_04511A(2)-2 2/18/03 4:12 PM Page 5-7

FRIEDRICH AIR CONDITIONING CO. 6-1
6. Exploded View and Parts List
6-1 Main unit
You can search for the updated part code
number through the ITSELF.
URL : http://itself.sec.samsung.co.kr
DB98_04511A(2)-2 2/18/03 4:12 PM Page 6-1
3
4
33
21
23
24
5
6
7
8
9
10
11
13
15
16
17
19
14
20
18
28
25
29
26
27
22
EXPLODED VIEW(SP06A10/SP08A10)
34
30-11
30-8
30-7
30-5
30-4
30-1
30-3
30-2
30-6
30-10
30
35
1
1-4
1-5
2
1-3
1-2
1-1
12-1
12-2
12-3
12-4
12-5
12-6

6-2 FRIEDRICH AIR CONDITIONING CO.
Exploded View and Parts List
■Part List
No Description Code No. Specification Q'TY
SP06A10 SP08A10
1 ASSY PANEL FRONT DB92-00398B ASSY,HIPS 1 1
1-1 PANEL FRONT DB64-00566A HIPS,-,W343 1 1
1-2 GRILLE AIR INLET DB64-00567B SEA,HIPS 1 1
1-3 BLADE V DB66-00349A HIPS,T2.5 4 4
1-4 LINK BLADE DB66-00165A PE,L97.5,T1.3 2 2
1-5 FRAME BLADE DB61-01009A HIPS 1 1
2 FILTER DB63-00513A HIPS,-,W212 1 1
3 EVAPORATOR DB96-01028A 2R×11S,FP1.2 1 1
4 ASSY FRAME LOW DB90-00328A ASSY 1 1
5 NUT-FRANGE DB60-30004A 2C M6 SM20C NTR 1 1
6 BLOWER DB67-00099A ABS 1 1
7 MOTER FAN DB31-00149B 80/75/70 1 -
DB31-00149A 1.12/1.05/0.99 - 1
8 FAN-PROPELLER DB67-50077A ABS 1 1
9 NUT-FRANGE DB60-30020A M6,LEFT 1 1
10 LEVER DAMPER DB66-00430A SC-97471R 1 1
11 ASSY FRAME UP DB90-00293A ASSY 1 1
12 ASSY PANEL CONTROL DB92-00395A ASSY 1 1
12-1 COVER PANEL CONTROL DB63-00514A ABS(V5) 1 1
12-2 PANEL DISPLAY DB64-00565A ABS(V5) 1 1
12-3 PANEL BUTTON DB64-00564A ABS,-,W18,L90 1 1
12-4 COVER MODULE DB63-00512A PC,T1,W23 1 1
12-5 ASSY PCB PANEL DB93-01493A SEA-PJT,RAC PANEL 1 1
12-6 THERMISTOR DB32-10051D 10K/25,-,3425K 1 1
13 CASE COND DB90-00337A PP 1 1
14 ASSY BASE DB90-20212F SGCC-M,SC94445T 1 1
15 ASSY COND DB96-00995A 2R×15S,FP1.5 1 -
DB96-01027A 3R×15S,FP1.5 - 1
16 ASSY CABINET DB90-00133P ASSY 1 1
17 ASSY SHUTTER-LF DB92-00113A SPS-P/J,ASSY 1 1
18 ASSY SHUTTER-RH DB92-00112A SPS-P/J,ASSY 1 1
19 SHUTTER-ANGLE UP DB64-00048B ASV08FAS2,HIPS,T3.0 1 1
20 BRACKET-INSTALL DB61-30219F SGCC-A 2 2
21 NUT-TERMINAL COVER DB60-30001A M5,-,SM20C 1 1
22 COMPRESSOR 39A062HS1EA 6200BTU,115V 1 -
44A076HU1EB 115V 1PHASE 60HZ 7600 - 1
23 COVER-TERMINAL DB63-10026A GE,-,NORYL,-,SEI-701 1 1
24 O.L.P DB35-00006G MRA12146-12008 1 -
DB47-20066B MRA12083-12008 - 1
25 GASKET DB63-20003A EPDM,T0.8 1 1
26 NUT WASHER DB60-30028A M8,ZPC 3 3
27 GROMMET-ISOLATOR DB73-00016A EPDM,-,BLK,OK-PJT 3 3
28 TUBE SUCTION DB62-01374A C1220T-0 1 -
DB62-00484A C1220T-0 - 1
29 TUBE DISCHARGE DB62-00675A OD7.93 1 -
DB62-00483A C1220T-0 - 1
30 ASSY CONTROL BOX DB93-01633A TOP,ELEC 1 -
DB93-01633B TOP,ELEC - 1
30-1 CASE CONTROL-LOW DB61-00669A SGCC-M,T0.7 1 1
30-2 CASE CONTROL-UP DB61-00670A SGCC-M,T0.7 1 1
30-3 BRACKET-CONTROL DB61-00676A SGCC-M,T0.7 1 1
30-4 TRANSFORMER DB26-00006G AC115V,50/60HZ,DC17V 1 1
30-5 C-FILM 2301-001448 8µF,450VAC 1 1
30-6 POWER CORD DB39-00343D 125V,13A 1 1
30-7 C-OIL 2501-001229 40µF,370VAC 1 -
2501-001228 35µF,370VAC - 1
30-8 CLIP CAPACITOR DB65-00031A SGCC-M,T0.7 1 1
30-10 ASSY MIAN PCB DB93-01492A SEA-PJT 1 1
30-11 PANEL BONTROL DB63-00511A ABS(V5),-,W140,L98 1 1
33 TUBE CAPILLARY DB62-01316A ID1.3×L600 1 -
DB62-01288A ID1.42×L900 - 1
34 ASSY-SCREW DB97-30156C ASSY 1 1
35 ASSY REMOCON DB93-01364X AS-K410/K610 1 1

FRIEDRICH AIR CONDITIONING CO. 6-3
6. Exploded view and part list
6-3 Main unit
DB98_04511A(2)-2 2/18/03 4:12 PM Page 6-1 DB98_04511A(2)-2 2/18/03 4:12 PM Page 6-1 DB98_04511A(2)-2 2/18/03 4:12 PM Page 6-1 DB98_04511A(2)-2 2/18/03 4:12 PM Page 6-1
3
4
30
11
13
19
21
20
18
23
22
25
37
EXPLODED VIEW
SP10A10/SP12A10
5
6
7
8
9
10
12
14
15
16 17
23
24
25 26
31
28
29
32
33
34-11
34-10
34-8
34-7
34-6
34-5
34-1
34-4
34-3
34-2
38
34
27
1
1-2
1-5
3
1-3
1-4
35-1
1-1
35-6 35-5
35-2
35-4
35-3

Exploded View and Parts List
■Part List
No Description Code No. Specification Q'TY
SP10A10 SP12A10
1 ASSY PANEL FRONT DB92-00397B ASSY,HIPS 1 1
1-1 PANEL FRONT DB64-00694A HIPS,T2.5 1 1
1-2 GRILLE AIR INLET DB64-00693B HIPS 1 1
1-3 BLADE V DB66-00369A HIPS,T2.5 4 4
1-4 LINK BLADE DB66-00259A PP,97.5,T1.3 2 2
1-5 FRAME BLADE DB61-01174A HIPS 1 1
2 FILTER DB63-00617A HIPS,T2.5 1 1
3 EVAPORATOR DB96-01001A 2R×12S,FP1.3 1 -
DB96-02439A ASSY - 1
4 ASSY PLATE EVAP CASING DB90-00509A ASSY,PP,T2.0 1 1
5 CASE EVAP UP DB61-00641A 30F0-PS,T15 1 1
6 LEVER DAMPER DB66-00258A HIPS,T2.0 1 1
7 CASE EVAP DB61-00640A 30FO-PS 1 1
8 NUT-FRANGE DB60-30004A 2C M6 SM20C NTR 1 1
9 BLOWER DB67-50073A ABS,200 1 1
10 PLATE PARTITION DB71-00077B SGCC-M,T0.8 1 1
11 MOTOR MOUNTER DB61-00650A SGCC-M 1 1
12 PLATE-REINF DB71-00081A SGCC-M,T1.0 1 1
13 MOTOR FAN DB31-00122A YGN60-6B 1 1
14 FAN-PROPELLER DB67-00139A ABS+G.F20%,D352 1 1
15 NUT-FRANGE DB60-30020A M6,LEFT 1 1
16 CASE COND DB61-00647A PP,T2,515.6,450 1 1
17 ASSY COND DB96-00982A 2R×17S,FP1.5 1 -
DB96-00979A 3R×17S,FP1.4 - 1
18 ASSY BASE DB90-00514A ASSY 1 1
19 ASSY CABINET DB90-00364B ASSY 1 1
20 SHUTTER ANGLE UP DB64-00048C HIPS,T3.0 1 1
21 ASSY SHUTTER LF DB92-00111A ASSY 1 1
22 ASSY SHUTTER RH DB92-00110A ASSY 1 1
23 BRACKET-INSTALL DB61-30219F SGCC-A 2 2
24 COMPRESSOR 44B098HX1EF 115V,1Ph,60Hz 1 -
44B124HX1EL 115V,1Ph,60Hz - -
44B117HX1EL 115V,1Ph,60Hz - 1
25 TUBE SUCTION DB62-00712A OD12.7 1 -
DB62-00692A OD12.7 - 1
26 TUBE DISCHARGE DB62-00327A C1220T-0,OD9.52,T0.7 1 1
27 TUBE CAPILLARY DB62-00688B OD2.75 1 -
DB62-01563A ID1.3×L1100 - 1
28 NUT-TERMINAL COVER DB60-30001A M5,-,SM20C 1 1
29 COVER-TERMINAL DB63-10026A GE,-,NORYL,-,SEI-701 1 1
30 O.L.P DB35-00011D MRA12132-12007 1 -
DB35-00011M MRA12053-12007 - 1
31 GASKET DB63-20003A EPDM,T0.8 1 1
32 NUT WASHER DB60-30028A M8,ZPC 3 3
33 GROMMET-ISOLATOR DB73-00016A EPDM,-,BLK,OK-PJT 3 3
34 ASSY CONTROL BOX DB93-01633D ASSY 1 -
DB93-01633E ASSY - 1
34-1 CASE CONTROL-LOW DB61-00669A SGCC-M,T0.7 1 1
34-2 CASE CONTROL-UP DB61-00670A SGCC-M,T0.7 1 1
34-3 BRACKET-CONTROL DB61-00676A SGCC-M,T0.7 1 1
34-4 TRANSFORMER DB26-00006G AC115V,50/60HZ,DC17V 11
34-5 C-FILM 2301-001452 15µF,250VAC 1 1
34-6 POWER CORD DB39-00343E 125V,13A,AWG16 1 1
34-7 C-OIL 2501-001230 45µF,370VAC 1 -
2501-001231 50µF,370VAC - 1
34-8 CLIP CAPACITOR DB65-00031A SGCC-M,T0.45 1 1
34-10 ASSY MIAN PCB DB93-01492A SEA-PJT 1 1
34-11 PANEL BONTROL DB63-00511A ABS(V5),-,W140,L98 1 1
35 ASSY PANEL CONTROL DB92-00395A ASSY 1 1
35-1 COVER PANEL CONTROL DB63-00514A ABS(V5) 1 1
35-2 PANEL DISPLAY DB64-00565A ABS(V5) 1 1
35-3 PANEL BUTTON DB64-00564A ABS,-,W18,L90 1 1
35-4 COVER MODULE DB63-00512A PC,T1,W23 1 1
35-5 ASSY PCB PANEL DB93-01493A SEA-PJT,RAC PANEL 1 1
35-6 THERMISTOR DB32-10051D 10K/25,-,3425K 1 1
37 ASSY-SCREW DB97-30156C ASSY 1 1
38 ASSY REMOCON DB93-01364X AS-K410/K610 1 1
6-4 FRIEDRICH AIR CONDITIONING CO.

FRIEDRICH AIR CONDITIONING CO. 7-1
7. Block Diagram
7-1 Refrigerating Cycle Block Diagram
PINCH PIPE
(SERVICE VALVE) SUCTION LINE
ACCUMULATOR/COMPRESSOR
EVAPORATOR
CAPILLARY TUBE
CONDENSER
DISCHARGE LINE
PINCH PIPE
(SERVICE VALVE)
7-2 Basic Structure
7-2-1 Micom Control Diagram
A/D converter
• Compressor control
• Buzzer control
• Temperature control
• Fan motor control
Reset Circuit
Led display control
Remocon Single
Receiving
Compressor
Fan motor
Power circuit (DC 5V)
Oscillation Circuit
Membrane Pad control
• Energe saver
• Temp.set(↑, ↓)
• Operation, Mode
• Swing, Sleep
• Fan select, Timer
• Remocon single control
MAIN MICOM
Room Temperature sensor
Receiving Unit of Remocon
Powercircuit (DC 12V)
Down Trans (AC15V)
Power input (AC220V)
(Key operation)
(Remocon control)
Operation
Dry
Timer
Sleep
Fan speed (high)
Fan speed (med)
Fan speed (low)
Fan
Cool
Energy saver
Temp.setting(↑)
Temp.setting(↓)
(Remote Control)
DB98_04511A(2)-2 2/18/03 4:12 PM Page 7-5

7-2 FRIEDRICH AIR CONDITIONING CO.
Block Diagram
7-2-2 Micom pin assignment
KS88C4716
GRID5
SEG-DATA(d)
SEG-DATA(e)
SEG-DATA(f)
SEG-DATA(g)
SEG-DATA(h)
SEG-DATA(a)
EEPROM CLK
EEPROM IN
EEPROM OUT
BUZZER
OPTION
JIG OUTPUT
OPTION
SENSOR THERMIS-
TOR(103AT)
OPTION
OPTION
OPTION
OPTION
SAVE OPTION
SWING MOTOR
GND
SEG-DATA(c)
SEG-DATA(b)
GRID4
GRID3
Vcc
Vss
10MHz RESONATOR
10MHz RESONATOR
TEST
GRID2
GRDI1
RESET IC OUTPUT
KEY-IN1
KEY-IN2
REMOCON
EEPROM CS
LOW FAN
COMPERSSOR
MIDDLE FAN
HIGH FAN
4-WAY VALVE
Vcc
1 P0.1 P4.4 44
2 P0.0 P0.2 43
3 P4.3 P0.3 42
4 P4.2 P0.4 41
5 VDD P0.5 40
6 VSS P0.6 39
7 Xout P0.7 38
8 Xin P1.0 37
9 TEST P1.1 36
10 P4.1 P1.2 35
11 P4.0 P1.3 34
12 RESET P1.4 33
13 P2.0 P1.5 32
14 P2.1 P3.7 31
15 P2.2 P3.6 30
16 P2.3 P3.5 29
17 P2.4 P3.4 28
18 P2.5 P3.3 27
19 P2.6 P3.2 26
20 P2.7 P3.1 25
21 P4.5 P3.0 24
22 AVref AVss 23
DB98_04511A(2)-2 2/18/03 4:12 PM Page 7-6

MEMO
FRIEDRICH AIR CONDITIONING CO. 7-3
DB98_04511A(2)-2 2/18/03 4:12 PM Page 9-1

8-1 FRIEDRICH AIR CONDITIONING CO.
8. PCB Diagram
8-1 ASS’Y Main PCB
DB98_04511A(2)-2 2/18/03 4:12 PM Page 9-2
8. PCB Diagram
8-1 ASS’Y Main PCB
DB98_04511A(2)-2 2/18/03 4:12 PM Page 9-2
8. PCB Diagram
8-1 ASS’Y Main PCB
DB98_04511A(2)-2 2/18/03 4:12 PM Page 9-2
8. PCB Diagram
8-1 ASS’Y Main PCB
DB98_04511A(2)-2 2/18/03 4:12 PM Page 9-2
Power PCB
DB93-01492A
Main PCB
DB93-01493A
DB93-01493B

FRIEDRICH AIR CONDITIONING CO. 8-2
PCB Diagram
■Part List
DB98_04511A(2)-2 2/18/03 4:33 PM Page 10-1
NO. DESCRIPTION SPECIFICATION Q'TY REMARK
DB93-01492A
1 CHIP IC ULN2003AD 1 IC03
2 BRIDGE DIODE DF06S 1 BD61
3 REGULATOR KA7805 1 IC02
4 REGULATOR KA7812 1 IC01
5 C-AL 100µF/10V 1 C105
6 C-AL 1000µF/35V 1 C101
7 C-AL 22µF/15V 1 C106
8 C-AL 2200µF/25V 1 C103
9 C-CHIP 104Z 0805 50V 2C102,C104
10 R-CARBON 1/2W(SMALL 1 R601
11 BUZZER PZ-227125 1 BZ61
12 HEAR SINK L15 W15,H25 1-
13 CONNECTOR RED 1 CN12
14 CONNECTOR VH-4A WHT 1 CN11
15 CONNECTOR VH-5A WHT 1 CN51
16 HARNESS DB39-00807A 1 CN91
17 FUSE 250V T3 15A TIME DELAY 1 F701
18 FUSE 250V F1A,FAST ACTING 1 F702
19 FUSE HOLDER HF-004/J 4 -
20 RELAY POWER DI1U 12VDC 1 RY71
21 RELAY POWER JQ1A-12V 3 RY72-RY74
22 SCREW TAPPING PH3 L10 1-
23 JUMP WIRE PH0.6 L7.5MM 1J1
24 PCB-MAIN FR-1 1 -

8-3 FRIEDRICH AIR CONDITIONING CO.
DB98_04511A(2)-2 2/18/03 4:12 PM Page 10-2
19 R-CHIP 6.8k,0805,5% 1 1 R801
20 SWITCH-TACT TSTB-2,160GF 5 5 SW01-SW05
21 CONNECTOR SMAW250-02,RED 1 1 CN41
22 HARNESS DB39-00806A 1 1 CN92
23 JUMP WIRE PH0.6,L7.5mm 10 10 J1,J2,J4,J6,J9,J10,J13-J16
24 JUMP WIRE PH0.6,L10mm 5 5 J3,J7,J8,J11,J12
25 PCB-MAIN FR-1,124*65*1mm 1 1 -
26 LED DISPLAY CSD-322GLH 1 1 LED04
27 REMOCON MODULE FRP-4021H6 1 1 RM41
28 CHIP MCU 3P8475*ZZ-OZR5 1 1 IC05
29 CERAMIC RESOATOR 10MHZ,0.5% 1 1 X501
PCB PARTS
■Part List
NO. DESCRIPTION SPECIFICATION Q'TY REMARK
DB93-01493A DB93-01493B
1 CHIP IC ULN2003AD 1 1 IC06
2 IC RA7533OZ 1 1 IC04
3 DIODE-SWITCHING 1N4148(SMALL),DO-35 4 4 D901-D904
4 LED B5054D3,GREEN 3 3 LED01-LED03
5 CHIP TRANSISTOR KRA226S 4 4 Q901-Q904
6 CHIP TRANSISTOR KRC246S 1 1 Q905
7 C-CHIP 101k,0805,50V 1 1 C401
8 C-CHIP 102k,0805,50V 3 3 C301,C302,C402
9 C-CHIP 104z,0805,50V 3 3 C701,C702,C801
10 C-CHIP 223z,0805,50V 3 3 C201-C203
11 R-CHIP 1.74k,0805,1% 1 1 R704
12 JUMP WIRE 1206,5% 1 1 J5
13 R-CHIP 1k,0805,5% 2 2 R101,R102
14 R-CHIP 10k,0805,5% 3 3 R403,R501,R701
15 R-CHIP 180,1206,5% 8 8 R901-R908
16 R-CHIP 330,0805,5% 3 3 R401,R402,R802
17 R-CHIP 10k,0805,1% 1 1 R702
18 R-CHIP 4.7k,0805,5% 1 - R703
R-CHIP 10k,0805,5% - 1 R703
19 R-CHIP 6.8k,0805,5% 1 1 R801
20 SWITCH-TACT TSTB-2,160GF 5 5 SW01-SW05
21 CONNECTOR SMAW250-02,RED 1 1 CN41
22 HARNESS DB39-00806A 1 1 CN92
23 JUMP WIRE PH0.6,L7.5mm 10 10 J1,J2,J4,J6,J9,J10,J13-J16
24 JUMP WIRE PH0.6,L10mm 5 5 J3,J7,J8,J11,J12
25 PCB-MAIN FR-1,124*65*1mm 1 1 -
26 LED DISPLAY CSD-322GLH 1 1 LED04
27 REMOCON MODULE FRP-4021H6 1 1 RM41
28 CHIP MCU 3P8475*ZZ-OZR5 1 1 IC05
29 CERAMIC RESOATOR 10MHZ,0.5% 1 1 X501

FRIEDRICH AIR CONDITIONING CO. 9-1
9. Wiring Diagram
DB98_04511A(2)-2 2/18/03 4:12 PM Page 10-3

10-1 FRIEDRICH AIR CONDITIONING CO.
10-1 PCB
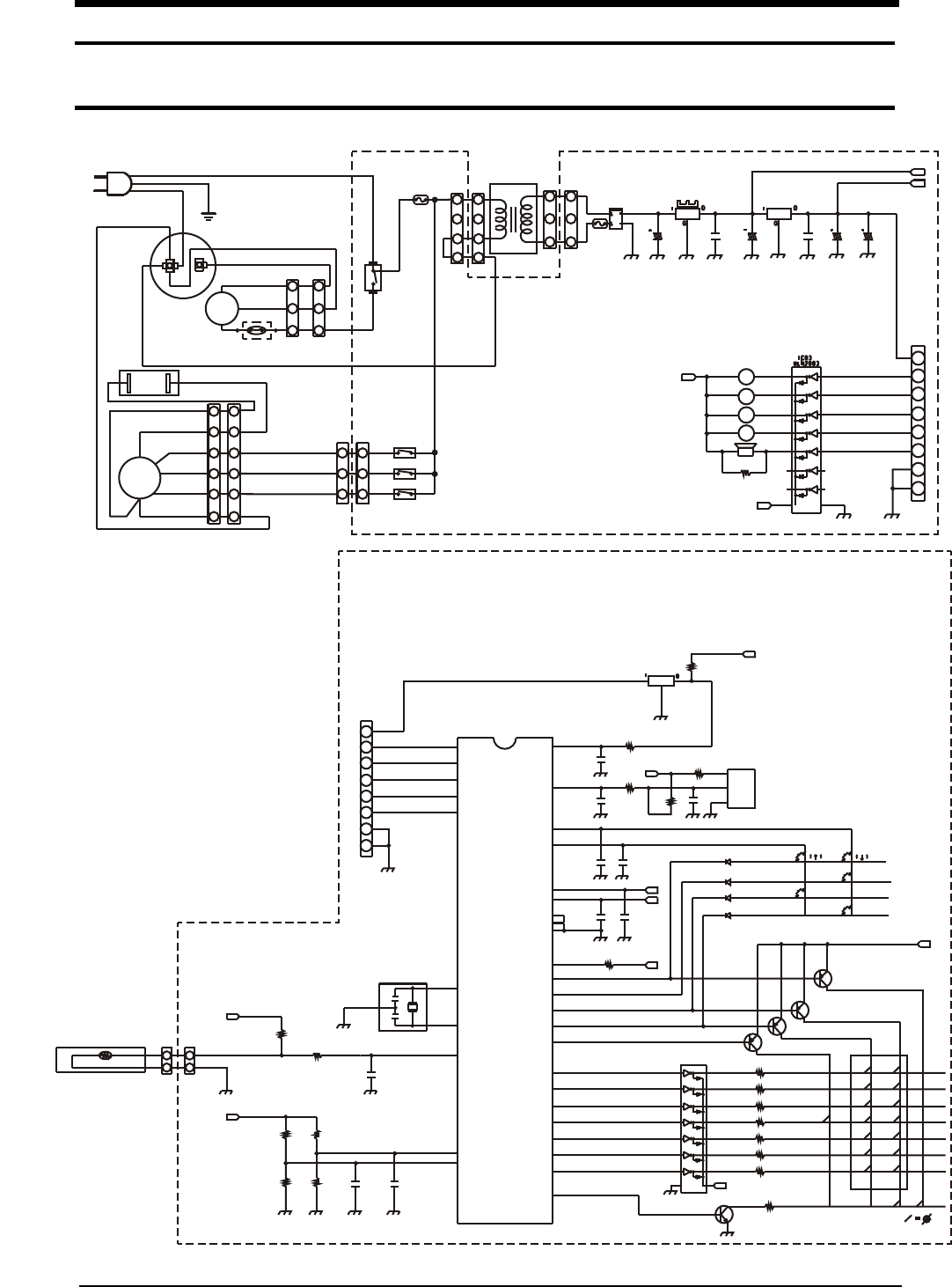
10. Schematic Diagrams
DB98_04511A(2)-2 2/18/03 4:12 PM Page 10-4
PCB POWER
AC INPUT
COMPRESSOR
CAPACITOR
S
R
C.M O.L.P
C
COMPERSSOR
FAN MOTOR
CAPACITOR
FAN MOTOR
F.M
S
M
HIGH
MID
LOW
HIGH
MID
LOW
1
3
5
JQ1a-12V RY72
JQ1a-12V RY73
JQ1a-12V RY74
RY71
DI1U-DC12V
F701
T3.15A 250V
CN11
VH-4A
(WHT)
1
2
3
4
1
2
3
4
TN71
TRANS
AC230V/115V
3
1
3
1
CN12
SMW250-03
(RED)
BD61
DF06S
F702
1A 250V
IC01
KA7812
C101
1000uF
35V
C102
104
IC02
KA7812
C103
2200uF
25V
C104
104
C106
22uF
16V
C105
100uF
10V
+ 12V
+ 5V
1
2
3
4
5
6
7
8
5
4
3
2
1
6
7
8
12
13
14
15
16
11
10
9
HIGH
COMP
MID
LOW
RY72
RY71
RY73
RY74
+ 12V
BZ61
PZ-227125
R601
1/2W 620-J
+ 12V
PCB MAIN
+5V
R101
1K-J
1/8W
IC04
KA7533Z
RM41
REMOCON
MODULE
FRP-4021H6
VCC
OUT
GRD
R402
330-J
1/8W
R102
1K-J
1/8W
+5V
C201
223
C401
101
R402
330-J
1/8W
R402
10K-J
1/8W
C402
102
12
15
14
13
22
5
9
23
6
32
11
10
4
3
44
2
1
43
42
41
40
38
39
RESET
P2.2/INT2
P2.1/INT1
P2.0/INT0
Vdd
Avr
Test
Avss
Vss
P1.5/Tx0
P4.0
P4.1
P4.2
P4.3
P4.4
P0.0
P0.1
P0.2
P0.3
P0.4
P0.5
P0.7
P0.8
P3.1/ADC1
P3.2/ADC2
25
26
P3.7/ADC7
Xin
Xout
31
8
7
IC05
S
3
C
8
4
7
5
P2.4/INT4
P2.5/INT5
P2.6/INT6
P2.7/INT7
P1.3/BUZ
17
18
19
20
34
1
2
3
4
5
6
7
8
3
1
30PF
30PF
2
C801
104
X501
10.0MHZ
R802
330-J
1/8W
R801
6.8K-F
1/8W
+5V
+5V
CN41
SMAW250-02
(RED)
2
1
2
1
103AT
SENSOR
THERMISTOR
R701
10K-J
1/8W
R702
10K-F
1/8W
R703
4.7K-J
1/8W
R704
OPTION
C702
104
C701
104
C302
102
C301
101
+5V
+5V
+5V
C202
223
C301
102
R501
10K-J
1/8W
D903
D902
D901
1N4148*5
D901
SW94
TEMP.SET.
Sw90
TEMP.SET.
SW96
MODE
SW91
OPERATION
SW95
FAN
+5V
KRA226S*4
Q901
Q903
Q902
Q904
1
2
3
4
5
6
7
8
16
15
14
13
12
11
10
9
IC06
VLN2003
R907
R906
R905
R904
R903
R902
R901
100-J 1/4W*8
LED01
SAVE
R908
Q905
KRC246
1b
1c
1d
1e
1f
1g
1a
D1
2b
2c
2d
2e
2f
2g
2a
D2
LED01
HR
LED01
HR
LED04
CSD-322GLH

FRIEDRICH AIR CONDITIONING CO.
Post Office Box 1540 lSan Antonio, Texas 78295-1540
4200 N. Pan Am Expressway lSan Antonio, Texas 78218-5212
(210) 357-4400 lFAX (210) 357-4480
www.friedrich.com
Printed in China
SP06_E_11758 2003.3.4 9:5 AM Page 26