Frigidaire CPGS3085KF5 User Manual GAS RANGE Manuals And Guides 1011385L
User Manual: Frigidaire CPGS3085KF5 CPGS3085KF5 FRIGIDAIRE GAS RANGE - Manuals and Guides View the owners manual for your FRIGIDAIRE GAS RANGE #CPGS3085KF5. Home:Kitchen Appliance Parts:Frigidaire Parts:Frigidaire GAS RANGE Manual
Open the PDF directly: View PDF
.
Page Count: 36

INSTALLATION AND SERVICE MUST BE PERFORMED BY A QUALIFIED INSTALLER.
iMPORTANT: SAVE FOR LOCAL ELECTRICAL INSPECTOR"S USE.
READ AND SAVE THESE INSTRUCTIONS FOR FUTURE REFERENCE.
1
If the information in this manual is not followed exactly, afire
or explosion may result causing property damage, personal injury or death. I
FOR YOUR SAFETY:
-- Do not store or use gasoline or other flammable vapors and liquids in
the vicinity of this or any other appliance.
-- WHAT TO DO iF YOU SMELL GAS:
*Do not try to light any appliance.
*Do not touch any electrical switch; do not use any phone in your building.
*immediately call your gas supplier from a neighbor's phone. Follow the
gas supplier's instructions.
if you cannot reach your gas supplier, call the fire department.
-- installation and service must be performed by a qualified installer,
service agency or the gas supplier.
Refer to your serial plate for
applicable agency certitication
Appliances installed in the
state of Massachusetts:
This Appliance can only be installed
in the state of Massachusetts by a
Massachusetts licensed plumber or
gasfitter.
This appliance must be installed
with a three (3) foot /36 in. long
flexible gas connector.
A"T" handle type manual gas valve
must be installed in the gas supply
line to this appliance.
Do not install the
unit in the cabinet before 30" Min.
reading next page. (76.2 cm Min.),
_h_e_e_u(_atcehS_! " "_ M';n. tsee'N-ote-.3)' _ 13"
5" Min _ \ _ (33cm)
Shave 1 Y2 Max. From Wa Both _Ides\_ _ (45.7 cm) Mm.
__ "m_ (12.7 cm Min.) 18 M,, .
Raised (3.8 cm Max.)
Edge _ [ .......
to Clear ,/ q _ ___ -li/4" rnin,_
Space ___- /I_Ic------3__/2",'min, //
' >-- J'/
(81 cm)Wide /G_Xd_L I _ Alqlq V
Cooktop. _ | _ Approx. 1 7/8"
J F ]] j
Locate Cabinet Doors 1" (2.5 J __::::_: __'_ .......... i
cm) Min. from Cutout Opening. _ ___ W j.............. /_x_
Grounded Jonction Box or Wall Outlet Should Be
Located 8" to 17" (20.3 cm to 43.2 cm) From Right
Cabinet and 2" to 4" (5.1 cm to 10.2 cm) From Floor.
A HEIGHT
(Under Cooktop)
35 7/8" (91,1 cm)
36 5/8" (93 cm)
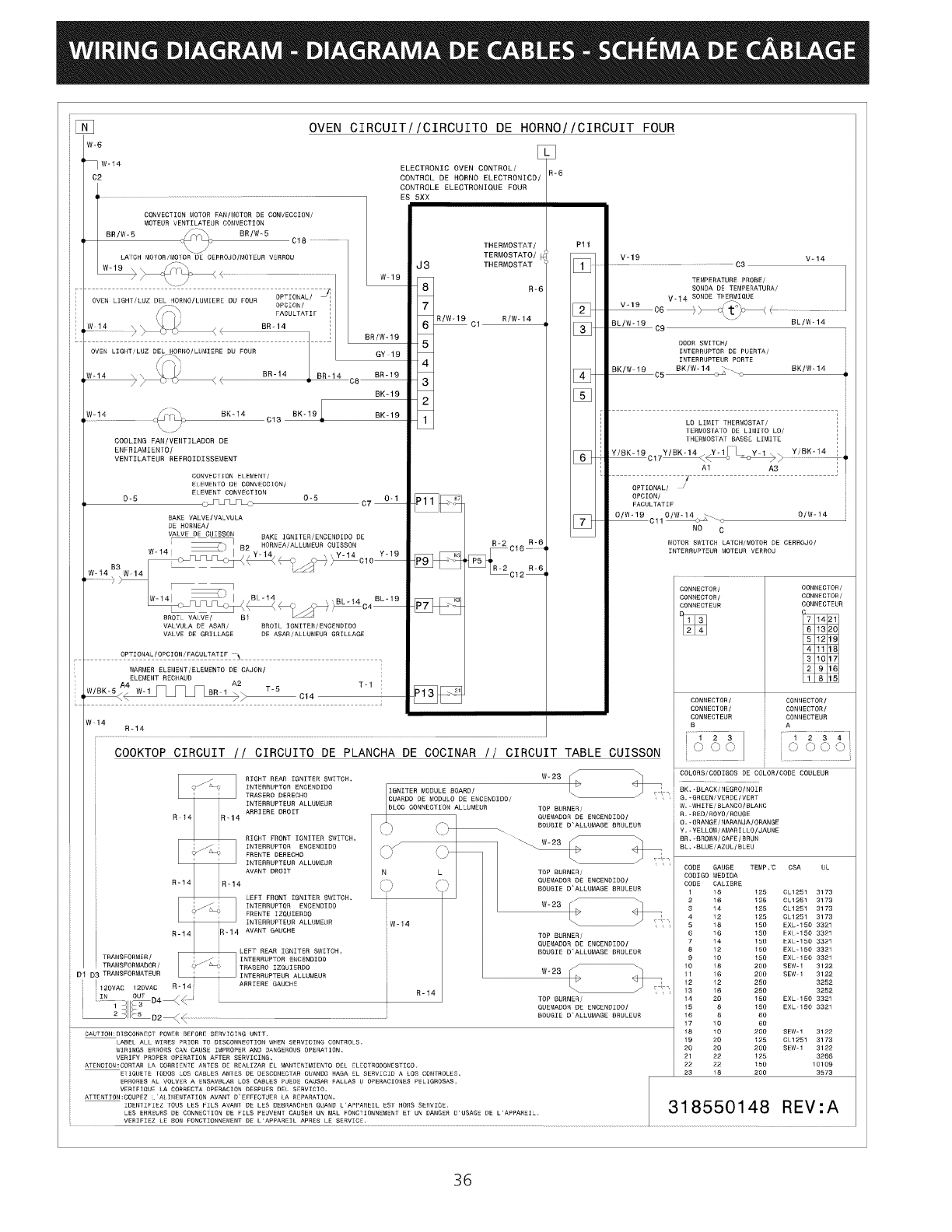
NOTE: Wiring diagram for these appliances are enclosed in this booklet.
Printed in United States
B. WIDTH C: COOKTOP D; TOTAL DEPTH TO E. CUTOUT WIDTH*** F; CUTOUT [ GI HEIGHT
[ W!DTH , FRONTO F RANGE (C0unte_op DEPTH OF COUNTER-FO P
and cabinet)
30" (76,2 cm) 31 1/2" 285/16" (71,9 cm) 30_+1/16" 21 3/4" (55,2 cm) Min. 357/8" (91,1 cm) Min.
(80 cm) (76,2_+0,15 cm) 22 1/8" (56,2 cm) Max
24" (61 cm) Min. with 36 5/8" (93 cm) Max.
backguard
P/N 318201691 (1007) Rev. A
English- pages 1-11; Espahol- p_ginas 12-22;
Fran_ais - pages 23-33; Notes 34-35;
Wiring diagrams - Pages 36

NOTE:
1. Do not pinch the power supply cord or the
flexible gas conduit between the range and
the wall.
2. Do not seal the range to the side cabinets.
3.24" (61 cm) minimum clearance between
the cooktop and the bottom of the
cabinet when the bottom of wood or
metal cabinet is protected by not less than
¼" (0.64 cm) flame retardant millboard
covered with not less than No. 28 MSG
sheet metal, 0.015 "(0.4 ram) stainless
steel, 0.024"(0.6 ram) aluminum, or
0.020" (0.5 ram) copper.
30" (76.2 cm) minimum clearance when
the cabinet is unprotected.
4. For cutouts below 22 7/8"(58.1 cm),
appliance will slightly show out of the
cabinet.
5.Allow at least 19 ¼" (48.9 cm) clearance
for door depth when it is open.
Door Open
/
I
Panel
*** IMPORTANT: To avoid cooktop breakage for cutout width (E dimension) of more
than 30 1/16" (76,4 cm), make sure the appliance is centered in the counter opening
while pushing into it. Raise leveling legs at a higher position than the cabinet height
(see page 3), insert the appliance in the counter and then level. Make sure the unit
is supported by the leveling legs and NOT by the cooktop itself.
IM PORTANT: Cabinet and countertop width
should match the cutout width.
E
E
22 7/8"(58.1 cm) min.
23 1/4"(59.05 cm) max.
- (see Note 4) -_
__| _ 1 118"
' (2.86 cm)
FRONT OF
CABINET _ FRef.--
r
A HEIGHT ' B:WIDTH " C: CooKToP D. TOTAL DEPTH TO E. CUTOUTWIDTH***. F: CUTOUT I G: HEIGHT
(Under Cooktop) , WIDTH FRONTOF RANGE (Countertop ] DEPTH OF COUNTERTOP
I ! ! I and cabinet) i i
35 7/8" (91,1 cm) 30"(76,2cm) 31 1/2" 28 5/16" (71,9cm) 30_+1/16" 21 3/4" (55,2cm) Min. 35 7/8" (91,1 cm) Min.
(80 cm) (76,2_+0,15 cm) 22 1/8" (56,2 cm) Max
36 5/8" (93 cm) 24" (61 cm) Min. with 36 5/8" (93 cm) Max.
backguard

To avoid breakage: Do NOT handle or
manipulate the unit by the cooktop.
The counter-top around the cut-out should be flat and leveled
(see hatched area on illustration 1).
Before installing the unit, measure the heights of the two (2) cabi-
net sides (H1-4), front and back (see illustration 1) from the floor
to the top of the counter•
Level the range using the
four (4) leveling legs, so
that the height from the
floor to the underside of
the metal flange is greater
than the tallest cabinet
measurement by at least
1/16" (see illustration 2).
Shave
Raised
Edge
to Clear
Space for a
1 1/2"Max. I
(3.8 crn Max.) I
311/2" (81 cm)
Wide Cooktop.
Slide the unit into the cabinet• Make sure the center of the unit is
aligned with the center of the cabinet cut-out•
Remove the protective channels on each side of the cooktop
(if provided)•
The metal flange under each side of the cooktop MUST be placed /
over the cabinet countertop for proper unit support• The cooktop
should NOT rest directly on the countertop (see illustration 2) or else
it could cause damage to the cooktop voiding the warranty• Level the
unit if needed•
After the installation, MAKE SUREthat
the unit is supported by the two front
leveling legs and the two adjustable
leveling wheels
and NOT by the
cooktop.
\
Illustration 1
1
successfully
"install the range,
the initial level
height from floor
to underside of
cooktop frame
should be at least
1/16" taller than
cabinet sides as
measured in step
2.
Illustration 2
3

important Notes to the Installer
1. Read all instructions contained in these installation
instructions before installing range.
2. Remove all packing material from the oven compartments
before connecting the gas and electrical supply to the
range.
3. Observe all governing codes and ordinances.
4. Be sure to leave these instructions with the consumer.
5. Note: For operation at 2000 ft. elevations above see
level, appliance rating shall be reduced by 4 percent for
each additional 1000 ft.
important Note to the Consumer
Keep these instructions with your Owner's Guide for the
local electrical inspector's use and future reference.
IMPORTANT SAFETY
INSTRUCTION
_l_i_lCold temperatures can damage the
electronic control. When using the appliance for the first
time, or when the appliance has not been used for an
extended period of time, be certain the unit has been
in temperatures above 32% (0°C) for at least 3 hours
before turning on the power to the appliance.
Installation of this range must conform with local codes
or, in the absence of local codes, with the National Fuel
Gas Code ANSI Z223.1 /NFPA54 or CAN/ACG-B149.1
and CAN/ACG-B149.2.
This range has been design certified by CSA
international. As with any appliance using gas and
generating heat, there are certain safety precautions you
should follow. You will find them in the Use and Care
Guide, read it carefully.
• Be sure your range is installed and grounded
properly by a qualified installer or service technician.
This range must be electrically grounded in
accordance with local codes or, in their absence, with
the National Electrical Code ANSI/NFPA No. 70--
latest edition in United States or with CSA Standard
C22.1, Canadian Electrical Code, Part I in Canada. See
Grounding Instructions.
persons
could result.
Install anti-
tip device
packed with
range.
All ranges To reduce the risk of
can tip. tipping of the range, the
Injury to range must be secured
by properly installed
anti-tip bracket provided
with the range. To
check if the bracket is
installed properly, grasp
the top rear edge of the
range and carefully tilt it
forward to make sure the
range is anchored.
Before installing the range in an area covered
with linoleum or any other synthetic floor
covering, make sure the floor covering can
withstand heat at least 90°F above room
temperature without shrinking, warping or
discoloring. Do not install the range over carpeting
unless you place an insulating pad or sheet of 1/4"
(10,16 cm) thick plywood between the range and
carpeting.
Make sure the wall coverings around the range
can withstand the heat generated by the range.
Do not obstruct the flow of combustion air at the
oven vent nor around the base or beneath the
lower front panel of the range. Avoid touching the
vent openings or nearby surfaces as they may become
hot while the oven is in operation. This range requires
fresh air for proper burner combustion.
Never leave children alone or
unattended in the area where an appliance is in
use. As children grow, teach them the proper, safe use
of all appliances. Never leave the oven door open when
the range is unattended.
Stepping, leaning or sitting on the
doors or drawers of this range can result in serious
injuries and can also cause damage to the range,
Do not store items of interest to children in
the cabinets above the range. Children could be
seriously burned climbing on the range to reach items.
To eliminate the need to reach over the surface
burners, cabinet storage space above the burners
should be avoided.
Adjust surface burner flame size so it does not
extend beyond the edge of the cooking utensil.
Excessive flame is hazardous.
Do not use the oven as a storage space. This
creates a potentially hazardous situation.
Never use your range for warming or heating the
room. Prolonged use of the range without adequate
ventilation can be dangerous.
Do not store or use gasoline or other flammable
vapors and liquids near this or any other
appliance. Explosions or fires could result.
In the event of an electrical power outage, the surface
burners can be lit manually. To light a surface burner,
hold a lit match to the burner head and slowly turn
the Surface Control knob to LITE. Use caution when
lighting surface burners manually.
Reset all controls to the "off" position after using
a programmable timing operation,
FOR MODELS WITH SELF-CLEAN FEATURE:
Remove broiler pan, food and other utensils
before self-cleaning the oven. Wipe up excess
spillage. Follow the predeaning instructions in the Use
and Care Guide.
Unlike the standard gas range, THIS COOKTOP
IS NOT REMOVABLE, Do not attempt to remove the
cooktop.
4

Sedai Plate Location
Youwillfindthemodeland
serialnumberprintedonthe
serialplate.Theserialplateis
locatedasshown.
Rememberto recordthe
serialnumberforfuture
reference.
Electrical connection
IMPORTANT Please read carefully.
For personal safety, this appliance must be properly
grounded.
The power cord of this appliance is equipped with a
3-prong (grounding) plug which mates with a standard
3-prong grounding wall receptacle to minimize the
possibility of electric shock hazard from the appliance.
| Cabinet Construction
To eliminate the risk of burns or fire by
reaching over heated surface units, do not have cabinet
storage space above the range. If there is cabinet
storage space above range, reduce risk by installing a
range hood that projects horizontally a minimum of 5"
(12.7 cm) beyond the bottom of the cabinet.
Countertop Preparation
• The cooktop sides of the range fit over the cutout
edge of your countertop.
If you have a square finish (flat) countertop, no
countertop preparation is required. Cooktop sides lay
directly on edge of countertop.
Formed front-edged countertops must have molded
edge shaved flat 3/4" (1.9 cm) from each front corner
of opening (Figure 2).
Tile countertops may need trim cut back 3/4"(1.9
cm) from each front corner and/or rounded edge
flattened (Figure 2).
The wall receptacle and circuit should be checked by
a qualified electrician to make sure the receptacle is
properly grounded.
Where a standard 2-prong wall receptacle is installed,
it is the personal responsibility and obligation of the
consumer to have it replaced by a properly grounded
3-prong wall receptacle.
Do not, under any circumstances, cut or remove the
third (ground) prong from the power cord.
Disconnect electrical supply cord from
wall receptacle before servicing cooktop.
Preferred Method
Grounding type
wall receptacle
Do not, under any
circumstances, cut,
remove, or bypass
the grounding
prong.
(1.9cm)
I
(81crn)
Formed or tile countertop
trimmed %" (1.9 cm) back at
front corners of countertop
opening.
Figure 2
If the existing cutout width is greater than
30 1/16" (76,4 cm), reduce the 3A" (1.9 cm)
dimension.
Countertop must be level, Place a level on the
countertop, first side to side, then front to back. If the
countertop is not level, the range will not be level.
The oven must be level for satisfactory baking results.
Cooktop sides of range fit over edges of countertop
opening.
Power supply cord with
3-prong grounding plug.
Figure I

Provide an adequate Gas Supply
When shipped from the factory, this unit is designed
to operate on 4"(10,16 cm) water column (1.0 kPa)
Natural gas manifold pressure. A convertible pressure
regulator is connected to the range manifold and MUST
be connected in series with the gas supply line. If LP/
Propane conversion kit has been used, follow instructions
provided with the kit for converting the pressure
regulator to LP/Propane use.
Care must be taken during installation of range not to
obstruct the flow of combustion and ventilation air.
Forproper operation, the maximum inlet pressure to
the regulator should be no more than 14"(35,56 cm)
of water column pressure (3.5 kPa). The inlet pressure
to the regulator must be at least 1" (.25 kPa) greater
than the regulator manifold pressure setting. Examples:
If regulator is set for natural gas 4"(10,16 cm) manifold
pressure, inlet pressure must be at least 5"(12.60 cm);
if regulator has been converted for LP/Propane gas
10"(25,4 cm) manifold pressure, inlet pressure must be
at least 11 "(27,9 cm).
Leak testing of the appliance shall be conducted
according to the instructions in step 5.
The gas supply line should be 1/2" or %" I.D. (Interior
Diameter).
The gas supply piping can be through the back wall
(Fig. 3, zone 1) or through the floor (Fig. 3, zone 2):
Zone I - Through the Back Wall (7" X 6") - The best
place to have your gas line in is between 1" (2.5 cm) and
8" (20.3cm) from the floor and within 3" (7.6 cm) from
the center line.
Zone 2 - Through the Floor (~2" X 24") - The gas line
can also come through the floor within 12" (30.5 cm)
from the center line against the back wall. In case, you
can remove the "L" shape piece of metal at the bottom
metal portion at the back of the unit. There is absolutely
no problem removing this "L" shape piece of metal, it is
there to protect the gas line especially during transport.
Figure 3
Seal the openings
Seal any openings in the wall behind the range and
in the floor under the range after gas supply line is
installed.
| Connect the range to the gas
supply
Important: Remove all packing material and literature
from range before connecting gas and electrical supply.
To prevent leaks, put pipe joint sealant on all external
pipe threads.
Your regulator is located
as shown in figure 4.
Do not
allow regulator to
rotate on pipe when
tightening fittings.
Figure 4
Pressureregulator
location
Connection to Pressure Regulator
The regulator is already installed on the appliance.
Do not make the connection too tight.
The regulator is die cast. Overtightening may crack the
regulator resulting in a gas leak and possible fire or
explosion.
Manual GAS FLOW Pressure
Shutoff Flare _ Flare Regulator
Valve Union Union ,_
Access
Off Connector Cap
All connections must be wrench-tightened
Figure 5
Assemble the flexible connector from the gas supply pipe
to the pressure regulator in the following order:
1. manual shutoff valve (not supplied)
2. 1/2" nipple (not supplied)
3. 1/2" flare union adapter (not supplied)
4. flexible connector (not supplied)
5. 1/2" flare union adapter (not supplied)
6. 1/2" nipple (not supplied)
7. pressure regulator (supplied)

Usepipe-jointcompoundmadefor usewith Naturaland
LP/Propanegasto sealallgasconnections.Ifflexible
connectorsareused,becertainconnectorsarenot
kinked.
LP/Propane Gas Conversion
This appliance can be used with Natural gas or LID/
Propane gas. It is shipped from the factory for use with
natural gas.
If you wish to convert your range for use with LID/
Propane gas, use the supplied fixed orifices located in a
bag containing the literature marked "FOR LP/PROPANE
GAS CONVERSION." Follow the instructions packaged
with the orifices for surface, oven and broil burners
conversion.
Shutoff Valve =
Open position
Figure 6
The supply line should be equipped with an approved
shutoff valve (see Figure 6). This valve should be located
in the same room as the range and should be in a
location that allows ease of opening and closing. Do not
block access to the shutoff valve. The valve is for turning
on or shutting off gas to the appliance. Once regulator
is in place, open the shutoff valve in the gas supply line.
Wait a few minutes for gas to move through the gas line.
Check for leaks, After connecting the range to the gas
supply, check the system for leaks with a manometer. If
a manometer is not available, turn on the gas supply and
use a liquid leak detector (or soap and water) at all joints
and connections to check for leaks.
Do not use a flame to check for leaks from
gas connections. Checking for leaks with a flame may
result in a fire or explosion.
The conversion must be performed by a qualified service
technician in accordance with the manufacturer's
instructions and all local codes and requirements. Failure
to follow these instructions could result in serious injury
or property damage. The qualified agency performing
this work assumes responsibility for the conversion.
Failure to make the appropriate
conversion can result in personal injury and property
damage.
Moving the Appliance for
Servicing and Cleaning
Turn off the range line fuse or circuit breakers at the
main power source, and turn off the manual gas shut-off
valve. Make sure the range is cold. Remove the service
drawer (warmer drawer on some models) and open the
oven door. Lift the range at the front and slide it out
of the cut-out opening without creating undue strain
on the flexible gas conduit. Make sure not to pinch
the flexible gas conduit at the back of the range when
replacing the unit into the cut-out opening. Replace
the drawer, close the door and switch on the electrical
power and gas to the range.
Tighten all connections if necessary to prevent gas
leakage in the cooktop or supply line.
Isolate the range from the gas supply piping system
by closing its individual manual shutoff valve during
any pressure testing of the gas supply piping system at
test pressures equal to or less than 1/2 psig (3.5 kPa or
14"(35,56 cm) water column).
7

| Range Installation
Important Note: Door removal is not a requirement for
installation of the range, but is an added convenience.
Refer to the Use and Care Guide for oven door removal
instructions.
Standard Installation
_The range cooktop overlaps the countertop at the
sides and the range rests on the floor. The cooktop
is 311/2" (80 cm) wide.
O
O
(D
O
O
O
Install base cabinets 30" (76.2 cm) apart. Make
sure they are plumb and level before attaching
cooktop. Shave raised countertop edge to clear
311/2" (80 cm) wide range top rim.
Install cabinet doors 31 " (78.7 cm) min. apart so as
not to interfere with range door opening.
Cutout countertop exactly as shown on page 1.
Make sure the four leveling legs are setup higher
than the height of the cabinet (shown on page 3).
Install the anti-tip bracket at
this point before placing the range at its
final position. Follow the installation instructions
on page 11 or on the anti-tip bracket template
supplied with the range.
To provide an optimum installation, the top surface
of the countertop must be level and flat (lie on the
same plane) around the 3 sides that are adjacent
to range cooktop. Proper adjustments to make
the top flat should be made or gaps between the
countertop and the range cooktop may occur.
__ To reduce the risk of damaging your
appliance, do not handle or manipulate it by the
cooktop. Manipulate with care.
_ Position range in front of the cabinet opening.
_Make sure that the underside of the cooktop
clears the countertop. If necessary, raise the unit
by lowering the front leveling legs and the back
leveling wheels.
OLevel the range (see section 9). The floor where
the range is to be installed must be level. Follow
the instructions under "Leveling the Range".
OSlide the range into the cutout opening.
If Accessories Needed :
Installation With Backguard
The cutout depth of (21 3/4" (55.2 cm)Min., 22 1/8"
(56.2cm) Max.) needs to be increased to 24" (61 cm)
when installing a backguard.
Installation With End Panel
A End Panel kit can be ordered through a Service
Center.
Installation With Side Panels
A Side Panels kit can be ordered through a Service
Center. Note: Install cabinet doors 31 " (78.7 cm) min.
apart so as not to interfere with range door opening.
Leveling the Range
Level the range and set cooktop height before
installation in the cut-out opening.
1. Install an oven rack in the center of the oven.
2. Place a level on the rack (see figure 7). Take 2
readings with the level placed diagonally in one
direction and then the other. Level the range, if
necessary, by adjusting the 4 leg levelers with a
wrench.
3. Taking care to not damage the countertop, slide
range into cut-out opening and double check for
levelness.
Figure 7

| Check Operation
Refer to the Use and Care Guide packaged with the
range for operating instructions and for care and
cleaning of your range.
Do not touch the elements or burners. They may be hot
enough to cause burns.
Remove all packaging from the oven before testing.
Install Burner Bases and Burner Caps
This range is equipped with sealed burners It is very
important to make sure that all of the Surface Burner
Caps and Surface Burner Grates are installed correctly
and at the correct locations.
1. Remove all packing material from cooktop area.
2. Discard all packing material (if applicable).
3. Unpack Burner Grates and position on the cooktop.
NOTE: There are no burner adjustments necessary on
this range.
Turn on Electrical Power and Open
Main Shutoff Gas Valve
O Check the Igniters
Operation of electric igniters should be checked after
range and supply line connectors have been carefully
checked for leaks and range has been connected to
electric power. To check for proper lighting:
1. Push in and turn a surface burner knob to the LITE
position. You will hear the igniter sparking.
2. The surface burner should light when gas is available
to the top burner. Each burner should light within
four (4) seconds in normal operation after air has been
purged from supply lines. Visually check that burner
has lit.
3.Once the burner lights, the control knob should be
rotated out of the LITEposition.
There are separate ignition devices for each burner. Try
each knob separately until all burner valves have been
checked.
Adjust the "LOW" Setting of Surface
Burner Valves (see Figure 8)
a. Push in and turn each control to LITEuntil burner
ignites.
b.Quickly turn knob to LOWEST POSITION.
c. If burner goes out, readjust valve as follows:
Reset control to OFF. Remove the surface burner
control knob, insert a thin-bladed screw driver into the
hollow valve stem and engage the slotted screw inside.
Flame size can be increased or decreased with the
turn of the screw. Adjust flame until you can quickly
turn knob from LITEto LOWEST POSITIONwithout
extinguishing the flame. Flame should be as small as
possible without going out.
Fi r
AAdjust the "LOW" setting of the dual
valve (Figure 9)
Note: On the dual valve the low setting of each portion
should be adjusted individually.
a. Push in and turn control to LITEuntil the rear portion
of the bridge burner ignites only.
b. Quickly turn knob to LOWEST POSITION.
c. If burner goes out, reset control to OFF.
d. Remove the surface burner control knob.
e. The rear portion of the bridge burner flame size can
be increased or decreased with the turn of the screw
A. Use screw B to adjust the flame size of the center
portion of the bridge burner. Turn counterclockwise
the screw to increase flame size. Turn clockwise the
screw to decrease flame size. Adjust flame until you
can quickly turn knob from LITEto LOWEST POSITION
without extinguishing the flame. Flame should be as
small as possible without going out.
Note: Air mixture adjustment is not required on surface
burners.
Figure 9
9

AOperation of Oven Burners and Oven
Adjustments
10.6.1 Electric Ignition Burners
Operation of electric igniters should be checked after
range and supply line connectors have been carefully
checked for leaks, and range has been connected to
electric power.
The oven burner is equipped with an electric control
system as well as an electric oven burner igniter. If your
model is equipped with a waist-high broil burner igniter,
it will also have an electric burner igniter. These control
systems require no adjustment. When the oven is set to
operate, current will flow to the igniter. It will "glow"
similar to a light bulb. When the igniter has reached
a temperature sufficient to ignite gas, the electrically
controlled oven valve will open and flame will appear
at the oven burner. There is a time lapse from 30 to 60
seconds after thermostat is turned ON before the flame
appears at the oven burner. When the oven reaches the
display setting, the glowing igniter will go off. The burner
flame will go "out" in 20 to 30 seconds after igniter goes
"OFF". To maintain any given oven temperature, this cycle
will continue as long as the display is set to operate.
After removing all packing materials and literature from
the oven:
a) Set the oven to BAKE at 300% See Use & Care Guide
for operating instructions.
b) Within 60 seconds the oven burner should ignite.
Check for proper flame, and allow the burner to cycle
once. Reset controls to off.
c) If your model is equipped with a high-waist broiler,
set oven to broil. See Use & Care Guide for operating
instructions.
d) Within 60 seconds the broil burner should ignite. Check
for proper flame. Reset controls to off.
hlwer _
Oven Baffle
(removable
Waist-High Burner
_Air Shutter
Lower Oven Bottom
J
_4--Air Shutter (removable)
Figure 10
10.6.2 Air Shutter-Oven Burner
The approximate oven burner flame length is 1 inch
(distinct inner cone of blue flame).
To determine if the oven burner flame is proper, remove the
oven bottom and burner baffle and set the oven to bake at
300%
To remove the oven bottom, remove oven hold down
screws at rear of oven bottom. Pull up at rear, disengage
front of oven bottom from oven front frame, and pull the
oven bottom out of the oven. Remove burner baffle so that
burner flame can be observed.
If the flame is yellow, increase air shutter opening size (see
"2" in Figure 11). If the entire flame is blue, reduce the air
shutter opening size.
To adjust frame loosen lock screw (see "3" in Figure 11),
reposition air shutter, and tighten lock screw. Replace oven
bottom.
10,6,3 Air Shutter-Broil Burner
The approximate flame length of the burner is 1 inch
(distinct inner cone of blue flame). To determine if the
broil burner flame is proper, set the oven to broil. If flame
is yellow, increase air shutter opening size (see "2" in
Figure 11). If the entire flame is blue, reduce the air shutter
opening size. To adjust, loosen lock screw (see "3" in
Figure 11), reposition air shutter, and tighten lock screw.
(_ Lock Screw
(_) Air Shutter .=l_
Oven Burner Tube
O Orifice Hood
Figure 11
When All Hookups are Complete
Make sure all controls are left in the OFFposition.
Make sure the flow of combustion and ventilation air to
the range is unobstructed.
Model and Serial Number Location
The serial plate is located on the oven front frame behind
the oven door (some models) or on the drawer side
frame (some models).
When ordering parts for or making inquiries about your
range, always be sure to include the model and serial
numbers and a lot number or letter from the serial plate
on your range.
Your serial plate also tells you the rating of the burners,
the type of fuel and the pressure the range was adjusted
for when it left the factory.
Before You Call for Service
Read the Before You Call Checklist and operating
instructions in your Use and Care Guide. It may save you
time and expense. The list includes common occurrences
that are not the result of defective workmanship or
materials in this appliance.
Refer to your Use & Care Guide for service phone numbers.
10

Anti-Tip Brackets Installation
Instructions
To reduce the risk of tipping of the range,
the range must be secured to the floor by properly
installed anti-tip brackets and screws packed with the
range. Those parts are located in a plastic bag in the
oven. Failure to install the anti-tip brackets will allow the
range to tip over if excessive weight is placed on an open
door or if a child climbs upon it. Serious injury might
result from spilled hot liquids or from the range itself.
Follow the instructions below to install the anti-tip
brackets.
If range is ever moved to a different location, the anti-
tip brackets must also be moved and installed with the
range. To check for proper installation, see step 5.
Tools Required:
5/16" (0,79 cm) Nutdriver or Flat Head Screwdriver
Adjustable Wrench
Electric Drill
3/16" (0,48 cm) Diameter Drill Bit
3/16" (0,48 cm) Diameter Masonry Drill Bit (if installing
in concrete)
Brackets attach to the floor at the back of the range to
hold both rear leg levelers. When fastening to the floor,
be sure that screws do not penetrate electrical wiring or
plumbing. The screws provided will work in either wood
or concrete.
Anti-Tip Bracket
BackEdgeof /
Rangeor RearWall A_ -
CL J_ --.. "-
-9i/8"" " 18¼ "-_'- ".......-
/" ........ 28 1/8"
Anti-Tip Bracket" (71.4cm) .
""-,_t_(Rear width of range
with body sides)
1. Unfold paper template and place it flat on the floor
with the back and side edges positioned exactly
where the back and sides of range will be located
when installed. (Use the diagram below to locate
brackets if template is not available (Figure 12)).
2. Mark on the floor the location of the 4 mounting
holes shown on the template. For easier installation,
3/16" (0.5 cm) diameter pilot holes 1/2"(1,27 cm)
(1.3 cm) deep can be drilled into the floor.
3. Remove template and place brackets on floor
with turned up flange to the front. Line up holes
in brackets with marks on floor and attach with 4
screws provided. Brackets must be secured to solid
floor. If attaching to concrete floor, first drill 3/16"
(0.5 cm) dia. pilot holes using a masonry drill bit.
4. Level range if necessary, by adjusting 4 leg levelers
with wrench. (See Figure 13 below.) A minimum
clearance of 1/8" (0.8 cm)is required between the
bottom of the range and the rear leg levelers to
allow room for the anti-tip brackets.
5. Slide range into place making sure rear legs are
trapped by ends of brackets. Range may need to
be shifted slightly to one side as it is being pushed
back to allow rear legs to align with brackets. You
may also grasp the top rear edge of the range and
carefully attempt to tilt it forward to make sure
range is properly anchored.
Figure 13
Figure 12
Slide Back
11

LAINSTALACION YEL SERVIClO DEBEN SER EFECTUADOS POR UN
INSTALADOR CAUFICADO. IMPORTANTE: GUARDE ESTAS INSTRUCCIONES
PARA USO DEL iNSPECTOR LOCAL DE ELECTRICIDAD.
LEA Y GUARDE ESTAS INSTRUCCIONES PARA REFERENCIA FUTURA.
Si la informacion contenida en este manual no es seguida
exactamente, puede ocurrir un incendio o explosi6n causando da_os
materiales, lesion personal o la muerte.
PARASU SEGURIDAD:
-- No almacene ni utilice gasolina u otros vapores y lJquidos inflamables en la
proximidad de _ste o de cualquier otto artefacto.
-- QUE DEBEHACERSI PERClBEOLORA GAS:
• No trate de encender ningun artefacto.
• No toque ningun interruptor el_ctrico; no use ningun tel_fono en su edificio.
• Llameasu proveedordegasdesdeeltel_fonodeunvedno. Sigalas
instruccionesdel proveedor de gas.
• Si no logra comunicarse con su proveedor de gas, flame al departamento de
bomberos.
-- La instalad6n y el servicio de mantenimiento deben set efectuados pot un
instaladorcalificado, la agencia de servicio o el proveedor de gas.
Refierase a su placa de serie
para la certificaciOn de la
agencia aplicable
Aparatos Instalados en el
estado de Massachusetts;
EsteAparato s61opuede ser
instalado en el estado de
Massachusetts por un plomero
o ajustados de gas licenciado de
Massachusett.
Este aparato se debe instalar con
un largo conector flexible de gas de
tres (3) pies/36 pulgadas.
Una wilvula manual de gas de tipo
manija de forma de "T" se debe
insta/ar en la Ifnea del suministro de
gas de este aparato.
No instale la 30" Min.
unidad en el gabinete si no ha ,_^D,=_, (76.2 cm Min.)
•I'-I,,llrl_ IE. _ __
leido esta p_glna. _ _1
La superficie debe estar plana y _ I _ _
nivelada (area sombreada). _ ' l
_'_\ 30" Min. _f \13"
(76 2 cm Min )
\ !76.2,cmMin.) _ (33 cm)
__ Min. 5" (12.7 cm) \ (yea la nota 3) 18" Min.
Acepille el ,1_/2 M_ix. , de la pared, Min.
borde ts._ cm M_ix.) ambos la
subido .a _ / ---.';___.[
_ara un _ _/_ / '
,P - _-14,, I_y _ Exact0 -_1 _--(JJ
uorae ._..s/y2 _' /" G ........ J _ A.... 17'_'_/_"
(81 cm) de anchura _ u | _, __. App,rox. 1 7/8"
ae esl:uTa " "//" _]..C3T"]
cm) min del huecode la abertura. _ _ _--" ........ /V
,_61cmMin.)
La caja de empalme'' s o el enchufe con puesta a tierra
deberia situarse de 8" a 17" (20.3 cm a 43.2 cm) del
armario derecho y de 2" a 4" (5.1 cm a 10.2 cm) del suelo.
A. ALTURA B. ANCHURA C. ANCHURA DE D. ROFUNDIDAD A ' IE.ANCHURA , I=.PROFUNDIDAD DE G. ALTURA DEL
(Debajo de la LA PLANCHA DE LA FRENTEDE LA DE RECORTADO*** RECORTADO MOSTRADOR
cubierta) - COCINAR ESTUFA (encima y armario) I |
357/8" (91,1 cm) 30" (76,2 cm) 31_/2'' (80 cm) 28 5/16" (71,9 cm) 30_+1/16" 21 3A" (55,2 cm) Min, 357/8" (91,1 cm) Min.
(76,2_+0,15 cm) 22 1/8" (56,2 cm) Max
36 5/8" (93 cm) 24" (61 cm) Min, con 36 5/8" (93 cm) Max.
un protector trasero.
NOTA: Se adjunta el diagrama de cables de esta cocina al final de este libreta.
Imprimido en losEstadosUnidos
P/N318201691 (1007) Rev.A
English - pages 1-11 ; Espahol - p_iginas 12-22;
Fran_ais - pages 23-33; Notas - p_qginas 34-35
Diagrama de cables - p_iginas 36

NOTAS:
1. No pellizque el cord6n electrico o el
conducto flexible de gas entre la estufa y
la pared.
2. No selle la estufa a los armarios de lado.
3. Un espacio minimo de 24" (61 cm) entre
la superficie de la estufa y el fondo del
armario cuando el fondo del armario
de madera o metal est,1 protegido por
no menos de 1/4" (0.64 cm) de madera
resistente al fuego cubierta por una
I_imina met_ilica de MSG, numero 28,
0.015" (0.4 ram) de acero inoxidable,
0.024" (0.6 mm) de aluminio, o 0.02"
(0.5 ram) de cobre.
Un espacio minimo de 30" (76.2 cm)
cuando el armario no est,1 protegido.
4. Para los recortados menos que 22
7/8", el electrodomestico apareceria
ligeramente en el exterior del armario.
5. Deje por los 19 1A" (48.9 cm) de espacio
libre para la profundidad de la puerta
cuando esta abierta.
Puerta abierta
I
C
lateral
*** IMPORTANTE: Para el corte a Io ancho (dimensi6n E) de m_s de 30 1/16" (76,4 cm) para
evitar que se rompa el vidrio, asegurese que el artefacto est_ centrado en la abertura de
la mesada mientras Io presiona. Levante las patas de nivelaci6n hasta la posid6n m_xima;
inserte el artefacto en la mesada y luego nivele. Asegurese de que la unidad este
apoyada en las patas de nivelacion y no en el vidrio liso.
IMPORTANTE: El ancho de la cubierta y el
armario debe de ser igual al ancho del torte.
E
22 7/8" (58.1 cm) rain.
23 1/4" (59.05 cm) max.
_ (nota 4) _
_ 11/8"
1 (2.86 cm)
PARTEDELANTERA
DEL ARMARIO FRef_
AALTURA B. ANCHURA c; ANcHuRA DE DIROFUNDIDADA" E:ANcHuRA F. PROFUNDIDADDE GIALTURADEL
(Debajo de la LA PLANCHA DE LA FRENTEDE LA DE RECORTADO*** RECORTADO MOSTRADOR
I
cubierta) - - COCINAR ESTUFA (encima y armario)
35 7/8. (91,1 cm) 30" (76,2 cm) 31Y2" (80 cm) 28 5/16" (71,9 cm) 30_+1/16"
(76,2_+0,15 cm)
36 5/8" (93 cm)
21 3A" (55,2 cm) Min.
22 1/8" (56,2 cm) Max
24" (61 cm) Min. con
un protector trasero.
35 7/8" (91,1 cm) Min.
36 5/8" (93 cm) Max.
13

Para evitar fractura de la unidad: NO manipule la
unidad sosteniendo la cubierta de vidrio.
La cubierta alrededor del espacio donde usted instalara su unidad
debe de estar plana y nivelada (Vea el _qreasombreada en la figura 1).
Antes de instalar la unidad, mida la altura de los dos (2) lados de los
gabinetes (H1-4), frente y parte trasera (yea la figura 1) del piso a Io
alto de la cubierta.
Nivele la estufa usando las
4 patas niveladoras de ma-
nera que la altura del piso
a la superficie interior de la
cubierta de vidrio es mayor
que la altura del gabinete
mas alto de su mobiliario
de cocina pot Io menos pot
1/16" (yea la figura 2).
Lime el borde
levantado
para dejar
espacio para
una unidad
con un
dimensi6n d_
31 Y2"(81
cm).
1 1/2"Max.
(3.8 cm Max.)
Deslice la unidad hacia el gabinete. Aseg0rese que la unidad
este centrada con el centro de la abertura del gabinete.
Remueva la parte en pl_qstico extruido en cada lado de la cubierta de
vidrio (Algunos modelos).
Esimprescindible que el reborde de metal que se encuentra deba-
]o de la cubierta este sobre la cubierta del gabinete. La cubierta de
vidrio no deber_qtocar directamente la cubierta del gabinete (yea
figura 2) de no set asi la fractura del vidrio anular_q la garantia. Nivele
la unidad si es necesario.
Figura 1
Despues de la instalacion, ASEGURESE
que la unidad este sostenida por
las patas
niveladoras
y NO por la
cubierta.
Figura 2
instalar
SU
estufa, la medida
inicial del piso
a la superficie
interior de la
cubierta de
vidrio debe
mayor que
la altura del
gabinete pot Io
menos 1/16"
como se midi6
en el paso
nOmero 1.
14

Notas importantes para el Instalador
1. Lea todas las instrucciones contenidas en este manual
antes de instalar la estufa.
2. Saque todo el material usado en el embalaje del
compartimiento del homo antes de conectar el
suministro el_ctrico o de gas a la estufa.
3. Observe todos los cOdigos y reglamentos pertinentes.
4. Deje estas instrucciones con el comprador.
5. Nota: Para la utilizaciOn a m_isde 2 000 pies de altura,
la potencia del aparato deber_i ser reducida de 4 por
ciento a cada 1 000 pies adicionales.
Nota Importante para el Consumidor
Conserve estas instrucciones y el Manual del Usuario para
referencia futura.
IMPORTANTES INSTRUCCIONES DE
SEGURIDAD
Loscontroles el_ctricos pueden ser dahados
con frias temperaturas. Cuando utilice su estufa por la
primera vez, o si no ha sido utilizada por mucho tiempo
aseg0reseque no haya sido expuestas a temperaturas m_is
altas que 32% /0°C por m_isde 3 horas antes de conectar su
electrodom@stico al suministro el@ctrico.
Instalaci6n de esta estufa debe cumplir con todos los
c6digos locales, o en ausencia de c6digos locales con el
C6digo Nacional de Gas Combustible ANSI Z223.1/NFPA
.54--01tima edici6n.
El dise_o de esta estufa ha sido certificado pot la CSA
Internacional. En _ste como en cualquier otto artefacto
que use gas y genere calor, hay ciertas precauciones de
seguridad que usted debe seguir. Estas set,in encontradas
en el Manual del Usuario, I_alo cuidadosamente.
• Asegurese de que la estufa sea instalada y
conectada a tierra en forma apropiada por un
instalador calificado o pot un t_cnico,
. Esta estufa debe ser el¢ctricamente puesta a
tierra de acuerdo con los codigos locales, o en su
ausenda, con el Codigo El¢ctrico Nacional ANSI/
NFPA No, 70, ultirna edici6n en los Estados Unidos, o
el codigo Electrico Canadiense CSA Standard C22,1,
Part 1, en Canada.
Antes de instalar la estufa en un area cuyo
piso este recubierto con linOleo u otto tipo de
piso sintetico, asegurese de que _stos puedan
resistir una temperatura de por Io menos 90°F
sobre la temperatura ambiental sin provocar
encogimiento, deformation o decoloradOn, No
instale la estufa sobre una alfombra al menos que
coloque una plancha de material aislante de por Io
menos 1/4 pulgada, entre la estufa y la alfombra.
• Asegurese de que el material que recubre las
paredes alrededor de la estufa, pueda resistir el
calor generado por la estufa,
@, Todas lasestufas
pueden volcarse.
, Esto podria
resultar en
lesiones
personales.
, Instale el
dispositivo
antivuelcos que
se ha empacado
junto con esta
estufa.
Parareducir el riesgo de
que se vuelque la estufa,
hay que asegurarla
adecuadamente colo
candole los soportes
antivuelco que se
proporcionan. Para
comprobar si estos est_in
instalados y apretados en
su lugar como se debe, ase
el horde trasero superior
de la estufa y cuidado
sarmente incline la hacia
adelante para asegurar
que la estufa se ancle.
• No obstruya el flujo del aire de combustion en la
ventilaciOn del homo ni tampoco alrededor de la
base o debajo del panel inferior delantero de la
estufa, Evite tocar las aberturas o _ireascercanas de la
ventilaci0n, ya que pueden estar muy calientes durante
el funcionamiento del homo. La estufa requiere aire
fresco para la combustion apropiada de los quemadores.
Nunca deje ni_os solos o desatendidos
en un _rea donde un artefacto est_ siendo usado. A
medida que los nihos crecen, enseheles el uso apropiado y
de seguridad para todos los artefactos. Nunca deje la puerta
del homo abierta cuando la estufa est,1desatendida.
No se pare, apoye o siente en las
puertas o cajones de esta estufa pues puede resultar en
serias lesiones y puede tambi_n causar daffo a la estufa,
• No almacene articulos que puedan interesar a los
niffos en los gabinetes sobre la estufa, Los nihos
pueden quemarse seriamente tratando de trepar a la
estufa para alcanzar estos articulos.
• Los gabinetes de almacenamiento sobre la estufa
deben set evitados, para eliminar la necesidad de
tenet que pasar sobre los quemadores superiores
de la estufa para Ilegar a ellos,
• Ajuste el tama#o de la llama de los quemadores
superiores de tal manera que _sta no sobrepase el
borde de los utensilios de cocinar, La llama excesiva
es peligrosa.
• No use el horno como espacio de almacenaje, Esto
crear_i una situaciOn potencialmente peligrosa.
• Nunca use la estufa para calentar el cuarto, El uso
prolongado de la estufa sin la adecuada ventilaciOn
puede resultar peligroso.
• No almacene ni utilice gasolina u otros vapores y
liquidos inflamables en la proximidad de _ste o de
cualquier otro artefacto electrico, Puede provocar
incendio o explosion.
• Encaso de una interrupciOn del servicio el_ctrico, es
posible de encender los quemadores de superficie a mano.
Para encender un quemador de superficie, acerque
un f0sforo encendido del cabezal del quemador, y
gire delicadamente el botOn de control de superficie
15

aLITE(encendido).Tenercuidadoalencenderlos
quemadoresamano.
•Ajuste todos los controles a la posici6n "OFF"
(apagada) despues de haber hecho una operad6n
con tiempo programado.
PARA MODELOS AUTOLIMPIANTES:
*Saque la asadera, alimentos o cualquier otro
utensilio antes de usar el cido de autolimpieza del
horno. Limpie todo exceso de derrame de alimentos. Siga
las instrucciones de prelimpiado en el Manual del Usuario.
*A diferencia de la gama estandar codnas de gas,
ESTA PLANCHA DE COCINA NO ES MOVlBLE. No
intente quitar la plancha de cocina.
UBICACION DE LA PLACA
DE SERE
Encontrar_i el modelo y el
n0mero de serie impresos
en la placa de serie. Vea la
ilustraci6n para conocer su
ubicaci6n exacta.
Aseg0rese de tomar nota del
n0mero de serie para futura
referencia.
Requisitos el ctricos
IMPORTANTE Pot favor lea con cuidado.
Para la seguridad personal, este aparato debe set
puesto a tierra apropiadamente.
El cable del suministro el_ctrico de esta estufa est,1
equipado con un enchufe de tres patillas (para puesta a
tierra) que coincida con un enchufe de pared est_indar
con puesta a tierra de tres patillas para minimizar la
posibilidad que se produzcan descargas el_ctricas.
El cliente deber_i encargar a un t_cnico para asegurarse
de que el enchufe se encuentra debidamente conectado
a tierra y polarizado.
En lugares en los que aya un enchufe de pared est_indar
de dos patillas, el cliente tendr_i responsabilidad directa
y la obligaci6n de reemplazarlo pot un enchufe de pared
de tres patillas debidamente cableado a tierra.
Bajo ninguna circunstanda, corte, retire o derribe
la tercera patilla (de toma de tierra) del cable del
suministro de energia electrica.
Desenchufa el cable del suministro
de energia el@ctrica del enchufe de pared antes de
mantener la plancha de cocina.
M_todo preferido
Enchufe de pared
con toma de
tierra
corte, retire
o derribe,
bajo ninguna
circunstanda, la
patilla de la toma de
tierra del enchufe
Cable de suministro
el_ctrico con enchufe con
toma de tierra
Figura I
m
Lt Construccion del armario
Para eliminar el riesgo de quemaduras
o de fuego tratando de alcanzar algo pot encima de las
zonas calientes, evite de colocar articulos sobre la cocina.
Si cree necesitar este espacio, el riesgo puede disminuir
si instala un sombrerete que proteja horizontalmente un
minimo de 5" (12.7cm) sobre la base del armario.
Preparacion del mostrador
• Las extremidades de la cocina sobrepasan el horde de
su mostrador.
•Si tiene un mostrador con las extremidades
cuadradas (planas), no se necesita ninguna
preparaci6n del mostrador.
•El reborde de frente de mostradores moldeados
deben tenet hordes moldeados a 3/4" (1.9cm) a partir
de cada extremidad de la apertura (Figura 2).
•Los mostradores enazulejos deber_in necesitar un
recorte de 3/4" (1.9 cm) a partit de cada extremidad
y/o un horde redondeado aplanado (Figura 2).
311//_
(81 cm)
Mostrador moldeado o enazulejo
recortado 3/4" (1.9 cm) hacia atr_s en
las esquinas de frente de la abertura
del mostrador.
Figura 2
Si el ancho de la abertura del mostrador es
re,is grande que 30 1/16" (76,4 cm), ajuste alas
dimensiones como para el 3/4" (1.9).
El mostrador deber set nivelado. Coloque un
nivelador sobre el mostrador, primero de lado a lado
y luego del frente hacia atr_is. Si el mostrador no est,1
nivelado, la cocina no estate1nivelada. El homo debe
set nivelado para tenet resultados satisfactorios al
hornear. Las extremidades de la plancha de la cocinar
sobrepasan los hordes de la abertura del mostrador.
16

Proporcione un suministro de
gas adecuado
Cu_indo se envia de la hibrica, Estaunidad ha sido ajustada
para operar con un mOltiple de admisi6n para gas natural
de 4" (10.16 cm)(1.0 kPa). Un regulador de presi6n
convertible esta conectado a la wilvula distribuidora y
DEBEser conectado con la tuberia del suministro de gas.
Si el juego de conversi6n del propano LP/Propano se ha
utilizado, sigue las instrucciones proporcionadas el juego
para convertir el regulador de presi6n al uso de LP/Propano.
Se debe de tener cuidado durante la instalaci6n de la estufa
para no obstruir el flujo de aire de combusti6n y ventilaci6n
Para la operacion apropiar_, la m_ixima presi6n de
entrada al regulador no debe exceder_ la presi6n de una
columna de agua de 14"(35,56 cm) (3.5 kPa). La presi6n
de entrada al regulador debe ser por Io menos 1" (.25
kPa) m_isgrande que la wilvula distribuidora. Ejemplos: Si
regulador se pone para el gas natural con una presi6n de
4"(10,16 cm), la presi6n de entrada al regulador debe ser
por Io menos 5"(12.60 cm); si el regulador se ha convertido
para gas @/Propane 10"(25,4 cm)la presi6n de entrada al
regulador debe ser por Io menos 11 "(27,9 cm).
Un examen de detecci6n de fugas del aparato debe ser
realizado segOn las instrucciones en el paso 4.
La linea de fuente de gas debe set de 1/2"o de %".
La tuberia de suministro de gas puede salir tanto de la
pared (Fig. 3, zona 1) o como del piso (Fig. 3, zona 2):
Zona I = Por medio de pared (7" X 6") - El mejor
espacio para la linea de gas esta dentro de 1" (2.5 cm) y
8" (20.3cm) distancia con respecto al piso y 3" (7.6 cm)
del centro de la linea.
Zona 2 -Por medio del piso (~2" X 24") - La linea de
gas puede salir del suelo con 12" (30.5 cm) del centro de
la linea con respecto al la pared de atr_is. Puede remover
la pieza de metal en "L" Iocalizada atr_is del aparato.
No existe problema alguno al remover esta pieza "L" de
metal, la cual existe solamente para proteger la linea de
gas durante transporte.
Figura 3
Selle las aperturas
Sella todas las aperturas en la pared detr_is de la estufa y
en el suelo debajo de la estufa despu@sque la linea del
suministro de gas sea instalada.
| Conecte la estufa al
suministro de gas
Importante: Quite todo el material de embalaje y
literatura de la estufa antes
de conectar el gas y la
fuente ebctrica.
Para evitar fugas, aplique
sellador de tuberias en
todas las partes roscadas
machos (exterior) de la
tuberia. El regulador se
encuentra en el lugar que
se muestra en la ilustraci6n
(Figura 4).
F._J__ No permita
que el regulador gire
sobre la tuberia al
apretar las uniones.
Ubicaci6n del regulador
de presiOn
Figura 4
Conecte el Regulador de Presion
El regulador de presi6n esta ya instalada para la estufa.
No haga la conexi6n demasiado
apretada. El regulador es de die cast. Elapretar
demasiado puede agrietar el regulador dando por
resultado una fuga de gas y un fuego o una explosi6n.
Valvula de FLUJO DEL GAS Regulador
_1_ de presi6n
cierre Uni6n Uni6n
manual ,_
' to_ ]_ t T
(On) ___ Boquilla Conector II
Apagado flexible Tapa de
(Off) entrada
Todas las conexiones deben ser apretadas con
una Ilave inglesa- Figura 5
ReOna el conector flexible del tubo del suministro de gas
al regulador de la presi6n en la orden siguiente:
1. V_ilvula de cierre manual (no induido)
2. Boquilla de 1/2" (no incluido)
3. 1/2" Adaptador de uni6n (no incluido)
4. Conector flexible (no incluido)
5. 1/2" Adaptador de uni6n (no incluido)
6. Boquilla de 1/2" (no incluido)
7. regulador de presi6n (incluido)
17

Useselladorparaunionesdetuberiashechoparael
usodegasnaturalyLP/Propanoparasellartodaslas
conexionesdegas.Siseutilizanlosconectadores
flexible<asegOresedequelosconectadoresnoest_in
enroscados.
| Conversi6n para uso de
Propano Liquido
Este aparato puede ser usado con gas natural o propano
liquido. Ha sido ajustado en la f_ibrica para operar con
gas natural solamente.
Si desea convertir su estufa para uso con propano
liquido, use los orificios provistos ubicados en el bolso
que contiene la literatura titulada "FOR LP/PROPANEGAS
CONVERSION". Siga las instrucciones que vienen con los
orificios.
V_lvula de cierre =
Abierta
Figura 6
La linea del suministro se debe de ser equipada de una
wilvula de cierre manual aprobada. Esta wilvula se debe
Iocalizar en el mismo cuarto que la estufa y debe estar en
una Iocalizaci6n que permita la facilidad de la abertura y
del cierre. No bloquee el acceso a la wilvula. La wilvula es
para encender o apagar el gas del aparato.
Una vez que regulador est,1 en su lugar, abra la wilvula
en la linea del suministro de gas. Espere algunos minutos
para que el gas pueda moverse a trav_s de la linea de
gas.
Compruebe para saber si hay fugas de gas, Despu_s
de conectar la estufa con la fuente de gas, compruebe
el electrodom_stico para saber si hay fugas con un
manOmetro. Si un manOmetro no est,1 disponible, gire
la fuente de gas y utilice un detector liquido de fugas (o
jab6n y agua) en todos los empalmes y conexiones has la
comprobaci6n para fugas.
No utilice una llama para verificar
fugas en las conexiones de gas. Verificar para fugas con
una llama puede tener como resultado un fuego o la
explosion.
Apriete todas las conexiones como necesario para
prevenir fugas de gas en la superficie de la estufa o en la
linea de suministro.
Desconecte la estufa y su wilvula de derre manual
del sistema de tuberia del suministro de gas durante
cualquier prueba de presi6n de ese sistema a presiones
mayores de 1/2 psig (3,5 kPa o 14" columna de agua).
Aisle la estufa del sistema de tuberia del suministro
de gas cerrando su wilvula de cierre manual durante
cualquier prueba de presi6n del sistema de tuberia del
suministro de gas prueba de presi6n iguala a o a menos
de 1/2 psig (3,5 kPa o 14" columna de agua).
La conversion debe ser efectuado por un t_cnico de
servicio capacitado, de acuerdo con las instrucciones
del fabricante y con todos los c6digos y requisitos
de las autoridades correspondientes. El no seguir las
instrucciones podria dar como resultado lesiones graves
o daflos a la propiedad. El organismo autorizado para
Ilevar a cabo este trabajo asume la responsabilidad de la
conversion.
_.r_ Lafalta de una conversion apropiada
puede resultar en lesiones graves y dahos a la propiedad.
La rnudanza del aparato para
reparaciones o limpieza
Apague la corriente el_ctrica a la estufa a la fuente de
poder principal, y apague la wilvula de cierre manual de
gas. AsegOresede que la estufa est_ fresca. Quite el caj6n
de servicio (el caj6n calentador en algunos modelos) y
abre la puerta del homo. Levante la frente de la estufa y
deslicela fuera de la abertura sin crear tension desmedida
sobre el conducto flexible de gas. AsegOresede no
pellizque el conducto flexible de gas detr_is de la estufa al
reemplazar la unidad en la abertura. Reemplace el caj6n,
cierre la puerta y enciende el gas y la corriente ebctrica a
la estufa.
m
| Instalaci6n de la cocina
Nota importante: No es necesario, pero si es
conveniente, quitar la puerta para instalar el horno.
Consulte las instrucciones para retirar la puerta en la Guia
de Uso y Cuidado.
_La plancha de cocinar se sobrepone por encima del
mostrador con sus extremidades y la cocina reposa
sobre el suelo. La plancha de cocinar es 311/2'` (81
cm) de ancho.
_ Instale la base de los armarios a 30" (76.2 cm)
de espacio entre elias. AsegOrese que estos est@n
verticales y alineados antes de instalar la plancha de
cocinar. Lije el horde del mostrador para obtener las
311/2" (81 cm) en la parte superior del mostrador.
18

O
O
O
O
Instale las puertas del armario a 31 " (78,7 cm) de
espacio entre elias para que no interfieran con la
abertura de la puerta de la cocina.
Corte el mostrador exactamente como en la p_igina
12.
Aseg0rese que el frente de las patas niveladoras
y el dispositivo de nivelaciOn posterior est_n
ajustados mas altos que la altura del gabinete (vea
p_igina 14).
II_ Instale el soporte anti-
inclinaci6n de acuerdo a las instrucciones del
patron anti-inclinaci0n ( si no Io tiene vea la p_igina
22).
Para una instalaci0n Optima, la superficie superior
de la cubierta debe estar nivelada y ser plana (sobre
el mismo piano) en los 3 lados adyacentes a la
cocina. Se deben hacer los ajustes correspondientes
para hacer que la parte superior quede plana, de Io
contrario podr_in quedar espacios entre la cubierta y
la cocina.
Para reducir el riesgo de dahar su
artefacto, no Io manipule cerca del vidrio cer_imico.
Manip01elo con cuidado.
Coloque la cocina enfrente de la abertura del
armario.
_ Aseg0rese de que el vidrio que est,1 colgado
sobre la cubierta deje despejada la cubierta. Si es
necesario, levante la unidad bajando las patas de
nivelaci6n.
O Nivele la cocina (vea Nivelaci6n de la estufa). El
piso donde se instala la cocina debe estar nivelado.
Siga las instrucciones "nivelaciOn de la estufa-
modelos equipado con un sistema de dispositivo de
nivela ciOn" ).
O Deslice la unidad hacia el gabinete y central antes
de nivelarla.
Para Accesorios:
Instalacion con el repuesto.
La profundidad del corte de (21¾" (55.2 cm) Min., 22
1/8" (56.2cm) Max.) necesita ser aumentada a 24" (61
cm) cuando instala el repuesto.
InstalaciOn con el juego de termino de panel,
Un juego de termino de panel puede ser pedido con su
representante.
Instalacion con Paneles Laterales Llenos
Paneles Laterales puede ser pedido con su
representante. Instale las puertas de los armarios a 31 "
(78.7 cm) de espacio entre elias para que no interfieran
con la abertura de la puerta de la cocina.
Nivelacion de la estufa
Nivele la estufa y ajuste la altura de la estufa antes
de instalarla en la abertura,
1. Coloque una parrilla del homo en el centro del homo.
2. Ponga un nivel sobre la parrilla (Figura 7). Tome dos
lecturas con el nivel puesto diagonalmente en una
direcciOn y despu_s en la otra. Nivele la estufa, sies
necesario, ajustando las 4 patas niveladoras con una
Ilave de tuercas.
3. Aseg0rese de no dahar al mostrador, deslice la estufa
dentro de la abertura del hueco y vuelva a verificar
a la nivelaciOn.
Figura 7
Comprobaci6n del
funcionamiento
Consulte el Manual del Usuario incluido con la estufa para
instrucciones de operacion y instrucciones para el cuidado y
limpieza de su estufa.
No toque los elementos o quemadores. Pueden estar
bastante calientes para causar quemaduras.
Quite todo el embalaje de la unidad antes de comprobarla.
Instala las Bases y las tapas de los
Quemadores
Esta estufa esta equipada con quemadores sellados,
Es muy importante asegurarse que todas las tapas y parri-
Ilas de los quemadores superiores sean instalados correcta-
mente en sus posiciones correctas.
1. Remover todo el material de empaque de la parte supe-
rior de la estufa.
2. Deshechar todo el material de empaque (si aplica)
3. Desempacar las parrillas de los quemadores y colocarlas
sobre la estufa.
Nota: No hay ajustes necesarios en los quemadores para
esta estufa.
Enciende la corriente el_ctrica y abre
la valvula principal de cierre.
19

Comprobad6n de los Encendedores
El funcionamiento de los encendedores el_ctricos
debe ser comprobado despu_s de que la estufa y los
conectores a la tuberia de suministro de gas hayan
sido comprobados para las fugas y la estufa haya sido
conectada el_ctricamente. Para comprobar que el
encendido sea correcto:
1. Empuje y gire un bott6n control del quemador
superior hasta la posici6n LITE(encender). Se podria
oir el encendedor haciendo chispas.
2. El quemador se deber_i encender en cuatro (4)
segundos para un funcionamiento normal, despu_s
de que el aire haya sido purgado de la tuberia de
suministro de gas. Controle visualmente que el
quemador se haya encendido.
3. Despu_s de que el quemador se haya encendido, la
plancha de cocina debe ser girada fuera de la posici6n
LITE.Cada quemador tiene su encendedor individual.
Controle las perillas separadamente hasta que todas
las wilvulas hayan sido controladas.
Ajuste de la Posid6n LOW (BAJA) Para
ia Vaivula del Quemador Superior (Figura 8)
a. Gire el botOn de control a la posiciOn LITE(encender)
hasta que el quemador encienda.
b. Rapidamente gire el bot6n de control a la POSICION
MAS BAJA.
c. Si el quemador se apaga, reajuste la wilvula de la
siguiente forma: Mueva el control a la posici6n OFF
(apagada). Saque la perilla de control del quemador
superior, inserte un destornillador piano pequeho en
el hueco del wistago del a wilvula hasta enganchar
el tornillo interior. El tamaho de la llama puede
ser aumentado o disminuido girando el tomillo.
Ajuste el tamaho de la llama hasta que pueda pasar
r@idamente de la posici6n LITEhasta la posici6n MAS
BAJAsinqueseapaguelallama. Lallamadebeserlo
m_qspequeha posible sin que se apague.
10.5 Ajuste bajo "LOW" para ia
vaivula dual (Figura 9)
Nota: En la wilvula de quemador puente el ajuste "LOW"
de cada porci6n (porci6n posterior del quemador puente
y la porci6n de centro del quemador del puente) se debe
ajustar individualmente.
a. Presione y gire el control a la posici6n LITEhasta que la
porci6n posterior del quemador puente se encienda.
b. Gire r@idamente a la perilla a la POSICIONMAS BAJA.
c. Si el quemador se apaga, reajuste el control a OFE
d. Retire la perilla del quemador de superficie.
e. Eltamaho de la flama de la porci6n posterior del que-
mador puente puede aumentarse o disminuirse d_indo-
le vuelta al tornillo A. Utilice el tornillo B para ajustar el
tamaho de la llama de la porci6n central del quemador
puente. D@vuelta en sentido opuesto de las manecillas
del reloj para aumentar el tamaho de la llama. D@vuel-
ta en sentido alas manecillas del reloj para disminuir la
llama. Ajuste la llama hasta que usted puede dar vuelta
r@idamente a la perilla de la posici6n LITEa la POSI-
CION MAS BAJA sin extinguir la llama. La llama debe
ser tan pequeha como sea posible sin apagarse.
Nota: Elajuste de la mezcla del aire no se requiere en los
quemadores de superficie.
Figura 9
Figura 8
2O

OperatiOn de Quemadores del Homo
y Ajustes de Homo
10.6.1 Quernadores de ignicion electrica
La operaci6n de los encender_is electricos debe de ser revisada
despues de que la cocina y los conectores de la linea de
suministro haya sido cuidadosamente revisada para descartar
fugas y que la cocina haya sido conectada a la corriente
electrica.
El quemador del homo est,1equipado con un sistema de
control electrico as[ como un encendedor de quemador
de homo electrico. Si su modelo esta equipado con un
quemador de asado central superior, tambien contara con un
encendedor de quemador electrico. Estos sistemas de control
no requieren ajustes. Cuando el homo esta configurado para
operar, la corriente fluir_i hacia el encendedor y tendra un
resplandor de manera similar a una bombilla de luz. Cuando
el encendedor a alcanzado una temperatura suficiente
para encender el gas, la valvula del homo controlada
electricamente se abrir_i y el fuego aparecer_i en el quemador
del homo. Hay un lapso de tiempo de 30 a 60 segundos
despues de que el termostato se enciende y antes de que
la llama aparezca en el quemador del homo. Cuando el
homo alcanza la configuraci6n del dial, el encendedor
resplandeciente se apagar& la llama del quemador
desaparecera pot 20 a 30 segundos despues de que el
encendedor se apaga. Para mantener cualquier temperatura
de homo dada, este ciclo continuar_i tanto como el dial (o
visualizador) este configurado para operar.
Despues de retirar todos los materiales del empaque y la
literatura del homo:
a) Fije el homo en HORNEAR (BAKE) a 300% Vea la guia
de Uso y Cuidado para conocer las instrucciones de
funcionamiento.
b) En 60 segundos el quemador del homo se encender&
Revise que exista un fuego adecuado, y permita que el
quemador cumpla su ciclo una vez. Gire los controladores
hacia off (APAGADO).
c) Si su modelo esta equipado con un asador central superior,
fije el homo en ASAR. Vea la Guia de Uso y Cuidado para
conocer las instrucciones de funcionamiento.
d) En 60 segundos el quemador de asar debe de encenderse.
Revise si exista una llama adecuada. Gire los controles
hacia off (APAGADO).
///
Deflector inferior _turador
del homo de aire
__-.Obturador
de aire
Figure 10
Quernador a
la altura de la
cintura
Parte i!ferior del
homo (extraible)
10.6.20bturador del Aire - Quemador del horno
La Iongitud aproximada de la llama del quemador del homo
es 1 pulgada (interior claro, llama azul). Para determinar si la
llama del quemador de homo es la adecuada, retire el fondo
del homo y el deflector del quemador i fije el homo en la
opci0n hornear a 300%
Pararetirar el fondo del homo, retire los tornillos de ajuste
del homo en la parte posterior del fondo del homo. jale hacia
arriba, desengancheel frente del fondo del marco anterior del
homo, y jale la base hacia a fuera de este. retire el deflector
del quemador de manera que la llamadel quemador pueda
set observada.
Si la llama es de color amarillo, aumente el tama_o de la
abertura del obturador de aire (Vea el tama_o "2" en el
figura 11). Si la llama es de azul claro, reduzca el tama_o
de la abertura del obturador de aire. Para ajustar un tornillo
de cierre flojo (Vea el tama_o "3" en el figura 11), vuelva
a colocar el obturador de aire, y ajuste el tornillo de cierre.
Reemplace el fondo del homo.
10.6.30bturador de aire - Quemador de asado
La Iongitud aproximada de la llama del quemador de asado
es 1 pulgada (interior claro, llama azul). Para determinar si la
llama del quemador de asado es la adecuada, poner el homo
en la opcion asar.
Si la llama es de color amarillo, aumente el tama_o de la
abertura del obturador de aire (Vea el tama_o "2" en la
figura 11). Si la llama es de azul claro, reduzca el tama_o de la
abertura del obturador de aire, y ajuste el tornillo de cierre.
/_ Tubos del
___91,., uemador
del homo
Tornillos de
seguridad
(_ de aire ......
Obturador =_,,-
(_)Tapa del orificio
/:::::::::::::/ Fig u ra 11
Despues de Terminar ia InstalaciOn
Aseg0rese de que todos los controles esten en la posicion OFF
(apagada).
Aseg0rese de que el fluir del aire de combustion y de
ventilacion a la estufa no este obstruido.
Ubicacion del Nurnero de Modelo y de Serie
La placa con el n0mero de serie est,1 ubicada en el marco
delantero del homo detr_is de la puerta del homo (algunos
modelos) o detr_is del cajon (algunos modelos).
Cuando haga pedidos de repuestos o solicite informacion
con respecto a su estufa, este siempre seguro de incluir el
n0mero de modelo y de serie y el n0mero o letra del Iote de
la placa de serie de su estufa.
La placa con el n0mero de serie tambien le da la potencia
nominal de los quemadores, el tipo de combustible y la
presion a la cual fue ajustada la estufa en la f_ibrica.
Antes de Llarnar al Servicio
Lea la seccion Evite Llamadas de Servicio en su Manual del
Usuario. Esto le podr_i ahorrar tiempo y gastos. Esta lista
incluye ocurrencias comunes que no son el resultado de
defectos de materiales o fabricacion de este artefacto.
Lea la garant[a y la informacion sobre el servicio en su
Manual del Usuario para obtener el n0mero de telefono
gratuito y la direccion del servicio.
21

m
|Instrucciones de instalaci6n
de la fijaci6n anti-inclinaci6n
Para reducir el riesgo de inclinaciOn de
la cocina, _sta debe set asegurada hacia el piso con las
fijaciones de anti-inclinaci6n y los tornillos que vienen
con la cocina. Estos componentes se encuentran en el
homo. Si no instala las fijaciones, corre el riesgo que su
cocina pueda inclinarse si pone demasiado peso en ella o
si un niho sube sobre _sta. Esto podria ocasionar graves
heridas causadas pot liquidos calientes o pot la propia
cocina.
Siga estas instrucciones para instalar las fijaciones de anti-
inclinaciOn.
Si la cocina es trasladada a otto lugar, las fijaciones de anti-
inclinaciOndeben tambi_n ser trasladados con la cocina. Para
controlar la instalaciOnapropiada, vea el pason0mero 5.
Herramientas Necesarias
Llave de tuerca de 5/16"(0,79 cm) o destornillador para
tornillos de cabeza plana
Llave inglesa
Taladro el@ctrico
Broca de 3/16"(0,48 cm) de di_imetro
Broca para taladro de mamposteria de 3/16"(0,48 cm) de
dia (si se est_qinstalando en concreto).
Los soportes se fijan al suelo en la parte trasera de
la estufa para sujetar ambos niveladores de las patas
traseras. Cuando los est@instalando al piso, aseg0rese
de que los tornillos no penetren el alambrado el@ctrico
o plomeria. Los tornillos provistos _ueden utilizarse en
madera o concreto. Soporte antivuelco
/
Bordede atrasde la /
estufa o paredtrasera_/-_,
f
j/ >%/-
CL " "_"_J_ ""
..-9lj8">.... ..... ....
_-.<._> (23.2 cm) " .(46.4 cm) /
"_'. "...........28 1/8 ''_
Soporteantivuelc6--, /(71.4 cm)
"'-. (Anchuratraserade la
estufa con los lados)
1. Desdoble la plantilla de papel y col6quela plana en
el piso con los hordes laterales y el trasero colocados
exactamente donde la parte trasera y los lados de la
estufa set,in colocados cuando sea instalada. (Use el
diagrama siguiente para ubicar los soportes si no se
dispone de la plantilla (Figura 12)).
2. Marque en el piso la ubicaci6n de los 4 agujeros
de montaje como se muestra en la plantilla. Para
facilitar la instalaci6n, se pueden taladrar agujeros
piloto de 3/16" (0.5 cm) de dia. y 1/2" (1.3 cm) de
profundidad en el piso.
3. Saque la plantilla y coloque los soportes en el piso
con la brida hacia arriba dirigida hacia el frente.
Alinee los agujeros en los soportes con las marcas
en el piso y sujete con los 4 tornillos provistos. Los
soportes deben estar asegurados al piso firme. Si
se va a instalar en piso de concreto, primero debe
taladrar agujeros guia de 3/16" (0.5 cm) de di_imetro
usando una broca para taladro de mamposteria.
4. Nivele la estufa si es necesario ajustando las cuatro
patas niveladoras con una Ilave (Vet la Figura 13
abajo). Se requiere un espacio libre minimo de 1/8"
(0.8 cm) entre la parte inferior de la estufa y los
niveladores de las patas traseras para dejar espacio
para los soportes antivuelco.
5. Deslice la estufa a su lugar asegur_indose de que
las patas traseras est_n sujetas pot los extremos de
los soportes. La estufa puede necesitar set movida
ligeramente a un lado cuando est,1siendo empujada
hacia atr_is para permitir que las patas se alineen
con los soportes. Usted tambi_n puede asir el horde
trasero de la cima de la estufa y cuidadosamente
intentar voltearla para asegurarse de que la estufa
sea adecuadamente anclada.
Figure 12
Deslizar
hacia atras Figure 13
22

UNINSTALLATEURQUALIFI[:DOlTEFFECTUERL'INSTALLATION ET LESERVICE
iMPORTANT: CONSERVEZCES iNSTRUCTiONS POUR LESINSPECTEURSLOCAUX.
LISEZCES iNSTRUCTiONS ET CONSERVEZ-LESPOUR RE'FI_RENCESULTE'_RIEURES.
Si les instructions de ce manuel ne sont pas suivies a la lettre, il
pourrait en resulter un incendie ou une explosion susceptible de causer des dommages
materiels, des blessures ou m_me la mort.
POUR VOTRE SECURITI_:
-- N'entreposez et n'utilisez pas d'essence ou d'autres produits inflammables
proximite de cet appareil ou de tout autre appareil.
-- QUE FAIRE SI VOUS DECELEZ UNE ODEUR DE GAZ:
*Ne tentez d'allumer aucun appareil.
N'actionnez aucun interrupteur electrique; n'utilisez aucun appareil telephonique
de I'edifice.
Communiquez immediatement avec votre fournisseur de gaz en vous servant du
telephone d'un voisin. Suivez les instructions que le fournisseur vous donnera.
S'il vous est impossible de rejoindre votre distributeur de gaz, communiquez
avec le service d'incendie.
-- L'installation et I'entretien doivent _tre effectues par un installateur qualifie, un
service d'entretien ou de reparation accredite ou le distributeur de gaz.
Rderez-vousa la plaquesignaletique pour
la certification d'agenceapplicable.
Appareils install_e dans I'_tat
du Massachusetts:
Dans I'_tat du Massachusetts, cet
appareil doit 6tre installe par un
plombier ou un installateur de gaz
autorise seulement.
II doit 6tre installe a I'aide d'un
connecteur flexible de (3) pieds /36
pouces de long.
Un robinet manuel possedant une
poignee en "T" doit 6tre installe a la
ligne de gaz allant a cet appareil.
N' nstal ez pas _.g_ 30" M n
I appareil darts le cabinet avant (76.2 cm Min.)
d avoir lu la page suivante. I_1_____t _
Ces surfaces doivent _tre _.._--
planes et a niveau (r_gion "_'_ ' _ - _k_ I
hachuree). _ 30" Min. "''_"_I_ _13
(76.2 cm Min.) A "
5' Min _ (voir la note 3) 18 MIn (33 cm)
1 1/2" Max (12.7 cm iVlin.) / _ (45'.7 cm) iVlin.
Arasez e (3 8 cm Max ) des deux c6t
dessus du " "
compto,r _ I' _Y"_J_'-_-_ E --__'li/4_--6T--'-'---J
aau _ _ __ 13 1/___1/2._in _/
molns _/_ /I- //
311/2" _t '_" -'-" _ '-_.......
(81cm) de'X_;C_ ' J, _ i
,aarge_[ePOUr _ G _ _ _ App_?_. 1J/8
'pp _ _:x_
,nstallez ,es portes de ,'armoire a au "_ _' _'_ "':::::::':J
,,d
/ /
moinsl" <2.5 cm> de I'ouverture. _ __ t_S _ .............. /_/
_1__ 1€' 24" Min.
La p rise-_mu!_t_t ]onfiilsl _t_il ")
entre 8" a 17" (20.3 a 43.2 cm) de I'armoire de droite
et2" b4" (5.1 a 10.2 cm)du plancher.
A. HAUTEUR B. LARGEUR C.LARGEUR D. PROFONDEUR" E. LARGEUR?.E I F. PROFONDEURDE G. HAUTEURDU
(sousla surface) TABLE /'kL'AVANTDELA DECOUPAGE D_COUPAGE DESSUSDECOMPTOIR
. CUISSON CUISINI_RE (Comptoir & armoire)
30_+1/16"
(76,2_+0,15 cm)
35 718" (91,1 cm) 30" (76,2 cm) 31_/_'' (80 cm) 28 5116" (71,9 cm)
36 5/8" (93 cm)
NOTE: Le schema de c_blage de I'appareil est indus a la fin de ce feuillet.
Imprime aux _tats-Unis
21 3A" (55,2 cm) Min. 35 7/8" (91,1 cm) Min.
22 1/8" (56,2 cm) Max
24" (61 cm) Min. Si un 36 5/8" (93 cm) Max.
dosseret est installe
P/N 318201691 (1007) Rev.A
English- pages1-11; EspaSol- p_iginas12-22;
Fran_ais - pages 23-33; Notes 34-35;
Schemasde c_blage - pages36

NOTE:
1.Ne coincez pas le cordon d'alimentation ou le
conduit de gaz entre lemur et I'appareil.
2. Ne scellez pas I'appareil aux armoires
laterales.
3.Degagement minimum de 24" (61 cm) entre
la plaque de cuisson et la bas de I'armoire du
haut Iorsque le dessous de I'armoire en bois
ou en metal est proteg6 par un celloderme
retardateur de flammes d'un minimum de
¼" (0.64 cm) recouvert d'une feuille de
metal MSG No. 28, d'acier inoxydable d'un
minimum de 0.015" (0.4 mm), d'aluminium
de 0.024" (0.6 mm) ou de cuivre de 0.020"
(0.5 mm).
Degagement minimum de 30" (76.2 cm)
Iorsque I'armoire n'est pas proteg6e.
4. Notez que pour les ouvertures de moins
de 22 7/8" (58.1 cm), I'appareil depassera
legerement vers I'avant du comptoir.
5.AIIouez au moins 19 ¼" (48.9 cm) d'espace
pour permettre I'ouverture de la porte du
four.
Porte
ouverte
(voir la
note 5)
21¾"_
(ss.2scm) I
I
lateral
***IMPORTANT: Pour une largeur de d_coupage (dimension E) plus grande que 30 1/16" (76.4 cm)
et pour _viter un bris de vitre, au moment d'inserer I'appareil clans le comptoir assurez-vous qu'il est
bien centre dans I'ouverture. Levez les pattes de nivellement au maximum, inserez I'appareil dans le
comptoir et ensuite nivelez-le. Assurez-vous que I'appareil est bien support_ par les
pattes de nivellement et non par la surface vitrifi_e.
IMPORTANT: La largeur du comptoir et de I'armoire
doit _tre egale a la largeur de decoupage.
DEVANT t
DU 4,
CABINET
22 7/8" (58.1 cm) rain.
23 1/4" (59.05 cm) max.
(voir note 4)
i
1 1/8"
(2.86 cm)
_ F_
Ref.
A. HAUTEUR 131LARGEUR C. LARGEUR' DL PROFONDEUR' IE.LARGEURDE F, PROFONDEURDE G. HAUTEUR DU
is0us la Surface) TABLE L'AVANT DELA DECOUPAGE**_ I DECOUPAGE DESSUSDE COMPTOIR
CUISSON CUISINIERE (C0mptoir & armoire) I
35 718" (91,1 cm) 30" (76,2 crn) 311/2'' (80 cm) 28 5/16" (71,9 cm) 30_+1116"
(76,2_+0,15 cm)
36 5/8" (93 cm)
21 3A" (55,2 cm) Min.
22 1/8" (56,2 crn) Max
24" (61 crn) Min. Si un
dosseret est installe
35 7/8" (91,1 crn) Min.
36 5/8" (93 cm) Max.
24

Pour viter les bris: NE manipulez PAS I'appareil
par la table de cuisson.
Le comptoir autour de I'ouverture de decoupage doit @re plat
eta niveau (voir les parties hachurees a la figure 1).
Avant d'installer I'appareil, mesurez la hauteur des deux (2) c6tes du
comptoir (H1-4), avant et arriere (voir figure 1) du plancher jusqu'au
dessus du comptoir.
Placez I'appareil a niveau
en utilisant les quatre (4)
pattes de nivellement afin
que la hauteur entre le
plancher et le renfort de
m_tal en dessous de la
table de cuisson soit plus
Arasez le
dessus du
comptoir
au moins
311/2" (81
cm) de
largeur pour
la cuisini_re.
1 1/2"Max.
(3.8 cm Max.)
grande de 1/16"que la plus grande mesure H1-4
(voir figure 2).
Glissez I'appareil dans le comptoir. Assurez-vous que le centre de
I'appareil est aligne avec le centre de I'ouverture du comptoir. F_jgure 1
Enlevez les protecteurs de plastique situes de chaque c6te de la table
de cuisson (si inclus avec I'appareil).
Le renfort de metal en dessous de chaque c6te de la table de cuisson
DOlT reposer sur le comptoir pour que I'appareil soit bien supporte.
La table de cuisson ne dolt PA$ toucher directement le comptoir
(voir figure 2), sinon cela pourrait provoquer un bris de la table qui
annulera la garantie. Niveler I'appareil si necessaire.
Apres I'installation, ASSUREZ-VOUS que
I'appareil est soutenu par les deux pattes
de nivellement et les deux roulettes de ni-
vellement arriere
et NON par la
table de cuisson.
_ii_ 1
e metal
.tiffind'installer
correctement
la cuisini_re,
la hauteur
initiale entre le
plancher et le
renfort de m_tal
en dessous
de la table de
cuisson dolt _tre
au moins 1/16"
plus grande
que les mesures
du comptoir
mesur_s dans
I'_tape 1.
Fi_jgure2
25

Notes importantes a i'installateur
1. Lisez toutes les instructions contenues dans ce feuillet
avant d'installer la cuisini_re.
2. Enlevez tout le materiel d'emballage des compartiments
du four avant de connecter I'alimentation de gaz et _lec-
trique _ la cuisini_re.
3. Respectez tousles codes et r_glements applicables.
4. N'oubliez pas de laisserces instructions au consommateur.
5. Note: Pour utilisation de I'appareil _2000 pieds au-dessus
du niveau de la met, la puissance desbr01eursdolt _tre re-
duite de 4% pour chaque 1000 pieds suppl_mentaires.
Note importante au consommateur
Conservez ces instructions avec le guide de I'utilisateur pour
r_f_rence ult_rieure.
INSTRUCTIONS DE Si'-'CURITi'-"
IMPORTANTES
Les basses temperatures peuvent
endommager le contr61eur _lectronique de I'appareil.
Lorsque vous utilisez I'appareil pour la premiere fois ou
Iorsque I'appareil n'a pas _t_ utilis_ durant un certain
temps, assurez-vous qu'il se trouve dans une piece dont
la temperature d_passe 32°F (0°C) pendant au moins 3
heures avant de le mettre en marche.
Cette cuisini6re dolt 6tre install6e conform6ment aux
r6glements Iocaux, ou en leurs absences, aux normes
ANSI Z223.1/NFPA .54- derni6re 6dition.
La conception de cette cuisini6re a 6t6 approuv6e par CSA
international. II faut prendre certaines precautions d'usage
Iors de I'utilisation de tout appareil fonctionnant au gaz
naturel ou produisant de la chaleur. Vous trouverez celles-ci
dans votre Guide d'utilisateur, lisez-les avec attention.
•Assurez-vous que votre cuisini_re est correctement
install_e et mise a la terre par un installateur ou
un techniden d'entretien qualifie.
• Le circuit _lectrique de cette cuisini_re doit ¢tre mis
la terre conform_ment aux r_glements Iocaux,
ou en leurs absences, au code _lectrique ANSI/
NFPA No.70-derni_re _dition. Voir les instructions de
mise a la terre.
Avant d'installer la cuisini_re _ un endroit recouvert
de linoleum ou de tout autre couvre-plancher
, Toutesles Pourprevenirlesrisques
cuisinieres de renversementde la
peuventhas- cuisiniere,elledolt _tre fixee
culer, correctement au plancher
, Des blessures
pourraient
survenir.
Installer les
amarres qui
accompagnent
la cuisiniere.
I'aide des supports fournis.
Pour verifier si les supports
sont correctement installes,
agrippez le dessus de
I'appareil et d_licatement
essayez de la faire basculer
vers I'avant.
synthetique, assurez-vous que celui-ci peut
resister a un minimum de 90°F (32.2°C) de chaleur
au-dessus de la temperature de la piece sans se
rapetisser, se deformer ou se d_colorer. N'installez
pas la cuisini_re sur un tapis, _ moins de placer un
tampon isolant ou une feuille de contreplaqu_ d'une
_paisseur de 1/4"(0.6 cm) entre la cuisini_re et le tapis.
Assurez-vous que la tapisserie a proximit_ du four
peut resister a la chaleur g_ner_e par la cuisini_re.
Ne bloquez pas la circulation d'air a I'orifice de
ventilation du four ni autour de la base ou sous
le panneau inf_rieur avant de la cuisini_re. Evitez
de toucher les ouvertures de I'orifice de ventilation ou
les surfaces avoisinantes car elles risquent de devenir
chaudes Iorsque le four fonctionne. Les br01eurs ont
besoin d'air frais pour assurer une bonne combustion.
Ne laissez jamais les enfants
seuls ou sans surveillance pros d'un appareil en
fonctionnement. Apprenez-leur _ utiliser les appareils
_lectrom_nagers de facon s_curitaire et appropri_e. Ne
laissez jamais la porte du four ouverte Iorsque la cuisini_re
est sans surveillance.
Le fait de monter sur la porte
ou le tiroir de cette cuisini_re, de s'y appuyer ou de
s'y asseoir peut occasionner des blessures graves, et
endommager I'appareil.
•N'entreposez pas d'objets susceptibles d'interesser
les enfants dans les armoires situ_es au-dessus de
la cuisini_re, lls risquent de se br01er s_rieusement s'ils
tentent de grimper sur I'appareil.
•Cvitez de placer des armoires de rangement
au-dessus des breleurs afin d'_liminer les gestes
inutiles au-dessus de ceux-d.
•R_glez la flamme du br_leur pour qu'elle ne
depasse pas le bord de I'ustensile utilise pour la
cuisson. Une flamme excessive est dangereuse.
• N'utilisez pas le four a des fins de rangement. Ceci
g_n_re une situation _ventuellement dangereuse.
•N'utilisez jamais votre cuisini_re pour r_chauffer ou
chauffer la piece, L'utilisation prolong_e de la cuisini_re
sans une ventilation adequate peut s'av_rer dangereuse.
• Ne gardez pas de produits combustibles, d'essence
et d'autres produits inflammables a proximit_ de
cet appareil ou de tout autre appareil. II pourrait en
r_sulter des explosions ou un incendie.
• Lors d'une panne de courant _lectrique, les br01eurs de
surface peuvent _tre allum_s manuellement; placez une
allumette allum_e pros de la t_te du br01eur et tournez
lentement le bouton de commande de surface _ la
position LITE. Redoublez de prudence si vous allumez
un br01eur de surface manuellement.
• Replacez toutes les commandes _ la position arr_t
_off)) apr_s I'utilisation d'une fonction programmable
chronom_tr_e.
26

POURMODI_LESAYANTUNFOURAUTONETTOYANT:
• Enlevezla lechefrite, lesaliments et lesautres
ustensilesavantdefaireuncycleautonettoyantdu
four. Essuyeztouslesrenversementsexcessifs.Suivez
lesinstructionspourlepre-nettoyagedansleGuidede
I'utilisateur.
• Commesurlescuisinieres standard a gaz, LA TABLE
DE CUISSON DE CET APPAREIL N'EST PAS AMOVIBLE.
Ne tentez pas de I'enlever.
Emplacement de ia
plaque de serie
Vous trouverez les num_ros de
module et de s_rie imprim_s
sur la plaque de s_rie. Cette
derni_re se trouve tel que
montr_.
.........................................................
ilil _ii
Notez ces num_ros pour
r_f_rence future.
El Branchement lectrique
IMPORTANT Veuillez life attentivement.
Pour votre propre s_curit_, cet appareil doit Ctre
correctement mis a la terre.
| Construction de I'arrnoire
Pour _liminer les risques de br01ures
ou de feu, en _tendant le bras au-dessus des surfaces de
cuisson chaudes, _vitez d'installer des armoires au-dessus
de ces derni_res. Si vous devez en installer, il est possible
de r_duire le risque en placant une hotte pour cuisini_re
qui exc_de horizontalement d'un minimum de 5" (12.7
cm) la base de I'armoire.
Preparation du dessus de comptoir
• Les c6t_s de la plaque de cuisson de la cuisini_re
s'ajustent au-dessus du rebord du d@coupage du
dessus de comptoir.
• Si vous avez un dessus de comptoir au fini carte
(plat), aucune pr@paration n'est requise.
Les dessus de comptoir au rebord avant moul_
doivent @treaplanis de 3A" (1.9 cm) _ chaque coin
avant de I'ouverture (Figure 2).
II est possible qu'il soit n@cessaired'araser de 3A" (1.9
cm) les dessus de comptoir en mosafque _ chaque
coin avant et/ou d'aplanir le rebord arrondi (Figure 2).
Afin de r@duire au minimum les risques de chocs
@lectriques, le cordon d'alimentation de cet appareil est
muni d'une fiche de contact tripolaire (raise _ la terre)
enfichable dans une prise de courant murale tripolaire
standard avec mise _ la terre.
II est conseill@ de faire v@rifier la prise de courant murale
et le circuit par un @lectricien qualifi@, afin de s'assurer
que la prise de courant est correctement mise _ la terre.
Dans le cas ou il n'y a qu'une prise de courant murale
bipolaire standard, il incombe au client de la remplacer
par une prise de courant murale tripolaire correctement
mise _ la terre.
II est strictement interdit de couper ou d'enlever
la troisi_me tige (raise a la terre) du cordon
d'alimentation.
D_branchez le cordon d'alimentation
@lectrique de la prise de courant murale avant de r@parer
ou de nettoyer la plaque de cuisson.
M_thode pr_f_r_e est strictement_
interdit de couper /
ou d'enlever la I
troisieme tige (raise I
la terre) du cordonl
_, d'alimentation. /
Assurez-vous que
I'appareil est bien mis
la terre avant de I'utiliser
J
311/2"_
(81cm)
Dessus de comptoir rnoule ou en
mosa'ique aplani de 3A" (1.9 crn) aux
rebords avant de I'ouverture de
(1.g cm) dessus de comptoir.
I Figure 2
Si la largeur du dessus de comptoir est sup_rieure
la largeur minimum requise, ajustez en
consequence le _A" (1.9 cm).
Le dessus de comptoir doit Ctre a niveau. Placez un
niveau sur le dessus de comptoir, d'abord de chaque
c6t_, et ensuite du devant _ I'arri_re. Si le dessus de
comptoir n'est pas horizontal, la cuisini_re ne le sera
pas non plus. Le four dolt _tre _ I'horizontale pour
obtenir des r_sultats de cuisson satisfaisants.
Figure 1
27

| Alimentation en gaz - Installation
Cet appareil a _t_ conc u en usine pour fonctionner au
gaz naturel avec une pression d'admission de 4"(10,16
cm) de colonne d'eau (1.0 kpa). Un r_gulateur de
pression convertible est branch_ avec la rampe _ gaz
de la cuisini_re, et DOlT RESTERconnect_ en s_rie avec
le tuyau d'alimentation. Si un kit de conversion au gaz
propane est utilis_, suivez les instructions de conversion
comprises dans le feuillet fourni pour convertir le
r_gulateur pour _tre utilis_ avec le gaz propane.
Une attention particuli_re dolt _tre prise Iors de I'installation
de I'appareil pour ne pas obstruer la prise d'air pour la
combustion et le conduit de ventilation de I'appareil.
Pour un fonctionnement normal, la pression int_rieure
maximale au r_gulateur ne dolt pas _tre sup_rieure
14"(35,56 cm) (3.5 kpa) de pression de colonne d'eau. La
pression d'admission au r_gulateur dolt _tre sup_rieure
d'au moins un pouce (ou de .25 kpa) au r_gulateur ajust_
la rampe _ gaz. Pour le gaz naturel, le r_gulateur _tant
ajust_ _ 4"(10,16 cm) de pression (1.0 kpa), la pression
d'admission dolt _tre d'au moins 5 "(12,7 cm) de colonne
d'eau (1.25 kpa). Pour le gaz propane, le r_gulateur _tant
ajust_ _ 10"(25,4 cm) de pression (2.5 kpa), la pression
d'admission dolt _tre d'au moins 11 pc (27,9 kpa).
Los tests pour v_rifier los fuites de gaz doivent _tre faits
solon los instructions de I'_tape 4.
La ligne de gaz dolt _tre de 1/2"(1.3 cm) ou de 3A" (1.9 cm).
L'alimentation en gaz peut provenir du mur artiste
(Figure 3, zone 1) ou du plancher (Figure 3, zone 2):
Zone I = Par le tour arriere (7" X 6") - Le meilleur
emplacement pour Iocaliser la ligne de gaz est entre 1"
(2.5 cm) et 8" (20.3cm) du plancher et _ en dedans de 3"
(7.6 cm) de la ligne de centre.
Zone 2 = Par le plancher (~2" X 24") - La ligne de gaz
pout aussi provenir du plancher, elle dolt _tre situ_e en
dedans de 12" (30.5 cm) de chaque c6t_ de la ligne de
centre contre le mur arri_re. Si n_cessaire, vous pouvez
enlever la piece de m_tal en L situ_e en bas a I'arri_re de
I'appareil. II n'y a pas de probl_me _ enlever cette piece,
elle sort _ prot_ger la ligne de gaz particuli_rement lots
du transport.
M
| Scellez les ouvertures
Scellez toutes les ouvertures dans lemur _ I'arri_re de la
cuisini_re ainsi que cellos dans le plancher sous I'appareil
une fois que la ligne de gaz est instalbe.
m
| Branchez le gaz la cuisiniere
Important: Enlever tout le materiel d'emballage des
compartiments du four avant de brancher I'alimentation
gaz et _lectrique _ la
cuisini_re.
Afin de pr_venir les fuites,
utilisez des p_tes _ joints de
tuyauterie fabriqu_es pour
utilisation avec gaz naturel
et propane.
Le r_gulateur est situ_ tel
que montr_ ici.
Ne
laissez pas le regulateur Emplacement du
glisser sur le tuyau Iors du regulateur
branchement. Figure 4
Branchement du regulateur de pression
Le r_gulateur est instalb _ I'appareil.
Ne serrez pas trop los raccords. Le
r_gulateur est moub sous pression. Un serrage excessif
pourrait le fissurer et provoquer une fuite de gaz
susceptible de causer un incendie ou une explosion.
Robinet Adapteur DEBIT Adapteur R_gulateur
d'arr_t de raccord DU GAZ de raccord de pression
manuel evas_ _41_ evase
A,,u_/am_el0 f _!_ iil i'_k_- _"_
Flexible MamJon Couvercle
Arr_t_ Connector d'acc@s
Tous los branchements doivent @treserr@s
I'aide d'une cb _ ouverture fixe
Figure 5
Figure 3
Assemblez le connecteur flexible du conduit
d'alimentation en gaz au r_gulateur de pression dans
I'ordre qui suit
1. robinet d'arr@t manuel (non-inclus)
2. 1/2" mamelon (non-inclus)
3. 1/2,,adaptateur de raccord _vas_ (non-inclus)
4. connecteur flexible, (non-inclus)
5.1/2,, adaptateur de raccord _vas_ (non-inclus)
6. 1/2,,mamelon (non-inclus)
7. r_gulateur de pression. (inclus)
28

Utilisezdesp_tes_jointsdetuyauteriefabriqu_espour
utilisationavecgaznaturelet propane,pourscellerles
connexionsdegaz.Sidesconnecteursflexiblessont
utilis_s,assurez-vousqu'ilsnesontpastordus.
Conversion au gaz propane
Cet appareil fonctionne au gaz naturel ou au gaz
propane. II est r_gl_ en usine pour fonctionner au gaz
naturel.
Si vous d_sirez convertir votre cuisini_re au gaz propane,
servez-vous des orifices fixes fournis dans I'enveloppe
portant I'inscription <<POURCONVERSION AU GAZ
PROPANE>>.Suivez les instructions d'installation se
trouvant dans I'enveloppe.
/
Robinet d'arr_t
manuel - Ouvert
Figure 6
La ligne de gaz dolt _tre munie d'un robinet d'arr_t
manuel approuv_. Ce robinet dolt _tre install_ dans la
m_me piece que I'appareil et dolt _tre facile d'acc_s. Ne
bloquez I'acc_s au robinet. Ce robinet permet d'arr_ter
ou de permettre I'alimentation en gaz a la cuisiniere.
Une fois le r_gulateur en place, ouvrez le robinet de la
ligne d'alimentation en gaz. Attendez quelques minutes
pour permettre au gaz circuler _ travers la canalisation
pour le gaz.
Veillez a ce qu'il n'y ait pas de fuites. Apr6s avoir
raccord6 I'alimentation en gaz a la cuisini6re, a I'aide
d'un manom6tre v6rifiez si le syst6me ne fuit pas. Si vous
ne disposez pas d'un manom6tre, ouvrez I'alimentation
en gaz et utilisez un liquide d6tecteur de fuites sur tous
les joints et les raccords.
N'utilisez pas de flamme nue pour
v6rifier les fuites de gaz. La d6tection des fuites a I'aide
d'une flamme pourrait provoquer un incendie ou une
explosion.
Resserrez tousles raccords si n_cessaire, afin de
pr_venir les fuites de gaz dans la plaque de cuisson ou le
tuyau d'alimentation.
Un installateur qualifi_ dolt effectuer la conversion
conform_ment aux instructions du fabricant et _ tous
les codes et r_glements applicables. Si ces instructions
ne sont pas suivies _ la lettre, il pourrait en r_sulter
de s_rieuses blessures corporelles ou des dommages
materiels. L'entreprise d'installation qualifi_e qui effectue
ce travail assume la responsabilit_ de la conversion.
Si on n'effectue pas la conversion
correctement, il pourrait en r_sulter des blessures
corporelles et des dommages materiels.
D placement de I'appareil pour
en faire le service ou le nettoyer
Coupez I'alimentation _lectrique de I'appareil a la botte
des fusibles ou des disjoncteurs et fermez le robinet
manuel d'alimentation _ gaz. D_faites la connexion de la
tuyauterie rigide au r_gulateur. II n'est pas n_cessaire de
d_faire cette connexion si un conduit flexible est utilis_.
Assurez-vous que I'appareil est froid. Retirez le tiroir de
rangement, puis ouvrez la porte du four. Soulevez la
cuisini_re _ I'avant et faites-la glisser hors de son gtte,
tout en _vitant de soumettre le conduit _ gaz flexible
des contraintes excessives. Lorsque la cuisini_re est
replac_e dans son gtte, veillez _ ne pas coincer le conduit
gaz flexible et le c_ble d'alimentation _lectrique
derriere I'appareil. Re-branchez la tuyauterie rigide au
r_gulateur (si applicable) et v_rifier qu'il n'y a pas une
fuite de gaz du joint. Replacez le tiroir, fermez la porte et
r_-alimentez I'appareil en gaz et en _lectricit_.
D_branchez la cuisini_re et fermez son robinet
d'alimentation en gaz Iors de toute v_rification de
pression du circuit d'alimentation de gaz _ une pression
sup_rieure _ 1/2 Ib/po2 (3.5 kpa ou 14"(35,56 cm)
colonne d'eau).
Isolez la cuisini_re du reseau d'alimentation en gaz
en fermant son robinet d'arr_t manuel, lots de toute
v_rification de pression du circuit d'alimentation en gaz
une pression inf_rieure ou _gale _ 1/2 Ib/po2 (3.5 kpa ou
14 po. colonne d'eau).
29

Installation de la cuisiniere
Note Importante: L'enl_vement de la porte du four n'est
pas requis pour I'installation de I'appareil, mais la facilite
grandement. R_f_rez-vous au manuel d'utilisation pour
connattre les _tapes.
Installation Standard
_llLa table de cuisson chevauche, de chaque c6t_, le
dessus du comptoir et la cuisini_re repose sur le
plancher. La largeur de la table de cuisson est de
311/2" (81 cm).
_}ltLes armoires sous le comptoir doivent _tre distantes
de 30" (76.2 cm). Assurez-vous qu'elles sont
d'aplomb et de niveau avant d'y installer la
cuisini_re. Araser le rebord bomb_ _ I'extr_mit_
avant du comptoir pour obtenir un ajustement serr_
de 311/2" (81 cm) entre les bords ext_rieurs de la
table de cuisson et le comptoir.
ODistancez les portes des armoires de 31 " (78.7
cm) minimum afin qu'elles n'interf_rent pas avec
I'ouverture de la porte du four.
D_coupez le comptoir tel que montr_ _ la page 24.
Assurez-vous que les pattes de nivellement sont
r_gl_es plus hautes que le hauteur du comptoir.
__ Installez le support anti-
bascule maintenant avant de placer I'appareil
sa position finale. Suivez les instructions _ la page
38 ou sur le gabarit fourni avec le support anti-
bascule de I'appareil.
OAfin d'obtenir une installation optimale, les 3 c6t_s
du comptoir recevant I'appareil doivent _tre plat et
niveau. Tousles ajustements ad_quats afin que
le comptoir soit plat doivent _tre faits sinon des
espaces entre I'appareil et le comptoir peuvent se
produire.
_ Pour _viter d'endommager
I'appareil, ne pas le saisir ou le manipuler par la vitre
de la surface de cuisson. Manipulez-le avec soin.
_ltPlacez I'appareil devant I'ouverture du comptoir.
q_l_ Assurez-vous que la surface de cuisson vitrifi_e
allant par dessus le comptoir est plus haute que le
comptoir. Si tel n'est pas le cas, levez I'appareil en
baissant les pattes de nivellement.
ONivelez la cuisini_re (volt la section 9). Le plancher
qui supporte la cuisini@redolt @trede niveau.
OGlissez I'appareil dans I'ouverture du comptoir.
Si des accessoires sont requis:
Installation avec un dosseret
La profondeur du d_coupage de 213A'' (55.2 cm)
minimum et 22 1/8" (56.2cm) maximum dolt _tre
augment_e _ 24" (61 cm) Iorsqu'un dosseret est
insta% sur I'appareil.
Installation d'une moulure arri_re
Vous pouvez commander un n_cessaire pour moulure
arri_re dans un centre de service.
Installation de panneaux lat_raux
Distancez les portes des armoires de 31 " (78.7
cm) minimum afin qu'elles n'interf_rent pas avec
I'ouverture de la porte du four.
Mise a niveau de la cuisiniere
Mettez la cuisini_re de niveau et ajustez la hauteur
de la table de cuisson avant de I'installer dans le
d@coupage du comptoir.
1. Installez une grille au centre du four.
2. D_posez un niveau _ bulle sur la grille (voir la figure
7). Prenez 2 lectures en placant le niveau en diagonale
dans une direction, puis dans I'autre direction. Si
n_cessaire, ajustez les vis de nivellement _ I'aide d'une
3. Glissez d_licatement
la cuisini_re, en faisant I
attention de ne pas
abtmer le dessus
du comptoir, dans
le d_coupage du
comptoir et v_rifiez si I
elle est encore
de niveau. [
Figure 7
Verification du Fonctionnement
R_f_rez-vous au Guide de I'utilisateur inclus avec la
cuisini_re pour les directives de fonctionnement et pour
I'entretien et le nettoyage de votre cuisini_re.
Enlevez tout le materiel d'emballage du four avant de
commencer les essais.
Mise en place des couvercles et des
grilles des br61eurs
Cette cuisini_re est munie de br01eurs scell_s. II est tr_s
important de vous assurez que tousles couvercles et
grilles sont bien en place avant d'utiliser la surface de
cuisson.
1. Enlevez tout le materiel d'emballage.
2. Jetez le materiel d'emballage (si applicable).
3. Deballez les grilles et installez-lessur la surface de cuisson.
NOTE : Aucun r_glage de br01eur n'est n_cessaire dans
ce genre de cuisini_re.
30

Branchez i'alimentation en
electricite et ouvrez ie robinet principal
d'alimentation en gaz
Verifiez les allurneurs
II faut v_rifier le fonctionnement des allumeurs
_lectriques apr_s que la cuisini_re et les raccords du
tuyau d'alimentation aient _t_ eux-m_mes v_rifi_s
relativement aux fuites et que la cuisini_re ait _t_
branch_e _ la prise de courant. Pour v_rifier si I'allumage
est ad_quat :
1. Appuyez sur le bouton de commande d'un br01eur
de surface et tournez-le _ la position <<LITE>>.Vous
entendrez les _tincelles de I'allumeur _lectrique qui
allume le br01eur.
b. Le br01eur de surface dolt s'allumer Iorsque le gaz est
disponible au br01eur sup_rieur. Enfonctionnement
normal, chaque br01eur dolt s'allumer dans un d_lai
de quatre (4) secondes apr_s que Fair ait _t_ purg_
des canalisations d'alimentation. Regardez si le
br01eur est allum&
c. Une fois le br01eur allum_, le bouton de commande
dolt _tre tourn_ _ une autre position que LITE.
II existe des dispositifs d'allumage s@ar_s pour chaque
br01eur. Essayezchaque bouton s@ar_ment jusqu'_ ce
que tousles robinets de br01eur aient _t_ v_rifi_s.
_i_'Reglez la position LOW des robinets
des br0ieurs de surface (voir Figure 8)
1. Appuyez sur une commande et tournez-la a LITEjusqu'a
ce que le br01eurs'allume.
2. Tournez rapidement le bouton a la position la plus basse
(LOW).
3. Si le br01eurs'eteint, ajustez le robinet comme suit:
Remettez le bouton de commande a arr_t (OFF).Enlevez
le bouton de commande du br01eurde surface, inserez
un tournevis a pointe droite fine dans la tige creuse du
robinet et inserez dans la t_te de la vis. La hauteur de la
flamme peut _tre augmentee ou diminuee en tournant
la vis. Ajustez la flamme jusqu'a ce que vous puissiez
tourner rapidement le bouton de LITEa la plus base
position (LOW) sans eteindre la flamme. Celle-ci devrait
_tre aussi minuscule que possible sans s'et_indre.
Figure 8
Reglage de ia position _(LOW)) du
robinet de br_leur a valve double (Figure 9)
Note: Sur le robinet double, la position <<LOW>>pour
chacune des portions du brOleur (la portion arri_re et
la portion centrale du brOleur <<Pont>>)dolt _tre ajust_e
individuellement.
a. Poussez et tournez le bouton de commande _ la
position LITEjusqu'_ ce que le brOleur s'allume.
b. Tournez rapidement le bouton de commande de la
position <<HI>>a la position <<LOW>>.
c. Si le brOleur s'_teint, tournez le bouton de commande
la position OFF(arr6t).
d. Enlevez le bouton de commande et r6glez le robinet
comme indiqu6 a 1'6tape e.
e. La dimension de la flamme de la portion arri_re du
brOleur <<Pont>>peut 6tre augment6e ou diminu6e
en tournant la vis A. Utilisez la vis B pour ajuster la
dimension de la flamme de la portion centrale du
brOleur <<Pont>>.On peut augmenter ou diminuer
I'intensit6 de la flamme en faisant tourner les vis.
Tournez dans le sens inverse des aiguilles d'une
montre pour augmenter la dimension de la flamme
et dans le sens des aiguilles d'une montre pour la
diminuer. R#glez la flamme, jusqu'_ ce que vous
puissiez tourner rapidement le bouton de la position
<<HI>>_ la position <<LOW>>,sans que la flamme ne
s'#teigne. La flamme, aussi faible que possible, devrait
#tre stable sans s'#teindre.
NOTE: Les brOleurs de surface ne n#cessitent pas de
r#glage de m#lange d'air.
Figure 9
Fonctionnement et reglage des br0ieurs
du four.
10.6.1 Breleurs _ allumage _lectrique
Le fonctionnement des allumeurs _lectriques devrait _tre
v_rifi_ apr_s que la cuisini_re et I'arriv_e de gaz aient _t_
v_rifi_es minutieusement pour d_tecter les fuites et que la
cuisini_re ait _t_ branch_e au r_seau _lectrique.
Le brOleur du four est muni d'un allumeur _lectrique ainsi
que d'un syst_me de commande _lectrique. Sivotre module
est muni d'un brOleur de r6tisserie _ alimentation par prise
unique, ilaura _galement un allumeur _lectrique. Cessyst_mes
de commande ne n_cessitent aucun ajustement. Lorsque le
fourneau sera pr_t a fonctionner, le courant parviendra
I'allumeur qui deviendra incandescent et Iorsqu'il aura atteint
31

latemperatured'ignitiondugaz,lavalvedecommandedu
fourcommand_e_lectroniquements'ouvriraetuneflamme
apparattraaubr01eurdufourneau.IIy a und_laide30
60secondesapr_squelethermostatsoitmisenposition
"ON"et lemomentquelaflammeapparaisseau br01eur
dufourneau.Lorsquelefouratteintlatemperaturer_gl_e
aucadran,I'allumeurs'_teint.Laflammedubr01eurs'_teint
entre20et30secondesapr_squeI'allumeureut_t_coup_.
Cecyclecontinuerapourmaintenirtoutetemperaturer_gl_e
jusqu'acequeI'indicateur/cadransoitremisa "OFF".
Apr_savoir enlev_tout materield'emballageet la
documentationdufour,
a) R_glezle four pour cuire"BAKE"a 300%Voir le
Guided'utilisationet d'entretienpourlesdirectives
d'op_ration.
b) Lebr01eurdufourdevraits'allumerendedansde60
secondes.V_rifiezsilaflammeestconvenable,r_p_tez
la procedureuneautrefoiset remettezle boutonde
commandealapositionArr_t(OFF).
c) Sivotremoduleestmunid'unbr01eurder6tisserie
alimentationpar priseunique,r_glezle fourneau
r6tissage(BROIL).VoirleGuided'utilisationetd'entretien
pourlesdirectivesd'op_ration.
d) Lebr01eurdela r6tisseriedevraits'allumerendedans
de60secondes.V_rifiezsilaflammeestconvenableet
remettezleboutondecommandea "OFF".
sJ _
s
v
_ _r_leur de r6tisserie
D_flecteur :' (Modeles a auto-
du has du :i '._L_.,,==_, Clapet a air nettoyage)
fourneau _q_Tr- -_ _
(Demontable) [_--- s';
4
..... Fond du f ur
(Demontal_le)
Clapet a air
Figure 10
10.6.2 Br61eur du fourneau a dapet d'air
LaIongueurapproximative delaflamme du br01eurdu fourneau
est de 1" (25 mm) (centre de flamme bleu distin
Pour d_terminer silaflamme du br01eurdu four es quate,
enlevez le fond du four et I'enceinte du br01eur et r_glez la
commande du four _ 300%
Enlevez les vis de maintien _ I'arri_re du fond du fourneau
pour pouvoir retirer lefond du fourneau. Soulevez _ I'arri_re,
d_gagez le fond avant du cadre du four et retirez le fond du
fourneau hors de celui-ci. Enlevez I'enceinte du br01eur pour
voir laflamme. Sila flamme est de couleur jaune, augmentez
I'ouverture du clapet d'air (voir "2" _lafigure 11). Sila flamme
est bleue, r_duisez I'ouverture du clapet d'air.
Pour faire le r#glage, desserrez la vis de blocage ("3" _ la
figure 11), repositionnez le clapet d'air et serrez la vis de
blocage. Replacez le fond du fourneau.
(_Vis de blocage
(_ Clapet a air
Figure 11 __ :!I_II::I:III.L.....
Tuyau du
br_leur du
fourneau
®
Capot d'orifice
10.6.3 Br61eur de la rbtisserie aclapet d'air
La Iongueur approximative de la flamme du br_leur du
fourneau est de 1" (25 mm) (centre de flamme bleu distinct).
Pour d_terminer si la flamme du brOleur de la r6tisserie est
adequate, r_glez le fourneau _ "BROIL". Si la flamme est de
couleurjaune, augmentez I'ouverture du clapet d'air (voir "2"
la figure 11). Si laflamme est bleue, r_duisez I'ouverture du
clapet d'air. Pour faire le r_glage, desserrez la vis de blocage
("3" _ la figure 11), repositionnez le clapet d'air et serrez la
vis de blocage.
Lorsque tous les raccords sont termines
V_rifiez que toutes les commandes sont en position d'arr_t
(OFF).
Assurez-vous que la circulation d'air de combustion et de
ventilation _ la cuisini_re n'est pas obstru_e.
Emplacement des num_ros de modele et
de serie
La plaque signal_tique est situ_e sur le chassis avant du
four, derriere la porte du four (certains modules) ou sur
le c6t_ du tiroir (certains modules).
Lorsque vous commandez des pi_ces ou pour toute
demande de renseignements au sujet de votre cuisini_re,
assurez-vous de toujours inclure les num_ros de module
et de s_rie et un num_ro de lot ou une lettre de la
plaque signal_tique de votre cuisini_re.
La plaque signal_tique vous donne _galement la
capacit_ des brOleurs, le type de carburant et la pression
laquelle la cuisini_re a _t_ r_gl_e au moment de
I'exp_dition.
Avant d'appeler le service d'entretien
R_visezla liste de v_rifications preventives et les instructions
d'op_ration dans votre Guide de I'utilisateur. Vous sauverez
probablement du temps et de I'argent. La liste contient les
_v_nements ordinaires qui ne r_sultent pas de d_fectuosit_s
dans le materiel ou la fabrication de cet appareil.
R_f_rez-vous _ votre Guide de I'utilisateur pour les
num_ros de t_l_phone pour nous rejoindre.
32

|instructions de securit
_l_l_ Pour r@duirele risque de
basculement de la cuisini_re, prot@gez-la en installant
les vis et les supports anti-bascules fournis. IIs sont situ@s
dans un sac de plastique dans le four. Si vous n'installez
pasces supports anti-bascules, la cuisini_re risque de
basculer si un poids excessif est plac_ sur une porte
ouverte ou si un enfant y grimpe. Les renversements
de liquides chauds ou le basculement de la cuisini@re
peuvent provoquer de s_rieuses blessures.
Suivez les instructions ci-dessous pour installer les
supports anti-bascules.
Si vous d@lacez la cuisini@re pour I'installer a un autre
endroit, vous devez @galement d@lacer les supports
anti-bascules pour les installer avec la cuisini@re.
Outils RequJs :
Tourne @croude 5/16"(0,79 cm) ou tournevis _ t@tecarr@
CI@_ molette
Perceuse @lectrique
Foret de 3/16"(0,48 cm) de diam@tre
Foret de maconnerie de 3/16"(0,48 cm) diam@tre (si
I'installation se fait dans du b@ton)
Instructions d'installation des supports
anti-bascules
Les supports anti-bascules se fixent au plancher, a
I'arri@re de la cuisini@re, pour retenir les deux pieds
niveleurs. En les fixant au plancher, assurez-vous que
les vis ne p@@trent pas dans la plomberie ou le c_blage
@lectrique. Les vis fournies fonctionneront aussi bien
darts du bois que dans du b@ton.
Extremitearrierede la Support anti-bascule
cuisiniereou paroiarriere J
i .-'9 i/8">` 18'A '''# ..... /}_'-
i,<_-(23.2 cm) " (46.4cm) /
i.. .... <
/, 28 1/8"
Support ""- (71.4 cm) .,
anti-bascule " ._"(largeur arnerede la
cuisinieremunie de
panneaux lateraux)
1. D@liez le gabarit de papier et placez-le a plat sur
le plancher, I'endos et les extr@mit@sdes c6t@s
exactement _ I'endroit ou I'arri@re et les c6t@sde la
cuisini@re seront plac@sIors de I'installation (utilisez
le diagramme ci-dessous pour Iocaliser les supports
anti-bascules si le gabarit de papier n'est pas
disponible (Figure 12)).
2. Tracez sur le plancher I'emplacement des 4 trous
de montage indiqu@s sur le gabarit. Pour faciliter
I'installation, des trous pilotes d'un Y2"(1.3 cm) de
profondeur et 3/16" (0.5 cm) de diam@tre peuvent
_tre perc_s dans le plancher.
3. Enlevez le gabarit et placez les supports anti-bascules
sur le plancher, le rebord renvers@vers I'avant.
Alignez les trous des supports avec les trous trac@s
sur le plancher et fixez les supports avec les 4 vis
fournies. Les supports doivent @trefix@ssur un
plancher solide. Si vous les fixez a un plancher en
b@ton, percez d'abord des trous pilotes de 3/16" (0.5
cm) de diam@tre a I'aide d'un foret _ maconnerie de
3/1 6" (0.5 cm) diam@tre.
4. Mettez la cuisini_re a niveau au besoin, en ajustant
les 4 pieds niveleurs a I'aide d'une cl@_ molette (voir
Figure 13). Un d@gagement minimum de 1/8" (0.3
cm) est requis entre le has de la cuisini@reet les pieds
niveleurs arri_res pour disposer de suffisamment
d'espace pour installer les supports anti-bascules.
5. Replacez la cuisini@reen la faisant glisser, en vous
assurant que les pieds arri@reont @t@bien agripp@s
par les extr@mit@sdes supports anti-bascules. II est
possible que vous ayez a la d@lacer I@g@rementd'un
c6t@en la repoussant vers I'ar@re pour que les pieds
arri@res'alignent avec les supports anti-bascules.
Agrippez le dessus de
I'extr@mit@arri@rede
la cuisini@re et essayez
soigneusement de
I'incliner vers I'avant
pour vous assurer
que la cuisini@reest
correctement ancr@.
Glisservers
Figure 12 I'arriere Figure 13
33

Notes- Notas
34

Notes- Notas
35

[] OVEN CIRCUIT//CIRCUITO DE HORNO//CIRCUIT FOUR
W-6
_W-14 ELECTRONIC OVEN CONTROL] R-6
C2 CONTROL DE HORNO ELECTRONICO/
i _ I V-19 C3 V_14
£ONDA DE TEMPERATURA/
V-t4 SONDE TEERMIGOE
V-19 \ /
0__ _,_Lt>_ € ..................
' I_q_c9 " BL/W-14
_IBK/W_I 9 DOOR SWITCH/
£NTERRUPTOE DE PUERTA/
tNTERRUPTEUR PORTE
C5 BK/W*14 _--. BK/W*14
BK_19 2
F
BK-14 C13 BK-19 _ BK-19 1LO LIMIT THERMOSTAT/ 1
_S _y/BK_19 O ]ERMOS[AIO OE LIMIIO LO
COOLING FAN/VENTILADOR DE ]HERMOSIAI BASSE LIMIFE ]
ENFRIAMIENIO/ _ V/OK-14 iVENTILATEUR REFROIDISSEMENT 17Y/OK-t4 QQY-t
CONVECTIONELEUENT/ _I 7A_ A3 •
E_EaEN[O DE CONVEOCION/ _ OPTIONAL/ /
,,,o,,,,o,v,c,,o, I !!!!!
0-5 _,_> 0-5 C7 0-1 OPCION/
FACULTATEF
BANE VALVE/VALVULA _ O/W 0/W_14 _- 0/W-14
_C 11 _,_ ---_
DE RORNEA/ NO C
_OTOR SWITCH LATCH/MOTOR DE OERROJO/
i INTERRURTEUR MOTEUa VERROU
CONNECTOR/ CONNECTOR/
CONNECTOR/ CONNECTOR/
VALVULA DE ARAR BROIL IGNITER/ENOENDIDO
VALVE DE GRILLAGE DE ASAR/ALLUMEUR GRILLAGE
OPTEONAL/OPCION/FACULTATEF
WARMER ELEMENT/ELE_ENTO DE CAJON/
ELEt4ENT RECHAUD
A4 A_ _ _BR 1 2 T-5 T-1 ;
W/BK-BQ_ W-1 __--0t4 CONNECTOR/ CONNECTOR/
CONNECTOR/ CONNECTOR/
CONNECTEUR CONNECTEUR
W 14 R-14 B A
0
COOKTOP CIRCUIT // CIRCUITO DE PLANCHA DE COClNAR // CIRCUIT TABLE CUISSON
.. RIGHT REAR IGNITER SIVITCM. - 3
_ INTERRETORENCENDIDO' _ _ !O_.OL_iN_B_O,_
/ T 1IGNITER MODULE BOARD/ -_ "÷ '" '
I_P;_T ALLUMEUR BLOC OONNEC]ION ALLMMEUR TOP BURNER/ i_'"_X_;_LANC
R 14 R_14 OUEMAOOR DE ENCENOIDO/ i -
I R /_ ROUGIE O'ALLUMAGE BRULEUR i O,_ORANBE/NARANJA/ORANGE
RIGHT FRONT IGNITER SWITCH, W 2 BR,-BROWN/OAFEJBRUN
• INTERRUPTOR ENOENDIDO f-_ F_ _ _ ...... UE/AZUL/BLEU
R _/ PRENTEOEREONO I _ ,_ .... _ _ .... F
-_/_ £_ /BOUGIE O'ALLUMAGE SRULEUR
B 14 I25 CL1251 3173_INTERRUPTOR ENOENBIO0 i W-23
"l FRENTE IZGUEERDO i I4 12 125 CL1251 3173
L } - _ '_-' 5 18 150 EXL-1BO 3321INTERRUPTEUR ALLUME JR W 14
R-14 _-14 AVANT GAUCHE i TOP BURNER/ 6 16 150 EXI -150 3321
LEFT REAR IGNITER SWITCH, i BOOGIE O'ALLUMAGE BRULEUR -
TRANSFORMER ' _ • INTERRMPTOR =NCUNGIDO i O 0 50 EXL- 5O 332
TRANRFORMADOR/ _"_ • TRASERO IBQU_RDO i I0 18 200 SEW-I 3122
DtD3TRAN£FO ..... UR INTERRUPTEUR_LLUMEUR i W-23 __ 12 I_ _ ..... _
i ]'BDVAC,ROVAC_'4 ARRIERE_ROOME ' / _ _ ,:-_ ...........
IN OUT J R t4
I 1 -/ _ S i OUEMAOOS BE ENCENOZDO/ 15 8 150 EXL150 3321
BouoiEo".............. 4
CASTION_DISCONNECT POWER BEFORE SERViCiNG UNIT 18 10 200 SEW-1 31'2'2
_!iiiii!!iiiii!iiiiiiiiiiiiiiiiiiiiiii_i_iiiiiiii_iTEiOilLABELALL WIRES PRSOR TO DISCONNECTION W_EN SERVSOZNG CONTROLS. 19 RO t25 CL12B1 3173
WIRINGS ERRORS CAN CAUSE IMPROPER AND _ANGEROUS OPERATION, 20 20 200 SEW_I 3122
VERIFY PROPER OPERATEON AFTER SERVECENG. 21 22 t25 3266
ATENC[ONtOORTAR [A CORRIENZE ANTES DE REA[IZAR EL _NTEN_I_ENTO DEL _[ECTRODOMEST[O0. 22 22 t50 10109
ERRORER AL VOLVER A ENRANSLA£ LOS CABLES PUEOE OAUSAR FALLAS U OPERACIONES PELIOROIAS,
VER[FIQUE LA CORRECTA OPERACION DESPUES OEL SERVICIO.
........................................... o..... _........................... 318550148 REV'A
ATTENT_ONTOOUPEZ _'AIIMENTATION AVANT D'EFFEGTUER IA REPARATION.
B6