GOODMAN Package Units(both Units Combined) Manual L0806747
CHIEF Power Screwdriver PACHFK1 L0806747
User Manual: GOODMAN GOODMAN Package Units(both units combined) Manual GOODMAN Package Units(both units combined) Owner's Manual, GOODMAN Package Units(both units combined) installation guides
Open the PDF directly: View PDF
.
Page Count: 37

INSTALLATION & OPERATING
INSTRUCTIONS for
GPG13
SINGLE PACKAGE GAS-ELECTRIC
HEATING & COOLING UNIT
Affix this manual and Users Information Manual adjacent to the unit.
This Forced Air Central Unit Design Complies With
Requirements Embodied in The American National
Standard /National Standard of Canada Shown Below.
ANSI Z21.47,CSA-2.3 Central Furnaces
_RECOGNIZE THIS SYMBOL AS A SAFETY PRECAUTION.
ATTENTION INSTALLING PERSONNEL
Prior to installation, thoroughly familiarize yourself with this Installation Manual. Observe all safety warnings. During
installation or repair, caution is to be observed.
It is your responsibility to install the product safely and to educate the customer on its safe use.
These installation instructions cover the outdoor
installation of single package gas electric heating and
cooling units. See the Product Data Book applicable to
your model* for information regarding accessories.
*NOTE: Please contact your distributor or our
website for the applicable product data
book referred to in this manual.
IO-288A
02/07
Goodman Manufacturing Company, L.P.
2550 North Loop West, Suite 400, Houston, TX 77092
www.qoodmanmfq.com
© 2005 - 2007 Goodman Manufacturing Company, L.P.

INDEX
Replacement Parts ............................................................................................................................................................. 3
ORDERING PARTS .............................................................................................................................................. 3
Safety Instructions ............................................................................................................................................................. 3
Unit location ........................................................................................................................................................................ 4
ALL INSTALLATIONS: ........................................................................................................................................... 4
GROUND LEVEL INSTALLATIONS ONLY: .................................................................................................................. 4
ROOFTOP INSTALLATIONS ONLY: ........................................................................................................................... 4
ROOF CURB INSTALLATIONS ONLY: ....................................................................................................................... 5
General Information ........................................................................................................................................................... 5
TRANSPORTATION DAMAGE ................................................................................................................................... 6
Rigging Details ................................................................................................................................................................... 6
Gas piping ........................................................................................................................................................................... 6
HIGH ALTITUDE DERATE (U.S. INSTALLATIONS ONLY) ............................................................................................... 6
PIPING ............................................................................................................................................................. 6
GAS PIPING CHECKS .......................................................................................................................................... 7
Propane Gas Installations .................................................................................................................................................. 7
TANKS AND PIPING ............................................................................................................................................. 8
Electrical Wiring ................................................................................................................................................................. 8
THERMOSTAT LOCATION ....................................................................................................................................... 8
UNIT VOLTAGE ................................................................................................................................................... 9
HEAT ANTICIPATOR SETrlNG .................................................................................................................................. 9
Circulating Air and Filters ................................................................................................................................................ 10
AIRFLOW CONVERSION ...................................................................................................................................... 10
Duc_nNORK......................................................................................................................................................10
FILTERS .......................................................................................................................................................... 10
Venting .............................................................................................................................................................................. 10
FLUE HOOD INSTALLATION ................................................................................................................................... 11
Condensate Drain .............................................................................................................................................................. 11
CONDENSATEDRAINCONNECTION ........................................................................................................................ tl
normal sequences of operation ....................................................................................................................................... 11
HEA_NG.......................................................................................................................................................... tt
COOLING......................................................................................................................................................... tt
FAN ONLY ...................................................................................................................................................... 12
Startup, Adjustments, and Checks .................................................................................................................................. 12
HEA_HGSTARTEP............................................................................................................................................ 12
COOLING STARTUP ........................................................................................................................................... 15
Troubleshooting ................................................................................................................................................................ 15
IGNITION CONTROL ERROR CODES ...................................................................................................................... t5
ABNORMAL OPERATION -HEATING .................................................................................................................... 15
ABNORMAL OPERATION- COOLING ................................................................................................................... 16
Maintenance ..................................................................................................................................................................... t6
FILTER REPLACEMENT OR CLEANING .................................................................................................................... 16
CABINET FINISH MAINTENANCE ........................................................................................................................... 16
CLEAN OUTSIDE COIL (QUALIFIED SERVICER ONLY) ............................................................................................. t7
CONDENSER, EVAPORATOR, AND INDUCED DRAFT MOTORS ..................................................................................... t7
FLAME SENSOR (QUALIFIED SERVICER ONLY) ...................................................................................................... 17
FLUE PASSAGES (QUALIFIED SERVICER ONLY) ..................................................................................................... 17
CLEANING FLUE PASSAGES (QUALIFIED SERVICER ONLY) ...................................................................................... t7
MAIN BURNER FLAME (QUALIFIED SERVICER ONLY) .............................................................................................. t7
CLEANING BURNERS ......................................................................................................................................... 18
Accessories and Functional Parts ................................................................................................................................... 18
SHEET METAL ACCESSORIES .............................................................................................................................. 18
FUNCTIONAL PARTS .......................................................................................................................................... 18
GENERAL INFORMATION ..................................................................................................................................... 18
Ignition Control Diagnostic Indicator Chart .................................................................................................................... 19
Heating Timing Chart ....................................................................................................................................................... 19
Cooling Timing Chart ....................................................................................................................................................... 19
APPENDIX ......................................................................................................................................................................... 20
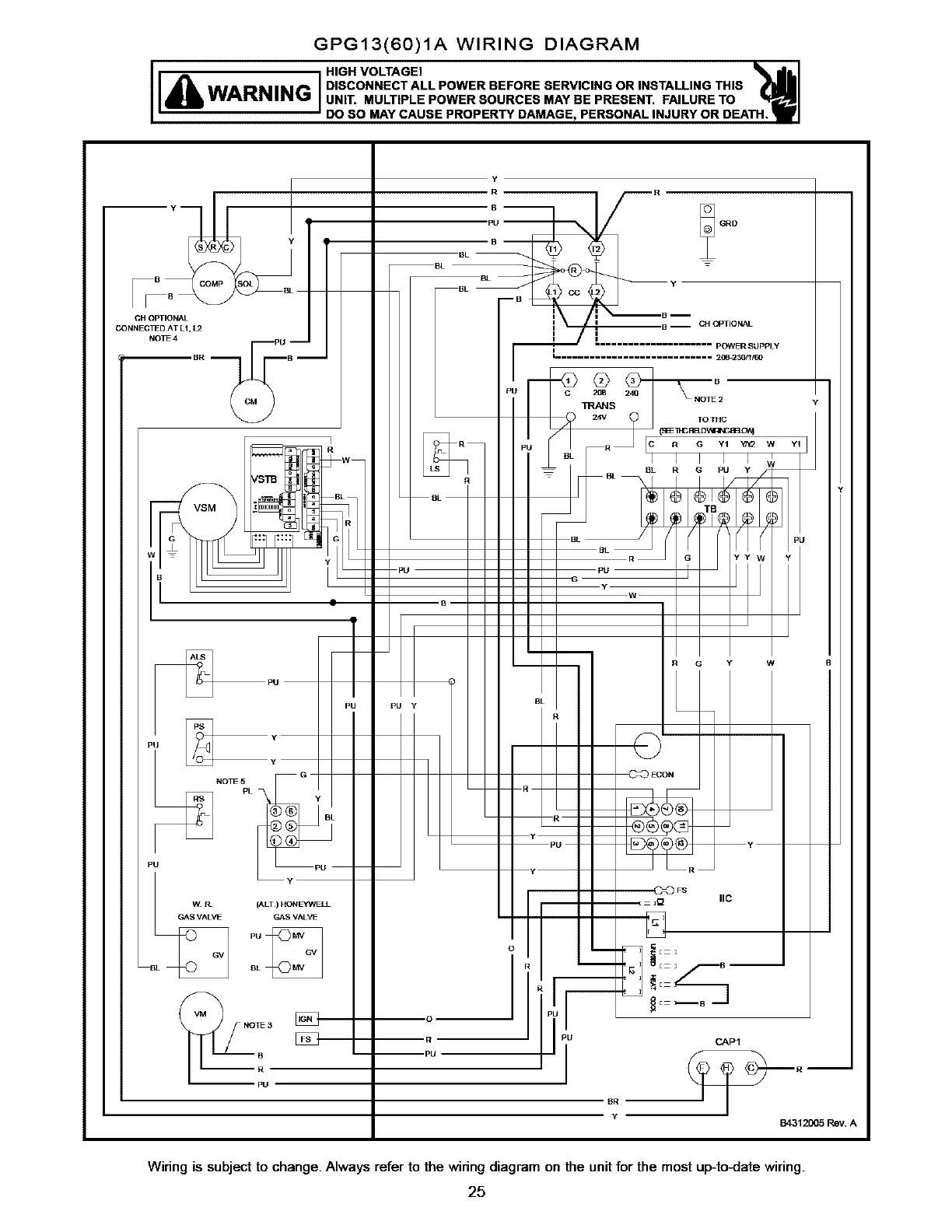
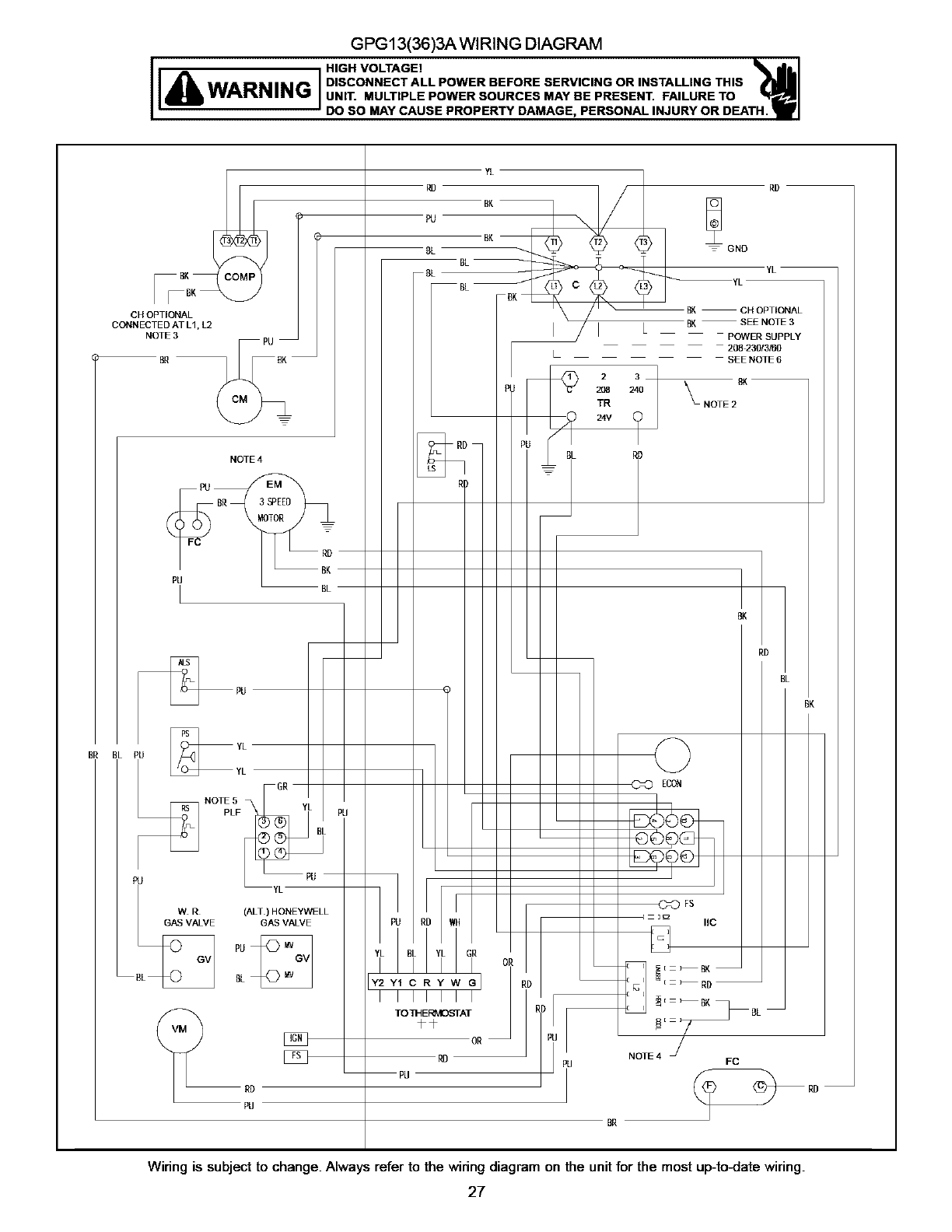
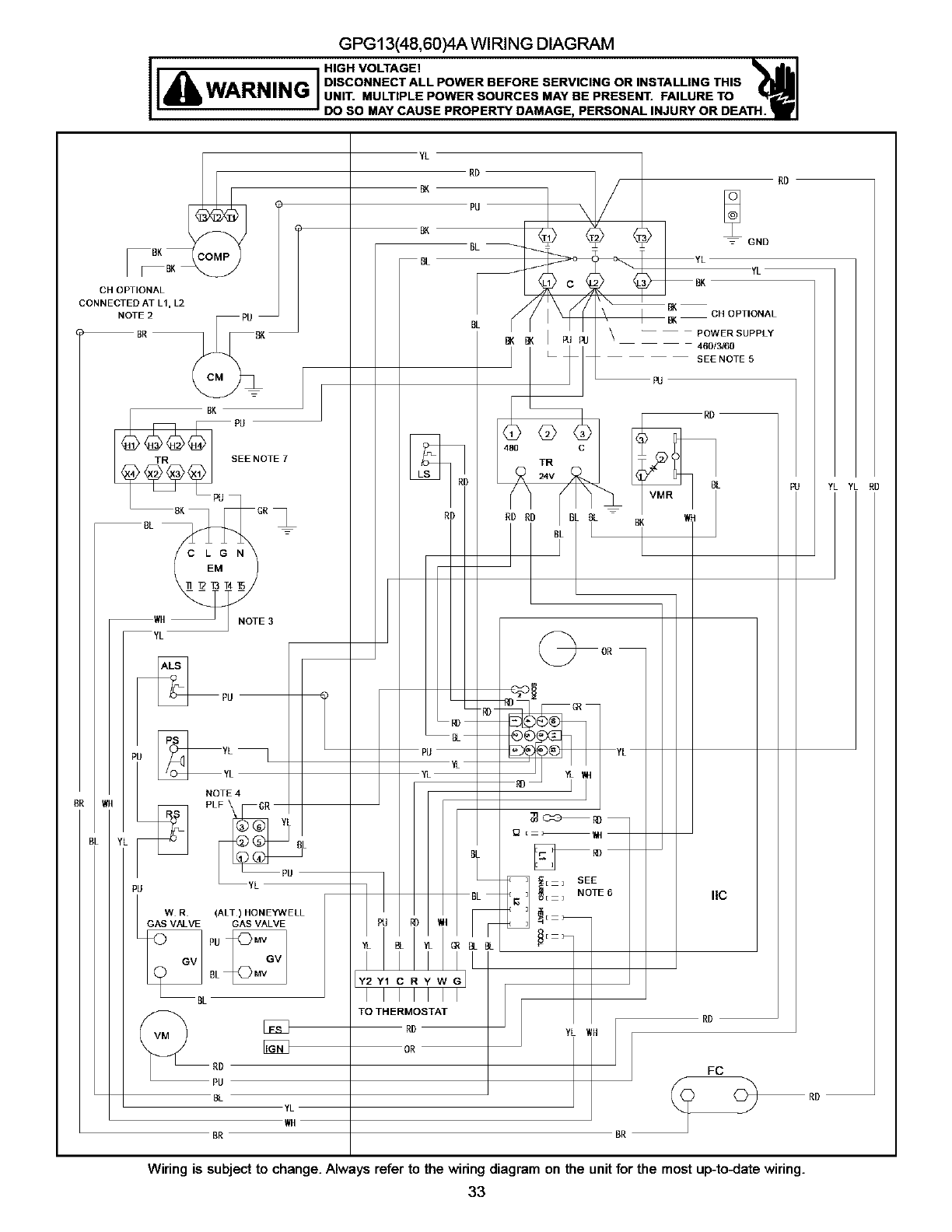
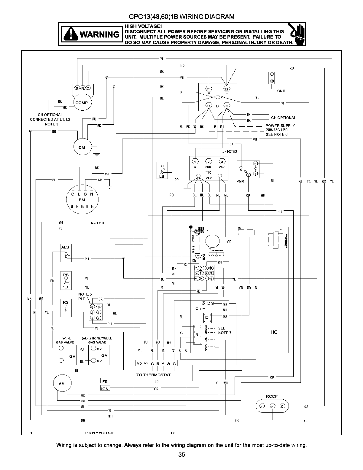
Wiring Diagrams .......................................................................................................................................................... 2t-36
Minimum Clearances ....................................................................................................................................................... 37
Recommended Filter Sizes ............................................................................................................................................. 37
2

REPLACEMENT PARTS
ORDERING PARTS
When reporting shortages or damages, or ordering repair parts,
give the complete unit model and serial numbers as stamped
on the unit's nameplate.
AWARNING
THIS PRODUCT CONTAINS OR PRODUCES A CHEMICAL OR CHEMICALS WHICH
MAY CAUSE SERIOUS ILLNESS OR DEATH AND WHICH ARE KNOWN TO THE
STATE OF CALIFORNIA TO CAUSE CANCER, BIRTH DEFECTS OR OTHER
REPRODUCTIVE HARM.
AWARNING
Replacement parts for this appliance are available through your
contractor or local distributor. For the location of your nearest
distributor, consult the white business pages, the yellow page
section of the local telephone book or contact:
SERVICE PARTS DEPARTMENT
GOODMAN MANUFACTURING COMPANY, L.E
2550 NORTH LOOP WEST, SUITE 400
HOUSTON, TEXAS 77092
(713) 861 2500
SAFETY INSTRUCTIONS
TO THE INSTALLER
Before installing this unit, please read this manual to familiarize
yourself on the specific items which must be adhered to,
including maximum external static pressure to unit, air
temperature rise, minimum or maximum CFM and motor speed
connections.
TO THE OWNER
Awarranty certificate is provided with the unit. Read the
warranty carefully and note what is covered. Keep the warranty
certificate in a safe place so you can find it when necessary.
Keep this literature in asafe place for future reference.
HEATING UNIT SHOULD NOT BE UTILIZED WITHOUT REASONABLE, ROUTINE,
INSPECTION, MAINTENANCE AND SUPERVISION. IF THE BUlLIDNG IN WHICH AN_
SUCH DEVICE IS LOCATED WILL BE VACANT, CARE SHOULD BE TAKEN THAT
SUCH DEVICE IS ROUTINELY INSPECTED, MAINTAINED AND MONITORED. IN THE
EVENT THAT THE BUILDING MAYBE EXPOSED TO FREEZING TEMPERATURES
AND WILL BE VACANT, ALL WATER-BEARING PIPES SHOULD BE DRAINED, THE
BUILDING SHOULD BE PROPERLY WINTERIZED, AND THE WATER SOURCE
CLOSED. IN THE EVENT THAT THE BUILDING MAY BE EXPOSED TO FREEZING
TEMPERATURES AND WILL BE VACANT, ANY HYDRONIC COIL UNITS SHOULD
BE DRAINED AS WELL AND, IN SUCH CASE, ALTERNATIVE HEAT SOURCES
SHOULD BE UTILIZED.
AWARNING
TO AVOID PROPERTY DAMAGE, PERSONAL INJURY OR DEATH, DO NOT USE
THIS UNIT IF ANY PART HAS BEEN UNDER WATER. IMMEDIATELY CALL A
QUALIFIED SERVICE TECHNICIAN TO INSPECT THE FURNACE AND TO REPLACE
ANY PART OF THE CONTROL SYSTEM AND ANY GAS CONTROL HAVING BEEN
UNDER WATER.
AWARNING
IF THE INFORMATION IN THESE INSTRUCTIONS IS NOT FOLLOWED EXACTLY, A
FIRE OR EXPLOSION MAY RESULT CAUSING PROPERTY DAMAGE, PERSONAL
INJURY OR LOSS OF LIFE.
Do NOT STORE OR USE GASOLINE OR OTHER FLAMMABLE VAPORS AND
LIQUIDS IN THE VICINITY OF THIS OR ANY OTHER APPLIANCE
WHAT TO DO IF YOU SMELL GAS:
•DO NOT TRY TO LIGHT ANY APPLIANCE
•DO NOT TOUCH ANY ELECTRICAL SWITCH; DO NOT USE ANY
PHONE IN YOUR BUILDING
• IMMEDIATELY CALL YOUR GAS SUPPLIER FROM A NEIGHBOR'S
PHONE FOLLOW THE GAS SUPPLIER'S INSTRUCTIONS
• IF YOU CANNOT REACH YOUR GAS SUPPLIER, CALL THE FIRE
DEPARTMENT
INSTALLATION AN D SERVICE MUST BE PERFORMED BY A QUALIFIED INSTALLER,
SERVICE AGENCY OR THE GAS SUPPLIER
AWARNING
THIS UNIT MUST NOT BE USED AS A "CONSTRUCTION HEATER" DURING THE
FINISHING PHASES OF CONSTRUCTION ON A NEW STRUCTURE. THIS TYPE OF
USE MAY RESULT IN PREMATURE FAILURE OF THE UNIT DUE TO EXTREMELY
LOW RETURN AIR TERMPERATURES AND EXPOSURE TO CORROSIVE OR VERY
DIRTY ATMOSPHERES.
&w.....o lll
.o.vo,,,oo 1111
DISCONNECT ALL POWER BEFORE SERVICING OR
INSTALLING THIS UNIT• MULTIPLE POW]ER SOURCES MA_P
BE PRESENT. FAILURE TO DO $O MAY CAUSE PROPERTY _f
I DAMAGE, PERSONAL INJURY OR DEATH.
I_WARNING
IAWARNING
SHOULD OVERHEATING OCCUR OR THE GAS SUPPLY FAIL TO SHUT OFF, TURN
:cSTc\OLV,;L,;E ERNALTOTHEFURNACEOEFORE
A WARNING
Do NOT CONNECT TO OR USE ANY DEVICE THAT IS NOT DESIGN CERTIFIED
BY GOODMAN FOR USE WITH THIS UNIT. SERIOUS PROPERTY DAMAGE,
PERSONAL INJURY, REDUCED UNIT PERFORMANCE AND/OR HAZARDOUS
CONDITIONS MAY RESULT FROM THE USE OF SUCH NON-APPROVED DEVICES.
INSTALLATION AND REPAIR OF THIS UNIT SHOULD BE
PERFORMEDONLY BY INDIVIDUALS MEETING THE
REQUIREMENTS OF AN "ENTRY LEVEL TECHNICIAN"
AS SPECIFIED BY THE AIR CONDITIONING AND
REFRIGERA'I1ON INSTITUTE (ARI). ATTEMPTING TO
INSTALL OR REPAIR THIS UNIT WITHOUT SUCH BACKGROUND MAY
RESULT IN PRODUCT DAMAGE, PERSONAL INJURY OR DEATH.
3

CARBON MONOXIDE POISONING HAZARD
SpecialWarningfurInstaila_onofFurnacesorAirHandlingUnitsin
EnclosedAreassuchasGarages,UflityRoomsor Parking ,&.teas
Carbonmono_depmdudngdevices(suchasanautomobile,space
heater,gaswaterheater,etc.)shouldnotbeoperatedinenclosedareas
suchasunventilatedgarages,ubltiyroomsorparkingareasbecauseof
thedangerofcarbonmonoxide(CO)poisoningresultingfmrntheexhaust
emissic_s.Ifafurnaceorairhandlerisinstalledinanenclosedareasuch
asa garage,utilityroomorparkingareaanda carbonmonoxideprodudng
deviceisoperatedtherein,theremustbeadequate,directoutside
ven_lation.
ThisventilationisnecassawtoavoidthedangerofCOpoisoningwhich
canoccurifa carbonmonoxideproducingdevicecontinuestooperatein
theenclosedarea.Carbonmonoxideemissionscanbe(re)circulated
throughoutthestructureif6_efurnaceorairhandlerisoperatinginany
mode.
COcancausesedousillnessincludingpermanentbraindamageordeath.
B1025_216
UNIT LOCATION
I_WARNING
TO PREVENT POSSIBLE EQUIPMENT DAMAGE, PROPERTY DAMAGE, PERSONAL
INJURY OR DEATH, THE FOLLOWING BULLET POINTS MUST BE OBSERVED
WHEN INSTALLtNG THE UNIT.
IMPORTANT NOTE: Remove wood shipping rails prior to instal-
lation of the unit.
To avoid possible illness or death of the building occupants,
do NOT locate outside air intake device (economizer,
manual fresh air intake, motorized fresh air intake) too close
to an exhaust outlet, gas vent termination, or plumbing vent
outlet. For specific distances required, consult local codes.
Allow minimum clearances from the enclosure for fire
protection, proper operation, and service access (see
appendix). These clearances must be permanently
maintained.
The combustion air inlet and flue outlet hoods on the unit
must never be obstructed. If used, do not allow the
economizer/manual fresh air damper/motorized fresh air
damper to become blocked by snow or debris. In some
climates or locations, it may be necessary to elevate the
unit to avoid these problems.
When the unit is heating, the temperature of the return air
entering the unit must be between 50° F and 100° F.
GROUND LEVEL INSTALLATIONS ONLY:
When the unit is installed on the ground adjacent to the
building, a level concrete (or equal) base is recommended.
Prepare a base that is 3" larger than the package unit
footprint and a minimum of 3" thick.
The base should also be located where no runoff of water
from higher ground can collect in the unit.
ALL INSTALLATIONS:
For proper flame pattern within the heat exchanger and
proper condensate drainage, the unit must be mounted
level.
The flue outlet hood must be at least 12 inches from any
opening through which flue gases could enter a building,
and at least three feet above any forced air inlet located
within ten feet. The eoonomizer/manual fresh air intake/
motorized fresh air intake and combustion air inlet
mounted on the unit are not affected by this restriction.
To avoid possible corrosion of the heat exchanger, do not
locate the unit in an area where the outdoor air (i.e.
combustion air for the unit) will be frequently contaminated
by compounds containing chlorine or fluorine. Common
sources of such compounds include swimming pool
chemicals and chlorine bleaches, paint stripper,
adhesives, paints, varnishes, sealers, waxes (which are
not yet dried) and solvents used during construction and
remodeling. Various commercial and industrial processes
may also be sources of chlorine/fluorine compounds.
Outside Slab Installation
ROOFTOP INSTALLATIONS ONLY:
To avoid possible property damage or personal injury,the
roof must have sufficient structural strength to carry the
weight of the unit(s) and snow or water loads as required
by local codes. Consult a structural engineer to determine
the weight capabilities of the roof.
4

RooRoplns_ll_ion
The unit may be installed directly on wood floors or on
Class A, Class B, or Class C roof covering material.
To avoid possible personal injury, a safe, fiat surface for
service personnel should be provided.
ROOF CURB INSTALLATIONS ONLY:
Sufficient structural support must be determined prior to
locating and mounting the curb and package unit.
Ductwork must be constructed using industry guidelines.
The duct work must be placed into the roof curb before
mounting the package unit.
Curb insulation, cant strips, flashing and general roofing
material are furnished by the contractor.
Roof Curb Installation
GENERAL INFORMATION
_WARNING
To PREVENT PROPERTY DAMAGE, PERSONAL INJURY OR DEATH, DUE TO FIRE
EXPLOSIONS, SMOKE, SOOT, CONDENSATION, ELECTRIC SHOCK OR CARBON
MONOXIDE, THIS UNIT MUST BE PROPERLY INSTALLED, REPAIRED, OPERATED,
AND MAINTAINED.
This unit is approved for outdoor installation ONLY. To assure
that your unit operates safely and efficiently, it must be installed,
operated, and maintained in accordance with these installation and
operating instructions, all local buildingcodes and ordinances, or in
their absence, with the latest edition of the National Fuel Gas Code
NFPA54/ANSI 7323.1 and National Standard of Canada CAN/CSA
B14g Installation Codes.
The heating and cooling capacities of the unit should be greater
than or equal to the design heating and cooling loads of the area to
be conditioned. The loads should be calculated by an approved
method or in accordance with A.S.H.R.A.E. Guide or Manual J -
Load Calculations published by the Air Conditioning Contractors of
America.
Obtain from:
American National Standards Institute
1430 Broadway
New York, NY 10018
5

TRANSPORTATION DAMAGE
Check the carton upon arrival for external damage. If damage is
found, a request for inspection by carrier agent should be made in
writing immediately.
Carefully inspect the unit for damage including damage to the
cabinetry. Any bolts or screws which may have loosened in transit
must be re-tightened. In the event of damage, the receiver should:
1. Make notation on delivery receipt of any visible damage to
shipment or container.
2. Notify carrier promptly and request an inspection.
3. In case of concealed damage, carder should be notified
as soon as possible-preferably within 5 days.
4. File the claim with the following supporting documents:
a. Original Bill of Lading, certified copy, or indemnity bond.
b. Original paid freight bill or indemnity in lieu thereof.
c. Original invoice or certified copy thereof, showing trade
and other discounts or reductions.
d. Copy of the inspection report issued by carrier
representative at the time damage is reported to the
carrier. The carrier is responsible for making prompt
inspection of damage and for a thorough investigation of
each claim. The distributor or manufacturer will not accept
claims from dealers for transportation damage.
NOTE: When inspecting the unit for transportation damage, remove
all packaging materials. Recycle or dispose of the packaging ma-
terial according to local codes.
RIGGING DETAILS
_lk WARNING
]'O PREVENT PROPERTY DAMAGE, THE UNIT SHOULD REMAIN IN AN UPRIGHT
POSITION DURING ALL RIGGING AND MOVING OPERATIONS. TO FACILITATE
LIFTING AND MOVING WHEN A CRANE IS USED, PLACE THE UNITIN AN
B.DEQUATE CABLE SLING.
Important: Ifusing bottom discharge with roof curb, ductwork should
be attached to the curb prior to installing the unit. Ductwork dimen-
sions are shown in roof curb installation instructions.
Refer to the Roof Curb Installation Instructions for proper curb in-
stallation. Curbing must be installed in compliance with the National
Roofing Contractors Association Manual.
Lower unit carefully onto roof mounting curb. While rigging unit,
center of gravity will cause condenser end to be lower than supply
air end.
GAS PIPING
IMPORTANT NOTE: This unit is factory set to operate on natural
as at the altitudes shown on the rating plate.
_,WARNING
To AVOID PROPER_rY DAMAGE, PERSONAL INJURY OR DEATH WHEN EITHER
USING PROPANE GAS ALONE OR AT HIGHER ALTITUDES, OBTAIN AND INSTALL
THE PROPER CONVERSION KIT(S). FAILURE TO DO SO CAN RESULT IN
UNSATISFACTORY OPERATION AND/OR EQUIPMENT DAMAGE. HIGH ALTITUDE
KITS ARE FOR U.S. INSTALLATIONS ONLY AND ARE NOT APPROVED FOR USE
IN CANADA.
The rating plate is stamped with the model number, type of gas and
gas input rating. Make sure the unit is equipped to operate on the
type of gas available. Conversion to LP gas is permitted with the
use of the factory authorized conversion kit LPT-00A.
I Inlet Gas Pressure [
Natural Min. 5.0" W.C., Max. 10.0" W.C.
Propane Min. 11.0" W.C._ Max. 13.0" W.C.
InletGas PressureMust Not Exceedthe MaximumValueShowninTable
Above.
The minimum supply pressure should not vary from that shown in
the table above because this could prevent the unit from having
dependable ignition. In addition, gas input to the burners must not
exceed the rated input shown on the rating plate. Overfiring of the
unit could result in premature heat exchanger failure.
HIGH ALTITUDE DERATE (U.S. INSTALLATIONS ONLY)
IMPORTANT NOTE: The gas/electric units naturally derate with al-
titude. Do not attempt to increase the tiring rate by changing ori-
fices or increasing the manifold pressure. This can cause poor com-
bustion and equipment failure. At all altitudes, the manifold pres-
sure must be within 0.3 inches W.C. of that listed on the nameplate
for the fuel used. At all altitudes and with either fuel, the air tempera-
ture rise must be within the range listed on the unit nameplate.
Refer to the Installation Manual provided with the LP kit for conver-
sion from natural gas to propane gas and for altitude adjustments.
PIPING
IMPORTANT NOTE: To avoid possible unsatisfactory operation or
equipment damage due to under firing of equipment, do not under-
size the natural/propane gas pipingfrom the meter/tank to the unit.
When sizing a trunk line, include all appliances on that line that
could be operated simultaneously.
The rating plate is stamped with the model number, type of gas
and gas input rating. Make sure the unit is equipped to operate on
the type of gas available. The gas line installation must comply
with local codes, or in the absence of local codes, with the latest
edition of the National Fuel Gas Code NFPA 54/ANSI Z223.1.
Natural Gas Connection
Natural Gas Capacity of Pipe
in Cubic Feet of Gas Per Hour (CFH)
Nominal Black Pipe Size (inches)
Length of
"ipe in Feet 1/2 3/4 1 1 1/4 1 1/2
10 132 278 520 1050 1600
20 92 190 350 730 1100
30 73 152 285 590 980
40 63 130 245 500 760
50 56 115 215 440 670
60 50 105 195 400 610
70 46 96 180 370 560
80 43 90 170 350 530
90 40 84 160 320 490
100 38 79 150 305 460
Pressure 50 PSIG or le_ssand Pressure Drop of 03" W C (Based
on 0 60 Specific Gravity Gas)
BTUH Furnace Input
CFH =
Rigging Heating Value of Gas (BTU/Cubic_Foot)
6

Refertothe Proper Piping Practice drawing for the general layout
at the unit. The following rules apply:
1. Use black iron pipe and fittings for the supply piping. The
use of a flex connector and/or copper piping is permitted
as long as it is in agreement with local codes.
2. Use pipe joint compound on male threads only. Pipe joint
compound must be resistant to the action of the fuel used.
3. Use ground joint unions.
4. Install a drip leg to trap dirt and moisture before itcan enter
the gas valve. The drip leg must be a minimum of three
inches long.
5. Use two pipe wrenches when making connection to the gas
valve to keep it from turning.
6. Install a manual shut-off valve in a convenient location
(within six feet of unit) between the meter and the unit.
7. Tighten all joints securely.
8. The unit must be connected to the building piping by one
of the following methods:
Rigid metallic pipe and fittings
Semirigid metallic tubing and metallic fittings (Aluminum
alloy tubing must not be used in exterior locations)
Listed gas appliance connectors used in accordance with
the terms of their listing that are completely in the same
room as the equipment
In the prior two methods above the connector or tubing
must be protected from physical and thermal damage.
Aluminum alloy tubing and connectors must be coated to
protect against external corrosion when in contact with
masonry, plaster or insulation or are subject to repeated
wettings by liquids (water - not rain water, detergents or
sewage)
Iio
//rl_
_GROUND JOINT UNION
(INSTALl _AHEAD OF GAS VALVE)
MANUAL
/HUT,OFF
VAL_
_DRIP LEG
Proper Piping Practice
NOTE: The unit gas supply entrance is factory sealed with plugs.
Keep plugs in place until gas supply is ready to be installed. Once
ready, replace the plugs with the supplied grommets and installgas
supply line.
GAS PIPING CHECKS
A CAUTION
To PREVENT PROPERTY DAMAGE OR PERSONAL INJURY DUE TO FIRE, THE
FOLLOWING INSTRUCTIONS MUST BE PERFORMED REGARDING GAS
CONNECTIONS AND PRESSURE TESTING:
•THE UNIT AND ITS GAS CONNECTIONS MUST BE LEAK TESTED BEFORE
PLACING IN OPERATION. BECAUSE OF THE DANGER OF EXPLOSION OR
FIRE, NEVER USE A MATCH OR OPEN FLAME TO TEST FOR LEAKS. NEVER
EXCEED SPECIFIED PRESSURES FOR TESTING. HIGHER PRESSURE MAY
DAMAGE GAS VALVE AND CAUSE OVERFIRING WHICH MAY RESULT IN
PREMATURE HEAT EXCHANGE FAILURE.
•THIS UNIT AND ITS SHUT-OFF VALVE MUST BE DISCONNECTED FROM
THE GAS SUPPLY DURING ANY PRESSURE TESTING OF THAT SYSTEM AT
TEST PRESSURES IN EXCESS OF 1/2 PSIG (s.4sKPA).
•THIS UNIT MUST BE ISOLATED FROM THE GAS SUPPLY SYSTEM BY
CLOSING ITS MANUAL SHUT-OFF VALVE DURING ANY PRESSURE
TESTING OF THE GAS SUPPLY PIPING SYSTEM AT TEST PRESSURES
EQUAL TO OR LESS THAN 1/2 PSIG (3_eKPA).
AWARNING
To AVOID PROPERTY DAMAGE OR PERSONAL INJURY_ BE SURE THERE IS
NO OPEN FLAME IN THE VICINITY DURING AIR BLEEDING.
There will be air in the gas supply line after testing for leaks
on a new installation. Therefore, the air must be bled from the
line by loosening the ground joint union until pure gas is
expelled. Tighten union and wait for five minutes until all gas
has been dissipated in the air. Be certain there is no open
flame in the vicinity during air bleeding procedure. The unit is
placed in operation by closing the main electrical disconnect
switch for the unit.
PROPANE GAS INSTALLATIONS
AWARNING
"0 AVOID PROPERTY DAMAGE, PERSONAL INJURY OR DEA'II"I DUE TO FIRE
IR EXPLOSION CAUSED BY A PROPANE GAS LEAK, INSTALL A GAS
DETECTING WARNING DEVICE• SINCE RUST CAN REDUCE THE LEVEL
OF ODORANT IN PROPANE GAS, A GAS DETECTING WARNING DEVICE
IS THE ONLY RELIABLE WAY TO DETECT A PROPANE GAS LEAK.
CONTACT A LOCAL PROPANE GAS SUPPLIER ABOUT INSTALLING A
_AS DETECTING WARNING DEVICE•
IMPORTANT NOTE: Propane gas conversion kits must be
installed to convert units to propane gas.
All propane gas equipment must conform to the safety
standards of the National Board of Fire Underwriters (See NBFU
Manual 58).
For satisfactory operation, propane gas supply pressure must
be within 9.7 - 10.3 inches W.C. at the manifold with all gas
appliances in operation. Maintaining proper gas pressure
depends on three main factors:
1. Vaporization rate, which depends on (a) temperature of the
liquid, and (b) wetted surface area of the container or
containers.
2. Proper pressure regulation.
3. Pressure drop in lines between regulators, and between
second stage regulator and the appliance. Pipe size
required will depend on length of pipe run and total load of
all appliances.
7

TANKS AND PIPING
Complete information regarding tank sizing for vaporization,
recommended regulator settings and pipe sizing is available
from most regulator manufacturers and propane gas suppliers.
Since propane gas will quickly dissolve white lead or most
standard commercial compounds, special pipe dope must be
used. Shellac base compounds resistant to the actions of
liquefied petroleum gases such as Gasolac ®, Stalactic ®,
Clyde's®or John Crane®are satisfactory.
See below for typical propane gas piping.
_WARNING
To PREVENT PROPERTY DAMAGE OR SERIOUS PERSONAL INJURY DUE TO
FIRE OR EXPLOSION CAUSED BY A PROPANE GAS LEAK, INSTALL A GAS
DETECTING WARNING DEVICE.
IF THE PROPANE GAS UNIT IS INSTALLED IN AN EXCAVATED AREA OR A
CONFINED SPACE, A WARNING DEVICE IS REQUIRED DUE TO:
• PROPANE GAS IS HEAVIER THAN AIR AND ANY LEAKING GAS CAN
SETTLE IN ANY LOW AREAS OR CONFINED SPACES.
•PROPANE GAS ODORANT MAY FADE, MAKING THE GAS UNDETECTABLE
EXCEPT WITH A WARNING DEVICE.
FirstStage 5to15 PSIG
Conbnuous
11" W.C.
200 PSIG Second Stage
Maximum
Typical Propane Gas Piping
Sizing Between Nrst and Se(_nd Slage Regulator
MaXimum propane Capacri_s listed are based on 1 PSIG pressure Drop at 10
PSIG Set_ng Capacfaes in 1,000 BTU/HR
PiPE OR NOMINAL PIPE SIZE
TUBING TUBING SIZE, O.D., TYPE L SCHEDULE 40
LENGTH,
FEET 3/8" 1/2" 5/8" 3/4" 7/8" 1/2" 3/4"
30 309 700 1,303 2,205 3,394 1,843 3,854
40 265 59_ 1,115 1,887 2,904 1,5(7 3,298
50 235 531 988 1,672 2.574 1,398 2,9"23
60 213 481 896 1,515 2.332 1,267 2,649
70 196 446 824 1,394 2,146 1,165 2,437
80 182 412 767 1,297 1,996 1,084 2,267
90 171 386 719 1,217 1.873 1,017 2,127
100 161 365 679 1,149 1,769 961 2,009
150 130 293 546 923 1,421 /72 1,613
200 111 251 467 790 1,216 660 1,381
250 90 222 414 700 1,078 585 1,224
300 89 201 378 634 976 530 1,109
350 82 185 345 584 898 488 1,020
400 76 172 321 543 836 454 949
To o_nved to Capacit_s at 15 PSIG Se_ngs Multiply by 1 130
To conver t to Capacri_s at 5 PSIG SellJngs Mul_ply by 0879
st_ng BetweenSingle or SeOmldStage Regulator and Appliance*
Ma>3mumpropane Capaci_esLISI_I al_ Based on 1/'2,,W C pr_SSUroDropat
11"WC SetUng Capacdl(_inl.0OOBPJ/HR
PiPE OR
TUBING TUBING SIZE, O.D., WPE L
LENGTH,
FEET 3/8" 112" 518" 3/4" 718"
10 49 110 205 348 539
20 34 76 141 239 368
30 27 61 114 192 296
40 23 52 97 164 253
50 20 46 86 146 224
60 19 42 78 132 20_
80 16 35 67 113 174
1_ 14 32 59 100 154
125 12 28 52 89 137
150 11 26 48 80 124
200 10 22 41 69 1_
250 9 19 36 61 94
30(] 8 18 33 55 85
350 7 15 30 51 78
4_ • 15 28 47 73
*DATA IN ACCORDANCE WiTH NFPA PAMPHLET NO 54
NOMINAL PIPE SIZE,
SCHEDULE 40
112" 3/4"
291 6G_
200 418
161 336
137 284
122 255
110 231
94 19_
84 175
74 155
6• 141
58 120
51 10•
46 97
43 89
4o 83
1" 1-114" 1-112"
1,146 2.353 3,525
,'88 1,61,' 2,423
632 1,299 1,946
541 1,111 1,665
480 985 4,476
436 892 4,33•
372 764 1,144
330 677 1,014
29_ 600 899
265 544 815
227 465 697
201 412 618
48_ 374 560
167 344 515
155 3_0 479
ELECTRICAL WIRING
THERMOSTAT LOCATION
Mount the thermostat approximately five feet above the floor,
in an area that has an inside, vibration-free wall and has good
air circulation.
Movement of air must not be obstructed by furniture, door,
draperies, etc. The thermostat must not be mounted where it
will be affected by drafts, hot or cold water pipes or air ducts in
walls, radiant heat from fireplace, lamps, the sun, television,
etc. Consult the Instruction Sheet packaged with thermostat
for mounting instructions.
All units have one stage of heating and one stage of
mechanical cooling. Units which will have economizers may
use thermostats with one or two stages of cooling.
*PG1360***1A ONLY: These models have two stages of
mechanical cooling. A1-stage heat, 2-stage cooling
thermostat is recommended for these models.
_LWARNING
The units are designed for operation on 60 hertz current and
at voltages as shown on the rating plate. All internal wiring in
the unit is complete. It is necessary to bring inthe power supply
to the contactor as shown on the unit wiring diagram which is
supplied with each unit. 24 volt wiring must be connected
between the unit control panel and the room thermostat.
CRYWG
LOW VOLTAGE
CONNECTOR
Ez_g
Ez_ z,
=
©
Table 3 -Propane Gas Pipe Sizing Low Voltage Wiring
8

Y_2C RYIWG
LOW VOLTAGE
CONNECTOR
"Note:Junction box location
shown is optional and is
for illustration purposes only.
JUNCTION BOX
Electrical Power Directly To Junction Box
Low Voltage Wiring-*PG1360"*'1A Only
Refer to the unit wiring diagram for electrical connections.
When installed, the unit must be electrically grounded in
accordance with local codes or in the absence of local codes,
with the National Electrical Code, ANSI/NFPA No. 70, and/or
the CSA C22.1 Electrical Code. Ensure low voltage
connections are waterproof.
,_ WARNING
TO AVOID THE RISK OF ELECTRICAL SHOCK, WIRING TO THE UNIT MUST BE
POLARIZED AND GROUNDED.
i_ CAUTION
To AVOID PROPERTY DAMAGE OR PERSONAL INJURY DUE TO FIRE, USE
ONLY COPPER CONDUCTORS.
i_ CAUTION
O PREVENT IMPROPER AND DANGEROUS OPERATION DUE TOWIRING ERRORS
_,BEL ALL WIRES PRIOR TO DISCONNECTION WHEN SERVICING CONTROLS.
_/ERIFY PROPER OPERATION AFTER SERVICING.
For unit protection, use a fuse or HACR circuit breaker that is
in excess of the circuit ampacity, but less than or equal to the
maximum overcurrent protection device. DO NOT EXCEED
THE MAXIMUM OVERCURRENT DEVICE SIZE SHOWN ON
UNIT DATA PLATE.
All line voltage connections must be made through
weatherproof fittings. All exterior power supply and ground
wiring must be in approved weatherproof conduit. Low voltage
wiring from the unit control panel to the thermostat requires
coded cable. See below for ground level and rooftop wiring.
Electrical Power Routed Through Bottom of Unit
Typical Electrical Wiring Unit Voltage
UNITVOLTAGE
The unit transformer is factory connected for 230V operation.
If the unit is to operate on 208V, reconnect the transformer
primary lead as shown on the unit wiring diagram. The induced
draft blower on some models is equipped with a 230V lead
(red) and a 208V lead (black). If equipped, connect the induced
draft blower 208V lead (black) in place of the 230V lead (red).
Tape the unused 230V lead.
HEAT ANTICIPATOR SETTING
The heat anticipator is to be set by measuring the load
(amperage) atthe "R" circuit. Followthe instructions provided
by the thermostat for more details.
Typical Thermostat and Unit 24 V Wiring Hookup
9

Dol
y/y2 ....._
)
Typical 2-Stage Cool Thermostat and
Unit 24 V Wiring Hookup
*PG136O***1A Only
CIRCULATING AIR AND FILTERS
AIRFLOW CONVERSION
Units can easily be converted from horizontal to down-
discharge airflow delivery. In down_lischarge or high static
installations, the installer should measure the total external
static and review the blower performance charts before
performing the installation. In some installations it will be
necessary to change the blower speed to provide proper air
flow.
Horizontal Air Flow
Remove supply and return duct covers which are attached to
the unit as shown below.
_emove _e_e covers
for horizontal duct
applica_or_
Down Discharae AoDlications
Cut insulation around bottom openings and remove panels
from the bottom of the unit, saving the screws holding the
panels in place.
DUCTWORK
Duct systems and register sizes must be properly designed
for the C.EM. and external static pressure rating of the unit.
Ductwork should be designed in accordance with the
recommended methods of Air Conditioning Contractors of
America Manual D (Residential) or Manual Q (Commercial).
All ductwork exposed to the outdoors must include a
weatherproof barrier and adequate insulation.
Aduct system should be installed in accordance with Standards
of the National Board of Fire Underwriters for the Installation
of Air Conditioning, Warm Air Heating and Ventilating Systems.
Pamphlets No. 90A and 90B.
The supply duct from the unit through a wall may be installed
without clearance. However, minimum unit clearances as
shown in the appendix must be maintained. The supply duct
should be provided with an access panel large enough to
inspect the air chamber downstream of the heat exchanger. A
cover should be tightly attached to prevent air leaks.
For duct flange dimensions on the unit refer to the Unit
Dimension illustration in the appendix.
For down-discharge applications, the ductwork should be
attached to the roof curb prior to installing the unit. Ductwork
dimensions are shown in the roof curb installation manual.
If desired, supply and return duct connections to the unit may
be made with flexible connections to reduce possible unit
operating sound transmission.
FILTERS
A CAUTION
To PREVENT PROPERTY DAMAGE DUE TO FIRE AND LOSS OF
EQUIPMENT EFFICIENCY OR EQUIPMENT DAMAGE DUETODUSTANDLINT
BUILD UP ON INTERNAL PARTS, NEVER OPERATE UNIT WITHOUT AN AIR
FILTER INSTALLED IN THE RETURN AIR SYSTEM.
Even though a return air filter is not supplied with this unit,
there must be a means of filtering all return air. The
*PG1336(3A,4A), *PG1342, *PG1348, and *PG1360 models
are provided with internal filter racks for down-discharge
applications. All units may be externally filtered.
Refer to the unit filter size chart in the appendix for filter size
information.
Filters installed external to the unit should be sized in
accordance with their manufacturer recommendations. A
throwaway filter must be sized for a maximum face velocity of
300 feet per minute.
Filter Installation
Important: When installing a filter, the air flow arrows on the
filter must point toward the circulator blower.
VENTING
Removethese panels
for downflowduct
applications
NOTE: Venting is self-contained. Do not modify or block.
DuctCover Installation
10

FLUE HOOD INSTALLATION
Install the flue hood and bug screen prior to operation of the
unit.
To install the flue hood cover and bug screen:
1. Remove the flue hood and bug screen from inside the
heat exchanger compartment.
2. Slide the bug screen over the flanges of the flue hood and
attach the flue hood and screen to the unit with the sheet
metal screws provided.
Flue Hood and Bug Screen Installation
CONDENSATE DRAIN
CONDENSATE DRAIN CONNECTION
A314"NPT drain connection is supplied for condensate piping. An
external trap must be installed for proper condensate drainage.
DRAIN
CONNECTION
2.1.1.u.1 1/
]_J BING-HONE _3" MINIMUM
o,
_PA POSITIVE LIQUID
SEAL iS REQUIRED
Drain Connection
NORMAL SEQUENCES OF OPERATION
HEATING
This unit is equipped with an ignitioncontrol that automatically
lights the main burner. DO NOT attempt to light the main
burners by any other method.
1. Thermostat calls for heat. The induced draft blower
energizes for a15-second pre-purge.
2. The spark igniter and gas valve energizes for 7seconds.
NOTE: The igniter produces a very intense electrical spark
that ignites the gas.
3. The 30-second HEAT FAN ON delay time begins.
*PGI3(48,6O)***IA ONLY: Heat on delay begins when
thermostat calls for heat. ECM motor is energized
approximately 45 seconds later. NOTE: ECM motor may
operate at approximately 100 CFM or less during the 45
4.
5.
6.
second on delay period. ECM motor will energize at heating
speed after the 45 second delay regardless of the status
of the main burner flame.
The unit delivers heat to the conditioned space until the
thermostat is satisfied.
The gas valve deenergizes. The induced draft blower
continues operation for a 29-second post-purge.
Ignition control begins timing the HEAT FAN OFF delay.
There is an adjustable HEAT FAN OFF delay of
approximately 120/135/150 seconds (factory set at 150).
After the H EAT FAN OFF delay time has elapsed, the blower
will deenergize. This allows any additional heat in the
heat exchanger to be transferred to the conditioned space.
*PGI 3(48,60)**'1A ONLY: HEAT FAN OFF delay is fixed at
180 seconds. Airflow level is 50% of nominal heating
airflow.
COOLING
1. Thermostat calls for cooling. The compressor and outdoor
fan are energized.
2. Approximately seven seconds later, the indoor fan starts.
3. The unit will deliver cooling to the conditioned space until
the thermostat is satisfied.
4. The compressor and outdoor fan will be deenergized when
the thermostat opens.
5. The indoor fan continues to run for approximately 60
seconds after the thermostat is satisfied. This allows
additional cooling from the indoor coil to be transferred to
the conditioned space. Then, the indoor fan stops.
*PG1348***1A ONLY:
1. Thermostat calls for cooling. Outdoor fan and compressor
are energized. ECM motor is energized almost immediately
for 30 seconds at 50%ofthe nominal airflow. Airflow then
increases to nominal airflow.
2. The unit will deliver cooling to the conditioned space until
thermostat is statisfiod.
3. The outdoor fan and compreesor will be de-energized when
thermostat opens.
4. ECM motor continues to operate for approximately 60
seconds at 50% of nominal airflow after thermostat opens.
*PG1360***1A ONLY:
1. Thermostat calls for low stage cooling. Outdoor fan and
low stage compressor are energized. ECM motor is
energized almost immediately for 30 seconds at 50% of
the nominal low stage airflow. Airflow then increases to
nominal low stage airflow.
If thermostat calls for high stage cooling, outdoor fan and
low and high stage compressor is energized. ECM motor is
energized almost immediately for 30 seconds at 50% of
the nominal high stage airflow. Airflow then increases to
nominal high stage airflow.
2. The unit will deliver cooling to the conditioned space until
thermostat is satisfied.
3. The outdoor fan and low stage compressor (or low and high
stage compressor) will be de-energized when thermostat
opens.
4. ECM motor continues to operate for approximately 60
seconds at 50% of nominal low stage airflow (or high stage
airflow if thermostat call was for high stage cooling) after
thermostat opens.
NOTE: A180-second anti-short cycle is integral to the control and
prevents recycling of the compressor.
11

FAN ONLY
1. Thermostat calls for FAN ONLY by energizing "G".
2. Approximately seven seconds later, the indoor fan starts.
3. The indoor fan continues to run for approximately 60
seconds after "G" is de-energized.
*PG13(48,6O)***1A ONLY:
1. Thermostat calls for FAN ONLY by energizing "G".
2. ECM motor is energized almost immediately at
approximately 30% of the nominal high stage cooling
airflow, depending on setting (see "Blower Speed
Adjustment" section).
3. EfiM is de-energized almost immediately after =G" is de-
energized.
STARTUP, ADJUSTMENTS, AND CHECKS
HEATING STARTUP
This unit is equipped with an electronic ignition device to
automatically light the main burners. It also has a power vent
blower to exhaust combustion products.
On new installations, or if a major component has been
replaced, the operation of the unit must be checked.
Check unit operation as outlined in the following instructions.
If any sparking, odors, or unusual sounds are encountered,
shut off electrical power and recheck for wiring errors, or
obstructions in or near the blower motors. Duct covers must
be removed before operating unit.
Heat AnUcioator Settine
Set the heat anticipator on the room thermostat to 0.4 amps to
obtain the proper number of heating cycles per hour and to
prevent the room temperature from overshooting the room
thermostat setting.
Rollout Protection Control
The rollout protection device opens, cutting power to the gas
valve, if the flames from the burners are not properly drawn
into the heat exchanger. The rollout protection device is located
on the burner bracket. The reason for elevated temperatures
at the control should be determined and repaired prior to
resetting this manual reset control.
_bWARNING
To AVOID PROPERTY DAMAGE, PERSONAL INJURY OR DEATH DUE TO FIRE
OR EXPLOSION, A QUALIFIED SERVICER MUST INVESTIGATE THE REASON FOR
THE ROLLOUT PROTECTION DEVICE TO OPEN BEFORE MANUALLY RESETTING
THE ROLLOUT PROTECTION DEVICE.
./< /
_ FRoIIout Protection
Secondan/Limit Control
The secondary limit control is located on the top of the blower
scroll assembly. This control opens when elevated
temperatures are sensed. Elevated temperatures at the
control are normally caused by blower failure. The reason for
the opening should be determined and repaired prior to
resetting.
If the power to the unit is interrupted during the heating cycle,
it may cause the secondary limit to trip. Once the blower
compartment temperature drops below the limit reset
temperature, the limit will automatically reset.
Backof Und
Secondary Limit Control
Pre-ODeration Checks
1. Close the manual gas valve external to the unit.
2. Turn off the electrical power supply to the unit.
3. Set the room thermostat to its lowest possible setting.
4. Remove the heat exchanger door on the side of the unit by
removing screws.
5. This unit is equipped with an ignition device which
automatically lights the main burner. DO NOT try to light
burner by any other method.
6. Move the gas control valve switch to the OFF position. Do
not force.
7. Wait five minutes to clear out any gas.
8. Smell for gas, including near the ground. This is important
because some types of gas are heavier than air. If you
have waited five minutes and you do smell gas,
immediately follow the warnings on page 3 of this manual.
If having waited for five minutes and no gas smell is noted,
move the gas control valve switch to the ON position.
9. Replace the heat exchanger door on the side of the unit.
10. Open the manual gas valve external to the unit.
11. Turn on the electrical power supply to the unit.
12. Set the thermostat to desired setting.
IN OUTLET
@
White-Rodgers Model 36F22
Rollout Protection on Burner Bracket
12

/GasValve
Or_Off
Selector
Switch
White-Rodgers 36G22
Gas SUDDIVAnd Manifold Check
Gas supply pressure and manifold pressure with the burners
operating must be as specified on the rating plate.
Gas Inlet Pressure Check
Gas inlet pressure must be checked and adjusted in
accordance to the type of fuel being consumed.
With Power And Gas Off:
1. Connect a water manometer or adequate gauge to the inlet
pressure tap of the gas valve.
Inlet gas pressure can also be measured by removing the
cap from the dripleg and installing a predrilled cap with a
hose fitting.
With Power And Gas On:
2. Put unit into heating cycle and turn on all other gas
consuming appliances.
Natural Inlet Gas Pressure I
Min.5.0" W.C., Max. 10.0" W.C. I
Propane Min. 1!.0" W.C., Max. 13.0" W.C.
NOTE: Inlet Gas Pressure Must Not Exceed the Maximum Value
Shown.
If operating pressures differ from above, make necessary
pressure regulator adjustments, check piping size, etc., and/
or consult with local utility.
v_
_bne
To F_
Man_r
Measuring Inlet Gas Pressure
Alternate Method
Manifold Pressure Check
The gas valve has atapped opening to facilitate measurement
of the manifold pressure. A"U" Tube manometer having ascale
range from 0 to 12 inches of water should be used for this
measurement. The manifold pressure must be measured with
the burners operating.
Toadjust the pressure regulator, remove the adjustment screw
or cover on the gas valve. Turn out (counterclockwise) to
decrease pressure, turn in (clockwise) to increase pressure.
Only small variations in gas flow should be made by means
of the pressure regulator adjustment. In no case should the
final manifold pressure vary more than plus or minus 0.3
inches water column from the specified nominal pressure.
Any major changes in flow should be made by changing the
size of the burner orifices. The measured input rate to the
furnace must not exceed the rating specified on the unit rating
plate.
For natural gas, the manifold pressure must be between 3.2
and 3.8 inches water column (3.5 nominal).
For propane gas, the manifold pressure must be between 9.7
and 10.3 inches water column (10.0 nominal).
Gas Inout tNatural Gas Onlv_ Check
To measure the gas input use a gas meter and proceed as
follows:
1. Turn off gas supply to all other appliances except the unit.
2. With the unit operating, time the smallest dial on the meter
for one complete revolution. If this is a 2 cubic foot dial,
divide the seconds by 2; if it is a 1 cubic foot dial, use the
seconds as is. This gives the seconds per cubicfoot of gas
being delivered to the unit.
3. INPUT=GAS HTG VALUE x 3600 /SEC. PER CUBIC FOOT
Example: Natural gas with a heating value of 1000 BTU per cubic
foot and 34 seconds per cubic foot as determined by Step 2, then:
Input = 1000 x 3600 /34 = 106,000 BTU per Hour. NOTE:
BTU content of the gas should be obtained from the gas
supplier. This measured input must not be greater than
shown on the unit rating plate.
4. Relight all other appliances turned off in step 1. Be sure all
pilot burners are operating.
Main Burner Flame Check
Flames should be stable, soff and blue (dust may cause orange
tips but they mustnot be yellow) and extending directly outward
from the burner without curling, floating or liftingoff.
Temoerature Rise Check
Check the temperature rise through the unit by placing
thermometers in supply and return air registers as close to the
unit as possible. Thermometers must not be able to sample
temperature directly from the unit heat exchangers, or false
readings could be obtained.
1. All registers must be open; all duct dampers must be in their
final (fully or partially open) position and the unit operated
for 15 minutes before taking readings.
2. The temperature rise must be within the range specified on
the rating plate.
NOTE: Air temperature rise is the temperature difference between
supply and return air.
With a properly designed system, the proper amount of
temperature rise will normally be obtained when the unit is
operated at rated input with the recommended blower speed.
If the correct amount of temperature rise is not obtained, it
may be necessary to change the blower speed. Ahigher blower
speed will lower the temperature rise. Aslower blower speed
will increase the temperature rise.
NOTE: Blower speed MUST be set to give the corTectair tempera-
ture rise through the unit as marked on the rating plate.
13

Dipswitch Settings and Corresponding Tap
External Static Pressure Check
The total external static pressure must be checked on this
unit to determine if the airflow is proper.
Blower SPeed Adjustments
I,_WARNING
TO AVOID PERSONAL INJURY OR DEATH DUE TO ELECTRIC SHOCK, REMOVE
E_ECNTER/CMALTPoORWERFROM THE UNIT BEFORE CHANGING SPEED TAPS ON THE
Refer to the wiring diagram in the appendix to verity speed tap
settings.
Blower speeds are to be changed at the ignition control board.
Both heat speed and cool speed terminals are supplied on
the board along with two unused motor lead terminals.
*PG13(48, 60)**'1B, 3A, 4A models are equipped with X-13
motors. X-13 motors are constant torque motors with very low
power consumption. This motor is energized by 24V. Adjust
the CFM for the unit by changing the 24V low voltage leads to
the speed terminal block on the motor.
Heating-White Lead Cooling-Yellow Lead
T1 -Low Speed T4 -Low Speed
T2 -Medium Speed T5 -High Speed
T3 -High Speed
*PG13(48, 60)**'1A models are equipped with GE ECM
motors. These motors offer greater airflow flexibility as well
as dehumidification. The airflow delivery for these models
can be adjusted by changing the position of dip switches on
alow voltage terminal board. The figure below shows the
dipswitch layout on the low voltage terminal board as well as
the function of each set of switches. The "HEAT" function
(switches 1 and 2) provides airflow adjustment for heating
airflow. The "COOL" adjustment function (switches 5 and 6)
provides airflow adjustments for cooling airflow. The
=ADJUST" function (switches 7 and 8) will adjust the heating
AND cooling airflow +10% or -15%. The "DELAY" function
(switches 3 and 4) is not field adjustable.
HEAT DELAY COOL ADJUST
lo,,,,,,,,
To adjust the HEAT, COOL or ADJUST functions, simply change
the ON/OFF position of the appropriate dipswitchos. The table
below shows the ON/OFF combinations for the various switches
and the corresponding A, B, C, or D taps. Refer to the Product
Data Book applicable to your model for airflow tables and
temperature rise. The =Dipswitch Position" table below shows
the factory dipswitch settings for each model. The =CFM" table
below shows the nominal heating and cooling CFM for each
model.
HEAT COOL ADJUST
$ Factory Set, not rmld adJustable
•Tap DhaS no effect on airflow
DIP SWITCH POSITION
Model 1 2 3 4 5 6 7 8
GPG13480701* ON ON OFF OFF ON OFF OFF OFF
GPG13480901* OFF ON OFF OFF ON OFF OFF OFF
GPG13481151* ON OFF OFF OFF ON OFF OFF OFF
GPG13600901* ON ON OFF OFF OFF OFF OFF OFF
GPG13601151* OFF ON OFF OFF OFF OFF OFF OFF
GPG13601401* ON OFF OFF OFF OFF OFF OFF OFF
CFM
Model HEAT COOL
GPG13480701* 1020 1540
GPG13480901* 1140 1540
GPG13481151* 1420 1540
GPG13600901* 1140 1810
GPG13601151* 1420 1810
GPG13601401* 1700 1810
Unit dipswitches are factory set for each model, see label on
blower housing for CFM adjustment next to low voltage terminal
connections.
NOTE: Heating airflow must be adjusted to provide the tempera-
ture rise shown on rating plate.
*PGI360***1A ONLY: Low stage airflow is approximately 75%
of high stage cooling airflow. Example: High stage cooling
airflow is 1800 CFM. Low stage cooling airflow is 6.75"1806
CFM = 1350 CFM.
The adjustment factors for theADJUST function areA= 1, B=
1.10 (+10%) and C = 0.85 (-15%). The D tap for the ADJUST
function has no effect on airflow. Example: Airflow tables
indicate 1425 CFM. With the ADJUST set to B tap, the CFM
becomes 1.10"1425 CFM = 1568 CFM.
Dehumidification
The GE ECM motor has the capability to provide increased
dehumidification during cooling operation. This is
accomplished by lowering the airflow to approximately 85%
of the nominal cooling airflow. Example: Unit is operating at
1400 CFM and humidistat calls for dehumidification. Resulting
airflow is 0.85* 1400 CFM = 1190 CFM
To make use of this feature, a 24VAC humidistat which
opens on humidity rise is required. Connect humidistat to
the HUMIDISTAT/HUM terminal on the low voltage terminal
board (see wiring diagram in the appendix). Clip the HUM/
PJ6jumper on the low voltage terminal board. The system
is now ready to provide dehumidification.
Limit Check
Check limit control operation after 15 minutes of operation
by blocking the return air grille(s).
1. After several minutes the main burners must go OFF.
Blower will continue to run.
2. Remove air restrictions and main burners will relight
after a cool down period of a few minutes.
Adjust the thermostat setting below room temperature.
1. Main burners must go OFF.
2. Circulating Air Blower will continue to run for 120, 135 or
150 seconds, depending on the setting.
*PGI3(48,6O)***1A ONLY: Circulating Air Blower will
continue to run for 180 seconds.
14

Control Board (Top)
NOTE: If necessary, adjust fan OFF delay settings to obtain satis-
factory comfort level.
_I= WARNING
THIS UNIT MUST NOT BE USED AS A "CONSTRUCTION HEATER" DURING THE
FINISHING pHASES OF CONSTRUCTION ON A NEW STRUCTURE. THIS TYPE OF
USE MAY RESULT IN PREMATURE FAILURE OF THE UNIT DUE TO EXTREMELY
LOW RETURN AIR TERMPERATURES AND EXPOSURE TO CORROSIVE OR VERY
D_RTY ATMOSPHERES.
Untt Shutdown
1. Set the thermostat to lowest setting.
2. Turn off the electrical power supply to the unit.
3. Remove the heat exchanger dooron the side of the unit by
removing screws.
4. Move the gas control valve switch to the OFF position. Do
not force.
5. Close manual gas shutoff valve external to the unit.
6. Replace the heat exchanger door on the unit.
7. If cooling and/or air circulation will be desired, turn ON the
electrical power.
COOLING STARTUP
NOTE: Check all manual reset limit controls in heating circuit if
cooling mode does not operate.
Comeressor Protection Devices
The compressor includes components which are designed
to protect the compressor against abnormal operating
conditions.
_bWARNIN G
To PREVENT PERSONAL INJURY OR DEATH, ALWAYS DISCONNECT ELECTRICAl
POWER BEFORE INSPEC'RNG OR SERVICING THE UNIT. ALL COMPRESSOR
PROToEuCT1_)Nc_D FEVAICESRESET AUTOMATICALLY. ENERGIZING THE CONTACTOR
Coolino Refriaerant Charoino
Check unit charge before putting the cooling section into full
operation. The unit is factory charged with R-22 for nominal air
flow and static pressure conditions. The unit has a piston
flowrater expansion device.
NOTE: *PG1360 is equipped with athermostatic valve expansion
device.
To ensure the unit is properly charged for the intended
application, check the unit refrigerant superheat at the
compressor. The refrigerant superheat is a function of outdoor
ambient temperature and return air temperature of the
conditioned space. It is the installing contractors responsibility
to ensure the proper refrigerant superheat at the compressor
is adjusted for each application. For example, 10 degree
refrigerant superheat level is adequate for a 95 degree outdoor
ambient temperature and a 78 -80 degree for indoor return air
temperature. As the outdoor ambient temperature rises the
superheat decreases and as the outdoor ambient temperature
lowers the superheat increases. Proper superheat adjustment
optimizes cooling performance.
For models equipped withthermostatic expansion valve, charge
system to 12-14 degrees of subceoling, adjust expansion valve
stem for superheat setting when necessary.
NOTE: The expansion valve will not need adjustment for most
applications. Ensure system superheat is set between 10-12 degrees
after final adjustment.
Coolinn ODeration
NOTE: Mechanical cooling cannot be reliably provided at ambient
temperatures below 50 ° F.
1. Turn on the electrical power supply to the unit.
2. Place the room thermostat selector switch in the COOL
position (or AUTO if available, and ifautomatic changeover
from cooling to heating is desired).
3. Set the room thermostat to the desired temperature.
TROUBLESHOOTING
IGNITION CONTROL ERROR CODES
The following presents probable causes of questionable unit
operation. Refer to Diagnostic Indicator Chart for an
interpretation of the signal and to this sectionfor an explanation.
Remove the control box access panel and note the number of
diagnostic LED flashes. Refer to Diagnostic Indicator Chart
for an interpretation of the signal and to this section for an
explanation.
ABNORMAL OPERA TION -HEATING
Internal Control Failure
If the integrated ignition control in this unit encounters an
internal fault, it will go into a "hard" lockout and turn off the
diagnostic LED. If diagnostic LED indicates an internal fault,
check power supply to unit for proper voltage, check all fuses,
circuit breakers and wiring. Disconnect electric power for five
seconds. If LED remains off after restoring power, replace
control.
Extemal Lockout
An external lockout occurs if the integrated ignition control
determines that a measurable combustion cannot be
established within three (3) consecutive ignition attempts. If
flame is not established within the seven (7) second trial for
ignition, the gas valve is deenergized, 15 second inter-purge
cycle is completed, and ignition is reattempted. The control
will repeat this routine three times if a measurable combustion
is net established. The control will then shut off the induced
draft blower and go into a lockout state.
If flame is established but lost, the control will energize the
circulatorblower at the heat speed and then begin a new ignition
sequence. If flame is established then lost on subsequent
attempts, the control will recycle for four (4) consecutive
ignition attempts (five attempts total) before locking out.
15

The diagnostic fault code is 1 flash for a lockout due to failed
ignition attempts or flame dropouts. The integrated control
will automatically reset after one hour, or it can be reset by
removing the thermostat signal or disconnecting the electrical
power supply for over five seconds. If the diagnostic LED
indicates an external lockout, perform the following checks:
Check the supp/y and manifold pressures
Check the gas orifices for debris
Check gas valve for proper operation
Check secondary limit
A dirty filter, excessive duct static, insufficient air flow, a
faulty limit, or a failed circulator blower can cause this
limit to open. Check filters, total external duct static,
circulator blower motor, blower motor speed tap (see
wiring diagram), and limit. An interruption in electrical
power during a heating cycle may also cause the
auxiliary limit to open. The automatic reset secondary
limit is located on top of the circulator blower assembly.
Check rollout limit
If the burner flames are not properly drawn into the heat
exchanger, the flame rolloutprotection device will open.
Possible causes are restrictedor blocked flue passages,
blocked or cracked heat exchanger, a failed induced
draft blower, or insufficient combustion air. The rollout
protection device is a manual reset limit located on the
burner bracket. The cause of the flame rollout must be
determined and corrected before resetting the limit.
Check flame sensor
Adrop inflame signal can be caused by neady invisible
coating onthe sensor. Remove the sensor and carefully
clean with steel wool.
Check wiring
Check wiring for opens/shorts and miswiring.
Important: If you have to frequently reset your gas/electric
package unit, it means that a problem exists that should be
corrected. Contact a qualified servicer for further
information.
Pressure Switch Stuck Open
Apressure switch stuck open can be caused by a faulty
pressure switch,faultywidng, a disconnected or damaged hose,
ablocked or restricted flue, or a faulty induced draft blower.
If the control senses an open pressure switch during the pre-
purge cycle, the induced draft blower only will be energized. If
the pressure switch opens after ignition has begun the gas
valve is deenergized, the circulator blower heat off cycle begins,
and the induced draft blower remains on. The diagnostic fault
codeistwoflashes.
Pressure Switch Stuck Closed
A stuck closed pressure switch can be caused by afaulty
pressure switch or faulty wiring. If the control encounters a
pressure switch stuck closed, the induced draft blower remains
off. The diagnostic LED code for this fault is three (3) flashes.
Ooen Thermal Protection Device
Ifthe primary limit switch opens, the gas valve is immediately
deenergized, the induced draft and air circulating blowers are
energized. The induced draft and aircirculator blowers remain
energized until the limit switch recloses. The diagnostic fault
code for an open limit is four (4) flashes.
Aprimary limit will open due to excessive supply air
temperatures. This can be caused by a dirty filter, excessive
duct static, insufficient air flow, or afaulty limit. Check filters,
total external duct static, blower motor, blower motor speed
tap (see widng diagram), and limit. This limit will automatically
reset once the temperature falls below a preset level.
Flame Detected with Gas Valve Closed
If flame is detected with the gas valve deenergized, the
combustion and air circulator blowers are energized. The
diagnostic fault code is five (5) flashes for this condition. The
control can be reset by removing the power supply to the unit
or it will automatically reset after one hour. Miswiring is the
probable cause for this fault.
ABNORMAL OPERA TION - COOLING
Short Cycle Compressor Delay
The automatic ignition control has abuilt-in feature that
prevents damage to the compressor in short cycling
situations. In the event of intermittent power losses or
intermittent thermostat operation, the ignition control willdelay
output to the compressor contactor for three minutes from the
time power is restored. (Compressor is off a total of three
minutes). The diagnostic LED will flash six (6) times to indicate
the compressor contactor output is being delayed.
NOTE: Some electronic thermostats also have a built-in
compressor short cycle timer that may be longer than the three
minute delay given above. If you are using an electronic thermostat
and the compressor has not started after three minutes, wait an
additional five minutes to allow the thermostat to complete its short
cycle delay time.
MAINTENANCE
&w.....o _lll 1
.1o.VO,T,O, =1111
DISCONNECTALL POWERBEFORESERVICINGOR
INSTALLINGTHISUNIT. MULTIPLE POWEREOURCESMA_
o° .%AOSEP.OP /
Have the gas heating section of the unit checked at least
once a year before the heating season begins, to be sure that
the combustion air inlet and flue outlet hoods are not blocked
by debris, which would prevent adequate combustion air and
a prepedy operating vent system.
FILTER REPLACEMENT OR CLEANING
A return air filter is not supplied with this unit; however, there
must be ameans of filtering all of the return air. The filter(s)
may be located in the return air duct(s), or return air filter
grille(s). Consult with your installing dealer for the actual
location of the return air filter(s) for your unit.
Dirty filters are the most common cause of inadequate heating
or cooling performance. Filter inspection should be made at
least every two months; more often if necessary because of
local conditions and usage.
Dirty throwaway filters should be discarded and replaced with
a new, clean filter. Dirty permanent filters should be washed
with water, thoroughly dried and sprayed with afilter adhesive
before being reinstalled. (Filter adhesives may be found at
many hardware stores.) Permanent filters should last several
years. However, should one become tom or uncleanable, it
should be replaced.
CABINET FINISH MAINTENANCE
Use a fine grade automotive wax on the cabinet finish to
maintain the finish's original high luster. This is especially
important in installations with extended periods of direct
sunlight.
16

CLEAN OUTSIDE COIL (QUALIFIED SERVICER ONLY)
The ceil with the outside airflowing over itshould be inspected
annually and cleaned as frequently as necessary to keep the
finned areas free of lint, hair and debris.
CONDENSER_ EVAPORATOR_AND INDUCED DRAFT MOTORS
Bearings on the air circulating blower motor, condenser motor
and the combustion fan motor are permanently lubricated. No
additional oiling is required.
FLAME SENSOR (QUALIFIED SERVICER ONLY)
A drop in the flame curTentcan be caused by a nearly invisible
coating on the flame sensor. This coating, created by the fuel
or combustion air supply, can be removed by carefully cleaning
the flame sensor with steel wool.
NOTE: After cleaning, the microamp signal should be stable and in
the range of 4 - 6 microamps DC.
/Flame
_ _Sensor
CLEANING FLUE PASSAGES (QUALIFIED SERVICER ONLY)
1. Shut off electric power and gas supply to the unit.
2. Remove burner assembly by disconnecting the gas line
and removing the manifold bracket from the partition panel.
3. Remove the flue from the induced draft blower and the
collector box cover from the partition panel.
4. The primary heat exchanger tubes can be cleaned using a
round wire brush attached to alengthof high grade stainless
steel cable, such as drain cleanout cable. Attach a variable
speed reversible drill to the other end of the spring cable.
Slowly rotate the cable with the drill and insert it into one of
the primary heat exchanger tubes. While reversing the drill,
work the cable in and out several times to obtain sufficient
cleaning. Use alarge cable for the large tube, and then
repeat the operation with a small cable for the smaller tube.
Repeat for each tube.
5. Whenallheatexchangertubeshavebeencleaned, replace
the parts inthe reverse order in which they were removed.
6. To reduce the chances of repeated fouling of the heat
exchanger, perform the steps listed in =Startup, Adjustments,
and Checks".
MAIN BURNER FLAME (QUALIFIED SERVICER ONLY)
Flames should be stable, soft and blue (dust may cause
orange tips but must not be yellow). The flames must extend
directly outward from the burner without curling, floating or
lifting off.
Flame Sensor
FLUE PASSAGES (QUALIFIED SERVICER ONLY)
At the start of each heating season, inspect and, ifnecessary,
clean the unit flue passage.
_heck the burner flames for:
1. Good adjustment
2. Stable, son and blue
3. Not curling, floating, or lifting off.
Burner Flame
_WARNING
To AVOID PERSONAL INJURY OR DEATH DUE TO ELECTRIC SHOCK,
DO NOT REMOVE ANY INTERNAL COMPARTMENT COVERS OR ATTEMPT ANY
ADJUSTMENT. CONTACT A QUALIFIED SERVICER AT ONCE IF AN AeNORMAL
FLAME SHOULD DEVELOP.
At least once ayear, prior to or during the heating season,
make a visual check of the burner flames.
NOTE: This will involve removing and reinstalling the heat exchanger
door on the unit, which is held by two screws. If you are uncertain
about your ability to do this, contact a qualified servicer.
If astrong wind is blowing, it may alter the airflow pattern within the
unit enough that an inspection of the burner flames is not pos-
sible.
17

CLEANING BURNERS
1. Shut oft electric power and gas supply to the unit.
2. Remove the screws securing the manifold to the burner
retention bracket. Remove the manifold and rotate each
burner counterclockwise to remove.
;Ill _[q/Is] _r,jll __,_:_i.
Manifold_
Burner
Bracket
Manifold Assembly
3. Remove the burners.
4. Use a bottle brush to clean burner insert and inside of the
burners.
5. Replace burners and manifold, inspectthe burner assembly
for proper seating of burners in retention slots.
6. Reconnect electrical power and gas supply.
_k CAUTION
LABEL ALL WIRES PRIOR TO DISCONNECTION WHEN SERVICING CONTROLS.
WIRING ERRORS CAN CAUSE IMPROPER AND DANGEROUS OPERATION.
1_ CAUTION
ALWAYS VERIFY PROPER OPERATION AFTER SERVICING.
For further information on the yearly inspection, consult the
User Manual. itis recommended that a qualified servicer inspect
and service the unit at least once each year.
Turn the unit on at the thermostat. Wait a few minutes, since
any dislodged dust will alter the normal flame appearance.
Flames should be predominantly blue and directed into the
tubes. They should not be yellow. They should extend directly
outward from the burner ports without curling downward,
floating or lifting off the ports.
ACCESSORIES AND FUNCTIONAL PARTS
SHEET METAL ACCESSORIES
Additional accessories can be purchased to fit specific application
needs. Parts and instructions are available from your distributor.
FUNCTIONAL PARTS
_uxliary Limit Switch
Blower Housing
Circulator Blower Motor
Blower Wheel
Burner
Capacitor
Compressor
3ondenser Coil
Condenser Fan Blade
Condenser Fan Motor
Contactor
Gas Manifold
Evaporator Coil
Flame Roll-out Switch
Flame Sensor
Gas Orifice
Gas Valve
Heat Exchanger
High Limit Switch
Igniter
Ignition Control
Induced Draft Blower
Pressure Switch
Pressure Switch Hose
Transformer
Functional Parts List
GENERAL INFORMATION
1. Refer to the description in Functional Parts List when
ordering any of the listedfunctional parts. Be sure to provide
the unit model and serial numbers with the order.
2. Although only functional parts are shown, all sheet metal
parts, doors, etc. may be ordered by description.
3. Parts are available from your distributor.
18

IGNITION CONTROL DIAGNOSTIC INDICATOR CHART
Light Signal
Off
1 Flash
2 Flashes
3 Flashes
4 Flashes
5 Flashes
6 Flashes
Refer to Abnormal Heating or Cooling Operation Sections of this Manual
Internal Control Failure
External Lockout
Pressure Switch Stuck Open
Pressure Switch Stuck Closed
Thermal Protection Device Open
Flame Detected with Gas Valve Closed
Short Cycle Compressor Delay (Cooling Only)
HEATING TIMING CHART
Circulator On
Blower off
Gas Valve On
Off
Igniter On
off
Induced
Draft On
Blower off
Thermostat On
Off
i i
i
i
i i
iI
ii
i i i i
i i i i i i
Seconds 015 22 45 52 0
i
i
20
Legend: --*PG10,12,24-60, *PG1324-42
........ *PG1348,60
COOLING TIMING CHART
100 %
50 %
i
i
120, 135,150
180"PG1348,60 ONLY
Circulator
Blower
OutdoorFan
and
Compressor OFF
ON
Thermostat OFF
ON i ,'"i
OFF _ .....
i i
I I
I I
ON J i
i i
ii i
' ' i
i i
1 1
Seconds 0 7 30 0
i
i
60
Legend: -- *PGI O,12,24-60, *PG1324-42
........ *PG1348,60
100%
_%
19

APPENDIX
UNIT DIMENSIONS
47
BEHIND COMPI:_SSOR ACCESS PANEL
23/4
RE]URN
SUPPLY
POWER WIRE ENTRANCE
DIMB_ISION
INCHES
A
B
C
MEDIUM
32
16
9 1/2
LARGE
40
18
14
COMBUSTION/_R INLETS
SUPPLY RE3URN
2O

GPG13(24,30,36,42)1A WIRING DIAGRAM
HIGH VOLTAGE!
WARNING DISCONNECTALLPOWERBEFORESERVICINGORINSTALLINGTHIS
UNIT. MULTIPLE POWER SOURCES MAY BE PRESENT. FAILURE TO
DO SO MAY CAUSE PROPERTY DAMAGE, PERSONAL INJURY OR DEATH.
CH OPTIONAL
CONNECTED AT L1, L2
NOTE 4 PU
BR _B
RR
°L?
BL Y
CH OPTIONAL
POWER SUPPLY
NOTE 5 CAP2
PU(L2) R LOW BR BR
[_k MED]UM
B HIGH
PU BR
ALT 3SPEED LB
MOTOR PU
4 SPEED
MOTOR
FNOTEp6L G YBL
GAS VALVE GAS VALVE
PU
BL
PU
1
I I I I I I
TO THC
_EETHCFIELDWIRINGBELOW)
O
R
PU
20_23011!60
T .s NOTE
BL R
7
PU
BR
Y
I
BL
I
I
k)
ECON
_ FS
,=_o IIC
NOTE 5JCAP1
B4312003 REV. B
Wiring is subject to change. Always refer to the wiring diagram on the unit for the most up-to.late wiring.
21

GPG13(24,30,36,42)1A WIRING DIAGRAM
I HIGH VOLTAGE!
WARNING DISCONNECTALLPOWERBEFORESERVICINGORINSTALLINGTHIS
UNIT. MULTIPLE POWER SOURCES MAY BE PRESENT. FAILURE TO
DO SO MAY CAUSE PROPERTY DAMAGE, PERSONAL INJURY OR DEATH.
L1 SUPPLY VOLTAGE 1.2
208-230/1/60
CH NOTE 4
ccT__r_<_ _ i_ @
_c cApz
_ (HIGH)
@
®
TOTHC
COMPONENT LEGEND
ALS AU_LLARY LIMIT SWITCH °WIRE SPLICE
CAP CAPACITOR GVJ_RKEDTERMINAL
COMP COMPRESSOR cUNMARKED TERMINAL
CM CONDENSER MOTOR WIRING
CC CONTACTOR LINE VOLTAGE
DH CRANKCASE HEATER LOW VOLTAGE
EM EVAPORATOR MOTOR FIELD INSTALLED POWER
FS FLAME SENSOR FIELD INSTALLED CONTROL
GV GAS VALVE
lID INTEGRATED IGNITION CONTROL WIRE CODE
IGN IGNITOR B BLACK
LS LIMITSWITCH BL BLUE
PL PLUG BR BROWN
PS PRESSURESWITCH G GREEN
RS ROLLOUTSWlTCH O ORANGE
THC ]I-IERMOSTATHEAT&COOL PK PINK
TRANS TRANSFORMER PU PURPLE
VM VENTMOTOR R RED
W WHITE
YYELLOW
NOTES
1. REPLACEMENT WIRE MUST BE THE SAME SIZE .&NO TYPE OF
INSULATIOR AS ORIGINAL(USE COPPER CONDUCTOR ONLY).
2. FOR 206 VOLT TRANSFORMER OPERATION MOVE SLACK WIRE
FROM _RMINAL ®TO TERMINAL _ON ]WANSFORMENo
3. SOME MODELS HAVE VENT MOTORS EQUIPPED WITH A 23OV LEAD (RED)
AND A 208V (SLACK), IF EQUIPPED, CONNECT VENT MOTOR BLACK LEAD
IN PLACEOF RED LEAD AT IIC (DI) FOR 2DSV OPERATION.
4. CRANKCASE HEATER (OPTIONAL).
5. FOR DIFFERENT THAN FACTORY SPEED TAP CHANGE COOLING
SPEED AT COOL TERMINAL (IIC). CHANGE HEATING SPEED AT HEAT
TERMINAL (IIC)
4 SPEED MOTOR 3 SPEED=MOTOR
B-HIGH SPEED B -HIGH SPEED
BL -MEDIUM HIGH SPEED BL -MEDIUM SPEED
Y - MEDIUM LOW SPEED R - LOW SPEED
R - LOW SPEED
6, ACCESSORY ECONOMIZER PLUG (ON SELECT MODELS)ADJACENT
TO BLOWER HOUSING IN RETURN AIR COMPARMEN][ 208-230/1160
THC-FIELD WIRING
THC-NO ECONOMIZER 2_NG
w®w®
® R ®
y® Pu @
© ¥ @
BL
INSTALLER/SERVICEMAN
TH ESTATUS LIGHT ON THE FLIRNACE CONTROL 1_L_YBE L_ED AS A GUIDE TO
TROUBLESHOOTING THIS APPLIANCE. STATUS LIGHT CODES ARE AS FOLLOWS:
TI-IC-W ITH ECONOMIZER OPTION
STATUS LIGHT EQUIR STATUS CHECK
ON NOI_MAL OPERATION -
OFF NO POWER OR GHECKINPIJTFOWER
INTERNAL CONTROL _ECKFU_ el0_l]_.
FAULT REPLACE CONTROL
1 BLINK IGNITION FAILURE GAS FLOW
OR GAS PRESSURE
OPEN ROLLOUT GAS VALVE
SWITCH FLAME SENSOR
OR FLAME ROLLOUT
OPEN AUX. LIMIT BAD SWITCH
SWITCH AUX. LIMIT OPEN
2BLINKS PRESSURE SWITCH CHECK
OPEN PRESSURE SWITCH
SSLINKS FRESSLRE SWITCHGLOSEJ CHECK
WITHOUT INDUCER ON PRESSURE SWITCH
4SLINKS OPEN LIMIT SWITCH MAIN LIMIT OPEN
BAD SWITCH
5BLINKS STICKINGGAS VN-VE
S BLINKS 3 MIN, COMP
FALSE FLAME SENSED
COMPRESSOR
OUTPUT DELAY ANS].C'fCLE ]]MER
w
R ®
PU ®
BL ® B4312003 REV. B
Wiringis subjectto change.Alwaysrefer to the wiringdiagramon the unitfor the mostup-to.late wiring.
22

GPG13(48)1A WIRING DIAGRAM
HIGH VOLTAGE! ATH._I
WARNING DISCONNECTALLPOWERBEFORESERVICINGORINSTALLINGTHIS
UNIT. MULTIPLE POWER SOURCES MAY BE PRESENT. FAILURE TO
DO SO MAY CAUSE PROPERTY DAMAGE, PERSONAL INJURY OR DE
CH OP I]ONAL
CONNEC1ED AT L1, L2
NOTE4
IALS
Y
NOTE 5
PL
PU
W R (ALT) HONEYWELL
GAS VALVE GAS VALVE
[BL
NOTE 3
R
Pu
Pu y
POWER SUpI_y
i
I............................ 208_301116D
Q
2O8
TRANS
24V TO THC
R G Y W Y1 Y2
8L RG Y
RGY W
IIC
Pu CAP1
BR
YB431211114 Rev. A
Wiring is subject to change. Always refer to the wiring diagram on the unit for the most up-to.late wiring.
23

GPG13(48)1A WIRING DIAGRAM
HIGHVOLTAGE ATH.% II I
WARNING DISCONNECTALLPOWERBEFORESERVICINGORINSTALLINGTHIS
UNIT. MULTIPLE POWER SOURCES MAY BE PRESENT. FAILURE TO
DO SO MAY CAUSE PROPERTY DAMAGE, PERSONAL INJURY OR DE
L1 SUPPLy VC_TAGE
208_30tl/60
IIC
S]B
NOTE6
TO THC
INSTALLER/SERVICEMAN
I_E STATUS UGHT (_N THE FURNACE CONTROL MAy BE USED AS A GUIDE TO
]ROLIBI FSHOOTING ]H_S APPLIANCE STATUS UGHT CODES AR_/_ FOLLOWS:
STATUS LIGHT EQUIP STA PJS CHECK
ON NORMAL OPERATION
OFF NO pOWER OR Cp_< INFUI I_0_
G"_< FL_E _(30NT_qCL
FAULT RE_LA_E CONIRCL
1BLINK IGNITION FAILURE GAS FLOW
OR GAS PRESSURE
OPEN ROLLOIJT GAS VALVE
SWITCH FLAME SENSOR
or FLAME ROLLOUT
OPEN AUX LIMIT BAD SWITCH
SWITCH AUX LIMrl OPEN
2BLINKS pRESSURE SWrlCH CHECK
OPEN pIqESSU RE SWITCH
3 BLINKS PRESSURE SWtTO_ C_(3S_ CHECK
I_ON pIqESSU RE SWITCH
MAIN UMIT OPEN
4 BLINKS OPEN LIMIT SWITCH BA D SWITCH
5 BLINKS FALSE FLAME SENSED SlICinG G_S VALME
COMPRESSOR 3 MIN COMP
6BLINKS OU]pLrl DELAy ANTI_;yCLE TIMER
COMPONENT LEGEND
AIS AL_(ILLARy LIMIT S_VlTCH o WtRESPLICE
CAP CAPACITOR OMARKED TERMINAL
COMp COMPRESSOR OUNMARKED TERMINAL
CM CONDENSER MOTOR WIRING
CC CONTACTOR m LINEVOLTAGE
CH CRANKCASE HEATER LOW VC_TAGE
FS FLAME SENSOR ....... FIELO INSTALLED pOWER
GV G_S VALVE FIELD INST_ CONTROL
IIC INTEGRATED IGNITIO NCONTROL
IGN IGNITOR WIRE CCDE
LS LIMITSWITCH B BLACK
PL PLUG BL BLUE
PS PRESSURESWITCH BR BROWN
RS ROLLOUTSWITCH G GREFN
I_ TERMINAL BLOCK 0 ORANGE
MC ITIEt_4OSTATHEAT&COOL PK PINK
TRANS TRANSFORMER PU pURPLE
VM VENTMOTOR R RED
VSM VAR SPEEDMOTOR W WHrlE
y YELLOW
VSTB VARIABLE SPEED TERM BLOCK
NOTES
1 REPLACEMENT WIRE MUST BE THE SAME SIZF AND TYpE OF
INSULAtiON AS ORIGINAL (USE COppER CONDUCTOR ONLY)
2 FOR 208 VOLT I_ANSFORMER OpE3_ATION MOVE BLACK WIRE
FROM TERMINAL@TO TERMINAL@ ON TRANSFORMER
3SOME MODES HAVE VENT MOTORS EQUIPPED WrlH A230V LEAD (RED)
AND A 208V (BLACk') IF EQUIPPED, CONNECT VENT MOTOR BLACK LEAD IN
pLACE OF rED LEAD AT UII {DI) FOR _OPERATION
4CRANKCASE HF_. {_R (OPTIONAl)
5AOBESSORY ECONOMIZER PLUG {ON S[_E_q MODI LS) ADJACENT
TO BLOWER HOUSING IN R_rURN AIR _O Mp.%RMENT
6TWO STAGE MERMOSTAT CONNECTIONS IF USED WITH ECOI_OMIZER
OPTION INSTNJ£O
THC-FIELD WIRING
TH_NO ECONOMIZER
W.........
o
TH_WITH ECONOMIZER OPTION
W.........
PU ........
BL.........
208_3_1_0
2STAGE COOLING
G ..........
PU ......... (_
y.......... @
BL ......... (_
B4312004 Rev A
Wiring is subjectto change.Always refer to the wiringdiagramonthe unitfor the most up-to.late wiring.
24

GPG13(60)1A WIRING DIAGRAM
HIGH VOLTAGE!
WARNING DISCONNECTALLPOWERBEFORESERVICINGORINSTALLINGTHIS
DO SO MAY CAUSE PROPERTY DAMAGE, PERSONAL INJURY OR DEATH.
UNIT. MULTIPLE POWER SOURCES MAY BE PRESENT. FAILURE TO
CH OPTIONAL
CONNEC I_D AT LI. L_
NOI_ 4
BR
PU
Y
Y
NOI_ 5
PU
/
WWR (ALT) HO N Lc_P_'ELL
GAS VALVE
BL
Y
R
.'P: GRD
BL
BL BL -- B Y
1B--
II __ CH (_'_TIONAL
i petER SUPPLY
PU Y
@
C 2_ 240
nn_d_ls
TOTI_
tSE_RaD_'q_
PU
BL
R G Y W
IIC
BR
Y
ii i o
CAP1
B4312005 R_. A
Wiring is subjectto change.Always refer to the wiringdiagramon the unitfor the most up-to.late wiring.
25

GPG13(60)1A WIRING DIAGRAM
I_HIGH VOLTAGE! ATH._I
WARNING DISCONNECTALLPOWERBEFORESERVICINGORINSTALLINGTHIS
UNIT. MULTIPLE POWER SOURCES MAY BE PRESENT. FAILURE TO
DO SO MAY CAUSE PROPERTY DAMAGE, PERSONAL INJURY OR DE
L1
1B
SUPPLy VOLTAGE
208_3011/60
CH NOTE 4
NOTE0
NOTE 2
I
FS @ I FS
I
INSTALLER/SERVICEMAN
I]4E STAI_S UGHT ON *q_E _ _ MAY BE _ AS AGUI[3E TO
I]_D_JD[FSHCOTING ITIIS API_IANCE STATt._ LIGHT CO[3FS ARE AS Rll OIA_:
STA]US LIGHT E(_JIp SI A]US CHECK
ON NORMAL OPERATICN
OFF NO pOWEROR O4BCKINPUT R)t_
FAULT I:IB_L_:ECQNIR(1
1 BLINK IGN113ON FAILURE GAS PLOW
OR _PRESSURE
OPEN ROLl OrS1 G/_ VALVE
SWITCH FLAME SENSOR
OR FLAME ROLLOUT
OPEN AUX LIMIT BAD SWITCH
SWITCH AL_ LIMIT Op_
pRESSURE SWITCH CHECK
2 BU_KS OPEN pRES_RE SWITCH
PRESSURE SIhl_:H (3L(3_13) CHECK
3 BU_KS _M]_3UI INBUCD_ON pRES_RE SWITCH
MAIN UMIT OPEN
4BU_KS OPEN LIMIT SWITCH BAD SWITCH
5BLI N_S FALSE FRAME SENSE[} S1]CI_NG G_ VhL'_
5 BUi'_KS COMPRESSOR 3 MINt COMp
OU]PUT DELAy ANTH3y(:&E TIMER
COMPONENT LEGEND
A[S AUXILLA}_ UMIT SWITCH o WIRE SPLICE
CAP CAPACITOR OMARleD TERMINAL
COMp COMPRESSOR ©UNMAPJ_ED I_RMINAL
CM CONDENSER MOTOR WIRING
CC CONTACTOR m LINE VOLTAGE
CH CRANKCASE HEA I_R LOW VOLTAGE
FS FLAME SE]dSOR ....... FIELD INSTALLE_ POWER
GV GAS VALVE FIELD INSTALL_ CONTROL
IIC INI_GRATED IGNmO N CONIROL
IGN IGNITOR WIRE CCOE
LS LIMITSWITCH B BLACK
PL PLUG BL BLUE
PS PRESSURESWITCH BR BROWN
RS ROLLOUTSWlTCH G GREFN
SOL SOLENOID (2 STAG[d} O OPJ_NGE
T8 TERMINAL BLOCK PK PINK
?tic I]4EI_MIOSTATHEAT&COOL PU pURPLE
PRANS q_ANSFORMER R RED
VM VENT MOTOR W WHITE
VSM VAR SPEEDMOTOR y Y_LLOW
VSTB VARIAB[E SPEED TB_M BLOCK
NOTES
1 REPLACEMENT WIRE MUST BE ?tiE SAME SIZE AND TYpE OF
INSULATION AS ORIGINAL (USE COppER O_NDUCTOR ONLy)
2FOR 2Og VOLT I_ANS_ORMER OPERATION MOVE 8LACK WIRE
FROM TERMINAl@TO TERMINAl@ON ]RANSFO_MER
3 NOME MODELS HAVE VENT MOTORS EQUIppED _ A 230V LEAD (RED)
AND A _08V LEAD {BLACK) IF EQIJIpF_D, OONNE_T V[_q MOTOR BLACK
LEAD IN PLACE OF RED LEAD AT Ull (D1) FOR 208V OPERATION
4 CRANKCASE HEATER (OPTIONAL)
5 ACCESSORY ECONOMIZBR PLUG (ON S[_ECI _DI I_) ADJACENT
TO BLOWER HOUSING IN NEf UI_I AIR _O Mp._NMENT
6 TWO STAGE ITIERMOSTAT CONNECTIONS IF USED WITH EC_ZBR
OPTION INST_D
THC-FIELDWIRING
TH_NO ECONOMIZER
W..........
R .......... IN I
_.•......
FROM TERMINAL BLOCK
208_3_1_0
THC-W_TH ECONOMIZFR
W ..........
R .......... _N J
BE ........
D
FROM ECON PLUG
B4312005 Rev. A
Wiringis subjectto change.Always refer to the wiringdiagramon the unitfor the mostup-to4ate wiring.
26

GPG13(36)3A WIRING DIAGRAM
HIGH VOLTAGE!
WARNING DISCONNECTALLPOWERBEFORESERVICINGORINSTALLINGTHIS
DO SO MAY CAUSE PROPERTY DAMAGE, PERSONAL INJURY OR DEATH.
UNIT. MULTIPLE POWER SOURCES MAY BE PRESENT. FAILURE TO
BR
CN OPTIONAL
CONNECTED AT L1, L2
NOTE 3
BR
NOTE 4
PU
)
)
SPEED
2TOR
RD
BL
PU
W R (ALT) HONEYWELL
GAS VALVE GAS VALVE
PU
BL
RD
PU
8L BL _
8L BL _°_ 5k Yk
cH OPTIONAL
I
Y2YICRYWG I )
I II I I
TO _ERMOSTAT F
tt
RD
PU
' I t BK SEE NOTE 3
POWER SUPPLY
208 230/3t60
SEE NOTE 6
208 2411 _
TR NOTE 2
//_ 24V
BL RD
Pu
BK
[D
B
E
ECON
C=9 FS
lie
°t=_RD
_=_BK _BL
NOTE 94t
FC
BR
Wiring is subjectto change.Always refer to the wiringdiagramon the unitfor the most up-to.late wiring.
27

GPG13(36)3A WIRING DIAGRAM
HIGH VOLTAGE{ ATH._I
WARNING IiDISCONNECT ALL POWER BEFORE SERVICING OR INSTALLING THIS
UNIT. MULTIPLE POWER SOURCES MAY BE PRESENT. FAILURE TO
DO SO MAY CAUSE PROPERTY DAMAGE, PERSONAL INJURY OR DE
F
SUPPLy VOLTAGE
208 230/'3/60
CH
NOTE3 _/_v T3 C
T2 ° I
c_ _ FC
NOTE2
_) IGN
FS _ FS
L3L2
COMPONENT LEGEND FACTORY WIRING
ALS AU)0LLARY LIMIT SWITCH _ VOLTAGE
COMp COMPRESSOR _VOLTAGE
CM CONDENSER MOTOR _)F_llON AL HIGH VOLTAGE
C CONTACTOR
CH CRANKCASE HEATER FIELD WIRING
EM EVAPORATOR MOTOR HIGH VOLTAGE
F FUSE LOW VOLTAGE
FC FAN CAPACITOR
FS FLAME SENSOR WIRE CODE
GND EQUIPMENT GROUND BK BLACK
GV GAS VALVE BL BLUE
IIC INTEGRATE DIGNI]ION CONIROL BR BROWN
IGN IGNrl OR GR GREEN
LS LIMIT SWITCH or ORANGE
PLF FEMALE PLUG/CONNECTOR PK PINK
PS pRFSSURE SWITCH PU PURPLE
RS ROLLOUT SWITCH RO RED
TR TRANSFORMER WH WHILE
VM VENT MOTOR YL yELlOW
NOTES
1REPLACEMENT WIRE MUST BE THE SAME SIZE AND TYpE OF
INSULAllON AS ORIGINAL {USE COPPER CONDUCTOR ONLY)
2FOR 208 VOLT TRANSFORME3R OPERATION MOVE BLACK WIRE
FROM TERMINAL 3TO T_INAL 2ON TRANSF(]_IER
3 CRANKCASE HEATER NOT SUPPLIED ON ALL UNITS
4FOR DIFFERENTTHAN FACTORY SPEED TAP CHANGE COOLING
SPEED AT COOL TERMINAL (IIC)_ CHANGE HEATING SPEED AT HEAT
TERMINAL (IIC)
3SPEED MOTOR
BK HIGH SPEED
BL MEDIUM SPEED
RD LOW SPEED
5ACCESSORY ECONOMIZER PLUG (ON SELECT MOD_S) ADJACENT
TO BLOWER HOUSING IN RETURN AIR COMPARMENT
6 USECOOPERCONDUCTORS ONLY
_USE NECCLASS2WIRE
N0 ECONOWER
ALS RS
GR
RD
YL
BL
THERMOSTAT FIELD WIRING _
2STAGEC00L_G
GR
RD
PU
YL
BL
INSTALLER/SERVICEMAN
THE STA I_S UGHT ON THE FURJ_CE CGNIROL MAy BE US_ P_ A GU_E TO
1ROIJt_ E_DOTING ITIIS APPLIhNCE STAIUS UGWI CODES ARE_ FOU OWS:
STATUS LIGHT EQUIP STATUS CHECK
ON NOI_IAL OP_ATION
OFF NO POWER OR CIEOKINI_fl FOYER
INTERNAL CON 13_OL
FAULT REFq_CE
1BUNK IGNITION FAILURE GAS FLOW
OR GAS pRESSURE
GPEN ROLLOUT GAS VALVE
SW]TCH FLAME SENSOR
OR FLAME ROLl OUT
OPEN AUX LIMIT BAD SWITCH
SW1TCH At_ LIMIT OpEN
2 BLINKS pRESSURE SWITCH CHECK
OPEN pRESSURE SW]TCH
3 BLINKS pRES_IJRE S_ITOt CLOSED CHECK
WI MOUT INDUCER ON pRESSURE SW]TCH
4 BLINKS MAIN LIMIT OP_
BAD SWITCH
5 BLINKS FALSE FLAME SENSED S I]O(ING GAS VALVE
6BLINKS COMPRESSOR 3 MIN COMp
OUTPUT DEtAy ANTFCYCLE I]M_
WITHECONC_ZEROPTION
GR
RD
PU
BL
208 23013/60
®
0140G00085P
Wiringis subjectto change.Always refer to the wiringdiagramon the unitfor the mostup-to.late wiring.
28

GPG13(48,60)3A WIRING DIAGRAM
I1,_ WARNIN G HIGH VOLTAGE! ATH._
DISCONNECT ALL POWER BEFORE SERVICING OR INSTALLING THIS
UNIT. MULTIPLE POWER SOURCES MAY BE PRESENT. FAILURE TO
DO SO MAY CAUSE PROPERTY DAMAGE, PERSONAL INJURY OR DE
'_KBK
CHOPTIONAL
CONNECIEDATL1.L2
BL
YL
L G N
EM
NOIE 4
NOTE 5
YL
pu
8L
BL
WH
BR
YL
BK
BK
BL
Y2Y1CRYWG
TO _ERMC_TAT
RD
RD
Pu
BL
BL
RD
8L 8L BL RD
r=
I I ll_
i SEE
NO1E7 IIC
YL YL RD
Wiringis subjectto change.Always refer to the wiringdiagramon the unitfor the mostup-to.late wiring.
29

GPG13(48,60)3A WIRING DIAGRAM
I1, WARNIN G HIGH VOLTAGE! ATH._
DISCONNECT ALL POWER BEFORE SERVICING OR INSTALLING THIS
UNIT. MULTIPLE POWER SOURCES MAY BE PRESENT. FAILURE TO
DO SO MAY CAUSE PROPERTY DAMAGE, PERSONAL INJURY OR DE
L1 SUpPLy VOLTAGE L2
208 230/3/60
CH
) _ NOTE 3
T2 C
c T1 -f--_ % I1_
FC
)VMR
SEF NOIE2
zTR
i N°TE
FNOTE 7 O IGN FS IIC
©
@
VMR
L3 COMPONENT LEGE]_D FACTORY WIRING
ALS AL_ILLARy UMrr SWITCH _ VOLTAGE
COMP COMPRESSOR _VOLTAGE
CM CONDENSER MOTOR _0P:rlONAL HIGH VOLTAGE
C CONTACTOR
CH CRANKCASE HEATER
EM EVAPOP,ATOR MOTOR RELD WIRING
F FUSE HIGH VOLTA(t
PC FAN CApACITOR _<_N VOLTAGE
FS FLAME SENSOR
GND EQUII_/_NT GROUND WIRE CODE
GV GAS VALVE BK BLACK
IIC IN1EGRATED IGNINON CONTROL BL BLUE
IGN IGFITOR BR BROWN
LS LNIT SWITCH GR GREEN
PLF FEMAI EPLUG/CONNECTOR OR ORANGE
PS PRESSURES'WITCH PK RNK
rs ROLLOUT SWITCH PU PURPLE
I_ TRANS_ORM_ RD RED
VM VENT MOTOR WH WHrlE
VMR VENT MOTOR RELAy YL yELlOW
NOTFS
1 REPLACEMENT WIRE MUST lIE THE SAME SIZ_/_ND WpE OF
INSU[ATIGN AS ORIGINAL(USE COPpB_ O3NDUCT_ ONLY)
2 F_ 208 VOLT IN_ISFOR_R Op[2_TION MOVE BlinK '_RE
FROMIERMIN,_k 3 TO I_I_L 2ONPNr_ISF_I_
TOTHE_TAT _
3 CRANKCASE HEATER NOT SUPPLIED ON ALL UNITS
4 FGR DIFPB_BqT THAN FACI CRy SPEB) TAP CHANGE CCOUNG
SPEED AT MOT(3R T4 AND T5 TEPJ_INALS CHANGE HEATING
SPEED AT MOT(3R T1, T2 AND 13 I_RM I_A LS
COOLING SPED (YELLOW WIRE) HEATING SPEE]) (WHITE WIRE)
T4 LOWSPEED T1 LOWSPEE_
T5 HIGH SPEE]) 12 MED SPED
13 HIGH SPEFD
5 ACCESSORY ECONOMIZER PLUG (ON SELFCI MODELS) ADJACENT
TO BLOWER HOUSING iN RETURN AI_ COMPARMENT
6 USE COOPER CONDUCTORS ONLy
_ _ USE NEC CL_ 2 WIRE
7 L1 AND L2 ON ICC eONTR_ IS 24V INPIXI
GR
RD
YL
INSTALLER/SERVICEMAN
THE STATOSLIGHT _N ]HE FURNACE CO@]R(3_MAYBE L_ AS A GUIDE TO
TROUB[FSHOO 13NG]H IS _PPLIANCE STATtJS LIGffl COOES _F _S FOLLOWS:
NOTE
5PLF
STATUS LIGHT EC_JIP STATUS CHECK
_N NORMAL OPERATION
OFF NO pOWER OR O4E(_INPUI I_M[_
FAULT R_ RAC_ CONtrOL
1 BLINK IGNrl ION FAILU R_ GAS FLOW
C_ GAS pRESSURE
OPEN ROLLO UT GAS VALVE
SWITCH FLAME SENSOR
OR FI_,M EROLLO_JT
(3PEN AUX LIMIT
SWITCH AUX LIMIT OPEN
2BLINKS pRFSSURE SWITCH CP_CK
OPEN pRESSURE SWITCH
3 BLINKS pRFS_ JRE _*_*ITCH CLO_EO CF_CK
WITHOUT INDUCER ON pRESSURE SWITCH
4 BLINKS OPEN LIMIT SWITCH MAIN LIMIT OPEN
BAD SWrl C_
5 BLINKS F*_LSE FLAME SENS_ SlICiNG GAS VALVE
6 BLINKS COMpREsSOR 3MIN COMp
C_JTPUT DELAY ANTI_,yCLE TIM_
WffHECO_IZER _PTION
GR
RB
PU
BL
2_6 230/3/60
THERMOSTAT FIELD WIRING _
2 STA_EC0(]LIk_
ar _._
0140G00087
Wiringis subjectto change.Always refer to the wiringdiagramon the unitfor the mostup-to.late wiring.
3O

GPG13(36)4A WIRING DIAGRAM
I1, WARNIN G HIGH VOLTAGE! ATH._
DISCONNECT ALL POWER BEFORE SERVICING OR INSTALLING THIS
UNIT. MULTIPLE POWER SOURCES MAY BE PRESENT. FAILURE TO
DO SO MAY CAUSE PROPERTY DAMAGE, PERSONAL INJURY OR DE
CN OPTIONAL
C_NECl_D AT LI, L2
NOTE 2
BR
)
)
NOTE 4
PLF
YL
PU
GASVALVE GASVALVE
PU
BL
BL
RD
BK
BL
PU
IL
PU
YI C R YW G
I I I I I I I
TD 1}IEF_OS%AT
±±
,°
PB_ GND
MMR BE
IBR
BL BL
BK
C
TR
1
FC
BR
Wiringis subjectto change.Always refer to the wiringdiagramon the unitfor the mostup-to.late wiring.
31

GPG13(36)4A WIRING DIAGRAM
I1, WARNIN G HIGH VOLTAGE! ATH._
DISCONNECT ALL POWER BEFORE SERVICING OR INSTALLING THIS
UNIT. MULTIPLE POWER SOURCES MAY BE PRESENT. FAILURE TO
DO SO MAY CAUSE PROPERTY DAMAGE, PERSONAL INJURY OR DE
L1 SUPPLYVOLTAGE COMFONENI LEGE]_D FACTORY WIRING
ALS AL_(ILLARy LIMIT SWITC H_ VOLTAGE
COMp COMPRESSOR _VOLTAGE
CM CONDENSER MOTOR _:_P-TIONAL HIGH VOLTAGE
C CONTACTOR
CH CRANKCASE HEATEr FIELD WIRING
HIGH VOLTAGE
EM EVAPORATOR MOTOR
tOW VOLTAGE
F FUSE
FC FAN CAPACITOR
FS FLAME SE_ISOR WIRE CODE
GND EQUIPMENT GROUND 8K BLACK
GV GAS VALVE BL BLUE
IBR INDOOR BLOWER RELAY 8R BROWN
IIC INTEGRATED IGNI nON CONTROL GR GREEN
IGN IGNITOR OR ORANGE
LS LIMIT SWITCIt PK PINK
PLF FEMALE PLUG/CONNECTOR PU PURPLE
PS prESSURE SWITCH RD RED
RS ROLLOUT SWITCH WH WHITE
TR TRANSFORMER YL YELLOW
VM VENT MOTOr
VMR VENT MOTOr REI Ay
NOTES
1 REPLACEMENT WIRE MUST BE THE SAME SIZE AND ]YPE OF
INSULATION AS ORIGINAL (USE COPPER CONDUCTOR ONLY)
2CRANKCASE HEALER NOT SUPPLIED ON ALLUNITS
3460V UNITS ARE SINGLE SPEED, TO CHANGE FROM HIGH TO LOW
SPEED REPLACE TH[ BLACK MOTOR LE._ AT IBR#3 WITH RED
LEAD FROM MOTOR
2SPEED MOTOR
BL HIGH SpEFD
P_/YL LOW SPEED
4ACCESSORy ECONOMI_R PLUG (ON S E'LECT MODELS) ADJACENT
TO BLOWER HOUSING IN RETURN AIR COMpARMENT
5L1 AND L2 ON IIC CONTROL IS 24V INPUT
6 USE COOPER CONDUCTORS ONLY
_ USE NECCL,_SS2WIRE
NOTE 5
IF
k2
±±
L3
INSTALLER/SERVICEMAN
]HE STATUS LIGHTON ]HE FURNAC_ CON I_OL MAy BE IJ_ED AS A GUIDETO
]ROIJ BLFSHOOTING THISAPPLIANCE STAI_S LIGHT CODESARE AS FOLLOWS:
STA]IJS LIGHT EQUIP STA]HS CHECK
CN NORMAL OPERA 13ON
OFF NO pOWER OR (3HEO_INFUI pOM3_
INT_NAL CON I_OL QB}G_J_
FAULT REPLACE CC_N]ROL
1 BLINK IGNITION FAILURE GAS FLOW
OR GAS pRESSUrE
(3PEN I_O LLOUT GAS VALVE
SWITCH FLAME SENSOR
OR FLAME RCLLO UT
OPEN AUX LIMIT BADSWITCH
SWITCH AUX LIMIT OPEN
2 BUNKS PRES_URE SWITCH CHECK
OPEN PRESSURE SWITCH
3 BUNKS R_3SSURE SWlT(:H (:LOS_) CHECK
WITHOUT li'JOUCEr ON PRESSURE SW113CH
4BLINKS OPEN LIMITSWITCH MAIN LIMIT OPEN
BAD SWITCH
5 BUNKS FAL_ FLAME SENSED S I]C_ NG G_6 VALVE
6 BLINKS COMPRESSOR 3MIN COMp
OUTPUT DELAY AI_I I CYCLE TIM_
460/3/60
THERMOSTAT FIELD WIRING _
2 ST_,GECOOUNG
Gr _;
RD
Pu
Yu
_L _c)
NOECON(]MI_ff
0140G00088
6R
RD
YL
BL
WflH ECON{_IIZER (]PTION
GR
RD
FU
BL
Wiringis subjectto change.Always refer to the wiringdiagramon the unitfor the mostup-to.late wiring.
32

GPG13(48,60)4A WIRING DIAGRAM
Ij, WARNIN G HIGH VOLTAGE! ATH._
DISCONNECT ALL POWER BEFORE SERVICING OR INSTALLING THIS
UNIT. MULTIPLE POWER SOURCES MAY BE PRESENT. FAILURE TO
DO SO MAY CAUSE PROPERTY DAMAGE, PERSONAL INJURY OR DE
CH OPTIONAL
CONNECTED AT L1, L2
NOTE 2
BR
T_R J_IE NOTE 7
I E3
YL
BK
BK
BL
RD
GND
YL
CH OPTIONAL
-- POWER SUPPLY
460/3/60
SEE NOTE 5
Pu
RD
i
48O
RD RD
c
TR
BL
=
BL
YL YL RD
YL
YL
PU
PU
PU
BL
BL
RD
PO
BL YL
WH
BR
Y2YICRYWG
IIIIII
TO THERMOSTAT
RD
OR
BR
IIC
RD
FC
Wiring is subjectto change.Always refer to the wiringdiagramonthe unitfor the most up-to.late wiring.
33

GPG13(48,60)4A WIRING DIAGRAM
I WARNIN P_I ;IIsGH°vN°NELTcAGELLP°wER BEF°RESERVICING°RINSTALLINGTHIS "_
_'_ I UNIT. MULTIPLE POWER SOURCES MAY BE PRESENT. FAILURE TO
IDO SO MAY CAUSE PROPERTY DAMAGE, PERSONAL INJURY OR DEATH.
L1 SUpPLy VOLTAGE L2
460/3/60
CH
_ NOTE 2
T2 C
c T1 A_ _ I_
FC
_ VM r
SEE NOTE •
z TR
l FS© _ NOTE0@_
FNOTE 6 (_ IGN FS IIC
@
Q
°,O I @
O_ VMR
COMPONENT LEGE_iD FACTORY WIRING
ALS AUXILLARY LIMIT SWITCH _ VOLTAGE
COMp COMPRESSOr _VOLTAGE
CM CONI]E NSE3RMOTOR _OPTIONAL HIGH VOLTAGE
CCONTACTOR
CH CRANKCASE HE_IER
E_I EVAPORATOR MOTOR FIELD WIRING
FFUSE HIGH VOLTAGE
FC FAN CAPACITOR _(_/VOLTAGE
FS FLAME SENSOR
GND EQUII_VENT GROUN D WIRF CODE
GV GAS VALVE BK BLACK
IIC IN I_GRA I_D IGNITION CONTROL BL BLUE
IGN IGNITOR Br BROWN
LS LNIT SWITCH GR GREEN
PLF FEMALE pLUG/CONNECTOR OR ORANCE
PS PRFSSUrE SWITCH PR PINK
RS ROLLOUT SWITCH PU PURPLE
TR TRANSFORMER RD RED
VM VENT MOTOR WH WHITE
VMR VENT MOTOR RELAy YL YELLOW
NOTFS
1 REPL&CE3_ENTWIRE MUST BE ME SAME SIZ_ AND _tPE OF
INSULATION AS ORIGINAL (USE COppER CONDUCTOR ONLy)
2CRANKCASE HEALER NOT SUPPLIED GN ALL UNITS
3 FOR DIFP ERE]qT THAN FACTORY SPEED TAP CHANGE COOLING
SPED AT MOTOr T4 AND T5 _RMINALS CHANGE HEATNNG
SPE DAT MOTOr T1, T2 AN DT3 1ERMffqALS
CO(lING SPEED (YELLOW WtRE) HEATING SPEFD (wHrl EWIRE)
T4 LOWSpEE]) T1 LOWSpEE])
15 HIGHSpEFD 12 MEDSPED
T3 HIGH SPEFD
4ACCESSORy ECONOMIZER PLUG (ON SELECT MODELS) ADJACD_iT
TO BLOWER HOUSING IN RETURN AIR COMpAPJ_3qT
5 USE COOPER CONDUCTORS ONLy
6 L1 AND L2 ON ICC CON IROL IS 24V INPU,
7STEPDOWN TRANSFORMEr
460V PRIMARY INPUT &240V SECONDARy OUTPUT
_USE NEC CLASS 2 WIRE
NOEC(_O_IZER
GR
RD
YL
BL
®1
TO THERMOSTAT _ _ _)
INSTALLER/SERVICEMAN
ITIE STATUS UGHT ON THE FURNACE C(3N]ROL MAy BE USEDAS A GUIDE TO
TROUBLESHCO]]NG THIS APPLIANCE _IATL_ UGFrl CODES AREAS FC_-LOWS:
NOTE
4
PLF
L3
STATUS LIGHT EQ_JIp STATUS CHECK
ON NORMAL OPERATION
OFF NO pOWER cr CHECKINPUI FOWI_
O_]XFL_OqG_IRI
FAULT RFpLAC_ _
1 BUNK IGNITION FAILURE GAS FLOW
OR GAS pRESSURE
OPEN ROLLOUT GAS VALVE
SWITCH FLP_E SENSOR
Cf_ FLAME ROLL_JT
(3PEN AUX L_IIT BAD SW1TCH
SWITCH AUX LIMIT OpEN
2 BLINKS pRESSURE SW1TCH CHECK
OPEN pRESSURE SW1TCH
3BLINKS PI_t3SSL_E S_ITCH CL_ CHECK
WITHOUT INDUCER ON pRESSURE SW1TCH
4BLINKS OPEN LIMIT SWITCH MAIN LIMIT OPEN
BAD SW1TCH
5BLINKS FALSE FLAME SENSED S]]Q(ING GA_ V_LVE
6 BLINKS COMp RESSC_ 3 MIN COMp
C_ITPUT D ELAy AN11 CYCLE TIME R
_,_HECONOI_,_ROP lION
GR
RD
PU
BL
4(WN_60
THERMOSTAT FIELD WIRING _
2 STAGEC00L_'_
W
YL _
BL _C)
0140G00089
Wiring is subjectto change.Always refer to the wiringdiagramon the unitfor the most up-to.late wiring.
34

GPG13(48,60)1B WIRING DIAGRAM
HIGH VOLTAGE! I_
DISCONNECT ALL POWER BEFORE SERVICING OR INSTALLING THIS
UNIT. MULTIPLE POWER SOURCES MAY BE PRESENT. FAILURE TO
DO SO MAY CAUSE PROPERTY DAMAGE, PERSONAL INJURY OR DEATH.
YL
_PU
YL
YL
NOTE 5
PLF GR Y
PU YL
WR(ALT) HONEYWELL
GAS VALVE GAS VALVE
BL
BL
PU
BL YL
BR
PJ
YL
BK
BK
BL
L
YIC RYW
TOTHERMOSTAT
RD
OR
LI SUPPLYVOLTAGE L2
RD
PU
B_ 8KSK BK
BL BL BL
_e_] SEE
e_ ] NOTE 7
BR
GND
YL
RD
BK
_' BK CH OPTIONAL
POWER SUPPLY
208 23(Y_/60
SEE NOTE 6
PU
RD
I llli!
IIC
PJ YL YL RD YL
RD
RCCF
Wiring is subject to change. Always refer to the wiring diagram on the unit for the most up-to.late wiring.
35

GPG13(48,60)1B WIRING DIAGRAM
['_ I HIGH VOLTAGE!
WARNING uD_ISTC.CNuNETCTLAELL;_/E_RERoBEFOFRsE SERVBICINGE{_R/N.ST_LL/NR_TT_S
DO SO MAY CAUSE PROPERTY DAMAGE, PERSONAL INJURY OR DEATH.
L1 SUPPLY VOLTAGE
20_230/I/60
CH
NOTE 3
T2 C
VMR
NOTE 2
[R
©I,G. .o
COMPONENT LEGEND FACTORY WIRING
ALS AUXILIARY LIMIT SWrl CH _MOLT_E
CC_p COMPRESSOR _ VOLTAGE
CM CONDENSER MOTOR _'_10 NAL HIGH VCtTAG E
C CONTACTOR
CH CRANKCASE HEATER
EM EVAPORATOR MOTOR FIELD WIRING
F FUSE HIgH VOLTAGE
FS FLAME SE_OR _k_ VOLTAGE
GND EQUIPMENT C4tOUND
GV GAS VALVE WIRE CODE
IIC INTEGI_I_D IGNITIONC(_ITRI_ BK BLACK
IGN IGNITOR BL BLUE
LS LIMIT SWITCH B R 13ROWN
pkF FEMALE PLUG/CONNECTOR GR GREEN
pS PRESSURE SWIII2H OR ORANGE
R_F RUN CAPACI TO R FO RCOM PRESSOR/'P,%N pK pINK
RS RC_kOUT SWI I_H PU pURPLE
TR TRANSFORMER RB RED
VM VENT MOTOR WH WHITE
VMR VENT MOTOR _1_¥ _FL yEUC_
NOI_S
1 REPlaCEMENT WIRE MUST BE THE SAME SI_ _,ND I_pE OF
INSUlaTION AS ORIGINAk(USE COppER CONDUCTOR ONLY)
2 FOR 20B VOLT _I,ISFORMER OPENATION MOVE BLACK WIRE
FROM I_RMINAL 3TO T_,tlNAL 2 ON TttANSF_ER
3CRANKCASE HEATER NOT SUPPLIEO ON ALL UNITS
4 FOR DIFFERENT THAN FACTORY SPEED TAP CHANGE CO_ING
SPEED AT MOTOR T4 AND T5 TERMINALS CHANGE HEATING
SPEED AT MOTOR TI, T2 AND 13 •EI_IINAkS
COOLING SPEED (yELLOW W1RE) HEATING SPEED 0NHIrE WIRE)
T4 LOWSPEED TI LOWSPEED
T5 HIGHSPEED T2 MEO SPEED
13 HIGH SPEED
5 ACCESSORY ECONOMIZER PLUG (ON SELECT MODE/S) AD JACI3_IT
TO BLOWER HOUSING IN RE I]JRN AIR COMPARM ENT
6 USE COOPER CONDUCTORS ONLy
• _ USE.ECCLASS2WIRE
• L1 AND k2 ON ICC CONI I_L IS 24V INpIJI
NOECON(]I/I_ER
GR
YL
BL
N(_E
INSTALLER/SERVICEMAN
I_IE STATUS LIC-F_ONME FURNACECON_I_DLMAy BE U_D ASA GUIDE TO
]I_OUBLESP:OOTING]HIS APPLIANCE STA]US LIGHT CODES/_RE AS FOLIOWS:
STATUS LIGHT EQUIP STATUS CHECK
ON NOP_AL O pERATICN
OFF NO pOWER OR _ECI(INI_TI_O_3_
FAULT RI3°_C_ CONIRG[
BLINK IGNII3ON F_,JLU RE GAS FLOW
OR GAS pRESSURE
OPEN ROLLOLrl CAS VALVE
SWITCH FLAME SENSOR
OR FLAME RC_I OUT
OPEN AUX UMIT BAD SWITCH
SWITCH AL_ LIMIT OPEN
2BUNKS PRESSURE SWITCH CHECK
OPEN pRESSURE SW1TCH
3 BUNKS _qt _L_q_ S_IT(:t_I CLOS _ CHECK
WI MOUT INDUCI3_ ON pRESSURE SW1TCH
4 BUNKS OPEN LIMIT SVClTCH MAIN LIMIT OPEN
BAD SWITCH
5 BUNKS FALSE FLAME SENSED S]]CKING C._ VhLVE
6BUNKS COMPRESSOR 3 MIN COMp
OUTPUT DELAy ANTFCYC[E TIMI3_
THERMOSTAT FIELD WIRING
2STAGE COOUNG
IN
_J
YL
BL
tilTHECONO_EROPTIOI_
GR
PU
BL
_R;
0140G00267
Wiringis subjectto change.Always refer to the wiringdiagramon the unitfor the mostup-to.late wiring.
36

MINIMUM CLEARANCES
48" MIN
12" MIN
12" MIN 36" MIN
(FOR SERVICE)
NOTE: Roof overhang should be no more than 36".
UNIT 2 Ton 2 1/2 Ton 3 Ton 3 1/2- 4Ton 5 Ton
(1)20x20x1 (1)20x25x11(1)25x25x1 (2)20x20x1 (2)20x25x1Min. Filter Size
I
RECOMMENDED FILTER SIZES
© 2005 - 2007 Goodman Manufacturing Company, L.E
37