Golds Gym Ggel629071 Owners Manual GGEL62907.1 258412
2014-07-19
: Golds-Gym Golds-Gym-Ggel629071-Owners-Manual golds-gym-ggel629071-owners-manual golds-gym pdf
Open the PDF directly: View PDF
.
Page Count: 20

USER'S MANUAL
CAUTION
Read all precautions and instruc-
tions in this manual before using
this equipment. Keep this manual
for future reference.
Model No. GGEL62907.1
Serial No.
Write the serial number in the
space above for reference.
QUESTIONS?
As a manufacturer, we are commit-
ted to providing complete customer
satisfaction. If you have questions,
or if parts are damaged or missing,
PLEASE DO NOT CONTACT THE
STORE; please contact Customer
Care.
IMPORTANT: You must note the
product model number and serial
number (see the drawing above)
before contacting us:
CALL TOLL-FREE:
1-877-776-4777
Mon.–Fri. 6 a.m.–6 p.m. MST
Sat. 8 a.m.–4 p.m. MST
ON THE WEB:
www.iconservice.com
Serial Number
Decal

2
TABLE OF CONTENTS
WARNING DECAL PLACEMENT . . . . . . . . . . . . . . . . . . . . . . . . . . . . . . . . . . . . . . . . . . . . . . . . . . . . . . . . . . . . . .2
IMPORTANT PRECAUTIONS . . . . . . . . . . . . . . . . . . . . . . . . . . . . . . . . . . . . . . . . . . . . . . . . . . . . . . . . . . . . . . . .3
BEFORE YOU BEGIN . . . . . . . . . . . . . . . . . . . . . . . . . . . . . . . . . . . . . . . . . . . . . . . . . . . . . . . . . . . . . . . . . . . . . .4
ASSEMBLY . . . . . . . . . . . . . . . . . . . . . . . . . . . . . . . . . . . . . . . . . . . . . . . . . . . . . . . . . . . . . . . . . . . . . . . . . . . . . . .5
HOW TO USE THE ELLIPTICAL EXERCISER . . . . . . . . . . . . . . . . . . . . . . . . . . . . . . . . . . . . . . . . . . . . . . . . . .10
MAINTENANCE AND TROUBLESHOOTING . . . . . . . . . . . . . . . . . . . . . . . . . . . . . . . . . . . . . . . . . . . . . . . . . . .15
EXERCISE GUIDELINES . . . . . . . . . . . . . . . . . . . . . . . . . . . . . . . . . . . . . . . . . . . . . . . . . . . . . . . . . . . . . . . . . . .16
PART LIST . . . . . . . . . . . . . . . . . . . . . . . . . . . . . . . . . . . . . . . . . . . . . . . . . . . . . . . . . . . . . . . . . . . . . . . . . . . . . .17
EXPLODED DRAWING . . . . . . . . . . . . . . . . . . . . . . . . . . . . . . . . . . . . . . . . . . . . . . . . . . . . . . . . . . . . . . . . . . . .18
ORDERING REPLACEMENT PARTS . . . . . . . . . . . . . . . . . . . . . . . . . . . . . . . . . . . . . . . . . . . . . . . . . .Back Cover
LIMITED WARRANTY . . . . . . . . . . . . . . . . . . . . . . . . . . . . . . . . . . . . . . . . . . . . . . . . . . . . . . . . . . . . . .Back Cover
WARNING DECAL PLACEMENT
The warning decal shown here has been
applied in the location shown. If the
decal is missing or illegible, call the
telephone number on the front cover
of this manual and request a free
replacement decal. Apply the decal in
the location shown. Note: The decal
may not be shown at actual size.
GOLD'S GYM is a registered trademark of Gold's Gym International, Inc. This product is manufactured and
distributed under license from Gold's Gym International, Inc.

3
1. Before beginning any exercise program,
consult your physician. This is especially
important for persons over the age of 35 or
persons with pre-existing health problems.
2. It is the responsibility of the owner to ensure
that all users of the elliptical exerciser are
adequately informed of all precautions.
3. Your elliptical exerciser is intended for home
use only. Do not use your elliptical exerciser
in a commercial, rental, or institutional set-
ting.
4. Keep your elliptical exerciser indoors, away
from moisture and dust. Place your elliptical
exerciser on a level surface, with a mat
beneath it to protect the floor or carpet.
Make sure that there is enough clearance
around your elliptical exerciser to mount,
dismount, and use it.
5. Inspect and properly tighten all parts regu-
larly. Replace any worn parts immediately.
6. Keep children under age 12 and pets away
from your elliptical exerciser at all times.
7. Your elliptical exerciser should not be used
by persons weighing more than 250 lbs.
(113 kg).
8. Wear appropriate exercise clothes when
exercising; do not wear loose clothes that
could become caught on your elliptical exer-
ciser. Always wear athletic shoes for foot
protection.
9. Hold the handgrip pulse sensor or the upper
body arms when mounting, dismounting, or
using your elliptical exerciser.
10. Keep your back straight while using your
elliptical exerciser; do not arch your back.
11. The pulse sensor is not a medical device.
Various factors, including the user’s move-
ment, may affect the accuracy of heart rate
readings. The pulse sensor is intended only
as an exercise aid in determining heart rate
trends in general.
12. When you stop exercising, allow the pedals
to slowly come to a stop.
13. If you feel pain or dizziness while exercising,
stop immediately and cool down.
14. Use your elliptical exerciser only as
described in this manual.
WARNING: To reduce the risk of serious injury, read all important precautions and
instructions in this manual and all warnings on your elliptical exerciser before using your elliptical
exerciser. ICON assumes no responsibility for personal injury or property damage sustained by or
through the use of this product.
IMPORTANT PRECAUTIONS

4
BEFORE YOU BEGIN
Thank you for selecting the new GOLD’S GYM®
STRIDE TRAINER 300 elliptical exerciser. The
GOLD’S GYM STRIDE TRAINER 300 elliptical exer-
ciser provides a wide array of features designed to
make your workouts at home more effective and
enjoyable.
For your benefit, read this manual carefully before
you use the elliptical exerciser. If you have ques-
tions after reading this manual, please see the front
cover of this manual. To help us assist you, note the
product model number and serial number before con-
tacting us. The model number and the location of the
serial number decal are shown on the front cover of
this manual.
To avoid a registration fee for any service needed
under warranty, you must register the elliptical
exerciser at www.iconservice.com/registration.
Before reading further, please familiarize yourself with
the parts that are labeled in the drawing below.
Pedal Arm
Crank Arm
Side Shield
Upright
Water Bottle Holder*
Console
Upper Body Arm
Wheel
Handgrip Pulse Sensor
*No water bottle is included
Pedal
Leveling Foot
Stride Adjustment Knob

5
M8 Split
Washer (79)–4
M8 Washer
(64)–6
M10 Split
Washer (78)–4
M4 x 16mm
Screw (60)–4
M8 x 25mm Patch
Screw (70)–4
M8 x 19mm Patch
Screw (73)–4
M8 Nylon
Locknut (59)–8
M10 Nylon
Locknut (84)–4
Large Wave
Washer (20)–2
Wave Washer
(27)–2
M4 x 19mm
Screw (68)–6
M10 x 76mm Button Bolt (74)–2M10 x 60mm Button Screw (66)–2
M8 x 45mm Button
Bolt (71)–4
Concave
Spacer (65)–4
M10 x 75mm Carriage Bolt (58)–2
M10 x 64mm Shoulder Bolt (89)–2
M4 x 25mm
Screw (80)–2
ASSEMBLY
To hire an authorized service technician to assemble the elliptical exerciser, call 1-800-445-2480.
Assembly requires two persons. Place all parts of the elliptical exerciser in a cleared area and remove the
packing materials. Do not dispose of the packing materials until assembly is completed. In addition to the
included hex keys, assembly requires a Phillips screwdriver , an adjustable
wrench , and a rubber mallet .
See the drawings below to identify the small parts needed for assembly. The number in parentheses below each
drawing is the key number of the part, from the PART LIST near the end of this manual. The number following
the key number is the quantity needed for assembly. Note: Some small parts may have been preassembled.
If a part is not in the hardware kit, check to see if it has been preassembled.

6
1.
Attach the Rear Stabilizer (35) to the Frame (1) with
two M10 x 75mm Carriage Bolts (58) and two M10
Nylon Locknuts (84).
Press the Stabilizer Endcaps (36) onto the Rear
Stabilizer (35) as shown.
2. Tighten two Leveling Feet (88) into the underside of
the Front Stabilizer (3).
Attach the Front Stabilizer (3) to the Frame (1) with
two M10 x 76mm Button Bolts (74), two M10 Split
Washers (78), two Concave Spacers (65), and two
M10 Nylon Locknuts (84). Do not tighten the
Nylon Locknuts yet.
Thread two M10 x 60mm Button Screws (66) with
two M10 Split Washers (78), and two Concave
Spacers (65) through the Front Stabilizer (3) and
into the Frame (1). Tighten the two M10 Nylon
Locknuts (84), and then tighten the M10 x 60mm
Button Screws.
Orient a Wheel (28) so the four posts (see the inset
drawing) are facing away from the Front Stabilizer
(3). Attach the Wheel to the Front Stabilizer with an
M8 Nylon Locknut (59). Next, press a Wheel Cover
(29) onto the posts on the Wheel. Attach the other
Wheel (not shown) in the same way.
84
35
1
36
36
3. While another person holds the Upright (2) near the
Frame (1), connect the Upper Wire Harness (18) to
the Lower Wire Harness (38).
Carefully slide the Upright (2) onto the Frame (1).
Tip: Do not pinch the Wire Harnesses (18, 38)
during this step.
Attach the Upright with four M8 x 19mm Patch
Screws (73) and four M8 Split Washers (79). Do
not tighten the Patch Screws yet.
3273
73
1
73
79
38
18
79
79
58
1
To make assembly easier, read the information
on page 5 before you begin assembling the
elliptical exerciser.
2
28
Posts
84
3
66
65 78 66
28
88
29
78
59
78
74
78
65
65
1
65
Avoid pinching the
Wire Harnesses (18, 38)
during this step

7
5. Apply a generous amount of grease to the Pivot Axle
(16). Then, apply a small amount of grease to two
Wave Washers (27).
Then, identify the Left and Right Upper Body Legs
(6, 7), which are marked with “L” and “R” stickers,
and orient them so that the hexagonal holes are in
the position shown.
While another person aligns the Left and Right Upper
Body Legs (6, 7) with the Upright (2) as shown, insert
the Pivot Axle (16) into the Upper Body Legs and the
Upright. Tip: Be careful not to damage the Upper
Wire Harness (18) with the Pivot Axle.
Place a Wave Washer (27) on each end of the Pivot
Axle (16). Then, tighten an M8 x 25mm Patch Screw
(70), an M8 Washer (64), and a Pivot Cover (14)
into each end of the Pivot Axle.
5
6. Apply a generous amount of grease to the axle on
the Left Upper Body Leg (6). Then, apply grease to
a Large Wave Washer (20) and slide it onto the axle.
Then, slide the Left Pedal Arm (21) onto the Left
Upper Body Leg.
Apply a generous amount of grease to the barrel of
an M10 x 64mm Shoulder Bolt (89) and to the left
Pedal Leg Bracket (11). Insert the Left Pedal Arm
(21) into the Pedal Leg Bracket. Attach the Left
Pedal Arm with the M10 x 64mm Shoulder Bolt, an
M8 Washer (64), and an M8 Nylon Locknut (59).
Then, tighten an Adjustment Knob (12) onto the left
Pedal Leg Bracket (11).
Repeat this step for the other side of the elliptical
exerciser.
6
6
21
20
Grease
Grease
89
11
12
64 59
14
27
7
2
18
6
70
64
14
64
27
16
Grease
Grease
Hexagonal
Holes
Hexagonal
Holes
70
4
4. Identify the Left Pedal Arm (21), which is marked
with an “L” sticker. Attach a Pedal (19) to the Left
Pedal Arm with three M4 x 19mm Screws (68).
Attach the other Pedal (not shown) to the Right
Pedal Arm (not shown) in the same way.
19
21
68

8
8
910
2
18
60 17
80
9. While another person holds the Console (10) near
the Upright (2), connect the Upper Wire Harness
(18) to the wire harness on the Console.
Attach the Console (10) to the Upright (2) with four
M4 x 16mm Screws (60). Tip: Do not pinch the
wire harnesses during this step.
Attach the Water Bottle Holder (17) to the Upright
(2) with two M4 x 25mm Screws (80).
8. The Console (10) requires four “AA” batteries (not
included); alkaline batteries are recommended.
IMPORTANT: If the elliptical exerciser has been
exposed to cold temperatures, allow it to warm
to room temperature before inserting batteries
into the Console. If you do not do this, the con-
sole displays or other electronic components
may become damaged. Remove the battery cover
from the Console. Insert four batteries into the
Console; make sure that the batteries are orient-
ed as shown by the diagram inside the battery
compartment. Then, reattach the battery cover.
10
Batteries
Battery
Cover
Wire Harness
73
7. Attach the Left Pedal Arm (21) to the Left Upper
Body Leg (6) with an M8 x 25mm Patch Screw (70),
an M8 Washer (64), and a Pedal Leg Cover (23).
Repeat this step for the other side of the elliptical
exerciser.
See step 3. Tighten the four M8 x 19mm Patch
Screws (73).
7
23
64
6
70
Avoid pinching the
wire harnesses
during this step
21

9
10
71
5
7
59
Hexagonal
Holes
6
4
10. Identify the Left Upper Body Arm (4), which is
marked with an “L” sticker. Insert the Left Upper Body
Arm into the Left Upper Body Leg (6) and attach it
with two M8 x 45mm Button Bolts (71) and two M8
Nylon Locknuts (59). Make sure that the Nylon
Locknuts are in the hexagonal holes in the Left
Upper Body Arm.
Repeat this step for the Right Upper Body Arm
(5) and the Right Upper Body Leg (7).
11. Make sure that all parts of the elliptical exerciser are properly tightened. Place a mat under the elliptical
exerciser to protect the floor or carpet from damage.

10
HOW TO USE THE ELLIPTICAL EXERCISER
HOW TO MOVE AND LEVEL THE ELLIPTICAL
EXERCISER
To move the elliptical exerciser, stand in front of it,
place one foot against one of the wheels, and firmly
hold the upper end of the upright. Pull the upright for-
ward until you can move the elliptical exerciser on the
wheels. Carefully move the elliptical exerciser to the
desired location and then lower it. To decrease the
risk of injury, do not attempt to move the elliptical
exerciser over an uneven surface.
If the elliptical exerciser rocks slightly on your floor,
turn one or both of the levelling feet under the front
stabilizer until the rocking motion is eliminated.
HOW TO ADJUST THE STRIDE OF THE
ELLIPTICAL EXERCISER
To adjust the stride of the elliptical exerciser, first pull
one of the adjustment knobs until the adjustment
bracket pivots freely. Pivot the adjustment bracket until
the adjustment knob is aligned with one of the holes in
the crank arm, and gently release the knob. Then,
pivot the adjustment bracket back and forth slightly to
make sure that the adjustment pin is engaged in one
of the holes in the crank arm. Adjust the other side
of the elliptical exerciser in the same way.
HOW TO EXERCISE ON THE ELLIPTICAL
EXERCISER
To mount the elliptical exerciser, firmly hold the upper
body arms and carefully step onto the pedal that is in
the lowest position. Then, step onto the other pedal.
Push the pedals until they begin to move with a con-
tinuous motion. Note: The crank arms can turn in
either direction. It is recommended that you turn
the crank arms in the direction shown below; how-
ever, for variety, you can turn the crank arms in
the opposite direction.
To dismount the elliptical exerciser, allow the pedals to
come to a complete stop. IMPORTANT: The elliptical
exerciser does not have a freewheel; the pedals
will continue to move until the flywheel stops.
When the pedals are stationary, step off the highest
pedal first. Then, step off the lower pedal.
Pedal
Crank Arm
Upper
Body Arm
Wheel
Upright
Leveling Foot
Adjustment
Bracket
Adjustment
Knob
Crank
Arm
Holes
Adjustment
Pin

11
FEATURES OF THE CONSOLE
The console offers a selection features designed to
make your workouts more effective. When you use the
manual mode of the console, you can change the
resistance of the pedals with the touch of a button. As
you exercise, the console will provide continuous exer-
cise feedback. You can even monitor your heart rate
using the handgrip pulse sensor.
The console features six smart workouts that automati-
cally change the resistance of the pedals and prompt
you to vary your pedaling pace while guiding you
through an effective workout.
The console also offers two heart rate workouts that
automatically control the resistance of the pedals and
prompt you to maintain a constant pedaling pace to
keep your heart rate near target heart rate settings dur-
ing your workouts.
To use the manual mode of the console, follow the
steps beginning on page 12. To use a smart workout,
see page 13. To use a heart rate workout, see page
14.
Before using the console, make sure that batteries are
installed (see assembly step 8 on page 8). If there is a
sheet of clear plastic on the display, remove the plastic.
CONSOLE DIAGRAM

12
HOW TO USE THE MANUAL MODE
1. Turn on the console.
To turn on the console, press any button or begin
pedaling. The display will light and the console will
be ready for use.
2. Select the manual mode.
Each time you turn
on the console, the
manual mode will be
selected. If you have
selected a workout,
reselect the manual
mode by pressing the Workout Select button
repeatedly until zeroes appear in the display.
3. Begin pedaling and change the resistance of
the pedals as desired.
As you pedal, change
the resistance of the
pedals by pressing the
Resistance increase
and decrease buttons.
There are ten resis-
tance levels. Note: After you press the buttons, it
will take a moment for the pedals to reach the
selected resistance level.
4. Follow your progress with the display.
The first section of the
display will show the
elapsed time and the
distance (total number
of revolutions) that you
have pedaled. The dis-
play will change modes every few seconds. Note:
When you select a workout, with the exception of
the second heart rate workout, the display will
show the time remaining in the workout instead of
the elapsed time.
The second section of
the display will show
your pedaling pace, in
revolutions per minute
(rpm).
The third section of the
display will show the
approximate number
of calories you have
burned and the resis-
tance level of the ped-
als. The display will change modes every few sec-
onds. The display will also show your heart rate
when you use the handgrip pulse sensor (see step
5 on this page).
The last section of the
display will show a
track representing 640
revolutions. As you
exercise, indicators will
appear in succession
around the track until the entire track appears. The
track will then disappear and the indicators will
again begin to appear in succession
5. Measure your heart rate if desired.
If there are sheets
of clear plastic on
the metal contacts
on the handgrip
pulse sensor,
remove the plastic.
Next, hold the hand-
grip pulse sensor
with your palms rest-
ing on the metal
contacts. Avoid
moving your hands or gripping the contacts
too tightly. When your pulse is detected, a heart-
shaped symbol will flash in the display each time
your heart beats and then your heart rate will be
shown. For the most accurate heart rate reading,
hold the contacts for at least 15 seconds.
6. When you are finished exercising, the console
will turn off automatically.
If the pedals do not move for a few seconds, the
time will begin to flash in the display and the con-
sole will pause. If the pedals do not move for a
few minutes and no buttons are pressed, the con-
sole will turn off and the display will be reset.
Contacts

13
HOW TO USE A SMART WORKOUT
1. Turn on the console.
To turn on the console, press any button or begin
pedaling. The display will light and the console will
be ready for use.
2. Select a smart workout.
To select a smart
workout, press the
Workout Select button
repeatedly until P3,
P4, P5, P6, P7, or P8
appears in the display.
The first section of the display will show how long
the workout will last.
3. Begin pedaling to start the workout.
Each workout is divided into 30 one-minute seg-
ments. One resistance level and one pace setting
are programmed for each segment. Note: The
same resistance level and/or pace setting may be
programmed for consecutive segments.
Whenever the resistance is about to change, the
resistance level will flash in the display for a few
seconds. The resistance of the pedals will then
automatically change to the resistance level pro-
grammed for the next segment. Note: If the resis-
tance level is too low or too high, you can override
it by pressing the Resistance increase and
decrease buttons. However, when the current seg-
ment ends, the resistance will automatically
change to the resistance level programmed for the
next segment.
As you exercise, the
display will prompt you
to keep your pedaling
pace near the pace
setting for the current
segment. When the
word “faster” appears in the display, increase your
pace. When the word “slower” appears, decrease
your pace. When the center of the target flashes,
maintain your current pace.
IMPORTANT: The pace settings are intended
only to provide motivation. Your actual pace
may be slower than the pace settings. Make
sure to pedal at a pace that is comfortable for
you.
If you stop pedaling for several seconds, the time
will begin to flash in the display. To restart the
workout, simply resume pedaling.
The workout will continue until the display shows a
time of 0:00. If you continue to pedal after the
workout is completed, the display will continue to
show exercise feedback; however, the display will
not show the elapsed time until you select the
manual mode or a new workout.
4. Follow your progress with the display.
See step 4 on page 12.
5. Measure your heart rate if desired.
See step 5 on page 12.
6. When you are finished exercising, the console
will turn off automatically.
See step 6 on page 12.

14
HOW TO USE A HEART RATE WORKOUT
1. Turn on the console.
To turn on the console, press any button or begin
pedaling. The display will light and the console will
be ready for use.
2. Select a heart rate workout.
To select one of the
two heart rate work-
outs, press the
Workout Select button
repeatedly until P1 or
P2 appears in the dis-
play. The first section of the display will show how
long the workout will last.
3. Enter a target heart rate setting.
If you select the first
heart rate workout,
the maximum target
heart rate setting of
the workout will appear
in the display. Use the
Resistance increase and decrease buttons to
change the maximum heart rate setting, if desired.
Note: If you change the maximum target heart rate
setting, the intensity level of the entire workout will
change.
If you select the second heart rate workout, the
target heart rate setting for the workout will appear
in the display. Use the Resistance increase and
decrease buttons to change the target heart rate
setting, if desired. Note: The same target heart
rate setting will be used for the entire workout.
4. Hold the handgrip pulse sensor.
It is not necessary to hold the handgrip pulse sen-
sor continuously during a heart rate workout; how-
ever, you should hold the handgrip pulse sensor
frequently for the workout to operate properly.
Each time you hold the handgrip pulse sensor,
keep your hands on the metal contacts for at
least 15 seconds.
5. Begin pedaling to start the workout.
First heart rate control workout—This workout is
divided into 30 one-minute segments. One target
heart rate setting is programmed for each seg-
ment. Note: The same target heart rate setting
may be programmed for consecutive segments.
Second heart rate workout—The same target
heart rate is programmed for all segments of this
workout.
Both heart rate workouts—As you pedal, the
console will regularly compare your heart rate to
the target heart rate setting. If your heart rate is
too far below or above the target heart rate, the
resistance of the pedals will automatically increase
or decrease to bring your heart rate closer to the
target heart rate.
You will also be
prompted to pedal at a
steady pace. When the
word “faster” appears
in the display, increase
your pace. When the
word “slower” appears, decrease your pace. When
the center of the target flashes, maintain your cur-
rent pace.
IMPORTANT: Make sure to pedal at a pace that
is comfortable for you. Note: You can manually
override the resistance settings; however, if you
change the resistance setting, you might not main-
tain the target heart rate. Also, when the console
compares your heart rate to the target heart rate
setting, the resistance of the pedals may automati-
cally increase or decrease to bring your heart rate
closer to the target heart rate setting.
6. Follow your progress with the display.
See step 4 on page 12.
7. Measure your heart rate if desired.
See step 5 on page 12.
8. When you are finished exercising, the console
will turn off automatically.
See step 6 on page 12.

15
Inspect and properly tighten all parts of the elliptical
exerciser regularly. Replace any worn parts immedi-
ately. The elliptical exerciser can be cleaned with a
soft cloth and mild detergent. Do not use abrasives
or solvents. To prevent damage to the console, keep
liquids away from the console and keep the console
out of direct sunlight.
When storing the elliptical exerciser, remove the bat-
teries from the console. Keep the elliptical exerciser in
a clean, dry location, away from moisture and dust.
CONSOLE TROUBLESHOOTING
If the console does not function properly, the batteries
should be replaced. To replace the batteries, see
assembly step 8 on page 8.
HANDGRIP PULSE SENSOR TROUBLESHOOTING
If the handgrip pulse sensor does not function proper-
ly, make sure that your hands are positioned as
described in step 5 on page 12. Be careful not to
move your hands excessively or to squeeze the metal
contacts too tightly. For optimal performance, clean
the metal contacts using a soft cloth; never use alco-
hol, abrasives, or chemicals.
HOW TO ADJUST THE REED SWITCH
If the console does not display correct feedback, the
reed switch should be adjusted. First, remove all of
the screws from both side shields; there are three
sizes of screws in the side shields—note which
size of screw you remove from each hole. Then,
carefully remove the side shields.
Next, locate the Reed Switch (47). Turn the Flywheel
(48) until the Magnet (53) is aligned with the Reed
Switch. Loosen, but do not remove, the indicated
M4 x 12mm Screw (85). Slide the Reed Switch slightly
closer to or away from the Magnet, and then retighten
the Screw. Rock the Flywheel forward and back just
enough that the Magnet passes the Reed Switch
repeatedly. Repeat until the console displays correct
feedback. When the Reed Switch is correctly adjusted,
reattach the side shields. Note: If you have questions
as to which screw should be in which hole, see
EXPLODED DRAWING A on page 18 and the PART
LIST on page 17.
HOW TO ADJUST THE BELT
If you can feel the pedals slip while you are pedaling,
even when the resistance of the pedals is at the high-
est setting, the Belt (37) may need to be adjusted.
First, remove all of the screws from both side shields;
there are three sizes of screws in the side
shields—note which size of screw you remove
from each hole.
Next, loosen the M8 x 19mm Flat Head Bolt (61) and
turn the Adjustment Screw (62) until the Belt (37) is
tight. Once the Belt is tight, tighten the Flat Head
Screw. Then, reattach the side shields. Note: If you
have questions as to which screw should be in which
hole, see EXPLODED DRAWING A on page 18 and
the PART LIST on page 17.
MAINTENANCE AND TROUBLESHOOTING
48
53
47
61
37
62
85

16
These guidelines will help you to plan your exercise
program. For detailed exercise information, obtain a
reputable book or consult your physician. Remember,
proper nutrition and adequate rest are essential for
successful results.
EXERCISE INTENSITY
Whether your goal is to burn fat or to strengthen your
cardiovascular system, exercising at the proper inten-
sity is the key to achieving results. You can use your
heart rate as a guide to find the proper intensity level.
The chart below shows recommended heart rates for
fat burning and aerobic exercise.
To find the proper intensity level, find your age at the
bottom of the chart (ages are rounded off to the near-
est ten years). The three numbers listed above your
age define your “training zone.” The lowest number is
the heart rate for fat burning, the middle number is the
heart rate for maximum fat burning, and the highest
number is the heart rate for aerobic exercise.
Burning Fat—To burn fat effectively, you must exer-
cise at a low intensity level for a sustained period of
time. During the first few minutes of exercise, your
body uses
carbohydrate calories
for energy. Only after
the first few minutes of exercise does your body begin
to use stored
fat calories
for energy. If your goal is to
burn fat, adjust the intensity of your exercise until your
heart rate is near the lowest number in your training
zone. For maximum fat burning, exercise with your
heart rate near the middle number in your training
zone.
Aerobic Exercise—If your goal is to strengthen your
cardiovascular system, you must perform aerobic
exercise, which is activity that requires large amounts
of oxygen for prolonged periods of time. For aerobic
exercise, adjust the intensity of your exercise until
your heart rate is near the highest number in your
training zone.
WORKOUT GUIDELINES
Warming up—Start with 5 to 10 minutes of stretching
and light exercise. A warm-up increases your body
temperature, heart rate, and circulation in preparation
for exercise.
Training Zone Exercise—Exercise for 20 to 30 min-
utes with your heart rate in your training zone. (During
the first few weeks of your exercise program, do not
keep your heart rate in your training zone for longer
than 20 minutes.) Breathe regularly and deeply as you
exercise–never hold your breath.
Cooling down—Finish with 5 to 10 minutes of
stretching. Stretching increases the flexibility of your
muscles and helps to prevent post-exercise problems.
EXERCISE FREQUENCY
To maintain or improve your condition, complete three
workouts each week, with at least one day of rest
between workouts. After a few months of regular exer-
cise, you may complete up to five workouts each
week, if desired. Remember, the key to success is to
make exercise a regular and enjoyable part of your
everyday life.
EXERCISE GUIDELINES
WARNING: Before beginning
this or any exercise program, consult your
physician. This is especially important for
persons over the age of 35 or persons with
pre-existing health problems.
The pulse sensor is not a medical device.
Various factors may affect the accuracy of
heart rate readings. The pulse sensor is
intended only as an exercise aid in determin-
ing heart rate trends in general.

17
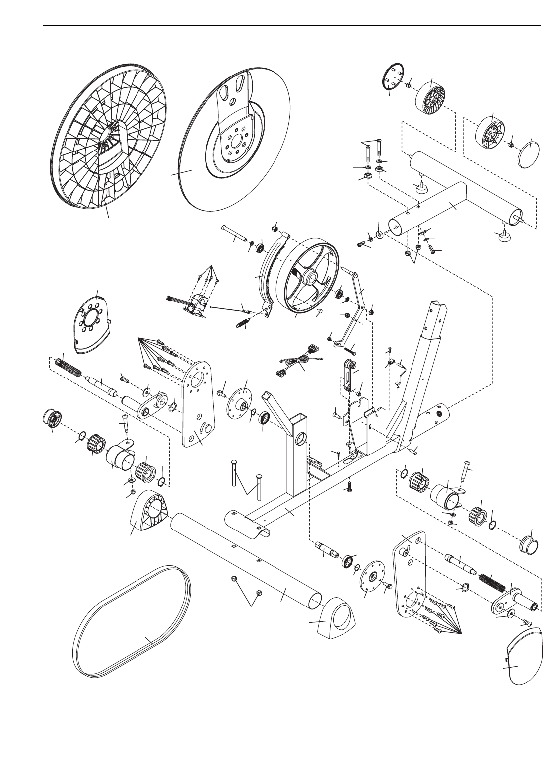
PART LIST—Model No. GGEL62907.1 R1207A
Note: Specifications are subject to change without notice. See the back cover of this manual for information
about ordering replacement parts. *These parts are not illustrated.
1 1 Frame
2 1 Upright
3 1 Front Stabilizer
4 1 Left Upper Body Arm
5 1 Right Upper Body Arm
6 1 Left Upper Body Leg
7 1 Right Upper Body Leg
8 2 Foam Grip
9 2 Upper Body Endcap
10 1 Console
11 2 Pedal Leg Bracket
12 2 Adjustment Knob
13 2 Crank Hub
14 2 Pivot Cover
15 2 Upper Body Bushing
16 1 Pivot Axle
17 1 Water Bottle Holder
18 1 Upper Wire Harness
19 2 Pedal
20 2 Large Wave Washer
21 1 Left Pedal Arm
22 1 Right Pedal Arm
23 2 Pedal Leg Cover
24 4 Pedal Leg Bushing
25 2 Adjustment Bushing
26 2 Adjustment Bracket
27 2 Wave Washer
28 2 Wheel
29 2 Wheel Cover
30 1 Left Side Shield
31 1 Right Side Shield
32 1 Left Disc
33 1 Right Disc
34 2 Disc Cover
35 1 Rear Stabilizer
36 2 Stabilizer Endcap
37 1 Belt
38 1 Lower Wire Harness
39 1 Crank
40 2 Crank Bearing
41 2 Crank Snap Ring
42 1 Left Crank Arm
43 1 Right Crank Arm
44 1 Resistance Cable
45 4 Pivot Bushing
46 1 Clamp
47 1 Reed Switch/Wire
48 1 Flywheel
49 1 Flywheel Axle
50 2 Flywheel Bearing
51 1 “C” Magnet
52 1 “C” Magnet Bracket
53 1 Magnet
54 1 Spring
55 1 Idler
56 1 Resistance Motor
57 2 Flange Screw
58 2 M10 x 75mm Carriage Bolt
59 10 M8 Nylon Locknut
60 10 M4 x 16mm Screw
61 1 M8 x 19mm Flat Head Bolt
62 1 Adjustment Screw
63 1 M6 x 18mm Bolt
64 6 M8 Washer
65 4 Concave Spacer
66 2 M10 x 60mm Button Screw
67 2 Adjustment Pin
68 6 M4 x 19mm Screw
69 4 M4 x 12mm Flange Screw
70 22 M8 x 25mm Patch Screw
71 4 M8 x 45mm Button Bolt
72 2 Inner Adjustment Bushing
73 4 M8 x 19mm Patch Screw
74 2 M10 x 76mm Button Bolt
75 2 Adjustment Spring
76 1 M6 x 38mm Bolt
77 1 M6 Nut
78 4 M10 Split Washer
79 4 M8 Split Washer
80 4 M4 x 25mm Screw
81 4 29mm Snap Ring
82 2 23mm Wave Washer
83 1 M6 Nylon Locknut
84 5 M10 Nylon Locknut
85 2 M4 x 12mm Screw
86 2 M10 Washer
87 2 M8 Large Washer
88 2 Leveling Foot
89 2 M10 x 64mm Shoulder Bolt
* – Hex Key
* – Grease Packet
* – User’s Manual
Key No. Qty. Description Key No. Qty. Description

18
9
8
10
2
60
16
15
45
45
14
64
70
8
9
17
80
6
4
18
73
73
70
64
45
14
45
15
70
64
23 24
24
19
7
24
24
23
70
68
22
68 64
21
19
5
27
27
79
79 79
20
20
60
60
60
31
60
60
80
60
30
60 60
80
68
73
59
71
59
71
EXPLODED DRAWING A—Model No. GGEL62907.1 R1207A

33
36
35
84
37
36
58
57
1
62
61
38
42
32
39
57
41
40
59 46
85 47
63
74
66
3
29
59
28
28
59
29
66
55
56
44
65 65
65
78
78
78
84
69
65
78
88
88
48
49
50
59
86
83
76
77
84
52
50
86
54
51
53
34
34
41 40
43
87 70
87
70
82
26
67
75
12
25
11
81
72
81
89
82
67
75 26
12
81
25
11
72
81
89
59
59
13
13
70
70
85
64
64
EXPLODED DRAWING B—Model No. GGEL62907.1 R1207A
19

Part No. 258412 R1207A Printed in China © 2007 ICON IP, Inc.
LIMITED WARRANTY
ICON Health & Fitness, Inc. (ICON) warrants this product to be free from defects in workmanship and
material, under normal use and service conditions, for a period of ninety (90) days from the date of pur-
chase. This warranty extends only to the original purchaser. ICON's obligation under this warranty is lim-
ited to replacing or repairing, at ICON's option, the product through one of its authorized service centers.
All repairs for which warranty claims are made must be pre-authorized by ICON. If the product is shipped
to a service center, freight charges to and from the service center will be the customer’s responsibility. For
in-home service, the customer will be responsible for a minimal trip charge. This warranty does not extend
to any product or damage to a product caused by or attributable to freight damage, abuse, misuse,
improper or abnormal usage or repairs not provided by an ICON authorized service center; products used
for commercial or rental purposes; or products used as store display models. No other warranty beyond
that specifically set forth above is authorized by ICON.
ICON is not responsible or liable for indirect, special or consequential damages arising out of or in con-
nection with the use or performance of the product or damages with respect to any economic loss, loss
of property, loss of revenues or profits, loss of enjoyment or use, costs of removal or installation or other
consequential damages of whatsoever nature. Some states do not allow the exclusion or limitation of inci-
dental or consequential damages. Accordingly, the above limitation may not apply to you.
The warranty extended hereunder is in lieu of any and all other warranties and any implied warranties of
merchantability or fitness for a particular purpose is limited in its scope and duration to the terms set forth
herein. Some states do not allow limitations on how long an implied warranty lasts. Accordingly, the above
limitation may not apply to you.
This warranty gives you specific legal rights. You may also have other rights which vary from state to state.
ICON HEALTH & FITNESS, INC., 1500 S. 1000 W., LOGAN, UT 84321-9813
ORDERING REPLACEMENT PARTS
To order replacement parts, please see the front cover of this manual. To help us assist you, be prepared to
provide the following information when contacting us:
• the model number and serial number of the product (see the front cover of this manual)
• the name of the product (see the front cover of this manual)
• the key number and description of the replacement part(s) (see the PART LIST and the EXPLODED
DRAWING near the end of this manual)