Graco 3A1602G Reactor E 8P Engllish Users Manual 8p, Instructions Parts,
2015-04-02
: Graco Graco-3A1602G-Reactor-E-8P-Engllish-Users-Manual-686243 graco-3a1602g-reactor-e-8p-engllish-users-manual-686243 graco pdf
Open the PDF directly: View PDF
.
Page Count: 54
- Systems
- Proportioners
- Related Manuals
- Warnings
- Important Two-Component Material Information
- Overview
- Component Identification
- Controls and Indicators
- Setup
- Location
- Electrical Requirements
- Grounding
- Lock/Unlock Handle
- Install 38 mm Spout Adapter
- Install Desiccant Dryers
- Install Optional Recirculation Kit
- Connect Fluid Hoses
- Connect Gun to Air Hose (Air Operated Guns Only)
- Connect Main Air Supply
- Flush Before Using Equipment
- Fill Wet-cups
- Install Pail Heaters
- Recirculate Material
- Purge Air and Flush Fluid
- Connect Fluid Inlet Tubes
- Spraying
- Pressure Relief Procedure
- Shutdown
- Maintenance
- Flushing
- Troubleshooting
- Repair
- Parts
- Suggested Spare Replacement Parts
- Accessories
- Dimensions
- Technical Data
- Graco Standard Warranty

Instructions - Parts
For spraying 1:1 mix ratio formulated no-heat polyurethane foams and dispensing 1:1 mix
ratio polyurea joint-fill materials. For professional use only. Not approved for use in
European explosive atmosphere locations.
2000 psi (14 MPa, 138 bar) Maximum Working Pressure
See page 3 for a list of models.
Important Safety Instructions
Read all warnings and instructions in all
supplied manuals. Save all instructions.
TI17120a
3A1602G
EN
Portable Plural Component Sprayer
E-8p
23A1602G
Contents
Systems . . . . . . . . . . . . . . . . . . . . . . . . . . . . . . . . . . 3
Proportioners . . . . . . . . . . . . . . . . . . . . . . . . . . . . . . 3
Related Manuals . . . . . . . . . . . . . . . . . . . . . . . . . . . 3
Warnings . . . . . . . . . . . . . . . . . . . . . . . . . . . . . . . . . 4
Important Two-Component Material Information . 7
Isocyanate Conditions . . . . . . . . . . . . . . . . . . . . . 7
Material Self-ignition . . . . . . . . . . . . . . . . . . . . . . 7
Keep Components A and B Separate . . . . . . . . . 7
Moisture Sensitivity of Isocyanates . . . . . . . . . . . 7
Foam Resins with 245 fa Blowing Agents . . . . . . 7
Changing Materials . . . . . . . . . . . . . . . . . . . . . . . 8
Overview . . . . . . . . . . . . . . . . . . . . . . . . . . . . . . . . . . 8
Component Identification . . . . . . . . . . . . . . . . . . . . 9
Controls and Indicators . . . . . . . . . . . . . . . . . . . . 10
Setup . . . . . . . . . . . . . . . . . . . . . . . . . . . . . . . . . . . . 11
Location . . . . . . . . . . . . . . . . . . . . . . . . . . . . . . 11
Electrical Requirements . . . . . . . . . . . . . . . . . . 11
Grounding . . . . . . . . . . . . . . . . . . . . . . . . . . . . . 11
Lock/Unlock Handle . . . . . . . . . . . . . . . . . . . . . 12
Install 38 mm Spout Adapter . . . . . . . . . . . . . . . 12
Install Desiccant Dryers . . . . . . . . . . . . . . . . . . 12
Install Optional Recirculation Kit . . . . . . . . . . . . 13
Connect Fluid Hoses . . . . . . . . . . . . . . . . . . . . . 14
Connect Gun to Air Hose
(Air Operated Guns Only) . . . . . . . . . . . . . . 14
Connect Main Air Supply . . . . . . . . . . . . . . . . . 14
Flush Before Using Equipment . . . . . . . . . . . . . 14
Fill Wet-cups . . . . . . . . . . . . . . . . . . . . . . . . . . . 16
Install Pail Heaters . . . . . . . . . . . . . . . . . . . . . . 16
Recirculate Material . . . . . . . . . . . . . . . . . . . . . 16
Purge Air and Flush Fluid . . . . . . . . . . . . . . . . . 17
Connect Fluid Inlet Tubes . . . . . . . . . . . . . . . . . 18
Spraying . . . . . . . . . . . . . . . . . . . . . . . . . . . . . . . . . 19
Pressure Relief Procedure . . . . . . . . . . . . . . . . . . 20
Shutdown . . . . . . . . . . . . . . . . . . . . . . . . . . . . . . . . 20
Maintenance . . . . . . . . . . . . . . . . . . . . . . . . . . . . . . 21
Flushing . . . . . . . . . . . . . . . . . . . . . . . . . . . . . . . . . 22
Troubleshooting . . . . . . . . . . . . . . . . . . . . . . . . . . . 24
Status Codes . . . . . . . . . . . . . . . . . . . . . . . . . . 24
Troubleshooting Chart . . . . . . . . . . . . . . . . . . . . 27
Repair . . . . . . . . . . . . . . . . . . . . . . . . . . . . . . . . . . . 30
Before Beginning Repair . . . . . . . . . . . . . . . . . . 30
Recirculation/Spray Valves . . . . . . . . . . . . . . . . 30
Displacement Pump . . . . . . . . . . . . . . . . . . . . . 31
Replace Function Knob/Potentiometer . . . . . . . 32
Control Board . . . . . . . . . . . . . . . . . . . . . . . . . . 33
Pressure Transducers . . . . . . . . . . . . . . . . . . . . 35
Drive Housing . . . . . . . . . . . . . . . . . . . . . . . . . . 35
Cycle Counter Switch Replacement . . . . . . . . . 37
Electric Motor . . . . . . . . . . . . . . . . . . . . . . . . . . 38
Motor Brushes . . . . . . . . . . . . . . . . . . . . . . . . . . 39
Fan . . . . . . . . . . . . . . . . . . . . . . . . . . . . . . . . . . 39
Spout Adapter . . . . . . . . . . . . . . . . . . . . . . . . . . 40
Parts . . . . . . . . . . . . . . . . . . . . . . . . . . . . . . . . . . . . 41
Suggested Spare Replacement Parts . . . . . . . . . 50
Accessories . . . . . . . . . . . . . . . . . . . . . . . . . . . . . . 50
Dimensions . . . . . . . . . . . . . . . . . . . . . . . . . . . . . . . 51
Technical Data . . . . . . . . . . . . . . . . . . . . . . . . . . . . 53
Graco Standard Warranty . . . . . . . . . . . . . . . . . . . 54

Systems
3A1602G 3
Systems
Proportioners
The model no., series letter, and serial no. are located on the back of the Reactor E-8p™.
* See page 11 for detailed electrical requirements. ★Approvals:
Related Manuals
Manuals are available at www.graco.com.
NOTE: The pail heaters are shipped with the manual
supplied by their manufacturer.
Part
Maximum Working
Pressure,
psi (MPa, var)
Proportioner
(see
Proportioners)
Hose Gun Model
Part Length Model Part
AP9082 2000 (14, 140) 259082 24M653 50 (15.2) Fusion™ Air Purge 246100
CS9082 2000 (14, 140) 259082 24M653 50 (15.2) Fusion™ CS CS00RD
P29082 2000 (14, 140) 259082 24M653 50 (15.2) Probler P2 GCP2R0
AP9083 2000 (14, 140) 259083 24M653 50 (15.2) Fusion™ Air Purge 246100
CS9083 2000 (14, 140) 259083 24M653 50 (15.2) Fusion™ CS CS00RD
P29083 2000 (14, 140) 259083 24M653 50 (15.2) Probler P2 GCP2R0
24R151 2000 (14, 140) 259082 24R823 35 (10.7) Manual 2K 24R021
24R154 2000 (14, 140) 259083 24R823 35 (10.7) Manual 2K 24R021
Part Volts
* Electrical
Connection
(motor only) Application
Maximum Working Pressure,
psi (MPa, bar)
★259082 120 V 15 A cord No-heat polyurethane foam.
Polyurea joint-fill materials. 2000 (14, 140)
259083 240 V 10 A cord
Conforms to ANSI/UL
Std. 73 Certified to
CAN/CSA Std.
C22.2 No. 68
9902471
Manual Description
313123 Displacement Pump Repair-Parts
309550 Fusion™ Air Purge Spray Gun Instruc-
tion-Parts
312666 Fusion™ CS Spray Gun Instruc-
tion-Parts
313213 Probler® P2 Spray Gun Instruc-
tion-Parts
332198 Joint Fill Gun Instructions-Parts
Manual Description

Warnings
43A1602G
Warnings
The following warnings are for the setup, use, grounding, maintenance, and repair of this equipment. The exclama-
tion point symbol alerts you to a general warning and the hazard symbols refer to procedure-specific risks. When
these symbols appear in the body of this manual, refer back to these Warnings. Product-specific hazard symbols and
warnings not covered in this section may appear throughout the body of this manual where applicable.
WARNING
ELECTRIC SHOCK HAZARD
This equipment must be grounded. Improper grounding, setup, or usage of the system can cause electric
shock.
• Turn off and disconnect power cord before servicing equipment.
• Use only grounded electrical outlets.
• Use only 3-wire extension cords.
• Ensure ground prongs are intact on power and extension cords.
• Do not expose to rain. Store indoors.
TOXIC FLUID OR FUMES HAZARD
Toxic fluids or fumes can cause serious injury or death if splashed in the eyes or on skin, inhaled, or
swallowed.
• Read MSDSs to know the specific hazards of the fluids you are using.
• Store hazardous fluid in approved containers, and dispose of it according to applicable guidelines.
• Always wear chemically impermeable gloves when spraying, dispensing, or cleaning equipment.
PERSONAL PROTECTIVE EQUIPMENT
You must wear appropriate protective equipment when operating, servicing, or when in the operating area
of the equipment to help protect you from serious injury, including eye injury, hearing loss, inhalation of
toxic fumes, and burns. This equipment includes but is not limited to:
• Protective eyewear, and hearing protection.
• Respirators, protective clothing, and gloves as recommended by the fluid and solvent manufacturer.
SKIN INJECTION HAZARD
High-pressure fluid from gun, hose leaks, or ruptured components will pierce skin. This may look like just
a cut, but it is a serious injury that can result in amputation. Get immediate surgical treatment.
• Do not spray without tip guard and trigger guard installed.
• Engage trigger lock when not spraying.
• Do not point gun at anyone or at any part of the body.
• Do not put your hand over the spray tip.
• Do not stop or deflect leaks with your hand, body, glove, or rag.
• Follow the Pressure Relief Procedure when you stop spraying and before cleaning, checking, or
servicing equipment.
• Tighten all fluid connections before operating the equipment.
• Check hoses and couplings daily. Replace worn or damaged parts immediately.

Warnings
3A1602G 5
FIRE AND EXPLOSION HAZARD
Flammable fumes, such as solvent and paint fumes, in work area can ignite or explode. To help prevent
fire and explosion:
• Use equipment only in well ventilated area.
• Eliminate all ignition sources; such as pilot lights, cigarettes, portable electric lamps, and plastic drop
cloths (potential static arc).
• Keep work area free of debris, including solvent, rags and gasoline.
• Do not plug or unplug power cords, or turn power or light switches on or off when flammable fumes are
present.
• Ground all equipment in the work area. See Grounding instructions.
• Use only grounded hoses.
• Hold gun firmly to side of grounded pail when triggering into pail.
• If there is static sparking or you feel a shock, stop operation immediately. Do not use equipment until
you identify and correct the problem.
• Keep a working fire extinguisher in the work area.
PRESSURIZED ALUMINUM PARTS HAZARD
Use of fluids that are incompatible with aluminum in pressurized equipment can cause serious chemical
reaction and equipment rupture. Failure to follow this warning can result in death, serious injury, or
property damage.
• Do not use 1,1,1-trichloroethane, methylene chloride, other halogenated hydrocarbon solvents or
fluids containing such solvents.
• Many other fluids may contain chemicals that can react with aluminum. Contact your material supplier
for compatibility.
EQUIPMENT MISUSE HAZARD
Misuse can cause death or serious injury.
• Do not operate the unit when fatigued or under the influence of drugs or alcohol.
• Do not exceed the maximum working pressure or temperature rating of the lowest rated system
component. See Technical Data in all equipment manuals.
• Use fluids and solvents that are compatible with equipment wetted parts. See Technical Data in all
equipment manuals. Read fluid and solvent manufacturer’s warnings. For complete information about
your material, request MSDS from distributor or retailer.
• Do not leave the work area while equipment is energized or under pressure. Turn off all equipment and
follow the Pressure Relief Procedure when equipment is not in use.
• Check equipment daily. Repair or replace worn or damaged parts immediately with genuine
manufacturer’s replacement parts only.
• Do not alter or modify equipment.
• Use equipment only for its intended purpose. Call your distributor for information.
• Route hoses and cables away from traffic areas, sharp edges, moving parts, and hot surfaces.
• Do not kink or over bend hoses or use hoses to pull equipment.
• Keep children and animals away from work area.
• Comply with all applicable safety regulations.
WARNING

Warnings
63A1602G
MOVING PARTS HAZARD
Moving parts can pinch, cut or amputate fingers and other body parts.
• Keep clear of moving parts.
• Do not operate equipment with protective guards or covers removed.
• Pressurized equipment can start without warning. Before checking, moving, or servicing equipment,
follow the Pressure Relief Procedure and disconnect all power sources.
BURN HAZARD
Equipment surfaces and fluid that’s heated can become very hot during operation. To avoid severe
burns:
• Do not touch hot fluid or equipment.
WARNING

Important Two-Component Material Information
3A1602G 7
Important Two-Component Material Information
Isocyanate Conditions
Material Self-ignition
Keep Components A and B
Separate
Moisture Sensitivity of
Isocyanates
Isocyanates (ISO) are catalysts used in two component
foam and polyurea coatings. ISO will react with moisture
(such as humidity) to form small, hard, abrasive crystals,
which become suspended in the fluid. Eventually a film
will form on the surface and the ISO will begin to gel,
increasing in viscosity. If used, this partially cured ISO
will reduce performance and the life of all wetted parts.
NOTE: NOTE: The amount of film formation and rate of
crystallization varies depending on the blend of ISO, the
humidity, and the temperature.
To prevent exposing ISO to moisture:
• Always use a sealed container with a desiccant
dryer in the vent, or a nitrogen atmosphere. Never
store ISO in an open container.
• Keep the felt washers in the pump wet cups satu-
rated with Graco ISO pump oil, Part No. 217374.
The lubricant creates a barrier between the ISO and
the atmosphere.
• Use moisture-proof hoses specifically designed for
ISO, such as those supplied with your system.
• Never use reclaimed solvents, which may contain
moisture. Always keep solvent containers closed
when not in use.
• Never use solvent on one side if it has been contam-
inated from the other side.
• Always lubricate threaded parts with ISO pump oil
or grease when reassembling.
• Always park pumps when you shutdown. See
page 20.
Foam Resins with 245 fa
Blowing Agents
Some foam blowing agents will froth at temperatures
above 90°F (33°C) when not under pressure, especially
if agitated.
Spraying or dispensing materials containing
isocyanates creates potentially harmful mists, vapors,
and atomized particulates.
Read material manufacturer’s warnings and material
MSDS to know specific hazards and precautions
related to isocyanates.
Prevent inhalation of isocyanate mists, vapors, and
atomized particulates by providing sufficient
ventilation in the work area. If sufficient ventilation is
not available, a supplied-air respirator is required for
everyone in the work area.
To prevent contact with isocyanates, appropriate
personal protective equipment, including chemically
impermeable gloves, boots, aprons, and goggles, is
also required for everyone in the work area.
Some materials may become self-igniting if applied
too thickly. Read material manufacturer’s warnings
and material MSDS.
Cross-contamination can result in cured material in
fluid lines which could cause serious injury or
damage equipment. To prevent cross-contamination
of the equipment’s wetted parts, never interchange
component A (isocyanate) and component B (resin)
parts.

Overview
83A1602G
Changing Materials
• When changing materials, flush the equipment mul-
tiple times to ensure it is thoroughly clean.
• Check with your material manufacturer for chemical
compatibility.
• Most materials use ISO on the A side, but some use
ISO on the B side.
• Epoxies often have amines on the B (hardener)
side. Polyureas often have amines on the B (resin)
side.
Overview
The Reactor E-8p is a portable, electric-powered, 1:1
mix ratio proportioner. It is for use with formulated
no-heat polyurethane foams that may be applied with
impingement mix spray guns and for use with polyurea
joint fill materials that may be applied with static mix
guns.
Severe duty, positive displacement reciprocating piston
pumps meter fluid flow to the gun for mixing and apply-
ing. When set to recirculation mode, the Reactor E-8p
will circulate fluids back to the supply pails.
An electronic processor controls the motor, monitors
fluid pressures, and alerts the operator if errors occur.
See STATUS Indicator, page 10, for further information.
The Reactor E-8p has two recirculation speeds: slow
and fast, and an adjustable pressure output.
Slow Recirculation
• Use for pump priming.
Fast Recirculation
• Use for flushing.
• Use for pump priming.
Pressure Adjust
Automatically maintains selected pressure output for
spraying.

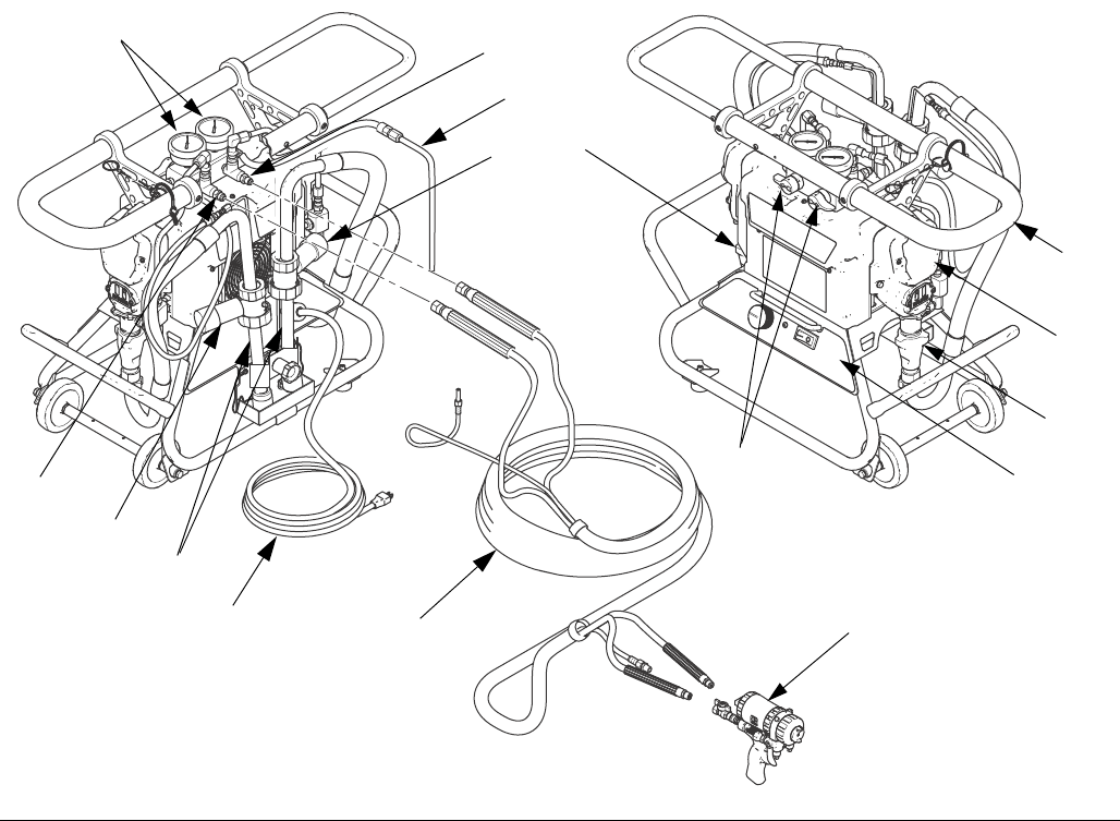
Component Identification
3A1602G 9
Component Identification
Key:
A Pump A
B Pump B
C Fluid Pressure Gauges
D Recirc/Spray and Overpressure Relief Valves
E Control Panel
F Electric Motor and Drive Housings
G Hose Bundle
HSpray Gun
J Recirculation Tubes
K Air Line Inlet (quick-disconnect fitting)
L Outlet Hose Connections
MPower Cord
N Lift Ring/Handle/Hose Rack
P Fluid Inlet Tubes
Q Desiccant Dryers
FIG. 1: Component Identification
A
B
C
D
E
F
GH
J
L
L
M
N
P
FRONT VIEW
BACK VIEW
TI17121a
Q
Q

Controls and Indicators
10 3A1602G
Controls and Indicators
Power Switch
Powers the Reactor E-8p on and off.
Motor/Pump Control Function Knob
Use knob to select desired function.
STATUS Indicator
Indicates system status, including power and error
codes.
• Indicator steady on: power switch is turned on.
• Indicator blinking: If an error occurs, the status indi-
cator light will blink one to seven times to indicate a
specific status code, pause, and then repeat. The
following table provides a brief description of each
status code. For more detailed information and cor-
rective action, see Status Codes on page 24.
NOTE: The default is to shut down if a status code indi-
cation occurs. Codes 1 and 2 may be set to disable
automatic shutdown if desired; see page 25. You cannot
set the other codes.
FIG. 2: Controls and Indicators
I
-
-
+
-
Power
Switch
Status Indicator
Motor/Pump Control Function Knob
Status
Codes
TI17123b
Icon Setting Function
Stop/Park Stops motor and automati-
cally parks pumps.
Slow Recirc Slow recirculation speed.
Fast Recirc Fast recirculation speed.
Static Mix
Use fluid pressure settings
1-5 to dispense polyurea
joint-fill materials through a
static mixer.
Spray
Use fluid pressure settings
6-10 to spray polyurethane
foam.
Table 1: Status Codes
(also located on front of Reactor)
Code Code Name
1 Pressure imbalance between A and B sides
2 Unable to maintain pressure setpoint
3 Pressure transducer A failure
4 Pressure transducer B failure
5 Excessive current draw
6 High motor temperature
7 No cycle counter switch input

Setup
3A1602G 11
Setup
Location
• The Reactor E-8p should always be used on a level
surface.
• Do not expose the Reactor E-8p to rain.
Electrical Requirements
• Required power source: single dedicated circuit that
is rated at a minimum of 15A.
NOTE: Cords must be 3-conductor grounded, rated for
your environment.
• Power cord connector (120V):
One NEMA 5-15T
• Power cord connector (240 V):
One IEC 320, with two local adapters
Euro CEE74 Adapter
Australia/China Adapter
• Extension cord requirements:
Grounding
Reactor E-8p: grounded through power cord.
Generator (if used): follow your local code and manu-
facturer’s recommendations. Start and stop the genera-
tor with power cord(s) disconnected.
Spray gun: ground through connection to a properly
grounded fluid hose and grounded Reactor E-8p. Do not
operate without at least one grounded fluid hose.
Fluid supply container: follow local code.
Object being sprayed: follow local code.
Solvent pails used when flushing: follow local code.
Use only conductive metal pails, placed on a grounded
surface. Do not place the pail on a nonconductive sur-
face, such as paper or cardboard, which interrupts
grounding continuity.
To maintain grounding continuity when flushing or
relieving pressure: hold metal part of the spray gun
firmly to the side of a grounded metal pail, then trigger
the gun.
Improper wiring may cause electric shock or other
serious injury if work is not performed properly. Have
a qualified electrician perform any electrical work. Be
sure your installation complies with all National, State
and Local safety and fire codes.
Required Wire Size
Up to 50 ft (15 m) Up to 100 ft (30 m)
AWG 14 AWG 12
The equipment must be grounded. Grounding
reduces the risk of static and electric shock by
providing an escape wire for the electrical current due
to static build up or in the event of a short circuit.

Setup
12 3A1602G
Lock/Unlock Handle
Lock the handle when the sprayer is moved, laid on its
side, or turned upside down.
Unlock
To unlock the handle, remove lanyard and locking pin
from cart handle. Pull on handle to extend cart handle
and move sprayer.
Lock
To lock the handle, press down handle pins and slide
cart handle through tubes. Insert pin through cart han-
dle and lock with lanyard.
Install 38 mm Spout Adapter
The sprayer is supplied with a 40 mm spout adapter.
Install 38 mm spout adapters if necessary.
1. Loosen containment knob.
2. Remove suction tube caps and place in containment
tray.
3. For installation instructions, see Spout Adapter,
page 40.
Install Desiccant Dryers
1. Use needle nose pliers to remove two plugs (P)
from the dryer (73).
2. Remove plug from adapter housing (57).
3. Screw the dryer into the adapter housing (57) hand-
tight only. Do not overtighten.
FIG. 3
FIG. 4
ti17513a
ti17514a
FIG. 5: Spout Adapters
FIG. 6: Desiccant Dryer Installation
ti18063a
Black Silver
40 mm 38 mm
ti17475a
P
P
57
73

Setup
3A1602G 13
Install Optional Recirculation Kit
Use Hose Recirculation Kit 24M654 to help evenly dis-
tribute heat when using supplemental heaters and circu-
late material through the fluid manifold, out to the gun,
and back to the material supply container. See Acces-
sories, page 50.
Apply thread sealant to all non-swiveling pipe threads.
1. Relieve pressure. See Pressure Relief Procedure,
page 20.
2. Flush. See page Flushing, page 22.
3. Remove fluid tubes (36).
4. Place a wrench on the pressure transducer manifold
(33) and remove the adapters (34). Set A and B side
adapters aside.
5. Remove fittings (509) and (510). Remove two swivel
fittings (515) and elbow fittings (511) from tee fitting
(508). Remove tee fittings and gauges (507) from
manifold (501). Set A and B side parts aside. Elbow
fittings (511) are not used with recirculation setup.
6. Install 1/4 npt x -6 JIC adapter fitting (510) in the B
side fluid manifold outlet port. Install 1/4 npt x -5 JIC
fitting (509) in the A side fluid manifold outlet port.
7. Install plugs (552).
8. Loosen pump lock nut (218) by hitting firmly with
right-to-left with a non-sparking hammer. Rotate
pump until there is enough space to install pressure
gauges. If the transducer cable is tight, remove bot-
tom cover and cut cable ties. See FIG. 56, page 32.
9. Install A and B side tee fittings (508) in the pressure
transducer manifolds (33). Install adapter fitting
(551) and adapter fitting (34) in tee fittings (508).
10. Install gauges (507) in tee fittings (508).
NOTE: Ensure that there is enough space to dispense
Graco ISO pump oil in the wet cup through the pump
cover.
11. Tighten locknut (218) by hitting firmly with a
non-sparking hammer.
12. Install fluid tubes (36).
NOTICE
To prevent cross-contamination of fluids and equip-
ment parts, never interchange component A (isocya-
nate) and component B (resin) parts or containers.
FIG. 7
ti18824a
507
36
34
33
511
510
509
508
515
515
36
501
FIG. 8
WLD
509
510
507
508
33 33
508
507
B Side A Side
34
218
551
218
552

Setup
14 3A1602G
Connect Fluid Hoses
Connect fluid supply hoses to outlet hose connections
(FIG. 9 and FIG. 10). Red hoses for component A (ISO),
blue for component B (RES). Fittings are sized to pre-
vent connection errors. Connect other end of hoses to A
and B inputs of gun.
NOTE: If using the Recirculation Hose Kit 24M654, con-
nect hoses to Recirculation Gun Manifold Kit 249523.
See FIG. 10.
Connect Gun to Air Hose
(Air Operated Guns Only)
Connect gun air hose to the gun air input and to the air
filter outlet. If you are using more than one hose bundle,
join the air hoses with the nipple provided with the hose
bundle.
Connect Main Air Supply
NOTE: The Reactor E-8p requires 4 scfm
(0.112 m3/min) compressed air for the air operated
spray guns to work correctly.
Connect the main air supply to the quick disconnect fit-
ting on the unit. The air supply hose must be at least
5/16 in. (8 mm) ID up to 50 ft (15 m) or 3/8 in. (10 mm)
ID up to 100 ft (30 m).
Flush Before Using Equipment
The equipment was tested with lightweight oil, which is
left in the fluid passages to protect parts. To avoid con-
taminating your fluid with oil, flush the equipment with a
compatible solvent before using the equipment. See
Flushing, page 22.
FIG. 9: Hose and Air Connections
A (ISO)
B (RES) A (ISO)
B (RES)
Air
Compressed
Air Line
ti17122a

Setup
3A1602G 15
FIG. 10: Hose and Air Connections - Recirculation Hose Kit 24M654
B (RES)
A (ISO)
Air
Compressed
Air Line
A (ISO)
A Recirculation
B (RES)
B Recirculation
605
605
607
604
607
604
601
602
603
2
TI7134A
Recirculation Gun Manifold Kit 249523
(only compatible with Fusion Air Purge Gun)

Setup
16 3A1602G
Fill Wet-cups
Keep the felt washers in the pump wet-cups saturated
with Graco ISO pump oil, Part No. 217374. The lubricant
creates a barrier between the ISO and the atmosphere.
Fill wet-cups through the slots in the plate, or remove a
screw and swing the plate to the side.
Install Pail Heaters
If the material viscosity at room temperature is greater
than 2000 centipoise the pump may not siphon feed
on-ratio. Purchase and install the optional flexible pail
heaters so the material can be warmed, resulting in a
lower viscosity and enabling the pump to properly
siphon feed. See Accessories on page 50.
Install and operate according to the included pail heater
manufacturer’s installation manual.
Recirculate Material
The standard system circulates material from the fluid
manifold back to the supply container. To circulate mate-
rial from the gun back to the material supply container,
purchase and install Hose Recirculation Kit 24M654.
See Install Optional Recirculation Kit on page 13.
1. Insert inlet tubes into pails. See Connect Fluid
Inlet Tubes, page 18.
2. Set function knob to Stop/Park.
3. Plug in power cord.
4. Turn on power.
5. Set the Recirc/Spray valves to Recirc.
The pump rod and connecting rod move during
operation. Moving parts can cause serious injury
such as pinching or amputation. Keep hands and
fingers away from the wet-cup during operation. Shut
off power before filling the wet-cup.
FIG. 11: Fill Wet Cup
Follow all warnings and instructions from both the
fluid manufacturer technical data sheet and the pail
heater installation manual.
Slots
TI17124a
FIG. 12
FIG. 13
FIG. 14
+
-
TI17127b
I
O
I
O
TI17134a
TI17133a

Setup
3A1602G 17
6. Set function knob to Slow Recirc or Fast Recirc
.
7. When material exits both recirculation tubes, set the
function knob to Stop/Park .
8. Set the Recirc/Spray valves to Spray.
Purge Air and Flush Fluid
1. Insert inlet tubes into pails of solvent.
2. Insert recirculation tubes into waste containers.
3. Set function knob to Stop/Park.
4. Plug in power cord.
5. Turn on power.
6. Set the Recirc/Spray valves to Recirc.
FIG. 15
FIG. 16
OR
+
-
+
-
TI17128b
TI17132a
FIG. 17
FIG. 18
FIG. 19
FIG. 20
TI17126a
+
-
TI17127b
I
O
I
O
TI17134a
TI17133a

Setup
18 3A1602G
7. Set function knob to Slow Recirc or Fast Recirc
.
8. When clean solvent exits both recirculation tubes,
set the function knob to Stop/Park .
9. Insert inlet tubes into pails. See Connect Fluid
Inlet Tubes, page 18.
10. Set the Recirc/Spray valves to Spray.
11. Run until material exits gun manifold.
Connect Fluid Inlet Tubes
1. Loosen containment knob.
2. Remove suction tube caps and place in containment
tray.
3. Insert each fluid inlet tube through the pour spout on
the appropriate five-gallon pail. Tighten the ring to
the pour spout.
NOTE: Use a drill and mixing blade to mix filled or sepa-
rated materials in the pail before placing fluid inlet tube
into the pail.
FIG. 21
FIG. 22
OR
+
-
+
-
TI17128b
TI17132a
FIG. 23
NOTICE
To prevent cross-contamination of fluids and equip-
ment parts, never interchange component A (isocya-
nate) and component B (resin) parts or containers.
Label one pail “A” and the other “B”, using the red and
blue labels provided. Always double check which
material you have before placing fluid inlet tube into
the pail.
Ring
TI17125a

Spraying
3A1602G 19
Spraying
NOTE: For air operated guns, air is supplied to spray
gun with gun piston safety lock engaged and gun fluid
manifold valves A and B closed (if present).
NOTE: If using the Manual 2K gun, refer to the Manual
2K gun instruction manual.
1. Set function knob to Stop/Park.
2. Engage piston safety lock.
3. Open gun manifold.
4. Set Recirc/Spray valves to Spray.
5. Turn the pressure control knob to the right until fluid
pressure gauges show desired pressure.
NOTE: It is desirable to use lower pressure for joint fill-
ing applications.
6. Check fluid pressure gauges to ensure proper pres-
sure balance. If imbalanced, reduce pressure of
higher component by slightly turning Recirc/Spray
valve for that component toward Recirc, until
gauges show balanced pressures. The pressure
imbalance alarm (Status Code 1) is inactive for 10
seconds after entering spray pressure mode, to
allow time to balance pressures.
NOTE: Watch gauges for 10 seconds to ensure pres-
sure holds on both sides and pumps are not moving.
7. Open gun fluid manifold valves A and B (impinge-
ment mix guns only).
NOTE: On impingement guns, never open fluid mani-
fold valves or trigger gun if pressures are imbalanced.
8. Disengage piston safety lock.
9. Test spray onto cardboard or plastic sheet. Verify
that material fully cures in the required length of
time, and is the correct color. Adjust pressure and
temperature to get desired results. Equipment is
ready to spray.
FIG. 24
FIG. 25
FIG. 26
FIG. 27
+
-
TI17127b
TI17132a
+
-
TI17129b
FIG. 28
FIG. 29
FIG. 30
In this example, the B
side pressure is
higher, so use the B
side valve to balance
pressures.
TI17137a

Pressure Relief Procedure
20 3A1602G
Pressure Relief
Procedure
NOTE: If using the Manual 2K gun, refer to the Manual
2K gun instruction manual.
1. Engage piston safety lock.
2. Set function knob to Stop/Park.
3. Turn Recirc/Spray valves to Recirc. Fluid will be
returned to material pails. Pumps will move to the
bottom of their stroke. Ensure gauges drop to 0.
Shutdown
NOTE: For longer breaks (more than 10 minutes), use
the following procedure. If you will be shut down for
more than three days, perform the Flushing procedure,
page 22, first.
NOTE: If using the Manual 2K gun, refer to the Manual
2K gun instruction manual.
1. Follow Pressure Relief Procedure.
2. Close gun fluid valves A and B. Doing this will keep
the internal parts of the gun cleaner and prevent
crossover.
3. Shut off power.
4. Loosen rings from pour spouts and remove fluid
inlet tubes from pails. Allow residual fluid to drain
into the appropriate pail.
Trapped air can cause the pump to cycle
unexpectedly, which could result in serious injury
from splashing or moving parts.
FIG. 31
FIG. 32
FIG. 33
+
-
TI17127b
TI17133a
FIG. 34
FIG. 35
FIG. 36
I
O
I
OO
TI17135a
Ring
TI17125a

Maintenance
3A1602G 21
5. Use solvent to wipe down fluid inlet tubes.
6. Install suction tube caps on each fluid inlet tube and
rest in the containment tray. Tighten the contain-
ment knob to press the bracket against the fluid inlet
tubes.
7. Refer to your separate spray gun manual to perform
the gun shutdown procedure.
8. Wrap hoses around sprayer.
9. Disconnect power cord before moving.
Maintenance
• Check pump wet-cups fluid level daily. Refer to Fill
Wet-cups, page 16.
• Do not overtighten packing nut/wet-cup. Throat
u-cup is not adjustable.
• Keep component A from exposure to moisture in
atmosphere, to prevent crystallization.
• Check desiccant filters weekly. Filter is blue when
fresh, and turns pink when saturated.
• Generally, flush if you will shutdown for more than
three days. Flush more often if material is moisture
sensitive and humidity is high in the storage area, or
if material may separate or settle out over time.
• Close gun fluid valves A and B when not spraying.
Doing this will keep the internal parts of the gun
cleaner and prevent crossover. Clean gun mix
chamber ports and check valve screens regularly.
See spray gun manual.
• Always grease the gun after use until purge air car-
ries grease mist out the front of the gun. Use Part
No. 117773 Grease. See spray gun manual.
• Always grease the inlet tube spout adapters after
use. Use Part No. 117773 Grease and grease gun
supplied with spray gun.
• Remove any material from containment tray with
solvent.
FIG. 37
FIG. 38
Caps
TI17458a
Containment
Knob
TI17459a
FIG. 39

Flushing
22 3A1602G
Flushing
• Generally, flush if you will be shut down for more
than 3 days. Flush more often if material is moisture
sensitive and humidity is high in the storage area, or
if material may separate or settle out over time.
• Flush out old fluid with new fluid, or flush out old
fluid with a compatible solvent before introducing
new fluid.
• Use the lowest possible pressure when flushing.
• Always leave some type of fluid in system. Do not
use water.
• For long term storage, flush out the solvent with a
storage fluid such as Bayer Mesamoll plasticizer or,
at minimum, clean motor oil.
1. Engage piston safety lock or trigger safety lock.
Close fluid valves A and B. Leave air on.
2. Set function knob to Stop/Park.
3. Remove both recirculation tubes from material pails
and secure each one to a dedicated waste con-
tainer.
4. Turn Recirc/Spray valves to Recirc.
5. Set function knob to Fast Recirc . Pump mate-
rial from fluid inlet tubes until no more comes out.
6. Set function knob to Stop/Park .
7. Set function knob to Fast Recirc . Pump solvent
through system into waste containers.
8. When nearly clear solvent exits the fluid inlet tubes,
set function knob to Stop/Park .
NOTE: To flush the spray gun, refer to your separate
spray gun instruction manual.
Flush equipment only in a well-ventilated area. Do
not spray flammable fluids.
FIG. 40
FIG. 41
+
-
TI17127b
FIG. 42
FIG. 43
FIG. 44
TI17126a
TI17133a
+
-
TI17130b

Flushing
3A1602G 23
9. Purge gun hoses.
a. Disconnect hoses from gun and secure to a pail
of solvent.
b. Turn Recirc/Spray valve A to Spray.
c. Open gun into waste container A.
d. Set function knob to Slow Recirc until hose
is flushed.
e. Set function knob to Stop/Park .
f. Repeat for B side.
10. Set function knob to Stop/Park .
11. Solvent flushing is a two step process. Go back to
step 3, drain solvent, and flush again with fresh sol-
vent.
12. Place fluid inlet tubes in a pail of plasticizer or clean
motor oil and circulate fluid through the system.
Leave fluid in the unit.
NOTE: Never leave the unit dry unless it has been dis-
assembled and cleaned. If fluid residue dries in the
pumps, the ball checks may stick the next time you use
the unit.
FIG. 45
TI17136a

Troubleshooting
24 3A1602G
Troubleshooting
Status Codes
Determine the status code by counting the number of
times the status indicator blinks.
Status Code 1: Pressure Imbalance
NOTE: The unit does not check for pressure imbalance
at setpoints less than 250 psi (1.75 MPa, 17.5 bar). The
unit does not check for pressure imbalance for 10 sec-
onds after entering pressure mode.
Unit senses pressure imbalance between components
A and B, and warns or shuts down, depending on set-
tings of DIP switches 1 and 2. To turn off automatic shut-
down and/or tighten pressure tolerances for status code
1, see Status Code 1 and 2 Settings.
1. Check fluid supply of lower pressure component
and refill if necessary.
2. Reduce pressure of higher component by slightly
turning Recirc/Spray valve for that component
toward Recirc, until gauges show balanced pres-
sures.
NOTE: Turn Recirc/Spray valve only enough to balance
pressure. If turned completely, all pressure will bleed off.
3. Check fluid inlet strainers and fluid filters at gun.
Status Code 2: Pressure Deviation
from Setpoint
NOTE: The unit does not check for pressure deviation at
setpoint less than 400 psi (2.8 MPa, 28 bar).
Unit senses pressure deviation from setpoint, and warns
or shuts down, depending on settings of DIP switches 3
and 4. If equipment cannot maintain enough pressure
for a good mix at the gun, try using a smaller mix cham-
ber or nozzle.
To turn off automatic shutdown and/or tighten pressure
tolerances for status code 2, see Status Code 1 and 2
Settings.
FIG. 46
I
-
-
STATUS Indicator
TI17123b1
FIG. 47
In this example, B side
pressure is higher, so
use the B side valve to
balance pressures.
TI17137a

Troubleshooting
3A1602G 25
Status Code 1 and 2 Settings
1. Locate switch SW2 on the control board.
2. Set the four DIP switches to the desired positions.
See FIG. 48 and Table 2.
Status Code 3: Transducer A Failure
1. Check transducer A electrical connections (J3) at
board, page 34.
2. Reverse A and B transducer electrical connections
at board, page 34. If error moves to transducer B
(Status Code 4), replace transducer A, page 33.
Status Code 4: Transducer B Failure
1. Check transducer B electrical connections (J8) at
board, page 34.
2. Reverse A and B transducer electrical connections
at board, page 34. If error moves to transducer A
(Status Code 4), replace transducer B, page 33.
Status Code 5: Excessive Current
Draw
Shut off unit and contact distributor before resuming
operation.
1. Locked rotor: motor unable to turn. Replace motor,
page 38.
2. Short on control board. Replace board, page 33.
3. Worn or hung up motor brush causing arching of
brush at commutator. Replace brushes, page 39.
FIG. 48. DIP Switch (SW2) Settings
TI7023a TI7024a
ON
(Default)
OFF
1
2
3
4
1
2
3
4
Table 2: Status Code 1 and 2 Settings
DIP Switch and Function Left Right (default setting)
DIP Switch 1
If selected, causes shutdown or displays a warning if the pres-
sure imbalance exceeds selection made in DIP Switch 2
WARNING SHUTDOWN
DIP Switch 2
If selected, causes shutdown if A and B pressure imbalance is
greater than
500 psi (3.5 MPa, 35
bar)
(60% if < 800 psi [5.6
MPa, 56 bar] running)
800 psi (5.6 MPa, 56
bar)
(70% if < 800 psi [5.6
MPa, 56 bar] running)
If selected, causes warning if A and B pressure imbalance is
greater than
300 psi (2.1 MPa, 21
bar)
(50% if < 800 psi [5.6
MPa, 56 bar] running)
500 psi (3.5 MPa, 35
bar)
(60% if < 800 psi [5.6
MPa, 56 bar] running)
DIP Switch 3
If selected, causes shutdown or displays a warning due to devi-
ation of pressure from setpoint exceeds selection made in DIP
Switch 4
WARNING SHUTDOWN
DIP Switch 4
Causes warning if deviation of pressure from setpoint is greater
than
300 psi (2.1 MPa, 21
bar)
(25% if < 800 psi [5.6
MPa, 56 bar])
500 psi (3.5 MPa, 35
bar)
(40% if < 800 psi [5.6
MPa, 56 bar])
Troubleshooting
26 3A1602G
Status Code 6: High Motor
Temperature
Motor is running too hot.
1. Motor temperature too high. Reduce pressure duty
cycle, gun tip size, or move Reactor E-8p to a cooler
location. Allow 1 hour for cooling.
2. Check fan operation. Clean fan and motor housing.
Status Code 7: No Cycle Counter
Switch Input
Have not received input from cycle counter switch for 10
seconds after selecting Recirculation Mode.
1. Check cycle counter switch connection to board
(J10, pins 5, 6), page 34 (figure control module wir-
ing connections).
2. Check that magnet (224) and cycle counter switch
(223) are in place under B side motor end cover
(227). Replace if necessary.

Troubleshooting
3A1602G 27
Troubleshooting Chart
Problem Cause Solution
Reactor E-8p does not operate. No power. Plug in power cord.
Cycle Motor Power off ,
then on to reset breaker.
Motor does not operate. Power turned on with function knob
set to a run position.
Set function knob to Stop/Park
, then select desired function.
Loose connection on control board. Check connection at J11 (120V
models) or J4 (240V models). See
page 33.
Worn brushes. Check both sides. Replace brushes
worn to less than 1/2 in. (13 mm),
see page 39.
Broken or misaligned brush springs. Realign or replace, page 39.
Brushes or springs binding in brush
holder.
Clean brush holder and align brush
leads for free movement.
Shorted armature. Replace motor, page 38.
Check motor commutator for burn
spots, black pitting, or other dam-
age.
Remove motor. Have motor shop
resurface commutator, or replace
motor, page 38.
Failed control board. Replace board. See page 33.
Fan not working. Loose fan cable. Check that cable is connected at fan
and at J9 on control board. See
pages 39 and 33.
Defective fan. Test and replace if necessary,
page 39.
Pump output low. Plugged fluid inlet strainer. Clear, see page 21.
Plugged disposable mixer. Clean or replace.
Leaking or plugged piston valve or
intake valve in displacement pump.
Check valves. See pump manual.
One side doesn’t come up to pres-
sure in spray mode.
Dirty or damaged Recirc/Spray
valve.
Clean or repair, page 30.
Plugged fluid inlet strainer. Clear, see page 21.
Pump intake valve plugged or stuck
open.
Clean pump intake valve. See
page 31.
Material is too viscous to siphon
feed.
Warm the material feed pails with
flexible band heaters. See Acces-
sories on page 50.
I
O
I
OO
I
O
I
O

Troubleshooting
28 3A1602G
Pressure is higher on one side
when setting pressure with function
knob.
Pump intake valve partially plugged. Clean pump intake valve. See page
31.
Air in hose. Fluid is compressible. Purge air from hose.
Unequal size hoses or unequal
hose construction.
Use matching hoses, or balance
pressures before spraying.
Pressures are not balanced when
running, but pressure is generated
and holds on both strokes.
Unequal viscosities. Check that A and B chemicals are
within the chemical manufacturer’s
specified application temperature
range.
Change restrictor at mix point to
balance back pressure.
Restriction on one side. Clean mix module or restrictor at
mix manifold.
Clean gun check valve screens.
Fluid leak in pump packing nut area. Worn throat seals. Replace. See pump manual.
Pressure doesn’t hold when stalled
against gun in spray mode.
Leaking Recirc/Spray valve. Repair, page 30.
Leaking piston valve or intake valve
in displacement pump.
Repair. See pump manual.
Leaking gun shutoff. Repair. See gun manual.
Pressure is higher on B side during
startup of recirculation, especially in
High Recirc mode.
This is normal. Component B is typ-
ically higher viscosity than compo-
nent A until the material is heated
during recirculation.
No action required.
One gauge shows half as many
pulses as the other when pumps
are cycling.
Loss of pressure on downstoke. Intake valve is leaking or not clos-
ing. Clean or replace valve; see
page 31.
Loss of pressure on upstoke. Piston valve is leaking or not clos-
ing. Clean or replace valve or pack-
ings; see page 31.
Status indicator (red LED) not lit. Motor Power switch off.
Cycle Motor Power off ,
then on to reset breaker.
Loose indicator cable. Check that cable is connected at
J10 pins 1 (red) and 2 (black) on
control board. See page 33.
Failed control board. Replace board. See page 33.
Problem Cause Solution
I
O
I
OO
I
O
I
O

Troubleshooting
3A1602G 29
A side rich; lack of B side. A side gauge is low. B side restriction downstream of
gauge. Check gun check valve
screen, mix module, or mix manifold
restrictor.
B side gauge is low. B side material supply problem.
Check B side inlet strainer and
pump intake valve.
B side rich; lack of A side. A side gauge is low. A side material supply problem.
Check A side inlet strainer and
pump intake valve.
B side gauge is low. A side restriction downstream of
gauge. Check gun check valve
screen, mix module, or mix manifold
restrictor.
Problem Cause Solution

Repair
30 3A1602G
Repair
Before Beginning Repair
1. Flush if possible, see page 22. If not possible, clean
all parts with solvent immediately after removal, to
prevent isocyanate from crystallizing due to mois-
ture in the atmosphere.
2. Set function knob to Stop/Park.
3. Shut off power.
4. Relieve pressure, page 20.
Recirculation/Spray Valves
1. See Before Beginning Repair, page 30. Relieve
pressure, page 20.
2. Clean and inspect all parts for damage. Ensure that
the seat (503a) and gasket (503b) are positioned
inside each valve cartridge (503).
3. Apply PTFE pipe sealant to all tapered pipe threads
before reassembling.
4. Reassemble in reverse order, following all notes in
FIG. 51.
Repairing this equipment requires access to parts
which may cause electric shock or other serious
injury if work is not performed properly. Have a
qualified electrician connect power and ground to
main power switch terminals, see page 11. Be sure to
shut off all power to the equipment before repairing.
FIG. 49
FIG. 50
+
-
TI17127b
I
O
I
OO
TI17135a
FIG. 51: Recirculation/Spray Valves
Torque to 250 in-lb (28 N•m).
1
Use blue threadlocker on valve cartridge threads into
manifold.
2
Apply lubricant to mating surfaces.
3
TI17460a
505
504
503
501
502
509
510
507
506
511
508
503a
503b
1 2
4
4
515
3
3
3
3
Part of item 503.
4

Repair
3A1602G 31
Displacement Pump
NOTE: Use drop cloth or rags to protect Reactor E-8p
and surrounding area from spills.
See Before Beginning Repair, page 30. Relieve pres-
sure, page 20.
To remove intake valve only
NOTE: If pump is not generating any pressure, the
intake ball check may be stuck closed with dried mate-
rial.
If the pump is not generating pressure on the down-
stroke, intake ball check may be stuck open.
Either of these conditions can be serviced with the
pump in place.
1. Loosen nut and press the inlet tube down away from
the pump intake valve. Inspect the two o-rings (52)
for damage and replace if necessary. Move the inlet
tube (53) aside.
2. Remove intake valve by hitting ears (E) firmly
right-to-left with a non-sparking hammer. Unscrew
from pump. See manual 313123 for repair and
parts.
To remove entire pump assembly
1. Loosen nut and press the inlet tube down away from
the pump intake valve.
2. Disconnect swivel (32) from pump outlet and loosen
swivel at the fluid manifold. Turn the fluid outlet line
out of the way of the sprayer.
3. Remove pump rod cover (222). Push clip up in back
and push pin (217) out. Loosen locknut (218) by hit-
ting firmly right-to-left with a non-sparking hammer.
Unscrew pump. See manual 311076 for pump repair
and parts.
4. Install pump in reverse order of disassembly, follow-
ing all notes in FIG. 54. Reconnect fluid inlet (C) and
outlet (D) lines.
5. Tighten fluid outlet fitting (D), then tighten locknut
(218) by hitting firmly with a non-sparking hammer.
6. Set function knob to Slow Recirc . Purge air
and prime. See page 17.
Displacement pump repair and parts infor-
mation is included in manual 311076, which
is supplied with your unit.
FIG. 52: Fluid Inlet Tube
E
52
53
ti17461a
FIG. 53: Fluid Outlet Line
FIG. 54
32 ti17462a
ti17463a
222
217
218
D
C
Flat side faces up.
Tighten by hitting firmly
with non-sparking
hammer.
1
Lubricate threads with
ISO oil or grease.
2
2
2
12

Repair
32 3A1602G
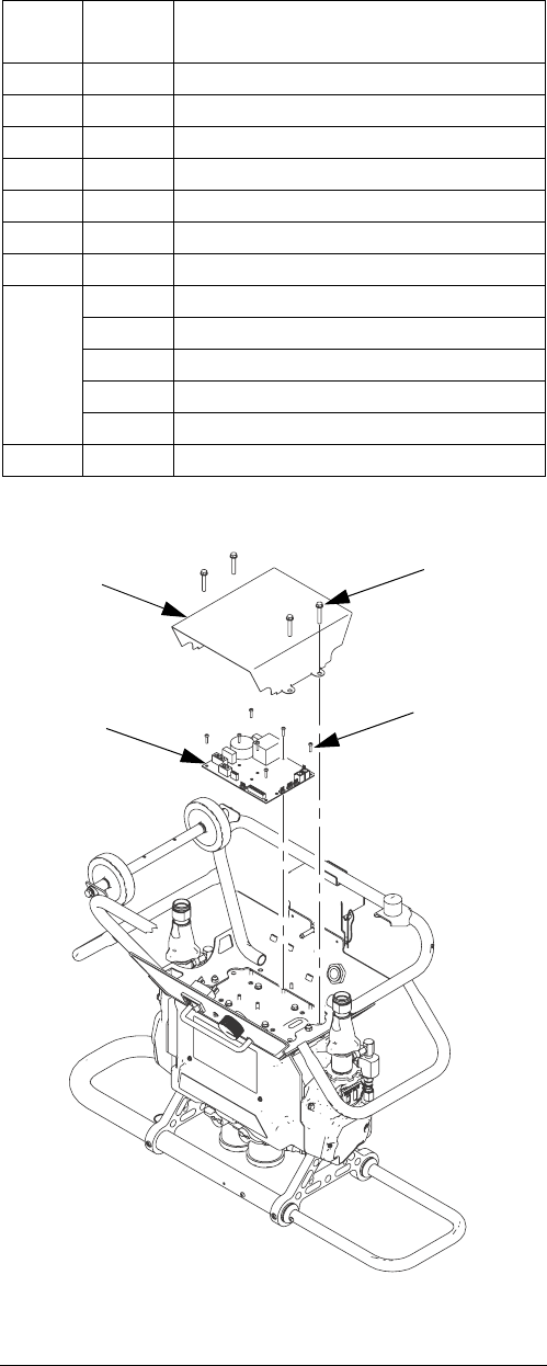
Replace Function
Knob/Potentiometer
1. See Before Beginning Repair, page 30. Relieve
pressure, page 20.
2. Insert pin through cart handle and lock with lanyard.
3. Carefully lay sprayer on its side on a level surface.
4. Carefully lay sprayer on it’s side on a level surface.
Rotate sprayer and rest upside down on cart handle.
NOTE: Always use two people when lifting the sprayer
up on to a workbench.
5. Remove four screws (10) and control board cover
(61) to expose the control board (12).
6. Disconnect potentiometer wires from J2 on control
board (12). See Fig 12.
7. See Fig 11. Remove two setscrews (16a) and pull
function knob (23) off potentiometer (16) shaft.
8. Remove nut (N, part of 16) and detent plate (22).
Remove potentiometer (16) and washer (87).
9. Install new potentiometer (16) in reverse order. Posi-
tion potentiometer so slot (S) is horizontal. Position
knob (16) so pointer (P) faces toward the top. Install
knob on shaft so slot (S) engages alignment pin in
knob. Push knob onto shaft against detent spring
before tightening setscrews (16a).
10. Reconnect potentiometer wires to J2 as shown in
Fig 12.
FIG. 55
ti17464a
FIG. 56. Function Knob/Potentiometer
ti17465a
10 61
12
16a
23
22
87
16
N
S
P

Repair
3A1602G 33
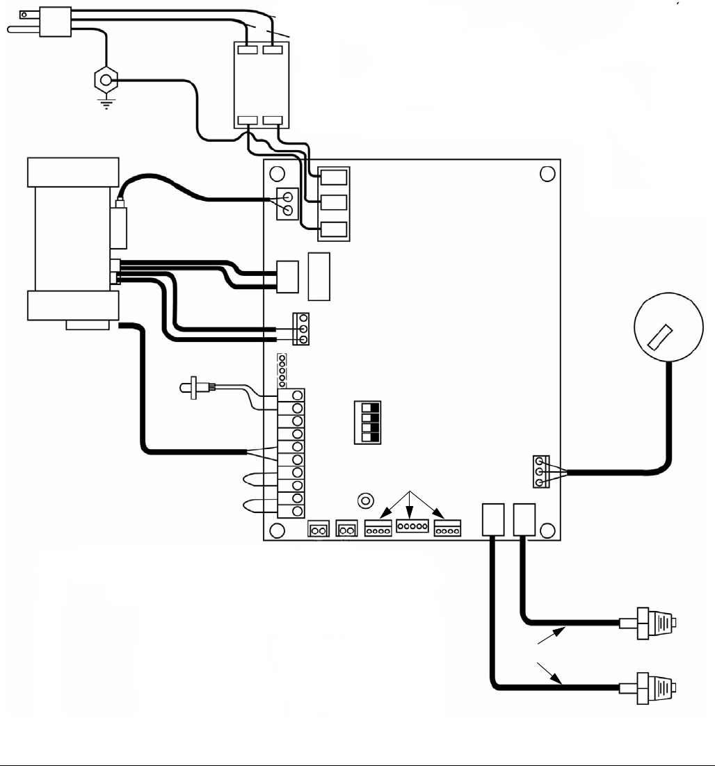
Control Board
Power Bootup Check
NOTE: There is one red LED (D11) on the board. Power
must be on to check. See FIG. 58 for location. Function
is:
• Startup: 1 blink for 60 Hz, 2 blinks for 50 Hz.
• Motor running: LED on.
• Motor not running: LED off.
• Status code (motor not running): LED blinks status
code
Control Board Replacement
NOTE: Check motor before replacing board. See Elec-
tric Motor, page 38.
1. See Before Beginning Repair, page 30. Relieve
pressure, page 20.
2. Insert pin through cart handle and lock with lanyard.
3. Carefully lay sprayer on it’s side on a level surface.
Rotate sprayer and rest upside down on cart handle.
NOTE: Always use two people when lifting the sprayer
up on to a workbench.
4. Remove four screws (10) and control board cover
(61) to expose the control board (12).
5. Disconnect all cables and connectors from board.
6. Remove seven screws (13) and remove board.
7. Install new board in reverse order.
NOTE: Apply thermal compound between the square
steel piece on the back of the board and the main alumi-
num plate. Order Part No. 110009 Thermal Compound.
Table 3: Control Board Connectors
(see FIG. 58)
Board
Jack Pin Description
J1 n/a Main power from breaker
J2 n/a Function knob
J3 n/a Transducer A
J4 n/a Motor power (230 V units)
J7 1, 2 Motor thermal overload signal
J8 n/a Transducer B
J9 n/a Fan
J10 1, 2 Status Indicator
3, 4 Not used
5, 6 Cycle switch signal
7, 8 Jumpered
9, 10 Jumpered
J11 n/a Motor power (120 V)
FIG. 57: Control Board Removal
10 (x4)
13 (x7)
61
12
ti17466a

Repair
34 3A1602G
FIG. 58: Control Module Wiring Connections
J1
J7
J10
Motor Power
On/Off
(20 A
Breaker)
J11 (120 V
Board)
J4
J11
J9
Function
Knob
SW2 (see page 25
to adjust settings)
Motor
Cycle
Counter
Status
Indicator
Fan
Black Twin Flat Cable
Red
Black
Yellow
Ye l l o w
Red
Black
Black
White
Jumper
1
2
3
4
5
6
7
8
9
10
J3J8
J2
Black
Red
White
Pressure Transducer A
Pressure Transducer B
CONTROL
BOARD
249434 (120 V)
Black Sheath
Black Sheath
Black Phone Cable and Plug
not used
not used
Jumper
ONOFF
LINE
P1
P2
1
2
3
4

Repair
3A1602G 35
Pressure Transducers
1. See Before Beginning Repair, page 30. Relieve
pressure, page 20.
2. Insert pin through cart handle and lock with lanyard.
3. Carefully lay sprayer on it’s side on a level surface.
Rotate sprayer and rest upside down on cart handle.
NOTE: Always use two people when lifting the sprayer
up on to a workbench.
4. Remove four screws (10) and control board cover
(61) to expose the control board (12).
5. Disconnect transducer cables from J3 and J8 at
board; see FIG. 58. page 34. Reverse A and B con-
nections and check if status code follows the bad
transducer, page 25.
6. Reconnect good transducer to proper connector.
Disconnect failed transducer from board, and
unscrew from base of transducer manifold.
7. Install new transducer (35) in manifold (33). Mark
board end of cable with tape (red=transducer A,
blue =transducer B).
8. Route cable under the electric motor and through
grommet to control board (12).
9. Connect transducer cable at board; see FIG. 58.
page 34.
Drive Housing
Removal
1. See Before Beginning Repair, page 30. Relieve
pressure, page 20.
1. Loosen nut and press the fluid inlet tube down away
from the pump intake valve.
2. Disconnect swivel (32) from pump outlet and loosen
swivel at the fluid manifold. Turn the fluid outlet line
toward the center of the sprayer.
3. Disconnect pressure transducer (35) from manifold.
4. Disconnect swivel (32) from pump outlet and loosen
fluid outlet line swivel (36) at the fluid manifold. Turn
the fluid outlet lines toward the center of the sprayer.
5. Remove screws (207) and end covers (221, 227),
FIG. 61, page 37.
NOTE: Examine connecting rod (216). If rod needs
replacing, first remove the pump (219), page 31.
NOTICE
Do not drop gear reducer (214) and crank shaft
(210) when removing drive housing (215). These
parts may stay engaged in motor end bell (MB) or
may pull away with drive housing.
FIG. 59: Pressure Transducer Connection
35
ti17467a
33

Repair
36 3A1602G
6. Disconnect cart handles.
a. Remove screws (42) from handle (37).
b. Hold pin (40) and remove screw (10).
c. Gently tap the top-center of the handle with a
rubber mallet until the handle is disengaged
from the drive housing.
d. If removing both drive housings, complete steps
6a-6c on the other handle to remove the entire
cart handle assembly.
7. Remove screws (220) and pull drive housing (215)
off motor (201) Connecting rod (216) will disengage
from crankshaft (210).
8. Examine crankshaft (210), gear reducer (214),
thrust washers (208, 212), and bearings (209, 211,
213). See FIG. 61, page 37.
Installation
1. Apply grease liberally to washers (208, 212), bear-
ings (209, 211, 213), gear reducer (214), crankshaft
(210), and inside drive housing (215). Grease is
supplied with replacement parts kits. See FIG. 61,
page 37.
NOTE: B side crankshaft (210) includes the cycle coun-
ter magnet (224). When reassembling, be sure to install
crankshaft with magnet on B side.
If replacing crankshaft, remove magnet (224). Reinstall
magnet in center of offset shaft on new crankshaft. Posi-
tion shaft in Park position.
2. Install bronze bearings (211, 213) in drive housing
(215), as shown.
3. Install bronze bearings (209, 211) and steel washer
(208) on crankshaft (210). Install bronze bearing
(213) and steel washer (212) on gear reducer (214).
4. Install gear reducer (214) and crankshaft (210) into
motor end bell (MB).
NOTE: Crankshaft (210) must be inline with crankshaft
at other end of motor. Pumps will move up and down
together.
If connecting rod (216) or pump (219) were removed,
reassemble rod in housing and install pump, page 31.
5. Push drive housing (215) onto motor (201). Install
screws (220).
6. Install cart handle assembly.
a. Engage handle through back of drive housing.
Install screws in driver housing. Repeat for other
drive housing if entire cart handle assembly was
removed. See FIG. 60.
b. Gently tap the handle (39) and align holes of
handle (37) and tube (38).
c. Apply medium strength anaerobic thread seal-
ant on screw threads (42) and install in handle
(37).
7. Install drive housing covers (221 on A side, 227 on
B side) and screws (207). Pumps must be in phase
(both at same position in stroke).
FIG. 60: Cart Handle Removal
40
42
10
10
ti17468a
NOTICE
To prevent stripping threads inside handle tube (38),
do not overtighten screws (42).

Repair
3A1602G 37
Cycle Counter Switch Replacement
FIG. 61: Drive Housing
Crankshaft must be in line with crankshaft at other end of motor,
so pumps move up and down in unison.
1
227
220
215
224
210
201
221
214
207
TI17469a
1
MB
216
212
(steel)
213
(bronze)
208
(steel)
211
(bronze)
209
(bronze)
219
213
(bronze)
NOTE: B side drive housing cover (227) includes the cycle
counter switch (223), mounted in the cover. When reassem-
bling, be sure to install cover with switch on B side.
Feed the cable under the electric motor and through the
grommet and connect to the control board.
TI7028a
223
0.6 in. (15.2 mm)
from inside edge 1.0 in. (25.4 mm) from
inside bottom edge

Repair
38 3A1602G
Electric Motor
Test Motor
If motor is not locked up by pumps, it can be tested
using a 9 V battery.
1. Open recirculating valves, disconnect J4 or J11
from control board, see FIG. 58, page 34.
2. Touch jumpers from battery to motor connections.
Motor should turn slowly and smoothly.
Removal
1. See Before Beginning Repair, page 30. Relieve
pressure, page 20.
2. Carefully lay sprayer on it’s side on a level surface.
Rotate sprayer and rest upside down on cart handle
assembly.
NOTE: Always use two people when lifting the sprayer
up on to a workbench.
3. Remove screws (10) and control board cover (61) to
expose the control board (12).
4. Disconnect all cables and connectors from board
(12).
5. Unplug cable (94) from fan (202). See FIG. 63, page
39.
6. Remove screws (13) and board (12).
7. Remove screws (10).
8. Feed proportioner cables out of grommet in the cart
(1) and lift the cart off of the motor.
9. Remove drive housing/pump assemblies and cart
handle assembly, page 35.
FIG. 62: Electric Motor Removal
10 (x4)
61
13 (x7)
12
10 (x4)
TI17470a

Repair
3A1602G 39
Installation
See FIG. 62, page 38.
1. If replacing motor, install fan assembly and fan
mount threaded bushing on new motor.
2. Place cart (1), with motor plate (8) installed, on bot-
tom of the motor and fan. Feed motor cables
through grommet.
3. Fasten motor to cart with four screws (10).
4. Fasten board to cart with seven screws (13). Con-
nect all cables. See FIG. 58, page 34.
5. Install cover (61) with screws (10).
NOTE: Apply thermal compound between the square
steel piece on the back of the board and the main alumi-
num plate. Order Part No. 110009 Thermal Compound.
6. Carefully rotate cart to the upright position.
7. Install bracket (28) and screws (29).
8. Install drive housing/pump assemblies, page 35.
Reconnect inlet assemblies to pumps.
9. Connect fluid inlet and outlet lines.
10. Return to service.
Motor Brushes
NOTE: Replace brushes worn to less than 1/2 in. (13
mm). Brushes wear differently on each side of motor;
check both sides. Brush Repair Kit 287735 is available;
kit includes instruction sheet 406582.
Motor commutator should be smooth. If not, resurface
commutator or replace motor.
1. See Before Beginning Repair, page 30. Relieve
pressure, page 20.
2. See instruction sheet 406582, included with Brush
Repair Kit 287735. Remove old brushes and install
new ones supplied in kit.
Fan
1. Disconnect fan cable (37) from fan (202). With
Motor Power on, test cable connector for line volt-
age (120 V or 240 V).
2. If voltage is correct, fan is defective. Remove screws
holding fan to shield (206). Install new fan in reverse
order.
3. If voltage is not correct, check fan cable connection
at J9 on control board; see FIG. 58, page 34.
FIG. 63: Fan
202
TI7030a
37

Repair
40 3A1602G
Spout Adapter
The sprayer is supplied with a 40 mm spout adapter.
Follow these instructions to install 38 mm spout adapt-
ers or repair the A and B side spout adapters.
See Pour Spout Adapter, page 49 for parts.
1. Loosen containment knob.
2. Remove adapter.
a. Use a small flat head screwdriver to remove
retaining ring (405) from adapter.
b. Loosen housing (403) from nut cap (402).
c. Slide spout adapter (404), housing (403), plate
(401), and nut cap (402), off fluid tube (P).
d. Remove spout adapter (404) from housing.
Remove nut cap (402).
3. Connect 38 mm or 40 mm spout adapter.
a. Place spout adapter (404) on a flat level sur-
face. Place retaining ring (405) above housing
base (403) and insert the bottom of the housing
in the spout adapter (404).
b. Use two flat head screwdrivers to insert the bot-
tom of the retaining ring (405) in the groove.
After the bottom has gotten started in the
groove, continue to press down on the retaining
ring with one screwdriver and rotate the spout
adapter (404) with your other hand until the
retaining ring snaps in the groove.
c. Install nut cap (402) and plate (AP) on fluid tube
(P).
d. Apply grease on o-rings (406, 407) and slide
over fluid tube threads and recirculation tube.
e. Slide housing (403) on fluid tube (P) and align
orings (4067, 407) in grooves of housing (403).
f. Tighten nut cap (402) on housing (403).
NOTICE
To prevent damage to spout adapter o-ring, gently
remove adapter housing from fluid tube.
FIG. 64
401
402
405
404
407 406
508
403

Parts
3A1602G 41
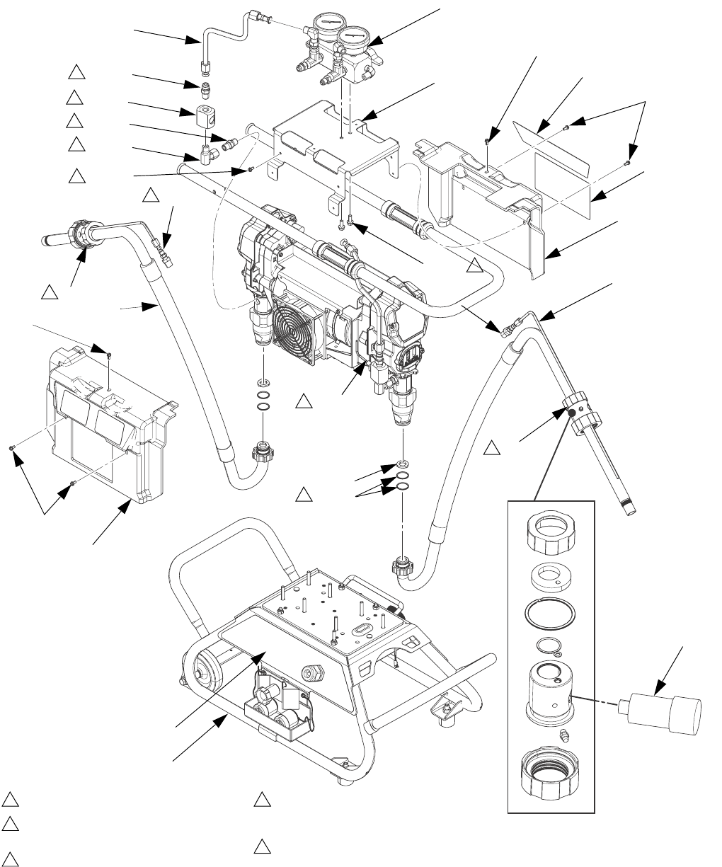
Parts
120 V and 240 V Fusion Air Purge System Packages
120 V and 240 V Fusion CS System Packages
120 V and 240 V P2 System Packages
120 V and 230 V Manual 2K System Packages
System
Package Volts Description
Bare Proportioner
(101)
see page 42
Hose
(102)
see page 47
Gun
(103)
see gun manual
AP9082 120V Fusion Air Purge Proportioner Package 259082 24M653 246100
AP9083 240V Fusion Air Purge Proportioner Package 259083 24M653 246100
CS9082 120V Fusion CS Proportioner Package 259082 24M653 CS00RD
CS9083 240V Fusion CS Proportioner Package 259083 24M653 CS00RD
P29082 120V P2 Proportioner Package 259082 24M653 GCP2R0
P29083 240V P2 Proportioner Package 259083 24M653 GCP2R0
24R151 120V Manual 2K Proportioner Package 259082 24R823 24R021
24R154 240V Manual 2K Proportioner Package 259083 24R823 24R021
102
101 103
ti17122a
System with Air Operated Gun shown

Parts
42 3A1602G
259082 (120V) and 259083 (240V), Bare Proportioner
TI17471b
73
57
49 (2x)
47 (2x)
48 (2x)
6
1
67
51 (2x)
52 (4x)
31 (2x)
32 (2x)
33 (2x)
34 (2x)
35 (2x)
36 (2x)
63
29
27
28
30 (2x)
29 (4x)
29
29
62
65
66
29 53 (2x)
1
Apply sealant to threads.
Apply sealant to all non-swiveling pipe
threads.
Apply lubricant to all o-rings and bolt-wheel
connection (3, 91).
Cover entire surface of sensor probe with
lubricant before assembling onto motor
plate (8).
Torque to 5-6 ft-lbs (6.7-8 N•m).
1
2
3
4
5
1
3
2
2
2
2
3
3
3
2

Parts
3A1602G 43
259082 (120V) and 259083 (240V), Bare Proportioner (continued)
TI17472a
20
21
19
94
2
16a
85
14
15
23
22
87
86
16
86
11 (4x)
8
10 (4x)
12
13 (7x)
61
10 (4x)
92▲
17
64
4
3
3
18

Parts
44 3A1602G
259082 (120V) and 259083 (240V), Bare Proportioner (continued)
38
44
43 (2x)
88 (2x)
41 (4x)
10 (2x)
37 (2x)
40 (2x)
39
43
90
4
7 (4x)
91 (2x)
3 (2x)
84 (2x)
82
89
81
54 (2x)
55 (2x)
80
5 (2x)
29 (2x)
9
1
1 3 5
3
83
56 (2x)
1
1
42 (2x) 1
1
1
Parts
3A1602G 45
259082 (120V) and 259083 (240V), Bare Proportioner (continued)
▲Replacement Danger and Warning labels, tags, and
cards are available at no cost.
◆Only used with proportioner 259082.
✖Only used with proportioner 259083.
Ref. Part Description Qty.
1 24J139 CART 1
2 16H888 GROMMET, 7/8 in. ID 1
3 16F820 WHEEL, caster 2
4 16H352 SPACER, axle 1
5 121573 BUMPER, urethane, 3/8-16,
80-90 dur
2
6 24J766 ADAPTER, spout, pour, 40 mm
assembly, B; see page 49
1
7 120454 WASHER, flat 4
8 16G939 PLATE, motor mount 1
9◆24L885 PROPORTIONER, 120V;
see page 46
1
✖24L979 PROPORTIONER, 240V;
see page 46
1
10 117493 SCREW, mach, hex washer hd 10
11 102040 NUT, lock, hex 6
12 ◆249434 BOARD, circuit (115V) 1
✖249432 BOARD, circuit (230V) 1
13 107156 SCREW, mach, pan hd 7
14 24K983 SWITCH, rocker, w/breaker, 240V,
20A
1
15 119930 DIODE ,light-emitting 1
16 24L002 POTENTIOMETER, adjustment,
pressure
1
17 119897 FITTING, bulkhead, cablE, 0.250 1
18 ◆24K995 CORD SET, power, 125V 1
✖15G220 CORD SET, power, 240V 1
19 15G230 CABLE, harness, power 1
20 15C866 WIRE, jumper 2
21 116773 CONNECTOR, plug, 3.81 mm (10
position)
1
22 15G053 PLATE, detent, display 1
23 24L001 KNOB, control 1
27 24J147 MANIFOLD, recirculation 1
28 24J140 BRACKET, recirculation manifold 1
29 115492 SCREW ,mach, slot hex wash hd 12
30 108296 SCREW, mach, hex wash hd 2
31 156971 NIPPLE, short 2
32 155541 SWIVEL, 90° 2
33 15G292 MANIFOLD, pressure transducer 2
34 116704 ADAPTER, #6 JIC x 1/4 npt 2
35 24K999 TRANSDUCER, pressure, control 2
36 16H530 TUBE, fluid 2
37 16G943 BRACKET, lift handle 2
38 16G945 TUBE, lift handle, fixed 1
39 24J244 HANDLE, lift, sliding 1
40 16H546 PIN, mounting, lift handle 2
41 16H547 PIN, alignment, lift handle 4
42 110037 SCREW, mach, pnh 2
43 109032 SCREW, mach, pnh 3
44 24J154 PIN, W/LANYARD 1
45 249629 HOSE, component A; 1/4 in.
(6 mm) ID; thermoplastic hose with
moisture guard; 1/4 npsm(f) x 48 in.
(1219 mm)
1
46 249630 HOSE, component B (resin), 1/4 in.
(6 mm) ID; thermoplastic hose; 1/4
npsm(f) x 48 in. (1219 mm)
1
47 100030 BUSHING 2
48 125212 FITTING, -3 JIC x 1/8 npt(m) 2
49 16H615 TUBE, recirculation 2
51 115099 WASHER, garden hose 2
52 117559 O-RING 4
53 246010 HOSE, suction 2
54 113575 O-RING 2
55 15W249 CAP, tube, suction 2
56 112144 SCREW, mach, pan hd 2
57 24J155 ADAPTER, spout, pour, 40 mm
assembly, A; see page 49
1
58 103473 STRAP, TIE, WIRE 4
61 24J141 COVER, electronics 1
62 24J151 COVER, shroud, front 1
63 24J152 COVER, shroud, back 1
64 16J414 LABEL, control 1
65 16H202 LABEL, branding 1
66 16J415 LABEL, quick start 1
67▲16H569 LABEL, warning 1
73 24K984 DRYER, desiccant, mini in-line 2
80 16H809 TRAY, containment 1
81 16H810 BRACKET, containment 1
82 16H811 KNOB, containment 1
84 125321 CABLE, sst lanyard, 10 in. 2
85 16H543 HANDLE, pull 1
86 121114 NUT, hex, self locking 2
87 261841 WASHER, flat 1
88 104859 SCREW, tapping pan hd 2
89 111743 WASHER, flat 1
90 112154 PIN, straight, slotted 2
91 15M314 SCREW, cap 2
92▲189930 LABEL, caution 1
93 ◆16H902 TAG, informational (120V); not
shown
1
✖16M900 TAG, informational (240V); not
shown
1
94 15G458 CABLE, fan 1
95 16H984 CAP, adapting cap, 38 mm 1
96 242001 CORD SET, adapter, Europe
(240V); not shown
1
97 242005 CORD SET, adapter, Australia
(240V); not shown
1
Ref. Part Description Qty.

Parts
46 3A1602G
24L885, 120 V Bare Proportioner
24L979, 240 V Bare Proportioner
*Included in 248231 Crankshaft Kit.
†Included in 287057 Gear Reducer Kit.
‡Included in 287055 Drive Housing Kit.
◆Included in 287053 Connecting Rod Kit.
202
204
203
207‡
227
223
220‡
215‡
211*
224
210*209*208*
205
207
201
‡221
†212
†213 †214
†213
◆216
218
219 217◆
220‡
222‡
TI17473a
37
207‡
Ref. Part Description Qty
201 24E355 MOTOR, electric; 120 V 1
24E356 MOTOR, electric; 240 V 1
202 24K985 FAN, cooling; 120 V 1
24K986 FAN, cooling; 240 V 1
203 115836 GUARD, finger 1
204 RIVET, blind; 5/32 x 3/8 grip 1
205 SCREW, machine, slotted hd; 8-32
x 2 in. (51 mm)
3
207‡ 115492 SCREW, machine, hex washer hd;
8-32 x 3/8 in. (10 mm)
8
208* 116074 WASHER, thrust; steel 2
209* 107434 BEARING, thrust; bronze 2
210* 248231 CRANKSHAFT KIT 2
211* 180131 BEARING, thrust; bronze 2
212† 116073 WASHER, thrust; steel 2
213† 116079 BEARING, thrust; bronze 4
214† 287057 GEAR REDUCER KIT 2
215‡ 24L979 DRIVE HOUSING KIT 2
216◆287053 CONNECTING ROD KIT 2
217◆196762 PIN, straight 2
218 195150 NUT, jam, pump 2
219 256767 PUMP, displacement; see 313123 2
220‡ 117493 SCREW, machine, hex washer hd;
1/4-20 x 1-1/2 in. (38 mm)
8
221‡ 15B254 COVER, drive housing, A side 1
222‡ 15B589 COVER, pump rod 2
223 117770 SWITCH, reed, w/cable 1
224 24K982 MAGNET 1
227 249854 COVER, drive housing, B side;
includes item 223 and 228
1
228 115711 TAPE, mounting, reed switch; not
shown
1
Ref. Part Description Qty

Parts
3A1602G 47
3/8 in. ID x 50 ft Insulated Hose Bundle without Recirculation Lines with Air Hose, 24M653
0
1/4 in. ID x 35 ft Non-Insulated Hose Bundle without Recirculation Lines and No Air Hose,
24R823
302 (Ref)
302
303
301
TI6992a
305
306
Ref. Part Description Qty
301 16V331 HOSE, fluid (component A), mois-
ture guard; grounded, 3/8 in.
(9.5 mm) ID; no. 5 JIC fittings (mxf);
50 ft (15 m)
1
302 24M671 HOSE, fluid (component B); 3/8 in.
(9.5 mm) ID; no. 6 JIC fittings (mxf);
50 ft (15 m)
1
303 261535 HOSE, air; 3/8 in. (9.5 mm) ID; 3/4
npsm (fbe); 50 ft (15 m)
1
305 156971 NIPPLE; 3/8 npt; for joining air line
to another hose bundle
1
306 --- INSULATION 1
Ref. Part Description Qty
351 249508 HOSE, coupled, 35 ft x 1/4 in., 1/2-20 UNF,
moisture guard, static dissipative
1
352 249509 HOSE, coupled, 35 ft, x 1/4 in., 9/16-18 UNF,
static dissipative
1

Parts
48 3A1602G
Recirculation Manifold, 24J147
Torque to 250 in-lb (28 N•m).
1
Use blue threadlocker on valve cartridge threads into
manifold.
2
Apply lubricant to mating surfaces.
3
TI17460a
505
504
503
501
502
509
510
507
506
511
508
503a
503b
1 2
4
4
515
3
3
3
3
Part of item 503.
4
Ref. Part Description Qty
501 24K993 MANIFOLD, recirculation 1
502 111763 ELBOW; 1/4 npt (mbe) 4
503 239914 VALVE, recirc/spray; includes
items 503a, 503b
2
503a 15E022 . SEAT 1
503b 111699 . GASKET 1
504 224807 BASE, valve 2
505 187625 HANDLE, valve, drain 2
506 111600 PIN, grooved 2
507 113641 GAUGE, pressure, fluid 2
508 116504 TEE; 1/4 npt(m) x 1/4 npt(f) run;
1/4 npt(f) branch
2
509 119998 ADAPTER; 5/16 JIC x 1/4
npt(m)
1
510 116704 ADAPTER; 3/8 JIC x 1/4 npt(m) 1
511 556765 ELBOW, tube; 1/4 npt(m) x 3/8
in. (10 mm) OD tube
2
515 156823 UNION, swivel; 1/4-18 npt 2

Parts
3A1602G 49
Pour Spout Adapter
Part Description
24J155 40 mm A Side Pour Spout Adapter
24J766 40 mm B Side Pour Spout Adapter
24M052 38 mm B Side Pour Spout Adapter
24M053 38 mm A Side Pour Spout Adapter
401
402
405
404a
403a
407 406
508
403b
404b
Lubricate o-rings and retaining ring with grease.
Apply sealant to threads.
1
2
1
1
1
2
Ref. Part Description Qty
401 16H539 PLATE, crush, inlet 1
402 16H540 CAP, spout, pour 1
403 HOUSING, inlet tube, 403a or
403b
1
403a 15H541 HOUSING, inlet tube, A side 1
403b 16H882 HOUSING, inlet tube, B side 1
404 CAP, adapting, 40 mm; 404a or
404b
1
16H542 CAP, adapting, 40 mm; black 1
16H984 CAP, adapting, 38mm; silver 1
405 125179 RING, retaining 1
406 112319 PACKING, o-ring 1
407 117559 O-RING 1
408 100846 FITTING, lubrication 1

Suggested Spare Replacement Parts
50 3A1602G
Suggested Spare
Replacement Parts
Accessories
Fusion Air Purge Gun
Air purge gun, available in round or flat patterns. See
manual 309550.
Fusion ClearShot™
Air purge gun with ClearShot Liquid Technology, avail-
able in round or flat patterns. See manual 312666.
Probler® P2
Air purge gun, available in round or flat patterns. See
manual 313213.
Manual 2K Gun
Manually opened and closed, two-component gun. See
manual 332198.
Pail Heater, 16U623
Flexible band heaters for 5 gallon pails.
Recirculation Hose Kit, 24M654
3/8 in. (9.5 mm), 50 ft. (15 m)
Recirculation Gun Manifold Kit, 249523
Only compatible with Fusion Air Purge Gun.
Part Description
24K984 DRYER, desiccant
246385 STRAINER, pump inlet
24K983 SWITCH, motor power, with circuit breaker
113641 GAUGE, pressure, fluid; sst
239914 VALVE, recirc/spray; includes seat and gasket
24L002 POTENTIOMETER, control knob
24G886 BOARD, control; 120 V units only
24G887 BOARD, control; 240 V units only
24K999 TRANSDUCER, pressure
24L006 PUMP, displacement; fits either side
249855 REPAIR KIT, displacement pump; includes
seals, balls, bearings, intake valve seat)
246010 SUCTION HOSE, pump to 5 gallon pail
24M115 ADAPTER, spout, pour, assembly A; 40 mm
24M114 ADAPTER, spout, pour, assembly B; 40 mm
24M052 ADAPTER, spout, pour, assembly A; 38 mm
24M053 ADAPTER, spout, pour, assembly B; 38 mm
16H615 TUBE, recirculation
Unheated Hoses with Scuff Guard,
2000 psi (138 bar, 13.8 MPa)
24R823 HOSE BUNDLE, 1/4 in. (6.4 mm), 35 ft
(10 m), no air hose, uninsulated
249633 HOSE BUNDLE, 1/4 in. (6.4 mm), 35 ft
(10 m), air, uninsulated
24R137 HOSE BUNDLE, 3/8 in. (9.5 mm), 50 ft
(15 m), no air hose, uninsulated
24M653 HOSE BUNDLE, 3/8 in. (9.5 mm), 50 ft
(15 m), air, insulated
Ref. Part Description Qty
550 24M939 HOSE, non-heated, insulated, recir-
culation, quad, 2000 psi (14 MPa,
138 bar), 3/8 in. (9.5 mm), 50 ft.
(15 m)
1
551 111697 ADAPTER, #5 JIC x 1/4 NPT 1
552 119998 PLUG, pipe 2
553 249523 MANIFOLD, gun, assembly, 4-hose 1
Ref. Part Description Qty
601 --- MANIFOLD 1
602 246356 VALVE, fluid 2
603 15B221 BOLT; 5/16-24 1
604 117634 SWIVEL, B side; 1/8 npt(m) x # 6
JIC(f)
2
605 117635 SWIVEL, A side, 1/8 npt(m) x #5
JIC(f)
2
606 15B993 SPRING, ring, lock 1
607 112307 ELBOW, street; 1/8 npt (m x f);
round and flat pattern guns only
2
605
605
607
604
607
604
601
602
603
1
2
1
1
1
Torque to 235-245 in.-lb (26.6-27.7 N•m).
Torque to 32-40 ft-lb (43-54 N•m).
1
2
TI7134A

Dimensions
3A1602G 51
Dimensions
34.58 in.
(87.8 cm)
24.12 in.
(61.3 cm)
15.06 in.
(38.3 cm)
TI17120a

Dimensions
52 3A1602G

Technical Data
3A1602G 53
Technical Data
Reactor E-8p
US Metric
Maximum fluid working pressure 2000 psi 14 MPa, 138 bar
Electrical requirements Model 259082: 120 Vac, 1 phase, 50/60 Hz, 1800 W;
requires a single dedicated 15 A circuit
Generator Size 2500 W minimum
Maximum Ambient Temperature 110°F 43°C
Maximum Output at 340 cycles/min 12 lb/min 5.4 kg/min
Output per Cycle (A and B) .00352 gal. (.0133 liter)
Overpressure Relief Recirc/Spray valves automatically relieve excessive fluid
pressure back to supply tanks
Sound Pressure
In fast circulation mode 78.7 dB(A)
At 2000 psi (14 MPa, 138 bar), 0.72 gpm (2.7
lpm) 84.5 dB(A)
Sound Pressure per ISO 9614-2
In fast circulation mode 88.6 dB(A)
At 2000 psi (14 MPa, 138 bar), 0.72 gpm (2.7
lpm) 94.4 dB(A)
Inlet/Outlet Sizes
Fluid Outlet - Component A (ISO) -5 JIC male
Fluid Outlet - Component B(RES) -6 JIC male
Fluid Circulation Return - Component A (ISO) -5 JIC male
Fluid Circulation Return - Component B(RES) -6 JIC male
Air Inlet 1/4 in. quick-disconnect industrial type pin fitting
Air Outlet 1/4 npsm(m)
Hose Markings
A Side Red
B Side Blue
Weight (empty), without gun and hose 95 lbs. 43.1 kg
Wetted Parts Aluminum, stainless steel, carbon steel, brass, carbide,
chrome, chemically resistant o-rings, PTFE, ultra-high
molecular weight polyethylene
Maximum Hose Length 105 ft 32 m
All written and visual data contained in this document reflects the latest product information available at the time of publication.
Graco reserves the right to make changes at any time without notice.
For patent information, see www.graco.com/patents.
Original instructions. This manual contains English. MM 3A1602
Graco Headquarters: Minneapolis
International Offices: Belgium, China, Japan, Korea
GRACO INC. AND SUBSIDIARIES • P.O. BOX 1441 • MINNEAPOLIS MN 55440-1441 • USA
Copyright 2011, Graco Inc. All Graco manufacturing locations are registered to ISO 9001.
www.graco.com
Revised October 2014
Graco Standard Warranty
Graco warrants all equipment referenced in this document which is manufactured by Graco and bearing its name to be free from defects in
material and workmanship on the date of sale to the original purchaser for use. With the exception of any special, extended, or limited warranty
published by Graco, Graco will, for a period of twelve months from the date of sale, repair or replace any part of the equipment determined by
Graco to be defective. This warranty applies only when the equipment is installed, operated and maintained in accordance with Graco’s written
recommendations.
This warranty does not cover, and Graco shall not be liable for general wear and tear, or any malfunction, damage or wear caused by faulty
installation, misapplication, abrasion, corrosion, inadequate or improper maintenance, negligence, accident, tampering, or substitution of
non-Graco component parts. Nor shall Graco be liable for malfunction, damage or wear caused by the incompatibility of Graco equipment with
structures, accessories, equipment or materials not supplied by Graco, or the improper design, manufacture, installation, operation or
maintenance of structures, accessories, equipment or materials not supplied by Graco.
This warranty is conditioned upon the prepaid return of the equipment claimed to be defective to an authorized Graco distributor for verification of
the claimed defect. If the claimed defect is verified, Graco will repair or replace free of charge any defective parts. The equipment will be returned
to the original purchaser transportation prepaid. If inspection of the equipment does not disclose any defect in material or workmanship, repairs will
be made at a reasonable charge, which charges may include the costs of parts, labor, and transportation.
THIS WARRANTY IS EXCLUSIVE, AND IS IN LIEU OF ANY OTHER WARRANTIES, EXPRESS OR IMPLIED, INCLUDING BUT NOT LIMITED
TO WARRANTY OF MERCHANTABILITY OR WARRANTY OF FITNESS FOR A PARTICULAR PURPOSE.
Graco’s sole obligation and buyer’s sole remedy for any breach of warranty shall be as set forth above. The buyer agrees that no other remedy
(including, but not limited to, incidental or consequential damages for lost profits, lost sales, injury to person or property, or any other incidental or
consequential loss) shall be available. Any action for breach of warranty must be brought within two (2) years of the date of sale.
GRACO MAKES NO WARRANTY, AND DISCLAIMS ALL IMPLIED WARRANTIES OF MERCHANTABILITY AND FITNESS FOR A
PARTICULAR PURPOSE, IN CONNECTION WITH ACCESSORIES, EQUIPMENT, MATERIALS OR COMPONENTS SOLD BUT NOT
MANUFACTURED BY GRACO. These items sold, but not manufactured by Graco (such as electric motors, switches, hose, etc.), are subject to
the warranty, if any, of their manufacturer. Graco will provide purchaser with reasonable assistance in making any claim for breach of these
warranties.
In no event will Graco be liable for indirect, incidental, special or consequential damages resulting from Graco supplying equipment hereunder, or
the furnishing, performance, or use of any products or other goods sold hereto, whether due to a breach of contract, breach of warranty, the
negligence of Graco, or otherwise.
FOR GRACO CANADA CUSTOMERS
The Parties acknowledge that they have required that the present document, as well as all documents, notices and legal proceedings entered into,
given or instituted pursuant hereto or relating directly or indirectly hereto, be drawn up in English. Les parties reconnaissent avoir convenu que la
rédaction du présente document sera en Anglais, ainsi que tous documents, avis et procédures judiciaires exécutés, donnés ou intentés, à la suite
de ou en rapport, directement ou indirectement, avec les procédures concernées.
Graco Information
For the latest information about Graco products, visit www.graco.com.
TO PLACE AN ORDER, contact your Graco distributor or call to identify the nearest distributor..
Phone: 612-623-6921 or Toll Free: 1-800-328-0211 Fax: 612-378-3505