Gravely 915148 ZT 42 04043300A User Manual To The F7414269 2e69 482b 9532 0609696eac76
User Manual: Gravely 915148 ZT 42 to the manual
Open the PDF directly: View PDF
.
Page Count: 36
- Decals – Safety
- Decals – Style
- Frame, Hood, Fenders, Casters and Tires
- Frame, Hood, Fenders, Casters and Tires
- Frame, Hood, Fenders, Casters and Tires
- Frame, Hood, Fenders, Casters and Tires
- Seat and Seat Support
- Seat and Seat Support
- Transaxle, Dump Valves and Rear Wheels
- Transaxle, Dump Valves and Rear Wheels
- Parking Brake
- Notes
- Steering Controls
- Steering Controls
- Engine, Exhaust, Belts and Idlers
- Engine, Exhaust, Belts and Idlers
- Fuel Tank
- Continuity Diagram
- Electrical System
- Electrical System
- Wiring Diagram
- Notes
- Mower Deck Lift
- Mower Deck Lift
- Mower Deck, Belt and Idlers
- Mower Deck, Belt and Idlers
- Mower Deck, Belt and Idlers
- Mower Deck, Belt and Idlers
- Belt Covers and Blades
- Notes
- Belt Covers and Blades
- Belt Covers and Blades

Parts Manual
Models
915146 – ZT 34
915148 – ZT 42
915150 – ZT 50
915168 – ZT 34 CARB
915170 – ZT 42 CARB
04043300A 10/11
Printed in USA
ZT
Gasoline containing up to 10% ethanol (E10) or up to 10% MTBE (methyl tertiary butyl ether) is acceptable for use in this machine.
The use of any gasoline exceeding 10% ethanol (E10) or 10% MTBE will void the product warranty.
Il est possible d'utiliser de l'essence contenant jusqu'à 10% d'éthanol (E10) ou 10% de MTBE (éther méthyl-tertiobutylique) sur cette machine.
L'utilisation d'une essence contenant plus de 10% d'éthanol (E10) ou de 10% de MTBE annulent la garantie.
En esta máquina puede utilizarse gasolina con hasta un 10% de etanol (E10) o hasta un 10% de MTBE (éter de metil butil terciario).
El uso de cualquier otro tipo de gasolina con un porcentaje superior al 10% de etanol (E10) o al 10% de MTBE invalidará la garantía del producto.

2
THE MANUAL
Before you operate your unit, carefully and completely
read manuals supplied with the unit. The contents will
provide you with an understanding of safety instructions
and controls during normal operation and maintenance.
For your safety and the safety of others always read,
understand, and follow all DANGER, WARNING, and
CAUTION messages found in manuals and on safety
decals.
Hardware descriptions are given in decimals.
SERVICE AND REPLACEMENT PARTS
When ordering replacement parts or making service
inquiries, know the Model and Serial numbers of your
unit and engine.
Numbers are located on the product registration card in
the unit literature package. They are printed on a serial
number label, located on the frame of your unit.
• Record Unit Model and Serial numbers here:
• Record Engine Model and Serial numbers here:
UNAUTHORIZED REPLACEMENT PARTS
Use only Gravely replacement parts. The replacement of
any part on this vehicle with anything other than a
Gravely authorized replacement part may adversely
affect the performance, durability, or safety of this unit
and may void the warranty. Gravely disclaims liability for
any claims or damages, whether warranty, property
damage, personal injury or death arising out of the use of
unauthorized replacement parts.
Decimals to Fractions
.063 1/16 .563 9/16
.125 1/8 .625 5/8
.188 3/16 .688 11/16
.250 1/4 .750 3/4
.313 5/16 .813 13/16
.375 3/8 .875 7/8
.438 7/16 .938 15/16
.500 1/2 1.00 1
PRODUCT REGISTRATION
The Gravely dealer must register the product at the time
of purchase. Registering the product will help the
company process warranty claims or contact you with the
latest service information. All claims meeting
requirements during the limited warranty period will be
honored, whether or not the product registration card is
returned. Keep a proof of purchase if you do not register
your unit.
Customer Note: If Dealer does not register your product,
please fill out, sign and return the product registration
card to Gravely or go to www.gravely.com.
YOUR SATISFACTION IS IMPORTANT
Questions? Please follow these helpful steps:
1. Refer to the manuals supplied with your unit.
They will guide you through safe and proper
operation and maintenance.
They contain specifications on your unit.
If your questions are not answered in these manuals,
go to step number two.
2. Contact Your Dealer.
Our dealers will be happy to supply any service or
advice required to keep your unit operating at peak
efficiency.
A factory trained staff is available to support your
equipment needs. They stock genuine Gravely parts
and lubricants manufactured with the same precision
and skill as the original.
If your questions are not resolved by the support
staff, ask for the manager or owner.
When contacting your Dealer supply your model and
serial numbers.
TO SPEED PARTS ORDERING:
1. Know the model and serial numbers of your unit.
2. Know the part number required.
3. Know the quantity required.
4. Know the part description.

3
MODELS
Domestic
Model 915146 (ZT 34)
Briggs & Stratton with 34” Mower
Serial No. 000101 and up
Model 915148 (ZT 42)
Kohler with 42” Mower
Serial No. 000101 and up
Model 915150 (ZT 50)
Kohler with 50” Mower
Serial No. 000101 and up
Model 915168 (ZT 34 CARB LVE)
Briggs & Stratton with 34” Mower
Serial No. 000101 and up
Model 915170 (ZT 42 CARB LVE)
Kohler with 42” Mower
Serial No. 000101 and up
TABLE OF CONTENTS
DECALS
Decals . . . . . . . . . . . . . . . . . . . . . . . . . . . . . . . . . . . . 4
MAIN FRAME AND TRANSAXLES
Frame, Hood, Fenders, Casters and Tires. . . . . . . . . 6
Seat and Seat Support. . . . . . . . . . . . . . . . . . . . . . . 10
Transaxle, Dump Valves and Rear Wheels . . . . . . . 12
OPERATOR CONTROLS
Parking Brake. . . . . . . . . . . . . . . . . . . . . . . . . . . . . . 14
Steering Controls . . . . . . . . . . . . . . . . . . . . . . . . . . . 16
FUEL TANKS AND ENGINE
Engine, Exhaust, Belts and Idlers . . . . . . . . . . . . . . 18
Fuel Tank . . . . . . . . . . . . . . . . . . . . . . . . . . . . . . . . . 20
ELECTRICAL SYSTEM
Continuity Diagram. . . . . . . . . . . . . . . . . . . . . . . . . . 21
Electrical System . . . . . . . . . . . . . . . . . . . . . . . . . . . 22
Wiring Diagram . . . . . . . . . . . . . . . . . . . . . . . . . . . . 24
MOWER DECKS
Mower Deck Lift . . . . . . . . . . . . . . . . . . . . . . . . . . . . 26
Mower Deck, Belt and Idlers . . . . . . . . . . . . . . . . . . 28
Belt Covers and Blades . . . . . . . . . . . . . . . . . . . . . . 32
© Copyright 2011 Ariens Company

4
DECALS – SAFETY
Model 915146, 148, 150, 168, 170
Item Part No. Qty. Description
1 03271900 2 Decal, Transmission Disconnect
2 07757600 1 Decal, Instructional Steering
3 07731400 2 Decal, Mower Pan Head Danger
4 07742300 1 Decal, Warning
5 02988000 1 Decal, Cut Height
6 02994800 1 Decal, Bilingual Danger
7 07757500 1 Decal, Parking Brake Lever
8 07735200 1 Decal, Danger
9 07754100 1 Decal, Hot Surface
10 07800029 1 Decal, Fuel Warning
11 05301400 1 Decal, Throttle Control
12 08000604 1 Decal, Fuel Level
13 05305000 1 Decal, Trailer Hitch (915148, 150, 170)
077541
02988000
Read the operator’s manual. Keep
children and others away from unit while
operating. Never direct discharge
toward other people. Thrown objects can
cause injury. Look down and behind
before and while backing. Never carry
children. Go up and Down slopes, not
across. If machine stops going uphill,
stop blade and back down slowly. Avoid
sudden turns. Keep safety devices
(guards, shields, switches, ect. ) in place
and working. Check interlock system
per manual before use. Understand
location and function of all controls.
Never allow operation by untrained
persons. Disengage PTO, stop unit and
engine, setparking brake and remove key
before making any inspections, repairs,
etc.
TO AVOID SERIOUS
INJURY OR DEATH POUR EVITER LES BLESSURES
GRAVES OU LA MORT PARA EVITAR DANOS SERIOS
O LA MUERTE
Regardez derriere et sur les cotes lorsque
vous reculez. Ne transportez jamais d’enfant.
Tondez toujours de haut en bas et inversement
jamais le long des pentes. Si la machines
s’arrete en montee. Debrayez le lame et
redescendez doucement. Evitez les virages
brusques. Maintenez toujours en place tous
les elements de securite (protecteus,
interrupteurs, etc.) Controler le bon
fonctionnement du systeme de securite avant
utilisation tel qu’indique dans le manuel
d’utilisation. Comprenez bien la fonction et la
situation de chacun des leviers et boutons de
commande. Ne jamais permettre l’utilisation
par des personnes n’ayant pas recu la formation
necessaire. Desenclencher la PdF, arreter la
machine et le moteur, serrer le frein de
stationnement et enlever la cle de contact avant
de commencer toute verification, reparation, etc.
Antes y durante retroceso mirar hacia abajo
y detras. Nunca monten ninos. Suba y baje
pendientes, no transversalmente. Si la
maquina se detiene subiendo cuesta,
desactive le cuchilla y beje lentamente. Evite
viradas subitas. Mantenga artefactos de
seguridad (defensas, protectores,
interruptores, etc.) en su lugar y trabajando.
Verifique en el manual el sistema de engranar
antes de usar. Tenga conocimiento de
funciones y localizaciones de todos los
controles. No permitir que personal sin la
necesaria formacion use la maquina.
Desactivar la TDF, detener a unidad, apagar
el motor, accionar el freno de estacionamiento
y quitar la llave antes de realizer cualquier
inspeccion, reparacion, etc.
02994800
03271900
07800029
MAX. FILL
Max. Remplir
Máx. llene
080000604
1
6
7
2
4
8
9
5
10
11
3
12
OE0055_A_G_Safety_Decals
3
13

5
DECALS – STYLE
Model 915146, 148, 150, 168, 170
Item Part No. Qty. Description
1 05239900 2 Decal, 9.5” Gravely
2 07800101 1 Decal, ZT 34 (915146, 168)
07800210 1 Decal, ZT 42 (915148, 170)
07800211 1 Decal, ZT 50 (915150)
3 08000526 1 Decal, Gravely Heritage, Large
4 05239800 1 Decal, 6.5” Gravely
05239900
05239800
Decal_style_A_G
2
4
1
3

6
FRAME, HOOD, FENDERS, CASTERS AND TIRES
Model 915168, 170
A
A
To engine purge port
To purge port
on item 39
To fuel
tank neck
To tank port
on item 39
1
3
5
2
14
15
7
8
10
9
6
19
11
13
32
27
18
16
20
25
17
22
21
24
23
26
26
8
20
13
18
19
5
4
4
4
4
4
21
12 22
28
28
29
29
29
26
24
35
34 33
36
39
40
44
38
37
44
44
45
PE1200_A_G_HVZFrame
44
30
43
49
48 47
46
21
41
21
21
21
42
50
51
31
42
44
44 52
53
54
54

7
FRAME, HOOD, FENDERS, CASTERS AND TIRES
Model 915168, 170
Item Part No. Qty. Description
1 03896851 1 Weldment, Frame
2 03768600 1 Fender, Right Hand
3 03768700 1 Fender, Left Hand
4 07500125 6 Rivet, Nylon
5 03769053 2 Plate, Fender
6 03368553 2 Fork, Caster
7 07100801 2 Wheel/Tire Assembly, 11.0 x 4.0 x 5.0
8 05500934 4 Bushing, Flange 1.00 x 1.25 x 1.50 x 1.50
9 00278500 2 Spacer, Wheel
10 05964400 2 Bolt, Hex .50-13 x 6.50
11 04194051 1 Weldment, Fender Mount Right Hand
12 04240751 1 Weldment, Fender Mount Left Hand
13 06543600 4 Nut, Locking, Top, Flange .50-13
14 05962200 2 Bolt, Hex .50-13 x 5.00
15 06436400 2 Washer, Flat Steel .511 x 1.441 x .125
16 06542000 4 Nut, Locking, Top, Flange .38-16
17 07056700 2 Bolt, Shoulder .375-16 x .135
18 07503100 2 Bumper Grommet .125 x .250 Diameter
19 00363100 4 Spacer, Caster
20 08553700 2 Bushing, Sleeve .391 x .688 x .52
21 06545400 8 Nut, .31-18 Nyloc Flange
22 06219900 4 Bolt, Round Head Square Neck .25-20 x .75
23 04085753 1 Hood Brace
24 06443300 2 Washer, Flat, Nylon .52 x 1.00 x .08
25 04277453 1 Hood, Zoom
26 06220600 5 Bolt, Round Head Square Neck .25-20 x .50
27 06500012 4 Nut, .25-20 Nyloc Flange
28 07412000 4 Screw, Tapping .25-20 x .50 Hex Washer Head Thread
29 06543500 5 Nut, Locking Top Flange .25-20
30 03833800 2 Grip, Adhesive (1" x 16" BLK)
31 06500705 2 Nut, Push .50
32 04215900 1 Tank, ZT/Waw Fuel Exp.
33 04082700 1 Grommet, Remote Vent Nitrile
34 04246000 1 Vent, Roll-Over (.25" ID Hose)
35 07511400 1 Bushing, Flange .375 x 1.062 x .625 R
36 04182300 1 Fitting, Straight Fuel
37 03278100 7" Hose, .25 Low-Perm Bulk Gas
38 03278100 10" Hose, .25 Low-Perm Bulk Gas
39 04082500 1 Carbon Canister, 300CC
40 04086551 1 Bracket, Mount, Canister BBZ
41 04102900 2 Plastic Tie Strap Large
42 04097700 2 Clamp, Hose Spring .188
43 06215700 2 Bolt, Round Head Square Neck .31-18 x .75
44 03278800 6 Clamp, Fuel Line
45 07049500 3 Bolt, Serrated Hex Flange Washer Head .312-18 x .50
46 06500010 2 Nut, Locking Nylon Flange .50-13
47 06224800 2 Bolt, Round Head Square Neck .50-13 x 1.75
48 04192901 2 Tube, Upper Control Pivot
49 04188353 1 Foot Rest
50 04097000 1 Fitting, 3/16 x 1/4 90 Deg Vac
51 03375900 7" Hose, .188 Low Perm Bulk (915168)
03375900 11" Hose, .188 Low Perm Bulk (915170)
52 03278100 27" Hose, .25 Low Perm Bulk Gas (915168)
30.5" Hose, .25 Low Perm Bulk Gas (915170)
53 04196270 1 Cupholder
54 07500103 2 Edging, Clutch Paddle-2.00”

8
FRAME, HOOD, FENDERS, CASTERS AND TIRES
Model 915146, 148, 150
A
A
To fuel tank neck
To engine
purge port
1
3
5
2
30
14
15
7
8
10
9
6
19
11
4
13
18
16
20
24
17
21
29
23
22
25
25
8
20
13
18
19
5
4
4
4
4
12
30
29
29
21
26
26
27
28
25
23 29
17
38
33 32
40
39
39
36
34
39
39
35
37
PE1210_A_G_HVZFrame
44
31
46
45
47 48
49
50
29
41
42
42
28 28
43

9
FRAME, HOOD, FENDERS, CASTERS AND TIRES
Model 915146, 148, 150
Item Part No. Qty. Description
1 04282751 1 Weldment, Frame
2 03768600 1 Fender, Right Hand
3 03768700 1 Fender, Left Hand
4 07500125 6 Rivet, Nylon
5 03769053 2 Plate, Fender
6 03368553 2 Fork, Caster
7 07100801 2 Wheel/Tire Assembly, 11.0 x 4.0 x 5.0
8 05500934 4 Bushing, Flange 1.00 x 1.25 x 1.50 x 1.50
9 00278500 2 Spacer, Wheel
10 05964400 2 Bolt, Hex .50-13 x 6.50
11 04240751 1 Weldment, Left Hand Fender Mount
12 04194051 1 Weldment, Right Hand Fender Mount
13 06543600 4 Nut, Locking, Top, Flange .50-13
14 05962200 2 Bolt, Hex .50-13 x 5.00
15 06436400 2 Washer, Flat Steel .511 x 1.441 x .125
16 06542000 4 Nut, Locking, Top, Flange .38-16
17 07056700 2 Bolt, Shoulder .375-16 x .135
18 07503100 2 Bumper Grommet .125 x .250 Diameter
19 00363100 4 Spacer, Caster
20 08553700 2 Bushing, Sleeve .391 x .688 x .52
21 06219900 4 Bolt, Round Head Square Neck .25-20 x .75
22 04085753 1 Hood Brace
23 06443300 2 Washer, Flat, Nylon .52 x 1.00 x .08
24 04277453 1 Hood, ZT
25 03872253 4 Bolt, Round Head Square Neck .25-20 x .50
26 06500012 4 Nut, Locking Top Flange .25-20
27 07412000 4 Screw, Tapping .25-20 x .50 Hex Washer Head Thread
28 06543500 4 Nut, Locking Top Flange .25-20
29 06545400 8 Nut, Locking, Nylon, Flange .31-18
30 07500103 2 Edging, Clutch Paddle - 2.00"
31 03833800 2 Grip, Adhesive (1" x 16" BLK)
32 04215900 1 Tank, ZT/Waw Fuel Exp. (Serial Number 2500 – up)
33 04082700 1 Grommet, Remote Vent Nitrile (Serial Number 2500 – up)
34 07500206 1 Bushing, Flange .375 x 1.062 x .625 (Serial Number 2500 – up)
35 03278100 1 Hose, .25 Low-Perm Bulk Gas (7 inches) (Serial Number 2500 – up)
36 03278100 1 Hose, .25 Low-Perm Bulk Gas (27 inches) (Serial Number 2500 – up)
37 04182300 1 Fitting, Straight Fuel (Serial Number 2500 – up)
38 04246000 1 Vent, Roll-Over (.25" ID Hose) (Serial Number 2500 – up)
39 03278800 6 Clamp, Hose Wire .490/.510 x .116 (Serial Number 2500 – up)
40 07049500 3 Bolt, Serrated Hex Flange Washer Head .312-18 x .50 (Serial Number 2500 – up)
41 04097000 1 Fitting, 3/16 x 1/4 90° Vac (Serial Number 2500 – up)
42 04097700 2 Clamp, Hose, Spring .188 (Serial Number 2500 – up)
43 03375900 1 Hose, .188 Low-Perm Bulk Gas (7 inches) (915146) (Serial Number 2500 – up)
1 Hose, .188 Low-Perm Bulk Gas (11 inches) (915148, 150) (Serial Number 2500 – up)
44 04192700 1 Cupholder, Snap-In, 3.75 OD
45 06215700 2 Bolt, Round Head Square Neck .31-18 x .75
46 04188353 1 Foot Rest
47 04192901 2 Tube, Upper Control Pivot
48 06224800 2 Bolt, Round Head Square Neck .50-13 x 1.75
49 06500010 2 Nut, Locking Nylon Flange .50-13
50 06500705 2 Nut, Push .50

11
SEAT AND SEAT SUPPORT
Model 915146, 148, 150, 168, 170
Item Part No. Qty. Description
1 03795800 1 Seat, 13 in Grey (915146, 168)
04278000 1 Seat, Milsco XB180 Grey (915148, 150, 170)
2 03782051 1 Seat Plate
3 05900033 4 Bolt, Hex 5/16-18 x 3/4
4 07412000 2 Screw, Tapping .25-20 x .50 Hex Washer Head Thread
5 03753351 1 Guard, Fan
6 06542000 2 Nut, .38-16 Locking Top Flange
7 00337700 2 Hub Cap
8 08300021 2 Spring, Seat
9 06212100 2 Bolt, Round Head Square Neck .31-18 x 1.50
10 06439100 2 Washer, Flat, Steel .328 x .87 x .179
11 06500015 2 Nut, Coupling 5/16-18 x 1.75
12 06545400 2 Nut, 5/16-18 Flange Nyloc
13 07056700 2 Bolt, Shoulder .375-16 x .135
14 01305900 2 Bushing, Flange .325 x .499 x .26 x .88
15 05946900 2 Bolt, Hex .31-18 x 1.00

13
TRANSAXLE, DUMP VALVES AND REAR WHEELS
Model 915146, 148, 150, 168, 170
Item Part No. Qty. Description
1 03872300 1 Transaxle, Left Hand EZT D-Shaft
2 03872400 1 Transaxle, Right Hand EZT D-Shaft
3 05963700 4 Bolt, Hex .31-18 x 2.25
4 06545400 8 Nut 5/16-18 Flange Nyloc
5 03762700 1 Dump Valve, Right Hand
6 03762800 1 Dump Valve, Left Hand
7 03762000 2 Shaft, Cross Brace
8 03958000 2 Assembly, Wheel Hub (915148, 150, 170)
9 05958400 4 Bolt, Hex .38-16 x 2.50
10 06517600 8 Nut, Wheel .50-20 13/16 (915148, 150, 170)
11 07100809 2 Tire Assembly 18 x 6.5-8 2 Pulley DSHAFT (915146, 168)
07100123 2 Tire/Wheel Assembly, 18 x 8.5-8 Center (915148, 170)
07100233 2 Tire/Wheel Assembly, 18 x 9.50-8 Offset (915150)
12 06444000 4 Washer, Flat Steel .406 x 1.00 x .188
13 06400006 2 Washer, Flat Steel .406 x 1.50 x .245
14 06435700 8 Washer, Flat, Steel .38 x .875 x .083
15 06701900 2 Pin, Hair, Internal .06 x .18 x .77
16 05960600 4 Bolt, Hex .31-18 x 2.75
17 06308800 2 Washer, Locking .38 x .094 Regular
18 05948700 2 Bolt, Hex .38-16 x 1.00

14
PARKING BRAKE
Model 915146, 148, 150, 168, 170
Item Part No. Qty. Description
1 03759400 1 Link, Brake Handle
2 03759151 1 Handle, Parking Brake
3 03823300 1 Link, Neutral LH
4 05946900 3 Bolt, Hex .31-18 x 1.00
5 05514800 1 Bushing, Flange .312 x .500 x .344 x .880
6 06437200 6 Washer, Flat, Steel .344 x .688 x .065
7 06545400 6 Nut, Flange Nyloc 5/16-18
8 03769400 1 Spacer, Brake Handle
9 06713500 5 Pin, Hair Internal .08 x .18 x 1.18
10 03759200 1 Weldment, Detent Arm
11 05947500 1 Bolt, Hex .31-18 x 1.25
12 06435700 2 Washer, Flat Steel .38 x .875 x .083
13 03764800 2 Trunnion, 1/4-20
14 06446300 1 Washer, Flat Steel .344 x 1.125 x .135
15 03764900 1 Roller
16 07400034 4 Screw, Tapping .25-20 x .50 Hex Washer Head
17 03759000 1 Latch, LH Neutral
18 03758900 1 Latch, RH Neutral
19 08326700 1 Spring, Tension .072 x .565 x 1.87
20 08300028 2 Spring, Compression
21 03759600 2 Link, Brake Cog
22 03826900 1 Grip, Parking Brake
23 03759500 1 Link, Neutral RH
24 06446900 2 Washer, Flat Steel .347 x 1.254 x .048
25 03761100 1 Weldment, Brake Shaft
26 01305900 2 Bushing, Flange .325 x .499 x .26 x .88
27 06441100 1 Washer, Flat, Steel .52 x .827 x .062
28 03757501 2 Bushing, .50 Clamp Block Molded
29 05700125 2 Ring, Retaining, External .250 x .025
1 2
3
4
24
PE1261
22
28
25
8
16
14
9
15
23
21
4
6
12
11
9
10
17
18
19
7
16
7
5
6
20
7
27
26
9
7
6
13
29

15
NOTES

16
STEERING CONTROLS
Model 915146, 148, 150, 168, 170
To Transaxle.
PE1330_A_G_1634_Controls 04042200
15
6
33
17 18
2
8
25
22
23
12
8 20
5
4
5
28
30
18
23
20
31
4
3
2
6
22
26
21
29
13
27
6
6
23
6
21 6
32
21 6
9
17
10 20
19
15
3
10
13
6
15 16
10
3
20
19
16
15
12
9 10
11
14
1
13
13
34
35
25
35
34
24
6
37
36
2 33
6
6
5
6 32
30
7
7
27
24
29
21

17
STEERING CONTROLS
Model 915146, 148, 150, 168, 170
Item Part No. Qty. Description
1 04193051 1 Weldment, Steering Handle RH
2 04257400 2 Grip, Handlebar 15" Foam
3 05710200 2 Ring, Retaining External .438 x 1.00 x 0.83
4 03943800 2 Damper
5 03652200 4 Stud, Ball
6 06545400 12 Nut, .31-18 Flange
7 04197651 2 Weldment, Steering Shaft
8 07400034 6 Screw, Tapping .25-20 x .50 Hex Washer Head
9 06400005 2 Washer, Wave
10 05511000 4 Bushing, Flanged
11 04192851 1 Weldment, Lower Control Arm
12 05500932 2 Bushing, Eccentric
13 06545500 8 Nut, .38-16 Nyloc Flange
14 04199451 1 Weldment, Lower Control RH
15 05501017 4 Bushing, Flanged
16 04193500 2 Spacer, .375 x .625 x .970
17 04192951 2 Weldment, Upper Control Arm
18 07500131 2 Cap Plug, Square
19 05957400 2 Bolt, Hex .31-18 x 1.75
20 05974000 4 Bolt, Hex .375-16 x 1.75
21 03787100 4 Alignaball, 5/16 RH Thread
22 05946900 2 Bolt, Hex .31-18 x 1.00
23 06535900 4 Nut, Hex Jam .375-16
24 03956251 2 Bracket, Speed Adjustment/Seat Pivot
25 06220800 2 Bolt, Round Head Square Neck .31-18 x .75
26 06536700 4 Nut, Jam, .31-24
27 04197300 2 Wireform, Steering Link
28 05959400 2 Bolt, Hex .38-16 x .75
29 04208000 2 Spacer, .328 x .500 x .625
30 05957200 2 Bolt, Hex .31-18 x 2.00
31 03759351 1 Plate, Dampener (RH)
32 04147200 2 Bushing, Flanged
33 07001633 4 Bolt, Serrated Head .38-16 x 1.5
34 06219900 4 Bolt, Round Head Square Neck .25-20 x .75
35 06500012 4 Nut, Locking, Nylon, Flange .25-20
36 04199551 1 Weldment, Steering Handle LH
37 03766051 1 Plate, Damper LH

19
ENGINE, EXHAUST, BELTS AND IDLERS
Model 915146, 148, 150, 168, 170
Item Part No. Qty. Description
1 08200638 1 Engine, 16.5 HP Briggs and Stratton Powerbuilt (915146, 168)
08200631 1 Engine, Kawasaki FR651V (915148, 170)
08200523 1 Engine, Kawasaki R691 (915150)
2 07414700 1 Screw, Tapping .38-16 x 1.25 Hex Washer Head (915146, 168)
3 07414100 3 Screw, Tapping .38-16 x 1.00 Hex Washer Head (915146, 168)
05901507 4 Bolt, Hex .38-16 x 1.25 (915148, 150, 170)
4 06537200 1 Nut, Locking Jam .375-16 (915146, 168)
5 00619600 1 Throttle/Choke Cable (915146, 168)
06900416 1 Throttle Cable (915148, 150, 170)
6 07415800 2 Screw, Tapping 10-24 x .50 Hex Washer Head
7 07500123 1 Plug, 5/8" Square Black (14-20GA) (915146, 168)
06900408 1 Cable, Choke (SNAP IN) (915148, 150, 170)
8 06436200 4 Washer, Flat, Steel .406 x .812 x .065
9 03943600 1 Oil Drain
10 00390100 3 Wire Clip (for .25" hole) (915146, 168)
2 Wire Clip (for .25" hole) (915148, 150, 170)
11 03946900 1 Muffler, Twin (915148, 150, 170)
12 06443600 1 Washer, Flat, Steel .469 x 2.00 x .25
13 06309300 1 Washer, Locking .44 x .109 Regular
14 05966700 1 Bolt, Hex .44-20 x 4.50 Grade 8
15 07333000 1 Weldment, PTO Extension w/Sheave
16 03972700 1 Clutch, 105 FT*LB MONO Pole
17 06603400 1 Key, Square .25 x 1.25 x .25 SAE 8630 or SAE 1035
18 06225400 1 Bolt, Round Head Square Neck .38-16 x 2.75
19 06442000 1 Washer, Flat, Steel .563 x 1.38 x .109
20 06442400 2 Washer, Flat, Steel .406 x 1.375 x .135
21 06545500 3 Nut, Locking, Nylon, Flange .38-16
22 07300221 1 Pulley, Engine Clutch
23 05961400 1 Bolt, Hex .38-16 x 2.75
24 08553700 1 Bushing, Sleeve .391 x .688 x .52
25 08300512 1 Spring, Extension
26 03961100 1 Spacer, Ground Drive Idler
27 03961000 1 Idler Arm, Ground Drive
28 03960700 1 Bushing, Idler Arm
29 05901418 1 Screw, Cap .31-18 x 1.75
30 03980200 1 Spacer, Rubber 5/16 ID x 1.0
31 06530400 2 Nut, Spin Lock, Flange .312-18
32 06543100 2 Nut, Locking, Top, Flange .31-18
33 03956751 1 Bracket, Clutch Stop
34 05960600 1 Bolt, Hex .31-18 x 2.75
35 06545400 1 Nut, Locking, Nylon, Flange .31-18
36 07200010 1 V-Belt, HA-RAW Edge Laminated
37 06308600 4 Washer, Locking .31 x .078 Regular
38 05933100 4 Capscrew .31-18 x .75 S/HD
39 03276500 1 Guard, Briggs Engine (915146, 168)
40 06100206 1 Screw, 8-16 x .87 (915146, 168)
41 04058800 1 Muffler, Briggs and Stratton (915146, 168)
42 07400034 2 Screw, Tapping .25-20 x .50 Hex Washer Head (915146, 168)

20
FUEL TANK
Model 915146, 148, 150, 168, 170
Item Part No. Qty. Description
1 03761700 1 Tank, Fuel (Serial Number 101 – 2499)
04191900 1 Tank, Fuel 2.5G w/Vent Port (Serial Number 2500 – up)
2 01538400 1 Fuel Cap (Serial Number 101 – 2499)
04238500 1 Fuel Cap, 225 CARB w/12" THTR (Serial Number 2500 – up)
3 03278800 2 Clamp, Fuel Line
4 07500206 1 Bushing (Serial Number 101 – 2499)
2 Bushing (Serial Number 2500 – up)
5 03771451 1 Bracket, Tank Strap
6 03278100 NA Hose, .25 Low Perm Gas (as required)
7 04333600 1 Assembly, Fuel Pickup
8 06219900 1 Bolt, Round Head Square Neck .25-20 x .75
9 03795700 1 Seal, Tank Neck
10 06500012 1 Nut, .25-20 Nyloc Flange
11 07400034 1 Screw, Tapping .25-20 x .50 Hex Washer Head
12 00390100 1 Wire Clip
13 04219300 1 Fitting, 90 Degree Fuel Plastic (Serial Number 2500 – up)
To engine fuel filter
PE1225_A_G_FuelTank
4
13
1
( 2500 - up)
1
2
3
4
8
11
5 9
6
10
7
3
12

21
CONTINUITY DIAGRAM
Model 915146, 148, 150, 168, 170
(03290500)
Seat Switch
(03654200)
Solenoid
(00696900)
12 12
OPERATOR
OFF SEAT OPERATOR
ON SEAT
PE0771

23
ELECTRICAL SYSTEM
Model 915146, 148, 150, 168, 170
Item Part No. Qty. Description
1 03927000 1 Key
2 03042800 1 Relay
3 09351100 1 Fuse, 30 AMP
4 03290500 1 Key Switch w/Key
5 00696900 1 Solenoid
6 N/A 1 Battery, Sealed Maintenance free U1-250 (Purchase replacement locally)
7 05946800 2 Bolt, Hex .25-20 x .75
8 06437300 2 Washer, Flat Steel .281 x .62 x .065
9 06509200 2 Nut, KEPS .250-20
10 07533200 3 Boot, Eyelet Terminal
11 03777100 1 Cable, POS
12 03777000 1 Ground Cable
13 01545600 1 Switch, Clutch With Retainer
14 03773900 1 Harness, Wiring ZT
15 03606600 1 Switch, Double Pole N.O. / N.O.
16 03654200 1 Switch, Snap Mounting (N.O.)
17 07505700 1 Insulator
18 06310500 4 Washer, Locking .31
19 06536700 2 Nut, Jam .31-24
20 06500012 1 Nut, .25-20 Nyloc Flange
21 07506500 1 Grommet .125 x 1.000 ID
22 07411600 2 Screw, Tapping .250-20 x .37 Hex Washer Head
23 06543500 1 Nut, Locking, Top, Flange .25-20
24 07400038 2 Screw, 12-14 x .75 HX
25 03781900 1 Hold Down, Battery
26 03972600 1 Harness, Clutch
27 07411900 1 Screw, Tapping 12-24 x .50 Hex Washer Head
28 05973300 1 Bolt, Hex M8-1.25 x 20
29 06308600 1 Washer, Locking .31 x .078 Regular
30 06537200 1 Nut, Locking, Center, Jam .375-16

24
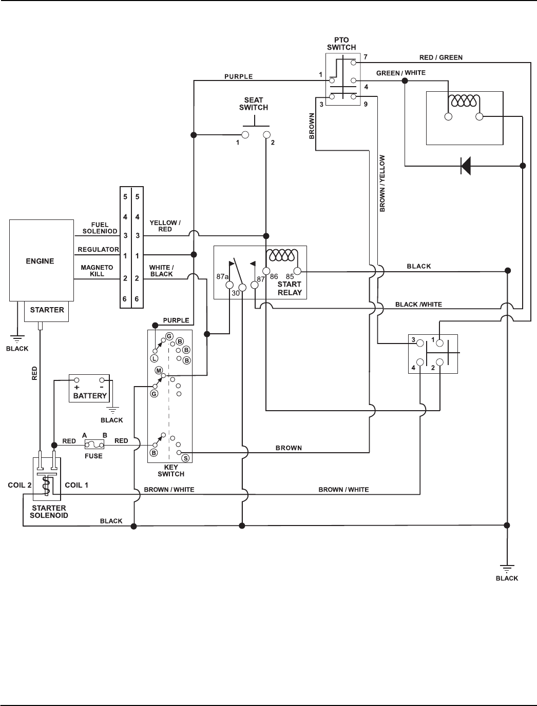
WIRING DIAGRAM
Model 915146, 148, 150, 168, 170
Yellow /
Red
Parking
Brake
Switch
CLUTCH
AB

25
NOTES

27
MOWER DECK LIFT
Model 915146, 148, 150, 168, 170
Item Part No. Qty. Description
1 03745400 2 Weldment, Lift Arm
2 06700201 10 Pin, Bow Tie Locking Cotter .091 x 1.875
3 06436400 8 Washer, Flat, Steel .511 x 1.441 x .125
4 06400903 2 Washer, Flat, Steel .50 x 1.25 x .160
5 03746100 1 Weldment, Rear Deck Lift Shaft
6 00160000 4 Assembly, Deck Link
7 03766151 1 Guard, Deck Lift
8 03755200 1 Pin, Deck
9 06900317 1 Cable, 12.0 Lanyard, Nylon
10 05519100 4 Bushing, Flange .627 x .879 x .469 x 1.120
11 03744800 1 Weldment, Deck Lift Pedal
12 07411600 2 Screw, Tap .25-20 x .37
13 06443300 4 Washer, Flat, Nylon .52 x 1.00 x .08
14 06500633 2 Nut, Nyloc 7/16-20
15 03745300 1 Weldment, Lift Link
16 07533500 1 Knob, Ball, Black 1.47" .375-16
17 01590400 4 Trunnion, .50
18 06442800 2 Washer, Flat Steel .656 x 1.31 x .095
19 07525100 1 Bumper, Rubber

29
MOWER DECK, BELT AND IDLERS
Model 915146, 168
Item Part No. Qty. Description
1 04232553 1 Weldment, 34" Deck
2 61559900 2 Assembly, Spindle
3 04072900 1 Weldment, Idler Arm
4 07300039 2 Assembly, Idler 4"
5 03828853 1 Wireform, Belt Finger
6 06542000 5 Nut, Locking Top Flange .38-16
7 03994300 1 Chute, Side Discharge
8 00662653 1 Chute Reinforcement
9 01258100 1 Spring, Torsion
10 06800002 1 Pin, 5/16 x 3.88"
11 06713500 1 Pin, Hair Internal .08 x .18 x 1.18
12 06400006 2 Washer, Flat Steel .406 x 1.50 x .245
13 06533500 1 Nut, Coupling .375-16 x 1.75
14 06534900 1 Nut, Spin Lock, Flange .375-16
15 05958500 1 Bolt, Hex .38-16 x 1.75
16 06435700 2 Washer, Flat Steel .38 x .875 x .083
17 05920900 2 Screw, Socket Head .31-18 x .75 Button Head
18 06543100 2 Nut, Locking Top Flange .31-18
19 03839053 2 Plate, REINF, Spindle
20 06443600 1 Washer, Flat Steel .469 x 2.00 x .25
21 06443400 4 Washer, Flat Steel .380 x 1.50 x .125
22 05957800 1 Bolt, Hex .38-16 x 3.00
23 06444000 3 Washer, Flat Steel .406 x 1.00 x .188
24 06435900 3 Washer, Flat Steel .438 x 1.00 x .083
25 03974153 1 Belt Finger
26 05500907 2 Bushing, Flange, .625 x .750 x .500 x 1.00
27 03763400 1 Spacer, .375ID x .625D x 1.66 Promaster
28 06425500 1 Washer, Flat Steel .375 x 1.125 x .065 G446470
29 05961400 1 Bolt, Hex .38-16 x 2.75
30 06224400 1 Bolt, Round Head Square Neck .38-16 x 2.50
31 06308800 1 Washer, Locking .38 x .094 Regular
32 05948700 1 Bolt, Hex .38-16 x 1.00
33 03779200 1 Bracket, Baffle, Discharge 34"
34 05947000 2 Bolt, Hex .37-18 x .75
35 06545400 2 Nut, Locking Nylon Flange .31-18

31
MOWER DECK, BELT AND IDLERS
Model 915148, 150, 170
Item Part No. Qty. Description
1 03967753 1 Deck, 42" (915148, 170)
03945953 1 Deck, 50" (915150)
2 51520900 3 Assembly, Spindle (915148, 170)
51519500 3 Assembly, Spindle (915150)
3 03839053 3 Plate, Spindle
4 07415400 12 Screw, Tapping .38-16 x .75 Hex Washer Head
5 07300039 3 Assembly, Idler 4"
6 06400006 2 Washer, Flat, Steel .406 x 1.50 x .245
7 06443400 4 Washer, Flat, Steel .380 x 1.50 x .125
8 05962900 1 Bolt, Hex .38-16 x 2.25
9 06444000 4 Washer, Flat, Steel .406 x 1.00 x .188
10 06542000 6 Nut, Locking, Top, Flange .38-16
11 06425500 1 Washer, Flat, Steel .375 x 1.125 x .065
12 05500907 2 Bushing, Flange, .625 x .750 x .500 x 1.00
13 04072900 1 Weldment, Idler Arm
14 03763400 1 Spacer, .375ID x .625 OD x 1.66
15 05961400 1 Bolt, Hex .38-16 x 2.75
16 03974153 1 Belt Finger
17 06224400 1 Bolt, Round Head Square Neck .38-16 x 2.50
18 03828853 1 Wireform Belt Finger
19 06443600 1 Washer, Flat, Steel .469 x 2.00 x .25
20 06435900 1 Washer, Flat, Steel .438 x 1.00 x .083 (915148, 170)
21 05957800 1 Bolt, Hex .38-16 x 3.00 (915148, 170)
22 05961100 1 Bolt, Hex .38-16 x 3.25 (915150)
23 01594000 1 Spacer, .39 x 1.50 x .380 (915150)
24 04061053 1 Plate, Deck (915150)
25 06545500 1 Nut, Locking, Nylon, Flange .38-16 (915150)
26 03956000 1 Idler Arm (915150)
27 05957900 1 Bolt, Hex .38-16 x 1.50 (915150)
28 03960600 1 Spacer, Idler Arm (915150)
29 03960700 2 Bushing, Idler Arm (915150)
30 07200523 1 V-Belt, 4L Wrapped (915148, 170)
07200524 1 V-Belt, 4L Wrapped (915150)

32
BELT COVERS AND BLADES
Model 915146, 168
Item Part No. Qty. Description
1 00662653 1 Chute Reinforcement
2 03994300 1 Molded Chute
3 06800002 1 Pin, 5/16 x 3.88"
4 03971900 2 Blade, Mower 17.35
5 06445700 2 Washer, Beveled .63 x 1.625 x .14
6 06500630 2 Nut, Hex .62-18
7 03779253 1 Bracket, Baffle Discharge 34"
8 05947000 2 Bolt, Hex .31-18 x .75
9 06545400 2 Nut, .31-18 Nyloc Flange
10 03764053 2 Bracket, Stabilizer Link
11 04323800 2 Cover, Belt Molded
12 07400034 4 Screw, Tapping .25-20 x .50 Hex Washer Head
13 06800102 4 Pin, Clevis .375 x 2.00
14 06700206 4 Pin, Bow Tie Locking
15 05920900 2 Screw, .31-18 x .75
16 06543100 2 Nut, Locking Top Flange .31-18
17 06435700 2 Washer, Flat, Steel .38 x .875 x .083
18 01258100 1 Spring, Torsion
19 06713500 1 Pin, Hair .08 x .18 x 1.18
3
6
9
8
5
10
12
11
2
4
1
14
13
11
12
10
13
7
15
16
17
18
17
19

33
NOTES

35
BELT COVERS AND BLADES
Model 915148, 150, 170
Item Part No. Qty. Description
1 04265400 3 Mower Blade, 14.83" (915148, 170)
03971900 3 Blade, Mower 17.35" (915150)
2 06445700 3 Washer, Bellville .63 x 1.625 x .14
3 06500630 3 Nut, Hex .62-18
4 07056800 3 Bolt, Shoulder .38-16 x 2.50 Hex Washer Head
5 06542000 3 Nut, Locking, Top, Flange .38-16
6 03905600 4 Anti-Scalp Wheel, 5 x 3 OS (915148, 170)
03905600 3 Anti-Scalp Wheel, 5 x 3 OS (915150)
7 06800102 4 Pin, Clevis .375 x 2.00
8 06700206 4 Pin, Bow Tie Locking Cotter
9 04073053 1 Bracket, Discharge Chute Mount 42" (915148, 170)
03977553 1 Bracket, Discharge Chute Mount 50" (915150)
10 03902300 1 Discharge Chute
11 08300515 1 Spring, Torsion
12 00475800 1 Pin, 5/16 x 5.80"
13 06713500 1 Pin, Hair Internal .08 x .18 x 1.18
14 03977400 1 Weldment, Discharge Chute MT. Strap
15 03902200 1 Belt Cover, Left Hand 42" (915148, 170)
03901900 1 Belt Cover, Left Hand 50" (915150)
16 03902100 1 Belt Cover, Right Hand 42" (915148, 170)
03901800 1 Belt Cover, Right Hand 50" (915150)
17 07400034 2 Screw, Tapping .25-20 x .50 Hex Washer Head (915148, 170)
07400034 1 Screw, Tapping .25-20 x .50 Hex Washer Head (915150)
18 07414200 4 Screw, Tapping .25-20 x .75 Hex Washer Head
19 03957853 1 Baffle, 42 Rear (915148, 170)
04069053 1 Baffle, 50 Rear (915150)
20 04044153 1 Baffle, 42" Deflector (915148, 170)
03955953 1 Baffle, 50" Deflector (915150)
21 06543100 6 Nut, Locking, Top, Flange .31-18 (915148, 170)
06543100 3 Nut, Locking, Top, Flange .31-18 (915150)
22 05947200 2 Bolt, Hex .31-18 x .50 (915148, 170)
23 06545400 2 Nut, Locking, Nylon, Flange .31-18 (915150)
24 02745400 1 Roller (915150)
25 06220800 1 Bolt, Round Head Square Neck .31-18 x .75 (915150)
26 03764053 2 Bracket, Stabilizer Link
27 05960900 2 Bolt, Hex .38-16 x 3.50
28 06436200 2 Washer, Flat, Steel .406 x .812 x .065
29 06537200 2 Nut, Locking, Center, Jam .375-16
30 06545500 1 Nut, Locking, Nylon, Flange .38-16

GRAVELY
655 West Ryan Street
Brillion, WI 54110
920-756-4688
Fax 920-756-2407
www.gravely.com







