Grizzly G0446 G0539/G0446/G0571 Manual User To The 1c0bfa58 Be60 4cc6 859f 32e68c64f05b
User Manual: Grizzly G0446 to the manual
Open the PDF directly: View PDF
.
Page Count: 80

7)$%"%,43!.$%23
-/$%,3'''
).3425#4)/.-!.5!,
8DENG><=IB6N'%%*7N<G>OOAN>C9JHIG>6A!>C8#
7!2.).'./0/24)/./&4()3-!.5!,-!9"%2%02/$5#%$).!.93(!0%
/2&/2-7)4(/544(%72)44%.!002/6!,/&'2)::,9).$5342)!,).#
8G+.,&EG>CI:9>CI6>L6C

MODELS G0446, G0539,
and G0571
MANUAL UPDATE
WARNING: NO PORTION OF THIS MANUAL MAY BE REPRODUCED IN ANY SHAPE
OR FORM WITHOUT THE WRITTEN APPROVAL OF GRIZZLY INDUSTRIAL, INC.
If you have questions, contact Tech Support at (570) 546-9663 or by email at
techsupport@grizzly.com.
Electrical Parts List
REF PART # DESCRIPTION REF PART # DESCRIPTION
1 P05398101 ELECTRICAL CONTROL BOX 15 P05398115 CONTACTOR TELE LC1D096 220V
2 P05398102 HINGE 15-1 P05398115-1 CONTACTOR 2-PC ASSY LC1D096
3 P05398103 DOOR 16V2 P0571016V2 POWER TERMINAL BLOCK (G0571)
4 P05398104 BASE PLATE 16V2 P05398116V2 POWER TERMINAL BLOCK
5 PN05 HEX NUT 1/4-20 (G0539/G0446)
6 PLW02 LOCK WASHER 1/4 17 PS51M PHLP HD SCR M4-.7 X 30
7 P05398107 CONTROL PANEL 18V2 P0571018V2 TERMINAL BLOCK (G0571)
8 PS07M PHLP HD SCR M4-.7 X 8 18V2 P05398118V2 TERMINAL BLOCK (G0539/G0446)
9 P0539009 CURRENT SENSOR 19 PW06 FLAT WASHER 1/4
10V2 P0539010V2 TRANSFORMER V2.03.10 20 PLW02 LOCK WASHER 1/4
(G0539/G0446) 21 PS04 PHLP HD SCR 1/4-20 X 1/2
11V2 P0571011V2 CONTACTOR TELE LC1D50A V2.09.10 22 P05398122 PU CONNECTOR 1/2
(G0571) 23 P05398123 PU CONNECTOR 3/4
11V2 P0539011V2 CONTACTOR TELE LC1D40A V2.09.10 24 P05398124 CABLE CONNECTOR 1"
(G0539/G0446) 26 P05398126A DIGITAL AMP METER
12V2 P0539012V2 OL RELAY TELE LR3D340 30-40A V2.09.10 27 P05398128-1 START SWITCH
(G0539/G0446) 28 P05398128-2 START SWITCH
13V2 P0539013V2 FUSE 4A V2.03.10 29 P05398129-1 STOP SWITCH
14 P05718114 OL RELAY TELE LR3D126 5.5-8A 30 P05398129-2 STOP SWITCH
(G0571) 31 P05398131 EMERGENCY STOP SWITCH
14 P05398114 OL RELAY TELE LR3D086 2.5-4A 32 P05398132 WIRE COLUMN
(G0539/G0446) 33 P05398133 COMPUTER
38 P05398130 POWER INDICATION LIGHT
440V CONVERSION PARTS 39 P9983627 OL RELAY TELE LT47 5-60A (G0571)
12-1V2 P0539012-1V2 OL RELAY TELE LR3D325 17-25A V2.09.10
14-1 P0539014-1 OL RELAY TELE LR3D076 1.6-2.5A
Replaces Page 47

Main Electrical Panel and Controls Diagram
1
2
24
22 22
23
19
20
21
3
26
9
32
4
5
6
13V2
11V2 (G0571 Only)
11V2 (G0539/G0446 220V/440V Only)
15
15-1
16V2 (G0571 Only)
39 (G0571 Only)
33
7
27
28
38
8
31
30
29
16V2 (G0539/G0446 Only)
18V2 (G0571 Only)
18V2 (G0539/G0446 Only)
14-1 (G0539/G0446 440V Only)
14 (G0539/G0571/G0446 220V Only)
12V2 (G0539/G0446 220V Only)
12-1V2 (G0539/G0446 440V Only)
10V2 (G0539/G0446 Only)
Replaces Page 46

440V Connection
(G0446/G0539)
To wire the Model G0446/G0539 to 440V:
1.Disconnect the sander from the power
source!
2.
3.
Figure 7
Figure 7.
00 220V200V440V
TRANSFORMER
1320
5. Figure
8
6.
Note:The circled references on the diagrams
represent labels on the wires. Also, Figure 9
below has been provided for your reference
and is current at the time of writing. However,
always use the diagram on the wire cover
that comes with your motor!
4. Figure
8
440V 440V
W5
W2
W6
U1
U5
U2
U6
V1
V5
V2
V6
W1
U2 V2 W2
U5 V5 W5
U1 V1 W1
SANDING MOTOR
TABLE UP/DOWN MOTOR
CONVEYOR MOTOR
440V
U2 V2 W2
U5 V5 W5
U1 V1 W1
Figure 9.
Figure 8.
Replaces Page 13

Wiring Box Electrical Diagram (G0446/G0539)
Replaces Some Content on Page 40
U
R
V
S
W
U1 V1 W1 E U2 V2 W2 16 17 18 19 13 12 11 10 9 8 6 5 5 3 3 2 14 15 R
L1 L2 L3 2010.09.16
S T E
1L1 3L2 5L3
2T1 4T2 6T3
2T1 4T2 6T3
13 21
NO NC
14 22
NO NC
NO
97 98 95 96
NC
A1
SANDING BELT
CONTACTOR
COVEYOR
CONTACTOR
CONTACTOR CONTACTOR
EMG BRAKE
FUSE
CONTROL POWER TRANSFORMER
220V CONNECTION
AMP METER CURRENT SENSOR
TABLE UP/DOWN
FUSE
A2
OVERLOAD
2T1 4T2 6T3
2T1 4T2 6T3
13 21
NO NC
14 22
NO NC
NO
97 98 95 96
NC
A1
A2
OVERLOAD
THERMAL
EMERGENCY
BRAKE SOLENOID VALVE
T
RST
RST
R
S
T
RS
T
R
14
15
1
0
R
S
S
T
T
1L1 3L2 5L3
2T1 4T2 6T3
13 21
NO NC
14 22
NO NC
A1
A2
1L1 3L2 5L3
2T1 4T2 6T3
13 21
NO NC
14 22
NO NC
A1
A2
1L1 3L2 5L3
2T1 4T2 6T3
13 21
NO NC
14 22
NO NC
A1
A2
1L1 3L2 5L3
U1 V1 W1
10
8
2
8
9
10
13
12
U2 V2
W2 17
U2
19
2
12 13
652
V2
W2
20
21
9
11 11
15
14
3
3 3
3
2
2
2
2
2
3
0 0
440 200 220
0
1
RS

Wiring Box Electrical Diagram (G0571)
Replaces Some Content on Page 42

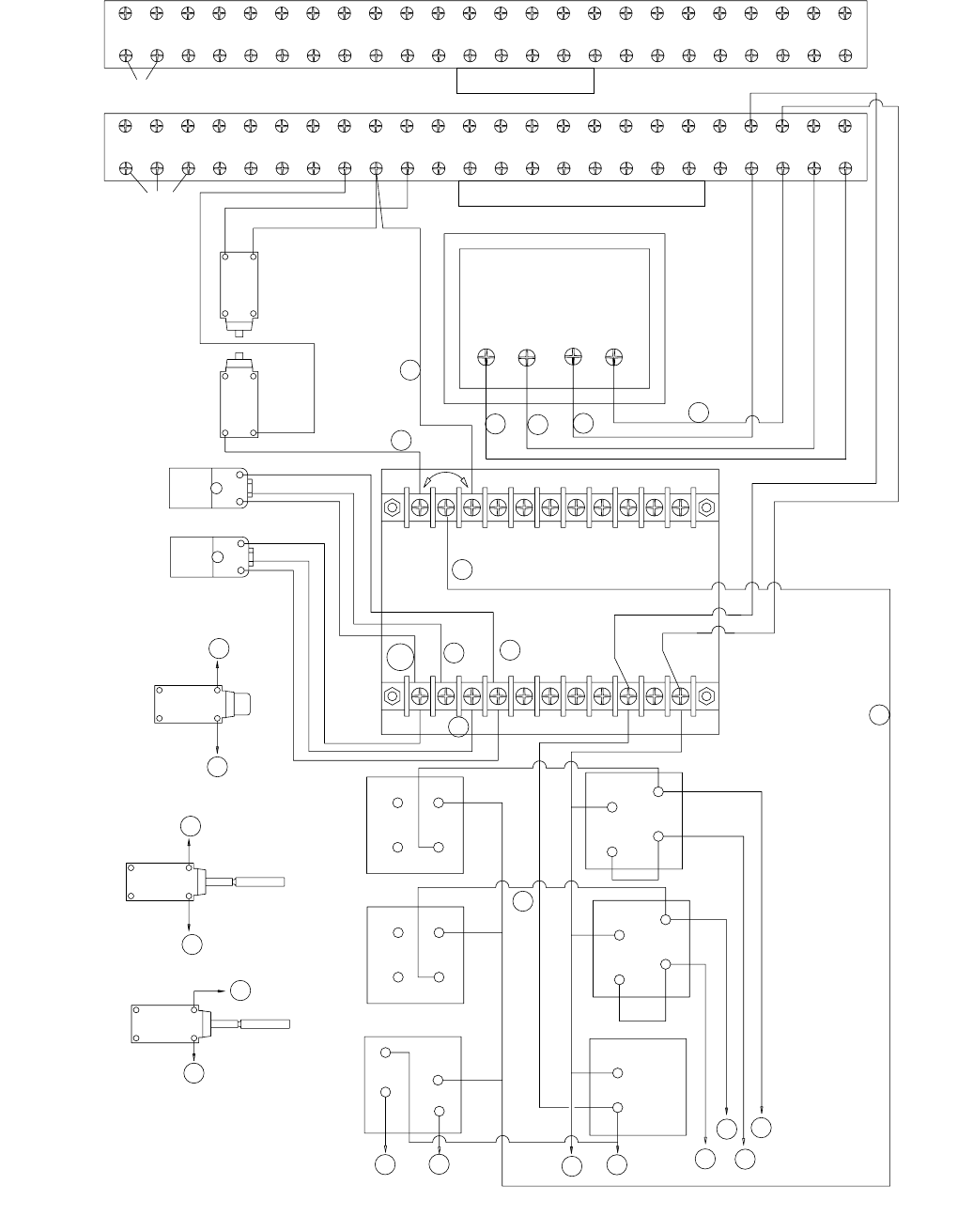
Wiring Box Components (G0446/G0539)
Replaces Page 41
Wiring Box Components (G0571)
Replaces Page 43

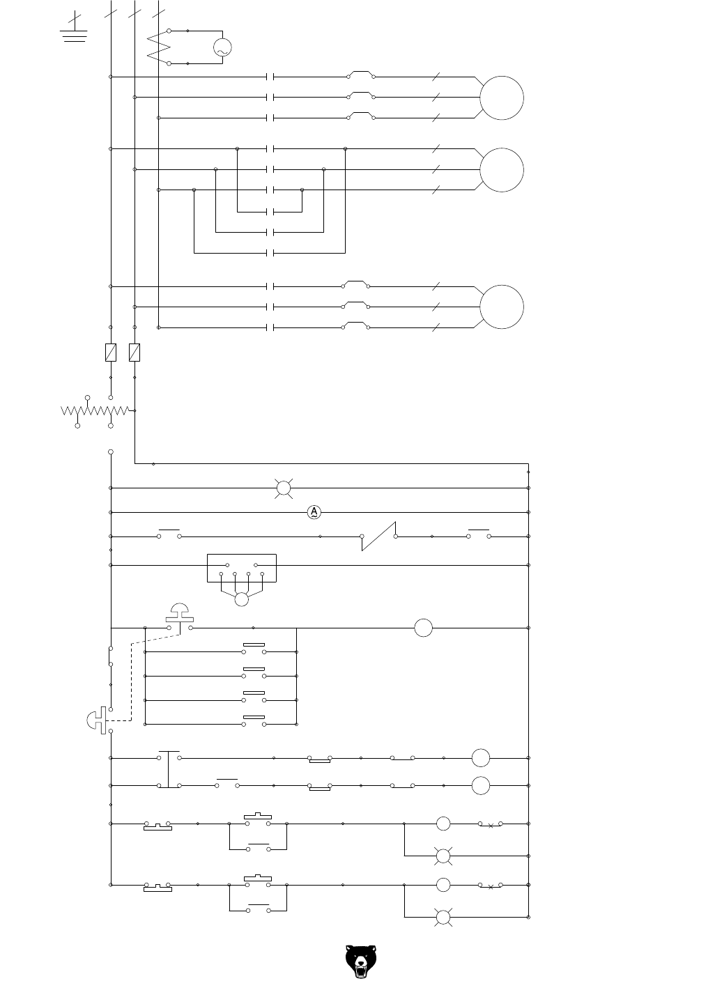
General Electrical Diagram (G0446/G0539)
M O T O R
M O T O R
M 1
R U
S V
3
A
W L
12 SOL 13
F
R
20
21
R
F
17
19
16
18
LS
LS
LS1
LS2
LS3
LS4
OL1
M1
GL
STOP START
START
M1
89
7
6
A
5
POWER SOURCE
BRAKE
T ABL E L I F T I NG
& L OWERI NG
M O T O R
R U
S V
U
V
SANDI NG BELT
CONVEYOR BEL T
R
Emergency Stop
SANDI NG
BELT
CONVEYOR
BELT
R S
T A B L E L I F T I N G
& L O W E R I N G
E
A
AM
1 4
1 5
U 1
V 1
W 1
OL 3
M 3
M3
11
A
R U V S
a b
Emer gency Brake
a b
a b
PCR1
10
M3
T
T W
U 2
V 2
W 2
O L 1
F
R U
S V
T W
R U
S V
T W
T W
W
440V
2 2 0 V 2 0 0 V
1
0V
4A
2
0
S
2
STOP OL3
GL
PCR2
EMERGENCY
BRAKE
A
PC
FUSE
AMP METER POWER
Replaces Page 44

General Electrical Diagram (G0571)
M O T O R
M 1
R U
S V
3A
WL
12 SOL 13
F
R
20
21
R
F
17
19
16
18
LS
LS
LS1
LS2
LS3
LS4
OL1
M1
GL
STOP START
M1
9
7
6
A
5
P OWE R S OUR CE
BRAKE
T A B L E L I F T I NG
& L OWE RI NG
M O T O R
R U
S V
U
V
S A NDI NG B E LT
CONV E YOR B E L T
Emergenc y Stop
CONV E Y OR
B E L T
R S
T A B L E L I F T I N G
& L O W E R I N G
E
A
A M
1 4
1 5
U 1
O L 3
M 3
M3
11
A
R U V S
a b
Emer genc y Brak e
a b
a b
PCR1
10
M3
U 2
V 2
O L 1
F
S
S
R
4
FUSE
A
2
S LT47
2
STOP START OL3
GL
PCR2
M O T O R
U 3
U 2
V 2
U 3
U 2
V 2
U 3
R
S
R
R
A
E ME RGE N CY
BRAKE
8
V 1
PC
S A NDI NG
B E L T
LT47
AMP METER
Replaces Page 45

7!2.).'
HdbZYjhiXgZViZYWnedlZghVcY^c\!hVl^c\!\g^cY"
^c\!Yg^aa^c\!VcYdi]Zg XdchigjXi^dcVXi^k^i^ZhXdciV^ch
X]Zb^XVah `cdlc id i]Z HiViZ d[ 8Va^[dgc^V id XVjhZ
XVcXZg!W^gi]YZ[ZXihdgdi]ZggZegdYjXi^kZ]Vgb#HdbZ
ZmVbeaZhd[i]ZhZX]Zb^XVahVgZ/
AZVY[gdbaZVY"WVhZYeV^cih#
8gnhiVaa^cZh^a^XV[gdbWg^X`h!XZbZci!VcYdi]Zg
bVhdcgnegdYjXih#
6ghZc^XVcYX]gdb^jb[gdbX]Zb^XVaanigZViZY
ajbWZg#
Ndjgg^h`[gdbi]ZhZZmedhjgZhkVg^Zh!YZeZcY^c\dc
]dl d[iZc ndj Yd i]^h ineZ d[ ldg`# Id gZYjXZ ndjg
ZmedhjgZidi]ZhZX]Zb^XVah/ldg`^cVlZaakZci^aViZY
VgZV!VcYldg`l^i]VeegdkZYhV[ZinZfj^ebZci!hjX]
Vhi]dhZYjhibVh`hi]ViVgZheZX^VaanYZh^\cZYid[^a"
iZgdjib^XgdhXde^XeVgi^XaZh#
4ABLEOF#ONTENTS
3%#4)/.).42/$5#4)/.
;dgZldgY#################################################################################################################################### (
8dciVXi>c[d################################################################################################################################ (
3%#4)/.-!#().%&%!452%3
:miZgcVa;ZVijgZh####################################################################################################################### )
8dcigdaEVcZa############################################################################################################################# )
6XXZhh9ddgh############################################################################################################################# *
BVX]^cZ9ViVH]ZZi<%))+$<%*(.######################################################################################## +
BVX]^cZ9ViVH]ZZi<%*,&####################################################################################################,
3%#4)/.3!&%49
HV[Zin>chigjXi^dch[dgBVX]^cZgn############################################################################################### -
6YY^i^dcVaHV[Zin[dgL^YZ7ZaiHVcYZgh################################################################################## &%
3%#4)/.#)2#5)42%15)2%-%.43
''%K))%KDeZgVi^dc########################################################################################################### &&
8dccZXi^dcIneZ###################################################################################################################### &&
<gdjcY^c\################################################################################################################################# &'
:miZch^dc8dgYh####################################################################################################################### &'
))%K8dccZXi^dc<%))+$<%*(.############################################################################################ &(
3%#4)/.3%450
JceVX`^c\################################################################################################################################ &)
>ckZcidgn################################################################################################################################### &)
=VgYlVgZ8]Vgi######################################################################################################################## &*
8aZVcJe################################################################################################################################## &+
H^iZ8dch^YZgVi^dch################################################################################################################## &+
7Z\^cc^c\6hhZbWan################################################################################################################# &,
;addgBdjci^c\######################################################################################################################### &,
6^gA^cZ>chiVaaVi^dc################################################################################################################### &-
9jhi8daaZXi^dc######################################################################################################################### &-
HVcY^c\7Zai############################################################################################################################# &.
EgZhhjgZGdaaZgh####################################################################################################################### '%
HiVgiJe#################################################################################################################################### '%
GZXdbbZcYZY6Y_jhibZcih#################################################################################################### '&
3%#4)/./0%2!4)/.3
DeZgVi^dcHV[Zin###################################################################################################################### ''
8]ddh^c\HVcYeVeZg############################################################################################################### ''
IVWaZBdkZbZci###################################################################################################################### '(
6Y_jhi^c\;ZZYGViZ################################################################################################################# '(
6be9gVlBZiZg###################################################################################################################### ')
HVcY^c\Ldg`e^ZXZ################################################################################################################## '*
EaViZc6Y_jhibZci#################################################################################################################### '*
3%#4)/.!##%33/2)%3
3%#4)/.-!).4%.!.#%
<ZcZgVa##################################################################################################################################### ',
HX]ZYjaZ################################################################################################################################## ',
HVcY^c\7Zaih########################################################################################################################### '-
6^gHnhiZb################################################################################################################################ '-
9jhiVcYLViZgIgVeh############################################################################################################## '-

"'" <%))+$<%*(.$<%*,&(,L^YZ7ZaiHVcYZg
3%#4)/.3%26)#%
IVWaZ8Va^WgVi^dc###################################################################################################################### '.
7gV`ZHZgk^XZ########################################################################################################################### (%
;ZZY7ZaiIZch^dc#################################################################################################################### (&
;ZZY7ZaiIgVX`^c\################################################################################################################### (&
DhX^aaVi^dcI^b^c\#################################################################################################################### ('
DhX^aaVi^dcHeZZY##################################################################################################################### ()
IVWaZEVgVaaZa^hb###################################################################################################################### ()
EgZhhjgZGdaaZgh####################################################################################################################### (*
K"7Zai6Y_jhibZci#################################################################################################################### (+
6^gHnhiZb9^V\gVb<%))+$<%*(.$<%*,&########################################################################### (,
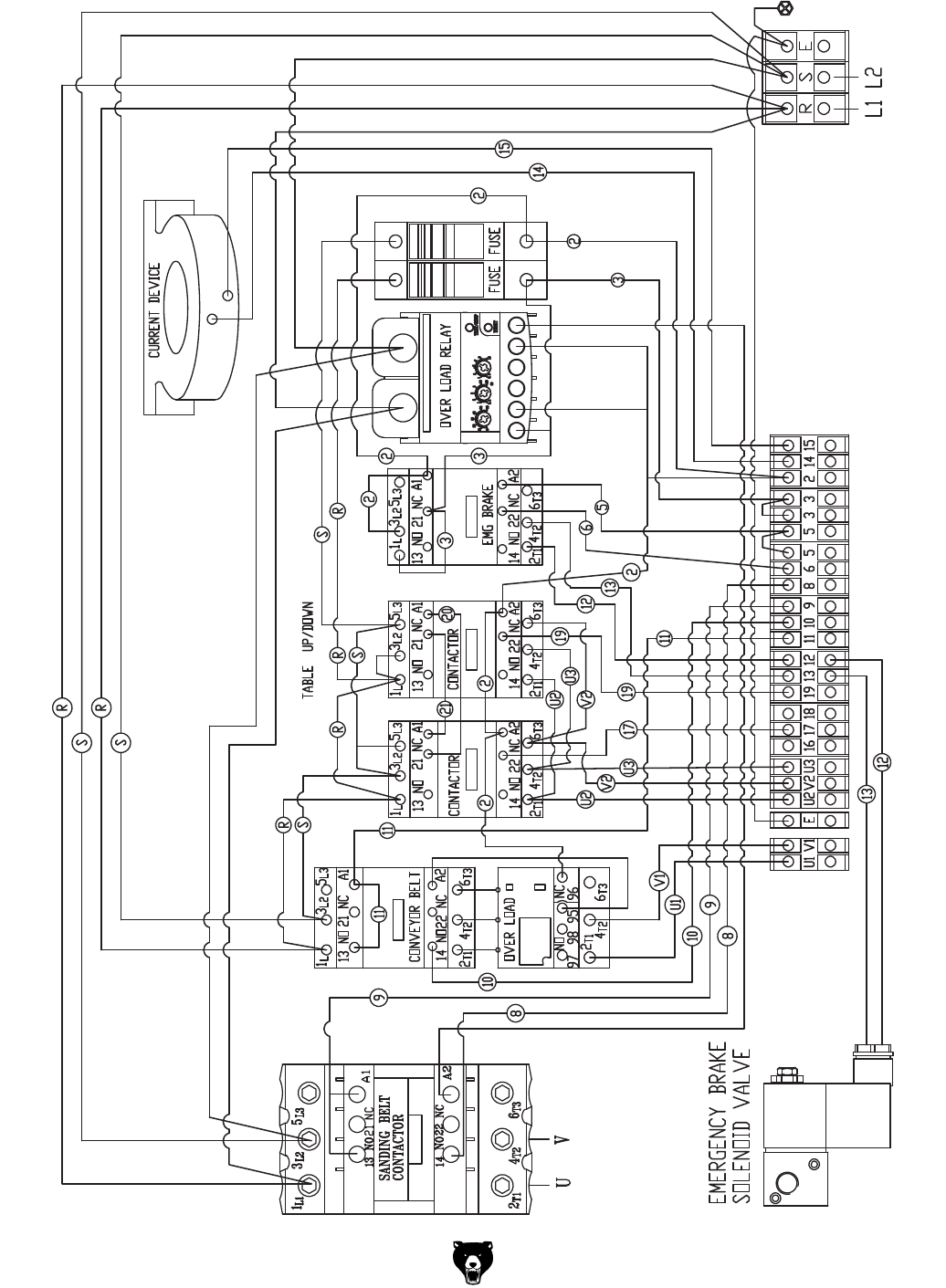
BV^c:aZXig^XVaEVcZaVcY8dcigdah9^V\gVb########################################################################### )+
EVgihA^hi################################################################################################################################## ),
HVcY^c\Bdidg9^V\gVb########################################################################################################### )-
EVgihA^hi################################################################################################################################## ).
IVWaZA^[iHnhiZb9^V\gVb####################################################################################################### *%
EVgihA^hi################################################################################################################################## *&
8dckZndgHnhiZb9^V\gVb###################################################################################################### *'
EVgihA^hi################################################################################################################################## *(
JeeZgGdaaZgHnhiZb9^V\gVb################################################################################################# *)
EVgihA^hi################################################################################################################################## **
7ZaiDhX^aaVi^dcHnhiZb9^V\gVb############################################################################################## *+
EVgihA^hi################################################################################################################################## *,
;ZZY!9gjb!VcYEgZhhjgZGdaaZg9^V\gVb############################################################################## *-
EVgihA^hi################################################################################################################################## *.
8VW^cZi6hhZbWan9^V\gVb###################################################################################################### +%
EVgihA^hi################################################################################################################################## +&
Idda7dmVcY6XXZhhdg^Zh9^V\gVb######################################################################################### +'
EVgihA^hi################################################################################################################################## +(
IgdjWaZh]ddi^c\######################################################################################################################## +)
LVggVcinGZijgch################################################################################################################## ++
LVggVcin8VgY########################################################################################################################## +,

<%))+$<%*(.$<%*,&(,L^YZ7ZaiHVcYZg "("
>[ndj]VkZVcnXdbbZcihgZ\VgY^c\i]^hbVcjVa!
eaZVhZlg^iZidjhVii]ZVYYgZhhWZadl/
<g^ooan>cYjhig^Va!>cX#
8$DIZX]c^XVa9dXjbZciVi^dcBVcV\Zg
E#D#7dm'%+.
7Zaa^c\]Vb!L6.-'',"'%+.
LZhiVcYWZ]^cYdjgbVX]^cZh#>[ndj]VkZVcn
hZgk^XZfjZhi^dchdgeVgihgZfjZhih!eaZVhZXVaadg
lg^iZjhVii]ZadXVi^dca^hiZYWZadl#
<g^ooan>cYjhig^Va!>cX#
&'%(AnXdb^c\BVaa8^gXaZ
BjcXn!E6&,,*+
E]dcZ/*,%*)+".++(
;Vm/-%%)(-"*.%&
:"BV^a/iZX]hjeedgi5\g^ooan#Xdb
LZWH^iZ/]iie/$$lll#\g^ooan#Xdb
&OREWORD
3%#4)/.).42/$5#4)/.
#ONTACT)NFO
LZVgZegdjYidd[[Zgi]ZBdYZah<%*(.!<%*,&!
<%))+ (, L^YZ 7Zai HVcYZgh# I]^h bVX]^cZ
^h eVgi d[ V \gdl^c\ <g^ooan [Vb^an d[ [^cZ lddY"
ldg`^c\ bVX]^cZgn# L]Zc jhZY VXXdgY^c\ id
i]Z \j^YZa^cZh hZi [dgi] ^c i]^h bVcjVa! ndj XVc
ZmeZXinZVghd[igdjWaZ"[gZZ!Zc_dnVWaZdeZgVi^dc
VcY egdd[ d[ <g^ooan»h Xdbb^ibZci id XjhidbZg
hVi^h[VXi^dc#
LZ VgZ eaZVhZY id egdk^YZ i]^h bVcjVa l^i] i]Z
BdYZah <%*(.! <%*,&! <%))+ (, L^YZ 7Zai
HVcYZgh# >i lVh lg^iiZc id \j^YZ ndj i]gdj\]
VhhZbWan!gZk^ZlhV[ZinXdch^YZgVi^dch!VcYXdkZg
\ZcZgVadeZgVi^c\egdXZYjgZh#
I]Z heZX^[^XVi^dch! YgVl^c\h! VcY e]did\gVe]h
^aajhigViZY ^c i]^h bVcjVa gZegZhZci i]Z BdYZah
<%*(.! <%*,&! <%))+ (, L^YZ 7Zai HVcYZgh
Vh hjeea^ZY l]Zc i]Z bVcjVa lVh egZeVgZY#
;dg ndjg XdckZc^ZcXZ! lZ ValVnh `ZZe XjggZci
<g^ooanbVcjVahVkV^aVWaZdcdjglZWh^iZViWWW
GRIZZLYCOM#6cnjeYViZhidndjgbVX]^cZl^aaWZ
gZ[aZXiZY ^c i]ZhZ bVcjVah Vh hddc Vh i]Zn VgZ
XdbeaZiZ#

")" <%))+$<%*(.$<%*,&(,L^YZ7ZaiHVcYZg
#ONTROL0ANEL%XTERNAL&EATURES
* IVWaZJe@Zn
+ HVcY^c\7ZaiHiVgi7jiidc
, 8dckZndg7ZaiHiVgi7jiidc
- EdlZgA^\]i
. :bZg\ZcXnHide7jiidc
/ ;ZZY7ZaiHide7jiidc
0 HVcY^c\7ZaiHide7jiidc
1 IVWaZ9dlc@Zn
2 IVWaZHide@Zn
3 IVWaZHiVgi@Zn
4 IVWaZHZi:ciZg@Zn
5 IVWaZ"=Z^\]i9^\^iVaGZVYdji
3%#4)/.-!#().%&%!452%3
7
A D
BC
H
6
I
8
G
9
F
;
@E
:
?
&IGURE;gdciK^Zl#
&IGURE8dcigdaEVcZa#
! 8dcigdaEVcZa
" IVWaZ=Z^\]i=VcYl]ZZa
# :bZg\ZcXnHide7Vg
$ )9jhiEdgi(
% 6beAdVYBZiZg
& 9^\^iVaIVWaZ=Z^\]i@ZnEVY
' 8dckZndgHeZZY8dcigda
( 6^gEgZhhjgZGZ\jaVidg
) BV^cL^g^c\7dm
J
&IGUREGZVgK^Zl#
<
=
>

<%))+$<%*(.$<%*,&(,L^YZ7ZaiHVcYZg "*"
!CCESS$OORS
! 7ZaiIZch^dc@cdW
" EaViZc6Y_jhibZciAZkZg
# EaViZc6Y_jhibZciAdX`AZkZg
$ AdX`EdhiGZaZVhZAZkZg
% IgVX`^c\6Y_jhibZci@cdW
&IGURE>ch^YZi]ZaZ[iVXXZhhYddg#
& JeeZgGdaaZg
' 6^g[adl6Y_jhibZci@cdW
( HeZZY8dcigda6Y_jhibZci@cdW
) 6^g;dg`VcY6^g?Zi
* 9^Ve]gV\bKVakZ6hhZbWan
+ 8dckZndg<ZVgWdmVcY8dcigda
6
7
8
&IGURE>ch^YZi]Zg^\]iVXXZhhYddg#
;
<=
>
?
6
7
8
9
:
@

"+" <%))+$<%*(.$<%*,&(,L^YZ7ZaiHVcYZg
-ACHINE$ATA3HEET''
9Zh^\cIneZ###################################################################################################### ;addgBdYZa
/VERALL$IMENSIONS
L^Yi]############################################################################### <%*(./*(!<%))+/*+&¿'
=Z^\]iL$9jhiEdgih##################################################### <%*(./+.&¿'!<%))+/,,&¿'
=Z^\]iL$D9jhiEdgih#################################################### <%*(./+)!<%))+/,&&¿'
9Zei]############################################################################### <%*(./).&¿'!<%))+/*'
8dckZndg=Z^\]iViAdlZhiHZii^c\##########################################################################('
CZiLZ^\]i###################################################### <%*(./'(%%aWh#!<%))+/'%.)aWh#
;ddieg^ci#######################################################################################################&.m*&&¿'
#APACITIES
BVm^bjb7dVgYL^Yi]#################################################### <%*(./(+!<%))+/(+&¿'
BVm^bjb7dVgYI]^X`cZhh########################################################################################+
B^c^bjb7dVgYAZc\i]########################################################<%*(./&)!<%))+/.
B^c^bjb7dVgYI]^X`cZhh########################################################################################&¿-
7ZaiHeZZY#################################################################################################### '+%%;EB
8dckZndgHeZZY######################################################################################### &*").;EB
9jhiEdgih(#############################################################################################################)
3ANDING$RUM-OTOR
IneZ##################################################################################################### I:;8>cYjXi^dc
=dghZedlZg######################################################################################################### &*=E
KdaiV\Z$E]VhZ$8nXaZ###########################################''%K$))%KI]gZZ"E]VhZ¿+%=O
6beh############################################################################################################## (+$&-6
GEB############################################################################################################# &,'*GEB
EdlZgIgVch[Zgid9gjbh########################################################################## Ig^eaZK"7Zai
#ONVEYOR&EED-OTOR
IneZ##################################################################################################### I:;8>cYjXi^dc
=dghZedlZg########################################################################################################### &=E
KdaiV\Z$E]VhZ$8nXaZ###########################################''%K$))%KI]gZZ"E]VhZ¿+%=O
6beh############################################################################################################ (#)$&#,6
GEB###################################################################################################################### &,'*
EdlZgIgVch[Zg#################################################################################################### K"7Zai
4ABLE,IFT-OTOR
IneZ##################################################################################################### I:;8>cYjXi^dc
=dghZedlZg######################################################################################################## &¿)=E
KdaiV\Z$E]VhZ$8nXaZ###########################################''%K$))%KI]gZZ"E]VhZ¿+%=O
6beh############################################################################################################ &#'$%#+6
GEB###################################################################################################################### &,'*
EdlZgIgVch[Zg#################################################################################################### K"7Zai
'ENERAL#ONSTRUCTION
8VW^cZi##################################################################################################################HiZZa
DeZgVi^c\6^gEgZhhjgZ####################################################################################### ,*EH>
HVcY^c\7ZaiDhX^aaVi^dc############################################################################### 6Y_jhiVWaZ
HVcY^c\7Zai7gV`Z################################################################################ 6^g9^hX7gV`Z
8dcigdaEVcZa####################################### Ejh]7jiidc[dgZVX]bdidg!eajhadVYhZchdg
HVcY^c\7Zai#################################################### <%*(./(+m+%!<%))+/(,m,*
3PECIFICATIONSWHILEDEEMEDACCURATEARENOTGUARANTEED
-/$%,''7)$%"%,43!.$%23
8jhidbZgHZgk^XZ/*,%*)+".++(IdDgYZg8Vaa/-%%*'("),,,;Vm/-%%)(-"*.%&
-!#().%$!4!
3(%%4

<%))+$<%*(.$<%*,&(,L^YZ7ZaiHVcYZg ","
-ACHINE$ATA3HEET'
-/$%,'7)$%"%,43!.$%2
8jhidbZgHZgk^XZ/*,%*)+".++(IdDgYZg8Vaa/-%%*'("),,,;Vm/-%%)(-"*.%&
-!#().%$!4!
3(%%4
9Zh^\cIneZ###################################################################################################### ;addgBdYZa
/VERALL$IMENSIONS
L^Yi]#######################################################################################################################*(
=Z^\]iL$9jhiEdgih##############################################################################################+.&¿'
=Z^\]iL$D9jhiEdgih#############################################################################################+)
9Zei]####################################################################################################################).&¿'
8dckZndg=Z^\]iViAdlZhiHZii^c\##########################################################################('
CZiLZ^\]i##################################################################################################### '(%%aWh#
;ddieg^ci#######################################################################################################&.m*&&¿'
#APACITIES
BVm^bjb7dVgYL^Yi]#############################################################################################(+
BVm^bjb7dVgYI]^X`cZhh########################################################################################+
B^c^bjb7dVgYAZc\i]############################################################################################&)
B^c^bjb7dVgYI]^X`cZhh########################################################################################&¿-
7ZaiHeZZY#################################################################################################### '+%%;EB
8dckZndgHeZZY######################################################################################### &*").;EB
9jhiEdgih(#############################################################################################################)
3ANDING$RUM-OTOR
IneZ############################################################################I:;88VeVX^idgHiVgi>cYjXi^dc
=dghZedlZg######################################################################################################### &%=E
KdaiV\Z$E]VhZ$8nXaZ#####################################################''%K$H^c\aZ"E]VhZ¿+%=O
6beh######################################################################################################################*%6
GEB############################################################################################################# &,'*GEB
EdlZgIgVch[Zgid9gjbh########################################################################## Ig^eaZK"7Zai
#ONVEYOR&EED-OTOR
IneZ############################################################################I:;88VeVX^idgHiVgi>cYjXi^dc
=dghZedlZg########################################################################################################### &=E
KdaiV\Z$E]VhZ$8nXaZ################################################### ''%K$H^c\aZ"E]VhZ$+%=O
6beh########################################################################################################################,6
GEB###################################################################################################################### &,'*
EdlZgIgVch[Zg#################################################################################################### K"7Zai
4ABLE,IFT-OTOR
IneZ############################################################################I:;88VeVX^idgHiVgi>cYjXi^dc
=dghZedlZg######################################################################################################## &¿(=E
KdaiV\Z$E]VhZ$8nXaZ################################################### ''%K$H^c\aZ"E]VhZ¿+%=O
6beh########################################################################################################################(6
GEB###################################################################################################################### &,'*
EdlZgIgVch[Zg#################################################################################################### K"7Zai
'ENERAL#ONSTRUCTION
8VW^cZi##################################################################################################################HiZZa
DeZgVi^c\6^gEgZhhjgZ####################################################################################### ,*EH>
HVcY^c\7ZaiDhX^aaVi^dc############################################################################### 6Y_jhiVWaZ
HVcY^c\7Zai7gV`Z################################################################################ 6^g9^hX7gV`Z
8dcigdaEVcZa####################################### Ejh]7jiidc[dgZVX]bdidg!eajhadVYhZchdg
HVcY^c\7Zai####################################################################################################(+m+%
3PECIFICATIONSWHILEDEEMEDACCURATEARENOTGUARANTEED

"-" <%))+$<%*(.$<%*,&(,L^YZ7ZaiHVcYZg
!,7!93 53% (%!2).' 02/4%#4)/.
7(%. /0%2!4).' -!#().%29
BVX]^cZgn cd^hZ XVc XVjhZ eZgbVcZci
]ZVg^c\YVbV\Z#
7%!2 02/0%2 !00!2%, 9D CDI
lZVgaddhZXadi]^c\!\adkZh!cZX`i^Zh!g^c\h!
dg_ZlZagnl]^X]bVn\ZiXVj\]i^cbdk^c\
eVgih#LZVgegdiZXi^kZ]V^gXdkZg^c\idXdc"
iV^cadc\]V^gVcYlZVgcdc"ha^e[ddilZVg#
.%6%2 /0%2!4% -!#().%29 7(%.
4)2%$/25.$%24(%).&,5%.#%/&
$25'3/2!,#/(/,7ZbZciVaanVaZgi
ViVaai^bZhl]Zcgjcc^c\bVX]^cZgn#
2%!$4(2/5'(4(%%.4)2%-!.5!,
"%&/2% 34!24).' -!#().%29
BVX]^cZgnegZhZcihhZg^djh^c_jgn]VoVgYh
idjcigV^cZYjhZgh#
!,7!93 53% !.3) !002/6%$
3!&%49',!33%37(%./0%2!4).'
-!#().%29 :kZgnYVn ZnZ\aVhhZh dcan
]VkZ ^beVXi gZh^hiVci aZchZh! i]Zn VgZ
CDIhV[Zin\aVhhZh#
!,7!93 7%!2 !. !.3) !002/6%$
2%30)2!4/2 7(%. /0%2!4).'
-!#().%29 4(!4 02/$5#%3 $534
LddYYjhi^hVXVgX^cd\ZcVcYXVcXVjhZ
XVcXZgVcYhZkZgZgZhe^gVidgn^aacZhhZh#
&OR9OUR/WN3AFETY2EAD)NSTRUCTION
-ANUAL"EFORE/PERATINGTHIS-ACHINE
4HEPURPOSEOFSAFETYSYMBOLSISTOATTRACTYOURATTENTIONTOPOSSIBLEHAZARDOUSCONDITIONS4HIS
MANUALUSESASERIESOFSYMBOLSANDSIGNALWORDSWHICHAREINTENDEDTOCONVEYTHELEVELOF
IMPORTANCEOFTHESAFETYMESSAGES4HEPROGRESSIONOFSYMBOLSISDESCRIBEDBELOW2EMEMBER
THATSAFETYMESSAGESBYTHEMSELVESDONOTELIMINATEDANGERANDARENOTASUBSTITUTEFORPROPER
ACCIDENTPREVENTIONMEASURES
)NDICATESAPOTENTIALLYHAZARDOUSSITUATIONWHICHIFNOTAVOIDED
-!9RESULTINMINORORMODERATEINJURY)TMAYALSOBEUSEDTOALERT
AGAINSTUNSAFEPRACTICES
)NDICATESAPOTENTIALLYHAZARDOUSSITUATIONWHICHIFNOTAVOIDED
#/5,$RESULTINDEATHORSERIOUSINJURY
)NDICATESANIMMINENTLYHAZARDOUSSITUATIONWHICHIFNOTAVOIDED
7),,RESULTINDEATHORSERIOUSINJURY
4HISSYMBOLISUSEDTOALERTTHEUSERTOUSEFULINFORMATIONABOUT
PROPEROPERATIONOFTHEMACHINE
./4)#%
3AFETY)NSTRUCTIONSFOR-ACHINERY
3%#4)/.3!&%49

<%))+$<%*(.$<%*,&(,L^YZ7ZaiHVcYZg "."
/.,9 !,,/7 42!).%$ !.$ 02/0
%2,9 350%26)3%$ 0%23/..%, 4/
/0%2!4% -!#().%29 BV`Z hjgZ
deZgVi^dc^chigjXi^dchVgZhV[ZVcYXaZVgan
jcYZghiddY#
+%%0#(),$2%.!.$6)3)4/23!7!9
@ZZe Vaa X]^aYgZc VcY k^h^idgh V hV[Z Y^h"
iVcXZ[gdbi]Zldg`VgZV#
-!+%7/2+3(/0#(),$02//&JhZ
eVYadX`h! bVhiZg hl^iX]Zh! VcY gZbdkZ
hiVgihl^iX]`Znh#
.%6%2 ,%!6% 7(%. -!#().% )3
25..).'IjgcedlZg/&&VcYVaadlVaa
bdk^c\eVgihidXdbZid V XdbeaZiZ hide
WZ[dgZaZVk^c\bVX]^cZjcViiZcYZY#
$/ ./4 53% ). $!.'%2/53
%.6)2/.-%.43 9D CDI jhZ bVX]^c"
Zgn ^c YVbe! lZi adXVi^dch! dg l]ZgZ Vcn
[aVbbVWaZdgcdm^djh[jbZhbVnZm^hi#
+%%07/2+!2%!#,%!.!.$7%,,
,)48ajiiZgVcYYVg`h]VYdlhbVnXVjhZ
VXX^YZcih#
53%! '2/5.$%$ %84%.3)/.#/2$
2!4%$&/24(%-!#().%!-0%2!'%
JcYZgh^oZYXdgYhdkZg]ZViVcYadhZedlZg#
GZeaVXZ ZmiZch^dc XdgYh ^[ i]Zn WZXdbZ
YVbV\ZY# 9D CDI jhZ ZmiZch^dc XdgYh
[dg''%KbVX]^cZgn#
!,7!93 $)3#/..%#4 &2/- 0/7%2
3/52#% "%&/2% 3%26)#).'
-!#().%29#BV`Z hjgZhl^iX]^h^c
D;;
edh^i^dcWZ[dgZgZXdccZXi^c\#
-!).4!). -!#().%29 7)4( #!2%
@ZZeWaVYZhh]VgeVcYXaZVc[dgWZhiVcY
hV[ZhieZg[dgbVcXZ#;daadl^chigjXi^dch[dg
ajWg^XVi^c\VcYX]Vc\^c\VXXZhhdg^Zh#
-!+% 352% '5!2$3 !2% ). 0,!#%
!.$ 7/2+ #/22%#4,9 "%&/2%
53).'-!#().%29
3AFETY)NSTRUCTIONSFOR-ACHINERY
2%-/6% !$*534).' +%93 !.$
72%.#(%3BV`ZV]VW^id[X]ZX`^c\[dg
`ZnhVcYVY_jhi^c\ lgZcX]Zh WZ[dgZ ijgc"
^c\bVX]^cZgn/.#
#(%#+ &/2 $!-!'%$ 0!243
"%&/2% 53).' -!#().%29 8]ZX`
[dgW^cY^c\VcYVa^\cbZcid[eVgih!Wgd`Zc
eVgih!eVgibdjci^c\!addhZWdaih!VcYVcn
di]Zg XdcY^i^dch i]Vi bVn V[[ZXi bVX]^cZ
deZgVi^dc# GZeV^g dg gZeaVXZ YVbV\ZY
eVgih#
53% 2%#/--%.$%$ !##%33/2)%3
GZ[Zgidi]Z^chigjXi^dcbVcjVa[dggZXdb"
bZcYZYVXXZhhdg^Zh#I]ZjhZd[^begdeZg
VXXZhhdg^ZhbVnXVjhZg^h`d[^c_jgn#
$/ ./4 &/2#% -!#().%29 Ldg` Vi
i]ZheZZY[dgl]^X]i]ZbVX]^cZdgVXXZh"
hdgnlVhYZh^\cZY#
3%#52% 7/2+0)%#% JhZ XaVbeh dg
Vk^hZ id ]daY i]Z ldg`e^ZXZl]Zc egVXi^"
XVa# 6 hZXjgZY ldg`e^ZXZ egdiZXih ndjg
]VcYhVcY[gZZhWdi]]VcYhiddeZgViZi]Z
bVX]^cZ#
$/./4/6%22%!#(@ZZeegdeZg[ddi"
^c\VcYWVaVcXZViVaai^bZh#
-!.9 -!#().%3 7),, %*%#4 4(%
7/2+0)%#%4/7!2$4(%/0%2!4/2
@cdlVcYVkd^YXdcY^i^dchi]ViXVjhZi]Z
ldg`e^ZXZid`^X`WVX`#
!,7!93 ,/#+ -/"),% "!3%3
)& 53%$ "%&/2% /0%2!4).'
-!#().%29#
"% !7!2% 4(!4 #%24!). 7//$3
-!9#!53%!.!,,%2')#2%!#4)/.
^c eZdeaZ VcY Vc^bVah! ZheZX^Vaan l]Zc
ZmedhZY id [^cZ Yjhi# BV`Z hjgZ ndj
`cdl l]Vi ineZ d[ lddY Yjhi ndj l^aa WZ
ZmedhZYidVcYValVnhlZVgVcVeegdkZY
gZhe^gVidg#

"&%" <%))+$<%*(.$<%*,&(,L^YZ7ZaiHVcYZg
!DDITIONAL3AFETYFOR7IDE"ELT3ANDERS
).&%%$/54&%%$ !2%! L]Zc [ZZY^c\
i]Zldg`e^ZXZ^cidi]ZbVX]^cZ!`ZZeXaZVg
d[`^X`WVX`eVi]#
7/2+0)%#% &%%$).' CZkZg [dgXZ i]Z
ldg`e^ZXZ ^cid i]Z hVcYZg! VcY [ZZY dcan
dcZldg`e^ZXZViVi^bZ#
#,/4().' Gdaaje dg Wjiidc haZZkZh!i^Z
VaaaddhZXadi]^c\dg]V^ghd^il^aa`ZZeXaZVg
d[ZciVc\aZbZci]VoVgYh#
.!22/7 7/2+0)%#%3 CZkZg hVcY
ldg`e^ZXZhcVggdlZgi]Vc&¿-#
4(). 7/2+0)%#%3 CZkZg hVcY ldg`"
e^ZXZhi]^ccZgi]Vc&¿-#
3(/247/2+0)%#%3CZkZghVcYldg`"
e^ZXZhh]dgiZgi]Vc&)#
(!.$3 CZkZg eaVXZ ]VcYh cZVg! dg ^c
XdciVXi l^i]! hVcY^c\ Ygjbh dg XdckZndg
WZaiYjg^c\deZgVi^dc#
-!).4%.!.#%EZg[dgbbVX]^cZ^cheZX"
i^dchVcYbV^ciZcVcXZhZgk^XZVii]ZVeegd"
eg^ViZi^bZ^ciZgkVah#
"0/7%2 !.$ !)2 $)3#/..%#4JcaZhh
heZX^[^XVaan hiViZY ^c i]Z bVcjVa! ValVnh
Y^hXdccZXi i]Z edlZg hdjgXZ [gdb i]Z
bVX]^cZ l]Zc eZg[dgb^c\ bV^ciZcVcXZ!
VY_jhibZcih!dgVhhZbWan#6alVnhgZVYVcY
[daadl heZX^[^X hV[Zin ^chigjXi^dch [dg ZVX]
hZXi^dc#
5.!44%.$%$ -!#().% CZkZg aZVkZ
i]ZbVX]^cZgjcc^c\jcViiZcYZY#
3!.$0!0%2GZeaVXZhVcY^c\WZail]Zc
^iWZXdbZhldgcdgYVbV\ZY#
&/2%)'. -!4%2)!, 6alVnh ^cheZXi
ldg`e^ZXZ [dg cV^ah! hiVeaZh! `cdih! VcY
di]Zg ^beZg[ZXi^dch i]Vi XdjaY WZ Y^h"
adY\ZYVcYi]gdlc[gdbi]ZbVX]^cZYjg"
^c\hVcY^c\deZgVi^dch#
$534 #/,,%#4)/. CZkZgdeZgViZ i]Z
hVcYZg l^i]dji Vc VYZfjViZ Yjhi XdaaZX"
i^dchnhiZb^ceaVXZVcYgjcc^c\#
!,,%2')%3 8ZgiV^c lddYh bVn XVjhZ
VcVaaZg\^XgZVXi^dc^ceZdeaZVcYVc^bVah!
ZheZX^Vaan l]Zc ZmedhZY id [^cZ Yjhi#
BV`Z hjgZ ndj `cdl l]Vi ineZ d[ lddY
Yjhi ndj l^aa WZ ZmedhZY id VcY ValVnh
lZVgVcVeegdkZYgZhe^gVidg#
!##%33$//23CZkZgeZg[dgbhVcY^c\
deZgVi^dchl]Zci]Zh^YZVXXZhhYddghVgZ
deZc#
5.$%234!.$ ).3425#4)/.3 CZkZg
VaadljchjeZgk^hZYdgjcigV^cZYeZghdccZa
id deZgViZ i]Z bVX]^cZ#BV`Z hjgZ Vcn
^chigjXi^dchndj\^kZ^cgZ\VgYhidbVX]^cZ
deZgVi^dcVgZVeegdkZY!XdggZXi!hV[Z!VcY
XaZVganjcYZghiddY#
5NFAMILIARITYWITHTHISMANUALCOULDRESULT
IN SERIOUS PERSONAL INJURY 3PEND A SUF
FICIENT AMOUNT OF TIME BECOMING FAMILIAR
WITHTHECONTENTSOFTHISMANUALINCLUDING
ALLTHESAFETYWARNINGS
.O LIST OF SAFETY GUIDELINES CAN BE COM
PLETE /PERATING THIS MACHINERY MAY
REQUIREADDITIONALSAFETYPRECAUTIONSSPE
CIFICTOYOURSHOPENVIRONMENT&AILURETO
USE REASONABLE CAUTION WHILE OPERATING
THIS MACHINE COULD RESULT IN SERIOUS PER
SONALINJURY

<%))+$<%*(.$<%*,&(,L^YZ7ZaiHVcYZg "&&"
I]Z[daadl^c\a^hidjia^cZhi]ZZaZXig^XVae]VhZVcY
kdaiV\Z gZfj^gZY id deZgViZ i]Z kVg^djh hVcYZg
bdYZah! Vh lZaa Vh i]Z VbeZgV\Z YgVl d[ i]Z^g
bdidgh/
'63INGLE0HASE^!MP
&%=EHVcY^c\Bdidg############################*%6beh
&=E;ZZYBdidg#####################################,6beh
&¿(=EIVWaZBdidg###################################(6beh
''64HREE0HASE^!MP
&*=EHe^cYaZBdidg############################# (+6beh
&=E;ZZYBdidg##################################(#)6beh
&¿)=EIVWaZBdidg################################&#'6beh
''64HREE0HASE^!MP
&*=EHe^cYaZBdidg############################# &-6beh
&=E;ZZYBdidg##################################&#,6beh
&¿)=EIVWaZBdidg################################%#+6beh
.OTE>[ndjYdcdi]VkZi]gZZ"e]VhZedlZgVkV^a"
VWaZ id i]Z <%))+$<%*(. hVcYZg! ndj l^aa ]VkZ
id ^chiVaa V e]VhZ XdckZgiZg hjX] Vh i]Z <g^ooan
=(,)&E]VhZ8dckZgiZg#
&IGUREAdX`^c\H]ji"D[[AZkZg#
=VgYl^gZi]^hbVX]^cZidndjgedlZgeVcZaVcY
^chiVaa Vc ZaZXig^XVa Wdm l^i] V adX`^c\ h]ji"d[[
aZkZg&IGURE#
#ONNECTION4YPE
66
/PERATION
3%#4)/.#)2#5)4
2%15)2%-%.43
%LECTROCUTIONORFIRECOULD
RESULT IF THIS MACHINE IS
INCORRECTLY GROUNDED OR
THE POWER SUPPLY DOES
NOT COMPLY WITH LOCAL
AND STATE CODES #ONTACT
A QUALIFIED ELECTRICIAN FOR
SAFEWIRINGPRACTICES
DcanXdccZXindjgbVX]^cZidVX^gXj^ii]VibZZih
i]Z gZfj^gZbZcih WZadl# 6alVnh X]ZX` id hZZ ^[
i]Z l^gZh VcY X^gXj^i WgZV`Zg ^c ndjg X^gXj^i VgZ
XVeVWaZ d[ ]VcYa^c\ i]Z VbeZgV\Z YgVl [gdb
ndjgbVX]^cZ!VhlZaaVhVcndi]ZgbVX]^cZhi]Vi
XdjaYWZdeZgVi^c\dci]ZhVbZX^gXj^i#>[ndjVgZ
jchjgZ!XdchjaiVfjVa^[^ZYZaZXig^X^Vc#
#IRCUIT"REAKER,IST
<%*,&!''%KH^c\aZ"E]VhZ######## +%6be!'EdaZ
<%*(.!''%KI]gZZ"E]VhZ######## )%6be!(EdaZ
<%*(.!))%KI]gZZ"E]VhZ######## '%6be!(EdaZ
<%))+!''%KI]gZZ"E]VhZ######## )%6be!(EdaZ
<%))+!))%KI]gZZ"E]VhZ######## '%6be!(EdaZ

"&'" <%))+$<%*(.$<%*,&(,L^YZ7ZaiHVcYZg
%LECTROCUTION OR A FIRE
CANRESULTIFTHESANDERIS
NOT GROUNDED CORRECTLY
-AKE SURE ALL ELECTRICAL
CIRCUITS ARE GROUNDED
$/./4USETHEMACHINE
IFITISNOTGROUNDED
>ci]ZZkZcid[VcZaZXig^XVah]dgi!\gdjcY^c\egd"
k^YZhZaZXig^XXjggZciVeVi]d[aZVhigZh^hiVcXZid
gZYjXZ i]Z g^h` d[ ZaZXig^XVa h]dX` id i]Z deZgV"
idg#<gdjcYi]ZedlZgXdgYVcYi]^hbVX]^cZ^c
VXXdgYVcXZl^i]VaaadXVaXdYZhVcYdgY^cVcXZh#
DeZgVi^c\ i]^h bVX]^cZ l]Zc ^i ^h cdi egdeZgan
\gdjcYZYXVcgZhjai^cZaZXig^X h]dX`dgZaZXigd"
Xji^dc#
7ZXVjhZ d[ i]Z ]^\] VbeZgV\Z YgVl [gdb i]^h
bVX]^cZ!lZYdcdigZXdbbZcYi]ZjhZd[ZmiZc"
h^dc XdgYh# Jh^c\ ZmiZch^dc XdgY l^aa ^cXgZVhZ
i]Z]^\]VbeZgV\ZZaZXigdXji^dcVcY[^gZ]VoVgY#
>chiZVY! edh^i^dc ndjg Zfj^ebZci cZVg ^chiVaaZY
l^g^c\idZa^b^cViZi]ZcZZY[dgZmiZch^dcXdgYh#
%XTENSION#ORDS'ROUNDING

<%))+$<%*(.$<%*,&(,L^YZ7ZaiHVcYZg "&("
6#ONNECTION
''
4OWIRETHE-ODEL''TO6
$ISCONNECT THE SANDER FROM THE POWER
SOURCE
DeZci]ZZaZXig^XVaWdmadXViZYdci]ZWVX`
d[i]ZbVX]^cZ#
GZbdkZ i]Z l^gZ aVWZaZY ¸&¹ Vi i]Z ''%K
iZgb^cVa d[ i]Z Xdcigda edlZg igVch[dgbZg
&IGUREVcYXdccZXi^iidi]Z))%KiZgb^"
cVa#
&IGUREI]Z¸&¹l^gZh]djaYWZXdccZXiZYid
i]Z))%KiZgb^cVa#
GZbdkZ i]Z AG(9"%-+ dkZgadVY gZaVn
&IGURE!VcYgZeaVXZ^il^i]VcAG(9"%,+
&#+"'#*6ineZ!l^i]i]ZY^VahZiid&#,6#
L^gZ i]Z hVcY^c\ WZai! XdckZndg WZai! VcY
iVWaZ ZaZkVi^dc bdidgh Vh h]dlc dc i]Z
Y^V\gVbh dc i]Z ^ch^YZ d[ ZVX] bdidg l^gZ
XdkZg#
.OTE4HE CIRCLED REFERENCES ON THE DIA
GRAMS REPRESENT LABELS ON THE WIRES !LSO
&IGURE BELOW HAS BEEN PROVIDEDFOR YOUR
REFERENCE AND IS CURRENT AT THE TIME OF WRIT
ING(OWEVERALWAYSUSETHEDIAGRAMONTHE
WIRECOVERTHATCOMESWITHYOURMOTOR
&IGUREDkZgadVYgZaVn#
AG(9"((''
AG(9"%,+
Id XdccZXi i]^h bVX]^cZ id ))%K i]gZZ"e]VhZ!
ndjbjhiejgX]VhZdcZAG(9"%,+dkZgadVYgZaVn
VcYdcZAG(9"((''dkZgadVYgZaVn#
>[ndjYdcdi]VkZi]gZZ"e]VhZedlZgVkV^aVWaZid
i]Z<%))+$<%*(.hVcYZg!ndjl^aa]VkZid^chiVaa
V e]VhZ XdckZgiZg hjX] Vh i]Z <g^ooan =(,)&
E]VhZ8dckZgiZg#
L]Zc jh^c\ V e]VhZ XdckZgiZg! i]Z edlZg [gdb
i]Z bVcj[VXijgZY edlZg aZ\ hdbZi^bZh XVaaZY
i]Z l^aY l^gZ XVc [ajXijViZ# 8dccZXi i]Z bVcj"
[VXijgZY edlZg aZ\ id i]Z H iZgb^cVa id egZkZci
YVbV\Zidi]ZigVch[dgbZg# I]Z l^gZ[gdbi]ZH
iZgb^cVa XVc ]VcYaZ hdbZ [ajXijVi^dc WZXVjhZ ^i
\dZhY^gZXianidi]Zbdidg#I]ZedlZg\d^c\idi]Z
G VcY I iZgb^cVah \dZh id i]Z igVch[dgbZg VcY
bjhiWZXdch^hiZciidegZkZciYVbV\Z#
GZbdkZ i]Z AG(9"((** dkZgadVY gZaVn
&IGURE!VcYgZeaVXZ^il^i]VcAG(9"((''
&,"'*6ineZ!l^i]i]ZY^VahZiid&-6#
&IGURE))%Kbdidgl^g^c\XdccZXi^dc#

"&)" <%))+$<%*(.$<%*,&(,L^YZ7ZaiHVcYZg
)NVENTORY5NPACKING
#RATECONTENTShZZ&IGURE
! HVcY^c\Jc^iCdiE^XijgZY
" (9jhiEdgih)
# HVcY^c\7Zai&%%<g^i
$ HVcY^c\7Zai&-%<g^i
% 'EaViZc<gVe]^iZ;aVe
& EaViZc;Zai
' Idda7dm
·E]^aa^eh=ZVYHXgZlYg^kZg'
·HiVcYVgYHXgZlYg^kZg'
·DeZc":cYLgZcX]-$&%bb
·DeZc":cYLgZcX]&'$&)bb
·DeZc":cYLgZcX]&,$&.bb
·BZig^X=ZmLgZcX]HZi&%EXh#
·'9ddg@Znh
·'8ZgVb^XA^b^iHl^iX]GjWGdYh
·&;aZm^WaZ<gZVhZ<jc:miZch^dc
·&<gVe]^iZ=daYZg7Vg
I]Z BdYZa <%))+$<%*(.$<%*,& lVh XVgZ[jaan
eVX`ZYl]Zc^iaZ[idjglVgZ]djhZ#>[ndjY^hXdk"
Zgi]ZbVX]^cZ^hYVbV\ZYV[iZgndj]VkZh^\cZY
[dg YZa^kZgn! PLEASE IMMEDIATELY CALL #USTOMER
3ERVICEATFORADVICE
HVkZi]ZXdciV^cZghVcYVaaeVX`^c\bViZg^Vah[dg
edhh^WaZ ^cheZXi^dc Wn i]Z XVgg^Zg dg ^ih V\Zci#
/THERWISEFILINGAFREIGHTCLAIMCANBEDIFFICULT
L]ZcndjVgZXdbeaZiZanhVi^h[^ZYl^i]i]ZXdc"
Y^i^dcd[ndjgh]^ebZci!ndjh]djaY^ckZcidgni]Z
XdciZcih#
&IGUREEVgihaVndji#
3%#4)/.3%450
4HE -ODEL '
''ISAHEAVY
MACHINE WEIGHING IN AT
ONETON0ERSONALINJURY
CANOCCURIFTHEMACHINE
ISMOVEDWITHOUTAPPRO
PRIATEMACHINERY5SEA
CRANE OR FORKLIFT WHEN
MOVING OR LIFTING THE
MACHINE
./4)#%
! PARTS DIAGRAM AND PARTS LIST ARE LOCATED
NEARTHEENDOFTHEMANUAL5SETHEDIAGRAM
ANDLISTTOIDENTIFYMISSINGPARTSORTOSUP
PLEMENTTHEASSEMBLYINSTRUCTIONSPROVIDED
INTHISMANUAL
7
8
9
:
;
<

<%))+$<%*(.$<%*,&(,L^YZ7ZaiHVcYZg "&*"
(ARDWARE#HART

"&+" <%))+$<%*(.$<%*,&(,L^YZ7ZaiHVcYZg
3ITE#ONSIDERATIONS
&LOOR,OAD
I]ZBdYZa<%))+$<%*(.$<%*,&^hVaVg\ZadVY
^cVbZY^jb[ddieg^ci#BdhiXdbbZgX^Vadg]dbZ
h]de[addghh]djaYWZhj[[^X^ZciidXVggni]ZlZ^\]i
d[ i]Z bVX]^cZ# >[ ndj fjZhi^dc i]Z higZc\i] d[
ndjg [addg! ]VkZ ^i ^cheZXiZY Wn V Wj^aY^c\ XdYZ
^cheZXidg#
7ORKING#LEARANCE
Ldg`^c\ XaZVgVcXZh XVc WZ i]dj\]i d[ Vh i]Z
Y^hiVcXZhWZilZZcbVX]^cZhVcYdWhiVXaZhi]Vi
Vaadl hV[Z deZgVi^dc d[ ZkZgn bVX]^cZ l^i]"
dji a^b^iVi^dc# 8dch^YZg Zm^hi^c\ VcY Vci^X^eViZY
bVX]^cZcZZYh!h^oZd[bViZg^VaidWZegdXZhhZY
i]gdj\] ZVX] bVX]^cZ! VcY heVXZ [dg Vjm^a^Vgn
hiVcYhVcY$dgldg`iVWaZh#6ahd!Xdch^YZgi]ZgZa"
Vi^kZedh^i^dcd[ZVX]bVX]^cZiddcZVcdi]Zg[dg
Z[[^X^ZcibViZg^Va]VcYa^c\#7ZhjgZidVaadlndjg"
hZa[hj[[^X^ZcigddbidhV[ZangjcndjgbVX]^cZh^c
Vcn[dgZhZZVWaZdeZgVi^dcVcY`ZZeYjhiXdaaZX"
i^dc]dhZhd[[i]Z[addgVcYdjid[i]ZlVn#
,IGHTING
A^\]i^c\ h]djaY WZ Wg^\]i Zcdj\] id Za^b^cViZ
h]VYdlh VcY egZkZci ZnZ higV^c# :aZXig^XVa X^g"
Xj^ih h]djaY WZ YZY^XViZY dg aVg\Z Zcdj\] id
]VcYaZ XdbW^cZY bdidg Vbe adVYh# 7Z hjgZ id
dWhZgkZadXVaZaZXig^XVaXdYZh[dgegdeZg^chiVaaV"
i^dcd[cZla^\]i^c\dgX^gXj^ih#
5NSUPERVISEDCHILDRENAND
VISITORS ENTERING A SHOP
COULD SUFFER SERIOUS PER
SONAL INJURY %NSURE CHILD
ANDVISITORSAFETYBYKEEP
ING ALL ENTRANCES TO THE
SHOP LOCKED AT ALL TIMES
$/ ./4 ALLOW UNSUPER
VISED CHILDREN OR VISITORS
INTHESHOPATANYTIME
#LEAN5P
6cnjceV^ciZY hjg[VXZh VgZXdViZY l^i] V lVmn
d^a id egdiZXi i]Zb [gdb Xdggdh^dc Yjg^c\ h]^e"
bZci#GZbdkZi]^hegdiZXi^kZXdVi^c\l^i]Vhda"
kZci XaZVcZg dg X^igjh"WVhZY YZ\gZVhZg hjX] Vh
<g^ooan»h<,-.*9Z\gZVhZg#IdXaZVci]dgdj\]an!
hdbZeVgih bVncZZYidWZgZbdkZY#&OROPTI
MUM PERFORMANCE FROM YOUR MACHINE MAKE
SURE YOU CLEAN ALL MOVING PARTS OR SLIDING
CONTACT SURFACES THAT ARE COATED 6kd^Y X]ad"
g^cZ"WVhZYhdakZcihVhi]ZnbVnYVbV\ZeV^ciZY
hjg[VXZhh]djaYi]ZnXdbZ^cXdciVXi#
'ASOLINE AND PETROLEUM
PRODUCTS HAVE LOW FLASH
POINTSANDCOULDEXPLODE
IF USED TO CLEAN MACHIN
ERY$/./4USEGASOLINE
ORPETROLEUMPRODUCTSTO
CLEANTHEMACHINERY
,ACKOFVENTILATIONWHILE
USING SOLVENTS COULD
CAUSE SERIOUS PERSON
AL HEALTH RISKS FIRE OR
ENVIRONMENTAL HAZARDS
!LWAYS WORK IN A WELL
VENTILATED AREA TO PRE
VENT THE ACCUMULATION
OF DANGEROUS FUMES
3UPPLY THE WORK AREA
WITH A CONSTANT SOURCE
OFFRESHAIR

<%))+$<%*(.$<%*,&(,L^YZ7ZaiHVcYZg "&,"
4OMOUNTTHESANDERTOTHEFLOOR
I]ZhVcYZgcZZYhidWZbdjciZY^cVaZkZaadXV"
i^dcl]ZgZ^iXVcWZZVh^anhZgk^XZY[gdbVaah^YZh#
6ahd! Xdch^YZg i]Z aVg\Zhi ldg`e^ZXZ ndj b^\]i
cZZYidhVcYWZ[dgZYZX^Y^c\dcV[^cVaedh^i^dc#
Bdjci i]Z hVcYZg id lddYZc [addgh l^i] &¿' aV\
WdaihVcYlVh]Zgh#Bdjcii]ZhVcYZgidXdcXgZiZ
[addghl^i]&¿'VcX]dg"hinaZWdaihYZh^\cZY[dgXdc"
XgZiZVeea^XVi^dch#.OTE"ESURETOCAREFULLYFOL
LOWTHEANCHORBOLTMANUFACTURERSINSTRUCTIONS
&LOOR-OUNTING
"EGINNING!SSEMBLY
,OOSE HAIR AND CLOTH
ING COULD GET CAUGHT IN
MACHINERY AND CAUSE
SERIOUS PERSONAL INJU
RY +EEP LOOSE CLOTHING
ROLLED UP AND LONG HAIR
TIED UP AND AWAY FROM
MACHINERY
3HARP EDGES ON METAL
PARTS MAY CAUSE PER
SONALINJURY%XAMINETHE
EDGES OF ALL METAL PARTS
BEFOREHANDLING
I]^h hZXi^dc l^aa XdkZg i]Z WVh^X VhhZbWan VcY
VY_jhibZci ^chigjXi^dch cZZYZY id WZ\^c deZgV"
i^dc# 8dbeaZiZ i]Z VhhZbWan ^c i]Z dgYZg egd"
k^YZY^ci]^hbVcjVaVcYi]ZcgZVYi]ZgZbV^c^c\
edgi^dcd[i]ZbVcjVaWZ[dgZViiZbei^c\VcnineZ
d[deZgVi^dc#
9OUR SAFETY IS IMPORTANT 0LEASE FOLLOW THE
WARNINGSBELOWDURINGTHISENTIRESECTION
$ISCONNECT POWER TO
THE MACHINE DURING THE
ENTIRE ASSEMBLY PRO
CESS &AILURE TO DO THIS
MAY RESULT IN SERIOUS
PERSONALINJURY

"&-" <%))+$<%*(.$<%*,&(,L^YZ7ZaiHVcYZg
4OINSTALLTHEAIRLINE
8dccZXii]Z]dhZ[gdbndjgV^gXdbegZhhdg
idi]ZV^g^caZi&IGUREdci]ZgZ\jaVidg#
6^g>caZi
6^gDC$D;;
=VcYaZ
DeZcEdh^i^dc
GZ\jaVidg
@cdW
BV`Z hjgZ i]Z gZY ]VcYaZ dc i]Z gZ\jaVidg
^h ^c i]Z deZc edh^i^dc eVgVaaZa l^i] i]Z V^g
^caZi#
A^[ii]ZgZ\jaVidg `cdW &IGURES VcY
VcYijgc^ijci^ai]ZV^gegZhhjgZ\Vj\ZgZVYh
,* EH># .OTE4URN THE KNOB CLOCKWISE TO
INCREASE THE AIR PRESSURE AND COUNTERCLOCK
WISETOLOWERTHEAIRPRESSURE
Ejh]i]ZgZ\jaVidg`cdWYdlcjci^a^ihcVeh#
&IGURE6^g^caZiadXViZYdcgZ\jaVidg#
!IR,INE)NSTALLATION
&IGUREGZ\jaVidg`cdW#
$UST#OLLECTION
&IGURE)Yjhiedgih#
6c Z[[^X^Zci VcY XaZVc Yjhi XdaaZXi^dc hnhiZb ^h
ZhhZci^Va id i]Z egdeZg [jcXi^dc d[ i]Z hVcYZg#
:chjg^c\ V ]ZVai]n ldg` Zck^gdcbZci ^h Vahd
YZeZcYZci jedc XaZVc^c\ VcY bV^ciV^c^c\ ndjg
YjhiXdaaZXi^dchnhiZb#;dgi]^hbVX]^cZlZgZX"
dbbZcYVb^c^bjbd[&'%%8;B#
4OHOOKUPADUSTCOLLECTIONSYSTEM
>chiVaa i]Z i]gZZ ) Yjhi edgih &IGURE
id i]Z bdjci^c\ adXVi^dch dc i]Z ide d[ i]Z
hVcY^c\ jc^i l^i] i]Z hjeea^ZY B+"&#% m &%
E]^aa^eh]ZVYhXgZlh#
8aVbei]gZZ)]dhZh[gdbndjgYjhiXdaaZX"
i^dchnhiZbidi]ZYjhiedgih#

<%))+$<%*(.$<%*,&(,L^YZ7ZaiHVcYZg "&."
4OINSTALLTHESANDINGBELT
$ISCONNECT THE SANDER FROM THE POWER
SOURCE
9Z"VXi^kViZi]ZWZaiiZch^dce^hidcWnijgc^c\
i]ZgdaaZgiZch^dchl^iX]&IGURE#
3ANDING"ELT
&IGUREGdaaZgiZch^dchl^iX]#
&IGURE8dbedcZcihjhZYl]ZcX]Vc\^c\V
hVcY^c\WZai#
GZbdkZi]ZadX`edhigZaZVhZaZkZg&IGURE
Wnijgc^c\^iXdjciZgXadX`l^hZ&¿'ijgcVcY
ejaa^c\^ijeVcYdjid[i]Zbdjci^c\]daZ#
GZbdkZi]ZheVXZgWadX`&IGURE#
>chiVaai]ZhVcY^c\WZaiWnhiVgi^c\[^ghidci]Z
jeeZggdaaZg!VcYi]Zci]ZadlZggdaaZg#
.OTE4HE SANDING BELT MUST BE CENTERED
BETWEEN THE LIMIT SWITCHES AND THE EDGE OF
THE SANDING BELT MUST BE BETWEEN TONGS OF
THEOSCILLATIONCONTROLLERASSHOWNIN&IGURE
$AMAGETOTHESANDINGBELTCOULDOCCUR
IFTHESANDERISTURNED/.BEFORETHESANDING
BELTISCORRECTLYPOSITIONED
&IGUREHVcYZgDjia^cZIdeK^Zl#EgdeZg
edh^i^dcd[WZaiWZilZZci]Za^b^ihl^iX]Zh#
GZeaVXZi]ZheVXZg WadX` VcY i^\]iZcYdlc
i]ZadX`]VcYaZWdai#
L^i] ndjg ]VcYh XaZVg d[ Vaa bdk^c\ eVgih!
iZch^dci]ZWZaiWnijgc^c\i]ZgdaaZgiZch^dc
hl^iX]#
HVcY^c\7Zai
7VX`
;gdci
DhX^aaVi^dc8dcigdaaZg
A^b^iHl^iX]Zh
HeVXZg
7adX`
./4)#%
4HE DIRECTIONAL ARROW ON THE BACK OF THE
SANDING BELT MUST BE POINTING IN A COUN
TERCLOCKWISE DIRECTION DURING INSTALLATION
&AILURE TO INSTALL THE SANDING BELT CORRECTLY
COULDRESULTIN DAMAGE TO THE SANDING BELT
ORTHESANDERITSELF
AdX`EdhiGZaZVhZAZkZg

"'%" <%))+$<%*(.$<%*,&(,L^YZ7ZaiHVcYZg
0RESSURE2OLLERS
)T IS ABSOLUTELY ESSENTIAL TO KEEP THE PRES
SUREROLLERSSETBELOWTHELEVELOFTHESAND
ING ROLLER )F THE PRESSURE ROLLERS ARE EVEN
ORHIGHERTHANTHESANDINGROLLERTHEWOOD
7),,BEPROPELLEDFROMTHESANDERATAHIGH
RATE OF SPEED 4HIS SITUATION COULD CAUSE
SERIOUSPERSONALINJURY
4OCHECKTHEPRESSUREROLLERHEIGHT
$ISCONNECT THE SANDER FROM THE POWER
SOURCE
EaVXZ V e^ZXZ d[ hXgVe lddY d[ jc^[dgb
i]^X`cZhh VXgdhh i]Z iVWaZ hd ^i heVch Wdi]
i]Z[gdciVcYi]ZgZVgegZhhjgZgdaaZghVii]Z
hVbZi^bZ#
L^i] i]Z V^g egZhhjgZ XdccZXiZY VcY i]Z
hVcY^c\WZai^chiVaaZYVcYiZch^dcZY!bVcj"
VaangV^hZi]ZiVWaZVcYkZg^[ni]Vii]ZWdVgY
idjX]ZhWdi]egZhhjgZgdaaZghWZ[dgZ^iidjX]"
Zhi]ZhVcY^c\WZai#
.OTE)FTHEBOARDDOESNOTTOUCHBOTHPRES
SURE ROLLERS BEFORE IT TOUCHES THE SANDING
BELTTHENTHEPRESSUREROLLERSMUSTBEADJUST
EDBEFOREOPERATION3EE0RESSURE2OLLERS
ON0AGEFOR3TEPBY3TEPINSTRUCTIONSON
HOWTODOTHIS
I]ZegZhhjgZgdaaZgh]VkZWZZchZiVii]Z[VXidgn!
Wji[dghV[Zin!ndjh]djaYkZg^[ni]Vii]ZnVgZhZi
WZadli]ZaZkZad[i]ZhVcY^c\gdaaZg#
3TART5P
"EFORESTARTINGTHEMACHINE
GZVY i]^h bVcjVa VcY bV`Z hjgZ ndj iV`Z
Vaa hV[Zin egZXVji^dch WZ[dgZ deZgVi^c\ i]^h
bVX]^cZ#
BV`Z hjgZ i]Z bVX]^cZ ^h XdccZXiZY id Vc
V^g XdbegZhhdg VcY i]Z egZhhjgZ \Vj\Z
gZVYh,*EH>#
BV`Z hjgZ Vaa iddah dg [dgZ^\c dW_ZXih ]VkZ
WZZc gZbdkZY [gdb i]Z XdckZndg hjg[VXZ!
ide d[ i]Z bVX]^cZ! VcY i]Z ^ch^YZ d[ i]Z
bVX]^cZ#
BV`ZhjgZVaai]Zl^g^c\^hXdggZXi#
,OOSE HAIR AND CLOTH
ING COULD GET CAUGHT
IN MACHINERY CAUSING
SERIOUS PERSONAL INJU
RY+EEPLOOSECLOTHING
ROLLED UP AND LONG HAIR
TIED UP AND AWAY FROM
MACHINERY
0ROJECTILES THROWN FROM
THEMACHINECOULDCAUSE
SERIOUSEYEINJURY 7EAR
SAFETY GLASSES DURING
STARTUP
3ERIOUS PERSONAL INJURY COULD RESULT IF THE
MACHINE IS CONNECTED TO THE POWER SOURCE
DURING ASSEMBLY OR ADJUSTMENT 7AIT UNTIL
THEMACHINEISTURNEDOFFUNPLUGGEDANDALL
WORKINGPARTSHAVECOMETOACOMPLETESTOP
BEFOREYOUATTEMPTTOASSEMBLEORADJUSTTHE
MACHINE

<%))+$<%*(.$<%*,&(,L^YZ7ZaiHVcYZg "'&"
2ECOMMENDED
!DJUSTMENTS
;dg ndjg XdckZc^ZcXZ! i]Z VY_jhibZcih a^hiZY
WZadl ]VkZ WZZc eZg[dgbZY Vi i]Z [VXidgn VcY
gZfj^gZcd[jgi]ZgVY_jhibZci#=dlZkZg!lZgZX"
dbbZcYi]VindjkZg^[ni]Vii]ZVY_jhibZcihVgZ
XdggZXiVcYidndjghVi^h[VXi^dc#
2ECOMMENDEDADJUSTMENTCHECKLIST
·IVWaZ8Va^WgVi^dc
·;ZZY7ZaiIZch^dc
·;ZZY7ZaiIgVX`^c\
·6^gGZ\jaVidgid,*EH>
·DhX^aaVi^dcI^b^c\
·DhX^aaVi^dcHeZZY
·EgZhhjgZGdaaZgh
·IVWaZEVgVaaZa^hb
·K"7Zai6Y_jhibZci
4OSTARTTHEMACHINE
7EARSAFETYGLASSESATALLTIMESWHENRUN
NINGTHEMACHINE
8dccZXii]ZbVX]^cZidi]ZedlZghdjgXZ#
EgZhh i]Z I67A: JE VcY I67A: 9DLC
`Znh# I]Z iVWaZ h]djaY \d je VcY Ydlc
hbddi]an#
.OTE-AKE SURE THE TABLE MOVES IN THE
SAME DIRECTION AS THE BUTTON DESCRIPTION
)F NOT THEN THE POWER NEEDS TO BE DISCON
NECTEDANDANYTWOPOWERWIRESNEEDTOBE
SWITCHEDATTHECIRCUITBREAKERINTHEELECTRI
CAL BOX )F USING A PHASE CONVERTER SWITCH
THE2AND4WIRES
EgZhh i]Z ;::9 7:AI HI6GI VcY ;::9
7:AI HIDE Wjiidch# I]Z [ZZY WZai h]djaY
hiVgi!gjc!VcYhidehbddi]an#
EgZhh i]Z H6C9>C< 7:AI HI6GI VcY
H6C9>C<7:AIHIDEWjiidch#I]ZhVcY^c\
WZaih]djaYhiVgi!gjc!VcYhidehbddi]an#
I]ZbVX]^cZh]djaYgjchbddi]an!l^i]a^iiaZdgcd
k^WgVi^dc dg gjWW^c\ cd^hZh# HigVc\Z dg jccVij"
gVa cd^hZh h]djaY WZ ^ckZhi^\ViZY VcY XdggZXiZY
WZ[dgZdeZgVi^c\i]ZbVX]^cZ[jgi]Zg#
>[ i]Z bVX]^cZ hZZbh id WZ gjcc^c\ XdggZXian!
aZi^igjc[dgVh]dgii^bZidZchjgZi]Vii]Zbdk"
^c\eVgihVgZldg`^c\egdeZganl^i]cdZmXZhh^kZ
k^WgVi^dc#9DCDIdeZgViZi]Z bVX]^cZ^[egdW"
aZbhXVccdiWZXdggZXiZY#
>[ndjXVccdiadXViZi]ZhdjgXZd[jcjhjVacd^hZh!
gZ[Zg id 4ROUBLESHOOTING! VcY [ZZa [gZZ id Xdc"
iVXi djg IZX]c^XVa Hjeedgi 9ZeVgibZci Vi *,%
*)+".++(#

"''" <%))+$<%*(.$<%*,&(,L^YZ7ZaiHVcYZg
#HOOSING3ANDPAPER/PERATION3AFETY
9OUR SAFETY IS IMPORTANT 0LEASE FOLLOW THE
WARNINGSBELOWDURINGTHISENTIRESECTION
I]Z \g^i ndj X]ddhZ l^aa YZeZcY dc i]Z ineZ d[
ldg`!i]ZheZX^Zhd[lddYVcYi]ZhiV\Zd[[^c^h]"
^c\# 7Zadl ^h V X]Vgi i]Vi \gdjeh VWgVh^kZh ^cid
Y^[[ZgZciXViZ\dg^ZhVcYh]dlhl]^X]\g^ih[Vaa^cid
ZVX]"dcZ#LZgZXdbbZcYjh^c\Vajb^cjbdm^YZ
hVcY^c\WZaih[dgi]ZWZhigZhjaih#
I]Z\ZcZgVagjaZd[i]jbW^hidhVcYVldg`e^ZXZ
l^i] egd\gZhh^kZan ]^\]Zg \g^i cjbWZgh! l^i] cd
dcZ\g^i^cXgZVhZd[bdgZi]Vc*%0]dlZkZg!i]Z
ineZd[lddYVcYYZh^gZY[^c^h]l^aaYZiZgb^cZi]Z
WZhi\g^iidjhZ#
'RIT 4YPE
+%
-%"&%%
&'%"&*%
8dVghZ
BZY^jb
;^cZ
4O AVOID SERIOUS PERSONAL INJURY READ AND
BECOME FAMILIAR WITH THE ENTIRE INSTRUCTION
MANUALBEFOREUSINGTHISWIDEBELTSANDER
$AMAGE TO YOUR EYES LUNGS AND EARS
COULD RESULT FROM FAILURE TO WEAR SAFETY
GLASSESADUSTMASKANDHEARINGPROTEC
TIONWHILESANDINGWITHTHISMACHINE
,OOSE HAIR AND CLOTH
ING COULD GET CAUGHT IN
MACHINERY AND CAUSE
SERIOUS PERSONAL INJU
RY+EEPLOOSECLOTHING
ROLLED UP AND LONG HAIR
TIED UP AND AWAY FROM
MACHINERY
3%#4)/./0%2!4)/.3

<%))+$<%*(.$<%*,&(,L^YZ7ZaiHVcYZg "'("
4ABLE-OVEMENT
IVWaZ]Z^\]iXVcWZVY_jhiZYbVcjVaandgl^i]i]Z
Y^\^iVa`ZneVYVcYbdidg!hZZ&IGURE
-ANUAL4ABLE-OVEMENT·Ijgci]Z]VcYl]ZZa
adXViZYjcYZgi]Z[gdcid[i]Z^c[ZZYiVWaZ[dg
bVcjVaiVWaZedh^i^dc^c\#
-OTORIZED4ABLE-OVEMENT·EgZhhi]ZI67A:
JEdg I67A: 9DLC `Zn dcXZ [dg bdidg^oZY
iVWaZedh^i^dc^c\^c%#%%*%#&bb^cXgZbZcih#
.UMERICAL +EY 0AD·:ciZgh i]Z edh^i^dc d[
hVcY^c\YZei]Y^\^iVaan#
-ETRIC OR 3TANDARD +EY·EgZhh VcY ]daY i]Z
H:IWjiidc[dg(hZXdcYhidXVa^WgViZY^heaVnVi
i]Z XjggZci WdVgY i]^X`cZhh0 dg egZhh VcY ]daY
`Zn[dg&%hZXdcYhidid\\aZi]ZY^heaVnWZilZZc
bZig^XVcYhiVcYVgYbZVhjgZbZci#
4ABLE3TART+EY·BdkZhiVWaZidVegZhZihVcY"
^c\YZei]#
4ABLE3TOP+EY·HidehiVWaZbdkZbZci^bbZ"
Y^ViZan#
$IGITAL $ISPLAY·H]dlh [^cVa iVWaZ hVcY^c\
YZei]#
&IGURE#@Znh[dgVY_jhi^c\i]ZiVWaZ]Z^\]i#
I]Z Y^Va ViiVX]ZY id i]Z h^YZ d[ i]Z [ZZY WZai
\ZVgWdm&IGUREVY_jhihi]Z[ZZYgViZd[i]Z
hVcYZg#
.OTE.EVERADJUSTTHEFEEDRATEDIALUNLESSTHE
CONVEYORBELTISRUNNINGOTHERWISEYOUCANDAM
AGETHECONTROL
#HANGING &EED 2ATE·Ijgc i]Z Y^Va XadX`l^hZ
id YZXgZVhZ i]Z [ZZY gViZ VcY XdjciZgXadX`l^hZ
id^cXgZVhZ^i#I]Z[ZZYgViZ^hkVg^VWaZWZilZZc
&*").;EB#
$ETERMINING)DEAL&EED2ATES·Hd[ilddYhine^"
XVaangZfj^gZ V [VhiZg[ZZY gViZ i]Vc ]VgYlddYh0
]dlZkZg!i]ZgZ^hcdYZ[^c^i^kZgjaZid[daadll]Zc
YZiZgb^c^c\i]ZWZhi[ZZYgViZ#6hV\ZcZgVagjaZ!
ValVnhhiVgil^i]i]ZhadlZhi[ZZYgViZVcYldg`
ndjglVnje#LZValVnhgZXdbbZcYiZhi^c\i]Z
[ZZYgViZjh^c\hXgVelddYh^b^aVgidndjgldg`"
e^ZXZ# 7Z hjgZ id bdc^idg i]Z VbeZgV\Z bZiZg
l]ZcVY_jhi^c\i]Z[ZZYgViZ#9ZXgZVhZi]Z[ZZY
gViZ^[i]ZadVYWZ\^chidhadli]ZbdidgGEB#
!DJUSTING&EED2ATE
./4)#%
4HETHICKNESSGAUGEISPRECALIBRATEDFROM
THE FACTORY HOWEVER CORRECT CALIBRATION
SHOULDBEVERIFIED
&IGURE;ZZYgViZY^Va#
IVWaZ
JE
IVWaZ9dlc
BZig^Xdg
HiVcYVgY@Zn
IVWaZ
Hide
IVWaZ
HiVgi
9^\^iVa9^heaVn
CjbZg^XVa
@ZnEVY
;ZZY
GViZ9^Va

"')" <%))+$<%*(.$<%*,&(,L^YZ7ZaiHVcYZg
!MP$RAW-ETER
I]ZVbeZgV\ZYgVlbZiZg&IGURE^hadXViZY
VWdkZi]ZXdcigdaeVcZa#JhZi]ZbZiZgidbdc^idg
i]Z VbeZgV\Z YgVl dc i]Z bVX]^cZ l]^aZ eZg"
[dgb^c\hVcY^c\deZgVi^dch#
6h V \ZcZgVa gjaZ! ValVnh hiVgi l^i] V hbVaa
adVYVcYldg`ndjglVnje#9DCDIldg`ndjg
bVX]^cZ id ^ih bVm^bjb adVY l]ZgZ ndj XVc
]ZVgi]ZbdidgadhZGEB0^chiZVY!bV`Zbjai^eaZ
eVhhZhdg^chiVaaVXdVghZg\g^ieVeZg#
6beadVYl^aaWZY^gZXianV[[ZXiZYWnbVcn[VXidgh
hjX]Vh[ZZYgViZ!YZei]d[Xji!lddYineZ!hVcY"
eVeZg\g^i!VcYldg`e^ZXZl^Yi]#>[i]ZVbeadVY^h
^ci]ZgZYadVYgVc\Z!i]ZbVX]^cZ^hdkZgadVYZY
VcYbdidgYVbV\Zl^aadXXjg#@ZZei]ZVbeadVY
^ci]Z\gZZcgVc\ZYjg^c\deZgVi^dc#
&IGURE6beZgV\ZbZiZg#
./4)#%
$/ ./4 6/)$ 7!22!.49 +EEP THE AMP
DRAW WITHIN THE '2%%. LOAD RANGE SHOWN
ON THE !-0 ,/!$ #(!24 )F YOU OPERATE
THESANDERINTHE2%$LOADRANGECAPACITOR
OR MOTOR FAILURE WILL OCCUR AND WILL NOT BE
COVEREDUNDERWARRANTY

<%))+$<%*(.$<%*,&(,L^YZ7ZaiHVcYZg "'*"
3ANDING7ORKPIECE
Ine^XVaan! cd bdgZ i]Vc %#*bb Veegdm# &¿+) d[
bViZg^Va^hgZbdkZYYjg^c\ZVX]eVhh#6iiZbeih
idgZbdkZiddbjX]bViZg^VaXVcXVjhZ_Vbb^c\!
lddYWjgc^c\!gVe^YeVeZglZVgdgiZVg^c\!eddg
[^c^h]!h]dgibdidga^[Z!VcYWZaiha^eeV\Z#
4HEFOLLOWINGISTHECORRECTSANDINGOPERATING
PROCEDURE
Ijgc/.i]ZYjhiXdaaZXidg#
7EAR SAFETY GLASSES A DUST MASK AND
HEARINGPROTECTION
Dci]Z^c^i^VaeVhh!hZii]ZiVWaZidVeegdm^"
bViZan&¿)\gZViZg i]Vc i]Z i]^X`cZhhd[i]Z
ldg`e^ZXZ#
.OTE4HIS INITIAL PASS SETTING REDUCES THE
CHANCE OF OVERLOADING THE SANDER ON UNDE
TECTEDHIGHPOINTSONTHEWORKPIECE
8dci^cjZidgV^hZi]ZiVWaZ&¿&+WZilZZcZVX]
hjXXZhh^kZ eVhh jci^a i]Z hVcYZg WZ\^ch id
hVcYi]Zldg`e^ZXZ#
./4)#%
)T MAY BE NECESSARY TO SEND WIDE STOCK
THROUGH THE SANDER TWO OR THREE TIMES
BETWEEN TABLE HEIGHT ADJUSTMENTS 4HIS
REDUCESTHELIKELIHOODOFBURNINGTHEWOOD
IFTHEREISAHIGHSPOT
0LATEN!DJUSTMENT
Ndjg hVcYZg ^h Zfj^eeZY l^i] Vc VY_jhiVWaZ [Zai
eaViZcVcY\gVe]^iZha^e[dgi]dhZZmigVhZch^i^kZ
hVcY^c\ deZgVi^dch# I]Z eaViZc edh^i^dc Vaadlh
[dg(WVh^XineZhd[hVcY^c\#I]ZhZY^[[ZgZciedh^"
i^dchXVcWZVY_jhiZYWngdiVi^c\i]Z]Z^\]iaZkZg
h]dlc^c&IGURE
&IGUREEaViZc]Z^\]iXdcigdah#
AdX`
AZkZg
=Z^\]i
AZkZg
HXVaZVcY
Ed^ciZg
4HETHREEBASICPLATENPOSITIONS
0LATEN5P·I]ZeaViZc^hgV^hZYVWdkZi]ZaZkZa
d[ i]Z hVcY^c\ gdaaZgh# I]^h edh^i^dc Vaadlh i]Z
[gdci gdaaZg id gZbdkZ aVg\Z Vbdjcih d[ bViZg^Va
fj^X`an!Wji aZVkZh V gdj\][^c^h]# I]Z WZhiWZai
\g^i[dgi]^hedh^i^dc^h&%%dgXdVghZg#
0LATEN%VEN·I]ZeaViZc^hhZiZkZcl^i]i]Z
hVcY^c\gdaaZgh#I]ZgdaaZghldg`id\Zi]Zgl^i]i]Z
eaViZcidegdYjXZ^ciZgbZY^ViZ$[^cVa[^c^h]^c\#I]Z
WZhiWZai\g^i[dgi]^hedh^i^dc^h&%%"&-%#
0LATEN $OWN · I]Z eaViZc ^h adlZgZY WZadl
i]Z hVcY^c\ gdaaZgh# I]Z bV_dg^in d[ i]Z ldg`
^h VXXdbea^h]ZY Wn i]Z eaViZc egZhhjgZ dc i]Z
ldg`e^ZXZ# I]Z gZhjai ^h V hbddi]! [aVi [^c^h]#
I]ZWZhiWZai\g^i[dgi]^hedh^i^dc^h&-%dg[^cZg#
6kd^YAdlZg^c\i]ZeaViZcbdgZi]Vc'BBWZadl
i]ZhVcY^c\WZaigdaaZgh#
.OTEI]ZeaViZchXVaZ^hWgd`ZcYdlc^cb^aa^bZ"
iZg^cXgZbZcih#

"'+" <%))+$<%*(.$<%*,&(,L^YZ7ZaiHVcYZg
&IGUREHVcY^c\WZaiXaZVc^c\eVY#
(#LEANING0ADS
8aZVc^c\eVYhVgZi]ZeZg[ZXiVXXZhhdgn[dgl^YZ
WZai hVcYZgh &IGURE # H^bean hZi i]Z Xdc"
kZndg iVWaZ id ]Z^\]i VcY [ZZY i]Z eVY i]gdj\]
id¸jcadVY¹VY^ginhVcY^c\WZai#GZ\jaVgXaZVc^c\
\gZVian ^cXgZVhZh i]Z a^[ZheVc d[ hVcY^c\ WZaih#
8]ZX` l^i] i]Z XjggZci <g^ooan XViVad\ dg WWW
GRIZZLYCOM[dgbdgZYZiV^ah#
3%#4)/.!##%33/2)%3
((02OTARY0HASE#ONVERTER
6YY ("e]VhZ! bjai^"bdidg XVeVW^a^in id ndjg h^c"
\aZ"e]VhZZaZXig^XVahjeean&IGURE#DeZgViZ
h^c\aZdgbjai^eaZbdidgh!igVch[dgbZgh!VcYgZh^h"
iVcXZ adVYh Vi &%% edlZg VcY .* Z[[^X^ZcXn
l]^aZ hVk^c\ W^\ YdaaVgh Vi X]ZVean bZiZgZY!
h^c\aZ"e]VhZ ZaZXig^XVa gViZh# 8dbeaZiZ hiZe Wn
hiZe ^chigjXi^dch VgZ [jgc^h]ZY Vadc\ l^i] Xdb"
eaZiZ l^gZ VcY [jh^c\ gZfj^gZbZcih [dg kVg^djh
bdidg adVYh# :VX] bdYZa deZgViZh je id il^XZ
^ih cVbZeaViZ gVi^c\ ^c V b^mZY"bdidg adVY# Dc
]ZVk^anadVYZYdg]VgY"hiVgiVeea^XVi^dch!hjX]Vh
]^\]"heZZY\ZVgZY"]ZVYaVi]ZhVcYV^gXdcY^i^dc"
^c\XdbegZhhdgh!i]ZcVbZeaViZgVi^c\d[i]ZXdc"
kZgiZgndjX]ddhZh]djaYWZ'id(i^bZhi]Z=E
d[i]Zbdhi]ZVk^anadVYZYbdidg#HZZi]Z^cY^k^Y"
jVa("e]VhZbVX]^cZeV\Zh[dge]VhZXdckZgiZg
gZXdbbZcYVi^dch# ;dg Veea^XVi^dc Vhh^hiVcXZ!
eaZVhZ XVaa djg iZX]c^XVa hjeedgi Vi *,% *)+"
.++(#
&IGUREGdiVgne]VhZXdckZgiZg#
7IDEX,ONG3ANDING"ELTS
I]ZhZ ZmXZaaZci ¸N¹ LZ^\]i edanZhiZg WVX`^c\
VWgVh^kZ WZaih VgZ Y^gZXi gZeaVXZbZcih [dg ndjg
l^YZWZaihVcYZg/
'!LUMINUM/XIDE 'RIT
'!LUMINUM/XIDE 'RIT
'!LUMINUM/XIDE 'RIT
'!LUMINUM/XIDE 'RIT
'!LUMINUM/XIDE 'RIT

<%))+$<%*(.$<%*,&(,L^YZ7ZaiHVcYZg "',"
3CHEDULE
$ISCONNECTPOWER TO THE
MACHINE WHEN PERFORM
INGMAINTENANCEASSEM
BLY OR ADJUSTMENTS
&AILURE TO DO THIS MAY
RESULTINSERIOUSPERSON
ALINJURY
7EARSAFETYGLASSESDUR
ING THE ENTIRE MAINTE
NANCE PROCESS &AILURE
TO COMPLY MAY RESULT IN
SERIOUSPERSONALINJURY
4HEFOLLOWINGITEMSSHOULDBECHECKEDEACH
TIMETHESANDERISUSED
AddhZbdjci^c\Wdaih#
9VbV\ZYhVcY^c\WZai#
LdgcdgYVbV\ZYl^gZh#
LViZgXdaaZXi^dcXjeh[^aaZYl^i]lViZg#
6cn di]Zg XdcY^i^dc i]Vi XdjaY ]VbeZg i]Z
hV[ZdeZgVi^dcd[i]^hbVX]^cZ#
9jhiigVe#
7EEKLY
<gZVhZ i]Z \gZVhZ [^ii^c\h adXViZY dc i]Z [ZZY
WZaigdaaZgVmaZhVcYi]ZhVcY^c\WZaigdaaZgVmaZh#
I]ZnVgZ^YZci^[^ZYl^i]nZaadlaVWZah#
-ONTHLY
6eeanV\ZcZgdjhVbdjcid[\gZVhZidi]ZiVWaZ
ZaZkVi^dchXgZlh#7ZhjgZidgZXdkZgi]ZVY_jhi"
bZcihXgZlhl^i]i]ZYjhiXdkZghl]Zc[^c^h]ZY#
GZbdkZi]ZadlZgh^YZeVcZaidVXXZhhi]ZiVWaZ
a^[i^c\bZX]Vc^hb#6eean\gZVhZidi]ZX]V^cVcY
\ZVghVhhdX^ViZYl^i]i]ZiVWaZa^[i^c\bZX]Vc^hb#
7ZXVgZ[jaidcdi\Zi\gZVhZdci]ZK"WZaih#I]^h
XdjaYXVjhZi]Zbidha^ed[[d[i]ZejaaZnh#
!FTERTHE&IRST(OURS
I]Zd^a^ch^YZi]Z\ZVggZYjXZgh]djaYWZgZeaVXZY
V[iZgi]Z[^ghi&%%ldg`^c\]djghd[deZgVi^dc#LZ
gZXdbbZcY.%Li#\ZVgd^a#
%VERY(OURS
6[iZgi]Z[^ghi\ZVggZYjXZgd^aX]Vc\Z!gZeaVXZi]Z
d^a V[iZg ZkZgn '*%% ldg`^c\ ]djgh d[ deZgVi^dc#
LZgZXdbbZcY.%Li#\ZVgd^a#
'ENERAL
,OOSE HAIR AND CLOTH
ING COULD GET CAUGHT
IN MACHINERY CAUSING
SERIOUS PERSONAL INJU
RY+EEPLOOSECLOTHING
ROLLED UP AND LONG HAIR
TIED UP AND AWAY FROM
MACHINERY
9OUR SAFETY IS IMPORTANT 0LEASE FOLLOW THE
WARNINGSBELOWDURINGTHISENTIRESECTION
3%#4)/.-!).4%.!.#%

"'-" <%))+$<%*(.$<%*,&(,L^YZ7ZaiHVcYZg
$USTAND7ATER
4RAPS
I]ZgZVgZildigVehdci]ZBdYZa<%))+$<%*(.$
<%*,&#DcZ^hViiVX]ZYidi]ZWdiidbd[i]ZgZ\j"
aVidg&IGURE VcYi]Zdi]Zg^hadXViZY^ch^YZ
i]Z g^\]i VXXZhh Yddg &IGURE # :bein i]Z
igVehVhi]Zn[^aa#I]Z^ciZgcVal]^iZ[^aiZghh]djaY
WZgZeaVXZYnZVgan#
&IGUREJchXgZli]ZXaZVgXVc^hiZgidZbein
i]ZV^ga^cZYjhiigVe#
&IGUREEjh]adlZg
YgV^ckVakZidZbeini]ZgZ\jaVidglViZgigVe#
GZ\jaVidgLViZg
IgVe
9gV^cKVakZ
3ANDING"ELTS
Ndj XVc \gZVian ^cXgZVhZ i]Z a^[ZheVc d[ ndjg
hVcY^c\ WZaih ^[ ndj XaZVc i]Zb d[iZc# 6h bZc"
i^dcZYdc0AGE!XaZVc^c\eVYhVgZi]Z[VhiZhi
lVnidgZbdkZhVlYjhiWj^aY"je#
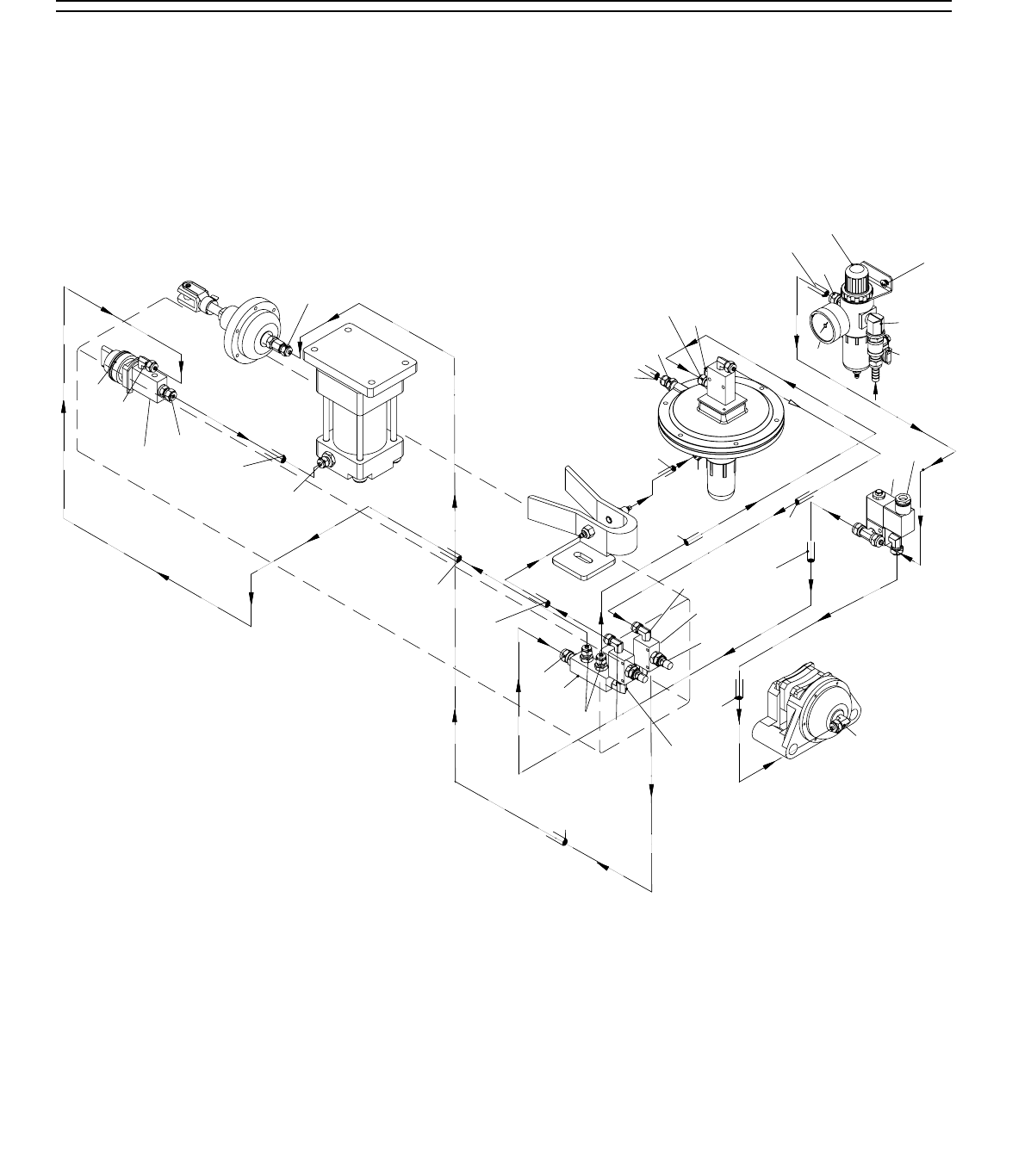
!IR3YSTEM
)FACOMPONENTINTHEAIRSYSTEMISMALFUNC
TIONINGBLEEDALLAIRFROMTHESYSTEMANDFIX
THEPROBLEMBEFOREYOURESUMESANDING
I]ZV^ghnhiZb^hYjgVWaZVcYgZa^VWaZ0]dlZkZg!
XdbedcZcihYdlZVgl^i]V\Z#>[ndjhjheZXii]Vi
Vc^iZb ^cndjgV^ghnhiZbbVn WZ]Vk^c\egdW"
aZbh!hZZi]ZV^ga^cZX^gXj^idc0AGE#
8VgZ[jaan^cheZXiVaaV^ga^cZh[dgXgVX`h!iZVgh
dg]VgYZc^c\#GZeaVXZ[Vjain]dhZh#
8]ZX`i]ZV^gXdccZXi^dch[dgaZV`h#6hbVaa
Vbdjci d[ hdVen lViZg ^c V fjZhi^dcVWaZ
VgZVl^aaWjWWaZ^[i]ZgZ^hVaZV`#
BV`Z hjgZ a^cZh VgZ cdi Xad\\ZY# GZbdkZ
VfjZhi^dcVWaZa^cZVcYWadli]gdj\]^iVhV
iZhi#
9jhiIgVe

<%))+$<%*(.$<%*,&(,L^YZ7ZaiHVcYZg "'."
4ABLE#ALIBRATION
./4)#%
4HE DIGITAL THICKNESS GAUGE HAS BEEN CALI
BRATEDATTHEFACTORYANDSHOULDREQUIRENO
FURTHER ADJUSTMENT (OWEVER WE RECOM
MENDVERIFYINGITSACCURACY
JhZi]Z[^ghiWdVgY[ZYi]gdj\]i]ZhVcYZgidiZhi
i]ZVXXjgVXnd[i]ZY^\^iVai]^X`cZhh\Vj\Z#
4OCALIBRATETHEDIGITALTHICKNESSSCALE
Jh^c\VegdeZganhZi"jeeaVcZg!eaVcZVWdVgY
idjc^[dgbi]^X`cZhh#
AdlZgi]ZhVcYZg iVWaZ [Vg Zcdj\]ideaVXZ
i]ZeaVcZYWdVgYjcYZgi]ZhVcYZggdaaZg#
BVcjVaangV^hZi]Z iVWaZ jci^a i]ZWdVgY_jhi
idjX]Zhi]ZhVcY^c\gdaaZg#
GZbdkZ i]Z WdVgY l^i]dji X]Vc\^c\ i]Z
iVWaZ ]Z^\]i# I]^h ZchjgZh i]Z iVWaZ l^aa WZ
egdeZganVY_jhiZY[dgi]Z[^ghihVcY^c\eVhh#
Gjc i]Z WdVgY i]gdj\] i]Z hVcYZg hZkZgVa
i^bZh Vi i]Z ^c^i^Va ]Z^\]i hZii^c\# BVcjVaan
gV^hZ i]Z iVWaZ %#%'% VcY eVhh i]Z WdVgY
i]gdj\] i]Z hVcYZg hZkZgVa bdgZ i^bZh#
Bdc^idgi]ZVbeZgV\ZbZiZgVcYi]ZgZhjai"
^c\adVYdci]ZhVcYZg#
BZVhjgZ i]Z i]^X`cZhh Vi kVg^djh ed^cih
VgdjcY i]Z WdVgY jh^c\ V egZX^hZ b^Xgdb"
ZiZgdghZid[XVa^eZgh#8dci^cjZhVcY^c\i]Z
WdVgYVii]Vi ]Z^\]i jci^a i]ZVkZgV\Zi]^X`"
cZhhbZVhjgZbZci^hl^i]^c ¿"%#%%(#
.OTE I]ZhZ [^cVa eVhhZh h]djaY WZ YdcZ
l^i]dji VY_jhi^c\ i]Z iVWaZ ]Z^\]i# I]^h
ZchjgZh i]Z bdhi Xdch^hiZci VkZgV\Z i]^X`"
cZhh#
DWhZgkZi]ZY^\^iVaY^heaVngZVY"dji!^ih]djaY
^cY^XViZi]ZVkZgV\Zi]^X`cZhhd[i]ZhVcYZY
lddY#
·>[ ^i YdZh! i]Z hVcYZg ^h egdeZgan XVa^WgViZY
VcYVXXjgViZidi]ZcZVgZhi%#%%*#
·>[ ^i YdZhci! ndj bjhi gZXVa^WgViZ i]Z Y^\^iVa
i]^X`cZhhhXVaZ#
4ORECALIBRATETHEDIGITALTHICKNESSSCALE
L^i]dji bdk^c\ i]Z iVWaZ ]Z^\]i! ZciZg i]Z
cjbZg^XVabZVhjgZbZcid[i]ZVkZgV\Zi]^X`"
cZhhd[i]ZhVcYZYlddY^cidi]ZY^\^iVa`Zn
eVYdci]ZXdcigdaeVcZa#
.OTEI]ZVkZgV\Zi]^X`cZhhd[i]ZhVcYZY
lddY h]djaY cdl WZ [aVh]^c\ dc i]Z Y^\^iVa
gZVY"dji#
EgZhhVcY]daYi]Z`Znjci^ai]ZY^heaVn
hideh [aVh]^c\# I]Z hVcYZg ^h cdl XdggZXian
XVa^WgViZY#
3%#4)/.3%26)#%

"(%" <%))+$<%*(.$<%*,&(,L^YZ7ZaiHVcYZg
4OREPLACETHEBRAKEPADS
$ISCONNECT THE SANDER FROM THE POWER
SOURCE AND REMOVE AIR PRESSURE COM
PLETELY
GZbdkZ i]Z cjih [gdb i]Z ild bdjci^c\
WdaihVcYi]ZildhcVeg^c\hdci]Zbdjci^c\
e^chWZ]^cYi]ZWgVX`Zi#
Ejaa i]Z bdjci^c\ e^ch dji d[ i]Z XVa^eZg
WgVX`Zi VcY gZbdkZ i]Z V^g a^cZ [gdb i]Z
XVa^eZg#I]ZXVa^eZgh]djaYcdlWZVWaZidWZ
gZbdkZY#
9^hVhhZbWaZ i]Z WgZV` XVa^eZg VcY gZbdkZ
i]ZXVehXgZlhhZXjg^c\i]ZWgV`ZeVYh#
GZbdkZi]ZWgV`ZgdidgVcY]VkZ^iegd[Zh"
h^dcVaangZhjg[VXZYViVcVjidbdi^kZbVX]^cZ
h]de^[^i]Vh\dj\Zh^c^i#>[k^h^WaZXgVX`hVgZ
egZhZci ^c i]Z WgV`Z gdidg! gZeaVXZ ^i l^i] V
cZldcZ#GZbdkZd^aVcYY^gi[gdbi]Zgdidg
l^i]Vjidbdi^kZ WgV`Z XaZVcZg#DcXZ XaZVc!
dcan ]VcYaZ i]Z gdidg l^i] V Ygn gV\ VcY
^chiVaaZmVXiani]ZgZkZghZd[gZbdkVa#
>chiVaa cZl WgV`Z eVYh! bdjci i]Z XVa^eZg
VcYgZXdccZXii]ZV^ga^cZ#
IZhi i]Z hV[Zin h]jiYdlc deZgVi^dc Wn gjc"
c^c\i]ZhVcYZgVcYegZhh^c\i]ZZbZg\ZcXn
hideXdcigdah#
"RAKE3ERVICE
4OOLS.EEDED 1TY
&)bbDeZc:cYLgZcX]################################## &
HbVaaHcVeG^c\Ea^Zgh##################################### &
+bb=ZmLgZcX]############################################## &
'E]^aa^ehHXgZlYg^kZg##################################### &
:kZcijVaani]ZWgV`ZeVYhl^aalZVgdji#8]ZX`^c\
VcYgZeaVX^c\i]ZhZ^hVh^beaZegd_ZXii]ViXVc
WZYdcZ^ci]Zh]de!l^i]i]ZZmXZei^dcd[]Vk^c\
i]ZgdidggZhjg[VXZYdcVaVi]Z#
4OCHECKTHEBRAKEPADS
$ISCONNECT THE SANDER FROM THE POWER
SOURCE AND REMOVE AIR PRESSURE COM
PLETELY
GZbdkZ i]Z [djg hXgZlh i]Vi hZXjgZ i]Z
VXXZhh eVcZa dc i]Z g^\]i"]VcY h^YZ d[ i]Z
bVX]^cZ#
I]ZWgV`ZXVa^eZg^hadXViZYjcYZgcZVi]i]Z
gdidg^c&IGURE ! l]^X] ^h ViiVX]ZYidi]Z
bdidgVgWdg#
I]ZWgV`ZeVYhXdch^hid[VbZiVaeaViZl^i]
VXdbedh^iZeVY#L^i]V[^cZgjaZg!bZVhjgZ
i]Z i]^X`cZhh d[ i]Z Xdbedh^iZ eVY dcan# >[
dcZd[i]ZeVYh^hWZadl&¿-Veegdm#(bb!
gZeaVXZWdi]#
&IGURE9^hXWgV`Z#
8Va^eZg

<%))+$<%*(.$<%*,&(,L^YZ7ZaiHVcYZg "(&"
./4)#%
!DJUSTTHEFEEDBELTTENSIONBEFOREADJUSTING
THEFEEDBELTTRACKING
&EED"ELT4ENSION &EED"ELT4RACKING
4OADJUSTTHEFEEDBELTTRACKING
Ijgci]Z[ZZYWZai/.#
>[ i]Z [ZZY WZai ^h igVX`^c\ id i]Z RIGHT h^YZ
d[ i]Z iVWaZ! ijgc i]Z RIGHT VY_jhibZci Wdai
&IGUREXadX`l^hZ#
>[i]Z[ZZYWZai^higVX`^c\idi]ZLEFTh^YZd[
i]ZiVWaZ!ijgci]ZLEFTVY_jhibZciWdaiXadX`"
l^hZ#
.OTE4HEEDGEOFTHEFEEDBELTSHOULDJUST
TOUCHTHEGUIDEWHEELSASSHOWNIN&IGURE
$/./4SANDBOARDSWITHTHEGUARDREMOVED
&AILURETOFOLLOWTHISWARNINGCOULDRESULTIN
SERIOUSPERSONALINJURY
4OOLS.EEDED 1TY
'%bbLgZcX]dgHdX`Zi####################################&
'E]^aa^ehHXgZlYg^kZg#######################################&
4OADJUSTTHEFEEDBELTTENSION
$ISCONNECT THE SANDER FROM THE POWER
SOURCE
;^cYi]ZVY_jhibZciedgih^ci]ZhV[Zin\jVgY
&IGURE Vi i]Z [gdci ZcY d[ i]Z [ZZY
iVWaZ#
Ijgc Wdi] aZ[i VcY g^\]i VY_jhibZci Wdaih
&IGURE XadX`l^hZ ZfjVaan id ^cXgZVhZ
iZch^dc#
&IGURE;ZZYWZaiiZch^dcVY_jhibZciWdaih#
.OTEHV[Zin\jVgYgZbdkZY[dgXaVg^in#
HV[Zin<jVgY
;ZZY7Zai
6Y_jhibZci
7dai
6Y_jhibZci7dai
L]ZciZch^dcZYegdeZganndjh]djaYcdiWZ
VWaZida^[ii]Z[ZZYWZaid[[i]ZiVWaZhjg[VXZ
dgha^YZ^iWVX`VcY[dgi]#
Gjci]Z[ZZYWZai[dg("*b^cjiZhVcYgZX]ZX`
i]ZigVX`^c\#
>[ i]Z WZai ^h hi^aa igVX`^c\ XdggZXian! gZeaVXZ
i]Z hV[Zin XdkZg gZbdkZY ^c i]Z egZk^djh
hjWhZXi^dc#
&IGURE<j^YZl]ZZah#
<j^YZL]ZZa
4OOLS.EEDED 1TY
+bb=ZmLgZcX]###############################################&
6Y_jhibZciEdgi

"('" <%))+$<%*(.$<%*,&(,L^YZ7ZaiHVcYZg
/SCILLATION4IMING
L]Zc i]Z dhX^aaVi^dc ^h XdggZXian VY_jhiZY! i]Z
hVcY^c\WZaidhX^aaViZhidi]ZaZ[iVcYidi]Zg^\]i
Vi i]Z hVbZ heZZY# >[ i]Z hVcY^c\ WZai bV`Zh
XdciVXil^i]Va^b^ihl^iX]!Vhh]dlc^c&IGURE!
i]Z ZbZg\ZcXn WgV`^c\ hnhiZb l^aa VXi^kViZ VcY
hidei]ZhVcYZg^bbZY^ViZan#
./4)#%
4HEOSCILLATIONADJUSTMENTSHAVEBEENPER
FORMEDATTHEFACTORYANDSHOULDREQUIRENO
FURTHER ATTENTION (OWEVER WE RECOMMEND
VERIFYINGTHESETTINGS
&IGURE>begdeZgdhX^aaVi^dc#
HVcY^c\7Zai
A^b^i
Hl^iX]Zh
HVcYZgDjia^cZ
IdeK^Zl
6c VYZfjViZ higZVb d[ V^g i]gdj\] i]Z V^g
[dg`\Ve&IGURE^hZhhZci^Va[dgegdeZg
dhX^aaVi^dc# >[ i]Z _Zi d[ V^g ^h lZV` i]gdj\]
i]Z \Ve! i]Z WZai l^aa igVX` VlVn [gdb i]Z
XdcigdaaZg VcY ^cid i]Z a^b^i hl^iX] dc i]Z
deedh^iZZcYd[i]ZgdaaZg#I]Ze^kdiVXi^dcd[
i]ZjeeZggdaaZg!VcYi]ZgZhjai^c\dhX^aaVi^dc
d[ i]Z WZai! VgZ YZeZcYZci jedc VYZfjViZ
V^g[adli]gdj\]i]ZV^g[dg`\Ve#
4OSETTHECORRECTAMOUNTOFAIRFLOWTHROUGH
THEAIRFORKGAP
GZbdkZi]ZhVcY^c\WZaiVcYijgci]ZgdaaZg
iZch^dchl^iX]idi]ZiZch^dcZYedh^i^dc#
AddhZci]ZadX`cjidci]ZV^g[adlVY_jhibZci
`cdW&IGURE#
Ijgc i]Z V^g[adl VY_jhibZci `cdW XadX`l^hZ
jci^ai]ZV^g[adl^hXdbeaZiZand[[I]ZjeeZg
gdaaZgh]djaYe^kdiidi]Zg^\]i#
Hadlan ijgc i]Z V^g[adl VY_jhibZci `cdW
XdjciZgXadX`l^hZ! VcY Xdci^cjZ ijgc^c\ je
i]ZV^gegZhhjgZ jci^a i]Z gdaaZg e^kdih idi]Z
aZ[i#
&IGUREDhX^aaVi^dcXdbedcZcih#
DhX^aaVi^dc8dcigdaaZg<Ve
6^g;dg`VcY6^g?Zi
4OCHECKTHESANDINGBELTOSCILLATION
7ZhjgZi]ZhVcY^c\WZai^hegdeZgan^chiVaaZY
VcYi]ZgdaaZgiZch^dchl^iX]VcYV^ghjeean^h
/.#
Ijgc/.i]ZhVcY^c\WZai#
·>[ i]Z WZai dhX^aaViZh l^i]dji XdciVXi^c\ i]Z
a^b^ihl^iX]Zh!Wjii]ZdhX^aaVi^dci^bZidi]Z
aZ[iVcYg^\]iVgZ./4ZfjVa!egdXZZYid3TEP
0AGE#
·>[i]ZWZaiigVX`hVlVn[gdb i]ZV^g[dg` VcY
V^g_Zi!Xdaa^Y^c\^cidi]Za^b^ihl^iX]!Xdci^cjZ
l^i]3TEP#

<%))+$<%*(.$<%*,&(,L^YZ7ZaiHVcYZg "(("
I^\]iZc i]Z adX` cji &IGURE id hZXjgZ
i]ZV^g[adlVY_jhibZci`cdW#
GZhig^Xi i]Z V^g[adl VXgdhh i]Z V^g [dg` \Ve
l^i] V hXgVe e^ZXZ d[ lddY# Ndj h]djaY
cdi^XZi]ZgdaaZge^kdiidi]Zg^\]i#L]Zci]Z
hi^X`^hgZbdkZY!i]ZgdaaZgh]djaYe^kdiWVX`
idi]ZaZ[i#
&IGURE6^g[adlVY_jhibZci`cdW#
IZhi i]Z dhX^aaVi^dc Wn gjcc^c\ i]Z hVcYZg#
BV`ZcdiZd[i]Zi^bZ^iiV`Zh[dgi]ZWZaiid
dhX^aaViZ [gdb aZ[i"id"g^\]i VcY [gdb g^\]i"id"
aZ[i#
L]ZcXdggZXiani^bZY! i]Z dhX^aaVi^dc h]djaY
iV`ZVh^b^aVgVbdjcid[i^bZiddhX^aaViZ#
>[ i]Z dhX^aaVi^dc i^bZ id i]Z RIGHT ^h ' hZX"
dcYh! Wji i]Z dhX^aaVi^dc i^bZ id i]Z LEFT ^h
adc\Zg! addhZc i]Z dhX^aaVi^dc VY_jhibZci
`cdW&IGUREVcYbdkZ^iidi]ZLEFTjci^a
egdeZg igVX`^c\ ^h VX]^ZkZY# I^\]iZc Ydlc
i]Z dhX^aaVi^dc VY_jhibZci `cdW l]Zc hVi^h"
[^ZY#
&IGUREDhX^aaVi^dcVY_jhibZci`cdW#
AdX`Cji
>[i]ZdhX^aaVi^dci^bZidi]ZLEFT^h'hZXdcYh!
Wjii]ZdhX^aaVi^dci^bZidi]ZRIGHT^hadc\Zg!
addhZc i]Z dhX^aaVi^dc VY_jhibZci `cdW VcY
bdkZ ^i id i]Z RIGHT jci^a egdeZg igVX`^c\
^h VX]^ZkZY# I^\]iZc Ydlc i]Z dhX^aaVi^dc
VY_jhibZci`cdWl]ZchVi^h[^ZY#
8dci^cjZidi]ZcZmieV\ZidVY_jhii]ZdhX^a"
aVi^dcheZZY#

"()" <%))+$<%*(.$<%*,&(,L^YZ7ZaiHVcYZg
./4)#%
4HE TABLE HAS BEEN ADJUSTED AT THE FAC
TORYANDSHOULDREQUIRENOFURTHERATTENTION
(OWEVERWERECOMMENDVERIFYINGITSPARAL
LELISMWITHTHESANDINGROLLER
I]Z dhX^aaVi^dc heZZY d[ i]Z hVcY^c\ WZai ^h
VY_jhiVWaZ# 9^[[ZgZci dhX^aaVi^c\ heZZYh n^ZaY Y^["
[ZgZci hVcY^c\ gZhjaih# LZ gZXdbbZcY ign^c\
kVg^djhheZZYhdcVhXgVee^ZXZd[lddYh^b^aVg
idi]Z[^cValdg`e^ZXZ#
4OADJUSTTHEOSCILLATIONSPEED
AddhZc i]Z adX` cji dc i]Z heZZY Xdcigda
VY_jhibZci`cdW&IGURE#
/SCILLATION3PEED 4ABLE0ARALLELISM
&IGUREHeZZYXdcigdaVY_jhibZci`cdW#
Ijgc i]Z `cdW XadX`l^hZ id YZXgZVhZ i]Z
dhX^aaVi^dc heZZY VcY XdjciZgXadX`l^hZ id
^cXgZVhZ^i#
I^\]iZc i]Z adX` cji addhZcZY ^c 3TEP id
hZXjgZi]Z`cdW#
AdX`Cji
I]Z XdgcZgh d[ i]Z iVWaZ XVc WZ ^cYZeZcYZcian
VY_jhiZYjedgYdlc#7nY^hXdccZXi^c\i]ZX]V^c
VcY ijgc^c\ i]Z eZgi^cZci iVWaZ ZaZkVi^dc hXgZl
hegdX`Zi! &IGURE iVWaZ eVgVaaZa^hb XVc WZ
VX]^ZkZY#
6Y_jhi^c\ i]Z iVWaZ eVgVaaZa^hb XVc WZ V kZgn
iZY^djhiVh`i]ViiV`ZhV\gZViVbdjcid[eVi^ZcXZ#
9DCDIVY_jhii]ZiVWaZjcaZhhndjVgZ]Vk^c\
igdjWaZ hVcY^c\ ndjg ldg`e^ZXZ id V jc^[dgb
i]^X`cZhh#
>[ V iVWaZ VY_jhibZci ^h cZZYZY! iV`Z egZX^hZ
cdiZh dc i]Z edh^i^dc^c\ d[ i]Z iVWaZ ZaZkVi^dc
hXgZlh# I]^h l^aa Vaadl i]Z dg^\^cVa hZii^c\ id WZ
gZ"ZhiVWa^h]ZY#
&IGUREK^Zld[ZaZkVi^dchXgZlhegdX`Zih#
:aZkVi^dcHXgZl
HegdX`Zih

<%))+$<%*(.$<%*,&(,L^YZ7ZaiHVcYZg "(*"
4OADJUSTTHETABLEPARALLELISM
EVhh V (, l^YZ WdVgY i]gdj\] i]Z hVcYZg
jci^ai]ZENTIREhjg[VXZd[i]ZWdVgY^hbV`"
^c\XdciVXil^i]i]ZhVcY^c\WZai#
BZVhjgZi]Zi]^X`cZhh d[ i]Z WdVgYVikVg^"
djhed^cihVgdjcYi]ZZY\Z#
>[i]ZgZ^hVkVg^Vi^dcd[i]^X`cZhh!i]ZiVWaZ
XVcWZVY_jhiZYVXXdgY^c\an#
$ISCONNECT THE SANDER FROM THE POWER
SOURCE
;dgb^cdgVY_jhibZci!addhZci]ZiVWaZ
bdjci^c\Wdaihh]dlc^c&IGUREVcYgdiViZ
i]ZZaZkVi^dchXgZl[aVc\Z#
·;dg bV_dg VY_jhibZci! bVg` i]Z X]V^c adXV"
i^dcdcVaahegdX`Zih!gZbdkZi]ZX]V^c[gdb
i]Z hegdX`Zi id WZ VY_jhiZY! VcY ijgc i]Z
hegdX`ZiXdjciZgXadX`l^hZidgV^hZi]ZiVWaZ#
DcZ fjVgiZg d[ V ijgc gV^hZh dg adlZgh Vc
ZaZkVi^dchXgZlVeegdm^bViZan%#%'%
GZ^chiVaai]ZX]V^c!i^\]iZci]ZWdaih!VcYiZhi
i]ZbVX]^cZ#
4OADJUSTTHEPRESSUREROLLERS
$ISCONNECT THE SANDER FROM THE POWER
SOURCE
EaVcZ'(+adc\'m)hidVjc^[dgbi]^X`"
cZhhZh#EaVXZdcZWdVgYVadc\i]ZaZc\i]d[
i]Z[ZZYWZaidci]Zg^\]i"]VcYh^YZVcYeaVXZ
i]Zdi]ZgWdVgYdci]ZaZ[i"]VcYh^YZ#
L^i]i]ZhVcY^c\WZaiiZch^dcZY&IGURE!
bdkZi]ZhVcY^c\gdaaZghVcYbVcjVaangV^hZ
i]Z iVWaZ jci^a ndj _jhi ]ZVg i]Z hVcYeVeZg
bV`ZXdciVXil^i] i]Z hjg[VXZ d[i]ZlddY#
9DCDIXdci^cjZidgV^hZi]ZiVWaZWZndcY
i]Vied^ci#
0RESSURE2OLLERS
8dccZXii]ZhVcYZgidi]ZedlZghdjgXZVcY
bV`ZcdiZd[ i]Z gZVY^c\dci]ZY^\^iVaY^h"
eaVn# I]Zc bVcjVaan adlZg i]Z iVWaZ %#%'%
id%#%(%#I]^h^h]dlbjX]adlZgi]Z^c[ZZY
egZhhjgZgdaaZgh]djaYWZhZil]ZcXdbeVgZY
idi]ZhVcY^c\hjg[VXZd[i]ZhVcY^c\gdaaZg#
$ISCONNECT THE SANDER FROM THE POWER
SOURCE
&IGUREGdaaZgiZch^dchl^iX]#
./4)#%
7HEN ADJUSTING THE LEFT FRONT ELEVATION
SCREW MAKE THE SAME ADJUSTMENT TO THE
LEFT REAR ELEVATION SCREW 4HIS ENSURES THE
HEIGHTFROMTHEFRONTTOTHEBACKOFTHETABLE
REMAINS UNCHANGED $O THE SAME WHEN
ADJUSTINGTHERIGHTELEVATIONSCREWS
&IGUREIVWaZbdjci^c\Wdaih#
IVWaZBdjci^c\
7dai
:aZkVi^dc
HXgZl;aVc\Z

"(+" <%))+$<%*(.$<%*,&(,L^YZ7ZaiHVcYZg
&IGUREEgZhhjgZgdaaZgeVgih#
AddhZc i]Z gdaaZg adX` cjih &IGURE dc
i]Z ^c[ZZY egZhhjgZ gdaaZg# Ijgc i]Z VY_jhi"
bZci cjih &IGURE id adlZg i]Z egZh"
hjgZgdaaZgjci^a^i_jhiidjX]Zhi]ZWdVgY#
.OTE$/ ./4 CONTINUE TO LOWER THE ROLLER
BEYONDTHATPOINT
GdaaZgAdX`
Cji
6Y_jhibZci
Cji
8dccZXii]ZhVcYZgidi]ZedlZghdjgXZVcY
bV`ZcdiZd[ i]Z gZVY^c\dci]ZY^\^iVaY^h"
eaVn#I]ZcbVcjVaanadlZgi]ZiVWaZVcVYY^"
i^dcVa%#%'id%#%(#I]^h^h]dlbjX]adlZg
i]Z dji[ZZY egZhhjgZ gdaaZg h]djaY WZ hZi
l]Zc XdbeVgZY id i]Z ]Z^\]i d[ i]Z ^c[ZZY
gdaaZg#
AddhZc i]Z gdaaZg adX` cjih dc i]Z dji[ZZY
egZhhjgZgdaaZg#Ijgci]ZVY_jhibZciWdaihid
adlZgi]ZegZhhjgZgdaaZgjci^a^i_jhiidjX]Zh
i]ZWdVgY#.OTE$/./4CONTINUETOLOWER
THEROLLERBEYONDTHATPOINT
I^\]iZci]ZgdaaZgadX`cjihVcYgZX]ZX`ndjg
hZii^c\h#
.OTE6ARIABLES SUCH AS FEED RATE DEPTH OF
THE CUT AND THE TYPE OF SANDING BELT CAN PLAY
A BIG PART IN DETERMINING THE PROPER AMOUNT OF
DOWNWARDPRESSUREEXERTEDBYTHEROLLERS3OME
EXPERIMENTATION MAY BE NECESSARY TO ACHIEVE
THE DESIRED RESULTS (OWEVER UNDER NO CIRCUM
STANCESSHOULDTHEPRESSUREROLLERSBESETEVEN
ORHIGHERTHANTHESANDINGROLLER
I^\]iZci]ZgdaaZgadX`cjihVcYgZX]ZX`ndjg
hZii^c\h#
(# Ijgci]ZVY_jhibZcicjijedgYdlcjci^ai]Z
K"WZaiYZ[aZXih&d[[d[XZciZgl]Zcejh]ZY
l^i]ndjg[^c\Zg#
GZi^\]iZci]ZadX`cji#
&IGUREIVWaZZaZkVi^dcK"WZai#
&IGUREHVcY^c\YgjbK"WZaih#
6Y_jhibZci
Cji
6Y_jhibZciCji
7ZadlEaViZ
AdX`Cji
AdX`Cji
K"7Zai
K"7Zaih
6"ELT!DJUSTMENT
4OADJUSTEITHER6BELT
$ISCONNECT THE SANDER FROM THE POWER
SOURCE
AddhZci]ZadX`cji&IGURES#

<%))+$<%*(.$<%*,&(,L^YZ7ZaiHVcYZg "(,"
) DhX^aaVi^dcI^b^c\E^hidcVcY9^Ve]gV\b6hhn#
* DhX^aaVi^dcHeZZY8dcigdaE^hidc
+ 7ZaiIZch^dc8dcigdaE^hidc
, 7ZaiIZch^dc8dcigdaHl^iX]
- :bZg\ZcXnHide7jiidcHl^iX]
.# :bZg\ZcXnHideEjh]7gV`ZHl^iX]
/ AZ[i7ZaiA^b^iHl^iX]
0 G^\]i7ZaiA^b^iHl^iX]
1 7ZaiIZch^dcA^b^iHl^iX]
2 :bZg\ZcXn7gV`Z8dciVXidg
! H]de8dbegZhhdg
" 6^gEgZhhjgZGZ\jaVidg
# :bZg\ZcXn7gV`ZHdaZcd^Y
$ :bZg\ZcXn7gV`Z
% 6^g9^hig^Wji^dcBVc^[daY
& 6^g[adl6Y_jhibZci@cdW
DhX^aaVi^dcI^b^c\
' HeZZY8dcigda6Y_jhibZci@cdW
DhX^aaVi^dcHeZZY
( DhX^aaVi^dc8dcigdaaZg6^g;dg`
!IR3YSTEM$IAGRAM'''
:aZXig^XVaL^gZ
6^gA^cZ
!
"
#
$
%
&
'
)
*
+
,
(
;gdci
JeeZgG^\]i9ddg6XXZhh
AdlZgG^\]i
6XXZhhEVcZa
EdlZg7dm
JeeZgAZ[i9ddg6XXZhh
-
.
0
1
/
2

"(-" <%))+$<%*(.$<%*,&(,L^YZ7ZaiHVcYZg
9><>I6A
6BEB:I:G
9><>I6AE6C:A
H6C9>C<
7:AIHI6GI
8DCK:NDG
7:AIHI6GI
EDL:G
A6BE
H6C9>C<
7:AIHIDE
8DCK:NDG
7:AIHIDE
:B<HIDE
H:CHDGH
7:AI
IG68@>C<
H6;:IN
HL>I8=:H
I67A:
JE$9DLC
HL>I8=
:B:G<:C8NHIDE
H6;:INHL>I8=
7ajZ
7aVX`
7ajZ
7aVX`
ID<%))+
<%*(.BDIDG
(
&
&
(
'
)
)
'&
)(
'
&
'(
)
&
'
)
(
&)
&)
&)
&)
&)
&(
&(
&(
&(
&(
'&
'&
'&
''
''
''
M&
M&
M'
M'
*+'(&&
&%
.
-
*
(
*
(
&-
J& K& J' K' J( K( &+ &, &- &. &( &' && &% . -+* *(('&) &*
&%
,
&+
&'K 6DK
7
&* &)
M&
M'
*
(
I67A:
JE$9DLC
HL>I8=
,
HL>I8=
HL>I8=
HL>I8=
HL>I8=
HL>I8=
.% '+%K
=>
>C
AD
>C
EDL:G
>C
¶
&& &% .-,+*)('&
&'
&(
&) &* &+ &, &- &. '% '& ''
('
ID<%*,&BDIDG
J& K& J' K' J( K( &+ &, &- &. &( &' && &% . -+* *(('&) &*
BD9:A<%*,&
BD9:AH<%))+6C9<%*(.
7IRING"OX%LECTRICAL$IAGRAM
'''

<%))+$<%*(.$<%*,&(,L^YZ7ZaiHVcYZg "(."
#ONTROL0ANEL#OMPONENT,OCATIONS
'''
HVcY^c\7ZaiHIDE
7jiidc
8dckZndg7Zai
HIDE7jiidc
:bZg\ZcXnHide
7jiidc
HVcY^c\7Zai
HI6GI7jiidc
8dckZndg7Zai
HI6GI7jiidc
EdlZgAVbe
9^\^iVa6be9gVl
BZiZg
9^\^iVaEVcZa

")%" <%))+$<%*(.$<%*,&(,L^YZ7ZaiHVcYZg
!
!
!
!
!
!
7IRING"OX%LECTRICAL$IAGRAM''

<%))+$<%*(.$<%*,&(,L^YZ7ZaiHVcYZg ")&"
7IRING"OX#OMPONENTS''
HVcY^c\BdidgDkZgadVY
GZaVn
8dckZndgBdidg
DkZgadVYGZaVn
JE$9DLCIVWaZBdidg
8dciVXidgh
Ild)6be;jhZh
''%K$))%K
I]gZZ"E]VhZ
EdlZgHjeean
?jcXi^dc7adX`
HVcY^c\Bdidg
8dciVXidg 8dckZndgBdidg
8dciVXidg
6beBZiZg
8jggZciHZchdg 8dcigdaHnhiZb
HiZeYdlc
IgVch[dgbZg
:bZg\ZcXn7gV`Z
8dciVXidg

")'" <%))+$<%*(.$<%*,&(,L^YZ7ZaiHVcYZg
!
"
"
#
#
"
"
7IRING"OX%LECTRICAL$IAGRAM'

<%))+$<%*(.$<%*,&(,L^YZ7ZaiHVcYZg ")("
HVcY^c\BdidgDkZgadVY
GZaVn
8dckZndgBdidg
DkZgadVYGZaVn
JE$9DLCIVWaZBdidg
8dciVXidgh
Ild)6be;jhZh
''%KH^c\aZ
E]VhZ"EdlZg
Hjeean
?jcXi^dc7adX`
HVcY^c\Bdidg
8dciVXidg 8dckZndgBdidg
8dciVXidg
6beBZiZg
8jggZciHZchdg :bZg\ZcXn7gV`Z
8dciVXidg
7IRING"OX#OMPONENTS'

"))" <%))+$<%*(.$<%*,&(,L^YZ7ZaiHVcYZg
'$+%$(#-,)*
!"
'$+%$(#-+!&$
!"
!"
'ENERAL%LECTRICAL$IAGRAM''

<%))+$<%*(.$<%*,&(,L^YZ7ZaiHVcYZg ")*"
BDIDG
B&
GJ
HK
(6
LA
&' HDA &(
;
G
'%
'&
G
;
&,
&.
&+
&-
AH
AH
AH&
AH'
AH(
AH)
DA&
B&
<A
HIDE HI6GI
B&
.
,
+
6
*
EDL:G HDJG8:
7G6@:
I67A: A> ;I> C<
ADL:G>C<
BDIDG
GJ
HK
J
K
('
H6C9>C< 7:AI
8DCK:NDG 7:AI
:bZg\ZcXn Hide
H6C9>C<
7:AI
8DCK:NDG
7:AI
GH
I67A: A> ;I> C<
ADL:G>C<
:
6
6B
&)
&*
J&
DA(
B(
B(
&&
6
GJ KH
VW
:bZg\ZcXn 7gV`Z
VW
VW
E8G&
&%
B(
J'
K'
DA &
;
H
H
G
''%K
&
)6 '
H
'
HIDE HI6GI DA(
<A
E8G'
BDIDG
J(
J'
K'
J(
J'
K'
J(
G
H
G
G
6
:B:G<:C8N
7G6@:
-
K&
E8
'ENERAL%LECTRICAL$IAGRAM'

")+" <%))+$<%*(.$<%*,&(,L^YZ7ZaiHVcYZg
-AIN%LECTRICAL0ANELAND#ONTROLS$IAGRAM

<%))+$<%*(.$<%*,&(,L^YZ7ZaiHVcYZg "),"
#!#!' ##!
!
" # " "!'
'$# #! #
& &"! & #&"!
#! & &"!
" "!' " "!'
$!!#""! $#!
#!"!! $#!
#! #!
#!"&# # #!
"#!#"&#
!(! "#!#"&#
"# "&#
!(! "# "&#
!("# "&#
$" &!$
%!!(! $#!
%!!(! &!##
!(!
!(!
0ARTS,IST
6#/.6%23)/.0!243
''

")-" <%))+$<%*(.$<%*,&(,L^YZ7ZaiHVcYZg
3ANDING-OTOR$IAGRAM

<%))+$<%*(.$<%*,&(,L^YZ7ZaiHVcYZg ")."
0ARTS,IST
! " ! !%)%#
! $ "# !& &$
! $ "# ! ""$
! (%$ !' $'#"
! #%#$$" ! ( $(
!' '#" ! $%$
! ( $( !# !#"'(
!' $'#" ! $#'$
! $ "!! ! $#'$!$
! $ "!! !# !!#"(
! '" ( !' $'#"
! '" ( !# !#"'(
! #!$ " ! &"
! "!$ " ! $#"(
! &" ! "" "
! &" !' '#"
! ! "!
! ! (%$
! !%) !# !#"'(
!# !#"'* ! "
!' '#" ! !$"##)
! $ ") ! "#!"
! ( $( ! "#!
!' '#" !' '#"
! "

"*%" <%))+$<%*(.$<%*,&(,L^YZ7ZaiHVcYZg
4ABLE,IFT3YSTEM$IAGRAM

<%))+$<%*(.$<%*,&(,L^YZ7ZaiHVcYZg "*&"
0ARTS,IST
'$#$" &!!
$$# !
#!$"#! " "!&'
! '#!#! &
& &"! '#'
" !#& & &"!
%#" % %#
$"## % %#
'#' "" "#"!&'
(''
& &"! $(
'#' $(
& &"! & &"!
'$# '#'
'$# '#'
" !#& '$#
&! & #&"!
& #&"! & &"!
!)) '$#
" !#"# $"##!
"&# # #!"
& #&"! #!
" "!' #!
!'#("&# #!'
'#' #!'
$(
'$#
! %!
!) #!%!
" "!&' #!
"" "#"!&' '#'
%#!' & &"!
&!! & #&"!
!) %#"!&
" "!&' &$"#!
! " !#&
('' '#'
('' & &"!

"*'" <%))+$<%*(.$<%*,&(,L^YZ7ZaiHVcYZg
#ONVEYOR3YSTEM$IAGRAM

<%))+$<%*(.$<%*,&(,L^YZ7ZaiHVcYZg "*("
0ARTS,IST
" "
$' " "
#" "
" $ &"(
" &"&
"!%" % %!
! ! ( #
! ! & '&&
&"& &"&
!" % %!
! % "%!
&" " &"
! ! %& #
!"% &"&
" #!
! ! %& #
% %! % %!
&#" !#"!"
! ! %& $#'
$"" $#'
""
&"& !#"$
!! &
#

"*)" <%))+$<%*(.$<%*,&(,L^YZ7ZaiHVcYZg
)*+
)%'
)%+
)%(
)%.
)%-
)++
)+-
)+,
)')
)'(
)'&
)''
)**
))'
)*(
)*'
)+(
)'&
)+)
)+*
))&
))'
)() )('
)(&
)',
)((
)+- )+,
)(*
)(+
)((
)('
)&%
)&&
)&'
)&)
)&*
)&+
)&-
)'%
)&(
)%*
)&.
)&,
)'-
)'+
)%.
)%-
)*-
)*'
)'(
)*,
)+-
))'
)%&
)+.
).-
)'*
)%)
)(,
)+(
)''
)%+
)%)
)%(
)%*
)*% )).
))*
)+-
))(
)),
))-
)*&
).."&
)..
).."'
)..")
).."*
).."(
).."+
)..",
).."-
)() <%))+Dcan
5PPER2OLLER3YSTEM$IAGRAM

G0446/G0539/G0571 37" Wide Belt Sander -55-
Parts List
REF PART # DESCRIPTION REF PART # DESCRIPTION
401 P0539401 UPPER ROLLER BRACKET 437 P0539437 PLASTIC LIMIT SWITCH ROD
402 P0539402 UPPER ROLLER 441 P0539441 AIR CYLINDER
403 P0539403 UPPER ROLLER BRACKET 442 PSB07 CAP SCREW 5/16-18 X 3/4
404 P0539404 BEARING UCC205 443 P0539443 BASE
405 P0539405 SET SCREW M6-1 X 6 445 P0539445 CAP SCREW 5/16-18 x 1 1/2
406 P0539406 FILTER 447 PN07 HEX NUT 10-24
408 PSB16 CAP SCREW 3/8-16 X 3/4 448 PR05M EXT RETAINING RING 15MM
409 PLW04 LOCK WASHER 3/8 449 PN02M HEX NUT M10-1.5
410 P0539410 THROTTLE VALVE 450 P0539450 UNIVERSAL JOINT FORK
411 P0539411 THROTTLE VALVE BASE 451 P0539451 LOCKING CLEVIS
412 PSB33 CAP SCREW 10-24 x 3/4 452 PW01 FLAT WASHER 1/2
413 PS52M PHLP HD SCR M4-.7 X 20 453 PSB79 CAP SCREW 1/2-12 X 3 1/2
414 P0539414 ALUMINUM DISC 455 P0539455 FRAME
415 P0539415 ALUMINUM PLATE 456 P0539456 TRIMMING SCREW
416 P0539416 PLATE 457 P0539457 ECCENTRIC ROD
417 PN07 HEX NUT 10-24 458 P0539458 ECCENTRIC
418 P0539418 OIL CAP CONNECTOR 463 P0446463 FRAME SEAL, (L) (G0446)
419 P0539419 SHAFT OF OIL CAP 463 P0539463 FRAME SEAL, (L) (G0539 & G0571)
420 P0539420 OIL CAP 464 PB18 HEX BOLT 3/8-16 X 1
421 PS04 PHLP HD SCR 1/4-20 X 1/2 465 PLW04 LOCK WASHER 3/8
422 P0539422 FRAME SEAL, (R) (G0539/G0446) 466 P05396128 POWER OFF PLATE
422 P0446422 FRAME SEAL, (R) (G0446) 467 PB07 HEX BOLT 5/16-18 X 3/4
423 PLW07 LOCK WASHER 1/2 468 PLW01 LOCK WASHER 5/16
424 PB53 HEX BOLT 1/2-12 X 1 469 PW07 FLAT WASHER 5/16
425 PN11 HEX NUT 3/8-24 498 PN06 HEX NUT 1/2-12
426 P0539426 AIR NOZZLE (FEMALE) 499 P0539499 DIAPHRAM ASSY
427 P0539427 AIR CYLINDER BRACKET 499-1 P0539499-1 PUSHROD COVER
428 P0539428 AIR RECEIVER (MALE) 499-2 P0539499-2 COMPRESSION SPRING
431 P0539431 LIMIT SWITCH HOLDER 499-3 P0539499-3 PUSHROD
432 P0539432 LIMIT SWITCH TUBE 499-4 P0539499-4 PLATE
433 P0539433 LIMIT SWITCH W/CERAMIC TIP 499-5 P0539499-5 SPECIAL SCREW
434 P0446434 SQUARE FRAME (G0446) 499-6 P0539499-6 DIAPHRAM
434 P0539434 SQUARE FRAME (G0539/G0446) 499-7 P0539499-7 REAR HOUSING
435 P0539435 HOLDER (L TYPE) 499-8 PSB33 CAP SCREW 10-24 x 3/4
436 P0539436 LIMIT SWITCH

"*+" <%))+$<%*(.$<%*,&(,L^YZ7ZaiHVcYZg
"ELT/SCILLATION3YSTEM$IAGRAM

<%))+$<%*(.$<%*,&(,L^YZ7ZaiHVcYZg "*,"
0ARTS,IST
$
$
# "
"
"
% $
!!
!! #
!! #
#
#
#
$" #
#
#
!! #

"*-" <%))+$<%*(.$<%*,&(,L^YZ7ZaiHVcYZg
&EED$RUMAND0RESSURE2OLLER$IAGRAM

<%))+$<%*(.$<%*,&(,L^YZ7ZaiHVcYZg "*."
0ARTS,IST
!" !" "
!" !!# "
(( "
!" "
!! !"! %& #
! ! & % %!
&#" &"&
&"& #
% %! !""#
!!! '&&
! % %!
! ! %& ! ! %&
!"! ! ! &
$ #'
#'
! ! %& !""
#! !! !"! %&
!%! #
"
!! !"! %& #!
&
! #"
! "
$ ! #
" !! !"! %&
# % "%!
! ! & !"#
!" &
'&& !!!
! ! %& &#"
% "%! &"&
!!! % %!
&!" "
#! "%
% "%! "%
&"& "%
" "%
"# " "
! !" "

"+%" <%))+$<%*(.$<%*,&(,L^YZ7ZaiHVcYZg
#ABINET!SSEMBLY$IAGRAM

<%))+$<%*(.$<%*,&(,L^YZ7ZaiHVcYZg "+&"
0ARTS,IST
! %!"" &" ! ( $(
! %!"" &" !' $'#"
! %#$! "$ ! "$ "'""
!# !!#"( ! " "'""
! $ " ! $#"(
! $ " ! " $!$
! "$ "%!"" ! $ "'""
! "$ "%!!"" ! "'""
! "

"+'" <%))+$<%*(.$<%*,&(,L^YZ7ZaiHVcYZg
4OOL"OXAND!CCESSORIES$IAGRAM

<%))+$<%*(.$<%*,&(,L^YZ7ZaiHVcYZg "+("
0ARTS,IST
" $" "! % $
"!%""# % % &
"& % % &
" % % &
" &% !"
' !
! !
! (!! % $

"+)" <%))+$<%*(.$<%*,&(,L^YZ7ZaiHVcYZg
4ROUBLESHOOTING
39-04/-
Bdidgl^aacdihiVgi#
Bdidgl^aacdihiVgi0[jhZhdg
X^gXj^iWgZV`ZghWadl#
BdidgdkZg]ZVih#
Bdidg hiVaah gZhjai^c\ ^c
Wadlc [jhZh dg ig^eeZY X^g"
Xj^i#
BVX]^cZ hadlh l]Zc deZg"
Vi^c\#
AdjY!gZeZi^i^djhcd^hZXdb"
^c\[gdbbVX]^cZ
BVX]^cZ ^h adjY! dkZg]ZVih
dgWd\hYdlc^ci]ZXji#
GdjcYZYldg`e^ZXZZY\Zh#
JcZkZc i]^X`cZhh [gdb aZ[i
idg^\]id[WdVgY#
Ldg`e^ZXZ ha^eh dc [ZZY
WZai#
HigV^\]i hig^e d[ cdiX]Zh dc
ldg`e^ZXZ#
HcV`Z h]VeZY bVg`h dc
ldg`e^ZXZ#
0/33)",%#!53%
&# AdlkdaiV\Z#
'# DeZcX^gXj^i^cbdidgdgaddhZXdc"
cZXi^dch#
&# H]dgiX^gXj^i^ca^cZXdgYdgeaj\#
'# H]dgiX^gXj^i^cbdidgdgaddhZXdc"
cZXi^dch#
(# >cXdggZXi [jhZh dg X^gXj^i WgZV`Zgh
^cedlZga^cZ#
&# BdidgdkZgadVYZY#
'# 6^g X^gXjaVi^dc i]gdj\] i]Z bdidg
gZhig^XiZY#
&# H]dgiX^gXj^i^cbdidgdgaddhZXdc"
cZXi^dch#
'# AdlkdaiV\Z#
(# >cXdggZXi [jhZh dg X^gXj^i WgZV`Zgh
^cedlZga^cZ#
)# BdidgdkZgadVYZY#
&# ;ZZYgViZidd]^\]#
'# 9Zei]d[Xjiidd\gZVi#
&# EjaaZnhZihXgZlhdg`ZnhVgZb^hh"
^c\dgaddhZ#
'# Bdidg[Vc^h]^ii^c\i]ZXdkZg#
(# K"WZai^hYZ[ZXi^kZ#
&# :mXZhh^kZYZei]d[Xji#
'# 9jaadgY^ginhVcY^c\WZai#
&# :mXZhh^kZYZei]d[Xji#
&# ;ZZY iVWaZ cdi eVgVaaZa id hVcY^c\
gdaaZg#
'# ;ZZYWZai^hldgc#
&# EgZhhjgZgdaaZghhZiidd]^\]#
'# 9^gin[ZZYWZai#
(# ;ZZYWZai^hldgc#
&# EgZhhjgZ gdaaZgh VgZ Y^gin dg YVb"
V\ZY#
&# HVcY^c\WZaiYVbV\ZYdgY^gin#
#/22%#4)6%!#4)/.
&# 8]ZX`edlZga^cZ[dgegdeZgkdaiV\Z#
'# >cheZXi Vaa aZVY XdccZXi^dch dc bdidg [dg addhZ dg deZc XdccZX"
i^dch#
&# >cheZXiXdgYdgeaj\[dgYVbV\ZY^chjaVi^dcVcYh]dgiZYl^gZh#
'# >cheZXiVaa XdccZXi^dch dc bdidg[dgaddhZ dg h]dgiZY iZgb^cVahdg
ldgc^chjaVi^dc#
(# >chiVaaXdggZXi[jhZhdgX^gXj^iWgZV`Zgh#
&# GZYjXZadVYdcbdidg#
'# 8aZVcdjibdidgidegdk^YZcdgbVaV^gX^gXjaVi^dc#
&# >cheZXiXdccZXi^dchdcbdidg[dgaddhZdgh]dgiZYiZgb^cVahdgldgc
^chjaVi^dc#
' 8dggZXii]ZadlkdaiV\ZXdcY^i^dch#
(# >chiVaaXdggZXi[jhZhdgX^gXj^iWgZV`Zgh#
)# GZYjXZadVYdcbdidg#
&# ;ZZYldg`e^ZXZhadlZg#
'# GZYjXZYZei]d[Xji#
&# >cheZXi`ZnhVcYhZihXgZlh#GZeaVXZdgi^\]iZc^[cZXZhhVgn#
'# I^\]iZc[Vcdgh]^bXdkZg#
(# GZeaVXZK"WZai#HZZ-AINTENANCEhZXi^dc
&# 9ZXgZVhZYZei]d[Xji#
'# GZeaVXZdgXaZVchVcY^c\WZai#
&# GZYjXZYZei]d[Xji#
&# 6Y_jhii]ZiVWaZ#
'# GZeaVXZ[ZZYWZai#
&# AdlZgegZhhjgZgdaaZgh#
'# 8aZVc[ZZYWZai#
(# GZeaVXZ[ZZYWZai#
&# 8aZVcdggZeV^gegZhhjgZgdaaZgh#
&# 8aZVcdggZeaVXZhVcY^c\WZai#
&OR YOUR SAFETY TURN SWITCH
OFF AND DISCONNECT THE
MACHINEFROMPOWER SOURCE
BEFORE TROUBLESHOOTING THE
MACHINE 0LEASE REFER TO
3ECTION 3ET 5P TO MAKE
CORRECTIONS

<%))+$<%*(.$<%*,&(,L^YZ7ZaiHVcYZg "+*"
4ROUBLESHOOTING
39-04/-
A^cZhVXgdhhl^Yi]d[ ldg`"
e^ZXZ#
<adhhn hedih dg higZV`h dc
ldg`e^ZXZ#
HVcY^c\WZaiXad\hfj^X`an#
HVcY^c\ WZai YdZh cdi iZc"
h^dc XdggZXian0 gdaaZgh ha^e
jcYZgWZai#
HVcY^c\WZaigjchd[[iddcZ
h^YZ!hidee^c\i]ZhVcYZg#
HVcY^c\WZail^aacdihiVgi
Eddg!cdc"V\\gZhh^kZhVcY"
^c\gZhjaih#
8dckZndg WZai cdi igVX`^c\
^cXZciZg#
8dckZndgWZaiha^ee^c\#
:bZg\ZcXn WgV`Z hideh
hadl#
<g^cY^c\ cd^hZ l]Zc WgV`"
^c\#
0/33)",%#!53%
&# HVcY^c\WZaihZVb^hdeZcdgYVb"
V\ZY#
&# LdgchVcY^c\WZai#
'# GZVgegZhhjgZgdaaZgiddadl#
&# HVcY^c\WZai\g^iiddhbVaa[dgeVg"
i^XjaVg_dW#
'# :mXZhh^kZYZei]d[Xji#
(# LddY^hiddbd^hi#
&# AdlV^gegZhhjgZ#
'# 6^gaZV`h^chnhiZb#
&# 6^gZnZ[dg`Xad\\ZY#
'# DhX^aaVi^dcgZijgckVakZXadhZY#
(# DhX^aaVi^dci^b^c\^cXdggZXi#
&# HVcY^c\WZai^hcdiiZch^dcZY#
'# A^b^ihl^iX]ZhZc\V\ZY#
(# :bZg\ZcXnhideeaViZZc\V\ZY#
&# LdgchVcY^c\WZai#
'# HVcY^c\WZaiadVYZYl^i]hVlYjhi#
&# 8dckZndg gdaaZgh bdkZY dji d[
VY_jhibZci#
&# 8dckZndg gdaaZgh ]VkZ ^cXdggZXi
iZch^dc#
'# 8dckZndggdaaZghXdciVb^cViZYl^i]
Y^gidgYjhi#
&# 6^gegZhhjgZ^cXdggZXi#
'# 6^gaZV`^chnhiZb#
(# 7gV`ZgdidgXdciVb^cViZYl^i]d^a#
)# 7gV`ZeVYhldgcdji#
&# 7gV`ZhhZkZgZanldgcdji#
#/22%#4)6%!#4)/.
&# GZeV^gdggZeaVXZhVcY^c\WZai#
&# GZeaVXZhVcY^c\WZai#
'# GV^hZgZVgegZhhjgZgdaaZg#3EEWARNINGIN0RESSURE2OLLERSEC
TION
&# GZeaVXZl^i]VXdVghZg\g^ihVcY^c\WZai#
'# GZYjXZYZei]d[Xji#
(# 6aadllddYidYgndji#
&# 6Y_jhiV^gegZhhjgZid,*EH>Vieg^bVgngZ\jaVidg#
'# >cheZXiVaa]dhZhVcYXdccZXi^dch[dgaZV`^c\V^g0jhZlViZgdchjh"
eZXiZYVgZVidYZiZXiWjWWaZh#
&# 8aZVci]Z^ciV`Z]daZdci]ZV^gZnZ[dg`#
'# DeZckVakZ#
(# 6Y_jhidhX^aaVi^dci^b^c\#
&# IZch^dchVcY^c\WZai#
'# 8ZciZghVcY^c\WZaihd^i^hcdiidjX]^c\i]Za^b^ihl^iX]Zh#
(# BV`ZhjgZZbZg\ZcXnhidehl^iX]^hgZaZVhZY#
&# GZeaVXZhVcY^c\WZail^i]VcZldcZ#
'# 8aZVchVcY^c\WZaiidjcadVYhVlYjhi#
&# GZ"VY_jhiXdckZndggdaaZgh#
&# 6Y_jhiXdckZndggdaaZghideaVXZbdgZiZch^dcdc#
'# 8aZVcXdckZndggdaaZgh#
&# 6Y_jhiV^gegZhhjgZid,*EH>!
'# ;^cYVcY[^mV^gaZV`h#
(# 8aZVcWgV`Zgdidgl^i]Vjidbdi^kZWgV`ZeVgihXaZVcZg#
)# GZeaVXZWgV`ZeVYh#
&# GZeaVXZWgV`ZeVYh!]VkZgdidgijgcZYedhh^WangZeaVXZY#
&OR YOUR SAFETY TURN SWITCH
OFF AND DISCONNECT THE
MACHINEFROMPOWER SOURCE
BEFORE TROUBLESHOOTING THE
MACHINE 0LEASE REFER TO
3ECTION 3ET 5P TO MAKE
CORRECTIONS

"++" <%))+$<%*(.$<%*,&(,L^YZ7ZaiHVcYZg
<g^ooan>cYjhig^Va!>cX#lVggVcihZkZgnegdYjXi^ihZaah[dgVeZg^dYd[YEARidi]Zdg^\^cVaejgX]VhZg[gdb
i]ZYViZd[ejgX]VhZ#I]^hlVggVcinYdZhcdiVeeanidYZ[ZXihYjZY^gZXiandg^cY^gZXianidb^hjhZ!VWjhZ!
cZ\a^\ZcXZ!VXX^YZcih!gZeV^ghdgVaiZgVi^dchdgaVX`d[bV^ciZcVcXZ#I]^h^h<g^ooan»hhdaZlg^iiZclVggVcin
VcYVcnVcYVaalVggVci^Zhi]VibVnWZ^bea^ZYWnaVl!^cXajY^c\VcnbZgX]VciVW^a^indg[^icZhh![dgVcneVg"
i^XjaVgejgedhZ!VgZ]ZgZWna^b^iZYidi]ZYjgVi^dcd[i]^hlg^iiZclVggVcin#LZYdcdilVggVcidggZegZhZci
i]Vii]ZbZgX]VcY^hZXdbea^Zhl^i]i]Zegdk^h^dchd[VcnaVldgVXihjcaZhhi]ZbVcj[VXijgZghdlVggVcih#
>ccdZkZcih]Vaa<g^ooan»ha^VW^a^injcYZgi]^hlVggVcinZmXZZYi]ZejgX]VhZeg^XZeV^Y[dgi]ZegdYjXiVcY
VcnaZ\VaVXi^dchWgdj\]iV\V^chi<g^ooanh]VaaWZig^ZY^ci]ZHiViZd[LVh]^c\idc!8djcind[L]ViXdb#
LZh]Vaa^ccdZkZciWZa^VWaZ[dgYZVi]!^c_jg^ZhideZghdchdgegdeZgindg[dg^cX^YZciVa!Xdci^c\Zci!heZX^Va!
dgXdchZfjZci^VaYVbV\ZhVg^h^c\[gdbi]ZjhZd[djgegdYjXih#
IdiV`ZVYkVciV\Zd[i]^hlVggVcin!XdciVXijhWnbV^adge]dcZVcY\^kZjhVaai]ZYZiV^ah#LZl^aai]Zc
^hhjZndjV¸GZijgcCjbWZg!¹l]^X]bjhiWZXaZVganedhiZYdci]Zdjih^YZVhlZaaVhi]Z^ch^YZd[i]Z
XVgidc# LZ l^aa cdi VXXZei Vcn ^iZb WVX` l^i]dji i]^h cjbWZg# Egdd[ d[ ejgX]VhZ bjhi VXXdbeVcn i]Z
bZgX]VcY^hZ#
I]ZbVcj[VXijgZghgZhZgkZi]Zg^\]iidX]Vc\ZheZX^[^XVi^dchViVcni^bZWZXVjhZi]ZnXdchiVcianhig^kZid
VX]^ZkZWZiiZgfjVa^inZfj^ebZci#LZbV`ZZkZgnZ[[dgiidZchjgZi]VidjgegdYjXihbZZi]^\]fjVa^inVcY
YjgVW^a^inhiVcYVgYhVcYlZ]deZndjcZkZgcZZYidjhZi]^hlVggVcin#
EaZVhZ[ZZa[gZZidlg^iZdgXVaajh^[ndj]VkZVcnfjZhi^dchVWdjii]ZbVX]^cZdgi]ZbVcjVa#
I]Vc`ndjV\V^c[dgndjgWjh^cZhhVcYXdci^cjZYhjeedgi#LZ]deZidhZgkZndjV\V^chddc#
7ARRANTY2ETURNS

<%))+$<%*(.$<%*,&(,L^YZ7ZaiHVcYZg "+,"
8JI6ADC<9DII:9A>C:
CVbZTTTTTTTTTTTTTTTTTTTTTTTTTTTTTTTTTTTTTTTTTTTTTTTTTTTTTTTTTTTTTTTTTTTTTTTTTTTTT
HigZZiTTTTTTTTTTTTTTTTTTTTTTTTTTTTTTTTTTTTTTTTTTTTTTTTTTTTTTTTTTTTTTTTTTTTTTTTTTTTT
8^in TTTTTTTTTTTTTTTTTTTTTTT HiViZTTTTTTTTTTTTTTTTTTTTTTTTT O^e TTTTTTTTTTTTTTTTTTTTT
E]dcZTTTTTTTTTTTTTTTTTTTT :bV^a TTTTTTTTTTTTTTTTTTTTTTTT >ckd^XZTTTTTTTTTTTTTTTTT
BdYZaTTTTTTTTTTTTTTTTTTTT DgYZgTTTTTTTTTTTTTTTTTTTTTTT HZg^VaTTTTTTTTTTTTTTTTTT
7!22!.49#!2$
4HEFOLLOWINGINFORMATIONISGIVENONAVOLUNTARYBASIS)TWILLBEUSEDFORMARKETINGPURPOSESTOHELPUSDEVELOP
BETTERPRODUCTSANDSERVICES/FCOURSEALLINFORMATIONISSTRICTLYCONFIDENTIAL
=dlY^YndjaZVgcVWdjijh4
TTTT 6YkZgi^hZbZci TTTT ;g^ZcY TTTT 8ViVad\
TTTT 8VgY9ZX` TTTT LZWh^iZ TTTT Di]Zg/
L]^X]d[i]Z[daadl^c\bV\Vo^cZhYdndjhjWhXg^WZid4
L]Vi^hndjgVccjVa]djhZ]daY^cXdbZ4
TTTT '%!%%%"'.!%%% TTTT (%!%%%"(.!%%% TTTT )%!%%%").!%%%
TTTT *%!%%%"*.!%%% TTTT +%!%%%"+.!%%% TTTT ,%!%%%
L]Vi^hndjgV\Z\gdje4
TTTT '%"'. TTTT (%"(. TTTT )%").
TTTT *%"*. TTTT +%"+. TTTT ,%
=dladc\]VkZndjWZZcVlddYldg`Zg$bZiValdg`Zg4
TTTT %"'NZVgh TTTT '"-NZVgh TTTT -"'%NZVgh TTTT '% NZVgh
=dlbVcnd[ndjgbVX]^cZhdgiddahVgZ<g^ooan4
TTTT %"' TTTT ("* TTTT +". TTTT&%
9dndji]^c`ndjgbVX]^cZgZegZhZcihV\ddYkVajZ4 TTTTTNZh TTTTTCd
LdjaYndjgZXdbbZcY<g^ooan>cYjhig^VaidV[g^ZcY4 TTTTTNZh TTTTTCd
LdjaYndjVaadljhidjhZndjgcVbZVhVgZ[ZgZcXZ[dg<g^ooanXjhidbZgh^cndjgVgZV4
CdiZ/7ENEVERUSENAMESMORETHANTIMES TTTTTNZh TTTTTCd
8dbbZcih/?????????????????????????????????????????????????????????????????????
?????????????????????????????????????????????????????????????????????????????????
?????????????????????????????????????????????????????????????????????????????????
?????????????????????????????????????????????????????????????????????????????????
TTTT 8VW^cZiBV`Zg
TTTT ;Vb^an=VcYnbVc
TTTT =VcYAdVYZg
TTTT =VcYn
TTTT =dbZH]deBVX]^c^hi
TTTT ?djgcVad[A^\]i8dci#
TTTT A^kZHiZVb
TTTT BdYZa6^geaVcZCZlh
TTTT BdYZaiZX
TTTT DaY=djhZ?djgcVa
TTTT EdejaVgBZX]Vc^Xh
TTTT EdejaVgHX^ZcXZ
TTTT EdejaVgLddYldg`^c\
TTTT EgVXi^XVa=dbZdlcZg
TTTT EgZX^h^dcH]ddiZg
TTTT Egd_ZXih^cBZiVa
TTTT G8BdYZaZg
TTTT G^ÄZ
TTTT H]deCdiZh
TTTT H]di\jcCZlh
TTTT IdYVn»h=dbZdlcZg
TTTT LddY
TTTT LddYZc7dVi
TTTT LddYh]deCZlh
TTTT LddYhb^i]
TTTT LddYldg`
TTTT LddYldg`ZgLZhi
TTTT LddYldg`Zg»h?djgcVa
TTTT Di]Zg/

;DA96ADC<9DII:9A>C:
;DA96ADC<9DII:9A>C:
'2)::,9).$5342)!,).#
0/"/8
"%,,).'(!-7!
EaVXZ
HiVbe
=ZgZ
I6E:6ADC<:9<:H""EA:6H:9DCDIHI6EA:
CVbZTTTTTTTTTTTTTTTTTTTTTTTTTTTTTTT
HigZZiTTTTTTTTTTTTTTTTTTTTTTTTTTTTTTT
8^inTTTTTTTTTTTTTTHiViZTTTTTTO^eTTTTTT
HZcYV<g^ooan8ViVad\idV[g^ZcY/

Buy Direct and Save with Grizzly® – Trusted, Proven and a Great Value!
-OR-
• SECURE ORDERING
• ORDERS SHIPPED WITHIN 24 HOURS
• E-MAIL RESPONSE WITHIN ONE HOUR
Visit Our Website Today And Discover
Why Grizzly® Is The Industry Leader!
Call Today For A
FREE
Full Color Catalog