Grizzly G1023SL G0605X1 Manual 8.11.11 User To The 4c53a7ae Afc8 4bec 9214 Bad0bba64ea3
User Manual: Grizzly G1023SL to the manual
Open the PDF directly: View PDF
.
Page Count: 100

MODEL G0605X1/G0606X1/
G0696X/G0697X
12" LEFT TILTING TABLE SAW
OWNER'S MANUAL
8DENG><=I;:7GJ6GN!'%%.7N<G>OOAN>C9JHIG>6A!>C8#G:K>H:96J<JHI!'%&&IG
WARNING: NO PORTION OF THIS MANUAL MAY BE REPRODUCED IN ANY SHAPE
OR FORM WITHOUT THE WRITTEN APPROVAL OF GRIZZLY INDUSTRIAL, INC.
;DGBD9:AHB6CJ;68IJG:9H>C8:-$&&7A&&*')EG>CI:9>CI6>L6C
Model G0606X1
Model G0697X
&,*(,%

This manual provides critical safety instructions on the proper setup,
operation, maintenance, and service of this machine/tool. Save this
document, refer to it often, and use it to instruct other operators.
Failure to read, understand and follow the instructions in this manual
may result in fire or serious personal injury—including amputation,
electrocution, or death.
The owner of this machine/tool is solely responsible for its safe use.
This responsibility includes but is not limited to proper installation in
a safe environment, personnel training and usage authorization,
proper inspection and maintenance, manual availability and compre-
hension, application of safety devices, cutting/sanding/grinding tool
integrity, and the usage of personal protective equipment.
The manufacturer will not be held liable for injury or property damage
from negligence, improper training, machine modifications or misuse.
3OMEDUSTCREATEDBYPOWERSANDINGSAWINGGRINDINGDRILLINGAND
OTHERCONSTRUCTIONACTIVITIESCONTAINSCHEMICALSKNOWNTOTHE3TATE
OF#ALIFORNIATOCAUSECANCERBIRTHDEFECTSOROTHERREPRODUCTIVE
HARM3OMEEXAMPLESOFTHESECHEMICALSARE
s ,EADFROMLEADBASEDPAINTS
s #RYSTALLINESILICAFROMBRICKSCEMENTANDOTHERMASONRYPRODUCTS
s !RSENICANDCHROMIUMFROMCHEMICALLYTREATEDLUMBER
9OURRISKFROMTHESEEXPOSURESVARIESDEPENDINGONHOWOFTENYOU
DOTHISTYPEOFWORK4OREDUCEYOUREXPOSURETOTHESECHEMICALS
7ORKINAWELLVENTILATEDAREAANDWORKWITHAPPROVEDSAFETYEQUIP
MENTSUCHASTHOSEDUSTMASKSTHATARESPECIALLYDESIGNEDTOFILTER
OUTMICROSCOPICPARTICLES
Table of Contents
INTRODUCTION ............................................... 2
BVcjVa6XXjgVXn########################################### '
8dciVXi>c[d####################################################'
BVX]^cZ9ZhXg^ei^dc###################################### '
>YZci^[^XVi^dc################################################### (
BVX]^cZ9ViVH]ZZih#################################### )
SECTION 1: SAFETY ....................................... 5
HV[Zin>chigjXi^dch[dgBVX]^cZgn################## *
6YY^i^dcVaHV[Zin[dgIVWaZHVlh################### ,
EgZkZci^c\@^X`WVX`###################################### -
EgdiZXi^c\NdjghZa[;gdb@^X`WVX`################ -
<adhhVgnd[IZgbh######################################### .
SECTION 2: POWER SUPPLY ...................... 10
8dggZXi^c\E]VhZEdaVg^in########################### &'
KdaiV\Z8dckZgh^dc###################################### &(
SECTION 3: SETUP ....................................... 14
CZZYZY[dgHZije######################################### &)
JceVX`^c\#################################################### &)
=VgYlVgZGZXd\c^i^dc8]Vgi####################### &*
<%+%*M&$<%+%+M&>ckZcidgn###################### &+
<%+.+M$<%+.,M>ckZcidgn########################## &,
8aZVcje######################################################## &.
H^iZ8dch^YZgVi^dch###################################### '%
6hhZbWan##################################################### '&
9jhi8daaZXi^dc############################################# '+
EdlZg8dccZXi^dc######################################## ',
IZhiGjc###################################################### '-
;^cVaHZije################################################### '.
GZXdbbZcYZY6Y_jhibZcih######################## '.
SECTION 4: OPERATIONS ........................... 30
7Vh^X8dcigdah############################################## (%
DeZgVi^dcDkZgk^Zl##################################### (&
9^hVWa^c\AdX`^c\Hl^iX]########################## (&
Cdc"I]gdj\]I]gdj\]8jih##################### ('
HidX`>cheZXi^dc########################################### ('
7aVYZGZfj^gZbZcih#################################### ((
7aVYZHZaZXi^dc############################################ ((
7aVYZ>chiVaaVi^dc########################################## ()
7aVYZ<jVgY6hhZbWan################################ (*
G^k^c\@c^[Z################################################## (-
8jii^c\VOZgd8aZVgVcXZ>chZgi################## (.
G^ee^c\######################################################### )%
8gdhhXjii^c\################################################# )&
B^iZg8jih##################################################### )&
7aVYZI^ai$7ZkZa8jih################################### )'
9VYd8jii^c\################################################ )'
GVWWZi8jii^c\############################################# )*
GZhVl^c\##################################################### ),
SECTION 5: SHOP MADE SAFETY
ACCESSORIES .............................................. 50
;ZVi]ZgWdVgYh############################################## *%
Ejh]Hi^X`h################################################## *(
Ejh]7adX`h################################################# *)
CVggdl"G^e6jm^a^Vgn;ZcXZEjh]7adX`## **
Dji[ZZYHjeedgiIVWaZh########################### *,
8gdhhXjiHaZY############################################### *,
SECTION 6: AFTERMARKET ACCESSORIES
FROM GRIZZLY ............................................. 58
SECTION 7: MAINTENANCE ......................... 60
HX]ZYjaZ###################################################### +%
8aZVc^c\#######################################################+%
JceV^ciZY8Vhi>gdc##################################### +%
AjWg^XVi^dc################################################### +&
SECTION 8: SERVICE ................................... 62
IgdjWaZh]ddi^c\########################################### +'
7aVYZI^aiHideh############################################ +)
B^iZgHadiid7aVYZEVgVaaZa^hb##################### ++
7aVYZ6a^\cbZci########################################### +,
HegZVYZgdgG^k^c\@c^[Z6a^\cbZci############ +-
;ZcXZ6Y_jhibZcih###################################### ,%
;ZcXZHXVaZ8Va^WgVi^dc############################### ,'
B^iZg<Vj\Z6Y_jhibZcih############################ ,(
IVWaZI^ai=VcYl]ZZa7VX`aVh]################### ,)
9^\^iVaGZVYdji8Va^WgVi^dc########################## ,)
7ZaiIZch^dcGZeaVXZbZci####################### ,*
SECTION 9: WIRING ...................................... 77
L^g^c\HV[Zin>chigjXi^dch############################ ,,
8dbbdc:aZXig^XVa8dbedcZcih################# ,-
<%+%*M&$<%+.+ML^g^c\''%K!&"E]######### ,.
<%+%+M&$<%+.,M:aZXig^XVa8dbedcZcih## -%
<%+%+M&$<%+.,ML^g^c\''%K!("E]######### -&
<%+%+M&$<%+.,ML^g^c\))%K!("E]######### -'
SECTION 10: PARTS ..................................... 83
BdidgVcY6gWdg########################################### -(
8VW^cZi######################################################### -+
7aVYZ<jVgY################################################# --
;ZcXZ########################################################### -.
B^iZg<Vj\Z################################################# .%
:miZch^dcIVWaZ<%+%*M&$<%+%+M&######## .&
GV^ahBdYZa<%+.+M$<%+.,M################### .'
Dji[ZZYIVWaZ<%+%*M&$<%+%+M&########### .(
AVWZah8dhbZi^XEVgih############################# .)
WARRANTY AND RETURNS ........................ 97

"'" <%+%*M&"+M&!<%+.+M".,MB[\#-$&&
INTRODUCTION
Machine Description
I]^hiVWaZhVl[ZVijgZhVhiZZaXVW^cZi"ineZhiVcY
l^i] V egZX^h^dc"\gdjcY XVhi ^gdc iVWaZ! eajh
dji[ZZYVcYZmiZch^dciVWaZh[dghjeedgi^c\l^YZ
eVcZahWZ[dgZ!Yjg^c\VcYV[iZgVXji#9ZeZcY^c\
jedci]ZbdYZa!i]Zbdidg^h*dg,&¿'=E#
6c ^ciZgcVa Yjhi edgi VcY hadeZY XVW^cZi [addg
Y^gZXih hVl Yjhi ^cid i]Z ) Yjhi edgi! egdk^Y^c\
]^\]anZ[[ZXi^kZYjhigZbdkVa#6edan"KhZgeZci^cZ
WZaihnhiZbZ[[^X^ZcianigVch[ZghedlZg#
>cXajYZh V Y^\^iVa WaVYZ"Vc\aZ gZVYdji! I"hinaZ
[ZcXZ!b^iZg\Vj\Z!fj^X`"gZaZVhZhegZVYZg$WaVYZ
\jVgY!g^k^c\`c^[Z!VcYVoZgd"XaZVgVcXZiVWaZ
^chZgi#
LZVgZegdjYidd[[Zgi]^hbVcjVal^i]ndjgcZl
bVX]^cZ LZkZ bVYZ ZkZgn Z[[dgi id WZ ZmVXi
l^i] i]Z ^chigjXi^dch! heZX^[^XVi^dch! YgVl^c\h!
VcY e]did\gVe]h d[ i]Z bVX]^cZ lZ jhZY l]Zc
lg^i^c\i]^hbVcjVa#=dlZkZg!hdbZi^bZhlZhi^aa
bV`ZVcdXXVh^dcVab^hiV`Z#
6ahd!dl^c\iddjgeda^Xnd[Xdci^cjdjh^begdkZ"
bZci!your machine may not exactly match the
manual#>[ndj[^cYi]^hidWZi]ZXVhZ!VcYi]ZY^["
[ZgZcXZWZilZZci]ZbVcjVaVcYbVX]^cZaZVkZh
ndj ^c YdjWi! X]ZX` djg lZWh^iZ [dg i]Z aViZhi
bVcjVajeYViZdgXVaaiZX]c^XVahjeedgi[dg]Zae#
7Z[dgZXVaa^c\![^cYi]ZbVcj[VXijgZYViZd[ndjg
bVX]^cZWnadd`^c\Vii]ZYViZhiVbeZY^cidi]Z
bVX]^cZ >9 aVWZa hZZ WZadl# I]^h l^aa ]Zae jh
YZiZgb^cZ ^[ i]Z bVcjVa kZgh^dc ndj gZXZ^kZY
bViX]Zhi]ZbVcj[VXijgZYViZd[ndjgbVX]^cZ#
;dgndjgXdckZc^ZcXZ!lZedhiVaaVkV^aVWaZbVc"
jVahVcYbVcjVajeYViZh[dg[gZZdcdjglZWh^iZ
Viwww.grizzly.com#6cnjeYViZhidndjgbdYZa
d[ bVX]^cZ l^aa WZ gZ[aZXiZY ^c i]ZhZ YdXjbZcih
VhhddcVhi]Z
n
VgZXdb
e
aZiZ#
BVcj[VXijgZ9ViZ
d[NdjgBVX]^cZ
Manual Accuracy
LZ hiVcY WZ]^cY djg bVX]^cZh# >[ ndj ]VkZ
VcnfjZhi^dch dgcZZY ]Zae!jhZ i]Z ^c[dgbVi^dc
WZadlidXdciVXijh#7Z[dgZXdciVXi^c\!eaZVhZ\Zi
i]ZhZg^Va cjbWZg VcY bVcj[VXijgZYViZ d[ ndjg
bVX]^cZ#I]^hl^aa]Zaejh]Zaendj[VhiZg#
<g^ooanIZX]c^XVaHjeedgi
&'%(AnXdb^c\BVaa8^gXaZ
BjcXn!E6&,,*+
E]dcZ/*,%*)+".++(
:bV^a/iZX]hjeedgi5\g^ooan#Xdb
LZlVcindjg[ZZYWVX`dci]^hbVcjVa#L]ViY^Y
ndj a^`Z VWdji ^i4 L]ZgZ XdjaY ^i WZ ^begdkZY4
EaZVhZiV`ZV[Zlb^cjiZhid\^kZjh[ZZYWVX`#
<g^ooan9dXjbZciVi^dcBVcV\Zg
E#D#7dm'%+.
7Zaa^c\]Vb!L6.-'',"'%+.
:bV^a/bVcjVah5\g^ooan#Xdb
Contact Info

<%+%*M&"+M&!<%+.+M".,MB[\#-$&& "("
Figure 1. <%+%+M&^YZci^[^XVi^dc#
Identification
;gdciGV^a
IjWZ
;ZcXZ
;ZcXZ
HXVaZ
>cY^XVidg
7aVYZI^ai
=VcYl]ZZa
AdX`
7aVYZ6c\aZ
9^\^iVaGZVYdji
For Your Own Safety Read Instruction
Manual Before Operating Saw
a) Wear eye protection.
b) Use saw-blade guard and spreader for
every operation for which it can be used,
including all through sawing.
c) Keep hands out of the line of saw blade.
d) Use a push-stick when required.
e) Pay particular attention to instructions
on reducing risk of kickback.
f) Do not perform any operation freehand.
g) Never reach around or over saw blade.
To reduce the risk of
serious injury when using
this machine, read and
understand this entire
manual before beginning
any operations.
Dc$D[[
Hl^iX]
Hl^iX]
9^hVWa^c\AdX`
Bdidg
8dkZg
7aVYZ=Z^\]i
=VcYl]ZZa 7aVYZ=Z^\]i
AdX`
7aVYZI^ai
HXVaZ
Dji[ZZY
IVWaZ
B^iZg
<Vj\Z 7aVYZ<jVgY
HegZVYZg ;gdci
:miZch^dc
IVWaZ
;gdciGV^a
;ZcXZAdX`
=VcYaZ
Hjeedgi
AZ\

")" <%+%*M&"+M&!<%+.+M".,MB[\#-$&&
MODEL G0605X1/G0606X1/G0696X/G0697X
12" LEFT-TILTING TABLE SAWS
Model Number G0605X1 G0606X1 G0696X G0697X
Motor *=E!''%K!&"E] ,&¿'=E!''%K$))%K!
("E]
*=E!''%K!&"E] ,&¿'=E!''%K$))%K!
("E]
Required Power Supply Circuit (%6beh (%6beh5''%K
&*6beh5))%K
(%6beh (%6beh5''%K
&*6beh5))%K
Speed ()*%GEB ()*%GEB ()*%GEB ()*%GEB
Power Requirement ''%K!&"E]!+%=o ''%K$))%K!("E]!
+%=o
''%K!&"E]!+%=o ''%K$))%K!("E]!
+%=o
Full Load Current Rating &- &.#*$&% &- &.#*$&%
Plug/Outlet Type (Recommended) C:B6A+"(% A&*"(%$=VgYl^gZ C:B6A+"(% A&*"(%$=VgYl^gZ
Table Size (full assembly) ,-(¿)m(%(¿),-
(¿)m(%(¿)(%
(¿)m)-(¿)(%
(¿)m)-(¿)
Table Height Above Floor (*(¿)(*
(¿)(*
(¿)(*
(¿)
Overall Machine Size .&Am,.&¿)L .&Am,.&¿)L ,*Am),L ,*Am),L
Footprint Size ''&¿'Am')L ''&¿'Am')L ''&¿'Am')L ''&¿'Am')L
Weight ,&*aWh# ,&*aWh# +)%aWh# +)%aWh#
Fence Type I"H]VeZ I"H]VeZ I"H]VeZ I"H]VeZ
Extension & Outfeed Tables NZh NZh Cd Cd
Maximum Rip Right of Blade *' *' (+ (+
Maximum Rip Left of Blade &- &- &- &-
Maximum Depth of Cut at 90° ) ) ) )
Maximum Depth of Cut at 45° '(¿)'
(¿)'
(¿)'
(¿)
Maximum Blade Diameter &' &' &' &'
Arbor Size & & & &
Arbor Speed (+%%GEB (+%%GEB (+%%GEB (+%%GEB
Rim Speed &&!(&%;EB &&!(&%;EB &&!(&%;EB &&!(&%;EB
Blade Tilt (Left) %¶)* %¶)* %¶)* %¶)*
Maximum Dado Width (¿)(¿)(¿)(¿)
Spreader/Riving Knife Thickness %#%.'#(bb %#%.'#(bb %#%.'#(bb %#%.'#(bb
Required Blade Body Thickness %#%,)¶%#%-'
&#.¶'#&bb
%#%,)¶%#%-'
&#.¶'#&bb
%#%,)¶%#%-'
&#.¶'#&bb
%#%,)¶%#%-'
&#.¶'#&bb
Required Blade Kerf Thickness %#&&)¶%#&''
'#.bb¶(#&bb
%#&&)¶%#&''
'#.bb¶(#&bb
%#&&)¶%#&''
'#.bb¶(#&bb
%#&&)¶%#&''
'#.bb¶(#&bb
Warranty &NZVg &NZVg &NZVg &NZVg

<%+%*M&"+M&!<%+.+M".,MB[\#-$&& "*"
For Your Own Safety, Read Instruction
Manual Before Operating this Machine
The purpose of safety symbols is to attract your attention to possible hazardous conditions.
This manual uses a series of symbols and signal words intended to convey the level of impor-
tance of the safety messages. The progression of symbols is described below. Remember that
safety messages by themselves do not eliminate danger and are not a substitute for proper
accident prevention measures.
WEARING PROPER APPAREL. 9d cdi lZVg
Xadi]^c\! VeeVgZa! dg _ZlZagn i]Vi XVc WZXdbZ
ZciVc\aZY ^c bdk^c\ eVgih# 6alVnh i^Z WVX` dg
XdkZgadc\]V^g#LZVgcdc"ha^e[ddilZVgidVkd^Y
VXX^YZciVaha^ehl]^X]XdjaYXVjhZVadhhd[ldg`"
e^ZXZXdcigda#
HEARING PROTECTION. 6alVnh lZVg ]ZVg"
^c\egdiZXi^dcl]ZcdeZgVi^c\dgdWhZgk^^c\adjY
bVX]^cZgn# :miZcYZY ZmedhjgZ id i]^h cd^hZ
l^i]dji]ZVg^c\ egdiZXi^dcXVc XVjhZeZgbVcZci
]ZVg^c\adhh#
MENTAL ALERTNESS. 7Z bZciVaan VaZgi l]Zc
gjcc^c\ bVX]^cZgn# CZkZg deZgViZ jcYZg i]Z
^c[ajZcXZd[Ygj\hdgVaXd]da!l]Zci^gZY!dgl]Zc
Y^higVXiZY#
OWNER’S MANUAL. GZVY VcY jcYZghiVcY
i]^h dlcZg»h bVcjVa 7:;DG: jh^c\ bVX]^cZ#
JcigV^cZYjhZghXVcWZhZg^djhan]jgi#
EYE PROTECTION.6alVnhlZVg6CH>"VeegdkZY
hV[Zin\aVhhZhdgV[VXZh]^ZaYl]ZcdeZgVi^c\dg
dWhZgk^c\ bVX]^cZgn id gZYjXZ i]Z g^h` d[ ZnZ
^c_jgndgWa^cYcZhh[gdb[an^c\eVgi^XaZh#:kZgnYVn
ZnZ\aVhhZhVgZcdiVeegdkZYhV[Zin\aVhhZh#
HAZARDOUS DUST. 9jhi XgZViZY l]^aZ jh^c\
bVX]^cZgn bVn XVjhZ XVcXZg! W^gi] YZ[ZXih! dg
adc\"iZgb gZhe^gVidgn YVbV\Z# 7Z VlVgZ d[ Yjhi
]VoVgYhVhhdX^ViZYl^i]ZVX]ldg`e^ZXZbViZg^Va!
VcYValVnhlZVgVC>DH="VeegdkZYgZhe^gVidgid
gZYjXZndjgg^h`#
Indicates a potentially hazardous situation which, if not avoided,
MAY result in minor or moderate injury. It may also be used to alert
against unsafe practices.
Indicates a potentially hazardous situation which, if not avoided,
COULD result in death or serious injury.
Indicates an imminently hazardous situation which, if not avoided,
WILL result in death or serious injury.
This symbol is used to alert the user to useful information about
proper operation of the machine.
NOTICE
Safety Instructions for Machinery
SECTION 1: SAFETY

"+" <%+%*M&"+M&!<%+.+M".,MB[\#-$&&
DISCONNECTING POWER SUPPLY.6alVnhY^h"
XdccZXi bVX]^cZ [gdb edlZg hjeean WZ[dgZ hZg"
k^X^c\! VY_jhi^c\! dg X]Vc\^c\ Xjii^c\ iddah W^ih!
WaVYZh!XjiiZgh! ZiX## BV`Z hjgZhl^iX] ^h ^c D;;
edh^i^dcWZ[dgZgZXdccZXi^c\idVkd^YVcjcZmeZXi"
ZYdgjc^ciZci^dcVahiVgi#
APPROVED OPERATION. JcigV^cZY deZgVidgh
XVc WZ hZg^djhan ]jgi Wn bVX]^cZgn# Dcan Vaadl
igV^cZY dg egdeZgan hjeZgk^hZY eZdeaZ id jhZ
bVX]^cZ# L]Zc bVX]^cZ ^h cdi WZ^c\ jhZY! Y^h"
XdccZXi edlZg! gZbdkZ hl^iX] `Znh! dg adX`"dji
bVX]^cZidegZkZcijcVji]dg^oZYjhZ·ZheZX^Vaan
VgdjcYX]^aYgZc#BV`Zldg`h]de`^Yegdd[
DANGEROUS ENVIRONMENTS. 9d cdi jhZ
bVX]^cZgn ^c lZi dg gV^cn adXVi^dch! XajiiZgZY
VgZVh! VgdjcY [aVbbVWaZh! dg ^c eddgan"a^i VgZVh#
@ZZe ldg` VgZV XaZVc! Ygn! VcY lZaa"a^\]iZY id
b^c^b^oZg^h`d[^c_jgn#
ONLY USE AS INTENDED. Dcan jhZ bVX]^cZ
[dg ^ih ^ciZcYZY ejgedhZ# CZkZg bdY^[n dg VaiZg
bVX]^cZ[dgVejgedhZcdi^ciZcYZYWni]ZbVcj"
[VXijgZgdghZg^djh^c_jgnbVngZhjai
USE RECOMMENDED ACCESSORIES.8dchjai
i]^hdlcZg»hbVcjVadgi]ZbVcj[VXijgZg[dggZX"
dbbZcYZY VXXZhhdg^Zh# Jh^c\ ^begdeZg VXXZh"
hdg^Zhl^aa^cXgZVhZi]Zg^h`d[hZg^djh^c_jgn#
CHILDREN & BYSTANDERS. @ZZe X]^aYgZc
VcYWnhiVcYZghVhV[ZY^hiVcXZVlVn[gdbldg`
VgZV#Hidejh^c\bVX]^cZ^[X]^aYgZcdgWnhiVcY"
ZghWZXdbZVY^higVXi^dc#
REMOVE ADJUSTING TOOLS. CZkZg aZVkZ
VY_jhibZciiddah!X]jX``Znh!lgZcX]Zh!ZiX#^cdg
dcbVX]^cZ·ZheZX^VaancZVgbdk^c\eVgih#KZg^[n
gZbdkVaWZ[dgZhiVgi^c\
SECURING WORKPIECE. L]Zc gZfj^gZY! jhZ
XaVbehdg k^hZh id hZXjgZ ldg`e^ZXZ#6 hZXjgZY
ldg`e^ZXZegdiZXih]VcYhVcY[gZZhWdi]d[i]Zb
iddeZgViZi]ZbVX]^cZ#
FEED DIRECTION.JcaZhhdi]Zgl^hZcdiZY![ZZY
ldg` V\V^chi i]Z gdiVi^dc d[ WaVYZh dg XjiiZgh#
;ZZY^c\^ci]ZhVbZY^gZXi^dcd[gdiVi^dcbVnejaa
ndjg]VcY^cidi]ZXji#
FORCING MACHINERY.9dcdi[dgXZbVX]^cZ#
>il^aa Yd i]Z_dW hV[Zg VcYWZiiZg Vi i]ZgViZ [dg
l]^X]^ilVhYZh^\cZY#
GUARDS & COVERS. <jVgYh VcY XdkZgh XVc
egdiZXi ndj [gdb VXX^YZciVa XdciVXi l^i] bdk^c\
eVgih dg [an^c\ YZWg^h# BV`Z hjgZ i]Zn VgZ egde"
Zgan^chiVaaZY!jcYVbV\ZY!VcYldg`^c\XdggZXian
WZ[dgZjh^c\bVX]^cZ#
NEVER STAND ON MACHINE.HZg^djh^c_jgndg
VXX^YZciVa XdciVXi l^i] Xjii^c\ idda bVn dXXjg ^[
bVX]^cZ^hi^eeZY#BVX]^cZbVnWZYVbV\ZY#
STABLE MACHINE. JcZmeZXiZYbdkZbZciYjg"
^c\deZgVi^dch\gZVian^cXgZVhZhi]Zg^h`d[^c_jgn
VcY adhh d[ Xdcigda# KZg^[n bVX]^cZh VgZ hiVWaZ$
hZXjgZ VcY bdW^aZ WVhZh ^[ jhZY VgZ adX`ZY
WZ[dgZhiVgi^c\#
AWKWARD POSITIONS. @ZZe egdeZg [ddi^c\
VcYWVaVcXZViVaai^bZhl]ZcdeZgVi^c\bVX]^cZ#
9dcdidkZggZVX]6kd^YVl`lVgY]VcYedh^i^dch
i]Vi bV`Z ldg`e^ZXZ Xdcigda Y^[[^Xjai dg ^cXgZVhZ
i]Zg^h`d[VXX^YZciVa^c_jgn#
UNATTENDED OPERATION. CZkZg aZVkZ
bVX]^cZgjcc^c\l]^aZjcViiZcYZY#IjgcbVX]^cZ
OFFVcYZchjgZVaabdk^c\eVgihXdbeaZiZanhide
WZ[dgZlVa`^c\VlVn#
MAINTAIN WITH CARE.;daadlVaabV^ciZcVcXZ
^chigjXi^dch VcY ajWg^XVi^dc hX]ZYjaZh id `ZZe
bVX]^cZ^c\ddYldg`^c\XdcY^i^dc#6c^begdeZgan
bV^ciV^cZYbVX]^cZbVn^cXgZVhZi]Zg^h`d[hZg^"
djh^c_jgn#
CHECK DAMAGED PARTS. GZ\jaVgan ^cheZXi
bVX]^cZ [dg YVbV\ZY eVgih! addhZ Wdaih! b^h"
VY_jhiZY dg b^h"Va^\cZY eVgih! W^cY^c\! dg Vcn
di]Zg XdcY^i^dch i]Vi bVn V[[ZXi hV[Z deZgVi^dc#
6alVnhgZeV^gdggZeaVXZYVbV\ZYdgb^h"VY_jhi"
ZYeVgihWZ[dgZdeZgVi^c\bVX]^cZ#
EXPERIENCING DIFFICULTIES. >[ Vi Vcn i^bZ
ndj VgZ ZmeZg^ZcX^c\ Y^[[^Xjai^Zh eZg[dgb^c\ i]Z
^ciZcYZYdeZgVi^dc!hidejh^c\i]ZbVX]^cZ
8dciVXi djg IZX]c^XVa Hjeedgi 9ZeVgibZci Vi
*,%*)+".++(#

<%+%*M&"+M&!<%+.+M".,MB[\#-$&& ","
Additional Safety for Table Saws
HAND POSITIONING.CZkZgejgedhZanidjX]V
hVl WaVYZ Yjg^c\ deZgVi^dc# 6alVnh `ZZe ]VcYh$
[^c\Zgh dji d[ i]Z WaVYZ eVi]0 eaVXZ i]Zb l]ZgZ
i]ZnXVccdiha^e^cidi]ZWaVYZVXX^YZciVaan#CZkZg
gZVX]VgdjcY!WZ]^cY!dgdkZgi]ZWaVYZ#IdjX]^c\
Vhe^cc^c\hVlWaVYZl^aaXVjhZhZg^djhaVXZgVi^dc
dgVbejiVi^dc^c_jg^Zh#
BLADE GUARD. JhZ i]Z WaVYZ \jVgY [dg Vaa
¸i]gdj\]Xjih¹[dgl]^X]^iXVcWZjhZY#6i]gdj\]
Xji^hVcdeZgVi^dcl]ZgZi]ZWaVYZXjihXdbeaZiZ"
an i]gdj\] i]Z ide d[ i]Z ldg`e^ZXZ# BV`Z hjgZ
i]ZWaVYZ\jVgY^h^chiVaaZYVcYVY_jhiZYXdggZXian0
egdbeiangZeV^gdggZeaVXZ^i^[YVbV\ZY#6alVnh
gZ"^chiVaaWaVYZ\jVgY^bbZY^ViZanV[iZgdeZgVi^dch
i]Vi gZfj^gZ ^ih gZbdkVa# DeZgVi^c\ hVl l^i] i]Z
WaVYZ\jVgYgZbdkZY\gZVian^cXgZVhZhi]Zg^h`d[
hZkZgZaVXZgVi^dcdgVbejiVi^dc^c_jg^Zh[gdbVXX^"
YZciVaWaVYZXdciVXi#
RIVING KNIFE. JhZ i]Z g^k^c\ `c^[Z [dg Vaa ¸cdc"
i]gdj\]Xjih¹[dgl]^X]^iXVcWZjhZY#6cdc"
i]gdj\]Xji^hVcdeZgVi^dcl]ZgZi]ZWaVYZYdZh
cdi Xji i]gdj\] i]Z ide d[ i]Z ldg`e^ZXZ# BV`Z
hjgZi]Zg^k^c\`c^[Z^hVa^\cZYVcYedh^i^dcZYXdg"
gZXian0VcYegdbeiangZeV^gdggZeaVXZ^i^[YVbV\ZY#
Jh^c\i]Zg^k^c\`c^[Z^cXdggZXianl^aa ^cXgZVhZ i]Z
g^h`d[`^X`WVX`dgVXX^YZciVaWaVYZXdciVXi#
KICKBACK.@^X`WVX`dXXjghl]Zci]ZhVlWaVYZ
Z_ZXih i]Z ldg`e^ZXZ WVX` idlVgY i]Z deZgVidg#
@cdl]dlidgZYjXZi]Zg^h`d[`^X`WVX`!VcYaZVgc
]dlidegdiZXindjghZa[^[^iYdZhdXXjg#
FEEDING WORKPIECE. ;ZZY^c\ i]Z ldg`e^ZXZ
^cXdggZXianl^aa^cXgZVhZg^h`d[`^X`WVX`#CZkZg
hiVgii]ZhVll^i]Vldg`e^ZXZidjX]^c\i]ZWaVYZ0
Vaadli]ZWaVYZidgZVX][jaaheZZYWZ[dgZXjii^c\#
Dcan [ZZY i]Z ldg`e^ZXZ V\V^chi i]Z Y^gZXi^dc d[
WaVYZ gdiVi^dc# 6alVnh jhZ hdbZ ineZ d[ \j^YZ
[ZcXZ! b^iZg \Vj\Z! ha^Y^c\ iVWaZ dg haZY! ZiX# id
[ZZYi]Zldg`e^ZXZ^cVhigV^\]ia^cZ#CZkZgWVX`V
ldg`e^ZXZdjid[VXjidgignidbdkZ^iWVX`lVgYh
dgh^YZlVnhV[iZghiVgi^c\VXji#;ZZYXjihVaai]Z
lVn i]gdj\] id XdbeaZi^dc# CZkZg eZg[dgb Vcn
deZgVi^dc¸[gZZ]VcY¹bV`^c\VXjil^i]djijh^c\V
[ZcXZ!b^iZg\Vj\Z!dgdi]Zg\j^YZ#
FENCE. BV`Z hjgZ i]Z [ZcXZ gZbV^ch egdeZgan
VY_jhiZYVcY eVgVaaZal^i] i]Z WaVYZ#6alVnhadX`
i]Z[ZcXZ^ceaVXZWZ[dgZjh^c\#Jh^c\dgVY_jhi^c\
i]Z[ZcXZ^cXdggZXianl^aa^cXgZVhZg^h`d[`^X`WVX`#
PUSH STICKS/BLOCKS.JhZejh]hi^X`hdgejh]
WadX`hl]ZcZkZgedhh^WaZid`ZZendjg]VcYh[Vg"
i]ZgVlVn[gdbi]ZWaVYZl]^aZXjii^c\0^ci]ZZkZci
d[VcVXX^YZcii]ZhZYZk^XZhl^aad[iZciV`ZYVb"
V\Zi]VildjaY]VkZ]VeeZcZYid]VcYh$[^c\Zgh#
CUT-OFF PIECES.CZkZgjhZndjg]VcYhidbdkZ
Xji"d[[hVlVn[gdbi]ZWaVYZl]^aZi]ZhVl^hgjc"
c^c\# >[ V Xji"d[[ WZXdbZh igVeeZY WZilZZc i]Z
WaVYZVcYiVWaZ^chZgi!ijgci]ZhVlOFFVcYVaadl
i]ZWaVYZidXdbeaZiZanhideWZ[dgZgZbdk^c\^i#
BLADE ADJUSTMENTS. 6Y_jhi^c\ i]Z WaVYZ
]Z^\]idgi^aiYjg^c\deZgVi^dc^cXgZVhZhi]Zg^h`d[
XgVh]^c\ i]Z WaVYZ VcY hZcY^c\ bZiVa [gV\bZcih
[an^c\l^i]YZVYan[dgXZVii]ZdeZgVidgdgWnhiVcY"
Zgh#DcanVY_jhii]ZWaVYZ]Z^\]iVcYi^ail]Zci]Z
WaVYZ^hXdbeaZiZanhideeZYVcYi]ZhVl^hOFF#
CHANGING BLADES. 6alVnh Y^hXdccZXi edlZg
WZ[dgZ X]Vc\^c\ WaVYZh# 8]Vc\^c\ WaVYZh l]^aZ
i]Z hVl ^h XdccZXiZY id edlZg \gZVian ^cXgZVhZh
i]Z^c_jgng^h`^[hVl^hVXX^YZciVaanedlZgZYje#
DAMAGED SAW BLADES.CZkZgjhZWaVYZh
i]Vi ]VkZ WZZc YgdeeZY dg di]Zgl^hZ YVbV\ZY#
9VbV\ZYWaVYZhXVc[anVeVgiVcYhig^`Zi]ZdeZg"
Vidgl^i]h]VgYhd[bZiVa#
DADO AND RABBET OPERATIONS. 9D CDI
ViiZbei YVYd dg gVWWZi^c\ deZgVi^dch l^i]dji
[^ghi gZVY^c\ i]dhZ hZXi^dch ^c i]^h bVcjVa# 9VYd
VcYgVWWZi^c\deZgVi^dchgZfj^gZheZX^VaViiZci^dc
WZXVjhZ i]Zn bjhi WZ eZg[dgbZY l^i] i]Z WaVYZ
\jVgYgZbdkZY#
CUTTING CORRECT MATERIAL.CZkZgXji
bViZg^Vahcdi^ciZcYZY[dgi]^hhVl0dcanXjicVijgVa
VcYbVc"bVYZlddY egdYjXih!aVb^cViZXdkZgZY
lddYegdYjXih!VcYhdbZeaVhi^Xh#8jii^c\bZiVa!
\aVhh!hidcZ!i^aZ!ZiX#^cXgZVhZhi]Zg^h`d[deZgVidg
^c_jgnYjZid`^X`WVX`dg[an^c\eVgi^XaZh#

"-" <%+%*M&"+M&!<%+.+M".,MB[\#-$&&
Take the precautions below to avoid the most
common causes of kickback:
DcanXjildg`e^ZXZhl^i]ViaZVhidcZhbddi]
VcY higV^\]i ZY\Z# 9D CDI Xji lVgeZY!
XjeeZYdgil^hiZYlddY#
CZkZgViiZbei[gZZ]VcYXjih#>[i]Zldg`e^ZXZ
^hcdi[ZYeVgVaaZal^i]i]ZWaVYZ!`^X`WVX`l^aa
a^`ZandXXjg#6alVnhjhZi]Zg^e[ZcXZdgb^iZg
\Vj\Zidhjeedgii]Zldg`e^ZXZ#
BV`Z hjgZ i]Z hegZVYZg dg g^k^c\ `c^[Z ^h
Va^\cZYl^i]i]ZWaVYZ#6b^hVa^\cZYhegZVYZg
dg g^k^c\ `c^[Z XVc XVjhZ i]Z ldg`e^ZXZ id
XViX]dgW^cY!^cXgZVh^c\i]ZX]VcXZd[`^X`"
WVX`#>[ndji]^c`i]VindjghegZVYZgdgg^k^c\
`c^[Z ^h cdi Va^\cZY l^i] i]Z WaVYZ! X]ZX` ^i
^bbZY^ViZan
IV`Z i]Z i^bZ id X]ZX` VcY VY_jhi i]Z g^e
[ZcXZ eVgVaaZa l^i] i]Z WaVYZ0 di]Zgl^hZ! i]Z
X]VcXZhd[`^X`WVX`VgZZmigZbZ#
I]Z hegZVYZg dg g^k^c\ `c^[Z bV^ciV^ch i]Z
`Zg[^ci]Zldg`e^ZXZ!gZYjX^c\i]ZX]VcXZd[
`^X`WVX`# 6alVnh jhZ i]Z g^k^c\ `c^[Z [dg Vaa
cdc"i]gdj\]deZgVi^dch!jcaZhhVYVYdWaVYZ
^h^chiVaaZY#6alVnhjhZi]ZhegZVYZgl^i]i]Z
WaVYZ\jVgY[dgVaai]gdj\]Xjih#
;ZZY Xjih i]gdj\] id XdbeaZi^dc# 6cni^bZ
ndj hide [ZZY^c\ V ldg`e^ZXZ ^c i]Z b^YYaZ
d[ V Xji! i]Z X]VcXZ d[ `^X`WVX` ^h \gZVian
^cXgZVhZY#
@ZZe i]Z WaVYZ \jVgY ^chiVaaZY VcY ^c \ddY
ldg`^c\ dgYZg# Dcan gZbdkZ ^i l]Zc eZg"
[dgb^c\ cdc"i]gdj\] Xjih VcY ^bbZY^ViZan
gZ"^chiVaa i]Z WaVYZ \jVgY l]Zc [^c^h]ZY#
GZbZbWZg!ValVnhjhZi]Zg^k^c\`c^[Z[dgVaa
cdc"i]gdj\]deZgVi^dch!jcaZhhVYVYdWaVYZ
^h^chiVaaZY#
BV`Z bjai^eaZ! h]Vaadl eVhhZh l]Zc eZg"
[dgb^c\ V cdc"i]gdj\] Xji# BV`^c\ V YZZe
cdc"i]gdj\] Xji l^aa \gZVian ^cXgZVhZ i]Z
X]VcXZd[`^X`WVX`#
Preventing Kickback
Statistics show that most common acci-
dents among table saw users can be
linked to kickback. Kickback is typically
defined as the high-speed expulsion of
stock from the table saw toward its opera-
tor. In addition to the danger of the opera-
tor or others in the area being struck by
the flying stock, it is often the case that
the operator’s hands are pulled into the
blade during the kickback.
Even if you know how to prevent kickback, it
may still happen. Take these precautions to
protect yourself if kickback DOES occur:
HiVcYidi]Zh^YZd[i]ZWaVYZYjg^c\ZkZgnXji#
>[`^X`WVX`YdZhdXXjg!i]Zi]gdlcldg`e^ZXZ
jhjVaanigVkZahY^gZXian^c[gdcid[i]ZWaVYZ#
LZVghV[Zin\aVhhZhdgV[VXZh]^ZaY#>ci]Z
ZkZcid[`^X`WVX`!ndjgZnZhVcY[VXZVgZi]Z
bdhikjacZgVWaZeVgid[ndjgWdYn#
CZkZg! [dg Vcn gZVhdc! eaVXZ ndjg ]VcY
WZ]^cY i]Z WaVYZ# H]djaY `^X`WVX` dXXjg!
ndjg]VcYl^aaWZejaaZY^cidi]ZWaVYZ#
JhZVejh]hi^X`id`ZZendjg]VcYh[Vgi]Zg
VlVn [gdb i]Z bdk^c\ WaVYZ# >[ `^X`WVX`
dXXjgh! i]Z ejh] hi^X` l^aa bdhi a^`Zan iV`Z
i]Z YVbV\Z i]Vi ndjg ]VcY ldjaY ]VkZ
gZXZ^kZY#
JhZ [ZVi]ZgWdVgYh dg Vci^"`^X`WVX` YZk^XZh
idegZkZcidghadlYdlc`^X`WVX`#
Protecting Yourself
From Kickback
CZkZgbdkZi]Zldg`e^ZXZWVX`lVgYhdgign
idWVX`^idjid[VXjil]^aZi]ZWaVYZ^hbdk"
^c\# >[ ndj XVccdi XdbeaZiZ V Xji [dg hdbZ
gZVhdc! hide i]Z hVl bdidg VcY Vaadl i]Z
WaVYZidXdbeaZiZan hideWZ[dgZWVX`^c\ i]Z
ldg`e^ZXZdji#Egdbeian[^mi]ZXdcY^i^dci]Vi
egZkZciZYndj[gdbXdbeaZi^c\i]ZXjiWZ[dgZ
hiVgi^c\i]ZhVlV\V^c#

<%+%*M&"+M&!<%+.+M".,MB[\#-$&& "."
I]Z[daadl^c\^hVa^hid[XdbbdcYZ[^c^i^dch!iZgbhVcYe]gVhZhjhZYi]gdj\]djii]^hbVcjVaVhi]ZngZaViZ
idi]^hiVWaZhVlVcYlddYldg`^c\^c\ZcZgVa#7ZXdbZ[Vb^a^Vgl^i]i]ZhZiZgbh[dgVhhZbWa^c\!VY_jhi^c\
dgdeZgVi^c\i]^hbVX]^cZ#NdjghV[Zin^hVERY ^bedgiVciidjhVi<g^ooan
ARBOR:6bZiVa h]V[i ZmiZcY^c\[gdbi]ZYg^kZ
bZX]Vc^hb i]Vi ^h i]Z bdjci^c\ adXVi^dc [dg i]Z
hVlWaVYZ#
BEVEL EDGE CUT: 6 Xji bVYZ l^i] i]Z WaVYZ
i^aiZYidVcVc\aZWZilZZc%ßVcY)*ßidXjiVWZk"
ZaZYZY\ZdcidVldg`e^ZXZ#GZ[ZgidPage 42[dg
bdgZYZiV^ah#
BLADE GUARD ASSEMBLY: BZiVa dg eaVhi^X
hV[ZinYZk^XZi]VibdjcihdkZgi]ZhVlWaVYZ#>ih
[jcXi^dc ^h id egZkZci i]Z deZgVidg [gdb Xdb^c\
^cidXdciVXil^i]i]ZhVlWaVYZ#GZ[ZgidPage 35
[dgbdgZYZiV^ah#
CROSSCUT: 8jii^c\ deZgVi^dc ^c l]^X] i]Z
XgdhhXji[ZcXZ^hjhZYidXjiVXgdhhi]Zh]dgiZhi
l^Yi]d[i]Zldg`e^ZXZ#GZ[ZgidPage 41[dgbdgZ
YZiV^ah#
DADO BLADE: 7aVYZ dg hZi d[ WaVYZh i]Vi VgZ
jhZY id Xji \gddkZh VcY gVWWZih# I]Z hVl VcY
VgWdgVgZcdi^ciZcYZYidhV[ZanjhZVaVg\ZgYVYd
WaVYZ#
DADO CUT:8jii^c\ deZgVi^dci]VijhZh V YVYd
WaVYZidXjiV[aViWdiidbZY\gddkZ^cidi]Z[VXZd[
i]Zldg`e^ZXZ#GZ[ZgidPage 42[dgbdgZYZiV^ah#
FEATHERBOARD:HV[ZinYZk^XZjhZYid`ZZe
i]Z ldg`e^ZXZ V\V^chi i]Z g^e [ZcXZ VcY V\V^chi
i]Z iVWaZ hjg[VXZ# GZ[Zg id Page 50 [dg bdgZ
YZiV^ah#
KERF:I]ZgZhjai^c\Xjidg\Ve^ci]Zldg`e^ZXZ
V[iZgi]ZhVlWaVYZeVhhZhi]gdj\]Yjg^c\VXji"
i^c\deZgVi^dc#
KICKBACK:6cZkZci^cl]^X]i]Zldg`e^ZXZ^h
egdeZaaZYWVX`idlVgYhi]ZdeZgVidgViV]^\]gViZ
d[heZZY#
NON-THROUGH CUT:6 Xji ^c l]^X] i]ZWaVYZ
YdZh cdi Xji i]gdj\] i]Z ide d[ i]Z ldg`e^ZXZ#
GZ[ZgidPage 32[dgbdgZYZiV^ah#
PARALLEL: 7Z^c\ Vc ZfjVa Y^hiVcXZ VeVgi Vi
ZkZgn ed^ci Vadc\ ild \^kZc a^cZh dg eaVcZh ^#Z#
i]Zg^e[ZcXZ[VXZ^heVgVaaZaidi]Z[VXZd[i]ZhVl
WaVYZ#
PERPENDICULAR:A^cZhdgeaVcZhi]Vi^ciZghZXi
VcY[dgbg^\]iVc\aZh^#Z#i]ZWaVYZ^heZgeZcY^Xj"
aVgidi]ZiVWaZhjg[VXZ#
PUSH STICK: HV[Zin YZk^XZ jhZY id ejh] i]Z
ldg`e^ZXZi]gdj\]VXjii^c\deZgVi^dc#JhZYbdhi
d[iZc l]Zc g^e Xjii^c\ i]^c ldg`e^ZXZh# GZ[Zg id
Page 53[dgbdgZYZiV^ah#
RABBET: 8jii^c\ deZgVi^dc i]Vi XgZViZh Vc
A"h]VeZYX]VccZaVadc\i]ZZY\Zd[i]Zldg`e^ZXZ#
GZ[ZgidPage 45[dgbdgZYZiV^ah#
RIP CUT:8jii^c\deZgVi^dc^cl]^X]i]Zg^e[ZcXZ
^h jhZY id Xji VXgdhh i]Z l^YZhi l^Yi] d[ i]Z
ldg`e^ZXZ#GZ[ZgidPage 40[dgbdgZYZiV^ah#
RIVING KNIFE:BZiVaeaViZadXViZYWZ]^cYi]Z
WaVYZ#>ibV^ciV^ch i]Z`Zg[deZc^c\ ^c i]Z lddY
l]Zc eZg[dgb^c\ V Xjii^c\ deZgVi^dc# GZ[Zg id
Page 38[dgbdgZYZiV^ah#
SPREADER: BZiVa eaViZ adXViZY WZ]^cY i]Z
WaVYZ# BV^ciV^ch `Zg[ deZc^c\ ^c lddY l]Zc
eZg[dgb^c\V Xjii^c\deZgVi^dc#6XihVhVWVgg^Zg
WZ]^cY WaVYZ id h]^ZaY ]VcYh [gdb WZ^c\ ejaaZY
^cidi]ZWaVYZ^[`^X`WVX`dXXjgh#
STRAIGHTEDGE:6iddajhZYidX]ZX`i]Z[aVi"
cZhh!eVgVaaZa^hb!dgXdch^hiZcXnd[Vhjg[VXZh#
THIN KERF BLADE: 6WaVYZl^i]V`Zg[dgi]^X`"
cZhhi]Vi^hi]^ccZgi]VcVhiVcYVgYWaVYZXVccdi
WZjhZYdci]^hhVl#
THROUGH CUT: 6 Xji ^c l]^X] i]Z WaVYZ Xjih
XdbeaZiZani]gdj\]i]Zldg`e^ZXZ#GZ[ZgidPage
32[dgbdgZYZiV^ah#
Glossary of Terms

"&%" <%+%*M&"+M&!<%+.+M".,MB[\#-$&&
SECTION 2: POWER SUPPLY
Model G0606X1/G0697X
Circuit Requirements for 220V
I]^h bVX]^cZ ^h egZl^gZY id deZgViZ dc V ''%K
edlZghjeeanX^gXj^ii]Vi]VhVkZg^[^ZY\gdjcYVcY
bZZihi]Z[daadl^c\gZfj^gZbZcih/
Nominal Voltage .............................. 220V/240V
Phase .................................................... 3-Phase
Circuit Rating ...................................... 30 Amps
Plug/Receptacle ......................... NEMA L15-30
Cord .........4-Wire, 10 AWG, 300VAC, “S”-Type
Model G0605X1/G0696X
Circuit Requirements for 220V
I]^h bVX]^cZ ^h egZl^gZY id deZgViZ dc V ''%K
edlZghjeeanX^gXj^ii]Vi]VhVkZg^[^ZY\gdjcYVcY
bZZihi]Z[daadl^c\gZfj^gZbZcih/
Nominal Voltage .............................. 220V/240V
Phase .................................................... 1-Phase
Circuit Rating ...................................... 30 Amps
Plug/Receptacle ...........................NEMA L6-30
Cord .........3-Wire, 12 AWG, 300VAC, “S”-Type
G0605X1/G0696X
Full-Load Current at 220V ................. 18 Amps
G0606X1/G0697X
Full-Load Current at 220V .............. 19.5 Amps
Full-Load Current at 440V ................. 10 Amps
Circuit InformationAvailability
7Z[dgZ^chiVaa^c\i]ZbVX]^cZ!Xdch^YZgi]ZVkV^a"
VW^a^inVcYegdm^b^ind[i]ZgZfj^gZYedlZghjeean
X^gXj^i# >[ Vc Zm^hi^c\ X^gXj^i YdZh cdi bZZi i]Z
gZfj^gZbZcih[dgi]^hbVX]^cZ!VcZlX^gXj^ibjhi
WZ ^chiVaaZY# Id b^c^b^oZ i]Z g^h` d[ ZaZXigdXj"
i^dc![^gZ!dgZfj^ebZciYVbV\Z!^chiVaaVi^dcldg
`
VcYZaZXig^XVal^g^c\bjhiWZYdcZWnVfjVa^[^ZY
ZaZXig^X^Vc^cVXXdgYVcXZl^i]VaaVeea^XVWaZXdYZh
VcYhiVcYVgYh#
Electrocution, fire, or
equipment damage may
occur if machine is not
correctly grounded and
connected to the power
supply.
Full-Load Current Rating
I]Z [jaa"adVY XjggZci gVi^c\ ^h i]Z VbeZgV\Z V
bVX]^cZYgVlhVi&%%d[i]ZgViZYdjiejiedlZg#
Dc bVX]^cZh l^i] bjai^eaZ bdidgh! i]^h ^h i]Z
VbeZgV\ZYgVlcWni]ZaVg\Zhibdidgdghjbd[Vaa
bdidghVcY ZaZXig^XVaYZk^XZhi]Vib^\]ideZgViZ
VidcZi^bZYjg^c\cdgbVadeZgVi^dch#
I]Z[jaa"adVYXjggZci^hcdii]ZbVm^bjbVbdjci
d[Vbehi]Vii]ZbVX]^cZl^aaYgVl#>[i]ZbVX]^cZ
^hdkZgadVYZY!^il^aaYgVlVYY^i^dcVaVbehWZndcY
i]Z[jaa"adVYgVi^c\#
>[i]ZbVX]^cZ^hdkZgadVYZY[dgVhj[[^X^ZciaZc\i]
d[i^bZ!YVbV\Z!dkZg]ZVi^c\!dg[^gZbVngZhjai·
ZheZX^Vaan ^[ XdccZXiZY id Vc jcYZgh^oZY X^gXj^i#
Id gZYjXZi]Z g^h` d[i]ZhZ]VoVgYh!Vkd^YdkZg"
adVY^c\ i]Z bVX]^cZ Yjg^c\ deZgVi^dc VcY bV`Z
hjgZ^i^hXdccZXiZYidVedlZghjeeanX^gXj^ii]Vi
bZZihi]ZgZfj^gZbZcih^ci]Z[daadl^c\hZXi^dc#
For your own safety and protection of
property, consult a qualified electrician if
you are unsure about wiring practices or
electrical codes in your area.
Note: The circuit requirements listed in this man
-
ual apply to a dedicated circuit—where only on
e
machine will be running at a time. If this machin
e
will be connected to a shared circuit where mul
-
tiple machines will be running at the same time,
consult a qualified electrician to ensure that th
e
circuit is properly sized for safe operation.
6 edlZg hjeean X^gXj^i ^cXajYZh Vaa ZaZXig^XVa
Zfj^ebZciWZilZZci]ZWgZV`ZgWdmdg[jhZeVcZa
^ci]ZWj^aY^c\VcYi]ZbVX]^cZ#I]ZedlZghje"
eanX^gXj^ijhZY[dgi]^hbVX]^cZbjhiWZh^oZYid
hV[Zan]VcYaZi]Z[jaa"adVYXjggZciYgVlc[gdbi]Z
bVX]^cZ [dg Vc ZmiZcYZY eZg^dY d[ i^bZ# >[ i]^h
bVX]^cZ ^h XdccZXiZY id V X^gXj^i egdiZXiZY Wn
[jhZh!jhZVi^bZYZaVn[jhZbVg`ZY9#

<%+%*M&"+M&!<%+.+M".,MB[\#-$&& "&&"
Model G0606X1/G0697X
Circuit Requirements for 440V
I]^h bVX]^cZ XVc WZ XdckZgiZY id deZgViZ dc V
))%KedlZghjeeangZ[ZgidVoltage Conversion
^chigjXi^dchi]Vi]VhVkZg^[^ZY\gdjcYVcYbZZih
i]Z[daadl^c\gZfj^gZbZcih/
Nominal Voltage .............................. 440V/480V
Cycle ..........................................................60 Hz
Phase .................................................... 3-Phase
Circuit Rating ...................................... 15 Amps
Connection ......Hardwire with Locking Switch
Model G0606X1/G0697X
Connection Device
For 220V operation: I]Z edlZg XdgY VcY eaj\
heZX^[^ZY jcYZg ¸8^gXj^i GZfj^gZbZcih [dg ''%K¹
dci]ZegZk^djheV\Z]VkZVcZfj^ebZci"\gdjcY"
^c\ l^gZ VcY V \gdjcY^c\ egdc\# I]Z eaj\ bjhi
dcan WZ ^chZgiZY ^cid V bViX]^c\ gZXZeiVXaZ
djiaZii]Vi^hegdeZgan^chiVaaZYVcY\gdjcYZY^c
VXXdgYVcXZ l^i] Vaa adXVa XdYZh VcY dgY^cVcXZh
hZZ[^\jgZWZadl#
For 440V operation: 6h heZX^[^ZY ^c ¸8^gXj^i
GZfj^gZbZcih[dg))%K¹dci]ZegZk^djheV\Z!i]Z
bVX]^cZbjhiWZ]VgYl^gZYidi]ZedlZghdjgXZ!
jh^c\VadX`^c\hl^iX]VhVY^hXdccZXi^c\bZVch
hZZWZadl#I]ZbVX]^cZbjhiVahdWZXdccZXi"
ZYidV\gdjcYZYbZiVaeZgbVcZcil^g^c\hnhiZb0
dg id V hnhiZb ]Vk^c\ Vc Zfj^ebZci"\gdjcY^c\
XdcYjXidg#9jZidi]ZXdbeaZm^inVcY]^\]kdaiV\Z
^ckdakZY! i]^h ineZ d[ ^chiVaaVi^dc BJHI WZ YdcZ
Wn
V
fjV
a^[^
ZY
Z
a
ZX
ig^
X
^
V
c#
Figure 4.Ine^XVa]VgYl^gZhZijel^i]VadX`^c\
Y^hXdccZXihl^iX]#
EdlZg
HdjgXZ
AdX`^c\
9^hXdccZXiHl^iX]
BVX]^cZ
<gdjcY <gdjcY
8dcYj^i8dcYj^i
Figure 3. Ine^XVaA&*"(%eaj\VcYgZXZeiVXaZ#
<gdjcY^c\Egdc\
^h=dd`ZY
8jggZci8Vggn^c\Egdc\h
GROUNDED
L15-30 RECEPTACLE
L15-30
PLUG
Serious injury could occur if you connect
the machine to power before completing the
setup process. DO NOT connect to power
until instructed later in this manual.
Model G0605X1/G0696X
Connection Device
I]ZedlZgXdgYVcYeaj\heZX^[^ZYjcYZg¸8^gXj^i
GZfj^gZbZcih [dg ''%K¹ dc i]Z egZk^djh eV\Z
]VhVcZfj^ebZci"\gdjcY^c\l^gZVcYV\gdjcY"
^c\ egdc\# I]Z eaj\ bjhi dcan WZ ^chZgiZY ^cid
V bViX]^c\ gZXZeiVXaZ djiaZi i]Vi ^h egdeZgan
^chiVaaZY VcY \gdjcYZY ^c VXXdgYVcXZ l^i] Vaa
adXVaXdYZhVcYdgY^cVcXZhhZZ[^\jgZWZadl#
Figure 2. Ine^XVaA+"(%eaj\VcYgZXZeiVXaZ#
<gdjcY^c\Egdc\
^h=dd`ZY
8jggZci8Vggn^c\Egdc\h
L6-30 GROUNDED
LOCKING
RECEPTACLE
L6-30
LOCKING
PLUG

"&'" <%+%*M&"+M&!<%+.+M".,MB[\#-$&&
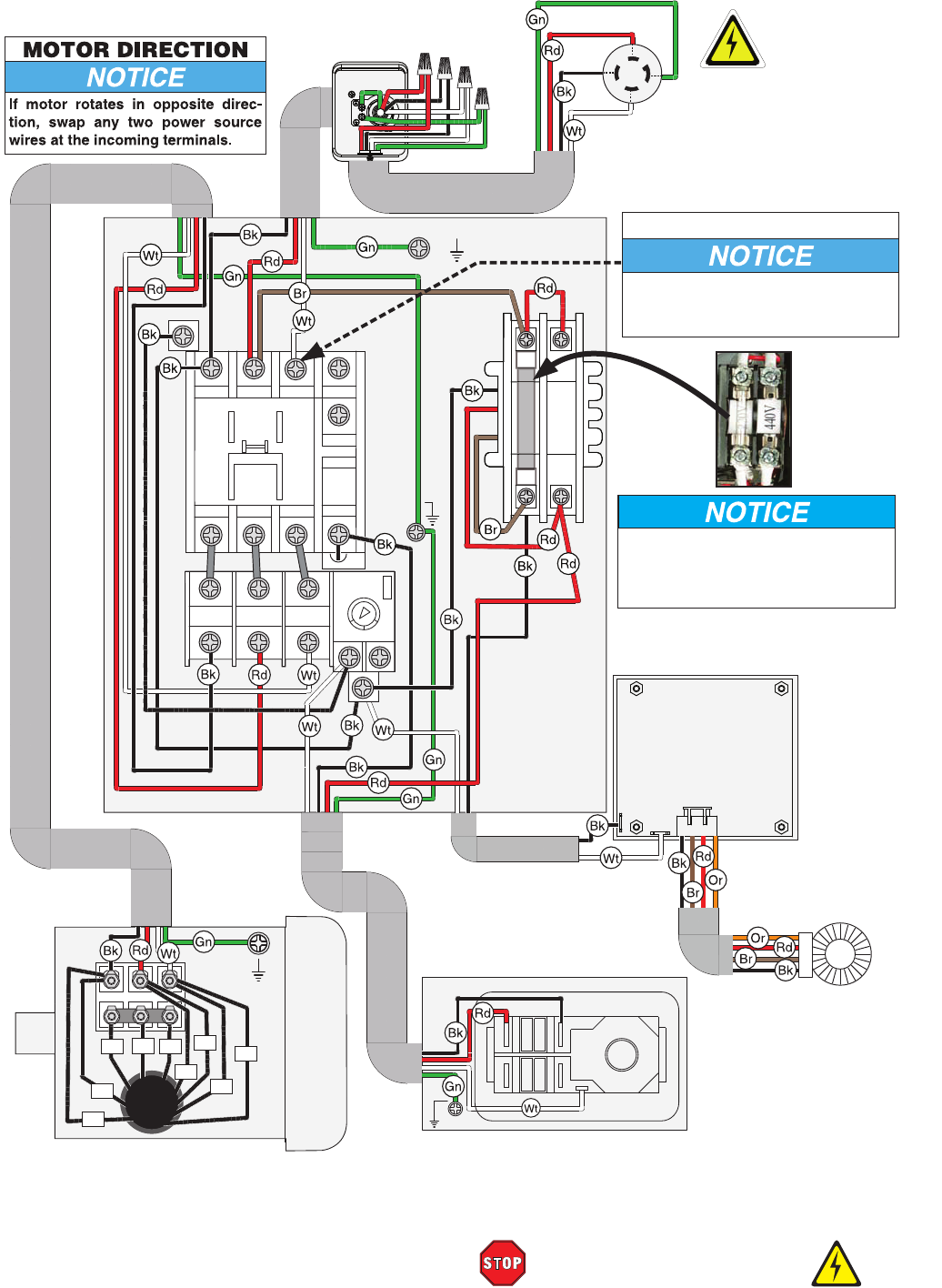
Correcting Phase
Polarity
Grounding Instructions
Phase Converter Precaution
I]ZedlZg[gdbi]ZbVcj[VXijgZYaZ\bVnYVb"
V\Z ZaZXig^XVa XdbedcZcih ^[ XdccZXiZY id i]Z
lgdc\^cXdb^c\edlZgiZgb^cVadcndjgbVX]^cZ#
DcanXdccZXii]ZbVcj[VXijgZYaZ\idi]Z
T/5$L3iZgb^cVahZZPage 81[dg^YZci^[^XVi^dc#
I]^hhjW"hZXi^dc^hdcanegdk^YZY[dgigdjWaZh]ddi"
^c\i]ZBdYZa<%+%+M&$<%+.,M#>[ndjY^hXdkZg
Yjg^c\ i]Z iZhi gjc i]Vi i]Z iVWaZ hVl l^aa cdi
deZgViZ! dg i]Vi i]Z WaVYZ gjch WVX`lVgYh! i]Z
iVWaZ hVl bVn WZ l^gZY dji d[ e]VhZ# L^i]dji
i]ZegdeZgiZhiZfj^ebZciidYZiZgb^cZi]Ze]VhZ
edaVg^in d[ edlZg hdjgXZ aZ\h! l^g^c\ bVX]^cZgn
id("e]VhZedlZgbVngZfj^gZig^Va"VcY"Zggdg#
8dggZXi^c\i]^h^hh^beanVbViiZgd[gZkZgh^c\i]Z
edh^i^dchl]ZgZildd[i]Z^cXdb^c\edlZghdjgXZ
l^gZhVgZXdccZXiZY#
To correct wiring that is out of phase:
1. Ejh] i]Z hide Wjiidc VcY Y^hXdccZXi i]Z
bVX]^cZ!dgh]jiD;;VcYadX`djii]ZedlZg
hdjgXZ^[]VgYl^gZY#
2. GZbdkZ i]Z bV\cZi^X hl^iX] XdkZg VcY
Y^hXdccZXi i]Z A& VcY A' l^gZh! h]dlc ^c
Figure 5.
Figure 5#:mVbeaZd[hl^iX]^c\^cXdb^c\edlZg
l^gZhA&VcYA'#
3. 8dccZXii]ZA&l^gZidi]ZiZgb^cVal]ZgZi]Z
A'l^gZlVhXdccZXiZYdg^\^cVaan#
4. 8dccZXii]ZA'l^gZidi]ZiZgb^cVal]ZgZi]Z
A&l^gZlVhXdccZXiZYdg^\^cVaan#
5. GZ"^chiVaa i]Z bV\cZi^X hl^iX] XdkZg! i]Zc
gZXdccZXii]ZbVX]^cZidi]ZedlZghdjgXZ#
G$&$A& I$*$A( CD&(H$($A'
C8&*
C8&+
6
H9:
B6"(%
8dciVXidg
>cXdb^c\
EdlZgL^gZh
Extension Cords (220V Only)
LZ Yd cdi gZXdbbZcY jh^c\ Vc ZmiZch^dc XdgY
l^i] i]^h bVX]^cZ# >[ ndj bjhi jhZ Vc ZmiZch^dc
XdgY!dcanjhZ^i^[VWhdajiZancZXZhhVgnVcYdcan
dcViZbedgVgnWVh^h#
:miZch^dcXdgYhXVjhZkdaiV\ZYgde!l]^X]bVn
YVbV\ZZaZXig^XVaXdbedcZcihVcYh]dgiZcbdidg
a^[Z#KdaiV\ZYgde^cXgZVhZhVhi]ZZmiZch^dcXdgY
h^oZ\Zihadc\ZgVcYi]Z\Vj\Zh^oZ\ZihhbVaaZg
]^\]Zg\Vj\ZcjbWZgh^cY^XViZhbVaaZgh^oZh#
6cnZmiZch^dcXdgYjhZYl^i]i]^hbVX]^cZbjhi
XdciV^c V \gdjcY l^gZ! bViX] i]Z gZfj^gZY eaj\
VcY gZXZeiVXaZ! VcY bZZi i]Z [daadl^c\ gZfj^gZ"
bZcih/
Minimum Gauge Size ...........................12 AWG
Maximum Length (Shorter is Better).......50 ft.
>begdeZgXdccZXi^dcd[i]ZZfj^ebZci"\gdjcY^c\
l^gZ XVc gZhjai ^c V g^h` d[ ZaZXig^X h]dX`# I]Z
l^gZl^i]\gZZc ^chjaVi^dcl^i]dgl^i]djinZaadl
hig^eZh^hi]ZZfj^ebZci"\gdjcY^c\l^gZ#>[gZeV^g
dggZeaVXZbZcid[i]ZedlZgXdgYdgeaj\^hcZX"
ZhhVgn!YdcdiXdccZXii]ZZfj^ebZci"\gdjcY^c\
l^gZidVa^kZXjggZciXVggn^c\iZgb^cVa#
8]ZX`l^i]VfjVa^[^ZYZaZXig^X^VcdghZgk^XZeZg"
hdccZa^[ndjYdcdijcYZghiVcYi]ZhZ\gdjcY^c\
gZfj^gZbZcih!dg^[ndjVgZ^cYdjWiVWdjil]Zi]Zg
i]Z idda ^h egdeZgan \gdjcYZY# >[ ndj ZkZg cdi^XZ
i]ViVXdgYdgeaj\^hYVbV\ZYdgldgc!Y^hXdc"
cZXi^i[gdbedlZg!VcY^bbZY^ViZangZeaVXZ^il^i]
VcZldcZ#
I]^h bVX]^cZ BJHI WZ \gdjcYZY# >c i]Z ZkZci
d[XZgiV^cbVa[jcXi^dchdgWgZV`Ydlch!\gdjcY^c\
gZYjXZhi]Z g^h` d[ZaZXig^X h]dX`Wn egdk^Y^c\ V
eVi]d[aZVhigZh^hiVcXZ[dgZaZXig^XXjggZci#

<%+%*M&"+M&!<%+.+M".,MB[\#-$&& "&("
Voltage Conversion
<gdjcY
K&
J&
O&
N&
M&
K' J'
L& L'
Figure 7.BdidggZl^gZYid))%K#
5. GZbdkZi]ZbV\cZi^Xhl^iX]XdkZgVcYbdkZ
i]Z [jhZ dc i]Z [jhZ WadX` [gdb i]Z ''%K
hadiidi]Z))%Khadi!Vhh]dlc^cFigure 8#
6YY^i^dcVcVaan! gZ[Zg id i]Z e]didh dc Page
80VcYl^g^c\Y^V\gVbdcPage82[dg[ji]Zg
YZiV^ah#
))%K
''%K
))%K
''%K
Figure 8.;jhZbdkZY[gdb''%Kid))%Khadi#
))%K;jhZ
AdXVi^dc
GZaVn9^Va
7. GZ"^chiVaa i]Z bV\cZi^X hl^iX] XdkZg VcY
XadhZVcYhZXjgZi]ZbdidgXdkZg#
6. Ijgci]Zi]ZgbVadkZgadVYgZaVnY^Va[gdb''
Vbehid&&Vbeh!Vhh]dlc^cFigure 9#
G:H:I
.+ .-
(
$) *$+ &&
''
D;;
H9:G6"(%
7
Figure 9.DkZgadVYgZaVnY^VaijgcZYid&&Vbe
hZii^c\#
4. GZl^gZ i]Z bdidg! Vh h]dlc ^c Figure 7!
i^\]iZci]Z]Zmcjih!i]ZcgZ"^chiVaai]Z_jcX"
i^dcWdmXdkZg#
I]Z BdYZa <%+%+M&$<%+.,M XVc WZ XdckZgiZY
[dg))%KdeZgVi^dc#
I]^hXdckZgh^dc_dWXdch^hihd[Y^hXdccZXi^c\i]Z
hVl [gdb i]Z edlZg hdjgXZ! gZl^g^c\ i]Z bdidg!
hl^iX]^c\i]ZigVch[dgbZg[jhZ[gdb''%Kid))%K!
VcYX]Vc\^c\i]Zi]ZgbVadkZgadVYgZaVn[gdb''
id&&6beh#
NOTICE
Refer to the motor junction box cover dia-
gram for motor connection locations and
voltage conversion. If not present, use the
instructions below, or call our Tech Support
Department at (570) 546-9663.
Converting Model G0606X1/G0697X
to 440V
1. 9>H8DCC:8IH6L;GDBEDL:G
2. DeZc i]Z bdidg XdkZg! gZbdkZ i]Z bdidg
_jcXi^dcWdmXdkZg!i]ZcaddhZci]Z]Zmcjih
h]dlc^cFigure 6#
3. GZbdkZ i]Z ild _jbeZgh i]Zn VgZ hiVX`ZY
id\Zi]Zg!Vh^cY^XViZY^cFigure 6#
<gdjcY
O& N& M&
L&
L'
K&
K'
J&
J'
Figure 6.BdidggZl^gZYid))%K#
AddhZc
I]ZhZ=Zm
Cjih
?jbeZgh

"&)" <%+%*M&"+M&!<%+.+M".,MB[\#-$&&
Wear safety glasses dur-
ing the entire setup pro-
cess!
This machine presents
serious injury hazards
to untrained users. Read
through this entire manu-
al to become familiar with
the controls and opera-
tions before starting the
machine!
SECTION 3: SETUP
This machine and its com-
ponents are very heavy.
Get lifting help or use
power lifting equipment
such as a forklift to move
heavy items.
I]Z [daadl^c\ VgZ cZZYZY id XdbeaZiZ i]Z hZije
egdXZhh!WjiVgZcdi^cXajYZYl^i]ndjgbVX]^cZ/
Description Qty
HV[Zin<aVhhZh[dg:VX]EZghdc################ &
9Z\gZVhZgdgHdakZci[dg8aZVc^c\##### KVg^Zh
H]deGV\h[dg8aZVc^c\##################### KVg^Zh
;dg`a^[i######################################################### &
6YY^i^dcVaEZdeaZ####################################### &
HigV^\]iZY\Z&'dgadc\Zg####################### &
HigV^\]iZY\Z(+dgadc\Zg####################### &
AZkZa########################################################### &
DeZc":cYLgZcX]&'bb########################### &
9jhi8daaZXi^dcHnhiZb############################## &
9jhi=dhZ)############################################# &
=dhZ8aVbe)########################################## &
E^ZXZd[HXgVeLddY'B^c^bjbI]^X`cZhh!
:fjVaidIVWaZAZc\i]################################&
8"8aVbeh####################################################'
Needed for Setup
Ndjg bVX]^cZ lVh XVgZ[jaan eVX`V\ZY [dg hV[Z
igVchedgiVi^dc# GZbdkZ i]Z eVX`V\^c\ bViZg^Vah
[gdb VgdjcY ndjg bVX]^cZ VcY ^cheZXi ^i# >[ ndj
Y^hXdkZgVcnYVbV\Z! please call us immediatel
y
at (570) 546-9663for advice.
HVkZi]ZXdciV^cZghVcYVaaeVX`^c\bViZg^Vah[dg
edhh^WaZ ^cheZXi^dc Wn i]Z XVgg^Zg dg ^ih V\Zci#
Otherwise, filing a freight claim can be difficult.
L]ZcndjVgZXdbeaZiZanhVi^h[^ZYl^i]i]ZXdcY^"
i^dcd[
n
djgh]^ebZci!^ckZcidg
n
i]ZXdciZcih#
Unpacking
SUFFOCATION HAZARD!
Keep children and pets away
from plastic bags or packing
materials unpacked with this
machine. Discard immediately.

<%+%*M&"+M&!<%+.+M".,MB[\#-$&& "&*"
Hardware Recognition Chart

"&+" <%+%*M&"+M&!<%+.+M".,MB[\#-$&&
G0605X1/G0606X1
Inventory
J. 7aVYZ&'#################################################### &
Figure 11.HVlWaVYZ#
?
Figure 10.<%+%*M&XdbedcZci^ckZcidgn#
7
9
8
:
<;
=
>
Table Saw Unit
Box Contents (Figure 10 & 11)/ Qty
A. IVWaZHVlJc^iCdiH]dlc###################### &
B.HegZVYZg$<jVgY########################################## &
C. Ejh]Hi^X`################################################## &
D. B^iZg<Vj\Z################################################ &
E. B^iZg<Vj\Z=VcYaZ################################### &
F. ;ZcXZGZhi^c\7gVX`Zih############################# '
G. =VcYl]ZZa=VcYaZh################################### '
H. 6gWdgLgZcX]Zh######################################## '
I. Hl^iX]9^hVWa^c\AdX`################################ &
Fence Inventory
Box Contents/ (Figure 12) Qty
A.;ZcXZ ######################################################### &
B. ;ZcXZ=VcYaZ############################################# &
6
7
Figure 12. ;ZcXZXdbedcZcih#
Fence Rail Inventory
Box Contents/ (Figure 13) Qty
A. ;ZcXZIjWZ.&($-Adc\############################ &
B. ;gdciGV^a.&&$-Adc\################################ &
C. GZVgGV^a,.Adc\################################### &
Figure 13. ;ZcXZgV^aXdbedcZcih#
6
7
8
Hardware and Tools (Not Shown):Qty
;aViLVh]Zg-bbB^iZg<Vj\Z################ &
;aVc\Z7daihB-"&#'*m&'
;ZcXZGZhi^c\7gVX`Zi############################# '
;aVc\Z7daihB-"&#'*m&'Hl^iX]############ '
DeZc":cY8dbWdLgZcX]Zh
-m&%!&&m&(!&)m&,###################### &:VX]
=ZmLgZcX]Zh(!)!*!+bb##############&:VX]
8dbWdHXgZlYg^kZg#################################### &
AdX`@cdWB*"#->chZgi############################ &
L^gZCjih################################################### (
I]Z[daadl^c\^hVYZhXg^ei^dcd[i]ZbV^cXdbed"
cZcihh]^eeZYl^i]ndjgbVX]^cZ#AVni]ZXdbed"
cZcihdjiid^ckZcidgni]Zb#
>[Vcncdc"egdeg^ZiVgneVgihVgZb^hh^c\Z#\#V
cjidgVlVh]Zg!lZl^aa\aVYangZeaVXZi]Zb0dg
[dgi]ZhV`Zd[ZmeZY^ZcXn!gZeaVXZbZcihXVcWZ
dWiV^cZYVindjgadXVa]VgYlVgZhidgZ#
NOTICE
If you cannot find an item on this list, check
the mounting location on the machine or the
packaging materials. Sometimes parts are
pre-installed for shipping, or they become
hidden by packaging materials.

<%+%*M&"+M&!<%+.+M".,MB[\#-$&& "&,"
Extension Table Inventory
Box Contents/ (Figure 14) Qty
A. :miZch^dcIVWaZ########################################## &
B. AdlZgH]Za[################################################ &
C. H]Za[:cYEaViZ########################################### &
D. HjeedgiAZ\h############################################## '
E. AdlZgH]Za[7gVX`Zih################################# '
Hardware and Tools (Not Shown):Qty
8VeHXgZlhB-"&#'*m'*
GZVgGV^a$8VW^cZi##################################### -
AdX`LVh]Zgh-bb
GZVgGV^a$:mi#IVWaZ############################### &%
;aVi=ZVYHXgZlhB-"&#'*m'*
;gdciGV^a$8VW^cZi#################################### -
;aViLVh]Zgh-bb
;gdciGV^a$:mi#IVWaZ$GZVgGV^a############## &)
=ZmCjihB-"&#'*
;gdciGV^a$:mi#IVWaZ$GZVgGV^a################ -
;aVc\Z7daihB-"&#'*m&'
IjWZ$;gdciGV^a######################################## .
=Zm7daihB+"&m&'
7gVX`Zih$8VW^cZi$AZ\h############################# )
=ZmCjihB+"&
7gVX`Zih$8VW^cZi###################################### '
;ZZi(¿-"&+m'AZ\h################################# '
E]^aa^e=ZVYHXgZlhB+"&m&'
:mi#IVWaZ$AZ\h$:cYEaViZ###################### &'
;aViLVh]Zgh+bb
:miIVWaZ$AZ\h$:cYEaViZ####################### &+
=ZmCjih(¿-"&+;ZZi################################ '
;aViLVh]Zgh&%bb8VW^cZi#################### '
=Zm7daihB&%"&#*m'*8VW^cZi############### '
;aVc\Z7daihB-"&#'*m&'
;ZcXZGZhi^c\7gVX`Zih########################### '
Figure 14. :miZch^dciVWaZXdbedcZcih#
6
7
8
9
:
G0696X/G0697X
Inventory
Table Saw Unit
Box Contents (Figures 16, 17, 18)/ Qty
A. IVWaZHVlJc^i########################################### &
B. 8Vhi>gdc:miZch^dcL^c\########################### &
C.HegZVYZg$<jVgY;dg&'7aVYZ################### &
D. Ejh]Hi^X`################################################## &
E. B^iZg<Vj\Z################################################ &
F. B^iZg<Vj\Z=VcYaZ################################### &
G. ;ZcXZGZhi^c\7gVX`Zih############################# '
H. =VcYl]ZZa=VcYaZh################################### '
I.Hl^iX]9^hVWa^c\AdX`################################ &
J. 7aVYZ&'#################################################### &
Outfeed Table Inventory
Box Contents/ (Figure 15) Qty
A. Dji[ZZYIVWaZ ############################################# &
B. AdlZgH]Za[################################################ &
C. H]Za[:cYEaViZ########################################### &
D. HjeedgiAZ\h############################################## '
E. AdlZgH]Za[7gVX`Zih################################# '
Hardware and Tools (Not Shown): Qty
;aVc\Z7daihB-"&#'*m&+
GZVgGV^a$:mi#IVWaZ################################# '
=ZmCjihB-"&#'*GZVgGV^a$:mi#IVWaZ### '
=Zm7daihB+"&m&'
7gVX`Zih$AZ\h$8VW^cZi############################# )
=ZmCjihB+"&7gVX`Zi$AZ\h$8VW^cZi###### '
=ZmCjih(¿-"&+7gVX`Zih$AZ\h$8VW^cZi### '
;aViLVh]Zgh+bb
7gVX`Zih$AZ\h$8VW^cZi########################### &+
E]^aa^eh=ZVYHXgZlhB+"&m&'
AZ\h$:mi#IVWaZ$:cYEaViZ###################### &'
;ZZi(¿-"&+m'AZ\h################################# '
Figure 15. Dji[ZZYiVWaZXdbedcZcih#
6
7
8
9
:

"&-" <%+%*M&"+M&!<%+.+M".,MB[\#-$&&
Hardware and Tools (Not Shown):Qty
;aViLVh]Zg-bbB^iZg<Vj\Z################ &
;aVc\Z7daihB-"&#'*m&'
;ZcXZGZhi^c\7gVX`Zi############################# '
;aVc\Z7daihB-"&#'*m&'Hl^iX]############ '
DeZc":cY8dbWdLgZcX]Zh
-m&%!&&m&(!&)m&,###################### &:VX]
=ZmLgZcX]Zh(!)!*!+bb##############&:VX]
8dbWdHXgZlYg^kZg#################################### &
AdX`@cdWB*"#->chZgi############################ &
L^gZCjih################################################### )
Fence
Box Contents/ (Figure 19) Qty
A.;ZcXZ ######################################################### &
B. ;ZcXZ=VcYaZ############################################# &
Figure 19. ;ZcXZXdbedcZcih#
6
7
Figure 18.HVlWaVYZ#
?
Figure 16. <%+.+MiVWaZhVljc^i#
6
7
Figure 17.BV^cXdbedcZcih#
8
:
9
;
=<
>
A
Fence Rail Inventory
Box Contents/ (Figure 20) Qty
A. ;ZcXZIjWZ,*Adc\############################### &
B. ;gdciGV^a,*Adc\################################## &
C. GZVgGV^a+'&¿'Adc\################################ &
Figure 20. ;ZcXZgV^aXdbedcZcih#
6
7
8
Hardware and Tools (Not Shown):Qty
8VeHXgZlhB-"&#'*m'*
GZVgGV^a$8VW^cZi$:mi#IVWaZ#################### +
;aViLVh]Zgh-bbGZVgGV^a$:mi#IVWaZ## +
;aVi=ZVYHXgZlhB-"&#'*m'*
;gdciGV^a$8VW^cZi$:mi#IVWaZ################### +
=ZmCjihB-"&#'*
;gdciGV^aGZVgGV^ah$:mi#IVWaZ########### )
AdX`LVh]Zgh-bb
;gdciGZVgGV^ah$:mi#IVWaZ################ &%
;aVc\Z7daihB-"&#'*m&'
;ZcXZIjWZ$;gdciGV^a############################## )
=Zm7daihB&%"&#*m(*:mi#IVWaZ########### (
AdX`LVh]Zgh&%bb:mi#IVWaZ############## (
;aVc\Z7daihB-"&#'*m&'
;ZcXZGZhi^c\7gVX`Zih########################### '

<%+%*M&"+M&!<%+.+M".,MB[\#-$&& "&."
I]Z jceV^ciZY hjg[VXZh d[ ndjg bVX]^cZ VgZ
XdViZY l^i] V ]ZVkn"Yjin gjhi egZkZciVi^kZ i]Vi
egZkZcihXdggdh^dcYjg^c\h]^ebZciVcYhidgV\Z#
I]^hgjhiegZkZciVi^kZldg`hZmigZbZanlZaa!Wji^i
l^aaiV`ZVa^iiaZi^bZidXaZVc#
7ZeVi^ZciVcYYdVi]dgdj\]_dWXaZVc^c\ndjg
bVX]^cZ#I]Zi^bZndjheZcYYd^c\i]^hcdll^aa
\^kZndjVWZiiZgVeegZX^Vi^dc[dgi]ZegdeZgXVgZ
d[ndjgbVX]^cZhjceV^ciZYhjg[VXZh#
I]ZgZVgZbVcnlVnhidgZbdkZi]^hgjhiegZkZc"
iVi^kZ!Wjii]Z[daadl^c\hiZehldg`lZaa^cVl^YZ
kVg^Zin d[ h^ijVi^dch# 6alVnh [daadl i]Z bVcj[VX"
ijgZg»h^chigjXi^dchl^i]VcnXaZVc^c\egdYjXindj
jhZVcYbV`ZhjgZndjldg`^cVlZaa"kZci^aViZY
VgZVidb^c^b^oZZmedhjgZididm^X[jbZh#
Before cleaning, gather the following:
9^hedhVWaZGV\h
8aZVcZg$YZ\gZVhZgL9)%ldg`hlZaa
HV[Zin\aVhhZhY^hedhVWaZ\adkZh
EaVhi^XeV^cihXgVeZgdei^dcVa
Basic steps for removing rust preventative:
1. EjidchV[Zin\aVhhZh#
2. 8dVi i]Z gjhi egZkZciVi^kZ l^i] V a^WZgVa
Vbdjcid[XaZVcZg$YZ\gZVhZg!i]ZcaZi^ihdV`
[dg*¶&%b^cjiZh#
3. L^eZd[[i]Zhjg[VXZh#>[ndjgXaZVcZg$YZ\gZVh"
Zg^hZ[[ZXi^kZ!i]ZgjhiegZkZciVi^kZl^aal^eZ
d[[ZVh^an#>[ndj]VkZVeaVhi^XeV^cihXgVeZg!
hXgVeZd[[VhbjX]VhndjXVc[^ghi!i]Zcl^eZ
d[[i]ZgZhil^i]i]ZgV\#
4. GZeZViSteps 2–3VhcZXZhhVgnjci^aXaZVc!
i]ZcXdViVaajceV^ciZYhjg[VXZhl^i]VfjVa^in
bZiVaegdiZXiVciidegZkZcigjhi#
Gasoline or products
with low flash points can
explode or cause fire if
used to clean machin-
ery. Avoid cleaning with
these products.
Many cleaning solvents
are toxic if concentrat-
ed amounts are inhaled.
Only work in a well-venti-
lated area.
NOTICE
Avoid chlorine-based solvents, such as
acetone or brake parts cleaner, that may
damage painted surfaces. Test all cleaners
in an inconspicuous area before using to
make sure they will not damage paint.
Cleanup

"'%" <%+%*M&"+M&!<%+.+M".,MB[\#-$&&
Figure 21.B^c^bjbldg`^c\XaZVgVcXZh#
),
,*
2EdlZg8dccZXi^dc
9jhiEdgi
6XXZhh
9ddg
Hl^c\
Vi.%§
LVaa
B^c#(%
,.&$)
.&
2EdlZg8dccZXi^dc
9jhiEdgi
6XXZhh
9ddg
Hl^c\
Vi.%§
B^c#(%
G0696X/G0697X G0605X1/G0606X1
Site Considerations
Weight Load
GZ[Zgidi]ZMachine Data Sheet[dgi]ZlZ^\]i
d[ndjgbVX]^cZ#BV`ZhjgZi]Vii]Zhjg[VXZjedc
l]^X]i]ZbVX]^cZ^heaVXZYl^aaWZVgi]ZlZ^\]i
d[i]ZbVX]^cZ!VYY^i^dcVaZfj^ebZcii]VibVnWZ
^chiVaaZYdci]ZbVX]^cZ!VcYi]Z]ZVk^Zhildg`"
e^ZXZi]Vil^aaWZjhZY#6YY^i^dcVaan!Xdch^YZgi]Z
lZ^\]id[i]ZdeZgVidgVcYVcnYncVb^XadVY^c\
i]VibVndXXjgl]ZcdeZgVi^c\i]ZbVX]^cZ#
Space Allocation
8dch^YZg i]Z aVg\Zhi h^oZ d[ ldg`e^ZXZ i]Vi l^aa
WZ egdXZhhZY i]gdj\] i]^h bVX]^cZ VcY egdk^YZ
Zcdj\]heVXZ VgdjcY i]Z bVX]^cZ[dgVYZfjViZ
deZgVidg bViZg^Va ]VcYa^c\ dg i]Z ^chiVaaVi^dc d[
Vjm^a^VgnZfj^ebZci#L^i]eZgbVcZci^chiVaaVi^dch!
aZVkZZcdj\]heVXZVgdjcYi]ZbVX]^cZiddeZc
dggZbdkZYddgh$XdkZghVhgZfj^gZYWni]ZbV^c"
iZcVcXZ VcY hZgk^XZ YZhXg^WZY ^c i]^h bVcjVa#
See below for required space allocation.
Physical Environment
I]Z e]nh^XVa Zck^gdcbZci l]ZgZ ndjg bVX]^cZ
^hdeZgViZY^h^bedgiVci[dghV[ZdeZgVi^dcVcY
i]Zadc\Zk^ind[^ihXdbedcZcih#;dgWZhigZhjaih!
deZgViZi]^hbVX]^cZ^cVYgnZck^gdcbZcii]Vi^h
[gZZ [gdb ZmXZhh^kZ bd^hijgZ! ]VoVgYdjh X]Zb^"
XVah! V^gWdgcZ VWgVh^kZh! dg ZmigZbZ XdcY^i^dch#
:migZbZXdcY^i^dch[dgi]^hineZd[bVX]^cZgnVgZ
\ZcZgVaan i]dhZ l]ZgZ i]Z VbW^Zci iZbeZgVijgZ
gVc\Z ZmXZZYh )&¶&%);0 i]Z gZaVi^kZ ]jb^Y^in
gVc\ZZmXZZYh'%¶.*cdc"XdcYZch^c\0dgi]Z
Zck^gdcbZci ^h hjW_ZXi id k^WgVi^dc! h]dX`h! dg
Wjbeh#
Electrical Installation
EaVXZi]^hbVX]^cZcZVgVcZm^hi^c\edlZghdjgXZ#
BV`Z hjgZ Vaa edlZg XdgYh VgZ egdiZXiZY [gdb
igV[[^X! bViZg^Va ]VcYa^c\! bd^hijgZ! X]Zb^XVah!
dgdi]Zg]VoVgYh#BV`ZhjgZidaZVkZVXXZhhid
V bZVch d[ Y^hXdccZXi^c\ i]Z edlZg hdjgXZ dg
Zc\V\^c\VadX`dji$iV\djiYZk^XZ#
Lighting
A^\]i^c\ VgdjcY i]Z bVX]^cZ bjhi WZ VYZfjViZ
Zcdj\]i]VideZgVi^dchXVcWZeZg[dgbZYhV[Zan#
H]VYdlh!\aVgZ!dghigdWZZ[[ZXihi]VibVnY^higVXi
dg^beZYZi]ZdeZgVidgbjhiWZZa^b^cViZY#
Children or untrained people
may be seriously injured by
this machine. Only install in an
access restricted location.

<%+%*M&"+M&!<%+.+M".,MB[\#-$&& "'&"
Assembly
6hhZbWanhiZehVgZi]ZhVbZ[dgVaabdYZah
ZmXZeil]ZgZcdiZY#6hhZbWanXdch^hihd[^chiVaa"
^c\i]Z[gdciVcYgZVggV^ah!ViiVX]^c\i]ZZmiZch^dc
l^c\BdYZa<%+.+M$<%+.,MdgZmiZch^dciVWaZ
VcY dji[ZZY iVWaZ BdYZa <%+%*M&$<%+%+M&!
i]Zc^chiVaa^c\b^cdgXdbedcZcih#
To assemble the table saw:
1. ;VhiZci]Z[gdcigV^adcidi]ZbV^ciVWaZl^i]
)B-"&#'*m'*[aVi]ZVYhXgZlh!Vhh]dlc
^cFigure22#
3. ;VhiZc i]Z gZVg gV^a id i]Z iVWaZ l^i] )
B-"&#'*m'*XVehXgZlh!-bbadX`lVh]Zgh!
VcY -bb [aVi lVh]Zgh! Vh h]dlc ^c Figure
23#
G0696X/G0697X Extension Wing
1. >cheZXi i]Z ZmiZch^dc l^c\ VcY bV^c iVWaZ
bVi^c\hjg[VXZh[dgWjgghdg[dgZ^\cbViZg^Vah
i]VibVn^c]^W^iVhhZbWan#
I]ZbVi^c\ZY\Zhd[i]Zl^c\VcYi]ZiVWaZ
bjhiWZXaZVc!hbddi]!VcY[aVi#JhZVl^gZ
Wgjh] dg [^aZ ^[ cZXZhhVgn id XaZVc je i]Z
ZY\Zh# I]^h hiZe l^aa ZchjgZ i]Vi i]Z l^c\
bdjcihegdeZganidi]ZbV^ciVWaZ#
4. ;VhiZc i]Z g^\]i ZcY d[ i]Z gV^a id i]Z egZ"
^chiVaaZYZmiZch^dcl^c\h]dlc^cFigure23
l^i] & B-"&#'* m '* XVe hXgZl! ' -bb
adX` lVh]Zgh! & -bb [aVi lVh]Zg! VcY &
B-"&#'*]Zmcji#
·>[ ndj VgZ VhhZbWa^c\ i]Z <%+.+M dg
<%+.,M!Xdci^cjZidi]ZG0696X/G0697X
Extension Wing^chigjXi^dchWZadl#
·>[ ndj VgZ VhhZbWa^c\ i]Z <%+%*M& dg
<%+%+M&![daadli]Z^chigjXi^dch[dg^chiVaa"
^c\ i]Z ZmiZch^dc iVWaZ Page 23 VcY
dji[ZZYiVWaZPage 24#
Figure23#GZVggV^a^chiVaaZY
BdYZa<%+%*M&h]dlc#
m)
:miZch^dcL^c\
2. HZXjgZ i]Z aZ[i h^YZ d[ i]Z [gdci gV^a id i]Z
egZ"^chiVaaZYZmiZch^dcl^c\l^i]&B-"&#'*
m'*[aVi]ZVYhXgZl!-bbadX`lVh]Zg!VcY
B-"&#'*]ZmcjihZZFigure22#
Figure22#;gdcigV^a^chiVaaZYBdYZa<%+%*M&
h]dlc#
m)
BV^cIVWaZ
:miZch^dcL^c\
m&
m&

"''" <%+%*M&"+M&!<%+.+M".,MB[\#-$&&
5. JhZVhigV^\]iZY\ZVhV\Vj\ZVcYVY_jhii]Z
ZmiZch^dc l^c\ je$Ydlc jci^a ^i ^h [ajh] l^i]
i]Z bV^c iVWaZ VWdkZ ZVX] Wdai! i]Zc Xdb"
eaZiZani^\]iZcVaai]ZWdaih#
6. EaVXZi]Zadc\higV^\]iZY\ZVXgdhhi]ZZmiZc"
h^dcl^c\hVcYbV^ciVWaZidbV`ZhjgZi]Vi
i]ZXdbW^cZYiVWaZhjg[VXZ^h[aVi#
·>[i]ZXdbW^cZYiVWaZhjg[VXZ^h[aVi!h`^eid
i]ZcZmihiZe#
·>[i]Zdjih^YZZcYd[i]ZZmiZch^dcl^c\i^aih
Ydlc!jhZVhig^ed[bVh`^c\iVeZVadc\i]Z
WdiidbZY\Zd[i]ZbV^ciVWaZidh]^bi]Z
ZmiZch^dcl^c\jehZZFigure 26#
Figure 26.BVh`^c\iVeZadXVi^dc[dgi^ai^c\i]Z
ZmiZch^dcl^c\je#
·>[ i]Z djih^YZ ZcY d[ i]Z ZmiZch^dc l^c\
i^aihje!jhZVhig^ed[bVh`^c\iVeZVadc\
i]ZideZY\Zd[i]ZbV^ciVWaZidh]^bi]Z
ZmiZch^dcl^c\YdlchZZFigure 27#
Note: After re-installing wings, remove all
excess masking tape with a razor blade.
Figure 27.BVh`^c\iVeZadXVi^dc[dgVY_jhi^c\
i]ZZmiZch^dcl^c\Ydlc#
2. L^i] i]Z Vhh^hiVcXZ d[ V ]ZaeZg! eaVXZ i]Z
ZmiZch^dcl^c\WZilZZci]ZgV^ah!VcY[VhiZc
i]Z l^c\ id i]Z [gdci gV^a l^i] & B-"&#'* m
'* [aVi ]ZVY hXgZl! -bb adX` lVh]Zg VcY
B-"&#'* ]Zm cji hZZ Figure 24# ;^c\Zg
i^\]iZc[dgcdl#
AdX`
LVh]Zgh
GZVgGV^a
;gdciGV^a
:miZch^dc
L^c\
8Ve
HXgZl
;aVi=ZVY
HXgZl
=Zm
Cjih
AdX`LVh]Zg ;aVi
LVh]Zg
Figure 24.:miZch^dcl^c\ViiVX]ZYidBdYZa
<%+.+M$<%+.,M#
3. 6iiVX] i]Z ZmiZch^dc l^c\ id i]Z gZVg gV^a
l^i] & B-"&#'* m '* XVe hXgZl! ' -bb
adX` lVh]Zgh! & -bb [aVi lVh]Zg VcY &
B-"&#'* ]Zm cji! Vh h]dlc ^c Figure 24#
;^c\Zgi^\]iZc[dgcdl#
4. 6iiVX] i]Z XVhi ^gdc l^c\ id i]Z bV^c iVWaZ
l^i] ( B&%"&#* m (* ]Zm Wdaih VcY &%bb
adX`lVh]Zgh!Vhh]dlc^cFigure 25#;^c\Zg
i^\]iZc[dgcdl#
Figure 25.:miZch^dcl^c\^chiVaaZY#
m(
7. ;daadl i]Z DC$D;; Hl^iX] ^chigjXi^dch dc
Page 25#

<%+%*M&"+M&!<%+.+M".,MB[\#-$&& "'("
G0605X1/G0606X1 Extension Table
1. I]gZVY'B&%"&#*m'*]ZmWdaihl^i]&%bb
[aVi lVh]Zgh dcid i]Z g^\]i h^YZ d[ i]Z bV^c
iVWaZ! Vh h]dlc ^c Figure 28# 9d cdi [jaan
i^\]iZci]ZWdaih#
5. 6a^\ci]ZbV^ciVWaZVcYZmiZch^dciVWaZl^i]
VhigV^\]iZY\Z!Vhh]dlc^cFigure 31!i]Zc
i^\]iZcVaad[i]Zbdjci^c\[VhiZcZgh#
Figure 31#6a^\c^c\bV^cZmiZch^dciVWaZ#
Figure 30#GZVggV^a$iVWaZ[VhiZcZgadXVi^dch#
m(
4. ;VhiZc i]Z gZVg gV^a id i]Z ZmiZch^dc iVWaZ
l^i] ( B-"&#'* m '* XVe hXgZlh! ( -bb
adX`lVh]Zgh!+-bb[aVilVh]Zgh!VcY(
B-"&#'* ]Zm cjih! Vh h]dlc ^c Figure 30#
;^c\Zgi^\]iZci]Z]Zmcjih[dgcdl#
Figure 28#=ZmWdaih^chiVaaZY#
m'
2. L^i]i]Z]Zaed[VcVhh^hiVci!eaVXZi]ZZmiZc"
h^dc iVWaZ WZilZZc i]Z gV^ah VcY ha^YZ i]Z
iVWaZhadihdkZgi]ZWdaih^chiVaaZY^cStep 1#
3. L]^aZVcVhh^hiVci]daYhi]ZZmiZch^dciVWaZ!
[VhiZci]Z[gdcigV^aidi]ZZmiZch^dciVWaZl^i]
(B-"&#'*m'*[aVi]ZVYhXgZlh!-bb[aVi
lVh]ZghVcY B-"&#'* ]Zm cjih hZZ Figure
29#;^c\Zgi^\]iZci]Z]Zmcjih[dgcdl#
Figure 29#;gdcigV^a$iVWaZ[VhiZcZgadXVi^dch#
m( 6. I]gZVYV(¿-"&+]ZmcjidcidZVX][ddi!i]Zc
i]gZVYi]Z[ZZi^cidi]ZWdiidbd[i]Zhjeedgi
aZ\h!Vhh]dlc^cFigure 32#
Figure 32#;ddi^chiVaaZYdchjeedgiaZ\#
;ddi
HjeedgiAZ\
=ZmCji

"')" <%+%*M&"+M&!<%+.+M".,MB[\#-$&&
7. ;VhiZci]ZhjeedgiaZ\hidi]ZbV^cZmiZch^dc
iVWaZl^i]-B+"&m&'E]^aa^eh]ZVYhXgZlh
VcY+bb[aVilVh]ZghhZZFigure 33#
8. GdiViZWdi][ZZijci^ai]ZnidjX]i]Z\gdjcY!
VcYi^\]iZci]Z]ZmcjihV\V^chii]ZaZ\hid
hZXjgZi]Z[ZZi#
Figure33#HjeedgiaZ\[VhiZcZYidbV^c
ZmiZch^dciVWaZ#
m-
9. ;VhiZci]Zh]Za[ZcYeaViZidi]ZaZ\hl^i])
B+"&m&'E]^aa^eh]ZVYhXgZlhVcY+bb[aVi
lVh]Zgh!Vhh]dlc^cFigure 34#
Figure 34#>chiVaa^c\h]Za[ZcYeaViZdcZmiZch^dc
iVWaZaZ\h#
m)
10. EaVXZi]Zh]Za[WgVX`ZihWZilZZci]ZXVW^cZi
VcYhjeedgiaZ\h!VcY[VhiZcl^i])B+"&m
&' ]Zm Wdaih! ) +bb [aVi lVh]Zgh VcY '
B+"&]Zmcjih!Vhh]dlc^cFigure 35#
Note:The flange on the shelf bracket must
point up to ensure proper installation.
11. EaVXZi]ZadlZgh]Za[dci]ZWgVX`Zih#
Figure 35.H]Za[WgVX`Zih^chiVaaZY#
H]Za[7gVX`Zi
;aVc\Z
m'
m'
G0605X1/G0606X1 Outfeed Table
1. Ijgc i]Z dji[ZZY iVWaZ jeh^YZ Ydlc VcY
eaVXZ^idcVaZkZahjg[VXZ#
2. >chiVaa i]Z [ZZi! hjeedgi aZ\h! VcY h]Za[ ZcY
eaViZ ^c i]Z hVbZ bVccZg Vh YZhXg^WZY ^c
Extension Table^chigjXi^dchdcPage 23#
3. EaVXZ i]Z ZmiZch^dc iVWaZ VhhZbWan jeg^\]i
l^i]i]Z[ZZidci]Z\gdjcY!Va^\ci]Zhadih^c
i]ZZmiZch^dciVWaZWgVX`Zil^i]i]ZgZVggV^a
bdjci^c\]daZh!i]Zc [VhiZc i]ZiVWaZid i]Z
gV^a l^i] ' B-"&#'* m &+ [aVc\Z Wdaih VcY
B-"&#'*]Zmcjih!Vhh]dlc^cFigure 36#
Figure 36#Dji[ZZYiVWaZ[VhiZcZYidgZVggV^a#
7gVX`Zi
m'
4. HZXjgZ i]Z adlZg h]Za[ WgVX`Zih id i]Z hje"
edgiaZ\hVcYXVW^cZil^i])B+"&m&']Zm
Wdaih!)+bb[aVilVh]Zgh!VcY'B+"&]Zm
cjih#
5. >chiVaai]ZadlZgh]Za[dci]ZWgVX`Zih#

<%+%*M&"+M&!<%+.+M".,MB[\#-$&& "'*"
2. Ijgc i]Z adX` `cdW i]Vi hZXjgZh i]Z iVWaZ
^chZgi hd ^i ^h eVgVaaZa id i]Z ^ccZg hadi! Vh
h]dlc^cFigure 39! i]Zc gZbdkZi]Z^chZgi
VcYhZi^iVh^YZ#
6. EaVXZ i]Z .&($- [ZcXZ ijWZ dkZg i]Z .&&$)
[gdcigV^a!hZXjgZl^i].B-"&#'*m&'[aVc\Z
Wdaih!Vhh]dlc^cFigure 37! i]Zc^chiVaai]Z
]VcYl]ZZa]VcYaZh#
Figure 39.>chZgiadX``cdWjcadX`ZY#
AdX`@cdW
3. GV^hZ i]Z VgWdg Vaa i]Z lVn je VcY hZi i]Z
VgWdgVc\aZid%#
Figure 37#;ZcXZijWZbdjciZYid[gdci[ZcXZ
gV^a#
m.
=VcYl]ZZa
=VcYaZh
Note:The riving knife is installed for shipping
purposes. Two pins in the mounting block
insert into matching slots on the riving knife,
keeping it secured.
4. Jci]gZVY i]Z adX` `cdW dc i]Z g^k^c\ `c^[Z$
WaVYZ\jVgYbdjci^c\WadX`Figure 40hZk"
ZgVaijgch#Ejh]i]Zg^k^c\`c^[ZVlVn[gdbi]Z
`cdW! i]Zc a^[i i]Z g^k^c\ `c^[Z je id gZbdkZ
^i#
Figure 40.G^k^c\`c^[Z^chiVaaZY#
AdX`
@cdW
G^k^c\@c^[Z
Bdjci^c\7adX`
On/Off Switch and Blade
1. ;VhiZci]Zhl^iX]idi]ZaZ[iZcYd[i]Z[gdci
gV^a l^i] ' B-"&#'* m &' [aVc\Z Wdaih! i]Zc
^chZgii]Zhl^iX]Y^hVWa^c\adX`!Vhh]dlc^c
Figure 38#
Figure 38#Hl^iX]^chiVaaZY#
m'
HideEVYYaZ
Hl^iX]
9^hVWa^c\
AdX`
5. >chiVaa i]Z hVl WaVYZ Vh djia^cZY ^c Blade
InstallationdcPage 34.

"'+" <%+%*M&"+M&!<%+.+M".,MB[\#-$&&
10. ;daadl i]Z ^chigjXi^dch ^c Dust Collection!
Power Connection VcYTest Run!i]Zcegd"
XZZYidFinal SetupidXdbeaZiZi]ZgZbV^c"
^c\VhhZbWanhiZeh#
6. >chiVaai]Z[ZcXZ`cdWVhh]dlc^cFigure 41!
VcYbdjcii]Z[ZcXZdci]Z[gdcigV^a!idi]Z
g^\]id[i]ZWaVYZ#
Figure 41#;ZcXZ`cdW^chiVaaZY#
;ZcXZ
@cdW
9. Ha^YZ i]Z b^iZg \Vj\Z ^cid i]Z I"hadi dc i]Z
aZ[ih^YZd[i]ZWaVYZ0dghidgZ^idci]ZWgVX`"
ZihcZVgi]ZWaVYZVc\aZ]VcYl]ZZa#
Figure 42#;ZcXZgZhi^c\WgVX`Zih^chiVaaZY#
7gVX`Zih
m'
8. >chiVaai]Z]VcYaZli]-bb[aVilVh]Zgdcid
i]Zb^iZg\Vj\Z!Vhh]dlc^cFigure 43#
Figure 43#B^iZg\Vj\Z^chiVaaZY#
=VcYaZ
LVh]Zg
7. >chiVaa i]Z [ZcXZ gZhi^c\ WgVX`Zih Figure
42dcidi]ZWVX`d[i]ZXVW^cZil^i]i]Zild
B-"&#'*m&'[aVc\ZWdaih#
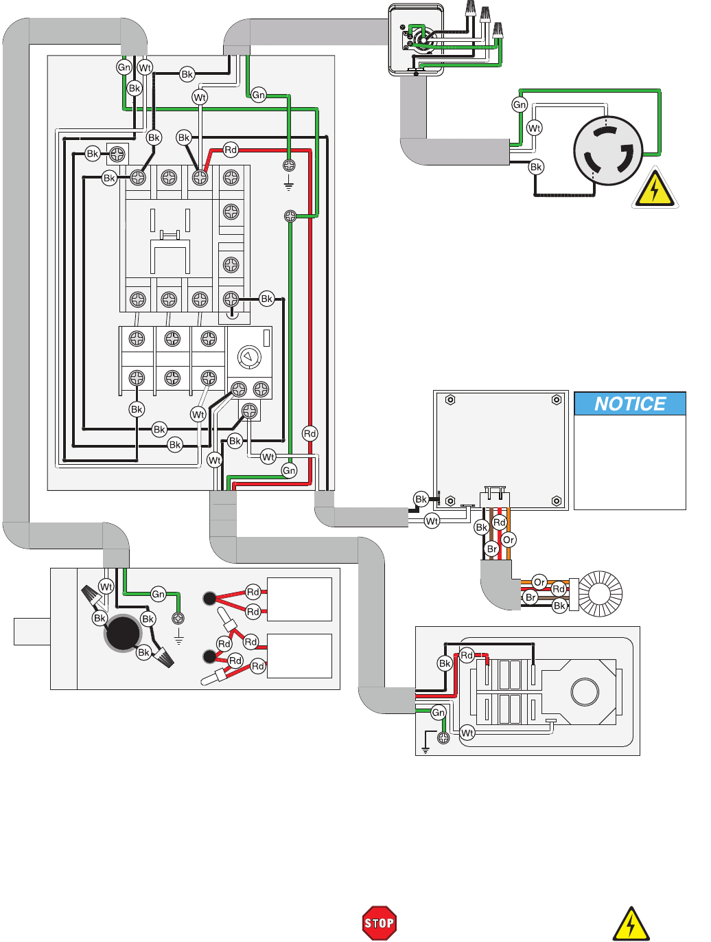
Dust Collection
DO NOT operate the Model G0605X1/
G0606X1/G0696X/G0697X without an ade-
quate dust collection system. This saw cre-
ates substantial amounts of wood dust while
operating. Failure to use a dust collection
system can result in short and long-term
respiratory injury.
Recommended CFM at Dust Port: 400 CFM
Do not confuse this CFM recommendation with
the rating of the dust collector. To determine the
CFM at the dust port, you must consider these
variables: (1) CFM rating of the dust collector,
(2) hose type and length between the dust col-
lector and the machine, (3) number of branches
or wyes, and (4) amount of other open lines
throughout the system. Explaining how to cal-
culate these variables is beyond the scope of
this manual. Consult an expert or purchase a
good dust collection "how-to" book.
Components and Hardware Needed: Qty
9jhi=dhZ)cdi^cXajYZY###############################&
=dhZ8aVbeh)cdi^cXajYZY##########################'
9jhi8daaZXi^dcHnhiZbcdi^cXajYZY###############&
To connect a dust collection hose:
1. ;^i V ) Yjhi ]dhZ dkZg i]Z Yjhi edgi! Vh
h]dlc ^c Figure 44! VcY i^\]ian hZXjgZ ^i ^c
eaVXZl^i]V]dhZXaVbe#
2. Ij\i]Z]dhZidbV`ZhjgZ^iYdZhcdiXdbZ
d[[# Note: A tight fit is necessary for proper
performance.
Figure 44.9jhi]dhZViiVX]ZYidYjhiedgi#

<%+%*M&"+M&!<%+.+M".,MB[\#-$&& "',"
Power Connection
7Z[dgZ i]Z bVX]^cZ XVc WZ XdccZXiZY id i]Z
edlZghdjgXZ!VcZaZXig^XVaX^gXj^ibjhiWZbVYZ
VkV^aVWaZ i]Vi bZZih i]Z b^c^bjb heZX^[^XVi^dch
\^kZc^c8^gXj^iGZfj^gZbZcih[dg''%KdcPage
10#>[VedlZgX^gXj^i]VhcdiWZZcegZeVgZY[dgi]Z
bVX]^cZ!Ydi]Vicdl#IdZchjgZVhV[ZVcYXdYZ"
Xdbea^VcihZije!lZhigdc\angZXdbbZcYi]ViVaa
ZaZXig^XValdg`WZYdcZWnVfjVa^[^ZYZaZXig^X^Vc#
G0605X1/G0606X1/G0696X/G0697X
220V Power Connection
1. GZbdkZi]Z_jcXi^dcWdmXdkZgdci]ZgZVgd[
i]ZXVW^cZi#
2. AddhZci]ZhigV^cgZa^Z[dci]ZWdiidbd[i]Z
_jcXi^dcWdmh]dlc^cFigure45!i]Zc^chZgi
i]Z ^cXdb^c\ edlZg l^gZh ^cid i]Z _jcXi^dc
Wdm#
Figure 45.EdlZgXdccZXi^dc_jcXi^dcWdm#
HigV^cGZa^Z[
3. 8dccZXii]Z^cXdb^c\edlZgl^gZhVcY\gdjcY
l^gZidi]Zl^gZh^ci]Z_jcXi^dcWdmjh^c\l^gZ
cjih!hZZFigures 46–47!i]ZclgVeZVX]d[
i]Zl^gZcjihVcYi]Z^ggZheZXi^kZl^gZhl^i]
ZaZXig^XVaiVeZidhZXjgZi]Zb#
>cXdb^c\
EdlZgA^cZ
8dccZXi
L^gZh
l^i]
L^gZ
Cjih
Figure 47.<%+%+M&$<%+.,M^cXdb^c\edlZg
l^gZhXdccZXiZYVi_jcXi^dcWdm#
>cXdb^c\
EdlZgA^cZ
8dccZXi
L^gZh
l^i]
L^gZ
Cjih
Figure 46.<%+%*M&$<%+.+M^cXdb^c\edlZg
l^gZhXdccZXiZYVi_jcXi^dcWdm#
G0606X1/G0697X 440 Power
Connection
=VgYl^gZhZijehgZfj^gZedlZghjeeana^cZhidWZ
ZcXadhZY^ch^YZXdcYj^i!l]^X]^hhZXjgZanbdjci"
ZYVcYXdchigjXiZY^cVY]ZgVcXZidVeea^XVWaZ
ZaZXig^XVaXdYZh#
6 ]VgYl^gZ hZije [dg i]^h bVX]^cZ bjhi WZ
Zfj^eeZY l^i] V adX`^c\ Y^hXdccZXi hl^iX] Vh V
bZVch id Y^hXdccZXi i]Z edlZg Yjg^c\ VY_jhi"
bZcihdgbV^ciZcVcXZ!l]^X]^hVine^XVagZfj^gZ"
bZci[dgadX`"dji$iV\"djihV[Zinegd\gVbhXdb"
bdcangZfj^gZYWnDH=6#
Figure 4dcPage 11h]dlhVh^beaZY^V\gVbd[
V]VgYl^gZhZijel^i]VadX`^c\Y^hXdccZXihl^iX]
WZilZZci]ZedlZghdjgXZVcYi]ZbVX]^cZ#
9jZ id i]Z XdbeaZm^in gZfj^gZY [dg eaVcc^c\!
WZcY^c\!VcY^chiVaa^c\i]ZXdcYj^icZXZhhVgn[dg
V]VgYl^gZhZije! i]^h ineZ d[hZijeXVc dcan WZ
eZg[dgbZYWnVcZmeZg^ZcXZYZaZXig^X^Vc#
4. I^\]iZci]ZhigV^cgZa^Z[dci]ZWdiidbd[i]Z
_jcXi^dcWdmV\V^chii]ZXdcYj^i·cdiY^gZXian
V\V^chi i]Z l^gZh·i]Zc gZ"^chiVaa i]Z XdkZg#
AZVkZ V a^iiaZ haVX` ^c i]Z l^gZh ^ch^YZ i]Z
_jcXi^dcWdm#
Phase Converter Precaution
I]ZedlZg[gdbi]ZbVcj[VXijgZYaZ\bVnYVb"
V\Z ZaZXig^XVa XdbedcZcih ^[ XdccZXiZY id i]Z
lgdc\^cXdb^c\edlZgiZgb^cVadcndjgbVX]^cZ#
GZ[Zgidi]Ze]VhZXdckZgiZgcdi^XZdci]Zl^g^c\
Y^V\gVbdcPage 81[dgbdgZYZiV^a#

"'-" <%+%*M&"+M&!<%+.+M".,MB[\#-$&&
Test Run
IZhigjcndjgbVX]^cZidbV`ZhjgZ^igjchegde"
ZganVcY^hgZVYn[dggZ\jaVgdeZgVi^dc#
I]Z iZhi gjc Xdch^hih d[ kZg^[n^c\ i]Z [daadl^c\/
& I]Z bdidg edlZgh je VcY gjch XdggZXian! '
i]Z hV[Zin Y^hVWa^c\ bZX]Vc^hb dc i]Z hl^iX]
ldg`hXdggZXian!VcY(i]ZWaVYZijgchi]ZXdggZXi
Y^gZXi^dci]ZbVX]^cZ^hcdil^gZYdjid[e]VhZ·
<%+%+M$<%+.,Mdcan#
>[! Yjg^c\ i]Z iZhi gjc! ndj XVccdi ZVh^an adXViZ
i]ZhdjgXZd[VcjcjhjVacd^hZdgk^WgVi^dc!hide
jh^c\ i]Z bVX]^cZ ^bbZY^ViZan! i]Zc gZk^Zl
TroubleshootingdcPage 62#
>[ndjhi^aaXVccdigZbZYnVegdWaZb!XdciVXidjg
IZX]HjeedgiVi*,%*)+".++([dgVhh^hiVcXZ#
To test run the machine:
1. BV`ZhjgZndj]VkZgZVYi]ZhV[Zin^chigjX"
i^dchVii]ZWZ\^cc^c\d[i]ZbVcjVaVcYi]Vi
i]ZbVX]^cZ^hhZijeegdeZgan#
2. BV`ZhjgZVaaiddahVcYdW_ZXihjhZYYjg^c\
hZijeVgZXaZVgZYVlVn[gdbi]ZbVX]^cZ#
3. AdlZgi]ZWaVYZVaai]ZlVnYdlc#
4. 8]ZX`idbV`ZhjgZi]ZbVX]^cZ^hXdccZXi"
ZYidi]ZedlZghdjgXZ#>[^i^hcdiXdccZXiZY!
Ydhd cdl# GZ[Zg id Power Connection dc
Page 27 [dg^chigjXi^dch#
5. GZbdkZi]Zhl^iX]Y^hVWa^c\adX`#
6. KZg^[ni]Vii]ZbVX]^cZ^hdeZgVi^c\XdggZXian
WnegZhh^c\i]ZDCWjiidc#
·L]Zc deZgVi^c\ XdggZXian! i]Z bVX]^cZ
gjchhbddi]an l^i] a^iiaZdg cd k^WgVi^dcdg
gjWW^c\cd^hZh#
·>ckZhi^\ViZVcYXdggZXihigVc\ZdgjcjhjVa
cd^hZh dg k^WgVi^dch WZ[dgZ deZgVi^c\ i]Z
bVX]^cZ [jgi]Zg# 6alVnh Y^hXdccZXi i]Z
bVX]^cZ[gdbedlZgl]Zc^ckZhi^\Vi^c\dg
XdggZXi^c\ediZci^VaegdWaZbh#
7. Ijgci]ZbVX]^cZOFF#
9. EgZhh i]Z \gZZc DC Wjiidc id iZhi i]Z Y^h"
VWa^c\[ZVijgZdci]Zhl^iX]#
·>[ i]Z bVX]^cZ YdZh cdi hiVgi! i]Z hl^iX]
Y^hVWa^c\ [ZVijgZ ^h ldg`^c\ Vh YZh^\cZY#
8dci^cjZidi]ZcZmihiZe#
·>[ i]Z bVX]^cZ hiVgih! ^bbZY^ViZan hide ^i#
I]Zhl^iX]Y^hVWa^c\[ZVijgZ^hcdildg`^c\
XdggZXian# I]^h hV[Zin [ZVijgZ bjhi ldg`
egdeZgan WZ[dgZ egdXZZY^c\ l^i] gZ\jaVg
deZgVi^dch#8VaaIZX]Hjeedgi[dg]Zae#
10.Model G0606X1/G0697X Only: KZg^[n i]Vi
i]ZedlZg^h cdi XdccZXiZYdjid[ e]VhZWn
hiVgi^c\$hidee^c\i]ZiVWaZhVlVcYYZiZgb^c"
^c\^[i]Zbdidgijgch^ci]ZXdggZXiY^gZXi^dc!
jh^c\i]ZXg^iZg^VWZadl/
·>[i]ZWaVYZijgchXadX`l^hZhiVcY^c\Vii]Z
aZ[i[gdcih^YZd[i]ZiVWaZhVl!^i^hijgc^c\
^ci]ZXdggZXiY^gZXi^dc#<didStep 11#
·>[ i]Z WaVYZ ijgch XdjciZgXadX`l^hZ VcY
idlVgYi]ZWVX`d[i]ZhVlhiVcY^c\Vii]Z
aZ[i[gdcih^YZd[i]ZiVWaZhVl!^i^hijgc^c\
^ci]Zlgdc\Y^gZXi^dc#
Hidei]Z iVWaZ hVl! Y^hXdccZXi i]Z edlZg
hdjgXZ! VcY gZ[Zg id Correcting Phase
Polarity dc Page 12 [dg YZiV^aZY ^chigjX"
i^dchdcgZkZgh^c\i]Ze]VhZedaVg^in#
11. I]ZhVl^hcdlgZVYniddeZgViZ#
8. >chZgi i]Z hl^iX] Y^hVWa^c\ adX` i]gdj\] i]Z
\gZZcDCWjiidc!Vhh]dlc^cFigure 48#
Figure 48.Hl^iX]Y^hVWa^c\adX`^chZgiZY^cidDC
Wjiidc#
AdX`
DC7jiidc

<%+%*M&"+M&!<%+.+M".,MB[\#-$&& "'."
;dg ndjg XdckZc^ZcXZ! i]Z VY_jhibZcih a^hiZY
WZadl]VkZWZZceZg[dgbZYVii]Z[VXidgnVcYcd
[jgi]ZghZije^hgZfj^gZYiddeZgViZi]^hbVX]^cZ#
=dlZkZg!WZXVjhZd[i]ZbVcnkVg^VWaZh^ckdakZY
l^i]h]^ee^c\!lZgZXdbbZcYi]VindjkZg^[ni]Z
[daadl^c\ VY_jhibZcih id ZchjgZ i]Vi ndjg cZl
hVlXjihhV[ZanVcYVXXjgViZan#
HiZe"Wn"hiZe ^chigjXi^dch [dg i]ZhZ VY_jhibZcih
XVcWZ[djcY^cSECTION 8: SERVICE#
Adjustments that should be verified:
1. 7aVYZI^aiHide6XXjgVXnPage 64#
2. B^iZgHadiEVgVaaZaid7aVYZPage 66#
Recommended
Adjustments
Final Setup
To complete the remaining assembly steps:
1. 9>H8DCC:8IH6L;GDBEDL:G
2. >chiVaaVcYXjii]ZiVWaZ^chZgi! Vh ^chigjXiZY
^cCutting a Zero Clearance InsertdcPage
39!i]ZcegdXZZYidi]ZcZmihiZe#
I]ZgZbV^c^c\iVh`hgZfj^gZY[dgVhhZbWa^c\i]Z
hVl ^cXajYZ i]Z [daadl^c\ hiZeh/ ^chiVaa^c\ i]Z
iVWaZ^chZgiVcYXjii^c\Vhadi[dgi]ZWaVYZ!X]ZX`"
^c\ [ZcXZ eVgVaaZa^hb! ^chiVaa^c\ i]Z WaVYZ \jVgY!
VcYXVa^WgVi^c\i]ZWaVYZVc\aZY^\^iVagZVYdji#
3. KZg^[ni]Vii]Z[ZcXZ^heVgVaaZaidi]ZWaVYZ$
b^iZghadiVcYi]Vii]^hhZii^c\Y^YcdiX]Vc\Z
Yjg^c\h]^ee^c\gZ[Zgid8aVbe^c\EgZhhjgZ
VcYEVgVaaZa^hbdcPage 71#I]ZWaVYZlVh
hZieVgVaaZal^i]i]Zb^iZghadiVii]Z[VXidgn·
i]^hV[[ZXihl]Zi]Zgi]Z[ZcXZ^heVgVaaZal]Zc
bdjciZYidi]ZiVWaZ#
4. >chiVaa i]Z WaVYZ \jVgY Vh ^chigjXiZY ^c
>chiVaa^c\7aVYZ<jVgYHegZVYZgdcPage
35#
5. 8Va^WgViZi]ZY^\^iVagZVYdjiWZ[dgZdeZgVi^c\
i]Z hVl gZ[Zg id Page 74 [dg ^chigjXi^dch#
:VX] i^bZ edlZg ^h Y^hXdccZXiZY i]Z Y^\^iVa
gZVYdjil^aaVahdcZZYidWZgZXVa^WgViZY#

"(%" <%+%*M&"+M&!<%+.+M".,MB[\#-$&&
SECTION 4: OPERATIONS
Basic Controls
Blade Height Lock/AdX`hi]ZWaVYZ]Z^\]i#
Blade Height Handwheel: 6Y_jhihWaVYZ]Z^\]i#
Digital Readout: 9^heaVnh WaVYZ i^ai# Note:The
readout must be recalibrated (see Page 74) if the
power is disconnected.
Figure 50. 7Vh^XiVWaZhVlXdcigdah#
7aVYZI^ai
=VcYl]ZZa
DC$D;;
Hl^iX] 7aVYZ=Z^\]i
=VcYl]ZZa
7aVYZ=Z^\]i
AdX`
7aVYZI^ai
AdX`
9^\^iVa
GZVYdji
;ZcXZ
AdX`
Blade Tilt Lock: AdX`hWaVYZi^aiVc\aZ#
Blade Tilt Handwheel:6Y_jhihi]ZWaVYZVc\aZ#
Fence Lock: AdX`hVcYjcadX`h[ZcXZedh^i^dc#
Keep the blade guard in
the down position at all
times. Failure to do this
could result in serious
personal injury or death.
Damage to your eyes, lungs, and ears could
result from using this machine without
proper protective gear. Always wear safety
glasses, a respirator, and hearing protection
when operating this machine.
NOTICE
If you have never used this type of machine
or equipment before, WE STRONGLY REC-
OMMEND that you read books, review
industry trade magazines, or get formal
training before beginning any projects.
Regardless of the content in this section,
Grizzly Industrial will not be held liable for
accidents caused by lack of training.
Loose hair, clothing, or
jewelry could get caught
in machinery and cause
serious personal injury.
Keep these items away
from moving parts at all
times to reduce this risk.
ON/OFF Switch: HiVgihVcYhidehbdidg#
Switch Disabling Lock:I]^hY^hVWaZhi]Zhl^iX]
idegZkZciVXX^YZciVahiVgijeVcYgZhig^XijhV\Z#
Figure 49#Hl^iX]Y^hVWaZYWneVYadX`#
H]V[i EVYadX`
DC$HI6GI
7jiidc
D;;$HIDE
EVYYaZ

<%+%*M&"+M&!<%+.+M".,MB[\#-$&& "(&"
Operation Overview
I]Z ejgedhZ d[ i]^h dkZgk^Zl ^h id egdk^YZ i]Z
cdk^XZbVX]^cZdeZgVidgl^i]VWVh^XjcYZghiVcY"
^c\ d[ ]dl i]Z bVX]^cZ ^h jhZY Yjg^c\ V ine^XVa
deZgVi^dc!hdi]ZXdcigdah$XdbedcZcihY^hXjhhZY
aViZg^ci]^hbVcjVaVgZZVh^ZgidjcYZghiVcY#
9jZ id i]Z \ZcZg^X cVijgZ d[ i]^h dkZgk^Zl! ^i ^h
cdi^ciZcYZYidWZVc^chigjXi^dcVa\j^YZ#IdaZVgc
bdgZ VWdji heZX^[^X deZgVi^dch! gZVY i]^h Zci^gZ
bVcjVa!gZVY]dlidWdd`h!VcYhZZ`VYY^i^dcVa
igV^c^c\[gdbZmeZg^ZcXZYbVX]^cZdeZgVidgh#
To complete a typical operation, the operator
does the following:
1. :mVb^cZh i]Z ldg`e^ZXZ id bV`Z hjgZ ^i ^h
hj^iVWaZ[dgXjii^c\#
2. 6Y_jhihi]ZWaVYZi^ai!^[cZXZhhVgn!idi]ZXdg"
gZXiVc\aZd[i]ZYZh^gZYXji#
3. 6Y_jhih i]Z WaVYZ ]Z^\]i cd bdgZ i]Vc &¿)
]^\]Zgi]Vci]Zi]^X`cZhhd[i]Zldg`e^ZXZ#
4. 6Y_jhihi]Z[ZcXZidi]ZYZh^gZYl^Yi]d[Xji
i]ZcadX`h^i^ceaVXZ#
5. 8]ZX`h i]Z dji[ZZY h^YZ d[ i]Z bVX]^cZ
[dg egdeZg hjeedgi VcY id bV`Z hjgZ i]Z
ldg`e^ZXZXVchV[ZaneVhhVaai]ZlVni]gdj\]
i]ZWaVYZl^i]dji^ciZg[ZgZcXZ#
6. Ejih dc hV[Zin \aVhhZh VcY V gZhe^gVidg#
AdXViZhejh]hi^X`h$WadX`h^[cZZYZY#
7. HiVgihi]ZhVl#
8. ;ZZYhi]Zldg`e^ZXZVaai]ZlVni]gdj\]i]Z
WaVYZl]^aZbV^ciV^c^c\[^gbegZhhjgZdci]Z
ldg`e^ZXZ V\V^chi i]Z iVWaZ VcY [ZcXZ! VcY
`ZZe^c\ ]VcYh VcY [^c\Zgh dji d[ i]Z WaVYZ
eVi]VcYVlVn[gdbi]ZWaVYZ#
9. Hidehi]ZbVX]^cZ^bbZY^ViZanV[iZgi]ZXji
^hXdbeaZiZ#
Disabling & Locking
Switch
Figure 34.Hl^iX]Y^hVWaZYWnVeVYadX`#
I]Zhl^iX]XVcWZY^hVWaZYVcYadX`ZYWn^chZgi"
^c\VeVYadX` i]gdj\]i]ZDC$HI6GIWjiidc!Vh
h]dlc# AdX`^c\ i]Z hl^iX] ^c i]^h bVccZg XVc
egZkZci jcVji]dg^oZY deZgVi^dc d[ i]Z bVX]^cZ!
l]^X]^hZheZX^Vaan^bedgiVci^[i]ZbVX]^cZ^hcdi
hidgZY^ch^YZVcVXXZhh"gZhig^XiZYWj^aY^c\#
IMPORTANT:AdX`^c\i]Z hl^iX]l^i]VeVYadX`
dcan gZhig^Xih ^ih [jcXi^dc# >i ^h cdi V hjWhi^ijiZ
[dgY^hXdccZXi^c\ edlZg[gdbi]ZbVX]^cZl]Zc
VY_jhi^c\dghZgk^X^c\#
H]V[i EVYadX`
DC$HI6GI
7jiidc
D;;$HIDE
EVYYaZ
Figure 33.B^c^bjbadX`h]V[igZfj^gZbZcih#
NOTICE
The padlock shaft diameter is important to
the disabling function of the switch. With
any padlock used to lock the switch, test
the switch after installation to ensure that it
is properly disabled.
Children or untrained people can be
seriously injured by this machine. This
risk increases with unsupervised operation.
To help prevent unsupervised operation,
disable and lock the switch before leaving
machine unattended! Place key in a well-
hidden or secure location.

"('" <%+%*M&"+M&!<%+.+M".,MB[\#-$&&
Stock Inspection
HdbZ ldg`e^ZXZh VgZ cdi hV[Z id Xji dg bVn
gZfj^gZ bdY^[^XVi^dc WZ[dgZ i]Zn VgZ hV[Z id Xji#
Before cutting, inspect all workpieces for the
following:
Material Type:I]^hbVX]^cZ^h^ciZcYZY[dg
Xjii^c\ cVijgVa VcY bVc"bVYZ lddY egdY"
jXih! aVb^cViZ XdkZgZY lddY egdYjXih! VcY
hdbZeaVhi^Xh#8jii^c\YgnlVaadgXZbZci^i^djh
WVX`ZgWdVgYXgZViZhZmigZbZan[^cZYjhiVcY
bVn gZYjXZ i]Z a^[Z d[ i]Z bdidg WZVg^c\h#
I]^hbVX]^cZ^hCDIYZh^\cZYidXjibZiVa!
\aVhh!hidcZ!i^aZ!ZiX#0Xjii^c\i]ZhZbViZg^Vah
l^i]ViVWaZhVl\gZVian^cXgZVhZhi]Zg^h`d[
^c_jgnVcYYVbV\Zidi]ZhVldgWaVYZ#
Foreign Objects: CV^ah! hiVeaZh! Y^gi! gdX`h
VcY di]Zg [dgZ^\c dW_ZXih VgZ d[iZc ZbWZY"
YZY ^c lddY# L]^aZ Xjii^c\! i]ZhZ dW_ZXih
XVcWZXdbZ Y^hadY\ZY VcY ]^i i]Z deZgVidg!
XVjhZ `^X`WVX`! dg WgZV` i]Z WaVYZ! l]^X]
b^\]ii]Zc [an VeVgi# 6alVnh k^hjVaan ^cheZXi
ndjgldg`e^ZXZ[dgi]ZhZ^iZbh#>[i]ZnXVc»i
WZgZbdkZY!9DCDIXjii]Zldg`e^ZXZ#
s Large/Loose Knots:AddhZ `cdih XVc
WZXdbZ Y^hadY\ZY Yjg^c\ i]Z Xjii^c\ deZgV"
i^dc# AVg\Z `cdih XVc XVjhZ `^X`WVX` VcY
bVX]^cZ YVbV\Z# 8]ddhZ ldg`e^ZXZh i]Vi
Ydcdi]VkZaVg\Z$addhZ`cdihdgeaVcV]ZVY
idVkd^YXjii^c\i]gdj\]i]Zb#
s Wet or “Green” Stock:8jii^c\lddYl^i]V
bd^hijgZXdciZcidkZg'%XVjhZhjccZXZh"
hVgnlZVgdci]ZWaVYZh!^cXgZVhZhi]Zg^h`d[
`^X`WVX`!VcYn^ZaYheddggZhjaih#
Excessive Warping:Ldg`e^ZXZhl^i]ZmXZh"
h^kZXjee^c\!Wdl^c\!dgil^hi^c\VgZYVc\Zg"
djh id Xji WZXVjhZ i]Zn VgZ jchiVWaZ VcY
bVnbdkZjcegZY^XiVWanl]ZcWZ^c\Xji#
Minor Warping:Ha^\]ianXjeeZYldg`e^ZXZh
XVc WZ hV[Zan hjeedgiZY l^i] XjeeZY h^YZ
[VX^c\ i]Z iVWaZ dg [ZcXZ0 ]dlZkZg! ldg`"
e^ZXZhhjeedgiZYdci]ZWdlZYh^YZl^aagdX`
Yjg^c\i]ZXji!l]^X]XdjaYXVjhZ`^X`WVX`#
Non-Through &
Through Cuts
:mVbeaZh d[ cdc"i]gdj\] Xjih ^cXajYZ YVYdZh
VcYgVWWZih#Cdc"i]gdj\]Xjih]VkZV]^\]Zgg^h`
d[^c_jgn[gdb`^X`WVX`WZXVjhZi]ZWaVYZ\jVgY
bjhiWZgZbdkZY#=dlZkZg!i]Zg^k^c\`c^[ZBJHI
WZ^chiVaaZYWZXVjhZ^ihi^aaegdk^YZhhdbZegdiZX"
i^dc#L]ZcbV`^c\cdc"i]gdj\]Xjihl^i]VYVYd
WaVYZ!YdcdiViiZbeiidXjii]Z[jaaYZei]^cdcZ
eVhh#>chiZVY!iV`Zbjai^eaZa^\]ieVhhZhidgZYjXZ
i]ZadVYdci]ZWaVYZ#6YVYdWaVYZhbVaaZgi]Vc
&%"l^aagZ
f
j^gZgZbdkVad[i]Zg^k^c
\
`c^[Z
!
WZXVjhZ
Non-Through Cuts
Figure 53.:mVbeaZd[Vcdc"i]gdj\]Xji#
6 cdc"i]gdj\] Xji ^h V hVl^c\ deZgVi^dc l]ZgZ
i]ZWaVYZYdZhcdiegdigjYZVWdkZi]Zide[VXZd[
i]ZlddYhidX`!Vhh]dlc^ci]ZFigureWZadl#
Figure 54.:mVbeaZd[Vi]gdj\]XjiWaVYZ
\jVgYcdih]dlc[dg^aajhigVi^kZXaVg^in#
Through Cuts
6i]gdj\]Xji^hVhVl^c\deZgVi^dc^cl]^X]i]Z
ldg`e^ZXZ^hXdbeaZiZanhVlci]gdj\]!Vhh]dlc
^ci]ZFigureWZadl#:mVbeaZhd[i]gdj\]XjihVgZ
g^eXjih!XgdhhXjih!b^iZgXjih!VcYWZkZaZYXjih#
I]ZWaVYZ\jVgYVhhZbWanBJHIWZjhZYl]Zc
eZg[dgb^c\i]gdj\]Xjih#

<%+%*M&"+M&!<%+.+M".,MB[\#-$&& "(("
Figure 56. 8gdhhXjii^c\WaVYZ#
Figure 57. 8dbW^cVi^dcWaVYZ#
Blade Selection
Figure 55. G^ee^c\WaVYZ#
I]Z hegZVYZg$g^k^c\ `c^[Z ^cXajYZY l^i] i]^h
bVX]^cZ ^h %#%. '#(bb i]^X` VcY ^h dcan
YZh^\cZY[dg&'Y^VbZiZgWaVYZh#
L]Zc X]ddh^c\ V bV^c WaVYZ! bV`Z hjgZ i]Z
WaVYZ h^oZ bZZih i]Z gZfj^gZbZcih a^hiZY WZadl#
I]Zi]^X`cZhhd[i]ZWaVYZWdYnVcYiZZi]XVcWZ
bZVhjgZYl^i]XVa^eZghdgVcnegZX^h^dcbZVhjg"
^c\YZk^XZ#
Blade Size Requirements:
7dYnI]^X`cZhh/%#%,)¶%#%-'
&#.bb¶'#&bb
@Zg[ Iddi] I]^X`cZhh/ %#&&)¶%#&''
'#.bb¶(#&bb
Blade Requirements
I]^h hZXi^dc dc WaVYZ hZaZXi^dc ^h Wn cd bZVch
XdbegZ]Zch^kZ# 6alVnh [daadl i]Z hVl WaVYZ
bVcj[VXijgZgh gZXdbbZcYVi^dch id ZchjgZ hV[Z
VcYZ[[^X^ZcideZgVi^dcd[ndjgiVWaZhVl#
Ripping Blade Features:
7Zhi[dgXjii^c\l^i]i]Z\gV^c
'%")%iZZi]
;aVi"ide\gdjcYiddi]egd[^aZ
AVg\Z\jaaZih[dgaVg\ZX]^egZbdkVa
;aVi
Ide
7aVYZ
Crosscut blade features:
7Zhi[dgXjii^c\VXgdhhi]Z\gV^c
+%"-%iZZi]
6aiZgcViZideWZkZaiddi]egd[^aZ
HbVaa]dd`Vc\aZVcYVh]Vaadl\jaaZi
6aiZgcViZ
Ide
7ZkZa
Combination blade features:
9Zh^\cZYidXjiWdi]l^i]VcYVXgdhh\gV^c
)%"*%iZZi]
6aiZgcViZideWZkZa VcY [aVi!dgVaiZgcViZ ide
WZkZaVcYgV`Zgiddi]egd[^aZ
IZZi]VgZVggVc\ZY^c\gdjeh
<jaaZih VgZ hbVaa VcY h]Vaadl h^b^aVg id V
Xgdhh"XjiWaVYZ!i]ZcaVg\ZVcYYZZeh^b^aVg
idVg^ee^c\WaVYZ
6aiZgcViZ
Ide
7ZkZa
VcY
;aVi

"()" <%+%*M&"+M&!<%+.+M".,MB[\#-$&&
Figure 58. AVb^cViZWaVYZ#
Laminate blade features:
7Zhi[dgXjii^c\eanlddYdgkZcZZg
)%"-%iZZi]
Ig^eaZX]^eiddi]egd[^aZ
KZgnh]Vaadl\jaaZi
Ig^eaZ
8]^e
7aVYZ
Figure 59. HiVX`ZYYVYdWaVYZ#
Dado Blades
Stacked Dado Blade (see below): Bjai^eaZ
WaVYZhVgZhiVX`ZYid\Zi]ZgidXdcigdai]ZXjii^c\
l^Yi]#HiVX`ZYYVYdWaVYZhVgZbdgZZmeZch^kZ
i]VcldWWaZWaVYZh!Wjiine^XVaanegdYjXZ]^\]Zg
fjVa^ingZhjaih#
Wobble Dado Blade:6h^c\aZWaVYZbdjciZYVi
Vha^\]iVc\aZdcVcVgWdg]jW#I]ZWaVYZVc\aZ^h
VY_jhiVWaZdci]Z]jW!VcYi]Zl^Yi]d[i]ZYVYd
Xji^hXdcigdaaZYWni]ZVc\aZhZii^c\d[i]ZWaVYZ#
Thin Kerf Blade:6 WaVYZl^i]i]^ccZg`Zg[i]Vc
VhiVcYVgYWaVYZ#H^cXZi]ZhegZVYZg$g^k^c\`c^[Z
^cXajYZYl^i]i]^hiVWaZhVl^hh^oZY[dghiVcYVgY
WaVYZh! i]^c `Zg[ WaVYZh XVccdi WZ jhZY dc i]^h
hVljcaZhh i]ZnbZZii]Z Blade Requirements
heZX^[^ZY ^c i]^h bVcjVa0 di]Zgl^hZ! i]Zn l^aa
^cXgZVhZi]Zg^h`d[`^X`WVX`#
5. GZ"^chiVaai]ZVgWdg[aVc\ZVcYi]ZVgWdgcji!
i]Zci^\]iZci]ZbV\V^chii]ZWaVYZl^i]i]Z
lgZcX]Zh^cXajYZYl^i]i]ZhVl!Vhh]dlc^c
Figure 60#9DCDIdkZgi^\]iZc#
6. GZ^chiVaai]ZWaVYZ\jVgY$g^k^c\`c^[ZVcYi]Z
iVWaZ^chZgi#
Figure 61.:mVbeaZd[XdggZXiWaVYZY^gZXi^dc
VcYWaVYZXdbedcZcih^chiVaaVi^dcdgYZg#
Figure 60.AddhZc^c\VgWdgcji#
To install a new blade:
1. 9>H8DCC:8IH6L;GDBEDL:G
2. GZbdkZi]ZiVWaZ^chZgiVcYWaVYZ\jVgY$g^k"
^c\`c^[Z!YZeZcY^c\dcl]Vi^h^chiVaaZY#
3. JhZi]ZVgWdglgZcX]ZhidaddhZcVcYgZbdkZ
i]Z VgWdg cji! [aVc\Z! VcY WaVYZ# Note:The
arbor nut has right hand threads; turn it coun-
terclockwise to loosen.
Blade Installation
4. Ha^YZi]ZWaVYZdkZgi]ZVgWdg l^i]i]ZiZZi]
[VX^c\ i]Z [gdci d[ i]Z hVl! Vh h]dlc ^c
Figure 61.

<%+%*M&"+M&!<%+.+M".,MB[\#-$&& "(*"
Blade Guard
Assembly
I]Z iZgb WaVYZ \jVgY gZ[Zgh id i]Z VhhZbWan
i]ViXdch^hihd[i]ZXaZVgedanXVgWdcViZh]^ZaY!i]Z
hegZVYZg! VcY i]Z Vci^"`^X`WVX` eVlah dc ZVX]
h^YZ d[ i]Z hegZVYZg Figure 62# :VX] d[ i]ZhZ
XdbedcZcih]Vh^bedgiVcihV[Zin[jcXi^dch#
Figure 62.7aVYZ\jVgYVhhZbWanXdbedcZcih#
HegZVYZg
8aZVgH]^ZaY
6ci^"@^X`WVX`EVla
Guard
I]ZXaZVgedanXVgWdcViZ\jVgYVaadlhi]ZdeZgV"
idg id hZZ i]Z WaVYZ Xji i]Z ldg`e^ZXZ Yjg^c\
deZgVi^dc# I]^h \jVgY ^h YZh^\cZY id a^[i Vh i]Z
ldg`e^ZXZ^hejh]ZY^cidi]ZWaVYZVcYgZbV^c^c
XdciVXi l^i] i]Zldg`e^ZXZi]gdj\]djii]ZZci^gZ
Xji#
I]Z\jVgYgZYjXZh^c_jgng^h`Wnegdk^Y^c\VWVg"
g^Zg VgdjcY i]Z WaVYZ i]Vi egZkZcih VXX^YZciVa
XdciVXiVcYXdciV^ch[an^c\lddYX]^eh#
IdZchjgZi]Vii]Z\jVgYYdZh^ih_dWZ[[ZXi^kZan!
^ibjhiValVnhWZ^ci]ZYdlclVgYedh^i^dc
V\V^chi i]Z iVWaZ Yjg^c\ ^YaZ deZgVi^dc! VcY i]Z
]^c\Z bZX]Vc^hb bjhi WZ bV^ciV^cZY ^c \ddY
ldg`^c\ XdcY^i^dc hd i]Z \jVgY XVc [gZZan e^kdi
je VcY Ydlc id VXXdbbdYViZ i]Z ]Z^\]i d[ i]Z
ldg`e^ZXZVcYgZijgcidi]ZiVWaZhjg[VXZ#
Spreader
I]Z hegZVYZg ^h V bZiVa eaViZ i]Vi egZkZcih i]Z
cZlanXji`Zg[d[i]Zldg`e^ZXZ[gdbe^cX]^c\i]Z
WVX`h^YZd[i]ZWaVYZ!XVjh^c\`^X`WVX`#
I]Z hegZVYZg Vahd VXih Vh V WVgg^Zg WZ]^cY i]Z
WaVYZ id h]^ZaY ]VcYh [gdb WZ^c\ ejaaZY ^cid i]Z
WaVYZ^[`^X`WVX`dXXjgh#
In order to work properly, the spreader
cannot be bent or misaligned with the blade.
If the spreader gets accidentally bent, take
the time to straighten it or just replace it.
Using a bent or misaligned spreader will
increase the risk of kickback! Refer to
Page 68 to check or adjust alignment if
necessary.
Installing Blade Guard & Spreader
1. 9>H8DCC:8IH6L;GDBEDL:G
2. GZbdkZi]ZiVWaZ^chZgi#
3. >chZgii]ZhegZVYZg^cidi]ZWgVX`ZihadiVcY
i^\]iZci]ZadX``cdWh]dlc^cFigure63 id
hZXjgZi]ZhegZVYZg#
Figure 63#AdXVi^dcidhZXjgZWaVYZ\jVgY#
AdX`@cdW
4. Ij\i]ZhegZVYZgjeidkZg^[n^i^hadX`ZY#
5. A^[ii]ZWaVYZ\jVgYXdkZg_jhiZcdj\]idha^YZ
i]Z iVWaZ ^chZgi ^cid i]Z iVWaZ hadi dkZg i]Z
WaVYZ!i]ZchZXjgZi]Z^chZgil^i]i]Z`cdWdc
i]Z[gdcid[i]Z^chZgi#

"(+" <%+%*M&"+M&!<%+.+M".,MB[\#-$&&
I]Z WaVYZ \jVgY! l]Zc egdeZgan ^chiVaaZY!
h]djaYadd` a^`Z Figure 64 VcY h]djaY e^kdi
[gZZan hd ^i idjX]Zh i]Z iVWaZ hjg[VXZ ^c i]Z
Ydlc edh^i^dc# >i h]djaY Vahd hl^c\ je ]^\]
Zcdj\]idVXXdbbdYViZi]Zldg`e^ZXZ#
·>[ i]Z hegZVYZg$g^k^c\ `c^[Z ^h cdi ^ch^YZ
i]Z Va^\cbZci odcZ VcY cdi eVgVaaZa l^i]
i]Z WaVYZ! i]Zc ^i cZZYh id WZ VY_jhiZY#
EgdXZZYid6Y_jhi^c\6a^\cbZci"dcPage
68#
·>[ i]Z hegZVYZg$g^k^c\ `c^[Z ^h cdi eVgVaaZa
l^i]i]ZWaVYZ!^ibVnWZWZci#EgdXZZYid
8]ZX`^c\6a^\cbZci"dcPage 68idYZiZg"
b^cZ^[i]ZhegZVYZg$g^k^c\`c^[Z^hWZci#
Figure 64.7aVYZ\jVgYVcY^chZgi^chiVaaZY#
@cdW
Figure 65.HegZVYZg$g^k^c\`c^[ZVa^\cbZciodcZ#
6a^\cbZci
OdcZ
HegZVYZgdg
G^k^c\@c^[Z
7aVYZ HigV^\]iZY\Z
L]Zc egdeZgan Va^\cZY! i]Z hegZVYZg$g^k^c\
`c^[Zl^aaWZ^ci]Z6a^\cbZciOdcZ!h]dlc
^c Figure 65! VcY l^aa WZ eVgVaaZa l^i] i]Z
WaVYZ#
7. Hl^c\dcZh^YZd[i]ZWaVYZ\jVgYjeVcYdji
d[i]ZlVn#
8. L]^aZ a^[i^c\ je dc i]Z g^\]i hegZVYZg eVla!
eaVXZ V higV^\]iZY\Z V\V^chi i]Z WaVYZ VcY
i]ZhegZVYZg#
6. 8]ZX` id bV`Z hjgZ i]Z WaVYZ ^h .% id i]Z
iVWaZ#;daadlHZii^c\.%Hide7dai^chigjX"
i^dchdc Page 64#
Anti-Kickback Pawls
6ci^"`^X`WVX`eVlahVaadli]Zldg`e^ZXZidigVkZa
^c dcan dcZ Y^gZXi^dc# >[ i]Z ldg`e^ZXZ bdkZh
WVX`lVgYh!hjX]Vh[gdb`^X`WVX`!i]ZeVlahl^aa
Y^\^cidi]Zldg`e^ZXZidhadldghide^i#
Id ldg` egdeZgan! i]Z eVlah bjhi gZijgc id i]Z^g
Wdiidb"bdhi edh^i^dc V[iZg e^kdi^c\! Vh h]dlc ^c
Figure 66#
Note: The right pawl is designed to tilt slightly
away from the blade guard assembly to prevent
the pawl from catching in the table insert.
Figure66#EVlah^cgZijgcedh^i^dc#
EVla
@cdW
>[ i]Z eVlah [V^a id gZijgc id i]Z Wdiidb edh^i^dc!
i]Ze^kdiheg^c\bVn]VkZWZZcY^hadY\ZYdgWgd"
`ZcVcYl^aacZZYidWZ[^mZY$gZeaVXZY#
Removing Pawls
Ndjb^\]igZbdkZi]ZeVlah^[ndjVgZXdcXZgcZY
VWdji i]Zb hXgViX]^c\ V YZa^XViZ ldg`e^ZXZ! dg
^[ ndj WZa^ZkZ i]Vi i]Zn l^aa dWhigjXi V cVggdl
ldg`e^ZXZVcYXVjhZ[ZZY^c\Y^[[^Xjaindgadhhd[
Xdcigda# JhZndjgWZhi_jY\bZciWZ[dgZgZbdk^c\
i]ZeVlah!Vhi]ZnVgZegdk^YZY[dgndjghV[Zin#

<%+%*M&"+M&!<%+.+M".,MB[\#-$&& "(,"
3. EgZhhi]ZWjiidcdci]ZeVlaWadX`h]dlc^c
Figure 67! i]Zc e^kdi i]Z eVlah Ydlc jci^a
i]ZnadX`^cideaVXZ#
4. GZ"^chiVaai]ZWaVYZ\jVgYdcidi]ZhegZVYZg
VcYhZXjgZl^i]i]Zide`cdW#
When to Use the Blade Guard
I]Z WaVYZ \jVgY VhhZbWan BJHI ValVnh WZ
^chiVaaZY dc i]Z hVl [dg Vaa cdgbVa i]gdj\] Xjih
i]dhZ l]ZgZ i]Z WaVYZ Xjih Vaa i]Z lVn i]gdj\]
i]Zi]^X`cZhhd[i]Zldg`e^ZXZ#
When Not to Use the Blade Guard
I]Z WaVYZ \jVgY XVccdi WZ jhZY [dg Vcn cdc"
i]gdj\] Xjih i]dhZ ^c l]^X] i]Z WaVYZ YdZh
cdi Xji Vaa i]Z lVn i]gdj\] i]Z i]^X`cZhh d[ i]Z
ldg`e^ZXZ#
HdbZi^bZh i]Z WaVYZ \jVgY dg ^ih XdbedcZcih
XVc \Zi ^c i]Z lVn l]Zc Xjii^c\ kZgn cVggdl
ldg`e^ZXZhdgdi]ZgheZX^Va^oZYXjih#7ZXVjhZ
i]ZWaVYZ\jVgY^hegdk^YZYidYZXgZVhZndjgg^h`
d[^c_jgn!^ih]djaYcdiWZjhZY^[^i\Zih^ci]ZlVn
d[bV`^c\VhV[ZXji#JhZ\ddY_jY\bZci
IMPORTANT/L]ZcZkZgi]ZWaVYZ\jVgYXVccdi
WZjhZY!i]Zg^k^c\`c^[ZbjhiWZ^chiVaaZY#
Figure 68.GZ"^chiVaa^c\eVlah#
<gddkZ
E^c
Re-installing Pawls
1. AddhZci]Z`cdWdcided[i]ZhegZVYZg!i]Zc
gZbdkZi]ZWaVYZ\jVgY#
2. Ha^YZi]Z e^c^c i]ZeVla WadX`^cid i]Z hZX"
dcY\gddkZ[gdbi]Z[gdcid[i]ZhegZVYZg!Vh
h]dlc^cFigure 68#
We do not recommend removing the pawls
during normal operations unless absolutely
necessary. In most situations, removing the
pawls will increase your risk of serious per-
sonal injury in the event of kickback.
Figure 67.7jiidc[dggZbdk^c\eVlah#
7jiidc
EVla
3. GZ"^chiVaai]ZWaVYZ\jVgYdcidi]ZhegZVYZg!
bV`^c\ hjgZ i]Z [gdci VcY WVX` e^ch dc i]Z
WaVYZ\jVgYha^YZVaai]ZlVn^cidi]ZhegZVY"
Zghadih!i]Zci^\]iZci]Zide`cdWidhZXjgZ
i]Z\jVgY#
To remove the pawls:
1. AddhZc i]Z `cdW dc ide d[ i]Z hegZVYZg
hZkZgVa ijgch! i]Zc gZbdkZ i]Z WaVYZ \jVgY
VhhZbWan#
2. EgZhhi]ZWjiidcFigure 67dci]ZWadX`i]Vi
]daYhi]ZeVlah!i]ZcgZbdkZi]ZeVlah[gdb
i]ZhegZVYZg#

"(-" <%+%*M&"+M&!<%+.+M".,MB[\#-$&&
Riving Knife
I]Z g^k^c\ `c^[Z ldg`h ^c i]Z hVbZ bVccZg Vh
i]ZhegZVYZgdci]ZWaVYZ\jVgYVhhZbWan#>i^hV
bZiVaeaViZi]ViegZkZcihi]ZcZlanXjildg`e^ZXZ
[gdbe^cX]^c\i]ZWVX`h^YZd[i]ZWaVYZVcYXVjh"
^c\`^X`WVX`#
=Z^\]i9^[[ZgZcXZ
B^c^bjb&bb
BVm^bjb*bb
I]Z`ZnY^[[ZgZcXZWZilZZci]ZhegZVYZgVcYi]Z
g^k^c\ `c^[Z ^h i]Vi i]Z g^k^c\ `c^[Z bdjcih WZadl
i]ZWaVYZh]^\]Zhied^cid[gdiVi^dc!Vhh]dlc^c
Figure 69#When to Use the Riving Knife
JhZi]Zg^k^c\`c^[Z[dgVaacdc"i]gdj\]XjihbVYZ
l^i] V hiVcYVgY iVWaZ hVl WaVYZ ^#Z#! YVYdZh dg
gVWWZi Xjih! VcY l]Zc jh^c\ V iZcdc^c\ _^\! dg
l]Zcjh^c\V&'Y^VbZiZgYVYdWaVYZ#
6ahd!jhZi]Zg^k^c\`c^[Z[dgi]dhZheZX^VadeZgV"
i^dch l]ZgZ i]Z WaVYZ \jVgY dg ^ih XdbedcZcih
\Zi^ci]ZlVnd[hV[ZdeZgVi^dc!hjX]Vhl^i]kZgn
cVggdlXjih#
When Not to Use the Riving Knife
9d cdi jhZ i]Z g^k^c\ `c^[Z l^i] V YVYd WaVYZ
i]Vi]VhVY^VbZiZghbVaaZgi]Vc&'^cY^VbZiZg#
Di]Zgl^hZ!i]Zg^k^c\`c^[Z]Z^\]il^aaZmXZZYi]Z
WaVYZ]Z^\]iVcYi]Zldg`e^ZXZl^aa]^ii]Zg^k^c\
`c^[Z Yjg^c\ i]Z Xji! [dgX^c\ i]Z deZgVidg ^cid V
YVc\Zgdjh h^ijVi^dc d[ ign^c\ id ijgc i]Z hVl d[[
l^i]i]Zldg`e^ZXZhijX`]Va[lVni]gdj\]i]ZXji#
>cVYY^i^dc!Vai]dj\]^i^hedhh^WaZidjhZi]Zg^k"
^c\`c^[Z[dgi]gdj\]Xjii^c\deZgVi^dch!i]ZWaVYZ
\jVgYVhhZbWan d[[Zgh [VgbdgZ ^c_jgn egdiZXi^dc
VcYg^h`gZYjXi^dci]Vci]Zg^k^c\`c^[Z#I]ZgZ[dgZ!
we strongly recommendi]VindjjhZi]ZWaVYZ
\jVgY VhhZbWan ^chiZVY d[ i]Z g^k^c\ `c^[Z [dg
i]gdj\]Xjih#
Figure 69.=Z^\]iY^[[ZgZcXZWZilZZcg^k^c\`c^[Z
VcYWaVYZ#
I]Z]Z^\]iY^[[ZgZcXZWZilZZci]Zg^k^c\`c^[ZVcY
i]ZWaVYZ Vaadlhi]Zldg`e^ZXZ ideVhh dkZgi]Z
WaVYZYjg^c\cdc"i]gdj\]Xjihi]dhZ^cl]^X]i]Z
WaVYZYdZhcdiXjiVaai]ZlVni]gdj\]i]Zi]^X`"
cZhhd[i]Zldg`e^ZXZ#
I]Zg^k^c\`c^[ZVXihVhVWVgg^ZgWZ]^cYi]ZWaVYZ
idgZYjXZi]Zg^h`d[]VcYhWZ^c\ejaaZY^cidi]Z
WaVYZ^[`^X`WVX`dXXjgh#
I]Z g^k^c\ `c^[Z bjhi WZ `Zei l^i]^c i]Z gVc\Z
h]dlc^cFigure 70#;dgi]VigZVhdc!V&'WaVYZ
^hgZfj^gZY[dgdeZgVi^dchi]VijhZVg^k^c\`c^[Z#
B^c^bjb(bb
Ide9^hiVcXZ
7diidb9^hiVcXZ
BVm^bjb-bb
B^c^bjb(bb
BVm^bjb-bb
Figure70#6aadlVWaZideVcYWdiidbY^hiVcXZh
WZilZZcg^k^c\`c^[ZVcYWaVYZ#
To ensure that the riving knife works safe-
ly, it MUST be aligned with and correctly
adjusted to the blade. Refer to Page 68 to
check or adjust the riving knife alignment.
How to Install the Riving Knife
I]Zg^k^c\`c^[Z^h^chiVaaZY^cVh^b^aVgbVccZg
idi]ZWaVYZ\jVgYVcYhegZVYZg#GZ[ZgidBlade
Guard dcPage35[dg^chiVaaVi^dc^chigjXi^dch#

<%+%*M&"+M&!<%+.+M".,MB[\#-$&& "(."
5. 8ZciZgVWdVgYViaZVhi'i]^X`VcYZfjVaid
i]Z aZc\i] d[ i]Z iVWaZ dkZg i]Z gZVg deZc"
^c\ d[ i]Z ^chZgi! i]Zc hZXjgZ ^i l^i] XaVbeh
Vi Wdi] ZcYh! Vh h]dlc ^c Figure 72# I]^h
l^aa egdk^YZ ZmigV hjeedgi [dg i]Z ^chZgi VcY
gZYjXZiZVgdjil]ZcXjii^c\#
6. HZii]ZWaVYZVc\aZVi%#
Suggestion/ To retain the zero clearance
ability of the insert included with this saw, we
recommend only raising the blade into the
insert at 90° during the following step.
·>[ ndj cZZY V oZgd XaZVgVcXZ ^chZgi [dg
XdbedjcYXjih!^chiVaaVcdei^dcVae]Zcda^X
oZgdXaZVgVcXZiVWaZ^chZgi!BdYZaI'&-,.
gZ[ZgidPage 58 [dgZVX]Vc\aZYXji!i]Zc
egdXZZYidStep 7.
· >[ndjeaVcidjhZVYVYdWaVYZidXjigVW"
WZih dg YVYdh! ^chiVaa i]Z dei^dcVa YVYd
iVWaZ^chZgi!BdYZaI'&-,-hZZPage 58#
·>[ndjYdcdigZfj^gZndjg^chZgiid]VkZV
oZgdXaZVgVcXZ[^i!ZheZX^Vaan^[ndjcZZYid
bV`ZVgVc\Zd[XdbedjcYXjih!ndjXVc
bdY^[n i]Z ^chZgi ^cXajYZY l^i] i]^h hVl#
8dci^cjZl^i]Step 7!i]ZcgdjiZi]ZjcYZg"
h^YZd[i]ZWaVYZ"Xjihadiidi]ZhVbZl^Yi]
Vhi]ZgZVgdeZc^c\hZZFigure 71#
7. 8dccZXi i]Z hVl id edlZg# @ZZe ]VcYh d[[
d[iVWaZide!YdcdihiVcYY^gZXianWZ]^cYi]Z
WaVYZeVi]!VcYlZVgZnZegdiZXi^dc#
8. Ijgci]ZhVlON!i]ZchadlangV^hZi]ZWaVYZ
idi]ZbVm^bjb]Z^\]ii]Vil^aaWZjhZYYjg"
^c\cdgbVadeZgVi^dch#
9. Ijgci]ZhVlOFF!adlZgi]ZWaVYZXdbeaZiZ"
an!i]ZcgZbdkZi]ZWdVgYVcYXaVbeh#
10. >chiVaa i]Z WaVYZ \jVgY gZ[Zg id >chiVaa^c\
7aVYZ<jVgYHegZVYZgdcPage 35#
Figure 72.HZXjg^c\^chZgil^i]WdVgYVcY
XaVbeh#
8aVbeh
'I]^X`7dVgY
>chZgi
Cutting a Zero
Clearance Insert
6oZgdXaZVgVcXZ^chZgi^hegdk^YZYl^i]i]ZiVWaZ
hVl id gZYjXZ ldg`e^ZXZ iZVg dji VcY ^cXgZVhZ
jhZghV[Zin#I]Z^chZgiXVcWZXjhidb^oZYid[^iV
heZX^[^XWaVYZ]Z^\]idgWaVYZVc\aZ[dgi]ZVeea^"
XVWaZXjii^c\deZgVi^dc#
To install the zero clearance insert:
1. 9>H8DCC:8IH6L;GDBEDL:G
2. 8]ZX` id bV`Z hjgZ i]Z WaVYZ ^h egdeZgan
^chiVaaZY gZ[Zg id i]Z ^chigjXi^dch ^c Blade
Installation dcPage 34#
3. >chiVaa i]Z iVWaZ ^chZgi! Vh h]dlc ^c Figure
71#
4. 6Y_jhi i]Z iVWaZ ^chZgi hZi hXgZlh l^i] V
'#*bb]ZmlgZcX]idbV`ZhjgZi]Z^chZgi^h
[ajh]l^i]i]ZiVWaZjhZVhigV^\]iZY\ZVhV
\j^YZ!i]Zcijgci]ZadX``cdWidhZXjgZi]Z
^chZgi#
Figure 71.>chZgi`cdW^cadX`edh^i^dc#
AdX`@cdW
GZVg
DeZc^c\
HZiHXgZlh ;gdci
d[HVl

")%" <%+%*M&"+M&!<%+.+M".,MB[\#-$&&
To make a rip cut:
1. GZk^Zl Preventing Kickback dc Page 8
VcY iV`Z i]Z cZXZhhVgn egZXVji^dch id egZ"
kZci`^X`WVX`#
2. >[jh^c\cVijgValddY!_d^cidcZadc\ZY\Zd[
i]Zldg`e^ZXZdcV_d^ciZg#
3. 9>H8DCC:8IH6L;GDBEDL:G
4. :chjgZi]Vii]ZWaVYZ\jVgYVcYhegZVYZg^h
^chiVaaZY#
5. HZii]Z[ZcXZidi]ZYZh^gZYl^Yi]d[Xjidc
i]ZhXVaZ#
6. 6Y_jhi i]Z WaVYZ ]Z^\]i hd i]Z ]^\]Zhi hVl
iddi]egdigjYZh cd bdgZ i]Vc&¿) VWdkZ i]Z
ldg`e^ZXZ#
7. HZijehV[ZinYZk^XZhhjX]Vh[ZVi]ZgWdVgYh
dgdi]ZgVci^"`^X`WVX`YZk^XZh#
8. GdiViZ i]Z WaVYZ Wn ]VcY id bV`Z hjgZ ^i
YdZh cdi XdbZ ^cid XdciVXi l^i] Vcn d[ i]Z
hV[ZinYZk^XZh#
9. 8dccZXii]ZhVlidi]ZedlZghdjgXZ!ijgc^i
ON,VcYVaadl^iidgZVX][jaaheZZY#
Note: The jointed edge of the workpiece
must slide against the fence during the cut-
ting operation.
G^ee^c\bZVchXjii^c\l^i]i]Z\gV^cd[VcVij"
gValddYldg`e^ZXZ#>cbVc"bVYZbViZg^VahhjX]
VhB9;dgeanlddY!g^ee^c\h^beanbZVchXjii^c\
aZc\i]l^hZ#
Ripping
Serious injury can be caused by kickback.
Kickback is a high-speed expulsion of stock
from the table saw toward an operator. The
operator or bystanders may be struck by
flying stock, or the operator’s hands can be
pulled into the blade during kickback.
10. JhZ V ejh] hi^X` id [ZZY i]Z ldg`e^ZXZ
i]gdj\] i]Z hVl WaVYZ! Vh h]dlc ^c Figure
73!jci^ai]Zldg`e^ZXZ^hXdbeaZiZanWZndcY
i]ZhVlWaVYZ#
Turn OFF the saw and allow the blade to
come to a complete stop before removing
the cut-off piece. Failure to follow this warn-
ing could result in serious personal injury.
Figure 73. Ine^XVag^ee^c\deZgVi^dc#
Keep the blade guard installed and in the
down position. Failure to do this could
result in serious personal injury or death.

<%+%*M&"+M&!<%+.+M".,MB[\#-$&& ")&"
Turn OFF the saw and allow the blade to
come to a complete stop before removing
the cut-off piece. Failure to follow this warn-
ing could result in serious personal injury
8gdhhXjii^c\bZVchXjii^c\VXgdhhi]Z\gV^cd[V
cVijgValddYldg`e^ZXZ#>cbVc"bVYZbViZg^Vah!
hjX]VhB9;dgeanlddY!XgdhhXjii^c\bZVchXji"
i^c\VXgdhhi]Zl^Yi]d[i]Zldg`e^ZXZ#
To make a crosscut using the miter gauge:
1. 9>H8DCC:8IH6L;GDBEDL:G
2. :chjgZ i]Vi i]Z WaVYZ \jVgY$hegZVYZg ^h
^chiVaaZY#
3. BdkZ i]Z g^e [ZcXZ Vh^YZ VcY edh^i^dc i]Z
b^iZg\Vj\Z!VY_jhiZYid.%!^cVb^iZghadi#
4. 6Y_jhii]ZWaVYZ]Z^\]ihdi]ZiZZi]egdigjYZ
cdbdgZi]Vc&¿)VWdkZi]Zldg`e^ZXZ#
5. Ha^YZ i]Z b^iZg \Vj\Z cZVg i]Z WaVYZ VcY
VY_jhii]Zldg`e^ZXZhdi]ZWaVYZl^aaXjidc
i]ZlVhiZh^YZd[i]Za^cZ#
6. Eaj\^ci]ZiVWaZhVl!ijgc^iON,VcYVaadl^i
idgZVX][jaaheZZY#
7. =daY i]Z ldg`e^ZXZ [^gban V\V^chi i]Z [VXZ
d[i]Z b^iZg \Vj\Z Figure 74! VcY ZVhZ ^i
i]gdj\]i]ZWaVYZjci^ai]Zldg`e^ZXZ^hXdb"
eaZiZaneVhii]ZhVlWaVYZ#
Figure 74. Ine^XVaXgdhhXjii^c\deZgVi^dc#
Crosscutting Miter Cuts
6b^iZg^hVcVc\aZYXgdhhXji#B^iZghVgZjhjVaan
Xji ^c i]Z hVbZ bVccZg Vh XgdhhXjih! jh^c\ i]Z
b^iZg \Vj\Z VcY V egZYZiZgb^cZY bVg` dc i]Z
ldg`e^ZXZ#
To perform a miter cut:
1. 9>H8DCC:8IH6L;GDBEDL:G
2. :chjgZ i]Vi i]Z WaVYZ \jVgY$hegZVYZg ^h
^chiVaaZY#
3. 9ZiZgb^cZi]ZVc\aZd[ndjgXji#>[i]ZVc\aZ
cZZYhidWZkZgnegZX^hZ!jhZVegdigVXidgid
hZii]Zb^iZg\Vj\Zidi]ZWaVYZ#
4. EaVXZ i]Z [VXZ d[ i]Z b^iZg \Vj\Z V\V^chi
i]ZZY\Zd[i]Zldg`e^ZXZVcYeaVXZi]ZWVg
VXgdhh i]Z [VXZ d[ i]Z ldg`e^ZXZ# JhZ i]Z
WVgVhV\j^YZidbVg`ndjgXji!Vhh]dlc^c
Figure 75#
Figure 75.:mVbeaZd[bVg`^c\b^iZga^cZ#
5. EaVXZi]Zb^iZg\Vj\ZWVX`^cidi]ZhadiVcY
]daY i]Z ldg`e^ZXZ [^gban V\V^chi i]Z b^iZg
\Vj\ZWdYn#Ha^YZ i]Z b^iZg\Vj\ZcZVg i]Z
WaVYZVcYVY_jhii]Zldg`e^ZXZhdi]ZWaVYZ
l^aaXjidci]ZlVhiZh^YZd[i]Za^cZ#
6. EgdXZZYidbV`Zi]ZXji^ci]ZhVbZbVccZg
Vh YZhXg^WZY ^c i]Z Crosscutting ^chigjX"
i^dch#

")'" <%+%*M&"+M&!<%+.+M".,MB[\#-$&&
Blade Tilt/Bevel Cuts
L]Zci]ZWaVYZi^aihideWdaihVgZegdeZganVY_jhi"
ZY Vh YZhXg^WZY dc Page 64! i]Z WaVYZ i^ai
]VcYl]ZZaVaadlhi]ZdeZgVidgidi^aii]ZWaVYZid
i]Z aZ[i! WZilZZc % VcY )*# I]^h ^h jhZY bdhi
d[iZc l]Zc Xjii^c\ WZkZah! XdbedjcY b^iZgh dg
X]Vb[Zgh# Figure 76 h]dlh Vc ZmVbeaZ d[ i]Z
WaVYZl]Zci^aiZYid)*#
Figure 76#7aVYZi^aiZYid)*[dgWZkZaXjii^c\dc
Vine^XVaiVWaZhVl#
8dbbdcan jhZY ^c [jgc^ijgZ _d^cZgn! V YVYd ^h V
higV^\]iX]VccZaXji^ci]Z[VXZd[i]Zldg`e^ZXZ#
9VYdZhXVcWZXjijh^c\Z^i]ZgVYZY^XViZYYVYd
WaVYZdgVhiVcYVgYhVlWaVYZ#Figure 77h]dlh
VXjiVlVnk^Zld[VYVYdXjiWZ^c\bVYZl^i]V
YVYdWaVYZ#
Dado Cutting
I]Z ^cXajYZY YVYd iVWaZ ^chZgi dg dei^dcVa oZgd
XaZVgVcXZ iVWaZ ^chZgi! BdYZa I'&-,-! bjhi WZ
^chiVaaZYl]Zcjh^c\VYVYdWaVYZ#I]ZhiVcYVgY
^chZgi^cXajYZYl^i]i]ZhVldgi]ZBdYZaI'&-,-
bjhi WZ ^chiVaaZY l]Zc jh^c\ V hiVcYVgY hVl
WaVYZ#
Dado Blade
Ldg`e^ZXZ
;ZcXZ
Figure 77. :mVbeaZd[VYVYdXjil^i]VYVYd
WaVYZ#
Never try to dado a warped board by holding
it down against the table. If kickback occurs,
your hand will likely be pulled into the blade,
resulting in serious personal injury.
Installing a Dado Blade
1. 9>H8DCC:8IH6L;GDBEDL:G
2. GZbdkZ i]Z iVWaZ ^chZgi! i]Z WaVYZ \jVgY
VhhZbWandgg^k^c\`c^[Z!VcYi]ZhVlWaVYZ#
3. 6Y_jhi i]Z l^Yi] d[ i]Z YVYd WaVYZ hnhiZb
VXXdgY^c\ id i]Z YVYd WaVYZ bVcj[VXijgZg»h
^chigjXi^dch!i]Zc^chiVaa^idci]ZVgWdg#
4. >chiVaai]ZYVYdiVWaZ^chZgi#
Dado blades have a higher risk of kickback
than normal blades because their larger size
applies stronger forces to the workpiece.
This risk increases relative to the depth and
width of the cut. To minimize your risk of
serious personal injury, ensure that stock
is flat and straight, and make multiple light
cuts (rather than one deep cut) to achieve
the desired cutting depth.
DO NOT make through cuts with a dado
blade. Dado blades are only intended for
non-through cuts. Failure to heed this
warning could result in serious injury.

<%+%*M&"+M&!<%+.+M".,MB[\#-$&& ")("
To cut a dado with a dado blade:
1. 6Y_jhii]ZYVYdWaVYZidi]ZYZh^gZYYZei]d[
Xji#
2. 6Y_jhii]ZY^hiVcXZWZilZZci]Z[ZcXZVcYi]Z
^ch^YZZY\Zd[i]ZWaVYZ!Vhh]dlc^cFigure
77!idYVYdi]ZaZc\i]d[Vldg`e^ZXZ#
— >[ YVYd^c\ VXgdhh i]Z ldg`e^ZXZ! jhZ i]Z
b^iZg \Vj\Z VcY XVgZ[jaan a^cZ je i]Z
YZh^gZYXjil^i]i]ZYVYdWaVYZ#9DCDI
jhZi]Z[ZcXZ^cXdbW^cVi^dcl^i]i]Zb^iZg
\Vj\Z#
3. GZXdccZXii]ZhVlidi]ZedlZghdjgXZ#
4. Ijgc i]Z hVl ON# I]Z WaVYZ h]djaY gjc
hbddi]!l^i]cdk^WgVi^dch#
5. L]Zci]ZWaVYZ]VhgZVX]ZY[jaaheZZY!eZg"
[dgbViZhiXjil^i]VhXgVee^ZXZd[lddY#
6. >[ i]Z Xji ^h hVi^h[VXidgn! gZeZVi i]Z Xji l^i]
i]ZVXijValdg`e^ZXZ#
Cutting Dadoes with a Dado Blade
Figure 78.:mVbeaZd[YVYdWZ^c\Xjil^i]
bjai^eaZa^\]iXjih!^chiZVYd[dcZYZZeXji#
I]Z Figure WZadl YZbdchigViZh i]Z hZfjZci^Va
egdXZhh d[ bV`^c\ bjai^eaZ! a^\]i Xjih i]Vi \Zi
egd\gZhh^kZanYZZeZg#I]ZVXijVacjbWZgd[Xjih
jhZY h]djaY WZ YZiZgb^cZY Wn ldg`e^ZXZ ]VgY"
cZhh!idiVaYVYdYZei]!VcY[ZZYgViZ#>c\ZcZgVa!^[
ndj]ZVgi]ZbdidghadlYdlcYjg^c\i]ZXji!ndj
VgZXjii^c\iddYZZedg[ZZY^c\idd[Vhi#
Dado Blade
Ldg`e^ZXZ
;ZcXZ
Cut 1
Ldg`e^ZXZ
;ZcXZ
Cut 2
Ldg`e^ZXZ
;ZcXZ
Cut 3
Finished
Dado Cut
Ldg`e^ZXZ
;ZcXZ

"))" <%+%*M&"+M&!<%+.+M".,MB[\#-$&&
Blade
Ldg`e^ZXZ
;ZcXZ
Cut 1
Figure 79. ;^ghiXji[dgVh^c\aZ"WaVYZYVYd#
6g^ee^c\WaVYZYZhXg^WZYdcPage 33^hine^XVaan
i]Z WZhi WaVYZ id jhZ [dg Xjii^c\ YVYdZh l]Zc
jh^c\VhiVcYVgYWaVYZ!WZXVjhZ^igZbdkZhhVl"
YjhikZgnZ[[^X^Zcian#
To use a standard saw blade to cut dadoes:
1. 9>H8DCC:8IH6L;GDBEDL:G
2. :chjgZi]Vii]Zg^k^c\`c^[ZVcYhiVcYVgYiVWaZ
^chZgiVgZ^chiVaaZYVcYegdeZganVY_jhiZY#9d
cdijhZ i]Z hiVcYVgY^chZgi ^[ ^i]Vh adhi i]Z
oZgdXaZVgVcXZ[ZVijgZWnbdY^[^XVi^dc0^[hd!
ndjbjhi^chiVaai]Zdei^dcVaBdYZaI'&-,.#
3. BVg` i]Z l^Yi] d[ i]Z YVYd Xji dc i]Z
ldg`e^ZXZ# >cXajYZbVg`hdci]ZZY\Zd[i]Z
ldg`e^ZXZ hd i]Z Xji eVi] XVc WZ Va^\cZY
l]Zci]Zldg`e^ZXZ^han^c\dci]ZiVWaZ#
4. GV^hZi]ZWaVYZjeidi]ZYZh^gZYYZei]d[Xji
YZei]d[YVYdX]VccZaYZh^gZY#
5. HZijei]ZhVl[dgi]ZineZd[XjindjcZZY
idbV`Z!YZeZcY^c\dc^[^i^hVg^eXjiPage
40dgXgdhhXjiPage 41#
6. 6a^\ci]ZWaVYZidXjidcZd[i]ZYVYdh^YZh!
Vhh]dlc^cFigure 79#
Cutting Dadoes with Standard Blade 7. GZXdccZXii]ZhVlidi]ZedlZghdjgXZVcY
ijgci]ZhVlON#6aadli]ZWaVYZidgZVX][jaa
heZZY!i]ZceZg[dgbi]ZXjii^c\deZgVi^dc#
8. GZeZVi i]Z Xjii^c\ deZgVi^dc dc i]Z di]Zg
h^YZd[i]ZYVYdX]VccZa!Vhh]dlc^cFigure
80.
9. BV`ZVYY^i^dcVaXjihhZZFigure 81 ^ci]Z
XZciZgd[i]ZYVYdidXaZVgdjii]ZcZXZhhVgn
bViZg^Va# I]Z YVYd ^h XdbeaZiZ l]Zc i]Z
X]VccZa^hXdbeaZiZanXaZVgZYdji#
Ldg`e^ZXZ
;ZcXZ
Cut 2 Blade
Ldg`e^ZXZ
;ZcXZ
Cuts 3+
Figure 80. HZXdcYXji[dgVh^c\aZWaVYZYVYd#
Figure 81. 6YY^i^dcVah^c\aZWaVYZYVYdXjih#

<%+%*M&"+M&!<%+.+M".,MB[\#-$&& ")*"
8dbbdcanjhZY^c[jgc^ijgZ_d^cZgn!VgVWWZi^hVc
A"h]VeZY\gddkZXji^ci]ZZY\Zd[i]Zldg`e^ZXZ#
GVWWZihXVcWZXjil^i]Z^i]ZgVYVYdWaVYZdgV
hiVcYVgYhVlWaVYZ#
GVWWZiXjii^c\dci]ZZY\Zd[i]Zldg`e^ZXZl^i]
VYVYdWaVYZgZfj^gZhVhVXg^[^X^Va[ZcXZFigure
82#BV`Zi]ZhVXg^[^X^Va[ZcXZi]ZhVbZaZc\i]Vh
i]Z[ZcXZVcY(¿)i]^X`#6iiVX]^iidi]Z[ZcXZl^i]
hXgZlhdgXaVbeh!bV`^c\hjgZi]ZnVgZVaahZXjgZ
VcYi^\]i#GV^hZi]ZWaVYZ^cidi]ZhVXg^[^X^Va[ZcXZ
idi]Z]Z^\]icZZYZY#
L]Zc jh^c\ V YVYd WaVYZ! Z^i]Zg i]Z dei^dcVa
YVYd ^chZgi! BdYZa I'&-,- dg i]Z dei^dcVa oZgd
XaZVgVcXZiVWaZ^chZgi!BdYZaI'&-,.hZZPage
58!bjhiWZ^chiVaaZYVcYjhZYYjg^c\gVWWZi^c\
deZgVi^dch#
Always use push sticks, featherboards,
push paddles and other safety accessories
whenever possible to increase safety and
control during operations which require
that the blade guard be removed from the
saw. ALWAYS replace the blade guard after
dadoing is complete.
Rabbet Cutting
G^e;ZcXZ
HVXg^[^X^Va
;ZcXZ
9VYd>chZgi
7aVYZ8ji"Dji
Figure 82. HVXg^[^X^Va[ZcXZ#
Dado blades have a higher risk of kickback
than normal blades because their larger size
applies stronger forces to the workpiece.
This risk increases relative to the depth and
width of the cut. To minimize your risk of
serious personal injury, ensure that stock
is flat and straight, and make multiple light
cuts (rather than one deep cut) to achieve
the desired cutting depth.
Ldg`e^ZXZ
;ZcXZ
9VYd7aVYZ
HVXg^[^X^Va;ZcXZ
Figure 83. GVWWZiXjii^c\#
4. GZXdccZXi i]Z hVl id i]Z edlZg hdjgXZ
VcY ijgc i]Z hVl ON# L]Zc i]Z WaVYZ ]Vh
gZVX]ZY[jaaheZZY!eZg[dgbViZhiXjil^i]V
hXgVee^ZXZd[lddY#
· >[i]ZXji^hhVi^h[VXidgn!gZeZVii]ZXjil^i]
i]Z[^cValdg`e^ZXZ#
3. 6Y_jhii]Z [ZcXZ VcY Va^\c i]Zldg`e^ZXZ id
eZg[dgb i]Z Xjii^c\ deZgVi^dc! Vh h]dlc ^c
Figure 83#
1. 9>H8DCC:8IH6L;GDBEDL:G
2. 6Y_jhi i]Z YVYd WaVYZ id i]Z ]Z^\]i cZZYZY
[dg i]Z gVWWZi^c\ deZgVi^dc# L]Zc Xjii^c\
YZZe gVWWZih! iV`Z bdgZ i]Vc dcZ eVhh id
gZYjXZi]Zg^h`d[`^X`WVX`#
Cutting Rabbets with a Dado Blade

")+" <%+%*M&"+M&!<%+.+M".,MB[\#-$&&
Ldg`e^ZXZ
;ZcXZ
Blade
Figure 85. HZXdcYXjiidXgZViZVgVWWZi#
6. GZXdccZXii]ZhVlidi]ZedlZghdjgXZ!i]Zc
eZg[dgbi]ZXji#
7. AVni]Zldg`e^ZXZ[aVidci]ZiVWaZ!Vhh]dlc
^cFigure 85!VY_jhii]ZhVlWaVYZ]Z^\]iid
^ciZghZXi l^i] i]Z [^ghi Xji! i]Zc eZg[dgb i]Z
hZXdcYXjiidXdbeaZiZi]ZgVWWZi#
;ZcXZ
Blade
Ldg`e^ZXZ
Figure 84. GVWWZiXjii^c\l^i]VhiVcYVgYWaVYZ#
6g^ee^c\WaVYZ^hine^XVaani]ZWZhiWaVYZidjhZ
[dgXjii^c\ gVWWZihl]Zc jh^c\ V hiVcYVgY WaVYZ
WZXVjhZ^igZbdkZhhVlYjhikZgnZ[[^X^Zcian#HZZ
Page 33[dgWaVYZYZiV^ah#6ahd!VhVXg^[^X^Va[ZcXZ
^hcdigZfj^gZYl]ZcXjii^c\gVWWZihl^i]VhiVc"
YVgYWaVYZ#
To cut rabbets with the standard blade:
1. 9>H8DCC:8IH6L;GDBEDL:G
2. :chjgZ i]Vi i]Z g^k^c\ `c^[Z VcY hiVcYVgY
iVWaZ^chZgiVgZ^chiVaaZY#
3. BVg`i]Zl^Yi]d[i]ZgVWWZiXjidci]ZZY\Z
d[i]Zldg`e^ZXZ!hdndjXVcXaZVgan^YZci^[n
i]Z^ciZcYZYXjil]^aZ^i^haVn^c\[aVidci]Z
hVliVWaZ#
4. GV^hZi]ZWaVYZjeidi]ZYZh^gZYYZei]d[Xji
YZei]d[gVWWZiX]VccZaYZh^gZY#
5. HiVcY i]Z ldg`e^ZXZ dc ZY\Z! Vh h]dlc ^c
Figure 84, i]ZcVY_jhii]Z[ZcXZhdi]ZWaVYZ
^hVa^\cZYl^i]i]Z^ch^YZd[ndjggVWWZiX]Vc"
cZa#
Cutting Rabbets with a Standard
Blade
·>[i]Zldg`e^ZXZ^hkZgniVaa! dg^hjchiVWaZ
l]ZceaVXZYV\V^chii]Z[ZcXZ!aVn^i[aVidc
i]ZiVWaZVcYjhZVYVYdWaVYZideZg[dgb
i]ZgVWWZiXji#
DO NOT place a tall board on edge to per-
form a rabbet cut with a standard blade.
Workpieces that are too tall to properly sup-
port with the fence can easily shift during
operation and cause kickback. Instead, place
the stock flat on the saw and perform the
rabbet cut with a dado blade, as instructed
on Page 45.
15
30
45

<%+%*M&"+M&!<%+.+M".,MB[\#-$&& "),"
Resawing
GZhVl^c\^hi]Z egdXZhhd[Xjii^c\Vi]^X`e^ZXZ
d[hidX`^ciddcZdgbdgZi]^ccZge^ZXZh#6ai]dj\]
gZhVl^c\XVcWZYdcZl^i]ViVWaZhVl!lZhigdc\"
angZXdbbZcYi]VindjjhZVWVcYhVl^chiZVY#
6WVcYhVl^hi]Z^YZVabVX]^cZ[dggZhVl^c\!VcY
gZhVl^c\l^i]dcZ^h[V^ganZVhnVcYhV[Z#6iVWaZ
hVl ^h cdi ^ciZcYZY [dg gZhVl^c\! VcY gZhVl^c\
l^i] dcZ ^h Y^[[^Xjai VcY YVc\Zgdjh YjZ id i]Z
^cXgZVhZYg^h`d[`^X`WVX`[gdbW^cY^c\VcYYZZe
Xjih!VcYi]Z^cXgZVhZYg^h`d[^c_jgn[gdb]Vk^c\
idgZbdkZi]Z\jVgY#
>[ndj^ch^hidcgZhVl^c\l^i]ViVWaZhVl!9DCDI
Ydhdl^i]djijh^c\VgZhVlWVgg^ZgVcYlZVg^c\V
[jaa[VXZh]^ZaY#I]Z[daadl^c\^chigjXi^dchYZhXg^WZ
]dlidWj^aYVgZhVlWVgg^ZgVcYVYYVcVjm^a^Vgn
[ZcXZ id ndjg hiVcYVgY [ZcXZ! id gZYjXZ i]Z g^h`
^c_jgn[gdbgZhVl^c\dcViVWaZhVl#
Note:I]^hiVWaZhVlXVcdcangZhVllddYi]Vi^h
aZhhi]Vc-iVaa#
Resawing operations require proper pro-
cedures to avoid serious injury. Extra care
must be taken to prevent kickback when
resawing. Any tilting or movement of the
workpiece away from the fence will cause
kickback. Be certain that stock is flat and
straight. Failure to follow these warnings
could result in serious personal injury.
-m'
LddYHXgZl
6hhZbWaZY
GZhVl7Vgg^Zg
(¿)
(¿)
Figure 86.GZhVlWVgg^Zg#
Making Resaw Barrier
I]Z gZhVl WVgg^Zg VXih ^c iVcYZb l^i] i]Z g^e
[ZcXZ l]Zc gZhVl^c\ id egdk^YZ iVaa hjeedgi [dg
i]Z ldg`e^ZXZ id b^c^b^oZ i]Z egdWVW^a^in d[ ^i
W^cY^c\V\V^chii]ZWaVYZVcYXVjh^c\`^X`WVX`#
Tools Needed: Qty
IVWaZHVl##########################################################&
?d^ciZgVcYEaVcZg####################### GZXdbbZcYZY
8aVbeh############################################### 'B^c^bjb
9g^aaVcY9g^aa7^ih################################################&
Components Needed for Resaw Barrier:
LddY(¿)m,&¿'mAZc\i]d[;ZcXZ###################&
LddY(¿)m(mAZc\i]d[;ZcXZ######################&
LddYHXgZlh&%m'######################################)
LddY<ajZ#########################################6hCZZYZY
Only use furniture grade plywood, kiln dried
hardwood, or HDPE plastic to prevent warping.
To build the resaw barrier:
1. 8ji ndjg lddY e^ZXZh id i]Z h^oZ heZX^[^ZY
VWdkZ# >[ ndj VgZ jh^c\ ]VgYlddY! Xji i]Z
e^ZXZhdkZgh^oZ!i]Zc_d^ciVcYeaVcZi]Zbid
i]ZXdggZXih^oZidbV`ZhjgZi]ZnVgZhfjVgZ
VcY[aVi#
2. EgZ"Yg^aa VcY XdjciZgh^c` [djg ]daZh Veegdm^"
bViZan (¿- [gdb i]Z Wdiidb d[ i]Z ,&¿' iVaa
lddYe^ZXZ#
3. <ajZi]ZZcYd[i]Z(WdVgY!i]ZcXaVbei]Z
WdVgYhViV.%Vc\aZl^i]i]ZaVg\ZgWdVgY^c
i]ZkZgi^XVaedh^i^dc!Vhh]dlc^cFigure 86!
i]Zc[VhiZcid\Zi]Zgl^i]i]ZlddYhXgZlh#

")-" <%+%*M&"+M&!<%+.+M".,MB[\#-$&&
You may experience kickback during this
procedure. Stand to the side of the blade
and wear a full face shield to prevent injury
when resawing.
Components Needed for Resawing:
OZgd8aZVgVcXZ>chZgi#########################################&
G^ee^c\7aVYZ&'###############################################&
8aVbeh###############################################################'
H]deBVYZ6jm^a^Vgn;ZcXZ###############################&
H]deBVYZGZhVl7Vgg^Zg#################################&
Resawing Operations
I]ZiVWaZhVlbdidg^hejh]ZYid^iha^b^ihl]Zc
gZhVl^c\# >[ i]Z bdidg hiVgih id Wd\ Ydlc! hadl
ndjg[ZZYgViZ#BdidgdkZgadVY^c\VcYWaVYZlZVg
XVc WZ gZYjXZY Wn jh^c\ V g^ee^c\ WaVYZ! l]^X]
VgZYZh^\cZYidXaZVgi]ZhVlYjhifj^X`an#
Figure 87.6jm^a^Vgn[ZcXZ#
;ZcXZ
7dYn
6jm^a^Vgn
;ZcXZ
;ZcXZ
;VX^c\
Auxiliary Fence
I]Z Vjm^a^Vgn [ZcXZ ^h cZXZhhVgn ^[ ndj VgZ
gZhVl^c\Vldg`e^ZXZi]Vi^hiVaaZgi]Vc^i^hl^YZ#
>i h]djaY WZ cd aZhh i]Vc &¿' h]dgiZg i]Vc i]Z
WdVgYidWZgZhVlc#
Components Needed for the Auxiliary Fence:
LddY(¿)m=Z^\]imAZc\i]d[;ZcXZ############&
;aVi=ZVYHXgZlhB-"&#'*m'*Cdi^cXajYZY#)
=ZmCjihB-"&#'*>cXajYZY#############################)
;aViLVh]Zgh-bb>cXajYZY############################)
Only use furniture-grade plywood, kiln dried
hardwood, or HDPE plastic to prevent warping.
Tools Needed for the Auxiliary Fence:
IVWaZHVl##########################################################&
?d^ciZgVcYEaVcZg####################### GZXdbbZcYZY
8aVbeh############################################### 'B^c^bjb
9g^aaVcY9g^aa7^ih################################################&
To build the auxiliary fence:
1. 8ji i]Z Vjm^a^Vgn [ZcXZ WdVgY id h^oZ# >[ ndj
VgZjh^c\]VgYlddY!Xjii]ZWdVgYdkZgh^oZ!
i]Zc_d^ciVcYeaVcZi]ZWdVgYidi]ZXdggZXi
h^oZ id bV`Z hjgZ i]Z WdVgY ^h hfjVgZ VcY
[aVi#
2. Ejaa Vc ZcY XVe d[[ d[ i]Z hiVcYVgY [ZcXZ!
i]ZcgZbdkZ[djg]Zmcjih![aVilVh]Zgh!]Zm
Wdaih VcY dcZ h^YZ d[ i]Z [ZcXZ [VX^c\ [gdb
i]Z[ZcXZWdYn#
3. BVg`i]ZadXVi^dcd[i]Z[djg[ZcXZ]daZhdc
i]Zided[i]Z[ZcXZWdYn#
4. EaVXZ i]Z Vjm^a^Vgn [ZcXZ cZmi id i]Z deZc
h^YZd[i]Z[ZcXZVcYigVch[Zgi]ZbVg`h[gdb
i]Z[ZcXZWdYnidi]ZVjm^a^Vgn[ZcXZ#
5. EgZ"Yg^aaVcYXdjciZgh^c`[djg]daZh&&¿)[gdb
i]ZWdiidbd[i]ZWdVgY#
6. I]gZVY i]Z [aVi ]ZVY hXgZlh i]gdj\] i]Z
Vjm^a^Vgn[ZcXZVcY^cidi]Z]ZmcjihVcY[aVi
lVh]Zgh^ch^YZi]ZhiVcYVgY[ZcXZWdYn!VcY
i^\]iZchZXjgZan!Vhh]dlc^cFigure 87#
To perform resawing operations:
1. 9>H8DCC:8IH6L;GDBEDL:G
2. GZbdkZ i]Z hiVcYVgY iVWaZ ^chZgi VcY i]Z
WaVYZ\jVgYVhhZbWan#
3. >chiVaaVg^ee^c\WaVYZ!^chiVaai]Zg^k^c\`c^[Z!
adlZg i]Z WaVYZ WZadl i]Z iVWaZ! i]Zc gZ"
^chiVaai]ZhiVcYVgY^chZgi#
9dcdijhZi]ZhiVcYVgY^chZgi^[^i]Vhadhii]Z
oZgdXaZVgVcXZ[ZVijgZ WnbdY^[^XVi^dc0^[ hd
ndjbjhi^chiVaai]Zdei^dcVaBdYZaI'&-,.#

<%+%*M&"+M&!<%+.+M".,MB[\#-$&& ")."
4. 6iiVX] i]Z Vjm^a^Vgn [ZcXZ id i]Z hiVcYVgY
[ZcXZVcYhZi^iidi]ZYZh^gZYl^Yi]#
Note: When figuring out the correct width,
don't forget to account for blade kerf and the
inaccuracy of the fence scale while the auxil-
iary fence is installed.
5. EaVXZ i]Z ldg`e^ZXZ V\V^chi i]Z Vjm^a^Vgn
[ZcXZ VcY ha^YZ i]Z gZhVl WVgg^Zg V\V^chi
i]Zldg`e^ZXZ!Vhh]dlc^cFigure 88#Cdl
XaVbei]Z gZhVlWVgg^Zg id i]Z iVWaZ ViWdi]
ZcYh#
6jm^a^Vgn
;ZcXZ
;ZcXZ
GZhVl
7Vgg^Zg
Ldg`e^ZXZ (Front View)
Figure 88#>YZVagZhVlldg`e^ZXZhZije#
The danger of kickback increases relative to
the depth of a cut. Reduce the risk of kick-
back by making multiple passes to achieve
the desired depth of cut. Failure to follow
these warnings could result in serious per-
sonal injury.
Always use push sticks or push paddles to
increase safety and control during opera-
tions which require that the blade guard
and spreader must be removed from the
saw. ALWAYS replace the blade guard after
resawing is complete.
8. Eaj\^ci]ZiVWaZhVl!ijgc^iON!VcYjhZV
ejh]hi^X`dgejh]WadX`id[ZZYi]Zldg`e^ZXZ
i]gdj\] i]Z WaVYZ! jh^c\ V hadl VcY hiZVYn
[ZZYgViZ#
9. ;a^ei]Z ldg`e^ZXZ ZcY [dg ZcY!`ZZe^c\ i]Z
hVbZ h^YZ V\V^chi i]Z [ZcXZ! VcY gjc i]Z
ldg`e^ZXZi]gdj\]i]ZWaVYZ#
6. AdlZg i]Z WaVYZ XdbeaZiZan WZadl i]Z iVWaZ
VcY ha^YZ i]Z ldg`e^ZXZ dkZg i]Z WaVYZ
id bV`Z hjgZ ^i bdkZh hbddi]an VcY [^ih
WZilZZci]ZgZhVlWVgg^ZgVcY[ZcXZ#
7. GV^hZ i]Z WaVYZ Veegdm^bViZan Vc ^cX]! dg
XadhZ id ]Va[ i]Z ]Z^\]i d[ i]Z ldg`e^ZXZ
Figure 89!l]^X]ZkZg^haZhh#
11. Ijgc OFF i]Z iVWaZ hVl! i]Zc hZeVgViZ i]Z
eVgih d[ i]Z ldg`e^ZXZ VcY ]VcY eaVcZ i]Z
gZbV^c^c\g^Y\ZidgZbdkZ^i#
12. L]Zc [^c^h]ZY gZhVl^c\! gZbdkZ i]Z gZhVl
WVgg^ZgVcYVjm^a^Vgn[ZcXZ!gZ"^chiVaai]ZhiVc"
YVgY[ZcXZ[VXZ!WaVYZ\jVgY$hegZVYZgdgg^k"
^c\`c^[Z!VcYhiVcYVgYiVWaZ^chZgi#
6jm^a^Vgn
;ZcXZ
;ZcXZ
GZhVl
7Vgg^Zg
&$-8dccZXi^dc
Ldg`e^ZXZ
Figure 89.>YZVaXdbeaZiZYgZhVlXji#
10. GZeZViSteps 7–9jci^ai]ZWaVYZ^hXadhZid
]Va[d[i]Z]Z^\]id[i]ZWdVgYidWZgZhVlc#
I]Z^YZVaXdbeaZiZYgZhVlXjil^aaaZVkZVc
&¿- XdccZXi^dc l]Zc i]Z gZhVl^c\ ^h Xdb"
eaZiZVhh]dlc^cFigure 89#AZVk^c\Vc&¿-
XdccZXi^dcl^aagZYjXZi]Zg^h`d[`^X`WVX`#

"*%" <%+%*M&"+M&!<%+.+M".,MB[\#-$&&
SECTION 5: SHOP MADE SAFETY
ACCESSORIES
:Vh^an bVYZ [gdb hXgVe hidX`! [ZVi]ZgWdVgYh
egdk^YZ Vc VYYZY YZ\gZZ d[ egdiZXi^dc V\V^chi
`^X`WVX`! ZheZX^Vaan l]Zc jhZY id\Zi]Zg l^i]
ejh]hi^X`h# I]ZnVahd bV^ciV^cegZhhjgZdc i]Z
ldg`e^ZXZ id `ZZe ^i V\V^chi i]Z [ZcXZ dg iVWaZ
l]^aZ Xjii^c\! l]^X] bV`Zh i]Z deZgVi^dc ZVh^Zg
VcYhV[ZgWZXVjhZi]ZXjiXVcWZXdbeaZiZYl^i]"
dji i]Z deZgVidg»h ]VcYh \Zii^c\ cZVg i]Z WaVYZ#
I]ZVc\aZYZcYhVcY[aZm^W^a^ind[i]Z[^c\ZghVaadl
i]Zldg`e^ZXZidbdkZ^cdcandcZY^gZXi^dc#
Making a Featherboard
I]^h hjW"hZXi^dc XdkZgh i]Z ild WVh^X ineZh d[
[ZVi]ZgWdVgYh/&I]dhZhZXjgZYWnXaVbehidi]Z
iVWaZdg[ZcXZ!dg'i]dhZhZXjgZYWnVlddYgjc"
cZgi]Vibdjcih^ci]ZiVWaZhVlb^iZghadi#
Material Needed for Featherboard Mounted
with Clamps
=VgYlddY(¿)m(¶+m&%m'-#######################&
Material Needed for Featherboard Mounted in
Miter Slot
=VgYlddY(¿)m(¶+m&%"'-##########################&
=VgYlddY(¿-mB^iZgHadiL^Yi]m*A###########&
L^c\Cji&$)"'%##################################################&
;aVi=ZVYHXgZl&¿)"'%m'###############################&
;aViLVh]Zg&¿)"'%##############################################&
To make a featherboard:
1. 8jiV]VgYlddYWdVgYVeegdm^bViZan(¿)i]^X`
id h^oZ# I]Z aZc\i] VcY l^Yi] d[ i]Z WdVgY
XVc kVgn VXXdgY^c\ id ndjg YZh^\c# Bdhi
[ZVi]ZgWdVgYh VgZ &%¶'- adc\ VcY (¶+
l^YZ#BV`ZhjgZ i]ZlddY\gV^c gjcheVgVa"
aZal^i]i]ZaZc\i]d[i]Z[ZVi]ZgWdVgY!hdi]Z
[^c\Zgh ndj l^aa XgZViZ ^c Step 3 l^aa WZcY
l^i]djiWgZV`^c\#
2. 8jiV(%§Vc\aZVidcZZcYd[i]ZWdVgY#
Featherboards
6
7
(%
'"(
&¿&+"&¿-
@Zg[
&¿&+"&¿-
@Zg[
'"(
&%B^c^bjb
>c^i^Va8ji
Egd\gZhh^kZan
Adc\Zg8jih
(¿-
(¿-
Figure 90.EViiZgch[dg[ZVi]ZgWdVgYh
idek^Zlh]dlc#
We recommend using a bandsaw for making
fingers in the next step because it tends to
be safer. A table saw can be used, but it will
over-cut the underside of the ends, produce
a thicker kerf, and require you to stop the
blade half-way through the cut, which can be
dangerous.
3. BV`ZVhZg^Zhd[ZcYXjihl^i]i]Z\gV^c(¿-¶
&¿)VeVgiVcY'¶(adc\!Vhh]dlc^cFigure
90 6#6aiZgcVi^kZan!hiVgiXjihVi'"(YZZe!
i]Zc bV`Z i]Zb egd\gZhh^kZan YZZeZg! Vh
h]dlc^cFigure 90 7#
NOTICE
Only Steps 1–3 are required to make a
clamp-mounted featherboard. Refer to Page
52 for instructions on clamping.
IMPORTANT: 8jih bVYZ VXgdhh i]Z \gV^c l^aa
gZhjai ^c lZV` [^c\Zgh i]Vi ZVh^an WgZV` l]Zc
[aZmZY# L]Zc bVYZ XdggZXian! i]Z [^c\Zgh h]djaY
l^i]hiVcY[aZm^c\[gdbbdYZgViZegZhhjgZ#IdiZhi
i]Z[^c\Zg[aZm^W^a^in!ejh][^gbandci]ZZcYhl^i]
ndjg i]jbW# >[ i]Z [^c\Zgh Yd cdi [aZm! i]Zn VgZ
a^`Zaniddi]^X`i]ZXjihVgZidd[VgVeVgi#

<%+%*M&"+M&!<%+.+M".,MB[\#-$&& "*&"
*
*
)Hadi
IdeK^Zl H^YZK^Zl
($-
8djciZgh^c`dc7diidb
&$)=daZ
Figure 92.B^iZgWVgeViiZgc#
5. 8jiVb^iZgWVgi]Vil^aa[^i^ci]ZiVWaZb^iZg
hadi Veegdm^bViZan * adc\! Vh h]dlc ^c
Figure 92#
Tip: Consider making the miter bar longer for
larger featherboards—approximately half the
length of the total featherboard—to support
the force applied to the featherboard during
use.
6. 9g^aaV&¿)]daZ^ci]ZXZciZgd[i]ZWVg!i]Zc
XdjciZgh^c`i]ZWdiidbid[^iV&¿)"'%[aVi]ZVY
hXgZl#
7. BVg`V)a^cZi]gdj\]i]ZXZciZgd[i]ZXdjc"
iZghjc`]daZ!i]ZcjhZV_^\hVll^i]VcVggdl
WaVYZidXji^idji#
8. 6hhZbWaZ i]Z b^iZg WVg VcY [ZVi]ZgWdVgY
l^i] V &¿)"'% m [aVi ]ZVY hXgZl! [aVi lVh]Zg!
VcY V l^c\ cji dg V hiVg `cdW hZZ Figure
93# 8dc\gVijaVi^dch Ndjg [ZVi]ZgWdVgY ^h
XdbeaZiZ#
4. Gdji V &¿)¶(¿- l^YZ hadi )¶* adc\ ^c i]Z
ldg`e^ZXZVcY&¶'[gdbi]Zh]dgiZcYd[i]Z
[ZVi]ZgWdVgYhZZFigure 91#
Figure 91.HadigdjiZY^c[ZVi]ZgWdVgY#
&"'
)"*
&$)"($-Hadi
H^YZK^Zl
L^c\Cji
B^iZg7Vg
;ZVi]ZgWdVgY
;aVi=ZVYHXgZl
;aViLVh]Zg
Figure 93.6hhZbWa^c\b^iZghadi[ZVi]ZgWdVgY
XdbedcZcih#
Tip:The length of the flat head screw depends
on the thickness of the featherboard—though
11⁄2" to 2" lengths usually work.
Cdl!egdXZZYidMounting Featherboard in
Miter SlotdcPage 52#
Note:The routed slot, countersink hole, and
the flat head screw are essential for the miter
bar to clamp into the miter slot. When the
wing nut is tightened, it will draw the flat head
screw upward into the countersunk hole. This
will spread the sides of the miter bar and
force them into the walls of the miter slot,
locking the featherboard in place.

"*'" <%+%*M&"+M&!<%+.+M".,MB[\#-$&&
Mounting Featherboard in Miter Slot
;ZVi]ZgWdVgY
7aVYZ
Ldg`e^ZXZ
Figure 95.;ZVi]ZgWdVgY^chiVaaZY^cb^iZghadi
VcYhjeedgi^c\ldg`e^ZXZ[dgg^ee^c\Xji#
4. Edh^i^dc i]Z [^c\ZgZY ZY\Z d[ i]Z [ZVi]Zg"
WdVgYV\V^chii]ZZY\Zd[i]Zldg`e^ZXZ!hd
i]ViVaad[i]Z[^c\Zgh XdciVXi i]Z ldg`e^ZXZ#
Ha^YZi]Z[ZVi]ZgWdVgYidlVgYi]ZWaVYZjci^a
i]Z[^ghi[^c\Zg^hcZVganZkZcl^i]i]ZZcYd[
i]Zldg`e^ZXZ!l]^X]h]djaYWZ&VlVn[gdb
i]ZWaVYZ#
5. 9djWaZX]ZX`i]Zldg`e^ZXZVcYi]Z[ZVi]Zg"
WdVgYidZchjgZi]ZnVgZegdeZganedh^i^dcZY
Vh YZhXg^WZY ^c Step 4# I]Zc hZXjgZ i]Z
[ZVi]ZgWdVgYidi]ZiVWaZ#8]ZX`i]Z[ZVi]Zg"
WdVgYWn]VcYidbV`ZhjgZ^i^hi^\]i#
Note: The featherboard should be placed
firmly enough against the workpiece to keep
it against the fence but not so tight that it is
difficult to feed the workpiece.
Mounting Featherboards w/Clamps
4. HZXjgZ i]Z [ZVi]ZgWdVgY id i]Z iVWaZ l^i] V
XaVbe#
5. 8]ZX` i]Z [ZVi]ZgWdVgY Wn ejh]^c\ ^i l^i]
ndjgi]jbWidZchjgZ^i^hhZXjgZ#
·>[ i]Z [ZVi]ZgWdVgY bdkZh! i^\]iZc i]Z
XaVbebdgZ#
6. Bdjci V hZXdcY [ZVi]ZgWdVgY id i]Z [ZcXZ
l^i] Vcdi]Zg XaVbe hZZ Figure 94! i]Zc
gZeZViStep 5idZchjgZ^i^hhZXjgZ#
Figure 94.:mVbeaZd[[ZVi]ZgWdVgYhhZXjgZY
l^i]XaVbeh#
;ZcXZ;ZVi]ZgWdVgY
IVWaZ
;ZVi]ZgWdVgY
8aVbe
8aVbe
1. AdlZgi]ZhVlWaVYZ!i]ZcVY_jhii]Z[ZcXZid
i]ZYZh^gZYl^Yi]VcYhZXjgZ^i#
2. EaVXZi]Zldg`e^ZXZZkZcanV\V^chii]Z[ZcXZ!
bV`^c\hjgZ^i^h&^c[gdcid[i]ZWaVYZ#
3. Ha^YZi]Z[ZVi]ZgWdVgYb^iZgWVg^cidi]Zb^iZg
hadi!bV`^c\hjgZi]Z[^c\Zghed^ciidlVgYi]Z
WaVYZ!Vhh]dlc^cFigure 95#
1. AdlZgi]ZhVlWaVYZ!i]ZcVY_jhii]Z[ZcXZid
i]ZYZh^gZYl^Yi]VcYhZXjgZ^i#
2. EaVXZi]Zldg`e^ZXZV\V^chii]Z[ZcXZ!bV`"
^c\hjgZ^i^h&^c[gdcid[i]ZWaVYZ#
3. EaVXZV[ZVi]ZgWdVgYdci]ZiVWaZVlVn[gdb
i]Z WaVYZ hd Vaa [^c\Zgh ed^ci [dglVgY VcY
XdciVXii]Zldg`e^ZXZhZZFigure 94#

<%+%*M&"+M&!<%+.+M".,MB[\#-$&& "*("
L]ZcjhZYXdggZXian!ejh]hi^X`hgZYjXZi]Zg^h`
d[ ^c_jgn Wn `ZZe^c\ ]VcYh VlVn [gdb i]Z WaVYZ
l]^aZXjii^c\#>ci]ZZkZcid[VcVXX^YZci!Vejh]
hi^X` XVc Vahd VWhdgW YVbV\Z i]Vi ldjaY ]VkZ
di]Zgl^hZ]VeeZcZYid]VcYhdg[^c\Zgh#
Using a Push Stick
JhZ ejh] hi^X`h l]ZcZkZg ndjg ]VcYh l^aa \Zi
l^i]^c&'d[i]ZWaVYZ#IdbV^ciV^cXdcigdal]Zc
Xjii^c\aVg\Zldg`e^ZXZh!hiVgii]ZXjiWn[ZZY^c\
l^i] ndjg ]VcYh i]Zc jhZ ejh] hi^X`h id [^c^h]
i]ZXji!hdndjg]VcYhVgZcdidci]ZZcYd[i]Z
ldg`e^ZXZVh^ieVhhZhi]gdj\]i]ZWaVYZ#
Feeding: EaVXZ i]Z cdiX]ZY ZcY d[ i]Z ejh]
hi^X`V\V^chii]ZZcYd[i]Zldg`e^ZXZhZZ^chZi
FigureWZadl!VcYbdkZi]Zldg`e^ZXZ^cidi]Z
WaVYZ l^i] hiZVYn YdlclVgY VcY [dglVgY egZh"
hjgZ#
Push Sticks
Figure 96.Jh^c\ejh]hi^X`hidg^ecVggdlhidX`#
Feeding
Supporting
7aVYZ
EVi] Ejh]Hi^X`
Ejh]Hi^X`
Push Stick
Prohibition
Zone HidgZEjh]
Hi^X`=ZgZ
[dg:Vhn
6XXZhh
Supporting:6hZXdcYejh]hi^X`XVcWZjhZYid
`ZZei]Zldg`e^ZXZ[^gbanV\V^chii]Z[ZcXZl]^aZ
Xjii^c\#L]Zcjh^c\Vejh]hi^X`^ci]^hbVccZg!
dcanVeeanegZhhjgZWZ[dgZi]ZWaVYZ0di]Zgl^hZ!
ejh]^c\ i]Z ldg`e^ZXZ V\V^chi dg WZ]^cY i]Z
WaVYZl^aa^cXgZVhZi]Zg^h`d[`^X`WVX`hZZEjh]
Hi^X`Egd]^W^i^dcOdcZ^ci]ZFigure WZadl#
.%§
8ji]ZgZid
ejh]&¿)hidX`
8ji]ZgZidejh]&¿'hidX`
CdiX][dgeaVX^c\dc
XdgcZghd[ldg`e^ZXZh
&*($)B^c^bjbAZc\i]
MATERIAL: DcanjhZ
]VgYlddY!hijgYneanlddY!
dg]^\]"YZch^ineaVhi^X#9d
cdijhZhd[ilddYi]VibVn
WgZV`jcYZgegZhhjgZdg
bZiVai]ViXVcWgZV`iZZi]
[gdbi]ZWaVYZ
SANDING: HVcY
ZY\ZhidgZbdkZ
gdj\]ZY\ZhVcY
^cXgZVhZXdb[dgi#
SIZING: Ejh]hi^X`
bjhiWZViaZVhi&*
(¿)
adc\#JhZ&¿'¶(¿)i]^X`
bViZg^Va#
CdiX]id]Zae
egZkZci]VcY
[gdbha^ee^c\
1⁄2" Grid
Figure98#IZbeaViZ[dgVWVh^Xh]de"bVYZejh]hi^X`cdih]dlcViVXijVah^oZ#
Figure 97.H^YZk^Zld[Vejh]hi^X`^c"jhZ#
Making a Push Stick
JhZi]^hiZbeaViZidbV`Z
ndjgdlcejh]hi^X`#

"*)" <%+%*M&"+M&!<%+.+M".,MB[\#-$&&
Figure 101#IZbeaViZ[dgVh]de"bVYZejh]WadX`h]dlcVi*%d[[jaah^oZ#
.&%B^c^bjbAZc\i]
A^e[dgejh]^c\ldg`e^ZXZ
=VcYaZ[dg
[^gb\g^e
BV`Zejh]WadX`l^i]
&¿'¶(¿)i]^X`bViZg^Va
&$)¶&$'
)
CdiX][dgjhZ
VhVejh]hi^X`
1⁄2" Grid
CAUTION: DcanjhZ]VgYlddY!hijgYneanlddY!
dg]^\]"YZch^ineaVhi^X#9dcdijhZhd[ilddYi]Vi
bVnWgZV`jcYZgegZhhjgZdgbZiVai]ViXVcWgZV`
iZZi][gdbi]ZWaVYZ
CAUTION: 7diidb
d[]VcYaZbjhiWZ
ViaZVhi)VWdkZ
Wdiidbd[ejh]
WadX`id`ZZe
]VcYVlVn
[gdbWaVYZ#
Figure 99#H^YZk^Zld[Vejh]WadX`^cjhZ#
L]Zc jhZY XdggZXian! V ejh] WadX` gZYjXZh i]Z
g^h` d[ ^c_jgn Wn `ZZe^c\ ]VcYh VlVn [gdb i]Z
WaVYZ l]^aZ Xjii^c\# >c i]Z ZkZci d[ Vc VXX^YZci!
Vejh]WadX`d[iZciV`Zhi]ZYVbV\Zi]VildjaY
]VkZdi]Zgl^hZ]VeeZcZYid]VcYhdg[^c\Zgh#
Using a Push Block
6ejh]WadX`XVcWZjhZY^ceaVXZd[dg^cVYY^"
i^dcidVejh]hi^X`[dg[ZZY^c\ldg`e^ZXZh^cidi]Z
WaVYZ#9jZidi]Z^gYZh^\c!ejh]WadX`hVaadli]Z
deZgVidgidVeean[^gbYdlclVgYegZhhjgZdci]Z
ldg`e^ZXZ i]Vi XdjaY cdi di]Zgl^hZ WZ VX]^ZkZY
l^i]Vejh]hi^X`#
I]Zejh]WadX`YZh^\cdci]^heV\ZXVcWZjhZY
^c ild Y^[[ZgZci lVnh hZZ ^chZi Figure WZadl#
Ine^XVaan! i]Z Wdiidb d[ i]Z ejh] WadX` ^h jhZY
jci^ai]ZZcYd[i]Zldg`e^ZXZgZVX]Zhi]ZWaVYZ#
Push Blocks
7aVYZ
EVi]
Ejh]Hi^X`
Ejh]
7adX`
Push Stick
Prohibition
Zone
Feeding
Supporting
Figure 100.Jh^c\Vejh]WadX`VcYejh]hi^X`
idbV`ZVg^eXji#
I]ZcdiX]ZYZcYd[i]Zejh]WadX`^hi]ZcjhZY
idejh]i]Zldg`e^ZXZi]ZgZhid[i]ZlVni]gdj\]
i]Z Xji! `ZZe^c\ i]Z deZgVidgh ]VcYh Vi V hV[Z
Y^hiVcXZ [gdb i]Z WaVYZ# 6 ejh] hi^X` ^h d[iZc
jhZYVii]ZhVbZi^bZ^ci]Zdi]Zg]VcYidhje"
edgi i]Z ldg`e^ZXZ Yjg^c\ i]Z Xji hZZ Jh^c\ V
Ejh]Hi^X`dcegZk^djheV\Z#
Making a Push Block
JhZi]^hiZbeaViZidbV`Zndjgdlcejh]WadX`#

<%+%*M&"+M&!<%+.+M".,MB[\#-$&& "**"
(
(¿)=VgYlddY
*&¿)
(¿)EanlddY
AZc\i]d[IVWaZ
HVl;ZcXZ
AZc\i]d[IVWaZ
HVl;ZcXZ
Figure 102.6jm^a^Vgn[ZcXZY^bZch^dch#
Note:We recommend cutting the hardwood
board oversize, then jointing and planing it
to the correct size to make sure the board
is square and flat. Only use furniture grade
plywood or kiln dried hardwood to prevent
warping.
2. EgZ"Yg^aaVcYXdjciZgh^c`Z^\]ie^adi]daZh(¿-
[gdb i]Z Wdiidb d[ i]Z ( l^YZ WdVgY! i]Zc
hZXjgZ i]Z WdVgYh id\Zi]Zg l^i] Z^\]i - m
&&¿)lddYhXgZlh!Vhh]dlc^cFigure 103#
Narrow-Rip Auxiliary
Fence & Push Block
I]ZgZ VgZ YZh^\ch [dg ]jcYgZYh d[ heZX^Vain _^\h
i]ViXVcWZ[djcY^cWdd`h!igVYZbV\Vo^cZh!VcY
dc i]Z ^ciZgcZi# I]ZhZ ineZh d[ _^\h XVc \gZVian
^begdkZi]ZhV[ZinVcYXdch^hiZciXnd[Xjih#I]Zn
VgZ eVgi^XjaVgan jhZ[ja Yjg^c\ egdYjXi^dc gjch
l]ZcYdoZchdg]jcYgZYhd[i]ZhVbZineZd[Xji
cZZYidWZbVYZ#
I]Z cVggdl"g^e Vjm^a^Vgan [ZcXZ VcY ejh] WadX`
hnhiZb h]dlc ^c i]^h hZXi^dc ^h Vc ZmVbeaZ d[
VheZX^Vain _^\i]ViXVc WZ bVYZid^cXgZVhZi]Z
hV[Zind[kZgncVggdlg^eXjih#
Material Needed for Narrow Rip Auxiliary
Fence & Push Block
=VgYlddY(¿)m(mAZc\i]d[;ZcXZ################&
EanlddY(¿)m*&¿)mAZc\i]d[;ZcXZ################&
LddYHXgZlh-m&&¿'######################################-
Material Needed for Push Block
=VgYlddYdgEanlddY(¿)m&*m**¿-###############&
=VgYlddYdgEanlddY(¿)m&%m*¶.############&
8nVcdVXgnaViZLddY<ajZ#########################KVg^Zh
LddYHXgZlh-m&&¿'######################6hCZZYZY
Making a Narrow-Rip Push Block for
an Auxiliary Fence
1. 8jiVe^ZXZd[(¿)i]^X`eanlddY*
&¿)l^YZVcY
Vhadc\VhndjgiVWaZhVl[ZcXZ0XjiVe^ZXZ
d[(¿)i]^X`]VgYlddY(l^YZVcYVhadc\Vh
ndjg iVWaZ hVl [ZcXZ! Vh h]dlc ^c Figure
102.
(¿)EanlddY
8dbeaZiZY
;ZcXZ
(¿)=VgYlddY
-m&&¿'
LddYHXgZl
Figure 103.AdXVi^dcd[e^adi]daZh#
**¿-
&*
*&¿)
&'&¿'
'&¿'
(¿-A^e
=VcYaZ
(¿-
*¿-
'&¿'
Figure 104.Ejh]WadX`Y^bZch^dchVcY
XdchigjXi^dc#
3. Jh^c\i]Z(¿)bViZg^VandjjhZY^ci]ZegZk^"
djhhiZeh!Xjidjie^ZXZh[dgi]Zejh]WadX`
eZgi]ZY^bZch^dchh]dlc^cFigure 1040[dg
i]Z]VcYaZ!XjiVe^ZXZ&%adc\Wn*¶.]^\]
VcYh]VeZ^iVhYZh^gZYid[^indjg]VcY#
4. 6iiVX]i]Z]VcYaZidi]ZWVhZl^i]-m&&¿)
lddYhXgZlh!VcYViiVX]i]Za^eidi]ZWVhZ
l^i]XnVcdVXgnaViZineZlddY\ajZ#

"*+" <%+%*M&"+M&!<%+.+M".,MB[\#-$&&
Keep the blade guard installed and in the
down position. Failure to do this could
result in serious personal injury or death.
Using the Auxiliary Fence and Push
Block
1. EaVXZ i]Z Vjm^a^Vgn [ZcXZ dc i]Z iVWaZ VcY
XaVbe^iidi]Z[ZcXZViWdi]ZcYh!i]ZcVY_jhi
i]ZY^hiVcXZWZilZZci]ZVjm^a^Vgn[ZcXZVcY
i]Z WaVYZ·i]^h YZiZgb^cZh ]dl l^YZ i]Z
ldg`e^ZXZl^aaWZg^eeZYhZZFigure 105#
2. >chiVaa i]Z WaVYZ \jVgY! i]Zc gZbdkZ i]Z
hegZVYZgeVlah!VhZmeaV^cZYdcPage 36!hd
i]ZnYdcdi^ciZg[ZgZl^i]i]Zejh]WadX`a^e#
Ldg`e^ZXZ
8jii^c\L^Yi]
7aVYZ
6jm^aa^Vgn;ZcXZ
Figure 105.6Y_jhi^c\g^ee^c\Y^hiVcXZWZilZZc
WaVYZVcYVjm^a^Vgn[ZcXZ#
3. EaVXZi]Zldg`e^ZXZ&WZ]^cYi]ZWaVYZVcY
ZkZcan V\V^chi i]Z iVWaZ VcY i]Z Vjm^a^Vgn
[ZcXZ#
6jm^aa^Vgn;ZcXZ
7aVYZ
Ldg`e^ZXZ
Ejh]Hi^X`
[dgH^YZ
Hjeedgi
7aVYZEVi]
Ejh]
7adX`
Figure 106.Ejh]WadX`^cedh^i^dcidejh]
ldg`e^ZXZi]gdj\]WaVYZ#
4. Ijgc i]Z hVl ON! i]Zc WZ\^c g^ee^c\ i]Z
ldg`e^ZXZ jh^c\ V ejh] hi^X` [dg h^YZ hje"
edgi#
6h i]Z ldg`e^ZXZ cZVgh i]Z ZcY d[ i]Z Xji!
eaVXZ i]Z ejh] WadX` dc i]Z Vjm^a^Vgn [ZcXZ
l^i] i]Z a^e Y^gZXian WZ]^cY i]Z ldg`e^ZXZ!
i]Zc gZaZVhZ i]Z ejh] hi^X` _jhi WZ[dgZ ^i ^h
ZkZcl^i]i]ZWaVYZhZZFigure 107#
<j^YZ i]Z ldg`e^ZXZ i]Z gZhi d[ i]Z lVn
i]gdj\]i]ZXjil^i]i]Zejh]WadX`!i]ZcgZ"
^chiVaai]ZeVlahdci]ZhegZVYZgl]ZcXjii^c\
deZgVi^dchVgZ[^c^h]ZY#
Turn the saw OFF and allow the blade to
come to a complete stop before removing
the cut-off piece. Failure to follow this warn-
ing could result in serious personal injury.
Ejh]
7adX`
A^e
GZaZVhZ
Ejh]Hi^X`
7Z[dgZ7aVYZ
7aVYZEVi]
Figure107#G^ee^c\l^i]ejh]WadX`#

<%+%*M&"+M&!<%+.+M".,MB[\#-$&& "*,"
6 XgdhhXji haZY hZZ Figure 109^hV[VciVhi^X
lVnid^begdkZi]ZhV[ZinVcYVXXjgVXnd[Xgdhh"
Xjii^c\ dc i]Z iVWaZ hVl# Bdhi ZmeZgi iVWaZ hVl
deZgVidgh jhZ V XgdhhXji haZY l]Zc i]Zn ]VkZ
idXgdhhXjiVaVg\ZkdajbZd[ldg`!WZXVjhZi]Z
haZYd[[ZghhjWhiVci^VaegdiZXi^dcV\V^chi`^X`WVX`
l]ZcXgdhhXjii^c\#
Figure 109. :mVbeaZd[XgdhhXjihaZY#
8gdhhXji
HaZY
Crosscut Sled
DcZ d[ i]Z WZhi VXXZhhdg^Zh [dg ^begdk^c\ i]Z
hV[Zin VcY ZVhZ d[ jh^c\ V iVWaZ hVl ^h h^bean
eaVX^c\ V aVg\Z iVWaZ dji[ZZY iVWaZ WZ]^cY i]Z
hVl id XViX] i]Z ldg`e^ZXZ hZZ Figure 108#
6YY^i^dcVaan! Vcdi]Zg iVWaZ id i]Z aZ[i d[ i]Z
hVl hjeedgi iVWaZ XVc Vahd ]Zae hjeedgi aVg\Z
ldg`e^ZXZh hd i]ZnXVc WZXji hV[ZanVcY VXXj"
gViZan#
Figure 108.:mVbeaZd[dji[ZZYhjeedgi
iVWaZh#
Dji[ZZY
IVWaZ
Hjeedgi
IVWaZ
Outfeed & Support
Tables

"*-" <%+%*M&"+M&!<%+.+M".,MB[\#-$&&
Figure 111. <)&,.EdlZg;ZZYZg#
G4173—Baby Power Feeder 110V
G4176—1⁄4 HP Power Feeder 110V
G4179—1⁄2 HP Power Feeder 220V
G4181—1 HP Power Feeder 220V
>chiVaa^c\ V edlZg [ZZYZg dc ndjg iVWaZ hVl l^aa
bV`Z gZeZi^i^kZ Xjih bjX] ZVh^Zg VcY hV[Zg#
8Vc WZ ^chiVaaZY dc cZVgan Vcn iVWaZ hVl# :Vhn
idVY_jhi l]ZgZkZgcZZYZY! ^cXajY^c\ djid[ i]Z
lVnl]ZccdicZZYZY6bjhi[dgVcnegdYjXi^dc
h]de#
Figure 112. <,(&)OE:AB8AJ BdW^aZ7VhZ#
G7314Z—Heavy-Duty E:AB 8AJ Mobile
Base
I]^heViZciZYWVhZ^hi]ZbdhihiVWaZdci]ZbVg"
`Zil^i]djig^\\ZgineZhjeedgih#6Y_jhih[gdb&.
m'%&¿'id'.&¿'m'.&¿'#,%%aW#XVeVX^in#LZ^\]h
),aWh#
H8084—Rear Tool Box for G0605X1/G0606X1
H8085—Front Tool Box for G0605X1/G0606X1
BVYZheZX^Vaanid[^ii]Z<%+%*M&$<%+%+M&
hVlh#I]ZhZ]ZVkn"YjiniddaWdmZh[ZVijgZedl"
YZgXdViZYeV^ciVcYWVaaWZVg^c\ha^YZh#BdYZa
=-%-)!('"Am''&$'"=m&*"90BdYZa=-%-*!
'*"Am''&$'"=m&*"9#
Figure 110. BdYZa=-%-)!=-%-*Idda7dmZh#
T21878—Phenolic Dado Insert for G0605X1/
G0606X1/G0696X/G0697X
T21879—Zero Clearance Insert for G0605X1/
G0606X1/G0696X/G0697X
BVYZ ZheZX^Vaan [dg i]Z <%+%*M&$<%+%+M&$
<%+.+M$<%+.,M iVWaZ hVl# =Z^\]i ^h ZVh^an
VY_jhiVWaZ#HeZX^Vae]Zcda^XbViZg^Va#
688:HHDG>:H
Some aftermarket accessories can be
installed on this machine that could cause
it to function improperly, increasing the risk
of serious personal injury. To minimize this
risk, only install accessories recommended
for this machine by Grizzly.
NOTICE
Refer to the newest copy of the Grizzly
Catalog for other accessories available for
this machine.
SECTION 6: AFTERMARKET
ACCESSORIES FROM GRIZZLY

<%+%*M&"+M&!<%+.+M".,MB[\#-$&& "*."
H8875—26" Wide Outfeed Roller System
G1317—37" Wide Outfeed Roller System
I]ZhZ jc^fjZ gdaaZg hnhiZbh [daY Ydlc ZVh^an
l^i]djiiddahVcYhcVeje^ceaVXZfj^X`anl]Zc
cZZYZY# 7di] jc^ih ]VkZ V YdjWaZ aZkZa hnhiZb
l]^X]aZihndjhZii]ZgdaaZghZ^i]Zg^ca^cZl^i]i]Z
iVWaZdgha^\]ianWZadl^i#
Figure 113. Dji[ZZYgdaaZghnhiZb#
H7583—Grizzly Tenoning Jig
Djg [jaan VY_jhiVWaZ iZcdc^c\ _^\ ]VcYaZh hidX`
jeid(&¿)i]^X`VcY[ZVijgZhVcVY_jhiVWaZWZkZa
Vc\aZl^i]V.%id,*gVc\Z#I]ZildaVg\Z\g^e
]VcYaZh!VY_jhiVWaZ\j^YZWVg!bjai^"edh^i^dcXdc"
igdaaZkZgh!VcYZmigVaVg\ZXaVbe^c\]VcYl]ZZa
l^aaZchjgZVXXjgViZVcYgZeZViVWaZgZhjaih#6ide
hZaaZg
Figure 115#BdYZa=,*-(IZcdc^c\?^\#
G5562—SLIPIT® 1 Qt. Gel
G5563—SLIPIT® 12 oz Spray
G2871—Boeshield® T-9 12 oz Spray
G2870—Boeshield® T-9 4 oz Spray
H3788—G96® Gun Treatment 12 oz Spray
H3789—G96® Gun Treatment 4.5 oz Spray
Figure 114. GZXdbbZcYZYegdYjXih[dgegdiZXi"
^c\jceV^ciZYXVhi^gdc$hiZZaeVgidcbVX]^cZgn#
T10113—Universal Overarm Blade Guard
8VeijgZi]ZYjhii]Vi»hi]gdlcVWdkZi]ZhVlWn
i]Z]^\]ZgZhXVeZkZadX^ind[i]Zhe^cc^c\WaVYZ#
I]^hJc^kZghVaDkZgVgb7aVYZ<jVgY^hidiVaanhZa[
hjeedgi^c\!hdi]ZgZ»hcdXdbea^XViZY^chiVaaVi^dc
egdXZhh# ?jhi Wdai ^i id ndjg hVl WVhZ [dg idiVa
hiVW^a^in# >i Vahd ZmiZcYh [dg hVlh l^i] l^YZ g^e
XVeVX^i^ZhVcYe^kdihdjid[i]ZlVn[dgXdbeaZiZ
kZghVi^a^in#6eegdm^bViZh]^ee^c\lZ^\]i/,*aWh#
Figure 116. I&%&&(jc^kZghVadkZgVbWaVYZ
\jVgY#

"+%" <%+%*M&"+M&!<%+.+M".,MB[\#-$&&
SECTION 7: MAINTENANCE
Always disconnect power
to the machine before
performing maintenance.
Failure to do this may
result in serious person-
al injury.
;dg dei^bjb eZg[dgbVcXZ [gdb ndjg bVX]^cZ!
[daadli]^hbV^ciZcVcXZhX]ZYjaZVcYgZ[ZgidVcn
heZX^[^X^chigjXi^dch\^kZc^ci]^hhZXi^dc#
Daily Check:
>cheZXiWaVYZh[dgYVbV\ZdglZVg#
8]ZX`[dgaddhZbdjci^c\Wdaih$VgWdgcji#
8]ZX`XdgYh!eaj\h!VcYhl^iX][dgYVbV\Z#
6cn di]Zg XdcY^i^dc i]Vi XdjaY ]VbeZg i]Z
hV[ZdeZgVi^dcd[i]^hbVX]^cZ#
L^eZ i]Z iVWaZ XaZVc V[iZg ZkZgn jhZ·i]^h
ZchjgZh bd^hijgZ [gdb lddY Yjhi YdZh cdi
gZbV^cdcWVgZbZiVahjg[VXZh#
KZg^[n i]Vi i]Z Vci^"`^X`WVX` eVlah gZijgc id
i]Z^gWdiidb"bdhiedh^i^dcV[iZge^kdi^c\#
KZg^[n i]Vi i]Z hegZVYZg$g^k^c\ `c^[Z VgZ
Va^\cZY l^i] i]Z WaVYZ gZ[Zg id Page 68 id
eZg[dgbVfj^X`X]ZX`#
Weekly Maintenance:
L^eZ Ydlc i]Z iVWaZ hjg[VXZ VcY \gddkZh
l^i]VajWg^XVci VcYgjhiegZkZci^kZ hjX]Vh
HA>E>I#
KVXjjbYjhiWj^aYje[gdbi]Zbdidg]djh^c\
VcYigjcc^dch#
8aZVci]Ze^iX]VcYgZh^c[gdbi]ZhVlWaVYZ
l^i] V XaZVcZg a^`Z Dm^Hdak 7aVYZ 7^i
8aZVcZg#
Monthly Maintenance:
s 8]ZX`$i^\]iZci]ZWZaiiZch^dcPage 75#
s 8]ZX` ajWg^XVi^dc d[ igjcc^dc ha^YZh! ldgb
\ZVg!WZkZa\ZVgh!VcYbdjci^c\eaViZiZZi]!
ZaZkVi^dcaZVYhXgZlVcYgV^ahPage 61#
Schedule
8aZVc^c\ i]Z BdYZa <%+%*M&$<%+%+M&<%+.+M$
<%+.,M^hgZaVi^kZanZVhn#KVXjjbZmXZhhlddY
X]^eh VcY hVlYjhi! VcY l^eZ d[[ i]Z gZbV^c^c\
Yjhil^i]VYgnXadi]#>[VcngZh^c]VhWj^aije!jhZ
VgZh^cY^hhdak^c\XaZVcZgidgZbdkZ^i#
6[iZg XaZVc^c\! igZVi Vaa jceV^ciZY XVhi ^gdc VcY
hiZZal^i]Vcdc"hiV^c^c\ajWg^XVci#
DXXVh^dcVaan ^i l^aa WZXdbZ cZXZhhVgn id XaZVc
i]Z^ciZgcVaeVgihl^i]bdgZi]VcVkVXjjb#IdYd
i]^h!gZbdkZi]ZiVWaZideVcY XaZVci]Z ^ciZgcVa
eVgih l^i] gZh^c$e^iX] Y^hhdakZg dg b^cZgVa he^g^ih
VcYVhi^[[l^gZWgjh]dghiZZaldda#9DCDIJH:
L6I:G·L6I:GL>AA86JH:86HI>GDCID
GJHI#
BV`Z hjgZ i]Z ^ciZgcVa ldg`^c\h VgZ Ygn WZ[dgZ
jh^c\ i]Z hVl V\V^c! hd i]Vi lddY Yjhi l^aa cdi
VXXjbjaViZ#>[VcnZhhZci^VaajWg^XVi^dc^hgZbdkZY
Yjg^c\XaZVc^c\!gZ"ajWg^XViZi]dhZVgZVh#
Cleaning
EgdiZXi i]Z jceV^ciZY XVhi ^gdc hjg[VXZh dc i]Z
iVWaZWnl^e^c\i]ZiVWaZXaZVcV[iZgZkZgnjhZ·
i]^h ZchjgZh bd^hijgZ [gdb lddY Yjhi YdZh cdi
gZbV^cdcWVgZbZiVahjg[VXZh#
@ZZeiVWaZhgjhi"[gZZl^i]gZ\jaVgVeea^XVi^dchd[
egdYjXih a^`Z <.+ <jc IgZVibZci! HA>E>I! dg
7dZh]^ZaYI".hZZSection 5: Accessoriesdc
Page 58[dgbdgZYZiV^ah#
Unpainted Cast Iron

<%+%*M&"+M&!<%+.+M".,MB[\#-$&& "+&"
Lubrication Worm Gear, Bevel Gears, and
Mounting Plate Teeth
8]ZX`ZkZgnbdci]#JhZVl^gZWgjh]VcYb^cZgVa
he^g^ihidXaZVcVlVnVcnWj^aije\g^bZVcYYZWg^h
[gdb i]Z ldgb \ZVg! WZkZa \ZVg! VcY bdjci^c\
eaViZiZZi]hZZFigure 118#
Figure 117.Igjcc^dcha^YZhVcYi^aiaZVYhXgZl#
GZVgIgjcc^dc
Ha^YZ
;gdciIgjcc^dc
Ha^YZ
IZZi]
JhZVWgjh]idVeeana^i]^jb\gZVhZidi]ZZaZkV"
i^dc aZVYhXgZl# 7gjh] V hbVaa Vbdjci d[ \gZVhZ
dg d^a dcid i]Z ZaZkVi^dc gV^ah VcY l^eZ i]Zb
Ydlcl^i]VgV\#I]Z\dVa^hidhegZVYVi]^c[^ab
dkZgi]ZgV^ahid]ZaeegdiZXii]Zb[gdbgjhi#
Elevation Leadscrew and Rails
8]ZX` ZkZgn bdci]# 8aZVc VlVn Vcn Wj^ai je
\g^bZ VcY YZWg^h l^i] V l^gZ Wgjh] VcY b^c"
ZgVa he^g^ih [gdb i]Z ZaZkVi^dc gV^ah VcY ZaZkVi^dc
aZVYhXgZlhZZFigure 119#
Figure 119. 7ZkZa\ZVgh!ZaZkVi^dcaZVYhXgZl
VcYgV^ah
:aZkVi^dc
GV^ah
:aZkVi^dc
AZVYhXgZl
JhZVWgjh]idVeeanVi]^cXdVid[l]^iZa^i]^jb
\gZVhZidi]Zldgb\ZVg!WZkZa\ZVgh!VcYbdjci"
^c\eaViZiZZi]#
Figure 118.Ldgb\ZVg!WZkZa\ZVgh!VcY
bdjci^c\eaViZiZZi]#
Ldgb<ZVg
7ZkZa
<ZVgh
>i ^h ZhhZci^Va id XaZVc XdbedcZcih WZ[dgZ ajWg^"
XVi^c\i]ZbWZXVjhZYjhiVcYX]^ehWj^aYjedc
ajWg^XViZY XdbedcZcih VcY bV`Z i]Zb ]VgY id
bdkZ#H^beanVYY^c\bdgZ\gZVhZidi]Zbl^aacdi
n^ZaYhbddi]bdk^c\XdbedcZcih#
8aZVci]ZXdbedcZcih^ci]^hhZXi^dcl^i]Vcd^a$
\gZVhZhdakZciXaZVcZg!hjX]Vhh]dlcdcPage
19d[i]^hbVcjVa!VcYh]degV\h#
>[ndji]dgdj\]anXaZVci]ZXdbedcZcih^ci]^h
hZXi^dc WZ[dgZ ajWg^XVi^c\ i]Zb! i]Z gZhjai l^aa
WZ h^a`n hbddi] bdkZbZci l]Zc ijgc^c\ i]Z
]VcYl]ZZah! l]^X] l^aa gZhjai ^c bjX] ]^\]Zg
Zc_dnbZcidcndjgeVgi
The following are the main components that
need to be lubricated:
Igjcc^dcHa^YZh
Ldgb <ZVg! 7ZkZa <ZVgh! VcY Bdjci^c\
EaViZIZZi]
:aZkVi^dcAZVYhXgZlVcYGV^ah
9>H8DCC:8I I=: EDL:G 7:;DG:
E:G;DGB>C< AJ7G>86I>DC 6[iZg ajWg^XVi^dc
^h XdbeaZiZ! gZXVa^WgViZ i]Z Y^\^iVa gZVYdji gZ[Zg
idegdXZYjgZdcPage 74 WZ[dgZ deZgVi^c\ i]Z
iVWaZhVl#
Trunnion Slides
8]ZX`ZkZgnbdci]#8aZVcdjii]Z[gdciVcYgZVg
igjcc^dcha^YZhl^i]b^cZgVahe^g^ihVcYVgV\!i]Zc
Veeana^i]^jb\gZVhZ^cidZVX]\gddkZ#BdkZi]Z
WaVYZi^aiWVX`"VcY"[dgi]idhegZVYi]Z\gZVhZhZZ
Figure 117#

"+'" <%+%*M&"+M&!<%+.+M".,MB[\#-$&&
Troubleshooting
IgdjWaZh]ddi^c\
Hnbeidb Edhh^WaZ8VjhZ Edhh^WaZHdaji^dc
Bdidg YdZh cdi
hiVgi#
&# Hl^iX]Y^hVWa^c\adX`^chiVaaZY#
'# BdidgXdccZXi^dcl^gZY^cXdggZXian#
(# 8dciVXidgcdiZcZg\^oZY$]VheddgXdciVXih#
)# 7gZV` dg h]dgi ^c l^g^c\0 dg addhZ
XdccZXi^dch#
*# EdlZg hjeean hl^iX]ZY d[[$]Vh ^cXdggZXi
kdaiV\Z#
+# I]ZgbVa dkZgadVY gZaVn ^c bV\ hl^iX]
ig^eeZY#
,# HiVgi XVeVX^idg ]Vh Wadlc <%+%*M&$
<%+.+Mdcan#
-# 8Zcig^[j\Va hl^iX] Vi [Vjai <%+%*M&$
<%+.+Mdcan#
.# BVX]^cZ l^gZY dji d[ e]VhZ <%+%+M&$
<%+.,Mdcan#
&%#E]VhZXdckZgiZg^[jhZYl^aYl^gZXdccZXiZY
lgdc\<%+%+M&$<%+.,Mdcan#
&# GZbdkZhl^iX]Y^hVWa^c\adX`#
'# L^gZ bdidg XdggZXian gZ[Zg id ^ch^YZ _jcXi^dc Wdm
XdkZgdgbVcjVa#
(# IZhiVaaaZ\h[dgedlZg!iZhi[^ZaYXd^aVcYgZeaVXZ^[Vi
[Vjai#
)# IgVXZ$gZeaVXZ Wgd`Zc dg XdggdYZY l^gZh0 [^m addhZ
XdccZXi^dch#
*# Hl^iX]edlZghjeeandc$kZg^[nkdaiV\Z#
+# 6aadlgZaVn$bdidgidXdda#>[ cZXZhhVgn!egZhh gZhZi
Wjiidc^ch^YZhl^iX]#
,# IZhi$gZeaVXZ^[Vi[Vjai#
-# 6Y_jhi$gZeaVXZXZcig^[j\Vahl^iX]#
.# HlVe ild edlZg ^cXdb^c\ edlZg aZVYh hZZ Page
12#
&%#8dccZXi l^aY l^gZ id a^cZ l^i]dji igVch[dgbZg dg
hZch^i^kZZaZXigdc^Xh#
BVX]^cZdeZgViZh^c
gZkZghZ#
&# EdlZg XdccZXi^dch l^gZY dji d[ e]VhZ
<%+%+M&$<%+.,Mdcan#
&# HlVeild^cXdb^c\edlZgaZVYhhZZPage 12#
BVX]^cZ ]Vh
ZmXZhh^kZ k^WgVi^dc
dgcd^hZ#
&# Ha^\]iWaVYZldWWaZ#
'# 6gWdgcji^haddhZ$dWhigjXiZYWnYZWg^h#
(# 6gWdgejaaZnaddhZ#
)# AddhZi^ai]VcYl]ZZa#
*# 8Vhi^c\Vi[Vjai#
+# Bdidg[VcgjWW^c\dc[VcXdkZg#
,# Bdidgbdjci^c\addhZ#
-# 7ZaildgcdgYVbV\ZY#
.# 7ZaihhaVee^c\XdkZg#
&%#EjaaZnaddhZdgcdi^cVa^\cbZci0h]V[iWZci#
&&#BVX]^cZ^cXdggZXianbdjciZYdc[addg#
&'#6gWdgWZVg^c\hVi[Vjai#
&(#BdidgWZVg^c\hldgcdgYVbV\ZY#
&# JhZVWaVYZhiVW^a^oZg#
'# GZbdkZVcYXaZVc!i]Zci^\]iZcVgWdgcji#
(# GZi^\]iZc$gZeaVXZVgWdgejaaZnl^i]h]V[iVcYi]gZVY
adX`^c\a^fj^Y#
)# I^\]iZci]Zi^ai]VcYl]ZZaadX``cdW#
*# Igjcc^dc$\ZVgZYWZVg^c\]djh^c\^haddhZdgXgVX`ZY0
i^\]iZcdggZeaVXZ#
+# ;^m$gZeaVXZ [Vc XdkZg0 gZeaVXZ addhZ dg YVbV\ZY
[Vc#
,# I^\]iZc bdjci^c\ Wdaih$cjih0 jhZ i]gZVY adX`^c\
[aj^Y#
-# GZeaVXZWZaihZZPage 76#
.# I^\]iZcWZaih#
&%#GZeaVXZldgcejaaZn!`Zn!VcYh]V[i!VcYgZVa^\c#
&&#AZkZa$h]^b WVhZ0 i^\]iZc$VY_jhi bdjci^c\ ]VgYlVgZ
dg[ZZi#
&'#GZeaVXZVgWdg]djh^c\WZVg^c\h0gZeaVXZVgWdg#
&(#GZeaVXZbdidgWZVg^c\hdggZeaVXZbdidg#
SECTION 8: SERVICE
GZk^Zli]ZigdjWaZh]ddi^c\VcYegdXZYjgZh^ci]^hhZXi^dc^[VegdWaZbYZkZadehl^i]ndjgbVX]^cZ#>[ndj
cZZYgZeaVXZbZcieVgihdgVYY^i^dcVa]Zael^i]VegdXZYjgZ!XVaadjgIZX]c^XVaHjeedgiVi*,%*)+".++(#
Note:Please gather the serial number and manufacture date of your machine before calling.

<%+%*M&"+M&!<%+.+M".,MB[\#-$&& "+("
Hnbeidb Edhh^WaZ8VjhZ Edhh^WaZHdaji^dc
=VcYl]ZZaW^cYhdg
^hY^[[^XjaiidbdkZ#
&# AdX``cdW^hZc\V\ZY#
'# =VcYl]ZZah]V[ie^chVgZlZY\ZY#
(# =VcYl]ZZa^h^chZgiZYidd[Vg#
)# IddbjX]Zc\V\ZbZci WZilZZc i]Z ldgb
\ZVgigjcc^dc
&# AddhZcadX``cdW#
'# GZbdkZ]VcYl]ZZaVcYVY_jhih]V[ie^ch#
(# GZbdkZ]VcYl]ZZaVcYVY_jhi`Zn#
)# 6Y_jhildgb\ZVgZc\V\ZbZci#
7aVYZ YdZh cdi
gZVX].%YZ\gZZh#
&# Ed^ciZgdghXVaZXVa^WgViZY^cXdggZXian#
'# .%9Z\gZZhideWdai^hdjid[VY_jhibZci#
&# 8Va^WgViZed^ciZg$hXVaZViigjZ.%YZ\gZZhhZZPage
64#
'# 6Y_jhi.%YZ\gZZhideWdaihZZPage 64#
7aVYZ YdZh cdi
gZVX])*YZ\gZZh#
&# Ed^ciZgdghXVaZXVa^WgViZY^cXdggZXian#
'# )*9Z\gZZhideWdai^hdjid[VY_jhibZci#
(# HVlYjhi^hWj^aije^c[gdciigjcc^dc#
&# 8Va^WgViZ ed^ciZg$hXVaZ Vi igjZ )* YZ\gZZh Page
64#
'# 6Y_jhi)*YZ\gZZhideWdaihZZPage 65#
(# 8]ZX`[dghVlYjhi^cigjcc^dch!XaZVcVcYgZ"ajWg^XViZ
VhcZXZhhVgn#
7aVYZ idd XadhZ id
^chZgi#
&# 7aVYZedh^i^dcdcVgWdg^h^cXdggZXi#
'# IVWaZbdjci^c\edh^i^dc^hcdiXZciZgZY#
&# KZg^[n i]Vi WaVYZ VgWdg lVh]Zgh VgZ XdggZXi VcY ^c
i]ZgZfj^gZYedh^i^dc#
'# AddhZc iVWaZ bdjci^c\ Wdaih! VY_jhi iVWaZ edh^i^dc!
i]ZcgZVa^\ci]ZWaVYZ#
7aVYZ l^aa cdi \d
WZcZVi] iVWaZ
hjg[VXZ#
&# =VcYl]ZZah]V[ie^chVgZlZY\ZY#
'# Gdaa e^c$hZihXgZl ^c ldgb \ZVg XdciVXi^c\
\ZVgZYigjcc^dc#
(# =VcYl]ZZa`Zn^h^chZgiZYidd[Vg#
&# GZbdkZ]VcYl]ZZaVcYVY_jhih]V[ie^ch#
'# I^\]iZcgdaae^chVcYhZihXgZlh^ci]Zldgb\ZVg#
(# GZbdkZ]VcYl]ZZaVcYVY_jhi`Zn#
7aVYZ l^aa cdi bdkZ
jedgYdlc#
&# HZihXgZldcldgb\ZVg^haddhZ$b^hh^c\#
'# =VcYl]ZZah]V[i`Zn^hb^hh^c\#
&# I^\]iZcdggZeaVXZhZihXgZl#
'# GZeaVXZ`Zn#
Ldg`e^ZXZWjgchdg
W^cYhl]Zc[ZZY^c\#
&# G^k^c\ `c^[Z cdi XdggZXian Va^\cZY l^i]
WaVYZ#
'# HegZVYZgcdiXdggZXianVa^\cZYl^i]WaVYZ#
(# ;ZcXZ cdi eVgVaaZa l^i] WaVYZ egZhhjgZ Vi
WaVYZWVX`h^YZ#
)# 7aVYZ^hlVgeZYdgYVbV\ZY#
*# IddbVcniZZi]dcWaVYZ[dgXjii^c\ineZ#
&# 6Y_jhi g^k^c\ `c^[Z ^cid Va^\cbZci l^i] WaVYZ hZZ
Page 69#
'# 6Y_jhihegZVYZg^cidVa^\cbZcil^i]WaVYZhZZPage
69#
(# 6Y_jhi[ZcXZeVgVaaZal^i]WaVYZhZZPage 71#
)# GZeaVXZWaVYZPage 34#
*# 8]Vc\ZWaVYZiddcZl^i][ZlZgiZZi]#
Idd bjX] hVlYjhi
Wadlc WVX` idlVgY
deZgVidg#
&# 7aVYZ\jVgY]VhWZZcgZbdkZY#
'# Idd bVcn V^g aZV`h ^c XVW^cZi [dg egdeZg
YjhiXdaaZXi^dc#
(# 9jhiXdaaZXi^dchnhiZbXad\\ZY0iddlZV`#
)# ;ZcXZ cdi eVgVaaZa l^i] WaVYZ egZhhjgZ Vi
WaVYZWVX`h^YZ#
*# B^iZghadi$[ZcXZcdieVgVaaZal^i]WaVYZVi.%
VcY)*#
&# GZ"^chiVaaWaVYZ\jVgY[dgbVm^bjbhV[ZinVcYYjhi
Xdcigda#
'# HZVaaZV`h^cXVW^cZidgVgdjcYYjhiX]jiZ#
(# GZbdkZ Xad\0 gZk^hZ YjXi^c\ aVndji [dg ^begdkZY
hjXi^dc#
)# 6Y_jhi[ZcXZeVgVaaZal^i]WaVYZhZZPage 71#
*# 6Y_jhi iVWaZ$igjcc^dch hd b^iZg hadi ^h eVgVaaZa l^i]
WaVYZVi.%VcY)*hZZPage 66#

"+)" <%+%*M&"+M&!<%+.+M".,MB[\#-$&&
Blade Tilt Stops
I]ZiVWaZhVl[ZVijgZhWdaihi]Vihidei]ZWaVYZi^ai
ZmVXianVi)*VcY.%l]Zcjh^c\i]Z]VcYl]ZZa#
I]ZhZ hideh ]VkZ WZZc hZi Vi i]Z [VXidgn VcY
h]djaYgZfj^gZcdVY_jhibZcih!jcaZhhndjcdi^XZ
i]VindjgXjihVgZcdiVXXjgViZ#
Note:The tilt scale reads "0" when the blade is
90° to the table.
Tools Needed Qty
.%° HfjVgZ######################################################## &
)*HfjVgZ######################################################## &
=ZmLgZcX])bb############################################## &
LgZcX]&(bb################################################### &
Setting 90° Stop Bolt
1. 9>H8DCC:8IH6L;GDBEDL:G
2. GV^hZi]ZWaVYZVh]^\]Vh^il^aa\d!i]Zci^ai
^iidlVgY%jci^a^ihidehVcYXVccdiWZi^aiZY
VcnbdgZ#
3. EaVXZ V .% hfjVgZ V\V^chi i]Z iVWaZ VcY
WaVYZ hd ^i XdciVXih i]Z WaVYZ ZkZcan [gdb
Wdiidbidide!Vhh]dlc^cFigure 120#BV`Z
hjgZ V WaVYZ iddi] YdZh cdi dWhigjXi i]Z
eaVXZbZcid[i]ZhfjVgZ#
·>[i]ZWaVYZ^h.%idi]ZiVWaZ!i]ZcVY_jhi"
bZcihYdcdicZZYidWZbVYZ#BV`ZhjgZ
i]Zi^ai^cY^XVidgVggdlh]dlc^cFigure 121
ed^cihidi]Z%bVg`dci]ZhXVaZ#>[^iYdZh
cdi! gZbdkZ i]Z WaVYZ ]Z^\]i adX` `cdW!
addhZc i]Z WaVYZ ]Z^\]i ]VcYl]ZZa hZi
hXgZlVcYgZbdkZi]Z]VcYl]ZZa#
Figure 120. 8]ZX`^c\WaVYZVi.%#
IVWaZ
.%HfjVgZ
7aVYZ
Figure 122..%hideWdaiVcY_Vbcji#
Figure 121#I^ai^cY^XVidgVggdl#
E]^aa^eh=ZVY
HXgZl
>cY^XVidg
·>[i]ZWaVYZ^hcdi.%idi]ZiVWaZ!ndjl^aa
cZZYidVY_jhii]Z.%hidehXgZl#EgdXZZY
idi]ZcZmihiZe#
4. I^aii]ZWaVYZidVWdji*!hdi]ZgZ^hgddb[dg
i]ZhideWdaiidbdkZ#
5. DeZci]ZbdidgVXXZhhXdkZg!addhZci]Z_Vb
cji h]dlc ^c Figures 122¶123! VY_jhi i]Z
hideWdaijedgYdlcVXXdgY^c\id]dl[Vgd[[
i]ZWaVYZlVh[gdb.%!i]ZcgZeZViStep 3
jci^ai]ZWaVYZhidehVi.%#
6Y_jhi i]Z ^cY^XVidg edh^i^dc Wn addhZc^c\
i]ZE]^aa^eh]ZVYhXgZl!bdk^c\i]Z^cY^XV"
idg!i]Zci^\]iZc^c\i]ZhXgZlVcYgZ"^chiVaa"
^c\i]Z]VcYl]ZZa#EgdXZZYidSetting 45º
Stop Bolt dc Page 65#
.%Hide7dai
?VbCji

<%+%*M&"+M&!<%+.+M".,MB[\#-$&& "+*"
Setting 45° Stop Bolt
1. 9>H8DCC:8IH6L;GDBEDL:G
2. GV^hZi]ZWaVYZVh]^\]Vh^il^aa\d!i]Zci^ai^i
idlVgYh)*jci^a^ihidehVcYXVccdiWZi^aiZY
VcnbdgZ#
3. EaVXZ V )* hfjVgZ V\V^chi i]Z iVWaZ VcY
WaVYZ hd ^i XdciVXih i]Z WaVYZ ZkZcan [gdb
Wdiidbidide!Vhh]dlc^cFigure 124#BV`Z
hjgZ V WaVYZ iddi] YdZh cdi dWhigjXi i]Z
eaVXZbZcid[i]ZhfjVgZ#
Figure 124. 8]ZX`^c\WaVYZVi)*#
7aVYZ
)*HfjVgZ
IVWaZ
·>[i]ZWaVYZ^h)*idi]ZiVWaZ!i]ZcVY_jhi"
bZcihYdcdicZZYidWZbVYZ#
·>[i]ZWaVYZ^hcdi)*idi]ZiVWaZ!ndjl^aa
cZZYidVY_jhii]Z)*hidehXgZl#EgdXZZY
idi]ZcZmihiZe#
4. I^aii]ZWaVYZid'%!hdi]ZgZ^hgddb[dgi]Z
hideWdaiidbdkZ#
5. AddhZc i]Z _Vb cji dc i]Z )* hide Wdai
hZZFigure 125l^i]V&(bblgZcX]!i]Zc
VY_jhii]ZhideWdaijedgYdlcVXXdgY^c\id
]dl[Vgd[[i]ZWaVYZlVh[gdb)*#
6. I^\]iZc i]Z _Vb cji! i]Zc XadhZ i]Z bdidg
XdkZg#
Figure 123#.%hideWdaiVcY_VbcjiiVWaZ
gZbdkZY[dgXaVg^in#
6. 8dci^cjZVY_jhi^c\ i]Z hide Wdai jci^a^i Xdc"
iVXih i]Z XVW^cZi l]Zc i]Z WaVYZ ^h Vi )*!
i]Zci^\]iZci]Z_Vbcji#
7. GZXdccZXi i]Z edlZg! i]Zc gZXVa^WgViZ i]Z
Y^\^iVa gZVYdji gZ[Zg id egdXZYjgZ dc Page
74WZ[dgZdeZgVi^c\i]ZiVWaZhVl#
.%Hide7dai
?VbCji
Figure 125#)*hideWdaiVcY_Vbcji#
)*Hide7dai
?VbCji

"++" <%+%*M&"+M&!<%+.+M".,MB[\#-$&&
6. 8dbeVgZi]ZY^hiVcXZ[gdbi]ZbVg`ZYWaVYZ
i^eidi]Zb^iZghadi!Vhh]dlc^cFigure 127#
Miter Slot to Blade
Parallelism
4. BVg`i]ZXVgW^YZi^el^i]VbVg`Zgl]ZgZndj
bVYZi]^hbZVhjgZbZci#
5. GdiViZi]ZbVg`ZYWaVYZi^eidi]Zdi]ZgZcY
d[i]ZiVWaZ^chZgi#
Figure 126. BZVhjg^c\Y^hiVcXZ[gdbb^iZghadi
idXVgW^YZi^ed[WaVYZ#
7aVYZi^aiZYid.%§
;gdci
HI:E6
Ndjg iVWaZ hVl l^aa \^kZ i]Z WZhi gZhjaih ^[ i]Z
b^iZghadi^heVgVaaZal^i]i]ZWaVYZ#>[i]ZhZXdb"
edcZcihVgZcdiZmVXianeVgVaaZal^i]ZVX]di]Zg!
ndjgXjihVcYndjg[^c^h]ZYldg`l^aaWZadlZg^c
fjVa^in!WjibdgZ^bedgiVcian!i]Zg^h`d[`^X`WVX`
l^aaWZ^cXgZVhZY#
Tools Needed Qty
6Y_jhiVWaZHfjVgZ############################################# &
BZiVaH]^bHidX`############################## 6hCZZYZY
BVg`Zg############################################################### &
LgZcX]&,bb#################################################### &
To adjust the blade parallel with the miter
slot:
1. 9>H8DCC:8IH6L;GDBEDL:G
2. I^aii]ZWaVYZid.%#
3. BZVhjgZ[gdbi]Zb^iZghadi id VXVgW^YZi^e
dci]ZWaVYZ!Vhh]dlc^cFigure 126.
· >[ i]Z Y^hiVcXZ WZilZZc i]Z WaVYZ i^e VcY
i]Zb^iZghadi^hcdii]ZhVbZdcWdi]h^YZh
d[i]ZiVWaZ^chZgi!i]ZiVWaZl^aacZZYidWZ
VY_jhiZY#EgdXZZYidStep 7#
·>[ i]Z WaVYZ i^e bZVhjgZbZci ^h i]Z hVbZ
dcWdi]h^YZh!\didStep 8#
7. Id VY_jhi i]Z iVWaZ! addhZc i]Z i]gZZ Wdaih
^c i]Z iVWaZ bdjci^c\ adXVi^dch hZZ Figure
128 VcY a^\]ian iVe i]Z iVWaZ ^c i]Z Y^gZX"
i^dccZZYZYidhfjVgZi]ZiVWaZidi]ZWaVYZ#
GZeZViSteps2–6 jci^ai]ZWaVYZVcYb^iZg
hadiVgZeVgVaaZa#9dcdi[dg\Ziidi^\]iZci]Z
iVWaZbdjci^c\Wdaihl]Zc[^c^h]ZY#
7aVYZi^aiZYid.%§
;gdci
7
HI:E7
Figure 127.BZVhjg^c\Y^hiVcXZ[gdbb^iZghadi
idXVgW^YZi^edcdeedh^iZh^YZd[iVWaZ^chZgi#
Figure 128. IVWaZbdjci^c\Wdai]daZhiVWaZide
gZbdkZY[dgXaVg^in#
IVWaZBdjci^c\AdXVi^dch

<%+%*M&"+M&!<%+.+M".,MB[\#-$&& "+,"
8. I^aii]ZWaVYZid)*VcYgZeZViSteps 3–6#
·>[ i]Z WaVYZ ^h hi^aa eVgVaaZa l^i] i]Z b^iZg
hadi! Xdci^cjZ dcid i]Z Blade Alignment
egdXZYjgZ#
·>[i]ZWaVYZlVheVgVaaZal^i]i]Zb^iZghadi
Vi.%WjicdiVi)*!dcZZcYd[i]ZiVWaZ
l^aacZZYidWZh]^bbZY]^\]Zgl^i]bZiVa
h]^bhidX`#
9. AddhZci]Zi]gZZiVWaZbdjci^c\Wdaih#
10. GZ[Zg id Figures 129–130 [dg h]^b eaVXZ"
bZci#>[i]ZY^hiVcXZd[ 6 ^hh]dgiZgi]Vc7!
h]^bhl^aacZZYidWZeaVXZYjcYZgXdgcZgh
&VcY'#>[i]ZY^hiVcXZd[7^hh]dgiZgi]Vc
6!h]^bhl^aacZZYidWZeaVXZYjcYZgXdg"
cZg(#KZgni]^ch]^bhidX`ldg`hlZaa#
Figure 129. H]^begdXZYjgZY^V\gVb6#
Figure 130. H]^begdXZYjgZY^V\gVb7#
&
'
(
;gdci
HI:E7
HI:E6
;gdci
&
'
(
11. I^\]iZc dcZ Wdai V hbVaa Vbdjci VcY i]Zc
gZeZVil^i]i]Zdi]Zgh!i^\]iZc^c\ZVX]Ydlc
i]ZhVbZVbdjci#8dci^cjZi]^hegdXZhhl^i]
Vaai]ZWdaih!i^\]iZc^c\i]ZbVa^iiaZZVX]i^bZ
jci^ai]ZnVgZVaahZXjgZ#
12. CdlgZX]ZX`i]ZWaVYZidi]Zb^iZghadiVi.%
VcY)*WngZeZVi^c\Steps 3-6#
·>[ i]Z Y^hiVcXZ d[ 6 VcY 7 VgZ ZfjVa!
Xdci^cjZ id Step 13! i]Zc \d id Blade
Alignment#
·>[ i]Z Y^hiVcXZh VgZ hi^aa d[[! gZeZVi Steps
9–11#
13. DcXZi]Zb^iZghadi^hVY_jhiZYidi]ZWaVYZ!
gZX]ZX` Vaa bZVhjgZbZcih VcY WZ hjgZ i]Z
iVWaZbdjci^c\WdaihVgZhZXjgZ#6ahd!^[ndj
gZbdkZi]ZiVWaZ^ci]Z[jijgZ!cdiZi]Zh]^b
eaVXZbZcih VcY gZVhhZbWaZ i]Zb ZmVXian
]dli]ZnXVbZVeVgi#
14. GZXdccZXi i]Z edlZg! i]Zc gZXVa^WgViZ i]Z
Y^\^iVa gZVYdji gZ[Zg id egdXZYjgZ dc Page
74WZ[dgZdeZgVi^c\i]ZhVl#
Blade Alignment
>[ i]Z WaVYZ XdciVXih i]Z hiVcYVgY iVWaZ ^chZgi
l]ZcgV^hZYdgi^aiZY!i]ZWaVYZbjhiWZVa^\cZY#
Tools Needed Qty
LgZcX]&)bb################################################### &
To adjust the blade alignment by moving the
table:
1. 9>H8DCC:8IH6L;GDBEDL:G
2. AddhZci]Zi]gZZiVWaZbdjci^c\WdaihPage
66, Figure 128VcYVY_jhii]ZiVWaZjci^ai]Z
WaVYZYdZhcdiXdciVXii]Z^chZgi#I^\]iZcVaa
i]Zbdjci^c\Wdaih#
3. BV`Z hjgZ i]Z WaVYZ YdZh cdi XdciVXi i]Z
iVWaZ ^chZgi l]Zc gV^hZY dg i^aiZY# GZX]ZX`
eVgVaaZa^hbd[i]ZWaVYZidi]Zb^iZghadihZZ
Page 66#6Y_jhiVhcZXZhhVgnjci^ai]ZWaVYZ
YdZhcdiidjX]i]Z^chZgi#

"+-" <%+%*M&"+M&!<%+.+M".,MB[\#-$&&
Spreader or Riving
Knife Alignment
Checking Alignment
I]Z WaVYZ \jVgY hegZVYZg VcY g^k^c\ `c^[Z bjhi
WZ Va^\cZY l^i] i]Z WaVYZ l]Zc ^chiVaaZY# >[ i]Z
hegZVYZg$g^k^c\`c^[Z^hcdiVa^\cZYl^i]i]ZWaVYZ!
i]Zc i]Z ldg`e^ZXZ l^aa WZ[dgZ [dgXZY h^YZlVnh
Yjg^c\i]ZXji!l]^X]l^aa^cXgZVhZi]Zg^h`d[`^X`"
WVX`#
Tools Needed Qty
HigV^\]iZY\Z###################################################### &
To check the spreader/riving knife alignment:
1. 9>H8DCC:8IH6L;GDBEDL:G
2. GV^hZi]ZhVlWaVYZidi]ZbVm^bjb]Z^\]i
hdndj]VkZZVhnldg`^c\VXXZhh#
3. 8]ZX`idbV`ZhjgZi]ZWaVYZ^h.%idi]Z
iVWaZ#;daadlHZii^c\.%Hide7dai^chigjX"
i^dchdc Page 64#
4. EaVXZ i]Z higV^\]iZY\Z V\V^chi i]Z ide VcY
Wdiidb d[ WaVYZ VcY hegZVYZg$g^k^c\ `c^[Z!
Vhh]dlc^cFigure 131#I]ZhegZVYZg$g^k^c\
`c^[Zh]djaYWZeVgVaaZal^i]i]ZWaVYZVadc\
^ihaZc\i]ViWdi]edh^i^dchVcYh]djaYWZ^c
i]Z 6a^\cbZci OdcZ! Vh h]dlc ^c Figure
132#
Figure 132.HegZVYZg$g^k^c\`c^[ZVa^\cbZci
odcZ#
6a^\cbZci
OdcZ
HegZVYZgdg
G^k^c\@c^[Z
7aVYZ HigV^\]iZY\Z
·>[ i]Z hegZVYZg$g^k^c\ `c^[Z ^h cdi eVgVaaZa
l^i] i]Z WaVYZ VcY ^ch^YZ i]Z Va^\cbZci
odcZ!i]Zc^icZZYhidWZVY_jhiZY#EgdXZZY
idAdjusting Alignment^chigjXi^dch#
·>[ i]Z hegZVYZg$g^k^c\ `c^[Z ^h cdi eVgVaaZa
l^i]i]ZWaVYZViZ^i]Zgi]ZidedgWdiidb!
^i bVn WZ WZci# GZbdkZ i]Z hegZVYZg$g^k"
^c\`c^[ZVcYeaVXZ^idcV[aVihjg[VXZVcY
X]ZX` id hZZ ^[ i]Z hegZVYZg$g^k^c\ `c^[Z
aVnhZkZcanVadc\^ihaZc\i]#>[i]ZhegZVYZg$
g^k^c\`c^[ZYdZhcdiaVnZkZcan!egdXZZYid
Adjusting Bent Spreader/Riving Knife
dcPage 69#
Figure 131.8]ZX`^c\ideVcYWdiidbg^k^c\`c^[Z
eVgVaaZa^hbl^i]WaVYZ#
Ide6a^\cbZci
7diidb6a^\cbZci

<%+%*M&"+M&!<%+.+M".,MB[\#-$&& "+."
Figure 133. HZihXgZlh[dgVY_jhi^c\hegZVYZg$
g^k^c\`c^[Zedh^i^dc#
Mounting Block
Ide8dcigda
H^YZ
8dcigda
H^YZ
8dcigda
7diidb8dcigda
Adjusting Bent Spreader/Riving
Knife
1. 9>H8DCC:8IH6L;GDBEDL:G
2. 7ZcY i]Z hegZVYZg dg g^k^c\ `c^[Z Wn ]VcY
l]^aZ ^chiVaaZY! i]Zc [daadl Steps 1–4 ^c
Checking Alignment dc Page 68 id YZiZg"
b^cZ^[^i^heVgVaaZal^i]i]ZWaVYZVcY^ch^YZ
i]Z6a^\cbZciOdcZ#
·>[i]^hYdZhcdildg`!gZbdkZ^iidhigV^\]i"
Zc#
·>[ndjXVccdihigV^\]iZc^iegdeZgan!gZeaVXZ
^i#
Figure 134. AdX``cdWadXVi^dc#
AdX`@cdW
4. I^\]iZci]ZadX``cdWhZZFigure 134!i]Zc
gZ"^chiVaai]ZiVWaZ^chZgi#
5. ;daadlChecking Alignment! Steps 1–4!dc
Page 68#
·>[ i]Z hegZVYZg$g^k^c\ `c^[Z ^h ^c i]Z Va^\c"
bZciodcZ!cdVYY^i^dcVahiZehVgZcZXZh"
hVgn#
·>[i]ZhegZVYZg$g^k^c\`c^[Z^hhi^aacdi^ci]Z
Va^\cbZciodcZ!Xdci^cjZVY_jhi^c\i]ZhZi
hXgZlh dc i]Z bdjci^c\ WadX` Vh cZXZh"
hVgn id XdggZXian edh^i^dc i]Z hegZVYZg$
g^k^c\`c^[Z#
6. I^\]iZci]ZildXVeWjiidc]ZVYXVehXgZlh
dci]Zbdjci^c\WadX`idhZXjgZi]ZhegZVY"
Zg$g^k^c\`c^[ZVY_jhibZci#
Possible Tools Needed Qty
=ZmLgZcX]'#*bb########################################### &
=ZmLgZcX](bb############################################## &
To adjust the spreader/riving knife position:
1. 9>H8DCC:8IH6L;GDBEDL:G
2. GZbdkZi]ZiVWaZ^chZgi#
3. AddhZc i]Z ild Wjiidc ]ZVY XVe hXgZlh
dc i]Z bdjci^c\ WadX`! i]Zc VY_jhi i]Z hZi
hXgZlhdci]ZWadX`idbdkZ^i^ci]ZcZXZh"
hVgnY^gZXi^dchZZBdjci^c\7adX`^chZi^c
Figure 133#
Adjusting Alignment
I]Z hegZVYZg$g^k^c\ `c^[Z bdjcih id V WadX` i]Vi
XVcWZgZedh^i^dcZYidXdggZXianVa^\ci]ZhegZVY"
Zg$g^k^c\ `c^[Z id i]Z WaVYZ# I]Z bdjci^c\ WadX`
VY_jhihWnijgc^c\i]ZhZihXgZlh^c ZVX]XdgcZg
d[i]ZWadX`#
Figure 133h]dlhi]ZhZihXgZlhVhhdX^ViZYl^i]
Xdcigdaa^c\i]Zbdjci^c\WadX`edh^i^dc#

",%" <%+%*M&"+M&!<%+.+M".,MB[\#-$&&
Figure 136.;ZcXZXdbedcZcihjhZYidVY_jhi
[ZcXZ]Z^\]iVcYhfjVgZcZhhidiVWaZ#
HZiHXgZlh
;ZcXZ
7gVX`Zi
GZVgGV^a
;ddi
4. Add` Vi i]Z \Ve WZilZZc i]Z [ZcXZ VcY i]Z
iVWaZide#
·>[ i]Z \Ve ^h Veegdm^bViZan &¿&+ VcY ZkZc
[gdbi]Z[gdcid[i]ZiVWaZidi]ZWVX`hZZ
Figure 137)! i]Zc cd VYY^i^dcVa VY_jhi"
bZcihVgZcZXZhhVgn#EgdXZZYidClamping
Pressure and Parallelism#
·>[i]Z\Ve^hjcZkZc!^[i]Z[ZcXZ]Z^\]i^h
bdgZi]Vc &¿-!dg ^[i]Z [ZcXZidjX]Zh i]Z
iVWaZ!i]ZcXdci^cjZl^i]Step 5#
3. 6Y_jhii]ZhZihXgZlhFigure 136dcided[
i]Z[ZcXZWgVX`ZiidZchjgZi]Z[ZcXZ[VXZ^h
.%idi]ZiVWaZ#
5. 6Y_jhii]Z[ZcXZ]Z^\]il^i]i]ZgZVggV^a[ddi
jci^ai]Z\VeWZilZZci]ZiVWaZVcYi]Z[ZcXZ
^hVeegdm^bViZan&¿&+VcYZkZc[gdbi]Z[gdci
d[i]ZiVWaZidi]ZWVX`#
&$&+<Ve
;ZcXZ
H^YZK^Zl
IVWaZ
Figure 137.<VeWZilZZc[ZcXZVcYiVWaZ
Veegdm^bViZan&¿&+[gdbidWVX`#
Fence Adjustments
I]ZgZVgZ[djgbV^cVY_jhibZcih[dgi]Z[ZcXZ/&
hfjVgZ!']Z^\]i!(eVgVaaZa^hb!VcY)XaVbe"
^c\egZhhjgZ##@ZZe^cb^cYi]Vii]ZhZVY_jhibZcih
VgZ^ciZgXdccZXiZYVcYhdbZig^Va"VcY"ZggdgbVn
WZcZZYZYidVX]^ZkZhVi^h[VXidgngZhjaih#
Tools Needed Qty
=ZmLgZcX])bb############################################## &
=ZmLgZcX]+bb############################################## &
BVX]^c^hihHfjVgZ############################################ &
;Zai"I^eeZYBVg`Zg############################################ &
Square and Height
I]Z [ZcXZ [VXZ bjhi WZ hfjVgZ id i]Z iVWaZ ^c
dgYZg id egdYjXZ hfjVgZ Xjih# 6ahd! i]Z [ZcXZ
h]djaYWZVY_jhiZY]^\]Zcdj\]d[[i]ZiVWaZi]Vi
^iYdZhcdiYgV\VXgdhhi]Zhjg[VXZ#
To check/adjust the fence height and square-
ness to the table:
1. 9>H8DCC:8IH6L;GDBEDL:G
2. EaVXZVhfjVgZdci]ZiVWaZV\V^chii]Z[VXZ
d[i]Z[ZcXZFigure 135idX]ZX`^[i]Z[ZcXZ
^hhfjVgZidi]ZiVWaZ#
·>[i]Z[ZcXZ^hcdihfjVgZidi]ZiVWaZ!egd"
XZZYidStep 3#
·>[ i]Z [ZcXZ ^h hfjVgZ id i]Z iVWaZ! h`^e
V]ZVYidStep 4#
Figure 135.8]ZX`^c\^[[ZcXZ^hhfjVgZidiVWaZ#
.%HfjVgZ
;ZcXZ
IVWaZ

<%+%*M&"+M&!<%+.+M".,MB[\#-$&& ",&"
Note:If the front end of the fence needs to
be adjusted up or down, use the set screws
from Figure 136; however, turn them in
even increments and recheck the square-
ness afterwards.
Clamping Pressure and Parallelism
I]Z [ZcXZ XaVbe^c\ bZX]Vc^hb VY_jhih i]Z
XaVbe^c\ egZhhjgZ id ]daY ndjg [ZcXZ hZXjgZan
VcYidedh^i^dci]Z[ZcXZeVgVaaZal^i]i]ZWaVYZ#
Figure 138.8]ZX`^c\[ZcXZeVgVaaZa^hbl^i]
WaVYZ#
;ZcXZ^h
EVgVaaZaid
B^iZgHadi!
l]^X]^h
EVgVaaZaid
7aVYZ
B^iZgHadi
7aVYZ
;ZcXZ
To verify fence parallelism:
1. Ha^YZi]Z[ZcXZVadc\i]ZgV^a#
·>[i]Z[ZcXZYgV\hVXgdhhi]ZiVWaZ!addhZc
i]Z ]Zm cji dc i]Z [ddi Vi i]Z gZVg d[ i]Z
[ZcXZVcYVY_jhii]Z[ddiidgV^hZi]Z[ZcXZ
d[[d[i]ZiVWaZhdi]Z\Ve^hVeegdm^bViZan
&¿&+VcYZkZc[gdbi]Z[gdcid[i]ZiVWaZid
i]Z WVX` hZZ Figure 137 dc Page 70#
I^\]iZc i]Z ]Zm cji dc i]Z [ddi id hZXjgZ
i]Z[ddi^cedh^i^dc#
2. Ha^YZ i]Z [ZcXZ je V\V^chi i]Z g^\]i ]VcY
ZY\Z d[ i]Z b^iZg hadi! adX` ^i ^c eaVXZ! i]Zc
gV^hZi]ZWaVYZVWdkZi]Z^chZgi#Jh^c\V[^cZ
gjaZg!ZmVb^cZ]dli]Z[ZcXZa^cZhjel^i]i]Z
b^iZghadiVcYi]ZWaVYZ!Vhh]dlc^cFigure
138#
·>[i]Z[ZcXZVcYb^iZghadiVgZeVgVaaZal^i]
i]ZWaVYZ!Vhh]dlc^cFigure 138!cd[jg"
i]ZgVY_jhibZcihcZZYidWZbVYZ#
·>[ i]Z [ZcXZ ^h cdi eVgVaaZa l^i] i]Z WaVYZ$
b^iZghadi!i]ZcndjbjhiVY_jhii]Z[ZcXZ
eVgVaaZal^i]i]ZWaVYZ#
·>[i]Zb^iZghadi^hcdieVgVaaZal^i]i]ZWaVYZ!
ndjbjhi[daadli]ZegdXZYjgZhYZhXg^WZY
^c Miter Slot to Blade Parallelism dc
Page 66#
To adjust the fence clamping pressure and
parallelism to the blade:
1. 9>H8DCC:8IH6L;GDBEDL:G
2. GZbdkZ i]Z [ZcXZ! ZfjVaan VY_jhi i]Z hZi
hXgZlh h]dlc ^c Figure 139! i]Zc gZ"^chiVaa
i]Z[ZcXZVcY X]ZX`i]ZXaVbe^c\egZhhjgZ#
GZ"VY_jhi Vh cZZYZY jci^a i]Z [ZcXZ l^aa cdi
bdkZVhegZhhjgZ^hVeea^ZYV\V^chi^i#
Figure 139.AdXVi^dcd[hZihXgZlhjhZYid
VY_jhi[ZcXZeVgVaaZa^hbVcYXaVbe^c\egZhhjgZ#
HZiHXgZlh
;ZcXZ7gVX`Zi
3. Bdjci i]Z [ZcXZ dc i]Z gV^a V\V^c! bdkZ ^i
Veegdm^bViZan ) VlVn [gdb i]Z WaVYZ! VcY
adX`^i^ceaVXZ#
4. BZVhjgZi]ZY^hiVcXZWZilZZci]Z[ZcXZVcY
i]Z [gdci d[ i]Z WaVYZ! i]Zc bVg` i]Z iddi]
i]Vi ndj bZVhjgZY [gdb l^i] V [Zai"i^eeZY
bVg`Zg#

",'" <%+%*M&"+M&!<%+.+M".,MB[\#-$&&
Fence Scale
Calibration
I]Z [ZcXZ hXVaZ ^cY^XVidg l^cYdlh! h]dlc ^c
Figure 141! XVc WZ XVa^WgViZY l^i] i]Z [ZcXZ
hXVaZWnaddhZc^c\i]Zildbdjci^c\hXgZlhVcY
ha^Y^c\ ^i ^c i]Z YZh^gZY Y^gZXi^dc# I]Z ^cY^XVidg
l^cYdldci]Zg^\]ih^YZ^hjhZYl]Zci]Z[ZcXZ
^h edh^i^dcZY dc i]Z g^\]i h^YZ d[ i]Z WaVYZ# I]Z
^cY^XVidgl^cYdldci]ZaZ[ih^YZ^hjhZYl]Zci]Z
[ZcXZ^h edh^i^dcZY dci]Z aZ[i h^YZd[i]Z WaVYZ#
IMPORTANT: 9d cdi jhZ i]Z [ZcXZ dc i]Z aZ[i
h^YZd[i]ZWaVYZ^[^i]VhWZZcejgedhZand[[hZi!Vh
YZhXg^WZY^c Offsetting Fenceon this page#
Figure 141.:mVbeaZd[[ZcXZ^cY^XVidgl^cYdlh#
Tools Needed Qty
E]^aa^ehHXgZlYg^kZg###########################################&
HXgVeE^ZXZd[LddY######################################### &
To calibrate the fence scale indicator win-
dows:
1. Edh^i^dc VcY adX` i]Z [ZcXZ Vi &(! Vh ^cY^"
XViZYWni]ZhXVaZ!i]ZcXjindjghXgVee^ZXZ
d[lddY#
2. GZedh^i^dcVcYadX`i]Z[ZcXZVi&'!Vh^cY^"
XViZYWni]ZhXVaZ#
3. ;a^e ndjg hXgVe e^ZXZ d[ lddY dkZg! eaVX^c\
i]Z h^YZ i]Vi lVh Xji ^c Step 2 V\V^chi i]Z
[ZcXZ!i]ZcbV`ZndjgXji#
4. BZVhjgZi]Zl^Yi]d[i]Z[gZh]anXjildg`e^ZXZ
l^i] V iVeZ bZVhjgZ# I]Z ldg`e^ZXZ l^Yi]
h]djaYWZZmVXian&'#>[^i^hcdi!i]ZcVY_jhi
i]Z^cY^XVidgl^cYdlidbViX]i]Zl^Yi]d[i]Z
ldg`e^ZXZ#
5. GdiViZ i]Z WaVYZ &-% VcY gZX]ZX` i]Z Y^h"
iVcXZWZilZZci]Z[ZcXZVcYi]ZWaVYZiddi]
ndjbVg`ZY^cStep 4idZchjgZi]ZnVgZeVg"
VaaZahZZFigure 138 dcPage 71#
6. JhZ ig^Va"VcY"Zggdg id VY_jhi i]Z hZi hXgZlh
hdi]Z[ZcXZ^heVgVaaZaidi]ZWaVYZVcYi]Z
XaVbe^c\egZhhjgZ^hhj[[^X^Zci#
Figure 140.6Y_jhi^c\[ZcXZl^i]V&¿+)d[[hZi#
M
M &$+)
:migVHeVXZ
idEgZkZci7^cY^c\
Dei^dcVa
M2NdjgBZVhjgZbZci
7aVYZ
I]ZgZVhdc[dgi]^hl^YZg\VeVii]ZWVX`h^YZd[
i]ZWaVYZ^hid]ZaeegZkZcii]ZX]VcXZd[`^X`WVX`
VcY i]Z WaVYZ Wjgc^c\ i]Z ldg`e^ZXZ WZXVjhZ
V ldg`e^ZXZ bVn WZ ^cXdch^hiZci# =dlZkZg! i]Z
igVYZ"d[[^haZhhVXXjgViZXjih!VcY^[i]Z[ZcXZ^h
eaVXZYdci]Z di]Zgh^YZd[WaVYZ[dgdi]ZgiVWaZ
hVldeZgVi^dch!i]ZediZci^Vad[ldg`e^ZXZWjgc"
^c\ VcY `^X`WVX` XVc WZ ^cXgZVhZY# L]ZcZkZg
jh^c\V[ZcXZ!bV`ZhjgZi]Vi^[Vcd[[hZi]VhWZZc
VY_jhiZY^ci]Z[ZcXZVa^\cbZci!ndjjhZi]Z[ZcXZ
dci]Zh^YZd[i]ZWaVYZl]ZgZi]Zd[[hZiXgZViZh
i]Zl^YZ\Ve#
Offsetting Fence
HdbZ lddYldg`Zgh egZ[Zg id d[[hZi i]Z gZVg d[
i]Z[ZcXZ&$+)[gdbi]ZWaVYZ!Vhh]dlc^cFigure
140#
AZ[i>cY^XVidg
L^cYdl
G^\]i>cY^XVidg
L^cYdl

<%+%*M&"+M&!<%+.+M".,MB[\#-$&& ",("
Miter Gauge
Adjustments
I]Zb^iZg\Vj\Z^hZfj^eeZYl^i]hidehXgZlhi]Vi
VaadlndjidZVh^anVY_jhii]Zb^iZg\Vj\Z[gdb)*
id i]Z aZ[i! .%! VcY )* id i]Z g^\]i hZZ Figure
142# I]Z hide hXgZlh XdciVXi i]Z h]V[i! l]^X]
bdkZh^cdgdjid[i]ZlVn[dgVY_jhibZcih#
Figure 143.8]ZX`^c\.%hidedcb^iZg\Vj\Z#
HfjVgZ
B^iZg<Vj\Z
7aVYZ
·>[ i]Z hfjVgZ idjX]Zh i]Z b^iZg WdYn VcY
i]ZWdYnd[i]ZWaVYZcdii]ZiZZi]ZkZcan
Vi i]Z hVbZ i^bZ! i]Zc ^i ^h hfjVgZ id i]Z
WaVYZVcYi]Z.%hide^hhZiXdggZXian#Cd
[jgi]ZgVY_jhibZcihVgZcZXZhhVgn#
·>[i]ZhfjVgZYdZhcdiidjX]i]Zb^iZgWdYn
VcY WaVYZ WdYn ZkZcan Vi i]Z hVbZ i^bZ!
i]ZcegdXZZYidStep 5#
5. AddhZc i]Z ]Zm cji _Vb cji i]Vi hZXjgZh
i]Z.%hidehXgZlVcYVY_jhii]ZhidehXgZl
jci^a ^i ^h hZViZY V\V^chi i]Z h]V[i l]^aZ i]Z
hfjVgZ^hZkZcanidjX]^c\i]Zb^iZgWdYnVcY
i]ZWaVYZWdYn!i]Zci^\]iZci]Z]Zmcji#
6. AddhZc i]Z hXgZl dc i]Z [gdci d[ i]Z b^iZg
WVg!VY_jhii]Zed^ciZgid%!i]Zci^\]iZci]Z
hXgZl#
Checking/Setting 45° Stops
;daadli]ZhVbZegdXZhhl^i]i]Z)*hidehi]Vi
ndj [daadlZY l^i] i]Z .%! ZmXZei jh^c\ V )*
hfjVgZ dg VY_jhiVWaZ hfjVgZ id kZg^[n i]Vi i]Z
b^iZgWdYn^h)*idi]ZWaVYZ!Vhh]dlc^cFigure
144#
Figure 144. 8]ZX`^c\)*hidedcb^iZg\Vj\Z#
)*HfjVgZ
B^iZg<Vj\Z
7aVYZ
Tools Needed Qty
=ZmLgZcX]'#*bb########################################### &
E]^aa^ehHXgZlYg^kZg###########################################&
HfjVgZ.%VcY)*##################################&:VX]
LgZcX]-bb#####################################################&
Checking/Setting 90° Stops
1. 9>H8DCC:8IH6L;GDBEDL:G
2. Ha^YZ i]Z b^iZg \Vj\Z ^cid i]Z I"hadi dc i]Z
iVWaZ!i]Zcejh]i]Zha^Y^c\h]V[iVaai]ZlVn
^cidi]Zb^iZg\Vj\Z#
3. 6Y_jhii]Zb^iZg\Vj\Zhdi]Z.%hidehXgZl
gZhihV\V^chii]Zha^Y^c\h]V[i#
Figure 142.B^iZg\Vj\Zhideh#
)*AZ[iHide
4. EaVXZi]Z.%hfjVgZZkZcanV\V^chii]Z[VXZ
d[i]Zb^iZg\Vj\ZVcYi]ZWaVYZ!Vhh]dlc
^cFigure 143#
.%Hide
)*G^\]iHide
H]V[i

",)" <%+%*M&"+M&!<%+.+M".,MB[\#-$&&
Table Tilt Handwheel
Backlash
I]Z iVWaZ i^ai ]VcYl]ZZa h]djaY bdkZ l^i] kZgn
a^iiaZWVX`aVh]dghadel]Zci]ZhVl^hcZl#DkZg
i^bZi]Zi^ai\ZVghbVnlZVg!^cXgZVh^c\WVX`aVh]#
Ndj XVc Za^b^cViZ WVX`aVh] Wn VY_jhi^c\ i]Z i^ai
]VcYl]ZZa\ZVgh#
Tools Needed Qty
=ZmLgZcX]+bb############################################## &
LgZcX]&'bb################################################### &
LgZcX]&(bb################################################### &
To adjust the table tilt gear backlash:
1. 9>H8DCC:8IH6L;GDBEDL:G
2. Ijgc i]Z iVWaZ i^ai ]VcYl]ZZa dcZ lVn V
XdjeaZijgch!i]Zcijgc^ii]Zdi]ZglVnid[ZZa
i]ZWVX`aVh]#
3. JchXgZl i]Z iVe hXgZlh hZXjg^c\ i]Z Vc\aZ
hZchdgXdkZg!i]ZcgZbdkZ^i!VcYaddhZci]Z
ild XVe hXgZlh VcY i]Z _Vb cji h]dlc ^c
Figure 145#
I]Z Y^\^iVa gZVYdji Y^heaVnh i]Z XjggZci WaVYZ
Vc\aZ# Dcan hZi i]Z gZVYdji V[iZg kZg^[n^c\ i]Vi
i]Z.%VcY)*WaVYZi^aihidehVgZXdggZXianedh^"
i^dcZY#
To calibrate the digital readout:
1. :chjgZi]Z edlZg^h XdccZXiZY VcY i]Z )*
VcY .% hide Wdaih VgZ hZi hZZ Blade Tilt
StopshiVgi^c\dcPage 64#
2. BdkZi]ZWaVYZVc\aZid.%VcYegZhhi]Z%
H:IWjiidcFigure 146[dghZkZgVahZXdcYh
jci^ai]Z gZVYdji Y^heaVnh %#%%! dgbdkZ i]Z
WaVYZ Vc\aZ id )* VcY egZhh i]Z )* H:I
Wjiidcjci^ai]ZgZVYdjiY^heaVnh)*#%#
Note:If the power is disconnected, the
digital display will automatically reset to 0.00.
Therefore, when you reconnect power, follow
Steps 1–2 above.
Digital Readout
Calibration
4. L]^aZ V ]ZaeZg i^\]iZch i]Z VY_jhibZci ]Zm
Wdai! ijgc i]Z i^ai ]VcYl]ZZa WVX` VcY [dgi]#
I^\]iZci]Z]ZmWdaijci^andjcdadc\Zg[ZZa
VcnldWWaZdgaddhZcZhhl]Zci]Z]VcYl]ZZa
^h^c^i^VaanijgcZY#9dcdidkZgi^\]iZci]Z\ZVgh
dgi]Znl^aaW^cY#
5. I^\]iZci]Z_VbcjiVcYXVehXgZlh!gZ"^chiVaa
i]ZVc\aZhZchdgXdkZg!i]ZcXadhZi]Zbdidg
VXXZhhXdkZg#
Figure 145#IVWaZi^ai]VcYl]ZZaVY_jhibZci#
6Y_jhibZci
=Zm7dai
?VbCji
8VeHXgZlh
Figure 146#9^\^iVagZVYdji#
)*HZi7jiidc
%HZi7jiidc

<%+%*M&"+M&!<%+.+M".,MB[\#-$&& ",*"
I]Z WZai higZiX]Zh ha^\]ian Vh i]Z hVl ^h jhZY#
Bdhid[i]ZWZaihigZiX]^c\l^aa]VeeZcYjg^c\i]Z
[^ghi&+]djghd[jhZ!Wji^ibVnXdci^cjZid\gVYj"
VaanhigZiX]l^i]Xdci^cjZYjhZ#
Id ZchjgZ dei^bjb edlZg igVchb^hh^dc [gdb
i]Zbdidgidi]ZWaVYZ!i]ZWZaibjhiWZ^c\ddY
XdcY^i^dc#GZeaVXZi]ZWZai^[^iWZXdbZhXgVX`ZY!
[gVnZY!dg\aVoZY#
Tools Needed Qty
6gWdgLgZcX]Zh################################################ '
LddY7adX`&%Adc\)m)############################### &
LgZcX]dgHdX`Zi&,bb################################### &
LddY7adX`-'m+############################################ &
Tensioning Belt
1. 9>H8DCC:8IH6L;GDBEDL:G
2. JhZi]ZWaVYZ]Z^\]i]VcYl]ZZaidadlZgi]Z
bdidgVaai]ZlVnYdlc#
3. AddhZc i]Z [djg bdidg bdjci^c\ ]Zm cjih
h]dlc ^c Figure 147 ild ijgch! i]Zc eaVXZ
i]Z)m) lddY WadX`dc ided[ i]Z bdidg!Vh
h]dlc^cFigure 148#
4. JhZi]ZWaVYZ]Z^\]i]VcYl]ZZaidXVgZ[jaan
iZch^dci]ZWZaiWnbdk^c\i]ZWaVYZje#9d
i]^h hadlan VcY iV`Z XVgZ cdi id Veean idd
bjX]egZhhjgZidi]ZWZai#Note:Be careful
not to damage the motor, and do not force it
up farther when it becomes difficult to move
the handwheel.
Figure 147.Bdidgbdjci^c\cjih#
Bdjci^c\Cjih
Belt Tension &
Replacement
6. I^\]iZci]Z bdidg bdjci^c\ ]Zm cjih! adlZg
i]Zbdidg!VcYgZbdkZi]ZlddYWadX`#
7. 8adhZi]ZbdidgXdkZg#
5. EgZhhi]ZWZai^ci]ZXZciZgidX]ZX`WZaiiZc"
h^dc# I]Z WZai ^h XdggZXian iZch^dcZY l]Zc
i]ZgZ^hVeegdm^bViZan&¿-YZ[aZXi^dcl]Zc^i
^hejh]ZYl^i]bdYZgViZegZhhjgZ!Vhh]dlc
^cFigure 149#
EjaaZn
9Z[aZXi^dc
EjaaZn
Figure 148#:mVbeaZd[jh^c\lddYWadX`id
iZch^dcWZai#
LddY
7adX`
Figure 149#8]ZX`^c\WZaiYZ[aZXi^dc#
·>[ i]ZgZ ^h bdgZ i]Vc &¿- YZ[aZXi^dc l]Zc
i]ZWZai^hejh]ZYl^i]bdYZgViZegZhhjgZ!
gV^hZi]ZbdidgjelVgY#
NOTICE
Do not overtighten the belt. If you do, it
could decrease the lifespan of the motor
and arbor bearings.

",+" <%+%*M&"+M&!<%+.+M".,MB[\#-$&&
Figure 150#BdidggZhi^c\dclddYWadX`#
LddY
7adX`
4. AdlZg i]Z VgWdg VhhZbWan jci^a i]Z bdidg
gZhihdci]ZlddYWadX`!Vhh]dlc^cFigure
150! i]Zc ijgc i]Z ]VcYl]ZZa Vc VYY^i^dcVa
ijgc^ci]Z hVbZ Y^gZXi^dcid gZYjXZ iZch^dc
dci]ZWZai#
Note:Be careful not to lower the motor too
far or the board may damage the capacitor
covers. Also, do not force the arbor down
farther when it becomes difficult to move the
handwheel.
5. I^\]iZci]Zbdidgbdjci^c\cjihid]daYi]Z
bdidg^ceaVXZ#
6. GV^hZi]Z bdidgVaa i]Z lVn je VcYgZbdkZ
i]ZlddYWadX`#
7. Gdaa i]Z WZai d[[ d[ i]Z jeeZg VcY adlZg eja"
aZnh!Vhh]dlc^cFigure 151#7ZXVgZ[jacdi
ide^cX]ndjg[^c\Zgh#
Note:To make belt removal easier, turn the
belt sideways and slide it down and past the
back of the motor pulley.
Figure151#GZbdk^c\WZai
iVWaZgZbdkZY[dgXaVg^in#
BdidgEjaaZn
8. Ijgc i]Z cZl WZai h^YZlVnh VcY ha^e ^i dkZg
i]ZbdidgejaaZn!Vhh]dlc^cFigure152!hd
^iZc\V\ZhdcZdgild\gddkZh#
BdidgEjaaZn
Figure 152#>chiVaa^c\WZai#
'm+
Replacing Belt
1. 9>H8DCC:8IH6L;GDBEDL:G
2. GV^hZ i]Z bdidg Vaa i]Z lVn je! i^ai ^i id %!
VcYdeZci]ZbdidgXdkZg#
3. AddhZc i]Z [djg bdidg bdjci^c\ ]Zm cjih
Figure 147 ild ijgch! VcY eaVXZ i]Z 'm+
WadX`WZilZZci]ZXVW^cZiVcYWdiidbd[i]Z
bdidg!Vhh]dlc^cFigure 150#
9. Ejh]i]ZWZai ^clVgYVcYgdaa^idcidi]Zide
ejaaZn#8dci^cjZejh]^c\i]ZWZaiVcYgdiVi^c\
^ijeVcYYdlcjci^a^i^hXZciZgZYdcWdi]eja"
aZnh!Vhh]dlc^cFigure 153#
Figure 153#7Zai^chiVaaZY#
10. ;daadlSteps 2-7^cIZch^dc^c\7Zai idiZc"
h^dci]ZWZai#
7Zai
7Zai
7Zai

<%+%*M&"+M&!<%+.+M".,MB[\#-$&& ",,"
SHOCK HAZARD. Ldg`^c\dcl^g^c\i]Vi^hXdc"
cZXiZYidVedlZghdjgXZ^hZmigZbZanYVc\Zgdjh#
IdjX]^c\ ZaZXig^[^ZY eVgih l^aa gZhjai ^c eZghdcVa
^c_jgn ^cXajY^c\ Wji cdi a^b^iZY id hZkZgZ Wjgch!
ZaZXigdXji^dc! dg YZVi]# 9^hXdccZXi i]Z edlZg
[gdbi]ZbVX]^cZWZ[dgZhZgk^X^c\ZaZXig^XVaXdb"
edcZcih
MODIFICATIONS. BdY^[n^c\ i]Z l^g^c\ WZndcY
l]Vi^hh]dlc^ci]ZY^V\gVbbVnaZVYidjcegZ"
Y^XiVWaZ gZhjaih! ^cXajY^c\ hZg^djh ^c_jgn dg [^gZ#
I]^h^cXajYZhi]Z^chiVaaVi^dcd[jcVeegdkZYV[iZg"
bVg`ZieVgih#
WIRE CONNECTIONS. 6aa XdccZXi^dch bjhi
WZ i^\]i id egZkZci l^gZh [gdb addhZc^c\ Yjg^c\
bVX]^cZ deZgVi^dc# 9djWaZ"X]ZX` Vaa l^gZh Y^h"
XdccZXiZYdgXdccZXiZYYjg^c\Vcnl^g^c\iVh`id
ZchjgZi^\]iXdccZXi^dch#
CIRCUIT REQUIREMENTS. Ndj BJHI [daadl
i]Z gZfj^gZbZcih Vi i]Z WZ\^cc^c\ d[ i]^h bVc"
jVa l]Zc XdccZXi^c\ ndjg bVX]^cZ id V edlZg
hdjgXZ#
WIRE/COMPONENT DAMAGE.9VbV\ZYl^gZh
dg XdbedcZcih ^cXgZVhZ i]Z g^h` d[ hZg^djh eZg"
hdcVa^c_jgn![^gZ!dgbVX]^cZYVbV\Z#>[ndjcdi^XZ
i]ViVcnl^gZhdgXdbedcZcihVgZYVbV\ZYl]^aZ
eZg[dgb^c\ V l^g^c\ iVh`! gZeaVXZ i]dhZ l^gZh dg
XdbedcZcih#
MOTOR WIRING. I]Z bdidg l^g^c\ h]dlc ^c
i]ZhZ Y^V\gVbh ^h XjggZci Vi i]Z i^bZ d[ eg^ci^c\
WjibVncdibViX]ndjgbVX]^cZ#>[ndj[^cYi]^h
idWZi]ZXVhZ!jhZi]Zl^g^c\Y^V\gVb^ch^YZi]Z
bdidg_jcXi^dcWdm#
CAPACITORS/INVERTERS. HdbZ XVeVX^idgh
VcYedlZg^ckZgiZghhidgZVcZaZXig^XVaX]Vg\Z[dg
je id &% b^cjiZh V[iZg WZ^c\ Y^hXdccZXiZY [gdb
i]Z edlZg hdjgXZ# Id gZYjXZ i]Z g^h` d[ WZ^c\
h]dX`ZY!lV^iViaZVhii]^hadc\WZ[dgZldg`^c\dc
XVeVX^idgh#
EXPERIENCING DIFFICULTIES. >[ndjVgZZmeZ"
g^ZcX^c\Y^[[^Xjai^ZhjcYZghiVcY^c\i]Z^c[dgbVi^dc
^cXajYZY ^c i]^h hZXi^dc! XdciVXi djg IZX]c^XVa
HjeedgiVi*,%*)+".++(#
Wiring Safety Instructions
The photos and diagrams
included in this section are
best viewed in color. You
can view these pages in
color at www.grizzly.com.
I]ZhZeV\ZhVgZXjggZciVii]Zi^bZd[eg^ci^c\#=dlZkZg!^ci]Zhe^g^id[^begdkZbZci!lZbVnbV`ZX]Vc\"
Zhidi]ZZaZXig^XVahnhiZbhd[[jijgZbVX]^cZh#8dbeVgZi]ZbVcj[VXijgZYViZd[ndjgbVX]^cZidi]ZdcZ
hiViZY^ci]^hbVcjVa!VcYhijYni]^hhZXi^dcXVgZ[jaan#
>[i]ZgZVgZY^[[ZgZcXZhWZilZZcndjgbVX]^cZVcYl]Vi^hh]dlc^ci]^hhZXi^dc!XVaaIZX]c^XVaHjeedgiV
i
*,%*)+".++([dgVhh^hiVcXZ7:;DG:bV`^c\VcnX]Vc\Zhidi]Zl^g^c\dcndjgbVX]^cZ#6cjeYViZY
l^g^c\ Y^V\gVb bVn WZ VkV^aVWaZ# Note:Please gather the serial number and manufacture date of you
r
machine before calling. This information can be found on the main machine label.
SECTION 9: WIRING
bVX]^cZ

",-" READ ELECTRICAL SAFETY
ON PAGE 77!
<%+%*M&"+M&!<%+.+M".,MB[\#-$&&
Common Electrical Components
Figure 154#<%+%*M&$<%+.+Mbdidg_jcXi^dc
Wdm#
Figure 158#<%+%*M&$<%+.+MbV\cZi^Xhl^iX]#
Figure 157#9^\^iVagZVYdjiVcYVc\aZhZchdg#
Figure 155#Dc$D[[hl^iX]#
Figure 156#<%+%+M&$<%+.,Mbdidg_jcXi^dc
Wdm#

<%+%*M&"+M&!<%+.+M".,MB[\#-$&& ",."
READ ELECTRICAL SAFETY
ON PAGE 77!
220V Motor
D;;
Magnetic Switch
Assembly MPE-30
Angle Sensor
Digital Readout
On/Off Switch
DC
68' G&-
&) ')
'(&(
68&
L6-30 Plug
(As Recommended)
Gjc
8VeVX^idg
(*B;9
)*%K68
HiVgi
8VeVX^idg
'*%B;9
'*%K68
G$&$A& I$*$A( CD&(H$($A'
C8&*
J$'$I& L$+$I(
''%K
K$)$I'
C8&+
CD&)
6
H9:
B6"(%
<gdjcY
=di
=di
220 VAC
G
X
Y
<gdjcY
Power Junction Box
Installation work and
electrical wiring
must be done by
qualified electrician
in accordance with
all applicable codes
and standards.
G:H:I
.+ .-
&$' ($) *$+ &-
''
'+
D;;
.*
H9:G6"(%
7
G0605X1/G0696X Wiring 220V, 1-Ph
HZZFigure 155,Page 78
HZZFigure 154,
Page 78
HZZFigure 157, Page 78
HZZFigure 157, Page 78
HZZFigure 158, Page 78

"-%" READ ELECTRICAL SAFETY
ON PAGE 77!
<%+%*M&"+M&!<%+.+M".,MB[\#-$&&
Figure 159#<%+%+M&$<%+.,MbV\cZi^Xhl^iX]
egZl^gZYid''%K!("e]VhZ#
Note: The thermal relay in Figure 159 is set for 20
amp, 220V, 3-phase operation.
Figure 160#<%+%+M&$<%+.,MbV\cZi^Xhl^iX]
XdckZgiZYid))%K!("e]VhZ#
Note: The therrmal relay in Figure 160 is adjusted
for 10 amp, 440V, 3-phase operation.
G0606X1/G0697X Electrical Components

<%+%*M&"+M&!<%+.+M".,MB[\#-$&& "-&"
READ ELECTRICAL SAFETY
ON PAGE 77!
G0606X1/G0697X Wiring 220V, 3-Ph
G$&$A& I$*$A( CD&(H$($A'
C8&*
J$'$I& L$+$I(
''%K
K$)$I'
C8&+
CD&)
.*
6
H9:
B6"(%
<gdjcY
&$' ($) *$+
&&
''
G:H:I
D;;
H9:G6"(%
.+ .-
7
))%K
<gdjcY
=di
=di
=di
L15-30 PLUG
(as recommended)
220 VAC
D;; DC
&) ')
'(&(
Angle Sensor
Digital Readout
68' G&-
68&
On/Off Switch
Magnetic
Switch
Assembly
MPE-30
Motor@220V 3-Ph
<gdjcY
O& N& M&
L&
L'
K&
K'
J&
J'
If connecting machine to a phase
converter, the manufactured leg
must be connected to terminal L3.
PHASE CONVERTER
Power Junction Box
Installation work and electrical wiring
must be done by qualified electrician in
accordance with all applicable codes
and standards.
''%K
HZZ Figure 156, Page 78
Figure 159,
Page 80
HZZFigure 157,
Page 78
HZZFigure 155,Page 78
HZZFigure 157, Page 78

"-'" READ ELECTRICAL SAFETY
ON PAGE 77!
<%+%*M&"+M&!<%+.+M".,MB[\#-$&&
G0606X1/G0697X Wiring 440V, 3-Ph
G$&$A& I$*$A( CD&(H$($A'
C8&*
J$'$I& L$+$I(
''%K
K$)$I'
C8&+
CD&)
6
H9:
B6"(%
<gdjcY
G:H:I
.+ .-
&$' ($) *$+
&&
''
D;;
.*
H9:G6"(%
7
''%K
D;; DC
&) ')
'(&(
Angle Sensor
Digital Readout
68' G&-
68&
On/Off Switch
Magnetic
Switch
Assembly
MPE-30
<gdjcY
=di
=di
=di
DISCONNECT
SWITCH
(as recommended)
3-PHASE
440 VAC
Motor@440V 3-Ph
Power Junction Box
Installation work and electrical wiring
must be done by qualified electrician in
accordance with all applicable codes
and standards.
<gdjcY
K&
J&
O&
N&
M&
K' J'
L& L'
))%K))
%
K
HZZ Figure 156, Page 78
Figure 160,
Page 80)
HZZFigure 155,Page 78
HZZFigure 157!
Page 78
HZZFigure 157!
Page 78

<%+%*M&"+M&!<%+.+M".,MB[\#-$&& "-("
,&
)%
(.
,-
,,
*, *-
() *- *, ,,
+%
*.
'&
'%
&'
&&
&(
')
,
+
*
-
.
&%
&*
&'
&(
&)
+(
',
++
+*
',
+)
&- +*
(.
)%
+-
+.
,%
(-
&* +,
&(*
,'
&()
&((
'*
+&
(-
'.
&(&
&(%
&'.
&'-
&',
&'+
&('
&*-
(,
(&
((
()
('
'+
',
(%
'- '(
(-
''
'*
(+
(*
*+
*'
()
&')
),
*&
',
*'
*(
)'
**
*)
'+
)(
)+
(-
))
)*
',
)'
).
)-
)& ..
**
+
+"'
+"& +"(
+"'
+"& +")
+"*K'
+"( +"-
+"+
+",K'
<%+%+M&<%+.,M
,"&$'=E("E=
''%$))%K
BDIDG
+
<%+%*M&<%+.+M
*E=&"E=
''%K
BDIDG
&+
&+
-&
-%
-&")
-&"(
&*)"&
&*)"+ &*)"'
&*)"(
&*)")
-&"&
&+%
&*.
-&"*
-&"+
-&"'
-&", -&"- -&".
&*)
<%+%*M&$<%+.+M
*=E''%K
&"E=HL>I8=
<%+%+M&$<%+.,M
,"&$'=E''%$))%K
("E=HL>I8=
-&
-&")K'
-&"(
-&"&
-&"'
&,K'
&,K'"&
&%.K'
&,K'"'
&,K'"(
&,K'")
&,K'"*
&,K'"+
&,K'",
&,K'"-
&,K'".
&,K'"&%
-&"* -&"- -&".
Motor and Arbor
SECTION 10: PARTS

"-)" <%+%*M&"+M&!<%+.+M".,MB[\#-$&&
REF PART # DESCRIPTION REF PART # DESCRIPTION
5 P0605X137 STRAIN RELIEF 45 P0605X021 TILT ARROW POINTER
7 PN02M HEX NUT M10-1.5 46 PS14M PHLP HD SCR M6-1 X 12
8 PW04M FLAT WASHER 10MM 47 P0605X1047 HANDWHEEL
9 PLW06M LOCK WASHER 10MM 48 P0605X014 HANDWHEEL LOCK KNOB
10 P0605X113 SPECIAL MOTOR BOLT 49 PSS17 SET SCREW 5/16-18 X 5/16
11 PK02M KEY 5 X 5 X 40 51 P0605X1051 LOCK COLLAR
12 PSS03M SET SCREW M6-1 X 8 52 P0605X1052 FLAT WASHER 19MM
13 P0605X1013 MOTOR PULLEY 53 P0605X1053 BLADE HEIGHT HANDWHEEL SHAFT
14 P0605X1014 FLAT BELT 220-J12 54 P0605X1054 ALIGNMENT PIN
15 P6005-2RS BALL BEARING 6005 2RS 55 PN03M HEX NUT M8-1.25
16 PFB15M FLANGE BOLT M8-1.25 X 12 56 P0605X1056 BEVEL GEAR (R)
17V2 P0605X1017V2 MOUNTING BRACKET V2.01.10 57 PCAP06M CAP SCREW M6-1 X 25
17V2-1 P0605X1017V2-1 MOUNTING BRACKET BASE V2.01.10 58 PLW03M LOCK WASHER 6MM
17V2-2 PCAP14M CAP SCREW M8-1.25 X 20 59 PS06M PHLP HD SCR M5-.8 X 20
17V2-3 P0661044V2-3 COMPRESSION SPRING V2.01.10 63 P0605X1063 TRUNNION
17V2-4 P0661044V2-4 LOCKING BOLT V2.01.10 64 P0605X1064 FRONT COLUMN
17V2-5 P0605X1017V2-5 MOUNTING BRACKET PLATE V2.01.10 65 PCAP12M CAP SCREW M8-1.25 X 40
17V2-6 PBHS06M BUTTON HD CAP SCR M5-.8 X 12 66 P0605X1066 REAR COLUMN
17V2-7 PLW01M LOCK WASHER 5MM 67V2 P0605X1067V2 ARBOR 1" V2.01.10
17V2-8 P0661044V2-8 HANDLE V2.01.10 68 P0605X1068 BLADE
17V2-9 PBHS16M BUTTON HD CAP SCR M5-.8 X 16 69 P0605X1069 ARBOR FLANGE
17V2-10 PSS112M SET SCREW M3-.5 X 12 70 P0605X1070 ARBOR NUT 1"-10
18 PCAP14M CAP SCREW M8-1.25 X 20 71 P0605X1071 ARBOR EXTENSION 1"-10
19 P0605X1019 MOUNTING BOLT 72 PCAP49M CAP SCREW M6-1 X 60
20 P0605X1020 STRUT 77 P0605X1077 HOSE CLAMP 60-80MM
21 P0605X1021 BUSHING 78 P0605X066 DUST CHUTE HOSE 63 X 1000
22 P0605X1022 BRACKET 80 PS01 PHLP HD SCR 10-24 X 1/2
23 P0605X1023 SPECIAL SCREW 99 PB20M HEX BOLT M8-1.25 X 35
24 P0605X1024 WAVE WASHER 10MM 109V2 P0605X1109V2 RIVING KNIFE V2.01.10
25 PW04M FLAT WASHER 10MM 124 P0605X1124 HANDWHEEL HANDLE
26 PB09M HEX BOLT M8-1.25 X 20 126 PWR810 WRENCH 8 X 10
27 PLW04M LOCK WASHER 8MM 127 PWR1113 WRENCH 11 X 13
28 PW01M FLAT WASHER 8MM 128 PWR1417 WRENCH 14 X 17
29 P0605X1029 BRUSH 129 PAW04M HEX WRENCH 4MM
30 P0605X1030 LEADSCREW 130 PAW05M HEX WRENCH 5MM
31 P0605X1031 BUSHING 131 PAW06M HEX WRENCH 6MM
32 P0605X1032 GASKET 132 P0605X1132 PHILLIPS/STANDARD SCREWDRVR
33 P0605X1033 LEAD SCREW BRACKET 154 P0605X154 ON/OFF SWITCH ASSEMBLY
34 PSS07M SET SCREW M5-.8 X 5 154-1 P0605X154-1 ON/OFF PUSH BUTTON SWITCH
35 P0605X1035 BEVEL GEAR (L) 154-2 P0605X154-2 ON/OFF SWITCH BRACKET
36 PLN10M LOCK NUT M10-1.25 154-3 P0605X154-3 ON/OFF SWITCH BOX
37 P51102 THRUST BEARING 51102 154-4 P0605X154-4 ON/OFF SWITCH CORD 16AWG X 4C
38 PK14M KEY 5 X 5 X 18 154-6 T23243 SWITCH PADLOCK W/KEY
39 PB14M HEX BOLT M10-1.5 X 35 158 PAW03M HEX WRENCH 3MM
40 P0605X1040 TRUNNION SLIDE 159 P0605X1159 MTR CORD 12AWG 3C (G0605X1/96X)
41 P0605X1041 PLATE 159 P0606X1159 MTR CORD 12G 4W ST 600V (G0606X1/97X)
42 PCAP31M CAP SCREW M8-1.25 X 25 160 P0605X1160 PWR CORD 12AWG 3C 600V (G0605X1/96X)
43 P0605X1043 WOODRUFF KEY 22 X 5 160 P0606X1160 PWR CORD 12G 4W ST 600V (G0606X1/97X)
44 PTLW05M EXT TOOTH WASHER 6MM
Motor and Arbor Parts List

<%+%*M&"+M&!<%+.+M".,MB[\#-$&& "-*"
G0605X1/G0696X 5HP, 1-PH MOTOR
G0605X1/G0696X 5HP,
1-PH MAG SWITCH
G0606X1/G0697X 71⁄2HP, 3-PH MOTOR
G0606X1/G0697X 71⁄2HP,
3-PH MAG SWITCH
REF PART # DESCRIPTION REF PART # DESCRIPTION
6 P0605X1006 MOTOR 5HP 220V 1-PH 6 P0606X1006 MOTOR 7-1/2 HP 220V/440V 3-PH
6-1 P0605X1006-1 MOTOR FAN COVER 6-1 P0606X1006-1 MOTOR FAN COVER
6-2 P0605X1006-2 MOTOR FAN 6-2 P0606X1006-2 MOTOR FAN
6-3 P0605X1006-3 WIRING JUNCTION BOX 6-3 P0606X1006-3 WIRING JUNCTION BOX
6-4 P0605X1006-4 R CAPACITOR COVER
6-5V2 P0605X1006-5V2 R CAPACITOR 35M 450V V2.08.11
6-6 P0605X1006-6 S CAPACITOR COVER
6-7V2 P0605X1006-7V2 S CAPACITOR 250M 250V V2.08.11
6-8 P0605X1006-8 CENTRIFUGAL SWITCH
REF PART # DESCRIPTION REF PART # DESCRIPTION
81 P0605X1075 MAG SWITCH ASSY MPE-30 81 P0606X075 MAGNETIC SWITCH ASSY MPE-30
81-1 P0605X075-1 MAG SWITCH FRONT COVER 81-1 P0606X075-1 MAG SWITCH FRONT COVER
81-2 P0605X075-2 MAG SWITCH BACK COVER 81-2 P0606X075-2 MAG SWITCH BACK COVER
81-3 P0605X075-3 CONTACTOR SDE MA-30 220V 81-3 P0606X075-3 CONTACTOR SDE MA-30 220V
81-4V2 P0605X1081-4V2 OL RELAY SDE RA-30 18-26 V2.08.11 81-4 P0606X075-4 OL RELAY SDE RA-30 11~22
81-5 P0605X1081-5 STRAINRELIEF 81-5 P0606X075-7 TRANSFORMER
81-8 P0605X1081-8 STRAINRELIEF 81-6 P0606X075-8 FUSE
81-9 P0605X1081-9 STRAINRELIEF 81-7 P0606X1081-7 STRAINRELIEF
81-8 P0605X1081-8 STRAINRELIEF
81-9 P0605X1081-9 STRAINRELIEF

"-+" <%+%*M&"+M&!<%+.+M".,MB[\#-$&&
*'
..
)( (-
)'
&'' ',
.'
.(
.'
,*
,+
-
.+
.&%%
>
,
-
.
,(
,)
.
.+
&(-
-
(.
&%&
.
&+
.,
.,&+
&(.
,.
**
&&'
&&*
&&)
&'& &'%
&&+
-)
*
-( -.
-'
.% .&
*'
&&(
&&.
*
&'( &+
&'( &+
&(+ &+
.*
&(,
&&&
**
.)
-.
.)
**
.-
&&,
&&-
)-
),
&')
).
&*'"& &*'"'
&*'
&&%
--"*
--"+
--
--")
--"(
--"'
--"&
--"- --",
G0696X & G0697X ONLY
&%(K'
&%(K'"-
&%(K'"(
&%(K'"'
&%(K'"&
&%(K'"*
&%(K'"+
&%(K'",
&%(K'")
&*%
&*, &*,"'
*
*
&+'
&*,"(
&*,"(
&+(
&+&
&+*
&*,"&
--"&%
--".
Cabinet

<%+%*M&"+M&!<%+.+M".,MB[\#-$&& "-,"
REF PART # DESCRIPTION REF PART # DESCRIPTION
5 P0605X137 STRAIN RELIEF 99 PB20M HEX BOLT M8-1.25 X 35
7 PN02M HEX NUT M10-1.5 100 P0605X1100 CHAIN
8 PW04M FLAT WASHER 10MM 101 P0605X116 EXTENSION WING (L)
9 PLW06M LOCK WASHER 10MM 102 PFH54M FLAT HD SCR M5-.8 X 20
16 PFB15M FLANGE BOLT M8-1.25 X 12 103V2 P0605X1103V2 TABLE INSERT ASSY V2.01.10
27 PLW04M LOCK WASHER 8MM 103V2-1 P0605X1103V2-1 PLATE V2.01.10
38 PK14M KEY 5 X 5 X 18 103V2-2 P0605X1103V2-2 BOLT V2.01.10
39 PB14M HEX BOLT M10-1.5 X 35 103V2-3 P0605X1103V2-3 LEFT PLATE V2.01.10
42 PCAP31M CAP SCREW M8-1.25 X 25 103V2-4 P0605X1103V2-4 RIGHT PLATE V2.01.10
43 P0605X1043 WOODRUFF KEY 22 X 5 103V2-5 P0605X1103V2-5 LEFT TAPE 19MM V2.01.10
47 P0605X1047 HANDWHEEL 103V2-6 P0605X1103V2-6 RIGHT TAPE 35MM V2.01.10
48 P0605X014 HANDWHEEL LOCK KNOB 103V2-7 PSS04M SET SCREW M6-1 X 12
49 PSS17 SET SCREW 5/16-18 X 5/16 103V2-8 P0661006V2 LOCK KNOB M5-.8 V2.01.10
52 P0605X1052 FLAT WASHER 19MM 110 P0605X035 TABLE
55 PN03M HEX NUT M8-1.25 111 PHTEK39M TAP SCREW M4 X 12
73 P0605X1073 ALIGNMENT PIN 112 P0605X1112 CABINET
74 P0605X073 MOTOR COVER 113 P0605X1113 WORM GEAR
75 P0605X1075 RUBBER BUMPER 114 P0605X1114 BLADE TILT SHAFT BRACKET
76 P0605X1076 LOCK KNOB M6-1 X 17 115 P0605X1115 BLADE TILT SHAFT
79 P0605X1079 RIGHT COVER 116 P0651083-6 SENSOR PLATE
82 PCAP26M CAP SCREW M6-1 X 12 117 PSS16M SET SCREW M8-1.25 X 10
83 P0605X1083 COVER 118 P0605X1118 SPECIAL RING
84 PS05M PHLP HD SCR M5-.8 X 8 119 P0651112 L-PLATE
88 P0651083 DIGITAL SENSOR ASSEMBLY 120 PW02M FLAT WASHER 5MM
88-1 PS05M PHLP HD SCR M5-.8 X 8 121 PHTEK30M TAP SCREW M3 X 6
88-2 P0651083-2 DIGITAL READOUT COVER 122 PRP27M ROLL PIN 5 X 28
88-3 PS79M PHLP HD SCR M3-.5 X 8 123 P0651106 MITER GAUGE MOUNTING BRKT
88-4 PW07M FLAT WASHER 3MM 124 P0605X1124 HANDWHEEL HANDLE
88-5 P0651083-5 CIRCUIT BOARD 136 P0651107 WRENCH MOUNTING BRACKET
88-6 P0651083-6 SENSOR PLATE 137 P0651087 DUST COVER
88-7 P0651083-7 DATA CORD 24 AWG X 450 138 P0651108 ARBOR WRENCH
88-8 P0651083-8 DIGITAL RDT CORD 18 AWG X 2C 139 PFH06M FLAT HD SCR M6-1 X 20
88-9 PS50M PHLP HD SCR M3-.5 X 12 150 P0661141 PUSH STICK
88-10 P0605X1088-10 DIGITAL SENSOR COVER 152 P0696X152 EXTENSION WING
89 PS79M PHLP HD SCR M3-.5 X 8 152-1 PLW06M LOCK WASHER 10MM
90 PN06M HEX NUT M5-.8 152-2 PB14M HEX BOLT M10-1.5 X 35
91 P0605X079 PLATE 157 P0605X1157 JUNCTION BOX BASE
92 PS17M PHLP HD SCR M4-.7 X 6 157-1 P0605X1157-1 GROUNDING LABEL
93 PW05M FLAT WASHER 4MM 157-2 PTLW02M EXT TOOTH WASHER 5MM
94 PSS42M SET SCREW M8-1.25 X 50 157-3 PS09M PHLP HD SCR M5-.8 X 10
95 P0605X1095 STRAIN RELIEF PGA13.5-11B 161 P0605X1161 GROUND WIRE
96 PB32M HEX BOLT M10-1.5 X 25 162 P0605X1162 JUNCTION BOX COVER
97 P0651097 FENCE RESTING BRACKET 163 PS18 PHLP HD SCR 10-24 X 1/4
98 P0605X1098 STRAIN RELIEF 165 P0651161 WIRE NUT SW-P6H
Cabinet Parts List

"--" <%+%*M&"+M&!<%+.+M".,MB[\#-$&&
Blade Guard
'%%K'
'*&
'*'
'*'
'*'
'*(
'*(
'*(
'*)
'**
'*+
'*+
'*,
'*-
'*.
'+%
'+&
'+' '+(
'+)
'+*
'++
'+,
'+-
'+.
',%
',&
','
',(
',)
',*
',+
',,
',,
',-
REF PART # DESCRIPTION REF PART # DESCRIPTION
200V2 P0605X1200V2 BLADE GUARD ASSY V2.01.10 265 P0661002V2-15 PUSH NUT 4MM V2.01.10
251 P0605X1200V2-1 LEFT PLATE V2.01.10 266 P0605X1200V2-16 LEFT PAWL V2.01.10
252 PLN02M LOCK NUT M5-.8 267 P0661002V2-17 RIGHT TORSION SPRING V2.01.10
253 PFH01M FLAT HD SCR M5-.8 X 15 268 P0661002V2-18 PAWL MOUNTING BRKT V2.01.10
254 P0605X1200V2-4 LEFT COVER V2.01.10 269 P0661002V2-19 MOUNTING BRKT PIN V2.01.10
255 P0661002V2-5 ROD CENTER PIN V2.01.10 270 P0661002V2-20 MOUNTING BRKT SHFT V2.01.10
256 PS19M PHLP HD SCR M5-.8 X 6 271 P0661002V2-21 SHAFT SPRING V2.01.10
257 P0661002V2-7 KNOB BOLT V2.01.10 272 PEC07M E-CLIP 7MM
258 P0605X1200V2-8 ROD V2.01.10 273 P0661002V2-23 LEFT TORSION SPRING V2.01.10
259 P0661002V2-9 LEFT BRACKET V2.01.10 274 P0605X1200V2-24 RIGHT PAWL V2.01.10
260 P0661002V2-10 RIGHT BRACKET V2.01.10 275 P0661002V2-25 RIGHT PAWL SHAFT V2.01.10
261 PBHS24M BUTTON HD CAP SCR M4-.7 X 10 276 P0605X1200V2-26 SPREADER V2.01.10
262 P0661002V2-12 MOUNTING PIN V2.01.10 277 PORP003 O-RING 2.8 X 1.9 P3
263 P0605X1200V2-13 RIGHT COVER V2.01.10 278 P0661002V2-28 AMPUTATION HAZ LABEL V2.01.10
264 P0661002V2-14 RIGHT PLATE V2.01.10

<%+%*M&"+M&!<%+.+M".,MB[\#-$&& "-."
Fence
('+
(%-
('*
(%%
(%&
(%'
(%(
(%)
('(
(%)
(%*
(%+
(%,
(')
(%.
(&%
(&&
(&'
(&(
(&)
(&*
(&+
(&,
(&-
(&-
(&.
(&.
('%
('&
(''
REF PART # DESCRIPTION REF PART # DESCRIPTION
300 P0605X1300 FENCE ASSEMBLY 314 PLN05M LOCK NUT M10-1.5
301 PS14M PHLP HD SCR M6-1 X 12 315 P0605X315 PLATE
302 PW03M FLAT WASHER 6MM 316 P0605X316 CLAMPING BRACKET
303 P0605X303 POINTER 317 PSS20M SET SCREW M8-1.25 X 8
304 P0605X304 PLASTIC SET SCREW 318 P0605X318 PLATE CAP
305 PB73M HEX BOLT M10-1.5 X 50 319 P0605X319 FENCE PLATE
306 PN01M HEX NUT M6-1 320 P0605X320 FENCE
307 P0605X307 REAR RAIL WHEEL 321 P0605X321 T-BOLT M8-1.25 X 20
308 P0605X1308 PLATE 322 PW01M FLAT WASHER 8MM
309 P0605X1309 BRACKET 323 P0605X1323 BLOCK
310 PN03M HEX NUT M8-1.25 324 PB71M HEX BOLT M6-1 X 45
311 P0605X1311 FENCE HANDLE 325 PLN03M LOCK NUT M6-1
312 P0605X1312 CAM ASSEMBLY 326 P0605X1326 SHAFT
313 PFH04M FLAT HD SCR M6-1 X 8

".%" <%+%*M&"+M&!<%+.+M".,MB[\#-$&&
)&+
)%&
)%&
)%'
)%(
)%)
)%*
)%+
)%,
)%-
)%.
)%.
)&%
)&&
)&'
)&(
)&)
)&*
)%%
Miter Gauge
REF PART # DESCRIPTION REF PART # DESCRIPTION
400 P0605X1400 MITER GAUGE 409 PSS53M SET SCREW M5-.8 X 12
401 PS06 PHLP HD SCR 10-24 X 3/8 410 P0605X1410 MITER GAUGE HANDLE
402 P0605X1402 POINTER 411 PW01M FLAT WASHER 8MM
403 P0605X403 BLOCK 412 P0605X412 MITER GAUGE
404 P0605X1404 SHAFT 413 P0605X413 PLATE
405 P0605X405 MITER GAUGE LABEL 414 P0605X414 GUIDE PLATE
406 PS25 PHLP HD SCR 8-32 X 5/8 415 PFH9M FLAT HD SCR M6-1 X 6
407 PN14 HEX NUT 8-32 416 PORP005 O-RING 4.8 X 1.9 P5
408 P0605X1408 SPECIAL SCREW 1/4-20 X 1/2

<%+%*M&"+M&!<%+.+M".,MB[\#-$&& ".&"
Extension Table (G0605X1/G0606X1)
*%%
*%&*%'
*%(
*%)
*%)
*%+
*%,
*%-
*%.
*&%
*&&
*&'
*&(
*&)
*&*
*&*
*'. *'.
*'.
*(%
*(%
*(% *(%
*(%
*(&
*('
*((
*()
*(*
*(+
*(+
*(-
*(. *)%*)&
*)'
*)'
*)'
*)(
*)(
*%*
*)%
*)%
*)(
*)(
REF PART # DESCRIPTION REF PART # DESCRIPTION
500 P0605X1500 EXTENSION TABLE ASSEMBLY 515 PHTEK6M TAP SCREW M4 X 16
501 P0605X1501 LEFT SCALE 18" 529 PS14M PHLP HD SCR M6-1 X 12
502 P0605X1502 RIGHT SCALE 52" 530 PW03M FLAT WASHER 6MM
503 P0605X503 EXTENSION TABLE PLATE 531 PW04M FLAT WASHER 10MM
504 P0605X504 EXTENSION TABLE SUPPORT 532 PN01M HEX NUT M6-1
505 P0605X505 FRONT EXTENSION BRACKET 533 PN08 HEX NUT 3/8"-16
506 P0605X506 FRONT RAIL 534 P0605X534 FOOT 3/8"-16 X 2
507 P0605X507 FENCE TUBE 535 PB32M HEX BOLT M10-1.5 X 25
508 P0605X508 END CAP 536 PS14M PHLP HD SCR M6-1 X 12
509 P0605X509 REAR RAIL 538 PFH21M FLAT HD SCR M8-1.25 X 25
510 P0605X510 REAR EXTENSION BRACKET 539 PFB15M FLANGE BOLT M8-1.25 X 12
511 P0605X511 LOWER SHELF 540 PLW04M LOCK WASHER 8MM
512 P0605X512 LOWER SHELF BRACKET 541 PCAP31M CAP SCREW M8-1.25 X 25
513 P0605X513 SHELF END PLATE 542 PW01M FLAT WASHER 8MM
514 P0605X514 SUPPORT LEG 543 PN03M HEX NUT M8-1.25

".'" <%+%*M&"+M&!<%+.+M".,MB[\#-$&&
Rails (Model G0696X/G0697X)
REF PART # DESCRIPTION REF PART # DESCRIPTION
500 P0696X500 RAIL ASSEMBLY 511 PCAP31M CAP SCREW M8-1.25 X 25
501 P0696X501 REAR RAIL 512 PFB15M FLANGE BOLT M8-1.25 X 12
502 P0696X502 END CAP 513 PFH21M FLAT HD SCR M8-1.25 X 25
503 P0696X503 FENCE TUBE 514 PN03M HEX NUT M8-1.25
504 P0696X504 FRONT RAIL 516 P0605X1501 LEFT SCALE 18"
509 PW01M FLAT WASHER 8MM 517 P0696X517 RIGHT SCALE 36"
510 PLW04M LOCK WASHER 8MM
*%%
*&+
*&,
*%&
*%'
*%(
*%)
*%.*&%
*&%
*&%
*&%
*&%
*&&
*&'
*&(
*&)
*&)
*&)
*&)

<%+%*M&"+M&!<%+.+M".,MB[\#-$&& ".("
Outfeed Table (G0605X1/G0606X1)
+%%
+%&
+%'
+%'
+%(
+%)
+%)
+%*
+%+
+%,
+%,
+%-
+%.
+%.
+%.
+%.
+'% +'&
+'%
+'&
+'%
+'%
+'&
+'&
+'% +'%
+'& +'&
+'&
+'&
+'& +'&
+''
+'(
+')
+')
+') +')
+'*
+'+
+'*
+'+
+',
+',
REF PART # DESCRIPTION REF PART # DESCRIPTION
600 P0605X600 OUTFEED TABLE ASSEMBLY 609 PHTEK6M TAP SCREW M4 X 16
601 P0605X601 OUTFEED TABLE PLATE 620 PS14M PHLP HD SCR M6-1 X 12
602 P0605X602 OUTFEED TABLE SUPPORT 621 PW03M FLAT WASHER 6MM
603 P0605X603 REAR OUTFEED TABLE BRACKET 622 PFB16M FLANGE BOLT M8-1.25 X 16
604 P0605X604 SUPPORT LEG 623 PN03M HEX NUT M8-1.25
605 P0605X605 FRONT OUTFEED TABLE BRACKET 624 PB02M HEX BOLT M6-1 X 12
606 P0605X606 LOWER SHELF 625 PN08 HEX NUT 3/8"-16
607 P0605X607 LOWER SHELF BRACKET 626 P0605X626 FOOT 3/8"-16 X 2
608 P0605X608 SHELF END PLATE 627 PN01M HEX NUT M6-1

".)" <%+%*M&"+M&!<%+.+M".,MB[\#-$&&
Safety labels warn about machine hazards and ways to prevent injury. The owner of this machine
MUST maintain the original location and readability of the labels on the machine. If any label is
removed or becomes unreadable, REPLACE that label before using the machine again. Contact
Grizzly at (800) 523-4777 or www.grizzly.com to order new labels.
Labels & Cosmetic Parts
'%%K'"'-
,%'
,%(
,%+ ,%)
,%,
,%-
,%.
,%*
,&%
REF PART # DESCRIPTION REF PART # DESCRIPTION
200V2-28 P0661002V2-28 AMPUTATION HAZ LABEL V2.01.10 706 P0605X1706 MACHINE ID LABEL G0605X1
702 PLABEL-57 GLASSES/RESPIRATOR LABEL 706 P0606X1706 MACHINE ID LABEL G0606X1
703 P0605X703 EXTREME SERIES PLATE 706 P0696X706 MACHINE ID LABEL G0696X
704 P0605X1704 MODEL # LABEL G0605X1 706 P0697X706 MACHINE ID LABEL G0697X
704 P0606X1704 MODEL # LABEL G0606X1 707 PLABEL-12A READ MANUAL-VERTICAL NS 7/05
704 P0696X704 MODEL # LABEL G0696X 708 PLABEL-14 ELECTRICITY LABEL
704 P0697X704 MODEL # LABEL G0697X 709 PPAINT-1 GRIZZLY GREEN PAINT
705 G8589 GRIZZLY NAMEPLATE-LARGE 710 PPAINT-11 PUTTY TOUCH-UP PAINT

8JI6ADC<9DII:9A>C:
CVbZTTTTTTTTTTTTTTTTTTTTTTTTTTTTTTTTTTTTTTTTTTTTTTTTTTTTTTTTTTTTTTTTTTTTTTTTTTTTT
HigZZiTTTTTTTTTTTTTTTTTTTTTTTTTTTTTTTTTTTTTTTTTTTTTTTTTTTTTTTTTTTTTTTTTTTTTTTTTTTTT
8^in TTTTTTTTTTTTTTTTTTTTTTT HiViZTTTTTTTTTTTTTTTTTTTTTTTTT O^e TTTTTTTTTTTTTTTTTTTTT
E]dcZTTTTTTTTTTTTTTTTTTTT :bV^a TTTTTTTTTTTTTTTTTTTTTTTT >ckd^XZTTTTTTTTTTTTTTTTT
BdYZaTTTTTTTTTTTTTTTTTTTT DgYZgTTTTTTTTTTTTTTTTTTTTTTT HZg^VaTTTTTTTTTTTTTTTTTT
WARRANTY CARD
The following information is given on a voluntary basis. It will be used for marketing purposes to help us develop
better products and services. Of course, all information is strictly confidential.
1. =dlY^YndjaZVgcVWdjijh4
TTTT 6YkZgi^hZbZci TTTT ;g^ZcY TTTT 8ViVad\
TTTT 8VgY9ZX` TTTT LZWh^iZ TTTT Di]Zg/
2. L]^X]d[i]Z[daadl^c\bV\Vo^cZhYdndjhjWhXg^WZid4
3. L]Vi^hndjgVccjVa]djhZ]daY^cXdbZ4
TTTT '%!%%%"'.!%%% TTTT (%!%%%"(.!%%% TTTT )%!%%%").!%%%
TTTT *%!%%%"*.!%%% TTTT +%!%%%"+.!%%% TTTT ,%!%%%
4. L]Vi^hndjgV\Z\gdje4
TTTT '%"'. TTTT (%"(. TTTT )%").
TTTT *%"*. TTTT +%"+. TTTT ,%
5. =dladc\]VkZndjWZZcVlddYldg`Zg$bZiValdg`Zg4
TTTT %"'NZVgh TTTT '"-NZVgh TTTT -"'%NZVgh TTTT '% NZVgh
6. =dlbVcnd[ndjgbVX]^cZhdgiddahVgZ<g^ooan4
TTTT %"' TTTT ("* TTTT +". TTTT &%
7. 9dndji]^c`ndjgbVX]^cZgZegZhZcihV\ddYkVajZ4 TTTTTNZh TTTTTCd
8. LdjaYndjgZXdbbZcY<g^ooan>cYjhig^VaidV[g^ZcY4 TTTTTNZh TTTTTCd
9. LdjaYndjVaadljhidjhZndjgcVbZVhVgZ[ZgZcXZ[dg<g^ooanXjhidbZgh^cndjgVgZV4
Note: We never use names more than 3 times. TTTTTNZh TTTTTCd
10. 8dbbZcih/ _____________________________________________________________________
_________________________________________________________________________________
_________________________________________________________________________________
_________________________________________________________________________________
TTTT 8VW^cZibV`Zg;9B
TTTT ;Vb^an=VcYnbVc
TTTT =VcYAdVYZg
TTTT =VcYn
TTTT =dbZH]deBVX]^c^hi
TTTT ?djgcVad[A^\]i8dci#
TTTT A^kZHiZVb
TTTT BdYZa6^geaVcZCZlh
TTTT DaY=djhZ?djgcVa
TTTT EdejaVgBZX]Vc^Xh
TTTT EdejaVgHX^ZcXZ
TTTT EdejaVgLddYldg`^c\
TTTT EgZX^h^dcH]ddiZg
TTTT Egd_ZXih^cBZiVa
TTTT G8BdYZaZg
TTTT G^ÄZ
TTTT H]deCdiZh
TTTT H]di\jcCZlh
TTTT IdYVn»h=dbZdlcZg
TTTT LddY
TTTT LddYZc7dVi
TTTT LddYh]deCZlh
TTTT LddYhb^i]
TTTT LddYldg`
TTTT LddYldg`ZgLZhi
TTTT LddYldg`Zg»h?djgcVa
TTTT Di]Zg/

I6E:6ADC<:9<:H""EA:6H:9DCDIHI6EA:
;DA96ADC<9DII:9A>C:
;DA96ADC<9DII:9A>C:
'2)::,9).$5342)!,).#
0/"/8
"%,,).'(!-7!
EaVXZ
HiVbe
=ZgZ
CVbZTTTTTTTTTTTTTTTTTTTTTTTTTTTTTTT
HigZZiTTTTTTTTTTTTTTTTTTTTTTTTTTTTTTT
8^inTTTTTTTTTTTTTTHiViZTTTTTTO^eTTTTTT
HZcYV<g^ooan8ViVad\idV[g^ZcY/

WARRANTY AND RETURNS
<g^ooan>cYjhig^Va!>cX#lVggVcihZkZgnegdYjXi^ihZaah[dgVeZg^dYd[YEARidi]Zdg^\^cVaejgX]VhZg[gdb
i]ZYViZd[ejgX]VhZ#I]^hlVggVcinYdZhcdiVeeanidYZ[ZXihYjZY^gZXiandg^cY^gZXianidb^hjhZ!VWjhZ!
cZ\a^\ZcXZ!VXX^YZcih!gZeV^ghdgVaiZgVi^dchdgaVX`d[bV^ciZcVcXZ#I]^h^h<g^ooan»hhdaZlg^iiZclVggVcin
VcYVcnVcYVaalVggVci^Zhi]VibVnWZ^bea^ZYWnaVl!^cXajY^c\VcnbZgX]VciVW^a^indg[^icZhh![dgVcneVg"
i^XjaVgejgedhZ!VgZ]ZgZWna^b^iZYidi]ZYjgVi^dcd[i]^hlg^iiZclVggVcin#LZYdcdilVggVcidggZegZhZci
i]Vii]ZbZgX]VcY^hZXdbea^Zhl^i]i]Zegdk^h^dchd[VcnaVldgVXihjcaZhhi]ZbVcj[VXijgZghdlVggVcih#
>ccdZkZcih]Vaa<g^ooan»ha^VW^a^injcYZgi]^hlVggVcinZmXZZYi]ZejgX]VhZeg^XZeV^Y[dgi]ZegdYjXiVcY
VcnaZ\VaVXi^dchWgdj\]iV\V^chi<g^ooanh]VaaWZig^ZY^ci]ZHiViZd[LVh]^c\idc!8djcind[L]ViXdb#
LZh]Vaa^ccdZkZciWZa^VWaZ[dgYZVi]!^c_jg^ZhideZghdchdgegdeZgindg[dg^cX^YZciVa!Xdci^c\Zci!heZX^Va!
dgXdchZfjZci^VaYVbV\ZhVg^h^c\[gdbi]ZjhZd[djgegdYjXih#
IdiV`ZVYkVciV\Zd[i]^hlVggVcin!XdciVXijhWnbV^adge]dcZVcY\^kZjhVaai]ZYZiV^ah#LZl^aai]Zc
^hhjZndjV¸GZijgcCjbWZg!»»l]^X]bjhiWZXaZVganedhiZYdci]Z djih^YZ VhlZaaVhi]Z^ch^YZd[i]Z
XVgidc#LZl^aacdiVXXZeiVcn^iZbWVX`l^i]djii]^hcjbWZg#Egdd[ d[ ejgX]VhZ bjhi VXXdbeVcn i]Z
bZgX]VcY^hZ#
I]ZbVcj[VXijgZghgZhZgkZi]Zg^\]iidX]Vc\ZheZX^[^XVi^dchViVcni^bZWZXVjhZi]ZnXdchiVcianhig^kZid
VX]^ZkZWZiiZgfjVa^inZfj^ebZci#LZbV`ZZkZgnZ[[dgiidZchjgZi]VidjgegdYjXihbZZi]^\]fjVa^inVcY
YjgVW^a^inhiVcYVgYhVcYlZ]deZndjcZkZgcZZYidjhZi]^hlVggVcin#
EaZVhZ[ZZa[gZZidlg^iZdgXVaajh^[ndj]VkZVcnfjZhi^dchVWdjii]ZbVX]^cZdgi]ZbVcjVa#
I]Vc`ndjV\V^c[dgndjgWjh^cZhhVcYXdci^cjZYhjeedgi#LZ]deZidhZgkZndjV\V^chddc#
7!22!.49!.$2%452.3

Buy Direct and Save with Grizzly®– Trusted, Proven and a Great Value!
~Since 1983~
ORDER
24 HOURS A DAY!
1-800-523-4777
Visit Our Website Today For
Current Specials!