HARRIS TR-0103-E MOMENTUM HDT300 DMR TIER III BASE STATION VHF User Manual
HARRIS CORPORATION MOMENTUM HDT300 DMR TIER III BASE STATION VHF
  
    HARRIS   >  
User Manual

Overview/Installation Manual 
14222-5000-3000 
Jan/13 
HDT300 
DMR Tier III 
Trunked Repeater Site 

14222-5000-3000     
2 
MANUAL REVISION HISTORY 
REV. 
DATE 
REASON FOR CHANGE 
P5 
Jan/13 
Added additional bandsplit information. 
Harris  Corporation,  Public  Safety  and  Professional  Communications  (PSPC)  Business,  continually  evaluates  its  technical 
publications  for  completeness,  technical  accuracy,  and  organization.  You  can  assist  in  this  process  by  submitting  your 
comments and suggestions to the following: 
Harris Corporation  fax your comments to: 1-434-455-6851 
PSPC Business  or 
Technical Publications  e-mail us at:  PSPC_TechPubs@harris.com 
221 Jefferson Ridge Parkway 
Lynchburg, VA 24501  CREDITS 
Harris and assuredcommunications are registered trademarks of Harris Corporation. 
AMBE is a registered trademark of Digital Voice Systems, Inc. 
All other brand and product names are trademarks, registered trademarks, or service marks of their respective holders. 
POLYPHASER is a registered trademark of the PolyPhaser Corporation. 
NOTICE! 
The  material  contained  herein  is  subject  to  U.S.  export  approval.    No  export  or  re-export  is  permitted  without  written 
approval from the U.S. Government.  Rated: EAR99; in accordance with U.S. Dept. of Commerce regulations 15CFR774, 
Export Administration Regulations. 
Information and descriptions contained herein are the property of Harris Corporation. Such information and descriptions may 
not be copied or reproduced by any means, or disseminated or distributed without the express prior written permission of 
Harris Corporation, PSPC Business, 221 Jefferson Ridge Parkway, Lynchburg, VA 24501. 
The voice coding technology embodied in this product is protected by intellectual property rights including patent rights, 
copyrights,  and  trade  secrets  of  Digital  Voice  Systems,  Inc.  The  user  of  this  technology  is  explicitly  prohibited  from 
attempting to decompile, reverse engineer, or disassemble the Object Code, or in any other way convert the Object Code into 
human-readable form. 
Repairs to this equipment should be made only by an authorized service technician or facility designated by the supplier. Any 
repairs,  alterations  or  substitutions  of  recommended  parts  made  by  the  user  to  this  equipment  not  approved  by  the 
manufacturer could void the user's authority to operate the equipment in addition to the manufacturer's warranty. 
This product conforms to the European Union WEEE Directive 2002/96/EC.  Do not dispose of this product in a 
public landfill. Take it to a recycling center at the end of its life. 
This manual is published by Harris Corporation without any warranty. Improvements and changes to this manual necessitated 
by typographical errors, inaccuracies of current information, or improvements to programs and/or equipment, may be made 
by Harris Corporation at any time and without notice. Such changes will be incorporated into new editions of this manual. No 
part  of this  manual  may be reproduced or transmitted in  any form or by any means,  electronic or mechanical, including 
photocopying  and  recording,  for  any  purpose,  without  the  express  written  permission  of  Harris  Corporation. 
Copyright ©  2013, Harris Corporation 

    14222-5000-3000 
3 
TABLE OF CONTENTS 
  Page 
1  SAFETY AND REGULATORY INFORMATION .................................................................... 5 
1.1  SAFETY SYMBOL CONVENTIONS ................................................................................................. 5 
1.2  IMPORTANT SAFETY INFORMATION ........................................................................................... 5 
1.3  MAXIMUM PERMISSIBLE EXPOSURE LIMITS ............................................................................ 6 
1.4  DETERMINING MPE RADIUS .......................................................................................................... 6 
1.5  SAFETY TRAINING INFORMATION ............................................................................................... 7 
1.6  ELECTROMAGNETIC INTERFERENCE ......................................................................................... 7 
1.7  REGULATORY APPROVALS ........................................................................................................... 8 
1.7.1  Federal Communications Commission ................................................................................... 8 
1.7.2  Industry Canada ...................................................................................................................... 9 
2  SPECIFICATIONS ...................................................................................................................... 10 
3  OVERVIEW ................................................................................................................................. 12 
3.1  HDT300 STATION COMPONENTS................................................................................................. 13 
3.1.1  Transceiver Shelf .................................................................................................................. 13 
3.1.2  Fan Shelf............................................................................................................................... 14 
3.1.3  Channel Unit (CHU) ............................................................................................................. 16 
3.1.4  Base Station Controller Unit (BSCU) ................................................................................... 17 
3.1.5  Power Supply Unit (PSU)..................................................................................................... 18 
3.1.6  Extended Interface Board ..................................................................................................... 19 
4  INSTALLATION ......................................................................................................................... 20 
4.1  TOOLS ............................................................................................................................................... 20 
4.2  UNPACKING AND INSPECTION ................................................................................................... 20 
4.3  GROUNDING THE EQUIPMENT .................................................................................................... 20 
4.3.1  Surge Protection Devices (SPDs) ......................................................................................... 21 
4.4  INSTALLING THE EQUIPMENT .................................................................................................... 21 
4.4.1  Installing the Fan Shelf ......................................................................................................... 21 
4.4.2  Installing the Transceiver Shelf ............................................................................................ 22 
4.4.3  Installing the Extended Interface Board ............................................................................... 24 
4.5  CABLE CONNECTIONS .................................................................................................................. 24 
4.5.1  Initial Backplane Cable Connections .................................................................................... 24 
4.5.2  Multi-Shelf Multi-Cabinet Cable Connections ..................................................................... 26 
4.6  INSTALLING MODULES ................................................................................................................. 27 
4.7  FRONT PANEL CONNECTIONS ..................................................................................................... 29 
4.7.1  RF Antenna Connections ...................................................................................................... 29 
4.7.2  GPS Receiver Antenna Connections .................................................................................... 29 
4.7.3  Additional front panel connections ....................................................................................... 29 
5  POST-INSTALLATION INSPECTION .................................................................................... 30 
6  POWER-UP .................................................................................................................................. 31 
7  CUSTOMER RESOURCES ....................................................................................................... 32 
7.1  REPLACEMENT PARTS .................................................................................................................. 32 
7.2  TECHNICAL ASSISTANCE ............................................................................................................. 32 
7.3  TECH-LINK ....................................................................................................................................... 32 

14222-5000-3000     
4 
TABLE OF CONTENTS 
  Page 
FIGURES 
Figure 3-1: Transceiver Shelf and Fan Assembly (Configured with 4-RF Channels) .......................................... 12 
Figure 3-2: Transceiver Shelf ............................................................................................................................... 13 
Figure 3-3: Connections on ICB (Rear View) ...................................................................................................... 14 
Figure 3-4: Fan Unit (Front Panel) ....................................................................................................................... 14 
Figure 3-5:  CHU Front Panel .............................................................................................................................. 16 
Figure 3-6:  BSCU Front Panel ............................................................................................................................ 17 
Figure 3-7:  PSU Front Panel................................................................................................................................ 18 
Figure 3-8: Extended Interface Board (External Connections View) ................................................................... 19 
Figure 3-9: Extended Interface Board (Internal Connections View) .................................................................... 19 
Figure 4-1: HDT300 Backplane Wiring Diagram ................................................................................................ 25 
Figure 4-2: HDT300 Multi-Shelf – Multi Cabinet Configuration ........................................................................ 26 
Figure 4-3: Loosening the Ejector ........................................................................................................................ 27 
Figure 4-4: Installing the BSCU ........................................................................................................................... 28 
Figure 4-5: Module Placement and Front Panel Cable Connections .................................................................... 28 
TABLES 
Table 3-1: Transceiver Shelf Rear Panel Connections ......................................................................................... 14 
Table 3-2: Fan LED Indicators ............................................................................................................................. 15 
Table 3-4: Descriptions on CHU Front Panel ....................................................................................................... 16 
Table 3-5: CHU LED Indicators ........................................................................................................................... 16 
Table 3-6: BSCU Front Panel Description ........................................................................................................... 17 
Table 3-7: BSCU LED Indicators ......................................................................................................................... 17 
Table 3-8: PSU Front Panel Features ................................................................................................................... 18 
Table 3-9: LED Indicators on PSU Front Panel ................................................................................................... 18 
Table 4-1: Tools and Meter .................................................................................................................................. 20 
Table 4-2: Fan DIP Switch Settings ..................................................................................................................... 22 
Table 4-3: Interconnection Board DIP Switch Configuration .............................................................................. 23 
Table 6-1: Power and Alarm Indicator Checklist ................................................................................................. 31 

    14222-5000-3000 
5 
1  SAFETY AND REGULATORY INFORMATION 
1.1  SAFETY SYMBOL CONVENTIONS 
The following conventions are used in this manual to alert the user to general safety precautions that must 
be  observed during all  phases  of operation,  installation,  service,  and  repair  of this  product. Failure to 
comply with these precautions or with specific warnings elsewhere violates safety standards of design, 
manufacture, and intended use of the product.  Harris assumes no liability for the customer's failure to 
comply with these standards. 
WARNING
The WARNING symbol calls attention to a procedure, practice, or the like, which, 
if not correctly performed or adhered to, could result in personal injury. Do not 
proceed  beyond  a  WARNING  symbol  until  the  conditions  identified  are  fully 
understood or met. 
The electrical hazard symbol indicates there is an electrical shock hazard present! 
CAUTION
The CAUTION symbol calls attention to an operating procedure, practice, or the like, 
which,  if  not  performed  correctly  or  adhered  to,  could  result  in  damage  to  the 
equipment or severely degrade equipment performance. 
NOTE
The  NOTE  symbol  calls  attention  to  supplemental  information,  which  may  improve 
system performance or clarify a process or procedure. 
The  ESD  symbol  calls  attention  to  procedures,  practices,  or  the  like,  which  could 
expose equipment to the effects of Electro-Static Discharge. Proper precautions must be 
taken to prevent ESD when handling circuit boards or modules. 
1.2  IMPORTANT SAFETY INFORMATION 
The following general safety precautions must be observed during all phases of operation, service, and 
repair of this product.  Failure to comply with these precautions or with specific warnings elsewhere in 
this  manual  violates  safety standards  of  design,  manufacture, and  intended  use  of  the  product. Harris 
assumes no liability for the customer's failure to comply with these standards. 
SAVE THIS MANUAL — It contains important safety, installation, and operating instructions. 
 BEFORE USING THIS EQUIPMENT, please follow and adhere to all warnings, safety and operating 
instructions located on the product and in this manual. 
 GROUNDING AND POWER CONNECTION — To reduce risk of electrical shock and to minimize 
exposure to radio frequency (RF) energy, connect the equipment to a properly grounded power source 
and site ground point as described in this manual. 
 MAXIMUM  PERMISSIBLE  RF  EXPOSURE  LIMITS  —This  equipment  generates  and  uses  RF 
energy. Any changes or modifications to this equipment not expressly approved by Harris may cause 
harmful interference and could void the user’s authority to operate the equipment. 

14222-5000-3000     
6 
 ELECTROSTATIC  DISCHARGE  SENSITIVE  COMPONENTS  —  This  equipment  contains 
electronic components that may be damaged by electrostatic discharge.  Proper precaution must be 
taken when handling circuit modules.  As a minimum, grounded wrist straps should be used at all 
times when handling circuit modules. 
 Care  should  be  taken  so  objects  do  not  fall  onto  or  liquids  do  not  spill  into  the  interior  of  the 
equipment. 
 DO NOT connect auxiliary equipment not recommended or sold by Harris.  To do so may result in 
the risk of fire, electric shock or injury to persons. 
 DO NOT attempt to operate this product in an explosive atmosphere unless it has been specifically 
certified for such operation. 
 To reduce risk of electric shock, isolate the unit and disconnect electrical power before attempting 
any maintenance or interior cleaning. 
 Use  only  fuses  of  the  correct  type,  voltage rating and current rating as  specified in  the  parts  list.  
Failure to do so can result in fire hazard. 
 Never wear conductive objects such as watches, bracelets, rings, etc., while installing or servicing the 
equipment. 
1.3  MAXIMUM PERMISSIBLE EXPOSURE LIMITS 
DO NOT TRANSMIT with this base station and its antenna when persons are within the MAXIMUM 
PERMISSIBLE EXPOSURE (MPE) radius of the radio frequency (RF) antenna. The MPE radius is the 
minimum distance from the antenna axis that ALL persons should maintain in order to avoid RF exposure 
higher than the allowable MPE level set by the FCC. 
FAILURE  TO  OBSERVE  THESE  LIMITS  MAY  ALLOW  ALL  PERSONS 
WITHIN  THE  MPE  RADIUS  TO  EXPERIENCE  RF  RADIATION 
ABSORPTION,  WHICH  EXCEEDS  THE  FCC  MAXIMUM  PERMISSIBLE 
EXPOSURE  (MPE)  LIMIT.  IT  IS  THE  RESPONSIBILITY  OF  THE  BASE 
STATION OPERATOR TO ENSURE THAT THE MAXIMUM PERMISSIBLE 
EXPOSURE  LIMITS  ARE  OBSERVED  AT  ALL  TIMES  DURING  BASE 
STATION  TRANSMISSION.  THE  BASE  STATION  OPERATOR  MUST 
ENSURE  NO  BYSTANDERS  ARE  WITHIN  THE  MPE  RADIUS  LIMITS 
WHEN THE STATION IS TRANSMITTING. 
1.4  DETERMINING MPE RADIUS 
THE  MAXIMUM  PERMISSIBLE  EXPOSURE  RADIUS  is  unique  for  each  site  and  is  determined 
during site licensing time based on the complete installation environment (i.e. co-location, antenna type, 
transmit  power  level,  etc.).  Determination  of  the  MPE  radius  is  the  responsibility  of  the  installation 
licensee. Calculation of the MPE radius is required as part of the site licensing procedure with the FCC. 
WARNING

    14222-5000-3000 
7 
1.5  SAFETY TRAINING INFORMATION 
THIS  BASE  STATION  GENERATES  RADIO  FREQUENCY  (RF)  ELECTRO-
MAGNETIC ENERGY WHEN IT IS TRANSMITTING.  THIS BASE STATION IS 
DESIGNED  FOR  AND  CLASSIFIED  AS  “OCCUPATIONAL  USE  ONLY,” 
MEANING IT MUST BE USED ONLY IN THE COURSE OF EMPLOYMENT BY 
INDIVIDUALS AWARE OF THE HAZARDS AND THE WAYS TO MINIMIZE 
SUCH  HAZARDS.    THIS  BASE  STATION  IS  NOT  INTENDED  FOR  USE  BY 
THE  “GENERAL  POPULATION”  IN  AN  UNCONTROLLED  ENVIRONMENT.  
IT  IS  THE  RESPONSIBILITY  OF  THE  BASE  STATION  OPERATOR  TO 
ENSURE  THE  MAXIMUM  PERMISSIBLE  EXPOSURE  LIMITS  ARE 
OBSERVED AT ALL TIMES DURING STATION TRANSMISSIONS.  THE BASE 
STATION  OPERATOR  IS  TO  ENSURE  THAT  NO  BYSTANDERS  COME 
WITHIN  THE  RADIUS  OF  THE  MAXIMUM  PERMISSIBLE  EXPOSURE 
LIMITS. 
When licensed by the FCC, this base station complies with the FCC RF exposure limits when persons are 
beyond the MPE radius of the antenna. In addition, the Harris base station’s installation complies with the 
following  Standards  and  Guidelines  with  regard  to  RF  energy  and  electromagnetic  energy  levels  and 
evaluation of such levels for exposure to humans: 
 FCC OET Bulletin 65 Edition 97-01 Supplement C, Evaluating Compliance with FCC Guidelines for 
Human Exposure to Radio Frequency Electromagnetic Fields. 
 American National Standards Institute (C95.1 – 1992), IEEE Standard for Safety Levels with Respect 
to Human Exposure to Radio Frequency Electromagnetic Fields, 3 kHz to 300 GHz. 
 American  National  Standards  Institute  (C95.3  –  1992),  IEEE  Recommended  Practice  for  the 
Measurement of Potentially Hazardous Electromagnetic Fields – RF and Microwave. 
To  ensure human exposure to RF electromagnetic  energy is within  the  FCC  allowable 
limits for occupational use, do not operate the base station in a manner that would create 
an MPE radius in excess of that allowed by the FCC. 
Changes or modifications not expressly approved by Harris could void the user’s authority 
to operate the equipment. 
1.6  ELECTROMAGNETIC INTERFERENCE 
During  transmissions,  this  radio  generates  RF  energy  that  can  possibly  cause  interference  with  other 
devices or systems. To avoid such interference, turn off the radio in areas where signs are posted to do so. 
DO NOT operate the transmitter in areas that are sensitive to electromagnetic radiation such as hospitals, 
aircraft, and blasting sites. 
WARNING
CAUTION
CAUTION

14222-5000-3000     
8 
1.7  REGULATORY APPROVALS 
1.7.1  Federal Communications Commission 
The transmitting device described within this manual has been tested and found to meet the following 
regulatory requirements: 
FCC FILING DATA FOR MASTR V BASE STATION 
FREQUENCY BAND 
(MHz) 
POWER OUTPUT 
(ADJUSTABLE) 
(Watts) 
FCC TYPE 
ACCEPTANCE NUMBER 
APPLICABLE 
FCC RULES 
136 – 174 
1-50 
OWDTR-0103E 
Part 90 
400 – 470 
1-50 
OWDTR-0102-E 
Part 90 
450 – 520 
1-50 
OWDTR-0104-E 
Part 90 
851 – 870 
935 – 941 
1-35 
1-30 
OWDTR-0108-E 
Part 90 
This receiver associated with this transmitting device has been tested and declared to meet the regulatory 
requirements defined in the following sub-sections. Associated FCC labeling may be found on page 2. 
1.7.1.1  FCC Compliance 
This device complies with Part 15 of the FCC Rules. Operation is subject to the following two conditions:  
1. This device may not cause harmful interference, and, 
2. This device must accept any interference received, including interference that may cause undesired 
operation. 
1.7.1.2  Information to the User 
This equipment has been tested and found to comply with the limits for a Class A digital device, pursuant 
to Part 15 of the FCC Rules.  These limits are designed to provide reasonable protection against harmful 
interference  in  a  residential  installation.    This  equipment  does  generate,  use,  and  can  radiate  radio 
frequency energy and, if not installed and used in accordance with the instructions, may cause harmful 
interference to radio communications.  However, there is no guarantee that interference will not occur in a 
particular installation.  If this equipment does cause harmful interference to radio or television reception, 
which can be determined by turning the equipment off and on, the user is encouraged to try to correct the 
interference by one or more of the following measures: 
 Reorient or relocate the receiving antenna. 
 Increase the separation between the equipment and receiver. 
 Connect  the  equipment  into  an  AC  outlet  on  a  circuit  different  from  that  which  the  receiver  is 
connected. 
 Consult the dealer or an experienced radio/TV technician for help. 

    14222-5000-3000 
9 
1.7.2  Industry Canada 
INDUSTRY CANADA FILING DATA FOR MASTR V BASE STATION 
FREQUENCY BAND 
(MHZ) 
INDUSTRY CANADA 
CERTIFICATION NUMBER 
APPLICABLE INDUSTRY 
CANADA RULES 
136 – 174 
3636B-0103 
RSS-119 
400 – 470 
3636B-0102 
RSS-119 
450 – 520 
3636B-0104 
RSS-119 
851 – 870 
935 – 941 
3636B-0108 
RSS-119 
This Class A digital apparatus complies with Canadian ICES-003. 
Cet appareil numérique de la classe A est conforme à la norme NMB-003 du Canada. 
WARNING
The installer of this radio equipment must ensure that the antenna is located or 
pointed such that it does not emit RF field in excess of Health Canada limits for the 
general population; consult Safety Code 6, obtainable from Heath Canada’s website 
www.hc-sc.gc.ca/rpb. 
L'installateur de cet équipement radio doit garantir que l'antenne est trouvée ou 
montrée tel qu'il n'émet pas de champ de RF plus de la Santé les limites du Canada 
pour la population générale; consultez le Code 6 de Sécurité, disponible de la Lande 
le site Internet du Canada www.hc-sc.gc.ca/rpb. 
This device complies with Industry Canada license-exempt RSS standard(s). Operation is subject to the 
following two conditions: (1) this device may not cause interference, and (2) this device must accept any 
interference, including interference that may cause undesired operation of the device. 
Le présent appareil est conforme aux CNR d'Industrie Canada applicables aux appareils radio exempts de 
licence. L'exploitation est autorisée aux deux conditions suivantes : (1) l'appareil ne doit pas produire de 
brouillage, et (2) l'utilisateur de l'appareil doit accepter tout brouillage radioélectrique subi, même si le 
brouillage est susceptible d'en compromettre le fonctionnement. 

14222-5000-3000     
10 
2  SPECIFICATIONS 
General 
Models:  HD-XCV1  (VHF) 
 HD-XCU1  (UHF-L) 
 HD-XCU2  (UHF-H) 
 HD-XC89  (800/900 MHz) 
Modulation Type:  4-Level FSK (index: 0.27), TDMA 
Transmission Rate:  9.6 kbps 
AC Power Input:  100V to 240V (50~60Hz) 
Full Load Power Consumption:  Per 4-carrier shelf: ≤1200W 
Operating Temperature:  -30°C to +60°C 
Storage Temperature:  -40°C to+85°C 
Receiver 
Frequency Ranges:  136 to 174 MHz (model HD-XCV1) 
400 to 470 MHz (model HD-XCU1) 
450 to 512 MHz (model HD-XCU2) 
806 to 825 MHz and 896 to 902 MHz (model HD-XC89) 
Antenna Ports:  SMA Female (3 ports/ch., main and 2 diversity) 
Static Sensitivity:  ≤ -119 dBm at 5% BER (no diversity) 
 ≤ -122 dBm at 5% BER (triple diversity) 
 ≤ -116 dBm at 1% BER 
Dynamic Sensitivity:  ≤ 112 dBm at 5% BER (no diversity, attenuated by 
8km/hr and 100km/hr): 
 ≤ -109 dBm at 5 % BER (triple diversity) 
Dynamic Range:  ≥ 115 dB 
Adjacent Channel Selectivity:  ≥ 60 dB 
Intermodulation Rejection:  ≥ 70 dB 
Spurious Emissions:  ≤ -57 dBm (9 KHz~1 GHz) 
 ≤ -47 dBm (1 GHz to 12.75 GHz) 

    14222-5000-3000 
11 
Transmitter 
Frequency Ranges:  136 to 174 MHz (model HD-XCV1) 
400 to 470 MHz (model HD-XCU1) 
450 to 512 MHz (model HD-XCU2) 
851 to 870 MHz and 935 to 941 MHz (model HD-XC89) 
Antenna Port:  Type-N Female, 50 Ohm 
TX Power Output:  1 to 50 Watts per RF Channel (VHF/UHF), ±1.5 dB 
1 to 35 Watts per RF Channel (800 MHz), ±1.5 dB 
1 to 30 Watts per RF Channel (900 MHz), ±1.5 dB 
Modulation Accuracy:  ≤ 5.0% 
Frequency Offset:  ± 1.50 kHz 
Intermodulation Attenuation:  ≥ 60 dB 
Adjacent Channel Power Rejection (ACPR):  ≥ 60 dB 
Transient Switch ACPR:  ≥ 50dB 
Spurious Emission:  ≤ -36dBm (9 KHz to 1 GHz) 
 ≤ -30dBm (1 GHz to 12.75 GHz) 
I/O Ports 
GPS Antenna:  SMA Female 
Port to MSO:  E1: BNC-Female/DB9-Female 
  Ethernet: RJ-45 
Local Maintenance Port:  RS232/Ethernet 
Weights and Dimensions 
DEPTH 
in (cm) 
WIDTH 
in (cm) 
HEIGHT 
in (cm) or RU 
Transceiver Shelf (less modules) 
19 (48.3) 
7RU 
Fan Shelf (includes fan drawers) 
19 (48.3) 
1RU 
Extended Interface Board 
2.5 (6.5) 
11.8 (30) 
4.3 (11) 
CHU module 
16.1 (41) 
1..2 (3.0) 
10.2 (26) 
BSCU module 
16.1 (41) 
1.9 (4.8) 
10.2 (26) 
PSU module 
16.1 (41) 
1.9 (4.8) 
10.2 (26) 
Notes:  For 19” rack mountable equipment, heights may be defined in Rack Units (RU).  One (1) RU is equal to 
1.75 in. (4.45 cm).  For example: 2-RU equals 3.5 in. (8.9 cm), 3-RU equals 5.25 in. (13.3 cm), etc. 

14222-5000-3000     
12 
3  OVERVIEW 
The Harris HDT300 is a Tier III-compliant Digital Mobile Radio (DMR) trunked repeater system based 
on the European Telecommunications Standards Institute (ETSI) open digital radio Standard TS 102 361 
parts 1-4.  Sites are currently available in the Land Mobile Radio bands 136 to 174 MHz, 400 to 470 
MHz, 450 to 520 MHz, and 800/900 MHz. 
A fully configured HDT300 trunked site includes 16-RF channels housed in four (4) transceiver shelves.  
Each transceiver shelf (refer to Figure 3-1) can support up to 4-RF channels.  Each channel is capable of 1 
to 50 Watts RF output power in the VHF and UHF bands, 1 to 35 Watts in the 800 MHz band, and 1 to 30 
Watts  RF  output  power  in  the  900  MHz  band.    An  RF  channel  operates  within  a  12.5 kHz  channel 
spacing  using  Time  Division  Multiple  Access (TDMA),  a  2-timeslot  (4-level  FSK)  constant  envelope 
modulation scheme. 
Four (4) RF shelves may be interfaced together to support up to sixteen RF channels per site.  A fully 
configured  site  supports  up  to  32  timeslots;  one  timeslot  operating  as  a  Control  Channel,  another 
providing dedicated GPS data, and the remaining installed timeslots for voice or data communications. 
Figure 3-1: Transceiver Shelf and Fan Assembly (Configured with 4-RF Channels) 

    14222-5000-3000 
13 
3.1  HDT300 STATION COMPONENTS 
The main hardware components that make up the HDT300 base station include the following: 
 Transceiver Shelf 
 Fan Shelf 
 Channel Unit 
 Base Station Controller Unit 
 Power Supply Unit 
 Extended Interface Board 
The  transceiver  shelf,  part  number  HD-TM1E,  houses  the  station  modules,  provides  interconnection 
points to additional transceiver shelves, and to the Extended Interface Board. 
The CHannel Unit (CHU) provides a 12.5 kHz RF channel with a 2-timeslot TDMA call capability.  Each 
transceiver shelf may be populated with up to four (4) CHUs. 
The Base Station Controller Unit (BSCU) provides site call and management.  Up to two (2) BSCUs may 
be installed and setup in a Main BSCU - Backup BSCU configuration. 
The Power Supply Unit (PSU) provides conversion from 110/240 VAC to the DC voltages required to 
power the station equipment.  Each PSU provides DC power to both BSCU modules while PSU1 powers 
CHU1 and CHU2 and PSU2 powers only CHU3 and CHU4.   
3.1.1  Transceiver Shelf 
The transceiver shelf shown in  Figure 3-2  is  a  19-
inch  rack  mountable,  7-RU  assembly.  Each 
transceiver  shelf  can  accommodate  up  to  four  (4) 
CHannel  Units  (CHU),  two  (2)  Base  Station 
Controller Units (BSCU), and two (2) Power Supply 
Units (PSU). 
The  transceiver  shelf’s  Interconnection  Backboard 
(backplane) provides DC power distribution, signal 
distribution  among  the  modules,  and  signal 
distribution to another next transceiver shelf. 
Figure 3-2: Transceiver Shelf 
3.1.1.1  InterConnect Backboard (ICB) 
The ICB (refer to Figure 3-3) is mounted to the rear 
of  the  transceiver  shelf  and  provides  power 
interconnection,  synchronization  clock 
interconnection,  signaling,  voice  and  data 
interconnection,  monitor  interconnection,  I/O 
interconnection to a second transceiver shelf and the 
Extended Interface Board (refer to Section 3.1.6). 
All connection points located on the front of the ICB 
are  for  module  connectivity.    Connection  points 
located on the rear of the ICB (refer to Figure 3-3) 

14222-5000-3000     
14 
provide  connectivity  to  other  transceiver  shelves, 
programming and test, and the Fan Unit. 
Figure 3-3: Connections on ICB (Rear View) 
Table 3-1: Transceiver Shelf Rear Panel Connections 
CONNECTION 
FUNCTION 
J44 
110/220 VAC Input 
J35, J36, J37, J38, J53, J54 
13.2 VDC Outputs 
J45 
-48 VDC Input (Not Supported at this time) 
SW1 
DIP Switch  
J42, J43 
Extended Chassis (EC) Interface 
J28, J33 
CAN-BUS Monitor Interface 
J29, J34 
RS485 Monitor Interface 
J39, J40, J41, J46, J47, J52 
EIB Interface 
3.1.2  Fan Shelf 
The fan shelf, part number HD-BS1C, is a 19” rack mountable 1-RU assembly comprised of a custom 
subrack housing six (6) fans, a fan monitor board, backplane board, front panel status LEDs, and built-in 
temperature sensors. 
The fan monitor board is mounted in the center assembly.  DC power, control, and monitor connections 
are  made  at  the  rear  panel.    DIP  Switch  S3  is  used  to  associate  the  fan  shelf  to  the  corresponding 
transceiver  shelf.    The  DIP  switch  settings  are  described  in  Section  4.4.1.    Section  S3-3  is  the  Least 
Significant Bit (LSB) and S3-4 is the Most Significant Bit (MSB).  Fan shelves 1 through 4 are assigned 
Logic 0 through 3, respectively. 
Figure 3-4: Fan Unit (Front Panel) 

    14222-5000-3000 
15 
Table 3-2: Fan LED Indicators 
LABEL 
COLOR 
DESCRIPTION 
POWER 
RED 
Fan Power On 
OFF 
Fan Power Failure 
1 
GREEN 
Fan 1 OK 
OFF 
Fan off or not installed 
FLASHING GREEN 
Fan 1 Fault 
2 
GREEN 
Fan 2 OK 
OFF 
Fan off or not installed 
FLASHING GREEN 
Fan 2 Fault 
3 
GREEN 
Fan 3 OK 
OFF 
Fan off or not installed 
FLASHING GREEN 
Fan 3 Fault 
CONNECTION 
FUNCTION 
RS485_M, RS485_F 
RS485 Monitor Interface 
CAN_M, CAN_F 
CAN-BUS Monitor Interface 
J21, J22 
Power Input 
S3 
DIP Switch 

14222-5000-3000     
16 
3.1.3  Channel Unit (CHU) 
The CHU shown in Figure 3-5 is a microprocessor controller transceiver module with circuits for power 
amplification,  TX  excitation  unit,  baseband  signal  processing,  and  up  to  three  (3)  diversity  receiver 
inputs. The CHU front panel and LED indicators are described in Table 3-3 and Table 3-4.  The CHU is 
available in the 136-174 MHz band, 400-470 MHz band, 450-520 MHz, and 800/900 MHz band. 
Table 3-3: Descriptions on CHU Front Panel 
NO. 
NAME 
DESCRIPTION 
1 
RXA 
Diversity RX Antenna Port 
2 
RXB 
RX Antenna Port 
3 
RXC 
Diversity RX Antenna Port 
4 
LED Panel 
LED Indicators 
5 
RS232 
Test and Configuration 
6 
TX 
TX Antenna Port 
Table 3-4: CHU LED Indicators 
LABEL 
COLOR 
DESCRIPTION 
PWR 
GREEN 
PSU Active, No Faults 
OFF 
No Power 
RUN 
GREEN 
BSCU Communications 
Normal 
FLASHING GREEN 
CHU is Starting 
OFF 
CHU is Repeating 
TX 
GREEN 
CHU is Allocating Channel 
OFF 
TX Channel is Free 
RX 
GREEN 
Carrier Signal Present 
OFF 
RX Channel is Free 
ALM 
RED 
CHU Fault 
OFF 
No CHU Fault 
PLL 
RED 
PLL  Unlocked 
OFF 
PLL Active, No Faults 
Figure 3-5:  
CHU Front Panel 

    14222-5000-3000 
17 
3.1.4  Base Station Controller Unit (BSCU) 
The  BSCU,  part  number  HD-BS1A,  manages  the  overall  operation  of  the  site;  assigning  channels, 
timeslots, and interfacing with the LAN, Ethernet,  and  other  devices.    Each  transceiver shelf  may be 
equipped with a redundant MSCU.  The front panel features are illustrated in Figure 3-6 and the LED 
indicators are described in Table 3-6. 
Table 3-5: BSCU Front Panel Description 
NO. 
NAME 
DESCRIPTION 
1 
GPS 
GPS Antenna Port 
2 
LED Panel 
LED Indicators 
3 
OPEN TO TEST 
VGA, USB, and RS232 
4 
RST 
BSCU Reset 
Table 3-6: BSCU LED Indicators 
LABEL 
COLOR 
DESCRIPTION 
PWR 
GREEN 
Power On 
OFF 
Power Failure 
RUN 
FAST FLASH GREEN 
BSCU Main Mode 
SLOW FLASH GREEN 
BSCU Backup Mode 
GREEN 
BSCU Starting 
OFF 
BSCU not working 
ALM 
RED 
BSCU Fault 
OFF 
No BSCU faults 
GPS 
FLASHING GREEN 
Disabled via Local Command 
GREEN 
Disabled via GPS Rcvr 
OFF 
Enabled, Active 
CHU1
-4 
GREEN 
BSCU-CHU Link Active 
FLASHING GREEN 
BSCU-CHU Data Transfer 
OFF 
BSCU-CHU No Comms 
IRU1 
3 
GREEN 
BSCU-IRU Link Active 
FLASHING GREEN 
BSCU-IRU Data Transfer 
OFF 
BSCU-IRU No Comms 
BAK 
GREEN 
BSCU Main-BSCU Backup 
Link Active 
FLASHING GREEN 
BSCU-BSCU Data Transfer 
OFF 
BSCU-BSCU No Comms 
MCB 
GREEN 
BSCU-MCB Link Active 
FLASHING GREEN 
BSCU-MCB Data Transfer 
OFF 
BSCU-MCB No Comms 
LAN1 
LAN2 
GREEN 
BSCU-LAN Link Active 
FLASHING GREEN 
BSCU-LAN Data Transfer 
OFF 
BSCU-LAN No Comms 
Figure 3-6:  
BSCU Front Panel 

14222-5000-3000     
18 
3.1.5  Power Supply Unit (PSU) 
The PSU, part number HD-BS1B, consists of power monitoring board, power module, and LED panel.  
The front panel of the PSU is illustrated in Figure 3-7.  The PSU indicators are described in Table 3-8. 
Table 3-7: PSU Front Panel Features 
NO. 
NAME 
DESCRIPTION 
1 
LED Panel 
LED Indicators 
2 
ON/OFF 
Power Switch 
Table 3-8: LED Indicators on PSU Front Panel 
LABE
L 
COLOR 
DESCRIPTION 
ALM 
RED 
Major Alarm 
FLASHING RED 
Minor Alarm 
OFF 
No Faults 
PWR
1 
GREEN 
Path 1 Outputs Active 
FLASHING 
GREEN 
Path 1 Outputs HVCC or 
LVCC Alarm 
OFF 
Path 1, No Output Voltage  
PWR
2 
GREEN 
Path 2 Outputs Active 
FLASHING 
GREEN 
Path 2 Outputs HVCC or 
LVCC Alarm 
OFF 
Path 2, No Output Voltage  
BSC 
GREEN 
BSC Output Voltage Normal 
FLASHING 
GREEN 
BSC Over/Under Voltage 
Alarm 
OFF 
BSC Failure 
Figure 3-7:  
PSU Front Panel 
NOTE
The power module has two-path outputs including HVCC and LVCC. 

    14222-5000-3000 
19 
3.1.6  Extended Interface Board 
The  Extended  Interface  Board  (EIB),  part  number  HD-TM1F,  shown  in  Figure  3-8  and  Figure  3-9 
provides  E1,  Ethernet, Monitor, and Auxiliary Interface  connections.   The  EIB is  required  to  provide 
connectivity to an IP network or transceiver shelf 3 and 4.  Figure 3-8 shows the side of the assembly 
where external connections are made to the station.  Figure 3-9 shows the  
Figure 3-8: Extended Interface Board (External Connections View) 
Figure 3-9: Extended Interface Board (Internal Connections View) 

14222-5000-3000     
20 
4  INSTALLATION 
4.1  TOOLS 
The following tools are required for installation: 
Table 4-1: Tools and Meter 
4.2  UNPACKING AND INSPECTION 
After removal from the shipping container, examine the components and installation items 
for  broken,  damaged,  loose,  or  missing  parts.    If  any  are  noted,  contact  Harris 
representative  immediately  to  discuss  and  arrange  for  the  return  of  the  equipment  for 
replacement.  Any unauthorized attempts to repair or modify this equipment will void the 
warranty and could create a safety hazard. 
Carefully unpack the equipment and examine each item.  If there is any damage to the equipment, contact 
the carrier immediately and have their representative verify the damage.  If you fail to report the shipping 
damage immediately, you may forfeit any claim against the carrier. 
When  unpacking  the  equipment,  check  the  contents  against  the  packing  list.    Contact  your  Harris 
representative and the carrier if any discrepancies are noted.  Carefully open each rack and inspect the 
contents  to  ensure  the  enclosed  equipment  has  not  been  damaged  during  delivery.    If  damage  has 
occurred, note  details of the damage  and,  if  necessary, contact the carrier immediately  and have their 
representative  verify  the  damage.    Contact  your  Harris  representative  if  the  damage  is  such  that 
installation cannot proceed. 
4.3  GROUNDING THE EQUIPMENT 
Ensure all equipment and facilities meet the requirements for grounding and lightning protection. Site 
Grounding and Lightning Protection Guidelines manual AE/LZT 123 4618/1 provides proper grounding 
procedures.  These guidelines must be observed in order to protect the equipment and service personnel 
from lightning and other sources of electrical surges. 
Each 19” rack mounted assembly  typically has a grounding point identified on the assembly.  Use this 
location to ground each sub-assembly to the cabinet or rack ground bus bar.  Properly ground the bus bar 
to the building or room’s ground system. 
Transmission lines, telephone equipment, HVAC equipment, door frames, and any other metallic objects 
located in and around the facility must be properly grounded per the site grounding manual. 
CAUTION

    14222-5000-3000 
21 
4.3.1  Surge Protection Devices (SPDs) 
All RF transmission lines and surge protection devices (SPDs) should be grounded in accordance with 
procedures  presented  in  Site  Grounding  and  Lightning  Protection  Guidelines  manual 
AE/LZT 123 4618/1.  PolyPhaser®  or  similar  SPD  devices  are  required  for  all  RF,  phone,  or  on-site 
control  lines  entering  the  building  from  external  sources.  For  GPS  antenna  installation,  Harris 
recommend using a GPS surge arrestor, part number HD-TM1M-02, inline with each GPS antenna. 
4.4  INSTALLING THE EQUIPMENT 
The HDT300 is designed to be installed in a 19-inch rack or cabinet.  A ground bus bar should be utilized 
to minimize ground loops and the potential for electrical surges, such as lightning, from traveling through 
the equipment while dissipating to the grounding system. 
Carefully pre-plan the rackup, locating the fan shelf directly under each transceiver shelf, and ensuring 
adequate air flow above and below the rackup.  It is also recommended to install the modules after the 
shelf is fully installed, the grounding bus bar system is fully installed and the bus bar is properly grounded 
to the site grounding system. 
Additionally, it may be beneficial to begin installing equipment from the bottom of the rack or cabinet 
and building up the rail.  It is recommended to follow the steps shown in the following sub-sections when 
installing equipment.   
The first transceiver and fan shelf installation supports the first four (4) RF channels.  For sites with five 
(5) or more RF channels, multiple transceiver and fan shelf installations are preformed.  Typically, two 
(2)  individual  rackups  consisting  of  a  transceiver  shelf,  fan  shelf,  and  EIB  may  be  installed  per  the 
average tall  rack  or  cabinet  (supporting RF channels 1  through  8).    For  RF  channels  9 through 16,  a 
second cabinet or rack is typically required. 
4.4.1  Installing the Fan Shelf 
1. Determine  the  installation  location 
along  the  rails  and  if  required,  install 
screw  clips  in  the  two  (2)  screw 
locations. 
2. Install screws in the two (2) mounting 
locations. 
3. Install a ground wire from the fan shelf 
rear panel to the ground bus bar. 
For  best  performance,  equipment 
ground  wires  should  be  constructed 
using  UL-listed  compression-type 
connectors  and  14-gauge  or  larger 
stranded  ground  wire.    Always  use 
gradual  bends  in  the  wire  (no  sharp 
angles).  
4. Set DIP Switch S3 for the proper shelf 
identity per the following instructions: 
DIP Switch S3 is used to associate the fan shelf to the corresponding transceiver shelf.  The DIP switch 
settings are described in Table 4-2.  Section S3-3 is the Least Significant Bit (LSB) and S3-4 is the Most 
Significant Bit (MSB).  Fan shelves 1 through 4 are assigned Logic 0 through 3, respectively. 

14222-5000-3000     
22 
Table 4-2: Fan DIP Switch Settings 
Shown set for Shelf 1 
FAN SHELF # 
SW1-1 
SW1-2 
SW1-3 
(LSB) 
SW1-4 
(MSB) 
DIP SWITCH S3 
CONFIGURATION 
Fan Shelf 1  
(RF Channels 1 through 4) 
NA 
NA 
ON 
ON 
Fan Shelf 2 
(RF Channels 5 through 8) 
NA 
NA 
OFF 
ON 
Fan Shelf 3 
(RF Channels 9 through 12) 
NA 
NA 
ON 
OFF 
Fan Shelf 4 
(RF Channels 13 through16) 
NA 
NA 
OFF 
OFF 
* N/A = Not applicable (not used). 
4.4.2  Installing the Transceiver Shelf 
1. Install  the  transceiver  shelf  just 
above  the  associated  fan  shelf.    If 
required,  install  screw  clips  in  the 
eight  (8)  corresponding  screw 
locations along the rails. 
2. Install  screws  in  all  eight  (8) 
mounting locations. 

    14222-5000-3000 
23 
3. Install  a  ground  wire  from  the  transceiver 
shelf to the ground bus bar. 
For  best  performance,  equipment  ground 
wires should be constructed using UL-listed 
compression-type  connectors  and  14-gauge 
or larger stranded ground wire.  Always use 
gradual bends in the wire (no sharp angles).  
4. Set  DIP  Switch  SW1  for  the  proper  shelf 
identity per the following instructions: 
DIP Switch  SW1  is  used to  identify the  transceiver shelf  to  the  BSCU.    The  DIP switch  settings are 
described in Table 4-3.  Transceiver Shelves 1 through 4 are assigned Logic 0 through 3, respectively, 
using  SW1-1  and  SW1-3.    Section  SW1-1  is  the  Least  Significant  Bit  (LSB)  and  SW1-3  the  Most 
Significant Bit (MSB).  .  Sections SW1-2 and SW1-4 are not used. 
NOTE
The DIP switch is mounted in an inverted position.  SW1-1 is actually the right-most 
position as viewed while facing the rear panel. 
Table 4-3: Interconnection Board DIP Switch Configuration 
Shown set for Shelf 1
TRANSCEIVER 
SHELF # 
SW1-4 
(Not 
Used) 
SW1-3 
(MSB) 
SW1-2 
(Not 
Used) 
SW1-1 
(LSB) 
DIP SWITCH SW1 
CONFIGURATION 
Transceiver Shelf 1  
(RF Channels 1 through 4) 
NA 
ON 
NA 
ON 
Transceiver Shelf 2 
(RF Channels 5 through 8) 
NA 
ON 
NA 
OFF 
Transceiver Shelf 3 
(RF Channels 9 through 12) 
NA 
OFF 
NA 
ON 
Transceiver Shelf 4 
(RF Channels 13 through16) 
NA 
OFF 
NA 
OFF 
* N/A = Not applicable (not used). 

14222-5000-3000     
24 
4.4.3  Installing the Extended Interface Board 
1. Determine the installation location and install using 
the six (6) screw locations. 
2. Install  a  ground  wire  from  the  EIB  panel  to  the 
ground bus bar. 
If possible, install the ground lug to the rear of the 
EIB  panel  where  the  surface  is  not  painted.  
Alternately, remove paint from around  one hole on 
the front of the panel’s mounting flange. 
For  best  performance,  equipment  ground  wires 
should be constructed using UL-listed compression-
type  connectors  and  14-gauge  or  larger  stranded 
ground wire.  Always use gradual bends in the wire 
(no sharp angles). 
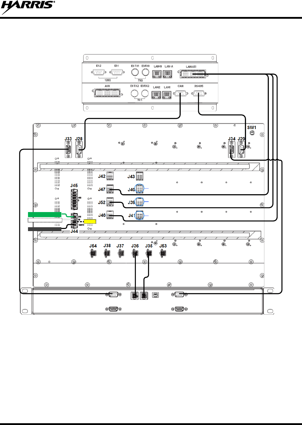
4.5  CABLE CONNECTIONS 
Figure 4-1 represents a 4-channel rackup.  Up to four (4) rackups similar to that shown in Figure 4-1 may 
be connected for a maximum of 16 RF channels at one site.  Backplane connections at each of the four 
rackups are similar with only cable additions for interconnecting the multiple rackups. 
4.5.1  Initial Backplane Cable Connections 
Before  installing  cables,  the  equipment  shelves  and  grounding  system  should  be  installed  as  per  the 
previous sub-sections. 
CAUTION
Make sure all AC and DC power input is Off or disabled before making connections to 
the equipment. 
1. Make the following backplane cable connections as shown on Figure 4-1. 
a. Cable from EIB LAN&E1 connection to the transceiver shelf J46, J47, and J52 connections. 
b. Cable from EIB’s CAN connection to the transceiver shelf J28. 
c. Cable from EIB’s RS485 connection to the fan shelf J29. 
d. Cable from transceiver shelf J34 to the fan shelf RS485_M. 
e. Cable from transceiver shelf J35 to the fan shelf DC input. 
f. Cable from transceiver shelf J36 to the fan shelf DC input. 
g. Cable from transceiver shelf J33 to the fan shelf CAN_M. 
h. Customer supplied AC power cable Chassis GND wire to transceiver shelf J44-PE. 
i. Customer supplied AC power cable Neutral wire to transceiver shelf J44-N. 
j. Customer supplied AC power cable Leg 1 (L1) wire to transceiver shelf J44-220V. 

    14222-5000-3000 
25 
1B
1C
1A
2A
2B
2C
GND
NEUTRAL
L1 (110/220VAC)
N/C
EIB
TRANSCEIVER SHELF
FAN SHELF
CAN_M RS485_M
Figure 4-1: HDT300 Backplane Wiring Diagram 

14222-5000-3000     
26 
4.5.2  Multi-Shelf Multi-Cabinet Cable Connections 
Figure 4-1 represents a 4-channel rackup.  Up to four (4) rackups similar to that shown in Figure 4-1 may 
be connected for a maximum of 16 RF channels at one site.  Backplane connections at each of the four 
rackups are similar with only cable additions for interconnecting the multiple rackups. 
Typically, two (2) individual rackups of a transceiver shelf, fan shelf, and EIB may be installed per the 
average tall  rack or  cabinet  (supporting RF  channels  1  through 8).  For  RF channels  9  through  16, a 
second cabinet or rack is typically required. 
110/240 VAC
INPUT
CHANNELS 1-4
1B
1C
1A
2A
2B
2C
1B
1C
1A
2A
2B
2C
CHANNELS 5-8
FAN
L1
110/240 VAC
INPUT
CHANNELS 9-12
1B
1C
1A
2A
2B
2C
110/240 VAC
INPUT
1B
1C
1A
2A
2B
2C
CHANNELS 13-16
FAN
GND
NEUTRAL
L1 (110/220VAC)
N/C
GND
NEUTRAL
L1 (110/220VAC)
N/C
GND
NEUTRAL
L1 (110/220VAC)
N/C
GND
NEUTRAL
L1 (110/220VAC)
N/C
Figure 4-2: HDT300 Multi-Shelf – Multi Cabinet Configuration 

    14222-5000-3000 
27 
4.6  INSTALLING MODULES 
WARNING
Some  components  of  the  power  system  carry  hazardous  voltage  in  operation. 
Direct or indirect contact through moist objects with these components will result 
in fatal injury. 
WARNING
Make sure all AC input power is turned off to the equipment and the power switch 
on each PSU is set to the Off position before installing the PSU modules. 
The  ESD  symbol  calls  attention  to  procedures,  practices,  or  the  like,  which  could 
expose equipment to the effects of Electro-Static Discharge. Proper precautions must be 
taken to prevent ESD when handling circuit boards or modules. 
Cabinets  and  racks  may  be  pre-racked  and  tested  in  a  shop  or  staging  environment;  however,  the 
Momentum modules and fan drawers must be removed from the shelves before transporting the rackup.  
This will prevent damage to the shelf units and modules. 
CAUTION
DO NOT transport a pre-assembled rackup without first removing the modules and fans 
from the shelf assemblies.  The weight of the installed modules and fan drawers can 
potentially damage the shelf assemblies during transport. 
1. Install the modules into the shelf slots as shown in Figure 4-5 per the following instructions: 
a. Loosen the two ejectors by pressing the red locking mechanism to release the ejectors (refer to 
Figure 4-3). 
Figure 4-3: Loosening the Ejector 
b. Slide the BSCU along the guide rails smoothly as shown in Figure 4-4. 
c. Re-latch the ejectors after the module is fully inserted into the card cage. 
d. Tighten the screw located within each ejector. 
e. Tighten the screw on the top and bottom-right corners of each module as shown in Figure 4-4. 

14222-5000-3000     
28 
Figure 4-4: Installing the BSCU 
Figure 4-5: Module Placement and Front Panel Cable Connections 

    14222-5000-3000 
29 
4.7  FRONT PANEL CONNECTIONS 
4.7.1  RF Antenna Connections 
The CHU modules include RF connections for the RX and TX antennas.  Cables for each connection are 
customer supplied and must be high grade, low loss cables.  Cable lengths should be kept as short as 
possible to minimize cable loss; however, it may be desirable to use the same type cable for each similar 
connection and similar lengths to minimize imbalances between channels during operation. 
4.7.2  GPS Receiver Antenna Connections 
The GPS receiver input on each BSCU module is a non-powered antenna connection.  A GPS antenna, 
part number HD-TM1M-01, is available and may be ordered through the Harris representative for the 
HDT300 system.  A GPS antenna surge arrestor, part number HD-TM1M-02, should be installed along 
with each GPS antenna.  If both BSCU modules are installed, the GPS antenna inputs may be connected 
to  separate  GPS  antennas  (desired  method,  antennas  not  supplied)  or  connected  to  a  common  GPS 
antenna using a customer supplied power splitter/multicoupler. 
Follow all manufacturers’ instructions for installing and connecting the GPS antenna to the BSCU.  Cable 
lengths should be kept as short as possible to minimize cable loss.  Any recommended maximum antenna 
cable lengths should be observed.  For installations requiring longer than recommended cable lengths, an 
amplified antenna system is recommended or use an inline RF antenna amplifier designed specifically for 
GPS antenna systems. 
4.7.3  Additional front panel connections  
Additional front panel connections for RS232 and other ports are used during setup and configuration and 
out of the scope of this manual. 

14222-5000-3000     
30 
5  POST-INSTALLATION INSPECTION 
Verify the following before proceeding with power-up of the system: 
a. The cabinet or rack has been installed and grounded per the Site Grounding and Lightning Protection 
Guidelines Manual, AE/LZT 123 4618/1. 
b. All safety ground connections are: 
i. Properly crimped. 
ii. Connected to the proper connection points on the equipment. 
iii. Connected to the ground bus bar using gradual bends in an upward fashion. 
iv. Nut and/or bolts securing the ground lugs are sufficiently tightened. 
c. All AC power cables have been labeled and installed per Section 4.5. 
d. All rear panel control cable connections have been labeled and installed per Section 4.5 
e. All modules have been installed per Section 4.6. 
f. All front panel power switches on the PSU units have been set to the Off position. 
g. All front panel RF antenna connections are labeled and installed per Section 4.7. 
h. Verify all  receive and  transmit antenna ports  are  connected to  50  ohm load  resistors of  sufficient 
power rating. 
CAUTION
To prevent unintentional or malicious interference to other radio systems, the receive 
and transmit antenna ports of all new installations should first be connected to 50 ohm 
load resistors of sufficient power rating until the system is programmed to the proper 
operating frequencies and ready to be deployed. 

    14222-5000-3000 
31 
6  POWER-UP 
1. Transmitter and  receiver antenna  ports should  be connected to 50  ohm  load resistors of  sufficient 
power  rating until  the  system is  programmed  to  the  proper  operating  frequencies and  ready  to  be 
deployed. 
2. Verify the post installation inspection in Section 5 is complete. 
3. Apply power to the equipment from the AC mains breaker or switch. 
4. Set all power switches on the PSU modules to the On position. 
5. Verify all modules power up properly with no alarms (refer to Table 6-1). 
Table 6-1: Power and Alarm Indicator Checklist 
NOTE
If any LED indicators indicate a failure, power down the cabinet, reseat the modules, 
and re-power the cabinet.  If the issue persists, contact you dealer. 

14222-5000-3000     
32 
7  CUSTOMER RESOURCES 
7.1  REPLACEMENT PARTS 
To order replacement parts, contact the Customer Care center at: 
http://www.pspc.harris.com/CustomerService 
Or use one of the following phone numbers,  fax numbers, or email addresses: 
United States: 
 Phone Number:   1-800-368-3277 
 Fax Number:  1-321-409-4393 (U.S. Only) 
 E-mail:  PSPC_CustomerFocus@harris.com 
International: 
 Phone Number:  434-455-6403 
 Fax Number:  321-409-4394 
 E-mail:  PSPC_InternationalCustomerFocus@harris.com 
7.2  TECHNICAL ASSISTANCE 
If any of the radio equipment requires repair, or if there are questions or concerns about the installation of 
this  equipment,  contact  the  Harris  Technical  Assistance  Center  (TAC)  using  the  following  telephone 
numbers or e-mail address: 
 United States and Canada:  1-800-528-7711 (toll free) 
 International:  1-434-385-2400 
 Fax:  1-434-455-6712 
 E-mail:  PSPC_tac@harris.com 
7.3  TECH-LINK 
For more information about this and other Harris PSPC products, check out our Tech-Link service at: 
  https://premier.pspc.harris.com/ 
Tech-Link is a one stop link to Technical Documentation (downloadable PDFs) - Software Revisions - 
Feature Encryption - pictorials of parts and accessories - and other information pertaining to our products. 
Information that will enhance your service efforts -- 24 hours a day, 7 days a week. 

    14222-5000-3000 
33 
This page intentionally left blank. 

Public Safety and Professional Communications  |  www.pspc.harris.com 
221 Jefferson Ridge Parkway  |  Lynchburg, VA USA 24501  |  1-800-528-7711   
