HM Funktechnik 70RX-S1 UHF Receiver Module User Manual 70RX S1
HM-Funktechnik GmbH UHF Receiver Module 70RX S1
User Manual

User Manual for the Radio Module 70RX-S1
SAFETY- RF EXPOSURE COMPLIANCE
This device has been designed to use as a low power transmitter. It complies with the Federal
Communications Commission (FCC) RF exposure limits for General Population / Uncontrolled
exposure environment. In addition, it complies with the following Standards and Guidelines:
• FCC 96-326 (1996), Guidelines for Evaluating the Environmental Effects of Radio-
Frequency Radiation.
• FCC OET Bulletin 65 Edition 01-01 (2001) Supplement C, Evaluating Compliance with
FCC Guidelines for Human Exposure to Radio Frequency Electromagnetic Fields.
• ANSI/IEEE C95.1-1992, IEEE Standard for Safety Levels with Respect to Human
Exposure to Radio Frequency Electromagnetic Fields, 3 kHz to 300 GHz.
• ANSI/IEEE C95.3-1992, IEEE Recommended Practice for the Measurement of
Potentially Hazardous Electromagnetic Fields - RF and Microwave.
• Use ONLY the supplied antenna and accessories. Unauthorized accessories may
violate the FCC rules and regulations.
Label Requirement:
• A label should be affixed to the outside of the end product into which the authorized
module/product is incorporated, with a statement similar to the following: “This device
contains RX FCC ID: PUX
70RX-S1”
1. Purpose and application of the radio module 70RX-S1
The 70RX-S1 radio receiver is a FM-narrow bandwith type radio module. It`s a multi channel,
synthesizer controlled device in the range from 420 – 510 MHz, in 12.5 or 25 KHz spacing.
The modules are supplied by HM-Funktechnik GmbH as an OEM product and are to be
installed in customer designed peripherals, such as
• radio remote control devices for machinery in industrial sites
• burglar alarm system, data in general and voice, only in alarm conditions
• data transmission in telemetry systems
• data transmission in wireless hand held terminal systems
• wireless data transmission in general

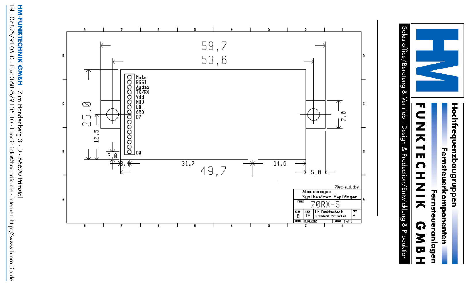
2. Dimensions and connections to peripheral devices
Module height: 12.5mm
Tolerance: +/- 0.2 mm
The header strip is symmetrical to the modul!
Dimensions in mm +/- 0.2
Sight from above (through the modul!!!)
Pins with 50mil grid (1.27mm)

3. Port description and technical data
Mute Mute output of the modul
Open collector output to recognize a radio carrier, mute threshold
at about –116dBm for 20dB SINAD CCITT (if the signal is less
than -116dBm 0.0 V, else 4.6 V), the hysteresis is 1-2dB
RSSI Field strength indicator of the received carrier
the released DC voltage is proportional to the field strength (typ.
0.8 V DC at -120 dBm and 2.7 V DC at - 65 dBm input level)
Audio NF output of the modul, 1 Vss (at a nominell frequency deviation of
2,5 KHz) with a DC offset of about 2 V, frequency range 0 Hz - 5
KHz (DC capable), inverted
TX/RX not connected at this modul
Vdd Power supply of the modul
5 – 11 V DC stabilized, minimum voltage 4.6 V (f.e. 4x 1.2 V NiCd
or NiMH), absolut maximum voltage 12 V, 78x12 not recommended
because of voltage variation, internal low drop voltage stabilization
to 4.6V, no reverse voltage protection
MOD not connected at this modul
LD Lock detect output of the modul
Open Collector output shows if the internal synthesizer is locked or
not (3.3 V if locked, else 0.0 V)
GRD Ground of the modul (also connected to the complete case)
D0 – D7 Frequency setting of the modul
Output of the lowest possible frequency, if not connected.
Grounding of the pins D0 - D7 will higher the frequency stepwise
(D0 12.5 KHz, D1 25 KHz, D2 50 KHz,..., D7 1.6 MHz). The
easiest way of an implementation is the use of a DIP-switch, which
is connected with one side to ground and the other side to DO –
D7. A frequency list to find your desired frequency is available at
our homepage.
Supply current 25 mA (+ / - 2mA)
Sensitivity at least –121dBm (for 12dB SINAD measured with CCITT filter)
Data rate max. 9600Bd
Antenna λ/4 – whip antenna (teflon), optional SMA, SMB or MCX
Frequency accuracy + / - 1.5 KHz
Temperature stability + / - 2.5 KHz (- 20°C .. + 55°C)

4. Restrictions
- Do not use the 70RX-S1 radio modul to transmit voice
- Do not build illegal spy devices using the 70RX-S1 radio module
- Do not operate the modules at lower or higher supply voltages as specified
- Do not put reverse voltage to the modul (it will be damaged)
This device complies with Part 15 of the FCC Rules. Operation is subject to the following two
conditions:
(1) this device may not cause harmful interference, and
(2) this device must accept any interference received, including interference that may cause
undesired operation.
Changes or modifications not expressly approved by the party responsible for compliance could
void the user's authority to operate the equipment.
For any further question, comments or advices, please contact HM-Funktechnik at
info@hmradio.com