HM Funktechnik 70TX-M1 70TX-M1 User Manual
HM-Funktechnik GmbH 70TX-M1 Users Manual
Contents
- 1. Manual
- 2. Revised Manual
Revised Manual

Operation and Instructions Manual
for the
Radio Modules 70TXRX-M1
former labeling of the modules
new labeling from September 2001 on
The modules are licenced in Europe1), USA and Canada
1) Licences may not be available for all of the 16 EU-countries
- XXX - 70TX-M1
SAFETY- RF EXPOSURE COMPLIANCE
This device has been designed using a low power transmitter. It complies with the Federal Communications
Commission (FCC) RF exposure limits for General Population/Uncontrolled exposure environment. In addition, it
complies with the following Standards and Guidelines:
• FCC 96-326 (1996), Guidelines for Evaluating the Environmental Effects of Radio-Frequency Radiation.
• FCC OET Bulletin 65 Edition 01-01 (2001) Supplement C, Evaluating Compliance with FCC Guidelines for
Human Exposure to Radio Frequency Electromagnetic Fields.
• ANSI/IEEE C95.1-1992, IEEE Standard for Safety Levels with Respect to Human Exposure to Radio
Frequency Electromagnetic Fields, 3 kHz to 300 GHz.
• ANSI/IEEE C95.3-1992, IEEE Recommended Practice for the Measurement of Potentially Hazardous
Electromagnetic Fields - RF and Microwave.
• Use ONLY the supplied antenna and accessories. Unauthorized accessories may violate the FCC rules and
regulations.
• The module must be installed or integrated by providing a minimum separation distance of 20 cm between
the antenna and the human body at all time.
Label Requirement:
• A label must be affixed to the outside of the end product into which the authorized module/product is
incorporated, with a statement similar to the following: “This device contains TX ID: XXXXXXXXXXX

1. Purpose and application of the Radio Modules 70TXRX-M1
The 70TXRX-M1 Radio Modules, comprising of the
Transmitter 70TX-M1 and the Receiver 70RX-M1
are FM-narrow bandwith type radio modules. They are single channel, crystal controlled devices on an assigned frequency in the range from
420 – 510 MHz, in 12.5 or 25 KHz spacing.
The modules are supplied by HM-Funktechnik GmbH (HM-Radio USA) as an OEM product and are to be installed in customer designed
peripherals, such as
- radio remote control devices for machinery in industrial sites
- burglar alarm system, data in general and voice, only in alarm conditions
- data transmission in telemetry systems
- data transmission in wireless hand held terminal systems
- wireless data transmission in general
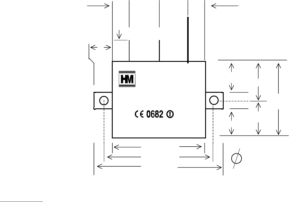
2. Dimensions and connections to peripheral devices
Transmitter 70TX- M1 2) 275 520 820 200
(7) (13.2) (20.9) (5.1)
1400
215(5.5) (36)
Dimensions:
320 (8.2)
are in mil, values in brackets 460 (11.7)
are the corresponding mm numbers
Tolerance +/- 0.2 mm 280 (7)
920 (23.4)
460 (11.7)
2) Information shown on this label 320 (8.2)
is not identical with the label on
the module
Module hight: 400 (10) 1020 (26)
1220 (31) 125 (3.2)
1450 (37)
Modulation Input
Modulation Supply Volt. Antenna
FCC ID XXX - 70TX-M1
Canada YYY Transmitter
Frequ. range USA-Canada 420 – 510 MHz
Frequ.: 433.925 MHz Ser. Nr. 134001
Frequ. range Europe: 433.05 – 434.79 MHz
Funktechnik GmbH
D-66620 Primstal

Level: TTL level, or 2,5 V DC + 2.5 V sinωt for + / - 2.5 KHz frequency deviation
Frequency 0 - 4 KHz, maximum
Input impedance > 4.7 KΩ
Dimensions: Receiver 70RX-M1 3)
are in mil, values in brackets are the corresponding mm values
550 (14) 835 1090 1645 ( 41.8) 1950
(21.2) (27.6) (49.4)
205 (5.2)
1400 (36)
350 (9)
490 (12.5)
280 (7) 980 (25)
490 (12.5)
350 (9)
1950 (49.4)
125 (3.2)
2100 (53.2)
2350 (59.6)
Module hight: 500 (12.7)
Tolerance: +/- 0.2 mm
3) information shown on this label
is not identical with the label on
the module
3. Technical data
Transmitter 70TX-M1
Antenna Mute Audio-out Supply Volt.
- Funktechnik GmbH, D-66620 Primstal
FCC ID: PUX–70RX-M1
Canada YYY Receiver
Frequency range USA and Canada 420 – 510 MHz
Frequency range Europe 433.05 – 434.79 MHz
Frequency 433.925 MHz
Ser. Nr. 134001

Supply Voltage minimum 4.8V
maximum 10 V
Absolut maximum rating 12 V DC
Supply current 30 mA
Modulation input see 2
RF – output power 10 dBm +/- 1.5 dB conducted
Frequency accuracy + / - 1.5 KHz
Temperature stability + / - 2.5 KHz - 20°C - + 70°C
Receiver 70RX-M1
Supply Voltage minimum 4.8V
maximum 10 V
Absolut maximum rating 12 V DC
Supply current 25 mA
RX-bandwith 3 KHz +/- 7.5 KHz (1. IF Filter)
20 KHz (2. IF Filter)
more narrow filters upon request
Audio out Ao + 0.5 Vpp at 2.5 KHz nominal deviation
Ao depends on the frequency offset between TX and RX and may
vary between 1 and 3 V DC.
Output impedance typically 2 KΩ
AFC range + / - 3 KHz
Sensitivity - 121 dBm for 12 dB SINAD CCITT weighted
MUTE signal 0 V with no RF and + 4.5 V at a RF input of typ. – 112 dBm +/- 5 dB
RSSI available upon request instead of MUTE, 0.5 V – 2.5 V / –120 -60 dBm
Maximum RF input level 0 dBm
4. Restrictions
- Do not supply a higher modulation input level to the TX modulation input as specified in 2
- Do not us the 70TXRX-M1 radio modules to transmit audio or voice
