HP Workstation X4000 Technical Reference Manual Windows And Linux (A6068 IE001 E0601) Lpv37863
User Manual: HP hp workstation x4000 - Technical Reference manual - Windows and Linux (A6068-IE001 E0601)
Open the PDF directly: View PDF
.
Page Count: 238 [warning: Documents this large are best viewed by clicking the View PDF Link!]
- 1 System Overview
- 2 System Board
- 3 System Memory and Processors
- 4 System BIOS and Resources
- 5 Hardware Management (Monitoring and Reporting)
- 6 Power Specifications
- 7 Connector Pin-Outs
- Expansion Slots
- System Board Connectors
- Floppy Disk Drive Connector
- IDE/ATA 100 Connectors
- SCSI Connectors
- Parallel Port Connector
- Serial Port Connectors
- Keyboard and Mouse Connector
- Universal Serial Bus Connectors
- Front Panel Connector
- ATX Power Connector
- LAN Connector
- Audio Connector
- CD Audio In Connector
- Microphone Connector
- System Speaker Connector
- Processor Fan Connectors
- Chassis Fan Connectors
- Chassis Intrusion Connector
- 8 Mechanical Specifications
- 9 Hardware Components
- 10 Installing or Replacing Parts and Accessories
- Overview
- Cover and FrontBezel
- Hard Disk Drive Cage
- Chassis Beam Assembly
- Memory Expander Card (MEC)
- System Memory
- Graphics Card
- SCSI Hard Drive
- CD-ROM, CD-RW or DVD
- Processor
- Floppy Disk Drive
- Power Supply
- System Board
- System Board Switches
- System Fan
- Fan and Speaker Assembly
- Hard Disk Drive Fan
- Battery
- System Board Diagram
- 11 Troubleshooting
- Overview
- Solving Hardware Problems
- Workstation Does Not Start Properly
- Keyboard Doesn’t Work
- Monitor Doesn’t Work
- Mouse Doesn’t Work
- Audio Doesn’t Work
- Power LED is Flashing
- Hard Disk Drive Problems
- Hard Disk Drive Activity LED Doesn’t Work
- CD-ROM, DVD or CD-RW Drive Doesn’t Work
- CD-RW Won’t Allow Recording
- DVD Drive Doesn’t Play DVD Video
- You Forgot Your Password
- Understanding the Diag LEDs
- Setting and Removing System Passwords
- Using e-Diag Tools for Hardware Problems
- Recovering or Reconfiguring Windows 2000 or Windows NT
- 12 Contacting Support

Technical Reference Manual
HP x4000 Workstation
E0601
Manufacturing Part Number: A6068-IE001
© Copyright 2001 Hewlett-Packard Company

2
Notice
The information contained in this document is subject to change without notice.
Hewlett-Packard makes no warranty of any kind with regard to this material,
including, but not limited to, the implied warranties of merchantability and fitness for
a particular purpose.
Hewlett-Packard shall not be liable for errors contained herein or for incidental or
consequential damages in connection with the furnishing, performance, or use of this
material.
Hewlett-Packard assumes no responsibility for the use or reliability of its software on
equipment that is not furnished by Hewlett-Packard.
This document contains proprietary information that is protected by copyright. All
rights are reserved. No part of this document may be photocopied, reproduced, or
translated to another language without the prior written consent of Hewlett-Packard
Company.
Adaptec® is a registered trademark of Adaptec, Inc.
Adobe and Acrobat are trademarks of Adobe Systems Incorporated.
NVIDIA™, GeForce2 GTS™ and Quattro2 MXR™ are registered trademarks or
trademarks of NVIDIA Corporation.
Matrox® is a registered trademark of Matrox Electronic Systems Ltd.
Microsoft®, Windows® and MS-DOS® are registered trademarks of the Microsoft
Corporation.
Windows NT® is a registered trademark of Microsoft Corporation.
Pentium® and AGPset™ are trademarks of Intel Corporation.
WOL™ (Wake on LAN) is a trademark of IBM.

Contents
3
1. System Overview
Overview . . . . . . . . . . . . . . . . . . . . . . . . . . . . . . . . . . . . . . . . . . . . . . . . . .12
HP x4000 Workstation Feature Set . . . . . . . . . . . . . . . . . . . . . . . . . . . . .13
Internal and External Components . . . . . . . . . . . . . . . . . . . . . . . . . . . . .18
HP x4000 Control Panel . . . . . . . . . . . . . . . . . . . . . . . . . . . . . . . . . . . . . .21
Internal Features. . . . . . . . . . . . . . . . . . . . . . . . . . . . . . . . . . . . . . . . . . . .23
Documentation. . . . . . . . . . . . . . . . . . . . . . . . . . . . . . . . . . . . . . . . . . . . . .24
HP Web Site Contents . . . . . . . . . . . . . . . . . . . . . . . . . . . . . . . . . . . . . .24
2. System Board
Overview . . . . . . . . . . . . . . . . . . . . . . . . . . . . . . . . . . . . . . . . . . . . . . . . . .26
System Board Component Layout . . . . . . . . . . . . . . . . . . . . . . . . . . . . . .27
System Board Switches . . . . . . . . . . . . . . . . . . . . . . . . . . . . . . . . . . . . .28
Architectural Diagram. . . . . . . . . . . . . . . . . . . . . . . . . . . . . . . . . . . . . .28
System Chipset . . . . . . . . . . . . . . . . . . . . . . . . . . . . . . . . . . . . . . . . . . . . .30
Memory Controller Hub (Intel 860). . . . . . . . . . . . . . . . . . . . . . . . . . . .30
PCI 64-bit Hub (Intel 82086). . . . . . . . . . . . . . . . . . . . . . . . . . . . . . . . .30
Interface Controller Hub (Intel 82801BA) . . . . . . . . . . . . . . . . . . . . . .30
Super I/O Chip (National PC87366) . . . . . . . . . . . . . . . . . . . . . . . . . . .31
LAN Chip (Intel 82550) . . . . . . . . . . . . . . . . . . . . . . . . . . . . . . . . . . . . .31
SCSI Controller Chip (LSI SYM43C1010R) . . . . . . . . . . . . . . . . . . . . .32
Audio Chip (Analog Devices AD 1885) . . . . . . . . . . . . . . . . . . . . . . . . .33
Hardware Management Controller Chips. . . . . . . . . . . . . . . . . . . . . . .33
Clocks . . . . . . . . . . . . . . . . . . . . . . . . . . . . . . . . . . . . . . . . . . . . . . . . . . .34
Expansion Card Slots . . . . . . . . . . . . . . . . . . . . . . . . . . . . . . . . . . . . . . . .35
Peripheral Component Interconnect (PCI) Slots . . . . . . . . . . . . . . . . .35
Accelerated Graphics Port (AGP) Slot. . . . . . . . . . . . . . . . . . . . . . . . . .36

4
Contents
3. System Memory and Processors
Overview. . . . . . . . . . . . . . . . . . . . . . . . . . . . . . . . . . . . . . . . . . . . . . . . . . 38
System Memory . . . . . . . . . . . . . . . . . . . . . . . . . . . . . . . . . . . . . . . . . . . . 39
Rambus . . . . . . . . . . . . . . . . . . . . . . . . . . . . . . . . . . . . . . . . . . . . . . . . . 39
Eight-RIMM MEC. . . . . . . . . . . . . . . . . . . . . . . . . . . . . . . . . . . . . . . . . 39
Processor. . . . . . . . . . . . . . . . . . . . . . . . . . . . . . . . . . . . . . . . . . . . . . . . . . 41
4. System BIOS and Resources
Overview. . . . . . . . . . . . . . . . . . . . . . . . . . . . . . . . . . . . . . . . . . . . . . . . . . 44
System BIOS . . . . . . . . . . . . . . . . . . . . . . . . . . . . . . . . . . . . . . . . . . . . . . 45
BIOS Identification. . . . . . . . . . . . . . . . . . . . . . . . . . . . . . . . . . . . . . . . 45
Updating the System BIOS and Firmware . . . . . . . . . . . . . . . . . . . . . 46
Restoring BIOS Default Settings. . . . . . . . . . . . . . . . . . . . . . . . . . . . . 46
Clearing the CMOS. . . . . . . . . . . . . . . . . . . . . . . . . . . . . . . . . . . . . . . . 46
Recovering the BIOS from the Boot Block. . . . . . . . . . . . . . . . . . . . . . 47
HP Setup Program. . . . . . . . . . . . . . . . . . . . . . . . . . . . . . . . . . . . . . . . . . 49
Starting the HP Setup Program. . . . . . . . . . . . . . . . . . . . . . . . . . . . . . 49
Main Menu . . . . . . . . . . . . . . . . . . . . . . . . . . . . . . . . . . . . . . . . . . . . . . 51
Advanced Menu. . . . . . . . . . . . . . . . . . . . . . . . . . . . . . . . . . . . . . . . . . . 52
Security Menu. . . . . . . . . . . . . . . . . . . . . . . . . . . . . . . . . . . . . . . . . . . . 55
IPMI Menu . . . . . . . . . . . . . . . . . . . . . . . . . . . . . . . . . . . . . . . . . . . . . . 56
Power Menu. . . . . . . . . . . . . . . . . . . . . . . . . . . . . . . . . . . . . . . . . . . . . . 57
Boot Menu . . . . . . . . . . . . . . . . . . . . . . . . . . . . . . . . . . . . . . . . . . . . . . . 57
BIOS Beep Codes . . . . . . . . . . . . . . . . . . . . . . . . . . . . . . . . . . . . . . . . . . . 59
System Resources. . . . . . . . . . . . . . . . . . . . . . . . . . . . . . . . . . . . . . . . . . . 60
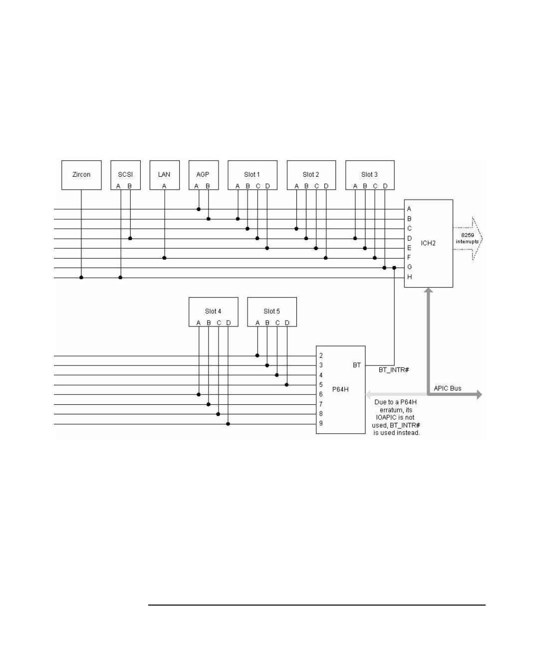
PCI IRQ Lines. . . . . . . . . . . . . . . . . . . . . . . . . . . . . . . . . . . . . . . . . . . . 60
IRQ Routing. . . . . . . . . . . . . . . . . . . . . . . . . . . . . . . . . . . . . . . . . . . . . . 61
Interrupt Controllers . . . . . . . . . . . . . . . . . . . . . . . . . . . . . . . . . . . . . . 63
System Memory Map . . . . . . . . . . . . . . . . . . . . . . . . . . . . . . . . . . . . . . 65

Contents
5
I/O Port Map (I/O Addresses Used by the System). . . . . . . . . . . . . . . .65
DMA Channel Controllers . . . . . . . . . . . . . . . . . . . . . . . . . . . . . . . . . . .67
5. Hardware Management (Monitoring and Reporting)
Overview . . . . . . . . . . . . . . . . . . . . . . . . . . . . . . . . . . . . . . . . . . . . . . . . . .70
General Firmware Information. . . . . . . . . . . . . . . . . . . . . . . . . . . . . . . . .71
Date/Time Initialization. . . . . . . . . . . . . . . . . . . . . . . . . . . . . . . . . . . . .71
SEEPROM Organization . . . . . . . . . . . . . . . . . . . . . . . . . . . . . . . . . . . .71
Hardware Monitoring . . . . . . . . . . . . . . . . . . . . . . . . . . . . . . . . . . . . . . . .72
Built-in Self Test (BIST) . . . . . . . . . . . . . . . . . . . . . . . . . . . . . . . . . . . .72
Sensor Scan. . . . . . . . . . . . . . . . . . . . . . . . . . . . . . . . . . . . . . . . . . . . . . .72
Fan Control. . . . . . . . . . . . . . . . . . . . . . . . . . . . . . . . . . . . . . . . . . . . . . .75
Sense Power State . . . . . . . . . . . . . . . . . . . . . . . . . . . . . . . . . . . . . . . . .75
Chassis Intrusion . . . . . . . . . . . . . . . . . . . . . . . . . . . . . . . . . . . . . . . . . .76
Pre-boot Device Test. . . . . . . . . . . . . . . . . . . . . . . . . . . . . . . . . . . . . . . .76
PCI/AGP Power . . . . . . . . . . . . . . . . . . . . . . . . . . . . . . . . . . . . . . . . . . .76
Reporting . . . . . . . . . . . . . . . . . . . . . . . . . . . . . . . . . . . . . . . . . . . . . . . . . .77
Event Logging. . . . . . . . . . . . . . . . . . . . . . . . . . . . . . . . . . . . . . . . . . . . .77
Sensor Report Using IPMI. . . . . . . . . . . . . . . . . . . . . . . . . . . . . . . . . . .77
System Event Log (SEL) . . . . . . . . . . . . . . . . . . . . . . . . . . . . . . . . . . . .77
Power Status LED . . . . . . . . . . . . . . . . . . . . . . . . . . . . . . . . . . . . . . . . .77
Diag LEDs. . . . . . . . . . . . . . . . . . . . . . . . . . . . . . . . . . . . . . . . . . . . . . . .78
Firmware Failure Handling. . . . . . . . . . . . . . . . . . . . . . . . . . . . . . . . . .78
BIOS is Running OK . . . . . . . . . . . . . . . . . . . . . . . . . . . . . . . . . . . . . . .78
IPMI Platform Event Trap. . . . . . . . . . . . . . . . . . . . . . . . . . . . . . . . . . .78
Security . . . . . . . . . . . . . . . . . . . . . . . . . . . . . . . . . . . . . . . . . . . . . . . . . . .79
Lock Status Panel. . . . . . . . . . . . . . . . . . . . . . . . . . . . . . . . . . . . . . . . . .79
BIOS Configuration Tokens. . . . . . . . . . . . . . . . . . . . . . . . . . . . . . . . . .79
6. Power Specifications

6
Contents
Power Delivery . . . . . . . . . . . . . . . . . . . . . . . . . . . . . . . . . . . . . . . . . . . . . 82
Power Supply . . . . . . . . . . . . . . . . . . . . . . . . . . . . . . . . . . . . . . . . . . . . . . 86
Power Supply Specifications. . . . . . . . . . . . . . . . . . . . . . . . . . . . . . . . . 87
Resetting the Power Supply . . . . . . . . . . . . . . . . . . . . . . . . . . . . . . . . . 88
Power Consumption and Cooling . . . . . . . . . . . . . . . . . . . . . . . . . . . . . 88
Power Saving and Ergonometry . . . . . . . . . . . . . . . . . . . . . . . . . . . . . . . 89
Using Power Management . . . . . . . . . . . . . . . . . . . . . . . . . . . . . . . . . . 89
Power Saving Modes and Resume Events. . . . . . . . . . . . . . . . . . . . . . 90
7. Connector Pin-Outs
Expansion Slots . . . . . . . . . . . . . . . . . . . . . . . . . . . . . . . . . . . . . . . . . . . . 94
Peripheral Component Interconnect (PCI) Slots. . . . . . . . . . . . . . . . . 94
Accelerated Graphics Port (AGP) Slot . . . . . . . . . . . . . . . . . . . . . . . . 102
System Board Connectors . . . . . . . . . . . . . . . . . . . . . . . . . . . . . . . . . . . 105
Floppy Disk Drive Connector . . . . . . . . . . . . . . . . . . . . . . . . . . . . . . . 106
IDE/ATA 100 Connectors . . . . . . . . . . . . . . . . . . . . . . . . . . . . . . . . . . 107
SCSI Connectors . . . . . . . . . . . . . . . . . . . . . . . . . . . . . . . . . . . . . . . . . 109
Parallel Port Connector. . . . . . . . . . . . . . . . . . . . . . . . . . . . . . . . . . . . 111
Serial Port Connectors . . . . . . . . . . . . . . . . . . . . . . . . . . . . . . . . . . . . 112
Keyboard and Mouse Connector . . . . . . . . . . . . . . . . . . . . . . . . . . . . 113
Universal Serial Bus Connectors. . . . . . . . . . . . . . . . . . . . . . . . . . . . 113
Front Panel Connector . . . . . . . . . . . . . . . . . . . . . . . . . . . . . . . . . . . . 114
ATX Power Connector. . . . . . . . . . . . . . . . . . . . . . . . . . . . . . . . . . . . . 115
LAN Connector . . . . . . . . . . . . . . . . . . . . . . . . . . . . . . . . . . . . . . . . . . 116
Audio Connector . . . . . . . . . . . . . . . . . . . . . . . . . . . . . . . . . . . . . . . . . 116
CD Audio In Connector. . . . . . . . . . . . . . . . . . . . . . . . . . . . . . . . . . . . 117
Microphone Connector . . . . . . . . . . . . . . . . . . . . . . . . . . . . . . . . . . . . 117
System Speaker Connector. . . . . . . . . . . . . . . . . . . . . . . . . . . . . . . . . 118
Processor Fan Connectors. . . . . . . . . . . . . . . . . . . . . . . . . . . . . . . . . . 118
Chassis Fan Connectors . . . . . . . . . . . . . . . . . . . . . . . . . . . . . . . . . . . 118

Contents
7
Chassis Intrusion Connector . . . . . . . . . . . . . . . . . . . . . . . . . . . . . . . .119
8. Mechanical Specifications
System Fans and Air Flow . . . . . . . . . . . . . . . . . . . . . . . . . . . . . . . . . . .122
Physical Specifications . . . . . . . . . . . . . . . . . . . . . . . . . . . . . . . . . . . . . .123
Environmental Specifications. . . . . . . . . . . . . . . . . . . . . . . . . . . . . . . . .124
9. Hardware Components
Overview . . . . . . . . . . . . . . . . . . . . . . . . . . . . . . . . . . . . . . . . . . . . . . . . .126
Graphics Cards . . . . . . . . . . . . . . . . . . . . . . . . . . . . . . . . . . . . . . . . . . . .127
Matrox Millennium G450 Graphics Card. . . . . . . . . . . . . . . . . . . . . .127
nVIDIA Quadro2 MXR . . . . . . . . . . . . . . . . . . . . . . . . . . . . . . . . . . . .131
nVIDIA Quadro2 Pro . . . . . . . . . . . . . . . . . . . . . . . . . . . . . . . . . . . . . .132
Fire GL2 and Fire GL4. . . . . . . . . . . . . . . . . . . . . . . . . . . . . . . . . . . . .133
Mass Storage Devices . . . . . . . . . . . . . . . . . . . . . . . . . . . . . . . . . . . . . . .136
Flexible Disk Drives. . . . . . . . . . . . . . . . . . . . . . . . . . . . . . . . . . . . . . .136
Hard Disk Drives . . . . . . . . . . . . . . . . . . . . . . . . . . . . . . . . . . . . . . . . .136
Optical Drives. . . . . . . . . . . . . . . . . . . . . . . . . . . . . . . . . . . . . . . . . . . .140
Rear Panel Connectors . . . . . . . . . . . . . . . . . . . . . . . . . . . . . . . . . . . . . .144
10. Installing or Replacing Parts and Accessories
Overview . . . . . . . . . . . . . . . . . . . . . . . . . . . . . . . . . . . . . . . . . . . . . . . . .146
Cover and Front Bezel. . . . . . . . . . . . . . . . . . . . . . . . . . . . . . . . . . . . . . .147
Removing the Left Side Cover. . . . . . . . . . . . . . . . . . . . . . . . . . . . . . .147
Removing the Front Bezel . . . . . . . . . . . . . . . . . . . . . . . . . . . . . . . . . .149
Replacing the Cover and Front Bezel . . . . . . . . . . . . . . . . . . . . . . . . .150
Hard Disk Drive Cage. . . . . . . . . . . . . . . . . . . . . . . . . . . . . . . . . . . . . . .151
Opening the Hard Disk Drive Cage . . . . . . . . . . . . . . . . . . . . . . . . . .151

8
Contents
Closing and Securing the Hard Disk Drive Cage . . . . . . . . . . . . . . . 152
Chassis Beam Assembly . . . . . . . . . . . . . . . . . . . . . . . . . . . . . . . . . . . . 154
Removing the Chassis Beam Assembly. . . . . . . . . . . . . . . . . . . . . . . 154
Installing the Chassis Beam Assembly . . . . . . . . . . . . . . . . . . . . . . . 155
Memory Expander Card (MEC). . . . . . . . . . . . . . . . . . . . . . . . . . . . . . . 157
Removing the MEC. . . . . . . . . . . . . . . . . . . . . . . . . . . . . . . . . . . . . . . 157
Installing the MEC . . . . . . . . . . . . . . . . . . . . . . . . . . . . . . . . . . . . . . . 158
System Memory . . . . . . . . . . . . . . . . . . . . . . . . . . . . . . . . . . . . . . . . . . . 159
Upgrading Memory on the 8-RIMM MEC. . . . . . . . . . . . . . . . . . . . . 159
Installing Memory. . . . . . . . . . . . . . . . . . . . . . . . . . . . . . . . . . . . . . . . 161
Graphics Card. . . . . . . . . . . . . . . . . . . . . . . . . . . . . . . . . . . . . . . . . . . . . 164
Removing a Graphics Card. . . . . . . . . . . . . . . . . . . . . . . . . . . . . . . . . 164
Installing a Graphics Card. . . . . . . . . . . . . . . . . . . . . . . . . . . . . . . . . 165
SCSI Hard Drive . . . . . . . . . . . . . . . . . . . . . . . . . . . . . . . . . . . . . . . . . . 169
Removing a SCSI Hard Disk Drive . . . . . . . . . . . . . . . . . . . . . . . . . . 170
Setting SCSI IDs for a New Hard Disk Drive. . . . . . . . . . . . . . . . . . 171
Installing a SCSI Hard Disk Drive . . . . . . . . . . . . . . . . . . . . . . . . . . 172
CD-ROM, CD-RW or DVD. . . . . . . . . . . . . . . . . . . . . . . . . . . . . . . . . . . 173
Determining IDE Connections. . . . . . . . . . . . . . . . . . . . . . . . . . . . . . 174
Removing a CD-ROM, CD-RW, or DVD. . . . . . . . . . . . . . . . . . . . . . . 174
Installing a CD-ROM, CD-RW or DVD . . . . . . . . . . . . . . . . . . . . . . . 175
Load the Software Applications for Your CD-RW . . . . . . . . . . . . . . . 176
Processor. . . . . . . . . . . . . . . . . . . . . . . . . . . . . . . . . . . . . . . . . . . . . . . . . 177
Removing a Processor. . . . . . . . . . . . . . . . . . . . . . . . . . . . . . . . . . . . . 177
Installing a Processor . . . . . . . . . . . . . . . . . . . . . . . . . . . . . . . . . . . . . 179
Updating Your Operating System . . . . . . . . . . . . . . . . . . . . . . . . . . . 181
Floppy Disk Drive . . . . . . . . . . . . . . . . . . . . . . . . . . . . . . . . . . . . . . . . . 182
Removing the Floppy Disk Drive . . . . . . . . . . . . . . . . . . . . . . . . . . . . 182
Installing the Floppy Disk Drive . . . . . . . . . . . . . . . . . . . . . . . . . . . . 183

Contents
9
Power Supply . . . . . . . . . . . . . . . . . . . . . . . . . . . . . . . . . . . . . . . . . . . . . .184
Removing the Power Supply Unit . . . . . . . . . . . . . . . . . . . . . . . . . . . .184
Installing the Power Supply Unit . . . . . . . . . . . . . . . . . . . . . . . . . . . .185
System Board . . . . . . . . . . . . . . . . . . . . . . . . . . . . . . . . . . . . . . . . . . . . .186
Removing the System Board . . . . . . . . . . . . . . . . . . . . . . . . . . . . . . . .186
Installing the New System Board . . . . . . . . . . . . . . . . . . . . . . . . . . . .188
System Board Switches. . . . . . . . . . . . . . . . . . . . . . . . . . . . . . . . . . . . . .191
System Fan. . . . . . . . . . . . . . . . . . . . . . . . . . . . . . . . . . . . . . . . . . . . . . . .192
Removing the System Fan . . . . . . . . . . . . . . . . . . . . . . . . . . . . . . . . . .192
Installing the System Fan . . . . . . . . . . . . . . . . . . . . . . . . . . . . . . . . . .193
Fan and Speaker Assembly. . . . . . . . . . . . . . . . . . . . . . . . . . . . . . . . . . .194
Removing the Fan and Speaker Assembly . . . . . . . . . . . . . . . . . . . . .194
Installing the Fan and Speaker Assembly . . . . . . . . . . . . . . . . . . . . .195
Hard Disk Drive Fan. . . . . . . . . . . . . . . . . . . . . . . . . . . . . . . . . . . . . . . .197
Removing the Hard Disk Drive Fan . . . . . . . . . . . . . . . . . . . . . . . . . .197
Installing the Hard Disk Drive Fan . . . . . . . . . . . . . . . . . . . . . . . . . .198
Battery . . . . . . . . . . . . . . . . . . . . . . . . . . . . . . . . . . . . . . . . . . . . . . . . . . .199
Replacing the System Battery. . . . . . . . . . . . . . . . . . . . . . . . . . . . . . .199
System Board Diagram. . . . . . . . . . . . . . . . . . . . . . . . . . . . . . . . . . . . . .201
11. Troubleshooting
Overview . . . . . . . . . . . . . . . . . . . . . . . . . . . . . . . . . . . . . . . . . . . . . . . . .204
Solving Hardware Problems . . . . . . . . . . . . . . . . . . . . . . . . . . . . . . . . . .205
Workstation Does Not Start Properly . . . . . . . . . . . . . . . . . . . . . . . . .205
Keyboard Doesn’t Work . . . . . . . . . . . . . . . . . . . . . . . . . . . . . . . . . . . .206
Monitor Doesn’t Work . . . . . . . . . . . . . . . . . . . . . . . . . . . . . . . . . . . . .206
Mouse Doesn’t Work. . . . . . . . . . . . . . . . . . . . . . . . . . . . . . . . . . . . . . .207
Audio Doesn’t Work . . . . . . . . . . . . . . . . . . . . . . . . . . . . . . . . . . . . . . .207

10
Contents
Power LED is Flashing. . . . . . . . . . . . . . . . . . . . . . . . . . . . . . . . . . . . 207
Hard Disk Drive Problems . . . . . . . . . . . . . . . . . . . . . . . . . . . . . . . . . 208
Hard Disk Drive Activity LED Doesn’t Work . . . . . . . . . . . . . . . . . . 209
CD-ROM, DVD or CD-RW Drive Doesn’t Work. . . . . . . . . . . . . . . . . 209
CD-RW Won’t Allow Recording . . . . . . . . . . . . . . . . . . . . . . . . . . . . . 209
DVD Drive Doesn’t Play DVD Video . . . . . . . . . . . . . . . . . . . . . . . . . 210
You Forgot Your Password . . . . . . . . . . . . . . . . . . . . . . . . . . . . . . . . . 210
Understanding the Diag LEDs . . . . . . . . . . . . . . . . . . . . . . . . . . . . . . . 212
Setting and Removing System Passwords . . . . . . . . . . . . . . . . . . . . . . 224
Setting Passwords. . . . . . . . . . . . . . . . . . . . . . . . . . . . . . . . . . . . . . . . 224
Removing Passwords. . . . . . . . . . . . . . . . . . . . . . . . . . . . . . . . . . . . . . 224
Using e-Diag Tools for Hardware Problems . . . . . . . . . . . . . . . . . . . . . 225
Starting e-Diag Tools from the Hard Drive’s Utility Partition
(Recommended Method)225
Starting e-Diag Tools from the HP Workstation Recovery CD-ROM 226
Recovering or Reconfiguring Windows 2000 or Windows NT . . . . . . . 227
Preparing to Recover Windows NT or Windows 2000. . . . . . . . . . . . 228
Performing a Full Recovery of Windows NT or Windows 2000 . . . . 229
12. Contacting Support
Online Support for Troubleshooting . . . . . . . . . . . . . . . . . . . . . . . . . . . 232
Documentation Set Overview . . . . . . . . . . . . . . . . . . . . . . . . . . . . . . . . 233
Hewlett-Packard Support and Information Services . . . . . . . . . . . . . . 234
Collecting Information Before Contacting HP Support . . . . . . . . . . 234
HP Customer Care Center Phone Numbers. . . . . . . . . . . . . . . . . . . . . 237

Chapter 1 11
1 System Overview

System Overview
Overview
Chapter 112
Overview
This manual provides detailed system specifications for the HP x4000
Workstation.
This chapter:
• Introduces the system’s internal and external features
• Lists the system’s specifications and characteristic data
• Provides a summary of the available documentation

System Overview
HP x4000 Workstation Feature Set
Chapter 1 13
HP x4000 Workstation Feature Set
The following table provides an overview of the x4000 Workstation
feature set.
Feature Description
System Board • Eight-layer extended ATX form-factor
• Single-sided
• Four power/ground layers
• Four signal layers
Processor(s) Intel dp Xeon processors:
• 1.5 GHz, 1.7 GHz, or higher with a quad-pumped 100MHz
Front side bus
• Netburst Microarchitecture with 20-stage instruction pipeline
Chipset Intel 860 chipset, including:
• Memory Controller Hub (MCH)
• Interface Controller Hub (ICH2)
• PCI 64-bit Hublink (P64H)
Memory Controller
Hub (MCH) Provides the interface between the front side bus, memory, AGP,
hublink A, and hublink B. It supports:
• One or two Intel Xeon processor(s)
• Dual Rambus channels capable of supporting PC800 RIMMs
• AGP Pro 110 4X graphics with 1.5 V signaling
• 8-bit, 133 MB/s hublink A to ICH2, which bridges to the 33
MHz PCI bus
• 16-bit, 266 MB/s hublink B to P64H, which bridges to the 66
MHz PCI bus

System Overview
HP x4000 Workstation Feature Set
Chapter 114
Rambus Memory on
Memory Expander
Card (MEC)
Plugs into the system board and supports:
• 400 MHz operation delivering up to 3.2 GB/s memory
bandwidth using two expansion channels operating in lock step
• Up to 8 PC800 RIMMs (see “Upgrading Memory on the
8-RIMM MEC” on page 159 for memory loading instructions)
P64H Hub to 64-bit
PCI module Supports 64-bit, 66 MHz PCI bus containing:
• Two 64-bit, Two PCI connectors 66 MHz PCI connectors
• On-board SCSI controller
Interface Controller
Hub ICH2 Hublink to I/O controller modules supports:
• Three 32-bit, 33 MHz PCI connectors
• Two external USB ports
• Two ATA 100 IDE controllers
• One firmware hub interface
• One AC97 audio interface
BIOS Based on Phoenix core, including 4 MB flash.
Accessory Card Slots • One AGP Pro 110 4X connector
• Three 5V, 33 MHz, 32-bit Peripheral Component Interconnect
(PCI) connectors
• Two 3.3V, 66 MHz, 64-bit PCI connectors
LAN Port The Intel 82550 10/100BaseT LAN port interfaces to the system
via the 33 MHz, 32-bit PCI bus. Wake on LAN is supported.
On-board SCSI
Controller Chip The LSI SYM43C1010R has two Ultra 160 SCSI controllers to
support two internal wide connectors:
• Ribbon cable up to SCSI drives
• Ribbon cable to external SCSI connector
Feature Description

System Overview
HP x4000 Workstation Feature Set
Chapter 1 15
Super I/O Chip The Nation PC87366 chip supports:
• Two 9-pin, RS-232 serial ports
• One ECP/EPP parallel port
• One IDE floppy controller
• PS2 Keyboard
• PS2 Mouse
IDE/ATA Controllers Primary and secondary IDE controllers upport DMA transfers for
up to four devices.
Hardware
Management
Controller
Qlogic Zircon Lite micro-controller with Winbond W83782D
auxiliary chip
• Monitors systems components via the SMBUS.
• Reports errors to the Diag LED lights on the control panel.
Operating System All models come preloaded with Windows 2000 Professional, and
include Windows 2000 and NT 4.0 recovery and installation
CD-ROMs.
Mass Storage Seven bays, supporting:
• Two front-access, 3 .5inch, 1 inch floppy drive bays (one factory
installed drive)
• Three front-access, 5.25 -inch half-height drive bays (up to 2
factory installed optical drives, not for use with hard disk
drives)
• Two internal 3.5-inch, 1-inch height hard disk drive bays (up to
2 factory installed drives).
Optical Drives Models include one or two of the following:
• IDE 48X CD-ROM
• 12X CD-RW
• 12X DVD
Feature Description

System Overview
HP x4000 Workstation Feature Set
Chapter 116
Audio On-board audio is provided by an Analog Devices AD1885 CODEC
(AC97) and supports three rear panel jacks for:
• Headphone/Line out (output) on the rear panel
• Line-in (input) on the rear panel
• Microphone (input) on the rear panel
• CDROM (input) on the system board
• Internal speaker (output) on the system board
System Board
Connectors (Internal) • CD audio in
• System speaker
• Front panel
• 2 CPU fans
• 3 Chassis fans
• Chassis intrusion
• IDE floppy controller
• 2 IDE controllers (primary and secondary)
• 2 ATX Power
• AGP Pro 110 4X (graphics)
• 3 PCI 32-bit
• 2 PCI 64-bit
• 2 SCSI (both are internal wide connectors on the system board,
but one has a ribbon cable attached to an external SCSI
connector on the rear panel)
Feature Description

System Overview
HP x4000 Workstation Feature Set
Chapter 1 17
Rear Panel
Connectors
(External)
• SCSI Ultra Wide
• PS2 Mouse
• PS2 Keyboard
• 25-pin parallel
• 9-pin serial (two, buffered)
• Dual USB connectors
• LAN
• Audio:
— Input Line jack (3.5 mm)
— Output Line jack (3.5 mm)
— Microphone jack (3.5 mm)
Feature Description

System Overview
Internal and External Components
Chapter 118
Internal and External Components
Figure 1-1, Figure 1-2, and Figure 1-3 and show the front, side, and rear
views of the HP x4000 Workstation.
Figure 1-1 Front View
Front access bays:
- three 5 1/4-inch drive bays
(used for optical drives)
- two 3 1/2-inch bays,
including a 1.44MB floppy
disk drive
Control Panel

System Overview
Internal and External Components
Chapter 1 19
Figure 1-2 Side View with Cover Removed
Power Supply
Hard Disk Drive
Cage (holds two
hard disk
drives)
Spare mounting
rails:
- Narrow green
rails for 5.25-inch
- Wide black rails
for 3.5-inch
Rear Chassis
Fan
Chassis Beam
Assembly

System Overview
Internal and External Components
Chapter 120
Figure 1-3 Rear View
Parallel port
Dual USB
Serial port B
Line Out(headphone)
Line In
Microphone
Monitor
HP Master Key
Lock
LAN
SCSI
Mouse
Keyboard
Power
Serial port A

System Overview
HP x4000 Control Panel
Chapter 1 21
HP x4000 Control Panel
The Workstation’s control panel shown in Figure 1-4 has the following
features:
• Power On/Off button: Press to start the Workstation. You can wake
the Workstation from Hibernate or Stand By mode by pressing this
button for less than four seconds. For more information about these
modes, see “Using Power Management” on page 89.
CAUTION Always power off through the operating system. Do not power off
using the power button or reset button except during extreme
circumstances when the system will not shut down through the
operating system. Using the power button or reset button to power
down may cause you to lose unsaved data from open applications.
In the event that the operating system has hung and will not shut
down, pressing the power button for five seconds is equivalent to
pulling the power plug.
• Power LED:
— Solid green indicates system on.
— Solid yellow indicates the Workstation is in Stand By or Hibernate
mode. See “Power Saving and Ergonometry” on page 89.
— Flashing yellow, flashing red, or solid red indicates a system error.
See “Understanding the Diag LEDs” on page 212.
• Reset button: Press to reinitialize all the hardware without cycling
power to the system. Avoid general use of this button because file
damage may occur.
• Hard Disk Activity LED: Flickers when your hard disk is being
accessed.
• Network Activity LED: Flickers when network activity is taking place
This occurs even when the Workstation is in a power-off state,
provided Wake-on-LAN is not enabled and both the network and
power cables are plugged in.

System Overview
HP x4000 Control Panel
Chapter 122
• Diag LEDs: These four LEDs can be off, green, yellow, or red. The
color pattern lets you diagnose problems with your Workstation. For
more information, see “Understanding the Diag LEDs” on page 212.
Figure 1-4 Control Panel
Power On/Off
and Power LED
Hard Disk
Activity LED
Reset Button
Network
Activity LED
Diag LEDs

System Overview
Internal Features
Chapter 1 23
Internal Features
The core architecture of the HP x4000 Workstation consists of:
• Intel 860 Memory Controller Hub (MCH)
• Input/Output Controller Hub (ICH2)
• PCI 64-bit Hub (P64H)
• 400 MHz (quad-pumped and 100MHz) front side bus and dp Xeon
processors
• 400 MHz Rambus (PC800)
• AGP Pro 110 4X
For information about... Refer to...
System board components Chapter 2
Memory Expander Card (MEC) Chapter 3
Hardware management (monitoring and reporting) Chapter 5
Mechanical specifications Chapter 8
Graphics cards Chapter 9
Power supply and power requirements Chapter 6
Mass storage devices Chapter 9
System HP BIOS Chapter 4
Tests and error messages Chapter 11
Connector pin-outs and sockets Chapter 7
Installing or replacing parts and accessories Chapter 10
Troubleshooting Chapter 11
Contacting support Chapter 12

System Overview
Documentation
Chapter 124
Documentation
The following table lists the documentation available for the HP x4000
Workstation. The printed documents were packaged with your
Workstation. Some of the documents are available in PDF format at
www.hp.com/workstations/support.
HP Web Site Contents
You can obtain additional online support documentation, BIOS upgrades,
and drivers from www.hp.com/workstations/support.
Title Printed? Part Numbers
HP x4000 Workstation
Installation Poster Yes and
web A6068-90001
HP x4000 Workstation
Getting Started Guide Yes and
web A6068-90000
HP x4000 Workstation
Technical Reference
Manual
No web accessible only
HP x4000 Workstation
Service Handbook No web accessible only

Chapter 2 25
2 System Board

System Board
Overview
Chapter 226
Overview
The following sections describe the system board:
• “System Board Component Layout” on page 27
• “System Chipset” on page 30
• “Expansion Card Slots” on page 35
Figure 2-1 shows the x4000 Workstation system board:
Figure 2-1 x4000 Workstation System Board
Secondary IDE Controller
Floppy Disk Drive Controller
Up to six accessory
cards can be
installed:
Two 64-bit PCI slots
Three 32-bit PCI slots
One AGP Pro 110 4X
slot (graphics)
Primary IDE Controller
MEC Connector
CPU 0 Socket
CPU 1 Socket
External SCSI
Internal SCSI
MEC Connector

System Board
System Board Component Layout
Chapter 228
System Board Switches
The system board includes a 4-pole DIP switch (shown in Figure 2-2),
which lets you configure BIOS functions. Because the switches are read
only at system start up, you must change the switch positions when the
Workstation is shut down.
Architectural Diagram
Figure 2-3 enumerates the x4000 system board features:
1. One or two dp Xeon processors
2. Intel 860 memory controller hub (MCH)
3. Memory expansion card
4. Intel 82806 PCI 64-bit Hub (P64H) connected to 16-bit Hublink B
5. Intel 82801BA interface controller hub (ICH2) connected to 8-bit
Hublink A
Switch Function Default Comment
1Clear BIOS
password Off Clears both Administrator and User
passwords, if they have been set.
2Boot block
recovery Off Forces a boot block recovery from a
bootable BIOS flash disk in the floppy
disk drive.
3Clear CMOS Off Reset CMOS settings to BIOS defaults.
You can also do this with the F9 key in
the Setup program as described in
“Clearing the CMOS” on page 46.
4 Enable safe mode Off Force processors to run at 800 MHz. This
can be used as a troubleshooting tool or
to correct a problem after adding a
second processor. Before using this, flash
the BIOS as described at
www.hp.com/workstations/support. Use
this switch as a last resort. If it gets the
system running, replace the processors.
If the problem persists, replace the
system board.

System Board
System Board Component Layout
Chapter 2 29
6. Two 3.3V, 66 MHz, 64-bit PCI slots
7. Three 5V, 33 MHz, 32-bit PCI slots
8. One 1.5 V signaling level AGP Pro 110 4X slot
9. National PC87366 Super I/P with connections to:
-floppy device
-two 9-pin RS232 connectors serial ports
-25-pin ECP/EPP parallel port
-PS2 mouse
-PS2 keyboard
10.Analog Devices AD1885 Codec (AC97) audio
11.Intel 82550 10/100 LAN port
12.LSI SYM53C1010R two Ultra160 SCSI controller
13.Zircon Lite hardware management controller
14.Winbond W83782D hardware monitoring ASIC
Figure 2-3 System Board Architectural Diagram

System Board
System Chipset
Chapter 230
System Chipset
Memory Controller Hub (Intel 860)
The MCH supports:
• The 400 MHz (quad-pumped 100MHz) front side bus for up to two
Intel dp Xeon processors
• Two Rambus channels with up to 8 PC800 ECC RIMMs total
• An Accelerated Graphics Port, AGP Pro 110 4x with 1.5V signaling
only.
• Two source-synchronous, enhanced, Hublink buses:
— Hublink A is an 8-bit, 133 MB/s connection to the ICH2
— Hublink B is a 16-bit, 266 MB/s bus to the P64H
PCI 64-bit Hub (Intel 82086)
P64H provides the interface to the 64-bit, 66 MHz PCI bus with
embedded SCSI controller chip and two 3.3 V PCI slots.
When 33 MHz cards are present, the P64H detects this condition and
lowers the bus frequency to 33 MHz. Only 3.3 V cards can be used.
Interface Controller Hub (Intel 82801BA)
The ICH2 is the interface to:
• a 32-bit, 33 MHz PCI bus with embedded LAN and three 5 V PCI
slots
• Two ATA100 IDE Controllers, which support DMA transfers rates for
up to four devices
The IDE/ATA interface on the x4000 is provided primarily for use
with optical devices

System Board
System Chipset
Chapter 2 31
NOTE The x4000 Workstation is optimized for use with SCSI hard disk
drives. IDE hard disk drives are not tested or recommended in the
x4000.
• Two external USB ports which are USB 1.1 compliant ports with
over-current protection and support for wake up from S1 (sleep) state
(USB mouse and keyboard are not supported).
• Audio
• Super I/0
• SMBUS
Super I/O Chip (National PC87366)
The Super I/O provides the interface to:
• Two serial ports (A and B). The serial port interface voltage levels are
established by DS14185A communication port interface chips.
• One EPP parallel port
• Floppy disk drive
• PS2 Keyboard
• PS2 Mouse
LAN Chip (Intel 82550)
The LAN chip:
• Is 10/100 Base T
• Is IEEE 802.3 compliant
• Is on the 33 MHz, 32-bit PCI bus
• Supports Wake-on-LAN via the PME# signal
• Stores configuration information on attached SEEPROM chip

System Board
System Chipset
Chapter 232
SCSI Controller Chip (LSI SYM43C1010R)
The SCSI chip is a 64 bit/66 MHz PCI DMA bus master device. It
includes 2 Ultra160 SCSI controllers, each with it's own independent
channel. One channel is connected via ribbon cable to up to two internal
SCSI devices. The other channel is routed to a back-panel connector to
support external devices
SCSI features:
• Double Transition (DT) clocking. DT Clocking permits data transfer
up to 160 MB/s on each channel, for a total of 320 MB/s
• Cyclic Redundancy Check (CRC). CRC improves the integrity of the
SCSI data transmission through enhanced detection of
communication errors. This is augmented with Asynchronous
Information Protection to provide complete end-to-end protection of
the SCSI I/O.
• Domain Validation. SureLink Domain Validation automatically tests
and adjusts the SCSI transfer rate to ensure data integrity at the
fastest speed.
• LVD and Single-ended (SE) transfers. If an SE device is connected,
the channel it is connected to operates as an SE bus.
• PCI 2.2 compliant

System Board
System Chipset
Chapter 2 33
Audio Chip (Analog Devices AD 1885)
The on-board audio is provided by an Analog Devices AD1885 CODEC
(AC97). The audio connections are:
• headphone/lineout output (external)
• line-in input (external)
• microphone input (external)
• CD-ROM input (internal)
• internal speaker output (internal)
The output to the internal speaker is amplified via an LM4871 audio
amplifier to provide the power level needed by the speaker.
A voltage regulator is used to provide a clean +5 volt supply for the
CODEC's analog section, the internal speaker amplifier, and the
microphone bias supply.
The jacksense1 input of the CODEC is used to switch the audio output
from the internal speaker to the headphone/lineout jack when a cable is
plugged in the jack (this includes the keyboard's audio pass-through
cable).
Voltage dividers are provided on the line-in and CD-ROM inputs to meet
PC99 specification requirements.
Hardware Management Controller Chips
The x4000 Workstation is monitored and managed by two chips on the
SMBUS;
• The Qlogic Zircon Lite micro-controller drives the Diag LEDs and the
Power Button LED on the control panel.
• The Winbond WB782D ASIC monitors voltage levels and control fans.
• The SMBUS is a low frequency bus that communicates system state
and error information among integrated circuits..

System Board
System Chipset
Chapter 234
Clocks
Table 2-1 describes the clocks used in the x4000 Workstation.
Table 2-1 Clocks
Name Description
System A CK00-compliant clock synthesizer in a single
CKx_SKS clock chip creates the main system clocks
using a 14.318 MHz parallel mode crystal reference.
Memory Two Direct Rambus Clock Generator (DRCG) chips
provide the clocks for the expansion channels to the
Memory Expansion Card (MEC). Using the 50 MHz
reference clock provided by the system clock
generator, each DRCG produces the 400 MHz
differential clock needed by the memory expansion
channel. The Memory Controller Hub (MCH)
provides two pairs of feedback signals to the DRCGs
to keep the Host and RDRAM clocks aligned.
Real Time
Clock (RTC) A 32.768 KHz parallel mode crystal is the reference
for the ICH2 real-time clock circuitry.
Audio A 24.576 MHz parallel mode crystal is the reference
for the Audio Codec.
Local Area
Network (LAN) A 25 MHz parallel mode crystal provides a
frequency reference for the 82550’s internal
oscillator.
SCSI A 40 MHz oscillator provides the SCSI controller
SCLK.
Zircon A 10 MHz oscillator clocks the Zircon chip.

System Board
Expansion Card Slots
Chapter 2 35
Expansion Card Slots
The x4000 expansion card slots are described in the following sections:
• “Peripheral Component Interconnect (PCI) Slots” on page 35
• “Accelerated Graphics Port (AGP) Slot” on page 36
• “System Memory and Processors” on page 37
Peripheral Component Interconnect (PCI) Slots
The x4000 system board has five PCI slots available:
• Three 5 V, 33 MHz, 32-bit slots
• Two 3.3 V, 66 MHz, 64-bit slots
NOTE Cards requiring 5 V must go in the 32-bit slots. Cards requiring 3.3 V
must go in the 64-bit slots. Universal cards, which use either voltage,
can be placed in either slot, but can only function at 66 MHz in the
64-bit slots.
The total power consumption across all used PCI slots depends on what
type of AGP graphics card is installed. When there is an AGP Pro 50
card, the maximum is 80W total across all PCI slots. When there is an
AGP Pro 110 card, the maximum is 45W. The power consumption must
comply with the electrical specifications of the PCI 2.2 specification.
Table 7-1 on page 94 describes the PCI 33 MHz, 32-bit connector. Table
7-2 on page 97 describes the PCI 66 MHz, 64-bit connector.

System Board
Expansion Card Slots
Chapter 236
Accelerated Graphics Port (AGP) Slot
The 1.5 V, AGP Pro 110 4X slot provides graphics performance for
high-end graphics cards, combining AGP 4X bandwidth (data transfer
rates as fast as 1056 MB/sec) with the ability to accept high-end graphics
cards drawing up to 110 W of power.
To accommodate AGP Pro cards, the AGP Pro 110 4X slot connector is
wider than the standard AGP 4X connector. To meet the increased power
requirements of AGP Pro graphics cards, additional pins are present at
both ends of the connector.
An AGP Pro card may draw power either from the existing part of the
AGP Pro 110 4X connector, the extended part, or a combination of the
two. In all cases, the maximum power that an AGP Pro card may draw is
limited to 110 W in the Workstation models. Power on the existing part
of the connector is delivered on 5.0 V and 3.3 V rails. Power on the
extension is delivered on the 12 V and 3.3 V rails.
You can use either standard AGP graphics cards or AGP Pro graphics
cards that draw less than 110 W of power. Power is provided through
3.3 V, 5 V, or 12 V power rails.
CAUTION Do not use AGP Pro cards that draw more than 110 W or 3.3 V.
The AGP Pro 110 4X slot is backward compatible with both AGP 1x and
2.x modes (using 1.5 V signalling) and AGP 4x mode (where 1.5 V
signalling is necessary).
Table 7-3 on page 102 describes the AGP Pro 110 4X connector.

Chapter 3 37
3 System Memory and Processors

System Memory and Processors
System Memory
Chapter 3 39
System Memory
The main memory for the x4000 Workstation is not located on the system
board. Instead, a Memory Expander Card (MEC) plugs into the system
board and contains up to eight memory modules. PC800 Rambus In-Line
Memory Modules (RIMMs) with Error Correction Code (ECC) are
installed on the MEC in pairs.
Rambus
The layout of RDRAM channels on the MEC follows Rambus
recommendations that minimize trace noise. This puts pair members
diagonal to each other on the MEC. RDRAM achieves high speed
transmission through a combination of techniques:
• dense packaging
• high quality transmission lines
• topology
The MEC RIMMs must be loaded in a specific order. Memory loading
rules are explained in “Upgrading Memory on the 8-RIMM MEC” on
page 159.
Each direct RDRAM channel contains two RIMM slots and is terminated
at the end opposite from the memory controller. If only one RIMM is in
the channel then the other slot must be filled with a Continuity RIMM
(CRIMM) in order to allow a continuous path from the controller,
through both slots, to the hard-wired terminator at the other end.
Eight-RIMM MEC
The eight-RIMM MEC can have the voltage refulator hardwaired on the
MEC or it may have the removable module (VRM). The MEC shown in
Figure 3-1 has a VRM slot.

System Memory and Processors
System Memory
Chapter 340
Figure 3-1 x4000 8-RIMM Memory Expander Card
The eight-RIMM MEC uses two memory repeater hubs for RDRAM
(MRH-R). Each MRH-R supports two Direct RDRAM channels with two
RIMMs per channel. The Memory Controller Hub (MCH) interfaces to
the MEC using an expansion channel for each MRH-R. The MEC
supports 400 MHz operation delivering up to 3.2 GB/s memory
bandwidth using two expansion channels operating in lock step. The
expansion channel is a super set of the Direct RDRAM channel using an
additional two Rambus Signaling Levels (RSL) to communicate channel
and control information from the MCH to the MRH-R. The RDRAM
memory interface can achieve greater than 95% use of the maximum
bandwidth.
1B (J1)
2B (J2)
3B (J3)
4B (J4)
3A (J7)
4A (J8)
1A (J5)
2A (J6)

System Memory and Processors
Processor
Chapter 3 41
Processor
The x4000 supports up to two Intel dp Xeon processors on a 400 MHz
front side bus (quad-pumped 100 MHz frequency). Xeon processor
features include:
• L1 and L2 cache on die
• L2 is 256 KB 8-way set associative
• NetBurst MicroArchitecture with 20-stage instruction pipeline

System Memory and Processors
Processor
Chapter 342

Chapter 4 43
4 System BIOS and Resources

System BIOS and Resources
System BIOS
Chapter 4 45
System BIOS
The HP x4000 Workstation BIOS is based on a Phoenix BIOS and is
compliant with:
• ACPI 1.0
• PCI 2.2
• PnP 1.0a
• DMI 2.0
• WFM 2.0
• MPS 1.4
• PC 99 (fast boot)
The BIOS supports:
• up to six processor microcodes
• boot block recovery mode
• administrator and user passwords
• configuration summary screen
• setup program
• temporary boot priority
• fast boot
• POST routines
The system ROM contains the Power-On Self-Test (POST) routines and
the BIOS: the system BIOS, video BIOS, and low-option ROM. This
chapter gives an overview of the following:
• Menu-driven Setup with context-sensitive help.
• POST routines, which are a sequence of tests the computer performs
to ensure that the system is functioning correctly
BIOS Identification
The system BIOS is identified by the version number XX.YM.mm, where:
•XX is a two-letter code indicating the system
•Y is a one-letter code indicating the HP entity
•M is the major BIOS version
•mm is the minor BIOS version

System BIOS and Resources
System BIOS
Chapter 446
Updating the System BIOS and Firmware
You can download the latest system BIOS and firmware for the HP
x4000 workstations from HP’s Web site at
www.hp.com/workstations/support
Instructions for downloading and updating the BIOS and firmware are
posted on the download site and are included as a text file in the
downloadable file.
CAUTION Don’t turn off the computer until the system BIOS and firmware update
procedure has completed. Otherwise, irrecoverable damage to the ROM
might occur. If the power fails during the BIOS fash you may be able to
restore the previous BIOS from the boot black. See “Recovering the BIOS
from the Boot Block” on page
Restoring BIOS Default Settings
BIOS and configuration issues may cause suspected hardware errors. If
the BIOS settings are wrong, perform the following steps to restore the
BIOS to its default setting:
1. To access the Setup program, press F2 while the initial HP logo
displays immediately after restarting the workstation.
2. Press F9 to load the default settings from the Setup program.
3. In the main menu, set the Reset Configuration Data to Yes.
NOTE Take note of the current settings in the system setup utility before
you make any modifications to the BIOS.
Clearing the CMOS
To clear the CMOS:
1. Turn off the Workstation, disconnect the power cord and all cables,
then remove the cover.

System BIOS and Resources
System BIOS
Chapter 4 47
2. Set system board switch 3 to ON. See “System Board Switches” on
page 28.
3. Replace the cover, and reconnect the power cord and display cable.
4. Restart the Workstation. A message similar to the following
appears:
“Configuration has been cleared, switch "Clear
Configuration" to OFF position before rebooting.”
5. Turn off the Workstation, disconnect the power cord and display
cables, and remove the cover. (You must press the power button for 5
seconds to get the system to power down.)
6. Set system board switch 3 to OFF.
7. Replace the cover, and reconnect the power cord and data cables.
8. Turn on the Workstation.
9. When prompted, press F2 to run Setup. See “Starting the HP Setup
Program” on page 49 for more information about the Setup program.
10.Press F9. The system automatically downloads and saves the CMOS
default values.
11.Exit Setup and save the new configuration.
Recovering the BIOS from the Boot Block
If you can’t ue the standard BIOS flash, the BIOS could be corrupted and
unable to boot. You may be able to recover the BIOS from the BOot Block
on the system board..
1. Obtain a bootable DOS floppy disk.
2. Copy the BIOS files onto the floppy disk. For information about how
to download the system BIOS, see “Updating the System BIOS and
Firmware” on page 46.
3. Create (or edit) the autoexec.bat file, which should contain the
following line of text:
“phlash16 /c /mode=3 /s <BIOS filename>.wph”
(Rename the BIOS filename with the filename on the floppy disk.)
4. Turn off the Workstation, disconnect the power cord, and remove the
cover.

System BIOS and Resources
System BIOS
Chapter 448
5. Set switch 2on the system board to ON. See “System Board Switches”
on page 28.
6. Insert the floppy disk into the floppy disk drive.
7. Reconnect the power cord, and turn on the Workstation.
8. The workstation boots from the floppy disk, then flashes the BIOS.
During the flash process, the screen remains blank. When you hear
one long beep, the recovery process is finished.
9. Turn off the Workstation. Remove the floppy disk from the drive.
Remove the power cord and display cables, and remove the cover. (You
must press the pwoer buttong for 5 seconds to get the system to power
down.)
10.Set switch 2 back to OFF.
11.Replace the cover, reconnect the power cord, and reboot the
Workstation.

System BIOS and Resources
HP Setup Program
Chapter 4 49
HP Setup Program
The HP Setup program lets you configure your Workstation. You can:
• set up the system Administrator and User passwords
• change the system boot order
• solve configuration problems
HP recommends you note any changes you make to the system setup for
later reference.
Starting the HP Setup Program
To start the Setup program:
1. Start your Workstation. If your Workstation is already up, shut it
down and restart.
2. Press F2 while F2 Setup is displayed at the bottom of the screen.
If you fail to press F2 in time and the start-up process continues, you
must allow your system to finish booting up, then restart your
Workstation and go through the POST again.
The opening screen of the Workstation’s Setup program is displayed:
• A band along the bottom of the screen gives instructions on using the
keyboard-driven menus:
—F1: Help
—F7/F8: Change value
—F9: Return to system configuration to default
—F10: Return to previous value
— Up/Down arrow keys: Highlight an item or menu
—Enter: Select an item or menu
—Esc: Exit

System BIOS and Resources
HP Setup Program
Chapter 4 51
Main Menu
Table 4-1 describes the functions available in the Setup program Main
menu.
Table 4-1 Main Menu
Field Description
BIOS Version This field is view-only. It displays your current BIOS
version. You can compare this to the most recent
available BIOS located at
www.hp.com/workstations/support.
Operating
System This field indicates the currently selected operating
system. The BIOS needs this information to
understand how to handle Plug-and-Play
configuration and Quick Boot. If you are using
different operating systems and don’t want to modify
this field every time you run a different one, select
the default Other option.
Reset
Configuration
Data
When you reset configuration data, the BIOS
dynamically reallocates resources (IRQs, I/O,
memory) to cards and motherboard devices at the
next boot. It then sets this field back to No. You
would not select Yes and choose to reset your
configuration data unless you were having problems
with your Workstation.
System Time The system time format is based on a 24-hour clock.
Numlock at
Power-On Use this field to specify whether the number keys on
the number keypad are enabled when your computer
starts. Otherwise, the number keypad keys act as
cursor control keys.
System Date The system date format is mm/dd/yyyy.

System BIOS and Resources
HP Setup Program
Chapter 452
Advanced Menu
Table 4-2 describes the submenus available in the Setup program
Advanced menu.
Table 4-2 Advanced Menu
Field Description
Processors Displays the type and the speed of the processor(s)
you have in your Workstation. You can change your
processor speed in the Processor Speed field by
selecting a value from the drop down menu. Your
processor cannot run any faster than what is
displayed in the Current Type field. If you leave
Processor Speed set to the default of Auto, the
processor speed is automatically detected. Use a
fixed frequency for troubleshooting only.
Chipset Memory Error Checking: You can choose between
ECC and Disabled. ECC scrubbing checks for and
corrects errors at the source to prevent them from
reoccurring. Change this field to Disabled if you want
to find errors, but don’t want them corrected.
ECC Error Type: When an ECC error occurs, it
generates an interrupt. In this field, you can select
the type of interrupt you want reported: NMI
(Non-Maskable), SMI (System Management), SCI,
(System Control), or None.
SERR signal condition: In this field, you can select
the type of ECC error condition that triggers a
critical system error (SERR#). Normally, only Multiple
bit (unrecoverable) errors should be able to trigger
SERR#. But you can also choose Single bit,None, or
Both.
Floppy Disk
Drive Contains the floppy disk drive type and controller
fields. If you choose to disable your floppy disk drive,
you must also disable your floppy disk controller.
IDE Devices Lets you configure the settings for the IDE controller
and any attached IDE devices.

System BIOS and Resources
HP Setup Program
Chapter 4 53
Integrated
SCSI
Controller
Lets you configure the settings for the SCSI
controller and any attached SCSI devices.
Integrated SCSI: The integrated SCSI ASIC has two
controllers and this enables or disables both at the
same time. You cannot disable just one SCSI
controller.
Option ROM Scan: Enable this option if the SCSI
device is used to boot the operating system. If too
many option ROMs are enabled, some may not load
due to insufficient available shadow memory. Always
disable any that aren’t needed.
Enable Master: The BIOS normally leaves Bus
Mastering disabled, and the Operating System
enables it when starting. Set this field to Enabled if
you have a bus-mastering device and the device
driver cannot enable bus mastering by itself.
Latency Timer: This field sets the minimum
guaranteed time slice allotted for bus master,
expressed in PCI bus clock cycles. The bigger the
value, the greater the share of the bus to the device.
Integrated
Network
Interface
Lets you configure the settings for the integrated
10/100BT network interface. These fields are
identical to the Integrated SCSI Controller fields
listed above.
Integrated
USB Lets you configure the settings for the integrated
USB interface. These fields are identical to the
Integrated SCSI Controller fields listed above except
there is no Option ROM Scan.
Table 4-2 Advanced Menu
Field Description

System BIOS and Resources
HP Setup Program
Chapter 454
Integrated I/O
Ports Lets you configure both the integrated serial and
parallel ports.
Serial port A, Serial port B, or Parallel Port: These
fields contain three choices. Auto lets the BIOS or a
PnP OS configure the port. Enabled lets you set each
resource. Disabled leaves the port disabled by the
BIOS, but a PnP OS can still enable it.
Parallel Port Mode: You can set the parallel port
mode to Output only,Bi-directional,EPP, or ECP.
Integrated
Audio Lets you configure the integrated PCI audio
controller. These fields are identical to the Integrated
SCSI Controller fields listed above except there is no
Option ROM Scan.
AGP Pro 110
4X Slot
(Graphics)
Lets you configure your AGP Pro 110 4X slot. The
first two fields describe the installed graphics card.
The Enable Master and Latency Timer fields are
described in the Integrated SCSI Controller entry
above.
Graphics Aperture: This field contains a pull-down
menu that lets you choose the size of the graphics
aperture for the AGP video device.
PCI Device
Slot # Lets you configure a PCI device plugged into the
specified slot. The first two fields describe the
installed PCI card. The next three fields are identical
to the Integrated SCSI Controller fields listed above.
Table 4-2 Advanced Menu
Field Description

System BIOS and Resources
HP Setup Program
Chapter 4 55
Security Menu
Table 4-3 describes the fields available in the Setup program Security
menu.
Table 4-3 Security Menu
Field Description
Administrator
Password This field is view-only. It tells you whether there is
an Administrator password set.
Set
Administrator
Password
This password prevents unauthorized access to this
your Workstations Setup program. This password
can also be used to start the computer when the
power-on password is Enabled. You must set an
administrator password before you can set a user
password.
Clear All
Passwords Selecting this field and pressing Enter clears both the
User and Administrator passwords.
User
Password This field is view-only. It tells you whether there is a
User password set.
Set User
Password If an administrator password has been set, you can
enter this field to set a user password. The User
password prevents unauthorized access to this your
Workstations Setup program. This password can also
be used to start the computer when the power-on
password is Enabled.
Power-On
Password If Enabled, you must enter a password before the
Workstation boots. You can only enable this field if
an administrator password has been set.
Start from
Floppy If Disabled, unauthorized use of the floppy disk drive
to start the computer is prevented. (The drive is still
available for reading and writing data.)
Start from
CD-ROM If Disabled, unauthorized use of the CD-ROM to start
the computer is prevented. (The drive is still
available for reading data.)

System BIOS and Resources
HP Setup Program
Chapter 456
IPMI Menu
This menu contains one field that lets you choose to force the BIOS to
clear the System Event log.
Start from
Hard Disk
Drive
If Disabled, unauthorized use of the hard disk drive
to start the computer is prevented. (The drive is still
available for reading and writing data.)
Write on
Floppy Disks If Locked, users are prevented from copying
information to a diskette.
Locked Setup
Configuration If Locked, a Plug-and-Play operating system cannot
change the BIOS configuration settings.
Hard Disk
Boot Sector If Locked, the boot sector on the hard disk drive is
protected against viruses.
Table 4-3 Security Menu
Field Description

System BIOS and Resources
HP Setup Program
Chapter 4 57
Power Menu
Table 4-4 describes the functions available in the Setup program Power
menu.
Boot Menu
Table 4-5 describes the functions available in the Setup program Boot
menu.
Table 4-4 Power Menu
Field Description
Remote
Power-On Lets you enable remote power-on (wake-up) from
devices and operating systems that support this
feature.
After Power
Failure If you experience a power failure, the setting for this
field determines the state the Workstation returns to
when power is restored. Power On turns the
Workstation back on. Stay Off leaves the Workstation
off and disables remote power-on. Last State restores
the state the Workstation was in when the power
failed.
Table 4-5 Boot Menu
Field Description
QuickBoot
Mode QuickBoot involves skipping some
Power-On-Self-Test (POST) tasks, such as floppy
seek test and memory check. Howevery QAuickBoot
cannot skip ECC initialization.
If a chassis-intrusion was detected, aninvalid CMOS
checksum was encountered, or there was a CMOS
battery failure, a full POST is performed regardless
of this setting. (CMOS is volatile memory powered by
a battery that contains data needed by the BIOS.)
Display
Option ROM
Messages
Allows the POST screen to display the Option ROM
messages. You should enable it when you install an
accessory board.

System BIOS and Resources
HP Setup Program
Chapter 458
Preferred
Video If you have two video cards, this field allows you to
choose which one to use during boot.
Boot Device
Priority Lets you select the device boot order.
Table 4-5 Boot Menu
Field Description

System BIOS and Resources
BIOS Beep Codes
Chapter 4 59
BIOS Beep Codes
If a terminal error occurs during POST, the system issues a beep
code before attempting to display the error in the upper left corner
of the screen. Beep codes are useful for identifying the error when
the system is unable to display the error message.
Beep Code Numeric
Code Description
1-2-2-3 16h BIOS ROM checksum failure
1 B4h one short beep before boot
1-3-1-1 20h DRAM refresh test failure
1-2 98h Video configuration failure or option ROMs
checksum failure
1-3-1-3 22h 8742 Keyboard controller test failure
1-3-3-1 28h Memory initialization failure
1-3-4-1 2Ch RAM failure on address line xxxxa
1-3-4-3 2Eh RAM failure on data bits xxxx1 of low byte of
memory bus
2-1-2-3 46h ROM copyright notice check failure
2-2-3-1 58h Unexpected interrupts test failure
4-4-2-4 F7 Crisis Recovery Failure
a. If the BIOS detects error 2C or 2E (base 512K RAM error), it displays an
additional word-bitmap (xxxx) indicating the address line or bits that failed. For
example, “2C 0002” means address line 1 (bit one set) has failed. “2E 1020” means
data bits 12 and 5 (bits 12 and 5 set) have failed in the lower 16 bits.

System BIOS and Resources
System Resources
Chapter 460
System Resources
System resources consist of:
• “PCI IRQ Lines” on page 60
• “IRQ Routing” on page 61
• “System Memory Map” on page 65
• “I/O Port Map (I/O Addresses Used by the System)” on page 65
• “DMA Channel Controllers” on page 67
• “Interrupt Controllers” on page 63
PCI IRQ Lines
PCI devices generate IRQs using up to four PCI IRQ lines (INTA#,
INTB#, INTC#, and INTD#).
PCI interrupts can be shared; several devices can use the same
interrupt. However, optimal system performance is reached when
minimizing the sharing of interrupts. Refer to “Interrupt Controllers” on
page 63 for a table of the PCI device interrupts.

System BIOS and Resources
System Resources
Chapter 462
Table 4-6 IRQ Routing Table
Device Interrupt ICH2 IRQ P64H IRQ
AGP A A
AGP B B
PCI Slot 1 A B
PCI Slot 1 B C
PCI Slot 1 C D
PCI Slot 1 D E
PCI Slot 2 A C
PCI Slot 2 B D
PCI Slot 2 C E
PCI Slot 2 D F
PCI Slot 3 A D
PCI Slot 3 B E
PCI Slot 3 C F
PCI Slot 3 D G
PCI Slot 4 A 6
PCI Slot 4 B 7
PCI Slot 4 C 8
PCI Slot 4 D 9
PCI Slot 5 A 2
PCI Slot 5 B 3
PCI Slot 5 C 4
PCI Slot 5 D 5
P64H BT_INTR# G

System BIOS and Resources
System Resources
Chapter 4 63
Interrupt Controllers
The system’s interrupt controller is equivalent in function to two 82C59
interrupt controllers. The following table shows how the interrupts are
connected to the APIC controller. The IRQs are numbered sequentially,
starting with the master controller and followed by the slave (both of
82C59 type).
82550 LAN A F
53C1010R A H
53C1010R B D
Zircon (All) H
Table 4-6 IRQ Routing Table
Device Interrupt ICH2 IRQ P64H IRQ
I/O APIC Input IRQ IRQ Description
INTIN0 ICH
INTIN1 IRQ1 Super I/O keyboard controller
INTIN2 IRQ0 ICH system timer
INTIN3 IRQ3 Super I/O - Used by serial port if enabled
INTIN4 IRQ4 Super I/O - Used by serial port if enabled
INTIN5 IRQ5 Free if not used for parallel port or audio
INTIN6 IRQ6 Super I/O - floppy disk controller
INTIN7 IRQ7 Super I/O - LPT1
INTIN8 IRQ8 ICH - RTC
INTIN9 IRQ9 Available for PCI devices
INTIN10 IRQ10 Available for PCI devices
INTIN11 IRQ11 Available for PCI devices
INTIN12 IRQ12 Super I/O - mouse
INTIN13 IRQ13 Coprocessor
INTIN14 IRQ14 ICH - Integrated IDE Controller
(primary)

System BIOS and Resources
System Resources
Chapter 464
Three major interrupt modes are available:
•PIC mode: This mode uses only legacy interrupt controllers, so the
system can support only one processor. You can select this mode when
you install Windows NT.
•Virtual wire mode: This mode, which is implemented using the
82C59 interrupt and the I/O APIC controller, is used during boot
time. The virtual wire mode allows the transition to the symmetric
I/O mode. In the virtual wire mode, only one processor executes
operations.
•Symmetric I/O mode: This mode is implemented using the I/O
APIC controller and allows for multiple processor operations.
NOTE In PIC mode and virtual wire mode, PCI interrupts are routed to the INT
line. In symmetric I/O mode, PCI interrupts are routed to the I/O APIC
controllers and forwarded over an APIC bus to the processors.
INTIN15 IRQ15 ICH - Integrated IDE Controller
(secondary)
INTIN16 PCINTA
INTIN17 PCINTB
INTIN18 PCINTC
INTIN19 PCINTD
INTIN20 TFPC IRQ
INTIN21 SCI IRQ
INTIN22 not
connected
INTIN23 ICH SMI
(not used)
I/O APIC Input IRQ IRQ Description

System BIOS and Resources
System Resources
Chapter 4 65
System Memory Map
Reserved memory that accessory boards use must reside in the area from
C8000h to EFFFFh.
I/O Port Map (I/O Addresses Used by the System1)
You access peripheral devices, accessory devices, and system controllers
through the system I/O space, which isn’t located in system memory
space. The 64 KB of addressable I/O space comprises 8-bit and 16-bit
registers (called I/O ports) located in the various system components.
When you install an accessory board, ensure that the selected I/O
0000 0000 - 0000 03FF Real-mode IDT
0000 0400 - 0000 04FF BIOS data area
0000 0500 - 0009 FC00 Used by operating system
0009 FC00 - 0009 FFFF Extended BIOS data area
000A_0000 -
000B_FFFF Video RAM or SMRAM (not visible
unless in SMM)
000C 0000 - 000C 7FFF Video ROM (VGA ROM)
000C 8000 - 000F FFFF Adapter ROM, RAM,
memory-mapped registers, BIOS
000E 0000-000F FFFF 128KB BIOS (Flash/Shadow)
0001 0000-000F FFFF Memory (1MB to 16MB)
0010 0000-001F FFFF Memory (16MB to 32MB)
0020 0000-003F FFFF Memory (32MB to 64MB)
0040 0000-007F FFFF Memory (64MB to 128MB)
0080 0000-FFFF FFFF Memory (128MB to 4GB)
FECO 0000 I/O APIC
FEEO 0000 Local APIC (each CPU)
FFF8 0000-FFFF FFFF 512KB BIOS (Flash)
1. If configured.

System BIOS and Resources
System Resources
Chapter 466
address space is in the free area of the space reserved for accessory
boards (100h to 3FFh).
Default Values for
I/O Address Ports Function
0000 - 0CF7 DMA controller 1
0020 - 0021 Master interrupt controller (8259)
002E - 002F Super I/O
0040 - 0043 Timer 1
0060, 0064 Keyboard controller (reset, slow A20)
0061 Port B (speaker, NMI status, and control)
0070 Bit 7: NMI mask register
0070 - 0071 RTC and CMOS
0080 Manufacturing port (POST card)
0081 - 0083, 008F DMA low page register
0092 PS/2 reset and Fast A20
00A0 - 00A1 Slave interrupt controller
00C0 - 00DF DMA controller 2
00F0 - 00FF Coprocessor error
0170 - 0177 Free (IDE secondary channel)
01F0 - 01F7 IDE primary channel
0278 - 027F LPT 2
02E8 - 02EF Serial port 4 (COM4)
02F8 - 02FF Serial port 2 (COM2)
0372 - 0377 Free (IDE secondary channel, secondary
floppy disk drive)
0378 - 037F LPT1
03B0 - 03DF VGA
03E8 - 03EF COM3
03F0 - 03F5 Floppy disk drive controller
03F6 IDE primary channel
03F7 Floppy disk drive controller
03F8 - 03FF COM1
04D0 - 04D1 Interrupt edge/level control
0778 - 077F LPT1 ECP
0CF8 - 0CFF PCI configuration space

System BIOS and Resources
System Resources
Chapter 4 67
DMA Channel Controllers
The system permits only I/O-to-memory and memory-to-I/O transfers.
The hardware configuration doesn’t allow I/O-to-I/O or
memory-to-memory transfers.
The system controller supports seven DMA channels, each with a page
register that extends the channel’s addressing range to 16MB.
The following table shows how the system allocates DMA channels.
C000 - Power management I/O space and ACPI
registers
C100 - C10F SMBus I/O space
DMA controller
Channel Function
DMA 0 Free
DMA 1 Free if not used for parallel port in Setup
DMA 2 Floppy disk drive controller
DMA 3 Free if not used for parallel port in Setup
DMA 4 Used to cascade DMA channels 0-3
DMA 5 Free
DMA 6 Free
DMA 7 Free
Default Values for
I/O Address Ports Function

System BIOS and Resources
System Resources
Chapter 468

Chapter 5 69
5 Hardware Management
(Monitoring and Reporting)

Hardware Management (Monitoring and Reporting)
General Firmware Information
Chapter 5 71
General Firmware Information
Firmware processing is provided by QLogic's Zircon Lite chip and an
auxiliary Winbond chip. The firmware implements industry standard
IPMI Specification 1.0 with the following extensions:
• BIOS configuration tokens
• Additional hardware control
• BIOS security
KCS 1 and BT protocols are supported. Only KCS 1 is used during BIOS
POST. BT is supported at run-time (after the operating system boots).
Date/Time Initialization
The Zircon Lite's date and time is initialized after each power-on by the
BIOS. This enables accurate logging of timestamp information for events
in the SEL.
SEEPROM Organization
There are three Atmel SEEPROMs attached to the main SMBUS for
information storage. These contain the SEL, FRU, and HP NBA Tokens.
The FRU stores the product model, serial number, and other chassis and
system board information.

Hardware Management (Monitoring and Reporting)
Hardware Monitoring
Chapter 572
Hardware Monitoring
Built-in Self Test (BIST)
Zircon Lite does a BIST after resetting and displays the result on the
Diag LEDs (see “Understanding the Diag LEDs” on page 212) if an error
occurs. The following items are checked:
• Accessibility of SEL device
• Accessibility of FRU device
• Accessibility of SDR Repository (read only)
• Viability of Hardware Management Controller (HMC) firmware
(firmware corrupt)
• HMC hardware problem (general HMC failure)
Sensor Scan
Voltages, temperatures, fan tachometers, processor-related items, and
chassis intrusion are scanned.
Voltages
Pin 10 of Winbond W83782D is be used as a 2.5 V reference. This voltage
is used to calibrate all of the voltage readings in Table 5-1.
Table 5-1 Voltage Scan
Sensor
#Sensor
ID Signal Approx.
Lower
Limit
Mid Approx.
Upper
Limit
Zircon
Pin Winbond
Pin Description
20h +12VIO +12VIO 10.7V 12V 13.2V 9 - 12V Supply for
non-VRM
21h +3.3VSB 3.3VSB 3.05V 3.3V 3.55V 35 3.3V Standby
22h +2.5V 2.5V 2.3V 2.5V 2.7V 7 - 2.5V RDRAM
Supply

Hardware Management (Monitoring and Reporting)
Hardware Monitoring
Chapter 5 73
Temperatures
23h VDDQ VDDQ 1.4V 1.5V 1.6V 5 - AGPTermination
Voltage
24h +1.8VSB SB1_8 1.65V 1.8V 1.95V 4 - 1.8V Standby
25h +1.8V P1_8V 1.65V 1.8V 1.95V 3 - 1.8V Supply
26h VCC_
CORE VCC_
CORE 1.1V 1.65V 1.9V - 36 Processor Core
Voltage
27h +3.3V +3_3V 3.05V 3.3V 3.55V - 34 3.3V Supply
28h +5V +5V 4.15V 5V 5.6V - 33 5V Supply
29h +12V +12V 13.7V 12V 12.95V - 32 12V Supply
2Ah -12V -12V -11.15V -12V -10.3V - 31 -12V Supply
2Bh VBAT VBAT 2.7V 3.2V 3.6V - 30 Battery Voltage
2Ch +5VSB 5VSB 4.65V 5V 5.35V - 29 5V Standby
Table 5-1 Voltage Scan
Sensor
#Sensor
ID Signal Approx.
Lower
Limit
Mid Approx.
Upper
Limit
Zircon
Pin Winbond
Pin Description
Table 5-2 Temperature Scan
Sensor
#Sensor
ID Signal Lower
Limit Mid Upper
Limit Zircon
Pin Winbond
Pin Description
42h EXT
TEMP EXT1_
TEMP 2C 28C 38C - Pin 40 Ambient air temp

Hardware Management (Monitoring and Reporting)
Hardware Monitoring
Chapter 574
Fan Speed and Control
Fan tach speeds are given in revolutions per second. Multiply by 60 for
rpm.
Table 5-3 Fan and Speed Control Scan
Sensor
#Sensor
ID Signal Lower
Limit Mid Upper
Limit Zircon
Pin Winbond
Pin Description
51h CPU0FA
NTACH P1FAN
TACH 15 65 120 - Pin 20 Fan #1: Processor
1 fan tach
52h CPU1FA
NTACH P2FAN
TACH 15 65 120 - Pin 19 Fan #2: Processor
2 fan tach
53h SYSFAN
TACH FAN1T
ACH 10 29 60 - Pin 18 Fan #3: System
fan tach
54h PCIFAN
TACH FAN4T
ACH 10 31 60 GPIO 0 - Fan #4: PCI fan
tach
55h HDDFA
NTACH FAN5T
ACH 15 28 80 GPIO 1 - Fan #5: HDD fan
tach
56h PSUFAN
TACH FANM 10 51 100 GPIO 3 - Fan #6: Power
supply fan tach
61h CPU0FA
NCTRL WP1FA
NCTL - - - - Pin 23 Fan #1: Processor
1 fan ctrl
62h CPU1FA
NCTRL WP2FA
NCTL - - - - Pin 11 Fan #2: Processor
2 fan ctrl
63h SYSFAN
PWM WFAN1
23CTL - - - - Pin 10 Fan #3: System
fan PWM (&
unused spare fan
PWM)
64h PCIFAN
PWM FAN4C
TL - - - GPIO21
PWM1
- Fan #4: PCI fan
PWM
65h HDDFA
NPWM FAN5C
TL - - - GPIO20
PWM0
- Fan #5: HDD fan
PWM

Hardware Management (Monitoring and Reporting)
Hardware Monitoring
Chapter 5 75
Additional Sensors
The SDR for Processor 0 includes three separate functions:
• presence detect
• IERR
• processor voltage mismatch
Fan Control
Individual fan speed is controlled by the HMC, based on temperature
and configuration information. This allows fans to run slower in most
circumstances, thus making the machine quieter.
Sense Power State
Zircon senses power state using signal pins from the ICH2.
This is used for fan control and indicating power state on the status
LED.
Table 5-4 Additional Sensor Scans
Sensor
#Sensor ID Signal Sensor
Type Zircon
Pin Winbon
d Pin Description
70h CPU0
PRESENT SKTOCC_0_L Processor GPIO23 - Processor 0
Presence/Absence
71h CPU1
PRESENT SKTOCC_1_L Processor GPIO24 - Processor 1
Presence/Absence
72h CPU0IERR IERR# Processor GPIO27 - Processor 0 IERR
73h CPU
MISMATCH VID_ERROR# Processor GPIO28 - Processor Voltage
Mismatch
80h CHASSIS
OPEN INTRU# Chassis
Intrusion - C_OPEN General Chassis
Intrusion

Hardware Management (Monitoring and Reporting)
Hardware Monitoring
Chapter 576
Chassis Intrusion
Chassis intrusion is detected via the Winbond W83782D C_OPEN pin.
There is an SDR (sensor data record) for the chassis intrusion event.
If the hardware indicates an intrusion, the HMC clears the hardware
latch in the Winbond, logs the event in the System Event Log (SEL),
which is non-volatile storage, and sets the state of the NBA token for
chassis intrusion based on the current chassis intrusion status.
The BIOS queries the NBA token to determine if it should display a
chassis intrusion message. It then clears the chassis intrusion status in
the NBA token.
Applications such as TopTools query for a chassis intrusion event by
searching the SEL.
Pre-boot Device Test
The HMC detects presence of processors. The BIOS detects presence of
memory and memory errors. If it is a condition that prevents the BIOS
from completing POST, it notifies the HMC so that the HMC can display
error LEDs on the front panel.
PCI/AGP Power
The BIOS detects presence and power consumption of PCI/AGP devices
plugged in the system. It then passes this information on to the HMC, to
detect overpower situations and to know whether it's possible to turn off
the PCI fan to make the system quieter.

Hardware Management (Monitoring and Reporting)
Reporting
Chapter 5 77
Reporting
Event Logging
Hardware monitoring errors, detected by the Hardware Management
Controller, are logged to the SEL (System Event Log). External agents,
such as the BIOS, can ask the Hardware Management Controller to log
errors on their behalf.
Sensor Report Using IPMI
Sensor information is available using the standard IPMI command, Get
Sensor Reading. The optional Sensor Device commands are not supported
by the HMC firmware. Dynamic setting of sensor thresholds is not
supported.
System Event Log (SEL)
Events are logged in the SEL using the standard SEL Event Record
format as defined in the IPMI spec, section 19.1. OEM SEL records are
also supported. The following SEL device commands are supported as
specified in section 18.1 of the IPMI spec:
• Get SEL Info
• Get SEL Entry
• Add SEL Entry
• Clear SEL
• Get SEL Time
• Set SEL Time
• Reserve SEL
Power Status LED
The Power Status LED indicates the state of the system. See “HP x4000
Control Panel” on page 21. Error info has priority over power state info,
when the computer is on.

Hardware Management (Monitoring and Reporting)
Reporting
Chapter 578
Diag LEDs
When a sensor indicates an error, the corresponding LED is turned on.
See “Understanding the Diag LEDs” on page 212.
In general, auto re-arm is used for sensors. That is, if a sensor threshold
has been exceeded and the error is displayed on the LEDs, once the
sensor drops below the threshold, the sensor is automatically re-armed
so that if its reading rises up above the threshold again, it triggers
another error. Each of these errors is also logged in the SEL.
Firmware Failure Handling
The boot code checks for a valid firmware runtime image and displays a
Diag LED code if it is not valid.
BIOS is Running OK
The HMC detects if the BIOS is running OK and displays a Diag LED
code if the BIOS does not provide a message.
IPMI Platform Event Trap
The firmware sends a platform event as an SNMP trap, using IPMI
Platform Event Trap Specification version 1.0.

Hardware Management (Monitoring and Reporting)
Security
Chapter 5 79
Security
Lock Status Panel
The HMC can lock out the front panel, when necessary, to prevent the
user from pressing the power button or the reset button at an
inopportune time (while the firmware flash update is in process). The
BIOS also has this capability. This is because there are two separate
flash update utilities: one to update the BIOS flash device, and another
to update the HMC flash device. The BIOS and firmware flash utilities
utilities are packaged together in the BIOS/firmware flash update
package at www.hp.com/workstations/support.
BIOS Configuration Tokens
Some CMOS tokens are backed up to NVRAM (serial eeprom). They can
be modified by TopTools, and the BIOS is in charge of synchronization.
Once the system has booted, a valid password must be entered to access
tokens, provided that passwords have been set in the Setup program.
User and administrator passwords give different rights.

Hardware Management (Monitoring and Reporting)
Security
Chapter 580

Chapter 6 81
6 Power Specifications

Power Specifications
Power Delivery
Chapter 6 83
Table 6-1 Power Signal Description
Supply Description
12 VDIG Supplies power to thedc-to-dc converter that delivers
power to the processor(s).
12 VIO Supplies power to:
• fans
• hard disk drive(s)
• floppy disk drive
• PCI slots
• AGP Pro 110 4X
-12 V Supplies power to:
• AGP Pro 110 4X
• PCI
• serial port
3.3 V Supplies power to:
• Memory Expander Card (MEC)
• Peripheral Component Interconnect (PCI) slots
• Accelerated Graphics Port (AGP Pro 110 4X)
• Intel 860 chip set
• audio
• SCSI
• 1.5 circuit
5 V Supplies power to:
• hard disk drive(s)
• floppy disk drive
• PCI slots
• AGP Pro 110 4X
• 1.8 V switching regulator circuit
• MEC 2.5 V Voltage Regulator Module (VRM)

Power Specifications
Power Delivery
Chapter 684
5 V Standby Supplies power to:
• Diag LEDs
• Network activity LED
• Hard disk drive activity LED
• Power LED
• Local Area Network (LAN) connector
• Universal Serial Bus (USB) connector
• PS2KB
• Winbond WB782D hardware monitoring ASIC
• 3.3 VSB
• SB1_8V
VCC_CORE The exact processor voltage is determined by VID
bits from the processor(s).
In a dual-processor system, the processors share a
power plane. A single VCC_CORE is generated by a
+12 VDIG to VCC_CORE dc-to-dc converter that is
placed on the system board. This is called VR down.
The maximum current each processor can draw is
57 A.
1.5 V This 1.5 V supply is generated from a three terminal
regulator on the system board. The current is limited
to 5 A.
1.8 V This supply is used for the Intel 860 Memory
Controller Hub, the P64H, and the MEC. It is
generated by a switching dc-to-dc converter. the
output voltage is 1.8 V and the output current is
limited to 15 A.
A separate 1.8 V power supply is used for the ICH2.
This 1.8 V supply is generated from a three terminal
linear regulator which limits the output current to
1A.
2.5 V This supply is generated by a voltage regulator on
the Memory Expander Card (MEC).
Table 6-1 Power Signal Description
Supply Description

Power Specifications
Power Delivery
Chapter 6 85
3.3 V Standby This supply is derived from the 5 VSB with a 1 A
three terminal regulator. It is used by the LAN and
the Intel 860 ICH2.
1.8 V Standby This supply is derived from the 5 VSB with a 1 A
three terminal regulator. It is used by the Intel 860
ICH2.
Table 6-1 Power Signal Description
Supply Description

Power Specifications
Power Supply
Chapter 686
Power Supply
Table 6-2 shows the voltage and current specifications for the power
supplies. Total continuous output power does not exceed 465W.
Table 6-2 Voltage and Current Specification
+3.3 V +5 V +12 VDIG +12 VIO -12 V +5 VSB
Voltage: Max
Min 3.14 V
3.46 V
4.5 V
5.25 V
11.4 V
12.6 V
11.4 V
12.6 V
-10.8 V
-13.2 V
4.75 V
5.25 V
Current: Max
Min 40 A
4.0 A
27 A
1.0 A
22 A
0.0 A
17 A
1.0 A
-0.55 A
0.0 A
1.5 A
0.0 A

Power Specifications
Power Supply
Chapter 6 87
Power Supply Specifications
Parameter Total Rating Maximum
PCI Slots Maximum for AGP Pro 110 4X Slot
Connector Extension Total
Input voltage
and current 100 V, 5 A
120 V, 4.2 A
200 V, 2.5 A to
240 V, 2.1 A
—— ——
—— ——
Input
frequency 50 to 60 Hz — — — —
Available
power 465 W 80W
45W AGP Pro 50, 50W
AGP Pro 110, 110W
Max current at
+12 VIO 12 Aa0.5 A 1 A 9.2 A 10.2 A
Max current at
+12 VCPU 22 A — — — —
Max current at
-12 V 0.55 A 0.1 A — — —
Max current at
+3.3 V 40 Aa7.6 A 6 A 7.6 A 13.6 A
Max current at
+5 V 27 Aa5 A 2 A
Max current at
+5 V stdby 2 A
a. The system can draw a maximum of 110 W from the AGP Pro 110 4X slot. Total
combined output power on +3.3 V and +5 V shall not exceed 250 W. Total combined
output current on +12 VCPU and +12 VIO shall not exceed 27.6 A nominal.

Power Specifications
Power Supply
Chapter 688
Resetting the Power Supply
If an overload triggers the power supply’s overload protection, all power
is immediately cut. To reset the power supply unit:
1. Disconnect the power cord.
2. Determine what caused the overload, and fix the problem.
3. Reconnect the power cord, and reboot the workstation.
When you power down the Workstation through the operating system,
power consumption falls below the low power consumption (refer to the
table on page 88), but doesn't reach zero. This on/off feature extends the
power supply's lifetime.
Power Consumption and Cooling
The power consumption and acoustics listed in the following table are
valid for a typical maximum configuration:
• two processors
• 768 MB memory
• two hard disk drives
• DVD ROM
• 3.5-inch floppy disk drive
• graphics card
All information in this section is based on primary power consumptions.
Input power consumption (approximate
values) 230V/50Hz and
115V/60Hz
• Typical operating mode
• Standby mode (Windows 2000 only)
• Hibernate mode (Windows 2000 only)
360 W
150 W
< 11 W
1228.4 Btu/ha
511.8 Btu/h
< 37.33 Btu/h
a. 1 W = 3.4121Btu/h

Power Specifications
Power Saving and Ergonometry
Chapter 6 89
Power Saving and Ergonometry
Depending on the operating system, the following power management
modes are available:
• Full on (S0)
• Standby (S1)
• Hibernate (S4)
• Full off (S5)
NOTE Windows NT 4.0 does not support S1 or S4.
Using Power Management
Power management lets you reduce the Workstation’s overall power
consumption by slowing down the Workstation’s activity when it is idle.
Operating systems differ in their power management capabilities. In
Windows 2000, you can select from two power management modes:
•Stand By (S1) is a low power state where the processor is shut off, but
memory remains powered. Waking up the Workstation from Stand By
mode is faster than from Hibernate mode because the RAM contents
do not need to be restored. However, when the Workstation is in
Stand By mode, it consumes more power than Hibernate mode
because the memory remains powered.
•Hibernate (S4) makes the machine look and behave like it is off
except that it remembers the state it was in before hibernation and
can be awakened without a full operating system boot. This is
because the operating system copies the RAM contents out to a
special location on the hard disk before entering hibernation.
You must enable Hibernate mode through Power Options in the
Control Panel before it can be a shut down option.

Power Specifications
Power Saving and Ergonometry
Chapter 690
To change your power management settings in Windows 2000:
1. Select Start > Settings > Control Panel.
2. Double click on Power Options.
For more information on changing your power options, refer to your
Windows 2000 documentation.
Power Saving Modes and Resume Events
Full On
(S0) Standby
(S1) Hibernate
(S4) Full Off
(S5)
Processor Normal
speed Halted Off Off
Display On Blanked Off Off
Hard Disk
Drive Normal
speed Halted Off Off
Active Power
Planes VCC
VCCAux VCC
VCCAux VCCAux VCCAux
Power
Consumption < 500 W < 150 W < 11 W < 11 W
Resume
Events Power button,
LANa,
Modem,
USB,
Real Time
Clockb,
Keyboard
Power button,
LAN,
Modem,
Scheduler,
Keyboard
Power
button
Resume
Delay 10 - 20
seconds BIOS boot
delay Regular
boot
delay
a. Wake-on-LAN is generated by a PME# signal. PME initialization is
compliant with PCI Power Management 1.1. Specification chapter 8.8.
b. The RealTIme Clock wake-up can be used, provided you have software
that can configure it.

Power Specifications
Power Saving and Ergonometry
Chapter 6 91

Power Specifications
Power Saving and Ergonometry
Chapter 692

Chapter 7 93
7 Connector Pin-Outs

Connector Pin-Outs
Expansion Slots
Chapter 794
Expansion Slots
Peripheral Component Interconnect (PCI) Slots
Table 7-1 describes the PCI 33 MHz, 32-bit connector. Table 7-2 describes
the PCI 66 MHz, 64-bit connector.
Table 7-1 PCI 33 MHz, 32-bit Connector
Pin Signal Pin Signal
Slot #1
(J4B1) Slot #2
(J3B1) Slot #3
(J2B2) Slot #1
(J4B1) Slot #2
(J3B1) Slot #3
9J2B2)
A1 PTRST# A32 AD16
A2 +12VIO A33 +3_3V
A3 PTMS A34 FRAME#
A4 PTDI A35 GND
A5 +5V A36 TRDY#
A6 PIRQB# A37 GND A37 GND
A7 PIRQD# A38 STOP# A38 STOP#
A8 +5V A39 +3_3V
A9 NC A40 NC
A10 +5V A41 NC
A11 NC A42 NC
A12 GND A43 PAR
A13 GND A44 AD15
A14 3.3VSB A45 +3_3V
A15 1PCIRST# A46 AD13

Connector Pin-Outs
Expansion Slots
Chapter 7 95
A16 +5V A47 AD11
A17 PGNT1# A48 GND A48 GND
A18 GND A49 AD9
A19 PCIPME# A50 Key
A20 AD30 A51 Key
A21 +3_3V A52 CBE0#
A22 AD28 A53 +3_3V
A23 AD26 A54 AD6
A24 GND A55 AD4
A25 AD24 A56 GND
A26 AD26R A57 AD2 A57 AD2
A27 +3_3V A58 AD0
A28 AD22 A59 +5V
A29 AD20 A60 REQ64B# REQ64C# REQ64A#
A30 GND A61 +5V
A31 AD18 A62 +5V
B1 -12V B32 AD17
B2 PTCK B33 CBE2#
B3 GND B34 GND
B4 NC B35 IRDY#
B5 +5V B36 +3_3V
Table 7-1 PCI 33 MHz, 32-bit Connector
Pin Signal Pin Signal
Slot #1
(J4B1) Slot #2
(J3B1) Slot #3
(J2B2) Slot #1
(J4B1) Slot #2
(J3B1) Slot #3
9J2B2)

Connector Pin-Outs
Expansion Slots
Chapter 796
B6 +5V B37 DEVSEL#
B7 PIRQC# B38 GND B38 GND
B8 PIRQE# B39 PLOCK# B39 PLOCK#
B9 PRSNTB1# B40 PERR# B40 PERR#
B10 NC B41 +3_3V
B11 PRSNTB1# B40 PERR# B42 SERR#
B12 GND B43 +3_3V
B13 GND B44 CBE1#
B14 NC B45 AD14
B15 GND B46 GND
B16 PCLK_S1 B47 AD12 B47 AD12
B17 GND B48 AD10
B18 PREQ1# B49 GND B49 GND
B19 +5V B50
B20 AD31 B51
B21 AD29 B52 AD8
B22 GND B53 AD7
B23 AD27 B54 +3_3V
B24 AD25 B55 AD5
B25 +3_3V B56 AD3
B26 CBE3# B57 GND
Table 7-1 PCI 33 MHz, 32-bit Connector
Pin Signal Pin Signal
Slot #1
(J4B1) Slot #2
(J3B1) Slot #3
(J2B2) Slot #1
(J4B1) Slot #2
(J3B1) Slot #3
9J2B2)

Connector Pin-Outs
Expansion Slots
Chapter 7 97
B27 AD23 B58 AD1
B28 GND B59 +5V
B29 AD21 B60 ACK64B# ADK64C# ADK64A#
B30 AD19 B61 +5V
B31 +3_3V B62 +5V
Table 7-1 PCI 33 MHz, 32-bit Connector
Pin Signal Pin Signal
Slot #1
(J4B1) Slot #2
(J3B1) Slot #3
(J2B2) Slot #1
(J4B1) Slot #2
(J3B1) Slot #3
9J2B2)
Table 7-2 PCI 66 MHz, 64-bit Connector
Pin Signal Pin Signal
Slot #1
(J4B1) Slot #2
(J3B1) Slot #1
(J4B1) Slot #2
(J3B1)
A1 P64TRST# A48 GND
A2 +12VIO A49 P64AD9
A3 P64TMS A50 NC
A4 P64TDI A51
A5 +5V A52 P64CBE0#
A6 P64IRQ6# P64IRQ2# A53 +3_3V
A7 P64IRQ8# P64IRQ4# A54 P64AD6
A8 +5V A55 P64AD4
A9 NC A56 GND
A10 +3_3V A57 P64AD2
A11 NC A58 P64AD0
A12 Key A59 +3_3V

Connector Pin-Outs
Expansion Slots
Chapter 798
A13 A60 P64REQ64#
A14 3.3VSB A61 +5V
A15 P64RST# A62
A17 P64AD21R P64AD20R A63 GND
A18 GND A64 P64CBE7#
A19 P64PME# A65 P64CBE5#
A20 P64AD30 A66 +3_3V
A21 +3_3V A67 P64PAR64
A22 P64AD28 A68 P64AD62
A23 P64AD26 A69 GND
A24 GND A70 P64AD60
A25 P64AD24 A71 P64AD58
A26 P64AD21R P64AD20R A72 GND
A27 +3_3V A73 P64AD56
A28 P64AD22 A74 P64AD54
A29 P64AD20 A75 +3_3V
A30 GND A76 P64AD52
A31 P64AD18 A77 P64AD50
A32 P64AD16 A78 GND
A33 +3_3V A79 P64AD48
A34 P64FRAME# A80 P64AD46
Table 7-2 PCI 66 MHz, 64-bit Connector
Pin Signal Pin Signal
Slot #1
(J4B1) Slot #2
(J3B1) Slot #1
(J4B1) Slot #2
(J3B1)

Connector Pin-Outs
Expansion Slots
Chapter 7 99
A35 GND A81 GND
A36 P64TRDY# A82 P64AD44
A37 GND A83 P64AD42
A38 P64STOP# A84 +3_3V
A39 +3_3V A85 P64AD40
A40 NC A86 P64AD38
A41 A87 GND
A42 GND A88 P64AD36
A43 P64PAR A89 P64AD34
A44 P64AD15 A90 GND
A45 +3_3V A91 P64AD32
A47 P64AD11 A92 NC
B1 -12V B48 P64AD10
B2 P64TCH B49 P64M66EN
B3 GND B50 GND
B4 NC B51
B5 +5V B52 P64AD8
B6 B53 P64AD7
B7 P64IRQ7# P64IRQ3# B54 +3_3V
B8 P64IRQ9# P64IRQ5# B55 P64AD5
B9 PCI5A PCI4A A56 P64AD3
Table 7-2 PCI 66 MHz, 64-bit Connector
Pin Signal Pin Signal
Slot #1
(J4B1) Slot #2
(J3B1) Slot #1
(J4B1) Slot #2
(J3B1)

Connector Pin-Outs
Expansion Slots
Chapter 7100
B10 NC B57 GND
B11 PCI5B PCI4B B58 P64AD1
B12 Key B59 +3_3V
B13 B60 P64ACK64#
B14 NC B61 +5V
B15 GND B62
B16 P64CLK_S5 P64CLK_S4 B63 NC
B17 GND B64 GND
B18 P64REQ2# P64REQ1# B65 P64CBE6#
B19 +3_3V B66 P64CBE5#
B20 P64AD31 B67 GND
B21 P64AD29 B68 P64AD63
B22 GND B69 P64AD61
B23 P64AD27 B70 +3_3V
B24 P64AD25 B71 P64AD59
B25 +3_3V B72 P64AD57
B26 P64CBE3# B73 GND
B27 P64AD23 B74 P64AD55
B28 GND B75 P64AD53
B29 P64AD21 B76 GND
B30 P64AD19 B77 P64AD51
Table 7-2 PCI 66 MHz, 64-bit Connector
Pin Signal Pin Signal
Slot #1
(J4B1) Slot #2
(J3B1) Slot #1
(J4B1) Slot #2
(J3B1)

Connector Pin-Outs
Expansion Slots
Chapter 7 101
B31 +3_3V B78 P64AD49
B32 P64AD17 B79 +3_3V
B33 P64CBE2# B80 P64AD47
B34 GND B81 P64AD45
B35 P64IRDY# B82 GND
B36 +3_3V B83 P64AD43
B37 P64DEVSEL# B84 P64AD41
B38 GND B85 GND
B39 P64LOCK# B86 P64AD39
B40 P64PERR# B87 P64AD37
B41 +3_3V B88 +3_3V
B42 P64SERR# B89 P64AD35
B43 +3_3V B90 P64AD33
B44 P64CBE1# B91 GND
B45 P64AD14 B92 NC
B46 GND B93
B47 P64AD12 A94 GND
Table 7-2 PCI 66 MHz, 64-bit Connector
Pin Signal Pin Signal
Slot #1
(J4B1) Slot #2
(J3B1) Slot #1
(J4B1) Slot #2
(J3B1)

Connector Pin-Outs
Expansion Slots
Chapter 7102
Accelerated Graphics Port (AGP) Slot
Table 7-3 describes the AGP Pro 110 4X connector.
Table 7-3 AGP Pro 110 4X Connector
Pin Signal Pin Signal
A1 +12VIO A34 VDDQ
A2 NC A35 AGP_AD22
A3 NC A36 AGP_AD20
A4 USBAGP- A37 GND
A5 GND A38 AGP_AD18
A6 PIRQA# A39 AGP_AD16
A7 1PCIRST# A40 VDDQ
A8 GGNT_L A41 AGP_FRAME_L
A9 +3_3 A42
A10 AGP_ST_1 A43
A11 NC A44
A12 AGP_PIPE_L A45
A13 GND A46 AGP_TRDY_L
A14 AGP_WBF_L A47 AGP_STOP_L
A15 AGP_SBA1 A48 AGPPME#
A16 +3_3 A49 GND
A17 AGP_SBA3 A50 AGP_PAR
A18 AGP_SBSTB_L A51 AGP_AD15
A19 GND A52 VDDQ
A20 AGP_SBA5 A53 AGP_AD13
A21 AGP_SBA7 A54 AGP_AD11

Connector Pin-Outs
Expansion Slots
Chapter 7 103
A22 NC A55 GND
A23 GND A56 AGP_AD9
A24 NC A57 AGP_C_BE_L0
A25 +3_3 A58 VDDQ
A26 AGP_AD30 A59 AGP_ADSTB0_L
A27 AGPP_AD28 A60 AGP_AD6
A28 +3_3 A61 GND
A29 AGP_AD26 A62 AGP_AD4
A30 AGP_AD24 A63 AGP_AD2
A31 GND A64 VDDQ
A32 AGP_ADSTB1_L A65 AGP_AD0
A33 AGP_C_BE_L3 A66 NC
B1 OC-2 B34 VDDQ
B2 +5V B35 AGP_AD21
B3 +5V B36 AGP_AD19
B4 USBAGP+ B37 GND
B5 GND B38 AGP_AD17
B6 PIRQB# B39 AGP_C_BE_L2
B7 CLK66_AGP B40 VDDQ
B8 GREQ_L B41 AGP_IRDY_L
B9 +3_3V B42
B10 AGP_ST_0 B43
B11 AGP_ST_2 B44
Table 7-3 AGP Pro 110 4X Connector
Pin Signal Pin Signal

Connector Pin-Outs
Expansion Slots
Chapter 7104
B12 AGP_RBF_L B45
B13 GND B46 AGP_DEVSEL_L
B14 NC B47 VDDQ
B15 AGP_SBA0 B48 GPERR_L
B16 +3_3V B49 GND
B17 AGP_SBA2 B50 AGP_SERR_L
B18 AGP_SBSTB B51 AGP_C_BE_L1
B19 GND B52 VDDQ
B20 AGP_SBA4 B53 AGP_AD14
B21 AGP_SBA6 B54 AGP_AD12
B22 NC B55 GND
B23 GND B56 AGP_AD10
B24 3.3VSB B57 AGP_AD8
B25 +3.3V B58 VDDQ
B26 AGP_AD31 B59 AGP_ADSTB0
B27 AGP_AD29 B60 AGP_AD7
B28 +3.3V B61 GND
B29 AGP_AD27 B62 AGP_AD5
B30 AGP_AD25 B63 AGP_AD3
B31 GND B64 VDDQ
B32 AGP_ADSTB1 B65 AGP_AD1
B33 AGP_AD23 B66 VREF_MCH_TO_AGP
Table 7-3 AGP Pro 110 4X Connector
Pin Signal Pin Signal

Connector Pin-Outs
System Board Connectors
Chapter 7 105
System Board Connectors
Figure 2-1 on page 26 shows the position of all the connectors on the
system board. The pin-outs for these connectors are described in the
following topics:
• “Floppy Disk Drive Connector” on page 106
• “IDE/ATA 100 Connectors” on page 107
• “SCSI Connectors” on page 109
• “Parallel Port Connector” on page 111
• “Serial Port Connectors” on page 112
• “Keyboard and Mouse Connector” on page 113
• “Universal Serial Bus Connectors” on page 113
• “Front Panel Connector” on page 114
• “ATX Power Connector” on page 115
• “LAN Connector” on page 116
• “Audio Connector” on page 116
• “CD Audio In Connector” on page 117
• “Microphone Connector” on page 117
• “System Speaker Connector” on page 118
• “Processor Fan Connectors” on page 118
• “Chassis Fan Connectors” on page 118
• “Chassis Intrusion Connector” on page 119

Connector Pin-Outs
System Board Connectors
Chapter 7106
Floppy Disk Drive Connector
Table 7-4 describes the floppy disk drive connector.
Table 7-4 Floppy Disk Drive Connector
Pin Signal Pin Signal
1 GND 18 FDIR#
2 DRVEN0 19 GND
3 GND 20 STEP#
4 NC 21 GND
5 Key 22 WDATA#
6 DRATE0 23 GND
7 GND 24 WGATE#
8 INDEX# 25 GND
9 GND 26 TRK0#
10 MTR0# 27 GND
11 GND 28 WPROT#
12 DS1# 29 GND
13 GND 30 RDATA#
14 DS0# 21 GND
15 GND 32 HDSEL#
16 MTR1# 33 GND
17 GND 34 DSKCHG#

Connector Pin-Outs
System Board Connectors
Chapter 7 107
IDE/ATA 100 Connectors
Table 7-5 describes the connectors.
Table 7-5 IDE/ATA Primary and Secondary Connectors
Pin Signal
Primary (J8C1) Secondary (J8C2)
1 3PCIRST# 3PCIRST#
2 GND GND
3 PDD7 SDD7
4 PDD8 SDD8
5 PDD6 SDD6
6 PDD9 SDD9
7 PDD5 SDD5
8 PDD10 SDD10
9 PDD4 SDD4
10 PDD11 SDD11
11 PDD3 SDD3
12 PDD12 SDD12
13 PDD2 SDD2
14 PDD13 SDD13
15 PDD1 SDD1
16 PDD14 SDD14
17 PDD0 SDD0
18 PDD15 SDD15
19 GND GND
20 Key Key

Connector Pin-Outs
System Board Connectors
Chapter 7108
21 PDDREQ SDDREQ
22 GND GND
23 PDIOW# SDIOW#
24 GND GND
25 PDIOR# SDIOR#
26 GND GND
27 PDIORDY SDIORDY
28 PRIIDE1 SECIDE1
29 PDDACK# SDDACK#
30 GND GND
31 IRQ14 IRQ14
32 NC NC
33 PDA1 SDA1
34 PRIIDE2 SECIDE2
35 PDA0 SDA0
36 PDA2 SDA2
37 CS1P# CS1S#
38 CS3P# CS3S#
39 IDEAP# IDEAP#
40 GND GND
Table 7-5 IDE/ATA Primary and Secondary Connectors
Pin Signal
Primary (J8C1) Secondary (J8C2)

Connector Pin-Outs
System Board Connectors
Chapter 7 109
SCSI Connectors
Table 7-6 describes the SCSI internal and external connectors.
Table 7-6 SCSI Connector
Pin Signal Pin Signal
Internal (SC1) External (SC2) Internal (SC1) External (SC2)
1 LVSCDBP12 LVSCDAP12 35 LVSCDBM12 LVSCDAM12
2 LVSCDBP13 LVSCDAP13 36 LVSCDBM13 LVSCDAM13
3 LVSCDBP14 LVSCDAP14 37 LVSCDBM14 LVSCDAM14
4 LVSCDBP15 LVSCDAP15 38 LVSCDBM15 LVSCDAM15
5 LVSCDBPHP LVSCDAPHP 39 LVSCDBM0 LVSCDAM0
6 LVSCDBP0 LVSCDAP0 40 LVSCDBPHM LVSCDAPHM
7 LVSCDBP1 LVSCDAP1 41 LVSCDBM1 LVSCDAM1
8 LVSCDBP2 LVSCDAP2 42 LVSCDBM2 LVSCDAM2
9 LVSCDBP3 LVSCDAP3 43 LVSCDBM3 LVSCDAM3
10 LVSCDBP4 LVSCDAP4 44 LVSCDBM4 LVSCDAM4
11 LVSCDBP5 LVSCDAP5 45 LVSCDBM5 LVSCDAM5
12 LVSCDBP6 LVSCDAP6 46 LVSCDBM6 LVSCDAM6
13 LVSCDBP7 LVSCDAP7 47 LVSCDBM7 LVSCDAM7
14 LVSCDBPLP LVSCDAPLP 48 LVSCDBPLM LVSCDAPLM
15 GND GND 49 GND GND
16 DIFFSENSEB DIFFSENSEA 50 GND GND
17 LVTRMPWRB LVTRMPWR 51 LVTRMPWRB LVTRMPWR
18 LVTRMPWRB LVTRMPWR 52 LVTRMPWRB LVTRMPWR
19 NC NC 53 NC NC
20 GND GND 54 GND GND

Connector Pin-Outs
System Board Connectors
Chapter 7110
21 LVATNBP LVATNAP 55 LVATNBM LVATNAM
22 GND GND 56 GND GND
23 LVBSYBP LVBSYAP 57 LVBSYBM LVBSYAM
24 LVACKBP LVACKAP 58 LVACKBM LVACKAM
25 LVRSTBP LVRSTAP 59 LVRSTBM LVRSTAM
26 LVMSGBP LVMSGAP 60 LVMSGBM LVMSGAM
27 LVSELBP LVSELAP 61 LVSELBM LVSELAM
28 LVCDBP LVCDAP 62 LVCDBM LVCDAM
29 VREQBP VREQAP 63 LVREQBM LVREQAM
30 LVIOBP LVIOAP 64 LVIOBM LVIOAM
31 LVSCDBP8 LVSCDAP8 65 LVSCDBM8 LVSCDAM8
32 LVSCDBP9 LVSCDAP9 66 LVSCDBM9 LVSCDAM9
33 LVSCDBP10 LVSCDAP10 67 LVSCDBM10 LVSCDAM10
34 LVSCDBP11 LVSCDAP11 68 LVSCDBM11 LVSCDAM11
Table 7-6 SCSI Connector
Pin Signal Pin Signal
Internal (SC1) External (SC2) Internal (SC1) External (SC2)

Connector Pin-Outs
System Board Connectors
Chapter 7 111
Parallel Port Connector
Table 7-7 describes the parallel connector.
Table 7-7 Parallel Port Connector
Pin Signal Pin Signal
1 LPSTB# 14 LPAUTFD#
2 LPD0 15 LPERROR#
3 LPD1 16 LPINIT#
4 LPD2 17 LPSLIN#
5 LPD3 18 GND
6 LPD4 19 GND
7 LPD5 20 GND
8 LPD6 21 GND
9 LPD7 22 GND
10 LPACK# 23 GND
11 LPBUSY 24 GND
12 LPPE 25 GND
13 LPSLCT

Connector Pin-Outs
System Board Connectors
Chapter 7112
Serial Port Connectors
Table 7-8 describes the serial connector.
Table 7-8 Serial Port Connectors
Pin Signal
Port A (J16) Port B (J18)
1 SP1-1 SP2-1
2 SP1-2 SP2-2
3 SP1-3 SP2-3
4 SP1-4 SP2-4
5 GND GND
6 SP1-6 SP2-6
7 SP1-7 SP2-7
8 SP1-8 SP2-8
9 SP1-9 SP2-9
10 GND GND
11 GND GND

Connector Pin-Outs
System Board Connectors
Chapter 7 113
Keyboard and Mouse Connector
Table 7-9 describes the keyboard and mouse connectors.
Universal Serial Bus Connectors
Table 7-10 describes the USB connector.
Table 7-9 Keyboard and Mouse Connector
Pin Signal Pin Signal
1 KBDATOUT 10 KBAUXPWR
2 NC 11 AUXCLKOUT
3 GND 12 NC
4 KBAUXPWR 13 GND
5 KBCLKOUT 14 GND
6 NC 15 GND
7 AUXDATOUT 16 GND
8 NC 17 GND
9 GND
Table 7-10 Universe Serial Bus Connector
Pin Signal Pin Signal
1 USBE5VOUT 7 EXTUSBP1+
2 EXTUSBP0- 8 GND
3 EXTUSBP0+ 9 GND
4 GND 10 GND
5 USBE5VOUT 11 GND
6 EXTUSBP1- 12 GND

Connector Pin-Outs
System Board Connectors
Chapter 7114
Front Panel Connector
Table 7-11 describes the front panel connector.
Table 7-11 Front Panel Connector
Pin Signal Pin Signal
1 FPHDPWR 16 +5V
2 LEDGRN_ZIRCON 17 SPKDRV
3 HDLED 18 BUZZER
4 LEDYEL_ZIRCON 19 LED0RED
5 GND 20 LED0GRN
6 FPPWBTN# 21 LED1RED
7 RSTBTN# 22 LED1GRN
8 GND 23 LED2RED
9 +5V 24 LED2GRN
10 NC 25 LED3RED
11 IRRX 26 LED3GRN
12 GND 27 5VSB
13 GND 28 LANLED#
14 NC 29 SMBUS_DATA
15 IRTX 30 SMBUS_CLK

Connector Pin-Outs
System Board Connectors
Chapter 7 115
ATX Power Connector
Table 7-12 and Table 7-13 describe the ATX power connectors.
Table 7-12 ATX Power #1 Connector (J9C2)
Pin Signal Pin Signal
1 +3_3V 13 +3_3V
2 +3_3V 14 +3_3V
3 +3_3V 15 GND
4 GND 16 GND
5 GND 17 +5V
6 +5V 18 +5V
7 5VSBOUT 19 +5V
8 GND 20 -12V
9 GND 21 +12VIO
10 GND 22 +12VIO
11 PWRGD0 23 PSON#
12 NC 24 FANM
Table 7-13 ATX Power #2 Connector (J9J1)
Pin Signal Pin Signal
1 +12VDIG 5 GND
2 +12VDIG 6 GND
3 +12VDIG 7 GND
4NC 8 NC

Connector Pin-Outs
System Board Connectors
Chapter 7116
LAN Connector
Table 7-14 describes the LAN connector.
Audio Connector
Table 7-15 describes the audio connector.
Table 7-14 LAN Connector
Pin Signal Pin Signal
1 GND 7 L2???
2 L2TDP 8 L2ACTIVITY
3 L2TDN 9 L2SPEED2
4 L2RDP 10 L2SPEEDLED
5 L2RDN 11 GND
6 L2TXCTR 12
Table 7-15 Line In/Out Audio Connector (A1)
Pin Signal Pin Signal
1 GND 7 NC
2 AC97P20 8
3 AC97P19 9
4 JS1 21 GND
5 GND 22 AC97P8
6 NC 23 AC97P9

Connector Pin-Outs
System Board Connectors
Chapter 7 117
CD Audio In Connector
Table 7-16 describes the CD Audio In connector.
Microphone Connector
Table 7-17 describes the microphone connector.
Table 7-16 CD Audio In Connector (J21)
Pin Signal
1 AC97P1
2 CD_GND
3 CD_GND
4 AC97P2
Table 7-17 Microphone Connector (J22)
Pin Signal
1 GND
2 AC97P7
3 AC97P6
10 AC97P7
11 GND

Connector Pin-Outs
System Board Connectors
Chapter 7118
System Speaker Connector
Table 7-18 describes the system speaker connector.
Processor Fan Connectors
Table 7-19 describes the processor fan connector.
Chassis Fan Connectors
Table 7-20 describes the chassis fan connector.
Table 7-18 System Speaker Connector (J23)
Pin Signal
1VO1
2 GNDA_AUDIO
3NC
4VO2
Table 7-19 Processor Fan Connectors
Pin Signal
Processor 0 (J32) Processor 1 (J33)
1 GND GND
2 P1FAN1 P2FAN1
3 P1FANTACH P2FANTACH
Table 7-20 Chassis Fan Connectors
Pin Signal
Rear System
Fan (J34) PCI Fan (J35) Hard Disk Drive
Fan (J37)
1 GND GND GND
2 FAN1S1 FAN4S1 FAN5S1

Connector Pin-Outs
System Board Connectors
Chapter 7 119
Chassis Intrusion Connector
Table 7-21 describes the chassis intrusion connector.
3 FAN1TACH FAN4TACH FAN5TACH
Table 7-21 Chassis Intrusion Connector (J59)
Pin Signal
1 CHASSIS_CBL#
2NC
3 GND
4 INTRU#
Table 7-20 Chassis Fan Connectors
Pin Signal
Rear System
Fan (J34) PCI Fan (J35) Hard Disk Drive
Fan (J37)

Connector Pin-Outs
System Board Connectors
Chapter 7120

Chapter 8 121
8 Mechanical Specifications

Mechanical Specifications
System Fans and Air Flow
Chapter 8122
System Fans and Air Flow
The x4000 Workstation x4000 includes five fans:
• one turbo-cooler heat sink fan for each of the processors
• one system fan at the back of the chassis
• a PCI fan (in a speaker/fan assembly)
• a hard drive fan
Figure 8-1 shows the system air flow.
Figure 8-1 Air Flow Diagram
92 mm Fan
(Power Supply)
120 mm Fan
(System
Exhaust)
60 mm Fan
(Disks)
92 mm Fan
(PCI /
Graphics)

Mechanical Specifications
Physical Specifications
Chapter 8 123
Physical Specifications
Table 8-1 x4000 Physical Characteristics
Weight Minimum configuration: 40.20 lb. (18.24 kg)
Maximum configuration: 45.40 lb. (20.60 kg)
Dimensions Width: 8.22in. (20.90 cm)
Height: 19.02in. (48.30 cm)
Depth: 18.62in. (47.3 cm)
Footprint 153.06 sq in (988.57 sq cm)
Power Supply:
Input voltage
Input frequency
Maximum output power
Max avg input power
90 - 250 VAC
50/60 Hz
465 W
500 W

Mechanical Specifications
Environmental Specifications
Chapter 8124
Environmental Specifications
Operating temperature and humidity ranges may vary depending on the
installed mass storage devices. High humidity levels can cause improper
disk operation. Low humidity levels can aggravate static electricity
problems and cause excessive wear of the disk surface.
Environmental Specifications (System Processing Unit with
Hard Disk)
Storage Humidity 90% (relative, non-condensing)
Operating Humidity 15% to 80% (relative, non-condensing)
Storage Temperature -40o C (-40o F) to 70o C (158o F)
Operating Temperature 5o C (41o F) to 35o C (95o F)
Altitude • Operating: 0 to 10,000 ft. (3100m)
• Non-operating: 0 to 15,000 ft.
(4500m)
Shock • Operating: Maximum 20 G at less
than 3 ms (1/2 sine)
• Non-operating: Maximum 80 G at
less than 3 ms (1/2 sine)
Vibration • Operating Random: Maximum
0.21 G (RMS)
• Operating Swept-Sine: Maximum
0.5 G (0 - Peak)
• Non-Operating Random: Maximum
2.09 G (RMS)
Acoustics • +5 to +25 degrees C: Less than 5.0
Bels (sound power)
• +25 to +35 degrees C: Less than 5.5
Bels (sound power)

Chapter 9 125
9 Hardware Components

Hardware Components
Overview
Chapter 9126
Overview
This chapter describes:
• Graphics cards
• Network cards
• SCSI adapter cards
• Mass storage devices
• Connectors and sockets
• The rear panel

Hardware Components
Graphics Cards
Chapter 9 127
Graphics Cards
HP x4000 Workstation models provide installation and factory support
for the following graphics cards:
• Matrox Millennium G450 (for more information than is presented
below, see http://www.matrox.com/mga/home.htm)
• NVIDIA Quadro2 MXR and Quadro2 Pro (for more information, see
http://www.nvidia.com/Products.nsf)
• ATI Fire GL2 or Fire GL4 (for more information, see
http://www.ati.com)
Matrox Millennium G450 Graphics Card
Figure 9-1 shows the Matrox Millennium G450 graphics card.
Figure 9-1 Matrox Millennium G450 Graphics Card
The Matrox Millennium G450 Dual Head AGP graphics card is powered
by the 256-bit DualBus Matrox G450 chip and has:
• 16 MB of DDR video memory (non-upgradeable)
• Matrox DualHead technology for connecting two monitors
• PowerDesk desktop manager:
VGA Port 1
VGA Port 2

Hardware Components
Graphics Cards
Chapter 9128
— Easy multiple resolutions support
— Simple dialog box positioning
— Effortless multiple-window management
• TV output (composite video and S-video, NTSC and PAL) via an
optional cable from Matrox which connects to the second VGA port in
place of a monitor
• Full AGP 2X/AGP 4X support (up to 1GB/sec bandwidth)
• 360 MHz main RAMDAC and 230MHz secondary RAMDAC
• Support for all VESA standards:
— VBE 2.0 (Super VGA modes)
— DPMS energy saving
— DDC2B support for Plug and Play (PnP) detection of monitor
• Support for true 32-bit color (16.7 million colors) at resolutions up to
2048 x 1536 on the main display
• Support for monitors with 16/10 aspect ratio, at resolutions up to
1920 x 1200 on the main display
3D Features
• VCQ2 or Vibrant Color Quality2
• Supports 32-bit Z buffering for exceptional rendering precision
• Environment-mapped bump mapping for more realistic 3D images
• Stencil buffering
• Bilinear, trilinear, and anisotropic filtering
• Single, double, and triple buffering
• Texture mapping
• MIP mapping
• Gouraud shading
• Alpha blending, anti-aliasing, fogging, specular highlighting
NOTE If you use only one monitor, you must use Port 1. If you connect a second
monitor, the driver detects it during startup. This means that you must
connect both monitors to the graphics card before startup.

Hardware Components
Graphics Cards
Chapter 9 129
If the driver detects only one monitor, only the mono head settings are
available in the driver configuration screens.
Available Video Resolutions
The number of supported colors is limited by the graphics device and the
video memory. The resolution/color/refresh-rate combination is limited
by a combination of the display driver, the graphics device, and the video
memory. If the resolution/refresh-rate combination is set higher than the
display can support, you risk damaging the display.
The following table summarizes the maximum supported resolutions.
The maximum refresh rates are always attainable with 8-bit or 16-bit
color. They may not be attainable with 24-bit or 32-bit color and the
highest refresh rates.
Maximum Display Resolution
Aspect Ratio Main Display Second Display
Traditional
4:3/5:4 aspect ratio 2048 x 1536 1600 x 1200
Wide screen
16:9/16:10 aspect ratio 1920 x 1200 1600 x 1024

Hardware Components
Graphics Cards
Chapter 9130
The following table summarizes the maximum supported refresh rates.
Limitations
• The second display supports only 16-bit and 32-bit color.
• 3D acceleration is available only when you use 16-bit and 32-bit color.
NOTE For complete information on the Matrox graphics cards, see
http://www.matrox.com/mga/home.htm
Maximum Refresh Rates (Hz)
Aspect Ratio Resolution Main Display
(360MHz
RAMDAC)
Second Display
(230MHz
RAMDAC)
Traditional
4:3/5:4 aspect ratio 640 x 480 200 200
800 x 600 200 200
1024 x 768 160 160
1152 x 864 140 150
1280 x 1024 120 120
1600 x 1200 100 85
1800 x 1440 85 —
1920 x 1440 85 —
2048 x 1536 85 —
Wide screen
16:9/16:10
aspect ratio
856 x 480 200 200
1280 x 720 160 140
1600 x 1024 120 90
1920 x 1080 110 —
1920 x 1200 100 —

Hardware Components
Graphics Cards
Chapter 9 131
nVIDIA Quadro2 MXR
Figure 9-2 shows the nVIDIA Quadro2 MXR graphics card.
Figure 9-2 nVIDIA Quadro2 MXR Graphics Card
The NVIDIA Quadro2 MXR graphics card’s main features include:
• TwinView architecture, supporting:
— single DVI-I (digital LCD)
— single VGA (analog CRT)
— one analog and one digital display (This is configurable from the
twin view control panel.)
• AGP 4X with fast writes
• 350 MHz RAMDAC (for primary display only)
• Digital Vibrance Control (DVC) for accurate color adjustment giving
bright, accurate colors in all conditions
• High-performance hardware anti-aliasing for smoother edges
3D Features
• Second-generation transform and lighting engines dedicated
graphics-specific GPU frees your workstation’s main processor for
other tasks and provides faster transform and lighting processing
• nVIDIA shading rasterizer provides natural visual properties such as
cloud, smoke, water, textiles, and plastic to images
• 32 MB unified frame buffer allows the use of high-resolution 32bpp
textures
Actual graphics
card may differ
from the one
shown

Hardware Components
Graphics Cards
Chapter 9132
• 32-bit Z/Stencil buffer eliminates polygon-popping problems in
high-polygon 3D imaging
nVIDIA Quadro2 Pro
Figure 9-3 shows the nVIDIA Quadro2 Pro graphics card.
This card only supports one monitor:
• Analog (VGA-Dsub connector)
• LCD (DVI-D connector)
The nVIDIA Quadro2 Pro graphics card’s main features include:
• Hardware anti-aliased line engine
• 6.4 GB/sec bandwidth enabling work in fully textured mode while
achieving real-time frame rates
• 64 MB unified frame buffer providing ample room for high resolution,
32bpp textures
• 1.0 G pixels/sec rendering power
• 31 M triangles/sec geometry processing power
Figure 9-3 nVIDIA Quadro2 Pro Graphics Card

Hardware Components
Graphics Cards
Chapter 9 133
NOTE For complete information on nVIDIA graphics cards, see
http://www.nvidia.com/Products.nsf
Fire GL2 and Fire GL4
Figure 9-4 shows the Fire GL2 graphics card.
Figure 9-4 Fire GL2 Graphics Card
The ATI Fire GL graphics cards’ main features include:
Controller
IBM Chipset: RC 1000 256-bit Graphics Rasterizer and GT1000
hardware geometry engine with integrated features including:
• VGA Controller
• 2D/3D Raster Engine and dual Texture Unit
• 8-bit Double Buffered Overlays
• Video Overlay Unit
• 2 DMA / BLIT Units
• Polygon Setup Processor
• 300 MHz / 30-bit Palette DAC, including four color lookup tables and
gamma correction table
• 256-bit Rasterizer and DDR memory interface

Hardware Components
Graphics Cards
Chapter 9134
Resolution
• True color resolution up to 1920 x 1200, double-buffered and 24-bit,
Z-buffered
• Full scene anti-aliasing and dual displays (Fire GL4 only)
3D Performance
• 27 million (29 million for Fire GL4) Triangles/second, G-Shaded,
Z-buffered, non-Textured
• 31 million (33 million for Fire GL4) Anti-Aliased Vectors/second
• 410 million (512 million for Fire GL4) Pixels/second fill rate,
G-Shaded, Z-buffered, non-Textured
• 200 million (250 million for Fire GL4) Pixels/second Trilinear Texture
fill rate (Mip-mapped)
Professional 3D Rendering
• Full OpenGL 1.1 ICD with 1.2 functional extensions
• 3D Acceleration w/ Texture Environments
• Single-pass bump mapping and hardware 3D textures
• Gouraud shading
• Bilinear and trilinear MIP-mapping
• Alpha blending
• Fogging and depth cueing
• Anti-aliased lines and sorted polygons
• Scissoring and stippling
• Overlay and stencil buffer
• Z-buffering
Hardware geometry acceleration
• 100% OpenGL geometry pipeline
• Full geometry transform processing
• Full lighting calculations for 16 sources, including directional,
positional and spot
• Gamma Corrected Anti-Aliased Lines
• Back Face Culling
• Occlusion Culling
• Linked Queues
Broadcast Video
• Bilinear scaling (up/down)
• YUV-RGB converter for video and textures

Hardware Components
Graphics Cards
Chapter 9 135
• Supports 422 YUV & RGB Pixels
• Two Triple Buffered, Video Overlays
NOTE For complete information on FireGL graphics cards, see
http://www.ati.com

Hardware Components
Mass Storage Devices
Chapter 9136
Mass Storage Devices
You can find HP product numbers and replacement part numbers for
mass storage devices in the x4000 Service Handbook on HP’s Web site at
www.hp.com/workstations/support.
Flexible Disk Drives
The front-access shelf has a 3.5-inch, 1.44 MB flexible disk drive.
Hard Disk Drives
Table 9-1 lists the 3.5-inch (1-inch high) SCSI hard disk drives that may
be supplied with the HP x4000 Workstation.
Table 9-1 SCSI Hard Disk Drives
Quantum
Atlas 10K II
SCSI (10 krpm)
Quantum
Atlas 10K II
SCSI (10 krpm)
Capacity 18.4 GB 36.7 GB
Interface Ultra160 SCSI Ultra160 SCSI
External peak transfer
rate 160MB/sec 160MB/sec
Average seek time
(read) 4.7 ms 4.7 ms
Internal data rate
(MB/sec) 280 MB/sec min. to
478 MB/sec max. 280 MB/sec min. to
478 MB/sec max.
Number of discs/heads 3/6 5/10
Buffer size 8 MB 8 MB

Hardware Components
Mass Storage Devices
Chapter 9 137
Setting SCSI IDs for a Quantum Atlas Hard Disk Drive
You must assign an unused SCSI ID to your hard disk drive. SCSI IDs
range from 0 to 15 for wide 16-bit SCSI.
To set the SCSI ID:
1. Assign an unused SCSI ID. See Table 9-2:
• If you are adding a SCSI hard drive to your system, consider
setting the new hard drive SCSI ID to 1. However, if you have
other SCSI devices connected externally, or have changed the
SCSI ID of the currently installed hard drive, remember this SCSI
ID must be unique.
• If you are replacing a SCSI hard drive, you can use the SCSI ID
number of the current hard drive for the replacement hard drive.
2. Using the jumpers provided, set the SCSI ID on the 28-pin jumper
block located on the bottom of the hard disk drive. See Figure 9-5.
CAUTION Do not use the 12-pin jumper block next to the power connector.
Table 9-2 SCSI ID Settings
SCSI ID Used By
0 First SCSI hard drive
1 Optional second SCSI hard drive
2 - 6 Unused
7 SCSI controller
8 - 15 Unused

Hardware Components
Mass Storage Devices
Chapter 9138
Figure 9-5 28-Pin Jumper Block
28-Pin Jumper
Block
When viewed from
the top side, pin 1 is
on the bottom row,
closest to the edge
of the drive.
SCSI ID = 1
2
1
8
7
18 28
17 27
2 8 18 28
271771
SCSI ID = 0
2 8 18 28
271771
SCSI ID = 11
Horizontal jumpers
on
the bottom row
have no
effect. This is a good
way to store unused
jumpers.
Terminating Resistor.
Do not remove.

Hardware Components
Mass Storage Devices
Chapter 9 139
Table 9-3 Jumper Locations for Hard Drive SCSI ID Settings
SCSI ID Jumper the following pins when indicated:
Pins 1 - 2 Pins 3 - 4 Pins 5 - 6 Pins 7 - 8
0
1 Jumper
2 Jumper
3 Jumper Jumper
4 Jumper
5 Jumper Jumper
6 Jumper Jumper
7 Jumper Jumper Jumper
8 Jumper
9 Jumper Jumper
10 Jumper Jumper
11 Jumper Jumper Jumper
12 Jumper Jumper
13 Jumper Jumper Jumper
14 Jumper Jumper Jumper
15 Jumper Jumper Jumper Jumper

Hardware Components
Mass Storage Devices
Chapter 9140
Optical Drives
IDE 48X CD-ROM Drive
The x4000 Workstation may have a 48X IDE CD-ROM drive, which
features:
• ATAPI commands
• Audio CD playback capability
It can play any standard audio CD or CD-ROM conforming to optical
and mechanical standards as specified in the Red, Yellow, Green, and
Orange Book.
• Application disk type
• CD-ROM data disk (Mode 1 and Mode 2)
• Photo-CD Multisession
• Mixed-mode CD-ROM (data and audio)
• CD-ROM XA, CD-I, CD-Extra, CD-R, CD-RW
Description
Data capacity 650 MB
Data transfer rate Sustained transfer rate (1X=150 KB/sec) Outerside:
7,200 KB/sec
Burst transfer rate:
PIO mode 4 - 16.6 MB/sec maximum
Single Word DMA Mode 2 - 8.3 MB/sec maximum
Multi Word DMA Mode 2 - 16.6 MB/sec maximum
Buffer memory size 128 KB
Access time Average stroke (1 / 3) 110 ms
Full stroke 180 ms
Rotational speed 2,048 bytes (Mode 1)
2,336 bytes (Mode 2)
Interface ATAPI
Power requirements 5 V, 1.2 A
12 V, 0.8 A

Hardware Components
Mass Storage Devices
Chapter 9 141
8X Video IDE DVD-ROM Drive
The x4000 Workstation may have a DVD-ROM drive that features
standard audio CD and CD-ROM playback. It can play any standard
audio CD or CD-ROM conforming to optical and mechanical standards as
specified in the Red, Yellow, Green, and Orange Book. The DVD-ROM
drive is DVD video capable, when you install the DVD-video software
(not included with the HP x4000 Workstation).
Description
Data capacity 650 MB
Data transfer rate Sustained transfer rate (1X = 150 KB/sec);
Outerside: 7,200 KB/sec
Burst transfer rate:
PIO mode 4 - 16.6 MB/sec maximum
Single Word DMA Mode 2 - 8.3 MB/sec maximum
Multi Word DMA Mode 2 - 16.6 MB/sec maximum
Buffer memory size 128 KB
Access time Average stroke (1 / 3) 110 ms
Full stroke 180 ms
Rotational speed 2,048 bytes (Mode 1)
2,336 bytes (Mode 2)
Interface ATAPI
Power requirements 5 V, 1.2 A
12 V, 0.8 A

Hardware Components
Mass Storage Devices
Chapter 9142
12X IDE CD-Writer Plus Drive
The x4000 Workstation may have a 12X IDE CD-RW drive that features:
• Support for ATAPI commands
• Audio CD playback capability
It can play any standard audio CD or CD-ROM conforming to optical
and mechanical standards as specified in the Red, Yellow, Green, and
Orange Book.
• Support for recording both CD-R and CD-RW optical media ( you
must install CD-RW software to use this feature, a CD-RW software
installation CD is provided when a CD-RW accessory is order for the
HP x4000 Workstation.
Description
Data capacity 650 MB or up to 74 minutes of audio per disc
547 MB in CD-UDF data format
Performance Typical: 110 ms (random, 1/3 access including latency)
Maximum: 130 ms (random, 1/3 access including
latency)
Data transfer rate:
Read: Up to 32X (1X = 150KB/sec)
Write: 12X (CD-R); 8X (CD-RW)
Burst transfer rate 16.67 MB/sec
Spin-up time 3.2 seconds (disk high speed to stop)
Spin-down time 2.5 seconds (disk high speed to stop)
Corrected error rate ECC On (max. 32X): 1 block/1012 bits
ECC Off (max. 32X): 1 block/109 bits
Data Buffer Capacity 2 MB
Write methods - Track at once - Variable packet writing
- Session at once - Fixed packet writing
- Disc at once - Multisession
Format and EEC
standard Red, Yellow, Orange, Green books

Hardware Components
Mass Storage Devices
Chapter 9 143
MTBF 120,000 POH
Interface E-IDE and ATAPI
Description

Hardware Components
Rear Panel Connectors
Chapter 9144
Rear Panel Connectors
Figure 9-6 shows the rear panel of the x4000 Workstation.
Figure 9-6 x4000 Rear Panel
The connector pin descriptions are given in Chapter 7 for:
• SCSI
• Keyboard and Mouse
• USB
• Serial
• LAN
• Parallel
Parallel port
Serial port A
Dual USB
Serial port B
Line Out
(headphone)
Line In
Microphone
Monitor
HP Master Key
Lock
LAN
SCSI
Mouse
Keyboard
Power

Chapter 10 143
10 Installing or Replacing Parts
and Accessories

Installing or Replacing Parts and Accessories
Overview
Chapter 10144
Overview
This chapter explains how to install and remove the following
accessories:
• “Cover and Front Bezel” on page 145
• “Hard Disk Drive Cage” on page 149
• “Chassis Beam Assembly” on page 152
• “Memory Expander Card (MEC)” on page 155
• “System Memory” on page 157
• “Graphics Card” on page 162
• “SCSI Hard Drive” on page 167
• “CD-ROM, CD-RW or DVD” on page 171
• “Processor” on page 175
NOTE Check your configuration every time you install, remove, or upgrade an
accessory. For instructions on how to check your configuration using the
HP Setup program, refer to the Getting Started Guide that came with
your x4000 Workstation, or the HP x4000 Workstation Technical
Reference Guide located at www.hp.com/workstations/support.

Installing or Replacing Parts and Accessories
Cover and Front Bezel
Chapter 10 145
Cover and Front Bezel
Removing the Left Side Cover
WARNING For your safety, never remove the Workstation cover without
first disconnecting the power cord from the power outlet and
removing any connection to a telecommunications network. If a
Power Protection Device is fitted to your Workstation, you must
shut down your computer through the operating system, then
remove the power cord before removing the Workstation’s cover.
Remove the Power Protection Device cables before any servicing
operation. Always replace the cover before switching the
Workstation on again.
To remove the cover (Figure 10-1):
1. Turn off the display and shut down the Workstation. Disconnect all
power cables and any LAN or telecommunications cables.
2. If necessary, unlock the cover on the back of the Workstation.
3. Unscrew the two thumb screws located at the back of the Workstation
until they release. You may need to use a T15 Torx driver. The thumb
screws do not need to be completely removed to remove the cover.
4. Standing at the back of the Workstation, slide the cover towards you,
tilt it open, then lift it off.

Installing or Replacing Parts and Accessories
Cover and Front Bezel
Chapter 10146
Figure 10-1 Removing the Cover
2
3
4

Installing or Replacing Parts and Accessories
Cover and Front Bezel
Chapter 10 147
Removing the Front Bezel
You only need to remove the front bezel when you are adding or removing
devices in the 5.25-inch or 3.5-inch front drive bays.
To remove the bezel:
1. Gently lift the four plastic tabs starting with the bottom tab and
working your way to the top.
2. Rotate the bezel off the Workstation chassis.
Figure 10-2 Removing the bezel
Plastic Tabs

Installing or Replacing Parts and Accessories
Cover and Front Bezel
Chapter 10148
Replacing the Cover and Front Bezel
To replace the cover and front bezel:
1. Ensure that all internal cables are properly connected and safely
routed.
2. If necessary, replace the front bezel:
a. Align the plastic quarter rounds on the inside of the bezel with the
sheet metal sockets on the right side of the chassis.
b. Rotate the bezel into position and verify that the plastic tabs on
the left side of the bezel click into position on the Workstation
chassis.
The bezel should be flush against the Workstation.
3. Standing at the back of the Workstation, lower the cover onto the
chassis (aligning the guide rail on the bottom inside edge of the cover
with the bottom edge of the Workstation chassis).
4. Shut the cover ensuring that the guides on the top of the cover slide
into the rails at the top of the chassis.
5. Slide the cover forward, then tighten the two thumbscrews.
6. If required, lock the cover using the key provided.

Installing or Replacing Parts and Accessories
Hard Disk Drive Cage
Chapter 10 149
Hard Disk Drive Cage
Opening the Hard Disk Drive Cage
To open the cage (Figure 10-3):
1. Disconnect the SCSI cable(s) and power cable(s) from the hard disk
drive(s).
CAUTION Do not rotate the cage before you disconnect the cables.
2. Remove and retain the two torx screws that hold the cage closed as
shown in Figure 10-3.
3. Pull the cage toward you until you hear the hard disk drive cage clip
catch the cage.
WARNING Confirm the clip has latched the cage in the open position.
Injury could be result if the cage falls.

Installing or Replacing Parts and Accessories
Hard Disk Drive Cage
Chapter 10150
Figure 10-3 Hard Disk Drive Cage
Closing and Securing the Hard Disk Drive Cage
CAUTION Clear all cables from the area where the hard disk drive cage rests on the
chassis beam assembly. If cables are in the way, you may damage them
when you move the hard disk drive cage back into the closed position.
To close and secure the hard disk drive cage:
1. Push in the clip shown in Figure 10-3 on page 150 and rotate the hard
drive cage carefully into the closed position.
CAUTION Do not allow the cage to drop into place. This could damage the hard
drive(s).
2. Fasten the cage with two screws in the locations shown in Figure 10-3
on page 150.
Step 2
Upper Bay
Lower Bay
Hard Disk
Drive Cage
Clip
Screws for
installing a
second
hard disk
drive

Installing or Replacing Parts and Accessories
Hard Disk Drive Cage
Chapter 10 151
3. If it is not already attached, connect the SCSI cable to the system
board internal SCSI connector as shown in Figure 10-4.
Figure 10-4 Internal SCSI Connector and Cable
4. Connect the SCSI cable to the hard disk drive(s):
a. Attach the SCSI connector farthest from the system board to the
hard drive in the upper bay.
b. Attach the remaining SCSI connector to the hard drive in the
lower bay.
5. Connect the power supply cable(s) to the hard disk drive(s):
a. Connect the power supply cable labeled P3 to the hard disk drive
in the upper bay.
b. Attach the power supply cable labeled P4 to the hard disk drive in
the lower bay.
SCSI cable
connected to
internal SCSI
Connector
External SCSI
connector

Installing or Replacing Parts and Accessories
Chassis Beam Assembly
Chapter 10152
Chassis Beam Assembly
Before you can access many of the components inside your Workstation,
you must remove the chassis beam assembly.
Removing the Chassis Beam Assembly
To remove the chassis beam assembly:
1. Open the hard disk drive cage (see page 149).
2. Remove the screw that holds the chassis beam assembly in place.
3. Carefully rotate the chassis beam assembly off the chassis.
Figure 10-5 Chassis Beam Assembly
Step 2

Installing or Replacing Parts and Accessories
Chassis Beam Assembly
Chapter 10 153
Installing the Chassis Beam Assembly
To install the chassis beam assembly:
1. Hook the chassis beam assembly to the left side of the chassis and
rotate it down over the MEC and the graphics card making sure the
MEC and graphics card retainer clips are centered on the cards as
shown in Figure 10-6 and Figure 10-7.
CAUTION Make sure the retaining clips slide easily over the cards, or the clips
may put undue pressure on the card connectors.
2. Replace the screw that holds the chassis beam assembly in place.
Figure 10-6 MEC Retainer Clip
Retaining clip
on MEC.

Installing or Replacing Parts and Accessories
Chassis Beam Assembly
Chapter 10154
3. If your graphics card does not have a separate graphics card retainer
beam, you must secure the graphics card by engaging the Universal
Retainer piece (see Figure 10-7).
NOTE Not all systems use the chassis beam assembly Universal Retainer
piece to hold the graphics card in place. Your system may use a
separate graphics card retainer beam (see Figure 10-14).
Figure 10-7 Secure the Universal Retainer Piece
Graphics Card

Installing or Replacing Parts and Accessories
Memory Expander Card (MEC)
Chapter 10 155
Memory Expander Card (MEC)
Removing the MEC
To remove the MEC:
1. Turn off the display and shut down the Workstation. Disconnect all
power cables and any LAN or telecommunications cables.
2. Remove the Workstation’s cover (see page 145).
3. To ease installation, place the Workstation on its side with the system
board facing upwards.
4. Rotate the hard disk drive cage to the open position (see page 149).
5. Remove the chassis beam assembly (see page 152).
6. Remove retaining screw that holds the MEC in place and gently
remove the MEC from the chassis as shown in Figure 10-8.
CAUTION You must remove the MEC to install RIMMs. The MEC card guides
are not strong enough to bear the force of the RIMMs being inserted.

Installing or Replacing Parts and Accessories
Memory Expander Card (MEC)
Chapter 10156
Figure 10-8 Removing the MEC
Installing the MEC
To install the MEC:
1. Replace the MEC, making sure it is fully seated, and tighten the
retaining screw.
2. Replace the chassis beam assembly (see page 153).
3. Close and secure the hard disk drive cage (see page 150).
4. Replace the Workstation cover (see page 148).
5. Reconnect all power cables and any LAN or telecommunications
cables.

Installing or Replacing Parts and Accessories
System Memory
Chapter 10 157
System Memory
NOTE Use only HP RIMMs specifically designed for your Workstation model. To
find out about available accessories for your Workstation, go to
www.hp.com/workstations/support.
Upgrading Memory on the 8-RIMM MEC
The memory for the HP x4000 Workstation is located on a Memory
Expander Card (shown in Figure 10-9 on page 158), which plugs into the
system board.
There are two memory banks (RDRAM channels):
• Bank I includes sockets 1B (J1), 2B (J2), 1A (J5), and 2A (J6).
• Bank II includes sockets 3B (J3), 4B (J4), 3A (J7), and 4A (J8).
This allows for a total of 8 RIMMs.
You must adhere to the following rules when loading memory:
• RIMMs must be loaded in matched pairs. Matching RIMMs have the
same RDRAM size, speed and Mbit technology.
• Each RDRAM bank (channel) must be either completely empty or
completely filled as shown in Figure 10-10. Therefore, if only one pair
of RIMMs is installed in a bank, then the remaining sockets in the
bank must contain continuity modules (CRIMMs) to ensure
continuity.
NOTE All Workstations (unless they already have 8 RIMMs) ship with a pair of
CRIMMs in case they are needed in future memory configurations.
CRIMMS may be stored in an unused memory bank.

Installing or Replacing Parts and Accessories
System Memory
Chapter 10158
Figure 10-9 x4000 Memory Expander Card (MEC)
1B (J1)
2B (J2)
3B (J3)
4B (J4)
3A (J7)
4A (J8)
1A (J5)
2A (J6)
Memory Bank I consists of:
RIMM pair 1: 1A (J5) and 1B (J1)
RIMM pair 2: 2A (J6) and 2B (J2)
Memory Bank II consists of:
RIMM pair 3: 3A (J7) and 3B (J3)
RIMM pair 4: 4A (J8) and 4B (J4)
If a memory bank only contains 1 pair of RIMMs, the remaining
2 connectors must contain CRIMMs to ensure continuity.

Installing or Replacing Parts and Accessories
System Memory
Chapter 10 159
Figure 10-10 Replacing or Upgrading Memory
Installing Memory
1. Before turning off your Workstation, check the current amount of
installed memory. Refer to your operating system documentation for
instructions on finding this information.
2. Turn off the display and shut down the Workstation. Disconnect all
power cables and any LAN or telecommunications cables.
3. Remove the Workstation’s cover (see page 145).
4. To ease installation, place the Workstation on its side with the system
board facing upwards.
P1 - edge P1 - edge
P1 - edge P1 - edge
1 Pair of RIMMs 2 Pairs of RIMMs
3 Pairs of RIMMs 4 Pairs of RIMMs
CRIMM
CRIMM
RIMM 1A
RIMM 1B
RIMM 1A
RIMM 1A RIMM 1A
RIMM 1B
RIMM 1B RIMM 1B
RIMM 2A
RIMM 2B
RIMM 2A RIMM 2A
RIMM 2B
RIMM 2B
CRIMM
RIMM 3A
CRIMM
RIMM 3B
RIMM 3A
RIMM 4B
RIMM 4A
RIMM 3B
Note: RIMM 1A and 1B are a matched pair, 2A and 2B are a matched pair,
3A and 3B are a matched pair, and 4A and 4B are a matched pair.
Memory
Bank I
Memory
Bank II

Installing or Replacing Parts and Accessories
System Memory
Chapter 10160
5. Rotate the hard disk drive cage to the open position (see page 149).
6. Remove the chassis beam assembly (see page 152).
7. Remove the Memory Expander Card (MEC) (see page 155).
CAUTION You must remove the MEC to install RIMMs (and CRIMMs). The
MEC card guides are not strong enough to bear the force of the
RIMMs being inserted.
8. Install the RIMMs (and CRIMMs if required) on the MEC according
to Figure 10-10.
a. If you are installing additional RIMMs, you may need to remove
the CRIMMs. Open the retaining clips by pushing down on them,
and remove the CRIMM from the socket. See Figure 10-11 on
page 161.
b. If you are replacing existing RIMMs, open the retaining clips by
pushing down on them, and remove the existing RIMMs from
their sockets.
NOTE Always store any removed RIMMs and CRIMMs in a safe place for
future use. CRIMMs may be stored in an empty memory bank if one
is available.
c. Install your new RIMMs or CRIMMs, ensuring that the two
notches on the bottom edge are aligned with those of the socket.
With the two retaining clips open, press the RIMM fully into the
socket until the retaining clips click into position. You can also
close the retaining clips by hand to ensure that the RIMM is
correctly inserted.

Installing or Replacing Parts and Accessories
System Memory
Chapter 10 161
Figure 10-11 Inserting RIMMs and CRIMMs
9. Replace the MEC (see page 156).
10.Replace the chassis beam assembly (see page 153).
11.Close and secure the hard disk drive cage (see page 150).
12.Replace the Workstation cover (see page 148).
13.Reconnect all power cables and any LAN or telecommunications
cables.
14.Start the Workstation and check the Summary Screen by pressing
Esc when prompted to verify the new configuration. The Summary
Screen displays the amount of memory.
MEC Voltage
Regulator Module
(not on all MECs)
Retaining Clip
fully engaged

Installing or Replacing Parts and Accessories
Graphics Card
Chapter 10162
Graphics Card
Removing a Graphics Card
NOTE You can uninstall the driver for the old graphics card before installing a
new graphics card. This keeps you from getting a warning when the old
driver tries to load in the operating system.
To remove a graphics card:
1. Turn off the display and shut down the Workstation. Disconnect all
power cables and any LAN or telecommunications cables.
2. Remove the Workstation’s cover (see page 145).
3. Remove any cables connected to the graphics card on the rear panel.
4. To ease installation, place the Workstation on its side with the system
board facing upwards.
5. Rotate the hard disk drive cage to the open position (see page 149).
6. Remove the chassis beam assembly (see page 152).
7. Before removing the graphics card:
• If your graphics card came with a separate graphics retainer beam
as shown in Figure 10-14 on page 164:
a. Remove the screw that attaches the graphics card and the
graphics retainer beam to the rear slot panel.
b. Remove the full-length graphics card retaining screw.
• If your graphics card did not come with a separate graphics
retainer beam, remove the retaining screw as shown in Figure
10-12 on page 163.
8. Carefully pull out the card.
9. Store the card in a static bag.

Installing or Replacing Parts and Accessories
Graphics Card
Chapter 10 163
Figure 10-12 Removing the Graphics Card Retaining Screw
Installing a Graphics Card
To install a graphics card:
1. If you are replacing an existing card, remove the current card (see
page 162).
2. Unscrew and remove the rear slot panel that corresponds AGP Pro
110 4X connector. The screw you removed is used to retain the
graphics card.
NOTE If you are installing a full-length graphics card, you must remove the
graphics board retaining screw near the front of the chassis as shown
in Figure 10-13.

Installing or Replacing Parts and Accessories
Graphics Card
Chapter 10164
Figure 10-13 Full-Length Graphics Card Retaining Screw
3. Align the new card carefully and slide it into position. Press it firmly
into the slot.
4. Secure your graphics card:
• If your graphics card came with a separate graphics retainer
beam:
a. Remove both of the universal retainer pieces from the chassis
beam assembly shown in Figure 10-15 and store these in a safe
place for future use.
b. Using the screw that you removed from the rear slot panel and
the graphics card retaining screw shown in Figure 10-13,
attach the graphics retainer beam as shown in Figure 10-14.
Figure 10-14 Graphics Card Retainer Beam
Full-Length
Graphics Card
Retaining Screw
This screw
attaches the
retainer beam to
the rear panel
slot.
Full-Length
Graphics
Card
Retaining
Screw

Installing or Replacing Parts and Accessories
Graphics Card
Chapter 10 165
• If your graphics card did not come with a separate graphics
retainer beam, you must use the retainer clip on the chassis beam
assembly to secure your graphics card. The retainer clip holds the
graphics card securely in the AGP Pro 110 4X slot:
a. Use the screw you removed the rear slot panel to attach the
graphics card to the chassis.
b. There are two universal retainer clips on the chassis beam
assembly (see Figure 10-15). The longer clip (A) is used for
shallower graphics cards. The shorter clip (B) is used for
deeper graphics cards. Remove the retainer clip you don’t need.
c. Move the remaining retainer clip to the center position shown
in Figure 10-15. If your graphics card is too shallow for the clip
to hold it tightly in this position, return it to the other arm.
Figure 10-15 Retainer Pieces on the Chassis Beam Assembly
5. Replace the chassis beam assembly (see page 153).
If your graphics card has a retainer beam, once the chassis beam
assembly is in place it looks like Figure 10-16.
Remove the
unused retainer
clip and move the
required retainer
clip to the center
position.
The retainer clip
keeps the graphics
board seated on
the system board
when the chassis
beam assembly is
installed.
Retainer Clip A
Retainer Clip B
Center Position

Installing or Replacing Parts and Accessories
Graphics Card
Chapter 10166
Figure 10-16 Graphics Card Retainer Beam and Chassis Beam Assembly
6. Close and secure the hard disk drive cage (see page 150).
7. Replace the Workstation cover (see page 148).
8. Reconnect all power cables and any LAN or telecommunications
cables.
Chassis Beam
Assembly
Graphics Card
Retainer Beam

Installing or Replacing Parts and Accessories
SCSI Hard Drive
Chapter 10 167
SCSI Hard Drive
CAUTION Back up your files before you install a hard disk drive.
Your Workstation has on-board SCSI capability. You can connect up to
two internal SCSI hard disk drives.
Figure 10-17 shows the internal and external SCSI connectors on the
system board.
Figure 10-17 SCSI System Board Connectors
Internal SCSI
connector
External SCSI
connector

Installing or Replacing Parts and Accessories
SCSI Hard Drive
Chapter 10168
Removing a SCSI Hard Disk Drive
To remove the SCSI hard disk drive:
1. Turn off the display and shut down the Workstation. Disconnect all
power cables and any LAN or telecommunications cables.
2. Remove the Workstation’s cover (see page 145).
3. Open the hard disk drive cage (see page 149).
4. Remove the hard disk drive from the cage by removing the four torx
screws that hold the drive in place as shown in Figure 10-18.
Figure 10-18 Removing the Hard Disk Drive
These 4 screws
(2 front, 2 back)
hold one hard
drive in place.
Upper Bay
Lower Bay
Screws for
installing a
second
hard disk
drive

Installing or Replacing Parts and Accessories
SCSI Hard Drive
Chapter 10 169
Setting SCSI IDs for a New Hard Disk Drive
You must assign an unused SCSI ID to your hard disk drive. SCSI IDs
range from 0 to 15 for wide 16-bit SCSI.
SCSI ID 0 is used by the first SCSI hard disk drive. SCSI ID 7 is reserved
for the integrated SCSI controller (see Table 10-1). You should assign an
unused SCSI ID to the second SCSI hard disk drive (SCSI ID 1 is
recommended).
The SCSI ID is configured with jumpers on the SCSI hard disk drive.
Refer to the information label on the hard disk drive, or “Hard Disk
Drives” on page 134, for additional details on setting the SCSI ID.
Table 10-1 SCSI ID Settings
SCSI ID Used By
0 First SCSI hard drive
1 Optional second SCSI hard drive
2 - 6 Unused
7 SCSI controller
8 - 15 Unused

Installing or Replacing Parts and Accessories
SCSI Hard Drive
Chapter 10170
Installing a SCSI Hard Disk Drive
CAUTION Before proceeding with this section, make sure you have set the SCSI ID
for your hard disk drive (see page 169). Devices that are incorrectly
configured cause the Workstation to behave unpredictably.
Take care when handling the hard disk drive during installation. A
one-quarter inch drop can damage it.
To install one or two hard disk drives:
1. Turn off the display and shut down the Workstation. Disconnect all
power cables and any LAN or telecommunications cables.
2. Remove the Workstation’s cover (see page 145).
3. Open the hard disk drive cage (see page 149).
4. Install the hard disk drive(s) in the cage using the screws provided on
the hard disk drive cage as shown in Figure 10-18 on page 168:
a. If you only have one hard drive, install it in the bottom bay.
b. If required, install a second hard drive in the top bay.
c. Align the screw holes on each hard drive with the openings in the
hard disk drive cage.
d. Fasten each hard disk drive to the cage with four screws, two on
each side of the cage. The screws for installing the new drive are
attached to the hard disk drive cage.
5. Close and secure the hard disk drive cage (see page 150).
6. Replace the Workstation cover (see page 148).
7. Reconnect all power cables and any LAN or telecommunications
cables.
8. Start the Workstation and check the Summary Screen by pressing
Esc when prompted to verify the new configuration.

Installing or Replacing Parts and Accessories
CD-ROM, CD-RW or DVD
Chapter 10 171
CD-ROM, CD-RW or DVD
The CD-ROM, CD-RW and DVD are IDE devices.
An IDE cable is shown in Figure 10-19.
Figure 10-19 IDE Data Cable
Connects to
system board
IDE controller
Connects to
Master IDE device
Connects to Slave
IDE device Red stripe
indicates Pin 1

Installing or Replacing Parts and Accessories
CD-ROM, CD-RW or DVD
Chapter 10172
Determining IDE Connections
The following table explains which data connectors to use when you
install IDE devices. All the IDE devices are jumpered Cable Select at the
factory. This means that Master and Slave configurations are determined
by the device position on the IDE cable:
• The device attached to the connector closest to the system board is
the Slave.
• The device attached to the connector farthest from the system board
is the Master.
Removing a CD-ROM, CD-RW, or DVD
To remove an optical device:
1. Turn off the display and shut down the Workstation. Disconnect all
power cables and any LAN or telecommunications cables.
2. Remove the Workstation’s cover and front bezel (see page 145) for
instructions).
3. Disconnect the power, data, and audio cables from the old drive.
4. Remove the drive by pressing the two front rail clips inward and
sliding the drive out the front of the chassis.
5. Remove the guide rails by gently prying them off the drive. These
guide rails are required for the new drive.
IDE Drive Cabling Suggestions
(always use the secondary IDE controller)
1 CD-ROM drive Master
1 CD-RW drive Master
1 DVD drive Master
1 CD-ROM drive
1 CD-RW drive Master
Slave
1 CD-ROM drive
1 DVD drive Master
Slave
1 DVD drive
1 CD-RW drive Master
Slave

Installing or Replacing Parts and Accessories
CD-ROM, CD-RW or DVD
Chapter 10 173
Figure 10-20 Removing the Old Drive
Installing a CD-ROM, CD-RW or DVD
To install an optical device:
1. Turn off the display and shut down the Workstation. Disconnect all
power cables and any LAN or telecommunications cables.
2. Remove the Workstation’s cover and front bezel (see page 145) for
instructions).
3. Remove the 5.25-inch metal filler plate from the chassis of the
Workstation by using your finger to pull the plate from the chassis.
4. Add the guide rails to the new drive. Refer to the sticker on the
Workstation chassis for the correct rails for your drive. Insert the
guide rails in the two holes located at the bottom of the drive. The
guide rails are not side-specific.
5. Align the guide rails on both sides of the drive with the internal shelf
guides, then slide the drive until it clicks into position. You should put
your Master device in the top bay and your Slave device in the lower
bay. For more information on Master/Slave configuration, see page
172.
6. Connect the power, data, and audio cables to the rear of the new
drive.
7. Remove the plastic cover piece from the Workstation’s bezel that
corresponds to your new drive before attaching the bezel and front
cover (see page 148).
8. Reconnect all the power and telecommunications cables.
Step 4
Step 3

Installing or Replacing Parts and Accessories
CD-ROM, CD-RW or DVD
Chapter 10174
NOTE If you installed a CD-RW, you must install the software that came with
the drive before you can write to the device.
The CD-ROM driver is pre-loaded and is used by the CD-ROM, CD-RW,
and DVD to read standard CD-ROM format media.
Load the Software Applications for Your CD-RW
If you have a CD-RW in your Workstation, you must install the Direct
CD and Easy CD Creator applications located on the Applications
CD-ROM before you can use the write/re-write functionality of the drive.
To install these applications:
1. Put the Applications CD-ROM in your CD-RW drive. Installation
begins automatically.
2. When the installation window appears, a dialog box appears asking
you to select your language. Select the language you wish to install.
3. Select one of these choices and follow the on-screen directions for
installation:
•Easy CD Creator
•Direct CD
4. When the installation wizard returns, you must restart your system
before installation is complete. To restart your system:
a. Select Exit.
b. Remove the Applications CD-ROM and click Yes to restart your
system.
NOTE Repeat these instructions to install the second application. You must
restart your system between each installation in order for both
applications to install correctly.
If you do not install either Easy CD Creator and Direct CD, you can only
use the CD-RW drive’s read functionality.

Installing or Replacing Parts and Accessories
Processor
Chapter 10 175
Processor
The x4000 Workstation can have two processors. The processors must be
identical.
CAUTION If you are upgrading your current processor, you must update the BIOS.
The latest BIOS is located at www.hp.com/workstations/support.
If you are adding a second processor, you must update your operating
system (see “Updating Your Operating System” on page 179).
Removing a Processor
CAUTION Before removing your processor, turn on the Workstation and let it run
for 3 to 5 minutes. This warms up the processor and makes it easier to
detach the heatsink. Be very careful when removing the heatsink. If your
processor turbo cooler fan is not operating, the heatsink may be very hot.
Under normal circumstances, the turbo cooler fan is operational and a
slight twist of the heatsink should release it from the processor.
To remove a processor:
1. Turn off the display and shut down the Workstation. Disconnect all
power cables and any LAN or telecommunications cables.
2. Remove the Workstation’s cover (see page 145).
3. Place the Workstation on its side for better access.
4. Open the hard disk drive cage (see page 149).
5. Remove the Chassis Beam Assembly as shown in Figure 10-5 on
page 152.
6. Remove the MEC card (see page 162).
7. Remove the heatsink power connector from the system board.

Installing or Replacing Parts and Accessories
Processor
Chapter 10176
8. Remove the two heatsink clips by pressing the release lever on the
clips. Then lift off the heatsink. There is a thermal interface material
between the heatsink and the processor. This may cause the processor
to stick to the heatsink.
Figure 10-21 Removing a Processor
9. Remove the thermal interface material from the heatsink and discard
it. You can leave any residue that remains on the heatsink. This does
not impair the heat transfer.
10.Open the Zero Insertion Force (ZIF) lever, located at the side of the
processor socket, until it is in the vertical position (depending on the
socket design, the handle may need to go past vertical), then carefully
lift out the processor. To avoid bending the processor pins, keep the
processor perfectly flat when removing it.
11.Store the processor in an anti-static bag (such as the one provided
with the replacement processor).
12.If you are permanently removing a second processor, you must update
your operating system (see page 179). You should also store the
heatsink and clips in a safe place.
Step 8
Step 10

Installing or Replacing Parts and Accessories
Processor
Chapter 10 177
Installing a Processor
To install a processor:
1. Turn off the display and shut down the Workstation. Disconnect all
power cables and any LAN or telecommunications cables.
2. Remove the Workstation’s cover (see page 145).
3. Place the Workstation on its side for better access.
4. Open the hard disk drive cage (see page 149).
5. Remove the Chassis Beam Assembly (see page 152).
6. Remove the MEC card (see page 162).
7. Ensure the processor is correctly oriented by matching the notches on
the processor to the notches on the ZIF socket. Then carefully lower
the new processor into place. When the processor is fully inserted,
close the ZIF lever.
CAUTION Be extremely careful when you insert the processor. If you bend one of
the pins, it will not go into the socket.
Figure 10-22 Inserting a Processor
8. Affix the new thermal interface material, provided with the new
processor, to the top of the processor.
9. Attach the heatsink to the processor. Use the retaining clips to attach
the heatsink. For easier installation, partially attach both clips by
hooking one end of the side slot in each clip. Press down on the
remaining ends of both clips until they click into place.
Step 7
Step 9

Installing or Replacing Parts and Accessories
Processor
Chapter 10178
10.Connect the heatsink turbo fan power connector to the system board.
The fan connectors are labeled CPU0 and CPU1 on the system board.
11.Replace the MEC card.
12.Replace the Chassis Beam Assembly (see page 153).
13.Close and secure the hard disk drive cage (see page 150).
14.Replace the Workstation’s cover (see page 148).
15.Reconnect all the power and telecommunications cables.
16.Update your operating system (see page 179).

Installing or Replacing Parts and Accessories
Processor
Chapter 10 179
Updating Your Operating System
If you are adding a second processor to your Workstation (or removing a
processor), you must update your operating system to reflect these
changes.
Windows 2000
To update your operating system in Windows 2000:
1. Go to the Control Panel by selecting Start > Settings > Control Panel.
2. Select the System icon.
3. In the Hardware tab, select Device Manager.
4. Expand the Computer branch. The type of support that you currently
have is displayed:
•ACPI UniProcessoor PC
•ACPI MultiProcessor PC
To change the type of support, double click on this icon to bring up the
ACPI PC properties.
5. In the Driver tab, select Update Driver. The Upgrade Device Driver
Wizard appears and you must select Next to continue.
6. Choose to display a list of all the known drivers and click Next.
7. When all the drivers are located, click the radio button to show all
hardware of this device class, select one of the following and click Next
to install the new driver:
•ACPI MultiProcessor PC if you have added a second processor.
•ACPI UniProcessoor PC if you have removed your second processor.
Windows NT
To update your operating system in Windows NT, use the HP
DualExpress utility which is posted at www.hp.com/workstations/support.

Installing or Replacing Parts and Accessories
Floppy Disk Drive
Chapter 10180
Floppy Disk Drive
Removing the Floppy Disk Drive
1. Turn off the display and shut down the Workstation. Disconnect all
power cables and any LAN or telecommunications cables.
2. Remove the Workstation’s cover and front bezel (refer to “Cover and
Front Bezel” on page 145 for these instructions).
3. Disconnect the power and data cables from the old drive.
4. Remove the drive by pressing the two front rail clips inward and
sliding the drive out the front of the chassis.
5. Remove the two guide rails by gently prying them off the drive. These
guide rails are required for the new drive.
Figure 10-23 Removing the Floppy Disk Drive
4
3

Installing or Replacing Parts and Accessories
Floppy Disk Drive
Chapter 10 181
Installing the Floppy Disk Drive
1. Add the guide rails to the new drive. Insert the guide rail labeled “L”
on the left-hand side (cable connectors facing towards you and
positioned at the top), and the guide rail “R” on the right-hand side of
the floppy disk drive.
2. Align the guide rails on both sides of the drive with the internal shelf
guides, then slide the drive until it clicks into position.
3. Connect the power and floppy data cables to the new drive. The
connectors are shaped to go in one way only.
4. Replace the front bezel and Workstation’s cover (refer to “Replacing
the Cover and Front Bezel” on page 148).
5. Reconnect all the power and telecommunications cables.

Installing or Replacing Parts and Accessories
Power Supply
Chapter 10182
Power Supply
WARNING Hewlett-Packard does not support power supply upgrades. This
information is provided to help you replace a defective power
supply unit. For your safety, only use a power supply provided by
HP support services.
Removing the Power Supply Unit
1. Turn off the display and shut down the Workstation. Disconnect all
power cables and any LAN or telecommunications cables.
2. Remove the Workstation’s cover (refer to “Removing the Left Side
Cover” on page 145 for instructions).
3. Place your Workstation on its side with the system board facing
upwards.
4. Remove all internal power supply connectors.
5. Remove the three screws located on the rear of the chassis that secure
the power supply unit in position.
6. Remove the screw located inside the Workstation at the top of the
power supply unit.
7. Push the supply unit forward until it is clear of the guide rail and
remove it from the chassis.

Installing or Replacing Parts and Accessories
Power Supply
Chapter 10 183
Figure 10-24 Removing the Power Supply Unit
Installing the Power Supply Unit
To install the power supply unit:
1. Insert the new power supply unit.
2. Secure it to the back and top of the chassis using the four screws you
previously removed.
3. Reconnect all internal power supply connectors.
4. Return the Workstation to its upright position.
5. Replace the Workstation’s cover (refer to “Replacing the Cover and
Front Bezel” on page 148).
6. Reconnect all the power and telecommunications cables.
7
6
5

Installing or Replacing Parts and Accessories
System Board
Chapter 10184
System Board
Removing the System Board
1. Turn off the display and shut down the Workstation. Disconnect all
power cables and any LAN or telecommunications cables.
2. Remove the Workstation’s cover and bezel as described in “Cover and
Front Bezel” on page 145.
3. To ease removal of the system board, slide the floppy disk drive at
least partially out the front of the chassis as described in “Removing
the Floppy Disk Drive” on page 180.
4. Place your Workstation on its side with the system board facing
upwards.
5. Open the hard disk drive cage as described in “Opening the Hard
Disk Drive Cage” on page 149.
6. Remove the Workstation chassis beam assembly as described in
“Removing the Chassis Beam Assembly” on page 152.
7. Remove the Memory Expander Card (MEC), the graphics card, and
any other accessory cards you may have added to your system. See
“Removing a Graphics Card” on page 162.
8. Remove the system fan. See “Removing the Fan” on page 190.
9. Disconnect any cables attached to the system board.
10.Remove the processor(s) and heatsink(s) from the system board. See
“Removing a Processor” on page 175.
11.Remove the two screws that fasten the system board to the chassis as
shown in Figure 10-25.

Installing or Replacing Parts and Accessories
System Board
Chapter 10 185
Figure 10-25 System Board Assembly Screws
12.Unscrew, but do not remove, the three pull-back screws shown in
Figure 10-26.
Figure 10-26 Pull-Back Screws and SCSI Hex Screws
13.Remove the screws that attach the external SCSI connector to the
rear panel as shown in Figure 10-26.
14.Remove the system board, being careful not to damage the
Workstation's cables and rear panel connectors.
System Board
Assembly Screw
System Board
AssemblyScrew
(fold external
SCSI cable
down over the
system board to
access)
Pull-Back Screws
SCSI Hex Screws

Installing or Replacing Parts and Accessories
System Board
Chapter 10186
Installing the New System Board
1. Clear all cables from the area where the system board will sit.
2. Align the hooks with their corresponding sockets as shown in Figure
10-27, and insert the system board. Ensure that all hooks are
correctly positioned. Check that the rear panel connectors are
correctly aligned in their sockets.
CAUTION If you have problems getting the hooks to seat properly, don't force
them. There there may be cable that has crept under the system
board.
When inserting the system board, be careful not to damage or bend
the metal hooks on the rear connector EMI shield. If the shield is
damaged it can be very difficult to install the system board correctly.
Figure 10-27 Inserting the System Board
3. Tighten the pull-back screws as shown in figure 10-26, that attach the
external SCSI connector to the rear panel as shown in Figure 10-26
on page 185. These screws pull the system board to the rear of the
chassis and ensure proper alignment with the rear connectors.
Align the hooks with the
corresponding sockets.

Installing or Replacing Parts and Accessories
System Board
Chapter 10 187
4. Replace the external SCSI connector in the I/O bulkhead and tighten
the hex screws as shown in Figure 10-26 on page 185.
5. Replace the system board assembly screws shown in Figure 10-25 on
page 185.
6. Replace the processor(s) and heatsink(s) as described in “Installing a
Processor” on page 177.
7. Reconnect any cables you disconnected from the system board. The
cables that need to be reconnected for a factory-configured system
are:
• 2 system power
• 3 chassis fan (rear system, hard disk drive, PCI)
• processor turbocooler fan (two, if dual processor system)
• tamper detect
• speaker
• CD audio
• front control panel
• floppy
• IDE for optical
• internal SCSI (external SCSI is part of the system board
assembly)
To find out the positions of system board connectors, refer to “System
Board Diagram” on page 198 or to the label located on the inside of
the cover.
8. Replace the system fan as described in “Installing the System Fan” on
page 191.
9. Replace the MEC, graphics card, and any accessory cards as
described in “Installing a Graphics Card” on page 163.
10.Compare the system board switches to the information given in
“System Board Switches” on page 189.
11.Replace the chassis beam assembly as described in “Installing the
Chassis Beam Assembly” on page 153.
12.Close and secure the hard disk drive cage as described in “Closing
and Securing the Hard Disk Drive Cage” on page 150.
13.Return the Workstation to its upright position.
14.Slide the floppy disk drive back in to place as described in “Installing
the Floppy Disk Drive” on page 181.

Installing or Replacing Parts and Accessories
System Board
Chapter 10188
15.Replace the Workstation’s cover and bezel as described in “Cover and
Front Bezel” on page 145.
16.Connect all the power and telecommunications cables.
17.After installing the system board, you need to update your BIOS.
NOTE The latest BIOS and firmware for your Workstation are available from:
www.hp.com/workstations/support.

Installing or Replacing Parts and Accessories
System Board Switches
Chapter 10 189
System Board Switches
There are four system board switches used for configuration, numbered
from 1 to 4. See “System Board Diagram” on page 198 for the location of
these switches.
Switch Default Description
1 OFF Clear BIOS Password
2 OFF Boot Block Recovery Mode
3 OFF Clear CMOS. Reset CMOS setting to BIOS
defaults.
4 OFF Safe Mode Enable. Forces processors to run
at 800 MHz.

Installing or Replacing Parts and Accessories
System Fan
Chapter 10190
System Fan
Removing the System Fan
1. Turn off the display and shut down the Workstation. Disconnect all
power cables and any LAN or telecommunications cables.
2. Remove the Workstation’s cover (refer to page 145 for instructions).
3. Holding the fan with one hand, use a screwdriver to gently push the
retaining clips in, then slide the fan up and out of the chassis.
Figure 10-28 Removing the Fan
4. Disconnect the fan connector from the system board.
3
3
4

Installing or Replacing Parts and Accessories
System Fan
Chapter 10 191
Installing the System Fan
NOTE Ensure that all cables are clear of the fan and will not easily come into
contact with the fan during normal use or following transportation.
1. The fan unit can only be installed in one way. The distance between
the two retaining clips is shorter at the top than the bottom. Align the
fan clips with their corresponding holes.
2. Gently push the fan downwards until it clicks into place.
3. Connect the fan connector to the system board.
4. Replace the Workstation’s cover (refer to page 148). Reconnect all the
power and telecommunications cables.

Installing or Replacing Parts and Accessories
Fan and Speaker Assembly
Chapter 10192
Fan and Speaker Assembly
Removing the Fan and Speaker Assembly
1. Turn off the display and shut down the Workstation. Disconnect all
power cables and any LAN or telecommunications cables.
2. Remove the Workstation’s cover as described in “Removing the Left
Side Cover” on page 145.
3. Remove the bezel as described in “Removing the Front Bezel” on
page 147.
4. Place the Workstation on its side with the system board facing
upwards.
5. Open the hard disk drive cage as described in “Opening the Hard
Disk Drive Cage” on page 149.
6. Remove the chassis beam assembly as described in “Removing the
Chassis Beam Assembly” on page 152.
7. Remove the MEC. Remove the separate graphics retainer beam and
full length PCI or graphics cards if installed.
8. Remove the fan and speaker cables from the system board.
9. On the front of the chassis, remove the screw holding the fan and
speaker assembly in place as shown in Figure 10-29 on page 192.

Installing or Replacing Parts and Accessories
Fan and Speaker Assembly
Chapter 10 193
Figure 10-29 Removing the Fan and Speaker Assembly
10.Unclip the two clips on the front of the chassis.
11.Slide the fan and speaker assembly towards the rear of the
Workstation until it is clear of the chassis, then remove it from the
Workstation.
Installing the Fan and Speaker Assembly
1. Ensure all cables are clear of the assembly, then carefully move the
fan and speaker assembly towards the front of the chassis.
2. Align the clips and guide pins with their appropriate sockets and
slide the assembly forward to secure it into place.
3. Replace the screw on the front of the chassis as shown in Figure 10-29
on page 192.
4. Connect the fan and speaker cables to their connectors located on the
system board. See Figure 10-32 on page 198.
5. Insert any PCI and graphics cards. Install the separate graphics
retainer beam. Insert the MEC..
6. Replace the chassis beam assembly as described in “Installing the
Chassis Beam Assembly” on page 153.
7. Close and secure the hard disk drive cage as described in “Closing
and Securing the Hard Disk Drive Cage” on page 150.
Remove this
screw.
Press these
clips.

Installing or Replacing Parts and Accessories
Hard Disk Drive Fan
Chapter 10 195
Hard Disk Drive Fan
Removing the Hard Disk Drive Fan
To remove the hard disk drive fan:
1. Turn off the display and shut down the Workstation. Disconnect all
power cables and any LAN or telecommunications cables.
2. Remove the Workstation’s cover as described in “Removing the Left
Side Cover” on page 145.
3. Place your Workstation on its side with the system board facing
upwards.
4. Open the hard disk drive cage as described in “Opening the Hard
Disk Drive Cage” on page 149.
NOTE The hard disk drive fan is located behind the hard disk drive cage.
5. Disconnect the hard disk drive fan’s power cable from the system
board.
6. Remove the two screws that mount the hard disk drive fan to the
chassis as shown in “Removing the Fan and Speaker Assembly” on
page 192.

Installing or Replacing Parts and Accessories
Hard Disk Drive Fan
Chapter 10196
Figure 10-30 Removing the Hard Disk Drive Fan
Installing the Hard Disk Drive Fan
To install the hard disk drive fan:
1. Attach the new hard disk drive fan to the chassis using the two
screws you removed previously.
2. Connect the hard disk drive fan power cable to the system board. For
the connector location, see “System Board Diagram” on page 198.
3. Close and secure the hard disk drive cage as described in “Closing
and Securing the Hard Disk Drive Cage” on page 150.
4. Return the Workstation to its upright position.
5. Replace the Workstation’s cover as described in “Replacing the Cover
and Front Bezel” on page 148.
6. Reconnect all power and LAN cables.
Remove
these two
screws.

Installing or Replacing Parts and Accessories
Battery
Chapter 10 197
Battery
WARNING There is a danger of explosion if the battery is incorrectly
installed. For your safety, never attempt to recharge,
disassemble, or burn the old battery. Replace the battery only
with the same or equivalent type recommended by the
manufacturer. The battery is a lithium battery which does not
contain heavy metals. Nevertheless, in order to protect the
environment, do not dispose of batteries in household waste.
Please return used batteries to the shop from which you bought
them, or to the dealer from whom you purchased your
Workstation, or to HP, so that they can be either recycled or
disposed of in an environmentally sound way. Returned
batteries will be accepted free of charge.
Replacing the System Battery
If your Workstation repeatedly loses its configuration settings, you
should consider changing the battery. Replace it with a CR2032 coin type
manganese/lithium battery, available from most Workstation stores.
To change the battery:
1. Turn off the display and shut down the Workstation. Disconnect all
power cables and any LAN or telecommunications cables.
2. Remove the Workstation’s cover as described in “Removing the Left
Side Cover” on page 145.
3. Remove the old battery by sliding it from under the retaining clip(s).

Installing or Replacing Parts and Accessories
Battery
Chapter 10198
Figure 10-31 Replacing the Battery
4. Place the new battery in the battery holder and ensure that it is
properly seated. Ensure that the clip holds the battery firmly in place.
5. Replace the Workstation’s cover as described in “Replacing the Cover
and Front Bezel” on page 148.
6. Reconnect all cables and power cords.
7. Run the Setup program to configure the Workstation.

Installing or Replacing Parts and Accessories
System Board Diagram
Chapter 10 199
System Board Diagram
Figure 10-32 System Board Diagram

Installing or Replacing Parts and Accessories
System Board Diagram
Chapter 10200

Chapter 11 203
11 Troubleshooting

Troubleshooting
Overview
Chapter 11204
Overview
The following sections contain information to help you get your
Workstation up and running in the unlikely event that you experience a
problem:
• “Solving Hardware Problems” on page 205
• “Understanding the Diag LEDs” on page 212
• “Setting and Removing System Passwords” on page 224
• “Using e-Diag Tools for Hardware Problems” on page 225
• “Recovering or Reconfiguring Windows 2000 or Windows NT” on
page 227

Troubleshooting
Solving Hardware Problems
Chapter 11 205
Solving Hardware Problems
The following topics describe specific hardware errors that may occur.
Workstation Does Not Start Properly
Display is Blank
If your display is blank after you turn on your Workstation, check that:
• The Workstation and monitor are turned on. (The power lights should
be illuminated.)
• Both the Workstation and monitor power cords are firmly connected
and plugged in.
• The outlet power is functioning.
• The monitor is firmly connected to the graphics card connection and
the graphics card is firmly seated on the system board. (Reseating the
graphics card requires opening the Workstation.)
• The monitor’s contrast and brightness settings are set correctly.
A POST Error Message is Displayed
The Power-on-Self-Test (POST) can detect both an error and a change to
the configuration. In either case, a code and short description is
displayed. Depending on the message, one or more choices are displayed:
• Press F1 to ignore the message and continue.
• Press F2 to run the Setup program and correct a system configuration
error.
• Press Enter to see more details about the message. After viewing
these details, you are returned to the original POST display screen.

Troubleshooting
Solving Hardware Problems
Chapter 11206
Added a Second Processor
If you have added a second processor and the system won't boot:
1. Turn off the display and shut down the Workstation. Disconnect all
power cables and any LAN or telecommunications cables.
2. Remove the Workstation’s cover.
3. Set system board switch 4 to ON (see “System Board Switches” on
page 28).
4. If the system boots, enter the setup program by pressing F2 and go to
the advanced menu (see “Advanced Menu” on page 52) to check the
processor speed setting. If it is set to Auto, your processors may have
different frequencies. This is not supported.
Keyboard Doesn’t Work
If your keyboard does not work as expected:
• Ensure that all the keyboard cables are firmly connected.
• Ensure the keyboard is connected to the keyboard connector rather
than the mouse connector on the rear panel of the Workstation.
• Ensure you are using a PS2 keyboard rather than a USB keyboard.
• Replace the keyboard with a known working unit to ensure the
keyboard itself is not defective.
Monitor Doesn’t Work
If the display is blank, refer to “Display is Blank” on page 205.
If the display works properly during the Power-on-Self-Test (POST), but
goes blank when Windows starts, the display settings in the operating
system may not be compatible with your monitor. To correct this, restart
your Workstation in VGA mode:
• Windows NT: Enter VGA mode when prompted during start-up.
• Windows 2000: When prompted, press F8 and start the Workstation
in VGA mode.
After the Workstation is up and running, change the display settings in
the control panel (Start > Settings > Control Panel). Refer to your operating
system documentation for more information.

Troubleshooting
Solving Hardware Problems
Chapter 11 207
Mouse Doesn’t Work
If your mouse does not work as expected:
• Ensure that the mouse cable is firmly connected.
• Ensure that the mouse is connected to the mouse connector rather
than the keyboard connector on the rear panel of your Workstation.
• Ensure you are using the correct driver. The driver for the HP
enhanced mouse is provided with all Windows preloaded systems as
well as on the HP Workstation Recovery CD-ROMs. However, drivers
are constantly being updated. You can download the latest driver
from the HP web site (www.hp.com/workstations/support).
• Clean the mouse ball with a dry, lint-free cloth if the cursor moves
sporadically.
• Replace the mouse with a known working unit to ensure the mouse
itself is not defective.
Audio Doesn’t Work
The internal speaker is deactivated when you use the Output Line jack
on the rear of the Workstation. If you have connected the keyboard
headphones connector to this jack, you must connect speakers to the
keyboard for audio output.
Power LED is Flashing
The Power LED located on the Power On/Off button has the following
states:
• Solid green indicates system on.
• Solid yellow indicates the Workstation is in Stand By or Hibernate
mode. See “Power Saving and Ergonometry” on page 89.
• Solid red or flashing yellow indicates a system error. The error is
indicated by the pattern on the Diag LEDs. See “Understanding the
Diag LEDs” on page 212.

Troubleshooting
Solving Hardware Problems
Chapter 11208
Hard Disk Drive Problems
To correct hard disk drive problems:
1. If possible, back up the hard disk drive.
2. Ensure the hard disk drive power and SCSI cables are correctly
connected as described in “SCSI Hard Drive” on page 169.
3. Check that booting from the hard drive has not been disabled in the
BIOS Setup Utility and has been detected by looking in the Boot
menu of the Setup program as described in “Boot Menu” on page 57.
4. Refer to your operating system documentation for instructions on
running system diagnostic tools like scan disk or defragmentation.
5. Run the SCSI test in the Advanced System Test option from HP e-Diag
Tools. HP e-Diag Tools is described in “Using e-Diag Tools for
Hardware Problems” on page 225.

Troubleshooting
Solving Hardware Problems
Chapter 11 209
Hard Disk Drive Activity LED Doesn’t Work
If the hard disk drive activity LED does not flicker when the Workstation
is accessing the hard disk drive:
1. Make sure the control panel connector is firmly attached to the
system board.
2. Ensure the hard disk drive power and SCSI cables are correctly
connected as described in “SCSI Hard Drive” on page 169.
CD-ROM, DVD or CD-RW Drive Doesn’t Work
1. Check that a CD (or DVD) is inserted in the drive.
2. Ensure all cables (data, power and audio) have been properly
connected both to the drive and to the system board as described in
“CD-ROM, CD-RW or DVD” on page 173.
3. Verify that the drive has been detected in the Setup program
Advanced menu by displaying the IDE Devices as described in
“Advanced Menu” on page 52. You should see a drive declared in the
IDE Secondary Master or IDE Secondary Slave field.
4. If you intend to boot from the CD-ROM, CD-RW or DVD, place the
device before the hard disk drive in the boot order as described in
“Boot Menu” on page 57.
CD-RW Won’t Allow Recording
If you can read a CD in your CD-RW, but you can’t write to a CD, you
may be missing the CD-RW software.
If you have a CD-RW in your Workstation, you must install the software
that came with the drive before you can write to the device. For more
information, refer to the Adaptec Easy CD Creator disc that came with
your CD-RW.

Troubleshooting
Solving Hardware Problems
Chapter 11210
DVD Drive Doesn’t Play DVD Video
DVD drivers are not preloaded at the factory. The DVD uses the
CD-ROM driver, which is part of the operating system. To use special
DVD features, such as reading DVD video, you must install separate
software.
You Forgot Your Password
Clearing the User Password
If you forgot your User password and remember the Administrator
password, you can clear the User password through the setup menu.
To clear the User password:
1. Start the Setup Program.
2. Enter the Administrator password when prompted.
3. Navigate to the Security menu.
4. Select Clear all Passwords.
5. Enter and confirm a new User password if needed.
6. Press ESC to leave the Security menu.
7. Select Exit Saving Changes to save your changes.

Troubleshooting
Solving Hardware Problems
Chapter 11 211
Clearing the Administrator Password
To clear the Administrator password:
1. Turn off the Workstation and remove the cover.
2. Set switch 1 on the system board switch block to ON.
3. Replace the Workstation cover.
4. Turn on the Workstation and press ESC when prompted to see the
summary page.
5. When a message appears indicating that the passwords have been
cleared, turn off the Workstation and remove the cover. You must
press the power button for 5 seconds to turn off system.
6. Set switch 1 on the system board block back to OFF.
7. Replace the Workstation cover.
8. If you want to set new passwords, follow the instructions given in
“Setting Passwords” on page 224.

Troubleshooting
Understanding the Diag LEDs
Chapter 11212
Understanding the Diag LEDs
The Diag LEDs on the front panel of the Workstation can help you
identify specific problems with your Workstation:
• During system start up, all four LEDs are green.
• If a problem is detected, one or more of the LEDs changes color.
• If no problems are detected during start up, all four turn off.
A list of possible combinations, an explanation of the problem, and
suggested solutions are listed in Table 11-1 on page 213.
The LED patterns are defined by:
• R = Red
• Y = Yellow
• G = Green
•● = Off
Unless the LED pattern indicates that the BIOS is in recovery mode
(YR●●), or that BIOS recovery is complete (GR●●), you should:
1. Flash the system BIOS and firmware. For complete instructions and
the latest BIOS and firmware versions, go to
www.hp.com/workstations/support.
2. Attempt the solutions given in Table 11-1 on page 213. Possible
solutions are listed in order of ease and probability. Follow the
solutions in sequence in sequence.
NOTE If your LED pattern does not appear in Table 11-1 on page 213, your
problem could still stem from corrupted BIOS or firmware. Always flash
the BIOS and firmware before attempting other solutions.
If you still have a problem after flashing the BIOS and firmware and
following the suggested solutions in Table 11-1 on page 213, contact
customer support.

Troubleshooting
Understanding the Diag LEDs
Chapter 11 213
Table 11-1 Diag LED Patterns (R = Red, Y = Yellow, G = Green, ● = Off)
Pattern Description Possible Solutionsa
RRYY Fatal internal processor error. 1. Restart the Workstation. If it's a
random event that is not a
hardware error, it will not recur.
2. Reseat the processor(s).
3. Replace the system board as
described in “System Board” on
page 186.
4. Replace the processor(s) as
described in “Processor” on page
177.
RRY●Processor 0 not detected. 1. Reseat the processor.
2. Replace the processor as described
in “Processor” on page 177.
RYRY The FRU table in SEEPROM is
inaccessible. The system cannot
identifythesystemserial number and
model type.
Replace the system board as described
in “System Board” on page 186.
RYRG The system event log is unavailable. Replace the system board as described
in “System Board” on page 186.
RYR●Thehardwaremanagementcontroller
firmware is corrupt. Replace the system board as described
in “System Board” on page 186.
RYYR The external temperature exceeds the
normal limit. This may be due to an
obstruction of airflow in front of or in
back of the workstation.
1. Ensure the workstation has
adequate clearance.
2. Ensure the room temperature is
below 95 degrees Fahrenheit (35
degrees Celsius).

Troubleshooting
Understanding the Diag LEDs
Chapter 11214
RYYY The detected memory is corrupt. 1. Reseat the RIMMs.
2. Reseat the memory expander card.
3. Replace the RIMMs as described in
“System Memory” on page 159.
4. Replace the memory expander
card.
RYY●No memory detected. 1. Insert or reseat the RIMMs.
2. Reseat the memory expander card.
3. Replace the RIMMs as described in
“System Memory” on page 159.
4. Replace the memory expander
card.
RY●● A memory pair is mismatched. 1. Ensure each pair of RIMMs are
matched in size and type as
described in “Upgrading Memory
on the 8-RIMM MEC” on page 159.
2. Replace the RIMMs as described in
“System Memory” on page 159.
3. Replace the memory expander
card.
YR●● The BIOS is in Boot Block Recovery
Mode. Boot Block Recovery Mode can
be initiated automatically by the
BIOS from corruption caused by a
power failure during flash. Boot Block
Recovery Mode can be forced by
setting system board switch 2 to ON.
1. Wait until the BIOS recovery
operation is complete (LED pattern
GR●●) and follow the solution
steps for pattern GR●●.
2. Ensure system board switch 2 is
OFF.
3. Replace the system board as
described in “System Board” on
page 186.
Table 11-1 Diag LED Patterns (R = Red, Y = Yellow, G = Green, ● = Off)
Pattern Description Possible Solutionsa

Troubleshooting
Understanding the Diag LEDs
Chapter 11 215
YYRY There is an error in the main power
(5V) circuit. This could be due to
something in the 5V circuit that is
poorly seated or out of specification.
This includes I/O cards, the memory
expander card, hard disk drives,
optical drives, floppy drives, the
system board, and the power supply.
1. Reseat the power connections to
the hard disk drive, floppy disk
drive, and any optical drives.
2. Try to narrow down the device
causing the problem by removing
the power connection to the hard
disk drive, floppy disk drive, and
any optical drives one at a time,
restarting the Workstation after
each change. If a single device
seems to be the source of the error,
replace the device.
3. Reseat the 32-bit PCI and AGP I/O
cards and the memory expander
card.
4. Try to narrow down the problem by
removing the I/O cards one at a
time. If a single card seems to be
the source of the error, replace the
card.
5. Replace the power supply as
described in “System Memory” on
page 159.
6. Replace the system board as
described in “System Board” on
page 186.
Table 11-1 Diag LED Patterns (R = Red, Y = Yellow, G = Green, ● = Off)
Pattern Description Possible Solutionsa

Troubleshooting
Understanding the Diag LEDs
Chapter 11216
YYRG AGP (graphics card) 1.5V circuitry
error. 1. Remove the graphics card from the
AGP Pro 110 4X slot and restart
the Workstation. If the error goes
away or changes, replace the
graphics card as described in
“Graphics Card” on page 164.
2. Replace the system board as
described in “System Board” on
page 186.
YYR●3.3V circuitry error. 1. Reseat I/O cards.
2. Try to narrow down the problem by
removing the 64-bit PCI and AGP
I/O cards one at a time. If a single
card seems to be the source of the
error, replace the card.
3. Replace the power supply as
described in “Power Supply” on
page 184.
4. Replace the system board as
described in “System Board” on
page 186.
YYYR The fan inside the power supply isnot
functioning. 1. Replace the power supply as
described in “System Memory” on
page 159.
2. Replace the system board as
described in “System Board” on
page 186.
Table 11-1 Diag LED Patterns (R = Red, Y = Yellow, G = Green, ● = Off)
Pattern Description Possible Solutionsa

Troubleshooting
Understanding the Diag LEDs
Chapter 11 217
YY●R The PCI fan is not functioning. This
fan is located at the front of the
Workstation.
The sensor reads the state of the fan
that is connected to the “PCI fan”
power connector on the system board,
regardless of which fan is connected.
1. Reseat the fan’s power cable to the
system board.
2. Verify that the cabel leads to the
PCI fan and replace the fan as
show in the “Fan and Speaker
Assembly” on page 194.
3. If you cannot verify that the cabel
leads to the PCI fan, replace both
the PCI and hard disk drive fans as
described in “Fan and Speaker
Assembly” on page 194 and “Hard
Disk Drive Fan” on page 197
Y●RY There is an error in the 3.3V standby
power circuit on the system board. Replace the system board as described
in “System Board” on page 186.
Y●●R The turbo cooler fan for processor 0 is
not functioning. 1. Reseat the fan’s power cable to the
system board.
2. Replace the turbo cooler as
described in “Processor” on page
177.
3. Replace the system board as
described in “System Board” on
page 186.
GR●● BIOS Boot Block Recovery is
complete. 1. If you have previously set system
switch 2 on the system board to ON,
turn off the Workstation and set
the switch to OFF. Restart the
Workstation.
2. Replace the system board as
described in “System Board” on
page 186.
Table 11-1 Diag LED Patterns (R = Red, Y = Yellow, G = Green, ● = Off)
Pattern Description Possible Solutionsa

Troubleshooting
Understanding the Diag LEDs
Chapter 11218
GYRY -12V power circuitry failure.
This circuit is only used by a few
serial devices and PCI cards.
1. Reseat all the I/O cards and serial
device connections.
2. Try removing the I/O cards and
serial devices one at a time to see
which card or device may be
causing the error. Replace any
device or card that appears to
cause the error.
3. Replace the power supply as
described in “System Memory” on
page 159.
4. Replace the system board as
described in “System Board” on
page 186.
GYRG Processor core (VCC_CORE) power
circuit error. 1. If you have recently added a
processor, reseat the processor.
2. If you have recently added a
processor, remove it. If the error
goes away or changes, replace it as
described in “Processor” on page
177.
3. Replace the system board as
described in “System Board” on
page 186.
GYR●1.8V power circuitry error. 1. Reseat the memory expander card.
2. Replace the memory expander
card.
3. Replace the system board as
described in “System Board” on
page 186.
Table 11-1 Diag LED Patterns (R = Red, Y = Yellow, G = Green, ● = Off)
Pattern Description Possible Solutionsa

Troubleshooting
Understanding the Diag LEDs
Chapter 11 219
GGRY Battery voltage error. 1. Reseat the battery.
2. Replace the battery as described in
“Battery” on page 199.
3. Replace the system board as
described in “System Board” on
page 186.
GGRG Processor voltage mismatch. A
non-HP processor has been installed
as a second processor, or the
processors are different frequencies.
1. Replace the unsupported processor
with an HP processor identical to
the first as described in “Processor”
on page 177.
2. Replace the system board as
described in “System Board” on
page 186.
G●RY 1.8V standby circuit error. Replace the system board as described
in “System Board” on page 186.
Table 11-1 Diag LED Patterns (R = Red, Y = Yellow, G = Green, ● = Off)
Pattern Description Possible Solutionsa

Troubleshooting
Understanding the Diag LEDs
Chapter 11220
●R●● The BIOS cannot load. 1. Try using a known good keyboard
in place of the current keyboard.
Replace the keyboard if the error
goes away.
2. Try removing the floppy disk drive,
the optical drives, and any other
IDE devices one at a time,
restarting the Workstation each
time. If it appears that one device
is causing the error, replace it.
3. Try removing the I/O cards one at a
time, restarting the Workstation
each time. If it appears that one
card is causing the error, replace it.
4. Reseat the RIMMs.
5. Remove the RIMMs. If the error
goes away or changes, replace the
RIMMs as described in “System
Memory” on page 159.
6. If a second processor was just
added, remove the second
processor and restart the
Workstation.Ifthe error goes away,
replace the second processor with
one that is identical to the first
processor as described in
“Processor” on page 177.
7. Replace the system board as
described in “System Board” on
page 186.
Table 11-1 Diag LED Patterns (R = Red, Y = Yellow, G = Green, ● = Off)
Pattern Description Possible Solutionsa

Troubleshooting
Understanding the Diag LEDs
Chapter 11 221
●YRY 12V power circuitry error. 1. Reseat PCI and AGP I/O cards.
2. Try removing the I/O cards one at a
time, restarting the Workstation
each time. If it appears the error is
being caused by one card, replace
the card.
3. Replace the power supply as
described in “System Memory” on
page 159.
4. Replace the system board as
described in “System Board” on
page 186.
●YRG 2.5 V RDRAM power circuitry error. 1. Reseat the memory expander card.
2. If the memory expander card has a
separate voltage regulator module,
reseat or replace the voltage
regulator module.
3. Replace the RIMMs or CRIMMs as
described in “System Memory” on
page 159.
4. Replace the memory expander
card.
Table 11-1 Diag LED Patterns (R = Red, Y = Yellow, G = Green, ● = Off)
Pattern Description Possible Solutionsa

Troubleshooting
Understanding the Diag LEDs
Chapter 11222
●YYR The hard disk drive fan is not
functioning. This fan is located
behind the hard disk drive cage.
The sensor reads the state of the fan
that is connected to the “hard disk
drive fan” power connector on the
system board, regardless of which fan
is connected.
1. Reseat the fan’s power cable on the
system board.
2. Verify that the cabel leads to the
hard disk drive fan and replace the
fan as in “Hard Disk Drive Fan” on
page 197.
3. If you cannot verify that the cable
leads to the hard disk drive fan,
replace both the PCI and hard disk
drive fans as described in “Fan and
Speaker Assembly” on page 194
and in “Hard Disk Drive Fan” on
page 197.
●Y●R The turbo cooler fan for processor 1 is
not functioning. 1. Reseat the fan’s power cable to the
system board.
2. Replace the turbocooler as
described in “Processor” on page
177.
3. Replace the system board as
described in “System Board” on
page 186.
●●RY The rear system fan is not
functioning. 1. Reseat the fan’s power cable to the
system board.
2. Replace the fan.
3. Replace the system board as
described in “System Board” on
page 186.
Table 11-1 Diag LED Patterns (R = Red, Y = Yellow, G = Green, ● = Off)
Pattern Description Possible Solutionsa

Troubleshooting
Understanding the Diag LEDs
Chapter 11 223
●●YR 5 V standby power circuit error. 1. Replace the power supply as
described in “System Memory” on
page 159.
2. Replace the system board as
described in “System Board” on
page 186.
a. Possible solutions are listed in order of ease and probability. Follow the solutions in
sequence in sequence. Remember to flash the BIOS and firmware before attempting
any of the solutions in the table.
Table 11-1 Diag LED Patterns (R = Red, Y = Yellow, G = Green, ● = Off)
Pattern Description Possible Solutionsa

Troubleshooting
Setting and Removing System Passwords
Chapter 11224
Setting and Removing System Passwords
Setting Passwords
You can set passwords to provide different levels of protection.
Using the Security menu in the Setup program:
• The Administrator can access and change all settings in the Setup
program. The User can only access and modify certain items in the
Main menu.
• You can enable the Power-on Password option so that a password is
required every time you start the Workstation.
NOTE You must set an administrative password before you can set a user
password.
To set up passwords:
1. Start the Workstation and press F2 when prompted to enter the Setup
utility.
2. Select the Security menu.
3. Choose Set Administrator Password or Set User Password. When
prompted, enter, then re-enter your password.
4. Select the Exit menu, then Exit Saving Changes.
Removing Passwords
To remove a password:
1. Start the Workstation and press F2 when prompted to enter the Setup
utility.
2. Select the Security menu.
3. Select Clear All Passwords.
4. Select the Exit menu, then Exit Saving Changes.

Troubleshooting
Using e-Diag Tools for Hardware Problems
Chapter 11 225
Using e-Diag Tools for Hardware Problems
NOTE Run e-Diag Tools before contacting HP for warranty service. e-Diag Tools
gives you information your support agent needs.
Use e-Diag Tools to diagnose hardware-related problems on your HP
Workstation. These tools help you:
• Distinguish between software and hardware problems
• Diagnose hardware-related problems
• Provide precise information to support providers so that they can
solve any problem quickly and effectively.
HP e-Diag Tools is supplied on the following media:
• Pre-installed on your hard disk drive (recommended)
Your hard disk includes a hardware diagnostic partition containing
HP e-Diag Tools hardware diagnostic utilities. Do NOT delete this
partition.
• The HP Workstation Recovery CD-ROMs that came with your
Workstation
Starting e-Diag Tools from the Hard Drive’s Utility
Partition (Recommended Method)
NOTE This method only works if the diagnostics partition on your hard disk
drive is intact.
1. Restart your Workstation.
2. Press function key F10 when you see the message “Press F10 to enter
HP Utility Partition or any other key to proceed.”
3. Select the option to run e-Diag Tools hardware diagnostics and follow
the directions on the screen.

Troubleshooting
Using e-Diag Tools for Hardware Problems
Chapter 11226
Starting e-Diag Tools from the HP Workstation
Recovery CD-ROM
Use this method if for any reason you are unable to start this utility from
the hard disk drive partition. Before running e-Diag Tools from the
CD-ROM ensure:
• No operating system is specified:
— Start the Setup program as described in “HP Setup Program” on
page 49. If the Main or Advanced menu has an item Plug and
Play OS, set it to No.
— If the Main or Advanced menu has an item to select the operating
system, set it to Other.
• All Hardware Protection items in the Security menu are set to
Enabled or Unlocked.
• The option to start from the CD-ROM is enabled and the CD-ROM is
configured to be the first boot device.
To start e-Diag Tools from the HP Workstation Recovery CD-ROM:
1. Insert the CD-ROM in the CD-ROM drive.
2. Restart the Workstation. The Workstation should boot from the
CD-ROM rather than the hard drive.
3. Select the option to run the hardware diagnostics and follow the
directions on the screen.
NOTE If you are unable to boot from your CD-ROM drive, restart your
Workstation and press F12 to change the system boot order. You can also
change the boot order from the Setup utility as described in “Boot Menu”
on page 57. Check the Boot device settings to ensure that your
Workstation can boot from the CD-ROM.

Troubleshooting
Recovering or Reconfiguring Windows 2000 or Windows NT
Chapter 11 227
Recovering or Reconfiguring Windows 2000 or
Windows NT
The HP Workstation Recovery CD-ROMs let you:
• restore your computer to its original factory configuration
• change or reconfigure the operating system
• reinstall drivers or other factory-supplied software components
The drivers and software utilities, including documentation and
navigational aids, help you to recover either the full set of pre-loaded
software or subset of it.
Some of the available functions on the HP Workstation Recovery
CD-ROMs are:
• Install Windows 2000 — returns your HP Workstation to its original
state.
• Install Windows NT — install Windows NT operating system on your
Workstation.
• Windows 2000 or NT Minimal Installation — installs Windows 2000
with a minimal set of drivers (appropriate for advanced users only).
• Windows 2000 or NT Master Files — allows you to copy Windows
2000 master files to the \i386 directory on your hard disk.
• Help — displays the help text.
NOTE Some of the operations you can perform using the HP Workstation
Recovery CD-ROMs permanently erase the current contents of your hard
disk. You should always back up your data and personal files before
using the HP Workstation Recovery CD-ROMs.

Troubleshooting
Recovering or Reconfiguring Windows 2000 or Windows NT
Chapter 11228
Preparing to Recover Windows NT or Windows 2000
Before you perform a recovery:
• Ensure the Workstation model matches the HP Workstation Recovery
CD-ROM labels (the operating system recovery is locked to the
specific Workstation model).
• Back up all data files and, if necessary, software applications.
• Upgrade to the latest BIOS version. For instructions, refer to
www.hp.com/workstations/support.
• Clear any BIOS-level passwords as described in “Removing
Passwords” on page 224.
• In the Security menu, set all Hardware Protection items to “Enabled”
or “Unlocked” (if applicable). See “Security Menu” on page 55.
• In the Boot menu, ensure booting from the CD-ROM is enabled and
the CD-ROM drive is configured to boot before the hard disk drive in
the Boot Device Priority List. See “Boot Menu” on page 57.
• Ensure that you have the Certificate of Authenticity from Microsoft
available. (This is a label on the cover of your Workstation.)
NOTE Windows NT 4.0 does not install with 4 GB of memory. If you have 4 GB
of memory, you must remove 4 RIMMs from slot pairs 3 and 4 (see the
memory loading label on the chassis cover or “System Memory” on page
159). After Windows NT 4.0 is loaded, you can reinstall this memory.

Troubleshooting
Recovering or Reconfiguring Windows 2000 or Windows NT
Chapter 11 229
Performing a Full Recovery of Windows NT or
Windows 2000
Depending on the hardware configuration, a full system recovery takes
30 minutes to 2 hours.
CAUTION Remember, this procedure erases everything from the hard drive
(primary partition if defined). Make sure you have backed up all data
files and software applications.
1. Shut down the operating system and turn off your Workstation.
2. Unplug the Workstation from the power source.
3. If any non-standard components were added after you received the
Workstation, you must restore it to its original factory configuration
(remove the components).
4. Plug the Workstation into the power source.
5. Insert the HP Workstation Recovery CD-ROM containing your
operating system, either Windows 2000 or Windows NT, into the
CD-ROM drive and start the Workstation.
6. Press the F12 key and select the CD-ROM to boot first. The computer
boots from the CD-ROM and displays a DOS-style menu.
7. Follow the on-screen instructions.
8. Several reboots are carried out. This is normal. Do not interrupt the
process. Wait until a message indicates the operation has been
successfully completed.
9. Remove the HP Workstation Recovery CD-ROM from the CD-ROM
drive.
10.The operating system and drivers are installed.

Troubleshooting
Recovering or Reconfiguring Windows 2000 or Windows NT
Chapter 11230
NOTE The full recovery function restores a factory disk image of your computer.
We recommended you install updated drivers, BIOS, and firmware
available from www.hp.com/workstations/support.
NOTE If you have accessories that you removed, replace them now. You must
also re-install the drivers for these accessories.
All data files and software applications that were saved before
performing the full recovery also need to be restored.

Chapter 12 231
12 Contacting Support

Contacting Support
Online Support for Troubleshooting
Chapter 12232
Online Support for Troubleshooting
HP’s support website provides extensive support materials that can help
you troubleshoot problems on your Workstation, including:
• Technical notes and white papers
• Documentation for your Workstation (described on the following
page)
• BIOS updates (including the upgrade utility and instructions)
• The latest drivers and software utilities including e-diagtools,
updates for the utility partition, and HP TopTools
HP’s support web site is www.hp.com/workstations/support.

Contacting Support
Documentation Set Overview
Chapter 12 233
Documentation Set Overview
HP’s web site allows you to download documentation for your
Workstation free of charge. The documents provided are in Adobe
Acrobat (PDF) format and are available from HP’s web site at
www.hp.com/workstations/support.
The available documents include:
•x4000 Getting Started Guide — describes how to set up your
Workstation for the first time.
•x4000 Workstation Technical Reference Guide — provides technical
information on system components and troubleshooting information.

Contacting Support
Hewlett-Packard Support and Information Services
Chapter 12234
Hewlett-Packard Support and Information
Services
Collecting Information Before Contacting HP Support
You can learn more about HP service and support from the support Web
site www.hp.com/workstations/support.
Before you contact HP Support, record the information mentioned below.
This helps HP support deal with your problem quickly and efficiently.
Table 12-1 Collecting Information for Support
Information
needed Details Your information
General information
Workstation
model number The model number is located on the back of the
Workstation on separate label next to the
serial number label, or on the right side of the
chassis.
If your system is running, select Start > Settings
> Control Panel and double click on the System
icon. The model number is displayed under the
General tab.
Workstation
serial number The serial number is located on the label on
the back panel of your Workstation or on the
right side of the chassis.
If your system is running, select Start > Settings
> Control Panel and double click on the System
icon. The serial number is displayed under the
General tab.

Contacting Support
Hewlett-Packard Support and Information Services
Chapter 12 235
Memory: number
of MB installed You can determine the amount of memory that
is installed on your system by pressing the ESC
key during system startup.
If your system is already running, select Start >
Settings > Control Panel and double click on the
System icon. The total amount of memory
installed is displayed under the General tab.
Isthe memoryHP
supplied or from
another source?
There may be some compatibility problems
with non-HP memory modules. HP supports
and recommends only HP supplied memory
modules.
Details of the problem
Frequency of
problem How often has the problem occurred?
Normal
functionality How long was the Workstation running before
the problem appeared?
Recent changes to
the Workstation Have there been any recent hardware or
software changes made to the Workstation?
Hardware Configuration
Which BIOS
version is used? The BIOS version is displayed in the Setup
program main menu, accessed by pressing F2
during start-up. This information is also in the
summary screen, accessed by pressing ESC
during start-up.
Any BIOS
parameter
changes?
Did the problem occur after changes were
made to the BIOS using the Setup program?
A list of slots and
interrupts used
by additional
cards
This is to check for interrupt conflicts. You can
find IRQs by running e-DiagTools as described
in “Using e-Diag Tools for Hardware Problems”
on page 225.
Table 12-1 Collecting Information for Support
Information
needed Details Your information

Contacting Support
Hewlett-Packard Support and Information Services
Chapter 12236
Operating System
Original
operating system? Are you using the original operating system
software that came preloaded on your
Workstation?
If not, what is the
operating system
version?
Select Start > Settings > Control Panel from the
and double-click on the System icon. The
operating system version is displayed in the
General tab.
Any operating
system-generated
error messages?
Write down the exact text of error message.
Any errors during
boot (Power-On
Self Test)?
This test checks all installed components. Any
POST errors are displayed on your monitor
screen or on your Diag LEDs. Record the exact
error message and any Diag LED patterns.
Table 12-1 Collecting Information for Support
Information
needed Details Your information

Contacting Support
HP Customer Care Center Phone Numbers
Chapter 12 237
HP Customer Care Center Phone Numbers
HP Customer Care Centers can help you solve issues related to HP
products and, if necessary, initiate appropriate service procedures. In the
U.S.A, telephone support is available 24 hours a day, 7 days a week. In
other locations, it is available during normal office hours.
NOTE These phone numbers were correct when this document was printed. The
most recent support numbers can be found at www.hp.com/support.
North & Latin America Europe, Middle East & Africa
Argentina 0810 555 5520 (Argentina)
(5411) 4778 8380 (other
locations)
Austria +43 (0) 810 00 6080
Brazil (11) 3747 7799 (Sao Paulo)
0800 157751 (other
locations)
Belgium Dutch +32 (0)2 626 8806
French +32 (0)2 626 8807
Canada 905 206 4663 Denmark +45 39 29 4099
Chile 800 360 999 English
International +44 (0)207 512 52 02
Mexico 01 800 472 6684 Finland +358 (0)203 47 288
United
States (970) 635-1000 France +33 (0)1 43 62 34 34
Venezuela 800 47 777
207 8488 (Caracas)
Germany +49 (0)180 52 58 143
(24PF/min)
Asia Pacific Israel Tel. +972 (0)9 9524848
Fax. +972 (0)9 9524849
Australia (03) 8877-8000 Italy +39 02 264 10350
China +86 (0) 10 6564 5959 Middle-East Tel. 971 4 883 8454
Fax 971 4 883 9495
Hong Kong +85 (2) 2802 4098 Netherlands +31 (0)20 606 8751
India +91 (11) 682 6035 Norway +47 22 11 6299
Indonesia +62 (21) 350 3408 Poland Tel. +48 22 865 9800
Japan +81 3 5344 7181 Portugal +351 21 3176333

Contacting Support
HP Customer Care Center Phone Numbers
Chapter 12238
Korea,
Republic of +82 (2) 3270 0700
+82 80 999 0700 (outside
Seoul)
Russian
Federation +7 095 797 3520 (Moscow)
+7 812 346 7997 (St. Peter)
Malaysia +60 (3) 2695 2566 South Africa +27-11 258 9301 (outside
RSA)
086 000 1030 (inside RSA)
Penang 1 300 88 00 28 Spain +34 902 321 123
New Zealand +64 (9) 356 6640 Sweden +46 (0)8 619 2170
Philippines +63 (2) 867 3551 Switzerland +41 (0)848 80 11 11
Singapore +65 272 5300 Turkey +90 212 221 69 69
Taiwan +886 (2) 2717 0055 United
Kingdom +44 (0)207 512 52 02
Thailand +66 (2) 661 4000
Viet Nam +84 (0) 8 823-4530







